CIRCUITOS
ELÉTRICOS
CIRCUITOS ELÉTRICOS
        COMPLEXOS
 NA PRÁTICA NADA MAIS SÃO
 QUE SIMPLES ASSOCIAÇÕES
       DE DOIS TIPOS
DE CIRCUITOS FUNDAMENTAIS:

  CIRCUITO EM SÉRIE.
  CIRCUITO PARALELO.
CIRCUITOS SÉRIE.
CIRCUITOS SÉRIE.
CIRCUITOS SÉRIE.
CIRCUITOS SÉRIE.
CIRCUITOS SÉRIE.
CIRCUITOS SÉRIE.


QUANDO AS RESISTÊNCIAS SÃO
CONECTADAS UMA EM SEGUIDA
DA OUTRA.

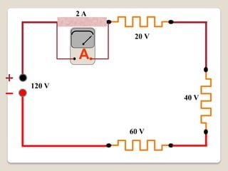
A CORRENTE É A MESMA EM
TODAS ELAS.
CIRCUITO SÉRIE.
CIRCUITO SÉRIE.
Quando retiramos uma lâmpada....
CIRCUITO SÉRIE.
Quando retiramos uma lâmpada....

... Todas se
apagam.
120 V



 V
20 V
   120 V           V
               V
 120 V
           V
120 V
2020 V
          V




120 V     V
                 V   40 V
20 V




120 V
                          40 V
                      V
        60 V
               V
40 V

        A

120 V
                    40 V



            40 V
2A

              20 V

        A

120 V
                     40 V



             60 V
2A

                  40 V




                         A
             A
120 V
                         40 V



                 40 V
2A

              20 V




                     A
                            2A



120 V
                     40 V



             60 V
2A

              40 V
                            2A



120 V
                     40 V


        A
             40 V
2A

              20 V
                            2A



120 V
                     40 V


        A
             60 V
        2A
2A

                    20 V
         A corrente é a             2A

        mesma e a tensão
120 V
        se divide entre as   40 V

          resistências
                   60 V
          2A
RESISTÊNCIA EQUIVALENTE

  Uma única resistência que
 colocada no lugar das outras,
  submetida a mesma tensão,
permitirá a passagem do mesmo
       valor de corrente
RESISTÊNCIA EQUIVALENTE

        R1           2A
 2A



120 V                120 V   Re
             R2
        R3



         Re= R1+ R2+ R3
CIRCUITO PARALELO.


QUANDO AS RESISTÊNCIAS SÃO
CONECTADAS LADO A LADO (INÍCIO
COM INÍCIO, FINAL COM FINAL)

criando assim mais de
um caminho para a corrente.
CIRCUITO PARALELO.
CIRCUITO PARALELO.
Quando retiramos uma lâmpada....
CIRCUITO PARALELO.
Quando retiramos uma lâmpada...

... As demais
permanecem
acesas.
120 V



 V
120 V
 120 V
120 V
120 V      V   V   V   V
120 V



120 V    V
120 V
            120 V

         120 V
120 V               V
        120 V
A
                    120 V

                      120 V
120 V

            120 V       120 V
2A




        A
120 V

             120 V   120 V
2A




120 V        A
                 120 V   120 V
2A




             A
                 1A




120 V

                      120 V   120 V
2A




                  A
                      A
                          A
             1A




                                A
120 V

                  120 V       120 V
2A


             2A




                            A
120 V

                  120 V   120 V
2A


             1A




                            A
                                  1A



120 V

                  120 V   120 V
2A

              1A                   1A


 120 V
                   120 V   120 V




A tensão é a mesma e a corrente se
    divide entre as resistências
As resistências são independentes
PARA CALCULARMOS A
RESISTÊNCIA EQUIVALENTE
 DO CIRCUITO PARALELO
 USAREMOS A FÓRMULA
   1 = 1 + 1 + 1 +... 1
   Re  R1 R2 R3       Rn
1 = 1 + 1 + 1 +... 1
Re  R1 R 2 R3      Rn
  1 = 1 + 1 + 1 +... 1
  Re  R1 R2 R 3      Rn
    1 = 1 + 1 + 1 +... 1
    Re  R 1 R2 R3      Rn
1 = 1 + 1 + 1 +... 1
Re  R1 R 2 R3      Rn

       PARA DUAS
RESISTÊNCIAS EM PARALELO
  USAREMOS A FÓRMULA
               R1 x R2
          Re =
               R1 + R2
NOTA
   A RESISTÊNCIA
 EQUIVALENTE DE UM
CIRCUITO PARALELO É
SEMPRE MENOR QUE A
MENOR RESISTÊNCIA DO
      CIRCUITO
RESUMO DE FÓRMULAS
   CIRCUITO SÉRIE
     Re= R1+ R2+ R3+... Rn

 CIRCUITO PARALELO
   1    1   1   1 +... 1
      =   +   +
   Re   R1 R 2 R3      Rn
CIRCUITO MISTO
EXISTEM RESISTÊNCIAS, TANTO EM SÉRIE COMO
                 EM PARALELO.

            R1        R2        R3



                            R6

                                     R4

                            R7
            R5
EXEMPLO DE RESITÊNCIA

    EQUIVALENTE

DE UM CIRCUITO MISTO
R1 e R2 Estão em série

Re1= R1 + R2

       R1       R2        R3



                         R6

                               R4

                         R7
       R5
R1 e R2 Estão em série

Re1 = R1 + R2

                Re1       R3



                         R6

                               R4

                         R7
       R5
R3 e R4 Estão em série

Re2 = R3 + R4

                Re1       R3



                         R6

                               R4

                         R7
       R5
R3 e R4 Estão em série

Re2 = R3 + R4

                Re1



                         R6

                              Re2

                         R7
       R5
R6 e R7 Estão em série

Re3 = R6 + R7

                 Re1



                         R6

                              Re2

                         R7
       R5
R6 e R7 Estão em série

Re3 = R6 + R7

                 Re1




                         R e3   Re2



       R5
Re2 e Re3 Estão em paralelo
               Re2 x Re3
  Re4 =
               Re2 + Re3
                     Re1




                              Re3   Re2



          R5
Re2 e Re3 Estão em paralelo
               Re2 x Re3
  Re4 =
               Re2 + Re3
                     Re1




                              Re4



          R5
Re1 , Re4 e R 5 Estão em série

Re= Re1 + Re4 + R 5

                 Re1




                                 Re4



       R5
Re1 , Re4 e R 5 Estão em série

Re= Re1 + Re4 + R 5




                            Re

05 circuitos elétricos