FACULDADE DE TECNOLOGIA DA ZONA LESTE
CASSIO AUGUSTO BOSSONI
A gestão de estoques no almoxarifado de uma
empresa pública de transporte ferroviário
São Paulo
2009
1
CASSIO AUGUSTO BOSSONI
A gestão de estoques no almoxarifado de uma
empresa pública de transporte ferroviário
Monografia apresentada no curso de
Tecnologia em Logística com ênfase
em transporte na FATEC ZL como
requerido parcial para obter o Título
de Tecnólogo em Logística com
ênfase em Transporte.
São Paulo
2009
2
Autorizo a reprodução e divulgação total ou parcial deste trabalho, por qualquer
meio convencional ou eletrônico, para fins de estudo e pesquisa, desde que
citada a fonte.
Catalogação da Publicação
Faculdade de Tecnologia da Zona Leste
BOSSONI, Cassio Augusto.
A gestão de estoques no almoxarifado de uma empresa pública de
transporte ferroviário / Cassio Augusto Bossoni –
São Paulo, SP: [s.n], 2009.
101 fls.
Orientador :Prof Ms . João Gilbertos Mendes Reis
Dissertação (Tecnólogo em Logística) – Faculdade de Tecnologia
da Zona Leste.
3
Nome: BOSSONI, Cassio Augusto
Título: A gestão de estoques no almoxarifado de uma empresa pública de
transporte ferroviário
Dissertação apresentada à Faculdade de Tecnologia da
Zona Leste para a obtenção de título de tecnólogo em
Logística com ênfase em transporte.
Aprovado em:
Banca Examinadora
Prof: ________________________ Instituição:_____________________
Julgamento: __________________ Assinatura: ____________________
Prof: ________________________ Instituição:_____________________
Julgamento: __________________ Assinatura: ____________________
Prof: ________________________ Instituição:_____________________
Julgamento: __________________ Assinatura: ____________________
4
A todos que me incentivaram e colaboraram com o
desenvolvimento desse trabalho.
5
AGRADECIMENTOS
Aos meus pais Antonio Celso Bossoni e Claudia Corsini Bossoni. Ao professor
João Gilberto Mendes Reis pela orientação.
A todos do almoxarifado da Companhia Paulista de Trens Metropolitanos que
colaboraram com informações para o desenvolvimento desse trabalho.
Aos meus grandes e eternos amigos: Paula Nishimura, Ighor Pregnolatto,
Amanda Zago, Raphael Anderaos, Renato Felipe, Antônio Vinicius, Alexandre
Kitagawa, Richard Magalhães, Marcos Paulo, Kelly Hanriete, Mallu Souza,
Raphaela Bortolazzi e a tantos outros que me ajudaram nessa etapa mais
importante da vida.
6
A atenção é a mais importante de todas as faculdades
para o desenvolvimento da inteligência humana.
Charles Darwin
7
RESUMO
BOSSONI, Cassio Augusto. A gestão de estoques no almoxarifado de uma
empresa pública de transporte ferroviário. 2009. 101 f. Dissertação
(Tecnólogo em Logística) - Faculdade de Tecnologia da Zona Leste, São
Paulo, 2009.
Muitas organizações, para sobreviverem nos atuais tempos de crise global,
adotam como método de sobrevivência a redução dos custos. Numa empresa,
onde os custos de armazenagem apresentam grande relevância no custo total
da operação, deve-se repensar o papel de um almoxarifado. Métodos
inadequados de gestão podem representar grandes custos. Numa empresa
pública, onde os recursos são limitados, é de vital importância apresentar
baixos custos de armazenagem. O objetivo dessa monografia é identificar as
principais estratégias de gestão de estoques utilizadas no almoxarifado da
CPTM no atendimento aos clientes internos, interpretando-as a partir dos
fundamentos teóricos de gestão em estoque nos almoxarifados. O trabalho
apresenta a importância da eficiente administração do estoque de um
almoxarifado de uma empresa pública de transporte ferroviário. Sendo assim, é
necessário considerar o estudo realizado de todos os procedimentos que a
empresa possui para maior controle do recebimento, acondicionamento e
expedição dos mesmos. Neste aspecto, a armazenagem e administração dos
materiais surgem como essenciais atividades logísticas utilizadas. Assim, é
possível perceber a grande atenção as requisições que são realizadas para o
melhor pronto atendimento dos pedidos. Considerando a empresa pública
analisada, a eficiência destes recursos é baseada na gestão de estoques que
reduz os custos e aumentam o nível do serviço prestado, onde se aplicam
positivamente para administração do patrimônio público.
Palavras-chave: armazenagem, almoxarifado, estoque
8
ABSTRACT
BOSSONI, Cassio Augusto. The management of inventory in the
warehouse of a public railway . 2009. 101 p. Dissertação (Technologist in
Logistic) - College of Technology of the Zone East, São Paulo, 2009.
Many organizations, to survive in the current times of global crisis, adopting a
method of survival to reduce costs. In a company, where storage costs have
great relevance in the total cost, it should rethink the role of a warehouse.
Inappropriate methods of management can represent significant costs. In a
public company, where resources are limited, it’s vital to show low storage
costs. The purpose of this monograph is to identify the main management
strategies used in the CPTM’s warehouse in the attendment to internal
customers, interpreting them from the theoretical foundations of stock
management in the warehouse. This work presents the importance of efficient
stock administration in a warehouse of a public railway company. However, it’s
necessary to consider the study of all the procedures that the company has for
a greater control to the receipt, packaging and expedition them. In this aspect,
storage and administration of the materials emerge as key logistics activities
used. So, it’s possible to notice how much attention the requests that are made
for the better responsiveness of applications. Whereas a public company
analyzed, the efficiency of these resources is based on stock management that
reduces costs and increases the level of service, where to apply positively to
the administration of public property.
Keywords: storage, warehouse, stock
9
LISTA DE FOTOGRAFIAS
FOTOGRAFIA 1 – Empilhamento ....................................................................34
FOTOGRAFIA 2 – Porta-palete........................................................................35
FOTOGRAFIA 3 – Cantilever .........................................................................36
FOTOGRAFIA 4 – Flow-rack............................................................................36
FOTOGRAFIA 5 – Rack ...................................................................................37
FOTOGRAFIA 6 – Gaiola.................................................................................38
FOTOGRAFIA 7 – Drive-in...............................................................................39
FOTOGRAFIA 8 – Drive- Through ...................................................................39
FOTOGRAFIA 9 – Armazenagem Push-back ..................................................40
FOTOGRAFIA 10 – Almoxarifado com a plataforma obstruída........................85
FOTOGRAFIA 11 – Materiais espalhados pelo chão do almoxarifado.............85
FOTOGRAFIA 12 – Almoxarifado após a arrumação da atual chefia ..............86
FOTOGRAFIA 13 – Plataforma após a Programa “Rua Limpa”.......................87
10
LISTA DE GRÁFICOS
GRÁFICO 1 – Demonstrativo dos itens requisitados........................................80
GRÁFICO 2 – Demonstrativo da curva ABC dos itens cadastrados no
almoxarifado B001 ....................................................................81
GRÁFICO 3 – Demonstrativo da curva ABC dos itens cadastrados no
almoxarifado B002 ....................................................................82
GRÁFICO 4 – Demonstrativo da curva ABC dos itens cadastrados no
almoxarifado B003 ....................................................................82
GRÁFICO 5 – Demonstrativo da curva ABC dos itens cadastrados no
almoxarifado B004 ....................................................................83
GRÁFICO 6 – Demonstrativo da curva ABC dos itens cadastrados no
almoxarifado B005 ....................................................................83
GRÁFICO 7 – Demonstrativo da curva ABC dos itens cadastrados no
almoxarifado..............................................................................84
11
LISTA DE TABELAS
TABELA 1 – Locais de armazenagem dos almoxarifados ..............................68
TABELA 2 – Quadro de funcionários do almoxarifado ....................................75
TABELA 3 – Distribuição do quadro ideal de funcionários no almoxarifado ....75
TABELA 4 – Materiais cadastrados no sistema do almoxarifado ....................80
TABELA 5 – Equipamentos para código de barras .........................................91
12
LISTAS DE ABREVIATURAS E SIGLAS
ABAM Associação Brasileira de Administração de Materiais
ABMM Associação Brasileira de Movimentação de Materiais
ASLOG Associação Brasileira de Logística
CLM Concil of Logistics Management
CPTM Companhia Paulista de Trens Metropolitanos
IMAN Instituto de Movimentação e Armazenagem de Materiais
PBR Palete Padrão Brasileiro
13
LISTA DE FIGURAS
FIGURA 1 – Atividades logísticas na cadeia de suprimentos imediata da
empresa .......................................................................................27
FIGURA 2 – Armazenagem Centralizada.........................................................41
FIGURA 3 – Atividades do Almoxarifado..........................................................44
FIGURA 4 – Requisição de Material.................................................................72
FIGURA 5 – Planilha de Requisição de Material ..............................................73
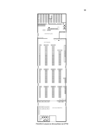
FIGURA 6 – Leiaute do Almoxarifado da CPTM...............................................96
14
SUMÁRIO
1 INTRODUÇÃO............................................................................................16
2 LOGÍSTICA ...............................................................................................21
2.1 História .......................................................................................................21
2.2 Conceito .....................................................................................................24
2.3 Atividade Logística .....................................................................................26
3 ARMAZENAGEM ......................................................................................32
3.1 Conceito .....................................................................................................32
3.2 Estruturas de Armazenagem .....................................................................34
3.2.1 Empilhamento ............................................................................................34
3.2.2 Porta-palete ...............................................................................................35
3.2.3 Cantilever ...................................................................................................35
3.2.4 Flow rack ....................................................................................................36
3.2.5 Racks .........................................................................................................37
3.2.6 Gaiolas .......................................................................................................37
3.2.7 Armazenagem drive-in e drive-through ......................................................38
3.2.8 Armazenagem Push back ..........................................................................39
3.2.9 Armazenagem centralizada com Cross-docking ........................................40
3.2.10 Armazenagem centralizada ........................................................................40
4 ALMOXARIFADO.......................................................................................42
4.1 Conceito......................................................................................................42
4.2 Importância do Almoxarifado .....................................................................42
4.3 Atividades do Almoxarifado ........................................................................43
4.3.1 Entrada de Materiais...................................................................................44
4.3.2 Armazenagem.............................................................................................46
4.3.3 Expedição ..................................................................................................50
4.4 Leiaute ........................................................................................................52
4.5 Almoxarifes no serviço público ...................................................................54
4.5.1 Natureza do trabalho do almoxarife ...........................................................54
4.5.2 Atribuições do almoxarife no Serviço Público ............................................55
4.6 Curva ABC .................................................................................................56
4.7 Código de Barra .........................................................................................57
4.8 Inventário ...................................................................................................58
15
5 METODOLOGIA CIENTÍFICA....................................................................60
5.1 Etapas da Pesquisa Científica ...................................................................60
5.2 Tipos de Pesquisa.......................................................................................61
5.2.1 Classificação da pesquisa de acordo com a natureza dos dados ..............61
5.2.2 Classificação da pesquisa de acordo com os objetivos ..............................62
5.2.3 Classificação da pesquisa de acordo com os procedimentos.....................63
6 ESTUDO DE CASO ...................................................................................65
6.1 História da CPTM e do Almoxarifado..........................................................65
6.2 Resumo das Atividades .............................................................................67
6.2.1 Procedimento para o Recebimento de Materiais .......................................68
6.2.2 Procedimento para estocagem e arrumação de materiais .........................71
6.2.3 Procedimento para separação e expedição de materiais ..........................72
6.3 Quadro de Pessoal ....................................................................................74
6.3.1 Resumo das atividades dos atuais empregados do almoxarifado ..............76
6.3.1.1 Gestor de Estoque......................................................................................76
6.3.1.2 Supervisor de Almoxarifado .......................................................................76
6.3.1.3 Técnico de Almoxarifado.............................................................................77
6.3.1.4 Almoxarife ..................................................................................................77
6.3.1.5 Ajudante de Almoxarife...............................................................................78
6.4 Equipamentos de Armazenagem................................................................78
6.4.1 Equipamentos de Armazenagem Existentes .............................................78
6.4.2 Equipamentos de Armazenagem Necessários ..........................................79
6.5 Materiais estocados no almoxarifado..........................................................79
6.6 Gráficos de produção e curvas ABC dos almoxarifados do DFPM ............80
6.7 Melhorias no almoxarifados e providências ................................................84
6.8 Proposta de gestão de almoxarifado...........................................................89
6.9 Sistema Operacional ..................................................................................90
6.10 Código de Barra .........................................................................................91
6.11 Instalações Físicas do Almoxarifado...........................................................92
6.12 Leiaute do almoxarifado..............................................................................95
7 CONSIDERAÇÕES FINAIS .......................................................................98
REFERÊNCIAS BIBLIOGRÁFICAS ......................................................................100
16
1 INTRODUÇÃO
No atual contexto global, evidenciam-se situações econômicas que
aumentam a competição tanto no mercado local como global. As empresas
recorrem para técnicas de redução de custo para fortalecer sua margem de
lucro. Dessa maneira, as organizações podem buscar na gestão de estoques
recursos para obter vantagens competitivas através redução de gastos com
armazenagem.
Com o propósito de combater possíveis pressões impostas pela crise
global, temas envolvendo gestão de materiais apóiam-se em manter estoques
em nível mínimo, possibilitando a redução dos custos envolvidos.
Entretanto países como China e Estados Unidos, num determinado
ramo de atividade, adotaram uma estratégia de planejamento em longo prazo
mantendo elevado o acervo de materiais. Nos Estados Unidos, nos últimos 10
anos, o custo relacionado à gestão de estoques aumentou mais do que os
índices de preços ao consumidor.
Este caso, verificado também em outros países, está sendo conduzido
a especialistas na área de logística para maior atenção à redução dos custos
com maior eficiência operacional com a introdução de técnicas de gestão de
estoques.
Segundo Castels, 1999
A gestão de estoques teve grande impacto nos últimos anos. A partir
da década de 1970, a economia mundial passou por uma série de
transformações.Chegou ao fim um modelo de crescimento baseado
na capacidade dos governos nacionais em expandir os mercados
internos sem aumentar o endividamento e gerar inflação, corroendo
assim as bases de acumulação capitalistas. Isso levou a uma grande
mudança nas estratégias das firmas, que buscaram reduzir custos de
produção; ampliar o mercado; aumentar a produtividade e acelerar o
giro do capital.
Nos últimos anos, no Brasil, com a estabilização econômica advinda do
Plano Real, surgiu uma acentuada preocupação relacionada à administração
de materiais nas empresas. A alta taxa de inflação trouxe conseqüências onde
se tornou necessário reduzir os níveis dos estoques.
A questão chave de todo o processo é o quanto manter em seus
17
estoques. Com o objetivo de não correr o risco de não atender sua demanda,
muitas empresas têm utilizado estoques de produtos acabados e/ou de seus
componentes. Essa postura leva a um aumento dos custos de manutenção dos
mesmos onde a gestão de armazenagem apresenta uma grande atuação na
rentabilidade da organização.
Antigamente, o local reservado para a armazenagem de materiais era
um depósito, que era um local não utilizado pelas empresas com condições
precárias, onde os produtos eram armazenados sem nenhum cuidado
específico. Com o passar do tempo, surgiram melhores estruturas e técnicas
de manuseio que proporcionava rapidez na obtenção de informações e
segurança nas operações.
Dentro desse contexto, algumas organizações públicas devem agir
como as empresas privadas no que se refere a administrar suas funções com
eficiência e eficácia, onde o serviço público deve ser gerenciado buscando a
minimização dos custos.
No caso específico dessa monografia, o estudo em questão aborda o
almoxarifado da Companhia Paulista de Trens Metropolitanos (CPTM),
responsável pelo recebimento, armazenagem e distribuição de todo o material
adquirido pela CPTM.
Serão estudados temas como a estrutura e organização do
almoxarifado, perfil do almoxarife e suas atribuições, controle físico de
estoques, estoque contábil e inventários, recebimento de materiais, eliminação
de estoques, estocagem dos itens, preservação de materiais, entre outros.
De acordo com Teixeira e Kerber (2002),
[...] a principal justificativa para o tema exposto está relacionada à
atmosfera econômica do Brasil e ao avanço das condições
tecnológicas capazes de interagir para a eficiência e eficácia de uma
instituição, seja ela privada ou até mesmo pública.
Em tempos de crise global, para uma empresa sobreviver em um
mercado tão competitivo, a redução de custos torna-se um ponto essencial
para sua sobrevivência. Dessa forma, a gestão de estoques oferece
ferramentas que auxiliam a organizar o acervo de materiais estratégicos para
atingir uma posição avançada no mercado para enfrentar os desafios
18
ocasionados em épocas de instabilidade no mercado internacional.
Este trabalho, que tem como tema a gestão de estoque em
almoxarifados, mostra a necessidade de administrar de forma coerente os
recursos colocados à disposição da administração pública.
“O almoxarifado é a unidade administrativa responsável pelo controle e
pela movimentação dos bens de consumo, que são registrados de acordo com
as normas vigentes.” (AUDIN, 2006).
Segundo Viana (2000),
[...] um dos objetivos do Almoxarifado é impedir divergências de
inventário e perdas de qualquer natureza. Para cumprir sua
finalidade, o Almoxarifado deverá possuir instalações adequadas,
bem como recursos de movimentação e distribuição suficiente a um
atendimento rápido e eficiente.
A principal função do almoxarifado é entregar o produto para o cliente
quando for requisitado. Os clientes não se importam se o produto estiver a 1
km de distância ou na maior altura da prateleira. O que eles querem é ter o
produto no menor tempo possível. Assim sendo, é de extrema importância
coordenar o fluxo de produtos para que estes cheguem ao cliente com níveis
de serviços cada vez mais altos em relação ao tempo de atendimento e
disponibilidade de estoque.
Os custos logísticos relativos à armazenagem estão ficando cada vez
mais significativos para as empresas, devido ao aumento da complexidade
operacional nos almoxarifados. Diante deste novo cenário empresarial, que
exige menores tempos de atendimento, menor tolerância a erros de separação
de requisições, a busca pela redução dos níveis de estoque, torna-se
necessário a aplicação de novas técnicas de modernização gerencial
relacionados a almoxarifados.
O almoxarifado tem a finalidade de prover todo material de suporte
para todas as áreas da CPTM. Diante desta afirmação, surge o cenário que
originou o tema desse trabalho: a gestão de estoques no almoxarifado de uma
empresa pública de transporte ferroviário.
Com o intuito de analisar a operação de recursos materiais nos
sistemas de almoxarifados da CPTM, desenvolveu-se o presente trabalho. O
gerenciamento de materiais através da aplicação de conceitos apoiados em
19
experiências no ramo empresarial tem por fim desenvolver na CPTM, um
cenário mais próximo à realidade empresarial privada.
O objetivo geral dessa monografia é identificar as estratégias de gestão
de estoques utilizadas no almoxarifado da CPTM no atendimento aos clientes
internos e interpretá-las a partir dos fundamentos teóricos de gestão em
estoque nos almoxarifados.
Os objetivos específicos são os seguintes:
a) Analisar os fundamentos das principais políticas de gestão de
estoques em almoxarifados;
b) Conceituar definições relativas à gestão de estoques e
almoxarifados;
c) Sugerir propostas de gestão de estoques no almoxarifado da
CPTM, buscando eficiência no sistema de controle de estoques.
A falta de métodos e técnicas na gestão de materiais do almoxarifado
provoca o estrangulamento de melhores possibilidades de gerenciamento de
estoques. Quando se tem um capital empregado relacionado à gestão de
estoques, o gestor deve providenciar para que os custos envolvidos com
estoque tenham o menor valor possível. Tratando-se de uma administração
pública, deve-se administrar racionalmente os recursos colocados à disposição
da empresa.
Problemas relacionados com a falta de planejamento acarretam
tomadas de decisões em curto prazo, trazendo conseqüências como estoques
elevados de material fazendo com que alguns produtos fiquem parados por
anos no armazém. A obsolescência de materiais é altamente prejudicial para a
empresa diante do cenário atual do mercado altamente competitivo e
globalizado.
Este trabalho visa analisar o estado atual dos problemas envolvendo o
almoxarifado da CPTM com relação à:
� Excesso de gastos;
� Obsolescência de materiais;
� Movimentação de materiais;
� Tramitação de documentos referentes à movimentação;
20
� Trabalho exercido pelos almoxarifes;
� Técnicas de gestão;
� Contraste do saldo físico com o contábil do material.
Quais as melhores técnicas de gestão de estoque no almoxarifado da
CPTM para atingir eficiência na redução de custos e atendimento ao cliente?
Este trabalho busca verificar as seguintes hipóteses:
a) A aplicação de métodos modernos de gestão de estoques no
almoxarifado que podem auxiliar a redução de custos e aumentam o
nível de serviço prestado aos clientes internos da CPTM;
b) A gestão racional dos recursos do patrimônio público baseado em
técnicas modernas utilizadas em empresas privadas podem atingir a
eficiência e eficácia nas operações internas nos almoxarifados da
CPTM.
A pesquisa quanto à natureza, será de abordagem qualitativa, onde o
processo e seus significados são focos da abordagem e o ambiente natural é a
fonte direta para coleta de dados. Quanto aos objetivos, a pesquisa se
caracteriza como descritiva, detalhando as características do almoxarifado,
fazendo levantamento de técnicas de gestão de estoques.
Do ponto de vista dos procedimentos técnicos, a pesquisa tem o
caráter de estudo de caso, fazendo um estudo profundo nos métodos de
gestão utilizadas na CPTM. Conforme GIL (1991), “estudos de caso
caracterizam-se por grande flexibilidade. Sendo assim, a pesquisa será feita
em etapas específicas.” Sendo elas a delimitação de unidade-caso, coleta de
dados, análise e interpretação de dados e redação de relatório.
A delimitação da unidade-caso é o almoxarifado da Companhia
Paulista de Trens Metropolitanos, escolhida pelo fácil acesso e manipulação
dos dados. A coleta de dados será feita a partir de consultas a arquivos e
banco de dados do almoxarifado. A análise e interpretação de dados
constituíram-se na aplicação dos estudos sobre gestão de estoques em
almoxarifados. Posteriormente os resultados foram analisados e procedeu-se a
elaboração do relatório.
21
2 LOGÍSTICA
2.1 História
O termo logística, que vem do francês logistique, têm em seus
significados, definições de caráter militar, explicando a necessidade de uma
logística eficaz relacionada ao transporte e manutenção de suprimentos
utilizados em campos de batalhas nas guerras. (SO ARTIGOS, 2009)
Desde os primórdios do tempo, a logística tem sido utilizada pelo
homem, em razão da necessidade de deslocamentos constantes das tribos
nômades. Estes deslocamentos ocorriam em função da escassez de alimentos,
mudanças climáticas ou até mesmo por ameaças de tribos rivais.
Nas épocas mais antigas da História documentada da humanidade,
as mercadorias mais necessárias não eram feitas perto dos lugares
nos quais eram mais consumidas, nem estavam disponíveis nas
épocas de maior procura. Alimentos e outras commodities eram
espalhados pelas regiões mais distantes, sendo abundantes e
acessíveis apenas em determinadas ocasiões do ano. Os povos mais
antigos consumiam os produtos em seus lugares de origem ou os
levaram para algum local profundo ou armazenando-os para
utilização posterior. Contudo, devido à inexistência de sistemas
desenvolvidos de transporte e armazenamento, o movimento das
mercadorias limitava-se àquilo que a pessoa conseguia fazer por
suas próprias forças, e os bens perecíveis só podiam permanecer
guardados por prazos muito curtos. Todo esse limitado sistema de
transporte-armazenamento normalmente obrigava as pessoas a viver
perto das fontes de produção e as limitava ao consumo de uma
escassa gama de mercadorias. (BALLOU, 2006. p. 25)
Em épocas antigas, onde as guerras eram longas e duravam décadas,
às vezes séculos, desenvolveram-se técnicas relacionadas à atividade de
suprimentos. Nessa época, as práticas de logísticas eram consideradas
grandes táticas militares. Ela estava presente na hora de definir a melhor rota a
seguir, com o menor caminho para não cansar os soldados, trechos onde
encontrariam água-potável ou algum alimento disponível para o consumo.
(ARTIGONAL, 2009)
Sabe-se que um dos primeiros a utilizar técnicas de logísticas nas
guerras foi o exército persa. Em 481 a.C., em uma expedição comandada por
22
Xerxes na luta contra os gregos, foram utilizados mais de 3.000 navios de
transporte para sustentar o exército durante a guerra. (TIGERLOG, 2009)
Grandes nomes que se tornaram lendas, como Júlio César, Napoleão e
Alexandre, utilizaram a logística como estratégia. Alexandre conquistou vários
países como a Grécia, Pérsia e Índia, utilizando diversos aspectos como a
inclusão da logística em seu planejamento estratégico. Criou uma equipe
treinada de engenheiros que desempenharam um papel importante para seu
sucesso. Eles estudavam como reduzir a resistência das cidades que seriam
atacadas. Contava com uma equipe de contramestres que operacionalizavam o
melhor sistema logístico para uma determinada situação. Eles eram
responsáveis pela compra de todos os suprimentos necessários e montar
armazéns no trajeto para a guerra. Com isso sua tropa corria milhares de
quilômetros, tornando-se o mais móvel e rápido exército da época.
(TIGERLOG, 2009)
Técnicas de estratégias logísticas eram utilizadas pelos Aliados
liderados pelos Estados Unidos durante a Segunda Guerra Mundial, onde para
obter a vitória, deslocavam suas tropas e todo suprimento necessário para
sobreviver na guerra. (SCRIBD, 2009)
Com o passar do tempo, a logística foi conquistando seu espaço. A
partir da década de 50, surgiram diversos artigos publicados por instituições de
grande nome como a Harvard Business School, analisando o conceito de custo
total na área de logística. (SO ARTIGOS, 2009)
Na década de 60, onde as empresas adotavam como estratégia
conquistar o cliente através da satisfação e controle da qualidade, nota-se o
grande crescimento da logística. Com isso surgiram grandes empresas
especializadas com a intenção de fidelizar o novo perfil do cliente mais
exigente e determinado. Faculdades como a Michigan State University e a The
Ohio State University começavam a ministrar cursos de graduação em logística
devidamente reconhecidos pelo governo americano. (TIGERLOG, 2009)
Nesta mesma época, criou-se a primeira organização a congregar
profissionais de logística em todas as áreas com o propósito de educação e
treinamento, a National Council of Physical Distribuition Management, mais
tarde mudado para Concil of Logistics Management (CLM). (SO ARTIGOS,
2009)
23
Nos anos 70, vários fatores impulsionaram a abrangência da logística
no mundo. Em 1976, a CLM publicou um estudo sobre os componentes do
custo de manutenção dos estoques, apresentando uma metodologia para o seu
cálculo. Surgem as transportadoras com objetivo de agregar valor ao produto
para atender a crescente demanda no ramo. Eram especializadas em
proporcionar ao cliente preços e prazos acessíveis, aumentando a competição
dentro do mercado. (ARTIGONAL, 2009)
[...] os grandes ganhos das empresas que já estavam no mercado
fizeram co que outros competidores entrassem no negócio, além dos
contínuos investimentos em capacidade produtiva destas
organizações já instaladas, resultando num aumento acelerado da
oferta de produtos, equilibrando-se com a demanda da década de
1970. Foi nesta época que começaram a surgir investimentos em
qualidade e marketing. (MOURA, 2002. p. 07)
No Brasil a história da Logística é ainda muito recente.. Como exemplo,
no setor automobilístico, devido à complexidade dos componentes de um
automóvel, começaram a desenvolver técnicas de movimentação e
armazenagem de peças. No setor de energia elétrica, definiam-se normas para
embalagem, armazenagem e transporte de materiais. Em 1977 foram criadas a
Associação Brasileira de Administração de Materiais (ABAM) e a Associação
Brasileira de Movimentação de Materiais (ABMM). Posteriormente, em 1979, é
criado o Instituto de Movimentação e Armazenagem de Materiais (IMAN).
(SCRIBD, 2009)
Na década de 80 houve um crescimento na utilização de computadores
para resolução de diversas atividades relacionadas à área de administração e
logística. Com isso, surgiram diversas técnicas provando a eficácia das práticas
logísticas. Nessa época surgiram publicações mostrando a necessidade de a
alta administração reconhecer a importância da administração logística.
(TIGERLOG, 2009)
O estágio atual, que se iniciou em 1980, vindo até os dias de hoje,
caracterizou a Logística pela importância dada à integração externa,
ou seja, entre os diferentes elos da cadeia de suprimentos. Podem-se
destacar o grande desenvolvimento dos sistemas de informações e a
disseminação do conceito da Gestão da Cadeia de Suprimentos
(Supply Chain Management – SCM). (FARIA; COSTA, 2005. p. 19)
24
Aqui no Brasil surgem as primeiras definições e diretrizes para
diferenciar transportes de distribuição e de logística. Em 1982 foram
implementados o primeiro sistema moderno de logística integrada, o Justin in
Time e o Kambam. Em 1984 surge o primeiro grupo de Benchmarking em
logística para discutir e analisar as relações entre fornecedores e
supermercados. Muitos outros fatos relevantes aconteceram nessa época,
como a instalação do primeiro Operador Logístico, a criação do Palete Padrão
Brasileiro (PBR) e a Associação Brasileira de Logística (ASLOG). (SCRIBD,
2009)
A partir dos anos 90, com a estabilização da economia com o Plano
Real, surgiram softwares para o gerenciamento das informações de armazéns,
como o WMS, código de Barras e sistemas para roteirização de entregas.
Segundo MOURA (1998, p. 07),” nesta década, a competição está obrigando
as empresas a procurarem novos mercados e a derrubarem as barreiras
internacionais. Estes anos estão sendo marcados pela formação dos blocos de
livre comércio.”
2.2 Conceito
O termo logística é um novo conceito aplicado a práticas exercidas há
muito tempo relacionadas a atividades de movimentação – armazenagem. Com
o passar do tempo, as empresas começaram a perceber que essas atividades
agregavam valor ao produto. Daí a importância de administrar essas práticas
de forma coordenada, dando forma a um novo conceito de logística.
Atualmente, a Logística ainda é conceituada numa visão militar.
Segundo o dicionário Webster’s New Wncyclopedic Dictionary, esta é o ramo
da ciência militar que lida com a obtenção, manutenção e o transporte de
material, pessoal e instalações.
Essa definição não engloba todos os aspectos da gestão da logística
empresarial. Uma representação mais fiel desse campo pode ser aquela
refletida na definição promulgada pelo Council of Logistics Management (CLM),
uma organização de gestores logísticos, educadores e profissionais da área
25
criada em 1962 para incentivar o ensino nesse campo e incentivas o
intercâmbio de idéias, definindo a logística como o processo de planejamento,
implantação e controle do fluxo eficiente e eficaz de mercadorias, serviços e
das informações relativas desde o ponto de origem até o ponto de consumo
com o propósito de atender às exigências dos clientes. (BALLOU, 2006. p.27)
Esta definição tem o seu mérito ao explicar o fluxo das mercadorias
deve ser acompanhado desde o seu ponto de origem até o destino final. Mas
ela traz consigo que a logística é parte do processo da cadeia de suprimentos,
e não do processo inteiro, trazendo questionamentos como a definição de
gerenciamento da cadeia de suprimentos.
Segundo Mentzer et al.1
(2001 apud BALLOU; Ronald H., 2006, p.28),
o gerenciamento da cadeia de suprimentos é definido como a coordenação
estratégica sistemática das tradicionais funções de negócios e das táticas ao
longo dessas funções de negócios no âmbito de uma determinada empresa e
ao longo dos negócios no âmbito da cadeia de suprimentos, com o objetivo de
aperfeiçoar o desempenho a longo prazo das empresas isoladamente e da
cadeia de suprimentos como um todo.
Muitos consideram que o gerenciamento da cadeia de suprimentos é
apenas um sinônimo de logística, pois ambos têm a missão de colocar os
produtos ou serviços certos no lugar certo, no momento certo, nas condições
desejadas.
Segundo Hara (2005, p.19),
[...] a ótica da cadeia de suprimentos vê os mercados apenas como
ponto de destino, enquanto que a logística de mercado, ao considerar
as exigências do mercado-alvo em primeiro ligar, e a partir daí
projetar a cadeia de suprimento em um processo retroativo, torna-se
mais eficiente, enfatizando a importância da logística na
administração mercadológica.
Com relação às definições de logística e a gestão da cadeia de
suprimentos, vale ressaltar um ponto que os diferencia. As atividades logísticas
direcionam seu foco no ponto de vista de uma empresa individual, enquanto
que a gestão da cadeia de suprimentos envolve todos os elos da cadeia, desde
os fornecedores de matérias primas, seguindo pelos centros de manufatura aos
1
BALLOU, Ronald H. Gerenciamento da Cadeia de suprimentos/logística empresarial.p.33
26
canais de distribuição como atacado, varejo, tendo o seu fim no consumidor
final. Para isso, é de extrema importância as questões de alianças estratégicas
entre todos os elas da cadeia, com o objetivo de agregar valor para todos os
participantes da cadeia, incluindo o cliente final.
Como visto anteriormente, há diversas formas de conceituar a logística.
Segundo Christopher (1997, p.2):
A logística é o processo de gerenciar, estrategicamente, a aquisição,
movimentação e armazenagem de materiais, peças e produtos
acabados (e os fluxos de informações correlatas) por meio da
organização e seus canais de marketing, de modo a poder maximizar
as lucratividades, presente e futura através do atendimento dos
pedidos a baixo custo.
Parte do objetivo da logística é a satisfação do cliente. Para isso, a
logística necessita definir estratégias, planejamentos e desenvolvimento de
sistemas que lhe assegurem atingir suas metas.
De acordo com Faria e Costa (2007, p.17):
Para movimentar materiais e produtos aos clientes de maneira
oportuna, uma empresa incorre em custos, visando a agregar um
valor (nível de serviço) que não existia e que foi criado para o cliente.
Isso faz parte da missão da Logística que [...] está relacionada à
satisfação das necessidades dos clientes internos/externos,
viabilizando operações relevantes de Produção e Marketing,
minimizando todos os tempos e custos, dadas as condições de cada
elo da cadeia de suprimentos. A Logística, atualmente, é estratégica
nas empresas.
2.3 Atividade Logística
A logística possui um mix de atividades a serem gerenciadas dentro de
uma operação específica da empresa. Essas atividades variam de acordo com
as empresas. As atividades à serem executadas dependem da estrutura
organizacional, dos gerentes da empresa e da atividade à ser exercida.
[...] as operações logísticas em uma empresa industrial,
independentemente de seu segmento, ocorrem de acordo com os
processos estabelecidos para, basicamente, mover, transportar,
estocar e entregar materiais e produtos, a quem deles necessita, em
27
conformidade com SUS especificações, no local e momento
contratados. Todos os referidos processos logísticos geram custos
como conseqüências de suas atividades, que necessitam ser
identificados, mensurados, acumulados e informados aos gestores da
Logística. (FARIA; COSTA, 2005. p. 29)
A figura 1 ilustra todas essas atividades pela ordem de realização
dentro da cadeia de suprimentos. A seguir essa lista é dividida em atividades
principais e de suporte.
FIGURA 1 Atividades logísticas na cadeia de suprimentos imediata da empresa.
As atividades logísticas são divididas em atividades principais e de
suporte. As atividades principais são serviço ao cliente, transporte, gerência de
estoques e fluxo de informação e processamento de pedidos. As atividades de
suporte são: armazenagem, manuseio dos materiais, compras, embalagem, e
manutenção de informações.
Essas atividades são separadas, pois algumas delas ocorrerão em
todos os canais da logística, enquanto outras serão utilizadas em algumas
circunstâncias específicas. As atividades principais são essenciais para
coordenação e conclusão de uma operação logística, portanto representa os
maiores custos dentro do custo total da operação.
28
O serviço ao cliente exercido em conjunto com o departamento de
marketing determina as necessidades e desejos dos clientes em serviços
logísticos e a reação dos clientes ao serviço oferecido, estabelecendo níveis de
serviços ao cliente.
Os padrões dos serviços aos clientes estabelecem a qualidade dos
serviços e o índice de agilidade com os quais o sistema logístico deve
reagir. Os custos logísticos aumentam proporcionalmente ao nível do
serviço oferecido ao cliente. Estabelecer níveis de serviço excessivos
pode catapultar os custos logísticos para níveis insuportavelmente
elevados. (BALLOU, 2006. p. 32)
A atividade de transporte determina o modal e o serviço de transporte a
ser utilizado em uma determinada operação. Define os roteiros a ser seguido e
faz a consolidação dos fretes. É responsável pela programação dos veículos da
empresa para o transporte, selecionando os equipamentos necessários para o
carregamento da carga.
Muitas empresas obtêm um diferencial competitivo no mercado através
de uma correta utilização dos modos de transporte. Essa atividade pode
representar grande parte no final dos custos logísticos totais. Por isso, as
empresas devem prestar uma atenção especial ao gerenciamento dessa
função, visto que sua eficiência está ligada à satisfação do cliente e à
minimização dos custos.
A gerência de estoques define políticas de estocagem de matérias-
primas e produtos acabados; previsão de vendas a curto prazo; variedade de
produtos nos pontos de estocagem; número, tamanho e localização dos pontos
de estocagem; estratégias just-in-time, de empurrar e de puxar. È uma
atividade de extrema importância para a gestão logística porque normalmente é
impossível e impraticável produzir instantaneamente ou garantir prazos de
entrega aos clientes2
.
Os fluxos de informação e processamento de pedidos definem
procedimentos de interface entre pedidos de compra e estoques, dos métodos
de transmissão de informação sobre pedidos e regras sobre os mesmos. Essa
atividade influi no tempo total da entrega do produto ou serviço ao cliente e
seus custos são menores comparando com os do transporte e da gerência de
2
BALLOU, Ronald H. Gerenciamento da Cadeia de suprimentos/logística empresarial.p.33
29
estoques.
Os sistemas de informações logísticas funcionam como um elo entre
as atividades logísticas a um processo integrado (que envolve todas
as áreas), combinando hardware (computadores, coletores de dados,
separadores automáticos, transelevadores etc.) e software (sistemas
em si) para medir, controlar e gerenciar as operações logísticas que
ocorrem em uma empresa específica, bem como ao longo de toda
cadeia de suprimentos. (FARIA; COSTA, 2005. p. 112)
Já as atividades de suporte são consideradas como auxiliares na
realização da missão logística, mas em determinadas circunstância, são tão
importantes e necessárias quanto às atividades principais. Nem todas as
atividades de suporte são utilizadas em uma operação.
A atividade de armazenagem corresponde à determinação do espaço,
leiaute do estoque e, configuração do armazém e localização do estoque.
Todas as empresas precisam armazenar os produtos, seja matéria-prima, ou
material em processamento ou produtos acabados, até serem vendidos. Muitas
empresas tentam minimizar o uso dos locais de armazenagem na tentativa de
sincronizar a produção com a demanda do consumidor, evitando estoques e
altos custos logísticos.
O objetivo da armazenagem é estabelecer o fluxo de movimentação
dos materiais. Para que isso aconteça, é imprescindível ter em perfeitas
condições áreas e equipamentos para realizar a movimentação e manuseio
dos materiais. Mas antes, deve-se verificar a necessidade da movimentação de
materiais em uma determinada operação. Se for, deve-se verificar se a
distância entre as operações é mínima, se o leiaute existente proporciona o
melhor fluxo, se os materiais são estocados no ponto de uso, entre outros
fatores. Sendo esta uma atividade que não agrega valor ao produto, essas
operações devem ser mantidas em nível mínimo.
Já o manuseio dos materiais define a seleção dos equipamentos,
normas de substituição das ferramentas de manuseamento, procedimentos
para separação de pedidos, alocação e recuperação de materiais.
Segundo Ballou, (2006, p. 397)
[...] o manuseio de materiais são atividades suplementares, que
assumem considerável importância pelo fato de terem influência
sobre o tempo necessário ao processamento dos pedidos dos
30
clientes no canal de distribuição ou à disponibilização dos insumos
no canal de suprimentos. São, igualmente, atividades de considerável
custo e dignas, por isso mesmo, de um cuidadoso gerenciamento.
Quanto às atividades de compras, ela fica responsável pela seleção
dos fornecedores, o momento da compra e a quantidade a ser adquirida. Essa
atividade pode ser considerada uma preocupação mais de produção que de
logística, mas mesmo assim, tem grande influencia na operação logística.
A função de compras nas empresas tem sido desenvolvida dentro de
um novo estado de maturidade e com técnicas cada vez mais sofisticadas. Isso
se deve ao fato das organizações iniciarem a atividade de compras com muito
mais precisão do que há muitos anos, chegando a atingir avaliações precisas e
equiparáveis com trabalhos desenvolvidos em outras funções administrativas.
A embalagem é uma atividade protetora projetada para manuseio,
estocagem e proteção contra perdas e danos. A embalagem pode ser
classificada em primária ou secundária. Segundo Hara (2005, p. 81), a
embalagem primária serve para envolver e acondicionar o produto, devendo
conter informações sobre o produto como características, uso, prazos de
validade, modo de preservação.
Já a embalagem secundária, seguindo ainda o conceito de Hara
(2005, p. 81), a embalagem secundária pode acondicionar diversas embalagem
primárias em um único bloco de matérias compactados, facilitando seu
manuseio, permitindo o fácil carregamento em caminhões, visando a seu
transporte e comercialização.
Atualmente, é necessário que todos os profissionais das empresas
conheçam a importância da embalagem dentro da logística integrada.
Neste contexto, ela deve ser considerada no aspecto interno da
empresa (no recebimento, na estocagem e na movimentação, no
processo produtivo e na expedição), como no aspecto externo, que
transfere o produto ao cliente ao longo da cadeia de distribuição.
(MOURA, 2002. p. 29)
Mas deve-se levar em consideração o custo que a embalagem pode
geral dentro da operação, pois dependendo do caso, ela pode gerar um gasto
maior que o do produto.
Por fim, a manutenção de informações coleta, armazena e manipula as
informações relativas à uma determinada operação logística, analisa os dados
31
obtidos e com isso adotas os procedimentos de controle necessários. Ela dá
suporte a todas as outras atividades logísticas na medida em que proporciona
as informações indispensáveis para o planejamento e controle3
.
Faria e Costa (2007, p. 30), defende que na gestão dos processos
logísticos, é relevante que se reconheça o tratamento das diversas atividades
neles existentes como um sistema integrado, bem como suas interações com
outras atividades da empresa, agregando valor os clientes.
Conclui-se que a logística pode ser gerenciada em um sistema que liga
a empresa a seus clientes e fornecedores, onde o fluxo de material e
informações são coordenadas para otimização de todas as atividades
logísticas, com o objetivo de atender o cliente.
3
BALLOU, Ronald H.Gerenciamento da Cadeia de suprimentos/ logística empresarial.p.33
32
3 ARMAZENAGEM
3.1 Conceito
A armazenagem é um dos principais componentes essenciais do
sistema logístico. A armazenagem interage diretamente com a entrada de
material, compras e expedição do material. A partir daí, pode-se afirmar que:
A função armazenagem compreende as atividades de guardar,
localizar, manusear, proteger e preservar os materiais comprados,
produzidos e movimentados por uma empresa, com o objetivo de
atender às suas necessidades operacionais, sejam elas de consumo,
de transformação ou de revenda (atacado e varejo). (LOPES;
SOUZA; MORAES, 2006. p. 155)
Uma boa gestão da armazenagem é conseguir atender os clientes com
eficácia e agilidade, obtendo um maior nível de serviço e ao menor custo em
tempo hábil. Segundo Pozo (2004.p.81),
A armazenagem e manuseio de mercadorias são componentes
essenciais do conjunto de atividades logísticas. Seus custos podem
absorver de 10 a 40% das despesas logísticas de uma firma. Ao
contrário do sistema de transporte, que ocorre entre locais e tempos
diferentes, a armazenagem e o manuseio de materiais acontecem, na
grande maioria das vezes, em algumas localidades fixadas. Portanto,
os custos dessas atividades estão intimamente associados à seleção
desses locais.
Compreendendo este aspecto, surge uma questão fundamental para o
gestor de uma organização: é necessário reservar grandes espaços físicos
para armazenagem e estocagem? Para obter uma resposta, é necessário ter
em mãos, dados precisos sobre a demanda. Além disso, é preciso ter a
garantia de que os fornecedores cumprirão com os prazos estabelecidos de
entrega da matéria-prima, pois atrasos afetam o elo principal dentro dessa
cadeia, o consumidor. Com essas informações, pode-se minimizar o espaço
reservado para os estoques, obtendo-se menores custos totais de
armazenagem.
Atualmente, muitas empresas estão trabalhando com o estoque
33
mínimo, através de práticas Just-in-Time. Essa técnica faz com que o produto
chegue no momento que for solicitado. Mas para isso, é necessário que a
demanda seja conhecida com alto grau de precisão e com fornecedores
confiáveis a fim de obter um suprimento adequado à demanda.
Quando a armazenagem é inevitável, ela deve ser executada
eficientemente. Segundo Pozo (2004.p.84):
Quando não conseguimos ser capazes de eliminar a necessidade da
estocagem de materiais, vem daí o pressuposto que “estocar menos
é melhor”. Logicamente, que menor quantidade estocada resulta em
menor quantidade de dinheiro parado e em melhor gestão. A
estocagem freqüente é resultante de desequilíbrios nas velocidades
de fluxo de operações sucessivas. Por meio do balanceamento do
fluxo da produção, o número de vezes em que ocorre a estocagem
será reduzido.
O sistema de armazenagem envolve mais do que simplesmente
armazenar material. Envolve muitos outros fatores como, disponibilização de
espaço, estruturas de armazenagem, sistemas de movimentação de materiais,
pessoas e equipamentos especializados, entre outros. Tudo isso gera um
custo. Muitos gestores subestimam o custo de armazenagem de materiais,
preocupando-se apenas com o custo do material.
A armazenagem, quando bem organizada, segundo Lopes, Souza,
Moraes (2006. p. 156), pode gerar grandes vantagens como:
� Fácil acesso aos principais itens de estoque, satisfazendo
plenamente as expectativas dos usuários;
� Redução da distância entre a armazenagem e a utilização do
material nas operações;
� Elevado grau de flexibilidade do espaço físico disponível interno;
� Menor quantidade de equipamentos de manuseio;
� Redução do processo de deterioração de materiais;
� Redução dos desvios e sinistros de materiais;
� Otimização dos inventários físicos manuais ou por código de
barras.
34
3.2 Estruturas de Armazenagem
Para obter um processo de armazenagem eficaz, é necessário ter
definidos técnicas para a guarda dos materiais. A seguir, explica-se as
estruturas de armazenagem mais utilizadas, segundo Lopes, Souza, Moraes
(2006. p. 161-165).
3.2.1 Empilhamento
É um tipo de armazenagem que obtém o melhor aproveitamento de um
espaço vertical dentro de um armazém. Utiliza-se paletes como dispositivo,
podendo ser empilhados um sobre os outros, observando-se a pressão das
pilhas abaixo e da disposição do material. O empilhamento deve ser feito de
forma a manter o equilíbrio da pilha.
FOTOGRAFIA 1 Empilhamento
35
3.2.2 Porta-palete
É uma estrutura composta por duas colunas verticais, com altura
regulável, projetada para o armazenamento de cargas paletizadas de qualquer
tamanho. É indicado para verticalização de armazéns com grandes variedades
de itens estocados. “As dimensões da posição-palete e as próprias dimensões
dos paletes devem ser cuidadosamente calculadas, de modo a preencher os
espaços vazios, ocupando plenamente as áreas disponíveis.” (LOPES;
SOUZA; MORAES, 2006. p. 162)
FOTOGRAFIA 2 Porta-palete
3.2.3 Cantilever
Estrutura utilizada para armazenagem de cargas compridas não
paletizadas. È formado por sua coluna central e braços em balanço para apoio
das cargas. Ideal para armazenagem de tubos de PVC, canos, eixos e móveis
de grandes dimensões.
36
FOTOGRAFIA 3 Cantilever
3.2.4 Flow rack
São recipientes em trilhos, apoiadas em vigas de aço. Ela é ideal para
rotação de pequenos volumes. Utilizam o sistema FIFO (primeiro a entrar
primeiro a sair). Os materiais são colocados em uma das extremidades na
parte mais alta e por gravidade vão descendo até a zona de coleta.
FOTOGRAFIA 4 Flow rack
37
3.2.5 Racks
São paletes fechados lateralmente, utilizados tanto para armazenagem
como para transportes. Aproveita toda a altura disponível do armazém,
podendo ser empilhados sem transferir o peso para os produtos.
FOTOGRAFIA 5 Rack
3.2.6 Gaiolas
São racks com telas metálicas nas laterais, com aberturas lateriais,
geralmente sobre rodízios e que permitem uma melhor estabilização das
cargas.
38
FOTOGRAFIA 6 Gaiolas
3.2.7 Armazenagem drive-in e drive-through
É um dos maiores obstáculos enfrentados na armazenagem, ou seja,
promove a acessibilidade plena para se implantar o sistema PEPS (Primeiro a
Entrar e Primeiro a Sair) ou o sistema UEPS (Último a Entrar é o Primeiro a
Sair) ocupando plenamete a área volumétrica disponível.
No “drive-in” os materias são armazenados uns atrás dos outros e nas
respectivas laterais, permitindo somente um ponto de acesso. Os porta-paletes
formam um bloco único, sem corredores de acesso. Neste caso, o ponto de
colocação e retirada do material é o mesmo. Assim o sistema aplicado é o
UEPS e a ocupação volumétrica é elevada. Alguns leiautes do modelo drive-in
permitem que as empilhadeiras se movimentem dentro da própria estrutura,
continuando o ponto de acesso único. Este sistema é particularmente indicado
quando o custo do espaço é elevado e quando os produtos são homogéneos.
Já no “drive-through” os materias são armazenados em colunas,
permitindo o acesso pelas duas extremidades. Os pontos de colocação e de
retirada do material são diferentes. Esta técnica permite a rotatividade PEPS e
uma ocupação volumétrica razoável.
39
FOTOGRAFIA 7 Drive-in
FOTOGRAFIA 8 Drive through
3.2.8 Armazenagens Push back
Estrutura na qual os paletes são armazenados uns atrás dos outros.
Permite a armazenagem de até quatro paletes por nível. A estrutura possui
roletes que permitem colocar o palete na frente da estrutura empurrando os
40
demais para trás. A estrutura possui um pequeno aclive, o qual possibilita que
ao se retirar o primeiro palete, os restantes se movimentam por gravidade na
direção do palete retirado. Permite a rotatividade UEPS.
FOTOGRAFIA 9 Armazenagem Push back
3.2.9 Armazenagem centralizada com Cross-Docking
Operação onde o recebimento e a distribuição de produtos são feitos
sem passarem pelas fases de armazenamento e retirada. Primeiramente, os
caminhões chegam com os produtos dos fornecedores, sendo descarregado e
a carga é redirecionada para outros caminhões que farão as entregas.
Esta estrutura apresenta dificuldades com relação ao planejamento e
calculo das necessidades a serem recebidas e liberadas, alinhadas com a
coordenação de prazos de chegada e de saída de caminhões das docas. Nesta
operação qualquer atraso pode acarretar um grande prejuízo em relação à
consolidação integral dos diversos pedidos.
3.2.10 Armazenagem centralizada
Tipo de armazenagem onde os produtos são recebidos pelos
41
fornecedores para atendimento aos diversos clientes. Esses produtos são
armazenados e posteriormente, mediante à pedidos, separados e enviados aos
clientes individuais.
Fábrica A Cliente A
Depósito Pedido
Fábrica B de e Cliente B
Consolidação Separação
Fábrica C Cliente C
FIGURA 2 Armazenagem centralizada
42
4 ALMOXARIFADO
4.1 Conceito
De acordo com Lopes, Souza, Moraes (2006. p. 148), o almoxarifado é
o local responsável pelo recebimento, armazenagem, expedição e distribuição
dos materias. Pode ser um local coberto ou não, com condições climáticas
controláveis ou não, com alto nível de segurança ou não, tudo dependendo do
tipo de material a ser acondicionado e das normas necessárias para o correto
acondicionamento, localização e movimentação.
Segundo Araújo (1975. p.25),
[...] o almoxarifado é o intermediário, por uma parte, entre os
abastecedores de matéria-prima e as oficinas que vão consumi-la e,
por outra parte, entre as oficinas e os clientes que vão receber o
produto terminado; é, pois, um regulador entre os mercados externos
e a própria produção. A missçai do almoxarifado, quequer que seja a
classe, é servir de intermediário, dando abrigo provisório a certos
produtos; sua organização dependerá, por conseguinte, deste caráter
transitório e se orientará o sentido de dar maiores facilidades para as
entradas e saídas dos produtos, para que o seu estágio seja o mais
breve possível e para que o estoque se torne suficiente para as
necessidades normais.
4.2 Importância do Almoxarifado
A finalidade de um almoxarifado de um almoxarifado é alimentar de
materiais e matérias-primas todos os departamentos de uma empresa. A partir
disso, mostra-se a importância do almoxarifado dentro de uma organização.
A importância do almoxarifado está na sua atribuição maior de não
permitir o desabastecimento, ou seja, fornecer de forma contínua e
ininterrupta materiais e matérias-primas as diversas unidades
produtivas. Faz o papel de “mercado interno”, já que deverá satisfazer
as necessidades materiais da organização evitando que a cada
demanda se crie um procedimento de aquisição. (SECRETARIA DA
ADMINISTRAÇÃO DO ESTADO DA BAHIA)
Entre os principais objetivos do almoxarifado, segundo Lopes, Souza,
43
Moraes (2006. p. 149), podemos destacar:
� Impedir divergência de inventários, seja devido ao processo
deteriorização, danos físicos, perdas ou roubos. Para tanto, deve-se
possuir condições (instalações adequadas, sistema de localização
eficiente, mecanismos de movimentação compatíveis) para
assegurar que o material adequado, na quantidade correta, esteja no
local certo, quando necessário;
� Otimização na utilização dos recursos (instalações, equipamentos
de armazenagem, equipamentos de movimentação, pessoas, entre
outros). O almoxarifado, por definição, não “agrega valor ao
produto”, sendo que nenhum cliente irá pagar mais porque o item
ficou mais tempo armazenado. Portanto, deve-se reduzir as
distâncias internas, aumentar o tamanho médio das unidades
armazenadas, melhorar a utilização da capacidade volumétrica e
implementar o sistema PEPS (primeiro a entrar, primeito a sair).
4.3 Atividades do Almoxarifado
As atividades básicas de um almoxarifado são: recebimento,
armazenagem e expedição. A figura 12 ilustra as principais atividades do
almoxarifado.
44
FIGURA 3 Atividades do Almoxarifado
4.3.1 Entrada de Materiais
A entrada de materiais refere-se as atividades de recebimento,
inspeção e conferência de materiais e suas condições de aquisição. Nessa
etapa é feita a conferência documental, quantitativa e qualitativa. A conferência
documental é o confronto dos dados do documento fiscal, verificando as
condições comerciais pactuadas em contrato. A conferência quantitativa refere-
se a contagem do material recebido, em confronto com a quantidade informada
na Nota Fiscal. A conferência qualitativa compreende a verificação da
qualidade do material de acordo com as especificações contidas na Nota Fiscal
ou no contrato firmado entre as empresas. (SECRETARIA DA
45
ADMINISTRAÇÃO DO ESTADO DA BAHIA, 2009)
A entrada de materiais é o elo entre as funções compras,
armazenagem e contas a pagar. Ela é composta pelo recebimento,
inspeção, liberação para armazenagem e posterior devolução ao
setor de compras, para encerramento do pedido, avaliação do
fornecedor e para liberação da nota fiscal, junto à área financeira. Em
muitas empresas esta atividade de recebimento é considerada crítica,
pois o mal planejamento da chegada de materiais pode ocasionar
problemas de fluxo na entrada do material.[...] Outro aspecto
relevante é que na entrada de material, a empresa passa a ter a
responsabilidade sobre itens adquiridos. A partir deste momento,
eventuais não-conformidades não poderão ser reclamadas junto ao
fornecedor. De acordo com as condições contratuais, o material só
poderá ser aceito após a inspeção técnica que não pode ser realizada
no ato do recebimento. (LOPES; SOUZA; MORAES, 2006. p. 152)
Segundo Araújo (1975, p. 112) a conferência de mercadorias não pode
ser precipitada. Deverá ter um prazo dado pelo fornecedor para a conferência
de acordo com o volume do material recebido. Fazer conferência do material
através de amostra não resolve o assunto. Tal fato não poderá nem deverá ser
interpretado como um ato de desconfiança por parte do comprador, mas sim
como um direito que lhe assiste, principalmente quando se tratar de lotos
entegues espaçadamente, de forma a deixar dúvidas quanto à homogeneidade
do material a ser recebido.
Segundo a NBR ISSO 8403:1994 a inspeção é o conjunto de
atividades de medição, ensaio, verificação, etc., de uma ou mais características
do produto recebido e a comparação dos resultados com os requisitos
especificados, a fim de determinar se há conformidade para cada uma dessas
características. As inspeções devem ser realizadas de acordo com os
procedimentos elaborados pela engenharia de produto. Se o material for
reprovado, deve ser providenciado a devolução do material para o fornecedor
junto com a nota fiscal de devolução emitida pela empresa.
Quando o material recebido atende aos procedimentos de inspeção,
ele é liberado para armazenagem. Este material deve receber uma etiqueta de
liberação do controle de qualidade e ser movimentado para área de material
liberado. (LOPES; SOUZA; MORAES, 2006. p. 153)
Moura (1998, p. 14) sugere algumas dicas para aérfeiçoar o
recebimento:
46
� Receber os materiais em pales reutilizáveis;
� Mecanizar as operações de descarga;
� Programar horários para o recebimento de uma determinada carga;
� Planejar a movimentação da carga diretamenteo do recebimento ao
ponto de estocagem;
� Retirar os materiais do recebimento o mais rápido possível;
� Receber o máximo que puder em unidades de carga paletizadas;
� Utilizar transportadores móveis e extensíveis para o recebimento das
cargas não-paletizadas;
� Instalar niveladores nas plataformas de recebimento;
� Padronizar os métodos de descarga;
� Trabalhar junto com os fornecedores para eliminar ou reduzir as
necessidades de inspeção no recebimento;
� Prever procedimentos para uma rápida devolução dos materiais;
� Planejar os locais para uma facilidade de descarga;
� Empregar empilhadeiras para descarregar cargas paletizadas dos
veículos quando o prédio estiver ao nível do piso;
� Empregar transportadores de roletes para transferir cargas de um
veículo a outro;
� Utilizar manipuladores de carga para transferir cargas para um
palete;
� Transportar os materiais diretamente para a produção quando for
viável, para eliminar áreas de estocagem intermediárias;
� Evitar o congestionamento de veículos em determinados dias ou
horários nas portarias da empresa.
4.3.2 Armazenagem
A armazenagem tem início logo após o recebimento e liberação do
material para a entrada em estoque. Segundo Lopes, Souza, Moraes (2006. p.
157), as principais fases da execução da armazenagem são:
47
1ª. Fase: identificação dos materiais;
2ª. Fase: análise da modulação de carga;
3ª. Fase: localização do endereço;
4ª. Fase: movimentação para o endereço (localização) adequado;
5ª. Fase: documentação ou atualização no sistema da localização física;
6ª. Fase: verificação periódica das condições de proteção e
armazenamento;
7ª. Fase: separação.
Com relação à movimentação de materiais, segundo Ballou (2006,
p.380), pode ser concretizada utilizando-se qualquer número dos diversos tipos
de equipamentos disponíveis de manuseio de materias. Eles vão desde
carrinhos manuais de carga até sistemas totalmente automatizados e
computadorizados de empilhamento e localização de mercadorias estocadas.
Uma empresa pode obter um maior nível de serviço e menores custos
através da armazenagem. Pode obter um menor custo de armazenagem se
manter como prioridade a maior ocupação volumétrica. Ou se a empresa
compete por diferenciação através do nível de serviço prestado deve-se
escolher a acessibilidade, ou seja, o menor tempo de obtenção do item no
estoque. Para isso, Lopes, Souza, Moraes (2006, p. 158) sugere alguns
princípios a serem seguidos, como por exemplo:
� Agrupar materiais similares ou complementares ou agrupar materiais
pela forma e volume para otimizar os espaços;
� Posicionar os materiais de maior giro próximos à saída;
� Utilizar fluxos simples, retos e diretos; reduzir, eliminiar, combinar,
simplificar movimentos. Deve-se concentrar todo o fluxo de
movimentação em direção ao cliente. Este tipo de movimento agrega
valor porque disponibiliza a mercadoria;
� Padronizar os métodos e equipamentos;
� Utilizar equipamentos flexíveis (evita a subutilização, maior
disponibilidade);
� Minimizar o manuseio do material e minimizar a distância percorrida;
48
� Utilizar equipamentos de armazenagem que permitam o
aproveitamento vertical do espaço;
� Padronizar corredores e eliminar área de guarda de equipamentos.
As considerações em torno do manuseio de materiais são parte da
tomada de decisão quanto ao espaço de estocagem. Se a opção for
pela armazenagem pública, a compatibilidade do sistma de manuseio
de materiais da empresa com aquele do armazém público será uma
consideração de primeira monta. Optando por armazém controlado
por empresa privada, a eficiência da operação de manuseio de
materiais na sua globalidade será o objeto principal de atenção. O
manuseio de materiais é, em grande parte, uma atividade que
absorve custos, embora tenha algum impacto sobre o tempo do ciclo
mdo pedido do cliente e, portanto, sobre o serviço ao cliente. Assim,
os objetivos do manuseio de materiais são centrados em custos, isto
é, pretendem reduzir o custo do manuseio e aumentar o espaço
utilizável. A melhoria da eficiência do manuseio dos materiais
desenvolve-se ao longo de quatro linhas: a unitização da carga, o
leiaute do espaço, a escolha do equipamento de estocagem e a
escolha do equipamento de movimentação. (BALLOU, 2006. p.386)
A atividade de separação de materiais corresponde a coleta correta de
produtos, em suas quantidades corretas da área de armazenagem para
satisfazer as necessidaes do consumidor. Essa atividade é considerada como
uma das mais críticas. Dependendo do tipo de armazém, 30% a 40% do custo
de mão-de-obra está associado a essa atividade. Aliado ao custo, o tempo
dessa atividade influi de maneira substancial no tempo de ciclo de pedido, ou
seja, o tempo entre a recepção de um pedido do cliente e a entrega correta dos
protudos. (MICHIGAN STATE UNIVERSITY, 2009)
Nesta atividade pode-se encontrar algumas dificuldades. Gurgel (2000,
p. 264) enumera algumas:
� Perdas de volumes pela empresa de transporte;
� Erro na colocação da etiqueta de transporte e carregamento errado
no caminhão;
� Troca de produtos em virtude da semelhança física;
� Contagem errada dos produtos;
� Produtos que chegam da produção com contagem errada;
� Dificuldade de manter em dia os registros das quantidades em
estoques, em virtude de elevado número de lançaentos e deficiência
49
do sistema de apontamento;
� Erros na emissão das notas fiscais;
� Entregas erradas por erros na codificação do produto;
� Pedidos preenchidos pelo vendedor de maneira ilegível;
� Falta de aderência ente as existências físicas e pos números do
sistema de informações, resultando em falta do produto para
determinadas nostas fiscais.
A separação dos pedidos, de acordo com Ballou (2006, p. 380) é a
seleção dos estoques das áreas de armazenagem de acordo com as ordens de
venda. A seleção dos pedidos pode ser feita diretamente das áreas de
estocagem semipermanente ou de grandes volumes, ou a partir de áreas
(chamadas de áreas de separação de pedidos) especialmente destinadas para
permitir um escoamento ordenado de materiais em quantidades fracionados. O
atendimento dos pedidos é muitras vezes a mais delicada das atividades de
manuseio de materiais, porque lidar com pedidos de pequeno volume exige
muita mão-de-obra e custa mais do que outras atividades de manuseio de
materiais.
Moura (1998, p.27), indica algumas dicas para aperfeiçoar a
armazenagem e movimentação:
� Reduzir a movimentação manual dos materiais;
� Reprojetar o fluxo de materiais;
� Eliminar os retrocessos;
� Fazer planos para os materiais fluírem pelo caminho mais direto
possível;
� Eliminar os movimentos entre prédios e pavimentos;
� Melhorar a seqüência de operações;
� Removeros obstáculos do fluxo de materiais;
� Rearranjar o fluxo para levar os materiais em direção à expedição;
� Instalar rampas entre os níveis de trabalho;
� Manter um controle visual dos materiais em estoque;
� Minimizar os movimentos entre os departamentos;
50
� Rearranjar a localização dos equpamentos;
� Manter o piso sempre limpo;
� Manter os corredores sempre desempedidos;
� Fazer planos para movimentar os itens mais pesados em distâncias
mais curtas;
� Projetar os fluxos dos materiais combinados com a expansão do
edifício;
� Fazer planos para ter o mínimo de material em processo;
� Eliminar o fluxo cruzado de materiais;
� Movimentar os materiais em cargas unitizadas por meios mecânicos;
� Usar acessórios nas empilhadeiras para aumentar a produtividade;
� Expedir os materiais para o local certo desde a primeira vez;
� Prever métodos alternativos de movimentação;
� Programar as atividades de movimentação como uma operação
rotineira;
� Empregar equipamentos flexíveis de movimentação;
� Substituir equipamentos obsoletos;
� Nunca empilhar nada diretamente sobre o piso;
� Procurar utilizar equipamentos modernos;
� Estabelecer corredores com um sentido único de direção;
� Manter o equipamento de movimentação sempre em boas condições
de operação.
4.3.3 Expedição
A expedição, segundo Moura (1998, p. 41) começa com o recebimento
dos produtos da fabricação ou dos produtos da área de estocagem. Ela é
responsável por tudo o que acontece até os produtos chegarem ao cliente. Isto
inclui atividades como reembalagem para expedição, formação de cargas para
transporte, programação do transporte, carregamento propriamente dito,
verificação de todos os embarques e manutenção dos registros.
51
Pode-se conceituar a função expedição como realizada por
um setor específico, responsável pela conferência dos materiais
requisitados do estoque (já baixados física e contabilmente), o estado
de suas embalagens ou a necessidade de embalá-los, segundo as
normas da ABNT, seqüenciando as suas entregas através de rotas
econômicas. A função expedição incorpora, na sua excência, a
atividade de distribuição através de rotas econômicas de transporte, a
sua documentação (nota Fiscal de Simples Remessa e Nota Fiscal de
Venda), Seguro de cargas, contratação da transportadora ou uso de
frota própria, etc. Existem atualmente softwares poderosos de
distribuição coo o ROADSHOW, utilizado por váeis empresas. Este
setor é responsável pelo abastecimento do mercado. Dele vai
depender a imagem da empresa no que diz respeito a velocidade e
pontualidade na entrega, Além disso, transporte de mercadorias
representa uma parcela significativa das despelas logísticas. (LOPES;
SOUZA; MORAES, 2006. p. 185)
Moura (1998, p.44), propõe algumas dicas para aperfeiçoar a
expedição:
� Otimizar a carga dos veículos de acordo com as leis da balança;
� Verificar o histórico das reclamações quanto às tendências de
cargas;
� Certificar-se dos termos da responsabilidade “FOB” das partes;
� Notificar as transportadoras sobre determinadas exigências;
� Mecanizar as atividades de carregamento;
� Programar os despachos;
� Designar horários para os motoristas;
� Reutilizar os paletes (a partir do recebimento) sempre que possível;
� Instalar niveladores de docas para facilitar o carregamento com
empilhadeiras;
� Utilizar transportadores móveis e extensíveis para carregamento de
itens não-paletizados;
� Analisar, planejar e padronizar os métodos de carregamento;
� Designar antecipadamente os pontos para estacionamento e
carregamento dos veículos;
� Utilizar veículos que permitam o carregamento lateral;
� Utilizar o espaço superior na área de expedição;
� Não empilhar cargas misturadas de diferentes destinatários;
� Considerar o uso de colares em paletes, montantes para fechamento
52
lateral de paletes, etc;
� Utilizar paletes de tamanhos padronizados;
� Estocar os produtos em embalagem própria para a expedição;
� Fornecer uma boa iluminação na plataforma de expedição;
� Facilitar os fluxos dos documentos para que o produto a ser
carregado não tenha que esperar pelo documento.
4.4 Leiaute
O leiaute de um armazém tem como objetivo a otimização da distância
movimentada e, conseqüentemente, do tempo para separação dos produtos,
utilização máxima da capacidade volumétrica, redução dos custos de
equipamentos e da mão-de-obra do armazém. Ele envolve a análise da
movimentação de equipamentos e pessoas, além da definição das áreas de
estocagem, separação, recebimento e expedição. Para um bom
desenvolvimento, deve-se definiar as áreas de separação de pedidos,
estocagem, recebimento e expedição, definir o sistema de localização de
estoque, determinar área/volume necessários para armazenagem,
movimentação e controle e otimizar a movimentação no almoxarifado. (LOPES;
SOUZA; MORAES, 2006. p. 166)
Uma vez tomadas determinadas decisões relativas à configuração
geral do armazém, o próximo passo diz respeito ao arranjo físico dos
compartimentos, prateleiras e corredores de estocagem. O problema
principal é determinar o número de vãos de cada prateleira, quantas
prateleiras usar, e se devem ser colocadas paralela ou
perpendicularmente à parede mais longa. Diversas fórmulas e regras
sobre decisões foram desenvolvidas para ajudar nesta decisão.
(BALLOU, 2006. p. 407)
De acordo com Gurgel (2000, p. 21), as áreas que merecem atenção
na definição de um leiaute são:
1) Transporte de materiais;
2) Recebimento de mercadorias;
53
3) Almoxarifados de matérias-primas;
4) Retirada da fabricação, dos semi-acabados e dos componentes;
5) Tratamento da sucata;
6) Recebimento e armazenamento das submontagens e montagens;
7) Abastecimento do embalamento e retirada do produto acabado;
8) Movimentação de materiais em geral;
9) Serviços de pessoal;
10) Higiene e segurança;
11) Atividades auxiliares da área logística;
12) Armazenamento de materiais e produtos acabados;
13) Escritórios;
14) Facilidades externas;
15) Condições do terreno em torno do armazém e vias de acesso dos
veículos com mercadorias.
Moura (1998, p.49) mostra algumas dicas para aperfeiçoar o
leiaute:
� Revisar a inter-relação das atividades envolvidas com o fluxo de
materiais;
� Rearranjar o leiaute dos equipamentos para redução da
movimentação;
� Prever o fluxo contínuo para melhor eficiência;
� Localizar as primeiras operações próximas ao recebimento;
� Localizar as operações relacionadas próximas umas das outras;
� Prever flexibilidade para situações de mudança;
� Remover ou minimizar as divisórias e paredes;
� Prever a movimentação mecanizada-automatizada para assegurar
um fluxo contínuo;
� Usar mezaninos para liberar área no piso;
� Remover os equipamentos que não são muito usados, a fim de
liberar mais espaço;
� Prever saídas de emergências;
54
� Combinar atividades de processamento com as de movimentação;
� Prever a freqüente remoção de sucatas;
� Prever espaços adequados para estocagens de materiais;
� Localizar as atividades de apoio (serviço, utilidades, etc.).
O leiaute das mercadorias, a extensão da utilização de equipamentos e
o grau de utomação são, segundo Ballou (2006, p. 411), fatores que se
refletem no custo do manuseio de materiais. Conseguir a melhor combinação
de todos esses fatores é o objetivo do projeto de manuseio de materiais, que é
uma atividade de mão-de-obra intensiva, pois grande parte do manuseio de
materiais no mundointeiro é realizada manualmente, ou, no máximo, por
processo semi-automatizado.
4.5 Almoxarifes no serviço público
4.5.1 Natureza do trabalho do almoxarife
O almoxarife executa serviços administrativos e operacioanis do
almoxarifado, envolvndo o recebimento, conferência, guarda e distruibuição de
material permanente e de consumo nos almoxaridos. Segundo Araújo (1975,
p.293):
O servidor desta classificação trabalha como principal
responsável no almoxarifado central, incumbido do reabastecimento
de material permanente e de consumo a outros almoxarifados,
respondendo, civil e criminalmente, pela guarda e conservação dos
bens patrimoniais em estoque no almoxarifado. O trabalho
compreende o recebimento, a conferência, armazenagem,
distribuição de material, exigindo cuidados especiais para proteger as
mercadorias contra riscos de deterioração e prejuízos eventuais, bem
como para a manutenção do asseio e da ordem no almoxarifado. A
orientação para a execução de tarefas que fogem à rotina é dada
pelo superior hierárquico. A revisão do trabalho é feita através da
verificação do estoque, do inventário e do balanço, que se realiza
periodicamente pordeterminação de autoridades superiores, para o
cumprimento de preceitos legais e contábeis.
55
4.5.2 Atribuições do almoxarife no Serviço Público
De acordo com Araújo (1975, p.297), as principais funções de um
almoxarife são:
� Cumprir rigorosamente os despachos da Direção, de modo que os
processos tenham curso normal;
� Examinar e visar os pedidos de compras de todos os órgãos, para
manutenção do estoque necessário;
� Requisitar, sempre que necessário, todos os esclarecimentos,
amostras ou modelos dos artigos pedidos, de sorte que as compras
correspondeam ao produto solicitado;
� Propor a exclusão de fornecedores, justificando a proposta;
� Renovar anualmente o cadastro dos fornecedores, opinando sobre
os mesmos e propondo a exclusão daqueles que deixarem de
comparecer a 50% das concorrências durante o ano, sem motivo
justificado;
� Estudar as fontes de produção e a situação dos mercados, para a
determinação dos preçõs básicos;
� Trazer em dia os preços concorrentes de todos os materiais que
interessem diretamente ao trabalho da repartição;
� Registrar a qualidade, a quantidade, as condições, os preços e a
procedência dos artigos comprados, em estatísticas analíticas;
� Estudar as conveniências de preços e uniformidade de compra em
grande escala, do amterial de consumo freqüente e vultoso, para
entregas periódicas;
� Registrar e classificar as requisições de materias antes de atendê-
las;
� Registrar todas as entradas e saídas de materiais de forma analítica
e global, em fichas que permitam o pronto conhecimento das
dotações existentes;
� Controlar o estoque de materiais, mantendo um mínimo, suficiente
56
ao abastecimento normal;
� Examinar o mateirla entregue pelos fornecedores, recebendo-o de
acordo com as cláusulas de compra;
� Zelar pela perfeita conservação de todo o material sob sua guarda e
responsabilidade;
� Organizar mensalmente o balancete do material estocado, indicando
entradas e saídas, saldos e valores;
� Levantar anualmente o inventário geral dos estoques e realizar
balanços trimestrais, para controle permanente dos materiais.
4.6 Curva ABC
Na gestão de estoques, é de vital importância a estratificação dos
materias de maneira a permitir que se possam aplicar tratamentos apropriados
a cada grupo. No século XVII, Vilfred Pareto criou uma classificação que
permitisse a diferenciação em classes, baseada em um determinado critério
considerado relevante. A estipulação dos esforços de gerenciamento de itens
estocados pode ser orientada, principalmente, por critérios econômicos,
rotatividade de estoque, complexidade de aquisição, importância estratégica
(criticidade) ou aplicabilidade. (GASNIER, 2002. p.275)
De acordo com Lopes, Souza, Moraes (2006, p. 71), a curva ABC
classifica os materiais de estoque por peso, volume, tempo de reposição, valor
de demanda, inventário, custo unitário, por requisições realizadas, etc. Este
método envolve coletas de dados num prazo entre 6 meses e 1 ano. Esta
ferramente permite ao gerente orientar seus esforços em direção aos
resultados mais significativos, uma vez que a classificação ABC segmenta os
itens em classes.
Pozo (2004, p. 93) propõe a divisão dos dados obtidos em três
categorias distintas:
Itens da Classe A: são os itens mais importantes e que devem receber
toda a atenção no primeiro momento do estudo. È nos itens dessa classe que
57
iremos tomar as primeiras decisões sobre os dados levantados e
correlaconados em razão de sua importância monetária. Os dados aqui
classificados corresmpondem, em média, a 80% do valor monetário total e no
máximo 20% dos itens estudados.
Itens da Classe B: são os itens intermediários e que deverão ser
tratados logo após as medidas tomadas sobre os itens da classe A; são os
segundos em importância. Os dados aqui classificados correspondem, em
média, a 15% do valor monetário total do estoque e no máximo 30% dos itens
estudados.
Itens da classe C: são os itens de menor importância, embora
volumosos em quatidades, mas com valor monetário reduzidíssimo, permitindo
maior espaço de tempo para sua análise e tomada de ação. Deverão ser
tratados, somente, após todos os itens das classes A e B terem sido avaliados.
Em geral, somente 5% do valor monetário total representam esta classe,
porém, mais de 50% dos itens formam sua estrutura.
4.7 Código de Barras
Controlar todos os bens materiais da empresa é uma das atividades
mais importantes na administração dos recursos patrimoniais. Para isso é
necessário classificar e codificar todos os bens pertencentes à empresa. O
objetivo da classificação e codificação de materiais e bens é simplificar,
especificar e padronizar com uma numeração todos os bens da empresa. Com
a codificação, passamos a ter um registro quenos irá informar todos o seu
histórico, tais como: data de aquisição, preço inicial, localização, vida útil
esperada, valor depreciado, valor residual, manutenação realizada e previsão
de sua substituição. Após o bem estar codificado, recebe uma plaqueta com
sua numeração e controle. (POZO, 2004. p. 192)
O exame da codificação, segundo Gurgel (2000, p. 176), apresenta
dois aspectos:
58
Sistema de Geração de Códigos (SGC): sistema para se denominar
materiais, que deve ser a base para o processamento da informação na
empresa. Além da codificação dos produtos acabados, o sistema deve
contemplar também a codificação das matérias-primas, dos semi-acabados,
dos pré-montados e dos componentes internos.
Sistema para Alimentar Computadores (SAC): é o ideal para o
controle de um grande número de itens, rapidez do atendimento do cliente,
economia no controle dos estoques e dos fluxos de materiais, reabastecimento,
faturamento, compras e relatórios de gerências.
O código de barras é um padrão utilizado para leitura e entrada de
dados no sistema. É um sistema simples, de baixo custo, de fácil aplicação e
que proporciona alta confiabilidade e velocidade na armazenagem dos dados.
Ele representa uma tecnologia que permite o controle automático de estoques
e da produção. Atribuído um código numérico ao produto, e convertido em
código de barras, é necessário assegurar que ele seja lido corretamente. Para
isso, existem no mercado leitores ópticos que lê o código, convertendo eventos
de reflexão total (espaço em branco) e de reflexão quase zero (barra escula)
em sinais elétricos. (LOPES; SOUZA; MORAES, 2006. p. 78)
4.8 Inventário
As empresas, segundo Pozo (2004, p.97) organizam uma contagem
física de seus itens em estoques e em processos, para comparar a quantidade
física com os dados contabilizados em seus registros, a fim de eliminar as
discrepâncias que possam existi entre os valores contáveis e o que realmente
existe em estoque. O inventário serve para a apuração do valor total de
estoques para efeito de balanço do ano fiscal e seu imposto de renda.
O inventário geral é elaborado no fim de cada exercício fiscal de Ada
empresa, abrangendo a contagem física de todos os itens de uma só
59
vez, incluindo-se almoxarifado de recebimento, almoxarifado
intermediário, peças em processos e produtos acabados. Nesse
procedimento, geralmente, faz-se necessário a parada total do
processo operacional da empresa, recebimento, produção e
despacho, durante o período de inventário, que pode ser de vários
dias, dependendo do tamanho da empresa. Essa parada é
necessária para que possamos efetuar a contagem física de todos o
itens de estoques, sem sofrer qualquer interferência e sem erros.
(POZO, 2004. p.97)
Os inventários normalmente são mal executados porque, com muita
freqüência, a administração subestima sua importância, sua dificuldade, seu
custo e, tendo por conseqüência, uma execução mal preparada. A falta de
planejamento tem como resultado, inventários que não inspiram confiança,
ficando assim, reduzido o poder de fiscalização da administração, prejudicando
a confiabilidade dos controles contábeis da empresa. (GURGEL, 2004. p. 122)
60
5 METODOLOGIA CIENTÍFICA
Este capítulo tem por finalidade explicar a metodologia científica
empregada nesta pesquisa. Primeiramente, pesquisa, segundo Gil (2002, p.
17) é:
O procedimento racional e sistemático que tem como objetivo
proporcionar respostas aos problemas que são propostos. [...] A
pesquisa é desenvolvida mediante o concurso dos conhecimentos
disponíveis e a utilização cuidadosa de métodos, técnicas e outros
procedimentos científicos. Na realidade, a pesquisa desenvolve-se ao
longo de um processo que envolve inúmeras fases, desde a
adequada formulação do problema até a satisfatória apresentação
dos resultados.
Esta pesquisa desenvolveu-se por razões de ordem prática com o
objetivo de conhecer o conteúdo e poder desenvolver atividades práticas de
maneira mais eficiente e eficaz.
5.1 Etapas da Pesquisa Científica
Todas as etapas para o desenvolvimento da pesquisa foram
planejadas. A primeira etapa consiste na elaboração da introdução do trabalho,
sendo este o primeiro capítulo da pesquisa. Nessa introdução, foram descritas
as razões para investigar tal temática, delineando o tema da pesquisa. Foram
apresentados os objetivos, delimitação do problema, as hipóteses e o resumo
dos capítulos.
Os capítulos 2 e 3 referem-se ao delineamento da pesquisa
bibliográfica. A pesquisa bibliográfica é desenvolvida com base em material já
elaborado, constituído principalmente de livros e artigos científicos. A principal
vantagem da pesquisa bibliográfica reside no fato de permitir ao investigador a
cobertura de uma gama de fenômenos muito mais ampla do que aquela que
poderia pesquisar diretamente. (GIL, 2006, p. 45)
As fontes utilizadas na pesquisa bibliográficas são de livros de leitura
61
corrente, obras de referência, periódicos científicos, teses e dissertações. Em
relação a localização das fontes, as consultam foram feitas em biblioteca
convencional, pesquisa com sistemas de busca através da internet.
O capítulo 4 consiste na explicação da metodologia utilizada na
pesquisa. Finalizando, a pesquisa apresenta um estudo de caso, que um
estudo profundo e exaustivo de um ou poucos objetos, de maneira que permita
seu amplo e detalhado conhecimento. (GIL, 2006, p.54)
5.2 Tipos de Pesquisa
As pesquisas podem ser classificadas de várias formas, podendo-se
levar em conta, nas pesquisas, a natureza dos dados, os objetivos e os
procedimentos.
5.2.1 Classificação da pesquisa de acordo com a natureza dos dados
A pesquisa, quanto à natureza dos dados, pode ser classificada em
quantitativa ou qualitativa.
De acordo com Ciribelli (2003, p. 57) , a pesquisa quantitativa é aquela
na qual o importante é a coleta e análise quantitativa dos dados, pois, por sua
quantificação, aparecem os resultados automaticamente.
A pesquisa qualitativa, seguindo o raciocínio de Ciribelli (2003, p. 57)
se dá quanto os dados só fazem sentido através de um tratamento lógico
secundário.
Essa pesquisa, quanto à natureza, será de abordagem qualitativa,
onde os dados são obtidos no ambiente natural, seguindo um tratamento lógico
de obtenção.
62
5.2.2 Classificação da pesquisa de acordo com os objetivos
A pesquisa, quanto aos objetivos, podem ser exploratória, descritiva ou
explicativa.
Abaixo, explicam-se os tipos de pesquisa segundo Gil (2002, p.41):
Pesquisa Exploratória: têm como objetivo proporcionar maior familiaridade
com o problema, com vistas a torná-lo mais explícito ou a construir hipóteses.
Têm como objetivo principal o aprimoramento de idéias ou a descoberta de
intuições. Seu planejamento é flexível, possibilitando a consideração dos mais
variados aspectos relativo ao fato estudado. Essas pesquisas envolvem:
levantamento bibliográfico, entrevistas com pessoas que tiveram experiências
práticas com o problema pesquisado e análise de exemplos que estimulem a
compreensão.
Pesquisa Descritiva: têm como objetivo primordial a descrição das
características de determinada população ou fenômeno ou, então, o
estabelecimento de relações entre variáveis. As pesquisas descritivas são,
juntamente com as exploratórias, as que habitualmente realizam os
pesquisadores sociais preocupados com a atuação prática. Há pesquisas que
acabam servindo mais para proporcionar uma nova visão do problema,
aproximando-as também das pesquisas exploratórias.
Pesquisa Explicativa: têm como preocupação central identificar os fatores que
determinam ou que contribuem para a ocorrência dos fenômenos. Esse é o tipo
de pesquisa que mais aprofunda o conhecimento da realidade, porque explica
a razão, o porquê das coisas. Pode-se dizer que o conhecimento científico está
assentado nos resultados oferecidos pelos estudos explicativos. Uma pesquisa
explicativa pode ser a continuação de outra descritiva, posto que a identificação
dos fatores que determinam um fenômeno exige que este esteja
suficientemente descrito.
Esta pesquisa, quanto os objetivos, caracteriza-se como descritiva,
uma vez que os dados coletados e analisados permitirão descrever as
63
características do almoxarifado da CPTM, para propor melhores técnicas de
gestão à partir dos dados obtidos.
5.2.3 Classificação da pesquisa de acordo com os procedimentos
Quanto aos procedimentos, a podem ser definidos, segundo Gil (2002,
p. 43) dois grandes grupos de delineamentos: aqueles que se valem das
chamadas fontes de “papel” e aqueles cujos dados são fornecidos por pessoas.
No primeiro grupo, estão a pesquisa bibliográfica e a pesquisa documental. No
segundo, estão a pesquisa experimental, levantamento, estudo de caso,
pesquisa-ação, pesquisa participante e pesquisa ex-post facto.
Abaixo, detalha-se cada um desses procedimentos, de acordo com Gil
(2002, p. 44-57)
Pesquisa Bibliográfica: é desenvolvida com base em matrial já elaborado,
constituído principalmente de livros e artigos científicos. As fontes bibliográficas
são em grande número, podendo ser classificadas em livros, publicações
periódicas ou impressos diversos.
Pesquisa Documental: assemelha-se à pesquisa bibliográfica, diferenciando-
se na natureza das fontes. Vale-se de materiais que não recebem ainda um
tratamento analítico, ou que ainda podem ser reelaborados de acordo com os
objetivos da pesquisa.
Pesquisa Experimental: consiste em determinar um objeto de estudo,
selecionar as variáveis que seriam capazes de influenciá-los, definir as formas
de controle e de observação dos efeitos que a variável produz no objeto.
Levantamento: refere-se à solicitação de informações a um grupo significativo
de pessoas acerca do problema estudado para, em seguida, mediante análise
quantitativa, obterem-se as conclusões correspondentes aos dados coletados.
64
Estudo de Caso: consiste no estudo profundo e exaustivo de um ou de poucos
objetos, de maneira que permita seu amplo e detalhado conhecimento. Seus
resultados, de modo geral, são apresentados em aberto, ou seja, na condição
de hipóteses, não de conclusões.
Pesquisa-ação: tipo de pesquisa com base empírica que é concebida e
realizada em estreita associação com uma ação ou com a resolução de um
problema coletivo e no qual os pesquisadores e participantes representativos
da situação ou do problema estão envolvidos de modo cooperativo ou
participativo. Thiollent et AL4
. (2002 apud GIL, 2006, p.28)
Pesquisa Ex-post facto: significa “ a partir do fato passado. Neste tipo de
pesquisa, o estudo foi realizado após a ocorrência de variações na variável
dependente no curso natural dos acontecimentos, com o propósito de verificar
a existência de relações entre variáveis.
Esta pesquisa classifica-se, quanto aos procedimentos, como estudo
de caso, fazendo um estudo profundo nas atividades e técnicas utilizadas no
almoxarifado da CPTM, com o objetivo de analisar hipóteses propostas no
capítulo 1 desta pesquisa.
4
THIOLLENT, Michel. Motodologia da pesquisa-ação. São Paulo: Atlas, 1976
65
6 ESTUDO DE CASO
Os Almoxarifados têm a função de receber, guardar e distribuir os
materiais comprados pertencentes à CPTM (Companhia Paulista de Trens
Metropolitanos) , assim como, os seus empregados, zelar pela integridade e
qualidade dos mesmos, fornecendo também um ótimo atendimento aos
usuários.
O almoxarifado pertence ao Departamento de Materiais (DFPM) da
CPTM, o qual pertence ao GFP (Gerência de Administração do Patrimônio),
que faz parte da Diretoria Administrativa e Financeira (DF) da CPTM.
6.1 História da CPTM e do Almoxarifado
A CPTM, criada em 1992, está vinculada à Secretaria de Estado dos
Transportes Metropolitanos (STM). A companhia herdou uma ferrovia carente
de recursos, com inúmeros problemas, principalmente nas áreas de segurança
e prestação de serviços, por falta de investimentos por parte do governo.
O sistema ferroviário, desde 1992, herdada pela CPTM à época de sua
fundação, apresentava uma situação caótica. Pingentes, surfistas, arrastões,
longos intervalos, condições precárias das estações, trens e manutenção dos
sistemas, além de ineficiência faziam parte do cotidiano dos usuários. O
cenário mudou radicalmente com os investimentos de mais de US$ 1,6 bilhão
aplicados na companhia entre 1995 e 2006. Hoje a empresa, com suas 89
estações operacionais, atende 22 municípios e se apresenta como a melhor
alternativa para atenuar o problema da mobilidade na Região Metropolitana de
São Paulo. (COMPANHIA PAULISTA DE TRENS METROPOLITANOS, 2009)
A frota atual conta com 110 trens disponíveis para operação e faz uma
média de 1.688 viagens por dia útil, nas seis linhas do sistema. As estações
Brás (300 mil usuários), Luz (235 mil) e Barra Funda (250 mil) recebem juntas
quase 50% do movimento diário total. (COMPANHIA PAULISTA DE TRENS
METROPOLITANOS, 2009)
66
Essa transformação está acontecendo através de investimentos que
vêm sendo realizados, da capacitação dos empregados e principalmente de
mudanças na forma de prestar o serviço de transporte e na maneira de
gerenciar a Companhia.
De acordo com o site da Companhia Paulista de Trens Metropolitanos,
2009, com a atual estratégia de atuação, a CPTM tem implementado vários
projetos que envolvem as diversas áreas da companhia, para agregar valor à
prestação de serviços aos usuários, que reforçam um ambiente corporativo de
permanente aprendizagem, orientado por uma realidade que exige respostas
rápidas às mudanças e a consciência clara da importância do elemento
humano no processo de qualidade total.
Diante de um mercado cada vez mais competitivo, a CPTM vem
trabalhando na modernização e ampliação da prestação de serviços de
transporte público de passageiros na Região Metropolitana de São Paulo. A
CPTM vem se transformando desde sua criação, e hoje busca decisivamente
agregar mais qualidade aos seus serviços oferecidos à população como forma
de melhor se posicionar frente às necessidades de transporte de seus
usuários. (COMPANHIA PAULISTA DE TRENS METROPOLITANOS, 2009)
Todo patrimônio, hoje de posse da CPTM, foi herdada da FEPASA
(Ferrovia Paulista AS). O almoxarifado, na época da FEPASA, trabalhava com
métodos obsoletos para o desenvolvimento de suas atividades. Havia os
problemas, mas não chegavam ser agravantes a ponto de atrapalhar a
operação. Funcionários antigos do almoxarifado demonstram preferência em
trabalhar na gestão da época da FEPASA ao invés da CPTM. Mesmo com
recursos limitados, a filosofia de serviço agradava mais os funcionários da
área.
Mas o almoxarifado conseguiu apoio, em relação aos recursos, apenas
com a CPTM. Foi com ela que eles conseguiram equipamentos como,
computadores, impressoras, móveis, novos equipamentos de movimentação e
armazenagem, entre outros, que permitiu o aprimoramento de técnicas de
gestão de estoques.
Mas ainda muito precisa ser feito com relação a investimentos para o
almoxarifado. Com o passar dos tempos, novos problemas foram surgindo, as
práticas de serviços mudaram, exigindo novos métodos e equipamentos,
67
merecendo uma maior atenção por parte da administração para obtenção de
recursos por parte do governo do estado.
6.2 Resumo das Atividades
Os almoxarifados do DFPM têm como função principal: o recebimento,
conferência, endereçamento, armazenagem, movimentação, separação e
expedição de materiais, nos endereços seguintes:
� Rua General Manoel de Azambuja Brilhante, 55, Presidente Altino,
Osasco, SP, composto por 1 armazém de aproximadamente
3.125m², 1 armazém de aproximadamente 325m² , 1 área aberta, e
a estação de abastecimento de combustível;
� Avenida Raimundo Pereira de Magalhães, 200 – Vila Anastácio –
São Paulo , composto por 1 armazém de aproximadamente 2100m²,
1 armazém de aproximadamente 800m² chamado de galpão B e um
galpão de Materiais de via permanente de aproximadamente 900m².
A tabela abaixo mostra os nomes dos almoxarifados existentes na
CPTM. Este trabalho tem por finalidade estudar os almoxarifados B001, B002,
B003, B004 e B005, que constituem os principais almoxarifados da CPTM,
tendo em vista que os outros se encontram desativados ou em fase de
planejamento para sua desativação ou ainda com suas atividades reduzidas.
68
TABELA 1 Locais de armazenagem dos almoxarifados
AX NOME ENDEREÇO
A002 PRINCIPAL - LAPA AV. RAIMUNDO PEREIRA DE MAGALHÃES
A003 SUCATA - LAPA AV. RAIMUNDO PEREIRA DE MAGALHÃES
A004 SUCATA - PIRITUBA RUA DOS CAMARÕES
A022 VIA PERMANENTE - LAPA AV. RAIMUNDO PEREIRA DE MAGALHÃES
A023 GERAL - LAPA AV. RAIMUNDO PEREIRA DE MAGALHÃES
A024 MATERIAL RODANTE - LAPA AV. RAIMUNDO PEREIRA DE MAGALHÃES
A025 DIMISSANITÁRIOS - LAPA AV. RAIMUNDO PEREIRA DE MAGALHÃES
A101 CONSTRUÇÃO CIVIL - LAPA AV. RAIMUNDO PEREIRA DE MAGALHÃES
A301 PLASSER - LAPA AV. RAIMUNDO PEREIRA DE MAGALHÃES
A402 LABORATÓRIO ELETRÔNICA - LAPA AV. RAIMUNDO PEREIRA DE MAGALHÃES
B001 PRINCIPAL - ALTINO RUA GENERAL MANOEL DE AZAMBUJA BRILHANTE
B002 INFLAMÁVEIS - ALTINO RUA GENERAL MANOEL DE AZAMBUJA BRILHANTE
B003 PAPELARIA - ALTINO RUA GENERAL MANOEL DE AZAMBUJA BRILHANTE
B004 EPI'S - ALTINO RUA GENERAL MANOEL DE AZAMBUJA BRILHANTE
B005 UNIFORMES - ALTINO RUA GENERAL MANOEL DE AZAMBUJA BRILHANTE
B006 SUCATA - ALTINO RUA GENERAL MANOEL DE AZAMBUJA BRILHANTE
B202 MAT. RODANTE LOCOMOTIVA - ALTINO RUA GENERAL MANOEL DE AZAMBUJA BRILHANTE
B401 LABORATÓRIO ELETRÔNICA - ALTINO RUA GENERAL MANOEL DE AZAMBUJA BRILHANTE
E001 COMBUSTÍVEIS - ENG. SP RUA BRESSER
E002 SUCATA - ENG. TRINDADE PÁTIO CPTM - ENTRADA DO EXTRA MARGINAL
Os materiais comprados pela CPTM são entregues no armazém
principal da Rua General Manoel de Azambuja Brilhante, na área de
recebimento.
A seguir, explicam-se os procedimentos realizados dentro da CPTM
para recebimento, estocagem e arrumação de materiais, separação e
processamento das requisições de materiais
6.2.1 Procedimento para o Recebimento de Materiais
Abaixo, explica-se o procedimento para o recebimento de materiais no
almoxarifado:
69
� Receber Contrato de Fornecimento da área de Contratos do DFPM,
arquivando-os de acordo com a empresa fornecedora;
� Ao receber o material, conferir dados da Nota Fiscal com os dados
do Contrato de Fornecimento (CGC, Endereço, Razão Social,
Descrição, Quantidade, Valores, Descrição do Material);
� Conferir quantidade e descrição dos materiais da Nota Fiscal com a
quantidade e descrição física dos materiais recebidos. Após
recebimento, devolver canhoto da Nota Fiscal assinado ao
fornecedor com carimbo da CPTM;
� Efetuar alocação provisória do material até inspeção técnica
lançando no “Controle de Contrato de Fornecimento”, o endereço
provisório do material dentro da área de recebimento;
� Registrar a Nota Fiscal num arquivo em Excel “Controle Diário de
Entrada de Notas Fiscais” os seguintes dados: Data do Registro, n°
da Nota Fiscal, Data da Nota Fiscal, Empresa, n° da Ordem de
Fornecimento;
� Entregar as Notas Fiscais à área de Contratos, colhendo assinatura
e atestando que a mesma foi entregue àquele setor. A área fará o
processamento das Notas Fiscais e encaminhará ao recebimento,
um engenheiro para realizar a inspeção do material. Após a
inspeção, o engenheiro fará o Laudo de Inspeção Técnica de
Material, informando se o material foi aprovado ou reprovado. Caso
seja necessário liberar peças para amostra em teste, deverá ser
apenas mediante documentação própria (Autorização de Saída),
anotando o procedimento no campo de observações do “Controle de
Contrato de Fornecimento”. Após a emissão do Laudo, checar se as
amostras retiradas foram devolvidas, caso não, solicitar ao técnico
responsável a devida regularização;
� De posse do Laudo de Inspeção Técnica de Material, o almoxarife
lançará no “Controle Diário de Entrada de Notas Fiscais” os dados
do Laudo;
� Se o material for aprovado, aguardar o processo de armazenagem
do material no almoxarifado;
70
� Se o material for reprovado na Inspeção Técnica, a área de
recebimento recebe a Nota Fiscal de Devolução da CPTM, emitida
pela área de Contratos, com os dados do material reprovado que
deverão ser separados para a respectiva entrega, e lançando os
dados em um outro controlo feito em Excel chamado “Notas Fiscais
de Devolução”;
� Quando da retirada, entregar o material ao fornecedor e colher
assinatura do mesmo no canhoto de nossa Nota Fiscal, enviando-o,
no mesmo dia à área de Contratos;
A área de recebimento executa algumas atividades complementares
como a aquisição de materiais por fundo fixo e a devolução de materiais.
A Aquisição de Materiais Por Fundo Fixo trata-se de compras especiais
ou emergenciais, que tem um procedimento diferenciado dentro do
recebimento. O almoxarife recebe os materiais, apenas com a autorização via
fone ou e-mail do comprador responsável, que deverá informar também a área
detentora da compra, anotando no verso da Nota Fiscal o nome do comprador
e área usuária. Abaixo, explica-se o procedimento para a realização dessa
atividade:
� Conferir material com a Nota Fiscal de Entrega, alocando material
com endereçamento provisório (mesmo procedimento dos demais);
� Abrir e arquivar processo com xerox da Nota Fiscal de entrega,
emitindo folha de despacho, solicitando Analise Técnica;
� Registrar Nota Fiscal no “Controle de Entrada Diária de Notas
Fiscais”;
� Encaminhar Nota Fiscal juntamente com a solicitação de análise
técnica para área de Diligênciamento, e aguardar a Analise Técnica;
� Se o material for aprovado, entregar material ao usuário mediante
“Autorização de Saída de Materiais” e/ou “Documento Interno Para
Transporte de Mercadorias”;
� Se o material for reprovado, solicitar posição da área de
diligênciamento.
71
A devolução de materiais procede-se da seguinte forma:
� Receber do usuário os materiais e o respectivo documento de
Devolução de Material (DM);
� Emitir Folha de Despacho para o Assistente Técnico da Área,
solicitando analise da engenharia de materiais. O procedimento de
análise é igual à análise descrita anteriormente;
� Se o material for aprovado, repassar processo com respectivo
material ao Almoxarifado estocador;
� Se o material for reprovado, devolver a DM e o material ao usuário,
solicitando ao mesmo cancelamento da DM.
6.2.2 Procedimento para estocagem e arrumação de material
Quando o material estiver pronto para entrar no estoque, o almoxarife
responsável deve:
� Receber Laudo ou a DM (para caso de Devolução de Material);
� Procurar a localização do material, numa relação impressa
mensalmente com o código do material, descrição completa e
endereço, caso ele esteja endereçado. Se o material não estiver
endereçado, o almoxarife deve providenciar um novo endereço e
escrever o novo endereço numa folha de localização para
atualização do sistema;
� Efetua a conferencia física do material com o que consta no laudo;
� Assinar o Laudo ou a DM e encaminhar para
arquivo/processamento, com a localização, para que seja efetuada a
atualização do sistema;
� Armazenar o material em sua linha de estocagem.
72
6.2.3 Procedimento para separação e expedição de material
A separação se materiais ocorre da seguinte forma:
� No escritório do almoxarifado, imprime-se o documento de
Requisição de Material (RM). Consiste na impressão de duas folhas,
uma de Requisição de Material e outra de Planilha de RM por local
de armazenagem. A Requisição de Material é o documento que
comprova que o usuário retirou o material, contendo um campo para
assinatura do usuário. A Planilha de RM por local de armazenagem
é um documento interno do almoxarifado que serve para que o
almoxarife possa olhar o endereço e fazer anotações pertinentes
sobre a localização, informando também a localização do material
dentro da expedição.
FIGURA 4 Requisição de Material
73
FIGURA 5 Planilha de Requisição de Material
� Após a impressão, acontece a distribuição das RM´s de acordo com
o almoxarifado;
� O almoxarife realiza a separação dos materiais;
� Preenche a Requisição de Material e a Planilha, colocando a
quantidade separada, data de separação e assinatura;
� Coloca o material junto com a RM na expedição;
� Repassa a planilha para o escritório do almoxarifado, onde atualiza o
sistema informando a separação. Após a atualização no sistema, o
escritório passa a planilha para o responsável no balcão da
expedição;
� O usuário confere no sistema para ver se sua requisição está
separada;
� Caso a requisição já esteja separada, o usuário comparece ao
almoxarifado, apresentando uma via da requisição no balcão da
expedição;
� O almoxarife do balcão localiza planilha da requisição
74
correspondente, verificando o endereço do material na expedição;
� O usuário recebe e confere o material. Após a conferência, assina a
RM;
� O almoxarife encaminha a RM para processamento automático;
� No escritório, o funcionário faz o processamento da RM (baixa do
estoque no sistema) e encaminha a RM para o Departamento de
Contabilidade (DFFC).
6.3 Quadro de Pessoal
O aspecto mais crítico da operação dos Almoxarifados do DFPM é a
insuficiência de recursos humanos, em quantidade e qualidade, que embora
poucos, irão trazer mais agilidade e melhorar o controle.
As várias áreas do DPFM foram, ao longo do tempo, perdendo
funcionários (e suas respectivas vagas) para outras áreas da CPTM, vagas
estas que não foram repostas. Como resultado, as áreas tiveram seus quadros
reduzidos, e a operação foi muito prejudicada.
Estão sendo definidos e estabelecido procedimentos e políticas
operacionais adequadas ao perfeito funcionamento da operação dos
Almoxarifados, procedimentos esses que, para serem operacionalizados, serão
necessários pequenos ajustes com relação a contratação de um pequeno
número de empregados.
Segue abaixo uma tabela onde mostra a quantidade de funcionários
atualmente lotados nos Almoxarifados do DFPM, bem como a estimativa de
pessoal ideal para uma gestão mais moderna e dinâmica.
75
TABELA 2 Quadro de funcionários do almoxarifado
QUADRO DE FUNCIONÁRIOS
EXISTENTES IDEAL
FUNCIONÁRIOS
OPERACIONAIS
ALMOXARIFES 8 13
AJUDANTES DE
ALMOXARIFE
4 8
FUNCIONÁRIOS
ADMINISTRATIVOS
SUPERVISORES DE
ALMOXARIFADO
2 3
TÉCNICO DE
ALMOXARIFADO
1 3
GESTOR DE
ESTOQUES
1 1
FUNCIONÁRIOS
ESTAGIÁRIOS 2 3
TERCEIRIZADOS
(AJUDANTES)
1 6
TABELA 3 Distribuição do quadro ideal de funcionários no almoxarifado
DISTRIBUIÇÃO DO QUADRO IDEAL DE FUNCIONÁRIOS NO
ALMOXARIFADO
ALMOXARIFE AJUDANTE TERCEIRIZADO ESTAGIÁRIO SUPERVISOR TÉCNICO
EQUIPE
ARMAZENAGEM 2 2 1
EQUIPE
SEPARAÇÃO 5 3 3 1 1
EQUIPE
EXPEDIÇÃO 2 2 1 2 1 1
RECEBIMENTO 2 1 1 1 1
INFLAMÁVEL 2 1
TOTAL 13 8 6 3 3 3
76
6.3.1 Resumo das atividades dos atuais empregados do almoxarifado
6.3.1.1 Gestor de Estoque
O gestor de estoque deve:
� Disponibilizar recursos e ferramentas para agilizar o processo de
funcionalidade dos almoxarifados;
� Conhecer e compreender as necessidades dos clientes e ser, além
de um empreendedor, um líder visionário, líder este, focado no
futuro.
6.3.1.2 Supervisor de Almoxarifados
O supervisor de almoxarifados tem a função de:
� Supervisionar o recebimento, conferência física/fiscal, estocagem,
distribuição/fornecimento aos destinatários, inventários, controle de
material e qualidade, destinados à manutenção de bens ou
equipamentos nacionais ou importados, de uso administrativo ou
para investimento e/ou programas específicos;
� Planejar a criação e implantar a infra-estrutura necessária ao suporte
dos recebimentos, armazenamentos e movimentação de materiais e
equipamentos, analisando a racionalização das instalações e
participando no desenvolvimento do leiaute de almoxarifado de
acordo com os materiais a serem armazenados;
� Supervisionar e orientar os subordinados na distribuição das tarefas,
bem como administrar as relações de trabalho, como: férias,
absenteísmo, aspectos disciplinares, entre outros.
77
6.3.1.3 Técnico de Almoxarifado
O técnico de almoxarifado deve:
� Dar suporte técnico para subsidiar a elaboração de especificações e
procedimentos técnicos de Materiais da CPTM, efetuando coleta de
informações, dados;
� Auxiliar na elaboração de codificação e catálogos diversos de
materiais;
� Efetuar inspeção em atividades de terceiros e no recebimento de
materiais/equipamentos mecânicos, elétricos, eletrônicos e
eletroeletrônicos, de construção civil, administrativos, etc;
� Coletar e encaminhar amostras de materiais recebidos para análise.
6.3.1.4 Almoxarife
O almoxarife tem a obrigação de:
� Acompanhar e orientar o recebimento de materiais, analisando
conferências físicas, agrupamentos e controle de qualidade;
� Elaborar e executar procedimentos de entrada em estoque ou
separação de materiais aos clientes;
� Operar, eventualmente, empilhadeira, guincho e outros
equipamentos de movimentação de carga e ainda, realizar, sempre
que necessário, atividades pertinentes ao cargo de Ajudante de
Almoxarife.
78
6.3.1.5 Ajudante de Almoxarife
O ajudante de Almoxarife
� Auxiliar na execuçao de tarefas voltadas à manutenção e
conservação de equipamentos e peças, áreas livres, entre outras;
� Remover, carregar, descarregar, transportar e arrumar volumes,
materiais, ferramentas, equipamentos e outros, acondicionando-os
em local apropriado, executando pequenos serviços de expediente
pertinentes à área
6.4 Equipamentos de Armazenagem
6.4.1 Equipamentos armazenagem existentes
Para a movimentação dos materiais os Almoxarifados do DFPM
dispõem dos seguintes equipamentos:
� 2 paletadeiras de 2 t, para uso na área interna do almoxarifado;
� 1 empilhadeira de 4,5 t, para uso na área de céu aberto do
almoxarifado;
� 1 empilhadeira de 2 t, para uso no almoxarifado de Inflamável (B002)
e recebimento;
� 2 empilhadeiras elétricas de 3t, para uso interno do almoxarifado.
79
6.4.2 Equipamentos armazenagem necessários
Para um melhor desempenho das atividades do almoxarifado, os
equipamentos necessários de movimentação, armazenagem e transporte de
materiais necessários são:
� 1 caminhão equipado com “munck”, para movimentação interna de
materiais e a transferência de materiais entre almoxarifados e áreas
de estocagem;
� 1 caminhonete, cabine dupla, para o transporte de materiais de
pequeno porte, distribuição de materiais administrativos e transporte
de pessoal entre os almoxarifados e áreas de estocagem;
� 2 máquinas de arquear manual, uma para a área de recebimento e
outra para a expedição;
� 2 balanças eletrônica contadora, uma para o recebimento e 1 para
área de separação;
� 10 carros bandeja para transporte, para auxiliar a separação de
materiais pelos almoxarifes, ajudantes e terceirizados.
6.5 Materiais estocados no almoxarifado
A tabela abaixo mostra a atual situação dos materiais sob a guarda do
Almoxarifado:
80
TABELA 4 Materiais cadastrados no sistema do almoxarifado
Tipos de material
Itens
codificados
Itens não
utilizados nos
últimos 4 anos
(com saldo no
estoque)
Total de
itens
utilizados
Normal 10.039 7.068 2.971
Essencial 817 589 228
Estratégico 1.075 1.040 35
Especifico 3.785 3.740 45
Eventual 11.384 10.165 1.219
Sobra de obras 1.126
Total geral 28.226 22.602 4.498
6.6 Gráficos de produção e curvas ABC dos almoxarifados do DFPM
O gráfico abaixo faz uma comparação de itens requisitados no
almoxarifado, com os itens separados, fazendo um contraste com os itens
separados no prazo de 48 horas.
37542
28327
3616
24711
9125
0
10000
20000
30000
40000
Demonstrativo - 01/04/2008 até 29/10/2008
Total de Itens
Constantes nas
MM's
Total de Itens
Separados
Total de Itens
Atendidos em 48
horas
Total de Itens
Atendidos Acima
de 48 horas
Total de Itens
Zerados
GRÁFICO 1 Demonstrativos dos itens requisitados
81
Analisando o gráfico, percebe-se que muitos itens não foram atendidos
no período. Trata-se dos itens zerados. São itens que não foram atendidos
porque são materiais considerados como não de estoque. São materiais, que
possuem os tipos de consumo eventuais e estratégicos, ou seja, não precisam
estar estocados em nossos Almoxarifados, sua compra se faz através de
solicitação das áreas usurárias. Fazem parte dos itens zerados matérias
requisitados que apresentam saldo contábil, porém com saldo físico zerado.
A meta do almoxarifado é de separar os itens no período de 48 horas.
O gráfico mostra que, apenas 12% dos materiais solicitados e separados são
separados no período de 48 horas. Isso acontece devido aos seguintes fatores:
a dificuldade de separar o almoxarifado; muitas requisições à serem atendidas
ou a disposição do almoxarife em separar o material.
A dificuldade de separar o material existe pelo fato do material estar na
maior altura da prateleira, necessitando empilhadeira para abaixar o palete, ou
o material necessitar de um cuidado especial de transporte ou de um
equipamento específico de movimentação. Acontece também, de um dia da
semana, aparecer muitas requisições a serem atendidas. Férias não
planejadas, ausência de almoxarifes e a insatisfação do almoxarife também
influenciam para a demora da separação do item.
O gráfico abaixo representa os materiais cadastrados no almoxarifado
B001, mostrando que 66% dos materiais cadastrados nesse almoxarifado são
materiais sem movimento, representando 58% de todos os materiais
cadastrados.
21206
1980 1892 3381
13953
0
5000
10000
15000
20000
25000
TOTAL Curva A Curva B Curva C Curva D
Gráfico Demonstrativo da Curva
ABC da Soma dos Itens
Cadastrados no Almoxarifado B001
GRÁFICO 2 Demonstrativo da Curva ABC dos Itens Cadastrados no almoxarifado B001
82
A seguir, mostra-se o gráfico do almoxarifado B002, que armazena
materiais inflamáveis. Nota-se que, aproximadamente, apenas 9% dos
materiais apresentaram grande movimento.
345
30
81
107
127
0
100
200
300
400
TOTAL Curva A Curva B Curva C Curva D
Gráfico Demonstrativo da Curva ABC
da Soma dos Itens Cadastrados no
Almoxarifado B002
GRÁFICO 3 Demonstrativo da Curva ABC dos Itens Cadastrados no almoxarifado B002
O gráfico 4, representa os materiais cadastrados no almoxarifado
B003, que armazena todos os materiais de papelaria comprados pela CPTM.
Analisando o gráfico, 57% dos materiais de papelaria apresentaram baixa
movimentação.
599
65 60
338
136
0
100
200
300
400
500
600
700
TOTAL Curva A Curva B Curva C Curva D
Gráfico Demonstrativo da Curva ABC
da Soma dos Itens Cadastrados no
Almoxarifado B003
GRÁFICO 4 Demonstrativo da Curva ABC dos Itens Cadastrados no almoxarifado B003
Abaixo, mostra-se o gráfico dos materiais cadastrados no almoxarifado
83
B004, onde estão armazenados todos os Equipamentos de Proteção Individual
(EPI) da CPTM. Ele representa, aproximadamente, 1% de todos os materiais
cadastrados pertencentes à CPTM.
219
48 41
93
37
0
50
100
150
200
250
TOTAL Curva A Curva B Curva C Curva D
Gráfico Demonstrativo da Curva
ABC da Soma dos Itens
Cadastrados no Almoxarifado B004
GRÁFICO 5 Demonstrativo da Curva ABC dos Itens Cadastrados no almoxarifado B004
A gráfico a seguir representa todos os materiais de uniformes
armazenados no almoxarifado B005. Nota-se que, apenas 8% dos materiais
cadastrados apresentaram grande movimentação.
1686
135 257
530
764
0
500
1000
1500
2000
TOTAL Curva A Curva B Curva C Curva D
Gráfico Demonstrativo da Curva ABC
da Soma dos Itens Cadastrados no
Almoxarifado B005
GRÁFICO 6 Demonstrativo da Curva ABC dos Itens Cadastrados no almoxarfidado B005
A seguir, mostra-se o gráfico de todos os materiais cadastrados em
todos os almoxarifados da CPTM.
84
24200
2261 2339
4498
15102
0
5000
10000
15000
20000
25000
TOTAL Curva A Curva B Curva C Curva D
Gráfico Demonstrativo da Curva ABC
da Soma dos Itens Cadastrados nos
Almoxarifados
GRÁFICO 7 Demonstrativo da Curva ABC dos Itens Cadastrados nos almoxarifados
O gráfico 7 resume os itens cadastrados nos almoxarifados B001,
B002, B003, B004 e B005. Percebe-se que, do total dos itens cadastrados,
aproximadamente 62% dos itens pertence a curva D, fazendo parte dos
materiais com nenhuma movimentação nos últimos anos. Atualmente existe um
plano de alienar esses materiais para retirar eles do almoxarifado e do sistema.
Mas para isso é necessária a realização de um inventário no almoxarifado, mas
que devido à disputa de interesses e brigas entre chefia, o inventário acaba
sendo adiado.
6.7 Melhorias no almoxarifados e providências
A atual gestão herdou um almoxarifado cheio de problemas, com falta
de organização e limpeza. Apresentava a plataforma de carga e descarga
obstruída, materiais diversos espalhados pelo chão, corredores internos
obstruídos por materiais, toneladas de cabos mensageiros e fio trolley ao
relento, entre outros agravantes, mostradas nas fotos a seguir.
85
FOTOGRAFIA 10 Almoxarifado com a plataforma obstruída
FOTOGRAFIA 11 Materiais espalhados pelo chão do almoxarifado
86
Na atual gestão, foram adotadas providências de gestão para permitir
uma maior racionalização dos materiais em estoque e como conseqüência
direta um ganho substancial de espaço físico inclusive dos materiais que
possam ser alienados, sem prejuízo da operação da CPTM, como mostra a
foto abaixo.
FOTOGRAFIA 12 Almoxarifado após a arrumação da atual chefia
Dentre as providências já tomadas, pode-se citar o Programa “Rua
Limpa” que consistiu na reorganização da estocagem de modo a retirar todos
os materiais das ruas, nas áreas dos Almoxarifados do DFPM, deixando-as
desimpedidas para o livre trânsito de veículos e facilitando a carga e descarga
de materiais.
87
FOTOGRAFIA 13 Plataforma após o Programa “Rua Limpa”
Para que a reorganização da estocagem fosse realizada, tornou-se
necessário à transferência de materiais do Almoxarifado de Presidente Altino
para os Almoxarifados da Lapa, tais como:
� Materiais de via permanente (placas de apoio, grampos, trilhos e
agulhas, etc);
� Materiais de Rede Aérea (fios trollys, Cabos mensageiros e
estruturas metálicas);
� Material de higiene e limpeza: papel higiênico, papel toalha,
sabonete liquido, etc;
� Material de consumo tais como açúcar, café, etc;
� Materiais e equipamentos de sobra de obras (Via Permanente e
Sistemas);
� Materiais com pouca movimentação (estratégicos);
� Materiais de construção, tais como blocos de concreto, grades
88
metálicas e cimento.
Pode-se citar outras providências tomadas pela atual gestão que
contribuíram para a melhora do almoxarifado:
� Reorganização interna e externa do Almoxarifado, sendo inclusive
matéria da WEB e do jornal do mês de julho da CPTM;
� Reorganização nas separações de Materiais (MM), com mais
rapidez e sem acumular;
� Melhor atendimento aos usuários. sem existência de filas para
retirada de materiais no balcão do almoxarifado;
� Operação”Almoxarifado Comercial”, o Almoxarifado não fecha para o
almoço, funcionando diariamente em horário comercial (08h00 ás
17h00), esse era motivo de muitas reclamações de usuários;
� Instalação de gradis metálicos segregando as áreas de estocagem,
permitindo melhor organização e controle dos materiais.
Mas ainda, muito precisa ser feito para melhorar o almoxarifado
principal do Almoxarifado. Podemos citar como providências a serem tomadas:
� Construção de um galpão de estocagem de gases, a ser construído
próximo à área de recebimento de materiais. Essa construção é
muito importante para permitir a estocagem dos gases de modo
mais seguro;
� Instalação de sistema de monitoramento do almoxarifado (área
interna e externa) por meio de câmeras de TV permitindo maior
controle e segurança patrimonial (em licitação pela área de
segurança);
� Cobertura do Céu Aberto. Com esse serviço, consegue-se organizar
os materiais que ocupam muito espaço físico dentro e fora do
Almoxarifado;
� Reorganização do Céu Aberto, permitindo a alienação de materiais
que não foram movimentados nos últimos 4 anos e que apresentam
89
saldo sob a guarda do almoxarifado.
6.8 Proposta de gestão de almoxarifado
Com o intuito de uma melhor organização e melhoria para os controles
de materiais recebidos e armazenados nos almoxarifados deve-se
providenciar:
� Discutir com a chefia do setor, mostrando a importância da
implantação do código de barras, além da aquisição de outros
equipamentos como máquina de arquear, balança eletrônica, carro
bandeja;
� Todos os materiais miúdos deverão estar embalados em sacos
plásticos e/ou caixas e com os pesos e quantidades devidamente
descriminados.
� Solicitar cintas de proteção para palete;
� Providenciar urgentemente, a realização do inventário dos materiais
do almoxarifado para acerto do estoque contábil.
Além disso, um problema freqüente que atrapalha o bom andamento
do almoxarifado é relação do almoxarife com a chefia. Chefias muito severa e
exigente trás como conseqüência funcionários descontentes que acabam não
produzindo.
Muitas vezes, o almoxarife pensa que, por ser funcionário público, têm
instabilidade no emprego e acaba deixando de produzir pensando que não lhe
acontecerá nada. Hoje em dia, a situação está mudando. Na CPTM, algumas
chefias, com dificuldades por causa da burocracia, acabam conseguindo a
demissão de seus funcionários. Mas a desvantagem na demissão do
funcionário é a dificuldade de conseguir repor a vaga perdida, tornando-se
vantajoso permanecer com o funcionário problemático do que nenhum.
Deve-se então, repensar o papel do chefe. A função do chefe não é
apenas mandar o funcionário executar tarefas. Ele precisa demonstrar seu
90
conhecimento, ensinar e aprender com o seu subordinado e conquistar o
respeito da equipe. Mas para isso é necessário que ele tenha em mente que a
forma de lidar com cada funcionário deve ser diferente, nunca padronizado.
(ADMINISTRADORES.COM.BR, 2009)
A melhor solução é encontrar um ponto de equilíbrio entre os
interesses do funcionário e da chefia, pensando sempre no bom funcionamento
do almoxarifado.
6.9 Sistema Operacional
Um Sistema informatizado de Materiais é uma das peças chaves do
sucesso de operação dos Almoxarifados do DFPM, permitindo que possa
desenvolver um serviço adequado, rápido e eficiente de atendimento das
necessidades dos seus clientes internos.
Para tanto o sistema operacional necessita fornecer informações
confiáveis e transparentes, de forma que o DFPM tenha condições de proceder
às solicitações de compra, nas quantidades corretas e no tempo adequado,
bem como que os controles de estoque (entradas e saídas) sejam também
confiáveis.
A CPTM tem um contrato com a empresa Riosoft, onde para a gestão
de estoque, criou o programa Apolo, que executa a gestão de estoques em
almoxarifados, integrando-se aos demais módulos dos sistemas Corporativos
Apolo.
O Sistema Apolo atende as necessidades de gestão de estoques, mas
apresenta alguns problemas que dificultam, mas não impede, o andamento do
processo de atendimento dos pedidos com relação à documentação.
Anualmente é feita uma reunião com a Riosoft, onde os usuários do sistema
levam suas reclamações e entram em discussão sobre o que pode ser feito.
Na última reunião, os responsáveis pela Riosoft foram avisados das
dificuldades, informando que procurariam uma solução para os problemas.
Atualmente, o almoxarifado aguarda alguma posição da Riosoft sobre as
reclamações e possíveis soluções para o problema.
91
6.10 Código de Barra
Com o objetivo de atender melhores os clientes internos da CPTM,a
implantação do código de Barras nos almoxarifados irá facilitar o controle
antes, durante e depois do recebimento e das compras de materiais,
garantindo inclusive, uma melhor racionalização da mão de obra.
Apresenta-se a seguir uma tabela dos equipamentos necessários para
implantação do código de barras, que são compatíveis com os equipamentos
existentes para implantação do sistema de barras para os almoxarifados, com
os valores e quantidades necessárias para o almoxarifado.
TABELA 5 Equipamentos para o Código de Barras
EQUPAMENTO
Valor
Unitário
Quantidade Total
Zebra-Impressora
de código de
barras Eltron
TLP2844
R$ 1.050,00 2 R$ 2.100,00
Ingenico-PinPad
Elite 3070 para
TEF by Elgin
R$ 500,00 2 R$ 1.000,00
Metrologic-Leitor
de código de
barras Laser
Voyager MS9520
R$ 500,00 4 R$ 2.000,00
Symbol-Leitor de
código de barras
Laser LS2208
R$ 480,00 5 R$ 2.400,00
Symbol-Leitor de
código de barras
fixo Laser LS7708
R$ 1.140,00 4 R$ 4.560,00
Coletor de Dados
SP5500 OptimusS
é um coletor de
dados
R$ 2.470,00 2 R$ 4.940,00
Total do Investimento R$ 17.000,00
92
O levantamento dos dados foi feito numa empresa especializada em
implantação de códigos de barras em armazéns, onde o software utilizado
pode trabalhar em conjunto com o software existente na CPTM para a gestão
de estoque. O investimento para a implantação do código de barras no
almoxarifado sai em torno de R$ 17.000,00.
6.11 Instalações Físicas do Almoxarifado
No mês de setembro de 2009, foi elaborado, na CPTM, um relatório
mostrando as não conformidades nos setores do DFPM do Pátio de Presidente
Altino.
Das não-conformidades citadas no relatório, podemos citar:
Irregularidade no telhado do almoxarifado e calhas danificadas no setor
de abastecimento, pertencente ao almoxarifado B002: apresenta telhado
danificado causando infiltrações de água em dias de chuva nos corredores do
almoxarifado central e calhas danificadas causando infiltração de água em
cima do sistema de bombas, colocando em risco de acidentes os empregados
e danos materiais aos equipamentos da CPTM.
Tomadas e disjuntores sem identificação de tensão: os locais
inspecionados não estão providos de identificação nas tomadas e nos
disjuntores.
Sistema fixo de combate a incêndio inoperante e hidrantes do
almoxarifado e departamento de materiais: mangueiras danificadas; falta de
bicos e engates.
Armazenamento irregular de materiais: vários tipos de materiais, como
papelão, lâmpadas, calhas, etc) armazenados de forma irregular dentro da sala
de sistema de painéis do Departamento de Materiais. O espaço do local é
pequeno e em casos de manutenção ou situações de emergência este
93
armazenamento irregular poderá causar acidentes ou danos materiais aos
equipamentos.
Sistema de bombas de abastecimento com vazamento e com defeito:
bomba diesel grande com vazamento pelo engate e mangueira e bomba de
gasolina e bomba de diesel pequena com defeito.
Copa inadequada no setor do recebimento: sem revestimento impermeável,
falta de piso lavável e de paredes revestidas com material liso, resistente e
impermeável.
Falta de telas de proteção nas janelas e elementos vazado do telhado no
Setor de Inflamáveis: o setor de inflamáveis está impregnado de pombas que
causam muita sujeira pela suas fezes causando problemas biológicos aos
empregados e podendo contaminar os materiais armazenados.
Sistema de aquecer por gás de G.L.P.: na copa do almoxarifado central es´ta
instalado um fogão com aquecimento a gás G.L.P. de 15 quilos com risco de
vazamento que poderá causar explosão.
Risco de batida contra equipamento elétrico no Almoxarifado Central: o
sistema de alimentação elétrica das empilhadeiras estão expostos com a
possibilidade de provocar acidentes e danos materiais aos equipamentos.
Porta destinada a saída de emergência trancada por cadeado: no
almoxarifado central a parta destinada à saída de emergência está trancada
por cadeado e a chave não está disponível ára abertura rápida em caso de
emergência.
Essa Inspeção Técnica foi realizada pela Engenharia de Segurança do
Trabalho, com embasamento legal, considerando o disposto nas Normas
Regulamentadoras (NR) relativas à segurança e medicina do trabalho.
Pode-se sugerir, como recomendações para adequação das não
conformidades:
94
� Manutenção do telhado do almoxarifado e substituição de calhas
danificadas no setor de abastecimento de forma a evitar infiltrações
das águas das chuvas;
� Providenciar instalação de etiquetas identificadores nas tomadas e
disjuntores;
� Prover engates e bicos adequados às caixas de mangueiras nos
hidrantes do almoxarifado;
� Retirar os materiais armazenados de forma irregular na sala de
sistema de painéis para outro loca onde não haja riscos aos
equipamentos deixando o local livre e de fácil acesso aos
equipamentos. Materiais como papelão, lâmpadas e calhas podem
ser mandados para o almoxarifado de inservíveis na lapa,
providenciando a Documentação de Devolução de Inservíveis (DI);
� Solicitar reparo imediato a empresa responsável pela manutenção
das bombas de abastecimento;
� Com relação à copa do recebimento, providenciar um piso revestido
de cerâmica, plástico ou outro material lavável. A cobertura poderá
ter estrutura de madeira ou metálica e as telhas poderá ser de barro
ou fibrocimento. O teto poderá ser de laje de concreto, estuque ou
madeira. As paredes poderão ser revestidas com material liso,
resistente e impermeável. A CPTM conta com um Departamento de
Obras, onde, para isso, deve-se abrir uma ordem de serviço pedindo
os ajustes;
� Instalar proteção de tela em todos os elementos vazados e em todas
as janelas do Setor de Inflamáveis de forma a inibir a entrada das
pombas no local;
� Substituir o fogão a gás por sistema de aquecimento elétrico (micro-
ondas e cafeteira elétrica). Esse tipo de equipamento pode ser
requisitado através de compras de fundo fixo solicitados pela chefia
do departamento;
95
� Instalar barreira física de forma que em caso de acidentes, a
empilhadeira não tenha contato direto com equipamento, evitando
acidentes aos empregados e nem danos ao equipamento;
� Durante a jornada de trabalho, manter a porta sem cadeado e de
fácil acesso em caso de emergência.
6.12 Leiaute do Almoxarifado
O leiaute do armazém de Presidente Altino esta configurado para
atender os almoxarifados B001, B003, B004 e B005. Conta também com um
espaço reservado para o recebimento de materiais, expedição e escritório.
As estruturas de armazenagem utilizadas são porta-paletes e
cantilever. Estão dispostas em linhas, onde os porta-paletes estão
concentrados nas linhas A, B, C, D, E, F, G e H. O número de vãos das
prateleiras por linha vão de 10 a 38 vãos, sendo os porta-paletes com 38 vãos
nas linhas A, B, C ,D e E, 32 vãos nas linhas F e G e 10 vãos na linha H. Os
porta-paletes estão colocados paralelamente à parede mais longa, juntamente
com o cantilever. O recebimento e a expedição contam também com porta-
paletes para o armazenamento de materiais.
A figura a seguir, ilustra o almoxarifado da CPTM.
96
FIGURA 6 Leiaute do Almoxarifado da CPTM
97
O leiaute do almoxarifado permite o fluxo de materiais coordenado,
desde a área de recebimento de materiais até a expedição. Conta com
estruturas de armazenagem que são adequadas com as necessidades de
armazenamento dos materiais.
98
7 CONSIDERAÇÕES FINAIS
No cenário organizacional global atual, onde fica evidente a
importância da logística empresarial, a gestão da cadeia de suprimentos torna-
se uma ferramenta de competição no mercado internacional.
Algumas organizações públicas, na busca pela eficiência no
gerenciamento dos estoques, tende a acompanhar os desdobramentos do
setor privado.
O almoxarifado da CPTM insere-se neste contexto em função das
necessidades de administração e organização logística de seus materiais. A
identificação de estratégias de gestão de estoques utilizadas no almoxarifado
da CPTM permitiu que os objetivos dessa monografia fossem atingidos, através
de uma análise das atividades e das políticas de gestão de estoque do
almoxarifado da CPTM.
O referencial teórico baseado em conceitos ligados à armazenagem e
almoxarifados permitiu a elaboração de propostas de gestão que trarão
benefícios aos clientes internos da CPTM, atingindo a eficiência nas atividades
dos almoxarifados. Essas propostas trarão mais resultados positivos se forem
levados em consideração, os interesses de todos os integrantes que compõe o
almoxarifado.
O estudo de caso detalhou o funcionamento do almoxarifado da CPTM,
esmiuçando as operações de recebimento, separação e expedição. A
elaboração das melhorias a serem feitas e proposta de melhor gestão foram
desenvolvidas à partir de informações das instalações, gráficos de
desempenhos, quadro de funcionários, entre outros.
A aplicação de métodos modernos de gestão de estoques no
almoxarifado que podem auxiliar da CPTM, permitindo reduzir custos e
aumentando o número de serviço prestado. Com o apoio da Gerência da
CPTM, designando recursos para a aquisição de equipamentos de
armazenagem e com a gestão racional dos recursos do patrimônio público,
baseado em técnicas modernas utilizadas em empresas privadas, pode-se
atingir a eficiência e eficácia nas operações internas nos almoxarifados.
A realização desta monografia permitiu algumas inferências a cerca da
99
aplicabilidade das propostas de melhorias no almoxarifado. Pode-se citar a
produção de um almoxarife, que terá melhor desempenho com novos
equipamentos de movimentação e armazenagem e um bom relacionamento
com sua chefia.
A utilização do Código de Barras poderá consolidar a melhoria na
eficiência da administração de materiais. Desse modo, obterá também, um
maior controle do estoque sobre os materiais adquiridos pela CPTM. Podem
ser geradas economias com despesas de inventários desnecessários, os quais
deslocam muitos funcionários e perde-se muito tempo.
O almoxarifado conta com um sistema de controle de estoques chamado
Apolo Gestão de Estoques. Para cada setor, a RioSoft, à pedido da CPTM,
desenvolveu programas independentes de gestão. Pode-se citar como
exemplo: Apolo Contábil, Apolo Patrimônio, entre outros. As informações
fornecidas para usuários de outros departamentos são fracas. Para isso,
sugere-se um estudo que viabilizasse uma integração dos dados de todos os
departamentos da CPTM, sem que afetasse a segurança dos mesmos.
100
REFERÊNCIAS BIBLIOGRÁFICAS
AINFO, sistemas de informação. Almoxarifado. 2006. Disponível em:
<http://www.ainfo.cefetpr.br/sistemas/almoxarifado.htm>. Acesso em
23/08/2009.
ARAÚJO, Jorge Sequeira de. Administração de materiais. 4° Edição. São
Paulo: Atlas, 1975. 000p.
______. Almoxarifados: administração e organização. 7° Edição. São Paulo:
Atlas, 1975. 000p.
ARTIGONAL. História da Logística. Disponível em: <http://www.artigonal.com/
negocios-admin-artigos/historia-da-logistica-894502.html. Acesso em
09/09/2009.
AUDIN, Auditoria Interna. Almoxarifados. 2006. Disponível em:
<http://www2.uerj.br/~audin/almoxarifado.html>. Acesso em: 23/08/2009.
BALLOU, Ronald H. Gerenciamento da cadeia de suprimentos/logística
empresarial. 5° Edição. Porto Alegre: Bookman, 2006. 25-397p.
CASTELS, M. A sociedade em rede. São Paulo: Paz e Terra, 1999, 617 p.
CIRIBELLI, Marilda Corrêa. Como elaborar uma dissetação de mestrado
através da pesquisa científica. Rio de Janeiro: 7Letras, 2003
Companhia Paulista de Trens Metropolitanos. CPTM. 2009. Disponível em:
<http://www.cptm.sp.gov.br>. Acesso em 12/09/2009.
______.Relatório das Não-Conformidades do Almoxarifado de Presidente
Altino: relatório técnico. Osasco, 2009.
FARIA, A. C de; COSTA, M. F. G da. Gestão de Custos Logística. 2° Edição.
São Paulo: Atlas, 2007. 17-112 p.
GASNIER, D.G. A Dinâmica dos Estoques. São Paulo: IMAM, 2002.
GIL, A.C. Como Elaborar Projetos de Pesquisa. 4° Edição, São Paulo: Atlas,
2002.
GURGEL, Floriano do Amaral. Logística Industrial. São Paulo: Atlas, 200. 00-
00p.
HARA, Celso Minoru. Logística: armazenagem, distribuição e trade marketing.
Campinas. Editora Alínea, 2005. p.81.
101
LOPES, A. S.; SOUZA, E. R.; MORAES, M.L. Gestão estratégica de
Recursos Materiais: um enfoque prático.Rio de Janeiro: Fundo de Cultura,
2006.
MICHIGAN STATE UNIVERSITY. Estratégias de Picking na Armazenagem.
Disponível em: <https://www.msu.edu/~rodri205/CV/Documents/BHUD%20 >
Acesso em 21/09/2009.
MOURA, Reinaldo A. Check sua logística interna. 2° Edição. São Paulo:
IMAM, 2002. 07-29 p.
POZO, Hamilton. Administração de Recursos Materiais e Patrimoniais. 3°
Edição. São Paulo: Atlas, 2004.
SCRIBD. A História da Logística. Disponível em: <http://www.scribd.com/doc/
16691112/A-historia-da-logistica-Finalizado>. Acesso em 10/09/2009.
SEBRAE, Armazenagem. 2009. Disponível em:
<http://www.biblioteca.sebrae.com.br/bds/BDS.nsf>. Acesso em 25/08/2009.
SOARTIGOS. História da Logística. Disponível em:<http://www.soartigos.com
/articles/1827/1/Historia-da-Logistica/Page1.html>. Acesso em 10/09/2009.
TEIXEIRA, J. A.; KERBER FILHO, E. Logística Militar: Eficiência na Paz e
Eficácia na Guerra. Pesquisa Naval. Rio de Janeiro, v. 1, n. 15, set. 2002.
TIGERLOG. História da Logística. Disponível em: <http://www.tigerlog.com.br/
logistica/historia.asp> Acesso em 09/09/2009.
VIANA, João José. Administração de Materiais. São Paulo: Atlas, 2000.
���������������������������������������������������������������������������
���������������������������������������������������������������������������������
�����������������������������������������������������

Tcc Almoxarifado

  • 1.
    FACULDADE DE TECNOLOGIADA ZONA LESTE CASSIO AUGUSTO BOSSONI A gestão de estoques no almoxarifado de uma empresa pública de transporte ferroviário São Paulo 2009
  • 2.
    1 CASSIO AUGUSTO BOSSONI Agestão de estoques no almoxarifado de uma empresa pública de transporte ferroviário Monografia apresentada no curso de Tecnologia em Logística com ênfase em transporte na FATEC ZL como requerido parcial para obter o Título de Tecnólogo em Logística com ênfase em Transporte. São Paulo 2009
  • 3.
    2 Autorizo a reproduçãoe divulgação total ou parcial deste trabalho, por qualquer meio convencional ou eletrônico, para fins de estudo e pesquisa, desde que citada a fonte. Catalogação da Publicação Faculdade de Tecnologia da Zona Leste BOSSONI, Cassio Augusto. A gestão de estoques no almoxarifado de uma empresa pública de transporte ferroviário / Cassio Augusto Bossoni – São Paulo, SP: [s.n], 2009. 101 fls. Orientador :Prof Ms . João Gilbertos Mendes Reis Dissertação (Tecnólogo em Logística) – Faculdade de Tecnologia da Zona Leste.
  • 4.
    3 Nome: BOSSONI, CassioAugusto Título: A gestão de estoques no almoxarifado de uma empresa pública de transporte ferroviário Dissertação apresentada à Faculdade de Tecnologia da Zona Leste para a obtenção de título de tecnólogo em Logística com ênfase em transporte. Aprovado em: Banca Examinadora Prof: ________________________ Instituição:_____________________ Julgamento: __________________ Assinatura: ____________________ Prof: ________________________ Instituição:_____________________ Julgamento: __________________ Assinatura: ____________________ Prof: ________________________ Instituição:_____________________ Julgamento: __________________ Assinatura: ____________________
  • 5.
    4 A todos queme incentivaram e colaboraram com o desenvolvimento desse trabalho.
  • 6.
    5 AGRADECIMENTOS Aos meus paisAntonio Celso Bossoni e Claudia Corsini Bossoni. Ao professor João Gilberto Mendes Reis pela orientação. A todos do almoxarifado da Companhia Paulista de Trens Metropolitanos que colaboraram com informações para o desenvolvimento desse trabalho. Aos meus grandes e eternos amigos: Paula Nishimura, Ighor Pregnolatto, Amanda Zago, Raphael Anderaos, Renato Felipe, Antônio Vinicius, Alexandre Kitagawa, Richard Magalhães, Marcos Paulo, Kelly Hanriete, Mallu Souza, Raphaela Bortolazzi e a tantos outros que me ajudaram nessa etapa mais importante da vida.
  • 7.
    6 A atenção éa mais importante de todas as faculdades para o desenvolvimento da inteligência humana. Charles Darwin
  • 8.
    7 RESUMO BOSSONI, Cassio Augusto.A gestão de estoques no almoxarifado de uma empresa pública de transporte ferroviário. 2009. 101 f. Dissertação (Tecnólogo em Logística) - Faculdade de Tecnologia da Zona Leste, São Paulo, 2009. Muitas organizações, para sobreviverem nos atuais tempos de crise global, adotam como método de sobrevivência a redução dos custos. Numa empresa, onde os custos de armazenagem apresentam grande relevância no custo total da operação, deve-se repensar o papel de um almoxarifado. Métodos inadequados de gestão podem representar grandes custos. Numa empresa pública, onde os recursos são limitados, é de vital importância apresentar baixos custos de armazenagem. O objetivo dessa monografia é identificar as principais estratégias de gestão de estoques utilizadas no almoxarifado da CPTM no atendimento aos clientes internos, interpretando-as a partir dos fundamentos teóricos de gestão em estoque nos almoxarifados. O trabalho apresenta a importância da eficiente administração do estoque de um almoxarifado de uma empresa pública de transporte ferroviário. Sendo assim, é necessário considerar o estudo realizado de todos os procedimentos que a empresa possui para maior controle do recebimento, acondicionamento e expedição dos mesmos. Neste aspecto, a armazenagem e administração dos materiais surgem como essenciais atividades logísticas utilizadas. Assim, é possível perceber a grande atenção as requisições que são realizadas para o melhor pronto atendimento dos pedidos. Considerando a empresa pública analisada, a eficiência destes recursos é baseada na gestão de estoques que reduz os custos e aumentam o nível do serviço prestado, onde se aplicam positivamente para administração do patrimônio público. Palavras-chave: armazenagem, almoxarifado, estoque
  • 9.
    8 ABSTRACT BOSSONI, Cassio Augusto.The management of inventory in the warehouse of a public railway . 2009. 101 p. Dissertação (Technologist in Logistic) - College of Technology of the Zone East, São Paulo, 2009. Many organizations, to survive in the current times of global crisis, adopting a method of survival to reduce costs. In a company, where storage costs have great relevance in the total cost, it should rethink the role of a warehouse. Inappropriate methods of management can represent significant costs. In a public company, where resources are limited, it’s vital to show low storage costs. The purpose of this monograph is to identify the main management strategies used in the CPTM’s warehouse in the attendment to internal customers, interpreting them from the theoretical foundations of stock management in the warehouse. This work presents the importance of efficient stock administration in a warehouse of a public railway company. However, it’s necessary to consider the study of all the procedures that the company has for a greater control to the receipt, packaging and expedition them. In this aspect, storage and administration of the materials emerge as key logistics activities used. So, it’s possible to notice how much attention the requests that are made for the better responsiveness of applications. Whereas a public company analyzed, the efficiency of these resources is based on stock management that reduces costs and increases the level of service, where to apply positively to the administration of public property. Keywords: storage, warehouse, stock
  • 10.
    9 LISTA DE FOTOGRAFIAS FOTOGRAFIA1 – Empilhamento ....................................................................34 FOTOGRAFIA 2 – Porta-palete........................................................................35 FOTOGRAFIA 3 – Cantilever .........................................................................36 FOTOGRAFIA 4 – Flow-rack............................................................................36 FOTOGRAFIA 5 – Rack ...................................................................................37 FOTOGRAFIA 6 – Gaiola.................................................................................38 FOTOGRAFIA 7 – Drive-in...............................................................................39 FOTOGRAFIA 8 – Drive- Through ...................................................................39 FOTOGRAFIA 9 – Armazenagem Push-back ..................................................40 FOTOGRAFIA 10 – Almoxarifado com a plataforma obstruída........................85 FOTOGRAFIA 11 – Materiais espalhados pelo chão do almoxarifado.............85 FOTOGRAFIA 12 – Almoxarifado após a arrumação da atual chefia ..............86 FOTOGRAFIA 13 – Plataforma após a Programa “Rua Limpa”.......................87
  • 11.
    10 LISTA DE GRÁFICOS GRÁFICO1 – Demonstrativo dos itens requisitados........................................80 GRÁFICO 2 – Demonstrativo da curva ABC dos itens cadastrados no almoxarifado B001 ....................................................................81 GRÁFICO 3 – Demonstrativo da curva ABC dos itens cadastrados no almoxarifado B002 ....................................................................82 GRÁFICO 4 – Demonstrativo da curva ABC dos itens cadastrados no almoxarifado B003 ....................................................................82 GRÁFICO 5 – Demonstrativo da curva ABC dos itens cadastrados no almoxarifado B004 ....................................................................83 GRÁFICO 6 – Demonstrativo da curva ABC dos itens cadastrados no almoxarifado B005 ....................................................................83 GRÁFICO 7 – Demonstrativo da curva ABC dos itens cadastrados no almoxarifado..............................................................................84
  • 12.
    11 LISTA DE TABELAS TABELA1 – Locais de armazenagem dos almoxarifados ..............................68 TABELA 2 – Quadro de funcionários do almoxarifado ....................................75 TABELA 3 – Distribuição do quadro ideal de funcionários no almoxarifado ....75 TABELA 4 – Materiais cadastrados no sistema do almoxarifado ....................80 TABELA 5 – Equipamentos para código de barras .........................................91
  • 13.
    12 LISTAS DE ABREVIATURASE SIGLAS ABAM Associação Brasileira de Administração de Materiais ABMM Associação Brasileira de Movimentação de Materiais ASLOG Associação Brasileira de Logística CLM Concil of Logistics Management CPTM Companhia Paulista de Trens Metropolitanos IMAN Instituto de Movimentação e Armazenagem de Materiais PBR Palete Padrão Brasileiro
  • 14.
    13 LISTA DE FIGURAS FIGURA1 – Atividades logísticas na cadeia de suprimentos imediata da empresa .......................................................................................27 FIGURA 2 – Armazenagem Centralizada.........................................................41 FIGURA 3 – Atividades do Almoxarifado..........................................................44 FIGURA 4 – Requisição de Material.................................................................72 FIGURA 5 – Planilha de Requisição de Material ..............................................73 FIGURA 6 – Leiaute do Almoxarifado da CPTM...............................................96
  • 15.
    14 SUMÁRIO 1 INTRODUÇÃO............................................................................................16 2 LOGÍSTICA...............................................................................................21 2.1 História .......................................................................................................21 2.2 Conceito .....................................................................................................24 2.3 Atividade Logística .....................................................................................26 3 ARMAZENAGEM ......................................................................................32 3.1 Conceito .....................................................................................................32 3.2 Estruturas de Armazenagem .....................................................................34 3.2.1 Empilhamento ............................................................................................34 3.2.2 Porta-palete ...............................................................................................35 3.2.3 Cantilever ...................................................................................................35 3.2.4 Flow rack ....................................................................................................36 3.2.5 Racks .........................................................................................................37 3.2.6 Gaiolas .......................................................................................................37 3.2.7 Armazenagem drive-in e drive-through ......................................................38 3.2.8 Armazenagem Push back ..........................................................................39 3.2.9 Armazenagem centralizada com Cross-docking ........................................40 3.2.10 Armazenagem centralizada ........................................................................40 4 ALMOXARIFADO.......................................................................................42 4.1 Conceito......................................................................................................42 4.2 Importância do Almoxarifado .....................................................................42 4.3 Atividades do Almoxarifado ........................................................................43 4.3.1 Entrada de Materiais...................................................................................44 4.3.2 Armazenagem.............................................................................................46 4.3.3 Expedição ..................................................................................................50 4.4 Leiaute ........................................................................................................52 4.5 Almoxarifes no serviço público ...................................................................54 4.5.1 Natureza do trabalho do almoxarife ...........................................................54 4.5.2 Atribuições do almoxarife no Serviço Público ............................................55 4.6 Curva ABC .................................................................................................56 4.7 Código de Barra .........................................................................................57 4.8 Inventário ...................................................................................................58
  • 16.
    15 5 METODOLOGIA CIENTÍFICA....................................................................60 5.1Etapas da Pesquisa Científica ...................................................................60 5.2 Tipos de Pesquisa.......................................................................................61 5.2.1 Classificação da pesquisa de acordo com a natureza dos dados ..............61 5.2.2 Classificação da pesquisa de acordo com os objetivos ..............................62 5.2.3 Classificação da pesquisa de acordo com os procedimentos.....................63 6 ESTUDO DE CASO ...................................................................................65 6.1 História da CPTM e do Almoxarifado..........................................................65 6.2 Resumo das Atividades .............................................................................67 6.2.1 Procedimento para o Recebimento de Materiais .......................................68 6.2.2 Procedimento para estocagem e arrumação de materiais .........................71 6.2.3 Procedimento para separação e expedição de materiais ..........................72 6.3 Quadro de Pessoal ....................................................................................74 6.3.1 Resumo das atividades dos atuais empregados do almoxarifado ..............76 6.3.1.1 Gestor de Estoque......................................................................................76 6.3.1.2 Supervisor de Almoxarifado .......................................................................76 6.3.1.3 Técnico de Almoxarifado.............................................................................77 6.3.1.4 Almoxarife ..................................................................................................77 6.3.1.5 Ajudante de Almoxarife...............................................................................78 6.4 Equipamentos de Armazenagem................................................................78 6.4.1 Equipamentos de Armazenagem Existentes .............................................78 6.4.2 Equipamentos de Armazenagem Necessários ..........................................79 6.5 Materiais estocados no almoxarifado..........................................................79 6.6 Gráficos de produção e curvas ABC dos almoxarifados do DFPM ............80 6.7 Melhorias no almoxarifados e providências ................................................84 6.8 Proposta de gestão de almoxarifado...........................................................89 6.9 Sistema Operacional ..................................................................................90 6.10 Código de Barra .........................................................................................91 6.11 Instalações Físicas do Almoxarifado...........................................................92 6.12 Leiaute do almoxarifado..............................................................................95 7 CONSIDERAÇÕES FINAIS .......................................................................98 REFERÊNCIAS BIBLIOGRÁFICAS ......................................................................100
  • 17.
    16 1 INTRODUÇÃO No atualcontexto global, evidenciam-se situações econômicas que aumentam a competição tanto no mercado local como global. As empresas recorrem para técnicas de redução de custo para fortalecer sua margem de lucro. Dessa maneira, as organizações podem buscar na gestão de estoques recursos para obter vantagens competitivas através redução de gastos com armazenagem. Com o propósito de combater possíveis pressões impostas pela crise global, temas envolvendo gestão de materiais apóiam-se em manter estoques em nível mínimo, possibilitando a redução dos custos envolvidos. Entretanto países como China e Estados Unidos, num determinado ramo de atividade, adotaram uma estratégia de planejamento em longo prazo mantendo elevado o acervo de materiais. Nos Estados Unidos, nos últimos 10 anos, o custo relacionado à gestão de estoques aumentou mais do que os índices de preços ao consumidor. Este caso, verificado também em outros países, está sendo conduzido a especialistas na área de logística para maior atenção à redução dos custos com maior eficiência operacional com a introdução de técnicas de gestão de estoques. Segundo Castels, 1999 A gestão de estoques teve grande impacto nos últimos anos. A partir da década de 1970, a economia mundial passou por uma série de transformações.Chegou ao fim um modelo de crescimento baseado na capacidade dos governos nacionais em expandir os mercados internos sem aumentar o endividamento e gerar inflação, corroendo assim as bases de acumulação capitalistas. Isso levou a uma grande mudança nas estratégias das firmas, que buscaram reduzir custos de produção; ampliar o mercado; aumentar a produtividade e acelerar o giro do capital. Nos últimos anos, no Brasil, com a estabilização econômica advinda do Plano Real, surgiu uma acentuada preocupação relacionada à administração de materiais nas empresas. A alta taxa de inflação trouxe conseqüências onde se tornou necessário reduzir os níveis dos estoques. A questão chave de todo o processo é o quanto manter em seus
  • 18.
    17 estoques. Com oobjetivo de não correr o risco de não atender sua demanda, muitas empresas têm utilizado estoques de produtos acabados e/ou de seus componentes. Essa postura leva a um aumento dos custos de manutenção dos mesmos onde a gestão de armazenagem apresenta uma grande atuação na rentabilidade da organização. Antigamente, o local reservado para a armazenagem de materiais era um depósito, que era um local não utilizado pelas empresas com condições precárias, onde os produtos eram armazenados sem nenhum cuidado específico. Com o passar do tempo, surgiram melhores estruturas e técnicas de manuseio que proporcionava rapidez na obtenção de informações e segurança nas operações. Dentro desse contexto, algumas organizações públicas devem agir como as empresas privadas no que se refere a administrar suas funções com eficiência e eficácia, onde o serviço público deve ser gerenciado buscando a minimização dos custos. No caso específico dessa monografia, o estudo em questão aborda o almoxarifado da Companhia Paulista de Trens Metropolitanos (CPTM), responsável pelo recebimento, armazenagem e distribuição de todo o material adquirido pela CPTM. Serão estudados temas como a estrutura e organização do almoxarifado, perfil do almoxarife e suas atribuições, controle físico de estoques, estoque contábil e inventários, recebimento de materiais, eliminação de estoques, estocagem dos itens, preservação de materiais, entre outros. De acordo com Teixeira e Kerber (2002), [...] a principal justificativa para o tema exposto está relacionada à atmosfera econômica do Brasil e ao avanço das condições tecnológicas capazes de interagir para a eficiência e eficácia de uma instituição, seja ela privada ou até mesmo pública. Em tempos de crise global, para uma empresa sobreviver em um mercado tão competitivo, a redução de custos torna-se um ponto essencial para sua sobrevivência. Dessa forma, a gestão de estoques oferece ferramentas que auxiliam a organizar o acervo de materiais estratégicos para atingir uma posição avançada no mercado para enfrentar os desafios
  • 19.
    18 ocasionados em épocasde instabilidade no mercado internacional. Este trabalho, que tem como tema a gestão de estoque em almoxarifados, mostra a necessidade de administrar de forma coerente os recursos colocados à disposição da administração pública. “O almoxarifado é a unidade administrativa responsável pelo controle e pela movimentação dos bens de consumo, que são registrados de acordo com as normas vigentes.” (AUDIN, 2006). Segundo Viana (2000), [...] um dos objetivos do Almoxarifado é impedir divergências de inventário e perdas de qualquer natureza. Para cumprir sua finalidade, o Almoxarifado deverá possuir instalações adequadas, bem como recursos de movimentação e distribuição suficiente a um atendimento rápido e eficiente. A principal função do almoxarifado é entregar o produto para o cliente quando for requisitado. Os clientes não se importam se o produto estiver a 1 km de distância ou na maior altura da prateleira. O que eles querem é ter o produto no menor tempo possível. Assim sendo, é de extrema importância coordenar o fluxo de produtos para que estes cheguem ao cliente com níveis de serviços cada vez mais altos em relação ao tempo de atendimento e disponibilidade de estoque. Os custos logísticos relativos à armazenagem estão ficando cada vez mais significativos para as empresas, devido ao aumento da complexidade operacional nos almoxarifados. Diante deste novo cenário empresarial, que exige menores tempos de atendimento, menor tolerância a erros de separação de requisições, a busca pela redução dos níveis de estoque, torna-se necessário a aplicação de novas técnicas de modernização gerencial relacionados a almoxarifados. O almoxarifado tem a finalidade de prover todo material de suporte para todas as áreas da CPTM. Diante desta afirmação, surge o cenário que originou o tema desse trabalho: a gestão de estoques no almoxarifado de uma empresa pública de transporte ferroviário. Com o intuito de analisar a operação de recursos materiais nos sistemas de almoxarifados da CPTM, desenvolveu-se o presente trabalho. O gerenciamento de materiais através da aplicação de conceitos apoiados em
  • 20.
    19 experiências no ramoempresarial tem por fim desenvolver na CPTM, um cenário mais próximo à realidade empresarial privada. O objetivo geral dessa monografia é identificar as estratégias de gestão de estoques utilizadas no almoxarifado da CPTM no atendimento aos clientes internos e interpretá-las a partir dos fundamentos teóricos de gestão em estoque nos almoxarifados. Os objetivos específicos são os seguintes: a) Analisar os fundamentos das principais políticas de gestão de estoques em almoxarifados; b) Conceituar definições relativas à gestão de estoques e almoxarifados; c) Sugerir propostas de gestão de estoques no almoxarifado da CPTM, buscando eficiência no sistema de controle de estoques. A falta de métodos e técnicas na gestão de materiais do almoxarifado provoca o estrangulamento de melhores possibilidades de gerenciamento de estoques. Quando se tem um capital empregado relacionado à gestão de estoques, o gestor deve providenciar para que os custos envolvidos com estoque tenham o menor valor possível. Tratando-se de uma administração pública, deve-se administrar racionalmente os recursos colocados à disposição da empresa. Problemas relacionados com a falta de planejamento acarretam tomadas de decisões em curto prazo, trazendo conseqüências como estoques elevados de material fazendo com que alguns produtos fiquem parados por anos no armazém. A obsolescência de materiais é altamente prejudicial para a empresa diante do cenário atual do mercado altamente competitivo e globalizado. Este trabalho visa analisar o estado atual dos problemas envolvendo o almoxarifado da CPTM com relação à: � Excesso de gastos; � Obsolescência de materiais; � Movimentação de materiais; � Tramitação de documentos referentes à movimentação;
  • 21.
    20 � Trabalho exercidopelos almoxarifes; � Técnicas de gestão; � Contraste do saldo físico com o contábil do material. Quais as melhores técnicas de gestão de estoque no almoxarifado da CPTM para atingir eficiência na redução de custos e atendimento ao cliente? Este trabalho busca verificar as seguintes hipóteses: a) A aplicação de métodos modernos de gestão de estoques no almoxarifado que podem auxiliar a redução de custos e aumentam o nível de serviço prestado aos clientes internos da CPTM; b) A gestão racional dos recursos do patrimônio público baseado em técnicas modernas utilizadas em empresas privadas podem atingir a eficiência e eficácia nas operações internas nos almoxarifados da CPTM. A pesquisa quanto à natureza, será de abordagem qualitativa, onde o processo e seus significados são focos da abordagem e o ambiente natural é a fonte direta para coleta de dados. Quanto aos objetivos, a pesquisa se caracteriza como descritiva, detalhando as características do almoxarifado, fazendo levantamento de técnicas de gestão de estoques. Do ponto de vista dos procedimentos técnicos, a pesquisa tem o caráter de estudo de caso, fazendo um estudo profundo nos métodos de gestão utilizadas na CPTM. Conforme GIL (1991), “estudos de caso caracterizam-se por grande flexibilidade. Sendo assim, a pesquisa será feita em etapas específicas.” Sendo elas a delimitação de unidade-caso, coleta de dados, análise e interpretação de dados e redação de relatório. A delimitação da unidade-caso é o almoxarifado da Companhia Paulista de Trens Metropolitanos, escolhida pelo fácil acesso e manipulação dos dados. A coleta de dados será feita a partir de consultas a arquivos e banco de dados do almoxarifado. A análise e interpretação de dados constituíram-se na aplicação dos estudos sobre gestão de estoques em almoxarifados. Posteriormente os resultados foram analisados e procedeu-se a elaboração do relatório.
  • 22.
    21 2 LOGÍSTICA 2.1 História Otermo logística, que vem do francês logistique, têm em seus significados, definições de caráter militar, explicando a necessidade de uma logística eficaz relacionada ao transporte e manutenção de suprimentos utilizados em campos de batalhas nas guerras. (SO ARTIGOS, 2009) Desde os primórdios do tempo, a logística tem sido utilizada pelo homem, em razão da necessidade de deslocamentos constantes das tribos nômades. Estes deslocamentos ocorriam em função da escassez de alimentos, mudanças climáticas ou até mesmo por ameaças de tribos rivais. Nas épocas mais antigas da História documentada da humanidade, as mercadorias mais necessárias não eram feitas perto dos lugares nos quais eram mais consumidas, nem estavam disponíveis nas épocas de maior procura. Alimentos e outras commodities eram espalhados pelas regiões mais distantes, sendo abundantes e acessíveis apenas em determinadas ocasiões do ano. Os povos mais antigos consumiam os produtos em seus lugares de origem ou os levaram para algum local profundo ou armazenando-os para utilização posterior. Contudo, devido à inexistência de sistemas desenvolvidos de transporte e armazenamento, o movimento das mercadorias limitava-se àquilo que a pessoa conseguia fazer por suas próprias forças, e os bens perecíveis só podiam permanecer guardados por prazos muito curtos. Todo esse limitado sistema de transporte-armazenamento normalmente obrigava as pessoas a viver perto das fontes de produção e as limitava ao consumo de uma escassa gama de mercadorias. (BALLOU, 2006. p. 25) Em épocas antigas, onde as guerras eram longas e duravam décadas, às vezes séculos, desenvolveram-se técnicas relacionadas à atividade de suprimentos. Nessa época, as práticas de logísticas eram consideradas grandes táticas militares. Ela estava presente na hora de definir a melhor rota a seguir, com o menor caminho para não cansar os soldados, trechos onde encontrariam água-potável ou algum alimento disponível para o consumo. (ARTIGONAL, 2009) Sabe-se que um dos primeiros a utilizar técnicas de logísticas nas guerras foi o exército persa. Em 481 a.C., em uma expedição comandada por
  • 23.
    22 Xerxes na lutacontra os gregos, foram utilizados mais de 3.000 navios de transporte para sustentar o exército durante a guerra. (TIGERLOG, 2009) Grandes nomes que se tornaram lendas, como Júlio César, Napoleão e Alexandre, utilizaram a logística como estratégia. Alexandre conquistou vários países como a Grécia, Pérsia e Índia, utilizando diversos aspectos como a inclusão da logística em seu planejamento estratégico. Criou uma equipe treinada de engenheiros que desempenharam um papel importante para seu sucesso. Eles estudavam como reduzir a resistência das cidades que seriam atacadas. Contava com uma equipe de contramestres que operacionalizavam o melhor sistema logístico para uma determinada situação. Eles eram responsáveis pela compra de todos os suprimentos necessários e montar armazéns no trajeto para a guerra. Com isso sua tropa corria milhares de quilômetros, tornando-se o mais móvel e rápido exército da época. (TIGERLOG, 2009) Técnicas de estratégias logísticas eram utilizadas pelos Aliados liderados pelos Estados Unidos durante a Segunda Guerra Mundial, onde para obter a vitória, deslocavam suas tropas e todo suprimento necessário para sobreviver na guerra. (SCRIBD, 2009) Com o passar do tempo, a logística foi conquistando seu espaço. A partir da década de 50, surgiram diversos artigos publicados por instituições de grande nome como a Harvard Business School, analisando o conceito de custo total na área de logística. (SO ARTIGOS, 2009) Na década de 60, onde as empresas adotavam como estratégia conquistar o cliente através da satisfação e controle da qualidade, nota-se o grande crescimento da logística. Com isso surgiram grandes empresas especializadas com a intenção de fidelizar o novo perfil do cliente mais exigente e determinado. Faculdades como a Michigan State University e a The Ohio State University começavam a ministrar cursos de graduação em logística devidamente reconhecidos pelo governo americano. (TIGERLOG, 2009) Nesta mesma época, criou-se a primeira organização a congregar profissionais de logística em todas as áreas com o propósito de educação e treinamento, a National Council of Physical Distribuition Management, mais tarde mudado para Concil of Logistics Management (CLM). (SO ARTIGOS, 2009)
  • 24.
    23 Nos anos 70,vários fatores impulsionaram a abrangência da logística no mundo. Em 1976, a CLM publicou um estudo sobre os componentes do custo de manutenção dos estoques, apresentando uma metodologia para o seu cálculo. Surgem as transportadoras com objetivo de agregar valor ao produto para atender a crescente demanda no ramo. Eram especializadas em proporcionar ao cliente preços e prazos acessíveis, aumentando a competição dentro do mercado. (ARTIGONAL, 2009) [...] os grandes ganhos das empresas que já estavam no mercado fizeram co que outros competidores entrassem no negócio, além dos contínuos investimentos em capacidade produtiva destas organizações já instaladas, resultando num aumento acelerado da oferta de produtos, equilibrando-se com a demanda da década de 1970. Foi nesta época que começaram a surgir investimentos em qualidade e marketing. (MOURA, 2002. p. 07) No Brasil a história da Logística é ainda muito recente.. Como exemplo, no setor automobilístico, devido à complexidade dos componentes de um automóvel, começaram a desenvolver técnicas de movimentação e armazenagem de peças. No setor de energia elétrica, definiam-se normas para embalagem, armazenagem e transporte de materiais. Em 1977 foram criadas a Associação Brasileira de Administração de Materiais (ABAM) e a Associação Brasileira de Movimentação de Materiais (ABMM). Posteriormente, em 1979, é criado o Instituto de Movimentação e Armazenagem de Materiais (IMAN). (SCRIBD, 2009) Na década de 80 houve um crescimento na utilização de computadores para resolução de diversas atividades relacionadas à área de administração e logística. Com isso, surgiram diversas técnicas provando a eficácia das práticas logísticas. Nessa época surgiram publicações mostrando a necessidade de a alta administração reconhecer a importância da administração logística. (TIGERLOG, 2009) O estágio atual, que se iniciou em 1980, vindo até os dias de hoje, caracterizou a Logística pela importância dada à integração externa, ou seja, entre os diferentes elos da cadeia de suprimentos. Podem-se destacar o grande desenvolvimento dos sistemas de informações e a disseminação do conceito da Gestão da Cadeia de Suprimentos (Supply Chain Management – SCM). (FARIA; COSTA, 2005. p. 19)
  • 25.
    24 Aqui no Brasilsurgem as primeiras definições e diretrizes para diferenciar transportes de distribuição e de logística. Em 1982 foram implementados o primeiro sistema moderno de logística integrada, o Justin in Time e o Kambam. Em 1984 surge o primeiro grupo de Benchmarking em logística para discutir e analisar as relações entre fornecedores e supermercados. Muitos outros fatos relevantes aconteceram nessa época, como a instalação do primeiro Operador Logístico, a criação do Palete Padrão Brasileiro (PBR) e a Associação Brasileira de Logística (ASLOG). (SCRIBD, 2009) A partir dos anos 90, com a estabilização da economia com o Plano Real, surgiram softwares para o gerenciamento das informações de armazéns, como o WMS, código de Barras e sistemas para roteirização de entregas. Segundo MOURA (1998, p. 07),” nesta década, a competição está obrigando as empresas a procurarem novos mercados e a derrubarem as barreiras internacionais. Estes anos estão sendo marcados pela formação dos blocos de livre comércio.” 2.2 Conceito O termo logística é um novo conceito aplicado a práticas exercidas há muito tempo relacionadas a atividades de movimentação – armazenagem. Com o passar do tempo, as empresas começaram a perceber que essas atividades agregavam valor ao produto. Daí a importância de administrar essas práticas de forma coordenada, dando forma a um novo conceito de logística. Atualmente, a Logística ainda é conceituada numa visão militar. Segundo o dicionário Webster’s New Wncyclopedic Dictionary, esta é o ramo da ciência militar que lida com a obtenção, manutenção e o transporte de material, pessoal e instalações. Essa definição não engloba todos os aspectos da gestão da logística empresarial. Uma representação mais fiel desse campo pode ser aquela refletida na definição promulgada pelo Council of Logistics Management (CLM), uma organização de gestores logísticos, educadores e profissionais da área
  • 26.
    25 criada em 1962para incentivar o ensino nesse campo e incentivas o intercâmbio de idéias, definindo a logística como o processo de planejamento, implantação e controle do fluxo eficiente e eficaz de mercadorias, serviços e das informações relativas desde o ponto de origem até o ponto de consumo com o propósito de atender às exigências dos clientes. (BALLOU, 2006. p.27) Esta definição tem o seu mérito ao explicar o fluxo das mercadorias deve ser acompanhado desde o seu ponto de origem até o destino final. Mas ela traz consigo que a logística é parte do processo da cadeia de suprimentos, e não do processo inteiro, trazendo questionamentos como a definição de gerenciamento da cadeia de suprimentos. Segundo Mentzer et al.1 (2001 apud BALLOU; Ronald H., 2006, p.28), o gerenciamento da cadeia de suprimentos é definido como a coordenação estratégica sistemática das tradicionais funções de negócios e das táticas ao longo dessas funções de negócios no âmbito de uma determinada empresa e ao longo dos negócios no âmbito da cadeia de suprimentos, com o objetivo de aperfeiçoar o desempenho a longo prazo das empresas isoladamente e da cadeia de suprimentos como um todo. Muitos consideram que o gerenciamento da cadeia de suprimentos é apenas um sinônimo de logística, pois ambos têm a missão de colocar os produtos ou serviços certos no lugar certo, no momento certo, nas condições desejadas. Segundo Hara (2005, p.19), [...] a ótica da cadeia de suprimentos vê os mercados apenas como ponto de destino, enquanto que a logística de mercado, ao considerar as exigências do mercado-alvo em primeiro ligar, e a partir daí projetar a cadeia de suprimento em um processo retroativo, torna-se mais eficiente, enfatizando a importância da logística na administração mercadológica. Com relação às definições de logística e a gestão da cadeia de suprimentos, vale ressaltar um ponto que os diferencia. As atividades logísticas direcionam seu foco no ponto de vista de uma empresa individual, enquanto que a gestão da cadeia de suprimentos envolve todos os elos da cadeia, desde os fornecedores de matérias primas, seguindo pelos centros de manufatura aos 1 BALLOU, Ronald H. Gerenciamento da Cadeia de suprimentos/logística empresarial.p.33
  • 27.
    26 canais de distribuiçãocomo atacado, varejo, tendo o seu fim no consumidor final. Para isso, é de extrema importância as questões de alianças estratégicas entre todos os elas da cadeia, com o objetivo de agregar valor para todos os participantes da cadeia, incluindo o cliente final. Como visto anteriormente, há diversas formas de conceituar a logística. Segundo Christopher (1997, p.2): A logística é o processo de gerenciar, estrategicamente, a aquisição, movimentação e armazenagem de materiais, peças e produtos acabados (e os fluxos de informações correlatas) por meio da organização e seus canais de marketing, de modo a poder maximizar as lucratividades, presente e futura através do atendimento dos pedidos a baixo custo. Parte do objetivo da logística é a satisfação do cliente. Para isso, a logística necessita definir estratégias, planejamentos e desenvolvimento de sistemas que lhe assegurem atingir suas metas. De acordo com Faria e Costa (2007, p.17): Para movimentar materiais e produtos aos clientes de maneira oportuna, uma empresa incorre em custos, visando a agregar um valor (nível de serviço) que não existia e que foi criado para o cliente. Isso faz parte da missão da Logística que [...] está relacionada à satisfação das necessidades dos clientes internos/externos, viabilizando operações relevantes de Produção e Marketing, minimizando todos os tempos e custos, dadas as condições de cada elo da cadeia de suprimentos. A Logística, atualmente, é estratégica nas empresas. 2.3 Atividade Logística A logística possui um mix de atividades a serem gerenciadas dentro de uma operação específica da empresa. Essas atividades variam de acordo com as empresas. As atividades à serem executadas dependem da estrutura organizacional, dos gerentes da empresa e da atividade à ser exercida. [...] as operações logísticas em uma empresa industrial, independentemente de seu segmento, ocorrem de acordo com os processos estabelecidos para, basicamente, mover, transportar, estocar e entregar materiais e produtos, a quem deles necessita, em
  • 28.
    27 conformidade com SUSespecificações, no local e momento contratados. Todos os referidos processos logísticos geram custos como conseqüências de suas atividades, que necessitam ser identificados, mensurados, acumulados e informados aos gestores da Logística. (FARIA; COSTA, 2005. p. 29) A figura 1 ilustra todas essas atividades pela ordem de realização dentro da cadeia de suprimentos. A seguir essa lista é dividida em atividades principais e de suporte. FIGURA 1 Atividades logísticas na cadeia de suprimentos imediata da empresa. As atividades logísticas são divididas em atividades principais e de suporte. As atividades principais são serviço ao cliente, transporte, gerência de estoques e fluxo de informação e processamento de pedidos. As atividades de suporte são: armazenagem, manuseio dos materiais, compras, embalagem, e manutenção de informações. Essas atividades são separadas, pois algumas delas ocorrerão em todos os canais da logística, enquanto outras serão utilizadas em algumas circunstâncias específicas. As atividades principais são essenciais para coordenação e conclusão de uma operação logística, portanto representa os maiores custos dentro do custo total da operação.
  • 29.
    28 O serviço aocliente exercido em conjunto com o departamento de marketing determina as necessidades e desejos dos clientes em serviços logísticos e a reação dos clientes ao serviço oferecido, estabelecendo níveis de serviços ao cliente. Os padrões dos serviços aos clientes estabelecem a qualidade dos serviços e o índice de agilidade com os quais o sistema logístico deve reagir. Os custos logísticos aumentam proporcionalmente ao nível do serviço oferecido ao cliente. Estabelecer níveis de serviço excessivos pode catapultar os custos logísticos para níveis insuportavelmente elevados. (BALLOU, 2006. p. 32) A atividade de transporte determina o modal e o serviço de transporte a ser utilizado em uma determinada operação. Define os roteiros a ser seguido e faz a consolidação dos fretes. É responsável pela programação dos veículos da empresa para o transporte, selecionando os equipamentos necessários para o carregamento da carga. Muitas empresas obtêm um diferencial competitivo no mercado através de uma correta utilização dos modos de transporte. Essa atividade pode representar grande parte no final dos custos logísticos totais. Por isso, as empresas devem prestar uma atenção especial ao gerenciamento dessa função, visto que sua eficiência está ligada à satisfação do cliente e à minimização dos custos. A gerência de estoques define políticas de estocagem de matérias- primas e produtos acabados; previsão de vendas a curto prazo; variedade de produtos nos pontos de estocagem; número, tamanho e localização dos pontos de estocagem; estratégias just-in-time, de empurrar e de puxar. È uma atividade de extrema importância para a gestão logística porque normalmente é impossível e impraticável produzir instantaneamente ou garantir prazos de entrega aos clientes2 . Os fluxos de informação e processamento de pedidos definem procedimentos de interface entre pedidos de compra e estoques, dos métodos de transmissão de informação sobre pedidos e regras sobre os mesmos. Essa atividade influi no tempo total da entrega do produto ou serviço ao cliente e seus custos são menores comparando com os do transporte e da gerência de 2 BALLOU, Ronald H. Gerenciamento da Cadeia de suprimentos/logística empresarial.p.33
  • 30.
    29 estoques. Os sistemas deinformações logísticas funcionam como um elo entre as atividades logísticas a um processo integrado (que envolve todas as áreas), combinando hardware (computadores, coletores de dados, separadores automáticos, transelevadores etc.) e software (sistemas em si) para medir, controlar e gerenciar as operações logísticas que ocorrem em uma empresa específica, bem como ao longo de toda cadeia de suprimentos. (FARIA; COSTA, 2005. p. 112) Já as atividades de suporte são consideradas como auxiliares na realização da missão logística, mas em determinadas circunstância, são tão importantes e necessárias quanto às atividades principais. Nem todas as atividades de suporte são utilizadas em uma operação. A atividade de armazenagem corresponde à determinação do espaço, leiaute do estoque e, configuração do armazém e localização do estoque. Todas as empresas precisam armazenar os produtos, seja matéria-prima, ou material em processamento ou produtos acabados, até serem vendidos. Muitas empresas tentam minimizar o uso dos locais de armazenagem na tentativa de sincronizar a produção com a demanda do consumidor, evitando estoques e altos custos logísticos. O objetivo da armazenagem é estabelecer o fluxo de movimentação dos materiais. Para que isso aconteça, é imprescindível ter em perfeitas condições áreas e equipamentos para realizar a movimentação e manuseio dos materiais. Mas antes, deve-se verificar a necessidade da movimentação de materiais em uma determinada operação. Se for, deve-se verificar se a distância entre as operações é mínima, se o leiaute existente proporciona o melhor fluxo, se os materiais são estocados no ponto de uso, entre outros fatores. Sendo esta uma atividade que não agrega valor ao produto, essas operações devem ser mantidas em nível mínimo. Já o manuseio dos materiais define a seleção dos equipamentos, normas de substituição das ferramentas de manuseamento, procedimentos para separação de pedidos, alocação e recuperação de materiais. Segundo Ballou, (2006, p. 397) [...] o manuseio de materiais são atividades suplementares, que assumem considerável importância pelo fato de terem influência sobre o tempo necessário ao processamento dos pedidos dos
  • 31.
    30 clientes no canalde distribuição ou à disponibilização dos insumos no canal de suprimentos. São, igualmente, atividades de considerável custo e dignas, por isso mesmo, de um cuidadoso gerenciamento. Quanto às atividades de compras, ela fica responsável pela seleção dos fornecedores, o momento da compra e a quantidade a ser adquirida. Essa atividade pode ser considerada uma preocupação mais de produção que de logística, mas mesmo assim, tem grande influencia na operação logística. A função de compras nas empresas tem sido desenvolvida dentro de um novo estado de maturidade e com técnicas cada vez mais sofisticadas. Isso se deve ao fato das organizações iniciarem a atividade de compras com muito mais precisão do que há muitos anos, chegando a atingir avaliações precisas e equiparáveis com trabalhos desenvolvidos em outras funções administrativas. A embalagem é uma atividade protetora projetada para manuseio, estocagem e proteção contra perdas e danos. A embalagem pode ser classificada em primária ou secundária. Segundo Hara (2005, p. 81), a embalagem primária serve para envolver e acondicionar o produto, devendo conter informações sobre o produto como características, uso, prazos de validade, modo de preservação. Já a embalagem secundária, seguindo ainda o conceito de Hara (2005, p. 81), a embalagem secundária pode acondicionar diversas embalagem primárias em um único bloco de matérias compactados, facilitando seu manuseio, permitindo o fácil carregamento em caminhões, visando a seu transporte e comercialização. Atualmente, é necessário que todos os profissionais das empresas conheçam a importância da embalagem dentro da logística integrada. Neste contexto, ela deve ser considerada no aspecto interno da empresa (no recebimento, na estocagem e na movimentação, no processo produtivo e na expedição), como no aspecto externo, que transfere o produto ao cliente ao longo da cadeia de distribuição. (MOURA, 2002. p. 29) Mas deve-se levar em consideração o custo que a embalagem pode geral dentro da operação, pois dependendo do caso, ela pode gerar um gasto maior que o do produto. Por fim, a manutenção de informações coleta, armazena e manipula as informações relativas à uma determinada operação logística, analisa os dados
  • 32.
    31 obtidos e comisso adotas os procedimentos de controle necessários. Ela dá suporte a todas as outras atividades logísticas na medida em que proporciona as informações indispensáveis para o planejamento e controle3 . Faria e Costa (2007, p. 30), defende que na gestão dos processos logísticos, é relevante que se reconheça o tratamento das diversas atividades neles existentes como um sistema integrado, bem como suas interações com outras atividades da empresa, agregando valor os clientes. Conclui-se que a logística pode ser gerenciada em um sistema que liga a empresa a seus clientes e fornecedores, onde o fluxo de material e informações são coordenadas para otimização de todas as atividades logísticas, com o objetivo de atender o cliente. 3 BALLOU, Ronald H.Gerenciamento da Cadeia de suprimentos/ logística empresarial.p.33
  • 33.
    32 3 ARMAZENAGEM 3.1 Conceito Aarmazenagem é um dos principais componentes essenciais do sistema logístico. A armazenagem interage diretamente com a entrada de material, compras e expedição do material. A partir daí, pode-se afirmar que: A função armazenagem compreende as atividades de guardar, localizar, manusear, proteger e preservar os materiais comprados, produzidos e movimentados por uma empresa, com o objetivo de atender às suas necessidades operacionais, sejam elas de consumo, de transformação ou de revenda (atacado e varejo). (LOPES; SOUZA; MORAES, 2006. p. 155) Uma boa gestão da armazenagem é conseguir atender os clientes com eficácia e agilidade, obtendo um maior nível de serviço e ao menor custo em tempo hábil. Segundo Pozo (2004.p.81), A armazenagem e manuseio de mercadorias são componentes essenciais do conjunto de atividades logísticas. Seus custos podem absorver de 10 a 40% das despesas logísticas de uma firma. Ao contrário do sistema de transporte, que ocorre entre locais e tempos diferentes, a armazenagem e o manuseio de materiais acontecem, na grande maioria das vezes, em algumas localidades fixadas. Portanto, os custos dessas atividades estão intimamente associados à seleção desses locais. Compreendendo este aspecto, surge uma questão fundamental para o gestor de uma organização: é necessário reservar grandes espaços físicos para armazenagem e estocagem? Para obter uma resposta, é necessário ter em mãos, dados precisos sobre a demanda. Além disso, é preciso ter a garantia de que os fornecedores cumprirão com os prazos estabelecidos de entrega da matéria-prima, pois atrasos afetam o elo principal dentro dessa cadeia, o consumidor. Com essas informações, pode-se minimizar o espaço reservado para os estoques, obtendo-se menores custos totais de armazenagem. Atualmente, muitas empresas estão trabalhando com o estoque
  • 34.
    33 mínimo, através depráticas Just-in-Time. Essa técnica faz com que o produto chegue no momento que for solicitado. Mas para isso, é necessário que a demanda seja conhecida com alto grau de precisão e com fornecedores confiáveis a fim de obter um suprimento adequado à demanda. Quando a armazenagem é inevitável, ela deve ser executada eficientemente. Segundo Pozo (2004.p.84): Quando não conseguimos ser capazes de eliminar a necessidade da estocagem de materiais, vem daí o pressuposto que “estocar menos é melhor”. Logicamente, que menor quantidade estocada resulta em menor quantidade de dinheiro parado e em melhor gestão. A estocagem freqüente é resultante de desequilíbrios nas velocidades de fluxo de operações sucessivas. Por meio do balanceamento do fluxo da produção, o número de vezes em que ocorre a estocagem será reduzido. O sistema de armazenagem envolve mais do que simplesmente armazenar material. Envolve muitos outros fatores como, disponibilização de espaço, estruturas de armazenagem, sistemas de movimentação de materiais, pessoas e equipamentos especializados, entre outros. Tudo isso gera um custo. Muitos gestores subestimam o custo de armazenagem de materiais, preocupando-se apenas com o custo do material. A armazenagem, quando bem organizada, segundo Lopes, Souza, Moraes (2006. p. 156), pode gerar grandes vantagens como: � Fácil acesso aos principais itens de estoque, satisfazendo plenamente as expectativas dos usuários; � Redução da distância entre a armazenagem e a utilização do material nas operações; � Elevado grau de flexibilidade do espaço físico disponível interno; � Menor quantidade de equipamentos de manuseio; � Redução do processo de deterioração de materiais; � Redução dos desvios e sinistros de materiais; � Otimização dos inventários físicos manuais ou por código de barras.
  • 35.
    34 3.2 Estruturas deArmazenagem Para obter um processo de armazenagem eficaz, é necessário ter definidos técnicas para a guarda dos materiais. A seguir, explica-se as estruturas de armazenagem mais utilizadas, segundo Lopes, Souza, Moraes (2006. p. 161-165). 3.2.1 Empilhamento É um tipo de armazenagem que obtém o melhor aproveitamento de um espaço vertical dentro de um armazém. Utiliza-se paletes como dispositivo, podendo ser empilhados um sobre os outros, observando-se a pressão das pilhas abaixo e da disposição do material. O empilhamento deve ser feito de forma a manter o equilíbrio da pilha. FOTOGRAFIA 1 Empilhamento
  • 36.
    35 3.2.2 Porta-palete É umaestrutura composta por duas colunas verticais, com altura regulável, projetada para o armazenamento de cargas paletizadas de qualquer tamanho. É indicado para verticalização de armazéns com grandes variedades de itens estocados. “As dimensões da posição-palete e as próprias dimensões dos paletes devem ser cuidadosamente calculadas, de modo a preencher os espaços vazios, ocupando plenamente as áreas disponíveis.” (LOPES; SOUZA; MORAES, 2006. p. 162) FOTOGRAFIA 2 Porta-palete 3.2.3 Cantilever Estrutura utilizada para armazenagem de cargas compridas não paletizadas. È formado por sua coluna central e braços em balanço para apoio das cargas. Ideal para armazenagem de tubos de PVC, canos, eixos e móveis de grandes dimensões.
  • 37.
    36 FOTOGRAFIA 3 Cantilever 3.2.4Flow rack São recipientes em trilhos, apoiadas em vigas de aço. Ela é ideal para rotação de pequenos volumes. Utilizam o sistema FIFO (primeiro a entrar primeiro a sair). Os materiais são colocados em uma das extremidades na parte mais alta e por gravidade vão descendo até a zona de coleta. FOTOGRAFIA 4 Flow rack
  • 38.
    37 3.2.5 Racks São paletesfechados lateralmente, utilizados tanto para armazenagem como para transportes. Aproveita toda a altura disponível do armazém, podendo ser empilhados sem transferir o peso para os produtos. FOTOGRAFIA 5 Rack 3.2.6 Gaiolas São racks com telas metálicas nas laterais, com aberturas lateriais, geralmente sobre rodízios e que permitem uma melhor estabilização das cargas.
  • 39.
    38 FOTOGRAFIA 6 Gaiolas 3.2.7Armazenagem drive-in e drive-through É um dos maiores obstáculos enfrentados na armazenagem, ou seja, promove a acessibilidade plena para se implantar o sistema PEPS (Primeiro a Entrar e Primeiro a Sair) ou o sistema UEPS (Último a Entrar é o Primeiro a Sair) ocupando plenamete a área volumétrica disponível. No “drive-in” os materias são armazenados uns atrás dos outros e nas respectivas laterais, permitindo somente um ponto de acesso. Os porta-paletes formam um bloco único, sem corredores de acesso. Neste caso, o ponto de colocação e retirada do material é o mesmo. Assim o sistema aplicado é o UEPS e a ocupação volumétrica é elevada. Alguns leiautes do modelo drive-in permitem que as empilhadeiras se movimentem dentro da própria estrutura, continuando o ponto de acesso único. Este sistema é particularmente indicado quando o custo do espaço é elevado e quando os produtos são homogéneos. Já no “drive-through” os materias são armazenados em colunas, permitindo o acesso pelas duas extremidades. Os pontos de colocação e de retirada do material são diferentes. Esta técnica permite a rotatividade PEPS e uma ocupação volumétrica razoável.
  • 40.
    39 FOTOGRAFIA 7 Drive-in FOTOGRAFIA8 Drive through 3.2.8 Armazenagens Push back Estrutura na qual os paletes são armazenados uns atrás dos outros. Permite a armazenagem de até quatro paletes por nível. A estrutura possui roletes que permitem colocar o palete na frente da estrutura empurrando os
  • 41.
    40 demais para trás.A estrutura possui um pequeno aclive, o qual possibilita que ao se retirar o primeiro palete, os restantes se movimentam por gravidade na direção do palete retirado. Permite a rotatividade UEPS. FOTOGRAFIA 9 Armazenagem Push back 3.2.9 Armazenagem centralizada com Cross-Docking Operação onde o recebimento e a distribuição de produtos são feitos sem passarem pelas fases de armazenamento e retirada. Primeiramente, os caminhões chegam com os produtos dos fornecedores, sendo descarregado e a carga é redirecionada para outros caminhões que farão as entregas. Esta estrutura apresenta dificuldades com relação ao planejamento e calculo das necessidades a serem recebidas e liberadas, alinhadas com a coordenação de prazos de chegada e de saída de caminhões das docas. Nesta operação qualquer atraso pode acarretar um grande prejuízo em relação à consolidação integral dos diversos pedidos. 3.2.10 Armazenagem centralizada Tipo de armazenagem onde os produtos são recebidos pelos
  • 42.
    41 fornecedores para atendimentoaos diversos clientes. Esses produtos são armazenados e posteriormente, mediante à pedidos, separados e enviados aos clientes individuais. Fábrica A Cliente A Depósito Pedido Fábrica B de e Cliente B Consolidação Separação Fábrica C Cliente C FIGURA 2 Armazenagem centralizada
  • 43.
    42 4 ALMOXARIFADO 4.1 Conceito Deacordo com Lopes, Souza, Moraes (2006. p. 148), o almoxarifado é o local responsável pelo recebimento, armazenagem, expedição e distribuição dos materias. Pode ser um local coberto ou não, com condições climáticas controláveis ou não, com alto nível de segurança ou não, tudo dependendo do tipo de material a ser acondicionado e das normas necessárias para o correto acondicionamento, localização e movimentação. Segundo Araújo (1975. p.25), [...] o almoxarifado é o intermediário, por uma parte, entre os abastecedores de matéria-prima e as oficinas que vão consumi-la e, por outra parte, entre as oficinas e os clientes que vão receber o produto terminado; é, pois, um regulador entre os mercados externos e a própria produção. A missçai do almoxarifado, quequer que seja a classe, é servir de intermediário, dando abrigo provisório a certos produtos; sua organização dependerá, por conseguinte, deste caráter transitório e se orientará o sentido de dar maiores facilidades para as entradas e saídas dos produtos, para que o seu estágio seja o mais breve possível e para que o estoque se torne suficiente para as necessidades normais. 4.2 Importância do Almoxarifado A finalidade de um almoxarifado de um almoxarifado é alimentar de materiais e matérias-primas todos os departamentos de uma empresa. A partir disso, mostra-se a importância do almoxarifado dentro de uma organização. A importância do almoxarifado está na sua atribuição maior de não permitir o desabastecimento, ou seja, fornecer de forma contínua e ininterrupta materiais e matérias-primas as diversas unidades produtivas. Faz o papel de “mercado interno”, já que deverá satisfazer as necessidades materiais da organização evitando que a cada demanda se crie um procedimento de aquisição. (SECRETARIA DA ADMINISTRAÇÃO DO ESTADO DA BAHIA) Entre os principais objetivos do almoxarifado, segundo Lopes, Souza,
  • 44.
    43 Moraes (2006. p.149), podemos destacar: � Impedir divergência de inventários, seja devido ao processo deteriorização, danos físicos, perdas ou roubos. Para tanto, deve-se possuir condições (instalações adequadas, sistema de localização eficiente, mecanismos de movimentação compatíveis) para assegurar que o material adequado, na quantidade correta, esteja no local certo, quando necessário; � Otimização na utilização dos recursos (instalações, equipamentos de armazenagem, equipamentos de movimentação, pessoas, entre outros). O almoxarifado, por definição, não “agrega valor ao produto”, sendo que nenhum cliente irá pagar mais porque o item ficou mais tempo armazenado. Portanto, deve-se reduzir as distâncias internas, aumentar o tamanho médio das unidades armazenadas, melhorar a utilização da capacidade volumétrica e implementar o sistema PEPS (primeiro a entrar, primeito a sair). 4.3 Atividades do Almoxarifado As atividades básicas de um almoxarifado são: recebimento, armazenagem e expedição. A figura 12 ilustra as principais atividades do almoxarifado.
  • 45.
    44 FIGURA 3 Atividadesdo Almoxarifado 4.3.1 Entrada de Materiais A entrada de materiais refere-se as atividades de recebimento, inspeção e conferência de materiais e suas condições de aquisição. Nessa etapa é feita a conferência documental, quantitativa e qualitativa. A conferência documental é o confronto dos dados do documento fiscal, verificando as condições comerciais pactuadas em contrato. A conferência quantitativa refere- se a contagem do material recebido, em confronto com a quantidade informada na Nota Fiscal. A conferência qualitativa compreende a verificação da qualidade do material de acordo com as especificações contidas na Nota Fiscal ou no contrato firmado entre as empresas. (SECRETARIA DA
  • 46.
    45 ADMINISTRAÇÃO DO ESTADODA BAHIA, 2009) A entrada de materiais é o elo entre as funções compras, armazenagem e contas a pagar. Ela é composta pelo recebimento, inspeção, liberação para armazenagem e posterior devolução ao setor de compras, para encerramento do pedido, avaliação do fornecedor e para liberação da nota fiscal, junto à área financeira. Em muitas empresas esta atividade de recebimento é considerada crítica, pois o mal planejamento da chegada de materiais pode ocasionar problemas de fluxo na entrada do material.[...] Outro aspecto relevante é que na entrada de material, a empresa passa a ter a responsabilidade sobre itens adquiridos. A partir deste momento, eventuais não-conformidades não poderão ser reclamadas junto ao fornecedor. De acordo com as condições contratuais, o material só poderá ser aceito após a inspeção técnica que não pode ser realizada no ato do recebimento. (LOPES; SOUZA; MORAES, 2006. p. 152) Segundo Araújo (1975, p. 112) a conferência de mercadorias não pode ser precipitada. Deverá ter um prazo dado pelo fornecedor para a conferência de acordo com o volume do material recebido. Fazer conferência do material através de amostra não resolve o assunto. Tal fato não poderá nem deverá ser interpretado como um ato de desconfiança por parte do comprador, mas sim como um direito que lhe assiste, principalmente quando se tratar de lotos entegues espaçadamente, de forma a deixar dúvidas quanto à homogeneidade do material a ser recebido. Segundo a NBR ISSO 8403:1994 a inspeção é o conjunto de atividades de medição, ensaio, verificação, etc., de uma ou mais características do produto recebido e a comparação dos resultados com os requisitos especificados, a fim de determinar se há conformidade para cada uma dessas características. As inspeções devem ser realizadas de acordo com os procedimentos elaborados pela engenharia de produto. Se o material for reprovado, deve ser providenciado a devolução do material para o fornecedor junto com a nota fiscal de devolução emitida pela empresa. Quando o material recebido atende aos procedimentos de inspeção, ele é liberado para armazenagem. Este material deve receber uma etiqueta de liberação do controle de qualidade e ser movimentado para área de material liberado. (LOPES; SOUZA; MORAES, 2006. p. 153) Moura (1998, p. 14) sugere algumas dicas para aérfeiçoar o recebimento:
  • 47.
    46 � Receber osmateriais em pales reutilizáveis; � Mecanizar as operações de descarga; � Programar horários para o recebimento de uma determinada carga; � Planejar a movimentação da carga diretamenteo do recebimento ao ponto de estocagem; � Retirar os materiais do recebimento o mais rápido possível; � Receber o máximo que puder em unidades de carga paletizadas; � Utilizar transportadores móveis e extensíveis para o recebimento das cargas não-paletizadas; � Instalar niveladores nas plataformas de recebimento; � Padronizar os métodos de descarga; � Trabalhar junto com os fornecedores para eliminar ou reduzir as necessidades de inspeção no recebimento; � Prever procedimentos para uma rápida devolução dos materiais; � Planejar os locais para uma facilidade de descarga; � Empregar empilhadeiras para descarregar cargas paletizadas dos veículos quando o prédio estiver ao nível do piso; � Empregar transportadores de roletes para transferir cargas de um veículo a outro; � Utilizar manipuladores de carga para transferir cargas para um palete; � Transportar os materiais diretamente para a produção quando for viável, para eliminar áreas de estocagem intermediárias; � Evitar o congestionamento de veículos em determinados dias ou horários nas portarias da empresa. 4.3.2 Armazenagem A armazenagem tem início logo após o recebimento e liberação do material para a entrada em estoque. Segundo Lopes, Souza, Moraes (2006. p. 157), as principais fases da execução da armazenagem são:
  • 48.
    47 1ª. Fase: identificaçãodos materiais; 2ª. Fase: análise da modulação de carga; 3ª. Fase: localização do endereço; 4ª. Fase: movimentação para o endereço (localização) adequado; 5ª. Fase: documentação ou atualização no sistema da localização física; 6ª. Fase: verificação periódica das condições de proteção e armazenamento; 7ª. Fase: separação. Com relação à movimentação de materiais, segundo Ballou (2006, p.380), pode ser concretizada utilizando-se qualquer número dos diversos tipos de equipamentos disponíveis de manuseio de materias. Eles vão desde carrinhos manuais de carga até sistemas totalmente automatizados e computadorizados de empilhamento e localização de mercadorias estocadas. Uma empresa pode obter um maior nível de serviço e menores custos através da armazenagem. Pode obter um menor custo de armazenagem se manter como prioridade a maior ocupação volumétrica. Ou se a empresa compete por diferenciação através do nível de serviço prestado deve-se escolher a acessibilidade, ou seja, o menor tempo de obtenção do item no estoque. Para isso, Lopes, Souza, Moraes (2006, p. 158) sugere alguns princípios a serem seguidos, como por exemplo: � Agrupar materiais similares ou complementares ou agrupar materiais pela forma e volume para otimizar os espaços; � Posicionar os materiais de maior giro próximos à saída; � Utilizar fluxos simples, retos e diretos; reduzir, eliminiar, combinar, simplificar movimentos. Deve-se concentrar todo o fluxo de movimentação em direção ao cliente. Este tipo de movimento agrega valor porque disponibiliza a mercadoria; � Padronizar os métodos e equipamentos; � Utilizar equipamentos flexíveis (evita a subutilização, maior disponibilidade); � Minimizar o manuseio do material e minimizar a distância percorrida;
  • 49.
    48 � Utilizar equipamentosde armazenagem que permitam o aproveitamento vertical do espaço; � Padronizar corredores e eliminar área de guarda de equipamentos. As considerações em torno do manuseio de materiais são parte da tomada de decisão quanto ao espaço de estocagem. Se a opção for pela armazenagem pública, a compatibilidade do sistma de manuseio de materiais da empresa com aquele do armazém público será uma consideração de primeira monta. Optando por armazém controlado por empresa privada, a eficiência da operação de manuseio de materiais na sua globalidade será o objeto principal de atenção. O manuseio de materiais é, em grande parte, uma atividade que absorve custos, embora tenha algum impacto sobre o tempo do ciclo mdo pedido do cliente e, portanto, sobre o serviço ao cliente. Assim, os objetivos do manuseio de materiais são centrados em custos, isto é, pretendem reduzir o custo do manuseio e aumentar o espaço utilizável. A melhoria da eficiência do manuseio dos materiais desenvolve-se ao longo de quatro linhas: a unitização da carga, o leiaute do espaço, a escolha do equipamento de estocagem e a escolha do equipamento de movimentação. (BALLOU, 2006. p.386) A atividade de separação de materiais corresponde a coleta correta de produtos, em suas quantidades corretas da área de armazenagem para satisfazer as necessidaes do consumidor. Essa atividade é considerada como uma das mais críticas. Dependendo do tipo de armazém, 30% a 40% do custo de mão-de-obra está associado a essa atividade. Aliado ao custo, o tempo dessa atividade influi de maneira substancial no tempo de ciclo de pedido, ou seja, o tempo entre a recepção de um pedido do cliente e a entrega correta dos protudos. (MICHIGAN STATE UNIVERSITY, 2009) Nesta atividade pode-se encontrar algumas dificuldades. Gurgel (2000, p. 264) enumera algumas: � Perdas de volumes pela empresa de transporte; � Erro na colocação da etiqueta de transporte e carregamento errado no caminhão; � Troca de produtos em virtude da semelhança física; � Contagem errada dos produtos; � Produtos que chegam da produção com contagem errada; � Dificuldade de manter em dia os registros das quantidades em estoques, em virtude de elevado número de lançaentos e deficiência
  • 50.
    49 do sistema deapontamento; � Erros na emissão das notas fiscais; � Entregas erradas por erros na codificação do produto; � Pedidos preenchidos pelo vendedor de maneira ilegível; � Falta de aderência ente as existências físicas e pos números do sistema de informações, resultando em falta do produto para determinadas nostas fiscais. A separação dos pedidos, de acordo com Ballou (2006, p. 380) é a seleção dos estoques das áreas de armazenagem de acordo com as ordens de venda. A seleção dos pedidos pode ser feita diretamente das áreas de estocagem semipermanente ou de grandes volumes, ou a partir de áreas (chamadas de áreas de separação de pedidos) especialmente destinadas para permitir um escoamento ordenado de materiais em quantidades fracionados. O atendimento dos pedidos é muitras vezes a mais delicada das atividades de manuseio de materiais, porque lidar com pedidos de pequeno volume exige muita mão-de-obra e custa mais do que outras atividades de manuseio de materiais. Moura (1998, p.27), indica algumas dicas para aperfeiçoar a armazenagem e movimentação: � Reduzir a movimentação manual dos materiais; � Reprojetar o fluxo de materiais; � Eliminar os retrocessos; � Fazer planos para os materiais fluírem pelo caminho mais direto possível; � Eliminar os movimentos entre prédios e pavimentos; � Melhorar a seqüência de operações; � Removeros obstáculos do fluxo de materiais; � Rearranjar o fluxo para levar os materiais em direção à expedição; � Instalar rampas entre os níveis de trabalho; � Manter um controle visual dos materiais em estoque; � Minimizar os movimentos entre os departamentos;
  • 51.
    50 � Rearranjar alocalização dos equpamentos; � Manter o piso sempre limpo; � Manter os corredores sempre desempedidos; � Fazer planos para movimentar os itens mais pesados em distâncias mais curtas; � Projetar os fluxos dos materiais combinados com a expansão do edifício; � Fazer planos para ter o mínimo de material em processo; � Eliminar o fluxo cruzado de materiais; � Movimentar os materiais em cargas unitizadas por meios mecânicos; � Usar acessórios nas empilhadeiras para aumentar a produtividade; � Expedir os materiais para o local certo desde a primeira vez; � Prever métodos alternativos de movimentação; � Programar as atividades de movimentação como uma operação rotineira; � Empregar equipamentos flexíveis de movimentação; � Substituir equipamentos obsoletos; � Nunca empilhar nada diretamente sobre o piso; � Procurar utilizar equipamentos modernos; � Estabelecer corredores com um sentido único de direção; � Manter o equipamento de movimentação sempre em boas condições de operação. 4.3.3 Expedição A expedição, segundo Moura (1998, p. 41) começa com o recebimento dos produtos da fabricação ou dos produtos da área de estocagem. Ela é responsável por tudo o que acontece até os produtos chegarem ao cliente. Isto inclui atividades como reembalagem para expedição, formação de cargas para transporte, programação do transporte, carregamento propriamente dito, verificação de todos os embarques e manutenção dos registros.
  • 52.
    51 Pode-se conceituar afunção expedição como realizada por um setor específico, responsável pela conferência dos materiais requisitados do estoque (já baixados física e contabilmente), o estado de suas embalagens ou a necessidade de embalá-los, segundo as normas da ABNT, seqüenciando as suas entregas através de rotas econômicas. A função expedição incorpora, na sua excência, a atividade de distribuição através de rotas econômicas de transporte, a sua documentação (nota Fiscal de Simples Remessa e Nota Fiscal de Venda), Seguro de cargas, contratação da transportadora ou uso de frota própria, etc. Existem atualmente softwares poderosos de distribuição coo o ROADSHOW, utilizado por váeis empresas. Este setor é responsável pelo abastecimento do mercado. Dele vai depender a imagem da empresa no que diz respeito a velocidade e pontualidade na entrega, Além disso, transporte de mercadorias representa uma parcela significativa das despelas logísticas. (LOPES; SOUZA; MORAES, 2006. p. 185) Moura (1998, p.44), propõe algumas dicas para aperfeiçoar a expedição: � Otimizar a carga dos veículos de acordo com as leis da balança; � Verificar o histórico das reclamações quanto às tendências de cargas; � Certificar-se dos termos da responsabilidade “FOB” das partes; � Notificar as transportadoras sobre determinadas exigências; � Mecanizar as atividades de carregamento; � Programar os despachos; � Designar horários para os motoristas; � Reutilizar os paletes (a partir do recebimento) sempre que possível; � Instalar niveladores de docas para facilitar o carregamento com empilhadeiras; � Utilizar transportadores móveis e extensíveis para carregamento de itens não-paletizados; � Analisar, planejar e padronizar os métodos de carregamento; � Designar antecipadamente os pontos para estacionamento e carregamento dos veículos; � Utilizar veículos que permitam o carregamento lateral; � Utilizar o espaço superior na área de expedição; � Não empilhar cargas misturadas de diferentes destinatários; � Considerar o uso de colares em paletes, montantes para fechamento
  • 53.
    52 lateral de paletes,etc; � Utilizar paletes de tamanhos padronizados; � Estocar os produtos em embalagem própria para a expedição; � Fornecer uma boa iluminação na plataforma de expedição; � Facilitar os fluxos dos documentos para que o produto a ser carregado não tenha que esperar pelo documento. 4.4 Leiaute O leiaute de um armazém tem como objetivo a otimização da distância movimentada e, conseqüentemente, do tempo para separação dos produtos, utilização máxima da capacidade volumétrica, redução dos custos de equipamentos e da mão-de-obra do armazém. Ele envolve a análise da movimentação de equipamentos e pessoas, além da definição das áreas de estocagem, separação, recebimento e expedição. Para um bom desenvolvimento, deve-se definiar as áreas de separação de pedidos, estocagem, recebimento e expedição, definir o sistema de localização de estoque, determinar área/volume necessários para armazenagem, movimentação e controle e otimizar a movimentação no almoxarifado. (LOPES; SOUZA; MORAES, 2006. p. 166) Uma vez tomadas determinadas decisões relativas à configuração geral do armazém, o próximo passo diz respeito ao arranjo físico dos compartimentos, prateleiras e corredores de estocagem. O problema principal é determinar o número de vãos de cada prateleira, quantas prateleiras usar, e se devem ser colocadas paralela ou perpendicularmente à parede mais longa. Diversas fórmulas e regras sobre decisões foram desenvolvidas para ajudar nesta decisão. (BALLOU, 2006. p. 407) De acordo com Gurgel (2000, p. 21), as áreas que merecem atenção na definição de um leiaute são: 1) Transporte de materiais; 2) Recebimento de mercadorias;
  • 54.
    53 3) Almoxarifados dematérias-primas; 4) Retirada da fabricação, dos semi-acabados e dos componentes; 5) Tratamento da sucata; 6) Recebimento e armazenamento das submontagens e montagens; 7) Abastecimento do embalamento e retirada do produto acabado; 8) Movimentação de materiais em geral; 9) Serviços de pessoal; 10) Higiene e segurança; 11) Atividades auxiliares da área logística; 12) Armazenamento de materiais e produtos acabados; 13) Escritórios; 14) Facilidades externas; 15) Condições do terreno em torno do armazém e vias de acesso dos veículos com mercadorias. Moura (1998, p.49) mostra algumas dicas para aperfeiçoar o leiaute: � Revisar a inter-relação das atividades envolvidas com o fluxo de materiais; � Rearranjar o leiaute dos equipamentos para redução da movimentação; � Prever o fluxo contínuo para melhor eficiência; � Localizar as primeiras operações próximas ao recebimento; � Localizar as operações relacionadas próximas umas das outras; � Prever flexibilidade para situações de mudança; � Remover ou minimizar as divisórias e paredes; � Prever a movimentação mecanizada-automatizada para assegurar um fluxo contínuo; � Usar mezaninos para liberar área no piso; � Remover os equipamentos que não são muito usados, a fim de liberar mais espaço; � Prever saídas de emergências;
  • 55.
    54 � Combinar atividadesde processamento com as de movimentação; � Prever a freqüente remoção de sucatas; � Prever espaços adequados para estocagens de materiais; � Localizar as atividades de apoio (serviço, utilidades, etc.). O leiaute das mercadorias, a extensão da utilização de equipamentos e o grau de utomação são, segundo Ballou (2006, p. 411), fatores que se refletem no custo do manuseio de materiais. Conseguir a melhor combinação de todos esses fatores é o objetivo do projeto de manuseio de materiais, que é uma atividade de mão-de-obra intensiva, pois grande parte do manuseio de materiais no mundointeiro é realizada manualmente, ou, no máximo, por processo semi-automatizado. 4.5 Almoxarifes no serviço público 4.5.1 Natureza do trabalho do almoxarife O almoxarife executa serviços administrativos e operacioanis do almoxarifado, envolvndo o recebimento, conferência, guarda e distruibuição de material permanente e de consumo nos almoxaridos. Segundo Araújo (1975, p.293): O servidor desta classificação trabalha como principal responsável no almoxarifado central, incumbido do reabastecimento de material permanente e de consumo a outros almoxarifados, respondendo, civil e criminalmente, pela guarda e conservação dos bens patrimoniais em estoque no almoxarifado. O trabalho compreende o recebimento, a conferência, armazenagem, distribuição de material, exigindo cuidados especiais para proteger as mercadorias contra riscos de deterioração e prejuízos eventuais, bem como para a manutenção do asseio e da ordem no almoxarifado. A orientação para a execução de tarefas que fogem à rotina é dada pelo superior hierárquico. A revisão do trabalho é feita através da verificação do estoque, do inventário e do balanço, que se realiza periodicamente pordeterminação de autoridades superiores, para o cumprimento de preceitos legais e contábeis.
  • 56.
    55 4.5.2 Atribuições doalmoxarife no Serviço Público De acordo com Araújo (1975, p.297), as principais funções de um almoxarife são: � Cumprir rigorosamente os despachos da Direção, de modo que os processos tenham curso normal; � Examinar e visar os pedidos de compras de todos os órgãos, para manutenção do estoque necessário; � Requisitar, sempre que necessário, todos os esclarecimentos, amostras ou modelos dos artigos pedidos, de sorte que as compras correspondeam ao produto solicitado; � Propor a exclusão de fornecedores, justificando a proposta; � Renovar anualmente o cadastro dos fornecedores, opinando sobre os mesmos e propondo a exclusão daqueles que deixarem de comparecer a 50% das concorrências durante o ano, sem motivo justificado; � Estudar as fontes de produção e a situação dos mercados, para a determinação dos preçõs básicos; � Trazer em dia os preços concorrentes de todos os materiais que interessem diretamente ao trabalho da repartição; � Registrar a qualidade, a quantidade, as condições, os preços e a procedência dos artigos comprados, em estatísticas analíticas; � Estudar as conveniências de preços e uniformidade de compra em grande escala, do amterial de consumo freqüente e vultoso, para entregas periódicas; � Registrar e classificar as requisições de materias antes de atendê- las; � Registrar todas as entradas e saídas de materiais de forma analítica e global, em fichas que permitam o pronto conhecimento das dotações existentes; � Controlar o estoque de materiais, mantendo um mínimo, suficiente
  • 57.
    56 ao abastecimento normal; �Examinar o mateirla entregue pelos fornecedores, recebendo-o de acordo com as cláusulas de compra; � Zelar pela perfeita conservação de todo o material sob sua guarda e responsabilidade; � Organizar mensalmente o balancete do material estocado, indicando entradas e saídas, saldos e valores; � Levantar anualmente o inventário geral dos estoques e realizar balanços trimestrais, para controle permanente dos materiais. 4.6 Curva ABC Na gestão de estoques, é de vital importância a estratificação dos materias de maneira a permitir que se possam aplicar tratamentos apropriados a cada grupo. No século XVII, Vilfred Pareto criou uma classificação que permitisse a diferenciação em classes, baseada em um determinado critério considerado relevante. A estipulação dos esforços de gerenciamento de itens estocados pode ser orientada, principalmente, por critérios econômicos, rotatividade de estoque, complexidade de aquisição, importância estratégica (criticidade) ou aplicabilidade. (GASNIER, 2002. p.275) De acordo com Lopes, Souza, Moraes (2006, p. 71), a curva ABC classifica os materiais de estoque por peso, volume, tempo de reposição, valor de demanda, inventário, custo unitário, por requisições realizadas, etc. Este método envolve coletas de dados num prazo entre 6 meses e 1 ano. Esta ferramente permite ao gerente orientar seus esforços em direção aos resultados mais significativos, uma vez que a classificação ABC segmenta os itens em classes. Pozo (2004, p. 93) propõe a divisão dos dados obtidos em três categorias distintas: Itens da Classe A: são os itens mais importantes e que devem receber toda a atenção no primeiro momento do estudo. È nos itens dessa classe que
  • 58.
    57 iremos tomar asprimeiras decisões sobre os dados levantados e correlaconados em razão de sua importância monetária. Os dados aqui classificados corresmpondem, em média, a 80% do valor monetário total e no máximo 20% dos itens estudados. Itens da Classe B: são os itens intermediários e que deverão ser tratados logo após as medidas tomadas sobre os itens da classe A; são os segundos em importância. Os dados aqui classificados correspondem, em média, a 15% do valor monetário total do estoque e no máximo 30% dos itens estudados. Itens da classe C: são os itens de menor importância, embora volumosos em quatidades, mas com valor monetário reduzidíssimo, permitindo maior espaço de tempo para sua análise e tomada de ação. Deverão ser tratados, somente, após todos os itens das classes A e B terem sido avaliados. Em geral, somente 5% do valor monetário total representam esta classe, porém, mais de 50% dos itens formam sua estrutura. 4.7 Código de Barras Controlar todos os bens materiais da empresa é uma das atividades mais importantes na administração dos recursos patrimoniais. Para isso é necessário classificar e codificar todos os bens pertencentes à empresa. O objetivo da classificação e codificação de materiais e bens é simplificar, especificar e padronizar com uma numeração todos os bens da empresa. Com a codificação, passamos a ter um registro quenos irá informar todos o seu histórico, tais como: data de aquisição, preço inicial, localização, vida útil esperada, valor depreciado, valor residual, manutenação realizada e previsão de sua substituição. Após o bem estar codificado, recebe uma plaqueta com sua numeração e controle. (POZO, 2004. p. 192) O exame da codificação, segundo Gurgel (2000, p. 176), apresenta dois aspectos:
  • 59.
    58 Sistema de Geraçãode Códigos (SGC): sistema para se denominar materiais, que deve ser a base para o processamento da informação na empresa. Além da codificação dos produtos acabados, o sistema deve contemplar também a codificação das matérias-primas, dos semi-acabados, dos pré-montados e dos componentes internos. Sistema para Alimentar Computadores (SAC): é o ideal para o controle de um grande número de itens, rapidez do atendimento do cliente, economia no controle dos estoques e dos fluxos de materiais, reabastecimento, faturamento, compras e relatórios de gerências. O código de barras é um padrão utilizado para leitura e entrada de dados no sistema. É um sistema simples, de baixo custo, de fácil aplicação e que proporciona alta confiabilidade e velocidade na armazenagem dos dados. Ele representa uma tecnologia que permite o controle automático de estoques e da produção. Atribuído um código numérico ao produto, e convertido em código de barras, é necessário assegurar que ele seja lido corretamente. Para isso, existem no mercado leitores ópticos que lê o código, convertendo eventos de reflexão total (espaço em branco) e de reflexão quase zero (barra escula) em sinais elétricos. (LOPES; SOUZA; MORAES, 2006. p. 78) 4.8 Inventário As empresas, segundo Pozo (2004, p.97) organizam uma contagem física de seus itens em estoques e em processos, para comparar a quantidade física com os dados contabilizados em seus registros, a fim de eliminar as discrepâncias que possam existi entre os valores contáveis e o que realmente existe em estoque. O inventário serve para a apuração do valor total de estoques para efeito de balanço do ano fiscal e seu imposto de renda. O inventário geral é elaborado no fim de cada exercício fiscal de Ada empresa, abrangendo a contagem física de todos os itens de uma só
  • 60.
    59 vez, incluindo-se almoxarifadode recebimento, almoxarifado intermediário, peças em processos e produtos acabados. Nesse procedimento, geralmente, faz-se necessário a parada total do processo operacional da empresa, recebimento, produção e despacho, durante o período de inventário, que pode ser de vários dias, dependendo do tamanho da empresa. Essa parada é necessária para que possamos efetuar a contagem física de todos o itens de estoques, sem sofrer qualquer interferência e sem erros. (POZO, 2004. p.97) Os inventários normalmente são mal executados porque, com muita freqüência, a administração subestima sua importância, sua dificuldade, seu custo e, tendo por conseqüência, uma execução mal preparada. A falta de planejamento tem como resultado, inventários que não inspiram confiança, ficando assim, reduzido o poder de fiscalização da administração, prejudicando a confiabilidade dos controles contábeis da empresa. (GURGEL, 2004. p. 122)
  • 61.
    60 5 METODOLOGIA CIENTÍFICA Estecapítulo tem por finalidade explicar a metodologia científica empregada nesta pesquisa. Primeiramente, pesquisa, segundo Gil (2002, p. 17) é: O procedimento racional e sistemático que tem como objetivo proporcionar respostas aos problemas que são propostos. [...] A pesquisa é desenvolvida mediante o concurso dos conhecimentos disponíveis e a utilização cuidadosa de métodos, técnicas e outros procedimentos científicos. Na realidade, a pesquisa desenvolve-se ao longo de um processo que envolve inúmeras fases, desde a adequada formulação do problema até a satisfatória apresentação dos resultados. Esta pesquisa desenvolveu-se por razões de ordem prática com o objetivo de conhecer o conteúdo e poder desenvolver atividades práticas de maneira mais eficiente e eficaz. 5.1 Etapas da Pesquisa Científica Todas as etapas para o desenvolvimento da pesquisa foram planejadas. A primeira etapa consiste na elaboração da introdução do trabalho, sendo este o primeiro capítulo da pesquisa. Nessa introdução, foram descritas as razões para investigar tal temática, delineando o tema da pesquisa. Foram apresentados os objetivos, delimitação do problema, as hipóteses e o resumo dos capítulos. Os capítulos 2 e 3 referem-se ao delineamento da pesquisa bibliográfica. A pesquisa bibliográfica é desenvolvida com base em material já elaborado, constituído principalmente de livros e artigos científicos. A principal vantagem da pesquisa bibliográfica reside no fato de permitir ao investigador a cobertura de uma gama de fenômenos muito mais ampla do que aquela que poderia pesquisar diretamente. (GIL, 2006, p. 45) As fontes utilizadas na pesquisa bibliográficas são de livros de leitura
  • 62.
    61 corrente, obras dereferência, periódicos científicos, teses e dissertações. Em relação a localização das fontes, as consultam foram feitas em biblioteca convencional, pesquisa com sistemas de busca através da internet. O capítulo 4 consiste na explicação da metodologia utilizada na pesquisa. Finalizando, a pesquisa apresenta um estudo de caso, que um estudo profundo e exaustivo de um ou poucos objetos, de maneira que permita seu amplo e detalhado conhecimento. (GIL, 2006, p.54) 5.2 Tipos de Pesquisa As pesquisas podem ser classificadas de várias formas, podendo-se levar em conta, nas pesquisas, a natureza dos dados, os objetivos e os procedimentos. 5.2.1 Classificação da pesquisa de acordo com a natureza dos dados A pesquisa, quanto à natureza dos dados, pode ser classificada em quantitativa ou qualitativa. De acordo com Ciribelli (2003, p. 57) , a pesquisa quantitativa é aquela na qual o importante é a coleta e análise quantitativa dos dados, pois, por sua quantificação, aparecem os resultados automaticamente. A pesquisa qualitativa, seguindo o raciocínio de Ciribelli (2003, p. 57) se dá quanto os dados só fazem sentido através de um tratamento lógico secundário. Essa pesquisa, quanto à natureza, será de abordagem qualitativa, onde os dados são obtidos no ambiente natural, seguindo um tratamento lógico de obtenção.
  • 63.
    62 5.2.2 Classificação dapesquisa de acordo com os objetivos A pesquisa, quanto aos objetivos, podem ser exploratória, descritiva ou explicativa. Abaixo, explicam-se os tipos de pesquisa segundo Gil (2002, p.41): Pesquisa Exploratória: têm como objetivo proporcionar maior familiaridade com o problema, com vistas a torná-lo mais explícito ou a construir hipóteses. Têm como objetivo principal o aprimoramento de idéias ou a descoberta de intuições. Seu planejamento é flexível, possibilitando a consideração dos mais variados aspectos relativo ao fato estudado. Essas pesquisas envolvem: levantamento bibliográfico, entrevistas com pessoas que tiveram experiências práticas com o problema pesquisado e análise de exemplos que estimulem a compreensão. Pesquisa Descritiva: têm como objetivo primordial a descrição das características de determinada população ou fenômeno ou, então, o estabelecimento de relações entre variáveis. As pesquisas descritivas são, juntamente com as exploratórias, as que habitualmente realizam os pesquisadores sociais preocupados com a atuação prática. Há pesquisas que acabam servindo mais para proporcionar uma nova visão do problema, aproximando-as também das pesquisas exploratórias. Pesquisa Explicativa: têm como preocupação central identificar os fatores que determinam ou que contribuem para a ocorrência dos fenômenos. Esse é o tipo de pesquisa que mais aprofunda o conhecimento da realidade, porque explica a razão, o porquê das coisas. Pode-se dizer que o conhecimento científico está assentado nos resultados oferecidos pelos estudos explicativos. Uma pesquisa explicativa pode ser a continuação de outra descritiva, posto que a identificação dos fatores que determinam um fenômeno exige que este esteja suficientemente descrito. Esta pesquisa, quanto os objetivos, caracteriza-se como descritiva, uma vez que os dados coletados e analisados permitirão descrever as
  • 64.
    63 características do almoxarifadoda CPTM, para propor melhores técnicas de gestão à partir dos dados obtidos. 5.2.3 Classificação da pesquisa de acordo com os procedimentos Quanto aos procedimentos, a podem ser definidos, segundo Gil (2002, p. 43) dois grandes grupos de delineamentos: aqueles que se valem das chamadas fontes de “papel” e aqueles cujos dados são fornecidos por pessoas. No primeiro grupo, estão a pesquisa bibliográfica e a pesquisa documental. No segundo, estão a pesquisa experimental, levantamento, estudo de caso, pesquisa-ação, pesquisa participante e pesquisa ex-post facto. Abaixo, detalha-se cada um desses procedimentos, de acordo com Gil (2002, p. 44-57) Pesquisa Bibliográfica: é desenvolvida com base em matrial já elaborado, constituído principalmente de livros e artigos científicos. As fontes bibliográficas são em grande número, podendo ser classificadas em livros, publicações periódicas ou impressos diversos. Pesquisa Documental: assemelha-se à pesquisa bibliográfica, diferenciando- se na natureza das fontes. Vale-se de materiais que não recebem ainda um tratamento analítico, ou que ainda podem ser reelaborados de acordo com os objetivos da pesquisa. Pesquisa Experimental: consiste em determinar um objeto de estudo, selecionar as variáveis que seriam capazes de influenciá-los, definir as formas de controle e de observação dos efeitos que a variável produz no objeto. Levantamento: refere-se à solicitação de informações a um grupo significativo de pessoas acerca do problema estudado para, em seguida, mediante análise quantitativa, obterem-se as conclusões correspondentes aos dados coletados.
  • 65.
    64 Estudo de Caso:consiste no estudo profundo e exaustivo de um ou de poucos objetos, de maneira que permita seu amplo e detalhado conhecimento. Seus resultados, de modo geral, são apresentados em aberto, ou seja, na condição de hipóteses, não de conclusões. Pesquisa-ação: tipo de pesquisa com base empírica que é concebida e realizada em estreita associação com uma ação ou com a resolução de um problema coletivo e no qual os pesquisadores e participantes representativos da situação ou do problema estão envolvidos de modo cooperativo ou participativo. Thiollent et AL4 . (2002 apud GIL, 2006, p.28) Pesquisa Ex-post facto: significa “ a partir do fato passado. Neste tipo de pesquisa, o estudo foi realizado após a ocorrência de variações na variável dependente no curso natural dos acontecimentos, com o propósito de verificar a existência de relações entre variáveis. Esta pesquisa classifica-se, quanto aos procedimentos, como estudo de caso, fazendo um estudo profundo nas atividades e técnicas utilizadas no almoxarifado da CPTM, com o objetivo de analisar hipóteses propostas no capítulo 1 desta pesquisa. 4 THIOLLENT, Michel. Motodologia da pesquisa-ação. São Paulo: Atlas, 1976
  • 66.
    65 6 ESTUDO DECASO Os Almoxarifados têm a função de receber, guardar e distribuir os materiais comprados pertencentes à CPTM (Companhia Paulista de Trens Metropolitanos) , assim como, os seus empregados, zelar pela integridade e qualidade dos mesmos, fornecendo também um ótimo atendimento aos usuários. O almoxarifado pertence ao Departamento de Materiais (DFPM) da CPTM, o qual pertence ao GFP (Gerência de Administração do Patrimônio), que faz parte da Diretoria Administrativa e Financeira (DF) da CPTM. 6.1 História da CPTM e do Almoxarifado A CPTM, criada em 1992, está vinculada à Secretaria de Estado dos Transportes Metropolitanos (STM). A companhia herdou uma ferrovia carente de recursos, com inúmeros problemas, principalmente nas áreas de segurança e prestação de serviços, por falta de investimentos por parte do governo. O sistema ferroviário, desde 1992, herdada pela CPTM à época de sua fundação, apresentava uma situação caótica. Pingentes, surfistas, arrastões, longos intervalos, condições precárias das estações, trens e manutenção dos sistemas, além de ineficiência faziam parte do cotidiano dos usuários. O cenário mudou radicalmente com os investimentos de mais de US$ 1,6 bilhão aplicados na companhia entre 1995 e 2006. Hoje a empresa, com suas 89 estações operacionais, atende 22 municípios e se apresenta como a melhor alternativa para atenuar o problema da mobilidade na Região Metropolitana de São Paulo. (COMPANHIA PAULISTA DE TRENS METROPOLITANOS, 2009) A frota atual conta com 110 trens disponíveis para operação e faz uma média de 1.688 viagens por dia útil, nas seis linhas do sistema. As estações Brás (300 mil usuários), Luz (235 mil) e Barra Funda (250 mil) recebem juntas quase 50% do movimento diário total. (COMPANHIA PAULISTA DE TRENS METROPOLITANOS, 2009)
  • 67.
    66 Essa transformação estáacontecendo através de investimentos que vêm sendo realizados, da capacitação dos empregados e principalmente de mudanças na forma de prestar o serviço de transporte e na maneira de gerenciar a Companhia. De acordo com o site da Companhia Paulista de Trens Metropolitanos, 2009, com a atual estratégia de atuação, a CPTM tem implementado vários projetos que envolvem as diversas áreas da companhia, para agregar valor à prestação de serviços aos usuários, que reforçam um ambiente corporativo de permanente aprendizagem, orientado por uma realidade que exige respostas rápidas às mudanças e a consciência clara da importância do elemento humano no processo de qualidade total. Diante de um mercado cada vez mais competitivo, a CPTM vem trabalhando na modernização e ampliação da prestação de serviços de transporte público de passageiros na Região Metropolitana de São Paulo. A CPTM vem se transformando desde sua criação, e hoje busca decisivamente agregar mais qualidade aos seus serviços oferecidos à população como forma de melhor se posicionar frente às necessidades de transporte de seus usuários. (COMPANHIA PAULISTA DE TRENS METROPOLITANOS, 2009) Todo patrimônio, hoje de posse da CPTM, foi herdada da FEPASA (Ferrovia Paulista AS). O almoxarifado, na época da FEPASA, trabalhava com métodos obsoletos para o desenvolvimento de suas atividades. Havia os problemas, mas não chegavam ser agravantes a ponto de atrapalhar a operação. Funcionários antigos do almoxarifado demonstram preferência em trabalhar na gestão da época da FEPASA ao invés da CPTM. Mesmo com recursos limitados, a filosofia de serviço agradava mais os funcionários da área. Mas o almoxarifado conseguiu apoio, em relação aos recursos, apenas com a CPTM. Foi com ela que eles conseguiram equipamentos como, computadores, impressoras, móveis, novos equipamentos de movimentação e armazenagem, entre outros, que permitiu o aprimoramento de técnicas de gestão de estoques. Mas ainda muito precisa ser feito com relação a investimentos para o almoxarifado. Com o passar dos tempos, novos problemas foram surgindo, as práticas de serviços mudaram, exigindo novos métodos e equipamentos,
  • 68.
    67 merecendo uma maioratenção por parte da administração para obtenção de recursos por parte do governo do estado. 6.2 Resumo das Atividades Os almoxarifados do DFPM têm como função principal: o recebimento, conferência, endereçamento, armazenagem, movimentação, separação e expedição de materiais, nos endereços seguintes: � Rua General Manoel de Azambuja Brilhante, 55, Presidente Altino, Osasco, SP, composto por 1 armazém de aproximadamente 3.125m², 1 armazém de aproximadamente 325m² , 1 área aberta, e a estação de abastecimento de combustível; � Avenida Raimundo Pereira de Magalhães, 200 – Vila Anastácio – São Paulo , composto por 1 armazém de aproximadamente 2100m², 1 armazém de aproximadamente 800m² chamado de galpão B e um galpão de Materiais de via permanente de aproximadamente 900m². A tabela abaixo mostra os nomes dos almoxarifados existentes na CPTM. Este trabalho tem por finalidade estudar os almoxarifados B001, B002, B003, B004 e B005, que constituem os principais almoxarifados da CPTM, tendo em vista que os outros se encontram desativados ou em fase de planejamento para sua desativação ou ainda com suas atividades reduzidas.
  • 69.
    68 TABELA 1 Locaisde armazenagem dos almoxarifados AX NOME ENDEREÇO A002 PRINCIPAL - LAPA AV. RAIMUNDO PEREIRA DE MAGALHÃES A003 SUCATA - LAPA AV. RAIMUNDO PEREIRA DE MAGALHÃES A004 SUCATA - PIRITUBA RUA DOS CAMARÕES A022 VIA PERMANENTE - LAPA AV. RAIMUNDO PEREIRA DE MAGALHÃES A023 GERAL - LAPA AV. RAIMUNDO PEREIRA DE MAGALHÃES A024 MATERIAL RODANTE - LAPA AV. RAIMUNDO PEREIRA DE MAGALHÃES A025 DIMISSANITÁRIOS - LAPA AV. RAIMUNDO PEREIRA DE MAGALHÃES A101 CONSTRUÇÃO CIVIL - LAPA AV. RAIMUNDO PEREIRA DE MAGALHÃES A301 PLASSER - LAPA AV. RAIMUNDO PEREIRA DE MAGALHÃES A402 LABORATÓRIO ELETRÔNICA - LAPA AV. RAIMUNDO PEREIRA DE MAGALHÃES B001 PRINCIPAL - ALTINO RUA GENERAL MANOEL DE AZAMBUJA BRILHANTE B002 INFLAMÁVEIS - ALTINO RUA GENERAL MANOEL DE AZAMBUJA BRILHANTE B003 PAPELARIA - ALTINO RUA GENERAL MANOEL DE AZAMBUJA BRILHANTE B004 EPI'S - ALTINO RUA GENERAL MANOEL DE AZAMBUJA BRILHANTE B005 UNIFORMES - ALTINO RUA GENERAL MANOEL DE AZAMBUJA BRILHANTE B006 SUCATA - ALTINO RUA GENERAL MANOEL DE AZAMBUJA BRILHANTE B202 MAT. RODANTE LOCOMOTIVA - ALTINO RUA GENERAL MANOEL DE AZAMBUJA BRILHANTE B401 LABORATÓRIO ELETRÔNICA - ALTINO RUA GENERAL MANOEL DE AZAMBUJA BRILHANTE E001 COMBUSTÍVEIS - ENG. SP RUA BRESSER E002 SUCATA - ENG. TRINDADE PÁTIO CPTM - ENTRADA DO EXTRA MARGINAL Os materiais comprados pela CPTM são entregues no armazém principal da Rua General Manoel de Azambuja Brilhante, na área de recebimento. A seguir, explicam-se os procedimentos realizados dentro da CPTM para recebimento, estocagem e arrumação de materiais, separação e processamento das requisições de materiais 6.2.1 Procedimento para o Recebimento de Materiais Abaixo, explica-se o procedimento para o recebimento de materiais no almoxarifado:
  • 70.
    69 � Receber Contratode Fornecimento da área de Contratos do DFPM, arquivando-os de acordo com a empresa fornecedora; � Ao receber o material, conferir dados da Nota Fiscal com os dados do Contrato de Fornecimento (CGC, Endereço, Razão Social, Descrição, Quantidade, Valores, Descrição do Material); � Conferir quantidade e descrição dos materiais da Nota Fiscal com a quantidade e descrição física dos materiais recebidos. Após recebimento, devolver canhoto da Nota Fiscal assinado ao fornecedor com carimbo da CPTM; � Efetuar alocação provisória do material até inspeção técnica lançando no “Controle de Contrato de Fornecimento”, o endereço provisório do material dentro da área de recebimento; � Registrar a Nota Fiscal num arquivo em Excel “Controle Diário de Entrada de Notas Fiscais” os seguintes dados: Data do Registro, n° da Nota Fiscal, Data da Nota Fiscal, Empresa, n° da Ordem de Fornecimento; � Entregar as Notas Fiscais à área de Contratos, colhendo assinatura e atestando que a mesma foi entregue àquele setor. A área fará o processamento das Notas Fiscais e encaminhará ao recebimento, um engenheiro para realizar a inspeção do material. Após a inspeção, o engenheiro fará o Laudo de Inspeção Técnica de Material, informando se o material foi aprovado ou reprovado. Caso seja necessário liberar peças para amostra em teste, deverá ser apenas mediante documentação própria (Autorização de Saída), anotando o procedimento no campo de observações do “Controle de Contrato de Fornecimento”. Após a emissão do Laudo, checar se as amostras retiradas foram devolvidas, caso não, solicitar ao técnico responsável a devida regularização; � De posse do Laudo de Inspeção Técnica de Material, o almoxarife lançará no “Controle Diário de Entrada de Notas Fiscais” os dados do Laudo; � Se o material for aprovado, aguardar o processo de armazenagem do material no almoxarifado;
  • 71.
    70 � Se omaterial for reprovado na Inspeção Técnica, a área de recebimento recebe a Nota Fiscal de Devolução da CPTM, emitida pela área de Contratos, com os dados do material reprovado que deverão ser separados para a respectiva entrega, e lançando os dados em um outro controlo feito em Excel chamado “Notas Fiscais de Devolução”; � Quando da retirada, entregar o material ao fornecedor e colher assinatura do mesmo no canhoto de nossa Nota Fiscal, enviando-o, no mesmo dia à área de Contratos; A área de recebimento executa algumas atividades complementares como a aquisição de materiais por fundo fixo e a devolução de materiais. A Aquisição de Materiais Por Fundo Fixo trata-se de compras especiais ou emergenciais, que tem um procedimento diferenciado dentro do recebimento. O almoxarife recebe os materiais, apenas com a autorização via fone ou e-mail do comprador responsável, que deverá informar também a área detentora da compra, anotando no verso da Nota Fiscal o nome do comprador e área usuária. Abaixo, explica-se o procedimento para a realização dessa atividade: � Conferir material com a Nota Fiscal de Entrega, alocando material com endereçamento provisório (mesmo procedimento dos demais); � Abrir e arquivar processo com xerox da Nota Fiscal de entrega, emitindo folha de despacho, solicitando Analise Técnica; � Registrar Nota Fiscal no “Controle de Entrada Diária de Notas Fiscais”; � Encaminhar Nota Fiscal juntamente com a solicitação de análise técnica para área de Diligênciamento, e aguardar a Analise Técnica; � Se o material for aprovado, entregar material ao usuário mediante “Autorização de Saída de Materiais” e/ou “Documento Interno Para Transporte de Mercadorias”; � Se o material for reprovado, solicitar posição da área de diligênciamento.
  • 72.
    71 A devolução demateriais procede-se da seguinte forma: � Receber do usuário os materiais e o respectivo documento de Devolução de Material (DM); � Emitir Folha de Despacho para o Assistente Técnico da Área, solicitando analise da engenharia de materiais. O procedimento de análise é igual à análise descrita anteriormente; � Se o material for aprovado, repassar processo com respectivo material ao Almoxarifado estocador; � Se o material for reprovado, devolver a DM e o material ao usuário, solicitando ao mesmo cancelamento da DM. 6.2.2 Procedimento para estocagem e arrumação de material Quando o material estiver pronto para entrar no estoque, o almoxarife responsável deve: � Receber Laudo ou a DM (para caso de Devolução de Material); � Procurar a localização do material, numa relação impressa mensalmente com o código do material, descrição completa e endereço, caso ele esteja endereçado. Se o material não estiver endereçado, o almoxarife deve providenciar um novo endereço e escrever o novo endereço numa folha de localização para atualização do sistema; � Efetua a conferencia física do material com o que consta no laudo; � Assinar o Laudo ou a DM e encaminhar para arquivo/processamento, com a localização, para que seja efetuada a atualização do sistema; � Armazenar o material em sua linha de estocagem.
  • 73.
    72 6.2.3 Procedimento paraseparação e expedição de material A separação se materiais ocorre da seguinte forma: � No escritório do almoxarifado, imprime-se o documento de Requisição de Material (RM). Consiste na impressão de duas folhas, uma de Requisição de Material e outra de Planilha de RM por local de armazenagem. A Requisição de Material é o documento que comprova que o usuário retirou o material, contendo um campo para assinatura do usuário. A Planilha de RM por local de armazenagem é um documento interno do almoxarifado que serve para que o almoxarife possa olhar o endereço e fazer anotações pertinentes sobre a localização, informando também a localização do material dentro da expedição. FIGURA 4 Requisição de Material
  • 74.
    73 FIGURA 5 Planilhade Requisição de Material � Após a impressão, acontece a distribuição das RM´s de acordo com o almoxarifado; � O almoxarife realiza a separação dos materiais; � Preenche a Requisição de Material e a Planilha, colocando a quantidade separada, data de separação e assinatura; � Coloca o material junto com a RM na expedição; � Repassa a planilha para o escritório do almoxarifado, onde atualiza o sistema informando a separação. Após a atualização no sistema, o escritório passa a planilha para o responsável no balcão da expedição; � O usuário confere no sistema para ver se sua requisição está separada; � Caso a requisição já esteja separada, o usuário comparece ao almoxarifado, apresentando uma via da requisição no balcão da expedição; � O almoxarife do balcão localiza planilha da requisição
  • 75.
    74 correspondente, verificando oendereço do material na expedição; � O usuário recebe e confere o material. Após a conferência, assina a RM; � O almoxarife encaminha a RM para processamento automático; � No escritório, o funcionário faz o processamento da RM (baixa do estoque no sistema) e encaminha a RM para o Departamento de Contabilidade (DFFC). 6.3 Quadro de Pessoal O aspecto mais crítico da operação dos Almoxarifados do DFPM é a insuficiência de recursos humanos, em quantidade e qualidade, que embora poucos, irão trazer mais agilidade e melhorar o controle. As várias áreas do DPFM foram, ao longo do tempo, perdendo funcionários (e suas respectivas vagas) para outras áreas da CPTM, vagas estas que não foram repostas. Como resultado, as áreas tiveram seus quadros reduzidos, e a operação foi muito prejudicada. Estão sendo definidos e estabelecido procedimentos e políticas operacionais adequadas ao perfeito funcionamento da operação dos Almoxarifados, procedimentos esses que, para serem operacionalizados, serão necessários pequenos ajustes com relação a contratação de um pequeno número de empregados. Segue abaixo uma tabela onde mostra a quantidade de funcionários atualmente lotados nos Almoxarifados do DFPM, bem como a estimativa de pessoal ideal para uma gestão mais moderna e dinâmica.
  • 76.
    75 TABELA 2 Quadrode funcionários do almoxarifado QUADRO DE FUNCIONÁRIOS EXISTENTES IDEAL FUNCIONÁRIOS OPERACIONAIS ALMOXARIFES 8 13 AJUDANTES DE ALMOXARIFE 4 8 FUNCIONÁRIOS ADMINISTRATIVOS SUPERVISORES DE ALMOXARIFADO 2 3 TÉCNICO DE ALMOXARIFADO 1 3 GESTOR DE ESTOQUES 1 1 FUNCIONÁRIOS ESTAGIÁRIOS 2 3 TERCEIRIZADOS (AJUDANTES) 1 6 TABELA 3 Distribuição do quadro ideal de funcionários no almoxarifado DISTRIBUIÇÃO DO QUADRO IDEAL DE FUNCIONÁRIOS NO ALMOXARIFADO ALMOXARIFE AJUDANTE TERCEIRIZADO ESTAGIÁRIO SUPERVISOR TÉCNICO EQUIPE ARMAZENAGEM 2 2 1 EQUIPE SEPARAÇÃO 5 3 3 1 1 EQUIPE EXPEDIÇÃO 2 2 1 2 1 1 RECEBIMENTO 2 1 1 1 1 INFLAMÁVEL 2 1 TOTAL 13 8 6 3 3 3
  • 77.
    76 6.3.1 Resumo dasatividades dos atuais empregados do almoxarifado 6.3.1.1 Gestor de Estoque O gestor de estoque deve: � Disponibilizar recursos e ferramentas para agilizar o processo de funcionalidade dos almoxarifados; � Conhecer e compreender as necessidades dos clientes e ser, além de um empreendedor, um líder visionário, líder este, focado no futuro. 6.3.1.2 Supervisor de Almoxarifados O supervisor de almoxarifados tem a função de: � Supervisionar o recebimento, conferência física/fiscal, estocagem, distribuição/fornecimento aos destinatários, inventários, controle de material e qualidade, destinados à manutenção de bens ou equipamentos nacionais ou importados, de uso administrativo ou para investimento e/ou programas específicos; � Planejar a criação e implantar a infra-estrutura necessária ao suporte dos recebimentos, armazenamentos e movimentação de materiais e equipamentos, analisando a racionalização das instalações e participando no desenvolvimento do leiaute de almoxarifado de acordo com os materiais a serem armazenados; � Supervisionar e orientar os subordinados na distribuição das tarefas, bem como administrar as relações de trabalho, como: férias, absenteísmo, aspectos disciplinares, entre outros.
  • 78.
    77 6.3.1.3 Técnico deAlmoxarifado O técnico de almoxarifado deve: � Dar suporte técnico para subsidiar a elaboração de especificações e procedimentos técnicos de Materiais da CPTM, efetuando coleta de informações, dados; � Auxiliar na elaboração de codificação e catálogos diversos de materiais; � Efetuar inspeção em atividades de terceiros e no recebimento de materiais/equipamentos mecânicos, elétricos, eletrônicos e eletroeletrônicos, de construção civil, administrativos, etc; � Coletar e encaminhar amostras de materiais recebidos para análise. 6.3.1.4 Almoxarife O almoxarife tem a obrigação de: � Acompanhar e orientar o recebimento de materiais, analisando conferências físicas, agrupamentos e controle de qualidade; � Elaborar e executar procedimentos de entrada em estoque ou separação de materiais aos clientes; � Operar, eventualmente, empilhadeira, guincho e outros equipamentos de movimentação de carga e ainda, realizar, sempre que necessário, atividades pertinentes ao cargo de Ajudante de Almoxarife.
  • 79.
    78 6.3.1.5 Ajudante deAlmoxarife O ajudante de Almoxarife � Auxiliar na execuçao de tarefas voltadas à manutenção e conservação de equipamentos e peças, áreas livres, entre outras; � Remover, carregar, descarregar, transportar e arrumar volumes, materiais, ferramentas, equipamentos e outros, acondicionando-os em local apropriado, executando pequenos serviços de expediente pertinentes à área 6.4 Equipamentos de Armazenagem 6.4.1 Equipamentos armazenagem existentes Para a movimentação dos materiais os Almoxarifados do DFPM dispõem dos seguintes equipamentos: � 2 paletadeiras de 2 t, para uso na área interna do almoxarifado; � 1 empilhadeira de 4,5 t, para uso na área de céu aberto do almoxarifado; � 1 empilhadeira de 2 t, para uso no almoxarifado de Inflamável (B002) e recebimento; � 2 empilhadeiras elétricas de 3t, para uso interno do almoxarifado.
  • 80.
    79 6.4.2 Equipamentos armazenagemnecessários Para um melhor desempenho das atividades do almoxarifado, os equipamentos necessários de movimentação, armazenagem e transporte de materiais necessários são: � 1 caminhão equipado com “munck”, para movimentação interna de materiais e a transferência de materiais entre almoxarifados e áreas de estocagem; � 1 caminhonete, cabine dupla, para o transporte de materiais de pequeno porte, distribuição de materiais administrativos e transporte de pessoal entre os almoxarifados e áreas de estocagem; � 2 máquinas de arquear manual, uma para a área de recebimento e outra para a expedição; � 2 balanças eletrônica contadora, uma para o recebimento e 1 para área de separação; � 10 carros bandeja para transporte, para auxiliar a separação de materiais pelos almoxarifes, ajudantes e terceirizados. 6.5 Materiais estocados no almoxarifado A tabela abaixo mostra a atual situação dos materiais sob a guarda do Almoxarifado:
  • 81.
    80 TABELA 4 Materiaiscadastrados no sistema do almoxarifado Tipos de material Itens codificados Itens não utilizados nos últimos 4 anos (com saldo no estoque) Total de itens utilizados Normal 10.039 7.068 2.971 Essencial 817 589 228 Estratégico 1.075 1.040 35 Especifico 3.785 3.740 45 Eventual 11.384 10.165 1.219 Sobra de obras 1.126 Total geral 28.226 22.602 4.498 6.6 Gráficos de produção e curvas ABC dos almoxarifados do DFPM O gráfico abaixo faz uma comparação de itens requisitados no almoxarifado, com os itens separados, fazendo um contraste com os itens separados no prazo de 48 horas. 37542 28327 3616 24711 9125 0 10000 20000 30000 40000 Demonstrativo - 01/04/2008 até 29/10/2008 Total de Itens Constantes nas MM's Total de Itens Separados Total de Itens Atendidos em 48 horas Total de Itens Atendidos Acima de 48 horas Total de Itens Zerados GRÁFICO 1 Demonstrativos dos itens requisitados
  • 82.
    81 Analisando o gráfico,percebe-se que muitos itens não foram atendidos no período. Trata-se dos itens zerados. São itens que não foram atendidos porque são materiais considerados como não de estoque. São materiais, que possuem os tipos de consumo eventuais e estratégicos, ou seja, não precisam estar estocados em nossos Almoxarifados, sua compra se faz através de solicitação das áreas usurárias. Fazem parte dos itens zerados matérias requisitados que apresentam saldo contábil, porém com saldo físico zerado. A meta do almoxarifado é de separar os itens no período de 48 horas. O gráfico mostra que, apenas 12% dos materiais solicitados e separados são separados no período de 48 horas. Isso acontece devido aos seguintes fatores: a dificuldade de separar o almoxarifado; muitas requisições à serem atendidas ou a disposição do almoxarife em separar o material. A dificuldade de separar o material existe pelo fato do material estar na maior altura da prateleira, necessitando empilhadeira para abaixar o palete, ou o material necessitar de um cuidado especial de transporte ou de um equipamento específico de movimentação. Acontece também, de um dia da semana, aparecer muitas requisições a serem atendidas. Férias não planejadas, ausência de almoxarifes e a insatisfação do almoxarife também influenciam para a demora da separação do item. O gráfico abaixo representa os materiais cadastrados no almoxarifado B001, mostrando que 66% dos materiais cadastrados nesse almoxarifado são materiais sem movimento, representando 58% de todos os materiais cadastrados. 21206 1980 1892 3381 13953 0 5000 10000 15000 20000 25000 TOTAL Curva A Curva B Curva C Curva D Gráfico Demonstrativo da Curva ABC da Soma dos Itens Cadastrados no Almoxarifado B001 GRÁFICO 2 Demonstrativo da Curva ABC dos Itens Cadastrados no almoxarifado B001
  • 83.
    82 A seguir, mostra-seo gráfico do almoxarifado B002, que armazena materiais inflamáveis. Nota-se que, aproximadamente, apenas 9% dos materiais apresentaram grande movimento. 345 30 81 107 127 0 100 200 300 400 TOTAL Curva A Curva B Curva C Curva D Gráfico Demonstrativo da Curva ABC da Soma dos Itens Cadastrados no Almoxarifado B002 GRÁFICO 3 Demonstrativo da Curva ABC dos Itens Cadastrados no almoxarifado B002 O gráfico 4, representa os materiais cadastrados no almoxarifado B003, que armazena todos os materiais de papelaria comprados pela CPTM. Analisando o gráfico, 57% dos materiais de papelaria apresentaram baixa movimentação. 599 65 60 338 136 0 100 200 300 400 500 600 700 TOTAL Curva A Curva B Curva C Curva D Gráfico Demonstrativo da Curva ABC da Soma dos Itens Cadastrados no Almoxarifado B003 GRÁFICO 4 Demonstrativo da Curva ABC dos Itens Cadastrados no almoxarifado B003 Abaixo, mostra-se o gráfico dos materiais cadastrados no almoxarifado
  • 84.
    83 B004, onde estãoarmazenados todos os Equipamentos de Proteção Individual (EPI) da CPTM. Ele representa, aproximadamente, 1% de todos os materiais cadastrados pertencentes à CPTM. 219 48 41 93 37 0 50 100 150 200 250 TOTAL Curva A Curva B Curva C Curva D Gráfico Demonstrativo da Curva ABC da Soma dos Itens Cadastrados no Almoxarifado B004 GRÁFICO 5 Demonstrativo da Curva ABC dos Itens Cadastrados no almoxarifado B004 A gráfico a seguir representa todos os materiais de uniformes armazenados no almoxarifado B005. Nota-se que, apenas 8% dos materiais cadastrados apresentaram grande movimentação. 1686 135 257 530 764 0 500 1000 1500 2000 TOTAL Curva A Curva B Curva C Curva D Gráfico Demonstrativo da Curva ABC da Soma dos Itens Cadastrados no Almoxarifado B005 GRÁFICO 6 Demonstrativo da Curva ABC dos Itens Cadastrados no almoxarfidado B005 A seguir, mostra-se o gráfico de todos os materiais cadastrados em todos os almoxarifados da CPTM.
  • 85.
    84 24200 2261 2339 4498 15102 0 5000 10000 15000 20000 25000 TOTAL CurvaA Curva B Curva C Curva D Gráfico Demonstrativo da Curva ABC da Soma dos Itens Cadastrados nos Almoxarifados GRÁFICO 7 Demonstrativo da Curva ABC dos Itens Cadastrados nos almoxarifados O gráfico 7 resume os itens cadastrados nos almoxarifados B001, B002, B003, B004 e B005. Percebe-se que, do total dos itens cadastrados, aproximadamente 62% dos itens pertence a curva D, fazendo parte dos materiais com nenhuma movimentação nos últimos anos. Atualmente existe um plano de alienar esses materiais para retirar eles do almoxarifado e do sistema. Mas para isso é necessária a realização de um inventário no almoxarifado, mas que devido à disputa de interesses e brigas entre chefia, o inventário acaba sendo adiado. 6.7 Melhorias no almoxarifados e providências A atual gestão herdou um almoxarifado cheio de problemas, com falta de organização e limpeza. Apresentava a plataforma de carga e descarga obstruída, materiais diversos espalhados pelo chão, corredores internos obstruídos por materiais, toneladas de cabos mensageiros e fio trolley ao relento, entre outros agravantes, mostradas nas fotos a seguir.
  • 86.
    85 FOTOGRAFIA 10 Almoxarifadocom a plataforma obstruída FOTOGRAFIA 11 Materiais espalhados pelo chão do almoxarifado
  • 87.
    86 Na atual gestão,foram adotadas providências de gestão para permitir uma maior racionalização dos materiais em estoque e como conseqüência direta um ganho substancial de espaço físico inclusive dos materiais que possam ser alienados, sem prejuízo da operação da CPTM, como mostra a foto abaixo. FOTOGRAFIA 12 Almoxarifado após a arrumação da atual chefia Dentre as providências já tomadas, pode-se citar o Programa “Rua Limpa” que consistiu na reorganização da estocagem de modo a retirar todos os materiais das ruas, nas áreas dos Almoxarifados do DFPM, deixando-as desimpedidas para o livre trânsito de veículos e facilitando a carga e descarga de materiais.
  • 88.
    87 FOTOGRAFIA 13 Plataformaapós o Programa “Rua Limpa” Para que a reorganização da estocagem fosse realizada, tornou-se necessário à transferência de materiais do Almoxarifado de Presidente Altino para os Almoxarifados da Lapa, tais como: � Materiais de via permanente (placas de apoio, grampos, trilhos e agulhas, etc); � Materiais de Rede Aérea (fios trollys, Cabos mensageiros e estruturas metálicas); � Material de higiene e limpeza: papel higiênico, papel toalha, sabonete liquido, etc; � Material de consumo tais como açúcar, café, etc; � Materiais e equipamentos de sobra de obras (Via Permanente e Sistemas); � Materiais com pouca movimentação (estratégicos); � Materiais de construção, tais como blocos de concreto, grades
  • 89.
    88 metálicas e cimento. Pode-secitar outras providências tomadas pela atual gestão que contribuíram para a melhora do almoxarifado: � Reorganização interna e externa do Almoxarifado, sendo inclusive matéria da WEB e do jornal do mês de julho da CPTM; � Reorganização nas separações de Materiais (MM), com mais rapidez e sem acumular; � Melhor atendimento aos usuários. sem existência de filas para retirada de materiais no balcão do almoxarifado; � Operação”Almoxarifado Comercial”, o Almoxarifado não fecha para o almoço, funcionando diariamente em horário comercial (08h00 ás 17h00), esse era motivo de muitas reclamações de usuários; � Instalação de gradis metálicos segregando as áreas de estocagem, permitindo melhor organização e controle dos materiais. Mas ainda, muito precisa ser feito para melhorar o almoxarifado principal do Almoxarifado. Podemos citar como providências a serem tomadas: � Construção de um galpão de estocagem de gases, a ser construído próximo à área de recebimento de materiais. Essa construção é muito importante para permitir a estocagem dos gases de modo mais seguro; � Instalação de sistema de monitoramento do almoxarifado (área interna e externa) por meio de câmeras de TV permitindo maior controle e segurança patrimonial (em licitação pela área de segurança); � Cobertura do Céu Aberto. Com esse serviço, consegue-se organizar os materiais que ocupam muito espaço físico dentro e fora do Almoxarifado; � Reorganização do Céu Aberto, permitindo a alienação de materiais que não foram movimentados nos últimos 4 anos e que apresentam
  • 90.
    89 saldo sob aguarda do almoxarifado. 6.8 Proposta de gestão de almoxarifado Com o intuito de uma melhor organização e melhoria para os controles de materiais recebidos e armazenados nos almoxarifados deve-se providenciar: � Discutir com a chefia do setor, mostrando a importância da implantação do código de barras, além da aquisição de outros equipamentos como máquina de arquear, balança eletrônica, carro bandeja; � Todos os materiais miúdos deverão estar embalados em sacos plásticos e/ou caixas e com os pesos e quantidades devidamente descriminados. � Solicitar cintas de proteção para palete; � Providenciar urgentemente, a realização do inventário dos materiais do almoxarifado para acerto do estoque contábil. Além disso, um problema freqüente que atrapalha o bom andamento do almoxarifado é relação do almoxarife com a chefia. Chefias muito severa e exigente trás como conseqüência funcionários descontentes que acabam não produzindo. Muitas vezes, o almoxarife pensa que, por ser funcionário público, têm instabilidade no emprego e acaba deixando de produzir pensando que não lhe acontecerá nada. Hoje em dia, a situação está mudando. Na CPTM, algumas chefias, com dificuldades por causa da burocracia, acabam conseguindo a demissão de seus funcionários. Mas a desvantagem na demissão do funcionário é a dificuldade de conseguir repor a vaga perdida, tornando-se vantajoso permanecer com o funcionário problemático do que nenhum. Deve-se então, repensar o papel do chefe. A função do chefe não é apenas mandar o funcionário executar tarefas. Ele precisa demonstrar seu
  • 91.
    90 conhecimento, ensinar eaprender com o seu subordinado e conquistar o respeito da equipe. Mas para isso é necessário que ele tenha em mente que a forma de lidar com cada funcionário deve ser diferente, nunca padronizado. (ADMINISTRADORES.COM.BR, 2009) A melhor solução é encontrar um ponto de equilíbrio entre os interesses do funcionário e da chefia, pensando sempre no bom funcionamento do almoxarifado. 6.9 Sistema Operacional Um Sistema informatizado de Materiais é uma das peças chaves do sucesso de operação dos Almoxarifados do DFPM, permitindo que possa desenvolver um serviço adequado, rápido e eficiente de atendimento das necessidades dos seus clientes internos. Para tanto o sistema operacional necessita fornecer informações confiáveis e transparentes, de forma que o DFPM tenha condições de proceder às solicitações de compra, nas quantidades corretas e no tempo adequado, bem como que os controles de estoque (entradas e saídas) sejam também confiáveis. A CPTM tem um contrato com a empresa Riosoft, onde para a gestão de estoque, criou o programa Apolo, que executa a gestão de estoques em almoxarifados, integrando-se aos demais módulos dos sistemas Corporativos Apolo. O Sistema Apolo atende as necessidades de gestão de estoques, mas apresenta alguns problemas que dificultam, mas não impede, o andamento do processo de atendimento dos pedidos com relação à documentação. Anualmente é feita uma reunião com a Riosoft, onde os usuários do sistema levam suas reclamações e entram em discussão sobre o que pode ser feito. Na última reunião, os responsáveis pela Riosoft foram avisados das dificuldades, informando que procurariam uma solução para os problemas. Atualmente, o almoxarifado aguarda alguma posição da Riosoft sobre as reclamações e possíveis soluções para o problema.
  • 92.
    91 6.10 Código deBarra Com o objetivo de atender melhores os clientes internos da CPTM,a implantação do código de Barras nos almoxarifados irá facilitar o controle antes, durante e depois do recebimento e das compras de materiais, garantindo inclusive, uma melhor racionalização da mão de obra. Apresenta-se a seguir uma tabela dos equipamentos necessários para implantação do código de barras, que são compatíveis com os equipamentos existentes para implantação do sistema de barras para os almoxarifados, com os valores e quantidades necessárias para o almoxarifado. TABELA 5 Equipamentos para o Código de Barras EQUPAMENTO Valor Unitário Quantidade Total Zebra-Impressora de código de barras Eltron TLP2844 R$ 1.050,00 2 R$ 2.100,00 Ingenico-PinPad Elite 3070 para TEF by Elgin R$ 500,00 2 R$ 1.000,00 Metrologic-Leitor de código de barras Laser Voyager MS9520 R$ 500,00 4 R$ 2.000,00 Symbol-Leitor de código de barras Laser LS2208 R$ 480,00 5 R$ 2.400,00 Symbol-Leitor de código de barras fixo Laser LS7708 R$ 1.140,00 4 R$ 4.560,00 Coletor de Dados SP5500 OptimusS é um coletor de dados R$ 2.470,00 2 R$ 4.940,00 Total do Investimento R$ 17.000,00
  • 93.
    92 O levantamento dosdados foi feito numa empresa especializada em implantação de códigos de barras em armazéns, onde o software utilizado pode trabalhar em conjunto com o software existente na CPTM para a gestão de estoque. O investimento para a implantação do código de barras no almoxarifado sai em torno de R$ 17.000,00. 6.11 Instalações Físicas do Almoxarifado No mês de setembro de 2009, foi elaborado, na CPTM, um relatório mostrando as não conformidades nos setores do DFPM do Pátio de Presidente Altino. Das não-conformidades citadas no relatório, podemos citar: Irregularidade no telhado do almoxarifado e calhas danificadas no setor de abastecimento, pertencente ao almoxarifado B002: apresenta telhado danificado causando infiltrações de água em dias de chuva nos corredores do almoxarifado central e calhas danificadas causando infiltração de água em cima do sistema de bombas, colocando em risco de acidentes os empregados e danos materiais aos equipamentos da CPTM. Tomadas e disjuntores sem identificação de tensão: os locais inspecionados não estão providos de identificação nas tomadas e nos disjuntores. Sistema fixo de combate a incêndio inoperante e hidrantes do almoxarifado e departamento de materiais: mangueiras danificadas; falta de bicos e engates. Armazenamento irregular de materiais: vários tipos de materiais, como papelão, lâmpadas, calhas, etc) armazenados de forma irregular dentro da sala de sistema de painéis do Departamento de Materiais. O espaço do local é pequeno e em casos de manutenção ou situações de emergência este
  • 94.
    93 armazenamento irregular poderácausar acidentes ou danos materiais aos equipamentos. Sistema de bombas de abastecimento com vazamento e com defeito: bomba diesel grande com vazamento pelo engate e mangueira e bomba de gasolina e bomba de diesel pequena com defeito. Copa inadequada no setor do recebimento: sem revestimento impermeável, falta de piso lavável e de paredes revestidas com material liso, resistente e impermeável. Falta de telas de proteção nas janelas e elementos vazado do telhado no Setor de Inflamáveis: o setor de inflamáveis está impregnado de pombas que causam muita sujeira pela suas fezes causando problemas biológicos aos empregados e podendo contaminar os materiais armazenados. Sistema de aquecer por gás de G.L.P.: na copa do almoxarifado central es´ta instalado um fogão com aquecimento a gás G.L.P. de 15 quilos com risco de vazamento que poderá causar explosão. Risco de batida contra equipamento elétrico no Almoxarifado Central: o sistema de alimentação elétrica das empilhadeiras estão expostos com a possibilidade de provocar acidentes e danos materiais aos equipamentos. Porta destinada a saída de emergência trancada por cadeado: no almoxarifado central a parta destinada à saída de emergência está trancada por cadeado e a chave não está disponível ára abertura rápida em caso de emergência. Essa Inspeção Técnica foi realizada pela Engenharia de Segurança do Trabalho, com embasamento legal, considerando o disposto nas Normas Regulamentadoras (NR) relativas à segurança e medicina do trabalho. Pode-se sugerir, como recomendações para adequação das não conformidades:
  • 95.
    94 � Manutenção dotelhado do almoxarifado e substituição de calhas danificadas no setor de abastecimento de forma a evitar infiltrações das águas das chuvas; � Providenciar instalação de etiquetas identificadores nas tomadas e disjuntores; � Prover engates e bicos adequados às caixas de mangueiras nos hidrantes do almoxarifado; � Retirar os materiais armazenados de forma irregular na sala de sistema de painéis para outro loca onde não haja riscos aos equipamentos deixando o local livre e de fácil acesso aos equipamentos. Materiais como papelão, lâmpadas e calhas podem ser mandados para o almoxarifado de inservíveis na lapa, providenciando a Documentação de Devolução de Inservíveis (DI); � Solicitar reparo imediato a empresa responsável pela manutenção das bombas de abastecimento; � Com relação à copa do recebimento, providenciar um piso revestido de cerâmica, plástico ou outro material lavável. A cobertura poderá ter estrutura de madeira ou metálica e as telhas poderá ser de barro ou fibrocimento. O teto poderá ser de laje de concreto, estuque ou madeira. As paredes poderão ser revestidas com material liso, resistente e impermeável. A CPTM conta com um Departamento de Obras, onde, para isso, deve-se abrir uma ordem de serviço pedindo os ajustes; � Instalar proteção de tela em todos os elementos vazados e em todas as janelas do Setor de Inflamáveis de forma a inibir a entrada das pombas no local; � Substituir o fogão a gás por sistema de aquecimento elétrico (micro- ondas e cafeteira elétrica). Esse tipo de equipamento pode ser requisitado através de compras de fundo fixo solicitados pela chefia do departamento;
  • 96.
    95 � Instalar barreirafísica de forma que em caso de acidentes, a empilhadeira não tenha contato direto com equipamento, evitando acidentes aos empregados e nem danos ao equipamento; � Durante a jornada de trabalho, manter a porta sem cadeado e de fácil acesso em caso de emergência. 6.12 Leiaute do Almoxarifado O leiaute do armazém de Presidente Altino esta configurado para atender os almoxarifados B001, B003, B004 e B005. Conta também com um espaço reservado para o recebimento de materiais, expedição e escritório. As estruturas de armazenagem utilizadas são porta-paletes e cantilever. Estão dispostas em linhas, onde os porta-paletes estão concentrados nas linhas A, B, C, D, E, F, G e H. O número de vãos das prateleiras por linha vão de 10 a 38 vãos, sendo os porta-paletes com 38 vãos nas linhas A, B, C ,D e E, 32 vãos nas linhas F e G e 10 vãos na linha H. Os porta-paletes estão colocados paralelamente à parede mais longa, juntamente com o cantilever. O recebimento e a expedição contam também com porta- paletes para o armazenamento de materiais. A figura a seguir, ilustra o almoxarifado da CPTM.
  • 97.
    96 FIGURA 6 Leiautedo Almoxarifado da CPTM
  • 98.
    97 O leiaute doalmoxarifado permite o fluxo de materiais coordenado, desde a área de recebimento de materiais até a expedição. Conta com estruturas de armazenagem que são adequadas com as necessidades de armazenamento dos materiais.
  • 99.
    98 7 CONSIDERAÇÕES FINAIS Nocenário organizacional global atual, onde fica evidente a importância da logística empresarial, a gestão da cadeia de suprimentos torna- se uma ferramenta de competição no mercado internacional. Algumas organizações públicas, na busca pela eficiência no gerenciamento dos estoques, tende a acompanhar os desdobramentos do setor privado. O almoxarifado da CPTM insere-se neste contexto em função das necessidades de administração e organização logística de seus materiais. A identificação de estratégias de gestão de estoques utilizadas no almoxarifado da CPTM permitiu que os objetivos dessa monografia fossem atingidos, através de uma análise das atividades e das políticas de gestão de estoque do almoxarifado da CPTM. O referencial teórico baseado em conceitos ligados à armazenagem e almoxarifados permitiu a elaboração de propostas de gestão que trarão benefícios aos clientes internos da CPTM, atingindo a eficiência nas atividades dos almoxarifados. Essas propostas trarão mais resultados positivos se forem levados em consideração, os interesses de todos os integrantes que compõe o almoxarifado. O estudo de caso detalhou o funcionamento do almoxarifado da CPTM, esmiuçando as operações de recebimento, separação e expedição. A elaboração das melhorias a serem feitas e proposta de melhor gestão foram desenvolvidas à partir de informações das instalações, gráficos de desempenhos, quadro de funcionários, entre outros. A aplicação de métodos modernos de gestão de estoques no almoxarifado que podem auxiliar da CPTM, permitindo reduzir custos e aumentando o número de serviço prestado. Com o apoio da Gerência da CPTM, designando recursos para a aquisição de equipamentos de armazenagem e com a gestão racional dos recursos do patrimônio público, baseado em técnicas modernas utilizadas em empresas privadas, pode-se atingir a eficiência e eficácia nas operações internas nos almoxarifados. A realização desta monografia permitiu algumas inferências a cerca da
  • 100.
    99 aplicabilidade das propostasde melhorias no almoxarifado. Pode-se citar a produção de um almoxarife, que terá melhor desempenho com novos equipamentos de movimentação e armazenagem e um bom relacionamento com sua chefia. A utilização do Código de Barras poderá consolidar a melhoria na eficiência da administração de materiais. Desse modo, obterá também, um maior controle do estoque sobre os materiais adquiridos pela CPTM. Podem ser geradas economias com despesas de inventários desnecessários, os quais deslocam muitos funcionários e perde-se muito tempo. O almoxarifado conta com um sistema de controle de estoques chamado Apolo Gestão de Estoques. Para cada setor, a RioSoft, à pedido da CPTM, desenvolveu programas independentes de gestão. Pode-se citar como exemplo: Apolo Contábil, Apolo Patrimônio, entre outros. As informações fornecidas para usuários de outros departamentos são fracas. Para isso, sugere-se um estudo que viabilizasse uma integração dos dados de todos os departamentos da CPTM, sem que afetasse a segurança dos mesmos.
  • 101.
    100 REFERÊNCIAS BIBLIOGRÁFICAS AINFO, sistemasde informação. Almoxarifado. 2006. Disponível em: <http://www.ainfo.cefetpr.br/sistemas/almoxarifado.htm>. Acesso em 23/08/2009. ARAÚJO, Jorge Sequeira de. Administração de materiais. 4° Edição. São Paulo: Atlas, 1975. 000p. ______. Almoxarifados: administração e organização. 7° Edição. São Paulo: Atlas, 1975. 000p. ARTIGONAL. História da Logística. Disponível em: <http://www.artigonal.com/ negocios-admin-artigos/historia-da-logistica-894502.html. Acesso em 09/09/2009. AUDIN, Auditoria Interna. Almoxarifados. 2006. Disponível em: <http://www2.uerj.br/~audin/almoxarifado.html>. Acesso em: 23/08/2009. BALLOU, Ronald H. Gerenciamento da cadeia de suprimentos/logística empresarial. 5° Edição. Porto Alegre: Bookman, 2006. 25-397p. CASTELS, M. A sociedade em rede. São Paulo: Paz e Terra, 1999, 617 p. CIRIBELLI, Marilda Corrêa. Como elaborar uma dissetação de mestrado através da pesquisa científica. Rio de Janeiro: 7Letras, 2003 Companhia Paulista de Trens Metropolitanos. CPTM. 2009. Disponível em: <http://www.cptm.sp.gov.br>. Acesso em 12/09/2009. ______.Relatório das Não-Conformidades do Almoxarifado de Presidente Altino: relatório técnico. Osasco, 2009. FARIA, A. C de; COSTA, M. F. G da. Gestão de Custos Logística. 2° Edição. São Paulo: Atlas, 2007. 17-112 p. GASNIER, D.G. A Dinâmica dos Estoques. São Paulo: IMAM, 2002. GIL, A.C. Como Elaborar Projetos de Pesquisa. 4° Edição, São Paulo: Atlas, 2002. GURGEL, Floriano do Amaral. Logística Industrial. São Paulo: Atlas, 200. 00- 00p. HARA, Celso Minoru. Logística: armazenagem, distribuição e trade marketing. Campinas. Editora Alínea, 2005. p.81.
  • 102.
    101 LOPES, A. S.;SOUZA, E. R.; MORAES, M.L. Gestão estratégica de Recursos Materiais: um enfoque prático.Rio de Janeiro: Fundo de Cultura, 2006. MICHIGAN STATE UNIVERSITY. Estratégias de Picking na Armazenagem. Disponível em: <https://www.msu.edu/~rodri205/CV/Documents/BHUD%20 > Acesso em 21/09/2009. MOURA, Reinaldo A. Check sua logística interna. 2° Edição. São Paulo: IMAM, 2002. 07-29 p. POZO, Hamilton. Administração de Recursos Materiais e Patrimoniais. 3° Edição. São Paulo: Atlas, 2004. SCRIBD. A História da Logística. Disponível em: <http://www.scribd.com/doc/ 16691112/A-historia-da-logistica-Finalizado>. Acesso em 10/09/2009. SEBRAE, Armazenagem. 2009. Disponível em: <http://www.biblioteca.sebrae.com.br/bds/BDS.nsf>. Acesso em 25/08/2009. SOARTIGOS. História da Logística. Disponível em:<http://www.soartigos.com /articles/1827/1/Historia-da-Logistica/Page1.html>. Acesso em 10/09/2009. TEIXEIRA, J. A.; KERBER FILHO, E. Logística Militar: Eficiência na Paz e Eficácia na Guerra. Pesquisa Naval. Rio de Janeiro, v. 1, n. 15, set. 2002. TIGERLOG. História da Logística. Disponível em: <http://www.tigerlog.com.br/ logistica/historia.asp> Acesso em 09/09/2009. VIANA, João José. Administração de Materiais. São Paulo: Atlas, 2000.
  • 103.