Sumário I
TQS Informática Ltda Rua dos Pinheiros 706 c/2 05422-001 São Paulo SP Tel (011) 3083-2722 Fax (011) 3083-2798
CAD/Fundações
Manual de Edicão de Dados
Sumário
1. Introdução...............................................................................................................1
2. Procedimentos para a digitação.............................................................................2
2.1. Comandos - Sapatas...........................................................................................3
2.1.1. Menu Principal – sapatas............................................................................3
2.1.2. Barra de Ferramentas – sapatas ..................................................................4
2.1.3. Janela de visualização – sapatas .................................................................4
2.1.4. Janela de Edição de Dados – sapatas..........................................................6
2.2. Comandos – Blocos...........................................................................................7
2.2.1. Menu Principal – blocos .............................................................................7
2.2.2. Barra de Ferramentas – blocos....................................................................8
2.2.3. Janela de visualização – blocos ..................................................................8
2.2.4. Janela de Edição de Dados – blocos .........................................................10
3. Edição de dados para sapatas..............................................................................11
3.1. Dados do projeto – sapatas ..............................................................................11
3.1.1. Número da obra – sapatas.........................................................................11
3.1.2. Título do Projeto – sapatas .......................................................................12
3.1.3. Título do Cliente – sapatas .......................................................................12
3.1.4. O comando ‘Adicionar Sapata’.................................................................12
3.1.5. O comando ‘Remover Sapata’..................................................................13
3.1.6. Modificando uma sapata...........................................................................13
3.2. Dados gerais de sapatas ...................................................................................14
3.2.1. Número da sapata .....................................................................................15
3.2.2. Título da sapata.........................................................................................15
3.2.3. Número de repetições – sapatas................................................................15
3.2.4. Escala – sapatas ........................................................................................15
3.3. Geometria – sapatas.........................................................................................16
3.3.1. Dimensões da sapata fixas ou não ............................................................17
3.3.2. Dimensão X da sapata...............................................................................17
3.3.3. Dimensão Y da sapata...............................................................................17
3.3.4. Altura total da sapata ................................................................................17
3.3.5. Altura do rodapé na direção X da sapata...................................................17
3.3.6. Altura do rodapé na direção Y da sapata...................................................17
3.3.7. Dimensão X do pilar – sapatas..................................................................19
3.3.8. Dimensão Y do pilar – sapatas..................................................................19
3.3.9. Excentricidade do pilar na direção X ........................................................19
3.3.10. Excentricidade do pilar na direção Y ......................................................19
II CAD/Fundações – Manual de Edição de Dados
TQS Informática Ltda Rua dos Pinheiros 706 c/2 05422-001 São Paulo SP Tel (011) 3083-2722 Fax (011) 3083-2798
3.3.11. Dimensão do colarinho em X..................................................................19
3.3.12. Dimensão do colarinho em Y..................................................................19
3.4. Cargas – sapatas...............................................................................................20
3.4.1. Carga vertical – sapatas ............................................................................20
3.4.2. Força horizontal na direção X ...................................................................20
3.4.3. Força horizontal na direção Y ...................................................................20
3.4.4. Momento na direção X..............................................................................20
3.4.5. Momento na direção Y..............................................................................21
3.4.6. Altura do ponto de aplicação das forças horizontais.................................21
3.5. Armaduras – sapatas........................................................................................22
3.5.1. Número total de barras de arranque – sapatas...........................................22
3.5.2. Bitola das barras – sapatas........................................................................22
3.5.3. Comprimento total – sapatas.....................................................................22
3.5.4. Comprimento da “patinha” – sapatas........................................................22
3.5.5. Número de barras no lado X do pilar – sapatas.........................................23
3.5.6. Número de barras no lado Y do pilar – sapatas.........................................23
3.5.7. Número de estribos do pilar – sapatas ......................................................23
3.5.8. Espaçamento entre os estribos – sapatas...................................................23
3.5.9. Bitola das barras – dados de sapatas.........................................................23
3.5.10. Número de ramos – sapatas ....................................................................23
3.5.11. Direção de posicionamento dos ramos – sapatas....................................23
3.5.12. Número da barra final do 1o estribo – sapatas........................................24
3.5.13. Número da barra inicial do 2o estribo – sapatas .....................................24
3.5.14. Número da barra final do 2o estribo – sapatas........................................24
3.5.15. Número da barra inicial do 3o estribo – sapatas .....................................25
4. Edição de dados para blocos sobre estacas.........................................................26
4.1. Dados do projeto – blocos................................................................................26
4.1.1. Número da obra – blocos..........................................................................26
4.1.2. Título do Projeto – blocos.........................................................................26
4.1.3. Título do Cliente – blocos.........................................................................27
4.1.4. O comando ‘Adicionar Bloco’..................................................................27
4.1.5. O comando ‘Remover Bloco’...................................................................28
4.1.6. Modificando um bloco..............................................................................28
4.2. Dados gerais de blocos ....................................................................................29
4.2.1. Número do bloco ......................................................................................30
4.2.2. Título do bloco..........................................................................................30
4.2.3. Número de repetições – blocos.................................................................30
4.2.4. Escala – blocos .........................................................................................30
4.3. Geometria – blocos..........................................................................................31
4.3.1. Dimensão X do bloco ...............................................................................31
Sumário III
TQS Informática Ltda Rua dos Pinheiros 706 c/2 05422-001 São Paulo SP Tel (011) 3083-2722 Fax (011) 3083-2798
4.3.2. Dimensão Y do bloco ...............................................................................31
4.3.3. Altura total................................................................................................31
4.3.4. Dimensão X do pilar – blocos...................................................................31
4.3.5. Dimensão Y do pilar – blocos...................................................................32
4.3.6. Número de estacas....................................................................................32
4.3.7. Formato.....................................................................................................32
4.3.8. Diâmetro...................................................................................................32
4.3.9. Altura da entrada no bloco........................................................................32
4.3.10. Distancia entre eixos em X.....................................................................32
4.3.11. Distancia entre eixos em Y.....................................................................32
4.3.12. Distância da Face do Bloco ao Eixo da Estaca.......................................32
4.4. Cargas – blocos................................................................................................33
4.4.1. Número do carregamento .........................................................................33
4.4.2. Carga vertical – blocos .............................................................................33
4.4.3. Momento na direção X .............................................................................33
4.4.4. Momento na direção Y .............................................................................34
4.4.5. Adicionar ou Remover Carregamentos.....................................................34
4.5. Armaduras – blocos.........................................................................................35
4.5.1. Número de estribos do pilar – blocos .......................................................35
4.5.2. Espaçamento entre os estribos – blocos....................................................35
4.5.3. Bitola das barras – blocos.........................................................................35
4.5.4. Número de ramos – blocos .......................................................................35
4.5.5. Direção de posicionamento dos ramos – blocos.......................................35
4.5.6. Número da barra final do 1o estribo – blocos...........................................36
4.5.7. Número da barra inicial do 2o estribo – blocos ........................................36
4.5.8. Número da barra final do 2o estribo – blocos...........................................36
4.5.9. Número da barra inicial do 3o estribo – blocos ........................................37
4.5.10. Número total de barras de arranque – blocos..........................................37
4.5.11. Bitola das barras – dados de blocos........................................................37
4.5.12. Comprimento total – blocos....................................................................37
4.5.13. Comprimento da “patinha” – blocos.......................................................37
4.5.14. Número de barras no lado X do pilar – blocos........................................37
4.5.15. Número de barras no lado Y do pilar – blocos........................................38
4.5.16. Detalhamento das armaduras de fendilhamento e cintamento................38
Introdução 1
TQS Informática Ltda Rua dos Pinheiros 706 c/2 05422-001 São Paulo SP Tel (011) 3083-2722 Fax (011) 3083-2798
1. Introdução
A digitação para o arquivo de dados e subseqüente processamento, dentro do
CAD/Fundações, é feito pelos programas USAP (SAPATAS) e UDBLOCOS
(BLOCOS).
Estes programas possuem um ambiente agradável (compostos por desenhos, tabelas,
janela de auxílio, etc...), permitindo assim, uma grande rapidez na introdução,
eliminação e alteração de quaisquer dados de sapatas ou blocos.
Todas as informações referentes a dados gerais do projeto, geometria, cargas,
dimensões e armaduras são armazenadas num arquivo texto (extensão .DAT),
podendo também, em casos especiais, ser alteradas em qualquer editor de texto,
bastando respeitar o formato dos campos dos dados.
Os programas USAP e UDBLOCOS são acionados respectivamente, pelos seguintes
comandos do CAD/Fundações: “Editar” – “Sapatas” – “Entrada de dados” e “Editar”
– “Blocos” – “Entrada de dados”, como mostram as figuras abaixo.
Ao iniciar esses programas, os arquivos.DAT são carregados automaticamente, caso
já existam no “Edifício - pasta Fundações” ou na pasta atual. Se esse arquivo.DAT
não existir o programa perguntará se você deseja criá-lo ou não, ficando a seu critério.
2 CAD/Fundações – Manual de Edição de Dados
TQS Informática Ltda Rua dos Pinheiros 706 c/2 05422-001 São Paulo SP Tel (011) 3083-2722 Fax (011) 3083-2798
2. Procedimentos para a digitação
A digitação dos dados pode ser feita através do “Menu Principal”, da “Barra de
Ferramentas” ou pela “Janela de Edição de Dados”.
Os comandos funcionam basicamente como em qualquer programa Windows, usando
o mouse para selecionar qual o campo entrar com os dados, e o teclado para preencher
e apagar dados, abaixo é apresentada uma lista de alguns comandos básicos:
Del  Apaga o conteúdo de uma célula.
Enter  Confirma o dado digitado e passa para a outra célula.
Tab  Move o foco para a célula da direita, caso não exista, para baixo.
Home  Move o foco para a primeira coluna da linha atual.
End  Move o foco para a última coluna da linha atual.
Setas  Movem os focos para as respectivas direções.
Espaço  Seleciona todo o conteúdo de uma célula.
Page Up  Move o foco para a primeira linha da coluna atual.
Page Down  Move o foco para a última linha da coluna atual.
Procedimentos para a digitação 3
TQS Informática Ltda Rua dos Pinheiros 706 c/2 05422-001 São Paulo SP Tel (011) 3083-2722 Fax (011) 3083-2798
2.1. Comandos - Sapatas
Apresentaremos agora todos os principais comandos do “Edição de Dados de
Sapatas”.
2.1.1. Menu Principal – sapatas
Estão dispostos no “Menu Principal” todos os comandos de edição de dados de
sapatas.
4 CAD/Fundações – Manual de Edição de Dados
TQS Informática Ltda Rua dos Pinheiros 706 c/2 05422-001 São Paulo SP Tel (011) 3083-2722 Fax (011) 3083-2798
2.1.2. Barra de Ferramentas – sapatas
A “Barra de Ferramentas” apresenta os comandos em forma de ícones que ao serem
acionados com o mouse possibilitam a edição de dados de sapatas.
2.1.3. Janela de visualização – sapatas
Pela “Janela de visualização” você pode observar a sapata digitada graficamente (suas
dimensões, cargas, geometria e armaduras). Ao fazer modificações, você pode
observa-las graficamente, quase que instantaneamente, o que ajuda na detecção de
possíveis erros. Os comandos básicos de janela (F8, F11, Shift+F8,...) podem ser
utilizados.
Procedimentos para a digitação 5
TQS Informática Ltda Rua dos Pinheiros 706 c/2 05422-001 São Paulo SP Tel (011) 3083-2722 Fax (011) 3083-2798
A apresentação do desenho na “Janela de visualização” pode ser modificada através
da seqüência de comandos “Exibir” - “Parâmetros de Visualização”.
Então a janela “Parâmetros de Visualização” será apresentada.
Assim como todos os outros editores gráficos dos Sistemas CAD/TQS a cor padrão
do fundo da tela será definida através do comando: "Arquivos" - "Configurações" -
"Visualização de desenhos", no gerenciador principal dos programas.
A janela Editar Cores permite personalizar as janelas do programa, através da
sequencia de comandos: "Exibir" - "Editar Cores".
6 CAD/Fundações – Manual de Edição de Dados
TQS Informática Ltda Rua dos Pinheiros 706 c/2 05422-001 São Paulo SP Tel (011) 3083-2722 Fax (011) 3083-2798
Após serem definidas novas cores para cada elemento, clique em "OK".
2.1.4. Janela de Edição de Dados – sapatas
Nela todos os dados podem ser alterados, lembrando que automaticamente cada
mudança atualizará os desenhos. A ordem de entrada de dados nessa janela é: “Dados
Gerais”, “Geometria”, “Armaduras” e “Cargas”. Veja na figura abaixo.
Procedimentos para a digitação 7
TQS Informática Ltda Rua dos Pinheiros 706 c/2 05422-001 São Paulo SP Tel (011) 3083-2722 Fax (011) 3083-2798
2.2. Comandos – Blocos
Apresentaremos agora todos os principais comandos do “Edição de Dados de
Blocos”.
2.2.1. Menu Principal – blocos
Segue abaixo todos os comandos do menu principal.
8 CAD/Fundações – Manual de Edição de Dados
TQS Informática Ltda Rua dos Pinheiros 706 c/2 05422-001 São Paulo SP Tel (011) 3083-2722 Fax (011) 3083-2798
2.2.2. Barra de Ferramentas – blocos
Todos os comandos de digitação e de visualização no programa “Edição de Dados de
Blocos” se encontram na barra de ferramentas.
2.2.3. Janela de visualização – blocos
Pela “Janela de visualização” você pode observar o bloco digitado graficamente (suas
dimensões, cargas, geometria e armaduras). Ao fazer modificações, você pode
observa-las graficamente, quase que instantaneamente, o que ajuda na detecção de
possíveis erros. Os comandos básicos de janela (F8, F11, Shift+F8,...) podem ser
utilizados.
Procedimentos para a digitação 9
TQS Informática Ltda Rua dos Pinheiros 706 c/2 05422-001 São Paulo SP Tel (011) 3083-2722 Fax (011) 3083-2798
A apresentação do desenho na “Janela de visualização” pode ser modificada através
da seqüência de comandos “Exibir” - “Parâmetros de Visualização”.
Então a janela “Parâmetros de Visualização” será apresentada.
Assim como todos os outros editores gráficos dos Sistemas CAD/TQS a cor padrão
do fundo da tela será definida através do comando: "Arquivos" - "Configurações" -
"Visualização de desenhos", no gerenciador principal dos programas.
A janela Editar Cores permite personalizar as janelas do programa, através da
sequencia de comandos: "Exibir" - "Editar Cores".
10 CAD/Fundações – Manual de Edição de Dados
TQS Informática Ltda Rua dos Pinheiros 706 c/2 05422-001 São Paulo SP Tel (011) 3083-2722 Fax (011) 3083-2798
Após serem definidas novas cores para cada elemento, clique em "OK".
2.2.4. Janela de Edição de Dados – blocos
Nela todos os dados podem ser alterados, lembrando que automaticamente cada
mudança atualizará os desenhos. A ordem de entrada de dados nessa janela é: “Dados
Gerais”, “Geometria”, “Armaduras” e “Cargas”. Veja na figura abaixo.
Edição de dados para sapatas 11
TQS Informática Ltda Rua dos Pinheiros 706 c/2 05422-001 São Paulo SP Tel (011) 3083-2722 Fax (011) 3083-2798
3. Edição de dados para sapatas
Após optar pelo comando “Editar” – “Sapatas” – “Entrada de dados”, como já vimos
anteriormente, e digitar o número do projeto, surgirá uma nova janela. Quando
perguntado se você deseja criar um arquivo selecione “Sim”, assim teremos acesso à
janela “Dados do Projeto” que depois de preenchida nos levará à “Edição de Dados
das Sapatas”.
3.1. Dados do projeto – sapatas
Contém os dados gerais do projeto.
3.1.1. Número da obra – sapatas
É o número do projeto.
1
2 3
12 CAD/Fundações – Manual de Edição de Dados
TQS Informática Ltda Rua dos Pinheiros 706 c/2 05422-001 São Paulo SP Tel (011) 3083-2722 Fax (011) 3083-2798
3.1.2. Título do Projeto – sapatas
Identifica o nome do projeto. O cabeçalho das listagens inclui esta informação.
3.1.3. Título do Cliente – sapatas
Identifica o nome do cliente que está contratando o projeto da obra. Como no item
anterior, também é incluído nas listagens.
Depois de preenchido esses campos, o primeiro passo a tomar será adicionar uma
sapata.
3.1.4. O comando ‘Adicionar Sapata’
Permite a inclusão de novas sapatas.
Ao adicionar uma sapata, você pode optar por seguir o “Roteiro automático”, ao invés
de digitar os dados aleatoriamente. Esta opção já vem automaticamente acionada.
Optando por não segui-lo, desabilite a opção com um simples clique do mouse.
Roteiro
automático
acionado
Edição de dados para sapatas 13
TQS Informática Ltda Rua dos Pinheiros 706 c/2 05422-001 São Paulo SP Tel (011) 3083-2722 Fax (011) 3083-2798
3.1.5. O comando ‘Remover Sapata’
Retira, sem possibilidade de recuperação, os dados de uma sapata. O programa
perguntará se confirma ou não a eliminação da sapata escolhida.
3.1.6. Modificando uma sapata
Para a modificação de uma sapata já digitada, devemos simplesmente selecionar seu
número e edita-la através da “Barra de Ferramentas”, “Janela de Edição de Dados” ou
do “Menu Principal”.
14 CAD/Fundações – Manual de Edição de Dados
TQS Informática Ltda Rua dos Pinheiros 706 c/2 05422-001 São Paulo SP Tel (011) 3083-2722 Fax (011) 3083-2798
3.2. Dados gerais de sapatas
A seqüência dos campos de entrada, mostrados a seguir, vale para o comando
“Adicionar Sapata”, seguindo o “roteiro automático”.
S.1S.1
(Esc 1:20)
Xsapata
Ysapata
Xpilar
Ypilar
Largura
do "colar"
h
X
Y
hoy
hox
(3 X)
hf
Hx
Mx
Armadura pricnipal
direcao X
Armadurapricnipal
direcaoy
Hy
My
hf
"Colar"
dopilar
barradoarranque
"patinha"
estribo
no. de
repeticoes
Figura 3.1.
Edição de dados para sapatas 15
TQS Informática Ltda Rua dos Pinheiros 706 c/2 05422-001 São Paulo SP Tel (011) 3083-2722 Fax (011) 3083-2798
A figura 3.1. ilustra as dimensões das sapatas e a convenção para os esforços. Os
dados descritos a seguir são fornecidos para cada sapata.
3.2.1. Número da sapata
É o número que identifica a sapata. Não é necessário que seja seqüencial, mas é
conveniente que o seja, para facilitar a localização de uma sapata.
3.2.2. Título da sapata
É o título que identifica uma sapata ou um conjunto delas. O dado pode incluir
qualquer caractere alfanumérico.
3.2.3. Número de repetições – sapatas
É o número de repetições para uma mesma sapata. Aparecerá no desenho e influirá na
tabela de ferros.
3.2.4. Escala – sapatas
É a escala com o qual será desenhada a sapata. Caso seja fornecido zero ou em
branco, será adotado conforme o arquivo de critérios de projeto, 'Escala para desenho
automático'.
16 CAD/Fundações – Manual de Edição de Dados
TQS Informática Ltda Rua dos Pinheiros 706 c/2 05422-001 São Paulo SP Tel (011) 3083-2722 Fax (011) 3083-2798
3.3. Geometria – sapatas
Obs: Acionando esses botões presentes ao lado de alguns campos, aparecerão
explicações ou dicas sobre o programa, como mostra a figura abaixo.
Edição de dados para sapatas 17
TQS Informática Ltda Rua dos Pinheiros 706 c/2 05422-001 São Paulo SP Tel (011) 3083-2722 Fax (011) 3083-2798
3.3.1. Dimensões da sapata fixas ou não
O programa permite que o pré-dimensionamento das dimensões das sapatas seja
realizado em função de: tensão nominal e máxima do solo, parâmetros definidos pelo
projetista no arquivo de critérios como dimensões mínimas da sapata, altura total e do
rodapé, etc. Desejando o pré-dimensionamento, deve ser fornecido "Não".
3.3.2. Dimensão X da sapata
É a dimensão na direção X da sapata, em cm.
3.3.3. Dimensão Y da sapata
É a dimensão na direção Y da sapata, em cm.
3.3.4. Altura total da sapata
É a altura total da sapata, h, em cm.
3.3.5. Altura do rodapé na direção X da sapata
É a altura hOX do "rodapé" ou "pedestal" da sapata, em cm.
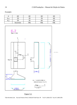
3.3.6. Altura do rodapé na direção Y da sapata
É a altura hOY do "rodapé" na direção Y. Quando hOY = h, o programa calculará a
sapata como uma espécie de viga de rigidez. (Ver figura 3.2.). Seguem abaixo
algumas correlações importantes na definição de hOY e hOX por ocasião da digitação
de sapatas:
Se hOY = h então hOX  h
Se hOX = h então hOY = h
Se hOY < h então hOX = hOY
Se hOX < h então hOY = h ou hOY = hOX
18 CAD/Fundações – Manual de Edição de Dados
TQS Informática Ltda Rua dos Pinheiros 706 c/2 05422-001 São Paulo SP Tel (011) 3083-2722 Fax (011) 3083-2798
Exemplo:
h 60 60 60 60
hOX 30 30 30 60
hOY 20 30 60 60
Incorreto OK OK OK
Figura 3.2.
Edição de dados para sapatas 19
TQS Informática Ltda Rua dos Pinheiros 706 c/2 05422-001 São Paulo SP Tel (011) 3083-2722 Fax (011) 3083-2798
3.3.7. Dimensão X do pilar – sapatas
É a dimensão do pilar na direção paralela à dimensão X da sapata. Deve ser fornecido
em cm. Esta dimensão deve ser pelo menos 1 cm menor que a dimensão X da sapata.
3.3.8. Dimensão Y do pilar – sapatas
É a dimensão do pilar na direção paralela à dimensão Y da sapata. Fornecido em cm.
Esta dimensão deve ser pelo menos 1 cm menor que a dimensão Y da sapata
3.3.9. Excentricidade do pilar na direção X
É a excentricidade entre o C.G. do pilar em relação ao eixo Y de referência. O
momento proveniente desta excentricidade é calculado e adicionado ao momento
fornecido pelo projetista. Ver convenção na figura 3.2..
3.3.10. Excentricidade do pilar na direção Y
Mesma observação do item 3.3.9., só que em relação ao eixo X de referência. Ver
convenção na figura 3.2..
3.3.11. Dimensão do colarinho em X
É a largura do "colarinho". Medida em cm.
3.3.12. Dimensão do colarinho em Y
É a largura do "colarinho". Medida em cm.
20 CAD/Fundações – Manual de Edição de Dados
TQS Informática Ltda Rua dos Pinheiros 706 c/2 05422-001 São Paulo SP Tel (011) 3083-2722 Fax (011) 3083-2798
3.4. Cargas – sapatas
3.4.1. Carga vertical – sapatas
É o valor da carga vertical da sapata, sem o peso próprio da sapata. Não pode ser
valor negativo. Deve ser fornecido em tf.
3.4.2. Força horizontal na direção X
É o valor da força horizontal no sentido X. Deve ser fornecido em tf.
3.4.3. Força horizontal na direção Y
É o valor da força horizontal no sentido Y. Deve ser fornecido em tf.
3.4.4. Momento na direção X
É o momento em torno do eixo X. Observar a fiogura abaixo para melhor orientação.
O momento deve ser fornecido em tfm.
Edição de dados para sapatas 21
TQS Informática Ltda Rua dos Pinheiros 706 c/2 05422-001 São Paulo SP Tel (011) 3083-2722 Fax (011) 3083-2798
3.4.5. Momento na direção Y
É o momento atuante em torno do eixo Y. Ver figura acima.
3.4.6. Altura do ponto de aplicação das forças horizontais
É à distância, na direção do eixo Z, do ponto de aplicação das cargas horizontais à
face inferior da sapata, fornecida em cm.
22 CAD/Fundações – Manual de Edição de Dados
TQS Informática Ltda Rua dos Pinheiros 706 c/2 05422-001 São Paulo SP Tel (011) 3083-2722 Fax (011) 3083-2798
3.5. Armaduras – sapatas
3.5.1. Número total de barras de arranque – sapatas
É o número de barras de arranque do pilar.
3.5.2. Bitola das barras – sapatas
É a bitola das barras de arranque. Deve ser fornecida em mm.
3.5.3. Comprimento total – sapatas
É o comprimento total das barras de arranque, incluindo a "patinha", em cm.
3.5.4. Comprimento da “patinha” – sapatas
É o valor do comprimento da "patinha", em cm.
Edição de dados para sapatas 23
TQS Informática Ltda Rua dos Pinheiros 706 c/2 05422-001 São Paulo SP Tel (011) 3083-2722 Fax (011) 3083-2798
3.5.5. Número de barras no lado X do pilar – sapatas
É o número de barras no lado X do pilar.
3.5.6. Número de barras no lado Y do pilar – sapatas
É o número de barras no lado Y. Notar que a soma dos valores nas direções X e Y não
coincidem com o número total das barras de arranque. Será sempre:
número de barras = 2(nbarrasx + nbarrasy) - 4
3.5.7. Número de estribos do pilar – sapatas
É o número de estribos do pilar.
3.5.8. Espaçamento entre os estribos – sapatas
É o espaçamento dos estribos do pilar, em cm.
3.5.9. Bitola das barras – dados de sapatas
Aqui fornecemos o diâmetro da bitola dos estribos, em mm.
3.5.10. Número de ramos – sapatas
É o número de ramos dos estribos do pilar. Podem ser de 2, 4 ou 6.
3.5.11. Direção de posicionamento dos ramos – sapatas
Válida somente para estribos de 4 ou 6 ramos. É a direção, no plano transversal do
pilar, da distribuição dos estribos com mais de 2 ramos. Ver figura 3.3.a.
24 CAD/Fundações – Manual de Edição de Dados
TQS Informática Ltda Rua dos Pinheiros 706 c/2 05422-001 São Paulo SP Tel (011) 3083-2722 Fax (011) 3083-2798
barra do terminio do 1o. estribo
barra do inicio do 2o. estribo
barra do terminio do 2o. estribo
dos estribos
X
Y
Direcao do posicionamento
barra do nicio do 3o. estribo 1 4 5 13
(a) (b)
9 10
1 5
4 10
9 13
Figura 3.3.
3.5.12. Número da barra final do 1o estribo – sapatas
É a posição da barra que determina a ultima dobragem do ramo horizontal do 1º
estribo, na direção considerada (fornecida no item 3.5.11). Ver figura 3.3.a.
3.5.13. Número da barra inicial do 2o estribo – sapatas
É a posição da barra que determina a primeira dobragem do ramo horizontal do 2º
estribo, na direção considerada (fornecida no item 3.5.11). Ver figura 3.3.a.
3.5.14. Número da barra final do 2o estribo – sapatas
É a posição da barra que determina a ultima dobragem do ramo horizontal do 2º
estribo, na direção considerada (fornecida no item 3.5.11). Ver figura 3.3.a.
Edição de dados para sapatas 25
TQS Informática Ltda Rua dos Pinheiros 706 c/2 05422-001 São Paulo SP Tel (011) 3083-2722 Fax (011) 3083-2798
3.5.15. Número da barra inicial do 3o estribo – sapatas
É a posição da barra que determina a primeira dobragem do ramo horizontal do 3º
estribo, na direção considerada (fornecida no item 3.5.11). Ver figura 3.3.a.
Exemplo:
Na figura 3.3.b., temos:
Lado X: 13 barras
Lado Y: 6 barras
Direção do posicionamento dos ramos: X
Número da barra final do 1º estribo: 5
Número da barra inicial do 2º estribo: 4
Número da barra final do 2º estribo: 10
Número da barra inicial do 3º estribo: 9
26 CAD/Fundações – Manual de Edição de Dados
TQS Informática Ltda Rua dos Pinheiros 706 c/2 05422-001 São Paulo SP Tel (011) 3083-2722 Fax (011) 3083-2798
4. Edição de dados para blocos sobre
estacas
Após optar pelo comando “Editar” – “Blocos” – “Entrada de dados”, como já vimos
anteriormente, e digitar o número do projeto, surgirá uma nova janela. Quando
perguntado se você deseja criar um arquivo selecione “Sim”, assim teremos acesso à
janela “Dados do Projeto” que depois de preenchida nos levará à “Edição de Dados
dos Blocos”.
4.1. Dados do projeto – blocos
Contém os dados gerais do projeto.
4.1.1. Número da obra – blocos
É o número do projeto.
4.1.2. Título do Projeto – blocos
Edição de dados para blocos sobre estacas 27
TQS Informática Ltda Rua dos Pinheiros 706 c/2 05422-001 São Paulo SP Tel (011) 3083-2722 Fax (011) 3083-2798
Identifica o nome do projeto. O cabeçalho das listagens inclui esta informação.
4.1.3. Título do Cliente – blocos
Identifica o nome do cliente que está contratando o projeto da obra. Como no item
anterior, também é incluído nas listagens.
O primeiro passo a tomar será adicionar um bloco.
4.1.4. O comando ‘Adicionar Bloco’
Permite a inclusão de novos blocos.
Ou pelo botão
Ao adicionar um bloco, você pode optar por seguir o “Roteiro automático”, ao invés
de digitar os dados aleatoriamente. Esta opção já vem automaticamente acionada.
Optando por não segui-lo, desabilite a opção com um simples clique do mouse.
Roteiro
automático
acionado
28 CAD/Fundações – Manual de Edição de Dados
TQS Informática Ltda Rua dos Pinheiros 706 c/2 05422-001 São Paulo SP Tel (011) 3083-2722 Fax (011) 3083-2798
4.1.5. O comando ‘Remover Bloco’
Retira, sem possibilidade de recuperação, os dados de um bloco. O programa
perguntará se confirma ou não a eliminação do bloco escolhido.
Ou pelo botão
4.1.6. Modificando um bloco
Para a modificação de um bloco já digitado, devemos simplesmente selecionar seu
número e edita-lo através da “Barra de Ferramentas”, “Janela de Edição de Dados” ou
do “Menu Principal”.
Edição de dados para blocos sobre estacas 29
TQS Informática Ltda Rua dos Pinheiros 706 c/2 05422-001 São Paulo SP Tel (011) 3083-2722 Fax (011) 3083-2798
4.2. Dados gerais de blocos
A seqüência dos campos de entrada, mostrados a seguir, vale para o comando
“Adicionar Bloco”, seguindo o “roteiro automático”.
A figura 4.1. serve de base para as notações que descrevemos a seguir:
X bloco = 160 cm
Y bloco = 135 cm
H (altura total) do bloco = 80 cm
X pilar = 40 cm
Y pilar = 25 cm
Diâmetro da estaca = 25 cm
Entrada da estaca no bloco = 5 cm
Distancia X entre eixos de estacas = 100 cm
Distancia Y entre eixos de estacas = 65 cm
B.2B.2
(Esc 1:50)
160
135
BB
A A
9P2C/15
11 P3 C/15 89
89
R=25.7
(Alternar)
VAR
100
40
80
4P4C/20
Corte A - A
50 25
25
755
Corte B - B
72
128
26
26
R=27
100
71
153
3 P1 ø16.0 C= 701.V
11 P3 ø5.0 C=272
4 P4 ø5.0 C=546
9 P2 ø5.0 C=295
Figura 4.1.
30 CAD/Fundações – Manual de Edição de Dados
TQS Informática Ltda Rua dos Pinheiros 706 c/2 05422-001 São Paulo SP Tel (011) 3083-2722 Fax (011) 3083-2798
A figura. 4.1. ilustra as dimensões dos blocos. Os dados e a figura 4.2 descritos a
seguir são fornecidos para cada bloco.
Figura 4.2.
4.2.1. Número do bloco
É o número que identifica o bloco. Não é necessário que seja seqüencial, mas é
conveniente que o seja, para facilitar sua localização.
4.2.2. Título do bloco
É o título que identifica um bloco ou um conjunto deles. O dado pode incluir qualquer
caractere alfanumérico.
4.2.3. Número de repetições – blocos
É o número de repetições para um mesmo bloco. Aparecerá no desenho e influirá na
tabela de ferros.
4.2.4. Escala – blocos
É a escala com o qual será desenhado o bloco. Caso seja fornecido zero ou em branco,
será adotado conforme o arquivo de critérios de projeto, 'Escala para desenho
automático'.
Edição de dados para blocos sobre estacas 31
TQS Informática Ltda Rua dos Pinheiros 706 c/2 05422-001 São Paulo SP Tel (011) 3083-2722 Fax (011) 3083-2798
4.3. Geometria – blocos
4.3.1. Dimensão X do bloco
É a largura do bloco na direção X. Quando não fornecido, o programa usa os dados do
arquivo de critérios, 'Dimensões limites associados a estacas'. No "CAD/Fundações -
Manual de Critérios de Projeto" há exemplos. Deve ser fornecida em cm. A dimensão
"X" do bloco deverá ser sempre maior que a "Y".
4.3.2. Dimensão Y do bloco
Vale a mesma observação do item anterior, só que na direção Y. Deverá ser menor
que a dimensão em "X".
4.3.3. Altura total
É a altura total do bloco. Deve ser fornecida em cm
4.3.4. Dimensão X do pilar – blocos
É a dimensão do pilar na direção paralela à dimensão X do bloco. Deve ser fornecido
em cm.
32 CAD/Fundações – Manual de Edição de Dados
TQS Informática Ltda Rua dos Pinheiros 706 c/2 05422-001 São Paulo SP Tel (011) 3083-2722 Fax (011) 3083-2798
4.3.5. Dimensão Y do pilar – blocos
É a dimensão do pilar na direção paralela à dimensão Y do bloco. Deve ser fornecido
em cm.
4.3.6. Número de estacas
Deve estar entre 1 a 12 estacas.
4.3.7. Formato
É o formato do bloco, podendo ser “Retangular” ou “Poligonal”, dependendo do
número de estacas.
Obs: O campo “Formato” deve ser editado após o campo “Número de estacas”, e
dependendo do número de estacas escolhido este campo não é acionado.
4.3.8. Diâmetro
É o diâmetro da(s) estaca(s), deve ser fornecido em cm.
4.3.9. Altura da entrada no bloco
É o valor da entrada da estaca dentro do bloco, em cm.
4.3.10. Distancia entre eixos em X
É à distância entre eixos das estacas na direção X, em cm.
4.3.11. Distancia entre eixos em Y
É à distância entre eixos das estacas na direção Y, em cm.
4.3.12. Distância da Face do Bloco ao Eixo da Estaca
Distância entre os eixos das estacas à borda do bloco, em cm.
Edição de dados para blocos sobre estacas 33
TQS Informática Ltda Rua dos Pinheiros 706 c/2 05422-001 São Paulo SP Tel (011) 3083-2722 Fax (011) 3083-2798
4.4. Cargas – blocos
4.4.1. Número do carregamento
É o número do carregamento que está sendo editado no momento.
4.4.2. Carga vertical – blocos
É o valor da carga vertical do bloco, sem o peso próprio do bloco. Não pode ter valor
negativo. Deve ser fornecido em tf.
4.4.3. Momento na direção X
É o momento atuante em torno do eixo X, conforme se pode ver na figura abaixo.
Deve ser fornecido em tfm.
34 CAD/Fundações – Manual de Edição de Dados
TQS Informática Ltda Rua dos Pinheiros 706 c/2 05422-001 São Paulo SP Tel (011) 3083-2722 Fax (011) 3083-2798
4.4.4. Momento na direção Y
É o momento atuante em torno do eixo Y, conforme se pode ver na figura acima.
Deve ser fornecido em tfm.
4.4.5. Adicionar ou Remover Carregamentos
Edição de dados para blocos sobre estacas 35
TQS Informática Ltda Rua dos Pinheiros 706 c/2 05422-001 São Paulo SP Tel (011) 3083-2722 Fax (011) 3083-2798
4.5. Armaduras – blocos
4.5.1. Número de estribos do pilar – blocos
É o número de estribos do pilar.
4.5.2. Espaçamento entre os estribos – blocos
É o espaçamento dos estribos do pilar, em cm.
4.5.3. Bitola das barras – blocos
Aqui fornecemos o diâmetro da bitola dos estribos, em mm.
4.5.4. Número de ramos – blocos
É o número de ramos dos estribos do pilar. Podem ser de 2, 4 ou 6.
4.5.5. Direção de posicionamento dos ramos – blocos
Válida somente para estribos de 4 ou 6 ramos. É a direção, no plano transversal do
pilar, da distribuição dos estribos com mais de 2 ramos. Ver figura 4.2.
36 CAD/Fundações – Manual de Edição de Dados
TQS Informática Ltda Rua dos Pinheiros 706 c/2 05422-001 São Paulo SP Tel (011) 3083-2722 Fax (011) 3083-2798
barra do terminio do 1o. estribo
barra do inicio do 2o. estribo
barra do terminio do 2o. estribo
dos estribos
X
Y
Direcao do posicionamento
barra do nicio do 3o. estribo 1 4 5 13
(a) (b)
9 10
1 5
4 10
9 13
Figura 4.2.
4.5.6. Número da barra final do 1o estribo – blocos
É a posição da barra que determina a ultima dobragem do ramo horizontal do 1º
estribo, na direção considerada (fornecida no item 4.5.5). Ver figura 4.2.a.
4.5.7. Número da barra inicial do 2o estribo – blocos
É a posição da barra que determina a primeira dobragem do ramo horizontal do 2º
estribo, na direção considerada (fornecida no item 4.5.5). Ver figura 4.2.a.
4.5.8. Número da barra final do 2o estribo – blocos
É a posição da barra que determina a ultima dobragem do ramo horizontal do 2º
estribo, na direção considerada (fornecida no item 4.5.5). Ver figura 4.2.a.
Edição de dados para blocos sobre estacas 37
TQS Informática Ltda Rua dos Pinheiros 706 c/2 05422-001 São Paulo SP Tel (011) 3083-2722 Fax (011) 3083-2798
4.5.9. Número da barra inicial do 3o estribo – blocos
É a posição da barra que determina a primeira dobragem do ramo horizontal do 3º
estribo, na direção considerada (fornecida no item 4.5.5). Ver figura 4.2.a.
Exemplo:
Na figura 4.2.b., temos:
Lado X: 13 barras
Lado Y: 6 barras
Direção do posicionamento dos ramos: X
Número da barra final do 1º estribo: 5
Número da barra inicial do 2º estribo: 4
Número da barra final do 2º estribo: 10
Número da barra inicial do 3º estribo: 9
4.5.10. Número total de barras de arranque – blocos
É o número de barras de arranque do pilar.
4.5.11. Bitola das barras – dados de blocos
É a bitola das barras de arranque. Deve ser fornecida em mm.
4.5.12. Comprimento total – blocos
É o comprimento total das barras de arranque, incluindo a "patinha", em cm.
4.5.13. Comprimento da “patinha” – blocos
É o valor do comprimento da "patinha", em cm.
4.5.14. Número de barras no lado X do pilar – blocos
É o número de barras no lado X do pilar.
38 CAD/Fundações – Manual de Edição de Dados
TQS Informática Ltda Rua dos Pinheiros 706 c/2 05422-001 São Paulo SP Tel (011) 3083-2722 Fax (011) 3083-2798
4.5.15. Número de barras no lado Y do pilar – blocos
É o número de barras no lado Y. Notar que a soma dos valores nas direções X e Y não
coincidem com o número total das barras de arranque. Será sempre:
número de barras = 2(nbarrasx + nbarrasy) - 4
4.5.16. Detalhamento das armaduras de fendilhamento e
cintamento
Existe algumas possibilidades de detalhamento das armaduras de fendilhamento e
cintamento válidas para blocos sobre uma estaca que podem ser alteradas neste item.
Figura 4.3.
TQS Informática Ltda
R. dos Pinheiros, 706 c/2 São Paulo SP 05422-001
Tel (011) 3083-2722 Fax (011) 3083-2798
tqs@tqs.com.br www.tqs.com.br

Fundações 02-edição de dados

  • 1.
    Sumário I TQS InformáticaLtda Rua dos Pinheiros 706 c/2 05422-001 São Paulo SP Tel (011) 3083-2722 Fax (011) 3083-2798 CAD/Fundações Manual de Edicão de Dados Sumário 1. Introdução...............................................................................................................1 2. Procedimentos para a digitação.............................................................................2 2.1. Comandos - Sapatas...........................................................................................3 2.1.1. Menu Principal – sapatas............................................................................3 2.1.2. Barra de Ferramentas – sapatas ..................................................................4 2.1.3. Janela de visualização – sapatas .................................................................4 2.1.4. Janela de Edição de Dados – sapatas..........................................................6 2.2. Comandos – Blocos...........................................................................................7 2.2.1. Menu Principal – blocos .............................................................................7 2.2.2. Barra de Ferramentas – blocos....................................................................8 2.2.3. Janela de visualização – blocos ..................................................................8 2.2.4. Janela de Edição de Dados – blocos .........................................................10 3. Edição de dados para sapatas..............................................................................11 3.1. Dados do projeto – sapatas ..............................................................................11 3.1.1. Número da obra – sapatas.........................................................................11 3.1.2. Título do Projeto – sapatas .......................................................................12 3.1.3. Título do Cliente – sapatas .......................................................................12 3.1.4. O comando ‘Adicionar Sapata’.................................................................12 3.1.5. O comando ‘Remover Sapata’..................................................................13 3.1.6. Modificando uma sapata...........................................................................13 3.2. Dados gerais de sapatas ...................................................................................14 3.2.1. Número da sapata .....................................................................................15 3.2.2. Título da sapata.........................................................................................15 3.2.3. Número de repetições – sapatas................................................................15 3.2.4. Escala – sapatas ........................................................................................15 3.3. Geometria – sapatas.........................................................................................16 3.3.1. Dimensões da sapata fixas ou não ............................................................17 3.3.2. Dimensão X da sapata...............................................................................17 3.3.3. Dimensão Y da sapata...............................................................................17 3.3.4. Altura total da sapata ................................................................................17 3.3.5. Altura do rodapé na direção X da sapata...................................................17 3.3.6. Altura do rodapé na direção Y da sapata...................................................17 3.3.7. Dimensão X do pilar – sapatas..................................................................19 3.3.8. Dimensão Y do pilar – sapatas..................................................................19 3.3.9. Excentricidade do pilar na direção X ........................................................19 3.3.10. Excentricidade do pilar na direção Y ......................................................19
  • 2.
    II CAD/Fundações –Manual de Edição de Dados TQS Informática Ltda Rua dos Pinheiros 706 c/2 05422-001 São Paulo SP Tel (011) 3083-2722 Fax (011) 3083-2798 3.3.11. Dimensão do colarinho em X..................................................................19 3.3.12. Dimensão do colarinho em Y..................................................................19 3.4. Cargas – sapatas...............................................................................................20 3.4.1. Carga vertical – sapatas ............................................................................20 3.4.2. Força horizontal na direção X ...................................................................20 3.4.3. Força horizontal na direção Y ...................................................................20 3.4.4. Momento na direção X..............................................................................20 3.4.5. Momento na direção Y..............................................................................21 3.4.6. Altura do ponto de aplicação das forças horizontais.................................21 3.5. Armaduras – sapatas........................................................................................22 3.5.1. Número total de barras de arranque – sapatas...........................................22 3.5.2. Bitola das barras – sapatas........................................................................22 3.5.3. Comprimento total – sapatas.....................................................................22 3.5.4. Comprimento da “patinha” – sapatas........................................................22 3.5.5. Número de barras no lado X do pilar – sapatas.........................................23 3.5.6. Número de barras no lado Y do pilar – sapatas.........................................23 3.5.7. Número de estribos do pilar – sapatas ......................................................23 3.5.8. Espaçamento entre os estribos – sapatas...................................................23 3.5.9. Bitola das barras – dados de sapatas.........................................................23 3.5.10. Número de ramos – sapatas ....................................................................23 3.5.11. Direção de posicionamento dos ramos – sapatas....................................23 3.5.12. Número da barra final do 1o estribo – sapatas........................................24 3.5.13. Número da barra inicial do 2o estribo – sapatas .....................................24 3.5.14. Número da barra final do 2o estribo – sapatas........................................24 3.5.15. Número da barra inicial do 3o estribo – sapatas .....................................25 4. Edição de dados para blocos sobre estacas.........................................................26 4.1. Dados do projeto – blocos................................................................................26 4.1.1. Número da obra – blocos..........................................................................26 4.1.2. Título do Projeto – blocos.........................................................................26 4.1.3. Título do Cliente – blocos.........................................................................27 4.1.4. O comando ‘Adicionar Bloco’..................................................................27 4.1.5. O comando ‘Remover Bloco’...................................................................28 4.1.6. Modificando um bloco..............................................................................28 4.2. Dados gerais de blocos ....................................................................................29 4.2.1. Número do bloco ......................................................................................30 4.2.2. Título do bloco..........................................................................................30 4.2.3. Número de repetições – blocos.................................................................30 4.2.4. Escala – blocos .........................................................................................30 4.3. Geometria – blocos..........................................................................................31 4.3.1. Dimensão X do bloco ...............................................................................31
  • 3.
    Sumário III TQS InformáticaLtda Rua dos Pinheiros 706 c/2 05422-001 São Paulo SP Tel (011) 3083-2722 Fax (011) 3083-2798 4.3.2. Dimensão Y do bloco ...............................................................................31 4.3.3. Altura total................................................................................................31 4.3.4. Dimensão X do pilar – blocos...................................................................31 4.3.5. Dimensão Y do pilar – blocos...................................................................32 4.3.6. Número de estacas....................................................................................32 4.3.7. Formato.....................................................................................................32 4.3.8. Diâmetro...................................................................................................32 4.3.9. Altura da entrada no bloco........................................................................32 4.3.10. Distancia entre eixos em X.....................................................................32 4.3.11. Distancia entre eixos em Y.....................................................................32 4.3.12. Distância da Face do Bloco ao Eixo da Estaca.......................................32 4.4. Cargas – blocos................................................................................................33 4.4.1. Número do carregamento .........................................................................33 4.4.2. Carga vertical – blocos .............................................................................33 4.4.3. Momento na direção X .............................................................................33 4.4.4. Momento na direção Y .............................................................................34 4.4.5. Adicionar ou Remover Carregamentos.....................................................34 4.5. Armaduras – blocos.........................................................................................35 4.5.1. Número de estribos do pilar – blocos .......................................................35 4.5.2. Espaçamento entre os estribos – blocos....................................................35 4.5.3. Bitola das barras – blocos.........................................................................35 4.5.4. Número de ramos – blocos .......................................................................35 4.5.5. Direção de posicionamento dos ramos – blocos.......................................35 4.5.6. Número da barra final do 1o estribo – blocos...........................................36 4.5.7. Número da barra inicial do 2o estribo – blocos ........................................36 4.5.8. Número da barra final do 2o estribo – blocos...........................................36 4.5.9. Número da barra inicial do 3o estribo – blocos ........................................37 4.5.10. Número total de barras de arranque – blocos..........................................37 4.5.11. Bitola das barras – dados de blocos........................................................37 4.5.12. Comprimento total – blocos....................................................................37 4.5.13. Comprimento da “patinha” – blocos.......................................................37 4.5.14. Número de barras no lado X do pilar – blocos........................................37 4.5.15. Número de barras no lado Y do pilar – blocos........................................38 4.5.16. Detalhamento das armaduras de fendilhamento e cintamento................38
  • 5.
    Introdução 1 TQS InformáticaLtda Rua dos Pinheiros 706 c/2 05422-001 São Paulo SP Tel (011) 3083-2722 Fax (011) 3083-2798 1. Introdução A digitação para o arquivo de dados e subseqüente processamento, dentro do CAD/Fundações, é feito pelos programas USAP (SAPATAS) e UDBLOCOS (BLOCOS). Estes programas possuem um ambiente agradável (compostos por desenhos, tabelas, janela de auxílio, etc...), permitindo assim, uma grande rapidez na introdução, eliminação e alteração de quaisquer dados de sapatas ou blocos. Todas as informações referentes a dados gerais do projeto, geometria, cargas, dimensões e armaduras são armazenadas num arquivo texto (extensão .DAT), podendo também, em casos especiais, ser alteradas em qualquer editor de texto, bastando respeitar o formato dos campos dos dados. Os programas USAP e UDBLOCOS são acionados respectivamente, pelos seguintes comandos do CAD/Fundações: “Editar” – “Sapatas” – “Entrada de dados” e “Editar” – “Blocos” – “Entrada de dados”, como mostram as figuras abaixo. Ao iniciar esses programas, os arquivos.DAT são carregados automaticamente, caso já existam no “Edifício - pasta Fundações” ou na pasta atual. Se esse arquivo.DAT não existir o programa perguntará se você deseja criá-lo ou não, ficando a seu critério.
  • 6.
    2 CAD/Fundações –Manual de Edição de Dados TQS Informática Ltda Rua dos Pinheiros 706 c/2 05422-001 São Paulo SP Tel (011) 3083-2722 Fax (011) 3083-2798 2. Procedimentos para a digitação A digitação dos dados pode ser feita através do “Menu Principal”, da “Barra de Ferramentas” ou pela “Janela de Edição de Dados”. Os comandos funcionam basicamente como em qualquer programa Windows, usando o mouse para selecionar qual o campo entrar com os dados, e o teclado para preencher e apagar dados, abaixo é apresentada uma lista de alguns comandos básicos: Del  Apaga o conteúdo de uma célula. Enter  Confirma o dado digitado e passa para a outra célula. Tab  Move o foco para a célula da direita, caso não exista, para baixo. Home  Move o foco para a primeira coluna da linha atual. End  Move o foco para a última coluna da linha atual. Setas  Movem os focos para as respectivas direções. Espaço  Seleciona todo o conteúdo de uma célula. Page Up  Move o foco para a primeira linha da coluna atual. Page Down  Move o foco para a última linha da coluna atual.
  • 7.
    Procedimentos para adigitação 3 TQS Informática Ltda Rua dos Pinheiros 706 c/2 05422-001 São Paulo SP Tel (011) 3083-2722 Fax (011) 3083-2798 2.1. Comandos - Sapatas Apresentaremos agora todos os principais comandos do “Edição de Dados de Sapatas”. 2.1.1. Menu Principal – sapatas Estão dispostos no “Menu Principal” todos os comandos de edição de dados de sapatas.
  • 8.
    4 CAD/Fundações –Manual de Edição de Dados TQS Informática Ltda Rua dos Pinheiros 706 c/2 05422-001 São Paulo SP Tel (011) 3083-2722 Fax (011) 3083-2798 2.1.2. Barra de Ferramentas – sapatas A “Barra de Ferramentas” apresenta os comandos em forma de ícones que ao serem acionados com o mouse possibilitam a edição de dados de sapatas. 2.1.3. Janela de visualização – sapatas Pela “Janela de visualização” você pode observar a sapata digitada graficamente (suas dimensões, cargas, geometria e armaduras). Ao fazer modificações, você pode observa-las graficamente, quase que instantaneamente, o que ajuda na detecção de possíveis erros. Os comandos básicos de janela (F8, F11, Shift+F8,...) podem ser utilizados.
  • 9.
    Procedimentos para adigitação 5 TQS Informática Ltda Rua dos Pinheiros 706 c/2 05422-001 São Paulo SP Tel (011) 3083-2722 Fax (011) 3083-2798 A apresentação do desenho na “Janela de visualização” pode ser modificada através da seqüência de comandos “Exibir” - “Parâmetros de Visualização”. Então a janela “Parâmetros de Visualização” será apresentada. Assim como todos os outros editores gráficos dos Sistemas CAD/TQS a cor padrão do fundo da tela será definida através do comando: "Arquivos" - "Configurações" - "Visualização de desenhos", no gerenciador principal dos programas. A janela Editar Cores permite personalizar as janelas do programa, através da sequencia de comandos: "Exibir" - "Editar Cores".
  • 10.
    6 CAD/Fundações –Manual de Edição de Dados TQS Informática Ltda Rua dos Pinheiros 706 c/2 05422-001 São Paulo SP Tel (011) 3083-2722 Fax (011) 3083-2798 Após serem definidas novas cores para cada elemento, clique em "OK". 2.1.4. Janela de Edição de Dados – sapatas Nela todos os dados podem ser alterados, lembrando que automaticamente cada mudança atualizará os desenhos. A ordem de entrada de dados nessa janela é: “Dados Gerais”, “Geometria”, “Armaduras” e “Cargas”. Veja na figura abaixo.
  • 11.
    Procedimentos para adigitação 7 TQS Informática Ltda Rua dos Pinheiros 706 c/2 05422-001 São Paulo SP Tel (011) 3083-2722 Fax (011) 3083-2798 2.2. Comandos – Blocos Apresentaremos agora todos os principais comandos do “Edição de Dados de Blocos”. 2.2.1. Menu Principal – blocos Segue abaixo todos os comandos do menu principal.
  • 12.
    8 CAD/Fundações –Manual de Edição de Dados TQS Informática Ltda Rua dos Pinheiros 706 c/2 05422-001 São Paulo SP Tel (011) 3083-2722 Fax (011) 3083-2798 2.2.2. Barra de Ferramentas – blocos Todos os comandos de digitação e de visualização no programa “Edição de Dados de Blocos” se encontram na barra de ferramentas. 2.2.3. Janela de visualização – blocos Pela “Janela de visualização” você pode observar o bloco digitado graficamente (suas dimensões, cargas, geometria e armaduras). Ao fazer modificações, você pode observa-las graficamente, quase que instantaneamente, o que ajuda na detecção de possíveis erros. Os comandos básicos de janela (F8, F11, Shift+F8,...) podem ser utilizados.
  • 13.
    Procedimentos para adigitação 9 TQS Informática Ltda Rua dos Pinheiros 706 c/2 05422-001 São Paulo SP Tel (011) 3083-2722 Fax (011) 3083-2798 A apresentação do desenho na “Janela de visualização” pode ser modificada através da seqüência de comandos “Exibir” - “Parâmetros de Visualização”. Então a janela “Parâmetros de Visualização” será apresentada. Assim como todos os outros editores gráficos dos Sistemas CAD/TQS a cor padrão do fundo da tela será definida através do comando: "Arquivos" - "Configurações" - "Visualização de desenhos", no gerenciador principal dos programas. A janela Editar Cores permite personalizar as janelas do programa, através da sequencia de comandos: "Exibir" - "Editar Cores".
  • 14.
    10 CAD/Fundações –Manual de Edição de Dados TQS Informática Ltda Rua dos Pinheiros 706 c/2 05422-001 São Paulo SP Tel (011) 3083-2722 Fax (011) 3083-2798 Após serem definidas novas cores para cada elemento, clique em "OK". 2.2.4. Janela de Edição de Dados – blocos Nela todos os dados podem ser alterados, lembrando que automaticamente cada mudança atualizará os desenhos. A ordem de entrada de dados nessa janela é: “Dados Gerais”, “Geometria”, “Armaduras” e “Cargas”. Veja na figura abaixo.
  • 15.
    Edição de dadospara sapatas 11 TQS Informática Ltda Rua dos Pinheiros 706 c/2 05422-001 São Paulo SP Tel (011) 3083-2722 Fax (011) 3083-2798 3. Edição de dados para sapatas Após optar pelo comando “Editar” – “Sapatas” – “Entrada de dados”, como já vimos anteriormente, e digitar o número do projeto, surgirá uma nova janela. Quando perguntado se você deseja criar um arquivo selecione “Sim”, assim teremos acesso à janela “Dados do Projeto” que depois de preenchida nos levará à “Edição de Dados das Sapatas”. 3.1. Dados do projeto – sapatas Contém os dados gerais do projeto. 3.1.1. Número da obra – sapatas É o número do projeto. 1 2 3
  • 16.
    12 CAD/Fundações –Manual de Edição de Dados TQS Informática Ltda Rua dos Pinheiros 706 c/2 05422-001 São Paulo SP Tel (011) 3083-2722 Fax (011) 3083-2798 3.1.2. Título do Projeto – sapatas Identifica o nome do projeto. O cabeçalho das listagens inclui esta informação. 3.1.3. Título do Cliente – sapatas Identifica o nome do cliente que está contratando o projeto da obra. Como no item anterior, também é incluído nas listagens. Depois de preenchido esses campos, o primeiro passo a tomar será adicionar uma sapata. 3.1.4. O comando ‘Adicionar Sapata’ Permite a inclusão de novas sapatas. Ao adicionar uma sapata, você pode optar por seguir o “Roteiro automático”, ao invés de digitar os dados aleatoriamente. Esta opção já vem automaticamente acionada. Optando por não segui-lo, desabilite a opção com um simples clique do mouse. Roteiro automático acionado
  • 17.
    Edição de dadospara sapatas 13 TQS Informática Ltda Rua dos Pinheiros 706 c/2 05422-001 São Paulo SP Tel (011) 3083-2722 Fax (011) 3083-2798 3.1.5. O comando ‘Remover Sapata’ Retira, sem possibilidade de recuperação, os dados de uma sapata. O programa perguntará se confirma ou não a eliminação da sapata escolhida. 3.1.6. Modificando uma sapata Para a modificação de uma sapata já digitada, devemos simplesmente selecionar seu número e edita-la através da “Barra de Ferramentas”, “Janela de Edição de Dados” ou do “Menu Principal”.
  • 18.
    14 CAD/Fundações –Manual de Edição de Dados TQS Informática Ltda Rua dos Pinheiros 706 c/2 05422-001 São Paulo SP Tel (011) 3083-2722 Fax (011) 3083-2798 3.2. Dados gerais de sapatas A seqüência dos campos de entrada, mostrados a seguir, vale para o comando “Adicionar Sapata”, seguindo o “roteiro automático”. S.1S.1 (Esc 1:20) Xsapata Ysapata Xpilar Ypilar Largura do "colar" h X Y hoy hox (3 X) hf Hx Mx Armadura pricnipal direcao X Armadurapricnipal direcaoy Hy My hf "Colar" dopilar barradoarranque "patinha" estribo no. de repeticoes Figura 3.1.
  • 19.
    Edição de dadospara sapatas 15 TQS Informática Ltda Rua dos Pinheiros 706 c/2 05422-001 São Paulo SP Tel (011) 3083-2722 Fax (011) 3083-2798 A figura 3.1. ilustra as dimensões das sapatas e a convenção para os esforços. Os dados descritos a seguir são fornecidos para cada sapata. 3.2.1. Número da sapata É o número que identifica a sapata. Não é necessário que seja seqüencial, mas é conveniente que o seja, para facilitar a localização de uma sapata. 3.2.2. Título da sapata É o título que identifica uma sapata ou um conjunto delas. O dado pode incluir qualquer caractere alfanumérico. 3.2.3. Número de repetições – sapatas É o número de repetições para uma mesma sapata. Aparecerá no desenho e influirá na tabela de ferros. 3.2.4. Escala – sapatas É a escala com o qual será desenhada a sapata. Caso seja fornecido zero ou em branco, será adotado conforme o arquivo de critérios de projeto, 'Escala para desenho automático'.
  • 20.
    16 CAD/Fundações –Manual de Edição de Dados TQS Informática Ltda Rua dos Pinheiros 706 c/2 05422-001 São Paulo SP Tel (011) 3083-2722 Fax (011) 3083-2798 3.3. Geometria – sapatas Obs: Acionando esses botões presentes ao lado de alguns campos, aparecerão explicações ou dicas sobre o programa, como mostra a figura abaixo.
  • 21.
    Edição de dadospara sapatas 17 TQS Informática Ltda Rua dos Pinheiros 706 c/2 05422-001 São Paulo SP Tel (011) 3083-2722 Fax (011) 3083-2798 3.3.1. Dimensões da sapata fixas ou não O programa permite que o pré-dimensionamento das dimensões das sapatas seja realizado em função de: tensão nominal e máxima do solo, parâmetros definidos pelo projetista no arquivo de critérios como dimensões mínimas da sapata, altura total e do rodapé, etc. Desejando o pré-dimensionamento, deve ser fornecido "Não". 3.3.2. Dimensão X da sapata É a dimensão na direção X da sapata, em cm. 3.3.3. Dimensão Y da sapata É a dimensão na direção Y da sapata, em cm. 3.3.4. Altura total da sapata É a altura total da sapata, h, em cm. 3.3.5. Altura do rodapé na direção X da sapata É a altura hOX do "rodapé" ou "pedestal" da sapata, em cm. 3.3.6. Altura do rodapé na direção Y da sapata É a altura hOY do "rodapé" na direção Y. Quando hOY = h, o programa calculará a sapata como uma espécie de viga de rigidez. (Ver figura 3.2.). Seguem abaixo algumas correlações importantes na definição de hOY e hOX por ocasião da digitação de sapatas: Se hOY = h então hOX  h Se hOX = h então hOY = h Se hOY < h então hOX = hOY Se hOX < h então hOY = h ou hOY = hOX
  • 22.
    18 CAD/Fundações –Manual de Edição de Dados TQS Informática Ltda Rua dos Pinheiros 706 c/2 05422-001 São Paulo SP Tel (011) 3083-2722 Fax (011) 3083-2798 Exemplo: h 60 60 60 60 hOX 30 30 30 60 hOY 20 30 60 60 Incorreto OK OK OK Figura 3.2.
  • 23.
    Edição de dadospara sapatas 19 TQS Informática Ltda Rua dos Pinheiros 706 c/2 05422-001 São Paulo SP Tel (011) 3083-2722 Fax (011) 3083-2798 3.3.7. Dimensão X do pilar – sapatas É a dimensão do pilar na direção paralela à dimensão X da sapata. Deve ser fornecido em cm. Esta dimensão deve ser pelo menos 1 cm menor que a dimensão X da sapata. 3.3.8. Dimensão Y do pilar – sapatas É a dimensão do pilar na direção paralela à dimensão Y da sapata. Fornecido em cm. Esta dimensão deve ser pelo menos 1 cm menor que a dimensão Y da sapata 3.3.9. Excentricidade do pilar na direção X É a excentricidade entre o C.G. do pilar em relação ao eixo Y de referência. O momento proveniente desta excentricidade é calculado e adicionado ao momento fornecido pelo projetista. Ver convenção na figura 3.2.. 3.3.10. Excentricidade do pilar na direção Y Mesma observação do item 3.3.9., só que em relação ao eixo X de referência. Ver convenção na figura 3.2.. 3.3.11. Dimensão do colarinho em X É a largura do "colarinho". Medida em cm. 3.3.12. Dimensão do colarinho em Y É a largura do "colarinho". Medida em cm.
  • 24.
    20 CAD/Fundações –Manual de Edição de Dados TQS Informática Ltda Rua dos Pinheiros 706 c/2 05422-001 São Paulo SP Tel (011) 3083-2722 Fax (011) 3083-2798 3.4. Cargas – sapatas 3.4.1. Carga vertical – sapatas É o valor da carga vertical da sapata, sem o peso próprio da sapata. Não pode ser valor negativo. Deve ser fornecido em tf. 3.4.2. Força horizontal na direção X É o valor da força horizontal no sentido X. Deve ser fornecido em tf. 3.4.3. Força horizontal na direção Y É o valor da força horizontal no sentido Y. Deve ser fornecido em tf. 3.4.4. Momento na direção X É o momento em torno do eixo X. Observar a fiogura abaixo para melhor orientação. O momento deve ser fornecido em tfm.
  • 25.
    Edição de dadospara sapatas 21 TQS Informática Ltda Rua dos Pinheiros 706 c/2 05422-001 São Paulo SP Tel (011) 3083-2722 Fax (011) 3083-2798 3.4.5. Momento na direção Y É o momento atuante em torno do eixo Y. Ver figura acima. 3.4.6. Altura do ponto de aplicação das forças horizontais É à distância, na direção do eixo Z, do ponto de aplicação das cargas horizontais à face inferior da sapata, fornecida em cm.
  • 26.
    22 CAD/Fundações –Manual de Edição de Dados TQS Informática Ltda Rua dos Pinheiros 706 c/2 05422-001 São Paulo SP Tel (011) 3083-2722 Fax (011) 3083-2798 3.5. Armaduras – sapatas 3.5.1. Número total de barras de arranque – sapatas É o número de barras de arranque do pilar. 3.5.2. Bitola das barras – sapatas É a bitola das barras de arranque. Deve ser fornecida em mm. 3.5.3. Comprimento total – sapatas É o comprimento total das barras de arranque, incluindo a "patinha", em cm. 3.5.4. Comprimento da “patinha” – sapatas É o valor do comprimento da "patinha", em cm.
  • 27.
    Edição de dadospara sapatas 23 TQS Informática Ltda Rua dos Pinheiros 706 c/2 05422-001 São Paulo SP Tel (011) 3083-2722 Fax (011) 3083-2798 3.5.5. Número de barras no lado X do pilar – sapatas É o número de barras no lado X do pilar. 3.5.6. Número de barras no lado Y do pilar – sapatas É o número de barras no lado Y. Notar que a soma dos valores nas direções X e Y não coincidem com o número total das barras de arranque. Será sempre: número de barras = 2(nbarrasx + nbarrasy) - 4 3.5.7. Número de estribos do pilar – sapatas É o número de estribos do pilar. 3.5.8. Espaçamento entre os estribos – sapatas É o espaçamento dos estribos do pilar, em cm. 3.5.9. Bitola das barras – dados de sapatas Aqui fornecemos o diâmetro da bitola dos estribos, em mm. 3.5.10. Número de ramos – sapatas É o número de ramos dos estribos do pilar. Podem ser de 2, 4 ou 6. 3.5.11. Direção de posicionamento dos ramos – sapatas Válida somente para estribos de 4 ou 6 ramos. É a direção, no plano transversal do pilar, da distribuição dos estribos com mais de 2 ramos. Ver figura 3.3.a.
  • 28.
    24 CAD/Fundações –Manual de Edição de Dados TQS Informática Ltda Rua dos Pinheiros 706 c/2 05422-001 São Paulo SP Tel (011) 3083-2722 Fax (011) 3083-2798 barra do terminio do 1o. estribo barra do inicio do 2o. estribo barra do terminio do 2o. estribo dos estribos X Y Direcao do posicionamento barra do nicio do 3o. estribo 1 4 5 13 (a) (b) 9 10 1 5 4 10 9 13 Figura 3.3. 3.5.12. Número da barra final do 1o estribo – sapatas É a posição da barra que determina a ultima dobragem do ramo horizontal do 1º estribo, na direção considerada (fornecida no item 3.5.11). Ver figura 3.3.a. 3.5.13. Número da barra inicial do 2o estribo – sapatas É a posição da barra que determina a primeira dobragem do ramo horizontal do 2º estribo, na direção considerada (fornecida no item 3.5.11). Ver figura 3.3.a. 3.5.14. Número da barra final do 2o estribo – sapatas É a posição da barra que determina a ultima dobragem do ramo horizontal do 2º estribo, na direção considerada (fornecida no item 3.5.11). Ver figura 3.3.a.
  • 29.
    Edição de dadospara sapatas 25 TQS Informática Ltda Rua dos Pinheiros 706 c/2 05422-001 São Paulo SP Tel (011) 3083-2722 Fax (011) 3083-2798 3.5.15. Número da barra inicial do 3o estribo – sapatas É a posição da barra que determina a primeira dobragem do ramo horizontal do 3º estribo, na direção considerada (fornecida no item 3.5.11). Ver figura 3.3.a. Exemplo: Na figura 3.3.b., temos: Lado X: 13 barras Lado Y: 6 barras Direção do posicionamento dos ramos: X Número da barra final do 1º estribo: 5 Número da barra inicial do 2º estribo: 4 Número da barra final do 2º estribo: 10 Número da barra inicial do 3º estribo: 9
  • 30.
    26 CAD/Fundações –Manual de Edição de Dados TQS Informática Ltda Rua dos Pinheiros 706 c/2 05422-001 São Paulo SP Tel (011) 3083-2722 Fax (011) 3083-2798 4. Edição de dados para blocos sobre estacas Após optar pelo comando “Editar” – “Blocos” – “Entrada de dados”, como já vimos anteriormente, e digitar o número do projeto, surgirá uma nova janela. Quando perguntado se você deseja criar um arquivo selecione “Sim”, assim teremos acesso à janela “Dados do Projeto” que depois de preenchida nos levará à “Edição de Dados dos Blocos”. 4.1. Dados do projeto – blocos Contém os dados gerais do projeto. 4.1.1. Número da obra – blocos É o número do projeto. 4.1.2. Título do Projeto – blocos
  • 31.
    Edição de dadospara blocos sobre estacas 27 TQS Informática Ltda Rua dos Pinheiros 706 c/2 05422-001 São Paulo SP Tel (011) 3083-2722 Fax (011) 3083-2798 Identifica o nome do projeto. O cabeçalho das listagens inclui esta informação. 4.1.3. Título do Cliente – blocos Identifica o nome do cliente que está contratando o projeto da obra. Como no item anterior, também é incluído nas listagens. O primeiro passo a tomar será adicionar um bloco. 4.1.4. O comando ‘Adicionar Bloco’ Permite a inclusão de novos blocos. Ou pelo botão Ao adicionar um bloco, você pode optar por seguir o “Roteiro automático”, ao invés de digitar os dados aleatoriamente. Esta opção já vem automaticamente acionada. Optando por não segui-lo, desabilite a opção com um simples clique do mouse. Roteiro automático acionado
  • 32.
    28 CAD/Fundações –Manual de Edição de Dados TQS Informática Ltda Rua dos Pinheiros 706 c/2 05422-001 São Paulo SP Tel (011) 3083-2722 Fax (011) 3083-2798 4.1.5. O comando ‘Remover Bloco’ Retira, sem possibilidade de recuperação, os dados de um bloco. O programa perguntará se confirma ou não a eliminação do bloco escolhido. Ou pelo botão 4.1.6. Modificando um bloco Para a modificação de um bloco já digitado, devemos simplesmente selecionar seu número e edita-lo através da “Barra de Ferramentas”, “Janela de Edição de Dados” ou do “Menu Principal”.
  • 33.
    Edição de dadospara blocos sobre estacas 29 TQS Informática Ltda Rua dos Pinheiros 706 c/2 05422-001 São Paulo SP Tel (011) 3083-2722 Fax (011) 3083-2798 4.2. Dados gerais de blocos A seqüência dos campos de entrada, mostrados a seguir, vale para o comando “Adicionar Bloco”, seguindo o “roteiro automático”. A figura 4.1. serve de base para as notações que descrevemos a seguir: X bloco = 160 cm Y bloco = 135 cm H (altura total) do bloco = 80 cm X pilar = 40 cm Y pilar = 25 cm Diâmetro da estaca = 25 cm Entrada da estaca no bloco = 5 cm Distancia X entre eixos de estacas = 100 cm Distancia Y entre eixos de estacas = 65 cm B.2B.2 (Esc 1:50) 160 135 BB A A 9P2C/15 11 P3 C/15 89 89 R=25.7 (Alternar) VAR 100 40 80 4P4C/20 Corte A - A 50 25 25 755 Corte B - B 72 128 26 26 R=27 100 71 153 3 P1 ø16.0 C= 701.V 11 P3 ø5.0 C=272 4 P4 ø5.0 C=546 9 P2 ø5.0 C=295 Figura 4.1.
  • 34.
    30 CAD/Fundações –Manual de Edição de Dados TQS Informática Ltda Rua dos Pinheiros 706 c/2 05422-001 São Paulo SP Tel (011) 3083-2722 Fax (011) 3083-2798 A figura. 4.1. ilustra as dimensões dos blocos. Os dados e a figura 4.2 descritos a seguir são fornecidos para cada bloco. Figura 4.2. 4.2.1. Número do bloco É o número que identifica o bloco. Não é necessário que seja seqüencial, mas é conveniente que o seja, para facilitar sua localização. 4.2.2. Título do bloco É o título que identifica um bloco ou um conjunto deles. O dado pode incluir qualquer caractere alfanumérico. 4.2.3. Número de repetições – blocos É o número de repetições para um mesmo bloco. Aparecerá no desenho e influirá na tabela de ferros. 4.2.4. Escala – blocos É a escala com o qual será desenhado o bloco. Caso seja fornecido zero ou em branco, será adotado conforme o arquivo de critérios de projeto, 'Escala para desenho automático'.
  • 35.
    Edição de dadospara blocos sobre estacas 31 TQS Informática Ltda Rua dos Pinheiros 706 c/2 05422-001 São Paulo SP Tel (011) 3083-2722 Fax (011) 3083-2798 4.3. Geometria – blocos 4.3.1. Dimensão X do bloco É a largura do bloco na direção X. Quando não fornecido, o programa usa os dados do arquivo de critérios, 'Dimensões limites associados a estacas'. No "CAD/Fundações - Manual de Critérios de Projeto" há exemplos. Deve ser fornecida em cm. A dimensão "X" do bloco deverá ser sempre maior que a "Y". 4.3.2. Dimensão Y do bloco Vale a mesma observação do item anterior, só que na direção Y. Deverá ser menor que a dimensão em "X". 4.3.3. Altura total É a altura total do bloco. Deve ser fornecida em cm 4.3.4. Dimensão X do pilar – blocos É a dimensão do pilar na direção paralela à dimensão X do bloco. Deve ser fornecido em cm.
  • 36.
    32 CAD/Fundações –Manual de Edição de Dados TQS Informática Ltda Rua dos Pinheiros 706 c/2 05422-001 São Paulo SP Tel (011) 3083-2722 Fax (011) 3083-2798 4.3.5. Dimensão Y do pilar – blocos É a dimensão do pilar na direção paralela à dimensão Y do bloco. Deve ser fornecido em cm. 4.3.6. Número de estacas Deve estar entre 1 a 12 estacas. 4.3.7. Formato É o formato do bloco, podendo ser “Retangular” ou “Poligonal”, dependendo do número de estacas. Obs: O campo “Formato” deve ser editado após o campo “Número de estacas”, e dependendo do número de estacas escolhido este campo não é acionado. 4.3.8. Diâmetro É o diâmetro da(s) estaca(s), deve ser fornecido em cm. 4.3.9. Altura da entrada no bloco É o valor da entrada da estaca dentro do bloco, em cm. 4.3.10. Distancia entre eixos em X É à distância entre eixos das estacas na direção X, em cm. 4.3.11. Distancia entre eixos em Y É à distância entre eixos das estacas na direção Y, em cm. 4.3.12. Distância da Face do Bloco ao Eixo da Estaca Distância entre os eixos das estacas à borda do bloco, em cm.
  • 37.
    Edição de dadospara blocos sobre estacas 33 TQS Informática Ltda Rua dos Pinheiros 706 c/2 05422-001 São Paulo SP Tel (011) 3083-2722 Fax (011) 3083-2798 4.4. Cargas – blocos 4.4.1. Número do carregamento É o número do carregamento que está sendo editado no momento. 4.4.2. Carga vertical – blocos É o valor da carga vertical do bloco, sem o peso próprio do bloco. Não pode ter valor negativo. Deve ser fornecido em tf. 4.4.3. Momento na direção X É o momento atuante em torno do eixo X, conforme se pode ver na figura abaixo. Deve ser fornecido em tfm.
  • 38.
    34 CAD/Fundações –Manual de Edição de Dados TQS Informática Ltda Rua dos Pinheiros 706 c/2 05422-001 São Paulo SP Tel (011) 3083-2722 Fax (011) 3083-2798 4.4.4. Momento na direção Y É o momento atuante em torno do eixo Y, conforme se pode ver na figura acima. Deve ser fornecido em tfm. 4.4.5. Adicionar ou Remover Carregamentos
  • 39.
    Edição de dadospara blocos sobre estacas 35 TQS Informática Ltda Rua dos Pinheiros 706 c/2 05422-001 São Paulo SP Tel (011) 3083-2722 Fax (011) 3083-2798 4.5. Armaduras – blocos 4.5.1. Número de estribos do pilar – blocos É o número de estribos do pilar. 4.5.2. Espaçamento entre os estribos – blocos É o espaçamento dos estribos do pilar, em cm. 4.5.3. Bitola das barras – blocos Aqui fornecemos o diâmetro da bitola dos estribos, em mm. 4.5.4. Número de ramos – blocos É o número de ramos dos estribos do pilar. Podem ser de 2, 4 ou 6. 4.5.5. Direção de posicionamento dos ramos – blocos Válida somente para estribos de 4 ou 6 ramos. É a direção, no plano transversal do pilar, da distribuição dos estribos com mais de 2 ramos. Ver figura 4.2.
  • 40.
    36 CAD/Fundações –Manual de Edição de Dados TQS Informática Ltda Rua dos Pinheiros 706 c/2 05422-001 São Paulo SP Tel (011) 3083-2722 Fax (011) 3083-2798 barra do terminio do 1o. estribo barra do inicio do 2o. estribo barra do terminio do 2o. estribo dos estribos X Y Direcao do posicionamento barra do nicio do 3o. estribo 1 4 5 13 (a) (b) 9 10 1 5 4 10 9 13 Figura 4.2. 4.5.6. Número da barra final do 1o estribo – blocos É a posição da barra que determina a ultima dobragem do ramo horizontal do 1º estribo, na direção considerada (fornecida no item 4.5.5). Ver figura 4.2.a. 4.5.7. Número da barra inicial do 2o estribo – blocos É a posição da barra que determina a primeira dobragem do ramo horizontal do 2º estribo, na direção considerada (fornecida no item 4.5.5). Ver figura 4.2.a. 4.5.8. Número da barra final do 2o estribo – blocos É a posição da barra que determina a ultima dobragem do ramo horizontal do 2º estribo, na direção considerada (fornecida no item 4.5.5). Ver figura 4.2.a.
  • 41.
    Edição de dadospara blocos sobre estacas 37 TQS Informática Ltda Rua dos Pinheiros 706 c/2 05422-001 São Paulo SP Tel (011) 3083-2722 Fax (011) 3083-2798 4.5.9. Número da barra inicial do 3o estribo – blocos É a posição da barra que determina a primeira dobragem do ramo horizontal do 3º estribo, na direção considerada (fornecida no item 4.5.5). Ver figura 4.2.a. Exemplo: Na figura 4.2.b., temos: Lado X: 13 barras Lado Y: 6 barras Direção do posicionamento dos ramos: X Número da barra final do 1º estribo: 5 Número da barra inicial do 2º estribo: 4 Número da barra final do 2º estribo: 10 Número da barra inicial do 3º estribo: 9 4.5.10. Número total de barras de arranque – blocos É o número de barras de arranque do pilar. 4.5.11. Bitola das barras – dados de blocos É a bitola das barras de arranque. Deve ser fornecida em mm. 4.5.12. Comprimento total – blocos É o comprimento total das barras de arranque, incluindo a "patinha", em cm. 4.5.13. Comprimento da “patinha” – blocos É o valor do comprimento da "patinha", em cm. 4.5.14. Número de barras no lado X do pilar – blocos É o número de barras no lado X do pilar.
  • 42.
    38 CAD/Fundações –Manual de Edição de Dados TQS Informática Ltda Rua dos Pinheiros 706 c/2 05422-001 São Paulo SP Tel (011) 3083-2722 Fax (011) 3083-2798 4.5.15. Número de barras no lado Y do pilar – blocos É o número de barras no lado Y. Notar que a soma dos valores nas direções X e Y não coincidem com o número total das barras de arranque. Será sempre: número de barras = 2(nbarrasx + nbarrasy) - 4 4.5.16. Detalhamento das armaduras de fendilhamento e cintamento Existe algumas possibilidades de detalhamento das armaduras de fendilhamento e cintamento válidas para blocos sobre uma estaca que podem ser alteradas neste item. Figura 4.3.
  • 43.
    TQS Informática Ltda R.dos Pinheiros, 706 c/2 São Paulo SP 05422-001 Tel (011) 3083-2722 Fax (011) 3083-2798 tqs@tqs.com.br www.tqs.com.br