Incorporar apresentação
Baixado 95 vezes




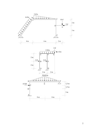
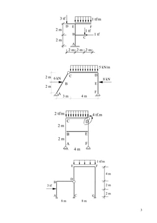
O documento lista exercícios de cálculo de reações, esforços e diagramas de esforços para quadros planos. Os alunos devem calcular reações, esforços normais, cortantes e fletores, traçar diagramas e determinar esforços máximos e mínimos.


