1.16. Determinar a força normal, a força de cisalhamento e o momento na seção que
passa pelo ponto C. Usar P = 8 kN.
Solução:
VA
HA
HB
VC
NC
MC
Reações de apoio
kN8V0VP0F
kN30H0HH0F
kN30H06,0H)75,03(P0M
AAy
AABx
BBA
=⇒=+−⇒=
=⇒=−⇒=
=⇒=×+××−⇒=
∑
∑
∑
Esforços na seção C, tomando o lado direito de C:
kN30HHN
kN8VVV
m.kN6M075,0VM
AAC
CAC
CAC
=⇒=
=⇒=
=⇒=×=
Resposta: A força normal, a força de cisalhamento e o momento na seção que passa pelo ponto C
são, respectivamente: 30 kN (compressão), 8 kN (para baixo) 6 kN.m (sentido horário),
1.33. A coluna está submetida a uma força axial de 8 kN no seu topo. Supondo que
a seção transversal tenha as dimensões mostradas na figura, determinar a tensão
normal média que atua sobre a seção a-a. Mostrar essa distribuição de tensão atuando
sobre a área da seção transversal.
Solução:
Área da seção transversal:
MPa82,1
mm
N
82,1
mm4400
N8000
A
P
mm4400101402)10150(A
22
2
====σ
=×+××=
σ
Resposta: A tensão normal média que atua sobre a seção a-a é de 1,82 MPa (tensão de compressão
mostrada na cor vermelha atuando uniformemente sobre toda a seção transversal).
1.36. A luminária de 50 lbf é suportada por duas hastes de aço acopladas por um anel
em A. Determinar qual das hastes está sujeita à maior tensão normal média e calcular
seu valor. Suponha que θ = 60º. O diâmetro de cada haste é dado na figura.
Solução:
050)60(senF)60cos(F0F
0)60cos(F)60(senF0F
o
AC
o
ABy
o
AC
o
ABx
=−×+×⇒=
=×+×−⇒=
∑
∑
Resolvendo:
lbf3,43F
lbf25F
AC
AB
=
= x
y
FAB
θθθθ=60o
50 lbf
60o
FAC
Assim, as tensões são:
psi581,344
4
4,0
3,43
4
d
F
psi324,127
4
5,0
25
4
d
F
22
AC
AC
AC
22
AB
AB
AB
=
×π
=
π
=σ
=
×π
=
π
=σ
Resposta: As tensões médias que atuam nas seções AB e AC são, respectivamente, 127,324 psi e
344,581 psi. Portanto, a haste que está sujeita à maior tensão normal média é a haste AC.
1.37. A luminária de 50 lbf é suportada por duas hastes de aço acopladas por um anel
em A. Determinar qual das hastes está sujeita à maior tensão normal média e calcular
seu valor. Suponha que θ = 45º. O diâmetro de cada haste é dado na figura.
Solução:
050)45(senF)60cos(F0F
0)45cos(F)60(senF0F
o
AC
o
ABy
o
AC
o
ABx
=−×+×⇒=
=×+×−⇒=
∑
∑
Resolvendo:
lbf83,44F
lbf6,36F
AC
AB
=
= x
y
FAB
θθθθ=45o
50 lbf
60o
FAC
Assim, as tensões são:
psi736,356
4
4,0
83,44
4
d
F
psi415,186
4
5,0
6,36
4
d
F
22
AC
AC
AC
22
AB
AB
AB
=
×π
=
π
=σ
=
×π
=
π
=σ
Resposta: As tensões médias que atuam nas seções AB e AC são, respectivamente, 186,415 psi e
356,736 psi. Portanto, a haste que está sujeita à maior tensão normal média é a haste AC.
1.38. A luminária de 50 lbf é suportada por duas hastes de aço acopladas por um anel
em A. Determinar o ângulo da orientação de θ de AC, de forma que a tensão normal
média na haste AC seja o dobro da tensão normal média da haste AB. Qual é a
intensidade dessa tensão em cada haste? O diâmetro de cada haste é indicado na
figura.
Solução:
28,1
F
F
2
4,0
5,0
F
F
d
d
F
F
d
F
d
F
4
d
F
4
d
F
050)(senF)60cos(F0F
0)cos(F)60(senF0F
AB
AC
2
2
AB
AC
2
AC
2
AB
AB
AC
2
AB
AB
2
AC
AC
2
AB
AB
2
AC
AC
AB
AC
AC
o
ABy
AC
o
ABx
=⇒=×=×==
π
π
=
σ
σ
=−θ×+×⇒=
=θ×+×−⇒=
∑
∑
Resolvendo:
o
AC
AB
42,47
lbf37,44F
lbf66,34F
=θ
=
=
x
y
FAB
θθθθ
50 lbf
60o
FAC
Assim, as tensões são:
AB22
AC
AC
AC
22
AB
AB
AB
2psi053,353
4
4,0
37,44
4
d
F
psi526,176
4
5,0
66,34
4
d
F
σ==
×π
=
π
=σ
=
×π
=
π
=σ
Resposta: As tensões médias que atuam nas seções AB e AC são, respectivamente, 176,526 psi e
353,053 psi, para um ângulo θ = 47,42o
.
1.53. O bloco plástico está submetido a uma força de compressão axial de 600 N.
Supondo que as tampas superior e inferior distribuam a carga uniformemente por
todos o bloco, determinar as tensões normal e de cisalhamento médias ao longo da
seção a-a.
Solução:
P
m
n
p
q
α
P
N
V
P
αααα
P
σσσσαααα
τττταααα
αααα
y
x
P
)(senPV
)cos(PN
α=
α=
Como a área A’ da seção inclinada é A/cos(α), as tensões correspondentes a N e V são,
respectivamente:
MPa05196,0)30cos()30sin(
50100
600
)cos()sin()cos()sin(
A
P
A
V
MPa09,0)30(cos
50100
600
)(cos)(cos
A
P
A
N
oo
30x'
o2
30
2
x
2
'
o
o
=
×
=τ⇒αασ=αα==τ
=
×
=σ⇒ασ=α==σ
α
α
Resposta: As tensões normal e de cisalhamento médias ao longo da seção a-a são: 90 kPa e 51,96
kPa, respectivamente.
1.56. A junta está submetida à força de 6 kip do elemento axial. Determinar a tensão
normal média que atua nas seções AB e BC. Supor que o elemento é plano e tem 1,5
polegada de espessura.
x
y 6000 lb
FAB
60o
FBC
70o
Solução:
0)70cos(F)60cos(6000F0F
0)60(sen6000)70(senF0F
o
BC
o
ABx
oo
BCy
=×−×−⇒=
=×−×⇒=
∑
∑
Resolvendo:
lb4891F
lb5530F
AB
BC
=
=
Assim, as tensões são:
psi41,1630
5,10,2
4891
psi204,819
5,15,4
5530
AB
BC
=
×
=σ
=
×
=σ
Resposta: As tensões médias que atuam nas seções AB e BC são, respectivamente, 1630 psi e 819 psi.
1.60. As barras da treliça têm uma área da seção transversal de 1,25 pol2
. Determinar
a tensão normal média em cada elemento devido à carga P = 8 kip. Indicar se a tensão
é de tração ou de compressão.
Solução:
αααα
8,0
5
4
cos
6,0
5
3
sen
==α
==α
Nó A
ααααA
P
NAE
NAB
kip67,108,0
6,0
P
N
8,0NN0cosNN0F
kip33,13
6,0
8
N
6,0
P
N0senNP0F
AE
ABAEABAEx
AB
ABABy
−=×−=∴
×−=⇒=α+⇒=
==∴
=⇒=α+−⇒=
∑
∑
Nó E
NBE
NDE
ENAE
P
kip67,108,0
6,0
P
N
NN0NN0F
kip6875,0N
P75,0N0P75,0N0F
DE
AEDEAEDEx
BE
BEBEy
−=×−=∴
=⇒=−⇒=
=×=∴
=⇒=−⇒=
∑
∑
Nó B
αααα
NAB
B
NBDNBE
NBC
kip33,29N
8,0
6,0
6,0/PP75,0
8,0
6,0
P
8,0N8,0NN
0cosNcosNN0F
kip33,23
6,0
6,0/PP75,0
N
6,0
6,0NN
N
0NsenNsenN0F
BC
BDABBC
ABBDBCx
BD
ABBE
BD
BEBDABy
=∴
×
−−
−×=×−×=⇒
=α−α+⇒=
−=
−−
=∴
×−−
=⇒
=−α−α−⇒=
∑
∑
Resposta: Os valores dos esforços e das tensões de tração (indicadas com +) e de compressão
(indicadas com –) podem ser resumidos na tabela abaixo.
Barra Esforço (kip) Tensão (ksi)
AB +13,33 +10,67
BC +29,33 +23,47
DE -10,67 -8,53
AE -10,67 -8,53
BE +6,00 +4,80
BD -23,33 -18,67
1.61. As barras da treliça têm uma área da seção transversal de 1,25 pol2
. Supondo
que a tensão normal média máxima em cada barra não exceda 20 ksi, determinar a
grandeza máxima P das cargas aplicadas à treliça.
Solução:
αααα
8,0
5
4
cos
6,0
5
3
sen
==α
==α
Nó A
ααααA
P
NAE
NAB
P333,18,0
6,0
P
N
8,0NN0cosNN0F
P667,1
6,0
P
N0senNP0F
AE
ABAEABAEx
ABABy
−=×−=∴
×−=⇒=α+⇒=
==∴=α+−⇒=
∑
∑
Nó E
NBE
NDE
ENAE
P
P333,18,0
6,0
P
N
NN0NN0F
P75,0N0P75,0N0F
DE
AEDEAEDEx
BEBEy
−=×−=∴
=⇒=−⇒=
=∴=−⇒=
∑
∑
Nó B
αααα
NAB
B
NBDNBE
NBC
P667,3N
8,0
6,0
6,0/PP75,0
8,0
6,0
P
8,0N8,0NN
0cosNcosNN0F
P917,2
6,0
6,0/PP75,0
N
6,0
6,0NN
N
0NsenNsenN0F
BC
BDABBC
ABBDBCx
BD
ABBE
BD
BEBDABy
=∴
×
−−
−×=×−×=⇒
=α−α+⇒=
−=
−−
=∴
×−−
=⇒
=−α−α−⇒=
∑
∑
Os valores dos esforços e das tensões de tração (indicadas com +) e de compressão (indicadas
com –) podem ser resumidos na tabela abaixo. A tensão normal média máxima ocorre na barra BC.
Barra Esforço Tensão
AB +1,667P +1,333P
BC +3,667P +2,933P
DE -1,333P -1,067P
AE -1,333P -1,067P
BE +0,750P +0,600P
BD -2,917P -2,333P
Assim:
kip818,6P
933,2
20
PP933,2ksi20
A
força
maxadm =∴=⇒=⇒σ=σ⇒=σ
Resposta: A grandeza máxima P das cargas aplicadas à treliça deve ser de 6818 lbf.
1.79 O olhal (figura ao lado) é usado para
suportar uma carga de 5 kip. Determinar seu
diâmetro d, com aproximação de 1/8 pol, e a
espessura h necessária, de modo que a arruela
não penetre ou cisalhe o apoio. A tensão
normal admissível do parafuso é σadm = 21
ksi, e a tensão de cisalhamento admissível do
material do apoio é τadm = 5 ksi.
Solução:
(1) tensão normal
P = 5 kip = 5000 lbf
σadm = 21 ksi = 21000 psi = 21000 lbf/pol2
d = ?
pol
8
5
d
pol55059,0
21000
50004
d
P4
d
P
4
dP
A
A
P
admadm
2
adm
adm
=∴
=
×π
×
=⇒
πσ
=⇒
σ
=
π
⇒
σ
=⇒=σ
(2) tensão cisalhante
V = 5 kip = 5000 lbf
τadm = 5 ksi = 5000 psi = 5000 lbf/pol2
φ = 1 pol (diâmetro da arruela)
( )
pol
8
3
h
pol31831,0
50001
5000
h
V
h
V
h
V
A
A
V
admadmadm
adm
=∴
=
××π
=⇒
τφπ
=⇒
τ
=πφ⇒
τ
=⇒=τ
Resposta: O diâmetro d necessário é de 5/8 pol e a espessura h necessária é de 3/8 pol .
1.80 A junta sobreposta do elemento de madeira A de uma treliça está submetida a
uma força de compressão de 5 kN. Determinar o diâmetro requerido d da haste de
aço C e a altura h do elemento B se a tensão normal admissível do aço é
(σadm)aço = 157 MPa e a tensão normal admissível da madeira é (σadm)mad = 2 MPa. O
elemento B tem 50 mm de espessura.
Solução:
x
y
FB
60o
5 kN
FC
0)60cos(5F0F
0)60(sen5F0F
o
Bx
o
Cy
=×+−⇒=
=×−⇒=
∑
∑
Resolvendo:
kN500,2F
kN330,4F
B
C
=
=
Assim, as tensões são:
mm25h
250
2500
h
e
F
h
F
he
F
A
A
F
mm93,5d
157
43304
d
F4
d
F
4
dF
A
A
F
mad
B
mad
B
mad
B
mad
mad
B
mad
aço
C
aço
C
2
aço
C
s
s
C
aço
=⇒
×
=⇒
σ×
=⇒
σ
=×⇒
σ
=⇒=σ
=⇒
×π
×
=⇒
σ×π
×
=⇒
σ
=
π
⇒
σ
=⇒=σ
Resposta: O diâmetro da haste de aço deve ser de d=6mm e a altura do elemento B deve ser de
h=25mm.
1.112- As duas hastes de alumínio suportam a carga vertical P = 20 kN. Determinar
seus diâmetros requeridos se o esforço de tração admissível para o alumínio for
σadm = 150 MPa.
Solução:
P = 20 kN = 20000 N
σadm = 150 MPa = 150 N/mm2
dAB = ?
dAC = ?
Equações de equilíbrio onde FAB e FAC são as forças nas hastes AB e AC, respectivamente.
N0,20000F0)45cos(F0F
N3,28284F0P)45(senF0F
AC
o
ACx
AB
o
ABy
=⇒=×+−⇒=
=⇒=−×⇒=
∑
∑
mm0294,13
150
200004F4
d
mm4947,15
150
3,282844F4
d
P4
d
P
4
dP
A
A
P
adm
AC
AC
adm
AB
AB
admadm
2
adm
adm
=
×π
×
=
πσ
×
=⇒
=
×π
×
=
πσ
×
=⇒
πσ
=⇒
σ
=
π
⇒
σ
=⇒=σ
Resposta: O diâmetro dAB necessário é de 15,5 mm e o diâmetro dAC necessário é de 13,1 mm.
2.5 A viga rígida está apoiada por um pino em A e pelos arames BD e CE. Se a
deformação normal admissível máxima em cada arame for εmax = 0,002 mm/mm,
qual será o deslocamento vertical máximo provocado pela carga P nos arames?
Solução:
A B C
P
δδδδB
δδδδC
∆∆∆∆P
Por semelhança de triângulo:
CBP
537
δ
=
δ
=
∆
Mas,
mm2,118
5
7
5
7
mm8002,04000L
mm146
3
7
3
7
mm6002,03000L
CPmaxECC
BPmaxDBB
==δ=∆⇒=×=ε×=δ
==δ=∆⇒=×=ε×=δ
Analisando
!sim0016,0
3000
8,4
L
8,42,11
7
3
7
3
mm2,11
mm14podenão0025,0
4000
10
L
1014
7
5
7
5
mm14
max
DB
B
BPBP
Pmax
EC
C
CPCP
ε<==
δ
=ε⇒==∆=δ⇒=∆
=∆ε>==
δ
=ε⇒==∆=δ⇒=∆
Resposta: O deslocamento vertical máximo provocado pela carga P nos arames será de 11,2 mm.
2.8. Duas Barras são usadas para suportar uma carga. Sem ela, o comprimento de
AB é 5 pol, o de AC é 8 pol, e o anel em A tem coordenadas (0,0). Se a carga P atua
sobre o anel em A, a deformação normal em AB torna-se εAB = 0,02 pol/pol e a
deformação normal em AC torna-se εAC = 0,035 pol/pol. Determinar as coordenadas
de posição do anel devido à carga.
Solução:
CDBD
AD
Para encontrar os lados BD e AD, temos que:
pol33,4)60(sen5AD
5
AD
)60(sen
pol5,2)60cos(5BD
5
BD
)60cos(
o
o
o
o
=×=
⇒=
=×=
⇒=
E o lado CD:
pol727,6CD
33,48CDCDAD8 22222
=
⇒−=⇒+=
O ponto B é encontrado assim, a partir do ponto A que tem coordenadas (0; 0):
→ sobe em y com o valor AD (+4,33) e anda à esquerda, em x, com o valor de BD (–2,5)
Então as coordenadas do ponto B são (–2,5; +4,33).
Os alongamentos das barras serão:
pol28,0035,08L
pol1,002,05L
ACACACAC
ABABABAB
=δ⇒×=ε×=δ
=δ⇒×=ε×=δ
Assim, os novos comprimentos das barras serão:
pol28,8L28,08LL
pol1,5L1,05LL
*
ACACAC
*
AC
*
ABABAB
*
AB
=⇒+=δ+=
=⇒+=δ+=
5,1 pol 8,28 pol
AD*
BD* CD*
αααα*
Como os pontos B e C permanecem no mesmo lugar,
temos que:
pol227,9BC
727,65,2BCCDBDBC
=
+=⇒+=
Mas o ângulo de 60o
foi alterado para:
o
*
AB
2*
AC
22*
AB*
**
AB
22*
AB
2*
AC
1,63
BCL2
LBCL
cosarc
)cos(BCL2BCLL
=








××
−+
=α
⇒α×××−+=
Para encontrar os novos lados BD e AD, temos que:
pol548,4)1,63(sen1,5AD
pol308,2)1,63cos(1,5BD
o*
o*
=×=
=×=
O novo ponto A é encontrado assim, a partir do ponto B que tem coordenadas (–2,5; +4,33):
→ anda à direita, em x, de BD*
(+2,308) e desce em y AD*
(–4,548).
Então as novas coordenadas do ponto A são (–0,192; –0,218)
Resposta: As coordenadas de posição do anel devido à carga são (–0,192; –0,218) pol.
2.9. Duas barras são usadas para suportar uma carga P. Sem ela, o comprimento de
AB é 5 pol, o de AC é 8 pol, e o anel em A tem coordenadas (0,0). Se for aplicada
uma carga P ao anel em A, de modo que ele se mova para a posição de coordenadas
(0,25 pol, -0,73 pol), qual será a deformação normal em cada barra?
Solução:
CDBD
AD
Para encontrar os lados BD e AD, temos que:
pol33,4)60(sen5AD
5
AD
)60(sen
pol5,2)60cos(5BD
5
BD
)60cos(
o
o
o
o
=×=
⇒=
=×=
⇒=
E o lado CD:
pol727,6CD
33,48CDCDAD8 22222
=
⇒−=⇒+=
O ponto B é encontrado assim, a partir do ponto A que tem coordenadas (0; 0):
→ sobe em y com o valor AD (+4,33) e anda à esquerda, em x, com o valor de BD (–2,5)
Então as coordenadas do ponto B são (–2,5; +4,33).
Os novos comprimentos, BD*
e AD*
, a partir do ponto B que tem coordenadas (–2,5; +4,33) e do novo ponto
A(0,25; –0,73):
→ anda à direita, em x, (–2,5–0,25) e desce em y [+4,33–(–0,73)]
Então BD*
=|(–2,5–0,25) | = 2,75 pol e AD*
=|[+4,33–(–0,73)]| = 5,06 pol.
Como os pontos B e C permanecem no mesmo lugar, temos que:
pol227,9BC
727,65,2BCCDBDBC
=
+=⇒+=
AD*
BD* CD*
αααα*
LAB* LAC*
Então
pol477,675,2227,9BDBCCD **
=−=−=
pol219,806,5477,6ADCDL
pol759,506,575,2ADBDL
222*2**
AC
222*2**
AB
=+=+=
=+=+=
Assim, as deformações normais nas barras são:
0274,0
8
8219,8
L
LL
152,0
5
5759,5
L
LL
AC
AC
*
AC
AC
AB
AB
*
AB
AB
=
−
=
−
=ε
=
−
=
−
=ε
Resposta: A deformação normal na barra AB é de 15,2% e a deformação normal da barra AC é 2,74%.
2.13. A chapa retangular está submetida à deformação mostrada pela linha tracejada.
Determinar a deformação por cisalhamento média γxy da chapa.
Solução:
θθθθ
rad0199973,0
150
3
tg
2
1
xy
xy
−=





−=γ
θ−
π
=γ
−
Resposta: A deformação por cisalhamento média γxy da chapa é de –0,0200 rad.
2.15. A chapa retangular está submetida à deformação mostrada pela linha tracejada.
Determinar as deformações normais εx, εy, εx’, εy’.
Solução:
0025,0
8
02,0
00125,0
4
005,0
y
x
==ε
−=−=ε
Chamando as diagonais de d e d’, antes e depois das deformações:
4
'y'x
22
22
1027,6
d
d'd
01,4995,3'd
44d
−
×=
−
=ε=ε
+=
+=
Resposta: As deformações normais são: εx = –1,25×10-3
; εy = 2,50×10-3
; εx’= 6,27×10-4
e
εy’ = 6,27×10-4
2.17. A peça de plástico originalmente é retangular. Determinar a deformação por
cisalhamento γxy nos cantos A e B se o plástico se distorce como mostrado pelas
linhas tracejadas.
Solução:
As coordenadas dos pontos (após a deformação) são:
A(403, 2)
B(405, 304)
C( 2, 302)
D( 0, 0)
( ) rad80,01158515
2
5823815,1
005,403007,302
1410
cosarc
rr
r.r
cosarc
1410)2(302)403(2r.r
005,403rj)20(i)4030(r
007,3023022rj302i2rj)2304(i)403405(r
xyA
ADAB
ADAB
ADAB
ADAD
22
ABABAB
−=α−
π
=γ
=





×
−
=








×
=α
−=−×+−×=
=⇒−+−=
=+=⇒+=⇒−+−=
rr
rr
rr
rrrr
rrrrrrr
( ) rad80,01158515
2
5592112,1
005,403007,302
1410
cosarc
rr
r.r
cosarc
1410r.r
005,403rj)304302(i)4052(r
007,302rj)3042(i)405403(r
xyB
BCBA
BCBA
BCBA
BCBC
BABA
=β−
π
=γ
=





×
=







×
=β
=
=⇒−+−=
=⇒−+−=
rr
rr
rr
rrrr
rrrr
Resposta: As deformações por cisalhamento γxy nos cantos A e B são –0,01160 rad e
+ 0,01160 rad, respectivamente.
Lembrando que:
Coordenadas de pontos: ..................... ( )yx A,AA e ( )yx B,BB
Vetor posição de A para B:................ ( ) ( )jABiABr yyxxAB
rrr
−+−=
Vetores: .............................................. jAiAA yx
rrr
+= e jBiBB yx
rrr
+=
Módulos dos vetores: ......................... 2
y
2
x AAA +=
r
e 2
y
2
x BBB +=
r
Produto escalar :................................. yyxx BABABA +=⋅
rr
Ângulo entre vetores:.........................








×
⋅
=θ
BA
BA
cosarc rr
rr
2.18. A peça de plástico originalmente é retangular. Determinar a deformação por
cisalhamento γxy nos cantos D e C se o plástico se distorce como mostrado pelas
linhas tracejadas.
Solução:
As coordenadas dos pontos (após a deformação) são:
A(403, 2)
B(405, 304)
C( 2, 302)
D( 0, 0)
( ) rad80,01158515
2
5823815,1
007,302005,403
1410
cosarc
rr
r.r
cosarc
1410)302(2)2(403r.r
007,302rj)3020(i)20(r
005,4032403rj2i403rj)302304(i)2405(r
xyC
CDCB
CDCB
CDCB
CDCD
22
CBCBCB
−=α−
π
=γ
=





×
−
=







×
=α
−=−×+−×=
=⇒−+−=
=+=⇒+=⇒−+−=
rr
rr
rr
rrrr
rrrrrrr
( ) rad80,01158515
2
5592112,1
007,302005,403
1410
cosarc
rr
r.r
cosarc
1410r.r
007,302rj)0302(i)02(r
005,403rj)02(i)0403(r
xyD
DCDA
DCDA
DCDA
DCDC
DADA
=β−
π
=γ
=





×
=







×
=β
=
=⇒−+−=
=⇒−+−=
rr
rr
rr
rrrr
rrrr
Resposta: As deformações por cisalhamento γxy nos cantos C e D são –0,01160 rad e
+ 0,01160 rad, respectivamente.
Lembrando que:
Coordenadas de pontos: ..................... ( )yx A,AA e ( )yx B,BB
Vetor posição de A para B:................ ( ) ( )jABiABr yyxxAB
rrr
−+−=
Vetores: .............................................. jAiAA yx
rrr
+= e jBiBB yx
rrr
+=
Módulos dos vetores: ......................... 2
y
2
x AAA +=
r
e 2
y
2
x BBB +=
r
Produto escalar :................................. yyxx BABABA +=⋅
rr
Ângulo entre vetores:.........................








×
⋅
=θ
BA
BA
cosarc rr
rr
2.19. A peça de plástico originalmente é retangular. Determinar a deformação
normal média que ocorre ao longo das diagonais AC e DB.
Solução:
As diagonais AC e DB originais têm:
mm500300400dd 22
DBAC =+==
A diagonal AC passa a ter o seguinte comprimento:
mm8,500300401d 22
'AC =+=
A diagonal DB passa a ter o seguinte comprimento:
mm4,506304405d 22
'DB =+=
Assim, as deformações nas diagonais são:
3
DB
3
AC
108,12
500
5004,506
106,1
500
5008,500
−
−
×=
−
=ε
×=
−
=ε
Resposta: As deformações normais médias que ocorrem ao longo das diagonais AC e DB são:
1,6×10-3
e 12,8×10-3
, respectivamente
2.24. O quadrado deforma-se, indo para a posição mostrada pelas linhas tracejadas.
Determinar a deformação por cisalhamento em cada um dos cantos A e C. O lado DB
permanece horizontal.
Solução:
θθθθ
ββββ
( ) rad90,02617993
180
5,15,15,9190 oooo
xyA −=
π
×−=−=−=γ
Como a altura do ponto )5,1cos(53'D o
= , então:
rad0,20471002
)5,1cos(53
11
tgarc
)5,1cos(53
38
)(tg oo
=





=β⇒
+
=β
Assim:
( ) rad0,20471002)
2
(
22xyB −=β−=β+
π
−
π
=θ−
π
=γ
Resposta: As deformações por cisalhamento γxy nos cantos A e B são –0,02618 rad e – 0,2047 rad,
respectivamente.
2.25. O bloco é deformado, indo para a posição mostrada pelas linhas tracejadas.
Determinar a deformação normal média ao longo da reta AB.
Solução:
Comprimento inicial de AB (calculado pelo triângulo retângulo verde):
mm7033,10710040L 22
ABi =+=
A altura de B’ (calculado pelo triângulo retângulo rosa):
222
15110'B −=
Assim o comprimento final AB’ é (calculado pelo triângulo retângulo amarelo):
mm8034,1111511025'B25L 22222
ABf =−+=+=
Portanto a deformação média de AB é:
038068498,0
L
7033,1078034,111
L
LL
ABiABi
ABiABf
=
−
=
−
=ε
Resposta: A deformação normal média ao longo da reta AB é de 0,0381 mm/mm.
2.28. O elástico AB tem comprimento sem esticar de 1 pé. Se estiver preso em B e
acoplado à superfície no ponto A’, determinar a deformação normal média do
elástico. A superfície é definida pela função y=(x2
) pé, onde x é dado em pé.
Solução:
Comprimento inicial de AB:
pé1LABi =
Comprimento final de A’B:
pé1,4789429dxx41dx)x2(1dx)x('f1L
1
0
2
1
0
2
1
0
2
ABf =+=+=+= ∫∫∫
Portanto a deformação média de AB é:
4789429,0
1
11,4789429
L
LL
ABi
ABiABf
=
−
=
−
=ε
Resposta: A deformação normal média do elástico AB é de 0,4789 pé/pé.
3.2 Os dados de um teste tensão-deformação de uma cerâmica são fornecidos na
tabela. A curva é linear entre a origem e o primeiro ponto. Construir o diagrama e
determinar o módulo de elasticidade e o módulo de resiliência.
Solução:
Diagrama Tensão × Deformação
0
10
20
30
40
50
60
0,0000 0,0005 0,0010 0,0015 0,0020 0,0025
O módulo de elasticidade é a inclinação da reta inicial, ou seja, a tangente do ângulo entre a reta
inicial e o eixo das deformações (abscissa). O módulo de resiliência é a área sob essa reta inicial, ou
melhor, área do triângulo inicial.
psi96,9ksi00996,0
2
0006,02,33
u
ksi3,55333
0006,0
2,33
E
r ==
×
=
==
Resposta:. Módulo de elasticidade = 55333,3 ksi e o módulo de resiliência = 9,96 psi.
3.3 Os dados de um teste tensão-deformação de uma cerâmica são fornecidos na
tabela. A curva é linear entre a origem e o primeiro ponto. Construir o diagrama e
determinar o módulo de tenacidade aproximado se a tensão de ruptura for de 53,4 ksi.
Solução:
Diagrama Tensão × Deformação
0
10
20
30
40
50
60
0,0000 0,0005 0,0010 0,0015 0,0020 0,0025
O módulo de tenacidade será a soma das áreas abaixo da curva do diagrama tensão versus
deformação, neste caso, um triângulo e quatro trapézios:
psi84,85ksi08584,0)4,535,51(
2
0004,0
)5,514,49(
2
0004,0
)4,495,45(
2
0004,0
)5,452,33(
2
0004,0
2
0006,02,33
ut
==+×++×
++×++×+
×
=
Resposta:. O módulo de tenacidade = 85,84 psi.
3.4 Os dados de um teste tensão-deformação de uma cerâmica são fornecidos na
tabela. A curva é linear entre a origem e o primeiro ponto. Construir o diagrama e
determinar o módulo de elasticidade e o módulo de resiliência.
Solução:
Diagrama Tensão × Deformação
0
5
10
15
20
25
30
35
40
45
0,0000 0,0010 0,0020 0,0030 0,0040 0,0050 0,0060
O módulo de elasticidade é a tangente do ângulo entre a reta inicial e o eixo das deformações
(abscissa). O módulo de resiliência é a área sob essa reta inicial.
psi6,25ksi0256,0
2
0016,032
u
ksi20000
0016,0
32
E
r ==
×
=
==
Resposta:. O Módulo de elasticidade = 20000 ksi, e o módulo de resiliência = 25,6 psi.
3.18 Os arames de aço AB e AC suportam a massa de 200 kg. Supondo que a tensão
normal admissível para eles seja σadm = 130 MPa, determinar o diâmetro requerido
para cada arame. Além disso, qual será o novo comprimento do arame AB depois que
a carga for aplicada? Supor o comprimento sem deformação de AB como sendo
750 mm. Eaço = 200 GPa.
x
y
FAB FAC
αααα
F
60o
Solução:
αααα
3
45
6,0
5
3
)cos(
8,0
5
4
)(sen
==α
==α
N33,196180665,9200F =×=
0F)(senF)60(senF0F
0)cos(F)60cos(F0F
AC
o
ABy
AC
o
ABx
=−α×+×⇒=
=α×+×−⇒=
∑
∑
Resolvendo:
N39,1066F
N66,1279F
AC
AB
=
=
Assim, os diâmetros serão:
mm23,3d
130
39,1066F
4
d
mm54,3d
130
66,1279F
4
d
AC
adm
AC
2
AC
AB
adm
AB
2
AB
=⇒=
σ
=
π
=⇒=
σ
=
π
O deslocamento do arame AB será:
mm488,0
4
54,3
200000
75066,1279
4
d
E
LF
22
AB
ABAB
=
×π
×
×
=
π
=δ
Resposta: Os diâmetros requeridos para os arames AB e AC são 3,54 mm e 3,23 mm, respectivamente. O
novo comprimento do arame AB será de 750,488 mm.
3.24. A haste plástica é feita de Kevlar 49 e tem diâmetro de 10 mm. Supondo que
seja aplicada uma carga axial de 80 kN, determinar as mudanças em seu
comprimento e em seu diâmetro.
Solução:
Vamos nomear os comprimentos iniciais da
haste
Li = 100 mm
di = 10 mm
Outros dados:
P = 80 kN = 80000 N
E = 131 GPa = 131000 N/mm2
ν=0,34
Precisamos saber que:
ε=σ
ε×+=⇒
−
=
δ
=ε
ε
ε
−=ν
E
LLL
L
LL
L
iif
i
if
allongitudin
ltransversa
Da Lei de Hooke encontramos a deformação longitudinal.
mm97356,9)00264367,0(1010dddd
mm77751,1000077751,0100100LLLL
00264367,00077751,034,0
0077751,0
131000
59,1018
E
E
mm/N59,1018
4
10
80000
A
P
fltransversaiif
fallongitudiniif
allongitudinltransversa
allongitudin
ltransversa
allongitudin
2
2
=−×+=⇒ε×+=
=×+=⇒ε×+=
−=×−=ε×ν−=ε
⇒
ε
ε
−=ν
==
σ
=ε⇒ε=σ
=
π
==σ
Resposta: O comprimento passa a ser de 100,77751 mm e o novo diâmetro de 9,97356 mm.
4.6. O conjunto consiste de uma haste CB de aço A-36 e de uma haste BA de
alumínio 6061-T6, cada uma com diâmetro de 1 pol. Se a haste está sujeita a uma
carga axial P1 = 12 kip em A e P2 = 18 kip na conexão B, determinar o deslocamento
da conexão e da extremidade A. O comprimento de cada segmento sem alongamento
é mostrado na figura. Desprezar o tamanho das conexões em B e C e supor que sejam
rígidas.
Solução:
Dados:
Eaço = 29000 ksi = 29×106
psi = 29×106
lbf/pol2
Ealumínio = 10000 ksi = 10×106
psi = 10×106
lbf/pol2
d = 1 pol
LAB = 4 pés = 48 pol
LBC = 2 pés = 24 pol
NAB = P1 = 12 kip = 12000 lbf
NBC = P1-P2 = 12-18 = -6 kip = -6000 lbf
pol00632,0
785398,01029
246000
AE
LN
AE
LN
pol0670,0
785398,01029
246000
785398,01010
4812000
AE
LN
AE
LN
AE
LN
pol785398,0
4
)pol1(
4
d
A
6B
aço
BCBC
B
n
1i ii
ii
66A
aço
BCBC
alumínio
ABAB
A
n
1i ii
ii
2
22
−=
××
×−
=δ⇒=δ⇒=δ
=
××
×−
+
××
×
=δ⇒+=δ⇒=δ
=
π
=
π
=
∑
∑
=
=
Resposta: O deslocamento da extremidade A é de 0,0670 pol e o deslocamento da conexão é de
-0,00632.
4.7. O conjunto consiste de uma haste CB de aço A-36 e de uma haste BA de
alumínio 6061-T6, cada uma com diâmetro de 1 pol. Determinar as cargas aplicadas
P1 e P2 se A desloca-se 0,08 pol para a direita e B desloca-se 0,02 pol para a esquerda
quando as cargas são aplicadas. O comprimento de cada segmento sem alongamento
é mostrado na figura. Desprezar o tamanho das conexões em B e C e supor que sejam
rígidas.
Solução:
Dados:
Eaço = 29000 ksi = 29×106
psi = 29×106
lbf/pol2
Ealumínio = 10000 ksi = 10×106
psi = 10×106
lbf/pol2
d = 1 pol
LAB = 4 pés = 48 pol
LBC = 2 pés = 24 pol
lbf9,35342P02,0
785398,01029
24)P5,16362(
lbf5,16362P08,002,0
785398,01010
48P
pol08,0
785398,01029
24)PP(
785398,01010
48P
AE
LN
AE
LN
pol02,0
785398,01029
24)PP(
AE
LN
pol785398,0
4
)pol1(
4
d
A
26
2
B
16
1
A
6
21
6
1
A
aço
BCBC
alumínio
ABAB
A
6
21
B
aço
BCBC
B
2
22
=⇒−=
××
×−
=δ
=⇒=−
××
×
=δ
=
××
×−
+
××
×
=δ⇒+=δ
−=
××
×−
=δ⇒=δ
=
π
=
π
=
Resposta: As cargas aplicadas P1 e P2 são: 16,4 kip e 35,3 kip, respectivamente.
4.42 A coluna de concreto é reforçada com quatro barras de aço, cada uma com
diâmetro de 18 mm. Determinar a tensão média do concreto e do aço se a coluna é
submetida a uma carga axial de 800 kN. Eaço = 200 GPa e Ec = 25 GPa.
Solução:
Es=200 GPa
Ec=25 GPa
2
sc
2
2
s
mm1,88982A300300A
mm88,1017
4
18
4A
=−×=
=




 π
=
P=800 kN
Pc – parte da força P no concreto
Ps – parte da força P no aço
scsc PPPPPP −=⇒=+
( ) ( ) ( ) ( )( )
( ) ( ) ( ) ( ) ( ) ( )
( ) ( )
MPa24,8
1,88982
7,732927
A
P
MPa9,65
88,1017
3,67072
A
P
N7,7329273,67072800000P
N3,67072
88,10172000001,8898225000
88,1017200000
800000P
AEAE
AE
PPAEPAEAEP
AEPAEPAEPAEPAEPAEP
AEPPAEPAEPAEP
AE
LP
AE
LP
c
c
c
s
s
s
c
s
sscc
ss
sssssccs
sssssccssssssccs
sssccssscccs
ss
s
cc
c
sc
===σ⇒===σ⇒
=−=⇒
=
×+×
×
×=⇒
+
=⇒=+⇒
=+⇒−=⇒
−=⇒=⇒=⇒δ=δ
Resposta: A tensão normal média do concreto é de 8,24 MPa e a tensão normal média do aço é de
65,9 MPa.
4.43 A coluna mostrada na figura é fabricada de concreto com alta resistência
(Ec=29 GPa) e quatro barras de reforço de aço A36. Se a coluna é submetida a uma
carga axial de 800 kN, determine o diâmetro necessário a cada barra para que um
quarto da carga seja sustentada pelo aço e três quartos pelo concreto.
Solução:
Es=200 GPa
Ec=25 GPa
sc A300300A −×=
P=800 kN
Pc – parte da força P no concreto
Ps – parte da força P no aço
scsc PPPPPP −=⇒=+
mm34,36
1
29000
200000
200
600
90000
1
E
E
P
P
90000
d
1
E
E
P
P
90000
d
1
E
E
P
P
90000
4
d
4
1
E
E
P
P
90000
A
1
E
E
P
P
A
90000
E
E
P
P
1
A
A90000
E
E
1
P
P
1
A
A
E
E
1
P
P
A
A
1
P
P
AE
AE
AE
AE
1
P
P
AE
AEAE
P
P
AEAE
AE
P
P
AEAE
AE
PP
c
s
s
c
c
s
s
c
c
s
s
c
2
c
s
s
c
s
c
s
s
c
s
s
c
c
ss
s
s
c
c
s
c
s
c
cc
s
ccc
ss
cc
ss
c
cc
sscc
csscc
ccc
sscc
cc
c
=
+











π=
+











π=⇒
+











π=⇒
+











=




 π
⇒
+











=⇒
+











=⇒












=
−
⇒












−
=⇒












−=⇒−=⇒+=⇒
+
=⇒
+
=⇒
+
=
Resposta: O diâmetro necessário é de 36,34 mm a cada barra para que um quarto da carga seja
sustentada pelo aço e três quartos pelo concreto.
5.1. Um eixo é feito de liga de aço com tensão de cisalhamento admissível de
τadm = 12 ksi. Supondo que o diâmetro do eixo seja de 1,5 pol, determinar o torque
máximo T que pode ser transmitido. Qual seria o torque máximo T’ se fosse feito um
furo de 1 pol de diâmetro ao longo do eixo? Traçar o gráfico da distribuição
cisalhamento-tensão ao longo de uma reta radial em cada caso.
Solução:
pol.lbf16,7952
16
5,112000
16
d
T
d
T16
32
d
.2
Td
J2
dT
pol5,1d
psi12000ksi12
33
adm
34adm
adm
=
π
=
πτ
=
π
=
π
==τ
=
==τ
Para o eixo com um furo de 1 pol
pol.lbf36,6381'T
12000
32
)0,15,1(
2
5,1'T
32
)dd(
.2
Td
J2
d'T
pol0,1d
pol5,1d
psi12000ksi12
444
i
4
e
e
adm
i
e
adm
=∴
=
−π
×
×
=
−π
==τ
=
=
==τ
12 ksi 12 ksi
7,95 kip.pol 6,38 kip.pol
Resposta: As tensões de cisalhamento T e T’ são, respectivamente, 7952,16 lbf.pol e
6381,36 lbf.pol.
5.5. O eixo maciço de 30 mm de diâmetro é usado para transmitir os torques
aplicados às engrenagens. Determinar a tensão de cisalhamento desenvolvida nos
pontos C e D do eixo. Indicar a tensão de cisalhamento nos elementos de volume
localizados nesses pontos.
Solução:
Para o ponto C temos:
233
C
4
CC
C
C
mm
N
7256,37
)30(
20000016
d
T16
32
d
2
dT
J2
dT
mm30d
mm.N200000m.N200500300T
=
×π
×
=
π
=
π
==τ
=
==+−=
Para o ponto D temos:
233
D
4
DD
D
D
mm
N
4512,75
)30(
40000016
d
T16
32
d
2
dT
J2
dT
mm30d
mm.N400000m.N400200500300T
=
×π
×
=
π
=
π
==τ
=
==++−=
TC
TD
Resposta: As tensões máximas de cisalhamento nos pontos C e D são: 37,7 MPa e 75,5 MPa,
respectivamente.
5.6. O conjunto consiste de dois segmentos de tubos de aço galvanizado acoplados
por uma redução em B. O tubo menor tem diâmetro externo de 0,75 pol e diâmetro
interno de 0,68 pol, enquanto o tubo maior tem diâmetro externo de 1 pol e diâmetro
interno de 0,86 pol. Supondo que o tubo esteja firmemente preso à parede em C,
determinar a tensão de cisalhamento máxima desenvolvida em cada seção do tubo
quando o conjugado mostrado é aplicado ao cabo da chave.
Solução:
Para o trecho AB temos:
2444
i
4
e
e
AB
ie
pol
lbf
71,7818
32
)68,075,0(
2
75,0210
32
)dd(
.2
Td
J2
Td
pol68,0dpol75,0d
pol.lbf210pol14lb15T
=
−π
×
×
=
−π
==τ
==
=×=
Para o trecho BC temos:
2444
i
4
e
e
BC
ie
pol
lbf
02,2361
32
)86,01(
2
75,0210
32
)dd(
.2
Td
J2
Td
pol86,0dpol1d
=
−π
×
×
=
−π
==τ
==
Resposta: As tensões máximas de cisalhamento nos trechos AB e BC são: 7,82 ksi e 2,36 ksi,
respectivamente.
5.10. O eixo maciço tem diâmetro de 0,75 pol. Supondo que seja submetido aos
torques mostrados, determinar a tensão de cisalhamento máxima desenvolvida nas
regiões CD e EF. Os mancais em A e F permitem rotação livre do eixo.
Solução:
Para o trecho CD temos:
2334CD
pol
lbf
2173
75,0
18016
d
T16
32
d
.2
Td
J2
Td
pol75,0d
pol.lbf180pol12lbf15pés.lbf)2035(T
=
×π
×
=
π
=
π
==τ
=
=×=−=
Para o trecho EF temos:
2334EF
pol
lbf
0
75,0
016
d
T16
32
d
.2
Td
J2
Td
pol75,0d
pol.lbf0pés.lfb0T
=
×π
×
=
π
=
π
==τ
=
==
Resposta: A tensão de cisalhamento no trecho CD é de 2,173 ksi e no trecho EF é de 0,0 ksi.
5.25. O motor de engrenagens desenvolve 1/10 hp quando gira a 300 rev/min.
Supondo que o eixo tenha diâmetro de ½ pol, determinar a tensão de cisalhamento
máxima nele desenvolvida.
Solução:
1 rotação = 2π rad
1 minuto = 60 s
1 hp = 550 pés . lbf / s
23max
34max
t
max
pol
lbf
96,0855
5,0
0085,2116
d
T16
32
d
2
Td
J2
Td
pol.lbf0085,21
60
2
300
1255P
TTP
=
×π
×
=τ
π
=





 π
=τ⇒=τ
=
π
×
×
=
ω
=⇒ω=
Resposta: A tensão de cisalhamento máxima desenvolvida é de 856 psi.
5.26. O motor de engrenagens desenvolve 1/10 hp quando gira a 300 rev/min.
Supondo que a tensão de cisalhamento admissível para o eixo seja τadm = 4 ksi,
determinar o menor diâmetro de eixo que pode ser usado com aproximação de 1/8
pol.
Solução:
1 rotação = 2π rad
1 minuto = 60 s
1 hp = 550 pés . lbf / s
pol
8
3
pol299067,0
4000
0085,2116
d
T16
d
d
T16
32
d
2
Td
J2
Td
pol.lbf0085,21
60
2
300
1255P
TTP
3
3
adm
34max
t
max
≅=
×π
×
=
πτ
=⇒
π
=





 π
=τ⇒=τ
=
π
×
×
=
ω
=⇒ω=
Resposta: O menor diâmetro de eixo deve ser de 3/8 pol.
5.30. A bomba opera com um motor que tem potência de 85 W. Supondo que o
impulsor em B esteja girando a 150 rev/min, determinar a tensão de cisalhamento
máxima desenvolvida em A, localizada no eixo de transmissão que tem 20 mm de
diâmetro.
Solução:
1 rotação = 2π rad
1 minuto = 60 s
1 W = 1 N . m / s
2max
334max
t
max
mm
N
44492,3
20
27,541116
d
T16
32
d
2
Td
J2
Td
mm.N27,5411
60
2
150
85000P
TTP
=τ
×π
×
=
π
=





 π
=τ⇒=τ
=
π
×
=
ω
=⇒ω=
Resposta: A tensão de cisalhamento máxima desenvolvida em A é de 3,44 MPa.
5.31. Um tubo de aço com diâmetro externo de d1 = 2,5 pol transmite 35 hp quando
gira a 2700 rev/min. Determinar o diâmetro interno d2 do tubo, com aproximação de
1/8 pol, se a tensão de cisalhamento admissível é τmax = 10 ksi.
Solução:
A tensão de cisalhamento máxima é:





 π
−
π
==τ
2
d
2
d
dT
J
cT
4
2
4
1
1
t
max
1 rotação = 2π rad
1 minuto = 60 s
1 hp = 550 lbf . pé / s
pol
8
3
2pol4832,2d
10000
2
d
2
5,2
5,2995,816
2
d
2
d
dT
J
cT
pol.lbf995,816
60
2
2700
1255035P
TTP
2
adm4
2
44
2
4
1
1
t
max
==
=τ=





 π
−
×π
×
=





 π
−
π
==τ
=
π
×
××
=
ω
=⇒ω=
Resposta: O diâmetro interno d2 do tubo deve ser de 2 3/8 pol.
5.43. Um eixo está submetido a um torque T. Comparar a eficácia do tubo mostrado
na figura com a de um eixo de seção maciça de raio c. Para isso, calcular a
porcentagem de aumento na tensão de torção e no ângulo de torção por unidade de
comprimento do tubo em relação aos valores do eixo de seção maciça.
Solução:
As tensões de torção são: Os ângulos de torção são:
0667,1
15
16
2
c
cT
16
15
2
c
cT
e
2
c
cT
J
cT
16
15
2
c
cT
2
)2/c(
2
c
cT
J
cT
4
4
tensão
4
t
m
max
444
t
t
max
==





 π






×
π
=





 π
==τ






×
π
=





 π
−
π
==τ
0667,1
15
16
2
c
G
LT
16
15
2
c
G
LT
e
2
c
G
LT
GJ
LT
16
15
2
c
G
LT
2
)2/c(
2
c
G
LT
GJ
LT
4
4
ângulo
4
t
m
max
444
t
t
max
==





 π






×
π
=





 π
==τ






×
π
=





 π
−
π
==φ
Resposta: As eficiências de tensão de torção e ângulo de torção são iguais e valem um aumento de
6,67% do eixo vazado em relação ao eixo maciço.
5.46. O eixo de aço A-36 está composto pelos tubos AB e CD e por uma parte
maciça BC. Apóia-se em mancais lisos que lhe permitem girar livremente. Se as
extremidades estão sujeitas a torques de 85 N.m, qual o ângulo de torção da
extremidade A em relação à extremidade D? Os tubos têm diâmetro externo de
30 mm e diâmetro interno de 20 mm. A parte maciça tem diâmetro de 40 mm.
Solução:
Para o trecho BC temos:
( ) ( )
( ) ( )
o
44444AD
4
CDi
4
CDe
CD
4
BC
BC
4
ABi
4
ABe
AB
AD
BC
CDeABe
CDiABi
BC
CDAB
2
637973,0rad0111347,0
32
2030
250
32
40
500
32
2030
250
75000
85000
32
dd
L
32
d
L
32
dd
L
G
T
GJ
TL
mm40d
mm30dd
mm20dd
mm500L
mm250LL
mm
N
75000GPa75G
mm.N85000m.N85T
==












−π
+
π
+
−π
=φ












−π
+
π
+
−π
==φ
=
==
==
=
==
==
==
∑
Resposta: O ângulo de torção da extremidade A em relação a extremidade D é de 0,638º.
5.47. O eixo de aço A-36 está composto pelos tubos AB e CD e por uma parte
maciça BC. Apóia-se em mancais lisos que lhe permitem girar livremente. Se as
extremidades A e D estão sujeitas a torques de 85 N.m, qual o ângulo de torção da
extremidade B da parte maciça em relação à extremidade C? Os tubos têm diâmetro
externo de 30 mm e diâmetro interno de 20 mm. A parte maciça tem diâmetro de
40 mm.
Solução:
Para o trecho BC temos:
o
4BC
4
BC
BC
BC
BC
BC
2
129185,0rad0022547,0
32
40
75000
50085000
32
d
G
LT
mm40d
mm500L
mm
N
75000GPa75G
mm.N85000m.N85T
==
π
×
×
=φ
π
=φ
=
=
==
==
Resposta: O ângulo de torção da extremidade B em relação à extremidade C é de 0,129º.
5.49. As engrenagens acopladas ao eixo de aço inoxidável ASTM-304 estão sujeitas
aos torques mostrados. Determinar o ângulo de torção da engrenagem C em relação à
engrenagem B. O eixo tem diâmetro de 1,5 pol.
Solução:
Para o trecho BC temos:
( )
o
4
6
BC
26
716,2rad04741,0
32
5,1
1011
367200
GJ
TL
pol5,1d
pol36pés3L
pol/lbf1011ksi11000G
pol.lbf7200pol12lbf600pés.lb60T
==
π
××
×
==φ
=
==
×==
=×==
Resposta: O ângulo de torção da engrenagem C em relação à engrenagem B é de 2,716º.
www.profwillian.com
5.54. O eixo de aço A-36 tem 3 m de comprimento e diâmetro externo de 50 mm. Requer
que transmita 35 kW de potência do motor E para o gerador G. Determinar a menor velo-
cidade angular que o eixo pode ter se a máxima torção admissível é de 1o
. Adotar o módu-
lo de elasticidade transversal igual a 75 GPa.
Solução:
1 rotação = 2π rad
1 minuto = 60 s
( )
mm3000m3L
32
mm50
32
d
J
mm
N
75000MPa75000G
rad
180
1
44
2
o
==
×π
=
π
=
==
π
==φ
rpm37,1248
min
60
1
rot
2
1
729,130
s/rad729,130
267730
35000000
T
P
s
m.N
35000000kW35P
mmN267730
L
JG
T
JG
LT
=π×=ω
===ω
==
=
φ
=⇒=φ
Resposta: A velocidade angular é de 1248 rpm
5.58. Os dois eixos são feitos de aço A-36. Cada um tem diâmetro de 1 pol, e eles
estão apoiados por mancais em A, B e C, o que permite rotação livre. Supondo que o
apoio D seja fixo, determinar o ângulo de torção da extremidade B quando os torques
são aplicados ao conjunto como mostrado.
Solução:
( ) ( )
o
BFFE
4
6
4
6
EHEHDHDH
EHDHE
1,53rad0,02666860,0177791
4
6
46
rad0,0177791
32
1
1011
301260
32
1
1011
101220
JG
LT
JG
LT
==×=φ=φ⇒φ=φ
=
×π
×
××
+
×π
×
××−
=+=φ+φ=φ
Observação: Note que o torque de 40 lb.pés (= 40×12 lb.pol) aplicado em G se transforma em 60
lb.pés aplicado no ponto E pois o diâmetro das engrenagens são diferentes. A reação de apoio em D
é de 20 lb.pés, portanto, os trechos DH e EH estão com os torques de –20 lb.pés e 60 lb.pés,
respectivamente.
5.59. Os dois eixos são feitos de aço A-36. Cada um tem diâmetro de 1 pol, e eles
estão apoiados por mancais em A, B e C, o que permite rotação livre. Supondo que o
apoio D seja fixo, determinar o ângulo de torção da extremidade A quando os torques
são aplicados ao conjunto como mostrado.
Solução:
( ) ( )
( ) o
4
6
FGFG
EFGEAG
o
BFFE
4
6
4
6
EHEHDHDH
EHDHE
1,78rad0,0311133
32
1
1011
101240
0,0266686
JG
LT
1,53rad0,02666860,0177791
4
6
46
rad0,0177791
32
1
1011
301260
32
1
1011
101220
JG
LT
JG
LT
==
×π
×
××
+=+φ=φ+φ=φ=φ
==×=φ=φ⇒φ=φ
=
×π
×
××
+
×π
×
××−
=+=φ+φ=φ
Observação: φG (=φA) é encontrado adicionando φF (=φB) ao ângulo de torção surgido no trecho FG
devido ao torque de 40 lb.pés. Note que os trechos AG e BF não sofrem torques.
6.1 Desenhar os diagramas de força cortante e momento para o eixo. Os mancais em
A e B exercem apenas reações verticais sobre o eixo.
Solução:
AC
24 kN
250 mm
B
VA VB
x
800 mm
• Utilizando as equações de equilíbrio, calculam-se as reações de apoio.
∑ = 0Fx Não será utilizada pois o enunciado afirma que os apoios exercem apenas reações verticais.
• Em seguida pode-se resolver a equação: ∑ = 0Mz , assim, tomando um eixo z que passa pelo
ponto B temos:
kN5,31V0105024800V0M AAz =⇒=×−×⇒=∑
• usando a equação: ∑ = 0Fy , temos:
kN5,7V024VV0F BBAy −=⇒=−+⇒=∑
Equações de esforços para cada um dos trechos. (Os esforços normais são iguais a zero ,Nx=0)
C
24 kN x
Mx
Nx
Vx
Trecho CA x24M
0Mx240M
24V
0V240F
mm250x0
x
xz
x
xy
−=∴
=+⇒=
−=∴
=−−⇒=
≤≤
∑
∑
C
31,5 kN
x
Mx
Nx
Vx
Trecho AB
A
24 kN
7875x5,7M
0M)250x(5,31x240M
5,7V
05,31V240F
mm1050x250
x
xz
x
xy
−=∴
=+−−⇒=
=∴
=+−−⇒=
≤≤
∑
∑
Resposta: Com as equações (acima) podemos traçar os diagramas (abaixo). Note que os momentos
negativos foram traçados para cima.
-24
7,5
V
-6000
M
6.2 O eixo está submetido às cargas provocadas pelas correias que passam sobre as
duas polias. Desenhar os diagramas de força cortante e momento. Os mancais em A e
B exercem apenas reações verticais sobre o eixo.
Solução:
AC
400 lbf
18 pol
B
VA VB
x
24 pol
300 lbf
D
12 pol
• Utilizando as equações de equilíbrio, calculam-se as reações de apoio.
∑ = 0Fx Não será utilizada pois o enunciado afirma que os apoios exercem apenas reações verticais.
• Em seguida pode-se resolver a equação: ∑ = 0Mz , assim, tomando um eixo z que passa pelo
ponto B temos:
lbf550V0123004240024V0M AAz =⇒=×+×−×⇒=∑
• usando a equação: ∑ = 0Fy , temos:
lbf150V0300400VV0F BBAy =⇒=−−+⇒=∑
Equações de esforços para cada um dos trechos. (Os esforços normais são iguais a zero ,Nx=0)
C
400 lbf x
Mx
Nx
Vx
Trecho CA x400M
0Mx4000M
400V
0V4000F
pol18x0
x
xz
x
xy
−=∴
=+⇒=
−=∴
=−−⇒=
≤≤
∑
∑
C
550 lbf
x
Mx
Nx
Vx
Trecho AB
A
400 lbf
9900x150M
0M)18x(550x4000M
150V
0550V4000F
pol42x18
x
xz
x
xy
−=∴
=+−−⇒=
=∴
=+−−⇒=
≤≤
∑
∑
C
550 lbf
x
Mx
Nx
Vx
Trecho BD
A
400 lbf
B
150 lbf
16200x300M
0M)42x(150)18x(550x400
0M
300V
0150550V4000F
pol54x42
x
x
z
x
xy
−=∴
=+−−−−
⇒=
=∴
=++−−⇒=
≤≤
∑
∑
Resposta: Com as equações (acima) podemos traçar os diagramas (abaixo). Note que os momentos
negativos foram traçados para cima.
-400
150
V
300
-7200 M-3600
6.3 Os três semáforos têm, cada um, massa de 10 kg e o tubo em balanço AB tem
massa de 1,5 kg/m. Desenhar os diagramas de força cortante e momento para o tubo.
Desprezar a massa da placa.
Solução:
98,1 N 98,1 N 98,1 N
14,7 N/m
A B
1,75 m 1,75 m 3,00 m
C D
Equações de esforços para cada um dos trechos. (Os esforços normais são iguais a zero ,Nx=0)
A
x
Mx
Nx
Vx
Trecho AC
98,1 N
x1,98x35,7M
0M
2
x
x7,14x1,980M
1,98x7,14V
0Vx7,141,980F
m75,1x0
2
x
xz
x
xy
−−=∴
=++⇒=
−−=∴
=−−−⇒=
≤≤
∑
∑
A
x
Mx
Nx
Vx
Trecho CD
98,1 N 98,1 N
C
171,675x2,196x35,7M
0M
2
x
x7,14)75,1x(1,98x1,98
0M
2,196x7,14V
0Vx7,141,981,980F
m5,3x75,1
2
x
x
z
x
xy
+−−=∴
=++−+
⇒=
−−=∴
=−−−−⇒=
≤≤
∑
∑
A
x
Mx
Nx
Vx
Trecho DB
98,1 N 98,1 N
C
98,1 N
D
515,025x294,3x35,7M
0M
2
x
x7,14)5,3x(1,98)75,1x(1,98x1,98
0M
294,3x7,14V
0Vx7,141,981,981,980F
m5,6x5,3
2
x
x
z
x
xy
+−−=∴
=++−+−+
⇒=
−−=∴
=−−−−−⇒=
≤≤
∑
∑
Resposta: Com as equações (acima) podemos traçar os diagramas (abaixo). Note que os momentos
negativos foram traçados para cima.
-98,1
-123,825
V
-221,925
-247,65
-345,75 -389,85
-194,184375
M
-605,1125
-1708,4625
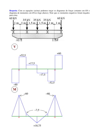
6.5 O encontro de concreto armado é usado para apoiar as longarinas da plataforma
de uma ponte. Desenhar seus diagramas de força cortante e momento quando ele é
submetido às cargas da longarina mostradas. Supor que as colunas A e B exercem
apenas reações verticais sobre o encontro.
Solução:
A
60 kN
1 m
B
VA VBx
35 kN
1 m 1,5 m 1 m 1 m1,5 m
60 kN
35 kN 35 kN
C D E F G
• Utilizando as equações de equilíbrio, calculam-se as reações de apoio.
∑ = 0Fx Não será utilizada pois o enunciado afirma que os apoios exercem apenas reações verticais.
• Em seguida pode-se resolver a equação: ∑ = 0Mz , assim, tomando um eixo z que passa pelo
ponto B temos:
kN5,112V01601355,2354356605V0M AAz =⇒=×+×−×−×−×−×⇒=∑
• usando a equação: ∑ = 0Fy , temos:
kN5,112V06035353560VV0F BBAy =⇒=−−−−−+⇒=∑
Equações de esforços para cada um dos trechos. (Os esforços normais são iguais a zero ,Nx=0)
C
x
Mx
Nx
Vx
Trecho CA
60 kN
x60M
0Mx600M
60V
0V600F
m1x0
x
xz
x
xy
−=∴
=−−⇒=
−=∴
=−−⇒=
≤≤
∑
∑
C
112,5 kN
x
Mx
Nx
Vx
Trecho AD
60 kN
5,112x5,52M
0M)1x(5,112x600M
5,52V
0V5,112600F
m2x1
x
xz
x
xy
−=∴
=−−+−⇒=
=∴
=−+−⇒=
≤≤
∑
∑
C
112,5 kN
x
Mx
Nx
Vx
Trecho DE
60 kN 35 kN
D
5,42x5,17M
0M)2x(35)1x(5,112x60
0M
5,17V
0V355,112600F
m5,3x2
x
x
z
x
xy
−=∴
=−−−−+−
⇒=
=∴
=−−+−⇒=
≤≤
∑
∑
C
112,5 kN
x
Mx
Nx
Vx
Trecho EF
60 kN 35 kN
D
35 kN
E
80x5,17M
)5,3x(355,42x5,17M0M
5,17V
0V35355,11260
0F
m5x5,3
x
xz
x
x
y
+−=∴
−−−=⇒=
−=∴
=−−−+−
⇒=
≤≤
∑
∑
C
112,5 kN
x
Mx
Nx
Vx
Trecho FB
60 kN
35 kN
D
35 kN
E
35 kN
F
255x5,52M
)5x(3580x5,17M0M
5,52V
0V3535355,11260
0F
m6x5
x
xz
x
x
y
+−=∴
−−+−=⇒=
−=∴
=−−−−+−
⇒=
≤≤
∑
∑
C
112,5 kN
x
Mx
Nx
Vx
Trecho BG
60 kN
35 kN
D
35 kN
E
35 kN
F
112,5 kN 420x60M
)6x(5,112255x5,52M0M
60V
0V5,1123535355,11260
0F
m7x6
x
xz
x
x
y
−=∴
−++−=⇒=
=∴
=−+−−−+−
⇒=
≤≤
∑
∑
Resposta: Com as equações (acima) podemos traçar os diagramas de forças cortantes em kN e
diagrama de momentos em kN.m (logo abaixo). Note que os momentos negativos foram traçados
para cima.
–60
+52,5
V
+17,5
+60
–52,5
–17,5
M
–7,5
–60 –60
+18,75
6.6. Desenhar os diagramas de força cortante e momento para o eixo. Os mancais
em A e B exercem apenas reações verticais sobre ele. Expressar também a força
cortante e o momento em função de x na região 125 mm < x < 725 mm.
Solução:
A C
800 N
125 mm
B
VA VB
x
600 mm
1500 N
D
75 mm
• Utilizando as equações de equilíbrio, calculam-se as reações de apoio.
∑ = 0Fx Não será utilizada pois o enunciado afirma que os apoios exercem apenas reações verticais.
• Em seguida pode-se resolver a equação: ∑ = 0Mz , assim, tomando um eixo z que passa pelo
ponto B temos:
N625,815V0751500675800800V0M AAz =⇒=×−×−×⇒=∑
• usando a equação: ∑ = 0Fy , temos:
N375,1484V01500800VV0F BBAy =⇒=−−+⇒=∑
Equações de esforços para cada um dos trechos. (Os esforços normais são iguais a zero ,Nx=0)
A
815,625
x
Mx
Nx
Vx
Trecho AC x625,815M
0Mx625,8150M
625,815V
0V625,8150F
mm125x0
x
xz
x
xy
=∴
=−⇒=
=∴
=−⇒=
≤≤
∑
∑
A
x
Mx
Nx
Vx
Trecho CD
C
800N
815,625 100000x625,15M
M)125x(800x625,8150M
625,15V
0V800625,8150F
mm725x125
x
xz
x
xy
+=∴
=−−⇒=
=∴
=−−⇒=
≤≤
∑
∑
A
x
Mx
Nx
Vx
Trecho DB
C
800N
815,625
D
1500N
1187500x375,1484M
M)725x(1500)125x(800x625,815
0M
375,1484V
0V1500800625,8150F
mm800x725
x
x
z
x
xy
+−=∴
=−−−−
⇒=
−=∴
=−−−⇒=
≤≤
∑
∑
Resposta: Com as equações (acima) podemos traçar os diagramas de forças cortantes em N e
diagrama de momentos em N.mm (abaixo). Note que os momentos negativos foram traçados para
cima.
815,625
15,625
V
–1484,375
M
111328,125101953,125
6.32. Desenhar os diagramas de força cortante e momento da viga de madeira e
determinar a força cortante e o momento em toda a viga em função de x.
Solução:
AC
250 lbf
4 pés
B
VA VB
x
6 pés
250 lbf
D
4 pés
150 lbf/pé
• Utilizando as equações de equilíbrio, calculam-se as reações de apoio.
∑ = 0Fx Não será utilizada pois o enunciado afirma que os apoios exercem apenas reações verticais.
• Em seguida pode-se resolver a equação: ∑ = 0Mz , assim, tomando um eixo z que passa pelo
ponto B temos:
( ) lbf700V0425036150102506V0M AAz =⇒=×+××−×−×⇒=∑
• usando a equação: ∑ = 0Fy , temos:
lbf700V06150250250VV0F BBAy =⇒=×−−−+⇒=∑
Equações de esforços para cada um dos trechos. (Os esforços normais são iguais a zero ,Nx=0)
C
250 lbf x
Mx
Nx
Vx
Trecho CA x250M
0Mx2500M
250V
0V2500F
pés4x0
x
xz
x
xy
−=∴
=+⇒=
−=∴
=−−⇒=
≤≤
∑
∑
C
700 lbf
x
Mx
Nx
Vx
Trecho AB
A
250 lbf
150 lbf/pé
2
x
x
2
z
x
xy
x75x10504000M
0M
2
)4x(
150)4x(700x250
0M
x1501050V
0V700)4x(1502500F
pés10x4
−+−=∴
=+
−
+−−
⇒=
−=∴
=−+−−−⇒=
≤≤
∑
∑
C
700 lbf x
Mx
Nx
Vx
Trecho BD
A
250 lbf
150 lbf/pé
700 lbf
B
3500x250M
0M)10x(700
)7x(6150)4x(700x250
0M
250V
0V7007006150250
0F
pés14x10
x
x
z
x
x
y
−=∴
=+−−
+−×+−−
⇒=
=∴
=−++×−−
⇒=
≤≤
∑
∑
Resposta: Com as equações (acima) podemos traçar os diagramas de forças cortantes em lbf e
diagrama de momentos em lbf.pé (abaixo). Note que os momentos negativos foram traçados para
cima.
–250
450
V
250
–450
–1000
M
–1000
–325
6.42 Foram propostas duas soluções para o projeto de uma viga. Determinar qual
delas suportará um momento M = 150 kN.m com a menor tensão normal de flexão.
Qual é essa menor tensão? Com que porcentagem ele é mais eficiente?
Solução:
M = 150 kN.m = 150×106
N.mm
O momento de Inércia:
Seção (a)
MPa114
165
216450000
10150
c
I
M
mm216450000I
0)30030(
12
30030
25,157)15200(
12
15200
I
a
6
a
a
max
a
4
a
2
3
2
3
a
=σ∴
×
×
==σ
=∴






××+
×
+×





××+
×
=
Seção (b)
MPa7,74
180
361350000
10150
c
I
M
mm361350000I
0)30015(
12
30015
2165)30200(
12
30200
I
b
6
b
b
max
b
4
b
2
3
2
3
b
=σ∴
×
×
==σ
=∴






××+
×
+×





××+
×
=
Eficiência = %53100
7,74
7,74114
=×
−
Resposta: A menor tensão normal é do perfil b e é de 74,7 MPa com eficiência de 53%.
6.47 A peça de máquina de alumínio está sujeita a um momento M = 75 N.m.
Determinar a tensão normal de flexão nos pontos B e C da seção transversal.
Desenhar os resultados em um elemento de volume localizado em cada um desses
pontos.
Solução:
Centro de gravidade da seção transversal tomando como base inferior como referência:






××+
×
+×





××+
×
=
=⇒
×+×+×
××+××+××
=
2
3
2
3
x 5,12)1080(
12
1080
25,12)4010(
12
4010
I
mm5,32y
)1080()4010()4010(
45)1080(20)4010(20)4010(
y
MPa548,15,7
3
1090000
75000
y
I
M
MPa612,35,17
3
1090000
75000
y
I
M
mm
3
1090000
I
C
x
max
C
B
x
max
B
4
x
=×==σ
=×==σ
=∴
Resposta: As tensões normais de flexão nos
pontos B e C da seção transversal são,
respectivamente, 3,612 MPa e 1,548 MPa.
σ=1,548 MPa
σ=3,612 MPa
6.48 A peça de máquina de alumínio está sujeita a um momento M = 75 N.m.
Determinar as tensões normais de flexão máximas de tração e de compressão na peça.
Solução:
Centro de gravidade da seção transversal tomando como base inferior como referência:
mm5,32y
)1080()4010()4010(
45)1080(20)4010(20)4010(
y =⇒
×+×+×
××+××+××
=
MPa709,65,32
3
1090000
75000
y
I
M
MPa612,35,17
3
1090000
75000
y
I
M
mm
3
1090000
I
5,12)1080(
12
1080
25,12)4010(
12
4010
I
base
x
max
max
B
x
max
max
4
x
2
3
2
3
x
+=×==σ
−=×−==σ
=∴






××+
×
+×





××+
×
=
+
−
Resposta: As tensões normais de flexão máximas são: 3,612 MPa de compressão e
6,709 MPa de tração.
6.55 A viga está sujeita a um momento de 15 kip.pés. Determinar a força resultante
que a tensão produz nos flanges superior A e inferior B. Calcular também a tensão
máxima desenvolvida na viga.
Solução:
M = 15 kip.pés = 15×1000 lbf × 12 pol = 180000 lbf.pol
Centro de gravidade da seção transversal tomando como base inferior como referência:
pol5,5625y
)13()81()15(
5,0)13(5)81(5,9)15(
y =⇒
×+×+×
××+××+××
=
Momento de inércia da seção transversal em relação à linha neutra:
4
x
2
3
2
3
2
3
x
pol3200,270833I
)5,05625,5()13(
12
13
)55625,5()81(
12
81
)5,95625,5()15(
12
15
I
=∴
−××+
×
+−××+
×
+−××+
×
=
As tensões na parte superior e inferior do flange superior são:
( )
( )
lbf176953539)15(F
AF
psi353930903988
2
1
2
1
psi3090)5,5625-(9
3200,270833
180000
y
I
M
psi3988)5,5625-(10
3200,270833
180000
y
I
M
mesa
médmesamesa
méd
infsupméd
inf
x
max
inf
sup
x
max
sup
=××=
σ×=
=+=σ
σ+σ=σ
=×==σ
=×==σ
As tensões na parte superior e inferior do flange inferior são:
( )
( )
lbf3,136501,4550)13(F
AF
psi1,45505,49997,4100
2
1
2
1
psi5,49995,5625
3200,270833
180000
y
I
M
psi7,4100)1-(5,5625
3200,270833
180000
y
I
M
mesa
médmesamesa
méd
infsupméd
maxinf
x
max
inf
sup
x
max
sup
=××=
σ×=
=+=σ
σ+σ=σ
σ==×==σ
=×==σ
Resposta: A força resultante que as tensões produzem no flange superior é de 17,7 kip de
compressão. A força resultante que as tensões produzem no flange inferior é de 13,7 kip de tração.
A tensão máxima na seção é de 5 ksi de compressão na parte inferior do flange inferior (tração).
6.68 A seção transversal de uma viga está sujeita a um momento de 12 kip . pés.
Determinar a força resultante que a tensão produz na mesa (6 pol × 1 pol). Calcular
também a tensão máxima desenvolvida nesta seção transversal da viga.
Linha Neutra
y
σσσσsup
σσσσinf
σσσσmax
Solução:
M = 12 kip.pé = 12×1000 lbf × 12 pol = 144000 lbf.pol
Centro de gravidade da seção transversal tomando como base inferior como referência:
pol0625,7y
)16()101(
5,10)16(5)101(
y =⇒
×+×
××+××
=
Momento de inércia da seção transversal em relação a linha neutra:
4
x
2
3
2
3
x pol271,197I)0625,75,10()16(
12
16
)50625,7()101(
12
101
I =∴−××+
×
+−××+
×
=
As tensões na parte superior e inferior da mesa são:
psi51550625,7
271,197
144000
y
I
M
psi21449375,2
271,197
144000
y
I
M
psi28749375,3
271,197
144000
y
I
M
x
max
max
inf
x
max
inf
sup
x
max
sup
=×==σ
=×==σ
=×==σ ( )
( )
lbf150552509)16(F
AF
psi250921442874
2
1
2
1
mesa
médmesamesa
méd
infsupméd
=××=
σ×=
=+=σ
σ+σ=σ
Resposta: A força resultante que a tensão produz na mesa é de 15,1 kip. A tensão máxima na seção
é de 5,2 ksi de compressão na parte inferior da alma.
6.71 Determinar a tensão normal de flexão máxima absoluta no eixo de 30 mm de
diâmetro que está submetido a forças concentradas. As buchas nos apoios A e B
suportam apenas forças verticais.
Solução:
A tensão normal numa seção transversal de uma viga é:
c
I
Mmax
max =σ
I= momento de inércia da seção (no caso, um círculo). O centróide, c, da seção situa-se no centro da
altura. Na questão, o momento máximo, Mmax, ocorre no apoio A. Com os dados fornecidos na
questão:
mm15c
64
30
I
mm.N480000m.N480m8,0N600aPM
4
1max
=
×π
=
==×=×=
Assim:
MPa181
mm
N
08,18115
64
30
480000
c
I
M
max
24max
max
max
=σ∴
=×
×π
=σ
=σ
Resposta: A tensão normal de flexão máxima absoluta é de σσσσmax = 181 MPa.
6.72 Determinar o menor diâmetro admissível do eixo submetido a forças
concentradas. As buchas nos apoios A e B suportam apenas forças verticais e a tensão
de flexão admissível é σadm = 160 MPa.
Solução:
A tensão normal numa seção transversal de uma viga é:
c
I
Mmax
max =σ
I= momento de inércia da seção (no caso, um círculo). O centróide, c, da seção situa-se no centro da
altura. Na questão, o momento máximo, Mmax, ocorre no apoio A. Com os dados fornecidos na
questão:
32
d
2
d
64
d
c
I
Z
2
d
c
64
d
I
mm.N480000m.N480m8,0N600aPM
3
4
4
1max
×π
=
×π
==
=
×π
=
==×=×=
Assim:
mm3,31d
300032
d
32
d
mm3000
160
480000
Z
M
Z
Z
M
c
I
M
3
3
3
nec
adm
max
nec
nec
maxmax
adm
=∴
π
×
=⇒
×π
===
σ
=⇒==σ
Resposta: O menor diâmetro admissível é de d = 31,3 mm.
6.73 A viga tem seção transversal retangular como mostrado. Determinar a maior
carga P que pode ser suportada em suas extremidades em balanço, de modo que a
tensão normal de flexão na viga não exceda σadm = 10MPa.
Solução:
A tensão normal numa seção transversal de uma viga é:
c
I
Mmax
max =σ
I= momento de inércia da seção (no caso, um retângulo). O centróide, c, da seção situa-se no centro
da altura. Na questão, o momento máximo, Mmax, ocorre igualmente nos apoios. Com os dados
fornecidos na questão:
mm50c
12
10050
I
mmP500m5,0PaPM
3
max
=
×
=
=×=×=
Assim:
N67,1666P
50500
10
12
10050
P50
12
10050
P500
10
c
I
M
c
I
M
3
3
max
adm
max
max
=∴
×
×
×
=⇒×
×
=
=σ⇒=σ
Resposta: A maior carga P que pode ser suportada nas extremidades em balanço é de P = 1,67 kN.
6.77. A viga está submetida ao carregamento mostrado. Determinar a dimensão a
requerida da seção transversal se a tensão de flexão do material for σadm = 150 MPa.
Solução:
Diagrama de momentos:
M
–60 kN.m
1,25 kN.m
0,25 m
Mmax = 60 kN.m = 60000000 N.mm = 60×106
N.mm (tração nas fibras superiores)
Centro de gravidade da seção transversal tomando como base inferior como referência:
a
12
5
y
)a
3
2
a
2
1
()a
3
1
a(
a
3
2
)a
3
2
a
2
1
(a
6
1
)a
3
1
a(
y =⇒
×+×
××+××
=
Momento de inércia da seção transversal em relação à linha neutra:
4
x
2
3
2
3
x
a
648
37
I
a
3
2
a
12
5
a
3
2
a
2
1
12
a
3
2
a
2
1
a
6
1
a
12
5
a
3
1
a
12
a
3
1
a
I
=∴






−×





×+






×
+





−×





×+






×
=
A tensão normal máxima ocorre na parte superior da seção transversal:
mm876,159
37
700
60a150a
12
5
a
a
648
37
1060
y
I
M 3
4
6
sup
x
max
sup =×=⇒=





−×
×
==σ
Resposta: A dimensão requerida deve ser a = 160 mm.
6.79. Determinar a intensidade da carga máxima P que pode ser aplicada à viga,
supondo que ela seja feita de material com tensão de flexão admissível
(σadm)c = 16 ksi na compressão e (σadm)t = 18 ksi na tração.
Solução:
Diagrama de momentos:
M
60P
Mmax = 5×12 P = 60 P (tração nas fibras inferiores) em lbf.pol
Centro de gravidade da seção transversal tomando como base inferior como referência:
pol25,6y
)81()18(
4)81(5,8)18(
y =⇒
×+×
××+××
=
Momento de inércia da seção transversal em relação à linha neutra:
( ) ( ) ( ) ( )
4
x
2
3
2
3
x
pol33,124I
425,681
12
81
25,65,818
12
18
I
=∴
−××+
×
+−××+
×
=
As tensões normais máximas ocorrem na parte superior (compressão) e na parte inferior (tração) da
seção transversal:
lbf5968P1800025,6
33,124
P60
y
I
M
lbf12056P1600075,2
33,124
P60
y
I
M
sup
x
max
inf
sup
x
max
sup
=⇒=×==σ
=⇒=×==σ
Resposta: A máxima carga P deve ser 5,968 kip.
7.5 Se a viga T for submetida a um cisalhamento vertical V = 10 kip, qual será a
tensão de cisalhamento máxima nela desenvolvida? Calcular também o salto da
tensão de cisalhamento na junção aba-alma AB. Desenhar a variação de intensidade
da tensão de cisalhamento em toda a seção transversal. Mostrar que IEN=532,04 pol4
.
Solução:
V = 10 kip = 10000 lbf
Centro de gravidade da seção transversal tomando como base inferior como referência:
pol423,5y
)314()66(
5,7)314(3)66(
y =⇒
×+×
××+××
=
A tensão máxima de cisalhamento ocorre na linha neutra:
2
x
max
4
x
2
3
2
3
x
3
3
pol
lbf
4,276
60385,532
229,8810000
bI
QV
pol0385,532I
0769,2)314(
12
314
423,2)66(
12
66
I
pol229,880769,2)143(
2
577,0
)577,06(Q
ou
pol229,88
2
423,5
)423,56(Q
=
×
×
==τ
=∴






××+
×
+





××+
×
=
=××+××=
=××=
A tensão de cisalhamento na junção aba-alma AB:
2
x
mesa
2
x
alma
3
3
pol
lbf
1,117
140385,532
2298,8710000
bI
QV
pol
lbf
3,273
60385,532
2298,8710000
bI
QV
pol2298,870769,2)314(Q
ou
pol2298,87423,2)66(Q
=
×
×
==τ
=
×
×
==τ
=××=
=××= τ=117,1 psi
τ=273,3 psi
τ=276,4 psi
Resposta: A tensão de cisalhamento máxima é de ττττmax = 276,4 psi. O salto da tensão de
cisalhamento na junção aba-alma AB é de 273,3 psi na alma e 117,1 psi na mesa.
7.15 Determinar a tensão de cisalhamento máxima no eixo com seção transversal
circular de raio r e sujeito à força cortante V. Expressar a resposta em termos da área
A da seção transversal.
Solução:
A tensão de cisalhamento máxima é:
bI
QV
x
max =τ
onde:
r2b
4
r
I
3
r2
3
r4
2
r
Q
4
x
32
=
π
=
=





π
×




 π
=
Assim:
A3
V4
r3
V4
r2
4
r
3
r2
V
bI
QV
24
3
max
x
max
=
π
=
π
=τ⇒
=τ
Resposta: A tensão de cisalhamento máxima no eixo com seção transversal circular de raio r e
sujeito à força cortante V é de
A3
V4
max =τ .
7.17 Determinar as maiores forças P nas extremidades que o elemento pode
suportar, supondo que a tensão de cisalhamento admissível seja τadm = 10 ksi. Os
apoios em A e B exercem apenas reações verticais sobre a viga.
Solução:
O máximo cortante ocorre nos apoios igualmente e é de:
PV =
Centro de gravidade da seção transversal tomando como base inferior como referência:
pol34091,2y
)5,16()5,25,1()5,25,1(
25,3)5,16(25,1)5,25,1(25,1)5,25,1(
y =⇒
×+×+×
××+××+××
=
A tensão máxima de cisalhamento ocorre na linha neutra:
( ) ( )
lbf6,80138P
21978,8
39574,2110000
P
pol
lbf
10000
39574,21
21978,8P
bI
QV
pol9574,21I
34091,225,3)5,16(
12
5,16
225,134091,2)5,25,1(
12
5,25,1
I
pol21978,82
2
34091,2
)34091,25,1(Q
2
x
4
x
2
3
2
3
x
3
=∴
××
=⇒
=
×
×
==τ
=∴






−××+
×
+×





−××+
×
=
=×





××=
Resposta: As maiores forças P nas extremidades que o elemento pode suportar são de 80,1 kip.
7.21 Os apoios em A e B exercem reações verticais sobre a viga de madeira.
Supondo que a tensão de cisalhamento admissível seja τadm = 400 psi, determinar a
intensidade da maior carga distribuída w que pode ser aplicada sobre a viga.
Solução:
O máximo cortante ocorre no apoio e é de:
)pol(12w75,0
2
w5,1
V
ou
)pé(w75,0
2
w5,1
V
×==
==
A tensão máxima de cisalhamento ocorre na linha neutra:
( )
( )
pé
kip
69,5
1000
12
474,0741
pol
lbf
474,0741w
161275,0
2
12
82
400
w
pol
lbf
400
2
12
82
1612w75,0
bI
QV
12
82
I
pol16
2
4
)42(Q
3
23
x
3
x
3
===∴
××
×
×
×
=⇒
=
×
×
××
==τ
×
=
=××=
Resposta: A maior carga distribuída w que pode ser aplicada sobre a viga é de 5,69 kip/pés.
12.5 Determinar as equações da linha elástica da viga usando as coordenadas x1 e
x2. Especificar a inclinação em A e a deflexão máxima. Considerar EI constante.
Solução:
Reações de apoio:
PV0PPVV0F
PV0Pa)aL(PLV0M
BBAy
AA)B(z
=∴=−−+⇒=
=∴=−−−×⇒=
∑
∑
Vamos encontrar as equações de momento fletor:
Lx)aL()aLx(P)ax(PPxM
)aL(xa)ax(PPxM
ax0PxM
3
2
1
≤≤−⇒+−−−−=
−≤≤⇒−−=
≤≤⇒=
Agora, vamos montar as equações diferenciais da linha elástica (uma para cada trecho):
Lx)aL()aLx(P)ax(PPx)x(''yIE
)aL(xa)ax(PPx)x(''yIE
ax0Px)x(''yIE
3
2
1
≤≤−⇒+−+−+−=
−≤≤⇒−+−=
≤≤⇒−=
E, assim, resolvê-las através de duas integrações.
Primeira integração:
Lx)aL(C
2
)aLx(
P
2
)ax(
P
2
x
P)x('yIE
)aL(xaC
2
)ax(
P
2
x
P)x('yIE
ax0C
2
x
P)x('yIE
3
222
3
2
22
2
1
2
1
≤≤−⇒+
+−
+
−
+−=
−≤≤⇒+
−
+−=
≤≤⇒+−=
Segunda integração:
Lx)aL(CxC
6
)aLx(
P
6
)ax(
P
6
x
P)x(yIE
)aL(xaCxC
6
)ax(
P
6
x
P)x(yIE
ax0CxC
6
x
P)x(yIE
63
333
3
52
33
2
41
3
1
≤≤−⇒++
+−
+
−
+−=
−≤≤⇒++
−
+−=
≤≤⇒++−=
As condições de contorno para a viga são:
6532
3232
5421
2121
CC)aL(y)aL(y
CC)aL('y)aL('y
CC)a(y)a(y
CC)a('y)a('y
=⇒−=−
=⇒−=−
=⇒=
=⇒=
)aL(
2
Pa
C)aL(
2
Pa
C
)aL(
2
Pa
C
0LC
6
)aLL(
P
6
)aL(
P
6
L
P)L(yIE0)L(y
0C0C0CC)0(yIE0)0(y
21
3
3
333
3
65441
−=∴−=∴
−=∴
⇒=+
+−
+
−
+−=⇒=
=⇒=⇒=⇒=⇒=
Então, as inclinações são:
Lx)aL()aL(
2
Pa
2
)aLx(
P
2
)ax(
P
2
x
P)x('yIE
)aL(xa)aL(
2
Pa
2
)ax(
P
2
x
P)x('yIE
ax0)aL(
2
Pa
2
x
P)x('yIE
222
3
22
2
2
1
≤≤−⇒−+
+−
+
−
+−=
−≤≤⇒−+
−
+−=
≤≤⇒−+−=
E as deflexões são:
Lx)aL(x)aL(
2
Pa
6
)aLx(
P
6
)ax(
P
6
x
P)x(yIE
)aL(xax)aL(
2
Pa
6
)ax(
P
6
x
P)x(yIE
ax0x)aL(
2
Pa
6
x
P)x(yIE
333
3
33
2
3
1
≤≤−⇒−+
+−
+
−
+−=
−≤≤⇒−+
−
+−=
≤≤⇒−+−=
A inclinação em A é:
EI2
)aL(Pa
)0('y
)aL(
2
Pa
)aL(
2
Pa
2
0
P)0('yIE
A1
2
1
−
=θ=∴
−=−+−=
O deslocamento máximo (centro, x=L/2) é:
)a4L3(
EI24
Pa
y
2
L
y
2
L
)aL(
2
Pa
a
2
L
6
P
2
L
6
P
2
L
yIE
22
max2
33
2
−==





∴
−+





−+





−=





Obs.: o eixo y positivo foi adotado para baixo.
12.30 O eixo suporta as cargas das três polias mostradas. Determinar a deflexão em
seu centro e sua inclinação em A e B. Os mancais exercem apenas reações verticais
sobre ele e EI é constante.
Solução:
Reações de apoio:
2
P3
V
2
P3
V BA ==
As equações de momento fletor são:
a4xa3)a3x(
2
P3
)a2x(P)ax(
2
P3
Px)x(M
a3xa2)a2x(P)ax(
2
P3
Px)x(M
a2xa)ax(
2
P3
Px)x(M
ax0Px)x(M
4
3
2
1
≤≤⇒−+−−−+−=
≤≤⇒−−−+−=
≤≤⇒−+−=
≤≤⇒−=
Agora, vamos montar as equações diferenciais da linha elástica (uma para cada trecho):
a4xa3)a3x(
2
P3
)a2x(P)ax(
2
P3
Px)x(''EIy
a3xa2)a2x(P)ax(
2
P3
Px)x(''EIy
a2xa)ax(
2
P3
Px)x(''EIy
ax0Px)x(''EIy
4
3
2
1
≤≤⇒−−−+−−=
≤≤⇒−+−−=
≤≤⇒−−=
≤≤⇒=
E, assim, resolvê-las através de duas integrações. Primeira integração:
a4xa3C
2
)a3x(
2
P3
2
)a2x(
P
2
)ax(
2
P3
2
x
P)x('EIy
a3xa2C
2
)a2x(
P
2
)ax(
2
P3
2
x
P)x('EIy
a2xaC
2
)ax(
2
P3
2
x
P)x('EIy
ax0C
2
x
P)x('EIy
4
2222
4
3
222
3
2
22
2
1
2
1
≤≤⇒+
−
−
−
+
−
−=
≤≤⇒+
−
+
−
−=
≤≤⇒+
−
−=
≤≤⇒+=
Segunda integração:
a4xa3CxC
6
)a3x(
2
P3
6
)a2x(
P
6
)ax(
2
P3
6
x
P)x(EIy
a3xa2CxC
6
)a2x(
P
6
)ax(
2
P3
6
x
P)x(EIy
a2xaCxC
6
)ax(
2
P3
6
x
P)x(EIy
ax0CxC
6
x
P)x(EIy
84
3333
4
73
333
3
62
33
2
51
3
1
≤≤⇒++
−
−
−
+
−
−=
≤≤⇒++
−
+
−
−=
≤≤⇒++
−
−=
≤≤⇒++=
As condições de contorno para a viga são:
8743
4343
7632
3232
6521
2121
CC)a3(y)a3(y
CC)a3('y)a3('y
CC)a2(y)a2(y
CC)a2('y)a2('y
CC)a(y)a(y
CC)a('y)a('y
=⇒=
=⇒=
=⇒=
=⇒=
=⇒=
=⇒=
0Ca3C
6
)a2a3(
P
6
)aa3(
2
P3
6
)a3(
P)a3(EIy
0CaC
6
a
P)a(EIy
73
333
3
51
3
1
=++
−
+
−
−=
=++=
das duas últimas equações (fazendo C1=C3 e C5=C7) vem que:
3
654
2
321
a
12
P13
CCC
a
4
P5
CCC
===
−===
A deflexão no centro (centro, x=2a) é:
EI3
Pa
y)a2(y
a
12
P13
a2
4
Pa5
6
)aa2(
2
P3
6
)a2(
P)a2(EIy
3
a22
3
233
2
−==∴
+−
−
−=
As inclinações em A e B são:
EI4
Pa3
)a('y
4
Pa3
4
Pa5
2
Pa
C
2
a
P)a('yEI
2
A1
222
1
2
1
−=θ=∴
−=−=+=
EI4
Pa3
)a3('y
4
Pa5
2
)a2a3(
P
2
)aa3(
2
P3
2
)a3(
P)a3('EIy
2
B3
2222
3
=θ=∴
−
−
+
−
−=
Obs.: o eixo y positivo foi adotado para baixo.
12.49 A haste compõe-se de dois eixos para os quais o momento de inércia de AB é
I e de BC é 2I. Determinar a inclinação e a deflexão máximas da haste devido ao
carregamento. O módulo de elasticidade é E.
Solução:
Vamos encontrar as equações de momento fletor:
Lx
2
L
PxM
2
L
x0PxM
2
1
≤≤⇒−=
≤≤⇒−=
Agora, vamos montar as equações diferenciais da linha elástica (uma para cada trecho):
Lx
2
L
Px)x(''yEI2
2
L
x0Px)x(''yEI
2
1
≤≤⇒=
≤≤⇒=
E, assim, resolvê-las através de duas integrações.
Primeira integração:
Lx
2
L
C
2
x
P)x('yEI2
2
L
x0C
2
x
P)x('yEI
2
2
2
1
2
1
≤≤⇒+=
≤≤⇒+=
Segunda integração:
Lx
2
L
CxC
6
x
P)x(yEI2
2
L
x0CxC
6
x
P)x(yEI
42
3
2
31
3
1
≤≤⇒++=
≤≤⇒++=
As condições de contorno para a viga são:
16
PL3
C
2
L
y
2
L
y
16
PL5
C
2
L
'y
2
L
'y
3
PL
C0)L(y
2
PL
C0)L('y
3
321
2
121
3
42
2
22
=⇒





=





−=⇒





=





=⇒=
−=⇒=
A inclinação máxima (extremidade livre, x=0) é:
EI16
PL5
)0('y
16
PL5
16
PL5
2
0
P)0('yEI
16
PL5
2
x
P)x('yEI
2
max1
222
1
22
1
−=θ=∴
−=−=⇒−=
O deslocamento máximo (extremidade livre, x=0) é:
EI16
PL3
y)0(y
16
PL3
16
PL3
0
16
PL5
6
0
P)0(yEI
16
PL3
x
16
PL5
6
x
P)x(yEI
3
max1
3323
1
323
1
==∴
=+−=⇒+−=
Obs.: o eixo y positivo foi adotado para baixo.
13.5 O elo de avião é feito de aço A-36 (E=29000 ksi). Determinar o menor
diâmetro da haste, com aproximação de 1/16 pol, que suportará a carga de 4 kip sem
sofrer flambagem. As extremidades estão presas por pinos.
Solução:
2
2
cr
)kL(
EI
P
π
=
No problema temos que:
k = 1 (coluna entre pinos)
lbf4000kip4P
pol18L
64
d
I
pol
lbf
1029E
cr
4
2
6
==
=
π
=
×=
Assim:
pol551,0
1029
18400064
d
E
LP64
d
L
64
d
E
)kL(
EI
P 4
63
2
4
3
2
cr
2
4
2
2
2
cr =
××π
××
=⇒
π
=⇒





 π
π
=
π
=
com aproximação de 1/16 pol, temos:
( )
pol
16
9
d
98,8
16/1
551,0
=∴
≈≈
13.16 O elo de aço ferramenta L-2 usado em uma máquina de forja é acoplado aos
garfos por pinos nas extremidades. Determinar a carga máxima P que ele pode
suportar sem sofrer flambagem. Usar um fator de segurança para flambagem de
F.S. = 1,75. Observar, na figura da esquerda, que as extremidades estão presas por
pino para flambagem e, na da direita, que as extremidades estão engastadas.
Solução:
pol24L
pol
lbf
1029E 2
6
=
×=
No problema temos que: a) k = 1 (coluna entre pinos)
4
33
pol0,140625
12
5,15,0
12
bh
I =
×
==
Assim:
lbf69877,6P
)241(
0,1406251029
)kL(
EI
P cr2
62
2
2
cr =⇒
×
×××π
=
π
=
No problema temos que: b) k = 0,5 (coluna entre engastes)
4
33
pol0,015625=Ix
12
5,05,1
12
bh
I =
×
==
Assim:
lbf7,10563P
)245,0(
0,0156251029
)kL(
EI
P cr2
62
2
2
cr =⇒
×
×××π
=
π
=
Então: lbf17746
75,1
7,10563
.S.F
P
P cr
adm ===
Resposta: A carga máxima que o elo pode suportar sem sofrer flambagem é de P = 17,7 kip

Rm exerc resolvidos

  • 1.
    1.16. Determinar aforça normal, a força de cisalhamento e o momento na seção que passa pelo ponto C. Usar P = 8 kN. Solução: VA HA HB VC NC MC Reações de apoio kN8V0VP0F kN30H0HH0F kN30H06,0H)75,03(P0M AAy AABx BBA =⇒=+−⇒= =⇒=−⇒= =⇒=×+××−⇒= ∑ ∑ ∑ Esforços na seção C, tomando o lado direito de C: kN30HHN kN8VVV m.kN6M075,0VM AAC CAC CAC =⇒= =⇒= =⇒=×= Resposta: A força normal, a força de cisalhamento e o momento na seção que passa pelo ponto C são, respectivamente: 30 kN (compressão), 8 kN (para baixo) 6 kN.m (sentido horário),
  • 2.
    1.33. A colunaestá submetida a uma força axial de 8 kN no seu topo. Supondo que a seção transversal tenha as dimensões mostradas na figura, determinar a tensão normal média que atua sobre a seção a-a. Mostrar essa distribuição de tensão atuando sobre a área da seção transversal. Solução: Área da seção transversal: MPa82,1 mm N 82,1 mm4400 N8000 A P mm4400101402)10150(A 22 2 ====σ =×+××= σ Resposta: A tensão normal média que atua sobre a seção a-a é de 1,82 MPa (tensão de compressão mostrada na cor vermelha atuando uniformemente sobre toda a seção transversal).
  • 3.
    1.36. A lumináriade 50 lbf é suportada por duas hastes de aço acopladas por um anel em A. Determinar qual das hastes está sujeita à maior tensão normal média e calcular seu valor. Suponha que θ = 60º. O diâmetro de cada haste é dado na figura. Solução: 050)60(senF)60cos(F0F 0)60cos(F)60(senF0F o AC o ABy o AC o ABx =−×+×⇒= =×+×−⇒= ∑ ∑ Resolvendo: lbf3,43F lbf25F AC AB = = x y FAB θθθθ=60o 50 lbf 60o FAC Assim, as tensões são: psi581,344 4 4,0 3,43 4 d F psi324,127 4 5,0 25 4 d F 22 AC AC AC 22 AB AB AB = ×π = π =σ = ×π = π =σ Resposta: As tensões médias que atuam nas seções AB e AC são, respectivamente, 127,324 psi e 344,581 psi. Portanto, a haste que está sujeita à maior tensão normal média é a haste AC.
  • 4.
    1.37. A lumináriade 50 lbf é suportada por duas hastes de aço acopladas por um anel em A. Determinar qual das hastes está sujeita à maior tensão normal média e calcular seu valor. Suponha que θ = 45º. O diâmetro de cada haste é dado na figura. Solução: 050)45(senF)60cos(F0F 0)45cos(F)60(senF0F o AC o ABy o AC o ABx =−×+×⇒= =×+×−⇒= ∑ ∑ Resolvendo: lbf83,44F lbf6,36F AC AB = = x y FAB θθθθ=45o 50 lbf 60o FAC Assim, as tensões são: psi736,356 4 4,0 83,44 4 d F psi415,186 4 5,0 6,36 4 d F 22 AC AC AC 22 AB AB AB = ×π = π =σ = ×π = π =σ Resposta: As tensões médias que atuam nas seções AB e AC são, respectivamente, 186,415 psi e 356,736 psi. Portanto, a haste que está sujeita à maior tensão normal média é a haste AC.
  • 5.
    1.38. A lumináriade 50 lbf é suportada por duas hastes de aço acopladas por um anel em A. Determinar o ângulo da orientação de θ de AC, de forma que a tensão normal média na haste AC seja o dobro da tensão normal média da haste AB. Qual é a intensidade dessa tensão em cada haste? O diâmetro de cada haste é indicado na figura. Solução: 28,1 F F 2 4,0 5,0 F F d d F F d F d F 4 d F 4 d F 050)(senF)60cos(F0F 0)cos(F)60(senF0F AB AC 2 2 AB AC 2 AC 2 AB AB AC 2 AB AB 2 AC AC 2 AB AB 2 AC AC AB AC AC o ABy AC o ABx =⇒=×=×== π π = σ σ =−θ×+×⇒= =θ×+×−⇒= ∑ ∑ Resolvendo: o AC AB 42,47 lbf37,44F lbf66,34F =θ = = x y FAB θθθθ 50 lbf 60o FAC Assim, as tensões são: AB22 AC AC AC 22 AB AB AB 2psi053,353 4 4,0 37,44 4 d F psi526,176 4 5,0 66,34 4 d F σ== ×π = π =σ = ×π = π =σ Resposta: As tensões médias que atuam nas seções AB e AC são, respectivamente, 176,526 psi e 353,053 psi, para um ângulo θ = 47,42o .
  • 6.
    1.53. O blocoplástico está submetido a uma força de compressão axial de 600 N. Supondo que as tampas superior e inferior distribuam a carga uniformemente por todos o bloco, determinar as tensões normal e de cisalhamento médias ao longo da seção a-a. Solução: P m n p q α P N V P αααα P σσσσαααα τττταααα αααα y x P )(senPV )cos(PN α= α= Como a área A’ da seção inclinada é A/cos(α), as tensões correspondentes a N e V são, respectivamente: MPa05196,0)30cos()30sin( 50100 600 )cos()sin()cos()sin( A P A V MPa09,0)30(cos 50100 600 )(cos)(cos A P A N oo 30x' o2 30 2 x 2 ' o o = × =τ⇒αασ=αα==τ = × =σ⇒ασ=α==σ α α Resposta: As tensões normal e de cisalhamento médias ao longo da seção a-a são: 90 kPa e 51,96 kPa, respectivamente.
  • 7.
    1.56. A juntaestá submetida à força de 6 kip do elemento axial. Determinar a tensão normal média que atua nas seções AB e BC. Supor que o elemento é plano e tem 1,5 polegada de espessura. x y 6000 lb FAB 60o FBC 70o Solução: 0)70cos(F)60cos(6000F0F 0)60(sen6000)70(senF0F o BC o ABx oo BCy =×−×−⇒= =×−×⇒= ∑ ∑ Resolvendo: lb4891F lb5530F AB BC = = Assim, as tensões são: psi41,1630 5,10,2 4891 psi204,819 5,15,4 5530 AB BC = × =σ = × =σ Resposta: As tensões médias que atuam nas seções AB e BC são, respectivamente, 1630 psi e 819 psi.
  • 8.
    1.60. As barrasda treliça têm uma área da seção transversal de 1,25 pol2 . Determinar a tensão normal média em cada elemento devido à carga P = 8 kip. Indicar se a tensão é de tração ou de compressão. Solução: αααα 8,0 5 4 cos 6,0 5 3 sen ==α ==α Nó A ααααA P NAE NAB kip67,108,0 6,0 P N 8,0NN0cosNN0F kip33,13 6,0 8 N 6,0 P N0senNP0F AE ABAEABAEx AB ABABy −=×−=∴ ×−=⇒=α+⇒= ==∴ =⇒=α+−⇒= ∑ ∑ Nó E NBE NDE ENAE P kip67,108,0 6,0 P N NN0NN0F kip6875,0N P75,0N0P75,0N0F DE AEDEAEDEx BE BEBEy −=×−=∴ =⇒=−⇒= =×=∴ =⇒=−⇒= ∑ ∑
  • 9.
    Nó B αααα NAB B NBDNBE NBC kip33,29N 8,0 6,0 6,0/PP75,0 8,0 6,0 P 8,0N8,0NN 0cosNcosNN0F kip33,23 6,0 6,0/PP75,0 N 6,0 6,0NN N 0NsenNsenN0F BC BDABBC ABBDBCx BD ABBE BD BEBDABy =∴ × −− −×=×−×=⇒ =α−α+⇒= −= −− =∴ ×−− =⇒ =−α−α−⇒= ∑ ∑ Resposta: Osvalores dos esforços e das tensões de tração (indicadas com +) e de compressão (indicadas com –) podem ser resumidos na tabela abaixo. Barra Esforço (kip) Tensão (ksi) AB +13,33 +10,67 BC +29,33 +23,47 DE -10,67 -8,53 AE -10,67 -8,53 BE +6,00 +4,80 BD -23,33 -18,67
  • 10.
    1.61. As barrasda treliça têm uma área da seção transversal de 1,25 pol2 . Supondo que a tensão normal média máxima em cada barra não exceda 20 ksi, determinar a grandeza máxima P das cargas aplicadas à treliça. Solução: αααα 8,0 5 4 cos 6,0 5 3 sen ==α ==α Nó A ααααA P NAE NAB P333,18,0 6,0 P N 8,0NN0cosNN0F P667,1 6,0 P N0senNP0F AE ABAEABAEx ABABy −=×−=∴ ×−=⇒=α+⇒= ==∴=α+−⇒= ∑ ∑ Nó E NBE NDE ENAE P P333,18,0 6,0 P N NN0NN0F P75,0N0P75,0N0F DE AEDEAEDEx BEBEy −=×−=∴ =⇒=−⇒= =∴=−⇒= ∑ ∑
  • 11.
    Nó B αααα NAB B NBDNBE NBC P667,3N 8,0 6,0 6,0/PP75,0 8,0 6,0 P 8,0N8,0NN 0cosNcosNN0F P917,2 6,0 6,0/PP75,0 N 6,0 6,0NN N 0NsenNsenN0F BC BDABBC ABBDBCx BD ABBE BD BEBDABy =∴ × −− −×=×−×=⇒ =α−α+⇒= −= −− =∴ ×−− =⇒ =−α−α−⇒= ∑ ∑ Os valoresdos esforços e das tensões de tração (indicadas com +) e de compressão (indicadas com –) podem ser resumidos na tabela abaixo. A tensão normal média máxima ocorre na barra BC. Barra Esforço Tensão AB +1,667P +1,333P BC +3,667P +2,933P DE -1,333P -1,067P AE -1,333P -1,067P BE +0,750P +0,600P BD -2,917P -2,333P Assim: kip818,6P 933,2 20 PP933,2ksi20 A força maxadm =∴=⇒=⇒σ=σ⇒=σ Resposta: A grandeza máxima P das cargas aplicadas à treliça deve ser de 6818 lbf.
  • 12.
    1.79 O olhal(figura ao lado) é usado para suportar uma carga de 5 kip. Determinar seu diâmetro d, com aproximação de 1/8 pol, e a espessura h necessária, de modo que a arruela não penetre ou cisalhe o apoio. A tensão normal admissível do parafuso é σadm = 21 ksi, e a tensão de cisalhamento admissível do material do apoio é τadm = 5 ksi. Solução: (1) tensão normal P = 5 kip = 5000 lbf σadm = 21 ksi = 21000 psi = 21000 lbf/pol2 d = ? pol 8 5 d pol55059,0 21000 50004 d P4 d P 4 dP A A P admadm 2 adm adm =∴ = ×π × =⇒ πσ =⇒ σ = π ⇒ σ =⇒=σ (2) tensão cisalhante V = 5 kip = 5000 lbf τadm = 5 ksi = 5000 psi = 5000 lbf/pol2 φ = 1 pol (diâmetro da arruela) ( ) pol 8 3 h pol31831,0 50001 5000 h V h V h V A A V admadmadm adm =∴ = ××π =⇒ τφπ =⇒ τ =πφ⇒ τ =⇒=τ Resposta: O diâmetro d necessário é de 5/8 pol e a espessura h necessária é de 3/8 pol .
  • 13.
    1.80 A juntasobreposta do elemento de madeira A de uma treliça está submetida a uma força de compressão de 5 kN. Determinar o diâmetro requerido d da haste de aço C e a altura h do elemento B se a tensão normal admissível do aço é (σadm)aço = 157 MPa e a tensão normal admissível da madeira é (σadm)mad = 2 MPa. O elemento B tem 50 mm de espessura. Solução: x y FB 60o 5 kN FC 0)60cos(5F0F 0)60(sen5F0F o Bx o Cy =×+−⇒= =×−⇒= ∑ ∑ Resolvendo: kN500,2F kN330,4F B C = = Assim, as tensões são: mm25h 250 2500 h e F h F he F A A F mm93,5d 157 43304 d F4 d F 4 dF A A F mad B mad B mad B mad mad B mad aço C aço C 2 aço C s s C aço =⇒ × =⇒ σ× =⇒ σ =×⇒ σ =⇒=σ =⇒ ×π × =⇒ σ×π × =⇒ σ = π ⇒ σ =⇒=σ Resposta: O diâmetro da haste de aço deve ser de d=6mm e a altura do elemento B deve ser de h=25mm.
  • 14.
    1.112- As duashastes de alumínio suportam a carga vertical P = 20 kN. Determinar seus diâmetros requeridos se o esforço de tração admissível para o alumínio for σadm = 150 MPa. Solução: P = 20 kN = 20000 N σadm = 150 MPa = 150 N/mm2 dAB = ? dAC = ? Equações de equilíbrio onde FAB e FAC são as forças nas hastes AB e AC, respectivamente. N0,20000F0)45cos(F0F N3,28284F0P)45(senF0F AC o ACx AB o ABy =⇒=×+−⇒= =⇒=−×⇒= ∑ ∑ mm0294,13 150 200004F4 d mm4947,15 150 3,282844F4 d P4 d P 4 dP A A P adm AC AC adm AB AB admadm 2 adm adm = ×π × = πσ × =⇒ = ×π × = πσ × =⇒ πσ =⇒ σ = π ⇒ σ =⇒=σ Resposta: O diâmetro dAB necessário é de 15,5 mm e o diâmetro dAC necessário é de 13,1 mm.
  • 15.
    2.5 A vigarígida está apoiada por um pino em A e pelos arames BD e CE. Se a deformação normal admissível máxima em cada arame for εmax = 0,002 mm/mm, qual será o deslocamento vertical máximo provocado pela carga P nos arames? Solução: A B C P δδδδB δδδδC ∆∆∆∆P Por semelhança de triângulo: CBP 537 δ = δ = ∆ Mas, mm2,118 5 7 5 7 mm8002,04000L mm146 3 7 3 7 mm6002,03000L CPmaxECC BPmaxDBB ==δ=∆⇒=×=ε×=δ ==δ=∆⇒=×=ε×=δ Analisando !sim0016,0 3000 8,4 L 8,42,11 7 3 7 3 mm2,11 mm14podenão0025,0 4000 10 L 1014 7 5 7 5 mm14 max DB B BPBP Pmax EC C CPCP ε<== δ =ε⇒==∆=δ⇒=∆ =∆ε>== δ =ε⇒==∆=δ⇒=∆ Resposta: O deslocamento vertical máximo provocado pela carga P nos arames será de 11,2 mm.
  • 16.
    2.8. Duas Barrassão usadas para suportar uma carga. Sem ela, o comprimento de AB é 5 pol, o de AC é 8 pol, e o anel em A tem coordenadas (0,0). Se a carga P atua sobre o anel em A, a deformação normal em AB torna-se εAB = 0,02 pol/pol e a deformação normal em AC torna-se εAC = 0,035 pol/pol. Determinar as coordenadas de posição do anel devido à carga. Solução: CDBD AD Para encontrar os lados BD e AD, temos que: pol33,4)60(sen5AD 5 AD )60(sen pol5,2)60cos(5BD 5 BD )60cos( o o o o =×= ⇒= =×= ⇒= E o lado CD: pol727,6CD 33,48CDCDAD8 22222 = ⇒−=⇒+= O ponto B é encontrado assim, a partir do ponto A que tem coordenadas (0; 0): → sobe em y com o valor AD (+4,33) e anda à esquerda, em x, com o valor de BD (–2,5) Então as coordenadas do ponto B são (–2,5; +4,33). Os alongamentos das barras serão: pol28,0035,08L pol1,002,05L ACACACAC ABABABAB =δ⇒×=ε×=δ =δ⇒×=ε×=δ Assim, os novos comprimentos das barras serão: pol28,8L28,08LL pol1,5L1,05LL * ACACAC * AC * ABABAB * AB =⇒+=δ+= =⇒+=δ+=
  • 17.
    5,1 pol 8,28pol AD* BD* CD* αααα* Como os pontos B e C permanecem no mesmo lugar, temos que: pol227,9BC 727,65,2BCCDBDBC = +=⇒+= Mas o ângulo de 60o foi alterado para: o * AB 2* AC 22* AB* ** AB 22* AB 2* AC 1,63 BCL2 LBCL cosarc )cos(BCL2BCLL =         ×× −+ =α ⇒α×××−+= Para encontrar os novos lados BD e AD, temos que: pol548,4)1,63(sen1,5AD pol308,2)1,63cos(1,5BD o* o* =×= =×= O novo ponto A é encontrado assim, a partir do ponto B que tem coordenadas (–2,5; +4,33): → anda à direita, em x, de BD* (+2,308) e desce em y AD* (–4,548). Então as novas coordenadas do ponto A são (–0,192; –0,218) Resposta: As coordenadas de posição do anel devido à carga são (–0,192; –0,218) pol.
  • 18.
    2.9. Duas barrassão usadas para suportar uma carga P. Sem ela, o comprimento de AB é 5 pol, o de AC é 8 pol, e o anel em A tem coordenadas (0,0). Se for aplicada uma carga P ao anel em A, de modo que ele se mova para a posição de coordenadas (0,25 pol, -0,73 pol), qual será a deformação normal em cada barra? Solução: CDBD AD Para encontrar os lados BD e AD, temos que: pol33,4)60(sen5AD 5 AD )60(sen pol5,2)60cos(5BD 5 BD )60cos( o o o o =×= ⇒= =×= ⇒= E o lado CD: pol727,6CD 33,48CDCDAD8 22222 = ⇒−=⇒+= O ponto B é encontrado assim, a partir do ponto A que tem coordenadas (0; 0): → sobe em y com o valor AD (+4,33) e anda à esquerda, em x, com o valor de BD (–2,5) Então as coordenadas do ponto B são (–2,5; +4,33). Os novos comprimentos, BD* e AD* , a partir do ponto B que tem coordenadas (–2,5; +4,33) e do novo ponto A(0,25; –0,73): → anda à direita, em x, (–2,5–0,25) e desce em y [+4,33–(–0,73)] Então BD* =|(–2,5–0,25) | = 2,75 pol e AD* =|[+4,33–(–0,73)]| = 5,06 pol. Como os pontos B e C permanecem no mesmo lugar, temos que: pol227,9BC 727,65,2BCCDBDBC = +=⇒+=
  • 19.
    AD* BD* CD* αααα* LAB* LAC* Então pol477,675,2227,9BDBCCD** =−=−= pol219,806,5477,6ADCDL pol759,506,575,2ADBDL 222*2** AC 222*2** AB =+=+= =+=+= Assim, as deformações normais nas barras são: 0274,0 8 8219,8 L LL 152,0 5 5759,5 L LL AC AC * AC AC AB AB * AB AB = − = − =ε = − = − =ε Resposta: A deformação normal na barra AB é de 15,2% e a deformação normal da barra AC é 2,74%.
  • 20.
    2.13. A chaparetangular está submetida à deformação mostrada pela linha tracejada. Determinar a deformação por cisalhamento média γxy da chapa. Solução: θθθθ rad0199973,0 150 3 tg 2 1 xy xy −=      −=γ θ− π =γ − Resposta: A deformação por cisalhamento média γxy da chapa é de –0,0200 rad.
  • 21.
    2.15. A chaparetangular está submetida à deformação mostrada pela linha tracejada. Determinar as deformações normais εx, εy, εx’, εy’. Solução: 0025,0 8 02,0 00125,0 4 005,0 y x ==ε −=−=ε Chamando as diagonais de d e d’, antes e depois das deformações: 4 'y'x 22 22 1027,6 d d'd 01,4995,3'd 44d − ×= − =ε=ε += += Resposta: As deformações normais são: εx = –1,25×10-3 ; εy = 2,50×10-3 ; εx’= 6,27×10-4 e εy’ = 6,27×10-4
  • 22.
    2.17. A peçade plástico originalmente é retangular. Determinar a deformação por cisalhamento γxy nos cantos A e B se o plástico se distorce como mostrado pelas linhas tracejadas. Solução: As coordenadas dos pontos (após a deformação) são: A(403, 2) B(405, 304) C( 2, 302) D( 0, 0) ( ) rad80,01158515 2 5823815,1 005,403007,302 1410 cosarc rr r.r cosarc 1410)2(302)403(2r.r 005,403rj)20(i)4030(r 007,3023022rj302i2rj)2304(i)403405(r xyA ADAB ADAB ADAB ADAD 22 ABABAB −=α− π =γ =      × − =         × =α −=−×+−×= =⇒−+−= =+=⇒+=⇒−+−= rr rr rr rrrr rrrrrrr ( ) rad80,01158515 2 5592112,1 005,403007,302 1410 cosarc rr r.r cosarc 1410r.r 005,403rj)304302(i)4052(r 007,302rj)3042(i)405403(r xyB BCBA BCBA BCBA BCBC BABA =β− π =γ =      × =        × =β = =⇒−+−= =⇒−+−= rr rr rr rrrr rrrr Resposta: As deformações por cisalhamento γxy nos cantos A e B são –0,01160 rad e + 0,01160 rad, respectivamente.
  • 23.
    Lembrando que: Coordenadas depontos: ..................... ( )yx A,AA e ( )yx B,BB Vetor posição de A para B:................ ( ) ( )jABiABr yyxxAB rrr −+−= Vetores: .............................................. jAiAA yx rrr += e jBiBB yx rrr += Módulos dos vetores: ......................... 2 y 2 x AAA += r e 2 y 2 x BBB += r Produto escalar :................................. yyxx BABABA +=⋅ rr Ângulo entre vetores:.........................         × ⋅ =θ BA BA cosarc rr rr
  • 24.
    2.18. A peçade plástico originalmente é retangular. Determinar a deformação por cisalhamento γxy nos cantos D e C se o plástico se distorce como mostrado pelas linhas tracejadas. Solução: As coordenadas dos pontos (após a deformação) são: A(403, 2) B(405, 304) C( 2, 302) D( 0, 0) ( ) rad80,01158515 2 5823815,1 007,302005,403 1410 cosarc rr r.r cosarc 1410)302(2)2(403r.r 007,302rj)3020(i)20(r 005,4032403rj2i403rj)302304(i)2405(r xyC CDCB CDCB CDCB CDCD 22 CBCBCB −=α− π =γ =      × − =        × =α −=−×+−×= =⇒−+−= =+=⇒+=⇒−+−= rr rr rr rrrr rrrrrrr ( ) rad80,01158515 2 5592112,1 007,302005,403 1410 cosarc rr r.r cosarc 1410r.r 007,302rj)0302(i)02(r 005,403rj)02(i)0403(r xyD DCDA DCDA DCDA DCDC DADA =β− π =γ =      × =        × =β = =⇒−+−= =⇒−+−= rr rr rr rrrr rrrr Resposta: As deformações por cisalhamento γxy nos cantos C e D são –0,01160 rad e + 0,01160 rad, respectivamente.
  • 25.
    Lembrando que: Coordenadas depontos: ..................... ( )yx A,AA e ( )yx B,BB Vetor posição de A para B:................ ( ) ( )jABiABr yyxxAB rrr −+−= Vetores: .............................................. jAiAA yx rrr += e jBiBB yx rrr += Módulos dos vetores: ......................... 2 y 2 x AAA += r e 2 y 2 x BBB += r Produto escalar :................................. yyxx BABABA +=⋅ rr Ângulo entre vetores:.........................         × ⋅ =θ BA BA cosarc rr rr
  • 26.
    2.19. A peçade plástico originalmente é retangular. Determinar a deformação normal média que ocorre ao longo das diagonais AC e DB. Solução: As diagonais AC e DB originais têm: mm500300400dd 22 DBAC =+== A diagonal AC passa a ter o seguinte comprimento: mm8,500300401d 22 'AC =+= A diagonal DB passa a ter o seguinte comprimento: mm4,506304405d 22 'DB =+= Assim, as deformações nas diagonais são: 3 DB 3 AC 108,12 500 5004,506 106,1 500 5008,500 − − ×= − =ε ×= − =ε Resposta: As deformações normais médias que ocorrem ao longo das diagonais AC e DB são: 1,6×10-3 e 12,8×10-3 , respectivamente
  • 27.
    2.24. O quadradodeforma-se, indo para a posição mostrada pelas linhas tracejadas. Determinar a deformação por cisalhamento em cada um dos cantos A e C. O lado DB permanece horizontal. Solução: θθθθ ββββ ( ) rad90,02617993 180 5,15,15,9190 oooo xyA −= π ×−=−=−=γ Como a altura do ponto )5,1cos(53'D o = , então: rad0,20471002 )5,1cos(53 11 tgarc )5,1cos(53 38 )(tg oo =      =β⇒ + =β Assim: ( ) rad0,20471002) 2 ( 22xyB −=β−=β+ π − π =θ− π =γ Resposta: As deformações por cisalhamento γxy nos cantos A e B são –0,02618 rad e – 0,2047 rad, respectivamente.
  • 28.
    2.25. O blocoé deformado, indo para a posição mostrada pelas linhas tracejadas. Determinar a deformação normal média ao longo da reta AB. Solução: Comprimento inicial de AB (calculado pelo triângulo retângulo verde): mm7033,10710040L 22 ABi =+= A altura de B’ (calculado pelo triângulo retângulo rosa): 222 15110'B −= Assim o comprimento final AB’ é (calculado pelo triângulo retângulo amarelo): mm8034,1111511025'B25L 22222 ABf =−+=+= Portanto a deformação média de AB é: 038068498,0 L 7033,1078034,111 L LL ABiABi ABiABf = − = − =ε Resposta: A deformação normal média ao longo da reta AB é de 0,0381 mm/mm.
  • 29.
    2.28. O elásticoAB tem comprimento sem esticar de 1 pé. Se estiver preso em B e acoplado à superfície no ponto A’, determinar a deformação normal média do elástico. A superfície é definida pela função y=(x2 ) pé, onde x é dado em pé. Solução: Comprimento inicial de AB: pé1LABi = Comprimento final de A’B: pé1,4789429dxx41dx)x2(1dx)x('f1L 1 0 2 1 0 2 1 0 2 ABf =+=+=+= ∫∫∫ Portanto a deformação média de AB é: 4789429,0 1 11,4789429 L LL ABi ABiABf = − = − =ε Resposta: A deformação normal média do elástico AB é de 0,4789 pé/pé.
  • 30.
    3.2 Os dadosde um teste tensão-deformação de uma cerâmica são fornecidos na tabela. A curva é linear entre a origem e o primeiro ponto. Construir o diagrama e determinar o módulo de elasticidade e o módulo de resiliência. Solução: Diagrama Tensão × Deformação 0 10 20 30 40 50 60 0,0000 0,0005 0,0010 0,0015 0,0020 0,0025 O módulo de elasticidade é a inclinação da reta inicial, ou seja, a tangente do ângulo entre a reta inicial e o eixo das deformações (abscissa). O módulo de resiliência é a área sob essa reta inicial, ou melhor, área do triângulo inicial. psi96,9ksi00996,0 2 0006,02,33 u ksi3,55333 0006,0 2,33 E r == × = == Resposta:. Módulo de elasticidade = 55333,3 ksi e o módulo de resiliência = 9,96 psi.
  • 31.
    3.3 Os dadosde um teste tensão-deformação de uma cerâmica são fornecidos na tabela. A curva é linear entre a origem e o primeiro ponto. Construir o diagrama e determinar o módulo de tenacidade aproximado se a tensão de ruptura for de 53,4 ksi. Solução: Diagrama Tensão × Deformação 0 10 20 30 40 50 60 0,0000 0,0005 0,0010 0,0015 0,0020 0,0025 O módulo de tenacidade será a soma das áreas abaixo da curva do diagrama tensão versus deformação, neste caso, um triângulo e quatro trapézios: psi84,85ksi08584,0)4,535,51( 2 0004,0 )5,514,49( 2 0004,0 )4,495,45( 2 0004,0 )5,452,33( 2 0004,0 2 0006,02,33 ut ==+×++× ++×++×+ × = Resposta:. O módulo de tenacidade = 85,84 psi.
  • 32.
    3.4 Os dadosde um teste tensão-deformação de uma cerâmica são fornecidos na tabela. A curva é linear entre a origem e o primeiro ponto. Construir o diagrama e determinar o módulo de elasticidade e o módulo de resiliência. Solução: Diagrama Tensão × Deformação 0 5 10 15 20 25 30 35 40 45 0,0000 0,0010 0,0020 0,0030 0,0040 0,0050 0,0060 O módulo de elasticidade é a tangente do ângulo entre a reta inicial e o eixo das deformações (abscissa). O módulo de resiliência é a área sob essa reta inicial. psi6,25ksi0256,0 2 0016,032 u ksi20000 0016,0 32 E r == × = == Resposta:. O Módulo de elasticidade = 20000 ksi, e o módulo de resiliência = 25,6 psi.
  • 33.
    3.18 Os aramesde aço AB e AC suportam a massa de 200 kg. Supondo que a tensão normal admissível para eles seja σadm = 130 MPa, determinar o diâmetro requerido para cada arame. Além disso, qual será o novo comprimento do arame AB depois que a carga for aplicada? Supor o comprimento sem deformação de AB como sendo 750 mm. Eaço = 200 GPa. x y FAB FAC αααα F 60o Solução: αααα 3 45 6,0 5 3 )cos( 8,0 5 4 )(sen ==α ==α N33,196180665,9200F =×= 0F)(senF)60(senF0F 0)cos(F)60cos(F0F AC o ABy AC o ABx =−α×+×⇒= =α×+×−⇒= ∑ ∑ Resolvendo: N39,1066F N66,1279F AC AB = = Assim, os diâmetros serão: mm23,3d 130 39,1066F 4 d mm54,3d 130 66,1279F 4 d AC adm AC 2 AC AB adm AB 2 AB =⇒= σ = π =⇒= σ = π O deslocamento do arame AB será: mm488,0 4 54,3 200000 75066,1279 4 d E LF 22 AB ABAB = ×π × × = π =δ Resposta: Os diâmetros requeridos para os arames AB e AC são 3,54 mm e 3,23 mm, respectivamente. O novo comprimento do arame AB será de 750,488 mm.
  • 34.
    3.24. A hasteplástica é feita de Kevlar 49 e tem diâmetro de 10 mm. Supondo que seja aplicada uma carga axial de 80 kN, determinar as mudanças em seu comprimento e em seu diâmetro. Solução: Vamos nomear os comprimentos iniciais da haste Li = 100 mm di = 10 mm Outros dados: P = 80 kN = 80000 N E = 131 GPa = 131000 N/mm2 ν=0,34 Precisamos saber que: ε=σ ε×+=⇒ − = δ =ε ε ε −=ν E LLL L LL L iif i if allongitudin ltransversa Da Lei de Hooke encontramos a deformação longitudinal. mm97356,9)00264367,0(1010dddd mm77751,1000077751,0100100LLLL 00264367,00077751,034,0 0077751,0 131000 59,1018 E E mm/N59,1018 4 10 80000 A P fltransversaiif fallongitudiniif allongitudinltransversa allongitudin ltransversa allongitudin 2 2 =−×+=⇒ε×+= =×+=⇒ε×+= −=×−=ε×ν−=ε ⇒ ε ε −=ν == σ =ε⇒ε=σ = π ==σ Resposta: O comprimento passa a ser de 100,77751 mm e o novo diâmetro de 9,97356 mm.
  • 35.
    4.6. O conjuntoconsiste de uma haste CB de aço A-36 e de uma haste BA de alumínio 6061-T6, cada uma com diâmetro de 1 pol. Se a haste está sujeita a uma carga axial P1 = 12 kip em A e P2 = 18 kip na conexão B, determinar o deslocamento da conexão e da extremidade A. O comprimento de cada segmento sem alongamento é mostrado na figura. Desprezar o tamanho das conexões em B e C e supor que sejam rígidas. Solução: Dados: Eaço = 29000 ksi = 29×106 psi = 29×106 lbf/pol2 Ealumínio = 10000 ksi = 10×106 psi = 10×106 lbf/pol2 d = 1 pol LAB = 4 pés = 48 pol LBC = 2 pés = 24 pol NAB = P1 = 12 kip = 12000 lbf NBC = P1-P2 = 12-18 = -6 kip = -6000 lbf pol00632,0 785398,01029 246000 AE LN AE LN pol0670,0 785398,01029 246000 785398,01010 4812000 AE LN AE LN AE LN pol785398,0 4 )pol1( 4 d A 6B aço BCBC B n 1i ii ii 66A aço BCBC alumínio ABAB A n 1i ii ii 2 22 −= ×× ×− =δ⇒=δ⇒=δ = ×× ×− + ×× × =δ⇒+=δ⇒=δ = π = π = ∑ ∑ = = Resposta: O deslocamento da extremidade A é de 0,0670 pol e o deslocamento da conexão é de -0,00632.
  • 36.
    4.7. O conjuntoconsiste de uma haste CB de aço A-36 e de uma haste BA de alumínio 6061-T6, cada uma com diâmetro de 1 pol. Determinar as cargas aplicadas P1 e P2 se A desloca-se 0,08 pol para a direita e B desloca-se 0,02 pol para a esquerda quando as cargas são aplicadas. O comprimento de cada segmento sem alongamento é mostrado na figura. Desprezar o tamanho das conexões em B e C e supor que sejam rígidas. Solução: Dados: Eaço = 29000 ksi = 29×106 psi = 29×106 lbf/pol2 Ealumínio = 10000 ksi = 10×106 psi = 10×106 lbf/pol2 d = 1 pol LAB = 4 pés = 48 pol LBC = 2 pés = 24 pol lbf9,35342P02,0 785398,01029 24)P5,16362( lbf5,16362P08,002,0 785398,01010 48P pol08,0 785398,01029 24)PP( 785398,01010 48P AE LN AE LN pol02,0 785398,01029 24)PP( AE LN pol785398,0 4 )pol1( 4 d A 26 2 B 16 1 A 6 21 6 1 A aço BCBC alumínio ABAB A 6 21 B aço BCBC B 2 22 =⇒−= ×× ×− =δ =⇒=− ×× × =δ = ×× ×− + ×× × =δ⇒+=δ −= ×× ×− =δ⇒=δ = π = π = Resposta: As cargas aplicadas P1 e P2 são: 16,4 kip e 35,3 kip, respectivamente.
  • 37.
    4.42 A colunade concreto é reforçada com quatro barras de aço, cada uma com diâmetro de 18 mm. Determinar a tensão média do concreto e do aço se a coluna é submetida a uma carga axial de 800 kN. Eaço = 200 GPa e Ec = 25 GPa. Solução: Es=200 GPa Ec=25 GPa 2 sc 2 2 s mm1,88982A300300A mm88,1017 4 18 4A =−×= =      π = P=800 kN Pc – parte da força P no concreto Ps – parte da força P no aço scsc PPPPPP −=⇒=+ ( ) ( ) ( ) ( )( ) ( ) ( ) ( ) ( ) ( ) ( ) ( ) ( ) MPa24,8 1,88982 7,732927 A P MPa9,65 88,1017 3,67072 A P N7,7329273,67072800000P N3,67072 88,10172000001,8898225000 88,1017200000 800000P AEAE AE PPAEPAEAEP AEPAEPAEPAEPAEPAEP AEPPAEPAEPAEP AE LP AE LP c c c s s s c s sscc ss sssssccs sssssccssssssccs sssccssscccs ss s cc c sc ===σ⇒===σ⇒ =−=⇒ = ×+× × ×=⇒ + =⇒=+⇒ =+⇒−=⇒ −=⇒=⇒=⇒δ=δ Resposta: A tensão normal média do concreto é de 8,24 MPa e a tensão normal média do aço é de 65,9 MPa.
  • 38.
    4.43 A colunamostrada na figura é fabricada de concreto com alta resistência (Ec=29 GPa) e quatro barras de reforço de aço A36. Se a coluna é submetida a uma carga axial de 800 kN, determine o diâmetro necessário a cada barra para que um quarto da carga seja sustentada pelo aço e três quartos pelo concreto. Solução: Es=200 GPa Ec=25 GPa sc A300300A −×= P=800 kN Pc – parte da força P no concreto Ps – parte da força P no aço scsc PPPPPP −=⇒=+ mm34,36 1 29000 200000 200 600 90000 1 E E P P 90000 d 1 E E P P 90000 d 1 E E P P 90000 4 d 4 1 E E P P 90000 A 1 E E P P A 90000 E E P P 1 A A90000 E E 1 P P 1 A A E E 1 P P A A 1 P P AE AE AE AE 1 P P AE AEAE P P AEAE AE P P AEAE AE PP c s s c c s s c c s s c 2 c s s c s c s s c s s c c ss s s c c s c s c cc s ccc ss cc ss c cc sscc csscc ccc sscc cc c = +            π= +            π=⇒ +            π=⇒ +            =      π ⇒ +            =⇒ +            =⇒             = − ⇒             − =⇒             −=⇒−=⇒+=⇒ + =⇒ + =⇒ + = Resposta: O diâmetro necessário é de 36,34 mm a cada barra para que um quarto da carga seja sustentada pelo aço e três quartos pelo concreto.
  • 39.
    5.1. Um eixoé feito de liga de aço com tensão de cisalhamento admissível de τadm = 12 ksi. Supondo que o diâmetro do eixo seja de 1,5 pol, determinar o torque máximo T que pode ser transmitido. Qual seria o torque máximo T’ se fosse feito um furo de 1 pol de diâmetro ao longo do eixo? Traçar o gráfico da distribuição cisalhamento-tensão ao longo de uma reta radial em cada caso. Solução: pol.lbf16,7952 16 5,112000 16 d T d T16 32 d .2 Td J2 dT pol5,1d psi12000ksi12 33 adm 34adm adm = π = πτ = π = π ==τ = ==τ Para o eixo com um furo de 1 pol pol.lbf36,6381'T 12000 32 )0,15,1( 2 5,1'T 32 )dd( .2 Td J2 d'T pol0,1d pol5,1d psi12000ksi12 444 i 4 e e adm i e adm =∴ = −π × × = −π ==τ = = ==τ 12 ksi 12 ksi 7,95 kip.pol 6,38 kip.pol Resposta: As tensões de cisalhamento T e T’ são, respectivamente, 7952,16 lbf.pol e 6381,36 lbf.pol.
  • 40.
    5.5. O eixomaciço de 30 mm de diâmetro é usado para transmitir os torques aplicados às engrenagens. Determinar a tensão de cisalhamento desenvolvida nos pontos C e D do eixo. Indicar a tensão de cisalhamento nos elementos de volume localizados nesses pontos. Solução: Para o ponto C temos: 233 C 4 CC C C mm N 7256,37 )30( 20000016 d T16 32 d 2 dT J2 dT mm30d mm.N200000m.N200500300T = ×π × = π = π ==τ = ==+−= Para o ponto D temos: 233 D 4 DD D D mm N 4512,75 )30( 40000016 d T16 32 d 2 dT J2 dT mm30d mm.N400000m.N400200500300T = ×π × = π = π ==τ = ==++−= TC TD Resposta: As tensões máximas de cisalhamento nos pontos C e D são: 37,7 MPa e 75,5 MPa, respectivamente.
  • 41.
    5.6. O conjuntoconsiste de dois segmentos de tubos de aço galvanizado acoplados por uma redução em B. O tubo menor tem diâmetro externo de 0,75 pol e diâmetro interno de 0,68 pol, enquanto o tubo maior tem diâmetro externo de 1 pol e diâmetro interno de 0,86 pol. Supondo que o tubo esteja firmemente preso à parede em C, determinar a tensão de cisalhamento máxima desenvolvida em cada seção do tubo quando o conjugado mostrado é aplicado ao cabo da chave. Solução: Para o trecho AB temos: 2444 i 4 e e AB ie pol lbf 71,7818 32 )68,075,0( 2 75,0210 32 )dd( .2 Td J2 Td pol68,0dpol75,0d pol.lbf210pol14lb15T = −π × × = −π ==τ == =×= Para o trecho BC temos: 2444 i 4 e e BC ie pol lbf 02,2361 32 )86,01( 2 75,0210 32 )dd( .2 Td J2 Td pol86,0dpol1d = −π × × = −π ==τ == Resposta: As tensões máximas de cisalhamento nos trechos AB e BC são: 7,82 ksi e 2,36 ksi, respectivamente.
  • 42.
    5.10. O eixomaciço tem diâmetro de 0,75 pol. Supondo que seja submetido aos torques mostrados, determinar a tensão de cisalhamento máxima desenvolvida nas regiões CD e EF. Os mancais em A e F permitem rotação livre do eixo. Solução: Para o trecho CD temos: 2334CD pol lbf 2173 75,0 18016 d T16 32 d .2 Td J2 Td pol75,0d pol.lbf180pol12lbf15pés.lbf)2035(T = ×π × = π = π ==τ = =×=−= Para o trecho EF temos: 2334EF pol lbf 0 75,0 016 d T16 32 d .2 Td J2 Td pol75,0d pol.lbf0pés.lfb0T = ×π × = π = π ==τ = == Resposta: A tensão de cisalhamento no trecho CD é de 2,173 ksi e no trecho EF é de 0,0 ksi.
  • 43.
    5.25. O motorde engrenagens desenvolve 1/10 hp quando gira a 300 rev/min. Supondo que o eixo tenha diâmetro de ½ pol, determinar a tensão de cisalhamento máxima nele desenvolvida. Solução: 1 rotação = 2π rad 1 minuto = 60 s 1 hp = 550 pés . lbf / s 23max 34max t max pol lbf 96,0855 5,0 0085,2116 d T16 32 d 2 Td J2 Td pol.lbf0085,21 60 2 300 1255P TTP = ×π × =τ π =       π =τ⇒=τ = π × × = ω =⇒ω= Resposta: A tensão de cisalhamento máxima desenvolvida é de 856 psi.
  • 44.
    5.26. O motorde engrenagens desenvolve 1/10 hp quando gira a 300 rev/min. Supondo que a tensão de cisalhamento admissível para o eixo seja τadm = 4 ksi, determinar o menor diâmetro de eixo que pode ser usado com aproximação de 1/8 pol. Solução: 1 rotação = 2π rad 1 minuto = 60 s 1 hp = 550 pés . lbf / s pol 8 3 pol299067,0 4000 0085,2116 d T16 d d T16 32 d 2 Td J2 Td pol.lbf0085,21 60 2 300 1255P TTP 3 3 adm 34max t max ≅= ×π × = πτ =⇒ π =       π =τ⇒=τ = π × × = ω =⇒ω= Resposta: O menor diâmetro de eixo deve ser de 3/8 pol.
  • 45.
    5.30. A bombaopera com um motor que tem potência de 85 W. Supondo que o impulsor em B esteja girando a 150 rev/min, determinar a tensão de cisalhamento máxima desenvolvida em A, localizada no eixo de transmissão que tem 20 mm de diâmetro. Solução: 1 rotação = 2π rad 1 minuto = 60 s 1 W = 1 N . m / s 2max 334max t max mm N 44492,3 20 27,541116 d T16 32 d 2 Td J2 Td mm.N27,5411 60 2 150 85000P TTP =τ ×π × = π =       π =τ⇒=τ = π × = ω =⇒ω= Resposta: A tensão de cisalhamento máxima desenvolvida em A é de 3,44 MPa.
  • 46.
    5.31. Um tubode aço com diâmetro externo de d1 = 2,5 pol transmite 35 hp quando gira a 2700 rev/min. Determinar o diâmetro interno d2 do tubo, com aproximação de 1/8 pol, se a tensão de cisalhamento admissível é τmax = 10 ksi. Solução: A tensão de cisalhamento máxima é:       π − π ==τ 2 d 2 d dT J cT 4 2 4 1 1 t max 1 rotação = 2π rad 1 minuto = 60 s 1 hp = 550 lbf . pé / s pol 8 3 2pol4832,2d 10000 2 d 2 5,2 5,2995,816 2 d 2 d dT J cT pol.lbf995,816 60 2 2700 1255035P TTP 2 adm4 2 44 2 4 1 1 t max == =τ=       π − ×π × =       π − π ==τ = π × ×× = ω =⇒ω= Resposta: O diâmetro interno d2 do tubo deve ser de 2 3/8 pol.
  • 47.
    5.43. Um eixoestá submetido a um torque T. Comparar a eficácia do tubo mostrado na figura com a de um eixo de seção maciça de raio c. Para isso, calcular a porcentagem de aumento na tensão de torção e no ângulo de torção por unidade de comprimento do tubo em relação aos valores do eixo de seção maciça. Solução: As tensões de torção são: Os ângulos de torção são: 0667,1 15 16 2 c cT 16 15 2 c cT e 2 c cT J cT 16 15 2 c cT 2 )2/c( 2 c cT J cT 4 4 tensão 4 t m max 444 t t max ==       π       × π =       π ==τ       × π =       π − π ==τ 0667,1 15 16 2 c G LT 16 15 2 c G LT e 2 c G LT GJ LT 16 15 2 c G LT 2 )2/c( 2 c G LT GJ LT 4 4 ângulo 4 t m max 444 t t max ==       π       × π =       π ==τ       × π =       π − π ==φ Resposta: As eficiências de tensão de torção e ângulo de torção são iguais e valem um aumento de 6,67% do eixo vazado em relação ao eixo maciço.
  • 48.
    5.46. O eixode aço A-36 está composto pelos tubos AB e CD e por uma parte maciça BC. Apóia-se em mancais lisos que lhe permitem girar livremente. Se as extremidades estão sujeitas a torques de 85 N.m, qual o ângulo de torção da extremidade A em relação à extremidade D? Os tubos têm diâmetro externo de 30 mm e diâmetro interno de 20 mm. A parte maciça tem diâmetro de 40 mm. Solução: Para o trecho BC temos: ( ) ( ) ( ) ( ) o 44444AD 4 CDi 4 CDe CD 4 BC BC 4 ABi 4 ABe AB AD BC CDeABe CDiABi BC CDAB 2 637973,0rad0111347,0 32 2030 250 32 40 500 32 2030 250 75000 85000 32 dd L 32 d L 32 dd L G T GJ TL mm40d mm30dd mm20dd mm500L mm250LL mm N 75000GPa75G mm.N85000m.N85T ==             −π + π + −π =φ             −π + π + −π ==φ = == == = == == == ∑ Resposta: O ângulo de torção da extremidade A em relação a extremidade D é de 0,638º.
  • 49.
    5.47. O eixode aço A-36 está composto pelos tubos AB e CD e por uma parte maciça BC. Apóia-se em mancais lisos que lhe permitem girar livremente. Se as extremidades A e D estão sujeitas a torques de 85 N.m, qual o ângulo de torção da extremidade B da parte maciça em relação à extremidade C? Os tubos têm diâmetro externo de 30 mm e diâmetro interno de 20 mm. A parte maciça tem diâmetro de 40 mm. Solução: Para o trecho BC temos: o 4BC 4 BC BC BC BC BC 2 129185,0rad0022547,0 32 40 75000 50085000 32 d G LT mm40d mm500L mm N 75000GPa75G mm.N85000m.N85T == π × × =φ π =φ = = == == Resposta: O ângulo de torção da extremidade B em relação à extremidade C é de 0,129º.
  • 50.
    5.49. As engrenagensacopladas ao eixo de aço inoxidável ASTM-304 estão sujeitas aos torques mostrados. Determinar o ângulo de torção da engrenagem C em relação à engrenagem B. O eixo tem diâmetro de 1,5 pol. Solução: Para o trecho BC temos: ( ) o 4 6 BC 26 716,2rad04741,0 32 5,1 1011 367200 GJ TL pol5,1d pol36pés3L pol/lbf1011ksi11000G pol.lbf7200pol12lbf600pés.lb60T == π ×× × ==φ = == ×== =×== Resposta: O ângulo de torção da engrenagem C em relação à engrenagem B é de 2,716º.
  • 51.
    www.profwillian.com 5.54. O eixode aço A-36 tem 3 m de comprimento e diâmetro externo de 50 mm. Requer que transmita 35 kW de potência do motor E para o gerador G. Determinar a menor velo- cidade angular que o eixo pode ter se a máxima torção admissível é de 1o . Adotar o módu- lo de elasticidade transversal igual a 75 GPa. Solução: 1 rotação = 2π rad 1 minuto = 60 s ( ) mm3000m3L 32 mm50 32 d J mm N 75000MPa75000G rad 180 1 44 2 o == ×π = π = == π ==φ rpm37,1248 min 60 1 rot 2 1 729,130 s/rad729,130 267730 35000000 T P s m.N 35000000kW35P mmN267730 L JG T JG LT =π×=ω ===ω == = φ =⇒=φ Resposta: A velocidade angular é de 1248 rpm
  • 52.
    5.58. Os doiseixos são feitos de aço A-36. Cada um tem diâmetro de 1 pol, e eles estão apoiados por mancais em A, B e C, o que permite rotação livre. Supondo que o apoio D seja fixo, determinar o ângulo de torção da extremidade B quando os torques são aplicados ao conjunto como mostrado. Solução: ( ) ( ) o BFFE 4 6 4 6 EHEHDHDH EHDHE 1,53rad0,02666860,0177791 4 6 46 rad0,0177791 32 1 1011 301260 32 1 1011 101220 JG LT JG LT ==×=φ=φ⇒φ=φ = ×π × ×× + ×π × ××− =+=φ+φ=φ Observação: Note que o torque de 40 lb.pés (= 40×12 lb.pol) aplicado em G se transforma em 60 lb.pés aplicado no ponto E pois o diâmetro das engrenagens são diferentes. A reação de apoio em D é de 20 lb.pés, portanto, os trechos DH e EH estão com os torques de –20 lb.pés e 60 lb.pés, respectivamente.
  • 53.
    5.59. Os doiseixos são feitos de aço A-36. Cada um tem diâmetro de 1 pol, e eles estão apoiados por mancais em A, B e C, o que permite rotação livre. Supondo que o apoio D seja fixo, determinar o ângulo de torção da extremidade A quando os torques são aplicados ao conjunto como mostrado. Solução: ( ) ( ) ( ) o 4 6 FGFG EFGEAG o BFFE 4 6 4 6 EHEHDHDH EHDHE 1,78rad0,0311133 32 1 1011 101240 0,0266686 JG LT 1,53rad0,02666860,0177791 4 6 46 rad0,0177791 32 1 1011 301260 32 1 1011 101220 JG LT JG LT == ×π × ×× +=+φ=φ+φ=φ=φ ==×=φ=φ⇒φ=φ = ×π × ×× + ×π × ××− =+=φ+φ=φ Observação: φG (=φA) é encontrado adicionando φF (=φB) ao ângulo de torção surgido no trecho FG devido ao torque de 40 lb.pés. Note que os trechos AG e BF não sofrem torques.
  • 54.
    6.1 Desenhar osdiagramas de força cortante e momento para o eixo. Os mancais em A e B exercem apenas reações verticais sobre o eixo. Solução: AC 24 kN 250 mm B VA VB x 800 mm • Utilizando as equações de equilíbrio, calculam-se as reações de apoio. ∑ = 0Fx Não será utilizada pois o enunciado afirma que os apoios exercem apenas reações verticais. • Em seguida pode-se resolver a equação: ∑ = 0Mz , assim, tomando um eixo z que passa pelo ponto B temos: kN5,31V0105024800V0M AAz =⇒=×−×⇒=∑ • usando a equação: ∑ = 0Fy , temos: kN5,7V024VV0F BBAy −=⇒=−+⇒=∑ Equações de esforços para cada um dos trechos. (Os esforços normais são iguais a zero ,Nx=0) C 24 kN x Mx Nx Vx Trecho CA x24M 0Mx240M 24V 0V240F mm250x0 x xz x xy −=∴ =+⇒= −=∴ =−−⇒= ≤≤ ∑ ∑ C 31,5 kN x Mx Nx Vx Trecho AB A 24 kN 7875x5,7M 0M)250x(5,31x240M 5,7V 05,31V240F mm1050x250 x xz x xy −=∴ =+−−⇒= =∴ =+−−⇒= ≤≤ ∑ ∑
  • 55.
    Resposta: Com asequações (acima) podemos traçar os diagramas (abaixo). Note que os momentos negativos foram traçados para cima. -24 7,5 V -6000 M
  • 56.
    6.2 O eixoestá submetido às cargas provocadas pelas correias que passam sobre as duas polias. Desenhar os diagramas de força cortante e momento. Os mancais em A e B exercem apenas reações verticais sobre o eixo. Solução: AC 400 lbf 18 pol B VA VB x 24 pol 300 lbf D 12 pol • Utilizando as equações de equilíbrio, calculam-se as reações de apoio. ∑ = 0Fx Não será utilizada pois o enunciado afirma que os apoios exercem apenas reações verticais. • Em seguida pode-se resolver a equação: ∑ = 0Mz , assim, tomando um eixo z que passa pelo ponto B temos: lbf550V0123004240024V0M AAz =⇒=×+×−×⇒=∑ • usando a equação: ∑ = 0Fy , temos: lbf150V0300400VV0F BBAy =⇒=−−+⇒=∑ Equações de esforços para cada um dos trechos. (Os esforços normais são iguais a zero ,Nx=0) C 400 lbf x Mx Nx Vx Trecho CA x400M 0Mx4000M 400V 0V4000F pol18x0 x xz x xy −=∴ =+⇒= −=∴ =−−⇒= ≤≤ ∑ ∑ C 550 lbf x Mx Nx Vx Trecho AB A 400 lbf 9900x150M 0M)18x(550x4000M 150V 0550V4000F pol42x18 x xz x xy −=∴ =+−−⇒= =∴ =+−−⇒= ≤≤ ∑ ∑
  • 57.
    C 550 lbf x Mx Nx Vx Trecho BD A 400lbf B 150 lbf 16200x300M 0M)42x(150)18x(550x400 0M 300V 0150550V4000F pol54x42 x x z x xy −=∴ =+−−−− ⇒= =∴ =++−−⇒= ≤≤ ∑ ∑ Resposta: Com as equações (acima) podemos traçar os diagramas (abaixo). Note que os momentos negativos foram traçados para cima. -400 150 V 300 -7200 M-3600
  • 58.
    6.3 Os trêssemáforos têm, cada um, massa de 10 kg e o tubo em balanço AB tem massa de 1,5 kg/m. Desenhar os diagramas de força cortante e momento para o tubo. Desprezar a massa da placa. Solução: 98,1 N 98,1 N 98,1 N 14,7 N/m A B 1,75 m 1,75 m 3,00 m C D Equações de esforços para cada um dos trechos. (Os esforços normais são iguais a zero ,Nx=0) A x Mx Nx Vx Trecho AC 98,1 N x1,98x35,7M 0M 2 x x7,14x1,980M 1,98x7,14V 0Vx7,141,980F m75,1x0 2 x xz x xy −−=∴ =++⇒= −−=∴ =−−−⇒= ≤≤ ∑ ∑ A x Mx Nx Vx Trecho CD 98,1 N 98,1 N C 171,675x2,196x35,7M 0M 2 x x7,14)75,1x(1,98x1,98 0M 2,196x7,14V 0Vx7,141,981,980F m5,3x75,1 2 x x z x xy +−−=∴ =++−+ ⇒= −−=∴ =−−−−⇒= ≤≤ ∑ ∑
  • 59.
    A x Mx Nx Vx Trecho DB 98,1 N98,1 N C 98,1 N D 515,025x294,3x35,7M 0M 2 x x7,14)5,3x(1,98)75,1x(1,98x1,98 0M 294,3x7,14V 0Vx7,141,981,981,980F m5,6x5,3 2 x x z x xy +−−=∴ =++−+−+ ⇒= −−=∴ =−−−−−⇒= ≤≤ ∑ ∑ Resposta: Com as equações (acima) podemos traçar os diagramas (abaixo). Note que os momentos negativos foram traçados para cima. -98,1 -123,825 V -221,925 -247,65 -345,75 -389,85 -194,184375 M -605,1125 -1708,4625
  • 60.
    6.5 O encontrode concreto armado é usado para apoiar as longarinas da plataforma de uma ponte. Desenhar seus diagramas de força cortante e momento quando ele é submetido às cargas da longarina mostradas. Supor que as colunas A e B exercem apenas reações verticais sobre o encontro. Solução: A 60 kN 1 m B VA VBx 35 kN 1 m 1,5 m 1 m 1 m1,5 m 60 kN 35 kN 35 kN C D E F G • Utilizando as equações de equilíbrio, calculam-se as reações de apoio. ∑ = 0Fx Não será utilizada pois o enunciado afirma que os apoios exercem apenas reações verticais. • Em seguida pode-se resolver a equação: ∑ = 0Mz , assim, tomando um eixo z que passa pelo ponto B temos: kN5,112V01601355,2354356605V0M AAz =⇒=×+×−×−×−×−×⇒=∑ • usando a equação: ∑ = 0Fy , temos: kN5,112V06035353560VV0F BBAy =⇒=−−−−−+⇒=∑ Equações de esforços para cada um dos trechos. (Os esforços normais são iguais a zero ,Nx=0) C x Mx Nx Vx Trecho CA 60 kN x60M 0Mx600M 60V 0V600F m1x0 x xz x xy −=∴ =−−⇒= −=∴ =−−⇒= ≤≤ ∑ ∑
  • 61.
    C 112,5 kN x Mx Nx Vx Trecho AD 60kN 5,112x5,52M 0M)1x(5,112x600M 5,52V 0V5,112600F m2x1 x xz x xy −=∴ =−−+−⇒= =∴ =−+−⇒= ≤≤ ∑ ∑ C 112,5 kN x Mx Nx Vx Trecho DE 60 kN 35 kN D 5,42x5,17M 0M)2x(35)1x(5,112x60 0M 5,17V 0V355,112600F m5,3x2 x x z x xy −=∴ =−−−−+− ⇒= =∴ =−−+−⇒= ≤≤ ∑ ∑ C 112,5 kN x Mx Nx Vx Trecho EF 60 kN 35 kN D 35 kN E 80x5,17M )5,3x(355,42x5,17M0M 5,17V 0V35355,11260 0F m5x5,3 x xz x x y +−=∴ −−−=⇒= −=∴ =−−−+− ⇒= ≤≤ ∑ ∑ C 112,5 kN x Mx Nx Vx Trecho FB 60 kN 35 kN D 35 kN E 35 kN F 255x5,52M )5x(3580x5,17M0M 5,52V 0V3535355,11260 0F m6x5 x xz x x y +−=∴ −−+−=⇒= −=∴ =−−−−+− ⇒= ≤≤ ∑ ∑ C 112,5 kN x Mx Nx Vx Trecho BG 60 kN 35 kN D 35 kN E 35 kN F 112,5 kN 420x60M )6x(5,112255x5,52M0M 60V 0V5,1123535355,11260 0F m7x6 x xz x x y −=∴ −++−=⇒= =∴ =−+−−−+− ⇒= ≤≤ ∑ ∑
  • 62.
    Resposta: Com asequações (acima) podemos traçar os diagramas de forças cortantes em kN e diagrama de momentos em kN.m (logo abaixo). Note que os momentos negativos foram traçados para cima. –60 +52,5 V +17,5 +60 –52,5 –17,5 M –7,5 –60 –60 +18,75
  • 63.
    6.6. Desenhar osdiagramas de força cortante e momento para o eixo. Os mancais em A e B exercem apenas reações verticais sobre ele. Expressar também a força cortante e o momento em função de x na região 125 mm < x < 725 mm. Solução: A C 800 N 125 mm B VA VB x 600 mm 1500 N D 75 mm • Utilizando as equações de equilíbrio, calculam-se as reações de apoio. ∑ = 0Fx Não será utilizada pois o enunciado afirma que os apoios exercem apenas reações verticais. • Em seguida pode-se resolver a equação: ∑ = 0Mz , assim, tomando um eixo z que passa pelo ponto B temos: N625,815V0751500675800800V0M AAz =⇒=×−×−×⇒=∑ • usando a equação: ∑ = 0Fy , temos: N375,1484V01500800VV0F BBAy =⇒=−−+⇒=∑ Equações de esforços para cada um dos trechos. (Os esforços normais são iguais a zero ,Nx=0) A 815,625 x Mx Nx Vx Trecho AC x625,815M 0Mx625,8150M 625,815V 0V625,8150F mm125x0 x xz x xy =∴ =−⇒= =∴ =−⇒= ≤≤ ∑ ∑ A x Mx Nx Vx Trecho CD C 800N 815,625 100000x625,15M M)125x(800x625,8150M 625,15V 0V800625,8150F mm725x125 x xz x xy +=∴ =−−⇒= =∴ =−−⇒= ≤≤ ∑ ∑
  • 64.
    A x Mx Nx Vx Trecho DB C 800N 815,625 D 1500N 1187500x375,1484M M)725x(1500)125x(800x625,815 0M 375,1484V 0V1500800625,8150F mm800x725 x x z x xy +−=∴ =−−−− ⇒= −=∴ =−−−⇒= ≤≤ ∑ ∑ Resposta: Comas equações (acima) podemos traçar os diagramas de forças cortantes em N e diagrama de momentos em N.mm (abaixo). Note que os momentos negativos foram traçados para cima. 815,625 15,625 V –1484,375 M 111328,125101953,125
  • 65.
    6.32. Desenhar osdiagramas de força cortante e momento da viga de madeira e determinar a força cortante e o momento em toda a viga em função de x. Solução: AC 250 lbf 4 pés B VA VB x 6 pés 250 lbf D 4 pés 150 lbf/pé • Utilizando as equações de equilíbrio, calculam-se as reações de apoio. ∑ = 0Fx Não será utilizada pois o enunciado afirma que os apoios exercem apenas reações verticais. • Em seguida pode-se resolver a equação: ∑ = 0Mz , assim, tomando um eixo z que passa pelo ponto B temos: ( ) lbf700V0425036150102506V0M AAz =⇒=×+××−×−×⇒=∑ • usando a equação: ∑ = 0Fy , temos: lbf700V06150250250VV0F BBAy =⇒=×−−−+⇒=∑ Equações de esforços para cada um dos trechos. (Os esforços normais são iguais a zero ,Nx=0) C 250 lbf x Mx Nx Vx Trecho CA x250M 0Mx2500M 250V 0V2500F pés4x0 x xz x xy −=∴ =+⇒= −=∴ =−−⇒= ≤≤ ∑ ∑ C 700 lbf x Mx Nx Vx Trecho AB A 250 lbf 150 lbf/pé 2 x x 2 z x xy x75x10504000M 0M 2 )4x( 150)4x(700x250 0M x1501050V 0V700)4x(1502500F pés10x4 −+−=∴ =+ − +−− ⇒= −=∴ =−+−−−⇒= ≤≤ ∑ ∑
  • 66.
    C 700 lbf x Mx Nx Vx TrechoBD A 250 lbf 150 lbf/pé 700 lbf B 3500x250M 0M)10x(700 )7x(6150)4x(700x250 0M 250V 0V7007006150250 0F pés14x10 x x z x x y −=∴ =+−− +−×+−− ⇒= =∴ =−++×−− ⇒= ≤≤ ∑ ∑ Resposta: Com as equações (acima) podemos traçar os diagramas de forças cortantes em lbf e diagrama de momentos em lbf.pé (abaixo). Note que os momentos negativos foram traçados para cima. –250 450 V 250 –450 –1000 M –1000 –325
  • 67.
    6.42 Foram propostasduas soluções para o projeto de uma viga. Determinar qual delas suportará um momento M = 150 kN.m com a menor tensão normal de flexão. Qual é essa menor tensão? Com que porcentagem ele é mais eficiente? Solução: M = 150 kN.m = 150×106 N.mm O momento de Inércia: Seção (a) MPa114 165 216450000 10150 c I M mm216450000I 0)30030( 12 30030 25,157)15200( 12 15200 I a 6 a a max a 4 a 2 3 2 3 a =σ∴ × × ==σ =∴       ××+ × +×      ××+ × = Seção (b) MPa7,74 180 361350000 10150 c I M mm361350000I 0)30015( 12 30015 2165)30200( 12 30200 I b 6 b b max b 4 b 2 3 2 3 b =σ∴ × × ==σ =∴       ××+ × +×      ××+ × = Eficiência = %53100 7,74 7,74114 =× − Resposta: A menor tensão normal é do perfil b e é de 74,7 MPa com eficiência de 53%.
  • 68.
    6.47 A peçade máquina de alumínio está sujeita a um momento M = 75 N.m. Determinar a tensão normal de flexão nos pontos B e C da seção transversal. Desenhar os resultados em um elemento de volume localizado em cada um desses pontos. Solução: Centro de gravidade da seção transversal tomando como base inferior como referência:       ××+ × +×      ××+ × = =⇒ ×+×+× ××+××+×× = 2 3 2 3 x 5,12)1080( 12 1080 25,12)4010( 12 4010 I mm5,32y )1080()4010()4010( 45)1080(20)4010(20)4010( y MPa548,15,7 3 1090000 75000 y I M MPa612,35,17 3 1090000 75000 y I M mm 3 1090000 I C x max C B x max B 4 x =×==σ =×==σ =∴ Resposta: As tensões normais de flexão nos pontos B e C da seção transversal são, respectivamente, 3,612 MPa e 1,548 MPa. σ=1,548 MPa σ=3,612 MPa
  • 69.
    6.48 A peçade máquina de alumínio está sujeita a um momento M = 75 N.m. Determinar as tensões normais de flexão máximas de tração e de compressão na peça. Solução: Centro de gravidade da seção transversal tomando como base inferior como referência: mm5,32y )1080()4010()4010( 45)1080(20)4010(20)4010( y =⇒ ×+×+× ××+××+×× = MPa709,65,32 3 1090000 75000 y I M MPa612,35,17 3 1090000 75000 y I M mm 3 1090000 I 5,12)1080( 12 1080 25,12)4010( 12 4010 I base x max max B x max max 4 x 2 3 2 3 x +=×==σ −=×−==σ =∴       ××+ × +×      ××+ × = + − Resposta: As tensões normais de flexão máximas são: 3,612 MPa de compressão e 6,709 MPa de tração.
  • 70.
    6.55 A vigaestá sujeita a um momento de 15 kip.pés. Determinar a força resultante que a tensão produz nos flanges superior A e inferior B. Calcular também a tensão máxima desenvolvida na viga. Solução: M = 15 kip.pés = 15×1000 lbf × 12 pol = 180000 lbf.pol Centro de gravidade da seção transversal tomando como base inferior como referência: pol5,5625y )13()81()15( 5,0)13(5)81(5,9)15( y =⇒ ×+×+× ××+××+×× = Momento de inércia da seção transversal em relação à linha neutra: 4 x 2 3 2 3 2 3 x pol3200,270833I )5,05625,5()13( 12 13 )55625,5()81( 12 81 )5,95625,5()15( 12 15 I =∴ −××+ × +−××+ × +−××+ × = As tensões na parte superior e inferior do flange superior são: ( ) ( ) lbf176953539)15(F AF psi353930903988 2 1 2 1 psi3090)5,5625-(9 3200,270833 180000 y I M psi3988)5,5625-(10 3200,270833 180000 y I M mesa médmesamesa méd infsupméd inf x max inf sup x max sup =××= σ×= =+=σ σ+σ=σ =×==σ =×==σ
  • 71.
    As tensões naparte superior e inferior do flange inferior são: ( ) ( ) lbf3,136501,4550)13(F AF psi1,45505,49997,4100 2 1 2 1 psi5,49995,5625 3200,270833 180000 y I M psi7,4100)1-(5,5625 3200,270833 180000 y I M mesa médmesamesa méd infsupméd maxinf x max inf sup x max sup =××= σ×= =+=σ σ+σ=σ σ==×==σ =×==σ Resposta: A força resultante que as tensões produzem no flange superior é de 17,7 kip de compressão. A força resultante que as tensões produzem no flange inferior é de 13,7 kip de tração. A tensão máxima na seção é de 5 ksi de compressão na parte inferior do flange inferior (tração).
  • 72.
    6.68 A seçãotransversal de uma viga está sujeita a um momento de 12 kip . pés. Determinar a força resultante que a tensão produz na mesa (6 pol × 1 pol). Calcular também a tensão máxima desenvolvida nesta seção transversal da viga. Linha Neutra y σσσσsup σσσσinf σσσσmax Solução: M = 12 kip.pé = 12×1000 lbf × 12 pol = 144000 lbf.pol Centro de gravidade da seção transversal tomando como base inferior como referência: pol0625,7y )16()101( 5,10)16(5)101( y =⇒ ×+× ××+×× = Momento de inércia da seção transversal em relação a linha neutra: 4 x 2 3 2 3 x pol271,197I)0625,75,10()16( 12 16 )50625,7()101( 12 101 I =∴−××+ × +−××+ × = As tensões na parte superior e inferior da mesa são: psi51550625,7 271,197 144000 y I M psi21449375,2 271,197 144000 y I M psi28749375,3 271,197 144000 y I M x max max inf x max inf sup x max sup =×==σ =×==σ =×==σ ( ) ( ) lbf150552509)16(F AF psi250921442874 2 1 2 1 mesa médmesamesa méd infsupméd =××= σ×= =+=σ σ+σ=σ Resposta: A força resultante que a tensão produz na mesa é de 15,1 kip. A tensão máxima na seção é de 5,2 ksi de compressão na parte inferior da alma.
  • 73.
    6.71 Determinar atensão normal de flexão máxima absoluta no eixo de 30 mm de diâmetro que está submetido a forças concentradas. As buchas nos apoios A e B suportam apenas forças verticais. Solução: A tensão normal numa seção transversal de uma viga é: c I Mmax max =σ I= momento de inércia da seção (no caso, um círculo). O centróide, c, da seção situa-se no centro da altura. Na questão, o momento máximo, Mmax, ocorre no apoio A. Com os dados fornecidos na questão: mm15c 64 30 I mm.N480000m.N480m8,0N600aPM 4 1max = ×π = ==×=×= Assim: MPa181 mm N 08,18115 64 30 480000 c I M max 24max max max =σ∴ =× ×π =σ =σ Resposta: A tensão normal de flexão máxima absoluta é de σσσσmax = 181 MPa.
  • 74.
    6.72 Determinar omenor diâmetro admissível do eixo submetido a forças concentradas. As buchas nos apoios A e B suportam apenas forças verticais e a tensão de flexão admissível é σadm = 160 MPa. Solução: A tensão normal numa seção transversal de uma viga é: c I Mmax max =σ I= momento de inércia da seção (no caso, um círculo). O centróide, c, da seção situa-se no centro da altura. Na questão, o momento máximo, Mmax, ocorre no apoio A. Com os dados fornecidos na questão: 32 d 2 d 64 d c I Z 2 d c 64 d I mm.N480000m.N480m8,0N600aPM 3 4 4 1max ×π = ×π == = ×π = ==×=×= Assim: mm3,31d 300032 d 32 d mm3000 160 480000 Z M Z Z M c I M 3 3 3 nec adm max nec nec maxmax adm =∴ π × =⇒ ×π === σ =⇒==σ Resposta: O menor diâmetro admissível é de d = 31,3 mm.
  • 75.
    6.73 A vigatem seção transversal retangular como mostrado. Determinar a maior carga P que pode ser suportada em suas extremidades em balanço, de modo que a tensão normal de flexão na viga não exceda σadm = 10MPa. Solução: A tensão normal numa seção transversal de uma viga é: c I Mmax max =σ I= momento de inércia da seção (no caso, um retângulo). O centróide, c, da seção situa-se no centro da altura. Na questão, o momento máximo, Mmax, ocorre igualmente nos apoios. Com os dados fornecidos na questão: mm50c 12 10050 I mmP500m5,0PaPM 3 max = × = =×=×= Assim: N67,1666P 50500 10 12 10050 P50 12 10050 P500 10 c I M c I M 3 3 max adm max max =∴ × × × =⇒× × = =σ⇒=σ Resposta: A maior carga P que pode ser suportada nas extremidades em balanço é de P = 1,67 kN.
  • 76.
    6.77. A vigaestá submetida ao carregamento mostrado. Determinar a dimensão a requerida da seção transversal se a tensão de flexão do material for σadm = 150 MPa. Solução: Diagrama de momentos: M –60 kN.m 1,25 kN.m 0,25 m Mmax = 60 kN.m = 60000000 N.mm = 60×106 N.mm (tração nas fibras superiores) Centro de gravidade da seção transversal tomando como base inferior como referência: a 12 5 y )a 3 2 a 2 1 ()a 3 1 a( a 3 2 )a 3 2 a 2 1 (a 6 1 )a 3 1 a( y =⇒ ×+× ××+×× = Momento de inércia da seção transversal em relação à linha neutra: 4 x 2 3 2 3 x a 648 37 I a 3 2 a 12 5 a 3 2 a 2 1 12 a 3 2 a 2 1 a 6 1 a 12 5 a 3 1 a 12 a 3 1 a I =∴       −×      ×+       × +      −×      ×+       × = A tensão normal máxima ocorre na parte superior da seção transversal: mm876,159 37 700 60a150a 12 5 a a 648 37 1060 y I M 3 4 6 sup x max sup =×=⇒=      −× × ==σ Resposta: A dimensão requerida deve ser a = 160 mm.
  • 77.
    6.79. Determinar aintensidade da carga máxima P que pode ser aplicada à viga, supondo que ela seja feita de material com tensão de flexão admissível (σadm)c = 16 ksi na compressão e (σadm)t = 18 ksi na tração. Solução: Diagrama de momentos: M 60P Mmax = 5×12 P = 60 P (tração nas fibras inferiores) em lbf.pol Centro de gravidade da seção transversal tomando como base inferior como referência: pol25,6y )81()18( 4)81(5,8)18( y =⇒ ×+× ××+×× = Momento de inércia da seção transversal em relação à linha neutra: ( ) ( ) ( ) ( ) 4 x 2 3 2 3 x pol33,124I 425,681 12 81 25,65,818 12 18 I =∴ −××+ × +−××+ × = As tensões normais máximas ocorrem na parte superior (compressão) e na parte inferior (tração) da seção transversal: lbf5968P1800025,6 33,124 P60 y I M lbf12056P1600075,2 33,124 P60 y I M sup x max inf sup x max sup =⇒=×==σ =⇒=×==σ Resposta: A máxima carga P deve ser 5,968 kip.
  • 78.
    7.5 Se aviga T for submetida a um cisalhamento vertical V = 10 kip, qual será a tensão de cisalhamento máxima nela desenvolvida? Calcular também o salto da tensão de cisalhamento na junção aba-alma AB. Desenhar a variação de intensidade da tensão de cisalhamento em toda a seção transversal. Mostrar que IEN=532,04 pol4 . Solução: V = 10 kip = 10000 lbf Centro de gravidade da seção transversal tomando como base inferior como referência: pol423,5y )314()66( 5,7)314(3)66( y =⇒ ×+× ××+×× = A tensão máxima de cisalhamento ocorre na linha neutra: 2 x max 4 x 2 3 2 3 x 3 3 pol lbf 4,276 60385,532 229,8810000 bI QV pol0385,532I 0769,2)314( 12 314 423,2)66( 12 66 I pol229,880769,2)143( 2 577,0 )577,06(Q ou pol229,88 2 423,5 )423,56(Q = × × ==τ =∴       ××+ × +      ××+ × = =××+××= =××= A tensão de cisalhamento na junção aba-alma AB: 2 x mesa 2 x alma 3 3 pol lbf 1,117 140385,532 2298,8710000 bI QV pol lbf 3,273 60385,532 2298,8710000 bI QV pol2298,870769,2)314(Q ou pol2298,87423,2)66(Q = × × ==τ = × × ==τ =××= =××= τ=117,1 psi τ=273,3 psi τ=276,4 psi Resposta: A tensão de cisalhamento máxima é de ττττmax = 276,4 psi. O salto da tensão de cisalhamento na junção aba-alma AB é de 273,3 psi na alma e 117,1 psi na mesa.
  • 79.
    7.15 Determinar atensão de cisalhamento máxima no eixo com seção transversal circular de raio r e sujeito à força cortante V. Expressar a resposta em termos da área A da seção transversal. Solução: A tensão de cisalhamento máxima é: bI QV x max =τ onde: r2b 4 r I 3 r2 3 r4 2 r Q 4 x 32 = π = =      π ×      π = Assim: A3 V4 r3 V4 r2 4 r 3 r2 V bI QV 24 3 max x max = π = π =τ⇒ =τ Resposta: A tensão de cisalhamento máxima no eixo com seção transversal circular de raio r e sujeito à força cortante V é de A3 V4 max =τ .
  • 80.
    7.17 Determinar asmaiores forças P nas extremidades que o elemento pode suportar, supondo que a tensão de cisalhamento admissível seja τadm = 10 ksi. Os apoios em A e B exercem apenas reações verticais sobre a viga. Solução: O máximo cortante ocorre nos apoios igualmente e é de: PV = Centro de gravidade da seção transversal tomando como base inferior como referência: pol34091,2y )5,16()5,25,1()5,25,1( 25,3)5,16(25,1)5,25,1(25,1)5,25,1( y =⇒ ×+×+× ××+××+×× = A tensão máxima de cisalhamento ocorre na linha neutra: ( ) ( ) lbf6,80138P 21978,8 39574,2110000 P pol lbf 10000 39574,21 21978,8P bI QV pol9574,21I 34091,225,3)5,16( 12 5,16 225,134091,2)5,25,1( 12 5,25,1 I pol21978,82 2 34091,2 )34091,25,1(Q 2 x 4 x 2 3 2 3 x 3 =∴ ×× =⇒ = × × ==τ =∴       −××+ × +×      −××+ × = =×      ××= Resposta: As maiores forças P nas extremidades que o elemento pode suportar são de 80,1 kip.
  • 81.
    7.21 Os apoiosem A e B exercem reações verticais sobre a viga de madeira. Supondo que a tensão de cisalhamento admissível seja τadm = 400 psi, determinar a intensidade da maior carga distribuída w que pode ser aplicada sobre a viga. Solução: O máximo cortante ocorre no apoio e é de: )pol(12w75,0 2 w5,1 V ou )pé(w75,0 2 w5,1 V ×== == A tensão máxima de cisalhamento ocorre na linha neutra: ( ) ( ) pé kip 69,5 1000 12 474,0741 pol lbf 474,0741w 161275,0 2 12 82 400 w pol lbf 400 2 12 82 1612w75,0 bI QV 12 82 I pol16 2 4 )42(Q 3 23 x 3 x 3 ===∴ ×× × × × =⇒ = × × ×× ==τ × = =××= Resposta: A maior carga distribuída w que pode ser aplicada sobre a viga é de 5,69 kip/pés.
  • 82.
    12.5 Determinar asequações da linha elástica da viga usando as coordenadas x1 e x2. Especificar a inclinação em A e a deflexão máxima. Considerar EI constante. Solução: Reações de apoio: PV0PPVV0F PV0Pa)aL(PLV0M BBAy AA)B(z =∴=−−+⇒= =∴=−−−×⇒= ∑ ∑ Vamos encontrar as equações de momento fletor: Lx)aL()aLx(P)ax(PPxM )aL(xa)ax(PPxM ax0PxM 3 2 1 ≤≤−⇒+−−−−= −≤≤⇒−−= ≤≤⇒= Agora, vamos montar as equações diferenciais da linha elástica (uma para cada trecho): Lx)aL()aLx(P)ax(PPx)x(''yIE )aL(xa)ax(PPx)x(''yIE ax0Px)x(''yIE 3 2 1 ≤≤−⇒+−+−+−= −≤≤⇒−+−= ≤≤⇒−= E, assim, resolvê-las através de duas integrações. Primeira integração: Lx)aL(C 2 )aLx( P 2 )ax( P 2 x P)x('yIE )aL(xaC 2 )ax( P 2 x P)x('yIE ax0C 2 x P)x('yIE 3 222 3 2 22 2 1 2 1 ≤≤−⇒+ +− + − +−= −≤≤⇒+ − +−= ≤≤⇒+−= Segunda integração: Lx)aL(CxC 6 )aLx( P 6 )ax( P 6 x P)x(yIE )aL(xaCxC 6 )ax( P 6 x P)x(yIE ax0CxC 6 x P)x(yIE 63 333 3 52 33 2 41 3 1 ≤≤−⇒++ +− + − +−= −≤≤⇒++ − +−= ≤≤⇒++−=
  • 83.
    As condições decontorno para a viga são: 6532 3232 5421 2121 CC)aL(y)aL(y CC)aL('y)aL('y CC)a(y)a(y CC)a('y)a('y =⇒−=− =⇒−=− =⇒= =⇒= )aL( 2 Pa C)aL( 2 Pa C )aL( 2 Pa C 0LC 6 )aLL( P 6 )aL( P 6 L P)L(yIE0)L(y 0C0C0CC)0(yIE0)0(y 21 3 3 333 3 65441 −=∴−=∴ −=∴ ⇒=+ +− + − +−=⇒= =⇒=⇒=⇒=⇒= Então, as inclinações são: Lx)aL()aL( 2 Pa 2 )aLx( P 2 )ax( P 2 x P)x('yIE )aL(xa)aL( 2 Pa 2 )ax( P 2 x P)x('yIE ax0)aL( 2 Pa 2 x P)x('yIE 222 3 22 2 2 1 ≤≤−⇒−+ +− + − +−= −≤≤⇒−+ − +−= ≤≤⇒−+−= E as deflexões são: Lx)aL(x)aL( 2 Pa 6 )aLx( P 6 )ax( P 6 x P)x(yIE )aL(xax)aL( 2 Pa 6 )ax( P 6 x P)x(yIE ax0x)aL( 2 Pa 6 x P)x(yIE 333 3 33 2 3 1 ≤≤−⇒−+ +− + − +−= −≤≤⇒−+ − +−= ≤≤⇒−+−= A inclinação em A é: EI2 )aL(Pa )0('y )aL( 2 Pa )aL( 2 Pa 2 0 P)0('yIE A1 2 1 − =θ=∴ −=−+−= O deslocamento máximo (centro, x=L/2) é: )a4L3( EI24 Pa y 2 L y 2 L )aL( 2 Pa a 2 L 6 P 2 L 6 P 2 L yIE 22 max2 33 2 −==      ∴ −+      −+      −=      Obs.: o eixo y positivo foi adotado para baixo.
  • 84.
    12.30 O eixosuporta as cargas das três polias mostradas. Determinar a deflexão em seu centro e sua inclinação em A e B. Os mancais exercem apenas reações verticais sobre ele e EI é constante. Solução: Reações de apoio: 2 P3 V 2 P3 V BA == As equações de momento fletor são: a4xa3)a3x( 2 P3 )a2x(P)ax( 2 P3 Px)x(M a3xa2)a2x(P)ax( 2 P3 Px)x(M a2xa)ax( 2 P3 Px)x(M ax0Px)x(M 4 3 2 1 ≤≤⇒−+−−−+−= ≤≤⇒−−−+−= ≤≤⇒−+−= ≤≤⇒−= Agora, vamos montar as equações diferenciais da linha elástica (uma para cada trecho): a4xa3)a3x( 2 P3 )a2x(P)ax( 2 P3 Px)x(''EIy a3xa2)a2x(P)ax( 2 P3 Px)x(''EIy a2xa)ax( 2 P3 Px)x(''EIy ax0Px)x(''EIy 4 3 2 1 ≤≤⇒−−−+−−= ≤≤⇒−+−−= ≤≤⇒−−= ≤≤⇒= E, assim, resolvê-las através de duas integrações. Primeira integração: a4xa3C 2 )a3x( 2 P3 2 )a2x( P 2 )ax( 2 P3 2 x P)x('EIy a3xa2C 2 )a2x( P 2 )ax( 2 P3 2 x P)x('EIy a2xaC 2 )ax( 2 P3 2 x P)x('EIy ax0C 2 x P)x('EIy 4 2222 4 3 222 3 2 22 2 1 2 1 ≤≤⇒+ − − − + − −= ≤≤⇒+ − + − −= ≤≤⇒+ − −= ≤≤⇒+=
  • 85.
    Segunda integração: a4xa3CxC 6 )a3x( 2 P3 6 )a2x( P 6 )ax( 2 P3 6 x P)x(EIy a3xa2CxC 6 )a2x( P 6 )ax( 2 P3 6 x P)x(EIy a2xaCxC 6 )ax( 2 P3 6 x P)x(EIy ax0CxC 6 x P)x(EIy 84 3333 4 73 333 3 62 33 2 51 3 1 ≤≤⇒++ − − − + − −= ≤≤⇒++ − + − −= ≤≤⇒++ − −= ≤≤⇒++= As condiçõesde contorno para a viga são: 8743 4343 7632 3232 6521 2121 CC)a3(y)a3(y CC)a3('y)a3('y CC)a2(y)a2(y CC)a2('y)a2('y CC)a(y)a(y CC)a('y)a('y =⇒= =⇒= =⇒= =⇒= =⇒= =⇒= 0Ca3C 6 )a2a3( P 6 )aa3( 2 P3 6 )a3( P)a3(EIy 0CaC 6 a P)a(EIy 73 333 3 51 3 1 =++ − + − −= =++= das duas últimas equações (fazendo C1=C3 e C5=C7) vem que: 3 654 2 321 a 12 P13 CCC a 4 P5 CCC === −=== A deflexão no centro (centro, x=2a) é: EI3 Pa y)a2(y a 12 P13 a2 4 Pa5 6 )aa2( 2 P3 6 )a2( P)a2(EIy 3 a22 3 233 2 −==∴ +− − −= As inclinações em A e B são: EI4 Pa3 )a('y 4 Pa3 4 Pa5 2 Pa C 2 a P)a('yEI 2 A1 222 1 2 1 −=θ=∴ −=−=+= EI4 Pa3 )a3('y 4 Pa5 2 )a2a3( P 2 )aa3( 2 P3 2 )a3( P)a3('EIy 2 B3 2222 3 =θ=∴ − − + − −= Obs.: o eixo y positivo foi adotado para baixo.
  • 86.
    12.49 A hastecompõe-se de dois eixos para os quais o momento de inércia de AB é I e de BC é 2I. Determinar a inclinação e a deflexão máximas da haste devido ao carregamento. O módulo de elasticidade é E. Solução: Vamos encontrar as equações de momento fletor: Lx 2 L PxM 2 L x0PxM 2 1 ≤≤⇒−= ≤≤⇒−= Agora, vamos montar as equações diferenciais da linha elástica (uma para cada trecho): Lx 2 L Px)x(''yEI2 2 L x0Px)x(''yEI 2 1 ≤≤⇒= ≤≤⇒= E, assim, resolvê-las através de duas integrações. Primeira integração: Lx 2 L C 2 x P)x('yEI2 2 L x0C 2 x P)x('yEI 2 2 2 1 2 1 ≤≤⇒+= ≤≤⇒+= Segunda integração: Lx 2 L CxC 6 x P)x(yEI2 2 L x0CxC 6 x P)x(yEI 42 3 2 31 3 1 ≤≤⇒++= ≤≤⇒++= As condições de contorno para a viga são: 16 PL3 C 2 L y 2 L y 16 PL5 C 2 L 'y 2 L 'y 3 PL C0)L(y 2 PL C0)L('y 3 321 2 121 3 42 2 22 =⇒      =      −=⇒      =      =⇒= −=⇒=
  • 87.
    A inclinação máxima(extremidade livre, x=0) é: EI16 PL5 )0('y 16 PL5 16 PL5 2 0 P)0('yEI 16 PL5 2 x P)x('yEI 2 max1 222 1 22 1 −=θ=∴ −=−=⇒−= O deslocamento máximo (extremidade livre, x=0) é: EI16 PL3 y)0(y 16 PL3 16 PL3 0 16 PL5 6 0 P)0(yEI 16 PL3 x 16 PL5 6 x P)x(yEI 3 max1 3323 1 323 1 ==∴ =+−=⇒+−= Obs.: o eixo y positivo foi adotado para baixo.
  • 88.
    13.5 O elode avião é feito de aço A-36 (E=29000 ksi). Determinar o menor diâmetro da haste, com aproximação de 1/16 pol, que suportará a carga de 4 kip sem sofrer flambagem. As extremidades estão presas por pinos. Solução: 2 2 cr )kL( EI P π = No problema temos que: k = 1 (coluna entre pinos) lbf4000kip4P pol18L 64 d I pol lbf 1029E cr 4 2 6 == = π = ×= Assim: pol551,0 1029 18400064 d E LP64 d L 64 d E )kL( EI P 4 63 2 4 3 2 cr 2 4 2 2 2 cr = ××π ×× =⇒ π =⇒       π π = π = com aproximação de 1/16 pol, temos: ( ) pol 16 9 d 98,8 16/1 551,0 =∴ ≈≈
  • 89.
    13.16 O elode aço ferramenta L-2 usado em uma máquina de forja é acoplado aos garfos por pinos nas extremidades. Determinar a carga máxima P que ele pode suportar sem sofrer flambagem. Usar um fator de segurança para flambagem de F.S. = 1,75. Observar, na figura da esquerda, que as extremidades estão presas por pino para flambagem e, na da direita, que as extremidades estão engastadas. Solução: pol24L pol lbf 1029E 2 6 = ×= No problema temos que: a) k = 1 (coluna entre pinos) 4 33 pol0,140625 12 5,15,0 12 bh I = × == Assim: lbf69877,6P )241( 0,1406251029 )kL( EI P cr2 62 2 2 cr =⇒ × ×××π = π = No problema temos que: b) k = 0,5 (coluna entre engastes) 4 33 pol0,015625=Ix 12 5,05,1 12 bh I = × == Assim: lbf7,10563P )245,0( 0,0156251029 )kL( EI P cr2 62 2 2 cr =⇒ × ×××π = π = Então: lbf17746 75,1 7,10563 .S.F P P cr adm === Resposta: A carga máxima que o elo pode suportar sem sofrer flambagem é de P = 17,7 kip