J-20 JET
Amplificador de Guitarra Totalmente
Valvulado com |Efeito Tremolo

www.habro.com.br/ampeg
info@habro.com.br
IMPORTANTES INTRUÇÕES DE SEGURANÇA

PARA REDUZIR RISCO DE CHOQUE ELÉTRICO, POR FAVOR, NÃO REMOVA A
COBERTURA OU TAMPA TRASEIRA DESTE EQUIPAMENTO. DENTRO DO APARELHO,
NÃO EXISTEM QUAISQUER PEÇAS DAS QUAIS O USUÁRIO NECESSITE. PARA
SERVIÇO, CONTATE CENTROS QUALIFICADOS.
Leia, siga, preste atenção e mantenha todas as instruções e avisos;
Não opere perto de qualquer fonte de calor e não bloqueie quaisquer aberturas de ventilação deste
aparelho. Para operação própria, esta unidade requer 75mm de espaço bem ventilado em volta das
provisões de fluxo de ar no gabinete;
Não utilize o aparelho perto de respingamento, quedas, spray ou quaisquer líquidos.
Limpe somente com um pano seco. Não use solvente ou outros produtos químicos;
Somente conecte o cordão de energia em tomadas seguramente aterradas e dispostas conforme os
códigos elétricos de voltagem compatível, energia e requerimentos de freqüência estabelecidos no painel
traseiro do aparelho.
Proteja o cordão de energia contra pisões, apertos ou estiramentos.
Proteja o cordão de energia das tempestades elétricas ou quando estiver em desuso por largos períodos
de tempo.
Use anexos, acessórios, estantes ou braços especificados pelo fabricante, para operação segura e evitar

danos.
Para reduzir risco de fogo ou choque elétrico, não exponha o aparelho à chuva ou umidade.
Todo reparo deve ser feito apenas por assistência técnica. Limite-se apenas a seguir as instruções
contidas neste manual;
Nossos amplificadores são capazes de produzir níveis muito altos de som. Exposição contínua a altos
níveis de som pode causar perda de audição ou surdez permanente. Recomenda-se cuidado e proteção à
audição se a unidade for operar em alto volume

Este símbolo, onde quer que apareça, alerta sobre a presença de voltagem não isolada, dentro da
unidade, perigosa o suficiente para causar risco de choque.

Este símbolo, onde quer que apareça, alerta sobre a importância das instruções de operação e
manutenção. Leia o manual

www.habro.com.br/ampeg
info@habro.com.br
CONTEÚDO
Introdução
O painel frontal
O painel traseiro
Informações importantes sobre válvulas e produtos de com válvulas
Breve história das válvulas
Tipos de válvulas e usos
A natureza das válvulas: por que e quando trocá-los
A importância da influência apropriada
Dicas de longevidade para amplificadores de válvula
Diagrama de bloco do sistema
Especificações técnicas

INTRODUÇÃO
Parabéns! Você agora é proprietário orgulhoso do amplificador de guitarra totalmente valvulado J-20 da
Ampeg. Este descompromissado amplificador combo possui 20watts do som vintage tube com o clássico
efeito tremolo no seu gabinete estilo retro. É um amp portátil, fácil de operar e produz som incrível!
Parte das Séries Diamond Blue Lead, a seção de preamp do J-20 impulsiona não uma, mas 3 válvulas
12AX7 que dirigem um par de válvulas poderosas 6V6 num falante alnico de 12”, com fiação ponto-aponto para assegurar conexões confiáveis e sólidas.
O J-20 Jet possui controle de tom e volume, controle de velocidade e intensidade para a seção de tremolo
e um footswitch para ligar e desligar o tremolo.
Assim como todos os produtos Ampeg, seu amplificador J-20 foi projetado por músicos e construído com
os melhores componentes. Cada um dos amplificadores é testado, para confirmar que vai de encontro às
especificações. Acreditamos que este amplificador é o melhor que pode ser!
Para obter o melhor de seu amplificador, por favor, leia este manual cuidadosamente antes de começar a
tocar. E obrigado por escolher Ampeg.

Aqui, algumas das funções encontradas no seu amplificador J-20 Jet Combo:
duas válvulas vacuum poderosas 6V6 para som overdrive estável;
saída power 20watts rms
um falante alnico 12”
saída de falante estendida para adicionar falantes extras (8ohm mínimo)
duas entradas: bright e normal
controle de volume
velocidade de tremolo e controle de intensidade
opção de footswitch para ligar e desligar o efeito tremolo

www.habro.com.br/ampeg
info@habro.com.br
PAINEL FRONTAL

1 – NORMAL
Use este jack para conectar sua guitarra ao amplificador, usando um cabo protegido para instrumento
2 - BRIGHT
A conexão deste jack à guitarra fornece boost de alta freqüência, comparado à entrada Normal, para um
som mais brilhante e com mais punch.

3 – VOLUME
Use para ajustar o nível de saída do amplificador.
4 – TONE
Ajusta o tom geral do som. Girando o controle no sentido horário (voltado para “T”), aumentam-se as
freqüências para um som mais brilhante e crocante. Girando no sentido anti-horário (voltado para “B”),
reduzem-se as freqüências mais altas, para um som mais escuro.
5 – LAMP
Acende quando o amplificador está ligado.
6 – SPEED
Use para ajustar a média em que o tremolo “vibra”. Gire o controle no sentido anti-horário para tornar
devagar o efeito tremolo, e gire no sentido horário para acelerar o efeito.
Nota: o controle de intensidade do tremolo (7) deve ser levantado parcialmente para escutar o efeito do
controle de velocidade.
7 – INTENSIDADE
Controla a profundidade do efeito tremolo. Gire o controle no sentido anti-horário para diminuir a
intensidade. Gire no sentido horário para aumentar a intensidade.
Para um efeito tremolo vagaroso e estável, tente ajustar o controle de intensidade em 6 e o controle de
velocidade em 1. Gire Intensity até 8 e aumente o controle de velocidade para 6 ou 7 (ou mais).
8 – Chave ON/STANDBY
Use esta chave para ativar o amplificador depois que a chave On/Off (9) foi ligada.
Sempre gire esta chave primeiramente para OFF, e ON por último! Deixe a chave On/Off em
“on” pelo menos 30 segundos antes de deixar a chave em standby.
Durante pequenas paradas, você deve deixar esta chave em “off” (desligada) e deixar a chave On/Off
ligada em “on”. Isto ajuda a prolongar a vida dos amplificadores valvulados.
9 – Chave ON/OFF
Use esta chave para ligar e desligar o aparelho.
Sempre gire esta chave primeiramente para ON e OFF por último! Deixe a chave Standby (8) em
“on” pelo menos 30 segundos antes de ligar a chave On/Off

www.habro.com.br/ampeg
info@habro.com.br
PAINEL TRASEIRO

10 – CORDÃO AC
O cordão de energia aterrado deve somente ser plugado em uma tomada aterrada, que esteja de acordo
com os códigos elétricos, de voltagem compatível e de acordo com os requerimentos de freqüência
estabelecidos no painel traseiro. Não tente desmontar a conexão terra de segurança.
11 – FUSÍVEL
Protege contra danos de condições de sobrecarga ou surtos de energia. Se o fusível queimar, recoloque
com peça exatamente do mesmo tamanho e tipo listado no chassi.
12 - FALANTE 8 OHMS
O J20 Jet é equipado com um cabo conectado deste jack ao falante interno.
13 – FALANTE EXTENSÃO
Use este jack 1/4” TS para conectar o amplificador a um falante extensão de 8 ohm. O falante interno
permanece ativo quando um falante extensão é conectado.
14 - FOOTSWITCH
Use este jack 1/4” TS para conectar o cabo do footswitch (incluso). Permite ligar e desligar o efeito
tremolo com o footswitch.

www.habro.com.br/ampeg
info@habro.com.br
INFORMAÇÕES IMPORTANTES SOBRE VÁLVULAS E PRODUTOS COM VÁLVULAS
Historia das válvulas
Em 1883, Edison descobriu que os elétrons fluiriam de um filamento suspenso quando
dentro de uma lâmpada evacuada. Anos mais tarde, em 1905, Fleming ampliou a descoberta de Edison e
criou a "Válvula Fleming". Em 1907, o Dr. Lee de Forest adicionou um terceiro componente - a grade - à
"Válvula de Fleming" e a válvula à vácuo tornou-se um fato. A porta para a amplificação eletrônica
estava agora aberta.
Durante a II Guerra Mundial, os dados recolhidos das pesquisas intensivas sobre os detectores utilizados
nos sistemas de radar, levaram a Bell Telephone Laboratories à invenção do transistor. Estes confiáveis
pequenos dispositivos ganharam apoio rápido como o novo componente de amplificação. A morte da
válvula de vácuo parecia iminente. Dessa forma, designers, cientistas e engenheiros revelavam a idéia de
substituir as grandes e frágeis válvulas de vidro por estes pequenos dispositivos de estado sólido.
No entanto, existiam (e ainda existem) muitos ouvintes sérios que perceberam que o som produzido por
um amplificador “transistorizado” é significativamente diferente do produzido por um amplificador de
válvula, com especificações idênticas. Eles consideravam o som - produzido por estes novos dispositivos
de estado sólido - duro, quebradiço e sem vida. Determinou-se que dispositivos de estado sólido
produziam conjunto musical de harmônicos menor que as válvulas. Quando usados além de seus limites,
tendem silenciar o tom e enfatizar a distorção.
Válvulas, por outro lado, produzem conjunto de harmônicos mais musicais, cuja intensidade pode ser
controlada pelo operador. Esta característica acrescenta calor e definição para o som que se tornou a
marca registrada de amplificadores valvulados. Quando as válvulas são levadas a clipping, os sobretons
harmônicos podem ser doces e agradáveis, ou intensos e penetrantes, dependendo do gosto musical do
músico e suas técnicas.
Ao longo dos anos, os engenheiros de aplicação projetaram uma série de amplificadores solid-state que
soou muito, muito bem. Alguns utilizam circuito especial que permite simular as características de
distorção de um amplificador de válvula. No entanto, o amplificador de válvula ainda está na mais alta
estima por muitos músicos: oferecem vintage "clássico" de som em um mercado contemporâneo.
Tipos de válvulas e utilização
Amplificadores de válvula são baseados principalmente em dois tipos de válvulas - válvulas
preamplificadoras e válvulas de potência. As válvulas utilizadas em amplificadores (12AX7, 12AU7,
12AT7, etc.) são menores que as válvulas de potência. Estas válvulas amplificam o sinal do seu
instrumento e moldam o som. São inerentemente microfônicas (podem captar e transmitir ruídos externos
mecanicamente). Desde que essas válvulas são utilizadas nas primeiras fases críticas do circuito de um
amplificador de válvula, é muito importante utilizar alta qualidade e baixo ruído/baixas válvulas
microfônicas para esta aplicação. Apesar de ser difícil encontrar válvulas dessa qualidade e normalmente
custar mais do que as válvulas "off-the-shelf", vale a pena o investimento pela melhoria no desempenho.
Válvulas preamplificadas também são usadas para conduzir válvulas de potência. Quando usadas na
presente aplicação, uma 12AX7 produzirá tom mais distorcido que uma 12AT7, que produz som mais
claro e mais doce. A 12AU7 é ainda mais limpa e mais brilhante que uma 12AT7, dando mais definição
ao som (em alguns casos é possível alterar o som ao alterar o tipo de preamplificador e/ou válvulas dos
drivers. Ao fazer qualquer modificação no seu equipamento, é altamente recomendável consultar centro
de serviço especializado).
As válvulas de potência são os maiores válvulas utilizadas em um amplificador. Essas válvulas convertem
o baixo nível, sinal condicionado do pré-amplificador, a nível suficiente para conduzir aos falantes.
Existem vários tipos de válvulas de potência disponíveis, cada uma oferecendo desempenho diferente e
som característico. Por exemplo, a válvula de potência EL34 produz grande rock clássico. Quando uma

www.habro.com.br/ampeg
info@habro.com.br
EL34 é conduzida à distorção, produz som único (“crunch”). Quando comparado á 6L6, a EL34 distorce
mais rapidamente, apresenta resposta low-end mais livre e produz mais harmônicos em médias e altas
freqüências (som mais “cremoso”) .Estas diferenças se tornam mais perceptíveis em volumes mais
elevados.
A EL84 é semelhante à EL34, mas produz menos energia de saída. Pode ser facilmente levada à distorção
e é caracterizada por um tom suave e doce, com excelente sensibilidade ao toque.
As válvulas 6L6 produzem um grande thump low-end e possuem alcance dinâmico muito bom. Oferecem
som "American Rock" mais tradicional. As válvulas 6V6 produzem som “cremoso” com agradável
distorção. Por outro lado, a KT88 produz grande low-end, mas soa melhor, como uma EL34, nas
freqüências médias e altas.
As válvulas de potência 6550 são mais robustas e permanecem com sonoridade limpa mesmo em plena
potência. Quando elas distorcem, o som produzido é mais sólido e possuem low-end apertado; mais que
distorção tipo “heavy metal” com muita potência.
Algumas válvulas estão disponíveis em conjuntos combinados. Estes válvulas têm sido extensivamente
testadas para melhor desempenho e longevidade.
A natureza das válvulas - Por que e quando substituí-las
Válvulas são constituídas de um número de frágeis componentes mecânicos que estão selados a vácuo em
um envelope de vidro ou bolha. A longevidade da válvula está baseada em número de fatores que incluem
quão dura e frequentemente o amplificador é tocado, vibração dos falantes, viagem em estrada, set up
repetido e desfeito, etc.
Toda vez que você notar uma mudança no desempenho do seu amplificador, verifique as válvulas
primeiramente.
Se há um certo tempo as válvulas foram substituídas e o som de seu amplificador não possui punch, o
volume aumenta e abaixa, há perdas altas/baixas ou produz sons incomuns, as válvulas de potência
provavelmente terão de ser substituídas. Se seu amplificador grita, perde ganho, possui hum, falta
"sensibilidade", ou se comporta como se estivesse trabalhando contra você, as válvulas do
preamplificador precisam ser substituídas.
As válvulas de potência são consideravelmente submetidas a mais estresse que as válvulas do
preamplificador. Conseqüentemente, quase sempre falham/degradam primeiro. Se as válvulas de potência
ainda não estão se deteriorando, acabarão por fracassar. Dependendo da falha, pode mesmo causar graves
danos ao transformador de saída de áudio e/ou a outros componentes do amplificador. Substituir as
válvulas antes que falhem completamente enseja poupar tempo, dinheiro e aborrecimentos indesejados.
Uma vez que as válvulas de potência trabalham em conjunto no amplificador, é fundamental que (se
houver mais que uma) sejam trocadas por um set que combine. Se você anda muito na estrada,
recomendamos carregar um conjunto reserva de peças de substituição das válvulas de potência e suas
válvulas de driver associadas.
Depois de desligar a energia e desligar o amplificador da fonte de alimentação, cuidadosamente verifique
se há (na luz brilhante) rachaduras ou manchas brancas dentro do vidro ou qualquer outro dano aparente.
Então, com a alimentação ligada, verificar as válvulas em um quarto escuro. Procure válvulas que não
acendem ou válvulas de potência que brilham excessivamente em vermelho.
Quando substituir a válvula de potência (s):
• Sempre tenha a voltagem bias do amplificador checada por um centro de serviço qualificado. Voltagem
imprópria provoca mau desempenho e, eventualmente, danifica as válvulas e/ou o amplificador (veja
abaixo "A Importância da Indução Adequada" para mais informações).

www.habro.com.br/ampeg
info@habro.com.br
• É altamente recomendável substituir a válvula(s) do drive. A válvula(s) do drive determina a forma e a
amplitude do sinal aplicado à válvula(s) de potência e tem de trabalhar quase tão duramente quanto a
válvula de potência (s).
Você pode checar as válvulas do seu preamplificador contra microfonia, ligando o amplificador,
aumentando o ganho e tocando levemente cada válvula com a ponta de um lápis. Você será capaz de
ouvir
o
toque
através
dos
falantes,
o
que
é
normal.
Não
é
normal
para uma válvula soar como um sino depois de batida. Se soar, então é microfônica e deve ser substituída.
Lembre-se de usar somente alta qualidade, válvulas microfônicas baixas na seção preamplificador.
Mesmo que as válvulas de potência sejam raramente microfônicas, deve-se verificá-las de qualquer
maneira. As válvulas de potência podem ser verificadas contra esse problema exatamente como as
válvulas de preamp.
No caso de amplificadores de ganho muito alto, você pode ser capaz de reduzir a quantidade de ruído
gerado pela simples troca das válvulas preamp ao redor.
A importância da correta indução
Para melhor desempenho e maior vida útil da válvula, é imperativa a indução apropriada. Bias é voltagem
negativa aplicada à grade de controle da válvula de potência para definir o nível de corrente ociosa. Não
podemos enfatizar demais a diferença de calor de tom e de resposta dinâmica que vem com a indução
apropriada. Se o bias for estabelecido muito alto, o som do amp será distorcido em todos os níveis. Se o
bias for estabelecido muito baixo, as válvulas de potência funcionarão quentes (as placas no interior das
válvulas podem incandescer devido ao calor excessivo) e o som do amplificador ficará desprovido de
energia e punch. O calor excessivo reduz muito a vida da válvula – de alguns dias para algumas horas, em
casos extremos. Definir o bias no seu amplificador é como ajustar a marcha lenta em seu carro. Se for
demasiada alta ou quente, foge com você e se for muito baixa ou fria, engasgará quando pisar nela.
O bias é ajustado na fábrica, de acordo com o tipo de alimentação da válvula(s) instalada no seu
amplificador. É importante salientar que as válvulas do mesmo tipo e especificação normalmente
apresentam características diferentes de desempenho. Consequentemente, sempre que as válvulas de
potência são recolocadas, a voltagem do bias deve ser verificada (a menos que o amplificador esteja
equipado com circuito de "auto-indução”) e reajustada para acomodar os parâmetros de funcionamento
das válvulas de substituição.
Dependendo do modelo e tipo de amplificador, pode haver controle de balance de hum, potenciômetros
trim ou controles de ajuste de bias no painel traseiro. No entanto, o ajuste de indução pode ser realizado
apenas por pessoal técnico qualificado, com o adequado equipamento de teste, calibrado.
Dicas de sobrevivência para amplificadores valvulados
Para prolongar a vida útil da válvula, observe estas dicas e recomendações:
• combine a impedância do gabinete de falante(s) com seu amplificador. Impedância imprópria
contribui para a degradação da válvula e pode causar falha prematura da válvula.
• certifique-se de que o falante(s) está conectado corretamente, antes de ligar o amplificador.
• depois de tocar o amplificador, permita tempo suficiente para esfriar corretamente antes de movê-lo.
Um amplificador devidamente refrigerado prolonga a vida útil da válvula, devido a componentes internos,
sendo menos suscetíveis aos danos causados pela vibração.
• permitir que o amplificador aqueça à temperatura ambiente antes de ligá-lo. O calor gerado
pelos elementos da válvula pode rachar uma caixa de vidro frio.
• substitua a válvula de saída (s) antes que o desempenho diminua ou as válvulas falhem completamente.
Substitua a válvula(s) regularmente (pelo menos uma vez por ano ou a cada 4/6 meses, caso você toque
muito e todos os dias).
• sempre verifique a indução após a substituição das válvulas de saída (a menos que o amplificador seja
equipado com circuito “auto-indução"). Isso deve ser feito apenas em um centro de serviço qualificado.
Indução inadequada pode resultar em válvulas funcionando muito quentes, o que reduz a vida das

www.habro.com.br/ampeg
info@habro.com.br
válvulas - ou muito frias, o que resulta em som distorcido independentemente do nível de configurações.
Não tocar o amplificador se apresentar esses sintomas – verifique a indução e ajuste imediatamente para
evitar falha da válvula e outros danos.
• se localizar ranhura na base de uma válvula, substitua. Isto significativamente reduzirá o risco de
danificar seu amplificador por incorreta inserção da válvula.
• proteja o amplificador contra poeira e umidade. Se entrar líquido no amplificador, se o amplificador cair
ou houver qualquer outro mecanismo danificado, leve a um centro de serviço autorizado, antes de usá-lo.
• manutenção adequada, limpeza e exames de rotina em agente autorizado garantirão o melhor
desempenho e maior durabilidade do seu amplificador.
ATENÇÃO: substituição de válvula deve ser realizada apenas por pessoal qualificado, porque estão
familiarizados com tensões perigosas normalmente presentes em circuito de válvulas.

www.habro.com.br/ampeg
info@habro.com.br
ESPECIFICAÇÕES
Energia de saída: 20 W rms @ 5% THD, carga 8 ohm, 120 VAC
Ruído: < 60mV (Volume e Tom @ 0)
< 90mV (Volume e Tom @ 10)
Ganho: Bright1: 70 dB (±6 dB), todos os controles @ 10
Normal: 64 dB (±6 dB), todos os controles @ 10
Sinal de Entrada Máx: 600mV rms @ 1 kHz
Tom: ± 30dB @ 10 kHz
Falantes: 12”, 20W, 8 ohm, diâmetro de bobina de voz 1.75”, alnico magnético 30 oz
Falantes de Extensão: impedância nominal mínima 8ohms
Válvulas Preamp: (3) 12 AX7A
Válvulas de Potência: (2) 6V6
Tubo Rectifier: (1) 5AR4
Requerimentos de energia:
100-120 VAC, 60Hz, 120 VA
220-240 VAC, 50 Hz, 120 VA
230VAC, 50/60Hz, 30VA
Tamanho e peso: 44.5’ (altura) x 20 (largura) x 24.9 (prof), 25 kg

www.habro.com.br/ampeg
info@habro.com.br
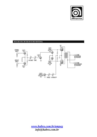
DIAGRAMA DE BLOCO DO SISTEMA

www.habro.com.br/ampeg
info@habro.com.br
www.habro.com.br/ampeg
info@habro.com.br

Manual do Amplificador de guitarra Valvulado Ampeg J20 (PORTUGUÊS)

  • 1.
    J-20 JET Amplificador deGuitarra Totalmente Valvulado com |Efeito Tremolo www.habro.com.br/ampeg info@habro.com.br
  • 2.
    IMPORTANTES INTRUÇÕES DESEGURANÇA PARA REDUZIR RISCO DE CHOQUE ELÉTRICO, POR FAVOR, NÃO REMOVA A COBERTURA OU TAMPA TRASEIRA DESTE EQUIPAMENTO. DENTRO DO APARELHO, NÃO EXISTEM QUAISQUER PEÇAS DAS QUAIS O USUÁRIO NECESSITE. PARA SERVIÇO, CONTATE CENTROS QUALIFICADOS. Leia, siga, preste atenção e mantenha todas as instruções e avisos; Não opere perto de qualquer fonte de calor e não bloqueie quaisquer aberturas de ventilação deste aparelho. Para operação própria, esta unidade requer 75mm de espaço bem ventilado em volta das provisões de fluxo de ar no gabinete; Não utilize o aparelho perto de respingamento, quedas, spray ou quaisquer líquidos. Limpe somente com um pano seco. Não use solvente ou outros produtos químicos; Somente conecte o cordão de energia em tomadas seguramente aterradas e dispostas conforme os códigos elétricos de voltagem compatível, energia e requerimentos de freqüência estabelecidos no painel traseiro do aparelho. Proteja o cordão de energia contra pisões, apertos ou estiramentos. Proteja o cordão de energia das tempestades elétricas ou quando estiver em desuso por largos períodos de tempo. Use anexos, acessórios, estantes ou braços especificados pelo fabricante, para operação segura e evitar danos. Para reduzir risco de fogo ou choque elétrico, não exponha o aparelho à chuva ou umidade. Todo reparo deve ser feito apenas por assistência técnica. Limite-se apenas a seguir as instruções contidas neste manual; Nossos amplificadores são capazes de produzir níveis muito altos de som. Exposição contínua a altos níveis de som pode causar perda de audição ou surdez permanente. Recomenda-se cuidado e proteção à audição se a unidade for operar em alto volume Este símbolo, onde quer que apareça, alerta sobre a presença de voltagem não isolada, dentro da unidade, perigosa o suficiente para causar risco de choque. Este símbolo, onde quer que apareça, alerta sobre a importância das instruções de operação e manutenção. Leia o manual www.habro.com.br/ampeg info@habro.com.br
  • 3.
    CONTEÚDO Introdução O painel frontal Opainel traseiro Informações importantes sobre válvulas e produtos de com válvulas Breve história das válvulas Tipos de válvulas e usos A natureza das válvulas: por que e quando trocá-los A importância da influência apropriada Dicas de longevidade para amplificadores de válvula Diagrama de bloco do sistema Especificações técnicas INTRODUÇÃO Parabéns! Você agora é proprietário orgulhoso do amplificador de guitarra totalmente valvulado J-20 da Ampeg. Este descompromissado amplificador combo possui 20watts do som vintage tube com o clássico efeito tremolo no seu gabinete estilo retro. É um amp portátil, fácil de operar e produz som incrível! Parte das Séries Diamond Blue Lead, a seção de preamp do J-20 impulsiona não uma, mas 3 válvulas 12AX7 que dirigem um par de válvulas poderosas 6V6 num falante alnico de 12”, com fiação ponto-aponto para assegurar conexões confiáveis e sólidas. O J-20 Jet possui controle de tom e volume, controle de velocidade e intensidade para a seção de tremolo e um footswitch para ligar e desligar o tremolo. Assim como todos os produtos Ampeg, seu amplificador J-20 foi projetado por músicos e construído com os melhores componentes. Cada um dos amplificadores é testado, para confirmar que vai de encontro às especificações. Acreditamos que este amplificador é o melhor que pode ser! Para obter o melhor de seu amplificador, por favor, leia este manual cuidadosamente antes de começar a tocar. E obrigado por escolher Ampeg. Aqui, algumas das funções encontradas no seu amplificador J-20 Jet Combo: duas válvulas vacuum poderosas 6V6 para som overdrive estável; saída power 20watts rms um falante alnico 12” saída de falante estendida para adicionar falantes extras (8ohm mínimo) duas entradas: bright e normal controle de volume velocidade de tremolo e controle de intensidade opção de footswitch para ligar e desligar o efeito tremolo www.habro.com.br/ampeg info@habro.com.br
  • 4.
    PAINEL FRONTAL 1 –NORMAL Use este jack para conectar sua guitarra ao amplificador, usando um cabo protegido para instrumento 2 - BRIGHT A conexão deste jack à guitarra fornece boost de alta freqüência, comparado à entrada Normal, para um som mais brilhante e com mais punch. 3 – VOLUME Use para ajustar o nível de saída do amplificador. 4 – TONE Ajusta o tom geral do som. Girando o controle no sentido horário (voltado para “T”), aumentam-se as freqüências para um som mais brilhante e crocante. Girando no sentido anti-horário (voltado para “B”), reduzem-se as freqüências mais altas, para um som mais escuro. 5 – LAMP Acende quando o amplificador está ligado. 6 – SPEED Use para ajustar a média em que o tremolo “vibra”. Gire o controle no sentido anti-horário para tornar devagar o efeito tremolo, e gire no sentido horário para acelerar o efeito. Nota: o controle de intensidade do tremolo (7) deve ser levantado parcialmente para escutar o efeito do controle de velocidade. 7 – INTENSIDADE Controla a profundidade do efeito tremolo. Gire o controle no sentido anti-horário para diminuir a intensidade. Gire no sentido horário para aumentar a intensidade. Para um efeito tremolo vagaroso e estável, tente ajustar o controle de intensidade em 6 e o controle de velocidade em 1. Gire Intensity até 8 e aumente o controle de velocidade para 6 ou 7 (ou mais). 8 – Chave ON/STANDBY Use esta chave para ativar o amplificador depois que a chave On/Off (9) foi ligada. Sempre gire esta chave primeiramente para OFF, e ON por último! Deixe a chave On/Off em “on” pelo menos 30 segundos antes de deixar a chave em standby. Durante pequenas paradas, você deve deixar esta chave em “off” (desligada) e deixar a chave On/Off ligada em “on”. Isto ajuda a prolongar a vida dos amplificadores valvulados. 9 – Chave ON/OFF Use esta chave para ligar e desligar o aparelho. Sempre gire esta chave primeiramente para ON e OFF por último! Deixe a chave Standby (8) em “on” pelo menos 30 segundos antes de ligar a chave On/Off www.habro.com.br/ampeg info@habro.com.br
  • 5.
    PAINEL TRASEIRO 10 –CORDÃO AC O cordão de energia aterrado deve somente ser plugado em uma tomada aterrada, que esteja de acordo com os códigos elétricos, de voltagem compatível e de acordo com os requerimentos de freqüência estabelecidos no painel traseiro. Não tente desmontar a conexão terra de segurança. 11 – FUSÍVEL Protege contra danos de condições de sobrecarga ou surtos de energia. Se o fusível queimar, recoloque com peça exatamente do mesmo tamanho e tipo listado no chassi. 12 - FALANTE 8 OHMS O J20 Jet é equipado com um cabo conectado deste jack ao falante interno. 13 – FALANTE EXTENSÃO Use este jack 1/4” TS para conectar o amplificador a um falante extensão de 8 ohm. O falante interno permanece ativo quando um falante extensão é conectado. 14 - FOOTSWITCH Use este jack 1/4” TS para conectar o cabo do footswitch (incluso). Permite ligar e desligar o efeito tremolo com o footswitch. www.habro.com.br/ampeg info@habro.com.br
  • 6.
    INFORMAÇÕES IMPORTANTES SOBREVÁLVULAS E PRODUTOS COM VÁLVULAS Historia das válvulas Em 1883, Edison descobriu que os elétrons fluiriam de um filamento suspenso quando dentro de uma lâmpada evacuada. Anos mais tarde, em 1905, Fleming ampliou a descoberta de Edison e criou a "Válvula Fleming". Em 1907, o Dr. Lee de Forest adicionou um terceiro componente - a grade - à "Válvula de Fleming" e a válvula à vácuo tornou-se um fato. A porta para a amplificação eletrônica estava agora aberta. Durante a II Guerra Mundial, os dados recolhidos das pesquisas intensivas sobre os detectores utilizados nos sistemas de radar, levaram a Bell Telephone Laboratories à invenção do transistor. Estes confiáveis pequenos dispositivos ganharam apoio rápido como o novo componente de amplificação. A morte da válvula de vácuo parecia iminente. Dessa forma, designers, cientistas e engenheiros revelavam a idéia de substituir as grandes e frágeis válvulas de vidro por estes pequenos dispositivos de estado sólido. No entanto, existiam (e ainda existem) muitos ouvintes sérios que perceberam que o som produzido por um amplificador “transistorizado” é significativamente diferente do produzido por um amplificador de válvula, com especificações idênticas. Eles consideravam o som - produzido por estes novos dispositivos de estado sólido - duro, quebradiço e sem vida. Determinou-se que dispositivos de estado sólido produziam conjunto musical de harmônicos menor que as válvulas. Quando usados além de seus limites, tendem silenciar o tom e enfatizar a distorção. Válvulas, por outro lado, produzem conjunto de harmônicos mais musicais, cuja intensidade pode ser controlada pelo operador. Esta característica acrescenta calor e definição para o som que se tornou a marca registrada de amplificadores valvulados. Quando as válvulas são levadas a clipping, os sobretons harmônicos podem ser doces e agradáveis, ou intensos e penetrantes, dependendo do gosto musical do músico e suas técnicas. Ao longo dos anos, os engenheiros de aplicação projetaram uma série de amplificadores solid-state que soou muito, muito bem. Alguns utilizam circuito especial que permite simular as características de distorção de um amplificador de válvula. No entanto, o amplificador de válvula ainda está na mais alta estima por muitos músicos: oferecem vintage "clássico" de som em um mercado contemporâneo. Tipos de válvulas e utilização Amplificadores de válvula são baseados principalmente em dois tipos de válvulas - válvulas preamplificadoras e válvulas de potência. As válvulas utilizadas em amplificadores (12AX7, 12AU7, 12AT7, etc.) são menores que as válvulas de potência. Estas válvulas amplificam o sinal do seu instrumento e moldam o som. São inerentemente microfônicas (podem captar e transmitir ruídos externos mecanicamente). Desde que essas válvulas são utilizadas nas primeiras fases críticas do circuito de um amplificador de válvula, é muito importante utilizar alta qualidade e baixo ruído/baixas válvulas microfônicas para esta aplicação. Apesar de ser difícil encontrar válvulas dessa qualidade e normalmente custar mais do que as válvulas "off-the-shelf", vale a pena o investimento pela melhoria no desempenho. Válvulas preamplificadas também são usadas para conduzir válvulas de potência. Quando usadas na presente aplicação, uma 12AX7 produzirá tom mais distorcido que uma 12AT7, que produz som mais claro e mais doce. A 12AU7 é ainda mais limpa e mais brilhante que uma 12AT7, dando mais definição ao som (em alguns casos é possível alterar o som ao alterar o tipo de preamplificador e/ou válvulas dos drivers. Ao fazer qualquer modificação no seu equipamento, é altamente recomendável consultar centro de serviço especializado). As válvulas de potência são os maiores válvulas utilizadas em um amplificador. Essas válvulas convertem o baixo nível, sinal condicionado do pré-amplificador, a nível suficiente para conduzir aos falantes. Existem vários tipos de válvulas de potência disponíveis, cada uma oferecendo desempenho diferente e som característico. Por exemplo, a válvula de potência EL34 produz grande rock clássico. Quando uma www.habro.com.br/ampeg info@habro.com.br
  • 7.
    EL34 é conduzidaà distorção, produz som único (“crunch”). Quando comparado á 6L6, a EL34 distorce mais rapidamente, apresenta resposta low-end mais livre e produz mais harmônicos em médias e altas freqüências (som mais “cremoso”) .Estas diferenças se tornam mais perceptíveis em volumes mais elevados. A EL84 é semelhante à EL34, mas produz menos energia de saída. Pode ser facilmente levada à distorção e é caracterizada por um tom suave e doce, com excelente sensibilidade ao toque. As válvulas 6L6 produzem um grande thump low-end e possuem alcance dinâmico muito bom. Oferecem som "American Rock" mais tradicional. As válvulas 6V6 produzem som “cremoso” com agradável distorção. Por outro lado, a KT88 produz grande low-end, mas soa melhor, como uma EL34, nas freqüências médias e altas. As válvulas de potência 6550 são mais robustas e permanecem com sonoridade limpa mesmo em plena potência. Quando elas distorcem, o som produzido é mais sólido e possuem low-end apertado; mais que distorção tipo “heavy metal” com muita potência. Algumas válvulas estão disponíveis em conjuntos combinados. Estes válvulas têm sido extensivamente testadas para melhor desempenho e longevidade. A natureza das válvulas - Por que e quando substituí-las Válvulas são constituídas de um número de frágeis componentes mecânicos que estão selados a vácuo em um envelope de vidro ou bolha. A longevidade da válvula está baseada em número de fatores que incluem quão dura e frequentemente o amplificador é tocado, vibração dos falantes, viagem em estrada, set up repetido e desfeito, etc. Toda vez que você notar uma mudança no desempenho do seu amplificador, verifique as válvulas primeiramente. Se há um certo tempo as válvulas foram substituídas e o som de seu amplificador não possui punch, o volume aumenta e abaixa, há perdas altas/baixas ou produz sons incomuns, as válvulas de potência provavelmente terão de ser substituídas. Se seu amplificador grita, perde ganho, possui hum, falta "sensibilidade", ou se comporta como se estivesse trabalhando contra você, as válvulas do preamplificador precisam ser substituídas. As válvulas de potência são consideravelmente submetidas a mais estresse que as válvulas do preamplificador. Conseqüentemente, quase sempre falham/degradam primeiro. Se as válvulas de potência ainda não estão se deteriorando, acabarão por fracassar. Dependendo da falha, pode mesmo causar graves danos ao transformador de saída de áudio e/ou a outros componentes do amplificador. Substituir as válvulas antes que falhem completamente enseja poupar tempo, dinheiro e aborrecimentos indesejados. Uma vez que as válvulas de potência trabalham em conjunto no amplificador, é fundamental que (se houver mais que uma) sejam trocadas por um set que combine. Se você anda muito na estrada, recomendamos carregar um conjunto reserva de peças de substituição das válvulas de potência e suas válvulas de driver associadas. Depois de desligar a energia e desligar o amplificador da fonte de alimentação, cuidadosamente verifique se há (na luz brilhante) rachaduras ou manchas brancas dentro do vidro ou qualquer outro dano aparente. Então, com a alimentação ligada, verificar as válvulas em um quarto escuro. Procure válvulas que não acendem ou válvulas de potência que brilham excessivamente em vermelho. Quando substituir a válvula de potência (s): • Sempre tenha a voltagem bias do amplificador checada por um centro de serviço qualificado. Voltagem imprópria provoca mau desempenho e, eventualmente, danifica as válvulas e/ou o amplificador (veja abaixo "A Importância da Indução Adequada" para mais informações). www.habro.com.br/ampeg info@habro.com.br
  • 8.
    • É altamenterecomendável substituir a válvula(s) do drive. A válvula(s) do drive determina a forma e a amplitude do sinal aplicado à válvula(s) de potência e tem de trabalhar quase tão duramente quanto a válvula de potência (s). Você pode checar as válvulas do seu preamplificador contra microfonia, ligando o amplificador, aumentando o ganho e tocando levemente cada válvula com a ponta de um lápis. Você será capaz de ouvir o toque através dos falantes, o que é normal. Não é normal para uma válvula soar como um sino depois de batida. Se soar, então é microfônica e deve ser substituída. Lembre-se de usar somente alta qualidade, válvulas microfônicas baixas na seção preamplificador. Mesmo que as válvulas de potência sejam raramente microfônicas, deve-se verificá-las de qualquer maneira. As válvulas de potência podem ser verificadas contra esse problema exatamente como as válvulas de preamp. No caso de amplificadores de ganho muito alto, você pode ser capaz de reduzir a quantidade de ruído gerado pela simples troca das válvulas preamp ao redor. A importância da correta indução Para melhor desempenho e maior vida útil da válvula, é imperativa a indução apropriada. Bias é voltagem negativa aplicada à grade de controle da válvula de potência para definir o nível de corrente ociosa. Não podemos enfatizar demais a diferença de calor de tom e de resposta dinâmica que vem com a indução apropriada. Se o bias for estabelecido muito alto, o som do amp será distorcido em todos os níveis. Se o bias for estabelecido muito baixo, as válvulas de potência funcionarão quentes (as placas no interior das válvulas podem incandescer devido ao calor excessivo) e o som do amplificador ficará desprovido de energia e punch. O calor excessivo reduz muito a vida da válvula – de alguns dias para algumas horas, em casos extremos. Definir o bias no seu amplificador é como ajustar a marcha lenta em seu carro. Se for demasiada alta ou quente, foge com você e se for muito baixa ou fria, engasgará quando pisar nela. O bias é ajustado na fábrica, de acordo com o tipo de alimentação da válvula(s) instalada no seu amplificador. É importante salientar que as válvulas do mesmo tipo e especificação normalmente apresentam características diferentes de desempenho. Consequentemente, sempre que as válvulas de potência são recolocadas, a voltagem do bias deve ser verificada (a menos que o amplificador esteja equipado com circuito de "auto-indução”) e reajustada para acomodar os parâmetros de funcionamento das válvulas de substituição. Dependendo do modelo e tipo de amplificador, pode haver controle de balance de hum, potenciômetros trim ou controles de ajuste de bias no painel traseiro. No entanto, o ajuste de indução pode ser realizado apenas por pessoal técnico qualificado, com o adequado equipamento de teste, calibrado. Dicas de sobrevivência para amplificadores valvulados Para prolongar a vida útil da válvula, observe estas dicas e recomendações: • combine a impedância do gabinete de falante(s) com seu amplificador. Impedância imprópria contribui para a degradação da válvula e pode causar falha prematura da válvula. • certifique-se de que o falante(s) está conectado corretamente, antes de ligar o amplificador. • depois de tocar o amplificador, permita tempo suficiente para esfriar corretamente antes de movê-lo. Um amplificador devidamente refrigerado prolonga a vida útil da válvula, devido a componentes internos, sendo menos suscetíveis aos danos causados pela vibração. • permitir que o amplificador aqueça à temperatura ambiente antes de ligá-lo. O calor gerado pelos elementos da válvula pode rachar uma caixa de vidro frio. • substitua a válvula de saída (s) antes que o desempenho diminua ou as válvulas falhem completamente. Substitua a válvula(s) regularmente (pelo menos uma vez por ano ou a cada 4/6 meses, caso você toque muito e todos os dias). • sempre verifique a indução após a substituição das válvulas de saída (a menos que o amplificador seja equipado com circuito “auto-indução"). Isso deve ser feito apenas em um centro de serviço qualificado. Indução inadequada pode resultar em válvulas funcionando muito quentes, o que reduz a vida das www.habro.com.br/ampeg info@habro.com.br
  • 9.
    válvulas - oumuito frias, o que resulta em som distorcido independentemente do nível de configurações. Não tocar o amplificador se apresentar esses sintomas – verifique a indução e ajuste imediatamente para evitar falha da válvula e outros danos. • se localizar ranhura na base de uma válvula, substitua. Isto significativamente reduzirá o risco de danificar seu amplificador por incorreta inserção da válvula. • proteja o amplificador contra poeira e umidade. Se entrar líquido no amplificador, se o amplificador cair ou houver qualquer outro mecanismo danificado, leve a um centro de serviço autorizado, antes de usá-lo. • manutenção adequada, limpeza e exames de rotina em agente autorizado garantirão o melhor desempenho e maior durabilidade do seu amplificador. ATENÇÃO: substituição de válvula deve ser realizada apenas por pessoal qualificado, porque estão familiarizados com tensões perigosas normalmente presentes em circuito de válvulas. www.habro.com.br/ampeg info@habro.com.br
  • 10.
    ESPECIFICAÇÕES Energia de saída:20 W rms @ 5% THD, carga 8 ohm, 120 VAC Ruído: < 60mV (Volume e Tom @ 0) < 90mV (Volume e Tom @ 10) Ganho: Bright1: 70 dB (±6 dB), todos os controles @ 10 Normal: 64 dB (±6 dB), todos os controles @ 10 Sinal de Entrada Máx: 600mV rms @ 1 kHz Tom: ± 30dB @ 10 kHz Falantes: 12”, 20W, 8 ohm, diâmetro de bobina de voz 1.75”, alnico magnético 30 oz Falantes de Extensão: impedância nominal mínima 8ohms Válvulas Preamp: (3) 12 AX7A Válvulas de Potência: (2) 6V6 Tubo Rectifier: (1) 5AR4 Requerimentos de energia: 100-120 VAC, 60Hz, 120 VA 220-240 VAC, 50 Hz, 120 VA 230VAC, 50/60Hz, 30VA Tamanho e peso: 44.5’ (altura) x 20 (largura) x 24.9 (prof), 25 kg www.habro.com.br/ampeg info@habro.com.br
  • 11.
    DIAGRAMA DE BLOCODO SISTEMA www.habro.com.br/ampeg info@habro.com.br
  • 12.