Soldagem I – Lista de Exercícios
1. Defina soldagem com base em (a) suas características operacionais e (b) seus mecanismos de
   união. (c) Dois blocos de gelo colocados em contato com uma pequena pressão são
   facilmente soldados. O mesmo não ocorre com dois blocos de cobre, por exemplo. Discuta e
   explique.

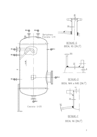
2.    A figura abaixo mostra bocais de um tanque para transporte de combustível. (a) Detalhe as
     soldas indicadas. (b) Calcule o volume de solda e o peso (massa) de eletrodos necessários
     (rendimento de deposição de 75%). (c) Se a taxa de deposição média for de 2kg/h, calcule
     tempo de soldagem de “arco aberto”. (d) Se o fator de ocupação do soldador for de 30%,
     calcule o tempo total de soldagem. Obs.: A chapa (1) tem ½ “ de espessura.




3. Defina: Velocidade de soldagem, passe, raiz, face e margem de uma solda, taxa de deposição,
   eficiência de deposição e fator de ocupação.

4. A figura abaixo mostra detalhes de bocais de um tanque de armazenamento. (a) Indique os
   símbolos das soldas mostradas nos detalhes (deixe claro eventuais suposições) e discuta, para
   cada caso, a sequência de soldagem. (b) Calcule o volume de solda e o peso (massa) de
   eletrodos necessário para a execução destas soldas (rendimento de deposição de 75%). (c) Se
   a taxa de deposição média for de 2kg/h, calcule tempo de soldagem de “arco aberto”. (d) Se o
   fator de ocupação do soldador for de 30%, calcule o tempo total de soldagem.


                                                                                              1
2
5. Faça um desenho detalhando a junta, estime o número de passes necessários para o seu
   enchimento e calcule o custo de metal de adição e de mão de obra para a soldagem (com
   eletrodos revestidos) da junta indicada abaixo.
    Dados: Comprimento total a ser soldado: 15m, material: aço de baixo carbono, velocidade de
         soldagem (por passe): 20 cm/min, taxa de deposição: 1,8 kg/h, eficiência de deposição:
         75%, fator de ocupação médio: 40%, preço de uma lata de eletrodo (20 kg): R$ 45,00,
         salário e encargo do(s) soldador(es): R$ 6,00/h

                                                             2
                                                            60º
                             30


                                              Dimensões em mm


6. Para a junta mostrada abaixo: (a) Indique o tipo de chanfro e mostre a raiz e a margem da
   solda. (b) Estime o peso de metal depositado em um metro de junta (não considere o reforço
   da solda). (c) Faça, no desenho à esquerda, sem colocar as medidas, o símbolo desta solda.
   Dado: Densidade do aço = 7,8 g/cm3. Dimensões em mm.

                             45º

                                         12
                              2
                                   5

7. Dois elementos fundamentais de um processo de soldagem por fusão são a fonte de calor e o
   meio de proteção. Quais são as características básicas de uma fonte de calor para soldagem
   por fusão? Cite e descreva rapidamente três fontes usualmente usadas na soldagem por fusão.
   Qual é a função de um meio de proteção? Cite os meios mais usados em soldagem.

8. Defina chanfro e explique o seu uso em soldagem. Desenhe chanfros em V e X (ângulos de
   chanfro de 30º e abertura de 2mm) em juntas de topo de 25mm de espessura e indique os
   símbolos correspondentes. Discuta a aplicação de cada tipo de chanfro.

9. Indique as principais posições de soldagem e discuta a influência destas na operação de
   soldagem.

10. Discutir os riscos (“perigos”) que o arco elétrico coloca para o soldador.

11. Apresente e discuta as características dos dois tipos básicos de técnicas de soldagem (por
    deformação/por fusão). Discuta as características principais, aplicações e limitações de cada
    tipo.

12. Classifique, quando aplicável, com base em: (a) fonte de calor, (b) meio de proteção, (c)
    posições de soldagem possíveis e (d) tipo de eletrodo (consumível ou não consumível), os
    seguintes processos de soldagem: eletrodos revestidos, TIG, arame tubular, eletro-escória e
    laser.




                                                                                               3
13. Cite/discute as principais características ou funções de um fluxo (SAW) ou revestimento de
    eletrodo (SMAW). Indique as características de eletrodos das classes AWS E6010, E6013 e
    E7018.

14. Qual é a função do ignitor de alta frequência na soldagem TIG. Por que, na soldagem de ligas
    de alumínio com este processo, é usual manter este ignitor ligado.

15. Compare e discuta os tipos de corrente e sua polaridade usualmente utilizadas na soldagem
    TIG e MIG/MAG. Na soldagem MIG de ligas de alumínio é necessário utilizar corrente
    alternada (como na soldagem TIG)? Explique.

16. Por que, na soldagem TIG de alumínio, é comum se usar corrente alternada?

17. A figura abaixo mostra a variação de corrente em um teste de soldagem TIG pulsado. Estime
    os parâmetros de pulsação usados e calcule a corrente média. Descreva, em linhas gerais, a
    variação esperada do formato da poça de fusão durante um ciclo de pulsação. Cite as
    principais aplicações da soldagem TIG com corrente pulsada.
                             100
              Corrente (A)




                              80
                              60
                              40
                              20
                               0
                                   0   100   200   300   400      500   600   700
                                                    Tem po (ms)

18. A norma AWS A5.18 especifica arames de aço carbono para a soldagem MIG/MAG
    (GMAW). Nesta norma, os arames E70S3 (0,06 a 0,15%C, 0,90 a 1,40%Mn e 0,45 a
    0,70%Si) e E70S6 (0,07 a 0,15%C, 1,40 a 1,85%Mn e 0,80 a 1,15%Si) são indicados,
    respectivamente, para a soldagem com proteção de mistura Ar-CO2 e com CO2 puro.
    Explique as diferenças de composição química dos dois arames levando em consideração as
    diferenças de potencial de oxidação do gás de proteção em cada caso. Indique possíveis
    consequências nas propriedades mecânicas da solda de se usar um arame E70S2 com CO2
    puro.

19. Discuta a influência do gás de proteção no formato do cordão e na estabilidade do processo
    nas soldagens TIG e MIG/MAG.

20. Quais as formas usuais de transferência de metal de adição na soldagem MIG/MAG. Por que,
    neste processo, é fundamental controlar a forma de transferência de metal. Por que este
    problema é menor na soldagem com eletrodos revestidos.

21. O que é um arame tubular “autoprotegido” (self-shielded). Indique aplicações típicas para
    este tipo de arame.

22. Explique a soldagem por eletro-escória e indique aplicações deste processo.

23. Compare, do ponto de vista operacional, as soldagens de resistência de topo e por
    centelhamento. Com base nesta comparação, explique por que a última tende a ser mais
    adequada para, por exemplo, a soldagem de tubulações de grande diâmetro.


                                                                                              4
24. Descreva os processos de soldagem por explosão e por fricção. Cite possíveis aplicações para
    estes processos de soldagem.

25. Compare a brasagem com a soldagem convencional. Indique as principais formas de
    brasagem

26. Cite os principais processos de corte térmico de metais e compare-os.

27. Descreva, em linhas gerais, o corte por oxigênio. Por que este processo de corte só é
    basicamente aplicável, de forma direta, para aços de baixo carbono?

28. Na soldagem TIG de peças de cobre de massa elevada, por exemplo na recuperação de uma
    ventaneira de alto forno, é usual o uso de um pré-aquecimento de até 400oC.
    Alternativamente, tem sido possível soldar esta peça com um menor pré-aquecimento, com o
    uso de He como gás de proteção. Discuta.

29. (a) Compare o arco elétrico com um fio metálico em termos de seu comportamento frente à
    passagem de uma corrente elétrica. (b) Explique, baseado na estrutura do arco, por que este é
    uma fonte de energia muito eficiente para a soldagem por fusão.

30. Discuta o formato geral de uma curva característica do arco e o efeito da variação do
    comprimento do arco nesta curva, considerando a estrutura do arco.

31. (a) Desenhe esquematicamente a curva característica do arco para a soldagem TIG com
    eletrodo negativo. Discuta o efeito do comprimento do arco nesta curva. Esquematize,
    também, a curva característica deste processo com o eletrodo positivo. Discuta as diferenças
    existentes.

32. Calcule a densidade de corrente associada com a emissão termiônica no aço (ferro) e no
    tungstênio, nas temperaturas de fusão e de ebulição de cada material. Discuta o resultado com
    base nas densidades de corrente necessárias na soldagem (suponha, por exemplo, a soldagem
    com um eletrodo de 3,2mm de diâmetro e uma corrente de 250A.

33. O que é “potência específica de uma fonte”, Pesp? Discuta a figura abaixo, considerando as
    características dos processos de soldagem, o formato dos cordões obtidos e as regiões de
    “soldagem impossível”. Qual seria o efeito da condutividade térmica do metal base nesta
    figura?

                                14      Soldagem
                       2   10                                            Vaporização
                   W/m                       Impossivel
                             12
                           10                                            Vaporização
                                                              Feixe de   e condução
                            10                                eletrons
                           10                         Laser
                           10   8            Plasma                      Condução
                                                                         com fusão
                                     Arco
                           10 6
                                            Soldagem
                                4                Impossivel              Condução
                           10                                            sem fusão




                                                                                               5
34. (a) Desenhe esquematicamente a variação de tensão ao longo do arco no processo TIG (CC-),
    colocando valores típicos para as quedas de tensão existentes e indicando as regiões do arco.
    Mostre e explique o efeito de (b) um aumento no comprimento do arco e (c) uma mudança de
    polaridade nesta distribuição de tensão.


35. Considerando a ilustração abaixo de um arco entre dois eletrodos de carvão em uma
    atmosfera de argônio: (a) Indique as regiões deste. (b) Mostre a variação de tensão ao longo
    do arco, colocando (e justificando) os valores aproximados para as variações de tensão nas
    diferentes regiões. (c) Indique, e justifique, o fluxo de gases esperado neste arco. (d) Discuta
    possíveis alterações na forma e características elétricas deste arco devido cada uma das
    seguintes mudanças: (d.1) redução da separação do eletrodos, (d.2) substituição do gás por
    hélio, (d.3) geração de um campo magnético penetrando no plano do desenho e (d.4)
    substituição dos eletrodos de carvão por eletrodos de aço.

                                                            Arco

                                     -                      +



36. Em um teste de soldagem TIG com argônio puro e uma corrente de 100A, foi mantido um
    comprimento do arco de 3mm, com uma tensão de soldagem de cerca de 10V. Indique de
    forma qualitativa as alterações esperadas na tensão de soldagem e no formato do cordão para:
    (a) um aumento no comprimento do arco, (b) o uso de uma mistura gasosa Ar-50%He e (c)
    uma mudança de polaridade (de CC- para CC+).

37. Estime, sem considerar o efeito da corrente de soldagem, a tensão do arco na soldagem TIG
    com CC- com um comprimento de arco de 3mm (a) e de 5mm (b). Repita estas estimativas
    para (c) CC+ e (d) hélio como gás de proteção e discuta as diferenças existentes. Discuta a
    importância da região catódica para a soldagem.

38. Explique a emissão de elétrons em um eletrodo de metal não refratário? Por que a emissão de
    elétrons é fundamental para a manutenção do arco?

39. O que é jato de plasma? Explique a sua formação na soldagem a arco e discuta a importância
    deste na soldagem e o efeito da polaridade da corrente neste.

40. Explique a formação do sopro magnético e discuta a importância deste na soldagem e o efeito
    da polaridade da corrente neste.

41. Porque o conhecimento dos modos de transferência de metal de adição é fundamental para
    um uso mais adequado do processo de soldagem MIG e MAG? Cite, para cada um dos
    principais modos de transferência observados neste processo de soldagem, as principais
    forças responsáveis pela transferência.

42. A figura abaixo mostra um oscilograma de tensão de um teste de soldagem MAG com arame
    de aço carbono de 1,2mm, velocidade de alimentação de 4m/min e proteção de CO2.
    Identifique a forma de transferência utilizada e cite suas características principais e
    aplicações. Discuta a influência, nas condições operacionais e no modo de transferência, de


                                                                                                  6
(a) um aumento na tensão de soldagem, (b) um aumento na velocidade de alimentação (por
   exemplo, para 8m/min) e (c) um aumento simultâneo de ambas.

                          40
             Tensão (V)   30

                          20

                          10

                           0
                            200                      250         300            350         400         450

                                                                 Tempo (ms)



43. A figura abaixo mostra oscilogramas de tensão de testes de soldagem GMAW com arame de
    aço de 1,2mm e proteção de Ar-25%CO2 e velocidade de alimentação de 4m/min (I≈165A).
    (a) Estime, para cada caso, a tensão média de soldagem. (b) Indique e apresente as principais
    características dos modos de transferência observados. (c) Desenhe esquematicamente um
    gráfico VxI com os modos de transferência usualmente obtidos com esta mistura de proteção
    e localize aproximadamente neste os oscilogramas mostrados (justifique).
                                            40
                               Tensão (V)




                                            30

                                            20

                                            10

                                            0
                                                 0         100            200         300         400
                                            40
                               Tensão (V)




                                            30

                                            20

                                            10

                                            0
                                                 0         100            200         300         400
                                            40
                               Tensão (V)




                                            30

                                            20

                                            10

                                            0
                                                 0         100            200         300         400
                                                                       Tempo (ms)




44. As figuras abaixo mostram a variação de corrente em testes de soldagem MIG pulsada usando
    um arame de aço carbono de 1,2mm e proteção de Ar-5%CO2. (a) Estime os parâmetros de
    pulsação utilizados e os valores da corrente média de soldagem (Im). (b) Calcule os valor do
    parâmetro de destacamento de cada teste e os compare com o valor esperado para condições
    ótimas de transferência (500As2) com os consumíveis usados. Discuta. (c) Se os testes foram
    feitos com uma distância do bico de contato à peça de cerca de 20mm e o comprimento do
    arco era de cerca de 5mm, estime a velocidade de alimentação necessária para manter o
    processo operando de forma adequada em cada teste.


                                                                                                              7
Corrente (A)
                              400
                              300
                              200
                              100
                                0
                                    0   30   60        90        120        150
                                             Tempo (ms)
                                                                                   (a)
               Corrente (A)




                              400
                              300
                              200
                              100
                                0
                                    0   30   60        90        120        150
                                             Tempo (ms)
                                                                                   (b)
               Corrente (A)




                              400
                              300
                              200
                              100
                                0
                                    0   30   60        90        120        150
                                             Tempo (ms)
                                                                                   (c)
               Corrente (A)




                              400
                              300
                              200
                              100
                                0
                                    0   30   60        90        120        150
                                             Tempo (ms)
                                                                                   (d)



45. Apresente e discuta os efeitos da corrente de soldagem, da tensão do arco e da velocidade de
    soldagem na velocidade de fusão do eletrodo (no processo MIG/MAG, por exemplo) e no
    formato do cordão de solda.


46. Considere a soldagem MIG/MAG com arames de aço baixo carbono (AWS E70S6, por
    exemplo) de 0,8 e 1,2mm de diâmetro e uma corrente de cerca de 200A. (a) Para um gás de
    proteção rico em argônio indique, para cada arame, o modo de transferência em queda livre
    (isto é, sem curto circuito) esperado. (b) Estime, para cada arame e com uma distância do bico
    de contato da tocha à peça de 20mm e um comprimento do arco de 5mm, a velocidade de
    alimentação (em m/min) e, para cada resultado, as parcelas devidas às diferentes fontes de
    aquecimento do arame. (c) Estime a taxa de fusão (em kg/h) associadas com os resultados
    anteriores.

47. A figura abaixo mostra as variações de corrente em um teste de soldagem TIG de alumínio
    com corrente “quadrada” (ou, melhor, retangular) e com proteção de Ar. (a) Estime os valores
    médios de corrente e tensão de soldagem nos ciclos de CC- e CC+ e a duração destes ciclos.

                                                                                                8
(b) Explique os valores de tensão do arco de cada ciclo. (c) Discuta os processos (fluxo de
   partículas carregadas no arco, perfil elétrico, mecanismos de emissão de elétrons e ação do
   arco no metal base) que estão ocorrendo durante cada ciclo.

                                    120
                                     80
               Corrente (A)
                                     40
                                      0
                                    -40
                                    -80
                                   -120
                                   -160
                                          0   50              100            150   200
                                    30
                                    20
                      Tensão (V)




                                    10
                                      0
                                    -10

                                          0   50                  100        150   200

                                                        Tempo (ms)


48. Considere a soldagem MIG/MAG com um arame de aço baixo carbono (AWS E70S6, por
    exemplo) de 1,2mm de diâmetro. (a) Indique (e justifique) um gás (ou mistura) de proteção e
    um valor de corrente para soldar com este arame com transferência spray (goticular). (b)
    Estime, para esta condição, a velocidade de alimentação (em m/min) necessária para se
    trabalhar com uma distância do bico de contato da tocha à peça de 20mm e um comprimento
    do arco de 5mm. (c) Calcule, para o resultado anterior, as contribuições relativas (em %) do
    aquecimento do eletrodo por efeito Joule (ou resistivo) e pelo arco.
                  Gases: He puro, Ar puro, Ar-4%CO2, Ar-25%CO2, CO2 puro

49. A equação de velocidade de fusão:
                                                     w = αi + βsi 2
    é válida para condições em que a corrente (i) é mantida constante. Quando isto não ocorre, a
    velocidade média de fusão pode ser estimada (supondo que s não varie) como:
                                                              ∫
                                                              T
                                                   w = 1/ T        w(t )dt
                                                              0

    Desenvolva uma expressão da velocidade de fusão para a soldagem com corrente pulsada.

50. Calcule a velocidade de fusão de um arame de aço para a soldagem GMAW (MIG/MAG)
    considerando um comprimento de eletrodo de 15mm e (a) corrente média de 140A, (b)
    corrente média de 250A e (c) corrente pulsada com IP = 350A, tp = 3,5ms, Ib = 70A e tb =
    10,5ms. (d) Discutas os resultados obtidos e (e) estime a taxa de deposição supondo, para os
    três casos, um rendimento de deposição de 95%.

51. Estime a corrente necessária para se obter, na soldagem MIG de aço carbono, com um arame
    de aço carbono de 1,2 mm, uma taxa de fusão de 5kg/h mantendo-se uma distância do bico de
    contato à peça de 20mm e um comprimento do arco de cerca de 4mm. Mostre como esta taxa
    poderia ser aumentada em 20%, usando-se o mesmo consumível e a mesma corrente de
    soldagem.

52. Descreva e discuta a influência usual da corrente, da tensão e da velocidade de soldagem no
    formato de um cordão de solda.


                                                                                              9
53. Na soldagem TIG observa-se que, em geral, a penetração é maior quando se trabalha com
    CC-. Por outro lado, na soldagem MIG, o efeito tende a ser o contrário (maior penetração na
    soldagem com CC+). Discuta considerando o balanço de energia no arco e a variação de
    potência específica com a polaridade.

54. Desenhe esquematicamente as curvas características de fontes de tensão e corrente constante,
    sobreponha uma curva do arco e indique o ponto operacional. Discuta como ocorre o controle
    do comprimento de arco com uma fonte de tensão constante em um processo com
    alimentação contínua do eletrodo (MIG ou SAW).

55. Defina “Ciclo de Trabalho”. Estime, para uma fonte de 200A 60%, a maior corrente
    recomendada para a sua operação contínua por um longo período de tempo.

56. Você dispõe de uma fonte estática tipo transformador de corrente constante com uma corrente
    nominal/ciclo de trabalho de 160A/60%. (a) Desenhe a curva característica desta fonte e
    indique o tipo de corrente que ela fornece. (b) Cite (e justifique) um processo de soldagem a
    arco para o qual ela pode ser utilizada. (c) Discuta a possibilidade de uso desta fonte em uma
    aplicação que necessita de 180A de corrente.

57. Você dispõe de uma fonte estática tipo transformador retificador de tensão constante com
    uma corrente nominal/ciclo de trabalho de 350A/60%. (a) Desenhe a curva característica
    desta fonte e indique o tipo de corrente que ela fornece. (b) Cite (e justifique) um processo de
    soldagem a arco para o qual ela pode ser utilizada. (c) Discuta a possibilidade de uso desta
    fonte em uma aplicação que necessite que esta funcione continuamente por uma hora.

58. Apresente, de forma simplificada, o funcionamento de uma máquina de soldagem rotativa e
    de máquina estática convencional. Discuta a aplicação de cada um destes tipos de máquinas.

59. Calcule a energia de soldagem e a energia líquida de soldagem (considere o rendimento
    médio de cada processo) para as seguintes condições de soldagem (aço baixo carbono):
    (a) Processo TIG, I = 100A, U = 11V e v = 20cm/min (espessura: 2,0mm)
    (b) Processo MIG, I = 300A, U = 29V e v = 60cm/min (espessura: 4,5mm)
    (c) Processo SAW: I = 420A, U = 34V e v = 60cm/min (espessura: 12,5mm)
     Medidas na seção transversal das soldas (a) e (b) obtiveram áreas transversais do cordão de
     10 e 52mm2, respectivamente. Calcule o rendimento teórico (energia para fundir o material
     da solda/energia gasta) para estes dois casos . Discuta os resultados, considerando os
     processos usados. Dado: Entalpia de aquecimento e fusão de 1 mol de ferro: 74kJ/mol

60. Estime, para os três casos anteriores, a velocidade de resfriamento do centro do cordão a 800
    e 500ºC (supor que não foi usado pré-aquecimento). Discuta os resultados.

61. Estime, para os três casos anteriores, o ∆t8/5 usando o nomograma do IRSID. Verifique o
    efeito nos resultados para o caso das peças tirem sido pré-aquecidas a 200ºC. Discuta os
    resultados.

62. Defina “Energia de Soldagem”, “Energia Líquida de Soldagem”, “Potência específica de uma
    fonte”, “Ciclo Térmico”, “Temperatura de pico” e “∆t8/5”.

63. (a) Defina energia de soldagem e temperatura de pré-aquecimento. (b) Discuta a influência
    destes dois parâmetros e da espessura da junta na velocidade de resfriamento de uma solda e
    nas dimensões da ZTA de uma solda. (c) Desenhe, de forma esquemática um ciclo térmico de

                                                                                                 10
soldagem e indique neste a temperatura de pico e o tempo de resfriamento entre duas
   temperaturas (por exemplo 800 e 500ºC).

64. Desenhe esquematicamente em um mesmo gráfico, ciclos térmicos associados com a Zona
    Fundida, Zona Termicamente Afetada e Metal Base de uma solda. Com base no ciclo
    térmico, defina estas regiões.

65. (a) Defina energia líquida de soldagem e temperatura de pré-aquecimento. (b) Discuta a
    influência destes dois parâmetros e do tipo de junta na velocidade de resfriamento de uma
    solda e nas dimensões da ZTA de uma solda. (c) Desenhe, de forma esquemática, curvas de
    repartição térmica de solda considerando o efeito da energia líquida de soldagem, temperatura
    de pré-aquecimento e tipo de junta.

66. Desenhe esquematicamente a curva de repartição térmica de uma solda a partir de sua linha
    de fusão (TP = TFusão). Mostre o efeito, nesta curva, de um aumento na energia de soldagem e
    discuta o resultado nas dimensões da ZTA de uma solda.

67. A figura abaixo mostra ciclos térmicos calculados para três pontos da superfície de uma chapa
    de aço baixo carbono (10mm de espessura) localizados na sua superfície a três diferentes
    distâncias laterais do eixo da solda (y = 3, 4 e 5mm). (a) Supondo que o teor de carbono do
    aço seja 0,2%, discuta, em linhas gerais, as alterações ocorridas em cada ponto durante a
    soldagem. (b) Estime, para cada ponto (quando possível), as temperaturas de pico, os tempos
    de permanência acima de A3 e A1 e os tempos de resfriamento entre 800 e 500ºC. Discuta
    estes resultados e os relacione com as suas respostas no item (a) desta questão.

                                    1500
                                                 3 mm                H L = 0,6 kJ/m m

                                    1200                             v = 300 m m /m in
                                                      4 mm
                 Temperatura ( C)
                 o




                                     900


                                               5 mm
                                     600


                                     300


                                       0
                                           0     5           10         15               20

                                                         Tempo (s)



68. A figura abaixo mostra ciclos térmicos calculados com o modelo de Rosenthal de chapa
    grossa (fluxo de calor tridimensional) para um ponto da superfície de uma chapa localizado a
    4mm do eixo da solda (y = 4mm) para o mesmo nível de energia (HL = 0,6 kJ/mm) e três
    diferentes velocidades de soldagem. (a) Determine, para cada ciclo, as temperaturas de pico e
    os tempos de resfriamento entre 800 e 500ºC. (b) Compare os resultados para um ciclo
    térmico previsto na mesma posição pelo modelo simplificado que considera uma fonte linear
    instantânea de calor que opera, em t = 0, ao longo do eixo da solda:



                                                                                              11
HL        y2 + z2 
                                                T = T0 +          exp −        
                                                            2π kt       4α t 
    (c) Discuta os resultados. Material: aço de baixo carbono (ρ = 7800 kg/m3, c = 63 J/kgºC e
    k = 47W/mºC).

                                     1500
                                                10 m m /s                      H L = 0,6 kJ/m m

                                     1200                                      y = 4 mm
                                                     5 m m /s
                  Temperatura ( C)
                 o




                                      900

                                                                  2,5 m m/s
                                      600


                                      300


                                        0
                                            0    5          10      15        20      25          30

                                                                 Tempo (s)

69. Considere a deposição de um cordão de solda sobre uma chapa de aço baixo carbono de
    15mm de espessura, com um pré-aquecimento de 200ºC e com os seguintes parâmetros: (a)
    Processo SAW, I = 500A, V = 36V e v = 40cm/min e (b) Processo SMAW: I = 150A, V =
    21V e v = 25cm/min. Usando os dados da apostila, obtenha valores da velocidade de
    resfriamento a 650oC e do ∆t8/5 na solda para ambos os casos.

70. Considere a deposição de um cordão de solda sobre uma chapa de alumínio de 15mm de
    espessura, com um pré-aquecimento de 100ºC e com os seguintes parâmetros: (a) Processo
    MIG, I = 350A, V = 30V e v = 40cm/min e (b) Processo TIG: I = 120A, V = 13V e v =
    15cm/min. Estime a velocidade de resfriamento a 350oC e o tempo de resfriamento entre 400
    e 300ºC na solda para ambos os casos.

71. Uma grande peça fundida (parede de 50mm de espessura) de aço inoxidável austenítico
    (0,1%C-22%Cr-12%Ni-0,7Si-1,5%Mn) apresenta um defeito superficial que será reparado
    pela deposição de um cordão de solda com eletrodo revestido sem pré-aquecimento.
    (a) Estime as velocidades de resfriamento do cordão de solda a 300 e a 800ºC se as condições
    de soldagem forem: I = 180A, U = 22V e v = 20cm/min.
    (b) Mostre, de forma esquemática, a variação de tensões residuais longitudinais (σx) ao longo
    da direção transversal ao cordão de solda (y-y’). Indique, também, a distribuição esperada de
    σx ao da direção z-z’ (profundidade).
    (c) Estime a microestrutura do cordão de solda (para uma diluição de 30%) considerando a
    possibilidade de se usar os seguintes eletrodos:

         Eletrodo                       %C           %Mn              %Si            %Cr               %Ni
         E8018                          0,08         1,35             0,4             --               0,4
         E308                           0,06          1,8             0,4            20                10
         E310                           0,14          2,0             0,6            26                21

   Indique possíveis problemas de cada uma destas soldas.

                                                                                                             12
72. A figura abaixo (Grong, 1997) mostra um mapa de temperatura adimensional para o plano
    z = 0 de chapas grossas. Considere uma condição de soldagem em que este modelo seja
    válido com os seguintes parâmetros: I = 300A, U = 27V, v = 30 cm/min, η = 0,85 e
    To = 25ºC. Estime, através do mapa, a temperatura de pontos localizados (dimensões em
    milímetros) a (-10, 0, 0), (-10, 5, 0) e (-20, 10, 0) da fonte de calor para (a) aço e (b) alumínio.




73. Um modelo de Rosenthal para a soldagem a ponto utiliza uma fonte linear de calor que
    penetra uma junta sobreposta formada por duas chapas de propriedades térmicas similares
    (figura). O calor é liberado instantaneamente no tempo t = 0 e a distribuição de temperaturas
    nas chapas é dada por:

                               Fonte de calor

                                                                          Q/d           r 
                                         d                   T − T0 =             exp −
                                                                                      4α t 
                                                                                            
                                                                        ρ c.4πα t          
                              Eletrodo
                                                                        para t > 0.
   Q = ηVI.tw é a energia liberada pelo pulso de corrente (tw é a duração do pulso) e r é a
   distância do ponto à fonte de calor [(x2 + y2)1/2]. Considere a soldagem a ponto de duas chapas
   de aço de baixa liga de 2mm de espessura cada com as seguintes condições operacionais: I =


                                                                                                     13
8kA, tw = 0,4s, η = 0,75 e T0 = 25oC. Assuma que a tensão entre os eletrodos atinja 2,5V. (a)
   Construa ciclos térmicos para pontos das chapas localizados a 1, 2, 4 e 6mm da fonte de calor.
   (b) Estime o diâmetro da ZF e a espessura da ZTA desta solda. (c) Derive uma equação para a
   velocidade de resfriamento no centro da solda e estime, nesta posição, a velocidade de
   resfriamento a 800oC e o ∆t8/5.


74. O que são tensões residuais? Descreva o seu aparecimento em soldas. Mostre a sua
    distribuição usual em uma solda de topo. Considerando estas tensões, discuta o
    comportamento de uma solda de uma liga de elevada dutilidade durante o seu carregamento.
    Discuta a influência das tensões residuais na fadiga e na fratura frágil de estruturas soldadas.
    Por que um tratamento mecânico pode reduzir o nível das tensões residuais?

75. Considerando a distribuição de tensões residuais, discuta o comportamento de uma solda de
    uma liga de elevada dutilidade durante um aquecimento e resfriamento uniforme da estrutura.
    Discuta a influência das tensões residuais na estabilidade dimensional de um componentes
    sendo usinado. Por que um tratamento térmico pode reduzir o nível das tensões residuais?


                                                                                        45º
76. Como aparecem distorções em uma junta soldada? Quais as
                                                                                              12
    consequências principais destas? Como estas podem ser eliminadas ou
    minimizadas? Estime a distorção transversal para a junta indicada na               2

    figura ao lado (aço carbono).

77. (a) Explique a formação de porosidade em uma solda de aço carbono devido à absorção, na
    poça de fusão de (a.1) nitrogênio e (a.2) oxigênio. (b) Discuta a influência da existência de
    porosidade no desempenho de uma solda.


78. Discuta a influência do oxigênio e do nitrogênio nas propriedades mecânicas da zona fundida
    de um aço carbono.

79. Defina basicidade de escória na soldagem de aço e discuta o efeito dessa na composição e
    propriedades mecânicas da solda.

80. Fluxos e eletrodos básicos são recomendados para a soldagem de estruturas de aço de grande
    espessura e que tenham elevada responsabilidade em serviço. Explique.

81. A tabela abaixo mostra os principais constituintes (%peso) de fluxos para a soldagem ao arco
    submerso. Classifique cada fluxo como ácido, básico ou neutro e coloque-os em ordem
    crescente quanto aos teores esperados de oxigênio e enxofre em metais de solda depositados
    com estes fluxos.
  Fluxo CaO         CaF2 MgO Fe2O3 MnO Na2O SiO2                        TiO2     ZrO2 Al2O3
     A       30       10      5        2        4        --     40        4        2      3
     B       --        4      15       3        28       1      45        --       --      4
     C       15        5       3       1         2       1      40       15        --     18
     D       18       28      22       2        4        --     14        2        2      8




                                                                                                   14
82. Mostre a macroestrutura usual de uma peça fundida e compare-a com a de uma solda. Discuta
    a influência do formato da poça de fusão na macroestrutura da solda.

83. Desenhe esquematicamente a poça de fusão de uma solda a arco e indique, nesta, os locais em
    que a solidificação do cordão de solda se inicia e onde a velocidade de solidificação é
    máxima. Compare o início da solidificação na poça de fusão com o de uma peça fundida.

84. Cite as principais formas de segregação na poça de fusão e explique a sua formação.

85. Por que a região parcialmente fundida e a região não misturada são potencialmente mais
    problemáticas que a região misturada da zona fundida?

86. A figura abaixo mostra esquematicamente a região da poça de fusão durante a soldagem.
    Discuta como ocorre a solidificação nesta poça e a influência de sua forma (elíptica) na
    estrutura de solidificação do cordão de solda.

                                            A
                                                                          Cordão
                                                                          de solda
                            v    D       Arco                    C


                                             B



87. Discuta o efeito das condições de soldagem no formato da poça de fusão e desta na
    macroestrutura de uma solda.

88. (a) Defina diluição. (b) Seja a deposição de uma camada de revestimento com eletrodo de aço
    ABNT 309 (0,07%C, 1,16%Mn, 0,34%Si, 23,5%Cr e 12,8%Ni) sobre um substrato de aço
    carbono (0,26%C, 0,52%Mn e 0,28%Si). Estime a faixa de diluição para que o teor de cromo
    do depósito esteja entre 18 e 20% e, para esta faixa, estime a composição do deposito
    supondo a ausência de interação com o ambiente.

                                                                 3


                                                                 2           3 5V
89. Foram usados eletrodos de aço ligado com (a)
    2%Cr e (b) 12%Cr, na soldagem SAW com                        1

    um fluxo ativo cujo ∆Cr varia segundo a figura                        2 9V
                                                     ∆ Cr (% )




    ao lado. Defina ∆Cr e discuta esta figura.
                                                                 0


    Estime o teor de cromo nas soldas supondo                    -1

    que o metal base não era ligado ao cromo, a
                                                                 -2
    diluição foi de 50% e os valores de tensão de
    soldagem usados são os indicados na figura.                  -3
                                                                      0      3       6    9     12   15   18

                                                                                         % Cr


90. A figura abaixo mostra esquematicamente uma “almofada” de solda com 5 camadas. Se, para
    cada camada, a diluição da camada anterior for, em média, 40%, estime a diluição final do
    metal base na última camada. Se o teor de cromo do metal base e do metal de adição forem
    0,10% e 17% respectivamente, estime o teor de cromo de cada camada supondo ausência de
    interação com o ambiente.


                                                                                                          15
5ª camada
                                                      4ª camada

                                                                    1ª camada




91. A figura abaixo (de S.S. Babu) mostra a microestrutura da ZF de um aço C-Mn. Identifique
    os principais constituintes microestruturais e discuta suas características.




92. As figuras abaixo (S.S. Babu) mostram microestruturas da ZF de aços C-Mn com composição
    similar exceto pelos teores de Ti. Indique as diferenças de microestrutura e discuta suas
    possíveis coisas.

    7ppm Ti                                        32ppm Ti




93. Descreva a constituição da ZTA obtida na soldagem TIG de uma chapa de alumínio AA1100
    (alumínio comercialmente puro) laminada a frio. Mostre esquematicamente o perfil de dureza
    desta solda e discuta a possibilidade de se alterar este perfil.


                                                                                           16
94. Cite ligas endurecíveis por precipitação de uso estrutural. Descreva a constituição da ZTA de
    uma liga deste tipo e esquematize o perfil de dureza nesta.

95. Descreva a constituição da ZTA de um aço de baixa liga temperado e revenido a 450oC e
    indique a(s) região(ões) de maior probabilidade de degradação de propriedades mecânicas.
    Discuta o efeito da energia de soldagem sobre a microestrutura e propriedades da região de
    granulação grosseira da ZTA deste aço.

96. Descreva a constituição da zona termicamente afetada de aços carbono com (a) 0,2%, (b)
    0,8% e (c) 1,0%C.

97. Na soldagem de uma chapa de 50mm de um aço C-Mn com eletrodos revestidos observou-se
    uma ZTA com dureza máxima de cerca de 360 HV. Indique a região da ZTA em que esta
    dureza foi observada e justifique. Este valor de dureza pode indicar a potencialidade de
    diferentes problemas nesta solda. Discuta. Cite medidas que poderiam ser tomadas para
    controlar (alterar de forma desejável) este resultado.

98. Discuta a influência da energia de soldagem na dureza e na tenacidade da GGZTA de um aço
    de baixa liga. Qual seria o efeito do teor de carbono (por exemplo, 0,1 x 0,4%C) nestas
    características.

99. Monte um quadro que resuma as principais características (localização e ocorrência da trinca,
    aparência e fatores principais) dos mecanismos de fissuração que ocorrem de forma mais
    comum na soldagem de aços carbono e de baixa liga.

100. Cite três descontinuidades estruturais de uma solda e indique causas operacionais na
   soldagem a arco para a formação destas.

101. Cite e descreva um método de ensaio não destrutivo capaz de detectar uma trinca interna
   localizada na ZTA de uma solda.

102. Explique a formação de inclusões de escória em uma solda de vários passes e indique as
   principais coisas operacionais para a sua formação. Cite e descreva rapidamente um método
   de inspeção não destrutiva para a detecção desta descontinuidade.

103. Descreva a formação de ferrita δ em uma solda de um aço inoxidável austenítico. Estime,
   com o Diagrama de Schaeffler, a microestrutura do metal depositado pelos seguintes
   eletrodos de aço inoxidável:

                Elet.      C          Cr      Ni      Mo        Mn           Si
                E308      0,04       18,7     9,5      --       1,5         0,42
                E309      0,08       23,1    12,9      --       1,8         0,50
                E310      0,12       26,5    21,2      --       1,8         0,40
                E316      0,04       18,6    11,7     2,6       1,8         0,45
                E430      0,03       16,6     0,3     0,4       0,4         0,40
                E410      0,09       12,3     0,3     0,3       0,4         0,42
                                 OBS: Composições em % em peso.

    Qual é o tipo de aço inoxidável de cada eletrodo? Cite, quando for o caso, problemas de
    soldabilidade de cada eletrodo. Visite o site: http://engm01.ms.ornl.gov/index.html e,

                                                                                              17
utilizando a(s) rotina(s) lá disponível(is), estime o teor de ferrita na solda dos eletrodos e
       compare os resultados.

104. Considere a deposição de um cordão de solda com um eletrodo E312 (0,05%C-1,7%Mn-
   0,4%Si-28,5%Cr-9,1%Ni) sobre uma chapa de aço baixa liga (0,3%C-0,9%Mn-0,5%Si-
   1%Ni). Estime as microestruturas desta solda para diluições de (a) 30 e (b) 60%. (c) Cite
   eventuais problemas de soldabilidade desta solda para os dois casos anteriores

105. Você precisa depositar uma camada (um só passe de espessura) de aço inoxidável
   (Cr > 10%) martensítico sobre uma chapa de aço baixa liga (0,3%C-0,9%Mn-0,5%Si-1%Ni)
   dispondo de um metal de adição (eletrodo) de aço AISI 444 (0,03%C-1,2%Mn-0,4%Si-
   18,1%Cr-2,1%Mo-0,4%Ni). Estime a faixa de diluição com que você poderá trabalhar
   (explique eventuais suposições que você fizer).

106. Defina soldabilidade. Cite os principais problemas de soldabilidade dos aços de baixo
   carbono e dos aços de baixa liga usados em aplicações estruturais.

107. Descreva o fenômeno de sensitização em aços inoxidáveis austeníticos e relacione-o com
   a possibilidade de ocorrência de corrosão intergranular na ZTA destes aços.

108.     Cite os principais problemas de soldabilidade dos aços inoxidáveis ferríticos.

109.     Cite os principais problemas de soldabilidade dos ferros fundidos.




                                                                                                  18

Exercicios soldagem

  • 1.
    Soldagem I –Lista de Exercícios 1. Defina soldagem com base em (a) suas características operacionais e (b) seus mecanismos de união. (c) Dois blocos de gelo colocados em contato com uma pequena pressão são facilmente soldados. O mesmo não ocorre com dois blocos de cobre, por exemplo. Discuta e explique. 2. A figura abaixo mostra bocais de um tanque para transporte de combustível. (a) Detalhe as soldas indicadas. (b) Calcule o volume de solda e o peso (massa) de eletrodos necessários (rendimento de deposição de 75%). (c) Se a taxa de deposição média for de 2kg/h, calcule tempo de soldagem de “arco aberto”. (d) Se o fator de ocupação do soldador for de 30%, calcule o tempo total de soldagem. Obs.: A chapa (1) tem ½ “ de espessura. 3. Defina: Velocidade de soldagem, passe, raiz, face e margem de uma solda, taxa de deposição, eficiência de deposição e fator de ocupação. 4. A figura abaixo mostra detalhes de bocais de um tanque de armazenamento. (a) Indique os símbolos das soldas mostradas nos detalhes (deixe claro eventuais suposições) e discuta, para cada caso, a sequência de soldagem. (b) Calcule o volume de solda e o peso (massa) de eletrodos necessário para a execução destas soldas (rendimento de deposição de 75%). (c) Se a taxa de deposição média for de 2kg/h, calcule tempo de soldagem de “arco aberto”. (d) Se o fator de ocupação do soldador for de 30%, calcule o tempo total de soldagem. 1
  • 2.
  • 3.
    5. Faça umdesenho detalhando a junta, estime o número de passes necessários para o seu enchimento e calcule o custo de metal de adição e de mão de obra para a soldagem (com eletrodos revestidos) da junta indicada abaixo. Dados: Comprimento total a ser soldado: 15m, material: aço de baixo carbono, velocidade de soldagem (por passe): 20 cm/min, taxa de deposição: 1,8 kg/h, eficiência de deposição: 75%, fator de ocupação médio: 40%, preço de uma lata de eletrodo (20 kg): R$ 45,00, salário e encargo do(s) soldador(es): R$ 6,00/h 2 60º 30 Dimensões em mm 6. Para a junta mostrada abaixo: (a) Indique o tipo de chanfro e mostre a raiz e a margem da solda. (b) Estime o peso de metal depositado em um metro de junta (não considere o reforço da solda). (c) Faça, no desenho à esquerda, sem colocar as medidas, o símbolo desta solda. Dado: Densidade do aço = 7,8 g/cm3. Dimensões em mm. 45º 12 2 5 7. Dois elementos fundamentais de um processo de soldagem por fusão são a fonte de calor e o meio de proteção. Quais são as características básicas de uma fonte de calor para soldagem por fusão? Cite e descreva rapidamente três fontes usualmente usadas na soldagem por fusão. Qual é a função de um meio de proteção? Cite os meios mais usados em soldagem. 8. Defina chanfro e explique o seu uso em soldagem. Desenhe chanfros em V e X (ângulos de chanfro de 30º e abertura de 2mm) em juntas de topo de 25mm de espessura e indique os símbolos correspondentes. Discuta a aplicação de cada tipo de chanfro. 9. Indique as principais posições de soldagem e discuta a influência destas na operação de soldagem. 10. Discutir os riscos (“perigos”) que o arco elétrico coloca para o soldador. 11. Apresente e discuta as características dos dois tipos básicos de técnicas de soldagem (por deformação/por fusão). Discuta as características principais, aplicações e limitações de cada tipo. 12. Classifique, quando aplicável, com base em: (a) fonte de calor, (b) meio de proteção, (c) posições de soldagem possíveis e (d) tipo de eletrodo (consumível ou não consumível), os seguintes processos de soldagem: eletrodos revestidos, TIG, arame tubular, eletro-escória e laser. 3
  • 4.
    13. Cite/discute asprincipais características ou funções de um fluxo (SAW) ou revestimento de eletrodo (SMAW). Indique as características de eletrodos das classes AWS E6010, E6013 e E7018. 14. Qual é a função do ignitor de alta frequência na soldagem TIG. Por que, na soldagem de ligas de alumínio com este processo, é usual manter este ignitor ligado. 15. Compare e discuta os tipos de corrente e sua polaridade usualmente utilizadas na soldagem TIG e MIG/MAG. Na soldagem MIG de ligas de alumínio é necessário utilizar corrente alternada (como na soldagem TIG)? Explique. 16. Por que, na soldagem TIG de alumínio, é comum se usar corrente alternada? 17. A figura abaixo mostra a variação de corrente em um teste de soldagem TIG pulsado. Estime os parâmetros de pulsação usados e calcule a corrente média. Descreva, em linhas gerais, a variação esperada do formato da poça de fusão durante um ciclo de pulsação. Cite as principais aplicações da soldagem TIG com corrente pulsada. 100 Corrente (A) 80 60 40 20 0 0 100 200 300 400 500 600 700 Tem po (ms) 18. A norma AWS A5.18 especifica arames de aço carbono para a soldagem MIG/MAG (GMAW). Nesta norma, os arames E70S3 (0,06 a 0,15%C, 0,90 a 1,40%Mn e 0,45 a 0,70%Si) e E70S6 (0,07 a 0,15%C, 1,40 a 1,85%Mn e 0,80 a 1,15%Si) são indicados, respectivamente, para a soldagem com proteção de mistura Ar-CO2 e com CO2 puro. Explique as diferenças de composição química dos dois arames levando em consideração as diferenças de potencial de oxidação do gás de proteção em cada caso. Indique possíveis consequências nas propriedades mecânicas da solda de se usar um arame E70S2 com CO2 puro. 19. Discuta a influência do gás de proteção no formato do cordão e na estabilidade do processo nas soldagens TIG e MIG/MAG. 20. Quais as formas usuais de transferência de metal de adição na soldagem MIG/MAG. Por que, neste processo, é fundamental controlar a forma de transferência de metal. Por que este problema é menor na soldagem com eletrodos revestidos. 21. O que é um arame tubular “autoprotegido” (self-shielded). Indique aplicações típicas para este tipo de arame. 22. Explique a soldagem por eletro-escória e indique aplicações deste processo. 23. Compare, do ponto de vista operacional, as soldagens de resistência de topo e por centelhamento. Com base nesta comparação, explique por que a última tende a ser mais adequada para, por exemplo, a soldagem de tubulações de grande diâmetro. 4
  • 5.
    24. Descreva osprocessos de soldagem por explosão e por fricção. Cite possíveis aplicações para estes processos de soldagem. 25. Compare a brasagem com a soldagem convencional. Indique as principais formas de brasagem 26. Cite os principais processos de corte térmico de metais e compare-os. 27. Descreva, em linhas gerais, o corte por oxigênio. Por que este processo de corte só é basicamente aplicável, de forma direta, para aços de baixo carbono? 28. Na soldagem TIG de peças de cobre de massa elevada, por exemplo na recuperação de uma ventaneira de alto forno, é usual o uso de um pré-aquecimento de até 400oC. Alternativamente, tem sido possível soldar esta peça com um menor pré-aquecimento, com o uso de He como gás de proteção. Discuta. 29. (a) Compare o arco elétrico com um fio metálico em termos de seu comportamento frente à passagem de uma corrente elétrica. (b) Explique, baseado na estrutura do arco, por que este é uma fonte de energia muito eficiente para a soldagem por fusão. 30. Discuta o formato geral de uma curva característica do arco e o efeito da variação do comprimento do arco nesta curva, considerando a estrutura do arco. 31. (a) Desenhe esquematicamente a curva característica do arco para a soldagem TIG com eletrodo negativo. Discuta o efeito do comprimento do arco nesta curva. Esquematize, também, a curva característica deste processo com o eletrodo positivo. Discuta as diferenças existentes. 32. Calcule a densidade de corrente associada com a emissão termiônica no aço (ferro) e no tungstênio, nas temperaturas de fusão e de ebulição de cada material. Discuta o resultado com base nas densidades de corrente necessárias na soldagem (suponha, por exemplo, a soldagem com um eletrodo de 3,2mm de diâmetro e uma corrente de 250A. 33. O que é “potência específica de uma fonte”, Pesp? Discuta a figura abaixo, considerando as características dos processos de soldagem, o formato dos cordões obtidos e as regiões de “soldagem impossível”. Qual seria o efeito da condutividade térmica do metal base nesta figura? 14 Soldagem 2 10 Vaporização W/m Impossivel 12 10 Vaporização Feixe de e condução 10 eletrons 10 Laser 10 8 Plasma Condução com fusão Arco 10 6 Soldagem 4 Impossivel Condução 10 sem fusão 5
  • 6.
    34. (a) Desenheesquematicamente a variação de tensão ao longo do arco no processo TIG (CC-), colocando valores típicos para as quedas de tensão existentes e indicando as regiões do arco. Mostre e explique o efeito de (b) um aumento no comprimento do arco e (c) uma mudança de polaridade nesta distribuição de tensão. 35. Considerando a ilustração abaixo de um arco entre dois eletrodos de carvão em uma atmosfera de argônio: (a) Indique as regiões deste. (b) Mostre a variação de tensão ao longo do arco, colocando (e justificando) os valores aproximados para as variações de tensão nas diferentes regiões. (c) Indique, e justifique, o fluxo de gases esperado neste arco. (d) Discuta possíveis alterações na forma e características elétricas deste arco devido cada uma das seguintes mudanças: (d.1) redução da separação do eletrodos, (d.2) substituição do gás por hélio, (d.3) geração de um campo magnético penetrando no plano do desenho e (d.4) substituição dos eletrodos de carvão por eletrodos de aço. Arco - + 36. Em um teste de soldagem TIG com argônio puro e uma corrente de 100A, foi mantido um comprimento do arco de 3mm, com uma tensão de soldagem de cerca de 10V. Indique de forma qualitativa as alterações esperadas na tensão de soldagem e no formato do cordão para: (a) um aumento no comprimento do arco, (b) o uso de uma mistura gasosa Ar-50%He e (c) uma mudança de polaridade (de CC- para CC+). 37. Estime, sem considerar o efeito da corrente de soldagem, a tensão do arco na soldagem TIG com CC- com um comprimento de arco de 3mm (a) e de 5mm (b). Repita estas estimativas para (c) CC+ e (d) hélio como gás de proteção e discuta as diferenças existentes. Discuta a importância da região catódica para a soldagem. 38. Explique a emissão de elétrons em um eletrodo de metal não refratário? Por que a emissão de elétrons é fundamental para a manutenção do arco? 39. O que é jato de plasma? Explique a sua formação na soldagem a arco e discuta a importância deste na soldagem e o efeito da polaridade da corrente neste. 40. Explique a formação do sopro magnético e discuta a importância deste na soldagem e o efeito da polaridade da corrente neste. 41. Porque o conhecimento dos modos de transferência de metal de adição é fundamental para um uso mais adequado do processo de soldagem MIG e MAG? Cite, para cada um dos principais modos de transferência observados neste processo de soldagem, as principais forças responsáveis pela transferência. 42. A figura abaixo mostra um oscilograma de tensão de um teste de soldagem MAG com arame de aço carbono de 1,2mm, velocidade de alimentação de 4m/min e proteção de CO2. Identifique a forma de transferência utilizada e cite suas características principais e aplicações. Discuta a influência, nas condições operacionais e no modo de transferência, de 6
  • 7.
    (a) um aumentona tensão de soldagem, (b) um aumento na velocidade de alimentação (por exemplo, para 8m/min) e (c) um aumento simultâneo de ambas. 40 Tensão (V) 30 20 10 0 200 250 300 350 400 450 Tempo (ms) 43. A figura abaixo mostra oscilogramas de tensão de testes de soldagem GMAW com arame de aço de 1,2mm e proteção de Ar-25%CO2 e velocidade de alimentação de 4m/min (I≈165A). (a) Estime, para cada caso, a tensão média de soldagem. (b) Indique e apresente as principais características dos modos de transferência observados. (c) Desenhe esquematicamente um gráfico VxI com os modos de transferência usualmente obtidos com esta mistura de proteção e localize aproximadamente neste os oscilogramas mostrados (justifique). 40 Tensão (V) 30 20 10 0 0 100 200 300 400 40 Tensão (V) 30 20 10 0 0 100 200 300 400 40 Tensão (V) 30 20 10 0 0 100 200 300 400 Tempo (ms) 44. As figuras abaixo mostram a variação de corrente em testes de soldagem MIG pulsada usando um arame de aço carbono de 1,2mm e proteção de Ar-5%CO2. (a) Estime os parâmetros de pulsação utilizados e os valores da corrente média de soldagem (Im). (b) Calcule os valor do parâmetro de destacamento de cada teste e os compare com o valor esperado para condições ótimas de transferência (500As2) com os consumíveis usados. Discuta. (c) Se os testes foram feitos com uma distância do bico de contato à peça de cerca de 20mm e o comprimento do arco era de cerca de 5mm, estime a velocidade de alimentação necessária para manter o processo operando de forma adequada em cada teste. 7
  • 8.
    Corrente (A) 400 300 200 100 0 0 30 60 90 120 150 Tempo (ms) (a) Corrente (A) 400 300 200 100 0 0 30 60 90 120 150 Tempo (ms) (b) Corrente (A) 400 300 200 100 0 0 30 60 90 120 150 Tempo (ms) (c) Corrente (A) 400 300 200 100 0 0 30 60 90 120 150 Tempo (ms) (d) 45. Apresente e discuta os efeitos da corrente de soldagem, da tensão do arco e da velocidade de soldagem na velocidade de fusão do eletrodo (no processo MIG/MAG, por exemplo) e no formato do cordão de solda. 46. Considere a soldagem MIG/MAG com arames de aço baixo carbono (AWS E70S6, por exemplo) de 0,8 e 1,2mm de diâmetro e uma corrente de cerca de 200A. (a) Para um gás de proteção rico em argônio indique, para cada arame, o modo de transferência em queda livre (isto é, sem curto circuito) esperado. (b) Estime, para cada arame e com uma distância do bico de contato da tocha à peça de 20mm e um comprimento do arco de 5mm, a velocidade de alimentação (em m/min) e, para cada resultado, as parcelas devidas às diferentes fontes de aquecimento do arame. (c) Estime a taxa de fusão (em kg/h) associadas com os resultados anteriores. 47. A figura abaixo mostra as variações de corrente em um teste de soldagem TIG de alumínio com corrente “quadrada” (ou, melhor, retangular) e com proteção de Ar. (a) Estime os valores médios de corrente e tensão de soldagem nos ciclos de CC- e CC+ e a duração destes ciclos. 8
  • 9.
    (b) Explique osvalores de tensão do arco de cada ciclo. (c) Discuta os processos (fluxo de partículas carregadas no arco, perfil elétrico, mecanismos de emissão de elétrons e ação do arco no metal base) que estão ocorrendo durante cada ciclo. 120 80 Corrente (A) 40 0 -40 -80 -120 -160 0 50 100 150 200 30 20 Tensão (V) 10 0 -10 0 50 100 150 200 Tempo (ms) 48. Considere a soldagem MIG/MAG com um arame de aço baixo carbono (AWS E70S6, por exemplo) de 1,2mm de diâmetro. (a) Indique (e justifique) um gás (ou mistura) de proteção e um valor de corrente para soldar com este arame com transferência spray (goticular). (b) Estime, para esta condição, a velocidade de alimentação (em m/min) necessária para se trabalhar com uma distância do bico de contato da tocha à peça de 20mm e um comprimento do arco de 5mm. (c) Calcule, para o resultado anterior, as contribuições relativas (em %) do aquecimento do eletrodo por efeito Joule (ou resistivo) e pelo arco. Gases: He puro, Ar puro, Ar-4%CO2, Ar-25%CO2, CO2 puro 49. A equação de velocidade de fusão: w = αi + βsi 2 é válida para condições em que a corrente (i) é mantida constante. Quando isto não ocorre, a velocidade média de fusão pode ser estimada (supondo que s não varie) como: ∫ T w = 1/ T w(t )dt 0 Desenvolva uma expressão da velocidade de fusão para a soldagem com corrente pulsada. 50. Calcule a velocidade de fusão de um arame de aço para a soldagem GMAW (MIG/MAG) considerando um comprimento de eletrodo de 15mm e (a) corrente média de 140A, (b) corrente média de 250A e (c) corrente pulsada com IP = 350A, tp = 3,5ms, Ib = 70A e tb = 10,5ms. (d) Discutas os resultados obtidos e (e) estime a taxa de deposição supondo, para os três casos, um rendimento de deposição de 95%. 51. Estime a corrente necessária para se obter, na soldagem MIG de aço carbono, com um arame de aço carbono de 1,2 mm, uma taxa de fusão de 5kg/h mantendo-se uma distância do bico de contato à peça de 20mm e um comprimento do arco de cerca de 4mm. Mostre como esta taxa poderia ser aumentada em 20%, usando-se o mesmo consumível e a mesma corrente de soldagem. 52. Descreva e discuta a influência usual da corrente, da tensão e da velocidade de soldagem no formato de um cordão de solda. 9
  • 10.
    53. Na soldagemTIG observa-se que, em geral, a penetração é maior quando se trabalha com CC-. Por outro lado, na soldagem MIG, o efeito tende a ser o contrário (maior penetração na soldagem com CC+). Discuta considerando o balanço de energia no arco e a variação de potência específica com a polaridade. 54. Desenhe esquematicamente as curvas características de fontes de tensão e corrente constante, sobreponha uma curva do arco e indique o ponto operacional. Discuta como ocorre o controle do comprimento de arco com uma fonte de tensão constante em um processo com alimentação contínua do eletrodo (MIG ou SAW). 55. Defina “Ciclo de Trabalho”. Estime, para uma fonte de 200A 60%, a maior corrente recomendada para a sua operação contínua por um longo período de tempo. 56. Você dispõe de uma fonte estática tipo transformador de corrente constante com uma corrente nominal/ciclo de trabalho de 160A/60%. (a) Desenhe a curva característica desta fonte e indique o tipo de corrente que ela fornece. (b) Cite (e justifique) um processo de soldagem a arco para o qual ela pode ser utilizada. (c) Discuta a possibilidade de uso desta fonte em uma aplicação que necessita de 180A de corrente. 57. Você dispõe de uma fonte estática tipo transformador retificador de tensão constante com uma corrente nominal/ciclo de trabalho de 350A/60%. (a) Desenhe a curva característica desta fonte e indique o tipo de corrente que ela fornece. (b) Cite (e justifique) um processo de soldagem a arco para o qual ela pode ser utilizada. (c) Discuta a possibilidade de uso desta fonte em uma aplicação que necessite que esta funcione continuamente por uma hora. 58. Apresente, de forma simplificada, o funcionamento de uma máquina de soldagem rotativa e de máquina estática convencional. Discuta a aplicação de cada um destes tipos de máquinas. 59. Calcule a energia de soldagem e a energia líquida de soldagem (considere o rendimento médio de cada processo) para as seguintes condições de soldagem (aço baixo carbono): (a) Processo TIG, I = 100A, U = 11V e v = 20cm/min (espessura: 2,0mm) (b) Processo MIG, I = 300A, U = 29V e v = 60cm/min (espessura: 4,5mm) (c) Processo SAW: I = 420A, U = 34V e v = 60cm/min (espessura: 12,5mm) Medidas na seção transversal das soldas (a) e (b) obtiveram áreas transversais do cordão de 10 e 52mm2, respectivamente. Calcule o rendimento teórico (energia para fundir o material da solda/energia gasta) para estes dois casos . Discuta os resultados, considerando os processos usados. Dado: Entalpia de aquecimento e fusão de 1 mol de ferro: 74kJ/mol 60. Estime, para os três casos anteriores, a velocidade de resfriamento do centro do cordão a 800 e 500ºC (supor que não foi usado pré-aquecimento). Discuta os resultados. 61. Estime, para os três casos anteriores, o ∆t8/5 usando o nomograma do IRSID. Verifique o efeito nos resultados para o caso das peças tirem sido pré-aquecidas a 200ºC. Discuta os resultados. 62. Defina “Energia de Soldagem”, “Energia Líquida de Soldagem”, “Potência específica de uma fonte”, “Ciclo Térmico”, “Temperatura de pico” e “∆t8/5”. 63. (a) Defina energia de soldagem e temperatura de pré-aquecimento. (b) Discuta a influência destes dois parâmetros e da espessura da junta na velocidade de resfriamento de uma solda e nas dimensões da ZTA de uma solda. (c) Desenhe, de forma esquemática um ciclo térmico de 10
  • 11.
    soldagem e indiqueneste a temperatura de pico e o tempo de resfriamento entre duas temperaturas (por exemplo 800 e 500ºC). 64. Desenhe esquematicamente em um mesmo gráfico, ciclos térmicos associados com a Zona Fundida, Zona Termicamente Afetada e Metal Base de uma solda. Com base no ciclo térmico, defina estas regiões. 65. (a) Defina energia líquida de soldagem e temperatura de pré-aquecimento. (b) Discuta a influência destes dois parâmetros e do tipo de junta na velocidade de resfriamento de uma solda e nas dimensões da ZTA de uma solda. (c) Desenhe, de forma esquemática, curvas de repartição térmica de solda considerando o efeito da energia líquida de soldagem, temperatura de pré-aquecimento e tipo de junta. 66. Desenhe esquematicamente a curva de repartição térmica de uma solda a partir de sua linha de fusão (TP = TFusão). Mostre o efeito, nesta curva, de um aumento na energia de soldagem e discuta o resultado nas dimensões da ZTA de uma solda. 67. A figura abaixo mostra ciclos térmicos calculados para três pontos da superfície de uma chapa de aço baixo carbono (10mm de espessura) localizados na sua superfície a três diferentes distâncias laterais do eixo da solda (y = 3, 4 e 5mm). (a) Supondo que o teor de carbono do aço seja 0,2%, discuta, em linhas gerais, as alterações ocorridas em cada ponto durante a soldagem. (b) Estime, para cada ponto (quando possível), as temperaturas de pico, os tempos de permanência acima de A3 e A1 e os tempos de resfriamento entre 800 e 500ºC. Discuta estes resultados e os relacione com as suas respostas no item (a) desta questão. 1500 3 mm H L = 0,6 kJ/m m 1200 v = 300 m m /m in 4 mm Temperatura ( C) o 900 5 mm 600 300 0 0 5 10 15 20 Tempo (s) 68. A figura abaixo mostra ciclos térmicos calculados com o modelo de Rosenthal de chapa grossa (fluxo de calor tridimensional) para um ponto da superfície de uma chapa localizado a 4mm do eixo da solda (y = 4mm) para o mesmo nível de energia (HL = 0,6 kJ/mm) e três diferentes velocidades de soldagem. (a) Determine, para cada ciclo, as temperaturas de pico e os tempos de resfriamento entre 800 e 500ºC. (b) Compare os resultados para um ciclo térmico previsto na mesma posição pelo modelo simplificado que considera uma fonte linear instantânea de calor que opera, em t = 0, ao longo do eixo da solda: 11
  • 12.
    HL  y2 + z2  T = T0 + exp −  2π kt  4α t  (c) Discuta os resultados. Material: aço de baixo carbono (ρ = 7800 kg/m3, c = 63 J/kgºC e k = 47W/mºC). 1500 10 m m /s H L = 0,6 kJ/m m 1200 y = 4 mm 5 m m /s Temperatura ( C) o 900 2,5 m m/s 600 300 0 0 5 10 15 20 25 30 Tempo (s) 69. Considere a deposição de um cordão de solda sobre uma chapa de aço baixo carbono de 15mm de espessura, com um pré-aquecimento de 200ºC e com os seguintes parâmetros: (a) Processo SAW, I = 500A, V = 36V e v = 40cm/min e (b) Processo SMAW: I = 150A, V = 21V e v = 25cm/min. Usando os dados da apostila, obtenha valores da velocidade de resfriamento a 650oC e do ∆t8/5 na solda para ambos os casos. 70. Considere a deposição de um cordão de solda sobre uma chapa de alumínio de 15mm de espessura, com um pré-aquecimento de 100ºC e com os seguintes parâmetros: (a) Processo MIG, I = 350A, V = 30V e v = 40cm/min e (b) Processo TIG: I = 120A, V = 13V e v = 15cm/min. Estime a velocidade de resfriamento a 350oC e o tempo de resfriamento entre 400 e 300ºC na solda para ambos os casos. 71. Uma grande peça fundida (parede de 50mm de espessura) de aço inoxidável austenítico (0,1%C-22%Cr-12%Ni-0,7Si-1,5%Mn) apresenta um defeito superficial que será reparado pela deposição de um cordão de solda com eletrodo revestido sem pré-aquecimento. (a) Estime as velocidades de resfriamento do cordão de solda a 300 e a 800ºC se as condições de soldagem forem: I = 180A, U = 22V e v = 20cm/min. (b) Mostre, de forma esquemática, a variação de tensões residuais longitudinais (σx) ao longo da direção transversal ao cordão de solda (y-y’). Indique, também, a distribuição esperada de σx ao da direção z-z’ (profundidade). (c) Estime a microestrutura do cordão de solda (para uma diluição de 30%) considerando a possibilidade de se usar os seguintes eletrodos: Eletrodo %C %Mn %Si %Cr %Ni E8018 0,08 1,35 0,4 -- 0,4 E308 0,06 1,8 0,4 20 10 E310 0,14 2,0 0,6 26 21 Indique possíveis problemas de cada uma destas soldas. 12
  • 13.
    72. A figuraabaixo (Grong, 1997) mostra um mapa de temperatura adimensional para o plano z = 0 de chapas grossas. Considere uma condição de soldagem em que este modelo seja válido com os seguintes parâmetros: I = 300A, U = 27V, v = 30 cm/min, η = 0,85 e To = 25ºC. Estime, através do mapa, a temperatura de pontos localizados (dimensões em milímetros) a (-10, 0, 0), (-10, 5, 0) e (-20, 10, 0) da fonte de calor para (a) aço e (b) alumínio. 73. Um modelo de Rosenthal para a soldagem a ponto utiliza uma fonte linear de calor que penetra uma junta sobreposta formada por duas chapas de propriedades térmicas similares (figura). O calor é liberado instantaneamente no tempo t = 0 e a distribuição de temperaturas nas chapas é dada por: Fonte de calor Q/d  r  d T − T0 = exp −  4α t   ρ c.4πα t   Eletrodo para t > 0. Q = ηVI.tw é a energia liberada pelo pulso de corrente (tw é a duração do pulso) e r é a distância do ponto à fonte de calor [(x2 + y2)1/2]. Considere a soldagem a ponto de duas chapas de aço de baixa liga de 2mm de espessura cada com as seguintes condições operacionais: I = 13
  • 14.
    8kA, tw =0,4s, η = 0,75 e T0 = 25oC. Assuma que a tensão entre os eletrodos atinja 2,5V. (a) Construa ciclos térmicos para pontos das chapas localizados a 1, 2, 4 e 6mm da fonte de calor. (b) Estime o diâmetro da ZF e a espessura da ZTA desta solda. (c) Derive uma equação para a velocidade de resfriamento no centro da solda e estime, nesta posição, a velocidade de resfriamento a 800oC e o ∆t8/5. 74. O que são tensões residuais? Descreva o seu aparecimento em soldas. Mostre a sua distribuição usual em uma solda de topo. Considerando estas tensões, discuta o comportamento de uma solda de uma liga de elevada dutilidade durante o seu carregamento. Discuta a influência das tensões residuais na fadiga e na fratura frágil de estruturas soldadas. Por que um tratamento mecânico pode reduzir o nível das tensões residuais? 75. Considerando a distribuição de tensões residuais, discuta o comportamento de uma solda de uma liga de elevada dutilidade durante um aquecimento e resfriamento uniforme da estrutura. Discuta a influência das tensões residuais na estabilidade dimensional de um componentes sendo usinado. Por que um tratamento térmico pode reduzir o nível das tensões residuais? 45º 76. Como aparecem distorções em uma junta soldada? Quais as 12 consequências principais destas? Como estas podem ser eliminadas ou minimizadas? Estime a distorção transversal para a junta indicada na 2 figura ao lado (aço carbono). 77. (a) Explique a formação de porosidade em uma solda de aço carbono devido à absorção, na poça de fusão de (a.1) nitrogênio e (a.2) oxigênio. (b) Discuta a influência da existência de porosidade no desempenho de uma solda. 78. Discuta a influência do oxigênio e do nitrogênio nas propriedades mecânicas da zona fundida de um aço carbono. 79. Defina basicidade de escória na soldagem de aço e discuta o efeito dessa na composição e propriedades mecânicas da solda. 80. Fluxos e eletrodos básicos são recomendados para a soldagem de estruturas de aço de grande espessura e que tenham elevada responsabilidade em serviço. Explique. 81. A tabela abaixo mostra os principais constituintes (%peso) de fluxos para a soldagem ao arco submerso. Classifique cada fluxo como ácido, básico ou neutro e coloque-os em ordem crescente quanto aos teores esperados de oxigênio e enxofre em metais de solda depositados com estes fluxos. Fluxo CaO CaF2 MgO Fe2O3 MnO Na2O SiO2 TiO2 ZrO2 Al2O3 A 30 10 5 2 4 -- 40 4 2 3 B -- 4 15 3 28 1 45 -- -- 4 C 15 5 3 1 2 1 40 15 -- 18 D 18 28 22 2 4 -- 14 2 2 8 14
  • 15.
    82. Mostre amacroestrutura usual de uma peça fundida e compare-a com a de uma solda. Discuta a influência do formato da poça de fusão na macroestrutura da solda. 83. Desenhe esquematicamente a poça de fusão de uma solda a arco e indique, nesta, os locais em que a solidificação do cordão de solda se inicia e onde a velocidade de solidificação é máxima. Compare o início da solidificação na poça de fusão com o de uma peça fundida. 84. Cite as principais formas de segregação na poça de fusão e explique a sua formação. 85. Por que a região parcialmente fundida e a região não misturada são potencialmente mais problemáticas que a região misturada da zona fundida? 86. A figura abaixo mostra esquematicamente a região da poça de fusão durante a soldagem. Discuta como ocorre a solidificação nesta poça e a influência de sua forma (elíptica) na estrutura de solidificação do cordão de solda. A Cordão de solda v D Arco C B 87. Discuta o efeito das condições de soldagem no formato da poça de fusão e desta na macroestrutura de uma solda. 88. (a) Defina diluição. (b) Seja a deposição de uma camada de revestimento com eletrodo de aço ABNT 309 (0,07%C, 1,16%Mn, 0,34%Si, 23,5%Cr e 12,8%Ni) sobre um substrato de aço carbono (0,26%C, 0,52%Mn e 0,28%Si). Estime a faixa de diluição para que o teor de cromo do depósito esteja entre 18 e 20% e, para esta faixa, estime a composição do deposito supondo a ausência de interação com o ambiente. 3 2 3 5V 89. Foram usados eletrodos de aço ligado com (a) 2%Cr e (b) 12%Cr, na soldagem SAW com 1 um fluxo ativo cujo ∆Cr varia segundo a figura 2 9V ∆ Cr (% ) ao lado. Defina ∆Cr e discuta esta figura. 0 Estime o teor de cromo nas soldas supondo -1 que o metal base não era ligado ao cromo, a -2 diluição foi de 50% e os valores de tensão de soldagem usados são os indicados na figura. -3 0 3 6 9 12 15 18 % Cr 90. A figura abaixo mostra esquematicamente uma “almofada” de solda com 5 camadas. Se, para cada camada, a diluição da camada anterior for, em média, 40%, estime a diluição final do metal base na última camada. Se o teor de cromo do metal base e do metal de adição forem 0,10% e 17% respectivamente, estime o teor de cromo de cada camada supondo ausência de interação com o ambiente. 15
  • 16.
    5ª camada 4ª camada 1ª camada 91. A figura abaixo (de S.S. Babu) mostra a microestrutura da ZF de um aço C-Mn. Identifique os principais constituintes microestruturais e discuta suas características. 92. As figuras abaixo (S.S. Babu) mostram microestruturas da ZF de aços C-Mn com composição similar exceto pelos teores de Ti. Indique as diferenças de microestrutura e discuta suas possíveis coisas. 7ppm Ti 32ppm Ti 93. Descreva a constituição da ZTA obtida na soldagem TIG de uma chapa de alumínio AA1100 (alumínio comercialmente puro) laminada a frio. Mostre esquematicamente o perfil de dureza desta solda e discuta a possibilidade de se alterar este perfil. 16
  • 17.
    94. Cite ligasendurecíveis por precipitação de uso estrutural. Descreva a constituição da ZTA de uma liga deste tipo e esquematize o perfil de dureza nesta. 95. Descreva a constituição da ZTA de um aço de baixa liga temperado e revenido a 450oC e indique a(s) região(ões) de maior probabilidade de degradação de propriedades mecânicas. Discuta o efeito da energia de soldagem sobre a microestrutura e propriedades da região de granulação grosseira da ZTA deste aço. 96. Descreva a constituição da zona termicamente afetada de aços carbono com (a) 0,2%, (b) 0,8% e (c) 1,0%C. 97. Na soldagem de uma chapa de 50mm de um aço C-Mn com eletrodos revestidos observou-se uma ZTA com dureza máxima de cerca de 360 HV. Indique a região da ZTA em que esta dureza foi observada e justifique. Este valor de dureza pode indicar a potencialidade de diferentes problemas nesta solda. Discuta. Cite medidas que poderiam ser tomadas para controlar (alterar de forma desejável) este resultado. 98. Discuta a influência da energia de soldagem na dureza e na tenacidade da GGZTA de um aço de baixa liga. Qual seria o efeito do teor de carbono (por exemplo, 0,1 x 0,4%C) nestas características. 99. Monte um quadro que resuma as principais características (localização e ocorrência da trinca, aparência e fatores principais) dos mecanismos de fissuração que ocorrem de forma mais comum na soldagem de aços carbono e de baixa liga. 100. Cite três descontinuidades estruturais de uma solda e indique causas operacionais na soldagem a arco para a formação destas. 101. Cite e descreva um método de ensaio não destrutivo capaz de detectar uma trinca interna localizada na ZTA de uma solda. 102. Explique a formação de inclusões de escória em uma solda de vários passes e indique as principais coisas operacionais para a sua formação. Cite e descreva rapidamente um método de inspeção não destrutiva para a detecção desta descontinuidade. 103. Descreva a formação de ferrita δ em uma solda de um aço inoxidável austenítico. Estime, com o Diagrama de Schaeffler, a microestrutura do metal depositado pelos seguintes eletrodos de aço inoxidável: Elet. C Cr Ni Mo Mn Si E308 0,04 18,7 9,5 -- 1,5 0,42 E309 0,08 23,1 12,9 -- 1,8 0,50 E310 0,12 26,5 21,2 -- 1,8 0,40 E316 0,04 18,6 11,7 2,6 1,8 0,45 E430 0,03 16,6 0,3 0,4 0,4 0,40 E410 0,09 12,3 0,3 0,3 0,4 0,42 OBS: Composições em % em peso. Qual é o tipo de aço inoxidável de cada eletrodo? Cite, quando for o caso, problemas de soldabilidade de cada eletrodo. Visite o site: http://engm01.ms.ornl.gov/index.html e, 17
  • 18.
    utilizando a(s) rotina(s)lá disponível(is), estime o teor de ferrita na solda dos eletrodos e compare os resultados. 104. Considere a deposição de um cordão de solda com um eletrodo E312 (0,05%C-1,7%Mn- 0,4%Si-28,5%Cr-9,1%Ni) sobre uma chapa de aço baixa liga (0,3%C-0,9%Mn-0,5%Si- 1%Ni). Estime as microestruturas desta solda para diluições de (a) 30 e (b) 60%. (c) Cite eventuais problemas de soldabilidade desta solda para os dois casos anteriores 105. Você precisa depositar uma camada (um só passe de espessura) de aço inoxidável (Cr > 10%) martensítico sobre uma chapa de aço baixa liga (0,3%C-0,9%Mn-0,5%Si-1%Ni) dispondo de um metal de adição (eletrodo) de aço AISI 444 (0,03%C-1,2%Mn-0,4%Si- 18,1%Cr-2,1%Mo-0,4%Ni). Estime a faixa de diluição com que você poderá trabalhar (explique eventuais suposições que você fizer). 106. Defina soldabilidade. Cite os principais problemas de soldabilidade dos aços de baixo carbono e dos aços de baixa liga usados em aplicações estruturais. 107. Descreva o fenômeno de sensitização em aços inoxidáveis austeníticos e relacione-o com a possibilidade de ocorrência de corrosão intergranular na ZTA destes aços. 108. Cite os principais problemas de soldabilidade dos aços inoxidáveis ferríticos. 109. Cite os principais problemas de soldabilidade dos ferros fundidos. 18