Soft-Starter
Destinadas à partida de motores de indução, assegurando a
aceleração e desaceleração progressivas e permitindo uma adaptação da
velocidade às condições de operação.
A soft-starter reduz a tensão inicial de partida. Como o torque é
proporcional à corrente e essa à tensão, o motor parte com torque reduzido.
Características
• Controle de partidas e paradas;
• Proteção mecânica da máquina
(devido à rampa de desaceleração);
• Proteção a partidas demasiadamente frequentes;
• Proteção térmica do motor;
• Proteção contra desequilíbrio ou falta de fase;
• Proteção contra sobrecorrente;
• Proteção contra rotor bloqueado;
• Frenagem DC;
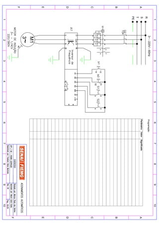
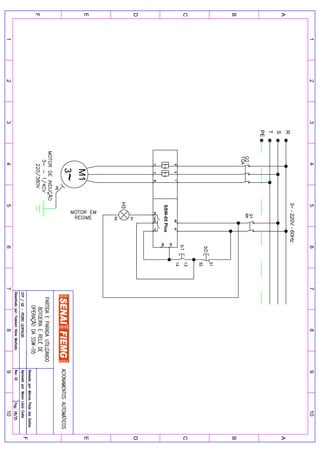
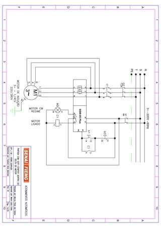
Instalação da Soft-Starter
Inversor de freqüência
Inversor monofásico
O inversor monofásico em ponte é constituído por quatro transistores que são
comutados dois a dois. Desta forma, a corrente se alternará na carga, ora da esquerda
para a direita, ora da direita para esquerda. Veja a seguir a representação esquemática
desse circuito e a forma de onda de tensão na carga.
Inversor trifásico
O inversor transistorizado trifásico é semelhante a outros circuitos trifásicos em
ponte. É composto por seis transistores e um circuito de chaveamento para os
transistores. Os sinais para o chaveamento dos seis transistores são gerados por
multivibradores que operam em sincronismo de freqüência, porém defasados de 120º
com a finalidade de simular as condições de um sistema trifásico real.
Veja a seguir o circuito de potência do inversor trifásico bem como as formas de
onda dos sinais na base dos transistores e a corrente resultante em cada fase para os
diversos intervalos de condução dos dispositivos.
A função do Inversor de freqüência é regular a velocidade de um motor
elétrico mantendo seu conjugado.
‐ Os Inversores de freqüência foram
feitos para trabalharem com
motores de indução CA
‐  A velocidade de motor depende
de:
Ns = (120 x f)/P
Controle da tensão de saída nos inversores
O problema do controle da tensão produzida pelo inversor ocorre principalmente
quando estes são utilizados no controle da velocidade de motores de indução ou motores
síncronos. Em tais aplicações, quando a freqüência a fim de aumentar a rotação do
motor, é necessário um aumento proporcional na tensão para manter constante a
densidade do fluxo magnéticos nos enrolamentos das máquinas. Se isso não ocorre, a
capacidade de acionamento (torque) é sensivelmente reduzida. Isso acontece porque em
freqüências mais elevadas a maior reatância apresentada pelos enrolamentos provoca
uma redução na corrente sobre eles.
Um efeito contrário ocorre com a redução da freqüência. Por isso, quando os
inversores são utilizados para o controle da velocidade de motores de indução, é
necessário manter constante a relação tensão/freqüência.
MODULAÇÃO POR LARGURA DE PULSO (PWM)
A modulação por largura de pulso (PWM) é um processo de controle de tensão
de saída que consiste na introdução de trechos de tensão nula na saída através do
disparo e bloqueio dos tiristores.
O momento do disparo e bloqueio dos tiristores é conseguido através da
comparação de uma onda triangular com um nível de tensão contínuo conforme
ilustração a seguir.
A forma de onda conseguida com esse processo é rica em harmônicos que
geralmente não interessam para o funcionamento da carga e ainda podem perturbar o
funcionamento dos aparelhos das proximidades.
O conteúdo harmônico da tensão de saída pode ser muito reduzido se os
intervalos de permanência da tensão de saída em um valor máximo forem diferentes. A
largura do pulso é regulada de forma que fique maior nas proximidades do pico da
senóide fundamental, como pode ser visto na figura a seguir.
Formas de Onda do Inversor
Forma de onda aplicada ao motor:
Não senoidal
Harmônicos
Problemas
- Aquecimento adicional
- Torque pulsante
- Ruído adicional
Modos de
Controle
• Controle Escalar Linear
É baseado na curva V/F constante e a sua performance em baixas freqüências
de saída é limitada, em função da queda de tensão na resistência estatórica. Ex. de
aplicações: Calandras, esteiras, etc.
Aplicações de
controle
- Elevadores prediais
- Posicionamento preciso
- Elevado torque em baixas rotações
- Torque nominal em velocidade zero
- Operação suave e precisa em baixas e
elevadas velocidades
• Controle Vetorial (Sensorless)
A operação do inversor otimizada para o motor em uso, obtendo-se um
melhor desempenho em termos de torque e regulação de velocidade.
• Controle Escalar Quadrático
  É ideal para acionamentos de cargas como bombas centrífugas e ventiladores
(cargas com característica torque x velocidade quadrática), pois possibilita uma
redução nas perdas do motor, resultando em uma economia de energia.
- Elevação de cargas
- Controle de abertura e fechamento do
freio
- Frenagem dinâmica
- Sobrecargas Elevadas
- Torque nominal em velocidade zero,
evitando queda da carga
Inversor CFW 08 - Conexões de potência
Inversor CFW 08 - Conexões do controle analógico e digital
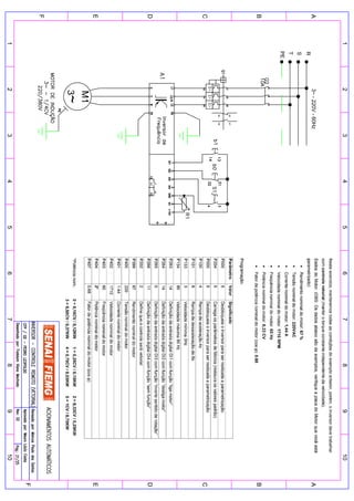
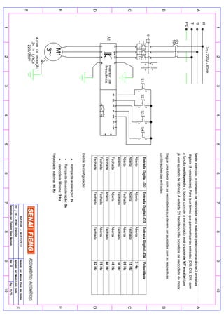
Considere a seguinte situação: o SENAI-GD está implantando um sistema de cancela para controle
de fluxo dos carros que entram em sua escola.
O comando da cancela deve ser controlado por um CLP que envia os sinais para as entradas digitais
do inversor. Utilizando a função multispeed, realize a parametrização do inversor de forma que o
motor receba comando do inversor e funcione conforme o gráfico mostrado a seguir:
Dados para serem parametrizados
• Rampa de aceleração 2s;
• Rampa de desaceleração 2s;
• Velocidade mínima 0 Hz ;
• Velocidade máxima 35 Hz;
• A seleção da referência de velocidade será através da função multispeed – situação remota
• Ajuste das velocidades do multispeed para utilização de 4 velocidades
• Definir DI1 como Gira/Para;
• Definir DI2 como sentido de rotação;
• Definir DI3 como multispeed;
• Definir DI4 como multispeed;
• Definir o tipo de controle como vetorial;
• Rendimento Nominal do Motor;
• Tensão Nominal do Motor;
• Corrente Nominal do Motor;
• Velocidade Nominal do Motor;
• Freqüência Nominal do Motor;
• Potência Nominal do Motor;
• Fator de Potência Nominal do motor;
Apostila soft inversor
Apostila soft inversor

Apostila soft inversor

  • 4.
    Soft-Starter Destinadas à partidade motores de indução, assegurando a aceleração e desaceleração progressivas e permitindo uma adaptação da velocidade às condições de operação. A soft-starter reduz a tensão inicial de partida. Como o torque é proporcional à corrente e essa à tensão, o motor parte com torque reduzido. Características • Controle de partidas e paradas; • Proteção mecânica da máquina (devido à rampa de desaceleração); • Proteção a partidas demasiadamente frequentes; • Proteção térmica do motor; • Proteção contra desequilíbrio ou falta de fase; • Proteção contra sobrecorrente; • Proteção contra rotor bloqueado; • Frenagem DC;
  • 5.
  • 14.
    Inversor de freqüência Inversormonofásico O inversor monofásico em ponte é constituído por quatro transistores que são comutados dois a dois. Desta forma, a corrente se alternará na carga, ora da esquerda para a direita, ora da direita para esquerda. Veja a seguir a representação esquemática desse circuito e a forma de onda de tensão na carga. Inversor trifásico O inversor transistorizado trifásico é semelhante a outros circuitos trifásicos em ponte. É composto por seis transistores e um circuito de chaveamento para os transistores. Os sinais para o chaveamento dos seis transistores são gerados por multivibradores que operam em sincronismo de freqüência, porém defasados de 120º com a finalidade de simular as condições de um sistema trifásico real. Veja a seguir o circuito de potência do inversor trifásico bem como as formas de onda dos sinais na base dos transistores e a corrente resultante em cada fase para os diversos intervalos de condução dos dispositivos. A função do Inversor de freqüência é regular a velocidade de um motor elétrico mantendo seu conjugado. ‐ Os Inversores de freqüência foram feitos para trabalharem com motores de indução CA ‐  A velocidade de motor depende de: Ns = (120 x f)/P
  • 16.
    Controle da tensãode saída nos inversores O problema do controle da tensão produzida pelo inversor ocorre principalmente quando estes são utilizados no controle da velocidade de motores de indução ou motores síncronos. Em tais aplicações, quando a freqüência a fim de aumentar a rotação do motor, é necessário um aumento proporcional na tensão para manter constante a densidade do fluxo magnéticos nos enrolamentos das máquinas. Se isso não ocorre, a capacidade de acionamento (torque) é sensivelmente reduzida. Isso acontece porque em freqüências mais elevadas a maior reatância apresentada pelos enrolamentos provoca uma redução na corrente sobre eles. Um efeito contrário ocorre com a redução da freqüência. Por isso, quando os inversores são utilizados para o controle da velocidade de motores de indução, é necessário manter constante a relação tensão/freqüência. MODULAÇÃO POR LARGURA DE PULSO (PWM) A modulação por largura de pulso (PWM) é um processo de controle de tensão de saída que consiste na introdução de trechos de tensão nula na saída através do disparo e bloqueio dos tiristores. O momento do disparo e bloqueio dos tiristores é conseguido através da comparação de uma onda triangular com um nível de tensão contínuo conforme ilustração a seguir. A forma de onda conseguida com esse processo é rica em harmônicos que geralmente não interessam para o funcionamento da carga e ainda podem perturbar o funcionamento dos aparelhos das proximidades. O conteúdo harmônico da tensão de saída pode ser muito reduzido se os intervalos de permanência da tensão de saída em um valor máximo forem diferentes. A largura do pulso é regulada de forma que fique maior nas proximidades do pico da senóide fundamental, como pode ser visto na figura a seguir.
  • 17.
    Formas de Ondado Inversor Forma de onda aplicada ao motor: Não senoidal Harmônicos Problemas - Aquecimento adicional - Torque pulsante - Ruído adicional Modos de Controle • Controle Escalar Linear É baseado na curva V/F constante e a sua performance em baixas freqüências de saída é limitada, em função da queda de tensão na resistência estatórica. Ex. de aplicações: Calandras, esteiras, etc.
  • 18.
    Aplicações de controle - Elevadoresprediais - Posicionamento preciso - Elevado torque em baixas rotações - Torque nominal em velocidade zero - Operação suave e precisa em baixas e elevadas velocidades • Controle Vetorial (Sensorless) A operação do inversor otimizada para o motor em uso, obtendo-se um melhor desempenho em termos de torque e regulação de velocidade. • Controle Escalar Quadrático   É ideal para acionamentos de cargas como bombas centrífugas e ventiladores (cargas com característica torque x velocidade quadrática), pois possibilita uma redução nas perdas do motor, resultando em uma economia de energia. - Elevação de cargas - Controle de abertura e fechamento do freio - Frenagem dinâmica - Sobrecargas Elevadas - Torque nominal em velocidade zero, evitando queda da carga
  • 19.
    Inversor CFW 08- Conexões de potência Inversor CFW 08 - Conexões do controle analógico e digital
  • 25.
    Considere a seguintesituação: o SENAI-GD está implantando um sistema de cancela para controle de fluxo dos carros que entram em sua escola. O comando da cancela deve ser controlado por um CLP que envia os sinais para as entradas digitais do inversor. Utilizando a função multispeed, realize a parametrização do inversor de forma que o motor receba comando do inversor e funcione conforme o gráfico mostrado a seguir: Dados para serem parametrizados • Rampa de aceleração 2s; • Rampa de desaceleração 2s; • Velocidade mínima 0 Hz ; • Velocidade máxima 35 Hz; • A seleção da referência de velocidade será através da função multispeed – situação remota • Ajuste das velocidades do multispeed para utilização de 4 velocidades • Definir DI1 como Gira/Para; • Definir DI2 como sentido de rotação; • Definir DI3 como multispeed; • Definir DI4 como multispeed; • Definir o tipo de controle como vetorial; • Rendimento Nominal do Motor; • Tensão Nominal do Motor; • Corrente Nominal do Motor; • Velocidade Nominal do Motor; • Freqüência Nominal do Motor; • Potência Nominal do Motor; • Fator de Potência Nominal do motor;