Motors | Energy | Automation | Coatings
Soft-Starter
Arrancador Suave
Soft-Starter
SSW
User's Guide
Guia del Usuario
Guia do Usuário
GUIA DE APLICAÇÃO DE SOFT-STARTERS
Série: SoftStarter
Idioma: Português
N º do Documento: XXXXXXXX
Modelos: XXX
Data da Publicação: 03/2009
Anexo 3 - Check-List para detalhamento da aplicação
2 | Guia de Aplicação Soft-Starter
11
AUTORIA
“Este ‘Guia de Soft-Starter’ foi escrito pelo Tecnólogo Rogério Ferraz, a quem coube a coordenação do trabalho
e a criação dos capítulos 1, 4, 5, 6, 7, 8 e anexo II, e pelo Engº. Enivaldo C. do Nascimento que atuou na criação
do capítulo 4.
Os capítulos 2 e 3 e os anexos I e III foram revisados pelos autores a partir do Guia do Inversores de Freqüência
da WEG.”
Indice
0ÍNDICE
INTRODUÇÃO
1.1 MÉTODOS DE PARTIDA DE MOTORES..............................................................................................1-1
1.2 MÉTODOS TRADICIONAIS DE PARTIDA DE MOTORES..................................................................1-2
1.2.1 Partida de motores com embreagens.......................................................................................1-2
1.2.2 Transmissão hidráulica...............................................................................................................1-2
1.2.3 Acoplamento Hidráulico.............................................................................................................1-2
1.2.4 Motor de Anéis............................................................................................................................ 1-3
1.2.5 Inversor de Freqüência como um Método de Partida............................................................ 1-5
COMO FUNCIONA UM MOTOR DE INDUÇÃO?
2.1 PRINCÍPIOS BÁSICOS DE FUNCIONAMENTO..................................................................................2-1
2.3.1 Torque x Velocidade................................................................................................................... 2-6
2.3.2 Corrente x Velocidade................................................................................................................ 2-6
2.4 POTÊNCIA E PERDAS......................................................................................................................... 2-6
2.5 CARACTERÍSTICAS DE TEMPERATURA – CLASSES DE ISOLAMENTO TÉRMICO.....................2-7
2.6 TEMPO DE ROTOR BLOQUEADO.......................................................................................................2-7
MÉTODOS DE COMANDO DE UM MOTOR DE INDUÇÃO
3.1 CATEGORIAS DE PARTIDA................................................................................................................. 3-1
3.2 FORMAS DE PARTIDAS...................................................................................................................... 3-2
3.3.1 Frenagem por contra-corrente................................................................................................. 3-8
3.3.2 Frenagem por injeção de corrente contínua (CC).................................................................. 3-9
3.4 VANTAGENS E DESVANTAGENS DOS MÉTODOS DE PARTIDA...................................................3-10
3.5 NBR-5410 REFERENTE A PARTIDA COM CORRENTE REDUZIDA...............................................3-11
6.5.3 Motores.......................................................................................................................................3-12
6.5.3.1 Generalidades.........................................................................................................................3-12
6.5.3.2 Limitação das perturbações devidas à partida de motores ............................................3-12
SOFT-STARTER
4.1 INTRODUÇÃO....................................................................................................................................... 4-1
4.1.1 Semicondutores e componentes eletrônicos.......................................................................... 4-1
4.1.2 A característica mais marcante dos tiristores........................................................................ 4-1
4.1.3 Introdução às válvulas de descarga a gás............................................................................... 4-1
4.1.4 Thyratron...................................................................................................................................... 4-2
4.1.5 SCR (Silicon Controlled Rectifier)............................................................................................. 4-3
4.1.6 Entendendo o disparo do SCR.................................................................................................. 4-4
4.3.1 Principais funções.....................................................................................................................4-12
4.3.2 Proteções....................................................................................................................................4-16
4.3.3 Acionamentos típicos...............................................................................................................4-16
PARÂMETROS DA SOFT-STARTER
5.2 PARÂMETROS DE REGULAÇÃO........................................................................................................ 5-3
5.3 PARÂMETROS DE CONFIGURAÇÃO................................................................................................. 5-8
5.4 PARÂMETROS DO MOTOR................................................................................................................5-14
5.5 ERROS E POSSÍVEIS CAUSAS..........................................................................................................5-16
DIMENSIONAMENTO DO CONJUNTO MOTOR + SOFT-STARTER
6.1 INTRODUÇÃO....................................................................................................................................... 6-1
6.1.1 Definições..................................................................................................................................... 6-1
6.1.2 Relações básicas........................................................................................................................ 6-1
6.2 INTERAÇÃO ENTRE PROCESSO, MÁQUINA, MOTOR E ACIONAMENTO.................................... 6-3
6.2.1 A importância do processo/máquina....................................................................................... 6-3
6.2.2 Aplicação de acionamentos elétricos - Problemas típicos.................................................. 6-5
6.3 O QUE A CARGA REQUER.................................................................................................................. 6-6
6.3.1 Tipos de cargas........................................................................................................................... 6-6
6.3.2 O pico da carga........................................................................................................................... 6-7
Indice
0
6.3.3 ESTIMANDO CARGAS...................................................................................................................... 6-7
6.4.1 Categorias AC53a e AC53b........................................................................................................ 6-8
6.4.2 Capacidade térmica da Soft-Starter........................................................................................ 6-9
6.4.3 Corrente RMS num ciclo (IRMS
)..................................................................................................6-10
6.4.4 Casos especiais.........................................................................................................................6-12
6.4.5 Tempo de rotor bloqueado do motor......................................................................................6-13
6.4.6 Tempo de aceleração................................................................................................................6-14
6.5 AFUNDAMENTO DE TENSÃO OU QUEDA DE TENSÃO MOMENTÂNEA (VOLTAGE SAG / VOLTAGE
DIP).............................................................................................................................................................6-19
6.5.1 Conseqüências de uma queda de tensão momentânea...................................................... 6-22
6.5.2 Comentários sobre soluções contra queda de tensão momentânea................................ 6-22
6.5.3 Capacidade relativa da rede de alimentação........................................................................ 6-23
6.5.4 Comentários sobre a queda de tensão e a influência na partida do motor...................... 6-29
6.6 APLICAÇÕES TÍPICAS....................................................................................................................... 6-31
6.6.1 Máquinas com partidas leves.................................................................................................. 6-31
6.6.2 Máquinas com partidas severas.............................................................................................6-34
6.7 REGRAS PRÁTICAS DE DIMENSIONAMENTO...............................................................................6-40
INSTALAÇÃO DA SOFT-STARTER
7.1 INTRODUÇÃO........................................................................................................................................7-1
7.2 LIGAÇÃO PADRÃO, ENTRE A REDE E O MOTOR (“FORA” DA LIGAÇÃO DELTA DO MOTOR)....7-2
7.2.1 Chave seccionadora....................................................................................................................7-2
7.2.2 Fusíveis ou disjuntor....................................................................................................................7-2
7.2.3 Contator........................................................................................................................................7-2
7.2.4 Fiações de controle e interface Homem-Máquina (IHM)........................................................7-3
7.2.5 Correção de Fator de Potência..................................................................................................7-3
7.2.6 Aterramento..................................................................................................................................7-3
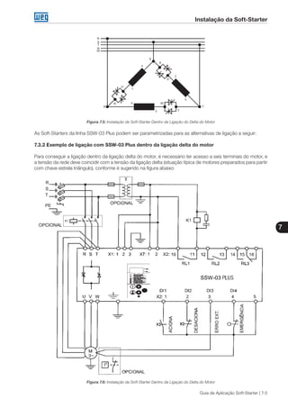
7.3 LIGAÇÃO DENTRO DO DELTA DO MOTOR....................................................................................... 7-4
7.3.1 Introdução.................................................................................................................................... 7-4
7.3.2 Exemplo de ligação com SSW-03 Plus dentro da ligação delta do motor...........................7-5
7.3.3 Ligação de terminais de motores com tensões múltiplas......................................................7-7
7.3.4 Possibilidades de ligação da SSW-03 Plus em função do fechamento do motor...............7-9
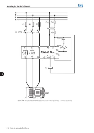
7.4 SSW-05 (MICRO SOFT-STARTER).....................................................................................................7-10
7.5 LIGAÇÃO DA SMV-01 (SOFT-STARTER PARA MÉDIA TENSÃO)...................................................7-13
LINHA DE SOFT-STARTER WEG	.....................................................................................8-1
ANEXO 1 - CÁLCULO DO MOMENTO DE INÉRCIA DE MASSA
1. MOMENTO DE INÉRCIA DE FORMAS SIMPLES................................................................................ 9-1
2. TEOREMA DOS EIXOS PARALELOS.................................................................................................... 9-3
3. MOMENTO DE INÉRCIA DE FORMAS COMPOSTAS......................................................................... 9-3
4. MOMENTO DE INÉRCIA DE CORPOS QUE SE MOVEM LINEARMENTE........................................ 9-4
5. TRANSMISSÃO MECÂNICA.................................................................................................................. 9-4
6. EXEMPLOS DE CÁLCULOS DE MOMENTO DE INÉRCIA DE MASSA.............................................. 9-4
ANEXO 2 - SOFTWARE DE DIMENSIONAMENTO WEG - SDW
1. INTRODUÇÃO........................................................................................................................................10-1
2. COMO ACESSAR..................................................................................................................................10-1
3. COMO USAR......................................................................................................................................... 10-2
4. LIMITE DE RESPONSABILIDADE PELO USO DO SOFTWARE SDW.............................................10-16
ANEXO 3 - FOLHA DE DADOS PARA DIMENSIONAMENTO -
SOFT-STARTER
REFERÊNCIAS BIBLIOGRÁFICAS
Guia de Aplicação Soft-Starter | 1-1
Introdução
1
INTRODUÇÃO
É recorrente no desenvolvimento de nossa sociedade a necessidade de acelerar, manter em movimento e parar
máquinas.
Seja através de tração animal, sejam monjolos, moinhos de vento ou vapor, foram várias as soluções de que
nossos precursores lançaram mão para obter maior conforto, maior segurança. e para atingir melhores resultados
em suas atividades.
Figura 1.1: Moinho de Vento
O atual estado de desenvolvimento dos acionamentos elétricos concentra o resultado de um longo período de
tentativas e descobertas, em diversas áreas do conhecimento, para movimentar nossas máquinas cada vez mais
sofisticadas e exigentes.
A Soft-Starter hoje já é uma alternativa plenamente consolidada para partidas e paradas de motores trifásicos de
indução. A evolução dos processos e máquinas criou um ambiente propício ao acionamento suave, controlado
e com múltiplos recursos disponibilizados pelo controle digital.
Indo além, há uma maior consciência de que nossos recursos exigem conservação cuidadosa, o que faz da
Soft-Starter um equipamento em sintonia com o cenário energético atual, colaborando para o uso racional de
nossas instalações.
Temos a satisfação de reconhecer que o Brasil está muito bem representado nesta área por uma empresa nacional
cujo nome já é sinônimo de qualidade nos cinco continentes, a Weg.
Estamos certos de que este guia será de grande valia para os técnicos, engenheiros e empreendedores que,
conosco, trabalham para construir um futuro à altura das potencialidades do nosso país. Já é possível ver este
futuro.
1.1 MÉTODOS DE PARTIDA DE MOTORES
Conforme veremos no capítulo 2 (Funcionamento do motor de indução), picos de corrente e torque são
intrínsecos à partida com plena tensão do motor trifásico.
Na prática, muitas vezes deseja-se limitar o valor da corrente que será drenada da rede de alimentação a fim de
evitar:
1)	 distúrbios na rede ou
2)	 aumento da demanda de energia elétrica.
No caso dos distúrbios na rede, o objetivo é reduzir a queda de tensão (ou mesmo a sua interrupção). No caso
do aumento da demanda, deseja-se atender limites definidos junto às concessionárias de energia elétrica, uma
vez que o não atendimento destes limites é punido com a cobrança tarifas elevadas.
Embora, invariavelmente a redução da corrente seja acompanhada de uma redução do torque no motor, nem
sempre esta redução de torque é tida como prejudicial. Na verdade este é um dos aspectos que precisam ser
cuidadosamente ponderados a fim de obter-se o melhor dimensionamento do conjunto motor + sistema de
partida.
1-2 | Guia de Aplicação Soft-Starter
Introdução
1
1.2 MÉTODOS TRADICIONAIS DE PARTIDA DE MOTORES
Podemos agrupar os métodos de partida de motores trifásicos conforme segue:
1)	 Aqueles em que a tensão aplicada ao motor é a tensão plena da rede (partida direta)
2)	 Aqueles em que a tensão aplicada ao motor é a tensão plena, entretanto a ligação das bobinas do motor leva
a uma tensão menor em cada bobina (chaves estrela- triângulo e série- paralela)
3)	 Aqueles em que a tensão aplicada ao motor é efetivamente reduzida (chaves compensadoras e Soft-
Starter)
Os itens acima são abordados em maior profundidade nos capítulos seguintes.
1.2.1 Partida de motores com embreagens
O objetivo básico que leva a utilização de embreagens é permitir que durante a aceleração de motores assíncronos
a partida se dê praticamente a vazio e a corrente de partida tenha uma duração mínima, com vantagens para a
rede de alimentação e para o motor.
Por outro lado o motor poderá atingir seu conjugado máximo em processo momentâneo de desaceleração
(durante o acoplamento da embreagem), enquanto nos outros métodos este conjugado máximo será atingido
em plena aceleração.
A necessidade de manutenção e maior complexidade de montagem do conjunto mecânico são algumas das
restrições do uso de embreagens.
1.2.2 Transmissão hidráulica
Em um sistema de transmissão hidráulica, a energia é transferida empregando-se um fluído para controlar um
movimento linear ou um eixo de saída.
Há dois tipos principais de transmissão hidráulica:
1)	 hidrocinéticos (como acoplamentos hidráulicos), que utilizam a energia cinética de um fluído
2)	 hidrostáticos, que utilizam a energia de pressão do fluído.
1.2.3 Acoplamento Hidráulico
O princípio de funcionamento do acoplamento hidráulico pode ser explicado por analogia com um sistema
de bombeamento. Neste sistema uma bomba centrífuga de óleo (“parte motora”) é acionada por um motor
elétrico. Uma turbina (“parte movida”), cujo eixo aciona a máquina, é acionada através do óleo movimentado
pela bomba.
Tanto a “parte motora” quanto a “parte movida” compartilham um mesmo invólucro, sem conexão mecânica entre
elas. A energia é transmitida pelo fluído (óleo) entre as partes.
Desde o início do movimento do motor há uma tendência de movimento da “parte movida“ (eixo que aciona a
máquina). Quando o conjugado transmitido ao eixo que aciona a máquina se igualar ao conjugado resistente
inicia-se a aceleração da máquina.
Este é um método de partida historicamente associado a partida de cargas com inércia elevada, como moinhos
ou transportadores.
O gráfico a seguir ilustra a evolução do torque no eixo de saída do acoplamento.
Guia de Aplicação Soft-Starter | 1-3
Introdução
1
Figura 1.2: O acoplamento hidráulico segue o princípio das máquinas centrífugas: o torque transmitido ao eixo de saída é proporcional
ao quadrado da velocidade
Fisicamente, instala-se o acoplamento hidráulico entre o motor e a máquina
Figura 1.3: Exemplo de acoplamento hidráulico com montagem por polias
O acoplamento hidráulico necessita de manutenção para checagem do nível e carga de óleo, o que pode se
tornar um procedimento mais ou menos difícil em função da montagem (com polias, axial ao eixo do motor, com
redutores, etc).
Manutenção inadequada ou vazamento do óleo podem causar danos no sistema.
1.2.4 Motor de Anéis
Os motores de anéis caracterizam-se pela capacidade de alteração das curvas de conjugado e corrente através
da inserção de resistências externas ao circuito rotórico do motor.
1-4 | Guia de Aplicação Soft-Starter
Introdução
1
Figura 1.4: Exemplo de circuito de força de motor de anéis
Esta alteração das curvas do motor tornaram o uso do motor de anéis bastante conveniente para aceleração de
máquinas com alto conjugado resistente em baixas rotações, como pode-se observar na figura abaixo.
Guia de Aplicação Soft-Starter | 1-5
Introdução
1
Figura 1.5: Partida com motor de anéis. A inserção dos devidos resistores no circuito rotórico leva o torque máximo do motor ao instante
inicial de partida.
O motor de anéis também encontrou aplicação em máquinas que necessitam de alguma variação de velocidade
e redução na corrente de partida.
Entretanto, o uso de Inversores de Freqüência tem levado os motores de anéis a fazer parte apenas de situações
muito específicas.
Vale lembrar que o uso de Inversores para partidas de cargas com alto conjugado de partida merece cuidado
particular de dimensionamento. Deve-se levar em conta o ciclo de operação e a corrente solicitada com Inversor
no dimensionamento “térmico” do conjunto motor + inversor.
1.2.5 Inversor de Freqüência como um Método de Partida
Embora a principal função do Inversor de Freqüência seja a variação de velocidade, não é possível deixar de lado
suas virtudes no que tange à aceleração e parada de máquinas.
Em todos os métodos de partida, o que se procura são maneiras de lidar com os “transitórios” de partida
(elétricos e mecânicos), e, assim, alcançar com sucesso, e com o mínimo de distúrbio, o funcionamento estável
do sistema.
Figura 1.6: Curva torque versus rotação de um motor trifásico acionado por Inversor Vetorial. Desde que provido de meio de ventilação
adequada, o motor trifásico acionado por Inversor de Freqüência pode aplicar seu torque nominal mesmo em velocidades baixas
durante quanto tempo for necessário
Com o Inversor de Freqüência estes transitórios são praticamente eliminados, ou, pelo menos, são bastante
reduzidos.
1-6 | Guia de Aplicação Soft-Starter
Introdução
1
Por exemplo, em cargas com alta inércia, o torque e a rampa de aceleração podem ser ajustados da maneira que
se consiga a aceleração mais suave possível. Isto porque o Inversor de Freqüência “toma as rédeas” do sistema
desde os primeiros instantes da aceleração.
Quando se necessita de controle na desaceleração, com ou sem frenagem, também através do Inversor
encontramos o maior número de alternativas: tanto pode-se conseguir a parada e desaceleração suaves de uma
bomba, quanto torque de frenagem para a descida de uma carga (ponte rolante, guindaste).
Figura 1.7: Fundamental de uma fase na saída do inversor de freqüência durante um processo de aceleração seguido de desaceleração.
Com uma taxa de aumento de velocidade (rampa de aceleração) adequada, aliada a novas tecnologias de controle vetorial como o
Vectrue, pode-se praticamente eliminar os transitórios de partida em algumas aplicações.
Entretanto, convém frisar que cada máquina requer seus devidos cuidados no dimensionamento do Inversor e
eventuais acessórios (resistor de frenagem, tipo de retificador, etc).
Figura 1.8: Inversores de Freqüência série CFW-09. A baixa exigência de manutenção é um dos principais diferenciais dos Inversores de
Freqüência, assim como as Soft-Starters
Como Funciona um Motor de Indução?
2
Guia de Aplicação Soft-Starter | 2-1
COMO FUNCIONA UM MOTOR DE INDUÇÃO?
Para compreender o funcionamento da Soft-Starter e de um Inversor de Freqüência é de fundamental importância
entender primeiro como funciona um motor de indução. Para começar enunciaremos os princípios físicos básicos
da conversão de energia elétrica em energia mecânica.
2.1 PRINCÍPIOS BÁSICOS DE FUNCIONAMENTO
1.	 Uma corrente circulando por um condutor produz um campo magnético, representado na figura 2.1 pelas
linhas circulares chamadas de linhas de indução magnética. No centro da figura se encontra o condutor e as
linhas circulares em volta são uma representação gráfica do campo magnético gerado pela corrente.
Figura 2.1
2.	 Se um condutor é movimentado dentro de um campo magnético, aparecerá uma tensão induzida entre os
terminais do condutor, proporcional ao número de linhas de indução cortadas por segundo (figura 2.2). Se o
dito condutor forma um circuito fechado, circulará por ele uma corrente elétrica.
Figura 2.2
Como Funciona um Motor de Indução?
2
2-2 | Guia de Aplicação Soft-Starter
3.	 Dois condutores adjacentes (a e b) pelos quais está circulando uma corrente elétrica (ia e ib) produzem cada
um deles um campo magnético (Item 1). A interação entre estes dois campos magnéticos produzirá uma força
(F) de atração ou repulsão entre os condutores (figura 2.3), proporcional à corrente que circula por ambos
condutores e à distância (d) entre eles.
Figura. 2.3
4.	 Um bobinado polifásico, igual ao mostrado na figura 2.4, alimentado por um sistema de tensões trifásico (figura
2.5) produzirá um campo magnético girante (figura 2.6). Este princípio é similar ao visto na figura 2.1, com a
diferença que neste o campo magnético é estático.
Figura 2.4
Figura 2.5
Como Funciona um Motor de Indução?
2
Guia de Aplicação Soft-Starter | 2-3
Na figura 2.6, os pontos identificados com os números ... correspondem aos momentos em que a tensão
de uma das três fases é igual a zero. Desta maneira é mais fácil fazer a composição dos vetores de indução
magnética para cada instante. Na figura pode-se ver que a resultante destes vetores está girando (campo girante)
com uma velocidade proporcional a freqüência e ao número de pólos do motor.
Figura 2.6
5.	 A velocidade do campo girante descrito anteriormente, chamada de velocidade síncrona, é proporcional à
freqüência do sistema de tensões trifásico e ao número de pólos do bobinado.
	 Velocidade do campo girante [rpm]= (freqüência [1/s] x 120 ) / n° de pólos
6.	 Conjugado: O conjugado (também chamado de torque, momento ou binário) é a medida do esforço necessário
para girar um eixo. É sabido, pela experiência prática, que para levantar um peso por um processo semelhante ao
usado em poços de água – ver figura 2.7 – a força F que é preciso aplicar à manivela depende do comprimento
da manivela.
	 Quanto maior a manivela, menor será a força necessária.
	 Se dobrarmos o tamanho da manivela, a força F necessária será diminuída a metade. No exemplo da figura
2.7, se o balde pesa 20kgf e o diâmetro do tambor é 20 cm, a corda transmitirá uma força de 20 kgf na
superfície do tambor, isto é, a 0,1m (10cm) do centro do eixo.
	 Para contrabalançar esta força, precisamos de 10 kgf na manivela, se o comprimento “a” for 0,2 m (20cm).
	 Se “a” for o dobro, isto é 0,4 m, a força F será a metade, ou seja, 5kgf.
	 Como se vê, para medir o “esforço” necessário para fazer girar o eixo não basta definir a força empregada: é
preciso também dizer a que distância do eixo a força é aplicada. O “esforço” é medido pelo conjugado, que
é o produto F x a , da “força” pela “distância”.
	 No exemplo citado, o conjugado vale:
	 C = 20 kgf x 0,1 m = 10 kgf x 0,2 m = 5 kgf x 0,4 = 2mkgf
Como Funciona um Motor de Indução?
2
2-4 | Guia de Aplicação Soft-Starter
Figura 2.7
Os motores de indução mais utilizados na indústria são os chamados motores de gaiola trifásicos (figura 2.8 -
rotor e estator).
1
23
4
5
6
7
8
9
10
11
12
NÚCLEO DE
CHAPAS
BARRAS DE
ANÉIS DE
CURTO-CIRCUITO
NÚCLEO DE
CHAPAS
VENTILADOR
PROTEÇÃO
DO
VENTILADOR
CAIXA DE
LIGAÇÃO
TERMINAIS
EIXO
TAMPAS
CARCAÇA
ENTROLAMENTO
TRIFÁSICO
ROLAMENTOS
Figura 2.8
Estator: Carcaça (1), Núcleo de Chapas (2), Enrolamento trifásico (8)
Rotor: Eixo (7), Núcleo de chapas (3), Barras e anéis de curto-circuito (12)
Outras partes: Tampas (4), Ventilador (5), Proteção do ventilador (6), Caixa de ligação (9), Terminais (10),
Rolamentos (11).
Nestes motores o rotor é fabricado com espiras em curto-circuito formando uma verdadeira gaiola. O estator é
formado por três bobinas (bobinado trifásico), com pares de pólos em cada fase.
Como Funciona um Motor de Indução?
2
Guia de Aplicação Soft-Starter | 2-5
2.2 ANÁLISE DE FUNCIONAMENTO
Para análise de funcionamento pode-se considerar o motor de indução como um transformador, onde o
enrolamento primário deste transformador é formado pelo estator e o enrolamento secundário pelo rotor. O
próprio nome “motor de indução” se deve ao fato de que toda a energia requerida pelo rotor para a geração de
torque é “induzida” pelo primário do transformador (estator) no secundário (rotor).
Como existem dois campos magnéticos, um no estator e outro no rotor, e como descrito no item 3, aparecerá
uma força entre o rotor e o estator que fará com que o rotor gire, já que é o único que pode se movimentar pois
está montado sobre rolamentos, disponibilizando assim energia mecânica (torque) no seu eixo.
Para facilitar o entendimento do funcionamento do motor de indução dividiremos o estudo em três casos
hipotéticos:
Caso 1
Primeiramente consideraremos um motor de dois pólos com o “rotor bloqueado”, isto significa que através de
algum dispositivo mecânico impediremos que o eixo do motor (rotor) gire. Nesta condição, se aplicarmos tensão
trifásica com freqüência de 60Hz nos terminais do bobinado do estator, este produzirá um campo magnético
girante com velocidade de 3600 rpm (item 5). As linhas de indução deste campo magnético “cortarão” as espiras
do rotor com velocidade máxima induzindo assim a máxima tensão nas espiras do rotor, e como estas estão
em curto-circuito, circulará também a máxima corrente por elas. Como toda a energia produzida no rotor tem
de ser “induzida” pelo estator, circulará no bobinado do estator uma corrente elevada (6 a 8 vezes maior que a
corrente nominal do motor).
Se esta condição for mantida por mais que alguns segundos os fios do bobinado do estator irão esquentar
de forma indevida, podendo até danificar (queimar) o bobinado, pois não foram projetados para suportar esta
corrente por um período de tempo grande.
Caso 2
Agora vamos para o outro extremo. Vamos supor que o rotor do motor possa girar exatamente à velocidade de
3600 rpm. Neste caso as linhas de indução do campo magnético girante produzido pelo estator “não cortarão”
as espiras do rotor pois os dois estão girando com mesma velocidade. Sendo assim não haverá tensão induzida,
nem corrente, nem geração de campo magnético.
Para a produção de energia mecânica (torque) no motor é necessária a existência de dois campos magnéticos,
sendo assim, não haverá torque no eixo do motor.
Caso 3
Vamos supor agora que, nas mesmas condições do Caso 2, baixamos a velocidade do rotor do motor para 3550
rpm. O campo magnético girante tem uma velocidade de 3600 rpm, é assim que as linhas de indução do campo
magnético girante do estator “cortarão” as espiras do rotor com uma velocidade de 50 rpm (3600 rpm – 3550 rpm
= 50 rpm), produzindo uma tensão e uma corrente induzida no rotor. A interação entre os dois campos magnéticos,
o do estator e o do rotor, produzirão uma força, que pela sua vez produzirá torque no eixo do motor.
A diferença entre a velocidade síncrona (3600 rpm) e a velocidade do rotor é conhecida como
“escorregamento”.
Escorregamento = velocidade síncrona – velocidade do rotor
(Ns
– N)
S =
Ns
Descritas estas três condições, podemos agora imaginar o que acontece na prática com nosso motor de
indução.
Na partida acontece algo similar ao descrito no caso 1, mas na prática a diferença do rotor bloqueado do caso
1 nosso motor pode girar livremente. Sendo assim circulará no bobinado do estator uma corrente elevada (6 a 8
vezes maior que a corrente nominal do motor) que diminuirá a medida que a velocidade do motor aumenta.
Quando a velocidade do rotor se aproxima da velocidade síncrona (caso 2) o torque produzido diminuirá, fazendo
diminuir também a velocidade do rotor. Existirá então um ponto de equilíbrio entre a carga do motor e a velocidade
do rotor (caso 3).
Se a carga no eixo do motor aumenta, a velocidade do rotor tenderá a diminuir, e o escorregamento aumentará.
Se o escorregamento aumenta a velocidade com que as linhas de indução do campo magnético do rotor
“cortam” o estator aumentará, aumentando também a tensão e corrente induzida no rotor. Se a corrente é
maior, o campo magnético gerado por esta também será maior, aumentando assim o torque disponível no eixo
do motor, chegando novamente numa condição de equilíbrio. Se o torque requerido pela carga é maior que o
Como Funciona um Motor de Indução?
2
2-6 | Guia de Aplicação Soft-Starter
nominal do motor, e se esta condição é mantida por muito tempo, a corrente do motor será maior que a nominal
e o motor será danificado.
2.3 CURVAS CARACTERÍSTICAS DO MOTOR DE INDUÇÃO
2.3.1 Torque x Velocidade
É a curva que mostra a relação entre o torque desenvolvido pelo motor e a sua rotação. Na partida, quando o
motor é ligado diretamente à rede, o torque (torque de partida) será de aproximadamente 2 a 2,5 vezes o torque
nominal, diminuindo a medida que a velocidade aumenta até atingir um valor de 1,5 a 1,7 do torque nominal a
aproximadamente 30% da velocidade nominal. A medida que a velocidade aumenta o torque aumenta novamente
até atingir o seu valor máximo (80% da velocidade nominal) chegando a seu valor nominal na velocidade nominal.
Como mostra a curva (linha cheia) da figura 2.9.
2.3.2 Corrente x Velocidade
É a curva (linha tracejada da figura 2.9) que mostra a relação entre a corrente consumida pelo motor em função
da sua velocidade. A figura mostra que na partida, quando o motor é ligado diretamente à rede, a corrente que
circula por ele será 5 a 6 vezes maior que a corrente nominal, diminuindo a medida que a velocidade aumenta
até atingir um valor estacionário determinado pela carga acoplada ao motor. Se a carga for a nominal a corrente
será também a corrente nominal.
Figura 2.9: Curva Torque x Velocidade e Corrente x Velocidade para motores de indução de rotor em gaiola alimentados com tensão e
freqüência constantes
2.4 POTÊNCIA E PERDAS
Na placa de identificação do motor existe um parâmetro chamado de rendimento e identificado pela letra grega η.
Este parâmetro é uma medida da quantidade de potência elétrica transformada pelo motor em potência mecânica.
A potência transmitida à carga pelo eixo do motor é menor que a potência elétrica absorvida da rede, devido às
perdas no motor. Essas perdas podem ser classificadas em:
„„ perdas no enrolamento estatórico (perdas no cobre);
„„ perdas no rotor;
„„ perdas por atrito e ventilação;
„„ perdas magnéticas no núcleo (perdas no ferro);
Como Funciona um Motor de Indução?
2
Guia de Aplicação Soft-Starter | 2-7
2.5 CARACTERÍSTICAS DE TEMPERATURA – CLASSES DE ISOLAMENTO TÉRMICO
Sendo o motor de indução uma máquina robusta e de construção simples, a sua vida útil depende quase
exclusivamente da vida útil da isolação do bobinado e da vida mecânica dos rolamentos. Vida útil da isolação
refere-se ao envelhecimento gradual do isolante, não suportando mais a tensão aplicada e produzindo curto-
circuito entre as espiras do bobinado.
Para fins de normalização, os materiais isolantes e os sistemas de isolamento (cada um formado pela combinação
de vários materiais) são agrupados em CLASSES DE ISOLAMENTO, cada qual definida pelo respectivo limite de
temperatura, ou seja, pela maior temperatura que o material pode suportar continuamente sem que seja afetada
sua vida útil. As classes de isolamento utilizadas em máquinas elétricas e os respectivos limites de temperatura
conforme norma NBR-7094, são mostradas na tabela a seguir:
Tabela 2.1: Classes de isolamento
CLASSE TEMPERATURA (°C)
A 105
E 120
B 130
F 155
H 180
As classes B e F são as freqüentemente utilizadas.
O sistema de isolamento convencional dos motores, que tem sido utilizado com sucesso em todos os casos
de alimentação com fontes senoidais tradicionais (50/60Hz) pode não atender os requisitos necessários se
os mesmos forem alimentados por outro tipo de fonte. É o caso dos motores alimentados por inversores de
freqüência. Atualmente, com a utilização generalizada destes equipamentos, o problema do rompimento da isolação
provocado pelos altos picos de tensão decorrentes da rapidez de crescimento dos pulsos gerados pelo inversor,
bem como a alta freqüência com que estes são produzidos, obrigou a implementar melhorias no isolamento dos
fios e no sistema de impregnação, afim de garantir a vida dos motores. Estes motores com isolamento especial
são chamados de ”Inverter Duty Motors”.
2.6 TEMPO DE ROTOR BLOQUEADO
Tempo de rotor bloqueado é o tempo necessário para que o enrolamento da máquina, quando percorrido pela
sua corrente de partida, atinja a sua temperatura limite, partindo da temperatura em condições nominais de
serviço e considerando a temperatura ambiente no seu valor máximo.
Este tempo é um parâmetro que depende do projeto da máquina. Encontra-se normalmente no catálogo ou na
folha de dados do fabricante. A tabela abaixo mostra os valores limites da temperatura de rotor bloqueado, de
acordo com as normas NEMA e IEC.
Tabela 2.2: Temperatura limite de rotor bloqueado
CLASSE DE
ISOLAMENTO
TEMPERATURA MÁXIMA (°C)
∆Tmáx(°C)
NEMA MG1.12.53 IEC 79.7
B 175 185 80
F 200 210 100
H 225 235 125
Para partidas com tensão reduzida o tempo de rotor bloqueado pode ser redefinido como segue:
trb
= tb
x ( Un
/ Ur
)2
Onde:
trb
	 =	 Tempo de rotor bloqueado com tensão reduzida
tb
	 =	 Tempo de rotor bloqueado à tensão nominal
Un
	 =	 Tensão nominal
Ur
	 =	 Tensão reduzida
Como Funciona um Motor de Indução?
2
2-8 | Guia de Aplicação Soft-Starter
Outra forma de se redefinir o tempo de rotor bloqueado é através da utilização da corrente aplicada ao motor,
como segue:
	 Ipn
trb
= tb
. ( )2
	 Ipc
Onde:
trb
	 =	 Tempo de rotor bloqueado com corrente reduzida
tb
	 =	 Tempo de rotor bloqueado à corrente nominal
Ipn
	 =	 Corrente de partida direta do motor
Ipc
	 =	 Corrente de partida do motor com corrente reduzida
Geralmente, Ipn
é obtido de catálogos e possui o valor em torno de 6 a 8 vezes a corrente nominal do motor, e
Ipc
depende do método de partida do motor. Se por exemplo esta partida for do tipo estrela-triângulo o valor da
corrente será de aproximadamente 1/3 da corrente de partida.
Métodos de Comando de um Motor de Indução
3
Guia de Aplicação Soft-Starter | 3-1
MÉTODOS DE COMANDO DE UM MOTOR DE INDUÇÃO
Os métodos de comando de um motor de indução, são implementados com equipamentos eletromecânicos,
elétricos e eletrônicos. Estes equipamentos permitem acelerar (partir) e desacelerar (frenar) o motor de acordo
com requisitos impostos pela carga, segurança, concessionárias de energia elétrica, etc.
3.1 CATEGORIAS DE PARTIDA
Conforme as suas características de torque em relação à velocidade e corrente de partida, os motores de indução
trifásicos com rotor de gaiola, são classificados em categorias, cada uma adequada a um tipo de carga. Estas
categorias são definidas em norma (NBR 7094), e são as seguintes:
a) Categoria N
Constituem a maioria dos motores encontrados no mercado e prestam-se ao acionamento de cargas normais,
como bombas, máquinas operatrizes, e ventiladores.
b) Categoria H
Usados para cargas que exigem maior torque na partida, como peneiras, transportadores carregadores, cargas
de alta inércia, britadores, etc.
c) Categoria D
Usados em prensas excêntricas e máquinas semelhantes, onde a carga apresenta picos periódicos. Usados
também em elevadores e cargas que necessitam de torques de partida muito altos e corrente de partida
limitada.
Tabela 3.1: Características das categorias de partida direta
Categorias de
partida
Torque de partida
Corrente de
partida
Escorregamento
N Normal Normal Baixo
H Alto Normal Baixo
D Alto Normal Alto
As curvas torque x velocidade das diferentes categorias estão mostradas na figura 3.1.
Figura 3.1: Curvas características de torque em função da categoria do motor (partida direta)
Métodos de Comando de um Motor de Indução
3
3-2 | Guia de Aplicação Soft-Starter
3.2 FORMAS DE PARTIDAS
„„ Partida Direta
A maneira mais simples de partir um motor de indução é a chamada partida direta, aqui o motor é ligado à
rede diretamente através de um contator (ver figura 3.2). Porém, deve-se observar que para este tipo de partida
existem restrições de utilização. Como já foi visto anteriormente, a corrente de partida de um motor de indução
quando ligado diretamente à tensão da rede é 5 a 8 vezes maior que a corrente nominal. Por este motivo, e
fundamentalmente para motores de grande porte, a partida direta não é utilizada.
Figura 3.2: Partida direta
Métodos de Comando de um Motor de Indução
3
Guia de Aplicação Soft-Starter | 3-3
„„ Partida Estrela-Triângulo (Y- ∆)
Este tipo de partida só pode ser utilizado em motores que possuam ligação em dupla tensão (por exemplo 3 x
380 V e 3 x 220 V). A menor tensão deverá ser igual à tensão de rede e a outra 1,73 vezes maior. (Ex.: 220/380V,
380/660V). Esta partida é implementada com dois contatores como mostra a figura 3.3. Na partida o motor é
ligado na conexão de maior tensão, isto possibilita uma redução de até 1/3 da corrente de partida do motor,
como mostra a figura 3.4.
A partida estrela-triângulo poderá ser usada quando a curva de torque do motor for suficientemente elevada para
que possa garantir a aceleração da máquina com a corrente reduzida, ou seja, o torque resistente da carga não
deverá ser superior ao torque do motor quando o motor estiver em estrela.
Figura 3.3: Partida estrela-triângulo
Figura 3.4: Curva característica de torque e corrente, motor com partida estrela-triângulo
Métodos de Comando de um Motor de Indução
3
3-4 | Guia de Aplicação Soft-Starter
„„ Partida Eletrônica (Soft-Starter)
Será abordada em profundidade no capítulo a seguir.
Figura 3.5: Curva característica de torque e corrente, motor com partida suave (soft-starter)
Além da vantagem do controle da corrente durante a partida, a chave eletrônica apresenta, também, a vantagem
de não possuir partes móveis.
Ainda, como um recurso adicional, a soft-starter apresenta a possibilidade de efetuar a desaceleração suave
das cargas de baixa inércia.
„„ Partida SÉRIE-PARALELO
Este tipo de partida só pode ser utilizado em motores que possibilitam a ligação em dupla tensão.
A menor das duas tensões deve ser igual a tensão da rede e a outra deve ser o dobro.
Por exemplo: 220V- 440V e 380V-760V (mais comuns), ou outros valores de tensão de rede, seguindo a mesma
regra: 230V-460V, etc.
Para tanto, o motor deve dispor de 9 ou 12 terminais de ligação, para permitir as ligações triângulo série-paralelo
(figuras 3.6 e 3.7) ou estrela série-paralelo (figuras 3.8 e 3.9).
Métodos de Comando de um Motor de Indução
3
Guia de Aplicação Soft-Starter | 3-5
Figura 3.6: Ligação triângulo série: apta a receber ligação superior, entretanto aplica-se tensão reduzida: este é o princípio de
funcionamento da “série-paralelo”
Figura 3.7: Ligação triângulo paralelo: apta a receber tensão reduzida, e efetivamente aplicando-se tensão reduzida: o motor desenvolve
suas características nominais
Figura 3.8: Ligação estrela série: apta a receber ligação superior, entretanto aplica-se tensão reduzida, conforme o princípio de
funcionamento da “série paralelo”
Figura 3.9: Ligação estrela paralelo: apta a receber tensão reduzida, e efetivamente aplicando-se tensão reduzida: o motor desenvolve
suas características nominais
Métodos de Comando de um Motor de Indução
3
3-6 | Guia de Aplicação Soft-Starter
No momento da partida a corrente fica reduzida para 25 a 33% da corrente de partida direta, entretanto o mesmo
ocorre com o torque, restringindo o uso desta chave para partidas em vazio.
Figura 3.10: Chave série paralelo, usando nove cabos do motor
„„ Partida compensadora
Esta chave de partida alimenta o motor com tensão reduzida em suas bobinas, na partida.
A redução de tensão nas bobinas (apenas durante a partida) é feita através da ligação de um autotransformador
em série com as mesmas.
Após o motor ter acelerado as bobinas passam a receber tensão nominal.
A redução de corrente depende do TAP em que o autotransformador estiver ligado.
TAP 65%: Redução para 42% do seu valor de partida direta
TAP 80%: Redução para 64% do seu valor de partida direta
A chave de partida compensadora pode ser usada para motores que partem com alguma carga. O conjugado
resistente deve ser inferior ao conjugado disponibilizado pelo motor durante a partida com tensão reduzida pela
compensadora.
Os motores podem ter tensão única e, apenas, três cabos disponíveis.
Métodos de Comando de um Motor de Indução
3
Guia de Aplicação Soft-Starter | 3-7
Figura 3.11: Curvas características do motor trifásico partindo com chave compensadora, TAP 85%
Figura 3.12: Partida compensadora
Métodos de Comando de um Motor de Indução
3
3-8 | Guia de Aplicação Soft-Starter
3.3 FRENAGEM
Os motores de indução possibilitam várias formas de frenagem, isto é, onde se tem s < 0 e o motor opera com
características de gerador. A seguir apresentaremos dois métodos de frenagem elétrica.
3.3.1 Frenagem por contra-corrente
Obtém-se a frenagem por contra-corrente através da inversão de duas fases da tensão de alimentação do
enrolamento estatórico (ver figura 3.14), para reverter a direção de rotação do campo girante do motor com o
mesmo girando ainda na direção inicial. Dessa forma, a rotação do rotor fica agora contrária a um torque que
atua em direção oposta (ver figura 3.13) e começa a desacelerar (frenar). Quando a velocidade cai a zero o motor
deve ser desenergizado, caso contrário, passará a funcionar em sentido oposto. Para este tipo de frenagem, as
correntes induzidas nos enrolamentos rotóricos são de freqüências altas (duas vezes a freqüência estatórica) e de
elevada intensidade, pois o torque desenvolvido pelo motor é elevado, onde há a absorção de potência elétrica
da rede com corrente maior que a nominal, acarretando em um sobreaquecimento do motor.
Figura 3.13: Curva de torque x rotação na frenagem por contra-corrente
Figura 3.14: Frenagem por contra-corrente
Métodos de Comando de um Motor de Indução
3
Guia de Aplicação Soft-Starter | 3-9
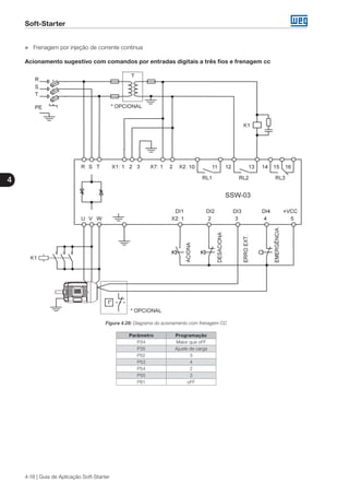
3.3.2 Frenagem por injeção de corrente contínua (CC)
É obtida através da desconexão do estator da rede de alimentação e da posterior conexão a uma fonte de
corrente contínua (ver figura 3.16). A corrente contínua enviada ao enrolamento estatórico estabelece um fluxo
magnético estacionário cuja curva de distribuição tem uma fundamental de forma senoidal. A rotação do rotor em
seu campo produz um fluxo de corrente alternada no mesmo, o qual também estabelece um campo magnético
estacionário com respeito ao estator. Devido à interação do campo magnético resultante e da corrente rotórica,
o motor desenvolve um torque de frenagem (ver figura 3.15) cuja magnitude depende da intensidade do campo,
da resistência do circuito rotórico e da velocidade do rotor.
Figura 3.15: Curva de torque x rotação durante a frenagem CC
Na prática, a frenagem CC tem sua aplicação limitada devido ao fato de que toda a energia de frenagem é dissipada
no próprio motor, podendo causar sobreaquecimento excessivo no mesmo. Assim, para não comprometer a
vida útil do motor, utiliza-se a frenagem CC com tensões contínuas limitadas a aproximadamente 20% da tensão
nominal CA do motor.
Figura 3.16: Frenagem por injeção de CC
Métodos de Comando de um Motor de Indução
3
3-10 | Guia de Aplicação Soft-Starter
3.4 VANTAGENS E DESVANTAGENS DOS MÉTODOS DE PARTIDA
„„ Partida Direta
Vantagens
„„ Menor custo de todas
„„ Muito simples de implementar
„„ Alto torque de partida
Desvantagens
„„ Alta corrente de partida, provocando queda de tensão na rede de alimentação. Em função disto pode provocar
interferência em equipamentos ligados na mesma instalação
„„ É necessário sobredimensionar cabos e contatores
„„ Limitação do número de manobras/hora
„„ Picos de torque
„„ Estrela-Triângulo
Vantagens
„„ Custo reduzido
„„ A corrente de partida é reduzida a 1/3 quando comparada com a partida direta
„„ Não existe limitação do número de manobras/hora
Desvantagens
„„ Redução do torque de partida a aproximadamente 1/3 do nominal
„„ São necessários motores com seis bornes
„„ Caso o motor não atingir pelo menos 90% da velocidade nominal, o pico de corrente na comutação de estrela
para triângulo é equivalente ao da partida direta
„„ Em casos de grande distância entre motor e chave de partida, o custo é levado devido a necessidade de
seis cabos.
„„ Soft-Starter
Terá suas vantagens e desvantagens abordadas em profundidade no capítulo a seguir.
„„ PARTIDA SÉRIE-PARALELO
Vantagens
„„ Custo reduzido
„„ A corrente de partida é reduzida a ¼ quando comparada com a partida direta
Desvantagens
„„ Redução do torque de partida a aproximadamente ¼ do torque de partida nominal
„„ São necessários motores com pelos menos nove bornes (ou seja, capacidade de fechamento das bobinas
para tensão igual à duas vezes a tensão da rede)
„„ Caso o motor não atingir pelo menos 90% da velocidade nominal, o pico de corrente na comutação da ligação
é equivalente ao da partida direta
„„ Em casos de grande distância entre motor e chave de partida, o custo é elevado devido a necessidade de
nove cabos.
„„ Partida compensadora
Vantagens
„„ Capacidade de partir com alguma carga
„„ Possibilidade de algum ajuste de tensão de partida, selecionando (conectando) o TAP no transformador
„„ Necessário apenas três terminais disponíveis no motor
„„ Na passagem da tensão reduzida para a tensão da rede, o motor não é desligado e o segundo pico é bem
reduzido
Métodos de Comando de um Motor de Indução
3
Guia de Aplicação Soft-Starter | 3-11
Desvantagens
„„ Tamanho e peso do autotransformador
„„ Número de partidas por hora limitado
„„ Custo adicional do autotransformador
3.5 NBR-5410 REFERENTE A PARTIDA COM CORRENTE REDUZIDA
A NBR 5410 de novembro de 1997, no item referente a motores elétricos, orienta sobre a corrente de partida de
motores e a necessidade de se reduzir a corrente de partida dos motores elétricos a fim de se evitar perturbações
na rede.
Figura 3.17: NBR-5410 (reprodução de fotocópia)
Métodos de Comando de um Motor de Indução
3
3-12 | Guia de Aplicação Soft-Starter
Abaixo segue transcrição do texto da NBR 5410, item 6.5.3
6.5.3 Motores
6.5.3.1 Generalidades
As cargas constituídas por motores elétricos apresentam peculiaridades que as destinguem das demais.
a)	 A corrente absorvida durante a partida é muito maior que a de funcionamento normal em carga;
b)	 A potência absorvida em funcionamento é determinada pela potência mecânica no eixo solicitada pela
carga acionada, o que pode resultar em sobrecarga na rede de alimentação se o motor não for protegido
adequadamente.
Em razão destas peculiaridades, a instalação de motores, além das demais prescrições desta Norma, deve
atender às prescrições seguintes.
6.5.3.2 Limitação das perturbações devidas à partida de motores
Para evitar perturbações inaceitáveis na rede de distribuição na própria instalação e nas demais cargas ligadas
a instalação de motores deve-se:
a)	 Observar as limitações impostas pela concessionária local referentes a partida de motores;
	 NOTA: Para partida direta de motores com potência acima de 3,7kW (5CV), em instalações alimentadas por
rede de distribuição pública em baixa tensão, deve ser consultada a concessionária local.
b)	 Limitar a queda de tensão nos demais pontos de utilização, durante a partida do motor, aos valores
estipulados em 6.2.6.1.
	 Para obter conformidade às limitações descritas nas alíneas a) e b) anteriores, pode ser necessário
o uso de dispositivos de partida que limitem a corrente absorvida durante a partida.
NOTA!
Em instalações contendo muitos motores, pode ser levado em conta a probabilidade de partida
simultânea de vários motores.
Como pode ser observado no texto acima, a redução da corrente de partida de motores é uma necessidade
prevista em norma.
Dentre as diversas formas de redução da corrente de partida, trataremos nos capítulos seguintes da forma mais
eficaz, e com excelente relação custo/benefício para a maioria das aplicações: a partida de motores através da
SOFT-STARTER.
Soft-Starter
4
Guia de Aplicação Soft-Starter | 4-1
SOFT-STARTER
4.1 INTRODUÇÃO
Entender o funcionamento da Soft-Starter é importante para construir uma base sólida de conhecimentos, a partir
da qual o usuário do equipamento poderá desenvolver sua capacidade de aplicação do produto.
Vamos abordar com especial atenção o principal componente de força da Soft-Starter: o SCR – Silicon Controlled
Rectifier. Entender o funcionamento do SCR é boa parte do entendimento do funcionamento da Soft-Starter.
Adotaremos a seguir uma seqüência de raciocínio baseada em analogias com outros fenômenos, e com outros
componentes, permitindo assim o entendimento do funcionamento do SCR.
4.1.1 Semicondutores e componentes eletrônicos
Um material semicondutor, como o silício, é um elemento com capacidade intermediária de condução de corrente,
ou seja, sua capacidade natural de permitir fluxo de corrente elétrica é intermediária entre aquela de um condutor
propriamente dito e aquela de um material isolante.
A maneira como um semicondutor lidará com cargas elétricas depende de como foram adicionadas impurezas
a sua composição, processo este chamado de dopagem. Existem dois tipos de dopagem: P e N, e cada uma
delas têm comportamento complementar no que diz respeito à condução de cargas elétricas.
Exemplificando: o diodo, é um componente eletrônico que possui duas diferentes partes de semicondutor,
formando um junção P-N. As propriedades de condução são tais que fazem o diodo permitir o fluxo de corrente
elétrica somente em um sentido, situação esta definida como diretamente polarizado. O mesmo diodo, porém
polarizado inversamente tem o comportamento de um isolante.
As condições que desencadeiam o comportamento elétrico de um componente eletrônico variam com o nível de
tensão ou corrente, a presença de um sinal elétrico de estimulo externo ou até mesmo por luz visível, infravermelho,
etc.
4.1.2 A característica mais marcante dos tiristores
Tiristores são componentes que exibem uma propriedade marcante: de maneira geral, ele não retorna ao seu
estado original depois que a causa da sua mudança de estado tenha desaparecido.
Uma analogia simples é a ação mecânica de um interruptor de luz: quando o interruptor é pressionado, ele muda
de posição e permanece assim mesmo depois do estímulo do movimento ter desaparecido (ou seja, mesmo
depois de tirar a mão do interruptor).
Em contraste, um botão de campainha volta a sua posição original após cessar o estímulo externo.
Transistores bipolares e IGBTs, também não “travam” em um determinado estado após terem sido estimulados
por um sinal de corrente ou tensão: para qualquer sinal de entrada o transistor exibirá um comportamento previsível
conforme sua curva característica.
Voltando aos Tiristores: eles são componentes semicondutores que tendem a permanecer ligados, uma vez
ligados, e tendem a permanecer desligados, uma vez que tenham sido desligados. Um evento momentâneo é
capaz de ligá-los ou desligá-los, e assim eles permanecerão por conta própria, mesmo que a causa de mudança
de estado tenha sido eliminada.
Antes de analisar o tiristor propriamente dito, é interessante analisarmos seu precursor histórico: as válvulas
de descarga a gás.
4.1.3 Introdução às válvulas de descarga a gás
Uma tempestade é uma oportunidade de presenciar fenômenos elétricos interessantes.
A ação do vento e da chuva acumula cargas elétricas estáticas entre as nuvens e a terra, e entre as próprias
nuvens. A diferença de carga manifesta-se como altas tensões, e quando a resistência elétrica do ar não pode
mais suportar esta alta tensão, ocorrem surtos de corrente entre pólos de carga elétrica oposta, o que chamamos
de relâmpagos, raios ou descargas atmosféricas.
Soft-Starter
4
4-2 | Guia de Aplicação Soft-Starter
Figura 4.1: Descarga atmosférica
Sob condições normais o ar tem uma tremenda resistência elétrica. Genericamente sua resistência é tratada
como infinita. Sob presença de água e/ou poeira sua resistência diminui, mas permanece um bom isolante para a
maioria das situações. Quando um nível suficientemente alto de tensão é aplicado através de uma distância de ar,
entretanto, suas propriedades elétricas são alteradas: elétrons são arrancados de suas posições normais em torno
do núcleo de seus átomos, e são liberados para constituir corrente elétrica. O ar nesta situação é considerado
ionizado, recebe a denominação de plasma, e tem resistência elétrica bem menor que o ar.
Conforme a corrente elétrica se movimenta pelo ar, energia é dissipada na forma de calor, o que mantém o ar em
estado de plasma, cuja baixa resistência favorece a manutenção do raio mesmo após alguma redução da tensão.
O relâmpago persiste até que a tensão caia abaixo de um nível insuficiente para manter corrente suficiente para
dissipar calor. Finalmente, não há calor para manter o ar em estado de plasma, que volta ao normal, deixa de
conduzir corrente e permite que a tensão aumente novamente.
Observe como o ar se comporta neste ciclo: quando não está conduzindo, ele permanece um isolante até que a
tensão ultrapasse um nível crítico. Então, uma vez que ele muda de estado, ele tende a permanecer um condutor
até que a tensão caia abaixo de um nível mínimo. Este comportamento, combinado com a ação do vento e chuva,
explica a existência dos raios como breve descargas elétricas.
4.1.4 Thyratron
Nas válvulas thyratron pode-se observar comportamentos semelhantes à do ar durante a ocorrência de um
relâmpago, com a diferença de que a válvula pode ser disparada por um pequeno sinal.
O thyratron é essencialmente uma válvula preenchida com gás, que pode conduzir corrente com uma pequena
tensão de controle aplicada entre o grid e o cátodo, e desligado reduzindo-se a tensão plate-catodo.
“grid”
“plate”
“cátodo”
Figura 4.2: Circuito de controle simplificado do thyratron
No circuito visto acima a válvula thyratron permite corrente através da carga em uma direção (note a polaridade
através da carga resistiva) quando disparado pela pequena tensão DC de controle conectada entre grid e
cátodo.
Soft-Starter
4
Guia de Aplicação Soft-Starter | 4-3
O “pontinho” dentro do circulo do símbolo esquemático indica preenchimento com gás, em oposição ao vácuo
verificado em outras válvulas.
Observe que a fonte de alimentação da carga é alternada, o que dá uma dica de como o thyratron desliga após
ter sido disparado: uma vez que a tensão AC periodicamente passa por zero volt a cada meio ciclo, a corrente
será interrompida periodicamente.
Esta breve interrupção permite à válvula resfriar e retornar a seu estado “desligado”. Condução de corrente pode
prosseguir apenas se há tensão suficiente aplicada pela fonte AC e se a tensão DC de controle permitir.
Um osciloscópio indicaria a tensão na carga conforme figura 4.3:
Figura 4.3
Enquanto a fonte de tensão sobe, a tensão na carga permanece zero, até que o valor de threshold voltage seja
atingido.
Neste ponto a válvula começa a conduzir, seguindo a tensão da fonte até a próxima fase do ciclo. A válvula
permanece em seu estado “ligado”, mesmo após a tensão reduzir-se abaixo do valor de disparo (threshold
voltage). Como os thyratron são one-way, não há condução no ciclo negativo. Em circuitos práticos, poder-se-ia
arranjar vários thyratron para formar um retificador de onda completa.
Thyratrons tornaram-se obsoletos com o surgimento dos tiristores, exceto para algumas aplicações muito especiais,
devido a possibilidade de thyratrons lidar com valores altíssimos de tensão e corrente.
4.1.5 SCR (Silicon Controlled Rectifier)
Partiremos da representação do SCR para iniciar nossa explanação:
Figura 4.4
Representado da maneira acima o SCR assemelha-se a dois transistores bipolares interligados, um PNP e outro
NPN.
Há três maneiras de “dispará-lo”:
„„ com uma variação brusca de tensão
„„ ultrapassando-se um limite de tensão
„„ aplicando-se a tensão entre gate e cátodo.
Soft-Starter
4
4-4 | Guia de Aplicação Soft-Starter
A última maneira é, na prática, a única desejada. Os SCRs normalmente são escolhidos com valor de tensão de
breakover bem superior a tensão esperada no circuito.
O circuito de teste de um SCR é excelente para entender sua operação.
Figura 4.5: Circuito de teste do SCR
Uma fonte DC é usada para energizar o circuito, e dois botões com retorno são usados para “disparar” e para
“desenergizar” o SCR.
Pressionado o botão “liga” conecta-se o gate ao ânodo, permitindo corrente de um terminal da bateria através
da junção PN do cátodo- gate, através do contato do botão, da carga resistiva e de volta ao outro terminal da
bateria.
Esta corrente de gate deve ser suficiente para o SCR “selar” na posição ligado. Mesmo soltando o botão, o SCR
deve permanecer conduzindo.
Pressionar o botão desliga (normalmente fechado) corta a corrente e força o SCR desligar.
Se neste teste o SCR não “selar” o problema pode ser o valor ôhmico da carga. O SCR necessita de um valor
mínimo de corrente de carga para permanecer conduzindo.
A maioria das aplicações para o SCR são controle em AC, apesar dos SCR serem inerentemente DC
(unidirecionais).
Se é necessário um circuito bidirecional, vários SCR podem ser usados (um ou mais em cada direção) para lidar
com a corrente de ambas fases do ciclo, positiva e negativa.
O principal motivo do uso do SCR em circuitos de força AC é a sua resposta à onda AC: trata-se deu um
componente que permanece conduzindo (como o thyratron, seu precursor) uma vez estimulado e até que a
corrente da carga passe por zero.
4.1.6 Entendendo o disparo do SCR
Conectando-se o devido circuito de controle ao gate do SCR nós podemos cortar a senóide em qualquer ponto
para conseguir controlar a energia entregue à carga.
Tomemos o seguinte circuito como exemplo.
Figura 4.6: Fonte AC, SCR e carga resistiva ligados em série
Aqui o SCR é inserido em um circuito para controlar energia de uma fonte AC fornecida à carga. Sendo unidirecional,
no máximo poderemos entregar meia onda à carga, entretanto, para demonstrar o conceito básico de controle,
este circuito é mais fácil do que um para controle de toda a senóide, que exigiria dois SCR.
Soft-Starter
4
Guia de Aplicação Soft-Starter | 4-5
Sem disparar o gate, e com fonte AC abaixo do valor de breakover, o SCR nunca começará a conduzir.
Conectar o gate ao ânodo através de um diodo normal, disparará o SCR quase imediatamente no início de
qualquer fase positiva do ciclo.
Figura 4.7: Gate conectado ao ânodo através de diodo
Pode-se, entretanto, atrasar-se o disparo inserindo-se alguma resistência no circuito de disparo do gate,
incrementando assim a quantidade de tensão necessária para provocar o disparo. Em outras palavras, se
dificultarmos para os elétrons transitarem através do gate, a tensão AC terá de alcançar um valor mais alto até
que haja corrente para ligar o SCR.
Resultado:
Figura 4.8: Resistência inserida ao circuito de gate
Com a meia onda cortada em um nível mais elevado pelo disparo “atrasado” do SCR, a carga recebe menos
energia, uma vez que a carga fica conectada à fonte por um tempo menor.
Tornando variável o resistor do gate, pode-se fazer ajustes à energia fornecida:
Soft-Starter
4
4-6 | Guia de Aplicação Soft-Starter
Figura 4.9: Variando a resistência, variamos o ponto de disparo do SCR (quanto maior a resistência maior é o ponto, ou ângulo, de
disparo)
Infelizmente este esquema de controle tem uma limitação significativa. Usando a fonte AC para disparar o SCR,
limita-se o controle à metade da fase positiva do ciclo, em outras palavras, não há como atrasar o disparo para
depois do pico. Isto limitaria o nível mínimo de energia àquele conseguido com o disparo do SCR no pico da
onda (a 90 graus). Elevando-se a resistência a um valor maior, faria o circuito não disparar nunca.
Uma solução é a adição de um capacitor defasador ao circuito:
Figura 4.10: A forma de onda com menor amplitude é a tensão no capacitor.
A título de ilustração, vamos supor que a resistência de controle é alta, ou seja, o SCR não está disparando sem
este capacitor e não há corrente através da carga, exceto a pequena quantia de corrente através do capacitor
e resistor.
A tensão do capacitor pode ser defasada de 0 a 90 º em relação à fonte AC. Quando esta tensão defasada atingir
um valor alto o suficiente, o SCR será disparado.
Supondo que há periodicamente tensão suficiente nos terminais do capacitor para disparar o SCR, o a forma de
onda de corrente resultante será como segue:
Soft-Starter
4
Guia de Aplicação Soft-Starter | 4-7
Figura 4.11: O disparo do tiristor se dá após o pico máximo, devido à escolha conveniente do capacitor.
Uma vez que a forma de onda do capacitor ainda está subindo após o pico da senoide de tensão de alimentação,
é possível dispará-lo depois do pico, cortando a onda de corrente de modo a liberar um valor de energia mais
baixo à carga.
Os SCR também podem ser disparados por circuitos mais complexos.
Transformadores de pulsos são usados para acoplar o circuito de disparo ao gate/ cátodo do SCR para prover
isolação elétrica entre os circuitos de disparo e de força:
Figura 4.12: Disparo com transformador defasador
Quando múltiplos SCR são utilizados para controle de força, os cátodos não são eletricamente comuns, tornando
difícil o uso de um único circuito de disparo para todos SCR.
Um exemplo é a ponte retificadora controlada:
Figura 4.13: Ponte controlada
Soft-Starter
4
4-8 | Guia de Aplicação Soft-Starter
Como em qualquer retificador, os elementos opostos devem conduzir simultaneamente. SCR 1 e 3, e SCR 2 e
4.
Como eles não compartilham a conexão de cátodo, faz-se necessário lançar mão de transformadores de pulso,
conforme mostra a figura 4.14:
Figura 4.14: Uso de transformadores de pulso (circuito simplificado para dois tiristores para facilitar o entendimento)
No circuito acima foi omitido o transformador de pulso do SCR 1 e 3 a fim de tornar o desenho mais claro.
Naturalmente, os circuitos de controle não são limitados à circuitos monofásico. Assim como na Soft-Starter, o
circuito de controle pode ser trifásico. Um retificador trifásico com os circuitos de disparo omitidos parece com
o seguinte:
Figura 4.15: Retificador trifásico (circuito de disparo omitido)
Soft-Starter
4
Guia de Aplicação Soft-Starter | 4-9
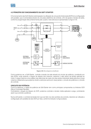
4.2 PRINCÍPIO DE FUNCIONAMENTO DA SOFT-STARTER
O funcionamento das Soft-Starters está baseado na utilização de uma ponte tiristorizada (SCR’s) na configuração
anti-paralelo, que é comandada através de uma placa eletrônica de controle, a fim de ajustar a tensão de saída,
conforme programação feita anteriormente pelo usuário. Esta estrutura é apresentada na figura 4.16.
Figura 4.16: Blocodiagrama simplificado
Como podemos ver, a Soft-Starter controla a tensão da rede através do circuito de potência, constituído por
seis SCRs, onde variando o ângulo de disparo dos mesmos, variamos o valor eficaz de tensão aplicada ao
motor. A seguir faremos uma análise mais atenciosa de cada uma das partes individuais desta estrutura, já que
notamos nitidamente que podemos dividir a estrutura acima em duas partes: o circuito de potência e o circuito
de controle.
CIRCUITO DE POTÊNCIA
Como já sabemos, a etapa de potência da Soft-Starter tem como principais componentes os tiristores SCR
(Silicon Controlled Rectifier).
Controlando o ângulo de disparo do SCR, podemos controlar a tensão média aplicada à carga, controlando
assim sua corrente e potência.
Numa soft-starter, o controle da tensão tem que ser feito nos dois sentidos da corrente, devendo ser utilizada a
configuração anti-paralela de dois SCR por fase, conforme indicado na figura abaixo.
Soft-Starter
4
4-10 | Guia de Aplicação Soft-Starter
Figura 4.17: Dois tiristores em anti-paralelo
Neste caso, tem-se o controle da tensão nas duas metades do ciclo, mediante os disparos nos Gates provenientes
do circuito de controle.
Na figura 4.18 temos um diagrama simplificado do circuito de potência de uma soft-starter, onde notamos o uso
dos pares de tiristores (SCR) em anti-paralelo em cada fase do circuito.
Mediante um circuito de controle para os disparos dos tiristores, a tensão a ser aplicada no motor pode ir crescendo
linearmente, tendo com isso um controle da corrente de partida do motor.
Ao final da partida do motor, o motor terá sobre seus terminais praticamente toda a tensão da rede.
Figura 4.18: SCRs no circuito de força do motor (ligação “fora” do delta do motor)
A seguir temos a ilustração da forma de onda da tensão em uma das fases do motor em quatro instantes. Nota-
se que ao reduzir o ângulo de disparo dos SCR, a tensão a ser aplicada no motor aumenta, aumentando com
isso a corrente no mesmo.
Soft-Starter
4
Guia de Aplicação Soft-Starter | 4-11
Figura 4.19 b: Disparo a 90ºFigura 4.19 a: Disparo a 150
Figura 4.19 d: Disparo a 45º Figura 4.19 d: Disparo a 15
Para evitar disparos acidentais dos SCR, instala-se em paralelo com os mesmos um capacitor e um resistor
conforme indicado na figura 4.20. Este circuito auxiliar é denominado de Snubber e tem como finalidade evitar o
disparo por dV/dT (variação abrupta da tensão num pequeno intervalo de tempo).
Figura 4.20: Snubber
Para se fazer a monitoração da corrente na saída da Soft-Starter, instala-se transformadores de corrente,
permitindo com isso que o controle eletrônico efetue a proteção e manutenção do valor de corrente em níveis
pré-definidos (função limitação de corrente ativada)
CIRCUITO DE CONTROLE
Onde estão contidos os circuitos responsáveis pelo comando, monitoração e proteção dos componentes do
circuito de potência, bem como os circuitos utilizados para comando, sinalização e interface homem-máquina
que serão configurados pelo usuário em função da aplicação.
Soft-Starter
4
4-12 | Guia de Aplicação Soft-Starter
4.3 PRINCIPAIS CARACTERÍSTICAS
Embora o CAPÍTULO 5 deste guia seja dedicado a descrição detalhada das funções (parâmetros) da Soft-Starter,
consideramos conveniente apresentar neste ponto uma abordagem diferenciada para as principais funções da
Soft-Starter.
Aqui não entraremos em detalhes de faixas de valores, mas daremos ênfase em aspectos práticos, como, se
uma função é mais adequada para uma carga com alta inércia ou não, etc.
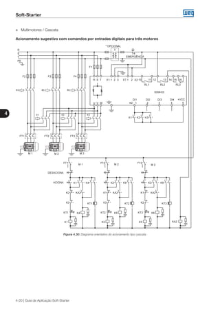
4.3.1 Principais funções
„„ Rampa de tensão na aceleração
As chaves Soft-Starters tem uma função muito simples, que é através do controle da variação do ângulo de
disparo da ponte de tiristores, gerar na saída da mesma, uma tensão eficaz gradual e continuamente crescente
até que seja atingida a tensão nominal da rede. Graficamente podemos observar isto através da figura 4.21.
Figura 4.21: Rampa de tensão aplicada ao motor na aceleração
Atentem ao fato de que quando ajustamos um valor de tempo de rampa, e de tensão de partida (pedestal), isto
não significa que o motor irá acelerar de zero até a sua rotação nominal no tempo definido por ta. Isto, na realidade
dependerá das características dinâmicas do sistema motor/carga, como por exemplo: sistema de acoplamento,
momento de inércia da carga refletida ao eixo do motor, atuação da função de limitação de corrente, etc.
Tanto o valor do pedestal de tensão, quanto o de tempo de rampa são valores ajustáveis dentro de uma faixa
que pode variar de fabricante para fabricante.
Não existe uma regra prática que possa ser aplicada para definir qual deve ser o valor de tempo a ser ajustado,
e qual o melhor valor de tensão de pedestal para que o motor possa garantir a aceleração da carga. A melhor
aproximação poderá ser alcançada através do cálculo do tempo de aceleração do motor, o qual será mostrado
posteriormente.
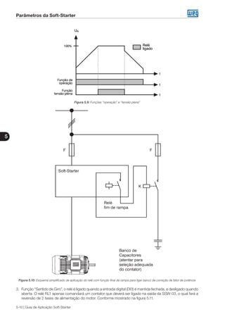
„„ Rampa de tensão na desaceleração
Existem duas possibilidades para que seja executada a parada do motor, por inércia ou controlada, respectivamente.
Na parada por inércia, a Soft-Starter leva a tensão de saída instantaneamente a zero, implicando que o motor não
produza nenhum conjugado na carga, que por sua vez, irá perdendo velocidade, até que toda energia cinética
seja dissipada. A equação (1) mostra matematicamente como podemos expressar esta forma de energia.
1
K = J . ω2
2 											 (1)
onde,
K = energia cinética (Joules)
J = momento de inércia total (Kg.m2)
ω = velocidade angular (rad/s)
Soft-Starter
4
Guia de Aplicação Soft-Starter | 4-13
Na parada controlada a Soft-Starter vai gradualmente reduzindo a tensão de saída até um valor mínimo em um
tempo pré-definido. Graficamente podemos observar a figura 4.22.
Figura 4.22: Perfil de tensão na desaceleração
O que ocorre neste caso pode ser explicado da seguinte maneira: Reduzindo-se a tensão aplicada ao motor, este
irá perder conjugado; a perda de conjugado reflete no aumento do escorregamento; o aumento do escorregamento
faz com que o motor perca velocidade. Se o motor perde velocidade a carga acionada também perderá. Este tipo
de recurso é muito importante para aplicações que devem ter uma parada suave do ponto de vista mecânico.
Podemos citar como exemplo bombas centrífugas, transportadores, etc.
No caso particular das bombas centrífugas este recurso minimiza o efeito do “golpe de ariete”, que pode provocar
sérios danos a todo o sistema hidráulico, comprometendo componentes como válvulas e tubulações, além da
própria bomba.
Golpe de Ariete:
O “Golpe de Ariete” é um “pico de pressão” resultado de uma rápida redução na velocidade de um líquido, que
pode ocorrer quando um sistema de bombeamento sofre uma parada brusca. No contexto da aplicação de Soft-
Starter, a ocorrência do Golpe de Ariete está relacionada à rápida parada do motor da bomba, embora o golpe
de ariete possa ser provocado por outros eventos, como o fechamento rápido de uma válvula.
O “pico” de pressão nestas condições pode ser várias vezes maior que o esperado para o sistema, provocando
danos que podem se extender até a bomba.
Quando a Soft-Starter está habilitada a fazer uma parada suave do motor (“Pump Control”), a chance de ocorrência
do golpe de ariete na parada do motor é reduzida.
„„ Kick Start
Existem cargas que no momento da partida exigem um esforço extra do acionamento em função do alto conjugado
resistente. Nestes casos, normalmente a Soft-Starter precisa aplicar no motor uma tensão maior que aquela
ajustada na rampa de tensão na aceleração, isto é possível utilizando uma função chamada “Kick Start”. Como
podemos ver na figura 4.23, esta função faz com que seja aplicado no motor um pulso de tensão com amplitude
e duração programáveis para que o motor possa desenvolver um conjugado de partida, suficiente para vencer o
atrito, e assim acelerar a carga. Deve-se ter muito cuidado com esta função, pois ela somente deverá ser usada
nos casos onde ela seja estritamente necessária.
Soft-Starter
4
4-14 | Guia de Aplicação Soft-Starter
Figura 4.23: Representação gráfica da função “Kick Start”
Devemos observar alguns aspectos importantes relacionados com esta função, já que ela poderá ser mal
interpretada e, desta forma, comprometer a definição com relação ao seu uso, inclusive o do próprio sistema
de acionamento.
Como a tensão de partida poderá ser ajustada próximo da tensão nominal, mesmo que por um pequeno intervalo
de tempo, a corrente de partida irá atingir valores muito próximos daqueles registrados no catálogo ou folha de
dados do motor.
Isto é claramente indesejável, pois a utilização da Soft-Starter nestes casos advém da necessidade de garantir-
se uma partida suave, seja eletricamente, seja mecanicamente. Desta forma podemos considerar este recurso
como sendo aquele que deverá ser usado em última instância, ou quando realmente ficar óbvia a condição
severa de partida.
„„ Limitação de corrente
Na maioria dos casos onde a carga apresenta uma inércia elevada, é utilizada uma função denominada de
limitação de corrente. Esta função faz com que o sistema rede/Soft-Starter forneça ao motor somente a corrente
necessária para que seja executada a aceleração da carga. Na figura 4.24 podemos observar graficamente como
esta função é executada.
Figura 4.24: Limitação de corrente
Este recurso é sempre muito útil pois garante um acionamento realmente suave e, melhor ainda, viabiliza a partida
de motores em locais onde a rede encontra-se no limite de sua capacidade. Normalmente nestes casos a condição
de corrente na partida faz com o sistema de proteção da instalação atue, impedindo assim o funcionamento
normal de toda a instalação. Ocorre então a necessidade de se impor um valor limite de corrente de partida de
forma a permitir o acionamento do equipamento bem como de toda a indústria.
Soft-Starter
4
Guia de Aplicação Soft-Starter | 4-15
A limitação de corrente também é muito utilizada na partida de motores cuja carga apresenta um valor mais elevado
de momento de inércia. Em termos práticos, podemos dizer que esta função é a que deverá ser utilizada após
não obter-se sucesso com a rampa de tensão simples, ou mesmo quando para que o motor acelere a carga,
seja necessário ajustar uma rampa de tensão de tal forma que a tensão de partida (pedestal) próximo aos níveis
de outros sistemas de partida como, por exemplo, as chaves compensadoras, não sendo isto de forma alguma
um fator proibitivo na escolha do sistema de partida.
„„ Pump control
Esta função é utilizada especialmente para a aplicação de Soft-Starter em sistemas de bombeamento. Trata-se
na realidade de uma configuração específica
(pré-definida) para atender este tipo de aplicação, onde normalmente é necessário estabelecer uma rampa de
tensão na aceleração, uma rampa de tensão na desaceleração e a habilitação de proteções. A rampa de tensão
na desaceleração é ativada para minimizar o golpe de ariete, prejudicial ao sistema como um todo. São habilitadas
também as proteções de seqüência de fase e subcorrente imediata (para evitar a cavitação).
A cavitação é a formação de “bolhas” através no interior da bomba. Com bombas centrífugas, a cavitação pode
ocorrer quando o valor de sucção se torna alto o suficiente no interior da bomba. Quando estas bolhas passam
pela bomba, uma grande quantidade de energia é liberada, provacando danos.
Quando a Soft-Starter está devidamente habilitada a fazer proteção de subcorrente (“Pump Control”), a bomba
fica protegida de ocorrência de cavitação prolongada.
„„ Economia de energia
Uma Soft-Starter que inclua características de otimização de energia simplesmente altera o ponto de operação
do motor. Esta função, quando ativada, reduz a tensão aplicada aos terminais do motor de modo que a energia
necessária para suprir o campo seja proporcional à demanda da carga.
Quando a tensão no motor está em seu valor nominal e a carga exige o máximo conjugado para o qual o motor
foi especificado, o ponto de operação será definido pelo ponto A, conforme a figura 4.25. Se a carga diminui e
o motor for alimentado por uma tensão constante, a velocidade (rotação) aumentará ligeiramente, a demanda
de corrente reduzirá e o ponto de operação se moverá junto à curva para o ponto B. Por ser um motor onde
o conjugado desenvolvido é proporcional ao quadrado da tensão aplicada, haverá uma redução do conjugado
com uma redução de tensão. Caso esta tensão seja devidamente reduzida, o ponto de operação passará a ser
o ponto A|.
Figura 4.25: Equilíbrio entre conjugado e tensão
Em termos práticos pode-se observar uma otimização com resultados significativos somente quando o motor está
operando com cargas inferiores a 50% da carga nominal. Isto, diga-se de passagem, é muito difícil de encontrar-se
pois estaríamos falando de motores altamente sobredimensionados, o que atualmente em virtude da crescente
preocupação com o desperdício de energia e fator de potência, vem sendo evitado a todo custo.
Soft-Starter
4
4-16 | Guia de Aplicação Soft-Starter
Cabe destacar que este tipo de otimização de energia possui alguns inconvenientes, principalmente, a
geração de tensões e correntes harmônicas e variações no fator de potência. No caso as harmônicas podem
ocasionar problemas relativos a danos e redução da vida útil de capacitores para correção de fator de potência,
sobreaquecimento de transformadores e interferências em equipamentos eletrônicos.
4.3.2 Proteções
As proteções disponibilizadas pelas Soft-Starter Weg são um diferencial importante.
Ver item 5.5 deste Guia para uma descrição detalhada das proteções das Soft-Starter das séries SSW-03 e
SSW-04.
4.3.3 Acionamentos típicos
Veremos a seguir alguns acionamentos típicos, abrangendo desde circuitos triviais, para apenas partir o motor,
até aplicações mais sofisticadas com reversão, by-pass, etc.
„„ Básico / Convencional
Todos os comandos, leituras e monitoração de status feitos via I.H.M.
Acionamento sugestivo com comandos por entradas digitais a dois fios
Figura 4.26: Diagrama simplificado de um acionamento básico
Parâmetro Programação
P53 1
P54 2
P55 oFF
P61 oFF
* Padrão de fábrica
Soft-Starter
4
Guia de Aplicação Soft-Starter | 4-17
„„ Inversão de sentido de giro
Acionamento sugestivo com comandos por entradas digitais a três fios e troca do sentido de giro
Figura 4.27: Diagrama do acionamento com inversão de sentido de giro
Parâmetro Programação
P04 oFF
P51 3
P53 4
P54 4
P55 3
P61 oFF
Soft-Starter
4
4-18 | Guia de Aplicação Soft-Starter
„„ Frenagem por injeção de corrente contínua
Acionamento sugestivo com comandos por entradas digitais a três fios e frenagem cc
Figura 4.28: Diagrama do acionamento com frenagem CC
Parâmetro Programação
P34 Maior que oFF
P35 Ajuste de carga
P52 3
P53 4
P54 2
P55 3
P61 oFF
Soft-Starter
4
Guia de Aplicação Soft-Starter | 4-19
„„ By-pass
Acionamento sugestivo com comandos por entradas digitais a três fios e contator de by-pass
MÓDULO MAC
Figura 4.29: Diagrama do acionamento com by-pass da chave
Parâmetro Programação
P43 ON
P52 2
P53 4
P54 2
P55 3
P61 OFF
Módulo MAC
Este opcional deve ser utilizado para manter as proteções relacionadas ao motor, quando a SSW-03 Plus for
utilizada com contator de by-pass. Este módulo provê as medições de corrente necessárias para os algoritmos
e circuitos de proteção da Soft-Starter continuarem protegendo o motor, mesmo em by-pass.
Soft-Starter
4
4-20 | Guia de Aplicação Soft-Starter
„„ Multimotores / Cascata
Acionamento sugestivo com comandos por entradas digitais para três motores
Figura 4.30: Diagrama orientativo do acionamento tipo cascata
Parâmetros da Soft-Starter
5
Guia de Aplicação Soft-Starter | 5-1
PARÂMETROS DA SOFT-STARTER
Um parâmetro da Soft-Starter é um valor de leitura ou escrita, através do qual o usuário pode ler ou programar
valores que mostrem, sintonizem ou adeqüem o comportamento da Soft-Starter e motor em uma determinada
aplicação. Exemplos simples de parâmetros:
„„ Parâmetro de Leitura P73: Corrente consumida pelo motor
„„ Parâmetro Programável P01: Ajusta o valor inicial de tensão (% ) que será aplicado ao motor
IMPORTANTE: Para parametrização refira-se sempre ao manual do equipamento, que estará vinculado
à devida versão de Softtware.
Figura 5.1: Interface Homem-Máquina
Praticamente todas as Soft-Starter disponíveis no mercado possuem parâmetros programáveis similares.
Estes parâmetros são acessíveis através de uma interface composta por um mostrador digital (“display”) e um
teclado, chamado de Interface Homem-Máquina (HMI), ver figura 5.1.
Para facilitar a descrição, os parâmetros serão agrupados pelas suas características:
„„ parâmetros de leitura
„„ parâmetros de regulação
„„ parâmetros de configuração
„„ parâmetros do motor
Parâmetros da Soft-Starter
5
5-2 | Guia de Aplicação Soft-Starter
5.1 PARÂMETROS DE LEITURA
Os parâmetros de leitura, como seu nome indica, permitem visualizar os valores programados nos parâmetros
de regulação, de configuração, do motor e das funções especiais. Por exemplo, na linha de Soft-Starter Weg são
identificados de P71 até P77, P82, e de P96 até P99.
Estes parâmetros não permitem a edição do valor programado; somente sua leitura.
EXEMPLOS:
P72 -	Corrente do motor
	 Indica a corrente de saída da Soft-Starter em percentual da chave (% IN). (precisão de ± 10%).
Figura 5.2: P72 e P73 indicam a corrente de saída (1) da chave
P73 - Corrente do motor
	 Indica a corrente de saída da Soft-Starter diretamente em Ampères (precisão de ± 10%).
P74 -	Potência ativa
	 Indica a potência ativa requerida pela carga, valores em kW (precisão de ±10%).
NOTA!
É indicado “OFF” quando utiliza-se função de tensão plena ou economia de energia.
P75 -	Potência aparente
	 Indica a potência aparente requerida pela carga, valores em kVA (precisão de ± 10%).
P76 -	Cos ϕ da carga
	 Indica o fator de potência da carga sem levar em consideração as correntes harmônicas geradas pelo
chaveamento da carga (precisão ± 5%).
Figura 5.3: Indicações de P74, P75 e P76
Parâmetros da Soft-Starter
5
Guia de Aplicação Soft-Starter | 5-3
P82 -	Estado da proteção térmica do motor
	 Indicação do estado da proteção térmica do motor em escala percentual (0...250%). Sendo que 250% é
o ponto de atuação da proteção térmica do motor, indicando E04.
P96 -	Último erro de hardware ocorrido
P97 - 	Penúltimo erro de hardware ocorrido
P98 - 	Ante-Penúltimo erro de hardware ocorrido
P99 - 	1º dos últimos 4 erros de hardware ocorrido
5.2 PARÂMETROS DE REGULAÇÃO
São os valores ajustáveis a serem utilizados pelas funções da Soft-Starter.
EXEMPLOS
P01 -	Tensão inicial
	 Ajusta o valor inicial de tensão (% da tensão da rede) que será aplicado ao motor.
P02 -	Tempo da rampa de aceleração
	 Define o tempo da rampa de incremento de tensão, conforme mostrado na figura 5.4, desde que a
Soft-Starter não entre em limitação de corrente (P11).
Figura 5.4: Tempo da rampa de aceleração
P11 -	 Limitação da corrente da chave
	 Ajusta o valor máximo de corrente que será fornecido ao motor (carga) durante a aceleração.
	 A limitação de corrente é utilizada para cargas com alto ou constante torque de partida.
	 A limitação de corrente deve ser ajustada para um nível que se observe a aceleração do motor, caso
contrário o motor não partirá.
NOTA!
1)	 Se no final do tempo da rampa de aceleração (P02) não for atingido a tensão plena, haverá a
atuação do erro E02 que desabilitará o motor.
2)	 A proteção térmica dos tiristores, inclusive durante a limitação de corrente é feita através de
sensores da própria chave.
Parâmetros da Soft-Starter
5
5-4 | Guia de Aplicação Soft-Starter
Figura 5.5: Limitação de corrente durante a aceleração
P11 -	 Exemplo de cálculo para ajuste da limitação de corrente
	 Limitar a corrente em 2,5x do motor
In
da chave = 170A
In
do motor = 140A
ILIM
= 250% da In
do motor
2,5 x 140A = 350A
350A	 350A
	 =	 = 2,05 x In
da Chave
In
da Chave	 170A
P11 = 205% da IN
da chave = 2,5 X IN
do motor.
Obs.: Esta função (P11) não atua se o pulso de tensão na partida (P41) estiver habilitado.
P12 -	Sobrecorrente imediata (% IN
da chave)
	 Ajusta o nível de sobrecorrente instantânea que o motor ou Soft-Starter permite, durante um tempo pré-
ajustado em P13, após o qual a chave desliga, indicando E06. Mostrado na figura 5.6.
Figura 5.6: Sobrecorrente imediata: o valor de P12 será maior que a corrente nominal definida em P22
NOTA!
Esta função tem atuação apenas em tensão plena, após a partida do motor.
Parâmetros da Soft-Starter
5
Guia de Aplicação Soft-Starter | 5-5
P12 -	Exemplo de cálculo para ajuste da sobrecorrente imediata
	 Valor máximo de corrente igual a 1,4x do motor
In
da chave = 170A
In
do motor = 140A
1,4 x 140A = 196A
196A	 196A
	 =		 = 1,15 x In
da Chave
In
da Chave	 170A
P12 = 115% da In
da chave =140% da In
do motor
P14 -	Subcorrente imediata (% IN
da chave)
	 Ajusta o nível de subcorrente mínimo que o motor + carga pode operar sem problemas. Esta proteção
atua quando a corrente da carga (figura 5.6) cai a um valor inferior ao ajustado em P14; e por um tempo
igual ou superior ao ajustado em P15, indicando erro E05.
NOTA!
Esta função tem atuação apenas em tensão plena, após a partida do motor.
P14 -	Exemplo de cálculo para ajuste de subcorrente imediata
	 Valor mínimo de corrente igual a 70% do motor.
In
da chave = 170A
In
do motor = 140A
70% de 140A= 0,7 x 140A = 98A
98A		 196A
	 =		 = 0,57 x In
da Chave
In
da Chave	 170A
P14 = 57% da In
da chave = 70% da do motor
P13 -	Tempo de sobrecorrente imediata (s)
	 Através deste parâmetro determina-se o tempo máximo que a carga pode operar com sobrecorrente,
conforme ajustado em P12.
P15 -	Tempo de subcorrente imediata (s)
	 Este parâmetro determina o tempo máximo que a carga pode operar com subcorrente, conforme ajustado
em P14. Aplicação típica desta função é em sistemas de bombeamento, para evitar o escorvamento (página
73).
P22 -	Corrente Nominal da Chave (A)
	 Sua função é ajustar o software a determinadas condições do hardware, servindo como base para as
funções de: Limitação de corrente na partida (P11); sobrecorrente imediata (P12) em regime; subcorrente
em regime (P14).
P23 -	Tensão Nominal da Chave (V)
	 Sua função é para indicação das potências fornecidas à carga.
P31 -	Seqüência de fase (ON = RST; OFF = Qualquer seqüência)
	 Pode ser habilitada ou desabilitada, sendo que quando habilitada sua função é a de proteger cargas que
não podem funcionar em duplo sentido de rotação.
Parâmetros da Soft-Starter
5
5-6 | Guia de Aplicação Soft-Starter
NOTA!
A seqüência de fase apenas é detectada a primeira vez que se aciona a potência após a eletrônica
ser energizada. Portanto nova seqüência só será detectada desligando-se ou resetando-se a
eletrônica.
P33 -	Nível da tensão da função JOG
	 Executa a rampa de aceleração até o valor ajustado da tensão de JOG, durante o tempo em que a entrada
digital (DI4) estiver fechada. Após abrir a entrada DI4 realiza a desaceleração via rampa, desde que esta
função esteja habilitada em P04.
	 A função JOG permite girar o motor com um torque reduzido, enquanto alguém (um operador, um CLP,
etc) manda um sinal digital para a Soft-Starter.
	 Esta função é útil em condições em que se deseja observar o comportamento da máquina girando pela
primeira vez (como um teste da situação mecânica geral), desta maneira sendo possível corrigir uma
montagem incorreta sem os transtornos de colocar a máquina a plena velocidade na primeira operação.
	
	 Outra aplicação é o posicionamento de material dentro da máquina. A função JOG “dá um empurrão”
enquanto o operador segura um botão JOG (contato seco ligado à entrada programada para JOG na Soft-
Starter), permitindo que o material a ser trabalhado (ou qualquer elemento da máquina) possa ser ajustado
no começo do processo.
NOTA!
1)	 O tempo máximo da atuação da função JOG é determinado pelo tempo ajustado em P02, sendo
que após transcorrido este tempo haverá atuação do erro E02 que desabilita o motor.
2)	 Para tanto P55 = 4.
P34 -	Tempo da frenagem cc(s)
	 Ajusta o tempo da frenagem cc, desde que P52=3.
	 Esta função somente é possível com o auxílio de um contator que deverá ser ligado conforme item
“Diagramas de ligação típicos” neste Guia.
	 Esta função deve ser utilizada quando se quer reduzir o tempo de desaceleração imposto pela carga ao
sistema.
NOTA!
Sempre que utilizar esta função deve-se levar em conta a possível sobrecarga térmica nos
enrolamentos do motor. A proteção de sobrecarga da SSW não funciona na frenagem CC.
P35 -	Nível da tensão de frenagem cc (%UN)
	 Ajusta o valor da tensão de linha Vac convertido diretamente em Vcc aplicado aos terminais do motor,
durante a frenagem.
P41 -	Pulso de Tensão na Partida (Kick Start)
	 Quando habilitado, o pulso de tensão na partida define o tempo em que este pulso de tensão (P42) será
aplicado ao motor, para que este consiga vencer o esforço inercial inicial da carga aplicada ao seu eixo,
conforme mostrado na figura 5.7.
Parâmetros da Soft-Starter
5
Guia de Aplicação Soft-Starter | 5-7
Figura 5.7: Kick-Start: auxilia a partida de cargas com inércia elevada
NOTA!
Utilizar esta função apenas para aplicações específicas onde se apresente uma resistência inicial
ao movimento.
P45 -	Pump Control
	 A Weg, em sua Soft-Starter, desenvolveu um algoritmo especial para aplicações com bombas centrífugas.
Este algoritmo especial, destina-se a minimizar os golpes de Ariete, “overshoots” de pressão nas tubulações
hidráulicas que podem provocar rupturas ou desgastes excessivos nas mesmas.
	 Ao colocar P45 em “On” e pressionar a tecla “P”, o display irá indicar “PuP”e os seguintes parâmetros
serão ajustados automaticamente:
„„ 	P02 = 15 s (Tempo de aceleração)
„„ 	P03 = 80% (Degrau de tensão na desaceleração)
„„ 	P04 = 15 s (Tempo de desaceleração)
„„ 	P11 = OFF (Limitação de corrente)
„„ 	P14 = 70% (Subcorrente da chave)
„„ 	P15 = 5s (Tempo de subcorrente)
	 Sendo que os demais parâmetros permanecem com o seu valor anterior.
NOTA!
Os valores ajustados automaticamente apesar de atender o maior número de aplicações, podem
ser melhorados para atender as necessidades da sua aplicação.
Segue abaixo um procedimento para melhorar o desempenho do controle de bombas.
Parâmetros da Soft-Starter
5
5-8 | Guia de Aplicação Soft-Starter
Ajuste final da função de controle de bombas:
NOTA!
Este ajuste somente deve ser feito para melhorar o desempenho do controle de bombas quando a
motobomba já estiver instalada e apta a funcionar em regime pleno.
1.	 Colocar P45 (Pump Control) em “On”.
2.	 Ajustar P14 (Subcorrente) ou colocar P15 (Tempo de Subcorrente) em “OFF” até o fim do ajuste.
Depois reprogramá-lo.
3.	 Verificar o correto sentido de giro do motor, indicado na carcaça da bomba.
4.	 Ajustar P01 (Tensão inicial % UN) no nível necessário que comece a girar o motor, sem que haja
trepidação.
5.	 Ajustar P02 (Tempo de aceleração [s]) para o tempo de partida exigido pela carga.
	 Com o auxílio do manômetro da tubulação, verificar o aumento da pressão, que deve ser contínua
até o nível máximo exigido sem que haja “overshoots”. Se houver, aumente o tempo de aceleração
até reduzir ao máximo esses “overshoots” de pressão.
6.	 P03 (Degrau de tensão % uN) usar esta função para provocar uma queda imediata ou mais linear
de pressão na desaceleração da moto-bomba.
7.	 P04 (Tempo de desaceleração) com o auxílio do manômetro, ao desacelerar o motor, deve-se
verificar a contínua queda de pressão até que se atinja o nível mínimo sem que haja o golpe de
Aríete no fechamento da válvula de retenção. Se houver, aumente o tempo de desaceleração
até reduzir ao máximo as oscilações.
NOTA!
„„ Se não houver manômetros de observação nas tubulações hidráulicas os golpes de Aríetes
podem ser observados através das válvulas de alívio de pressão.
„„ Tempos de aceleração e desaceleração muito grandes sobreaquecem os motores. Programe
os tempos mínimos necessários para sua aplicação.
P47 -	Tempo para auto-reset (s)
	 Quando ocorre um erro, exceto E01, E02 e E07 ou E2x, a Soft-starter poderá provocar um “reset”
automaticamente, após transcorrido o tempo programado em P47.
	 Se P47= OFF não ocorrerá “Auto-Reset”. Após transcorrido o “Auto-Reset”, se o mesmo erro voltar a ocorrer
por três vezes consecutivas (*), a função de “Auto-reset” será inibida. Portanto, se um erro ocorrer quatro
vezes consecutivas, este permanecerá sendo indicado (e a Soft-Starter bloqueada) permanentemente.
(*) Um erro é considerado reincidente, se este voltar a ocorrer até 60 segundos após o último erro ter ocorrido.
5.3 PARÂMETROS DE CONFIGURAÇÃO
P43 -	Relé By- Pass
	 Esta função quando habilitada permite a utilização da indicação de Tensão Plena, através do RL1 ou RL2
(P51 ou P52), acionar um contador de By-Pass.
	 A principal função do By-Pass da soft-starter é eliminar as perdas em forma de calor ocasionadas pela
Soft-Starter.
NOTA!
1)	 Sempre que for utilizado o contator de by-pass deve-se programar esta função.
2)	 Para não perder as proteções referentes a leitura de corrente do motor, os transformadores de
corrente deverão ser colocados externamente a conexão do contador de by-pass através do
módulo MAC-0x.
3)	 Quando P43 em “On” os parâmetros P74 e P76 ficam inativos “OFF”.
Parâmetros da Soft-Starter
5
Guia de Aplicação Soft-Starter | 5-9
P44 -	Economia de energia
	 Pode ser habilitada ou desabilitada, sendo que quando habilitada sua função é a de diminuir as perdas no
entreferro do motor, quando sem ou com pouca carga.
NOTA!
1)	 A economia total de energia depende de que carga está o motor.
2)	 Esta função gera correntes harmônicas indesejáveis na rede devido a abertura do ângulo de
condução para diminuição da tensão.
3)	 Quando P44 em “On” os parâmetros P74 e P76 ficam inativos (“OFF”).
4)	 Não pode ser habilitada com by-pass (P43 em “On”).
5)	 O Led “Run” fica piscando quando a função economia de energia está habilitada.
Figura 5.8: Economia de energia
P46 -	Valores Default (carrega parâmetros de fábrica)
	 Quando colocada em ON esta função força a parametrização da Soft-Starter conforme valores de fábrica,
exceto os parâmetros P22 e P23.
P50 -	Programação do Relé RL3
	 Habilita o relé RL3 a funcionar conforme descrito a seguir:
1.	 Fecha o contato N.A. sempre que a SSW-03 estiver sem ERRO.
2.	 Fecha o contato N.A. somente quando a SSW-03 estiver em estado de ERRO.
P51 -	Função do Relé RL1
	 Habilita o Relé RL1 a funcionar conforme parametrização abaixo:
1.	 Função “Operação”, o relé é ligado instantaneamente com o comando de aciona da Soft-Starter, só desligando
quando a Soft-Starter recebe um comando de desaciona (P04=OFF), ou por rampa quando a tensão chega
à 30% UN (P04=OFF). Mostrado na figura 5.9.
2.	 Função “Tensão Plena”, o relé é ligado somente após a Soft-Starter atingir 100% , e desligado quando a Soft-
Starter recebe um comando de desliga. Conforme mostrado na figura 5.9.
NOTA!
Quando se utilizar da função de Tensão Plena para acionar o contador de By-Pass, o parâmetro
P43 deve estar em “On”.
Parâmetros da Soft-Starter
5
5-10 | Guia de Aplicação Soft-Starter
Figura 5.9: Funções “operação” e “tensão plena”
Figura 5.10: Esquema simplificado de aplicação do relé com função final de rampa para ligar banco de correção de fator de potência
3.	 Função “Sentido de Giro”, o relé é ligado quando a entrada digital (DI3) é mantida fechada, e desligado quando
aberta. O relé RL1 apenas comandará um contator que deverá ser ligado na saída da SSW-03, o qual fará a
reversão de 2 fases de alimentação do motor. Conforme mostrado na figura 5.11.
Parâmetros da Soft-Starter
5
Guia de Aplicação Soft-Starter | 5-11
Figura 5.11: Função “sentido de giro”
P52 – Função do Relé RL2
1-2. Habilita o relé RL2 a funcionar.
3.	 Função “Frenagem cc”, o relé é ligado quando a soft-starter recebe um comando de desliga. Para esta função
deverá ser utilizado um contador. Conforme mostrado na figura 5.12.
Figura 5.12: Relé para Função Frenagem CC
NOTA!
Tanto P51 como P52 quando programados para uma função, vão executá-las independentemente
se os contatores estão ligados externamente. Portanto antes de realizar suas programações fazer
todas as ligações externas necessárias.
P53 -	Programação da entrada Digital 2
	 Habilita a entrada digital 2 (borne X2:2) a funcionar conforme códigos descritos:
OFF = “Sem Função”
1.	 “Reset de erros”, reseta um estado de erro toda vez que a entrada DI2 estiver em +24Vcc (X2:5).
Parâmetros da Soft-Starter
5
5-12 | Guia de Aplicação Soft-Starter
2.	 “Erro Externo”, pode servir como proteção adicional da carga, atua quando entrada aberta.
	 Ex.: Proteção térmica do motor através de contato seco (Livre de tensão) de um relé de proteção
(Termostato).
3.	 “Habilita Geral”, pode ser utilizada a entrada DI2 como emergência da Soft-Starter, para tanto o borne X2:2
deverá estar conectado ao +24Vcc (X2:5).
4.	 “Controle a três fios, possibilita que a soft-Starter seja comandada através de duas entradas digitais. DI1 (X2:1)
como entrada de aciona e DI2 (X2:2) como entrada de desaciona. Podendo-se assim colocar diretamente
uma botoeira de duas teclas. Conforme item “Diagramas de ligação típicos” neste guia.
P54 -	Programação da entrada digital 3
	 Habilita a entrada digital 3 (Borne X2:3) a funcionar conforme códigos descritos:
OFF = “Sem Função”
1.	 “Reset de Erros”
2.	 “Erro Externo”
3.	 “Habilita Geral”
4.	 “Sentido de Giro”, habilita a entrada digital 3 (DI3) quando ligada ao +24Vcc (X2:5), acionar o relé RL1 (conforme
descrito no item 6.4.5) e fazer a função de reversão do sentido de giro do motor com o auxílio de um contator
ligado à saída da Soft-Starter. Conforme item “Diagramas de ligação típicos” neste Guia.
NOTA!
Para esta função o parâmetro P51 deverá estar programado em “3”.
P55 -	Programação da entrada digital 4
	 Habilita a entrada digital 4 (borne X2:4) a funcionar conforme códigos descritos:
OFF = “Sem função”
1.	 “Reset de Erros”
2.	 “Erro Externo”
3.	 “Habilita Geral”
4.	 “Função JOG”, Habilita a entrada digital 4 (DI4) quando ligada à +24Vcc (X2:5), fazer a soft-starter aplicar a
tensão de JOG (P33) ao motor.
P56 -	Programação da Saída Analógica
	 Habilita a saída analógica 8 bits (X2:8 e X2:9) valor em tensão 0...10Vcc (Ganho ajustável P57) indicar as
seguintes grandezas:
OFF = “Sem função”
1.	 “Corrente”, proporcional à corrente circulando pela chave em % IN.
2.	 “Tensão” proporcional à tensão de saída da chave em % UN.
3.	 “Fator de potência”, proporcional ao fator de potência da carga sem considerar as correntes harmônicas.
4.	 “Proteção térmica do motor”, proporcional ao estado térmico do motor em %.
Parâmetros da Soft-Starter
5
Guia de Aplicação Soft-Starter | 5-13
P57 -	Ganho da saída analógica
	 Ajusta o ganho da saída analógica definida pelo parâmetro P56.
NOTA!
Ganho 1,00 temos a seguinte condição:
P56 = 1 Saída 10 Vcc quando 500% da In da Soft-Starter.
P56 = 2 Saída 10 Vcc quando 100% da Un na saída da Soft-Starter.
P56 = 3 Saída 10 Vcc quando fator de potência da carga igual à 1,00.
P56 = 4 Saída 10 Vcc quando o estado da proteção térmica do motor (P82) é igual à 250%.
P61 -	Habilitação dos Comandos
Comandos
P61 = OFF P61 = ON
Descrição
Entrada Digital IHM Serial
I/O X X X Entrada Digital ou IHM/Serial
Função JOG X X Entrada Digital 4 (DI4) ou Serial
Sentido de Giro X X Entrada Digital 3 (DI3) ou Serial
Habilita Geral X X Entradas Digitais 2, 3, 4 ou Serial
Comandos que dependem do ajuste de P61
„„ I/O (Aciona/Desaciona):Quando P61 = OFF Possibilita a partida e parada do motor via entradas digitais (DI1
ou DI1/DI2).
„„ Quando P61 = ON Possibilita a partida e parada do motor via IHM-3P e serial. Quando P61 = ON, a entrada
digital “DI1” fica sem função.
NOTA!
Para efetuar esta seleção através de IHM-3P/Serial ou Entrada Digital, o motor deverá estar parado,
inclusive quando a troca é de IHM-3P/Serial para Entrada Digital (DI1), esta deverá estar aberta.
Sendo que se a Entrada Digital (DI1) estiver fechada a parametrização não será processada, e o
display irá indicar E24.
„„ Função JOG: Poderá ser programado na Entrada Digital (DI4) se P61 = OFF, ou P61 = ON seu funcionamento
é via Serial.
„„ Função troca de Sentido de giro: Poderá ser programado na Entrada Digital (DI3) se P61 = OFF, ou P61
= ON seu funcionamento é via Serial.
„„ Habilita Geral: Poderá ser utilizado como “Comando de Emergência”, sendo que pode ser programado para
qualquer uma das Entradas Digitais DI2, DI3 ou DI4 e também via serial (desde que P61 = ON). Se mais de
uma Entrada Digital for programada para esta função, a primeira que abrir funcionará como Emergência. Se
o comando também for habilitado para Serial (P61=ON) todas as Entradas Digitais programadas para habilita
geral deverão estar fechadas.
Comandos Entrada Digital IHM Serial Descrição
Erro Externo X Somente via Entradas Digitais 2, 3 ou 4
Reset de Erros X X X Disponível em todos
„„ Erro Externo: Pode ser programado para qualquer uma das Entradas Digitais DI2, DI3 ou DI4. Caso não seja
programado não existe atuação. Se mais de uma Entrada Digital for programada para “Erro Externo”, qualquer
uma irá atuar quando esconectada do +24Vcc (X2:5).
„„ Reset de Erros: É aceito via IHM-3P, Serial e Entradas Digitais DI2, DI3 ou DI4 quando programadas. Quando
mais de uma Entrada Digital for programada, qualquer uma tem possibilidade de resetar um estado de erro,
bastando para tanto receber um pulso de +24Vcc (X2:5).
P62 -	Endereço da Soft-Starter na rede de comunicação
	 Define o endereço que a Soft-Starter vai responder na rede de comunicação entre todos os equipamentos
que nela estiverem conectados.
Parâmetros da Soft-Starter
5
5-14 | Guia de Aplicação Soft-Starter
5.4 PARÂMETROS DO MOTOR
P21 -	Ajuste da corrente do motor (% IN da chave)
	 Ajusta o valor da corrente do motor percentualmente em relação a nominal da chave.
	 Supervisiona as condições de sobrecarga conforme a curva da classe térmica selecionada em P25,
protegendo o motor termicamente contra sobrecargas aplicadas ao seu eixo.
	 Ao exceder o tempo de sobrecarga definido pela Classe de Proteção térmica, o motor é desacionado e
será indicado no display da IHM-3P erro E04.
	 Fazem parte da proteção térmica os seguintes parâmetros: P21, P25, P26 e P27.
	 Para desabilitar a proteção térmica colocar P21=OFF.
Exemplo: Como ajustar P21:
IN
da chave = 170A
IN
do motor = 140A
140A
	 = 0,823
170A
P21 = 82,3%
Obs.: O erro de sobrecarga do motor, erro E04, mesmo que a CPU seja resetada, o valor de sobrecarga é mantido
na memória e quando a CPU é desligada, o último valor é memorizado. O valor só é decrementado com a chave
ligada e o motor com carga abaixo da nominal ou desligado.
P25 -	Classes térmicas da proteção de sobrecarga do motor
	 Determina as curvas de atuação da proteção térmica do motor conforme IEC 947-4-2, mostrado no gráfico
abaixo:
Figura 5.13: Classes térmicas
NOTA!
Quando o motor está a quente, os tempos da curva são reduzidos pelos fatores mostrados na tabela
a seguir. Estes fatores são aplicados para motores com carga trifásica simétrica.
Parâmetros da Soft-Starter
5
Guia de Aplicação Soft-Starter | 5-15
Classes 5 até Classe 30.
Tabela: Múltiplos para partidas a quente.
IP / IN O 20% 40% 60% 80% 100%
= P26 1 1 1 1 1 1
> P26 1 0,84 0,68 0,51 0,35 0,19
Exemplo:
Um motor está sendo operado com 100% IN
e é desligado.
Imediatamente torna-se a ligá-lo. A classe térmica selecionada em P25 é 10. A corrente de partida é de 3XIN
.
O tempo de atuação é aproximadamente de 23s. O fator de ajuste na tabela para 100% IN
é de 0,19.
O tempo final de atuação será 0,19 X 23s = 4,3s.
P26 -	Fator de Serviço do motor
	 Ajusta o Fator de Serviço do motor (F.S.) conforme a placa de identificação do motor. Este valor vai definir
qual o valor de carga que o motor suporta.
P27 -	Auto-reset da Imagem Térmica
	 Ajusta o tempo para auto-reset da imagem térmica do motor.
	 O tempo de decremento da imagem térmica do motor simula o resfriamento do motor, com ou sem carga,
ligado ou desligado. O algorítmo que realiza esta simulação é baseado em testes de motores Weg IP55
Standard conforme a sua potência programado nos parâmetros da Soft-Starter.
	 Para aplicações que necessitem de várias partidas por hora pode-se utilizar o auto-reset da imagem
térmica.
Figura 5.14: Auto-reset da imagem térmica
NOTA!
Lembre-se que ao utilizar esta função pode-se diminuir a vida útil do enrolamento do seu motor.
Parâmetros da Soft-Starter
5
5-16 | Guia de Aplicação Soft-Starter
5.5 ERROS E POSSÍVEIS CAUSAS
A Soft-Starter pode indicar erro de programação incorreta (E24), erros de serial (E2X) e erros de hardware
(E0X).
Erro de programação (E24)
Erro de programação incorreta (E24), não deixa que o valor alterado incorretamente seja aceito. Este erro ocorre
quando se altera algum parâmetro com o motor desligado e nas seguintes condições de incompatibilidade entre
parâmetros.
P11 limitação de corrente com P41 kick start.
P41 kick start com P55=4 em Jog.
P43 by-pass com P44 economia de energia
P61 em OFF com ED1 acionada ou P55 Jog acionado.
Para sair desta condição de erro basta pressionar as teclas P, I, O.
Erros de comunicação serial (E2X)
Erros de comunicação serial (E2X), não deixam que o valor alterado ou enviado incorretamente seja aceito.
Para maiores detalhes ver Manual da Comunicação Serial SSW-03. Para sair desta condição de erro basta
pressionar as teclas P, I, O.
Erros de hardware (E0X)
Erros de hardware (E0X) bloqueiam a Soft-Starter. Para sair desta condição de erro, desligar a alimentação e
liga-la novamente ou através da tecla . Antes deverá ser solucionado o erro.
NOTA!
Forma de atuação dos erros :
Todos os erros E01...E08 desligam o relé RL3 e bloqueiam os pulsos de disparo dos tiristores além
de indicar o erro no display.
OBS.: Cabos de ligação entre a Soft-Starter e o motor muito longos (superior a 150m) ou cabos blindados poderão
apresentar uma grande capacitância. Isto pode ocasionar o bloqueio da Soft-Starter através do erro E01.
Solução:
Ligar uma reatância trifásica em série com a linha de alimentação do motor. Neste caso consultar a fábrica.
Erros de hardware
RESET RESET CAUSAS MAIS PROVÁVEIS
E01
„„ Desligar e religar a eletrônica
„„ Ou através da tecla
„„ Ou através da entrada digital programada
para reset
„„ Ou através da serial
„„ Falta de fase da rede trifásica
„„ Curto ou falha no tiristor
„„ Motor não conectado
„„ Freqüência de rede com variação superior a 10%
E02
„„ Tempo da rampa de aceleração programada menor que o tempo real
de aceleração em função da limitação de corrente estar ativada
E03
„„ Temperatura ambiente superior a 40 ºC e corrente elevada
„„ Tempo de partida com limitação da corrente superior ao especificado
pela chave
„„ Elevado número de partidas sucessivas
„„ Ventilador bloqueado ou defeituoso
E04
„„ Ajuste de P21, P25 e P26 muito abaixo para o motor utilizado
„„ Carga no eixo do motor muito alta
„„ Elevado número de partida sucessivas
E05
„„ Bomba funcionando à seco
„„ Carga desacoplada no eixo do motor
E06
„„ Curto-circuito entre fases
„„ Eixo do motor travado (bloqueado)
E07 „„ Seqüência de fase da rede de entrada invertida
E08 „„ Fiação da régua X2.3 e X2.5 aberta (não conectada à 24Vcc)
Parâmetros da Soft-Starter
5
Guia de Aplicação Soft-Starter | 5-17
Possíveis erros de hardware e como resolvê-los.
PROBLEMA
PONTO A SER
VERIFICADO
AÇÃO CORRETIVA
Motor não gira
Fiação errada
1.	 Verificar todas as conexões de potência e comando. Por exemplo, verificar
a entrada digital de erro externo que deve estar conectada em + 24Vcc.
Programação errada
1.	 Verificar se os parâmetros estão com os valores corretos para a
aplicação.
Erro
1.	 Verificar se a Soft-Starter não está bloqueada devido a uma condição de
erro detectado (ver tabela anterior).
Rotação do motor oscila
(flutua)
Conexões frouxas
1.	 Desligue a Soft-Starter, desligue a alimentação e aperte todas as
conexões.
2.	 Checar o aperto de todas as conexões internas da Soft-Starter.
Rotação do motor muito alta
ou muito baixa
Dados de placa do motor 1.	 Verificar se o motor utilizado está de acordo com a aplicação.
Display
apagado
Conexões da IHM 1.	 Verificar se as conexões da IHM à Soft-Starter (cartão CCS1.1X).
Verificar tensão de
alimentação X1.1 e X1.2
1.	 Valores nominais devem estar dentro do seguinte:
	 Para 220/230 Vca	 Para 110/120 Vca
	 Umin = 187 Vca Umin = 93,5 Vca
	 Umáx = 253 Vca	 Umáx = 132 Vca
Trancos na desaceleração
de bombas
Parametrização da
Soft-Starter
1.	 Reduzir tempo ajustado em P04.
Parâmetros da Soft-Starter
5
5-18 | Guia de Aplicação Soft-Starter
Dimensionamento do Conjunto Motor + Soft-Starter
6
Guia de Aplicação Soft-Starter | 6-1
DIMENSIONAMENTO DO CONJUNTO MOTOR + SOFT-STARTER
6.1 INTRODUÇÃO
Ao final deste capítulo teremos cumprido duas missões importantes.
1)	 A mais importante é que aprenderemos a distinguir uma aplicação trivial de outra exigente.
Observe que estaremos considerando “exigentes” não apenas àquelas cujo ciclo de operação e carga são
severos, mas também aquelas aplicações onde o ambiente ou a rede de alimentação elétrica têm características
desfavoráveis.
Seremos capazes de identificar uma aplicação exigente aprendendo quais características analisar e, com
segurança, trilhar o caminho da escolha correta da Soft- Starter.
2)	 Nossa outra missão é mostrar como é simples a escolha certa da Soft-Starter nas aplicações mais usuais.
Trata-se de um equipamento operacionalmente flexível e amigável, que possibilita uma série de ajustes, alcançando
a melhor condição de partida para uma série de aplicações. Apresentaremos algumas dicas e comentários
genéricos sobre várias aplicações. Acreditamos que isto será útil ao leitor deste capítulo quando estiver exercitando
seus conhecimentos na prática.
Embora o tema exposto seja a base da aplicação da Soft Starter, salientamos que, em caso de dúvida, as mesmas
informações estão disponíveis (embora de maneira menos erudita e mais prática) através do SDW - Software de
Dimensionamento Weg. Anexo 2). Use o SDW em conjunto com este guia.
6.1.1 Definições
Motor - Sempre que houver uma menção genérica a “motor” nesta seção, estará se referindo ao motor de
corrente alternada (ca) de indução, assíncrono, com rotor tipo gaiola de esquilo, a menos de declaração explícita
ao contrário.
Acionamento - A palavra acionamento significa aqui, o conjunto compreendido pelo motor e seu sistema de
partida, mais qualquer aparelho eletrônico de controle envolvido (tal como um inversor).
Carga - A palavra carga significa aqui, o conjunto de componentes da máquina que se movem, ou que estão
em contato e exercem influência sobre eles, começando a partir da ponta-de-eixo do motor.
Torque - O torque pode ser definido como “a força necessária para girar um eixo”. Ele é dado pelo produto da
força tangencial F (N) pela distância r (m), do ponto de aplicação da força ao centro do eixo. A unidade de torque
no SI (Sistema Internacional) é o Nm (Newton-metro).
Inércia - Inércia é a resistência que uma massa oferece à modificação do seu estado de movimento. Todo corpo
que tem massa tem inércia. Uma massa em repouso requer um torque (ou força) para colocá-la em movimento.
Uma massa em movimento requer um torque (ou força) para modificar a sua velocidade ou para colocá-la em
repouso. O momento de inércia de massa J (kgm2) de um corpo depende da sua massa m (kg) e da distribuição
da massa ao redor do eixo de giro, ou seja, da sua geometria. O Anexo 1 traz as fórmulas para o cálculo do
momento de inércia de massa de diversos corpos comuns.
6.1.2 Relações básicas
Torque
O torque T (Nm) é o produto da força F (N) necessária para girar o eixo, pela distância r (m) do ponto de aplicação
da força ao centro do eixo:
T = F * r												 (6.1)
Este é o torque necessário para vencer os atritos internos da máquina parada, e por isso é denominado de torque
estático de atrito, Te at
.
Dimensionamento do Conjunto Motor + Soft-Starter
6
6-2 | Guia de Aplicação Soft-Starter
Pode-se determinar o torque demandado para por em movimento uma máquina, medindo a força, por exemplo,
utilizando uma chave de grifo e um dinamômetro de mola (figura 6.1).
Figura 6.1: Medição de torque
Exemplo:
Se obtivermos uma leitura de força de 75 N (~ 7,6 kgf) a 0,6 m (600 mm) do centro do eixo de entrada, o torque
será (eq. 6.1)
Te at
= 75 * 0,6 = 45,0 Nm
Potência
A potência P é dada pelo produto do torque T (Nm) pela velocidade de rotação n (rpm)
P = (2*π/60) * T * n										 (6.2)
e a unidade é o Watt. (Lembre-se: 1.000 W = 1 kW)
Exemplo:
Se a máquina demandasse os mesmos 45,0 Nm a uma velocidade de rotação de 1.760 rpm, então a potência
seria (eq. 6.2)
P = (2*π/60) * 45,0 * 1.760 = 8.294 W (~ 8,3 kW)
Aceleração (desaceleração)
O torque T (Nm) necessário para acelerar (ou desacelerar) uma carga com momento de inércia de massa (ou
simplesmente inércia) J (kgm2
), da velocidade de rotação n1
(rpm) para n2
(rpm), em um tempo t (s), é dado por
Td ac
= (2*π/60) * J * (n2
– n1
) / t									 (6.3)
Este torque é chamado de torque dinâmico de aceleração, Td ac
. Se n2
> n1
(aceleração), Td ac
é positivo, significando
que seu sentido é igual ao sentido de rotação; se n2
< n1
(desaceleração), Td ac
é negativo, significando que seu
sentido é contrário ao sentido de rotação.
Exemplo:
Um cilindro maciço de alumínio, de diâmetro d = 165 mm e comprimento l = 1.200 mm, e portanto com uma
massa m de aproximadamente 69,3 kg, tem momento de inércia de massa J de (eq. A1.1, Anexo 1)
J = 1/8 x 69,3 x 0,1652
= 2,36E10-1
kgm2
Se o corpo deve acelerar de de 0 a 1.760 rpm no tempo de 1,0s, então o torque de aceleração será (eq. 6.3)
Td ac
= (2*π/60) * 2,36E10-1
* (1.760 – 0) / 1,0
		 = 43,5 Nm
Adicionando-se o torque de aceleração acima calculado ao torque de atrito calculado no primeiro exemplo acima,
tem-se
T = 45,0 + 43,5 = 88,5 Nm
Dimensionamento do Conjunto Motor + Soft-Starter
6
Guia de Aplicação Soft-Starter | 6-3
e para a potência (eq. 6.2)
P = (2*π/60) * 88,5 * 1.760 = 16.303 W (~ 16,3 kW)
Efeito de uma transmissão mecânica
Por transmissão mecânica entende-se um redutor (ou multiplicador) de velocidade como, por exemplo, um redutor
de engrenagens, ou uma redução por polias e correia em V, ou ainda correia dentada. Uma transmissão mecânica
tem dois parâmetros importantes para o dimensionamento do acionamento, que são: (a) a razão de transmissão
iR
, e (b) a eficiência ηR
. No caso de redutores de engrenagens estes parâmetros são fornecidos pelo fabricante
do mesmo, e no caso de transmissões por polias e correias, podem ser calculados a partir dos parâmetros da
transmissão (razão dos diâmetros efetivos ou razão dos números de dentes).
Redutores de velocidade são utilizados, por exemplo, no acionamento de máquinas de baixa velocidade, entre
o eixo do motor e o eixo de entrada da máquina. Assim como a velocidade de rotação do motor é reduzida na
proporção da razão de transmissão iR
, também o torque do motor é multiplicado na mesma proporção. Além
disso, uma parte da energia que entra é consumida pelas perdas internas (atritos, ruído, etc), quantificadas pela
eficiência ηR
. Assim, o torque necessário na entrada de um redutor, T1
(Nm) em função do torque demandado
na saída T2
(Nm) é dado por
T1
= T2
/( iR
* ηR
)											 (6.4)
Exemplo:
Se no exemplo 4, com T2
= 88,5 Nm, houvesse um redutor de engrenagens de 1 estágio com razão de transmissão
iR
= 1,8 e eficiência ηR
= 0,85 teríamos para o torque T1
(eq. 6.4)
T1
= 88,5 / (1,8 * 0,85) = 57,8 Nm
A velocidade máxima do motor deveria ser então
n1
= 1.760 * 1,8 = 3.168 rpm
E a potência (eq. 6.2)
P = (2*π/60) * 57,8 * 3.168 = 19.179 W (~ 19,2 kW)
6.2 INTERAÇÃO ENTRE PROCESSO, MÁQUINA, MOTOR E ACIONAMENTO
6.2.1 A importância do processo/máquina
Em primeiro lugar vem o processo.
Para um empreendedor que precisa bombear água, moer grãos, acionar esteiras, ter suprimento de ar comprimido,
ventilar uma área, ou o que seja, o uso do motor elétrico é uma conseqüência.
Ou seja, não é o foco principal do empreendedor as restrições tecnológicas existentes para mover seu processo.
Dentre as soluções de acionamentos existentes para aquela máquina ou processo, cabe ao nosso empreendedor
(ou seus projetistas) escolher a melhor solução para o cenário composto pelo tipo de máquina/ processo, e pelos
recursos de que ele dispõe.
Por isto quem se propõe a aplicar um acionamento com motor elétrico deve, antes de tudo, compreender o
processo, ou seja, o que a máquina exige.
Por exemplo, suponhamos um pequeno empreendedor rural que produz determinado grão, e um subproduto
que é resultado de moagem.
Dimensionamento do Conjunto Motor + Soft-Starter
6
6-4 | Guia de Aplicação Soft-Starter
Figura 6.2: Roda d’água. A solução de motorização de um processo nem sempre contou com a flexibilidade dos motores elétricos. Não
importa a solução de motorização, sempre a compreensão das necessidades do processo teve maior importância
Para uma pequena produção (ou uso próprio) ele pode usar sua própria força ou a de empregados, a força de
uma queda d’água em um monjolo, a força da tração animal, etc. O processo vem primeiro, e daí vem a solução
para movimentá-lo.
Para um nível comercial de produção, é necessário lançar mão de alguma motorização que atinja o objetivo
usando melhor os recursos. Que seja mais eficiente.
Dentro de um universo de soluções para movimentar seu processo (moagem, em nosso exemplo), nosso
empreendedor optará pelo motor elétrico trifásico. Provavelmente a máquina que ele irá adquirir será fornecida
com o motor instalado.
E por que o fabricante do moinho já fornece a máquina com o motor elétrico e não com um motor diesel, por
exemplo? Ou um motor DC? Ou com uma turbina?
O suprimento de energia elétrica AC é muito mais conveniente de ser lidado do que qualquer outro (diesel, energia
DC, vapor, água, etc.).
Seu uso é mais difundido, sua manutenção é mais simples, o domínio de suas características e principalmente
de suas restrições é comum a mais profissionais.
E por que o fabricante do moinho ou o nosso empreendedor deveriam utilizar a Soft-Starter para acioná-lo?
Dimensionamento do Conjunto Motor + Soft-Starter
6
Guia de Aplicação Soft-Starter | 6-5
Figura 6.3: SSW-03 e SSW-04. A crescente sofisticação das máquinas e processos, assim como, a maior consciência da necessidade
de preservar nossos recursos e instalações, criou um ambiente propício ao acionamento suave das nossas máquinas
Porque eles desejam uma motorização que:
1)	 provoque menor desgaste mecânico, e conseqüentemente, traga menos paradas para manutenções;
2)	 provoque menores distúrbios na rede elétrica, mantendo o funcionamento estável de outros equipamentos;
3)	 utilize melhor os suprimentos energéticos daquela região, recompensando-o com uma maior facilidade no
atendimento as restrições de demanda.
O que nos reservará o futuro, no lugar do motor elétrico e da Soft-Starter para acionar nossas máquinas?
NOTA!
Para preservar a simplicidade do exemplo, foi omitida a análise devida da aplicação (moinho).
6.2.2 Aplicação de acionamentos elétricos - Problemas típicos
Uma fonte de problemas ao se tratar de sistemas de acionamentos elétricos é a aplicação inadequada dos tipos
diferentes que existem.
Como vimos no capítulo 1, um motor de anéis e um motor com rotor tipo gaiola de esquilo têm características
peculiares, que devem ser levadas em conta. Não só as características de torque são diferentes, mas também
há consideráveis diferenças de custos, recursos de partida, dimensões de carcaças, etc.
É necessário, portanto, conhecimento de como o motor interage com o sistema de controle, e estes dois por
sua vez, com a máquina acionada e com a rede de alimentação.
O dimensionamento é, primordialmente, feito com base no torque requerido pela carga.
Assim, pode-se dizer que é necessário conhecer muito bem a máquina a ser acionada. É muito importante
fazer uma quantidade tão grande quanto possível de perguntas, mesmo a respeito de coisas aparentemente
insignificantes. É impossível perguntar demais, e um dos segredos está em entender muito bem a aplicação.
É necessário ainda uma compreensão das relações entre potência, torque, velocidade e aceleração/ desaceleração,
bem como do efeito de uma transmissão mecânica no contexto da motorização de uma máquina.
Dimensionamento do Conjunto Motor + Soft-Starter
6
6-6 | Guia de Aplicação Soft-Starter
6.3 O QUE A CARGA REQUER
Antes de mais nada convém relembrar a definição do termo carga, da Sec. 6.1.1: Neste material a palavra carga
significa: “O conjunto de componentes da máquina que se move, ou que está em contato e exerce influência
sobre eles, começando a partir da ponta-de-eixo do motor”.
Devemos iniciar preocupando-nos com a carga, e não com o motor ou com o inversor. Um bom trabalho de decisão
a respeito do melhor sistema de acionamento de uma máquina requer que a máquina em sí seja considerada
primeiramente. Se você não conhece a máquina em profundidade não poderá tomar decisões acertadas com
respeito ao seu acionamento.
Com esta finalidade é de grande utilidade um “check list”, que contenha uma coletânea de sugestões de perguntas
a serem feitas. Pergunte-se a respeito da performance e das demandas da máquina. A carga é constante ou
variável? É necessária uma aceleração rápida? Neste caso, qual é o máximo tempo de aceleração admitido? O
regime de serviço é contínuo, ou interrompido, e repetido em intervalos? Vide o Anexo 3 a este guia para modelo
de check-list.
Vamos nos concentrar daqui por diante na determinação do torque demandado pela carga.
6.3.1 Tipos de cargas
Geralmente os dados a respeito do torque demandado pela carga são apresentados na forma de um gráfico
“torque versus velocidade”. Não precisa ser um gráfico impecavelmente produzido, com linhas perfeitas e coloridas.
Importante é que seja de bom tamanho (não muito pequeno), e em escala. Pode muito bem ser feito a mão.
Geralmente as cargas caem em uma das seguintes categorias:
„„ Torque constante
O torque demandado pela carga apresenta o mesmo valor ao longo de toda a faixa de velocidades. Logo,
a demanda de potência cresce linearmente com a velocidade (figura 6.4a). Uma esteira transportadora
movimentando uma carga de 1 ton de peso a 0,1 m/s, por exemplo, requer aproximadamente o mesmo torque
que se estivesse a 1,0 m/s. Outros exemplos de cargas com este tipo de comportamento são: equipamentos de
içamento (guindastes e elevadores), laminadores, extrusoras, e bombas de deslocamento positivo (de pistões,
de engrenagens e helicoidais).
„„ Potência constante
O torque inicial é elevado e diminui exponencialmente com o aumento da velocidade. A potência demandada
permanece constante ao longo de toda a faixa de variação de velocidade (figura 6.4b). Isto normalmente é o
caso em processos onde há variações de diâmetro, tais como máquinas de bobinamento e desbobinamento, e
desfolhadores, bem como em eixos-árvore de máquinas-ferramenta. Quando o diâmetro é máximo, é demandado
máximo torque a baixa velocidade. A medida que diminui o diâmetro, diminui também a demanda de torque, mas
a velocidade de rotação deve ser aumentada para manter constante a velocidade periférica.
„„ Torque linearmente crescente
O torque cresce de forma linear com o aumento da velocidade, e portanto a potência cresce de forma quadrática
com esta (figura 6.4c). Exemplo de carga com este comportamento são prensas.
„„ Torque com crescimento quadrático
O torque demandado aumenta com o quadrado da velocidade de rotação, e a potência com o cubo (figura
6.4d).
Exemplos típicos são máquinas que movimentam fluidos (líquidos ou gases) por processos dinâmicos, como, por
exemplo, bombas centrífugas, ventiladores, exaustores e agitadores centrífugos. Estas aplicações apresentam o
maior potencial de economia de energia já que a potência é proporcional à velocidade elevada ao cubo.
Dimensionamento do Conjunto Motor + Soft-Starter
6
Guia de Aplicação Soft-Starter | 6-7
Figura 6.4a: Cargas típicas (torque constante)
Figura 6.4c: Cargas típicas (TORQUE
LINEARMENTE CRESCENTE)
Figura 6.4b: Cargas típicas (POTÊNCIA CONSTANTE)
Figura 6.4d: Cargas típicas (TORQUE COM
CRESCIMENTO QUADRÁTICO)
6.3.2 O pico da carga
O pico de torque é diferente para cada tipo de máquina e precisa ser corretamente identificado. Em alguns
casos o torque de partida é muito elevado, tal como num transportador muito pesado. Uma carga de alta inércia
que requer aceleração muito rápida, igualmente terá uma alta demanda de torque durante a aceleração. Outras
aplicações apresentarão demanda máxima durante a operação em regime, e não na partida, com sobrecargas
súbitas aparecendo periodicamente.
6.3.3 ESTIMANDO CARGAS
Por vezes é necessário determinar o torque demandado por uma máquina existente, que tem um motor CA
alimentado diretamente pela rede. A corrente elétrica consumida pelo motor é um bom indicativo do torque
demandado. Se for possível tomar valores de corrente em cada uma das condições de operação da máquina,
pode-se chegar a uma boa aproximação do torque demandado pela máquina. A corrente deveria ser medida
em uma das fases do motor no momento da partida, durante a aceleração, durante o funcionamento normal e
ainda em eventuais situações de sobrecarga. Importante também é determinar a duração de cada uma dessas
condições dentro do ciclo da máquina.
Em seguida verifica-se o valor da corrente nominal na plaqueta de identificação do motor.
Dimensionamento do Conjunto Motor + Soft-Starter
6
6-8 | Guia de Aplicação Soft-Starter
Exemplo:
Um motor de 15 kW, 1760 rpm, 220 V tem uma corrente nominal de 52,0 A. O rendimento deste motor a 100 %
da potência nominal é de 89,8 %. Isto significa que 89,8 % de 52,0 A = 46,7 A vão produzir torque. Os demais
52,0 – 46,7 = 5,3 A vão suprir as perdas e produzir a excitação do motor.
O torque nominal do motor pode ser calculado a partir da potência e da rotação nominais, como segue (eq.
6.2)
T = 15000/((2π/60) x 1760) = 81,4 Nm
Pode-se dizer que o motor vai desenvolver então
81,4 Nm / 46,7 A = 1,743 Nm/A produtor de torque
Assim, a uma leitura de corrente de 20 A, por exemplo, corresponderá um torque de
(20 – 5,3) x 1,743 = 25,6 Nm
Este raciocínio é válido até a rotação nominal. O torque de um motor CA operando com inversor de freqüência
acima da rotação nominal varia inversamente ao quadrado da velocidade. Logo, a uma velocidade igual ao dobro
da rotação nominal o motor produz apenas ¼ do torque nominal.
6.4 SELEÇÃO DE ACIONAMENTOS (MOTOR / SOFTSTARTER)
Em seus itens 5 e 6, a norma IEC 60947-4-2 trata, entre outros assuntos, das categorias de utilização AC53,
descrevendo como seus parâmetros definem valores nominais de uma Soft-Starter. Há dois códigos AC53:
6.4.1 Categorias AC53a e AC53b
- AC53a: para Soft-Starters usadas sem contatores de by-pass.
Por exemplo, o código AC53a abaixo descreve uma Soft- Starter capaz de fornecer uma corrente de operação
de 340 A e uma corrente de partida de 3 x 340A por 30 segundos, 10 vezes por hora, com o motor operando
por 60% de cada ciclo.
340 A: AC-53a: 3 -30 : 60-10
Partidas por hora
% do ciclo de trabalho com carga
Tempo de partida em segundos
Corrente de partida (em vezes da In)
Valor nominal de corrente da Soft-Starter
„„ Valor nominal de corrente da Soft-Starter: Valor nominal máximo de corrente nominal do motor a ser
conectado à Soft-Starter, obedecidos os parâmetros de operação especificados pelos outros itens do código
AC53a.
„„ Corrente de partida: A corrente máxima que será drenada durante a partida.
„„ Tempo de partida: O tempo que o motor leva para acelerar.
„„ Ciclo de trabalho com carga: A porcentagem de cada ciclo de operação em que a Soft-Starter será
acionada.
Dimensionamento do Conjunto Motor + Soft-Starter
6
Guia de Aplicação Soft-Starter | 6-9
„„ Partidas por hora: O número de ciclos de operação por hora.
„„ AC53b: para Soft-Starters usadas com contatores de by-pass.
Por exemplo, o código AC53b abaixo descreve uma Soft-Starter que, quando usada com circuito by-pass, é capaz
de fornecer uma corrente de operação de 580 A e uma corrente de partida de 4,5 x In por 40 segundos,
com um mínimo de 560 segundos entre o final de uma partida e o início da próxima.
580 A: AC-53b 4.5-40 : 560
Intervalo entre partidas em segundos
Tempo de partida em segundos
Corrente de partida (em vezes da In
)
Valor nominal de corrente da Soft-Starter
Portanto, pode-se dizer que uma Soft-Starter tem “vários” valores nominais de corrente.
Estes valores nominais de corrente dependem da corrente de partida e das exigências do processo /
aplicação.
Para comparar os valores nominais de corrente de diferentes Soft-Starters, é importante garantir que os vários
parâmetros envolvidos sejam idênticos.
6.4.2 Capacidade térmica da Soft-Starter
O valor nominal máximo de uma Soft-Starter é calculado de forma que a temperatura da junção dos módulos
de potência (SCRs) não exceda 125 °C.
Vamos distinguir cinco parâmetros de operação, além da temperatura ambiente e da altitude, que afetam a
temperatura da junção dos SCRs:
„„ Corrente em regime do motor,
„„ Corrente solicitada na partida,
„„ Duração da partida,
„„ Número de partidas por hora,
„„ Intervalo de repouso entre partidas.
NOTA!
Vide item 6.4.4 deste guia quanto à influência da temperatura e altitude do local da instalação.
A especificação nominal de uma Soft-Starter deve considerar todos estes parâmetros. Um valor nominal de
corrente único não é suficiente para descrever as características de uma Soft-Starter.
Vamos abordar no item 6.4.3 a seguir (Corrente RMS num ciclo) o procedimento para quantificar, a partir dos
cinco parâmetros acima, o quanto um processo exige de uma Soft-Starter.
Os procedimentos de cálculo da corrente RMS exigida num ciclo, e o procedimento de cálculo da capacidade
de corrente RMS de uma Soft-Starter são análogos.
Dimensionamento do Conjunto Motor + Soft-Starter
6
6-10 | Guia de Aplicação Soft-Starter
6.4.3 Corrente RMS num ciclo (IRMS
)
O valor RMS (Root Mean Square) de um conjunto de valores é a raiz quadrada da média do quadrado deste
conjunto de valores. É um conceito comum para calcular valores eficazes de grandezas elétricas. Conforme IEC
61000-4-30:
r.m.s. value: the square root of the mean of the squares of the instantaneous values of a quantity taken over a
specified time interval.
Em nosso caso, será útil para entender a definição das categorias de acionamento AC53a e AC53b.
A fórmula prática para o cálculo do valor RMS da corrente em um ciclo de operação de uma máquina é a
seguinte:
	 ∑ ( I i
)2
. t i
IRMS
=
	 ∑ t i
n
i = 0
i = 0
n
√
								 (6.5)
Ou seja,
	 ( I1
)2
. T1
+ ( I2
)2
. t2
+ ... + ( IN
)2
. tN
IRMS =
			 T Total√
Sendo:
IRMS
	 – Corrente RMS no ciclo
I1
	 – corrente no trecho 1 do ciclo
t1
	 – duração do trecho 1 do ciclo
I2
	 – corrente no trecho 2 do ciclo
t2
	 – duração do trecho 2 do ciclo
IN
	 – corrente no trecho N do ciclo
tN
	 – duração do trecho N do ciclo
Exemplificando, suponhamos o seguinte ciclo de operação de uma máquina qualquer:
Figura 6.5: Gráfico (velocidade x tempo) de uma carga “X” qualquer
Durante o intervalo de tempo (a) a máquina acelera até sua velocidade de trabalho, permanece nesta velocidade
durante o período (b) e retorna ao repouso, desacelerando no período (c). A operação consome 60% do ciclo.
Para este ciclo, suponhamos que a Soft-Starter em condições típicas de aceleração daquela inércia, vencendo
aquele conjugado resistente, encontrou a melhor partida do motor segundo o ciclo de corrente:
Dimensionamento do Conjunto Motor + Soft-Starter
6
Guia de Aplicação Soft-Starter | 6-11
Figura 6.6: Gráfico (corrente x tempo) para o motor alimentando uma carga “X” qualquer
Completando nosso exemplo, vamos supor os seguintes valores para esta aplicação:
(a) = 30,0 seg.
(b) = 329,0 seg.
(c) = 1,0 seg.
In = 100 A
3 x In = 300 A
A título de ilustração, vamos calcular o valor RMS de corrente apenas no trecho em carga do ciclo, ou seja, os
segmentos (a), (b) e (c):
	 ( 3 . 100 )2
. 30 + ( 100 )2
. 330
IRMS
=					 = 129
			 360
√
Observe que o valor obtido é intermediário entre a corrente de partida (300A) e o nominal (100A). Isto indica o
caráter de média que o valor RMS detém. Dizemos que o valor da corrente eficaz nesta etapa do ciclo é de 129A.
Este valor é um indicador da exigência térmica.
Entretanto, é importante notar que há um período de repouso até a próxima partida. Se considerarmos este
repouso, chegamos a uma corrente eficaz (RMS) de apenas 74A. O valor de 74A é mais baixo do que o valor da
corrente em regime (100A) e indica que o ciclo tem uma exigência térmica relativamente baixa.
	 ( 3 . 100 )2
. 30 + ( 100 )2
. 330 + (0)2 . 240
IRMS
=						 = 74
				 600
√
Isto explica porque a IEC 60947 indica como parâmetro das categorias AC53a e AC53b o período de repouso
entre partidas (ou o % de tempo em operação).
Mas podemos considerar qualquer período de repouso para calcular o valor RMS, e assim chegar a um valor
menor? Não.
Uma prática segura é escolher os seis minutos mais exigentes do ciclo, e calcular a corrente eficaz para este
intervalo de tempo.
De maneira análoga, seria necessário calcular a corrente eficaz da Soft-Starter para compará-la ao ciclo a que
ela será submetida. Os dados de corrente e tempo para cálculo da corrente eficaz de uma Soft-Starter são sua
corrente nominal e o ciclo de sobrecarga ao qual ela será submetido. A fórmula e o procedimento de cálculo são
os mesmos já descritos para o ciclo de operação.
Tendo chegado aos valores de corrente eficaz do ciclo e corrente eficaz da Soft-Starter, devemos selecionar
uma Soft-Starter cuja corrente eficaz seja maior que a corrente eficaz exigida pelo motor, acrescido dos devidos
fatores de correção de temperatura e altitude, ou seja:
I ef SS
〈 k x I ef
Sendo k a representação da influência da temperatura e altitude no dimensionamento, assim como eventual
folga de segurança.
Dimensionamento do Conjunto Motor + Soft-Starter
6
6-12 | Guia de Aplicação Soft-Starter
6.4.4 Casos especiais
A potência admissível de uma Soft-Starter é determinada levando-se em consideração:
„„ Altitude em que a Soft-Starter será instalada
„„ Temperatura do meio refrigerante
A NBR 7094 define como condições usuais de serviço:
a)	 Altitude não superior a 1000 m acima do nível do mar;
b)	 Meio refrigerante (ar ambiente) com temperatura não superior a 40º C.
Nos casos em que a Soft-Starter deve trabalhar com temperatura do ar de refrigeração na potência nominal,
maior do que 40º C e ou em altitude maior do que 1000 m acima do nível do mar, deve-se considerar os seguintes
fatores de redução:
„„ Efeito da temperatura ambiente
A redução da potência (corrente) nominal do inversor de freqüência, devido à elevação da temperatura ambiente,
acima de 40oC e limitada a 50oC, é dada pela relação e gráfico a seguir:
Fator de redução = 2% / ºC
Figura 6.7: Curva de redução de potência nominal em função do aumento da temperatura
„„ Efeito da altitude
Inversores funcionando em altitudes acima de 1000 m, apresentam problemas de aquecimento causado pela
rarefação do ar e, conseqüentemente, diminuição do seu poder de arrefecimento.
A insuficiente troca de calor entre o inversor e o ar circundante, leva a exigência de redução de perdas, o que
significa, também redução de potência. Os inversores tem aquecimento diretamente proporcional às perdas e
estas variam, aproximadamente, numa razão quadrática com a potência.
Segundo a norma NBR-7094, os limites de elevação de temperatura deverão ser reduzidos de 1% para cada
100m de altitude acima de 1000 m.
A redução da potência (corrente) nominal do conversor de freqüência, devido à elevação da altitude acima de
1000 m e limitada a 4000 m, é dada pela relação e gráfico a seguir:
Fator de redução = 1 % / 100m
Dimensionamento do Conjunto Motor + Soft-Starter
6
Guia de Aplicação Soft-Starter | 6-13
Figura 6.8: Curva de redução de potência nominal em função do aumento da altitude
6.4.5 Tempo de rotor bloqueado do motor
Define-se como o tempo máximo admissível pelo motor sob corrente de rotor bloqueado, ou seja, sob corrente
de partida.
Na prática, adota-se este tempo como o tempo máximo de partida que o motor suporta.
Entretanto, o valor máximo de tempo de partida que o motor suporta aumenta na medida em que se restringe a
corrente que ele poderá solicitar da rede durante a partida.
Um exemplo extremo desta situação é a partida com um inversor de freqüência usando uma rampa que permita
a aceleração consumindo apenas uma vez a corrente nominal do motor. O tempo máximo de partida seria infinito,
uma vez que o motor estaria consumindo corrente nominal durante a “partida”, desde que o motor esteja dotado
da devida ventilação.
Para a Soft-Starter, a regra prática para calcular o “tempo de rotor bloqueado” é seguinte relação:
	 Ip / In 2
TrbSS
= TrbM .
		 IL
										 (6.8)
Onde:
TrbSS
	=	Tempo de rotor bloqueado para determinada limitação de corrente com a Soft-Starter
TrbM
	 =	Tempo de rotor bloqueado de catálogo
Ip/In	 =	Relação entre corrente de partida e corrente nominal do motor (dado de catálogo)
IL
	 =	Corrente de limitação da Soft-Starter
Por exemplo, suponha um motor com tempo de rotor bloqueado de 7,2 segundos, corrente de partida Ip = 7 x
In.
Se este motor partir uma carga com limitação de corrente de 4,5 x In, o tempo máximo de partida que este motor
suporta eleva-se para 17,42 segundos.
	 7	 2
TrbSS
= 7,2 . = 17,42
	 4,5
Dimensionamento do Conjunto Motor + Soft-Starter
6
6-14 | Guia de Aplicação Soft-Starter
6.4.6 Tempo de aceleração
O cálculo de tempo de aceleração é possível num cenário ideal de informações sobre a aplicação, uma vez
que são necessários as curvas de conjugado da carga e do motor, momentos de inércia da carga e do motor e
relação de redução.
Observe que no exemplo a seguir, para preservar a simplicidade do exemplo, não estamos considerando a queda
de tensão provocada pela partida do motor, ou seja, a rede apresentaria uma corrente de curto circuito infinita.
Refira-se ao item 6.5 a seguir para definição da queda de tensão e sua influência na partida de um motor.
Sabemos que para que um motor elétrico suporte a condição de partida a seguinte relação deve ser
respeitada:
ta
≤ 0,80 x tRB
											 (6.9)
Onde,
ta
	 -	 tempo de aceleração;
tRB
	 -	 tempo de rotor bloqueado;
Na condição acima devemos na verdade considerar o tempo de rotor bloqueado corrigido em função dos fatores
de correção da corrente ou da tensão, pois esta informação pode ser obtida através do catálogo de motores ou
folha de dados onde é considerado que no motor está sendo aplicada a tensão nominal.
Para o cálculo do tempo de aceleração partimos da seguinte equação:
		 JT
ta
= 2π . ∆n .
		 CA
										 (6.10)
Onde,
tA
- tempo de aceleração;
∆n - rotação;
JT
- momento de inércia total;
CA
- conjugado acelerante;
O momento de inércia total é calculado por:
JT
= Jmotor
+ Jcarga
											 (6.11)
Onde ,
Jmotor
	 -	momento de inércia do motor;
Jcarga
	-	momento de inércia da carga referida ao eixo do motor;
Para calcularmos o conjugado acelerante precisaremos calcular a área delimitada pelas curvas características de
conjugado do motor e da carga (figura 6.9). Esta área pode ser calculada de diversas maneiras sendo analiticamente,
numericamente ou graficamente. Para executar o cálculo de forma analítica deveremos conhecer as equações
das duas curvas, para que assim possamos integrá-las entre os limites desejados. A equação da curva de carga
com um pouco de boa vontade poderá ser interpolada mas a do motor é muito difícil de conseguirmos, pois seria
necessário obter informações muito detalhadas da características elétricas do motor, se considerarmos ainda
que a equação (6.12) seja uma aproximação válida e bastante razoável.
	 A - Bn
Cmotor
=
	 Cn2
- Dn + E
									 (6.12)
Onde A, B, C, D, e E são constantes inteiras e positivas dependentes das características do motor.
Dimensionamento do Conjunto Motor + Soft-Starter
6
Guia de Aplicação Soft-Starter | 6-15
Figura 6.9: Representação gráfica do conjugado acelerante
Assim a área representada na figura acima poderia ser calculada pela resolução da seguinte expressão
genérica:
	 A – Bn
CA
= ∫			 dn – ∫ CR
(n)dn
	 Cn2
– Dn + E
n n
0 0
						 (6.13)
CR
(n) dependerá da característica de conjugado da carga, que como visto anteriormente poderá ser classificada
em um dos grupos específicos (constante, quadrático, linear, hiperbólico ou não definido). Vemos que será mais
fácil buscarmos outra forma de calcularmos esta área sem a necessidade de recorrer a técnicas de integração
muito complexas.
CR
(n) dependerá da característica de conjugado da carga, que como visto anteriormente poderá ser classificada
em um dos grupos específicos (constante, quadrático, linear, hiperbólico ou não definido). Vemos que será mais
fácil buscarmos outra forma de calcularmos esta área sem a necessidade de recorrer a técnicas de integração
muito complexas.
Uma maneira interessante seria calcularmos esta área através de alguma técnica de integração numérica. Por
simplicidade utilizaremos a integração pela técnica dos trapézios.
Esta técnica consiste em dividirmos o intervalo de integração em N partes iguais e calcularmos a área do trapézio
formado em cada um dos subintervalos ∆n , sendo que os pontos de conjugado serão lidos diretamente da curva
(ver figura 6.10). Nitidamente pode-se perceber que haverá uma margem de erro no valor da área a ser calculada,
mas no nosso caso perfeitamente tolerável.
Figura 6.10: Técnica de integração numérica pela regra dos trapézios
Dimensionamento do Conjunto Motor + Soft-Starter
6
6-16 | Guia de Aplicação Soft-Starter
Apesar de trabalhosa, dependendo do número de subintervalos, esta técnica mostra-se muito eficiente e simples,
pois permite calcularmos o conjugado acelerante para qualquer que seja a característica de conjugado do motor
e da carga. Somente deverá ficar esclarecido que antes de aplicar-se esta técnica, a curva de conjugado do
motor deverá ser corrigida em função da variação da tensão aplicada, através de fatores de redução. Podemos
considerar que a variação da tensão aplicada ao motor obedece a seguinte relação:
	 UNom
- Up
U(n) = 		 . n + Up
	 nNom
									 (6.14)
onde,
UP
= tensão de partida;
UNom
= tensão nominal;
nNom
= rotação nominal;
Na verdade o que nos diz a expressão (6.14) seria válido se tivéssemos um sistema de malha fechada de velocidade,
onde a soft-starter receberia a leitura de velocidade do motor para que assim aplicasse a rampa de tensão. De
qualquer maneira, para efeito de dimensionamento, isto não nos trará nenhum inconveniente sendo também uma
aproximação relativamente satisfatória. A figura 6.11 ilustra esta consideração.
Figura 6.11: Rampa de tensão aplicada ao motor na partida
Podemos assim colocar estes valores em uma tabela de forma a facilitar a visualização dos resultados obtidos
segundo o procedimento acima descrito.
Tabela 6.1: Valores de conjugado
Rotação ( % ) C / CNom
(motor) CRC
/ CNom
CA
/ CNom
n0
C0
CR0
C0
+ C1	 -
CR0
+ CR1
2	 2
n1
C1
CR1
C1
+ C2	 -
CR1
+ CR2
2	 2
n2
C2
CR2
C2
+ C3	 -
CR2
+ CR3
2	 2
· · · · · · · · · · · ·
nNom
CNom
CRNom
CN-1
+ CNom -
CRN-1
+ CRNom
2		 2
NOTA!
Todos os valores de conjugado na tabela acima foram referenciados ao conjugado nominal do motor
por comodidade e por ser mais fácil trabalhar com valores dessa forma referenciados.
Dimensionamento do Conjunto Motor + Soft-Starter
6
Guia de Aplicação Soft-Starter | 6-17
Aplicando estes valores na equação (6.10) poderemos calcular os tempos de aceleração parciais para cada um
dos subintervalos. Bastará depois disso somarmos todos estes valores parciais obtendo assim o valor do tempo
de aceleração total do motor. Matematicamente podemos expressar isso através da seguinte relação:
ta
= Σ tan
N
0
											 (6.15)
O valor encontrado a partir da expressão (6.15) deverá obedecer o que define a expressão (6.9). Caso isto se
verifique, teremos certeza de que o motor escolhido atende a condição de partida.
Vamos agora aplicar este procedimento em um exemplo prático baseando-se em um uma aplicação real, sendo
fornecidas as seguintes informações:
„„ Curva de conjugado da carga;
„„ Folha de dados do motor;
„„ Curvas com as características de conjugado e corrente do motor.
Observação
Ver anexo I.
Neste exemplo estaremos considerando os dados de um motor de 25CV, 4 pólos, acionando uma bomba
centrífuga (conjugado parabólico). O valor do momento de inércia J da bomba foi arbitrado em 0,023Kgm2, e o
momento de inércia do motor (dado de catálogo) considerado foi 0,11542Kgm2.
A curvas de conjugado em função da rotação, da bomba e do motor, fornecem o valor de conjugado requerido
em dez pontos de rotação distintos. Lendo estes valores das curvas obtemos a tabela abaixo:
Tabela 6.1a
Pontos deconjugado resistente Conjugado do motor
Rotação (% de nNOM
) CRES
(N.m) Cmotor
(N.m)
0 20,0 229,54
10 15,0 210,4117
20 14,0 197,6594
30 16,0 191,2833
40 23,0 193,8338
50 30,9 204,0356
60 39,9 216,7878
70 50,9 229,54
80 63,9 255,0444
90 75,8 184,9072
100 89,8 99,8
Os valores de conjugado do motor deverão ser corrigidos para a variação de tensão que será aplicada. Aqui
iremos considerar que o motor atinja a tensão nominal ao final da rampa de tensão aplicada pela soft-starter.
Sabemos que conjugado do motor varia com o quadrado da tensão aplicada. Desta forma podemos determinar os
valores de conjugado corrigido para cada um dos pontos fornecidos, já que conhecemos a rampa de tensão.
Podemos então montar a seguinte tabela:
Dimensionamento do Conjunto Motor + Soft-Starter
6
6-18 | Guia de Aplicação Soft-Starter
Tabela 6.1b
Os valores de conjugado do motor devem ser corrigidos através
da seguinte relação:
CMotor
= (U/100)2
x Cmotor
(tirado da tabela 6.1a)
Rotação (% da nNOM
) Tensão (% da UNOM
) Cmotor
(N.m)
0 35 28,1
10 41,5 36,2
20 48 45,5
30 54,5 56,8
40 61 72,1
50 67,5 93,0
60 74 118,7
70 80,5 148,7
80 87 193,0
90 93,5 161,6
100 100 99,80
Com os valores de conjugado corrigidos podemos agora preencher uma tabela como a tabela 6.1. Esta tabela
apresentará os valores de conjugado acelerante médio para cada um dos intervalos de rotação definidos. Esta
tabela é mostrada a seguir:
Tabela 6.1c
Rotação (% de nNOM
) CMotor (N.m) CRES (N.m) Camédio (N.m)
0 28,12 20,0 8,2
10 36,2 15,0 21,3
20 45,5 14,0 31,6
30 56,8 16,0 40,8
40 72,1 23,0 49,2
50 92,0 30,9 62,0
60 118,7,1 39,9 78,8
70 148,7 50,9 97,8
80 193,0 63,9 129,2
90 161,6 75,8 85,8
100 99,8 89,8 10,0
Com os valores de conjugado acelerante médio para todos os intervalos de rotação, temos condição de calcular
os tempos de aceleração parciais para cada um deles (através da equação 6.10).
Para calcularmos o tempo de aceleração total basta utilizarmos a relação 6.15.
Substituindo os valores nas respectivas equações chegamos ao seguinte resultado para o tempo de aceleração
total : ta = 1,05 s.
Podemos verificar que este motor terá condições de acelerar tranqüilamente a carga, visto que o tempo de
aceleração é muito pequeno em relação ao tempo de rotor bloqueado (corrigido). Vide item “6.4.5 - Tempo de
rotor bloqueado do motor”, neste guia.
Devemos lembrar que no procedimento usado no exemplo acima não consideramos a ativação da função “limitação
de corrente” da Soft-Starter. Quando esta função está ativa devemos aplicar fatores para correção das curvas
de conjugado e corrente do motor.
Uma alternativa válida seria a de considerarmos um valor de limitação de corrente, e a partir daí calcularmos a
tensão que deveria ser aplicada, considerando esta situação. Note que o conjugado será corrigido conforme a
seguinte relação:
ILim
2
CA
= . Cn
– CRn
In
										 (6.16)
Deve-se notar que a relação entre o valor da limitação e a corrente do motor nos informará diretamente a relação
da tensão aplicada em relação a tensão nominal. Assim podemos atribuir um valor a ILim e verificarmos se o
valor de tensão aplicada ao motor é válido ou satisfatório.
Dimensionamento do Conjunto Motor + Soft-Starter
6
Guia de Aplicação Soft-Starter | 6-19
Para garantirmos o acionamento do motor devemos então calcular o valor de corrente eficaz para o regime de
partida do motor utilizando o valor de corrente limite e tempo de aceleração total. Vide item 6.4.3 deste guia para
cálculo da corrente eficaz do ciclo e da Sof-Starter.
6.5 AFUNDAMENTO DE TENSÃO OU QUEDA DE TENSÃO MOMENTÂNEA (VOLTAGE SAG / VOLTAGE
DIP)
Vamos definir o conceito de “queda de tensão momentânea” que está relacionado à partida de grandes cargas
(como grandes motores), e que portanto pode estar relacionado à uma Soft-Starter.
Conforme a norma IEC61000-4-30:
Voltage dip: (definition used for the pupose of this standard). A sudden reduction of the voltage at a
point in the electriacal system, followed by voltage recovery after a short period of time, from half a
cycle to a few seconds.
Ou conforme norma IEEE 1159:
Voltage sag: an rms variation with a magnitude between 10% and 90% of nominal and a ration between
0.5 cycles and one minute.
Observe que a norma européia usa o termo “voltage dip” enquanto a americana usa “voltage sag”. Apesar das
definições serem ligeiramente diferentes, o fenômeno descrito é o mesmo, ou seja:
O fenômeno que nos interessa (voltage dip/sag) é uma redução no valor de tensão em um ponto do
sistema elétrico seguido de sua recomposição após um curto período de tempo, acima de meio ciclo
até alguns segundos.
Figura 6.12: Voltage Sag. Observe a redução da amplitude da forma de onda a partir do segundo semiciclo positivo até
aproximadamente 0,15 segundos
Também se usa o termo “queda de tensão” para a queda que ocorre em cabos, particularmente em longas
distâncias.
Deste ponto em diante, neste item, quando nos referirmos à “queda de tensão”, estamos nos referindo ao fenômeno
momentâneo definido como voltage dip ou voltage sag nas normas IEC61000-4-30 e IEEE 1159 já citadas.
Distúrbios de menos de meio ciclo se encaixam na definição de “transiente de baixa freqüência”, enquanto
distúrbios maiores do que alguns segundos podem ser chamados de “subtensão da rede de alimentação”.
Sistemas de alimentação tem impedância diferente de zero, assim qualquer aumento da corrente causa uma
correspondente redução na tensão. Durante comportamento normal da rede estas variações ficam dentro de
limites aceitáveis. Mas quando há um acréscimo de corrente muito grande, ou quando a impedância do sistema
é alta, a tensão pode cair significativamente. Assim, conceitualmente há duas causas para quedas de tensão:
„„ Aumento substancial da corrente
„„ Aumento na impedância do sistema
Dimensionamento do Conjunto Motor + Soft-Starter
6
6-20 | Guia de Aplicação Soft-Starter
Do ponto de vista prático, quem provoca a queda de tensão é o aumento da corrente.
Suponhamos o seguinte unifilar simplificado.
Figura 6.13: Mesmo um evento que provoque uma queda de tensão no barramento do resistor, provocará uma queda de tensão no
transformador, e conseqüentemente no motor
É óbvio que qualquer queda de tensão no ramal do transformador, provocará uma queda de tensão no circuito
abaixo.
Mas um curto-circuito em um ramal distante pode provocar uma queda no ramal do transformador também.
Assim, mesmo falhas em partes distantes do circuito podem causar uma queda de tensão em todas cargas.
Em redes industriais, a maioria das quedas de tensão são provocadas nas próprias instalações. As causas mais
comuns são:
„„ Partir uma carga elevada
Como um motor ou um forno resistivo. Motores elétricos partindo com tensão plena podem consumir mais de
600% da sua corrente nominal na partida, dependendo de seu projeto. Fornos elétricos tipicamente solicitam
150% de sua corrente até o aquecimento.
Dimensionamento do Conjunto Motor + Soft-Starter
6
Guia de Aplicação Soft-Starter | 6-21
Figura 6.14: Motor linha MASTER - Weg Motores podem solicitar mais de 600% da corrente nominal, se partirem a tensão plena. A
queda de tensão pode ser considerável durante a partida de um motor de grande porte a tensão plena.
„„ Conexões defeituosas ou frouxas
Como conectores não apertados aos fios. Isto aumenta a impedância do sistema e aumenta o efeito do aumento
de corrente.
„„ Falhas ou curtos
Em qualquer lugar da fábrica. Apesar da falha ser rapidamente isolada por fusível ou disjuntor, ela irá “puxar” para
baixo a tensão até que o dispositivo de proteção atue, o que pode durar de alguns ciclos até alguns segundos.
A queda de tensão também pode se originar fora da instalação do consumidor. As mais comuns:
„„ Falhas em circuitos distantes
Causam uma redução correspondente na rede do consumidor. Dispositivos na rede da concessionária procuram
sanar a falha, cuja duração pode chegar a alguns segundos. A grosso modo, a queda de tensão dependerá da
quantidade e características dos transformadores entre a rede do consumidor e o ponto de falha.
„„ Falha no regulador de tensão da concessionária
São raras. As concessionárias possuem sistemas automáticos para ajustar a tensão (transformadores com troca
automática de taps, ou bancos de capacitores automáticos espalhados pela rede).
Figura 6.15: A queda de tensão pode ter origem na rede da concessionária
O mais importante é entender a causa da queda de tensão antes de tentar eliminá-la.
Dimensionamento do Conjunto Motor + Soft-Starter
6
6-22 | Guia de Aplicação Soft-Starter
6.5.1 Conseqüências de uma queda de tensão momentânea
Se não há tensão suficiente na rede de alimentação, os equipamentos nela conectados podem desligar ou ter
seu funcionamento prejudicado. Mesmo que a tensão se reduza por pouco tempo, e com intensidade limitada.
Há cargas que tem uma tendência a sofrer mais com quedas de tensão: normalmente são circuitos alimentados
por fontes DC, como computadores, circuitos de telefonia, CLPs, etc.
Também pode ocorrer que relés para proteção contra subtensão provoquem interrupções desnecessárias por
motivo de ajuste errado.
De maneira análoga pode ocorrer um desligamento desnecessário provocado por relé de proteção contra
desbalanceamento de fases. Entretanto, motores e transformadores podem sobreaquecer e serem danificados
por operarem durante desbalanceamento de fases, o que torna o uso do relé importante.
Figura 6.16: Relés de proteção devem ser devidamente ajustados para evitar “trips” desnecessários
O problema mais sutil ocorre em equipamentos eletrônicos. Há circuitos projetados para atuar com um acréscimo
de tensão, tipicamente a ligação do equipamento. Durante a queda de tensão o equipamento pode funcionar
perfeitamente, mas pode se “ressetar” quanto a queda de tensão cessa.
6.5.2 Comentários sobre soluções contra queda de tensão momentânea
Se você já teve que consertar (ou re-adequar) algum objeto, você já deve ter reparado como às vezes é difícil
conseguir “coesão” entre as partes do objeto após sua modificação.
É melhor sempre projetar o sistema da maneira certa logo do começo. Correções podem trazer aspectos
indesejados, com os quais se terá de conviver. Isto porque as várias partes do sistema são interdependentes,
e alterar uma parte pode ter conseqüência em outras. Alguns exemplos de ajustes em sistemas problemáticos:
1)	 Mudar os ajustes de tensão das fontes DC
	 Caso o problema esteja se manifestando apenas em uma carga alimentada por uma fonte de tensão DC,
algumas destas fontes permitem ajustes que podem dar maior range para superar quedas de tensão
momentâneas.
2)	 Reduzir a carga na rede elétrica
	 Redes elétricas parcialmente carregadas sempre toleram solicitações de corrente melhor, portanto distribuir
as cargas em vários transformadores pode melhorar a qualidade do suprimento de energia.
3)	 Aumentar a capacidade da rede de alimentação
	 Se não é possível realocar as cargas, será necessário usar um suprimento de energia de maior capacidade, ou
seja, um transformador maior, que irá consumir mais espaço, e mais recursos financeiros, e trará alterações no
nível de curto-circuito da instalação, e pode exigir alteração nos cabos na saída do transformador e respectiva
instalação civil.
Dimensionamento do Conjunto Motor + Soft-Starter
6
Guia de Aplicação Soft-Starter | 6-23
Figura 6.17: A alteração para um transformador maior pode trazer complicações devido à alteração da capacidade de curto-circuito,
exigir mudança da cablagem e respectiva instalação civil. Na figura acima, a título de ilustração, o transformador do lado esquerdo é a
seco e o outro é a óleo, embora existam grandes transformadores a seco também.
4)	 Alterar os ajustes das proteções
	 Se é possível identificar um dispositivo de proteção mal ajustado (como um relé de balanceamento de fases,
relé de subtensão, ou uma proteção interna a um equipamento), pode-se avaliar mudar seu ajuste. Deve-se ter
em mente que se o dispositivo foi ajustado em determinado modo, o projeto do sistema deve ter julgado este
ajuste como apropriado. Não é conveniente eliminar as proteções de um sistema. Dependendo do dispositivo
de proteção, o ajuste pode ser simples como girar um knob, ou pode exigir substituição de componentes ou
ajuste de firmware.
5)	 Instalar um regulador de tensão de atuação rápida ou UPS
	 Existem várias tecnologias para aumentar a tensão que alimenta um ponto sensível da instalação (UPS,
compensador estático de tensão, etc.). Estes equipamentos exigem engenharia de aplicação adequada para
solucionar o problema, e como representam um custo extra, sua aplicação é mais sensata apenas para
alimentar pequenas cargas muito sensíveis a quedas de tensão.
6.5.3 Capacidade relativa da rede de alimentação
Quando um motor elétrico parte, ele irá drenar alguma corrente da rede elétrica. Portanto, alguma queda de
tensão durante a partida e até mesmo em regime (embora menor) é um fenômeno intrínseco ao funcionamento
do sistema. O que se pode fazer é lançar mão de estratégias para reduzir esta queda de tensão, como a Soft-
Starter.
Entretanto, será possível identificarmos facilmente se um circuito prestes a alimentar uma nova carga é
potencialmente problemático em termos de queda de tensão, provocada pela partida do motor?
A seguir vamos fazer uma simplificação prática, dando um subsídio importante na aplicação de Soft-Starter:
como as características da rede de alimentação influenciam a partida da carga.
Este conceito é particularmente importante na partida de grandes cargas.
CÁLCULO DA CAPACIDADE DE CURTO-CIRCUITO
O cálculo da capacidade do curto-circuito é usado em várias situações:
„„ dimensionamento de transformadores,
„„ seleção de disjuntores e fusíveis em função da capacidade de ruptura, determinando se uma reatância de
rede será necessária para um inversor de freqüência, etc.
Nosso objetivo aqui é expor como a capacidade de curto-circuito é importante no dimensionamento de um sistema
de acionamento elétrico, e conseqüentemente para uma Soft-Starter ou qualquer outro método de partida.
Vamos lançar mão de exemplo de dimensionamento de transformador para ilustrar o conceito.
A impedâncias dos cabos e sua respectiva queda de tensão serão ignorados aqui para preservar a simplicidade
do exemplo, e também para munir o engenheiro, técnico ou empreendedor de um meio rápido para avaliar uma
carga nova ou rever um problema existente em sua planta.
Dimensionamento do Conjunto Motor + Soft-Starter
6
6-24 | Guia de Aplicação Soft-Starter
Os seguintes cálculos determinarão a “potência extra” requerida por um transformador que seja usado para
alimentar um único motor.
Analisaremos duas situações, denominadas aqui de “A” e “B”. A primeira tem uma potência de curto-circuito
ilimitada no primário, e a segunda, em antagonismo, tem suprimento de energia no primário com uma capacidade
muito menor e definida.
Situação “A”:
Transformador conectado a linha com capacidade ilimitada de curto-circuito
Figura 6.18: Figura ilustrativa de um Sistema “A”
Suponhamos transformador de 1000 kVA, 380V tensão nominal no secundário, 5,75% de impedância.
A corrente de saída nominal a plena carga seria:
1000kVA
	 = 1521A
380V . √3
O valor de 5,75% de impedância indica que haverá 1521 A (corrente nominal) se o secundário for curto circuitado
e a tensão no primário for elevada a valor tal que haverá 5,75% da tensão nominal no secundário, ou seja 21,8V
surgem no secundário.
Assim, a impedância do secundário do transformador pode ser calculada como:
V	 21,85V
Z = 	 =	 = 0,01436Ω
I	 1521A
Dimensionamento do Conjunto Motor + Soft-Starter
6
Guia de Aplicação Soft-Starter | 6-25
Suponhamos que o transformador está conectado diretamente à rede da concessionária, e suponhamos que
esta possui uma capacidade de curto-circuito ilimitada. Note que a concessionária pode fornecer este dado sob
consulta.
Com uma potência ilimitada de curto-circuito no suprimento da concessionária, a corrente de curto-circuito que
o transformador pode entregar no secundário é
380V
	 = 26452A
0,01436
Outra alternativa de cálculo da corrente de curto-circuito é a seguinte:
1521A · 100	 1521
	 = 	 = 26452A
5,75	 0,0575
Finalmente, há também a alternativa de consultar o fabricante.
Agora vamos analisar a conecção do motor ao secundário do nosso transformador.
Nós devemos calcular a queda de tensão que será causada pela corrente solicitada na partida do motor.
Neste exemplo, observe como o transformador alimenta apenas este motor, e portanto se a queda de tensão
não provocar uma redução de torque que o inabilite a partir a carga, não seria necessário superdimensionar o
transformador. É necessário ter em mente, entretanto, que esta abordagem negligência qualquer orientação da
faixa de tensão de operação na especificação do motor ou restrições de normas.
Dando continuidade ao nosso exemplo, suponhamos que o transformador alimentará um motor que demanda
1400A de corrente nominal, o que vai consumir praticamente toda capacidade transformador. Assim, podemos
dizer que o motor representa:
380V · 1400A · 1,73 = 902kVA
Suponhamos que nossa Soft-Starter limitará a corrente em 3 x In do motor o que vai drenar do transformador.
Suponhamos também que se deseja uma queda de tensão de 7,5%:
380V · 1400A · 300% · 1,73 = 2761kVA
A queda de tensão momentânea durante a partida será proporcional à carga representada pelo motor, e pode
ser expressa como uma porcentagem da carga representada pelo motor em relação à máxima capacidade do
transformador.
O transformador tem uma potência de curto-circuito que pode ser calculada como:
380V · 26452A · √3 = 17390kVA
A queda de tensão na partida do motor será:
2761kVA
	 = 0,1587 = 15,87%
17390kVA
Conforme vimos no item 6.4.6 (Tempo de Aceleração), o conjugado do motor é proporcional ao quadrado da
tensão, e portanto, será necessário averiguar se esta queda de tensão implica redução de conjugado do motor
abaixo do conjugado requerido pela carga ou se a redução de conjugado do motor implica tempo de aceleração
que excederá o limite térmico do motor ou da Soft-Starter.
Entretanto, conforme havíamos arbitrado inicialmente, a queda de tensão deverá manter-se em 7,5%.
Dimensionamento do Conjunto Motor + Soft-Starter
6
6-26 | Guia de Aplicação Soft-Starter
Ou seja, o transformador precisa ser dimensionado para uma capacidade de:
2761kVA
	 = 36813kVA
0,075
Assim, a corrente de curto-circuito do transformador deveria ser:
36813kVA
	 = 55998A
380V · √3
Primeiro vamos observar um transformador um pouco maior, suponhamos 2000 kVA, com impedância de 6,5%.
Este transformador ainda não atenderia, pois a corrente de curto circuito seria 46749 A.
Supondo um transformador de Z = 7,5%, teríamos como necessário um transformador cujo valor da corrente a
plena carga seja igual a 4200A, ou seja, aproximadamente 3MVA. Ou seja aproximadamente 3 vezes a potência
representada pelo motor em regime.
Observe o aumento da impedância em função do aumento da potência do transformador.
Dimensionamento do Conjunto Motor + Soft-Starter
6
Guia de Aplicação Soft-Starter | 6-27
Situação “B”:
Transformador conectado a um demarrador com capacidade definida de curto-circuito
Figura 6.19: Sistema “B”
Vamos analisar agora uma situação considerando uma determinada capacidade de corrente de curto-circuito
no primário do transformador que alimentará o motor.
Vamos supor um ramal que deriva do transformador de um transformador de 1000kVA, igual ao mencionado no
início da situação “A” anterior. Neste ramal, um segundo transformador é conectado diretamente aos terminais
do transformador de 1000kVA.
Assim, cabos alimentadores entre os dois transformadores são eliminados, e a respectiva impedância não será
levada em conta, a fim de preservar a simplicidade do exemplo.
Dimensionamento do Conjunto Motor + Soft-Starter
6
6-28 | Guia de Aplicação Soft-Starter
O segundo transformador, que vamos supor como tendo tanto o secundário quanto o primário em 380V, será
usado para suprir um motor de 50cv, 3 fases, 380V, In = 71,2 A, Ip/In = 6,6.
Vamos supor também que a partida será através de uma Soft-Starter, e que a aplicação (“heavy duty”) demandará
pelo menos 4 vezes a corrente nominal do motor para partir, ou seja, 4 x 71,2 = 284,8A. Este motor será a única
carga do transformador, e a queda de tensão deverá ser limitada em 7,5%.
Em regime o motor representará uma carga de:
380V · 71,2 · √3 = 46,8kVA
Na partida, a carga representada pelo motor será:
380V · 71,2A · 400% · √3 = 187,2kVA
Vamos primeiramente supor um transformador de 60kVA para alimentar este motor. O transformador terá uma
impedância de 3%, uma corrente de saída de 91,3 A a plena carga.
A corrente de curto-circuito que pode ser fornecida ao transformador de 60kVa pelo transformador de 1000kVA
é de 26452 A, ou seja, 17390 kVA.
A corrente de curto-circuito de um transformador com uma capacidade de curto-circuito limitada em seu primário
é
Corrente a plena carga
(Z do segundo transformador + Z do primeiro transforrmador “visto” pelo segundo)
Onde :
Z do primeiro transformador “visto” pelo segundo =
potência do segundo (kVA)
potência de curto-circuito disponível no primário
Assim, a corrente de curto-circuito no secundário de nosso transformador de 60kVA tem valor de:
	 91,3A		 91,3
		 =			 = 2729A
	 60kVA		 0,03 + 0,00345
3% +
17390kVA
Durante a partida do motor, a queda de tensão na saída do transformador será:
Carga representada pelo motor na partida
Potência de curto-circuito
Ou seja,
187,2kVA
		 = 0,1043 = 10,43%
380V · 2729A · √3
O transformador de 60kVA é muito pequeno, uma vez que a queda de tensão excede os 7,5% arbitrados no
início de nosso exercício.
Dimensionamento do Conjunto Motor + Soft-Starter
6
Guia de Aplicação Soft-Starter | 6-29
Porém, para um transformador de 100kVA, Z = 3%, teríamos uma corrente de curto circuito de:
152,1A
		 = 4254A
	 100kVA
3% +
	 17390kVA
E portanto a queda de tensão será:
187,2kVA
		 = 0,0669 = 6,69%
380V · 425A · √3
Portanto, atendendo nossa necessidade de queda de tensão.
Poderíamos estender-nos neste assunto, afinal a queda de tensão é um assunto de extrema importância. Estamos
deixando de avaliar por exemplo, que durante uma queda de tensão algumas cargas com tendência a regenerar
energia aumentarão a corrente de curto-circuito. Por exemplo, imagine que durante a partida de um motor “A”,
existe um motor “B” acionando um volante de inércia. Durante a partida do motor “A”, ocorre uma queda de
tensão no barramento. O motor “B”, ligado ao mesmo barramento, terá uma tendência a reduzir sua velocidade,
em função do menor torque disponível. Como a carga de “B” tem um alta inércia, o motor passará a funcionar
como um gerador, contribuindo para aumentar a corrente de curto-circuito do sistema.
A bibliografia de referência no final deste guia indica livros que tratam deste assunto em profundidade. Entendemos
que para aplicação da Soft-Starter, os conceitos expostos até aqui servirão para a escolha segura do equipamento,
além de indicar o caminho para aqueles que necessitam aprofundar seu estudo.
Finalizando, vamos tecer alguns comentários sobre a utilização de transformadores em situação de
sobrecarga.
TRANSFORMADORES: OPERAÇÃO EM SOBRECARGA
Para a operação eficaz de um sistema elétrico, às vezes os transformadores são sobrecarregados para atender
circunstâncias de operação. Naturalmente, neste caso, é importante ao cliente acordar com o fabricante do
transformador a respeito de que sobrecarrega o transformador poderá suportar sem redução da sua vida útil.
O problema principal é dissipação de calor. Se um transformador for sobrecarregado por um determinado fator,
suponhamos 20% além da capacidade nominal por um período de tempo curto, é provável que todo o calor
desenvolvido nas bobinas seja transferido facilmente ao meio ambiente. E consequentemente, a sobrecarga será
superada sem problemas.
Entretanto, em sobrecargas mais intensas ou por períodos de tempo mais longos a temperatura interna irá
aumentar, causando desgaste ao isolamento e possíveis danos.
6.5.4 Comentários sobre a queda de tensão e a influência na partida do motor
Como já vimos, o torque do motor é proporcional ao quadrado da tensão.
Se há uma queda de tensão de 10%, o motor terá 81% do torque disponível.
Na pior das hipóteses, o motor pode não desenvolver o torque necessário para acelerar a carga antes de atingir
o limite térmico de algum dos componentes do sistema de partida (motor, Soft-Starter, etc.), caso não se tome
o devido cuidado no dimensionamento.
Por outro lado, ainda hipoteticamente, se para uma determinada carga for necessário pelo menos 81% da tensão
para partir, e a própria rede de alimentação já impor esta condição durante a partida, nem é necessário usar um
método de partida com tensão reduzida.
Apesar destes conceitos terem sido tratados ao longo deste capítulo, apresentamos a seguir simulação de dois
sistemas (“A” e “B”) no Software de Dimensionamento Weg – SDW (vide anexo 2 deste guia).
Dimensionamento do Conjunto Motor + Soft-Starter
6
6-30 | Guia de Aplicação Soft-Starter
Os sistemas são idênticos, exceto pela queda de tensão. Trata-se do mesmo motor, mesma carga, etc. Entretanto
no sistema “A” a queda de tensão durante a partida é de 2,5% e no sistema “B” a queda de tensão vai a 10%.
MOTOR
„„ Potência nominal : 220 kW
„„ Número de pólos : 4
„„ Tensão nominal : 380 V
„„ Corrente nominal : 399,83 A
„„ Tempo de rotor bloqueado : 35 s
„„ Momento de Inércia : 6,33814 kg.m²
„„ Categoria : N
„„ Cp/Cn : 2 pu
„„ Cmax/Cn : 2,2 pu
„„ Ip/In : 7 pu
GERAIS
„„ Tensão da rede : 380 V
„„ Queda de tensão na partida : 2,5 %
„„ By-pass : Não
„„ Ligação do motor : Standard
„„ Temperatura : 40 °C
„„ Altitude : 1000 m
CARGA
„„ Aplicação : Ventilador centrífugo
„„ Conjugado nominal (Cn) : 55 % do motor
„„ Momento de Inércia : 35 Vezes J
„„ Número de Partidas por Hora : 3
„„ Intervalo entre partidas : 20 min
Observe algumas diferenças relevantes a seguir, decorrentes apenas da maior queda de tensão.
Sistema “A” Sistema “B”
Carga Ventilador (alta inércia) Ventilador (alta inércia)
Queda de Tensão: 2,5% 10%
Pedestal de Tensão: 86% 99%
Tempo de aceleração com rampa de tensão: 29,76 seg. 30,36 seg.
Limitação de corrente: 614% 691%
Tempo de aceleração em limitação de corrente: 29,97 seg. 30,20 seg.
Modelo da Soft-Starter SSW-03 670/220-440 SSW-03 800/220-440
Observe que o pedestal de tensão usado pela Soft-Starter para o sistema “B” é praticamente tensão plena (99%).
Isto porque a própria rede já estará reduzindo a tensão na alimentação do motor, e portanto o motor já estará
submetido a uma tensão “reduzida”.
Observe também que a limitação de corrente sobe, para compensar a queda de tensão. Na verdade, o algoritmo
utilizado no SDW parte de uma postura conservadora para tratar de uma situação crítica como partida com
queda de tensão. Na prática pode ser conseguido uma limitação um pouco menor, dependendo da dinamica
do sistema elétrico e sua interação com a máquina.
Conseqüentemente a exigência térmica (a corrente RMS) da partida no sistema “B” é bem maior, o que culmina
com a necessidade de utilizar uma Soft-Starter também maior.
Aproveitando esta linha de raciocínio, se simulássemos exatamente o mesmo sistema para 15% de queda de
tensão, chegaríamos a conclusão de que o próprio motor não seria capaz de acionar o ventilador! A queda de tensão
seria tão grande que não permitiria o motor desenvolver torque suficiente para tirar o ventilador da inércia.
Finalizando, salientamos que escolhemos neste exemplo uma carga com alta inércia para destacar a influencia
da queda de tensão.
Se fizéssemos o mesmo exercício para a aceleração de uma bomba centrífuga ou um compressor parafuso
(cargas leves), não haveria mudanças significativas em função da queda de tensão.
Dimensionamento do Conjunto Motor + Soft-Starter
6
Guia de Aplicação Soft-Starter | 6-31
6.6 APLICAÇÕES TÍPICAS
Este item destaca as principais funções usadas na partida de algumas máquinas típicas. Não há aqui pretensão
de dar uma receita infalível, mas sim uma dica de que aspectos normalmente são tipicamente relevantes nestas
aplicações.
Vale destacar que a curva de conjugado é sempre aquela mais adequada para partida da máquina, por exemplo,
ventiladores com damper fechado, refinadores sem carga, esteiras sem carga, etc.
6.6.1 Máquinas com partidas leves
BOMBA CENTRÍFUGA
Figura 6.20: Bomba Centrífuga
Tipo de conjugado: 	 Quadrático
Momento de inércia:	 Baixo
Corrente de partida:	 tipicamente menor que 3 x In do motor	
Figura 6.21: Curva de conjugado de uma Bomba Centrífuga
Problema Solução com SSW-03, SSW-04, SSW-06 ou SMV-01
Partida muito rápida Função “Pump control”
Parada muito rápida Função “Pump control”
Golpe de Aríete Função “Pump control”
Alto pico de corrente Função “Pump control”
Bomba rodar no sentido contrário Proteção contra reversão de fases
Bomba rodar sem líquido (cavitação acentuada) Proteção contra subcorrente
Bomba sobrecarregada devido à corpo sólido no seu interior
(cavitação acentuada e deterioração do lubrificante)
Proteção contra subcorrente
Dimensionamento do Conjunto Motor + Soft-Starter
6
6-32 | Guia de Aplicação Soft-Starter
COMPRESSOR
Figura 6.22: Compressor
Tipo de conjugado:	 Favorável (parafuso)
Tipo de conjugado:	 Constante (alternativo)
Momento de inércia:	 Baixo
Corrente de partida:	 tipicamente menor que 3 x In do motor	
Figura 6.23: Curva de conjugado de Compressores (parafuso à esquerda e alternativo à direita)
Problema Solução com SSW-03, SSW-04, SSW-06 ou SMV-01
Tranco mecânico no motor, transmissão, compressor Limitação de corrente
Compressor rodar no sentido contrário Proteção contra reversão de fases
REFINADOR DE CELULOSE
Tipo de conjugado:	 Constante e baixo (partindo sem carga)
Momento de inércia:	 Baixo
Corrente de partida:	 tipicamente menor que 3 x In do motor	
Figura 6.24: Curva de conjugado de um Refinador
Dimensionamento do Conjunto Motor + Soft-Starter
6
Guia de Aplicação Soft-Starter | 6-33
Problema Solução com SSW-03, SSW-04, SSW-06 ou SMV-01
Tranco mecânico no motor, transmissão, Refinador Limitação de corrente
Alta corrente e queda de tensão na linha, por representar uma carga
significativa na máquina de papel de uma pequena fábrica
Limitação de corrente
Necessidade de controle da aproximação dos discos em função da carga
Uso da saída analógica de corrente em regulador de
processo externo
Refinador rodar no sentido contrário Proteção contra reversão de fases
BOMBA DE VÁCUO (PALHETA)
Tipo de conjugado:	 Parabólico
Momento de inércia:	 Baixo
Corrente de partida:	 tipicamente menor que 3 x In do motor	
Figura 6.25: Curva de conjugado de uma Bomba de vácuo de palheta
Problema Solução com SSW-03, SSW-04, SSW-06 ou SMV-01
Tranco mecânico no motor, transmissão, bomba Limitação de corrente
Alta corrente e queda de tensão na linha, por representar uma
carga significativa na máquina de papel
Limitação de corrente
Bomba rodar no sentido contrário Proteção contra reversão de fases
HIDRAPULPER
Tipo de conjugado:	 Parabólico
Momento de inércia:	 Médio
Corrente de partida:	 tipicamente de 3 a 4,5 x In do motor	
Problema Solução com SSW-03, SSW-04, SSW-06 ou SMV-01
Tranco mecânico no motor, transmissão, hidrapulper Limitação de corrente
Hidrapulper rodar no sentido contrário Proteção contra reversão de fases
Dimensionamento do Conjunto Motor + Soft-Starter
6
6-34 | Guia de Aplicação Soft-Starter
6.6.2 Máquinas com partidas severas
BOMBA DE VÁCUO (PISTÃO)
Tipo de conjugado:	 Constante
Momento de inércia:	 Baixo
Corrente de partida:	 tipicamente menor que 5 x In do motor	
Figura 6.26: Curva de conjugado de uma Bomba de vácuo de pistão
Problema Solução com SSW-03, SSW-04, SSW-06 ou SMV-01
Tranco mecânico no motor, transmissão, bomba Limitação de corrente
Alta corrente e queda de tensão na linha, por representar uma carga
significativa na máquina de papel
Limitação de corrente
Bomba rodar no sentido contrário Proteção contra reversão de fases
VENTILADOR/ EXAUSTOR
Figura 6.27: Ventilador
Tipo de conjugado:	 Quadrático
Momento de inércia:	 Médio a Alto
Corrente de partida:	 tipicamente de 3 a 5 x In do motor
Dimensionamento do Conjunto Motor + Soft-Starter
6
Guia de Aplicação Soft-Starter | 6-35
Figura 6.28: Curva de conjugado de um Ventilador
Problema Solução com SSW-03, SSW-04, SSW-06 ou SMV-01
Alto pico de corrente Limitação de corrente
Correia ou acoplamento quebrado Proteção contra subcorrente
Filtro bloqueado ou damper fechado Proteção contra sobrecorrente
BRITADOR
Tipo de conjugado:	 Constante
Momento de inércia:	 Alto
Corrente de partida:	 tipicamente menor que 4,5 x In do motor	
Figura 6.29: Curva de conjugado de um Britador
Problema Solução com SSW-03, SSW-04, SSW-06 ou SMV-01
Carga com alta inércia e altas exigências de torque e alta inércia Limitação de corrente
Partida pesada quando partindo com carga Função “Kick Start”
Material impróprio no moinho Proteção contra sobrecarga
Acoplamento quebrado Proteção contra subcorrente
Vibrações durante a parada Frenagem DC
Dimensionamento do Conjunto Motor + Soft-Starter
6
6-36 | Guia de Aplicação Soft-Starter
CENTRÍFUGA
Figura 6.30: Centrífuga
Tipo de conjugado:	 Linear
Momento de inércia:	 Alto
Corrente de partida:	 tipicamente menor que 4,5 x In do motor	
Figura 6.31: Curva de conjugado de uma Centrífuga
Problema Solução com SSW-03, SSW-04, SSW-06 ou SMV-01
Carga com alta inércia Limitação de corrente
Parada controlada Frenagem DC
Carga muito alta ou desbalanceada Proteção contra sobrecorrente
Acoplamento quebrado Proteção contra subcorrente
DEPURADOR
Tipo de conjugado:	 Constante
Momento de inércia:	 Alto
Corrente de partida:	 tipicamente 3 a 5 x In do motor
Dimensionamento do Conjunto Motor + Soft-Starter
6
Guia de Aplicação Soft-Starter | 6-37
Figura 6.32: Curva de conjugado de um Depurador
Problema Solução com SSW-03, SSW-04, SSW-06 ou SMV-01
Tranco mecânico no motor, transmissão, depurador Limitação de corrente
Depurador rodar no sentido contrário Proteção contra reversão de fases
Depurador entupido Proteção contra sobrecorrente
MISTURADOR
Figura 6.33: Misturador
Tipo de conjugado:	 Constante
Momento de inércia:	 Alto
Corrente de partida:	 tipicamente 3 a 5 x In do motor
Figura 6.34: Curva de conjugado de um Misturador
Problema Solução com SSW-03, SSW-04, SSW-06 ou SMV-01
Diferentes materiais a processar Limitação de corrente
Necessidade de feedback para circuito de controle regular a viscosidade Saída analógica proporcional a corrente
Carga muito alta ou desbalanceada Proteção contra sobrecorrente
Lâminas quebradas ou gastas Proteção contra subcorrente
Dimensionamento do Conjunto Motor + Soft-Starter
6
6-38 | Guia de Aplicação Soft-Starter
MOINHO
Figura 6.35: Moinho
Tipo de conjugado:	 Linear
Momento de inércia:	 Alto
Corrente de partida:	 tipicamente 3 a 5 x In do motor	
Figura 6.36: Curva de conjugado de um Moinho
Problema Solução com SSW-03, SSW-04, SSW-06 ou SMV-01
Carga pesada com alta inércia Limitação de corrente/Função kick start
Necessidade de feedback para circuito de controle regular a
viscosidade
Saída analógica proporcional a corrente
Travamento Proteção contra sobrecorrente
Parada rápida Frenagem DC
Dimensionamento do Conjunto Motor + Soft-Starter
6
Guia de Aplicação Soft-Starter | 6-39
TRANSPORTADOR
Figura 6.37: Transportador
Tipo de conjugado:	 Linear
Momento de inércia:	 Alto
Corrente de partida:	 tipicamente 3 a 5 x In do motor
Figura 6.38: Curva de conjugado de uma Bomba de um Transportador
Problema Solução com SSW-03, SSW-04, SSW-06 ou SMV-01
Tranco mecânico no motor, transmissão, transportador ou nos bens
transportados
Limitação de corrente
Transportador travado Proteção contra sobrecarga
Correia do transportador está fora, mas o motor continua girando Proteção contra subcorrente
Partir depois de um transportador em rosca ter travado JOG ré e então partida a frente
Dimensionamento do Conjunto Motor + Soft-Starter
6
6-40 | Guia de Aplicação Soft-Starter
Transportador travado Proteção contra rotor bloqueado
6.7 REGRAS PRÁTICAS DE DIMENSIONAMENTO
Na prática, muitas vezes não dispomos de todos os dados para dimensionamento da Soft-Starter.
Outras vezes dispomos dos dados, entretanto a aplicação não é severa (heavy duty) e a rede tem uma boa
capacidade de alimentação. Então não faz sentido investir tempo em cálculos desnecessários.
Outras vezes, ainda, necessitamos de uma regra prática e rápida que leve a uma boa estimativa e com uma boa
margem de segurança.
A tabela a seguir representa esta regra prática.
Embora possa parecer óbvio, vale ressaltar que a tabela parte do pressuposto que o motor tem conjugado para
acelerar a carga em regime.
Vale ressaltar também que foram consideradas condições típicas de rede de alimentação (potência de curto-
circuito).
Como qualquer regra prática, ela traz um risco intrínseco a tentativa de generalização que a “regra prática”
comporta. Nosso dia a dia, entretanto, diz que o risco é relativamente baixo, principalmente quando quem a aplica
está atento a identificar situações potencialmente problemáticas, que merecerão analise mais profunda.
Tabela 6.2: Critérios de Dimensionamento
Aplicação Carga Inércia Fator
Bomba Centrífuga Baixa Baixa 1,0
Compressores (parafuso) Baixa Baixa 1,0
Compressores (alternativo) Média Baixa 1,0
Ventiladores Quadrático Média/Alta
1,2 Até 22 kW
1,5 Acima de 22 kW
Misturadores (pulpers) Média Média 1,5 – 1,8
Moinhos Média/Alta Média 1,8 – 2,0
Transportadores Média/Alta Alta 1,8 – 2,0
Centrífugas Baixa Muito Alta 1,8 – 2,0
NOTA!
Os valores acima são válidos para regime de serviço normal, ou seja, com número de partidas não
superior a 10 partidas por hora. Consideramos também, a inércia e conjugado resistente da carga
referidos ao eixo do motor.
Exemplos:
Considerar um motor Weg, 175 CV – IV pólos – 380 Volts – 60 Hz
1.	 Acionando uma bomba centrífuga em uma estação de tratamento de água.
„„ Devemos considerar a corrente nominal do motor;
„„ Procurando esta informação no catálogo de motores encontramos Inom = 253,88 A;
„„ Pelo critério da tabela 6.2 vemos que devemos considerar o fator 1,0;
„„ Logo a Soft-Starter indicada para este caso é a SSW-03.255/220-440/2 (ver catálogo).
2.	 Acionando um ventilador em uma câmara de resfriamento.
„„ Devemos considerar a corrente nominal do motor;
„„ Procurando esta informação no catálogo de motores encontramos Inom
= 253,88 A;
„„ Pelo critério da tabela 6.2 vemos que devemos considerar o fator 1,5;
„„ Assim devemos considerar o valor de 1,5x253,88 A ⇒ 380,82 A;
„„ Logo a Soft-Starter indicada para este caso é a SSW-03.410/220-440/2 (ver catálogo).
Dimensionamento do Conjunto Motor + Soft-Starter
6
Guia de Aplicação Soft-Starter | 6-41
3.	 Acionando um transportador contínuo em uma empresa de mineração.
„„ Devemos considerar a corrente nominal do motor;
„„ Procurando esta informação no catálogo de motores encontramos Inom = 253,88 A;
„„ Pelo critério da tabela 6.2 vemos que devemos considerar o fator 2,0;
„„ Assim devemos considerar o valor de 2,0x253,88 A ⇒ 507,76 A;
„„ Logo a Soft-Starter indicada para este caso é a SSW-03.580/220-440/2 (ver catálogo).
Não há dúvida que esta maneira de dimensionar as Soft-Starters é muito mais simples, porém ela torna-se muito
vulnerável a erros, já que em virtude das poucas informações oferecidas é muito difícil garantir o acionamento.
Nestes casos é sempre oportuno consultar o fabricante da Soft-Starter para que este possa avaliar melhor a
situação e assim indicar uma solução mais adequada.
Dimensionamento do Conjunto Motor + Soft-Starter
6
6-42 | Guia de Aplicação Soft-Starter
Instalação da Soft-Starter
7
Guia de Aplicação Soft-Starter | 7-1
INSTALAÇÃO DA SOFT-STARTER
7.1 INTRODUÇÃO
Este capítulo tem por objetivo apresentar os componentes e informações gerais necessárias para a instalação
de uma Soft-Starter. A utilização de cada componente dependerá de cada caso particular.
Recorra também ao manual da Soft-Starter que você irá instalar, seguindo suas recomendações específicas.
Figura 7.1: A instalação da Soft-Starter deve ser feita por profissionais qualificados, seguindo as normas e procedimentos aplicáveis
Primeiramente abordaremos no item 7.2 a ligação da Soft-Starter entre o motor e a rede, em baixa tensão. Estas
recomendações e circuitos são particularmente aplicáveis às SSW-03 e SSW-04 da Weg.
No item 7.3 abordaremos a ligação da Soft-Starter dentro da ligação delta do motor. Por reduzir o preço total da
instalação – dependendo da distância entre motor e painel – este tipo de ligação já é a opção de boa parte dos
projetistas. Ela é possível com as Soft-Starter SSW-03 Plus.
Finalizando este capítulo, abordaremos particularidades da instalação elétrica da micro Soft-Starter SSW-05 e
faremos rápido comentário a respeito da Soft-Starter de Média Tensão SMV-01.
Instalação da Soft-Starter
7
7-2 | Guia de Aplicação Soft-Starter
7.2 LIGAÇÃO PADRÃO, ENTRE A REDE E O MOTOR (“FORA” DA LIGAÇÃO DELTA DO MOTOR)
Figura 7.2: Instalação típica da Soft-Starter entre a Rede e o Motor (baixa tensão)
Ver figura 7.2, que ilustra e complementa os comentários a seguir.
7.2.1 Chave seccionadora
Utiliza-se chave seccionadora, por razões de segurança, para permitir a desenergização da Soft-Starter durante
a manutenção.
7.2.2 Fusíveis ou disjuntor
Recomenda-se a utilização de fusíveis retardados ou de um disjuntor na entrada para proteção da instalação.
Fusíveis ultra-rápidos podem ser utilizados para a proteção dos tiristores das Soft-Starters, mas não são
obrigatórios.
7.2.3 Contator
Contator é recomendado quando o equipamento necessita de dispositivos para desligamento de emergência.
A norma IEC 60947-4-2, no item 3.1.1. inclui uma nota que pode ser levada em conta na decisão de uso do
contator:
Instalação da Soft-Starter
7
Guia de Aplicação Soft-Starter | 7-3
NOTE!
Because dangerous levels of leakage currents (see 3.1.13) can exist in a semiconductor motor
controller in the OFF-state, the load terminals should be considered live at all times.
Resumindo: os terminais da carga devem ser considerados energizados mesmo com a Soft-Starter (semiconductor
motor controller) em estado “OFF” (OFF-state), uma vez que níveis perigosos de corrente de fuga podem existir.
O uso do contator ou sua ausência, portanto, determinam procedimentos de manutenção, segurança e operação
diferentes.
7.2.4 Fiações de controle e interface Homem-Máquina (IHM)
As fiações de controle e para IHM remotas sempre deverão ser instaladas em um duto metálico exclusivo
(separado dos demais circuitos) e aterrado. O cruzamento com cabos de potência também deverão atender a
um ângulo de 90 graus.
7.2.5 Correção de Fator de Potência
Sempre que possível o fator de potência deve ser corrigido diretamente no motor com um banco de capacitores
acionado por contator que é controlado pelo relé de fim de rampa (RL ou R1). Desta forma a Soft-Starter garantirá
que durante o chaveamento da tensão (aceleração e desaceleração, momento onde são geradas harmônicas,
os capacitores estejam fora do circuito.
Quando a correção do fator de potência diretamente no motor não for possível, esta deverá ser feita no ponto
mais próximo possível do transformador.
Nunca conecte bancos de capacitores na saída da Soft-Starter ou nos terminais do motor sem que o controle
seja feito pela chave,sob o risco de causar danos significativos para as instalações e para a Chave Soft-Starter,
em função de ressonâncias provocadas por distorções harmônicas que ocorrem na partida.
7.2.6 Aterramento
As Soft-Starters devem ser obrigatoriamente aterradas. Verifique o manual do produto para saber a bitola do cabo
a ser utilizado. Conecte a uma haste de aterramento específica ou ao ponto de aterramento geral (resistência <10
ohms). Não compartilhe a fiação de aterramento com outros equipamentos que operem com altas correntes (ex.:
Motores de alta potência, máquinas de solda, etc).
Quando várias Soft-Starters forem utilizadas observe a figura abaixo.
SSW-03 Plus I SSW-03 Plus IISSW-03 Plus II SSW-03 Plus n
Barra de aterramento
SSW-03 Plus I
Figura 7.3: Exemplo de Aterramento de várias Soft-Starters
Instalação da Soft-Starter
7
7-4 | Guia de Aplicação Soft-Starter
7.3 LIGAÇÃO DENTRO DO DELTA DO MOTOR
7.3.1 Introdução
A vantagem da ligação da Soft-Starter dentro da ligação delta do motor é reduzir a corrente através dos
semicondutores, e conseqüentemente utilizar-se uma Soft-Starter de menor potência.
Lembramos que todas as funções e proteções da chave permanecem ativas.
A conexão padrão exige menos fiação de saída. A conexão dentro da ligação delta do motor exige o dobro da
fiação, porém com bitola menor, sendo que, para curtas distâncias sempre será uma opção mais barata no
conjunto Soft-Starter + motor + fiação.
Exemplificando, suponhamos um motor trifásico cuja corrente nominal seja 100 A. Em nome da simplicidade do
nosso exemplo, vamos desprezar outras variáveis que podem influenciar no dimensionamento da Soft-Starter
(carga, rede, etc) e adotar, portanto, uma Soft-Starter de 100 A para acionar este motor, ligando-a entre o motor
e a rede, conforme figura 7.4 a seguir. Observe que a corrente que passa pelos semicondutores é a corrente
solicitada pelo motor à rede.
a) Ligação Padrão com três cabos: corrente de linha da Soft-Starter igual a corrente do motor.
Figura 7.4: Instalação da Soft-Starter entre a Rede e o Motor
Por outro lado, imaginemos a ligação dos semicondutores da Soft-Starter dentro da ligação delta do motor,
conforme figura 7.5. Observe que a corrente que passará pelos semicondutores é √3 vezes menor que a corrente
solicitada da rede. Entretanto, durante a partida, haverá a presença de correntes harmônicas que não gerarão
torque no motor mas que contribuem para aumentar as perdas. Por este motivo sobserva-se que a corrente
durante a partida é 67% da corrente nominal através da Soft-Starter, enquanto que em regime a corrente será
58% da nominal do motor.
b) Ligação Dentro da Ligação Delta do Motor com seis cabos: corrente de linha da Soft-Starter igual
a aproximadamente 58% da corrente do motor (em regime) e 67% da corrente do motor (durante a
partida).
Instalação da Soft-Starter
7
Guia de Aplicação Soft-Starter | 7-5
Figura 7.5: Instalação da Soft-Starter Dentro da Ligação do Delta do Motor
As Soft-Starters da linha SSW-03 Plus podem ser parametrizadas para as alternativas de ligação a seguir:
7.3.2 Exemplo de ligação com SSW-03 Plus dentro da ligação delta do motor
Para conseguir a ligação dentro da ligação delta do motor, é necessário ter acesso a seis terminais do motor, e
a tensão da rede deve coincidir com a tensão da ligação delta (situação típica de motores preparados para partir
com chave estrela triângulo), conforme é sugerido na figura abaixo:
Figura 7.6: Instalação da Soft-Starter Dentro da Ligação do Delta do Motor
Instalação da Soft-Starter
7
7-6 | Guia de Aplicação Soft-Starter
NOTA!
Também é possível fazer a ligação da Soft-Starter com by-pass, dentro da ligação delta do motor.
Figura 7.7: Instalação da Soft-Starter dentro da Ligação do Delta do Motor
Na ligação dentro da ligação delta do motor os cabos de conexão da Soft-Starter à rede, e/ou o contator de
isolação da rede, deverão suportar a corrente nominal do motor e os cabos de conexão do motor a Soft-Starter,
e ou conexão do contator de by-pass, deverão suportar 58% da corrente nominal do motor (em regime) e 67%
da corrente do motor (durante a partida).
Para este tipo de ligação também é sugerido a utilização de barramentos de cobre na conexão da Soft-Starter
a rede, devido as grandes correntes envolvidas e bitola dos cabos.
Com a SSW-03 Plus é fornecido um barramento extensor de acessório para possibilitar a conexão de mais cabos
nos barramentos de entrada da SSW-03 Plus.
Quando a conexão da SSW-03 Plus à rede for através de barramento não utilizar este barramento extensor.
Instalação da Soft-Starter
7
Guia de Aplicação Soft-Starter | 7-7
Cabo da
Rede
Cabo do Motor
Figura 7.8: Barramento extensor para SSW-03
7.3.3 Ligação de terminais de motores com tensões múltiplas
A grande maioria dos motores é fornecida com terminais do enrolamento religáveis, de modo a poderem funcionar
em redes de pelo menos duas tensões diferentes. Os principais tipos de religação de terminais de motores para
funcionamento em mais de uma tensão são:
a) Ligação série-paralela
O enrolamento de cada fase é dividido em duas partes (lembrar que o número de pólos é sempre par, de modo
que este tipo de ligação é sempre possível).
Ligando as duas metades em série, cada metade ficará com a metade da tensão de fase nominal do motor.
Ligando as duas metades em paralelo, o motor poderá ser alimentado com uma tensão igual à metade da tensão
anterior, sem que se altere a tensão aplicada a cada bobina. Veja os exemplos das figuras 7.9 e 7.10.
Figura 7.9: Ligação série paralelo Y
Instalação da Soft-Starter
7
7-8 | Guia de Aplicação Soft-Starter
Figura 7.10: Ligação série paralelo ∆
Este tipo de ligação exige nove terminais no motor e a tensão nominal (dupla) mais comum, é 220/440V, ou seja,
o motor é religado na ligação paralela quando alimentado com 220V e na ligação série quando alimentado em
440V. As figuras 7.9 e 7.10 mostram a numeração normal dos terminais e o esquema de ligação para estes tipos
de motores, tanto para motores ligados em estrela como em triângulo.
O mesmo esquema serve para outras duas tensões quaisquer, desde que uma seja o dobro da outra, por
exemplo, 230/460V
b) Ligação estrela-triângulo
O enrolamento de cada fase tem as duas pontas trazidas para fora do motor.
Se ligarmos as três fases em triângulo, cada fase receberá a tensão da linha, por exemplo, 220V (figura 2.6). Se
ligarmos as três fases em estrela, o motor pode ser ligado a uma rede com tensão igual a 220 x √3 = 380 volts
sem alterar a tensão no enrolamento que continua igual a 220 volts por fase, pois,
Figura 7.11: Ligação estrela-triângulo ( Y - ∆ )
Este tipo de ligação exige seis terminais no motor e serve para quaisquer tensões nominais duplas, desde que
a segunda seja igual à primeira multiplicada por √3.
Exemplos: 220/380V - 380/660V - 440/760V
Nos exemplos 380/660V e 440/760V, a tensão maior declarada só serve para indicar que o motor pode ser
acionado através de uma chave de partida estrela-triângulo.
Motores que possuem tensão nominal de operação acima de 660V deverão possuir um sistema de isolação
especial, apto a esta condição.
c) Tripla tensão nominal
Podemos combinar os dois casos anteriores: o enrolamento de cada fase é dividido em duas metades para
ligação série-paralelo. Além disso, todos os terminais são acessíveis para podermos ligar as três fases em estrela
ou triângulo. Deste modo, temos quatro combinações possíveis de tensão nominal:
1)	 Ligação triângulo paralelo;
2)	 Ligação estrela paralela, sendo igual a √3 vezes a primeira;
3)	 Ligação triângulo série, valendo o dobro da primeira;
4)	 Ligação estrela série, valendo √3 vezes a terceira.
Instalação da Soft-Starter
7
Guia de Aplicação Soft-Starter | 7-9
Mas, como esta tensão seria maior que 600V, é indicada apenas como referência de ligação estrela-triângulo.
Exemplo: 220/380/440(760) V
Este tipo de ligação exige 12 terminais e a figura 7.12 mostra a numeração normal dos terminais e o esquema de
ligação para as três tensões nominais.
Figura 7.12: Motor de “quatro tensões”
7.3.4 Possibilidades de ligação da SSW-03 Plus em função do fechamento do motor
Ligação Padrão com três cabos: P28=OFF, corrente de linha da Soft-Starter igual a corrente do motor.
Figura 7.13: Corrente de linha da Soft-Starter igual a corrente do motor
Ligação Dentro da Ligação Delta do Motor com seis cabos: P28=ON, corrente de linha da Soft-Starter igual
a aproximadamente 58% da corrente do motor (em regime) e 67% da corrente do motor (durante a partida).
Figura 7.14: Corrente de linha da Soft-Starter igual a aproximadamente 58% da corrente do motor
Instalação da Soft-Starter
7
7-10 | Guia de Aplicação Soft-Starter
Dentro da ligação delta do motor (delta inside) com motor de duplo delta em série.
Figura 7.15: Soft-Starter “delta inside” e motor de duplo delta em série
Dentro da ligação delta do motor com motor de duplo delta em paralelo.
Figura 7.16: Soft-Starter “delta inside” e motor de duplo delta em paralelo
7.4 SSW-05 (MICRO SOFT-STARTER)
A ligação da micro Soft-Starter SSW-05 difere em vários aspectos de uma Soft-Starter convencional. Isto decorre
de seu projeto ter sido desenvolvido com foco na partida de motores pequenos acionando cargas leves como
bombas e compressores
Esta Soft-Starter opera com o princípio de controle de tensão em duas fases. Uma das fases passa direto
através da chave e é conectada ao motor. A tensão das outras duas fases é controlada por tiristores ligados em
antiparalelo. Após a partida, os tiristores são curto-circuitados por um relé interno (by-pass).
Assim, a micro Soft-Starter deve ser utilizada necessáriamente com um dispositivo que garanta a abertura física
da alimentação de todas as fases (contator de entrada ou seccionadora sob carga) além de fusíveis.
A tabela abaixo relaciona contator + fusíveis WEG indicados para cada valor de corrente nominal da SSW-05:
Instalação da Soft-Starter
7
Guia de Aplicação Soft-Starter | 7-11
Corrente da SSW-05 Plus Contator (K1) Fusível (F1, F2, F3) Fusível (F11, F12, F21)
3A CWM09 Tipo D 10A
Tipo D 6A
10A CWM12 Tipo D 16A
16A CWM18 Tipo D 25A
23A CWM25 Tipo D 35A
30A CWM32 Tipo D 50A
45A CWM50 Tipo D 63A
60A CWM65 Tipo NH 100A
85A CWM95 Tipo NH 125A
Figura 7.17: Micro Soft-Starter SSW-05 simplificado (comando com chave de duas posições e seccionadora sob-carga na entrada)
Instalação da Soft-Starter
7
7-12 | Guia de Aplicação Soft-Starter
Figura 7.18: Micro Soft-Starter SSW-05 (comando com botões liga/desliga e contator de entrada)
Instalação da Soft-Starter
7
Guia de Aplicação Soft-Starter | 7-13
7.5 LIGAÇÃO DA SMV-01 (SOFT-STARTER PARA MÉDIA TENSÃO)
O produto SMV-01 é um sistema de partida completo desenvolvido pela Weg para partida de motores de média
tensão.
O circuito padrão é composto por Seccionadora de Entrada, Fusíveis Ultra Rápidos, Contator a vácuo de entrada
e contator a vácuo de by-pass, além da Soft-Starter propriamente dita.
Figura 7.19: Acionamento típico com SMV-01
Os engenheiros e técnicos de aplicação da Weg desenvolvem em conjunto com o cliente a melhor solução de
instalação para cada aplicação em específico.
Instalação da Soft-Starter
7
7-14 | Guia de Aplicação Soft-Starter
Motores | Energia | Automação | Tintas
SSW-05
Micro Soft-starter
g	Compacto
g	 Digital - DSP
g	 Fácil operação
g	Elevado rendimento
g	 By-pass incorporado
8
8-2 | Guia de Aplicação Soft-Starter
Linha de Soft-Starter WEG
Soft-Starters são chaves de partida estática, projetadas
para a aceleração, desaceleração e proteção de motores
elétricos de indução trifásicos, através do controle da
tensão aplicada ao motor.
As Micro Soft-Starters SSW-05 Plus, com controle DSP
(Digital Signal Processor) foram projetadas para fornecer
ótima performance na partida e parada de motores com
excelente relação custo-benefício. Estão incorporadas
todas as proteções para seu motor elétrico. 	
Permitindo fácil ajuste, simplifica as atividades de start-up
e operação do dia-a-dia.
As Micro Soft-Starters SSW-05 Plus são compactas,
contribuindo para a otimização de espaços em painéis
elétricos.
Micro Soft-Starter SSW-05
g	 Redução acentuada dos esforços sobre os
acoplamentos e dispositivos de transmissão (redutores,
polias, engrenagens, correias, etc) durante a partida;
g	 Aumento da vida útil do motor e equipamentos
mecânicos da máquina acionada pela eliminação de
choques mecânicos;
g	 Facilidade de operação, ajuste e manutenção;
g	 Instalação elétrica simples;
g	 Operação em ambientes de até 55 °C.
Benefícios
Algumas Aplicações
Esta chave é especialmente recomendada para aplicações
em:
g	 Bomba de Vácuo a Palheta;
g	 Bombas Centrífugas;
g	 Calandras (partidas a vazio);
g	 Compressores a Parafuso (partindo em alívio);
g	 Misturadores;
g	 Refinadores de Celulose;
g	 Ventiladores Axiais (baixa inércia – carga leve).
Outras aplicações são possíveis mediante análise da
aplicação. Caso necessário, consulte a fábrica ou um
revendedor autorizado.
Produto beneficiado
pela Lei da Informática.
I.P.I REDUZIDO
Certificações
8
Guia de Aplicação Soft-Starter | 8-3
Linha de Soft-Starter WEG
Comparativo entre
métodos de partida
Leds para indicação de
estado da SSW-05 Plus
Dip-switch para Habilitar / Desabilitar as
proteções do motor
Ajustes de tensão de pedestal, tempo
de aceleração e desaceleração e
corrente do motor
Leds para indicação das
proteções da SSW-05 Plus
Saída para o motor
Entrada de
alimentação trifásica
Alimentação da eletrônica
e entradas digitais
Conector para serial
ou HMI remota
Saídas digitais a relé
By-pass
incorporado
SOFT
STARTER
CORRENTE
TEMPO
PARTIDA ESTRELA/TRIÂNGULO
PARTIDA DIRETA
Esquema de ligação da
Soft-starter SSW-05 Plus
Ajustes e indicações
8
8-4 | Guia de Aplicação Soft-Starter
Linha de Soft-Starter WEG
Interface Homem-Máquina
Habilita a Soft-Starter (partida)
Desabilita a Soft-Starter (parada).
Reseta a Soft-Starter após ocorrência
de erros.
Incrementa número do parâmetro
ou valor do parâmetro
Decrementa número do parâmetro
ou valor do parâmetro
Seleciona (comuta) display
entre número do parâmetro
e seu valor (posição/conteúdo)
Interface Homem-Máquina remota para operação remota em porta de painel ou console de máquina. A interface
também incorpora a função “copy”, a qual permite copiar a parametrização de uma Soft-Starter para outras,
possibilitando rapidez, confiabilidade e repetibilidade de programação em aplicações de máquinas de fabricação
seriada.
Software de Programação SUPERDRIVE
Software de programação via
computador PC, em ambiente
Windows, para parametrização,
comando e monitoração das Soft-
Starters SSW-05 Plus.
Permite editar parâmetros “online”,
diretamente na Soft-Starter e editar
arquivos de parâmetros “offline”,
armazenados no microcomputador.
É possível armazenar arquivos de
parâmetros de todas as Soft-Starters
SSW-05 Plus existentes na instalação.
O software também incorpora funções
para transferir o conjunto de
parâmetros do microcomputador para
a Soft-Starter, como também da Soft-
Starter para o microcomputador
A comunicação entre a Soft-Starter e
o microcomputador é feita via
interface serial RS-232.
Modelo Modelo Ítem
CAB-RS-1 Cabo para HMI remota serial com 1 m 10050268
CAB-RS-2 Cabo para HMI remota serial com 2 m 10190951
CAB-RS-3 Cabo para HMI remota serial com 3 m 010211478
HMI-SSW05-RS
Interface Homem-Máquina remota para
uso com cabo CAB-RS até 3 m
10193351
8
Guia de Aplicação Soft-Starter | 8-5
Linha de Soft-Starter WEG
Modelos
Tabela de Especificação
NOTA: 	As potências indicadas na tabela são para cargas do tipo bombas centrífugas e compressores (com partida em alívio), com base em motores. 		
					 WEG de IV pólos - 60 Hz. Acesse nosso site (www.weg.net) e utilize o software SDW para dimensionamento das Soft-Starters.
					 O dimensionamento é feito com base nos dados da curva de carga, número de partidas/hora e tipo de carga.
Tensão
da
rede
Ítem
Micro Soft-starter SSW-05 Plus Motor máximo aplicável Dimensões
Peso
(Kg)Modelo
I nom.
(A)
Tensão
(V)
Potência (mm)
CV kW A L P
220/230/380/400/415/440/460V
10413826 SSW-05.03 3
220V
0,75 0,55
130 59 145 0,74
10413820 SSW-05.10 10 3 2,2
10413821 SSW-05.16 16 5 3,7
10413822 SSW-05.23 23 7,5 5,5
10413823 SSW-05.30 30 10 7,5
10413824 SSW-05.45 45 15 11
185 79 172 1,6710328754 SSW-05.60 60 20 15
10413825 SSW-05.85 85 30 22
10413826 SSW-05.03 3
380V
1,5 1,1
130 59 145 0,74
10413820 SSW-05.10 10 6 4,5
10413821 SSW-05.16 16 10 7,5
10413822 SSW-05.23 23 15 11
10413823 SSW-05.30 30 20 15
10413824 SSW-05.45 45 30 22
185 79 172 1,6710328754 SSW-05.60 60 40 30
10413825 SSW-05.85 85 60 45
10413826 SSW-05.03 3
440V
2 1,5
130 59 145 0,74
10413820 SSW-05.10 10 7,5 5,5
10413821 SSW-05.16 16 12,5 9,2
10413822 SSW-05.23 23 15 11
10413823 SSW-05.30 30 20 15
10413824 SSW-05.45 45 30 22
185 79 172 1,6710328754 SSW-05.60 60 40 30
10413825 SSW-05.85 85 60 45
460/480/500/
525/575V
10052025 SSW-05.03 3
480V
2 1,5
130 59 145 0,74
10686569 SSW-05.10 10 7,5 5,5
10686571 SSW-05.16 16 12,5 9,2
10686572 SSW-05.23 23 15 11
10686573 SSW-05.30 30 25 18,5
10686576 SSW-05.45 45 30 22
185 79 172 1,6710584471 SSW-05.60 60 50 37
10052026 SSW-05.85 85 75 55
45 a 85 A3 a 30 A
8
8-6 | Guia de Aplicação Soft-Starter
Linha de Soft-Starter WEG
Dimensões
Características Técnicas
L A
P
H
D
La
Ha
B
La, Ha, Fixação ( Somente para fixação por parafuso)
Mecânica
Largura L (mm) Altura H (mm) Profundidade P
(mm)
Fixação A
(mm)
Fixação B
(mm)
Fixação D
(mm)
Fixação Peso (Kg)
L La H Ha
1 59 60,4 130 130,7 145 51 122 61 Paraf. M4/Trilho 0,74
2 79 80,4 185 185,7 172 71 177 99 Paraf. M4/Trilho 1,64
MODELO SSW-05 Plus
Alimentação
Tensão da Potência
220 - 460 Vca (-15%, + 10%)
460 - 575 Vca (-15%, + 10%)
Freqüência 50 / 60 Hz
Eletrônica Fonte chaveada (90 – 250 Vca )
Grau de proteção Plástico injetado IP00
Controle
Método Variação da tensão sobre a carga (motor)
CPU Microcontrolador tipo DSP (Digital Signal Processor)
Regime de partidas Normal 300% ( 3 x Inom. ) durante 10 s, 4 partidas por hora
Entradas Digitais
01 entrada para partida e parada
01 entrada para reset de erros
Saídas Digitais
01 saída a relé para indicação de tensão plena (By-Pass) ou defeito (programável)
01 saída a relé para indicação de Operação
Comunicação Interface Serial RS-232
Segurança Proteções
Sobrecarga do motor
Seqüência de fase
Falta de fase
Rotor bloqueado
Sobrecarga
Sobrecorrente
Falha interna
Funções/recursos
Tensão inicial 30 - 80% Tensão Nominal
Tempo da rampa de aceleração 1 – 20 s
Tempo da rampa de desaceleraçâo Off – 20 s
Relação entre In do motor e In da chave 30 - 100%
Condições ambiente
Temperatura 0 ... 55 ºC - Condições normais de operação à corrente nominal
Umidade 0 ... 90% sem condensação
Altitude
0 ... 1000 m - Condições normais de operação à corrente nominal
1000 ... 4000 m - Com redução na corrente de 1% / 100 m acima de 1000 m
Acabamento Cor Cinza ultra fosco (tampa) e azul ultra fosco (base) / padrão WEG
Instalação Forma de Fixação Fixação por parafusos ou montagem em trilho DIN 35 mm
Conformidades/normas
Segurança Norma UL 508 – Equipamentos de Controle Industrial
Baixa Tensão IEC 60947-4-2
EMC EMC diretiva 89 / 336 / EEC - Ambiente industrial
Certificações
UL (EUA) e cUL (CANADÁ) Underwriters Laboratories Inc. / EUA
CE (EUROPA) SGS / Inglaterra
IRAM (ARGENTINA) Instituto Argentino de Normalização
C-Tick (AUSTRÁLIA) Australian Communications Authority
8
Guia de Aplicação Soft-Starter | 8-7
Linha de Soft-Starter WEG
Software de dimensionamento
Utilize o Software de Dimensionamento WEG SDW
para Soft-starters. Disponível em nosso site
www.weg.net ou solicite versão cd através
do e-mail automacao@weg.net
1 - Família SSW-05
2 - Corrente nominal de saída: 	 0003 = 3 A
			 0010 = 10 A
			 0016 = 16 A
			 0023 = 23 A
			 0030 = 30 A
			 0045 = 45 A
			 0060 = 60 A
			 0085 = 85 A
3 - Entrada de alimentação:	 T= Trifásica
4 - Tensão de Alimentação:	 2246 = 220 ... 460 V
			 4657 = 460 ... 575 V
5 - Idioma do manual do produto: 	P = Português
			 E = Inglês
			 S = Espanhol
			 G = Alemão
6 - Versão do produto:	 P = Plus
7 - Hardware especial:	 Em branco =	 Standard (não há)
			 Hx = Opcional versão x (H1 ... Hn)
8 - Software especial:	 Em branco =	 Standard (não há)
			 Sx = Opcional versão x (S1 ... Sn)
9 - Fim de código:	 Z = dígito indicador de final de código
Ex.: SSW050060T4657PPZ
	SSW05	 0010	 T	 2246	 P	 P	 --	 --	 Z
Codificação (Exemplo de Utilização)
1 2 3 4 5 6 7 8 9
8
8-8 | Guia de Aplicação Soft-Starter
Linha de Soft-Starter WEG
SSW-06
Soft-starter
Motores | Energia | Automação | Tintas
g	 Proteções de tensão
g	Controle de Torque
g	 By-pass incorporado
g	 Soft PLC incorporado
g	 IHM LCD
g Start-up orientado
8
8-10 | Guia de Aplicação Soft-Starter
Linha de Soft-Starter WEG
Soft-Starter Série SSW-06 são chaves de partida
estática, destinadas à aceleração, desaceleração e
proteção de motores de indução trifásicos. O controle
da tensão aplicada ao motor, mediante o ajuste do
ângulo de disparo dos tiristores, permite obter partidas e
paradas suaves. Com o ajuste adequado das variáveis,
o torque produzido é ajustado à necessidade da carga,
garantindo, desta forma, que a corrente solicitada seja a
mínima necessária para a partida.
As Soft-Starters WEG, série SSW-06 microprocessadas e
totalmente digitais, são produtos dotados de tecnologia
de ponta e foram projetadas para garantir a melhor
performance na partida e parada de motores de indução,
apresentando-se como uma solução completa e de
baixo custo. A interface homem-máquina permite fácil
ajuste de parâmetros facilitando a posta em marcha e a
operação. A função incorporada “Pump Control” permite
um eficaz controle sobre bombas, evitando desta forma
o “Golpe de Ariete”. A função controle de torque permite
acelerações e desacelerações com rampa linear de
velocidade.
Benefícios
g	 Diagnósticos de falha com salvamento de: tensão,
corrente e estado da soft-starter na atuação do erro.
g	 Atuação das falhas programáveis.
g	 Soft PLC - Software de Controlador Lógico
Programável integrado (única no mercado)
g	 Microcontrolador de alta performance tipo RISC 32 bits.
g	 Proteção eletrônica integral do motor.
g	 Relé térmico eletrônico incorporado.
g	 Interface Homem-Máquina destacável com duplo
display (LED/LCD).
g	 Tipos de controle totalmente programáveis.
g	 Controle de torque totalmente flexível.
g	 Função “Kick-Start” para partida de cargas com
elevado atrito estático.
g	 Função “Pump Control” para controle inteligente de
sistemas de bombeamento que evita o “Golpe de
Ariete” em bombas.
g	 Limitação de picos de corrente na rede.
g	 Limitação de quedas de tensão na partida.
g	 Tensão universal (220 a 575 Vac).
g	 Fonte de alimentação da eletrônica do tipo chaveada
com filtro EMC (94 a 253 Vac).
g	 By-pass incorporado à Soft-Starter (85 a 820A),
proporcionando redução de tamanho e economia de
energia.
g	 Monitoração da tensão da eletrônica, possibilitando
fazer back-up dos valores da imagem térmica do
motor
g	 Proteção de sobre e subtensão no motor.
g	 Proteção por desbalanceamento de tensão e corrente
no motor.
g	 Proteção de sobrecarga no motor por sobre e sub:
corrente potência ou torque.
SSW-06 Soft-Starter
g	 Entrada para PTC do motor.
g	 Eliminação de choques mecânicos.
g	 Redução acentuada dos esforços sobre os	
acoplamentos e dispositivos de transmissão
(redutores, polias, engrenagens, correias, etc).
g	 Aumento da vida útil do motor e equipamentos
mecânicos da máquina acionada.
g	 Facilidade de operação, programação e manutenção
via interface homem-máquina.
g	 Simplificação da instalação elétrica.
g	 Start-up orientado.
g	 Possibilidade de ligação padrão (3 cabos) ou dentro
do delta do motor (6 cabos).
g	 Todas as proteções e funções estão disponíveis nos
	 dois tipos de ligação (única do mercado).
g	 Funções de proteções de erros na comunicação
Serial ou Fieldbus.
g	 Troca do sentido de giro.
g	 Função Jog em freqüência para os dois sentidos de
giro sem contator.
g	 Três métodos de frenagem para parar o motor e a
carga mais rápida , com ou sem contator.
g	 Operação em ambientes de até 55ºC (com redução
de corrente para modelos de 85 A a 820 A ).
g	 Operação em ambientes de até 40ºC (sem redução
de corrente para modelos de 950 A a 1400 A) acima
de 40ºC.
Produto beneficiado
pela Lei da Informática.
I.P.I REDUZIDO
8
Guia de Aplicação Soft-Starter | 8-11
Linha de Soft-Starter WEG
Aplicações
Químico e Petroquímico
g	Ventiladores / Exaustores
g	Bombas Centrífugas
g	Bombas Dosadores /
	 Processo Centrífugas
g	Centrífugas
g	Agitadores / Misturadores
g	Compressores
g	Extrusoras de Sabão
Plástico e Borracha
g	Extrusoras
g	Injetoras / Sopradoras
g	Misturadores
g	Calandras / Puxadores
g	Granuladores
Papel e Celulose
g	Bombas Dosadoras
g	 Bombas de Processo
g	Ventiladores / Exaustores
g	Agitadores / Misturadores
g	Filtros Rotativos
g	 Fornos Rotativos
g	Esteiras de Cavaco
g	Calandras
g	Calandras
g	Coaters
g	Refinadores de Papel
Açúcar e Álcool
g	Ventiladores / Exaustores
g	 Bombas de Processo
g	Esteiras Transportadoras
Sucos e Bebidas
g	Centrífugas Contínuas
g	 Centrífugas Contínuas
g	Mesas de Rolos
g	Esteiras Transportadoras
g	Linhas de Engarrafamento
Cimento e Mineração
g	Bombas Dosadoras /
	 Processo Bombas
g	 Peneiras / Mesas Vibratórias
g	Separadores Dinâmicos
g	Esteiras Transportadoras
g	Dosadores
Alimentos e Ração
g	Bombas Dosadoras / Processo
g	 Ventiladores / Exaustores
g	Agitadores / Misturadores
g	Secadores / Fornos Contínuos
g	 Peletizadoras
g	Esteiras Monovias
Têxtil
g	Agitadores / Misturadores
g	 Secadores / Lavadoras
Siderurgia e Metalurgia
g	 Ventiladores / Exaustores
g	 Transportadores
g	Furadeiras / Retíficas
g	Trefilas
g	Bombas
Cerâmico
g	Ventiladores / Exaustores
g	 Secadores / Fornos Contínuos
g	Moinhos de Bolas / Martelo
g	Mesas de Rolos
g	 Esteiras Transportadoras
Vidros
g	Ventiladores / Exaustores
g	 Secadores / Fornos Contínuos
g	Moinhos de Bolas / Martelo
g	Mesas de Rolos
Refrigeração
g	Bombas de Processo
g	 Ventiladores / Exaustores
g	Sistemas de Ar Condicionado
g	Compressores Parafuso / Pistão
Madeira
g	Faqueadeiras
g	 Lixadeiras
g	Cortadeiras
g	Picadores de Madeira
g	 Serras e Plainas
Saneamento
g	Bombas Cetrífugas
g	 Sistemas de Recalque
Transporte de Cargas
g	Correias / Cintas / Correntes
g	 Mesas de rolos
g	 Monovias / Nórias
g	 Escadas Rolantes
g	 Esteiras de Bagagem (Aeroportos)
8
8-12 | Guia de Aplicação Soft-Starter
Linha de Soft-Starter WEG
Comparativo
Sobre e Subtensão
Permite ajustar os limites de sobre e subtensão
para a completa proteção do motor. Disponível
nos dois tipos de ligação ao motor.
Sobre e Subcorrente
Permite ajustar os limites de sobre e
subcorrente para a completa proteção do
motor.
Proteções de Tensão e Corrente
By-Pass Incorporado
Sobre e Subtensão
By-pass incorporado minizando as perdas de
potência e a dissipação de calor nos tiristores,
proporcionando redução de espaço e contribuindo
para economia de energia.
Está disponível nos modelos de 10 a 820A.
8
Guia de Aplicação Soft-Starter | 8-13
Linha de Soft-Starter WEG
Rampa de Tensão
Permite a acelaração e / ou desaceleração suaves, através
de rampas de tensão.
Controle de Bombas
O controle de bombas proporciona uma desaceleração
suave que evita o “Golpe de Aríete”
Limitação de Corrente
Permite ajustar o limite de corrente durante a partida de
acordo com as necessidades da aplicação.
Kick Starter em Tensão ou Corrente
Permite um pulso inicial de tensão ou corrente que aplicado
ao motor proporciona um reforço de torque inicial a partida,
necessária para a partida de cargas com elevado atrito
estático
Rampa de Corrente
Permite ajustar limites de corrente menores ou maiores
para o início da partida. Aplicado a cargas com torque
inicial mais alto ou mais baixo.
Controle de Torque
A SSW-06 possui um algoritmo de controle de torque de
altíssimo desempenho e totalmente flexível para atender
a necessidade de qualquer aplicação, tanto para partir
como para parar o motor. Disponível nos dois tipos de
ligação ao motor: ligação padrão (3 cabos) ou ligação
dentro do delta do motor (6 cabos).
g 1 ponto de ajuste: Torque Constante.
g 2 pontos de ajuste: Rampa de Torque linear
g 3 pontos de ajuste: Rampa de Torque Quadrático.
Este tipo de controle pode permitir aceleração e
desaceleração com rampa linear de velocidade.
Métodos de Partida
8
8-14 | Guia de Aplicação Soft-Starter
Linha de Soft-Starter WEG
Interface Homem-Máquina
Interface Inteligente
Interface de operação inteligente com duplo display, LED’s (7 segmentos) e LCD (2 linhas de 16 caracteres), que permite
ótima visualização a distância, além de incorporar uma descrição detalhada de todos os parâmetros e mensagens via
display LCD alfanumérico.
Idioma Selecionável
A interface de operação inteligente permite ainda que o usuário do produto escolha, para o seu melhor conforto, o
idioma a ser usado para a programação, leitura e apresentação dos parâmetros e mensagens alfanuméricas
através do display LCD ( Cristal Líquido ). A elevada capacidade de hardware e software do produto disponibiliza ao
usuário várias opções de idiomas, tais como: português, inglês, alemão e espanhol, de forma a adequá-lo a
quaisquer usuários em todo o mundo.
Display LED’s
(7 segmentos)
Display LCD
(Cristal Líquido)
Led “ANTI-HORÁRIO”
Led “HORÁRIO”
Aciona o motor (partida).
Desaciona o motor (parada).
Reseta a Soft - Starter após a ocorrência de erros
Aumenta o número do
parâmetro ou valor parâmetro
Diminui o número do parâmetro
ou valor parâmetro
Troca do sentido de giro
(verificar disponibilidade)
Seleciona (comuta) display entre
número do parâmetro e seu valor
(posição / conteúdo)
Função JOG (em freqüência)
Seleciona a origem dos comandos / referência entre
LOCAL ou REMOTO
Led “LOCAL”
Led “REMOTO”
Função COPY
A interface inteligente também incorpora a função “Copy”, a qual permite copiar a parametrização de uma Soft-
Starter para outras, possibilitando rapidez, confiabilidade e repetibilidade de programação em aplicações de
máquinas de fabricação seriada.
Soft-Starter “A” Soft-Starter “B”
SSW-06 HMI
HMI SSW-06
Start-up Orientado
Soft-Starters são equipamentos destinados a partida de motores de indução, cuja adaptação e desempenho
estão diretamente relacionados às características do mesmo, assim como da rede elétrica de alimentação.
As Soft-Starters da linha SSW-06 incorporam um recurso de programação especialmente desenvolvido com a
finalidade de facilitar e agilizar a inicialização da posta em marcha (Start-up) do produto, através de um roteiro
orientado e automático, o qual guia o usuário para a introdução sequencial das características mínimas necessárias
a uma perfeita adaptação da Soft-Starter ao motor e a carga acionados.
8
Guia de Aplicação Soft-Starter | 8-15
Linha de Soft-Starter WEG
Redes de Comunicação “FIELDBUS”
As Soft-Starters SSW-06 podem ser interligados em redes de comunicação rápidas “FieldBus”, através dos protocolos
padronizados mais difundidos mundialmente, podendo ser:
		 		 g Profibus DP (opcional)
FIELDBUS 	 g DeviceNet (opcional)
		 		 g Modbus RTU RS-232 (incorporado)
				 g Modbus RTU RS-485 (opcional)
Destinados principalmente a integrar grandes plantas de automação industrial, as redes de comunicação rápidas
conferem vantagens na supervisão, monitoração e controle, “on-line“ e total, sobre as Soft-Starters, proporcionando
elevada performance de atuação e grande flexibilidade operacional, características estas exigidas em aplicações de
sistemas complexos e/ou integrados.
Para a interligação em redes de comunicação do tipo “FieldBus” Profibus DP ou DeviceNet, as Soft-Starters SSW-06
permitem incorporar internamente um cartão de rede, de acordo com o protocolo desejado. Para a interligação em redes
de comunicação tipo “ FieldBus” Modbus RTU poderá ser utilizado conexão via interface RS–232 (disponível) ou RS–485
(opcional).
Além de todas as vantagens de monitoramento das proteções e acionamento do motor, também podem ser utilizadas as
entradas digitais, saídas digitais e analógicas como uma mini-remota do mestre da rede “FieldBus”.
. . .
CLP
REDES “FIELDBUS”
8
8-16 | Guia de Aplicação Soft-Starter
Linha de Soft-Starter WEG
Ambiente integrado
Superdrive G2
Software em ambiente Windows, para parametrização,
comando e monitoração da SSW-06.
g 	Identificação automática da SSW-06.
g 	Lê parâmetros da SSW-06.
g 	Escreve parâmetros na SSW-06.
g 	Edita parâmetros on-line no SSW06.
g 	Edita parâmetros off-line no PC.
g 	Possibilita criar toda a documentação da aplicação.
g 	Facilmente acessível.
g 	Permite parametrização, comando e monitoração da 	
	 SSW-06 via software via software Superdrive G2.
g 	É fornecido um cabo serial RS-232 de 3m quando o 	
	 software Superdrive G2 é adquirido.
g	 Software gratuito no site www.weg.net
Monitoração e parametrização da lista de parâmetros
Função Trend que permite a análise dos dados de partida do
motor (ex.: corrente, tensão, torque de partida, etc).
Monitoração de status
HMI virtual
8
Guia de Aplicação Soft-Starter | 8-17
Linha de Soft-Starter WEG
Função SOFTPLC
É um recurso que incorpora a SSW-06 as funcionalidades de
um CLP, agregando flexibilidade ao usuário e permitindo - lhe
desenvolver seus próprios aplicativos (programas do usuários.)
g	 Linguagem de programação LADDER - Software WLP.
g 	Acesso a todos os parâmetros e I/Os da SSW-06.
g 	Blocos de CLP, lógicos e matemáticos.
g 	Download, upload e monitoração on-line.
g 	Capacidade de memória de 1Kbytes.
g 	Ajuda online.
g 18 Parâmetros, 4 Erros, 4 Alarmes de usuário que podem 	
	 ser individualmente programados.
g 	Software gratuito no site www.weg.net
Ambiente de programação, simples e prático
Monitoração on-line
Parâmetros de uruário HMI virutal para alteração dos parâmetros
Monitoração das entradas e saídas digitais
8
8-18 | Guia de Aplicação Soft-Starter
Linha de Soft-Starter WEG
Acessórios e Periféricos
Interface de operação com duplo display
LED’s e LCD, com recursos completos via códigos e
mensagens com textos alfanuméricos e função Copy,
para instalação local (tampa da Soft-Starter) ou remota em
porta de painel. Distância máxima 5m (sem moldura).
Moldura para instalação / fixação da Interface
Homem-Máquina, remota a Soft-Starter, para
transferência de operação da Soft-Starter para a porta do
painel ou para um console da máquina. Distância máxima
de 5m. Grau de proteção: IP42
Cabo para conexão da HMI a SSW-06
Cabos com comprimentos (X) de 1; 2; 3 e 5m.
Cartões de comunicação fieldbus
Possibilitam a troca de dados e controle da SSW-06 em
redes de comunicação.
Possibilita a conexão da SSW-06
a uma rede de comunicação Modbus-RTU em
RS-485 com isolação galvânica.
Possibilita uma proteção
nos bornes de potência.
INTERFACE HOMEM-MÁQUINA COMPLETA (padrão)
HMI-SSW-06-LCD
KIT MOLDURA PARA INTERFACE REMOTA
KMR-SSW-06
CABOS INTERLIGAÇÃO PARA INTERFACE REMOTA
CAB-HMI SSW-06- X
KITS PARA REDES DE COMUNICAÇÃO “FIELDBUS”
Profibus DP → KFB-PD
DeviceNet → KFB-DN
Profibus DPV1 → KFB-PDPV1
DeviceNet Acíclico → KFB-DD
KIT DE COMUNICAÇÃO RS-485
RS-485 → KRS-485
KIT DE PROTEÇÃO DOS BORNES DE POTÊNCIA
(Para modelos de 85 a 820A)
KIT IP20-M2 (85A e 130A)
KIT IP20-M3 (170A e 205A)
KIT IP20-M4 (255A a 365A)
KIT IP20-M5 (412A a 604A)
KIT IP20-M6 (670A e 820A)
8
Guia de Aplicação Soft-Starter | 8-19
Linha de Soft-Starter WEG
SSW-06: um produto flexível e compacto
Entrada de
Alimentação da Rede
Display de LED’s
de 7 Segmentos
Display de Cristal Líquido (LCD)
2 Linhas de 16 Caracteres
Interface Homem-Máquina
Destacável, com Duplo Display
(LCD + LED’s), Multi-Idiomas e
Função COPY
Microcontrolador de
Alta Performance Tipo
RISC de 32 Bits
Módulos de Redes de
Comunicação
Fieldbus para:
-Profibus-DP
-DeviceNet (opcionais)
Três Saídas Digitais
Programáveis a Relé
Interface Serial RS-485
Modbus-RTU (opcional)
Entrada PTC para o
motor
Seis Entradas Digitais
Isoladas e Programáveis
Duas Saídas Analógicas
Programáveis
Fusível de Proteção
Eletrônica
Saída de Alimentação do
Motor
Sistema de Passagens
dos Cabos de Controle e
Conexão de Eletroduto
Interface Serial RS-232
Modbus-RTU
8
8-20 | Guia de Aplicação Soft-Starter
Linha de Soft-Starter WEG
Dimensões e Pesos
L
H
P
MODELO LARGURA
“L” (mm)
ALTURA
“H” (mm)
PROFUNDIDADE
“P” (mm)
PESO
(kg) MECÂNICA
SSW-06.0010
130 256 182 3,3 1
SSW-06.0016
SSW-06.0023
SSW-06.0030
SSW-06.0045
132 370 244 8,5 2
SSW-06.0060
SSW - 06.85
SSW - 06.130
SSW - 06.170
223 440 278 18,6 3
SSW - 06.205
SSW - 06.255
370 550 311 41,5 4SSW - 06.312
SSW - 06.365
SSW - 06.412
370 650 347 55 5SSW - 06.480
SSW - 06.604
SSW - 06.670
540 795 357 120 6
SSW - 06.820
SSW - 06.950 568 895 345 107 7
SSW - 06.1100
685 1235 433 217,5 8
SSW - 06.1400
Fixação
MODELO A
(mm)
B
(mm)
C
(mm)
D
(mm)
Parafuso de fixa-
ção MECÂNICA
SSW-06.0010
75 239 28 8,5 M5 1
SSW-06.0016
SSW-06.0023
SSW-06.0030
SSW-06.0045
75 350 28,5 8,5 M5 2
SSW-06.0060
SSW-06.0085
SSW-06.0130
SSW-06.0170
150 425 36,5 5,9 M6 3
SSW-06.0205
SSW-06.0255
200 527,5 85 10 M6 4SSW-06.0312
SSW-06.0365
SSW-06.0412
200 627,5 85 10 M6 5SSW-06.0480
SSW-06.0604
SSW-06.0670
350 775 95 7,5 M8 6
SSW-06.0820
SSW-06.0950 400 810 84 10 M8 7
SSW-06.1100
500 1100 93 15 M8 8
SSW-06.01400
8
Guia de Aplicação Soft-Starter | 8-21
Linha de Soft-Starter WEG
Mec02 Mec03 Mec04 Mec05 Mec06 Mec07 Mec08Mec01
A
BB
C
Espaços livres para ventilação
D
Saída Fluxo de Ar
Entrada Fluxo de Ar
MODELO A
(mm)
B
(mm)
C
(mm)
D
(mm) MECÂNICA
SSW-06.0010
150 30 150 50 1
SSW-06.0016
SSW-06.0023
SSW-06.0030
SSW-06.0045
150 30 150 50 2
SSW-06.0060
SSW-06.0085
SSW-06.0130
SSW-06.0170
150 30 150 50 3
SSW-06.0205
SSW-06.0255
150 30 150 50 4SSW-06.0312
SSW-06.0365
SSW-06.0412
150 30 150 150 5SSW-06.0480
SSW-06.0604
SSW-06.0670
150 30 150 50 6
SSW-06.0820
SSW-06.0950 150 30 150 50 7
SSW-06.1100
150 100 150 50 8
SSW-06.01400
8
8-22 | Guia de Aplicação Soft-Starter
Linha de Soft-Starter WEG
Características Técnicas
ALIMENTAÇÃO Potência (220 a 575) Vac (-15% a +10%), ou (187 a 632) Vac
Controle (110 a 230) Vac (-15% a +10%), ou ( 94 a 253) Vac
Ventilador Modelos de 255 a 820 A:
115 Vac (104 a 127) Vac / 230 Vac (207 a 253)Vac
Modelo de 950 A:
115 Vac (103,5 a 122)Vac / 230 Vac (207 a 243,8) Vac
Modelos de 1100 a 1400A:
230 Vac (207 a 243,8)Vac
Freqüência (50 a 60)Hz (+/- 10%), ou (45 a 66) Hz
GRAU DE PROTEÇÃO Gabinete Metálico IP00
CONTROLE Método de Controle Variação da tensão sobre a carga (motor de indução trifásico)
CPU Microcotrolador RISC de 32 Bits
Tipos de Controle Rampa de tensão
Limitação de corrente
Rampa de limitação de corrente
Controle de Bombas
Controle de Torque 1,2 ou 3 pontos
REGIME DE PARTIDA
(3)
Normal 300 % (3 x Inom.) durante 30 s para ligação 3 cabos e durante
25 s para ligação 6 cabos.
ENTRADAS Digitais 5 Entradas programáveis isoladas 24 Vcc
1 Entrada programável isolada 24 Vcc (para termistor-PTC do motor)
SAÍDAS Relé 3 Saídas programáveis 250 V / 2 A: (02 x NA) + (01 x NA + NF - Defeito)
Analógicas 1 Saída programável (10 bits ) 0...10 Vcc
1 Saída programável (10 bits ) 0 ... 20mA ou 4 ... 20mA
SEGURANÇA Proteções Sobretensão
Subtensão
Desbalanceamento de tensão
Subcorrente
Sobrecorrente
Desbalanceamento de corrente
Sobrecarga na saída (motor) – i²t
Sobretemperatura nos tiristores / dissipador
Sobretemperatura no motor / PTC
Sequência de fase invertida
Defeito externo
Defeito no By-pass Aberto (1)
Defeito no By-pass Fechado (1)
Sobrecorrente no By-pass (1)
Subcorrente antes do By-pass (1)
Falta de fase na alimentação
Falta de fase na saída (motor)
Falha no tiristor
Erro na CPU (Watchdog)
Erro de programação
Erro de comunicação serial
Erro de auto-diagnóstico
Erro de comunicação da HMI-SSW06-LCD
Excesso de tempo de partida
Erro de comunicação Fieldbus
Subtensão na Eletrônica
Frequência fora da faixa
Falta a terra
Conexão errada ao motor
Subtorque
Sobretorque
Subpotência
Sobrepotência
FUNÇÕES / RECURSOS Standard ( Padrão ) Interface Homem-Máquina incorporada (destacável) com duplo display LED + LCD (HMI-SSW06-LCD)
Senha de habilitação de programação
Seleção do idioma da HMI-SSW06-LCD: Português, Inglês, Espanhol, Alemão
Seleção do tipo de controle: Rampa de tensão, limitação de corrente,
Rampa de limitação de corrente, controle de bombas,
Controle de torque
Seleção para operação Local / Remoto
Auto-diagnóstico de defeito
Start-up orientado conforme tipo de controle
Conexão padrão ou dentro do delta do motor
Todas as proteções e funções disponíveis também na conexão dentro do delta do motor
Função PUMP CONTROL (Proteção contra “Golpe de Ariete” em bombas)
Função COPY (Soft-Starter → HMI ou HMI → Soft-Starter)
By-Pass integrado a Soft-Starter (Modelos 10 a 820 A).
Interface Serial RS-232 com Modbus RTU incorporado, RS-485 opcional
Entrada para PTC do motor
Auto-diagnóstico de defeitos e Auto-reset de falhas
Reset para programação padrão de fábrica ou para padrão do usuário
Recursos especiais: Horímetro, Watímetro
Sobretensão, subtensão e desbalanceamento de tensão entre fases programáveis
Sobrecorrente, subcorrente e desbalanceamento de corrente entre fases programáveis
8
Guia de Aplicação Soft-Starter | 8-23
Linha de Soft-Starter WEG
Características Técnicas
FUNÇÕES / RECURSOS Standard ( Padrão ) Subcorrente e Sobrecorrente antes do By-pass
Sobretorque, subtorque programáveis
Sobrepotência, subpotência programáveis
Tensão Nominal da rede programável
Rampa de tensão totalmente programável
Limitação de corrente programável
Rampa de corrente programável
Controle de bombas programável
Controle de torque totalmente flexível
Auto reset da memória térmica programável
Classe térmica de proteção ( sobrecarga do motor) programável de classe 5 até classe 45.
Troca de sentido de giro
Função JOG em freqüência nos dois sentidos de giros
Frenagem por reversão
Frenagem ótima sem contator
Frenagem CC
SoftPLC integrado
Opcionais Moldura para HMI Remota
Cabo para interligação da HMI remota 1; 2; 3 e 5m
Kit de comunicação RS 485
Kit de comunicação Profibus DP e Profibus DPV1
Kit de comunicação DeviceNet acíclico
Kit IP20 para os modelos de 85 a 365A
INTERFACE HOMEM
– MÁQUINA (HMI-
SSW06-LCD)
Comando Liga, Desliga / Reset e Parametrização (Programação de funções gerais)
Supervisão ( Leitura ) Incrementa e decrementa parâmetros ou seu conteúdo
Corrente do motor (% In da Soft-Starter)
Corrente do motor (% In do motor)
Corrente do motor (A)
Frequência da Rede de Alimentação (0 ... 99,9 Hz)
Tensão da Rede de alimentação - (0 ... 999V)
Tensão de Saída - (0 ... 999V)
Torque do motor (% In do motor)
Potência ativa fornecida à carga – (kW)
Potência Aparente fornecida à carga – (kVA)
Estado da Soft-Starter
Estado das entradas e saídas digitais e analógicas
Cos (ϕ) da carga – (0,00 ... 0,99)
Horas Energizado
Horas Habilitado
Consumo de energia em kWh
Valor das saídas analógicas
Estado do SoftPLC
Back-up dos 6 últimos erros com diagnóstico de tensão, corrente e estado.
Versão de Software da Soft-Starter
Proteção térmica do motor – (0 ... 250)
Indicação de corrente em cada fase R-S-T
Indicação da tensão de linha R-S / S-T / T-R
Estado do Cartão de Comunicação Fieldbus
Diagnóstico de partida
Diagnósticos de funcionamento em regime pleno
CONDIÇÕES AMBIENTE Temperatura 0 a 55ºC (Modelos de 85 a 820 A) sem redução de corrente nominal.
0 a 40ºC (Modelos de 950 a 1400 A) sem redução de corrente nominal.
Umidade 20 ... 90%, sem condensação
Altitude 0 ... 1000 m: Condições normais de operação à corrente nominal
1000 ... 4000 m: Com redução na corrente de saída de 1% / 100 m, acima de 1000 m
ACABAMENTO Cor Tampa: Cinza Ultra fosco
Gabinete: Azul Ultra fosco
CONFORMIDADES/
NORMAS
Segurança Norma UL 508 – Equipamentos de Controle Industrial
Baixa Tensão Norma EN 60947-4-2; LVD 2006/95/EC – Diretiva de Baixa Tensão
EMC EMC diretiva 89 / 336 / EEC – Ambiente Industrial
UL (USA) / cUL (Ca-
nadá)
Underwriters Laboratories Inc. – USA
CE (Europa) Certificado pela EPCOS
IRAM (Argentina) Instituto Argentino de Normalización
C-Tick (Austrália) Australian Communications Authority
Gost (Russia)
Notas: (1) Modelos de 10 a 820A
(2) Regime de partida: 10 partidas / hora para modelos de 10 A a 820 A.
5 partidas / hora para modelos de 950 A a 1400 A.
8
8-24 | Guia de Aplicação Soft-Starter
Linha de Soft-Starter WEG
Tabela de Especificações
SOFT-STARTER SSW-06 MOTOR MÁXIMO APLICÁVEL
MecânicaModelo
(comando:94-253V)
(ventilador: 110/220)(2)(3)
Inominal (A)
Tensão
(V)
Ligação Standard
(3 cabos)
Ligação dentro do
delta (6 cabos)
Ta=0...55°C (4)
Ta=0...55°C (4)
Ta=0...55°C(4)
cv kW cv Kw
SSW-06 0010 T 2257
PSZ
10
220
3 2,2 - -
1
SSW-06 0016 T 2257
PSZ
16 5 3,7 - -
SSW-06 0023 T 2257
PSZ
23 7,5 5,5 - -
SSW-06 0030 T 2257
PSZ
30 10 7,5 - -
SSW-06 0045 T 2257
PSZ
45 15 11 25 18,5
2
SSW-06 0060 T 2257
PSZ
60 20 15 30 22
SSW-06 0085 T 2257
PSZ 85 30 22 60 45
SSW-06 0130 T 2257
PSZ
130 50 37 75 55
SSW-06 0170 T 2257
PSZ
170 60 45 125 90
3
SSW-06 0205 T 2257
PSZ
205 75 55 150 110
SSW-06 0255 T 2257
PSZ
255 100 75 175 130
4
SSW-06 0312 T 2257
PSZ
312 125 90 200 150
SSW-06 0365 T 2257
PSZ
365 150 110 250 185
SSW-06 0412 T2257 PSZ 412 150 110 250 185
5SSW-06 0480 T2257 PSZ 480 200 150 350 260
SSW-06 0604 T2257 PSZ 604 250 185 450 330
SSW-06 0670 T2257 PSZ 670 250 185 500 370
6
SSW-06 0820 T2257 PSZ 820 350 260 600 450
SSW-06 0950 T2257 PSZ 950 400 300 700 520 7
SSW-06 1100 T2257 PSZ 1100 450 330 800 600
8
SSW-06 1400 T2257 PSZ 1400 550 410 1050 775
8
Guia de Aplicação Soft-Starter | 8-25
Linha de Soft-Starter WEG
Tabela de Especificações
SOFT-STARTER SSW-06 MOTOR MÁXIMO APLICÁVEL
MecânicaModelo
(comando:94-253V)
(ventilador: 110/220)(2)(3)
Inominal (A)
Tensão
(V)
Ligação Standard
(3 cabos)
Ligação dentro do
delta (6 cabos)
Ta=0...55°C (4)
Ta=0...55°C (4)
Ta=0...55°C(4)
cv kW cv Kw
SSW-06 0010 T 2257
PSZ
10
440
5 7,7 - -
1
SSW-06 0016 T 2257
PSZ
16 10 7,5 - -
SSW-06 0023 T 2257
PSZ
23 15 11 - -
SSW-06 0030 T 2257
PSZ
30 20 15 - -
SSW-06 0045 T 2257
PSZ
45 30 22 75 55
2
SSW-06 0060 T 2257
PSZ
60 40 30 100 75
SSW-06 0085 T 2257
PSZ 85 60 45 125 90 2
SSW-06 0130 T 2257
PSZ
130 100 75 175 130 2
SSW-06 0170 T 2257
PSZ
170 125 90 200 150 3
SSW-06 0205 T 2257
PSZ
205 150 110 300 220 3
SSW-06 0255 T 2257
PSZ
255 200 150 350 260 4
SSW-06 0312 T 2257
PSZ
312 250 185 450 330 4
SSW-06 0365 T 2257
PSZ
365 300 220 500 370 4
SSW-06 0412 T 2257
PSZ
412 350 260 600 450
5
SSW-06 0480 T 2257
PSZ
480 400 300 700 520
SSW-06 0604 T 2257
PSZ
604 500 370 850 630
SSW-06 0670 T 2257
PSZ
670 550 410 950 700 6
SSW-06 0820 T 2257
PSZ
820 700 520 1200 900 7
SSW-06 0950 T 2257
PSZ
950 800 600 1400 1030 7
SSW-06 1100 T 2257
PSZ
1100 900 670 1600 1175
8
SSW-06 1400 T 2257
PSZ
1400 1200 900 2000 1475
Notas: 	
1) 	As potências máxima dos motores, na tabela aima, foram calculadas com base nos modelos WEG de 2 a 4 pólos .
		Para os motores de outras polaridades (EX. 6 e 8 pólos), outras tensões (EX. 230,400 e 460V) e / ou motores de outros fabricantes, especificar a Soft – 	
		Starter através da corrente nominal do motor.
2) No modelo de 950 A a tensão dos ventiladores deve ser especificada se é 110 ou 220 Vac.
3) Nos modelos de 1100 A e 1400 A a tensão dos ventiladores é somente 220 Vac.
4) Temperatura ambiente (Ta) = 0...55ºC somente é válido para os modelos 10 A ... 820 A, para os modelosde 950 A, 1100 A e 1400 A Ta = 0...40ºC, 		
		(sem redução da corrente nominal).
8
8-26 | Guia de Aplicação Soft-Starter
Linha de Soft-Starter WEG
Tipos de ligações da Soft-Starter ao motor
Padrão (3 cabos)
Motor em Y Motor em
ISoft-Starter
= ITotal consumida
Dentro do delta do motor (6 cabos)
Soft-Starter dentro do Delta do motor
ITotal consumida
√3
ISoft-Starter = = 58% da ITotal consumida
ITotal consumida
1,5
ISoft-Starter = = 67% da ITotal consumida
(Após a partida)
(Durante a partida)
IMPORTANTE:
g 	Na ligação padrão (3 cabos) o motor pode ser conectado tanto em ligação Y (estrela) como em ligação (delta).
g 	Na ligação dentro do delta do motor (6 cabos), o motor somente pode ser conectado em delta. A tabela abaixo 	
	 mostra as tensões disponíves para os tipos padrões de motor:
MOTOR Ligação 6 cabos
220V -∆ / 380V-Y 220V -∆
380V -∆ / 660V-Y 380V -∆
440V -∆ / 760V-Y 440V -∆
575V - ∆ 575V -∆
220V -∆ / 380V- Y/
440V -∆ / 760V-Y
220V -∆
440V -∆
g	Para uma mesma potência de motor, a ligação dentro do delta do motor (6 cabos) possibilita uma redução de 42% na
corrente da Soft- Starter se comparado com a ligação padrão (3 cabos).
g 	A ligação dentro do delta do motor (6 cabos ) possibilita acionar um motor com 73 % de potência maior do que na
ligação padrão (3 cabos).
g 	A ligação dentro do delta necessita de 6 cabos de ligação até o motor.
g 	Durante a partida a corrente do motor em relação a corrente da Soft -Starter pode ser de até 1,5 vez maior.
g 	Após a partida, em tensão plena, a corrente do motor em relação a corrente da Soft -Starter pode ser até 1,73 vez maior.
8
Guia de Aplicação Soft-Starter | 8-27
Linha de Soft-Starter WEG
Codificação
1 - 	Soft-Starter WEG família SSW-06			
2 - 	Corrente nominal de saída da Soft-Starter
3 - 	Alimentação de entrada da Soft-Starter: 	 T = Trifásica
4 - 	Tensão de alimentação: 			 2257 = Faixa	 220 ... 575 V
5 - 	Idioma do manual do produto: 			 P = Português
					 E = Inglês
					 S = Espanhol
6 -	Versão do produto:			 S = Standard
							 O = com Opcionais
7 - 	Grau de proteção: 			 Em branco = Standard (Vide tabela de características)
						
8 - 	Interface Homem - Máquina (HMI):		 Em branco= Standard (Com HMI de LED’s + LCD)
					 SI = Sem HMI
9 - 	Hardware especial: 			 Em branco = Standard
							 H1 = Ventilação 115V (Modelo de 950 A)
							 Ex.: SSW06 0085 T 2257 P S Z 		
							 H2 = Ventilação 230V (Modelo de 950 A a 1400 A)
							 Ex.: SSW06 0950 T 2257 P S H1 Z
9 - 	Hardware especial: 			 Em branco = Standard
							 H1 = Ventilação 115V (Modelo de 950 A)
							 Ex.: SSW06 0085 T 2257 P S Z 	
10 -	 Software Especial:				 Em branco = Standard
	 						 S1 = Opcional com versão de software especial
11 -	 Fim de código:				 Em branco = Standard
	 						 Z = Dígito indicador de final de codificação do produto
SSW06 0085	 T 2257 P O ___ SI ___ ___ Z
1 2 3 4 5 6 7 8 9 10 11
Notas:
1) Os Kits de comunicação são opcionais.
2) Para os modelos de 950 A a 1400 A deve ser ser definido a tensão de ventilação (H1 ou H2).
0010 = 10A
0016 = 16A
0023 = 23A
0030 = 30A
0045 = 45A
0060 = 60A
0085 = 85A
00130 = 130A
00170 = 170A
0205 = 205A
0255 = 255A
0312 = 312A
0365 = 365A
0412 = 412A
0480 = 480A
0604 = 604A
0670 = 670A
0820 = 820A
0950 = 950A
1100 = 1100A
1400 = 1400A
8
8-28 | Guia de Aplicação Soft-Starter
Linha de Soft-Starter WEG
g	 Fácil operação
g	Elevado rendimento
g	 By-pass incorporado
g	 Proteções incorporadas
g	 Elevado regime de partida
g	 Controle total nas três fases
Motores | Energia | Automação | Tintas
SSW-07
Soft-starter
8
8-30 | Guia de Aplicação Soft-Starter
Linha de Soft-Starter WEG
Soft-Starters são chaves de partida estática, projetadas para a aceleração, desaceleração e proteção de motores elétricos
de indução trifásicos, através do controle da tensão aplicada ao motor.
A SSW-07, com controle DSP (Digital Signal Processor) foi projetada para fornecer ótima performance na partida e parada
de motores com excelente relação custo-benefício.
Permitindo fácil ajuste, simplifica as atividades de start-up e operação do dia-a-dia.
A SSW-07 é compacta, contribuindo para a otimização de espaços em painéis elétricos.
A SSW-07 já incorpora todas as proteções para seu motor elétrico.
A SSW-07 adapta-se as necessidades dos clientes através de seus acessórios opcionais os quais são facilmente
instalados. Desta forma pode-se adicionar ao produto uma HMI, comunicação e entrada para PTC do motor.
SSW-07
g	 Redução acentuada dos esforços sobre os acoplamentos 	
	 e dispositivos de transmissão (redutores, polias, 		
	 engrenagens, correias, etc) durante a partida;
g	 Eliminação de choques mecânicos;
g	 Aumento da vida útil do motor e equipamentos mecânicos 	
	 da máquina acionada pela eliminação de choques 		
	 mecânicos;
g	 Facilidade de operação, ajuste e manutenção;
g	 Instalação elétrica simples;
g	 Operação em ambientes de até 55 °C (sem redução de 	
	 corrente para todos os modelos);
g	 Proteção eletrônica integral do motor;
Benefícios
Aplicações
Químico e Petroquímico
Ventiladores / Exaustores
Bombas Centrífugas
Bombas Dosadoras / Processo
Agitadores / Misturadores
Compressores
Extrusoras de Sabão
Plástico e Borracha
Extrusoras
Injetoras / Sopradoras
Misturadores
Calandras / Puxadores
Granuladores
Papel e Celulose
Bombas Dosadoras
Ventiladores / Exaustores
Agitadores / Misturadores
Filtros Rotativos
Fornos Rotativos
Esteiras de Cavaco
Calandras / Coaters
Refinadores de Papel
Açucar e Álcool
Ventiladores / Exaustores
Bombas de Processo
Esteiras Transportadoras
g	 Relé térmico eletrônico incorporado;
g	 Função “Kick-Start” para partida de cargas com elevado 	
	 atrito estático;
g	 Evita o “Golpe de Ariete” em bombas;
g	 Limitação de quedas de tensão na partida;
g	 Tensão universal (220 a 575 Vca);
g	 Fonte de alimentação da eletrônica do tipo chaveada com 	
	 filtro EMC (110 a 240 Vca);
g	 By-pass incorporado á Soft-Starter (17 a 200 A) 		
	 proporcionando redução de tamanho e economia de energia;
g	 Monitoração da tensão da eletrônica, possibilitando fazer 	
	 back-up dos valores de i x t (imagem térmica).
Sucos e Bebidas
Agitadores / Misturadores
Mesas de Rolos / Esteiras
Transportadoras
Linhas de Engarrafamento
Cimento e Mineração
Bombas Dosadoras/Processo
Bombas / Dosadores
Peneiras / Mesas Vibratórias
Separadores Dinâmicos
Alimentos e Ração
Bombas Dosadoras / Processo
Ventiladores / Exaustores
Agitadores / Misturadores
Secadores / Fornos Contínuos
Peletizadoras / Esteiras / Monovias
Têxtil
Agitadores / Misturadores
Secadores / Lavadoras
Siderurgia e Metalurgia
Ventiladores / Exaustores
Transportadores / Furadeiras /
Retíficas
Trefilas / Bombas
Cêramico
Ventiladores / Exaustores
Secadores / Fornos Contínuos
Moinhos de Bolas / Martelo
Mesas de Rolos
Esteiras Transportadoras
Vidros
Ventiladores / Exaustores
Máquina de Fabricar Garrafas
Mesas de Rolos
Esteiras Transportadoras
Refrigeração
Bombas de Processo
Ventiladores / Exaustores
Sistemas de Ar Condicionado
Compressores Parafuso/Pistão
Madeira
Lixadeiras / Cortadeiras
Picadores de Madeira / Serras e
Plainas
Saneamento
Bombas Centrífugas
Sistemas de Recalque
Transporte de cargas
Correias / Cintas / Correntes
Mesas de rolos
Monovias / Nórias
Escadas Rolantes
Esteiras de Bagagem (Aeroportos)
Produto beneficiado
pela Lei da Informática.
I.P.I REDUZIDO
8
Guia de Aplicação Soft-Starter | 8-31
Linha de Soft-Starter WEG
Comparativo métodos de partida Acionamento típico
Ajustes e indicações
Acessórios e Periféricos
As Soft-Starters SSW-07 podem ser interligados em redes
de comunicação rápidas “FieldBus”, através do protocolo
Modbus RTU, DeviceNet e Profibus DP.
Destinados principalmente a integrar grandes plantas de
automação industrial, as redes de comunicação rápidas
conferem vantagens na supervisão, monitoração e controle,
“on-line“ e total, sobre as Soft-Starters, proporcionando
elevada performance de atuação e grande flexibilidade
operacional, características estas exigidas em aplicações de
sistemas complexos e/ou integrados.
Para a interligação em redes de comunicação do tipo
“FieldBus”, as Soft-Starters SSW-07 permitem a utilização
de opcionais tipo Plug – In na frontal do produto. Existem
módulos opcionais para o protocolo Devicenet e Modbus
RTU e RS-232 ou RS-485.
REDES “FIELDBUS”
CLP
Entrada de alimentação
DIP Switch para ajustar
e habilitar as proteções
Leds para indicação de
status da SSW-07
Tampa para opcionais
Plug In
Saídas a Relé
Saída para motorComando Aciona / Desaciona
motor (DI1) e Reset (DI2 e DI3)
Alimentação da
eletrônica (A1 e A2)
DIP Switch para ajuste
da classe térmica
Trimpots para ajuste
Botão reset
8
8-32 | Guia de Aplicação Soft-Starter
Linha de Soft-Starter WEG
Acessório interface homem-máquina
A HMI com display LED de 7
segmentos permite uma ótima
visualização dos parâmetros a
distância.
A interface também incorpora a
função “Copy”, a qual permite
copiar a parametrização de uma
SSW-07 para outras,
possibilitando rapidez,
confiabilidade e repetibilidade
de programação em aplicações
de máquinas de fabricação
seriada.
SUPERDRIVE G2
Software em ambiente Windows, para parametrização, comando e monitoração da SSW-07.
Remota
HMI remota para a colocação em porta
de painel ou console de máquina.
Grau de proteção: IP54 / Nema 12
HMI local SSW - 07 HMI remota SSW - 07
Cabo para conexão da HMI à SSW07.
Cabo com comprimento de 1;2;3;5; 7,5 e 10m.
Local
HMI tipo Plug – In na Frontal do produto.
g	Identificação automática da SSW-07.
g	Lê parâmetros da SSW-07.
g	Escreve parâmetros na SSW-07.
g	Edita parâmetros on – line no SSW-07
g	Edita parâmetros off- line na PC.
g	Possibilita criar toda a documentação 	
	 da aplicação.
g	Função Trend possibilita a captura de 	
	 sinais da soft-starter e apresenta-os 	
	 como um gráfico. 	
g	 Facilmente acessível.
g	Permite parametrização, comando e 	
	 monitoração da SSW-07 via software 	
	 Superdrive G2.
g	É fornecido um cabo serial RS – 232 de 3m 	
	 e módulo RS-232 quando o software 		
	 Superdrive G2 é adquirido.
g	Software gratuito no site www.weg.net
Acessórios e Periféricos
Modbus RTU – RS – 485
Módulo opcional tipo Plug
- In para a comunicação
Modbus RTU em RS - 485
Modbus RTU – RS – 232
Módulo opcional tipo Plug – In
para a comunicação Modbus
RTU em RS - 232
Kit ventilação
Para os modelos de 45 A
a 200 A, kit de ventilação é
necessário para um regime
de partidas elevada.
PTC do Motor
Módulo opcional para a
conexão do PTC do motor.
Módulos de comunicação
DeviceNet
Módulo opcional tipo Plug-in para a comunicação
DeviceNet com acesso acíclico
Cabo para a conexão
da RS 232
Cabos com comprimento
de 3 e 10m
Kit IP20
Para os modelos de 130 A a
200 A, esse Kit garante uma
proteção contra toque
em partes energizadas.
8
Guia de Aplicação Soft-Starter | 8-33
Linha de Soft-Starter WEG
Facilidades de Programação
Programação através de trimpots e dip-switch – toda a
programação necessária para acionar qualquer tipo de carga
está disponível via trimpots e dip – switch.
Rampa de tensão
Permite a aceleração e / ou desaceleração suaves, através de
rampas de tensão.
Limitação de corrente
Permite ajustar o limite de corrente durante a partida de
acordo com as necessidades da aplicação.
P
A
H
C
D
L
B
Modelo
SSW-07
Alt.
H
mm
(In)
Larg.
L
mm
(In)
Profund.
P
mm
(In)
A
mm
(In)
B
mm
(In)
C
mm
(In)
D
mm
(In)
Parafuso
p/ fixação
Peso
kg
(Ib)
Grau de
proteção
SSW-070017
SSW-070024
SSW-070030
162
(6.38)
95
(3.74)
157
(6.18)
85
(3.35)
120
(4.72)
5
(0.20)
4
(0.16)
M4
1.3
(2.9)
IP20
SSW-070045
SSW-070061
SSW-070085
208
(8.19)
144
(5.67)
203
(7.99)
132
(5.2)
148
(5.83)
6
(0.24)
3.4
(0.13)
M4
3.3
(7.28)
IP20
SSW-070130
SSW-070171
SSW-070200
276
(10.9)
223
(8.78)
220
(8.66)
208
(8.19)
210
(8.27)
7.5
(0.3)
5
(0.2)
M5
7.6
(16.8)
IP00*
Tabela 3.1 - Dados para instalação com dimensões em mm (in)
* IP20 com Kit opcional para a mecânica
Kick Start em Tensão
Permite um pulso inicial de tensão que aplicado ao motor
proporciona um reforço de torque inicial a partida, necessária
para a partida de cargas com elevado atrito estático.
By-pass incorporado
By-pass incorporado minimizando as perdas de potência e a
dissipação de calor nos tiristores, proporcionando redução de
espaço e contribuindo para economia de energia.
Está disponível em todos os modelos.
Dimensões e pesos
8
8-34 | Guia de Aplicação Soft-Starter
Linha de Soft-Starter WEG
Características Técnicas
(1) Para as correntes 45 a 200 A com a utilização do kit de ventilação.
Alimentação
Potência 220 a 575 Vca
Controle 110 a 240 Vca (-15% a +10%), ou 94 a 264 Vca
Freqüência 50 a 60 Hz (+/- 10%), ou 45 a 66 Hz
Grau de Proteção Plástico Injetado
IP20 nos modelos de 17 a 85 A
IP00 nos modelos de 130 a 200 A (IP20 com opcional)
Controle
Método de Controle Variação da tensão sobre a carga (motor de indução trifásico)
CPU Microcontrolador tipo DSP (Digital Signal Processor)
Tipos de Controle
Rampa de tensão
Limitação de corrente
Regime de Partida (1) Normal 300% (3 x Inom.)durante 30 s, 10 partidas por hora ( a cada 6 minutos)
Entradas Digitais 3 Entradas programáveis isoladas
Saídas Relé 02 relés com contatos NA, 240Vca, 1A, funções programáveis
Segurança
Proteções (Standard)
Sobrecorrente; Rotor Bloqueado
Sobrecorrente antes do By - pass Excesso de tempo na partida
Falta de fase Freqüência fora da tolerância
Sequência de fase invertida; Contato de By-pass aberto
Sobretemperatura no dissipador da potência; Subtensão na alimentação da eletrônica
Sobrecarga no Motor (Classe 5 a 30)
Proteções (com Acessório)
Subcorrente Erro de programação
Desbalanceamento de corrente Erro de comunicação serial
Subcorrente antes do By - pass Erro e comunicação HMI
Defeito externos Sobretemperatura no motor PTC
Funções / Recursos Standard
Rampa de tensão (Tensão inicial: 30% a 90%)
Limitação de corrente (150% a 450% da corrente nominal da SSW07)
Tempo de partida (1 a 40s)
Kick Start (Off - 0,2 a 2s)
Rampa de desaceleração ( 0 a 40s)
Relação da corrente do motor e da SSW07 (50% a 100%)
Autoreset de falhas
Autoreset da memória térmica
Reset de padrão de fábrica
By - pass integrado a Soft - Starter
Acessório de Programação
(HMI ou comunicação Serial)
Comando Liga, Desliga / Reset e Parametrização (Programação de funções)
Funções / Recursos adicioanais
Tempo de partida até 999s
Tempo de desaceleração até 999s
Senha de habilitação de programação
Seleção para operação Local / Remota
Função COPY (SSW07  HMI e HMI  SSW07)
Supervisão (Leitura)
Corrente do motor (% In da Soft-Starter)
Corrente do motor (% In do motor)
Corrente do motor (A)
Indicação da corrente em cada fase R-S-T
Frequência da rede de alimentação
Potência aparente fornecida a carga (kVA)
Estado da Soft-Starter
Estado das entradas e saídas digitais
Back up dos 4 últimos erros
Versão de Software da Soft - Starter
Temperatura do dissipador
Estado da proteção térmica do motor
Acessórios e Periféricos Opcionais
HMI local tipo Plug in
Kit HMI remota
Cabos para interligação da HMI remota de 1;2;3;5; 7,5 e 10m
Kit de comunicação RS232
Cabos para interligação SSW07  Serial do PC (RS232) de 3 e 10m
Kit de comunicação RS485
Kit PTC do motor
Kit de comunicação DeviceNet
Kit SuperDrive G2
Kit ventilação para mecânica 2 (45 a 85 A)
Kit ventilação para mecânica 3 (130 a 200 A)
Kit IP20 para mecânica 3 (130 a 200 A)
Acabamento Cor
Tampa: Cinza Ultra fosco
Gabinete: Azul Ultra fosco
Conformidades / Normas
Segurança Norma UL 508 - Equipamentos de Controle Industrial
Baixa tensão Norma EN60947-4-2;LVD 2006/95/EC - Diretiva de baixa tensão
EMC Diretiva de EMC 89/336/EEC - Ambiente industrial
UL (EUA) / cUL (Canadá) Underwriters Laboratories Inc. - EUA
CE (Europa) Teste de conformidade realizados pela EPCOS
C - Tick (Australia) Australian Communication Authority
GOST (Rússia)
8
Guia de Aplicação Soft-Starter | 8-35
Linha de Soft-Starter WEG
Tabela de especificações
Codificação
BR	 SSW07 	0017	 T 5 S 	_ _ _ _ _ _ Z
1 2 3 4 5 6 7 8 9
1 - 	Mercado / Manual:			 BR = Brasil
					 Ex = Exportação
2 - 	Soft-Starter WEG Série SSW - 07
3 - 	Corrente nominal de saída da Soft-Starter
4 - 	Alimentação de entrada da Soft-Starter: 	 T = Trifásica
5 - 	Tensão de alimentação: 			 5 = Faixa de 220 a 575 V
6 -	Versão do produto:
							 S = Standard
							 O = com Opcionais
7 - 	Grau de proteção:
							 Em branco = Standard
							 IP = IP20 para os modelos
							 de 130 A a 200 A
8 - 	Hardware especial:
							 Em branco = Standard
9 - 	Software especial:
							 Em branco = Standard
10 -	Fim de código:
							 Z = Dígito indicador de final
							 de codificação do produto.	
10
NOTAS: As potências máximas dos motores acima, foram calculadas com base nos modelos WEG, 4 polos, IP55, standard, temperatura ambiente de 55ºC.
Modelo
Corrente nominal
da SSW-07
Tensão
 
Potência
SSW - 07 (A) (V) (CV) (KW)
SSW- 070017 17
220
6 4.5
SSW- 070024 24 7.5 5.5
SSW- 070030 30 10 7.5
SSW- 070045 45 15 11
SSW- 070061 61 20 15
SSW- 070085 85 30 22
SSW- 070130 130 50 37
SSW- 070171 171 60 45
SSW- 070200 200 75 55
SSW- 070017 17
380
10 7.5
SSW- 070024 24 15 11
SSW- 070030 30 15 11
SSW- 070045 45 30 22
SSW- 070061 61 40 30
SSW- 070085 85 60 40
SSW- 070130 130 75 56
SSW- 070171 171 125 90
SSW- 070200 200 125 90
SSW- 070017 17
440
12.5 9.2
SSW- 070024 24 15 11
SSW- 070030 30 20 15
SSW- 070045 45 30 22
SSW- 070061 61 50 37
SSW- 070085 85 60 45
SSW- 070130 130 100 75
SSW- 070171 171 125 90
SSW- 070200 200 150 110
SSW- 070017 17
575
15 11
SSW- 070024 24 20 15
SSW- 070030 30 30 22
SSW- 070045 45 40 30
SSW- 070061 61 60 45
SSW- 070085 85 75 55
SSW- 070130 130 125 90
SSW- 070171 171 175 132
SSW- 070200 200 200 150
Modelo
Corrente nominal
da SSW-07
Tensão
 
Potência
SSW - 07 (A) (V) (CV) (KW)
8
8-36 | Guia de Aplicação Soft-Starter
Linha de Soft-Starter WEG
SSW-08
Soft-Starter
Motores | Energia | Automação | Tintas
8
8-38 | Guia de Aplicação Soft-Starter
Linha de Soft-Starter WEG
SSW-08 Soft-Starter
g	 Utilizada em cargas consideradas leves tais como:
	 Bombas centrífugas
	 Ventiladores de pequeno porte
	 Compressores à parafuso (partida em alívio)
g	 By-pass incorporado proporcionando economia
	 de energia.
g	 Tensão de alimentação única:
	 Controle: 90 – 265Vac, 94 – 264Vac
	 Potência: 220 – 575Vac
g	 Design moderno, além de dimensões e pesos
	 extremamente reduzidos otimizando espaço em
	 painéis elétricos.
g	 Filosofia plug-and-play. A SSW-08 reconhece e 		
	 configura automaticamente os acessórios opcionais.
g	 Operação em ambientes de até 55ºC sem redução
	 de corrente.
g	 Elevado regime de partidas:
	 5 partidas por hora com limitação de corrente de 3xIn,
iiiidurante 20s. sem Kit de ventilação.
	 10 partidas por hora com limitação de corrente de 		
	 3xIn, durante 20s. com Kit de ventilação.
A SSW-08 dispõe de todos os
opcionais da linha SSW-07.
Potência de 50 a 220 cv e
tensão de 220 a 575 V.
Elevado regime de partidas.
Proteções do motor, da chave
e BY-Pass incorporadas.
Especificações
Modelo
Corrente
nominal da
SSW-08
Tensão Potência
(V) (CV) (kW)
SSW- 080130 130
220
50 37
SSW- 080171 171 60 45
SSW- 080200 200 75 55
SSW- 080130 130
380
75 55
SSW- 080171 171 125 90
SSW- 080200 200 125 90
SSW- 080130 130
440
100 75
SSW- 080171 171 125 90
SSW- 080200 200 150 110
Anexo 1 - Cálculo do Momento de Inércia de Massa
9
Guia de Aplicação Soft-Starter | 9-1
ANEXO 1 - CÁLCULO DO MOMENTO DE INÉRCIA DE MASSA
1. MOMENTO DE INÉRCIA DE FORMAS SIMPLES
A seguir são apresentadas as expressões para o cálculo do momento de inércia de massa J [kgm2
] de formas
geométricas simples, em relação ao seu eixo baricêntrico, ou seja, o eixo que passa pelo seu centro de gravidade.
Todas as unidades deverão ser as do Sistema Internacional (SI).
Serão utilizadas as seguintes notações:
m	 – massa [kg]
ρ	 – massa específica [kg/m3
]
D	 – diâmetro externo [m]
d	 – diâmetro interno [m]
Db
	 – diâmetro da base [m]
l	 – comprimento [m]
a, b	 – lados [m]
a) Disco ou cilindro maciço
O momento de inércia de massa de um disco, ou de um cilindro maciço, referido ao seu eixo longitudinal é
J = 1/8 * m * D2
[kgm2
],
									 (A1.1)
ou
J = π/32 * ρ * D4
* l [kgm2
]
								 (A1.2)
b) Cilindro oco
Anexo 1 - Cálculo do Momento de Inércia de Massa
9
9-2 | Guia de Aplicação Soft-Starter
J = 1/8 * m * (D2
+ d2
) [kgm2
]
								 (A1.3)
ou
J = π/32 * ρ * (D4
- d4
) * l [kgm2
]
								 (A1.4)
c) Paralelepípedo
J = 1/12 * m * (a2
+ b2
) [kgm2
]
								 (A1.5)
ou
J = 1/12 * ρ * (a3
b + ab3
) * l [kgm2
]
								 (A1.6)
d) Cone
J = 3/40 * m * Db
2
[kgm2
]
								 (A1.7)
ou
J = π/160 * ρ * Db
4
* l [kgm2
]
								 (A1.8)
Anexo 1 - Cálculo do Momento de Inércia de Massa
9
Guia de Aplicação Soft-Starter | 9-3
2. TEOREMA DOS EIXOS PARALELOS
O momento de inércia de massa J’ [kgm2
] de um corpo em relação a um eixo paralelo ao seu eixo baricêntrico
é dado por
J’ = J + m * e2
								 (A1.9)
Sendo: 	 e	 –	 distância entre os eixos [m], e
	 J	 –	 momento de inércia de massa em relação ao eixo baricêntrico
3. MOMENTO DE INÉRCIA DE FORMAS COMPOSTAS
Exemplo:
	 J1
= 1/8 * m1
* (D1
2
+ d1
2
) [kgm2
]
	 J2
= 1/8 * m2
* D1
2
+ d2
2
) [kgm2
]
	 J3
= 1/8 * m3
* (D2
2
+ d2
2
) [kgm2
]
	 J4
= 1/8 * m4
* D2
2
[kgm2
]
ou
	 J1
= (π * ρ) / 32 * (D1
4
– d1
4
) * I1
	 J2
= (π * ρ) / 32 * (D1
4
– d2
4
) * I2
	 J3
= (π * ρ) / 32 * (D2
4
– d2
4
) * I3
	 J4
= (π * ρ) / 32 * D2
4
* I4
	 J = J1
+ J2
+ J3
+ J4
[kgm2
]
Onde:
mi
	 -	 massa de cada primitiva i da peça [kg]
D1
, D2
	 -	 diâmetros externos [m]
d1
, d2
	 -	 diâmetros internos [m]
Ii
	 -	 comprimentos de cada primitiva i da peça [m]
Anexo 1 - Cálculo do Momento de Inércia de Massa
9
9-4 | Guia de Aplicação Soft-Starter
4. MOMENTO DE INÉRCIA DE CORPOS QUE SE MOVEM LINEARMENTE
O momento de inércia de uma massa m [kg] que se move linearmente reflete-se no seu eixo de acionamento
da seguinte forma:
4.1 Acionamento através de parafuso de movimento (fuso)
J = m * (p / 2π)2
[kgm2
]
									 (A1.10)
Sendo:
p	 –	 passo do fuso [m]
4.2 Acionamento através de pinhão/cremalheira, ou tambor/cabo, ou ainda rolete/esteira
J = m * r2
[kgm2
]
										 (A1.11)
Sendo:
r	 –	 raio primitivo do pinhão, ou raio externo do tambor ou rolete [m]
5. TRANSMISSÃO MECÂNICA
O momento de inércia de massa é refletido do eixo de saída (2) para o eixo de entrada (1) de uma transmissão
de acordo com a seguinte expressão:
J1
= J2
/ i2
										 (A1.12)
Onde:
J2
	 –	 momento de inércia [kgm2
] no eixo de saída (2), com rotação n2
[rpm]
J1
	 –	 momento de inércia [kgm2
] no eixo de entrada (1), com rotação n1
[rpm]
i	 –	 razão de transmissão (i = n1
/ n2
)
6. EXEMPLOS DE CÁLCULOS DE MOMENTO DE INÉRCIA DE MASSA
6.1 Calcular o momento de inércia de massa J do volante mostrado na figura abaixo
a)	 Momento de inércia do volante maciço
J1
= (π * ρ) / 32 * d1
4
* I1
Anexo 1 - Cálculo do Momento de Inércia de Massa
9
Guia de Aplicação Soft-Starter | 9-5
b)	 Momento de inércia dos alívios laterais (negativo)
J2
= (π * ρ) / 32 * d2
4
* (I1
– I2
)
c)	 Momento de inércia dos excessos laterais do cubo (positivo)
J3
= (π * ρ) / 32 * d3
4
* (I3
– I2
)
d)	 Momento de inércia do furo do cubo (negativo)
J4
= (π * ρ) / 32 * d4
4
* I3
e)	 Momento de inércia de um furo da alma
J5
= (π * ρ) / 32 * d5
4
* I2
f)	 Transposição de e) para o eixo baricêntrico do volante
J’5
= [(π * ρ) / 32 * d5
4
* I2
] + [(π * ρ) / 16 * d5
2
* d6
2
* I2
]
J’5
= (π * ρ) / 32 * d5
2
* I2
* (d5
2
+ d6
2
)
g)	 Momento de inércia de massa do volante
J = J1
– J2
+ J3
– J4
– (4 * J’5
)
J = (π * ρ) / 32 * {d1
4
* I1
– d2
4
* (I1
– I2
) + d3
4
*
(I3
– I2
) – d4
4
* I3
– 4 * [d5
2
* I2
* (d5
2
+ 2 * d6
2
)]}
6.2 Para o sistema mostrado no diagrama abaixo, calcular o momento de inércia total referido ao
eixo do motor
Dados:
JM
	=	 momento de inércia de massa do rotor do motor [kgm2
]
JP1
	=	 momento de inércia de massa da polia motora P1
[kgm2
]
JP2
	=	 momento de inércia de massa da polia movida P2
[kgm2
]
I	 =	 razão de transmissão (i = n1
/ n2
)
JF
	 =	 momento de inércia de massa do fuso de esferas recirculantes [kgm2
]
pF
	 =	 passo da rosca do fuso de esferas recirculantes [m]
mM
	=	 massa móvel da mesa da máquina [kg]
mP
	=	 massa da peça [kg]
Logo,
JTOt
= JM
+ JP1
+ (1/I2
) * [JP2
+ JF
+ (pF
/2π)2
* (mM
+ mP
)]
Anexo 1 - Cálculo do Momento de Inércia de Massa
9
9-6 | Guia de Aplicação Soft-Starter
Anexo 2 - Software de dimensionamento WEG - SDW
10
Guia de Aplicação Soft-Starter | 10-1
ANEXO 2 - SOFTWARE DE DIMENSIONAMENTO WEG - SDW
1. INTRODUÇÃO
Este software tem a finalidade de auxiliar no dimensionamento e na especificação das chaves de partida estática
WEG.
Principais funções e vantagens do software SDW:
„„ Utiliza o banco de dados dos motores WEG auxiliando no preenchimento dos dados;
„„ Possui como opção de dimensionamento, as principais aplicações com suas respectivas características para
auxiliar no preenchimento dos dados;
„„ Permite dimensionar a chave considerando as mais diversas condições de partida;
„„ O resultado apresenta além do modelo, uma lista de parâmetros básicos para auxiliar no start-up da chave.
2. COMO ACESSAR
O Software está disponível para acesso via Internet.
Um dos caminhos disponíveis no site da Weg é o seguinte:
„„ Acesse o site da weg (www.weg.com.br)
„„ Clique em Downloads e Sistemas On-line
„„ Clique em Software de Dimensionamento da Soft-Starter SDW 2.0
O resultado será a seguinte tela:
Figura 2 - Tela de abertura
Basta então clicar no botão:
Anexo 2 - Software de dimensionamento WEG - SDW
10
10-2 | Guia de Aplicação Soft-Starter
3. COMO USAR
O Software guia o usuário, que deve fornecer as informações na medida em que avança através da análise da
aplicação.
O primeiro passo é selecionar o idioma e o mercado a que se destina o acionamento.
A título de exemplo, vamos manter o idioma “Português” e o mercado “Brasil”.
Figura 3 - Seleção de idioma e mercado
Ao clicar no botão ajuda, nesta tela, aparecerá uma janela auxiliar com o seguinte texto
explicativo:
Idioma: Estão disponíveis os idiomas Português, Inglês e Espanhol. Ao selecionar um dos idiomas,
automaticamente o campo “mercado” será alterado de acordo com o idioma selecionado, conforme segue:
Português – Brasil; Inglês – América do Norte; Espanhol – América Latina.
Mercado: Estão disponíveis os seguintes mercados: África, América do Norte, América Latina, Austrália / Nova
Zelândia, Brasil e Europa. Ao selecionar um dos mercado, você terá disponível na próxima página, uma lista dos
principais motores fornecidos neste mercado.
Você pode selecionar qualquer mercado independente do idioma, por exemplo:
Idioma: Português
Mercado: América do Norte.
A próxima tela - que será mostrada ao pressionarmos o botão - tem o seguinte aspecto:
Anexo 2 - Software de dimensionamento WEG - SDW
10
Guia de Aplicação Soft-Starter | 10-3
Figura 4 - Dados iniciais do motor
Seguindo com nosso exemplo, vamos selecionar um motor Alto Rendimento Plus de 200cv, 06 pólos, para rede
380V, 60 Hz.
O conteúdo da tecla ajuda nesta tela é o seguinte:
Tipo de Motor/Linha: Neste campo estão disponíveis os principais tipos de motores correspondentes ao
mercado selecionado. Caso seu motor não esteja nesta lista, selecione o motor “Standard” e preencha os
demais dados conforme seu motor.
Norma: A norma informada neste campo não pode ser alterada e corresponde aos motores disponíveis para
cada mercado.
Número de Pólos: Selecione o número de pólos correspondente a do seu motor. Este dado será utilizado para
definir a velocidade do motor. Os motores standards estão disponíveis em 2, 4, 6 e 8 pólos. Ao selecionar uma
polaridade maior, por exemplo “12” pólos, o aplicativo não encontrará no banco de dados da WEG um motor
correspondente. Neste caso alguns dados não serão sugeridos sendo necessário serem preenchidos.
Categoria: Selecione a categoria correspondente a do seu motor. Este dado é utilizado para definir o formato
da curva de torque por rotação (C/Cn) do motor. Os motores standards estão disponíveis na categoria N. Ao
selecionar uma categoria diferente, por exemplo “D”, o aplicativo não encontrará no banco de dados da WEG um
motor correspondente. Neste caso alguns dados não serão sugeridos sendo necessário serem preenchidos.
Freqüência Nominal: A freqüência informada neste campo não pode ser alterada e corresponde aos motores
disponíveis para cada mercado. Unidade: Hertz (Hz).
Tensão Nominal: Neste campo estão disponíveis as tensões de ligação do motor. Escolha a tensão que seu
motor será conectado. Unidade: Volt (V).
Potência Nominal: Neste campo estão disponíveis as potência correspondentes ao tipo de motor selecionado.
Importante: se achar necessário, antes de selecionar um motor, selecione a unidade da potência (kW, cv ou HP).
Anexo 2 - Software de dimensionamento WEG - SDW
10
10-4 | Guia de Aplicação Soft-Starter
Como selecionamos um motor Alto Rendimento Plus de 200cv, 06 pólos, para rede 380V, 60 Hz, isto fará
o Software buscar em seu banco de dados as características deste motor, que aparecerão na tela a seguir,
quando se clicar em
Figura 5 - Estes dados (FP, rendimento, corrente, etc) foram conseguidos pelo Software,a partir do banco de dados de
motores WEG
O conteúdo da tecla ajuda nesta tela é o seguinte:
Fator de potência: Este valor é automaticamente preenchido de acordo com o motor selecionado, caso não
encontre o motor no banco de dados da WEG, o aplicativo irá sugerir um valor, o qual deverá ser conferido com
o dado de placa do seu motor. Importante: este valor é utilizado para o cálculo da corrente nominal do motor.
Rendimento: Este valor é automaticamente preenchido de acordo com o motor selecionado, caso não encontre
o motor no banco de dados da WEG, o aplicativo irá sugerir um valor, o qual deverá ser conferido com o dado
de placa do seu motor. Importante: este valor é utilizado para o cálculo da corrente nominal do motor.
Corrente nominal: Este valor é calculado com base nos dados informado anteriormente (potência nominal,
tensão nominal, fator de potência e rendimento). Este dado é imprescindível para a especificação da Soft-Starter.
Unidade: Amper (A).
Fator de serviço: Este valor deverá ser preenchido de acordo com os dados do seu motor somente se for
utilizado, caso contrário o valor deverá permanecer em 1 (um).
Tempo de rotor bloqueado: Este valor é automaticamente preenchido de acordo com o motor selecionado,
caso não encontre o motor no banco de dados da WEG, o aplicativo não sugerirá valor, que deverá ser preenchido
com o valor correspondente a do seu motor. É importante que este valor seja corretamente preenchido pois é
utilizado para verificar se o motor está apto para acionar a carga que será selecionada. Unidade: segundo (s).
Momento de inércia (J): Este valor é automaticamente preenchido de acordo com o motor selecionado, caso
não encontre o motor no banco de dados da WEG, o aplicativo não sugerirá valor, que deverá ser preenchido
com o valor correspondente a do seu motor. É importante que este valor seja corretamente preenchido pois
Anexo 2 - Software de dimensionamento WEG - SDW
10
Guia de Aplicação Soft-Starter | 10-5
é utilizado como base para sugerir valores de inércia das diversas opções de carga. Unidades: kgm2 ou lb.ft2
dependendo do mercado selecionado.
Prosseguindo com nosso exemplo vamos supor que não se deseja alterar estes dados.
Ou seja, o motor a ser utilizado em nosso exemplo terá as características arbitradas pelo Software.
Clicando em , temos:
Figura 6 - As curvas de torque e corrente também podem ser acessadas no banco de dados de motores WEG
O conteúdo da tecla ajuda nesta tela é o seguinte:
Conjugado nominal (Cn): Este valor é preenchido automaticamente com o valor calculado baseado nos dados
do motor selecionado.
Conjugado com rotor bloqueado (Cp/Cn): Este valor é automaticamente preenchido de acordo com o motor
selecionado. Caso não encontre o motor no banco de dados da WEG, o aplicativo não sugere valor, o qual
deverá ser preenchido de acordo com os dados de placa do seu motor.
Conjugado máximo (Cmáx/Cn): Este valor é automaticamente preenchido de acordo com o motor
selecionado. Caso não encontre o motor no banco de dados da WEG, o aplicativo não sugere valor, o qual
deverá ser preenchido de acordo com os dados de placa do seu motor.
Importante: O gráfico de conjugado por rotação (C/Cn) desta tela é construído de acordo com os valores
contidos na tabela. Se necessário, estes valores podem ser alterados.
Corrente com rotor bloqueado (Ip/In): Este valor é automaticamente preenchido de acordo com o motor
selecionado. Caso não encontre o motor no banco de dados da WEG, o aplicativo não sugere valor, o qual
deverá ser preenchido de acordo com os dados de placa do seu motor.
Importante: O gráfico de corrente por rotação (I/In) desta tela é construído de acordo com os valores contidos
na tabela. Se necessário, estes valores podem ser alterados.
Anexo 2 - Software de dimensionamento WEG - SDW
10
10-6 | Guia de Aplicação Soft-Starter
Tabelas de conjugado por rotação (C/Cn) e corrente por rotação (I/In): Estas tabelas são preenchidas
de acordo com os dados obtidos no banco de dados da WEG. Estes valores podem ser alterados de acordo
com o seu motor.
Botão:
Sempre que um ou mais valores forem alterados nesta tela, pressione este botão para que os gráficos sejam
atualizados.
Prosseguindo com nosso exemplo, vamos manter as curvas inalteradas e clicar em
O resultado será a tela para Dados da Aplicação:
Figura 7 - Dados da aplicação
Poderemos agora informar ao Software as características da aplicação (bomba, compressor, extrusora, etc).
Uma vantagem decisiva do Software é que ele sugere características “típicas” para as cargas, a partir da
experiência da Weg nestas aplicações.
Naturalmente, é sempre conveniente confrontar as características sugeridas pelo Software com as características
reais da máquina a ser acionada.
Em nosso exemplo, vamos supor uma Bomba Centrífuga, e alterar apenas o número de partidas por hora
sugerido pelo SDW (o Software havia sugerido 4, mas vamos supor que será feita apenas 1 partida por hora).
O conteúdo da tecla ajuda nesta tela é o seguinte:
Tipo de carga: Trata-se de um banco de dados de cargas, com suas respectivas características. Ao selecionar
uma determinada carga, o aplicativo sugere as características da mesma, tais como dados da curva de
conjugado por rotação e inércia referida ao eixo do motor (Jc).
Anexo 2 - Software de dimensionamento WEG - SDW
10
Guia de Aplicação Soft-Starter | 10-7
Referência da aplicação: Este campo você pode utilizar para identificar uma determinada aplicação. Exemplo:
“TAG 563786” ou então, “Ventilador da Fábrica II”.
Inércia da carga referida ao eixo do motor: Inicialmente o aplicativo sugere um valor de acordo com a
carga selecionada. Este valor pode ser alterado de acordo com a sua aplicação. Cada aplicação possui um
limite mínimo e um limite máximo para este valor, por exemplo: o aplicativo não permite que você preencha uma
inércia de 10 vezes a nominal do motor, para uma bomba centrífuga, da mesma forma que não permite que você
preencha uma inércia de uma vez a do motor para um ventilador / exaustor.
NOTA!
Alguns fabricantes de máquinas utilizam expressar a “inércia” de um corpo de acordo com outros
conceitos que não o momento de inércia J. Por exemplo, o GD2, que assume G como peso (e não
massa) e D o “diâmetro de giração” (ou “diâmetro de inércia”). Desta forma, para um cilindro maciço
de diâmetro d (e raio r) em relação a seu eixo, tem-se:
Figura 8 - “Diâmetro de giração” D de um cilindro
	 d
D =
	 √2
	 Gd2
	 G4r2
GD2
= = = 2Gr2
	 2	 2
Uma vez que, numericamente,
GD2
	 2Gr2
≡ ≡ 4 ⇒ GD2
≡ 4J
J	 Mr2
	
	 4
GD2
J =
	 4
(Desde que GD2
expresso em kgf.m2
e em kg.m2
)
NOTA!
Portanto, é necessário atenção se a inércia informada pelo fabricante da máquina é o GD2
ou o J.
O software SDW exige a informação do J, e não do GD2
!
Número de partidas por hora: Este valor é sugerido de acordo com a carga selecionada. Você pode alterar
este valor para qualquer um dos valores pré determinados. Este valor é utilizado para determinar a corrente
eficaz do ciclo, portanto deve ser o mais correto possível pois influenciará no dimensionamento.
Anexo 2 - Software de dimensionamento WEG - SDW
10
10-8 | Guia de Aplicação Soft-Starter
Intervalo entre partidas: Este valor é preenchido de acordo com o número de partidas por hora. Você pode
alterar este valor caso o intervalo entre partidas da sua aplicação for menor que o valor sugerido. Exemplo:
se o número de partidas por hora for 10, este campo será preenchido com “6 min” ou “360 s”. Este valor é
utilizado para determinar a corrente eficaz do ciclo, portanto deve ser o mais correto possível pois influenciará
no dimensionamento.
Fator de utilização: Este valor corresponde ao tempo de funcionamento do motor entre uma partida e outra,
por exemplo: se o intervalo entre partidas é de 10 minutos e o fator de utilização for de 60%, significa que o motor
vai funcionar durante 6 minutos e ficar desligado durante 4 minutos.
Prosseguindo com nosso exemplo, vamos clicar em
Figura 9 - Dados Gerais
Agora o Software nos convida a informar alguns dados do ambiente e do sistema de alimentação.
Ainda em nosso exemplo, mantenhamos os dados sugeridos pelo SDW, conforme figura acima.
O conteúdo da tecla ajuda nesta tela é o seguinte:
Condições do ambiente:
Altitude: Neste campo estão disponíveis alguns valores fixos de altitudes, o qual deverá ser selecionado de
acordo com o local onde a chave será instalada. A altitude padrão é 1000 m, acima deste valor e até 4000 m, o
aplicativo considera um fator progressivo de redução da corrente de saída da SSW.
Temperatura ambiente: Neste campo estão disponíveis alguns valores fixos de temperatura ambiente, o qual
deverá ser selecionado de acordo com o local onde a chave será instalada. A temperatura padrão é 40 °C, acima
deste valor e até 50 °C, o aplicativo considera um fator progressivo de redução da corrente de saída da SSW.
Anexo 2 - Software de dimensionamento WEG - SDW
10
Guia de Aplicação Soft-Starter | 10-9
Características do Sistema:
Tensão de rede trifásica: Este campo é preenchido automaticamente com a tensão do motor. Se a tensão
da rede for diferente da tensão do motor, você pode alterar este valor. O aplicativo só aceita tensões de rede
superiores a tensão do motor, por exemplo: tensão do motor 440 V, tensão da rede 480 V.
Queda de tensão na partida: Neste campo você pode definir a possível queda de tensão que irá ocorrer na
partida do sistema (motor / carga) selecionado. Se o valor não for alterado, o aplicativo irá considerar uma queda
de tensão de 2,5%. Esta queda de tensão implica numa redução do torque do motor.
Ligação do motor: A SSW-03 Plus possui dois modos de operação: ligação padrão (Standard) ou ligação
dentro da ligação delta do motor (Ligação dentro do ∆). Na ligacão padrão o motor é instalado em série com a
SSW através de três cabos.
Na ligação dentro da ligação delta do motor a SSW é instalada separadamente com cada enrolamento do motor
através de seis cabos. Com este tipo de ligação circulará através da Soft-Starter apenas a corrente dentro do
delta do motor, ou seja, aproximadamente 58% da corrente nominal do motor. Obrigatoriamente o motor deverá
ter disponível seis cabos para ligação, sendo a tensão da rede correspondente a tensão da ligação delta do
motor.
Exemplo:
Rede: 220 V – motor ?-220 / Y-380 V
Rede: 380 V – motor ?-380 / Y-660 V
Ligação padrão (Standard) com três cabos:
Figura 10 - Ligação padrão na “Ajuda” do SDW
Anexo 2 - Software de dimensionamento WEG - SDW
10
10-10 | Guia de Aplicação Soft-Starter
Figura 11 - Ligação dentro do delta na “Ajuda” do SDW
Soft-Starters - Ligação a 6 cabos
ATENÇÃO!
Não Para utilizarmos a Chave Soft-Starter SSW-03 Plus em ligação à 6 cabos (ligação dentro do
delta do motor), o secundário do transformador trifásico de alimentação das instalações elétricas
NÃO PODERÁ estar ligado na configuração DELTA. OBRIGATORIAMENTE, o secundário deste
transformador DEVERÁ ESTAR LIGADO em ligação ESTRELA com PONTO CENTRAL (NEUTRO)
ATERRADO.
Figura 12 - Soft-Starter - Ligação a 6 cabos
Anexo 2 - Software de dimensionamento WEG - SDW
10
Guia de Aplicação Soft-Starter | 10-11
O motor será conectado diretamente à rede após a partida (By-pass)?: Você poderá utilizar a SSW
somente na partida, transferindo o motor diretamente para a rede após a partida. Neste caso o aplicativo
considera somente a corrente na partida e a corrente eficaz do ciclo, sendo esta calculada considerando-se a
corrente em regime com valor zero.
Prosseguindo com nosso exemplo, vamos clicar em sem alterar nenhum dado.
O Software emite um alerta quanto à queda de tensão, que nós não alteramos, e conclui sua análise:
Figura 13 - Resultado
A tela de “Resultado” acima apresenta uma série de botões que acessam diferentes recursos do SDW, permitindo
ao usuário fazer várias simulações.
Esta é uma característica importante para que o usuário possa formar uma boa idéia do comportamento do
sistema como um todo.
O conteúdo da tecla ajuda nesta tela é o seguinte:
Resultado: O aplicativo fornece dois modelos de chave, um para partida com rampa de tensão e outro para
partida com limitação de corrente. Nos casos em que os modelos sugeridos forem diferentes, utilizar o maior
modelo, pois a opção do método de partida a ser utilizada, rampa de tensão ou limitação de corrente, depende
das características da carga e do sistema. Normalmente utilizamos a limitação de corrente como método de
partida, em cargas com alta inércia e baixo conjugado resistente na partida, como por exemplo: Britadores,
Ventiladores e picadores de madeira. A rampa de tensão é utilizada geralmente em cargas com baixa inércia e
Anexo 2 - Software de dimensionamento WEG - SDW
10
10-12 | Guia de Aplicação Soft-Starter
alto conjugado resistente na partida, como por exemplo: Bomba Alternativa, compressores a pistão, esteiras
transportadoras, com exceção da bomba centrífuga pois possui baixo conjugado resistente.
Resposta do Motor - Partida com rampa de tensão: Comportamento do motor no que se refere ao tempo
de aceleração e corrente eficaz de partida para um determinado pedestal de tensão.
Resposta do Motor - Partida com limitação de corrente: Comportamento do motor no que se refere ao
tempo de aceleração e corrente eficaz de partida para uma determinada limitação de corrente.
Botões:
Clicando neste botão você poderá redefinir o pedestal de tensão ou então a limitação de corrente e verificar a
resposta do motor e o modelo adequado para esta nova condição de partida.
Clicando neste botão você terá uma tela com os seguintes gráficos:
„„ Corrente por rotação do motor com partida direta e partida com a SSW;
„„ Tensão de saída por tempo;
„„ Aceleração do motor.
Clicando neste botão você terá uma tela com os principais parâmetros a serem ajustados na ocasião do start-
up.
Clicando neste botão será impresso um relatório de três páginas contendo o resultado, os dados utilizados e os
gráficos.
O botão Redimensionar da “Partida com rampa de tensão” exibe a seguinte tela, que dá opção de alterar o
pedestal de tensão:
Anexo 2 - Software de dimensionamento WEG - SDW
10
Guia de Aplicação Soft-Starter | 10-13
Figura 14 - Redimensionamento
O botão Redimensionar da “Partida com limitação de corrente” exibe a seguinte tela, que dá opção de alterar a
limitação de corrente adotada pela chave:
Figura 15 - Redimensionamento
Anexo 2 - Software de dimensionamento WEG - SDW
10
10-14 | Guia de Aplicação Soft-Starter
Os gráficos da partida com rampa de tensão de nosso exemplo terão o seguinte aspecto:
Figura 16 - Gráficos
Clicando agora no botão “Aceleração” da tela de Gráficos, temos os seguintes dados (que se referem à partida
com rampa de tensão):
Figura 17 - Gráficos – Aceleração
Anexo 2 - Software de dimensionamento WEG - SDW
10
Guia de Aplicação Soft-Starter | 10-15
Os gráficos da partida com limitação de corrente de nosso exemplo terão o seguinte aspecto:
Figura 18 - Gráficos
Clicando agora no botão “Aceleração” da tela de Gráficos, temos os seguintes dados (que se referem à partida
com limitação de corrente):
Figura 19 - Gráficos – Aceleração
Anexo 2 - Software de dimensionamento WEG - SDW
10
10-16 | Guia de Aplicação Soft-Starter
Apresenta os principais parâmetros a ser ajustados no start-up:
Figura 20 - Parâmetros
4. LIMITE DE RESPONSABILIDADE PELO USO DO SOFTWARE SDW
O Software SDW disponibiliza meios para o usuário realizar a análise da aplicação de uma maneira bastante fácil.
Toda a base de dados e regras incorporadas no Software formam uma ferramenta de análise, cujo resultado
deverá ser avalizado pelo próprio usuário.
A Weg sugere que o uso deste Software seja feito por profissionais capacitados a interpretar as informações
solicitadas e/ou fornecidas pelo Software.
A Weg não assume responsabilidade por perdas ou danos decorrentes da aplicação indevida do Software SDW.
Anexo 3 - Check-List para detalhamento da aplicação
Guia de Aplicação Soft-Starter | 11-1
11
ANEXO 3 - FOLHA DE DADOS PARA DIMENSIONAMENTO -
SOFT-STARTER
Dados Gerais
Empresa:	 Tel.:
Cidade / Estado:	 Fax:
Pessoa de Contato:	 E-mail:
Aplicação / Carga:
Dados da Aplicação
	 Potência Nominal:	 Nº de Pólos / Rotação Nominal:	 Tensão e Corrente de Placa:
	 ........................ CV	 [ ] 2 Pólos (3600 rpm)	 [ ] 220 V ⇒ ............A
	 Fator de Serviço:	 [ ] 4 Pólos (1800 rpm)	 [ ] 380 V ⇒ ............A
	 F.S. = .......................	 [ ] 6 Pólos (1200 rpm)	 [ ] 440 V ⇒ ............A
		 [ ] 8 Pólos ( 900 rpm)	 [ ] ....... V ⇒ ............A
	 É utilizado?	 [ ] ..... Pólos (........... rpm)
	 [ ] Não	 Faixa de Rotação desejada:	 Número de Partida por hora:
	 [ ] Sim	 De ................ a ................ rpm	 .................. Partidas / Hora
	 Tipo de Carga:	 Conjugado resistente da carga referido ao eixo do motor:
	 [ ] Bomba	 ........................ Nm
	 [ ] Bomba Centrífuga	 ........................ kgfm
	 [ ] Compressor a Pistão
	 [ ] Compressor a Parafuso
	 [ ] Ventilador e Exaustor	 Inércia da carga referida ao eixo do motor:
	 [ ] Misturador	 ........................ kgm2
	 [ ] Centrífugas
	 [ ] Outras
	 Rede de Alimentação	 Condições do Ambiente para Instalação:
	 [ ] 220 V	 Altitude:	 Atmosfera:	 Temperatura:
	 [ ] 380 V [ ] 50 Hz	 [ ] Até 1000m	 [ ] Normal	 [ ] Até 40 ºC
	 [ ] 440 V [ ] 60 Hz	 [ ] ................ m	 [ ] Agressiva	 [ ] ............ ºC
	 [ ] ............... V		 (especificar nas Obs.)
	 Grau de Proteção Necessário:	 Método de Comando:
	 [ ] IP 00 (aberto sem proteção)	 [ ] Botões Liga e Desliga
	 [ ] IP 20 (proteção contra toques)	 [ ] Interface Homem-Máquina
	 [ ] IP 54 (fechado - montado em painel	 [ ] Entrada Analógica (CLP ou SDCD)
	 [ ] Ao Tempo (painel especial para chuva)
	 [ ] ......................................... (especificar nas Obs.)
Observações:
Caso seja necessário fornecer mais informações específicas, favor enviar em anexo.
MOTOR
CARGA
INSTALAÇÃO
Anexo 3 - Check-List para detalhamento da aplicação
11-2 | Guia de Aplicação Soft-Starter
11
Referências Bibliográficas
„„ Math H. J. Bollen - ”Understanding Power Quality Problems: Voltage Sags and Interruptions” IEEE Press Series
on Power Engineering
„„ Roger C. Dugan - ”Electrical Power Systems Quality” McGraw-Hill
„„ J. Michael Jacob, Michael Jacob - ”Power Electronics: Principles and Applications”
„„ Orlando Sílvio Lobosco - “Seleção e Aplicação de Motores Elétricos” - McGraw-Hill
„„ IEEE 1159-1995 Recommended Practice on Monitoring Electrical Power Quality 1995
„„ IEC 61000-4-11 Edition 1.1 (2001-03 EMC Part 4-11: Testing and measurement techniques - Voltage dips, short
interruptions and voltage variations immunity tests
„„ IEC 60947-4-2 Edition 2.1 (2002-03) Low-voltage switchgear and controlgear Part 4-2: Contactors and motor
starters AC semiconductor motor controllers and starters
„„ NBR 5410:1997 Instalações Elétricas de Baixa Tensão
„„ CATÁLOGO GERAL DE MOTORES ELÉTRICOS WEG MOTORES
„„ MANUAL DE CHAVES DE PARTIDA WEG ACIONAMENTOS
„„ MANUAL DA SOFT- STARTER - Série: SSW-03 Plus WEG AUTOMAÇÃO
„„ MANUAL DA SOFT- STARTER WEG - Série: SSW-04 WEG AUTOMAÇÃO
„„ SSW-05 MANUAL DO USUÁRIO WEG - Série: SSW-05 Plus WEG AUTOMAÇÃO
„„ MANUAL DE INSTALAÇÃO E MANUTENÇÃO DE MOTORES ELÉTRICOS WEG MÁQUINAS
REFERÊNCIAS BIBLIOGRÁFICAS

Guia de aplicação de soft starters

  • 1.
    Motors | Energy| Automation | Coatings Soft-Starter Arrancador Suave Soft-Starter SSW User's Guide Guia del Usuario Guia do Usuário
  • 2.
    GUIA DE APLICAÇÃODE SOFT-STARTERS Série: SoftStarter Idioma: Português N º do Documento: XXXXXXXX Modelos: XXX Data da Publicação: 03/2009
  • 3.
    Anexo 3 -Check-List para detalhamento da aplicação 2 | Guia de Aplicação Soft-Starter 11 AUTORIA “Este ‘Guia de Soft-Starter’ foi escrito pelo Tecnólogo Rogério Ferraz, a quem coube a coordenação do trabalho e a criação dos capítulos 1, 4, 5, 6, 7, 8 e anexo II, e pelo Engº. Enivaldo C. do Nascimento que atuou na criação do capítulo 4. Os capítulos 2 e 3 e os anexos I e III foram revisados pelos autores a partir do Guia do Inversores de Freqüência da WEG.”
  • 4.
    Indice 0ÍNDICE INTRODUÇÃO 1.1 MÉTODOS DEPARTIDA DE MOTORES..............................................................................................1-1 1.2 MÉTODOS TRADICIONAIS DE PARTIDA DE MOTORES..................................................................1-2 1.2.1 Partida de motores com embreagens.......................................................................................1-2 1.2.2 Transmissão hidráulica...............................................................................................................1-2 1.2.3 Acoplamento Hidráulico.............................................................................................................1-2 1.2.4 Motor de Anéis............................................................................................................................ 1-3 1.2.5 Inversor de Freqüência como um Método de Partida............................................................ 1-5 COMO FUNCIONA UM MOTOR DE INDUÇÃO? 2.1 PRINCÍPIOS BÁSICOS DE FUNCIONAMENTO..................................................................................2-1 2.3.1 Torque x Velocidade................................................................................................................... 2-6 2.3.2 Corrente x Velocidade................................................................................................................ 2-6 2.4 POTÊNCIA E PERDAS......................................................................................................................... 2-6 2.5 CARACTERÍSTICAS DE TEMPERATURA – CLASSES DE ISOLAMENTO TÉRMICO.....................2-7 2.6 TEMPO DE ROTOR BLOQUEADO.......................................................................................................2-7 MÉTODOS DE COMANDO DE UM MOTOR DE INDUÇÃO 3.1 CATEGORIAS DE PARTIDA................................................................................................................. 3-1 3.2 FORMAS DE PARTIDAS...................................................................................................................... 3-2 3.3.1 Frenagem por contra-corrente................................................................................................. 3-8 3.3.2 Frenagem por injeção de corrente contínua (CC).................................................................. 3-9 3.4 VANTAGENS E DESVANTAGENS DOS MÉTODOS DE PARTIDA...................................................3-10 3.5 NBR-5410 REFERENTE A PARTIDA COM CORRENTE REDUZIDA...............................................3-11 6.5.3 Motores.......................................................................................................................................3-12 6.5.3.1 Generalidades.........................................................................................................................3-12 6.5.3.2 Limitação das perturbações devidas à partida de motores ............................................3-12 SOFT-STARTER 4.1 INTRODUÇÃO....................................................................................................................................... 4-1 4.1.1 Semicondutores e componentes eletrônicos.......................................................................... 4-1 4.1.2 A característica mais marcante dos tiristores........................................................................ 4-1 4.1.3 Introdução às válvulas de descarga a gás............................................................................... 4-1 4.1.4 Thyratron...................................................................................................................................... 4-2 4.1.5 SCR (Silicon Controlled Rectifier)............................................................................................. 4-3 4.1.6 Entendendo o disparo do SCR.................................................................................................. 4-4 4.3.1 Principais funções.....................................................................................................................4-12 4.3.2 Proteções....................................................................................................................................4-16 4.3.3 Acionamentos típicos...............................................................................................................4-16 PARÂMETROS DA SOFT-STARTER 5.2 PARÂMETROS DE REGULAÇÃO........................................................................................................ 5-3 5.3 PARÂMETROS DE CONFIGURAÇÃO................................................................................................. 5-8 5.4 PARÂMETROS DO MOTOR................................................................................................................5-14 5.5 ERROS E POSSÍVEIS CAUSAS..........................................................................................................5-16 DIMENSIONAMENTO DO CONJUNTO MOTOR + SOFT-STARTER 6.1 INTRODUÇÃO....................................................................................................................................... 6-1 6.1.1 Definições..................................................................................................................................... 6-1 6.1.2 Relações básicas........................................................................................................................ 6-1 6.2 INTERAÇÃO ENTRE PROCESSO, MÁQUINA, MOTOR E ACIONAMENTO.................................... 6-3 6.2.1 A importância do processo/máquina....................................................................................... 6-3 6.2.2 Aplicação de acionamentos elétricos - Problemas típicos.................................................. 6-5 6.3 O QUE A CARGA REQUER.................................................................................................................. 6-6 6.3.1 Tipos de cargas........................................................................................................................... 6-6 6.3.2 O pico da carga........................................................................................................................... 6-7
  • 5.
    Indice 0 6.3.3 ESTIMANDO CARGAS......................................................................................................................6-7 6.4.1 Categorias AC53a e AC53b........................................................................................................ 6-8 6.4.2 Capacidade térmica da Soft-Starter........................................................................................ 6-9 6.4.3 Corrente RMS num ciclo (IRMS )..................................................................................................6-10 6.4.4 Casos especiais.........................................................................................................................6-12 6.4.5 Tempo de rotor bloqueado do motor......................................................................................6-13 6.4.6 Tempo de aceleração................................................................................................................6-14 6.5 AFUNDAMENTO DE TENSÃO OU QUEDA DE TENSÃO MOMENTÂNEA (VOLTAGE SAG / VOLTAGE DIP).............................................................................................................................................................6-19 6.5.1 Conseqüências de uma queda de tensão momentânea...................................................... 6-22 6.5.2 Comentários sobre soluções contra queda de tensão momentânea................................ 6-22 6.5.3 Capacidade relativa da rede de alimentação........................................................................ 6-23 6.5.4 Comentários sobre a queda de tensão e a influência na partida do motor...................... 6-29 6.6 APLICAÇÕES TÍPICAS....................................................................................................................... 6-31 6.6.1 Máquinas com partidas leves.................................................................................................. 6-31 6.6.2 Máquinas com partidas severas.............................................................................................6-34 6.7 REGRAS PRÁTICAS DE DIMENSIONAMENTO...............................................................................6-40 INSTALAÇÃO DA SOFT-STARTER 7.1 INTRODUÇÃO........................................................................................................................................7-1 7.2 LIGAÇÃO PADRÃO, ENTRE A REDE E O MOTOR (“FORA” DA LIGAÇÃO DELTA DO MOTOR)....7-2 7.2.1 Chave seccionadora....................................................................................................................7-2 7.2.2 Fusíveis ou disjuntor....................................................................................................................7-2 7.2.3 Contator........................................................................................................................................7-2 7.2.4 Fiações de controle e interface Homem-Máquina (IHM)........................................................7-3 7.2.5 Correção de Fator de Potência..................................................................................................7-3 7.2.6 Aterramento..................................................................................................................................7-3 7.3 LIGAÇÃO DENTRO DO DELTA DO MOTOR....................................................................................... 7-4 7.3.1 Introdução.................................................................................................................................... 7-4 7.3.2 Exemplo de ligação com SSW-03 Plus dentro da ligação delta do motor...........................7-5 7.3.3 Ligação de terminais de motores com tensões múltiplas......................................................7-7 7.3.4 Possibilidades de ligação da SSW-03 Plus em função do fechamento do motor...............7-9 7.4 SSW-05 (MICRO SOFT-STARTER).....................................................................................................7-10 7.5 LIGAÇÃO DA SMV-01 (SOFT-STARTER PARA MÉDIA TENSÃO)...................................................7-13 LINHA DE SOFT-STARTER WEG .....................................................................................8-1 ANEXO 1 - CÁLCULO DO MOMENTO DE INÉRCIA DE MASSA 1. MOMENTO DE INÉRCIA DE FORMAS SIMPLES................................................................................ 9-1 2. TEOREMA DOS EIXOS PARALELOS.................................................................................................... 9-3 3. MOMENTO DE INÉRCIA DE FORMAS COMPOSTAS......................................................................... 9-3 4. MOMENTO DE INÉRCIA DE CORPOS QUE SE MOVEM LINEARMENTE........................................ 9-4 5. TRANSMISSÃO MECÂNICA.................................................................................................................. 9-4 6. EXEMPLOS DE CÁLCULOS DE MOMENTO DE INÉRCIA DE MASSA.............................................. 9-4 ANEXO 2 - SOFTWARE DE DIMENSIONAMENTO WEG - SDW 1. INTRODUÇÃO........................................................................................................................................10-1 2. COMO ACESSAR..................................................................................................................................10-1 3. COMO USAR......................................................................................................................................... 10-2 4. LIMITE DE RESPONSABILIDADE PELO USO DO SOFTWARE SDW.............................................10-16 ANEXO 3 - FOLHA DE DADOS PARA DIMENSIONAMENTO - SOFT-STARTER REFERÊNCIAS BIBLIOGRÁFICAS
  • 6.
    Guia de AplicaçãoSoft-Starter | 1-1 Introdução 1 INTRODUÇÃO É recorrente no desenvolvimento de nossa sociedade a necessidade de acelerar, manter em movimento e parar máquinas. Seja através de tração animal, sejam monjolos, moinhos de vento ou vapor, foram várias as soluções de que nossos precursores lançaram mão para obter maior conforto, maior segurança. e para atingir melhores resultados em suas atividades. Figura 1.1: Moinho de Vento O atual estado de desenvolvimento dos acionamentos elétricos concentra o resultado de um longo período de tentativas e descobertas, em diversas áreas do conhecimento, para movimentar nossas máquinas cada vez mais sofisticadas e exigentes. A Soft-Starter hoje já é uma alternativa plenamente consolidada para partidas e paradas de motores trifásicos de indução. A evolução dos processos e máquinas criou um ambiente propício ao acionamento suave, controlado e com múltiplos recursos disponibilizados pelo controle digital. Indo além, há uma maior consciência de que nossos recursos exigem conservação cuidadosa, o que faz da Soft-Starter um equipamento em sintonia com o cenário energético atual, colaborando para o uso racional de nossas instalações. Temos a satisfação de reconhecer que o Brasil está muito bem representado nesta área por uma empresa nacional cujo nome já é sinônimo de qualidade nos cinco continentes, a Weg. Estamos certos de que este guia será de grande valia para os técnicos, engenheiros e empreendedores que, conosco, trabalham para construir um futuro à altura das potencialidades do nosso país. Já é possível ver este futuro. 1.1 MÉTODOS DE PARTIDA DE MOTORES Conforme veremos no capítulo 2 (Funcionamento do motor de indução), picos de corrente e torque são intrínsecos à partida com plena tensão do motor trifásico. Na prática, muitas vezes deseja-se limitar o valor da corrente que será drenada da rede de alimentação a fim de evitar: 1) distúrbios na rede ou 2) aumento da demanda de energia elétrica. No caso dos distúrbios na rede, o objetivo é reduzir a queda de tensão (ou mesmo a sua interrupção). No caso do aumento da demanda, deseja-se atender limites definidos junto às concessionárias de energia elétrica, uma vez que o não atendimento destes limites é punido com a cobrança tarifas elevadas. Embora, invariavelmente a redução da corrente seja acompanhada de uma redução do torque no motor, nem sempre esta redução de torque é tida como prejudicial. Na verdade este é um dos aspectos que precisam ser cuidadosamente ponderados a fim de obter-se o melhor dimensionamento do conjunto motor + sistema de partida.
  • 7.
    1-2 | Guiade Aplicação Soft-Starter Introdução 1 1.2 MÉTODOS TRADICIONAIS DE PARTIDA DE MOTORES Podemos agrupar os métodos de partida de motores trifásicos conforme segue: 1) Aqueles em que a tensão aplicada ao motor é a tensão plena da rede (partida direta) 2) Aqueles em que a tensão aplicada ao motor é a tensão plena, entretanto a ligação das bobinas do motor leva a uma tensão menor em cada bobina (chaves estrela- triângulo e série- paralela) 3) Aqueles em que a tensão aplicada ao motor é efetivamente reduzida (chaves compensadoras e Soft- Starter) Os itens acima são abordados em maior profundidade nos capítulos seguintes. 1.2.1 Partida de motores com embreagens O objetivo básico que leva a utilização de embreagens é permitir que durante a aceleração de motores assíncronos a partida se dê praticamente a vazio e a corrente de partida tenha uma duração mínima, com vantagens para a rede de alimentação e para o motor. Por outro lado o motor poderá atingir seu conjugado máximo em processo momentâneo de desaceleração (durante o acoplamento da embreagem), enquanto nos outros métodos este conjugado máximo será atingido em plena aceleração. A necessidade de manutenção e maior complexidade de montagem do conjunto mecânico são algumas das restrições do uso de embreagens. 1.2.2 Transmissão hidráulica Em um sistema de transmissão hidráulica, a energia é transferida empregando-se um fluído para controlar um movimento linear ou um eixo de saída. Há dois tipos principais de transmissão hidráulica: 1) hidrocinéticos (como acoplamentos hidráulicos), que utilizam a energia cinética de um fluído 2) hidrostáticos, que utilizam a energia de pressão do fluído. 1.2.3 Acoplamento Hidráulico O princípio de funcionamento do acoplamento hidráulico pode ser explicado por analogia com um sistema de bombeamento. Neste sistema uma bomba centrífuga de óleo (“parte motora”) é acionada por um motor elétrico. Uma turbina (“parte movida”), cujo eixo aciona a máquina, é acionada através do óleo movimentado pela bomba. Tanto a “parte motora” quanto a “parte movida” compartilham um mesmo invólucro, sem conexão mecânica entre elas. A energia é transmitida pelo fluído (óleo) entre as partes. Desde o início do movimento do motor há uma tendência de movimento da “parte movida“ (eixo que aciona a máquina). Quando o conjugado transmitido ao eixo que aciona a máquina se igualar ao conjugado resistente inicia-se a aceleração da máquina. Este é um método de partida historicamente associado a partida de cargas com inércia elevada, como moinhos ou transportadores. O gráfico a seguir ilustra a evolução do torque no eixo de saída do acoplamento.
  • 8.
    Guia de AplicaçãoSoft-Starter | 1-3 Introdução 1 Figura 1.2: O acoplamento hidráulico segue o princípio das máquinas centrífugas: o torque transmitido ao eixo de saída é proporcional ao quadrado da velocidade Fisicamente, instala-se o acoplamento hidráulico entre o motor e a máquina Figura 1.3: Exemplo de acoplamento hidráulico com montagem por polias O acoplamento hidráulico necessita de manutenção para checagem do nível e carga de óleo, o que pode se tornar um procedimento mais ou menos difícil em função da montagem (com polias, axial ao eixo do motor, com redutores, etc). Manutenção inadequada ou vazamento do óleo podem causar danos no sistema. 1.2.4 Motor de Anéis Os motores de anéis caracterizam-se pela capacidade de alteração das curvas de conjugado e corrente através da inserção de resistências externas ao circuito rotórico do motor.
  • 9.
    1-4 | Guiade Aplicação Soft-Starter Introdução 1 Figura 1.4: Exemplo de circuito de força de motor de anéis Esta alteração das curvas do motor tornaram o uso do motor de anéis bastante conveniente para aceleração de máquinas com alto conjugado resistente em baixas rotações, como pode-se observar na figura abaixo.
  • 10.
    Guia de AplicaçãoSoft-Starter | 1-5 Introdução 1 Figura 1.5: Partida com motor de anéis. A inserção dos devidos resistores no circuito rotórico leva o torque máximo do motor ao instante inicial de partida. O motor de anéis também encontrou aplicação em máquinas que necessitam de alguma variação de velocidade e redução na corrente de partida. Entretanto, o uso de Inversores de Freqüência tem levado os motores de anéis a fazer parte apenas de situações muito específicas. Vale lembrar que o uso de Inversores para partidas de cargas com alto conjugado de partida merece cuidado particular de dimensionamento. Deve-se levar em conta o ciclo de operação e a corrente solicitada com Inversor no dimensionamento “térmico” do conjunto motor + inversor. 1.2.5 Inversor de Freqüência como um Método de Partida Embora a principal função do Inversor de Freqüência seja a variação de velocidade, não é possível deixar de lado suas virtudes no que tange à aceleração e parada de máquinas. Em todos os métodos de partida, o que se procura são maneiras de lidar com os “transitórios” de partida (elétricos e mecânicos), e, assim, alcançar com sucesso, e com o mínimo de distúrbio, o funcionamento estável do sistema. Figura 1.6: Curva torque versus rotação de um motor trifásico acionado por Inversor Vetorial. Desde que provido de meio de ventilação adequada, o motor trifásico acionado por Inversor de Freqüência pode aplicar seu torque nominal mesmo em velocidades baixas durante quanto tempo for necessário Com o Inversor de Freqüência estes transitórios são praticamente eliminados, ou, pelo menos, são bastante reduzidos.
  • 11.
    1-6 | Guiade Aplicação Soft-Starter Introdução 1 Por exemplo, em cargas com alta inércia, o torque e a rampa de aceleração podem ser ajustados da maneira que se consiga a aceleração mais suave possível. Isto porque o Inversor de Freqüência “toma as rédeas” do sistema desde os primeiros instantes da aceleração. Quando se necessita de controle na desaceleração, com ou sem frenagem, também através do Inversor encontramos o maior número de alternativas: tanto pode-se conseguir a parada e desaceleração suaves de uma bomba, quanto torque de frenagem para a descida de uma carga (ponte rolante, guindaste). Figura 1.7: Fundamental de uma fase na saída do inversor de freqüência durante um processo de aceleração seguido de desaceleração. Com uma taxa de aumento de velocidade (rampa de aceleração) adequada, aliada a novas tecnologias de controle vetorial como o Vectrue, pode-se praticamente eliminar os transitórios de partida em algumas aplicações. Entretanto, convém frisar que cada máquina requer seus devidos cuidados no dimensionamento do Inversor e eventuais acessórios (resistor de frenagem, tipo de retificador, etc). Figura 1.8: Inversores de Freqüência série CFW-09. A baixa exigência de manutenção é um dos principais diferenciais dos Inversores de Freqüência, assim como as Soft-Starters
  • 12.
    Como Funciona umMotor de Indução? 2 Guia de Aplicação Soft-Starter | 2-1 COMO FUNCIONA UM MOTOR DE INDUÇÃO? Para compreender o funcionamento da Soft-Starter e de um Inversor de Freqüência é de fundamental importância entender primeiro como funciona um motor de indução. Para começar enunciaremos os princípios físicos básicos da conversão de energia elétrica em energia mecânica. 2.1 PRINCÍPIOS BÁSICOS DE FUNCIONAMENTO 1. Uma corrente circulando por um condutor produz um campo magnético, representado na figura 2.1 pelas linhas circulares chamadas de linhas de indução magnética. No centro da figura se encontra o condutor e as linhas circulares em volta são uma representação gráfica do campo magnético gerado pela corrente. Figura 2.1 2. Se um condutor é movimentado dentro de um campo magnético, aparecerá uma tensão induzida entre os terminais do condutor, proporcional ao número de linhas de indução cortadas por segundo (figura 2.2). Se o dito condutor forma um circuito fechado, circulará por ele uma corrente elétrica. Figura 2.2
  • 13.
    Como Funciona umMotor de Indução? 2 2-2 | Guia de Aplicação Soft-Starter 3. Dois condutores adjacentes (a e b) pelos quais está circulando uma corrente elétrica (ia e ib) produzem cada um deles um campo magnético (Item 1). A interação entre estes dois campos magnéticos produzirá uma força (F) de atração ou repulsão entre os condutores (figura 2.3), proporcional à corrente que circula por ambos condutores e à distância (d) entre eles. Figura. 2.3 4. Um bobinado polifásico, igual ao mostrado na figura 2.4, alimentado por um sistema de tensões trifásico (figura 2.5) produzirá um campo magnético girante (figura 2.6). Este princípio é similar ao visto na figura 2.1, com a diferença que neste o campo magnético é estático. Figura 2.4 Figura 2.5
  • 14.
    Como Funciona umMotor de Indução? 2 Guia de Aplicação Soft-Starter | 2-3 Na figura 2.6, os pontos identificados com os números ... correspondem aos momentos em que a tensão de uma das três fases é igual a zero. Desta maneira é mais fácil fazer a composição dos vetores de indução magnética para cada instante. Na figura pode-se ver que a resultante destes vetores está girando (campo girante) com uma velocidade proporcional a freqüência e ao número de pólos do motor. Figura 2.6 5. A velocidade do campo girante descrito anteriormente, chamada de velocidade síncrona, é proporcional à freqüência do sistema de tensões trifásico e ao número de pólos do bobinado. Velocidade do campo girante [rpm]= (freqüência [1/s] x 120 ) / n° de pólos 6. Conjugado: O conjugado (também chamado de torque, momento ou binário) é a medida do esforço necessário para girar um eixo. É sabido, pela experiência prática, que para levantar um peso por um processo semelhante ao usado em poços de água – ver figura 2.7 – a força F que é preciso aplicar à manivela depende do comprimento da manivela. Quanto maior a manivela, menor será a força necessária. Se dobrarmos o tamanho da manivela, a força F necessária será diminuída a metade. No exemplo da figura 2.7, se o balde pesa 20kgf e o diâmetro do tambor é 20 cm, a corda transmitirá uma força de 20 kgf na superfície do tambor, isto é, a 0,1m (10cm) do centro do eixo. Para contrabalançar esta força, precisamos de 10 kgf na manivela, se o comprimento “a” for 0,2 m (20cm). Se “a” for o dobro, isto é 0,4 m, a força F será a metade, ou seja, 5kgf. Como se vê, para medir o “esforço” necessário para fazer girar o eixo não basta definir a força empregada: é preciso também dizer a que distância do eixo a força é aplicada. O “esforço” é medido pelo conjugado, que é o produto F x a , da “força” pela “distância”. No exemplo citado, o conjugado vale: C = 20 kgf x 0,1 m = 10 kgf x 0,2 m = 5 kgf x 0,4 = 2mkgf
  • 15.
    Como Funciona umMotor de Indução? 2 2-4 | Guia de Aplicação Soft-Starter Figura 2.7 Os motores de indução mais utilizados na indústria são os chamados motores de gaiola trifásicos (figura 2.8 - rotor e estator). 1 23 4 5 6 7 8 9 10 11 12 NÚCLEO DE CHAPAS BARRAS DE ANÉIS DE CURTO-CIRCUITO NÚCLEO DE CHAPAS VENTILADOR PROTEÇÃO DO VENTILADOR CAIXA DE LIGAÇÃO TERMINAIS EIXO TAMPAS CARCAÇA ENTROLAMENTO TRIFÁSICO ROLAMENTOS Figura 2.8 Estator: Carcaça (1), Núcleo de Chapas (2), Enrolamento trifásico (8) Rotor: Eixo (7), Núcleo de chapas (3), Barras e anéis de curto-circuito (12) Outras partes: Tampas (4), Ventilador (5), Proteção do ventilador (6), Caixa de ligação (9), Terminais (10), Rolamentos (11). Nestes motores o rotor é fabricado com espiras em curto-circuito formando uma verdadeira gaiola. O estator é formado por três bobinas (bobinado trifásico), com pares de pólos em cada fase.
  • 16.
    Como Funciona umMotor de Indução? 2 Guia de Aplicação Soft-Starter | 2-5 2.2 ANÁLISE DE FUNCIONAMENTO Para análise de funcionamento pode-se considerar o motor de indução como um transformador, onde o enrolamento primário deste transformador é formado pelo estator e o enrolamento secundário pelo rotor. O próprio nome “motor de indução” se deve ao fato de que toda a energia requerida pelo rotor para a geração de torque é “induzida” pelo primário do transformador (estator) no secundário (rotor). Como existem dois campos magnéticos, um no estator e outro no rotor, e como descrito no item 3, aparecerá uma força entre o rotor e o estator que fará com que o rotor gire, já que é o único que pode se movimentar pois está montado sobre rolamentos, disponibilizando assim energia mecânica (torque) no seu eixo. Para facilitar o entendimento do funcionamento do motor de indução dividiremos o estudo em três casos hipotéticos: Caso 1 Primeiramente consideraremos um motor de dois pólos com o “rotor bloqueado”, isto significa que através de algum dispositivo mecânico impediremos que o eixo do motor (rotor) gire. Nesta condição, se aplicarmos tensão trifásica com freqüência de 60Hz nos terminais do bobinado do estator, este produzirá um campo magnético girante com velocidade de 3600 rpm (item 5). As linhas de indução deste campo magnético “cortarão” as espiras do rotor com velocidade máxima induzindo assim a máxima tensão nas espiras do rotor, e como estas estão em curto-circuito, circulará também a máxima corrente por elas. Como toda a energia produzida no rotor tem de ser “induzida” pelo estator, circulará no bobinado do estator uma corrente elevada (6 a 8 vezes maior que a corrente nominal do motor). Se esta condição for mantida por mais que alguns segundos os fios do bobinado do estator irão esquentar de forma indevida, podendo até danificar (queimar) o bobinado, pois não foram projetados para suportar esta corrente por um período de tempo grande. Caso 2 Agora vamos para o outro extremo. Vamos supor que o rotor do motor possa girar exatamente à velocidade de 3600 rpm. Neste caso as linhas de indução do campo magnético girante produzido pelo estator “não cortarão” as espiras do rotor pois os dois estão girando com mesma velocidade. Sendo assim não haverá tensão induzida, nem corrente, nem geração de campo magnético. Para a produção de energia mecânica (torque) no motor é necessária a existência de dois campos magnéticos, sendo assim, não haverá torque no eixo do motor. Caso 3 Vamos supor agora que, nas mesmas condições do Caso 2, baixamos a velocidade do rotor do motor para 3550 rpm. O campo magnético girante tem uma velocidade de 3600 rpm, é assim que as linhas de indução do campo magnético girante do estator “cortarão” as espiras do rotor com uma velocidade de 50 rpm (3600 rpm – 3550 rpm = 50 rpm), produzindo uma tensão e uma corrente induzida no rotor. A interação entre os dois campos magnéticos, o do estator e o do rotor, produzirão uma força, que pela sua vez produzirá torque no eixo do motor. A diferença entre a velocidade síncrona (3600 rpm) e a velocidade do rotor é conhecida como “escorregamento”. Escorregamento = velocidade síncrona – velocidade do rotor (Ns – N) S = Ns Descritas estas três condições, podemos agora imaginar o que acontece na prática com nosso motor de indução. Na partida acontece algo similar ao descrito no caso 1, mas na prática a diferença do rotor bloqueado do caso 1 nosso motor pode girar livremente. Sendo assim circulará no bobinado do estator uma corrente elevada (6 a 8 vezes maior que a corrente nominal do motor) que diminuirá a medida que a velocidade do motor aumenta. Quando a velocidade do rotor se aproxima da velocidade síncrona (caso 2) o torque produzido diminuirá, fazendo diminuir também a velocidade do rotor. Existirá então um ponto de equilíbrio entre a carga do motor e a velocidade do rotor (caso 3). Se a carga no eixo do motor aumenta, a velocidade do rotor tenderá a diminuir, e o escorregamento aumentará. Se o escorregamento aumenta a velocidade com que as linhas de indução do campo magnético do rotor “cortam” o estator aumentará, aumentando também a tensão e corrente induzida no rotor. Se a corrente é maior, o campo magnético gerado por esta também será maior, aumentando assim o torque disponível no eixo do motor, chegando novamente numa condição de equilíbrio. Se o torque requerido pela carga é maior que o
  • 17.
    Como Funciona umMotor de Indução? 2 2-6 | Guia de Aplicação Soft-Starter nominal do motor, e se esta condição é mantida por muito tempo, a corrente do motor será maior que a nominal e o motor será danificado. 2.3 CURVAS CARACTERÍSTICAS DO MOTOR DE INDUÇÃO 2.3.1 Torque x Velocidade É a curva que mostra a relação entre o torque desenvolvido pelo motor e a sua rotação. Na partida, quando o motor é ligado diretamente à rede, o torque (torque de partida) será de aproximadamente 2 a 2,5 vezes o torque nominal, diminuindo a medida que a velocidade aumenta até atingir um valor de 1,5 a 1,7 do torque nominal a aproximadamente 30% da velocidade nominal. A medida que a velocidade aumenta o torque aumenta novamente até atingir o seu valor máximo (80% da velocidade nominal) chegando a seu valor nominal na velocidade nominal. Como mostra a curva (linha cheia) da figura 2.9. 2.3.2 Corrente x Velocidade É a curva (linha tracejada da figura 2.9) que mostra a relação entre a corrente consumida pelo motor em função da sua velocidade. A figura mostra que na partida, quando o motor é ligado diretamente à rede, a corrente que circula por ele será 5 a 6 vezes maior que a corrente nominal, diminuindo a medida que a velocidade aumenta até atingir um valor estacionário determinado pela carga acoplada ao motor. Se a carga for a nominal a corrente será também a corrente nominal. Figura 2.9: Curva Torque x Velocidade e Corrente x Velocidade para motores de indução de rotor em gaiola alimentados com tensão e freqüência constantes 2.4 POTÊNCIA E PERDAS Na placa de identificação do motor existe um parâmetro chamado de rendimento e identificado pela letra grega η. Este parâmetro é uma medida da quantidade de potência elétrica transformada pelo motor em potência mecânica. A potência transmitida à carga pelo eixo do motor é menor que a potência elétrica absorvida da rede, devido às perdas no motor. Essas perdas podem ser classificadas em: „„ perdas no enrolamento estatórico (perdas no cobre); „„ perdas no rotor; „„ perdas por atrito e ventilação; „„ perdas magnéticas no núcleo (perdas no ferro);
  • 18.
    Como Funciona umMotor de Indução? 2 Guia de Aplicação Soft-Starter | 2-7 2.5 CARACTERÍSTICAS DE TEMPERATURA – CLASSES DE ISOLAMENTO TÉRMICO Sendo o motor de indução uma máquina robusta e de construção simples, a sua vida útil depende quase exclusivamente da vida útil da isolação do bobinado e da vida mecânica dos rolamentos. Vida útil da isolação refere-se ao envelhecimento gradual do isolante, não suportando mais a tensão aplicada e produzindo curto- circuito entre as espiras do bobinado. Para fins de normalização, os materiais isolantes e os sistemas de isolamento (cada um formado pela combinação de vários materiais) são agrupados em CLASSES DE ISOLAMENTO, cada qual definida pelo respectivo limite de temperatura, ou seja, pela maior temperatura que o material pode suportar continuamente sem que seja afetada sua vida útil. As classes de isolamento utilizadas em máquinas elétricas e os respectivos limites de temperatura conforme norma NBR-7094, são mostradas na tabela a seguir: Tabela 2.1: Classes de isolamento CLASSE TEMPERATURA (°C) A 105 E 120 B 130 F 155 H 180 As classes B e F são as freqüentemente utilizadas. O sistema de isolamento convencional dos motores, que tem sido utilizado com sucesso em todos os casos de alimentação com fontes senoidais tradicionais (50/60Hz) pode não atender os requisitos necessários se os mesmos forem alimentados por outro tipo de fonte. É o caso dos motores alimentados por inversores de freqüência. Atualmente, com a utilização generalizada destes equipamentos, o problema do rompimento da isolação provocado pelos altos picos de tensão decorrentes da rapidez de crescimento dos pulsos gerados pelo inversor, bem como a alta freqüência com que estes são produzidos, obrigou a implementar melhorias no isolamento dos fios e no sistema de impregnação, afim de garantir a vida dos motores. Estes motores com isolamento especial são chamados de ”Inverter Duty Motors”. 2.6 TEMPO DE ROTOR BLOQUEADO Tempo de rotor bloqueado é o tempo necessário para que o enrolamento da máquina, quando percorrido pela sua corrente de partida, atinja a sua temperatura limite, partindo da temperatura em condições nominais de serviço e considerando a temperatura ambiente no seu valor máximo. Este tempo é um parâmetro que depende do projeto da máquina. Encontra-se normalmente no catálogo ou na folha de dados do fabricante. A tabela abaixo mostra os valores limites da temperatura de rotor bloqueado, de acordo com as normas NEMA e IEC. Tabela 2.2: Temperatura limite de rotor bloqueado CLASSE DE ISOLAMENTO TEMPERATURA MÁXIMA (°C) ∆Tmáx(°C) NEMA MG1.12.53 IEC 79.7 B 175 185 80 F 200 210 100 H 225 235 125 Para partidas com tensão reduzida o tempo de rotor bloqueado pode ser redefinido como segue: trb = tb x ( Un / Ur )2 Onde: trb = Tempo de rotor bloqueado com tensão reduzida tb = Tempo de rotor bloqueado à tensão nominal Un = Tensão nominal Ur = Tensão reduzida
  • 19.
    Como Funciona umMotor de Indução? 2 2-8 | Guia de Aplicação Soft-Starter Outra forma de se redefinir o tempo de rotor bloqueado é através da utilização da corrente aplicada ao motor, como segue: Ipn trb = tb . ( )2 Ipc Onde: trb = Tempo de rotor bloqueado com corrente reduzida tb = Tempo de rotor bloqueado à corrente nominal Ipn = Corrente de partida direta do motor Ipc = Corrente de partida do motor com corrente reduzida Geralmente, Ipn é obtido de catálogos e possui o valor em torno de 6 a 8 vezes a corrente nominal do motor, e Ipc depende do método de partida do motor. Se por exemplo esta partida for do tipo estrela-triângulo o valor da corrente será de aproximadamente 1/3 da corrente de partida.
  • 20.
    Métodos de Comandode um Motor de Indução 3 Guia de Aplicação Soft-Starter | 3-1 MÉTODOS DE COMANDO DE UM MOTOR DE INDUÇÃO Os métodos de comando de um motor de indução, são implementados com equipamentos eletromecânicos, elétricos e eletrônicos. Estes equipamentos permitem acelerar (partir) e desacelerar (frenar) o motor de acordo com requisitos impostos pela carga, segurança, concessionárias de energia elétrica, etc. 3.1 CATEGORIAS DE PARTIDA Conforme as suas características de torque em relação à velocidade e corrente de partida, os motores de indução trifásicos com rotor de gaiola, são classificados em categorias, cada uma adequada a um tipo de carga. Estas categorias são definidas em norma (NBR 7094), e são as seguintes: a) Categoria N Constituem a maioria dos motores encontrados no mercado e prestam-se ao acionamento de cargas normais, como bombas, máquinas operatrizes, e ventiladores. b) Categoria H Usados para cargas que exigem maior torque na partida, como peneiras, transportadores carregadores, cargas de alta inércia, britadores, etc. c) Categoria D Usados em prensas excêntricas e máquinas semelhantes, onde a carga apresenta picos periódicos. Usados também em elevadores e cargas que necessitam de torques de partida muito altos e corrente de partida limitada. Tabela 3.1: Características das categorias de partida direta Categorias de partida Torque de partida Corrente de partida Escorregamento N Normal Normal Baixo H Alto Normal Baixo D Alto Normal Alto As curvas torque x velocidade das diferentes categorias estão mostradas na figura 3.1. Figura 3.1: Curvas características de torque em função da categoria do motor (partida direta)
  • 21.
    Métodos de Comandode um Motor de Indução 3 3-2 | Guia de Aplicação Soft-Starter 3.2 FORMAS DE PARTIDAS „„ Partida Direta A maneira mais simples de partir um motor de indução é a chamada partida direta, aqui o motor é ligado à rede diretamente através de um contator (ver figura 3.2). Porém, deve-se observar que para este tipo de partida existem restrições de utilização. Como já foi visto anteriormente, a corrente de partida de um motor de indução quando ligado diretamente à tensão da rede é 5 a 8 vezes maior que a corrente nominal. Por este motivo, e fundamentalmente para motores de grande porte, a partida direta não é utilizada. Figura 3.2: Partida direta
  • 22.
    Métodos de Comandode um Motor de Indução 3 Guia de Aplicação Soft-Starter | 3-3 „„ Partida Estrela-Triângulo (Y- ∆) Este tipo de partida só pode ser utilizado em motores que possuam ligação em dupla tensão (por exemplo 3 x 380 V e 3 x 220 V). A menor tensão deverá ser igual à tensão de rede e a outra 1,73 vezes maior. (Ex.: 220/380V, 380/660V). Esta partida é implementada com dois contatores como mostra a figura 3.3. Na partida o motor é ligado na conexão de maior tensão, isto possibilita uma redução de até 1/3 da corrente de partida do motor, como mostra a figura 3.4. A partida estrela-triângulo poderá ser usada quando a curva de torque do motor for suficientemente elevada para que possa garantir a aceleração da máquina com a corrente reduzida, ou seja, o torque resistente da carga não deverá ser superior ao torque do motor quando o motor estiver em estrela. Figura 3.3: Partida estrela-triângulo Figura 3.4: Curva característica de torque e corrente, motor com partida estrela-triângulo
  • 23.
    Métodos de Comandode um Motor de Indução 3 3-4 | Guia de Aplicação Soft-Starter „„ Partida Eletrônica (Soft-Starter) Será abordada em profundidade no capítulo a seguir. Figura 3.5: Curva característica de torque e corrente, motor com partida suave (soft-starter) Além da vantagem do controle da corrente durante a partida, a chave eletrônica apresenta, também, a vantagem de não possuir partes móveis. Ainda, como um recurso adicional, a soft-starter apresenta a possibilidade de efetuar a desaceleração suave das cargas de baixa inércia. „„ Partida SÉRIE-PARALELO Este tipo de partida só pode ser utilizado em motores que possibilitam a ligação em dupla tensão. A menor das duas tensões deve ser igual a tensão da rede e a outra deve ser o dobro. Por exemplo: 220V- 440V e 380V-760V (mais comuns), ou outros valores de tensão de rede, seguindo a mesma regra: 230V-460V, etc. Para tanto, o motor deve dispor de 9 ou 12 terminais de ligação, para permitir as ligações triângulo série-paralelo (figuras 3.6 e 3.7) ou estrela série-paralelo (figuras 3.8 e 3.9).
  • 24.
    Métodos de Comandode um Motor de Indução 3 Guia de Aplicação Soft-Starter | 3-5 Figura 3.6: Ligação triângulo série: apta a receber ligação superior, entretanto aplica-se tensão reduzida: este é o princípio de funcionamento da “série-paralelo” Figura 3.7: Ligação triângulo paralelo: apta a receber tensão reduzida, e efetivamente aplicando-se tensão reduzida: o motor desenvolve suas características nominais Figura 3.8: Ligação estrela série: apta a receber ligação superior, entretanto aplica-se tensão reduzida, conforme o princípio de funcionamento da “série paralelo” Figura 3.9: Ligação estrela paralelo: apta a receber tensão reduzida, e efetivamente aplicando-se tensão reduzida: o motor desenvolve suas características nominais
  • 25.
    Métodos de Comandode um Motor de Indução 3 3-6 | Guia de Aplicação Soft-Starter No momento da partida a corrente fica reduzida para 25 a 33% da corrente de partida direta, entretanto o mesmo ocorre com o torque, restringindo o uso desta chave para partidas em vazio. Figura 3.10: Chave série paralelo, usando nove cabos do motor „„ Partida compensadora Esta chave de partida alimenta o motor com tensão reduzida em suas bobinas, na partida. A redução de tensão nas bobinas (apenas durante a partida) é feita através da ligação de um autotransformador em série com as mesmas. Após o motor ter acelerado as bobinas passam a receber tensão nominal. A redução de corrente depende do TAP em que o autotransformador estiver ligado. TAP 65%: Redução para 42% do seu valor de partida direta TAP 80%: Redução para 64% do seu valor de partida direta A chave de partida compensadora pode ser usada para motores que partem com alguma carga. O conjugado resistente deve ser inferior ao conjugado disponibilizado pelo motor durante a partida com tensão reduzida pela compensadora. Os motores podem ter tensão única e, apenas, três cabos disponíveis.
  • 26.
    Métodos de Comandode um Motor de Indução 3 Guia de Aplicação Soft-Starter | 3-7 Figura 3.11: Curvas características do motor trifásico partindo com chave compensadora, TAP 85% Figura 3.12: Partida compensadora
  • 27.
    Métodos de Comandode um Motor de Indução 3 3-8 | Guia de Aplicação Soft-Starter 3.3 FRENAGEM Os motores de indução possibilitam várias formas de frenagem, isto é, onde se tem s < 0 e o motor opera com características de gerador. A seguir apresentaremos dois métodos de frenagem elétrica. 3.3.1 Frenagem por contra-corrente Obtém-se a frenagem por contra-corrente através da inversão de duas fases da tensão de alimentação do enrolamento estatórico (ver figura 3.14), para reverter a direção de rotação do campo girante do motor com o mesmo girando ainda na direção inicial. Dessa forma, a rotação do rotor fica agora contrária a um torque que atua em direção oposta (ver figura 3.13) e começa a desacelerar (frenar). Quando a velocidade cai a zero o motor deve ser desenergizado, caso contrário, passará a funcionar em sentido oposto. Para este tipo de frenagem, as correntes induzidas nos enrolamentos rotóricos são de freqüências altas (duas vezes a freqüência estatórica) e de elevada intensidade, pois o torque desenvolvido pelo motor é elevado, onde há a absorção de potência elétrica da rede com corrente maior que a nominal, acarretando em um sobreaquecimento do motor. Figura 3.13: Curva de torque x rotação na frenagem por contra-corrente Figura 3.14: Frenagem por contra-corrente
  • 28.
    Métodos de Comandode um Motor de Indução 3 Guia de Aplicação Soft-Starter | 3-9 3.3.2 Frenagem por injeção de corrente contínua (CC) É obtida através da desconexão do estator da rede de alimentação e da posterior conexão a uma fonte de corrente contínua (ver figura 3.16). A corrente contínua enviada ao enrolamento estatórico estabelece um fluxo magnético estacionário cuja curva de distribuição tem uma fundamental de forma senoidal. A rotação do rotor em seu campo produz um fluxo de corrente alternada no mesmo, o qual também estabelece um campo magnético estacionário com respeito ao estator. Devido à interação do campo magnético resultante e da corrente rotórica, o motor desenvolve um torque de frenagem (ver figura 3.15) cuja magnitude depende da intensidade do campo, da resistência do circuito rotórico e da velocidade do rotor. Figura 3.15: Curva de torque x rotação durante a frenagem CC Na prática, a frenagem CC tem sua aplicação limitada devido ao fato de que toda a energia de frenagem é dissipada no próprio motor, podendo causar sobreaquecimento excessivo no mesmo. Assim, para não comprometer a vida útil do motor, utiliza-se a frenagem CC com tensões contínuas limitadas a aproximadamente 20% da tensão nominal CA do motor. Figura 3.16: Frenagem por injeção de CC
  • 29.
    Métodos de Comandode um Motor de Indução 3 3-10 | Guia de Aplicação Soft-Starter 3.4 VANTAGENS E DESVANTAGENS DOS MÉTODOS DE PARTIDA „„ Partida Direta Vantagens „„ Menor custo de todas „„ Muito simples de implementar „„ Alto torque de partida Desvantagens „„ Alta corrente de partida, provocando queda de tensão na rede de alimentação. Em função disto pode provocar interferência em equipamentos ligados na mesma instalação „„ É necessário sobredimensionar cabos e contatores „„ Limitação do número de manobras/hora „„ Picos de torque „„ Estrela-Triângulo Vantagens „„ Custo reduzido „„ A corrente de partida é reduzida a 1/3 quando comparada com a partida direta „„ Não existe limitação do número de manobras/hora Desvantagens „„ Redução do torque de partida a aproximadamente 1/3 do nominal „„ São necessários motores com seis bornes „„ Caso o motor não atingir pelo menos 90% da velocidade nominal, o pico de corrente na comutação de estrela para triângulo é equivalente ao da partida direta „„ Em casos de grande distância entre motor e chave de partida, o custo é levado devido a necessidade de seis cabos. „„ Soft-Starter Terá suas vantagens e desvantagens abordadas em profundidade no capítulo a seguir. „„ PARTIDA SÉRIE-PARALELO Vantagens „„ Custo reduzido „„ A corrente de partida é reduzida a ¼ quando comparada com a partida direta Desvantagens „„ Redução do torque de partida a aproximadamente ¼ do torque de partida nominal „„ São necessários motores com pelos menos nove bornes (ou seja, capacidade de fechamento das bobinas para tensão igual à duas vezes a tensão da rede) „„ Caso o motor não atingir pelo menos 90% da velocidade nominal, o pico de corrente na comutação da ligação é equivalente ao da partida direta „„ Em casos de grande distância entre motor e chave de partida, o custo é elevado devido a necessidade de nove cabos. „„ Partida compensadora Vantagens „„ Capacidade de partir com alguma carga „„ Possibilidade de algum ajuste de tensão de partida, selecionando (conectando) o TAP no transformador „„ Necessário apenas três terminais disponíveis no motor „„ Na passagem da tensão reduzida para a tensão da rede, o motor não é desligado e o segundo pico é bem reduzido
  • 30.
    Métodos de Comandode um Motor de Indução 3 Guia de Aplicação Soft-Starter | 3-11 Desvantagens „„ Tamanho e peso do autotransformador „„ Número de partidas por hora limitado „„ Custo adicional do autotransformador 3.5 NBR-5410 REFERENTE A PARTIDA COM CORRENTE REDUZIDA A NBR 5410 de novembro de 1997, no item referente a motores elétricos, orienta sobre a corrente de partida de motores e a necessidade de se reduzir a corrente de partida dos motores elétricos a fim de se evitar perturbações na rede. Figura 3.17: NBR-5410 (reprodução de fotocópia)
  • 31.
    Métodos de Comandode um Motor de Indução 3 3-12 | Guia de Aplicação Soft-Starter Abaixo segue transcrição do texto da NBR 5410, item 6.5.3 6.5.3 Motores 6.5.3.1 Generalidades As cargas constituídas por motores elétricos apresentam peculiaridades que as destinguem das demais. a) A corrente absorvida durante a partida é muito maior que a de funcionamento normal em carga; b) A potência absorvida em funcionamento é determinada pela potência mecânica no eixo solicitada pela carga acionada, o que pode resultar em sobrecarga na rede de alimentação se o motor não for protegido adequadamente. Em razão destas peculiaridades, a instalação de motores, além das demais prescrições desta Norma, deve atender às prescrições seguintes. 6.5.3.2 Limitação das perturbações devidas à partida de motores Para evitar perturbações inaceitáveis na rede de distribuição na própria instalação e nas demais cargas ligadas a instalação de motores deve-se: a) Observar as limitações impostas pela concessionária local referentes a partida de motores; NOTA: Para partida direta de motores com potência acima de 3,7kW (5CV), em instalações alimentadas por rede de distribuição pública em baixa tensão, deve ser consultada a concessionária local. b) Limitar a queda de tensão nos demais pontos de utilização, durante a partida do motor, aos valores estipulados em 6.2.6.1. Para obter conformidade às limitações descritas nas alíneas a) e b) anteriores, pode ser necessário o uso de dispositivos de partida que limitem a corrente absorvida durante a partida. NOTA! Em instalações contendo muitos motores, pode ser levado em conta a probabilidade de partida simultânea de vários motores. Como pode ser observado no texto acima, a redução da corrente de partida de motores é uma necessidade prevista em norma. Dentre as diversas formas de redução da corrente de partida, trataremos nos capítulos seguintes da forma mais eficaz, e com excelente relação custo/benefício para a maioria das aplicações: a partida de motores através da SOFT-STARTER.
  • 32.
    Soft-Starter 4 Guia de AplicaçãoSoft-Starter | 4-1 SOFT-STARTER 4.1 INTRODUÇÃO Entender o funcionamento da Soft-Starter é importante para construir uma base sólida de conhecimentos, a partir da qual o usuário do equipamento poderá desenvolver sua capacidade de aplicação do produto. Vamos abordar com especial atenção o principal componente de força da Soft-Starter: o SCR – Silicon Controlled Rectifier. Entender o funcionamento do SCR é boa parte do entendimento do funcionamento da Soft-Starter. Adotaremos a seguir uma seqüência de raciocínio baseada em analogias com outros fenômenos, e com outros componentes, permitindo assim o entendimento do funcionamento do SCR. 4.1.1 Semicondutores e componentes eletrônicos Um material semicondutor, como o silício, é um elemento com capacidade intermediária de condução de corrente, ou seja, sua capacidade natural de permitir fluxo de corrente elétrica é intermediária entre aquela de um condutor propriamente dito e aquela de um material isolante. A maneira como um semicondutor lidará com cargas elétricas depende de como foram adicionadas impurezas a sua composição, processo este chamado de dopagem. Existem dois tipos de dopagem: P e N, e cada uma delas têm comportamento complementar no que diz respeito à condução de cargas elétricas. Exemplificando: o diodo, é um componente eletrônico que possui duas diferentes partes de semicondutor, formando um junção P-N. As propriedades de condução são tais que fazem o diodo permitir o fluxo de corrente elétrica somente em um sentido, situação esta definida como diretamente polarizado. O mesmo diodo, porém polarizado inversamente tem o comportamento de um isolante. As condições que desencadeiam o comportamento elétrico de um componente eletrônico variam com o nível de tensão ou corrente, a presença de um sinal elétrico de estimulo externo ou até mesmo por luz visível, infravermelho, etc. 4.1.2 A característica mais marcante dos tiristores Tiristores são componentes que exibem uma propriedade marcante: de maneira geral, ele não retorna ao seu estado original depois que a causa da sua mudança de estado tenha desaparecido. Uma analogia simples é a ação mecânica de um interruptor de luz: quando o interruptor é pressionado, ele muda de posição e permanece assim mesmo depois do estímulo do movimento ter desaparecido (ou seja, mesmo depois de tirar a mão do interruptor). Em contraste, um botão de campainha volta a sua posição original após cessar o estímulo externo. Transistores bipolares e IGBTs, também não “travam” em um determinado estado após terem sido estimulados por um sinal de corrente ou tensão: para qualquer sinal de entrada o transistor exibirá um comportamento previsível conforme sua curva característica. Voltando aos Tiristores: eles são componentes semicondutores que tendem a permanecer ligados, uma vez ligados, e tendem a permanecer desligados, uma vez que tenham sido desligados. Um evento momentâneo é capaz de ligá-los ou desligá-los, e assim eles permanecerão por conta própria, mesmo que a causa de mudança de estado tenha sido eliminada. Antes de analisar o tiristor propriamente dito, é interessante analisarmos seu precursor histórico: as válvulas de descarga a gás. 4.1.3 Introdução às válvulas de descarga a gás Uma tempestade é uma oportunidade de presenciar fenômenos elétricos interessantes. A ação do vento e da chuva acumula cargas elétricas estáticas entre as nuvens e a terra, e entre as próprias nuvens. A diferença de carga manifesta-se como altas tensões, e quando a resistência elétrica do ar não pode mais suportar esta alta tensão, ocorrem surtos de corrente entre pólos de carga elétrica oposta, o que chamamos de relâmpagos, raios ou descargas atmosféricas.
  • 33.
    Soft-Starter 4 4-2 | Guiade Aplicação Soft-Starter Figura 4.1: Descarga atmosférica Sob condições normais o ar tem uma tremenda resistência elétrica. Genericamente sua resistência é tratada como infinita. Sob presença de água e/ou poeira sua resistência diminui, mas permanece um bom isolante para a maioria das situações. Quando um nível suficientemente alto de tensão é aplicado através de uma distância de ar, entretanto, suas propriedades elétricas são alteradas: elétrons são arrancados de suas posições normais em torno do núcleo de seus átomos, e são liberados para constituir corrente elétrica. O ar nesta situação é considerado ionizado, recebe a denominação de plasma, e tem resistência elétrica bem menor que o ar. Conforme a corrente elétrica se movimenta pelo ar, energia é dissipada na forma de calor, o que mantém o ar em estado de plasma, cuja baixa resistência favorece a manutenção do raio mesmo após alguma redução da tensão. O relâmpago persiste até que a tensão caia abaixo de um nível insuficiente para manter corrente suficiente para dissipar calor. Finalmente, não há calor para manter o ar em estado de plasma, que volta ao normal, deixa de conduzir corrente e permite que a tensão aumente novamente. Observe como o ar se comporta neste ciclo: quando não está conduzindo, ele permanece um isolante até que a tensão ultrapasse um nível crítico. Então, uma vez que ele muda de estado, ele tende a permanecer um condutor até que a tensão caia abaixo de um nível mínimo. Este comportamento, combinado com a ação do vento e chuva, explica a existência dos raios como breve descargas elétricas. 4.1.4 Thyratron Nas válvulas thyratron pode-se observar comportamentos semelhantes à do ar durante a ocorrência de um relâmpago, com a diferença de que a válvula pode ser disparada por um pequeno sinal. O thyratron é essencialmente uma válvula preenchida com gás, que pode conduzir corrente com uma pequena tensão de controle aplicada entre o grid e o cátodo, e desligado reduzindo-se a tensão plate-catodo. “grid” “plate” “cátodo” Figura 4.2: Circuito de controle simplificado do thyratron No circuito visto acima a válvula thyratron permite corrente através da carga em uma direção (note a polaridade através da carga resistiva) quando disparado pela pequena tensão DC de controle conectada entre grid e cátodo.
  • 34.
    Soft-Starter 4 Guia de AplicaçãoSoft-Starter | 4-3 O “pontinho” dentro do circulo do símbolo esquemático indica preenchimento com gás, em oposição ao vácuo verificado em outras válvulas. Observe que a fonte de alimentação da carga é alternada, o que dá uma dica de como o thyratron desliga após ter sido disparado: uma vez que a tensão AC periodicamente passa por zero volt a cada meio ciclo, a corrente será interrompida periodicamente. Esta breve interrupção permite à válvula resfriar e retornar a seu estado “desligado”. Condução de corrente pode prosseguir apenas se há tensão suficiente aplicada pela fonte AC e se a tensão DC de controle permitir. Um osciloscópio indicaria a tensão na carga conforme figura 4.3: Figura 4.3 Enquanto a fonte de tensão sobe, a tensão na carga permanece zero, até que o valor de threshold voltage seja atingido. Neste ponto a válvula começa a conduzir, seguindo a tensão da fonte até a próxima fase do ciclo. A válvula permanece em seu estado “ligado”, mesmo após a tensão reduzir-se abaixo do valor de disparo (threshold voltage). Como os thyratron são one-way, não há condução no ciclo negativo. Em circuitos práticos, poder-se-ia arranjar vários thyratron para formar um retificador de onda completa. Thyratrons tornaram-se obsoletos com o surgimento dos tiristores, exceto para algumas aplicações muito especiais, devido a possibilidade de thyratrons lidar com valores altíssimos de tensão e corrente. 4.1.5 SCR (Silicon Controlled Rectifier) Partiremos da representação do SCR para iniciar nossa explanação: Figura 4.4 Representado da maneira acima o SCR assemelha-se a dois transistores bipolares interligados, um PNP e outro NPN. Há três maneiras de “dispará-lo”: „„ com uma variação brusca de tensão „„ ultrapassando-se um limite de tensão „„ aplicando-se a tensão entre gate e cátodo.
  • 35.
    Soft-Starter 4 4-4 | Guiade Aplicação Soft-Starter A última maneira é, na prática, a única desejada. Os SCRs normalmente são escolhidos com valor de tensão de breakover bem superior a tensão esperada no circuito. O circuito de teste de um SCR é excelente para entender sua operação. Figura 4.5: Circuito de teste do SCR Uma fonte DC é usada para energizar o circuito, e dois botões com retorno são usados para “disparar” e para “desenergizar” o SCR. Pressionado o botão “liga” conecta-se o gate ao ânodo, permitindo corrente de um terminal da bateria através da junção PN do cátodo- gate, através do contato do botão, da carga resistiva e de volta ao outro terminal da bateria. Esta corrente de gate deve ser suficiente para o SCR “selar” na posição ligado. Mesmo soltando o botão, o SCR deve permanecer conduzindo. Pressionar o botão desliga (normalmente fechado) corta a corrente e força o SCR desligar. Se neste teste o SCR não “selar” o problema pode ser o valor ôhmico da carga. O SCR necessita de um valor mínimo de corrente de carga para permanecer conduzindo. A maioria das aplicações para o SCR são controle em AC, apesar dos SCR serem inerentemente DC (unidirecionais). Se é necessário um circuito bidirecional, vários SCR podem ser usados (um ou mais em cada direção) para lidar com a corrente de ambas fases do ciclo, positiva e negativa. O principal motivo do uso do SCR em circuitos de força AC é a sua resposta à onda AC: trata-se deu um componente que permanece conduzindo (como o thyratron, seu precursor) uma vez estimulado e até que a corrente da carga passe por zero. 4.1.6 Entendendo o disparo do SCR Conectando-se o devido circuito de controle ao gate do SCR nós podemos cortar a senóide em qualquer ponto para conseguir controlar a energia entregue à carga. Tomemos o seguinte circuito como exemplo. Figura 4.6: Fonte AC, SCR e carga resistiva ligados em série Aqui o SCR é inserido em um circuito para controlar energia de uma fonte AC fornecida à carga. Sendo unidirecional, no máximo poderemos entregar meia onda à carga, entretanto, para demonstrar o conceito básico de controle, este circuito é mais fácil do que um para controle de toda a senóide, que exigiria dois SCR.
  • 36.
    Soft-Starter 4 Guia de AplicaçãoSoft-Starter | 4-5 Sem disparar o gate, e com fonte AC abaixo do valor de breakover, o SCR nunca começará a conduzir. Conectar o gate ao ânodo através de um diodo normal, disparará o SCR quase imediatamente no início de qualquer fase positiva do ciclo. Figura 4.7: Gate conectado ao ânodo através de diodo Pode-se, entretanto, atrasar-se o disparo inserindo-se alguma resistência no circuito de disparo do gate, incrementando assim a quantidade de tensão necessária para provocar o disparo. Em outras palavras, se dificultarmos para os elétrons transitarem através do gate, a tensão AC terá de alcançar um valor mais alto até que haja corrente para ligar o SCR. Resultado: Figura 4.8: Resistência inserida ao circuito de gate Com a meia onda cortada em um nível mais elevado pelo disparo “atrasado” do SCR, a carga recebe menos energia, uma vez que a carga fica conectada à fonte por um tempo menor. Tornando variável o resistor do gate, pode-se fazer ajustes à energia fornecida:
  • 37.
    Soft-Starter 4 4-6 | Guiade Aplicação Soft-Starter Figura 4.9: Variando a resistência, variamos o ponto de disparo do SCR (quanto maior a resistência maior é o ponto, ou ângulo, de disparo) Infelizmente este esquema de controle tem uma limitação significativa. Usando a fonte AC para disparar o SCR, limita-se o controle à metade da fase positiva do ciclo, em outras palavras, não há como atrasar o disparo para depois do pico. Isto limitaria o nível mínimo de energia àquele conseguido com o disparo do SCR no pico da onda (a 90 graus). Elevando-se a resistência a um valor maior, faria o circuito não disparar nunca. Uma solução é a adição de um capacitor defasador ao circuito: Figura 4.10: A forma de onda com menor amplitude é a tensão no capacitor. A título de ilustração, vamos supor que a resistência de controle é alta, ou seja, o SCR não está disparando sem este capacitor e não há corrente através da carga, exceto a pequena quantia de corrente através do capacitor e resistor. A tensão do capacitor pode ser defasada de 0 a 90 º em relação à fonte AC. Quando esta tensão defasada atingir um valor alto o suficiente, o SCR será disparado. Supondo que há periodicamente tensão suficiente nos terminais do capacitor para disparar o SCR, o a forma de onda de corrente resultante será como segue:
  • 38.
    Soft-Starter 4 Guia de AplicaçãoSoft-Starter | 4-7 Figura 4.11: O disparo do tiristor se dá após o pico máximo, devido à escolha conveniente do capacitor. Uma vez que a forma de onda do capacitor ainda está subindo após o pico da senoide de tensão de alimentação, é possível dispará-lo depois do pico, cortando a onda de corrente de modo a liberar um valor de energia mais baixo à carga. Os SCR também podem ser disparados por circuitos mais complexos. Transformadores de pulsos são usados para acoplar o circuito de disparo ao gate/ cátodo do SCR para prover isolação elétrica entre os circuitos de disparo e de força: Figura 4.12: Disparo com transformador defasador Quando múltiplos SCR são utilizados para controle de força, os cátodos não são eletricamente comuns, tornando difícil o uso de um único circuito de disparo para todos SCR. Um exemplo é a ponte retificadora controlada: Figura 4.13: Ponte controlada
  • 39.
    Soft-Starter 4 4-8 | Guiade Aplicação Soft-Starter Como em qualquer retificador, os elementos opostos devem conduzir simultaneamente. SCR 1 e 3, e SCR 2 e 4. Como eles não compartilham a conexão de cátodo, faz-se necessário lançar mão de transformadores de pulso, conforme mostra a figura 4.14: Figura 4.14: Uso de transformadores de pulso (circuito simplificado para dois tiristores para facilitar o entendimento) No circuito acima foi omitido o transformador de pulso do SCR 1 e 3 a fim de tornar o desenho mais claro. Naturalmente, os circuitos de controle não são limitados à circuitos monofásico. Assim como na Soft-Starter, o circuito de controle pode ser trifásico. Um retificador trifásico com os circuitos de disparo omitidos parece com o seguinte: Figura 4.15: Retificador trifásico (circuito de disparo omitido)
  • 40.
    Soft-Starter 4 Guia de AplicaçãoSoft-Starter | 4-9 4.2 PRINCÍPIO DE FUNCIONAMENTO DA SOFT-STARTER O funcionamento das Soft-Starters está baseado na utilização de uma ponte tiristorizada (SCR’s) na configuração anti-paralelo, que é comandada através de uma placa eletrônica de controle, a fim de ajustar a tensão de saída, conforme programação feita anteriormente pelo usuário. Esta estrutura é apresentada na figura 4.16. Figura 4.16: Blocodiagrama simplificado Como podemos ver, a Soft-Starter controla a tensão da rede através do circuito de potência, constituído por seis SCRs, onde variando o ângulo de disparo dos mesmos, variamos o valor eficaz de tensão aplicada ao motor. A seguir faremos uma análise mais atenciosa de cada uma das partes individuais desta estrutura, já que notamos nitidamente que podemos dividir a estrutura acima em duas partes: o circuito de potência e o circuito de controle. CIRCUITO DE POTÊNCIA Como já sabemos, a etapa de potência da Soft-Starter tem como principais componentes os tiristores SCR (Silicon Controlled Rectifier). Controlando o ângulo de disparo do SCR, podemos controlar a tensão média aplicada à carga, controlando assim sua corrente e potência. Numa soft-starter, o controle da tensão tem que ser feito nos dois sentidos da corrente, devendo ser utilizada a configuração anti-paralela de dois SCR por fase, conforme indicado na figura abaixo.
  • 41.
    Soft-Starter 4 4-10 | Guiade Aplicação Soft-Starter Figura 4.17: Dois tiristores em anti-paralelo Neste caso, tem-se o controle da tensão nas duas metades do ciclo, mediante os disparos nos Gates provenientes do circuito de controle. Na figura 4.18 temos um diagrama simplificado do circuito de potência de uma soft-starter, onde notamos o uso dos pares de tiristores (SCR) em anti-paralelo em cada fase do circuito. Mediante um circuito de controle para os disparos dos tiristores, a tensão a ser aplicada no motor pode ir crescendo linearmente, tendo com isso um controle da corrente de partida do motor. Ao final da partida do motor, o motor terá sobre seus terminais praticamente toda a tensão da rede. Figura 4.18: SCRs no circuito de força do motor (ligação “fora” do delta do motor) A seguir temos a ilustração da forma de onda da tensão em uma das fases do motor em quatro instantes. Nota- se que ao reduzir o ângulo de disparo dos SCR, a tensão a ser aplicada no motor aumenta, aumentando com isso a corrente no mesmo.
  • 42.
    Soft-Starter 4 Guia de AplicaçãoSoft-Starter | 4-11 Figura 4.19 b: Disparo a 90ºFigura 4.19 a: Disparo a 150 Figura 4.19 d: Disparo a 45º Figura 4.19 d: Disparo a 15 Para evitar disparos acidentais dos SCR, instala-se em paralelo com os mesmos um capacitor e um resistor conforme indicado na figura 4.20. Este circuito auxiliar é denominado de Snubber e tem como finalidade evitar o disparo por dV/dT (variação abrupta da tensão num pequeno intervalo de tempo). Figura 4.20: Snubber Para se fazer a monitoração da corrente na saída da Soft-Starter, instala-se transformadores de corrente, permitindo com isso que o controle eletrônico efetue a proteção e manutenção do valor de corrente em níveis pré-definidos (função limitação de corrente ativada) CIRCUITO DE CONTROLE Onde estão contidos os circuitos responsáveis pelo comando, monitoração e proteção dos componentes do circuito de potência, bem como os circuitos utilizados para comando, sinalização e interface homem-máquina que serão configurados pelo usuário em função da aplicação.
  • 43.
    Soft-Starter 4 4-12 | Guiade Aplicação Soft-Starter 4.3 PRINCIPAIS CARACTERÍSTICAS Embora o CAPÍTULO 5 deste guia seja dedicado a descrição detalhada das funções (parâmetros) da Soft-Starter, consideramos conveniente apresentar neste ponto uma abordagem diferenciada para as principais funções da Soft-Starter. Aqui não entraremos em detalhes de faixas de valores, mas daremos ênfase em aspectos práticos, como, se uma função é mais adequada para uma carga com alta inércia ou não, etc. 4.3.1 Principais funções „„ Rampa de tensão na aceleração As chaves Soft-Starters tem uma função muito simples, que é através do controle da variação do ângulo de disparo da ponte de tiristores, gerar na saída da mesma, uma tensão eficaz gradual e continuamente crescente até que seja atingida a tensão nominal da rede. Graficamente podemos observar isto através da figura 4.21. Figura 4.21: Rampa de tensão aplicada ao motor na aceleração Atentem ao fato de que quando ajustamos um valor de tempo de rampa, e de tensão de partida (pedestal), isto não significa que o motor irá acelerar de zero até a sua rotação nominal no tempo definido por ta. Isto, na realidade dependerá das características dinâmicas do sistema motor/carga, como por exemplo: sistema de acoplamento, momento de inércia da carga refletida ao eixo do motor, atuação da função de limitação de corrente, etc. Tanto o valor do pedestal de tensão, quanto o de tempo de rampa são valores ajustáveis dentro de uma faixa que pode variar de fabricante para fabricante. Não existe uma regra prática que possa ser aplicada para definir qual deve ser o valor de tempo a ser ajustado, e qual o melhor valor de tensão de pedestal para que o motor possa garantir a aceleração da carga. A melhor aproximação poderá ser alcançada através do cálculo do tempo de aceleração do motor, o qual será mostrado posteriormente. „„ Rampa de tensão na desaceleração Existem duas possibilidades para que seja executada a parada do motor, por inércia ou controlada, respectivamente. Na parada por inércia, a Soft-Starter leva a tensão de saída instantaneamente a zero, implicando que o motor não produza nenhum conjugado na carga, que por sua vez, irá perdendo velocidade, até que toda energia cinética seja dissipada. A equação (1) mostra matematicamente como podemos expressar esta forma de energia. 1 K = J . ω2 2 (1) onde, K = energia cinética (Joules) J = momento de inércia total (Kg.m2) ω = velocidade angular (rad/s)
  • 44.
    Soft-Starter 4 Guia de AplicaçãoSoft-Starter | 4-13 Na parada controlada a Soft-Starter vai gradualmente reduzindo a tensão de saída até um valor mínimo em um tempo pré-definido. Graficamente podemos observar a figura 4.22. Figura 4.22: Perfil de tensão na desaceleração O que ocorre neste caso pode ser explicado da seguinte maneira: Reduzindo-se a tensão aplicada ao motor, este irá perder conjugado; a perda de conjugado reflete no aumento do escorregamento; o aumento do escorregamento faz com que o motor perca velocidade. Se o motor perde velocidade a carga acionada também perderá. Este tipo de recurso é muito importante para aplicações que devem ter uma parada suave do ponto de vista mecânico. Podemos citar como exemplo bombas centrífugas, transportadores, etc. No caso particular das bombas centrífugas este recurso minimiza o efeito do “golpe de ariete”, que pode provocar sérios danos a todo o sistema hidráulico, comprometendo componentes como válvulas e tubulações, além da própria bomba. Golpe de Ariete: O “Golpe de Ariete” é um “pico de pressão” resultado de uma rápida redução na velocidade de um líquido, que pode ocorrer quando um sistema de bombeamento sofre uma parada brusca. No contexto da aplicação de Soft- Starter, a ocorrência do Golpe de Ariete está relacionada à rápida parada do motor da bomba, embora o golpe de ariete possa ser provocado por outros eventos, como o fechamento rápido de uma válvula. O “pico” de pressão nestas condições pode ser várias vezes maior que o esperado para o sistema, provocando danos que podem se extender até a bomba. Quando a Soft-Starter está habilitada a fazer uma parada suave do motor (“Pump Control”), a chance de ocorrência do golpe de ariete na parada do motor é reduzida. „„ Kick Start Existem cargas que no momento da partida exigem um esforço extra do acionamento em função do alto conjugado resistente. Nestes casos, normalmente a Soft-Starter precisa aplicar no motor uma tensão maior que aquela ajustada na rampa de tensão na aceleração, isto é possível utilizando uma função chamada “Kick Start”. Como podemos ver na figura 4.23, esta função faz com que seja aplicado no motor um pulso de tensão com amplitude e duração programáveis para que o motor possa desenvolver um conjugado de partida, suficiente para vencer o atrito, e assim acelerar a carga. Deve-se ter muito cuidado com esta função, pois ela somente deverá ser usada nos casos onde ela seja estritamente necessária.
  • 45.
    Soft-Starter 4 4-14 | Guiade Aplicação Soft-Starter Figura 4.23: Representação gráfica da função “Kick Start” Devemos observar alguns aspectos importantes relacionados com esta função, já que ela poderá ser mal interpretada e, desta forma, comprometer a definição com relação ao seu uso, inclusive o do próprio sistema de acionamento. Como a tensão de partida poderá ser ajustada próximo da tensão nominal, mesmo que por um pequeno intervalo de tempo, a corrente de partida irá atingir valores muito próximos daqueles registrados no catálogo ou folha de dados do motor. Isto é claramente indesejável, pois a utilização da Soft-Starter nestes casos advém da necessidade de garantir- se uma partida suave, seja eletricamente, seja mecanicamente. Desta forma podemos considerar este recurso como sendo aquele que deverá ser usado em última instância, ou quando realmente ficar óbvia a condição severa de partida. „„ Limitação de corrente Na maioria dos casos onde a carga apresenta uma inércia elevada, é utilizada uma função denominada de limitação de corrente. Esta função faz com que o sistema rede/Soft-Starter forneça ao motor somente a corrente necessária para que seja executada a aceleração da carga. Na figura 4.24 podemos observar graficamente como esta função é executada. Figura 4.24: Limitação de corrente Este recurso é sempre muito útil pois garante um acionamento realmente suave e, melhor ainda, viabiliza a partida de motores em locais onde a rede encontra-se no limite de sua capacidade. Normalmente nestes casos a condição de corrente na partida faz com o sistema de proteção da instalação atue, impedindo assim o funcionamento normal de toda a instalação. Ocorre então a necessidade de se impor um valor limite de corrente de partida de forma a permitir o acionamento do equipamento bem como de toda a indústria.
  • 46.
    Soft-Starter 4 Guia de AplicaçãoSoft-Starter | 4-15 A limitação de corrente também é muito utilizada na partida de motores cuja carga apresenta um valor mais elevado de momento de inércia. Em termos práticos, podemos dizer que esta função é a que deverá ser utilizada após não obter-se sucesso com a rampa de tensão simples, ou mesmo quando para que o motor acelere a carga, seja necessário ajustar uma rampa de tensão de tal forma que a tensão de partida (pedestal) próximo aos níveis de outros sistemas de partida como, por exemplo, as chaves compensadoras, não sendo isto de forma alguma um fator proibitivo na escolha do sistema de partida. „„ Pump control Esta função é utilizada especialmente para a aplicação de Soft-Starter em sistemas de bombeamento. Trata-se na realidade de uma configuração específica (pré-definida) para atender este tipo de aplicação, onde normalmente é necessário estabelecer uma rampa de tensão na aceleração, uma rampa de tensão na desaceleração e a habilitação de proteções. A rampa de tensão na desaceleração é ativada para minimizar o golpe de ariete, prejudicial ao sistema como um todo. São habilitadas também as proteções de seqüência de fase e subcorrente imediata (para evitar a cavitação). A cavitação é a formação de “bolhas” através no interior da bomba. Com bombas centrífugas, a cavitação pode ocorrer quando o valor de sucção se torna alto o suficiente no interior da bomba. Quando estas bolhas passam pela bomba, uma grande quantidade de energia é liberada, provacando danos. Quando a Soft-Starter está devidamente habilitada a fazer proteção de subcorrente (“Pump Control”), a bomba fica protegida de ocorrência de cavitação prolongada. „„ Economia de energia Uma Soft-Starter que inclua características de otimização de energia simplesmente altera o ponto de operação do motor. Esta função, quando ativada, reduz a tensão aplicada aos terminais do motor de modo que a energia necessária para suprir o campo seja proporcional à demanda da carga. Quando a tensão no motor está em seu valor nominal e a carga exige o máximo conjugado para o qual o motor foi especificado, o ponto de operação será definido pelo ponto A, conforme a figura 4.25. Se a carga diminui e o motor for alimentado por uma tensão constante, a velocidade (rotação) aumentará ligeiramente, a demanda de corrente reduzirá e o ponto de operação se moverá junto à curva para o ponto B. Por ser um motor onde o conjugado desenvolvido é proporcional ao quadrado da tensão aplicada, haverá uma redução do conjugado com uma redução de tensão. Caso esta tensão seja devidamente reduzida, o ponto de operação passará a ser o ponto A|. Figura 4.25: Equilíbrio entre conjugado e tensão Em termos práticos pode-se observar uma otimização com resultados significativos somente quando o motor está operando com cargas inferiores a 50% da carga nominal. Isto, diga-se de passagem, é muito difícil de encontrar-se pois estaríamos falando de motores altamente sobredimensionados, o que atualmente em virtude da crescente preocupação com o desperdício de energia e fator de potência, vem sendo evitado a todo custo.
  • 47.
    Soft-Starter 4 4-16 | Guiade Aplicação Soft-Starter Cabe destacar que este tipo de otimização de energia possui alguns inconvenientes, principalmente, a geração de tensões e correntes harmônicas e variações no fator de potência. No caso as harmônicas podem ocasionar problemas relativos a danos e redução da vida útil de capacitores para correção de fator de potência, sobreaquecimento de transformadores e interferências em equipamentos eletrônicos. 4.3.2 Proteções As proteções disponibilizadas pelas Soft-Starter Weg são um diferencial importante. Ver item 5.5 deste Guia para uma descrição detalhada das proteções das Soft-Starter das séries SSW-03 e SSW-04. 4.3.3 Acionamentos típicos Veremos a seguir alguns acionamentos típicos, abrangendo desde circuitos triviais, para apenas partir o motor, até aplicações mais sofisticadas com reversão, by-pass, etc. „„ Básico / Convencional Todos os comandos, leituras e monitoração de status feitos via I.H.M. Acionamento sugestivo com comandos por entradas digitais a dois fios Figura 4.26: Diagrama simplificado de um acionamento básico Parâmetro Programação P53 1 P54 2 P55 oFF P61 oFF * Padrão de fábrica
  • 48.
    Soft-Starter 4 Guia de AplicaçãoSoft-Starter | 4-17 „„ Inversão de sentido de giro Acionamento sugestivo com comandos por entradas digitais a três fios e troca do sentido de giro Figura 4.27: Diagrama do acionamento com inversão de sentido de giro Parâmetro Programação P04 oFF P51 3 P53 4 P54 4 P55 3 P61 oFF
  • 49.
    Soft-Starter 4 4-18 | Guiade Aplicação Soft-Starter „„ Frenagem por injeção de corrente contínua Acionamento sugestivo com comandos por entradas digitais a três fios e frenagem cc Figura 4.28: Diagrama do acionamento com frenagem CC Parâmetro Programação P34 Maior que oFF P35 Ajuste de carga P52 3 P53 4 P54 2 P55 3 P61 oFF
  • 50.
    Soft-Starter 4 Guia de AplicaçãoSoft-Starter | 4-19 „„ By-pass Acionamento sugestivo com comandos por entradas digitais a três fios e contator de by-pass MÓDULO MAC Figura 4.29: Diagrama do acionamento com by-pass da chave Parâmetro Programação P43 ON P52 2 P53 4 P54 2 P55 3 P61 OFF Módulo MAC Este opcional deve ser utilizado para manter as proteções relacionadas ao motor, quando a SSW-03 Plus for utilizada com contator de by-pass. Este módulo provê as medições de corrente necessárias para os algoritmos e circuitos de proteção da Soft-Starter continuarem protegendo o motor, mesmo em by-pass.
  • 51.
    Soft-Starter 4 4-20 | Guiade Aplicação Soft-Starter „„ Multimotores / Cascata Acionamento sugestivo com comandos por entradas digitais para três motores Figura 4.30: Diagrama orientativo do acionamento tipo cascata
  • 52.
    Parâmetros da Soft-Starter 5 Guiade Aplicação Soft-Starter | 5-1 PARÂMETROS DA SOFT-STARTER Um parâmetro da Soft-Starter é um valor de leitura ou escrita, através do qual o usuário pode ler ou programar valores que mostrem, sintonizem ou adeqüem o comportamento da Soft-Starter e motor em uma determinada aplicação. Exemplos simples de parâmetros: „„ Parâmetro de Leitura P73: Corrente consumida pelo motor „„ Parâmetro Programável P01: Ajusta o valor inicial de tensão (% ) que será aplicado ao motor IMPORTANTE: Para parametrização refira-se sempre ao manual do equipamento, que estará vinculado à devida versão de Softtware. Figura 5.1: Interface Homem-Máquina Praticamente todas as Soft-Starter disponíveis no mercado possuem parâmetros programáveis similares. Estes parâmetros são acessíveis através de uma interface composta por um mostrador digital (“display”) e um teclado, chamado de Interface Homem-Máquina (HMI), ver figura 5.1. Para facilitar a descrição, os parâmetros serão agrupados pelas suas características: „„ parâmetros de leitura „„ parâmetros de regulação „„ parâmetros de configuração „„ parâmetros do motor
  • 53.
    Parâmetros da Soft-Starter 5 5-2| Guia de Aplicação Soft-Starter 5.1 PARÂMETROS DE LEITURA Os parâmetros de leitura, como seu nome indica, permitem visualizar os valores programados nos parâmetros de regulação, de configuração, do motor e das funções especiais. Por exemplo, na linha de Soft-Starter Weg são identificados de P71 até P77, P82, e de P96 até P99. Estes parâmetros não permitem a edição do valor programado; somente sua leitura. EXEMPLOS: P72 - Corrente do motor Indica a corrente de saída da Soft-Starter em percentual da chave (% IN). (precisão de ± 10%). Figura 5.2: P72 e P73 indicam a corrente de saída (1) da chave P73 - Corrente do motor Indica a corrente de saída da Soft-Starter diretamente em Ampères (precisão de ± 10%). P74 - Potência ativa Indica a potência ativa requerida pela carga, valores em kW (precisão de ±10%). NOTA! É indicado “OFF” quando utiliza-se função de tensão plena ou economia de energia. P75 - Potência aparente Indica a potência aparente requerida pela carga, valores em kVA (precisão de ± 10%). P76 - Cos ϕ da carga Indica o fator de potência da carga sem levar em consideração as correntes harmônicas geradas pelo chaveamento da carga (precisão ± 5%). Figura 5.3: Indicações de P74, P75 e P76
  • 54.
    Parâmetros da Soft-Starter 5 Guiade Aplicação Soft-Starter | 5-3 P82 - Estado da proteção térmica do motor Indicação do estado da proteção térmica do motor em escala percentual (0...250%). Sendo que 250% é o ponto de atuação da proteção térmica do motor, indicando E04. P96 - Último erro de hardware ocorrido P97 - Penúltimo erro de hardware ocorrido P98 - Ante-Penúltimo erro de hardware ocorrido P99 - 1º dos últimos 4 erros de hardware ocorrido 5.2 PARÂMETROS DE REGULAÇÃO São os valores ajustáveis a serem utilizados pelas funções da Soft-Starter. EXEMPLOS P01 - Tensão inicial Ajusta o valor inicial de tensão (% da tensão da rede) que será aplicado ao motor. P02 - Tempo da rampa de aceleração Define o tempo da rampa de incremento de tensão, conforme mostrado na figura 5.4, desde que a Soft-Starter não entre em limitação de corrente (P11). Figura 5.4: Tempo da rampa de aceleração P11 - Limitação da corrente da chave Ajusta o valor máximo de corrente que será fornecido ao motor (carga) durante a aceleração. A limitação de corrente é utilizada para cargas com alto ou constante torque de partida. A limitação de corrente deve ser ajustada para um nível que se observe a aceleração do motor, caso contrário o motor não partirá. NOTA! 1) Se no final do tempo da rampa de aceleração (P02) não for atingido a tensão plena, haverá a atuação do erro E02 que desabilitará o motor. 2) A proteção térmica dos tiristores, inclusive durante a limitação de corrente é feita através de sensores da própria chave.
  • 55.
    Parâmetros da Soft-Starter 5 5-4| Guia de Aplicação Soft-Starter Figura 5.5: Limitação de corrente durante a aceleração P11 - Exemplo de cálculo para ajuste da limitação de corrente Limitar a corrente em 2,5x do motor In da chave = 170A In do motor = 140A ILIM = 250% da In do motor 2,5 x 140A = 350A 350A 350A = = 2,05 x In da Chave In da Chave 170A P11 = 205% da IN da chave = 2,5 X IN do motor. Obs.: Esta função (P11) não atua se o pulso de tensão na partida (P41) estiver habilitado. P12 - Sobrecorrente imediata (% IN da chave) Ajusta o nível de sobrecorrente instantânea que o motor ou Soft-Starter permite, durante um tempo pré- ajustado em P13, após o qual a chave desliga, indicando E06. Mostrado na figura 5.6. Figura 5.6: Sobrecorrente imediata: o valor de P12 será maior que a corrente nominal definida em P22 NOTA! Esta função tem atuação apenas em tensão plena, após a partida do motor.
  • 56.
    Parâmetros da Soft-Starter 5 Guiade Aplicação Soft-Starter | 5-5 P12 - Exemplo de cálculo para ajuste da sobrecorrente imediata Valor máximo de corrente igual a 1,4x do motor In da chave = 170A In do motor = 140A 1,4 x 140A = 196A 196A 196A = = 1,15 x In da Chave In da Chave 170A P12 = 115% da In da chave =140% da In do motor P14 - Subcorrente imediata (% IN da chave) Ajusta o nível de subcorrente mínimo que o motor + carga pode operar sem problemas. Esta proteção atua quando a corrente da carga (figura 5.6) cai a um valor inferior ao ajustado em P14; e por um tempo igual ou superior ao ajustado em P15, indicando erro E05. NOTA! Esta função tem atuação apenas em tensão plena, após a partida do motor. P14 - Exemplo de cálculo para ajuste de subcorrente imediata Valor mínimo de corrente igual a 70% do motor. In da chave = 170A In do motor = 140A 70% de 140A= 0,7 x 140A = 98A 98A 196A = = 0,57 x In da Chave In da Chave 170A P14 = 57% da In da chave = 70% da do motor P13 - Tempo de sobrecorrente imediata (s) Através deste parâmetro determina-se o tempo máximo que a carga pode operar com sobrecorrente, conforme ajustado em P12. P15 - Tempo de subcorrente imediata (s) Este parâmetro determina o tempo máximo que a carga pode operar com subcorrente, conforme ajustado em P14. Aplicação típica desta função é em sistemas de bombeamento, para evitar o escorvamento (página 73). P22 - Corrente Nominal da Chave (A) Sua função é ajustar o software a determinadas condições do hardware, servindo como base para as funções de: Limitação de corrente na partida (P11); sobrecorrente imediata (P12) em regime; subcorrente em regime (P14). P23 - Tensão Nominal da Chave (V) Sua função é para indicação das potências fornecidas à carga. P31 - Seqüência de fase (ON = RST; OFF = Qualquer seqüência) Pode ser habilitada ou desabilitada, sendo que quando habilitada sua função é a de proteger cargas que não podem funcionar em duplo sentido de rotação.
  • 57.
    Parâmetros da Soft-Starter 5 5-6| Guia de Aplicação Soft-Starter NOTA! A seqüência de fase apenas é detectada a primeira vez que se aciona a potência após a eletrônica ser energizada. Portanto nova seqüência só será detectada desligando-se ou resetando-se a eletrônica. P33 - Nível da tensão da função JOG Executa a rampa de aceleração até o valor ajustado da tensão de JOG, durante o tempo em que a entrada digital (DI4) estiver fechada. Após abrir a entrada DI4 realiza a desaceleração via rampa, desde que esta função esteja habilitada em P04. A função JOG permite girar o motor com um torque reduzido, enquanto alguém (um operador, um CLP, etc) manda um sinal digital para a Soft-Starter. Esta função é útil em condições em que se deseja observar o comportamento da máquina girando pela primeira vez (como um teste da situação mecânica geral), desta maneira sendo possível corrigir uma montagem incorreta sem os transtornos de colocar a máquina a plena velocidade na primeira operação. Outra aplicação é o posicionamento de material dentro da máquina. A função JOG “dá um empurrão” enquanto o operador segura um botão JOG (contato seco ligado à entrada programada para JOG na Soft- Starter), permitindo que o material a ser trabalhado (ou qualquer elemento da máquina) possa ser ajustado no começo do processo. NOTA! 1) O tempo máximo da atuação da função JOG é determinado pelo tempo ajustado em P02, sendo que após transcorrido este tempo haverá atuação do erro E02 que desabilita o motor. 2) Para tanto P55 = 4. P34 - Tempo da frenagem cc(s) Ajusta o tempo da frenagem cc, desde que P52=3. Esta função somente é possível com o auxílio de um contator que deverá ser ligado conforme item “Diagramas de ligação típicos” neste Guia. Esta função deve ser utilizada quando se quer reduzir o tempo de desaceleração imposto pela carga ao sistema. NOTA! Sempre que utilizar esta função deve-se levar em conta a possível sobrecarga térmica nos enrolamentos do motor. A proteção de sobrecarga da SSW não funciona na frenagem CC. P35 - Nível da tensão de frenagem cc (%UN) Ajusta o valor da tensão de linha Vac convertido diretamente em Vcc aplicado aos terminais do motor, durante a frenagem. P41 - Pulso de Tensão na Partida (Kick Start) Quando habilitado, o pulso de tensão na partida define o tempo em que este pulso de tensão (P42) será aplicado ao motor, para que este consiga vencer o esforço inercial inicial da carga aplicada ao seu eixo, conforme mostrado na figura 5.7.
  • 58.
    Parâmetros da Soft-Starter 5 Guiade Aplicação Soft-Starter | 5-7 Figura 5.7: Kick-Start: auxilia a partida de cargas com inércia elevada NOTA! Utilizar esta função apenas para aplicações específicas onde se apresente uma resistência inicial ao movimento. P45 - Pump Control A Weg, em sua Soft-Starter, desenvolveu um algoritmo especial para aplicações com bombas centrífugas. Este algoritmo especial, destina-se a minimizar os golpes de Ariete, “overshoots” de pressão nas tubulações hidráulicas que podem provocar rupturas ou desgastes excessivos nas mesmas. Ao colocar P45 em “On” e pressionar a tecla “P”, o display irá indicar “PuP”e os seguintes parâmetros serão ajustados automaticamente: „„ P02 = 15 s (Tempo de aceleração) „„ P03 = 80% (Degrau de tensão na desaceleração) „„ P04 = 15 s (Tempo de desaceleração) „„ P11 = OFF (Limitação de corrente) „„ P14 = 70% (Subcorrente da chave) „„ P15 = 5s (Tempo de subcorrente) Sendo que os demais parâmetros permanecem com o seu valor anterior. NOTA! Os valores ajustados automaticamente apesar de atender o maior número de aplicações, podem ser melhorados para atender as necessidades da sua aplicação. Segue abaixo um procedimento para melhorar o desempenho do controle de bombas.
  • 59.
    Parâmetros da Soft-Starter 5 5-8| Guia de Aplicação Soft-Starter Ajuste final da função de controle de bombas: NOTA! Este ajuste somente deve ser feito para melhorar o desempenho do controle de bombas quando a motobomba já estiver instalada e apta a funcionar em regime pleno. 1. Colocar P45 (Pump Control) em “On”. 2. Ajustar P14 (Subcorrente) ou colocar P15 (Tempo de Subcorrente) em “OFF” até o fim do ajuste. Depois reprogramá-lo. 3. Verificar o correto sentido de giro do motor, indicado na carcaça da bomba. 4. Ajustar P01 (Tensão inicial % UN) no nível necessário que comece a girar o motor, sem que haja trepidação. 5. Ajustar P02 (Tempo de aceleração [s]) para o tempo de partida exigido pela carga. Com o auxílio do manômetro da tubulação, verificar o aumento da pressão, que deve ser contínua até o nível máximo exigido sem que haja “overshoots”. Se houver, aumente o tempo de aceleração até reduzir ao máximo esses “overshoots” de pressão. 6. P03 (Degrau de tensão % uN) usar esta função para provocar uma queda imediata ou mais linear de pressão na desaceleração da moto-bomba. 7. P04 (Tempo de desaceleração) com o auxílio do manômetro, ao desacelerar o motor, deve-se verificar a contínua queda de pressão até que se atinja o nível mínimo sem que haja o golpe de Aríete no fechamento da válvula de retenção. Se houver, aumente o tempo de desaceleração até reduzir ao máximo as oscilações. NOTA! „„ Se não houver manômetros de observação nas tubulações hidráulicas os golpes de Aríetes podem ser observados através das válvulas de alívio de pressão. „„ Tempos de aceleração e desaceleração muito grandes sobreaquecem os motores. Programe os tempos mínimos necessários para sua aplicação. P47 - Tempo para auto-reset (s) Quando ocorre um erro, exceto E01, E02 e E07 ou E2x, a Soft-starter poderá provocar um “reset” automaticamente, após transcorrido o tempo programado em P47. Se P47= OFF não ocorrerá “Auto-Reset”. Após transcorrido o “Auto-Reset”, se o mesmo erro voltar a ocorrer por três vezes consecutivas (*), a função de “Auto-reset” será inibida. Portanto, se um erro ocorrer quatro vezes consecutivas, este permanecerá sendo indicado (e a Soft-Starter bloqueada) permanentemente. (*) Um erro é considerado reincidente, se este voltar a ocorrer até 60 segundos após o último erro ter ocorrido. 5.3 PARÂMETROS DE CONFIGURAÇÃO P43 - Relé By- Pass Esta função quando habilitada permite a utilização da indicação de Tensão Plena, através do RL1 ou RL2 (P51 ou P52), acionar um contador de By-Pass. A principal função do By-Pass da soft-starter é eliminar as perdas em forma de calor ocasionadas pela Soft-Starter. NOTA! 1) Sempre que for utilizado o contator de by-pass deve-se programar esta função. 2) Para não perder as proteções referentes a leitura de corrente do motor, os transformadores de corrente deverão ser colocados externamente a conexão do contador de by-pass através do módulo MAC-0x. 3) Quando P43 em “On” os parâmetros P74 e P76 ficam inativos “OFF”.
  • 60.
    Parâmetros da Soft-Starter 5 Guiade Aplicação Soft-Starter | 5-9 P44 - Economia de energia Pode ser habilitada ou desabilitada, sendo que quando habilitada sua função é a de diminuir as perdas no entreferro do motor, quando sem ou com pouca carga. NOTA! 1) A economia total de energia depende de que carga está o motor. 2) Esta função gera correntes harmônicas indesejáveis na rede devido a abertura do ângulo de condução para diminuição da tensão. 3) Quando P44 em “On” os parâmetros P74 e P76 ficam inativos (“OFF”). 4) Não pode ser habilitada com by-pass (P43 em “On”). 5) O Led “Run” fica piscando quando a função economia de energia está habilitada. Figura 5.8: Economia de energia P46 - Valores Default (carrega parâmetros de fábrica) Quando colocada em ON esta função força a parametrização da Soft-Starter conforme valores de fábrica, exceto os parâmetros P22 e P23. P50 - Programação do Relé RL3 Habilita o relé RL3 a funcionar conforme descrito a seguir: 1. Fecha o contato N.A. sempre que a SSW-03 estiver sem ERRO. 2. Fecha o contato N.A. somente quando a SSW-03 estiver em estado de ERRO. P51 - Função do Relé RL1 Habilita o Relé RL1 a funcionar conforme parametrização abaixo: 1. Função “Operação”, o relé é ligado instantaneamente com o comando de aciona da Soft-Starter, só desligando quando a Soft-Starter recebe um comando de desaciona (P04=OFF), ou por rampa quando a tensão chega à 30% UN (P04=OFF). Mostrado na figura 5.9. 2. Função “Tensão Plena”, o relé é ligado somente após a Soft-Starter atingir 100% , e desligado quando a Soft- Starter recebe um comando de desliga. Conforme mostrado na figura 5.9. NOTA! Quando se utilizar da função de Tensão Plena para acionar o contador de By-Pass, o parâmetro P43 deve estar em “On”.
  • 61.
    Parâmetros da Soft-Starter 5 5-10| Guia de Aplicação Soft-Starter Figura 5.9: Funções “operação” e “tensão plena” Figura 5.10: Esquema simplificado de aplicação do relé com função final de rampa para ligar banco de correção de fator de potência 3. Função “Sentido de Giro”, o relé é ligado quando a entrada digital (DI3) é mantida fechada, e desligado quando aberta. O relé RL1 apenas comandará um contator que deverá ser ligado na saída da SSW-03, o qual fará a reversão de 2 fases de alimentação do motor. Conforme mostrado na figura 5.11.
  • 62.
    Parâmetros da Soft-Starter 5 Guiade Aplicação Soft-Starter | 5-11 Figura 5.11: Função “sentido de giro” P52 – Função do Relé RL2 1-2. Habilita o relé RL2 a funcionar. 3. Função “Frenagem cc”, o relé é ligado quando a soft-starter recebe um comando de desliga. Para esta função deverá ser utilizado um contador. Conforme mostrado na figura 5.12. Figura 5.12: Relé para Função Frenagem CC NOTA! Tanto P51 como P52 quando programados para uma função, vão executá-las independentemente se os contatores estão ligados externamente. Portanto antes de realizar suas programações fazer todas as ligações externas necessárias. P53 - Programação da entrada Digital 2 Habilita a entrada digital 2 (borne X2:2) a funcionar conforme códigos descritos: OFF = “Sem Função” 1. “Reset de erros”, reseta um estado de erro toda vez que a entrada DI2 estiver em +24Vcc (X2:5).
  • 63.
    Parâmetros da Soft-Starter 5 5-12| Guia de Aplicação Soft-Starter 2. “Erro Externo”, pode servir como proteção adicional da carga, atua quando entrada aberta. Ex.: Proteção térmica do motor através de contato seco (Livre de tensão) de um relé de proteção (Termostato). 3. “Habilita Geral”, pode ser utilizada a entrada DI2 como emergência da Soft-Starter, para tanto o borne X2:2 deverá estar conectado ao +24Vcc (X2:5). 4. “Controle a três fios, possibilita que a soft-Starter seja comandada através de duas entradas digitais. DI1 (X2:1) como entrada de aciona e DI2 (X2:2) como entrada de desaciona. Podendo-se assim colocar diretamente uma botoeira de duas teclas. Conforme item “Diagramas de ligação típicos” neste guia. P54 - Programação da entrada digital 3 Habilita a entrada digital 3 (Borne X2:3) a funcionar conforme códigos descritos: OFF = “Sem Função” 1. “Reset de Erros” 2. “Erro Externo” 3. “Habilita Geral” 4. “Sentido de Giro”, habilita a entrada digital 3 (DI3) quando ligada ao +24Vcc (X2:5), acionar o relé RL1 (conforme descrito no item 6.4.5) e fazer a função de reversão do sentido de giro do motor com o auxílio de um contator ligado à saída da Soft-Starter. Conforme item “Diagramas de ligação típicos” neste Guia. NOTA! Para esta função o parâmetro P51 deverá estar programado em “3”. P55 - Programação da entrada digital 4 Habilita a entrada digital 4 (borne X2:4) a funcionar conforme códigos descritos: OFF = “Sem função” 1. “Reset de Erros” 2. “Erro Externo” 3. “Habilita Geral” 4. “Função JOG”, Habilita a entrada digital 4 (DI4) quando ligada à +24Vcc (X2:5), fazer a soft-starter aplicar a tensão de JOG (P33) ao motor. P56 - Programação da Saída Analógica Habilita a saída analógica 8 bits (X2:8 e X2:9) valor em tensão 0...10Vcc (Ganho ajustável P57) indicar as seguintes grandezas: OFF = “Sem função” 1. “Corrente”, proporcional à corrente circulando pela chave em % IN. 2. “Tensão” proporcional à tensão de saída da chave em % UN. 3. “Fator de potência”, proporcional ao fator de potência da carga sem considerar as correntes harmônicas. 4. “Proteção térmica do motor”, proporcional ao estado térmico do motor em %.
  • 64.
    Parâmetros da Soft-Starter 5 Guiade Aplicação Soft-Starter | 5-13 P57 - Ganho da saída analógica Ajusta o ganho da saída analógica definida pelo parâmetro P56. NOTA! Ganho 1,00 temos a seguinte condição: P56 = 1 Saída 10 Vcc quando 500% da In da Soft-Starter. P56 = 2 Saída 10 Vcc quando 100% da Un na saída da Soft-Starter. P56 = 3 Saída 10 Vcc quando fator de potência da carga igual à 1,00. P56 = 4 Saída 10 Vcc quando o estado da proteção térmica do motor (P82) é igual à 250%. P61 - Habilitação dos Comandos Comandos P61 = OFF P61 = ON Descrição Entrada Digital IHM Serial I/O X X X Entrada Digital ou IHM/Serial Função JOG X X Entrada Digital 4 (DI4) ou Serial Sentido de Giro X X Entrada Digital 3 (DI3) ou Serial Habilita Geral X X Entradas Digitais 2, 3, 4 ou Serial Comandos que dependem do ajuste de P61 „„ I/O (Aciona/Desaciona):Quando P61 = OFF Possibilita a partida e parada do motor via entradas digitais (DI1 ou DI1/DI2). „„ Quando P61 = ON Possibilita a partida e parada do motor via IHM-3P e serial. Quando P61 = ON, a entrada digital “DI1” fica sem função. NOTA! Para efetuar esta seleção através de IHM-3P/Serial ou Entrada Digital, o motor deverá estar parado, inclusive quando a troca é de IHM-3P/Serial para Entrada Digital (DI1), esta deverá estar aberta. Sendo que se a Entrada Digital (DI1) estiver fechada a parametrização não será processada, e o display irá indicar E24. „„ Função JOG: Poderá ser programado na Entrada Digital (DI4) se P61 = OFF, ou P61 = ON seu funcionamento é via Serial. „„ Função troca de Sentido de giro: Poderá ser programado na Entrada Digital (DI3) se P61 = OFF, ou P61 = ON seu funcionamento é via Serial. „„ Habilita Geral: Poderá ser utilizado como “Comando de Emergência”, sendo que pode ser programado para qualquer uma das Entradas Digitais DI2, DI3 ou DI4 e também via serial (desde que P61 = ON). Se mais de uma Entrada Digital for programada para esta função, a primeira que abrir funcionará como Emergência. Se o comando também for habilitado para Serial (P61=ON) todas as Entradas Digitais programadas para habilita geral deverão estar fechadas. Comandos Entrada Digital IHM Serial Descrição Erro Externo X Somente via Entradas Digitais 2, 3 ou 4 Reset de Erros X X X Disponível em todos „„ Erro Externo: Pode ser programado para qualquer uma das Entradas Digitais DI2, DI3 ou DI4. Caso não seja programado não existe atuação. Se mais de uma Entrada Digital for programada para “Erro Externo”, qualquer uma irá atuar quando esconectada do +24Vcc (X2:5). „„ Reset de Erros: É aceito via IHM-3P, Serial e Entradas Digitais DI2, DI3 ou DI4 quando programadas. Quando mais de uma Entrada Digital for programada, qualquer uma tem possibilidade de resetar um estado de erro, bastando para tanto receber um pulso de +24Vcc (X2:5). P62 - Endereço da Soft-Starter na rede de comunicação Define o endereço que a Soft-Starter vai responder na rede de comunicação entre todos os equipamentos que nela estiverem conectados.
  • 65.
    Parâmetros da Soft-Starter 5 5-14| Guia de Aplicação Soft-Starter 5.4 PARÂMETROS DO MOTOR P21 - Ajuste da corrente do motor (% IN da chave) Ajusta o valor da corrente do motor percentualmente em relação a nominal da chave. Supervisiona as condições de sobrecarga conforme a curva da classe térmica selecionada em P25, protegendo o motor termicamente contra sobrecargas aplicadas ao seu eixo. Ao exceder o tempo de sobrecarga definido pela Classe de Proteção térmica, o motor é desacionado e será indicado no display da IHM-3P erro E04. Fazem parte da proteção térmica os seguintes parâmetros: P21, P25, P26 e P27. Para desabilitar a proteção térmica colocar P21=OFF. Exemplo: Como ajustar P21: IN da chave = 170A IN do motor = 140A 140A = 0,823 170A P21 = 82,3% Obs.: O erro de sobrecarga do motor, erro E04, mesmo que a CPU seja resetada, o valor de sobrecarga é mantido na memória e quando a CPU é desligada, o último valor é memorizado. O valor só é decrementado com a chave ligada e o motor com carga abaixo da nominal ou desligado. P25 - Classes térmicas da proteção de sobrecarga do motor Determina as curvas de atuação da proteção térmica do motor conforme IEC 947-4-2, mostrado no gráfico abaixo: Figura 5.13: Classes térmicas NOTA! Quando o motor está a quente, os tempos da curva são reduzidos pelos fatores mostrados na tabela a seguir. Estes fatores são aplicados para motores com carga trifásica simétrica.
  • 66.
    Parâmetros da Soft-Starter 5 Guiade Aplicação Soft-Starter | 5-15 Classes 5 até Classe 30. Tabela: Múltiplos para partidas a quente. IP / IN O 20% 40% 60% 80% 100% = P26 1 1 1 1 1 1 > P26 1 0,84 0,68 0,51 0,35 0,19 Exemplo: Um motor está sendo operado com 100% IN e é desligado. Imediatamente torna-se a ligá-lo. A classe térmica selecionada em P25 é 10. A corrente de partida é de 3XIN . O tempo de atuação é aproximadamente de 23s. O fator de ajuste na tabela para 100% IN é de 0,19. O tempo final de atuação será 0,19 X 23s = 4,3s. P26 - Fator de Serviço do motor Ajusta o Fator de Serviço do motor (F.S.) conforme a placa de identificação do motor. Este valor vai definir qual o valor de carga que o motor suporta. P27 - Auto-reset da Imagem Térmica Ajusta o tempo para auto-reset da imagem térmica do motor. O tempo de decremento da imagem térmica do motor simula o resfriamento do motor, com ou sem carga, ligado ou desligado. O algorítmo que realiza esta simulação é baseado em testes de motores Weg IP55 Standard conforme a sua potência programado nos parâmetros da Soft-Starter. Para aplicações que necessitem de várias partidas por hora pode-se utilizar o auto-reset da imagem térmica. Figura 5.14: Auto-reset da imagem térmica NOTA! Lembre-se que ao utilizar esta função pode-se diminuir a vida útil do enrolamento do seu motor.
  • 67.
    Parâmetros da Soft-Starter 5 5-16| Guia de Aplicação Soft-Starter 5.5 ERROS E POSSÍVEIS CAUSAS A Soft-Starter pode indicar erro de programação incorreta (E24), erros de serial (E2X) e erros de hardware (E0X). Erro de programação (E24) Erro de programação incorreta (E24), não deixa que o valor alterado incorretamente seja aceito. Este erro ocorre quando se altera algum parâmetro com o motor desligado e nas seguintes condições de incompatibilidade entre parâmetros. P11 limitação de corrente com P41 kick start. P41 kick start com P55=4 em Jog. P43 by-pass com P44 economia de energia P61 em OFF com ED1 acionada ou P55 Jog acionado. Para sair desta condição de erro basta pressionar as teclas P, I, O. Erros de comunicação serial (E2X) Erros de comunicação serial (E2X), não deixam que o valor alterado ou enviado incorretamente seja aceito. Para maiores detalhes ver Manual da Comunicação Serial SSW-03. Para sair desta condição de erro basta pressionar as teclas P, I, O. Erros de hardware (E0X) Erros de hardware (E0X) bloqueiam a Soft-Starter. Para sair desta condição de erro, desligar a alimentação e liga-la novamente ou através da tecla . Antes deverá ser solucionado o erro. NOTA! Forma de atuação dos erros : Todos os erros E01...E08 desligam o relé RL3 e bloqueiam os pulsos de disparo dos tiristores além de indicar o erro no display. OBS.: Cabos de ligação entre a Soft-Starter e o motor muito longos (superior a 150m) ou cabos blindados poderão apresentar uma grande capacitância. Isto pode ocasionar o bloqueio da Soft-Starter através do erro E01. Solução: Ligar uma reatância trifásica em série com a linha de alimentação do motor. Neste caso consultar a fábrica. Erros de hardware RESET RESET CAUSAS MAIS PROVÁVEIS E01 „„ Desligar e religar a eletrônica „„ Ou através da tecla „„ Ou através da entrada digital programada para reset „„ Ou através da serial „„ Falta de fase da rede trifásica „„ Curto ou falha no tiristor „„ Motor não conectado „„ Freqüência de rede com variação superior a 10% E02 „„ Tempo da rampa de aceleração programada menor que o tempo real de aceleração em função da limitação de corrente estar ativada E03 „„ Temperatura ambiente superior a 40 ºC e corrente elevada „„ Tempo de partida com limitação da corrente superior ao especificado pela chave „„ Elevado número de partidas sucessivas „„ Ventilador bloqueado ou defeituoso E04 „„ Ajuste de P21, P25 e P26 muito abaixo para o motor utilizado „„ Carga no eixo do motor muito alta „„ Elevado número de partida sucessivas E05 „„ Bomba funcionando à seco „„ Carga desacoplada no eixo do motor E06 „„ Curto-circuito entre fases „„ Eixo do motor travado (bloqueado) E07 „„ Seqüência de fase da rede de entrada invertida E08 „„ Fiação da régua X2.3 e X2.5 aberta (não conectada à 24Vcc)
  • 68.
    Parâmetros da Soft-Starter 5 Guiade Aplicação Soft-Starter | 5-17 Possíveis erros de hardware e como resolvê-los. PROBLEMA PONTO A SER VERIFICADO AÇÃO CORRETIVA Motor não gira Fiação errada 1. Verificar todas as conexões de potência e comando. Por exemplo, verificar a entrada digital de erro externo que deve estar conectada em + 24Vcc. Programação errada 1. Verificar se os parâmetros estão com os valores corretos para a aplicação. Erro 1. Verificar se a Soft-Starter não está bloqueada devido a uma condição de erro detectado (ver tabela anterior). Rotação do motor oscila (flutua) Conexões frouxas 1. Desligue a Soft-Starter, desligue a alimentação e aperte todas as conexões. 2. Checar o aperto de todas as conexões internas da Soft-Starter. Rotação do motor muito alta ou muito baixa Dados de placa do motor 1. Verificar se o motor utilizado está de acordo com a aplicação. Display apagado Conexões da IHM 1. Verificar se as conexões da IHM à Soft-Starter (cartão CCS1.1X). Verificar tensão de alimentação X1.1 e X1.2 1. Valores nominais devem estar dentro do seguinte: Para 220/230 Vca Para 110/120 Vca Umin = 187 Vca Umin = 93,5 Vca Umáx = 253 Vca Umáx = 132 Vca Trancos na desaceleração de bombas Parametrização da Soft-Starter 1. Reduzir tempo ajustado em P04.
  • 69.
    Parâmetros da Soft-Starter 5 5-18| Guia de Aplicação Soft-Starter
  • 70.
    Dimensionamento do ConjuntoMotor + Soft-Starter 6 Guia de Aplicação Soft-Starter | 6-1 DIMENSIONAMENTO DO CONJUNTO MOTOR + SOFT-STARTER 6.1 INTRODUÇÃO Ao final deste capítulo teremos cumprido duas missões importantes. 1) A mais importante é que aprenderemos a distinguir uma aplicação trivial de outra exigente. Observe que estaremos considerando “exigentes” não apenas àquelas cujo ciclo de operação e carga são severos, mas também aquelas aplicações onde o ambiente ou a rede de alimentação elétrica têm características desfavoráveis. Seremos capazes de identificar uma aplicação exigente aprendendo quais características analisar e, com segurança, trilhar o caminho da escolha correta da Soft- Starter. 2) Nossa outra missão é mostrar como é simples a escolha certa da Soft-Starter nas aplicações mais usuais. Trata-se de um equipamento operacionalmente flexível e amigável, que possibilita uma série de ajustes, alcançando a melhor condição de partida para uma série de aplicações. Apresentaremos algumas dicas e comentários genéricos sobre várias aplicações. Acreditamos que isto será útil ao leitor deste capítulo quando estiver exercitando seus conhecimentos na prática. Embora o tema exposto seja a base da aplicação da Soft Starter, salientamos que, em caso de dúvida, as mesmas informações estão disponíveis (embora de maneira menos erudita e mais prática) através do SDW - Software de Dimensionamento Weg. Anexo 2). Use o SDW em conjunto com este guia. 6.1.1 Definições Motor - Sempre que houver uma menção genérica a “motor” nesta seção, estará se referindo ao motor de corrente alternada (ca) de indução, assíncrono, com rotor tipo gaiola de esquilo, a menos de declaração explícita ao contrário. Acionamento - A palavra acionamento significa aqui, o conjunto compreendido pelo motor e seu sistema de partida, mais qualquer aparelho eletrônico de controle envolvido (tal como um inversor). Carga - A palavra carga significa aqui, o conjunto de componentes da máquina que se movem, ou que estão em contato e exercem influência sobre eles, começando a partir da ponta-de-eixo do motor. Torque - O torque pode ser definido como “a força necessária para girar um eixo”. Ele é dado pelo produto da força tangencial F (N) pela distância r (m), do ponto de aplicação da força ao centro do eixo. A unidade de torque no SI (Sistema Internacional) é o Nm (Newton-metro). Inércia - Inércia é a resistência que uma massa oferece à modificação do seu estado de movimento. Todo corpo que tem massa tem inércia. Uma massa em repouso requer um torque (ou força) para colocá-la em movimento. Uma massa em movimento requer um torque (ou força) para modificar a sua velocidade ou para colocá-la em repouso. O momento de inércia de massa J (kgm2) de um corpo depende da sua massa m (kg) e da distribuição da massa ao redor do eixo de giro, ou seja, da sua geometria. O Anexo 1 traz as fórmulas para o cálculo do momento de inércia de massa de diversos corpos comuns. 6.1.2 Relações básicas Torque O torque T (Nm) é o produto da força F (N) necessária para girar o eixo, pela distância r (m) do ponto de aplicação da força ao centro do eixo: T = F * r (6.1) Este é o torque necessário para vencer os atritos internos da máquina parada, e por isso é denominado de torque estático de atrito, Te at .
  • 71.
    Dimensionamento do ConjuntoMotor + Soft-Starter 6 6-2 | Guia de Aplicação Soft-Starter Pode-se determinar o torque demandado para por em movimento uma máquina, medindo a força, por exemplo, utilizando uma chave de grifo e um dinamômetro de mola (figura 6.1). Figura 6.1: Medição de torque Exemplo: Se obtivermos uma leitura de força de 75 N (~ 7,6 kgf) a 0,6 m (600 mm) do centro do eixo de entrada, o torque será (eq. 6.1) Te at = 75 * 0,6 = 45,0 Nm Potência A potência P é dada pelo produto do torque T (Nm) pela velocidade de rotação n (rpm) P = (2*π/60) * T * n (6.2) e a unidade é o Watt. (Lembre-se: 1.000 W = 1 kW) Exemplo: Se a máquina demandasse os mesmos 45,0 Nm a uma velocidade de rotação de 1.760 rpm, então a potência seria (eq. 6.2) P = (2*π/60) * 45,0 * 1.760 = 8.294 W (~ 8,3 kW) Aceleração (desaceleração) O torque T (Nm) necessário para acelerar (ou desacelerar) uma carga com momento de inércia de massa (ou simplesmente inércia) J (kgm2 ), da velocidade de rotação n1 (rpm) para n2 (rpm), em um tempo t (s), é dado por Td ac = (2*π/60) * J * (n2 – n1 ) / t (6.3) Este torque é chamado de torque dinâmico de aceleração, Td ac . Se n2 > n1 (aceleração), Td ac é positivo, significando que seu sentido é igual ao sentido de rotação; se n2 < n1 (desaceleração), Td ac é negativo, significando que seu sentido é contrário ao sentido de rotação. Exemplo: Um cilindro maciço de alumínio, de diâmetro d = 165 mm e comprimento l = 1.200 mm, e portanto com uma massa m de aproximadamente 69,3 kg, tem momento de inércia de massa J de (eq. A1.1, Anexo 1) J = 1/8 x 69,3 x 0,1652 = 2,36E10-1 kgm2 Se o corpo deve acelerar de de 0 a 1.760 rpm no tempo de 1,0s, então o torque de aceleração será (eq. 6.3) Td ac = (2*π/60) * 2,36E10-1 * (1.760 – 0) / 1,0 = 43,5 Nm Adicionando-se o torque de aceleração acima calculado ao torque de atrito calculado no primeiro exemplo acima, tem-se T = 45,0 + 43,5 = 88,5 Nm
  • 72.
    Dimensionamento do ConjuntoMotor + Soft-Starter 6 Guia de Aplicação Soft-Starter | 6-3 e para a potência (eq. 6.2) P = (2*π/60) * 88,5 * 1.760 = 16.303 W (~ 16,3 kW) Efeito de uma transmissão mecânica Por transmissão mecânica entende-se um redutor (ou multiplicador) de velocidade como, por exemplo, um redutor de engrenagens, ou uma redução por polias e correia em V, ou ainda correia dentada. Uma transmissão mecânica tem dois parâmetros importantes para o dimensionamento do acionamento, que são: (a) a razão de transmissão iR , e (b) a eficiência ηR . No caso de redutores de engrenagens estes parâmetros são fornecidos pelo fabricante do mesmo, e no caso de transmissões por polias e correias, podem ser calculados a partir dos parâmetros da transmissão (razão dos diâmetros efetivos ou razão dos números de dentes). Redutores de velocidade são utilizados, por exemplo, no acionamento de máquinas de baixa velocidade, entre o eixo do motor e o eixo de entrada da máquina. Assim como a velocidade de rotação do motor é reduzida na proporção da razão de transmissão iR , também o torque do motor é multiplicado na mesma proporção. Além disso, uma parte da energia que entra é consumida pelas perdas internas (atritos, ruído, etc), quantificadas pela eficiência ηR . Assim, o torque necessário na entrada de um redutor, T1 (Nm) em função do torque demandado na saída T2 (Nm) é dado por T1 = T2 /( iR * ηR ) (6.4) Exemplo: Se no exemplo 4, com T2 = 88,5 Nm, houvesse um redutor de engrenagens de 1 estágio com razão de transmissão iR = 1,8 e eficiência ηR = 0,85 teríamos para o torque T1 (eq. 6.4) T1 = 88,5 / (1,8 * 0,85) = 57,8 Nm A velocidade máxima do motor deveria ser então n1 = 1.760 * 1,8 = 3.168 rpm E a potência (eq. 6.2) P = (2*π/60) * 57,8 * 3.168 = 19.179 W (~ 19,2 kW) 6.2 INTERAÇÃO ENTRE PROCESSO, MÁQUINA, MOTOR E ACIONAMENTO 6.2.1 A importância do processo/máquina Em primeiro lugar vem o processo. Para um empreendedor que precisa bombear água, moer grãos, acionar esteiras, ter suprimento de ar comprimido, ventilar uma área, ou o que seja, o uso do motor elétrico é uma conseqüência. Ou seja, não é o foco principal do empreendedor as restrições tecnológicas existentes para mover seu processo. Dentre as soluções de acionamentos existentes para aquela máquina ou processo, cabe ao nosso empreendedor (ou seus projetistas) escolher a melhor solução para o cenário composto pelo tipo de máquina/ processo, e pelos recursos de que ele dispõe. Por isto quem se propõe a aplicar um acionamento com motor elétrico deve, antes de tudo, compreender o processo, ou seja, o que a máquina exige. Por exemplo, suponhamos um pequeno empreendedor rural que produz determinado grão, e um subproduto que é resultado de moagem.
  • 73.
    Dimensionamento do ConjuntoMotor + Soft-Starter 6 6-4 | Guia de Aplicação Soft-Starter Figura 6.2: Roda d’água. A solução de motorização de um processo nem sempre contou com a flexibilidade dos motores elétricos. Não importa a solução de motorização, sempre a compreensão das necessidades do processo teve maior importância Para uma pequena produção (ou uso próprio) ele pode usar sua própria força ou a de empregados, a força de uma queda d’água em um monjolo, a força da tração animal, etc. O processo vem primeiro, e daí vem a solução para movimentá-lo. Para um nível comercial de produção, é necessário lançar mão de alguma motorização que atinja o objetivo usando melhor os recursos. Que seja mais eficiente. Dentro de um universo de soluções para movimentar seu processo (moagem, em nosso exemplo), nosso empreendedor optará pelo motor elétrico trifásico. Provavelmente a máquina que ele irá adquirir será fornecida com o motor instalado. E por que o fabricante do moinho já fornece a máquina com o motor elétrico e não com um motor diesel, por exemplo? Ou um motor DC? Ou com uma turbina? O suprimento de energia elétrica AC é muito mais conveniente de ser lidado do que qualquer outro (diesel, energia DC, vapor, água, etc.). Seu uso é mais difundido, sua manutenção é mais simples, o domínio de suas características e principalmente de suas restrições é comum a mais profissionais. E por que o fabricante do moinho ou o nosso empreendedor deveriam utilizar a Soft-Starter para acioná-lo?
  • 74.
    Dimensionamento do ConjuntoMotor + Soft-Starter 6 Guia de Aplicação Soft-Starter | 6-5 Figura 6.3: SSW-03 e SSW-04. A crescente sofisticação das máquinas e processos, assim como, a maior consciência da necessidade de preservar nossos recursos e instalações, criou um ambiente propício ao acionamento suave das nossas máquinas Porque eles desejam uma motorização que: 1) provoque menor desgaste mecânico, e conseqüentemente, traga menos paradas para manutenções; 2) provoque menores distúrbios na rede elétrica, mantendo o funcionamento estável de outros equipamentos; 3) utilize melhor os suprimentos energéticos daquela região, recompensando-o com uma maior facilidade no atendimento as restrições de demanda. O que nos reservará o futuro, no lugar do motor elétrico e da Soft-Starter para acionar nossas máquinas? NOTA! Para preservar a simplicidade do exemplo, foi omitida a análise devida da aplicação (moinho). 6.2.2 Aplicação de acionamentos elétricos - Problemas típicos Uma fonte de problemas ao se tratar de sistemas de acionamentos elétricos é a aplicação inadequada dos tipos diferentes que existem. Como vimos no capítulo 1, um motor de anéis e um motor com rotor tipo gaiola de esquilo têm características peculiares, que devem ser levadas em conta. Não só as características de torque são diferentes, mas também há consideráveis diferenças de custos, recursos de partida, dimensões de carcaças, etc. É necessário, portanto, conhecimento de como o motor interage com o sistema de controle, e estes dois por sua vez, com a máquina acionada e com a rede de alimentação. O dimensionamento é, primordialmente, feito com base no torque requerido pela carga. Assim, pode-se dizer que é necessário conhecer muito bem a máquina a ser acionada. É muito importante fazer uma quantidade tão grande quanto possível de perguntas, mesmo a respeito de coisas aparentemente insignificantes. É impossível perguntar demais, e um dos segredos está em entender muito bem a aplicação. É necessário ainda uma compreensão das relações entre potência, torque, velocidade e aceleração/ desaceleração, bem como do efeito de uma transmissão mecânica no contexto da motorização de uma máquina.
  • 75.
    Dimensionamento do ConjuntoMotor + Soft-Starter 6 6-6 | Guia de Aplicação Soft-Starter 6.3 O QUE A CARGA REQUER Antes de mais nada convém relembrar a definição do termo carga, da Sec. 6.1.1: Neste material a palavra carga significa: “O conjunto de componentes da máquina que se move, ou que está em contato e exerce influência sobre eles, começando a partir da ponta-de-eixo do motor”. Devemos iniciar preocupando-nos com a carga, e não com o motor ou com o inversor. Um bom trabalho de decisão a respeito do melhor sistema de acionamento de uma máquina requer que a máquina em sí seja considerada primeiramente. Se você não conhece a máquina em profundidade não poderá tomar decisões acertadas com respeito ao seu acionamento. Com esta finalidade é de grande utilidade um “check list”, que contenha uma coletânea de sugestões de perguntas a serem feitas. Pergunte-se a respeito da performance e das demandas da máquina. A carga é constante ou variável? É necessária uma aceleração rápida? Neste caso, qual é o máximo tempo de aceleração admitido? O regime de serviço é contínuo, ou interrompido, e repetido em intervalos? Vide o Anexo 3 a este guia para modelo de check-list. Vamos nos concentrar daqui por diante na determinação do torque demandado pela carga. 6.3.1 Tipos de cargas Geralmente os dados a respeito do torque demandado pela carga são apresentados na forma de um gráfico “torque versus velocidade”. Não precisa ser um gráfico impecavelmente produzido, com linhas perfeitas e coloridas. Importante é que seja de bom tamanho (não muito pequeno), e em escala. Pode muito bem ser feito a mão. Geralmente as cargas caem em uma das seguintes categorias: „„ Torque constante O torque demandado pela carga apresenta o mesmo valor ao longo de toda a faixa de velocidades. Logo, a demanda de potência cresce linearmente com a velocidade (figura 6.4a). Uma esteira transportadora movimentando uma carga de 1 ton de peso a 0,1 m/s, por exemplo, requer aproximadamente o mesmo torque que se estivesse a 1,0 m/s. Outros exemplos de cargas com este tipo de comportamento são: equipamentos de içamento (guindastes e elevadores), laminadores, extrusoras, e bombas de deslocamento positivo (de pistões, de engrenagens e helicoidais). „„ Potência constante O torque inicial é elevado e diminui exponencialmente com o aumento da velocidade. A potência demandada permanece constante ao longo de toda a faixa de variação de velocidade (figura 6.4b). Isto normalmente é o caso em processos onde há variações de diâmetro, tais como máquinas de bobinamento e desbobinamento, e desfolhadores, bem como em eixos-árvore de máquinas-ferramenta. Quando o diâmetro é máximo, é demandado máximo torque a baixa velocidade. A medida que diminui o diâmetro, diminui também a demanda de torque, mas a velocidade de rotação deve ser aumentada para manter constante a velocidade periférica. „„ Torque linearmente crescente O torque cresce de forma linear com o aumento da velocidade, e portanto a potência cresce de forma quadrática com esta (figura 6.4c). Exemplo de carga com este comportamento são prensas. „„ Torque com crescimento quadrático O torque demandado aumenta com o quadrado da velocidade de rotação, e a potência com o cubo (figura 6.4d). Exemplos típicos são máquinas que movimentam fluidos (líquidos ou gases) por processos dinâmicos, como, por exemplo, bombas centrífugas, ventiladores, exaustores e agitadores centrífugos. Estas aplicações apresentam o maior potencial de economia de energia já que a potência é proporcional à velocidade elevada ao cubo.
  • 76.
    Dimensionamento do ConjuntoMotor + Soft-Starter 6 Guia de Aplicação Soft-Starter | 6-7 Figura 6.4a: Cargas típicas (torque constante) Figura 6.4c: Cargas típicas (TORQUE LINEARMENTE CRESCENTE) Figura 6.4b: Cargas típicas (POTÊNCIA CONSTANTE) Figura 6.4d: Cargas típicas (TORQUE COM CRESCIMENTO QUADRÁTICO) 6.3.2 O pico da carga O pico de torque é diferente para cada tipo de máquina e precisa ser corretamente identificado. Em alguns casos o torque de partida é muito elevado, tal como num transportador muito pesado. Uma carga de alta inércia que requer aceleração muito rápida, igualmente terá uma alta demanda de torque durante a aceleração. Outras aplicações apresentarão demanda máxima durante a operação em regime, e não na partida, com sobrecargas súbitas aparecendo periodicamente. 6.3.3 ESTIMANDO CARGAS Por vezes é necessário determinar o torque demandado por uma máquina existente, que tem um motor CA alimentado diretamente pela rede. A corrente elétrica consumida pelo motor é um bom indicativo do torque demandado. Se for possível tomar valores de corrente em cada uma das condições de operação da máquina, pode-se chegar a uma boa aproximação do torque demandado pela máquina. A corrente deveria ser medida em uma das fases do motor no momento da partida, durante a aceleração, durante o funcionamento normal e ainda em eventuais situações de sobrecarga. Importante também é determinar a duração de cada uma dessas condições dentro do ciclo da máquina. Em seguida verifica-se o valor da corrente nominal na plaqueta de identificação do motor.
  • 77.
    Dimensionamento do ConjuntoMotor + Soft-Starter 6 6-8 | Guia de Aplicação Soft-Starter Exemplo: Um motor de 15 kW, 1760 rpm, 220 V tem uma corrente nominal de 52,0 A. O rendimento deste motor a 100 % da potência nominal é de 89,8 %. Isto significa que 89,8 % de 52,0 A = 46,7 A vão produzir torque. Os demais 52,0 – 46,7 = 5,3 A vão suprir as perdas e produzir a excitação do motor. O torque nominal do motor pode ser calculado a partir da potência e da rotação nominais, como segue (eq. 6.2) T = 15000/((2π/60) x 1760) = 81,4 Nm Pode-se dizer que o motor vai desenvolver então 81,4 Nm / 46,7 A = 1,743 Nm/A produtor de torque Assim, a uma leitura de corrente de 20 A, por exemplo, corresponderá um torque de (20 – 5,3) x 1,743 = 25,6 Nm Este raciocínio é válido até a rotação nominal. O torque de um motor CA operando com inversor de freqüência acima da rotação nominal varia inversamente ao quadrado da velocidade. Logo, a uma velocidade igual ao dobro da rotação nominal o motor produz apenas ¼ do torque nominal. 6.4 SELEÇÃO DE ACIONAMENTOS (MOTOR / SOFTSTARTER) Em seus itens 5 e 6, a norma IEC 60947-4-2 trata, entre outros assuntos, das categorias de utilização AC53, descrevendo como seus parâmetros definem valores nominais de uma Soft-Starter. Há dois códigos AC53: 6.4.1 Categorias AC53a e AC53b - AC53a: para Soft-Starters usadas sem contatores de by-pass. Por exemplo, o código AC53a abaixo descreve uma Soft- Starter capaz de fornecer uma corrente de operação de 340 A e uma corrente de partida de 3 x 340A por 30 segundos, 10 vezes por hora, com o motor operando por 60% de cada ciclo. 340 A: AC-53a: 3 -30 : 60-10 Partidas por hora % do ciclo de trabalho com carga Tempo de partida em segundos Corrente de partida (em vezes da In) Valor nominal de corrente da Soft-Starter „„ Valor nominal de corrente da Soft-Starter: Valor nominal máximo de corrente nominal do motor a ser conectado à Soft-Starter, obedecidos os parâmetros de operação especificados pelos outros itens do código AC53a. „„ Corrente de partida: A corrente máxima que será drenada durante a partida. „„ Tempo de partida: O tempo que o motor leva para acelerar. „„ Ciclo de trabalho com carga: A porcentagem de cada ciclo de operação em que a Soft-Starter será acionada.
  • 78.
    Dimensionamento do ConjuntoMotor + Soft-Starter 6 Guia de Aplicação Soft-Starter | 6-9 „„ Partidas por hora: O número de ciclos de operação por hora. „„ AC53b: para Soft-Starters usadas com contatores de by-pass. Por exemplo, o código AC53b abaixo descreve uma Soft-Starter que, quando usada com circuito by-pass, é capaz de fornecer uma corrente de operação de 580 A e uma corrente de partida de 4,5 x In por 40 segundos, com um mínimo de 560 segundos entre o final de uma partida e o início da próxima. 580 A: AC-53b 4.5-40 : 560 Intervalo entre partidas em segundos Tempo de partida em segundos Corrente de partida (em vezes da In ) Valor nominal de corrente da Soft-Starter Portanto, pode-se dizer que uma Soft-Starter tem “vários” valores nominais de corrente. Estes valores nominais de corrente dependem da corrente de partida e das exigências do processo / aplicação. Para comparar os valores nominais de corrente de diferentes Soft-Starters, é importante garantir que os vários parâmetros envolvidos sejam idênticos. 6.4.2 Capacidade térmica da Soft-Starter O valor nominal máximo de uma Soft-Starter é calculado de forma que a temperatura da junção dos módulos de potência (SCRs) não exceda 125 °C. Vamos distinguir cinco parâmetros de operação, além da temperatura ambiente e da altitude, que afetam a temperatura da junção dos SCRs: „„ Corrente em regime do motor, „„ Corrente solicitada na partida, „„ Duração da partida, „„ Número de partidas por hora, „„ Intervalo de repouso entre partidas. NOTA! Vide item 6.4.4 deste guia quanto à influência da temperatura e altitude do local da instalação. A especificação nominal de uma Soft-Starter deve considerar todos estes parâmetros. Um valor nominal de corrente único não é suficiente para descrever as características de uma Soft-Starter. Vamos abordar no item 6.4.3 a seguir (Corrente RMS num ciclo) o procedimento para quantificar, a partir dos cinco parâmetros acima, o quanto um processo exige de uma Soft-Starter. Os procedimentos de cálculo da corrente RMS exigida num ciclo, e o procedimento de cálculo da capacidade de corrente RMS de uma Soft-Starter são análogos.
  • 79.
    Dimensionamento do ConjuntoMotor + Soft-Starter 6 6-10 | Guia de Aplicação Soft-Starter 6.4.3 Corrente RMS num ciclo (IRMS ) O valor RMS (Root Mean Square) de um conjunto de valores é a raiz quadrada da média do quadrado deste conjunto de valores. É um conceito comum para calcular valores eficazes de grandezas elétricas. Conforme IEC 61000-4-30: r.m.s. value: the square root of the mean of the squares of the instantaneous values of a quantity taken over a specified time interval. Em nosso caso, será útil para entender a definição das categorias de acionamento AC53a e AC53b. A fórmula prática para o cálculo do valor RMS da corrente em um ciclo de operação de uma máquina é a seguinte: ∑ ( I i )2 . t i IRMS = ∑ t i n i = 0 i = 0 n √ (6.5) Ou seja, ( I1 )2 . T1 + ( I2 )2 . t2 + ... + ( IN )2 . tN IRMS = T Total√ Sendo: IRMS – Corrente RMS no ciclo I1 – corrente no trecho 1 do ciclo t1 – duração do trecho 1 do ciclo I2 – corrente no trecho 2 do ciclo t2 – duração do trecho 2 do ciclo IN – corrente no trecho N do ciclo tN – duração do trecho N do ciclo Exemplificando, suponhamos o seguinte ciclo de operação de uma máquina qualquer: Figura 6.5: Gráfico (velocidade x tempo) de uma carga “X” qualquer Durante o intervalo de tempo (a) a máquina acelera até sua velocidade de trabalho, permanece nesta velocidade durante o período (b) e retorna ao repouso, desacelerando no período (c). A operação consome 60% do ciclo. Para este ciclo, suponhamos que a Soft-Starter em condições típicas de aceleração daquela inércia, vencendo aquele conjugado resistente, encontrou a melhor partida do motor segundo o ciclo de corrente:
  • 80.
    Dimensionamento do ConjuntoMotor + Soft-Starter 6 Guia de Aplicação Soft-Starter | 6-11 Figura 6.6: Gráfico (corrente x tempo) para o motor alimentando uma carga “X” qualquer Completando nosso exemplo, vamos supor os seguintes valores para esta aplicação: (a) = 30,0 seg. (b) = 329,0 seg. (c) = 1,0 seg. In = 100 A 3 x In = 300 A A título de ilustração, vamos calcular o valor RMS de corrente apenas no trecho em carga do ciclo, ou seja, os segmentos (a), (b) e (c): ( 3 . 100 )2 . 30 + ( 100 )2 . 330 IRMS = = 129 360 √ Observe que o valor obtido é intermediário entre a corrente de partida (300A) e o nominal (100A). Isto indica o caráter de média que o valor RMS detém. Dizemos que o valor da corrente eficaz nesta etapa do ciclo é de 129A. Este valor é um indicador da exigência térmica. Entretanto, é importante notar que há um período de repouso até a próxima partida. Se considerarmos este repouso, chegamos a uma corrente eficaz (RMS) de apenas 74A. O valor de 74A é mais baixo do que o valor da corrente em regime (100A) e indica que o ciclo tem uma exigência térmica relativamente baixa. ( 3 . 100 )2 . 30 + ( 100 )2 . 330 + (0)2 . 240 IRMS = = 74 600 √ Isto explica porque a IEC 60947 indica como parâmetro das categorias AC53a e AC53b o período de repouso entre partidas (ou o % de tempo em operação). Mas podemos considerar qualquer período de repouso para calcular o valor RMS, e assim chegar a um valor menor? Não. Uma prática segura é escolher os seis minutos mais exigentes do ciclo, e calcular a corrente eficaz para este intervalo de tempo. De maneira análoga, seria necessário calcular a corrente eficaz da Soft-Starter para compará-la ao ciclo a que ela será submetida. Os dados de corrente e tempo para cálculo da corrente eficaz de uma Soft-Starter são sua corrente nominal e o ciclo de sobrecarga ao qual ela será submetido. A fórmula e o procedimento de cálculo são os mesmos já descritos para o ciclo de operação. Tendo chegado aos valores de corrente eficaz do ciclo e corrente eficaz da Soft-Starter, devemos selecionar uma Soft-Starter cuja corrente eficaz seja maior que a corrente eficaz exigida pelo motor, acrescido dos devidos fatores de correção de temperatura e altitude, ou seja: I ef SS 〈 k x I ef Sendo k a representação da influência da temperatura e altitude no dimensionamento, assim como eventual folga de segurança.
  • 81.
    Dimensionamento do ConjuntoMotor + Soft-Starter 6 6-12 | Guia de Aplicação Soft-Starter 6.4.4 Casos especiais A potência admissível de uma Soft-Starter é determinada levando-se em consideração: „„ Altitude em que a Soft-Starter será instalada „„ Temperatura do meio refrigerante A NBR 7094 define como condições usuais de serviço: a) Altitude não superior a 1000 m acima do nível do mar; b) Meio refrigerante (ar ambiente) com temperatura não superior a 40º C. Nos casos em que a Soft-Starter deve trabalhar com temperatura do ar de refrigeração na potência nominal, maior do que 40º C e ou em altitude maior do que 1000 m acima do nível do mar, deve-se considerar os seguintes fatores de redução: „„ Efeito da temperatura ambiente A redução da potência (corrente) nominal do inversor de freqüência, devido à elevação da temperatura ambiente, acima de 40oC e limitada a 50oC, é dada pela relação e gráfico a seguir: Fator de redução = 2% / ºC Figura 6.7: Curva de redução de potência nominal em função do aumento da temperatura „„ Efeito da altitude Inversores funcionando em altitudes acima de 1000 m, apresentam problemas de aquecimento causado pela rarefação do ar e, conseqüentemente, diminuição do seu poder de arrefecimento. A insuficiente troca de calor entre o inversor e o ar circundante, leva a exigência de redução de perdas, o que significa, também redução de potência. Os inversores tem aquecimento diretamente proporcional às perdas e estas variam, aproximadamente, numa razão quadrática com a potência. Segundo a norma NBR-7094, os limites de elevação de temperatura deverão ser reduzidos de 1% para cada 100m de altitude acima de 1000 m. A redução da potência (corrente) nominal do conversor de freqüência, devido à elevação da altitude acima de 1000 m e limitada a 4000 m, é dada pela relação e gráfico a seguir: Fator de redução = 1 % / 100m
  • 82.
    Dimensionamento do ConjuntoMotor + Soft-Starter 6 Guia de Aplicação Soft-Starter | 6-13 Figura 6.8: Curva de redução de potência nominal em função do aumento da altitude 6.4.5 Tempo de rotor bloqueado do motor Define-se como o tempo máximo admissível pelo motor sob corrente de rotor bloqueado, ou seja, sob corrente de partida. Na prática, adota-se este tempo como o tempo máximo de partida que o motor suporta. Entretanto, o valor máximo de tempo de partida que o motor suporta aumenta na medida em que se restringe a corrente que ele poderá solicitar da rede durante a partida. Um exemplo extremo desta situação é a partida com um inversor de freqüência usando uma rampa que permita a aceleração consumindo apenas uma vez a corrente nominal do motor. O tempo máximo de partida seria infinito, uma vez que o motor estaria consumindo corrente nominal durante a “partida”, desde que o motor esteja dotado da devida ventilação. Para a Soft-Starter, a regra prática para calcular o “tempo de rotor bloqueado” é seguinte relação: Ip / In 2 TrbSS = TrbM . IL (6.8) Onde: TrbSS = Tempo de rotor bloqueado para determinada limitação de corrente com a Soft-Starter TrbM = Tempo de rotor bloqueado de catálogo Ip/In = Relação entre corrente de partida e corrente nominal do motor (dado de catálogo) IL = Corrente de limitação da Soft-Starter Por exemplo, suponha um motor com tempo de rotor bloqueado de 7,2 segundos, corrente de partida Ip = 7 x In. Se este motor partir uma carga com limitação de corrente de 4,5 x In, o tempo máximo de partida que este motor suporta eleva-se para 17,42 segundos. 7 2 TrbSS = 7,2 . = 17,42 4,5
  • 83.
    Dimensionamento do ConjuntoMotor + Soft-Starter 6 6-14 | Guia de Aplicação Soft-Starter 6.4.6 Tempo de aceleração O cálculo de tempo de aceleração é possível num cenário ideal de informações sobre a aplicação, uma vez que são necessários as curvas de conjugado da carga e do motor, momentos de inércia da carga e do motor e relação de redução. Observe que no exemplo a seguir, para preservar a simplicidade do exemplo, não estamos considerando a queda de tensão provocada pela partida do motor, ou seja, a rede apresentaria uma corrente de curto circuito infinita. Refira-se ao item 6.5 a seguir para definição da queda de tensão e sua influência na partida de um motor. Sabemos que para que um motor elétrico suporte a condição de partida a seguinte relação deve ser respeitada: ta ≤ 0,80 x tRB (6.9) Onde, ta - tempo de aceleração; tRB - tempo de rotor bloqueado; Na condição acima devemos na verdade considerar o tempo de rotor bloqueado corrigido em função dos fatores de correção da corrente ou da tensão, pois esta informação pode ser obtida através do catálogo de motores ou folha de dados onde é considerado que no motor está sendo aplicada a tensão nominal. Para o cálculo do tempo de aceleração partimos da seguinte equação: JT ta = 2π . ∆n . CA (6.10) Onde, tA - tempo de aceleração; ∆n - rotação; JT - momento de inércia total; CA - conjugado acelerante; O momento de inércia total é calculado por: JT = Jmotor + Jcarga (6.11) Onde , Jmotor - momento de inércia do motor; Jcarga - momento de inércia da carga referida ao eixo do motor; Para calcularmos o conjugado acelerante precisaremos calcular a área delimitada pelas curvas características de conjugado do motor e da carga (figura 6.9). Esta área pode ser calculada de diversas maneiras sendo analiticamente, numericamente ou graficamente. Para executar o cálculo de forma analítica deveremos conhecer as equações das duas curvas, para que assim possamos integrá-las entre os limites desejados. A equação da curva de carga com um pouco de boa vontade poderá ser interpolada mas a do motor é muito difícil de conseguirmos, pois seria necessário obter informações muito detalhadas da características elétricas do motor, se considerarmos ainda que a equação (6.12) seja uma aproximação válida e bastante razoável. A - Bn Cmotor = Cn2 - Dn + E (6.12) Onde A, B, C, D, e E são constantes inteiras e positivas dependentes das características do motor.
  • 84.
    Dimensionamento do ConjuntoMotor + Soft-Starter 6 Guia de Aplicação Soft-Starter | 6-15 Figura 6.9: Representação gráfica do conjugado acelerante Assim a área representada na figura acima poderia ser calculada pela resolução da seguinte expressão genérica: A – Bn CA = ∫ dn – ∫ CR (n)dn Cn2 – Dn + E n n 0 0 (6.13) CR (n) dependerá da característica de conjugado da carga, que como visto anteriormente poderá ser classificada em um dos grupos específicos (constante, quadrático, linear, hiperbólico ou não definido). Vemos que será mais fácil buscarmos outra forma de calcularmos esta área sem a necessidade de recorrer a técnicas de integração muito complexas. CR (n) dependerá da característica de conjugado da carga, que como visto anteriormente poderá ser classificada em um dos grupos específicos (constante, quadrático, linear, hiperbólico ou não definido). Vemos que será mais fácil buscarmos outra forma de calcularmos esta área sem a necessidade de recorrer a técnicas de integração muito complexas. Uma maneira interessante seria calcularmos esta área através de alguma técnica de integração numérica. Por simplicidade utilizaremos a integração pela técnica dos trapézios. Esta técnica consiste em dividirmos o intervalo de integração em N partes iguais e calcularmos a área do trapézio formado em cada um dos subintervalos ∆n , sendo que os pontos de conjugado serão lidos diretamente da curva (ver figura 6.10). Nitidamente pode-se perceber que haverá uma margem de erro no valor da área a ser calculada, mas no nosso caso perfeitamente tolerável. Figura 6.10: Técnica de integração numérica pela regra dos trapézios
  • 85.
    Dimensionamento do ConjuntoMotor + Soft-Starter 6 6-16 | Guia de Aplicação Soft-Starter Apesar de trabalhosa, dependendo do número de subintervalos, esta técnica mostra-se muito eficiente e simples, pois permite calcularmos o conjugado acelerante para qualquer que seja a característica de conjugado do motor e da carga. Somente deverá ficar esclarecido que antes de aplicar-se esta técnica, a curva de conjugado do motor deverá ser corrigida em função da variação da tensão aplicada, através de fatores de redução. Podemos considerar que a variação da tensão aplicada ao motor obedece a seguinte relação: UNom - Up U(n) = . n + Up nNom (6.14) onde, UP = tensão de partida; UNom = tensão nominal; nNom = rotação nominal; Na verdade o que nos diz a expressão (6.14) seria válido se tivéssemos um sistema de malha fechada de velocidade, onde a soft-starter receberia a leitura de velocidade do motor para que assim aplicasse a rampa de tensão. De qualquer maneira, para efeito de dimensionamento, isto não nos trará nenhum inconveniente sendo também uma aproximação relativamente satisfatória. A figura 6.11 ilustra esta consideração. Figura 6.11: Rampa de tensão aplicada ao motor na partida Podemos assim colocar estes valores em uma tabela de forma a facilitar a visualização dos resultados obtidos segundo o procedimento acima descrito. Tabela 6.1: Valores de conjugado Rotação ( % ) C / CNom (motor) CRC / CNom CA / CNom n0 C0 CR0 C0 + C1 - CR0 + CR1 2 2 n1 C1 CR1 C1 + C2 - CR1 + CR2 2 2 n2 C2 CR2 C2 + C3 - CR2 + CR3 2 2 · · · · · · · · · · · · nNom CNom CRNom CN-1 + CNom - CRN-1 + CRNom 2 2 NOTA! Todos os valores de conjugado na tabela acima foram referenciados ao conjugado nominal do motor por comodidade e por ser mais fácil trabalhar com valores dessa forma referenciados.
  • 86.
    Dimensionamento do ConjuntoMotor + Soft-Starter 6 Guia de Aplicação Soft-Starter | 6-17 Aplicando estes valores na equação (6.10) poderemos calcular os tempos de aceleração parciais para cada um dos subintervalos. Bastará depois disso somarmos todos estes valores parciais obtendo assim o valor do tempo de aceleração total do motor. Matematicamente podemos expressar isso através da seguinte relação: ta = Σ tan N 0 (6.15) O valor encontrado a partir da expressão (6.15) deverá obedecer o que define a expressão (6.9). Caso isto se verifique, teremos certeza de que o motor escolhido atende a condição de partida. Vamos agora aplicar este procedimento em um exemplo prático baseando-se em um uma aplicação real, sendo fornecidas as seguintes informações: „„ Curva de conjugado da carga; „„ Folha de dados do motor; „„ Curvas com as características de conjugado e corrente do motor. Observação Ver anexo I. Neste exemplo estaremos considerando os dados de um motor de 25CV, 4 pólos, acionando uma bomba centrífuga (conjugado parabólico). O valor do momento de inércia J da bomba foi arbitrado em 0,023Kgm2, e o momento de inércia do motor (dado de catálogo) considerado foi 0,11542Kgm2. A curvas de conjugado em função da rotação, da bomba e do motor, fornecem o valor de conjugado requerido em dez pontos de rotação distintos. Lendo estes valores das curvas obtemos a tabela abaixo: Tabela 6.1a Pontos deconjugado resistente Conjugado do motor Rotação (% de nNOM ) CRES (N.m) Cmotor (N.m) 0 20,0 229,54 10 15,0 210,4117 20 14,0 197,6594 30 16,0 191,2833 40 23,0 193,8338 50 30,9 204,0356 60 39,9 216,7878 70 50,9 229,54 80 63,9 255,0444 90 75,8 184,9072 100 89,8 99,8 Os valores de conjugado do motor deverão ser corrigidos para a variação de tensão que será aplicada. Aqui iremos considerar que o motor atinja a tensão nominal ao final da rampa de tensão aplicada pela soft-starter. Sabemos que conjugado do motor varia com o quadrado da tensão aplicada. Desta forma podemos determinar os valores de conjugado corrigido para cada um dos pontos fornecidos, já que conhecemos a rampa de tensão. Podemos então montar a seguinte tabela:
  • 87.
    Dimensionamento do ConjuntoMotor + Soft-Starter 6 6-18 | Guia de Aplicação Soft-Starter Tabela 6.1b Os valores de conjugado do motor devem ser corrigidos através da seguinte relação: CMotor = (U/100)2 x Cmotor (tirado da tabela 6.1a) Rotação (% da nNOM ) Tensão (% da UNOM ) Cmotor (N.m) 0 35 28,1 10 41,5 36,2 20 48 45,5 30 54,5 56,8 40 61 72,1 50 67,5 93,0 60 74 118,7 70 80,5 148,7 80 87 193,0 90 93,5 161,6 100 100 99,80 Com os valores de conjugado corrigidos podemos agora preencher uma tabela como a tabela 6.1. Esta tabela apresentará os valores de conjugado acelerante médio para cada um dos intervalos de rotação definidos. Esta tabela é mostrada a seguir: Tabela 6.1c Rotação (% de nNOM ) CMotor (N.m) CRES (N.m) Camédio (N.m) 0 28,12 20,0 8,2 10 36,2 15,0 21,3 20 45,5 14,0 31,6 30 56,8 16,0 40,8 40 72,1 23,0 49,2 50 92,0 30,9 62,0 60 118,7,1 39,9 78,8 70 148,7 50,9 97,8 80 193,0 63,9 129,2 90 161,6 75,8 85,8 100 99,8 89,8 10,0 Com os valores de conjugado acelerante médio para todos os intervalos de rotação, temos condição de calcular os tempos de aceleração parciais para cada um deles (através da equação 6.10). Para calcularmos o tempo de aceleração total basta utilizarmos a relação 6.15. Substituindo os valores nas respectivas equações chegamos ao seguinte resultado para o tempo de aceleração total : ta = 1,05 s. Podemos verificar que este motor terá condições de acelerar tranqüilamente a carga, visto que o tempo de aceleração é muito pequeno em relação ao tempo de rotor bloqueado (corrigido). Vide item “6.4.5 - Tempo de rotor bloqueado do motor”, neste guia. Devemos lembrar que no procedimento usado no exemplo acima não consideramos a ativação da função “limitação de corrente” da Soft-Starter. Quando esta função está ativa devemos aplicar fatores para correção das curvas de conjugado e corrente do motor. Uma alternativa válida seria a de considerarmos um valor de limitação de corrente, e a partir daí calcularmos a tensão que deveria ser aplicada, considerando esta situação. Note que o conjugado será corrigido conforme a seguinte relação: ILim 2 CA = . Cn – CRn In (6.16) Deve-se notar que a relação entre o valor da limitação e a corrente do motor nos informará diretamente a relação da tensão aplicada em relação a tensão nominal. Assim podemos atribuir um valor a ILim e verificarmos se o valor de tensão aplicada ao motor é válido ou satisfatório.
  • 88.
    Dimensionamento do ConjuntoMotor + Soft-Starter 6 Guia de Aplicação Soft-Starter | 6-19 Para garantirmos o acionamento do motor devemos então calcular o valor de corrente eficaz para o regime de partida do motor utilizando o valor de corrente limite e tempo de aceleração total. Vide item 6.4.3 deste guia para cálculo da corrente eficaz do ciclo e da Sof-Starter. 6.5 AFUNDAMENTO DE TENSÃO OU QUEDA DE TENSÃO MOMENTÂNEA (VOLTAGE SAG / VOLTAGE DIP) Vamos definir o conceito de “queda de tensão momentânea” que está relacionado à partida de grandes cargas (como grandes motores), e que portanto pode estar relacionado à uma Soft-Starter. Conforme a norma IEC61000-4-30: Voltage dip: (definition used for the pupose of this standard). A sudden reduction of the voltage at a point in the electriacal system, followed by voltage recovery after a short period of time, from half a cycle to a few seconds. Ou conforme norma IEEE 1159: Voltage sag: an rms variation with a magnitude between 10% and 90% of nominal and a ration between 0.5 cycles and one minute. Observe que a norma européia usa o termo “voltage dip” enquanto a americana usa “voltage sag”. Apesar das definições serem ligeiramente diferentes, o fenômeno descrito é o mesmo, ou seja: O fenômeno que nos interessa (voltage dip/sag) é uma redução no valor de tensão em um ponto do sistema elétrico seguido de sua recomposição após um curto período de tempo, acima de meio ciclo até alguns segundos. Figura 6.12: Voltage Sag. Observe a redução da amplitude da forma de onda a partir do segundo semiciclo positivo até aproximadamente 0,15 segundos Também se usa o termo “queda de tensão” para a queda que ocorre em cabos, particularmente em longas distâncias. Deste ponto em diante, neste item, quando nos referirmos à “queda de tensão”, estamos nos referindo ao fenômeno momentâneo definido como voltage dip ou voltage sag nas normas IEC61000-4-30 e IEEE 1159 já citadas. Distúrbios de menos de meio ciclo se encaixam na definição de “transiente de baixa freqüência”, enquanto distúrbios maiores do que alguns segundos podem ser chamados de “subtensão da rede de alimentação”. Sistemas de alimentação tem impedância diferente de zero, assim qualquer aumento da corrente causa uma correspondente redução na tensão. Durante comportamento normal da rede estas variações ficam dentro de limites aceitáveis. Mas quando há um acréscimo de corrente muito grande, ou quando a impedância do sistema é alta, a tensão pode cair significativamente. Assim, conceitualmente há duas causas para quedas de tensão: „„ Aumento substancial da corrente „„ Aumento na impedância do sistema
  • 89.
    Dimensionamento do ConjuntoMotor + Soft-Starter 6 6-20 | Guia de Aplicação Soft-Starter Do ponto de vista prático, quem provoca a queda de tensão é o aumento da corrente. Suponhamos o seguinte unifilar simplificado. Figura 6.13: Mesmo um evento que provoque uma queda de tensão no barramento do resistor, provocará uma queda de tensão no transformador, e conseqüentemente no motor É óbvio que qualquer queda de tensão no ramal do transformador, provocará uma queda de tensão no circuito abaixo. Mas um curto-circuito em um ramal distante pode provocar uma queda no ramal do transformador também. Assim, mesmo falhas em partes distantes do circuito podem causar uma queda de tensão em todas cargas. Em redes industriais, a maioria das quedas de tensão são provocadas nas próprias instalações. As causas mais comuns são: „„ Partir uma carga elevada Como um motor ou um forno resistivo. Motores elétricos partindo com tensão plena podem consumir mais de 600% da sua corrente nominal na partida, dependendo de seu projeto. Fornos elétricos tipicamente solicitam 150% de sua corrente até o aquecimento.
  • 90.
    Dimensionamento do ConjuntoMotor + Soft-Starter 6 Guia de Aplicação Soft-Starter | 6-21 Figura 6.14: Motor linha MASTER - Weg Motores podem solicitar mais de 600% da corrente nominal, se partirem a tensão plena. A queda de tensão pode ser considerável durante a partida de um motor de grande porte a tensão plena. „„ Conexões defeituosas ou frouxas Como conectores não apertados aos fios. Isto aumenta a impedância do sistema e aumenta o efeito do aumento de corrente. „„ Falhas ou curtos Em qualquer lugar da fábrica. Apesar da falha ser rapidamente isolada por fusível ou disjuntor, ela irá “puxar” para baixo a tensão até que o dispositivo de proteção atue, o que pode durar de alguns ciclos até alguns segundos. A queda de tensão também pode se originar fora da instalação do consumidor. As mais comuns: „„ Falhas em circuitos distantes Causam uma redução correspondente na rede do consumidor. Dispositivos na rede da concessionária procuram sanar a falha, cuja duração pode chegar a alguns segundos. A grosso modo, a queda de tensão dependerá da quantidade e características dos transformadores entre a rede do consumidor e o ponto de falha. „„ Falha no regulador de tensão da concessionária São raras. As concessionárias possuem sistemas automáticos para ajustar a tensão (transformadores com troca automática de taps, ou bancos de capacitores automáticos espalhados pela rede). Figura 6.15: A queda de tensão pode ter origem na rede da concessionária O mais importante é entender a causa da queda de tensão antes de tentar eliminá-la.
  • 91.
    Dimensionamento do ConjuntoMotor + Soft-Starter 6 6-22 | Guia de Aplicação Soft-Starter 6.5.1 Conseqüências de uma queda de tensão momentânea Se não há tensão suficiente na rede de alimentação, os equipamentos nela conectados podem desligar ou ter seu funcionamento prejudicado. Mesmo que a tensão se reduza por pouco tempo, e com intensidade limitada. Há cargas que tem uma tendência a sofrer mais com quedas de tensão: normalmente são circuitos alimentados por fontes DC, como computadores, circuitos de telefonia, CLPs, etc. Também pode ocorrer que relés para proteção contra subtensão provoquem interrupções desnecessárias por motivo de ajuste errado. De maneira análoga pode ocorrer um desligamento desnecessário provocado por relé de proteção contra desbalanceamento de fases. Entretanto, motores e transformadores podem sobreaquecer e serem danificados por operarem durante desbalanceamento de fases, o que torna o uso do relé importante. Figura 6.16: Relés de proteção devem ser devidamente ajustados para evitar “trips” desnecessários O problema mais sutil ocorre em equipamentos eletrônicos. Há circuitos projetados para atuar com um acréscimo de tensão, tipicamente a ligação do equipamento. Durante a queda de tensão o equipamento pode funcionar perfeitamente, mas pode se “ressetar” quanto a queda de tensão cessa. 6.5.2 Comentários sobre soluções contra queda de tensão momentânea Se você já teve que consertar (ou re-adequar) algum objeto, você já deve ter reparado como às vezes é difícil conseguir “coesão” entre as partes do objeto após sua modificação. É melhor sempre projetar o sistema da maneira certa logo do começo. Correções podem trazer aspectos indesejados, com os quais se terá de conviver. Isto porque as várias partes do sistema são interdependentes, e alterar uma parte pode ter conseqüência em outras. Alguns exemplos de ajustes em sistemas problemáticos: 1) Mudar os ajustes de tensão das fontes DC Caso o problema esteja se manifestando apenas em uma carga alimentada por uma fonte de tensão DC, algumas destas fontes permitem ajustes que podem dar maior range para superar quedas de tensão momentâneas. 2) Reduzir a carga na rede elétrica Redes elétricas parcialmente carregadas sempre toleram solicitações de corrente melhor, portanto distribuir as cargas em vários transformadores pode melhorar a qualidade do suprimento de energia. 3) Aumentar a capacidade da rede de alimentação Se não é possível realocar as cargas, será necessário usar um suprimento de energia de maior capacidade, ou seja, um transformador maior, que irá consumir mais espaço, e mais recursos financeiros, e trará alterações no nível de curto-circuito da instalação, e pode exigir alteração nos cabos na saída do transformador e respectiva instalação civil.
  • 92.
    Dimensionamento do ConjuntoMotor + Soft-Starter 6 Guia de Aplicação Soft-Starter | 6-23 Figura 6.17: A alteração para um transformador maior pode trazer complicações devido à alteração da capacidade de curto-circuito, exigir mudança da cablagem e respectiva instalação civil. Na figura acima, a título de ilustração, o transformador do lado esquerdo é a seco e o outro é a óleo, embora existam grandes transformadores a seco também. 4) Alterar os ajustes das proteções Se é possível identificar um dispositivo de proteção mal ajustado (como um relé de balanceamento de fases, relé de subtensão, ou uma proteção interna a um equipamento), pode-se avaliar mudar seu ajuste. Deve-se ter em mente que se o dispositivo foi ajustado em determinado modo, o projeto do sistema deve ter julgado este ajuste como apropriado. Não é conveniente eliminar as proteções de um sistema. Dependendo do dispositivo de proteção, o ajuste pode ser simples como girar um knob, ou pode exigir substituição de componentes ou ajuste de firmware. 5) Instalar um regulador de tensão de atuação rápida ou UPS Existem várias tecnologias para aumentar a tensão que alimenta um ponto sensível da instalação (UPS, compensador estático de tensão, etc.). Estes equipamentos exigem engenharia de aplicação adequada para solucionar o problema, e como representam um custo extra, sua aplicação é mais sensata apenas para alimentar pequenas cargas muito sensíveis a quedas de tensão. 6.5.3 Capacidade relativa da rede de alimentação Quando um motor elétrico parte, ele irá drenar alguma corrente da rede elétrica. Portanto, alguma queda de tensão durante a partida e até mesmo em regime (embora menor) é um fenômeno intrínseco ao funcionamento do sistema. O que se pode fazer é lançar mão de estratégias para reduzir esta queda de tensão, como a Soft- Starter. Entretanto, será possível identificarmos facilmente se um circuito prestes a alimentar uma nova carga é potencialmente problemático em termos de queda de tensão, provocada pela partida do motor? A seguir vamos fazer uma simplificação prática, dando um subsídio importante na aplicação de Soft-Starter: como as características da rede de alimentação influenciam a partida da carga. Este conceito é particularmente importante na partida de grandes cargas. CÁLCULO DA CAPACIDADE DE CURTO-CIRCUITO O cálculo da capacidade do curto-circuito é usado em várias situações: „„ dimensionamento de transformadores, „„ seleção de disjuntores e fusíveis em função da capacidade de ruptura, determinando se uma reatância de rede será necessária para um inversor de freqüência, etc. Nosso objetivo aqui é expor como a capacidade de curto-circuito é importante no dimensionamento de um sistema de acionamento elétrico, e conseqüentemente para uma Soft-Starter ou qualquer outro método de partida. Vamos lançar mão de exemplo de dimensionamento de transformador para ilustrar o conceito. A impedâncias dos cabos e sua respectiva queda de tensão serão ignorados aqui para preservar a simplicidade do exemplo, e também para munir o engenheiro, técnico ou empreendedor de um meio rápido para avaliar uma carga nova ou rever um problema existente em sua planta.
  • 93.
    Dimensionamento do ConjuntoMotor + Soft-Starter 6 6-24 | Guia de Aplicação Soft-Starter Os seguintes cálculos determinarão a “potência extra” requerida por um transformador que seja usado para alimentar um único motor. Analisaremos duas situações, denominadas aqui de “A” e “B”. A primeira tem uma potência de curto-circuito ilimitada no primário, e a segunda, em antagonismo, tem suprimento de energia no primário com uma capacidade muito menor e definida. Situação “A”: Transformador conectado a linha com capacidade ilimitada de curto-circuito Figura 6.18: Figura ilustrativa de um Sistema “A” Suponhamos transformador de 1000 kVA, 380V tensão nominal no secundário, 5,75% de impedância. A corrente de saída nominal a plena carga seria: 1000kVA = 1521A 380V . √3 O valor de 5,75% de impedância indica que haverá 1521 A (corrente nominal) se o secundário for curto circuitado e a tensão no primário for elevada a valor tal que haverá 5,75% da tensão nominal no secundário, ou seja 21,8V surgem no secundário. Assim, a impedância do secundário do transformador pode ser calculada como: V 21,85V Z = = = 0,01436Ω I 1521A
  • 94.
    Dimensionamento do ConjuntoMotor + Soft-Starter 6 Guia de Aplicação Soft-Starter | 6-25 Suponhamos que o transformador está conectado diretamente à rede da concessionária, e suponhamos que esta possui uma capacidade de curto-circuito ilimitada. Note que a concessionária pode fornecer este dado sob consulta. Com uma potência ilimitada de curto-circuito no suprimento da concessionária, a corrente de curto-circuito que o transformador pode entregar no secundário é 380V = 26452A 0,01436 Outra alternativa de cálculo da corrente de curto-circuito é a seguinte: 1521A · 100 1521 = = 26452A 5,75 0,0575 Finalmente, há também a alternativa de consultar o fabricante. Agora vamos analisar a conecção do motor ao secundário do nosso transformador. Nós devemos calcular a queda de tensão que será causada pela corrente solicitada na partida do motor. Neste exemplo, observe como o transformador alimenta apenas este motor, e portanto se a queda de tensão não provocar uma redução de torque que o inabilite a partir a carga, não seria necessário superdimensionar o transformador. É necessário ter em mente, entretanto, que esta abordagem negligência qualquer orientação da faixa de tensão de operação na especificação do motor ou restrições de normas. Dando continuidade ao nosso exemplo, suponhamos que o transformador alimentará um motor que demanda 1400A de corrente nominal, o que vai consumir praticamente toda capacidade transformador. Assim, podemos dizer que o motor representa: 380V · 1400A · 1,73 = 902kVA Suponhamos que nossa Soft-Starter limitará a corrente em 3 x In do motor o que vai drenar do transformador. Suponhamos também que se deseja uma queda de tensão de 7,5%: 380V · 1400A · 300% · 1,73 = 2761kVA A queda de tensão momentânea durante a partida será proporcional à carga representada pelo motor, e pode ser expressa como uma porcentagem da carga representada pelo motor em relação à máxima capacidade do transformador. O transformador tem uma potência de curto-circuito que pode ser calculada como: 380V · 26452A · √3 = 17390kVA A queda de tensão na partida do motor será: 2761kVA = 0,1587 = 15,87% 17390kVA Conforme vimos no item 6.4.6 (Tempo de Aceleração), o conjugado do motor é proporcional ao quadrado da tensão, e portanto, será necessário averiguar se esta queda de tensão implica redução de conjugado do motor abaixo do conjugado requerido pela carga ou se a redução de conjugado do motor implica tempo de aceleração que excederá o limite térmico do motor ou da Soft-Starter. Entretanto, conforme havíamos arbitrado inicialmente, a queda de tensão deverá manter-se em 7,5%.
  • 95.
    Dimensionamento do ConjuntoMotor + Soft-Starter 6 6-26 | Guia de Aplicação Soft-Starter Ou seja, o transformador precisa ser dimensionado para uma capacidade de: 2761kVA = 36813kVA 0,075 Assim, a corrente de curto-circuito do transformador deveria ser: 36813kVA = 55998A 380V · √3 Primeiro vamos observar um transformador um pouco maior, suponhamos 2000 kVA, com impedância de 6,5%. Este transformador ainda não atenderia, pois a corrente de curto circuito seria 46749 A. Supondo um transformador de Z = 7,5%, teríamos como necessário um transformador cujo valor da corrente a plena carga seja igual a 4200A, ou seja, aproximadamente 3MVA. Ou seja aproximadamente 3 vezes a potência representada pelo motor em regime. Observe o aumento da impedância em função do aumento da potência do transformador.
  • 96.
    Dimensionamento do ConjuntoMotor + Soft-Starter 6 Guia de Aplicação Soft-Starter | 6-27 Situação “B”: Transformador conectado a um demarrador com capacidade definida de curto-circuito Figura 6.19: Sistema “B” Vamos analisar agora uma situação considerando uma determinada capacidade de corrente de curto-circuito no primário do transformador que alimentará o motor. Vamos supor um ramal que deriva do transformador de um transformador de 1000kVA, igual ao mencionado no início da situação “A” anterior. Neste ramal, um segundo transformador é conectado diretamente aos terminais do transformador de 1000kVA. Assim, cabos alimentadores entre os dois transformadores são eliminados, e a respectiva impedância não será levada em conta, a fim de preservar a simplicidade do exemplo.
  • 97.
    Dimensionamento do ConjuntoMotor + Soft-Starter 6 6-28 | Guia de Aplicação Soft-Starter O segundo transformador, que vamos supor como tendo tanto o secundário quanto o primário em 380V, será usado para suprir um motor de 50cv, 3 fases, 380V, In = 71,2 A, Ip/In = 6,6. Vamos supor também que a partida será através de uma Soft-Starter, e que a aplicação (“heavy duty”) demandará pelo menos 4 vezes a corrente nominal do motor para partir, ou seja, 4 x 71,2 = 284,8A. Este motor será a única carga do transformador, e a queda de tensão deverá ser limitada em 7,5%. Em regime o motor representará uma carga de: 380V · 71,2 · √3 = 46,8kVA Na partida, a carga representada pelo motor será: 380V · 71,2A · 400% · √3 = 187,2kVA Vamos primeiramente supor um transformador de 60kVA para alimentar este motor. O transformador terá uma impedância de 3%, uma corrente de saída de 91,3 A a plena carga. A corrente de curto-circuito que pode ser fornecida ao transformador de 60kVa pelo transformador de 1000kVA é de 26452 A, ou seja, 17390 kVA. A corrente de curto-circuito de um transformador com uma capacidade de curto-circuito limitada em seu primário é Corrente a plena carga (Z do segundo transformador + Z do primeiro transforrmador “visto” pelo segundo) Onde : Z do primeiro transformador “visto” pelo segundo = potência do segundo (kVA) potência de curto-circuito disponível no primário Assim, a corrente de curto-circuito no secundário de nosso transformador de 60kVA tem valor de: 91,3A 91,3 = = 2729A 60kVA 0,03 + 0,00345 3% + 17390kVA Durante a partida do motor, a queda de tensão na saída do transformador será: Carga representada pelo motor na partida Potência de curto-circuito Ou seja, 187,2kVA = 0,1043 = 10,43% 380V · 2729A · √3 O transformador de 60kVA é muito pequeno, uma vez que a queda de tensão excede os 7,5% arbitrados no início de nosso exercício.
  • 98.
    Dimensionamento do ConjuntoMotor + Soft-Starter 6 Guia de Aplicação Soft-Starter | 6-29 Porém, para um transformador de 100kVA, Z = 3%, teríamos uma corrente de curto circuito de: 152,1A = 4254A 100kVA 3% + 17390kVA E portanto a queda de tensão será: 187,2kVA = 0,0669 = 6,69% 380V · 425A · √3 Portanto, atendendo nossa necessidade de queda de tensão. Poderíamos estender-nos neste assunto, afinal a queda de tensão é um assunto de extrema importância. Estamos deixando de avaliar por exemplo, que durante uma queda de tensão algumas cargas com tendência a regenerar energia aumentarão a corrente de curto-circuito. Por exemplo, imagine que durante a partida de um motor “A”, existe um motor “B” acionando um volante de inércia. Durante a partida do motor “A”, ocorre uma queda de tensão no barramento. O motor “B”, ligado ao mesmo barramento, terá uma tendência a reduzir sua velocidade, em função do menor torque disponível. Como a carga de “B” tem um alta inércia, o motor passará a funcionar como um gerador, contribuindo para aumentar a corrente de curto-circuito do sistema. A bibliografia de referência no final deste guia indica livros que tratam deste assunto em profundidade. Entendemos que para aplicação da Soft-Starter, os conceitos expostos até aqui servirão para a escolha segura do equipamento, além de indicar o caminho para aqueles que necessitam aprofundar seu estudo. Finalizando, vamos tecer alguns comentários sobre a utilização de transformadores em situação de sobrecarga. TRANSFORMADORES: OPERAÇÃO EM SOBRECARGA Para a operação eficaz de um sistema elétrico, às vezes os transformadores são sobrecarregados para atender circunstâncias de operação. Naturalmente, neste caso, é importante ao cliente acordar com o fabricante do transformador a respeito de que sobrecarrega o transformador poderá suportar sem redução da sua vida útil. O problema principal é dissipação de calor. Se um transformador for sobrecarregado por um determinado fator, suponhamos 20% além da capacidade nominal por um período de tempo curto, é provável que todo o calor desenvolvido nas bobinas seja transferido facilmente ao meio ambiente. E consequentemente, a sobrecarga será superada sem problemas. Entretanto, em sobrecargas mais intensas ou por períodos de tempo mais longos a temperatura interna irá aumentar, causando desgaste ao isolamento e possíveis danos. 6.5.4 Comentários sobre a queda de tensão e a influência na partida do motor Como já vimos, o torque do motor é proporcional ao quadrado da tensão. Se há uma queda de tensão de 10%, o motor terá 81% do torque disponível. Na pior das hipóteses, o motor pode não desenvolver o torque necessário para acelerar a carga antes de atingir o limite térmico de algum dos componentes do sistema de partida (motor, Soft-Starter, etc.), caso não se tome o devido cuidado no dimensionamento. Por outro lado, ainda hipoteticamente, se para uma determinada carga for necessário pelo menos 81% da tensão para partir, e a própria rede de alimentação já impor esta condição durante a partida, nem é necessário usar um método de partida com tensão reduzida. Apesar destes conceitos terem sido tratados ao longo deste capítulo, apresentamos a seguir simulação de dois sistemas (“A” e “B”) no Software de Dimensionamento Weg – SDW (vide anexo 2 deste guia).
  • 99.
    Dimensionamento do ConjuntoMotor + Soft-Starter 6 6-30 | Guia de Aplicação Soft-Starter Os sistemas são idênticos, exceto pela queda de tensão. Trata-se do mesmo motor, mesma carga, etc. Entretanto no sistema “A” a queda de tensão durante a partida é de 2,5% e no sistema “B” a queda de tensão vai a 10%. MOTOR „„ Potência nominal : 220 kW „„ Número de pólos : 4 „„ Tensão nominal : 380 V „„ Corrente nominal : 399,83 A „„ Tempo de rotor bloqueado : 35 s „„ Momento de Inércia : 6,33814 kg.m² „„ Categoria : N „„ Cp/Cn : 2 pu „„ Cmax/Cn : 2,2 pu „„ Ip/In : 7 pu GERAIS „„ Tensão da rede : 380 V „„ Queda de tensão na partida : 2,5 % „„ By-pass : Não „„ Ligação do motor : Standard „„ Temperatura : 40 °C „„ Altitude : 1000 m CARGA „„ Aplicação : Ventilador centrífugo „„ Conjugado nominal (Cn) : 55 % do motor „„ Momento de Inércia : 35 Vezes J „„ Número de Partidas por Hora : 3 „„ Intervalo entre partidas : 20 min Observe algumas diferenças relevantes a seguir, decorrentes apenas da maior queda de tensão. Sistema “A” Sistema “B” Carga Ventilador (alta inércia) Ventilador (alta inércia) Queda de Tensão: 2,5% 10% Pedestal de Tensão: 86% 99% Tempo de aceleração com rampa de tensão: 29,76 seg. 30,36 seg. Limitação de corrente: 614% 691% Tempo de aceleração em limitação de corrente: 29,97 seg. 30,20 seg. Modelo da Soft-Starter SSW-03 670/220-440 SSW-03 800/220-440 Observe que o pedestal de tensão usado pela Soft-Starter para o sistema “B” é praticamente tensão plena (99%). Isto porque a própria rede já estará reduzindo a tensão na alimentação do motor, e portanto o motor já estará submetido a uma tensão “reduzida”. Observe também que a limitação de corrente sobe, para compensar a queda de tensão. Na verdade, o algoritmo utilizado no SDW parte de uma postura conservadora para tratar de uma situação crítica como partida com queda de tensão. Na prática pode ser conseguido uma limitação um pouco menor, dependendo da dinamica do sistema elétrico e sua interação com a máquina. Conseqüentemente a exigência térmica (a corrente RMS) da partida no sistema “B” é bem maior, o que culmina com a necessidade de utilizar uma Soft-Starter também maior. Aproveitando esta linha de raciocínio, se simulássemos exatamente o mesmo sistema para 15% de queda de tensão, chegaríamos a conclusão de que o próprio motor não seria capaz de acionar o ventilador! A queda de tensão seria tão grande que não permitiria o motor desenvolver torque suficiente para tirar o ventilador da inércia. Finalizando, salientamos que escolhemos neste exemplo uma carga com alta inércia para destacar a influencia da queda de tensão. Se fizéssemos o mesmo exercício para a aceleração de uma bomba centrífuga ou um compressor parafuso (cargas leves), não haveria mudanças significativas em função da queda de tensão.
  • 100.
    Dimensionamento do ConjuntoMotor + Soft-Starter 6 Guia de Aplicação Soft-Starter | 6-31 6.6 APLICAÇÕES TÍPICAS Este item destaca as principais funções usadas na partida de algumas máquinas típicas. Não há aqui pretensão de dar uma receita infalível, mas sim uma dica de que aspectos normalmente são tipicamente relevantes nestas aplicações. Vale destacar que a curva de conjugado é sempre aquela mais adequada para partida da máquina, por exemplo, ventiladores com damper fechado, refinadores sem carga, esteiras sem carga, etc. 6.6.1 Máquinas com partidas leves BOMBA CENTRÍFUGA Figura 6.20: Bomba Centrífuga Tipo de conjugado: Quadrático Momento de inércia: Baixo Corrente de partida: tipicamente menor que 3 x In do motor Figura 6.21: Curva de conjugado de uma Bomba Centrífuga Problema Solução com SSW-03, SSW-04, SSW-06 ou SMV-01 Partida muito rápida Função “Pump control” Parada muito rápida Função “Pump control” Golpe de Aríete Função “Pump control” Alto pico de corrente Função “Pump control” Bomba rodar no sentido contrário Proteção contra reversão de fases Bomba rodar sem líquido (cavitação acentuada) Proteção contra subcorrente Bomba sobrecarregada devido à corpo sólido no seu interior (cavitação acentuada e deterioração do lubrificante) Proteção contra subcorrente
  • 101.
    Dimensionamento do ConjuntoMotor + Soft-Starter 6 6-32 | Guia de Aplicação Soft-Starter COMPRESSOR Figura 6.22: Compressor Tipo de conjugado: Favorável (parafuso) Tipo de conjugado: Constante (alternativo) Momento de inércia: Baixo Corrente de partida: tipicamente menor que 3 x In do motor Figura 6.23: Curva de conjugado de Compressores (parafuso à esquerda e alternativo à direita) Problema Solução com SSW-03, SSW-04, SSW-06 ou SMV-01 Tranco mecânico no motor, transmissão, compressor Limitação de corrente Compressor rodar no sentido contrário Proteção contra reversão de fases REFINADOR DE CELULOSE Tipo de conjugado: Constante e baixo (partindo sem carga) Momento de inércia: Baixo Corrente de partida: tipicamente menor que 3 x In do motor Figura 6.24: Curva de conjugado de um Refinador
  • 102.
    Dimensionamento do ConjuntoMotor + Soft-Starter 6 Guia de Aplicação Soft-Starter | 6-33 Problema Solução com SSW-03, SSW-04, SSW-06 ou SMV-01 Tranco mecânico no motor, transmissão, Refinador Limitação de corrente Alta corrente e queda de tensão na linha, por representar uma carga significativa na máquina de papel de uma pequena fábrica Limitação de corrente Necessidade de controle da aproximação dos discos em função da carga Uso da saída analógica de corrente em regulador de processo externo Refinador rodar no sentido contrário Proteção contra reversão de fases BOMBA DE VÁCUO (PALHETA) Tipo de conjugado: Parabólico Momento de inércia: Baixo Corrente de partida: tipicamente menor que 3 x In do motor Figura 6.25: Curva de conjugado de uma Bomba de vácuo de palheta Problema Solução com SSW-03, SSW-04, SSW-06 ou SMV-01 Tranco mecânico no motor, transmissão, bomba Limitação de corrente Alta corrente e queda de tensão na linha, por representar uma carga significativa na máquina de papel Limitação de corrente Bomba rodar no sentido contrário Proteção contra reversão de fases HIDRAPULPER Tipo de conjugado: Parabólico Momento de inércia: Médio Corrente de partida: tipicamente de 3 a 4,5 x In do motor Problema Solução com SSW-03, SSW-04, SSW-06 ou SMV-01 Tranco mecânico no motor, transmissão, hidrapulper Limitação de corrente Hidrapulper rodar no sentido contrário Proteção contra reversão de fases
  • 103.
    Dimensionamento do ConjuntoMotor + Soft-Starter 6 6-34 | Guia de Aplicação Soft-Starter 6.6.2 Máquinas com partidas severas BOMBA DE VÁCUO (PISTÃO) Tipo de conjugado: Constante Momento de inércia: Baixo Corrente de partida: tipicamente menor que 5 x In do motor Figura 6.26: Curva de conjugado de uma Bomba de vácuo de pistão Problema Solução com SSW-03, SSW-04, SSW-06 ou SMV-01 Tranco mecânico no motor, transmissão, bomba Limitação de corrente Alta corrente e queda de tensão na linha, por representar uma carga significativa na máquina de papel Limitação de corrente Bomba rodar no sentido contrário Proteção contra reversão de fases VENTILADOR/ EXAUSTOR Figura 6.27: Ventilador Tipo de conjugado: Quadrático Momento de inércia: Médio a Alto Corrente de partida: tipicamente de 3 a 5 x In do motor
  • 104.
    Dimensionamento do ConjuntoMotor + Soft-Starter 6 Guia de Aplicação Soft-Starter | 6-35 Figura 6.28: Curva de conjugado de um Ventilador Problema Solução com SSW-03, SSW-04, SSW-06 ou SMV-01 Alto pico de corrente Limitação de corrente Correia ou acoplamento quebrado Proteção contra subcorrente Filtro bloqueado ou damper fechado Proteção contra sobrecorrente BRITADOR Tipo de conjugado: Constante Momento de inércia: Alto Corrente de partida: tipicamente menor que 4,5 x In do motor Figura 6.29: Curva de conjugado de um Britador Problema Solução com SSW-03, SSW-04, SSW-06 ou SMV-01 Carga com alta inércia e altas exigências de torque e alta inércia Limitação de corrente Partida pesada quando partindo com carga Função “Kick Start” Material impróprio no moinho Proteção contra sobrecarga Acoplamento quebrado Proteção contra subcorrente Vibrações durante a parada Frenagem DC
  • 105.
    Dimensionamento do ConjuntoMotor + Soft-Starter 6 6-36 | Guia de Aplicação Soft-Starter CENTRÍFUGA Figura 6.30: Centrífuga Tipo de conjugado: Linear Momento de inércia: Alto Corrente de partida: tipicamente menor que 4,5 x In do motor Figura 6.31: Curva de conjugado de uma Centrífuga Problema Solução com SSW-03, SSW-04, SSW-06 ou SMV-01 Carga com alta inércia Limitação de corrente Parada controlada Frenagem DC Carga muito alta ou desbalanceada Proteção contra sobrecorrente Acoplamento quebrado Proteção contra subcorrente DEPURADOR Tipo de conjugado: Constante Momento de inércia: Alto Corrente de partida: tipicamente 3 a 5 x In do motor
  • 106.
    Dimensionamento do ConjuntoMotor + Soft-Starter 6 Guia de Aplicação Soft-Starter | 6-37 Figura 6.32: Curva de conjugado de um Depurador Problema Solução com SSW-03, SSW-04, SSW-06 ou SMV-01 Tranco mecânico no motor, transmissão, depurador Limitação de corrente Depurador rodar no sentido contrário Proteção contra reversão de fases Depurador entupido Proteção contra sobrecorrente MISTURADOR Figura 6.33: Misturador Tipo de conjugado: Constante Momento de inércia: Alto Corrente de partida: tipicamente 3 a 5 x In do motor Figura 6.34: Curva de conjugado de um Misturador Problema Solução com SSW-03, SSW-04, SSW-06 ou SMV-01 Diferentes materiais a processar Limitação de corrente Necessidade de feedback para circuito de controle regular a viscosidade Saída analógica proporcional a corrente Carga muito alta ou desbalanceada Proteção contra sobrecorrente Lâminas quebradas ou gastas Proteção contra subcorrente
  • 107.
    Dimensionamento do ConjuntoMotor + Soft-Starter 6 6-38 | Guia de Aplicação Soft-Starter MOINHO Figura 6.35: Moinho Tipo de conjugado: Linear Momento de inércia: Alto Corrente de partida: tipicamente 3 a 5 x In do motor Figura 6.36: Curva de conjugado de um Moinho Problema Solução com SSW-03, SSW-04, SSW-06 ou SMV-01 Carga pesada com alta inércia Limitação de corrente/Função kick start Necessidade de feedback para circuito de controle regular a viscosidade Saída analógica proporcional a corrente Travamento Proteção contra sobrecorrente Parada rápida Frenagem DC
  • 108.
    Dimensionamento do ConjuntoMotor + Soft-Starter 6 Guia de Aplicação Soft-Starter | 6-39 TRANSPORTADOR Figura 6.37: Transportador Tipo de conjugado: Linear Momento de inércia: Alto Corrente de partida: tipicamente 3 a 5 x In do motor Figura 6.38: Curva de conjugado de uma Bomba de um Transportador Problema Solução com SSW-03, SSW-04, SSW-06 ou SMV-01 Tranco mecânico no motor, transmissão, transportador ou nos bens transportados Limitação de corrente Transportador travado Proteção contra sobrecarga Correia do transportador está fora, mas o motor continua girando Proteção contra subcorrente Partir depois de um transportador em rosca ter travado JOG ré e então partida a frente
  • 109.
    Dimensionamento do ConjuntoMotor + Soft-Starter 6 6-40 | Guia de Aplicação Soft-Starter Transportador travado Proteção contra rotor bloqueado 6.7 REGRAS PRÁTICAS DE DIMENSIONAMENTO Na prática, muitas vezes não dispomos de todos os dados para dimensionamento da Soft-Starter. Outras vezes dispomos dos dados, entretanto a aplicação não é severa (heavy duty) e a rede tem uma boa capacidade de alimentação. Então não faz sentido investir tempo em cálculos desnecessários. Outras vezes, ainda, necessitamos de uma regra prática e rápida que leve a uma boa estimativa e com uma boa margem de segurança. A tabela a seguir representa esta regra prática. Embora possa parecer óbvio, vale ressaltar que a tabela parte do pressuposto que o motor tem conjugado para acelerar a carga em regime. Vale ressaltar também que foram consideradas condições típicas de rede de alimentação (potência de curto- circuito). Como qualquer regra prática, ela traz um risco intrínseco a tentativa de generalização que a “regra prática” comporta. Nosso dia a dia, entretanto, diz que o risco é relativamente baixo, principalmente quando quem a aplica está atento a identificar situações potencialmente problemáticas, que merecerão analise mais profunda. Tabela 6.2: Critérios de Dimensionamento Aplicação Carga Inércia Fator Bomba Centrífuga Baixa Baixa 1,0 Compressores (parafuso) Baixa Baixa 1,0 Compressores (alternativo) Média Baixa 1,0 Ventiladores Quadrático Média/Alta 1,2 Até 22 kW 1,5 Acima de 22 kW Misturadores (pulpers) Média Média 1,5 – 1,8 Moinhos Média/Alta Média 1,8 – 2,0 Transportadores Média/Alta Alta 1,8 – 2,0 Centrífugas Baixa Muito Alta 1,8 – 2,0 NOTA! Os valores acima são válidos para regime de serviço normal, ou seja, com número de partidas não superior a 10 partidas por hora. Consideramos também, a inércia e conjugado resistente da carga referidos ao eixo do motor. Exemplos: Considerar um motor Weg, 175 CV – IV pólos – 380 Volts – 60 Hz 1. Acionando uma bomba centrífuga em uma estação de tratamento de água. „„ Devemos considerar a corrente nominal do motor; „„ Procurando esta informação no catálogo de motores encontramos Inom = 253,88 A; „„ Pelo critério da tabela 6.2 vemos que devemos considerar o fator 1,0; „„ Logo a Soft-Starter indicada para este caso é a SSW-03.255/220-440/2 (ver catálogo). 2. Acionando um ventilador em uma câmara de resfriamento. „„ Devemos considerar a corrente nominal do motor; „„ Procurando esta informação no catálogo de motores encontramos Inom = 253,88 A; „„ Pelo critério da tabela 6.2 vemos que devemos considerar o fator 1,5; „„ Assim devemos considerar o valor de 1,5x253,88 A ⇒ 380,82 A; „„ Logo a Soft-Starter indicada para este caso é a SSW-03.410/220-440/2 (ver catálogo).
  • 110.
    Dimensionamento do ConjuntoMotor + Soft-Starter 6 Guia de Aplicação Soft-Starter | 6-41 3. Acionando um transportador contínuo em uma empresa de mineração. „„ Devemos considerar a corrente nominal do motor; „„ Procurando esta informação no catálogo de motores encontramos Inom = 253,88 A; „„ Pelo critério da tabela 6.2 vemos que devemos considerar o fator 2,0; „„ Assim devemos considerar o valor de 2,0x253,88 A ⇒ 507,76 A; „„ Logo a Soft-Starter indicada para este caso é a SSW-03.580/220-440/2 (ver catálogo). Não há dúvida que esta maneira de dimensionar as Soft-Starters é muito mais simples, porém ela torna-se muito vulnerável a erros, já que em virtude das poucas informações oferecidas é muito difícil garantir o acionamento. Nestes casos é sempre oportuno consultar o fabricante da Soft-Starter para que este possa avaliar melhor a situação e assim indicar uma solução mais adequada.
  • 111.
    Dimensionamento do ConjuntoMotor + Soft-Starter 6 6-42 | Guia de Aplicação Soft-Starter
  • 112.
    Instalação da Soft-Starter 7 Guiade Aplicação Soft-Starter | 7-1 INSTALAÇÃO DA SOFT-STARTER 7.1 INTRODUÇÃO Este capítulo tem por objetivo apresentar os componentes e informações gerais necessárias para a instalação de uma Soft-Starter. A utilização de cada componente dependerá de cada caso particular. Recorra também ao manual da Soft-Starter que você irá instalar, seguindo suas recomendações específicas. Figura 7.1: A instalação da Soft-Starter deve ser feita por profissionais qualificados, seguindo as normas e procedimentos aplicáveis Primeiramente abordaremos no item 7.2 a ligação da Soft-Starter entre o motor e a rede, em baixa tensão. Estas recomendações e circuitos são particularmente aplicáveis às SSW-03 e SSW-04 da Weg. No item 7.3 abordaremos a ligação da Soft-Starter dentro da ligação delta do motor. Por reduzir o preço total da instalação – dependendo da distância entre motor e painel – este tipo de ligação já é a opção de boa parte dos projetistas. Ela é possível com as Soft-Starter SSW-03 Plus. Finalizando este capítulo, abordaremos particularidades da instalação elétrica da micro Soft-Starter SSW-05 e faremos rápido comentário a respeito da Soft-Starter de Média Tensão SMV-01.
  • 113.
    Instalação da Soft-Starter 7 7-2| Guia de Aplicação Soft-Starter 7.2 LIGAÇÃO PADRÃO, ENTRE A REDE E O MOTOR (“FORA” DA LIGAÇÃO DELTA DO MOTOR) Figura 7.2: Instalação típica da Soft-Starter entre a Rede e o Motor (baixa tensão) Ver figura 7.2, que ilustra e complementa os comentários a seguir. 7.2.1 Chave seccionadora Utiliza-se chave seccionadora, por razões de segurança, para permitir a desenergização da Soft-Starter durante a manutenção. 7.2.2 Fusíveis ou disjuntor Recomenda-se a utilização de fusíveis retardados ou de um disjuntor na entrada para proteção da instalação. Fusíveis ultra-rápidos podem ser utilizados para a proteção dos tiristores das Soft-Starters, mas não são obrigatórios. 7.2.3 Contator Contator é recomendado quando o equipamento necessita de dispositivos para desligamento de emergência. A norma IEC 60947-4-2, no item 3.1.1. inclui uma nota que pode ser levada em conta na decisão de uso do contator:
  • 114.
    Instalação da Soft-Starter 7 Guiade Aplicação Soft-Starter | 7-3 NOTE! Because dangerous levels of leakage currents (see 3.1.13) can exist in a semiconductor motor controller in the OFF-state, the load terminals should be considered live at all times. Resumindo: os terminais da carga devem ser considerados energizados mesmo com a Soft-Starter (semiconductor motor controller) em estado “OFF” (OFF-state), uma vez que níveis perigosos de corrente de fuga podem existir. O uso do contator ou sua ausência, portanto, determinam procedimentos de manutenção, segurança e operação diferentes. 7.2.4 Fiações de controle e interface Homem-Máquina (IHM) As fiações de controle e para IHM remotas sempre deverão ser instaladas em um duto metálico exclusivo (separado dos demais circuitos) e aterrado. O cruzamento com cabos de potência também deverão atender a um ângulo de 90 graus. 7.2.5 Correção de Fator de Potência Sempre que possível o fator de potência deve ser corrigido diretamente no motor com um banco de capacitores acionado por contator que é controlado pelo relé de fim de rampa (RL ou R1). Desta forma a Soft-Starter garantirá que durante o chaveamento da tensão (aceleração e desaceleração, momento onde são geradas harmônicas, os capacitores estejam fora do circuito. Quando a correção do fator de potência diretamente no motor não for possível, esta deverá ser feita no ponto mais próximo possível do transformador. Nunca conecte bancos de capacitores na saída da Soft-Starter ou nos terminais do motor sem que o controle seja feito pela chave,sob o risco de causar danos significativos para as instalações e para a Chave Soft-Starter, em função de ressonâncias provocadas por distorções harmônicas que ocorrem na partida. 7.2.6 Aterramento As Soft-Starters devem ser obrigatoriamente aterradas. Verifique o manual do produto para saber a bitola do cabo a ser utilizado. Conecte a uma haste de aterramento específica ou ao ponto de aterramento geral (resistência <10 ohms). Não compartilhe a fiação de aterramento com outros equipamentos que operem com altas correntes (ex.: Motores de alta potência, máquinas de solda, etc). Quando várias Soft-Starters forem utilizadas observe a figura abaixo. SSW-03 Plus I SSW-03 Plus IISSW-03 Plus II SSW-03 Plus n Barra de aterramento SSW-03 Plus I Figura 7.3: Exemplo de Aterramento de várias Soft-Starters
  • 115.
    Instalação da Soft-Starter 7 7-4| Guia de Aplicação Soft-Starter 7.3 LIGAÇÃO DENTRO DO DELTA DO MOTOR 7.3.1 Introdução A vantagem da ligação da Soft-Starter dentro da ligação delta do motor é reduzir a corrente através dos semicondutores, e conseqüentemente utilizar-se uma Soft-Starter de menor potência. Lembramos que todas as funções e proteções da chave permanecem ativas. A conexão padrão exige menos fiação de saída. A conexão dentro da ligação delta do motor exige o dobro da fiação, porém com bitola menor, sendo que, para curtas distâncias sempre será uma opção mais barata no conjunto Soft-Starter + motor + fiação. Exemplificando, suponhamos um motor trifásico cuja corrente nominal seja 100 A. Em nome da simplicidade do nosso exemplo, vamos desprezar outras variáveis que podem influenciar no dimensionamento da Soft-Starter (carga, rede, etc) e adotar, portanto, uma Soft-Starter de 100 A para acionar este motor, ligando-a entre o motor e a rede, conforme figura 7.4 a seguir. Observe que a corrente que passa pelos semicondutores é a corrente solicitada pelo motor à rede. a) Ligação Padrão com três cabos: corrente de linha da Soft-Starter igual a corrente do motor. Figura 7.4: Instalação da Soft-Starter entre a Rede e o Motor Por outro lado, imaginemos a ligação dos semicondutores da Soft-Starter dentro da ligação delta do motor, conforme figura 7.5. Observe que a corrente que passará pelos semicondutores é √3 vezes menor que a corrente solicitada da rede. Entretanto, durante a partida, haverá a presença de correntes harmônicas que não gerarão torque no motor mas que contribuem para aumentar as perdas. Por este motivo sobserva-se que a corrente durante a partida é 67% da corrente nominal através da Soft-Starter, enquanto que em regime a corrente será 58% da nominal do motor. b) Ligação Dentro da Ligação Delta do Motor com seis cabos: corrente de linha da Soft-Starter igual a aproximadamente 58% da corrente do motor (em regime) e 67% da corrente do motor (durante a partida).
  • 116.
    Instalação da Soft-Starter 7 Guiade Aplicação Soft-Starter | 7-5 Figura 7.5: Instalação da Soft-Starter Dentro da Ligação do Delta do Motor As Soft-Starters da linha SSW-03 Plus podem ser parametrizadas para as alternativas de ligação a seguir: 7.3.2 Exemplo de ligação com SSW-03 Plus dentro da ligação delta do motor Para conseguir a ligação dentro da ligação delta do motor, é necessário ter acesso a seis terminais do motor, e a tensão da rede deve coincidir com a tensão da ligação delta (situação típica de motores preparados para partir com chave estrela triângulo), conforme é sugerido na figura abaixo: Figura 7.6: Instalação da Soft-Starter Dentro da Ligação do Delta do Motor
  • 117.
    Instalação da Soft-Starter 7 7-6| Guia de Aplicação Soft-Starter NOTA! Também é possível fazer a ligação da Soft-Starter com by-pass, dentro da ligação delta do motor. Figura 7.7: Instalação da Soft-Starter dentro da Ligação do Delta do Motor Na ligação dentro da ligação delta do motor os cabos de conexão da Soft-Starter à rede, e/ou o contator de isolação da rede, deverão suportar a corrente nominal do motor e os cabos de conexão do motor a Soft-Starter, e ou conexão do contator de by-pass, deverão suportar 58% da corrente nominal do motor (em regime) e 67% da corrente do motor (durante a partida). Para este tipo de ligação também é sugerido a utilização de barramentos de cobre na conexão da Soft-Starter a rede, devido as grandes correntes envolvidas e bitola dos cabos. Com a SSW-03 Plus é fornecido um barramento extensor de acessório para possibilitar a conexão de mais cabos nos barramentos de entrada da SSW-03 Plus. Quando a conexão da SSW-03 Plus à rede for através de barramento não utilizar este barramento extensor.
  • 118.
    Instalação da Soft-Starter 7 Guiade Aplicação Soft-Starter | 7-7 Cabo da Rede Cabo do Motor Figura 7.8: Barramento extensor para SSW-03 7.3.3 Ligação de terminais de motores com tensões múltiplas A grande maioria dos motores é fornecida com terminais do enrolamento religáveis, de modo a poderem funcionar em redes de pelo menos duas tensões diferentes. Os principais tipos de religação de terminais de motores para funcionamento em mais de uma tensão são: a) Ligação série-paralela O enrolamento de cada fase é dividido em duas partes (lembrar que o número de pólos é sempre par, de modo que este tipo de ligação é sempre possível). Ligando as duas metades em série, cada metade ficará com a metade da tensão de fase nominal do motor. Ligando as duas metades em paralelo, o motor poderá ser alimentado com uma tensão igual à metade da tensão anterior, sem que se altere a tensão aplicada a cada bobina. Veja os exemplos das figuras 7.9 e 7.10. Figura 7.9: Ligação série paralelo Y
  • 119.
    Instalação da Soft-Starter 7 7-8| Guia de Aplicação Soft-Starter Figura 7.10: Ligação série paralelo ∆ Este tipo de ligação exige nove terminais no motor e a tensão nominal (dupla) mais comum, é 220/440V, ou seja, o motor é religado na ligação paralela quando alimentado com 220V e na ligação série quando alimentado em 440V. As figuras 7.9 e 7.10 mostram a numeração normal dos terminais e o esquema de ligação para estes tipos de motores, tanto para motores ligados em estrela como em triângulo. O mesmo esquema serve para outras duas tensões quaisquer, desde que uma seja o dobro da outra, por exemplo, 230/460V b) Ligação estrela-triângulo O enrolamento de cada fase tem as duas pontas trazidas para fora do motor. Se ligarmos as três fases em triângulo, cada fase receberá a tensão da linha, por exemplo, 220V (figura 2.6). Se ligarmos as três fases em estrela, o motor pode ser ligado a uma rede com tensão igual a 220 x √3 = 380 volts sem alterar a tensão no enrolamento que continua igual a 220 volts por fase, pois, Figura 7.11: Ligação estrela-triângulo ( Y - ∆ ) Este tipo de ligação exige seis terminais no motor e serve para quaisquer tensões nominais duplas, desde que a segunda seja igual à primeira multiplicada por √3. Exemplos: 220/380V - 380/660V - 440/760V Nos exemplos 380/660V e 440/760V, a tensão maior declarada só serve para indicar que o motor pode ser acionado através de uma chave de partida estrela-triângulo. Motores que possuem tensão nominal de operação acima de 660V deverão possuir um sistema de isolação especial, apto a esta condição. c) Tripla tensão nominal Podemos combinar os dois casos anteriores: o enrolamento de cada fase é dividido em duas metades para ligação série-paralelo. Além disso, todos os terminais são acessíveis para podermos ligar as três fases em estrela ou triângulo. Deste modo, temos quatro combinações possíveis de tensão nominal: 1) Ligação triângulo paralelo; 2) Ligação estrela paralela, sendo igual a √3 vezes a primeira; 3) Ligação triângulo série, valendo o dobro da primeira; 4) Ligação estrela série, valendo √3 vezes a terceira.
  • 120.
    Instalação da Soft-Starter 7 Guiade Aplicação Soft-Starter | 7-9 Mas, como esta tensão seria maior que 600V, é indicada apenas como referência de ligação estrela-triângulo. Exemplo: 220/380/440(760) V Este tipo de ligação exige 12 terminais e a figura 7.12 mostra a numeração normal dos terminais e o esquema de ligação para as três tensões nominais. Figura 7.12: Motor de “quatro tensões” 7.3.4 Possibilidades de ligação da SSW-03 Plus em função do fechamento do motor Ligação Padrão com três cabos: P28=OFF, corrente de linha da Soft-Starter igual a corrente do motor. Figura 7.13: Corrente de linha da Soft-Starter igual a corrente do motor Ligação Dentro da Ligação Delta do Motor com seis cabos: P28=ON, corrente de linha da Soft-Starter igual a aproximadamente 58% da corrente do motor (em regime) e 67% da corrente do motor (durante a partida). Figura 7.14: Corrente de linha da Soft-Starter igual a aproximadamente 58% da corrente do motor
  • 121.
    Instalação da Soft-Starter 7 7-10| Guia de Aplicação Soft-Starter Dentro da ligação delta do motor (delta inside) com motor de duplo delta em série. Figura 7.15: Soft-Starter “delta inside” e motor de duplo delta em série Dentro da ligação delta do motor com motor de duplo delta em paralelo. Figura 7.16: Soft-Starter “delta inside” e motor de duplo delta em paralelo 7.4 SSW-05 (MICRO SOFT-STARTER) A ligação da micro Soft-Starter SSW-05 difere em vários aspectos de uma Soft-Starter convencional. Isto decorre de seu projeto ter sido desenvolvido com foco na partida de motores pequenos acionando cargas leves como bombas e compressores Esta Soft-Starter opera com o princípio de controle de tensão em duas fases. Uma das fases passa direto através da chave e é conectada ao motor. A tensão das outras duas fases é controlada por tiristores ligados em antiparalelo. Após a partida, os tiristores são curto-circuitados por um relé interno (by-pass). Assim, a micro Soft-Starter deve ser utilizada necessáriamente com um dispositivo que garanta a abertura física da alimentação de todas as fases (contator de entrada ou seccionadora sob carga) além de fusíveis. A tabela abaixo relaciona contator + fusíveis WEG indicados para cada valor de corrente nominal da SSW-05:
  • 122.
    Instalação da Soft-Starter 7 Guiade Aplicação Soft-Starter | 7-11 Corrente da SSW-05 Plus Contator (K1) Fusível (F1, F2, F3) Fusível (F11, F12, F21) 3A CWM09 Tipo D 10A Tipo D 6A 10A CWM12 Tipo D 16A 16A CWM18 Tipo D 25A 23A CWM25 Tipo D 35A 30A CWM32 Tipo D 50A 45A CWM50 Tipo D 63A 60A CWM65 Tipo NH 100A 85A CWM95 Tipo NH 125A Figura 7.17: Micro Soft-Starter SSW-05 simplificado (comando com chave de duas posições e seccionadora sob-carga na entrada)
  • 123.
    Instalação da Soft-Starter 7 7-12| Guia de Aplicação Soft-Starter Figura 7.18: Micro Soft-Starter SSW-05 (comando com botões liga/desliga e contator de entrada)
  • 124.
    Instalação da Soft-Starter 7 Guiade Aplicação Soft-Starter | 7-13 7.5 LIGAÇÃO DA SMV-01 (SOFT-STARTER PARA MÉDIA TENSÃO) O produto SMV-01 é um sistema de partida completo desenvolvido pela Weg para partida de motores de média tensão. O circuito padrão é composto por Seccionadora de Entrada, Fusíveis Ultra Rápidos, Contator a vácuo de entrada e contator a vácuo de by-pass, além da Soft-Starter propriamente dita. Figura 7.19: Acionamento típico com SMV-01 Os engenheiros e técnicos de aplicação da Weg desenvolvem em conjunto com o cliente a melhor solução de instalação para cada aplicação em específico.
  • 125.
    Instalação da Soft-Starter 7 7-14| Guia de Aplicação Soft-Starter
  • 126.
    Motores | Energia| Automação | Tintas SSW-05 Micro Soft-starter g Compacto g Digital - DSP g Fácil operação g Elevado rendimento g By-pass incorporado
  • 127.
    8 8-2 | Guiade Aplicação Soft-Starter Linha de Soft-Starter WEG Soft-Starters são chaves de partida estática, projetadas para a aceleração, desaceleração e proteção de motores elétricos de indução trifásicos, através do controle da tensão aplicada ao motor. As Micro Soft-Starters SSW-05 Plus, com controle DSP (Digital Signal Processor) foram projetadas para fornecer ótima performance na partida e parada de motores com excelente relação custo-benefício. Estão incorporadas todas as proteções para seu motor elétrico. Permitindo fácil ajuste, simplifica as atividades de start-up e operação do dia-a-dia. As Micro Soft-Starters SSW-05 Plus são compactas, contribuindo para a otimização de espaços em painéis elétricos. Micro Soft-Starter SSW-05 g Redução acentuada dos esforços sobre os acoplamentos e dispositivos de transmissão (redutores, polias, engrenagens, correias, etc) durante a partida; g Aumento da vida útil do motor e equipamentos mecânicos da máquina acionada pela eliminação de choques mecânicos; g Facilidade de operação, ajuste e manutenção; g Instalação elétrica simples; g Operação em ambientes de até 55 °C. Benefícios Algumas Aplicações Esta chave é especialmente recomendada para aplicações em: g Bomba de Vácuo a Palheta; g Bombas Centrífugas; g Calandras (partidas a vazio); g Compressores a Parafuso (partindo em alívio); g Misturadores; g Refinadores de Celulose; g Ventiladores Axiais (baixa inércia – carga leve). Outras aplicações são possíveis mediante análise da aplicação. Caso necessário, consulte a fábrica ou um revendedor autorizado. Produto beneficiado pela Lei da Informática. I.P.I REDUZIDO Certificações
  • 128.
    8 Guia de AplicaçãoSoft-Starter | 8-3 Linha de Soft-Starter WEG Comparativo entre métodos de partida Leds para indicação de estado da SSW-05 Plus Dip-switch para Habilitar / Desabilitar as proteções do motor Ajustes de tensão de pedestal, tempo de aceleração e desaceleração e corrente do motor Leds para indicação das proteções da SSW-05 Plus Saída para o motor Entrada de alimentação trifásica Alimentação da eletrônica e entradas digitais Conector para serial ou HMI remota Saídas digitais a relé By-pass incorporado SOFT STARTER CORRENTE TEMPO PARTIDA ESTRELA/TRIÂNGULO PARTIDA DIRETA Esquema de ligação da Soft-starter SSW-05 Plus Ajustes e indicações
  • 129.
    8 8-4 | Guiade Aplicação Soft-Starter Linha de Soft-Starter WEG Interface Homem-Máquina Habilita a Soft-Starter (partida) Desabilita a Soft-Starter (parada). Reseta a Soft-Starter após ocorrência de erros. Incrementa número do parâmetro ou valor do parâmetro Decrementa número do parâmetro ou valor do parâmetro Seleciona (comuta) display entre número do parâmetro e seu valor (posição/conteúdo) Interface Homem-Máquina remota para operação remota em porta de painel ou console de máquina. A interface também incorpora a função “copy”, a qual permite copiar a parametrização de uma Soft-Starter para outras, possibilitando rapidez, confiabilidade e repetibilidade de programação em aplicações de máquinas de fabricação seriada. Software de Programação SUPERDRIVE Software de programação via computador PC, em ambiente Windows, para parametrização, comando e monitoração das Soft- Starters SSW-05 Plus. Permite editar parâmetros “online”, diretamente na Soft-Starter e editar arquivos de parâmetros “offline”, armazenados no microcomputador. É possível armazenar arquivos de parâmetros de todas as Soft-Starters SSW-05 Plus existentes na instalação. O software também incorpora funções para transferir o conjunto de parâmetros do microcomputador para a Soft-Starter, como também da Soft- Starter para o microcomputador A comunicação entre a Soft-Starter e o microcomputador é feita via interface serial RS-232. Modelo Modelo Ítem CAB-RS-1 Cabo para HMI remota serial com 1 m 10050268 CAB-RS-2 Cabo para HMI remota serial com 2 m 10190951 CAB-RS-3 Cabo para HMI remota serial com 3 m 010211478 HMI-SSW05-RS Interface Homem-Máquina remota para uso com cabo CAB-RS até 3 m 10193351
  • 130.
    8 Guia de AplicaçãoSoft-Starter | 8-5 Linha de Soft-Starter WEG Modelos Tabela de Especificação NOTA: As potências indicadas na tabela são para cargas do tipo bombas centrífugas e compressores (com partida em alívio), com base em motores. WEG de IV pólos - 60 Hz. Acesse nosso site (www.weg.net) e utilize o software SDW para dimensionamento das Soft-Starters. O dimensionamento é feito com base nos dados da curva de carga, número de partidas/hora e tipo de carga. Tensão da rede Ítem Micro Soft-starter SSW-05 Plus Motor máximo aplicável Dimensões Peso (Kg)Modelo I nom. (A) Tensão (V) Potência (mm) CV kW A L P 220/230/380/400/415/440/460V 10413826 SSW-05.03 3 220V 0,75 0,55 130 59 145 0,74 10413820 SSW-05.10 10 3 2,2 10413821 SSW-05.16 16 5 3,7 10413822 SSW-05.23 23 7,5 5,5 10413823 SSW-05.30 30 10 7,5 10413824 SSW-05.45 45 15 11 185 79 172 1,6710328754 SSW-05.60 60 20 15 10413825 SSW-05.85 85 30 22 10413826 SSW-05.03 3 380V 1,5 1,1 130 59 145 0,74 10413820 SSW-05.10 10 6 4,5 10413821 SSW-05.16 16 10 7,5 10413822 SSW-05.23 23 15 11 10413823 SSW-05.30 30 20 15 10413824 SSW-05.45 45 30 22 185 79 172 1,6710328754 SSW-05.60 60 40 30 10413825 SSW-05.85 85 60 45 10413826 SSW-05.03 3 440V 2 1,5 130 59 145 0,74 10413820 SSW-05.10 10 7,5 5,5 10413821 SSW-05.16 16 12,5 9,2 10413822 SSW-05.23 23 15 11 10413823 SSW-05.30 30 20 15 10413824 SSW-05.45 45 30 22 185 79 172 1,6710328754 SSW-05.60 60 40 30 10413825 SSW-05.85 85 60 45 460/480/500/ 525/575V 10052025 SSW-05.03 3 480V 2 1,5 130 59 145 0,74 10686569 SSW-05.10 10 7,5 5,5 10686571 SSW-05.16 16 12,5 9,2 10686572 SSW-05.23 23 15 11 10686573 SSW-05.30 30 25 18,5 10686576 SSW-05.45 45 30 22 185 79 172 1,6710584471 SSW-05.60 60 50 37 10052026 SSW-05.85 85 75 55 45 a 85 A3 a 30 A
  • 131.
    8 8-6 | Guiade Aplicação Soft-Starter Linha de Soft-Starter WEG Dimensões Características Técnicas L A P H D La Ha B La, Ha, Fixação ( Somente para fixação por parafuso) Mecânica Largura L (mm) Altura H (mm) Profundidade P (mm) Fixação A (mm) Fixação B (mm) Fixação D (mm) Fixação Peso (Kg) L La H Ha 1 59 60,4 130 130,7 145 51 122 61 Paraf. M4/Trilho 0,74 2 79 80,4 185 185,7 172 71 177 99 Paraf. M4/Trilho 1,64 MODELO SSW-05 Plus Alimentação Tensão da Potência 220 - 460 Vca (-15%, + 10%) 460 - 575 Vca (-15%, + 10%) Freqüência 50 / 60 Hz Eletrônica Fonte chaveada (90 – 250 Vca ) Grau de proteção Plástico injetado IP00 Controle Método Variação da tensão sobre a carga (motor) CPU Microcontrolador tipo DSP (Digital Signal Processor) Regime de partidas Normal 300% ( 3 x Inom. ) durante 10 s, 4 partidas por hora Entradas Digitais 01 entrada para partida e parada 01 entrada para reset de erros Saídas Digitais 01 saída a relé para indicação de tensão plena (By-Pass) ou defeito (programável) 01 saída a relé para indicação de Operação Comunicação Interface Serial RS-232 Segurança Proteções Sobrecarga do motor Seqüência de fase Falta de fase Rotor bloqueado Sobrecarga Sobrecorrente Falha interna Funções/recursos Tensão inicial 30 - 80% Tensão Nominal Tempo da rampa de aceleração 1 – 20 s Tempo da rampa de desaceleraçâo Off – 20 s Relação entre In do motor e In da chave 30 - 100% Condições ambiente Temperatura 0 ... 55 ºC - Condições normais de operação à corrente nominal Umidade 0 ... 90% sem condensação Altitude 0 ... 1000 m - Condições normais de operação à corrente nominal 1000 ... 4000 m - Com redução na corrente de 1% / 100 m acima de 1000 m Acabamento Cor Cinza ultra fosco (tampa) e azul ultra fosco (base) / padrão WEG Instalação Forma de Fixação Fixação por parafusos ou montagem em trilho DIN 35 mm Conformidades/normas Segurança Norma UL 508 – Equipamentos de Controle Industrial Baixa Tensão IEC 60947-4-2 EMC EMC diretiva 89 / 336 / EEC - Ambiente industrial Certificações UL (EUA) e cUL (CANADÁ) Underwriters Laboratories Inc. / EUA CE (EUROPA) SGS / Inglaterra IRAM (ARGENTINA) Instituto Argentino de Normalização C-Tick (AUSTRÁLIA) Australian Communications Authority
  • 132.
    8 Guia de AplicaçãoSoft-Starter | 8-7 Linha de Soft-Starter WEG Software de dimensionamento Utilize o Software de Dimensionamento WEG SDW para Soft-starters. Disponível em nosso site www.weg.net ou solicite versão cd através do e-mail automacao@weg.net 1 - Família SSW-05 2 - Corrente nominal de saída: 0003 = 3 A 0010 = 10 A 0016 = 16 A 0023 = 23 A 0030 = 30 A 0045 = 45 A 0060 = 60 A 0085 = 85 A 3 - Entrada de alimentação: T= Trifásica 4 - Tensão de Alimentação: 2246 = 220 ... 460 V 4657 = 460 ... 575 V 5 - Idioma do manual do produto: P = Português E = Inglês S = Espanhol G = Alemão 6 - Versão do produto: P = Plus 7 - Hardware especial: Em branco = Standard (não há) Hx = Opcional versão x (H1 ... Hn) 8 - Software especial: Em branco = Standard (não há) Sx = Opcional versão x (S1 ... Sn) 9 - Fim de código: Z = dígito indicador de final de código Ex.: SSW050060T4657PPZ SSW05 0010 T 2246 P P -- -- Z Codificação (Exemplo de Utilização) 1 2 3 4 5 6 7 8 9
  • 133.
    8 8-8 | Guiade Aplicação Soft-Starter Linha de Soft-Starter WEG
  • 134.
    SSW-06 Soft-starter Motores | Energia| Automação | Tintas g Proteções de tensão g Controle de Torque g By-pass incorporado g Soft PLC incorporado g IHM LCD g Start-up orientado
  • 135.
    8 8-10 | Guiade Aplicação Soft-Starter Linha de Soft-Starter WEG Soft-Starter Série SSW-06 são chaves de partida estática, destinadas à aceleração, desaceleração e proteção de motores de indução trifásicos. O controle da tensão aplicada ao motor, mediante o ajuste do ângulo de disparo dos tiristores, permite obter partidas e paradas suaves. Com o ajuste adequado das variáveis, o torque produzido é ajustado à necessidade da carga, garantindo, desta forma, que a corrente solicitada seja a mínima necessária para a partida. As Soft-Starters WEG, série SSW-06 microprocessadas e totalmente digitais, são produtos dotados de tecnologia de ponta e foram projetadas para garantir a melhor performance na partida e parada de motores de indução, apresentando-se como uma solução completa e de baixo custo. A interface homem-máquina permite fácil ajuste de parâmetros facilitando a posta em marcha e a operação. A função incorporada “Pump Control” permite um eficaz controle sobre bombas, evitando desta forma o “Golpe de Ariete”. A função controle de torque permite acelerações e desacelerações com rampa linear de velocidade. Benefícios g Diagnósticos de falha com salvamento de: tensão, corrente e estado da soft-starter na atuação do erro. g Atuação das falhas programáveis. g Soft PLC - Software de Controlador Lógico Programável integrado (única no mercado) g Microcontrolador de alta performance tipo RISC 32 bits. g Proteção eletrônica integral do motor. g Relé térmico eletrônico incorporado. g Interface Homem-Máquina destacável com duplo display (LED/LCD). g Tipos de controle totalmente programáveis. g Controle de torque totalmente flexível. g Função “Kick-Start” para partida de cargas com elevado atrito estático. g Função “Pump Control” para controle inteligente de sistemas de bombeamento que evita o “Golpe de Ariete” em bombas. g Limitação de picos de corrente na rede. g Limitação de quedas de tensão na partida. g Tensão universal (220 a 575 Vac). g Fonte de alimentação da eletrônica do tipo chaveada com filtro EMC (94 a 253 Vac). g By-pass incorporado à Soft-Starter (85 a 820A), proporcionando redução de tamanho e economia de energia. g Monitoração da tensão da eletrônica, possibilitando fazer back-up dos valores da imagem térmica do motor g Proteção de sobre e subtensão no motor. g Proteção por desbalanceamento de tensão e corrente no motor. g Proteção de sobrecarga no motor por sobre e sub: corrente potência ou torque. SSW-06 Soft-Starter g Entrada para PTC do motor. g Eliminação de choques mecânicos. g Redução acentuada dos esforços sobre os acoplamentos e dispositivos de transmissão (redutores, polias, engrenagens, correias, etc). g Aumento da vida útil do motor e equipamentos mecânicos da máquina acionada. g Facilidade de operação, programação e manutenção via interface homem-máquina. g Simplificação da instalação elétrica. g Start-up orientado. g Possibilidade de ligação padrão (3 cabos) ou dentro do delta do motor (6 cabos). g Todas as proteções e funções estão disponíveis nos dois tipos de ligação (única do mercado). g Funções de proteções de erros na comunicação Serial ou Fieldbus. g Troca do sentido de giro. g Função Jog em freqüência para os dois sentidos de giro sem contator. g Três métodos de frenagem para parar o motor e a carga mais rápida , com ou sem contator. g Operação em ambientes de até 55ºC (com redução de corrente para modelos de 85 A a 820 A ). g Operação em ambientes de até 40ºC (sem redução de corrente para modelos de 950 A a 1400 A) acima de 40ºC. Produto beneficiado pela Lei da Informática. I.P.I REDUZIDO
  • 136.
    8 Guia de AplicaçãoSoft-Starter | 8-11 Linha de Soft-Starter WEG Aplicações Químico e Petroquímico g Ventiladores / Exaustores g Bombas Centrífugas g Bombas Dosadores / Processo Centrífugas g Centrífugas g Agitadores / Misturadores g Compressores g Extrusoras de Sabão Plástico e Borracha g Extrusoras g Injetoras / Sopradoras g Misturadores g Calandras / Puxadores g Granuladores Papel e Celulose g Bombas Dosadoras g Bombas de Processo g Ventiladores / Exaustores g Agitadores / Misturadores g Filtros Rotativos g Fornos Rotativos g Esteiras de Cavaco g Calandras g Calandras g Coaters g Refinadores de Papel Açúcar e Álcool g Ventiladores / Exaustores g Bombas de Processo g Esteiras Transportadoras Sucos e Bebidas g Centrífugas Contínuas g Centrífugas Contínuas g Mesas de Rolos g Esteiras Transportadoras g Linhas de Engarrafamento Cimento e Mineração g Bombas Dosadoras / Processo Bombas g Peneiras / Mesas Vibratórias g Separadores Dinâmicos g Esteiras Transportadoras g Dosadores Alimentos e Ração g Bombas Dosadoras / Processo g Ventiladores / Exaustores g Agitadores / Misturadores g Secadores / Fornos Contínuos g Peletizadoras g Esteiras Monovias Têxtil g Agitadores / Misturadores g Secadores / Lavadoras Siderurgia e Metalurgia g Ventiladores / Exaustores g Transportadores g Furadeiras / Retíficas g Trefilas g Bombas Cerâmico g Ventiladores / Exaustores g Secadores / Fornos Contínuos g Moinhos de Bolas / Martelo g Mesas de Rolos g Esteiras Transportadoras Vidros g Ventiladores / Exaustores g Secadores / Fornos Contínuos g Moinhos de Bolas / Martelo g Mesas de Rolos Refrigeração g Bombas de Processo g Ventiladores / Exaustores g Sistemas de Ar Condicionado g Compressores Parafuso / Pistão Madeira g Faqueadeiras g Lixadeiras g Cortadeiras g Picadores de Madeira g Serras e Plainas Saneamento g Bombas Cetrífugas g Sistemas de Recalque Transporte de Cargas g Correias / Cintas / Correntes g Mesas de rolos g Monovias / Nórias g Escadas Rolantes g Esteiras de Bagagem (Aeroportos)
  • 137.
    8 8-12 | Guiade Aplicação Soft-Starter Linha de Soft-Starter WEG Comparativo Sobre e Subtensão Permite ajustar os limites de sobre e subtensão para a completa proteção do motor. Disponível nos dois tipos de ligação ao motor. Sobre e Subcorrente Permite ajustar os limites de sobre e subcorrente para a completa proteção do motor. Proteções de Tensão e Corrente By-Pass Incorporado Sobre e Subtensão By-pass incorporado minizando as perdas de potência e a dissipação de calor nos tiristores, proporcionando redução de espaço e contribuindo para economia de energia. Está disponível nos modelos de 10 a 820A.
  • 138.
    8 Guia de AplicaçãoSoft-Starter | 8-13 Linha de Soft-Starter WEG Rampa de Tensão Permite a acelaração e / ou desaceleração suaves, através de rampas de tensão. Controle de Bombas O controle de bombas proporciona uma desaceleração suave que evita o “Golpe de Aríete” Limitação de Corrente Permite ajustar o limite de corrente durante a partida de acordo com as necessidades da aplicação. Kick Starter em Tensão ou Corrente Permite um pulso inicial de tensão ou corrente que aplicado ao motor proporciona um reforço de torque inicial a partida, necessária para a partida de cargas com elevado atrito estático Rampa de Corrente Permite ajustar limites de corrente menores ou maiores para o início da partida. Aplicado a cargas com torque inicial mais alto ou mais baixo. Controle de Torque A SSW-06 possui um algoritmo de controle de torque de altíssimo desempenho e totalmente flexível para atender a necessidade de qualquer aplicação, tanto para partir como para parar o motor. Disponível nos dois tipos de ligação ao motor: ligação padrão (3 cabos) ou ligação dentro do delta do motor (6 cabos). g 1 ponto de ajuste: Torque Constante. g 2 pontos de ajuste: Rampa de Torque linear g 3 pontos de ajuste: Rampa de Torque Quadrático. Este tipo de controle pode permitir aceleração e desaceleração com rampa linear de velocidade. Métodos de Partida
  • 139.
    8 8-14 | Guiade Aplicação Soft-Starter Linha de Soft-Starter WEG Interface Homem-Máquina Interface Inteligente Interface de operação inteligente com duplo display, LED’s (7 segmentos) e LCD (2 linhas de 16 caracteres), que permite ótima visualização a distância, além de incorporar uma descrição detalhada de todos os parâmetros e mensagens via display LCD alfanumérico. Idioma Selecionável A interface de operação inteligente permite ainda que o usuário do produto escolha, para o seu melhor conforto, o idioma a ser usado para a programação, leitura e apresentação dos parâmetros e mensagens alfanuméricas através do display LCD ( Cristal Líquido ). A elevada capacidade de hardware e software do produto disponibiliza ao usuário várias opções de idiomas, tais como: português, inglês, alemão e espanhol, de forma a adequá-lo a quaisquer usuários em todo o mundo. Display LED’s (7 segmentos) Display LCD (Cristal Líquido) Led “ANTI-HORÁRIO” Led “HORÁRIO” Aciona o motor (partida). Desaciona o motor (parada). Reseta a Soft - Starter após a ocorrência de erros Aumenta o número do parâmetro ou valor parâmetro Diminui o número do parâmetro ou valor parâmetro Troca do sentido de giro (verificar disponibilidade) Seleciona (comuta) display entre número do parâmetro e seu valor (posição / conteúdo) Função JOG (em freqüência) Seleciona a origem dos comandos / referência entre LOCAL ou REMOTO Led “LOCAL” Led “REMOTO” Função COPY A interface inteligente também incorpora a função “Copy”, a qual permite copiar a parametrização de uma Soft- Starter para outras, possibilitando rapidez, confiabilidade e repetibilidade de programação em aplicações de máquinas de fabricação seriada. Soft-Starter “A” Soft-Starter “B” SSW-06 HMI HMI SSW-06 Start-up Orientado Soft-Starters são equipamentos destinados a partida de motores de indução, cuja adaptação e desempenho estão diretamente relacionados às características do mesmo, assim como da rede elétrica de alimentação. As Soft-Starters da linha SSW-06 incorporam um recurso de programação especialmente desenvolvido com a finalidade de facilitar e agilizar a inicialização da posta em marcha (Start-up) do produto, através de um roteiro orientado e automático, o qual guia o usuário para a introdução sequencial das características mínimas necessárias a uma perfeita adaptação da Soft-Starter ao motor e a carga acionados.
  • 140.
    8 Guia de AplicaçãoSoft-Starter | 8-15 Linha de Soft-Starter WEG Redes de Comunicação “FIELDBUS” As Soft-Starters SSW-06 podem ser interligados em redes de comunicação rápidas “FieldBus”, através dos protocolos padronizados mais difundidos mundialmente, podendo ser: g Profibus DP (opcional) FIELDBUS g DeviceNet (opcional) g Modbus RTU RS-232 (incorporado) g Modbus RTU RS-485 (opcional) Destinados principalmente a integrar grandes plantas de automação industrial, as redes de comunicação rápidas conferem vantagens na supervisão, monitoração e controle, “on-line“ e total, sobre as Soft-Starters, proporcionando elevada performance de atuação e grande flexibilidade operacional, características estas exigidas em aplicações de sistemas complexos e/ou integrados. Para a interligação em redes de comunicação do tipo “FieldBus” Profibus DP ou DeviceNet, as Soft-Starters SSW-06 permitem incorporar internamente um cartão de rede, de acordo com o protocolo desejado. Para a interligação em redes de comunicação tipo “ FieldBus” Modbus RTU poderá ser utilizado conexão via interface RS–232 (disponível) ou RS–485 (opcional). Além de todas as vantagens de monitoramento das proteções e acionamento do motor, também podem ser utilizadas as entradas digitais, saídas digitais e analógicas como uma mini-remota do mestre da rede “FieldBus”. . . . CLP REDES “FIELDBUS”
  • 141.
    8 8-16 | Guiade Aplicação Soft-Starter Linha de Soft-Starter WEG Ambiente integrado Superdrive G2 Software em ambiente Windows, para parametrização, comando e monitoração da SSW-06. g Identificação automática da SSW-06. g Lê parâmetros da SSW-06. g Escreve parâmetros na SSW-06. g Edita parâmetros on-line no SSW06. g Edita parâmetros off-line no PC. g Possibilita criar toda a documentação da aplicação. g Facilmente acessível. g Permite parametrização, comando e monitoração da SSW-06 via software via software Superdrive G2. g É fornecido um cabo serial RS-232 de 3m quando o software Superdrive G2 é adquirido. g Software gratuito no site www.weg.net Monitoração e parametrização da lista de parâmetros Função Trend que permite a análise dos dados de partida do motor (ex.: corrente, tensão, torque de partida, etc). Monitoração de status HMI virtual
  • 142.
    8 Guia de AplicaçãoSoft-Starter | 8-17 Linha de Soft-Starter WEG Função SOFTPLC É um recurso que incorpora a SSW-06 as funcionalidades de um CLP, agregando flexibilidade ao usuário e permitindo - lhe desenvolver seus próprios aplicativos (programas do usuários.) g Linguagem de programação LADDER - Software WLP. g Acesso a todos os parâmetros e I/Os da SSW-06. g Blocos de CLP, lógicos e matemáticos. g Download, upload e monitoração on-line. g Capacidade de memória de 1Kbytes. g Ajuda online. g 18 Parâmetros, 4 Erros, 4 Alarmes de usuário que podem ser individualmente programados. g Software gratuito no site www.weg.net Ambiente de programação, simples e prático Monitoração on-line Parâmetros de uruário HMI virutal para alteração dos parâmetros Monitoração das entradas e saídas digitais
  • 143.
    8 8-18 | Guiade Aplicação Soft-Starter Linha de Soft-Starter WEG Acessórios e Periféricos Interface de operação com duplo display LED’s e LCD, com recursos completos via códigos e mensagens com textos alfanuméricos e função Copy, para instalação local (tampa da Soft-Starter) ou remota em porta de painel. Distância máxima 5m (sem moldura). Moldura para instalação / fixação da Interface Homem-Máquina, remota a Soft-Starter, para transferência de operação da Soft-Starter para a porta do painel ou para um console da máquina. Distância máxima de 5m. Grau de proteção: IP42 Cabo para conexão da HMI a SSW-06 Cabos com comprimentos (X) de 1; 2; 3 e 5m. Cartões de comunicação fieldbus Possibilitam a troca de dados e controle da SSW-06 em redes de comunicação. Possibilita a conexão da SSW-06 a uma rede de comunicação Modbus-RTU em RS-485 com isolação galvânica. Possibilita uma proteção nos bornes de potência. INTERFACE HOMEM-MÁQUINA COMPLETA (padrão) HMI-SSW-06-LCD KIT MOLDURA PARA INTERFACE REMOTA KMR-SSW-06 CABOS INTERLIGAÇÃO PARA INTERFACE REMOTA CAB-HMI SSW-06- X KITS PARA REDES DE COMUNICAÇÃO “FIELDBUS” Profibus DP → KFB-PD DeviceNet → KFB-DN Profibus DPV1 → KFB-PDPV1 DeviceNet Acíclico → KFB-DD KIT DE COMUNICAÇÃO RS-485 RS-485 → KRS-485 KIT DE PROTEÇÃO DOS BORNES DE POTÊNCIA (Para modelos de 85 a 820A) KIT IP20-M2 (85A e 130A) KIT IP20-M3 (170A e 205A) KIT IP20-M4 (255A a 365A) KIT IP20-M5 (412A a 604A) KIT IP20-M6 (670A e 820A)
  • 144.
    8 Guia de AplicaçãoSoft-Starter | 8-19 Linha de Soft-Starter WEG SSW-06: um produto flexível e compacto Entrada de Alimentação da Rede Display de LED’s de 7 Segmentos Display de Cristal Líquido (LCD) 2 Linhas de 16 Caracteres Interface Homem-Máquina Destacável, com Duplo Display (LCD + LED’s), Multi-Idiomas e Função COPY Microcontrolador de Alta Performance Tipo RISC de 32 Bits Módulos de Redes de Comunicação Fieldbus para: -Profibus-DP -DeviceNet (opcionais) Três Saídas Digitais Programáveis a Relé Interface Serial RS-485 Modbus-RTU (opcional) Entrada PTC para o motor Seis Entradas Digitais Isoladas e Programáveis Duas Saídas Analógicas Programáveis Fusível de Proteção Eletrônica Saída de Alimentação do Motor Sistema de Passagens dos Cabos de Controle e Conexão de Eletroduto Interface Serial RS-232 Modbus-RTU
  • 145.
    8 8-20 | Guiade Aplicação Soft-Starter Linha de Soft-Starter WEG Dimensões e Pesos L H P MODELO LARGURA “L” (mm) ALTURA “H” (mm) PROFUNDIDADE “P” (mm) PESO (kg) MECÂNICA SSW-06.0010 130 256 182 3,3 1 SSW-06.0016 SSW-06.0023 SSW-06.0030 SSW-06.0045 132 370 244 8,5 2 SSW-06.0060 SSW - 06.85 SSW - 06.130 SSW - 06.170 223 440 278 18,6 3 SSW - 06.205 SSW - 06.255 370 550 311 41,5 4SSW - 06.312 SSW - 06.365 SSW - 06.412 370 650 347 55 5SSW - 06.480 SSW - 06.604 SSW - 06.670 540 795 357 120 6 SSW - 06.820 SSW - 06.950 568 895 345 107 7 SSW - 06.1100 685 1235 433 217,5 8 SSW - 06.1400 Fixação MODELO A (mm) B (mm) C (mm) D (mm) Parafuso de fixa- ção MECÂNICA SSW-06.0010 75 239 28 8,5 M5 1 SSW-06.0016 SSW-06.0023 SSW-06.0030 SSW-06.0045 75 350 28,5 8,5 M5 2 SSW-06.0060 SSW-06.0085 SSW-06.0130 SSW-06.0170 150 425 36,5 5,9 M6 3 SSW-06.0205 SSW-06.0255 200 527,5 85 10 M6 4SSW-06.0312 SSW-06.0365 SSW-06.0412 200 627,5 85 10 M6 5SSW-06.0480 SSW-06.0604 SSW-06.0670 350 775 95 7,5 M8 6 SSW-06.0820 SSW-06.0950 400 810 84 10 M8 7 SSW-06.1100 500 1100 93 15 M8 8 SSW-06.01400
  • 146.
    8 Guia de AplicaçãoSoft-Starter | 8-21 Linha de Soft-Starter WEG Mec02 Mec03 Mec04 Mec05 Mec06 Mec07 Mec08Mec01 A BB C Espaços livres para ventilação D Saída Fluxo de Ar Entrada Fluxo de Ar MODELO A (mm) B (mm) C (mm) D (mm) MECÂNICA SSW-06.0010 150 30 150 50 1 SSW-06.0016 SSW-06.0023 SSW-06.0030 SSW-06.0045 150 30 150 50 2 SSW-06.0060 SSW-06.0085 SSW-06.0130 SSW-06.0170 150 30 150 50 3 SSW-06.0205 SSW-06.0255 150 30 150 50 4SSW-06.0312 SSW-06.0365 SSW-06.0412 150 30 150 150 5SSW-06.0480 SSW-06.0604 SSW-06.0670 150 30 150 50 6 SSW-06.0820 SSW-06.0950 150 30 150 50 7 SSW-06.1100 150 100 150 50 8 SSW-06.01400
  • 147.
    8 8-22 | Guiade Aplicação Soft-Starter Linha de Soft-Starter WEG Características Técnicas ALIMENTAÇÃO Potência (220 a 575) Vac (-15% a +10%), ou (187 a 632) Vac Controle (110 a 230) Vac (-15% a +10%), ou ( 94 a 253) Vac Ventilador Modelos de 255 a 820 A: 115 Vac (104 a 127) Vac / 230 Vac (207 a 253)Vac Modelo de 950 A: 115 Vac (103,5 a 122)Vac / 230 Vac (207 a 243,8) Vac Modelos de 1100 a 1400A: 230 Vac (207 a 243,8)Vac Freqüência (50 a 60)Hz (+/- 10%), ou (45 a 66) Hz GRAU DE PROTEÇÃO Gabinete Metálico IP00 CONTROLE Método de Controle Variação da tensão sobre a carga (motor de indução trifásico) CPU Microcotrolador RISC de 32 Bits Tipos de Controle Rampa de tensão Limitação de corrente Rampa de limitação de corrente Controle de Bombas Controle de Torque 1,2 ou 3 pontos REGIME DE PARTIDA (3) Normal 300 % (3 x Inom.) durante 30 s para ligação 3 cabos e durante 25 s para ligação 6 cabos. ENTRADAS Digitais 5 Entradas programáveis isoladas 24 Vcc 1 Entrada programável isolada 24 Vcc (para termistor-PTC do motor) SAÍDAS Relé 3 Saídas programáveis 250 V / 2 A: (02 x NA) + (01 x NA + NF - Defeito) Analógicas 1 Saída programável (10 bits ) 0...10 Vcc 1 Saída programável (10 bits ) 0 ... 20mA ou 4 ... 20mA SEGURANÇA Proteções Sobretensão Subtensão Desbalanceamento de tensão Subcorrente Sobrecorrente Desbalanceamento de corrente Sobrecarga na saída (motor) – i²t Sobretemperatura nos tiristores / dissipador Sobretemperatura no motor / PTC Sequência de fase invertida Defeito externo Defeito no By-pass Aberto (1) Defeito no By-pass Fechado (1) Sobrecorrente no By-pass (1) Subcorrente antes do By-pass (1) Falta de fase na alimentação Falta de fase na saída (motor) Falha no tiristor Erro na CPU (Watchdog) Erro de programação Erro de comunicação serial Erro de auto-diagnóstico Erro de comunicação da HMI-SSW06-LCD Excesso de tempo de partida Erro de comunicação Fieldbus Subtensão na Eletrônica Frequência fora da faixa Falta a terra Conexão errada ao motor Subtorque Sobretorque Subpotência Sobrepotência FUNÇÕES / RECURSOS Standard ( Padrão ) Interface Homem-Máquina incorporada (destacável) com duplo display LED + LCD (HMI-SSW06-LCD) Senha de habilitação de programação Seleção do idioma da HMI-SSW06-LCD: Português, Inglês, Espanhol, Alemão Seleção do tipo de controle: Rampa de tensão, limitação de corrente, Rampa de limitação de corrente, controle de bombas, Controle de torque Seleção para operação Local / Remoto Auto-diagnóstico de defeito Start-up orientado conforme tipo de controle Conexão padrão ou dentro do delta do motor Todas as proteções e funções disponíveis também na conexão dentro do delta do motor Função PUMP CONTROL (Proteção contra “Golpe de Ariete” em bombas) Função COPY (Soft-Starter → HMI ou HMI → Soft-Starter) By-Pass integrado a Soft-Starter (Modelos 10 a 820 A). Interface Serial RS-232 com Modbus RTU incorporado, RS-485 opcional Entrada para PTC do motor Auto-diagnóstico de defeitos e Auto-reset de falhas Reset para programação padrão de fábrica ou para padrão do usuário Recursos especiais: Horímetro, Watímetro Sobretensão, subtensão e desbalanceamento de tensão entre fases programáveis Sobrecorrente, subcorrente e desbalanceamento de corrente entre fases programáveis
  • 148.
    8 Guia de AplicaçãoSoft-Starter | 8-23 Linha de Soft-Starter WEG Características Técnicas FUNÇÕES / RECURSOS Standard ( Padrão ) Subcorrente e Sobrecorrente antes do By-pass Sobretorque, subtorque programáveis Sobrepotência, subpotência programáveis Tensão Nominal da rede programável Rampa de tensão totalmente programável Limitação de corrente programável Rampa de corrente programável Controle de bombas programável Controle de torque totalmente flexível Auto reset da memória térmica programável Classe térmica de proteção ( sobrecarga do motor) programável de classe 5 até classe 45. Troca de sentido de giro Função JOG em freqüência nos dois sentidos de giros Frenagem por reversão Frenagem ótima sem contator Frenagem CC SoftPLC integrado Opcionais Moldura para HMI Remota Cabo para interligação da HMI remota 1; 2; 3 e 5m Kit de comunicação RS 485 Kit de comunicação Profibus DP e Profibus DPV1 Kit de comunicação DeviceNet acíclico Kit IP20 para os modelos de 85 a 365A INTERFACE HOMEM – MÁQUINA (HMI- SSW06-LCD) Comando Liga, Desliga / Reset e Parametrização (Programação de funções gerais) Supervisão ( Leitura ) Incrementa e decrementa parâmetros ou seu conteúdo Corrente do motor (% In da Soft-Starter) Corrente do motor (% In do motor) Corrente do motor (A) Frequência da Rede de Alimentação (0 ... 99,9 Hz) Tensão da Rede de alimentação - (0 ... 999V) Tensão de Saída - (0 ... 999V) Torque do motor (% In do motor) Potência ativa fornecida à carga – (kW) Potência Aparente fornecida à carga – (kVA) Estado da Soft-Starter Estado das entradas e saídas digitais e analógicas Cos (ϕ) da carga – (0,00 ... 0,99) Horas Energizado Horas Habilitado Consumo de energia em kWh Valor das saídas analógicas Estado do SoftPLC Back-up dos 6 últimos erros com diagnóstico de tensão, corrente e estado. Versão de Software da Soft-Starter Proteção térmica do motor – (0 ... 250) Indicação de corrente em cada fase R-S-T Indicação da tensão de linha R-S / S-T / T-R Estado do Cartão de Comunicação Fieldbus Diagnóstico de partida Diagnósticos de funcionamento em regime pleno CONDIÇÕES AMBIENTE Temperatura 0 a 55ºC (Modelos de 85 a 820 A) sem redução de corrente nominal. 0 a 40ºC (Modelos de 950 a 1400 A) sem redução de corrente nominal. Umidade 20 ... 90%, sem condensação Altitude 0 ... 1000 m: Condições normais de operação à corrente nominal 1000 ... 4000 m: Com redução na corrente de saída de 1% / 100 m, acima de 1000 m ACABAMENTO Cor Tampa: Cinza Ultra fosco Gabinete: Azul Ultra fosco CONFORMIDADES/ NORMAS Segurança Norma UL 508 – Equipamentos de Controle Industrial Baixa Tensão Norma EN 60947-4-2; LVD 2006/95/EC – Diretiva de Baixa Tensão EMC EMC diretiva 89 / 336 / EEC – Ambiente Industrial UL (USA) / cUL (Ca- nadá) Underwriters Laboratories Inc. – USA CE (Europa) Certificado pela EPCOS IRAM (Argentina) Instituto Argentino de Normalización C-Tick (Austrália) Australian Communications Authority Gost (Russia) Notas: (1) Modelos de 10 a 820A (2) Regime de partida: 10 partidas / hora para modelos de 10 A a 820 A. 5 partidas / hora para modelos de 950 A a 1400 A.
  • 149.
    8 8-24 | Guiade Aplicação Soft-Starter Linha de Soft-Starter WEG Tabela de Especificações SOFT-STARTER SSW-06 MOTOR MÁXIMO APLICÁVEL MecânicaModelo (comando:94-253V) (ventilador: 110/220)(2)(3) Inominal (A) Tensão (V) Ligação Standard (3 cabos) Ligação dentro do delta (6 cabos) Ta=0...55°C (4) Ta=0...55°C (4) Ta=0...55°C(4) cv kW cv Kw SSW-06 0010 T 2257 PSZ 10 220 3 2,2 - - 1 SSW-06 0016 T 2257 PSZ 16 5 3,7 - - SSW-06 0023 T 2257 PSZ 23 7,5 5,5 - - SSW-06 0030 T 2257 PSZ 30 10 7,5 - - SSW-06 0045 T 2257 PSZ 45 15 11 25 18,5 2 SSW-06 0060 T 2257 PSZ 60 20 15 30 22 SSW-06 0085 T 2257 PSZ 85 30 22 60 45 SSW-06 0130 T 2257 PSZ 130 50 37 75 55 SSW-06 0170 T 2257 PSZ 170 60 45 125 90 3 SSW-06 0205 T 2257 PSZ 205 75 55 150 110 SSW-06 0255 T 2257 PSZ 255 100 75 175 130 4 SSW-06 0312 T 2257 PSZ 312 125 90 200 150 SSW-06 0365 T 2257 PSZ 365 150 110 250 185 SSW-06 0412 T2257 PSZ 412 150 110 250 185 5SSW-06 0480 T2257 PSZ 480 200 150 350 260 SSW-06 0604 T2257 PSZ 604 250 185 450 330 SSW-06 0670 T2257 PSZ 670 250 185 500 370 6 SSW-06 0820 T2257 PSZ 820 350 260 600 450 SSW-06 0950 T2257 PSZ 950 400 300 700 520 7 SSW-06 1100 T2257 PSZ 1100 450 330 800 600 8 SSW-06 1400 T2257 PSZ 1400 550 410 1050 775
  • 150.
    8 Guia de AplicaçãoSoft-Starter | 8-25 Linha de Soft-Starter WEG Tabela de Especificações SOFT-STARTER SSW-06 MOTOR MÁXIMO APLICÁVEL MecânicaModelo (comando:94-253V) (ventilador: 110/220)(2)(3) Inominal (A) Tensão (V) Ligação Standard (3 cabos) Ligação dentro do delta (6 cabos) Ta=0...55°C (4) Ta=0...55°C (4) Ta=0...55°C(4) cv kW cv Kw SSW-06 0010 T 2257 PSZ 10 440 5 7,7 - - 1 SSW-06 0016 T 2257 PSZ 16 10 7,5 - - SSW-06 0023 T 2257 PSZ 23 15 11 - - SSW-06 0030 T 2257 PSZ 30 20 15 - - SSW-06 0045 T 2257 PSZ 45 30 22 75 55 2 SSW-06 0060 T 2257 PSZ 60 40 30 100 75 SSW-06 0085 T 2257 PSZ 85 60 45 125 90 2 SSW-06 0130 T 2257 PSZ 130 100 75 175 130 2 SSW-06 0170 T 2257 PSZ 170 125 90 200 150 3 SSW-06 0205 T 2257 PSZ 205 150 110 300 220 3 SSW-06 0255 T 2257 PSZ 255 200 150 350 260 4 SSW-06 0312 T 2257 PSZ 312 250 185 450 330 4 SSW-06 0365 T 2257 PSZ 365 300 220 500 370 4 SSW-06 0412 T 2257 PSZ 412 350 260 600 450 5 SSW-06 0480 T 2257 PSZ 480 400 300 700 520 SSW-06 0604 T 2257 PSZ 604 500 370 850 630 SSW-06 0670 T 2257 PSZ 670 550 410 950 700 6 SSW-06 0820 T 2257 PSZ 820 700 520 1200 900 7 SSW-06 0950 T 2257 PSZ 950 800 600 1400 1030 7 SSW-06 1100 T 2257 PSZ 1100 900 670 1600 1175 8 SSW-06 1400 T 2257 PSZ 1400 1200 900 2000 1475 Notas: 1) As potências máxima dos motores, na tabela aima, foram calculadas com base nos modelos WEG de 2 a 4 pólos . Para os motores de outras polaridades (EX. 6 e 8 pólos), outras tensões (EX. 230,400 e 460V) e / ou motores de outros fabricantes, especificar a Soft – Starter através da corrente nominal do motor. 2) No modelo de 950 A a tensão dos ventiladores deve ser especificada se é 110 ou 220 Vac. 3) Nos modelos de 1100 A e 1400 A a tensão dos ventiladores é somente 220 Vac. 4) Temperatura ambiente (Ta) = 0...55ºC somente é válido para os modelos 10 A ... 820 A, para os modelosde 950 A, 1100 A e 1400 A Ta = 0...40ºC, (sem redução da corrente nominal).
  • 151.
    8 8-26 | Guiade Aplicação Soft-Starter Linha de Soft-Starter WEG Tipos de ligações da Soft-Starter ao motor Padrão (3 cabos) Motor em Y Motor em ISoft-Starter = ITotal consumida Dentro do delta do motor (6 cabos) Soft-Starter dentro do Delta do motor ITotal consumida √3 ISoft-Starter = = 58% da ITotal consumida ITotal consumida 1,5 ISoft-Starter = = 67% da ITotal consumida (Após a partida) (Durante a partida) IMPORTANTE: g Na ligação padrão (3 cabos) o motor pode ser conectado tanto em ligação Y (estrela) como em ligação (delta). g Na ligação dentro do delta do motor (6 cabos), o motor somente pode ser conectado em delta. A tabela abaixo mostra as tensões disponíves para os tipos padrões de motor: MOTOR Ligação 6 cabos 220V -∆ / 380V-Y 220V -∆ 380V -∆ / 660V-Y 380V -∆ 440V -∆ / 760V-Y 440V -∆ 575V - ∆ 575V -∆ 220V -∆ / 380V- Y/ 440V -∆ / 760V-Y 220V -∆ 440V -∆ g Para uma mesma potência de motor, a ligação dentro do delta do motor (6 cabos) possibilita uma redução de 42% na corrente da Soft- Starter se comparado com a ligação padrão (3 cabos). g A ligação dentro do delta do motor (6 cabos ) possibilita acionar um motor com 73 % de potência maior do que na ligação padrão (3 cabos). g A ligação dentro do delta necessita de 6 cabos de ligação até o motor. g Durante a partida a corrente do motor em relação a corrente da Soft -Starter pode ser de até 1,5 vez maior. g Após a partida, em tensão plena, a corrente do motor em relação a corrente da Soft -Starter pode ser até 1,73 vez maior.
  • 152.
    8 Guia de AplicaçãoSoft-Starter | 8-27 Linha de Soft-Starter WEG Codificação 1 - Soft-Starter WEG família SSW-06 2 - Corrente nominal de saída da Soft-Starter 3 - Alimentação de entrada da Soft-Starter: T = Trifásica 4 - Tensão de alimentação: 2257 = Faixa 220 ... 575 V 5 - Idioma do manual do produto: P = Português E = Inglês S = Espanhol 6 - Versão do produto: S = Standard O = com Opcionais 7 - Grau de proteção: Em branco = Standard (Vide tabela de características) 8 - Interface Homem - Máquina (HMI): Em branco= Standard (Com HMI de LED’s + LCD) SI = Sem HMI 9 - Hardware especial: Em branco = Standard H1 = Ventilação 115V (Modelo de 950 A) Ex.: SSW06 0085 T 2257 P S Z H2 = Ventilação 230V (Modelo de 950 A a 1400 A) Ex.: SSW06 0950 T 2257 P S H1 Z 9 - Hardware especial: Em branco = Standard H1 = Ventilação 115V (Modelo de 950 A) Ex.: SSW06 0085 T 2257 P S Z 10 - Software Especial: Em branco = Standard S1 = Opcional com versão de software especial 11 - Fim de código: Em branco = Standard Z = Dígito indicador de final de codificação do produto SSW06 0085 T 2257 P O ___ SI ___ ___ Z 1 2 3 4 5 6 7 8 9 10 11 Notas: 1) Os Kits de comunicação são opcionais. 2) Para os modelos de 950 A a 1400 A deve ser ser definido a tensão de ventilação (H1 ou H2). 0010 = 10A 0016 = 16A 0023 = 23A 0030 = 30A 0045 = 45A 0060 = 60A 0085 = 85A 00130 = 130A 00170 = 170A 0205 = 205A 0255 = 255A 0312 = 312A 0365 = 365A 0412 = 412A 0480 = 480A 0604 = 604A 0670 = 670A 0820 = 820A 0950 = 950A 1100 = 1100A 1400 = 1400A
  • 153.
    8 8-28 | Guiade Aplicação Soft-Starter Linha de Soft-Starter WEG
  • 154.
    g Fácil operação g Elevadorendimento g By-pass incorporado g Proteções incorporadas g Elevado regime de partida g Controle total nas três fases Motores | Energia | Automação | Tintas SSW-07 Soft-starter
  • 155.
    8 8-30 | Guiade Aplicação Soft-Starter Linha de Soft-Starter WEG Soft-Starters são chaves de partida estática, projetadas para a aceleração, desaceleração e proteção de motores elétricos de indução trifásicos, através do controle da tensão aplicada ao motor. A SSW-07, com controle DSP (Digital Signal Processor) foi projetada para fornecer ótima performance na partida e parada de motores com excelente relação custo-benefício. Permitindo fácil ajuste, simplifica as atividades de start-up e operação do dia-a-dia. A SSW-07 é compacta, contribuindo para a otimização de espaços em painéis elétricos. A SSW-07 já incorpora todas as proteções para seu motor elétrico. A SSW-07 adapta-se as necessidades dos clientes através de seus acessórios opcionais os quais são facilmente instalados. Desta forma pode-se adicionar ao produto uma HMI, comunicação e entrada para PTC do motor. SSW-07 g Redução acentuada dos esforços sobre os acoplamentos e dispositivos de transmissão (redutores, polias, engrenagens, correias, etc) durante a partida; g Eliminação de choques mecânicos; g Aumento da vida útil do motor e equipamentos mecânicos da máquina acionada pela eliminação de choques mecânicos; g Facilidade de operação, ajuste e manutenção; g Instalação elétrica simples; g Operação em ambientes de até 55 °C (sem redução de corrente para todos os modelos); g Proteção eletrônica integral do motor; Benefícios Aplicações Químico e Petroquímico Ventiladores / Exaustores Bombas Centrífugas Bombas Dosadoras / Processo Agitadores / Misturadores Compressores Extrusoras de Sabão Plástico e Borracha Extrusoras Injetoras / Sopradoras Misturadores Calandras / Puxadores Granuladores Papel e Celulose Bombas Dosadoras Ventiladores / Exaustores Agitadores / Misturadores Filtros Rotativos Fornos Rotativos Esteiras de Cavaco Calandras / Coaters Refinadores de Papel Açucar e Álcool Ventiladores / Exaustores Bombas de Processo Esteiras Transportadoras g Relé térmico eletrônico incorporado; g Função “Kick-Start” para partida de cargas com elevado atrito estático; g Evita o “Golpe de Ariete” em bombas; g Limitação de quedas de tensão na partida; g Tensão universal (220 a 575 Vca); g Fonte de alimentação da eletrônica do tipo chaveada com filtro EMC (110 a 240 Vca); g By-pass incorporado á Soft-Starter (17 a 200 A) proporcionando redução de tamanho e economia de energia; g Monitoração da tensão da eletrônica, possibilitando fazer back-up dos valores de i x t (imagem térmica). Sucos e Bebidas Agitadores / Misturadores Mesas de Rolos / Esteiras Transportadoras Linhas de Engarrafamento Cimento e Mineração Bombas Dosadoras/Processo Bombas / Dosadores Peneiras / Mesas Vibratórias Separadores Dinâmicos Alimentos e Ração Bombas Dosadoras / Processo Ventiladores / Exaustores Agitadores / Misturadores Secadores / Fornos Contínuos Peletizadoras / Esteiras / Monovias Têxtil Agitadores / Misturadores Secadores / Lavadoras Siderurgia e Metalurgia Ventiladores / Exaustores Transportadores / Furadeiras / Retíficas Trefilas / Bombas Cêramico Ventiladores / Exaustores Secadores / Fornos Contínuos Moinhos de Bolas / Martelo Mesas de Rolos Esteiras Transportadoras Vidros Ventiladores / Exaustores Máquina de Fabricar Garrafas Mesas de Rolos Esteiras Transportadoras Refrigeração Bombas de Processo Ventiladores / Exaustores Sistemas de Ar Condicionado Compressores Parafuso/Pistão Madeira Lixadeiras / Cortadeiras Picadores de Madeira / Serras e Plainas Saneamento Bombas Centrífugas Sistemas de Recalque Transporte de cargas Correias / Cintas / Correntes Mesas de rolos Monovias / Nórias Escadas Rolantes Esteiras de Bagagem (Aeroportos) Produto beneficiado pela Lei da Informática. I.P.I REDUZIDO
  • 156.
    8 Guia de AplicaçãoSoft-Starter | 8-31 Linha de Soft-Starter WEG Comparativo métodos de partida Acionamento típico Ajustes e indicações Acessórios e Periféricos As Soft-Starters SSW-07 podem ser interligados em redes de comunicação rápidas “FieldBus”, através do protocolo Modbus RTU, DeviceNet e Profibus DP. Destinados principalmente a integrar grandes plantas de automação industrial, as redes de comunicação rápidas conferem vantagens na supervisão, monitoração e controle, “on-line“ e total, sobre as Soft-Starters, proporcionando elevada performance de atuação e grande flexibilidade operacional, características estas exigidas em aplicações de sistemas complexos e/ou integrados. Para a interligação em redes de comunicação do tipo “FieldBus”, as Soft-Starters SSW-07 permitem a utilização de opcionais tipo Plug – In na frontal do produto. Existem módulos opcionais para o protocolo Devicenet e Modbus RTU e RS-232 ou RS-485. REDES “FIELDBUS” CLP Entrada de alimentação DIP Switch para ajustar e habilitar as proteções Leds para indicação de status da SSW-07 Tampa para opcionais Plug In Saídas a Relé Saída para motorComando Aciona / Desaciona motor (DI1) e Reset (DI2 e DI3) Alimentação da eletrônica (A1 e A2) DIP Switch para ajuste da classe térmica Trimpots para ajuste Botão reset
  • 157.
    8 8-32 | Guiade Aplicação Soft-Starter Linha de Soft-Starter WEG Acessório interface homem-máquina A HMI com display LED de 7 segmentos permite uma ótima visualização dos parâmetros a distância. A interface também incorpora a função “Copy”, a qual permite copiar a parametrização de uma SSW-07 para outras, possibilitando rapidez, confiabilidade e repetibilidade de programação em aplicações de máquinas de fabricação seriada. SUPERDRIVE G2 Software em ambiente Windows, para parametrização, comando e monitoração da SSW-07. Remota HMI remota para a colocação em porta de painel ou console de máquina. Grau de proteção: IP54 / Nema 12 HMI local SSW - 07 HMI remota SSW - 07 Cabo para conexão da HMI à SSW07. Cabo com comprimento de 1;2;3;5; 7,5 e 10m. Local HMI tipo Plug – In na Frontal do produto. g Identificação automática da SSW-07. g Lê parâmetros da SSW-07. g Escreve parâmetros na SSW-07. g Edita parâmetros on – line no SSW-07 g Edita parâmetros off- line na PC. g Possibilita criar toda a documentação da aplicação. g Função Trend possibilita a captura de sinais da soft-starter e apresenta-os como um gráfico. g Facilmente acessível. g Permite parametrização, comando e monitoração da SSW-07 via software Superdrive G2. g É fornecido um cabo serial RS – 232 de 3m e módulo RS-232 quando o software Superdrive G2 é adquirido. g Software gratuito no site www.weg.net Acessórios e Periféricos Modbus RTU – RS – 485 Módulo opcional tipo Plug - In para a comunicação Modbus RTU em RS - 485 Modbus RTU – RS – 232 Módulo opcional tipo Plug – In para a comunicação Modbus RTU em RS - 232 Kit ventilação Para os modelos de 45 A a 200 A, kit de ventilação é necessário para um regime de partidas elevada. PTC do Motor Módulo opcional para a conexão do PTC do motor. Módulos de comunicação DeviceNet Módulo opcional tipo Plug-in para a comunicação DeviceNet com acesso acíclico Cabo para a conexão da RS 232 Cabos com comprimento de 3 e 10m Kit IP20 Para os modelos de 130 A a 200 A, esse Kit garante uma proteção contra toque em partes energizadas.
  • 158.
    8 Guia de AplicaçãoSoft-Starter | 8-33 Linha de Soft-Starter WEG Facilidades de Programação Programação através de trimpots e dip-switch – toda a programação necessária para acionar qualquer tipo de carga está disponível via trimpots e dip – switch. Rampa de tensão Permite a aceleração e / ou desaceleração suaves, através de rampas de tensão. Limitação de corrente Permite ajustar o limite de corrente durante a partida de acordo com as necessidades da aplicação. P A H C D L B Modelo SSW-07 Alt. H mm (In) Larg. L mm (In) Profund. P mm (In) A mm (In) B mm (In) C mm (In) D mm (In) Parafuso p/ fixação Peso kg (Ib) Grau de proteção SSW-070017 SSW-070024 SSW-070030 162 (6.38) 95 (3.74) 157 (6.18) 85 (3.35) 120 (4.72) 5 (0.20) 4 (0.16) M4 1.3 (2.9) IP20 SSW-070045 SSW-070061 SSW-070085 208 (8.19) 144 (5.67) 203 (7.99) 132 (5.2) 148 (5.83) 6 (0.24) 3.4 (0.13) M4 3.3 (7.28) IP20 SSW-070130 SSW-070171 SSW-070200 276 (10.9) 223 (8.78) 220 (8.66) 208 (8.19) 210 (8.27) 7.5 (0.3) 5 (0.2) M5 7.6 (16.8) IP00* Tabela 3.1 - Dados para instalação com dimensões em mm (in) * IP20 com Kit opcional para a mecânica Kick Start em Tensão Permite um pulso inicial de tensão que aplicado ao motor proporciona um reforço de torque inicial a partida, necessária para a partida de cargas com elevado atrito estático. By-pass incorporado By-pass incorporado minimizando as perdas de potência e a dissipação de calor nos tiristores, proporcionando redução de espaço e contribuindo para economia de energia. Está disponível em todos os modelos. Dimensões e pesos
  • 159.
    8 8-34 | Guiade Aplicação Soft-Starter Linha de Soft-Starter WEG Características Técnicas (1) Para as correntes 45 a 200 A com a utilização do kit de ventilação. Alimentação Potência 220 a 575 Vca Controle 110 a 240 Vca (-15% a +10%), ou 94 a 264 Vca Freqüência 50 a 60 Hz (+/- 10%), ou 45 a 66 Hz Grau de Proteção Plástico Injetado IP20 nos modelos de 17 a 85 A IP00 nos modelos de 130 a 200 A (IP20 com opcional) Controle Método de Controle Variação da tensão sobre a carga (motor de indução trifásico) CPU Microcontrolador tipo DSP (Digital Signal Processor) Tipos de Controle Rampa de tensão Limitação de corrente Regime de Partida (1) Normal 300% (3 x Inom.)durante 30 s, 10 partidas por hora ( a cada 6 minutos) Entradas Digitais 3 Entradas programáveis isoladas Saídas Relé 02 relés com contatos NA, 240Vca, 1A, funções programáveis Segurança Proteções (Standard) Sobrecorrente; Rotor Bloqueado Sobrecorrente antes do By - pass Excesso de tempo na partida Falta de fase Freqüência fora da tolerância Sequência de fase invertida; Contato de By-pass aberto Sobretemperatura no dissipador da potência; Subtensão na alimentação da eletrônica Sobrecarga no Motor (Classe 5 a 30) Proteções (com Acessório) Subcorrente Erro de programação Desbalanceamento de corrente Erro de comunicação serial Subcorrente antes do By - pass Erro e comunicação HMI Defeito externos Sobretemperatura no motor PTC Funções / Recursos Standard Rampa de tensão (Tensão inicial: 30% a 90%) Limitação de corrente (150% a 450% da corrente nominal da SSW07) Tempo de partida (1 a 40s) Kick Start (Off - 0,2 a 2s) Rampa de desaceleração ( 0 a 40s) Relação da corrente do motor e da SSW07 (50% a 100%) Autoreset de falhas Autoreset da memória térmica Reset de padrão de fábrica By - pass integrado a Soft - Starter Acessório de Programação (HMI ou comunicação Serial) Comando Liga, Desliga / Reset e Parametrização (Programação de funções) Funções / Recursos adicioanais Tempo de partida até 999s Tempo de desaceleração até 999s Senha de habilitação de programação Seleção para operação Local / Remota Função COPY (SSW07 HMI e HMI SSW07) Supervisão (Leitura) Corrente do motor (% In da Soft-Starter) Corrente do motor (% In do motor) Corrente do motor (A) Indicação da corrente em cada fase R-S-T Frequência da rede de alimentação Potência aparente fornecida a carga (kVA) Estado da Soft-Starter Estado das entradas e saídas digitais Back up dos 4 últimos erros Versão de Software da Soft - Starter Temperatura do dissipador Estado da proteção térmica do motor Acessórios e Periféricos Opcionais HMI local tipo Plug in Kit HMI remota Cabos para interligação da HMI remota de 1;2;3;5; 7,5 e 10m Kit de comunicação RS232 Cabos para interligação SSW07 Serial do PC (RS232) de 3 e 10m Kit de comunicação RS485 Kit PTC do motor Kit de comunicação DeviceNet Kit SuperDrive G2 Kit ventilação para mecânica 2 (45 a 85 A) Kit ventilação para mecânica 3 (130 a 200 A) Kit IP20 para mecânica 3 (130 a 200 A) Acabamento Cor Tampa: Cinza Ultra fosco Gabinete: Azul Ultra fosco Conformidades / Normas Segurança Norma UL 508 - Equipamentos de Controle Industrial Baixa tensão Norma EN60947-4-2;LVD 2006/95/EC - Diretiva de baixa tensão EMC Diretiva de EMC 89/336/EEC - Ambiente industrial UL (EUA) / cUL (Canadá) Underwriters Laboratories Inc. - EUA CE (Europa) Teste de conformidade realizados pela EPCOS C - Tick (Australia) Australian Communication Authority GOST (Rússia)
  • 160.
    8 Guia de AplicaçãoSoft-Starter | 8-35 Linha de Soft-Starter WEG Tabela de especificações Codificação BR SSW07 0017 T 5 S _ _ _ _ _ _ Z 1 2 3 4 5 6 7 8 9 1 - Mercado / Manual: BR = Brasil Ex = Exportação 2 - Soft-Starter WEG Série SSW - 07 3 - Corrente nominal de saída da Soft-Starter 4 - Alimentação de entrada da Soft-Starter: T = Trifásica 5 - Tensão de alimentação: 5 = Faixa de 220 a 575 V 6 - Versão do produto: S = Standard O = com Opcionais 7 - Grau de proteção: Em branco = Standard IP = IP20 para os modelos de 130 A a 200 A 8 - Hardware especial: Em branco = Standard 9 - Software especial: Em branco = Standard 10 - Fim de código: Z = Dígito indicador de final de codificação do produto. 10 NOTAS: As potências máximas dos motores acima, foram calculadas com base nos modelos WEG, 4 polos, IP55, standard, temperatura ambiente de 55ºC. Modelo Corrente nominal da SSW-07 Tensão   Potência SSW - 07 (A) (V) (CV) (KW) SSW- 070017 17 220 6 4.5 SSW- 070024 24 7.5 5.5 SSW- 070030 30 10 7.5 SSW- 070045 45 15 11 SSW- 070061 61 20 15 SSW- 070085 85 30 22 SSW- 070130 130 50 37 SSW- 070171 171 60 45 SSW- 070200 200 75 55 SSW- 070017 17 380 10 7.5 SSW- 070024 24 15 11 SSW- 070030 30 15 11 SSW- 070045 45 30 22 SSW- 070061 61 40 30 SSW- 070085 85 60 40 SSW- 070130 130 75 56 SSW- 070171 171 125 90 SSW- 070200 200 125 90 SSW- 070017 17 440 12.5 9.2 SSW- 070024 24 15 11 SSW- 070030 30 20 15 SSW- 070045 45 30 22 SSW- 070061 61 50 37 SSW- 070085 85 60 45 SSW- 070130 130 100 75 SSW- 070171 171 125 90 SSW- 070200 200 150 110 SSW- 070017 17 575 15 11 SSW- 070024 24 20 15 SSW- 070030 30 30 22 SSW- 070045 45 40 30 SSW- 070061 61 60 45 SSW- 070085 85 75 55 SSW- 070130 130 125 90 SSW- 070171 171 175 132 SSW- 070200 200 200 150 Modelo Corrente nominal da SSW-07 Tensão   Potência SSW - 07 (A) (V) (CV) (KW)
  • 161.
    8 8-36 | Guiade Aplicação Soft-Starter Linha de Soft-Starter WEG
  • 162.
  • 163.
    8 8-38 | Guiade Aplicação Soft-Starter Linha de Soft-Starter WEG SSW-08 Soft-Starter g Utilizada em cargas consideradas leves tais como: Bombas centrífugas Ventiladores de pequeno porte Compressores à parafuso (partida em alívio) g By-pass incorporado proporcionando economia de energia. g Tensão de alimentação única: Controle: 90 – 265Vac, 94 – 264Vac Potência: 220 – 575Vac g Design moderno, além de dimensões e pesos extremamente reduzidos otimizando espaço em painéis elétricos. g Filosofia plug-and-play. A SSW-08 reconhece e configura automaticamente os acessórios opcionais. g Operação em ambientes de até 55ºC sem redução de corrente. g Elevado regime de partidas: 5 partidas por hora com limitação de corrente de 3xIn, iiiidurante 20s. sem Kit de ventilação. 10 partidas por hora com limitação de corrente de 3xIn, durante 20s. com Kit de ventilação. A SSW-08 dispõe de todos os opcionais da linha SSW-07. Potência de 50 a 220 cv e tensão de 220 a 575 V. Elevado regime de partidas. Proteções do motor, da chave e BY-Pass incorporadas. Especificações Modelo Corrente nominal da SSW-08 Tensão Potência (V) (CV) (kW) SSW- 080130 130 220 50 37 SSW- 080171 171 60 45 SSW- 080200 200 75 55 SSW- 080130 130 380 75 55 SSW- 080171 171 125 90 SSW- 080200 200 125 90 SSW- 080130 130 440 100 75 SSW- 080171 171 125 90 SSW- 080200 200 150 110
  • 164.
    Anexo 1 -Cálculo do Momento de Inércia de Massa 9 Guia de Aplicação Soft-Starter | 9-1 ANEXO 1 - CÁLCULO DO MOMENTO DE INÉRCIA DE MASSA 1. MOMENTO DE INÉRCIA DE FORMAS SIMPLES A seguir são apresentadas as expressões para o cálculo do momento de inércia de massa J [kgm2 ] de formas geométricas simples, em relação ao seu eixo baricêntrico, ou seja, o eixo que passa pelo seu centro de gravidade. Todas as unidades deverão ser as do Sistema Internacional (SI). Serão utilizadas as seguintes notações: m – massa [kg] ρ – massa específica [kg/m3 ] D – diâmetro externo [m] d – diâmetro interno [m] Db – diâmetro da base [m] l – comprimento [m] a, b – lados [m] a) Disco ou cilindro maciço O momento de inércia de massa de um disco, ou de um cilindro maciço, referido ao seu eixo longitudinal é J = 1/8 * m * D2 [kgm2 ], (A1.1) ou J = π/32 * ρ * D4 * l [kgm2 ] (A1.2) b) Cilindro oco
  • 165.
    Anexo 1 -Cálculo do Momento de Inércia de Massa 9 9-2 | Guia de Aplicação Soft-Starter J = 1/8 * m * (D2 + d2 ) [kgm2 ] (A1.3) ou J = π/32 * ρ * (D4 - d4 ) * l [kgm2 ] (A1.4) c) Paralelepípedo J = 1/12 * m * (a2 + b2 ) [kgm2 ] (A1.5) ou J = 1/12 * ρ * (a3 b + ab3 ) * l [kgm2 ] (A1.6) d) Cone J = 3/40 * m * Db 2 [kgm2 ] (A1.7) ou J = π/160 * ρ * Db 4 * l [kgm2 ] (A1.8)
  • 166.
    Anexo 1 -Cálculo do Momento de Inércia de Massa 9 Guia de Aplicação Soft-Starter | 9-3 2. TEOREMA DOS EIXOS PARALELOS O momento de inércia de massa J’ [kgm2 ] de um corpo em relação a um eixo paralelo ao seu eixo baricêntrico é dado por J’ = J + m * e2 (A1.9) Sendo: e – distância entre os eixos [m], e J – momento de inércia de massa em relação ao eixo baricêntrico 3. MOMENTO DE INÉRCIA DE FORMAS COMPOSTAS Exemplo: J1 = 1/8 * m1 * (D1 2 + d1 2 ) [kgm2 ] J2 = 1/8 * m2 * D1 2 + d2 2 ) [kgm2 ] J3 = 1/8 * m3 * (D2 2 + d2 2 ) [kgm2 ] J4 = 1/8 * m4 * D2 2 [kgm2 ] ou J1 = (π * ρ) / 32 * (D1 4 – d1 4 ) * I1 J2 = (π * ρ) / 32 * (D1 4 – d2 4 ) * I2 J3 = (π * ρ) / 32 * (D2 4 – d2 4 ) * I3 J4 = (π * ρ) / 32 * D2 4 * I4 J = J1 + J2 + J3 + J4 [kgm2 ] Onde: mi - massa de cada primitiva i da peça [kg] D1 , D2 - diâmetros externos [m] d1 , d2 - diâmetros internos [m] Ii - comprimentos de cada primitiva i da peça [m]
  • 167.
    Anexo 1 -Cálculo do Momento de Inércia de Massa 9 9-4 | Guia de Aplicação Soft-Starter 4. MOMENTO DE INÉRCIA DE CORPOS QUE SE MOVEM LINEARMENTE O momento de inércia de uma massa m [kg] que se move linearmente reflete-se no seu eixo de acionamento da seguinte forma: 4.1 Acionamento através de parafuso de movimento (fuso) J = m * (p / 2π)2 [kgm2 ] (A1.10) Sendo: p – passo do fuso [m] 4.2 Acionamento através de pinhão/cremalheira, ou tambor/cabo, ou ainda rolete/esteira J = m * r2 [kgm2 ] (A1.11) Sendo: r – raio primitivo do pinhão, ou raio externo do tambor ou rolete [m] 5. TRANSMISSÃO MECÂNICA O momento de inércia de massa é refletido do eixo de saída (2) para o eixo de entrada (1) de uma transmissão de acordo com a seguinte expressão: J1 = J2 / i2 (A1.12) Onde: J2 – momento de inércia [kgm2 ] no eixo de saída (2), com rotação n2 [rpm] J1 – momento de inércia [kgm2 ] no eixo de entrada (1), com rotação n1 [rpm] i – razão de transmissão (i = n1 / n2 ) 6. EXEMPLOS DE CÁLCULOS DE MOMENTO DE INÉRCIA DE MASSA 6.1 Calcular o momento de inércia de massa J do volante mostrado na figura abaixo a) Momento de inércia do volante maciço J1 = (π * ρ) / 32 * d1 4 * I1
  • 168.
    Anexo 1 -Cálculo do Momento de Inércia de Massa 9 Guia de Aplicação Soft-Starter | 9-5 b) Momento de inércia dos alívios laterais (negativo) J2 = (π * ρ) / 32 * d2 4 * (I1 – I2 ) c) Momento de inércia dos excessos laterais do cubo (positivo) J3 = (π * ρ) / 32 * d3 4 * (I3 – I2 ) d) Momento de inércia do furo do cubo (negativo) J4 = (π * ρ) / 32 * d4 4 * I3 e) Momento de inércia de um furo da alma J5 = (π * ρ) / 32 * d5 4 * I2 f) Transposição de e) para o eixo baricêntrico do volante J’5 = [(π * ρ) / 32 * d5 4 * I2 ] + [(π * ρ) / 16 * d5 2 * d6 2 * I2 ] J’5 = (π * ρ) / 32 * d5 2 * I2 * (d5 2 + d6 2 ) g) Momento de inércia de massa do volante J = J1 – J2 + J3 – J4 – (4 * J’5 ) J = (π * ρ) / 32 * {d1 4 * I1 – d2 4 * (I1 – I2 ) + d3 4 * (I3 – I2 ) – d4 4 * I3 – 4 * [d5 2 * I2 * (d5 2 + 2 * d6 2 )]} 6.2 Para o sistema mostrado no diagrama abaixo, calcular o momento de inércia total referido ao eixo do motor Dados: JM = momento de inércia de massa do rotor do motor [kgm2 ] JP1 = momento de inércia de massa da polia motora P1 [kgm2 ] JP2 = momento de inércia de massa da polia movida P2 [kgm2 ] I = razão de transmissão (i = n1 / n2 ) JF = momento de inércia de massa do fuso de esferas recirculantes [kgm2 ] pF = passo da rosca do fuso de esferas recirculantes [m] mM = massa móvel da mesa da máquina [kg] mP = massa da peça [kg] Logo, JTOt = JM + JP1 + (1/I2 ) * [JP2 + JF + (pF /2π)2 * (mM + mP )]
  • 169.
    Anexo 1 -Cálculo do Momento de Inércia de Massa 9 9-6 | Guia de Aplicação Soft-Starter
  • 170.
    Anexo 2 -Software de dimensionamento WEG - SDW 10 Guia de Aplicação Soft-Starter | 10-1 ANEXO 2 - SOFTWARE DE DIMENSIONAMENTO WEG - SDW 1. INTRODUÇÃO Este software tem a finalidade de auxiliar no dimensionamento e na especificação das chaves de partida estática WEG. Principais funções e vantagens do software SDW: „„ Utiliza o banco de dados dos motores WEG auxiliando no preenchimento dos dados; „„ Possui como opção de dimensionamento, as principais aplicações com suas respectivas características para auxiliar no preenchimento dos dados; „„ Permite dimensionar a chave considerando as mais diversas condições de partida; „„ O resultado apresenta além do modelo, uma lista de parâmetros básicos para auxiliar no start-up da chave. 2. COMO ACESSAR O Software está disponível para acesso via Internet. Um dos caminhos disponíveis no site da Weg é o seguinte: „„ Acesse o site da weg (www.weg.com.br) „„ Clique em Downloads e Sistemas On-line „„ Clique em Software de Dimensionamento da Soft-Starter SDW 2.0 O resultado será a seguinte tela: Figura 2 - Tela de abertura Basta então clicar no botão:
  • 171.
    Anexo 2 -Software de dimensionamento WEG - SDW 10 10-2 | Guia de Aplicação Soft-Starter 3. COMO USAR O Software guia o usuário, que deve fornecer as informações na medida em que avança através da análise da aplicação. O primeiro passo é selecionar o idioma e o mercado a que se destina o acionamento. A título de exemplo, vamos manter o idioma “Português” e o mercado “Brasil”. Figura 3 - Seleção de idioma e mercado Ao clicar no botão ajuda, nesta tela, aparecerá uma janela auxiliar com o seguinte texto explicativo: Idioma: Estão disponíveis os idiomas Português, Inglês e Espanhol. Ao selecionar um dos idiomas, automaticamente o campo “mercado” será alterado de acordo com o idioma selecionado, conforme segue: Português – Brasil; Inglês – América do Norte; Espanhol – América Latina. Mercado: Estão disponíveis os seguintes mercados: África, América do Norte, América Latina, Austrália / Nova Zelândia, Brasil e Europa. Ao selecionar um dos mercado, você terá disponível na próxima página, uma lista dos principais motores fornecidos neste mercado. Você pode selecionar qualquer mercado independente do idioma, por exemplo: Idioma: Português Mercado: América do Norte. A próxima tela - que será mostrada ao pressionarmos o botão - tem o seguinte aspecto:
  • 172.
    Anexo 2 -Software de dimensionamento WEG - SDW 10 Guia de Aplicação Soft-Starter | 10-3 Figura 4 - Dados iniciais do motor Seguindo com nosso exemplo, vamos selecionar um motor Alto Rendimento Plus de 200cv, 06 pólos, para rede 380V, 60 Hz. O conteúdo da tecla ajuda nesta tela é o seguinte: Tipo de Motor/Linha: Neste campo estão disponíveis os principais tipos de motores correspondentes ao mercado selecionado. Caso seu motor não esteja nesta lista, selecione o motor “Standard” e preencha os demais dados conforme seu motor. Norma: A norma informada neste campo não pode ser alterada e corresponde aos motores disponíveis para cada mercado. Número de Pólos: Selecione o número de pólos correspondente a do seu motor. Este dado será utilizado para definir a velocidade do motor. Os motores standards estão disponíveis em 2, 4, 6 e 8 pólos. Ao selecionar uma polaridade maior, por exemplo “12” pólos, o aplicativo não encontrará no banco de dados da WEG um motor correspondente. Neste caso alguns dados não serão sugeridos sendo necessário serem preenchidos. Categoria: Selecione a categoria correspondente a do seu motor. Este dado é utilizado para definir o formato da curva de torque por rotação (C/Cn) do motor. Os motores standards estão disponíveis na categoria N. Ao selecionar uma categoria diferente, por exemplo “D”, o aplicativo não encontrará no banco de dados da WEG um motor correspondente. Neste caso alguns dados não serão sugeridos sendo necessário serem preenchidos. Freqüência Nominal: A freqüência informada neste campo não pode ser alterada e corresponde aos motores disponíveis para cada mercado. Unidade: Hertz (Hz). Tensão Nominal: Neste campo estão disponíveis as tensões de ligação do motor. Escolha a tensão que seu motor será conectado. Unidade: Volt (V). Potência Nominal: Neste campo estão disponíveis as potência correspondentes ao tipo de motor selecionado. Importante: se achar necessário, antes de selecionar um motor, selecione a unidade da potência (kW, cv ou HP).
  • 173.
    Anexo 2 -Software de dimensionamento WEG - SDW 10 10-4 | Guia de Aplicação Soft-Starter Como selecionamos um motor Alto Rendimento Plus de 200cv, 06 pólos, para rede 380V, 60 Hz, isto fará o Software buscar em seu banco de dados as características deste motor, que aparecerão na tela a seguir, quando se clicar em Figura 5 - Estes dados (FP, rendimento, corrente, etc) foram conseguidos pelo Software,a partir do banco de dados de motores WEG O conteúdo da tecla ajuda nesta tela é o seguinte: Fator de potência: Este valor é automaticamente preenchido de acordo com o motor selecionado, caso não encontre o motor no banco de dados da WEG, o aplicativo irá sugerir um valor, o qual deverá ser conferido com o dado de placa do seu motor. Importante: este valor é utilizado para o cálculo da corrente nominal do motor. Rendimento: Este valor é automaticamente preenchido de acordo com o motor selecionado, caso não encontre o motor no banco de dados da WEG, o aplicativo irá sugerir um valor, o qual deverá ser conferido com o dado de placa do seu motor. Importante: este valor é utilizado para o cálculo da corrente nominal do motor. Corrente nominal: Este valor é calculado com base nos dados informado anteriormente (potência nominal, tensão nominal, fator de potência e rendimento). Este dado é imprescindível para a especificação da Soft-Starter. Unidade: Amper (A). Fator de serviço: Este valor deverá ser preenchido de acordo com os dados do seu motor somente se for utilizado, caso contrário o valor deverá permanecer em 1 (um). Tempo de rotor bloqueado: Este valor é automaticamente preenchido de acordo com o motor selecionado, caso não encontre o motor no banco de dados da WEG, o aplicativo não sugerirá valor, que deverá ser preenchido com o valor correspondente a do seu motor. É importante que este valor seja corretamente preenchido pois é utilizado para verificar se o motor está apto para acionar a carga que será selecionada. Unidade: segundo (s). Momento de inércia (J): Este valor é automaticamente preenchido de acordo com o motor selecionado, caso não encontre o motor no banco de dados da WEG, o aplicativo não sugerirá valor, que deverá ser preenchido com o valor correspondente a do seu motor. É importante que este valor seja corretamente preenchido pois
  • 174.
    Anexo 2 -Software de dimensionamento WEG - SDW 10 Guia de Aplicação Soft-Starter | 10-5 é utilizado como base para sugerir valores de inércia das diversas opções de carga. Unidades: kgm2 ou lb.ft2 dependendo do mercado selecionado. Prosseguindo com nosso exemplo vamos supor que não se deseja alterar estes dados. Ou seja, o motor a ser utilizado em nosso exemplo terá as características arbitradas pelo Software. Clicando em , temos: Figura 6 - As curvas de torque e corrente também podem ser acessadas no banco de dados de motores WEG O conteúdo da tecla ajuda nesta tela é o seguinte: Conjugado nominal (Cn): Este valor é preenchido automaticamente com o valor calculado baseado nos dados do motor selecionado. Conjugado com rotor bloqueado (Cp/Cn): Este valor é automaticamente preenchido de acordo com o motor selecionado. Caso não encontre o motor no banco de dados da WEG, o aplicativo não sugere valor, o qual deverá ser preenchido de acordo com os dados de placa do seu motor. Conjugado máximo (Cmáx/Cn): Este valor é automaticamente preenchido de acordo com o motor selecionado. Caso não encontre o motor no banco de dados da WEG, o aplicativo não sugere valor, o qual deverá ser preenchido de acordo com os dados de placa do seu motor. Importante: O gráfico de conjugado por rotação (C/Cn) desta tela é construído de acordo com os valores contidos na tabela. Se necessário, estes valores podem ser alterados. Corrente com rotor bloqueado (Ip/In): Este valor é automaticamente preenchido de acordo com o motor selecionado. Caso não encontre o motor no banco de dados da WEG, o aplicativo não sugere valor, o qual deverá ser preenchido de acordo com os dados de placa do seu motor. Importante: O gráfico de corrente por rotação (I/In) desta tela é construído de acordo com os valores contidos na tabela. Se necessário, estes valores podem ser alterados.
  • 175.
    Anexo 2 -Software de dimensionamento WEG - SDW 10 10-6 | Guia de Aplicação Soft-Starter Tabelas de conjugado por rotação (C/Cn) e corrente por rotação (I/In): Estas tabelas são preenchidas de acordo com os dados obtidos no banco de dados da WEG. Estes valores podem ser alterados de acordo com o seu motor. Botão: Sempre que um ou mais valores forem alterados nesta tela, pressione este botão para que os gráficos sejam atualizados. Prosseguindo com nosso exemplo, vamos manter as curvas inalteradas e clicar em O resultado será a tela para Dados da Aplicação: Figura 7 - Dados da aplicação Poderemos agora informar ao Software as características da aplicação (bomba, compressor, extrusora, etc). Uma vantagem decisiva do Software é que ele sugere características “típicas” para as cargas, a partir da experiência da Weg nestas aplicações. Naturalmente, é sempre conveniente confrontar as características sugeridas pelo Software com as características reais da máquina a ser acionada. Em nosso exemplo, vamos supor uma Bomba Centrífuga, e alterar apenas o número de partidas por hora sugerido pelo SDW (o Software havia sugerido 4, mas vamos supor que será feita apenas 1 partida por hora). O conteúdo da tecla ajuda nesta tela é o seguinte: Tipo de carga: Trata-se de um banco de dados de cargas, com suas respectivas características. Ao selecionar uma determinada carga, o aplicativo sugere as características da mesma, tais como dados da curva de conjugado por rotação e inércia referida ao eixo do motor (Jc).
  • 176.
    Anexo 2 -Software de dimensionamento WEG - SDW 10 Guia de Aplicação Soft-Starter | 10-7 Referência da aplicação: Este campo você pode utilizar para identificar uma determinada aplicação. Exemplo: “TAG 563786” ou então, “Ventilador da Fábrica II”. Inércia da carga referida ao eixo do motor: Inicialmente o aplicativo sugere um valor de acordo com a carga selecionada. Este valor pode ser alterado de acordo com a sua aplicação. Cada aplicação possui um limite mínimo e um limite máximo para este valor, por exemplo: o aplicativo não permite que você preencha uma inércia de 10 vezes a nominal do motor, para uma bomba centrífuga, da mesma forma que não permite que você preencha uma inércia de uma vez a do motor para um ventilador / exaustor. NOTA! Alguns fabricantes de máquinas utilizam expressar a “inércia” de um corpo de acordo com outros conceitos que não o momento de inércia J. Por exemplo, o GD2, que assume G como peso (e não massa) e D o “diâmetro de giração” (ou “diâmetro de inércia”). Desta forma, para um cilindro maciço de diâmetro d (e raio r) em relação a seu eixo, tem-se: Figura 8 - “Diâmetro de giração” D de um cilindro d D = √2 Gd2 G4r2 GD2 = = = 2Gr2 2 2 Uma vez que, numericamente, GD2 2Gr2 ≡ ≡ 4 ⇒ GD2 ≡ 4J J Mr2 4 GD2 J = 4 (Desde que GD2 expresso em kgf.m2 e em kg.m2 ) NOTA! Portanto, é necessário atenção se a inércia informada pelo fabricante da máquina é o GD2 ou o J. O software SDW exige a informação do J, e não do GD2 ! Número de partidas por hora: Este valor é sugerido de acordo com a carga selecionada. Você pode alterar este valor para qualquer um dos valores pré determinados. Este valor é utilizado para determinar a corrente eficaz do ciclo, portanto deve ser o mais correto possível pois influenciará no dimensionamento.
  • 177.
    Anexo 2 -Software de dimensionamento WEG - SDW 10 10-8 | Guia de Aplicação Soft-Starter Intervalo entre partidas: Este valor é preenchido de acordo com o número de partidas por hora. Você pode alterar este valor caso o intervalo entre partidas da sua aplicação for menor que o valor sugerido. Exemplo: se o número de partidas por hora for 10, este campo será preenchido com “6 min” ou “360 s”. Este valor é utilizado para determinar a corrente eficaz do ciclo, portanto deve ser o mais correto possível pois influenciará no dimensionamento. Fator de utilização: Este valor corresponde ao tempo de funcionamento do motor entre uma partida e outra, por exemplo: se o intervalo entre partidas é de 10 minutos e o fator de utilização for de 60%, significa que o motor vai funcionar durante 6 minutos e ficar desligado durante 4 minutos. Prosseguindo com nosso exemplo, vamos clicar em Figura 9 - Dados Gerais Agora o Software nos convida a informar alguns dados do ambiente e do sistema de alimentação. Ainda em nosso exemplo, mantenhamos os dados sugeridos pelo SDW, conforme figura acima. O conteúdo da tecla ajuda nesta tela é o seguinte: Condições do ambiente: Altitude: Neste campo estão disponíveis alguns valores fixos de altitudes, o qual deverá ser selecionado de acordo com o local onde a chave será instalada. A altitude padrão é 1000 m, acima deste valor e até 4000 m, o aplicativo considera um fator progressivo de redução da corrente de saída da SSW. Temperatura ambiente: Neste campo estão disponíveis alguns valores fixos de temperatura ambiente, o qual deverá ser selecionado de acordo com o local onde a chave será instalada. A temperatura padrão é 40 °C, acima deste valor e até 50 °C, o aplicativo considera um fator progressivo de redução da corrente de saída da SSW.
  • 178.
    Anexo 2 -Software de dimensionamento WEG - SDW 10 Guia de Aplicação Soft-Starter | 10-9 Características do Sistema: Tensão de rede trifásica: Este campo é preenchido automaticamente com a tensão do motor. Se a tensão da rede for diferente da tensão do motor, você pode alterar este valor. O aplicativo só aceita tensões de rede superiores a tensão do motor, por exemplo: tensão do motor 440 V, tensão da rede 480 V. Queda de tensão na partida: Neste campo você pode definir a possível queda de tensão que irá ocorrer na partida do sistema (motor / carga) selecionado. Se o valor não for alterado, o aplicativo irá considerar uma queda de tensão de 2,5%. Esta queda de tensão implica numa redução do torque do motor. Ligação do motor: A SSW-03 Plus possui dois modos de operação: ligação padrão (Standard) ou ligação dentro da ligação delta do motor (Ligação dentro do ∆). Na ligacão padrão o motor é instalado em série com a SSW através de três cabos. Na ligação dentro da ligação delta do motor a SSW é instalada separadamente com cada enrolamento do motor através de seis cabos. Com este tipo de ligação circulará através da Soft-Starter apenas a corrente dentro do delta do motor, ou seja, aproximadamente 58% da corrente nominal do motor. Obrigatoriamente o motor deverá ter disponível seis cabos para ligação, sendo a tensão da rede correspondente a tensão da ligação delta do motor. Exemplo: Rede: 220 V – motor ?-220 / Y-380 V Rede: 380 V – motor ?-380 / Y-660 V Ligação padrão (Standard) com três cabos: Figura 10 - Ligação padrão na “Ajuda” do SDW
  • 179.
    Anexo 2 -Software de dimensionamento WEG - SDW 10 10-10 | Guia de Aplicação Soft-Starter Figura 11 - Ligação dentro do delta na “Ajuda” do SDW Soft-Starters - Ligação a 6 cabos ATENÇÃO! Não Para utilizarmos a Chave Soft-Starter SSW-03 Plus em ligação à 6 cabos (ligação dentro do delta do motor), o secundário do transformador trifásico de alimentação das instalações elétricas NÃO PODERÁ estar ligado na configuração DELTA. OBRIGATORIAMENTE, o secundário deste transformador DEVERÁ ESTAR LIGADO em ligação ESTRELA com PONTO CENTRAL (NEUTRO) ATERRADO. Figura 12 - Soft-Starter - Ligação a 6 cabos
  • 180.
    Anexo 2 -Software de dimensionamento WEG - SDW 10 Guia de Aplicação Soft-Starter | 10-11 O motor será conectado diretamente à rede após a partida (By-pass)?: Você poderá utilizar a SSW somente na partida, transferindo o motor diretamente para a rede após a partida. Neste caso o aplicativo considera somente a corrente na partida e a corrente eficaz do ciclo, sendo esta calculada considerando-se a corrente em regime com valor zero. Prosseguindo com nosso exemplo, vamos clicar em sem alterar nenhum dado. O Software emite um alerta quanto à queda de tensão, que nós não alteramos, e conclui sua análise: Figura 13 - Resultado A tela de “Resultado” acima apresenta uma série de botões que acessam diferentes recursos do SDW, permitindo ao usuário fazer várias simulações. Esta é uma característica importante para que o usuário possa formar uma boa idéia do comportamento do sistema como um todo. O conteúdo da tecla ajuda nesta tela é o seguinte: Resultado: O aplicativo fornece dois modelos de chave, um para partida com rampa de tensão e outro para partida com limitação de corrente. Nos casos em que os modelos sugeridos forem diferentes, utilizar o maior modelo, pois a opção do método de partida a ser utilizada, rampa de tensão ou limitação de corrente, depende das características da carga e do sistema. Normalmente utilizamos a limitação de corrente como método de partida, em cargas com alta inércia e baixo conjugado resistente na partida, como por exemplo: Britadores, Ventiladores e picadores de madeira. A rampa de tensão é utilizada geralmente em cargas com baixa inércia e
  • 181.
    Anexo 2 -Software de dimensionamento WEG - SDW 10 10-12 | Guia de Aplicação Soft-Starter alto conjugado resistente na partida, como por exemplo: Bomba Alternativa, compressores a pistão, esteiras transportadoras, com exceção da bomba centrífuga pois possui baixo conjugado resistente. Resposta do Motor - Partida com rampa de tensão: Comportamento do motor no que se refere ao tempo de aceleração e corrente eficaz de partida para um determinado pedestal de tensão. Resposta do Motor - Partida com limitação de corrente: Comportamento do motor no que se refere ao tempo de aceleração e corrente eficaz de partida para uma determinada limitação de corrente. Botões: Clicando neste botão você poderá redefinir o pedestal de tensão ou então a limitação de corrente e verificar a resposta do motor e o modelo adequado para esta nova condição de partida. Clicando neste botão você terá uma tela com os seguintes gráficos: „„ Corrente por rotação do motor com partida direta e partida com a SSW; „„ Tensão de saída por tempo; „„ Aceleração do motor. Clicando neste botão você terá uma tela com os principais parâmetros a serem ajustados na ocasião do start- up. Clicando neste botão será impresso um relatório de três páginas contendo o resultado, os dados utilizados e os gráficos. O botão Redimensionar da “Partida com rampa de tensão” exibe a seguinte tela, que dá opção de alterar o pedestal de tensão:
  • 182.
    Anexo 2 -Software de dimensionamento WEG - SDW 10 Guia de Aplicação Soft-Starter | 10-13 Figura 14 - Redimensionamento O botão Redimensionar da “Partida com limitação de corrente” exibe a seguinte tela, que dá opção de alterar a limitação de corrente adotada pela chave: Figura 15 - Redimensionamento
  • 183.
    Anexo 2 -Software de dimensionamento WEG - SDW 10 10-14 | Guia de Aplicação Soft-Starter Os gráficos da partida com rampa de tensão de nosso exemplo terão o seguinte aspecto: Figura 16 - Gráficos Clicando agora no botão “Aceleração” da tela de Gráficos, temos os seguintes dados (que se referem à partida com rampa de tensão): Figura 17 - Gráficos – Aceleração
  • 184.
    Anexo 2 -Software de dimensionamento WEG - SDW 10 Guia de Aplicação Soft-Starter | 10-15 Os gráficos da partida com limitação de corrente de nosso exemplo terão o seguinte aspecto: Figura 18 - Gráficos Clicando agora no botão “Aceleração” da tela de Gráficos, temos os seguintes dados (que se referem à partida com limitação de corrente): Figura 19 - Gráficos – Aceleração
  • 185.
    Anexo 2 -Software de dimensionamento WEG - SDW 10 10-16 | Guia de Aplicação Soft-Starter Apresenta os principais parâmetros a ser ajustados no start-up: Figura 20 - Parâmetros 4. LIMITE DE RESPONSABILIDADE PELO USO DO SOFTWARE SDW O Software SDW disponibiliza meios para o usuário realizar a análise da aplicação de uma maneira bastante fácil. Toda a base de dados e regras incorporadas no Software formam uma ferramenta de análise, cujo resultado deverá ser avalizado pelo próprio usuário. A Weg sugere que o uso deste Software seja feito por profissionais capacitados a interpretar as informações solicitadas e/ou fornecidas pelo Software. A Weg não assume responsabilidade por perdas ou danos decorrentes da aplicação indevida do Software SDW.
  • 186.
    Anexo 3 -Check-List para detalhamento da aplicação Guia de Aplicação Soft-Starter | 11-1 11 ANEXO 3 - FOLHA DE DADOS PARA DIMENSIONAMENTO - SOFT-STARTER Dados Gerais Empresa: Tel.: Cidade / Estado: Fax: Pessoa de Contato: E-mail: Aplicação / Carga: Dados da Aplicação Potência Nominal: Nº de Pólos / Rotação Nominal: Tensão e Corrente de Placa: ........................ CV [ ] 2 Pólos (3600 rpm) [ ] 220 V ⇒ ............A Fator de Serviço: [ ] 4 Pólos (1800 rpm) [ ] 380 V ⇒ ............A F.S. = ....................... [ ] 6 Pólos (1200 rpm) [ ] 440 V ⇒ ............A [ ] 8 Pólos ( 900 rpm) [ ] ....... V ⇒ ............A É utilizado? [ ] ..... Pólos (........... rpm) [ ] Não Faixa de Rotação desejada: Número de Partida por hora: [ ] Sim De ................ a ................ rpm .................. Partidas / Hora Tipo de Carga: Conjugado resistente da carga referido ao eixo do motor: [ ] Bomba ........................ Nm [ ] Bomba Centrífuga ........................ kgfm [ ] Compressor a Pistão [ ] Compressor a Parafuso [ ] Ventilador e Exaustor Inércia da carga referida ao eixo do motor: [ ] Misturador ........................ kgm2 [ ] Centrífugas [ ] Outras Rede de Alimentação Condições do Ambiente para Instalação: [ ] 220 V Altitude: Atmosfera: Temperatura: [ ] 380 V [ ] 50 Hz [ ] Até 1000m [ ] Normal [ ] Até 40 ºC [ ] 440 V [ ] 60 Hz [ ] ................ m [ ] Agressiva [ ] ............ ºC [ ] ............... V (especificar nas Obs.) Grau de Proteção Necessário: Método de Comando: [ ] IP 00 (aberto sem proteção) [ ] Botões Liga e Desliga [ ] IP 20 (proteção contra toques) [ ] Interface Homem-Máquina [ ] IP 54 (fechado - montado em painel [ ] Entrada Analógica (CLP ou SDCD) [ ] Ao Tempo (painel especial para chuva) [ ] ......................................... (especificar nas Obs.) Observações: Caso seja necessário fornecer mais informações específicas, favor enviar em anexo. MOTOR CARGA INSTALAÇÃO
  • 187.
    Anexo 3 -Check-List para detalhamento da aplicação 11-2 | Guia de Aplicação Soft-Starter 11
  • 188.
    Referências Bibliográficas „„ MathH. J. Bollen - ”Understanding Power Quality Problems: Voltage Sags and Interruptions” IEEE Press Series on Power Engineering „„ Roger C. Dugan - ”Electrical Power Systems Quality” McGraw-Hill „„ J. Michael Jacob, Michael Jacob - ”Power Electronics: Principles and Applications” „„ Orlando Sílvio Lobosco - “Seleção e Aplicação de Motores Elétricos” - McGraw-Hill „„ IEEE 1159-1995 Recommended Practice on Monitoring Electrical Power Quality 1995 „„ IEC 61000-4-11 Edition 1.1 (2001-03 EMC Part 4-11: Testing and measurement techniques - Voltage dips, short interruptions and voltage variations immunity tests „„ IEC 60947-4-2 Edition 2.1 (2002-03) Low-voltage switchgear and controlgear Part 4-2: Contactors and motor starters AC semiconductor motor controllers and starters „„ NBR 5410:1997 Instalações Elétricas de Baixa Tensão „„ CATÁLOGO GERAL DE MOTORES ELÉTRICOS WEG MOTORES „„ MANUAL DE CHAVES DE PARTIDA WEG ACIONAMENTOS „„ MANUAL DA SOFT- STARTER - Série: SSW-03 Plus WEG AUTOMAÇÃO „„ MANUAL DA SOFT- STARTER WEG - Série: SSW-04 WEG AUTOMAÇÃO „„ SSW-05 MANUAL DO USUÁRIO WEG - Série: SSW-05 Plus WEG AUTOMAÇÃO „„ MANUAL DE INSTALAÇÃO E MANUTENÇÃO DE MOTORES ELÉTRICOS WEG MÁQUINAS REFERÊNCIAS BIBLIOGRÁFICAS