ENGENHARIA
C I C I
I
Av. C-255, nº270, sala 719
Nova Suiça, 74280-010, Goiânia - Goiás
62 - 3942-3939 - vendas@cicloengenharia.com.br
www.cicloengenharia.com.br
Centro Empresarial Sebba,
Gerenciamento de Motores Diesel
Módulo 1 - Unidades Injetoras
1ª edição
Goiânia - maio de 2007
Autores:
Aurélio Nunes de Araújo
Fábio Ribeiro von Glehn
Editor:
Ciclo Engenharia Ltda
ProduzidoporCicloEngenhariaLtda-62-3942-3939vendas@cicloengenharia.com.br-proibidaareprodução-eventuaiserrosoudefeitosdefabricaçãofavorcomunicarvendas@cicloengenharia.com.br
ENGENHARIA
C I C I
I
Av. C-255, nº270, sala 719
Nova Suiça, 74280-010, Goiânia - Goiás
62 - 3942-3939 - vendas@cicloengenharia.com.br
www.cicloengenharia.com.br
Centro Empresarial Sebba,

Motor
D12C
Motor
D12D
Gerenciamento de Motores Diesel
Módulo 1 - Unidades Injetoras
Impresso original em
papel reciclado 90g
Sumário
Alimentação elétrica da UCM e VECU 030
Códigos de falhas envolvendo a MID 128 008
Como ativar o código de falhas 007
Esquema elétrico UCM - motor D12C 024
Esquema elétrico UCM - motor D12D com sensor de p. turbo arredondado 026
Esquema elétrico UCM - motor D12D com sensor de p. turbo achatado 028
Esquema elétrico VECU - motor D12C 025
Esquema elétrico VECU - motor D12D com sensor de p. turbo arredondado 027
Esquema elétrico VECU - motor D12D com sensor de p. turbo achatado 029
Link 088
Localização de relés e fusíveis - motor D12C 033
Localização de relés e fusíveis - motor D12D 034
Perda de potência e alto consumo de combustível na linha H 176
Pinout Conexões intermediárias 046
Pinout UCM 036
Pinout VECU 040
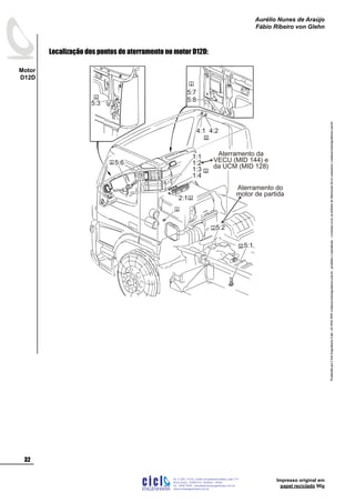
Pontos de aterramento - motor D12C 031
Pontos de aterramento - motor D12D 032
Simbologia adotada nos esquemas elétricos 022
001 SID - Unidades Injetoras 048
Teste 053
018 SID - Eletroválvula de drenagem de água do filtro separador 058
Teste 060
021 SID - Sensor de fase 062
Teste 066
022 SID - Sensor de rotação 070
Teste 076
026 SID - Sensor de rotação do ventilador 080
Teste 084
033 SID - Ventilador de arrefecimento 080
Teste 084
049 PID - Comunicação com o ABS 089
045 PID - Relé do preaquecedor 086
070 SID - Preaquecedor 086
078 SID - Bomba elétrica de purga do ar 058
Teste 060
084 PID - Velocidade do veículo 092
Teste 096
085 PID - Comunicação com o piloto automático 089
ProduzidoporCicloEngenhariaLtda-62-3942-3939vendas@cicloengenharia.com.br-proibidaareprodução-eventuaiserrosoudefeitosdefabricaçãofavorcomunicarvendas@cicloengenharia.com.br
ENGENHARIA
C I C I
I
Av. C-255, nº270, sala 719
Nova Suiça, 74280-010, Goiânia - Goiás
62 - 3942-3939 - vendas@cicloengenharia.com.br
www.cicloengenharia.com.br
Centro Empresarial Sebba,

Motor
D12C
Motor
D12D
Aurélio Nunes de Araújo
Fábio Ribeiro von Glehn
Impresso original em
papel reciclado 90g
091 PID - Sensor de posição do pedal do acelerador 100
Teste 103
094 PID - Sensor de pressão de combustível 106
Teste 108
097 PID - Sensor de nível de água no filtro separador 058
Teste 060
098 PID - Sensor do nível do óleo do motor 112
Teste 113
100 PID - Sensor de pressão do óleo do motor 116
Teste 118
102 PID - Sensor de pressão do turbo 122
Teste 125
105 PID - Sensor de temperatura do ar pós compressor 128
Teste 130
107 PID - Pressostato indicador de restrição do filtro de ar 136
Teste 138
110 PID - Sensor de temperatura da água do motor 142
Teste 145
111 PID - Interruptor do nível de líquido de arrefecimento 148
Teste 149
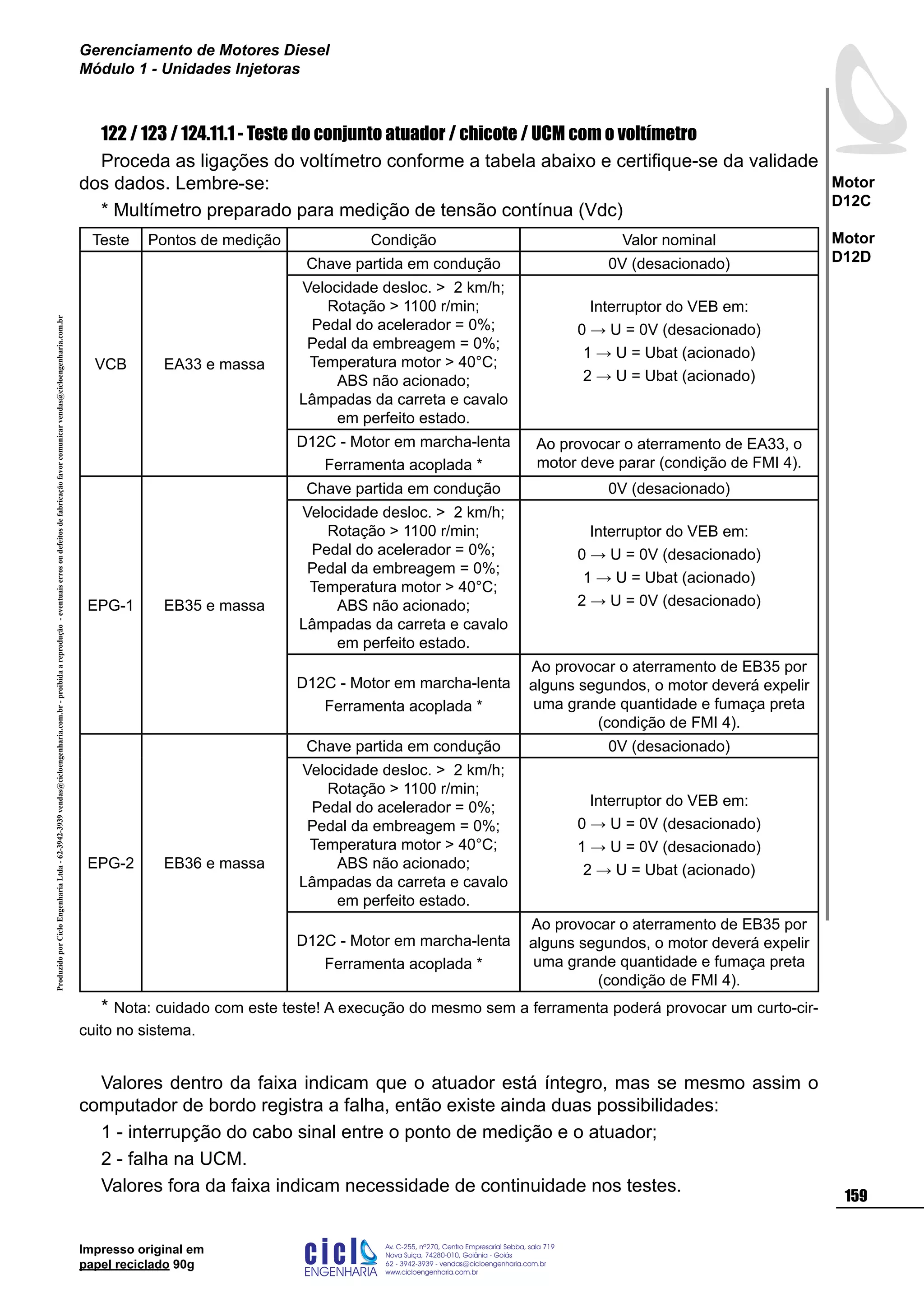
122 PPID - Eletroválvula reguladora da pressão do óleo p/ os balancins (VCB) 152
Teste 159
123 PPID - Eletroválvula reguladora de pressão dos gases de escape EPG-2 152
Teste 159
124 PPID - Eletroválvula reguladora de pressão dos gases de escape EPG-1 152
Teste 159
153 PID - Sensor de pressão dos gases do cárter 162
Teste 163
172 PID - Sensor de temperatura do ar antes do compressor 164
Teste 166
175 PID - Sensor de temperatura do óleo do motor 170
Teste 172
201 PSID - Interrupção no link de dados 090
224 PID - Comunicação com o imobilizador 089
228 PID - Inconsistência do fator K 089
230 SID - Informação de contato de mínimo VECU - UCM 100
231 PID - Falha no link de controle 090
ProduzidoporCicloEngenhariaLtda-62-3942-3939vendas@cicloengenharia.com.br-proibidaareprodução-eventuaiserrosoudefeitosdefabricaçãofavorcomunicarvendas@cicloengenharia.com.br
ENGENHARIA
C I C I
I
Av. C-255, nº270, sala 719
Nova Suiça, 74280-010, Goiânia - Goiás
62 - 3942-3939 - vendas@cicloengenharia.com.br
www.cicloengenharia.com.br
Centro Empresarial Sebba,

Motor
D12C
Motor
D12D
Gerenciamento de Motores Diesel
Módulo 1 - Unidades Injetoras
Impresso original em
papel reciclado 90g
Especificações dos códigos:
As especificações de códigos segue um padrão internacional SAE (Society ofAutomotive
Engineers) ou um padrão próprio Volvo conforme ilustra a a figura abaixo:
Existem diversas MIDs ou unidades de controle. Abaixo alguns exemplos, com destaque
para as unidades de controle de interesse deste livro:
MID Descrição em inglês Descrição em português
MID128
EMS - Engine Management
System
UCM - Unidade de Controle do Motor
MID 130
TECU - Transmission Electro-
nic Control Unit
Unidade de controle eletrônico da transmissão
(I-Shift, Geartronic e Powertronic)
MID 136
ABS-B - Anti-lock System Basic
Sistema de controle do anti-bloqueio dos freios
versão básica
ABS-F - Anti-lock System Full
Sistema de controle do anti-bloqueio dos freios
versão completa
EBS - Electronically Controled
Brake System
Sistema de freios controlado eletronicamente
ESP - Electronically Stability
Program
Sistema de controle eletrônico da estabilidade do veículo
MID 140 Instrument Instrumentos
MID 144
VECU - Vehicle Electronic
Control Unit
Unidade de controle eletrônico do veículo
MID 146
STD - AC Standard Controle manual de temperatura do ar condicionado
MCC - Manual Climate Control Controle manual de temperatura do ar condicionado
ECC - Electronic Climate
Control
Controle automático da temperatura do ar condicionado
MID 150
ECS - Electronic Controlled
Suspension
Sistema de suspensão controlado eletronicamente
MID 163 ICU - Immobilizer Control Unit Unidade de controle do imobilizador
MID 184 RAS - Rear Axle Steering Direção do eixo traseiro
MID 203 Dynafleet
Sistema de planejamento de transporte com ferramentas
para comunicação, posicionamento e navegação
MID 206 Radio (Receiver) Rádio
MID 216 LCM - Light Control Module Módulo de controle de iluminação e limitação de corrente
MID:
M
I
D
essage
dentification
escription
Identificação da
unidade de
controle
PID:
P I Darameter dentification escription
Identificação de parâmetros (valor)
PPID:
P
P I D
roprietary
arameter dentification escription
Identificação de parâmetros
exclusiva da Volvo (valor)
SID:
S I Dubsystem dentification escription
Identificação do componente
PSID:
P
I D
roprietary
dentification escription
exclusiva da Volvo (valor)
Subsystem
Identificação do componente
FMI:
F M Iailure ode dentifier
Identificação do tipo de falha
ProduzidoporCicloEngenhariaLtda-62-3942-3939vendas@cicloengenharia.com.br-proibidaareprodução-eventuaiserrosoudefeitosdefabricaçãofavorcomunicarvendas@cicloengenharia.com.br
ENGENHARIA
C I C I
I
Av. C-255, nº270, sala 719
Nova Suiça, 74280-010, Goiânia - Goiás
62 - 3942-3939 - vendas@cicloengenharia.com.br
www.cicloengenharia.com.br
Centro Empresarial Sebba,

Motor
D12C
Motor
D12D
Aurélio Nunes de Araújo
Fábio Ribeiro von Glehn
Impresso original em
papel reciclado 90g
MID Descrição em inglês Descrição em português
MID 220 Tachograph Tacógrafo
MID 222
RECU - Retarder Electronic
Control Unit
Unidade de controle eletrônico do retardador hidráulico nas
caixas de câmbio manuais
MID 223
GECU - Gearlever Electronic
Control Unit
Unidade de controle eletrônico da alavanca de câmbio
(I-Shift, Geartronic e Powertronic)
MID 231 PHM - Phone Module
Telefone GSM que utiliza o visor do computador de bordo
para apresentar menus e informações
MID 232
SRS - Supplementary Restraint
System
Sistema de proteção suplementar
(airbag e cinto com tensionador)
MID 249 BBM - Body Builder Module Módulo de controle da superestrutura e tomada de força
MID 250 SWM - Steering Wheel Module
Módulo de controle de telefone, rádio e instrumento no vo-
lante de direção
Exemplos de PID, PPID, SID e PSID:
MID Especificação Descrição
MID 128 PID 094 Sensor de pressão do combustível
MID 144 PID 046 Sensor de pressão no reservatório primário
MID 128 PPID 123 Eletroválvula reguladora de pressão dos gases de escape EPG-2
MID 144 PPID 265 Alimentação do sensor do velocímetro
MID 128 SID 001 Unidade injetora do cilindro 1
MID 144 SID 240 Memória do programa
MID 128 PSID 201 Interrupção do link de dados SAE J1939
MID 144 PSID 212 Interrupção na comunicação com o tacógrafo
Tipos de FMI segundo o padrão SAE:
FMI Texto SAE
0 Dados válidos, mas acima da faixa normal de trabalho.
1 Dados válidos, mas abaixo da faixa normal de trabalho.
2 Dados intermitentes ou incorretos.
3 Tensão anormalmente alta ou curto-circuito na tensão mais alta.
4 Tensão anormalmente baixa ou curto-circuito na tensão mais baixa.
5 Corrente anormalmente baixa ou interrupção.
6 Corrente anormalmente alta ou curto-circuito à massa.
7 Resposta incorreta do sistema mecânico.
8 Frequência anormal.
9 Taxa de atualização anormal.
10 Variações anormalmente grandes.
11 Falha não identificável.
12 Unidade danificada ou componente danificado.
13 Valor de calibragem fora dos limites.
14 Instruções especiais.
15 Reservado para uso futuro
ProduzidoporCicloEngenhariaLtda-62-3942-3939vendas@cicloengenharia.com.br-proibidaareprodução-eventuaiserrosoudefeitosdefabricaçãofavorcomunicarvendas@cicloengenharia.com.br
ENGENHARIA
C I C I
I
Av. C-255, nº270, sala 719
Nova Suiça, 74280-010, Goiânia - Goiás
62 - 3942-3939 - vendas@cicloengenharia.com.br
www.cicloengenharia.com.br
Centro Empresarial Sebba,

Motor
D12C
Motor
D12D
Gerenciamento de Motores Diesel
Módulo 1 - Unidades Injetoras
Impresso original em
papel reciclado 90g
Como ativar o código de falhas
A figura ao lado ilustra os instrumentos que
serão utilizados para navegação do computa-
dor de bordo.
Visor de cristal liquida ;
Tecla ESC para retorno do Menu;
Barra de rolagem do cursor para Cima;
Barra de rolagem do curso para Baixo;
Tecla Enter  para entrar no Menu.
No módulo principal existem 8 menus, conforme descreve-se abaixo. Aperte a tecla ESC
até que surja no visor de cristal líquido o menu principal. A tabela abaixo possui alguns
exemplos e em destaque a parte que mais interessa ao conteúdo deste livro:
ENTER  caminha para a direita (menu principal / 1º sub-menu / 2º sub-menu / 3º sub-menu)
ESC caminha para a esquerda (3º sub-menu / 2º sub-menu / 1º sub-menu / menu principal)
Menu Principal 1º sub-menu 2º sub-menu 3º sub-menu
A) Instrumentos Temperatura do óleo
B) Economia de combustível
C) Tempo e Percurso
D) Falhas
E) Configuração
Seleção de idiomas
Inglês
Espanhol
Português - Brasil
Milhas/ºF ou km/ºC
Formato do relógio
Contraste
F) Diagnósticos
Diagnóstico de falhas
Motor
Numérico
Texto
Indicação de horas
Visor
Unid. de ctrl de veic
outras
Auto teste instrumentos
Teste de lâmpadas
Teste de instrumentos
Teste do visor
Teste do sonorizador
Nº do componente
Teste unidade CTRL
G) Registro de dados
H) Inserir senha Senha
As senhas de fábrica são:
1234 e 0000
Faça a opção por Diagnóstico / Diagnóstico de falhas / Motor / Numérico e utilize as
tabelas seguintes para efetuar os testes e localizar os componentes no esquema elétrico.
1.
2.
3.
4.
5.
ProduzidoporCicloEngenhariaLtda-62-3942-3939vendas@cicloengenharia.com.br-proibidaareprodução-eventuaiserrosoudefeitosdefabricaçãofavorcomunicarvendas@cicloengenharia.com.br
ENGENHARIA
C I C I
I
Av. C-255, nº270, sala 719
Nova Suiça, 74280-010, Goiânia - Goiás
62 - 3942-3939 - vendas@cicloengenharia.com.br
www.cicloengenharia.com.br
Centro Empresarial Sebba,

Motor
D12C
Motor
D12D
Aurélio Nunes de Araújo
Fábio Ribeiro von Glehn
Impresso original em
papel reciclado 90g
Códigos de falha envolvendo as MIDs 128 e 144
Código de
falha
Localiza-
ção no
esquema
elétrico
Terminais a verificar Causa da falha
MID 128 não
responde
A01 EB09 e EB10 Falta de aterramento na UCM
A02 EB11 e EB12
Falta de alimentação positiva na UCM
(F43 se D12C ou F40 se D12D)
B01 PA12 Falta de aterramento na VECU
B02 PA14 Falta de alimentação positiva na VECU
B05 PB15 e PA13
Falha no relé da VECU
(R05 se D12C ou K02 se D12D)
A35
EB25/PC02 e
EB26/PC03
Falha no link J1708
Código de
falha
Localiza-
ção no
esquema
elétrico
Terminais para
teste
Condição do teste Valor nominal
PID 026
MID 128
A13
(D12D)
EA06 - EA05
Motor parado, ch. em condução.
Gire manualmente o ventilador
de arrefecimento através de
suas pás
O valor mostrado varia
entre
≈ 0,00 Vdc ou
≈ 5,00 Vdc
conforme a
posição do
ventilador
EA04 - EA05 Sensor desconectado ≈ 5,00 Vdc
PID 045
MID 128
A27
EB31 - massa
Motor parado, ch. em condução Ubat
Motor parado, ch. em condução
e preaquecedor desacionado
Ubat
Motor parado, ch. em condução
e preaquecedor acionado
0,0V
EB31 - EB11 Resistência da bobina do relé ≈ 80 W
PID 049
MID 128
A35
EB25 - massa Motor parado, ch. em condução
1,0 a 1,8 Vac
570 a 660 Hz
EB26 - massa Motor parado, ch. em condução
1,0 a 1,8 Vac
570 a 660 Hz
EB25 - PC02 continuidade do chicote ≈ 0,0 W
EB25 - PC01 curto do chicote ∞
EB26 - PC01 continuidade do chicote ≈ 0,0 W
EB26 - PC02 curto do chicote ∞
Códigos
de falha
do motor
MID128
ProduzidoporCicloEngenhariaLtda-62-3942-3939vendas@cicloengenharia.com.br-proibidaareprodução-eventuaiserrosoudefeitosdefabricaçãofavorcomunicarvendas@cicloengenharia.com.br
ENGENHARIA
C I C I
I
Av. C-255, nº270, sala 719
Nova Suiça, 74280-010, Goiânia - Goiás
62 - 3942-3939 - vendas@cicloengenharia.com.br
www.cicloengenharia.com.br
Centro Empresarial Sebba,

Motor
D12C
Motor
D12D
Gerenciamento de Motores Diesel
Módulo 1 - Unidades Injetoras
Impresso original em
papel reciclado 90g
Código de
falha
Localiza-
ção no
esquema
elétrico
Terminais para
teste
Condição do teste Valor nominal
PID 085
MID 128
A35
EB25 - massa Motor parado, ch. em condução
1,0 a 1,8 Vac
570 a 660 Hz
EB26 - massa Motor parado, ch. em condução
1,0 a 1,8 Vac
570 a 660 Hz
EB25 - PC02 continuidade do chicote ≈ 0,0 W
EB25 - PC01 curto do chicote ∞
EB26 - PC01 continuidade do chicote ≈ 0,0 W
EB26 - PC02 curto do chicote ∞
PID 094
MID 128
A15
EA27 - EA05
Motor parado, ch. em condução ≈ 0,50 Vdc
Marcha lenta (≈ 3,8 bar) ≈ 2,57 Vdc
Pressão ombustível = 5,1 bar ≈ 3,28 Vdc
Pressão combustível = 6,1 bar ≈ 3,83 Vdc
EA04 - EA05 Qualquer condição ≈ 5,00 Vdc
PID 097
MID 128
A17
(D12D)
EB06 - EB08
Motor parado;
chave em condução;
Sem água no separador
≈ 80% Ubat
Motor parado;
chave em condução;
Com água no separador
≈ 0,0 Vdc
EB06 - EB08 Sensor desconectado ≈ 80% Ubat
PID 098
MID 128
A10
(D12D)
EB15 - EB22
Motor parado, ch. em condução
e nível do óleo normal
2 a 4,5V
EB15 - EB22 Sensor desconectado ≈ 5,00 Vdc
PID 100
MID 128
A08
EA14 - EA05
Motor parado, ch. em condução ≈ 0,50 Vdc
Marcha lenta (≈ 4,0 bar) ≈ 2,69 Vdc
Pressão do óleo = 5,1 bar ≈ 3,28 Vdc
Pressão do óleo = 6,1 bar ≈ 3,83 Vdc
EA04 - EA05 Qualquer condição ≈ 5,00 Vdc
PID 102
MID 128
A06
EA03 - EA05
Motor parado (≈ 1bar) ≈ 1,050 Vdc
Marcha lenta ( 1bar) ≈ 0,932 Vdc
Pressão turbo = 1 bar ≈ 2,912 Vdc
Pressão turbo = 2 bar ≈ 4,775 Vdc
EA04 - EA05 Qualquer condição ≈ 5,00 Vdc
Códigos
de falha
do motor
MID128
ProduzidoporCicloEngenhariaLtda-62-3942-3939vendas@cicloengenharia.com.br-proibidaareprodução-eventuaiserrosoudefeitosdefabricaçãofavorcomunicarvendas@cicloengenharia.com.br
ENGENHARIA
C I C I
I
Av. C-255, nº270, sala 719
Nova Suiça, 74280-010, Goiânia - Goiás
62 - 3942-3939 - vendas@cicloengenharia.com.br
www.cicloengenharia.com.br
Centro Empresarial Sebba,
10
Motor
D12C
Motor
D12D
Aurélio Nunes de Araújo
Fábio Ribeiro von Glehn
Impresso original em
papel reciclado 90g
Código de
falha
Localiza-
ção no
esquema
elétrico
Terminais para
teste
Condição do teste Valor nominal
PID 105
MID 128
s. arredon-
dado
A07
EA02 - EA05
20ºC 6200 ± 280 W 2,67 ± 0,06 Vdc
40ºC 2648 ± 97 W 1,65 ± 0,04 Vdc
60ºC 1240 ± 42 W 0,93 ± 0,02 Vdc
80ºC 627 ± 26 W 0,52 ± 0,02 Vdc
EA04 - EA05 Sensor desconectado ≈ 5,00 Vdc
PID 105
MID 128
s. achatado
A07
EA02 - EA05
20ºC 2220 ± 222 W 1,46 ± 0,11 Vdc
40ºC 1056 ± 106 W 0,82 ± 0,07 Vdc
60ºC 542 ± 54 W 0,46 ± 0,05 Vdc
80ºC 297 ± 29 W 0,26 ± 0,03 Vdc
EA04 - EA05 Sensor desconectado ≈ 5,00 Vdc
PID 107
MID 128
A20
EB17 - EB08
Motor parado, ch. em condução ≈ 12% Ubat
Marcha-lenta e filtro em bom
estado
≈ 12% Ubat
Sensor alimentado e sob a ação
de uma depressão
≈ 48% Ubat
EB17 - EB18 Sensor desconectado ≈ 80% Ubat
PID 108
MID 128
A05 impossível
O sensor é incorporado à UCM e não é possível testá-lo
diretamente
PID 110
MID 128
A11
EA25 - EA05
20ºC 1900 ± 140 W 3,06 ± 0,09 Vdc
40ºC 798 ± 52 W 2,00 ± 0,08 Vdc
60ºC 376 ± 20 W 1,19 ± 0,05 Vdc
80ºC 191 ± 8,5 W 0,69 ± 0,03 Vdc
EA25 - EA05 Sensor desconectado ≈ 5,00 Vdc
PID 111
MID 128
A22
EB07 - EB08
Motor parado, ch. em condução
e nível da água normal
≈ 80% Ubat
Motor parado, ch. em condução
e nível da água baixo
≈ 0,0 Vdc
EB07 - EB08 Sensor desconectado ≈ 80% Ubat
PID 153
MID 128
A19
(D12D)
EB24 - EB13
Motor parado, ch. em condução ≈ 2,9 ± 0,06 Vdc
Marcha lenta ≈ 2,9 ± 0,06 Vdc
EB14 - EB13 Sensor desconectado ≈ 5,00 Vdc
PID 158
MID 128
A02
EB11 - massa Motor parado, ch. em condução ≈ Ubat
EB12 - massa Motor parado, ch. em condução ≈ Ubat
PID 172
MID 128
A21
EB03 - EB13
20ºC 6200 ± 280 W 2,67 ± 0,06 Vdc
40ºC 2663 ± 77 W 1,65 ± 0,04 Vdc
60ºC 1244 ± 29 W 0,94 ± 0,02 Vdc
80ºC 629 ± 9,5 W 0,52 ± 0,01 Vdc
EB03 - EB13 Sensor desconectado ≈ 5,00 Vdc
Códigos
de falha
do motor
MID128
ProduzidoporCicloEngenhariaLtda-62-3942-3939vendas@cicloengenharia.com.br-proibidaareprodução-eventuaiserrosoudefeitosdefabricaçãofavorcomunicarvendas@cicloengenharia.com.br
ENGENHARIA
C I C I
I
Av. C-255, nº270, sala 719
Nova Suiça, 74280-010, Goiânia - Goiás
62 - 3942-3939 - vendas@cicloengenharia.com.br
www.cicloengenharia.com.br
Centro Empresarial Sebba,
11
Motor
D12C
Motor
D12D
Gerenciamento de Motores Diesel
Módulo 1 - Unidades Injetoras
Impresso original em
papel reciclado 90g
Código de
falha
Localiza-
ção no
esquema
elétrico
Terminais para teste Condição do teste Valor nominal
PID 175
MID 128
A09
EA01 - EA05
20ºC 1900 ± 140 W 3,06 ± 0,09 Vdc
40ºC 798 ± 52 W 2,00 ± 0,08 Vdc
60ºC 376 ± 20 W 1,19 ± 0,05 Vdc
80ºC 191 ± 8,5 W 0,69 ± 0,03 Vdc
EA01 - EA05 Sensor desconectado ≈ 5,00 Vdc
PID 224
MID 128
A35
EB25 - massa Motor parado, ch. em condução
1,0 a 1,8 Vac
570 a 660 Hz
EB26 - massa Motor parado, ch. em condução
1,0 a 1,8 Vac
570 a 660 Hz
EB25 - PC02 continuidade do chicote ≈ 0,0 W
EB25 - PC01 curto do chicote ∞
EB26 - PC01 continuidade do chicote ≈ 0,0 W
EB26 - PC02 curto do chicote ∞
PID 228
MID 128
A35
EB25 - massa Motor parado, ch. em condução
1,0 a 1,8 Vac
570 a 660 Hz
EB26 - massa Motor parado, ch. em condução
1,0 a 1,8 Vac
570 a 660 Hz
EB25 - PC02 continuidade do chicote ≈ 0,0 W
EB25 - PC01 curto do chicote ∞
EB26 - PC01 continuidade do chicote ≈ 0,0 W
EB26 - PC02 curto do chicote ∞
PPID 122
MID 128
A24
EA33 - massa
Motor parado, ch. em condução 0,0 Vdc
Velocidade desloc.  2km/h;
Rotação  1100 rpm;
Pedal do acelerador = 0%;
Pedal da embreagem = 0%;
Temperatura motor  40ºC;
ABS não acionado;
Lâmpadas da carreta e cavalo
em perfeito estado.
Interruptor VEB
em:
0 → U = 0V
1 → U = Ubat
2 → U = Ubat
D12C
EA33 - F20 UCM desconectada 90 a 100 W
EA33 - EB35
UCM desconectada
(VCB+EPG1)
225 a 245 W
EA33 - EB36
UCM desconectada
(VCB+EPG2)
225 a 245 W
D12D EA33 - F41 UI desconectada 70 a 90 W
Códigos
de falha
do motor
MID128
ProduzidoporCicloEngenhariaLtda-62-3942-3939vendas@cicloengenharia.com.br-proibidaareprodução-eventuaiserrosoudefeitosdefabricaçãofavorcomunicarvendas@cicloengenharia.com.br
ENGENHARIA
C I C I
I
Av. C-255, nº270, sala 719
Nova Suiça, 74280-010, Goiânia - Goiás
62 - 3942-3939 - vendas@cicloengenharia.com.br
www.cicloengenharia.com.br
Centro Empresarial Sebba,
12
Motor
D12C
Motor
D12D
Aurélio Nunes de Araújo
Fábio Ribeiro von Glehn
Impresso original em
papel reciclado 90g
Código de
falha
Localiza-
ção no
esquema
elétrico
Terminais para teste Condição do teste Valor nominal
PPID 123
MID 128
A26
EB35 - massa
Motor parado, ch. em condução 0,0 Vdc
Velocidade desloc.  2km/h;
Rotação  1100 rpm;
Pedal do acelerador = 0%;
Pedal da embreagem = 0%;
Temperatura motor  40ºC;
ABS não acionado;
Lâmpadas da carreta e cavalo
em perfeito estado.
Interruptor VEB
em:
0 → U = 0V
1 → U = Ubat
2 → U = 0V
D12C
EB35 - F20 UCM desconectada 135 a 140 W
EB35 - EA33
UCM desconectada
(EPG1+VCB)
225 a 245 W
EB35 - EB36
UCM desconectada
(EPG1+EPG2)
270 a 290 W
D12D - Não é possível medir a resistência da eletroválvula
PPID 124
MID 128
A25
EB36 - massa
Motor parado, ch. em condução 0,0 Vdc
Velocidade desloc.  2km/h;
Rotação  1100 rpm;
Pedal do acelerador = 0%;
Pedal da embreagem = 0%;
Temperatura motor  40ºC;
ABS não acionado;
Lâmpadas da carreta e cavalo
em perfeito estado.
Interruptor VEB
em:
0 → U = 0V
1 → U = 0V
2 → U = Ubat
D12C
EB36 - F20 UCM desconectada 135 a 140 W
EB36 - EA33
UCM desconectada
(EPG2+VCB)
225 a 245 W
EB36 - EB35
UCM desconectada
(EPG2+EPG1)
270 a 290 W
D12D - Não é possível medir a resistência da eletroválvula
PSID 201
MID 128
A34
EB01 - massa Motor parado, ch. em condução 2,5 a 2,6 Vdc
EB02 - massa Motor parado, ch. em condução 2,4 a 2,5 Vdc
EB01 - PC04 continuidade do chicote ≈ 0,0 W
EB01 - PC05 curto do chicote ∞
EB02 - PC05 continuidade do chicote ≈ 0,0 W
EB02 - PC04 curto do chicote ∞
Códigos
de falha
do motor
MID128
ProduzidoporCicloEngenhariaLtda-62-3942-3939vendas@cicloengenharia.com.br-proibidaareprodução-eventuaiserrosoudefeitosdefabricaçãofavorcomunicarvendas@cicloengenharia.com.br
ENGENHARIA
C I C I
I
Av. C-255, nº270, sala 719
Nova Suiça, 74280-010, Goiânia - Goiás
62 - 3942-3939 - vendas@cicloengenharia.com.br
www.cicloengenharia.com.br
Centro Empresarial Sebba,
13
Motor
D12C
Motor
D12D
Gerenciamento de Motores Diesel
Módulo 1 - Unidades Injetoras
Impresso original em
papel reciclado 90g
Código de
falha
Localiza-
ção no
esquema
elétrico
Terminais para teste Condição do teste Valor nominal
SID 001
MID 128
A23.1
D12C
EA11 - massa
ou
EA12 - massa
Motor parado, ch. em condução 14,0 a 17,0 Vdc
Marcha-lenta 6,50 a 8,0 Vac
EA11 - EA12 UCM desconectada 1,5 a 2,0 W
1 - massa UI desconectada 89,0 a 91,0 Vdc
2 - massa UI desconectada 4,8 a 5,2 Vdc
D12D
EA11 - massa
ou
EA12 - massa
Motor parado, ch. em condução ≈ 10,52 Vdc
Marcha-lenta ≈ 6,70 Vac
EA11 - EA12
UCM desconectada (UI a 20ºC)
UCM desconectada (UI a 120ºC)
≈ 4,0 ± 0,1 W
≈ 5,60 ± 0,15 W
1 - massa UI desconectada 8,0 a 9,4 Vdc
2 - massa UI desconectada 14,2 a 16,2 Vdc
SID 002 A23.2 Substitua EA11 por EA22 e proceda como em SID 001
SID 003 A23.3 Substitua EA11 por EA23 e proceda como em SID 001
SID 004 A23.4 Substitua EA11 por EA34 e EA12 por EA24 e proceda como em SID 001
SID 005 A23.5 Substitua EA11 por EA35 e EA12 por EA24 e proceda como em SID 001
SID 006 A23.6 Substitua EA11 por EA36 e EA12 por EA24 e proceda como em SID 001
SID 018
MID 128
A17
(D12D)
EB32 - massa
chave em condução
Interruptor drenagem e purga
desacionado.
≈ Ubat
Motor desligado;
Chave partida em condução;
Presença de água no diesel;
Interruptor drenagem e purga
acionado.
≈ 0V
EB32 - EB11 Resistência da eletroválvula ≈ 10 W
SID 021
MID 128
A04
EA07 - massa
ou
EA18 - massa
Motor parado, ch. em condução 1,9 a 2,1 Vdc
Tentativa de partida
Marcha-lenta
1000 rpm
1500 rpm
EA07 - EA18 Resistência do sensor 775 a 945 W
SID 022
MID 128
A03
EA30 - massa
ou
EA31 - massa
Motor parado, ch. em condução 1,9 a 2,1 Vdc
Tentativa de partida
Marcha-lenta
1000 rpm
1500 rpm
EA30 - EA31 Resistência do sensor 775 a 945 W
Códigos
de falha
do motor
MID128
ProduzidoporCicloEngenhariaLtda-62-3942-3939vendas@cicloengenharia.com.br-proibidaareprodução-eventuaiserrosoudefeitosdefabricaçãofavorcomunicarvendas@cicloengenharia.com.br
ENGENHARIA
C I C I
I
Av. C-255, nº270, sala 719
Nova Suiça, 74280-010, Goiânia - Goiás
62 - 3942-3939 - vendas@cicloengenharia.com.br
www.cicloengenharia.com.br
Centro Empresarial Sebba,
14
Motor
D12C
Motor
D12D
Aurélio Nunes de Araújo
Fábio Ribeiro von Glehn
Impresso original em
papel reciclado 90g
Código de
falha
Localiza-
ção no
esquema
elétrico
Terminais para
teste
Condição do teste Valor nominal
SID 033
MID 128
A12
(D12D)
EB21 - massa
Motor parado, ch. em condução
e ventilador desacionado
nas primeiras versões:
≈ Ubat
nas versões mais no-
vas o resultado não é
conclusivo
Motor parado, ch. em condução
e ventilador acionado
nas primeiras versões:
≈ 0,0V
nas versões mais no-
vas o resultado não é
conclusivo
EB21 - EB11 Resistência da eletroválvula
nas primeiras versões
≈ 30 a 50 W
nas versões mais
novas não é possível
medir
SID 070
MID 128
A29
EB05 - massa
Motor parado, ch. em condução  6,5% Ubat
Motor parado, ch. em condução
e preaquecedor desacionado
 6,5% Ubat
Motor parado, ch. em condução
e preaquecedor acionado
 65% Ubat
E05 - massa Resistência do preaquecedor  5,0 W
SID 078
MID 128
A14
EA19 - massa
chave em condução;
Interruptor de drenagem e purga
desacionado
≈ Ubat
Motor parado;
chave em condução;
Interruptor de drenagem e purga
desacionado
0,0V
EA19 - EB11 Resistência da bomba  5,0 W
SID 230
MID 128
A33
EB04 - massa
Motor parado, ch. em condução
pedal do acelerador solto
 4,0 Vdc
Motor parado, ch. em condução
pedal do acelerador acionado
 8,0 Vdc
EB04 - PB17 continuidade ≈ 0,0 W
SID 231
MID 128
A34
EB01 - massa Motor parado, ch. em condução 2,5 a 2,6 Vdc
EB02 - massa Motor parado, ch. em condução 2,4 a 2,5 Vdc
EB01 - PC04 continuidade do chicote ≈ 0,0 W
EB01 - PC05 curto do chicote ∞
EB02 - PC05 continuidade do chicote ≈ 0,0 W
EB02 - PC04 curto do chicote ∞
Códigos
de falha
do motor
MID128
ProduzidoporCicloEngenhariaLtda-62-3942-3939vendas@cicloengenharia.com.br-proibidaareprodução-eventuaiserrosoudefeitosdefabricaçãofavorcomunicarvendas@cicloengenharia.com.br
ENGENHARIA
C I C I
I
Av. C-255, nº270, sala 719
Nova Suiça, 74280-010, Goiânia - Goiás
62 - 3942-3939 - vendas@cicloengenharia.com.br
www.cicloengenharia.com.br
Centro Empresarial Sebba,
15
Motor
D12C
Motor
D12D
Gerenciamento de Motores Diesel
Módulo 1 - Unidades Injetoras
Impresso original em
papel reciclado 90g
Código de
falha
Localiza-
ção no
esquema
elétrico
Terminais para
teste
Condição do teste Valor nominal
SID 232
MID 128
A06
A08
A12
A14
EA04 - EA05 Motor parado, ch. em condução
4,80 a 5,15 Vdc
FMI3→ U  5,5V
FMI4→ U  4,5V
Código de
falha
Localiza-
ção no
esquema
elétrico
Descrição da
falha
FMI
SID 250
MID 128
A35
Falha no link de
informação
(SAE J1587/
J1708)
FMI 12 - Falha interna na UCM (MID 128):
Falha na UCM•
SID 253
MID 128
A00
Memória de da-
dos EEPROM
FMI 2 - Soma de dados incorreta na memória do conjunto
de dados:
Erro na programação;
Falha na UCM.
FMI 12 - Soma de verificação incorreta na memória do
conjunto de dados:
Falha na UCM.
•
•
•
SID 254
MID 128
A00 UCM
FMI 2, 8, 9, 11, 12 - Falha interna na UCM:
Falha na UCM.
FMI 13 - Falha interna na UCM:
Falha na UCM.
•
•
Códigos
de falha
do motor
MID128
ProduzidoporCicloEngenhariaLtda-62-3942-3939vendas@cicloengenharia.com.br-proibidaareprodução-eventuaiserrosoudefeitosdefabricaçãofavorcomunicarvendas@cicloengenharia.com.br
ENGENHARIA
C I C I
I
Av. C-255, nº270, sala 719
Nova Suiça, 74280-010, Goiânia - Goiás
62 - 3942-3939 - vendas@cicloengenharia.com.br
www.cicloengenharia.com.br
Centro Empresarial Sebba,
16
Motor
D12C
Motor
D12D
Aurélio Nunes de Araújo
Fábio Ribeiro von Glehn
Impresso original em
papel reciclado 90g
Código de
falha
Localiza-
ção no
esquema
elétrico
Terminais para
teste
Valor nominal FMI
PID 029
MID 144
Válido apenas para veículos que possuírem comando extra do acelerador instalado, por
exemplo comando duplo do acelerador ou comando manual do acelerador para operar o
equipamento extra do veículo.
Não
desenhado
FMI4 → U  2,3V
FMI3 → U  6,5V
PID 046
MID 144
B16 PB09 - massa
Pressão reservatório primário
U ≈ 1,9 a 2,9V (7 bar)
U ≈ 2,1 a 3,1V (8 bar)
U ≈ 2,3 a 3,5V (9 bar)
U ≈ 2,6 a 3,8V (10 bar)
U ≈ 2,7 a 4,1V (11 bar)
U ≈ 3,0 a 4,4V (12 bar)
FMI0 → P  12bar
FMI1 → U  3,1V
FMI3 → U  4,8V
FMI4 → U  0,8V
FMI14 → sistema soli-
cita alivo, mas pressão
continua subindo.
PID 084
MID 144
B07
B08
PB06 - massa
Sinal de velocidade do veículo
U ≈ 0,3V e ao girar a roda a ten-
são deve alterar para U ≈ 9,5V ou
vice-versa.
Com o veículo em movimento
espera-se um sinal de 1,5Hz para
cada 1,0 km/h do velocímetro, ou
seja, com o veículo a 20 km/h o
frequencímetro deverá indicar
aproximadamente 30Hz
FMI2 → Informação in-
consistente de entre os
sinais de velocidade
FMI8 → Frequência
anormal do sinal de ve-
locidade
PID 091
MID 144
B09
B10
PB08 - massa
U ≈ 0,4 a 0,6 (pedal livre)
U ≈ 2,6 a 3,8V (pedal acionado)
FMI3 → U  4,3V
FMI4 → U  0,4V
PB10 - massa U ≈ 4,7 a 5,3V
FMI14 →
U  4,5V
U  5,5VPB10 - PB22 U ≈ 4,7 a 5,3V
PA23 - massa
V ≈ 0V (pedal livre)
V ≈ Ubat (pedal pressionado)
FMI5 → PB8 indica
pedal livre e PA23 pedal
acionado.
FMI6 → PB8 indica
pedal acionado e PA23
pedal livre.
PID 150
MID 144
B36 PB16 - massa
U ≈ Ubat (PTO inativo)
U ≈ 0V (PTO ativo)
FMI4 → U  2,3V com
a função inativa
PID 152
MID 144
B00
O software da VECU inclui uma
função de verificação interna que
reinicia a unidade de controle no
caso de erro durante a execução
do software. O PID 152 inclui a
informação do número de vezes
que a reinicialização foi realizada
nessas condições.
FMI12 → Unidade da-
nificada ou componente
danificado.
Códigos
de falha
do veículo
MID144
ProduzidoporCicloEngenhariaLtda-62-3942-3939vendas@cicloengenharia.com.br-proibidaareprodução-eventuaiserrosoudefeitosdefabricaçãofavorcomunicarvendas@cicloengenharia.com.br
ENGENHARIA
C I C I
I
Av. C-255, nº270, sala 719
Nova Suiça, 74280-010, Goiânia - Goiás
62 - 3942-3939 - vendas@cicloengenharia.com.br
www.cicloengenharia.com.br
Centro Empresarial Sebba,
17
Motor
D12C
Motor
D12D
Gerenciamento de Motores Diesel
Módulo 1 - Unidades Injetoras
Impresso original em
papel reciclado 90g
Código de
falha
Localiza-
ção no
esquema
elétrico
Terminais para
teste
Condição do teste Valor nominal
PPID 061
MID 144
B23.1
B23.2
PA20 - massa
tecla VEB ou RETARDADOR
pos. 0 ou repouso → U ≈ 0V
pos. 1 ou SET - → U ≈ 0V
pos. 2 ou SET + → U ≈ Ubat
FMI7 → Se a unidade
de controle do veículo
receber sinais de PA20
acionado e PA21 de-
sacionado ao mesmo
tempo, a unidade de
controle interpreta como
uma combinação impro-
vável.
PA21 - massa
tecla VEB ou RETARDADOR
pos. 0 ou repouso → U ≈ 0V
pos. 1 ou SET - → U ≈ Ubat
pos. 2 → U ≈ Ubat
SET + → U ≈ 0V
PPID 003
MID 144
B04 PA06 - massa
chave em repouso → U ≈ 0V
chave em partida → U ≈ Ubat
chave em condução → U ≈ 0V
FMI3 → U  6,5V nas
condições em que se
espera U ≈ 0V
FMI4 → U  2,3V nas
condições em que se
espera U ≈ Ubat
PPID 069
MID 144
A33
PA23 - massa
PB17 - massa
V = U ≈ 0V (acelerador livre)
V = U ≈ Ubat (aceler. acionado)
A função é utilizada para
poder conduzir o veículo em
marcha-lenta acelerada se
ocorrer uma falha nos links
para a unidade de controle
do motor.
• FMI3 → U ≠ V
FMI4 → U ≠ V
PPID 070
MID 144
B11
B12
B13
PB19 - massa U = Ubat FMI4 → U  3,0V
PPID 071
MID 144
B23
B24
PB05 - massa U = Ubat FMI4 → U  2,5V
PPID 072
MID 144
B09
B25
PB10 - massa U ≈ 4,7 a 5,3V
FMI3 → U  5,3V
FMI4 → U  4,7V
PPID 074
MID 144
B05 PB15 - massa
U ≈ Ubat (ch. partida em 0) FMI4 → U ≈ 0,0V
U ≈ 0 - 1V (ch. em condução) FMI3 → U  1,0V
PPID 075
MID 144
B26 PB18 - massa
U ≈ Ubat (inibidor INATIVO) FMI4 → U  2,3V
U ≈ 0V (inibidor ATIVO) FMI3 → U  6,5V
PPID 076
MID 144
D12C terminais PB01 e PB27 - D12D somente PB27
B18
B19
PB01 - massa
PB27 - massa
U ≈ Ubat (freio livre) FMI4 → U  2,3V
U ≈ 0V (freio acionado) FMI3 → U  6,5V
PPID 079
MID 144
B27 PB02 - massa
U ≈ Ubat (redutor parado) FMI4 → U  2,3V
U ≈ 0 a 2V (redutor acionado) FMI3 → U  6,5V
Códigos
de falha
do veículo
MID144
ProduzidoporCicloEngenhariaLtda-62-3942-3939vendas@cicloengenharia.com.br-proibidaareprodução-eventuaiserrosoudefeitosdefabricaçãofavorcomunicarvendas@cicloengenharia.com.br
ENGENHARIA
C I C I
I
Av. C-255, nº270, sala 719
Nova Suiça, 74280-010, Goiânia - Goiás
62 - 3942-3939 - vendas@cicloengenharia.com.br
www.cicloengenharia.com.br
Centro Empresarial Sebba,
18
Motor
D12C
Motor
D12D
Aurélio Nunes de Araújo
Fábio Ribeiro von Glehn
Impresso original em
papel reciclado 90g
Código de
falha
Localiza-
ção no
esquema
elétrico
Terminais para
teste
Condição do teste Valor nominal
PPID 145
MID 144
não
desenhado
PB14 - PB23
DYNAFLEET
Right U ≈ 3,1V
Left U ≈ 1,8V
Up U ≈ 1,2V
Down U ≈ 3,1V
Enter U ≈ 4,3V
Esc U ≈ 0,6V
Rest U ≈ 2,5V
FMI3 → U  5,0V
FMI4 → U  0,5V
PPID 265
MID 144
Veículos com motor D12D com tacógrafo sem contagiro
B07 PB25 - massa U ≈ 6,5 a 9,0V
FMI3 → U  9,0V
FMI4 → U  6,5V
PPID 279
MID 144
B31
B32
PB01 - massa
PB04 - massa
FMI0 é registrado se:
O volume total bombeado através do suporte dessecante
exceder o limite.
•
PPID 312
MID 144
B31
B32
PB01 - massa
PB04 - massa
FMI0 é registrado se:
O consumo de ar for tão elevado que o secador de ar
não tem tempo de se regenerar.
Estiver sendo usado muito ar e o sistema não pode
gerenciar o fornecimento de ar seco.
FMI7 é registrado se:
Aválvula de regeneração estiver aberta por 30 segundos
e a pressão ainda for a mesma de quando a válvula
abriu.
•
•
•
PPID 430
MID 144
B31
B32
PB01 - massa
PB04 - massa
FMI0 é registrado se:
Estiver sendo usado muito ar e o sistema não pode
gerenciar o fornecimento de ar seco.
•
PSID 001
MID 144
B23.1
B23.2
PA20 - massa
pos. 0 → U ≈ 0V
SET - → U ≈ 0V
SET + → U ≈ Ubat
FMI7 é registrado se a
VECU receber sinais de
SET+ e SET- ao mesmo
tempo.PA21 - massa
pos. 0 → U ≈ 0V
SET - → U ≈ Ubat
SET + → U ≈ 0V
PSID 002
MID 144
B11 PA18 - massa
U ≈ 0V (acelerador livre) FMI4 → U  2,3V
U ≈ Ubat (aceler. pressionado) FMI3 → U  6,5V
PSID 003
MID 144
Nota! A instalação elétrica do comando extra do acelerador não é mostrada no esque-
ma elétrico, aparece apenas nas instruções sobre superestruturas. É válido apenas para
veículos que possuem comando extra do acelerador instalado, por exemplo comando
duplo do acelerador ou comando manual do acelerador para usar o equipamento extra do
veículo.
Não
desenhado
PB30 - massa
FMI7 é registrado se o sinal do contato da marcha lenta
desaparecer no intervalo 0–13 %.
Códigos
de falha
do veículo
MID144
ProduzidoporCicloEngenhariaLtda-62-3942-3939vendas@cicloengenharia.com.br-proibidaareprodução-eventuaiserrosoudefeitosdefabricaçãofavorcomunicarvendas@cicloengenharia.com.br
ENGENHARIA
C I C I
I
Av. C-255, nº270, sala 719
Nova Suiça, 74280-010, Goiânia - Goiás
62 - 3942-3939 - vendas@cicloengenharia.com.br
www.cicloengenharia.com.br
Centro Empresarial Sebba,
19
Motor
D12C
Motor
D12D
Gerenciamento de Motores Diesel
Módulo 1 - Unidades Injetoras
Impresso original em
papel reciclado 90g
Código de
falha
Localiza-
ção no
esquema
elétrico
Terminais para
teste
Condição do teste Valor nominal
PSID 004
MID 144
B25 PB24 - massa
RETARDADOR
U ≈ 0,3 a 0,7V (OFF)
U ≈ 1,0 a 1,6V (pos. A)
U ≈ 1,7 a 2,5V (pos. 1)
U ≈ 2,3 a 3,5V (pos. 2)
U ≈ 2,9 a 4,4V (pos. 3)
U ≈ 3,6 a 5,4V (pos. B)
FMI3 → U  4,8V
FMI3 → U  0,2V
PSID 020
MID 144
B36 PB16 - massa
U ≈ Ubat (PTO inativo) FMI4 → U  2,3V
U ≈ 0V (PTO ativo) FMI3 → U  6,5V
PSID 021
MID 144
B00
FMI14 é registrado se a configuração do caminhão designa que a VECU não
pode receber todas as mensagens SAE J1939 no CAN1.
PSID 022
MID 144
B00
FMI14 é registrado se a configuração do caminhão designa que a VECU não
pode receber todas as mensagens SAE J1939 no CAN2.
PSID 025
MID 144
B16
FMI1 é registrado se durante a condução normal em velocidades acima de
50 km/h ocorrer um consumo de ar do veículo muito elevado, proveniente de
vazamentos ou pela suspensão automática com veículo trafegando em es-
tradas muito ruins ou ainda em algumas situações de frenagens que exijam
grandes quantidades de ar.
PSID 200
MID 144
A34
PC04 - massa 570 a 670Hz FMI9 é registrado se
a VECU não receber
mensagem da UCM
(MID128)PC05 - massa 570 a 670Hz
PSID 202
MID 144
A34
PC04 - massa 570 a 670Hz FMI9 é registrado se
a VECU não receber
mensagem do painel de
instrumentos (MID140).PC05 - massa 570 a 670Hz
PSID 204
MID 144
A34
PC04 - massa 570 a 670Hz FMI9 é registrado se
a VECU não receber
mensagem doABS/EBS
(MID136)PC05 - massa 570 a 670Hz
PSID 205
MID 144
A34
PC04 - massa 570 a 670Hz FMI9 é registrado se
a VECU não receber
mensagem da TECU
(MID130)PC05 - massa 570 a 670Hz
PSID 207
MID 144
A34
PC04 - massa 570 a 670Hz FMI9 é registrado se
a VECU não receber
mensagem da GECU
(MID223)PC05 - massa 570 a 670Hz
Códigos
de falha
do veículo
MID144
ProduzidoporCicloEngenhariaLtda-62-3942-3939vendas@cicloengenharia.com.br-proibidaareprodução-eventuaiserrosoudefeitosdefabricaçãofavorcomunicarvendas@cicloengenharia.com.br
ENGENHARIA
C I C I
I
Av. C-255, nº270, sala 719
Nova Suiça, 74280-010, Goiânia - Goiás
62 - 3942-3939 - vendas@cicloengenharia.com.br
www.cicloengenharia.com.br
Centro Empresarial Sebba,
20
Motor
D12C
Motor
D12D
Aurélio Nunes de Araújo
Fábio Ribeiro von Glehn
Impresso original em
papel reciclado 90g
Código de
falha
Localiza-
ção no
esquema
elétrico
Terminais para
teste
Condição do teste Valor nominal
PSID 208
MID 144
A34
PC04 - massa 570 a 670Hz FMI9 é registrado se
a VECU não receber
mensagem da ECS
(MID150)PC05 - massa 570 a 670Hz
PSID 210
MID 144
A34
PC04 - massa 570 a 670Hz FMI9 é registrado se
a VECU não receber
mensagem da LCM
(MID216)PC05 - massa 570 a 670Hz
PSID 211
MID 144
A34
PC04 - massa 570 a 670Hz FMI9 é registrado se a
VECU não receber men-
sagem da ACC (piloto
automático)PC05 - massa 570 a 670Hz
PSID 212
MID 144
A34
PC04 - massa 570 a 670Hz
FMI2 é registrado se
dados enviados pelo
tacógrafo forem incon-
sistentes.
FMI9 é registrado se a
VECU não receber men-
sagem do tacógrafo
FMI14 é registrado se a
VECU não receber men-
sagem do tacógrafo.
PC05 - massa 570 a 670Hz
PSID 214
MID 144
A34
PC04 - massa 570 a 670Hz FMI9 é registrado se
a VECU não receber
mensagem da BBM
(MID249)PC05 - massa 570 a 670Hz
PSID 230
MID 144
B00
FMI4 → A VECU foi iniciada de forma incorreta e a tensão de alimentação
está anormalmente baixa ou curto-circuito na tensão mais baixa.
FMI5 → A VECU foi interrompida incorretamente devido à falta de energia,
provocando uma corrente elétrica anormalmente baixa ou interrupção.
FMI12 → A VECU reconheceu uma falha séria e foi reiniciada. Possivel-
mente a VECU ou um componente está danificado.
PSID 232
MID 144
B08
PA15 - massa U ≈ 2,5V FMI2 é registrado se a
VECU não consegue se
comunicar com o tacó-
grafo pelo link J1939-2PA16 - massa U ≈ 2,5V
SID 230
MID 144
B09
B10
PA08 - massa
U ≈ 0,4 a 0,6 (acelerador livre)
U ≈ 2,6 a 3,8V (acel. pression.)
FMI7 é registrado se o
sinal do contato da mar-
cha-lenta desaparecer
no intervalo 0–13%.PA23 - massa
V ≈ 0V (acelerador livre)
V ≈ Ubat (aceler. pressionado)
Códigos
de falha
do veículo
MID144
ProduzidoporCicloEngenhariaLtda-62-3942-3939vendas@cicloengenharia.com.br-proibidaareprodução-eventuaiserrosoudefeitosdefabricaçãofavorcomunicarvendas@cicloengenharia.com.br
ENGENHARIA
C I C I
I
Av. C-255, nº270, sala 719
Nova Suiça, 74280-010, Goiânia - Goiás
62 - 3942-3939 - vendas@cicloengenharia.com.br
www.cicloengenharia.com.br
Centro Empresarial Sebba,
21
Motor
D12C
Motor
D12D
Gerenciamento de Motores Diesel
Módulo 1 - Unidades Injetoras
Impresso original em
papel reciclado 90g
Código de
falha
Localiza-
ção no
esquema
elétrico
Terminais para
teste
Condição do teste Valor nominal
SID 231
MID 144
B08
PC04 - massa 570 a 670Hz
FMI2 é registrado se
a VECU não receber
confirmação das mensa-
gens do link de controle
J1939.
FMI14 é registrado
se faltar a mensagem
aguardada de uma uni-
dade qualquer no link de
controle J1939.
PC05 - massa 570 a 670Hz
Códigos
de falha
do veículo
MID144
Impresso original em
papel reciclado 90g
Esquemas elétricos - Simbologia utilizada
Indicadores alfanuméricos nas margens esquerda e direita do esquema.
Servem como referência para facilitar o acompanhamento do esquema nas
seguintes situações:
Durante uma aula, o instrutor chama a atenção para um determinado com-
ponente. Devido a sequencia numérica fica muito mais fácil o aluno encontrar o ponto
de leitura e acompanhar a linha de raciocínio do instrutor;
A tabela com os códigos de falha contém estes endereçamentos, de modo a servir de
elo de ligação entre os códigos de falha e a localização do componente no esquema
elétrico;
Retângulos brancos com indicações alfanumérica em seu interior em uma das
duas colunas imaginárias existentes entre a descrição do componente e sua
simbologia. Geralmente é o ponto de alimentação positiva do componente.
No sentido da corrente convencional, este retângulo branco está vinculado a
um único oval preto com a mesma inscrição alfanumérica em branco.
Elipses pretas com indicações alfanumérica em seu interior em uma das
duas colunas imaginárias existentes entre a descrição do componente e sua
simbologia. Estes ovais indicam um ponto de derivação para um ou mais
retângulos brancos com a mesma inscrição alfanumérica.
A simbologia aplicada aos componentes segue a tabela abaixo:
Aterramento
Conexões intermediárias identificadas
EM10
Diodo
Fusível
Interruptor
ou
ou
1
ou
Indutor ou
M
Par trançado
1.
•
•
2.
3.
4.
A01
A02
...
F40
F40
ProduzidoporCicloEngenhariaLtda-62-3942-3939vendas@cicloengenharia.com.br-proibidaareprodução-eventuaiserrosoudefeitosdefabricaçãofavorcomunicarvendas@cicloengenharia.com.br
ENGENHARIA
C I C I
I
Av. C-255, nº270, sala 719
Nova Suiça, 74280-010, Goiânia - Goiás
62 - 3942-3939 - vendas@cicloengenharia.com.br
www.cicloengenharia.com.br
Centro Empresarial Sebba,
22
Motor
D12C
Motor
D12D
Aurélio Nunes de Araújo
Fábio Ribeiro von Glehn
Impresso original em
papel reciclado 90g
Elemento Simbologia
Resistencia
Resistor
Potenciômetro
Termistor
Sensor de Pressão
Sensor de efeito Hall
+19 Chave de partida na posição de preaquecimento
+30 Positivo de bateria
+50 Chave de partida na posição de partida
+DR Chave de partida na posição de condução
Inscrições alfanuméricas ou numéricas no interior do retângulo delimitante do compo-
nente. Trata-se da identificação do terminal no conector do componente.
Quanto aos tipos de linhas:
Linhas cheias representam ligações normais;
Linhas tracejadas situações excludentes entre veículos com transmissão automática e
transmissão mecânica;
Linha traço - dois pontos indica a possibilidade do veículo possuir retardador com co-
mando do freio motor incorporado ou veículo sem retardador com interruptor do freio
motor a parte;
Linha traço - ponto indica a ligação a componentes opcionais no veículo
Quanto às indicações de cores dos fios, segue a seguinte tabela:
AM = AMARELO CZ = CINZA PT = PRETO
AZ = AZUL LR = LARANJA VD = VERDE
BR = BRANCO MR = MARROM VM = VERMELHO
O retângulo central representa a unidade de controle do motor ou do veículo.
A indicação alfanumérica no interior do retângulo central indica o conector e seus res-
pectivos terminais.
O símbolo ‘+’ após a indicação do terminal mostra que por este terminal a unidade de
controle fornece uma tensão de referência de alimentação de componentes.
O símbolo ‘-’ após a indicação do terminal mostra que por este terminal a unidade de
controle fornece massa de referência para os componentes.
A indicação branca dentro de uma elipse preta mostra que é por este terminal que a
unidade de controle recebe o sinal do sensor ou interruptor.
Os pontilhados dentro do retângulo central mostram os endereçamentos que se repe-
tiram para evitar o trança-trança de linhas no papel
5.
6.
•
•
•
•
7.
8.
9.
10.
11.
12.
13.
ProduzidoporCicloEngenhariaLtda-62-3942-3939vendas@cicloengenharia.com.br-proibidaareprodução-eventuaiserrosoudefeitosdefabricaçãofavorcomunicarvendas@cicloengenharia.com.br
ENGENHARIA
C I C I
I
Av. C-255, nº270, sala 719
Nova Suiça, 74280-010, Goiânia - Goiás
62 - 3942-3939 - vendas@cicloengenharia.com.br
www.cicloengenharia.com.br
Centro Empresarial Sebba,
23
Motor
D12C
Motor
D12D
Gerenciamento de Motores Diesel
Módulo 1 - Unidades Injetoras
Impresso original em
papel reciclado 90g
+DR
CICLOENGENHARIA
EB11
Relé de potência e
preaquecimento do
motor - PID 045+30
F18
53
2 1
-EB31
EA11
EA22
EA34
EA23
Unidade injetora 4
SID 004
Unidade injetora 2
SID 002
Unidade injetora 1
SID 001
Unidade injetora 3
SID 003
Sensor de temperatura
água do motor - PID 110 EA05-
1
2
Sensor de fase
SID 021 EA18
1
2
Unidade de
controle do motor
MID 128
CZ
EB12
LX11
Painel A de
instrumentos - MID 171
EA35
Unidade injetora 5
SID 005
EA36
Unidade injetora 6
SID 006
+EA12
+EA24
-EA33 F20
Sensor de rotação
do motor - SID 022
Sensor de pressão
do turbo - PID 102
Sensor de temperatura
do ar admitido - PID 105
Sensor de pressão do
combustível - PID 094
EA05-
1
3
4
EA04+
EA05-
EA03
EA02
2
EA25
EA07
EA30
1
2
EA31
Sensor de pressão
óleo do motor - PID 100
Sensor de temperatura
óleo do motor - PID 175
1
3
4
EA04+
EA05-
EA14
EA01
2
+EB05
1
2
EB09
EB10
A01
Preaquecedor de
partida - SID 070
F20
4
-EB35
3
-EB36
EB08-
EB13-
Interruptor do nível
líquido de arrefecimento
PID 111
EB08-
EB03
EB17
Eletroválvula reguladora
de pressão dos gases
de escape (EPG2) - PPID 123
EB25
EB26
LR
Unidade de
controle do veículo
MID 144
CZ
PC02
PC01
LR
VD
PC05
PC04
AM
VD
EB02
EB01
AM
RS
PB17
RS
EB04
F19 PA13
PT
+30
+30
30 87
8586
PB15-
Aterramento
F18
F19
F20
F43
+19 PA07
AZ/VM
+50 PA06
VM/BR
Sinal de partida
CZ
EB25
EB26
LR
01
02
08
Antena do imobilizador
MID 163 - SID 001
05 F19
Imobilizador
MID 163 - PID 224
codigo segurança
10
09
2
1
5A
5A
5A
15A
PA12
BR
3
EB25
CZ
2
EB26
LR
F02
8
1
Tomada de diagnose
PA14
PT
R05 - Relé da unidade
de controle do veículo
AZ/VM
Eletroválvula reguladora
de pressão dos gases
de escape (EPG1) - PPID 124
1
3
4
2
EA04+
EA27
SAE J1708
SAE J1708
SAE J1939
SAE J1939
SAE J1708
SAE J1708
SAE J1708
SAE J1708
Contato de mínimo - SID 230
Rede SAE J1939
PID 084 - velocidade
SID 231 - link J1939
Rede SAE J1708
PID 228 - fator K
SID 250 - link J1708
Alimentação elétrica
PID 158
Relé 05 (87)
12
13
01
25
24
36
12
13
01
25
24
36
EA
conector preto
posição superior
EB
conector vermelho
posição inferior
AZ/VM
AZ/PT
AM
MR/BR
Sensor de pressão
atmosférica - PID 108
VD/BR
VD/BR
VD/BR
CZ
MR/BR
MR/BR
MR/BR
MR/BR
AZ/BR
F43
MR
VD
AM/BR
MR
BR
BR
BR
BR
BR
BR
BR
BR
BR
BR
BR
VM/PT
VM/PT
AZ/VM
CZ/BR
VI/BR
AZ/AM
AZ/PT
CZ/BR
VD/BR
AZ/VM
VD
1
2
3
4
1
330W
2200W
Pressostado indicador
de restrição do
filtro de ar - PID 107
Sensor de temperatura
do ar ambiente - PID 172
2
1
Eletroválvula reguladora
da pressão do óleo para
balancins - PPID 122
EB07
Aterramento
A02
A03
A04
A05
A06
A07
A08
A09
A11
A15
A20
A21
A22
A23.1
A23.2
A23.3
A23.4
A23.5
A23.6
A24
A25
CZ
A26
A27
A28
A29
A30
A31
A32
A33
A34
A35
B00
B01
Sinal de condução
Sinal de preaquecimento
B02
B03
B04
B05
B06
A00
EM10MA12
MA08EM06 KF16
MA14EM07 KG12
MA11EM09 KG01
KG14
MA09EM11MA06EM05
MA05EM04
MA03EM02
MA04EM03
MA15EM01
EM08
EB24
AM/PT
ProduzidoporCicloEngenhariaLtda-62-3942-3939vendas@cicloengenharia.com.br-proibidaareprodução-eventuaiserrosoudefeitosdefabricaçãofavorcomunicarvendas@cicloengenharia.com.br
ENGENHARIA
C I C I
I
Av. C-255, nº270, sala 719
Nova Suiça, 74280-010, Goiânia - Goiás
62 - 3942-3939 - vendas@cicloengenharia.com.br
www.cicloengenharia.com.br
Centro Empresarial Sebba,
24
Motor
D12C
Aurélio Nunes de Araújo
Fábio Ribeiro von Glehn
Esquema elétrico da UCM (MID 128) EM VEÍCULO COM MOTOR D12C
Impresso original em
papel reciclado 90g
CICLOENGENHARIA
A8
A2 LR
PB08
PB10+
A1
PB22-
B1B2
21
PA05
PA08
Interruptor do pedal
do freio
Interruptor do pedal
da embreagem
1
PB26+
2
4
PB23-
MR/BR
AZ
VD/VM
VM/BR
MR/BR
AM/MR
A3A4
PA23
PA18
VM/PT
VD/PT
PT
VD/AM
F47
F47
8586
PB16Relé do limpador do
pára-brisa intermitente
VD/BR
3087
87A
PA09
VD
F47
5
3
8
PA11
VD/AM
PA10
VD
1
F48
86
Relé do limpador
dos faróis
Interruptor do
limpador do pára-brisa 2
4
6
FN1
Motor do
limpador do pára-brisa
F47
FN2
FN2
2
1
PB11
BR
Interruptor do freio
de estacionamento
B02-
B01+
B04
B03
Sensor de velocidade
do veículo PID 084
Painel B de
instrumentos
com tacógrafo
incorporado
A05
A06
A04 F07
A01 F07
AZ
BR
B07
C07
Relé inibidor do
grupo redutor
PPID079
Válvula solenóide de
bloqueio do grupo redutor
6
5
2
PA20
AZ/AM
3
PA21
AM
A
1
2
2
4
Y
PA01
CZ 7
PA02
MR 2
PA03
AZ/AM 6
PA30
AM/PT 4
8
1
+PB05
PT
7VD
-PB22
+PB10
AM/MR
MR/BR
2
5
PA20
AZ/AM
PA21
AM
1
10 9
F37
PA29
MR 5
4
6
10
7
9
Luz de controle
do aquecedor
21
R14 - Relé inibidor de
engate da tomada de força5 3
21
1
F26
F26
Interruptor da tomada
de força
15
Unidade de controle de
seleção de marchas
12
Aquecedor do motor e
da cabina
E1
Unidade de controle
do aquecedor
Válvula solenóide (PTO)
da tomada de força
41
PB06
PB20
3
1+
2-
4
A03 F28
53A
FN1
53
53B
M
31
31B
OE14
+15
3 5
21
F09
R08 - Relé das luzes
de freio trator
Relé de informação
do ABS 87A
87
30
D
F28
F28
1
2
PB27
Pressostato
de freio
VM/BR
PB01
VM/BR
Luzes de freio
+15
3 5
21
F06
R10 - Relé das luzes
de freio reboque
Luzes de freio
PA28
AM/BR
86
C
C
C
FA03 PB14
AZ/BR
FA05 PA17
VM/BR
FA06 PA27
VM/PT
FA07
FA08
FA02 PA15
AZ/AM
PA26
CZ/VM
FA01
FA09 PB28
PC01
LR
PC02
CZ
Super-estrutura
FA04 PA04
CA/BR
PB21
1 2
Indicador de condição
do grupo redutor
(caixa baixa)
D
D
4
1
PA24
VD
F02
F02
3087
85 86
PB02
VD/BR
1
2
AZ/CZ
FA10
F02
AM/BR
MID 144
PB18
VD
F02
85
PB04
VD Válvula solenóide
do compressor de ar
F02
t. mecânica
t. automática
PB19+
PB09
PB24
B07
B08
Interruptor de
marcha-lenta - PID 091
Sensor de posição do
acelerador - PID 091
Interruptor de máxima
PSID 002
B09
B10
B11
B12
B13
B15
Sensor de pressão de ar
comprimido reservatório
primário - PID 046
B16
B18.1
B20.1
B20.2
B22
Interruptor comando
de manutenção da
velocidade constante
PPID 071
B23.1
B24
B23.2
B25
Válvula solenóide
inibidor do range
PPID075
B26
B27
B28
B32
Solicit. ar condicionado B33
Embreagem magnética
do compressor ar cond.
B34
B35
B36
21
PPID 070
Tecla de acionamento
do freio motor (VEB)
PPID 061
0 = desligado
1 = 2 bar
2 = 7,5 bar
Tecla de acionamento
do freio motor (VEB)
PSID 004
Tecla de acionamento
do freio motor (VEB)
PPID 061
ProduzidoporCicloEngenhariaLtda-62-3942-3939vendas@cicloengenharia.com.br-proibidaareprodução-eventuaiserrosoudefeitosdefabricaçãofavorcomunicarvendas@cicloengenharia.com.br
ENGENHARIA
C I C I
I
Av. C-255, nº270, sala 719
Nova Suiça, 74280-010, Goiânia - Goiás
62 - 3942-3939 - vendas@cicloengenharia.com.br
www.cicloengenharia.com.br
Centro Empresarial Sebba,
25
Motor
D12C
Gerenciamento de Motores Diesel
Módulo 1 - Unidades Injetoras
Esquema elétrico da VECU (MID 144) EM VEÍCULO COM MOTOR D12C
Impresso original em
papel reciclado 90g
+DR
CICLOENGENHARIA
EB11
K48 - Relé de potência
e preaquecimento do
motor - PID 045FM1
F42b
23
4 1
-EB31
EA11
EA22
EA34
EA23
Unidade injetora 4
SID 004
Unidade injetora 2
SID 002
Unidade injetora 1
SID 001
Unidade injetora 3
SID 003
Sensor de temperatura
água do motor - PID 110 EA05-
1
2
Sensor de fase
SID 021 EA18
1
2
Unidade de
controle do motor
MID 128
CZ
EB12
C12
Painel A de
instrumentos - MID 171
EA35
Unidade injetora 5
SID 005
EA36
Unidade injetora 6
SID 006
+EA12
+EA24
-EA33 F41
Eletroválvula reguladora
pressão do óleo para os
balancins - PPID 122
Sensor de rotação
do motor - SID 022
Sensor de pressão
do turbo - PID 102
Sensor de temperatura
do ar admitido - PID 105
1
3
4
EA04+
EA05-
EA03
EA02
2
EA25
EA07
EA30
1
2
EA31
Sensor de pressão
óleo do motor - PID 100
Sensor de temperatura
óleo do motor - PID 175
1
3
4
EA04+
EA05-
EA14
EA01
2
+EB05
1
2
EB09
EB10
Aterramento
Preaquecedor
de partida - SID 070
2EB35
EB36
Eletroválvula reguladora
de pressão dos gases
de escape (EPG2) - PPID 123
EB25
EB26
LR
Unidade de
controle do veículo
MID 144
CZ
PC02
PC01
LR
VD
PC05
PC04
AM
VD
EB02
EB01
AM
RS
PB17
RS
EB04
F07a PA13
PT
+30
+30
30 87
8586
PB15-
Aterramento
F06
F40
+19 PA07
AZ/VM
50B PA06
VM/BR
Sinal de partida
CZ
EB25
EB26
LR
01
02
08
Antena do imobilizador
MID 163 - SID 001
05 F07b
Imobilizador
MID 163 - PID 224
codigo segurança
10
09
2
1
PA12
BR
PA14
PT
K02 - Relé da unidade
de controle do veículo
PPID 074
AZ/VM
Eletroválvula reguladora
de pressão dos gases
de escape (EPG1) - PPID 124
SAE J1708
SAE J1708
SAE J1939
SAE J1939
SAE J1708
SAE J1708
Contato de mínimo - SID 230
Rede SAE J1939
PID 084 - velocidade
SID 231 - link J1939
Rede SAE J1708
PID 228 - fator K
SID 250 - link J1708
Alimentação elétrica
PID 158
Relé K02 (87)
AZ/VM
AZ/PT
AM
MR/BR
Sensor de pressão
atmosférica - PID 108
VD/BR
VD/BR
CZ
MR/BR
MR/BR
MR/BR
AZ/BR
F40
MR
VD
AM/BR
AM
VI
LR
AZ
BR
VM
PT
MR
VD
BR
BR
VM/PT
VM/PT
MR
CZ
AZ/VM
VM
EA05-
4
Bomba elétrica
purga de ar - SID 078
5
EA19-
1
F41
3
EA04+
2
EA27
7
7Aquecimento do filtro
de combustível
1
F15
EB32-
54
F15
F41
3
EB08-
2
Drenagem separador
de água - SID 018
Sensor de presença
de água - PID 097
EB06
Sensor de pressão do
combustível - PID 094
EB08-
EB13-
EB08-
2
3
4
1
EB03
EB17
AZ/VM
CZ/BR
VI/BR
AZ/AM
AZ/PT
CZ/BR
Sensor de pressão
dos gases do cárter
PID 153
1
EB14+
EB24
2
4
EB13-
5
2
1
EA04+
EA05-
EA06
F42a
4 3Válvula do ventilador
arrefecimento - SID 033
EB21-
3
EB25
CZ
2
EB26
LR
F09
8
1
Tomada de diagnose
SAE J1708
SAE J1708
MR/BR
AM
VD/BR
MR/BR
VD/BR
MR
AZ/BR
CZ/VM
AM
RS
VI/BR
CZ/BR
6
CZ
AM/BR
330W
2200W
2
1
EB07
F41
F43
(+DR)
7 F411
A01
A02
A03
A04
A05
A06
A07
A08
A09
A11
A15
Interruptor do nível
líquido de arrefecimento
PID 111
A22
Sensor de temperatura
do ar ambiente - PID 172
A21
Pressostado indicador
de restrição do
filtro de ar - PID 107
A20
A14
A12
A13 Sensor de velocidade
do ventilador - PID 026
A16
A17
A18
A19
A23.1
A23.2
A23.3
A23.4
A23.5
A23.6
A24
A25
A26
A27
A28
A29
A30
A31
A32
A33
A34
A35
B00
B01
Sinal de condução
Sinal de preaquecimento
B02
B03
B04
B05
B06
A00
Sensor do nível
do óleo - PID 098 EB22
EB15
2
1 AZ/VD
CZ
A10
Relé K03 (87)
EM10MA12
5A
5A
15A
10A
XL03
MA11EM09
MA14EM07
XL05
5AMA08EM11
5A
F07a
XL06
F07b
F42a
PW16EPR1
F42b
MA06EM05
MA05EM04
MA03EM02
MA04EM03
MA15EM01
MA07
EM06
MP1
EPR4
PW17
EM10MA12
Primeiras
versões:
Sensor de
pressão
do turbo
de cabeça
arredon-
dada
ProduzidoporCicloEngenhariaLtda-62-3942-3939vendas@cicloengenharia.com.br-proibidaareprodução-eventuaiserrosoudefeitosdefabricaçãofavorcomunicarvendas@cicloengenharia.com.br
ENGENHARIA
C I C I
I
Av. C-255, nº270, sala 719
Nova Suiça, 74280-010, Goiânia - Goiás
62 - 3942-3939 - vendas@cicloengenharia.com.br
www.cicloengenharia.com.br
Centro Empresarial Sebba,
26
Motor
D12D
Aurélio Nunes de Araújo
Fábio Ribeiro von Glehn
Esquema elétrico da UCM (MID 128) EM VEÍCULO COM MOTOR D12D
Impresso original em
papel reciclado 90g
CICLOENGENHARIA
PB02 K08 - Relé inibidor do
grupo redutor - PPID079
Válvula solenóide de
bloqueio do grupo redutor
1
2
5
4
2
PA20
AZ/AM
3
PA21
AM
A
1
2
2
4
Y
D12
PA01
CZ
Interruptor comando
de manutenção da
velocidade constante
4
PA02
MR 5
PA03
AZ/AM 2
PA30
AM/PT 3
1
1
+PB05
PT
6VD
-PB22
+PB10
AM/MR
MR/BR
PA20
AZ/AM
PA21
AM
10 9
PA29
MR 2 1
10
7
9
Unidade de controle da
iluminação - LCM
Interruptor da tomada
de força
L03
Aquecedor de
estacionamento
M05
Unidade de controle do
aquecedor estacionamento
Válvula solenóide (PTO)
da tomada de força
PID 150
PPID 071
F16
A2 Solicit. ar condicionado
1
Embreagem magnética
do compressor ar cond.
PA24
VD
F09
F09
35
2 1CZ/BR
4
1
PB16
VD
8
PTO
PTO
D12
Sensor de pressão de ar
comprimido reservatório
primário - PID 046
1
PB26+
2
4
PB23-
MR/BR
AZ
VD/VM
2
1
Interruptor do freio
de estacionamento
OE14
FA
A18
A12
C01
Unidade de controle
da iluminação - LCM
1
2
Pressostato
de freio (A)
VD/BR
PA28
AM/BR
PB21
1 2
Indicador de condição
do grupo redutor
(caixa baixa)
FA06
F09
AM/BR
OB17 PA28
AM/BR
Unidade de controle da
iluminação - LCM
Interruptor de
purga de ar e
drenagem do
separador de água PA04
AZ21
10
7
9
F15
PB29
2 1 LR
Interruptor de pressão
de carga do compressor
PB11
AM
Diodo
A21
B09
FB C09
FC D19
FD D02
FE D15
FF D16
F17 A03
PB27
1
2
1
2
A15
Pressostato
de freio (B)
Pressostato
de freio (C )
D12
D12
D12
B18
B17
B16
B13
LR
PC1
PC2
PC4
PC5
CZ
AM
VD
-B02
B03
B04
Sensor de velocidade
do veículo (tacógrafo)
PID 084
Painel B de
instrumentos
A05
A06
A01F05
AZ
PB24
4
-2
3
A03F08
PA15
AZ/AM
A04
PA16
VD
A08
1+
B01+
PB25+
PT
B07
2
5
1
2
3
MID 144
PB18
VD
85
PB28
VM/PT Válvula solenóide de
bloqueio do 3º eixo
1 4
F09
PB04
AZ/BR
Válvula solenóide
regeneração
F10PB01
VD/BR
F24
B4
A1A2
B1
B3 Válvula solenóide
controle do compressor
Aquecedor secador
PB09
VERSÃO C
VERSÃO D
Super-estrutura
Válvula solenóide
inibidor do range
PPID075
PB06
B07
B08
B14
B15
B16
B17
B18.1
B18.2
B18.3
B19
B20.1
B20.2B20.2
B21
B22
B23.1
B24
B23.2
B25
B26
B27
B28
B29
B30
B31
B32
B33
B34
B35
B36
EN03MA01
A8
A2 LR
PB08
PB10+
A1
PB22-
A7
21
PA05
PA08
Interruptor do pedal
do freio
Interruptor do pedal
da embreagem
VM/BR
MR/BR
AM/MR
A3A4
PA23
PA18
VM/PT
VD/PT
PT
VD/AM
t. mecânica
t. automática
PB19+
Interruptor de
marcha-lenta - PID 091
Sensor de posição do
acelerador - PID 091
Interruptor de máxima
PSID 002
B09
B10
B11
B12
B13 21
PPID 070
Tecla de acionamento
do freio motor (VEB)
PPID 061
0 = desligado
1 = 2 bar
2 = 7,5 bar
Tecla de acionamento
do freio motor (VEB)
PSID 004
Tecla de acionamento
do freio motor (VEB)
PPID 061
Primeiras
versões:
Sensor de
pressão
do turbo
de cabeça
arredon-
dada
ProduzidoporCicloEngenhariaLtda-62-3942-3939vendas@cicloengenharia.com.br-proibidaareprodução-eventuaiserrosoudefeitosdefabricaçãofavorcomunicarvendas@cicloengenharia.com.br
ENGENHARIA
C I C I
I
Av. C-255, nº270, sala 719
Nova Suiça, 74280-010, Goiânia - Goiás
62 - 3942-3939 - vendas@cicloengenharia.com.br
www.cicloengenharia.com.br
Centro Empresarial Sebba,
27
Motor
D12D
Gerenciamento de Motores Diesel
Módulo 1 - Unidades Injetoras
Esquema elétrico da VECU (MID 144) EM VEÍCULO COM MOTOR D12D
Impresso original em
papel reciclado 90g
Esquema elétrico da UCM (MID 128) EM VEÍCULO COM MOTOR D12D
+DR
CICLOENGENHARIA
EB11
K48 - Relé de potência
e preaquecimento do
motor - PID 045
FM1
F42b
23
4 1
-EB31
EA11
EA22
EA34
EA23
Unidade injetora 4
SID 004
Unidade injetora 2
SID 002
Unidade injetora 1
SID 001
Unidade injetora 3
SID 003
Sensor de temperatura
água do motor - PID 110 EA05-
1
2
Sensor de fase
SID 021 EA18
1
2
Unidade de
controle do motor
MID 128
CZ
EB12
C12
Painel A de
instrumentos - MID 171
EA35
Unidade injetora 5
SID 005
EA36
Unidade injetora 6
SID 006
+EA12
+EA24
-EA33 F41
Eletroválvula reguladora
pressão do óleo para os
balancins - PPID 122
Sensor de rotação
do motor - SID 022
Sensor de pressão
do turbo - PID 102
Sensor de temperatura
do ar admitido - PID 105
3
2
1
EA04+
EA05-
EA03
EA02
4
EA25
EA07
EA30
1
2
EA31
Sensor de pressão
óleo do motor - PID 100
Sensor de temperatura
óleo do motor - PID 175
1
3
4
EA04+
EA14
EA01
2
+EB05
1
2
EB09
EB10
Aterramento
Preaquecedor
de partida - SID 070
2EB35
EB36
Eletroválvula reguladora
de pressão dos gases
de escape (EPG2) - PPID 123
EB25
EB26
LR
Unidade de
controle do veículo
MID 144
CZ
PC02
PC01
LR
VD
PC05
PC04
AM
VD
EB02
EB01
AM
RS
PB17
RS
EB04
PB15-
Aterramento
+19 PA07
AZ/VM
50B PA06
VM/BR
Sinal de partida
CZ
EB25
EB26
LR
01
02
08
Antena do imobilizador
MID 163 - SID 001
05 F07b
Imobilizador
MID 163 - PID 224
codigo segurança
10
09
2
1
PA12
BR
PA14
PT
Eletroválvula reguladora
de pressão dos gases
de escape (EPG1) - PPID 124
SAE J1708
SAE J1708
SAE J1939
SAE J1939
SAE J1708
SAE J1708
Contato de mínimo - SID 230
Rede SAE J1939
PID 084 - velocidade
SID 231 - link J1939
Rede SAE J1708
PID 228 - fator K
SID 250 - link J1708
Alimentação elétrica
PID 158
Relé K02 (87)
AZ/VM
AZ/PT
AM
MR/BR
Sensor de pressão
atmosférica - PID 108
VD/BR
VD/BR
CZ
MR/BR
MR/BR
AZ/BR
F40
MR
VD
AM/BR
AM
VI
LR
AZ
BR
VM
PT
MR
VD
BR
BR
VM/PT
VM/PT
MR
CZ
AZ/VM
VM
Módulo do ventilador
arrefecimento - SID 033
3
EB25
CZ
2
EB26
LR
F09
8
1
Tomada de diagnose
SAE J1708
SAE J1708
6
(+DR)
7 F411
A01
A02
A03
A04
A05
A06
A07
A08
A09
A11
A12
A13 Sensor de velocidade
do ventilador - PID 026
A23.1
A23.2
A23.3
A23.4
A23.5
A23.6
A24
A25
A26
A27
A28
A29
A30
A31
A32
A33
A34
A35
B00
B01
Sinal de condução
Sinal de preaquecimento
B02
B03
B04
A00
Sensor do nível
do óleo - PID 098 EB22
EB15
2
1 AZ/VD
CZ
A10
Relé K03 (87)
EA05-
4
Bomba elétrica
purga de ar - SID 078
5
EA19-
1
F41
3
EA04+
2
EA27
7
7Aquecimento do filtro
de combustível
1
F15
EB32-
54
F15
F41
3
EB08-
2
Drenagem separador
de água - SID 018
Sensor de presença
de água - PID 097
EB06
Sensor de pressão do
combustível - PID 094
EB08-
EB13-
EB08-
2
3
4
1
EB03
EB17
AZ/VM
CZ/BR
VI/BR
AZ/AM
AZ/PT
CZ/BR
Sensor de pressão
dos gases do cárter
PID 153
1
EB14+
EB24
2
4
EB13-
MR/BR
VD/BR
MR
AZ/BR
AM
RS
VI/BR
CZ/BR
CZ
AM/BR
330W
2200W
2
1
EB07
A15
Interruptor do nível
líquido de arrefecimento
PID 111
A22
Sensor de temperatura
do ar ambiente - PID 172
A21
Pressostado indicador
de restrição do
filtro de ar - PID 107
A20
A14
A16
A17
A18
A19
4
EA05-
MR/BR
5
2
1
EA04+
EA05-
EA06
F42a 4
3 EB21
MR/BR
AM
VD/BR
CZ/VM6
MA07
EM06
MP1
EPR4
PW17
MA06EM05
MA05EM04
MA03EM02
MA04EM03
MA15EM01
F07a PA13
PT
+30
+30
30 87
8586
F06
F40
K02 - Relé da unidade
de controle do veículo
PPID 074
AZ/VM
F41
F43
B05
B06
5A
5A
15A
10A
XL03
MA11EM09
MA14EM07
XL05
5AMA08EM11
5A
F07a
XL06
F07b
F42a
PW16EPR1
F42b
EM10MA12
EM10MA12
Versões
recentes:
Sensor de
pressão
do turbo
de cabeça
chata
ProduzidoporCicloEngenhariaLtda-62-3942-3939vendas@cicloengenharia.com.br-proibidaareprodução-eventuaiserrosoudefeitosdefabricaçãofavorcomunicarvendas@cicloengenharia.com.br
ENGENHARIA
C I C I
I
Av. C-255, nº270, sala 719
Nova Suiça, 74280-010, Goiânia - Goiás
62 - 3942-3939 - vendas@cicloengenharia.com.br
www.cicloengenharia.com.br
Centro Empresarial Sebba,
28
Motor
D12D
Aurélio Nunes de Araújo
Fábio Ribeiro von Glehn
Impresso original em
papel reciclado 90g
Esquema elétrico da VECU (MID 144) EM VEÍCULO COM MOTOR D12D
CICLOENGENHARIA
PB02 K08 - Relé inibidor do
grupo redutor - PPID079
Válvula solenóide de
bloqueio do grupo redutor
1
2
5
4
2
PA20
AZ/AM
3
PA21
AM
A
1
2
2
4
Y
D12
Interruptor retardador
PSID 004
PA01
CZ
Interruptor comando
de manutenção da
velocidade constante
4
PA02
MR 5
PA03
AZ/AM 2
PA30
AM/PT 3
1
1
+PB05
PT
6VD
-PB22
+PB10
AM/MR
MR/BR
PA20
AZ/AM
PA21
AM
10 9
PA29
MR 2 1
10
7
9
Unidade de controle da
iluminação - LCM
Interruptor da tomada
de força
L03
Aquecedor de
estacionamento
M05
Unidade de controle do
aquecedor estacionamento
Válvula solenóide (PTO)
da tomada de força
PID 150
PPID 071
F16
A2 Solicit. ar condicionado
1
Embreagem magnética
do compressor ar cond.
PA24
VD
F09
F09
35
2 1CZ/BR
4
1
PB16
VD
8
PTO
PTO
D12
Sensor de pressão de ar
comprimido reservatório
primário - PID 046
1
PB26+
2
4
PB23-
MR/BR
AZ
VD/VM
2
1
Interruptor do freio
de estacionamento
OE14
FA
A18
A12
C01
Unidade de controle
da iluminação - LCM
1
2
Pressostato
de freio (A)
VD/BR
PA28
AM/BR
PB21
1 2
Indicador de condição
do grupo redutor
(caixa baixa)
FA06
F09
AM/BR
OB17 PA28
AM/BR
Interruptor de
purga de ar e
drenagem do
separador de água
(comando pelo painel)
PB29
2 1 LR
Interruptor de pressão
de carga do compressor
PB11
AM
Diodo
A21
B09
FB C09
FC D19
FD D02
FE D15
FF D16
F17 A03
PB27
1
2
1
2
A15
Pressostato
de freio (B)
Pressostato
de freio (C )
D12
D12
B18
B17
B16
B13
LR
PC1
PC2
PC4
PC5
CZ
AM
VD
-B02
B03
B04
Sensor de velocidade
do veículo (tacógrafo)
PID 084
Painel B de
instrumentos
A05
A06
A01F05
AZ
PB24
4
-2
3
A03F08
PA15
AZ/AM
A04
PA16
VD
A08
1+
B01+
PB25+
PT
B07
Tecla de acionamento
do freio motor (VEB)
PPID 061
0 = desligado
1 = 2 bar
2 = 7,5 bar
2
5
1
2
3
Tecla de acionamento
do freio motor (VEB)
PPID 061
MID 144
PB18
VD
85
PB28
VM/PT Válvula solenóide de
bloqueio do 3º eixo
1 4
F09
PB04
AZ/BR
Válvula solenóide
regeneração
F10PB01
VD/BR
F24
B4
A1A2
B1
B3 Válvula solenóide
controle do compressor
Aquecedor secador
PB09
VERSÃO C
VERSÃO D
Super-estrutura
Válvula solenóide
inibidor do range
PPID075
PB06
B07
B08
B14
B15
B16
B17
B18.1
B18.2
B18.3
B19
B20.1
B20.2B20.2
B21
B22
B23.1
B24
B23.2
B25
B26
B27
B28
B29
B30
B31
B32
B33
B34
B35
B36
EN03MA01
A8
A2 LR
PB08
PB10+
A1
PB22-
A7
21
PA05
PA08
Interruptor do pedal
do freio
Interruptor do pedal
da embreagem
VM/BR
MR/BR
AM/MR
A3A4
PA23
PA18
VM/PT
VD/PT
PT
VD/AM
t. mecânica
t. automática
PB19+
Interruptor de
marcha-lenta - PID 091
Sensor de posição do
acelerador - PID 091
Interruptor de máxima
PSID 002
B09
B10
B11
B12
B13 21
PPID 070
Versões
recentes:
Sensor de
pressão
do turbo
de cabeça
chata
ProduzidoporCicloEngenhariaLtda-62-3942-3939vendas@cicloengenharia.com.br-proibidaareprodução-eventuaiserrosoudefeitosdefabricaçãofavorcomunicarvendas@cicloengenharia.com.br
ENGENHARIA
C I C I
I
Av. C-255, nº270, sala 719
Nova Suiça, 74280-010, Goiânia - Goiás
62 - 3942-3939 - vendas@cicloengenharia.com.br
www.cicloengenharia.com.br
Centro Empresarial Sebba,
29
Motor
D12D
Gerenciamento de Motores Diesel
Módulo 1 - Unidades Injetoras
Impresso original em
papel reciclado 90g
ProduzidoporCicloEngenhariaLtda-62-3942-3939vendas@cicloengenharia.com.br-proibidaareprodução-eventuaiserrosoudefeitosdefabricaçãofavorcomunicarvendas@cicloengenharia.com.br
ENGENHARIA
C I C I
I
Av. C-255, nº270, sala 719
Nova Suiça, 74280-010, Goiânia - Goiás
62 - 3942-3939 - vendas@cicloengenharia.com.br
www.cicloengenharia.com.br
Centro Empresarial Sebba,
30
Motor
D12C
Motor
D12D
Aurélio Nunes de Araújo
Fábio Ribeiro von Glehn
Unidade de Comando do Motor (UCM) e de Controle do Veículo (VECU)
Designações
Unidade de Controle do Motor (UCM): MID 128;
Unidade de Controle do Veículo (VECU): MID 144.
Localização das unidades de comando
UCM (MID 128): Lado esquerdo do bloco do motor;
VECU (MID 144): No painel próximo à central de fusíveis (placa de circuito impresso).
Alimentação elétrica:
O terminal PA12 da VECU (MID 144) está ligado ao chassi abaixo do painel lado direito.
O motorista vira a chave de ignição e ao colocar a chave em posição de condução, alimenta
o terminal PA14 da VECU (linha +DR). Nesta condição a VECU (MID 144) está alimentada,
então, internamente esta promove um chaveamento que aterra o terminal PB15 e acio-
na o relé (R05 no caso D12C ou K02 no caso D12D). Uma vez atracado, o relé principal
alimenta a própria VECU pelo terminal PA13 e a UCM (MID 128) pelos terminais EB11 e
EB12. A UCM, então, entra em funcionamento visto que esta já se encontra aterrada pelos
terminais EB09 e EB10.
Configuração do motor D12C Configuração do motor D12D
VECU
(MID 144)
+DR
F19 PA13
PT
PB15-
+19 PA07
AZ/VM
+50 PA06
VM/BR
PA12
BR
PA14
PT
EB11
EB12
EB09
EB10
Relé 05 (87)
VM/PT
VM/PT
UCM
(MID 128)
F43
+30
+30
30 87
8586
F18
F19
F20
F43
5A
5A
5A
15A
AZ/VM
MA08EM06 KF16
MA14EM07 KG12
MA11EM09 KG01
KG14
BR
BR
EM10MA12
VECU
(MID 144)
EB11
EB12
EB09
EB10
Relé K02 (87)
VM/PT
VM/PT
UCM
(MID 128)
F40
+DR
+19 PA07
AZ/VM
50B PA06
VM/BR
PA12
BR
PA14
PT
Relé K03 (87)
BR
BR
EM10MA12
F07a PA13
PT
+30
+30
30 87
8586
PB15-
F06
F40
AZ/VM
F41
F43
5A
5A
15A
10A
XL03
MA11EM09
MA14EM07
XL05
5AMA08EM11
5A
F07a
XL06
F07b
F42a
PW16EPR1
F42b
Impresso original em
papel reciclado 90g
ProduzidoporCicloEngenhariaLtda-62-3942-3939vendas@cicloengenharia.com.br-proibidaareprodução-eventuaiserrosoudefeitosdefabricaçãofavorcomunicarvendas@cicloengenharia.com.br
ENGENHARIA
C I C I
I
Av. C-255, nº270, sala 719
Nova Suiça, 74280-010, Goiânia - Goiás
62 - 3942-3939 - vendas@cicloengenharia.com.br
www.cicloengenharia.com.br
Centro Empresarial Sebba,
31
Motor
D12C
Gerenciamento de Motores Diesel
Módulo 1 - Unidades Injetoras
Localização dos pontos de aterramento no motor D12C:
Motor D12C no interior da cabine
1:1
1:2
1:3
1:4
5:6
3:1
4:1
4:2
2:1
2:2
2:3
2:4
2:5
2:6
Aterramento da
UCM (MID 128)
Aterramento da
VECU (MID 144)
Motor D12C próximo ao motor
5:2
5:1
Motor de
partida
Relé do
preaquecedor aterramento
do motor de
partida
UCM
Alternador
Marcação
amarela
Impresso original em
papel reciclado 90g
ProduzidoporCicloEngenhariaLtda-62-3942-3939vendas@cicloengenharia.com.br-proibidaareprodução-eventuaiserrosoudefeitosdefabricaçãofavorcomunicarvendas@cicloengenharia.com.br
ENGENHARIA
C I C I
I
Av. C-255, nº270, sala 719
Nova Suiça, 74280-010, Goiânia - Goiás
62 - 3942-3939 - vendas@cicloengenharia.com.br
www.cicloengenharia.com.br
Centro Empresarial Sebba,
32
Motor
D12D
Aurélio Nunes de Araújo
Fábio Ribeiro von Glehn
Localização dos pontos de aterramento no motor D12D:
5:3
5:7
5:8
4:1 4:2
5:1
5:2
2:1
5:6
1:1
1:2
1:3
1:4
Aterramento da
VECU (MID 144) e
da UCM (MID 128)
Aterramento do
motor de partida
Impresso original em
papel reciclado 90g
ProduzidoporCicloEngenhariaLtda-62-3942-3939vendas@cicloengenharia.com.br-proibidaareprodução-eventuaiserrosoudefeitosdefabricaçãofavorcomunicarvendas@cicloengenharia.com.br
ENGENHARIA
C I C I
I
Av. C-255, nº270, sala 719
Nova Suiça, 74280-010, Goiânia - Goiás
62 - 3942-3939 - vendas@cicloengenharia.com.br
www.cicloengenharia.com.br
Centro Empresarial Sebba,
33
Motor
D12C
Gerenciamento de Motores Diesel
Módulo 1 - Unidades Injetoras
Localização de relés e fusíveis no motor D12C:
01 05 06 10 11 15 16 20 21 25 26 30
31 33 34 36 37 39 40 42 43 45 46 4832 35 38 41 44 47
5 64321
7 8
9 10
11 1312 14 15
Em destaque:
F18 - Relé de potência e preaquecimento do motor (1);
F19 - VECU (MID 144 - PA13) e Imobilizador (MID 163 - 05);
F20 - Freio motor: eletroválvula reguladora da pressão do óleo para o mecânismo dos
balancins, eletroválvulas 1 e 2 de regulagem da pressão dos gases de escape;
F43 - Unidade de controle do motor UCM (MID 128 - EB11 e EB12)
R05 - Relé da unidade de controle do veículo (VECU)
Impresso original em
papel reciclado 90g
ProduzidoporCicloEngenhariaLtda-62-3942-3939vendas@cicloengenharia.com.br-proibidaareprodução-eventuaiserrosoudefeitosdefabricaçãofavorcomunicarvendas@cicloengenharia.com.br
ENGENHARIA
C I C I
I
Av. C-255, nº270, sala 719
Nova Suiça, 74280-010, Goiânia - Goiás
62 - 3942-3939 - vendas@cicloengenharia.com.br
www.cicloengenharia.com.br
Centro Empresarial Sebba,
34
Motor
D12D
Aurélio Nunes de Araújo
Fábio Ribeiro von Glehn
Localização de relés e fusíveis no motor D12D - no interior do veículo:
01 02
03 04
05 06 07 0809 10 11
01 24
12
13
14
15
17
18 19 20 21 22
37 49
23 24 25 26
27 28 29 30
31 32 33 34 35
36
37 38 39 40 41 42 43 44 45 46
47
Em destaque:
F06 - Vago
F07 - VECU (MID 144 - PA13) e Imobilizador (MID 163 - 05);
F40 - Unidade de controle do motor UCM (MID 128 - EB11 e EB12);
F41 - Freio motor: eletroválvula reguladora da pressão do óleo para o mecânismo dos
balancins, eletroválvulas 1 e 2 de regulagem da pressão dos gases de escape; Dreno e
purga: bomba elétrica de purga de ar, eletroválvula de drenagem do separador de água;
F42 - Relé de potência e preaquecimento do motor (1), ventilador de arrefecimento;
F43 - Módulo do implementador
K02 - Relé da unidade de controle do veículo (VECU);
K03 - Relé do motor de partida;
K08 - Relé inibidor do grupo redutor;
Impresso original em
papel reciclado 90g
ProduzidoporCicloEngenhariaLtda-62-3942-3939vendas@cicloengenharia.com.br-proibidaareprodução-eventuaiserrosoudefeitosdefabricaçãofavorcomunicarvendas@cicloengenharia.com.br
ENGENHARIA
C I C I
I
Av. C-255, nº270, sala 719
Nova Suiça, 74280-010, Goiânia - Goiás
62 - 3942-3939 - vendas@cicloengenharia.com.br
www.cicloengenharia.com.br
Centro Empresarial Sebba,
35
Motor
D12D
Gerenciamento de Motores Diesel
Módulo 1 - Unidades Injetoras
Localização de relés e fusíveis no motor D12D - próximo a bateria:
5:1
5:2
FM1
FM2
FM3
FM4
B+
40A
125A
200A
125A
K48
Em destaque:
FM1 - Fusível, principal, pré-aquecimento
FM2 - Fusível, principal, elevador do bogie / equipamento extra
FM3 - Fusível, principal, cabina e chassi
FM4 - Fusível, principal, iluminação, segurança
K48 - Relé de potência e preaquecimento do motor
ProduzidoporCicloEngenhariaLtda-62-3942-3939vendas@cicloengenharia.com.br-proibidaareprodução-eventuaiserrosoudefeitosdefabricaçãofavorcomunicarvendas@cicloengenharia.com.br
ENGENHARIA
C I C I
I
Av. C-255, nº270, sala 719
Nova Suiça, 74280-010, Goiânia - Goiás
62 - 3942-3939 - vendas@cicloengenharia.com.br
www.cicloengenharia.com.br
Centro Empresarial Sebba,
36
Motor
D12C
Motor
D12D
Aurélio Nunes de Araújo
Fábio Ribeiro von Glehn
Impresso original em
papel reciclado 90g
Descrição dos terminais da Unidade de Comando do Motor
O conector EA é o conector “preto” em posição
superior ao outro conector
Term. D12C D12D Falha Local Descrição
EA01 sim sim PID175 A09 Sensor de temperatura do óleo do motor (3)
EA02 sim sim PID105 A07 Sensor de temperatura do ar de admissão (3 ou 2)
EA03 sim sim PID102 A06 Sensor de pressão do turbo (2 ou 4)
EA04 sim sim
PID026
PID094
PID100
PID102
A13
A15
A08
A06
Sensor de velocidade do ventilador de arrefecimento
Sensor de pressão de combustível (1)
Sensor de pressão do óleo do motor (1)
Sensor de pressão do turbo (1 ou 3)
EA05 sim sim
A06
A08
A11
A13
A15
Sensor de pressão do turbo e temperatura do ar (4 ou 1)
Sensor de pressão e temperatura do óleo motor (4)
Sensor de temperatura da água do motor (2)
Sensor de velocidade do ventilador de arrefecimento
Sensor de pressão e temperatura de combustível (4)
EA06 não alguns PID026 A13 Sensor de velocidade do ventilador de arrefecimento
EA07 sim sim SID021 A04 Sensor de fase (1)
EA11 sim sim SID001 A23.1 Unidade injetora do cilindro 1
EA12 sim sim
SID001
SID002
SID003
A23.1
A23.2
A23.3
Unidade injetora do cilindros 1
Unidade injetora do cilindro 2
Unidade injetora do cilindro 3
EA13 não não PID174 - Sensor de temperatura do combustível (3)
EA14 sim sim PID100 A08 Sensor de pressão do óleo do motor (2)
EA18 sim sim SID021 A04 Sensor de fase (2)
EA19 não alguns SID018 A14 Bomba elétrica de purga de ar (5)
EA22 sim sim SID002 A23.2 Unidade injetora do cilindro 2
EA23 sim sim SID003 A23.3 Unidade injetora do cilindro 3
EA24 sim sim
SID004
SID005
SID006
A23.4
A23.5
A23.6
Unidade injetora do cilindro 4
Unidade injetora do cilindro 5
Unidade injetora do cilindro 6
EA25 sim sim PID110 A11 Sensor de temperatura da água do motor (1)
EA27 sim sim PID094 A15 Sensor de pressão de combustível (2)
EA30 sim sim SID022 A03 Sensor de rotação (2)
EA31 sim sim SID022 A03 Sensor de rotação (1)
EA33 sim sim PPID122 A24 Eletroválvula do freio a compressão VEB
EA34 sim sim SID004 A23.4 Unidade injetora do cilindro 4
EA35 sim sim SID005 A23.5 Unidade injetora do cilindro 5
EA36 sim sim SID006 A23.6 Unidade injetora do cilindro 6
12
13
25
24
36
01
ProduzidoporCicloEngenhariaLtda-62-3942-3939vendas@cicloengenharia.com.br-proibidaareprodução-eventuaiserrosoudefeitosdefabricaçãofavorcomunicarvendas@cicloengenharia.com.br
ENGENHARIA
C I C I
I
Av. C-255, nº270, sala 719
Nova Suiça, 74280-010, Goiânia - Goiás
62 - 3942-3939 - vendas@cicloengenharia.com.br
www.cicloengenharia.com.br
Centro Empresarial Sebba,
37
Motor
D12C
Motor
D12D
Gerenciamento de Motores Diesel
Módulo 1 - Unidades Injetoras
Impresso original em
papel reciclado 90g
Term. Falha Pontos de medição Valor nominal
EA01 PID175 EA01 - EA05 ≈ 3,0V (+20ºC) ≈ 0,4V (+100ºC)
EA02 PID105 EA02 - EA05 ≈ 2,1V (+30ºC) s. arredondado ≈ 1,1V (+30ºC) s. achatado
EA03 PID102 EA03 - EA05 ≈ 1,1 ± 0,7V (nível do mar - motor parado)
EA04
PID026
PID094
PID100
PID102
EA04 - EA05 4,80 a 5,15V
EA05
EA06 PID026 EA06 - EA05 ≈ 0,00 Vdc ou ≈ 5,00 Vdc conforme a posição do ventilador
EA07 SID021 EA07 - massa 1,9 a 2,1V (motor parado) 1,0 a 1,5 Vac (marcha-lenta)
EA11 SID001 EA11 - massa
12C 14,8 a 15,8V (motor parado) 6,9 a 7,5 Vac (marcha-lenta)
12D ≈ 10,52 Vdc (motor parado) ≈ 6,70 Vac (marcha-lenta)
EA12
SID001
SID002
SID003
EA12 - massa
12C 14,8 a 15,8V (motor parado) 6,9 a 7,5 Vac (marcha-lenta)
12D ≈ 10,52 Vdc (motor parado) ≈ 6,70 Vac (marcha-lenta)
EA13 PID174 EA13 - massa ≈ 5,0V
EA14 PID100 EA14 - EA05 ≈ 0,5V (motor parado) ≈ 2,7V (marcha-lenta)
EA18 SID021 EA18 - massa 1,9 a 2,1V (motor parado) 1,0 a 1,5 Vac (m. lenta)
EA19 SID018 EA19 - EB09 U = Ubat (desacionado) U = 0V (acionado)
EA22 SID002 EA22 - massa
12C 14,8 a 15,8V (motor parado) 6,9 a 7,5 Vac (marcha-lenta)
12D ≈ 10,52 Vdc (motor parado) ≈ 6,70 Vac (marcha-lenta)
EA23 SID003 EA23 - massa
12C 14,8 a 15,8V (motor parado) 6,9 a 7,5 Vac (marcha-lenta)
12D ≈ 10,52 Vdc (motor parado) ≈ 6,70 Vac (marcha-lenta)
EA24
SID004
SID005
SID006
EA24 - massa
12C 14,8 a 15,8V (motor parado) 6,9 a 7,5 Vac (marcha-lenta)
12D ≈ 10,52 Vdc (motor parado) ≈ 6,70 Vac (marcha-lenta)
EA25 PID110 EA25 - EA05 ≈ 3,0V (+20ºC) ≈ 0,6V (+85ºC)
EA27 PID094 EA27 - EA05 ≈ 0,5V (motor parado) ≈ 2,6V (marcha-lenta)
EA30 SID022 EA30 - massa 1,9 a 2,1V (motor parado) 1,0 a 1,5 Vac (marcha-lenta)
EA31 SID022 EA31 - massa 1,9 a 2,1V (motor parado) 1,0 a 1,5 Vac (marcha lenta)
EA33 PPID122 EA33 - massa U = Ubat (desacionado) U = 0V (acionado)
EA34 SID004 EA34 - massa
12C 14,8 a 15,8V (motor parado) 6,9 a 7,5 Vac (marcha-lenta)
12D ≈ 10,52 Vdc (motor parado) ≈ 6,70 Vac (marcha-lenta)
EA35 SID005 EA34 - massa
12C 14,8 a 15,8V (motor parado) 6,9 a 7,5 Vac (marcha-lenta)
12D ≈ 10,52 Vdc (motor parado) ≈ 6,70 Vac (marcha-lenta)
EA36 SID006 EA34 - massa
12C 14,8 a 15,8V (motor parado) 6,9 a 7,5 Vac (marcha-lenta)
12D ≈ 10,52 Vdc (motor parado) ≈ 6,70 Vac (marcha-lenta)
O conector EA é o conector “preto” em posição
superior ao outro conector 12
13
25
24
36
01
ProduzidoporCicloEngenhariaLtda-62-3942-3939vendas@cicloengenharia.com.br-proibidaareprodução-eventuaiserrosoudefeitosdefabricaçãofavorcomunicarvendas@cicloengenharia.com.br
ENGENHARIA
C I C I
I
Av. C-255, nº270, sala 719
Nova Suiça, 74280-010, Goiânia - Goiás
62 - 3942-3939 - vendas@cicloengenharia.com.br
www.cicloengenharia.com.br
Centro Empresarial Sebba,
38
Motor
D12C
Motor
D12D
Aurélio Nunes de Araújo
Fábio Ribeiro von Glehn
Impresso original em
papel reciclado 90g
Term. D12C D12D Falha Local Descrição
EB01 sim sim
PID084
SID231
A34
B00
Rede J1939
Unidade de controle do veículo - VECU (PC04)
EB02 sim sim
PID084
SID231
A34
B00
Rede J1939
Unidade de controle do veículo - VECU (PC05)
EB03 sim sim PID172 A21 Sensor de temperatuta do ar (3)
EB04 sim sim SID230 A33 Unidade de controle do veículo - VECU (PB17)
EB05 sim sim SID070
A27
A28
A29
Relé de potência e pré-aquecimento do motor (3)
Painel de instrumentos A (LX11)
Pré-aquecedor de partida (1)
EB06 não alguns PID097 A18 Indicador de água no combustível (3)
EB07 sim sim PID111 A22 Interruptor do nível do líquido de arrefecimento (1)
EB08 sim sim
PID097
PID107
PID111
A18
A20
A22
Indicador de água no combustível (2)
Sensor indicador de restrição no filtro de ar (2)
Interruptor do nível do líquido de arrefecimento (2)
EB09 sim sim A01 Aterramento
EB10 sim sim A01 Aterramento
EB11 sim sim PID158 A02 Alimentação protegida pelo fusível F43 (12C) / F40 (12D)
EB12 sim sim PID158 A02 Alimentação protegida pelo fusível F43 (12C) / F40 (12D)
EB13
sim sim PID172 A21 Sensor de temperatura do ar (4)
não sim PID153 A19 Sensor de pressão do cárter (4)
EB14 não sim PID153 A19 Sensor de pressão do cárter (1)
EB15 não sim PID098 A10 Sensor de nível de óleo (1)
EB17 sim sim PID107 A20 Sensor indicador de restrição no filtro de ar (1)
EB21 não alguns SID033 A12 Comando do ventilador (3)
EB22 não sim PID098 A10 Sensor do nível do óleo (2)
EB24 não sim PID153 A19 Sensor de pressão do cárter (2)
EB25 sim sim PID175
A35
B00
Rede J1708 / J1587
Unidade de controle do veículo - VECU (PC02)
EB26 sim sim PID175
A35
B00
Rede J1708 / J1587
Unidade de controle do veículo - VECU (PC01)
EB31 sim sim PID045 A27 Relé de potência e pré-aquecimento do motor (2)
EB32 não sim SID018 A17 Eletroválvula de drenagem do separador de água (5)
EB35 sim sim PPID124 A25 Eletrov. regulad. pressão gases de escape EPG1 (4)
EB36 sim sim PPID123 A26 Eletrov. regulad. pressão gases de escape EPG2 (3)
12
13
25
24
36
01
Descrição dos terminais da Unidade de Comando do Motor
O conector EB é o conector “vermelho” em posição inferior ao outro conector
ProduzidoporCicloEngenhariaLtda-62-3942-3939vendas@cicloengenharia.com.br-proibidaareprodução-eventuaiserrosoudefeitosdefabricaçãofavorcomunicarvendas@cicloengenharia.com.br
ENGENHARIA
C I C I
I
Av. C-255, nº270, sala 719
Nova Suiça, 74280-010, Goiânia - Goiás
62 - 3942-3939 - vendas@cicloengenharia.com.br
www.cicloengenharia.com.br
Centro Empresarial Sebba,
39
Motor
D12C
Motor
D12D
Gerenciamento de Motores Diesel
Módulo 1 - Unidades Injetoras
Impresso original em
papel reciclado 90g
Term. Falha Pontos de medição Valor nominal
EB01
PID084
SID231
EB01 - massa 2,4 a 2,6V
EB02 PID084
SID231
EB02 - massa 2,4 a 2,6V
EB03 PID172 EB03 - EB13 ≈ 2,6V (+20ºC) ≈ 1,2V (+50ºC)
EB04 SID230 EB04 - EB09 U  4,0V (pedal livre) U  8V (pedal pressionado)
EB05 EB05 - EB09 65% * Ubat (acionado) 6,5% * Ubat (desacionado)
EB06 PID097 EB06 - EB08 80% * Ubat (nível normal) ≈ 0,0V (nível baixo)
EB07 PID111 EB06 - EB08 80% * Ubat (nível normal) ≈ 0,0V (nível baixo)
EB08
PID097
PID107
PID111
EB09
EB10
EB11 PID158 EB11 - massa U = Ubat
EB12 PID158 EB12 - massa U = Ubat
EB13 PID172
EB14 PID153 EB14 - EB13 4,8 a 5,15V
EB15 PID098 EB15 - EB22 2,0 a 5,15V
EB17 PID107 EB17 - EB08 ≈ 12% * Ubat (filtro normal) ≈ 48%*Ubat (filtro obstruído)
EB21 SID033 EB21 - EB09 ≈ Ubat (ventil. desacionado) ≈ 0,0V (ventil. acionado)
EB22 PID098
EB24 PID153 EB24 - EB13 2,9 ± 0,6V (nível do mar - motor parado)
EB25 PID175 EB25 - massa 570 a 670Hz
EB26 PID175 EB26 - massa 570 a 670Hz
EB31 PID045 EB31 - EB09 ≈ Ubat (aquec. desacionado) ≈ 0,0V (aquec. acionado)
EB32 SID018 EB32 - EB09 ≈ Ubat (dreno desacionado) ≈ 0,0V (dreno acionado)
EB35 PPID124 EB35 - EB09 ≈ Ubat (EPG-1 desacionado) ≈ 0,0V (EPG-1 acionado)
EB36 PPID123 EB36 - EB09 ≈ Ubat (EPG-2 desacionado) ≈ 0,0V (EPG-2 acionado)
12
13
25
24
36
01
O conector EB é o conector “vermelho” em posição inferior ao outro conector
ProduzidoporCicloEngenhariaLtda-62-3942-3939vendas@cicloengenharia.com.br-proibidaareprodução-eventuaiserrosoudefeitosdefabricaçãofavorcomunicarvendas@cicloengenharia.com.br
ENGENHARIA
C I C I
I
Av. C-255, nº270, sala 719
Nova Suiça, 74280-010, Goiânia - Goiás
62 - 3942-3939 - vendas@cicloengenharia.com.br
www.cicloengenharia.com.br
Centro Empresarial Sebba,
40
Motor
D12C
Motor
D12D
Aurélio Nunes de Araújo
Fábio Ribeiro von Glehn
Impresso original em
papel reciclado 90g
Descrição dos terminais da Unidade de Comando do Veículo (VECU)
O conector PA é o conector “verde”
Term D12C D12D Falha Tipo do sinal
PA01 sim sim Comando de manutenção da veloc. const. SET- / REDUÇÃO
PA02 sim sim Comando de manutenção da veloc. const. SET+ / ACELERA
PA03 sim sim Comando de manutenção de velocidade constante, ON/OFF
PA04 não sim Água no interruptor de combustível
PA05 sim sim Pedal do freio
PA06 sim sim Ch. de partida, posição de partida (+50)
PA07 sim sim Ch. part., posição preaquecimento (+19)
PA08 alguns alguns Pedal da embreagem (se transmissão mecânica)
PA09 sim não Relé do limpador do pára-brisa intermitente (87A)
PA10 sim não Interruptor do limpador do pára-brisa (8)
PA11 sim não Interruptor do limpador do pára-brisa (8)
PA12 sim sim Aterramento
PA13 sim sim
PID091
PID084
PID085
PSID201
Alimentação de tensão
PA14 sim sim Ch. partida, posição de condução (+DR)
PA15 não sim
PID084
PSID212
J1939 - CAN 2
PA16 não sim
PID084
PSID212
J1939 - CAN 2
PA18 alguns alguns PSID002 Contato de máxima (se transmissão automática)
PA20 sim sim
PPID061
PSID001
Interruptor do freio de escape
PA21 sim sim
PPID061
PSID001
Interruptor do freio de escape
PA22 EOL
PA23 sim sim
PID091
SID230
Contato de marcha-lenta
PA24 alguns alguns Ar condicionado, condição do interruptor
PA28 alguns alguns Sinal do ABS para desacionamento do freio de escape
PA29 alguns alguns PID150 Interruptor da tomada de força
PA30 sim sim Comando de manutenção da velocidade constante, RESUME
0114
1530
ProduzidoporCicloEngenhariaLtda-62-3942-3939vendas@cicloengenharia.com.br-proibidaareprodução-eventuaiserrosoudefeitosdefabricaçãofavorcomunicarvendas@cicloengenharia.com.br
ENGENHARIA
C I C I
I
Av. C-255, nº270, sala 719
Nova Suiça, 74280-010, Goiânia - Goiás
62 - 3942-3939 - vendas@cicloengenharia.com.br
www.cicloengenharia.com.br
Centro Empresarial Sebba,
41
Motor
D12C
Motor
D12D
Gerenciamento de Motores Diesel
Módulo 1 - Unidades Injetoras
Impresso original em
papel reciclado 90g
Term Falha Pontos de medição Valor nominal
PA01 PA01 - massa U ≈ 0V (SET- desacionado) U ≈ Ubat (SET- acionado)
PA02 PA02 - massa U ≈ 0V (SET+ desacionado) U ≈ Ubat (SET+ acionado)
PA03 PA03 - massa U ≈ 0V (OFF) U ≈ Ubat (ON)
PA04 PA04 - massa U ≈ 0V (OFF) U ≈ Ubat (ON)
PA05 PA05 - massa U ≈ Ubat (pedal livre) U ≈ 0V (pedal pressionado)
PA06 PA06 - massa U ≈ 0V (OFF) U ≈ Ubat (partida)
PA07 PA07 - massa U ≈ 0V (preaquecimento OFF) U ≈ Ubat (preaquec. ON)
PA08 PA08 - massa U ≈ Ubat (pedal livre) U ≈ 0V (pedal pressionado)
PA09
PA10
PA11
PA12
PA13
PID091
PID084
PID085
PSID201
PA13 - massa U ≈ 0V (ch. partida em 0) U ≈ Ubat (ch. em condução)
PA14 PA14 - massa U ≈ 0V (ch. partida em 0) U ≈ Ubat (ch em condução)
PA15
PID084
PSID232
PA15 - massa U ≈ 2,5V
PA16
PID084
PSID232
PA16 - massa U ≈ 2,5V
PA18 PSID002 PA18 - massa U ≈ 0V (pedal livre) U ≈ Ubat (pedal pressionado)
PA20 PSID001 PA20 - massa
posição 0 → U ≈ 0V
posição 1 → U ≈ 0V
posição 2 → U ≈ Ubat
posição 0 → U ≈ 0V
SET+ → U ≈ Ubat
SET- → U ≈ 0V
PA21
PPID061
PSID001
PA21 - massa
posição 0 → U ≈ 0V
posição 1 → U ≈ Ubat
posição 2 → U ≈ Ubat
posição 0 → U ≈ 0V
SET+ → U ≈ 0V
SET- → U ≈ Ubat
PA22
PA23
PID091
SID230
PA23 - massa U ≈ 0V (pedal livre) U ≈ Ubat (pedal pressionado)
PA24 PA24 - massa U ≈ 0V (A/C desligado) U ≈ Ubat (A/C ligado)
PA28 PA28 - massa
PA29 PID150 PA29 - massa
PA30 PA30 - massa U ≈ 0V (RESUME desligado) U ≈ Ubat (RESUME acionado)
O conector PA é o conector “verde”
0114
1530
ProduzidoporCicloEngenhariaLtda-62-3942-3939vendas@cicloengenharia.com.br-proibidaareprodução-eventuaiserrosoudefeitosdefabricaçãofavorcomunicarvendas@cicloengenharia.com.br
ENGENHARIA
C I C I
I
Av. C-255, nº270, sala 719
Nova Suiça, 74280-010, Goiânia - Goiás
62 - 3942-3939 - vendas@cicloengenharia.com.br
www.cicloengenharia.com.br
Centro Empresarial Sebba,
42
Motor
D12C
Motor
D12D
Aurélio Nunes de Araújo
Fábio Ribeiro von Glehn
Impresso original em
papel reciclado 90g
Term D12C D12D Falha Tipo do sinal
PB01
sim não PPID076 Pressostato de freio (1)
não alguns
PPID279
PPID312
PPID430
Válvula solenóide de regeneração (B1)
PB02 alguns alguns PPID079 Relé inibidor do grupo redutor (85) *
PB04 alguns alguns
PPID279
PPID312
PPID430
Válvula solenóide do compressor de ar
PB05 sim sim PPID071
Tecla de acionamento do freio VEB
Interruptor de comando da manut. de velocidade constante
PB06 sim sim PID084 Velocidade do veículo
PB08 sim sim PID091 Sensor de posição do pedal do acelerador, sinal
PB09 alguns alguns PID046 Sensor de pressão de ar comprimido, sinal
PB10 sim sim
PID091
PPID072
Sensor de posição do pedal do acelerador, Vref +
Interruptor do retardador, Vref +
PB11 sim sim Freio de estacionamento, condição
PB14 alguns alguns
PPID145
Interruptor do Dynafleet
PB15 sim sim PPID074 Relé de alimentação da tensão da VECU e UCM
PB16
sim não Relé do limpador de pára-brisa intermitente (85)
não sim
PID150
PSID020
Saída da tomada de força
PB17 sim sim
PPID069
SID230
Interruptor da marcha-lenta armazenado
PB18 sim sim PPID075 Inibidor do grupo redutor, válvula solenóide
PB19 sim sim PPID070
Interruptor de marcha-lenta
Interruptor de máxima
Interruptor do pedal de embreagem
PB20 sim não PID084 Velocidade do veículo
PB21 sim sim Indicador de condição do grupo redutor
Descrição dos terminais da Unidade de Comando do Veículo (VECU)
O conector PB é o conector “azul”
0114
1530
ProduzidoporCicloEngenhariaLtda-62-3942-3939vendas@cicloengenharia.com.br-proibidaareprodução-eventuaiserrosoudefeitosdefabricaçãofavorcomunicarvendas@cicloengenharia.com.br
ENGENHARIA
C I C I
I
Av. C-255, nº270, sala 719
Nova Suiça, 74280-010, Goiânia - Goiás
62 - 3942-3939 - vendas@cicloengenharia.com.br
www.cicloengenharia.com.br
Centro Empresarial Sebba,
43
Motor
D12C
Motor
D12D
Gerenciamento de Motores Diesel
Módulo 1 - Unidades Injetoras
Impresso original em
papel reciclado 90g
Term Falha Pontos de medição Valor nominal
PB01
PPID076 PB01 - massa -12C U ≈ Ubat (freio livre) U ≈ 0V (freio acionado)
PPID279
PPID312
PPID430
PB01 - massa -12D
PB02 PPID079 PB02 - massa U ≈ Ubat (motor parado) U ≈ 0 a 2V (relé acionado) *,
**
PB04
PPID279
PPID312
PPID430
PB04 - massa
PB05 PPID071 PB05 - massa U ≈ Ubat
PB06 PID084 PB06 - massa U ≈ 0,3V (mín) a 9,5V (máx) nota: eixo girando
PB08 PID091 PB08 - massa U ≈ 0,4 a 0,6 (pedal livre) U ≈ 2,6 a 3,8V (pedal aciona.)
PB09
PID046
PSID025
PB09 - massa
U ≈ 1,9 a 2,9V (7 bar)
U ≈ 2,1 a 3,1V (8 bar)
U ≈ 2,3 a 3,5V (9 bar)
U ≈ 2,6 a 3,8V (10 bar)
U ≈ 2,7 a 4,1V (11 bar)
U ≈ 3,0 a 4,4V (12 bar)
PB10
PID091
PPID072
PB10 - massa U ≈ 4,7 a 5,3V
PB11 PB11 - massa U ≈ Ubat (freio livre) U ≈ 0V (freio acionado)
PB14 PPID145 PB14 - PB23
Right U ≈ 3,1V
Left U ≈ 1,8V
Up U ≈ 1,2V
Down U ≈ 3,1V
Enter U ≈ 4,3V
Esc U ≈ 0,6V
Rest U ≈ 2,5V
PB15 PPID074 PB15 - massa U ≈ Ubat (ch. partida em 0) U ≈ 0 - 1V (ch. em condução)
PB16
PB16 - massa -12C U ≈ Ubat (limpador inativo) U ≈ 0V (limpador ativo)
PID150
PSID020
PB16 - massa -12D U ≈ Ubat (PTO inativo) U ≈ 0V (PTO ativo) *
PB17
PPID069
SID230
PB17 - massa U ≈ 0V (pedal livre) U ≈ Ubat (pedal acionado)
PB18 PPID075 PB18 - massa U ≈ Ubat (redutor desaciona) U ≈ 0V (redutor acionado) *,
***
PB19 PPID070 PB19 - massa U ≈ Ubat
PB20 PID084
PB21 PB21 - massa U ≈ Ubat (marchas baixas) U ≈ 0V (marchas altas)
* PB02, PB16, PB18 - se provocar o aterramento direto, é possível ouvir o atracamento
** PB02 - o relé é acionado à aprox. 15 km/h
*** PB18 - a válvula é acionada a aprox. 40 km/h
0114
1530
O conector PB é o conector “azul”
ProduzidoporCicloEngenhariaLtda-62-3942-3939vendas@cicloengenharia.com.br-proibidaareprodução-eventuaiserrosoudefeitosdefabricaçãofavorcomunicarvendas@cicloengenharia.com.br
ENGENHARIA
C I C I
I
Av. C-255, nº270, sala 719
Nova Suiça, 74280-010, Goiânia - Goiás
62 - 3942-3939 - vendas@cicloengenharia.com.br
www.cicloengenharia.com.br
Centro Empresarial Sebba,
44
Motor
D12C
Motor
D12D
Aurélio Nunes de Araújo
Fábio Ribeiro von Glehn
Impresso original em
papel reciclado 90g
Term D12C D12D Falha Tipo do sinal
PB22 sim sim PID091
Sensor de posição do pedal do acelerador, Vref -
Interruptor do retardador, Vref -
PB23 alguns alguns
Sensor de pressão de ar comprimido, Vref -
Interruptor do Dynafleet
PB24 alguns alguns PSID004 Interruptor do retardador, sinal
PB25 não sim PPID265 Sensor de velocidade, Vref+
PB26 alguns alguns PPID073
Sensor de pressão de ar comprimido, Vref +
Interruptor do Dynafleet
PB27 sim sim PPID076 Condição de pressão de frenagem
PB28 alguns alguns Válvula solenóide de bloqueio do 3º eixo
PB29 não alguns Interruptor de pressão de carga do compressor
Continuação da descrição do conector PB (azul)
Descrição dos terminais da Unidade de Comando do Veículo (VECU)
O conector PC é o conector “verde” de poucos terminais
Term D12C D12D Falha Tipo do sinal
PC01 sim sim
PID228
SID250
Link SAE J1708
PC02 sim sim
PID228
SID250
Link SAE J1708
PC04 sim sim
PSID200
SID231
Link SAE J1939
PC05 sim sim
PSID200
SID231
Link SAE J1939
0105
ProduzidoporCicloEngenhariaLtda-62-3942-3939vendas@cicloengenharia.com.br-proibidaareprodução-eventuaiserrosoudefeitosdefabricaçãofavorcomunicarvendas@cicloengenharia.com.br
ENGENHARIA
C I C I
I
Av. C-255, nº270, sala 719
Nova Suiça, 74280-010, Goiânia - Goiás
62 - 3942-3939 - vendas@cicloengenharia.com.br
www.cicloengenharia.com.br
Centro Empresarial Sebba,
45
Motor
D12C
Motor
D12D
Gerenciamento de Motores Diesel
Módulo 1 - Unidades Injetoras
Impresso original em
papel reciclado 90g
Term Falha Pontos de medição Valor nominal
PB22 PID091 PB22 - massa U ≈ 0V
PB23 PB23 - massa U ≈ 0V
PB24 PSID004 PB24 - massa
U ≈ 0,3 a 0,7V (OFF)
U ≈ 1,0 a 1,6V (pos. A)
U ≈ 1,7 a 2,5V (pos. 1)
U ≈ 2,3 a 3,5V (pos. 2)
U ≈ 2,9 a 4,4V (pos. 3)
U ≈ 3,6 a 5,4V (pos. B)
PB25 PPID265 PB25 - massa U ≈ 6,5 a 9,0V em veículos com tacógrafo sem contagiro
PB26 PPID073 PB26 - massa U ≈ 4,5 a 5,5V
PB27 PPID076 PB27 - massa U ≈ Ubat (freio livre) U ≈ 0V (freio acionado)
PB28 PB28 - massa U ≈ 0V (3º eixo desligado) U ≈ Ubat (3º eixo ligado)
PB29 PB29 - massa
Continuação da descrição do conector PB (azul)
Descrição dos terminais da Unidade de Comando do Veículo (VECU)
O conector PC é o conector “verde” de poucos terminais
Term Falha Pontos de medição Valor nominal
PC01
PID228
SID250
PC01 - massa 2,4 a 2,6V
PC02
PID228
SID250
PC02 - massa 2,4 a 2,6V
PC04
PSID200
SID231
PC04 - massa 570 a 670Hz
PC05
PSID200
SID231
PC05 - massa 570 a 670Hz
0105
ProduzidoporCicloEngenhariaLtda-62-3942-3939vendas@cicloengenharia.com.br-proibidaareprodução-eventuaiserrosoudefeitosdefabricaçãofavorcomunicarvendas@cicloengenharia.com.br
ENGENHARIA
C I C I
I
Av. C-255, nº270, sala 719
Nova Suiça, 74280-010, Goiânia - Goiás
62 - 3942-3939 - vendas@cicloengenharia.com.br
www.cicloengenharia.com.br
Centro Empresarial Sebba,
46
Motor
D12C
Motor
D12D
Aurélio Nunes de Araújo
Fábio Ribeiro von Glehn
Impresso original em
papel reciclado 90g
Descrição dos terminais do conector intermediário EM em veículo com motor D12C
O conector EM está localizado próximo à unidade de controle do motor
Ligação 1
Terminal
EM
Ligação 2 Cor do fio
UCM (EB04) EM01 MA15 - VECU (PB17) RS
UCM (EB01) EM02 MA03 - VECU (PC04) AM
UCM (EB02) EM03 MA04 - VECU (PC05) VD
UCM (EB25) EM04 MA05 - VECU (PC02) CZ
UCM (EB26) EM05 MA06 - VECU (PC01) LR
Relé de preaquecimento (1) EM06 MA08 - KF16 - Fusível 18 PT
Eletroválvulas EPG1 e EPG2 (1) EM07 MA14 - KG12 - Fusível 20 CZ/PT
UCM (EB24) EM08 AM/PT
UCM (EB11 e EB12) EM09 MA11 - KG01 - Fusível 43 VM/PT
UCM (EB09 e EB10) EM10 MA12 - Chassi BR
Preaquecedor de partida (1)
Relé de preaquecimento (3)
UCM (EB05)
EM11 MA09 - Painel (LX11) VD
Descrição dos terminais do conector intermediário MA em veículo com motor D12C
O conector MA está localizado frente do veículo (lado esquerdo)
Ligação 1
Terminal
MA
Ligação 2 Cor do fio
UCM (EB01) - EM02 MA03 VECU (PC04) AM
UCM (EB02) - EM03 MA04 VECU (PC05) VD
UCM (EB25) - EM04 MA05 VECU (PC02) CZ
UCM (EB26) - EM05 MA06 VECU (PC01) LR
Relé de preaquecimento (1) - EM06 MA08 KF16 - Fusível 18 PT
Preaquecedor de partida (1) - EM11
Relé de preaquecimento (3) - EM11
UCM (EB05) - EM11
MA09 Painel (LX11) VD
UCM (EB11 e EB12) - EM09 MA11 KG01 - Fusível 43 VM/PT
UCM (EB09 e EB10) - EM10 MA12 Chassi BR
Eletroválvulas EPG1 e EPG2 (1) - EM07 MA14 KG12 - Fusível 20 CZ/PT
UCM (EB04) - EM01 MA15 VECU (PB17) RS
ProduzidoporCicloEngenhariaLtda-62-3942-3939vendas@cicloengenharia.com.br-proibidaareprodução-eventuaiserrosoudefeitosdefabricaçãofavorcomunicarvendas@cicloengenharia.com.br
ENGENHARIA
C I C I
I
Av. C-255, nº270, sala 719
Nova Suiça, 74280-010, Goiânia - Goiás
62 - 3942-3939 - vendas@cicloengenharia.com.br
www.cicloengenharia.com.br
Centro Empresarial Sebba,
47
Motor
D12C
Motor
D12D
Gerenciamento de Motores Diesel
Módulo 1 - Unidades Injetoras
Impresso original em
papel reciclado 90g
Descrição dos terminais do conector intermediário EM em veículo com motor D12D
O conector EM está localizado próximo à unidade de controle do motor
Ligação 1
Terminal
EM
Ligação 2
Cor do
fio
UCM (EB04) EM01 MA15 - VECU (PB17) RS
UCM (EB01) EM02 MA03 - VECU (PC04) AM
UCM (EB02) EM03 MA04 - VECU (PC05) VD
UCM (EB25) EM04 MA05 - VECU (PC02) CZ
UCM (EB26) EM05 MA06 - VECU (PC01) LR
UCM (EB31) EM06 MA07 - PW17 - EPR4 - Relé de preaq. (4) AZ/VM
Bomba elétrica de purga de ar (1)
Drenagem do separador de água (4)
Eletroválvula do VEB
Eletroválvulas EPG1 e EPG2 (1)
EM07 MA14 - Fusível 41 CZ/PT
UCM (EB11 e EB12) EM09 MA11 - Fusível 40 VM/PT
Eletroválvulas EPG1 e EPG2 (7)
UCM (EB09 e EB10)
EM10 MA12 - Chassi BR
Relé de preaquecimento (1)
Ventilador de arrefecimento (4)
EM11 MA08 - Fusível 42 PT
Aquecimento do filtro de combustível (1) EM12 MA17 - XK17 - Fusível 15 - Linha +15 VD/VM
Descrição dos terminais do conector intermediário MA em veículo com motor D12C
O conector MA está localizado frente do veículo (lado esquerdo)
Ligação 1
Terminal
MA
Ligação 2 Cor do fio
VECU (PB24) MA01 EN03 - Compressor A/C (1) VD
Relé K03 do motor de partida (87) - XM01 MA02 EN04 - Motor de partida (+50) VM/BR
UCM (EB01) - EM02 MA03 VECU (PC04) AM
UCM (EB02) - EM03 MA04 VECU (PC05) VD
UCM (EB25) - EM04 MA05 VECU (PC02) CZ
UCM (EB26) - EM05 MA06 VECU (PC01) LR
UCM (EB31) - EM06 MA07 PW17 - EPR4 - Relé de preaq. (4) AZ/VM
Relé de preaquecimento (1) - EM11
Ventilador de arrefecimento (4) - EM11
MA08 Fusível 42 PT
Fusível 58 - resistência de 58kW MA09 EN11 - Alternador (+15) BR/PT
UCM (EB11 e EB12) - EM09 MA11 Fusível 40 VM/PT
Eletroválvulas EPG1 e EPG2 (7) - EM10
UCM (EB09 e EB10) - EM10
MA12 Chassi BR
Linha +15 - resistência 330W - XF09 MA13 EN02 - Alternador (L) AM/VM
Bomba elétrica de purga de ar (1) - EM07
Drenagem do separador de água (4) - EM07
Eletroválvula do VEB - EM07
Eletroválvulas EPG1 e EPG2 (1) - EM07
MA14 Fusível 41 CZ/PT
UCM (EB04) - EM01 MA15 VECU (PB17) RS
ProduzidoporCicloEngenhariaLtda-62-3942-3939vendas@cicloengenharia.com.br-proibidaareprodução-eventuaiserrosoudefeitosdefabricaçãofavorcomunicarvendas@cicloengenharia.com.br
ENGENHARIA
C I C I
I
Av. C-255, nº270, sala 719
Nova Suiça, 74280-010, Goiânia - Goiás
62 - 3942-3939 - vendas@cicloengenharia.com.br
www.cicloengenharia.com.br
Centro Empresarial Sebba,
48
Motor
D12C
Motor
D12D
Aurélio Nunes de Araújo
Fábio Ribeiro von Glehn
Impresso original em
papel reciclado 90g
Unidades injetoras
001/006.1 - Ficha técnica
Codigo de falha: SID001/006
Tipo: indutivo
Característica: uma para cada cilindro
Localização: no cabeçote
Tensão de alimentação: 90V
001/006.2 - Princípio de funcionamento
Unidades injetoras (UIs)
O motor possui seis unidades injetoras, uma para
cada cilindro. Uma unidade injetora é uma combinação
de bomba injetora e injetor e pode trabalhar a uma
pressão significativamente mais alta do que a de um injetor comum. A unidade injetora é
montada em posição vertical ao centro entre as quatro válvulas.
A força de pressão para a unidade injetora é transmitida através de um balancim desde
um excêntrico na árvore de cames no cabeçote.
A unidade injetora é composta por três partes principais:
A bomba, que contém um cilindro e um êmbolo equivalentes a um elemento de uma
bomba injetora.
O injetor, com o bico e a agulha do bico injetor e a mola.
A caixa de válvula, com uma válvula de comando eletromagnético.
A parte inferior da bomba injetora é, tal como o injetor, montada dentro de um casquilho
de cobre de encontro à base do cabeçote. A parte intermediária da unidade injetora, onde
estão os furos de entrada e saída de combustível, fica metida no canal de combustível no
cabeçote. A unidade injetora recebe assim o combustível diretamente no canal de combus-
tível. A parte superior da bomba injetora, fica por cima do cabeçote.
O ponto de injeção e a quantidade de combustível a injetar são determinados pela uni-
dade de comando do motor (UCM) que envia sinais à caixa de válvula, de comando ele-
tromagnético. A duração de injeção determina a quantidade de combustível que é injetado
para o cilindro.
O funcionamento pode ser dividido em quatro fases de trabalho.
Fases de trabalho
As fases de trabalho podem se dividir em:
Fase de enchimento;
Fase de despejo;
Fase de injeção;
Fase de descarga de pressão.
•
•
•
•
Figura 1 - Unidade Injetora
ProduzidoporCicloEngenhariaLtda-62-3942-3939vendas@cicloengenharia.com.br-proibidaareprodução-eventuaiserrosoudefeitosdefabricaçãofavorcomunicarvendas@cicloengenharia.com.br
ENGENHARIA
C I C I
I
Av. C-255, nº270, sala 719
Nova Suiça, 74280-010, Goiânia - Goiás
62 - 3942-3939 - vendas@cicloengenharia.com.br
www.cicloengenharia.com.br
Centro Empresarial Sebba,
49
Motor
D12C
Motor
D12D
Gerenciamento de Motores Diesel
Módulo 1 - Unidades Injetoras
Impresso original em
papel reciclado 90g
Fase de enchimento (figura 1)
Durante a fase de enchimento, o êmbolo
da bomba está no curso ascendente para a
sua posição mais alta. O ponto mais alto do
ressalto da árvore de cames já passou e o
balancim desloca-se para o círculo básico da
árvore de cames.
A válvula de combustível (1) está aberta
e o combustível pode entrar para o cilindro
da bomba a partir do canal de combustível
inferior (4) no cabeçote de modo a encher o
cilidro da bomba da unidade injetora.
O enchimento prossegue até o êmbolo da
bomba (2) atingir a sua posição mais alta.
Fase de despejo (figura 2)
A fase de despejo começa quando a árvore
de cames tiver rodado até começa a empurrar
para baixo o êmbolo da bomba (2).
O combustível pode agora sair livremente
através da válvula de combustível (1), do furo
da unidade injetora e do canal de combustível
(4). O fluxo de combustível passa a ser o in-
verso da fase de enchimento.
A fase de despejo prossegue enquanto a
válvula de combustível (1) estiver aberta.
Fase de injeção (figura 3)
A fase de injeção começa quando a UCM
energiza o indutor e gera o campo magnético
necessário para FECHAR a válvula de com-
bustível (1). A árvore de cames, entretanto,
continua a empurrar o êmbolo da bomba (2)
para baixo. O combustível não tem mais como
retornar ao cabeçote.Apressão começa a subir
até que se vença a carga da mola do injetor e
este se abra. Ocorre então a injeção de com-
bustível no interior da câmara.
A fase de injeção prossegue enquanto a
válvula de combustível estiver fechada.
1
2
3
4
Figura 1 - Fase de enchimento
1 - Válvula de combustível
2 - Êmbolo da bomba
3 - Saída de combustível (excedente)
4 - Canal de combustível (entrada e saída)
1
2
3
4
Figura 2 - Fase de despejo
1 - Válvula de combustível
2 - Êmbolo da bomba
3 - Saída de combustível (excedente)
4 - Canal de combustível (entrada e saída)
1
2
3
4
Figura 3 - Fase de injeção
1 - Válvula de combustível
2 - Êmbolo da bomba
3 - Saída de combustível (excedente)
4 - Canal de combustível (entrada e saída)
ProduzidoporCicloEngenhariaLtda-62-3942-3939vendas@cicloengenharia.com.br-proibidaareprodução-eventuaiserrosoudefeitosdefabricaçãofavorcomunicarvendas@cicloengenharia.com.br
ENGENHARIA
C I C I
I
Av. C-255, nº270, sala 719
Nova Suiça, 74280-010, Goiânia - Goiás
62 - 3942-3939 - vendas@cicloengenharia.com.br
www.cicloengenharia.com.br
Centro Empresarial Sebba,
50
Motor
D12C
Motor
D12D
Aurélio Nunes de Araújo
Fábio Ribeiro von Glehn
Impresso original em
papel reciclado 90g
Motor
D12C
Fase de injeção (figura 4)
A fase de injeção é interrompida quando
a válvula de combustível (1) abre, ou seja a
válvula é desnergizada. A pressão dentro da
unidade injetora desce abaixo da pressão de
abertura do bico injetor e mola de carga do bico
fecha a agulha. O combustível que está dentro
do cilindro da bomba (2) sai através da válvula
de combustível (1), do furo da unidade injetora
e do canal de combustível (4).
Reparar que é a posição da válvula de
combustível (aberta o fechada) que determina
quando a injeção deve começar e terminar.
O tempo que a válvula de combustível está
fechada determina a quantidade de combustível
que é injetado a cada estucada da bomba.
001/006.3 - Controles
A unidade de controle do motor (UCM) pode controlar as unidades injetoras de duas
maneiras diferentes:
Controle elétrico;
Balanceamento de cilindros.
001/006.3 .1 - Controle elétrico
A UCM controla as unidades injetoras com
o auxílio de oito transistores. Dois transistores
controlam a corrente elétrica de alimentação para
dois blocos de três unidades injetoras cada. Seis
transistores asseguram a ligação à massa das
unidades injetoras, um transistor para cada uni-
dade injetora. A figura ao lado mostra o esquema
de blocos para os primeiros três cilindros.
Quando o módulo de comando ativa a válvula
de combustível do 1º cilindro, são ativados si-
multâneamente T+ e T1 e o circuito liga à massa
através de T1.
No outro diagrama ao lado, dois gráficos, o
superior mostra a tensão e o inferior a intensi-
dade de corrente através da bobina da válvula
de combustível.
A oscilação da tensão até -90V, deve-se à au-
toindução da bobina da válvula de combustível.A
-90 volts, os diodos limitam a tensão, devolvendo
a corrente elétrica a T+.
O motor D12D possui controles similares com
níveis de tensão e correntes mais baixos.
•
•
Figura 4 - Fase de descarga de pressão
1 - Válvula de combustível
2 - Êmbolo da bomba
3 - Saída de combustível (excedente)
4 - Canal de combustível (entrada e saída)
EA11
UI-2
SID 002
UI-1
SID 001
UI-3
SID 003
EA12 BR
BR
EA22
EA23 BR
BR
+90V
T+
T1
T2
T3
UCM - MID 128 - motor D12C
Níveis de tensão em uma
UI de um motor D12C
[V]
[t]
[I]
[t]
-90V
90V
Níveis de corrente em uma
UI de um motor D12C
ProduzidoporCicloEngenhariaLtda-62-3942-3939vendas@cicloengenharia.com.br-proibidaareprodução-eventuaiserrosoudefeitosdefabricaçãofavorcomunicarvendas@cicloengenharia.com.br
ENGENHARIA
C I C I
I
Av. C-255, nº270, sala 719
Nova Suiça, 74280-010, Goiânia - Goiás
62 - 3942-3939 - vendas@cicloengenharia.com.br
www.cicloengenharia.com.br
Centro Empresarial Sebba,
51
Motor
D12C
Motor
D12D
Gerenciamento de Motores Diesel
Módulo 1 - Unidades Injetoras
Impresso original em
papel reciclado 90g
001/006.3 .2 - Balanceamento dos cilindros
O balanceamento dos cilindros é um método que a UCM utiliza para dar ao motor uma
marcha-lenta uniforme.
No balanceamento dos cilindros, o módulo de comando mede a velocidade do volante
do motor, para verificar se todos os cilindros dão a mesma aceleração ao volante. Se a
aceleração for irregular para algum cilindro, a UCM compensa o cilindro respectivo quer
aumentando, quer diminuindo o débito de injeção para o cilindro. Isso ocorre por meio de
aumento ou diminuição do tempo de injeção. Com o balanceamento do débito de injeção
de forma que todos os cilindros dêem a mesma aceleração ao volante, obtém-se uma
marcha-lenta muito estável.
O balanceamento dos cilindros só ocorre com o motor em marcha-lenta.
No gráfico ao lado, a figura A representa a
condição ideal onde todos os cilindros recebem
o mesmo tempo de injeção e provocam a mesma
aceleração no volante do motor. Já a figura B
apresenta uma condição real, onde a combustão
do 5º cilindro ao receber o mesmo débito dos ou-
tros cilindros proporciona uma rotação do volante
superior à da marcha-lenta. Na figura C é possível
observar que o tempo de injeção para o 5º cilindro
foi reduzido de modo a equalizar a aceleração
do volante do motor quando o 5º cilindro entrar
em expansão. O mesmo exemplo em condição
contrária é possível de se verificar no 6º cilindro,
sendo necessário aumentar o tempo de injeção
para equalizar a rotação.
Quando a rotação do motor aumenta acima
da marcha-lenta, todos os cilindros recebem o
débito de injeção “não balanceado”. Quando o motor volta a trabalhar em marcha-lenta,
o débito de injeção passa a ser “balanceado”.
O valor de balanceamento dos cilindros é guardado, mas é ajustado todas as vezes
que o motor trabalha em marcha-lenta depois
de aquecido por um período que varia de 4 a 10
minutos.
Notar que ao apagar a memória com os có-
digos de falhas estará apagando também a a
memória do balanceamento de cilindros.
001/006.4 - Localização
No cabeçote do motor sobre o respectivo
cilindro
Unidades
Injetoras
[rpm]
1 5 3 6 2 4
[ms]
1 5 3 6 2 4
[rpm]
1 5 3 6 2 4
[ms]
1 5 3 6 2 4
[rpm]
1 5 3 6 2 4
[ms]
1 5 3 6 2 4
B
A
C
velocidade do volante tempo de injeção
ProduzidoporCicloEngenhariaLtda-62-3942-3939vendas@cicloengenharia.com.br-proibidaareprodução-eventuaiserrosoudefeitosdefabricaçãofavorcomunicarvendas@cicloengenharia.com.br
ENGENHARIA
C I C I
I
Av. C-255, nº270, sala 719
Nova Suiça, 74280-010, Goiânia - Goiás
62 - 3942-3939 - vendas@cicloengenharia.com.br
www.cicloengenharia.com.br
Centro Empresarial Sebba,
52
Motor
D12C
Motor
D12D
Aurélio Nunes de Araújo
Fábio Ribeiro von Glehn
Impresso original em
papel reciclado 90g
001/006.5 - Simbologia
Identifique no esquema elétrico (posição A23)
todos os significados da simbologia adotada.
001/006.6 - Códigos de falha
MID SID FMI
128
001
002
003
004
005
006
2 3 4
Injetor ativado
EA12 ou EA24 em curto-
circuito à tensão de bateria
Injetor ativado
EA11 ou EA22 ou EA23 ou
EA34 ou EA35 ou EA36 em
curto-circuito à tensão de
bateria ou em curto-circuito
com o lado de alta tensão
do injetor (EA12 ou EA14)
ou injetor em curto-circuito
Injetor ativado
EA11 ou EA12 ou EA22 ou
EA23 ou EA24 ou EA34 ou
EA35 ou EA36 em curto-
circuito à massa
Reação
1 conjunto de 3 injetores é
desabilitado
O injetor com comando em
curto-circuito é desabilitado
O injetor com comando em
curto-circuito é desabilitado
ou 1 conjunto com 3 injeto-
res é desabilitado
O código de falha é registrado
Lâmpada AMARELA acende
Funcionamento irregular
Baixa potência de saída
Ruido anormal
MID SID FMI
128
001
002
003
004
005
006
5 7 11
Injetor ativado
Interrupção no circuito do
injetor. Se 3 códigos de
falha são registrados (um
conjunto), a interrupção
está no lado da alta ten-
são do conjunto (EA12 ou
EA24). Se somente um có-
digo é registrado a interrup-
ção está no lado da baixa
tensão do injetor afetado.
Injetor ativado
Os dados de balanceamen-
to do cilindro estão muito
altos. Possivelmente com
falha no injetor ou com
compressão insatisfatória.
Injetor ativado
Falhas intermitentes
Reação
O injetor com comando em
circuito aberto é desabili-
tado ou 1 conjunto com 3
injetores é desabilitado
O injetor afetado é desabi-
litado
O injetor afetado ou o con-
junto completo de injetores
é desabilitado
O código de falha é registrado
Lâmpada AMARELA acende
Funcionamento irregular
Baixa potência de saída
Ruido anormal
EA11
+EA12
AM
VI
terminais da
UCM
Cor do fio
Indutor
Massa de
comando
Alimentação
90V
ProduzidoporCicloEngenhariaLtda-62-3942-3939vendas@cicloengenharia.com.br-proibidaareprodução-eventuaiserrosoudefeitosdefabricaçãofavorcomunicarvendas@cicloengenharia.com.br
ENGENHARIA
C I C I
I
Av. C-255, nº270, sala 719
Nova Suiça, 74280-010, Goiânia - Goiás
62 - 3942-3939 - vendas@cicloengenharia.com.br
www.cicloengenharia.com.br
Centro Empresarial Sebba,
53
Motor
D12C
Motor
D12D
Gerenciamento de Motores Diesel
Módulo 1 - Unidades Injetoras
Impresso original em
papel reciclado 90g
001/006.7 - Verificações
1 - Teste do conjunto atuador / chicote / UCM com o voltímetro;
2 - Se necessário, teste do chicote e atuador com o ohmímetro;
3 - Se necessário, teste do chicote e UCM com o voltímetro
001/006.7.1 - Teste do conjunto sensor / chicote / UCM com o voltímetro
Proceda as ligações do voltímetro conforme a ilustração abaixo e certifique-se da vali-
dade dos dados. Lembre-se:
* A UCM e unidades injetoras conectados;
* A chave de partida na posição de condução;
* Motor parado (ponto 1) - motor em marcha-lenta (ponto 2);
* Multímetro preparado para medição de tensão contínua (Vdc) para teste com o motor
parado e tensão alternada (Vac) com o motor em funcionamento.
Valores dentro da faixa indicam que o atuador está íntegro, mas se mesmo assim o
computador de bordo registra a falha, então existe ainda duas possibilidades:
1 - interrupção do cabo entre o ponto de medição e o atuador;
2 - falha na UCM.
Valores fora da faixa indicam necessidade de continuidade nos testes.
chassi
chassi
Vdc
Vac
EA11
+EA12
AM
VI SID001
SID001 / 002 / 003
Motor parado
Marcha-lenta
UIs do grupo 1
EA12 e massa
EA11 e massa
EA22 e massa
EA23 e massa
UIs do grupo 2
EA24 e massa
EA34 e massa
EA35 e massa
EA36 e massa
Condição
Tensão
D12C D12D
Motor parado 14,0 a 17,0 Vdc 10,0 a 11,0 Vdc
Marcha-lenta 6,50 a 8,0 Vac 6,00 a 7,4 Vac
ProduzidoporCicloEngenhariaLtda-62-3942-3939vendas@cicloengenharia.com.br-proibidaareprodução-eventuaiserrosoudefeitosdefabricaçãofavorcomunicarvendas@cicloengenharia.com.br
ENGENHARIA
C I C I
I
Av. C-255, nº270, sala 719
Nova Suiça, 74280-010, Goiânia - Goiás
62 - 3942-3939 - vendas@cicloengenharia.com.br
www.cicloengenharia.com.br
Centro Empresarial Sebba,
54
Motor
D12C
Motor
D12D
Aurélio Nunes de Araújo
Fábio Ribeiro von Glehn
Impresso original em
papel reciclado 90g
001/006.7.2 - Teste do sensor e chicote com o OHMÍMETRO (W)
Proceda as ligações do multímetro (conector da UCM) conforme a ilustração abaixo e
certifique-se da validade dos dados. Lembre-se:
* A UCM desconectada;
* A chave de partida na posição 0;
* Multímetro preparado para medição de resistência (ohm - W)
Valores fora da faixa indicam falha na unidade injetora ou no chicote:
* verifique fiação atuador - UCM (continuidade ou curto-circuito)
* refaça a medição diretamente no atuador
* faça o teste UCM - chicote
UCM - Conector EA
= preto superior 12
13
25
24
36
01
34
EA34
+EA24
BR
VM
SID004 / 005 / 006
SID004
Pontos de
medição
Valor nominal
D12C D12D
EA11 - EA12
1,5 a 2,0 W
≈ 4,0 ± 0,1 W
(UI a 20ºC)
≈ 5,60 ± 0,15 W
(UI a 100ºC)
EA22 - EA12
EA23 - EA12
EA34 - EA24
EA35 - EA24
EA36 - EA24
EA11 - massa
circuito aberto
EA12 - massa
EA22 - massa
EA23 - massa
EA24 - massa
EA34 - massa
EA35 - massa
EA36 - massa
ProduzidoporCicloEngenhariaLtda-62-3942-3939vendas@cicloengenharia.com.br-proibidaareprodução-eventuaiserrosoudefeitosdefabricaçãofavorcomunicarvendas@cicloengenharia.com.br
ENGENHARIA
C I C I
I
Av. C-255, nº270, sala 719
Nova Suiça, 74280-010, Goiânia - Goiás
62 - 3942-3939 - vendas@cicloengenharia.com.br
www.cicloengenharia.com.br
Centro Empresarial Sebba,
55
Motor
D12C
Motor
D12D
Gerenciamento de Motores Diesel
Módulo 1 - Unidades Injetoras
Impresso original em
papel reciclado 90g
001/006.7.3 - Teste da UCM e chicote com o VOLTÍMETRO CONTÍNUO (VDC)
Proceda as ligações do voltímetro (conector do sensor) conforme a ilustração abaixo e
certifique-se da validade dos dados. Lembre-se:
* A UCM conectada;
* UI desconectada;
* A chave de partida na posição de condução;
* Motor desligado;
* Multímetro preparado para medição de tensão contínua (Vdc)
Ponto de medição Valor nominal em caso de divergência
1 e massa
UIs 1, 2 e 3
D12C 89,0 a 91,0 Vdc
Fiação 1 - EA12 interrompida
Fiação 1 - EA12 em curto circuito
Falha na alimentação da UCM
Falha na UCM
Falha no aterramento do chassi
D12D 8,0 a 9,4 Vdc
2 e massa
UIs 1, 2 e 3
D12C 4,8 a 5,2 Vdc
Fiação 2 - EA11 / EA22 / EA23
interrompida
Fiação 2 - EA11 / EA22 / EA23
em curto-circuito
Falha na alimentação da UCM
Falha na UCM
Falha no aterramento do chassi
D12D 14,2 a 16,2 Vdc
1 e massa
UIs 4, 5 e 6
D12C 89,0 a 91,0 Vdc
Fiação 1 - EA24 interrompida
Fiação 1 - EA24 em curto circuito
Falha na alimentação da UCM
Falha na UCM
Falha no aterramento do chassi
D12D 8,0 a 9,4 Vdc
2 e massa
UIs 4, 5 e 6
D12C 4,8 a 5,2 V
Fiação 2 - EA34 / EA35 / EA36
interrompida
Fiação 2 - EA34 / EA35 / EA36
em curto-circuito
Falha na alimentação da UCM
Falha na UCM
Falha no aterramento do chassi
D12D 14,2 a 16,2 Vdc
1
2
chassi
Vdc Vdc
1
2
chassi
ProduzidoporCicloEngenhariaLtda-62-3942-3939vendas@cicloengenharia.com.br-proibidaareprodução-eventuaiserrosoudefeitosdefabricaçãofavorcomunicarvendas@cicloengenharia.com.br
ENGENHARIA
C I C I
I
Av. C-255, nº270, sala 719
Nova Suiça, 74280-010, Goiânia - Goiás
62 - 3942-3939 - vendas@cicloengenharia.com.br
www.cicloengenharia.com.br
Centro Empresarial Sebba,
56
Motor
D12C
Motor
D12D
Aurélio Nunes de Araújo
Fábio Ribeiro von Glehn
Impresso original em
papel reciclado 90g
Método de avaliação das unidades injetoras
Medir a temperatura dos gases de escape de cada cilindro em 3 rotações diferentes do
motor. Exemplo:
Rotação
Cilindros
média
média
menos
mínimo
máxima
menos
média1 2 3 4 5 6
1000 rpm 180ºC 170ºC 189ºC 195ºC 180ºC 176ºC 183,3ºC 13,3ºC 11,7ºC
1500 rpm 221ºC 226ºC 231ºC 248ºC 237ºC 235ºC 233,0ºC 12,0ºC 15,0ºC
2000 rpm 296ºC 305ºC 295ºC 301ºC 307ºC 314ºC 303,0ºC 8,0ºC 11,0ºC
Analisar as temperaturas medidas:
Atemperatura em cada cilindro não pode ser superior ou inferior a 30ºC a partir da média
obtida em cada teste, ou seja: | temperatura no cilindro - média |  30ºC;
Caso temperatura baixa (média - mínimo  30ºC), conclui-se:
Agulha e sede do bico injetor gastas ou
Êmbolo da unidade injetora gasta
Caso temperatura alta (máxima - média  30ºC), conclui-se:
Bico injetor da unidade gotejando ou
Bico injetor com vazamento
Regulagem de válvulas e ajuste das unidades injetoras
Primeiro passo: identifique, nos motores com VEB, através das numerações no comando
as válvulas ou unidades a serem reguladas:
Inscrição Regulagem e ajuste
1 válvula de admissão 1 e unidade injetora 1
2 válvula de admissão 2 e unidade injetora 2
3 válvula de admissão 3 e unidade injetora 3
4 válvula de admissão 4 e unidade injetora 4
5 válvula de admissão 5 e unidade injetora 5
6 válvula de admissão 6 e unidade injetora 6
V1 válvula de escape 1
V2 válvula de escape 2
V3 válvula de escape 3
V4 válvula de escape 4
V5 válvula de escape 5
V6 válvula de escape 6
TDC Ponto de sincronismo do comando com a árvore de manivelas em 0º
Segundo passo: gire o motor até que se coincida a marcação no comando com a mar-
cação no mancal. Sugestão: para girar o motor, insira um soquete com uma catraca na
porca de fixação da polia do alternador.
1.
2.
•
•
3.
•
•
ProduzidoporCicloEngenhariaLtda-62-3942-3939vendas@cicloengenharia.com.br-proibidaareprodução-eventuaiserrosoudefeitosdefabricaçãofavorcomunicarvendas@cicloengenharia.com.br
ENGENHARIA
C I C I
I
Av. C-255, nº270, sala 719
Nova Suiça, 74280-010, Goiânia - Goiás
62 - 3942-3939 - vendas@cicloengenharia.com.br
www.cicloengenharia.com.br
Centro Empresarial Sebba,
57
Motor
D12C
Motor
D12D
Gerenciamento de Motores Diesel
Módulo 1 - Unidades Injetoras
Impresso original em
papel reciclado 90g
Terceiro passo: observe a tabela de calibração:
Válvula /
Unidade
Medida
Instrumento de
medição
Método Cuidado
Admissão 0,20 mm Cálibre de válvulas
Ajuste no parafuso
do balanceiro de
admissão
Ajuste das pontes em
caso de montagem do
cabeçote.
•
Escape 1,60 +/- 0,05 mm Cálibre de válvulas
calço de ajuste,
no máximo dois
calços
Na regulagem, ten-
te deixar as medidas
homogêneas, ou seja,
todas com o mesmo
valor;
Descarga do tucho em
caso de regulagem ou
Ajuste das pontes em
caso de montagem do
cabeçote;
•
•
•
Unidade
Injetora
0,75 mm
relógio comparador,
base magnética e
fuso de 100 mm
ajuste no parafuso do
balanceiro da uni-
dade
		
Descarga dos tuchos nos balanceiros de escape
Inserir um gancho no balanceiro de modo a permitir que a mola do embolo seja puxada
para fora e ao mesmo tempo, pressione o balanceiro para baixo até o contato com as
hastes das válvulas.
Com esta ação, a pelicula de óleo existente se rompe e o êmbolo é aliviado da sede da
afinação, minimizando a possibilidade de erro
Ajuste das pontes de admissão e escape - necessária em caso de montagem do cabeçote
Soltar a porca e o parafuso de ajuste;
Encostar o parafuso de ajuste com a mão até em costar na parte superior da válvula;
Aplicar um ângulo de 60º no parafuso;
Torquear a porca com 4N*m
Ajuste das unidades injetoras
Solte a porca de fixação para destravar o parafuso de regulagem;
Solte o parafuso até perceber o balanceiro solto;
Instale o relógio comparador no disco da mola da unidade injetora;
Aplique uma pré-carga ao relógio comparador, por exemplo 2 mm;
Encoste o parafuso de regulagem com a mão até perceber que zerou a folga;
Zere o relógio comparador;
Aperte o parafuso até o valor indicado, 0,75 mm;
Aperte a porca tomando o cuidado de manter o parafuso na posição regulada;
Aplique um torque de 6 N*m na porca de fixação.
1.
1.
2.
3.
4.
1.
2.
3.
4.
5.
6.
7.
8.
9.
ProduzidoporCicloEngenhariaLtda-62-3942-3939vendas@cicloengenharia.com.br-proibidaareprodução-eventuaiserrosoudefeitosdefabricaçãofavorcomunicarvendas@cicloengenharia.com.br
ENGENHARIA
C I C I
I
Av. C-255, nº270, sala 719
Nova Suiça, 74280-010, Goiânia - Goiás
62 - 3942-3939 - vendas@cicloengenharia.com.br
www.cicloengenharia.com.br
Centro Empresarial Sebba,
58
Motor
D12D
Aurélio Nunes de Araújo
Fábio Ribeiro von Glehn
Impresso original em
papel reciclado 90g
Drenagem de água e purga de ar
018 / 078 / 097.1 - Ficha técnica
Codigos de falha dos componentes envolvidos:
SID 018 - Eletroválvula de drenagem de água do
filtro separador;
SID 078 - Bomba elétrica de purga do ar
PID 097 - Sensor de nível de água no filtro sepa-
rador.
018 / 078 / 097 .2 - Elementos de controle
Tecla de acionamento da bomba elétrica de
purga de ar ou da eletroválvula de drenagem
de água do filtro separador (posição B21 no
esquema elétrico)
Bomba elétrica de purga de ar (posição A14);
Eletroválvula de drenagem (posição A17);
Sensor de presença de água no diesel (A18)
122 / 123 / 124 .3 - Como funciona a drenagem de água e a purga de ar
O interruptor de comando é único. Se existe sinal de nível de água no filtro separador
acende uma luz de advertência no painel e a UCM irá comandar a eletroválvula de dre-
nagem, senão irá comandar a bomba elétrica de purga.
O interruptor está conectado à VECU (MID 144 - unidade de controle do veículo), en-
quanto os outros componentes estão conectados à UCM (MID 128 - unidade de controle
do motor). A comunicação entre as duas unidades, neste caso, é feita pelo link de infor-
mação SAE J1587/J1708.
O acionamento é feito com o motor desligado e a chave na posição de condução, então,
ao acionar o interruptor o sistema fará a drenagem da água ou a purga do ar conforme a
condição de água no filtro separador informado pelo sensor de nível.
•
•
•
•
•
•
•
PID 097
Nível de água
no separador
SID 018
Eletroválvula
de drenagem
SID 078
Bomba elétrica
de purga do ar
Figura 1 - Drenagem de água e purga
de ar
VECU
(MID 144)
PA04
AZ21
10
7
9
F15
D12
UCM
(MID 128)
SID 018
PID 097
EA05-
EA19-
EA04+
EA27
71
F15
EB32-
54
F15
F41
3
EB08-
2
EB06
MR/BR
VD/BR
MR
AZ/BR
CZ/BR
CZ
AM/BR
SID 078
PID 094
4
51
F41
3
2
7
ProduzidoporCicloEngenhariaLtda-62-3942-3939vendas@cicloengenharia.com.br-proibidaareprodução-eventuaiserrosoudefeitosdefabricaçãofavorcomunicarvendas@cicloengenharia.com.br
ENGENHARIA
C I C I
I
Av. C-255, nº270, sala 719
Nova Suiça, 74280-010, Goiânia - Goiás
62 - 3942-3939 - vendas@cicloengenharia.com.br
www.cicloengenharia.com.br
Centro Empresarial Sebba,
59
Motor
D12D
Gerenciamento de Motores Diesel
Módulo 1 - Unidades Injetoras
Impresso original em
papel reciclado 90g
018 / 078 / 097.4 - Localização:
Os três componentes estão localizados no conjunto de suporte do filtro de combustível
e filtro separador de água, conforme ilustrado na figura 1 da página anterior
018 / 078 / 097.5 - Códigos de falha
MID SID FMI
128 018
3 4 5
EB32 ≈ Ubat
Interruptor de drenagem
(B21) ativado
Presença de água (A18)
EB32 ≈ 0,0V
Interruptor de drenagem
(B18) desativado
Interrupção no circuito da
eletroválvula de drenagem
Interruptor de drenagem
(B18) desativado
Possíveis
causas
Cabo de controle (EB32)
em curto-circuito ao posi-
tivo
Curto-circuito interno na
eletroválvula de drenagem
Cabo de controle (EB32)
em curto-circuito à massa
Fusível de alimentação
(F41) queimado
Interrupção na fiação entre
a UCM (terminal EB32) e a
eletroválvula de drenagem
(terminal 5)
Interrupção no circuito da
eletroválvula de drenagem
Interrupção no cabo de ali-
mentação da eletroválvula
de drenagem (terminal 4)
Reação
O código de falha é registrado
A lâmpada AMARELA acende
A eletroválvula de drena-
gem não funciona
Não é possível drenar a
água
Eletroválvula de drenagem
sempre ativada
Vazamento de combustível
quando o motor está para-
do e a chave de posição na
posição de condução
Ar no sistema de combus-
tível
Baixa potência de saída
A eletroválvula de drena-
gem não funciona
Não é possível drenar a
água
MID SID FMI
128 078
4 5
EA19 ≈ 0,0V
Interruptor de drenagem (B21) desativado
Interrupção no circuito da boma de purga
de ar
Possíveis
causas
Cabo de controle (EA19) em curto-circuito
à massa
Fusível de alimentação (F41) queimado
Interrupção na fiação entre a UCM (termi-
nal EA19) e a bomba elétrica (terminal 5)
Interrupção no circuito da bomba elétrica
Interrupção no cabo de alimentação da
bomba elétrica (terminal 1)
Reação
O código de falha é registrado
A lâmpada AMARELA acende
A bomba de purga sempre ativada
O código de falha é registrado
A lâmpada AMARELA acende
A bomba de purga não funciona
ProduzidoporCicloEngenhariaLtda-62-3942-3939vendas@cicloengenharia.com.br-proibidaareprodução-eventuaiserrosoudefeitosdefabricaçãofavorcomunicarvendas@cicloengenharia.com.br
ENGENHARIA
C I C I
I
Av. C-255, nº270, sala 719
Nova Suiça, 74280-010, Goiânia - Goiás
62 - 3942-3939 - vendas@cicloengenharia.com.br
www.cicloengenharia.com.br
Centro Empresarial Sebba,
60
Motor
D12D
Aurélio Nunes de Araújo
Fábio Ribeiro von Glehn
Impresso original em
papel reciclado 90g
MID PID FMI
128 097
3 4 14
EB06  91% * Ubat EB06  5% * Ubat Bomba de purga de ar ativa
Possíveis
causas
Cabo de controle (EB06)
em curto-circuito ao posi-
tivo
Cabo de controle (EB06)
interrompido
Falha no indicador de
presença
Cabo de controle (EB06)
em curto-circuito à massa
Falha no indicador de nível
Bomba de purga de ar ativa
Reação
O código de falha é registrado
A lâmpada AMARELA acende
Indicador de presença não funciona
Código de informação é
solicitado
Lâmpada AZUL acende
018 / 078 / 097.6 - Verificações
1 - Teste do conjunto sensor / chicote / UCM com o voltímetro;
2 - Se necessário, teste do chicote e sensor com o ohmímetro;
3 - Se necessário, teste do chicote e UCM com o voltímetro
018 / 078 / 097.6.1 - Teste do conjunto atuador / chicote / UCM com o voltímetro
Proceda as ligações do voltímetro conforme a tabela abaixo e certifique-se da validade
dos dados. Lembre-se:
* Multímetro preparado para medição de tensão contínua (Vdc)
Teste Pontos de medição Condição Valor nominal
SID
018
EB32 e massa
Chave partida em condução Ubat (desacionado)
Motor desligado;
Chave partida em condução;
Presença de água no diesel.
Interruptor de drenagem e purga em:
desacionado → U = Ubat
acionado → U = 0V
SID
078
EB19 e massa
Chave partida em condução Ubat (desacionado)
Motor desligado;
Chave partida em condução;
Interruptor de drenagem e purga em:
desacionado → U = Ubat
acionado → U = 0V
PID
097
EB06 - EB08
Motor parado;
chave em condução;
Sem água no separador
≈ 80% Ubat
Motor parado;
chave em condução;
Com água no separador
≈ 0,0 Vdc
Sensor desconectado ≈ 80% Ubat
Valores dentro da faixa indicam integridade no sistema, mas se mesmo assim o compu-
tador de bordo registra a falha, então existe ainda duas possibilidades:
1 - interrupção do cabo sinal entre o ponto de medição e o componente;
2 - falha na UCM.
Valores fora da faixa indicam necessidade de continuidade nos testes.
ProduzidoporCicloEngenhariaLtda-62-3942-3939vendas@cicloengenharia.com.br-proibidaareprodução-eventuaiserrosoudefeitosdefabricaçãofavorcomunicarvendas@cicloengenharia.com.br
ENGENHARIA
C I C I
I
Av. C-255, nº270, sala 719
Nova Suiça, 74280-010, Goiânia - Goiás
62 - 3942-3939 - vendas@cicloengenharia.com.br
www.cicloengenharia.com.br
Centro Empresarial Sebba,
61
Motor
D12D
Gerenciamento de Motores Diesel
Módulo 1 - Unidades Injetoras
Impresso original em
papel reciclado 90g
018 / 078 / 097.6.2 - Teste do conjunto atuador / chicote com o ohmímetro
Proceda as ligações do multímetro (conector da UCM) conforme a tabela abaixo e cer-
tifique-se da validade dos dados. Lembre-se:
* A UCM desconectada;
* A chave de partida na posição 0;
* Multímetro preparado para medição de resistência (ohm - W)
Local de medição Componente Pontos de medição Valor nominal
No próprio componente
SID 018 4 - 5 ≈ 10 W
SID 078 1 - 5  5,0 W
PID 097 2 - 3 circuito aberto
Nos conectores da UCM
SID 018 EB32 - EB11 ≈ 42 W
SID 078 EA19 - EB11 ≈ 300 kW (existe polaridade)
PID 097 EB08 - EB06 circuito aberto
Valores dentro da faixa indicam que o atuador e o chicote estão integros e existe a pos-
sibilidade de falha na UCM.
Valores fora da faixa, refaça o teste medindo diretamente no atuador de modo a distinguir
falha no atuador de falha na fiação.
ProduzidoporCicloEngenhariaLtda-62-3942-3939vendas@cicloengenharia.com.br-proibidaareprodução-eventuaiserrosoudefeitosdefabricaçãofavorcomunicarvendas@cicloengenharia.com.br
ENGENHARIA
C I C I
I
Av. C-255, nº270, sala 719
Nova Suiça, 74280-010, Goiânia - Goiás
62 - 3942-3939 - vendas@cicloengenharia.com.br
www.cicloengenharia.com.br
Centro Empresarial Sebba,
62
Motor
D12C
Motor
D12D
Aurélio Nunes de Araújo
Fábio Ribeiro von Glehn
Impresso original em
papel reciclado 90g
Sensor de fase
021.1 - Ficha técnica
Codigo de falha: SID021
Tipo: indutivo
Característica: dificuldade de partida
Localização: tampa da engrenagem do comando
021.2 - Princípio de funcionamento
O sensor de rotação constitui-se de um cartucho
fechado (figura 1) em cujo interior se encontra um
núcleo polar (imã permanente) e um enrolamento
elétrico de cobre (indutor); uma roda dentada (figura
2) com propriedades magnéticas e um par de fios
retorcidos.
A finalidade do cabo retorcido é eliminar ou minimi-
zar a interferência gerada por ruídos eletromagnéticos,
entregando à unidade de controle do motor (UCM) o
sinal gerado no sensor.
O fundamento teórico que explica o funcionamento
de um sensor de rotação indutivo é a lei da indução eletromagnética elaborada por Michael
Faraday a partir de 1831. Nela é afirmado e comprovado que: “a corrente elétrica induzida
em um circuito fechado por um campo magnético, é proporcional ao número de linhas do
fluxo que atravessa a área envolvida do circuito, na unidade de tempo.”
O campo magnético existente no imã permanente relaciona tanto o indutor (enrolamento),
como os dentes da roda dentada. Quando o dente da roda dentada está diante do sensor,
o número de linhas do fluxo magnético sobre o indutor é máximo, graças às propriedades
magnéticas da roda dentada. Por outro lado, quando o sensor está diante da cavidade o
número de linhas de fluxo magnético sobre o indutor é mínimo.
Entretanto a lei de Faraday ainda exprime ao seu final a relevância da variação no tempo,
ou seja, a roda dentada tem que girar para fazer variar as linhas de fluxo magnético sobre
as espiras do enrolamento da bobina. Essa força eletromotriz (f.e.m) induzida será tanto
maior quanto maior for a rotação da roda dentada - a amplitude do sinal aumenta com o
aumento da rotação.
O sensor de fase, tem o mesmo princípio de funcionamento do sensor de rotação e não
por acaso, trata-se exatamente da mesma peça instalada em pontos diferentes do motor (o
de fase captando sinais do comando e o de rotação da árvore de manivelas). O que muda
entre eles, além da localização é a roda dentada e a função de cada um.
No caso, a roda dentada do comando possui 6 dentes equidistantes (60º um do outro) e
mais 1 adicional que referencia o 1º cilindro (15º do dente do 1º cilindro). A figura 3 mostra
a forma aproximada do sinal gerado em uma situação de rotação constante.
Figura 1 - sensor de fase do motor D12C
60º
60
º
60º
60º
60
º
60º
15º
1
5
3
6
2
4
34,5º
Figura 2 - roda dentada do s. de fase
ProduzidoporCicloEngenhariaLtda-62-3942-3939vendas@cicloengenharia.com.br-proibidaareprodução-eventuaiserrosoudefeitosdefabricaçãofavorcomunicarvendas@cicloengenharia.com.br
ENGENHARIA
C I C I
I
Av. C-255, nº270, sala 719
Nova Suiça, 74280-010, Goiânia - Goiás
62 - 3942-3939 - vendas@cicloengenharia.com.br
www.cicloengenharia.com.br
Centro Empresarial Sebba,
63
Motor
D12C
Motor
D12D
Gerenciamento de Motores Diesel
Módulo 1 - Unidades Injetoras
Impresso original em
papel reciclado 90g
A título de exercício, suponha que o tempo necessário para percorrer os 5 dentes equi-
distantes, portanto ignorando o dente extra de referência, seja de 150,0 milisegundos. Qual
a rotação do motor?
Primeiro calcule o período (T): T = 150 ms / 5 picos, ou seja: T = 30,0 ms = 0,030 s.
Agora calcule a frequência (f): f = 1/T = 1/0,030 s, ou f = 33,33 Hz.
Calcule a rotação do comando: rc (rpm) = f (Hz) * 60 / número de dentes. O 60 surge de
1 minuto = 60 segundos. E como o número de dentes equidistantes é igual a 6, então
60 / 6 é igual a 10 e chega-se a conclusão que rc(rpm) = 10*f (Hz), ou seja, a roda dentada
do comando encontra-se a 333,3 rpm. Entretanto, são necessárias 2 voltas na árvore de
manivelas para que ocorra uma volta no comando, logo a rotação do motor é duas vezes
a rotação do comando, ou seja: r(rpm) = 2*rc(rpm) = 20 * f(Hz) = 2 * 333,3 = 666,6 rpm.
Você percebe que é possível chegar à rotação do motor a partir do sinal de fase. Isso
justifica o porquê da UCM conseguir faser o motor funcionar SEM o sinal do sensor de
rotação do motor, embora com grande dificuldade de partida.
Outra função do sensor de fase refere-se ao dente extra. Esse indicará que os pistões
do 1º e 6º cilindros estão em ascensão, mas que somente o do 1º cilindro encontra-se em
fase de compressão (o 6º então, encontra-se em fase de descarga).
O sinal do sensor de fase deverá se compor ao sinal do sensor de rotação de tal modo
que o sinal dos dentes equidistantes do sensor de fase deverão coincidir com a parte lisa
da roda dentada do volante do motor.
Com base nos diversos sinais de entrada enviados à UCM pelos mais diversos sensores,
esta deverá calcular o débito de combustível e o ângulo de injeção.
O cálculo do débito de combustível dá o intervalo de tempo que a válvula de combustível
deve estar fechada (a injeção de combustível para o cilindro ocorre quando a válvula de
combustível está fechada).
O ângulo de injeção é o ângulo de rotação do volante no momento em que se inicia a
injeção (ponto de injeção). Esse ângulo inicial de injeção pode variar entre 18º antes do
PMS até 6º depois do PMS. Atenção: no comando, onde está sendo captado o sinal de
fase, estes ângulos dobram
Em resumo, a UCM deverá calcular o momento exato de se iniciar a injeção de combus-
tíve e por quanto tempo essa injeção deverá se manter para atender às necessidades de
funcionamento do motor exigidas numa determinada situação de carga.
1 5 3 62 4
um ciclo = 360º
60º 15º
34,5º
60º
60
º
60º
60º
60
º
60º
15º
1
5
3
6
2
4
34,5º
Figura 3 - sinal gerado pelo conjunto sensor / roda dentada real em movimento de rotação constante
ProduzidoporCicloEngenhariaLtda-62-3942-3939vendas@cicloengenharia.com.br-proibidaareprodução-eventuaiserrosoudefeitosdefabricaçãofavorcomunicarvendas@cicloengenharia.com.br
ENGENHARIA
C I C I
I
Av. C-255, nº270, sala 719
Nova Suiça, 74280-010, Goiânia - Goiás
62 - 3942-3939 - vendas@cicloengenharia.com.br
www.cicloengenharia.com.br
Centro Empresarial Sebba,
64
Motor
D12C
Motor
D12D
Aurélio Nunes de Araújo
Fábio Ribeiro von Glehn
Impresso original em
papel reciclado 90g
021.3 - Localização:
Tampa da engrenagem do comando
(figura 4)
021.4 - Verificação e regulagem da folga
Observe a figura 5 enquanto segue as
explicações. Rodar o volante do motor até
um dente da roda dentada (C) da árvore
de comando de válvulas ficar em frente ao
sensor (D) na tampa da distribuição.
Medir a distância (A) entre a ponta do
sensor e a roda dentada (C).
A folga permitida (A) deverá estar entre
0,2 a 1,0 mm.
Para se obter o sinal correto do sensor
de fase, é necessário que a folga (A) entre
o sensor (D) e a roda dentada (C) esteja
dentro da tolerância. As anilhas de afina-
ção (B) permite esse controle segundo a
tabela abaixo.
A B
Folga medida Anilha de afinação
Quantidade Referência
0,2 - 1,0 mm - -
-0,3 a 0,3 mm 1 1677894
-0,6 a -0,3 mm 2 1677894
sensor de
fase
Figura 4 - Localização do sensor de fase no motor
A = folga em mm	 B = anilha de afinação
C = roda dentada	 D = sensor de fase
A
B
C
D
Figura 5 - Regulagem da folga do sensor de fase
ProduzidoporCicloEngenhariaLtda-62-3942-3939vendas@cicloengenharia.com.br-proibidaareprodução-eventuaiserrosoudefeitosdefabricaçãofavorcomunicarvendas@cicloengenharia.com.br
ENGENHARIA
C I C I
I
Av. C-255, nº270, sala 719
Nova Suiça, 74280-010, Goiânia - Goiás
62 - 3942-3939 - vendas@cicloengenharia.com.br
www.cicloengenharia.com.br
Centro Empresarial Sebba,
65
Motor
D12C
Motor
D12D
Gerenciamento de Motores Diesel
Módulo 1 - Unidades Injetoras
Impresso original em
papel reciclado 90g
021.5 - Simbologia
Identifique no esquema elétrico
(Posição A04) todos os significados da
simbologia adotada.
021.6 - Códigos de falha
MID SID FMI
128 022
3 8
Sinal da árvore de comando
não disponível
Sinal da árvore de comando
frequência anormal
Possíveis
causas
Curto-circuito à tensão de bateria, cabo
EA07
Curto-circuito à tensão de bateria, cabo
EA18
Curto-circuito à massa, cabo EA07
Curto-circuito à massa, cabo EA18
Interrupção do cabo EA07
Interrupção do cabo EA18
Conexão solta
Distância muito grande entre o sensor e a
roda dentada
Polaridade invertida no sensor
Falha no sensor
Interferência elétrica
Isolação insatisfatória
Sensor instalado incorretamente
Dente danificado no volante do motor
Distância incorreta entre sensor e roda
dentada
Falha no sensor
Reação
O código de falha é registrado
Lâmpada AMARELA acende
Dificuldade de partida
Baixa potência
Funcionamento irregular
021.7 - Simulação de falha
Desconectando o terminal EA07 ou o terminal EA18, ocorreu a seguinte falha:
Dificuldade de partida;
A tensão medida com relação à massa em qualquer um dos terminais ficou constante
e aproximadamente igual a 2V;
Computador de Bordo indicou imediatamente: MID 128, SID 021, FMI 3.
021.8 - Verificações
1 - Teste do conjunto sensor / chicote / UCM com o voltímetro;
2 - Se necessário, teste do chicote e sensor com o ohmímetro;
3 - Se necessário, teste do chicote e UCM com o voltímetro
•
•
•
EA18
1
2
EA07
AM
MR/BR
Indutor Par trançado Cor do fio
Oval preto
representa o
Sinal
EA07 e EA18
terminais da
UCM
1 e 2
terminais do
sensor
ProduzidoporCicloEngenhariaLtda-62-3942-3939vendas@cicloengenharia.com.br-proibidaareprodução-eventuaiserrosoudefeitosdefabricaçãofavorcomunicarvendas@cicloengenharia.com.br
ENGENHARIA
C I C I
I
Av. C-255, nº270, sala 719
Nova Suiça, 74280-010, Goiânia - Goiás
62 - 3942-3939 - vendas@cicloengenharia.com.br
www.cicloengenharia.com.br
Centro Empresarial Sebba,
66
Motor
D12C
Motor
D12D
Aurélio Nunes de Araújo
Fábio Ribeiro von Glehn
Impresso original em
papel reciclado 90g
021.8.1 - Teste do conjunto sensor / chicote / UCM com o voltímetro alternado (~ Vac)
Proceda as ligações do voltímetro conforme a ilustração abaixo e certifique-se da vali-
dade dos dados. Lembre-se:
* A UCM e sensor conectados;
* A chave de partida na posição de condução;
* Motor tentativa de partida (ponto 1) - motor em funcionamento (ponto 2);
* Multímetro preparado para medição de tensão alternada (Vac). Você irá verificar a
variação da amplitude do sinal em função da variação da rotação da roda dentada.
Valores fora da faixa. Verifique:
* Teste de resistência elétrica do sensor / chicote
* Estado da roda dentada quanto à integridade dos dentes;
* Distância entre sensor e roda dentada;
Valores dentro da faixa, mas com o sintoma de falha, indica que a busca da solução
deverá se concentrar em outro ponto de funcionamento do motor.
EA18
1
2
EA07
AM
MR/BR Vac
EA07 - EA18 (valor eficaz)
Os valores abaixo representam
apenas uma medição em um
veículo qualquer e servem apenas
como ilustração, visto que estes
valores podem variar muito de
um veículo para outro em função
da distância entre sensor e roda
dentada. No processo de medição,
espere um aumento da tensão com
o aumento da rotação do motor
Condição Tensão (Vac)
Partida
600 rpm 2,34
700 rpm 2,60
800 rpm 2,90
900 rpm 3,20
1000 rpm 3,50
1100 rpm 3,70
1200 rpm 4,70
1300 rpm 5,00
1400 rpm 5,40
1500 rpm 5,70
1600 rpm 6,00
1700 rpm 6,40
tensão(Vac)
Curva de resposta de um sensor de fase
1,0
150010005000
2,0
3,0
4,0
rotação (rpm)
5,0
6,0
7,0
ProduzidoporCicloEngenhariaLtda-62-3942-3939vendas@cicloengenharia.com.br-proibidaareprodução-eventuaiserrosoudefeitosdefabricaçãofavorcomunicarvendas@cicloengenharia.com.br
ENGENHARIA
C I C I
I
Av. C-255, nº270, sala 719
Nova Suiça, 74280-010, Goiânia - Goiás
62 - 3942-3939 - vendas@cicloengenharia.com.br
www.cicloengenharia.com.br
Centro Empresarial Sebba,
67
Motor
D12C
Motor
D12D
Gerenciamento de Motores Diesel
Módulo 1 - Unidades Injetoras
Impresso original em
papel reciclado 90g
021.8.2 - Teste do sensor e chicote com o OHNÍMETRO (W)
Proceda as ligações do voltímetro (conector da UCM) conforme a ilustração abaixo e
certifique-se da validade dos dados. Lembre-se:
* A UCM desconectada;
* A chave de partida na posição 0;
* Multímetro preparado para medição de resistência (ohm - W)
Valores fora da faixa indicam falha no sensor ou no chicote:
* verifique fiação sensor - UCM (continuidade ou curto-circuito)
* refaça a medição diretamente no sensor
* faça o teste UCM - chicote
EA18
1
2
EA07
AM
MR/BR
12
13
25
24
36
01
18
07
Pontos de medição Valor nominal
EA07 - EA18 775 a 945 W
ProduzidoporCicloEngenhariaLtda-62-3942-3939vendas@cicloengenharia.com.br-proibidaareprodução-eventuaiserrosoudefeitosdefabricaçãofavorcomunicarvendas@cicloengenharia.com.br
ENGENHARIA
C I C I
I
Av. C-255, nº270, sala 719
Nova Suiça, 74280-010, Goiânia - Goiás
62 - 3942-3939 - vendas@cicloengenharia.com.br
www.cicloengenharia.com.br
Centro Empresarial Sebba,
68
Motor
D12C
Motor
D12D
Aurélio Nunes de Araújo
Fábio Ribeiro von Glehn
Impresso original em
papel reciclado 90g
021.8.3 - Teste da UCM e chicote com o VOLTÍMETRO CONTÍNUO (VDC)
Proceda as ligações do voltímetro (conector do sensor) conforme a ilustração abaixo e
certifique-se da validade dos dados. Lembre-se:
* A UCM conectada;
* Sensor desconectado
* A chave de partida na posição de condução;
* Motor desligado;
* Multímetro preparado para medição de tensão contínua (Vdc)
Ponto de medição Valor nominal em caso de divergência
1 e massa 1,9 a 2,1 V
Fiação 1 - EA07 interrompida
Fiação 1 - EA07 em curto-circuito
Falha na alimentação da UCM
Falha na UCM
Falha no aterramento do chassi
2 e massa 1,9 a 2,1 V
Fiação 2 - EA18 interrompida
Fiação 2 - EA18 em curto-circuito
Falha na alimentação da UCM
Falha na UCM
Falha no aterramento do chassi
021.9.4 - Teste do conjunto sensor / roda dentada / UCM com um FREQUENCÍMETRO (Hz)
O teste do sensor de fase com o frequencímetro pode se dizer é impraticável, isso por
causa do dente extra que provoca uma grande oscilação da frequência do sinal mesmo
que o motor esteja em estado de rotação constante.
1
2
1
2
chassichassi
Vdc Vdc
ProduzidoporCicloEngenhariaLtda-62-3942-3939vendas@cicloengenharia.com.br-proibidaareprodução-eventuaiserrosoudefeitosdefabricaçãofavorcomunicarvendas@cicloengenharia.com.br
ENGENHARIA
C I C I
I
Av. C-255, nº270, sala 719
Nova Suiça, 74280-010, Goiânia - Goiás
62 - 3942-3939 - vendas@cicloengenharia.com.br
www.cicloengenharia.com.br
Centro Empresarial Sebba,
69
Motor
D12C
Motor
D12D
Gerenciamento de Motores Diesel
Módulo 1 - Unidades Injetoras
Impresso original em
papel reciclado 90g
Informações importantes
Valor eficaz e amplitude do sinal
As tensões ou correntes alternadas variam no tempo ‘t’ com uma dada amplitude. No
entanto, na prática elas são expressas pelos seus valores eficazes, que, por definição,
são os valores correspondentes da tensão ou corrente contínua que produziriam a mesma
dissipação de potência numa resistência R. Habitualmente, as tensões especificadas pelos
fabricantes para os eletrodomésticos correspondem aos valores eficazes. Os voltímetros e
amperímetros fornecem leituras em valores eficazes.
Isso significa que no osciloscópio você terá condições de medir a amplitude (valor de
pico-a-pico) do sinal, enquanto que com o voltímetro alternado você terá um valor da ten-
são eficaz.
Unidade de frequência: Hertz (Hz)
O frequencímetro é um instrumento eletrônico utilizado para medição da frequência de
um sinal periódico. A unidade de medida utilizada é o hertz (símbolo Hz). Um hertz equivale
a um ciclo/segundo. Conforme a escala, o frequencímetro pode fornecer a medida em Hz,
kHz, MHz, GHz (hertz, quilohertz, megahertz, gigahertz)
ProduzidoporCicloEngenhariaLtda-62-3942-3939vendas@cicloengenharia.com.br-proibidaareprodução-eventuaiserrosoudefeitosdefabricaçãofavorcomunicarvendas@cicloengenharia.com.br
ENGENHARIA
C I C I
I
Av. C-255, nº270, sala 719
Nova Suiça, 74280-010, Goiânia - Goiás
62 - 3942-3939 - vendas@cicloengenharia.com.br
www.cicloengenharia.com.br
Centro Empresarial Sebba,
70
Motor
D12C
Motor
D12D
Aurélio Nunes de Araújo
Fábio Ribeiro von Glehn
Impresso original em
papel reciclado 90g
Sensor de rotação do motor
022.1 - Ficha técnica
Codigo de falha: SID022
Tipo: indutivo
Característica: vital ao funcionamento do motor
Localização: na capa seca do volante do motor
022.2 - Princípio de funcionamento
O sensor de rotação constitui-se de um cartucho fe-
chado (figura 1) em cujo interior se encontra um núcleo
polar (imã permanente) e um enrolamento elétrico de
cobre (indutor); uma roda dentada (figura 2) com pro-
priedades magnéticas e um par de fios retorcidos.
A finalidade do cabo retorcido é eliminar ou minimi-
zar a interferência gerada por ruídos eletromagnéticos,
entregando à unidade de controle do motor (UCM) o
sinal gerado no sensor.
O fundamento teórico que explica o funcionamento
de um sensor de rotação indutivo é a lei da indução
eletromagnética elaborada por Michael Faraday a partir
de 1831. Nela é afirmado e comprovado que: “a cor-
rente elétrica induzida em um circuito fechado por um
campo magnético, é proporcional ao número de linhas
do fluxo que atravessa a área envolvida do circuito, na
unidade de tempo.”
O campo magnético existente no imã permanente relaciona tanto o indutor (enrolamento),
como os dentes da roda dentada. Quando o dente da roda dentada está diante do sensor,
o número de linhas do fluxo magnético sobre o indutor é máximo, graças às propriedades
magnéticas da roda dentada. Por outro lado, quando o sensor está diante da cavidade o
número de linhas de fluxo magnético sobre o indutor é mínimo.
Entretanto a lei de Faraday ainda exprime ao seu final a relevância da variação no tempo,
ou seja, a roda dentada tem que girar para fazer variar as linhas de fluxo magnético sobre
as espiras do enrolamento da bobina. Essa força eletromotriz (f.e.m) induzida será tanto
maior quanto maior for a rotação da roda dentada - a amplitude do sinal aumenta com o
aumento da rotação. A figura 3 mostra a forma aproximada do sinal gerado em uma situa-
ção de rotação constante, visualizado com o auxílio de um osciloscópio e numa condição
em que todos os dentes e cavidades possuem o mesmo tamanho.
Figura 1 - sensor de rotação
Figura 2 - roda dentada
ProduzidoporCicloEngenhariaLtda-62-3942-3939vendas@cicloengenharia.com.br-proibidaareprodução-eventuaiserrosoudefeitosdefabricaçãofavorcomunicarvendas@cicloengenharia.com.br
ENGENHARIA
C I C I
I
Av. C-255, nº270, sala 719
Nova Suiça, 74280-010, Goiânia - Goiás
62 - 3942-3939 - vendas@cicloengenharia.com.br
www.cicloengenharia.com.br
Centro Empresarial Sebba,
71
Motor
D12C
Motor
D12D
Gerenciamento de Motores Diesel
Módulo 1 - Unidades Injetoras
Impresso original em
papel reciclado 90g
No exemplo acima, a roda dentada possui 60 dentes e 60 cavidades. Todas em tamanhos
iguais, logo o espaço entre um dente e uma cavidade possui 6º (360º da circunferência
dividido por 60). Apenas a título de exercício, suponha que o tempo necessário para per-
correr 10 dentes seja de 12,5 milisegundos. Qual a rotação do motor?
Primeiro calcule o período (T): T = 12,5 ms / 10 picos, ou seja: T = 1,25 ms = 0,00125s
Agora calcule a frequência (f): f = 1/T = 1/0,00125 s, ou f = 800 Hz.
Finalmente calcule a rotação do motor: r (rpm) = f (Hz) * 60 / número de dentes. O 60
surge de 1 minuto = 60 segundos. E como o número de dentes da roda dentada foi estra-
tegicamente escolhido igual a 60, então 60 / 60 é igual a 1 e chega-se a conclusão que
r(rpm) = f (Hz), ou seja, a roda dentada encontra-se a 800 rpm.
Sem perder a facilidade gerada nos cálculos pela escolha de uma roda dentada de 60
dentes e, ainda, permitindo que o sensor de rotação seja um sensor de PMS, foi inserido
na roda dentada 3 espaços lisos equidistantes 120º, como ilustra a figura 4 abaixo.
As ranhuras estão divididas em 3 grupos com 17 dentes e 18 ranhuras em cada grupo.
Entre os grupos de ranhuras há um espaço liso que corresponde a 15º. Um espaço liso
mais 18 ranhuras e 17 dentes correspondem a 120º do volante, ou seja, um terço de uma
rotação. O espaço entre duas ranhuras corresponde a um ângulo de 6º. Isso significa dizer
que se desconsiderarmos o período em que o sensor de rotação encontra-se diante do
espaço liso, o cálculo da rotação do motor obedece aos mesmos critérios da situação da
figura 3, o que significa: r (rpm) = f (Hz). Veja a ilustração da figura 5.
um ciclo = 720º
6º
6º
Figura 3 - sinal gerado pelo conjunto sensor / roda dentada ideal em movimento de rotação constante
6º
15
º
120º
um ciclo = 720º
6º 120º 15º
Figura 4 - sinal gerado pelo conjunto sensor / roda dentada real em movimento de rotação constante
ProduzidoporCicloEngenhariaLtda-62-3942-3939vendas@cicloengenharia.com.br-proibidaareprodução-eventuaiserrosoudefeitosdefabricaçãofavorcomunicarvendas@cicloengenharia.com.br
ENGENHARIA
C I C I
I
Av. C-255, nº270, sala 719
Nova Suiça, 74280-010, Goiânia - Goiás
62 - 3942-3939 - vendas@cicloengenharia.com.br
www.cicloengenharia.com.br
Centro Empresarial Sebba,
72
Motor
D12C
Motor
D12D
Aurélio Nunes de Araújo
Fábio Ribeiro von Glehn
Impresso original em
papel reciclado 90g
Motor
D12C
Tensão(V)
Tempo (ms)
8,333ms / 5 picos
momento sem
variação de campo
magnético
amplitude do
sinal gerado
0 1 2 3 4 5
Cálculo do Período (T)
8,333 ms
5 picos
T = = 1,666ms
Cálculo da frequência (f)
1
T
f = = 600Hz=
1
1,666ms
Cálculo da rotação (r)
f * 60 (s/min)
360º / 6º
r = = 600 rpm
Figura 5 - interpretação do sinal gerado pelo conjunto sensor / roda dentada em movimento
022.3 - Sincronismo do motor
Para facilitar o entendimento do sincronismo entre sensor de fase, sensor de rotação e
elementos mecânicos do motor, veja a figura 6 à página seguinte.
Observe: O sensor detecta um sinal da roda dentada do comando que não está em
sincronismo com a parte lisa do volante do motor, com isso o dente extra está identificado.
Logo a seguir um novo dente no comando e a parte lisa na roda do volante. O pistão do 1º
cilindro está em ascensão e em fase de compressão. A rotação do motor já está calculada,
imaginemos 900 rpm quando o sensor de rotação detectou a primeira ranhura a seguir a
uma parte lisa no volante do motor. A UCM também já tem, dadas as condições de fun-
cionamento, que é necessário começar a injeção no 1º cilindro, por exemplo, 7º antes do
PMS. Segundo estes dados, quanto tempo após a detecção da primeira ranhura a UCM
deverá comandar o fechamento da unidade injetora?
ProduzidoporCicloEngenhariaLtda-62-3942-3939vendas@cicloengenharia.com.br-proibidaareprodução-eventuaiserrosoudefeitosdefabricaçãofavorcomunicarvendas@cicloengenharia.com.br
ENGENHARIA
C I C I
I
Av. C-255, nº270, sala 719
Nova Suiça, 74280-010, Goiânia - Goiás
62 - 3942-3939 - vendas@cicloengenharia.com.br
www.cicloengenharia.com.br
Centro Empresarial Sebba,
73
Motor
D12C
Motor
D12D
Gerenciamento de Motores Diesel
Módulo 1 - Unidades Injetoras
Impresso original em
papel reciclado 90g
O PMS está a 69º da 1ª ranhura. A injeção deverá iniciar-se 7º antes do PMS, portanto
a 62º da 1ª ranhura. O motor está a 900 rpm (rotações por minuto), ou 900 rpm / 60 s/min
= 15 Hz ou 15 rotações por segundo. Se em único segundo o motor faz 15 giros, então
para perfazer um único giro de 360º ele gasta 1/15 = 0,0666 segundos ou 66,6 ms.
Para percorrer 1º (um grau) gasta 66,6/360 = 0,185ms. Então para percorrer os 62º ne-
cessários até o início da injeção, teremos 0,185 * 62 = 11,47ms. Isso significa que quando
o motor está a 900 rpm a UCM deve esperar apenas 11,47ms para fechar a válvula de
injeção e iniciar o débito no 1º cilindro.
6º
15
º
120º
69º
69º
1 5 3 62 4
um ciclo = 360º
60º 15º
34,5º
60º
60
º
60º
60º
60
º
60º
15º
1
5
3
6
2
4
34,5º
um ciclo = 720º
6º 120º 15º
69º
PMS
PMI
PMS
PMI
PMS
PMI
0º 51º 171º 291º 411º360º 531º 651º
0º 51º 171º 291º 411º360º 531º-69º
0º 51º 171º 291º 411º360º-189º -69º
0º 51º 171º 291º-309º-360º -189º -69º
0º 51º 171º-429º -309º-360º -189º -69º
0º 51º-549º -429º -309º-360º -189º -69º
1
5
3
6
2
4
0 0
VOLVO
V3
TDC
Figura 6 - sinais de rotação e fase na condição de motor sincronizado
ProduzidoporCicloEngenhariaLtda-62-3942-3939vendas@cicloengenharia.com.br-proibidaareprodução-eventuaiserrosoudefeitosdefabricaçãofavorcomunicarvendas@cicloengenharia.com.br
ENGENHARIA
C I C I
I
Av. C-255, nº270, sala 719
Nova Suiça, 74280-010, Goiânia - Goiás
62 - 3942-3939 - vendas@cicloengenharia.com.br
www.cicloengenharia.com.br
Centro Empresarial Sebba,
74
Motor
D12C
Motor
D12D
Aurélio Nunes de Araújo
Fábio Ribeiro von Glehn
Impresso original em
papel reciclado 90g
022.4 - Verificação do sincronismo do motor
Colocar o 1º cilindro em PMS (Ponto
Morto Superior) e verificar se a marcação
0º no volante do motor está em frente à
seta no cárter do volante, conforme ilustra
a figura 7 ao lado.
Verificar se a marcação de PMS na
árvore do comando de válvulas (TDC - do
inglês: Top Dead Centre) está certa com
a marcação na capa do mancal de apoio.
Figura 8 ao lado.
022.5 - Localização
Na capa seca do volante do motor
0
Figura 7 - Sincronismo do volante
VOLVO
V3
TDC
Figura 8 - Sincronismo do comando
sensor de
rotação
ProduzidoporCicloEngenhariaLtda-62-3942-3939vendas@cicloengenharia.com.br-proibidaareprodução-eventuaiserrosoudefeitosdefabricaçãofavorcomunicarvendas@cicloengenharia.com.br
ENGENHARIA
C I C I
I
Av. C-255, nº270, sala 719
Nova Suiça, 74280-010, Goiânia - Goiás
62 - 3942-3939 - vendas@cicloengenharia.com.br
www.cicloengenharia.com.br
Centro Empresarial Sebba,
75
Motor
D12C
Motor
D12D
Gerenciamento de Motores Diesel
Módulo 1 - Unidades Injetoras
Impresso original em
papel reciclado 90g
022.6 - Simbologia
Identifique no esquema elétrico
(posição A03) todos os significados da
simbologia adotada
022.7 - Códigos de falha
MID SID FMI
128 022
2 3 8
Sinal de rotações do motor
incorreto
Sinal de rotações do motor
não disponível
Sinal de rotações do motor
com frequência anormal
Possíveis
causas
Interferência elétrica
Conexão solta
Isolação insatisfatória
Distância incorreta entre
sensor e roda dentada
Dente danificado no volante
do motor
Sensor instalado incorreta-
mente
Falha no sensor
Curto-circuito à tensão de
bateria, cabo EA31
Curto-circuito à tensão de
bateria, cabo EA30
Curto-circuito à massa,
cabo EA31
Curto-circuito à massa,
cabo EA30
Interrupção do cabo EA31
Interrupção do cabo EA30
Conexão solta
Distância muito grande
entre o sensor e a roda
dentada
Falha no sensor
Interferência elétrica
Distância incorreta entre
sensor e roda dentada
Dente danificado no volante
do motor
Falha no sensor
Reação
O código de falha é registrado
Lâmpada AMARELA acende
Se em funcionamento, motor apaga instanteneamente
Motor gira, mas não pega
Tensão medida com relação à massa em qualquer um dos terminais fica constante e
aproximadamente igual a 2V
caso não perca o sinal, perde de potência
caso não perca o sinal, o funcionamento do motor fica irregular
022.8 - Verificações
1 - Teste do conjunto sensor / chicote / UCM com o voltímetro;
2 - Se necessário, teste do chicote e sensor com o ohmímetro;
3 - Se necessário, teste do chicote e UCM com o voltímetro
EA30
1
2
EA31
AZ/VM
AZ/PT
Indutor Par trançado Cor do fio
Oval preto
representa o
Sinal
EA31 e EA30
terminais da
UCM
1 e 2
terminais do
sensor
ProduzidoporCicloEngenhariaLtda-62-3942-3939vendas@cicloengenharia.com.br-proibidaareprodução-eventuaiserrosoudefeitosdefabricaçãofavorcomunicarvendas@cicloengenharia.com.br
ENGENHARIA
C I C I
I
Av. C-255, nº270, sala 719
Nova Suiça, 74280-010, Goiânia - Goiás
62 - 3942-3939 - vendas@cicloengenharia.com.br
www.cicloengenharia.com.br
Centro Empresarial Sebba,
76
Motor
D12C
Motor
D12D
Aurélio Nunes de Araújo
Fábio Ribeiro von Glehn
Impresso original em
papel reciclado 90g
022.8.1 - Teste do conjunto sensor / chicote / UCM com o voltímetro alternado (~ Vac)
Proceda as ligações do voltímetro conforme a ilustração abai-
xo e certifique-se da validade dos dados. Lembre-se:
* A UCM e sensor conectados;
* A chave de partida na posição de condução;
* Motor tentativa de partida (ponto 1) - motor em funciona-
mento (ponto 2);
* Multímetro preparado para medição de tensão alternada
(Vac). Você irá verificar a variação da amplitude do sinal em
função da variação da rotação da roda dentada.
Valores fora da faixa. Verifique:
* Teste de resistência elétrica do sensor / chicote
* Estado da roda dentada quanto à integridade dos dentes;
* Distância entre sensor e roda dentada;
Valores dentro da faixa, mas com o sintoma de falha, indica que a busca da solução
deverá se concentrar em outro ponto de funcionamento do motor.
Tensão(V)
Tempo (ms)
8,333ms / 5 picos
momento sem
variação de campo
magnético
amplitude do
sinal gerado
0 1 2 3 4 5
Cálculo do Período (T)
8,333 ms
5 picos
T = = 1,666ms
Cálculo da frequência (f)
1
T
f = = 600Hz=
1
1,666ms
Cálculo da rotação (r)
f * 60 (s/min)
360º / 6º
r = = 600 rpm
EA30
1
2
EA31
AZ/VM
AZ/PT Vac
EA30 - EA31 (valor eficaz)
Os valores abaixo representam
apenas uma medição em um
veículo qualquer e servem apenas
como ilustração, visto que estes
valores podem variar muito de
um veículo para outro em função
da distância entre sensor e roda
dentada. No processo de medição,
espere um aumento da tensão com
o aumento da rotação do motor
Condição Tensão (Vac)
Partida
600 rpm 11,37
700 rpm 12,73
800 rpm 14,05
900 rpm 15,24
1000 rpm 16,34
1100 rpm 17,43
1200 rpm 18,35
1300 rpm 19,30
1400 rpm 20,10
1500 rpm 20,80
1600 rpm 21,55
1700 rpm 22,25
tensão(Vac)
Curva de resposta de um sensor de rotação
5,0
150010005000
10,0
15,0
20,0
rotação (rpm)
ProduzidoporCicloEngenhariaLtda-62-3942-3939vendas@cicloengenharia.com.br-proibidaareprodução-eventuaiserrosoudefeitosdefabricaçãofavorcomunicarvendas@cicloengenharia.com.br
ENGENHARIA
C I C I
I
Av. C-255, nº270, sala 719
Nova Suiça, 74280-010, Goiânia - Goiás
62 - 3942-3939 - vendas@cicloengenharia.com.br
www.cicloengenharia.com.br
Centro Empresarial Sebba,
77
Motor
D12C
Motor
D12D
Gerenciamento de Motores Diesel
Módulo 1 - Unidades Injetoras
Impresso original em
papel reciclado 90g
022.8.2 - Teste do sensor e chicote com o OHMÍMETRO (W)
Proceda as ligações do voltímetro (conector da UCM) conforme a ilustração abaixo e
certifique-se da validade dos dados. Lembre-se:
* A UCM desconectada;
* A chave de partida na posição 0;
* Multímetro preparado para medição de resistência (ohm - W)
Valores fora da faixa indicam falha no sensor ou no chicote:
* verifique fiação sensor - UCM (continuidade ou curto-circuito)
* refaça a medição diretamente no sensor
* faça o teste UCM - chicote
EA30
1
2
EA31
AZ/VM
AZ/PT
12
13
25
24
36
01
3031
Pontos de medição Valor nominal
EA30 - EA31 775 a 945 W
ProduzidoporCicloEngenhariaLtda-62-3942-3939vendas@cicloengenharia.com.br-proibidaareprodução-eventuaiserrosoudefeitosdefabricaçãofavorcomunicarvendas@cicloengenharia.com.br
ENGENHARIA
C I C I
I
Av. C-255, nº270, sala 719
Nova Suiça, 74280-010, Goiânia - Goiás
62 - 3942-3939 - vendas@cicloengenharia.com.br
www.cicloengenharia.com.br
Centro Empresarial Sebba,
78
Motor
D12C
Motor
D12D
Aurélio Nunes de Araújo
Fábio Ribeiro von Glehn
Impresso original em
papel reciclado 90g
022.8.3 - Teste da UCM e chicote com o VOLTÍMETRO CONTÍNUO (VDC)
Proceda as ligações do voltímetro (conector do sensor) conforme a ilustração abaixo e
certifique-se da validade dos dados. Lembre-se:
* A UCM conectada;
* Sensor desconectado
* A chave de partida na posição de condução;
* Motor desligado;
* Multímetro preparado para medição de tensão contínua (Vdc)
Ponto de medição Valor nominal em caso de divergência
1 e massa 1,9 a 2,1 V
Fiação 1 - EA31 interrompida
Fiação 1 - EA31 em curto-circuito
Falha na alimentação da UCM
Falha na UCM
Falha no aterramento do chassi
2 e massa 1,9 a 2,1 V
Fiação 2 - EA30 interrompida
Fiação 2 - EA30 em curto-circuito
Falha na alimentação da UCM
Falha na UCM
Falha no aterramento do chassi
1
2
1
2
chassichassi
Vdc Vdc
ProduzidoporCicloEngenhariaLtda-62-3942-3939vendas@cicloengenharia.com.br-proibidaareprodução-eventuaiserrosoudefeitosdefabricaçãofavorcomunicarvendas@cicloengenharia.com.br
ENGENHARIA
C I C I
I
Av. C-255, nº270, sala 719
Nova Suiça, 74280-010, Goiânia - Goiás
62 - 3942-3939 - vendas@cicloengenharia.com.br
www.cicloengenharia.com.br
Centro Empresarial Sebba,
79
Motor
D12C
Motor
D12D
Gerenciamento de Motores Diesel
Módulo 1 - Unidades Injetoras
Impresso original em
papel reciclado 90g
022.8.4 - Teste do conjunto sensor / roda dentada / UCM com um FREQUENCÍMETRO (Hz)
Proceda as ligações do frequencímetro conforme a ilustração abaixo
e certifique-se da validade dos dados. Lembre-se:
* A UCM e sensor conectados;
* A chave de partida na posição de condução;
* Motor tentativa de partida (ponto 1) - motor em funciona-
mento (ponto 2);
* Multímetro preparado para medição de frequência (Hz). Você
irá verificar a variação da frequência do sinal em função da variação
da rotação da roda dentada.
Valores fora da faixa. Verifique:
* Teste de resistência elétrica do sensor / chicote
* Estado da roda dentada quanto à integridade dos dentes;
* Distância entre sensor e roda dentada;
Valores dentro da faixa, mas com sintoma de falha, indica que a busca deverá se con-
centrar em outro ponto de funcionamento do motor.
Tensão(V)
Tempo (ms)
8,333ms / 5 picos
magnético
0 1 2 3 4 5
Cálculo do Períod
8,333 ms
5 picos
T = = 1
Cálculo da frequê
1
T
f = ==
1
1,666ms
Cálculo da rotaçã
f * 60 (s/min)
360º / 6º
r = = 6
EA30
1
2
EA31
AZ/VM
AZ/PT Hz EA30 - EA31
No processo de medição da fre-
quência, cuidado com a interpreta-
ção de ruído como sendo um sinal.
Condição Frequência (Hz)
Partida
600 rpm 540,0
700 rpm 630,6
800 rpm 720,7
900 rpm 810,8
1000 rpm 900,9
1100 rpm 991,0
1200 rpm 1080,0
1300 rpm 1171,0
1400 rpm 1261,0
1500 rpm 1350,0
1600 rpm 1440,0
1700 rpm 1531,0
frequência(Hz)
Curva de resposta de um sensor de rotação
500
150010005000
rotação (rpm)
1000
1500
ProduzidoporCicloEngenhariaLtda-62-3942-3939vendas@cicloengenharia.com.br-proibidaareprodução-eventuaiserrosoudefeitosdefabricaçãofavorcomunicarvendas@cicloengenharia.com.br
ENGENHARIA
C I C I
I
Av. C-255, nº270, sala 719
Nova Suiça, 74280-010, Goiânia - Goiás
62 - 3942-3939 - vendas@cicloengenharia.com.br
www.cicloengenharia.com.br
Centro Empresarial Sebba,
80
Motor
D12D
Aurélio Nunes de Araújo
Fábio Ribeiro von Glehn
Impresso original em
papel reciclado 90g
Ventilação de arrefecimento
026 / 033 .1 - Ficha técnica
Codigos de falha dos componentes envolvidos:
PID 026 - Sensor de rotação do ventilador;
SID 033 - Ventilador de arrefecimento.
026 / 033 .2 - Elementos de controle
Nas primeiras versões:
Ventilador de arrefecimento (posição A12 no
esquema elétrico);
Sensor de rotação do ventilador de arrefecimen-
to (posição A13).
Nas versões mais recentes:
O ventilador de arrefecimento (posição A12 no
esquema elétrico) é comandado por um módulo
de ventilação.
Sensor de rotação do ventilador de arrefecimen-
to (posição A13).
026 / 033 .3 - O efeito Hall
Em 1879, Edwin H. Hall observou que se uma placa fina de ouro for colocada em um
campo magnético perpendicular à sua superfície, uma corrente elétrica fluindo ao longo
da placa pode causar uma diferença de potencial em uma direção perpendicular tanto ao
campo magnético quanto à corrente.
A experiência passo-a-passo
Uma corrente elétrica, ‘Iv’, percorre uma placa condutora com propriedades magnéticas
e de largura ‘d’. Neste instante, um voltímetro instalado nas laterais da placa, conforme
ilustra a figura 1a, não indicará nenhuma diferença de potencial.
Em um segundo instante, a placa é submetida a um campo magnético, B, como ilustra
a figura 1b, e eis que surge o fenômeno. O campo magnético gera um desvio da corrente
elétrica ‘Iv’ para um dos lados da placa, gerando uma diferença de potencial ‘Uh‘ (tensão
hall) em direção perpendicular, tanto à corrente ‘Iv’ como ao campo magnético ‘B’.
A tensão hall pode ser calculada pela fórmula: UH = K * Iv * B / d, onde ‘K’ é uma
constante hall que depende do material da placa condutora.
Pela fórmula, se B = 0, UH = 0, ou seja, se não existe campo magnético, não existe
tensão hall. Deste modo, criando a condição de circuito fechado (B = 0, UH = 0) e circuito
aberto (B = B, UH = UH ), gera-se um sinal, medido em ‘UH’ dependente da existência
ou não do campo magnético B.
•
•
•
•
•
•
Figura 1 - Ventilador de arrefecimento
UCM
(MID 128)
5
2
1
EA04+
EA05-
EA06
F42
4 3
EB21-
MR/BR
AM
VD/BR
CZ/VMSID 033
PID 026
UCM
(MID 128)
5
2
1
EA04+
EA05-
EA06
F42a 4
3 EB21
MR/BR
AM
VD/BR
CZ/VM6
ProduzidoporCicloEngenhariaLtda-62-3942-3939vendas@cicloengenharia.com.br-proibidaareprodução-eventuaiserrosoudefeitosdefabricaçãofavorcomunicarvendas@cicloengenharia.com.br
ENGENHARIA
C I C I
I
Av. C-255, nº270, sala 719
Nova Suiça, 74280-010, Goiânia - Goiás
62 - 3942-3939 - vendas@cicloengenharia.com.br
www.cicloengenharia.com.br
Centro Empresarial Sebba,
81
Motor
D12D
Gerenciamento de Motores Diesel
Módulo 1 - Unidades Injetoras
Impresso original em
papel reciclado 90g
A questão é como se pode tirar pro-
veito deste fenômeno?
O campo magnético ‘B’ é gerado
por um imã permanente, a corrente
elétrica ‘Iv’ por uma tensão ‘Uv’ que
deverá necessariamente ser forneci-
da à placa condutora e a condição de
circuito aberto e fechado é feito por
uma armadura (ver figura 2) em forma
de um copo com janelas ao longo do
perímetro da armadura.
A armadura, de material também
com propriedades magnéticas, ao
passar com o elemento cheio entre a
placa e o imã, corta o campo magnético
do imã e reduz o campo sobre a placa
condutora, pois as linhas de força mag-
nética se fecham sobre a armadura,
minimizando o efeito hall.
Quando passar o elemento vazio
(janela), as linhas de força magnética
do imã se fecham sobre a placa con-
dutora, gerando uma tensão hall de
valor ‘normal’. A figura 2, exemplifica o
efeito. O resultado é um sinal de saída
proporcional à rotação do eixo da ar-
madura. Sinal que pode ser visualizado
com um osciloscópio ou medido com
um frequencímetro. Veja a figura 3.
d
IH
UH
IV
UH = 0
Figura 1a: as linhas de corrente
s e d i s t r i b u e m u n i f o r m e m e n t e
pela placa. Não existe diferença de potencial
entre as laterais da placa, por isso Uh = 0 volts
B
d
IH
UH
IV
UH = K * *IV B
d
Figura 1b: os eletróns são defletidos e isso
gera o potencial hall, ou seja, Uh = Uh volts.
Momento 2: entre o imã e a placa hall
a abertura da janela
+V
-V
O campo magnético
do imã interfere sobre
a placa Hall e aparece
o efeito. Uh = Uh
Placa
Hall
Imã
Momento 1: entre o imã e a placa hall
a saliencia da armadura
+V
-V
A placa Hall fica sem
o efeito do campo
magnético do imã.
Uh = 0
Placa
Hall
Imã
Figura 2: a armadura (vista de cima é o circulo
em vermelho) gira com suas saliencias e janelas
entre o imã e a placa
Armaduras
ProduzidoporCicloEngenhariaLtda-62-3942-3939vendas@cicloengenharia.com.br-proibidaareprodução-eventuaiserrosoudefeitosdefabricaçãofavorcomunicarvendas@cicloengenharia.com.br
ENGENHARIA
C I C I
I
Av. C-255, nº270, sala 719
Nova Suiça, 74280-010, Goiânia - Goiás
62 - 3942-3939 - vendas@cicloengenharia.com.br
www.cicloengenharia.com.br
Centro Empresarial Sebba,
82
Motor
D12D
Aurélio Nunes de Araújo
Fábio Ribeiro von Glehn
Impresso original em
papel reciclado 90g
O efeito Hall é principalmente utili-
zado para determinar a rotação e fase
do motor e a velocidade do veículo,
mas existem outras aplicações como,
neste caso, medir a rotação do eixo do
ventilador de arrefecimento.
Lembre-se, para que haja o fenô-
meno, há a necessidade de se ter
uma alimentação elétrica (um positivo
e um negativo) para se poder extrair
um sinal.
Este sinal é proporcional à rotação
do eixo da armadura. Então, sem um
osciloscópio, utiliza-se a função fre-
quencímetro do multímetro (medida
em hertz - HZ) e procura-se perceber
variação de frequência quando ocorrer
variação de rotação do eixo de interes-
se (virabrequim, comando de válvulas,
roda, ventilador do radiador, etc...).
Para facilitar, os esquemas elétricos devem indicar se a peça
utiliza ou não o efeito hall. A simbologia normalmente utilizada
nos faz lembrar da placa hall (veja a figura 4).	
026 / 033 .4 - Localização:
Os dois componentes estão localizados na frente do veículo próximo ao radiador de
arrefecimento
Figura 4: representação
esquemática de um sensor
que utiliza o efeito hall como
princípio de funcionamento.
S
+
-
Condição 2: a armadura gira mais rapidamente
Condição 1: a armadura gira lentamente
Figura 3: a armadura gira com velocidades diferentes
TENSÃO(V)
TEMPO (s)
TENSÃO(V)
TEMPO (s)
ProduzidoporCicloEngenhariaLtda-62-3942-3939vendas@cicloengenharia.com.br-proibidaareprodução-eventuaiserrosoudefeitosdefabricaçãofavorcomunicarvendas@cicloengenharia.com.br
ENGENHARIA
C I C I
I
Av. C-255, nº270, sala 719
Nova Suiça, 74280-010, Goiânia - Goiás
62 - 3942-3939 - vendas@cicloengenharia.com.br
www.cicloengenharia.com.br
Centro Empresarial Sebba,
83
Motor
D12D
Gerenciamento de Motores Diesel
Módulo 1 - Unidades Injetoras
Impresso original em
papel reciclado 90g
026 / 033.5 - Códigos de falha
Sensor de velocidade do ventilador do radiador
MID PID FMI
128 026
3 8
EA06  65% Ubat
Ventilador em funcionamento
A unidade de controle do motor detecta
pulsos extras no sinal de velocidade do
ventilador
Possíveis
causas
Curto-circuito à tensão, cabo condutor de
sinal (EA06).
Curto-circuito à tensão, cabo de alimenta-
ção (EA04).
Interrupção, cabo condutor de sinal
(EA06).
Falha no sensor.
Isolação insatisfatória ou falha na instala-
ção elétrica.
Falha no sensor.
Ventilador danificado.
Reação
O código de falha é registrado
Lâmpada de anomalias acende
Velocidade do ventilador 100%
Alto consumo de combustível
Ventilador de arrefecimento: primeiras versões com comando direto
MID SID FMI
128 033
3 4 5
EB21  65% Ubat Curto-circuito à massa em
EB21
O relé de acoplamento do
ventilador é ativado pelo
cabo de controle, curto-cir-
cuito à massa
Interrupção
Possíveis
causas
Curto-circuito à tensão da
bateria, cabo de controle
(EB21)
Curto-circuito à massa,
cabo de controle EB21.
Relé de acoplamento do
ventilador constantemente
ativado.
Fusível defeituoso.
Interrupção, cabo de
alimentação ou cabo de
controle da UCM.
Interrupção no relé, cone-
xão entre o relé e a instala-
ção elétrica.
Relé de acoplamento do
ventilador defeituoso.
Reação
O código de falha é regis-
trado
Lâmpada de anomalias
acende
O ventilador está constan-
temente acionado.
Alto consumo de combus-
tível.
O código de falha é regis-
trado
Lâmpada de anomalias
acende
O ventilador está constan-
temente desacionado.
Alta temperatura do líquido
de arrefecimento do motor.
O código de falha é regis-
trado
Lâmpada de anomalias
acende
O ventilador está constan-
temente acionado.
Alto consumo de combus-
tível.
ProduzidoporCicloEngenhariaLtda-62-3942-3939vendas@cicloengenharia.com.br-proibidaareprodução-eventuaiserrosoudefeitosdefabricaçãofavorcomunicarvendas@cicloengenharia.com.br
ENGENHARIA
C I C I
I
Av. C-255, nº270, sala 719
Nova Suiça, 74280-010, Goiânia - Goiás
62 - 3942-3939 - vendas@cicloengenharia.com.br
www.cicloengenharia.com.br
Centro Empresarial Sebba,
84
Motor
D12D
Aurélio Nunes de Araújo
Fábio Ribeiro von Glehn
Impresso original em
papel reciclado 90g
Nas versões mais recentes, o ventilador é comandado por um módulo próprio e caso
este não receba um comando pulsado característico vindo da UCM, este módulo passa a
ter total controle sobre o ventilador e o aciona com a máxima velocidade
026 / 033.6 - Testes
Código de
falha
Localiza-
ção no
esquema
elétrico
Terminais para
teste
Condição do teste Valor nominal
PID 026
MID 128
A13
(D12D)
EA06 - EA05
Motor parado, ch. em condução.
Gire manualmente o ventilador
de arrefecimento através de
suas pás
O valor mostrado varia
entre
≈ 0,00 Vdc ou
≈ 5,00 Vdc
conforme a
posição do
ventilador
EA04 - EA05 Sensor desconectado ≈ 5,00 Vdc
SID 033
MID 128
A12
(D12D)
EB21 - massa
Motor parado, ch. em condução
e ventilador desacionado
nas primeiras versões:
≈ Ubat
nas versões mais no-
vas o resultado não é
conclusivo
Motor parado, ch. em condução
e ventilador acionado
nas primeiras versões:
≈ 0V
nas versões mais no-
vas o resultado não é
conclusivo
EB21 - EB11 Resistência do ventilador
nas primeiras versões
≈ 30 a 50 W
nas versões mais
novas não é possível
medir
ProduzidoporCicloEngenhariaLtda-62-3942-3939vendas@cicloengenharia.com.br-proibidaareprodução-eventuaiserrosoudefeitosdefabricaçãofavorcomunicarvendas@cicloengenharia.com.br
ENGENHARIA
C I C I
I
Av. C-255, nº270, sala 719
Nova Suiça, 74280-010, Goiânia - Goiás
62 - 3942-3939 - vendas@cicloengenharia.com.br
www.cicloengenharia.com.br
Centro Empresarial Sebba,
85
Motor
D12D
Gerenciamento de Motores Diesel
Módulo 1 - Unidades Injetoras
Impresso original em
papel reciclado 90g
Propositalm
ente
em
branco
ProduzidoporCicloEngenhariaLtda-62-3942-3939vendas@cicloengenharia.com.br-proibidaareprodução-eventuaiserrosoudefeitosdefabricaçãofavorcomunicarvendas@cicloengenharia.com.br
ENGENHARIA
C I C I
I
Av. C-255, nº270, sala 719
Nova Suiça, 74280-010, Goiânia - Goiás
62 - 3942-3939 - vendas@cicloengenharia.com.br
www.cicloengenharia.com.br
Centro Empresarial Sebba,
86
Motor
D12C
Motor
D12D
Aurélio Nunes de Araújo
Fábio Ribeiro von Glehn
Impresso original em
papel reciclado 90g
Sistema de preaquecimento
045 / 070.1 - Ficha técnica
Codigo de falha: 	SID070 preaquecedor
			 PID045 relé do preaquecedor
045 / 070.2 - Conexões elétricas
Identifique no esquema elétrico (posiçõesA27,A28
e A29) as ligações do sistema.
045 / 070.3 - Condições de funcionamento
Quando a chave de partida é girada até a posição
de preaquecimento, o elemento de partida é ativado.
O tempo de ativação para o preaquecimento é depen-
dente da temperatura do motor.
045 / 070.4 - Códigos de falha
Condições necessárias para o registro de código PID045:
MID PID FMI
128 045
3 4
EB31 ≈ Ubat
Relé do préaquecedor está ativado
EB31 ≈ 0V
Relé do préaquecedor NÃO está ativado
Possíveis
causas
Curto-circuito à tensão de batería no cabo
de controle (EB31)
O relé do préaquecedor em curto-circuito
Curto-circuito à massa no cabo condutor
de controle (EB31)
Relé do préaquecedor danificado
Fusível F42 queimado (D12D)
Fusível F18 queimado (D12C)
Reação
O código de falha é registrado
Lâmpada AMARELA acende
O preaquecedor não funciona
Emissão de fumaça branca durante a partida a frío
Dificuldade de partida em temperaturas muito baixas
Figura 1 - Preaquecedor de partida
UCM
(MID 128)
PID 045
FM1
F42
23
4 1
-EB31
C12
+EB05
1
2
AZ/VM
VM SID 070
MID 171
Figura 2 - Esquema de ligação
ProduzidoporCicloEngenhariaLtda-62-3942-3939vendas@cicloengenharia.com.br-proibidaareprodução-eventuaiserrosoudefeitosdefabricaçãofavorcomunicarvendas@cicloengenharia.com.br
ENGENHARIA
C I C I
I
Av. C-255, nº270, sala 719
Nova Suiça, 74280-010, Goiânia - Goiás
62 - 3942-3939 - vendas@cicloengenharia.com.br
www.cicloengenharia.com.br
Centro Empresarial Sebba,
87
Motor
D12C
Motor
D12D
Gerenciamento de Motores Diesel
Módulo 1 - Unidades Injetoras
Impresso original em
papel reciclado 90g
Condições necessárias para o registro de código SID070:
MID SID FMI
128 070
3 4 5
EB05  65% Ubat
Relé do préaquecedor não
está ativado
EB05  7% Ubat
Relé do préaquecedor está
ativado
5%  EB5  65% Ubat
Possíveis
causas
Curto-circuito à tensão de
batería no cabo condutor
de sinal (EB05)
O relé do préaquecedor
está constantemente ati-
vado
Curto-circuito à massa no
cabo condutor de sinal
(EB05)
Relé do préaquecedor dani-
ficado
Interrupção no cabo entre o
relé e a batería
Fusível FM1 queimado
(D12D)
Interrupção no cabo condu-
tor de sinal (EB05)
Elemento aquecedor de
partida em curto-circuito à
massa
Reação
O preaquecedor não funciona
Emissão de fumaça branca durante a partida a frío
Dificuldade de partida em temperaturas muito baixas
O código de falha é registrado
Lâmpada AMARELA acende
Pré aquecedor de partida - condições de funcionamento
condição do relé de pré-aquecimento
condição normal65%
100%
níveldetensãoVERIFICADO
EB05-massaemfunçãoda
condiçãodorelé[*Ubat(V)]
6,5%
FMI3
FMI5
condição normal FMI4
relé desacionado relé acionado
ProduzidoporCicloEngenhariaLtda-62-3942-3939vendas@cicloengenharia.com.br-proibidaareprodução-eventuaiserrosoudefeitosdefabricaçãofavorcomunicarvendas@cicloengenharia.com.br
ENGENHARIA
C I C I
I
Av. C-255, nº270, sala 719
Nova Suiça, 74280-010, Goiânia - Goiás
62 - 3942-3939 - vendas@cicloengenharia.com.br
www.cicloengenharia.com.br
Centro Empresarial Sebba,
88
Motor
D12C
Motor
D12D
Aurélio Nunes de Araújo
Fábio Ribeiro von Glehn
Impresso original em
papel reciclado 90g
Links de controle e de informação
049 / 084 / 085 / 091 / 201 / 224 / 228 / 231. 1 - Informações teóricas
Os links de controle e de informação SAE J1587 / J1708 e J1939 são redes de comuni-
cação entre as diversas unidades de controle. Trata-se de uma rede CAN (Controller Area
Network). A rede CAN foi desenvolvida pela BOSCH em 1986, como objetivo principal em
simplificar as complexas instalações elétricas em automóveis reduzindo a um único barra-
mento de comunicação composto por um par de fios.
Desta forma pode-se definir que a rede CAN é um protocolo de comunicação digital
serial compartilhada.
Padronização:
SAE (Society of Automotive Engineers)
ISO (International Organization for Standartization)
A Sociedade Automotiva de Engenharia (Society of Automotive Engineers – SAE) des-
creve uma classificação de redes de comunicação em função dos requerimentos das
aplicações automotivas. Esta classificação define três classes de redes de comunicação
em aplicações automobilísticas:
Classe A: São redes de comunicação com baixa largura de banda utilizada em apli-
cações não críticas no corpo eletrônico do automóvel, como por exemplo: controle de
lâmpadas, diagnósticos, etc.
Classe B: São redes utilizadas para aplicações que são importantes, mas não essen-
ciais para a operação do automóvel, como display de informação de velocidade e nível
de combustível. As Classes A e B são aplicadas no corpo eletrônico de um automóvel.
Como por exemplo a rede J1939.
Classe C: São redes utilizadas em aplicações de segurança crítica de tempo real distri-
buído envolvidos no sistema eletrônico de um automóvel, como por exemplo: controle
de direção, freios e motor. O volume de dados é alto, exigindo baixa latência e alta taxa
de transferência. Como por exemplo a rede J1587 / J1708.
Aarquitetura simplificada da rede é mostrada
na figura ao lado. Informações como rotação
do motor, velocidade do veículo, código do
imobilizador, temperatura do motor, pressão
do óleo, pressão do turbo e outras informações
trafegam pelos pares de fios de uma das duas
redes através de uma codificação específica
que determina: o início da mensagem; a identi-
ficação e a prioridade da mensagem; o número
de bytes a serem transmitidos; os dados; uma
estratégia de detecção e correção de erros na
mensagem e a finalização da mesma.
Deste modo, ao transformar um sinal em um
conjunto de bits e ao definir a localização destes
bits na mensagem, os computadores podem
compartilhar entre si as informações necessá-
rias ao bom funcionamento sem a necessidade
de vários sensores com funções identicas.
•
•
•
•
•
MID 128
Motor
EB25
EB26
EB01
EB02
MID 144
Veículo
PC01
PC02
PC04
PC05
MID 163
Imobilizador
01
02
MID 140
Instrumento
A17
A18
A15
A16
MID 216
LCM
LC2:17
LC2:18
LC2:16
LC2:13
Diagnose2
3
Link de informação
SAE J1708
Link de controle
SAE J1939
Figura 1: arquitetura da rede
ProduzidoporCicloEngenhariaLtda-62-3942-3939vendas@cicloengenharia.com.br-proibidaareprodução-eventuaiserrosoudefeitosdefabricaçãofavorcomunicarvendas@cicloengenharia.com.br
ENGENHARIA
C I C I
I
Av. C-255, nº270, sala 719
Nova Suiça, 74280-010, Goiânia - Goiás
62 - 3942-3939 - vendas@cicloengenharia.com.br
www.cicloengenharia.com.br
Centro Empresarial Sebba,
89
Motor
D12C
Motor
D12D
Gerenciamento de Motores Diesel
Módulo 1 - Unidades Injetoras
Impresso original em
papel reciclado 90g
049 / 084 / 085 / 091 / 224 / 228 - Códigos de falha relacionados ao link J1587 / J1708
MID 128 - PID 049 - Condição do ABS
Falha FMI 9 - Ausência da mensagem
Causas Falha na unidade de controle ABS ou no link de informação SAE J1587 / J1708
Reação
O código de falha é registrado;
Lâmpada AMARELA acende.
MID 128 - PID 084 - Velocidade do veículo
Falha FMI 9 - Ausência do sinal FMI 11 - Falha não identificável
Possíveis
causas
Falha no sensor de velocidade;
Falha na VECU (MID 144);
Falha no link de informação J1587 / J1708
Falha no sensor de velocidade;
Falha na VECU (MID 144);
Falha no link de informação J1587 / J1708
Reação
O código de falha é registrado;
Lâmpada AMARELA acende
O código de falha é registrado;
Lâmpada AMARELA acende;
Rotação máxima limitada a 1700 rpm
MID 128 - PID 085 - Condição do piloto automático
Falha FMI 9 - Ausência da mensagem
Causas Falha na VECU (MID 144) ou no link de informação SAE J1587 / J1708
Reação
O código de falha é registrado;
Lâmpada AMARELA acende
MID 128 - PID 091 - Sinal do pedal do acelerador
Falha FMI 9 - Ausência da mensagem FMI 11 - Falha não identificável
Possíveis
causas
Falha no sensor do pedal do acelerador;
Falha na VECU (MID 144);
Falha no link de informação J1587 / J1708
Falha no sensor do pedal do acelerador;
Falha na VECU (MID 144);
Falha no link de informação J1587 / J1708
Reação
O código de falha é registrado;
Lâmpada AMARELA acende
O código de falha é registrado;
Lâmpada AMARELA acende;
VECU usa a estratégia “Modo limp home”
e o contato de marcha-lenta é utilizado ao
invés do sensor de posição do acelerador
MID 128 - PID 224 - Imobilizador eletrônico
Falha FMI 2 - Dados/resposta incorretos FMI 12 - Sem resposta do imobilizador
Possíveis
causas
Falha na programação do imobilizador
(MID163);
Falha na programação da VECU (MID144)
Falha na central do imobilizador (MID163);
Falha na VECU (MID 144);
Falha no link de informação J1587 / J1708
Reação
O código de falha é registrado;
Lâmpada AMARELA acende;
O funcionamento do motor não é liberado.
O código de falha é registrado;
Lâmpada AMARELA acende;
O funcionamento do motor não é liberado.
MID 128 - PID 228 - Fator K
Falha FMI 11 - Sem mensagem do fator de calibragem no link de informação
Possíveis
causas
Falha na VECU (MID 144);
Falha no link de informação SAE J1587 / J1708
Reação
O código de falha é registrado;
Lâmpada AMARELA acende
ProduzidoporCicloEngenhariaLtda-62-3942-3939vendas@cicloengenharia.com.br-proibidaareprodução-eventuaiserrosoudefeitosdefabricaçãofavorcomunicarvendas@cicloengenharia.com.br
ENGENHARIA
C I C I
I
Av. C-255, nº270, sala 719
Nova Suiça, 74280-010, Goiânia - Goiás
62 - 3942-3939 - vendas@cicloengenharia.com.br
www.cicloengenharia.com.br
Centro Empresarial Sebba,
90
Motor
D12C
Motor
D12D
Aurélio Nunes de Araújo
Fábio Ribeiro von Glehn
Impresso original em
papel reciclado 90g
201 / 231 - Códigos de falha ao link J1587 / J1708
MID 128 - PSID 201 - Interrupção no link de dados
Falha FMI 9 - Taxa de atualização anormal
Possíveis
causas
Interrupção no link de controle SAE J1939 entre a
VECU (MID 144) e a UCM (MID 128)
Reação
O código de falha é registrado;
Lâmpada AMARELA acende;
Piloto automático temporariamente sem funcionamento;
Tomada de força temporariamente sem funcionamento;
Desligamento automático do veículo que permanece em marcha-lenta
temporariamente sem funcionamento;
Marcha lenta ajustável temporariamente sem funcionamento;
Função pedal do acelerador temporariamente inoperante;
Função freio motor temporariamente inoperante;
Função preaquecimento temporariamente inoperante.
MID 128 - SID 231 - Link de controle
Falha FMI 2 - Não funciona
Possíveis
causas
Curto-circuito à tensão da bateria no link de controle SAE J1939;
Curto-circuito à massa no link de controle SAE J1939;
Os cabos no link de controle SAE J1939 estão curto-circuitados uns aos outros.
Reação
O código de falha é registrado;
Lâmpada AMARELA acende;
Piloto automático sem funcionamento;
Tomada de força sem funcionamento;
Desligamento automático do veículo que permanece em marcha-lenta
sem funcionamento;
Marcha lenta ajustável sem funcionamento;
Função pedal do acelerador inoperante;
Função freio motor inoperante;
Função preaquecimento inoperante.
ProduzidoporCicloEngenhariaLtda-62-3942-3939vendas@cicloengenharia.com.br-proibidaareprodução-eventuaiserrosoudefeitosdefabricaçãofavorcomunicarvendas@cicloengenharia.com.br
ENGENHARIA
C I C I
I
Av. C-255, nº270, sala 719
Nova Suiça, 74280-010, Goiânia - Goiás
62 - 3942-3939 - vendas@cicloengenharia.com.br
www.cicloengenharia.com.br
Centro Empresarial Sebba,
91
Motor
D12C
Motor
D12D
Gerenciamento de Motores Diesel
Módulo 1 - Unidades Injetoras
Impresso original em
papel reciclado 90g
Propositalm
ente
em
branco
ProduzidoporCicloEngenhariaLtda-62-3942-3939vendas@cicloengenharia.com.br-proibidaareprodução-eventuaiserrosoudefeitosdefabricaçãofavorcomunicarvendas@cicloengenharia.com.br
ENGENHARIA
C I C I
I
Av. C-255, nº270, sala 719
Nova Suiça, 74280-010, Goiânia - Goiás
62 - 3942-3939 - vendas@cicloengenharia.com.br
www.cicloengenharia.com.br
Centro Empresarial Sebba,
92
Motor
D12C
Motor
D12D
Aurélio Nunes de Araújo
Fábio Ribeiro von Glehn
Impresso original em
papel reciclado 90g
Velocidade do veículo
084 .1 - Ficha técnica
Codigos de falha: PID 084;
Sensor localizado na caixa de câmbio;
Alimentação do sensor: de 8 à 12V;
Emite dois sinais de mesma frequência porém com polaridade invertida
084 .2 - Configurações
Existem configurações diferentes dependendo do veículo estar equipado com tacógrafo
ou com velocímetro (verifique no esquema elétrico, posições B07 e B08):
Motor D12C - velocímetro com tacógrafo incorporado.
O sensor de velocidade está totalmente conectado ao
painel de instrumentos e é este quem repassa os sinais à
VECU (MID 144).
A UCM (MID 128) recebe o sinal de velocidade pelo link
J1939.
1.
•
• VECU
(MID 144)
B02-
B01+
B04
B03
A05
A06
A04 F07
A01 F07
AZ
BR
B07
C07
PB06
PB20
3
1+
2-
4
A03 F28
Motor D12D - velocímetro sem tacógrafo.
O sensor de velocidade é alimentado pela VECU (MID 144)
e pelo painel de instrumentos.
Um dos sinais é enviado simultaneamente às duas unida-
des, enquanto que o sinal redundante é recebido apenas
pelo painel de instrumentos.
A UCM (MID 128) recebe o sinal de velocidade pelo link
J1939.
2.
•
•
•
VECU
(MID 144)
-B02
B03
B04A05
A06
A01F05
AZ
4
-2
3
A03F08
PA15
AZ/AM
A04
PA16
VD
A08
1+
B01+
PB25+
PT
B07 PB06
PPID 265
•
•
•
•
ProduzidoporCicloEngenhariaLtda-62-3942-3939vendas@cicloengenharia.com.br-proibidaareprodução-eventuaiserrosoudefeitosdefabricaçãofavorcomunicarvendas@cicloengenharia.com.br
ENGENHARIA
C I C I
I
Av. C-255, nº270, sala 719
Nova Suiça, 74280-010, Goiânia - Goiás
62 - 3942-3939 - vendas@cicloengenharia.com.br
www.cicloengenharia.com.br
Centro Empresarial Sebba,
93
Motor
D12C
Motor
D12D
Gerenciamento de Motores Diesel
Módulo 1 - Unidades Injetoras
Impresso original em
papel reciclado 90g
084 .3 - O efeito Hall
Em 1879, Edwin H. Hall observou que se uma placa fina de ouro for colocada em um
campo magnético perpendicular à sua superfície, uma corrente elétrica fluindo ao longo
da placa pode causar uma diferença de potencial em uma direção perpendicular tanto ao
campo magnético quanto à corrente.
A experiência passo-a-passo
Uma corrente elétrica, ‘Iv’, percorre uma placa condutora com propriedades magnéticas
e de largura ‘d’. Neste instante, um voltímetro instalado nas laterais da placa, conforme
ilustra a figura 1a, não indicará nenhuma diferença de potencial.
Em um segundo instante, a placa é submetida a um campo magnético, B, como ilustra
a figura 1b, e eis que surge o fenômeno. O campo magnético gera um desvio da corrente
elétrica ‘Iv’ para um dos lados da placa, gerando uma diferença de potencial ‘Uh‘ (tensão
hall) em direção perpendicular, tanto à corrente ‘Iv’ como ao campo magnético ‘B’.
d
IH
UH
IV
UH = 0
Figura 1a: as linhas de corrente
s e d i s t r i b u e m u n i f o r m e m e n t e
pela placa. Não existe diferença de potencial
entre as laterais da placa, por isso Uh = 0 volts
B
d
IH
UH
IV
UH = K * *IV B
d
Figura 1b: os eletróns são defletidos e isso
gera o potencial hall, ou seja, Uh = Uh volts.
A tensão hall pode ser calculada pela fórmula: UH = K * Iv * B / d, onde ‘K’ é uma cons-
tante hall que depende do material da placa condutora.
Pela fórmula, se B = 0, UH = 0, ou seja, se não existe campo magnético, não existe
tensão hall. Deste modo, criando a condição de circuito fechado (B = 0, UH = 0) e circuito
aberto (B = B, UH = UH ), gera-se um sinal, medido em ‘UH’ dependente da existência ou
não do campo magnético B.
ProduzidoporCicloEngenhariaLtda-62-3942-3939vendas@cicloengenharia.com.br-proibidaareprodução-eventuaiserrosoudefeitosdefabricaçãofavorcomunicarvendas@cicloengenharia.com.br
ENGENHARIA
C I C I
I
Av. C-255, nº270, sala 719
Nova Suiça, 74280-010, Goiânia - Goiás
62 - 3942-3939 - vendas@cicloengenharia.com.br
www.cicloengenharia.com.br
Centro Empresarial Sebba,
94
Motor
D12C
Motor
D12D
Aurélio Nunes de Araújo
Fábio Ribeiro von Glehn
Impresso original em
papel reciclado 90g
A questão é como se pode tirar pro-
veito deste fenômeno?
O campo magnético ‘B’ é gerado
por um imã permanente, a corrente
elétrica ‘Iv’ por uma tensão ‘Uv’ que
deverá necessariamente ser forneci-
da à placa condutora e a condição de
circuito aberto e fechado é feito por
uma armadura (ver figura 2) em forma
de um copo com janelas ao longo do
perímetro da armadura.
A armadura, de material também
com propriedades magnéticas, ao
passar com o elemento cheio entre a
placa e o imã, corta o campo magnético
do imã e reduz o campo sobre a placa
condutora, pois as linhas de força mag-
nética se fecham sobre a armadura,
minimizando o efeito hall.
Quando passar o elemento vazio
(janela), as linhas de força magnética
do imã se fecham sobre a placa con-
dutora, gerando uma tensão hall de
valor ‘normal’. A figura 2, exemplifica o
efeito. O resultado é um sinal de saída
proporcional à rotação do eixo da ar-
madura. Sinal que pode ser visualizado
com um osciloscópio ou medido com
um frequencímetro. Veja a figura 3.
O efeito Hall é principalmente utili-
zado para determinar a rotação e fase
do motor e a velocidade do veículo,
mas existem outras aplicações como,
neste caso, medir a rotação do eixo do
ventilador de arrefecimento.
Lembre-se, para que haja o fenô-
meno, há a necessidade de se ter
uma alimentação elétrica (um positivo
e um negativo) para se poder extrair
um sinal.
Este sinal é proporcional à rotação
do eixo da armadura. Então, sem um
osciloscópio, utiliza-se a função fre-
quencímetro do multímetro (medida
em hertz - HZ) e procura-se perceber
variação de frequência quando ocor-
rer variação de rotação do eixo de
Condição 2: a armadura gira mais rapidamente
Condição 1: a armadura gira lentamente
Figura 3: a armadura gira com velocidades diferentes
TENSÃO(V)
TEMPO (s)
TENSÃO(V)
TEMPO (s)
Momento 2: entre o imã e a placa hall
a abertura da janela
+V
-V
O campo magnético
do imã interfere sobre
a placa Hall e aparece
o efeito. Uh = Uh
Placa
Hall
Imã
Momento 1: entre o imã e a placa hall
a saliencia da armadura
+V
-V
A placa Hall fica sem
o efeito do campo
magnético do imã.
Uh = 0
Placa
Hall
Imã
Figura 2: a armadura (vista de cima é o circulo
em vermelho) gira com suas saliencias e janelas
entre o imã e a placa
Armaduras
ProduzidoporCicloEngenhariaLtda-62-3942-3939vendas@cicloengenharia.com.br-proibidaareprodução-eventuaiserrosoudefeitosdefabricaçãofavorcomunicarvendas@cicloengenharia.com.br
ENGENHARIA
C I C I
I
Av. C-255, nº270, sala 719
Nova Suiça, 74280-010, Goiânia - Goiás
62 - 3942-3939 - vendas@cicloengenharia.com.br
www.cicloengenharia.com.br
Centro Empresarial Sebba,
95
Motor
D12C
Motor
D12D
Gerenciamento de Motores Diesel
Módulo 1 - Unidades Injetoras
Impresso original em
papel reciclado 90g
interesse (virabrequim, comando de válvulas, roda, ventilador
do radiador, etc...).
Para facilitar, os esquemas elétricos devem indicar se a peça
utiliza ou não o efeito hall. A simbologia normalmente utilizada
nos faz lembrar da placa hall (veja a figura 4).	
084 .4 - Localização:
O sensor está localizado na caixa de câmbio
084.5 - Códigos de falha
MID 144 PID 84 Velocidade
Nota! Código de falha nos veículos com TACÓGRAFO e motor D12C
MID PID FMI
144 084
2 12
Se o tacógrafo indicar que a velocidade é
incorreta, a unidade de controle interpreta
isso como falha e registra um código de
falha.
Se o sinal de velocidade do tacógrafo for
diferente do sinal de velocidade da unidade
de controle ABS, a unidade de controle do
veículo interpreta isso como falha e é regis-
trado um código de falha.
Possíveis
causas
Interrupção no fio de ligação à massa.
Interrupção no fio de alimentação de corren-
te elétrica.
Interrupção no fio condutor de sinal.
Sensor danificado.
Resistência por mau contato e oxidação na
conexão.
Sensor danificado.
Resistência por mau contato e oxidação na
conexão.
Reação
É registrado código de falha.
A lâmpada amarela acende.
MID 144 PID 84 Velocidade
Nota! Código de falha nos veículos com VELOCÍMETRO e motor D12D
MID PID FMI
144 084
2
Se está faltando o sinal de velocidade do sensor de velocidade mas a unidade de controle
dos freios mostra que existe um sinal de velocidade, isso é interpretado como falha pela
unidade de controle e um código de falha é registrado.
Possíveis
causas
Interrupção no cabo de conexão à massa.
Interrupção no cabo de alimentação.
Interrupção no cabo de sinal.
Sensor danificado.
Reação Código de falha registrado.
Figura 4: representação
esquemática de um sensor
que utiliza o efeito hall como
princípio de funcionamento.
S
+
-
ProduzidoporCicloEngenhariaLtda-62-3942-3939vendas@cicloengenharia.com.br-proibidaareprodução-eventuaiserrosoudefeitosdefabricaçãofavorcomunicarvendas@cicloengenharia.com.br
ENGENHARIA
C I C I
I
Av. C-255, nº270, sala 719
Nova Suiça, 74280-010, Goiânia - Goiás
62 - 3942-3939 - vendas@cicloengenharia.com.br
www.cicloengenharia.com.br
Centro Empresarial Sebba,
96
Motor
D12C
Motor
D12D
Aurélio Nunes de Araújo
Fábio Ribeiro von Glehn
Impresso original em
papel reciclado 90g
084.6 - Testes
Para facilitar os testes, segue a seguinte tabela envolvendo o pin-out do sensor de ve-
locidade:
Terminal do sensor Função D12C D12D
1 Alimentação 8 à 12V Painel (B01)
Painel (B01)
VECU (PB25)
2 massa Painel (B02) Painel (B02)
3 onda quadrada Painel (B03)
Painel (B03 e B07)
VECU (PB06)
4 onda quadrada Painel (B04) Painel (B04)
Pela tabela acima é fácil perceber que independentemente da configuração utilizada os
terminais do sensor sempre possuem a mesma função. Ou seja, como representado na
figura ao lado.
084.6.1 - Teste do conjunto sensor / chicote / VECU com o frequencímetro
Proceda então as ligações do voltímetro conforme a ilustração abaixo e certifique-se da
validade dos dados. Lembre-se:
* A VECU, sensor e painel conectados;
* A chave de partida na posição de condução;
* Motor ligado;
* Multímetro preparado para medição de frequência (Hz).
Coloque o veículo em movimento e compare
o resultado obtido no frequencímetro (terminais 3
e 2) com o verificado no velocímetro, de acordo
com a tabela abaixo:
30 Hz ≈ 20 km/h
60 Hz ≈ 40 km/h
Hz
3
1+
2-
4
Troque o ponto de medição no terminal 3 pelo terminal 4.
O resultado a ser obtido deverá ser o mesmo obtido anteriormente. A inversão de po-
laridade com o veículo em movimento só poderá ser constatada com um osciloscópio de
pelo menos 2 canais
Valores dentro da faixa indicam que o sensor está íntegro, mas se mesmo assim o com-
putador de bordo registra a falha, então existe ainda duas possibilidades:
1 - Interrupção no capo sinal entre o ponto de medição e a VECU ou painel;
2 - Falha na VECU ou painel.
Valores fora da faixa indicam a necessidade de continuidade nos testes.
ProduzidoporCicloEngenhariaLtda-62-3942-3939vendas@cicloengenharia.com.br-proibidaareprodução-eventuaiserrosoudefeitosdefabricaçãofavorcomunicarvendas@cicloengenharia.com.br
ENGENHARIA
C I C I
I
Av. C-255, nº270, sala 719
Nova Suiça, 74280-010, Goiânia - Goiás
62 - 3942-3939 - vendas@cicloengenharia.com.br
www.cicloengenharia.com.br
Centro Empresarial Sebba,
97
Motor
D12C
Motor
D12D
Gerenciamento de Motores Diesel
Módulo 1 - Unidades Injetoras
Impresso original em
papel reciclado 90g
084.6.2 - Teste do conjunto sensor / chicote / VECU com o voltímetro
Proceda então as ligações do voltímetro conforme a ilustração abaixo e certifique-se da
validade dos dados. Lembre-se:
* A VECU, sensor e painel conectados;
* A chave de partida na posição de condução;
* Motor desligado;
* Multímetro preparado para medição de tensão contínua (Vdc).
Com o veículo parado, meça a tensão entre
os terminais 3 e 2 do sensor.
O resultado deverá ser compatível com a
posição da roda:
Nível baixo: entre 0,2 e 2,0 V
Nível alto: entre 6,0 e 9,0 V
•
•
Vdc
3
1+
2-
4
Troque o ponto de medição no terminal 3 pelo
terminal 4.
O resultado a ser obtido deverá estar no nível
inverso ao obtido no teste anterior
Vdc
3
1+
2-
4
Provoque um movimento na roda, até perce-
ber a mudança de nível no visor do voltímetro
Vdc
3
1+
2-
4
Se achar necessário, volte a ponta de prova para o terminal 3 e certifique-se que ocorreu
a mudança de nível com relação à primeira medida executada.
Valores dentro da faixa indicam que o sensor está íntegro, mas se mesmo assim o com-
putador de bordo registra a falha, então existe ainda duas possibilidades:
1 - Interrupção no capo sinal entre o ponto de medição e a VECU ou painel;
2 - Falha na VECU ou painel.
Valores fora da faixa indicam a necessidade de continuidade nos testes.
3
1+
2-
4Configuração 1
ou
Configuração 2
ou
Configuração 3
ProduzidoporCicloEngenhariaLtda-62-3942-3939vendas@cicloengenharia.com.br-proibidaareprodução-eventuaiserrosoudefeitosdefabricaçãofavorcomunicarvendas@cicloengenharia.com.br
ENGENHARIA
C I C I
I
Av. C-255, nº270, sala 719
Nova Suiça, 74280-010, Goiânia - Goiás
62 - 3942-3939 - vendas@cicloengenharia.com.br
www.cicloengenharia.com.br
Centro Empresarial Sebba,
98
Motor
D12C
Motor
D12D
Aurélio Nunes de Araújo
Fábio Ribeiro von Glehn
Impresso original em
papel reciclado 90g
084.6.3 - Teste da VECU / Painel e chicote com o VOLTÍMETRO CONTÍNUO (VDC)
Proceda as ligações do voltímetro (conector do sensor) conforme a ilustração abaixo e
certifique-se da validade dos dados. Lembre-se:
* A VECU conectada;
* Sensor desconectado
* A chave de partida na posição de condução;
* Motor desligado;
* Multímetro preparado para medição de tensão contínua (Vdc)
3 4
1
2
chassi
Vdc Vdc
3 4
1
2
Ponto de medição Valor nominal Motor em caso de divergência
1 e massa entre 9 e 12 V
D12C
Fiação 1 - B01 do painel interrompida
Fiação 1 - B01 em curto-circuito
Falha na alimentação do Painel
Falha no Painel
D12D
Fiação 1 - B01 do painel interrompida
Fiação 1 - B01 em curto-circuito
Falha na alimentação do Painel
Falha no Painel
Fiação 1 - PB25 da VECU interrompida
Fiação 1 - PB25 em curto-circuito
Falha na alimentação da VECU
Falha na VECU
se o teste anterior
for OK, então:
1 e 2
entre 9 e 12 V
D12C
D12D
Fiação - 2 - B02 do painel interrompida
Fiação - 2 - B02 em curto-circuito
Falha no Painel
ProduzidoporCicloEngenhariaLtda-62-3942-3939vendas@cicloengenharia.com.br-proibidaareprodução-eventuaiserrosoudefeitosdefabricaçãofavorcomunicarvendas@cicloengenharia.com.br
ENGENHARIA
C I C I
I
Av. C-255, nº270, sala 719
Nova Suiça, 74280-010, Goiânia - Goiás
62 - 3942-3939 - vendas@cicloengenharia.com.br
www.cicloengenharia.com.br
Centro Empresarial Sebba,
99
Motor
D12C
Motor
D12D
Gerenciamento de Motores Diesel
Módulo 1 - Unidades Injetoras
Impresso original em
papel reciclado 90g
Propositalm
ente
em
branco
ProduzidoporCicloEngenhariaLtda-62-3942-3939vendas@cicloengenharia.com.br-proibidaareprodução-eventuaiserrosoudefeitosdefabricaçãofavorcomunicarvendas@cicloengenharia.com.br
ENGENHARIA
C I C I
I
Av. C-255, nº270, sala 719
Nova Suiça, 74280-010, Goiânia - Goiás
62 - 3942-3939 - vendas@cicloengenharia.com.br
www.cicloengenharia.com.br
Centro Empresarial Sebba,
100
Motor
D12C
Motor
D12D
Aurélio Nunes de Araújo
Fábio Ribeiro von Glehn
Impresso original em
papel reciclado 90g
Sensor de posição do pedal do acelerador
091 / 230.1 - Ficha técnica
Codigo de falha: PID091
Tipo: Potenciômetro mais interruptores
Localização: pedal do acelerador
Tensão de alimentação: 5V
091 / 230.2 - Princípio de funcionamento
O potenciômetro é uma resistência variável em função do deslocamento de um cursor
sobre uma pista resistiva. Funciona como um divisor de tensão baseado na lei de Ohm
(1826).
091 / 230.3 - Localização:
O sensor está localizado no pedal do acelerador
091 / 230.4 - Simbologia
Identifique no esquema elétrico (posição B09, B10 e B11) todos os significados da
simbologia adotada
A8
A2 LR
PB08
PB10+
A1
PB22-
A7
MR/BR
AM/MR
A3
PA23
VM/PT
VD/PT
PT
PA18t. automática
PB19+
A4
Cor do fio
Tensão de
referência
para sensor
Massa de
referência
para sensor
Sinal de
posição
Sinal de
marcha-lenta
Sinal de
plena carga
Alimentação
de tensão
Oval preto
representa o
Sinal
terminais da
UCM
terminais do
sensor
Potenciômetro
de posição do
pedal do
acelerador
Interruptor
de marcha-lenta
Interruptor
de plena carga
apenas em
veículos com
transmissão
automática
Além disso, a informação do pedal do acelerador
vai diretamente à VECU (MID 144) e chega até a
UCM (MID 128) através de uma ligação específica.
Identifique no esquema elétrico esta ligação (posi-
ção A33)
UCM
(MID 128)
VECU
(MID 144)
RS
PB17
RS
EB04
Contato de mínimo
SID 230
MA15EM01
ProduzidoporCicloEngenhariaLtda-62-3942-3939vendas@cicloengenharia.com.br-proibidaareprodução-eventuaiserrosoudefeitosdefabricaçãofavorcomunicarvendas@cicloengenharia.com.br
ENGENHARIA
C I C I
I
Av. C-255, nº270, sala 719
Nova Suiça, 74280-010, Goiânia - Goiás
62 - 3942-3939 - vendas@cicloengenharia.com.br
www.cicloengenharia.com.br
Centro Empresarial Sebba,
101
Motor
D12C
Motor
D12D
Gerenciamento de Motores Diesel
Módulo 1 - Unidades Injetoras
Impresso original em
papel reciclado 90g
091 / 230.5 - Códigos de falha
MID PID FMI
144 091
3 4 5
PB08  4,3V PB08  0,4V
PA23  10,0V
PB08 indica pedal solto
Possíveis
causas
Curto-circuito à tensão de
batería ou a 5V no cabo
condutor de sinal (PB08)
Curto-circuito à tensão de
batería ou a 5V no cabo de
ligação à massa (PB22)
Interrupção no cabo condu-
tor de sinal (PB08)
Interrupção no cabo de
ligação à massa (PB22)
Falha no sensor
Curto-circuíto à massa no
cabo condutor de sinal
(PB08)
Interrupção do cabo condu-
tor de sinal (PB08)
Interrupção do cabo ali-
mentador (PB10)
Falha no sensor
Curto-circuíto ao positivo
no cabo condutor de sinal
(PA23)
Resistência nas conexões
e oxidação.
Falha no sensor
Reação
O código de falha é registrado
Lâmpada de anomalias acende
O código de falha é
registrado
Lâmpada de anomalias
acende
Sem resposta no pedal do
acelerador
MID PID FMI
144 091
6 9 14
PA23  0,08V
PB08 indica pedal acionado
Resposta incorreta do pe-
dal do acelerador
Se a VECU registrar uma
falha na linha de alimen-
tação (PPID 72, FMI 3 ou
4), isso é interpretado pela
unidade de controle como
falha e é registrado um
código de falha.
Possíveis
causas
Curto-circuíto à massa no
cabo condutor de sinal
(PA23)
Interrupção do cabo condu-
tor de sinal (PA23)
Interrupção do cabo de
alimentação (PB19)
Falha no sensor
MID 144 / PID 091 / FMI 3;
MID 144 / PID 091 / FMI 6;
combinação com os
códigos:
MID 128 / PID 084 / FMI 9
MID 128 / PID 085 / FMI 9
MID 128 / PSID 201 / FMI 9
Falha na linha de alimenta-
ção (PB10)
Reação
O código de falha é registrado
Lâmpada de anomalias acende
Sem resposta no pedal do acelerador
ProduzidoporCicloEngenhariaLtda-62-3942-3939vendas@cicloengenharia.com.br-proibidaareprodução-eventuaiserrosoudefeitosdefabricaçãofavorcomunicarvendas@cicloengenharia.com.br
ENGENHARIA
C I C I
I
Av. C-255, nº270, sala 719
Nova Suiça, 74280-010, Goiânia - Goiás
62 - 3942-3939 - vendas@cicloengenharia.com.br
www.cicloengenharia.com.br
Centro Empresarial Sebba,
102
Motor
D12C
Motor
D12D
Aurélio Nunes de Araújo
Fábio Ribeiro von Glehn
Impresso original em
papel reciclado 90g
MID SID FMI
128 230
3 4 7
EB04  75% Ubat
pedal do acelerador libe-
rado
EB04  25% Ubat
pedal do acelerador pres-
sionado
PA23  0,08V
PB08 indica pedal acionado
Possíveis
causas
Curto-circuito à tensão de
batería no cabo condutor
de sinal (EB04)
Falha no pedal do acele-
rador
Curto-circuíto à massa no
cabo condutor de sinal
(EB04)
Interrupção entre a
UCM (EB04) e a
VECU (PB17)
Falha no sensor
Curto-circuíto à massa no
cabo condutor de sinal
(PA23)
Interrupção do cabo condu-
tor de sinal (PA23)
Interrupção do cabo de
alimentação (PB19)
Falha no sensor
Reação
O código de falha é registrado
Lâmpada AMARELA acende
Função LIMP HOME não funciona
091 / 230.7 - Verificações
1 - Teste do conjunto sensor / chicote / VECU com o voltímetro;
2 - Se necessário, teste do chicote e sensor com o ohmímetro;
3 - Se necessário, teste do chicote e VECU com o voltímetro
Os testes a seguir fazem uma avaliação do conjunto sensor - chicote - VECU. A verifica-
ção da comunicação VECU - UCM será um teste simples de continuidade e curto-circuito
na fiação que liga uma unidade à outra (EB04 - PB17)
ProduzidoporCicloEngenhariaLtda-62-3942-3939vendas@cicloengenharia.com.br-proibidaareprodução-eventuaiserrosoudefeitosdefabricaçãofavorcomunicarvendas@cicloengenharia.com.br
ENGENHARIA
C I C I
I
Av. C-255, nº270, sala 719
Nova Suiça, 74280-010, Goiânia - Goiás
62 - 3942-3939 - vendas@cicloengenharia.com.br
www.cicloengenharia.com.br
Centro Empresarial Sebba,
103
Motor
D12C
Motor
D12D
Gerenciamento de Motores Diesel
Módulo 1 - Unidades Injetoras
Impresso original em
papel reciclado 90g
091 / 230.7.1 - Teste do conjunto sensor / chicote / VECU com o voltímetro
Proceda as ligações do voltímetro conforme a ilustração abaixo e certifique-se da vali-
dade dos dados. Lembre-se:
* A VECU e sensor conectados;
* A chave de partida na posição de condução;
* Motor desligado;
* Multímetro preparado para medição de tensão contínua (Vdc):
Verificação do potenciômetro do
pedal do acelerador
Verificação do interruptor de
marcha-lenta
Verificação do interruptor de
plena carga
Vdc
A8
A2 LR
PB08
PB10+
A1
PB22-
A7
MR/BR
AM/MR
A3
PA23
VM/PT
VD/PT
PT
PA18t. automática
PB19+
A4
Vdc
A8
A2 LR
PB08
PB10+
A1
PB22-
A7
MR/BR
AM/MR
A3
PA23
VM/PT
VD/PT
PT
PA18t. automática
PB19+
A4
chassi
Vdc
A8
A2 LR
PB08
PB10+
A1
PB22-
A7
MR/BR
AM/MR
A3
PA23
VM/PT
VD/PT
PT
PA18t. automática
PB19+
A4
chassi
Os valores a serem obtidos devem estar em conformidade com os casos abaixo:
Veículos sem transmissão automática Veículos com transmissão automática
FMI 6 - U  0,08V
0%
0,5
0,8
3,25
5,0
acionamento do pedal (%)
tensão(V)
Curva de calibração do
sensor de posição do pedal do acelerador
alimentação = 5V
25% 50% 75%
1,5
2,5
4,0
100%
Ubat
0
Interruptor de marcha-lenta
0% 25% 50% 75% 100%
FMI 3 - U  4,95V
FMI 4 - U  0,08V
FMI 5
U ~ Ubat~
FMI 3 - U  4,95V
0%
0,5
0,9
5,0
tensão(V)
Curva de calibração do
sensor de posição do pedal do acelerador
alimentação = 5V
25% 50% 75%
1,5
2,5
100%
Ubat
0
Interruptor de marcha-lenta
0% 25% 50% 75% 100%
3,88
3,50
acionamento do pedal (%)
Ubat
0
Interruptor de máxima
0% 25% 50% 75% 100%
FMI 4 - U  0,08V
FMI 6 - U  0,08V
0,8
FMI 5
U ~ Ubat~
Valores dentro da faixa indicam que o sensor está íntegro, mas se mesmo assim o com-
putador de bordo registra a falha, então existe ainda duas possibilidades:
1 - interrupção do cabo sinal entre o ponto de medição e a VECU;
2 - falha na VECU.
Valores fora da faixa indicam necessidade de continuidade nos testes.
ProduzidoporCicloEngenhariaLtda-62-3942-3939vendas@cicloengenharia.com.br-proibidaareprodução-eventuaiserrosoudefeitosdefabricaçãofavorcomunicarvendas@cicloengenharia.com.br
ENGENHARIA
C I C I
I
Av. C-255, nº270, sala 719
Nova Suiça, 74280-010, Goiânia - Goiás
62 - 3942-3939 - vendas@cicloengenharia.com.br
www.cicloengenharia.com.br
Centro Empresarial Sebba,
104
Motor
D12C
Motor
D12D
Aurélio Nunes de Araújo
Fábio Ribeiro von Glehn
Impresso original em
papel reciclado 90g
091 / 230.7.2 - Teste do conjunto sensor / chicote com o ohmímetro
Proceda as ligações do multímetro (conector da VECU) conforme a ilustração abaixo e
certifique-se da validade dos dados. Lembre-se:
* A VECU desconectada;
* A chave de partida na posição 0;
* Multímetro preparado para medição de resistência (ohm - W)
Verificação do potenciômetro do
pedal do acelerador
Verificação do interruptor de
marcha-lenta
Verificação do interruptor de
plena carga
A8
A2 LR
PB08
PB10+
A1
PB22-
A7
MR/BR
AM/MR
A3
PA23
VM/PT
VD/PT
PT
PA18t. automática
PB19+
A4
A8
A2 LR
PB08
PB10+
A1
PB22-
A7
MR/BR
AM/MR
A3
PA23
VM/PT
VD/PT
PT
PA18t. automática
PB19+
A4
A8
A2 LR
PB08
PB10+
A1
PB22-
A7
MR/BR
AM/MR
A3
PA23
VM/PT
VD/PT
PT
PA18t. automática
PB19+
A4
Os valores a serem obtidos devem estar em conformidade com o gráfico abaixo:
0%
4000
resistência()W
Curva de calibração do
sensor de posição do pedal do acelerador
25% 50% 75% 100%
0
Interruptor de marcha-lenta
0% 25% 50% 75% 100%
acionamento do pedal (%)
0
Interruptor de máxima
0% 25% 50% 75% 100%
3000
2000
1000
Valores dentro da faixa indicam que o sensor e o chicote estão integros e existe a pos-
sibilidade de falha na VECU.
Valores fora da faixa, refaça o teste medindo diretamente no sensor de modo a distinguir
falha no sensor de falha na fiação.
ProduzidoporCicloEngenhariaLtda-62-3942-3939vendas@cicloengenharia.com.br-proibidaareprodução-eventuaiserrosoudefeitosdefabricaçãofavorcomunicarvendas@cicloengenharia.com.br
ENGENHARIA
C I C I
I
Av. C-255, nº270, sala 719
Nova Suiça, 74280-010, Goiânia - Goiás
62 - 3942-3939 - vendas@cicloengenharia.com.br
www.cicloengenharia.com.br
Centro Empresarial Sebba,
105
Motor
D12C
Motor
D12D
Gerenciamento de Motores Diesel
Módulo 1 - Unidades Injetoras
Impresso original em
papel reciclado 90g
091 / 230.7.3 - Teste da VECU e chicote com o VOLTÍMETRO CONTÍNUO (VDC)
Proceda as ligações do voltímetro (conector do sensor) conforme a ilustração abaixo e
certifique-se da validade dos dados. Lembre-se:
* A VECU conectada;
* Sensor desconectado
* A chave de partida na posição de condução;
* Motor desligado;
* Multímetro preparado para medição de tensão contínua (Vdc)
Alimentação do potenciômetro com relação
à massa do veículo
Alimentação do potenciômetro com relação
ao massa eletrônico
Vdc
chassi
3 5 71
4 6 82
Vdc
3 5 71
4 6 82
-
Ponto de medição Valor nominal em caso de divergência
A1 e massa aproximadamente 5V
Fiação A1 - PB10 interrompida
Fiação A1 - PB10 em curto-circuito
Falha na alimentação da VECU
Falha na VECU
se o teste anterior for OK, então:
A1 e A8
aproximadamente 5V
Fiação - A8 - PB22 interrompida
Fiação - A8 - PB22 em curto-circuito
Falha na VECU
Verifique também a condição de
alimentação dos interruptores de mí-
nima e plena, conforme a ilustração
ao lado:
Valor diferente da tensão de bateria
indica interrupção ou curto-circuito na
fiação A4 - PB19 ou ainda falha na
alimentação da VECU ou na própria
VECU.
Vdc
chassi
3 5 71
4 6 82
ProduzidoporCicloEngenhariaLtda-62-3942-3939vendas@cicloengenharia.com.br-proibidaareprodução-eventuaiserrosoudefeitosdefabricaçãofavorcomunicarvendas@cicloengenharia.com.br
ENGENHARIA
C I C I
I
Av. C-255, nº270, sala 719
Nova Suiça, 74280-010, Goiânia - Goiás
62 - 3942-3939 - vendas@cicloengenharia.com.br
www.cicloengenharia.com.br
Centro Empresarial Sebba,
106
Motor
D12C
Motor
D12D
Aurélio Nunes de Araújo
Fábio Ribeiro von Glehn
Impresso original em
papel reciclado 90g
Sensor de pressão do combustível
094.1 - Ficha técnica
Codigo de falha: PID094
Localização: montado no lado esquerdo do bloco
Tensão de alimentação: 5V
Amplitude de trabalho: de 0,0 a 7,0 bar
094.2 - Princípio de funcionamento
O sensor de pressão utilizado para medir a pressão
de óleo e de combustível é baseado no efeito piezoe-
létrico descoberto em 1880 pelos irmãos Pierre e Jacques Curie. Na época eles estudavam
as propriedades dos cristais de quartzo e turmalina quando perceberam que a compressão
mecânica destes cristais promovia uma polarização e descarga elétrica. O nome “pieze”
vem do grego e significa comprimir.
Na prática, a pressão comprime um disco piezoelétrico. Um outro disco de cerâmica
promove o isolamento elétrico do disco com o seu alojamento. O circuito para condiciona-
mento do sinal encontra-se no mesmo alojamento
094.3 - Localização:
Tampa da engrenagem do comando (figura 2)
094.4 - Simbologia
Identifique no esquema elétrico (posição A15) todos os significados da simbologia ado-
tada.
Figura 1 - pressão de combustível
sensor de
pressão de
combustível
Figura 2 - Sensor pressão do combustível
Sensor de
temperatura
Cor do fio
Oval preto
representa o
Sinal
terminais da
UCM
terminais do
sensor
1
3
4
EA04+
EA05-
2
Sensor de
pressão
Tensão de
referência
para sensor
Massa de
referência
para sensor
Sinal de
pressãoEA27
VD/BR
MR/BR
MR
ProduzidoporCicloEngenhariaLtda-62-3942-3939vendas@cicloengenharia.com.br-proibidaareprodução-eventuaiserrosoudefeitosdefabricaçãofavorcomunicarvendas@cicloengenharia.com.br
ENGENHARIA
C I C I
I
Av. C-255, nº270, sala 719
Nova Suiça, 74280-010, Goiânia - Goiás
62 - 3942-3939 - vendas@cicloengenharia.com.br
www.cicloengenharia.com.br
Centro Empresarial Sebba,
107
Motor
D12C
Motor
D12D
Gerenciamento de Motores Diesel
Módulo 1 - Unidades Injetoras
Impresso original em
papel reciclado 90g
094.5 - Códigos de falha
MID PID FMI
128 094
3 4 7
EA27  4,95V EA27  0,08 Falha mecânica
Possíveis
causas
Curto-circuito à tensão de
batería ou a 5V no cabo
condutor de sinal (EA27)
Curto-circuito à tensão de
batería ou a 5V no cabo de
ligação à massa (EA05)
Falha no sensor
Curto-circuíto à massa no
cabo condutor de sinal
(EA27)
Interrupção no cabo condu-
tor de sinal (EA27)
Curto-circuito à massa
no cabo de alimentação
(EA04)
Interrupção do cabo de
alimentação (EA04)
Falha no sensor
Filtro de combustível entu-
pido
Ar ou vazamento no siste-
ma de combustível
Pressão de abertura da
válvula de retenção muito
baixa
Bomba de combustível
danificada
Falha no sensor
Reação
Dificuldade de partida
Baixa potência
Fumaça azul
O código de falha é registrado
Lâmpada de anomalias acende
094.6 - Simulações de falha
corte de EA27 Partida normal com funcionamento normal em marcha-lenta
MID 128 - PID 094 - FMI 4
Verificar motor na próxima parada
corte de EA04 Partida normal com funcionamento normal em marcha-lenta
MID 128 - PID 094 - FMI 4
MID 128 - PID 100 - FMI 4
MID 128 - PID 102 - FMI 4
Verificar motor na próxima parada
Sem indicação de pressão do óleo e do turbo no painel de instrumentos
corte de EA05 Partida normal com funcionamento normal em marcha-lenta
SEM indicação de códigos de falhas
Pressão do óleo = 7 no painel
Pressão do turbo = 2 no painel
Temperatura da água = 60ºC no painel
094.7 - Verificações
1 - Teste do conjunto sensor / chicote / UCM com o voltímetro;
2 - Se necessário, teste do chicote e UCM com o voltímetro
ProduzidoporCicloEngenhariaLtda-62-3942-3939vendas@cicloengenharia.com.br-proibidaareprodução-eventuaiserrosoudefeitosdefabricaçãofavorcomunicarvendas@cicloengenharia.com.br
ENGENHARIA
C I C I
I
Av. C-255, nº270, sala 719
Nova Suiça, 74280-010, Goiânia - Goiás
62 - 3942-3939 - vendas@cicloengenharia.com.br
www.cicloengenharia.com.br
Centro Empresarial Sebba,
108
Motor
D12C
Motor
D12D
Aurélio Nunes de Araújo
Fábio Ribeiro von Glehn
Impresso original em
papel reciclado 90g
094.7.1 - Teste do conjunto sensor / chicote / UCM com o voltímetro
Proceda as ligações do voltímetro conforme a ilustração abaixo e certifique-se da vali-
dade dos dados. Lembre-se:
* A UCM e sensor conectados;
* A chave de partida na posição de condução;
* Motor desligado (ponto 1) - marcha-lenta (ponto 2) - acelerado (ponto 3);
* Multímetro preparado para medição de tensão contínua (Vdc)
Valores dentro da faixa indicam que o sensor está íntegro, mas se mesmo assim o com-
putador de bordo registra a falha, então existe ainda duas possibilidades:
1 - interrupção do cabo sinal entre o ponto de medição e a UCM;
2 - falha na UCM.
Valores fora da faixa indicam necessidade de continuidade nos testes.
0,1 0,6 1,1 1,6 2,1 2,6 3,1 3,6 4,1 4,6 5,1 5,6 6,1 6,6 7,1 7,6
0,5
1,0
1,5
2,0
2,5
3,0
3,5
4,0
4,5
5,0
pressão (bar)
tensão(V)
Curva de calibração do sensor de pressão do combustível
alimentação = 5V
FMI 3 - U  4,95V
Regime normal
de trabalho
2,5 a 5,5 bar
em função da
rotação do motor
FMI 4 - U  0,08V
Pré-partida
0,5 V
FMI1-pressão
abaixodolimitemínimo
FMI0-pressão
acimadolimitemínimo
Vdc
1
3
4
EA04+
EA05-
EA27
2
VD/BR
MR/BR
MR
Erro de 10% da fonte de alimentação provoca
um erro de 10% na saída do sensor
Pressão
(bar)
Tensão
(V)
0 0,456
0,1 0,561
0,6 0,832
1,1 1,103
1,6 1,376
2,1 1,648
2,6 1,919
3,1 2,192
3,6 2,464
Pressão
(bar)
Tensão
(V)
4,1 2,737
4,6 3,010
5,1 3,284
5,6 3,557
6,1 3,831
6,6 4,105
7,1 4,380
7,6 4,653
curva de regressão (não contabilizado o 1º termo):
U = 0,546 * P + 0,502 onde U em volts e P em bar
P = 1,830 * U - 0,921 onde P em bar e U em volts
tabela conversão:
1 bar
100 kPa
750,06 mmHg
1,0197 kgf/cm2
1,0197 atm
14,5037 Psi
ProduzidoporCicloEngenhariaLtda-62-3942-3939vendas@cicloengenharia.com.br-proibidaareprodução-eventuaiserrosoudefeitosdefabricaçãofavorcomunicarvendas@cicloengenharia.com.br
ENGENHARIA
C I C I
I
Av. C-255, nº270, sala 719
Nova Suiça, 74280-010, Goiânia - Goiás
62 - 3942-3939 - vendas@cicloengenharia.com.br
www.cicloengenharia.com.br
Centro Empresarial Sebba,
109
Motor
D12C
Motor
D12D
Gerenciamento de Motores Diesel
Módulo 1 - Unidades Injetoras
Impresso original em
papel reciclado 90g
094.7.2 - Teste da UCM e chicote com o VOLTÍMETRO CONTÍNUO (VDC)
Proceda as ligações do voltímetro (conector do sensor) conforme a ilustração abaixo e
certifique-se da validade dos dados. Lembre-se:
* A UCM conectada;
* Sensor desconectado
* A chave de partida na posição de condução;
* Motor desligado;
* Multímetro preparado para medição de tensão contínua (Vdc)
Ponto de medição no conector do
sensor
Valor nominal conclusão se divergente
1 e massa aproximadamente 5V
Fiação 1 - EA04 interrompida
Fiação 1 - EA04 em curto-circuito
Falha na alimentação da UCM
Falha na UCM
se o teste anterior for OK, então:
1 e 4
aproximadamente 5V
Fiação - 4 - EA05 interrompida
Fiação - 4 - EA05 em curto-circuito
Falha na UCM
se o teste anterior for OK e o sen-
sor não gera sinal (teste 094.7.1)
Falha no sistema de lubrificação
Falha no sensor
Outras medidas:
* A UCM conectada;
* Sensor desconectado
* A chave de partida na posição 0;
* Multímetro preparado para medição de resistência (W)
Ponto de medição no conector do
sensor
Valor nominal conclusão se divergente
2 e massa aproximadamente 110 kW
Fiação 2 - EA27 interrompida
Falha na UCM
3 4
1
2
chassi
Vdc Vdc
3 4
1
2
ProduzidoporCicloEngenhariaLtda-62-3942-3939vendas@cicloengenharia.com.br-proibidaareprodução-eventuaiserrosoudefeitosdefabricaçãofavorcomunicarvendas@cicloengenharia.com.br
ENGENHARIA
C I C I
I
Av. C-255, nº270, sala 719
Nova Suiça, 74280-010, Goiânia - Goiás
62 - 3942-3939 - vendas@cicloengenharia.com.br
www.cicloengenharia.com.br
Centro Empresarial Sebba,
110
Motor
D12C
Motor
D12D
Aurélio Nunes de Araújo
Fábio Ribeiro von Glehn
Impresso original em
papel reciclado 90g
094.8 - Sistema de alimentação de combustível
Componentes:
Pescador;
Válvula unidirecional;
Filtro separador de água;
Tubo em U junto à UCM;
Bomba de alimentação;
Válvulas de retenção;
Bomba de purga manual;
Filtro de combustível;
Unidades injetoras;
Válvula reguladora de pressão;
Válvula da bomba de purga
Válvula de sangria automática;
Válvula de segurança;
Conexão na saída sangria ar filtro combustível
Conexão na saída de drenagem do suporte do filtro de combustível
Conexão na saída de purga de ar no cabeçote
Motor D12C:
O Diesel é puxado pela bomba de alimentação de combustível (5) que é ligado ao pes-
cador (1) no tanque de combustível, segue na tubulação e passa pela válvula unidirecional
(2) e segue para o tubo U fixado na carcaça do módulo de comando (3) para refrigeração,
entra na bomba (5) e é enviado para as válvulas de retenção (6) localizadas na bomba
de alimentação manual (7). Passa pelo o filtro de combustível (8) segue para a galeria do
cabeçote para alimentar as unidades injetoras (9). O retorno do diesel passa pela válvula
reguladora de pressão (10) que controla a pressão do diesel mecanicamente. O diesel volta
para a linha de alimentação e um baixo volume de combustível retorna para o tanque.
Motor D12D:
A bomba de alimentação (5) faz a sucção do combustível pelo filtro pescador do tanque
localizado no interior do tanque de combustível (1). O combustível segue então para o su-
porte do filtro, passa pela válvula anti-retorno (2) e segue diretamente ao filtro separador de
água (4). Do filtro, o combustível segue diretamente ao tubo U de refrigeração da unidade
de comando eletrônico do motor (4) e em seguida, para a válvula reguladora de pressão
(10) no seu lado de descarga do combustível e segue diretamente para o lado de sucção da
bomba de alimentação (5). Da bomba de alimentação, o fluxo segue para o suporte do filtro
do combustível e para o filtro principal (8), e depois para a galeria do cabeçote do motor,
a qual é responsável pela alimentação das unidades injetoras (9). A válvula reguladora de
pressão (10) e o combustível de retorno é levado para o lado de sucção da bomba.
1.
2.
3.
4.
5.
6.
7.
8.
9.
10.
11.
12.
13.
14.
15.
16.
Figura 1: Localização no motores D12C (superior) e D12D
ProduzidoporCicloEngenhariaLtda-62-3942-3939vendas@cicloengenharia.com.br-proibidaareprodução-eventuaiserrosoudefeitosdefabricaçãofavorcomunicarvendas@cicloengenharia.com.br
ENGENHARIA
C I C I
I
Av. C-255, nº270, sala 719
Nova Suiça, 74280-010, Goiânia - Goiás
62 - 3942-3939 - vendas@cicloengenharia.com.br
www.cicloengenharia.com.br
Centro Empresarial Sebba,
111
Motor
D12C
Motor
D12D
Gerenciamento de Motores Diesel
Módulo 1 - Unidades Injetoras
Impresso original em
papel reciclado 90g
094.8 - Instruções em caso de dúvida quanto à pressão de alimentação de combustível
Verificação da pressão de alimentação:
Fazer a verificação da pressão de alimentação com auxílio de um medidor de pressão
externo. Aplique o manômetro externo na conexão na saída de purga de ar no cabeçote
(16) ou na conexão na saída de drenagem do suporte do filtro de combustível (15) e com-
pare o resultado com o sinal enviado pelo sensor de pressão. Funcione o motor e verifique
os valores indicados no manômetro e no sensor de pressão de combustível, conforme a
tabela abaixo:
Condição do veículo Rotação do motor Pressão de combustível
Sensor de pressão de
combustível
Parado
e freio de
estacionamento aplicado
500 rpm (marcha-lenta) 2,5 a 3,0 bar 1,87 a 2,14 V
1700 rpm 4,5 a 6,0 bar 2,96 a 3,78 V
2000 rpm 5,0 a 6,0 bar 3,23 a 3,78 V
Plena carga
Veículo carregado
1700 rpm 4,5 a 5,0 bar 2,96 a 3,23 V
Espera-se que ao acelerar o motor até ao regime máximo em vazio que a pressão de
alimentação suba. Se existirem suspeitas de que a pressão de alimentação não está cor-
reta, deve ser feito o mesmo procedimento de medida durante o teste de condução com o
motor a plena carga.
Resultado comparativo Possível conclusão de diagnóstico
Resultado do manômetro diferente
do resultado do sensor
Refaça os testes elétricos do sensor de pressão de combustível
Resultado do manômetro abaixo do
resultado esperado
Trinca na camisa de cobre (camisa de bico);
Anéis de vedação da(s) unidade(s) injetora(s) cortado(s);
Trinca no cabeçote;
Mangueira de envio perfurada;
Válvula reguladora de pressão defeituosa;
Entrada de ar pela mangueira de sucção;
Válvula unidirecional obstruída;
Pescador obstruído;
Desgaste na bomba de combustível;
Filtro de combustível obstruído
Resultado do manômetro acima do
resultado esperado
Válvula reguladora de pressão danificada ou adulterada
Verificação da eficiencia de filtragem do filtro de combustível
Conecte o manômetro externo no nípel de saída da sangria de ar do filtro de combustível
(14) e refaça as medições de pressão. Os resultados deverão ser compatíveis com a tabela
de valores apresentadas no itém anterior.
Resultado comparativo Possível conclusão de diagnóstico
Resultado do manômetro em (14) é
maior do que o resultado do manô-
metro em (15)
Filtro de combustível obstruído e requer substituição. Substititua
também o filtro separador de água; verifique a qualidade do com-
bustível que tem sido usado, bem como o filtro de tela na carcaça
do sensor de nível no tanque. Caso o filtro esteja sendo substituido
com uma baixa quilometragem de uso, faz-se necessário também a
limpeza interna do tanque.
ProduzidoporCicloEngenhariaLtda-62-3942-3939vendas@cicloengenharia.com.br-proibidaareprodução-eventuaiserrosoudefeitosdefabricaçãofavorcomunicarvendas@cicloengenharia.com.br
ENGENHARIA
C I C I
I
Av. C-255, nº270, sala 719
Nova Suiça, 74280-010, Goiânia - Goiás
62 - 3942-3939 - vendas@cicloengenharia.com.br
www.cicloengenharia.com.br
Centro Empresarial Sebba,
112
Motor
D12D
Aurélio Nunes de Araújo
Fábio Ribeiro von Glehn
Impresso original em
papel reciclado 90g
Sensor do nível do óleo do motor
098.1 - Ficha técnica
Codigo de falha: PID098
Localização: no cárter de óleo
Tensão de alimentação: 5V
Característica: potenciômetro. Nas vesões mais
recentes o sensor de temperatura do óleo está incor-
porado ao sensor de nível do óleo.
098.2 - Simbologia
Identifique no esquema elétrico (posição A10 no esquema elétrico) todos os significados
da simbologia adotada:
Nas primeiras versões Nas versões mais recentes
Sensor
de nível
Cor do fio
Oval preto
representa o
Sinal
terminais da
UCM
terminais do
sensor
Sinal do
sensor
Massa de
referência
para sensor
EB22
EB15
2
1 AZ/VD
CZ
Sensor de
temperatura
Cor do fio
3
4
EA05-
Massa de
referência
para sensor
Sinal de
temperatura
EA01
VD
Sensor
de nível
Oval preto
representa o
Sinal
terminais da
UCM
terminais do
sensor
Sinal do
sensor
Massa de
referência
para sensor
EB22
EB15
2
1 AZ/VD
CZ
098.3 - Códigos de falha
MID PID FMI
128 098
1 4 5
Nível do óleo muito baixo EB15 - EB22  0,5Vdc EB15 - EB22  4,95Vdc
Possíveis
causas
Nível de óleo baixo
Curto-circuito à massa no
cabo condutor de sinal
(EB15)
Falha no sensor
Curto-circuíto à massa no
cabo condutor de sinal
(EB15)
Curto-circuíto a 5V no cabo
massa (EB22)
Falha no sensor
Curto-circuíto à tensão de
batería ou a 5V no cabo
condutor de sinal (EB15)
Interrupção no cabo con-
dutor de sinal (EB15) ou no
cabo massa (EB22)
Curto-circuíto à tensão de
batería ou a 5V no cabo
massa (EB22)
Falha no sensor
Reação
O código de falha é registrado
Lâmpada AMARELA acende
Figura 1 - interruptor de nível de óleo
ProduzidoporCicloEngenhariaLtda-62-3942-3939vendas@cicloengenharia.com.br-proibidaareprodução-eventuaiserrosoudefeitosdefabricaçãofavorcomunicarvendas@cicloengenharia.com.br
ENGENHARIA
C I C I
I
Av. C-255, nº270, sala 719
Nova Suiça, 74280-010, Goiânia - Goiás
62 - 3942-3939 - vendas@cicloengenharia.com.br
www.cicloengenharia.com.br
Centro Empresarial Sebba,
113
Motor
D12D
Gerenciamento de Motores Diesel
Módulo 1 - Unidades Injetoras
Impresso original em
papel reciclado 90g
098.4 - Verificações
1 - Teste do conjunto sensor / chicote / UCM com o voltímetro;
2 - Se necessário, teste do chicote e sensor com o ohmímetro;
3 - Se necessário, teste do chicote e UCM com o voltímetro
098.4.1 - Teste do conjunto sensor / chicote / UCM com o voltímetro
Proceda as ligações do voltímetro conforme a ilustração abaixo e certifique-se da vali-
dade dos dados. Lembre-se:
* A UCM e sensor conectados;
* A chave de partida na posição de condução;
* Motor desligado (ponto 1) - motor em funcionamento (ponto 2);
* Multímetro preparado para medição de tensão contínua (Vdc)
Valores dentro da faixa indicam que o sensor está íntegro, mas se mesmo assim o
computador de bordo registra a falha e não é nível de óleo do motor, então existe ainda a
possibilidade de falha na UCM.
Valor fora da faixa indica necessidade de continuidade nos testes.
Vdc
EB22
EB15
2
1 AZ/VD
CZ
Condição Tensão
Motor parado;
chave em condução;
nível do óleo normal
2 a 4,5V
ProduzidoporCicloEngenhariaLtda-62-3942-3939vendas@cicloengenharia.com.br-proibidaareprodução-eventuaiserrosoudefeitosdefabricaçãofavorcomunicarvendas@cicloengenharia.com.br
ENGENHARIA
C I C I
I
Av. C-255, nº270, sala 719
Nova Suiça, 74280-010, Goiânia - Goiás
62 - 3942-3939 - vendas@cicloengenharia.com.br
www.cicloengenharia.com.br
Centro Empresarial Sebba,
114
Motor
D12D
Aurélio Nunes de Araújo
Fábio Ribeiro von Glehn
Impresso original em
papel reciclado 90g
098.4.2 - Teste do conjunto sensor / chicote com o ohmímetro
Proceda as ligações do voltímetro (conector da UCM) conforme a ilustração abaixo e
certifique-se da validade dos dados. Lembre-se:
* A UCM desconectada;
* A chave de partida na posição 0;
* Multímetro preparado para medição de resistência (ohm - W)
Valores dentro da faixa indicam que o interruptor e o chicote estão integros e existe a
possibilidade de falha na UCM.
Valores fora da faixa, refaça o teste medindo diretamente no interruptor de modo a dis-
tinguir falha no componente de falha na fiação.
Condição Resistência (W) Conclusão
nível do óleo normal (T ≈ +22ºC) 11,7 a 12,9 W Sensor em
bom estadosem óleo do motor ≈ 0 W
UCM - Conector EB
= vermelho inferior 12
13
25
24
36
01
34
ProduzidoporCicloEngenhariaLtda-62-3942-3939vendas@cicloengenharia.com.br-proibidaareprodução-eventuaiserrosoudefeitosdefabricaçãofavorcomunicarvendas@cicloengenharia.com.br
ENGENHARIA
C I C I
I
Av. C-255, nº270, sala 719
Nova Suiça, 74280-010, Goiânia - Goiás
62 - 3942-3939 - vendas@cicloengenharia.com.br
www.cicloengenharia.com.br
Centro Empresarial Sebba,
115
Motor
D12D
Gerenciamento de Motores Diesel
Módulo 1 - Unidades Injetoras
Impresso original em
papel reciclado 90g
098.7.3 - Teste da UCM e chicote com o VOLTÍMETRO CONTÍNUO (VDC)
Proceda as ligações do voltímetro (conector do sensor) conforme a ilustração abaixo e
certifique-se da validade dos dados. Lembre-se:
* A UCM conectada;
* Sensor desconectado
* A chave de partida na posição de condução;
* Motor desligado;
* Multímetro preparado para medição de tensão contínua (Vdc)
Ponto de medição Valor nominal em caso de divergência
1 e massa aproximadamente 5 Vdc
Fiação 1 - EB15 interrompida
Fiação 1 - EB15 em curto-circuito
Falha na alimentação da UCM
Falha na UCM
se o teste anterior for OK, então:
1 e 2
aproximadamente 5 Vdc
Fiação 2 - EB22 interrompida
Fiação 2 - EB22 em curto-circuito
Falha na UCM
1
2
chassi
Vdc
1
2
Vdc
ProduzidoporCicloEngenhariaLtda-62-3942-3939vendas@cicloengenharia.com.br-proibidaareprodução-eventuaiserrosoudefeitosdefabricaçãofavorcomunicarvendas@cicloengenharia.com.br
ENGENHARIA
C I C I
I
Av. C-255, nº270, sala 719
Nova Suiça, 74280-010, Goiânia - Goiás
62 - 3942-3939 - vendas@cicloengenharia.com.br
www.cicloengenharia.com.br
Centro Empresarial Sebba,
116
Motor
D12C
Motor
D12D
Aurélio Nunes de Araújo
Fábio Ribeiro von Glehn
Impresso original em
papel reciclado 90g
Sensor de pressão do óleo do motor
100.1 - Ficha técnica
Codigo de falha: PID100
Localização: montado no lado esquerdo do bloco
Tensão de alimentação: 5V
Amplitude de trabalho: de 0,0 a 7,0 bar
Característica: Nas primeiras versões, acoplado ao
sensor de temperatura do óleo do motor
100.2 - Princípio de funcionamento
O sensor de pressão utilizado para medir a pressão
de óleo e de combustível é baseado no efeito piezoelétrico descoberto em 1880 pelos irmãos
Pierre e Jacques Curie. Na época eles estudavam as propriedades dos cristais de quartzo
e turmalina quando perceberam que a compressão mecânica destes cristais promovia uma
polarização e descarga elétrica. O nome “pieze” vem do grego e significa comprimir.
Na prática, a pressão comprime um disco piezoelétrico. Um outro disco de cerâmica
promove o isolamento elétrico do disco com o seu alojamento. O circuito para condiciona-
mento do sinal encontra-se no mesmo alojamento
100.3 - Localização:
Lado esquerdo do bloco (figura 2)
100.4 - Simbologia
Identifique no esquema elétrico (posição A08) todos os significados da simbologia ado-
tada
Nas primeiras versões Nas versões mais recentes
Sensor de
temperatura
Cor do fio
Oval preto
representa o
Sinal
terminais da
UCM
1 e 2
terminais do
sensor
1
3
4
EA04+
EA05-
2
Sensor de
pressão
Tensão de
referência
para sensor
Massa de
referência
para sensor
Sinal de
pressão
Sinal de
temperatura
EA14
EA01
VD/BR
MR/BR
MR
VD
Cor do fio
Oval preto
representa o
Sinal
terminais da
UCM
1 e 2
terminais do
sensor
1
4
EA04+
EA05-
2
Sensor de
pressão
Tensão de
referência
para sensor
Massa de
referência
para sensor
Sinal de
pressãoEA14
VD/BR
MR/BR
MR
Figura 1 - sensor de pressão do óleo
Figura 2 - Sensor de pressão do óleo
ProduzidoporCicloEngenhariaLtda-62-3942-3939vendas@cicloengenharia.com.br-proibidaareprodução-eventuaiserrosoudefeitosdefabricaçãofavorcomunicarvendas@cicloengenharia.com.br
ENGENHARIA
C I C I
I
Av. C-255, nº270, sala 719
Nova Suiça, 74280-010, Goiânia - Goiás
62 - 3942-3939 - vendas@cicloengenharia.com.br
www.cicloengenharia.com.br
Centro Empresarial Sebba,
117
Motor
D12C
Motor
D12D
Gerenciamento de Motores Diesel
Módulo 1 - Unidades Injetoras
Impresso original em
papel reciclado 90g
100.5 - Códigos de falha
MID PID FMI
128 100
1 3 4
Pressão muito baixa EA14  4,95V EA14  0,08
Possíveis
causas
Nível do óleo baixo
Óleo fora de especificação
Óleo misturado com água
ou combustível
Filtro de óleo danificado
Válvula redutora danificada
Válvula de segurança dani-
ficada
Falha na bomba de óleo
Falha no sensor
Curto-circuito à tensão de
batería ou a 5V no cabo
condutor de sinal (EA14)
Curto-circuito à tensão de
batería ou a 5V no cabo de
ligação à massa (EA05)
Falha no sensor
Curto-circuíto à massa no
cabo condutor de sinal
(EA14)
Interrupção no cabo condu-
tor de sinal (EA14)
Curto-circuito à massa
no cabo de alimentação
(EA04)
Interrupção do cabo de
alimentação (EA04)
Falha no sensor
Reação
O código de falha é registrado
No computador de bordo a mensagem “Verificar motor na próxima parada”
Lâmpada vermelha acende
Redução de potência no
primeiro estágio
Motor desligado no segun-
do estágio (se a proteção
do motor estiver seleciona-
da no conjunto de dados)
Lâmpada de anomalias acende
Sem pressão do óleo no painel de instrumentos
100.6 - Simulações de falha
corte de EA14 Partida normal com funcionamento normal em marcha-lenta
MID 128 - PID 100 - FMI 4
Verificar motor na próxima parada
Sem indicação de pressão do óleo no painel de instrumentos
corte de EA04 Partida normal com funcionamento normal em marcha-lenta
MID 128 - PID 094 - FMI 4
MID 128 - PID 100 - FMI 4
MID 128 - PID 102 - FMI 4
Verificar motor na próxima parada
Sem indicação de pressão do óleo e do turbo no painel de instrumentos
corte de EA05 Partida normal com funcionamento normal em marcha-lenta
SEM indicação de códigos de falhas
Pressão do óleo = 7 no painel
Pressão do turbo = 2 no painel
Temperatura da água = 60ºC no painel
100.7 - Verificações
1 - Teste do conjunto sensor / chicote / UCM com o voltímetro;
2 - Se necessário, teste do chicote e UCM com o voltímetro
ProduzidoporCicloEngenhariaLtda-62-3942-3939vendas@cicloengenharia.com.br-proibidaareprodução-eventuaiserrosoudefeitosdefabricaçãofavorcomunicarvendas@cicloengenharia.com.br
ENGENHARIA
C I C I
I
Av. C-255, nº270, sala 719
Nova Suiça, 74280-010, Goiânia - Goiás
62 - 3942-3939 - vendas@cicloengenharia.com.br
www.cicloengenharia.com.br
Centro Empresarial Sebba,
118
Motor
D12C
Motor
D12D
Aurélio Nunes de Araújo
Fábio Ribeiro von Glehn
Impresso original em
papel reciclado 90g
100.7.1 - Teste do conjunto sensor / chicote / UCM com o voltímetro
Proceda as ligações do voltímetro conforme a ilustração abaixo e certifique-se da vali-
dade dos dados. Lembre-se:
* A UCM e sensor conectados;
* A chave de partida na posição de condução;
* Motor desligado (ponto 1) - marcha-lenta (ponto 2) - acelerado (ponto 3);
* Multímetro preparado para medição de tensão contínua (Vdc)
Valores dentro da faixa indicam que o sensor está íntegro, mas se mesmo assim o com-
putador de bordo registra a falha, então existe ainda duas possibilidades:
1 - interrupção do cabo sinal entre o ponto de medição e a UCM;
2 - falha na UCM.
Valores fora da faixa indicam necessidade de continuidade nos testes.
0,1 0,6 1,1 1,6 2,1 2,6 3,1 3,6 4,1 4,6 5,1 5,6 6,1 6,6 7,1 7,6
0,5
1,0
1,5
2,0
2,5
3,0
3,5
4,0
4,5
5,0
pressão (bar)
tensão(V)
Curva de calibração do sensor de pressão do óleo do motor
alimentação = 5V
FMI 3 - U  4,95V
Regime normal
de trabalho
3,0 a 5,5 bar
Marcha-lenta
mínimo 1,5 bar
muitobaixa
FMI 4 - U  0,08V
Pré-partida
0,5 V
FMI1-pressão
Vdc
1
3
4
EA04+
EA05-
EA14
EA01
2
VD/BR
MR/BR
MR
VD
Erro de 10% da fonte de alimentação provoca
um erro de 10% na saída do sensor
Pressão
(bar)
Tensão
(V)
0 0,456
0,1 0,561
0,6 0,832
1,1 1,103
1,6 1,376
2,1 1,648
2,6 1,919
3,1 2,192
3,6 2,464
Pressão
(bar)
Tensão
(V)
4,1 2,737
4,6 3,010
5,1 3,284
5,6 3,557
6,1 3,831
6,6 4,105
7,1 4,380
7,6 4,653
curva de regressão (não contabilizado o 1º termo):
U = 0,546 * P + 0,502 onde U em volts e P em bar
P = 1,830 * U - 0,921 onde P em bar e U em volts
tabela conversão:
1 bar
100 kPa
750,06 mmHg
1,0197 kgf/cm2
1,0197 atm
14,5037 Psi
ProduzidoporCicloEngenhariaLtda-62-3942-3939vendas@cicloengenharia.com.br-proibidaareprodução-eventuaiserrosoudefeitosdefabricaçãofavorcomunicarvendas@cicloengenharia.com.br
ENGENHARIA
C I C I
I
Av. C-255, nº270, sala 719
Nova Suiça, 74280-010, Goiânia - Goiás
62 - 3942-3939 - vendas@cicloengenharia.com.br
www.cicloengenharia.com.br
Centro Empresarial Sebba,
119
Motor
D12C
Motor
D12D
Gerenciamento de Motores Diesel
Módulo 1 - Unidades Injetoras
Impresso original em
papel reciclado 90g
100.7.2 - Teste da UCM e chicote com o VOLTÍMETRO CONTÍNUO (VDC)
Proceda as ligações do voltímetro (conector do sensor) conforme a ilustração abaixo e
certifique-se da validade dos dados. Lembre-se:
* A UCM conectada;
* Sensor desconectado
* A chave de partida na posição de condução;
* Motor desligado;
* Multímetro preparado para medição de tensão contínua (Vdc)
Ponto de medição no conector do
sensor
Valor nominal conclusão se divergente
1 e massa aproximadamente 5V
Fiação 1 - EA04 interrompida
Fiação 1 - EA04 em curto-circuito
Falha na alimentação da UCM
Falha na UCM
se o teste anterior for OK, então:
1 e 4
aproximadamente 5V
Fiação - 4 - EA05 interrompida
Fiação - 4 - EA05 em curto-circuito
Falha na UCM
se o teste anterior for OK e o sen-
sor não gera sinal (teste 100.7.1)
Falha no sistema de lubrificação
Falha no sensor
Outras medidas:
* A UCM conectada;
* Sensor desconectado
* A chave de partida na posição 0;
* Multímetro preparado para medição de resistência (W)
Ponto de medição no conector do
sensor
Valor nominal conclusão se divergente
2 e massa aproximadamente 110 kW
Fiação 2 - EA14 interrompida
Falha na UCM
3 4
1
2
chassi
Vdc Vdc
3 4
1
2
ProduzidoporCicloEngenhariaLtda-62-3942-3939vendas@cicloengenharia.com.br-proibidaareprodução-eventuaiserrosoudefeitosdefabricaçãofavorcomunicarvendas@cicloengenharia.com.br
ENGENHARIA
C I C I
I
Av. C-255, nº270, sala 719
Nova Suiça, 74280-010, Goiânia - Goiás
62 - 3942-3939 - vendas@cicloengenharia.com.br
www.cicloengenharia.com.br
Centro Empresarial Sebba,
120
Motor
D12C
Motor
D12D
Aurélio Nunes de Araújo
Fábio Ribeiro von Glehn
Impresso original em
papel reciclado 90g
100.8 - Instruções em caso de baixa pressão do óleo do motor
Nível do óleo
Verifique se o nível do óleo está dentro das tolerâncias. Se o nível do óleo estiver muito
próximo do traço de marcação mín. na vareta de nível, isso pode afetar a pressão do óleo
em condução muito severa ou em condução por estradas irregulares
Qualidade do óleo
Verifique se o óleo é o especificado para o motor.
Se o óleo estiver misturado com água, a pressão do óleo pode piorar por entupimento
das válvulas de óleo. Óleo contaminado pode também provocar danos na bomba de óleo,
resultando em problemas no motor. Possíveis causas:
* vazamento na vedação do eixo da bomba d´água;
* vazamento interno no resfriador de óleo. Verifique se existe óleo misturado no líquido
de arrefecimento;
* Vazamento na junta do cabeçote;
* Vazamento nos anéis de vedação entre as camisas de cilindro e o bloco de cilindros;
* Trincas no cabeçote, nas camisas de cilindro ou no bloco de cilindros
Se o óleo estiver misturado consulte um anexo a respeito deste assunto no final do
livro.
Filtro de óleo
Verifique se o os filtros de óleo não estão danificados ou entupidos.
Se os filtros estiverem danificados externamente, o fluxo de óleo através dos filtros é
prejudicado, o que pode ocasionar problemas na pressão do óleo.
Válvula redutora
Verifique a marcação de cor da válvula de segurança (azul).
Verifique se a válvula não está danificada podendo prejudicar o seu funcionamento.
Empurre a agulha da válvula com um objeto pontiagudo e verifique se não está
presa e se veda de encontro à sede.
Válvula de segurança
Verifique a marcação de cor da válvula de segurança (amarela).
Verifique se a válvula não está danificada podendo prejudicar o seu funcionamento.
Empurre a agulha da válvula com um objeto pontiagudo e verifique se não está presa e se
veda de encontro à sede.
Bomba de óleo
Desmonte a bomba de óleo e verifique o filtro de tela no lado de sucção e tubo de pres-
são.
Verifique as engrenagens da bomba de óleo. Se a causa da falha for a má qualidade do
óleo, o sistema de lubrificação deverá ser limpo antes de colocar um novo óleo no motor.
ProduzidoporCicloEngenhariaLtda-62-3942-3939vendas@cicloengenharia.com.br-proibidaareprodução-eventuaiserrosoudefeitosdefabricaçãofavorcomunicarvendas@cicloengenharia.com.br
ENGENHARIA
C I C I
I
Av. C-255, nº270, sala 719
Nova Suiça, 74280-010, Goiânia - Goiás
62 - 3942-3939 - vendas@cicloengenharia.com.br
www.cicloengenharia.com.br
Centro Empresarial Sebba,
121
Motor
D12C
Motor
D12D
Gerenciamento de Motores Diesel
Módulo 1 - Unidades Injetoras
Impresso original em
papel reciclado 90g
Propositalm
ente
em
branco
ProduzidoporCicloEngenhariaLtda-62-3942-3939vendas@cicloengenharia.com.br-proibidaareprodução-eventuaiserrosoudefeitosdefabricaçãofavorcomunicarvendas@cicloengenharia.com.br
ENGENHARIA
C I C I
I
Av. C-255, nº270, sala 719
Nova Suiça, 74280-010, Goiânia - Goiás
62 - 3942-3939 - vendas@cicloengenharia.com.br
www.cicloengenharia.com.br
Centro Empresarial Sebba,
122
Motor
D12C
Motor
D12D
Aurélio Nunes de Araújo
Fábio Ribeiro von Glehn
Impresso original em
papel reciclado 90g
Sensor de pressão do óleo do motor
102.1 - Ficha técnica
Codigo de falha: PID102
Localização: montado no coletor de admissão
Tensão de alimentação: 5V
Amplitude de trabalho: de 0,7 a 3,0 bar
Característica: acoplado ao sensor de temperatura
do ar de admissão
102.2 - Princípio de funcionamento
O sensor utilizado para medir a pressão do turbo
utiliza a medição da deformação de um diafragma
para determinar a pressão. Um diafragma divide uma
câmara em duas partes, em uma delas vácuo absoluto
e na outra a pressão que se deseja medir. Extensômetros são colados ao diafragma.
A propriedade que certos materiais tem de variarem sua resistência elétrica quando de-
formados, foi observada por William Thomsom (Lord Kelvin) em 1856. A aplicação prática
dessa descoberta é credidata ao Dr. Arthur C. Ruge do M.I.T. e a Edward E. Simmons da
CalTech a invenção simultânea, porém independente, no período de 1937 a 1939.
Os extensômetros (em inglês strain gage) são portanto, resistores sensíveis à defor-
mação. Uma vez colados ao diafragma, estes deformam-se solidariamente ao diafragma
conforme ocorre variação de pressão no coletor de admissão.
Os extensômetros, são montados estratégicamente em forma de ponte de Wheatstone
(devido a Charles Wheatstone em 1843), conforme os primeiros experimentos de Lord
Kelvin. Veja na figura 2 abaixo a configuração.
Segundo a teoria, UM
será zero em um circuito montado em ponte Wheatstone quando
o produto das resistências montadas em lados opostos sejam iguais. Neste caso, como só
existem 2 valores de resistência, R1
de referência e R2
montado no diafragma, UM
será zero
quando R2
for igual a R1
. Caso contrário, UM
será maior quanto maior for a deformação do
diafragma, e o resultado é uma curva pressão x tensão linear.
Figura 1 - sensor de pressão do turbo
vácuo
R1
R2
R1
p
R1 R2
R1
UM
R2
Figura 2 - Medição de pressão via medição da deformação de um diafragma
ProduzidoporCicloEngenhariaLtda-62-3942-3939vendas@cicloengenharia.com.br-proibidaareprodução-eventuaiserrosoudefeitosdefabricaçãofavorcomunicarvendas@cicloengenharia.com.br
ENGENHARIA
C I C I
I
Av. C-255, nº270, sala 719
Nova Suiça, 74280-010, Goiânia - Goiás
62 - 3942-3939 - vendas@cicloengenharia.com.br
www.cicloengenharia.com.br
Centro Empresarial Sebba,
123
Motor
D12C
Motor
D12D
Gerenciamento de Motores Diesel
Módulo 1 - Unidades Injetoras
Impresso original em
papel reciclado 90g
102.3 - Localização:
Tampa da engrenagem do comando (figura 3)
102.4 - Simbologia
Identifique no esquema elétrico (posição A06) todos os significados da simbologia ado-
tada
sensor de
pressão do turbo
Figura 3 - Sensor de pressão do óleo
Sensor de
temperatura
Cor do fio
Oval preto
representa o
Sinal
terminais da
UCM
1 e 2
terminais do
sensor
1
3
4
EA04+
EA05-
EA03
EA02
2
VD/BR
CZ
MR/BR
AZ/BR
Sensor de
pressão
Tensão de
referência
para sensor
Massa de
referência
para sensor
Sinal de
pressão
Sinal de
temperatura
ProduzidoporCicloEngenhariaLtda-62-3942-3939vendas@cicloengenharia.com.br-proibidaareprodução-eventuaiserrosoudefeitosdefabricaçãofavorcomunicarvendas@cicloengenharia.com.br
ENGENHARIA
C I C I
I
Av. C-255, nº270, sala 719
Nova Suiça, 74280-010, Goiânia - Goiás
62 - 3942-3939 - vendas@cicloengenharia.com.br
www.cicloengenharia.com.br
Centro Empresarial Sebba,
124
Motor
D12C
Motor
D12D
Aurélio Nunes de Araújo
Fábio Ribeiro von Glehn
Impresso original em
papel reciclado 90g
102.5 - Códigos de falha
MID PID FMI
128 102
3 4
EA03  4,95V EA03  0,08
Possíveis
causas
Curto-circuito à tensão de batería ou a 5V
no cabo condutor de sinal (EA03)
Curto-circuito à tensão de batería ou a 5V
no cabo de ligação à massa (EA05)
Falha no sensor
Curto-circuíto à massa no cabo condutor
de sinal (EA03)
Interrupção no cabo condutor de sinal
(EA03)
Curto-circuito à massa no cabo de alimen-
tação (EA04)
Interrupção do cabo de alimentação
(EA04)
Falha no sensor
Reação
O código de falha é registrado
Lâmpada de anomalias acende
Redução de potência
Sem pressão do turbo no painel de instrumentos
102.6 - Simulações de falha
corte de EA03 Partida normal com funcionamento normal em marcha-lenta
MID 128 - PID 102 - FMI 4
Sem indicação de pressão do turbo no painel de instrumentos
corte de EA04 Partida normal com funcionamento normal em marcha-lenta
MID 128 - PID 094 - FMI 4
MID 128 - PID 100 - FMI 4
MID 128 - PID 102 - FMI 4
Verificar motor na próxima parada
Sem indicação de pressão do óleo e do turbo no painel de instrumentos
corte de EA05 Partida normal com funcionamento normal em marcha-lenta
SEM indicação de códigos de falhas
Pressão do óleo = 7 no painel
Pressão do turbo = 2 no painel
Temperatura da água = 60ºC no painel
102.7 - Verificações
1 - Teste do conjunto sensor / chicote / UCM com o voltímetro;
2 - Se necessário, teste do chicote e UCM com o voltímetro
ProduzidoporCicloEngenhariaLtda-62-3942-3939vendas@cicloengenharia.com.br-proibidaareprodução-eventuaiserrosoudefeitosdefabricaçãofavorcomunicarvendas@cicloengenharia.com.br
ENGENHARIA
C I C I
I
Av. C-255, nº270, sala 719
Nova Suiça, 74280-010, Goiânia - Goiás
62 - 3942-3939 - vendas@cicloengenharia.com.br
www.cicloengenharia.com.br
Centro Empresarial Sebba,
125
Motor
D12C
Motor
D12D
Gerenciamento de Motores Diesel
Módulo 1 - Unidades Injetoras
Impresso original em
papel reciclado 90g
102.7.1 - Teste do conjunto sensor / chicote / UCM com o voltímetro
Proceda as ligações do voltímetro conforme a ilustração abaixo e certifique-se da vali-
dade dos dados. Lembre-se:
* A UCM e sensor conectados;
* A chave de partida na posição de condução;
* Motor desligado (ponto 1) - marcha-lenta (ponto 2) - acelerado (ponto 3);
* Multímetro preparado para medição de tensão contínua (Vdc)
Valores dentro da faixa indicam que o sensor está íntegro, mas se mesmo assim o com-
putador de bordo registra a falha, então existe ainda duas possibilidades:
1 - interrupção do cabo sinal entre o ponto de medição e a UCM;
2 - falha na UCM.
Valores fora da faixa indicam necessidade de continuidade nos testes.
FMI 3 - U  4,95V
1,0 2,0 3,0
0,5
1,0
1,5
2,0
2,5
3,0
3,5
4,0
4,5
5,0
sobrepressão (bar)
tensão(V)
Curva de calibração do sensor de pressão do turbo
alimentação = 5V
Regime normal
de trabalho
0,95 a 1,8 barFMI 4 - U  0,08V
Pré-partida 1,1 V
nível do mar
Pressõessuperioresa
2,5bardesobrepressão
podemdanificarosensor
pressão absoluta (bar)
0,0 1,0 2,0
1
3
4
EA04+
EA05-
EA03
EA02
2
VD/BR
CZ
MR/BR
AZ/BR
Vdc
3
2
1
4
sensor
arredondado
sensor
achatado
Erro de 10% da fonte de alimentação provoca
um erro de 10% na saída do sensor
Pressão absoluta
(bar)
Tensão
(V)
1,0 1,050
2,0 2,912
2,5 3,837
3,0 4,775
curva de regressão:
U = 1,860 * P - 0,813 onde U em volts e P é pressão absoluta em bar
P = 0,537 * U + 0,436 onde P é a pressão absoluta em bar e U em volts
tabela conversão:
1 bar
100 kPa
750,06 mmHg
1,0197 kgf/cm2
1,0197 atm
14,5037 Psi
ProduzidoporCicloEngenhariaLtda-62-3942-3939vendas@cicloengenharia.com.br-proibidaareprodução-eventuaiserrosoudefeitosdefabricaçãofavorcomunicarvendas@cicloengenharia.com.br
ENGENHARIA
C I C I
I
Av. C-255, nº270, sala 719
Nova Suiça, 74280-010, Goiânia - Goiás
62 - 3942-3939 - vendas@cicloengenharia.com.br
www.cicloengenharia.com.br
Centro Empresarial Sebba,
126
Motor
D12C
Motor
D12D
Aurélio Nunes de Araújo
Fábio Ribeiro von Glehn
Impresso original em
papel reciclado 90g
102.7.2 - Teste da UCM e chicote com o VOLTÍMETRO CONTÍNUO (VDC)
Proceda as ligações do voltímetro (conector do sensor) conforme uma das ilustrações
abaixo e certifique-se da validade dos dados. Lembre-se:
* A UCM conectada;
* Sensor desconectado
* A chave de partida na posição de condução;
* Motor desligado;
* Multímetro preparado para medição de tensão contínua (Vdc)
caso 1 - primeiras versões: sensor de cabeça arredondada:
3 4
1
2
chassi
Vdc Vdc
3 4
1
2
caso 2 - versões recentes: sensor de cabeça chata:
1 2 3 4 1 2 3 4
chassi
Vdc Vdc
ProduzidoporCicloEngenhariaLtda-62-3942-3939vendas@cicloengenharia.com.br-proibidaareprodução-eventuaiserrosoudefeitosdefabricaçãofavorcomunicarvendas@cicloengenharia.com.br
ENGENHARIA
C I C I
I
Av. C-255, nº270, sala 719
Nova Suiça, 74280-010, Goiânia - Goiás
62 - 3942-3939 - vendas@cicloengenharia.com.br
www.cicloengenharia.com.br
Centro Empresarial Sebba,
127
Motor
D12C
Motor
D12D
Gerenciamento de Motores Diesel
Módulo 1 - Unidades Injetoras
Impresso original em
papel reciclado 90g
Ponto de medição Valor nominal conclusão se divergente
caso1: 1 e massa
caso2: 3 em massa
aproximadamente 5V
Fiação 1 - EA04 interrompida
Fiação 1 - EA04 em curto-circuito
Falha na alimentação da UCM
Falha na UCM
se o teste anterior for OK, então:
caso1: 1 e 4
caso2: 1 e 3
aproximadamente 5V
Fiação - 4 - EA05 interrompida
Fiação - 4 - EA05 em curto-circuito
Falha na UCM
se o teste anterior for OK e o sen-
sor não gera sinal (teste 102.7.1)
Falha no sistema de lubrificação
Falha no sensor
Outras medidas:
* A UCM conectada;
* Sensor desconectado
* A chave de partida na posição 0;
* Multímetro preparado para medição de resistência (W)
Ponto de medição no conector do
sensor
Valor nominal conclusão se divergente
2 e massa aproximadamente 100 kW
Fiação 2 - EA03 interrompida
Falha na UCM
ProduzidoporCicloEngenhariaLtda-62-3942-3939vendas@cicloengenharia.com.br-proibidaareprodução-eventuaiserrosoudefeitosdefabricaçãofavorcomunicarvendas@cicloengenharia.com.br
ENGENHARIA
C I C I
I
Av. C-255, nº270, sala 719
Nova Suiça, 74280-010, Goiânia - Goiás
62 - 3942-3939 - vendas@cicloengenharia.com.br
www.cicloengenharia.com.br
Centro Empresarial Sebba,
128
Motor
D12C
Motor
D12D
Aurélio Nunes de Araújo
Fábio Ribeiro von Glehn
Impresso original em
papel reciclado 90g
Sensor de temperatura do ar de admissão
105.1 - Ficha técnica
Codigo de falha: PID105
Tipo: NTC
Localização: montado no coletor de admissão
Tensão de alimentação: 5V
Amplitude de trabalho: de -40 a 140ºC
Característica: acoplado ao sensor de pressão do
turbo
105.2 - Princípio de funcionamento
Na década de 1950 os cientistas da Bell Telephone
Laboratories criam o termistor, ou um resistor sensível
à temperatura.
Existem basicamente dois tipos de termistores:
NTC (do inglês Negative Temperature Coefficient) -
termistores cujo coeficiente de variação de resistência
com a temperatura é negativo, ou seja, a resistência
diminui com o aumento da temperatura.
PTC (do inglês Positive Temperature Coefficient) -
termistores cujo coeficiente de variação de resistência
com a temperatura é positivo, ou seja, a resistência
aumenta com o aumento da temperatura.
Na grande maioria dos casos o tipo NTC é o esco-
lhido para utilização em veículos automotores.
Abaixo, uma análise teórica sobre como essa variação de resistência provocada pela
variação de temperatura é transformada numa variação de tensão.
105.3 - Função do sensor de temperatura do ar de admissão
Duas funções:
1 - Corrigir o débito em função da densidade do ar sensível à temperatura;
2 - No motor D12D, acionar o ventilador para melhorar a troca de calor no intercooler.
Figura 1 - sensor de temperatura do ar
1 - Lei de Ohm: U = R * I
2 - Os resistores estão ligados em série, logo:
R = R + R1 NTC
3 - Substituindo 2 em 1: U = ( ) * IR + R1 NTC
4 - De onde se conclui que:
5 - Aplicando a lei de Ohm sobre o NTC:
V = R * INTC NTC
6 - Substituindo 4 em 5:
7 - Dividindo numerador e denominador por R :NTC
8 - No caso particular de R = 0NTC
R1 / R = (infinito)NTC
R1 / R + 1 = (infinito)NTC
U / = 0 (zero)
V = 0 (zero)NTC
9 - No caso particular de R = (infinito)NTC
R1 / R = R1 / = 0 (zero)NTC
R1 / R + 1 = 0 + 1 = 1 (um)NTC
U / 1 = U (tensão da fonte)
V = U (tensão da fonte)NTC
U
R + R1 NTC
I =
U
R + R1 NTC
V = R *NTC NTC
U
R R + 11 NTC/
V =NTC
voltímetro
3
EA02
4
EA05
R1U
VDC
I
RNTC
UCM
sensor
10 - No caso particular de R = RNTC 1
R1 / R = 1 (um)NTC
R1 / R + 1 = 2 (dois)NTC
V = U / 2 (metade da tensão da fonte)NTC
Processamento
do sinal
Figura 3 - Análise da transformação temperatura - resistência - tensão
NTC
PTC
resistência
Temperatura
Figura 2 - curva característica de um NTC
e de um PTC
ProduzidoporCicloEngenhariaLtda-62-3942-3939vendas@cicloengenharia.com.br-proibidaareprodução-eventuaiserrosoudefeitosdefabricaçãofavorcomunicarvendas@cicloengenharia.com.br
ENGENHARIA
C I C I
I
Av. C-255, nº270, sala 719
Nova Suiça, 74280-010, Goiânia - Goiás
62 - 3942-3939 - vendas@cicloengenharia.com.br
www.cicloengenharia.com.br
Centro Empresarial Sebba,
129
Motor
D12C
Motor
D12D
Gerenciamento de Motores Diesel
Módulo 1 - Unidades Injetoras
Impresso original em
papel reciclado 90g
105.4 - Localização:
O sensor está montado no coletor de admissão e é
envolvido pela mesma carcaça do sensor de pressão
do turbo.
105.5 - Simbologia
Identifique no esquema elétrico (posiçãoA07) todos
os significados da simbologia adotada
105.6 - Códigos de falha
MID PID FMI
128 105
não registrado 3 4
Temperatura muito alta EA02  4,95V EA02  0,08
Possíveis
causas
Radiador do intercooler
entupido
Prisão no regulador AT
Contrapressão excessiva
nos gases de escape ao
utilizar o freio VEB
Curto-circuito à tensão de
batería ou a 5V no cabo
condutor de sinal (EA02)
Curto-circuito à tensão de
batería ou a 5V no cabo de
ligação à massa (EA05)
Interrupção no cabo condu-
tor de sinal (EA02)
Falha no sensor
Curto-circuíto à massa no
cabo condutor de sinal
(EA02)
Falha no sensor
Reação sem indicação de falhas
O código de falha é registrado
Lâmpada de anomalias acende
105.7 - Verificações
1 - Teste do conjunto sensor / chicote / UCM com o voltímetro;
2 - Se necessário, teste do chicote e sensor com o ohmímetro;
3 - Se necessário, teste do chicote e UCM com o voltímetro
sensor de
temperatura do ar
Figura 4 - Localização do sensor de tem-
peratura do ar
Sensor de
temperatura
Cor do fio
Oval preto
representa o
Sinal
terminais da
UCM
terminais do
sensor
1
3
4
EA04+
EA05-
EA03
EA02
2
VD/BR
CZ
MR/BR
AZ/BR
Sensor de
pressão
Tensão de
referência
para sensor
Massa de
referência
para sensor
Sinal de
pressão
Sinal de
temperatura
ProduzidoporCicloEngenhariaLtda-62-3942-3939vendas@cicloengenharia.com.br-proibidaareprodução-eventuaiserrosoudefeitosdefabricaçãofavorcomunicarvendas@cicloengenharia.com.br
ENGENHARIA
C I C I
I
Av. C-255, nº270, sala 719
Nova Suiça, 74280-010, Goiânia - Goiás
62 - 3942-3939 - vendas@cicloengenharia.com.br
www.cicloengenharia.com.br
Centro Empresarial Sebba,
130
Motor
D12C
Motor
D12D
Aurélio Nunes de Araújo
Fábio Ribeiro von Glehn
Impresso original em
papel reciclado 90g
105.7.1 - Teste do conjunto sensor CABEÇA ARREDONDADA / chicote / UCM com o voltímetro
Proceda as ligações do voltímetro conforme a ilustração abaixo e certifique-se da vali-
dade dos dados. Lembre-se:
* A UCM e sensor conectados;
* A chave de partida na posição de condução;
* Motor desligado;
* Multímetro preparado para medição de tensão contínua (Vdc)
Valores dentro da faixa indicam que o sensor está íntegro, mas se mesmo assim o com-
putador de bordo registra a falha, então existe ainda duas possibilidades:
1 - interrupção do cabo sinal entre o ponto de medição e a UCM;
2 - falha na UCM.
Valores fora da faixa indicam necessidade de continuidade nos testes.
temperatura (ºC)
Curva de calibração do sensor de temperatura do ar
0,5
1,0
1,5
2,0
2,5
3,0
3,5
4,0
4,5
5,0
140120100806040200-20-40
tensão(V)
FMI 3 - U  4,95V
FMI 4 - U  0,08V
alimentação = 5,0V - R1 = 5400W
Temp.
(ºC)
Tensão
(V)
-40 4,84 ± 0,02
-30 4,71 ± 0,02
-20 4,50 ± 0,03
-10 4,18 ± 0,04
0 3,75 ± 0,06
10 3,23 ± 0,06
20 2,67 ± 0,06
30 2,13 ± 0,06
40 1,65 ± 0,04
50 1,25 ± 0,03
Temp.
(ºC)
Tensão
(V)
60 0,93 ± 0,03
70 0,70 ± 0,03
80 0,52 ± 0,02
90 0,39 ± 0,02
100 0,30 ± 0,02
110 0,23 ± 0,01
120 0,17 ± 0,01
130 0,14 ± 0,01
140 0,11 ± 0,01
150 0,08 ± 0,01
1
3
4
EA04+
EA05-
EA03
EA02
2
VD/BR
CZ
MR/BR
AZ/BR
Vdc
3
2
1
4
sensor
arredondado
sensor
achatado
Erro de 10% da fonte de alimentação provoca
um erro de 10% na saída do sensor
Primeiras
versões:
Sensor de
pressão
do turbo
de cabeça
arredon-
dada
ProduzidoporCicloEngenhariaLtda-62-3942-3939vendas@cicloengenharia.com.br-proibidaareprodução-eventuaiserrosoudefeitosdefabricaçãofavorcomunicarvendas@cicloengenharia.com.br
ENGENHARIA
C I C I
I
Av. C-255, nº270, sala 719
Nova Suiça, 74280-010, Goiânia - Goiás
62 - 3942-3939 - vendas@cicloengenharia.com.br
www.cicloengenharia.com.br
Centro Empresarial Sebba,
131
Motor
D12C
Motor
D12D
Gerenciamento de Motores Diesel
Módulo 1 - Unidades Injetoras
Impresso original em
papel reciclado 90g
105.7.2 - Teste do conjunto sensor CABEÇA ARREDONDADA/ chicote com o ohmímetro
Proceda as ligações do multímetro (conector da UCM) conforme a ilustração abaixo e
certifique-se da validade dos dados. Lembre-se:
* A UCM desconectada;
* A chave de partida na posição 0;
* Multímetro preparado para medição de resistência (ohm - W)
Valores dentro da faixa indicam que o sensor e o chicote estão integros e existe a pos-
sibilidade de falha na UCM.
Valores fora da faixa, refaça o teste medindo diretamente no sensor de modo a distinguir
falha no sensor de falha na fiação.
Curva de calibração do sensor de temperatura do ar
temperatura x resistência
temperatura (ºC)
0
resistência()W
10 20 30 40 50 60 70 80 90 100
2500
5000
7500
10000
12500
15000
PID 105
Temperatura
(ºC)
Resistência
(W)
-40 168100 ± 12600
-30 88300 ± 6000
-20 44400 ± 3100
-10 27500 ± 1600
0 16200 ± 890
10 9880 ± 500
20 6200 ± 280
30 4000 ± 170
40 2648 ± 97
50 1793 ± 58
Temperatura
(ºC)
Resistência
(W)
60 1240 ± 42
70 873 ± 33
80 627 ± 26
90 458 ± 20
100 339 ± 15
110 255 ± 12
120 195,0 ± 10
130 150,2 ± 8,0
140 117,4 ± 6,6
150 92,7 ± 5,7
UCM - Conector EA
= preto superior
12
13
25
24
36
01
05
02
Primeiras
versões:
Sensor de
pressão
do turbo
de cabeça
arredon-
dada
ProduzidoporCicloEngenhariaLtda-62-3942-3939vendas@cicloengenharia.com.br-proibidaareprodução-eventuaiserrosoudefeitosdefabricaçãofavorcomunicarvendas@cicloengenharia.com.br
ENGENHARIA
C I C I
I
Av. C-255, nº270, sala 719
Nova Suiça, 74280-010, Goiânia - Goiás
62 - 3942-3939 - vendas@cicloengenharia.com.br
www.cicloengenharia.com.br
Centro Empresarial Sebba,
132
Motor
D12D
Aurélio Nunes de Araújo
Fábio Ribeiro von Glehn
Impresso original em
papel reciclado 90g
105.7.3 - Teste do conjunto sensor CABEÇA CHATA/ chicote / UCM com o voltímetro
Proceda as ligações do voltímetro conforme a ilustração abaixo e certifique-se da vali-
dade dos dados. Lembre-se:
* A UCM e sensor conectados;
* A chave de partida na posição de condução;
* Motor desligado;
* Multímetro preparado para medição de tensão contínua (Vdc)
Valores dentro da faixa indicam que o sensor está íntegro, mas se mesmo assim o com-
putador de bordo registra a falha, então existe ainda duas possibilidades:
1 - interrupção do cabo sinal entre o ponto de medição e a UCM;
2 - falha na UCM.
Valores fora da faixa indicam necessidade de continuidade nos testes.
temperatura (ºC)
Curva de calibração do sensor de temperatura do ar
0,5
1,0
1,5
2,0
2,5
3,0
3,5
4,0
4,5
5,0
120100806040200-20-40
tensão(V)
FMI 3 - U  4,95V
FMI 4 - U  0,08V
alimentação = 5,0V - R1 = 5400W
Temp.
(ºC)
Tensão
(V)
-40 4,38 ± 0,06
-30 4,01 ± 0,09
-20 3,54 ± 0,11
-10 2,99 ± 0,13
0 2,43 ± 0,13
10 1,91 ± 0,12
20 1,46 ± 0,11
30 1,10 ± 0,09
40 0,82 ± 0,07
Temp.
(ºC)
Tensão
(V)
50 0,61 ± 0,06
60 0,46 ± 0,05
70 0,34 ± 0,04
80 0,26 ± 0,03
90 0,20± 0,02
100 0,15 ± 0,02
110 0,12 ± 0,02
120 0,10 ± 0,01
1
3
4
EA04+
EA05-
EA03
EA02
2
VD/BR
CZ
MR/BR
AZ/BR
Vdc
3
2
1
4
sensor
arredondado
sensor
achatado
Erro de 10% da fonte de alimentação provoca
um erro de 10% na saída do sensor
Versões
recentes:
Sensor de
pressão
do turbo
de cabeça
chata
ProduzidoporCicloEngenhariaLtda-62-3942-3939vendas@cicloengenharia.com.br-proibidaareprodução-eventuaiserrosoudefeitosdefabricaçãofavorcomunicarvendas@cicloengenharia.com.br
ENGENHARIA
C I C I
I
Av. C-255, nº270, sala 719
Nova Suiça, 74280-010, Goiânia - Goiás
62 - 3942-3939 - vendas@cicloengenharia.com.br
www.cicloengenharia.com.br
Centro Empresarial Sebba,
133
Motor
D12D
Gerenciamento de Motores Diesel
Módulo 1 - Unidades Injetoras
Impresso original em
papel reciclado 90g
105.7.4 - Teste do conjunto sensor CABEÇA CHATA/ chicote com o ohmímetro
Proceda as ligações do multímetro (conector da UCM) conforme a ilustração abaixo e
certifique-se da validade dos dados. Lembre-se:
* A UCM desconectada;
* A chave de partida na posição 0;
* Multímetro preparado para medição de resistência (ohm - W)
Valores dentro da faixa indicam que o sensor e o chicote estão integros e existe a pos-
sibilidade de falha na UCM.
Valores fora da faixa, refaça o teste medindo diretamente no sensor de modo a distinguir
falha no sensor de falha na fiação.
Versões
recentes:
Sensor de
pressão
do turbo
de cabeça
chata
Curva de calibração do sensor de temperatura do ar
temperatura x resistência
temperatura (ºC)
0
resistência()W
10 20 30 40 50 60 70 80 90 100
2500
3000
3500
4000
4500
2000
1500
1000
500
Temperatura
(ºC)
Resistência
(W)
-40 37950 ± 3800
-30 21850 ± 2190
-20 13040 ± 1310
-10 8040 ± 810
0 5100 ± 510
10 3324 ± 332
20 2220 ± 222
30 1516 ± 152
40 1056 ± 106
Temperatura
(ºC)
Resistência
(W)
50 750 ± 75
60 542 ± 54
70 398 ± 39
80 297 ± 29
90 225 ± 22
100 173 ± 17
110 134 ± 13
120 105 ± 10
UCM - Conector EA
= preto superior
12
13
25
24
36
01
05
02
ProduzidoporCicloEngenhariaLtda-62-3942-3939vendas@cicloengenharia.com.br-proibidaareprodução-eventuaiserrosoudefeitosdefabricaçãofavorcomunicarvendas@cicloengenharia.com.br
ENGENHARIA
C I C I
I
Av. C-255, nº270, sala 719
Nova Suiça, 74280-010, Goiânia - Goiás
62 - 3942-3939 - vendas@cicloengenharia.com.br
www.cicloengenharia.com.br
Centro Empresarial Sebba,
134
Motor
D12C
Motor
D12D
Aurélio Nunes de Araújo
Fábio Ribeiro von Glehn
Impresso original em
papel reciclado 90g
105.7.5 - Teste da UCM e chicote com o VOLTÍMETRO CONTÍNUO (VDC)
Proceda as ligações do voltímetro (conector do sensor) conforme as ilustrações abaixo
e certifique-se da validade dos dados. Lembre-se:
* A UCM conectada;
* Sensor desconectado
* A chave de partida na posição de condução;
* Motor desligado;
* Multímetro preparado para medição de tensão contínua (Vdc)
caso 1 - sensor de cabeça arredondada:
3 4
1
2
chassi
Vdc
3 4
1
2
Vdc
caso 2 - sensor de cabeça achatada:
1 2 3 4 1 2 3 4
chassi
Vdc Vdc
ProduzidoporCicloEngenhariaLtda-62-3942-3939vendas@cicloengenharia.com.br-proibidaareprodução-eventuaiserrosoudefeitosdefabricaçãofavorcomunicarvendas@cicloengenharia.com.br
ENGENHARIA
C I C I
I
Av. C-255, nº270, sala 719
Nova Suiça, 74280-010, Goiânia - Goiás
62 - 3942-3939 - vendas@cicloengenharia.com.br
www.cicloengenharia.com.br
Centro Empresarial Sebba,
135
Motor
D12C
Motor
D12D
Gerenciamento de Motores Diesel
Módulo 1 - Unidades Injetoras
Impresso original em
papel reciclado 90g
Ponto de medição Valor nominal em caso de divergência
3 e massa aproximadamente 5V
Fiação 3 - EA02 interrompida
Fiação 3 - EA02 em curto-circuito
Falha na alimentação da UCM
Falha na UCM
se o teste anterior for OK, então:
3 e 4
aproximadamente 5V
Fiação - 4 - EA05 interrompida
Fiação - 4 - EA05 em curto-circuito
Falha na UCM
ProduzidoporCicloEngenhariaLtda-62-3942-3939vendas@cicloengenharia.com.br-proibidaareprodução-eventuaiserrosoudefeitosdefabricaçãofavorcomunicarvendas@cicloengenharia.com.br
ENGENHARIA
C I C I
I
Av. C-255, nº270, sala 719
Nova Suiça, 74280-010, Goiânia - Goiás
62 - 3942-3939 - vendas@cicloengenharia.com.br
www.cicloengenharia.com.br
Centro Empresarial Sebba,
136
Motor
D12C
Motor
D12D
Aurélio Nunes de Araújo
Fábio Ribeiro von Glehn
Impresso original em
papel reciclado 90g
Pressostato indicador de restrição do filtro de ar
107.1 - Ficha técnica
Codigo de falha: PID107
Localização: no tubo de união entre o filtro de ar e
a entrada do turbo compressor
Tensão de alimentação: 80% da tensão de batería
(Ubat)
Característica: acoplado ao sensor de temperatura
de admissão
107.2 - Princípio de funcionamento
O interruptor é normalmente fechado (resistência
de 2200W) com a chave de partida na posição de
condução.
A partir do funcionamento do motor, caso exista uma depressão de 500 mmH2
O (aproxi-
madamente 50 mbar) entre a atmosfera e o ponto de aquisição após o filtro de ar, o inter-
ruptor deverá mudar de posição (resistência de 330W) e a lâmpada vermelha de indicação
de colmatagem* do filtro de ar deverá acender-se no painel.
* “Colmatagem: ato ou efeito de colmatar. 1 - depósito ou amontoamento de terras,
resultante de obras para plantio de árvores. 2 - processo de conduzir águas que contêm
detritos minerais e orgânicos para terras baixas, com o fim de aumentar a fertilidade dessas
terras”. Dicionário Houaiss.
107.3 - Localização:
O pressostato está montado no no tubo de união
entre o filtro de ar e a entrada do turbo compressor e
é envolvido pela mesma carcaça do sensor de tem-
peratura de admissão.
Figura 1 - sensor de temperatura do ar
Figura 4 - Localização do indicador de
restrição do filtro de ar
ProduzidoporCicloEngenhariaLtda-62-3942-3939vendas@cicloengenharia.com.br-proibidaareprodução-eventuaiserrosoudefeitosdefabricaçãofavorcomunicarvendas@cicloengenharia.com.br
ENGENHARIA
C I C I
I
Av. C-255, nº270, sala 719
Nova Suiça, 74280-010, Goiânia - Goiás
62 - 3942-3939 - vendas@cicloengenharia.com.br
www.cicloengenharia.com.br
Centro Empresarial Sebba,
137
Motor
D12C
Motor
D12D
Gerenciamento de Motores Diesel
Módulo 1 - Unidades Injetoras
Impresso original em
papel reciclado 90g
107.4 - Simbologia
Identifique no esquema elétrico todos os significados da simbologia adotada
107.5 - Códigos de falha
MID PID FMI
128 107
0 3 4 5
25%  EB17  63% EB17  91% Ubat EB17  9% Ubat 63%  EB17  91%
Possíveis
causas
Filtro de ar entupido
Falha no sensor
Curto-circuito à
tensão de batería
no cabo condutor
de sinal (EB17)
Curto-circuito à
tensão de batería
ou a 5V no cabo
de ligação à massa
(EB08)
Falha no sensor
Curto-circuíto à
massa no cabo
condutor de sinal
(EB17)
Falha no sensor
Interrupção no cabo
condutor de sinal
(EB17)
Interrupção no cabo
massa (EB08)
Reação
O código de falha é registrado
Lâmpada AMARELA acende
107.6 - Verificações
1 - Teste do conjunto sensor / chicote / UCM com o voltímetro;
2 - Se necessário, teste do chicote e sensor com o ohmímetro;
3 - Se necessário, teste do chicote e UCM com o voltímetro
EB08-
EB13-
2
3
4
1
EB03
EB17
AZ/VM
CZ/BR
VI/BR
AZ/AM
330W
2200W
Sensor de
temperatura
Cor do fio
Oval preto
representa o
Sinal
terminais da
UCM
terminais do
sensor
Pressostato
pressão
Massa de
referência
para sensor
Sinal de
pressostato
Sinal de
temperatura
ProduzidoporCicloEngenhariaLtda-62-3942-3939vendas@cicloengenharia.com.br-proibidaareprodução-eventuaiserrosoudefeitosdefabricaçãofavorcomunicarvendas@cicloengenharia.com.br
ENGENHARIA
C I C I
I
Av. C-255, nº270, sala 719
Nova Suiça, 74280-010, Goiânia - Goiás
62 - 3942-3939 - vendas@cicloengenharia.com.br
www.cicloengenharia.com.br
Centro Empresarial Sebba,
138
Motor
D12C
Motor
D12D
Aurélio Nunes de Araújo
Fábio Ribeiro von Glehn
Impresso original em
papel reciclado 90g
107.6.1 - Teste do conjunto sensor / chicote / UCM com o voltímetro
Proceda as ligações do voltímetro conforme a ilustração abaixo e certifique-se da vali-
dade dos dados. Lembre-se:
* A UCM e sensor conectados;
* A chave de partida na posição de condução;
* Motor desligado (ponto 1) - motor em funcionamento (ponto 2);
* Multímetro preparado para medição de tensão contínua (Vdc)
Valores dentro da faixa indicam que o sensor está íntegro, mas se mesmo assim o com-
putador de bordo registra a falha e não é o filtro de ar, então existe ainda a possibilidade
de falha na UCM.
Valor fora da faixa indica necessidade de continuidade nos testes.
9% 25% 63% 91%0% 9% 100%
FMI4
sem
falha
elétrica FMI5 FMI3FMI0
Condição de
obstrução do
filtro de ar
R = 2200W
depressão de 50mbar
48%
Condição de
funcionamento
normal
R = 330W
12%
* Ubat (V)
Queda de pressão no filtro de ar - condições de funcionamento
Vdc
EB08-
EB13-
2
3
4
1
EB03
EB17
AZ/VM
CZ/BR
VI/BR
AZ/AM
330W
2200W
Condição Tensão (V)
Motor em
funcionamento
12% da tensão
de batería
ProduzidoporCicloEngenhariaLtda-62-3942-3939vendas@cicloengenharia.com.br-proibidaareprodução-eventuaiserrosoudefeitosdefabricaçãofavorcomunicarvendas@cicloengenharia.com.br
ENGENHARIA
C I C I
I
Av. C-255, nº270, sala 719
Nova Suiça, 74280-010, Goiânia - Goiás
62 - 3942-3939 - vendas@cicloengenharia.com.br
www.cicloengenharia.com.br
Centro Empresarial Sebba,
139
Motor
D12C
Motor
D12D
Gerenciamento de Motores Diesel
Módulo 1 - Unidades Injetoras
Impresso original em
papel reciclado 90g
107.7.2 - Teste do conjunto sensor / chicote com o ohmímetro
Proceda as ligações do multímetro (conector da UCM) conforme a ilustração abaixo e
certifique-se da validade dos dados. Lembre-se:
* A UCM desconectada;
* A chave de partida na posição 0;
* Multímetro preparado para medição de resistência (ohm - W)
Valores dentro da faixa indicam que o sensor e o chicote estão integros e existe a pos-
sibilidade de falha na UCM.
Valores fora da faixa, refaça o teste medindo diretamente no sensor de modo a distinguir
falha no sensor de falha na fiação.
Condição Resistência (W) Conclusão
sob ação da pressão atmosférica ≈ 330 W Pressostato
em bom estadosob ação de uma depressão ≈ 2200 W
sob ação de uma depressão ≈ 330 W Pressostato
com contato
preso
UCM - Conector EB
= vermelho inferior
12
13
25
24
36
01
17
08
ProduzidoporCicloEngenhariaLtda-62-3942-3939vendas@cicloengenharia.com.br-proibidaareprodução-eventuaiserrosoudefeitosdefabricaçãofavorcomunicarvendas@cicloengenharia.com.br
ENGENHARIA
C I C I
I
Av. C-255, nº270, sala 719
Nova Suiça, 74280-010, Goiânia - Goiás
62 - 3942-3939 - vendas@cicloengenharia.com.br
www.cicloengenharia.com.br
Centro Empresarial Sebba,
140
Motor
D12C
Motor
D12D
Aurélio Nunes de Araújo
Fábio Ribeiro von Glehn
Impresso original em
papel reciclado 90g
107.7.3 - Teste da UCM e chicote com o VOLTÍMETRO CONTÍNUO (VDC)
Proceda as ligações do voltímetro (conector do sensor) conforme a ilustração abaixo e
certifique-se da validade dos dados. Lembre-se:
* A UCM conectada;
* Sensor desconectado
* A chave de partida na posição de condução;
* Motor desligado;
* Multímetro preparado para medição de tensão contínua (Vdc)
Ponto de medição Valor nominal em caso de divergência
1 e massa
aproximadamente 80% da
tensão de batería
Fiação 1 - EB17 interrompida
Fiação 1 - EB17 em curto-circuito
Falha na alimentação da UCM
Falha na UCM
se o teste anterior for OK, então:
1 e 2
aproximadamente 80% da
tensão de batería
Fiação 2 - EB08 interrompida
Fiação 2 - EB08 em curto-circuito
Falha na UCM
3 4
1
2
chassi
Vdc Vdc
3 4
1
2
ProduzidoporCicloEngenhariaLtda-62-3942-3939vendas@cicloengenharia.com.br-proibidaareprodução-eventuaiserrosoudefeitosdefabricaçãofavorcomunicarvendas@cicloengenharia.com.br
ENGENHARIA
C I C I
I
Av. C-255, nº270, sala 719
Nova Suiça, 74280-010, Goiânia - Goiás
62 - 3942-3939 - vendas@cicloengenharia.com.br
www.cicloengenharia.com.br
Centro Empresarial Sebba,
141
Motor
D12C
Motor
D12D
Gerenciamento de Motores Diesel
Módulo 1 - Unidades Injetoras
Impresso original em
papel reciclado 90g
Propositalm
ente
em
branco
ProduzidoporCicloEngenhariaLtda-62-3942-3939vendas@cicloengenharia.com.br-proibidaareprodução-eventuaiserrosoudefeitosdefabricaçãofavorcomunicarvendas@cicloengenharia.com.br
ENGENHARIA
C I C I
I
Av. C-255, nº270, sala 719
Nova Suiça, 74280-010, Goiânia - Goiás
62 - 3942-3939 - vendas@cicloengenharia.com.br
www.cicloengenharia.com.br
Centro Empresarial Sebba,
142
Motor
D12C
Motor
D12D
Aurélio Nunes de Araújo
Fábio Ribeiro von Glehn
Impresso original em
papel reciclado 90g
Sensor de temperatura da água do motor
110.1 - Ficha técnica
Codigo de falha: PID110
Tipo: NTC
Localização: na carcaça da válvula termostática
Tensão de alimentação: 5V
Amplitude de trabalho: de -40 a 150ºC
110.2 - Princípio de funcionamento
Na década de 1950 os cientistas da Bell Telephone
Laboratories criam o termistor, ou um resistor sensível
à temperatura.
Existem basicamente dois tipos de termistores:
NTC (do inglês Negative Temperature Coefficient) -
termistores cujo coeficiente de variação de resistência
com a temperatura é negativo, ou seja, a resistência
diminui com o aumento da temperatura.
PTC (do inglês Positive Temperature Coefficient) -
termistores cujo coeficiente de variação de resistência
com a temperatura é positivo, ou seja, a resistência
aumenta com o aumento da temperatura.
Na grande maioria dos casos o tipo NTC é o esco-
lhido para utilização em veículos automotores.
Abaixo, uma análise teórica sobre como essa variação de resistência provocada pela
variação de temperatura é transformada numa variação de tensão.
Figura 1 - sensor de temperatura da água
NTC
PTC
resistência
Temperatura
Figura 2 - curva característica de um NTC
e de um PTC
1 - Lei de Ohm: U = R * I
2 - Os resistores estão ligados em série, logo:
R = R + R1 NTC
3 - Substituindo 2 em 1: U = ( ) * IR + R1 NTC
4 - De onde se conclui que:
5 - Aplicando a lei de Ohm sobre o NTC:
V = R * INTC NTC
6 - Substituindo 4 em 5:
7 - Dividindo numerador e denominador por R :NTC
8 - No caso particular de R = 0NTC
R1 / R = (infinito)NTC
R1 / R + 1 = (infinito)NTC
U / = 0 (zero)
V = 0 (zero)NTC
9 - No caso particular de R = (infinito)NTC
R1 / R = R1 / = 0 (zero)NTC
R1 / R + 1 = 0 + 1 = 1 (um)NTC
U / 1 = U (tensão da fonte)
V = U (tensão da fonte)NTC
U
R + R1 NTC
I =
U
R + R1 NTC
V = R *NTC NTC
U
R R + 11 NTC/
V =NTC
voltímetro
1
EA25
2
EA05
R1U
VDC
I
RNTC
UCM
sensor
10 - No caso particular de R = RNTC 1
R1 / R = 1 (um)NTC
R1 / R + 1 = 2 (dois)NTC
V = U / 2 (metade da tensão da fonte)NTC
Processamento
do sinal
Figura 3 - Análise da transformação temperatura - resistência - tensão
ProduzidoporCicloEngenhariaLtda-62-3942-3939vendas@cicloengenharia.com.br-proibidaareprodução-eventuaiserrosoudefeitosdefabricaçãofavorcomunicarvendas@cicloengenharia.com.br
ENGENHARIA
C I C I
I
Av. C-255, nº270, sala 719
Nova Suiça, 74280-010, Goiânia - Goiás
62 - 3942-3939 - vendas@cicloengenharia.com.br
www.cicloengenharia.com.br
Centro Empresarial Sebba,
143
Motor
D12C
Motor
D12D
Gerenciamento de Motores Diesel
Módulo 1 - Unidades Injetoras
Impresso original em
papel reciclado 90g
110.3 - Influência da temperatura da água de arrefecimento.
A temperatura da água de arrefecimento pode em alguns casos, influenciar o débito de
combustível. O diagrama abaixo mostra quatro casos diferentes:
Temperatura normal: Com a temperatura normal não há nenhuma alteração no débito
de combustível.
Temperaturas baixas: Com temperaturas muito baixas ocorre uma certa redução no
débito de injeção de combustível. A redução destina-se a compensar o valor mais alto de
energia por unidade volumétrica que existe no combustível frío.
Temperaturas altas: Com temperaturas acima de 101ºC a lâmpada vermelha de sina-
lização de alta temperatura da água é ativada, além disso a UCM reduz gradativamente
até atingir o valor mínimo de injeção a 50% a partir do momento em que a temperatura da
água do motor superar 107ºC. Essa redução destina-se a proteger o motor do excesso de
aquecimento.
Temperaturas incoerentes: Se o sensor de temperatura oferecer um valor muito afastado
do valor de temperatura normal de trabalho, é registrado o código de falha e a UCM reduz
o débito de injeção em cerca de 10%.
110.4 - Localização:
O sensor está montado no coletor de admissão e é
envolvido pela mesma carcaça do sensor de pressão
do turbo.
sensor de
temperatura
da água
Figura 3 - Localização do sensor de tem-
peratura da água
débito
Influência da temperatura da água de arrefecimento
no débito de injeção de combustível
temperatura (ºC)
120101806040200-25
107
50%
100%
Temperaturas
incoerentes
Temperaturas
baixas
Temperatura
normal
Temperaturas
altas
ProduzidoporCicloEngenhariaLtda-62-3942-3939vendas@cicloengenharia.com.br-proibidaareprodução-eventuaiserrosoudefeitosdefabricaçãofavorcomunicarvendas@cicloengenharia.com.br
ENGENHARIA
C I C I
I
Av. C-255, nº270, sala 719
Nova Suiça, 74280-010, Goiânia - Goiás
62 - 3942-3939 - vendas@cicloengenharia.com.br
www.cicloengenharia.com.br
Centro Empresarial Sebba,
144
Motor
D12C
Motor
D12D
Aurélio Nunes de Araújo
Fábio Ribeiro von Glehn
Impresso original em
papel reciclado 90g
110.5 - Simbologia
Identifique no esquema elétrico (posição A11) todos os significados da simbologia ado-
tada.
110.6 - Códigos de falha
MID PID FMI
128 110
0 3 4
T  101ºC EA25  4,95V EA25  0,08
Possíveis
causas
Nível baixo do líquido de
arrefecimento do motor
Qualidade do líquido de ar-
refecimento em mal estado
Correia do ventilador dani-
ficada
Aro e proteção do ventila-
dor danificado
Defeito no ventilador do
radiador
Radiador obstruído
Intercooler obstruído
Fluxo de ar insatisfatório
pelo sist. de arrefecimento
Defeito na válvula termos-
tática
Defeito na bomba d´água
Defeito na tampa do reser-
vatório de expansão
Falha no sensor
Curto-circuito à tensão de
batería ou a 5V no cabo
condutor de sinal (EA25)
Curto-circuito à tensão de
batería ou a 5V no cabo de
ligação à massa (EA05)
Interrupção no cabo condu-
tor de sinal (EA25)
Falha no sensor
Curto-circuíto à massa no
cabo condutor de sinal
(EA25)
Falha no sensor
Reação
O código de falha é registrado
Lâmpada vermelha acende
Redução de potência
Lâmpada de anomalias acende
Marcador de temperatura no painel indica 60ºC
110.7 - Verificações
1 - Teste do conjunto sensor / chicote / UCM com o voltímetro;
2 - Se necessário, teste do chicote e sensor com o ohmímetro;
3 - Se necessário, teste do chicote e UCM com o voltímetro
Sensor de
temperatura
Cor do fio
Oval preto
representa o
Sinal
terminais da
UCM
terminais do
sensor
Sinal de
temperatura
EA05-
1
2
EA25
MR/BR
AM/BR
Massa de
referência
para sensor
ProduzidoporCicloEngenhariaLtda-62-3942-3939vendas@cicloengenharia.com.br-proibidaareprodução-eventuaiserrosoudefeitosdefabricaçãofavorcomunicarvendas@cicloengenharia.com.br
ENGENHARIA
C I C I
I
Av. C-255, nº270, sala 719
Nova Suiça, 74280-010, Goiânia - Goiás
62 - 3942-3939 - vendas@cicloengenharia.com.br
www.cicloengenharia.com.br
Centro Empresarial Sebba,
145
Motor
D12C
Motor
D12D
Gerenciamento de Motores Diesel
Módulo 1 - Unidades Injetoras
Impresso original em
papel reciclado 90g
110.7.1 - Teste do conjunto sensor / chicote / UCM com o voltímetro
Proceda as ligações do voltímetro conforme a ilustração abaixo e certifique-se da vali-
dade dos dados. Lembre-se:
* A UCM e sensor conectados;
* A chave de partida na posição de condução;
* Motor desligado (ponto 1) - em aquecimento (ponto 2) - aquecido (ponto 3);
* Multímetro preparado para medição de tensão contínua (Vdc)
Valores dentro da faixa indicam que o sensor está íntegro, mas se mesmo assim o com-
putador de bordo registra a falha, então existe ainda duas possibilidades:
1 - interrupção do cabo sinal entre o ponto de medição e a UCM;
2 - falha na UCM.
Valores fora da faixa indicam necessidade de continuidade nos testes.
tensão(V)
Curva de calibração do sensor de temperatura da água
alimentação = 5,0V - R1 = 1200W
0,5
1,0
1,5
2,0
2,5
3,0
3,5
4,0
4,5
5,0
FMI 3 - U  4,95V
FMI 4 - U  0,08V
FMI0-T101ºC
temperatura (ºC)
140120100806040200-20-40
Vdc
EA05-
1
2
EA25
MR/BR
AM/BR
Erro de 10% da fonte de alimentação provoca
um erro de 10% na saída do sensor
Temp.
(ºC)
Tensão
(V)
-30 4,79 ± 0,03
-20 4,63 ± 0,04
-10 4,38 ± 0,06
0 4,02 ± 0,08
10 3,57 ± 0,09
20 3,06 ± 0,09
30 2,51 ± 0,09
40 2,00 ± 0,08
50 1,55 ± 0,07
Temp.
(ºC)
Tensão
(V)
60 1,19 ± 0,05
70 0,91 ± 0,04
80 0,69 ± 0,03
90 0,52 ± 0,02
100 0,40 ± 0,02
110 0,31 ± 0,01
120 0,24 ± 0,01
130 0,18 ± 0,01
ProduzidoporCicloEngenhariaLtda-62-3942-3939vendas@cicloengenharia.com.br-proibidaareprodução-eventuaiserrosoudefeitosdefabricaçãofavorcomunicarvendas@cicloengenharia.com.br
ENGENHARIA
C I C I
I
Av. C-255, nº270, sala 719
Nova Suiça, 74280-010, Goiânia - Goiás
62 - 3942-3939 - vendas@cicloengenharia.com.br
www.cicloengenharia.com.br
Centro Empresarial Sebba,
146
Motor
D12C
Motor
D12D
Aurélio Nunes de Araújo
Fábio Ribeiro von Glehn
Impresso original em
papel reciclado 90g
110.7.2 - Teste do conjunto sensor / chicote com o ohmímetro
Proceda as ligações do multímetro (conector da UCM) conforme a ilustração abaixo e
certifique-se da validade dos dados. Lembre-se:
* A UCM desconectada;
* A chave de partida na posição 0;
* Multímetro preparado para medição de resistência (ohm - W)
Valores dentro da faixa indicam que o sensor e o chicote estão integros e existe a pos-
sibilidade de falha na UCM.
Valores fora da faixa, refaça o teste medindo diretamente no sensor de modo a distinguir
falha no sensor de falha na fiação.
Curva de calibração do sensor de temperatura da água
temperatura x resistência
temperatura (ºC)
10 15 20 25 30 35 40 45 50 55 60 65 70 75 80 85 90 95 100
100
500
1000
2000
3000
resistência()W
1500
2500
Temperatura
(ºC)
Resistência
(W)
-30 27500 ± 3510
-20 15000 ± 1600
-10 8500 ± 820
0 4900 ± 440
10 3000 ± 250
20 1900 ± 140
30 1205 ± 85
40 798 ± 52
50 541 ± 32
Temperatura
(ºC)
Resistência
(W)
60 376 ± 20
70 267 ± 13
80 191,1 ± 8,5
90 139,7 ± 5,5
100 103,7 ± 3,7
110 78,0 ± 2,8
120 59,5 ± 2,4
130 45,9 ± 2,0
UCM - Conector EA
= preto superior
12
13
25
24
36
01
05
ProduzidoporCicloEngenhariaLtda-62-3942-3939vendas@cicloengenharia.com.br-proibidaareprodução-eventuaiserrosoudefeitosdefabricaçãofavorcomunicarvendas@cicloengenharia.com.br
ENGENHARIA
C I C I
I
Av. C-255, nº270, sala 719
Nova Suiça, 74280-010, Goiânia - Goiás
62 - 3942-3939 - vendas@cicloengenharia.com.br
www.cicloengenharia.com.br
Centro Empresarial Sebba,
147
Motor
D12C
Motor
D12D
Gerenciamento de Motores Diesel
Módulo 1 - Unidades Injetoras
Impresso original em
papel reciclado 90g
110.7.3 - Teste da UCM e chicote com o VOLTÍMETRO CONTÍNUO (VDC)
Proceda as ligações do voltímetro (conector do sensor) conforme a ilustração abaixo e
certifique-se da validade dos dados. Lembre-se:
* A UCM conectada;
* Sensor desconectado
* A chave de partida na posição de condução;
* Motor desligado;
* Multímetro preparado para medição de tensão contínua (Vdc)
Ponto de medição Valor nominal em caso de divergência
3 e massa aproximadamente 5V
Fiação 3 - EA25 interrompida
Fiação 3 - EA25 em curto-circuito
Falha na alimentação da UCM
Falha na UCM
se o teste anterior for OK, então:
3 e 4
aproximadamente 5V
Fiação - 4 - EA05 interrompida
Fiação - 4 - EA05 em curto-circuito
Falha na UCM
1
2
chassi
Vdc
1
2
Vdc
ProduzidoporCicloEngenhariaLtda-62-3942-3939vendas@cicloengenharia.com.br-proibidaareprodução-eventuaiserrosoudefeitosdefabricaçãofavorcomunicarvendas@cicloengenharia.com.br
ENGENHARIA
C I C I
I
Av. C-255, nº270, sala 719
Nova Suiça, 74280-010, Goiânia - Goiás
62 - 3942-3939 - vendas@cicloengenharia.com.br
www.cicloengenharia.com.br
Centro Empresarial Sebba,
148
Motor
D12C
Motor
D12D
Aurélio Nunes de Araújo
Fábio Ribeiro von Glehn
Impresso original em
papel reciclado 90g
Interruptor do nível de líquido de arrefecimento
111.1 - Ficha técnica
Codigo de falha: PID111
Localização: no reservatório de expansão
Tensão de alimentação: 80% da tensão de batería
(Ubat)
Característica: tipo liga/desliga e reage se o nível
do líquido de arrefecimento estiver baixo
111.2 - Simbologia
Identifique no esquema elétrico (posiçãoA22) todos
os significados da simbologia adotada
111.3 - Códigos de falha
MID PID FMI
128 111
1 3
EB07  45% Ubat EB07  91% Ubat
Possíveis
causas
Nível do líquido de arrefecimento baixo
Curto-circuito à massa no cabo condutor
de sinal (EB07)
Falha no sensor
Curto-circuíto à tensão de batería no cabo
condutor de sinal (EB07)
Curto-circuíto à tensão de batería no cabo
massa (EB08)
Falha no sensor
Reação
O código de falha é registrado
Lâmpada VERMELHA acende
Potência do motor é reduzida
Motor é desligado quando a velocidade
do veículo diminuir abaixo de 3 km/h
(se a proteção do motor estiver seleciona-
da no conjunto de dados)
O código de falha é registrado
Lâmpada AMARELA acende
111.4 - Verificações
1 - Teste do conjunto sensor / chicote / UCM com o voltímetro;
2 - Se necessário, teste do chicote e sensor com o ohmímetro;
3 - Se necessário, teste do chicote e UCM com o voltímetro
Figura 1 - interruptor de nível
Interruptor
de nível
Cor do fio
Oval preto
representa o
Sinal
terminais da
UCM
terminais do
interruptor
Sinal do
interruptor
Massa de
referência
para sensor
EB08-
AZ/PT
CZ/BR2
1
EB07
ProduzidoporCicloEngenhariaLtda-62-3942-3939vendas@cicloengenharia.com.br-proibidaareprodução-eventuaiserrosoudefeitosdefabricaçãofavorcomunicarvendas@cicloengenharia.com.br
ENGENHARIA
C I C I
I
Av. C-255, nº270, sala 719
Nova Suiça, 74280-010, Goiânia - Goiás
62 - 3942-3939 - vendas@cicloengenharia.com.br
www.cicloengenharia.com.br
Centro Empresarial Sebba,
149
Motor
D12C
Motor
D12D
Gerenciamento de Motores Diesel
Módulo 1 - Unidades Injetoras
Impresso original em
papel reciclado 90g
111.4.1 - Teste do conjunto sensor / chicote / UCM com o voltímetro
Proceda as ligações do voltímetro conforme a ilustração abaixo e certifique-se da vali-
dade dos dados. Lembre-se:
* A UCM e sensor conectados;
* A chave de partida na posição de condução;
* Motor desligado (ponto 1) - motor em funcionamento (ponto 2);
* Multímetro preparado para medição de tensão contínua (Vdc)
Valores dentro da faixa indicam que o interruptor está íntegro, mas se mesmo assim o
computador de bordo registra a falha e não é nível de líquido de arrefecimento, então existe
ainda a possibilidade de falha na UCM.
Valor fora da faixa indica necessidade de continuidade nos testes.
45% 91% 100%
FMI1 FMI3sem falha elétrica
Condição
normal
esperada
R =
80%
Condição de
falta de líquido
de arrefecimento
R = 0W
0%
* Ubat (V)
Nível do líquido de arrefecimento - condições de funcionamento
EB08-
AZ/PT
CZ/BR2
1
EB07
Vdc Condição Tensão
Motor em
funcionamento
e nível normal
80% da tensão
de batería
ProduzidoporCicloEngenhariaLtda-62-3942-3939vendas@cicloengenharia.com.br-proibidaareprodução-eventuaiserrosoudefeitosdefabricaçãofavorcomunicarvendas@cicloengenharia.com.br
ENGENHARIA
C I C I
I
Av. C-255, nº270, sala 719
Nova Suiça, 74280-010, Goiânia - Goiás
62 - 3942-3939 - vendas@cicloengenharia.com.br
www.cicloengenharia.com.br
Centro Empresarial Sebba,
150
Motor
D12C
Motor
D12D
Aurélio Nunes de Araújo
Fábio Ribeiro von Glehn
Impresso original em
papel reciclado 90g
111.4.2 - Teste do conjunto sensor / chicote com o ohmímetro
Proceda as ligações do multímetro (conector da UCM) conforme a ilustração abaixo e
certifique-se da validade dos dados. Lembre-se:
* A UCM desconectada;
* A chave de partida na posição 0;
* Multímetro preparado para medição de resistência (ohm - W)
Valores dentro da faixa indicam que o interruptor e o chicote estão integros e existe a
possibilidade de falha na UCM.
Valores fora da faixa, refaça o teste medindo diretamente no interruptor de modo a dis-
tinguir falha no componente de falha na fiação.
Condição Resistência (W) Conclusão
nível do líquido normal  100 kW Interruptor em
bom estadosem líquido de arrefecimento ≈ 0 W
UCM - Conector EB
= vermelho inferior
12
13
25
24
36
01
07
08
ProduzidoporCicloEngenhariaLtda-62-3942-3939vendas@cicloengenharia.com.br-proibidaareprodução-eventuaiserrosoudefeitosdefabricaçãofavorcomunicarvendas@cicloengenharia.com.br
ENGENHARIA
C I C I
I
Av. C-255, nº270, sala 719
Nova Suiça, 74280-010, Goiânia - Goiás
62 - 3942-3939 - vendas@cicloengenharia.com.br
www.cicloengenharia.com.br
Centro Empresarial Sebba,
151
Motor
D12C
Motor
D12D
Gerenciamento de Motores Diesel
Módulo 1 - Unidades Injetoras
Impresso original em
papel reciclado 90g
111.7.3 - Teste da UCM e chicote com o VOLTÍMETRO CONTÍNUO (VDC)
Proceda as ligações do voltímetro (conector do sensor) conforme a ilustração abaixo e
certifique-se da validade dos dados. Lembre-se:
* A UCM conectada;
* Sensor desconectado
* A chave de partida na posição de condução;
* Motor desligado;
* Multímetro preparado para medição de tensão contínua (Vdc)
Ponto de medição Valor nominal em caso de divergência
1 e massa
aproximadamente 80% da
tensão de batería
Fiação 1 - EB17 interrompida
Fiação 1 - EB17 em curto-circuito
Falha na alimentação da UCM
Falha na UCM
se o teste anterior for OK, então:
1 e 2
aproximadamente 80% da
tensão de batería
Fiação 2 - EB08 interrompida
Fiação 2 - EB08 em curto-circuito
Falha na UCM
1 2
chassi
Vdc Vdc
1 2
Impresso original em
papel reciclado 90g
Freio motor ou freio de escape (VEB)
122 / 123 / 124.1 - Ficha técnica
Codigos de falha dos componentes envolvidos:
PPID122 - Eletroválvula reguladora da pressão do
óleo para os balancins ou freio de compressão do
motor (VCB);
PPID 123 - Eletroválvula reguladora de pressão
dos gases de escape (EPG-2) ou ar de compen-
sação da unidade TC;
PPID 124 - Eletroválvula reguladora de pressão
dos gases de escape (EPG-1)
122 / 123 / 124.2 - Princípio de funcionamento do freio motor “Volvo Engine Brake (VEB)”
VEB (Freio Motor Volvo) é o nome dado ao freio motor, sendo opcional aos motores da
Linha H. O freio VEB tem duas funções. O freio motor normal, regulador de pressão dos
gases de escape (EPG), Padrão em todos os D12 em diante, e um freio a compressão
embutido no sistema de válvulas do motor. O motorista pode escolher uma das seguintes
alternativas através do interruptor:
0= Sem função;
1= Freio de compressão e EPG-1 com compressão de 2,0 bares;
2= Freio de compressão e EPG-2 com compressão de 7,5 bares.
122 / 123 / 124 .3 - Pré-requisitos de funcionamento do VEB
Velocidade de deslocamento na estrada superior de 2 km/h;
Interruptor nas posições 1 ou 2;
Rotação do motor acima de 1100 r/min;
Pedal do acelerador na posição de repouso;
Pedal da embreagem na posição de repouso;
Temperatura do liquido de arrefecimento acima de 40°C, quando a temperatura está
abaixo de 40°C acende uma lâmpada com o símbolo do freio motor no computador de
bordo, com isso não é liberado a frenagem máxima, nos veículos D12 A acende uma
lâmpada INFO;
ABS não acionado;
Todas as lâmpadas da carreta e cavalo em perfeito estado.
Nota: Existem algumas series de veículos que não aciona o freio VEB se a carreta não
estiver atrelada, mas nas gerações com os motores D12D já há alguns que funcionam.
•
•
•
•
•
•
•
•
•
•
•
Figura 1 - Freio de compressão do 		
	 motor (VCB)
ProduzidoporCicloEngenhariaLtda-62-3942-3939vendas@cicloengenharia.com.br-proibidaareprodução-eventuaiserrosoudefeitosdefabricaçãofavorcomunicarvendas@cicloengenharia.com.br
ENGENHARIA
C I C I
I
Av. C-255, nº270, sala 719
Nova Suiça, 74280-010, Goiânia - Goiás
62 - 3942-3939 - vendas@cicloengenharia.com.br
www.cicloengenharia.com.br
Centro Empresarial Sebba,
152
Motor
D12C
Motor
D12D
Aurélio Nunes de Araújo
Fábio Ribeiro von Glehn
Impresso original em
papel reciclado 90g
122 / 123 / 124 .4 - Elementos de controle
Tecla de acionamento do freio motor (VEB) (po-
sição B23.1 no esquema elétrico em veículos
sem retardador) onde: 0 = desligado; 1 = 2
bar; 2 = 7,5 bar;
Ou tecla de acionamento do freio motor (VEB)
pelos comandos SET+ e SET- na alavanca do
interruptor do retardador (posição B23.2)
Eletroválvulas reguladoras da pressão dos
gases de escape (EPG1 e EPG2 controladas
pelos terminais EB35 e EB36 e mostrada no
esquema elétrico nas posições A25 e A26 res-
pectivamente);
Eletroválvula reguladora da pressão do óleo para
o mecanismo dos balancins de escape (A24);
Links de comunicação UCM - VECU;
Regulador EPG-AT;
Unidades injetoras (UI).
122 / 123 / 124 .5 - Princípio de funcionamento do VEB (VCB)
Quando o VEB está acionado, dois dos 04 tempos
do motor serão utilizados para elevação da potência de
frenagem do motor. O tempo de escape e o de compres-
são.
A) Durante o curso de escape:
É utilizado fechando-se a saída do escape da turbina
com o obturador do regulador EPG-AT. Com o pistão em
seu curso ascendente, é criada uma alta contrapressão
no cilindro e, já que os gases não podem ser expulsos
como no funcionamento normal, é gerada uma potência
de frenagem.
O obturador do regulador EPG-AT é controlado pela
UCM através das válvulas reguladoras da pressão dos
gases de escape (EPG). O funcionamento das válvulas
EPG serão descritas posteriormente.
•
•
•
•
•
•
•
D12
2
5
PA20
AZ/AM
PA21
AM
1
10 9
VECU
(MID 144)
+PB05
PT
-EA33 F41
VD
UCM
(MID 128)
PPID 124
UCM
(MID 128)
PPID 123
PPID 124
2EB35
EB36
MR
CZ
6
7 F411
VECU
(MID 144)
2
PA20
AZ/AM
3
PA21
AM
1
2
3
+PB05
PT
ProduzidoporCicloEngenhariaLtda-62-3942-3939vendas@cicloengenharia.com.br-proibidaareprodução-eventuaiserrosoudefeitosdefabricaçãofavorcomunicarvendas@cicloengenharia.com.br
ENGENHARIA
C I C I
I
Av. C-255, nº270, sala 719
Nova Suiça, 74280-010, Goiânia - Goiás
62 - 3942-3939 - vendas@cicloengenharia.com.br
www.cicloengenharia.com.br
Centro Empresarial Sebba,
153
Motor
D12C
Motor
D12D
Gerenciamento de Motores Diesel
Módulo 1 - Unidades Injetoras
Impresso original em
papel reciclado 90g
B) Durante o curso de compressão:
Esse controle se dá em dois estágios. No primeiro,
após o tempo de admissão e próximo ao ponto morto
inferior, as válvulas de escape se abrem (o porquê será
explicado posteriormente) e, gases de escape retidos
pelo obturador do regulador EPG-AT (a pressão residual
no escape depende do nível de pressão selecionado pelo
motorista) são admitidos aumentando a massa de gases
no interior do cilindro e a potência de frenagem durante
o tempo da compressão.
Para evitar um calço pneumático, no final da compres-
são, a válvula de escape é novamente aberta, enquanto
o regulador EPG-AT continua obstruindo a tubulação de
escape.
E para finalizar, ao final da compressão as unidades
injetoras não são acionadas, ou seja, a UCM não per-
mite a adição de energia ao sistema em processo de
frenagem.
123 / 124. 6 - Controle da pressão dos gases de escape
Como equipamento padrão, o D12 possui um regu-
lador de pressão de escape (Chamado de EPG na pla-
queta de identificação). Está montado diretamente contra a carcaça da turbina e tem duas
funções:
Criar uma contrapressão no sistema de escape, a fim de aquecer o motor com um tempo
mais rápido em marcha lenta, e ...
Restringir a saída dos gases para atuar o freio motor.
O EPG consiste de uma carcaça obturadora, um obturador e um cilindro pressurizado. O
ar comprimido vem do sistema pneumático do veículo e é controlado por duas solenóides,
duas válvulas reguladoras de pressão e uma válvula de 02 vias, todas reunidas numa só
carcaça. A válvula está montada na lateral do bloco no mesmo lado do coletor de escape,
e está ligada na unidade de controle do motor (UCM).
Pressão em situação de trabalho:
AT = 2,0 bares de pressão (Freio de estacionamento acionado, temperatura abaixo de
60°C);
Freio motor EPG = 1º estágio 2,0 bares de pressão + VEB;
Freio motor EPG = 2º estágio 7,5 bares de pressão + VEB
•
•
•
•
•
ProduzidoporCicloEngenhariaLtda-62-3942-3939vendas@cicloengenharia.com.br-proibidaareprodução-eventuaiserrosoudefeitosdefabricaçãofavorcomunicarvendas@cicloengenharia.com.br
ENGENHARIA
C I C I
I
Av. C-255, nº270, sala 719
Nova Suiça, 74280-010, Goiânia - Goiás
62 - 3942-3939 - vendas@cicloengenharia.com.br
www.cicloengenharia.com.br
Centro Empresarial Sebba,
154
Motor
D12C
Motor
D12D
Aurélio Nunes de Araújo
Fábio Ribeiro von Glehn
Impresso original em
papel reciclado 90g
A pressão máxima do regulador dos gases de escape é 7,5 bares é regulada por uma
das válvulas reguladoras. Durante a condução normal, ambas as válvulas solenóides ficam
fechadas. Neste ponto o obturador fica totalmente aberto e os gases de escape podem
passar livremente.
122.7 - Válvula reguladora da pressão do óleo para o mecanismo dos balancins
A válvula reguladora fica localizada no cabeçote
sob a tampa de válvulas. È utilizada para regular a
pressão do óleo para o mecanismo dos balancins.
Aentrada de óleo da válvula reguladora (1) se dá
através de uma galeria perfurada no cabeçote e no
bloco do motor e ligada ao sistema de lubrificação,
estando sempre totalmente pressurizada. A saída
(2) é ligada ao eixo dos balancins através de um
tubo. O freio de compressão é atuado pela válvula
solenóide (3).
Figura (A).
Aqui a válvula é mostrada durante o funcionamento
normal do motor. A pressão de saída do óleo é redu-
zida para aproximadamente 1 bar, quando o pistão
da válvula equaliza-se contra a força da mola em um
dos lados do pistão e a pressão de óleo do outro lado
do pistão. Pressão de óleo de 1 bar é suficiente para
lubrificar os mancais da árvore do comando de válvulas
e o mecanismo dos balancins.
Figura (B).
Ao ser ativada a válvula solenóide, abre-se um canal
de drenagem. A força da mola agora atua e o pistão é
forçado para a direita. Abre-se então a saída do óleo,
aumentando a pressão de óleo (de 2 a 5 bares) e atu-
ando o freio de compressão.
ProduzidoporCicloEngenhariaLtda-62-3942-3939vendas@cicloengenharia.com.br-proibidaareprodução-eventuaiserrosoudefeitosdefabricaçãofavorcomunicarvendas@cicloengenharia.com.br
ENGENHARIA
C I C I
I
Av. C-255, nº270, sala 719
Nova Suiça, 74280-010, Goiânia - Goiás
62 - 3942-3939 - vendas@cicloengenharia.com.br
www.cicloengenharia.com.br
Centro Empresarial Sebba,
155
Motor
D12C
Motor
D12D
Gerenciamento de Motores Diesel
Módulo 1 - Unidades Injetoras
Impresso original em
papel reciclado 90g
122.8 - Funcionamento da abertura das válvulas de escape durante o acionamento do VEB.
Figura (A).
Durante o funcionamento normal do motor, não há
pressão no pistão hidráulico.Afolga da válvula de 1,6 mm
entre o balancim e a válvula dá um jogo de aproximada-
mente 0,3 mm entre o ressalto do balancim e o came do
freio de compressão. A mola chata mantém o balancim
contra a válvula de forma que o ressalto do balancim não
entre em contato com os cames mais baixos.
Figura (B).
Nesse ponto é ativado o freio de compressão. A pres-
são de óleo acima do pistão hidráulico elimina a folga da
válvula e o ressalto do balancim acompanha o came.
Figura (C).
Isto mostra quando o came de carga dos gases de
escape está diretamente alinhado com o ressalto do ba-
lancim. A abertura do came é de 0,8 mm que, em virtude
da regulagem do balancim, dá uma abertura de válvula de
aproximadamente 1,1 mm. Ocorre uma abertura corres-
pondente da válvula quando o came de descompressão
está alinhado com o ressalto do balancim.
122 / 123 / 124.9 - Localização:
A eletroválvula reguladora da pressão do óleo para
o mecanismo dos balancins está localizada no cabeço-
te próximo às unidades injetoras do 3º e 4º cilindros.
A
B
C
PPID-122
Localização da eletroválvula reguladora
da pressão do óleo
ProduzidoporCicloEngenhariaLtda-62-3942-3939vendas@cicloengenharia.com.br-proibidaareprodução-eventuaiserrosoudefeitosdefabricaçãofavorcomunicarvendas@cicloengenharia.com.br
ENGENHARIA
C I C I
I
Av. C-255, nº270, sala 719
Nova Suiça, 74280-010, Goiânia - Goiás
62 - 3942-3939 - vendas@cicloengenharia.com.br
www.cicloengenharia.com.br
Centro Empresarial Sebba,
156
Motor
D12C
Motor
D12D
Aurélio Nunes de Araújo
Fábio Ribeiro von Glehn
Impresso original em
papel reciclado 90g
As eletroválvulas reguladoras da pressão dos gases de escape (EPG1 e EPG-2) estão
montadas próximo ao obturador AT-EPG que por sua vez está fixado diretamente contra
a carcaça da turbina. A figura A, mostra em um motor D12C, enquanto a figura B em um
motor D12D
122 / 123 / 124.10 - Códigos de falha
MID PID FMI
128 122
1 3
Saída ativada
Temperatura do óleo abaixo de 55º
Saída ativada
EA33 ≈ Ubat
Possíveis
causas
Temperatura do óleo está muito baixa
Falha no sensor
Curto-circuíto à tensão de bateria no cabo
de comando (EA33)
Curto-circuito na eletroválvula VCB
Reação O código de falha é registrado
Lâmpada AZUL acende
Potência do freio motor é reduzida pois o
VCB não pode ser ativado
O código de falha é registrado
Lâmpada AMARELA acende
Saída é desligada
Potência do freio motor é reduzida pois o
VCB não pode ser ativado
MID PID FMI
128 122
4 5
Saída não está ativada
Chave de partida acionada
EA33 ≈ 0V
Saída não está ativada
Chave de partida acionada
Interrupção no circuito do VCB
Possíveis
causas
Curto-circuíto à massa no cabo de coman-
do (EA33)
Curto-circuito na eletroválvula
Interrupção no cabo de comando (EA33)
Interrupção no cabo de alimentação ou
fusível queimado
Curto-aberto na eletroválvula
Reação O código de falha é registrado
Lâmpada AMARELA acende
A saída é desligada
O VCB está sempre acionado
O motor pára
O código de falha é registrado
Lâmpada AMARELA acende
Saída é desligada
Potência do freio motor é reduzida pois o
VCB não pode ser ativado
Figura A - Localização das eletrovál-
vulas EPG em um motor D12C
Figura B - Localização das eletrovál-
vulas EPG em um motor D12D
ProduzidoporCicloEngenhariaLtda-62-3942-3939vendas@cicloengenharia.com.br-proibidaareprodução-eventuaiserrosoudefeitosdefabricaçãofavorcomunicarvendas@cicloengenharia.com.br
ENGENHARIA
C I C I
I
Av. C-255, nº270, sala 719
Nova Suiça, 74280-010, Goiânia - Goiás
62 - 3942-3939 - vendas@cicloengenharia.com.br
www.cicloengenharia.com.br
Centro Empresarial Sebba,
157
Motor
D12C
Motor
D12D
Gerenciamento de Motores Diesel
Módulo 1 - Unidades Injetoras
Impresso original em
papel reciclado 90g
MID PID FMI
128 123
3 4 5
Saída ativada
EB36 ≈ Ubat
Saída está ativada
EB36 ≈ 0V
Saída ativada
Interrupção no circuito da
eletroválvula EPG-2
Possíveis
causas
Curto-circuíto à tensão de
bateria no cabo de comando
(EB36)
Curto-circuito na eletrovál-
vula
Curto-circuíto à massa no
cabo de comando (EB36)
Interrupção no cabo de co-
mando (EB36)
Interrupção no cabo de
alimentação ou fusível quei-
mado
Curto-aberto na eletroválvu-
la EPG-2
Reação
O código de falha é regis-
trado
Lâmpada AMARELA acende
Comandos EB35 e EB36
são desligados
Ar de compensação do TC
não funciona quando o mo-
tor está em marcha lenta
Fumaça azul durante a mar-
cha lenta
O código de falha é regis-
trado
Lâmpada AMARELA acende
Sem ar de compensação
O código de falha é regis-
trado
Lâmpada AMARELA acende
Comandos EB35 e EB36
são desligados
Ar de compensação do TC
não funciona quando o mo-
tor está em marcha lenta
Fumaça azul durante a mar-
cha lenta
MID PID FMI
128 124
3 4 5
Saída ativada
EB35 ≈ Ubat
Saída não está ativada
EB35 ≈ 0V
Saída ativada
Interrupção no circuito da
eletroválvula EPG-1
Possíveis
causas
Curto-circuíto à tensão de
bateria no cabo de comando
(EB35)
Curto-circuito na eletrovál-
vula
Curto-circuíto à massa no
cabo de comando (EB35)
Interrupção no cabo de co-
mando (EB35)
Interrupção no cabo de
alimentação ou fusível quei-
mado
Curto-aberto na eletroválvu-
la EPG-1
Reação
O código de falha é regis-
trado
Lâmpada AMARELA acende
Comandos EB35 é desliga-
da
Freio motor não funciona
A função de regulagem de
temperatura não funciona
O código de falha é regis-
trado
Lâmpada AMARELA acende
O regulador de pressão dos
gases de escape (EPG-1) é
constantemente ativado
Baixa potência de saída
Alta emissão de gases de
escape - fumaça preta
O código de falha é regis-
trado
Lâmpada AMARELA acende
Comandos EB35 e EB36
são desligados
Freio motor não funciona
122 / 123 / 124.11 - Verificações
1 - Teste do conjunto sensor / chicote / UCM com o voltímetro;
2 - Se necessário, teste do chicote e sensor com o ohmímetro;
3 - Se necessário, teste do chicote e UCM com o voltímetro
ProduzidoporCicloEngenhariaLtda-62-3942-3939vendas@cicloengenharia.com.br-proibidaareprodução-eventuaiserrosoudefeitosdefabricaçãofavorcomunicarvendas@cicloengenharia.com.br
ENGENHARIA
C I C I
I
Av. C-255, nº270, sala 719
Nova Suiça, 74280-010, Goiânia - Goiás
62 - 3942-3939 - vendas@cicloengenharia.com.br
www.cicloengenharia.com.br
Centro Empresarial Sebba,
158
Motor
D12C
Motor
D12D
Aurélio Nunes de Araújo
Fábio Ribeiro von Glehn
Impresso original em
papel reciclado 90g
122 / 123 / 124.11.1 - Teste do conjunto atuador / chicote / UCM com o voltímetro
Proceda as ligações do voltímetro conforme a tabela abaixo e certifique-se da validade
dos dados. Lembre-se:
* Multímetro preparado para medição de tensão contínua (Vdc)
Teste Pontos de medição Condição Valor nominal
VCB EA33 e massa
Chave partida em condução 0V (desacionado)
Velocidade desloc.  2 km/h;
Rotação  1100 r/min;
Pedal do acelerador = 0%;
Pedal da embreagem = 0%;
Temperatura motor  40°C;
ABS não acionado;
Lâmpadas da carreta e cavalo
em perfeito estado.
Interruptor do VEB em:
0 → U = 0V (desacionado)
1 → U = Ubat (acionado)
2 → U = Ubat (acionado)
D12C - Motor em marcha-lenta
Ferramenta acoplada *
Ao provocar o aterramento de EA33, o
motor deve parar (condição de FMI 4).
EPG-1 EB35 e massa
Chave partida em condução 0V (desacionado)
Velocidade desloc.  2 km/h;
Rotação  1100 r/min;
Pedal do acelerador = 0%;
Pedal da embreagem = 0%;
Temperatura motor  40°C;
ABS não acionado;
Lâmpadas da carreta e cavalo
em perfeito estado.
Interruptor do VEB em:
0 → U = 0V (desacionado)
1 → U = Ubat (acionado)
2 → U = 0V (desacionado)
D12C - Motor em marcha-lenta
Ferramenta acoplada *
Ao provocar o aterramento de EB35 por
alguns segundos, o motor deverá expelir
uma grande quantidade e fumaça preta
(condição de FMI 4).
EPG-2 EB36 e massa
Chave partida em condução 0V (desacionado)
Velocidade desloc.  2 km/h;
Rotação  1100 r/min;
Pedal do acelerador = 0%;
Pedal da embreagem = 0%;
Temperatura motor  40°C;
ABS não acionado;
Lâmpadas da carreta e cavalo
em perfeito estado.
Interruptor do VEB em:
0 → U = 0V (desacionado)
1 → U = 0V (desacionado)
2 → U = Ubat (acionado)
D12C - Motor em marcha-lenta
Ferramenta acoplada *
Ao provocar o aterramento de EB35 por
alguns segundos, o motor deverá expelir
uma grande quantidade e fumaça preta
(condição de FMI 4).
* Nota: cuidado com este teste! A execução do mesmo sem a ferramenta poderá provocar um curto-cir-
cuito no sistema.
Valores dentro da faixa indicam que o atuador está íntegro, mas se mesmo assim o
computador de bordo registra a falha, então existe ainda duas possibilidades:
1 - interrupção do cabo sinal entre o ponto de medição e o atuador;
2 - falha na UCM.
Valores fora da faixa indicam necessidade de continuidade nos testes.
ProduzidoporCicloEngenhariaLtda-62-3942-3939vendas@cicloengenharia.com.br-proibidaareprodução-eventuaiserrosoudefeitosdefabricaçãofavorcomunicarvendas@cicloengenharia.com.br
ENGENHARIA
C I C I
I
Av. C-255, nº270, sala 719
Nova Suiça, 74280-010, Goiânia - Goiás
62 - 3942-3939 - vendas@cicloengenharia.com.br
www.cicloengenharia.com.br
Centro Empresarial Sebba,
159
Motor
D12C
Motor
D12D
Gerenciamento de Motores Diesel
Módulo 1 - Unidades Injetoras
Impresso original em
papel reciclado 90g
122 / 123 / 124.11.2 - Teste do conjunto atuador / chicote com o ohmímetro
Proceda as ligações do multímetro (conector da UCM) conforme a tabela abaixo e cer-
tifique-se da validade dos dados. Lembre-se:
* A UCM desconectada;
* A chave de partida na posição 0;
* Multímetro preparado para medição de resistência (ohm - W)
Local de medição Motor Componente Pontos de medição Valor nominal
No próprio componente
D12C ou D12D VCB 1 - 2 90 a 100W
Apenas em
motores D12C
EPG-1 1 - 4 135 a 145W
EPG-2 1 - 3 135 a 145W
Nos conectores da UCM
Apenas em
motores D12C
VCB + EPG-1 EA33 - EB35 225 a 245W
VCB + EPG-2 EA33 - EB36 225 a 245W
EPG-1 + EPG-2 EB35 - EB36 270 a 290W
Valores dentro da faixa indicam que o atuador e o chicote estão integros e existe a pos-
sibilidade de falha na UCM.
Valores fora da faixa, refaça o teste medindo diretamente no atuador de modo a distinguir
falha no sensor de falha na fiação.
ProduzidoporCicloEngenhariaLtda-62-3942-3939vendas@cicloengenharia.com.br-proibidaareprodução-eventuaiserrosoudefeitosdefabricaçãofavorcomunicarvendas@cicloengenharia.com.br
ENGENHARIA
C I C I
I
Av. C-255, nº270, sala 719
Nova Suiça, 74280-010, Goiânia - Goiás
62 - 3942-3939 - vendas@cicloengenharia.com.br
www.cicloengenharia.com.br
Centro Empresarial Sebba,
160
Motor
D12C
Motor
D12D
Aurélio Nunes de Araújo
Fábio Ribeiro von Glehn
Impresso original em
papel reciclado 90g
ProduzidoporCicloEngenhariaLtda-62-3942-3939vendas@cicloengenharia.com.br-proibidaareprodução-eventuaiserrosoudefeitosdefabricaçãofavorcomunicarvendas@cicloengenharia.com.br
ENGENHARIA
C I C I
I
Av. C-255, nº270, sala 719
Nova Suiça, 74280-010, Goiânia - Goiás
62 - 3942-3939 - vendas@cicloengenharia.com.br
www.cicloengenharia.com.br
Centro Empresarial Sebba,
161
Motor
D12C
Motor
D12D
Gerenciamento de Motores Diesel
Módulo 1 - Unidades Injetoras
Propositalm
ente
em
branco
ProduzidoporCicloEngenhariaLtda-62-3942-3939vendas@cicloengenharia.com.br-proibidaareprodução-eventuaiserrosoudefeitosdefabricaçãofavorcomunicarvendas@cicloengenharia.com.br
ENGENHARIA
C I C I
I
Av. C-255, nº270, sala 719
Nova Suiça, 74280-010, Goiânia - Goiás
62 - 3942-3939 - vendas@cicloengenharia.com.br
www.cicloengenharia.com.br
Centro Empresarial Sebba,
162
Motor
D12D
Aurélio Nunes de Araújo
Fábio Ribeiro von Glehn
Impresso original em
papel reciclado 90g
Pressão dos gases do cárter
153. .1 - Ficha técnica
Codigos de falha dos componentes envolvidos:
PID 153 - Sensor de pressão dos gases do cár-
ter;
153.2 - Princípio de funcionamento
O sensor utilizado para medir a pressão dos gases do cárter utiliza a medição da de-
formação de um diafragma para determinar a pressão. Um diafragma divide uma câmara
em duas partes, em uma delas vácuo absoluto e na outra a pressão que se deseja medir.
Extensômetros são colados ao diafragma.
A propriedade que certos materiais tem de variarem sua resistência elétrica quando de-
formados, foi observada por William Thomsom (Lord Kelvin) em 1856. A aplicação prática
dessa descoberta é credidata ao Dr. Arthur C. Ruge do M.I.T. e a Edward E. Simmons da
CalTech a invenção simultânea, porém independente, no período de 1937 a 1939.
Os extensômetros (em inglês strain gage) são portanto, resistores sensíveis à defor-
mação. Uma vez colados ao diafragma, estes deformam-se solidariamente ao diafragma
conforme ocorre variação de pressão no coletor de admissão.
Os extensômetros, são montados estratégicamente em forma de ponte de Wheatstone
(devido a Charles Wheatstone em 1843), conforme os primeiros experimentos de Lord
Kelvin. Veja na figura 2 abaixo a configuração.
Segundo a teoria, UM
será zero em um circuito montado em ponte Wheatstone quando
o produto das resistências montadas em lados opostos sejam iguais. Neste caso, como
só existem 2 valores de resistência, R1
de referência e R2
montado no diafragma, UM
será
zero quando R2
for igual a R1
. Caso contrário, UM
será maior quanto maior for a deformação
do diafragma, e o resultado é uma curva pressão x tensão linear.
•
Figura 1 - Sensor de pressão dos
gases do cárter
vácuo
R1
R2
R1
p
R1 R2
R1
UM
R2
Figura 2 - Medição de pressão via medição da deformação de um diafragma
ProduzidoporCicloEngenhariaLtda-62-3942-3939vendas@cicloengenharia.com.br-proibidaareprodução-eventuaiserrosoudefeitosdefabricaçãofavorcomunicarvendas@cicloengenharia.com.br
ENGENHARIA
C I C I
I
Av. C-255, nº270, sala 719
Nova Suiça, 74280-010, Goiânia - Goiás
62 - 3942-3939 - vendas@cicloengenharia.com.br
www.cicloengenharia.com.br
Centro Empresarial Sebba,
163
Motor
D12D
Gerenciamento de Motores Diesel
Módulo 1 - Unidades Injetoras
Impresso original em
papel reciclado 90g
153.3 - Localização:
Abaixo do sensor de pressão do óleo, no lado esquerdo do bloco.
153.4 - Simbologia
Identifique no esquema elétrico
(posição A19) todos os significados da
simbologia adotada:
153.5 - Condição de normalidade:
EB24 - EB13 com motor parado, chave em
posição de condução
≈ 2,9 ± 0,06 Vdc
0,5
3,25
5,0tensão(V)
Curva de calibração do
sensor de pressão dos gases do cárter
alimentação = 5V
Pressão
atmosférica
1,5
2,5
4,0
FMI 3 - U  4,95V
FMI 4 - U  0,08V
FMI0-Pressão
docártermuitoalta
0,65V
EB24 - EB13 com motor em marcha lenta
≈ 2,9 ± 0,06 Vdc
espera-se um resultado praticamente igual
ao resultado da medição anterior
EB14 - EB13
Sensor desconectado
≈ 5,00 Vdc
153.6 - Códigos de falha
MID PID FMI
128 153
0 3 4
Pressão do cárter muito alta EB24  4,95V EB24  0,08
Possíveis
causas
Ventilação do cárter
bloqueada;
Camisas do cilindro, pistão
ou anéis de pistão gastos ou
danificados;
Falha no sensor
Curto-circuito à tensão de
batería ou a 5V no cabo
condutor de sinal (EB24)
Curto-circuito à tensão de
batería ou a 5V no cabo
de ligação à massa (EB13)
Falha no sensor
Curto-circuíto à massa no
cabo condutor de sinal
(EB24)
Interrupção no cabo con-
dutor de sinal (EB24)
Curto-circuito à massa
no cabo de alimentação
(EB14)
Interrupção do cabo de
alimentação (EB14)
Falha no sensor
Reação
O código de falha é
registrado
Lâmpada VERMELHA e
sinal sonoro solicitado
Redução de potência
Velocidade do
motor reduzida
O motor é desligado quando
a velocidade atinge 2 km/h
Freio motor desacionado
O código de falha é registrado
Lâmpada AMARELA acende
1
EB14+
EB24
2
4
EB13-
AM
RS
VI/BR
Cor do fio
Oval preto
representa o
Sinal
terminais da
UCM
terminais do
sensor
Sensor de
pressão
Tensão de
referência
para sensor
Sinal de
pressão
ProduzidoporCicloEngenhariaLtda-62-3942-3939vendas@cicloengenharia.com.br-proibidaareprodução-eventuaiserrosoudefeitosdefabricaçãofavorcomunicarvendas@cicloengenharia.com.br
ENGENHARIA
C I C I
I
Av. C-255, nº270, sala 719
Nova Suiça, 74280-010, Goiânia - Goiás
62 - 3942-3939 - vendas@cicloengenharia.com.br
www.cicloengenharia.com.br
Centro Empresarial Sebba,
164
Motor
D12C
Motor
D12D
Aurélio Nunes de Araújo
Fábio Ribeiro von Glehn
Impresso original em
papel reciclado 90g
Sensor de temperatura de admissão
172.1 - Ficha técnica
Codigo de falha: PID172
Tipo: NTC
Localização: no tubo de união entre o filtro de ar e
a entrada do turbo compressor
Tensão de alimentação: 5V
Amplitude de trabalho: de -40 a 140ºC
Característica: acoplado ao pressostato indicador
de restrição do filtro de ar
172.2 - Princípio de funcionamento
Na década de 1950 os cientistas da Bell Telephone
Laboratories criam o termistor, ou um resistor sensível
à temperatura.
Existem basicamente dois tipos de termistores:
NTC (do inglês Negative Temperature Coefficient) -
termistores cujo coeficiente de variação de resistência
com a temperatura é negativo, ou seja, a resistência
diminui com o aumento da temperatura.
PTC (do inglês Positive Temperature Coefficient)
- termistores cujo coeficiente de variação de resistência com a temperatura é positivo, ou
seja, a resistência aumenta com o aumento da temperatura.
Na grande maioria dos casos o tipo NTC é o escolhido para utilização em veículos
automotores.
Abaixo, uma análise teórica sobre como essa variação de resistência provocada pela
variação de temperatura é transformada numa variação de tensão.
172.3 - Função do sensor de temperatura de admissão
Duas funções:
1 - Informar a temperatura ambiente;
2 - Avaliar a eficiência do intercooler.
Figura 1 - sensor de temperatura do ar
1 - Lei de Ohm: U = R * I
2 - Os resistores estão ligados em série, logo:
R = R + R1 NTC
3 - Substituindo 2 em 1: U = ( ) * IR + R1 NTC
4 - De onde se conclui que:
5 - Aplicando a lei de Ohm sobre o NTC:
V = R * INTC NTC
6 - Substituindo 4 em 5:
7 - Dividindo numerador e denominador por R :NTC
8 - No caso particular de R = 0NTC
R1 / R = (infinito)NTC
R1 / R + 1 = (infinito)NTC
U / = 0 (zero)
V = 0 (zero)NTC
9 - No caso particular de R = (infinito)NTC
R1 / R = R1 / = 0 (zero)NTC
R1 / R + 1 = 0 + 1 = 1 (um)NTC
U / 1 = U (tensão da fonte)
V = U (tensão da fonte)NTC
U
R + R1 NTC
I =
U
R + R1 NTC
V = R *NTC NTC
U
R R + 11 NTC/
V =NTC
voltímetro
3
EB03
4
EB13
R1U
VDC
I
RNTC
UCM
sensor
10 - No caso particular de R = RNTC 1
R1 / R = 1 (um)NTC
R1 / R + 1 = 2 (dois)NTC
V = U / 2 (metade da tensão da fonte)NTC
Processamento
do sinal
Figura 3 - Análise da transformação temperatura - resistência - tensão
NTC
PTC
resistência
Temperatura
Figura 2 - curva característica de um NTC
e de um PTC
ProduzidoporCicloEngenhariaLtda-62-3942-3939vendas@cicloengenharia.com.br-proibidaareprodução-eventuaiserrosoudefeitosdefabricaçãofavorcomunicarvendas@cicloengenharia.com.br
ENGENHARIA
C I C I
I
Av. C-255, nº270, sala 719
Nova Suiça, 74280-010, Goiânia - Goiás
62 - 3942-3939 - vendas@cicloengenharia.com.br
www.cicloengenharia.com.br
Centro Empresarial Sebba,
165
Motor
D12C
Motor
D12D
Gerenciamento de Motores Diesel
Módulo 1 - Unidades Injetoras
Impresso original em
papel reciclado 90g
172.4 - Localização:
O sensor está montado no tubo de união entre o
filtro de ar e a entrada do turbo compressor e é en-
volvido pela mesma carcaça do sensor de pressão
do turbo.
172.5 - Simbologia
Identifique no esquema elétrico (posiçãoA21) todos
os significados da simbologia adotada
172.6 - Códigos de falha
MID PID FMI
128 172
3 4
EB03  4,95V EB03  0,08
Possíveis
causas
Curto-circuito à tensão de batería ou a 5V
no cabo condutor de sinal (EB03)
Curto-circuito à tensão de batería ou a 5V
no cabo de ligação à massa (EB13)
Interrupção no cabo condutor de sinal
(EB03)
Falha no sensor
Curto-circuíto à massa no cabo condutor
de sinal (EB03)
Falha no sensor
Reação
O código de falha é registrado
Lâmpada de anomalias acende
172.6 - Verificações
1 - Teste do conjunto sensor / chicote / UCM com o voltímetro;
2 - Se necessário, teste do chicote e sensor com o ohmímetro;
3 - Se necessário, teste do chicote e UCM com o voltímetro
Figura 4 - Localização do sensor de tem-
peratura de admissão
EB08-
EB13-
2
3
4
1
EB03
EB17
AZ/VM
CZ/BR
VI/BR
AZ/AM
330W
2200W
Sensor de
temperatura
Cor do fio
Oval preto
representa o
Sinal
terminais da
UCM
terminais do
sensor
Pressostato
pressão
Massa de
referência
para sensor
Sinal de
pressostato
Sinal de
temperatura
ProduzidoporCicloEngenhariaLtda-62-3942-3939vendas@cicloengenharia.com.br-proibidaareprodução-eventuaiserrosoudefeitosdefabricaçãofavorcomunicarvendas@cicloengenharia.com.br
ENGENHARIA
C I C I
I
Av. C-255, nº270, sala 719
Nova Suiça, 74280-010, Goiânia - Goiás
62 - 3942-3939 - vendas@cicloengenharia.com.br
www.cicloengenharia.com.br
Centro Empresarial Sebba,
166
Motor
D12C
Motor
D12D
Aurélio Nunes de Araújo
Fábio Ribeiro von Glehn
Impresso original em
papel reciclado 90g
172.7.1 - Teste do conjunto sensor / chicote / UCM com o voltímetro
Proceda as ligações do voltímetro conforme a ilustração abaixo e certifique-se da vali-
dade dos dados. Lembre-se:
* A UCM e sensor conectados;
* A chave de partida na posição de condução;
* Motor desligado;
* Multímetro preparado para medição de tensão contínua (Vdc)
Valores dentro da faixa indicam que o sensor está íntegro, mas se mesmo assim o com-
putador de bordo registra a falha, então existe ainda duas possibilidades:
1 - interrupção do cabo sinal entre o ponto de medição e a UCM;
2 - falha na UCM.
Valores fora da faixa indicam necessidade de continuidade nos testes.
temperatura (ºC)
Curva de calibração do sensor de temperatura de admissão
0,5
1,0
1,5
2,0
2,5
3,0
3,5
4,0
4,5
5,0
140120100806040200-20-40
tensão(V)
FMI 3 - U  4,95V
FMI 4 - U  0,08V
alimentação = 5,0V - R1 = 5400W
Temp.
(ºC)
Tensão
(V)
-30 4,71 ± 0,02
-20 4,50 ± 0,03
-10 4,18 ± 0,04
0 3,75 ± 0,06
10 3,23 ± 0,06
20 2,67 ± 0,06
30 2,13 ± 0,06
Temp.
(ºC)
Tensão
(V)
40 1,65 ± 0,04
50 1,25 ± 0,03
60 0,93 ± 0,03
70 0,70 ± 0,03
80 0,52 ± 0,02
90 0,39 ± 0,02
100 0,30 ± 0,02
EB08-
EB13-
2
3
4
1
EB03
EB17
AZ/VM
CZ/BR
VI/BR
AZ/AM
330W
2200W Vdc
Erro de 10% da fonte de alimentação provoca
um erro de 10% na saída do sensor
ProduzidoporCicloEngenhariaLtda-62-3942-3939vendas@cicloengenharia.com.br-proibidaareprodução-eventuaiserrosoudefeitosdefabricaçãofavorcomunicarvendas@cicloengenharia.com.br
ENGENHARIA
C I C I
I
Av. C-255, nº270, sala 719
Nova Suiça, 74280-010, Goiânia - Goiás
62 - 3942-3939 - vendas@cicloengenharia.com.br
www.cicloengenharia.com.br
Centro Empresarial Sebba,
167
Motor
D12C
Motor
D12D
Gerenciamento de Motores Diesel
Módulo 1 - Unidades Injetoras
Impresso original em
papel reciclado 90g
172.7.2 - Teste do conjunto sensor / chicote com o ohmímetro
Proceda as ligações do multímetro (conector da UCM) conforme a ilustração abaixo e
certifique-se da validade dos dados. Lembre-se:
* A UCM desconectada;
* A chave de partida na posição 0;
* Multímetro preparado para medição de resistência (ohm - W)
Valores dentro da faixa indicam que o sensor e o chicote estão integros e existe a pos-
sibilidade de falha na UCM.
Valores fora da faixa, refaça o teste medindo diretamente no sensor de modo a distinguir
falha no sensor de falha na fiação.
Curva de calibração do sensor de temperatura de admissão
temperatura x resistência
temperatura (ºC)
0
resistência()W
10 20 30 40 50 60 70 80 90 100
2500
5000
7500
10000
12500
15000
Temperatura
(ºC)
Resistência
(W)
-30 88600 ± 5500
-20 48600 ± 2800
-10 27600 ± 1400
0 163200 ± 760
10 10000 ± 420
20 6200 ± 330
30 4000 ± 140
Temperatura
(ºC)
Resistência
(W)
40 2663 ± 77
50 1831 ± 45
60 1244 ± 29
70 876 ± 16
80 629,0 ± 9,5
90 458,0 ± 6,0
100 339,0 ± 3,4UCM - Conector EB
= vermelho inferior
12
13
25
24
36
01
03
ProduzidoporCicloEngenhariaLtda-62-3942-3939vendas@cicloengenharia.com.br-proibidaareprodução-eventuaiserrosoudefeitosdefabricaçãofavorcomunicarvendas@cicloengenharia.com.br
ENGENHARIA
C I C I
I
Av. C-255, nº270, sala 719
Nova Suiça, 74280-010, Goiânia - Goiás
62 - 3942-3939 - vendas@cicloengenharia.com.br
www.cicloengenharia.com.br
Centro Empresarial Sebba,
168
Motor
D12C
Motor
D12D
Aurélio Nunes de Araújo
Fábio Ribeiro von Glehn
Impresso original em
papel reciclado 90g
3 4
1
2
chassi
Vdc
3 4
1
2
Vdc
172.7.3 - Teste da UCM e chicote com o VOLTÍMETRO CONTÍNUO (VDC)
Proceda as ligações do voltímetro (conector do sensor) conforme a ilustração abaixo e
certifique-se da validade dos dados. Lembre-se:
* A UCM conectada;
* Sensor desconectado
* A chave de partida na posição de condução;
* Motor desligado;
* Multímetro preparado para medição de tensão contínua (Vdc)
Ponto de medição Valor nominal em caso de divergência
3 e massa aproximadamente 5V
Fiação 3 - EB03 interrompida
Fiação 3 - EB03 em curto-circuito
Falha na alimentação da UCM
Falha na UCM
se o teste anterior for OK, então:
3 e 4
aproximadamente 5V
Fiação - 4 - EB13 interrompida
Fiação - 4 - EB13 em curto-circuito
Falha na UCM
ProduzidoporCicloEngenhariaLtda-62-3942-3939vendas@cicloengenharia.com.br-proibidaareprodução-eventuaiserrosoudefeitosdefabricaçãofavorcomunicarvendas@cicloengenharia.com.br
ENGENHARIA
C I C I
I
Av. C-255, nº270, sala 719
Nova Suiça, 74280-010, Goiânia - Goiás
62 - 3942-3939 - vendas@cicloengenharia.com.br
www.cicloengenharia.com.br
Centro Empresarial Sebba,
169
Motor
D12C
Motor
D12D
Gerenciamento de Motores Diesel
Módulo 1 - Unidades Injetoras
Impresso original em
papel reciclado 90g
Propositalm
ente
em
branco
ProduzidoporCicloEngenhariaLtda-62-3942-3939vendas@cicloengenharia.com.br-proibidaareprodução-eventuaiserrosoudefeitosdefabricaçãofavorcomunicarvendas@cicloengenharia.com.br
ENGENHARIA
C I C I
I
Av. C-255, nº270, sala 719
Nova Suiça, 74280-010, Goiânia - Goiás
62 - 3942-3939 - vendas@cicloengenharia.com.br
www.cicloengenharia.com.br
Centro Empresarial Sebba,
170
Motor
D12C
Motor
D12D
Aurélio Nunes de Araújo
Fábio Ribeiro von Glehn
Impresso original em
papel reciclado 90g
Sensor de temperatura do óleo
175.1 - Ficha técnica
Codigo de falha: PID175
Tipo: NTC
Localização: lado esquerdo do bloco
Tensão de alimentação: 5V
Amplitude de trabalho: de -40 a 140ºC
Característica: acoplado ao sensor de pressão do
óleo do motor
175.2 - Princípio de funcionamento
Na década de 1950 os cientistas da Bell Telephone
Laboratories criam o termistor, ou um resistor sensível
à temperatura.
Existem basicamente dois tipos de termistores:
NTC (do inglês Negative Temperature Coefficient) -
termistores cujo coeficiente de variação de resistência
com a temperatura é negativo, ou seja, a resistência
diminui com o aumento da temperatura.
PTC (do inglês Positive Temperature Coefficient) -
termistores cujo coeficiente de variação de resistência
com a temperatura é positivo, ou seja, a resistência
aumenta com o aumento da temperatura.
Na grande maioria dos casos o tipo NTC é o esco-
lhido para utilização em veículos automotores.
Abaixo, uma análise teórica sobre como essa variação de resistência provocada pela
variação de temperatura é transformada numa variação de tensão.
Figura 1 - sensor de temperatura do óleo
NTC
PTC
resistência
Temperatura
Figura 2 - curva característica de um NTC
e de um PTC
1 - Lei de Ohm: U = R * I
2 - Os resistores estão ligados em série, logo:
R = R + R1 NTC
3 - Substituindo 2 em 1: U = ( ) * IR + R1 NTC
4 - De onde se conclui que:
5 - Aplicando a lei de Ohm sobre o NTC:
V = R * INTC NTC
6 - Substituindo 4 em 5:
7 - Dividindo numerador e denominador por R :NTC
8 - No caso particular de R = 0NTC
R1 / R = (infinito)NTC
R1 / R + 1 = (infinito)NTC
U / = 0 (zero)
V = 0 (zero)NTC
9 - No caso particular de R = (infinito)NTC
R1 / R = R1 / = 0 (zero)NTC
R1 / R + 1 = 0 + 1 = 1 (um)NTC
U / 1 = U (tensão da fonte)
V = U (tensão da fonte)NTC
U
R + R1 NTC
I =
U
R + R1 NTC
V = R *NTC NTC
U
R R + 11 NTC/
V =NTC
voltímetro
3
EA01
4
EA05
R1U
VDC
I
RNTC
UCM
sensor
10 - No caso particular de R = RNTC 1
R1 / R = 1 (um)NTC
R1 / R + 1 = 2 (dois)NTC
V = U / 2 (metade da tensão da fonte)NTC
Processamento
do sinal
Figura 3 - Análise da transformação temperatura - resistência - tensão
ProduzidoporCicloEngenhariaLtda-62-3942-3939vendas@cicloengenharia.com.br-proibidaareprodução-eventuaiserrosoudefeitosdefabricaçãofavorcomunicarvendas@cicloengenharia.com.br
ENGENHARIA
C I C I
I
Av. C-255, nº270, sala 719
Nova Suiça, 74280-010, Goiânia - Goiás
62 - 3942-3939 - vendas@cicloengenharia.com.br
www.cicloengenharia.com.br
Centro Empresarial Sebba,
171
Motor
D12C
Motor
D12D
Gerenciamento de Motores Diesel
Módulo 1 - Unidades Injetoras
Impresso original em
papel reciclado 90g
175.3 - Localização:
Em algumas versões, o sensor está
acoplado ao sensor de pressão do óleo no
lado esquerdo do motor, conforme a figura
3 ao lado. Em outras versões, o sensor
está acoplado ao sensor de nível do óleo
do motor montado no cárter.
175.4 - Simbologia
Identifique no esquema elétrico (posi-
ção A09) todos os significados da sim-
bologia adotada
175.5 - Códigos de falha
MID PID FMI
128 175
0 3 4
T  125ºC EA01  4,95V EA01  0,08
Possíveis
causas
Deficiencia no sistema de
arrefecimento
Nível do óleo do motor fora
das tolerâncias
Falta de troca de óleo ou
troca após o intervalo
Óleo misturado com água
ou combustível
Pressão do óleo fora das
especificações
Válvula termostática do
radiador de óleo em mal
estado
Bomba de óleo em mal
estado
Resfriador de óleo sujo ou
em mal estado
Falha no sensor
Curto-circuito à tensão de
batería ou a 5V no cabo
condutor de sinal (EA01)
Curto-circuito à tensão de
batería ou a 5V no cabo de
ligação à massa (EA05)
Interrupção no cabo condu-
tor de sinal (EA01)
Falha no sensor
Curto-circuíto à massa no
cabo condutor de sinal
(EA01)
Falha no sensor
Reação
O código de falha é registrado
Lâmpada vermelha acende Lâmpada de anomalias acende
175.6 - Verificações
1 - Teste do conjunto sensor / chicote / UCM com o voltímetro;
2 - Se necessário, teste do chicote e sensor com o ohmímetro;
3 - Se necessário, teste do chicote e UCM com o voltímetro
Figura 3 - Localização do sensor de temperatura do ar
Sensor de
temperatura
Cor do fio
Oval preto
representa o
Sinal
terminais da
UCM
terminais do
sensor
1
3
4
EA04+
EA05-
2
Sensor de
pressão
Tensão de
referência
para sensor
Massa de
referência
para sensor
Sinal de
pressão
Sinal de
temperatura
EA14
EA01
VD/BR
MR/BR
MR
VD
ProduzidoporCicloEngenhariaLtda-62-3942-3939vendas@cicloengenharia.com.br-proibidaareprodução-eventuaiserrosoudefeitosdefabricaçãofavorcomunicarvendas@cicloengenharia.com.br
ENGENHARIA
C I C I
I
Av. C-255, nº270, sala 719
Nova Suiça, 74280-010, Goiânia - Goiás
62 - 3942-3939 - vendas@cicloengenharia.com.br
www.cicloengenharia.com.br
Centro Empresarial Sebba,
172
Motor
D12C
Motor
D12D
Aurélio Nunes de Araújo
Fábio Ribeiro von Glehn
Impresso original em
papel reciclado 90g
175.6.1 - Teste do conjunto sensor / chicote / UCM com o voltímetro
Proceda as ligações do voltímetro conforme a ilustração abaixo e certifique-se da vali-
dade dos dados. Lembre-se:
* A UCM e sensor conectados;
* A chave de partida na posição de condução;
* Motor desligado;
* Multímetro preparado para medição de tensão contínua (Vdc)
Valores dentro da faixa indicam que o sensor está íntegro, mas se mesmo assim o com-
putador de bordo registra a falha, então existe ainda duas possibilidades:
1 - interrupção do cabo sinal entre o ponto de medição e a UCM;
2 - falha na UCM.
Valores fora da faixa indicam necessidade de continuidade nos testes.
tensão(V)
Curva de calibração do sensor de temperatura do óleo
alimentação = 5,0V - R1 = 1200W
0,5
1,0
1,5
2,0
2,5
3,0
3,5
4,0
4,5
5,0
FMI 3 - U  4,95V
FMI 4 - U  0,08V
FMI0-T125ºC
temperatura (ºC)
140120100806040200-20-40
1
3
4
EA04+
EA05-
EA14
EA01
2
VD/BR
MR/BR
MR
VD
Vdc
Erro de 10% da fonte de alimentação provoca
um erro de 10% na saída do sensor
Temp.
(ºC)
Tensão
(V)
-30 4,79 ± 0,03
-20 4,63 ± 0,04
-10 4,38 ± 0,06
0 4,02 ± 0,08
10 3,57 ± 0,09
20 3,06 ± 0,09
30 2,51 ± 0,09
40 2,00 ± 0,08
50 1,55 ± 0,07
Temp.
(ºC)
Tensão
(V)
60 1,19 ± 0,05
70 0,91 ± 0,04
80 0,69 ± 0,03
90 0,52 ± 0,02
100 0,40 ± 0,02
110 0,31 ± 0,01
120 0,24 ± 0,01
130 0,18 ± 0,01
ProduzidoporCicloEngenhariaLtda-62-3942-3939vendas@cicloengenharia.com.br-proibidaareprodução-eventuaiserrosoudefeitosdefabricaçãofavorcomunicarvendas@cicloengenharia.com.br
ENGENHARIA
C I C I
I
Av. C-255, nº270, sala 719
Nova Suiça, 74280-010, Goiânia - Goiás
62 - 3942-3939 - vendas@cicloengenharia.com.br
www.cicloengenharia.com.br
Centro Empresarial Sebba,
173
Motor
D12C
Motor
D12D
Gerenciamento de Motores Diesel
Módulo 1 - Unidades Injetoras
Impresso original em
papel reciclado 90g
175.6.2 - Teste do conjunto sensor / chicote com o ohmímetro
Proceda as ligações do multímetro (conector da UCM) conforme a ilustração abaixo e
certifique-se da validade dos dados. Lembre-se:
* A UCM desconectada;
* A chave de partida na posição 0;
* Multímetro preparado para medição de resistência (ohm - W)
Valores dentro da faixa indicam que o sensor e o chicote estão integros e existe a pos-
sibilidade de falha na UCM.
Valores fora da faixa, refaça o teste medindo diretamente no sensor de modo a distinguir
falha no sensor de falha na fiação.
Curva de calibração do sensor de temperatura do óleo
temperatura x resistência
temperatura (ºC)
10 15 20 25 30 35 40 45 50 55 60 65 70 75 80 85 90 95 100
100
500
1000
2000
3000
resistência()W
1500
2500
Temperatura
(ºC)
Resistência
(W)
-30 27500 ± 3510
-20 15000 ± 1600
-10 8500 ± 820
0 4900 ± 440
10 3000 ± 250
20 1900 ± 140
30 1205 ± 85
40 798 ± 52
50 541 ± 32
Temperatura
(ºC)
Resistência
(W)
60 376 ± 20
70 267 ± 13
80 191,1 ± 8,5
90 139,7 ± 5,5
100 103,7 ± 3,7
110 78,0 ± 2,8
120 59,5 ± 2,4
130 45,9 ± 2,0
UCM - Conector EA
= preto superior
12
13
25
24
36
01
05
ProduzidoporCicloEngenhariaLtda-62-3942-3939vendas@cicloengenharia.com.br-proibidaareprodução-eventuaiserrosoudefeitosdefabricaçãofavorcomunicarvendas@cicloengenharia.com.br
ENGENHARIA
C I C I
I
Av. C-255, nº270, sala 719
Nova Suiça, 74280-010, Goiânia - Goiás
62 - 3942-3939 - vendas@cicloengenharia.com.br
www.cicloengenharia.com.br
Centro Empresarial Sebba,
174
Motor
D12C
Motor
D12D
Aurélio Nunes de Araújo
Fábio Ribeiro von Glehn
Impresso original em
papel reciclado 90g
175.6.3 - Teste da UCM e chicote com o VOLTÍMETRO CONTÍNUO (VDC)
Proceda as ligações do voltímetro (conector do sensor) conforme a ilustração abaixo e
certifique-se da validade dos dados. Lembre-se:
* A UCM conectada;
* Sensor desconectado
* A chave de partida na posição de condução;
* Motor desligado;
* Multímetro preparado para medição de tensão contínua (Vdc)
Ponto de medição Valor nominal conclusão
3 e massa aproximadamente 5V
Fiação 3 - EA01 interrompida
Fiação 3 - EA01 em curto-circuito
Falha na alimentação da UCM
Falha na UCM
se o teste anterior for OK, então:
3 e 4
aproximadamente 5V
Fiação - 4 - EA05 interrompida
Fiação - 4 - EA05 em curto-circuito
Falha na UCM
3 4
1
2
chassi
Vdc
3 4
1
2
Vdc
ProduzidoporCicloEngenhariaLtda-62-3942-3939vendas@cicloengenharia.com.br-proibidaareprodução-eventuaiserrosoudefeitosdefabricaçãofavorcomunicarvendas@cicloengenharia.com.br
ENGENHARIA
C I C I
I
Av. C-255, nº270, sala 719
Nova Suiça, 74280-010, Goiânia - Goiás
62 - 3942-3939 - vendas@cicloengenharia.com.br
www.cicloengenharia.com.br
Centro Empresarial Sebba,
175
Motor
D12C
Motor
D12D
Gerenciamento de Motores Diesel
Módulo 1 - Unidades Injetoras
Impresso original em
papel reciclado 90g
175.7 - Instruções em caso de alta temperatura do óleo do motor
Temperatura do líquido de arrefecimento
Verifique a temperatura do líquido de arrefecimento e se necessário, siga os procedi-
mentos de testes e verificações recomendadas para o sensor de temperatura da água do
motor (PID 110).
Nível do óleo
Verifique o nível do óleo e se existir suspeitas de que o nível de óleo do motor não está
correto, então drene o óleo, coloque a quantidade correta no motor e verifique novamente
o nível com a vareta.
Qualidade do óleo
Verifique se o óleo está sendo trocado regularmente nos intervalos recomendados.
Verifique com a vareta de nível se o óleo está sujo. Se existirem vestígios de líquido de
arrefecimento ou de combustível no óleo, isso pode ser devido a vazamentos em algum
dos seguintes componentes:
* Bomba d´água (retentor do eixo);
* Cabeçote (vedadores);
* Camisas de cilindro (anéis vedadores);
* Trincas no cabeçote ou no bloco do motor;
* Bomba de alimentação (combustível);
* Unidades injetoras.
Óleo do motor sujo pode provocar problemas graves no motor ou nos seus componentes,
por isso um anexo a respeito deste assunto no final do livro.
Pressão do óleo
Verifique a pressão do óleo do motor e se necessário, siga os procedimentos de testes
e verificações recomendadas para o sensor pressão do óleo do motor (PID 100).
Válvula termostática do radiador de óleo
Verifique as condições de funcionamento da válvula termostática do resfriador de óleo.
Bomba de óleo
Verifique as condições de funcionamento da bomba de óleo, para tanto:
* retire o cárter e verifique o filtro de tela do tubo de sucção da bomba de óleo;
* verifique se os tubos de óleo entre a bomba de óleo e o bloco de cilindros estão corre-
tamente apertados e sem danos que possam causar vazamentos de óleo;
* desmonte a bomba de óleo e inspecione a engrenagem da bomba, verificando se
existem danos ou desgaste.
Resfriador de óleo
Verifique se o resfriador de óleo não está danificado.
Desmonte o resfriador de óleo e verifique se existe sujeira no lado de circulação de óleo
e no lado de circulação de água.
Sensor de temperatura de óleo
Proceda os testes recomendados neste capítulo para verificar o sensor de temperatura
do óleo.
ProduzidoporCicloEngenhariaLtda-62-3942-3939vendas@cicloengenharia.com.br-proibidaareprodução-eventuaiserrosoudefeitosdefabricaçãofavorcomunicarvendas@cicloengenharia.com.br
ENGENHARIA
C I C I
I
Av. C-255, nº270, sala 719
Nova Suiça, 74280-010, Goiânia - Goiás
62 - 3942-3939 - vendas@cicloengenharia.com.br
www.cicloengenharia.com.br
Centro Empresarial Sebba,
176
Motor
D12C
Motor
D12D
Aurélio Nunes de Araújo
Fábio Ribeiro von Glehn
Impresso original em
papel reciclado 90g
Perda de potência e alto consumo de combustível na linha H
Hoje uns dos grandes desafios são resolver os problemas de perda de potência e o alto
consumo de combustível. Então resolvemos inserir neste livro umas dicas práticas de como
proceder a um diagnostico no quesito acima citado.
Entreviste o motorista:
Entrevistar o motorista e verificar quando foi que ele percebeu a falta de perda de po-
tência. Porque devemos fazer isso? Quando vamos ao médico ele nos pergunta quando
houve o primeiro sintoma, através desta informação ele começa o diagnóstico e solicita
os exames relacionados aos sintomas. Com este procedimento ganha-se muito tempo na
hora do reparo ser efetuado.
Certifique a qualidade do combustível usado:
Para teste, use um combustível que não seja do veículo. Faça uma ligação externa na
qual o sistema de alimentação seja alimentado com um diesel limpo.
Analise o filtro de combustível:
A maioria dos frotistas optam em comprar filtros de má qualidade e tão pouco fazer as
trocas como sugere o fabricante, então um requisito básico é medir a pressão de combustível,
mas mesmo se apresentar uma boa pressão retire o filtro e examine se não há vestígios
de água ou mesmo sujeira. Isto terá uma influência na pressão do turbo.
Verifique a pressão de combustível:
Siga a tabela abaixo:
Condição do veículo Rotação do motor Pressão de combustível
Sensor de pressão de
combustível
Parado
500 rpm (marcha-lenta) 2,5 a 3,0 bar 1,87 a 2,14 V
1700 rpm 4,5 a 6,0 bar 2,96 a 3,78 V
2000 rpm 5,0 a 6,0 bar 3,23 a 3,78 V
Plena carga
Veículo carregado
1700 rpm 4,5 a 5,0 bar 2,96 a 3,23 V
Verifique a pressão do turbo:
Mesmo que o manômetro mecânico indique uma pressão de 1,5 bar no coletor de ad-
missão, isto não quer dizer que o sensor esteja enviando a informação correta ao módulo
de comando. Muitas vezes é aconselhável fazer uma limpeza no sensor.
Para auxiliá-lo, siga a tabela abaixo:
Condição do veículo Rotação do motor Pressão do turbo
Sensor de pressão do
turbo
Carregado a plena carga
1500 rpm 1,5 bar 1,98 V
1700 rpm  1,5 bar  1,98 V
ProduzidoporCicloEngenhariaLtda-62-3942-3939vendas@cicloengenharia.com.br-proibidaareprodução-eventuaiserrosoudefeitosdefabricaçãofavorcomunicarvendas@cicloengenharia.com.br
ENGENHARIA
C I C I
I
Av. C-255, nº270, sala 719
Nova Suiça, 74280-010, Goiânia - Goiás
62 - 3942-3939 - vendas@cicloengenharia.com.br
www.cicloengenharia.com.br
Centro Empresarial Sebba,
177
Motor
D12C
Motor
D12D
Gerenciamento de Motores Diesel
Módulo 1 - Unidades Injetoras
Impresso original em
papel reciclado 90g
Teste o intercooler:
Tendo em vista as condições das estradas o intercooler sofre bastante impacto com isso
tende a ter varias trincas, veja abaixo como se faz o teste:
Feche a saída do intercooler para a admissão e instale o manômetro, coloque 1,5 bar
de pressão e feche o registro. Verifique a condição do manômetro:
após 1 minuto conclusão
P  1 bar
não existe trinca
ou existe trinca, mas não interfere no funcionamento do motor
P  1 bar existe trinca
Verifique as condições do sensor de rotação:
Como o principio de funcionamento do sensor é do tipo indutivo, este é provido de um
imã permanente em seu núcleo, logo é comum apresentar pó de embreagem grudado ao
imã. Essa ocorrência ocasiona uma interferência no sinal gerado, o que pode causar mau
funcionamento do motor com a presença de fumaça negra e perda de potência.
Verifique vazamentos pelo coletor de admissão:
Nos motores D12C e D12D na versão anterior não existia junta de coletor, mas a apli-
cação de um silicone do tipo preto (mais resistente à temperatura).
Nesta condição, o primeiro teste deverá ser feito com o coletor instalado. Com a mes-
ma ferramenta de teste do intercooler, aplique 1,5 bar no coletor e pulverize água e sabão
com o objetivo de procurar por vazamentos. Caso apresente, remova o coletor e faça um
teste estático, ou seja, verifique a possibilidade de empeno do coletor e, se houver corrija
e instale novamente (aplique um novo silicone de cor preta).
Verifique estado e conservação do filtro de ar:
O filtro de ar segue a mesma concepção do filtro diesel, ou seja, não se troca com pe-
riodicidade recomendada. O filtro de ar colmatado representa uma barreira para a entrada
de ar e isto significa menos massa de ar admitida, perda de potência e alto consumo de
combustível.
Verifique a pré-tensão das unidades injetoras:
Alguns técnicos alteram o valor recomendado de pré-tensão das unidades injetoras. O
fabricante informa um valor de 0,75mm de carga, mas boa parte dos técnicos aplica 0,85mm.
Essa ação melhora o rendimento de um veículo com mais de 300.000 Km rodados, pois há
um desgaste entre as engrenagens da distribuição e este incremento de 0,10mm elimina
esta folga e, com isso não se perde o tempo de bombeamento do embolo,
Verifique a regulagem das válvulas
Aregulagem da válvula de admissão a pode ser executada com 0,25mm bem justa, tendo
em vista que as válvulas tendem a subir nas válvulas de escape devem ser reguladas com
1,60 ± 0,05mm. Orienta-se que seja sempre o mais homogêneo possível, ou seja, se esti-
ver inserindo 1,60mm continue a colocar este mesmo valor em todas as válvulas, usando
a troca dos calços de ajuste e não através das pontes de acionamento.
ProduzidoporCicloEngenhariaLtda-62-3942-3939vendas@cicloengenharia.com.br-proibidaareprodução-eventuaiserrosoudefeitosdefabricaçãofavorcomunicarvendas@cicloengenharia.com.br
ENGENHARIA
C I C I
I
Av. C-255, nº270, sala 719
Nova Suiça, 74280-010, Goiânia - Goiás
62 - 3942-3939 - vendas@cicloengenharia.com.br
www.cicloengenharia.com.br
Centro Empresarial Sebba,
178
Motor
D12C
Motor
D12D
Aurélio Nunes de Araújo
Fábio Ribeiro von Glehn
Impresso original em
papel reciclado 90g
Verifique o fator de calibração do tacógrafo;
Os veículos mecânicos tanto como os eletrônicos precisam ter o velocímetro calibrado
para quando forem fazer os cálculos das médias terem certeza dos quilômetros rodados, só
perde esta calibragem quando se troca o tipo de pneu, relação de coroa e pinhão e caixa
de câmbio. Para isso ser calibrado hoje existe ferramentas especiais VDO ou mesmo pelo
o fabricante do veículo.
Verifique pneus e Geometria;
Estudos feitos por fabricantes de pneus e suspensão chegaram a conclusão de que se
perde 07% de economia de combustível por baixa pressão e 8% de perda em combustível
por desalinhamento dos eixos.
Verifique aerodinâmica (Atrito com ar)
Veículos que não possuem os defletores de ar podem perder até 10% na economia de
combustível.
Outros fatores que contribuem com o auto consumo
Peso do veículo;
Percurso;
Motorista;
Tipo do veículo. Exemplo: diferença de consumo entre um veículo de cabine frontal e
um outro de cabine normal.
Mangueiras furadas;
Turbo avariado.
Lonas de freio reguladas muito próximo ao tambor.
1.
2.
3.
4.
5.
6.
7.
Manual Volvo

Manual Volvo

  • 2.
    ENGENHARIA C I CI I Av. C-255, nº270, sala 719 Nova Suiça, 74280-010, Goiânia - Goiás 62 - 3942-3939 - vendas@cicloengenharia.com.br www.cicloengenharia.com.br Centro Empresarial Sebba, Gerenciamento de Motores Diesel Módulo 1 - Unidades Injetoras 1ª edição Goiânia - maio de 2007 Autores: Aurélio Nunes de Araújo Fábio Ribeiro von Glehn Editor: Ciclo Engenharia Ltda
  • 4.
    ProduzidoporCicloEngenhariaLtda-62-3942-3939vendas@cicloengenharia.com.br-proibidaareprodução-eventuaiserrosoudefeitosdefabricaçãofavorcomunicarvendas@cicloengenharia.com.br ENGENHARIA C I CI I Av. C-255, nº270, sala 719 Nova Suiça, 74280-010, Goiânia - Goiás 62 - 3942-3939 - vendas@cicloengenharia.com.br www.cicloengenharia.com.br Centro Empresarial Sebba, Motor D12C Motor D12D Gerenciamento de Motores Diesel Módulo 1 - Unidades Injetoras Impresso original em papel reciclado 90g Sumário Alimentação elétrica da UCM e VECU 030 Códigos de falhas envolvendo a MID 128 008 Como ativar o código de falhas 007 Esquema elétrico UCM - motor D12C 024 Esquema elétrico UCM - motor D12D com sensor de p. turbo arredondado 026 Esquema elétrico UCM - motor D12D com sensor de p. turbo achatado 028 Esquema elétrico VECU - motor D12C 025 Esquema elétrico VECU - motor D12D com sensor de p. turbo arredondado 027 Esquema elétrico VECU - motor D12D com sensor de p. turbo achatado 029 Link 088 Localização de relés e fusíveis - motor D12C 033 Localização de relés e fusíveis - motor D12D 034 Perda de potência e alto consumo de combustível na linha H 176 Pinout Conexões intermediárias 046 Pinout UCM 036 Pinout VECU 040 Pontos de aterramento - motor D12C 031 Pontos de aterramento - motor D12D 032 Simbologia adotada nos esquemas elétricos 022 001 SID - Unidades Injetoras 048 Teste 053 018 SID - Eletroválvula de drenagem de água do filtro separador 058 Teste 060 021 SID - Sensor de fase 062 Teste 066 022 SID - Sensor de rotação 070 Teste 076 026 SID - Sensor de rotação do ventilador 080 Teste 084 033 SID - Ventilador de arrefecimento 080 Teste 084 049 PID - Comunicação com o ABS 089 045 PID - Relé do preaquecedor 086 070 SID - Preaquecedor 086 078 SID - Bomba elétrica de purga do ar 058 Teste 060 084 PID - Velocidade do veículo 092 Teste 096 085 PID - Comunicação com o piloto automático 089
  • 5.
    ProduzidoporCicloEngenhariaLtda-62-3942-3939vendas@cicloengenharia.com.br-proibidaareprodução-eventuaiserrosoudefeitosdefabricaçãofavorcomunicarvendas@cicloengenharia.com.br ENGENHARIA C I CI I Av. C-255, nº270, sala 719 Nova Suiça, 74280-010, Goiânia - Goiás 62 - 3942-3939 - vendas@cicloengenharia.com.br www.cicloengenharia.com.br Centro Empresarial Sebba, Motor D12C Motor D12D Aurélio Nunes de Araújo Fábio Ribeiro von Glehn Impresso original em papel reciclado 90g 091 PID - Sensor de posição do pedal do acelerador 100 Teste 103 094 PID - Sensor de pressão de combustível 106 Teste 108 097 PID - Sensor de nível de água no filtro separador 058 Teste 060 098 PID - Sensor do nível do óleo do motor 112 Teste 113 100 PID - Sensor de pressão do óleo do motor 116 Teste 118 102 PID - Sensor de pressão do turbo 122 Teste 125 105 PID - Sensor de temperatura do ar pós compressor 128 Teste 130 107 PID - Pressostato indicador de restrição do filtro de ar 136 Teste 138 110 PID - Sensor de temperatura da água do motor 142 Teste 145 111 PID - Interruptor do nível de líquido de arrefecimento 148 Teste 149 122 PPID - Eletroválvula reguladora da pressão do óleo p/ os balancins (VCB) 152 Teste 159 123 PPID - Eletroválvula reguladora de pressão dos gases de escape EPG-2 152 Teste 159 124 PPID - Eletroválvula reguladora de pressão dos gases de escape EPG-1 152 Teste 159 153 PID - Sensor de pressão dos gases do cárter 162 Teste 163 172 PID - Sensor de temperatura do ar antes do compressor 164 Teste 166 175 PID - Sensor de temperatura do óleo do motor 170 Teste 172 201 PSID - Interrupção no link de dados 090 224 PID - Comunicação com o imobilizador 089 228 PID - Inconsistência do fator K 089 230 SID - Informação de contato de mínimo VECU - UCM 100 231 PID - Falha no link de controle 090
  • 6.
    ProduzidoporCicloEngenhariaLtda-62-3942-3939vendas@cicloengenharia.com.br-proibidaareprodução-eventuaiserrosoudefeitosdefabricaçãofavorcomunicarvendas@cicloengenharia.com.br ENGENHARIA C I CI I Av. C-255, nº270, sala 719 Nova Suiça, 74280-010, Goiânia - Goiás 62 - 3942-3939 - vendas@cicloengenharia.com.br www.cicloengenharia.com.br Centro Empresarial Sebba, Motor D12C Motor D12D Gerenciamento de Motores Diesel Módulo 1 - Unidades Injetoras Impresso original em papel reciclado 90g Especificações dos códigos: As especificações de códigos segue um padrão internacional SAE (Society ofAutomotive Engineers) ou um padrão próprio Volvo conforme ilustra a a figura abaixo: Existem diversas MIDs ou unidades de controle. Abaixo alguns exemplos, com destaque para as unidades de controle de interesse deste livro: MID Descrição em inglês Descrição em português MID128 EMS - Engine Management System UCM - Unidade de Controle do Motor MID 130 TECU - Transmission Electro- nic Control Unit Unidade de controle eletrônico da transmissão (I-Shift, Geartronic e Powertronic) MID 136 ABS-B - Anti-lock System Basic Sistema de controle do anti-bloqueio dos freios versão básica ABS-F - Anti-lock System Full Sistema de controle do anti-bloqueio dos freios versão completa EBS - Electronically Controled Brake System Sistema de freios controlado eletronicamente ESP - Electronically Stability Program Sistema de controle eletrônico da estabilidade do veículo MID 140 Instrument Instrumentos MID 144 VECU - Vehicle Electronic Control Unit Unidade de controle eletrônico do veículo MID 146 STD - AC Standard Controle manual de temperatura do ar condicionado MCC - Manual Climate Control Controle manual de temperatura do ar condicionado ECC - Electronic Climate Control Controle automático da temperatura do ar condicionado MID 150 ECS - Electronic Controlled Suspension Sistema de suspensão controlado eletronicamente MID 163 ICU - Immobilizer Control Unit Unidade de controle do imobilizador MID 184 RAS - Rear Axle Steering Direção do eixo traseiro MID 203 Dynafleet Sistema de planejamento de transporte com ferramentas para comunicação, posicionamento e navegação MID 206 Radio (Receiver) Rádio MID 216 LCM - Light Control Module Módulo de controle de iluminação e limitação de corrente MID: M I D essage dentification escription Identificação da unidade de controle PID: P I Darameter dentification escription Identificação de parâmetros (valor) PPID: P P I D roprietary arameter dentification escription Identificação de parâmetros exclusiva da Volvo (valor) SID: S I Dubsystem dentification escription Identificação do componente PSID: P I D roprietary dentification escription exclusiva da Volvo (valor) Subsystem Identificação do componente FMI: F M Iailure ode dentifier Identificação do tipo de falha
  • 7.
    ProduzidoporCicloEngenhariaLtda-62-3942-3939vendas@cicloengenharia.com.br-proibidaareprodução-eventuaiserrosoudefeitosdefabricaçãofavorcomunicarvendas@cicloengenharia.com.br ENGENHARIA C I CI I Av. C-255, nº270, sala 719 Nova Suiça, 74280-010, Goiânia - Goiás 62 - 3942-3939 - vendas@cicloengenharia.com.br www.cicloengenharia.com.br Centro Empresarial Sebba, Motor D12C Motor D12D Aurélio Nunes de Araújo Fábio Ribeiro von Glehn Impresso original em papel reciclado 90g MID Descrição em inglês Descrição em português MID 220 Tachograph Tacógrafo MID 222 RECU - Retarder Electronic Control Unit Unidade de controle eletrônico do retardador hidráulico nas caixas de câmbio manuais MID 223 GECU - Gearlever Electronic Control Unit Unidade de controle eletrônico da alavanca de câmbio (I-Shift, Geartronic e Powertronic) MID 231 PHM - Phone Module Telefone GSM que utiliza o visor do computador de bordo para apresentar menus e informações MID 232 SRS - Supplementary Restraint System Sistema de proteção suplementar (airbag e cinto com tensionador) MID 249 BBM - Body Builder Module Módulo de controle da superestrutura e tomada de força MID 250 SWM - Steering Wheel Module Módulo de controle de telefone, rádio e instrumento no vo- lante de direção Exemplos de PID, PPID, SID e PSID: MID Especificação Descrição MID 128 PID 094 Sensor de pressão do combustível MID 144 PID 046 Sensor de pressão no reservatório primário MID 128 PPID 123 Eletroválvula reguladora de pressão dos gases de escape EPG-2 MID 144 PPID 265 Alimentação do sensor do velocímetro MID 128 SID 001 Unidade injetora do cilindro 1 MID 144 SID 240 Memória do programa MID 128 PSID 201 Interrupção do link de dados SAE J1939 MID 144 PSID 212 Interrupção na comunicação com o tacógrafo Tipos de FMI segundo o padrão SAE: FMI Texto SAE 0 Dados válidos, mas acima da faixa normal de trabalho. 1 Dados válidos, mas abaixo da faixa normal de trabalho. 2 Dados intermitentes ou incorretos. 3 Tensão anormalmente alta ou curto-circuito na tensão mais alta. 4 Tensão anormalmente baixa ou curto-circuito na tensão mais baixa. 5 Corrente anormalmente baixa ou interrupção. 6 Corrente anormalmente alta ou curto-circuito à massa. 7 Resposta incorreta do sistema mecânico. 8 Frequência anormal. 9 Taxa de atualização anormal. 10 Variações anormalmente grandes. 11 Falha não identificável. 12 Unidade danificada ou componente danificado. 13 Valor de calibragem fora dos limites. 14 Instruções especiais. 15 Reservado para uso futuro
  • 8.
    ProduzidoporCicloEngenhariaLtda-62-3942-3939vendas@cicloengenharia.com.br-proibidaareprodução-eventuaiserrosoudefeitosdefabricaçãofavorcomunicarvendas@cicloengenharia.com.br ENGENHARIA C I CI I Av. C-255, nº270, sala 719 Nova Suiça, 74280-010, Goiânia - Goiás 62 - 3942-3939 - vendas@cicloengenharia.com.br www.cicloengenharia.com.br Centro Empresarial Sebba, Motor D12C Motor D12D Gerenciamento de Motores Diesel Módulo 1 - Unidades Injetoras Impresso original em papel reciclado 90g Como ativar o código de falhas A figura ao lado ilustra os instrumentos que serão utilizados para navegação do computa- dor de bordo. Visor de cristal liquida ; Tecla ESC para retorno do Menu; Barra de rolagem do cursor para Cima; Barra de rolagem do curso para Baixo; Tecla Enter  para entrar no Menu. No módulo principal existem 8 menus, conforme descreve-se abaixo. Aperte a tecla ESC até que surja no visor de cristal líquido o menu principal. A tabela abaixo possui alguns exemplos e em destaque a parte que mais interessa ao conteúdo deste livro: ENTER  caminha para a direita (menu principal / 1º sub-menu / 2º sub-menu / 3º sub-menu) ESC caminha para a esquerda (3º sub-menu / 2º sub-menu / 1º sub-menu / menu principal) Menu Principal 1º sub-menu 2º sub-menu 3º sub-menu A) Instrumentos Temperatura do óleo B) Economia de combustível C) Tempo e Percurso D) Falhas E) Configuração Seleção de idiomas Inglês Espanhol Português - Brasil Milhas/ºF ou km/ºC Formato do relógio Contraste F) Diagnósticos Diagnóstico de falhas Motor Numérico Texto Indicação de horas Visor Unid. de ctrl de veic outras Auto teste instrumentos Teste de lâmpadas Teste de instrumentos Teste do visor Teste do sonorizador Nº do componente Teste unidade CTRL G) Registro de dados H) Inserir senha Senha As senhas de fábrica são: 1234 e 0000 Faça a opção por Diagnóstico / Diagnóstico de falhas / Motor / Numérico e utilize as tabelas seguintes para efetuar os testes e localizar os componentes no esquema elétrico. 1. 2. 3. 4. 5.
  • 9.
    ProduzidoporCicloEngenhariaLtda-62-3942-3939vendas@cicloengenharia.com.br-proibidaareprodução-eventuaiserrosoudefeitosdefabricaçãofavorcomunicarvendas@cicloengenharia.com.br ENGENHARIA C I CI I Av. C-255, nº270, sala 719 Nova Suiça, 74280-010, Goiânia - Goiás 62 - 3942-3939 - vendas@cicloengenharia.com.br www.cicloengenharia.com.br Centro Empresarial Sebba, Motor D12C Motor D12D Aurélio Nunes de Araújo Fábio Ribeiro von Glehn Impresso original em papel reciclado 90g Códigos de falha envolvendo as MIDs 128 e 144 Código de falha Localiza- ção no esquema elétrico Terminais a verificar Causa da falha MID 128 não responde A01 EB09 e EB10 Falta de aterramento na UCM A02 EB11 e EB12 Falta de alimentação positiva na UCM (F43 se D12C ou F40 se D12D) B01 PA12 Falta de aterramento na VECU B02 PA14 Falta de alimentação positiva na VECU B05 PB15 e PA13 Falha no relé da VECU (R05 se D12C ou K02 se D12D) A35 EB25/PC02 e EB26/PC03 Falha no link J1708 Código de falha Localiza- ção no esquema elétrico Terminais para teste Condição do teste Valor nominal PID 026 MID 128 A13 (D12D) EA06 - EA05 Motor parado, ch. em condução. Gire manualmente o ventilador de arrefecimento através de suas pás O valor mostrado varia entre ≈ 0,00 Vdc ou ≈ 5,00 Vdc conforme a posição do ventilador EA04 - EA05 Sensor desconectado ≈ 5,00 Vdc PID 045 MID 128 A27 EB31 - massa Motor parado, ch. em condução Ubat Motor parado, ch. em condução e preaquecedor desacionado Ubat Motor parado, ch. em condução e preaquecedor acionado 0,0V EB31 - EB11 Resistência da bobina do relé ≈ 80 W PID 049 MID 128 A35 EB25 - massa Motor parado, ch. em condução 1,0 a 1,8 Vac 570 a 660 Hz EB26 - massa Motor parado, ch. em condução 1,0 a 1,8 Vac 570 a 660 Hz EB25 - PC02 continuidade do chicote ≈ 0,0 W EB25 - PC01 curto do chicote ∞ EB26 - PC01 continuidade do chicote ≈ 0,0 W EB26 - PC02 curto do chicote ∞ Códigos de falha do motor MID128
  • 10.
    ProduzidoporCicloEngenhariaLtda-62-3942-3939vendas@cicloengenharia.com.br-proibidaareprodução-eventuaiserrosoudefeitosdefabricaçãofavorcomunicarvendas@cicloengenharia.com.br ENGENHARIA C I CI I Av. C-255, nº270, sala 719 Nova Suiça, 74280-010, Goiânia - Goiás 62 - 3942-3939 - vendas@cicloengenharia.com.br www.cicloengenharia.com.br Centro Empresarial Sebba, Motor D12C Motor D12D Gerenciamento de Motores Diesel Módulo 1 - Unidades Injetoras Impresso original em papel reciclado 90g Código de falha Localiza- ção no esquema elétrico Terminais para teste Condição do teste Valor nominal PID 085 MID 128 A35 EB25 - massa Motor parado, ch. em condução 1,0 a 1,8 Vac 570 a 660 Hz EB26 - massa Motor parado, ch. em condução 1,0 a 1,8 Vac 570 a 660 Hz EB25 - PC02 continuidade do chicote ≈ 0,0 W EB25 - PC01 curto do chicote ∞ EB26 - PC01 continuidade do chicote ≈ 0,0 W EB26 - PC02 curto do chicote ∞ PID 094 MID 128 A15 EA27 - EA05 Motor parado, ch. em condução ≈ 0,50 Vdc Marcha lenta (≈ 3,8 bar) ≈ 2,57 Vdc Pressão ombustível = 5,1 bar ≈ 3,28 Vdc Pressão combustível = 6,1 bar ≈ 3,83 Vdc EA04 - EA05 Qualquer condição ≈ 5,00 Vdc PID 097 MID 128 A17 (D12D) EB06 - EB08 Motor parado; chave em condução; Sem água no separador ≈ 80% Ubat Motor parado; chave em condução; Com água no separador ≈ 0,0 Vdc EB06 - EB08 Sensor desconectado ≈ 80% Ubat PID 098 MID 128 A10 (D12D) EB15 - EB22 Motor parado, ch. em condução e nível do óleo normal 2 a 4,5V EB15 - EB22 Sensor desconectado ≈ 5,00 Vdc PID 100 MID 128 A08 EA14 - EA05 Motor parado, ch. em condução ≈ 0,50 Vdc Marcha lenta (≈ 4,0 bar) ≈ 2,69 Vdc Pressão do óleo = 5,1 bar ≈ 3,28 Vdc Pressão do óleo = 6,1 bar ≈ 3,83 Vdc EA04 - EA05 Qualquer condição ≈ 5,00 Vdc PID 102 MID 128 A06 EA03 - EA05 Motor parado (≈ 1bar) ≈ 1,050 Vdc Marcha lenta ( 1bar) ≈ 0,932 Vdc Pressão turbo = 1 bar ≈ 2,912 Vdc Pressão turbo = 2 bar ≈ 4,775 Vdc EA04 - EA05 Qualquer condição ≈ 5,00 Vdc Códigos de falha do motor MID128
  • 11.
    ProduzidoporCicloEngenhariaLtda-62-3942-3939vendas@cicloengenharia.com.br-proibidaareprodução-eventuaiserrosoudefeitosdefabricaçãofavorcomunicarvendas@cicloengenharia.com.br ENGENHARIA C I CI I Av. C-255, nº270, sala 719 Nova Suiça, 74280-010, Goiânia - Goiás 62 - 3942-3939 - vendas@cicloengenharia.com.br www.cicloengenharia.com.br Centro Empresarial Sebba, 10 Motor D12C Motor D12D Aurélio Nunes de Araújo Fábio Ribeiro von Glehn Impresso original em papel reciclado 90g Código de falha Localiza- ção no esquema elétrico Terminais para teste Condição do teste Valor nominal PID 105 MID 128 s. arredon- dado A07 EA02 - EA05 20ºC 6200 ± 280 W 2,67 ± 0,06 Vdc 40ºC 2648 ± 97 W 1,65 ± 0,04 Vdc 60ºC 1240 ± 42 W 0,93 ± 0,02 Vdc 80ºC 627 ± 26 W 0,52 ± 0,02 Vdc EA04 - EA05 Sensor desconectado ≈ 5,00 Vdc PID 105 MID 128 s. achatado A07 EA02 - EA05 20ºC 2220 ± 222 W 1,46 ± 0,11 Vdc 40ºC 1056 ± 106 W 0,82 ± 0,07 Vdc 60ºC 542 ± 54 W 0,46 ± 0,05 Vdc 80ºC 297 ± 29 W 0,26 ± 0,03 Vdc EA04 - EA05 Sensor desconectado ≈ 5,00 Vdc PID 107 MID 128 A20 EB17 - EB08 Motor parado, ch. em condução ≈ 12% Ubat Marcha-lenta e filtro em bom estado ≈ 12% Ubat Sensor alimentado e sob a ação de uma depressão ≈ 48% Ubat EB17 - EB18 Sensor desconectado ≈ 80% Ubat PID 108 MID 128 A05 impossível O sensor é incorporado à UCM e não é possível testá-lo diretamente PID 110 MID 128 A11 EA25 - EA05 20ºC 1900 ± 140 W 3,06 ± 0,09 Vdc 40ºC 798 ± 52 W 2,00 ± 0,08 Vdc 60ºC 376 ± 20 W 1,19 ± 0,05 Vdc 80ºC 191 ± 8,5 W 0,69 ± 0,03 Vdc EA25 - EA05 Sensor desconectado ≈ 5,00 Vdc PID 111 MID 128 A22 EB07 - EB08 Motor parado, ch. em condução e nível da água normal ≈ 80% Ubat Motor parado, ch. em condução e nível da água baixo ≈ 0,0 Vdc EB07 - EB08 Sensor desconectado ≈ 80% Ubat PID 153 MID 128 A19 (D12D) EB24 - EB13 Motor parado, ch. em condução ≈ 2,9 ± 0,06 Vdc Marcha lenta ≈ 2,9 ± 0,06 Vdc EB14 - EB13 Sensor desconectado ≈ 5,00 Vdc PID 158 MID 128 A02 EB11 - massa Motor parado, ch. em condução ≈ Ubat EB12 - massa Motor parado, ch. em condução ≈ Ubat PID 172 MID 128 A21 EB03 - EB13 20ºC 6200 ± 280 W 2,67 ± 0,06 Vdc 40ºC 2663 ± 77 W 1,65 ± 0,04 Vdc 60ºC 1244 ± 29 W 0,94 ± 0,02 Vdc 80ºC 629 ± 9,5 W 0,52 ± 0,01 Vdc EB03 - EB13 Sensor desconectado ≈ 5,00 Vdc Códigos de falha do motor MID128
  • 12.
    ProduzidoporCicloEngenhariaLtda-62-3942-3939vendas@cicloengenharia.com.br-proibidaareprodução-eventuaiserrosoudefeitosdefabricaçãofavorcomunicarvendas@cicloengenharia.com.br ENGENHARIA C I CI I Av. C-255, nº270, sala 719 Nova Suiça, 74280-010, Goiânia - Goiás 62 - 3942-3939 - vendas@cicloengenharia.com.br www.cicloengenharia.com.br Centro Empresarial Sebba, 11 Motor D12C Motor D12D Gerenciamento de Motores Diesel Módulo 1 - Unidades Injetoras Impresso original em papel reciclado 90g Código de falha Localiza- ção no esquema elétrico Terminais para teste Condição do teste Valor nominal PID 175 MID 128 A09 EA01 - EA05 20ºC 1900 ± 140 W 3,06 ± 0,09 Vdc 40ºC 798 ± 52 W 2,00 ± 0,08 Vdc 60ºC 376 ± 20 W 1,19 ± 0,05 Vdc 80ºC 191 ± 8,5 W 0,69 ± 0,03 Vdc EA01 - EA05 Sensor desconectado ≈ 5,00 Vdc PID 224 MID 128 A35 EB25 - massa Motor parado, ch. em condução 1,0 a 1,8 Vac 570 a 660 Hz EB26 - massa Motor parado, ch. em condução 1,0 a 1,8 Vac 570 a 660 Hz EB25 - PC02 continuidade do chicote ≈ 0,0 W EB25 - PC01 curto do chicote ∞ EB26 - PC01 continuidade do chicote ≈ 0,0 W EB26 - PC02 curto do chicote ∞ PID 228 MID 128 A35 EB25 - massa Motor parado, ch. em condução 1,0 a 1,8 Vac 570 a 660 Hz EB26 - massa Motor parado, ch. em condução 1,0 a 1,8 Vac 570 a 660 Hz EB25 - PC02 continuidade do chicote ≈ 0,0 W EB25 - PC01 curto do chicote ∞ EB26 - PC01 continuidade do chicote ≈ 0,0 W EB26 - PC02 curto do chicote ∞ PPID 122 MID 128 A24 EA33 - massa Motor parado, ch. em condução 0,0 Vdc Velocidade desloc. 2km/h; Rotação 1100 rpm; Pedal do acelerador = 0%; Pedal da embreagem = 0%; Temperatura motor 40ºC; ABS não acionado; Lâmpadas da carreta e cavalo em perfeito estado. Interruptor VEB em: 0 → U = 0V 1 → U = Ubat 2 → U = Ubat D12C EA33 - F20 UCM desconectada 90 a 100 W EA33 - EB35 UCM desconectada (VCB+EPG1) 225 a 245 W EA33 - EB36 UCM desconectada (VCB+EPG2) 225 a 245 W D12D EA33 - F41 UI desconectada 70 a 90 W Códigos de falha do motor MID128
  • 13.
    ProduzidoporCicloEngenhariaLtda-62-3942-3939vendas@cicloengenharia.com.br-proibidaareprodução-eventuaiserrosoudefeitosdefabricaçãofavorcomunicarvendas@cicloengenharia.com.br ENGENHARIA C I CI I Av. C-255, nº270, sala 719 Nova Suiça, 74280-010, Goiânia - Goiás 62 - 3942-3939 - vendas@cicloengenharia.com.br www.cicloengenharia.com.br Centro Empresarial Sebba, 12 Motor D12C Motor D12D Aurélio Nunes de Araújo Fábio Ribeiro von Glehn Impresso original em papel reciclado 90g Código de falha Localiza- ção no esquema elétrico Terminais para teste Condição do teste Valor nominal PPID 123 MID 128 A26 EB35 - massa Motor parado, ch. em condução 0,0 Vdc Velocidade desloc. 2km/h; Rotação 1100 rpm; Pedal do acelerador = 0%; Pedal da embreagem = 0%; Temperatura motor 40ºC; ABS não acionado; Lâmpadas da carreta e cavalo em perfeito estado. Interruptor VEB em: 0 → U = 0V 1 → U = Ubat 2 → U = 0V D12C EB35 - F20 UCM desconectada 135 a 140 W EB35 - EA33 UCM desconectada (EPG1+VCB) 225 a 245 W EB35 - EB36 UCM desconectada (EPG1+EPG2) 270 a 290 W D12D - Não é possível medir a resistência da eletroválvula PPID 124 MID 128 A25 EB36 - massa Motor parado, ch. em condução 0,0 Vdc Velocidade desloc. 2km/h; Rotação 1100 rpm; Pedal do acelerador = 0%; Pedal da embreagem = 0%; Temperatura motor 40ºC; ABS não acionado; Lâmpadas da carreta e cavalo em perfeito estado. Interruptor VEB em: 0 → U = 0V 1 → U = 0V 2 → U = Ubat D12C EB36 - F20 UCM desconectada 135 a 140 W EB36 - EA33 UCM desconectada (EPG2+VCB) 225 a 245 W EB36 - EB35 UCM desconectada (EPG2+EPG1) 270 a 290 W D12D - Não é possível medir a resistência da eletroválvula PSID 201 MID 128 A34 EB01 - massa Motor parado, ch. em condução 2,5 a 2,6 Vdc EB02 - massa Motor parado, ch. em condução 2,4 a 2,5 Vdc EB01 - PC04 continuidade do chicote ≈ 0,0 W EB01 - PC05 curto do chicote ∞ EB02 - PC05 continuidade do chicote ≈ 0,0 W EB02 - PC04 curto do chicote ∞ Códigos de falha do motor MID128
  • 14.
    ProduzidoporCicloEngenhariaLtda-62-3942-3939vendas@cicloengenharia.com.br-proibidaareprodução-eventuaiserrosoudefeitosdefabricaçãofavorcomunicarvendas@cicloengenharia.com.br ENGENHARIA C I CI I Av. C-255, nº270, sala 719 Nova Suiça, 74280-010, Goiânia - Goiás 62 - 3942-3939 - vendas@cicloengenharia.com.br www.cicloengenharia.com.br Centro Empresarial Sebba, 13 Motor D12C Motor D12D Gerenciamento de Motores Diesel Módulo 1 - Unidades Injetoras Impresso original em papel reciclado 90g Código de falha Localiza- ção no esquema elétrico Terminais para teste Condição do teste Valor nominal SID 001 MID 128 A23.1 D12C EA11 - massa ou EA12 - massa Motor parado, ch. em condução 14,0 a 17,0 Vdc Marcha-lenta 6,50 a 8,0 Vac EA11 - EA12 UCM desconectada 1,5 a 2,0 W 1 - massa UI desconectada 89,0 a 91,0 Vdc 2 - massa UI desconectada 4,8 a 5,2 Vdc D12D EA11 - massa ou EA12 - massa Motor parado, ch. em condução ≈ 10,52 Vdc Marcha-lenta ≈ 6,70 Vac EA11 - EA12 UCM desconectada (UI a 20ºC) UCM desconectada (UI a 120ºC) ≈ 4,0 ± 0,1 W ≈ 5,60 ± 0,15 W 1 - massa UI desconectada 8,0 a 9,4 Vdc 2 - massa UI desconectada 14,2 a 16,2 Vdc SID 002 A23.2 Substitua EA11 por EA22 e proceda como em SID 001 SID 003 A23.3 Substitua EA11 por EA23 e proceda como em SID 001 SID 004 A23.4 Substitua EA11 por EA34 e EA12 por EA24 e proceda como em SID 001 SID 005 A23.5 Substitua EA11 por EA35 e EA12 por EA24 e proceda como em SID 001 SID 006 A23.6 Substitua EA11 por EA36 e EA12 por EA24 e proceda como em SID 001 SID 018 MID 128 A17 (D12D) EB32 - massa chave em condução Interruptor drenagem e purga desacionado. ≈ Ubat Motor desligado; Chave partida em condução; Presença de água no diesel; Interruptor drenagem e purga acionado. ≈ 0V EB32 - EB11 Resistência da eletroválvula ≈ 10 W SID 021 MID 128 A04 EA07 - massa ou EA18 - massa Motor parado, ch. em condução 1,9 a 2,1 Vdc Tentativa de partida Marcha-lenta 1000 rpm 1500 rpm EA07 - EA18 Resistência do sensor 775 a 945 W SID 022 MID 128 A03 EA30 - massa ou EA31 - massa Motor parado, ch. em condução 1,9 a 2,1 Vdc Tentativa de partida Marcha-lenta 1000 rpm 1500 rpm EA30 - EA31 Resistência do sensor 775 a 945 W Códigos de falha do motor MID128
  • 15.
    ProduzidoporCicloEngenhariaLtda-62-3942-3939vendas@cicloengenharia.com.br-proibidaareprodução-eventuaiserrosoudefeitosdefabricaçãofavorcomunicarvendas@cicloengenharia.com.br ENGENHARIA C I CI I Av. C-255, nº270, sala 719 Nova Suiça, 74280-010, Goiânia - Goiás 62 - 3942-3939 - vendas@cicloengenharia.com.br www.cicloengenharia.com.br Centro Empresarial Sebba, 14 Motor D12C Motor D12D Aurélio Nunes de Araújo Fábio Ribeiro von Glehn Impresso original em papel reciclado 90g Código de falha Localiza- ção no esquema elétrico Terminais para teste Condição do teste Valor nominal SID 033 MID 128 A12 (D12D) EB21 - massa Motor parado, ch. em condução e ventilador desacionado nas primeiras versões: ≈ Ubat nas versões mais no- vas o resultado não é conclusivo Motor parado, ch. em condução e ventilador acionado nas primeiras versões: ≈ 0,0V nas versões mais no- vas o resultado não é conclusivo EB21 - EB11 Resistência da eletroválvula nas primeiras versões ≈ 30 a 50 W nas versões mais novas não é possível medir SID 070 MID 128 A29 EB05 - massa Motor parado, ch. em condução 6,5% Ubat Motor parado, ch. em condução e preaquecedor desacionado 6,5% Ubat Motor parado, ch. em condução e preaquecedor acionado 65% Ubat E05 - massa Resistência do preaquecedor 5,0 W SID 078 MID 128 A14 EA19 - massa chave em condução; Interruptor de drenagem e purga desacionado ≈ Ubat Motor parado; chave em condução; Interruptor de drenagem e purga desacionado 0,0V EA19 - EB11 Resistência da bomba 5,0 W SID 230 MID 128 A33 EB04 - massa Motor parado, ch. em condução pedal do acelerador solto 4,0 Vdc Motor parado, ch. em condução pedal do acelerador acionado 8,0 Vdc EB04 - PB17 continuidade ≈ 0,0 W SID 231 MID 128 A34 EB01 - massa Motor parado, ch. em condução 2,5 a 2,6 Vdc EB02 - massa Motor parado, ch. em condução 2,4 a 2,5 Vdc EB01 - PC04 continuidade do chicote ≈ 0,0 W EB01 - PC05 curto do chicote ∞ EB02 - PC05 continuidade do chicote ≈ 0,0 W EB02 - PC04 curto do chicote ∞ Códigos de falha do motor MID128
  • 16.
    ProduzidoporCicloEngenhariaLtda-62-3942-3939vendas@cicloengenharia.com.br-proibidaareprodução-eventuaiserrosoudefeitosdefabricaçãofavorcomunicarvendas@cicloengenharia.com.br ENGENHARIA C I CI I Av. C-255, nº270, sala 719 Nova Suiça, 74280-010, Goiânia - Goiás 62 - 3942-3939 - vendas@cicloengenharia.com.br www.cicloengenharia.com.br Centro Empresarial Sebba, 15 Motor D12C Motor D12D Gerenciamento de Motores Diesel Módulo 1 - Unidades Injetoras Impresso original em papel reciclado 90g Código de falha Localiza- ção no esquema elétrico Terminais para teste Condição do teste Valor nominal SID 232 MID 128 A06 A08 A12 A14 EA04 - EA05 Motor parado, ch. em condução 4,80 a 5,15 Vdc FMI3→ U 5,5V FMI4→ U 4,5V Código de falha Localiza- ção no esquema elétrico Descrição da falha FMI SID 250 MID 128 A35 Falha no link de informação (SAE J1587/ J1708) FMI 12 - Falha interna na UCM (MID 128): Falha na UCM• SID 253 MID 128 A00 Memória de da- dos EEPROM FMI 2 - Soma de dados incorreta na memória do conjunto de dados: Erro na programação; Falha na UCM. FMI 12 - Soma de verificação incorreta na memória do conjunto de dados: Falha na UCM. • • • SID 254 MID 128 A00 UCM FMI 2, 8, 9, 11, 12 - Falha interna na UCM: Falha na UCM. FMI 13 - Falha interna na UCM: Falha na UCM. • • Códigos de falha do motor MID128
  • 17.
    ProduzidoporCicloEngenhariaLtda-62-3942-3939vendas@cicloengenharia.com.br-proibidaareprodução-eventuaiserrosoudefeitosdefabricaçãofavorcomunicarvendas@cicloengenharia.com.br ENGENHARIA C I CI I Av. C-255, nº270, sala 719 Nova Suiça, 74280-010, Goiânia - Goiás 62 - 3942-3939 - vendas@cicloengenharia.com.br www.cicloengenharia.com.br Centro Empresarial Sebba, 16 Motor D12C Motor D12D Aurélio Nunes de Araújo Fábio Ribeiro von Glehn Impresso original em papel reciclado 90g Código de falha Localiza- ção no esquema elétrico Terminais para teste Valor nominal FMI PID 029 MID 144 Válido apenas para veículos que possuírem comando extra do acelerador instalado, por exemplo comando duplo do acelerador ou comando manual do acelerador para operar o equipamento extra do veículo. Não desenhado FMI4 → U 2,3V FMI3 → U 6,5V PID 046 MID 144 B16 PB09 - massa Pressão reservatório primário U ≈ 1,9 a 2,9V (7 bar) U ≈ 2,1 a 3,1V (8 bar) U ≈ 2,3 a 3,5V (9 bar) U ≈ 2,6 a 3,8V (10 bar) U ≈ 2,7 a 4,1V (11 bar) U ≈ 3,0 a 4,4V (12 bar) FMI0 → P 12bar FMI1 → U 3,1V FMI3 → U 4,8V FMI4 → U 0,8V FMI14 → sistema soli- cita alivo, mas pressão continua subindo. PID 084 MID 144 B07 B08 PB06 - massa Sinal de velocidade do veículo U ≈ 0,3V e ao girar a roda a ten- são deve alterar para U ≈ 9,5V ou vice-versa. Com o veículo em movimento espera-se um sinal de 1,5Hz para cada 1,0 km/h do velocímetro, ou seja, com o veículo a 20 km/h o frequencímetro deverá indicar aproximadamente 30Hz FMI2 → Informação in- consistente de entre os sinais de velocidade FMI8 → Frequência anormal do sinal de ve- locidade PID 091 MID 144 B09 B10 PB08 - massa U ≈ 0,4 a 0,6 (pedal livre) U ≈ 2,6 a 3,8V (pedal acionado) FMI3 → U 4,3V FMI4 → U 0,4V PB10 - massa U ≈ 4,7 a 5,3V FMI14 → U 4,5V U 5,5VPB10 - PB22 U ≈ 4,7 a 5,3V PA23 - massa V ≈ 0V (pedal livre) V ≈ Ubat (pedal pressionado) FMI5 → PB8 indica pedal livre e PA23 pedal acionado. FMI6 → PB8 indica pedal acionado e PA23 pedal livre. PID 150 MID 144 B36 PB16 - massa U ≈ Ubat (PTO inativo) U ≈ 0V (PTO ativo) FMI4 → U 2,3V com a função inativa PID 152 MID 144 B00 O software da VECU inclui uma função de verificação interna que reinicia a unidade de controle no caso de erro durante a execução do software. O PID 152 inclui a informação do número de vezes que a reinicialização foi realizada nessas condições. FMI12 → Unidade da- nificada ou componente danificado. Códigos de falha do veículo MID144
  • 18.
    ProduzidoporCicloEngenhariaLtda-62-3942-3939vendas@cicloengenharia.com.br-proibidaareprodução-eventuaiserrosoudefeitosdefabricaçãofavorcomunicarvendas@cicloengenharia.com.br ENGENHARIA C I CI I Av. C-255, nº270, sala 719 Nova Suiça, 74280-010, Goiânia - Goiás 62 - 3942-3939 - vendas@cicloengenharia.com.br www.cicloengenharia.com.br Centro Empresarial Sebba, 17 Motor D12C Motor D12D Gerenciamento de Motores Diesel Módulo 1 - Unidades Injetoras Impresso original em papel reciclado 90g Código de falha Localiza- ção no esquema elétrico Terminais para teste Condição do teste Valor nominal PPID 061 MID 144 B23.1 B23.2 PA20 - massa tecla VEB ou RETARDADOR pos. 0 ou repouso → U ≈ 0V pos. 1 ou SET - → U ≈ 0V pos. 2 ou SET + → U ≈ Ubat FMI7 → Se a unidade de controle do veículo receber sinais de PA20 acionado e PA21 de- sacionado ao mesmo tempo, a unidade de controle interpreta como uma combinação impro- vável. PA21 - massa tecla VEB ou RETARDADOR pos. 0 ou repouso → U ≈ 0V pos. 1 ou SET - → U ≈ Ubat pos. 2 → U ≈ Ubat SET + → U ≈ 0V PPID 003 MID 144 B04 PA06 - massa chave em repouso → U ≈ 0V chave em partida → U ≈ Ubat chave em condução → U ≈ 0V FMI3 → U 6,5V nas condições em que se espera U ≈ 0V FMI4 → U 2,3V nas condições em que se espera U ≈ Ubat PPID 069 MID 144 A33 PA23 - massa PB17 - massa V = U ≈ 0V (acelerador livre) V = U ≈ Ubat (aceler. acionado) A função é utilizada para poder conduzir o veículo em marcha-lenta acelerada se ocorrer uma falha nos links para a unidade de controle do motor. • FMI3 → U ≠ V FMI4 → U ≠ V PPID 070 MID 144 B11 B12 B13 PB19 - massa U = Ubat FMI4 → U 3,0V PPID 071 MID 144 B23 B24 PB05 - massa U = Ubat FMI4 → U 2,5V PPID 072 MID 144 B09 B25 PB10 - massa U ≈ 4,7 a 5,3V FMI3 → U 5,3V FMI4 → U 4,7V PPID 074 MID 144 B05 PB15 - massa U ≈ Ubat (ch. partida em 0) FMI4 → U ≈ 0,0V U ≈ 0 - 1V (ch. em condução) FMI3 → U 1,0V PPID 075 MID 144 B26 PB18 - massa U ≈ Ubat (inibidor INATIVO) FMI4 → U 2,3V U ≈ 0V (inibidor ATIVO) FMI3 → U 6,5V PPID 076 MID 144 D12C terminais PB01 e PB27 - D12D somente PB27 B18 B19 PB01 - massa PB27 - massa U ≈ Ubat (freio livre) FMI4 → U 2,3V U ≈ 0V (freio acionado) FMI3 → U 6,5V PPID 079 MID 144 B27 PB02 - massa U ≈ Ubat (redutor parado) FMI4 → U 2,3V U ≈ 0 a 2V (redutor acionado) FMI3 → U 6,5V Códigos de falha do veículo MID144
  • 19.
    ProduzidoporCicloEngenhariaLtda-62-3942-3939vendas@cicloengenharia.com.br-proibidaareprodução-eventuaiserrosoudefeitosdefabricaçãofavorcomunicarvendas@cicloengenharia.com.br ENGENHARIA C I CI I Av. C-255, nº270, sala 719 Nova Suiça, 74280-010, Goiânia - Goiás 62 - 3942-3939 - vendas@cicloengenharia.com.br www.cicloengenharia.com.br Centro Empresarial Sebba, 18 Motor D12C Motor D12D Aurélio Nunes de Araújo Fábio Ribeiro von Glehn Impresso original em papel reciclado 90g Código de falha Localiza- ção no esquema elétrico Terminais para teste Condição do teste Valor nominal PPID 145 MID 144 não desenhado PB14 - PB23 DYNAFLEET Right U ≈ 3,1V Left U ≈ 1,8V Up U ≈ 1,2V Down U ≈ 3,1V Enter U ≈ 4,3V Esc U ≈ 0,6V Rest U ≈ 2,5V FMI3 → U 5,0V FMI4 → U 0,5V PPID 265 MID 144 Veículos com motor D12D com tacógrafo sem contagiro B07 PB25 - massa U ≈ 6,5 a 9,0V FMI3 → U 9,0V FMI4 → U 6,5V PPID 279 MID 144 B31 B32 PB01 - massa PB04 - massa FMI0 é registrado se: O volume total bombeado através do suporte dessecante exceder o limite. • PPID 312 MID 144 B31 B32 PB01 - massa PB04 - massa FMI0 é registrado se: O consumo de ar for tão elevado que o secador de ar não tem tempo de se regenerar. Estiver sendo usado muito ar e o sistema não pode gerenciar o fornecimento de ar seco. FMI7 é registrado se: Aválvula de regeneração estiver aberta por 30 segundos e a pressão ainda for a mesma de quando a válvula abriu. • • • PPID 430 MID 144 B31 B32 PB01 - massa PB04 - massa FMI0 é registrado se: Estiver sendo usado muito ar e o sistema não pode gerenciar o fornecimento de ar seco. • PSID 001 MID 144 B23.1 B23.2 PA20 - massa pos. 0 → U ≈ 0V SET - → U ≈ 0V SET + → U ≈ Ubat FMI7 é registrado se a VECU receber sinais de SET+ e SET- ao mesmo tempo.PA21 - massa pos. 0 → U ≈ 0V SET - → U ≈ Ubat SET + → U ≈ 0V PSID 002 MID 144 B11 PA18 - massa U ≈ 0V (acelerador livre) FMI4 → U 2,3V U ≈ Ubat (aceler. pressionado) FMI3 → U 6,5V PSID 003 MID 144 Nota! A instalação elétrica do comando extra do acelerador não é mostrada no esque- ma elétrico, aparece apenas nas instruções sobre superestruturas. É válido apenas para veículos que possuem comando extra do acelerador instalado, por exemplo comando duplo do acelerador ou comando manual do acelerador para usar o equipamento extra do veículo. Não desenhado PB30 - massa FMI7 é registrado se o sinal do contato da marcha lenta desaparecer no intervalo 0–13 %. Códigos de falha do veículo MID144
  • 20.
    ProduzidoporCicloEngenhariaLtda-62-3942-3939vendas@cicloengenharia.com.br-proibidaareprodução-eventuaiserrosoudefeitosdefabricaçãofavorcomunicarvendas@cicloengenharia.com.br ENGENHARIA C I CI I Av. C-255, nº270, sala 719 Nova Suiça, 74280-010, Goiânia - Goiás 62 - 3942-3939 - vendas@cicloengenharia.com.br www.cicloengenharia.com.br Centro Empresarial Sebba, 19 Motor D12C Motor D12D Gerenciamento de Motores Diesel Módulo 1 - Unidades Injetoras Impresso original em papel reciclado 90g Código de falha Localiza- ção no esquema elétrico Terminais para teste Condição do teste Valor nominal PSID 004 MID 144 B25 PB24 - massa RETARDADOR U ≈ 0,3 a 0,7V (OFF) U ≈ 1,0 a 1,6V (pos. A) U ≈ 1,7 a 2,5V (pos. 1) U ≈ 2,3 a 3,5V (pos. 2) U ≈ 2,9 a 4,4V (pos. 3) U ≈ 3,6 a 5,4V (pos. B) FMI3 → U 4,8V FMI3 → U 0,2V PSID 020 MID 144 B36 PB16 - massa U ≈ Ubat (PTO inativo) FMI4 → U 2,3V U ≈ 0V (PTO ativo) FMI3 → U 6,5V PSID 021 MID 144 B00 FMI14 é registrado se a configuração do caminhão designa que a VECU não pode receber todas as mensagens SAE J1939 no CAN1. PSID 022 MID 144 B00 FMI14 é registrado se a configuração do caminhão designa que a VECU não pode receber todas as mensagens SAE J1939 no CAN2. PSID 025 MID 144 B16 FMI1 é registrado se durante a condução normal em velocidades acima de 50 km/h ocorrer um consumo de ar do veículo muito elevado, proveniente de vazamentos ou pela suspensão automática com veículo trafegando em es- tradas muito ruins ou ainda em algumas situações de frenagens que exijam grandes quantidades de ar. PSID 200 MID 144 A34 PC04 - massa 570 a 670Hz FMI9 é registrado se a VECU não receber mensagem da UCM (MID128)PC05 - massa 570 a 670Hz PSID 202 MID 144 A34 PC04 - massa 570 a 670Hz FMI9 é registrado se a VECU não receber mensagem do painel de instrumentos (MID140).PC05 - massa 570 a 670Hz PSID 204 MID 144 A34 PC04 - massa 570 a 670Hz FMI9 é registrado se a VECU não receber mensagem doABS/EBS (MID136)PC05 - massa 570 a 670Hz PSID 205 MID 144 A34 PC04 - massa 570 a 670Hz FMI9 é registrado se a VECU não receber mensagem da TECU (MID130)PC05 - massa 570 a 670Hz PSID 207 MID 144 A34 PC04 - massa 570 a 670Hz FMI9 é registrado se a VECU não receber mensagem da GECU (MID223)PC05 - massa 570 a 670Hz Códigos de falha do veículo MID144
  • 21.
    ProduzidoporCicloEngenhariaLtda-62-3942-3939vendas@cicloengenharia.com.br-proibidaareprodução-eventuaiserrosoudefeitosdefabricaçãofavorcomunicarvendas@cicloengenharia.com.br ENGENHARIA C I CI I Av. C-255, nº270, sala 719 Nova Suiça, 74280-010, Goiânia - Goiás 62 - 3942-3939 - vendas@cicloengenharia.com.br www.cicloengenharia.com.br Centro Empresarial Sebba, 20 Motor D12C Motor D12D Aurélio Nunes de Araújo Fábio Ribeiro von Glehn Impresso original em papel reciclado 90g Código de falha Localiza- ção no esquema elétrico Terminais para teste Condição do teste Valor nominal PSID 208 MID 144 A34 PC04 - massa 570 a 670Hz FMI9 é registrado se a VECU não receber mensagem da ECS (MID150)PC05 - massa 570 a 670Hz PSID 210 MID 144 A34 PC04 - massa 570 a 670Hz FMI9 é registrado se a VECU não receber mensagem da LCM (MID216)PC05 - massa 570 a 670Hz PSID 211 MID 144 A34 PC04 - massa 570 a 670Hz FMI9 é registrado se a VECU não receber men- sagem da ACC (piloto automático)PC05 - massa 570 a 670Hz PSID 212 MID 144 A34 PC04 - massa 570 a 670Hz FMI2 é registrado se dados enviados pelo tacógrafo forem incon- sistentes. FMI9 é registrado se a VECU não receber men- sagem do tacógrafo FMI14 é registrado se a VECU não receber men- sagem do tacógrafo. PC05 - massa 570 a 670Hz PSID 214 MID 144 A34 PC04 - massa 570 a 670Hz FMI9 é registrado se a VECU não receber mensagem da BBM (MID249)PC05 - massa 570 a 670Hz PSID 230 MID 144 B00 FMI4 → A VECU foi iniciada de forma incorreta e a tensão de alimentação está anormalmente baixa ou curto-circuito na tensão mais baixa. FMI5 → A VECU foi interrompida incorretamente devido à falta de energia, provocando uma corrente elétrica anormalmente baixa ou interrupção. FMI12 → A VECU reconheceu uma falha séria e foi reiniciada. Possivel- mente a VECU ou um componente está danificado. PSID 232 MID 144 B08 PA15 - massa U ≈ 2,5V FMI2 é registrado se a VECU não consegue se comunicar com o tacó- grafo pelo link J1939-2PA16 - massa U ≈ 2,5V SID 230 MID 144 B09 B10 PA08 - massa U ≈ 0,4 a 0,6 (acelerador livre) U ≈ 2,6 a 3,8V (acel. pression.) FMI7 é registrado se o sinal do contato da mar- cha-lenta desaparecer no intervalo 0–13%.PA23 - massa V ≈ 0V (acelerador livre) V ≈ Ubat (aceler. pressionado) Códigos de falha do veículo MID144
  • 22.
    ProduzidoporCicloEngenhariaLtda-62-3942-3939vendas@cicloengenharia.com.br-proibidaareprodução-eventuaiserrosoudefeitosdefabricaçãofavorcomunicarvendas@cicloengenharia.com.br ENGENHARIA C I CI I Av. C-255, nº270, sala 719 Nova Suiça, 74280-010, Goiânia - Goiás 62 - 3942-3939 - vendas@cicloengenharia.com.br www.cicloengenharia.com.br Centro Empresarial Sebba, 21 Motor D12C Motor D12D Gerenciamento de Motores Diesel Módulo 1 - Unidades Injetoras Impresso original em papel reciclado 90g Código de falha Localiza- ção no esquema elétrico Terminais para teste Condição do teste Valor nominal SID 231 MID 144 B08 PC04 - massa 570 a 670Hz FMI2 é registrado se a VECU não receber confirmação das mensa- gens do link de controle J1939. FMI14 é registrado se faltar a mensagem aguardada de uma uni- dade qualquer no link de controle J1939. PC05 - massa 570 a 670Hz Códigos de falha do veículo MID144
  • 23.
    Impresso original em papelreciclado 90g Esquemas elétricos - Simbologia utilizada Indicadores alfanuméricos nas margens esquerda e direita do esquema. Servem como referência para facilitar o acompanhamento do esquema nas seguintes situações: Durante uma aula, o instrutor chama a atenção para um determinado com- ponente. Devido a sequencia numérica fica muito mais fácil o aluno encontrar o ponto de leitura e acompanhar a linha de raciocínio do instrutor; A tabela com os códigos de falha contém estes endereçamentos, de modo a servir de elo de ligação entre os códigos de falha e a localização do componente no esquema elétrico; Retângulos brancos com indicações alfanumérica em seu interior em uma das duas colunas imaginárias existentes entre a descrição do componente e sua simbologia. Geralmente é o ponto de alimentação positiva do componente. No sentido da corrente convencional, este retângulo branco está vinculado a um único oval preto com a mesma inscrição alfanumérica em branco. Elipses pretas com indicações alfanumérica em seu interior em uma das duas colunas imaginárias existentes entre a descrição do componente e sua simbologia. Estes ovais indicam um ponto de derivação para um ou mais retângulos brancos com a mesma inscrição alfanumérica. A simbologia aplicada aos componentes segue a tabela abaixo: Aterramento Conexões intermediárias identificadas EM10 Diodo Fusível Interruptor ou ou 1 ou Indutor ou M Par trançado 1. • • 2. 3. 4. A01 A02 ... F40 F40 ProduzidoporCicloEngenhariaLtda-62-3942-3939vendas@cicloengenharia.com.br-proibidaareprodução-eventuaiserrosoudefeitosdefabricaçãofavorcomunicarvendas@cicloengenharia.com.br ENGENHARIA C I C I I Av. C-255, nº270, sala 719 Nova Suiça, 74280-010, Goiânia - Goiás 62 - 3942-3939 - vendas@cicloengenharia.com.br www.cicloengenharia.com.br Centro Empresarial Sebba, 22 Motor D12C Motor D12D Aurélio Nunes de Araújo Fábio Ribeiro von Glehn
  • 24.
    Impresso original em papelreciclado 90g Elemento Simbologia Resistencia Resistor Potenciômetro Termistor Sensor de Pressão Sensor de efeito Hall +19 Chave de partida na posição de preaquecimento +30 Positivo de bateria +50 Chave de partida na posição de partida +DR Chave de partida na posição de condução Inscrições alfanuméricas ou numéricas no interior do retângulo delimitante do compo- nente. Trata-se da identificação do terminal no conector do componente. Quanto aos tipos de linhas: Linhas cheias representam ligações normais; Linhas tracejadas situações excludentes entre veículos com transmissão automática e transmissão mecânica; Linha traço - dois pontos indica a possibilidade do veículo possuir retardador com co- mando do freio motor incorporado ou veículo sem retardador com interruptor do freio motor a parte; Linha traço - ponto indica a ligação a componentes opcionais no veículo Quanto às indicações de cores dos fios, segue a seguinte tabela: AM = AMARELO CZ = CINZA PT = PRETO AZ = AZUL LR = LARANJA VD = VERDE BR = BRANCO MR = MARROM VM = VERMELHO O retângulo central representa a unidade de controle do motor ou do veículo. A indicação alfanumérica no interior do retângulo central indica o conector e seus res- pectivos terminais. O símbolo ‘+’ após a indicação do terminal mostra que por este terminal a unidade de controle fornece uma tensão de referência de alimentação de componentes. O símbolo ‘-’ após a indicação do terminal mostra que por este terminal a unidade de controle fornece massa de referência para os componentes. A indicação branca dentro de uma elipse preta mostra que é por este terminal que a unidade de controle recebe o sinal do sensor ou interruptor. Os pontilhados dentro do retângulo central mostram os endereçamentos que se repe- tiram para evitar o trança-trança de linhas no papel 5. 6. • • • • 7. 8. 9. 10. 11. 12. 13. ProduzidoporCicloEngenhariaLtda-62-3942-3939vendas@cicloengenharia.com.br-proibidaareprodução-eventuaiserrosoudefeitosdefabricaçãofavorcomunicarvendas@cicloengenharia.com.br ENGENHARIA C I C I I Av. C-255, nº270, sala 719 Nova Suiça, 74280-010, Goiânia - Goiás 62 - 3942-3939 - vendas@cicloengenharia.com.br www.cicloengenharia.com.br Centro Empresarial Sebba, 23 Motor D12C Motor D12D Gerenciamento de Motores Diesel Módulo 1 - Unidades Injetoras
  • 25.
    Impresso original em papelreciclado 90g +DR CICLOENGENHARIA EB11 Relé de potência e preaquecimento do motor - PID 045+30 F18 53 2 1 -EB31 EA11 EA22 EA34 EA23 Unidade injetora 4 SID 004 Unidade injetora 2 SID 002 Unidade injetora 1 SID 001 Unidade injetora 3 SID 003 Sensor de temperatura água do motor - PID 110 EA05- 1 2 Sensor de fase SID 021 EA18 1 2 Unidade de controle do motor MID 128 CZ EB12 LX11 Painel A de instrumentos - MID 171 EA35 Unidade injetora 5 SID 005 EA36 Unidade injetora 6 SID 006 +EA12 +EA24 -EA33 F20 Sensor de rotação do motor - SID 022 Sensor de pressão do turbo - PID 102 Sensor de temperatura do ar admitido - PID 105 Sensor de pressão do combustível - PID 094 EA05- 1 3 4 EA04+ EA05- EA03 EA02 2 EA25 EA07 EA30 1 2 EA31 Sensor de pressão óleo do motor - PID 100 Sensor de temperatura óleo do motor - PID 175 1 3 4 EA04+ EA05- EA14 EA01 2 +EB05 1 2 EB09 EB10 A01 Preaquecedor de partida - SID 070 F20 4 -EB35 3 -EB36 EB08- EB13- Interruptor do nível líquido de arrefecimento PID 111 EB08- EB03 EB17 Eletroválvula reguladora de pressão dos gases de escape (EPG2) - PPID 123 EB25 EB26 LR Unidade de controle do veículo MID 144 CZ PC02 PC01 LR VD PC05 PC04 AM VD EB02 EB01 AM RS PB17 RS EB04 F19 PA13 PT +30 +30 30 87 8586 PB15- Aterramento F18 F19 F20 F43 +19 PA07 AZ/VM +50 PA06 VM/BR Sinal de partida CZ EB25 EB26 LR 01 02 08 Antena do imobilizador MID 163 - SID 001 05 F19 Imobilizador MID 163 - PID 224 codigo segurança 10 09 2 1 5A 5A 5A 15A PA12 BR 3 EB25 CZ 2 EB26 LR F02 8 1 Tomada de diagnose PA14 PT R05 - Relé da unidade de controle do veículo AZ/VM Eletroválvula reguladora de pressão dos gases de escape (EPG1) - PPID 124 1 3 4 2 EA04+ EA27 SAE J1708 SAE J1708 SAE J1939 SAE J1939 SAE J1708 SAE J1708 SAE J1708 SAE J1708 Contato de mínimo - SID 230 Rede SAE J1939 PID 084 - velocidade SID 231 - link J1939 Rede SAE J1708 PID 228 - fator K SID 250 - link J1708 Alimentação elétrica PID 158 Relé 05 (87) 12 13 01 25 24 36 12 13 01 25 24 36 EA conector preto posição superior EB conector vermelho posição inferior AZ/VM AZ/PT AM MR/BR Sensor de pressão atmosférica - PID 108 VD/BR VD/BR VD/BR CZ MR/BR MR/BR MR/BR MR/BR AZ/BR F43 MR VD AM/BR MR BR BR BR BR BR BR BR BR BR BR BR VM/PT VM/PT AZ/VM CZ/BR VI/BR AZ/AM AZ/PT CZ/BR VD/BR AZ/VM VD 1 2 3 4 1 330W 2200W Pressostado indicador de restrição do filtro de ar - PID 107 Sensor de temperatura do ar ambiente - PID 172 2 1 Eletroválvula reguladora da pressão do óleo para balancins - PPID 122 EB07 Aterramento A02 A03 A04 A05 A06 A07 A08 A09 A11 A15 A20 A21 A22 A23.1 A23.2 A23.3 A23.4 A23.5 A23.6 A24 A25 CZ A26 A27 A28 A29 A30 A31 A32 A33 A34 A35 B00 B01 Sinal de condução Sinal de preaquecimento B02 B03 B04 B05 B06 A00 EM10MA12 MA08EM06 KF16 MA14EM07 KG12 MA11EM09 KG01 KG14 MA09EM11MA06EM05 MA05EM04 MA03EM02 MA04EM03 MA15EM01 EM08 EB24 AM/PT ProduzidoporCicloEngenhariaLtda-62-3942-3939vendas@cicloengenharia.com.br-proibidaareprodução-eventuaiserrosoudefeitosdefabricaçãofavorcomunicarvendas@cicloengenharia.com.br ENGENHARIA C I C I I Av. C-255, nº270, sala 719 Nova Suiça, 74280-010, Goiânia - Goiás 62 - 3942-3939 - vendas@cicloengenharia.com.br www.cicloengenharia.com.br Centro Empresarial Sebba, 24 Motor D12C Aurélio Nunes de Araújo Fábio Ribeiro von Glehn Esquema elétrico da UCM (MID 128) EM VEÍCULO COM MOTOR D12C
  • 26.
    Impresso original em papelreciclado 90g CICLOENGENHARIA A8 A2 LR PB08 PB10+ A1 PB22- B1B2 21 PA05 PA08 Interruptor do pedal do freio Interruptor do pedal da embreagem 1 PB26+ 2 4 PB23- MR/BR AZ VD/VM VM/BR MR/BR AM/MR A3A4 PA23 PA18 VM/PT VD/PT PT VD/AM F47 F47 8586 PB16Relé do limpador do pára-brisa intermitente VD/BR 3087 87A PA09 VD F47 5 3 8 PA11 VD/AM PA10 VD 1 F48 86 Relé do limpador dos faróis Interruptor do limpador do pára-brisa 2 4 6 FN1 Motor do limpador do pára-brisa F47 FN2 FN2 2 1 PB11 BR Interruptor do freio de estacionamento B02- B01+ B04 B03 Sensor de velocidade do veículo PID 084 Painel B de instrumentos com tacógrafo incorporado A05 A06 A04 F07 A01 F07 AZ BR B07 C07 Relé inibidor do grupo redutor PPID079 Válvula solenóide de bloqueio do grupo redutor 6 5 2 PA20 AZ/AM 3 PA21 AM A 1 2 2 4 Y PA01 CZ 7 PA02 MR 2 PA03 AZ/AM 6 PA30 AM/PT 4 8 1 +PB05 PT 7VD -PB22 +PB10 AM/MR MR/BR 2 5 PA20 AZ/AM PA21 AM 1 10 9 F37 PA29 MR 5 4 6 10 7 9 Luz de controle do aquecedor 21 R14 - Relé inibidor de engate da tomada de força5 3 21 1 F26 F26 Interruptor da tomada de força 15 Unidade de controle de seleção de marchas 12 Aquecedor do motor e da cabina E1 Unidade de controle do aquecedor Válvula solenóide (PTO) da tomada de força 41 PB06 PB20 3 1+ 2- 4 A03 F28 53A FN1 53 53B M 31 31B OE14 +15 3 5 21 F09 R08 - Relé das luzes de freio trator Relé de informação do ABS 87A 87 30 D F28 F28 1 2 PB27 Pressostato de freio VM/BR PB01 VM/BR Luzes de freio +15 3 5 21 F06 R10 - Relé das luzes de freio reboque Luzes de freio PA28 AM/BR 86 C C C FA03 PB14 AZ/BR FA05 PA17 VM/BR FA06 PA27 VM/PT FA07 FA08 FA02 PA15 AZ/AM PA26 CZ/VM FA01 FA09 PB28 PC01 LR PC02 CZ Super-estrutura FA04 PA04 CA/BR PB21 1 2 Indicador de condição do grupo redutor (caixa baixa) D D 4 1 PA24 VD F02 F02 3087 85 86 PB02 VD/BR 1 2 AZ/CZ FA10 F02 AM/BR MID 144 PB18 VD F02 85 PB04 VD Válvula solenóide do compressor de ar F02 t. mecânica t. automática PB19+ PB09 PB24 B07 B08 Interruptor de marcha-lenta - PID 091 Sensor de posição do acelerador - PID 091 Interruptor de máxima PSID 002 B09 B10 B11 B12 B13 B15 Sensor de pressão de ar comprimido reservatório primário - PID 046 B16 B18.1 B20.1 B20.2 B22 Interruptor comando de manutenção da velocidade constante PPID 071 B23.1 B24 B23.2 B25 Válvula solenóide inibidor do range PPID075 B26 B27 B28 B32 Solicit. ar condicionado B33 Embreagem magnética do compressor ar cond. B34 B35 B36 21 PPID 070 Tecla de acionamento do freio motor (VEB) PPID 061 0 = desligado 1 = 2 bar 2 = 7,5 bar Tecla de acionamento do freio motor (VEB) PSID 004 Tecla de acionamento do freio motor (VEB) PPID 061 ProduzidoporCicloEngenhariaLtda-62-3942-3939vendas@cicloengenharia.com.br-proibidaareprodução-eventuaiserrosoudefeitosdefabricaçãofavorcomunicarvendas@cicloengenharia.com.br ENGENHARIA C I C I I Av. C-255, nº270, sala 719 Nova Suiça, 74280-010, Goiânia - Goiás 62 - 3942-3939 - vendas@cicloengenharia.com.br www.cicloengenharia.com.br Centro Empresarial Sebba, 25 Motor D12C Gerenciamento de Motores Diesel Módulo 1 - Unidades Injetoras Esquema elétrico da VECU (MID 144) EM VEÍCULO COM MOTOR D12C
  • 27.
    Impresso original em papelreciclado 90g +DR CICLOENGENHARIA EB11 K48 - Relé de potência e preaquecimento do motor - PID 045FM1 F42b 23 4 1 -EB31 EA11 EA22 EA34 EA23 Unidade injetora 4 SID 004 Unidade injetora 2 SID 002 Unidade injetora 1 SID 001 Unidade injetora 3 SID 003 Sensor de temperatura água do motor - PID 110 EA05- 1 2 Sensor de fase SID 021 EA18 1 2 Unidade de controle do motor MID 128 CZ EB12 C12 Painel A de instrumentos - MID 171 EA35 Unidade injetora 5 SID 005 EA36 Unidade injetora 6 SID 006 +EA12 +EA24 -EA33 F41 Eletroválvula reguladora pressão do óleo para os balancins - PPID 122 Sensor de rotação do motor - SID 022 Sensor de pressão do turbo - PID 102 Sensor de temperatura do ar admitido - PID 105 1 3 4 EA04+ EA05- EA03 EA02 2 EA25 EA07 EA30 1 2 EA31 Sensor de pressão óleo do motor - PID 100 Sensor de temperatura óleo do motor - PID 175 1 3 4 EA04+ EA05- EA14 EA01 2 +EB05 1 2 EB09 EB10 Aterramento Preaquecedor de partida - SID 070 2EB35 EB36 Eletroválvula reguladora de pressão dos gases de escape (EPG2) - PPID 123 EB25 EB26 LR Unidade de controle do veículo MID 144 CZ PC02 PC01 LR VD PC05 PC04 AM VD EB02 EB01 AM RS PB17 RS EB04 F07a PA13 PT +30 +30 30 87 8586 PB15- Aterramento F06 F40 +19 PA07 AZ/VM 50B PA06 VM/BR Sinal de partida CZ EB25 EB26 LR 01 02 08 Antena do imobilizador MID 163 - SID 001 05 F07b Imobilizador MID 163 - PID 224 codigo segurança 10 09 2 1 PA12 BR PA14 PT K02 - Relé da unidade de controle do veículo PPID 074 AZ/VM Eletroválvula reguladora de pressão dos gases de escape (EPG1) - PPID 124 SAE J1708 SAE J1708 SAE J1939 SAE J1939 SAE J1708 SAE J1708 Contato de mínimo - SID 230 Rede SAE J1939 PID 084 - velocidade SID 231 - link J1939 Rede SAE J1708 PID 228 - fator K SID 250 - link J1708 Alimentação elétrica PID 158 Relé K02 (87) AZ/VM AZ/PT AM MR/BR Sensor de pressão atmosférica - PID 108 VD/BR VD/BR CZ MR/BR MR/BR MR/BR AZ/BR F40 MR VD AM/BR AM VI LR AZ BR VM PT MR VD BR BR VM/PT VM/PT MR CZ AZ/VM VM EA05- 4 Bomba elétrica purga de ar - SID 078 5 EA19- 1 F41 3 EA04+ 2 EA27 7 7Aquecimento do filtro de combustível 1 F15 EB32- 54 F15 F41 3 EB08- 2 Drenagem separador de água - SID 018 Sensor de presença de água - PID 097 EB06 Sensor de pressão do combustível - PID 094 EB08- EB13- EB08- 2 3 4 1 EB03 EB17 AZ/VM CZ/BR VI/BR AZ/AM AZ/PT CZ/BR Sensor de pressão dos gases do cárter PID 153 1 EB14+ EB24 2 4 EB13- 5 2 1 EA04+ EA05- EA06 F42a 4 3Válvula do ventilador arrefecimento - SID 033 EB21- 3 EB25 CZ 2 EB26 LR F09 8 1 Tomada de diagnose SAE J1708 SAE J1708 MR/BR AM VD/BR MR/BR VD/BR MR AZ/BR CZ/VM AM RS VI/BR CZ/BR 6 CZ AM/BR 330W 2200W 2 1 EB07 F41 F43 (+DR) 7 F411 A01 A02 A03 A04 A05 A06 A07 A08 A09 A11 A15 Interruptor do nível líquido de arrefecimento PID 111 A22 Sensor de temperatura do ar ambiente - PID 172 A21 Pressostado indicador de restrição do filtro de ar - PID 107 A20 A14 A12 A13 Sensor de velocidade do ventilador - PID 026 A16 A17 A18 A19 A23.1 A23.2 A23.3 A23.4 A23.5 A23.6 A24 A25 A26 A27 A28 A29 A30 A31 A32 A33 A34 A35 B00 B01 Sinal de condução Sinal de preaquecimento B02 B03 B04 B05 B06 A00 Sensor do nível do óleo - PID 098 EB22 EB15 2 1 AZ/VD CZ A10 Relé K03 (87) EM10MA12 5A 5A 15A 10A XL03 MA11EM09 MA14EM07 XL05 5AMA08EM11 5A F07a XL06 F07b F42a PW16EPR1 F42b MA06EM05 MA05EM04 MA03EM02 MA04EM03 MA15EM01 MA07 EM06 MP1 EPR4 PW17 EM10MA12 Primeiras versões: Sensor de pressão do turbo de cabeça arredon- dada ProduzidoporCicloEngenhariaLtda-62-3942-3939vendas@cicloengenharia.com.br-proibidaareprodução-eventuaiserrosoudefeitosdefabricaçãofavorcomunicarvendas@cicloengenharia.com.br ENGENHARIA C I C I I Av. C-255, nº270, sala 719 Nova Suiça, 74280-010, Goiânia - Goiás 62 - 3942-3939 - vendas@cicloengenharia.com.br www.cicloengenharia.com.br Centro Empresarial Sebba, 26 Motor D12D Aurélio Nunes de Araújo Fábio Ribeiro von Glehn Esquema elétrico da UCM (MID 128) EM VEÍCULO COM MOTOR D12D
  • 28.
    Impresso original em papelreciclado 90g CICLOENGENHARIA PB02 K08 - Relé inibidor do grupo redutor - PPID079 Válvula solenóide de bloqueio do grupo redutor 1 2 5 4 2 PA20 AZ/AM 3 PA21 AM A 1 2 2 4 Y D12 PA01 CZ Interruptor comando de manutenção da velocidade constante 4 PA02 MR 5 PA03 AZ/AM 2 PA30 AM/PT 3 1 1 +PB05 PT 6VD -PB22 +PB10 AM/MR MR/BR PA20 AZ/AM PA21 AM 10 9 PA29 MR 2 1 10 7 9 Unidade de controle da iluminação - LCM Interruptor da tomada de força L03 Aquecedor de estacionamento M05 Unidade de controle do aquecedor estacionamento Válvula solenóide (PTO) da tomada de força PID 150 PPID 071 F16 A2 Solicit. ar condicionado 1 Embreagem magnética do compressor ar cond. PA24 VD F09 F09 35 2 1CZ/BR 4 1 PB16 VD 8 PTO PTO D12 Sensor de pressão de ar comprimido reservatório primário - PID 046 1 PB26+ 2 4 PB23- MR/BR AZ VD/VM 2 1 Interruptor do freio de estacionamento OE14 FA A18 A12 C01 Unidade de controle da iluminação - LCM 1 2 Pressostato de freio (A) VD/BR PA28 AM/BR PB21 1 2 Indicador de condição do grupo redutor (caixa baixa) FA06 F09 AM/BR OB17 PA28 AM/BR Unidade de controle da iluminação - LCM Interruptor de purga de ar e drenagem do separador de água PA04 AZ21 10 7 9 F15 PB29 2 1 LR Interruptor de pressão de carga do compressor PB11 AM Diodo A21 B09 FB C09 FC D19 FD D02 FE D15 FF D16 F17 A03 PB27 1 2 1 2 A15 Pressostato de freio (B) Pressostato de freio (C ) D12 D12 D12 B18 B17 B16 B13 LR PC1 PC2 PC4 PC5 CZ AM VD -B02 B03 B04 Sensor de velocidade do veículo (tacógrafo) PID 084 Painel B de instrumentos A05 A06 A01F05 AZ PB24 4 -2 3 A03F08 PA15 AZ/AM A04 PA16 VD A08 1+ B01+ PB25+ PT B07 2 5 1 2 3 MID 144 PB18 VD 85 PB28 VM/PT Válvula solenóide de bloqueio do 3º eixo 1 4 F09 PB04 AZ/BR Válvula solenóide regeneração F10PB01 VD/BR F24 B4 A1A2 B1 B3 Válvula solenóide controle do compressor Aquecedor secador PB09 VERSÃO C VERSÃO D Super-estrutura Válvula solenóide inibidor do range PPID075 PB06 B07 B08 B14 B15 B16 B17 B18.1 B18.2 B18.3 B19 B20.1 B20.2B20.2 B21 B22 B23.1 B24 B23.2 B25 B26 B27 B28 B29 B30 B31 B32 B33 B34 B35 B36 EN03MA01 A8 A2 LR PB08 PB10+ A1 PB22- A7 21 PA05 PA08 Interruptor do pedal do freio Interruptor do pedal da embreagem VM/BR MR/BR AM/MR A3A4 PA23 PA18 VM/PT VD/PT PT VD/AM t. mecânica t. automática PB19+ Interruptor de marcha-lenta - PID 091 Sensor de posição do acelerador - PID 091 Interruptor de máxima PSID 002 B09 B10 B11 B12 B13 21 PPID 070 Tecla de acionamento do freio motor (VEB) PPID 061 0 = desligado 1 = 2 bar 2 = 7,5 bar Tecla de acionamento do freio motor (VEB) PSID 004 Tecla de acionamento do freio motor (VEB) PPID 061 Primeiras versões: Sensor de pressão do turbo de cabeça arredon- dada ProduzidoporCicloEngenhariaLtda-62-3942-3939vendas@cicloengenharia.com.br-proibidaareprodução-eventuaiserrosoudefeitosdefabricaçãofavorcomunicarvendas@cicloengenharia.com.br ENGENHARIA C I C I I Av. C-255, nº270, sala 719 Nova Suiça, 74280-010, Goiânia - Goiás 62 - 3942-3939 - vendas@cicloengenharia.com.br www.cicloengenharia.com.br Centro Empresarial Sebba, 27 Motor D12D Gerenciamento de Motores Diesel Módulo 1 - Unidades Injetoras Esquema elétrico da VECU (MID 144) EM VEÍCULO COM MOTOR D12D
  • 29.
    Impresso original em papelreciclado 90g Esquema elétrico da UCM (MID 128) EM VEÍCULO COM MOTOR D12D +DR CICLOENGENHARIA EB11 K48 - Relé de potência e preaquecimento do motor - PID 045 FM1 F42b 23 4 1 -EB31 EA11 EA22 EA34 EA23 Unidade injetora 4 SID 004 Unidade injetora 2 SID 002 Unidade injetora 1 SID 001 Unidade injetora 3 SID 003 Sensor de temperatura água do motor - PID 110 EA05- 1 2 Sensor de fase SID 021 EA18 1 2 Unidade de controle do motor MID 128 CZ EB12 C12 Painel A de instrumentos - MID 171 EA35 Unidade injetora 5 SID 005 EA36 Unidade injetora 6 SID 006 +EA12 +EA24 -EA33 F41 Eletroválvula reguladora pressão do óleo para os balancins - PPID 122 Sensor de rotação do motor - SID 022 Sensor de pressão do turbo - PID 102 Sensor de temperatura do ar admitido - PID 105 3 2 1 EA04+ EA05- EA03 EA02 4 EA25 EA07 EA30 1 2 EA31 Sensor de pressão óleo do motor - PID 100 Sensor de temperatura óleo do motor - PID 175 1 3 4 EA04+ EA14 EA01 2 +EB05 1 2 EB09 EB10 Aterramento Preaquecedor de partida - SID 070 2EB35 EB36 Eletroválvula reguladora de pressão dos gases de escape (EPG2) - PPID 123 EB25 EB26 LR Unidade de controle do veículo MID 144 CZ PC02 PC01 LR VD PC05 PC04 AM VD EB02 EB01 AM RS PB17 RS EB04 PB15- Aterramento +19 PA07 AZ/VM 50B PA06 VM/BR Sinal de partida CZ EB25 EB26 LR 01 02 08 Antena do imobilizador MID 163 - SID 001 05 F07b Imobilizador MID 163 - PID 224 codigo segurança 10 09 2 1 PA12 BR PA14 PT Eletroválvula reguladora de pressão dos gases de escape (EPG1) - PPID 124 SAE J1708 SAE J1708 SAE J1939 SAE J1939 SAE J1708 SAE J1708 Contato de mínimo - SID 230 Rede SAE J1939 PID 084 - velocidade SID 231 - link J1939 Rede SAE J1708 PID 228 - fator K SID 250 - link J1708 Alimentação elétrica PID 158 Relé K02 (87) AZ/VM AZ/PT AM MR/BR Sensor de pressão atmosférica - PID 108 VD/BR VD/BR CZ MR/BR MR/BR AZ/BR F40 MR VD AM/BR AM VI LR AZ BR VM PT MR VD BR BR VM/PT VM/PT MR CZ AZ/VM VM Módulo do ventilador arrefecimento - SID 033 3 EB25 CZ 2 EB26 LR F09 8 1 Tomada de diagnose SAE J1708 SAE J1708 6 (+DR) 7 F411 A01 A02 A03 A04 A05 A06 A07 A08 A09 A11 A12 A13 Sensor de velocidade do ventilador - PID 026 A23.1 A23.2 A23.3 A23.4 A23.5 A23.6 A24 A25 A26 A27 A28 A29 A30 A31 A32 A33 A34 A35 B00 B01 Sinal de condução Sinal de preaquecimento B02 B03 B04 A00 Sensor do nível do óleo - PID 098 EB22 EB15 2 1 AZ/VD CZ A10 Relé K03 (87) EA05- 4 Bomba elétrica purga de ar - SID 078 5 EA19- 1 F41 3 EA04+ 2 EA27 7 7Aquecimento do filtro de combustível 1 F15 EB32- 54 F15 F41 3 EB08- 2 Drenagem separador de água - SID 018 Sensor de presença de água - PID 097 EB06 Sensor de pressão do combustível - PID 094 EB08- EB13- EB08- 2 3 4 1 EB03 EB17 AZ/VM CZ/BR VI/BR AZ/AM AZ/PT CZ/BR Sensor de pressão dos gases do cárter PID 153 1 EB14+ EB24 2 4 EB13- MR/BR VD/BR MR AZ/BR AM RS VI/BR CZ/BR CZ AM/BR 330W 2200W 2 1 EB07 A15 Interruptor do nível líquido de arrefecimento PID 111 A22 Sensor de temperatura do ar ambiente - PID 172 A21 Pressostado indicador de restrição do filtro de ar - PID 107 A20 A14 A16 A17 A18 A19 4 EA05- MR/BR 5 2 1 EA04+ EA05- EA06 F42a 4 3 EB21 MR/BR AM VD/BR CZ/VM6 MA07 EM06 MP1 EPR4 PW17 MA06EM05 MA05EM04 MA03EM02 MA04EM03 MA15EM01 F07a PA13 PT +30 +30 30 87 8586 F06 F40 K02 - Relé da unidade de controle do veículo PPID 074 AZ/VM F41 F43 B05 B06 5A 5A 15A 10A XL03 MA11EM09 MA14EM07 XL05 5AMA08EM11 5A F07a XL06 F07b F42a PW16EPR1 F42b EM10MA12 EM10MA12 Versões recentes: Sensor de pressão do turbo de cabeça chata ProduzidoporCicloEngenhariaLtda-62-3942-3939vendas@cicloengenharia.com.br-proibidaareprodução-eventuaiserrosoudefeitosdefabricaçãofavorcomunicarvendas@cicloengenharia.com.br ENGENHARIA C I C I I Av. C-255, nº270, sala 719 Nova Suiça, 74280-010, Goiânia - Goiás 62 - 3942-3939 - vendas@cicloengenharia.com.br www.cicloengenharia.com.br Centro Empresarial Sebba, 28 Motor D12D Aurélio Nunes de Araújo Fábio Ribeiro von Glehn
  • 30.
    Impresso original em papelreciclado 90g Esquema elétrico da VECU (MID 144) EM VEÍCULO COM MOTOR D12D CICLOENGENHARIA PB02 K08 - Relé inibidor do grupo redutor - PPID079 Válvula solenóide de bloqueio do grupo redutor 1 2 5 4 2 PA20 AZ/AM 3 PA21 AM A 1 2 2 4 Y D12 Interruptor retardador PSID 004 PA01 CZ Interruptor comando de manutenção da velocidade constante 4 PA02 MR 5 PA03 AZ/AM 2 PA30 AM/PT 3 1 1 +PB05 PT 6VD -PB22 +PB10 AM/MR MR/BR PA20 AZ/AM PA21 AM 10 9 PA29 MR 2 1 10 7 9 Unidade de controle da iluminação - LCM Interruptor da tomada de força L03 Aquecedor de estacionamento M05 Unidade de controle do aquecedor estacionamento Válvula solenóide (PTO) da tomada de força PID 150 PPID 071 F16 A2 Solicit. ar condicionado 1 Embreagem magnética do compressor ar cond. PA24 VD F09 F09 35 2 1CZ/BR 4 1 PB16 VD 8 PTO PTO D12 Sensor de pressão de ar comprimido reservatório primário - PID 046 1 PB26+ 2 4 PB23- MR/BR AZ VD/VM 2 1 Interruptor do freio de estacionamento OE14 FA A18 A12 C01 Unidade de controle da iluminação - LCM 1 2 Pressostato de freio (A) VD/BR PA28 AM/BR PB21 1 2 Indicador de condição do grupo redutor (caixa baixa) FA06 F09 AM/BR OB17 PA28 AM/BR Interruptor de purga de ar e drenagem do separador de água (comando pelo painel) PB29 2 1 LR Interruptor de pressão de carga do compressor PB11 AM Diodo A21 B09 FB C09 FC D19 FD D02 FE D15 FF D16 F17 A03 PB27 1 2 1 2 A15 Pressostato de freio (B) Pressostato de freio (C ) D12 D12 B18 B17 B16 B13 LR PC1 PC2 PC4 PC5 CZ AM VD -B02 B03 B04 Sensor de velocidade do veículo (tacógrafo) PID 084 Painel B de instrumentos A05 A06 A01F05 AZ PB24 4 -2 3 A03F08 PA15 AZ/AM A04 PA16 VD A08 1+ B01+ PB25+ PT B07 Tecla de acionamento do freio motor (VEB) PPID 061 0 = desligado 1 = 2 bar 2 = 7,5 bar 2 5 1 2 3 Tecla de acionamento do freio motor (VEB) PPID 061 MID 144 PB18 VD 85 PB28 VM/PT Válvula solenóide de bloqueio do 3º eixo 1 4 F09 PB04 AZ/BR Válvula solenóide regeneração F10PB01 VD/BR F24 B4 A1A2 B1 B3 Válvula solenóide controle do compressor Aquecedor secador PB09 VERSÃO C VERSÃO D Super-estrutura Válvula solenóide inibidor do range PPID075 PB06 B07 B08 B14 B15 B16 B17 B18.1 B18.2 B18.3 B19 B20.1 B20.2B20.2 B21 B22 B23.1 B24 B23.2 B25 B26 B27 B28 B29 B30 B31 B32 B33 B34 B35 B36 EN03MA01 A8 A2 LR PB08 PB10+ A1 PB22- A7 21 PA05 PA08 Interruptor do pedal do freio Interruptor do pedal da embreagem VM/BR MR/BR AM/MR A3A4 PA23 PA18 VM/PT VD/PT PT VD/AM t. mecânica t. automática PB19+ Interruptor de marcha-lenta - PID 091 Sensor de posição do acelerador - PID 091 Interruptor de máxima PSID 002 B09 B10 B11 B12 B13 21 PPID 070 Versões recentes: Sensor de pressão do turbo de cabeça chata ProduzidoporCicloEngenhariaLtda-62-3942-3939vendas@cicloengenharia.com.br-proibidaareprodução-eventuaiserrosoudefeitosdefabricaçãofavorcomunicarvendas@cicloengenharia.com.br ENGENHARIA C I C I I Av. C-255, nº270, sala 719 Nova Suiça, 74280-010, Goiânia - Goiás 62 - 3942-3939 - vendas@cicloengenharia.com.br www.cicloengenharia.com.br Centro Empresarial Sebba, 29 Motor D12D Gerenciamento de Motores Diesel Módulo 1 - Unidades Injetoras
  • 31.
    Impresso original em papelreciclado 90g ProduzidoporCicloEngenhariaLtda-62-3942-3939vendas@cicloengenharia.com.br-proibidaareprodução-eventuaiserrosoudefeitosdefabricaçãofavorcomunicarvendas@cicloengenharia.com.br ENGENHARIA C I C I I Av. C-255, nº270, sala 719 Nova Suiça, 74280-010, Goiânia - Goiás 62 - 3942-3939 - vendas@cicloengenharia.com.br www.cicloengenharia.com.br Centro Empresarial Sebba, 30 Motor D12C Motor D12D Aurélio Nunes de Araújo Fábio Ribeiro von Glehn Unidade de Comando do Motor (UCM) e de Controle do Veículo (VECU) Designações Unidade de Controle do Motor (UCM): MID 128; Unidade de Controle do Veículo (VECU): MID 144. Localização das unidades de comando UCM (MID 128): Lado esquerdo do bloco do motor; VECU (MID 144): No painel próximo à central de fusíveis (placa de circuito impresso). Alimentação elétrica: O terminal PA12 da VECU (MID 144) está ligado ao chassi abaixo do painel lado direito. O motorista vira a chave de ignição e ao colocar a chave em posição de condução, alimenta o terminal PA14 da VECU (linha +DR). Nesta condição a VECU (MID 144) está alimentada, então, internamente esta promove um chaveamento que aterra o terminal PB15 e acio- na o relé (R05 no caso D12C ou K02 no caso D12D). Uma vez atracado, o relé principal alimenta a própria VECU pelo terminal PA13 e a UCM (MID 128) pelos terminais EB11 e EB12. A UCM, então, entra em funcionamento visto que esta já se encontra aterrada pelos terminais EB09 e EB10. Configuração do motor D12C Configuração do motor D12D VECU (MID 144) +DR F19 PA13 PT PB15- +19 PA07 AZ/VM +50 PA06 VM/BR PA12 BR PA14 PT EB11 EB12 EB09 EB10 Relé 05 (87) VM/PT VM/PT UCM (MID 128) F43 +30 +30 30 87 8586 F18 F19 F20 F43 5A 5A 5A 15A AZ/VM MA08EM06 KF16 MA14EM07 KG12 MA11EM09 KG01 KG14 BR BR EM10MA12 VECU (MID 144) EB11 EB12 EB09 EB10 Relé K02 (87) VM/PT VM/PT UCM (MID 128) F40 +DR +19 PA07 AZ/VM 50B PA06 VM/BR PA12 BR PA14 PT Relé K03 (87) BR BR EM10MA12 F07a PA13 PT +30 +30 30 87 8586 PB15- F06 F40 AZ/VM F41 F43 5A 5A 15A 10A XL03 MA11EM09 MA14EM07 XL05 5AMA08EM11 5A F07a XL06 F07b F42a PW16EPR1 F42b
  • 32.
    Impresso original em papelreciclado 90g ProduzidoporCicloEngenhariaLtda-62-3942-3939vendas@cicloengenharia.com.br-proibidaareprodução-eventuaiserrosoudefeitosdefabricaçãofavorcomunicarvendas@cicloengenharia.com.br ENGENHARIA C I C I I Av. C-255, nº270, sala 719 Nova Suiça, 74280-010, Goiânia - Goiás 62 - 3942-3939 - vendas@cicloengenharia.com.br www.cicloengenharia.com.br Centro Empresarial Sebba, 31 Motor D12C Gerenciamento de Motores Diesel Módulo 1 - Unidades Injetoras Localização dos pontos de aterramento no motor D12C: Motor D12C no interior da cabine 1:1 1:2 1:3 1:4 5:6 3:1 4:1 4:2 2:1 2:2 2:3 2:4 2:5 2:6 Aterramento da UCM (MID 128) Aterramento da VECU (MID 144) Motor D12C próximo ao motor 5:2 5:1 Motor de partida Relé do preaquecedor aterramento do motor de partida UCM Alternador Marcação amarela
  • 33.
    Impresso original em papelreciclado 90g ProduzidoporCicloEngenhariaLtda-62-3942-3939vendas@cicloengenharia.com.br-proibidaareprodução-eventuaiserrosoudefeitosdefabricaçãofavorcomunicarvendas@cicloengenharia.com.br ENGENHARIA C I C I I Av. C-255, nº270, sala 719 Nova Suiça, 74280-010, Goiânia - Goiás 62 - 3942-3939 - vendas@cicloengenharia.com.br www.cicloengenharia.com.br Centro Empresarial Sebba, 32 Motor D12D Aurélio Nunes de Araújo Fábio Ribeiro von Glehn Localização dos pontos de aterramento no motor D12D: 5:3 5:7 5:8 4:1 4:2 5:1 5:2 2:1 5:6 1:1 1:2 1:3 1:4 Aterramento da VECU (MID 144) e da UCM (MID 128) Aterramento do motor de partida
  • 34.
    Impresso original em papelreciclado 90g ProduzidoporCicloEngenhariaLtda-62-3942-3939vendas@cicloengenharia.com.br-proibidaareprodução-eventuaiserrosoudefeitosdefabricaçãofavorcomunicarvendas@cicloengenharia.com.br ENGENHARIA C I C I I Av. C-255, nº270, sala 719 Nova Suiça, 74280-010, Goiânia - Goiás 62 - 3942-3939 - vendas@cicloengenharia.com.br www.cicloengenharia.com.br Centro Empresarial Sebba, 33 Motor D12C Gerenciamento de Motores Diesel Módulo 1 - Unidades Injetoras Localização de relés e fusíveis no motor D12C: 01 05 06 10 11 15 16 20 21 25 26 30 31 33 34 36 37 39 40 42 43 45 46 4832 35 38 41 44 47 5 64321 7 8 9 10 11 1312 14 15 Em destaque: F18 - Relé de potência e preaquecimento do motor (1); F19 - VECU (MID 144 - PA13) e Imobilizador (MID 163 - 05); F20 - Freio motor: eletroválvula reguladora da pressão do óleo para o mecânismo dos balancins, eletroválvulas 1 e 2 de regulagem da pressão dos gases de escape; F43 - Unidade de controle do motor UCM (MID 128 - EB11 e EB12) R05 - Relé da unidade de controle do veículo (VECU)
  • 35.
    Impresso original em papelreciclado 90g ProduzidoporCicloEngenhariaLtda-62-3942-3939vendas@cicloengenharia.com.br-proibidaareprodução-eventuaiserrosoudefeitosdefabricaçãofavorcomunicarvendas@cicloengenharia.com.br ENGENHARIA C I C I I Av. C-255, nº270, sala 719 Nova Suiça, 74280-010, Goiânia - Goiás 62 - 3942-3939 - vendas@cicloengenharia.com.br www.cicloengenharia.com.br Centro Empresarial Sebba, 34 Motor D12D Aurélio Nunes de Araújo Fábio Ribeiro von Glehn Localização de relés e fusíveis no motor D12D - no interior do veículo: 01 02 03 04 05 06 07 0809 10 11 01 24 12 13 14 15 17 18 19 20 21 22 37 49 23 24 25 26 27 28 29 30 31 32 33 34 35 36 37 38 39 40 41 42 43 44 45 46 47 Em destaque: F06 - Vago F07 - VECU (MID 144 - PA13) e Imobilizador (MID 163 - 05); F40 - Unidade de controle do motor UCM (MID 128 - EB11 e EB12); F41 - Freio motor: eletroválvula reguladora da pressão do óleo para o mecânismo dos balancins, eletroválvulas 1 e 2 de regulagem da pressão dos gases de escape; Dreno e purga: bomba elétrica de purga de ar, eletroválvula de drenagem do separador de água; F42 - Relé de potência e preaquecimento do motor (1), ventilador de arrefecimento; F43 - Módulo do implementador K02 - Relé da unidade de controle do veículo (VECU); K03 - Relé do motor de partida; K08 - Relé inibidor do grupo redutor;
  • 36.
    Impresso original em papelreciclado 90g ProduzidoporCicloEngenhariaLtda-62-3942-3939vendas@cicloengenharia.com.br-proibidaareprodução-eventuaiserrosoudefeitosdefabricaçãofavorcomunicarvendas@cicloengenharia.com.br ENGENHARIA C I C I I Av. C-255, nº270, sala 719 Nova Suiça, 74280-010, Goiânia - Goiás 62 - 3942-3939 - vendas@cicloengenharia.com.br www.cicloengenharia.com.br Centro Empresarial Sebba, 35 Motor D12D Gerenciamento de Motores Diesel Módulo 1 - Unidades Injetoras Localização de relés e fusíveis no motor D12D - próximo a bateria: 5:1 5:2 FM1 FM2 FM3 FM4 B+ 40A 125A 200A 125A K48 Em destaque: FM1 - Fusível, principal, pré-aquecimento FM2 - Fusível, principal, elevador do bogie / equipamento extra FM3 - Fusível, principal, cabina e chassi FM4 - Fusível, principal, iluminação, segurança K48 - Relé de potência e preaquecimento do motor
  • 37.
    ProduzidoporCicloEngenhariaLtda-62-3942-3939vendas@cicloengenharia.com.br-proibidaareprodução-eventuaiserrosoudefeitosdefabricaçãofavorcomunicarvendas@cicloengenharia.com.br ENGENHARIA C I CI I Av. C-255, nº270, sala 719 Nova Suiça, 74280-010, Goiânia - Goiás 62 - 3942-3939 - vendas@cicloengenharia.com.br www.cicloengenharia.com.br Centro Empresarial Sebba, 36 Motor D12C Motor D12D Aurélio Nunes de Araújo Fábio Ribeiro von Glehn Impresso original em papel reciclado 90g Descrição dos terminais da Unidade de Comando do Motor O conector EA é o conector “preto” em posição superior ao outro conector Term. D12C D12D Falha Local Descrição EA01 sim sim PID175 A09 Sensor de temperatura do óleo do motor (3) EA02 sim sim PID105 A07 Sensor de temperatura do ar de admissão (3 ou 2) EA03 sim sim PID102 A06 Sensor de pressão do turbo (2 ou 4) EA04 sim sim PID026 PID094 PID100 PID102 A13 A15 A08 A06 Sensor de velocidade do ventilador de arrefecimento Sensor de pressão de combustível (1) Sensor de pressão do óleo do motor (1) Sensor de pressão do turbo (1 ou 3) EA05 sim sim A06 A08 A11 A13 A15 Sensor de pressão do turbo e temperatura do ar (4 ou 1) Sensor de pressão e temperatura do óleo motor (4) Sensor de temperatura da água do motor (2) Sensor de velocidade do ventilador de arrefecimento Sensor de pressão e temperatura de combustível (4) EA06 não alguns PID026 A13 Sensor de velocidade do ventilador de arrefecimento EA07 sim sim SID021 A04 Sensor de fase (1) EA11 sim sim SID001 A23.1 Unidade injetora do cilindro 1 EA12 sim sim SID001 SID002 SID003 A23.1 A23.2 A23.3 Unidade injetora do cilindros 1 Unidade injetora do cilindro 2 Unidade injetora do cilindro 3 EA13 não não PID174 - Sensor de temperatura do combustível (3) EA14 sim sim PID100 A08 Sensor de pressão do óleo do motor (2) EA18 sim sim SID021 A04 Sensor de fase (2) EA19 não alguns SID018 A14 Bomba elétrica de purga de ar (5) EA22 sim sim SID002 A23.2 Unidade injetora do cilindro 2 EA23 sim sim SID003 A23.3 Unidade injetora do cilindro 3 EA24 sim sim SID004 SID005 SID006 A23.4 A23.5 A23.6 Unidade injetora do cilindro 4 Unidade injetora do cilindro 5 Unidade injetora do cilindro 6 EA25 sim sim PID110 A11 Sensor de temperatura da água do motor (1) EA27 sim sim PID094 A15 Sensor de pressão de combustível (2) EA30 sim sim SID022 A03 Sensor de rotação (2) EA31 sim sim SID022 A03 Sensor de rotação (1) EA33 sim sim PPID122 A24 Eletroválvula do freio a compressão VEB EA34 sim sim SID004 A23.4 Unidade injetora do cilindro 4 EA35 sim sim SID005 A23.5 Unidade injetora do cilindro 5 EA36 sim sim SID006 A23.6 Unidade injetora do cilindro 6 12 13 25 24 36 01
  • 38.
    ProduzidoporCicloEngenhariaLtda-62-3942-3939vendas@cicloengenharia.com.br-proibidaareprodução-eventuaiserrosoudefeitosdefabricaçãofavorcomunicarvendas@cicloengenharia.com.br ENGENHARIA C I CI I Av. C-255, nº270, sala 719 Nova Suiça, 74280-010, Goiânia - Goiás 62 - 3942-3939 - vendas@cicloengenharia.com.br www.cicloengenharia.com.br Centro Empresarial Sebba, 37 Motor D12C Motor D12D Gerenciamento de Motores Diesel Módulo 1 - Unidades Injetoras Impresso original em papel reciclado 90g Term. Falha Pontos de medição Valor nominal EA01 PID175 EA01 - EA05 ≈ 3,0V (+20ºC) ≈ 0,4V (+100ºC) EA02 PID105 EA02 - EA05 ≈ 2,1V (+30ºC) s. arredondado ≈ 1,1V (+30ºC) s. achatado EA03 PID102 EA03 - EA05 ≈ 1,1 ± 0,7V (nível do mar - motor parado) EA04 PID026 PID094 PID100 PID102 EA04 - EA05 4,80 a 5,15V EA05 EA06 PID026 EA06 - EA05 ≈ 0,00 Vdc ou ≈ 5,00 Vdc conforme a posição do ventilador EA07 SID021 EA07 - massa 1,9 a 2,1V (motor parado) 1,0 a 1,5 Vac (marcha-lenta) EA11 SID001 EA11 - massa 12C 14,8 a 15,8V (motor parado) 6,9 a 7,5 Vac (marcha-lenta) 12D ≈ 10,52 Vdc (motor parado) ≈ 6,70 Vac (marcha-lenta) EA12 SID001 SID002 SID003 EA12 - massa 12C 14,8 a 15,8V (motor parado) 6,9 a 7,5 Vac (marcha-lenta) 12D ≈ 10,52 Vdc (motor parado) ≈ 6,70 Vac (marcha-lenta) EA13 PID174 EA13 - massa ≈ 5,0V EA14 PID100 EA14 - EA05 ≈ 0,5V (motor parado) ≈ 2,7V (marcha-lenta) EA18 SID021 EA18 - massa 1,9 a 2,1V (motor parado) 1,0 a 1,5 Vac (m. lenta) EA19 SID018 EA19 - EB09 U = Ubat (desacionado) U = 0V (acionado) EA22 SID002 EA22 - massa 12C 14,8 a 15,8V (motor parado) 6,9 a 7,5 Vac (marcha-lenta) 12D ≈ 10,52 Vdc (motor parado) ≈ 6,70 Vac (marcha-lenta) EA23 SID003 EA23 - massa 12C 14,8 a 15,8V (motor parado) 6,9 a 7,5 Vac (marcha-lenta) 12D ≈ 10,52 Vdc (motor parado) ≈ 6,70 Vac (marcha-lenta) EA24 SID004 SID005 SID006 EA24 - massa 12C 14,8 a 15,8V (motor parado) 6,9 a 7,5 Vac (marcha-lenta) 12D ≈ 10,52 Vdc (motor parado) ≈ 6,70 Vac (marcha-lenta) EA25 PID110 EA25 - EA05 ≈ 3,0V (+20ºC) ≈ 0,6V (+85ºC) EA27 PID094 EA27 - EA05 ≈ 0,5V (motor parado) ≈ 2,6V (marcha-lenta) EA30 SID022 EA30 - massa 1,9 a 2,1V (motor parado) 1,0 a 1,5 Vac (marcha-lenta) EA31 SID022 EA31 - massa 1,9 a 2,1V (motor parado) 1,0 a 1,5 Vac (marcha lenta) EA33 PPID122 EA33 - massa U = Ubat (desacionado) U = 0V (acionado) EA34 SID004 EA34 - massa 12C 14,8 a 15,8V (motor parado) 6,9 a 7,5 Vac (marcha-lenta) 12D ≈ 10,52 Vdc (motor parado) ≈ 6,70 Vac (marcha-lenta) EA35 SID005 EA34 - massa 12C 14,8 a 15,8V (motor parado) 6,9 a 7,5 Vac (marcha-lenta) 12D ≈ 10,52 Vdc (motor parado) ≈ 6,70 Vac (marcha-lenta) EA36 SID006 EA34 - massa 12C 14,8 a 15,8V (motor parado) 6,9 a 7,5 Vac (marcha-lenta) 12D ≈ 10,52 Vdc (motor parado) ≈ 6,70 Vac (marcha-lenta) O conector EA é o conector “preto” em posição superior ao outro conector 12 13 25 24 36 01
  • 39.
    ProduzidoporCicloEngenhariaLtda-62-3942-3939vendas@cicloengenharia.com.br-proibidaareprodução-eventuaiserrosoudefeitosdefabricaçãofavorcomunicarvendas@cicloengenharia.com.br ENGENHARIA C I CI I Av. C-255, nº270, sala 719 Nova Suiça, 74280-010, Goiânia - Goiás 62 - 3942-3939 - vendas@cicloengenharia.com.br www.cicloengenharia.com.br Centro Empresarial Sebba, 38 Motor D12C Motor D12D Aurélio Nunes de Araújo Fábio Ribeiro von Glehn Impresso original em papel reciclado 90g Term. D12C D12D Falha Local Descrição EB01 sim sim PID084 SID231 A34 B00 Rede J1939 Unidade de controle do veículo - VECU (PC04) EB02 sim sim PID084 SID231 A34 B00 Rede J1939 Unidade de controle do veículo - VECU (PC05) EB03 sim sim PID172 A21 Sensor de temperatuta do ar (3) EB04 sim sim SID230 A33 Unidade de controle do veículo - VECU (PB17) EB05 sim sim SID070 A27 A28 A29 Relé de potência e pré-aquecimento do motor (3) Painel de instrumentos A (LX11) Pré-aquecedor de partida (1) EB06 não alguns PID097 A18 Indicador de água no combustível (3) EB07 sim sim PID111 A22 Interruptor do nível do líquido de arrefecimento (1) EB08 sim sim PID097 PID107 PID111 A18 A20 A22 Indicador de água no combustível (2) Sensor indicador de restrição no filtro de ar (2) Interruptor do nível do líquido de arrefecimento (2) EB09 sim sim A01 Aterramento EB10 sim sim A01 Aterramento EB11 sim sim PID158 A02 Alimentação protegida pelo fusível F43 (12C) / F40 (12D) EB12 sim sim PID158 A02 Alimentação protegida pelo fusível F43 (12C) / F40 (12D) EB13 sim sim PID172 A21 Sensor de temperatura do ar (4) não sim PID153 A19 Sensor de pressão do cárter (4) EB14 não sim PID153 A19 Sensor de pressão do cárter (1) EB15 não sim PID098 A10 Sensor de nível de óleo (1) EB17 sim sim PID107 A20 Sensor indicador de restrição no filtro de ar (1) EB21 não alguns SID033 A12 Comando do ventilador (3) EB22 não sim PID098 A10 Sensor do nível do óleo (2) EB24 não sim PID153 A19 Sensor de pressão do cárter (2) EB25 sim sim PID175 A35 B00 Rede J1708 / J1587 Unidade de controle do veículo - VECU (PC02) EB26 sim sim PID175 A35 B00 Rede J1708 / J1587 Unidade de controle do veículo - VECU (PC01) EB31 sim sim PID045 A27 Relé de potência e pré-aquecimento do motor (2) EB32 não sim SID018 A17 Eletroválvula de drenagem do separador de água (5) EB35 sim sim PPID124 A25 Eletrov. regulad. pressão gases de escape EPG1 (4) EB36 sim sim PPID123 A26 Eletrov. regulad. pressão gases de escape EPG2 (3) 12 13 25 24 36 01 Descrição dos terminais da Unidade de Comando do Motor O conector EB é o conector “vermelho” em posição inferior ao outro conector
  • 40.
    ProduzidoporCicloEngenhariaLtda-62-3942-3939vendas@cicloengenharia.com.br-proibidaareprodução-eventuaiserrosoudefeitosdefabricaçãofavorcomunicarvendas@cicloengenharia.com.br ENGENHARIA C I CI I Av. C-255, nº270, sala 719 Nova Suiça, 74280-010, Goiânia - Goiás 62 - 3942-3939 - vendas@cicloengenharia.com.br www.cicloengenharia.com.br Centro Empresarial Sebba, 39 Motor D12C Motor D12D Gerenciamento de Motores Diesel Módulo 1 - Unidades Injetoras Impresso original em papel reciclado 90g Term. Falha Pontos de medição Valor nominal EB01 PID084 SID231 EB01 - massa 2,4 a 2,6V EB02 PID084 SID231 EB02 - massa 2,4 a 2,6V EB03 PID172 EB03 - EB13 ≈ 2,6V (+20ºC) ≈ 1,2V (+50ºC) EB04 SID230 EB04 - EB09 U 4,0V (pedal livre) U 8V (pedal pressionado) EB05 EB05 - EB09 65% * Ubat (acionado) 6,5% * Ubat (desacionado) EB06 PID097 EB06 - EB08 80% * Ubat (nível normal) ≈ 0,0V (nível baixo) EB07 PID111 EB06 - EB08 80% * Ubat (nível normal) ≈ 0,0V (nível baixo) EB08 PID097 PID107 PID111 EB09 EB10 EB11 PID158 EB11 - massa U = Ubat EB12 PID158 EB12 - massa U = Ubat EB13 PID172 EB14 PID153 EB14 - EB13 4,8 a 5,15V EB15 PID098 EB15 - EB22 2,0 a 5,15V EB17 PID107 EB17 - EB08 ≈ 12% * Ubat (filtro normal) ≈ 48%*Ubat (filtro obstruído) EB21 SID033 EB21 - EB09 ≈ Ubat (ventil. desacionado) ≈ 0,0V (ventil. acionado) EB22 PID098 EB24 PID153 EB24 - EB13 2,9 ± 0,6V (nível do mar - motor parado) EB25 PID175 EB25 - massa 570 a 670Hz EB26 PID175 EB26 - massa 570 a 670Hz EB31 PID045 EB31 - EB09 ≈ Ubat (aquec. desacionado) ≈ 0,0V (aquec. acionado) EB32 SID018 EB32 - EB09 ≈ Ubat (dreno desacionado) ≈ 0,0V (dreno acionado) EB35 PPID124 EB35 - EB09 ≈ Ubat (EPG-1 desacionado) ≈ 0,0V (EPG-1 acionado) EB36 PPID123 EB36 - EB09 ≈ Ubat (EPG-2 desacionado) ≈ 0,0V (EPG-2 acionado) 12 13 25 24 36 01 O conector EB é o conector “vermelho” em posição inferior ao outro conector
  • 41.
    ProduzidoporCicloEngenhariaLtda-62-3942-3939vendas@cicloengenharia.com.br-proibidaareprodução-eventuaiserrosoudefeitosdefabricaçãofavorcomunicarvendas@cicloengenharia.com.br ENGENHARIA C I CI I Av. C-255, nº270, sala 719 Nova Suiça, 74280-010, Goiânia - Goiás 62 - 3942-3939 - vendas@cicloengenharia.com.br www.cicloengenharia.com.br Centro Empresarial Sebba, 40 Motor D12C Motor D12D Aurélio Nunes de Araújo Fábio Ribeiro von Glehn Impresso original em papel reciclado 90g Descrição dos terminais da Unidade de Comando do Veículo (VECU) O conector PA é o conector “verde” Term D12C D12D Falha Tipo do sinal PA01 sim sim Comando de manutenção da veloc. const. SET- / REDUÇÃO PA02 sim sim Comando de manutenção da veloc. const. SET+ / ACELERA PA03 sim sim Comando de manutenção de velocidade constante, ON/OFF PA04 não sim Água no interruptor de combustível PA05 sim sim Pedal do freio PA06 sim sim Ch. de partida, posição de partida (+50) PA07 sim sim Ch. part., posição preaquecimento (+19) PA08 alguns alguns Pedal da embreagem (se transmissão mecânica) PA09 sim não Relé do limpador do pára-brisa intermitente (87A) PA10 sim não Interruptor do limpador do pára-brisa (8) PA11 sim não Interruptor do limpador do pára-brisa (8) PA12 sim sim Aterramento PA13 sim sim PID091 PID084 PID085 PSID201 Alimentação de tensão PA14 sim sim Ch. partida, posição de condução (+DR) PA15 não sim PID084 PSID212 J1939 - CAN 2 PA16 não sim PID084 PSID212 J1939 - CAN 2 PA18 alguns alguns PSID002 Contato de máxima (se transmissão automática) PA20 sim sim PPID061 PSID001 Interruptor do freio de escape PA21 sim sim PPID061 PSID001 Interruptor do freio de escape PA22 EOL PA23 sim sim PID091 SID230 Contato de marcha-lenta PA24 alguns alguns Ar condicionado, condição do interruptor PA28 alguns alguns Sinal do ABS para desacionamento do freio de escape PA29 alguns alguns PID150 Interruptor da tomada de força PA30 sim sim Comando de manutenção da velocidade constante, RESUME 0114 1530
  • 42.
    ProduzidoporCicloEngenhariaLtda-62-3942-3939vendas@cicloengenharia.com.br-proibidaareprodução-eventuaiserrosoudefeitosdefabricaçãofavorcomunicarvendas@cicloengenharia.com.br ENGENHARIA C I CI I Av. C-255, nº270, sala 719 Nova Suiça, 74280-010, Goiânia - Goiás 62 - 3942-3939 - vendas@cicloengenharia.com.br www.cicloengenharia.com.br Centro Empresarial Sebba, 41 Motor D12C Motor D12D Gerenciamento de Motores Diesel Módulo 1 - Unidades Injetoras Impresso original em papel reciclado 90g Term Falha Pontos de medição Valor nominal PA01 PA01 - massa U ≈ 0V (SET- desacionado) U ≈ Ubat (SET- acionado) PA02 PA02 - massa U ≈ 0V (SET+ desacionado) U ≈ Ubat (SET+ acionado) PA03 PA03 - massa U ≈ 0V (OFF) U ≈ Ubat (ON) PA04 PA04 - massa U ≈ 0V (OFF) U ≈ Ubat (ON) PA05 PA05 - massa U ≈ Ubat (pedal livre) U ≈ 0V (pedal pressionado) PA06 PA06 - massa U ≈ 0V (OFF) U ≈ Ubat (partida) PA07 PA07 - massa U ≈ 0V (preaquecimento OFF) U ≈ Ubat (preaquec. ON) PA08 PA08 - massa U ≈ Ubat (pedal livre) U ≈ 0V (pedal pressionado) PA09 PA10 PA11 PA12 PA13 PID091 PID084 PID085 PSID201 PA13 - massa U ≈ 0V (ch. partida em 0) U ≈ Ubat (ch. em condução) PA14 PA14 - massa U ≈ 0V (ch. partida em 0) U ≈ Ubat (ch em condução) PA15 PID084 PSID232 PA15 - massa U ≈ 2,5V PA16 PID084 PSID232 PA16 - massa U ≈ 2,5V PA18 PSID002 PA18 - massa U ≈ 0V (pedal livre) U ≈ Ubat (pedal pressionado) PA20 PSID001 PA20 - massa posição 0 → U ≈ 0V posição 1 → U ≈ 0V posição 2 → U ≈ Ubat posição 0 → U ≈ 0V SET+ → U ≈ Ubat SET- → U ≈ 0V PA21 PPID061 PSID001 PA21 - massa posição 0 → U ≈ 0V posição 1 → U ≈ Ubat posição 2 → U ≈ Ubat posição 0 → U ≈ 0V SET+ → U ≈ 0V SET- → U ≈ Ubat PA22 PA23 PID091 SID230 PA23 - massa U ≈ 0V (pedal livre) U ≈ Ubat (pedal pressionado) PA24 PA24 - massa U ≈ 0V (A/C desligado) U ≈ Ubat (A/C ligado) PA28 PA28 - massa PA29 PID150 PA29 - massa PA30 PA30 - massa U ≈ 0V (RESUME desligado) U ≈ Ubat (RESUME acionado) O conector PA é o conector “verde” 0114 1530
  • 43.
    ProduzidoporCicloEngenhariaLtda-62-3942-3939vendas@cicloengenharia.com.br-proibidaareprodução-eventuaiserrosoudefeitosdefabricaçãofavorcomunicarvendas@cicloengenharia.com.br ENGENHARIA C I CI I Av. C-255, nº270, sala 719 Nova Suiça, 74280-010, Goiânia - Goiás 62 - 3942-3939 - vendas@cicloengenharia.com.br www.cicloengenharia.com.br Centro Empresarial Sebba, 42 Motor D12C Motor D12D Aurélio Nunes de Araújo Fábio Ribeiro von Glehn Impresso original em papel reciclado 90g Term D12C D12D Falha Tipo do sinal PB01 sim não PPID076 Pressostato de freio (1) não alguns PPID279 PPID312 PPID430 Válvula solenóide de regeneração (B1) PB02 alguns alguns PPID079 Relé inibidor do grupo redutor (85) * PB04 alguns alguns PPID279 PPID312 PPID430 Válvula solenóide do compressor de ar PB05 sim sim PPID071 Tecla de acionamento do freio VEB Interruptor de comando da manut. de velocidade constante PB06 sim sim PID084 Velocidade do veículo PB08 sim sim PID091 Sensor de posição do pedal do acelerador, sinal PB09 alguns alguns PID046 Sensor de pressão de ar comprimido, sinal PB10 sim sim PID091 PPID072 Sensor de posição do pedal do acelerador, Vref + Interruptor do retardador, Vref + PB11 sim sim Freio de estacionamento, condição PB14 alguns alguns PPID145 Interruptor do Dynafleet PB15 sim sim PPID074 Relé de alimentação da tensão da VECU e UCM PB16 sim não Relé do limpador de pára-brisa intermitente (85) não sim PID150 PSID020 Saída da tomada de força PB17 sim sim PPID069 SID230 Interruptor da marcha-lenta armazenado PB18 sim sim PPID075 Inibidor do grupo redutor, válvula solenóide PB19 sim sim PPID070 Interruptor de marcha-lenta Interruptor de máxima Interruptor do pedal de embreagem PB20 sim não PID084 Velocidade do veículo PB21 sim sim Indicador de condição do grupo redutor Descrição dos terminais da Unidade de Comando do Veículo (VECU) O conector PB é o conector “azul” 0114 1530
  • 44.
    ProduzidoporCicloEngenhariaLtda-62-3942-3939vendas@cicloengenharia.com.br-proibidaareprodução-eventuaiserrosoudefeitosdefabricaçãofavorcomunicarvendas@cicloengenharia.com.br ENGENHARIA C I CI I Av. C-255, nº270, sala 719 Nova Suiça, 74280-010, Goiânia - Goiás 62 - 3942-3939 - vendas@cicloengenharia.com.br www.cicloengenharia.com.br Centro Empresarial Sebba, 43 Motor D12C Motor D12D Gerenciamento de Motores Diesel Módulo 1 - Unidades Injetoras Impresso original em papel reciclado 90g Term Falha Pontos de medição Valor nominal PB01 PPID076 PB01 - massa -12C U ≈ Ubat (freio livre) U ≈ 0V (freio acionado) PPID279 PPID312 PPID430 PB01 - massa -12D PB02 PPID079 PB02 - massa U ≈ Ubat (motor parado) U ≈ 0 a 2V (relé acionado) *, ** PB04 PPID279 PPID312 PPID430 PB04 - massa PB05 PPID071 PB05 - massa U ≈ Ubat PB06 PID084 PB06 - massa U ≈ 0,3V (mín) a 9,5V (máx) nota: eixo girando PB08 PID091 PB08 - massa U ≈ 0,4 a 0,6 (pedal livre) U ≈ 2,6 a 3,8V (pedal aciona.) PB09 PID046 PSID025 PB09 - massa U ≈ 1,9 a 2,9V (7 bar) U ≈ 2,1 a 3,1V (8 bar) U ≈ 2,3 a 3,5V (9 bar) U ≈ 2,6 a 3,8V (10 bar) U ≈ 2,7 a 4,1V (11 bar) U ≈ 3,0 a 4,4V (12 bar) PB10 PID091 PPID072 PB10 - massa U ≈ 4,7 a 5,3V PB11 PB11 - massa U ≈ Ubat (freio livre) U ≈ 0V (freio acionado) PB14 PPID145 PB14 - PB23 Right U ≈ 3,1V Left U ≈ 1,8V Up U ≈ 1,2V Down U ≈ 3,1V Enter U ≈ 4,3V Esc U ≈ 0,6V Rest U ≈ 2,5V PB15 PPID074 PB15 - massa U ≈ Ubat (ch. partida em 0) U ≈ 0 - 1V (ch. em condução) PB16 PB16 - massa -12C U ≈ Ubat (limpador inativo) U ≈ 0V (limpador ativo) PID150 PSID020 PB16 - massa -12D U ≈ Ubat (PTO inativo) U ≈ 0V (PTO ativo) * PB17 PPID069 SID230 PB17 - massa U ≈ 0V (pedal livre) U ≈ Ubat (pedal acionado) PB18 PPID075 PB18 - massa U ≈ Ubat (redutor desaciona) U ≈ 0V (redutor acionado) *, *** PB19 PPID070 PB19 - massa U ≈ Ubat PB20 PID084 PB21 PB21 - massa U ≈ Ubat (marchas baixas) U ≈ 0V (marchas altas) * PB02, PB16, PB18 - se provocar o aterramento direto, é possível ouvir o atracamento ** PB02 - o relé é acionado à aprox. 15 km/h *** PB18 - a válvula é acionada a aprox. 40 km/h 0114 1530 O conector PB é o conector “azul”
  • 45.
    ProduzidoporCicloEngenhariaLtda-62-3942-3939vendas@cicloengenharia.com.br-proibidaareprodução-eventuaiserrosoudefeitosdefabricaçãofavorcomunicarvendas@cicloengenharia.com.br ENGENHARIA C I CI I Av. C-255, nº270, sala 719 Nova Suiça, 74280-010, Goiânia - Goiás 62 - 3942-3939 - vendas@cicloengenharia.com.br www.cicloengenharia.com.br Centro Empresarial Sebba, 44 Motor D12C Motor D12D Aurélio Nunes de Araújo Fábio Ribeiro von Glehn Impresso original em papel reciclado 90g Term D12C D12D Falha Tipo do sinal PB22 sim sim PID091 Sensor de posição do pedal do acelerador, Vref - Interruptor do retardador, Vref - PB23 alguns alguns Sensor de pressão de ar comprimido, Vref - Interruptor do Dynafleet PB24 alguns alguns PSID004 Interruptor do retardador, sinal PB25 não sim PPID265 Sensor de velocidade, Vref+ PB26 alguns alguns PPID073 Sensor de pressão de ar comprimido, Vref + Interruptor do Dynafleet PB27 sim sim PPID076 Condição de pressão de frenagem PB28 alguns alguns Válvula solenóide de bloqueio do 3º eixo PB29 não alguns Interruptor de pressão de carga do compressor Continuação da descrição do conector PB (azul) Descrição dos terminais da Unidade de Comando do Veículo (VECU) O conector PC é o conector “verde” de poucos terminais Term D12C D12D Falha Tipo do sinal PC01 sim sim PID228 SID250 Link SAE J1708 PC02 sim sim PID228 SID250 Link SAE J1708 PC04 sim sim PSID200 SID231 Link SAE J1939 PC05 sim sim PSID200 SID231 Link SAE J1939 0105
  • 46.
    ProduzidoporCicloEngenhariaLtda-62-3942-3939vendas@cicloengenharia.com.br-proibidaareprodução-eventuaiserrosoudefeitosdefabricaçãofavorcomunicarvendas@cicloengenharia.com.br ENGENHARIA C I CI I Av. C-255, nº270, sala 719 Nova Suiça, 74280-010, Goiânia - Goiás 62 - 3942-3939 - vendas@cicloengenharia.com.br www.cicloengenharia.com.br Centro Empresarial Sebba, 45 Motor D12C Motor D12D Gerenciamento de Motores Diesel Módulo 1 - Unidades Injetoras Impresso original em papel reciclado 90g Term Falha Pontos de medição Valor nominal PB22 PID091 PB22 - massa U ≈ 0V PB23 PB23 - massa U ≈ 0V PB24 PSID004 PB24 - massa U ≈ 0,3 a 0,7V (OFF) U ≈ 1,0 a 1,6V (pos. A) U ≈ 1,7 a 2,5V (pos. 1) U ≈ 2,3 a 3,5V (pos. 2) U ≈ 2,9 a 4,4V (pos. 3) U ≈ 3,6 a 5,4V (pos. B) PB25 PPID265 PB25 - massa U ≈ 6,5 a 9,0V em veículos com tacógrafo sem contagiro PB26 PPID073 PB26 - massa U ≈ 4,5 a 5,5V PB27 PPID076 PB27 - massa U ≈ Ubat (freio livre) U ≈ 0V (freio acionado) PB28 PB28 - massa U ≈ 0V (3º eixo desligado) U ≈ Ubat (3º eixo ligado) PB29 PB29 - massa Continuação da descrição do conector PB (azul) Descrição dos terminais da Unidade de Comando do Veículo (VECU) O conector PC é o conector “verde” de poucos terminais Term Falha Pontos de medição Valor nominal PC01 PID228 SID250 PC01 - massa 2,4 a 2,6V PC02 PID228 SID250 PC02 - massa 2,4 a 2,6V PC04 PSID200 SID231 PC04 - massa 570 a 670Hz PC05 PSID200 SID231 PC05 - massa 570 a 670Hz 0105
  • 47.
    ProduzidoporCicloEngenhariaLtda-62-3942-3939vendas@cicloengenharia.com.br-proibidaareprodução-eventuaiserrosoudefeitosdefabricaçãofavorcomunicarvendas@cicloengenharia.com.br ENGENHARIA C I CI I Av. C-255, nº270, sala 719 Nova Suiça, 74280-010, Goiânia - Goiás 62 - 3942-3939 - vendas@cicloengenharia.com.br www.cicloengenharia.com.br Centro Empresarial Sebba, 46 Motor D12C Motor D12D Aurélio Nunes de Araújo Fábio Ribeiro von Glehn Impresso original em papel reciclado 90g Descrição dos terminais do conector intermediário EM em veículo com motor D12C O conector EM está localizado próximo à unidade de controle do motor Ligação 1 Terminal EM Ligação 2 Cor do fio UCM (EB04) EM01 MA15 - VECU (PB17) RS UCM (EB01) EM02 MA03 - VECU (PC04) AM UCM (EB02) EM03 MA04 - VECU (PC05) VD UCM (EB25) EM04 MA05 - VECU (PC02) CZ UCM (EB26) EM05 MA06 - VECU (PC01) LR Relé de preaquecimento (1) EM06 MA08 - KF16 - Fusível 18 PT Eletroválvulas EPG1 e EPG2 (1) EM07 MA14 - KG12 - Fusível 20 CZ/PT UCM (EB24) EM08 AM/PT UCM (EB11 e EB12) EM09 MA11 - KG01 - Fusível 43 VM/PT UCM (EB09 e EB10) EM10 MA12 - Chassi BR Preaquecedor de partida (1) Relé de preaquecimento (3) UCM (EB05) EM11 MA09 - Painel (LX11) VD Descrição dos terminais do conector intermediário MA em veículo com motor D12C O conector MA está localizado frente do veículo (lado esquerdo) Ligação 1 Terminal MA Ligação 2 Cor do fio UCM (EB01) - EM02 MA03 VECU (PC04) AM UCM (EB02) - EM03 MA04 VECU (PC05) VD UCM (EB25) - EM04 MA05 VECU (PC02) CZ UCM (EB26) - EM05 MA06 VECU (PC01) LR Relé de preaquecimento (1) - EM06 MA08 KF16 - Fusível 18 PT Preaquecedor de partida (1) - EM11 Relé de preaquecimento (3) - EM11 UCM (EB05) - EM11 MA09 Painel (LX11) VD UCM (EB11 e EB12) - EM09 MA11 KG01 - Fusível 43 VM/PT UCM (EB09 e EB10) - EM10 MA12 Chassi BR Eletroválvulas EPG1 e EPG2 (1) - EM07 MA14 KG12 - Fusível 20 CZ/PT UCM (EB04) - EM01 MA15 VECU (PB17) RS
  • 48.
    ProduzidoporCicloEngenhariaLtda-62-3942-3939vendas@cicloengenharia.com.br-proibidaareprodução-eventuaiserrosoudefeitosdefabricaçãofavorcomunicarvendas@cicloengenharia.com.br ENGENHARIA C I CI I Av. C-255, nº270, sala 719 Nova Suiça, 74280-010, Goiânia - Goiás 62 - 3942-3939 - vendas@cicloengenharia.com.br www.cicloengenharia.com.br Centro Empresarial Sebba, 47 Motor D12C Motor D12D Gerenciamento de Motores Diesel Módulo 1 - Unidades Injetoras Impresso original em papel reciclado 90g Descrição dos terminais do conector intermediário EM em veículo com motor D12D O conector EM está localizado próximo à unidade de controle do motor Ligação 1 Terminal EM Ligação 2 Cor do fio UCM (EB04) EM01 MA15 - VECU (PB17) RS UCM (EB01) EM02 MA03 - VECU (PC04) AM UCM (EB02) EM03 MA04 - VECU (PC05) VD UCM (EB25) EM04 MA05 - VECU (PC02) CZ UCM (EB26) EM05 MA06 - VECU (PC01) LR UCM (EB31) EM06 MA07 - PW17 - EPR4 - Relé de preaq. (4) AZ/VM Bomba elétrica de purga de ar (1) Drenagem do separador de água (4) Eletroválvula do VEB Eletroválvulas EPG1 e EPG2 (1) EM07 MA14 - Fusível 41 CZ/PT UCM (EB11 e EB12) EM09 MA11 - Fusível 40 VM/PT Eletroválvulas EPG1 e EPG2 (7) UCM (EB09 e EB10) EM10 MA12 - Chassi BR Relé de preaquecimento (1) Ventilador de arrefecimento (4) EM11 MA08 - Fusível 42 PT Aquecimento do filtro de combustível (1) EM12 MA17 - XK17 - Fusível 15 - Linha +15 VD/VM Descrição dos terminais do conector intermediário MA em veículo com motor D12C O conector MA está localizado frente do veículo (lado esquerdo) Ligação 1 Terminal MA Ligação 2 Cor do fio VECU (PB24) MA01 EN03 - Compressor A/C (1) VD Relé K03 do motor de partida (87) - XM01 MA02 EN04 - Motor de partida (+50) VM/BR UCM (EB01) - EM02 MA03 VECU (PC04) AM UCM (EB02) - EM03 MA04 VECU (PC05) VD UCM (EB25) - EM04 MA05 VECU (PC02) CZ UCM (EB26) - EM05 MA06 VECU (PC01) LR UCM (EB31) - EM06 MA07 PW17 - EPR4 - Relé de preaq. (4) AZ/VM Relé de preaquecimento (1) - EM11 Ventilador de arrefecimento (4) - EM11 MA08 Fusível 42 PT Fusível 58 - resistência de 58kW MA09 EN11 - Alternador (+15) BR/PT UCM (EB11 e EB12) - EM09 MA11 Fusível 40 VM/PT Eletroválvulas EPG1 e EPG2 (7) - EM10 UCM (EB09 e EB10) - EM10 MA12 Chassi BR Linha +15 - resistência 330W - XF09 MA13 EN02 - Alternador (L) AM/VM Bomba elétrica de purga de ar (1) - EM07 Drenagem do separador de água (4) - EM07 Eletroválvula do VEB - EM07 Eletroválvulas EPG1 e EPG2 (1) - EM07 MA14 Fusível 41 CZ/PT UCM (EB04) - EM01 MA15 VECU (PB17) RS
  • 49.
    ProduzidoporCicloEngenhariaLtda-62-3942-3939vendas@cicloengenharia.com.br-proibidaareprodução-eventuaiserrosoudefeitosdefabricaçãofavorcomunicarvendas@cicloengenharia.com.br ENGENHARIA C I CI I Av. C-255, nº270, sala 719 Nova Suiça, 74280-010, Goiânia - Goiás 62 - 3942-3939 - vendas@cicloengenharia.com.br www.cicloengenharia.com.br Centro Empresarial Sebba, 48 Motor D12C Motor D12D Aurélio Nunes de Araújo Fábio Ribeiro von Glehn Impresso original em papel reciclado 90g Unidades injetoras 001/006.1 - Ficha técnica Codigo de falha: SID001/006 Tipo: indutivo Característica: uma para cada cilindro Localização: no cabeçote Tensão de alimentação: 90V 001/006.2 - Princípio de funcionamento Unidades injetoras (UIs) O motor possui seis unidades injetoras, uma para cada cilindro. Uma unidade injetora é uma combinação de bomba injetora e injetor e pode trabalhar a uma pressão significativamente mais alta do que a de um injetor comum. A unidade injetora é montada em posição vertical ao centro entre as quatro válvulas. A força de pressão para a unidade injetora é transmitida através de um balancim desde um excêntrico na árvore de cames no cabeçote. A unidade injetora é composta por três partes principais: A bomba, que contém um cilindro e um êmbolo equivalentes a um elemento de uma bomba injetora. O injetor, com o bico e a agulha do bico injetor e a mola. A caixa de válvula, com uma válvula de comando eletromagnético. A parte inferior da bomba injetora é, tal como o injetor, montada dentro de um casquilho de cobre de encontro à base do cabeçote. A parte intermediária da unidade injetora, onde estão os furos de entrada e saída de combustível, fica metida no canal de combustível no cabeçote. A unidade injetora recebe assim o combustível diretamente no canal de combus- tível. A parte superior da bomba injetora, fica por cima do cabeçote. O ponto de injeção e a quantidade de combustível a injetar são determinados pela uni- dade de comando do motor (UCM) que envia sinais à caixa de válvula, de comando ele- tromagnético. A duração de injeção determina a quantidade de combustível que é injetado para o cilindro. O funcionamento pode ser dividido em quatro fases de trabalho. Fases de trabalho As fases de trabalho podem se dividir em: Fase de enchimento; Fase de despejo; Fase de injeção; Fase de descarga de pressão. • • • • Figura 1 - Unidade Injetora
  • 50.
    ProduzidoporCicloEngenhariaLtda-62-3942-3939vendas@cicloengenharia.com.br-proibidaareprodução-eventuaiserrosoudefeitosdefabricaçãofavorcomunicarvendas@cicloengenharia.com.br ENGENHARIA C I CI I Av. C-255, nº270, sala 719 Nova Suiça, 74280-010, Goiânia - Goiás 62 - 3942-3939 - vendas@cicloengenharia.com.br www.cicloengenharia.com.br Centro Empresarial Sebba, 49 Motor D12C Motor D12D Gerenciamento de Motores Diesel Módulo 1 - Unidades Injetoras Impresso original em papel reciclado 90g Fase de enchimento (figura 1) Durante a fase de enchimento, o êmbolo da bomba está no curso ascendente para a sua posição mais alta. O ponto mais alto do ressalto da árvore de cames já passou e o balancim desloca-se para o círculo básico da árvore de cames. A válvula de combustível (1) está aberta e o combustível pode entrar para o cilindro da bomba a partir do canal de combustível inferior (4) no cabeçote de modo a encher o cilidro da bomba da unidade injetora. O enchimento prossegue até o êmbolo da bomba (2) atingir a sua posição mais alta. Fase de despejo (figura 2) A fase de despejo começa quando a árvore de cames tiver rodado até começa a empurrar para baixo o êmbolo da bomba (2). O combustível pode agora sair livremente através da válvula de combustível (1), do furo da unidade injetora e do canal de combustível (4). O fluxo de combustível passa a ser o in- verso da fase de enchimento. A fase de despejo prossegue enquanto a válvula de combustível (1) estiver aberta. Fase de injeção (figura 3) A fase de injeção começa quando a UCM energiza o indutor e gera o campo magnético necessário para FECHAR a válvula de com- bustível (1). A árvore de cames, entretanto, continua a empurrar o êmbolo da bomba (2) para baixo. O combustível não tem mais como retornar ao cabeçote.Apressão começa a subir até que se vença a carga da mola do injetor e este se abra. Ocorre então a injeção de com- bustível no interior da câmara. A fase de injeção prossegue enquanto a válvula de combustível estiver fechada. 1 2 3 4 Figura 1 - Fase de enchimento 1 - Válvula de combustível 2 - Êmbolo da bomba 3 - Saída de combustível (excedente) 4 - Canal de combustível (entrada e saída) 1 2 3 4 Figura 2 - Fase de despejo 1 - Válvula de combustível 2 - Êmbolo da bomba 3 - Saída de combustível (excedente) 4 - Canal de combustível (entrada e saída) 1 2 3 4 Figura 3 - Fase de injeção 1 - Válvula de combustível 2 - Êmbolo da bomba 3 - Saída de combustível (excedente) 4 - Canal de combustível (entrada e saída)
  • 51.
    ProduzidoporCicloEngenhariaLtda-62-3942-3939vendas@cicloengenharia.com.br-proibidaareprodução-eventuaiserrosoudefeitosdefabricaçãofavorcomunicarvendas@cicloengenharia.com.br ENGENHARIA C I CI I Av. C-255, nº270, sala 719 Nova Suiça, 74280-010, Goiânia - Goiás 62 - 3942-3939 - vendas@cicloengenharia.com.br www.cicloengenharia.com.br Centro Empresarial Sebba, 50 Motor D12C Motor D12D Aurélio Nunes de Araújo Fábio Ribeiro von Glehn Impresso original em papel reciclado 90g Motor D12C Fase de injeção (figura 4) A fase de injeção é interrompida quando a válvula de combustível (1) abre, ou seja a válvula é desnergizada. A pressão dentro da unidade injetora desce abaixo da pressão de abertura do bico injetor e mola de carga do bico fecha a agulha. O combustível que está dentro do cilindro da bomba (2) sai através da válvula de combustível (1), do furo da unidade injetora e do canal de combustível (4). Reparar que é a posição da válvula de combustível (aberta o fechada) que determina quando a injeção deve começar e terminar. O tempo que a válvula de combustível está fechada determina a quantidade de combustível que é injetado a cada estucada da bomba. 001/006.3 - Controles A unidade de controle do motor (UCM) pode controlar as unidades injetoras de duas maneiras diferentes: Controle elétrico; Balanceamento de cilindros. 001/006.3 .1 - Controle elétrico A UCM controla as unidades injetoras com o auxílio de oito transistores. Dois transistores controlam a corrente elétrica de alimentação para dois blocos de três unidades injetoras cada. Seis transistores asseguram a ligação à massa das unidades injetoras, um transistor para cada uni- dade injetora. A figura ao lado mostra o esquema de blocos para os primeiros três cilindros. Quando o módulo de comando ativa a válvula de combustível do 1º cilindro, são ativados si- multâneamente T+ e T1 e o circuito liga à massa através de T1. No outro diagrama ao lado, dois gráficos, o superior mostra a tensão e o inferior a intensi- dade de corrente através da bobina da válvula de combustível. A oscilação da tensão até -90V, deve-se à au- toindução da bobina da válvula de combustível.A -90 volts, os diodos limitam a tensão, devolvendo a corrente elétrica a T+. O motor D12D possui controles similares com níveis de tensão e correntes mais baixos. • • Figura 4 - Fase de descarga de pressão 1 - Válvula de combustível 2 - Êmbolo da bomba 3 - Saída de combustível (excedente) 4 - Canal de combustível (entrada e saída) EA11 UI-2 SID 002 UI-1 SID 001 UI-3 SID 003 EA12 BR BR EA22 EA23 BR BR +90V T+ T1 T2 T3 UCM - MID 128 - motor D12C Níveis de tensão em uma UI de um motor D12C [V] [t] [I] [t] -90V 90V Níveis de corrente em uma UI de um motor D12C
  • 52.
    ProduzidoporCicloEngenhariaLtda-62-3942-3939vendas@cicloengenharia.com.br-proibidaareprodução-eventuaiserrosoudefeitosdefabricaçãofavorcomunicarvendas@cicloengenharia.com.br ENGENHARIA C I CI I Av. C-255, nº270, sala 719 Nova Suiça, 74280-010, Goiânia - Goiás 62 - 3942-3939 - vendas@cicloengenharia.com.br www.cicloengenharia.com.br Centro Empresarial Sebba, 51 Motor D12C Motor D12D Gerenciamento de Motores Diesel Módulo 1 - Unidades Injetoras Impresso original em papel reciclado 90g 001/006.3 .2 - Balanceamento dos cilindros O balanceamento dos cilindros é um método que a UCM utiliza para dar ao motor uma marcha-lenta uniforme. No balanceamento dos cilindros, o módulo de comando mede a velocidade do volante do motor, para verificar se todos os cilindros dão a mesma aceleração ao volante. Se a aceleração for irregular para algum cilindro, a UCM compensa o cilindro respectivo quer aumentando, quer diminuindo o débito de injeção para o cilindro. Isso ocorre por meio de aumento ou diminuição do tempo de injeção. Com o balanceamento do débito de injeção de forma que todos os cilindros dêem a mesma aceleração ao volante, obtém-se uma marcha-lenta muito estável. O balanceamento dos cilindros só ocorre com o motor em marcha-lenta. No gráfico ao lado, a figura A representa a condição ideal onde todos os cilindros recebem o mesmo tempo de injeção e provocam a mesma aceleração no volante do motor. Já a figura B apresenta uma condição real, onde a combustão do 5º cilindro ao receber o mesmo débito dos ou- tros cilindros proporciona uma rotação do volante superior à da marcha-lenta. Na figura C é possível observar que o tempo de injeção para o 5º cilindro foi reduzido de modo a equalizar a aceleração do volante do motor quando o 5º cilindro entrar em expansão. O mesmo exemplo em condição contrária é possível de se verificar no 6º cilindro, sendo necessário aumentar o tempo de injeção para equalizar a rotação. Quando a rotação do motor aumenta acima da marcha-lenta, todos os cilindros recebem o débito de injeção “não balanceado”. Quando o motor volta a trabalhar em marcha-lenta, o débito de injeção passa a ser “balanceado”. O valor de balanceamento dos cilindros é guardado, mas é ajustado todas as vezes que o motor trabalha em marcha-lenta depois de aquecido por um período que varia de 4 a 10 minutos. Notar que ao apagar a memória com os có- digos de falhas estará apagando também a a memória do balanceamento de cilindros. 001/006.4 - Localização No cabeçote do motor sobre o respectivo cilindro Unidades Injetoras [rpm] 1 5 3 6 2 4 [ms] 1 5 3 6 2 4 [rpm] 1 5 3 6 2 4 [ms] 1 5 3 6 2 4 [rpm] 1 5 3 6 2 4 [ms] 1 5 3 6 2 4 B A C velocidade do volante tempo de injeção
  • 53.
    ProduzidoporCicloEngenhariaLtda-62-3942-3939vendas@cicloengenharia.com.br-proibidaareprodução-eventuaiserrosoudefeitosdefabricaçãofavorcomunicarvendas@cicloengenharia.com.br ENGENHARIA C I CI I Av. C-255, nº270, sala 719 Nova Suiça, 74280-010, Goiânia - Goiás 62 - 3942-3939 - vendas@cicloengenharia.com.br www.cicloengenharia.com.br Centro Empresarial Sebba, 52 Motor D12C Motor D12D Aurélio Nunes de Araújo Fábio Ribeiro von Glehn Impresso original em papel reciclado 90g 001/006.5 - Simbologia Identifique no esquema elétrico (posição A23) todos os significados da simbologia adotada. 001/006.6 - Códigos de falha MID SID FMI 128 001 002 003 004 005 006 2 3 4 Injetor ativado EA12 ou EA24 em curto- circuito à tensão de bateria Injetor ativado EA11 ou EA22 ou EA23 ou EA34 ou EA35 ou EA36 em curto-circuito à tensão de bateria ou em curto-circuito com o lado de alta tensão do injetor (EA12 ou EA14) ou injetor em curto-circuito Injetor ativado EA11 ou EA12 ou EA22 ou EA23 ou EA24 ou EA34 ou EA35 ou EA36 em curto- circuito à massa Reação 1 conjunto de 3 injetores é desabilitado O injetor com comando em curto-circuito é desabilitado O injetor com comando em curto-circuito é desabilitado ou 1 conjunto com 3 injeto- res é desabilitado O código de falha é registrado Lâmpada AMARELA acende Funcionamento irregular Baixa potência de saída Ruido anormal MID SID FMI 128 001 002 003 004 005 006 5 7 11 Injetor ativado Interrupção no circuito do injetor. Se 3 códigos de falha são registrados (um conjunto), a interrupção está no lado da alta ten- são do conjunto (EA12 ou EA24). Se somente um có- digo é registrado a interrup- ção está no lado da baixa tensão do injetor afetado. Injetor ativado Os dados de balanceamen- to do cilindro estão muito altos. Possivelmente com falha no injetor ou com compressão insatisfatória. Injetor ativado Falhas intermitentes Reação O injetor com comando em circuito aberto é desabili- tado ou 1 conjunto com 3 injetores é desabilitado O injetor afetado é desabi- litado O injetor afetado ou o con- junto completo de injetores é desabilitado O código de falha é registrado Lâmpada AMARELA acende Funcionamento irregular Baixa potência de saída Ruido anormal EA11 +EA12 AM VI terminais da UCM Cor do fio Indutor Massa de comando Alimentação 90V
  • 54.
    ProduzidoporCicloEngenhariaLtda-62-3942-3939vendas@cicloengenharia.com.br-proibidaareprodução-eventuaiserrosoudefeitosdefabricaçãofavorcomunicarvendas@cicloengenharia.com.br ENGENHARIA C I CI I Av. C-255, nº270, sala 719 Nova Suiça, 74280-010, Goiânia - Goiás 62 - 3942-3939 - vendas@cicloengenharia.com.br www.cicloengenharia.com.br Centro Empresarial Sebba, 53 Motor D12C Motor D12D Gerenciamento de Motores Diesel Módulo 1 - Unidades Injetoras Impresso original em papel reciclado 90g 001/006.7 - Verificações 1 - Teste do conjunto atuador / chicote / UCM com o voltímetro; 2 - Se necessário, teste do chicote e atuador com o ohmímetro; 3 - Se necessário, teste do chicote e UCM com o voltímetro 001/006.7.1 - Teste do conjunto sensor / chicote / UCM com o voltímetro Proceda as ligações do voltímetro conforme a ilustração abaixo e certifique-se da vali- dade dos dados. Lembre-se: * A UCM e unidades injetoras conectados; * A chave de partida na posição de condução; * Motor parado (ponto 1) - motor em marcha-lenta (ponto 2); * Multímetro preparado para medição de tensão contínua (Vdc) para teste com o motor parado e tensão alternada (Vac) com o motor em funcionamento. Valores dentro da faixa indicam que o atuador está íntegro, mas se mesmo assim o computador de bordo registra a falha, então existe ainda duas possibilidades: 1 - interrupção do cabo entre o ponto de medição e o atuador; 2 - falha na UCM. Valores fora da faixa indicam necessidade de continuidade nos testes. chassi chassi Vdc Vac EA11 +EA12 AM VI SID001 SID001 / 002 / 003 Motor parado Marcha-lenta UIs do grupo 1 EA12 e massa EA11 e massa EA22 e massa EA23 e massa UIs do grupo 2 EA24 e massa EA34 e massa EA35 e massa EA36 e massa Condição Tensão D12C D12D Motor parado 14,0 a 17,0 Vdc 10,0 a 11,0 Vdc Marcha-lenta 6,50 a 8,0 Vac 6,00 a 7,4 Vac
  • 55.
    ProduzidoporCicloEngenhariaLtda-62-3942-3939vendas@cicloengenharia.com.br-proibidaareprodução-eventuaiserrosoudefeitosdefabricaçãofavorcomunicarvendas@cicloengenharia.com.br ENGENHARIA C I CI I Av. C-255, nº270, sala 719 Nova Suiça, 74280-010, Goiânia - Goiás 62 - 3942-3939 - vendas@cicloengenharia.com.br www.cicloengenharia.com.br Centro Empresarial Sebba, 54 Motor D12C Motor D12D Aurélio Nunes de Araújo Fábio Ribeiro von Glehn Impresso original em papel reciclado 90g 001/006.7.2 - Teste do sensor e chicote com o OHMÍMETRO (W) Proceda as ligações do multímetro (conector da UCM) conforme a ilustração abaixo e certifique-se da validade dos dados. Lembre-se: * A UCM desconectada; * A chave de partida na posição 0; * Multímetro preparado para medição de resistência (ohm - W) Valores fora da faixa indicam falha na unidade injetora ou no chicote: * verifique fiação atuador - UCM (continuidade ou curto-circuito) * refaça a medição diretamente no atuador * faça o teste UCM - chicote UCM - Conector EA = preto superior 12 13 25 24 36 01 34 EA34 +EA24 BR VM SID004 / 005 / 006 SID004 Pontos de medição Valor nominal D12C D12D EA11 - EA12 1,5 a 2,0 W ≈ 4,0 ± 0,1 W (UI a 20ºC) ≈ 5,60 ± 0,15 W (UI a 100ºC) EA22 - EA12 EA23 - EA12 EA34 - EA24 EA35 - EA24 EA36 - EA24 EA11 - massa circuito aberto EA12 - massa EA22 - massa EA23 - massa EA24 - massa EA34 - massa EA35 - massa EA36 - massa
  • 56.
    ProduzidoporCicloEngenhariaLtda-62-3942-3939vendas@cicloengenharia.com.br-proibidaareprodução-eventuaiserrosoudefeitosdefabricaçãofavorcomunicarvendas@cicloengenharia.com.br ENGENHARIA C I CI I Av. C-255, nº270, sala 719 Nova Suiça, 74280-010, Goiânia - Goiás 62 - 3942-3939 - vendas@cicloengenharia.com.br www.cicloengenharia.com.br Centro Empresarial Sebba, 55 Motor D12C Motor D12D Gerenciamento de Motores Diesel Módulo 1 - Unidades Injetoras Impresso original em papel reciclado 90g 001/006.7.3 - Teste da UCM e chicote com o VOLTÍMETRO CONTÍNUO (VDC) Proceda as ligações do voltímetro (conector do sensor) conforme a ilustração abaixo e certifique-se da validade dos dados. Lembre-se: * A UCM conectada; * UI desconectada; * A chave de partida na posição de condução; * Motor desligado; * Multímetro preparado para medição de tensão contínua (Vdc) Ponto de medição Valor nominal em caso de divergência 1 e massa UIs 1, 2 e 3 D12C 89,0 a 91,0 Vdc Fiação 1 - EA12 interrompida Fiação 1 - EA12 em curto circuito Falha na alimentação da UCM Falha na UCM Falha no aterramento do chassi D12D 8,0 a 9,4 Vdc 2 e massa UIs 1, 2 e 3 D12C 4,8 a 5,2 Vdc Fiação 2 - EA11 / EA22 / EA23 interrompida Fiação 2 - EA11 / EA22 / EA23 em curto-circuito Falha na alimentação da UCM Falha na UCM Falha no aterramento do chassi D12D 14,2 a 16,2 Vdc 1 e massa UIs 4, 5 e 6 D12C 89,0 a 91,0 Vdc Fiação 1 - EA24 interrompida Fiação 1 - EA24 em curto circuito Falha na alimentação da UCM Falha na UCM Falha no aterramento do chassi D12D 8,0 a 9,4 Vdc 2 e massa UIs 4, 5 e 6 D12C 4,8 a 5,2 V Fiação 2 - EA34 / EA35 / EA36 interrompida Fiação 2 - EA34 / EA35 / EA36 em curto-circuito Falha na alimentação da UCM Falha na UCM Falha no aterramento do chassi D12D 14,2 a 16,2 Vdc 1 2 chassi Vdc Vdc 1 2 chassi
  • 57.
    ProduzidoporCicloEngenhariaLtda-62-3942-3939vendas@cicloengenharia.com.br-proibidaareprodução-eventuaiserrosoudefeitosdefabricaçãofavorcomunicarvendas@cicloengenharia.com.br ENGENHARIA C I CI I Av. C-255, nº270, sala 719 Nova Suiça, 74280-010, Goiânia - Goiás 62 - 3942-3939 - vendas@cicloengenharia.com.br www.cicloengenharia.com.br Centro Empresarial Sebba, 56 Motor D12C Motor D12D Aurélio Nunes de Araújo Fábio Ribeiro von Glehn Impresso original em papel reciclado 90g Método de avaliação das unidades injetoras Medir a temperatura dos gases de escape de cada cilindro em 3 rotações diferentes do motor. Exemplo: Rotação Cilindros média média menos mínimo máxima menos média1 2 3 4 5 6 1000 rpm 180ºC 170ºC 189ºC 195ºC 180ºC 176ºC 183,3ºC 13,3ºC 11,7ºC 1500 rpm 221ºC 226ºC 231ºC 248ºC 237ºC 235ºC 233,0ºC 12,0ºC 15,0ºC 2000 rpm 296ºC 305ºC 295ºC 301ºC 307ºC 314ºC 303,0ºC 8,0ºC 11,0ºC Analisar as temperaturas medidas: Atemperatura em cada cilindro não pode ser superior ou inferior a 30ºC a partir da média obtida em cada teste, ou seja: | temperatura no cilindro - média | 30ºC; Caso temperatura baixa (média - mínimo 30ºC), conclui-se: Agulha e sede do bico injetor gastas ou Êmbolo da unidade injetora gasta Caso temperatura alta (máxima - média 30ºC), conclui-se: Bico injetor da unidade gotejando ou Bico injetor com vazamento Regulagem de válvulas e ajuste das unidades injetoras Primeiro passo: identifique, nos motores com VEB, através das numerações no comando as válvulas ou unidades a serem reguladas: Inscrição Regulagem e ajuste 1 válvula de admissão 1 e unidade injetora 1 2 válvula de admissão 2 e unidade injetora 2 3 válvula de admissão 3 e unidade injetora 3 4 válvula de admissão 4 e unidade injetora 4 5 válvula de admissão 5 e unidade injetora 5 6 válvula de admissão 6 e unidade injetora 6 V1 válvula de escape 1 V2 válvula de escape 2 V3 válvula de escape 3 V4 válvula de escape 4 V5 válvula de escape 5 V6 válvula de escape 6 TDC Ponto de sincronismo do comando com a árvore de manivelas em 0º Segundo passo: gire o motor até que se coincida a marcação no comando com a mar- cação no mancal. Sugestão: para girar o motor, insira um soquete com uma catraca na porca de fixação da polia do alternador. 1. 2. • • 3. • •
  • 58.
    ProduzidoporCicloEngenhariaLtda-62-3942-3939vendas@cicloengenharia.com.br-proibidaareprodução-eventuaiserrosoudefeitosdefabricaçãofavorcomunicarvendas@cicloengenharia.com.br ENGENHARIA C I CI I Av. C-255, nº270, sala 719 Nova Suiça, 74280-010, Goiânia - Goiás 62 - 3942-3939 - vendas@cicloengenharia.com.br www.cicloengenharia.com.br Centro Empresarial Sebba, 57 Motor D12C Motor D12D Gerenciamento de Motores Diesel Módulo 1 - Unidades Injetoras Impresso original em papel reciclado 90g Terceiro passo: observe a tabela de calibração: Válvula / Unidade Medida Instrumento de medição Método Cuidado Admissão 0,20 mm Cálibre de válvulas Ajuste no parafuso do balanceiro de admissão Ajuste das pontes em caso de montagem do cabeçote. • Escape 1,60 +/- 0,05 mm Cálibre de válvulas calço de ajuste, no máximo dois calços Na regulagem, ten- te deixar as medidas homogêneas, ou seja, todas com o mesmo valor; Descarga do tucho em caso de regulagem ou Ajuste das pontes em caso de montagem do cabeçote; • • • Unidade Injetora 0,75 mm relógio comparador, base magnética e fuso de 100 mm ajuste no parafuso do balanceiro da uni- dade Descarga dos tuchos nos balanceiros de escape Inserir um gancho no balanceiro de modo a permitir que a mola do embolo seja puxada para fora e ao mesmo tempo, pressione o balanceiro para baixo até o contato com as hastes das válvulas. Com esta ação, a pelicula de óleo existente se rompe e o êmbolo é aliviado da sede da afinação, minimizando a possibilidade de erro Ajuste das pontes de admissão e escape - necessária em caso de montagem do cabeçote Soltar a porca e o parafuso de ajuste; Encostar o parafuso de ajuste com a mão até em costar na parte superior da válvula; Aplicar um ângulo de 60º no parafuso; Torquear a porca com 4N*m Ajuste das unidades injetoras Solte a porca de fixação para destravar o parafuso de regulagem; Solte o parafuso até perceber o balanceiro solto; Instale o relógio comparador no disco da mola da unidade injetora; Aplique uma pré-carga ao relógio comparador, por exemplo 2 mm; Encoste o parafuso de regulagem com a mão até perceber que zerou a folga; Zere o relógio comparador; Aperte o parafuso até o valor indicado, 0,75 mm; Aperte a porca tomando o cuidado de manter o parafuso na posição regulada; Aplique um torque de 6 N*m na porca de fixação. 1. 1. 2. 3. 4. 1. 2. 3. 4. 5. 6. 7. 8. 9.
  • 59.
    ProduzidoporCicloEngenhariaLtda-62-3942-3939vendas@cicloengenharia.com.br-proibidaareprodução-eventuaiserrosoudefeitosdefabricaçãofavorcomunicarvendas@cicloengenharia.com.br ENGENHARIA C I CI I Av. C-255, nº270, sala 719 Nova Suiça, 74280-010, Goiânia - Goiás 62 - 3942-3939 - vendas@cicloengenharia.com.br www.cicloengenharia.com.br Centro Empresarial Sebba, 58 Motor D12D Aurélio Nunes de Araújo Fábio Ribeiro von Glehn Impresso original em papel reciclado 90g Drenagem de água e purga de ar 018 / 078 / 097.1 - Ficha técnica Codigos de falha dos componentes envolvidos: SID 018 - Eletroválvula de drenagem de água do filtro separador; SID 078 - Bomba elétrica de purga do ar PID 097 - Sensor de nível de água no filtro sepa- rador. 018 / 078 / 097 .2 - Elementos de controle Tecla de acionamento da bomba elétrica de purga de ar ou da eletroválvula de drenagem de água do filtro separador (posição B21 no esquema elétrico) Bomba elétrica de purga de ar (posição A14); Eletroválvula de drenagem (posição A17); Sensor de presença de água no diesel (A18) 122 / 123 / 124 .3 - Como funciona a drenagem de água e a purga de ar O interruptor de comando é único. Se existe sinal de nível de água no filtro separador acende uma luz de advertência no painel e a UCM irá comandar a eletroválvula de dre- nagem, senão irá comandar a bomba elétrica de purga. O interruptor está conectado à VECU (MID 144 - unidade de controle do veículo), en- quanto os outros componentes estão conectados à UCM (MID 128 - unidade de controle do motor). A comunicação entre as duas unidades, neste caso, é feita pelo link de infor- mação SAE J1587/J1708. O acionamento é feito com o motor desligado e a chave na posição de condução, então, ao acionar o interruptor o sistema fará a drenagem da água ou a purga do ar conforme a condição de água no filtro separador informado pelo sensor de nível. • • • • • • • PID 097 Nível de água no separador SID 018 Eletroválvula de drenagem SID 078 Bomba elétrica de purga do ar Figura 1 - Drenagem de água e purga de ar VECU (MID 144) PA04 AZ21 10 7 9 F15 D12 UCM (MID 128) SID 018 PID 097 EA05- EA19- EA04+ EA27 71 F15 EB32- 54 F15 F41 3 EB08- 2 EB06 MR/BR VD/BR MR AZ/BR CZ/BR CZ AM/BR SID 078 PID 094 4 51 F41 3 2 7
  • 60.
    ProduzidoporCicloEngenhariaLtda-62-3942-3939vendas@cicloengenharia.com.br-proibidaareprodução-eventuaiserrosoudefeitosdefabricaçãofavorcomunicarvendas@cicloengenharia.com.br ENGENHARIA C I CI I Av. C-255, nº270, sala 719 Nova Suiça, 74280-010, Goiânia - Goiás 62 - 3942-3939 - vendas@cicloengenharia.com.br www.cicloengenharia.com.br Centro Empresarial Sebba, 59 Motor D12D Gerenciamento de Motores Diesel Módulo 1 - Unidades Injetoras Impresso original em papel reciclado 90g 018 / 078 / 097.4 - Localização: Os três componentes estão localizados no conjunto de suporte do filtro de combustível e filtro separador de água, conforme ilustrado na figura 1 da página anterior 018 / 078 / 097.5 - Códigos de falha MID SID FMI 128 018 3 4 5 EB32 ≈ Ubat Interruptor de drenagem (B21) ativado Presença de água (A18) EB32 ≈ 0,0V Interruptor de drenagem (B18) desativado Interrupção no circuito da eletroválvula de drenagem Interruptor de drenagem (B18) desativado Possíveis causas Cabo de controle (EB32) em curto-circuito ao posi- tivo Curto-circuito interno na eletroválvula de drenagem Cabo de controle (EB32) em curto-circuito à massa Fusível de alimentação (F41) queimado Interrupção na fiação entre a UCM (terminal EB32) e a eletroválvula de drenagem (terminal 5) Interrupção no circuito da eletroválvula de drenagem Interrupção no cabo de ali- mentação da eletroválvula de drenagem (terminal 4) Reação O código de falha é registrado A lâmpada AMARELA acende A eletroválvula de drena- gem não funciona Não é possível drenar a água Eletroválvula de drenagem sempre ativada Vazamento de combustível quando o motor está para- do e a chave de posição na posição de condução Ar no sistema de combus- tível Baixa potência de saída A eletroválvula de drena- gem não funciona Não é possível drenar a água MID SID FMI 128 078 4 5 EA19 ≈ 0,0V Interruptor de drenagem (B21) desativado Interrupção no circuito da boma de purga de ar Possíveis causas Cabo de controle (EA19) em curto-circuito à massa Fusível de alimentação (F41) queimado Interrupção na fiação entre a UCM (termi- nal EA19) e a bomba elétrica (terminal 5) Interrupção no circuito da bomba elétrica Interrupção no cabo de alimentação da bomba elétrica (terminal 1) Reação O código de falha é registrado A lâmpada AMARELA acende A bomba de purga sempre ativada O código de falha é registrado A lâmpada AMARELA acende A bomba de purga não funciona
  • 61.
    ProduzidoporCicloEngenhariaLtda-62-3942-3939vendas@cicloengenharia.com.br-proibidaareprodução-eventuaiserrosoudefeitosdefabricaçãofavorcomunicarvendas@cicloengenharia.com.br ENGENHARIA C I CI I Av. C-255, nº270, sala 719 Nova Suiça, 74280-010, Goiânia - Goiás 62 - 3942-3939 - vendas@cicloengenharia.com.br www.cicloengenharia.com.br Centro Empresarial Sebba, 60 Motor D12D Aurélio Nunes de Araújo Fábio Ribeiro von Glehn Impresso original em papel reciclado 90g MID PID FMI 128 097 3 4 14 EB06 91% * Ubat EB06 5% * Ubat Bomba de purga de ar ativa Possíveis causas Cabo de controle (EB06) em curto-circuito ao posi- tivo Cabo de controle (EB06) interrompido Falha no indicador de presença Cabo de controle (EB06) em curto-circuito à massa Falha no indicador de nível Bomba de purga de ar ativa Reação O código de falha é registrado A lâmpada AMARELA acende Indicador de presença não funciona Código de informação é solicitado Lâmpada AZUL acende 018 / 078 / 097.6 - Verificações 1 - Teste do conjunto sensor / chicote / UCM com o voltímetro; 2 - Se necessário, teste do chicote e sensor com o ohmímetro; 3 - Se necessário, teste do chicote e UCM com o voltímetro 018 / 078 / 097.6.1 - Teste do conjunto atuador / chicote / UCM com o voltímetro Proceda as ligações do voltímetro conforme a tabela abaixo e certifique-se da validade dos dados. Lembre-se: * Multímetro preparado para medição de tensão contínua (Vdc) Teste Pontos de medição Condição Valor nominal SID 018 EB32 e massa Chave partida em condução Ubat (desacionado) Motor desligado; Chave partida em condução; Presença de água no diesel. Interruptor de drenagem e purga em: desacionado → U = Ubat acionado → U = 0V SID 078 EB19 e massa Chave partida em condução Ubat (desacionado) Motor desligado; Chave partida em condução; Interruptor de drenagem e purga em: desacionado → U = Ubat acionado → U = 0V PID 097 EB06 - EB08 Motor parado; chave em condução; Sem água no separador ≈ 80% Ubat Motor parado; chave em condução; Com água no separador ≈ 0,0 Vdc Sensor desconectado ≈ 80% Ubat Valores dentro da faixa indicam integridade no sistema, mas se mesmo assim o compu- tador de bordo registra a falha, então existe ainda duas possibilidades: 1 - interrupção do cabo sinal entre o ponto de medição e o componente; 2 - falha na UCM. Valores fora da faixa indicam necessidade de continuidade nos testes.
  • 62.
    ProduzidoporCicloEngenhariaLtda-62-3942-3939vendas@cicloengenharia.com.br-proibidaareprodução-eventuaiserrosoudefeitosdefabricaçãofavorcomunicarvendas@cicloengenharia.com.br ENGENHARIA C I CI I Av. C-255, nº270, sala 719 Nova Suiça, 74280-010, Goiânia - Goiás 62 - 3942-3939 - vendas@cicloengenharia.com.br www.cicloengenharia.com.br Centro Empresarial Sebba, 61 Motor D12D Gerenciamento de Motores Diesel Módulo 1 - Unidades Injetoras Impresso original em papel reciclado 90g 018 / 078 / 097.6.2 - Teste do conjunto atuador / chicote com o ohmímetro Proceda as ligações do multímetro (conector da UCM) conforme a tabela abaixo e cer- tifique-se da validade dos dados. Lembre-se: * A UCM desconectada; * A chave de partida na posição 0; * Multímetro preparado para medição de resistência (ohm - W) Local de medição Componente Pontos de medição Valor nominal No próprio componente SID 018 4 - 5 ≈ 10 W SID 078 1 - 5 5,0 W PID 097 2 - 3 circuito aberto Nos conectores da UCM SID 018 EB32 - EB11 ≈ 42 W SID 078 EA19 - EB11 ≈ 300 kW (existe polaridade) PID 097 EB08 - EB06 circuito aberto Valores dentro da faixa indicam que o atuador e o chicote estão integros e existe a pos- sibilidade de falha na UCM. Valores fora da faixa, refaça o teste medindo diretamente no atuador de modo a distinguir falha no atuador de falha na fiação.
  • 63.
    ProduzidoporCicloEngenhariaLtda-62-3942-3939vendas@cicloengenharia.com.br-proibidaareprodução-eventuaiserrosoudefeitosdefabricaçãofavorcomunicarvendas@cicloengenharia.com.br ENGENHARIA C I CI I Av. C-255, nº270, sala 719 Nova Suiça, 74280-010, Goiânia - Goiás 62 - 3942-3939 - vendas@cicloengenharia.com.br www.cicloengenharia.com.br Centro Empresarial Sebba, 62 Motor D12C Motor D12D Aurélio Nunes de Araújo Fábio Ribeiro von Glehn Impresso original em papel reciclado 90g Sensor de fase 021.1 - Ficha técnica Codigo de falha: SID021 Tipo: indutivo Característica: dificuldade de partida Localização: tampa da engrenagem do comando 021.2 - Princípio de funcionamento O sensor de rotação constitui-se de um cartucho fechado (figura 1) em cujo interior se encontra um núcleo polar (imã permanente) e um enrolamento elétrico de cobre (indutor); uma roda dentada (figura 2) com propriedades magnéticas e um par de fios retorcidos. A finalidade do cabo retorcido é eliminar ou minimi- zar a interferência gerada por ruídos eletromagnéticos, entregando à unidade de controle do motor (UCM) o sinal gerado no sensor. O fundamento teórico que explica o funcionamento de um sensor de rotação indutivo é a lei da indução eletromagnética elaborada por Michael Faraday a partir de 1831. Nela é afirmado e comprovado que: “a corrente elétrica induzida em um circuito fechado por um campo magnético, é proporcional ao número de linhas do fluxo que atravessa a área envolvida do circuito, na unidade de tempo.” O campo magnético existente no imã permanente relaciona tanto o indutor (enrolamento), como os dentes da roda dentada. Quando o dente da roda dentada está diante do sensor, o número de linhas do fluxo magnético sobre o indutor é máximo, graças às propriedades magnéticas da roda dentada. Por outro lado, quando o sensor está diante da cavidade o número de linhas de fluxo magnético sobre o indutor é mínimo. Entretanto a lei de Faraday ainda exprime ao seu final a relevância da variação no tempo, ou seja, a roda dentada tem que girar para fazer variar as linhas de fluxo magnético sobre as espiras do enrolamento da bobina. Essa força eletromotriz (f.e.m) induzida será tanto maior quanto maior for a rotação da roda dentada - a amplitude do sinal aumenta com o aumento da rotação. O sensor de fase, tem o mesmo princípio de funcionamento do sensor de rotação e não por acaso, trata-se exatamente da mesma peça instalada em pontos diferentes do motor (o de fase captando sinais do comando e o de rotação da árvore de manivelas). O que muda entre eles, além da localização é a roda dentada e a função de cada um. No caso, a roda dentada do comando possui 6 dentes equidistantes (60º um do outro) e mais 1 adicional que referencia o 1º cilindro (15º do dente do 1º cilindro). A figura 3 mostra a forma aproximada do sinal gerado em uma situação de rotação constante. Figura 1 - sensor de fase do motor D12C 60º 60 º 60º 60º 60 º 60º 15º 1 5 3 6 2 4 34,5º Figura 2 - roda dentada do s. de fase
  • 64.
    ProduzidoporCicloEngenhariaLtda-62-3942-3939vendas@cicloengenharia.com.br-proibidaareprodução-eventuaiserrosoudefeitosdefabricaçãofavorcomunicarvendas@cicloengenharia.com.br ENGENHARIA C I CI I Av. C-255, nº270, sala 719 Nova Suiça, 74280-010, Goiânia - Goiás 62 - 3942-3939 - vendas@cicloengenharia.com.br www.cicloengenharia.com.br Centro Empresarial Sebba, 63 Motor D12C Motor D12D Gerenciamento de Motores Diesel Módulo 1 - Unidades Injetoras Impresso original em papel reciclado 90g A título de exercício, suponha que o tempo necessário para percorrer os 5 dentes equi- distantes, portanto ignorando o dente extra de referência, seja de 150,0 milisegundos. Qual a rotação do motor? Primeiro calcule o período (T): T = 150 ms / 5 picos, ou seja: T = 30,0 ms = 0,030 s. Agora calcule a frequência (f): f = 1/T = 1/0,030 s, ou f = 33,33 Hz. Calcule a rotação do comando: rc (rpm) = f (Hz) * 60 / número de dentes. O 60 surge de 1 minuto = 60 segundos. E como o número de dentes equidistantes é igual a 6, então 60 / 6 é igual a 10 e chega-se a conclusão que rc(rpm) = 10*f (Hz), ou seja, a roda dentada do comando encontra-se a 333,3 rpm. Entretanto, são necessárias 2 voltas na árvore de manivelas para que ocorra uma volta no comando, logo a rotação do motor é duas vezes a rotação do comando, ou seja: r(rpm) = 2*rc(rpm) = 20 * f(Hz) = 2 * 333,3 = 666,6 rpm. Você percebe que é possível chegar à rotação do motor a partir do sinal de fase. Isso justifica o porquê da UCM conseguir faser o motor funcionar SEM o sinal do sensor de rotação do motor, embora com grande dificuldade de partida. Outra função do sensor de fase refere-se ao dente extra. Esse indicará que os pistões do 1º e 6º cilindros estão em ascensão, mas que somente o do 1º cilindro encontra-se em fase de compressão (o 6º então, encontra-se em fase de descarga). O sinal do sensor de fase deverá se compor ao sinal do sensor de rotação de tal modo que o sinal dos dentes equidistantes do sensor de fase deverão coincidir com a parte lisa da roda dentada do volante do motor. Com base nos diversos sinais de entrada enviados à UCM pelos mais diversos sensores, esta deverá calcular o débito de combustível e o ângulo de injeção. O cálculo do débito de combustível dá o intervalo de tempo que a válvula de combustível deve estar fechada (a injeção de combustível para o cilindro ocorre quando a válvula de combustível está fechada). O ângulo de injeção é o ângulo de rotação do volante no momento em que se inicia a injeção (ponto de injeção). Esse ângulo inicial de injeção pode variar entre 18º antes do PMS até 6º depois do PMS. Atenção: no comando, onde está sendo captado o sinal de fase, estes ângulos dobram Em resumo, a UCM deverá calcular o momento exato de se iniciar a injeção de combus- tíve e por quanto tempo essa injeção deverá se manter para atender às necessidades de funcionamento do motor exigidas numa determinada situação de carga. 1 5 3 62 4 um ciclo = 360º 60º 15º 34,5º 60º 60 º 60º 60º 60 º 60º 15º 1 5 3 6 2 4 34,5º Figura 3 - sinal gerado pelo conjunto sensor / roda dentada real em movimento de rotação constante
  • 65.
    ProduzidoporCicloEngenhariaLtda-62-3942-3939vendas@cicloengenharia.com.br-proibidaareprodução-eventuaiserrosoudefeitosdefabricaçãofavorcomunicarvendas@cicloengenharia.com.br ENGENHARIA C I CI I Av. C-255, nº270, sala 719 Nova Suiça, 74280-010, Goiânia - Goiás 62 - 3942-3939 - vendas@cicloengenharia.com.br www.cicloengenharia.com.br Centro Empresarial Sebba, 64 Motor D12C Motor D12D Aurélio Nunes de Araújo Fábio Ribeiro von Glehn Impresso original em papel reciclado 90g 021.3 - Localização: Tampa da engrenagem do comando (figura 4) 021.4 - Verificação e regulagem da folga Observe a figura 5 enquanto segue as explicações. Rodar o volante do motor até um dente da roda dentada (C) da árvore de comando de válvulas ficar em frente ao sensor (D) na tampa da distribuição. Medir a distância (A) entre a ponta do sensor e a roda dentada (C). A folga permitida (A) deverá estar entre 0,2 a 1,0 mm. Para se obter o sinal correto do sensor de fase, é necessário que a folga (A) entre o sensor (D) e a roda dentada (C) esteja dentro da tolerância. As anilhas de afina- ção (B) permite esse controle segundo a tabela abaixo. A B Folga medida Anilha de afinação Quantidade Referência 0,2 - 1,0 mm - - -0,3 a 0,3 mm 1 1677894 -0,6 a -0,3 mm 2 1677894 sensor de fase Figura 4 - Localização do sensor de fase no motor A = folga em mm B = anilha de afinação C = roda dentada D = sensor de fase A B C D Figura 5 - Regulagem da folga do sensor de fase
  • 66.
    ProduzidoporCicloEngenhariaLtda-62-3942-3939vendas@cicloengenharia.com.br-proibidaareprodução-eventuaiserrosoudefeitosdefabricaçãofavorcomunicarvendas@cicloengenharia.com.br ENGENHARIA C I CI I Av. C-255, nº270, sala 719 Nova Suiça, 74280-010, Goiânia - Goiás 62 - 3942-3939 - vendas@cicloengenharia.com.br www.cicloengenharia.com.br Centro Empresarial Sebba, 65 Motor D12C Motor D12D Gerenciamento de Motores Diesel Módulo 1 - Unidades Injetoras Impresso original em papel reciclado 90g 021.5 - Simbologia Identifique no esquema elétrico (Posição A04) todos os significados da simbologia adotada. 021.6 - Códigos de falha MID SID FMI 128 022 3 8 Sinal da árvore de comando não disponível Sinal da árvore de comando frequência anormal Possíveis causas Curto-circuito à tensão de bateria, cabo EA07 Curto-circuito à tensão de bateria, cabo EA18 Curto-circuito à massa, cabo EA07 Curto-circuito à massa, cabo EA18 Interrupção do cabo EA07 Interrupção do cabo EA18 Conexão solta Distância muito grande entre o sensor e a roda dentada Polaridade invertida no sensor Falha no sensor Interferência elétrica Isolação insatisfatória Sensor instalado incorretamente Dente danificado no volante do motor Distância incorreta entre sensor e roda dentada Falha no sensor Reação O código de falha é registrado Lâmpada AMARELA acende Dificuldade de partida Baixa potência Funcionamento irregular 021.7 - Simulação de falha Desconectando o terminal EA07 ou o terminal EA18, ocorreu a seguinte falha: Dificuldade de partida; A tensão medida com relação à massa em qualquer um dos terminais ficou constante e aproximadamente igual a 2V; Computador de Bordo indicou imediatamente: MID 128, SID 021, FMI 3. 021.8 - Verificações 1 - Teste do conjunto sensor / chicote / UCM com o voltímetro; 2 - Se necessário, teste do chicote e sensor com o ohmímetro; 3 - Se necessário, teste do chicote e UCM com o voltímetro • • • EA18 1 2 EA07 AM MR/BR Indutor Par trançado Cor do fio Oval preto representa o Sinal EA07 e EA18 terminais da UCM 1 e 2 terminais do sensor
  • 67.
    ProduzidoporCicloEngenhariaLtda-62-3942-3939vendas@cicloengenharia.com.br-proibidaareprodução-eventuaiserrosoudefeitosdefabricaçãofavorcomunicarvendas@cicloengenharia.com.br ENGENHARIA C I CI I Av. C-255, nº270, sala 719 Nova Suiça, 74280-010, Goiânia - Goiás 62 - 3942-3939 - vendas@cicloengenharia.com.br www.cicloengenharia.com.br Centro Empresarial Sebba, 66 Motor D12C Motor D12D Aurélio Nunes de Araújo Fábio Ribeiro von Glehn Impresso original em papel reciclado 90g 021.8.1 - Teste do conjunto sensor / chicote / UCM com o voltímetro alternado (~ Vac) Proceda as ligações do voltímetro conforme a ilustração abaixo e certifique-se da vali- dade dos dados. Lembre-se: * A UCM e sensor conectados; * A chave de partida na posição de condução; * Motor tentativa de partida (ponto 1) - motor em funcionamento (ponto 2); * Multímetro preparado para medição de tensão alternada (Vac). Você irá verificar a variação da amplitude do sinal em função da variação da rotação da roda dentada. Valores fora da faixa. Verifique: * Teste de resistência elétrica do sensor / chicote * Estado da roda dentada quanto à integridade dos dentes; * Distância entre sensor e roda dentada; Valores dentro da faixa, mas com o sintoma de falha, indica que a busca da solução deverá se concentrar em outro ponto de funcionamento do motor. EA18 1 2 EA07 AM MR/BR Vac EA07 - EA18 (valor eficaz) Os valores abaixo representam apenas uma medição em um veículo qualquer e servem apenas como ilustração, visto que estes valores podem variar muito de um veículo para outro em função da distância entre sensor e roda dentada. No processo de medição, espere um aumento da tensão com o aumento da rotação do motor Condição Tensão (Vac) Partida 600 rpm 2,34 700 rpm 2,60 800 rpm 2,90 900 rpm 3,20 1000 rpm 3,50 1100 rpm 3,70 1200 rpm 4,70 1300 rpm 5,00 1400 rpm 5,40 1500 rpm 5,70 1600 rpm 6,00 1700 rpm 6,40 tensão(Vac) Curva de resposta de um sensor de fase 1,0 150010005000 2,0 3,0 4,0 rotação (rpm) 5,0 6,0 7,0
  • 68.
    ProduzidoporCicloEngenhariaLtda-62-3942-3939vendas@cicloengenharia.com.br-proibidaareprodução-eventuaiserrosoudefeitosdefabricaçãofavorcomunicarvendas@cicloengenharia.com.br ENGENHARIA C I CI I Av. C-255, nº270, sala 719 Nova Suiça, 74280-010, Goiânia - Goiás 62 - 3942-3939 - vendas@cicloengenharia.com.br www.cicloengenharia.com.br Centro Empresarial Sebba, 67 Motor D12C Motor D12D Gerenciamento de Motores Diesel Módulo 1 - Unidades Injetoras Impresso original em papel reciclado 90g 021.8.2 - Teste do sensor e chicote com o OHNÍMETRO (W) Proceda as ligações do voltímetro (conector da UCM) conforme a ilustração abaixo e certifique-se da validade dos dados. Lembre-se: * A UCM desconectada; * A chave de partida na posição 0; * Multímetro preparado para medição de resistência (ohm - W) Valores fora da faixa indicam falha no sensor ou no chicote: * verifique fiação sensor - UCM (continuidade ou curto-circuito) * refaça a medição diretamente no sensor * faça o teste UCM - chicote EA18 1 2 EA07 AM MR/BR 12 13 25 24 36 01 18 07 Pontos de medição Valor nominal EA07 - EA18 775 a 945 W
  • 69.
    ProduzidoporCicloEngenhariaLtda-62-3942-3939vendas@cicloengenharia.com.br-proibidaareprodução-eventuaiserrosoudefeitosdefabricaçãofavorcomunicarvendas@cicloengenharia.com.br ENGENHARIA C I CI I Av. C-255, nº270, sala 719 Nova Suiça, 74280-010, Goiânia - Goiás 62 - 3942-3939 - vendas@cicloengenharia.com.br www.cicloengenharia.com.br Centro Empresarial Sebba, 68 Motor D12C Motor D12D Aurélio Nunes de Araújo Fábio Ribeiro von Glehn Impresso original em papel reciclado 90g 021.8.3 - Teste da UCM e chicote com o VOLTÍMETRO CONTÍNUO (VDC) Proceda as ligações do voltímetro (conector do sensor) conforme a ilustração abaixo e certifique-se da validade dos dados. Lembre-se: * A UCM conectada; * Sensor desconectado * A chave de partida na posição de condução; * Motor desligado; * Multímetro preparado para medição de tensão contínua (Vdc) Ponto de medição Valor nominal em caso de divergência 1 e massa 1,9 a 2,1 V Fiação 1 - EA07 interrompida Fiação 1 - EA07 em curto-circuito Falha na alimentação da UCM Falha na UCM Falha no aterramento do chassi 2 e massa 1,9 a 2,1 V Fiação 2 - EA18 interrompida Fiação 2 - EA18 em curto-circuito Falha na alimentação da UCM Falha na UCM Falha no aterramento do chassi 021.9.4 - Teste do conjunto sensor / roda dentada / UCM com um FREQUENCÍMETRO (Hz) O teste do sensor de fase com o frequencímetro pode se dizer é impraticável, isso por causa do dente extra que provoca uma grande oscilação da frequência do sinal mesmo que o motor esteja em estado de rotação constante. 1 2 1 2 chassichassi Vdc Vdc
  • 70.
    ProduzidoporCicloEngenhariaLtda-62-3942-3939vendas@cicloengenharia.com.br-proibidaareprodução-eventuaiserrosoudefeitosdefabricaçãofavorcomunicarvendas@cicloengenharia.com.br ENGENHARIA C I CI I Av. C-255, nº270, sala 719 Nova Suiça, 74280-010, Goiânia - Goiás 62 - 3942-3939 - vendas@cicloengenharia.com.br www.cicloengenharia.com.br Centro Empresarial Sebba, 69 Motor D12C Motor D12D Gerenciamento de Motores Diesel Módulo 1 - Unidades Injetoras Impresso original em papel reciclado 90g Informações importantes Valor eficaz e amplitude do sinal As tensões ou correntes alternadas variam no tempo ‘t’ com uma dada amplitude. No entanto, na prática elas são expressas pelos seus valores eficazes, que, por definição, são os valores correspondentes da tensão ou corrente contínua que produziriam a mesma dissipação de potência numa resistência R. Habitualmente, as tensões especificadas pelos fabricantes para os eletrodomésticos correspondem aos valores eficazes. Os voltímetros e amperímetros fornecem leituras em valores eficazes. Isso significa que no osciloscópio você terá condições de medir a amplitude (valor de pico-a-pico) do sinal, enquanto que com o voltímetro alternado você terá um valor da ten- são eficaz. Unidade de frequência: Hertz (Hz) O frequencímetro é um instrumento eletrônico utilizado para medição da frequência de um sinal periódico. A unidade de medida utilizada é o hertz (símbolo Hz). Um hertz equivale a um ciclo/segundo. Conforme a escala, o frequencímetro pode fornecer a medida em Hz, kHz, MHz, GHz (hertz, quilohertz, megahertz, gigahertz)
  • 71.
    ProduzidoporCicloEngenhariaLtda-62-3942-3939vendas@cicloengenharia.com.br-proibidaareprodução-eventuaiserrosoudefeitosdefabricaçãofavorcomunicarvendas@cicloengenharia.com.br ENGENHARIA C I CI I Av. C-255, nº270, sala 719 Nova Suiça, 74280-010, Goiânia - Goiás 62 - 3942-3939 - vendas@cicloengenharia.com.br www.cicloengenharia.com.br Centro Empresarial Sebba, 70 Motor D12C Motor D12D Aurélio Nunes de Araújo Fábio Ribeiro von Glehn Impresso original em papel reciclado 90g Sensor de rotação do motor 022.1 - Ficha técnica Codigo de falha: SID022 Tipo: indutivo Característica: vital ao funcionamento do motor Localização: na capa seca do volante do motor 022.2 - Princípio de funcionamento O sensor de rotação constitui-se de um cartucho fe- chado (figura 1) em cujo interior se encontra um núcleo polar (imã permanente) e um enrolamento elétrico de cobre (indutor); uma roda dentada (figura 2) com pro- priedades magnéticas e um par de fios retorcidos. A finalidade do cabo retorcido é eliminar ou minimi- zar a interferência gerada por ruídos eletromagnéticos, entregando à unidade de controle do motor (UCM) o sinal gerado no sensor. O fundamento teórico que explica o funcionamento de um sensor de rotação indutivo é a lei da indução eletromagnética elaborada por Michael Faraday a partir de 1831. Nela é afirmado e comprovado que: “a cor- rente elétrica induzida em um circuito fechado por um campo magnético, é proporcional ao número de linhas do fluxo que atravessa a área envolvida do circuito, na unidade de tempo.” O campo magnético existente no imã permanente relaciona tanto o indutor (enrolamento), como os dentes da roda dentada. Quando o dente da roda dentada está diante do sensor, o número de linhas do fluxo magnético sobre o indutor é máximo, graças às propriedades magnéticas da roda dentada. Por outro lado, quando o sensor está diante da cavidade o número de linhas de fluxo magnético sobre o indutor é mínimo. Entretanto a lei de Faraday ainda exprime ao seu final a relevância da variação no tempo, ou seja, a roda dentada tem que girar para fazer variar as linhas de fluxo magnético sobre as espiras do enrolamento da bobina. Essa força eletromotriz (f.e.m) induzida será tanto maior quanto maior for a rotação da roda dentada - a amplitude do sinal aumenta com o aumento da rotação. A figura 3 mostra a forma aproximada do sinal gerado em uma situa- ção de rotação constante, visualizado com o auxílio de um osciloscópio e numa condição em que todos os dentes e cavidades possuem o mesmo tamanho. Figura 1 - sensor de rotação Figura 2 - roda dentada
  • 72.
    ProduzidoporCicloEngenhariaLtda-62-3942-3939vendas@cicloengenharia.com.br-proibidaareprodução-eventuaiserrosoudefeitosdefabricaçãofavorcomunicarvendas@cicloengenharia.com.br ENGENHARIA C I CI I Av. C-255, nº270, sala 719 Nova Suiça, 74280-010, Goiânia - Goiás 62 - 3942-3939 - vendas@cicloengenharia.com.br www.cicloengenharia.com.br Centro Empresarial Sebba, 71 Motor D12C Motor D12D Gerenciamento de Motores Diesel Módulo 1 - Unidades Injetoras Impresso original em papel reciclado 90g No exemplo acima, a roda dentada possui 60 dentes e 60 cavidades. Todas em tamanhos iguais, logo o espaço entre um dente e uma cavidade possui 6º (360º da circunferência dividido por 60). Apenas a título de exercício, suponha que o tempo necessário para per- correr 10 dentes seja de 12,5 milisegundos. Qual a rotação do motor? Primeiro calcule o período (T): T = 12,5 ms / 10 picos, ou seja: T = 1,25 ms = 0,00125s Agora calcule a frequência (f): f = 1/T = 1/0,00125 s, ou f = 800 Hz. Finalmente calcule a rotação do motor: r (rpm) = f (Hz) * 60 / número de dentes. O 60 surge de 1 minuto = 60 segundos. E como o número de dentes da roda dentada foi estra- tegicamente escolhido igual a 60, então 60 / 60 é igual a 1 e chega-se a conclusão que r(rpm) = f (Hz), ou seja, a roda dentada encontra-se a 800 rpm. Sem perder a facilidade gerada nos cálculos pela escolha de uma roda dentada de 60 dentes e, ainda, permitindo que o sensor de rotação seja um sensor de PMS, foi inserido na roda dentada 3 espaços lisos equidistantes 120º, como ilustra a figura 4 abaixo. As ranhuras estão divididas em 3 grupos com 17 dentes e 18 ranhuras em cada grupo. Entre os grupos de ranhuras há um espaço liso que corresponde a 15º. Um espaço liso mais 18 ranhuras e 17 dentes correspondem a 120º do volante, ou seja, um terço de uma rotação. O espaço entre duas ranhuras corresponde a um ângulo de 6º. Isso significa dizer que se desconsiderarmos o período em que o sensor de rotação encontra-se diante do espaço liso, o cálculo da rotação do motor obedece aos mesmos critérios da situação da figura 3, o que significa: r (rpm) = f (Hz). Veja a ilustração da figura 5. um ciclo = 720º 6º 6º Figura 3 - sinal gerado pelo conjunto sensor / roda dentada ideal em movimento de rotação constante 6º 15 º 120º um ciclo = 720º 6º 120º 15º Figura 4 - sinal gerado pelo conjunto sensor / roda dentada real em movimento de rotação constante
  • 73.
    ProduzidoporCicloEngenhariaLtda-62-3942-3939vendas@cicloengenharia.com.br-proibidaareprodução-eventuaiserrosoudefeitosdefabricaçãofavorcomunicarvendas@cicloengenharia.com.br ENGENHARIA C I CI I Av. C-255, nº270, sala 719 Nova Suiça, 74280-010, Goiânia - Goiás 62 - 3942-3939 - vendas@cicloengenharia.com.br www.cicloengenharia.com.br Centro Empresarial Sebba, 72 Motor D12C Motor D12D Aurélio Nunes de Araújo Fábio Ribeiro von Glehn Impresso original em papel reciclado 90g Motor D12C Tensão(V) Tempo (ms) 8,333ms / 5 picos momento sem variação de campo magnético amplitude do sinal gerado 0 1 2 3 4 5 Cálculo do Período (T) 8,333 ms 5 picos T = = 1,666ms Cálculo da frequência (f) 1 T f = = 600Hz= 1 1,666ms Cálculo da rotação (r) f * 60 (s/min) 360º / 6º r = = 600 rpm Figura 5 - interpretação do sinal gerado pelo conjunto sensor / roda dentada em movimento 022.3 - Sincronismo do motor Para facilitar o entendimento do sincronismo entre sensor de fase, sensor de rotação e elementos mecânicos do motor, veja a figura 6 à página seguinte. Observe: O sensor detecta um sinal da roda dentada do comando que não está em sincronismo com a parte lisa do volante do motor, com isso o dente extra está identificado. Logo a seguir um novo dente no comando e a parte lisa na roda do volante. O pistão do 1º cilindro está em ascensão e em fase de compressão. A rotação do motor já está calculada, imaginemos 900 rpm quando o sensor de rotação detectou a primeira ranhura a seguir a uma parte lisa no volante do motor. A UCM também já tem, dadas as condições de fun- cionamento, que é necessário começar a injeção no 1º cilindro, por exemplo, 7º antes do PMS. Segundo estes dados, quanto tempo após a detecção da primeira ranhura a UCM deverá comandar o fechamento da unidade injetora?
  • 74.
    ProduzidoporCicloEngenhariaLtda-62-3942-3939vendas@cicloengenharia.com.br-proibidaareprodução-eventuaiserrosoudefeitosdefabricaçãofavorcomunicarvendas@cicloengenharia.com.br ENGENHARIA C I CI I Av. C-255, nº270, sala 719 Nova Suiça, 74280-010, Goiânia - Goiás 62 - 3942-3939 - vendas@cicloengenharia.com.br www.cicloengenharia.com.br Centro Empresarial Sebba, 73 Motor D12C Motor D12D Gerenciamento de Motores Diesel Módulo 1 - Unidades Injetoras Impresso original em papel reciclado 90g O PMS está a 69º da 1ª ranhura. A injeção deverá iniciar-se 7º antes do PMS, portanto a 62º da 1ª ranhura. O motor está a 900 rpm (rotações por minuto), ou 900 rpm / 60 s/min = 15 Hz ou 15 rotações por segundo. Se em único segundo o motor faz 15 giros, então para perfazer um único giro de 360º ele gasta 1/15 = 0,0666 segundos ou 66,6 ms. Para percorrer 1º (um grau) gasta 66,6/360 = 0,185ms. Então para percorrer os 62º ne- cessários até o início da injeção, teremos 0,185 * 62 = 11,47ms. Isso significa que quando o motor está a 900 rpm a UCM deve esperar apenas 11,47ms para fechar a válvula de injeção e iniciar o débito no 1º cilindro. 6º 15 º 120º 69º 69º 1 5 3 62 4 um ciclo = 360º 60º 15º 34,5º 60º 60 º 60º 60º 60 º 60º 15º 1 5 3 6 2 4 34,5º um ciclo = 720º 6º 120º 15º 69º PMS PMI PMS PMI PMS PMI 0º 51º 171º 291º 411º360º 531º 651º 0º 51º 171º 291º 411º360º 531º-69º 0º 51º 171º 291º 411º360º-189º -69º 0º 51º 171º 291º-309º-360º -189º -69º 0º 51º 171º-429º -309º-360º -189º -69º 0º 51º-549º -429º -309º-360º -189º -69º 1 5 3 6 2 4 0 0 VOLVO V3 TDC Figura 6 - sinais de rotação e fase na condição de motor sincronizado
  • 75.
    ProduzidoporCicloEngenhariaLtda-62-3942-3939vendas@cicloengenharia.com.br-proibidaareprodução-eventuaiserrosoudefeitosdefabricaçãofavorcomunicarvendas@cicloengenharia.com.br ENGENHARIA C I CI I Av. C-255, nº270, sala 719 Nova Suiça, 74280-010, Goiânia - Goiás 62 - 3942-3939 - vendas@cicloengenharia.com.br www.cicloengenharia.com.br Centro Empresarial Sebba, 74 Motor D12C Motor D12D Aurélio Nunes de Araújo Fábio Ribeiro von Glehn Impresso original em papel reciclado 90g 022.4 - Verificação do sincronismo do motor Colocar o 1º cilindro em PMS (Ponto Morto Superior) e verificar se a marcação 0º no volante do motor está em frente à seta no cárter do volante, conforme ilustra a figura 7 ao lado. Verificar se a marcação de PMS na árvore do comando de válvulas (TDC - do inglês: Top Dead Centre) está certa com a marcação na capa do mancal de apoio. Figura 8 ao lado. 022.5 - Localização Na capa seca do volante do motor 0 Figura 7 - Sincronismo do volante VOLVO V3 TDC Figura 8 - Sincronismo do comando sensor de rotação
  • 76.
    ProduzidoporCicloEngenhariaLtda-62-3942-3939vendas@cicloengenharia.com.br-proibidaareprodução-eventuaiserrosoudefeitosdefabricaçãofavorcomunicarvendas@cicloengenharia.com.br ENGENHARIA C I CI I Av. C-255, nº270, sala 719 Nova Suiça, 74280-010, Goiânia - Goiás 62 - 3942-3939 - vendas@cicloengenharia.com.br www.cicloengenharia.com.br Centro Empresarial Sebba, 75 Motor D12C Motor D12D Gerenciamento de Motores Diesel Módulo 1 - Unidades Injetoras Impresso original em papel reciclado 90g 022.6 - Simbologia Identifique no esquema elétrico (posição A03) todos os significados da simbologia adotada 022.7 - Códigos de falha MID SID FMI 128 022 2 3 8 Sinal de rotações do motor incorreto Sinal de rotações do motor não disponível Sinal de rotações do motor com frequência anormal Possíveis causas Interferência elétrica Conexão solta Isolação insatisfatória Distância incorreta entre sensor e roda dentada Dente danificado no volante do motor Sensor instalado incorreta- mente Falha no sensor Curto-circuito à tensão de bateria, cabo EA31 Curto-circuito à tensão de bateria, cabo EA30 Curto-circuito à massa, cabo EA31 Curto-circuito à massa, cabo EA30 Interrupção do cabo EA31 Interrupção do cabo EA30 Conexão solta Distância muito grande entre o sensor e a roda dentada Falha no sensor Interferência elétrica Distância incorreta entre sensor e roda dentada Dente danificado no volante do motor Falha no sensor Reação O código de falha é registrado Lâmpada AMARELA acende Se em funcionamento, motor apaga instanteneamente Motor gira, mas não pega Tensão medida com relação à massa em qualquer um dos terminais fica constante e aproximadamente igual a 2V caso não perca o sinal, perde de potência caso não perca o sinal, o funcionamento do motor fica irregular 022.8 - Verificações 1 - Teste do conjunto sensor / chicote / UCM com o voltímetro; 2 - Se necessário, teste do chicote e sensor com o ohmímetro; 3 - Se necessário, teste do chicote e UCM com o voltímetro EA30 1 2 EA31 AZ/VM AZ/PT Indutor Par trançado Cor do fio Oval preto representa o Sinal EA31 e EA30 terminais da UCM 1 e 2 terminais do sensor
  • 77.
    ProduzidoporCicloEngenhariaLtda-62-3942-3939vendas@cicloengenharia.com.br-proibidaareprodução-eventuaiserrosoudefeitosdefabricaçãofavorcomunicarvendas@cicloengenharia.com.br ENGENHARIA C I CI I Av. C-255, nº270, sala 719 Nova Suiça, 74280-010, Goiânia - Goiás 62 - 3942-3939 - vendas@cicloengenharia.com.br www.cicloengenharia.com.br Centro Empresarial Sebba, 76 Motor D12C Motor D12D Aurélio Nunes de Araújo Fábio Ribeiro von Glehn Impresso original em papel reciclado 90g 022.8.1 - Teste do conjunto sensor / chicote / UCM com o voltímetro alternado (~ Vac) Proceda as ligações do voltímetro conforme a ilustração abai- xo e certifique-se da validade dos dados. Lembre-se: * A UCM e sensor conectados; * A chave de partida na posição de condução; * Motor tentativa de partida (ponto 1) - motor em funciona- mento (ponto 2); * Multímetro preparado para medição de tensão alternada (Vac). Você irá verificar a variação da amplitude do sinal em função da variação da rotação da roda dentada. Valores fora da faixa. Verifique: * Teste de resistência elétrica do sensor / chicote * Estado da roda dentada quanto à integridade dos dentes; * Distância entre sensor e roda dentada; Valores dentro da faixa, mas com o sintoma de falha, indica que a busca da solução deverá se concentrar em outro ponto de funcionamento do motor. Tensão(V) Tempo (ms) 8,333ms / 5 picos momento sem variação de campo magnético amplitude do sinal gerado 0 1 2 3 4 5 Cálculo do Período (T) 8,333 ms 5 picos T = = 1,666ms Cálculo da frequência (f) 1 T f = = 600Hz= 1 1,666ms Cálculo da rotação (r) f * 60 (s/min) 360º / 6º r = = 600 rpm EA30 1 2 EA31 AZ/VM AZ/PT Vac EA30 - EA31 (valor eficaz) Os valores abaixo representam apenas uma medição em um veículo qualquer e servem apenas como ilustração, visto que estes valores podem variar muito de um veículo para outro em função da distância entre sensor e roda dentada. No processo de medição, espere um aumento da tensão com o aumento da rotação do motor Condição Tensão (Vac) Partida 600 rpm 11,37 700 rpm 12,73 800 rpm 14,05 900 rpm 15,24 1000 rpm 16,34 1100 rpm 17,43 1200 rpm 18,35 1300 rpm 19,30 1400 rpm 20,10 1500 rpm 20,80 1600 rpm 21,55 1700 rpm 22,25 tensão(Vac) Curva de resposta de um sensor de rotação 5,0 150010005000 10,0 15,0 20,0 rotação (rpm)
  • 78.
    ProduzidoporCicloEngenhariaLtda-62-3942-3939vendas@cicloengenharia.com.br-proibidaareprodução-eventuaiserrosoudefeitosdefabricaçãofavorcomunicarvendas@cicloengenharia.com.br ENGENHARIA C I CI I Av. C-255, nº270, sala 719 Nova Suiça, 74280-010, Goiânia - Goiás 62 - 3942-3939 - vendas@cicloengenharia.com.br www.cicloengenharia.com.br Centro Empresarial Sebba, 77 Motor D12C Motor D12D Gerenciamento de Motores Diesel Módulo 1 - Unidades Injetoras Impresso original em papel reciclado 90g 022.8.2 - Teste do sensor e chicote com o OHMÍMETRO (W) Proceda as ligações do voltímetro (conector da UCM) conforme a ilustração abaixo e certifique-se da validade dos dados. Lembre-se: * A UCM desconectada; * A chave de partida na posição 0; * Multímetro preparado para medição de resistência (ohm - W) Valores fora da faixa indicam falha no sensor ou no chicote: * verifique fiação sensor - UCM (continuidade ou curto-circuito) * refaça a medição diretamente no sensor * faça o teste UCM - chicote EA30 1 2 EA31 AZ/VM AZ/PT 12 13 25 24 36 01 3031 Pontos de medição Valor nominal EA30 - EA31 775 a 945 W
  • 79.
    ProduzidoporCicloEngenhariaLtda-62-3942-3939vendas@cicloengenharia.com.br-proibidaareprodução-eventuaiserrosoudefeitosdefabricaçãofavorcomunicarvendas@cicloengenharia.com.br ENGENHARIA C I CI I Av. C-255, nº270, sala 719 Nova Suiça, 74280-010, Goiânia - Goiás 62 - 3942-3939 - vendas@cicloengenharia.com.br www.cicloengenharia.com.br Centro Empresarial Sebba, 78 Motor D12C Motor D12D Aurélio Nunes de Araújo Fábio Ribeiro von Glehn Impresso original em papel reciclado 90g 022.8.3 - Teste da UCM e chicote com o VOLTÍMETRO CONTÍNUO (VDC) Proceda as ligações do voltímetro (conector do sensor) conforme a ilustração abaixo e certifique-se da validade dos dados. Lembre-se: * A UCM conectada; * Sensor desconectado * A chave de partida na posição de condução; * Motor desligado; * Multímetro preparado para medição de tensão contínua (Vdc) Ponto de medição Valor nominal em caso de divergência 1 e massa 1,9 a 2,1 V Fiação 1 - EA31 interrompida Fiação 1 - EA31 em curto-circuito Falha na alimentação da UCM Falha na UCM Falha no aterramento do chassi 2 e massa 1,9 a 2,1 V Fiação 2 - EA30 interrompida Fiação 2 - EA30 em curto-circuito Falha na alimentação da UCM Falha na UCM Falha no aterramento do chassi 1 2 1 2 chassichassi Vdc Vdc
  • 80.
    ProduzidoporCicloEngenhariaLtda-62-3942-3939vendas@cicloengenharia.com.br-proibidaareprodução-eventuaiserrosoudefeitosdefabricaçãofavorcomunicarvendas@cicloengenharia.com.br ENGENHARIA C I CI I Av. C-255, nº270, sala 719 Nova Suiça, 74280-010, Goiânia - Goiás 62 - 3942-3939 - vendas@cicloengenharia.com.br www.cicloengenharia.com.br Centro Empresarial Sebba, 79 Motor D12C Motor D12D Gerenciamento de Motores Diesel Módulo 1 - Unidades Injetoras Impresso original em papel reciclado 90g 022.8.4 - Teste do conjunto sensor / roda dentada / UCM com um FREQUENCÍMETRO (Hz) Proceda as ligações do frequencímetro conforme a ilustração abaixo e certifique-se da validade dos dados. Lembre-se: * A UCM e sensor conectados; * A chave de partida na posição de condução; * Motor tentativa de partida (ponto 1) - motor em funciona- mento (ponto 2); * Multímetro preparado para medição de frequência (Hz). Você irá verificar a variação da frequência do sinal em função da variação da rotação da roda dentada. Valores fora da faixa. Verifique: * Teste de resistência elétrica do sensor / chicote * Estado da roda dentada quanto à integridade dos dentes; * Distância entre sensor e roda dentada; Valores dentro da faixa, mas com sintoma de falha, indica que a busca deverá se con- centrar em outro ponto de funcionamento do motor. Tensão(V) Tempo (ms) 8,333ms / 5 picos magnético 0 1 2 3 4 5 Cálculo do Períod 8,333 ms 5 picos T = = 1 Cálculo da frequê 1 T f = == 1 1,666ms Cálculo da rotaçã f * 60 (s/min) 360º / 6º r = = 6 EA30 1 2 EA31 AZ/VM AZ/PT Hz EA30 - EA31 No processo de medição da fre- quência, cuidado com a interpreta- ção de ruído como sendo um sinal. Condição Frequência (Hz) Partida 600 rpm 540,0 700 rpm 630,6 800 rpm 720,7 900 rpm 810,8 1000 rpm 900,9 1100 rpm 991,0 1200 rpm 1080,0 1300 rpm 1171,0 1400 rpm 1261,0 1500 rpm 1350,0 1600 rpm 1440,0 1700 rpm 1531,0 frequência(Hz) Curva de resposta de um sensor de rotação 500 150010005000 rotação (rpm) 1000 1500
  • 81.
    ProduzidoporCicloEngenhariaLtda-62-3942-3939vendas@cicloengenharia.com.br-proibidaareprodução-eventuaiserrosoudefeitosdefabricaçãofavorcomunicarvendas@cicloengenharia.com.br ENGENHARIA C I CI I Av. C-255, nº270, sala 719 Nova Suiça, 74280-010, Goiânia - Goiás 62 - 3942-3939 - vendas@cicloengenharia.com.br www.cicloengenharia.com.br Centro Empresarial Sebba, 80 Motor D12D Aurélio Nunes de Araújo Fábio Ribeiro von Glehn Impresso original em papel reciclado 90g Ventilação de arrefecimento 026 / 033 .1 - Ficha técnica Codigos de falha dos componentes envolvidos: PID 026 - Sensor de rotação do ventilador; SID 033 - Ventilador de arrefecimento. 026 / 033 .2 - Elementos de controle Nas primeiras versões: Ventilador de arrefecimento (posição A12 no esquema elétrico); Sensor de rotação do ventilador de arrefecimen- to (posição A13). Nas versões mais recentes: O ventilador de arrefecimento (posição A12 no esquema elétrico) é comandado por um módulo de ventilação. Sensor de rotação do ventilador de arrefecimen- to (posição A13). 026 / 033 .3 - O efeito Hall Em 1879, Edwin H. Hall observou que se uma placa fina de ouro for colocada em um campo magnético perpendicular à sua superfície, uma corrente elétrica fluindo ao longo da placa pode causar uma diferença de potencial em uma direção perpendicular tanto ao campo magnético quanto à corrente. A experiência passo-a-passo Uma corrente elétrica, ‘Iv’, percorre uma placa condutora com propriedades magnéticas e de largura ‘d’. Neste instante, um voltímetro instalado nas laterais da placa, conforme ilustra a figura 1a, não indicará nenhuma diferença de potencial. Em um segundo instante, a placa é submetida a um campo magnético, B, como ilustra a figura 1b, e eis que surge o fenômeno. O campo magnético gera um desvio da corrente elétrica ‘Iv’ para um dos lados da placa, gerando uma diferença de potencial ‘Uh‘ (tensão hall) em direção perpendicular, tanto à corrente ‘Iv’ como ao campo magnético ‘B’. A tensão hall pode ser calculada pela fórmula: UH = K * Iv * B / d, onde ‘K’ é uma constante hall que depende do material da placa condutora. Pela fórmula, se B = 0, UH = 0, ou seja, se não existe campo magnético, não existe tensão hall. Deste modo, criando a condição de circuito fechado (B = 0, UH = 0) e circuito aberto (B = B, UH = UH ), gera-se um sinal, medido em ‘UH’ dependente da existência ou não do campo magnético B. • • • • • • Figura 1 - Ventilador de arrefecimento UCM (MID 128) 5 2 1 EA04+ EA05- EA06 F42 4 3 EB21- MR/BR AM VD/BR CZ/VMSID 033 PID 026 UCM (MID 128) 5 2 1 EA04+ EA05- EA06 F42a 4 3 EB21 MR/BR AM VD/BR CZ/VM6
  • 82.
    ProduzidoporCicloEngenhariaLtda-62-3942-3939vendas@cicloengenharia.com.br-proibidaareprodução-eventuaiserrosoudefeitosdefabricaçãofavorcomunicarvendas@cicloengenharia.com.br ENGENHARIA C I CI I Av. C-255, nº270, sala 719 Nova Suiça, 74280-010, Goiânia - Goiás 62 - 3942-3939 - vendas@cicloengenharia.com.br www.cicloengenharia.com.br Centro Empresarial Sebba, 81 Motor D12D Gerenciamento de Motores Diesel Módulo 1 - Unidades Injetoras Impresso original em papel reciclado 90g A questão é como se pode tirar pro- veito deste fenômeno? O campo magnético ‘B’ é gerado por um imã permanente, a corrente elétrica ‘Iv’ por uma tensão ‘Uv’ que deverá necessariamente ser forneci- da à placa condutora e a condição de circuito aberto e fechado é feito por uma armadura (ver figura 2) em forma de um copo com janelas ao longo do perímetro da armadura. A armadura, de material também com propriedades magnéticas, ao passar com o elemento cheio entre a placa e o imã, corta o campo magnético do imã e reduz o campo sobre a placa condutora, pois as linhas de força mag- nética se fecham sobre a armadura, minimizando o efeito hall. Quando passar o elemento vazio (janela), as linhas de força magnética do imã se fecham sobre a placa con- dutora, gerando uma tensão hall de valor ‘normal’. A figura 2, exemplifica o efeito. O resultado é um sinal de saída proporcional à rotação do eixo da ar- madura. Sinal que pode ser visualizado com um osciloscópio ou medido com um frequencímetro. Veja a figura 3. d IH UH IV UH = 0 Figura 1a: as linhas de corrente s e d i s t r i b u e m u n i f o r m e m e n t e pela placa. Não existe diferença de potencial entre as laterais da placa, por isso Uh = 0 volts B d IH UH IV UH = K * *IV B d Figura 1b: os eletróns são defletidos e isso gera o potencial hall, ou seja, Uh = Uh volts. Momento 2: entre o imã e a placa hall a abertura da janela +V -V O campo magnético do imã interfere sobre a placa Hall e aparece o efeito. Uh = Uh Placa Hall Imã Momento 1: entre o imã e a placa hall a saliencia da armadura +V -V A placa Hall fica sem o efeito do campo magnético do imã. Uh = 0 Placa Hall Imã Figura 2: a armadura (vista de cima é o circulo em vermelho) gira com suas saliencias e janelas entre o imã e a placa Armaduras
  • 83.
    ProduzidoporCicloEngenhariaLtda-62-3942-3939vendas@cicloengenharia.com.br-proibidaareprodução-eventuaiserrosoudefeitosdefabricaçãofavorcomunicarvendas@cicloengenharia.com.br ENGENHARIA C I CI I Av. C-255, nº270, sala 719 Nova Suiça, 74280-010, Goiânia - Goiás 62 - 3942-3939 - vendas@cicloengenharia.com.br www.cicloengenharia.com.br Centro Empresarial Sebba, 82 Motor D12D Aurélio Nunes de Araújo Fábio Ribeiro von Glehn Impresso original em papel reciclado 90g O efeito Hall é principalmente utili- zado para determinar a rotação e fase do motor e a velocidade do veículo, mas existem outras aplicações como, neste caso, medir a rotação do eixo do ventilador de arrefecimento. Lembre-se, para que haja o fenô- meno, há a necessidade de se ter uma alimentação elétrica (um positivo e um negativo) para se poder extrair um sinal. Este sinal é proporcional à rotação do eixo da armadura. Então, sem um osciloscópio, utiliza-se a função fre- quencímetro do multímetro (medida em hertz - HZ) e procura-se perceber variação de frequência quando ocorrer variação de rotação do eixo de interes- se (virabrequim, comando de válvulas, roda, ventilador do radiador, etc...). Para facilitar, os esquemas elétricos devem indicar se a peça utiliza ou não o efeito hall. A simbologia normalmente utilizada nos faz lembrar da placa hall (veja a figura 4). 026 / 033 .4 - Localização: Os dois componentes estão localizados na frente do veículo próximo ao radiador de arrefecimento Figura 4: representação esquemática de um sensor que utiliza o efeito hall como princípio de funcionamento. S + - Condição 2: a armadura gira mais rapidamente Condição 1: a armadura gira lentamente Figura 3: a armadura gira com velocidades diferentes TENSÃO(V) TEMPO (s) TENSÃO(V) TEMPO (s)
  • 84.
    ProduzidoporCicloEngenhariaLtda-62-3942-3939vendas@cicloengenharia.com.br-proibidaareprodução-eventuaiserrosoudefeitosdefabricaçãofavorcomunicarvendas@cicloengenharia.com.br ENGENHARIA C I CI I Av. C-255, nº270, sala 719 Nova Suiça, 74280-010, Goiânia - Goiás 62 - 3942-3939 - vendas@cicloengenharia.com.br www.cicloengenharia.com.br Centro Empresarial Sebba, 83 Motor D12D Gerenciamento de Motores Diesel Módulo 1 - Unidades Injetoras Impresso original em papel reciclado 90g 026 / 033.5 - Códigos de falha Sensor de velocidade do ventilador do radiador MID PID FMI 128 026 3 8 EA06 65% Ubat Ventilador em funcionamento A unidade de controle do motor detecta pulsos extras no sinal de velocidade do ventilador Possíveis causas Curto-circuito à tensão, cabo condutor de sinal (EA06). Curto-circuito à tensão, cabo de alimenta- ção (EA04). Interrupção, cabo condutor de sinal (EA06). Falha no sensor. Isolação insatisfatória ou falha na instala- ção elétrica. Falha no sensor. Ventilador danificado. Reação O código de falha é registrado Lâmpada de anomalias acende Velocidade do ventilador 100% Alto consumo de combustível Ventilador de arrefecimento: primeiras versões com comando direto MID SID FMI 128 033 3 4 5 EB21 65% Ubat Curto-circuito à massa em EB21 O relé de acoplamento do ventilador é ativado pelo cabo de controle, curto-cir- cuito à massa Interrupção Possíveis causas Curto-circuito à tensão da bateria, cabo de controle (EB21) Curto-circuito à massa, cabo de controle EB21. Relé de acoplamento do ventilador constantemente ativado. Fusível defeituoso. Interrupção, cabo de alimentação ou cabo de controle da UCM. Interrupção no relé, cone- xão entre o relé e a instala- ção elétrica. Relé de acoplamento do ventilador defeituoso. Reação O código de falha é regis- trado Lâmpada de anomalias acende O ventilador está constan- temente acionado. Alto consumo de combus- tível. O código de falha é regis- trado Lâmpada de anomalias acende O ventilador está constan- temente desacionado. Alta temperatura do líquido de arrefecimento do motor. O código de falha é regis- trado Lâmpada de anomalias acende O ventilador está constan- temente acionado. Alto consumo de combus- tível.
  • 85.
    ProduzidoporCicloEngenhariaLtda-62-3942-3939vendas@cicloengenharia.com.br-proibidaareprodução-eventuaiserrosoudefeitosdefabricaçãofavorcomunicarvendas@cicloengenharia.com.br ENGENHARIA C I CI I Av. C-255, nº270, sala 719 Nova Suiça, 74280-010, Goiânia - Goiás 62 - 3942-3939 - vendas@cicloengenharia.com.br www.cicloengenharia.com.br Centro Empresarial Sebba, 84 Motor D12D Aurélio Nunes de Araújo Fábio Ribeiro von Glehn Impresso original em papel reciclado 90g Nas versões mais recentes, o ventilador é comandado por um módulo próprio e caso este não receba um comando pulsado característico vindo da UCM, este módulo passa a ter total controle sobre o ventilador e o aciona com a máxima velocidade 026 / 033.6 - Testes Código de falha Localiza- ção no esquema elétrico Terminais para teste Condição do teste Valor nominal PID 026 MID 128 A13 (D12D) EA06 - EA05 Motor parado, ch. em condução. Gire manualmente o ventilador de arrefecimento através de suas pás O valor mostrado varia entre ≈ 0,00 Vdc ou ≈ 5,00 Vdc conforme a posição do ventilador EA04 - EA05 Sensor desconectado ≈ 5,00 Vdc SID 033 MID 128 A12 (D12D) EB21 - massa Motor parado, ch. em condução e ventilador desacionado nas primeiras versões: ≈ Ubat nas versões mais no- vas o resultado não é conclusivo Motor parado, ch. em condução e ventilador acionado nas primeiras versões: ≈ 0V nas versões mais no- vas o resultado não é conclusivo EB21 - EB11 Resistência do ventilador nas primeiras versões ≈ 30 a 50 W nas versões mais novas não é possível medir
  • 86.
    ProduzidoporCicloEngenhariaLtda-62-3942-3939vendas@cicloengenharia.com.br-proibidaareprodução-eventuaiserrosoudefeitosdefabricaçãofavorcomunicarvendas@cicloengenharia.com.br ENGENHARIA C I CI I Av. C-255, nº270, sala 719 Nova Suiça, 74280-010, Goiânia - Goiás 62 - 3942-3939 - vendas@cicloengenharia.com.br www.cicloengenharia.com.br Centro Empresarial Sebba, 85 Motor D12D Gerenciamento de Motores Diesel Módulo 1 - Unidades Injetoras Impresso original em papel reciclado 90g Propositalm ente em branco
  • 87.
    ProduzidoporCicloEngenhariaLtda-62-3942-3939vendas@cicloengenharia.com.br-proibidaareprodução-eventuaiserrosoudefeitosdefabricaçãofavorcomunicarvendas@cicloengenharia.com.br ENGENHARIA C I CI I Av. C-255, nº270, sala 719 Nova Suiça, 74280-010, Goiânia - Goiás 62 - 3942-3939 - vendas@cicloengenharia.com.br www.cicloengenharia.com.br Centro Empresarial Sebba, 86 Motor D12C Motor D12D Aurélio Nunes de Araújo Fábio Ribeiro von Glehn Impresso original em papel reciclado 90g Sistema de preaquecimento 045 / 070.1 - Ficha técnica Codigo de falha: SID070 preaquecedor PID045 relé do preaquecedor 045 / 070.2 - Conexões elétricas Identifique no esquema elétrico (posiçõesA27,A28 e A29) as ligações do sistema. 045 / 070.3 - Condições de funcionamento Quando a chave de partida é girada até a posição de preaquecimento, o elemento de partida é ativado. O tempo de ativação para o preaquecimento é depen- dente da temperatura do motor. 045 / 070.4 - Códigos de falha Condições necessárias para o registro de código PID045: MID PID FMI 128 045 3 4 EB31 ≈ Ubat Relé do préaquecedor está ativado EB31 ≈ 0V Relé do préaquecedor NÃO está ativado Possíveis causas Curto-circuito à tensão de batería no cabo de controle (EB31) O relé do préaquecedor em curto-circuito Curto-circuito à massa no cabo condutor de controle (EB31) Relé do préaquecedor danificado Fusível F42 queimado (D12D) Fusível F18 queimado (D12C) Reação O código de falha é registrado Lâmpada AMARELA acende O preaquecedor não funciona Emissão de fumaça branca durante a partida a frío Dificuldade de partida em temperaturas muito baixas Figura 1 - Preaquecedor de partida UCM (MID 128) PID 045 FM1 F42 23 4 1 -EB31 C12 +EB05 1 2 AZ/VM VM SID 070 MID 171 Figura 2 - Esquema de ligação
  • 88.
    ProduzidoporCicloEngenhariaLtda-62-3942-3939vendas@cicloengenharia.com.br-proibidaareprodução-eventuaiserrosoudefeitosdefabricaçãofavorcomunicarvendas@cicloengenharia.com.br ENGENHARIA C I CI I Av. C-255, nº270, sala 719 Nova Suiça, 74280-010, Goiânia - Goiás 62 - 3942-3939 - vendas@cicloengenharia.com.br www.cicloengenharia.com.br Centro Empresarial Sebba, 87 Motor D12C Motor D12D Gerenciamento de Motores Diesel Módulo 1 - Unidades Injetoras Impresso original em papel reciclado 90g Condições necessárias para o registro de código SID070: MID SID FMI 128 070 3 4 5 EB05 65% Ubat Relé do préaquecedor não está ativado EB05 7% Ubat Relé do préaquecedor está ativado 5% EB5 65% Ubat Possíveis causas Curto-circuito à tensão de batería no cabo condutor de sinal (EB05) O relé do préaquecedor está constantemente ati- vado Curto-circuito à massa no cabo condutor de sinal (EB05) Relé do préaquecedor dani- ficado Interrupção no cabo entre o relé e a batería Fusível FM1 queimado (D12D) Interrupção no cabo condu- tor de sinal (EB05) Elemento aquecedor de partida em curto-circuito à massa Reação O preaquecedor não funciona Emissão de fumaça branca durante a partida a frío Dificuldade de partida em temperaturas muito baixas O código de falha é registrado Lâmpada AMARELA acende Pré aquecedor de partida - condições de funcionamento condição do relé de pré-aquecimento condição normal65% 100% níveldetensãoVERIFICADO EB05-massaemfunçãoda condiçãodorelé[*Ubat(V)] 6,5% FMI3 FMI5 condição normal FMI4 relé desacionado relé acionado
  • 89.
    ProduzidoporCicloEngenhariaLtda-62-3942-3939vendas@cicloengenharia.com.br-proibidaareprodução-eventuaiserrosoudefeitosdefabricaçãofavorcomunicarvendas@cicloengenharia.com.br ENGENHARIA C I CI I Av. C-255, nº270, sala 719 Nova Suiça, 74280-010, Goiânia - Goiás 62 - 3942-3939 - vendas@cicloengenharia.com.br www.cicloengenharia.com.br Centro Empresarial Sebba, 88 Motor D12C Motor D12D Aurélio Nunes de Araújo Fábio Ribeiro von Glehn Impresso original em papel reciclado 90g Links de controle e de informação 049 / 084 / 085 / 091 / 201 / 224 / 228 / 231. 1 - Informações teóricas Os links de controle e de informação SAE J1587 / J1708 e J1939 são redes de comuni- cação entre as diversas unidades de controle. Trata-se de uma rede CAN (Controller Area Network). A rede CAN foi desenvolvida pela BOSCH em 1986, como objetivo principal em simplificar as complexas instalações elétricas em automóveis reduzindo a um único barra- mento de comunicação composto por um par de fios. Desta forma pode-se definir que a rede CAN é um protocolo de comunicação digital serial compartilhada. Padronização: SAE (Society of Automotive Engineers) ISO (International Organization for Standartization) A Sociedade Automotiva de Engenharia (Society of Automotive Engineers – SAE) des- creve uma classificação de redes de comunicação em função dos requerimentos das aplicações automotivas. Esta classificação define três classes de redes de comunicação em aplicações automobilísticas: Classe A: São redes de comunicação com baixa largura de banda utilizada em apli- cações não críticas no corpo eletrônico do automóvel, como por exemplo: controle de lâmpadas, diagnósticos, etc. Classe B: São redes utilizadas para aplicações que são importantes, mas não essen- ciais para a operação do automóvel, como display de informação de velocidade e nível de combustível. As Classes A e B são aplicadas no corpo eletrônico de um automóvel. Como por exemplo a rede J1939. Classe C: São redes utilizadas em aplicações de segurança crítica de tempo real distri- buído envolvidos no sistema eletrônico de um automóvel, como por exemplo: controle de direção, freios e motor. O volume de dados é alto, exigindo baixa latência e alta taxa de transferência. Como por exemplo a rede J1587 / J1708. Aarquitetura simplificada da rede é mostrada na figura ao lado. Informações como rotação do motor, velocidade do veículo, código do imobilizador, temperatura do motor, pressão do óleo, pressão do turbo e outras informações trafegam pelos pares de fios de uma das duas redes através de uma codificação específica que determina: o início da mensagem; a identi- ficação e a prioridade da mensagem; o número de bytes a serem transmitidos; os dados; uma estratégia de detecção e correção de erros na mensagem e a finalização da mesma. Deste modo, ao transformar um sinal em um conjunto de bits e ao definir a localização destes bits na mensagem, os computadores podem compartilhar entre si as informações necessá- rias ao bom funcionamento sem a necessidade de vários sensores com funções identicas. • • • • • MID 128 Motor EB25 EB26 EB01 EB02 MID 144 Veículo PC01 PC02 PC04 PC05 MID 163 Imobilizador 01 02 MID 140 Instrumento A17 A18 A15 A16 MID 216 LCM LC2:17 LC2:18 LC2:16 LC2:13 Diagnose2 3 Link de informação SAE J1708 Link de controle SAE J1939 Figura 1: arquitetura da rede
  • 90.
    ProduzidoporCicloEngenhariaLtda-62-3942-3939vendas@cicloengenharia.com.br-proibidaareprodução-eventuaiserrosoudefeitosdefabricaçãofavorcomunicarvendas@cicloengenharia.com.br ENGENHARIA C I CI I Av. C-255, nº270, sala 719 Nova Suiça, 74280-010, Goiânia - Goiás 62 - 3942-3939 - vendas@cicloengenharia.com.br www.cicloengenharia.com.br Centro Empresarial Sebba, 89 Motor D12C Motor D12D Gerenciamento de Motores Diesel Módulo 1 - Unidades Injetoras Impresso original em papel reciclado 90g 049 / 084 / 085 / 091 / 224 / 228 - Códigos de falha relacionados ao link J1587 / J1708 MID 128 - PID 049 - Condição do ABS Falha FMI 9 - Ausência da mensagem Causas Falha na unidade de controle ABS ou no link de informação SAE J1587 / J1708 Reação O código de falha é registrado; Lâmpada AMARELA acende. MID 128 - PID 084 - Velocidade do veículo Falha FMI 9 - Ausência do sinal FMI 11 - Falha não identificável Possíveis causas Falha no sensor de velocidade; Falha na VECU (MID 144); Falha no link de informação J1587 / J1708 Falha no sensor de velocidade; Falha na VECU (MID 144); Falha no link de informação J1587 / J1708 Reação O código de falha é registrado; Lâmpada AMARELA acende O código de falha é registrado; Lâmpada AMARELA acende; Rotação máxima limitada a 1700 rpm MID 128 - PID 085 - Condição do piloto automático Falha FMI 9 - Ausência da mensagem Causas Falha na VECU (MID 144) ou no link de informação SAE J1587 / J1708 Reação O código de falha é registrado; Lâmpada AMARELA acende MID 128 - PID 091 - Sinal do pedal do acelerador Falha FMI 9 - Ausência da mensagem FMI 11 - Falha não identificável Possíveis causas Falha no sensor do pedal do acelerador; Falha na VECU (MID 144); Falha no link de informação J1587 / J1708 Falha no sensor do pedal do acelerador; Falha na VECU (MID 144); Falha no link de informação J1587 / J1708 Reação O código de falha é registrado; Lâmpada AMARELA acende O código de falha é registrado; Lâmpada AMARELA acende; VECU usa a estratégia “Modo limp home” e o contato de marcha-lenta é utilizado ao invés do sensor de posição do acelerador MID 128 - PID 224 - Imobilizador eletrônico Falha FMI 2 - Dados/resposta incorretos FMI 12 - Sem resposta do imobilizador Possíveis causas Falha na programação do imobilizador (MID163); Falha na programação da VECU (MID144) Falha na central do imobilizador (MID163); Falha na VECU (MID 144); Falha no link de informação J1587 / J1708 Reação O código de falha é registrado; Lâmpada AMARELA acende; O funcionamento do motor não é liberado. O código de falha é registrado; Lâmpada AMARELA acende; O funcionamento do motor não é liberado. MID 128 - PID 228 - Fator K Falha FMI 11 - Sem mensagem do fator de calibragem no link de informação Possíveis causas Falha na VECU (MID 144); Falha no link de informação SAE J1587 / J1708 Reação O código de falha é registrado; Lâmpada AMARELA acende
  • 91.
    ProduzidoporCicloEngenhariaLtda-62-3942-3939vendas@cicloengenharia.com.br-proibidaareprodução-eventuaiserrosoudefeitosdefabricaçãofavorcomunicarvendas@cicloengenharia.com.br ENGENHARIA C I CI I Av. C-255, nº270, sala 719 Nova Suiça, 74280-010, Goiânia - Goiás 62 - 3942-3939 - vendas@cicloengenharia.com.br www.cicloengenharia.com.br Centro Empresarial Sebba, 90 Motor D12C Motor D12D Aurélio Nunes de Araújo Fábio Ribeiro von Glehn Impresso original em papel reciclado 90g 201 / 231 - Códigos de falha ao link J1587 / J1708 MID 128 - PSID 201 - Interrupção no link de dados Falha FMI 9 - Taxa de atualização anormal Possíveis causas Interrupção no link de controle SAE J1939 entre a VECU (MID 144) e a UCM (MID 128) Reação O código de falha é registrado; Lâmpada AMARELA acende; Piloto automático temporariamente sem funcionamento; Tomada de força temporariamente sem funcionamento; Desligamento automático do veículo que permanece em marcha-lenta temporariamente sem funcionamento; Marcha lenta ajustável temporariamente sem funcionamento; Função pedal do acelerador temporariamente inoperante; Função freio motor temporariamente inoperante; Função preaquecimento temporariamente inoperante. MID 128 - SID 231 - Link de controle Falha FMI 2 - Não funciona Possíveis causas Curto-circuito à tensão da bateria no link de controle SAE J1939; Curto-circuito à massa no link de controle SAE J1939; Os cabos no link de controle SAE J1939 estão curto-circuitados uns aos outros. Reação O código de falha é registrado; Lâmpada AMARELA acende; Piloto automático sem funcionamento; Tomada de força sem funcionamento; Desligamento automático do veículo que permanece em marcha-lenta sem funcionamento; Marcha lenta ajustável sem funcionamento; Função pedal do acelerador inoperante; Função freio motor inoperante; Função preaquecimento inoperante.
  • 92.
    ProduzidoporCicloEngenhariaLtda-62-3942-3939vendas@cicloengenharia.com.br-proibidaareprodução-eventuaiserrosoudefeitosdefabricaçãofavorcomunicarvendas@cicloengenharia.com.br ENGENHARIA C I CI I Av. C-255, nº270, sala 719 Nova Suiça, 74280-010, Goiânia - Goiás 62 - 3942-3939 - vendas@cicloengenharia.com.br www.cicloengenharia.com.br Centro Empresarial Sebba, 91 Motor D12C Motor D12D Gerenciamento de Motores Diesel Módulo 1 - Unidades Injetoras Impresso original em papel reciclado 90g Propositalm ente em branco
  • 93.
    ProduzidoporCicloEngenhariaLtda-62-3942-3939vendas@cicloengenharia.com.br-proibidaareprodução-eventuaiserrosoudefeitosdefabricaçãofavorcomunicarvendas@cicloengenharia.com.br ENGENHARIA C I CI I Av. C-255, nº270, sala 719 Nova Suiça, 74280-010, Goiânia - Goiás 62 - 3942-3939 - vendas@cicloengenharia.com.br www.cicloengenharia.com.br Centro Empresarial Sebba, 92 Motor D12C Motor D12D Aurélio Nunes de Araújo Fábio Ribeiro von Glehn Impresso original em papel reciclado 90g Velocidade do veículo 084 .1 - Ficha técnica Codigos de falha: PID 084; Sensor localizado na caixa de câmbio; Alimentação do sensor: de 8 à 12V; Emite dois sinais de mesma frequência porém com polaridade invertida 084 .2 - Configurações Existem configurações diferentes dependendo do veículo estar equipado com tacógrafo ou com velocímetro (verifique no esquema elétrico, posições B07 e B08): Motor D12C - velocímetro com tacógrafo incorporado. O sensor de velocidade está totalmente conectado ao painel de instrumentos e é este quem repassa os sinais à VECU (MID 144). A UCM (MID 128) recebe o sinal de velocidade pelo link J1939. 1. • • VECU (MID 144) B02- B01+ B04 B03 A05 A06 A04 F07 A01 F07 AZ BR B07 C07 PB06 PB20 3 1+ 2- 4 A03 F28 Motor D12D - velocímetro sem tacógrafo. O sensor de velocidade é alimentado pela VECU (MID 144) e pelo painel de instrumentos. Um dos sinais é enviado simultaneamente às duas unida- des, enquanto que o sinal redundante é recebido apenas pelo painel de instrumentos. A UCM (MID 128) recebe o sinal de velocidade pelo link J1939. 2. • • • VECU (MID 144) -B02 B03 B04A05 A06 A01F05 AZ 4 -2 3 A03F08 PA15 AZ/AM A04 PA16 VD A08 1+ B01+ PB25+ PT B07 PB06 PPID 265 • • • •
  • 94.
    ProduzidoporCicloEngenhariaLtda-62-3942-3939vendas@cicloengenharia.com.br-proibidaareprodução-eventuaiserrosoudefeitosdefabricaçãofavorcomunicarvendas@cicloengenharia.com.br ENGENHARIA C I CI I Av. C-255, nº270, sala 719 Nova Suiça, 74280-010, Goiânia - Goiás 62 - 3942-3939 - vendas@cicloengenharia.com.br www.cicloengenharia.com.br Centro Empresarial Sebba, 93 Motor D12C Motor D12D Gerenciamento de Motores Diesel Módulo 1 - Unidades Injetoras Impresso original em papel reciclado 90g 084 .3 - O efeito Hall Em 1879, Edwin H. Hall observou que se uma placa fina de ouro for colocada em um campo magnético perpendicular à sua superfície, uma corrente elétrica fluindo ao longo da placa pode causar uma diferença de potencial em uma direção perpendicular tanto ao campo magnético quanto à corrente. A experiência passo-a-passo Uma corrente elétrica, ‘Iv’, percorre uma placa condutora com propriedades magnéticas e de largura ‘d’. Neste instante, um voltímetro instalado nas laterais da placa, conforme ilustra a figura 1a, não indicará nenhuma diferença de potencial. Em um segundo instante, a placa é submetida a um campo magnético, B, como ilustra a figura 1b, e eis que surge o fenômeno. O campo magnético gera um desvio da corrente elétrica ‘Iv’ para um dos lados da placa, gerando uma diferença de potencial ‘Uh‘ (tensão hall) em direção perpendicular, tanto à corrente ‘Iv’ como ao campo magnético ‘B’. d IH UH IV UH = 0 Figura 1a: as linhas de corrente s e d i s t r i b u e m u n i f o r m e m e n t e pela placa. Não existe diferença de potencial entre as laterais da placa, por isso Uh = 0 volts B d IH UH IV UH = K * *IV B d Figura 1b: os eletróns são defletidos e isso gera o potencial hall, ou seja, Uh = Uh volts. A tensão hall pode ser calculada pela fórmula: UH = K * Iv * B / d, onde ‘K’ é uma cons- tante hall que depende do material da placa condutora. Pela fórmula, se B = 0, UH = 0, ou seja, se não existe campo magnético, não existe tensão hall. Deste modo, criando a condição de circuito fechado (B = 0, UH = 0) e circuito aberto (B = B, UH = UH ), gera-se um sinal, medido em ‘UH’ dependente da existência ou não do campo magnético B.
  • 95.
    ProduzidoporCicloEngenhariaLtda-62-3942-3939vendas@cicloengenharia.com.br-proibidaareprodução-eventuaiserrosoudefeitosdefabricaçãofavorcomunicarvendas@cicloengenharia.com.br ENGENHARIA C I CI I Av. C-255, nº270, sala 719 Nova Suiça, 74280-010, Goiânia - Goiás 62 - 3942-3939 - vendas@cicloengenharia.com.br www.cicloengenharia.com.br Centro Empresarial Sebba, 94 Motor D12C Motor D12D Aurélio Nunes de Araújo Fábio Ribeiro von Glehn Impresso original em papel reciclado 90g A questão é como se pode tirar pro- veito deste fenômeno? O campo magnético ‘B’ é gerado por um imã permanente, a corrente elétrica ‘Iv’ por uma tensão ‘Uv’ que deverá necessariamente ser forneci- da à placa condutora e a condição de circuito aberto e fechado é feito por uma armadura (ver figura 2) em forma de um copo com janelas ao longo do perímetro da armadura. A armadura, de material também com propriedades magnéticas, ao passar com o elemento cheio entre a placa e o imã, corta o campo magnético do imã e reduz o campo sobre a placa condutora, pois as linhas de força mag- nética se fecham sobre a armadura, minimizando o efeito hall. Quando passar o elemento vazio (janela), as linhas de força magnética do imã se fecham sobre a placa con- dutora, gerando uma tensão hall de valor ‘normal’. A figura 2, exemplifica o efeito. O resultado é um sinal de saída proporcional à rotação do eixo da ar- madura. Sinal que pode ser visualizado com um osciloscópio ou medido com um frequencímetro. Veja a figura 3. O efeito Hall é principalmente utili- zado para determinar a rotação e fase do motor e a velocidade do veículo, mas existem outras aplicações como, neste caso, medir a rotação do eixo do ventilador de arrefecimento. Lembre-se, para que haja o fenô- meno, há a necessidade de se ter uma alimentação elétrica (um positivo e um negativo) para se poder extrair um sinal. Este sinal é proporcional à rotação do eixo da armadura. Então, sem um osciloscópio, utiliza-se a função fre- quencímetro do multímetro (medida em hertz - HZ) e procura-se perceber variação de frequência quando ocor- rer variação de rotação do eixo de Condição 2: a armadura gira mais rapidamente Condição 1: a armadura gira lentamente Figura 3: a armadura gira com velocidades diferentes TENSÃO(V) TEMPO (s) TENSÃO(V) TEMPO (s) Momento 2: entre o imã e a placa hall a abertura da janela +V -V O campo magnético do imã interfere sobre a placa Hall e aparece o efeito. Uh = Uh Placa Hall Imã Momento 1: entre o imã e a placa hall a saliencia da armadura +V -V A placa Hall fica sem o efeito do campo magnético do imã. Uh = 0 Placa Hall Imã Figura 2: a armadura (vista de cima é o circulo em vermelho) gira com suas saliencias e janelas entre o imã e a placa Armaduras
  • 96.
    ProduzidoporCicloEngenhariaLtda-62-3942-3939vendas@cicloengenharia.com.br-proibidaareprodução-eventuaiserrosoudefeitosdefabricaçãofavorcomunicarvendas@cicloengenharia.com.br ENGENHARIA C I CI I Av. C-255, nº270, sala 719 Nova Suiça, 74280-010, Goiânia - Goiás 62 - 3942-3939 - vendas@cicloengenharia.com.br www.cicloengenharia.com.br Centro Empresarial Sebba, 95 Motor D12C Motor D12D Gerenciamento de Motores Diesel Módulo 1 - Unidades Injetoras Impresso original em papel reciclado 90g interesse (virabrequim, comando de válvulas, roda, ventilador do radiador, etc...). Para facilitar, os esquemas elétricos devem indicar se a peça utiliza ou não o efeito hall. A simbologia normalmente utilizada nos faz lembrar da placa hall (veja a figura 4). 084 .4 - Localização: O sensor está localizado na caixa de câmbio 084.5 - Códigos de falha MID 144 PID 84 Velocidade Nota! Código de falha nos veículos com TACÓGRAFO e motor D12C MID PID FMI 144 084 2 12 Se o tacógrafo indicar que a velocidade é incorreta, a unidade de controle interpreta isso como falha e registra um código de falha. Se o sinal de velocidade do tacógrafo for diferente do sinal de velocidade da unidade de controle ABS, a unidade de controle do veículo interpreta isso como falha e é regis- trado um código de falha. Possíveis causas Interrupção no fio de ligação à massa. Interrupção no fio de alimentação de corren- te elétrica. Interrupção no fio condutor de sinal. Sensor danificado. Resistência por mau contato e oxidação na conexão. Sensor danificado. Resistência por mau contato e oxidação na conexão. Reação É registrado código de falha. A lâmpada amarela acende. MID 144 PID 84 Velocidade Nota! Código de falha nos veículos com VELOCÍMETRO e motor D12D MID PID FMI 144 084 2 Se está faltando o sinal de velocidade do sensor de velocidade mas a unidade de controle dos freios mostra que existe um sinal de velocidade, isso é interpretado como falha pela unidade de controle e um código de falha é registrado. Possíveis causas Interrupção no cabo de conexão à massa. Interrupção no cabo de alimentação. Interrupção no cabo de sinal. Sensor danificado. Reação Código de falha registrado. Figura 4: representação esquemática de um sensor que utiliza o efeito hall como princípio de funcionamento. S + -
  • 97.
    ProduzidoporCicloEngenhariaLtda-62-3942-3939vendas@cicloengenharia.com.br-proibidaareprodução-eventuaiserrosoudefeitosdefabricaçãofavorcomunicarvendas@cicloengenharia.com.br ENGENHARIA C I CI I Av. C-255, nº270, sala 719 Nova Suiça, 74280-010, Goiânia - Goiás 62 - 3942-3939 - vendas@cicloengenharia.com.br www.cicloengenharia.com.br Centro Empresarial Sebba, 96 Motor D12C Motor D12D Aurélio Nunes de Araújo Fábio Ribeiro von Glehn Impresso original em papel reciclado 90g 084.6 - Testes Para facilitar os testes, segue a seguinte tabela envolvendo o pin-out do sensor de ve- locidade: Terminal do sensor Função D12C D12D 1 Alimentação 8 à 12V Painel (B01) Painel (B01) VECU (PB25) 2 massa Painel (B02) Painel (B02) 3 onda quadrada Painel (B03) Painel (B03 e B07) VECU (PB06) 4 onda quadrada Painel (B04) Painel (B04) Pela tabela acima é fácil perceber que independentemente da configuração utilizada os terminais do sensor sempre possuem a mesma função. Ou seja, como representado na figura ao lado. 084.6.1 - Teste do conjunto sensor / chicote / VECU com o frequencímetro Proceda então as ligações do voltímetro conforme a ilustração abaixo e certifique-se da validade dos dados. Lembre-se: * A VECU, sensor e painel conectados; * A chave de partida na posição de condução; * Motor ligado; * Multímetro preparado para medição de frequência (Hz). Coloque o veículo em movimento e compare o resultado obtido no frequencímetro (terminais 3 e 2) com o verificado no velocímetro, de acordo com a tabela abaixo: 30 Hz ≈ 20 km/h 60 Hz ≈ 40 km/h Hz 3 1+ 2- 4 Troque o ponto de medição no terminal 3 pelo terminal 4. O resultado a ser obtido deverá ser o mesmo obtido anteriormente. A inversão de po- laridade com o veículo em movimento só poderá ser constatada com um osciloscópio de pelo menos 2 canais Valores dentro da faixa indicam que o sensor está íntegro, mas se mesmo assim o com- putador de bordo registra a falha, então existe ainda duas possibilidades: 1 - Interrupção no capo sinal entre o ponto de medição e a VECU ou painel; 2 - Falha na VECU ou painel. Valores fora da faixa indicam a necessidade de continuidade nos testes.
  • 98.
    ProduzidoporCicloEngenhariaLtda-62-3942-3939vendas@cicloengenharia.com.br-proibidaareprodução-eventuaiserrosoudefeitosdefabricaçãofavorcomunicarvendas@cicloengenharia.com.br ENGENHARIA C I CI I Av. C-255, nº270, sala 719 Nova Suiça, 74280-010, Goiânia - Goiás 62 - 3942-3939 - vendas@cicloengenharia.com.br www.cicloengenharia.com.br Centro Empresarial Sebba, 97 Motor D12C Motor D12D Gerenciamento de Motores Diesel Módulo 1 - Unidades Injetoras Impresso original em papel reciclado 90g 084.6.2 - Teste do conjunto sensor / chicote / VECU com o voltímetro Proceda então as ligações do voltímetro conforme a ilustração abaixo e certifique-se da validade dos dados. Lembre-se: * A VECU, sensor e painel conectados; * A chave de partida na posição de condução; * Motor desligado; * Multímetro preparado para medição de tensão contínua (Vdc). Com o veículo parado, meça a tensão entre os terminais 3 e 2 do sensor. O resultado deverá ser compatível com a posição da roda: Nível baixo: entre 0,2 e 2,0 V Nível alto: entre 6,0 e 9,0 V • • Vdc 3 1+ 2- 4 Troque o ponto de medição no terminal 3 pelo terminal 4. O resultado a ser obtido deverá estar no nível inverso ao obtido no teste anterior Vdc 3 1+ 2- 4 Provoque um movimento na roda, até perce- ber a mudança de nível no visor do voltímetro Vdc 3 1+ 2- 4 Se achar necessário, volte a ponta de prova para o terminal 3 e certifique-se que ocorreu a mudança de nível com relação à primeira medida executada. Valores dentro da faixa indicam que o sensor está íntegro, mas se mesmo assim o com- putador de bordo registra a falha, então existe ainda duas possibilidades: 1 - Interrupção no capo sinal entre o ponto de medição e a VECU ou painel; 2 - Falha na VECU ou painel. Valores fora da faixa indicam a necessidade de continuidade nos testes. 3 1+ 2- 4Configuração 1 ou Configuração 2 ou Configuração 3
  • 99.
    ProduzidoporCicloEngenhariaLtda-62-3942-3939vendas@cicloengenharia.com.br-proibidaareprodução-eventuaiserrosoudefeitosdefabricaçãofavorcomunicarvendas@cicloengenharia.com.br ENGENHARIA C I CI I Av. C-255, nº270, sala 719 Nova Suiça, 74280-010, Goiânia - Goiás 62 - 3942-3939 - vendas@cicloengenharia.com.br www.cicloengenharia.com.br Centro Empresarial Sebba, 98 Motor D12C Motor D12D Aurélio Nunes de Araújo Fábio Ribeiro von Glehn Impresso original em papel reciclado 90g 084.6.3 - Teste da VECU / Painel e chicote com o VOLTÍMETRO CONTÍNUO (VDC) Proceda as ligações do voltímetro (conector do sensor) conforme a ilustração abaixo e certifique-se da validade dos dados. Lembre-se: * A VECU conectada; * Sensor desconectado * A chave de partida na posição de condução; * Motor desligado; * Multímetro preparado para medição de tensão contínua (Vdc) 3 4 1 2 chassi Vdc Vdc 3 4 1 2 Ponto de medição Valor nominal Motor em caso de divergência 1 e massa entre 9 e 12 V D12C Fiação 1 - B01 do painel interrompida Fiação 1 - B01 em curto-circuito Falha na alimentação do Painel Falha no Painel D12D Fiação 1 - B01 do painel interrompida Fiação 1 - B01 em curto-circuito Falha na alimentação do Painel Falha no Painel Fiação 1 - PB25 da VECU interrompida Fiação 1 - PB25 em curto-circuito Falha na alimentação da VECU Falha na VECU se o teste anterior for OK, então: 1 e 2 entre 9 e 12 V D12C D12D Fiação - 2 - B02 do painel interrompida Fiação - 2 - B02 em curto-circuito Falha no Painel
  • 100.
    ProduzidoporCicloEngenhariaLtda-62-3942-3939vendas@cicloengenharia.com.br-proibidaareprodução-eventuaiserrosoudefeitosdefabricaçãofavorcomunicarvendas@cicloengenharia.com.br ENGENHARIA C I CI I Av. C-255, nº270, sala 719 Nova Suiça, 74280-010, Goiânia - Goiás 62 - 3942-3939 - vendas@cicloengenharia.com.br www.cicloengenharia.com.br Centro Empresarial Sebba, 99 Motor D12C Motor D12D Gerenciamento de Motores Diesel Módulo 1 - Unidades Injetoras Impresso original em papel reciclado 90g Propositalm ente em branco
  • 101.
    ProduzidoporCicloEngenhariaLtda-62-3942-3939vendas@cicloengenharia.com.br-proibidaareprodução-eventuaiserrosoudefeitosdefabricaçãofavorcomunicarvendas@cicloengenharia.com.br ENGENHARIA C I CI I Av. C-255, nº270, sala 719 Nova Suiça, 74280-010, Goiânia - Goiás 62 - 3942-3939 - vendas@cicloengenharia.com.br www.cicloengenharia.com.br Centro Empresarial Sebba, 100 Motor D12C Motor D12D Aurélio Nunes de Araújo Fábio Ribeiro von Glehn Impresso original em papel reciclado 90g Sensor de posição do pedal do acelerador 091 / 230.1 - Ficha técnica Codigo de falha: PID091 Tipo: Potenciômetro mais interruptores Localização: pedal do acelerador Tensão de alimentação: 5V 091 / 230.2 - Princípio de funcionamento O potenciômetro é uma resistência variável em função do deslocamento de um cursor sobre uma pista resistiva. Funciona como um divisor de tensão baseado na lei de Ohm (1826). 091 / 230.3 - Localização: O sensor está localizado no pedal do acelerador 091 / 230.4 - Simbologia Identifique no esquema elétrico (posição B09, B10 e B11) todos os significados da simbologia adotada A8 A2 LR PB08 PB10+ A1 PB22- A7 MR/BR AM/MR A3 PA23 VM/PT VD/PT PT PA18t. automática PB19+ A4 Cor do fio Tensão de referência para sensor Massa de referência para sensor Sinal de posição Sinal de marcha-lenta Sinal de plena carga Alimentação de tensão Oval preto representa o Sinal terminais da UCM terminais do sensor Potenciômetro de posição do pedal do acelerador Interruptor de marcha-lenta Interruptor de plena carga apenas em veículos com transmissão automática Além disso, a informação do pedal do acelerador vai diretamente à VECU (MID 144) e chega até a UCM (MID 128) através de uma ligação específica. Identifique no esquema elétrico esta ligação (posi- ção A33) UCM (MID 128) VECU (MID 144) RS PB17 RS EB04 Contato de mínimo SID 230 MA15EM01
  • 102.
    ProduzidoporCicloEngenhariaLtda-62-3942-3939vendas@cicloengenharia.com.br-proibidaareprodução-eventuaiserrosoudefeitosdefabricaçãofavorcomunicarvendas@cicloengenharia.com.br ENGENHARIA C I CI I Av. C-255, nº270, sala 719 Nova Suiça, 74280-010, Goiânia - Goiás 62 - 3942-3939 - vendas@cicloengenharia.com.br www.cicloengenharia.com.br Centro Empresarial Sebba, 101 Motor D12C Motor D12D Gerenciamento de Motores Diesel Módulo 1 - Unidades Injetoras Impresso original em papel reciclado 90g 091 / 230.5 - Códigos de falha MID PID FMI 144 091 3 4 5 PB08 4,3V PB08 0,4V PA23 10,0V PB08 indica pedal solto Possíveis causas Curto-circuito à tensão de batería ou a 5V no cabo condutor de sinal (PB08) Curto-circuito à tensão de batería ou a 5V no cabo de ligação à massa (PB22) Interrupção no cabo condu- tor de sinal (PB08) Interrupção no cabo de ligação à massa (PB22) Falha no sensor Curto-circuíto à massa no cabo condutor de sinal (PB08) Interrupção do cabo condu- tor de sinal (PB08) Interrupção do cabo ali- mentador (PB10) Falha no sensor Curto-circuíto ao positivo no cabo condutor de sinal (PA23) Resistência nas conexões e oxidação. Falha no sensor Reação O código de falha é registrado Lâmpada de anomalias acende O código de falha é registrado Lâmpada de anomalias acende Sem resposta no pedal do acelerador MID PID FMI 144 091 6 9 14 PA23 0,08V PB08 indica pedal acionado Resposta incorreta do pe- dal do acelerador Se a VECU registrar uma falha na linha de alimen- tação (PPID 72, FMI 3 ou 4), isso é interpretado pela unidade de controle como falha e é registrado um código de falha. Possíveis causas Curto-circuíto à massa no cabo condutor de sinal (PA23) Interrupção do cabo condu- tor de sinal (PA23) Interrupção do cabo de alimentação (PB19) Falha no sensor MID 144 / PID 091 / FMI 3; MID 144 / PID 091 / FMI 6; combinação com os códigos: MID 128 / PID 084 / FMI 9 MID 128 / PID 085 / FMI 9 MID 128 / PSID 201 / FMI 9 Falha na linha de alimenta- ção (PB10) Reação O código de falha é registrado Lâmpada de anomalias acende Sem resposta no pedal do acelerador
  • 103.
    ProduzidoporCicloEngenhariaLtda-62-3942-3939vendas@cicloengenharia.com.br-proibidaareprodução-eventuaiserrosoudefeitosdefabricaçãofavorcomunicarvendas@cicloengenharia.com.br ENGENHARIA C I CI I Av. C-255, nº270, sala 719 Nova Suiça, 74280-010, Goiânia - Goiás 62 - 3942-3939 - vendas@cicloengenharia.com.br www.cicloengenharia.com.br Centro Empresarial Sebba, 102 Motor D12C Motor D12D Aurélio Nunes de Araújo Fábio Ribeiro von Glehn Impresso original em papel reciclado 90g MID SID FMI 128 230 3 4 7 EB04 75% Ubat pedal do acelerador libe- rado EB04 25% Ubat pedal do acelerador pres- sionado PA23 0,08V PB08 indica pedal acionado Possíveis causas Curto-circuito à tensão de batería no cabo condutor de sinal (EB04) Falha no pedal do acele- rador Curto-circuíto à massa no cabo condutor de sinal (EB04) Interrupção entre a UCM (EB04) e a VECU (PB17) Falha no sensor Curto-circuíto à massa no cabo condutor de sinal (PA23) Interrupção do cabo condu- tor de sinal (PA23) Interrupção do cabo de alimentação (PB19) Falha no sensor Reação O código de falha é registrado Lâmpada AMARELA acende Função LIMP HOME não funciona 091 / 230.7 - Verificações 1 - Teste do conjunto sensor / chicote / VECU com o voltímetro; 2 - Se necessário, teste do chicote e sensor com o ohmímetro; 3 - Se necessário, teste do chicote e VECU com o voltímetro Os testes a seguir fazem uma avaliação do conjunto sensor - chicote - VECU. A verifica- ção da comunicação VECU - UCM será um teste simples de continuidade e curto-circuito na fiação que liga uma unidade à outra (EB04 - PB17)
  • 104.
    ProduzidoporCicloEngenhariaLtda-62-3942-3939vendas@cicloengenharia.com.br-proibidaareprodução-eventuaiserrosoudefeitosdefabricaçãofavorcomunicarvendas@cicloengenharia.com.br ENGENHARIA C I CI I Av. C-255, nº270, sala 719 Nova Suiça, 74280-010, Goiânia - Goiás 62 - 3942-3939 - vendas@cicloengenharia.com.br www.cicloengenharia.com.br Centro Empresarial Sebba, 103 Motor D12C Motor D12D Gerenciamento de Motores Diesel Módulo 1 - Unidades Injetoras Impresso original em papel reciclado 90g 091 / 230.7.1 - Teste do conjunto sensor / chicote / VECU com o voltímetro Proceda as ligações do voltímetro conforme a ilustração abaixo e certifique-se da vali- dade dos dados. Lembre-se: * A VECU e sensor conectados; * A chave de partida na posição de condução; * Motor desligado; * Multímetro preparado para medição de tensão contínua (Vdc): Verificação do potenciômetro do pedal do acelerador Verificação do interruptor de marcha-lenta Verificação do interruptor de plena carga Vdc A8 A2 LR PB08 PB10+ A1 PB22- A7 MR/BR AM/MR A3 PA23 VM/PT VD/PT PT PA18t. automática PB19+ A4 Vdc A8 A2 LR PB08 PB10+ A1 PB22- A7 MR/BR AM/MR A3 PA23 VM/PT VD/PT PT PA18t. automática PB19+ A4 chassi Vdc A8 A2 LR PB08 PB10+ A1 PB22- A7 MR/BR AM/MR A3 PA23 VM/PT VD/PT PT PA18t. automática PB19+ A4 chassi Os valores a serem obtidos devem estar em conformidade com os casos abaixo: Veículos sem transmissão automática Veículos com transmissão automática FMI 6 - U 0,08V 0% 0,5 0,8 3,25 5,0 acionamento do pedal (%) tensão(V) Curva de calibração do sensor de posição do pedal do acelerador alimentação = 5V 25% 50% 75% 1,5 2,5 4,0 100% Ubat 0 Interruptor de marcha-lenta 0% 25% 50% 75% 100% FMI 3 - U 4,95V FMI 4 - U 0,08V FMI 5 U ~ Ubat~ FMI 3 - U 4,95V 0% 0,5 0,9 5,0 tensão(V) Curva de calibração do sensor de posição do pedal do acelerador alimentação = 5V 25% 50% 75% 1,5 2,5 100% Ubat 0 Interruptor de marcha-lenta 0% 25% 50% 75% 100% 3,88 3,50 acionamento do pedal (%) Ubat 0 Interruptor de máxima 0% 25% 50% 75% 100% FMI 4 - U 0,08V FMI 6 - U 0,08V 0,8 FMI 5 U ~ Ubat~ Valores dentro da faixa indicam que o sensor está íntegro, mas se mesmo assim o com- putador de bordo registra a falha, então existe ainda duas possibilidades: 1 - interrupção do cabo sinal entre o ponto de medição e a VECU; 2 - falha na VECU. Valores fora da faixa indicam necessidade de continuidade nos testes.
  • 105.
    ProduzidoporCicloEngenhariaLtda-62-3942-3939vendas@cicloengenharia.com.br-proibidaareprodução-eventuaiserrosoudefeitosdefabricaçãofavorcomunicarvendas@cicloengenharia.com.br ENGENHARIA C I CI I Av. C-255, nº270, sala 719 Nova Suiça, 74280-010, Goiânia - Goiás 62 - 3942-3939 - vendas@cicloengenharia.com.br www.cicloengenharia.com.br Centro Empresarial Sebba, 104 Motor D12C Motor D12D Aurélio Nunes de Araújo Fábio Ribeiro von Glehn Impresso original em papel reciclado 90g 091 / 230.7.2 - Teste do conjunto sensor / chicote com o ohmímetro Proceda as ligações do multímetro (conector da VECU) conforme a ilustração abaixo e certifique-se da validade dos dados. Lembre-se: * A VECU desconectada; * A chave de partida na posição 0; * Multímetro preparado para medição de resistência (ohm - W) Verificação do potenciômetro do pedal do acelerador Verificação do interruptor de marcha-lenta Verificação do interruptor de plena carga A8 A2 LR PB08 PB10+ A1 PB22- A7 MR/BR AM/MR A3 PA23 VM/PT VD/PT PT PA18t. automática PB19+ A4 A8 A2 LR PB08 PB10+ A1 PB22- A7 MR/BR AM/MR A3 PA23 VM/PT VD/PT PT PA18t. automática PB19+ A4 A8 A2 LR PB08 PB10+ A1 PB22- A7 MR/BR AM/MR A3 PA23 VM/PT VD/PT PT PA18t. automática PB19+ A4 Os valores a serem obtidos devem estar em conformidade com o gráfico abaixo: 0% 4000 resistência()W Curva de calibração do sensor de posição do pedal do acelerador 25% 50% 75% 100% 0 Interruptor de marcha-lenta 0% 25% 50% 75% 100% acionamento do pedal (%) 0 Interruptor de máxima 0% 25% 50% 75% 100% 3000 2000 1000 Valores dentro da faixa indicam que o sensor e o chicote estão integros e existe a pos- sibilidade de falha na VECU. Valores fora da faixa, refaça o teste medindo diretamente no sensor de modo a distinguir falha no sensor de falha na fiação.
  • 106.
    ProduzidoporCicloEngenhariaLtda-62-3942-3939vendas@cicloengenharia.com.br-proibidaareprodução-eventuaiserrosoudefeitosdefabricaçãofavorcomunicarvendas@cicloengenharia.com.br ENGENHARIA C I CI I Av. C-255, nº270, sala 719 Nova Suiça, 74280-010, Goiânia - Goiás 62 - 3942-3939 - vendas@cicloengenharia.com.br www.cicloengenharia.com.br Centro Empresarial Sebba, 105 Motor D12C Motor D12D Gerenciamento de Motores Diesel Módulo 1 - Unidades Injetoras Impresso original em papel reciclado 90g 091 / 230.7.3 - Teste da VECU e chicote com o VOLTÍMETRO CONTÍNUO (VDC) Proceda as ligações do voltímetro (conector do sensor) conforme a ilustração abaixo e certifique-se da validade dos dados. Lembre-se: * A VECU conectada; * Sensor desconectado * A chave de partida na posição de condução; * Motor desligado; * Multímetro preparado para medição de tensão contínua (Vdc) Alimentação do potenciômetro com relação à massa do veículo Alimentação do potenciômetro com relação ao massa eletrônico Vdc chassi 3 5 71 4 6 82 Vdc 3 5 71 4 6 82 - Ponto de medição Valor nominal em caso de divergência A1 e massa aproximadamente 5V Fiação A1 - PB10 interrompida Fiação A1 - PB10 em curto-circuito Falha na alimentação da VECU Falha na VECU se o teste anterior for OK, então: A1 e A8 aproximadamente 5V Fiação - A8 - PB22 interrompida Fiação - A8 - PB22 em curto-circuito Falha na VECU Verifique também a condição de alimentação dos interruptores de mí- nima e plena, conforme a ilustração ao lado: Valor diferente da tensão de bateria indica interrupção ou curto-circuito na fiação A4 - PB19 ou ainda falha na alimentação da VECU ou na própria VECU. Vdc chassi 3 5 71 4 6 82
  • 107.
    ProduzidoporCicloEngenhariaLtda-62-3942-3939vendas@cicloengenharia.com.br-proibidaareprodução-eventuaiserrosoudefeitosdefabricaçãofavorcomunicarvendas@cicloengenharia.com.br ENGENHARIA C I CI I Av. C-255, nº270, sala 719 Nova Suiça, 74280-010, Goiânia - Goiás 62 - 3942-3939 - vendas@cicloengenharia.com.br www.cicloengenharia.com.br Centro Empresarial Sebba, 106 Motor D12C Motor D12D Aurélio Nunes de Araújo Fábio Ribeiro von Glehn Impresso original em papel reciclado 90g Sensor de pressão do combustível 094.1 - Ficha técnica Codigo de falha: PID094 Localização: montado no lado esquerdo do bloco Tensão de alimentação: 5V Amplitude de trabalho: de 0,0 a 7,0 bar 094.2 - Princípio de funcionamento O sensor de pressão utilizado para medir a pressão de óleo e de combustível é baseado no efeito piezoe- létrico descoberto em 1880 pelos irmãos Pierre e Jacques Curie. Na época eles estudavam as propriedades dos cristais de quartzo e turmalina quando perceberam que a compressão mecânica destes cristais promovia uma polarização e descarga elétrica. O nome “pieze” vem do grego e significa comprimir. Na prática, a pressão comprime um disco piezoelétrico. Um outro disco de cerâmica promove o isolamento elétrico do disco com o seu alojamento. O circuito para condiciona- mento do sinal encontra-se no mesmo alojamento 094.3 - Localização: Tampa da engrenagem do comando (figura 2) 094.4 - Simbologia Identifique no esquema elétrico (posição A15) todos os significados da simbologia ado- tada. Figura 1 - pressão de combustível sensor de pressão de combustível Figura 2 - Sensor pressão do combustível Sensor de temperatura Cor do fio Oval preto representa o Sinal terminais da UCM terminais do sensor 1 3 4 EA04+ EA05- 2 Sensor de pressão Tensão de referência para sensor Massa de referência para sensor Sinal de pressãoEA27 VD/BR MR/BR MR
  • 108.
    ProduzidoporCicloEngenhariaLtda-62-3942-3939vendas@cicloengenharia.com.br-proibidaareprodução-eventuaiserrosoudefeitosdefabricaçãofavorcomunicarvendas@cicloengenharia.com.br ENGENHARIA C I CI I Av. C-255, nº270, sala 719 Nova Suiça, 74280-010, Goiânia - Goiás 62 - 3942-3939 - vendas@cicloengenharia.com.br www.cicloengenharia.com.br Centro Empresarial Sebba, 107 Motor D12C Motor D12D Gerenciamento de Motores Diesel Módulo 1 - Unidades Injetoras Impresso original em papel reciclado 90g 094.5 - Códigos de falha MID PID FMI 128 094 3 4 7 EA27 4,95V EA27 0,08 Falha mecânica Possíveis causas Curto-circuito à tensão de batería ou a 5V no cabo condutor de sinal (EA27) Curto-circuito à tensão de batería ou a 5V no cabo de ligação à massa (EA05) Falha no sensor Curto-circuíto à massa no cabo condutor de sinal (EA27) Interrupção no cabo condu- tor de sinal (EA27) Curto-circuito à massa no cabo de alimentação (EA04) Interrupção do cabo de alimentação (EA04) Falha no sensor Filtro de combustível entu- pido Ar ou vazamento no siste- ma de combustível Pressão de abertura da válvula de retenção muito baixa Bomba de combustível danificada Falha no sensor Reação Dificuldade de partida Baixa potência Fumaça azul O código de falha é registrado Lâmpada de anomalias acende 094.6 - Simulações de falha corte de EA27 Partida normal com funcionamento normal em marcha-lenta MID 128 - PID 094 - FMI 4 Verificar motor na próxima parada corte de EA04 Partida normal com funcionamento normal em marcha-lenta MID 128 - PID 094 - FMI 4 MID 128 - PID 100 - FMI 4 MID 128 - PID 102 - FMI 4 Verificar motor na próxima parada Sem indicação de pressão do óleo e do turbo no painel de instrumentos corte de EA05 Partida normal com funcionamento normal em marcha-lenta SEM indicação de códigos de falhas Pressão do óleo = 7 no painel Pressão do turbo = 2 no painel Temperatura da água = 60ºC no painel 094.7 - Verificações 1 - Teste do conjunto sensor / chicote / UCM com o voltímetro; 2 - Se necessário, teste do chicote e UCM com o voltímetro
  • 109.
    ProduzidoporCicloEngenhariaLtda-62-3942-3939vendas@cicloengenharia.com.br-proibidaareprodução-eventuaiserrosoudefeitosdefabricaçãofavorcomunicarvendas@cicloengenharia.com.br ENGENHARIA C I CI I Av. C-255, nº270, sala 719 Nova Suiça, 74280-010, Goiânia - Goiás 62 - 3942-3939 - vendas@cicloengenharia.com.br www.cicloengenharia.com.br Centro Empresarial Sebba, 108 Motor D12C Motor D12D Aurélio Nunes de Araújo Fábio Ribeiro von Glehn Impresso original em papel reciclado 90g 094.7.1 - Teste do conjunto sensor / chicote / UCM com o voltímetro Proceda as ligações do voltímetro conforme a ilustração abaixo e certifique-se da vali- dade dos dados. Lembre-se: * A UCM e sensor conectados; * A chave de partida na posição de condução; * Motor desligado (ponto 1) - marcha-lenta (ponto 2) - acelerado (ponto 3); * Multímetro preparado para medição de tensão contínua (Vdc) Valores dentro da faixa indicam que o sensor está íntegro, mas se mesmo assim o com- putador de bordo registra a falha, então existe ainda duas possibilidades: 1 - interrupção do cabo sinal entre o ponto de medição e a UCM; 2 - falha na UCM. Valores fora da faixa indicam necessidade de continuidade nos testes. 0,1 0,6 1,1 1,6 2,1 2,6 3,1 3,6 4,1 4,6 5,1 5,6 6,1 6,6 7,1 7,6 0,5 1,0 1,5 2,0 2,5 3,0 3,5 4,0 4,5 5,0 pressão (bar) tensão(V) Curva de calibração do sensor de pressão do combustível alimentação = 5V FMI 3 - U 4,95V Regime normal de trabalho 2,5 a 5,5 bar em função da rotação do motor FMI 4 - U 0,08V Pré-partida 0,5 V FMI1-pressão abaixodolimitemínimo FMI0-pressão acimadolimitemínimo Vdc 1 3 4 EA04+ EA05- EA27 2 VD/BR MR/BR MR Erro de 10% da fonte de alimentação provoca um erro de 10% na saída do sensor Pressão (bar) Tensão (V) 0 0,456 0,1 0,561 0,6 0,832 1,1 1,103 1,6 1,376 2,1 1,648 2,6 1,919 3,1 2,192 3,6 2,464 Pressão (bar) Tensão (V) 4,1 2,737 4,6 3,010 5,1 3,284 5,6 3,557 6,1 3,831 6,6 4,105 7,1 4,380 7,6 4,653 curva de regressão (não contabilizado o 1º termo): U = 0,546 * P + 0,502 onde U em volts e P em bar P = 1,830 * U - 0,921 onde P em bar e U em volts tabela conversão: 1 bar 100 kPa 750,06 mmHg 1,0197 kgf/cm2 1,0197 atm 14,5037 Psi
  • 110.
    ProduzidoporCicloEngenhariaLtda-62-3942-3939vendas@cicloengenharia.com.br-proibidaareprodução-eventuaiserrosoudefeitosdefabricaçãofavorcomunicarvendas@cicloengenharia.com.br ENGENHARIA C I CI I Av. C-255, nº270, sala 719 Nova Suiça, 74280-010, Goiânia - Goiás 62 - 3942-3939 - vendas@cicloengenharia.com.br www.cicloengenharia.com.br Centro Empresarial Sebba, 109 Motor D12C Motor D12D Gerenciamento de Motores Diesel Módulo 1 - Unidades Injetoras Impresso original em papel reciclado 90g 094.7.2 - Teste da UCM e chicote com o VOLTÍMETRO CONTÍNUO (VDC) Proceda as ligações do voltímetro (conector do sensor) conforme a ilustração abaixo e certifique-se da validade dos dados. Lembre-se: * A UCM conectada; * Sensor desconectado * A chave de partida na posição de condução; * Motor desligado; * Multímetro preparado para medição de tensão contínua (Vdc) Ponto de medição no conector do sensor Valor nominal conclusão se divergente 1 e massa aproximadamente 5V Fiação 1 - EA04 interrompida Fiação 1 - EA04 em curto-circuito Falha na alimentação da UCM Falha na UCM se o teste anterior for OK, então: 1 e 4 aproximadamente 5V Fiação - 4 - EA05 interrompida Fiação - 4 - EA05 em curto-circuito Falha na UCM se o teste anterior for OK e o sen- sor não gera sinal (teste 094.7.1) Falha no sistema de lubrificação Falha no sensor Outras medidas: * A UCM conectada; * Sensor desconectado * A chave de partida na posição 0; * Multímetro preparado para medição de resistência (W) Ponto de medição no conector do sensor Valor nominal conclusão se divergente 2 e massa aproximadamente 110 kW Fiação 2 - EA27 interrompida Falha na UCM 3 4 1 2 chassi Vdc Vdc 3 4 1 2
  • 111.
    ProduzidoporCicloEngenhariaLtda-62-3942-3939vendas@cicloengenharia.com.br-proibidaareprodução-eventuaiserrosoudefeitosdefabricaçãofavorcomunicarvendas@cicloengenharia.com.br ENGENHARIA C I CI I Av. C-255, nº270, sala 719 Nova Suiça, 74280-010, Goiânia - Goiás 62 - 3942-3939 - vendas@cicloengenharia.com.br www.cicloengenharia.com.br Centro Empresarial Sebba, 110 Motor D12C Motor D12D Aurélio Nunes de Araújo Fábio Ribeiro von Glehn Impresso original em papel reciclado 90g 094.8 - Sistema de alimentação de combustível Componentes: Pescador; Válvula unidirecional; Filtro separador de água; Tubo em U junto à UCM; Bomba de alimentação; Válvulas de retenção; Bomba de purga manual; Filtro de combustível; Unidades injetoras; Válvula reguladora de pressão; Válvula da bomba de purga Válvula de sangria automática; Válvula de segurança; Conexão na saída sangria ar filtro combustível Conexão na saída de drenagem do suporte do filtro de combustível Conexão na saída de purga de ar no cabeçote Motor D12C: O Diesel é puxado pela bomba de alimentação de combustível (5) que é ligado ao pes- cador (1) no tanque de combustível, segue na tubulação e passa pela válvula unidirecional (2) e segue para o tubo U fixado na carcaça do módulo de comando (3) para refrigeração, entra na bomba (5) e é enviado para as válvulas de retenção (6) localizadas na bomba de alimentação manual (7). Passa pelo o filtro de combustível (8) segue para a galeria do cabeçote para alimentar as unidades injetoras (9). O retorno do diesel passa pela válvula reguladora de pressão (10) que controla a pressão do diesel mecanicamente. O diesel volta para a linha de alimentação e um baixo volume de combustível retorna para o tanque. Motor D12D: A bomba de alimentação (5) faz a sucção do combustível pelo filtro pescador do tanque localizado no interior do tanque de combustível (1). O combustível segue então para o su- porte do filtro, passa pela válvula anti-retorno (2) e segue diretamente ao filtro separador de água (4). Do filtro, o combustível segue diretamente ao tubo U de refrigeração da unidade de comando eletrônico do motor (4) e em seguida, para a válvula reguladora de pressão (10) no seu lado de descarga do combustível e segue diretamente para o lado de sucção da bomba de alimentação (5). Da bomba de alimentação, o fluxo segue para o suporte do filtro do combustível e para o filtro principal (8), e depois para a galeria do cabeçote do motor, a qual é responsável pela alimentação das unidades injetoras (9). A válvula reguladora de pressão (10) e o combustível de retorno é levado para o lado de sucção da bomba. 1. 2. 3. 4. 5. 6. 7. 8. 9. 10. 11. 12. 13. 14. 15. 16. Figura 1: Localização no motores D12C (superior) e D12D
  • 112.
    ProduzidoporCicloEngenhariaLtda-62-3942-3939vendas@cicloengenharia.com.br-proibidaareprodução-eventuaiserrosoudefeitosdefabricaçãofavorcomunicarvendas@cicloengenharia.com.br ENGENHARIA C I CI I Av. C-255, nº270, sala 719 Nova Suiça, 74280-010, Goiânia - Goiás 62 - 3942-3939 - vendas@cicloengenharia.com.br www.cicloengenharia.com.br Centro Empresarial Sebba, 111 Motor D12C Motor D12D Gerenciamento de Motores Diesel Módulo 1 - Unidades Injetoras Impresso original em papel reciclado 90g 094.8 - Instruções em caso de dúvida quanto à pressão de alimentação de combustível Verificação da pressão de alimentação: Fazer a verificação da pressão de alimentação com auxílio de um medidor de pressão externo. Aplique o manômetro externo na conexão na saída de purga de ar no cabeçote (16) ou na conexão na saída de drenagem do suporte do filtro de combustível (15) e com- pare o resultado com o sinal enviado pelo sensor de pressão. Funcione o motor e verifique os valores indicados no manômetro e no sensor de pressão de combustível, conforme a tabela abaixo: Condição do veículo Rotação do motor Pressão de combustível Sensor de pressão de combustível Parado e freio de estacionamento aplicado 500 rpm (marcha-lenta) 2,5 a 3,0 bar 1,87 a 2,14 V 1700 rpm 4,5 a 6,0 bar 2,96 a 3,78 V 2000 rpm 5,0 a 6,0 bar 3,23 a 3,78 V Plena carga Veículo carregado 1700 rpm 4,5 a 5,0 bar 2,96 a 3,23 V Espera-se que ao acelerar o motor até ao regime máximo em vazio que a pressão de alimentação suba. Se existirem suspeitas de que a pressão de alimentação não está cor- reta, deve ser feito o mesmo procedimento de medida durante o teste de condução com o motor a plena carga. Resultado comparativo Possível conclusão de diagnóstico Resultado do manômetro diferente do resultado do sensor Refaça os testes elétricos do sensor de pressão de combustível Resultado do manômetro abaixo do resultado esperado Trinca na camisa de cobre (camisa de bico); Anéis de vedação da(s) unidade(s) injetora(s) cortado(s); Trinca no cabeçote; Mangueira de envio perfurada; Válvula reguladora de pressão defeituosa; Entrada de ar pela mangueira de sucção; Válvula unidirecional obstruída; Pescador obstruído; Desgaste na bomba de combustível; Filtro de combustível obstruído Resultado do manômetro acima do resultado esperado Válvula reguladora de pressão danificada ou adulterada Verificação da eficiencia de filtragem do filtro de combustível Conecte o manômetro externo no nípel de saída da sangria de ar do filtro de combustível (14) e refaça as medições de pressão. Os resultados deverão ser compatíveis com a tabela de valores apresentadas no itém anterior. Resultado comparativo Possível conclusão de diagnóstico Resultado do manômetro em (14) é maior do que o resultado do manô- metro em (15) Filtro de combustível obstruído e requer substituição. Substititua também o filtro separador de água; verifique a qualidade do com- bustível que tem sido usado, bem como o filtro de tela na carcaça do sensor de nível no tanque. Caso o filtro esteja sendo substituido com uma baixa quilometragem de uso, faz-se necessário também a limpeza interna do tanque.
  • 113.
    ProduzidoporCicloEngenhariaLtda-62-3942-3939vendas@cicloengenharia.com.br-proibidaareprodução-eventuaiserrosoudefeitosdefabricaçãofavorcomunicarvendas@cicloengenharia.com.br ENGENHARIA C I CI I Av. C-255, nº270, sala 719 Nova Suiça, 74280-010, Goiânia - Goiás 62 - 3942-3939 - vendas@cicloengenharia.com.br www.cicloengenharia.com.br Centro Empresarial Sebba, 112 Motor D12D Aurélio Nunes de Araújo Fábio Ribeiro von Glehn Impresso original em papel reciclado 90g Sensor do nível do óleo do motor 098.1 - Ficha técnica Codigo de falha: PID098 Localização: no cárter de óleo Tensão de alimentação: 5V Característica: potenciômetro. Nas vesões mais recentes o sensor de temperatura do óleo está incor- porado ao sensor de nível do óleo. 098.2 - Simbologia Identifique no esquema elétrico (posição A10 no esquema elétrico) todos os significados da simbologia adotada: Nas primeiras versões Nas versões mais recentes Sensor de nível Cor do fio Oval preto representa o Sinal terminais da UCM terminais do sensor Sinal do sensor Massa de referência para sensor EB22 EB15 2 1 AZ/VD CZ Sensor de temperatura Cor do fio 3 4 EA05- Massa de referência para sensor Sinal de temperatura EA01 VD Sensor de nível Oval preto representa o Sinal terminais da UCM terminais do sensor Sinal do sensor Massa de referência para sensor EB22 EB15 2 1 AZ/VD CZ 098.3 - Códigos de falha MID PID FMI 128 098 1 4 5 Nível do óleo muito baixo EB15 - EB22 0,5Vdc EB15 - EB22 4,95Vdc Possíveis causas Nível de óleo baixo Curto-circuito à massa no cabo condutor de sinal (EB15) Falha no sensor Curto-circuíto à massa no cabo condutor de sinal (EB15) Curto-circuíto a 5V no cabo massa (EB22) Falha no sensor Curto-circuíto à tensão de batería ou a 5V no cabo condutor de sinal (EB15) Interrupção no cabo con- dutor de sinal (EB15) ou no cabo massa (EB22) Curto-circuíto à tensão de batería ou a 5V no cabo massa (EB22) Falha no sensor Reação O código de falha é registrado Lâmpada AMARELA acende Figura 1 - interruptor de nível de óleo
  • 114.
    ProduzidoporCicloEngenhariaLtda-62-3942-3939vendas@cicloengenharia.com.br-proibidaareprodução-eventuaiserrosoudefeitosdefabricaçãofavorcomunicarvendas@cicloengenharia.com.br ENGENHARIA C I CI I Av. C-255, nº270, sala 719 Nova Suiça, 74280-010, Goiânia - Goiás 62 - 3942-3939 - vendas@cicloengenharia.com.br www.cicloengenharia.com.br Centro Empresarial Sebba, 113 Motor D12D Gerenciamento de Motores Diesel Módulo 1 - Unidades Injetoras Impresso original em papel reciclado 90g 098.4 - Verificações 1 - Teste do conjunto sensor / chicote / UCM com o voltímetro; 2 - Se necessário, teste do chicote e sensor com o ohmímetro; 3 - Se necessário, teste do chicote e UCM com o voltímetro 098.4.1 - Teste do conjunto sensor / chicote / UCM com o voltímetro Proceda as ligações do voltímetro conforme a ilustração abaixo e certifique-se da vali- dade dos dados. Lembre-se: * A UCM e sensor conectados; * A chave de partida na posição de condução; * Motor desligado (ponto 1) - motor em funcionamento (ponto 2); * Multímetro preparado para medição de tensão contínua (Vdc) Valores dentro da faixa indicam que o sensor está íntegro, mas se mesmo assim o computador de bordo registra a falha e não é nível de óleo do motor, então existe ainda a possibilidade de falha na UCM. Valor fora da faixa indica necessidade de continuidade nos testes. Vdc EB22 EB15 2 1 AZ/VD CZ Condição Tensão Motor parado; chave em condução; nível do óleo normal 2 a 4,5V
  • 115.
    ProduzidoporCicloEngenhariaLtda-62-3942-3939vendas@cicloengenharia.com.br-proibidaareprodução-eventuaiserrosoudefeitosdefabricaçãofavorcomunicarvendas@cicloengenharia.com.br ENGENHARIA C I CI I Av. C-255, nº270, sala 719 Nova Suiça, 74280-010, Goiânia - Goiás 62 - 3942-3939 - vendas@cicloengenharia.com.br www.cicloengenharia.com.br Centro Empresarial Sebba, 114 Motor D12D Aurélio Nunes de Araújo Fábio Ribeiro von Glehn Impresso original em papel reciclado 90g 098.4.2 - Teste do conjunto sensor / chicote com o ohmímetro Proceda as ligações do voltímetro (conector da UCM) conforme a ilustração abaixo e certifique-se da validade dos dados. Lembre-se: * A UCM desconectada; * A chave de partida na posição 0; * Multímetro preparado para medição de resistência (ohm - W) Valores dentro da faixa indicam que o interruptor e o chicote estão integros e existe a possibilidade de falha na UCM. Valores fora da faixa, refaça o teste medindo diretamente no interruptor de modo a dis- tinguir falha no componente de falha na fiação. Condição Resistência (W) Conclusão nível do óleo normal (T ≈ +22ºC) 11,7 a 12,9 W Sensor em bom estadosem óleo do motor ≈ 0 W UCM - Conector EB = vermelho inferior 12 13 25 24 36 01 34
  • 116.
    ProduzidoporCicloEngenhariaLtda-62-3942-3939vendas@cicloengenharia.com.br-proibidaareprodução-eventuaiserrosoudefeitosdefabricaçãofavorcomunicarvendas@cicloengenharia.com.br ENGENHARIA C I CI I Av. C-255, nº270, sala 719 Nova Suiça, 74280-010, Goiânia - Goiás 62 - 3942-3939 - vendas@cicloengenharia.com.br www.cicloengenharia.com.br Centro Empresarial Sebba, 115 Motor D12D Gerenciamento de Motores Diesel Módulo 1 - Unidades Injetoras Impresso original em papel reciclado 90g 098.7.3 - Teste da UCM e chicote com o VOLTÍMETRO CONTÍNUO (VDC) Proceda as ligações do voltímetro (conector do sensor) conforme a ilustração abaixo e certifique-se da validade dos dados. Lembre-se: * A UCM conectada; * Sensor desconectado * A chave de partida na posição de condução; * Motor desligado; * Multímetro preparado para medição de tensão contínua (Vdc) Ponto de medição Valor nominal em caso de divergência 1 e massa aproximadamente 5 Vdc Fiação 1 - EB15 interrompida Fiação 1 - EB15 em curto-circuito Falha na alimentação da UCM Falha na UCM se o teste anterior for OK, então: 1 e 2 aproximadamente 5 Vdc Fiação 2 - EB22 interrompida Fiação 2 - EB22 em curto-circuito Falha na UCM 1 2 chassi Vdc 1 2 Vdc
  • 117.
    ProduzidoporCicloEngenhariaLtda-62-3942-3939vendas@cicloengenharia.com.br-proibidaareprodução-eventuaiserrosoudefeitosdefabricaçãofavorcomunicarvendas@cicloengenharia.com.br ENGENHARIA C I CI I Av. C-255, nº270, sala 719 Nova Suiça, 74280-010, Goiânia - Goiás 62 - 3942-3939 - vendas@cicloengenharia.com.br www.cicloengenharia.com.br Centro Empresarial Sebba, 116 Motor D12C Motor D12D Aurélio Nunes de Araújo Fábio Ribeiro von Glehn Impresso original em papel reciclado 90g Sensor de pressão do óleo do motor 100.1 - Ficha técnica Codigo de falha: PID100 Localização: montado no lado esquerdo do bloco Tensão de alimentação: 5V Amplitude de trabalho: de 0,0 a 7,0 bar Característica: Nas primeiras versões, acoplado ao sensor de temperatura do óleo do motor 100.2 - Princípio de funcionamento O sensor de pressão utilizado para medir a pressão de óleo e de combustível é baseado no efeito piezoelétrico descoberto em 1880 pelos irmãos Pierre e Jacques Curie. Na época eles estudavam as propriedades dos cristais de quartzo e turmalina quando perceberam que a compressão mecânica destes cristais promovia uma polarização e descarga elétrica. O nome “pieze” vem do grego e significa comprimir. Na prática, a pressão comprime um disco piezoelétrico. Um outro disco de cerâmica promove o isolamento elétrico do disco com o seu alojamento. O circuito para condiciona- mento do sinal encontra-se no mesmo alojamento 100.3 - Localização: Lado esquerdo do bloco (figura 2) 100.4 - Simbologia Identifique no esquema elétrico (posição A08) todos os significados da simbologia ado- tada Nas primeiras versões Nas versões mais recentes Sensor de temperatura Cor do fio Oval preto representa o Sinal terminais da UCM 1 e 2 terminais do sensor 1 3 4 EA04+ EA05- 2 Sensor de pressão Tensão de referência para sensor Massa de referência para sensor Sinal de pressão Sinal de temperatura EA14 EA01 VD/BR MR/BR MR VD Cor do fio Oval preto representa o Sinal terminais da UCM 1 e 2 terminais do sensor 1 4 EA04+ EA05- 2 Sensor de pressão Tensão de referência para sensor Massa de referência para sensor Sinal de pressãoEA14 VD/BR MR/BR MR Figura 1 - sensor de pressão do óleo Figura 2 - Sensor de pressão do óleo
  • 118.
    ProduzidoporCicloEngenhariaLtda-62-3942-3939vendas@cicloengenharia.com.br-proibidaareprodução-eventuaiserrosoudefeitosdefabricaçãofavorcomunicarvendas@cicloengenharia.com.br ENGENHARIA C I CI I Av. C-255, nº270, sala 719 Nova Suiça, 74280-010, Goiânia - Goiás 62 - 3942-3939 - vendas@cicloengenharia.com.br www.cicloengenharia.com.br Centro Empresarial Sebba, 117 Motor D12C Motor D12D Gerenciamento de Motores Diesel Módulo 1 - Unidades Injetoras Impresso original em papel reciclado 90g 100.5 - Códigos de falha MID PID FMI 128 100 1 3 4 Pressão muito baixa EA14 4,95V EA14 0,08 Possíveis causas Nível do óleo baixo Óleo fora de especificação Óleo misturado com água ou combustível Filtro de óleo danificado Válvula redutora danificada Válvula de segurança dani- ficada Falha na bomba de óleo Falha no sensor Curto-circuito à tensão de batería ou a 5V no cabo condutor de sinal (EA14) Curto-circuito à tensão de batería ou a 5V no cabo de ligação à massa (EA05) Falha no sensor Curto-circuíto à massa no cabo condutor de sinal (EA14) Interrupção no cabo condu- tor de sinal (EA14) Curto-circuito à massa no cabo de alimentação (EA04) Interrupção do cabo de alimentação (EA04) Falha no sensor Reação O código de falha é registrado No computador de bordo a mensagem “Verificar motor na próxima parada” Lâmpada vermelha acende Redução de potência no primeiro estágio Motor desligado no segun- do estágio (se a proteção do motor estiver seleciona- da no conjunto de dados) Lâmpada de anomalias acende Sem pressão do óleo no painel de instrumentos 100.6 - Simulações de falha corte de EA14 Partida normal com funcionamento normal em marcha-lenta MID 128 - PID 100 - FMI 4 Verificar motor na próxima parada Sem indicação de pressão do óleo no painel de instrumentos corte de EA04 Partida normal com funcionamento normal em marcha-lenta MID 128 - PID 094 - FMI 4 MID 128 - PID 100 - FMI 4 MID 128 - PID 102 - FMI 4 Verificar motor na próxima parada Sem indicação de pressão do óleo e do turbo no painel de instrumentos corte de EA05 Partida normal com funcionamento normal em marcha-lenta SEM indicação de códigos de falhas Pressão do óleo = 7 no painel Pressão do turbo = 2 no painel Temperatura da água = 60ºC no painel 100.7 - Verificações 1 - Teste do conjunto sensor / chicote / UCM com o voltímetro; 2 - Se necessário, teste do chicote e UCM com o voltímetro
  • 119.
    ProduzidoporCicloEngenhariaLtda-62-3942-3939vendas@cicloengenharia.com.br-proibidaareprodução-eventuaiserrosoudefeitosdefabricaçãofavorcomunicarvendas@cicloengenharia.com.br ENGENHARIA C I CI I Av. C-255, nº270, sala 719 Nova Suiça, 74280-010, Goiânia - Goiás 62 - 3942-3939 - vendas@cicloengenharia.com.br www.cicloengenharia.com.br Centro Empresarial Sebba, 118 Motor D12C Motor D12D Aurélio Nunes de Araújo Fábio Ribeiro von Glehn Impresso original em papel reciclado 90g 100.7.1 - Teste do conjunto sensor / chicote / UCM com o voltímetro Proceda as ligações do voltímetro conforme a ilustração abaixo e certifique-se da vali- dade dos dados. Lembre-se: * A UCM e sensor conectados; * A chave de partida na posição de condução; * Motor desligado (ponto 1) - marcha-lenta (ponto 2) - acelerado (ponto 3); * Multímetro preparado para medição de tensão contínua (Vdc) Valores dentro da faixa indicam que o sensor está íntegro, mas se mesmo assim o com- putador de bordo registra a falha, então existe ainda duas possibilidades: 1 - interrupção do cabo sinal entre o ponto de medição e a UCM; 2 - falha na UCM. Valores fora da faixa indicam necessidade de continuidade nos testes. 0,1 0,6 1,1 1,6 2,1 2,6 3,1 3,6 4,1 4,6 5,1 5,6 6,1 6,6 7,1 7,6 0,5 1,0 1,5 2,0 2,5 3,0 3,5 4,0 4,5 5,0 pressão (bar) tensão(V) Curva de calibração do sensor de pressão do óleo do motor alimentação = 5V FMI 3 - U 4,95V Regime normal de trabalho 3,0 a 5,5 bar Marcha-lenta mínimo 1,5 bar muitobaixa FMI 4 - U 0,08V Pré-partida 0,5 V FMI1-pressão Vdc 1 3 4 EA04+ EA05- EA14 EA01 2 VD/BR MR/BR MR VD Erro de 10% da fonte de alimentação provoca um erro de 10% na saída do sensor Pressão (bar) Tensão (V) 0 0,456 0,1 0,561 0,6 0,832 1,1 1,103 1,6 1,376 2,1 1,648 2,6 1,919 3,1 2,192 3,6 2,464 Pressão (bar) Tensão (V) 4,1 2,737 4,6 3,010 5,1 3,284 5,6 3,557 6,1 3,831 6,6 4,105 7,1 4,380 7,6 4,653 curva de regressão (não contabilizado o 1º termo): U = 0,546 * P + 0,502 onde U em volts e P em bar P = 1,830 * U - 0,921 onde P em bar e U em volts tabela conversão: 1 bar 100 kPa 750,06 mmHg 1,0197 kgf/cm2 1,0197 atm 14,5037 Psi
  • 120.
    ProduzidoporCicloEngenhariaLtda-62-3942-3939vendas@cicloengenharia.com.br-proibidaareprodução-eventuaiserrosoudefeitosdefabricaçãofavorcomunicarvendas@cicloengenharia.com.br ENGENHARIA C I CI I Av. C-255, nº270, sala 719 Nova Suiça, 74280-010, Goiânia - Goiás 62 - 3942-3939 - vendas@cicloengenharia.com.br www.cicloengenharia.com.br Centro Empresarial Sebba, 119 Motor D12C Motor D12D Gerenciamento de Motores Diesel Módulo 1 - Unidades Injetoras Impresso original em papel reciclado 90g 100.7.2 - Teste da UCM e chicote com o VOLTÍMETRO CONTÍNUO (VDC) Proceda as ligações do voltímetro (conector do sensor) conforme a ilustração abaixo e certifique-se da validade dos dados. Lembre-se: * A UCM conectada; * Sensor desconectado * A chave de partida na posição de condução; * Motor desligado; * Multímetro preparado para medição de tensão contínua (Vdc) Ponto de medição no conector do sensor Valor nominal conclusão se divergente 1 e massa aproximadamente 5V Fiação 1 - EA04 interrompida Fiação 1 - EA04 em curto-circuito Falha na alimentação da UCM Falha na UCM se o teste anterior for OK, então: 1 e 4 aproximadamente 5V Fiação - 4 - EA05 interrompida Fiação - 4 - EA05 em curto-circuito Falha na UCM se o teste anterior for OK e o sen- sor não gera sinal (teste 100.7.1) Falha no sistema de lubrificação Falha no sensor Outras medidas: * A UCM conectada; * Sensor desconectado * A chave de partida na posição 0; * Multímetro preparado para medição de resistência (W) Ponto de medição no conector do sensor Valor nominal conclusão se divergente 2 e massa aproximadamente 110 kW Fiação 2 - EA14 interrompida Falha na UCM 3 4 1 2 chassi Vdc Vdc 3 4 1 2
  • 121.
    ProduzidoporCicloEngenhariaLtda-62-3942-3939vendas@cicloengenharia.com.br-proibidaareprodução-eventuaiserrosoudefeitosdefabricaçãofavorcomunicarvendas@cicloengenharia.com.br ENGENHARIA C I CI I Av. C-255, nº270, sala 719 Nova Suiça, 74280-010, Goiânia - Goiás 62 - 3942-3939 - vendas@cicloengenharia.com.br www.cicloengenharia.com.br Centro Empresarial Sebba, 120 Motor D12C Motor D12D Aurélio Nunes de Araújo Fábio Ribeiro von Glehn Impresso original em papel reciclado 90g 100.8 - Instruções em caso de baixa pressão do óleo do motor Nível do óleo Verifique se o nível do óleo está dentro das tolerâncias. Se o nível do óleo estiver muito próximo do traço de marcação mín. na vareta de nível, isso pode afetar a pressão do óleo em condução muito severa ou em condução por estradas irregulares Qualidade do óleo Verifique se o óleo é o especificado para o motor. Se o óleo estiver misturado com água, a pressão do óleo pode piorar por entupimento das válvulas de óleo. Óleo contaminado pode também provocar danos na bomba de óleo, resultando em problemas no motor. Possíveis causas: * vazamento na vedação do eixo da bomba d´água; * vazamento interno no resfriador de óleo. Verifique se existe óleo misturado no líquido de arrefecimento; * Vazamento na junta do cabeçote; * Vazamento nos anéis de vedação entre as camisas de cilindro e o bloco de cilindros; * Trincas no cabeçote, nas camisas de cilindro ou no bloco de cilindros Se o óleo estiver misturado consulte um anexo a respeito deste assunto no final do livro. Filtro de óleo Verifique se o os filtros de óleo não estão danificados ou entupidos. Se os filtros estiverem danificados externamente, o fluxo de óleo através dos filtros é prejudicado, o que pode ocasionar problemas na pressão do óleo. Válvula redutora Verifique a marcação de cor da válvula de segurança (azul). Verifique se a válvula não está danificada podendo prejudicar o seu funcionamento. Empurre a agulha da válvula com um objeto pontiagudo e verifique se não está presa e se veda de encontro à sede. Válvula de segurança Verifique a marcação de cor da válvula de segurança (amarela). Verifique se a válvula não está danificada podendo prejudicar o seu funcionamento. Empurre a agulha da válvula com um objeto pontiagudo e verifique se não está presa e se veda de encontro à sede. Bomba de óleo Desmonte a bomba de óleo e verifique o filtro de tela no lado de sucção e tubo de pres- são. Verifique as engrenagens da bomba de óleo. Se a causa da falha for a má qualidade do óleo, o sistema de lubrificação deverá ser limpo antes de colocar um novo óleo no motor.
  • 122.
    ProduzidoporCicloEngenhariaLtda-62-3942-3939vendas@cicloengenharia.com.br-proibidaareprodução-eventuaiserrosoudefeitosdefabricaçãofavorcomunicarvendas@cicloengenharia.com.br ENGENHARIA C I CI I Av. C-255, nº270, sala 719 Nova Suiça, 74280-010, Goiânia - Goiás 62 - 3942-3939 - vendas@cicloengenharia.com.br www.cicloengenharia.com.br Centro Empresarial Sebba, 121 Motor D12C Motor D12D Gerenciamento de Motores Diesel Módulo 1 - Unidades Injetoras Impresso original em papel reciclado 90g Propositalm ente em branco
  • 123.
    ProduzidoporCicloEngenhariaLtda-62-3942-3939vendas@cicloengenharia.com.br-proibidaareprodução-eventuaiserrosoudefeitosdefabricaçãofavorcomunicarvendas@cicloengenharia.com.br ENGENHARIA C I CI I Av. C-255, nº270, sala 719 Nova Suiça, 74280-010, Goiânia - Goiás 62 - 3942-3939 - vendas@cicloengenharia.com.br www.cicloengenharia.com.br Centro Empresarial Sebba, 122 Motor D12C Motor D12D Aurélio Nunes de Araújo Fábio Ribeiro von Glehn Impresso original em papel reciclado 90g Sensor de pressão do óleo do motor 102.1 - Ficha técnica Codigo de falha: PID102 Localização: montado no coletor de admissão Tensão de alimentação: 5V Amplitude de trabalho: de 0,7 a 3,0 bar Característica: acoplado ao sensor de temperatura do ar de admissão 102.2 - Princípio de funcionamento O sensor utilizado para medir a pressão do turbo utiliza a medição da deformação de um diafragma para determinar a pressão. Um diafragma divide uma câmara em duas partes, em uma delas vácuo absoluto e na outra a pressão que se deseja medir. Extensômetros são colados ao diafragma. A propriedade que certos materiais tem de variarem sua resistência elétrica quando de- formados, foi observada por William Thomsom (Lord Kelvin) em 1856. A aplicação prática dessa descoberta é credidata ao Dr. Arthur C. Ruge do M.I.T. e a Edward E. Simmons da CalTech a invenção simultânea, porém independente, no período de 1937 a 1939. Os extensômetros (em inglês strain gage) são portanto, resistores sensíveis à defor- mação. Uma vez colados ao diafragma, estes deformam-se solidariamente ao diafragma conforme ocorre variação de pressão no coletor de admissão. Os extensômetros, são montados estratégicamente em forma de ponte de Wheatstone (devido a Charles Wheatstone em 1843), conforme os primeiros experimentos de Lord Kelvin. Veja na figura 2 abaixo a configuração. Segundo a teoria, UM será zero em um circuito montado em ponte Wheatstone quando o produto das resistências montadas em lados opostos sejam iguais. Neste caso, como só existem 2 valores de resistência, R1 de referência e R2 montado no diafragma, UM será zero quando R2 for igual a R1 . Caso contrário, UM será maior quanto maior for a deformação do diafragma, e o resultado é uma curva pressão x tensão linear. Figura 1 - sensor de pressão do turbo vácuo R1 R2 R1 p R1 R2 R1 UM R2 Figura 2 - Medição de pressão via medição da deformação de um diafragma
  • 124.
    ProduzidoporCicloEngenhariaLtda-62-3942-3939vendas@cicloengenharia.com.br-proibidaareprodução-eventuaiserrosoudefeitosdefabricaçãofavorcomunicarvendas@cicloengenharia.com.br ENGENHARIA C I CI I Av. C-255, nº270, sala 719 Nova Suiça, 74280-010, Goiânia - Goiás 62 - 3942-3939 - vendas@cicloengenharia.com.br www.cicloengenharia.com.br Centro Empresarial Sebba, 123 Motor D12C Motor D12D Gerenciamento de Motores Diesel Módulo 1 - Unidades Injetoras Impresso original em papel reciclado 90g 102.3 - Localização: Tampa da engrenagem do comando (figura 3) 102.4 - Simbologia Identifique no esquema elétrico (posição A06) todos os significados da simbologia ado- tada sensor de pressão do turbo Figura 3 - Sensor de pressão do óleo Sensor de temperatura Cor do fio Oval preto representa o Sinal terminais da UCM 1 e 2 terminais do sensor 1 3 4 EA04+ EA05- EA03 EA02 2 VD/BR CZ MR/BR AZ/BR Sensor de pressão Tensão de referência para sensor Massa de referência para sensor Sinal de pressão Sinal de temperatura
  • 125.
    ProduzidoporCicloEngenhariaLtda-62-3942-3939vendas@cicloengenharia.com.br-proibidaareprodução-eventuaiserrosoudefeitosdefabricaçãofavorcomunicarvendas@cicloengenharia.com.br ENGENHARIA C I CI I Av. C-255, nº270, sala 719 Nova Suiça, 74280-010, Goiânia - Goiás 62 - 3942-3939 - vendas@cicloengenharia.com.br www.cicloengenharia.com.br Centro Empresarial Sebba, 124 Motor D12C Motor D12D Aurélio Nunes de Araújo Fábio Ribeiro von Glehn Impresso original em papel reciclado 90g 102.5 - Códigos de falha MID PID FMI 128 102 3 4 EA03 4,95V EA03 0,08 Possíveis causas Curto-circuito à tensão de batería ou a 5V no cabo condutor de sinal (EA03) Curto-circuito à tensão de batería ou a 5V no cabo de ligação à massa (EA05) Falha no sensor Curto-circuíto à massa no cabo condutor de sinal (EA03) Interrupção no cabo condutor de sinal (EA03) Curto-circuito à massa no cabo de alimen- tação (EA04) Interrupção do cabo de alimentação (EA04) Falha no sensor Reação O código de falha é registrado Lâmpada de anomalias acende Redução de potência Sem pressão do turbo no painel de instrumentos 102.6 - Simulações de falha corte de EA03 Partida normal com funcionamento normal em marcha-lenta MID 128 - PID 102 - FMI 4 Sem indicação de pressão do turbo no painel de instrumentos corte de EA04 Partida normal com funcionamento normal em marcha-lenta MID 128 - PID 094 - FMI 4 MID 128 - PID 100 - FMI 4 MID 128 - PID 102 - FMI 4 Verificar motor na próxima parada Sem indicação de pressão do óleo e do turbo no painel de instrumentos corte de EA05 Partida normal com funcionamento normal em marcha-lenta SEM indicação de códigos de falhas Pressão do óleo = 7 no painel Pressão do turbo = 2 no painel Temperatura da água = 60ºC no painel 102.7 - Verificações 1 - Teste do conjunto sensor / chicote / UCM com o voltímetro; 2 - Se necessário, teste do chicote e UCM com o voltímetro
  • 126.
    ProduzidoporCicloEngenhariaLtda-62-3942-3939vendas@cicloengenharia.com.br-proibidaareprodução-eventuaiserrosoudefeitosdefabricaçãofavorcomunicarvendas@cicloengenharia.com.br ENGENHARIA C I CI I Av. C-255, nº270, sala 719 Nova Suiça, 74280-010, Goiânia - Goiás 62 - 3942-3939 - vendas@cicloengenharia.com.br www.cicloengenharia.com.br Centro Empresarial Sebba, 125 Motor D12C Motor D12D Gerenciamento de Motores Diesel Módulo 1 - Unidades Injetoras Impresso original em papel reciclado 90g 102.7.1 - Teste do conjunto sensor / chicote / UCM com o voltímetro Proceda as ligações do voltímetro conforme a ilustração abaixo e certifique-se da vali- dade dos dados. Lembre-se: * A UCM e sensor conectados; * A chave de partida na posição de condução; * Motor desligado (ponto 1) - marcha-lenta (ponto 2) - acelerado (ponto 3); * Multímetro preparado para medição de tensão contínua (Vdc) Valores dentro da faixa indicam que o sensor está íntegro, mas se mesmo assim o com- putador de bordo registra a falha, então existe ainda duas possibilidades: 1 - interrupção do cabo sinal entre o ponto de medição e a UCM; 2 - falha na UCM. Valores fora da faixa indicam necessidade de continuidade nos testes. FMI 3 - U 4,95V 1,0 2,0 3,0 0,5 1,0 1,5 2,0 2,5 3,0 3,5 4,0 4,5 5,0 sobrepressão (bar) tensão(V) Curva de calibração do sensor de pressão do turbo alimentação = 5V Regime normal de trabalho 0,95 a 1,8 barFMI 4 - U 0,08V Pré-partida 1,1 V nível do mar Pressõessuperioresa 2,5bardesobrepressão podemdanificarosensor pressão absoluta (bar) 0,0 1,0 2,0 1 3 4 EA04+ EA05- EA03 EA02 2 VD/BR CZ MR/BR AZ/BR Vdc 3 2 1 4 sensor arredondado sensor achatado Erro de 10% da fonte de alimentação provoca um erro de 10% na saída do sensor Pressão absoluta (bar) Tensão (V) 1,0 1,050 2,0 2,912 2,5 3,837 3,0 4,775 curva de regressão: U = 1,860 * P - 0,813 onde U em volts e P é pressão absoluta em bar P = 0,537 * U + 0,436 onde P é a pressão absoluta em bar e U em volts tabela conversão: 1 bar 100 kPa 750,06 mmHg 1,0197 kgf/cm2 1,0197 atm 14,5037 Psi
  • 127.
    ProduzidoporCicloEngenhariaLtda-62-3942-3939vendas@cicloengenharia.com.br-proibidaareprodução-eventuaiserrosoudefeitosdefabricaçãofavorcomunicarvendas@cicloengenharia.com.br ENGENHARIA C I CI I Av. C-255, nº270, sala 719 Nova Suiça, 74280-010, Goiânia - Goiás 62 - 3942-3939 - vendas@cicloengenharia.com.br www.cicloengenharia.com.br Centro Empresarial Sebba, 126 Motor D12C Motor D12D Aurélio Nunes de Araújo Fábio Ribeiro von Glehn Impresso original em papel reciclado 90g 102.7.2 - Teste da UCM e chicote com o VOLTÍMETRO CONTÍNUO (VDC) Proceda as ligações do voltímetro (conector do sensor) conforme uma das ilustrações abaixo e certifique-se da validade dos dados. Lembre-se: * A UCM conectada; * Sensor desconectado * A chave de partida na posição de condução; * Motor desligado; * Multímetro preparado para medição de tensão contínua (Vdc) caso 1 - primeiras versões: sensor de cabeça arredondada: 3 4 1 2 chassi Vdc Vdc 3 4 1 2 caso 2 - versões recentes: sensor de cabeça chata: 1 2 3 4 1 2 3 4 chassi Vdc Vdc
  • 128.
    ProduzidoporCicloEngenhariaLtda-62-3942-3939vendas@cicloengenharia.com.br-proibidaareprodução-eventuaiserrosoudefeitosdefabricaçãofavorcomunicarvendas@cicloengenharia.com.br ENGENHARIA C I CI I Av. C-255, nº270, sala 719 Nova Suiça, 74280-010, Goiânia - Goiás 62 - 3942-3939 - vendas@cicloengenharia.com.br www.cicloengenharia.com.br Centro Empresarial Sebba, 127 Motor D12C Motor D12D Gerenciamento de Motores Diesel Módulo 1 - Unidades Injetoras Impresso original em papel reciclado 90g Ponto de medição Valor nominal conclusão se divergente caso1: 1 e massa caso2: 3 em massa aproximadamente 5V Fiação 1 - EA04 interrompida Fiação 1 - EA04 em curto-circuito Falha na alimentação da UCM Falha na UCM se o teste anterior for OK, então: caso1: 1 e 4 caso2: 1 e 3 aproximadamente 5V Fiação - 4 - EA05 interrompida Fiação - 4 - EA05 em curto-circuito Falha na UCM se o teste anterior for OK e o sen- sor não gera sinal (teste 102.7.1) Falha no sistema de lubrificação Falha no sensor Outras medidas: * A UCM conectada; * Sensor desconectado * A chave de partida na posição 0; * Multímetro preparado para medição de resistência (W) Ponto de medição no conector do sensor Valor nominal conclusão se divergente 2 e massa aproximadamente 100 kW Fiação 2 - EA03 interrompida Falha na UCM
  • 129.
    ProduzidoporCicloEngenhariaLtda-62-3942-3939vendas@cicloengenharia.com.br-proibidaareprodução-eventuaiserrosoudefeitosdefabricaçãofavorcomunicarvendas@cicloengenharia.com.br ENGENHARIA C I CI I Av. C-255, nº270, sala 719 Nova Suiça, 74280-010, Goiânia - Goiás 62 - 3942-3939 - vendas@cicloengenharia.com.br www.cicloengenharia.com.br Centro Empresarial Sebba, 128 Motor D12C Motor D12D Aurélio Nunes de Araújo Fábio Ribeiro von Glehn Impresso original em papel reciclado 90g Sensor de temperatura do ar de admissão 105.1 - Ficha técnica Codigo de falha: PID105 Tipo: NTC Localização: montado no coletor de admissão Tensão de alimentação: 5V Amplitude de trabalho: de -40 a 140ºC Característica: acoplado ao sensor de pressão do turbo 105.2 - Princípio de funcionamento Na década de 1950 os cientistas da Bell Telephone Laboratories criam o termistor, ou um resistor sensível à temperatura. Existem basicamente dois tipos de termistores: NTC (do inglês Negative Temperature Coefficient) - termistores cujo coeficiente de variação de resistência com a temperatura é negativo, ou seja, a resistência diminui com o aumento da temperatura. PTC (do inglês Positive Temperature Coefficient) - termistores cujo coeficiente de variação de resistência com a temperatura é positivo, ou seja, a resistência aumenta com o aumento da temperatura. Na grande maioria dos casos o tipo NTC é o esco- lhido para utilização em veículos automotores. Abaixo, uma análise teórica sobre como essa variação de resistência provocada pela variação de temperatura é transformada numa variação de tensão. 105.3 - Função do sensor de temperatura do ar de admissão Duas funções: 1 - Corrigir o débito em função da densidade do ar sensível à temperatura; 2 - No motor D12D, acionar o ventilador para melhorar a troca de calor no intercooler. Figura 1 - sensor de temperatura do ar 1 - Lei de Ohm: U = R * I 2 - Os resistores estão ligados em série, logo: R = R + R1 NTC 3 - Substituindo 2 em 1: U = ( ) * IR + R1 NTC 4 - De onde se conclui que: 5 - Aplicando a lei de Ohm sobre o NTC: V = R * INTC NTC 6 - Substituindo 4 em 5: 7 - Dividindo numerador e denominador por R :NTC 8 - No caso particular de R = 0NTC R1 / R = (infinito)NTC R1 / R + 1 = (infinito)NTC U / = 0 (zero) V = 0 (zero)NTC 9 - No caso particular de R = (infinito)NTC R1 / R = R1 / = 0 (zero)NTC R1 / R + 1 = 0 + 1 = 1 (um)NTC U / 1 = U (tensão da fonte) V = U (tensão da fonte)NTC U R + R1 NTC I = U R + R1 NTC V = R *NTC NTC U R R + 11 NTC/ V =NTC voltímetro 3 EA02 4 EA05 R1U VDC I RNTC UCM sensor 10 - No caso particular de R = RNTC 1 R1 / R = 1 (um)NTC R1 / R + 1 = 2 (dois)NTC V = U / 2 (metade da tensão da fonte)NTC Processamento do sinal Figura 3 - Análise da transformação temperatura - resistência - tensão NTC PTC resistência Temperatura Figura 2 - curva característica de um NTC e de um PTC
  • 130.
    ProduzidoporCicloEngenhariaLtda-62-3942-3939vendas@cicloengenharia.com.br-proibidaareprodução-eventuaiserrosoudefeitosdefabricaçãofavorcomunicarvendas@cicloengenharia.com.br ENGENHARIA C I CI I Av. C-255, nº270, sala 719 Nova Suiça, 74280-010, Goiânia - Goiás 62 - 3942-3939 - vendas@cicloengenharia.com.br www.cicloengenharia.com.br Centro Empresarial Sebba, 129 Motor D12C Motor D12D Gerenciamento de Motores Diesel Módulo 1 - Unidades Injetoras Impresso original em papel reciclado 90g 105.4 - Localização: O sensor está montado no coletor de admissão e é envolvido pela mesma carcaça do sensor de pressão do turbo. 105.5 - Simbologia Identifique no esquema elétrico (posiçãoA07) todos os significados da simbologia adotada 105.6 - Códigos de falha MID PID FMI 128 105 não registrado 3 4 Temperatura muito alta EA02 4,95V EA02 0,08 Possíveis causas Radiador do intercooler entupido Prisão no regulador AT Contrapressão excessiva nos gases de escape ao utilizar o freio VEB Curto-circuito à tensão de batería ou a 5V no cabo condutor de sinal (EA02) Curto-circuito à tensão de batería ou a 5V no cabo de ligação à massa (EA05) Interrupção no cabo condu- tor de sinal (EA02) Falha no sensor Curto-circuíto à massa no cabo condutor de sinal (EA02) Falha no sensor Reação sem indicação de falhas O código de falha é registrado Lâmpada de anomalias acende 105.7 - Verificações 1 - Teste do conjunto sensor / chicote / UCM com o voltímetro; 2 - Se necessário, teste do chicote e sensor com o ohmímetro; 3 - Se necessário, teste do chicote e UCM com o voltímetro sensor de temperatura do ar Figura 4 - Localização do sensor de tem- peratura do ar Sensor de temperatura Cor do fio Oval preto representa o Sinal terminais da UCM terminais do sensor 1 3 4 EA04+ EA05- EA03 EA02 2 VD/BR CZ MR/BR AZ/BR Sensor de pressão Tensão de referência para sensor Massa de referência para sensor Sinal de pressão Sinal de temperatura
  • 131.
    ProduzidoporCicloEngenhariaLtda-62-3942-3939vendas@cicloengenharia.com.br-proibidaareprodução-eventuaiserrosoudefeitosdefabricaçãofavorcomunicarvendas@cicloengenharia.com.br ENGENHARIA C I CI I Av. C-255, nº270, sala 719 Nova Suiça, 74280-010, Goiânia - Goiás 62 - 3942-3939 - vendas@cicloengenharia.com.br www.cicloengenharia.com.br Centro Empresarial Sebba, 130 Motor D12C Motor D12D Aurélio Nunes de Araújo Fábio Ribeiro von Glehn Impresso original em papel reciclado 90g 105.7.1 - Teste do conjunto sensor CABEÇA ARREDONDADA / chicote / UCM com o voltímetro Proceda as ligações do voltímetro conforme a ilustração abaixo e certifique-se da vali- dade dos dados. Lembre-se: * A UCM e sensor conectados; * A chave de partida na posição de condução; * Motor desligado; * Multímetro preparado para medição de tensão contínua (Vdc) Valores dentro da faixa indicam que o sensor está íntegro, mas se mesmo assim o com- putador de bordo registra a falha, então existe ainda duas possibilidades: 1 - interrupção do cabo sinal entre o ponto de medição e a UCM; 2 - falha na UCM. Valores fora da faixa indicam necessidade de continuidade nos testes. temperatura (ºC) Curva de calibração do sensor de temperatura do ar 0,5 1,0 1,5 2,0 2,5 3,0 3,5 4,0 4,5 5,0 140120100806040200-20-40 tensão(V) FMI 3 - U 4,95V FMI 4 - U 0,08V alimentação = 5,0V - R1 = 5400W Temp. (ºC) Tensão (V) -40 4,84 ± 0,02 -30 4,71 ± 0,02 -20 4,50 ± 0,03 -10 4,18 ± 0,04 0 3,75 ± 0,06 10 3,23 ± 0,06 20 2,67 ± 0,06 30 2,13 ± 0,06 40 1,65 ± 0,04 50 1,25 ± 0,03 Temp. (ºC) Tensão (V) 60 0,93 ± 0,03 70 0,70 ± 0,03 80 0,52 ± 0,02 90 0,39 ± 0,02 100 0,30 ± 0,02 110 0,23 ± 0,01 120 0,17 ± 0,01 130 0,14 ± 0,01 140 0,11 ± 0,01 150 0,08 ± 0,01 1 3 4 EA04+ EA05- EA03 EA02 2 VD/BR CZ MR/BR AZ/BR Vdc 3 2 1 4 sensor arredondado sensor achatado Erro de 10% da fonte de alimentação provoca um erro de 10% na saída do sensor Primeiras versões: Sensor de pressão do turbo de cabeça arredon- dada
  • 132.
    ProduzidoporCicloEngenhariaLtda-62-3942-3939vendas@cicloengenharia.com.br-proibidaareprodução-eventuaiserrosoudefeitosdefabricaçãofavorcomunicarvendas@cicloengenharia.com.br ENGENHARIA C I CI I Av. C-255, nº270, sala 719 Nova Suiça, 74280-010, Goiânia - Goiás 62 - 3942-3939 - vendas@cicloengenharia.com.br www.cicloengenharia.com.br Centro Empresarial Sebba, 131 Motor D12C Motor D12D Gerenciamento de Motores Diesel Módulo 1 - Unidades Injetoras Impresso original em papel reciclado 90g 105.7.2 - Teste do conjunto sensor CABEÇA ARREDONDADA/ chicote com o ohmímetro Proceda as ligações do multímetro (conector da UCM) conforme a ilustração abaixo e certifique-se da validade dos dados. Lembre-se: * A UCM desconectada; * A chave de partida na posição 0; * Multímetro preparado para medição de resistência (ohm - W) Valores dentro da faixa indicam que o sensor e o chicote estão integros e existe a pos- sibilidade de falha na UCM. Valores fora da faixa, refaça o teste medindo diretamente no sensor de modo a distinguir falha no sensor de falha na fiação. Curva de calibração do sensor de temperatura do ar temperatura x resistência temperatura (ºC) 0 resistência()W 10 20 30 40 50 60 70 80 90 100 2500 5000 7500 10000 12500 15000 PID 105 Temperatura (ºC) Resistência (W) -40 168100 ± 12600 -30 88300 ± 6000 -20 44400 ± 3100 -10 27500 ± 1600 0 16200 ± 890 10 9880 ± 500 20 6200 ± 280 30 4000 ± 170 40 2648 ± 97 50 1793 ± 58 Temperatura (ºC) Resistência (W) 60 1240 ± 42 70 873 ± 33 80 627 ± 26 90 458 ± 20 100 339 ± 15 110 255 ± 12 120 195,0 ± 10 130 150,2 ± 8,0 140 117,4 ± 6,6 150 92,7 ± 5,7 UCM - Conector EA = preto superior 12 13 25 24 36 01 05 02 Primeiras versões: Sensor de pressão do turbo de cabeça arredon- dada
  • 133.
    ProduzidoporCicloEngenhariaLtda-62-3942-3939vendas@cicloengenharia.com.br-proibidaareprodução-eventuaiserrosoudefeitosdefabricaçãofavorcomunicarvendas@cicloengenharia.com.br ENGENHARIA C I CI I Av. C-255, nº270, sala 719 Nova Suiça, 74280-010, Goiânia - Goiás 62 - 3942-3939 - vendas@cicloengenharia.com.br www.cicloengenharia.com.br Centro Empresarial Sebba, 132 Motor D12D Aurélio Nunes de Araújo Fábio Ribeiro von Glehn Impresso original em papel reciclado 90g 105.7.3 - Teste do conjunto sensor CABEÇA CHATA/ chicote / UCM com o voltímetro Proceda as ligações do voltímetro conforme a ilustração abaixo e certifique-se da vali- dade dos dados. Lembre-se: * A UCM e sensor conectados; * A chave de partida na posição de condução; * Motor desligado; * Multímetro preparado para medição de tensão contínua (Vdc) Valores dentro da faixa indicam que o sensor está íntegro, mas se mesmo assim o com- putador de bordo registra a falha, então existe ainda duas possibilidades: 1 - interrupção do cabo sinal entre o ponto de medição e a UCM; 2 - falha na UCM. Valores fora da faixa indicam necessidade de continuidade nos testes. temperatura (ºC) Curva de calibração do sensor de temperatura do ar 0,5 1,0 1,5 2,0 2,5 3,0 3,5 4,0 4,5 5,0 120100806040200-20-40 tensão(V) FMI 3 - U 4,95V FMI 4 - U 0,08V alimentação = 5,0V - R1 = 5400W Temp. (ºC) Tensão (V) -40 4,38 ± 0,06 -30 4,01 ± 0,09 -20 3,54 ± 0,11 -10 2,99 ± 0,13 0 2,43 ± 0,13 10 1,91 ± 0,12 20 1,46 ± 0,11 30 1,10 ± 0,09 40 0,82 ± 0,07 Temp. (ºC) Tensão (V) 50 0,61 ± 0,06 60 0,46 ± 0,05 70 0,34 ± 0,04 80 0,26 ± 0,03 90 0,20± 0,02 100 0,15 ± 0,02 110 0,12 ± 0,02 120 0,10 ± 0,01 1 3 4 EA04+ EA05- EA03 EA02 2 VD/BR CZ MR/BR AZ/BR Vdc 3 2 1 4 sensor arredondado sensor achatado Erro de 10% da fonte de alimentação provoca um erro de 10% na saída do sensor Versões recentes: Sensor de pressão do turbo de cabeça chata
  • 134.
    ProduzidoporCicloEngenhariaLtda-62-3942-3939vendas@cicloengenharia.com.br-proibidaareprodução-eventuaiserrosoudefeitosdefabricaçãofavorcomunicarvendas@cicloengenharia.com.br ENGENHARIA C I CI I Av. C-255, nº270, sala 719 Nova Suiça, 74280-010, Goiânia - Goiás 62 - 3942-3939 - vendas@cicloengenharia.com.br www.cicloengenharia.com.br Centro Empresarial Sebba, 133 Motor D12D Gerenciamento de Motores Diesel Módulo 1 - Unidades Injetoras Impresso original em papel reciclado 90g 105.7.4 - Teste do conjunto sensor CABEÇA CHATA/ chicote com o ohmímetro Proceda as ligações do multímetro (conector da UCM) conforme a ilustração abaixo e certifique-se da validade dos dados. Lembre-se: * A UCM desconectada; * A chave de partida na posição 0; * Multímetro preparado para medição de resistência (ohm - W) Valores dentro da faixa indicam que o sensor e o chicote estão integros e existe a pos- sibilidade de falha na UCM. Valores fora da faixa, refaça o teste medindo diretamente no sensor de modo a distinguir falha no sensor de falha na fiação. Versões recentes: Sensor de pressão do turbo de cabeça chata Curva de calibração do sensor de temperatura do ar temperatura x resistência temperatura (ºC) 0 resistência()W 10 20 30 40 50 60 70 80 90 100 2500 3000 3500 4000 4500 2000 1500 1000 500 Temperatura (ºC) Resistência (W) -40 37950 ± 3800 -30 21850 ± 2190 -20 13040 ± 1310 -10 8040 ± 810 0 5100 ± 510 10 3324 ± 332 20 2220 ± 222 30 1516 ± 152 40 1056 ± 106 Temperatura (ºC) Resistência (W) 50 750 ± 75 60 542 ± 54 70 398 ± 39 80 297 ± 29 90 225 ± 22 100 173 ± 17 110 134 ± 13 120 105 ± 10 UCM - Conector EA = preto superior 12 13 25 24 36 01 05 02
  • 135.
    ProduzidoporCicloEngenhariaLtda-62-3942-3939vendas@cicloengenharia.com.br-proibidaareprodução-eventuaiserrosoudefeitosdefabricaçãofavorcomunicarvendas@cicloengenharia.com.br ENGENHARIA C I CI I Av. C-255, nº270, sala 719 Nova Suiça, 74280-010, Goiânia - Goiás 62 - 3942-3939 - vendas@cicloengenharia.com.br www.cicloengenharia.com.br Centro Empresarial Sebba, 134 Motor D12C Motor D12D Aurélio Nunes de Araújo Fábio Ribeiro von Glehn Impresso original em papel reciclado 90g 105.7.5 - Teste da UCM e chicote com o VOLTÍMETRO CONTÍNUO (VDC) Proceda as ligações do voltímetro (conector do sensor) conforme as ilustrações abaixo e certifique-se da validade dos dados. Lembre-se: * A UCM conectada; * Sensor desconectado * A chave de partida na posição de condução; * Motor desligado; * Multímetro preparado para medição de tensão contínua (Vdc) caso 1 - sensor de cabeça arredondada: 3 4 1 2 chassi Vdc 3 4 1 2 Vdc caso 2 - sensor de cabeça achatada: 1 2 3 4 1 2 3 4 chassi Vdc Vdc
  • 136.
    ProduzidoporCicloEngenhariaLtda-62-3942-3939vendas@cicloengenharia.com.br-proibidaareprodução-eventuaiserrosoudefeitosdefabricaçãofavorcomunicarvendas@cicloengenharia.com.br ENGENHARIA C I CI I Av. C-255, nº270, sala 719 Nova Suiça, 74280-010, Goiânia - Goiás 62 - 3942-3939 - vendas@cicloengenharia.com.br www.cicloengenharia.com.br Centro Empresarial Sebba, 135 Motor D12C Motor D12D Gerenciamento de Motores Diesel Módulo 1 - Unidades Injetoras Impresso original em papel reciclado 90g Ponto de medição Valor nominal em caso de divergência 3 e massa aproximadamente 5V Fiação 3 - EA02 interrompida Fiação 3 - EA02 em curto-circuito Falha na alimentação da UCM Falha na UCM se o teste anterior for OK, então: 3 e 4 aproximadamente 5V Fiação - 4 - EA05 interrompida Fiação - 4 - EA05 em curto-circuito Falha na UCM
  • 137.
    ProduzidoporCicloEngenhariaLtda-62-3942-3939vendas@cicloengenharia.com.br-proibidaareprodução-eventuaiserrosoudefeitosdefabricaçãofavorcomunicarvendas@cicloengenharia.com.br ENGENHARIA C I CI I Av. C-255, nº270, sala 719 Nova Suiça, 74280-010, Goiânia - Goiás 62 - 3942-3939 - vendas@cicloengenharia.com.br www.cicloengenharia.com.br Centro Empresarial Sebba, 136 Motor D12C Motor D12D Aurélio Nunes de Araújo Fábio Ribeiro von Glehn Impresso original em papel reciclado 90g Pressostato indicador de restrição do filtro de ar 107.1 - Ficha técnica Codigo de falha: PID107 Localização: no tubo de união entre o filtro de ar e a entrada do turbo compressor Tensão de alimentação: 80% da tensão de batería (Ubat) Característica: acoplado ao sensor de temperatura de admissão 107.2 - Princípio de funcionamento O interruptor é normalmente fechado (resistência de 2200W) com a chave de partida na posição de condução. A partir do funcionamento do motor, caso exista uma depressão de 500 mmH2 O (aproxi- madamente 50 mbar) entre a atmosfera e o ponto de aquisição após o filtro de ar, o inter- ruptor deverá mudar de posição (resistência de 330W) e a lâmpada vermelha de indicação de colmatagem* do filtro de ar deverá acender-se no painel. * “Colmatagem: ato ou efeito de colmatar. 1 - depósito ou amontoamento de terras, resultante de obras para plantio de árvores. 2 - processo de conduzir águas que contêm detritos minerais e orgânicos para terras baixas, com o fim de aumentar a fertilidade dessas terras”. Dicionário Houaiss. 107.3 - Localização: O pressostato está montado no no tubo de união entre o filtro de ar e a entrada do turbo compressor e é envolvido pela mesma carcaça do sensor de tem- peratura de admissão. Figura 1 - sensor de temperatura do ar Figura 4 - Localização do indicador de restrição do filtro de ar
  • 138.
    ProduzidoporCicloEngenhariaLtda-62-3942-3939vendas@cicloengenharia.com.br-proibidaareprodução-eventuaiserrosoudefeitosdefabricaçãofavorcomunicarvendas@cicloengenharia.com.br ENGENHARIA C I CI I Av. C-255, nº270, sala 719 Nova Suiça, 74280-010, Goiânia - Goiás 62 - 3942-3939 - vendas@cicloengenharia.com.br www.cicloengenharia.com.br Centro Empresarial Sebba, 137 Motor D12C Motor D12D Gerenciamento de Motores Diesel Módulo 1 - Unidades Injetoras Impresso original em papel reciclado 90g 107.4 - Simbologia Identifique no esquema elétrico todos os significados da simbologia adotada 107.5 - Códigos de falha MID PID FMI 128 107 0 3 4 5 25% EB17 63% EB17 91% Ubat EB17 9% Ubat 63% EB17 91% Possíveis causas Filtro de ar entupido Falha no sensor Curto-circuito à tensão de batería no cabo condutor de sinal (EB17) Curto-circuito à tensão de batería ou a 5V no cabo de ligação à massa (EB08) Falha no sensor Curto-circuíto à massa no cabo condutor de sinal (EB17) Falha no sensor Interrupção no cabo condutor de sinal (EB17) Interrupção no cabo massa (EB08) Reação O código de falha é registrado Lâmpada AMARELA acende 107.6 - Verificações 1 - Teste do conjunto sensor / chicote / UCM com o voltímetro; 2 - Se necessário, teste do chicote e sensor com o ohmímetro; 3 - Se necessário, teste do chicote e UCM com o voltímetro EB08- EB13- 2 3 4 1 EB03 EB17 AZ/VM CZ/BR VI/BR AZ/AM 330W 2200W Sensor de temperatura Cor do fio Oval preto representa o Sinal terminais da UCM terminais do sensor Pressostato pressão Massa de referência para sensor Sinal de pressostato Sinal de temperatura
  • 139.
    ProduzidoporCicloEngenhariaLtda-62-3942-3939vendas@cicloengenharia.com.br-proibidaareprodução-eventuaiserrosoudefeitosdefabricaçãofavorcomunicarvendas@cicloengenharia.com.br ENGENHARIA C I CI I Av. C-255, nº270, sala 719 Nova Suiça, 74280-010, Goiânia - Goiás 62 - 3942-3939 - vendas@cicloengenharia.com.br www.cicloengenharia.com.br Centro Empresarial Sebba, 138 Motor D12C Motor D12D Aurélio Nunes de Araújo Fábio Ribeiro von Glehn Impresso original em papel reciclado 90g 107.6.1 - Teste do conjunto sensor / chicote / UCM com o voltímetro Proceda as ligações do voltímetro conforme a ilustração abaixo e certifique-se da vali- dade dos dados. Lembre-se: * A UCM e sensor conectados; * A chave de partida na posição de condução; * Motor desligado (ponto 1) - motor em funcionamento (ponto 2); * Multímetro preparado para medição de tensão contínua (Vdc) Valores dentro da faixa indicam que o sensor está íntegro, mas se mesmo assim o com- putador de bordo registra a falha e não é o filtro de ar, então existe ainda a possibilidade de falha na UCM. Valor fora da faixa indica necessidade de continuidade nos testes. 9% 25% 63% 91%0% 9% 100% FMI4 sem falha elétrica FMI5 FMI3FMI0 Condição de obstrução do filtro de ar R = 2200W depressão de 50mbar 48% Condição de funcionamento normal R = 330W 12% * Ubat (V) Queda de pressão no filtro de ar - condições de funcionamento Vdc EB08- EB13- 2 3 4 1 EB03 EB17 AZ/VM CZ/BR VI/BR AZ/AM 330W 2200W Condição Tensão (V) Motor em funcionamento 12% da tensão de batería
  • 140.
    ProduzidoporCicloEngenhariaLtda-62-3942-3939vendas@cicloengenharia.com.br-proibidaareprodução-eventuaiserrosoudefeitosdefabricaçãofavorcomunicarvendas@cicloengenharia.com.br ENGENHARIA C I CI I Av. C-255, nº270, sala 719 Nova Suiça, 74280-010, Goiânia - Goiás 62 - 3942-3939 - vendas@cicloengenharia.com.br www.cicloengenharia.com.br Centro Empresarial Sebba, 139 Motor D12C Motor D12D Gerenciamento de Motores Diesel Módulo 1 - Unidades Injetoras Impresso original em papel reciclado 90g 107.7.2 - Teste do conjunto sensor / chicote com o ohmímetro Proceda as ligações do multímetro (conector da UCM) conforme a ilustração abaixo e certifique-se da validade dos dados. Lembre-se: * A UCM desconectada; * A chave de partida na posição 0; * Multímetro preparado para medição de resistência (ohm - W) Valores dentro da faixa indicam que o sensor e o chicote estão integros e existe a pos- sibilidade de falha na UCM. Valores fora da faixa, refaça o teste medindo diretamente no sensor de modo a distinguir falha no sensor de falha na fiação. Condição Resistência (W) Conclusão sob ação da pressão atmosférica ≈ 330 W Pressostato em bom estadosob ação de uma depressão ≈ 2200 W sob ação de uma depressão ≈ 330 W Pressostato com contato preso UCM - Conector EB = vermelho inferior 12 13 25 24 36 01 17 08
  • 141.
    ProduzidoporCicloEngenhariaLtda-62-3942-3939vendas@cicloengenharia.com.br-proibidaareprodução-eventuaiserrosoudefeitosdefabricaçãofavorcomunicarvendas@cicloengenharia.com.br ENGENHARIA C I CI I Av. C-255, nº270, sala 719 Nova Suiça, 74280-010, Goiânia - Goiás 62 - 3942-3939 - vendas@cicloengenharia.com.br www.cicloengenharia.com.br Centro Empresarial Sebba, 140 Motor D12C Motor D12D Aurélio Nunes de Araújo Fábio Ribeiro von Glehn Impresso original em papel reciclado 90g 107.7.3 - Teste da UCM e chicote com o VOLTÍMETRO CONTÍNUO (VDC) Proceda as ligações do voltímetro (conector do sensor) conforme a ilustração abaixo e certifique-se da validade dos dados. Lembre-se: * A UCM conectada; * Sensor desconectado * A chave de partida na posição de condução; * Motor desligado; * Multímetro preparado para medição de tensão contínua (Vdc) Ponto de medição Valor nominal em caso de divergência 1 e massa aproximadamente 80% da tensão de batería Fiação 1 - EB17 interrompida Fiação 1 - EB17 em curto-circuito Falha na alimentação da UCM Falha na UCM se o teste anterior for OK, então: 1 e 2 aproximadamente 80% da tensão de batería Fiação 2 - EB08 interrompida Fiação 2 - EB08 em curto-circuito Falha na UCM 3 4 1 2 chassi Vdc Vdc 3 4 1 2
  • 142.
    ProduzidoporCicloEngenhariaLtda-62-3942-3939vendas@cicloengenharia.com.br-proibidaareprodução-eventuaiserrosoudefeitosdefabricaçãofavorcomunicarvendas@cicloengenharia.com.br ENGENHARIA C I CI I Av. C-255, nº270, sala 719 Nova Suiça, 74280-010, Goiânia - Goiás 62 - 3942-3939 - vendas@cicloengenharia.com.br www.cicloengenharia.com.br Centro Empresarial Sebba, 141 Motor D12C Motor D12D Gerenciamento de Motores Diesel Módulo 1 - Unidades Injetoras Impresso original em papel reciclado 90g Propositalm ente em branco
  • 143.
    ProduzidoporCicloEngenhariaLtda-62-3942-3939vendas@cicloengenharia.com.br-proibidaareprodução-eventuaiserrosoudefeitosdefabricaçãofavorcomunicarvendas@cicloengenharia.com.br ENGENHARIA C I CI I Av. C-255, nº270, sala 719 Nova Suiça, 74280-010, Goiânia - Goiás 62 - 3942-3939 - vendas@cicloengenharia.com.br www.cicloengenharia.com.br Centro Empresarial Sebba, 142 Motor D12C Motor D12D Aurélio Nunes de Araújo Fábio Ribeiro von Glehn Impresso original em papel reciclado 90g Sensor de temperatura da água do motor 110.1 - Ficha técnica Codigo de falha: PID110 Tipo: NTC Localização: na carcaça da válvula termostática Tensão de alimentação: 5V Amplitude de trabalho: de -40 a 150ºC 110.2 - Princípio de funcionamento Na década de 1950 os cientistas da Bell Telephone Laboratories criam o termistor, ou um resistor sensível à temperatura. Existem basicamente dois tipos de termistores: NTC (do inglês Negative Temperature Coefficient) - termistores cujo coeficiente de variação de resistência com a temperatura é negativo, ou seja, a resistência diminui com o aumento da temperatura. PTC (do inglês Positive Temperature Coefficient) - termistores cujo coeficiente de variação de resistência com a temperatura é positivo, ou seja, a resistência aumenta com o aumento da temperatura. Na grande maioria dos casos o tipo NTC é o esco- lhido para utilização em veículos automotores. Abaixo, uma análise teórica sobre como essa variação de resistência provocada pela variação de temperatura é transformada numa variação de tensão. Figura 1 - sensor de temperatura da água NTC PTC resistência Temperatura Figura 2 - curva característica de um NTC e de um PTC 1 - Lei de Ohm: U = R * I 2 - Os resistores estão ligados em série, logo: R = R + R1 NTC 3 - Substituindo 2 em 1: U = ( ) * IR + R1 NTC 4 - De onde se conclui que: 5 - Aplicando a lei de Ohm sobre o NTC: V = R * INTC NTC 6 - Substituindo 4 em 5: 7 - Dividindo numerador e denominador por R :NTC 8 - No caso particular de R = 0NTC R1 / R = (infinito)NTC R1 / R + 1 = (infinito)NTC U / = 0 (zero) V = 0 (zero)NTC 9 - No caso particular de R = (infinito)NTC R1 / R = R1 / = 0 (zero)NTC R1 / R + 1 = 0 + 1 = 1 (um)NTC U / 1 = U (tensão da fonte) V = U (tensão da fonte)NTC U R + R1 NTC I = U R + R1 NTC V = R *NTC NTC U R R + 11 NTC/ V =NTC voltímetro 1 EA25 2 EA05 R1U VDC I RNTC UCM sensor 10 - No caso particular de R = RNTC 1 R1 / R = 1 (um)NTC R1 / R + 1 = 2 (dois)NTC V = U / 2 (metade da tensão da fonte)NTC Processamento do sinal Figura 3 - Análise da transformação temperatura - resistência - tensão
  • 144.
    ProduzidoporCicloEngenhariaLtda-62-3942-3939vendas@cicloengenharia.com.br-proibidaareprodução-eventuaiserrosoudefeitosdefabricaçãofavorcomunicarvendas@cicloengenharia.com.br ENGENHARIA C I CI I Av. C-255, nº270, sala 719 Nova Suiça, 74280-010, Goiânia - Goiás 62 - 3942-3939 - vendas@cicloengenharia.com.br www.cicloengenharia.com.br Centro Empresarial Sebba, 143 Motor D12C Motor D12D Gerenciamento de Motores Diesel Módulo 1 - Unidades Injetoras Impresso original em papel reciclado 90g 110.3 - Influência da temperatura da água de arrefecimento. A temperatura da água de arrefecimento pode em alguns casos, influenciar o débito de combustível. O diagrama abaixo mostra quatro casos diferentes: Temperatura normal: Com a temperatura normal não há nenhuma alteração no débito de combustível. Temperaturas baixas: Com temperaturas muito baixas ocorre uma certa redução no débito de injeção de combustível. A redução destina-se a compensar o valor mais alto de energia por unidade volumétrica que existe no combustível frío. Temperaturas altas: Com temperaturas acima de 101ºC a lâmpada vermelha de sina- lização de alta temperatura da água é ativada, além disso a UCM reduz gradativamente até atingir o valor mínimo de injeção a 50% a partir do momento em que a temperatura da água do motor superar 107ºC. Essa redução destina-se a proteger o motor do excesso de aquecimento. Temperaturas incoerentes: Se o sensor de temperatura oferecer um valor muito afastado do valor de temperatura normal de trabalho, é registrado o código de falha e a UCM reduz o débito de injeção em cerca de 10%. 110.4 - Localização: O sensor está montado no coletor de admissão e é envolvido pela mesma carcaça do sensor de pressão do turbo. sensor de temperatura da água Figura 3 - Localização do sensor de tem- peratura da água débito Influência da temperatura da água de arrefecimento no débito de injeção de combustível temperatura (ºC) 120101806040200-25 107 50% 100% Temperaturas incoerentes Temperaturas baixas Temperatura normal Temperaturas altas
  • 145.
    ProduzidoporCicloEngenhariaLtda-62-3942-3939vendas@cicloengenharia.com.br-proibidaareprodução-eventuaiserrosoudefeitosdefabricaçãofavorcomunicarvendas@cicloengenharia.com.br ENGENHARIA C I CI I Av. C-255, nº270, sala 719 Nova Suiça, 74280-010, Goiânia - Goiás 62 - 3942-3939 - vendas@cicloengenharia.com.br www.cicloengenharia.com.br Centro Empresarial Sebba, 144 Motor D12C Motor D12D Aurélio Nunes de Araújo Fábio Ribeiro von Glehn Impresso original em papel reciclado 90g 110.5 - Simbologia Identifique no esquema elétrico (posição A11) todos os significados da simbologia ado- tada. 110.6 - Códigos de falha MID PID FMI 128 110 0 3 4 T 101ºC EA25 4,95V EA25 0,08 Possíveis causas Nível baixo do líquido de arrefecimento do motor Qualidade do líquido de ar- refecimento em mal estado Correia do ventilador dani- ficada Aro e proteção do ventila- dor danificado Defeito no ventilador do radiador Radiador obstruído Intercooler obstruído Fluxo de ar insatisfatório pelo sist. de arrefecimento Defeito na válvula termos- tática Defeito na bomba d´água Defeito na tampa do reser- vatório de expansão Falha no sensor Curto-circuito à tensão de batería ou a 5V no cabo condutor de sinal (EA25) Curto-circuito à tensão de batería ou a 5V no cabo de ligação à massa (EA05) Interrupção no cabo condu- tor de sinal (EA25) Falha no sensor Curto-circuíto à massa no cabo condutor de sinal (EA25) Falha no sensor Reação O código de falha é registrado Lâmpada vermelha acende Redução de potência Lâmpada de anomalias acende Marcador de temperatura no painel indica 60ºC 110.7 - Verificações 1 - Teste do conjunto sensor / chicote / UCM com o voltímetro; 2 - Se necessário, teste do chicote e sensor com o ohmímetro; 3 - Se necessário, teste do chicote e UCM com o voltímetro Sensor de temperatura Cor do fio Oval preto representa o Sinal terminais da UCM terminais do sensor Sinal de temperatura EA05- 1 2 EA25 MR/BR AM/BR Massa de referência para sensor
  • 146.
    ProduzidoporCicloEngenhariaLtda-62-3942-3939vendas@cicloengenharia.com.br-proibidaareprodução-eventuaiserrosoudefeitosdefabricaçãofavorcomunicarvendas@cicloengenharia.com.br ENGENHARIA C I CI I Av. C-255, nº270, sala 719 Nova Suiça, 74280-010, Goiânia - Goiás 62 - 3942-3939 - vendas@cicloengenharia.com.br www.cicloengenharia.com.br Centro Empresarial Sebba, 145 Motor D12C Motor D12D Gerenciamento de Motores Diesel Módulo 1 - Unidades Injetoras Impresso original em papel reciclado 90g 110.7.1 - Teste do conjunto sensor / chicote / UCM com o voltímetro Proceda as ligações do voltímetro conforme a ilustração abaixo e certifique-se da vali- dade dos dados. Lembre-se: * A UCM e sensor conectados; * A chave de partida na posição de condução; * Motor desligado (ponto 1) - em aquecimento (ponto 2) - aquecido (ponto 3); * Multímetro preparado para medição de tensão contínua (Vdc) Valores dentro da faixa indicam que o sensor está íntegro, mas se mesmo assim o com- putador de bordo registra a falha, então existe ainda duas possibilidades: 1 - interrupção do cabo sinal entre o ponto de medição e a UCM; 2 - falha na UCM. Valores fora da faixa indicam necessidade de continuidade nos testes. tensão(V) Curva de calibração do sensor de temperatura da água alimentação = 5,0V - R1 = 1200W 0,5 1,0 1,5 2,0 2,5 3,0 3,5 4,0 4,5 5,0 FMI 3 - U 4,95V FMI 4 - U 0,08V FMI0-T101ºC temperatura (ºC) 140120100806040200-20-40 Vdc EA05- 1 2 EA25 MR/BR AM/BR Erro de 10% da fonte de alimentação provoca um erro de 10% na saída do sensor Temp. (ºC) Tensão (V) -30 4,79 ± 0,03 -20 4,63 ± 0,04 -10 4,38 ± 0,06 0 4,02 ± 0,08 10 3,57 ± 0,09 20 3,06 ± 0,09 30 2,51 ± 0,09 40 2,00 ± 0,08 50 1,55 ± 0,07 Temp. (ºC) Tensão (V) 60 1,19 ± 0,05 70 0,91 ± 0,04 80 0,69 ± 0,03 90 0,52 ± 0,02 100 0,40 ± 0,02 110 0,31 ± 0,01 120 0,24 ± 0,01 130 0,18 ± 0,01
  • 147.
    ProduzidoporCicloEngenhariaLtda-62-3942-3939vendas@cicloengenharia.com.br-proibidaareprodução-eventuaiserrosoudefeitosdefabricaçãofavorcomunicarvendas@cicloengenharia.com.br ENGENHARIA C I CI I Av. C-255, nº270, sala 719 Nova Suiça, 74280-010, Goiânia - Goiás 62 - 3942-3939 - vendas@cicloengenharia.com.br www.cicloengenharia.com.br Centro Empresarial Sebba, 146 Motor D12C Motor D12D Aurélio Nunes de Araújo Fábio Ribeiro von Glehn Impresso original em papel reciclado 90g 110.7.2 - Teste do conjunto sensor / chicote com o ohmímetro Proceda as ligações do multímetro (conector da UCM) conforme a ilustração abaixo e certifique-se da validade dos dados. Lembre-se: * A UCM desconectada; * A chave de partida na posição 0; * Multímetro preparado para medição de resistência (ohm - W) Valores dentro da faixa indicam que o sensor e o chicote estão integros e existe a pos- sibilidade de falha na UCM. Valores fora da faixa, refaça o teste medindo diretamente no sensor de modo a distinguir falha no sensor de falha na fiação. Curva de calibração do sensor de temperatura da água temperatura x resistência temperatura (ºC) 10 15 20 25 30 35 40 45 50 55 60 65 70 75 80 85 90 95 100 100 500 1000 2000 3000 resistência()W 1500 2500 Temperatura (ºC) Resistência (W) -30 27500 ± 3510 -20 15000 ± 1600 -10 8500 ± 820 0 4900 ± 440 10 3000 ± 250 20 1900 ± 140 30 1205 ± 85 40 798 ± 52 50 541 ± 32 Temperatura (ºC) Resistência (W) 60 376 ± 20 70 267 ± 13 80 191,1 ± 8,5 90 139,7 ± 5,5 100 103,7 ± 3,7 110 78,0 ± 2,8 120 59,5 ± 2,4 130 45,9 ± 2,0 UCM - Conector EA = preto superior 12 13 25 24 36 01 05
  • 148.
    ProduzidoporCicloEngenhariaLtda-62-3942-3939vendas@cicloengenharia.com.br-proibidaareprodução-eventuaiserrosoudefeitosdefabricaçãofavorcomunicarvendas@cicloengenharia.com.br ENGENHARIA C I CI I Av. C-255, nº270, sala 719 Nova Suiça, 74280-010, Goiânia - Goiás 62 - 3942-3939 - vendas@cicloengenharia.com.br www.cicloengenharia.com.br Centro Empresarial Sebba, 147 Motor D12C Motor D12D Gerenciamento de Motores Diesel Módulo 1 - Unidades Injetoras Impresso original em papel reciclado 90g 110.7.3 - Teste da UCM e chicote com o VOLTÍMETRO CONTÍNUO (VDC) Proceda as ligações do voltímetro (conector do sensor) conforme a ilustração abaixo e certifique-se da validade dos dados. Lembre-se: * A UCM conectada; * Sensor desconectado * A chave de partida na posição de condução; * Motor desligado; * Multímetro preparado para medição de tensão contínua (Vdc) Ponto de medição Valor nominal em caso de divergência 3 e massa aproximadamente 5V Fiação 3 - EA25 interrompida Fiação 3 - EA25 em curto-circuito Falha na alimentação da UCM Falha na UCM se o teste anterior for OK, então: 3 e 4 aproximadamente 5V Fiação - 4 - EA05 interrompida Fiação - 4 - EA05 em curto-circuito Falha na UCM 1 2 chassi Vdc 1 2 Vdc
  • 149.
    ProduzidoporCicloEngenhariaLtda-62-3942-3939vendas@cicloengenharia.com.br-proibidaareprodução-eventuaiserrosoudefeitosdefabricaçãofavorcomunicarvendas@cicloengenharia.com.br ENGENHARIA C I CI I Av. C-255, nº270, sala 719 Nova Suiça, 74280-010, Goiânia - Goiás 62 - 3942-3939 - vendas@cicloengenharia.com.br www.cicloengenharia.com.br Centro Empresarial Sebba, 148 Motor D12C Motor D12D Aurélio Nunes de Araújo Fábio Ribeiro von Glehn Impresso original em papel reciclado 90g Interruptor do nível de líquido de arrefecimento 111.1 - Ficha técnica Codigo de falha: PID111 Localização: no reservatório de expansão Tensão de alimentação: 80% da tensão de batería (Ubat) Característica: tipo liga/desliga e reage se o nível do líquido de arrefecimento estiver baixo 111.2 - Simbologia Identifique no esquema elétrico (posiçãoA22) todos os significados da simbologia adotada 111.3 - Códigos de falha MID PID FMI 128 111 1 3 EB07 45% Ubat EB07 91% Ubat Possíveis causas Nível do líquido de arrefecimento baixo Curto-circuito à massa no cabo condutor de sinal (EB07) Falha no sensor Curto-circuíto à tensão de batería no cabo condutor de sinal (EB07) Curto-circuíto à tensão de batería no cabo massa (EB08) Falha no sensor Reação O código de falha é registrado Lâmpada VERMELHA acende Potência do motor é reduzida Motor é desligado quando a velocidade do veículo diminuir abaixo de 3 km/h (se a proteção do motor estiver seleciona- da no conjunto de dados) O código de falha é registrado Lâmpada AMARELA acende 111.4 - Verificações 1 - Teste do conjunto sensor / chicote / UCM com o voltímetro; 2 - Se necessário, teste do chicote e sensor com o ohmímetro; 3 - Se necessário, teste do chicote e UCM com o voltímetro Figura 1 - interruptor de nível Interruptor de nível Cor do fio Oval preto representa o Sinal terminais da UCM terminais do interruptor Sinal do interruptor Massa de referência para sensor EB08- AZ/PT CZ/BR2 1 EB07
  • 150.
    ProduzidoporCicloEngenhariaLtda-62-3942-3939vendas@cicloengenharia.com.br-proibidaareprodução-eventuaiserrosoudefeitosdefabricaçãofavorcomunicarvendas@cicloengenharia.com.br ENGENHARIA C I CI I Av. C-255, nº270, sala 719 Nova Suiça, 74280-010, Goiânia - Goiás 62 - 3942-3939 - vendas@cicloengenharia.com.br www.cicloengenharia.com.br Centro Empresarial Sebba, 149 Motor D12C Motor D12D Gerenciamento de Motores Diesel Módulo 1 - Unidades Injetoras Impresso original em papel reciclado 90g 111.4.1 - Teste do conjunto sensor / chicote / UCM com o voltímetro Proceda as ligações do voltímetro conforme a ilustração abaixo e certifique-se da vali- dade dos dados. Lembre-se: * A UCM e sensor conectados; * A chave de partida na posição de condução; * Motor desligado (ponto 1) - motor em funcionamento (ponto 2); * Multímetro preparado para medição de tensão contínua (Vdc) Valores dentro da faixa indicam que o interruptor está íntegro, mas se mesmo assim o computador de bordo registra a falha e não é nível de líquido de arrefecimento, então existe ainda a possibilidade de falha na UCM. Valor fora da faixa indica necessidade de continuidade nos testes. 45% 91% 100% FMI1 FMI3sem falha elétrica Condição normal esperada R = 80% Condição de falta de líquido de arrefecimento R = 0W 0% * Ubat (V) Nível do líquido de arrefecimento - condições de funcionamento EB08- AZ/PT CZ/BR2 1 EB07 Vdc Condição Tensão Motor em funcionamento e nível normal 80% da tensão de batería
  • 151.
    ProduzidoporCicloEngenhariaLtda-62-3942-3939vendas@cicloengenharia.com.br-proibidaareprodução-eventuaiserrosoudefeitosdefabricaçãofavorcomunicarvendas@cicloengenharia.com.br ENGENHARIA C I CI I Av. C-255, nº270, sala 719 Nova Suiça, 74280-010, Goiânia - Goiás 62 - 3942-3939 - vendas@cicloengenharia.com.br www.cicloengenharia.com.br Centro Empresarial Sebba, 150 Motor D12C Motor D12D Aurélio Nunes de Araújo Fábio Ribeiro von Glehn Impresso original em papel reciclado 90g 111.4.2 - Teste do conjunto sensor / chicote com o ohmímetro Proceda as ligações do multímetro (conector da UCM) conforme a ilustração abaixo e certifique-se da validade dos dados. Lembre-se: * A UCM desconectada; * A chave de partida na posição 0; * Multímetro preparado para medição de resistência (ohm - W) Valores dentro da faixa indicam que o interruptor e o chicote estão integros e existe a possibilidade de falha na UCM. Valores fora da faixa, refaça o teste medindo diretamente no interruptor de modo a dis- tinguir falha no componente de falha na fiação. Condição Resistência (W) Conclusão nível do líquido normal 100 kW Interruptor em bom estadosem líquido de arrefecimento ≈ 0 W UCM - Conector EB = vermelho inferior 12 13 25 24 36 01 07 08
  • 152.
    ProduzidoporCicloEngenhariaLtda-62-3942-3939vendas@cicloengenharia.com.br-proibidaareprodução-eventuaiserrosoudefeitosdefabricaçãofavorcomunicarvendas@cicloengenharia.com.br ENGENHARIA C I CI I Av. C-255, nº270, sala 719 Nova Suiça, 74280-010, Goiânia - Goiás 62 - 3942-3939 - vendas@cicloengenharia.com.br www.cicloengenharia.com.br Centro Empresarial Sebba, 151 Motor D12C Motor D12D Gerenciamento de Motores Diesel Módulo 1 - Unidades Injetoras Impresso original em papel reciclado 90g 111.7.3 - Teste da UCM e chicote com o VOLTÍMETRO CONTÍNUO (VDC) Proceda as ligações do voltímetro (conector do sensor) conforme a ilustração abaixo e certifique-se da validade dos dados. Lembre-se: * A UCM conectada; * Sensor desconectado * A chave de partida na posição de condução; * Motor desligado; * Multímetro preparado para medição de tensão contínua (Vdc) Ponto de medição Valor nominal em caso de divergência 1 e massa aproximadamente 80% da tensão de batería Fiação 1 - EB17 interrompida Fiação 1 - EB17 em curto-circuito Falha na alimentação da UCM Falha na UCM se o teste anterior for OK, então: 1 e 2 aproximadamente 80% da tensão de batería Fiação 2 - EB08 interrompida Fiação 2 - EB08 em curto-circuito Falha na UCM 1 2 chassi Vdc Vdc 1 2
  • 153.
    Impresso original em papelreciclado 90g Freio motor ou freio de escape (VEB) 122 / 123 / 124.1 - Ficha técnica Codigos de falha dos componentes envolvidos: PPID122 - Eletroválvula reguladora da pressão do óleo para os balancins ou freio de compressão do motor (VCB); PPID 123 - Eletroválvula reguladora de pressão dos gases de escape (EPG-2) ou ar de compen- sação da unidade TC; PPID 124 - Eletroválvula reguladora de pressão dos gases de escape (EPG-1) 122 / 123 / 124.2 - Princípio de funcionamento do freio motor “Volvo Engine Brake (VEB)” VEB (Freio Motor Volvo) é o nome dado ao freio motor, sendo opcional aos motores da Linha H. O freio VEB tem duas funções. O freio motor normal, regulador de pressão dos gases de escape (EPG), Padrão em todos os D12 em diante, e um freio a compressão embutido no sistema de válvulas do motor. O motorista pode escolher uma das seguintes alternativas através do interruptor: 0= Sem função; 1= Freio de compressão e EPG-1 com compressão de 2,0 bares; 2= Freio de compressão e EPG-2 com compressão de 7,5 bares. 122 / 123 / 124 .3 - Pré-requisitos de funcionamento do VEB Velocidade de deslocamento na estrada superior de 2 km/h; Interruptor nas posições 1 ou 2; Rotação do motor acima de 1100 r/min; Pedal do acelerador na posição de repouso; Pedal da embreagem na posição de repouso; Temperatura do liquido de arrefecimento acima de 40°C, quando a temperatura está abaixo de 40°C acende uma lâmpada com o símbolo do freio motor no computador de bordo, com isso não é liberado a frenagem máxima, nos veículos D12 A acende uma lâmpada INFO; ABS não acionado; Todas as lâmpadas da carreta e cavalo em perfeito estado. Nota: Existem algumas series de veículos que não aciona o freio VEB se a carreta não estiver atrelada, mas nas gerações com os motores D12D já há alguns que funcionam. • • • • • • • • • • • Figura 1 - Freio de compressão do motor (VCB) ProduzidoporCicloEngenhariaLtda-62-3942-3939vendas@cicloengenharia.com.br-proibidaareprodução-eventuaiserrosoudefeitosdefabricaçãofavorcomunicarvendas@cicloengenharia.com.br ENGENHARIA C I C I I Av. C-255, nº270, sala 719 Nova Suiça, 74280-010, Goiânia - Goiás 62 - 3942-3939 - vendas@cicloengenharia.com.br www.cicloengenharia.com.br Centro Empresarial Sebba, 152 Motor D12C Motor D12D Aurélio Nunes de Araújo Fábio Ribeiro von Glehn
  • 154.
    Impresso original em papelreciclado 90g 122 / 123 / 124 .4 - Elementos de controle Tecla de acionamento do freio motor (VEB) (po- sição B23.1 no esquema elétrico em veículos sem retardador) onde: 0 = desligado; 1 = 2 bar; 2 = 7,5 bar; Ou tecla de acionamento do freio motor (VEB) pelos comandos SET+ e SET- na alavanca do interruptor do retardador (posição B23.2) Eletroválvulas reguladoras da pressão dos gases de escape (EPG1 e EPG2 controladas pelos terminais EB35 e EB36 e mostrada no esquema elétrico nas posições A25 e A26 res- pectivamente); Eletroválvula reguladora da pressão do óleo para o mecanismo dos balancins de escape (A24); Links de comunicação UCM - VECU; Regulador EPG-AT; Unidades injetoras (UI). 122 / 123 / 124 .5 - Princípio de funcionamento do VEB (VCB) Quando o VEB está acionado, dois dos 04 tempos do motor serão utilizados para elevação da potência de frenagem do motor. O tempo de escape e o de compres- são. A) Durante o curso de escape: É utilizado fechando-se a saída do escape da turbina com o obturador do regulador EPG-AT. Com o pistão em seu curso ascendente, é criada uma alta contrapressão no cilindro e, já que os gases não podem ser expulsos como no funcionamento normal, é gerada uma potência de frenagem. O obturador do regulador EPG-AT é controlado pela UCM através das válvulas reguladoras da pressão dos gases de escape (EPG). O funcionamento das válvulas EPG serão descritas posteriormente. • • • • • • • D12 2 5 PA20 AZ/AM PA21 AM 1 10 9 VECU (MID 144) +PB05 PT -EA33 F41 VD UCM (MID 128) PPID 124 UCM (MID 128) PPID 123 PPID 124 2EB35 EB36 MR CZ 6 7 F411 VECU (MID 144) 2 PA20 AZ/AM 3 PA21 AM 1 2 3 +PB05 PT ProduzidoporCicloEngenhariaLtda-62-3942-3939vendas@cicloengenharia.com.br-proibidaareprodução-eventuaiserrosoudefeitosdefabricaçãofavorcomunicarvendas@cicloengenharia.com.br ENGENHARIA C I C I I Av. C-255, nº270, sala 719 Nova Suiça, 74280-010, Goiânia - Goiás 62 - 3942-3939 - vendas@cicloengenharia.com.br www.cicloengenharia.com.br Centro Empresarial Sebba, 153 Motor D12C Motor D12D Gerenciamento de Motores Diesel Módulo 1 - Unidades Injetoras
  • 155.
    Impresso original em papelreciclado 90g B) Durante o curso de compressão: Esse controle se dá em dois estágios. No primeiro, após o tempo de admissão e próximo ao ponto morto inferior, as válvulas de escape se abrem (o porquê será explicado posteriormente) e, gases de escape retidos pelo obturador do regulador EPG-AT (a pressão residual no escape depende do nível de pressão selecionado pelo motorista) são admitidos aumentando a massa de gases no interior do cilindro e a potência de frenagem durante o tempo da compressão. Para evitar um calço pneumático, no final da compres- são, a válvula de escape é novamente aberta, enquanto o regulador EPG-AT continua obstruindo a tubulação de escape. E para finalizar, ao final da compressão as unidades injetoras não são acionadas, ou seja, a UCM não per- mite a adição de energia ao sistema em processo de frenagem. 123 / 124. 6 - Controle da pressão dos gases de escape Como equipamento padrão, o D12 possui um regu- lador de pressão de escape (Chamado de EPG na pla- queta de identificação). Está montado diretamente contra a carcaça da turbina e tem duas funções: Criar uma contrapressão no sistema de escape, a fim de aquecer o motor com um tempo mais rápido em marcha lenta, e ... Restringir a saída dos gases para atuar o freio motor. O EPG consiste de uma carcaça obturadora, um obturador e um cilindro pressurizado. O ar comprimido vem do sistema pneumático do veículo e é controlado por duas solenóides, duas válvulas reguladoras de pressão e uma válvula de 02 vias, todas reunidas numa só carcaça. A válvula está montada na lateral do bloco no mesmo lado do coletor de escape, e está ligada na unidade de controle do motor (UCM). Pressão em situação de trabalho: AT = 2,0 bares de pressão (Freio de estacionamento acionado, temperatura abaixo de 60°C); Freio motor EPG = 1º estágio 2,0 bares de pressão + VEB; Freio motor EPG = 2º estágio 7,5 bares de pressão + VEB • • • • • ProduzidoporCicloEngenhariaLtda-62-3942-3939vendas@cicloengenharia.com.br-proibidaareprodução-eventuaiserrosoudefeitosdefabricaçãofavorcomunicarvendas@cicloengenharia.com.br ENGENHARIA C I C I I Av. C-255, nº270, sala 719 Nova Suiça, 74280-010, Goiânia - Goiás 62 - 3942-3939 - vendas@cicloengenharia.com.br www.cicloengenharia.com.br Centro Empresarial Sebba, 154 Motor D12C Motor D12D Aurélio Nunes de Araújo Fábio Ribeiro von Glehn
  • 156.
    Impresso original em papelreciclado 90g A pressão máxima do regulador dos gases de escape é 7,5 bares é regulada por uma das válvulas reguladoras. Durante a condução normal, ambas as válvulas solenóides ficam fechadas. Neste ponto o obturador fica totalmente aberto e os gases de escape podem passar livremente. 122.7 - Válvula reguladora da pressão do óleo para o mecanismo dos balancins A válvula reguladora fica localizada no cabeçote sob a tampa de válvulas. È utilizada para regular a pressão do óleo para o mecanismo dos balancins. Aentrada de óleo da válvula reguladora (1) se dá através de uma galeria perfurada no cabeçote e no bloco do motor e ligada ao sistema de lubrificação, estando sempre totalmente pressurizada. A saída (2) é ligada ao eixo dos balancins através de um tubo. O freio de compressão é atuado pela válvula solenóide (3). Figura (A). Aqui a válvula é mostrada durante o funcionamento normal do motor. A pressão de saída do óleo é redu- zida para aproximadamente 1 bar, quando o pistão da válvula equaliza-se contra a força da mola em um dos lados do pistão e a pressão de óleo do outro lado do pistão. Pressão de óleo de 1 bar é suficiente para lubrificar os mancais da árvore do comando de válvulas e o mecanismo dos balancins. Figura (B). Ao ser ativada a válvula solenóide, abre-se um canal de drenagem. A força da mola agora atua e o pistão é forçado para a direita. Abre-se então a saída do óleo, aumentando a pressão de óleo (de 2 a 5 bares) e atu- ando o freio de compressão. ProduzidoporCicloEngenhariaLtda-62-3942-3939vendas@cicloengenharia.com.br-proibidaareprodução-eventuaiserrosoudefeitosdefabricaçãofavorcomunicarvendas@cicloengenharia.com.br ENGENHARIA C I C I I Av. C-255, nº270, sala 719 Nova Suiça, 74280-010, Goiânia - Goiás 62 - 3942-3939 - vendas@cicloengenharia.com.br www.cicloengenharia.com.br Centro Empresarial Sebba, 155 Motor D12C Motor D12D Gerenciamento de Motores Diesel Módulo 1 - Unidades Injetoras
  • 157.
    Impresso original em papelreciclado 90g 122.8 - Funcionamento da abertura das válvulas de escape durante o acionamento do VEB. Figura (A). Durante o funcionamento normal do motor, não há pressão no pistão hidráulico.Afolga da válvula de 1,6 mm entre o balancim e a válvula dá um jogo de aproximada- mente 0,3 mm entre o ressalto do balancim e o came do freio de compressão. A mola chata mantém o balancim contra a válvula de forma que o ressalto do balancim não entre em contato com os cames mais baixos. Figura (B). Nesse ponto é ativado o freio de compressão. A pres- são de óleo acima do pistão hidráulico elimina a folga da válvula e o ressalto do balancim acompanha o came. Figura (C). Isto mostra quando o came de carga dos gases de escape está diretamente alinhado com o ressalto do ba- lancim. A abertura do came é de 0,8 mm que, em virtude da regulagem do balancim, dá uma abertura de válvula de aproximadamente 1,1 mm. Ocorre uma abertura corres- pondente da válvula quando o came de descompressão está alinhado com o ressalto do balancim. 122 / 123 / 124.9 - Localização: A eletroválvula reguladora da pressão do óleo para o mecanismo dos balancins está localizada no cabeço- te próximo às unidades injetoras do 3º e 4º cilindros. A B C PPID-122 Localização da eletroválvula reguladora da pressão do óleo ProduzidoporCicloEngenhariaLtda-62-3942-3939vendas@cicloengenharia.com.br-proibidaareprodução-eventuaiserrosoudefeitosdefabricaçãofavorcomunicarvendas@cicloengenharia.com.br ENGENHARIA C I C I I Av. C-255, nº270, sala 719 Nova Suiça, 74280-010, Goiânia - Goiás 62 - 3942-3939 - vendas@cicloengenharia.com.br www.cicloengenharia.com.br Centro Empresarial Sebba, 156 Motor D12C Motor D12D Aurélio Nunes de Araújo Fábio Ribeiro von Glehn
  • 158.
    Impresso original em papelreciclado 90g As eletroválvulas reguladoras da pressão dos gases de escape (EPG1 e EPG-2) estão montadas próximo ao obturador AT-EPG que por sua vez está fixado diretamente contra a carcaça da turbina. A figura A, mostra em um motor D12C, enquanto a figura B em um motor D12D 122 / 123 / 124.10 - Códigos de falha MID PID FMI 128 122 1 3 Saída ativada Temperatura do óleo abaixo de 55º Saída ativada EA33 ≈ Ubat Possíveis causas Temperatura do óleo está muito baixa Falha no sensor Curto-circuíto à tensão de bateria no cabo de comando (EA33) Curto-circuito na eletroválvula VCB Reação O código de falha é registrado Lâmpada AZUL acende Potência do freio motor é reduzida pois o VCB não pode ser ativado O código de falha é registrado Lâmpada AMARELA acende Saída é desligada Potência do freio motor é reduzida pois o VCB não pode ser ativado MID PID FMI 128 122 4 5 Saída não está ativada Chave de partida acionada EA33 ≈ 0V Saída não está ativada Chave de partida acionada Interrupção no circuito do VCB Possíveis causas Curto-circuíto à massa no cabo de coman- do (EA33) Curto-circuito na eletroválvula Interrupção no cabo de comando (EA33) Interrupção no cabo de alimentação ou fusível queimado Curto-aberto na eletroválvula Reação O código de falha é registrado Lâmpada AMARELA acende A saída é desligada O VCB está sempre acionado O motor pára O código de falha é registrado Lâmpada AMARELA acende Saída é desligada Potência do freio motor é reduzida pois o VCB não pode ser ativado Figura A - Localização das eletrovál- vulas EPG em um motor D12C Figura B - Localização das eletrovál- vulas EPG em um motor D12D ProduzidoporCicloEngenhariaLtda-62-3942-3939vendas@cicloengenharia.com.br-proibidaareprodução-eventuaiserrosoudefeitosdefabricaçãofavorcomunicarvendas@cicloengenharia.com.br ENGENHARIA C I C I I Av. C-255, nº270, sala 719 Nova Suiça, 74280-010, Goiânia - Goiás 62 - 3942-3939 - vendas@cicloengenharia.com.br www.cicloengenharia.com.br Centro Empresarial Sebba, 157 Motor D12C Motor D12D Gerenciamento de Motores Diesel Módulo 1 - Unidades Injetoras
  • 159.
    Impresso original em papelreciclado 90g MID PID FMI 128 123 3 4 5 Saída ativada EB36 ≈ Ubat Saída está ativada EB36 ≈ 0V Saída ativada Interrupção no circuito da eletroválvula EPG-2 Possíveis causas Curto-circuíto à tensão de bateria no cabo de comando (EB36) Curto-circuito na eletrovál- vula Curto-circuíto à massa no cabo de comando (EB36) Interrupção no cabo de co- mando (EB36) Interrupção no cabo de alimentação ou fusível quei- mado Curto-aberto na eletroválvu- la EPG-2 Reação O código de falha é regis- trado Lâmpada AMARELA acende Comandos EB35 e EB36 são desligados Ar de compensação do TC não funciona quando o mo- tor está em marcha lenta Fumaça azul durante a mar- cha lenta O código de falha é regis- trado Lâmpada AMARELA acende Sem ar de compensação O código de falha é regis- trado Lâmpada AMARELA acende Comandos EB35 e EB36 são desligados Ar de compensação do TC não funciona quando o mo- tor está em marcha lenta Fumaça azul durante a mar- cha lenta MID PID FMI 128 124 3 4 5 Saída ativada EB35 ≈ Ubat Saída não está ativada EB35 ≈ 0V Saída ativada Interrupção no circuito da eletroválvula EPG-1 Possíveis causas Curto-circuíto à tensão de bateria no cabo de comando (EB35) Curto-circuito na eletrovál- vula Curto-circuíto à massa no cabo de comando (EB35) Interrupção no cabo de co- mando (EB35) Interrupção no cabo de alimentação ou fusível quei- mado Curto-aberto na eletroválvu- la EPG-1 Reação O código de falha é regis- trado Lâmpada AMARELA acende Comandos EB35 é desliga- da Freio motor não funciona A função de regulagem de temperatura não funciona O código de falha é regis- trado Lâmpada AMARELA acende O regulador de pressão dos gases de escape (EPG-1) é constantemente ativado Baixa potência de saída Alta emissão de gases de escape - fumaça preta O código de falha é regis- trado Lâmpada AMARELA acende Comandos EB35 e EB36 são desligados Freio motor não funciona 122 / 123 / 124.11 - Verificações 1 - Teste do conjunto sensor / chicote / UCM com o voltímetro; 2 - Se necessário, teste do chicote e sensor com o ohmímetro; 3 - Se necessário, teste do chicote e UCM com o voltímetro ProduzidoporCicloEngenhariaLtda-62-3942-3939vendas@cicloengenharia.com.br-proibidaareprodução-eventuaiserrosoudefeitosdefabricaçãofavorcomunicarvendas@cicloengenharia.com.br ENGENHARIA C I C I I Av. C-255, nº270, sala 719 Nova Suiça, 74280-010, Goiânia - Goiás 62 - 3942-3939 - vendas@cicloengenharia.com.br www.cicloengenharia.com.br Centro Empresarial Sebba, 158 Motor D12C Motor D12D Aurélio Nunes de Araújo Fábio Ribeiro von Glehn
  • 160.
    Impresso original em papelreciclado 90g 122 / 123 / 124.11.1 - Teste do conjunto atuador / chicote / UCM com o voltímetro Proceda as ligações do voltímetro conforme a tabela abaixo e certifique-se da validade dos dados. Lembre-se: * Multímetro preparado para medição de tensão contínua (Vdc) Teste Pontos de medição Condição Valor nominal VCB EA33 e massa Chave partida em condução 0V (desacionado) Velocidade desloc. 2 km/h; Rotação 1100 r/min; Pedal do acelerador = 0%; Pedal da embreagem = 0%; Temperatura motor 40°C; ABS não acionado; Lâmpadas da carreta e cavalo em perfeito estado. Interruptor do VEB em: 0 → U = 0V (desacionado) 1 → U = Ubat (acionado) 2 → U = Ubat (acionado) D12C - Motor em marcha-lenta Ferramenta acoplada * Ao provocar o aterramento de EA33, o motor deve parar (condição de FMI 4). EPG-1 EB35 e massa Chave partida em condução 0V (desacionado) Velocidade desloc. 2 km/h; Rotação 1100 r/min; Pedal do acelerador = 0%; Pedal da embreagem = 0%; Temperatura motor 40°C; ABS não acionado; Lâmpadas da carreta e cavalo em perfeito estado. Interruptor do VEB em: 0 → U = 0V (desacionado) 1 → U = Ubat (acionado) 2 → U = 0V (desacionado) D12C - Motor em marcha-lenta Ferramenta acoplada * Ao provocar o aterramento de EB35 por alguns segundos, o motor deverá expelir uma grande quantidade e fumaça preta (condição de FMI 4). EPG-2 EB36 e massa Chave partida em condução 0V (desacionado) Velocidade desloc. 2 km/h; Rotação 1100 r/min; Pedal do acelerador = 0%; Pedal da embreagem = 0%; Temperatura motor 40°C; ABS não acionado; Lâmpadas da carreta e cavalo em perfeito estado. Interruptor do VEB em: 0 → U = 0V (desacionado) 1 → U = 0V (desacionado) 2 → U = Ubat (acionado) D12C - Motor em marcha-lenta Ferramenta acoplada * Ao provocar o aterramento de EB35 por alguns segundos, o motor deverá expelir uma grande quantidade e fumaça preta (condição de FMI 4). * Nota: cuidado com este teste! A execução do mesmo sem a ferramenta poderá provocar um curto-cir- cuito no sistema. Valores dentro da faixa indicam que o atuador está íntegro, mas se mesmo assim o computador de bordo registra a falha, então existe ainda duas possibilidades: 1 - interrupção do cabo sinal entre o ponto de medição e o atuador; 2 - falha na UCM. Valores fora da faixa indicam necessidade de continuidade nos testes. ProduzidoporCicloEngenhariaLtda-62-3942-3939vendas@cicloengenharia.com.br-proibidaareprodução-eventuaiserrosoudefeitosdefabricaçãofavorcomunicarvendas@cicloengenharia.com.br ENGENHARIA C I C I I Av. C-255, nº270, sala 719 Nova Suiça, 74280-010, Goiânia - Goiás 62 - 3942-3939 - vendas@cicloengenharia.com.br www.cicloengenharia.com.br Centro Empresarial Sebba, 159 Motor D12C Motor D12D Gerenciamento de Motores Diesel Módulo 1 - Unidades Injetoras
  • 161.
    Impresso original em papelreciclado 90g 122 / 123 / 124.11.2 - Teste do conjunto atuador / chicote com o ohmímetro Proceda as ligações do multímetro (conector da UCM) conforme a tabela abaixo e cer- tifique-se da validade dos dados. Lembre-se: * A UCM desconectada; * A chave de partida na posição 0; * Multímetro preparado para medição de resistência (ohm - W) Local de medição Motor Componente Pontos de medição Valor nominal No próprio componente D12C ou D12D VCB 1 - 2 90 a 100W Apenas em motores D12C EPG-1 1 - 4 135 a 145W EPG-2 1 - 3 135 a 145W Nos conectores da UCM Apenas em motores D12C VCB + EPG-1 EA33 - EB35 225 a 245W VCB + EPG-2 EA33 - EB36 225 a 245W EPG-1 + EPG-2 EB35 - EB36 270 a 290W Valores dentro da faixa indicam que o atuador e o chicote estão integros e existe a pos- sibilidade de falha na UCM. Valores fora da faixa, refaça o teste medindo diretamente no atuador de modo a distinguir falha no sensor de falha na fiação. ProduzidoporCicloEngenhariaLtda-62-3942-3939vendas@cicloengenharia.com.br-proibidaareprodução-eventuaiserrosoudefeitosdefabricaçãofavorcomunicarvendas@cicloengenharia.com.br ENGENHARIA C I C I I Av. C-255, nº270, sala 719 Nova Suiça, 74280-010, Goiânia - Goiás 62 - 3942-3939 - vendas@cicloengenharia.com.br www.cicloengenharia.com.br Centro Empresarial Sebba, 160 Motor D12C Motor D12D Aurélio Nunes de Araújo Fábio Ribeiro von Glehn
  • 162.
    Impresso original em papelreciclado 90g ProduzidoporCicloEngenhariaLtda-62-3942-3939vendas@cicloengenharia.com.br-proibidaareprodução-eventuaiserrosoudefeitosdefabricaçãofavorcomunicarvendas@cicloengenharia.com.br ENGENHARIA C I C I I Av. C-255, nº270, sala 719 Nova Suiça, 74280-010, Goiânia - Goiás 62 - 3942-3939 - vendas@cicloengenharia.com.br www.cicloengenharia.com.br Centro Empresarial Sebba, 161 Motor D12C Motor D12D Gerenciamento de Motores Diesel Módulo 1 - Unidades Injetoras Propositalm ente em branco
  • 163.
    ProduzidoporCicloEngenhariaLtda-62-3942-3939vendas@cicloengenharia.com.br-proibidaareprodução-eventuaiserrosoudefeitosdefabricaçãofavorcomunicarvendas@cicloengenharia.com.br ENGENHARIA C I CI I Av. C-255, nº270, sala 719 Nova Suiça, 74280-010, Goiânia - Goiás 62 - 3942-3939 - vendas@cicloengenharia.com.br www.cicloengenharia.com.br Centro Empresarial Sebba, 162 Motor D12D Aurélio Nunes de Araújo Fábio Ribeiro von Glehn Impresso original em papel reciclado 90g Pressão dos gases do cárter 153. .1 - Ficha técnica Codigos de falha dos componentes envolvidos: PID 153 - Sensor de pressão dos gases do cár- ter; 153.2 - Princípio de funcionamento O sensor utilizado para medir a pressão dos gases do cárter utiliza a medição da de- formação de um diafragma para determinar a pressão. Um diafragma divide uma câmara em duas partes, em uma delas vácuo absoluto e na outra a pressão que se deseja medir. Extensômetros são colados ao diafragma. A propriedade que certos materiais tem de variarem sua resistência elétrica quando de- formados, foi observada por William Thomsom (Lord Kelvin) em 1856. A aplicação prática dessa descoberta é credidata ao Dr. Arthur C. Ruge do M.I.T. e a Edward E. Simmons da CalTech a invenção simultânea, porém independente, no período de 1937 a 1939. Os extensômetros (em inglês strain gage) são portanto, resistores sensíveis à defor- mação. Uma vez colados ao diafragma, estes deformam-se solidariamente ao diafragma conforme ocorre variação de pressão no coletor de admissão. Os extensômetros, são montados estratégicamente em forma de ponte de Wheatstone (devido a Charles Wheatstone em 1843), conforme os primeiros experimentos de Lord Kelvin. Veja na figura 2 abaixo a configuração. Segundo a teoria, UM será zero em um circuito montado em ponte Wheatstone quando o produto das resistências montadas em lados opostos sejam iguais. Neste caso, como só existem 2 valores de resistência, R1 de referência e R2 montado no diafragma, UM será zero quando R2 for igual a R1 . Caso contrário, UM será maior quanto maior for a deformação do diafragma, e o resultado é uma curva pressão x tensão linear. • Figura 1 - Sensor de pressão dos gases do cárter vácuo R1 R2 R1 p R1 R2 R1 UM R2 Figura 2 - Medição de pressão via medição da deformação de um diafragma
  • 164.
    ProduzidoporCicloEngenhariaLtda-62-3942-3939vendas@cicloengenharia.com.br-proibidaareprodução-eventuaiserrosoudefeitosdefabricaçãofavorcomunicarvendas@cicloengenharia.com.br ENGENHARIA C I CI I Av. C-255, nº270, sala 719 Nova Suiça, 74280-010, Goiânia - Goiás 62 - 3942-3939 - vendas@cicloengenharia.com.br www.cicloengenharia.com.br Centro Empresarial Sebba, 163 Motor D12D Gerenciamento de Motores Diesel Módulo 1 - Unidades Injetoras Impresso original em papel reciclado 90g 153.3 - Localização: Abaixo do sensor de pressão do óleo, no lado esquerdo do bloco. 153.4 - Simbologia Identifique no esquema elétrico (posição A19) todos os significados da simbologia adotada: 153.5 - Condição de normalidade: EB24 - EB13 com motor parado, chave em posição de condução ≈ 2,9 ± 0,06 Vdc 0,5 3,25 5,0tensão(V) Curva de calibração do sensor de pressão dos gases do cárter alimentação = 5V Pressão atmosférica 1,5 2,5 4,0 FMI 3 - U 4,95V FMI 4 - U 0,08V FMI0-Pressão docártermuitoalta 0,65V EB24 - EB13 com motor em marcha lenta ≈ 2,9 ± 0,06 Vdc espera-se um resultado praticamente igual ao resultado da medição anterior EB14 - EB13 Sensor desconectado ≈ 5,00 Vdc 153.6 - Códigos de falha MID PID FMI 128 153 0 3 4 Pressão do cárter muito alta EB24 4,95V EB24 0,08 Possíveis causas Ventilação do cárter bloqueada; Camisas do cilindro, pistão ou anéis de pistão gastos ou danificados; Falha no sensor Curto-circuito à tensão de batería ou a 5V no cabo condutor de sinal (EB24) Curto-circuito à tensão de batería ou a 5V no cabo de ligação à massa (EB13) Falha no sensor Curto-circuíto à massa no cabo condutor de sinal (EB24) Interrupção no cabo con- dutor de sinal (EB24) Curto-circuito à massa no cabo de alimentação (EB14) Interrupção do cabo de alimentação (EB14) Falha no sensor Reação O código de falha é registrado Lâmpada VERMELHA e sinal sonoro solicitado Redução de potência Velocidade do motor reduzida O motor é desligado quando a velocidade atinge 2 km/h Freio motor desacionado O código de falha é registrado Lâmpada AMARELA acende 1 EB14+ EB24 2 4 EB13- AM RS VI/BR Cor do fio Oval preto representa o Sinal terminais da UCM terminais do sensor Sensor de pressão Tensão de referência para sensor Sinal de pressão
  • 165.
    ProduzidoporCicloEngenhariaLtda-62-3942-3939vendas@cicloengenharia.com.br-proibidaareprodução-eventuaiserrosoudefeitosdefabricaçãofavorcomunicarvendas@cicloengenharia.com.br ENGENHARIA C I CI I Av. C-255, nº270, sala 719 Nova Suiça, 74280-010, Goiânia - Goiás 62 - 3942-3939 - vendas@cicloengenharia.com.br www.cicloengenharia.com.br Centro Empresarial Sebba, 164 Motor D12C Motor D12D Aurélio Nunes de Araújo Fábio Ribeiro von Glehn Impresso original em papel reciclado 90g Sensor de temperatura de admissão 172.1 - Ficha técnica Codigo de falha: PID172 Tipo: NTC Localização: no tubo de união entre o filtro de ar e a entrada do turbo compressor Tensão de alimentação: 5V Amplitude de trabalho: de -40 a 140ºC Característica: acoplado ao pressostato indicador de restrição do filtro de ar 172.2 - Princípio de funcionamento Na década de 1950 os cientistas da Bell Telephone Laboratories criam o termistor, ou um resistor sensível à temperatura. Existem basicamente dois tipos de termistores: NTC (do inglês Negative Temperature Coefficient) - termistores cujo coeficiente de variação de resistência com a temperatura é negativo, ou seja, a resistência diminui com o aumento da temperatura. PTC (do inglês Positive Temperature Coefficient) - termistores cujo coeficiente de variação de resistência com a temperatura é positivo, ou seja, a resistência aumenta com o aumento da temperatura. Na grande maioria dos casos o tipo NTC é o escolhido para utilização em veículos automotores. Abaixo, uma análise teórica sobre como essa variação de resistência provocada pela variação de temperatura é transformada numa variação de tensão. 172.3 - Função do sensor de temperatura de admissão Duas funções: 1 - Informar a temperatura ambiente; 2 - Avaliar a eficiência do intercooler. Figura 1 - sensor de temperatura do ar 1 - Lei de Ohm: U = R * I 2 - Os resistores estão ligados em série, logo: R = R + R1 NTC 3 - Substituindo 2 em 1: U = ( ) * IR + R1 NTC 4 - De onde se conclui que: 5 - Aplicando a lei de Ohm sobre o NTC: V = R * INTC NTC 6 - Substituindo 4 em 5: 7 - Dividindo numerador e denominador por R :NTC 8 - No caso particular de R = 0NTC R1 / R = (infinito)NTC R1 / R + 1 = (infinito)NTC U / = 0 (zero) V = 0 (zero)NTC 9 - No caso particular de R = (infinito)NTC R1 / R = R1 / = 0 (zero)NTC R1 / R + 1 = 0 + 1 = 1 (um)NTC U / 1 = U (tensão da fonte) V = U (tensão da fonte)NTC U R + R1 NTC I = U R + R1 NTC V = R *NTC NTC U R R + 11 NTC/ V =NTC voltímetro 3 EB03 4 EB13 R1U VDC I RNTC UCM sensor 10 - No caso particular de R = RNTC 1 R1 / R = 1 (um)NTC R1 / R + 1 = 2 (dois)NTC V = U / 2 (metade da tensão da fonte)NTC Processamento do sinal Figura 3 - Análise da transformação temperatura - resistência - tensão NTC PTC resistência Temperatura Figura 2 - curva característica de um NTC e de um PTC
  • 166.
    ProduzidoporCicloEngenhariaLtda-62-3942-3939vendas@cicloengenharia.com.br-proibidaareprodução-eventuaiserrosoudefeitosdefabricaçãofavorcomunicarvendas@cicloengenharia.com.br ENGENHARIA C I CI I Av. C-255, nº270, sala 719 Nova Suiça, 74280-010, Goiânia - Goiás 62 - 3942-3939 - vendas@cicloengenharia.com.br www.cicloengenharia.com.br Centro Empresarial Sebba, 165 Motor D12C Motor D12D Gerenciamento de Motores Diesel Módulo 1 - Unidades Injetoras Impresso original em papel reciclado 90g 172.4 - Localização: O sensor está montado no tubo de união entre o filtro de ar e a entrada do turbo compressor e é en- volvido pela mesma carcaça do sensor de pressão do turbo. 172.5 - Simbologia Identifique no esquema elétrico (posiçãoA21) todos os significados da simbologia adotada 172.6 - Códigos de falha MID PID FMI 128 172 3 4 EB03 4,95V EB03 0,08 Possíveis causas Curto-circuito à tensão de batería ou a 5V no cabo condutor de sinal (EB03) Curto-circuito à tensão de batería ou a 5V no cabo de ligação à massa (EB13) Interrupção no cabo condutor de sinal (EB03) Falha no sensor Curto-circuíto à massa no cabo condutor de sinal (EB03) Falha no sensor Reação O código de falha é registrado Lâmpada de anomalias acende 172.6 - Verificações 1 - Teste do conjunto sensor / chicote / UCM com o voltímetro; 2 - Se necessário, teste do chicote e sensor com o ohmímetro; 3 - Se necessário, teste do chicote e UCM com o voltímetro Figura 4 - Localização do sensor de tem- peratura de admissão EB08- EB13- 2 3 4 1 EB03 EB17 AZ/VM CZ/BR VI/BR AZ/AM 330W 2200W Sensor de temperatura Cor do fio Oval preto representa o Sinal terminais da UCM terminais do sensor Pressostato pressão Massa de referência para sensor Sinal de pressostato Sinal de temperatura
  • 167.
    ProduzidoporCicloEngenhariaLtda-62-3942-3939vendas@cicloengenharia.com.br-proibidaareprodução-eventuaiserrosoudefeitosdefabricaçãofavorcomunicarvendas@cicloengenharia.com.br ENGENHARIA C I CI I Av. C-255, nº270, sala 719 Nova Suiça, 74280-010, Goiânia - Goiás 62 - 3942-3939 - vendas@cicloengenharia.com.br www.cicloengenharia.com.br Centro Empresarial Sebba, 166 Motor D12C Motor D12D Aurélio Nunes de Araújo Fábio Ribeiro von Glehn Impresso original em papel reciclado 90g 172.7.1 - Teste do conjunto sensor / chicote / UCM com o voltímetro Proceda as ligações do voltímetro conforme a ilustração abaixo e certifique-se da vali- dade dos dados. Lembre-se: * A UCM e sensor conectados; * A chave de partida na posição de condução; * Motor desligado; * Multímetro preparado para medição de tensão contínua (Vdc) Valores dentro da faixa indicam que o sensor está íntegro, mas se mesmo assim o com- putador de bordo registra a falha, então existe ainda duas possibilidades: 1 - interrupção do cabo sinal entre o ponto de medição e a UCM; 2 - falha na UCM. Valores fora da faixa indicam necessidade de continuidade nos testes. temperatura (ºC) Curva de calibração do sensor de temperatura de admissão 0,5 1,0 1,5 2,0 2,5 3,0 3,5 4,0 4,5 5,0 140120100806040200-20-40 tensão(V) FMI 3 - U 4,95V FMI 4 - U 0,08V alimentação = 5,0V - R1 = 5400W Temp. (ºC) Tensão (V) -30 4,71 ± 0,02 -20 4,50 ± 0,03 -10 4,18 ± 0,04 0 3,75 ± 0,06 10 3,23 ± 0,06 20 2,67 ± 0,06 30 2,13 ± 0,06 Temp. (ºC) Tensão (V) 40 1,65 ± 0,04 50 1,25 ± 0,03 60 0,93 ± 0,03 70 0,70 ± 0,03 80 0,52 ± 0,02 90 0,39 ± 0,02 100 0,30 ± 0,02 EB08- EB13- 2 3 4 1 EB03 EB17 AZ/VM CZ/BR VI/BR AZ/AM 330W 2200W Vdc Erro de 10% da fonte de alimentação provoca um erro de 10% na saída do sensor
  • 168.
    ProduzidoporCicloEngenhariaLtda-62-3942-3939vendas@cicloengenharia.com.br-proibidaareprodução-eventuaiserrosoudefeitosdefabricaçãofavorcomunicarvendas@cicloengenharia.com.br ENGENHARIA C I CI I Av. C-255, nº270, sala 719 Nova Suiça, 74280-010, Goiânia - Goiás 62 - 3942-3939 - vendas@cicloengenharia.com.br www.cicloengenharia.com.br Centro Empresarial Sebba, 167 Motor D12C Motor D12D Gerenciamento de Motores Diesel Módulo 1 - Unidades Injetoras Impresso original em papel reciclado 90g 172.7.2 - Teste do conjunto sensor / chicote com o ohmímetro Proceda as ligações do multímetro (conector da UCM) conforme a ilustração abaixo e certifique-se da validade dos dados. Lembre-se: * A UCM desconectada; * A chave de partida na posição 0; * Multímetro preparado para medição de resistência (ohm - W) Valores dentro da faixa indicam que o sensor e o chicote estão integros e existe a pos- sibilidade de falha na UCM. Valores fora da faixa, refaça o teste medindo diretamente no sensor de modo a distinguir falha no sensor de falha na fiação. Curva de calibração do sensor de temperatura de admissão temperatura x resistência temperatura (ºC) 0 resistência()W 10 20 30 40 50 60 70 80 90 100 2500 5000 7500 10000 12500 15000 Temperatura (ºC) Resistência (W) -30 88600 ± 5500 -20 48600 ± 2800 -10 27600 ± 1400 0 163200 ± 760 10 10000 ± 420 20 6200 ± 330 30 4000 ± 140 Temperatura (ºC) Resistência (W) 40 2663 ± 77 50 1831 ± 45 60 1244 ± 29 70 876 ± 16 80 629,0 ± 9,5 90 458,0 ± 6,0 100 339,0 ± 3,4UCM - Conector EB = vermelho inferior 12 13 25 24 36 01 03
  • 169.
    ProduzidoporCicloEngenhariaLtda-62-3942-3939vendas@cicloengenharia.com.br-proibidaareprodução-eventuaiserrosoudefeitosdefabricaçãofavorcomunicarvendas@cicloengenharia.com.br ENGENHARIA C I CI I Av. C-255, nº270, sala 719 Nova Suiça, 74280-010, Goiânia - Goiás 62 - 3942-3939 - vendas@cicloengenharia.com.br www.cicloengenharia.com.br Centro Empresarial Sebba, 168 Motor D12C Motor D12D Aurélio Nunes de Araújo Fábio Ribeiro von Glehn Impresso original em papel reciclado 90g 3 4 1 2 chassi Vdc 3 4 1 2 Vdc 172.7.3 - Teste da UCM e chicote com o VOLTÍMETRO CONTÍNUO (VDC) Proceda as ligações do voltímetro (conector do sensor) conforme a ilustração abaixo e certifique-se da validade dos dados. Lembre-se: * A UCM conectada; * Sensor desconectado * A chave de partida na posição de condução; * Motor desligado; * Multímetro preparado para medição de tensão contínua (Vdc) Ponto de medição Valor nominal em caso de divergência 3 e massa aproximadamente 5V Fiação 3 - EB03 interrompida Fiação 3 - EB03 em curto-circuito Falha na alimentação da UCM Falha na UCM se o teste anterior for OK, então: 3 e 4 aproximadamente 5V Fiação - 4 - EB13 interrompida Fiação - 4 - EB13 em curto-circuito Falha na UCM
  • 170.
    ProduzidoporCicloEngenhariaLtda-62-3942-3939vendas@cicloengenharia.com.br-proibidaareprodução-eventuaiserrosoudefeitosdefabricaçãofavorcomunicarvendas@cicloengenharia.com.br ENGENHARIA C I CI I Av. C-255, nº270, sala 719 Nova Suiça, 74280-010, Goiânia - Goiás 62 - 3942-3939 - vendas@cicloengenharia.com.br www.cicloengenharia.com.br Centro Empresarial Sebba, 169 Motor D12C Motor D12D Gerenciamento de Motores Diesel Módulo 1 - Unidades Injetoras Impresso original em papel reciclado 90g Propositalm ente em branco
  • 171.
    ProduzidoporCicloEngenhariaLtda-62-3942-3939vendas@cicloengenharia.com.br-proibidaareprodução-eventuaiserrosoudefeitosdefabricaçãofavorcomunicarvendas@cicloengenharia.com.br ENGENHARIA C I CI I Av. C-255, nº270, sala 719 Nova Suiça, 74280-010, Goiânia - Goiás 62 - 3942-3939 - vendas@cicloengenharia.com.br www.cicloengenharia.com.br Centro Empresarial Sebba, 170 Motor D12C Motor D12D Aurélio Nunes de Araújo Fábio Ribeiro von Glehn Impresso original em papel reciclado 90g Sensor de temperatura do óleo 175.1 - Ficha técnica Codigo de falha: PID175 Tipo: NTC Localização: lado esquerdo do bloco Tensão de alimentação: 5V Amplitude de trabalho: de -40 a 140ºC Característica: acoplado ao sensor de pressão do óleo do motor 175.2 - Princípio de funcionamento Na década de 1950 os cientistas da Bell Telephone Laboratories criam o termistor, ou um resistor sensível à temperatura. Existem basicamente dois tipos de termistores: NTC (do inglês Negative Temperature Coefficient) - termistores cujo coeficiente de variação de resistência com a temperatura é negativo, ou seja, a resistência diminui com o aumento da temperatura. PTC (do inglês Positive Temperature Coefficient) - termistores cujo coeficiente de variação de resistência com a temperatura é positivo, ou seja, a resistência aumenta com o aumento da temperatura. Na grande maioria dos casos o tipo NTC é o esco- lhido para utilização em veículos automotores. Abaixo, uma análise teórica sobre como essa variação de resistência provocada pela variação de temperatura é transformada numa variação de tensão. Figura 1 - sensor de temperatura do óleo NTC PTC resistência Temperatura Figura 2 - curva característica de um NTC e de um PTC 1 - Lei de Ohm: U = R * I 2 - Os resistores estão ligados em série, logo: R = R + R1 NTC 3 - Substituindo 2 em 1: U = ( ) * IR + R1 NTC 4 - De onde se conclui que: 5 - Aplicando a lei de Ohm sobre o NTC: V = R * INTC NTC 6 - Substituindo 4 em 5: 7 - Dividindo numerador e denominador por R :NTC 8 - No caso particular de R = 0NTC R1 / R = (infinito)NTC R1 / R + 1 = (infinito)NTC U / = 0 (zero) V = 0 (zero)NTC 9 - No caso particular de R = (infinito)NTC R1 / R = R1 / = 0 (zero)NTC R1 / R + 1 = 0 + 1 = 1 (um)NTC U / 1 = U (tensão da fonte) V = U (tensão da fonte)NTC U R + R1 NTC I = U R + R1 NTC V = R *NTC NTC U R R + 11 NTC/ V =NTC voltímetro 3 EA01 4 EA05 R1U VDC I RNTC UCM sensor 10 - No caso particular de R = RNTC 1 R1 / R = 1 (um)NTC R1 / R + 1 = 2 (dois)NTC V = U / 2 (metade da tensão da fonte)NTC Processamento do sinal Figura 3 - Análise da transformação temperatura - resistência - tensão
  • 172.
    ProduzidoporCicloEngenhariaLtda-62-3942-3939vendas@cicloengenharia.com.br-proibidaareprodução-eventuaiserrosoudefeitosdefabricaçãofavorcomunicarvendas@cicloengenharia.com.br ENGENHARIA C I CI I Av. C-255, nº270, sala 719 Nova Suiça, 74280-010, Goiânia - Goiás 62 - 3942-3939 - vendas@cicloengenharia.com.br www.cicloengenharia.com.br Centro Empresarial Sebba, 171 Motor D12C Motor D12D Gerenciamento de Motores Diesel Módulo 1 - Unidades Injetoras Impresso original em papel reciclado 90g 175.3 - Localização: Em algumas versões, o sensor está acoplado ao sensor de pressão do óleo no lado esquerdo do motor, conforme a figura 3 ao lado. Em outras versões, o sensor está acoplado ao sensor de nível do óleo do motor montado no cárter. 175.4 - Simbologia Identifique no esquema elétrico (posi- ção A09) todos os significados da sim- bologia adotada 175.5 - Códigos de falha MID PID FMI 128 175 0 3 4 T 125ºC EA01 4,95V EA01 0,08 Possíveis causas Deficiencia no sistema de arrefecimento Nível do óleo do motor fora das tolerâncias Falta de troca de óleo ou troca após o intervalo Óleo misturado com água ou combustível Pressão do óleo fora das especificações Válvula termostática do radiador de óleo em mal estado Bomba de óleo em mal estado Resfriador de óleo sujo ou em mal estado Falha no sensor Curto-circuito à tensão de batería ou a 5V no cabo condutor de sinal (EA01) Curto-circuito à tensão de batería ou a 5V no cabo de ligação à massa (EA05) Interrupção no cabo condu- tor de sinal (EA01) Falha no sensor Curto-circuíto à massa no cabo condutor de sinal (EA01) Falha no sensor Reação O código de falha é registrado Lâmpada vermelha acende Lâmpada de anomalias acende 175.6 - Verificações 1 - Teste do conjunto sensor / chicote / UCM com o voltímetro; 2 - Se necessário, teste do chicote e sensor com o ohmímetro; 3 - Se necessário, teste do chicote e UCM com o voltímetro Figura 3 - Localização do sensor de temperatura do ar Sensor de temperatura Cor do fio Oval preto representa o Sinal terminais da UCM terminais do sensor 1 3 4 EA04+ EA05- 2 Sensor de pressão Tensão de referência para sensor Massa de referência para sensor Sinal de pressão Sinal de temperatura EA14 EA01 VD/BR MR/BR MR VD
  • 173.
    ProduzidoporCicloEngenhariaLtda-62-3942-3939vendas@cicloengenharia.com.br-proibidaareprodução-eventuaiserrosoudefeitosdefabricaçãofavorcomunicarvendas@cicloengenharia.com.br ENGENHARIA C I CI I Av. C-255, nº270, sala 719 Nova Suiça, 74280-010, Goiânia - Goiás 62 - 3942-3939 - vendas@cicloengenharia.com.br www.cicloengenharia.com.br Centro Empresarial Sebba, 172 Motor D12C Motor D12D Aurélio Nunes de Araújo Fábio Ribeiro von Glehn Impresso original em papel reciclado 90g 175.6.1 - Teste do conjunto sensor / chicote / UCM com o voltímetro Proceda as ligações do voltímetro conforme a ilustração abaixo e certifique-se da vali- dade dos dados. Lembre-se: * A UCM e sensor conectados; * A chave de partida na posição de condução; * Motor desligado; * Multímetro preparado para medição de tensão contínua (Vdc) Valores dentro da faixa indicam que o sensor está íntegro, mas se mesmo assim o com- putador de bordo registra a falha, então existe ainda duas possibilidades: 1 - interrupção do cabo sinal entre o ponto de medição e a UCM; 2 - falha na UCM. Valores fora da faixa indicam necessidade de continuidade nos testes. tensão(V) Curva de calibração do sensor de temperatura do óleo alimentação = 5,0V - R1 = 1200W 0,5 1,0 1,5 2,0 2,5 3,0 3,5 4,0 4,5 5,0 FMI 3 - U 4,95V FMI 4 - U 0,08V FMI0-T125ºC temperatura (ºC) 140120100806040200-20-40 1 3 4 EA04+ EA05- EA14 EA01 2 VD/BR MR/BR MR VD Vdc Erro de 10% da fonte de alimentação provoca um erro de 10% na saída do sensor Temp. (ºC) Tensão (V) -30 4,79 ± 0,03 -20 4,63 ± 0,04 -10 4,38 ± 0,06 0 4,02 ± 0,08 10 3,57 ± 0,09 20 3,06 ± 0,09 30 2,51 ± 0,09 40 2,00 ± 0,08 50 1,55 ± 0,07 Temp. (ºC) Tensão (V) 60 1,19 ± 0,05 70 0,91 ± 0,04 80 0,69 ± 0,03 90 0,52 ± 0,02 100 0,40 ± 0,02 110 0,31 ± 0,01 120 0,24 ± 0,01 130 0,18 ± 0,01
  • 174.
    ProduzidoporCicloEngenhariaLtda-62-3942-3939vendas@cicloengenharia.com.br-proibidaareprodução-eventuaiserrosoudefeitosdefabricaçãofavorcomunicarvendas@cicloengenharia.com.br ENGENHARIA C I CI I Av. C-255, nº270, sala 719 Nova Suiça, 74280-010, Goiânia - Goiás 62 - 3942-3939 - vendas@cicloengenharia.com.br www.cicloengenharia.com.br Centro Empresarial Sebba, 173 Motor D12C Motor D12D Gerenciamento de Motores Diesel Módulo 1 - Unidades Injetoras Impresso original em papel reciclado 90g 175.6.2 - Teste do conjunto sensor / chicote com o ohmímetro Proceda as ligações do multímetro (conector da UCM) conforme a ilustração abaixo e certifique-se da validade dos dados. Lembre-se: * A UCM desconectada; * A chave de partida na posição 0; * Multímetro preparado para medição de resistência (ohm - W) Valores dentro da faixa indicam que o sensor e o chicote estão integros e existe a pos- sibilidade de falha na UCM. Valores fora da faixa, refaça o teste medindo diretamente no sensor de modo a distinguir falha no sensor de falha na fiação. Curva de calibração do sensor de temperatura do óleo temperatura x resistência temperatura (ºC) 10 15 20 25 30 35 40 45 50 55 60 65 70 75 80 85 90 95 100 100 500 1000 2000 3000 resistência()W 1500 2500 Temperatura (ºC) Resistência (W) -30 27500 ± 3510 -20 15000 ± 1600 -10 8500 ± 820 0 4900 ± 440 10 3000 ± 250 20 1900 ± 140 30 1205 ± 85 40 798 ± 52 50 541 ± 32 Temperatura (ºC) Resistência (W) 60 376 ± 20 70 267 ± 13 80 191,1 ± 8,5 90 139,7 ± 5,5 100 103,7 ± 3,7 110 78,0 ± 2,8 120 59,5 ± 2,4 130 45,9 ± 2,0 UCM - Conector EA = preto superior 12 13 25 24 36 01 05
  • 175.
    ProduzidoporCicloEngenhariaLtda-62-3942-3939vendas@cicloengenharia.com.br-proibidaareprodução-eventuaiserrosoudefeitosdefabricaçãofavorcomunicarvendas@cicloengenharia.com.br ENGENHARIA C I CI I Av. C-255, nº270, sala 719 Nova Suiça, 74280-010, Goiânia - Goiás 62 - 3942-3939 - vendas@cicloengenharia.com.br www.cicloengenharia.com.br Centro Empresarial Sebba, 174 Motor D12C Motor D12D Aurélio Nunes de Araújo Fábio Ribeiro von Glehn Impresso original em papel reciclado 90g 175.6.3 - Teste da UCM e chicote com o VOLTÍMETRO CONTÍNUO (VDC) Proceda as ligações do voltímetro (conector do sensor) conforme a ilustração abaixo e certifique-se da validade dos dados. Lembre-se: * A UCM conectada; * Sensor desconectado * A chave de partida na posição de condução; * Motor desligado; * Multímetro preparado para medição de tensão contínua (Vdc) Ponto de medição Valor nominal conclusão 3 e massa aproximadamente 5V Fiação 3 - EA01 interrompida Fiação 3 - EA01 em curto-circuito Falha na alimentação da UCM Falha na UCM se o teste anterior for OK, então: 3 e 4 aproximadamente 5V Fiação - 4 - EA05 interrompida Fiação - 4 - EA05 em curto-circuito Falha na UCM 3 4 1 2 chassi Vdc 3 4 1 2 Vdc
  • 176.
    ProduzidoporCicloEngenhariaLtda-62-3942-3939vendas@cicloengenharia.com.br-proibidaareprodução-eventuaiserrosoudefeitosdefabricaçãofavorcomunicarvendas@cicloengenharia.com.br ENGENHARIA C I CI I Av. C-255, nº270, sala 719 Nova Suiça, 74280-010, Goiânia - Goiás 62 - 3942-3939 - vendas@cicloengenharia.com.br www.cicloengenharia.com.br Centro Empresarial Sebba, 175 Motor D12C Motor D12D Gerenciamento de Motores Diesel Módulo 1 - Unidades Injetoras Impresso original em papel reciclado 90g 175.7 - Instruções em caso de alta temperatura do óleo do motor Temperatura do líquido de arrefecimento Verifique a temperatura do líquido de arrefecimento e se necessário, siga os procedi- mentos de testes e verificações recomendadas para o sensor de temperatura da água do motor (PID 110). Nível do óleo Verifique o nível do óleo e se existir suspeitas de que o nível de óleo do motor não está correto, então drene o óleo, coloque a quantidade correta no motor e verifique novamente o nível com a vareta. Qualidade do óleo Verifique se o óleo está sendo trocado regularmente nos intervalos recomendados. Verifique com a vareta de nível se o óleo está sujo. Se existirem vestígios de líquido de arrefecimento ou de combustível no óleo, isso pode ser devido a vazamentos em algum dos seguintes componentes: * Bomba d´água (retentor do eixo); * Cabeçote (vedadores); * Camisas de cilindro (anéis vedadores); * Trincas no cabeçote ou no bloco do motor; * Bomba de alimentação (combustível); * Unidades injetoras. Óleo do motor sujo pode provocar problemas graves no motor ou nos seus componentes, por isso um anexo a respeito deste assunto no final do livro. Pressão do óleo Verifique a pressão do óleo do motor e se necessário, siga os procedimentos de testes e verificações recomendadas para o sensor pressão do óleo do motor (PID 100). Válvula termostática do radiador de óleo Verifique as condições de funcionamento da válvula termostática do resfriador de óleo. Bomba de óleo Verifique as condições de funcionamento da bomba de óleo, para tanto: * retire o cárter e verifique o filtro de tela do tubo de sucção da bomba de óleo; * verifique se os tubos de óleo entre a bomba de óleo e o bloco de cilindros estão corre- tamente apertados e sem danos que possam causar vazamentos de óleo; * desmonte a bomba de óleo e inspecione a engrenagem da bomba, verificando se existem danos ou desgaste. Resfriador de óleo Verifique se o resfriador de óleo não está danificado. Desmonte o resfriador de óleo e verifique se existe sujeira no lado de circulação de óleo e no lado de circulação de água. Sensor de temperatura de óleo Proceda os testes recomendados neste capítulo para verificar o sensor de temperatura do óleo.
  • 177.
    ProduzidoporCicloEngenhariaLtda-62-3942-3939vendas@cicloengenharia.com.br-proibidaareprodução-eventuaiserrosoudefeitosdefabricaçãofavorcomunicarvendas@cicloengenharia.com.br ENGENHARIA C I CI I Av. C-255, nº270, sala 719 Nova Suiça, 74280-010, Goiânia - Goiás 62 - 3942-3939 - vendas@cicloengenharia.com.br www.cicloengenharia.com.br Centro Empresarial Sebba, 176 Motor D12C Motor D12D Aurélio Nunes de Araújo Fábio Ribeiro von Glehn Impresso original em papel reciclado 90g Perda de potência e alto consumo de combustível na linha H Hoje uns dos grandes desafios são resolver os problemas de perda de potência e o alto consumo de combustível. Então resolvemos inserir neste livro umas dicas práticas de como proceder a um diagnostico no quesito acima citado. Entreviste o motorista: Entrevistar o motorista e verificar quando foi que ele percebeu a falta de perda de po- tência. Porque devemos fazer isso? Quando vamos ao médico ele nos pergunta quando houve o primeiro sintoma, através desta informação ele começa o diagnóstico e solicita os exames relacionados aos sintomas. Com este procedimento ganha-se muito tempo na hora do reparo ser efetuado. Certifique a qualidade do combustível usado: Para teste, use um combustível que não seja do veículo. Faça uma ligação externa na qual o sistema de alimentação seja alimentado com um diesel limpo. Analise o filtro de combustível: A maioria dos frotistas optam em comprar filtros de má qualidade e tão pouco fazer as trocas como sugere o fabricante, então um requisito básico é medir a pressão de combustível, mas mesmo se apresentar uma boa pressão retire o filtro e examine se não há vestígios de água ou mesmo sujeira. Isto terá uma influência na pressão do turbo. Verifique a pressão de combustível: Siga a tabela abaixo: Condição do veículo Rotação do motor Pressão de combustível Sensor de pressão de combustível Parado 500 rpm (marcha-lenta) 2,5 a 3,0 bar 1,87 a 2,14 V 1700 rpm 4,5 a 6,0 bar 2,96 a 3,78 V 2000 rpm 5,0 a 6,0 bar 3,23 a 3,78 V Plena carga Veículo carregado 1700 rpm 4,5 a 5,0 bar 2,96 a 3,23 V Verifique a pressão do turbo: Mesmo que o manômetro mecânico indique uma pressão de 1,5 bar no coletor de ad- missão, isto não quer dizer que o sensor esteja enviando a informação correta ao módulo de comando. Muitas vezes é aconselhável fazer uma limpeza no sensor. Para auxiliá-lo, siga a tabela abaixo: Condição do veículo Rotação do motor Pressão do turbo Sensor de pressão do turbo Carregado a plena carga 1500 rpm 1,5 bar 1,98 V 1700 rpm 1,5 bar 1,98 V
  • 178.
    ProduzidoporCicloEngenhariaLtda-62-3942-3939vendas@cicloengenharia.com.br-proibidaareprodução-eventuaiserrosoudefeitosdefabricaçãofavorcomunicarvendas@cicloengenharia.com.br ENGENHARIA C I CI I Av. C-255, nº270, sala 719 Nova Suiça, 74280-010, Goiânia - Goiás 62 - 3942-3939 - vendas@cicloengenharia.com.br www.cicloengenharia.com.br Centro Empresarial Sebba, 177 Motor D12C Motor D12D Gerenciamento de Motores Diesel Módulo 1 - Unidades Injetoras Impresso original em papel reciclado 90g Teste o intercooler: Tendo em vista as condições das estradas o intercooler sofre bastante impacto com isso tende a ter varias trincas, veja abaixo como se faz o teste: Feche a saída do intercooler para a admissão e instale o manômetro, coloque 1,5 bar de pressão e feche o registro. Verifique a condição do manômetro: após 1 minuto conclusão P 1 bar não existe trinca ou existe trinca, mas não interfere no funcionamento do motor P 1 bar existe trinca Verifique as condições do sensor de rotação: Como o principio de funcionamento do sensor é do tipo indutivo, este é provido de um imã permanente em seu núcleo, logo é comum apresentar pó de embreagem grudado ao imã. Essa ocorrência ocasiona uma interferência no sinal gerado, o que pode causar mau funcionamento do motor com a presença de fumaça negra e perda de potência. Verifique vazamentos pelo coletor de admissão: Nos motores D12C e D12D na versão anterior não existia junta de coletor, mas a apli- cação de um silicone do tipo preto (mais resistente à temperatura). Nesta condição, o primeiro teste deverá ser feito com o coletor instalado. Com a mes- ma ferramenta de teste do intercooler, aplique 1,5 bar no coletor e pulverize água e sabão com o objetivo de procurar por vazamentos. Caso apresente, remova o coletor e faça um teste estático, ou seja, verifique a possibilidade de empeno do coletor e, se houver corrija e instale novamente (aplique um novo silicone de cor preta). Verifique estado e conservação do filtro de ar: O filtro de ar segue a mesma concepção do filtro diesel, ou seja, não se troca com pe- riodicidade recomendada. O filtro de ar colmatado representa uma barreira para a entrada de ar e isto significa menos massa de ar admitida, perda de potência e alto consumo de combustível. Verifique a pré-tensão das unidades injetoras: Alguns técnicos alteram o valor recomendado de pré-tensão das unidades injetoras. O fabricante informa um valor de 0,75mm de carga, mas boa parte dos técnicos aplica 0,85mm. Essa ação melhora o rendimento de um veículo com mais de 300.000 Km rodados, pois há um desgaste entre as engrenagens da distribuição e este incremento de 0,10mm elimina esta folga e, com isso não se perde o tempo de bombeamento do embolo, Verifique a regulagem das válvulas Aregulagem da válvula de admissão a pode ser executada com 0,25mm bem justa, tendo em vista que as válvulas tendem a subir nas válvulas de escape devem ser reguladas com 1,60 ± 0,05mm. Orienta-se que seja sempre o mais homogêneo possível, ou seja, se esti- ver inserindo 1,60mm continue a colocar este mesmo valor em todas as válvulas, usando a troca dos calços de ajuste e não através das pontes de acionamento.
  • 179.
    ProduzidoporCicloEngenhariaLtda-62-3942-3939vendas@cicloengenharia.com.br-proibidaareprodução-eventuaiserrosoudefeitosdefabricaçãofavorcomunicarvendas@cicloengenharia.com.br ENGENHARIA C I CI I Av. C-255, nº270, sala 719 Nova Suiça, 74280-010, Goiânia - Goiás 62 - 3942-3939 - vendas@cicloengenharia.com.br www.cicloengenharia.com.br Centro Empresarial Sebba, 178 Motor D12C Motor D12D Aurélio Nunes de Araújo Fábio Ribeiro von Glehn Impresso original em papel reciclado 90g Verifique o fator de calibração do tacógrafo; Os veículos mecânicos tanto como os eletrônicos precisam ter o velocímetro calibrado para quando forem fazer os cálculos das médias terem certeza dos quilômetros rodados, só perde esta calibragem quando se troca o tipo de pneu, relação de coroa e pinhão e caixa de câmbio. Para isso ser calibrado hoje existe ferramentas especiais VDO ou mesmo pelo o fabricante do veículo. Verifique pneus e Geometria; Estudos feitos por fabricantes de pneus e suspensão chegaram a conclusão de que se perde 07% de economia de combustível por baixa pressão e 8% de perda em combustível por desalinhamento dos eixos. Verifique aerodinâmica (Atrito com ar) Veículos que não possuem os defletores de ar podem perder até 10% na economia de combustível. Outros fatores que contribuem com o auto consumo Peso do veículo; Percurso; Motorista; Tipo do veículo. Exemplo: diferença de consumo entre um veículo de cabine frontal e um outro de cabine normal. Mangueiras furadas; Turbo avariado. Lonas de freio reguladas muito próximo ao tambor. 1. 2. 3. 4. 5. 6. 7.