INJEÇÃO ELETRÔNICA VW GV

     INJEÇÃO ELETRÔNICA MAGNETI MARELLI IAW 4GV - VOYAGE
O MÓDULO DE COMANDO MONITORA AS CONDIÇÕES DE
OPERAÇÃO DO MOTOR ATRAVÉS DA INFORMAÇÕES
PROVENIENTES DOS DIVERSOS SENSORES, GERENCIANDO
O SEU FUNCIONAMENTO POR MEIO DO COMANDO DOS
ATUADORES.




    A Uce é aterrada nos pinos A2 e A26, recebendo os
    positivos nos pinos A15 e A27 de linha 30 que sai do
    fusivel F10 da Central de Fusiveis do vão do motor .E pino
    A4 alimentado com linha 15. O positivo linha 15 sai da
    chave comutadora passa pelo fusivel F26 de 5ª na Central
    de reles e fusiveis do painel de instrumento.
O MÓDULO DO MOTOR NCM ESTA LOCALIZADO NO VÃO
 DO MOTOR, POSSUI 2 CONECTORES.




           A                                    B
               O diagnóstico de falhas da UCE é feita por exclusão, uma
               vez que não é possivel realizar testes nos seus circuitos
               internos. Antes de suspeitar da UCE faça os testes
               individuais de cada componente.
ATENÇÃO: ao desconectar o conector da UCE , pode ser
gerado códigos de falhas que somente serão excluidos
com a presença da intervenção de Scanner.



      O VALOR DE RESISTÊNCIA ENTRE OS PINOS DE ATERRAMENTO E MASSA = 0 Ohms
SONDA LÂMBDA




 Alimentação do aquecedor via rele Principal, o pino A1 da
 UCE aterra o aquecedor em linha PWM, o pino A20 envia
 negativo para o sinal de referencia da sonda e o pino A46
 recebe o sinal oscilante entre 100 a 900 mVolts. Sendo a
 resposta da sonda muito rapida com o sistema de injeção
 operando em perfeitas condfições, variando de 300 a 600
 mVolts em apenas 330 milisegundos. A resistência do
 sensor é de aproximadamente 14 Ohms com o sensor
 aquecido.
SENSOR DE TEMPERATURA DA ÁGUA




 DIFICULDADE DE PARTIDA A FRIO
 FUNCIONAMENTO IRREGULAR DO MOTOR
 O ELETROVENTILADOR PODERA ENTRAR
 EM FUNCIONAMENTO
MAP e SENSOR DE TEMPERATURA DO AR (CMD)




                       AR




O mau funcionamento do CMD gera erros na
determinação do tempo de injeção (MS) dos
eletroinjetores e no avanço da ignição. Em caso de falha
do sensor o módulo utiliza como referencial o sensor de
posição de borboleta e temperatura do motor.




    MAP

         OBS>:

         POSSIVEIS ENTRADAS DE AR FALSO CONSTITUEM EM
         UMA QUEDA SIGNIFICANTE DE RENDIMENTO DO
         MOTOR.
CAUTELA

  EMBORA OS TESTES NÃO IDENTIFIQUEM FALHA DO
  SENSOR, A ALIMENTAÇÃO DO MOTOR PODE SE
  COMPROMETER EM CONSEQUÊNCIA DE SUA INEFICÁCIA,
  POIS A RESTRIÇÃO AO ENCHIMENTO DOS CILINDROS SE
  ELEVA CONFORME A SATURAÇÃO DO ELEMENTO
  FILTRANTE. CAUSANDO QUEDA DE RENDIMENTO DO
  MOTOR.
                               SENSOR MAP
SENSOR DE TEMPERATURA DO AR
                                -100mmHg = 3,82 Volts
29º +- 2,1 VOLTS
                               -200mmHg = 3,06 Volts
48º +- 1,8VOLTS
                               -300mmHg = 2,41 Volts
56º +- 1,6 VOLTS
                               -400mmHg = 1,69 Volts
SENSOR DE ROTAÇÃO




            Sensor de efeito Hall que informa a posição do
            virabrequim (árvore de manivelas).

               A tensão de alimentação do sensor é de 12Volts efetuada
               pela UCE através do pino B55.
               O negativo é fornecido pelo pino B67 da UCE
               O sinal em frequencia é relativo ao RPM do motor e é
               sentido pelo pino B53 da UCE


                                 SENSOR DE FASE




  Sensor de efeito Hall que informa a posição do comando
  de válvulas
  A tensão de alimentação do sensor é de 12Volts efetuada
  pela UCE através do pino B62.
  O negativo é fornecido pelo pino B54 da UCE.
  O sinal em frequencia é de 15Hz em marcha lenta.
SENSOR DE VELOCIDADE




    Sensor de efeito Hall, com informação em frequencia
    para a UCE.Alimentado pela linha 30, protegido pelo
    fusivel F34 na Central de Reles e Fusiveis do painel de
    instrumento.

APROXIMADAMENTE 15 Hz EM MARCHA LENTA

   Caso venha a falhar o painel não demonstrara sinal de
   velocidade, pois o mesmo sinal para a UCE é tambem
   para o painel de instrumentos.

   A 20km/h a frequencia deve ser em torno de 30Hz

   O sinal do VSS para o painel entra no pino 4 do conector
   do painel. E para o módulo de conforto no terminal B
   pino 10.
BOBINA DE IGNIÇÃO COM MÓDULO DIS




RESISTÊNCIA DO SECUNDÁRIO = 6 Kohms

VELAS NGK BKR7ESB
  CABOS DE VELA

  RESISTÊNCIA ENTRE 4 a 8 Kohms

  SENSOR DE DETONAÇÃO

      Sinal de funcionamento em frequencia Hz.




                     POSIÇÃO DE COLOCAÇÃO
                          NA VERTICAL

                     TORQUE DE APERTO 2 Kg
SENSOR DE POSIÇÃO DO PEDAL DO ACELERADOR



         PEDAL LIVRE
         P1 = 0,37 Volts
         P2 = 0,74 Volts



T
TENSÃO DE ALIMENTAÇÃO
    APROXIM 5 Volts
                        DBW CORPO DE BORBOLETA
                             MOTORIZADO
             Tem a função de controlar o fluxo de ar para o motor e
             consequentemente o seu torque instantâneo.




TESTE
PARA TESTAR A MOLA DE RETORNO DA BORBOLETA,
DESLIGUE A IGNIÇÃO E APERTE      A BORBOLETA
MANUALMENTE       NO    SENTIDO DE   FECHA-LA
TOTALMENTE. SOLTE-A E OBSERVE SE ELA RETORNA
PARA A POSIÇÃO DE SEMI ABERTA.
ALIMENTAÇÃO PARA POTENCIOMETROS = 5 Volts




  ELETROINJETORES




   RESISTÊNCIA 16 Ohms
SISTEMA DE ALIMENTAÇÃO DE COMBUSTÍVEL
SISTEMA DE PARTIDA A FRIO
CÂNISTER
           Controla o fluxo de vapor de combustível gerado no
           tanque, duranrte os vários regimes de funcionamento do
           motor, evitando assim a poluição da atmostera por
           hidrocrbonetos e contribuindo para a economia de
           combustível

                                          RESISTÊNCIA
                                           25 Ohms


INTERRUPTOR DO PEDAL DA EMBREAGEM



INTERRUPTOR DO PEDAL DE FREIO



 CONECTOR OBD
PINAGEM DA UCE


                 A
B
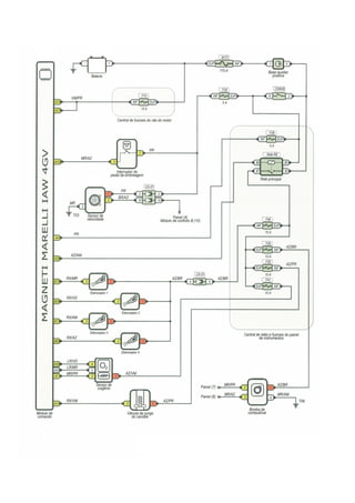
ESQUEMA ELÉTRICO
Voyage
Voyage

Voyage

  • 1.
    INJEÇÃO ELETRÔNICA VWGV INJEÇÃO ELETRÔNICA MAGNETI MARELLI IAW 4GV - VOYAGE
  • 2.
    O MÓDULO DECOMANDO MONITORA AS CONDIÇÕES DE OPERAÇÃO DO MOTOR ATRAVÉS DA INFORMAÇÕES PROVENIENTES DOS DIVERSOS SENSORES, GERENCIANDO O SEU FUNCIONAMENTO POR MEIO DO COMANDO DOS ATUADORES. A Uce é aterrada nos pinos A2 e A26, recebendo os positivos nos pinos A15 e A27 de linha 30 que sai do fusivel F10 da Central de Fusiveis do vão do motor .E pino A4 alimentado com linha 15. O positivo linha 15 sai da chave comutadora passa pelo fusivel F26 de 5ª na Central de reles e fusiveis do painel de instrumento.
  • 3.
    O MÓDULO DOMOTOR NCM ESTA LOCALIZADO NO VÃO DO MOTOR, POSSUI 2 CONECTORES. A B O diagnóstico de falhas da UCE é feita por exclusão, uma vez que não é possivel realizar testes nos seus circuitos internos. Antes de suspeitar da UCE faça os testes individuais de cada componente. ATENÇÃO: ao desconectar o conector da UCE , pode ser gerado códigos de falhas que somente serão excluidos com a presença da intervenção de Scanner. O VALOR DE RESISTÊNCIA ENTRE OS PINOS DE ATERRAMENTO E MASSA = 0 Ohms
  • 4.
    SONDA LÂMBDA Alimentaçãodo aquecedor via rele Principal, o pino A1 da UCE aterra o aquecedor em linha PWM, o pino A20 envia negativo para o sinal de referencia da sonda e o pino A46 recebe o sinal oscilante entre 100 a 900 mVolts. Sendo a resposta da sonda muito rapida com o sistema de injeção operando em perfeitas condfições, variando de 300 a 600 mVolts em apenas 330 milisegundos. A resistência do sensor é de aproximadamente 14 Ohms com o sensor aquecido.
  • 5.
    SENSOR DE TEMPERATURADA ÁGUA DIFICULDADE DE PARTIDA A FRIO FUNCIONAMENTO IRREGULAR DO MOTOR O ELETROVENTILADOR PODERA ENTRAR EM FUNCIONAMENTO
  • 6.
    MAP e SENSORDE TEMPERATURA DO AR (CMD) AR O mau funcionamento do CMD gera erros na determinação do tempo de injeção (MS) dos eletroinjetores e no avanço da ignição. Em caso de falha do sensor o módulo utiliza como referencial o sensor de posição de borboleta e temperatura do motor. MAP OBS>: POSSIVEIS ENTRADAS DE AR FALSO CONSTITUEM EM UMA QUEDA SIGNIFICANTE DE RENDIMENTO DO MOTOR.
  • 7.
    CAUTELA EMBORAOS TESTES NÃO IDENTIFIQUEM FALHA DO SENSOR, A ALIMENTAÇÃO DO MOTOR PODE SE COMPROMETER EM CONSEQUÊNCIA DE SUA INEFICÁCIA, POIS A RESTRIÇÃO AO ENCHIMENTO DOS CILINDROS SE ELEVA CONFORME A SATURAÇÃO DO ELEMENTO FILTRANTE. CAUSANDO QUEDA DE RENDIMENTO DO MOTOR. SENSOR MAP SENSOR DE TEMPERATURA DO AR -100mmHg = 3,82 Volts 29º +- 2,1 VOLTS -200mmHg = 3,06 Volts 48º +- 1,8VOLTS -300mmHg = 2,41 Volts 56º +- 1,6 VOLTS -400mmHg = 1,69 Volts
  • 8.
    SENSOR DE ROTAÇÃO Sensor de efeito Hall que informa a posição do virabrequim (árvore de manivelas). A tensão de alimentação do sensor é de 12Volts efetuada pela UCE através do pino B55. O negativo é fornecido pelo pino B67 da UCE O sinal em frequencia é relativo ao RPM do motor e é sentido pelo pino B53 da UCE SENSOR DE FASE Sensor de efeito Hall que informa a posição do comando de válvulas A tensão de alimentação do sensor é de 12Volts efetuada pela UCE através do pino B62. O negativo é fornecido pelo pino B54 da UCE. O sinal em frequencia é de 15Hz em marcha lenta.
  • 9.
    SENSOR DE VELOCIDADE Sensor de efeito Hall, com informação em frequencia para a UCE.Alimentado pela linha 30, protegido pelo fusivel F34 na Central de Reles e Fusiveis do painel de instrumento. APROXIMADAMENTE 15 Hz EM MARCHA LENTA Caso venha a falhar o painel não demonstrara sinal de velocidade, pois o mesmo sinal para a UCE é tambem para o painel de instrumentos. A 20km/h a frequencia deve ser em torno de 30Hz O sinal do VSS para o painel entra no pino 4 do conector do painel. E para o módulo de conforto no terminal B pino 10.
  • 10.
    BOBINA DE IGNIÇÃOCOM MÓDULO DIS RESISTÊNCIA DO SECUNDÁRIO = 6 Kohms VELAS NGK BKR7ESB CABOS DE VELA RESISTÊNCIA ENTRE 4 a 8 Kohms SENSOR DE DETONAÇÃO Sinal de funcionamento em frequencia Hz. POSIÇÃO DE COLOCAÇÃO NA VERTICAL TORQUE DE APERTO 2 Kg
  • 11.
    SENSOR DE POSIÇÃODO PEDAL DO ACELERADOR PEDAL LIVRE P1 = 0,37 Volts P2 = 0,74 Volts T TENSÃO DE ALIMENTAÇÃO APROXIM 5 Volts DBW CORPO DE BORBOLETA MOTORIZADO Tem a função de controlar o fluxo de ar para o motor e consequentemente o seu torque instantâneo. TESTE PARA TESTAR A MOLA DE RETORNO DA BORBOLETA, DESLIGUE A IGNIÇÃO E APERTE A BORBOLETA MANUALMENTE NO SENTIDO DE FECHA-LA TOTALMENTE. SOLTE-A E OBSERVE SE ELA RETORNA PARA A POSIÇÃO DE SEMI ABERTA.
  • 12.
    ALIMENTAÇÃO PARA POTENCIOMETROS= 5 Volts ELETROINJETORES RESISTÊNCIA 16 Ohms
  • 13.
    SISTEMA DE ALIMENTAÇÃODE COMBUSTÍVEL
  • 15.
  • 16.
    CÂNISTER Controla o fluxo de vapor de combustível gerado no tanque, duranrte os vários regimes de funcionamento do motor, evitando assim a poluição da atmostera por hidrocrbonetos e contribuindo para a economia de combustível RESISTÊNCIA 25 Ohms INTERRUPTOR DO PEDAL DA EMBREAGEM INTERRUPTOR DO PEDAL DE FREIO CONECTOR OBD
  • 17.
  • 18.
  • 20.