Manual de
Reparações
MR 2 2004-10-31
Stralis
Motor Cursor 13
Motor
Cursor 13
Descrição de Reparações
Stralis / Motor Cursor 13 MR 2 2004-10-31
Índice
Especificação técnica 7
Curvas características 8
Características gerais 9
Dados técnicos de montagem 12
Diagnose 18
Blink-Code 18
Procedimento de controle e identificação de falhas 18
Procedimento para cancelar a memória de falhas desde o
posto de condução
19
Tabela Blink-Code EDC MS 6.2 20
Instrumentos para diagnose 22
Diagnose de nível superior 22
Diagnose de nível avançado 23
Guia para localização de falhas 24
Localização de falhas com Blink-Code 25
Diagnose de falhas de acordo com os sintomas 32
Vistas do motor 37
Remoção do motor 40
Desmontagem do motor 46
Substituição da engrenagem de acionamento da distribuição
e da bomba de óleo
55
Inspeções: Bloco do motor e camisas de cilindros 56
Substituição das camisas de cilindros 59
Inspeções: Árvore de manivelas 61
Raios de concordância da árvore de manivelas 63
Tabela para preenchimento das medidas dos munhões e
moentes da árvore de manivelas
63
Seleção dos casquilhos dos mancais e de bielas 64
A. Definição da classe de diâmetro dos alojamentos para os
casquilhos no bloco do motor
65
B. Definição da classe de diâmetro dos munhões principais
e moentes de biela (diâmetros nominais)
66
3 / 155
Stralis / Motor Cursor 13 MR 2 2004-10-31
C. Seleção dos casquilhos de mancais 67
Seleção dos casquilhos de mancal (munhões retificados) 68
D. Definição da classe de diâmetro do alojamento do
casquilho de biela
69
E. Seleção dos casquilhos de biela (moentes com diâmetro
nominal)
70
Seleção dos casquilhos de biela (moentes retificados) 71
Verificação da folga de montagem da árvore de manivelas 72
Verificação da folga radial da árvore de manivelas 73
Verificação da folga axial da árvore de manivelas 74
Desmontagem do conjunto pistão e biela 75
Inspeções: Pistões 77
Inspeções: Biela 79
Verificação do paralelismo dos eixos da biela 80
Controle da torção 80
Verificação da flexão da biela 81
Montagem do conjunto pistão e biela 81
Inspeções: Cabeçote de cilindros 83
Inspeções: Válvulas e guias 83
Substituição das guias de válvulas 84
Inspeções: Mola de válvulas 85
Substituição e retificação das sedes de válvulas 85
Substituição da sede porta-injetores 86
Desmontagem 86
Montagem 86
Saliência do bico injetor 87
Inspeções: Eixo comando de válvulas 88
Inspeções: Casquilhos do eixo comando 90
Substituição dos casquilhos do eixo comando (utilizando a
ferramenta 99360499)
91
Desmontagem 92
Montagem 92
4 / 155
Stralis / Motor Cursor 13 MR 2 2004-10-31
Inspeções: Balancins e eixo porta-balancins 93
Montagem do cabeçote de cilindros 95
Montagem do motor 96
Montagem da árvore de manivelas e bloco inferior do motor 96
Instalação do conjunto pistão e biela 99
Verificação da folga radial dos moentes de biela 100
Instalação do cabeçote de cilindros 101
Montagem das engrenagens de distribuição 102
Montagem da carcaça e volante do motor 102
Montagem do eixo comando de válvulas e injetores 104
Montagem do eixo porta-balancins 106
Sincronização do eixo da distribuição 107
Sincronização da roda fônica 110
Regulagem da folga dos balancins de admissão e escape e
pré-carga dos balancins de comando dos injetores
111
Montagem dos agregados do motor 112
Instalação do motor 115
Abastecimento do sistema de arrefecimento 122
Operações preliminares 122
Operações 122
Drenagem de ar do sistema de alimentação 124
Verificação e controles finais 125
Lubrificação 126
Circuito de lubrificação 127
Intercambiador de calor 128
Filtro de óleo do motor 129
Enrolamento externo de espiral 129
Suporte 129
Parede filtrante 129
Resistência 129
Partes estruturais 129
5 / 155
Stralis / Motor Cursor 13 MR 2 2004-10-31
Sistema de arrefecimento 130
Bomba d’água 130
Esquema de funcionamento do termostato 130
Circuito de arrefecimento 131
Holset HX 50W (turbina Wastegate) 132
Válvula limitadora de pressão 132
Alimentação 134
Injetor-bomba 135
Substituição dos injetores-bomba 136
Fases do injetor 136
Tomada de força Hydrocar na distribuição (opcional) 138
Características e dados 139
Conexão da tomada de força 140
Desconexão e reconexão da tomada de força 141
Momentos de aperto 142
Esquemas de aperto dos principais componentes do
motor
146
Momentos de aperto - Tomada de força 150
Ferramentas especiais 151
6 / 155
Stralis / Motor Cursor 13 MR 2 2004-10-31
Especificação técnica
Tipo Matrícula
F 3 B E 0 6 8 I A * A 0 0 I -
Número seqüencial de produção
Número da versão em relação à D. B.
Válido somente para o nível de emissões de gases com iguais
curvas características
Potência ou torque do motor
C = 440 CV 214 kgm G = 380 CV 184 kgm
Aplicação (I = caminhões)
Alimentação + injeção (TCA, diesel injeção direta)
Número de cilindros
Número de tempos e posição dos cilindros (0 = 4 tempos vertical)
Motor
Evolução da família com igual ou diferente cilindrada
Indicação da família de motores
7 / 155
Stralis / Motor Cursor 13 MR 2 2004-10-31
Curvas características
Curvas características do motor F3BE0681
8 / 155
Figura 1
Potência máxima: 279 kW
Torque máximo: 1.800 Nm
380 CV
184 kgm
1.500 - 1.900 rpm
900 - 1.500 rpm
Stralis / Motor Cursor 13 MR 2 2004-10-31
9 / 155
Características gerais
Tipo
F3B
Ciclo
Alimentação
Injeção
Diesel 4 tempos
Superalimentado
com intercooler
Direta
Número de cilindros 6 em linha
Diâmetro interno
do cilindro
mm 135
Curso mm 150
Cilindrada total cm³ 12880
Relação de compressão 16,5 ± 0,8
Potência máxima kW
(CV)
rpm
279
(380)
1500 - 1900
Torque máximo Nm
(kgm)
rpm
1800
(184)
900 - 1500
Marcha lenta do motor
sem carga
rpm 600 ± 25
Regime de rotações máximo
do motor sem carga
rpm 2400
Stralis / Motor Cursor 13 MR 2 2004-10-31
10 / 155
F3B
Distribuição
Início antes do P.M.S.
Final depois do P.M.I.
Início antes do P.M.I.
Final depois do P.M.S.
A
B
D
C
17º
30º
51º
11º
Para controle da regulagem
X
De funcionamento
X
mm
mm
mm
mm
-
-
0,35 - 0,45
0,55 - 0,65
Alimentação
Através da bomba de
alimentação - filtros
Injeção tipo Bosch
Com injetores PDE31 de
regulagem eletrônica.
Injetores - bomba acionados
pelo eixo comando de
válvulas no cabeçote.
Pulverizadores tipo -
Ordem de injeção 1 - 4 - 2 - 6 - 3 - 5
Pressão de injeção bar 1.500
Stralis / Motor Cursor 13 MR 2 2004-10-31
11 / 155
F3B (380 CV)
Superalimentação
Turbocompressor tipo Holset Wastegate HX 55W
Lubrificação
Pressão do óleo com motor
aquecido (100º ± 5º C)
- em marcha lenta
- em regime máximo de
rotações
bar
bar
Forçada através do uso da
bomba de engrenagens,
válvula limitadora de
pressão e filtro de óleo.
1,5
5
Arrefecimento
Através da bomba centrí-
fuga, do termostato para
regulagem do ventilador
viscoso, do radiador e do
trocador de calor
Acionamento da bomba de
água
Através de correias
Termostato duplo
- Início da abertura
- Abertura máxima
~ 85º C
-
Urania LD5
(segundo especificação
ACEA E3-E5)
Urania turbo
(segundo especificação
ACEA E2)
Abastecimento dos
motores
Capacidade total do
1º abastecimento
Capacidade de substituição
periódica:
- Cárter do motor
Quantidade em circulação
que retorna ao cárter
Quantidade contida no filtro
de óleo (a ser acrescentada
na troca do filtro)
Litros
kg
Litros
kg
Litros
kg
Litros
kg
Com cárter de óleo de chapa
35
31,5
mín. 20 - máx. 28
mín. 18 - máx. 25,2
7
6,3
3
2,7
óleo
óleo
Stralis / Motor Cursor 13 MR 2 2004-10-31
12 / 155
Dados técnicos de montagem
Camisa e pistão
F3B
mm
Alojamento das camisas
de cilindros
Ø 1
153,500 - 153,525 (superior)
152,000 - 152,025 (inferior)
Camisas de cilindros:
Diâmetro externo
Comprimento
Ø 2
L
153,461 - 153,486 (superior)
151,890 - 151,915 (inferior)
-
Folga entre a camisa de
cilindro e seu alojamento
no bloco
0,014 - 0,039 (superior)
0,085 - 0,135 (inferior)
Diâmetro externo
(sobremedidas)
Ø 2 -
Camisas de cilindros:
Diâmetro interno Ø 3
Ressalto
* Classe de seleção
** Sob uma carga de
8.000 kg
A *
B *
X **
135,000 - 135,013
135,011 - 135,024
0,045 - 0,075
Pistões
Quota de medição
Diâmetro externo Ø 1
Alojamento para o pino
X
A *
B *
Ø 2
20
134,881 - 134,893
134,892 - 134,894
54,010 - 54,018
Folga entre pistões e
camisas de cilindros
A *
B *
0,107 - 0,132
0,107 - 0,132
Diâmetro dos pistões Ø 1 -
Saliência dos pistões X -
Pino dos pistões Ø 3 53,994 - 54,000
Folga entre pinos dos
pistões e seus alojamentos
0,010 - 0,024
* Classe de seleção
* Classe de seleção
Stralis / Motor Cursor 13 MR 2 2004-10-31
13 / 155
Anéis de pistão / biela
F3B
mm
Ranhura no pistão para
anéis
* Medido no Ø de 130 mm
X1 *
X2
X3
3,445 - 3,475
3,050 - 3,070
5,020 - 5,040
Anéis:
- De compressão trapezoidal
- De compressão
- Raspador de óleo
* Medido no Ø de 130 mm
S1 *
S2
S3
3,296 - 3,364
2,970 - 2,990
4,970 - 4,990
Folga dos anéis
nas ranhuras
1
2
3
0,081 - 0,179
0,060 - 0,100
0,030 - 0,070
Anéis de pistão -
Folga entre pontas dos anéis
nas camisas de
cilindros
X1
X2
X3
0,40 - 0,55
0,65 - 0,80
0,40 - 0,75
Sede da bucha
do pé de biela
Sede dos casquilhos
de biela
Classe de seleção Ø 2
Ø 1
Ø 2
1
2
3
59,000 - 59,030
94,000 - 94,010
94,011 - 94,020
94,021 - 94,030
Diâmetro da bucha
do pé de biela
Externo
Interno
Espessura do casquilho
de biela
Ø 4
Ø 3
S
59,085 - 59,110
54,019 - 54,035
1,965 - 1,975 (vermelho)
1,976 - 1,985 (verde)
1,986 - 1,995 (amarelo)
Interferência na montagem
da bucha de biela
0,055 - 0,110
Folga radial entre pino e bucha 0,019 - 0,041
Sobremedida dos
casquilhos de biela
-
Peso da biela
Classe A
B
C
g
g
g
4.661 - 4.694
4.695 - 4.728
4.729 - 4.762
>
Stralis / Motor Cursor 13 MR 2 2004-10-31
14 / 155
Árvore de manivelas
F3B
mm
Empenamento máximo
permitido
Medido a “X” do eixo
longitudinal da biela X
0,08
125
Munhões principais
Moentes de biela
Casquilhos principais
Casquilhos de biela
Ø 1
Ø 2
S 1
S 2
99,970 - 100,000
89,970 - 90,000
Espessura:
3,110 - 3,120 (vermelho)
3,121 - 3,130 (verde)
3,131 - 3,140 (amarelo)
1,965 - 1,975 (vermelho)
1,976 - 1,985 (verde)
1,986 - 1,995 (amarelo)
Apoios principais Ø 3 106,300 - 106,330
Folga radial:
Casquilho - munhão
Casquilho - moente
0,060 - 0,100
0,050 - 0,090
Sobremedida dos
casquilhos
-
Munhão principal
para reforço
X1 47,95 - 48,00
Apoio principal
para reforço
X2 40,94 - 40,99
Espessura do semi
anel de reforço
X3 3,38 - 3,43
Folga axial da árvore
de manivelas
0,10 - 0,30
Alinhamento
Ovalização
Conicidade
1 - 2
1 - 2
1 - 2
< 0,025
0,010
0,010
Stralis / Motor Cursor 13 MR 2 2004-10-31
Eixo comando de válvulas e agregados
F3B
mm
Até o motor nº 298108
Altura da mola das válvulas
Mola livre
Sob uma carga de:
575 ± 28 N
1.095 ± 54 N
H
H1
H2
72,40
58
45
Saliência dos injetores X 0,52 - 1,34
Sede para bucha do eixo
comando no cabeçote de cil-
indros (1 - 7)
Ø 88,000 - 88,030
Ø dos mancais de apoio do
eixo comando (1 - 7)
Ø 82,950 - 82,968
Diâmetro externo dos
casquilhos para o eixo
comando
Ø 88,153 - 88,183
Diâmetro interno dos
casquilhos para o eixo
comando
Ø 83,018 - 83,085
Interferência entre casqui-
lhos e a sede no cabeçote de
cilindros
Ø 0,123 - 0,183
Folga entre casquilhos e
mancais de apoio do eixo
comando:
Ø 0,050 - 0,135
Elevação útil dos cames
9,231
9,5607
11,216
Eixo porta-balancins Ø 1 41,984 - 42,000
15 / 155
Ø
Stralis / Motor Cursor 13 MR 2 2004-10-31
F3B
Cabeçote de cilindros - Distribuição
Sedes da guia de
válvulas no cabeçote
Ø 1 15,980 - 15,997
Guia de válvulas
Ø 2
Ø 3
10,015 - 10,030
16,012 - 16,025
Interferência entre guia de
válvulas e sede no cabeçote
0,015 - 0,045
Guia de válvulas -
Válvulas:
Admissão
Escape
Ø 4
α
Ø 4
α
9,960 - 9,975
60º 30’ + 7’ 30”
9,960 - 9,975
45º 30’ + 7’ 30”
Folga da haste das válvulas
e respectiva guia
0,040 - 0,070
Sede no cabeçote
para válvula:
Admissão
Escape
Ø 1
Ø 1
49,185 - 49,220
46,985 - 47,020
Diâmetro externo da sede da
válvula, inclinação das sedes
das válvulas no cabeçote de
cilindros:
Admissão
Escape
Ø 2
α
Ø 2
α
42,060 - 42,075
60º ± 30’
41,060 - 41,075
45º ± 30’
Projeção das válvulas
Admissão
Escape
X
X
0,54 - 0,85
1,75 - 2,05
Interferência entre a sede da
válvula e o cabeçote
Admissão
Escape
0,040 - 0,090
0,040 - 0,090
16 / 155
x
Stralis / Motor Cursor 13 MR 2 2004-10-31
F3B
mm
Sede para os casquilhos nos
balancins
Admissão
Escape
Injetor
45,000 - 45,016
59,000 - 59,019
46,000 - 46,016
Diâmetro externo dos
casquilhos para balancins
Admissão
Escape
Injetor
45,090 - 45,130
59,100 - 59,140
46,066 - 46,091
Diâmetro interno dos
casquilhos para balancins
Admissão
Escape
Injetor
42,025 - 42,041
56,030 - 56,049
42,015 - 42,071
Interferência entre
casquilhos e suas sedes
Admissão
Escape
Injetor
0,074 - 0,130
0,081 - 0,140
0,050 - 0,091
Folga entre balancins e eixo
Admissão
Escape
Injetor
0,025 - 0,057
0,025 - 0,057
0,015 - 0,087
17 / 155
Ø
Ø
Stralis / Motor Cursor 13 MR 2 2004-10-31
Diagnose
Através do Blink-Code e os instrumentos
para diagnose é possível diagnosticar as
falhas de natureza elétrica e algumas
falhas mecânicas detectadas pela cen-
tral.
Blink-Code
Através da lâmpada de teste EDC é pos-
sível receber informações sobre as falhas
no motor.
Se a lâmpada acender durante o funcio-
namento normal do veículo, significa que
foi verificada uma falha que pode ser:
As informações sobre o tipo de falha
ocorrida são informadas através de códi-
gos pela lâmpada de teste EDC, medi-
ante uma seqüência de piscadas longas
e curtas (Blink-Code).
Nos procedimentos de controle é utili-
zada a tecla de diagnóstico que é encon-
trada abaixo da tampa do compartimento
da UCI e que incorpora também a lâm-
pada de teste EDC.
Lâmpada acesa fixa Falha grave
Funcionamento limi-
tado do sistema.
Lâmpada acesa
intermitente
Falha muito grave
Funcionamento limi-
tado do sistema.
Perda de uma ou
várias funções de
segurança e possível
parada do motor.
Procedimento de controle e identifi-
cação de falhas
Módulo de luzes-piloto no painel frontal do veículo
- Pare o veículo e desligue o motor.
- Posicione a chave de partida em “MAR”
(módulo de luzes-piloto aceso e freio-
motor).
- Pressione a tecla de diagnose e veri-
fique se a lâmpada de teste EDC pisca
uma vez.
- Sucessivamente, a lâmpada se apaga e
começa a acender de modo inter-
mitente com uma freqüência longa e
em seguida curta.
Os códigos de falhas são indicados nas
próximas páginas.
Por exemplo: o código 1.4 significa que a
lâmpada de teste efetuou um sinal lumi-
noso longo e quatro curtos. O procedi-
mento se repete enquanto não
reaparecer o código da primeira falha
sinalizada.
18 / 155
Figura 2
Stralis / Motor Cursor 13 MR 2 2004-10-31
19 / 155
Procedimento para cancelar a
memória de falhas desde o posto de
condução
Tabela de diagnose do EDC
e lâmpada de teste EDC
- Pressione a tecla Blink-Code (com a
chave na posição de parada).
- Posicione a chave de partida em mar-
cha mantendo pressionada a tecla
Blink-Code.
- Espere cinco segundos.
- Posicione novamente a chave de
partida na posição de parada.
- Certifique-se de que o cancelamento da
memória tenha sido concluído,
efetuando a leitura numérica através da
lâmpada de teste.
Figura 3
Stralis / Motor Cursor 13 MR 2 2004-10-31
Tabela Blink-Code EDC MS 6.2
Blink-
Code
Lâmpada de teste
EDC *
Descrição de falha
Veículo
1.1 Acesa fixa Sinal de velocidade do veículo
1.2 Acesa fixa Seletor de torque
1.3 Apagada Cruise control
1.4 Acesa fixa Pedal do acelerador
1.5 Apagada Interruptor do pedal da embreagem
1.6 Acesa fixa Sinais incorretos do interruptor do pedal de freio
1.7 Apagada Sinais incorretos entre pedal do acelerador e freio
Motor
2.1 Apagada Sensor de temperatura d’água
2.2 Apagada Sensor de temperatura de ar
2.3 Apagada Sensor de temperatura de combustível
2.4 Acesa fixa Sensor de pressão de superalimentação
2.5 Apagada Sensor de pressão do ambiente (interno da central)
2.6 Acesa fixa Sensor do interruptor do freio-motor
3.5 Apagada Tensão da bateria
Turbocompressor
4.1 Apagada
Sensor de pressão de acionamento do turbocom-
pressor
4.2 Acesa fixa Sensor de rotações da turbina
4.3 Acesa fixa Rotação inicial da turbina
4.4 Acesa fixa Gerenciamento da turbina (defeito mecânico)
4.5 Acesa fixa Eletroválvula do VGT (se previsto)
4.6 Intermitente Eletroválvula do freio-motor
Injetores
5.1 Acesa fixa Falha no injetor do cilindro 1
5.4 Acesa fixa Falha no injetor do cilindro 4
5.2 Acesa fixa Falha no injetor do cilindro 2
5.6 Acesa fixa Falha no injetor do cilindro 6
5.3 Acesa fixa Falha no injetor do cilindro 3
5.5 Acesa fixa Falha no injetor do cilindro 5
Sensores de rotação do motor
6.1 Acesa fixa Sensor do volante
6.2 Acesa fixa Sensor da distribuição
6.4 Intermitente Motor fora de rotação
Interface com outras centrais
7.1 Apagada Interface PWM ABS/ASR
7.2 Apagada Linha CAN
7.3 Apagada Linha CAN (gerenciamento do ASR)
7.4 Apagada
Linha CAN (gerenciamento dos dados da caixa de
mudanças)
20 / 155
Stralis / Motor Cursor 13 MR 2 2004-10-31
Central
9.1 Intermitente Defeito na central
9.2 Acesa fixa Dados incorretos na EEPROM
9.3 Intermitente Immobilizer
9.4 Acesa fixa Relé principal
9.5 Acesa fixa Procedimento errôneo ao desligar o motor
9.6 Acesa fixa Registro incorreto dos dados da central
* Lâmpada de teste Blink-Code apagada = falha leve
Lâmpada de teste Blink-Code acesa fixa = falha grave
Lâmpada de teste Blink-Code intermitente = falha muito grave
21 / 155
Stralis / Motor Cursor 13 MR 2 2004-10-31
22 / 155
Instrumentos para diagnose
Diagnose de nível superior
Comunicando com a central eletrônica, está em condições de ativar detalhadamente as
seguintes funções:
1 Descrição do sistema
Explicações sobre o funcionamento do sistema EDC MS 6.2,
PIN OUT CENTRALITA
2 Leitura dos dados da central eletrônica
3 Leitura da memória de falhas
Distinção da falha presente/intermitente
Informação sobre a falha, freqüência e condições ambientais na qual foi verificada
Guia para a reparação
Esquemas elétricos do circuito em verificação
Detalhes sobre o uso do UNITESTER no sistema em verificação
4 Leitura dos parâmetros
Parâmetros mensuráveis
Parâmetros de estado
5 Cancelamento da memória de falhas
6 Diagnose ativa
Leitura dos dados armazenados
7 Outras falhas
São obtidas informações sobre a maneira de localizar falhas não reconhecidas
diretamente pela central
8 Guia para o PROGRAMA
Explicações sobre o uso do programa
9 Engine test
Compressão
Eficácia do turbocompressor
Eficácia do freio-motor
Desempenho dos cilindros
Stralis / Motor Cursor 13 MR 2 2004-10-31
23 / 155
Diagnose de nível avançado
Dispõe de uma interface operadora do tipo gráfico de alto nível.
Permite efetuar um diagnóstico mais pormenorizado, indicando detalhadamente as
funções posteriores.
Diagnose da central
1 Dados da central
2 Falhas
Seleção: Área da falha
Características: Desenho do componente examinado, com foto e características
elétricas
Esquema elétrico: Codificação (cabos, pinos/conectores)
Descrição: Informação sobre a falha, freqüência e condições ambientais na qual
foi verificada
Intervenção: Guia para as reparações, com acesso à função multímetro/osciloscó-
pio, integrada com o uso de adaptadores próprios ao sistema
Cancelamento: Cancelamento da memória de falhas
3 Parâmetros
Parâmetros de estado
Parâmetros mensuráveis
4 Diagnose ativa com visualização gráfica dos respectivos parâmetros
Leitura dos dados armazenados
5 Sistema (descrição de funcionamento / PIN OUT / outras falhas não diretamente
diagnosticadas pela central)
Diagnose do motor (engine test)
Estes testes são executados automaticamente e diretamente pelo tester, incluídos nas
fases de partida e desligamento do motor (exceto para veículos na primeira fase de
teste de campo)
Compressão
Eficácia do turbocompressor
Eficácia do freio-motor
Desempenho dos cilindros
Funções auxiliares
Diagnose tradicional do sistema elétrico
Localização e interrupção/curto-circuito dos cabos
Teste dos componentes (relés, diodos, fusíveis)
Stralis / Motor Cursor 13 MR 2 2004-10-31
24 / 155
Guia para localização de falhas
Uma boa diagnose deve ser realizada
com os instrumentos para diagnose
fabricados pela Iveco.
Ao entrar com o veículo numa concessio-
nária, são obtidas as informações com as
devidas considerações do condutor,
porém a primeira intervenção a ser reali-
zada é a conexão do instrumento para
diagnose e a realização de um diagnós-
tico detalhado e completo com:
- Leitura da memória de falhas
- Leitura dos parâmetros
- Diagnóstico do motor
- Etc.
É conveniente imprimir os resultados
obtidos, especialmente no caso da
necessidade de solicitação da assistên-
cia do Help Desk. Recorde que o Help
Desk não aceita solicitações de assistên-
cia baseadas somente no Blink-Code.
O Blink-Code é um instrumento útil em
alguns casos porém não deve substituir a
diagnose feita com os instrumentos
Iveco, já que oferece somente indicações
de caráter geral.
Outro fator que favorece a solicitação dos
inconvenientes é a experiência.
Para suprir em parte a falta de experiên-
cia do operador, com este novo sistema
eletrônico, não existindo sistemas poste-
riores a utilizar como referência, publica-
mos nas páginas que seguem, um guia
para a localização das falhas elaborado
pelo Treinamento em conjunto com espe-
cialistas que projetaram e desenvolveram
a central EDC MS 6.2.
Tampouco a localização de falhas (é con-
veniente subtraí-la) substitui o instru-
mento para diagnose, porém oferece
ajuda adicional, tratando-se de um con-
densado de experiências de quem já
conhece detalhadamente o sistema.
A localização de falhas é constituída por
duas fases distintas:
- A primeira é a busca de falhas mecâni-
cas, através do Blink-Code refere-se a
anomalias que podem ser diretamente
reconhecidas pela central EDC MS 6.2.
Estas anomalias são principalmente de
natureza elétrica ou eletrônica.
- A segunda é a busca de falhas mecâni-
cas, efetuada de acordo com os sinto-
mas, onde se detecta possíveis
anomalias não identificadas pela cen-
tral eletrônica. Estas anomalias são
principalmente de natureza mecânica
ou hidráulica.
A localização de falhas não substitui a
diagnose a ser efetuada com os instru-
mentos eletrônicos Iveco, tratando-se
somente de um complemento do diag-
nóstico em referência.
Stralis/MotorCursor13MR22004-10-31
LocalizaçãodefalhascomBlink-Code
25/155
Blink-
Code
Lâmpada
EDC
Possível causa Possíveis falhas
correlacionadas
Testes ou intervenções
aconselhadas
Notas
1.1 Acesa Sensor de velocidade do veí-
culo danificado.
O tacômetro não funciona.
Comportamento anormal do
ponteiro do tacômetro.
Velocidade do veículo não é
limitada, pode ser superada
em caso de pouca resistên-
cia ao avanço.
Irregularidades nas marchas
altas.
Flight recorder apresenta
muito tempo a baixa veloci-
dade.
Verifique os cabos, conexões
e componentes.
Valor de substituição da cen-
tral: 5 km/h.
1.2 Acesa Interruptor de duas posições
danificado.
Nenhuma redução na moda-
lidade Economy.
Verifique os cabos, conexões
e componentes.
(1.2) (Acesa) Interruptor de duas posições
bloqueado em uma posição.
Não se obtém comutação
entre funcionamento normal
e econômico.
Permanece na última modali-
dade selecionada.
Verifique os cabos, conexões
e componentes.
1.3 Apagada Interruptores do Cruise Con-
trol danificados.
Nenhuma reação após o aci-
onamento dos interruptores
CC/TdF.
O Cruise Control / tomada de
força não funcionam.
Verifique os cabos, conexões
e componentes.
Sinais não confiáveis dos
interruptores (pressionados
simultaneamente).
1.4 Acesa Pedal do acelerador: poten-
ciômetro danificado ou sinal
não plausível.
Mínimo a 1.000 rpm e reação
anormal do motor ao pressi-
onar o pedal do acelerador.
Pode ser modificado o
regime do motor através do
interruptor do Cruise Control
(Set + / Set -).
1.4 Acesa Pedal do acelerador: Inter-
ruptor de mínima aceleração
danificado ou sinal não plau-
sível.
Mínimo a 1.000 rpm e reação
anormal do motor ao pressi-
onar o pedal do acelerador.
Pode ser modificado o
regime do motor através do
interruptor do Cruise Control
(Set + / Set -).
Stralis/MotorCursor13MR22004-10-31
26/155
Blink-
Code
Lâmpada
EDC
Possível causa Possíveis falhas
correlacionadas
Testes ou intervenções
aconselhadas
Notas
1.5 Apagada Interruptor da embreagem
danificado.
Cruise Control e tomada de
força não funcionam.
Irregularidades ao efetuar a
troca de marchas.
Verifique os cabos, conexões
e componentes.
1.6 Acesa Interruptores de freio.
Nenhuma reação após o acio-
namento dos interruptores do
Cruise Control e tomada de
força.
O Cruise Control/tomada de
força não funcionam.
Verifique os cabos, conexões
e componentes.
1.7 Apagada Sensor do pedal de acelera-
dor/interruptores de freio.
Nenhuma reação do sistema.
2.1 Apagada Sensor de temperatura do
líquido de arrefecimento dani-
ficado.
Tempo excessivo de partida a
frio.
Ruído excessivo na combus-
tão devido à antecipação da
injeção.
Ativada a diagnose da resis-
tência de pré-aquecimento.
Leitura dos parâmetros.
Verifique os cabos, conexões
e componentes.
Ausência da proteção de rea-
quecimento, valor de substi-
tuição = 0ºC.
2.2 Apagada Sensor de temperatura do ar
de superalimentação danifi-
cado.
Caso o sensor indique uma
temperatura inferior à real, o
erro não é armazenado e o
motor alcança maiores taxas,
porém com emissão de
fumaça negra.
Leitura dos parâmetros.
Verifique os cabos, conexões
e componentes.
Valor de substituição = 20ºC.
2.3 Apagada Sensor de temperatura do
combustível danificado.
Leitura dos parâmetros.
Verifique os cabos, conexões
e componentes.
Ausência de correção do fluxo
de injeção sem que o condu-
tor perceba.
Valor de substituição = 970
mbares.
2.4 Acesa Sensor de pressão de supera-
limentação danificado.
Redução da potência.
Fumaça negra em grande
quantidade.
Leitura dos parâmetros do ins-
trumento para diagnose:
Estando em marcha lenta se
verifica o valor de substituição
da avaria confirmada.
Stralis/MotorCursor13MR22004-10-31
27/155
Blink-
Code
Lâmpada
EDC
Possível causa Possíveis falhas
correlacionadas
Testes ou intervenções
aconselhadas
Notas
2.5 Apagada Sensor de pressão do ambi-
ente danificado.
Contatar o Help Desk para a
eventual substituição da cen-
tral, já que o sensor está inte-
grado na mesma.
Baixo rendimento em altitudes
elevadas.
Valor da substituição = 970
mbares.
(2.6) (Acesa) Interruptores de comando do
freio-motor ou desviador de
seleção.
Freio-motor não funciona em
nenhum dos três modos sele-
cionados.
Leitura dos parâmetros do ins-
trumento para diagnose.
Verifique os cabos, conexões
e componentes.
(2.6) (Acesa) Interruptor do freio-motor blo-
queado e fechado.
O freio-motor é ativado
somente acima de 900 rpm.
Diagnóstico ativado da eletro-
válvula do freio-motor.
Injeção de combustível inter-
rompida pela ECU, velocidade
do motor reduz para 800 rpm,
a injeção do combustível é
novamente interrompida pela
ECU.
(2.6) (Acesa) Interruptor do freio-motor blo-
queado e aberto.
Diagnose do freio-motor.
Diagnose ativada da eletrovál-
vula do freio-motor.
O freio motor funciona quando
é ativado pelo instrumento
para diagnose ou pelos outros
dois modos de seleção (acele-
rador-freio).
3.5 Apagada Tensão da bateria insuficiente
ou falha no reconhecimento
da tensão.
Possíveis problemas de pré-
aquecimento e partida.
Teste das baterias. EDC opera com o valor subs-
tituto de 28 V.
4.1 Apagada Sensor de pressão da tampa
do VGT (se previsto) danifi-
cado.
Taxas reduzidas a baixos regi-
mes e na aceleração.
Eventual redução da potência
do freio-motor.
Diagnose do motor: Verifique
os cabos, conexões e compo-
nentes.
Verifique a chegada de ar
comprimido na tampa.
Verifique o funcionamento da
eletroválvula shut-off no
chassi.
Se durante o teste do VGT
(se previsto) a pressão na
tampa aumentar mas, visual-
mente, o acionador não se
mover, significa que o mesmo
está travado.
Stralis/MotorCursor13MR22004-10-31
28/155
Blink-
Code
Lâmpada
EDC
Possível causa Possíveis falhas
correlacionadas
Testes ou intervenções
aconselhadas
Notas
4.1 Apagada
(somente
com VGT)
Partes giratórias do turbocom-
pressor completamente trava-
das.
Taxas reduzidas a baixos regi-
mes e na aceleração.
Redução da potência do freio-
motor.
Diagnose do motor: Check-up
do motor.
A central armazena o erro do
sensor de rotações da turbina
(com VGT), mesmo estando a
turbina funcionando correta-
mente.
(4.1) (Apagada)
(somente
com VGT)
Eletroválvula de comando da
VGT (se previsto) bloqueada
ou travada fechada.
Um ruído anormal indica um
comportamento anormal do
turbo (a velocidade não está
de acordo com a posição do
pedal do acelerador).
Aceleração do veículo defici-
ente.
Diagnose do motor: VGT (se
previsto).
Ativada a diagnose do aciona-
dor da turbina.
(4.2) (Acesa)
(somente
com VGT)
Mecanismo do VGT (se pre-
visto) bloqueado fechado.
Potência reduzida com veloci-
dade do motor inferior a 1.200
rpm.
Fumaça negra com funciona-
mento normal, depois da ace-
leração.
Freio-motor desativado pela
central na posição do freio
com elevadas rotações do
motor.
Diagnose do motor: Freio-
motor e VGT (se previsto).
Ativada a diagnose do aciona-
dor da turbina.
A potência é reduzida na cen-
tral devido à excessiva veloci-
dade da turbina.
4.2 Acesa
(somente
com VGT)
Sensor de velocidade do turbo
danificado.
Redução da potência e da
velocidade.
Diagnose do motor: Verifique
os cabos, conexões e compo-
nentes.
4.3 Acesa
(somente
com VGT)
Rotação inicial da turbina ou
pressão excessiva de supera-
limentação.
Redução da potência.
Redução da eficácia do freio-
motor.
Diagnose do motor. Redução do fluxo de combus-
tível durante a rotação inicial
da turbina.
4.4 Acesa
(somente
com VGT)
Monitoramento do VGT (se
previsto) da central.
Redução da potência.
Diagnose do motor. Desvio da variação da geome-
tria VGT (se previsto) supe-
rando os valores previstos.
Stralis/MotorCursor13MR22004-10-31
29/155
Blink-
Code
Lâmpada
EDC Possível causa Possíveis falhas
correlacionadas
Testes ou intervenções
aconselhadas Notas
(4.1)
(4.4)
(Apagada)
(Acesa)
(somente
com VGT)
Não chega ar comprimido na
válvula VGT (se previsto) ou
chega com pressão insufici-
ente.
Menores taxas a baixos regi-
mes e na aceleração.
Eventual redução da eficácia
do freio-motor.
Diagnose do motor: Diagnose
ativada do acionador da tur-
bina.
Verifique a chegada do ar
comprimido na tampa.
Verifique o funcionamento da
eletroválvula shut-off no
chassi. Se a mesma não fun-
ciona, verifique os cabos,
conexões e componentes.
Se a eletroválvula shut-off fun-
ciona, verifique os tubos de ar
entre shut-off e a tampa e a
fixação do tubo na tampa.
Verifique a eficácia mecânica
da eletroválvula de comando
do VGT (se previsto).
(4.1)
(4.4)
(Apagada)
(Acesa)
(somente
com VGT)
Mecanismo do VGT (se pre-
visto) na turbina bloqueado na
metade da abertura.
Menores taxas a baixos e
médios regimes e na acelera-
ção.
Eventual redução da eficácia
do freio-motor.
Diagnose do motor: VGT (se
previsto), freio-motor.
Ativada a diagnose do aciona-
dor da turbina.
Se o sistema externo de ala-
vancas de comando do VGT
(se previsto) funciona mas o
teste do VGT (se previsto)
apresenta a falha, esta deve
ser localizada na parte de
movimento do dispositivo no
interior do turbo.
4.5 Acesa
(somente
com VGT)
Problema elétrico na eletro-
válvula VGT (se previsto).
Redução significativa da
potência a baixos regimes e
na aceleração.
Redução da eficácia do freio-
motor.
Diagnose do motor: Verifique
os cabos, conexões e compo-
nentes.
4.6 Acesa
intermitente
Eletroválvula do freio-motor.
Freio-motor não funciona.
Diagnose do motor: Verifique
os cabos, conexões e compo-
nentes.
Se com o diagnóstico do
motor o freio-motor não funci-
ona. A eletroválvula não é ali-
mentada pelo cabo do
veículo.
5.x Acesa Problema do circuito de inje-
ção no cilindro X.
Redução de velocidade do
motor, pois funcionará com
cinco cilindros.
Caso o erro seja intermitente,
verifique a seção 2.
Stralis/MotorCursor13MR22004-10-31
30/155
Blink-
Code
Lâmpada
EDC
Possível causa Possíveis falhas
correlacionadas
Testes ou intervenções
aconselhadas
Notas
6.1 Acesa Sensor do volante do motor
danificado.
Redução da velocidade do
motor e potência.
A partida do motor pode
requerer mais tempo do que o
previsto.
Leitura da memória de falhas
do instrumento para diagnose.
Verifique os cabos, conexões
e componentes.
6.2 Acesa Sensor do eixo comando.
Redução da velocidade do
motor e da potência.
A partida do motor pode
requerer mais tempo do que o
previsto.
Leitura da memória de falhas
do instrumento para diagnose.
Verifique os cabos, conexões
e componentes.
(6.1 - 6.2) (Acesa) Roda fônica do eixo comando
gira devido ao afrouxamento
dos parafusos.
O motor não arranca ou pára
e não pode ser acionado.
Redução de potência com o
motor funcionando ( depois da
intervenção aconselhada ao
lado).
Solte o conector do sensor do
eixo comando.
Se a partida do motor neces-
sita de mais tempo do que o
previsto, a roda fônica fica
defasada.
6.4 Acesa
intermitente
O motor atinge 3.800 rpm (em
condução) por um motivo
qualquer.
Leitura da memória de falhas.
Leitura flight recorder para
obter a confirmação da rota-
ção do motor.
7.1 Apagada Problemas na interface dos
cabos para ABS / ASR.
Falta de funcionamento do
ASR.
Verifique os cabos do veículo.
7.4 Apagada
(somente
com VGT)
Interrupção do comando da
caixa de mudanças CAN.
Não funciona o comando da
caixa de mudanças através do
CAN.
(9.1) (Acesa
intermitente)
Falha na central EDC.
O motor pára ou não pode ser
acionado.
Contate o Help Desk para
substituir a central.
Não é possível efetuar
nenhum diagnóstico.
Este erro pode não ter sido
memorizado, segundo as con-
dições da central.
Stralis/MotorCursor13MR22004-10-31
31/155
Blink-
Code
Lâmpada
EDC
Possível causa Possíveis falhas
correlacionadas
Testes ou intervenções
aconselhadas
Notas
9.2 Acesa Defeito na central (memória
EEPROM).
Redução da velocidade do
motor e da potência.
Foi cancelada a memória de
falhas possíveis, somente
diagnose de falhas disponí-
veis presentes.
Contate o Help Desk para
eventual substituição da cen-
tral.
9.4 Acesa Relé principal danificado ou
bloqueado na posição de
fechamento.
Posicionando a chave em
OFF o EDC permanece aceso
mas o motor se apaga.
A alimentação da potência
EDC permanece ativa após
ter sido posicionada a chave
em OFF, risco de descarregar
a bateria.
Verifique os cabos, conexões
e componentes.
A falha será armazenada
somente após a sucessiva
partida.
9.5 Acesa A alimentação da ECU fre-
qüentemente interrompida
(cinco vezes), relé principal
danificado ou parada do motor
devido a desconexão do inter-
ruptor da bateria.
Redução da velocidade
máxima do motor e da potên-
cia.
Verifique o relé principal,
cabos e conexões. Investigue
os possíveis costumes do
condutor com relação ao des-
ligamento do motor sem a uti-
lização da chave.
O problema se resolve
somente com o sucessivo pro-
cedimento de desligamento e
armazenamento de dados
corretamente efetuado.
9.6 Acesa Falha no teste de parada da
ECU.
Redução da velocidade do
motor e da potência.
É um procedimento de teste
interno da central para verifi-
car as etapas de potência.
Pode armazenar outros erros
relativos às diferentes etapas
de potência dos acionadores.
Contate o Help Desk para
eventual substituição da cen-
tral.
Stralis / Motor Cursor 13 MR 2 2004-10-31
32 / 155
Diagnose de falhas de acordo com os sintomas
As principais anomalias de funcionamento do motor são:
1. O motor não entra em funcionamento
2. O motor aquece excessivamente
3. Motor com baixa potência
4. O motor solta fumaça cinza (tendendo
a branca)
5. O motor solta fumaça azul
6. O freio-motor não funciona adequada-
mente
7. O motor pára
8. Consumo de combustível excessivo
9. Pressão de óleo excessiva ou insufi-
ciente
1 O motor não entra em funcionamento
Baterias em bom estado. Não
Resistência de pré-aquecimento
sempre conectada.
Verifique a eficácia do alternador.
Verifique as conexões elétricas dos
bornes da bateria.
Sim
Motor de partida em bom estado. Não
Efetue as verificações e substitua se
necessário.
Sim
Aquecedor de ar em bom estado. Não
Verifique a alimentação e a conexão à
massa. Verifique o interruptor do
aquecedor com a diagnose ativada.
Sim
Interruptor principal (relé) em bom estado. Não
Verifique a eficácia do fusível. Verifique
o interruptor com a diagnose ativada.
Sim
Bomba de alimentação em bom estado. Não
Verifique a pressão de entrada e a
eficácia da mesma. Verifique a
estanqueidade na admissão.
Sim
Pré-filtro e filtro de combustível em bom
estado.
Não Verifique se está obstruído e substitua.
Sim
Válvula de 0,8 bar no retorno de combustível
em bom estado.
Não
Verifique a sua eficácia e caso esteja
bloqueada aberta ou fechada,
substitua-a.
Sim
Circuito de alimentação em bom estado. Não
Verifique a estanqueidade e efetue a
drenagem de ar (sangria) do sistema.
Stralis / Motor Cursor 13 MR 2 2004-10-31
2 O motor aquece excessivamente
Nível do líquido do sistema de
arrefecimento correto.
Não
Verifique possíveis vazamentos e
complete o nível.
Sim
Correias da bomba de água e
ventilador eficientes.
Não
Verifique, ajuste a tensão e caso
necessário substitua as correias.
Sim
Bomba de água em bom estado. Não Revise ou substitua.
Sim
Termostato em bom estado. Não
Verifique se está bloqueado fechado ou
parcialmente aberto. Substitua-o.
Sim
Radiador em bom estado. Não
Lave cuidadosamente, verifique
possíveis perdas e se for
necessário substitua-o.
Sim
Filtro de ar e tubos do circuito em bom estado. Não
Verifique se as mangueiras e as tubu-
lações não estão obstruídas. Verifique o
indicador de obstrução do filtro e
substitua-o caso necessário.
Sim
Freio do motor desativado. Não Verifique e se necessário substitua-o.
Sim
Junta do cabeçote em bom estado. Não
Verifique a pressão do circuito d’água e
substitua a junta.
Sim
Ventilador em bom estado. Não Substitua-o.
33 / 155
Stralis / Motor Cursor 13 MR 2 2004-10-31
3 Motor com baixa potência
Circuito de combustível em bom estado. Não
Verifique eventual obstrução do filtro de
óleo, do pré-filtro e do filtro de combus-
tível e substitua-os em caso afirmativo.
Verifique se a válvula de 0,8 bar no
retorno de combustível do cabeçote
está bloqueada aberta (pressão insufi-
ciente) ou bloqueada fechada (temper-
atura elevada)
e substitua-a.
Verifique eventuais perdas no circuito e
a eficácia da bomba de alimentação.
Sim
Injetores em bom estado. Não
É possível verificar eventual agarra-
mento do êmbolo de um injetor ou uma
perda de combustível através da junta.
Efetue a diagnose do motor.
Sim
Circuito de alimentação de ar do motor
em bom estado.
Não
Elimine os estrangulamentos presentes
no circuito e substitua o filtro de ar caso
esteja obstruído. Verifique o indicador
de obstrução do filtro.
Sim
Circuito dos gases de escape em bom estado. Não Elimine as perdas no coletor de escape.
Sim
Temperaturas normais de serviço. Não Verifique o sistema de arrefecimento.
Sim
Acionador VGT (se previsto) em bom estado. Não
Efetue a diagnose do motor procedendo
de acordo com as instruções visualiza-
das no instrumento
de diagnose.
Sim
Turbocompressor em bom estado. Não
Efetue a diagnose do motor na turbina e
controle a integridade dos seguintes
componentes do
turbocompressor: palhetas do rotor,
rolamentos, válvula moduladora, filtro
VGT (se previsto) obstruído
e acionador de turbina.
Substitua o componente danificado.
Diagnose do motor com
os instrumentos para diagnose.
Sim
Sistema mecânico de injeção em bom estado. Não
Verifique o nível de desgaste dos
balancins dos injetores. Verifique o
rolamento, os casquilhos dos balancins
e os excêntricos do eixo comando
de válvulas.
Sim
Folga de válvulas adequadas. Não Regule a folga das válvulas.
34 / 155
Stralis / Motor Cursor 13 MR 2 2004-10-31
4 O motor solta fumaça cinza (tendendo a branca)
Junta do cabeçote em bom estado. Não Retifique o cabeçote e substitua a junta.
Sim
Porta-injetores em bom estado. Não Substitua os porta-injetores.
Sim
Sistema de arrefecimento do turbocompressor
em bom estado.
Não Repare a turbina.
Sim
Combustível de boa qualidade. Não
Verifique a presença de água no
reservatório e elimine-a.
5 O motor solta fumaça azul
Anéis dos pistões em bom estado. Não Revise o grupo pistões/cilindros.
Sim
Sistema de lubrificação do turbocompressor
em bom estado.
Não Repare a turbina.
Sim
Anel de vedação das válvulas e bom estado. Não Substitua a junta de válvulas.
6 O freio-motor não funciona adequadamente
Componentes do freio-motor em bom estado. Não
Verifique o correto funcionamento dos
cilindros de acionamento do freio-motor
da eletroválvula de comando.
Verifique a estanqueidade das tubu-
lações de óleo de comando dos cilin-
dros. Verifique a folga das válvulas de
descarga.
Sim
Turbocompressor em bom estado. Não
VGT (se previsto) desbloqueada aberta.
Acionador VGT (se previsto) danificado
(perda no tirante). Válvula moduladora
danificada. Alimentação incorreta de ar
à válvula moduladora. Substitua os
componentes danificados.
35 / 155
Stralis / Motor Cursor 13 MR 2 2004-10-31
7 O motor pára
Presença de combustível no reservatório. Não
Após efetuar o abastecimento,
efetue a sangria.
Sim
Filtro de rede, pré-filtro e filtro de combustível
em bom estado.
Não
Limpe o filtro de rede e substitua o
pré-filtro e o filtro de combustível.
Sim
Tubos no reservatório conectados
corretamente.
Não
Invertendo os tubos o veículo pode
parar depois de 200/300 km, ao menos
que haja combustível no reservatório,
devido ao tubo de alimentação do motor
ter menor capacidade de vazão.
Inverta os tubos.
8 Consumo de combustível excessivo
Filtro de ar em bom estado. Não Substitua-o.
Sim
Reservatório e tubos de combustível em bom
estado.
Não
Elimine possíveis perdas e substitua as
peças deterioradas.
9 Pressão de óleo excessiva ou insuficiente
Válvula de regulagem da pressão
funciona normalmente.
Não Verifique e caso necessário substitua-a.
Sim
Bomba de óleo e tubos de alimentação
em bom estado.
Não Verifique e caso necessário substitua-a.
Sim
Casquilhos dos munhões e moentes em bom
estado.
Não
Substitua os casquilhos e caso
necessário retifique a árvore
de manivelas.
Sim
Viscosidade SAE do óleo do motor
correta.
Não
Substitua o óleo do motor por outro de
viscosidade adequada.
36 / 155
Stralis / Motor Cursor 13 MR 2 2004-10-31
Vistas do motor
Vista frontal do motor
Vista lateral esquerda do motor
37 / 155
Figura 4
Figura 5
Stralis / Motor Cursor 13 MR 2 2004-10-31
Vista lateral direita do motor
Vista traseira do motor
38 / 155
Figura 6
Figura 7
Stralis / Motor Cursor 13 MR 2 2004-10-31
Vista superior do motor
39 / 155
Figura 8
Stralis / Motor Cursor 13 MR 2 2004-10-31
Remoção do motor
40 / 155
Figura 9
Stralis / Motor Cursor 13 MR 2 2004-10-31
Nota: Para efetuar a lavagem do compartimento do motor, proteja adequadamente os
componentes elétricos/eletrônicos e suas respectivas conexões.
41 / 155
1. Posicione o veículo sobre uma vala em
um terreno horizontal. Bloqueie as
rodas traseiras, levante a grade frontal
e bascule a cabina.
2. Desconecte as baterias soltando os
cabos elétricos ou abrindo o interruptor
geral de corrente.
3. Desconecte a caixa de mudanças do
motor, conforme descrito no módulo
correspondente.
4. Drene o líquido de arrefecimento e o
sistema da direção hidráulica. Esta
operação deve ser efetuada pelo lado
da admissão do motor.
5. Remova os parafusos de fixação (7) e
retire o suporte de ancoragem da
cabina (2).
6. Desconecte o tubo (10) do reservatório
da direção hidráulica (11) e o tubo (8)
da bomba da direção hidráulica (9).
7. Desconecte o tubo (4) da bomba de
combustível.
8. Desconecte o tubo de ar (13) do filtro
da turbina.
9. Desconecte o tubo (5) do compressor
de ar.
10. Desconecte o tubo (6) do compressor
de ar e do tubo (17) do coletor de
admissão, solte a braçadeira (3) e
retire-o.
11. Desconecte o tubo (14) do compres-
sor de ar e da união (1), solte a
braçadeira (3) e retire-o.
12. Desconecte os tubos do líquido de
arrefecimento (15) e (16).
13. Desconecte a mangueira (12) da
admissão do motor.
Stralis / Motor Cursor 13 MR 2 2004-10-31
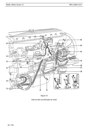
Vista do lado da admissão do motor
42 / 155
Figura 10
Stralis / Motor Cursor 13 MR 2 2004-10-31
43 / 155
14. Como operação preliminar é conve-
niente desconectar o chicote principal
(10) que permanece fixo ao chassi,
procedendo conforme segue:
- Afrouxe o chicote (10) e desco-
necte-o do cabo do motor através
do conector (16).
- Remova os parafusos (1) e retire o
suporte completo para botões de
partida e desligamento do motor
(2).
- Desligue a conexão elétrica (3) do
reservatório da direção hidráulica
(4).
- Desligue o conector superior (5) da
central eletrônica (11).
- Desacople o conector inferior (8) da
central eletrônica (11), procedendo
conforme segue:
a. Levante a alavanca de segu-
rança.
b. Desconecte e desencaixe o
conector da central.
c. Desencaixe o dente guia e eleve
o conector.
- Desconecte o cabo massa (9).
- Desligue as conexões elétricas (7)
do motor de partida (6).
- Desligue as conexões elétricas (14)
do alternador (15).
- Solte a braçadeira (13) e remova o
chicote principal (10) do tubo de
admissão do motor (12).
Posicione o chicote principal (10)
cuidadosamente na lateral do
chassi, certificando-se de que ele
não represente obstáculo para efe-
tuar a desmontagem do motor.
Stralis / Motor Cursor 13 MR 2 2004-10-31
Vista inferior do motor
44 / 155
15. Desconecte o tubo do líquido de
arrefecimento (3) do motor e do radi-
ador e retire-o.
16. Desconecte o tubo do líquido de
arrefecimento (2). Solte as braçadei-
ras (1) e (6), desconecte o tubo (5) da
mangueira (8) e retire-o.
17. Remova os parafusos (9) e retire o
compressor (11) do suporte do motor
(10).
18. Sem desconectar os tubos do com-
pressor (11) e conseqüentemente
evitando esvaziar o sistema de ar
condicionado, solte as braçadeiras
(1) e (6), afrouxe os tubos (7) e des-
ligue as conexões elétricas do com-
pressor.
Posicione o compressor no chassi do
veículo, amarrando-o.
Figura 11
Stralis / Motor Cursor 13 MR 2 2004-10-31
45 / 155
Vista do lado do escape do motor (lado do condutor)
19. Desconecte a mangueira de ar (4).
20. Solte a braçadeira (2) e desconecte
os tubos de gás (3).
21. Desconecte os tubos do líquido de
arrefecimento (6) e (8) do motor.
22. Desconecte o tubo de admissão de ar
(1) da mangueira (5), do tubo de
recuperação de vapores de óleo (14)
e da mangueira flexível (10). Remova
os parafusos (9) e retire o tubo de
admissão de ar (1).
23. Solte a braçadeira metálica (11) e
desconecte o tubo de escape (12).
24. Remova os parafusos (15) e retire o
suporte da alavanca de mudanças
(16) do motor.
25. Instale o balancim 99360585 em uma
talha e no motor e tensione-o antes
de separar o motor de seus suportes.
26. Remova em ambos os lados os
parafusos dianteiros (7) e traseiros
(13) de fixação do suporte do motor.
27. Remova cuidadosamente o motor de
seu compartimento, evitando pos-
síveis contatos com as partes res-
tantes que estão fixas ao chassi.
Figura 12
Stralis / Motor Cursor 13 MR 2 2004-10-31
Desmontagem do motor
1. Antes de instalar o motor no cavalete
giratório, efetue a desmontagem dos
componentes que seguem:
Lado direito do motor
a. Remova o filtro de combustível (1),
o reservatório da direção hidráulica
(2) e as conexões elétricas.
b. Remova a tampa anti-ruído (1) e os
tubos de união do compressor.
c. Remova o compressor (1) com a
bomba de direção assistida (2).
d. Retire a correia (1) de comando do
ar condicionado, instalando uma fer-
ramenta apropriada (3) e operando
no sentido indicado pela seta.
Retire o compressor do ar condicio-
nado (2) juntamente com o suporte
do motor.
Lado esquerdo do motor
e. Remova o suporte do motor (1).
f. Remova a válvula de regulagem da
pressão de óleo (1).
46 / 155
Figura 13
Figura 14
Figura 15
Figura 16
Figura 17
Figura 18
Stralis / Motor Cursor 13 MR 2 2004-10-31
2. Instale o motor no cavalete giratório.
47 / 155
Figura 19
Stralis / Motor Cursor 13 MR 2 2004-10-31
3. Desligue o conjunto de cabos elétricos
dos sensores e dos acionadores elétri-
cos.
4.Retire o ventilador (1) da flange (2).
5. Instale a trava 99360351 (1) para blo-
queio do volante do motor.
6. Remova os 6 parafusos de fixação
Allen e retire o amortecedor de vibra-
ções (1). Retire a trava anteriormente
instalada.
7. Retire a correia (2) de comando dos
órgãos auxiliares, utilizando uma ferra-
menta adequada (1) e operando no
sentido da seta.
8. Desmonte do motor os seguintes com-
ponentes:
- Alternador (1).
- Flange do ventilador (2).
- Tensor automático de correia (3).
- Polia da árvore de manivelas (4).
- Bomba d’água (6).
- Polia fixa (7).
- Tensor automático da correia de
comando do ar condicionado (5).
48 / 155
Figura 20
Figura 21
Figura 22
Figura 23
Figura 24
1
Stralis / Motor Cursor 13 MR 2 2004-10-31
49 / 155
9. Desconecte os tubos (3) e (6) das
eletroválvulas de comando VGT (se
previsto).
Retire o termostato (1) juntamente
com a eletroválvula de comando VGT
(se previsto) (2).
Remova os parafusos de fixação utili-
zando uma chave Allen (4) e retire a
polia (5).
10. Instale o extrator 99340553 (2) no
retentor da árvore de manivelas (1).
Saque o retentor e retire a flange (3).
11. Desmonte do motor os seguintes
componentes:
- Tubo de alimentação de água (5).
- Tubo de saída de água (1).
- Tubo de ar para comando dos acio-
nadores (2).
- Tubo de alimentação de óleo (3).
- Tubo de retorno de óleo (4).
- Turbocompressor (6).
- Coletor de escape (7).
12. Remova os filtros de óleo (1) utili-
zando a ferramenta 99360314.
Figura 25
Figura 26
Figura 27
Figura 28
Stralis / Motor Cursor 13 MR 2 2004-10-31
13. Remova os parafusos (1) e retire o
intercambiador de calor (4).
Remova os parafusos (2) e retire o
tubo de água (3).
14. Para desmontar a tomada de força
(caso exista), desconecte o tubo de
óleo (1), remova os parafusos (2) e
(3) e retire-a.
15. Desmonte do motor os seguintes
componentes:
- Suporte do filtro de combustível (1).
- Bomba de combustível (2) com
seus respectivos tubos.
- Motor de partida (3).
- Suporte para botões de partida do
motor (4), caso ainda não tenha
sido removido.
- Filtro de ar para válvula PWN (5),
com VGT (se previsto).
- Coletor de admissão (6) juntamente
com a resistência de pré - aqueci-
mento do motor.
- Central eletrônica (7).
50 / 155
Figura 29
Figura 30
Figura 31
Stralis / Motor Cursor 13 MR 2 2004-10-31
51 / 155
16. Remova os parafusos de fixação e
retire a tampa de válvulas do motor
(1) e a tampa das engrenagens de
distribuição (2) juntamente com o fil-
tro blow-by.
17. Remova os parafusos (2) e retire a
engrenagem (1) juntamente com a
roda fônica.
18. Remova os parafusos (1) e rosqueie
um dos parafusos no furo apropriado
para extração da placa (2). Retire a
guarnição de chapa.
19. Remova os parafusos (2) e retire a
engrenagem de distribuição (1).
20. Instale a trava 99360351 (1) para blo-
queio do volante do motor.
Remova os parafusos de fixação (2),
retire a trava (1) e o volante (3) do
motor.
21. Posicione o extrator 99340054 (2) e
extraia o retentor (1) da carcaça do
volante.
Figura 32
Figura 33
Figura 34
Figura 35
Figura 36
Figura 37
Stralis / Motor Cursor 13 MR 2 2004-10-31
22. Remova os parafusos de fixação (1) e
retire a carcaça do volante (2).
23. Desmonte na ordem que segue:
- A engrenagem de comando da
tomada de força (1).
- A engrenagem de distribuição (2).
- A engrenagem da bomba de óleo
(3).
24. - Desenganche as molas de retenção
(3) da alavanca do freio-motor.
- Solte os parafusos (1) e desligue as
conexões elétricas dos injetores.
- Desligue a conexão elétrica da
eletroválvula do freio-motor (8).
- Remova os tubos (5) e (7) de ali-
mentação dos cilindros do freio-
motor (4).
- Solte os parafusos (2) de fixação do
eixo porta-balancins.
- Solte os parafusos (6) de fixação do
cabo dos injetores ao cabeçote e
retire o cabo pela parte dianteira.
25. Instale a ferramenta 99360553 (1) e
retire o conjunto porta-balancins.
52 / 155
Figura 38
Figura 39
Figura 40
Figura 41
Stralis / Motor Cursor 13 MR 2 2004-10-31
53 / 155
26. Solte os parafusos (2) de fixação dos
suportes (3) e retire os injetores (1).
Solte os parafusos (4) e retire os cilin-
dros do freio-motor (5) juntamente
com a eletroválvula do freio-motor
(6).
27. Instale as tampas 99360180 (1) no
lugar dos injetores removidos.
Retire cuidadosamente o eixo
comando de válvulas (2).
Solte os parafusos de fixação do
cabeçote de cilindros (3).
28. Posicione os ganchos de elevação
apropriados nos olhais de levanta-
mento do cabeçote e com auxílio de
uma talha levante cuidadosamente o
cabeçote (1).
Retire a junta do cabeçote (2).
Nota: Certifique-se de que o
cabeçote esteja completamente solto
e então remova-o do bloco do motor.
29. Remova os parafusos (2) e retire o
cárter de óleo (1) do motor, junta-
mente com o separador (3) e a junta
de vedação.
Figura 42
Figura 43
Figura 44
Figura 45
Stralis / Motor Cursor 13 MR 2 2004-10-31
30. Remova os parafusos e retire o tubo
de sucção (1).
31. Coloque o bloco do motor na posição
vertical.
32. Gire a árvore de manivelas até que a
capa de biela do 1º cilindro fique
exposta, utilizando uma ferramenta
apropriada.
33. Remova os parafusos de fixação (2) e
retire a capa de biela (3). Pressione
com uma ferramenta apropriada a
biela e retire cuidadosamente o
pistão completo (1) pela parte supe-
rior do motor.
Nota: Marque as posições dos
pistões e bielas para possibilitar a
montagem destes nas suas posições
originais.
34. Retire os casquilhos de biela.
Nota: Marque as posições dos
casquilhos para possibilitar a monta-
gem destes nas suas posições origi-
nais.
35. Proceda conforme os itens 33 e 34
para a retirada dos pistões, bielas e
casquilhos dos demais cilindros.
36. Remova os parafusos (1) e (2) utili-
zando chaves apropriadas e retire o
bloco inferior do bloco do motor.
54 / 155
Figura 46
Figura 47
Figura 48
Figura 49
Stralis / Motor Cursor 13 MR 2 2004-10-31
55 / 155
37. Remova, cuidadosamente, a árvore
de manivelas (2) do bloco do motor,
utilizando ferramenta e talha apropri-
adas.
38. Retire os casquilhos dos mancais (1).
Remova os parafusos e retire os
bicos de arrefecimento dos pistões
(2).
Nota: Uma vez concluída a desmon-
tagem do motor, efetue uma minu-
ciosa limpeza de seus componentes
e uma inspeção adequada.
Nas páginas que seguem são apre-
sentadas as instruções relativas às
inspeções e às principais medições
que devem ser efetuadas, a fim de
identificar as condições em que se
encontram cada um dos compo-
nentes e a possibilidade de eventual
reutilização.
Substituição da engrenagem de acio-
namento da distribuição e da bomba
de óleo
Certifique-se de que os dentes da
engrenagem não estejam desgastados
ou danificados. Caso contrário, remova a
engrenagem utilizando um extrator
apropriado e substitua-a.
Para montagem, aqueça a engrenagem
(1) a uma temperatura de 180ºC por
aproximadamente 15 minutos, e monte-a
na árvore de manivelas (2) com auxílio de
uma ferramentra adequada.
Figura 50
Figura 51
Figura 52
Stralis / Motor Cursor 13 MR 2 2004-10-31
Inspeções: Bloco do motor e
camisas de cilindros
Certifique-se de que:
- O bloco do motor não apresenta racha-
duras.
- A superfície de apoio do cabeçote de
cilindros não apresenta deformações.
- As superfícies das camisas de cilindros
não apresentam sinais de emperra-
mento, riscos, ovalizações, declive e
desgastes excessivos.
1. Para verificar o diâmetro interno das
camisas de cilindros, utilize o súbito
99395687 (2), com o relógio compara-
dor (1) zerado no anel calibrador (3) de
diâmetro igual a 135 mm.
Nota: Caso não possua o anel calibra-
dor, utilize um micrômetro para zerar o
relógio comparador.
2. Verifique o diâmetro da camisa de cilin-
dros, para controlar a ovalização, o
declive e o desgaste da mesma, utili-
zando o súbito 99395687 (2) anterior-
mente ajustado.
3. As medições devem ser efetuadas em
três alturas diferentes da camisa e em
dois planos perpendiculares entre si:
uma paralela ao eixo longitudinal do
motor (A) e a outra perpendicular (B).
56 / 155
Figura 53
Figura 54
Figura 55
2
Stralis / Motor Cursor 13 MR 2 2004-10-31
57 / 155
4. Caso exista um desgaste superior a
0,150 mm ou uma ovalização superior
a 0,100 mm comparados aos valores
indicados na figura, substitua as cami-
sas de cilindros, visto que não é per-
mitido efetuar operações de retífica ou
polimento.
A = Classe de seleção Ø 135,000-135,013 mm
B = Classe de seleção Ø 135,011-135,024 mm
Nota: As camisas de cilindros são
fornecidas para reposição na classe de
seleção “A”.
5. No esquema ilustrado na figura abaixo,
são indicados os diâmetros externos
das camisas de cilindros e diâmetros
internos de seus respectivos alojamen-
tos. Caso necessário, as camisas de
cilindros podem ser removidas e mon-
tadas várias vezes em alojamentos
diferentes.
A = Ø 142,000 - 142,025 mm
B = Ø 140,000 - 140,025 mm
C = Ø 141,961 - 141,986 mm
D = Ø 139,890 - 139,915 mm
Figura 56
Figura 57
Stralis / Motor Cursor 13 MR 2 2004-10-31
Vista do bloco com as camisas de cilindros
A = Classe de seleção 135,000 - 135,013 mm
B = Classe de seleção 135,011 - 135,024 mm
Dados principais das camisas de cilindros
Detalhe X
Y = Zona de marcação da classe de seleção
58 / 155
Figura 58
Figura 59
Figura 60
Stralis / Motor Cursor 13 MR 2 2004-10-31
59 / 155
Substituição das camisas de cilindros
Desmontagem
1. Instale a ferramenta 99360706 (2) e a
placa 99360728 (4), conforme ilus-
trado na figura, certificando-se de que
a placa (4) fique corretamente apoiada
na camisa de cilindro.
Rosqueie a porca do parafusos (1) e
extraia a camisa de cilindro (3) do
bloco.
Montagem
2. Substitua sempre os anéis de vedação
(3), (4) e (5). Monte o calço de ajuste
(1) na camisa de cilindros (2).
Nota: Os calços de ajuste (1) são
fornecidos para reposição nas
seguintes espessuras: 0,08 mm; 0,10
mm; 0,12 mm e 0,14 mm.
3. Lubrifique a parte inferior da camisa de
cilindro e monte-a no bloco, utilizando
uma ferramenta apropriada.
Figura 61
Figura 62
Stralis / Motor Cursor 13 MR 2 2004-10-31
4. Verifique a saliência da camisa de cilin-
dro utilizando a ferramenta 99360334
(2) e o parafuso (1) apertado a um
momento de 225 Nm.
Instale o relógio comparador
99395603 e sua base 99370415 (3) e
meça a saliência que deve ser de
0,045 a 0,075 mm. Caso contrário,
substitua o calço de ajuste da camisa.
Saliência da camisa de cilindros
5. Após a montagem, fixe a camisa de
cilindro (1) ao bloco (2), utilizando a
ferramenta 99360703 (3).
60 / 155
Figura 63
Figura 64
Figura 65
Stralis / Motor Cursor 13 MR 2 2004-10-31
Inspeções: Árvore de manivelas
Dados principais dos munhões e moentes de biela da árvore de manivelas
Veja detalhes X e Y na página 63.
61 / 155
Figura 66
Casquilhos superiores
Casquilhos inferiores
Stralis / Motor Cursor 13 MR 2 2004-10-31
Medição dos munhões Medição dos moentes
62 / 155
Certifique-se de que:
- Os munhões e moentes não apresen-
tam ranhuras, ovalizações ou des-
gastes excessivos.
Caso contrário, efetue a retificação dos
munhões e moentes com uma retifica-
dora.
Antes de iniciar a operação de retífica,
meça com um micrômetro (1) os
munhões e moentes da árvore de mani-
velas (2) para estabelecer qual o diâ-
metro que deve ser reduzido (com
referência à escala de redução dos
casquilhos de reposição).
Notas:
1. Aconselhamos preencher a tabela da
próxima página com os respectivos
valores encontrados.
2. Os munhões e moentes devem ser
sempre retificados com a mesma
classe de redução, para não alterar o
equilíbrio da árvore de manivelas.
Figura 67 Figura 68
Stralis / Motor Cursor 13 MR 2 2004-10-31
Raios de concordância da árvore de manivelas
X = Vista dos raios dos munhões centrais Y = Vista dos raios dos moentes de biela
Nota: Durante a operação de retífica, verifique com a máxima atenção os raios de con-
cordância dos munhões e moentes de biela, conforme indicado na figura 66 e nas figu-
ras acima.
63 / 155
Retificado
Retificado
Polido
Retificado
Polido
Figura 69 Figura 70
Tabela para preenchimento das medidas dos munhões e moentes da árvore de
manivelas
Ø Mín.
Ø Máx.
Ø Mín.
Ø Máx.
Figura 71
Munhões principais
Moentes de biela
Stralis / Motor Cursor 13 MR 2 2004-10-31
Seleção dos casquilhos dos mancais e de bielas
Nota: Para obter as folgas de montagem requeridas, os casquilhos dos mancais e de
bielas devem ser selecionados da maneira indicada a seguir.
Esta operação permite identificar os casquilhos mais adequados para cada um dos
munhões/moentes da árvore de manivelas (os casquilhos podem ser, eventualmente,
também de classe diferente entre um munhão/moente e o outro).
Em função da espessura, os casquilhos devem ser selecionados em classes de tolerân-
cia marcadas com um sinal de cor (vermelha/verde - vermelha/preta - verde/preta).
Na figura que segue, são indicadas as características dos casquilhos de mancais e de
bielas disponíveis como reposição nas medidas padrão (EST) e em medidas superiores
permitidas (+0,127; +0,254; +0,508).
64 / 155
Vermelho
Vermelho/Preto
Verde
Verde/Preto
Figura 72
Vermelho
Vermelho/Preto
Verde
Verde/Preto
Casquilhos de biela
Casquilhos dos mancais
Stralis / Motor Cursor 13 MR 2 2004-10-31
Para cada um dos munhões/moentes da árvore de manivelas deve ser efetuada a
seguinte operação:
Munhões principais
- Determine a classe de diâmetro do alojamento no bloco do motor (veja item A).
- Determine a classe de diâmetro do munhão principal (veja item B).
- Selecione o casquilho de mancal a ser montado (veja item C).
Moentes de bielas
- Determine a classe de diâmetro do alojamento na biela (veja item D).
- Determine a classe de diâmetro do moente de biela (veja item B).
- Selecione o casquilho de biela a ser montado (veja item E).
A. Definição da classe de diâmetro dos alojamentos para os casquilhos no bloco
do motor
Na posição indicada na parte dianteira do bloco estão marcadas duas seqüências
numéricas.
- A primeira seqüência numérica, com quatro dígitos, representa o número do acopla-
mento do bloco principal com o respectivo bloco inferior.
- A segunda seqüência numérica, com sete dígitos, representa a classe de diâmetro de
cada um dos alojamentos dos munhões principais, que poderá ser 1, 2 ou 3.
65 / 155
Figura 73
Stralis / Motor Cursor 13 MR 2 2004-10-31
66 / 155
B. Definição da classe de diâmetro dos munhões principais e moentes de biela
(diâmetros nominais)
Na árvore de manivelas, na posição indicada pela seta, estão marcadas três seqüên-
cias numéricas.
- A primeira, com cinco dígitos, representa o número de série da árvore de manivelas.
- Abaixo deste número, à esquerda, uma série de sete dígitos se refere aos moentes de
biela.
O primeiro dígito indica o estado dos moentes de biela (1 = EST, 2 = -0,127). Os
outros seis dígitos representam individualmente a classe de diâmetro de cada um dos
moentes de biela.
- A seqüência numérica localizada à direita, com oito dígitos, se refere aos munhões
principais. O primeiro dígito indica o estado dos munhões principais (1 = EST, 2 = -
0,127). Os outros sete dígitos representam individualmente a classe de diâmetro de
cada um dos munhões principais.
Figura 74
Moentes de biela
Munhões principais
Stralis / Motor Cursor 13 MR 2 2004-10-31
67 / 155
C. Seleção dos casquilhos de mancais
Uma vez determinado para cada mancal os dados do alojamento do bloco e do munhão
da árvore de manivelas, se pode selecionar o tipo de casquilho a ser utilizado com base
na tabela que segue.
Vermelho
Vermelho
Vermelho
Vermelho
Vermelho
Vermelho
Vermelho
Vermelho
Verde
Verde
Verde
Verde
Verde
Verde
Verde
Verde
Verde
Verde
Figura 75
STD
(Padrão)
Stralis / Motor Cursor 13 MR 2 2004-10-31
68 / 155
Seleção dos casquilhos de mancal (munhões retificados)
Para os casos em que os munhões tenham sido retificados, verifique o novo diâmetro
dos munhões e certifique-se de que ele corresponda ao indicado na tabela. Monte o
casquilho de mancal indicado para cada redução.
Verde/Preto
Verde/Preto
Verde/Preto
Verde/Preto
Verde/Preto
Verde/Preto
Verde/Preto
Verde/Preto
Verde/Preto
Verde/Preto
Verde/Preto
Verde/Preto
Vermelho/Preto
Vermelho/Preto
Vermelho/Preto
Vermelho/Preto
Vermelho/Preto
Vermelho/Preto
Vermelho
Vermelho
Vermelho
Vermelho
Vermelho
Vermelho
Vermelho
Vermelho
Vermelho
Vermelho
Vermelho
Vermelho
Figura 76
vermelho/preto
verde/preto
vermelho
vermelho
Stralis / Motor Cursor 13 MR 2 2004-10-31
69 / 155
D. Definição da classe de diâmetro do alojamento do casquilho de biela
No corpo da biela, na posição indicada pela vista “A”, existem três marcas.
Letra que indica a classe de peso
A = 4.661 - 4.694 g
B = 4.695 - 4.728 g
C = 4.729 - 4.762 g
Número que indica a classe de diâmetro do alojamento do casquilho de biela
1 = 94,000 - 94,010 mm
2 = 94,011 - 94,020 mm
3 = 94,021 - 94,030 mm
Número que indica o acoplamento biela - capa de biela
O número que indica a classe de diâmetro do alojamento do casquilho de biela pode ser
1, 2 ou 3.
3
2
1
Figura 77
Stralis / Motor Cursor 13 MR 2 2004-10-31
70 / 155
E. Seleção dos casquilhos de biela (moentes com diâmetro nominal)
Uma vez determinada a classe de diâmetro do alojamento do casquilho de biela, é pos-
sível estabelecer o tipo de casquilho a ser utilizado, tomando como base as infor-
mações da tabela a seguir:
Figura 78
Vermelho
Vermelho Vermelho Vermelho
VermelhoVermelho Vermelho
Vermelho
Verde
Verde
Verde
Verde
Verde
Verde
Verde
Verde
Verde
Verde
STD
(Padrão)
Stralis / Motor Cursor 13 MR 2 2004-10-31
71 / 155
Seleção dos casquilhos de biela (moentes retificados)
Para os casos em que os moentes de biela tenham sido retificados, verifique o novo
diâmetro dos moentes e certifique-se de que ele corresponda ao indicado na tabela.
Monte o casquilho de biela indicado para cada redução.
Vermelho/Preto
Vermelho/Preto
Vermelho/Preto
Vermelho/Preto
Vermelho/Preto
Vermelho/Preto
Verde/Preto
Verde/Preto
Verde/Preto
Verde/Preto
Verde/Preto
Verde/Preto
Verde/Preto
Verde/Preto
Verde/Preto
Verde/Preto
Verde/Preto
Verde/Preto
Verde
Verde Verde
Verde
Verde
Verde
Verde
Verde
Verde
Verde
Verde
Verde
Vermelho
Vermelho
Vermelho
Vermelho
Vermelho
Vermelho
Vermelho
Vermelho
Vermelho
Vermelho
Vermelho
Vermelho
Figura 79
vermelho/preto
verde/preto
vermelho
vermelho
verde
verde
Stralis / Motor Cursor 13 MR 2 2004-10-31
Verificação da folga de monta-
gem da árvore de manivelas
1. Coloque o bloco na posição horizontal.
2. Monte os bicos de arrefecimento (2)
fazendo coincidir o bico com o furo (3)
no bloco do motor.
Posicione os casquilhos de mancais
(1) nos respectivos mancais do bloco
principal.
Notas:
- Caso utilize os casquilhos anterior-
mente removidos, certifique-se de
que eles sejam montados em suas
posições originais.
- Não efetue nenhum tipo de retraba-
lhado nos casquilhos.
3. Instale a árvore de manivelas (2) no
bloco do motor, utilizando a ferramenta
99360500 (1) e uma talha.
4. Posicione os casquilhos de mancais
(1) nos respectivos mancais do bloco
inferior (2).
5. Verifique a folga de montagem entre os
munhões principais da árvore de
manivelas e os respectivos casquilhos,
conforme descrito a seguir.
72 / 155
Figura 80
Figura 81
Figura 82
Stralis / Motor Cursor 13 MR 2 2004-10-31
73 / 155
Verificação da folga radial da árvore de
manivelas
Verifique a folga entre os munhões princi-
pais da árvore de manivelas e os respec-
tivos casquilhos dos mancais, proce-
dendo conforme segue:
a. Limpe cuidadosamente os munhões,
eliminando qualquer resíduo de óleo.
b. Posicione sobre os mancais da árvore
de manivelas (2), paralelamente ao
eixo longitudinal, um fio calibrado.
c. Monte o bloco inferior (1) com auxílio
de uma ferramenta e talha apropria-
das.
d. Lubrifique e monte os parafusos inter-
nos (1) com óleo UTDM. Aperte-os ao
momento de 120 Nm utilizando um
torquímetro e posteriormente efetue
um aperto angular de 60º, na seqüên-
cia ilustrada da figura.
Seqüência de aperto dos parafusos de fixação do bloco inferior ao bloco principal
Figura 83
Figura 84
Figura 85
Stralis / Motor Cursor 13 MR 2 2004-10-31
e. Desmonte o bloco inferior e verifique a
folga radial.
- A folga entre os munhões principais da
árvore de manivelas e os respectivos
casquilhos dos mancais é obtida com-
parando a largura do fio calibrado (2),
no ponto de maior esmagamento, com
a graduação da escala descrita no
invólucro (1) que contém o fio cali-
brado.
- Os números descritos nesta escala
indicam a folga da montagem, em
milímetros.
- Caso encontre uma folga diferente da
prescrita, substitua os casquilhos dos
mancais e repita a verificação da folga.
Verificação da folga axial da árvore de
manivelas
1. Instale o relógio comparador 99395603
(1) de base magnética na árvore de
manivelas (2), conforme indicado na
figura.
2. Movimente a árvore de manivelas e
verifique se a folga axial está de
acordo com a prescrita.
Caso encontre uma folga superior,
substitua os casquilhos do mancal
traseiro e proceda novamente a verifi-
cação da folga axial.
74 / 155
Figura 87
Figura 86
Stralis / Motor Cursor 13 MR 2 2004-10-31
Desmontagem do conjunto pistão e biela
Figura 88
1. Corpo da biela
2. Casquilhos da biela
3. Capa da biela
4. Parafusos de fixação
5. Anel de segurança
6. Anel de compressão superior (trapezoidal)
7. Anel de compressão inferior
8. Anel raspador de óleo com mola espiral
9. Pino do pistão
10. Pistão
75 / 155
Stralis / Motor Cursor 13 MR 2 2004-10-31
Certifique-se de que os pistões não apre-
sentam sinais de engripamento, ranhu-
ras, rachaduras ou desgaste excessivo.
Caso contrário, substitua-os.
Os pistões são providos de três anéis
elásticos:
- O primeiro, de compressão, de seção
trapezoidal.
- O segundo, de compressão.
- O terceiro, raspador de óleo.
Os pistões são classificados nas classes
A e B, de acordo com seu diâmetro.
1. Remova os anéis (2) do pistão utili-
zando o alicate 99360184 (1).
2. Remova o anel de segurança (2) utili-
zando um alicate de pontas (1).
3. Remova o pino (1) do pistão, utilizando
uma ferramenta adequada.
76 / 155
Figura 89
Figura 90
Figura 91
Stralis / Motor Cursor 13 MR 2 2004-10-31
Inspeções: Pistões
Dados principais dos pistões, pinos e anéis
* A cota é obtida no diâmetro de 130 mm
77 / 155
Pistão
1. Meça o diâmetro do pistão (1), utili-
zando um micrômetro (2), para deter-
minar a folga de montagem. Compare
o valor obtido com o especificado.
Nota: O diâmetro deve ser medido a
20 mm da base do corpo do pistão.
Pino do pistão
1. Meça o diâmetro do pino do pistão (1),
utilizando um micrômetro (2). Compare
o valor obtido com o especificado.
2. Lubrifique com óleo o pino (1) e sua
sede no pistão. O pino deve ser
inserido no pistão com uma pequena
pressão dos dedos e não deve sair
devido à força da gravidade. Esta deve
ser a condição para uma correta mon-
tagem do conjunto.
Figura 92
Figura 93
Figura 94
Figura 95
Stralis / Motor Cursor 13 MR 2 2004-10-31
Anéis de compressão e raspador
1.Verifique a espessura dos anéis (2) de
compressão e raspador de óleo, utili-
zando um micrômetro (1).
2. Verifique a folga entre os anéis (2) de
compressão inferior / raspador de óleo
e suas respectivas sedes no pistão (1),
utilizando um calibre de lâmina (3).
3. Devido a forma particular do anel de
compressão superior (2) de seção
trapezoidal, a folga “X” entre o anel de
compressão e a ranhura do pistão
deve ser obtida conforme segue:
- Extraia o pistão (1) do bloco do motor
de forma que o anel de compressão
superior (2) saia até a metade da
camisa de cilindros (3).
Esquema para medição da folga “X” entre a
primeira ranhura do pistão e o anel de com-
pressão
- Nesta posição, verifique a folga “X”
entre o anel de compressão (2) e a
ranhura, utilizando um calibre de
lâminas.
4. Verifique a folga entre as pontas dos
anéis de compressão (1) montados na
camisa de cilindros (3) utilizando um
calibre de lâminas (2).
5. Caso a distância entre as pontas dos
anéis seja inferior ou superior à pres-
crita, substitua os anéis.
78 / 155
Figura 96
Figura 97
Figura 98
Figura 99
Stralis / Motor Cursor 13 MR 2 2004-10-31
79 / 155
Nota: Em cada biela estão estampados
os dados relativos ao par de acopla-
mento, ao peso e alojamento do
casquilho.
- Dados estampados na biela
Letra que indica a classe de peso
A = 4.661 - 4.694 g
B = 4.695 - 4.728 g
C = 4.729 - 4.762 g
Número que indica a seleção do
diâmetro do alojamento do casquilho
da biela
1 = 94,000 - 94,010 mm
2 = 94,011 - 94,020 mm
3 = 94,021 - 94,030 mm
Números de identificação do par de
acoplamento biela - capa de biela
Nota: Ao montar as bielas, certifique-se
de que todas sejam da mesma classe de
peso.
Inspeções: Biela
Dados principais da biela, casquilhos, pino do pistão e bucha
* A cota do diâmetro interno é obtida depois da introdução forçada da bucha no pé da
biela.
3
2
1
Figura 100
Figura 101
Stralis / Motor Cursor 13 MR 2 2004-10-31
Verificação do paralelismo dos eixos
da biela
Com auxílio do aparelho 99395363 (3),
verifique o paralelismo dos eixos da biela
(1), conforme descrito a seguir.
- Monte a biela (1) no mandril da ferra-
menta 99395363 (5) e bloqueie com o
parafuso (4).
- Posicione o mandril (3) nos prismas em
“V”, apoiando a biela (1) na barra de
parada (2).
Controle da torção
Verifique a torção da biela (5) compa-
rando dois pontos (A e B) do pino (3) no
plano horizontal do eixo da biela.
Posicione o suporte (1) do comparador
(2) pré-carregando-o em 0,5 mm sobre o
pino (3) no ponto A. Zere o relógio com-
parador (2).
Solte o mandril (4) com a biela (5) e meça
a possível diferença no ponto B do lado
oposto do pino (3).
A diferença entre A e B não deve ser
superior a 0,08 mm.
80 / 155
Figura 102
Figura 103
Stralis / Motor Cursor 13 MR 2 2004-10-31
Verificação da flexão da biela
Verifique a flexão da biela (5) compa-
rando dois pontos “C” e “D” do pino (3) no
plano vertical do eixo da biela.
Posicione o suporte vertical (1) do com-
parador (2) de maneira que a ponta deste
último se apoie no pino (3) no ponto C.
Faça movimentos com a biela para frente
e para trás buscando a posição mais alta
do pino e uma vez encontrada esta
posição coloque a zero o relógio com-
parador (2).
Solte o mandril com a biela (5) e repita no
lado oposto “D” do pino (3) a verificação
do ponto mais alto.
Solte o mandril com a biela (5) e repita no
lado oposto “D” do pino (3) a verificação
do ponto mais alto.diferença entre os
pontos “C” e “D” não deve ser superior a
0,08 mm.
Montagem do conjunto pistão e biela
Esquema de acoplamento da biela ao pistão para a montagem do conjunto na camisa
de cilindros.
Figura 105
1. Conjunto pistão e biela
2. Zona de gravação no topo do pistão do ideograma da posição de montagem e classe de seleção
3. Zona de gravação da biela
Nota: os parafusos da biela podem ser reutilizados enquanto o diâmetro da rosca não
reduzir a menos que 13,4 mm.
Figura 104
81 / 155
Stralis / Motor Cursor 13 MR 2 2004-10-31
1. Posicione a biela (1) em uma morsa e
monte o pistão (2) na mesma, obser-
vando a posição de montagem gra-
vada na cabeça do pistão.
Insira o pino (3) no pistão.
2. Trave o pino com os anéis de segu-
rança (2), utilizando um alicate de bico
(1).
3. Monte os anéis de compressão e ras-
pador de óleo (1) no pistão (2), utili-
zando o alicate 99360184 (3).
Nota: Os anéis devem ser montados
com a marcação “TOP” (4) para cima e
com suas pontas defasadas entre si
120º.
4. Monte os casquilhos (1) selecionados
conforme descrito anteriormente, tanto
na biela quanto na capa de biela.
Nota: Caso utilize os casquilhos da
biela anteriormente removidos, certi-
fique-se de que eles sejam montados
em suas posições originais. Não
efetue nenhuma operação de retra-
balho nos casquilhos.
82 / 155
Figura 106
Figura 107
Figura 108
Figura 109
1
3
2
Stralis / Motor Cursor 13 MR 2 2004-10-31
83 / 155
Inspeções: Cabeçote de cilin-
dros
Verifique a planicidade da superfície de
apoio do cabeçote de cilindros (1) ao
bloco do motor, utilizando uma régua (2)
e um calibre de lâminas (3).
Caso encontre deformações, proceda ao
aplainamento do cabeçote, eliminando a
menor quantidade possível de material.
A quantidade máxima de material que
pode ser removida é 0,2 mm.
Nota: Após a operação do aplainamento,
verifique as superfícies de apoio das vál-
vulas e a saliência dos injetores, con-
forme descrito neste módulo.
Inspeções: Válvulas e guias
Dados principais das válvulas de
admissão e escape e das guias de vál-
vulas
* A cota é obtida depois da montagem da
guia de válvulas.
Esquema de montagem das guias de
válvulas e válvulas
* A cota é obtida depois da montagem da
guia de válvulas.
Figura 110
Figura 111
Figura 112
Stralis / Motor Cursor 13 MR 2 2004-10-31
1. Efetue a extração dos depósitos de
carbono das válvulas usando uma
escova de metal apropriada.
2. Certifique-se de que as válvulas não
apresentam sinais de engripamento,
rachaduras ou queimaduras.
3. Meça o diâmetro da haste das válvulas
(1) com um micrômetro (2). As medi-
das devem estar compreendidas den-
tro dos valores prescritos. Caso
contrário, substitua as válvulas.
Caso seja necessário, retifique os alo-
jamentos das válvulas, eliminando a
menor quantidade possível de mate-
rial.
Substituição das guias de válvulas
1. Desmonte as guias de válvulas utili-
zando o batedor 99360143.
2. Monte as novas guias de válvulas utili-
zando o batedor 99360143 e o mandril
99360296.
O mandril 99360296 permite esta-
belecer a posição exata de montagem
das guias de válvulas no cabeçote de
cilindros.
Nota: Caso não sejam as mesmas
guias de válvulas, devem ser monta-
das as novas guias no cabeçote de
cilindros de maneira que se sobres-
saiam em 30,8 a 31,2 mm (figura 112).
Uma vez efetuado o cravamento das
guias de válvulas, deve ser retificado o
furo das mesmas com o alargador
99390330.
84 / 155
Figura 113
Figura 114
Stralis / Motor Cursor 13 MR 2 2004-10-31
85 / 155
Inspeções: Mola de válvulas
Dados principais das molas de válvu-
las de admissão e escape
1. Antes de efetuar a montagem, veri-
fique a flexibilidade das molas de vál-
vulas utilizando a ferramenta
99305047 (1) ou “balança” de molas
similar.
Compare os dados de carga e de
deformação elástica com os valores
das molas novas indicados anterior-
mente.
Substituição e retificação das sedes
de válvulas
Caso seja necessária a substituição dos
assentos de válvulas, utilize ferramentas
apropriadas.
Nota: A retificação das sedes de válvulas
no cabeçote de cilindros deve ser efetu-
ada sempre que for retificada ou substi-
tuída, tanto as válvulas quanto as guias
de válvulas.
1. Efetue a retífica das sedes de válvulas
(2), conforme os valores de inclinação
indicados na figura 112, utilizando fer-
ramentas apropriadas.
2. Após a retífica, utilizando a ferramenta
99370415, certifique-se de que o
recolhimento das válvulas de admis-
são e de escape com relação ao plano
da cabeça dos cilindros seja:
Válvulas de admissão
-0,54 a -0,85 mm
Válvulas de escape
-1,75 a -2,05 mm
Figura 115
Figura 116
Figura 117
Mola livre
Válvula fechada
Válvula aberta
Stralis / Motor Cursor 13 MR 2 2004-10-31
Substituição da sede porta-inje-
tores
Desmontagem
1. Rosqueie a sede (2) utilizando a ferra-
menta 99390804 (1).
2. As operações que seguem devem ser
efetuadas instalando as ferramentas
no cabeçote de cilindros através do
elemento A.
3. Rosqueie o extrator 99342149 (2) na
sede (3). Rosqueie a porca (1) e
extraia a sede do cabeçote de cilin-
dros.
4. Remova possíveis resíduos (1) presen-
tes nas estrias do cabeçote de cilin-
dros utilizando a ferramenta 99390722
(2).
Montagem
5. Lubrifique os anéis de vedação (3) e
monte-os na nova sede (4) utilizando a
ferramenta 99365056 (2) fixa no
cabeçote de cilindros através do ele-
mento A. Crave a nova sede e
rosqueie o parafuso (1) recalcando a
parte inferior da mesma.
86 / 155
Figura 118
Figura 119
Figura 120
Figura 121
Stralis / Motor Cursor 13 MR 2 2004-10-31
87 / 155
6. Efetue a retífica do furo da nova sede
(3) utilizando a fresa retificadora
99394041 (1).
7. Retifique os alojamentos de apoio do
injetor na sede (3) utilizando a fresa
retificadora 99394043 (1-2).
Saliência do bico injetor
1. Verifique a saliência do bico injetor (2)
com relação ao plano do cabeçote de
cilindros, utilizando um relógio com-
parador (1) com base magnética.
A saliência do injetor (2) deve ser de
0,52 a 1,34 mm.
Esquema de montagem da sede porta-injetores
Figura 122
Figura 123
Figura 124
Figura 125
Stralis / Motor Cursor 13 MR 2 2004-10-31
Inspeções: Eixo comando de válvulas
Dados principais do eixo comando de válvulas e tolerâncias
Tolerâncias Característica da tolerância Símbolo gráfico
De orientação Perpendicularidade
De posição Concentricidade e coaxilidade
De oscilação Oscilação circular
Classe de importância atribuída às características do produto Símbolo gráfico
Crítica
Importante
Secundária
88 / 155
Figura 126
Stralis / Motor Cursor 13 MR 2 2004-10-31
- Certifique-se de que as superfícies dos mancais e dos cames estejam bem polidas e
não apresentam sinais de empenamento e arranhões. Caso contrário, substitua o eixo
e os casquilhos correspondentes.
- Posicione o eixo comando (4) entre as pontas (1) e verifique, utilizando um relógio
comparador centesimal (2), o levantamento dos cames (3) que deve ser de:
. 9,231 mm para os cames de admissão
. 9,5607 mm para os cames de escape
- Com o eixo comando entre as pontas, verifique com um relógio comparador centesi-
mal (1) o alinhamento dos mancais de apoio (2). O desalinhamento não pode ser
superior a 0,030 mm. Caso contrário, substitua o eixo comando de válvulas.
89 / 155
Figura 127
Figura 128
Stralis / Motor Cursor 13 MR 2 2004-10-31
Inspeções: Casquilhos do eixo comando
As superfícies dos casquilhos não devem apresentar sinais de engripamento ou riscos.
Caso contrário, substitua-os.
Dados principais dos casquilhos do eixo comando de válvulas e de suas sedes
no cabeçote de cilindros
Para verificar as folga de montagem, meça o diâmetro interno dos casquilhos e o
diâmetro externo dos mancais de apoio (1) do eixo comando. A partir da diferença des-
tas medidas é obtida a folga existente.
Caso encontre folgas superiores a 0,135 mm, substitua os casquilhos.
Para a desmontagem e montagem dos casquilhos, utilize a ferramenta 99360499.
Nota: Durante a montagem, certifique-se de que os furos dos casquilhos estejam ali-
nhados com os canais de passagem de óleo de lubrificação do cabeçote.
90 / 155
Figura 129
Figura 130
Stralis / Motor Cursor 13 MR 2 2004-10-31
Substituição dos casquilhos do eixo comando (utilizando a ferramenta 99360499)
Figura 131
A = Ferramenta com alojamento para casquilhos a serem instalados/extraídos
B = Ressalto de posicionamento dos casquilhos
C = Referência para correta instalação do 7º casquilho
D = Referência para correta instalação dos casquilhos 1 a 6 (marcas de cor amarela)
E = Casquilho guia
F = Linha guia
G = Casquilho guia para fixar o suporte do 7º casquilho
H = Placa de fixação do casquilho amarelo no cabeçote de cilindros
I = Empunhadura
L = Alargador
91 / 155
Stralis / Motor Cursor 13 MR 2 2004-10-31
Desmontagem
1. Posicione, cuidadosamente, a ferra-
menta 99360499 no cabeçote de cilin-
dros.
Os casquilhos devem ser removidos
pela parte dianteira dos respectivos
alojamentos na ordem: 7, 6, 5, 4, 3, 2 e
1.
Para a montagem dos casquilhos 5, 6
e 7 não é necessário o alargador da
ferramenta nem o uso do casquilho
guia.
Com referência aos casquilhos 1, 2, 3
e 4 deve ser utilizado o alargador e os
casquilhos guias.
Montagem
2. Monte a ferramenta com o alargador e
insira os casquilhos 1, 2, 3, 4 e 5 con-
forme descrito.
a. Posicione o casquilho a ser mon-
tado na ferramenta (A), fazendo
coincidir o ressalto (B, figura 131)
da mesma com o alojamento do
casquilho.
b. Posicione o casquilho guia (E) e fixe
o casquilho guia (G, figura 131) no
alojamento do 7º casquilho através
da placa (H).
c. Durante a fase de cravamento do
casquilho faça coincidir a ranhura
(F) com a ranhura (M), pois desta
forma, após a conclusão do crava-
mento, o furo presente no casquilho
para efetuar a lubrificação coincidirá
com o canal de passagem de óleo
do alojamento.
O cravamento é concluído quando a
1ª marca amarela de referência (D)
ficar ao nível do casquilho guia (G).
92 / 155
Figura 132
Figura 133
Parte traseira
Parte dianteira
Parte dianteira
Parte traseira
Stralis / Motor Cursor 13 MR 2 2004-10-31
93 / 155
3. Insira o casquilho (6) conforme segue:
- Desrosqueie a empunhadura (I) e o
alargador (N).
- Posicione o alargador (N) e o
casquilho guia (E) de acordo com o
ilustrado na figura.
- Repita as operações a, b e c.
4. Insira o casquilho (7) conforme segue:
- Retire a empunhadura (I) e o casqui-
lho guia (G) fixo à cabeça.
- Reistale a guia (G) pela parte interna,
de acordo com o ilustrado na figura.
- Posicione o casquilho na ferramenta
(A) e aproxime-o do alojamento,
fazendo coincidir o furo do casquilho
com o canal de lubrificação do aloja-
mento.
- Efetue o cravamento. O 7º casquilho
estará completamente cravado
quando a referência (C) estiver ao
nível do alojamento do casquilho.
Inspeções: Balancins e eixo
porta-balancins
Balancins para injetores-bomba
Balancins para válvulas de admissão
Balancins para válvulas de escape
Certifique-se de que as superfícies dos
casquilhos não apresentam sinais de
desgaste, ranhuras ou marcas de agarra-
mento. Caso contrário, substitua o balan-
cim em seu conjunto.
Figura 134
Figura 135
Figura 136
Figura 137
Figura 138
Parte traseira
Parte dianteira
Parte dianteira
Parte traseira
Stralis / Motor Cursor 13 MR 2 2004-10-31
Eixo porta-balancins
Os excêntricos do eixo comando de válvulas comandam diretamente os balancins: 6
para os injetores e 12 para as válvulas.
Os balancins deslizam diretamente sobre os perfis dos cames através de rolamentos.
No outro extremo atua sobre uma ponte que atua diretamente na haste das válvulas.
Entre o parafuso de regulagem do balancim e a ponte está montada uma pastilha.
No interior dos balancins existem dois canais de lubrificação.
O eixo porta-balancins ocupa quase todo o cabeçote de cilindros e deve ser desmon-
tado para se ter acesso aos órgãos adjacentes.
O comprimento do eixo porta-balancins é aproximadamente igual ao do cabeçote de
cilindros.
94 / 155
Figura 139
Stralis / Motor Cursor 13 MR 2 2004-10-31
95 / 155
Montagem do cabeçote de cilin-
dros
1. Lubrifique com óleo do motor a haste
das válvulas e monte as válvulas de
admissão e escape nas respectivas
guias no cabeçote de cilindros.
2. Monte a arruela-guia inferior (3) e o
anel de vedação (1), nas guias de vál-
vula (2), utilizando a ferramenta
99360329.
3. Posicione a mola (6) e a arruela-guia
superior (5).
Instale a ferramenta 99360263 (2) e
fixe-a através do elemento (4).
Rosqueie a alavanca (1) até conseguir
montar as chavetas (3). Retire a ferra-
menta (2).
4. Repita as operações anteriores para
as demais válvulas do cabeçote.
Figura 140
Figura 141
Stralis / Motor Cursor 13 MR 2 2004-10-31
Montagem do motor
Montagem da árvore de manivelas e
bloco inferior do motor
1. Instale o bloco do motor no cavalete
giratório.
2. Monte as camisas de cilindros con-
forme descrito neste módulo.
3. Coloque o bloco na posição horizontal.
4. Monte os bicos de arrefecimento (2)
dos pistões, fazendo coincidir o bico
com o canal de lubrificação (3) do
bloco.
Posicione os casquilhos (1) nos
respectivos mancais do bloco princi-
pal.
Notas:
- Caso utilize casquilhos anteriormente
removidos, certifique-se de que eles
sejam montados em suas posições
originais.
- Não efetue nenhum retrabalho nos
casquilhos.
5. Instale a árvore de manivelas (2) no
bloco principal, utilizando a ferramenta
99360500 (1) e uma talha.
6. Posicione os casquilhos (1) nos
respectivos mancais do bloco inferior
(2).
96 / 155
Figura 142
Figura 143
Figura 144
Stralis / Motor Cursor 13 MR 2 2004-10-31
97 / 155
7. Aplique silicone Loctite 5699 no bloco
principal, com uma ferramenta apropri-
ada (1), de acordo com o ilustrado na
figura abaixo.
Esquema de aplicação do silicone
Nota: Efetue a montagem do bloco
inferior dentro de no máximo 10 minu-
tos após a aplicação do silicone.
8. Monte o bloco inferior (1) com auxílio
de ferramenta e talha apropriadas.
9. Aperte os parafusos externos estria-
dos (1) a um momento de 30 Nm,
conforme seqüência na figura da
página seguinte.
10. Aperte os parafusos internos (1) a
um momento de 120 Nm, utilizando o
torquímetro (3). Na seqüência, efetue
um aperto angular de 60º nos mes-
mos e posteriormente outro aperto
angular de 55º, utilizando a ferra-
menta 99395216 (4) e de acordo com
a seqüência na figura da página
seguinte.
11. Efetue um aperto angular de 60º nos
parafusos externos (1), utilizando a
ferramenta 99395216 (3).
Figura 145
Figura 146
Figura 148
Figura 149
Figura 150
Figura 147
Stralis / Motor Cursor 13 MR 2 2004-10-31
Seqüência de aperto dos parafusos de fixação do bloco inferior
98 / 155
Parte dianteira
Figura 151
Parte dianteira
Parte dianteira
Parte dianteira
Parte dianteira
Parte dianteira
Primeira fase:
Aperto dos para-
fusos externos a
um momento de
30 Nm
Segunda fase:
Aperto dos para-
fusos internos a
um momento de
120 Nm
Terceira fase:
Aperto angular
dos parafusos
internos
60º
Quarta fase:
Aperto angular
dos parafusos
internos
55º
Quinta fase:
Aperto angular
dos parafusos
externos
60º
Stralis / Motor Cursor 13 MR 2 2004-10-31
12. Certifique-se de que a tampa (1)
esteja montada corretamente, utili-
zando o anel centralizador 99396035
(2). Caso necessário, efetue o ajuste
e aperte posteriormente os paraufos
(3).
13. Monte o retentor (1) da árvore de
manivelas, utilizando o mandril
99346250 (2) e aperte a porca (3)
para cravar o retentor (1).
Instalação do conjunto pistão e
biela
1. Coloque o bloco do motor na posição
vertical.
2. Remova a capa de biela e monte os
casquilhos (1), tanto na biela como na
capa de biela.
3. Instale o conjunto pistão e biela (2) nas
camisas de cilindros, com auxílio do
anel 99360605 (1).
Nota: Antes de instalar o conjunto no
bloco, certifique-se de que:
- Todos os pistões sejam de mesma
classe, ou seja, A ou B.
- O ideograma estampado na cabeça
dos pistões esteja voltado para o vol-
ante do motor ou que a ranhura da
parte externa dos pistões esteja cor-
respondendo com a posição dos
bicos de arrefecimento.
- As pontas dos anéis estejam a 120º
uma da outra.
4. Efetue a verificação da folga radial dos
moentes de biela, conforme descrito a
seguir.
Figura 152
Figura 153
Figura 154
Figura 155
99 / 155
Stralis / Motor Cursor 13 MR 2 2004-10-31
Conjunto pistão-biela
Zona de gravação no topo do pistão do ideograma da posição de montagem e
classe de seleção
Zona de gravação da biela
100 / 155
3
2
1
Verificação da folga radial dos moen-
tes de biela
a. Limpe cuidadosamente as peças e
elimine qualquer resíduo de óleo. Apli-
que nos moentes (1) da árvore de
manivelas um pedaço de fio calibrado.
b. Monte as capas das bielas (1) com os
respectivos casquilhos. Monte os
parafusos (2) e aperte-os a um
momento de 60 Nm, utilizando um
torquímetro 99395216 (3)
c. Posteriormente, efetue um aperto
angular de 60º.
d. Remova as capas de biela e verifique a
folga existente, comparando a largura
do fio calibrado com a gravação da
escala existente no invólucro do fio.
Caso a folga seja diferente da pre-
scrita, substitua os casquilhos e repita
a verificação da folga.
Figura 156
Figura 157
Stralis / Motor Cursor 13 MR 2 2004-10-31
101 / 155
Instalação do cabeçote de cilindros
1. Certifique-se de que as superfícies de
apoio do cabeçote de cilindros e do
bloco do motor estejam limpas, bem
como, a junta do cabeçote.
2. Posicione os pistões 1 e 6 no PMS.
3. Posicione a junta do cabeçote (2) no
bloco do motor. Monte o cabeçote de
cilindros (1) utilizando ferramentas
adequadas.
4. Aperte os parafusos de fixação do
cabeçote conforme seqüência ilus-
trada na figura abaixo, em cinco eta-
pas descritas a seguir.
Seqüência de aperto do cabeçote de cilindros
5. Efetue os apertos que seguem utili-
zando um torquímetro (1) apropriado:
1ª etapa: Aperto inicial a um momento
de 60 Nm.
2ª etapa: Aperto a um momento de
120 Nm.
6. Efetue apertos angulares, utilizando a
ferramenta 99395216 (1):
3ª etapa: Aperto angular de 90º.
4ª etapa: Aperto angular de 45º para
os parafusos 4, 5, 12, 13, 20 e 21.
5ª etapa: Aperto angular de 65º para
os parafusos 1, 2, 3, 6, 7, 8, 9, 10, 11,
14, 15, 16, 17, 18, 19, 22, 23, 24, 25 e
26.
Figura 158
Figura 159
Figura 160
Figura 161
Stralis / Motor Cursor 13 MR 2 2004-10-31
Montagem das engrenagens de distri-
buição
1. Monte a bomba de óleo (5), as engre-
nagens intermediárias (2) com o
suporte (1) e a engrenagem de
comando da tomada de força (3).
Aperte os parafusos (4) ao momento
especificado.
Montagem da carcaça e volante do
motor
1. Aplique silicone Loctite 5699 na car-
caça do volante com auxílio de uma
ferramenta apropriada (1) de acordo
com o ilustrado na figura.
Nota: Monte a carcaça do volante den-
tro de no máximo 10 minutos após ter
aplicado o silicone.
2. Aperte os parafusos ilustrados na
figura na ordem e no momento de
aperto que seguem, utilizando um tor-
químetro.
3. Posicione o retentor (1), instale o
mandril 99346251 (2) e crave o reten-
tor (1) na carcaça, apertando a porca
(3).
10 parafusos
M12 x 1,75 x 100
Aperto de
56 a 70 Nm
2 parafusos
M12 x 1,75 x 70
4 parafusos
M12 x 1,75 x 35
1 parafuso
M12 x 1,75 x 120
2 parafusos
M12 x 1,75 x 193
102 / 155
Figura 162
Figura 163
Figura 164
Figura 165
Stralis / Motor Cursor 13 MR 2 2004-10-31
4. Detalhe da gravação no volante do motor da posição dos pistões.
A = Furo do volante com uma ranhura, correspondente ao PMS dos pistões 3 e 4.
B = Furo do volante com uma ranhura, correspondente ao PMS dos pistões 1 e 6.
C = Furo do volante com uma ranhura, correspondente ao PMS dos pistões 2 e 5.
D = Furo do volante com duas ranhuras, correspondente a 54º.
103 / 155
A árvore de manivelas possui uma espiga
de referência que deve ser acoplada no
respectivo alojamento do volante do
motor.
5. Trave o volante do motor com a ferra-
menta 99360351 (3).
Aperte os parafusos (2) em três eta-
pas:
1ª etapa: Aperte a um momento de
120 Nm, com um torquímetro (4).
6. 2ª e 3ª etapas: Efetue um aperto angu-
lar de 60º em todos os parafusos e,
posteriormente, um aperto de 30º, utili-
zando a ferramenta 99395216 (1).
Figura 166
Figura 167
Figura 168
Vista dos furos
A - B - C
Vista dos furos D
Stralis / Motor Cursor 13 MR 2 2004-10-31
7. Posicione a árvore de manivelas com
os pistões 1 e 6 no ponto morto supe-
rior (PMS). Esta situação se verifica
quando desde a janela de inspeção,
situada na parte inferior da carcaça do
volante, pode-se ver o furo com uma
ranhura e a ferramenta 99360612 (1)
se posiciona no furo (3) presente no
volante.
Caso não se verifique esta situação,
gire levemente a árvore de manivelas
e o volante.
Montagem do eixo comando de válvu-
las e injetores
1. Monte o eixo comando de válvulas
posicionando-o conforme as indi-
cações (→), ilustradas na figura .
Desta forma, se torna mais fácil sin-
cronizar o eixo comando.
Monte a placa (1) de reforço com a
guarnição de chapa.
2. Verifique a posição do suporte (3) para
a engrenagem de distribuição, com
auxílio do calibre 99395219 (1).
Aperte o parafuso (2) a um momento
de 24,5 ± 2,5 Nm.
3. Monte a engrenagem de distribuição
(1) e aperte os parafusos (2) a um
momento de 30 ± 3 Nm. Posterior-
mente, efetue um aperto angular de
90º com auxílio da ferramenta
99395216.
104 / 155
Figura 169
Figura 170
Figura 171
Figura 172
Stralis / Motor Cursor 13 MR 2 2004-10-31
105 / 155
4. Monte a engrenagem (2), sem apertar
totalmente os parafusos (5), no eixo
comando de válvulas posicionando-a
de maneira que os quatro furos ranhu-
rados fiquem centrados em relação
aos furos de fixação do eixo comando.
Verifique a folga entre as engrenagens
(2) e (3), utilizando um relógio compa-
rador de base magnética (1). A folga
deve ser de 0,073 a 0,195 mm. Caso
contrário, proceda conforme descrito a
seguir:
- Afrouxe os parafusos (4) de fixação
da engrenagem de distribuição (3),
afrouxe o parafuso (2, figura 171) de
fixação do suporte e desloque o
suporte (3, figura 171) a fim de obter
a folga prescrita.
- Aperte o parafuso (2, figura 171) de
fixação do suporte e os parafusos (4).
- Aperte os parafusos (5) de fixação da
engrenagem ao momento prescrito.
5. Monte os anéis de vedação (1), (2) e
(3) nos injetores.
6. Monte os injetores (2) e aperte os
parafusos de fixação a um momento
de 26 Nm.
Monte os cilindros do freio-motor (1) e
(4) e aperte-os a um momento de 19
Nm.
Posicione as pontes (3) das hastes de
válvulas de maneira que todas fiquem
com o furo maior voltado para o
mesmo lado.
Figura 173
Figura 174
Figura 175
Stralis / Motor Cursor 13 MR 2 2004-10-31
Montagem do eixo porta-balancins
Nota: Antes de montar o conjunto eixo
porta-balancins, certifique-se de que
todos os parafusos de ajuste tenham sido
completamente desrosqueados.
1. Instale a ferramenta 99360553 (1) e
monte o conjunto eixo porta-balancins
no motor.
2. Aperte os parafusos (2) de fixação do
eixo porta-balancins conforme segue:
1ª etapa: Aperte os parafusos (2) a um
momento de 100 Nm, utilizando um
torquímetro (1).
2ª etapa: Efetue um aperto angular de
60º utilizando a ferramenta 99395216
(3).
3. Monte as molas de retenção (3) na
alavanca do freio-motor.
Conecte o tubo (2) aos cilindros do
freio-motor (4) e ao cilindro com a
eletroválvula do freio-motor (1).
4. Monte o cabo elétrico nos eletro-inje-
tores e aperte os parafusos a um
momento de 1,36 a 1,92 Nm, utili-
zando um torquímetro especial (1).
106 / 155
Figura 176
Figura 177
Figura 178
Figura 179
Stralis / Motor Cursor 13 MR 2 2004-10-31
107 / 155
Sincronização do eixo da distribuição
1. Instale a ferramenta 99360321 (7) e o
separador 99360325 (6) na carcaça do
volante (2).
Nota: A seta indica o sentido de rota-
ção do motor em funcionamento.
Gire o volante (1) no sentido de rota-
ção do motor através das ferramentas
acima, de maneira que o pistão do
cilindro 1 fique situado aproximada-
mente ao PMS na fase de combustão.
Esta situação é alcançada quando o
furo com uma ranhura (4), sucessivo
ao furo com duas ranhuras (5) do
volante do motor (1), fique visível atra-
vés da janela de inspeção (2).
2. A posição exata do pistão 1 no PMS é
obtida quando, na situação ilustrada, a
ferramenta 99360612 (1) através do
alojamento (2) do sensor de rotações
do motor, se encaixa no furo (3) pre-
sente no volante do motor (4).
Caso esta posição não seja obtida,
gire e posicione de maneira adequada
o volante do motor (4).
Retire a ferramenta 99360612 (1).
Figura 180
Figura 181
Stralis / Motor Cursor 13 MR 2 2004-10-31
3. Instale o relógio comparador de base
magnética (1) com a haste posi-
cionada no rolamento (2) do balancim
que comanda o injetor do cilindro 1 e
precarregue-o na medida de 6 mm.
Gire a árvore de manivelas no sentido
dos ponteiros do relógio, através da
ferramenta 99360321 (7, figura 180),
até que o ponteiro do comparador
alcance o valor mínimo.
Zere a escala do relógio comparador.
Gire o volante do motor no sentido
contrário dos ponteiros do relógio até
que se verifique no ponteiro do com-
parador o valor de elevação do came
do eixo comando de 5,31 ± 0,05 mm.
4. A sincronização do eixo comando é
obtida quando o valor de elevação de
5,31 ± 0,05 é verificado nas seguintes
condições:
a. O furo marcado com duas marcas
(5) fique visível através da janela de
inspeção.
b. A ferramenta 99360612 (1), atra-
vés do alojamento (2) do sensor de
rotações do motor, fica encaixada
no furo (3) presente no volante do
motor (4).
108 / 155
Figura 182
Figura 183
Stralis / Motor Cursor 13 MR 2 2004-10-31
109 / 155
5. Caso não sejam obtidas as condições
anteriormente descritas e indicadas
nos pontos a e b, proceda conforme
segue:
- Solte os parafusos (2) que fixam a
engrenagem (1) ao eixo comando e
aproveite as ranhuras (1) presentes
na engrenagem (2) figura 185. Opere
de modo adequado no volante do
motor, a fim de obter as condições
indicadas nos pontos a e b, figura
183, considerando sempre que o
valor de elevação do came não sofra
alterações.
Aperte os parafusos (2) ao momento
prescrito e repita a verificação.
6. Quando a regulagem através das
ranhuras (1) não for suficiente para
corrigir a defasagem e o eixo comando
girar, por estar fixo à engrenagem (2),
o valor de referência da elevação do
came se modificará conseqüente-
mente, nesta situação proceda con-
forme segue:
- Verifique se os parafusos (2, figura
184) estão bloqueados.
Gire o volante do motor 1/2 volta no
sentido dos ponteiros do relógio.
Gire o volante do motor no sentido
contrário ao dos ponteiros do relógio
até obter no comparador o valor de
5,31 ± 0,05, correspondente à eleva-
ção do came do eixo comando.
Retire os parafusos (2, figura 184) e
remova a engrenagem (2) do eixo
comando.
Figura 184
Figura 185
Stralis / Motor Cursor 13 MR 2 2004-10-31
7. Gire novamente o volante até obter as
seguintes condições:
- Ranhura dupla (5) visível através
da janela inferior de inspeção.
- A ferramenta 99360612 (1) inserida
até o topo no alojamento do sensor
de rotações do motor (2) e (3).
Monte a engrenagem (2), figura 185,
com os quatro furos ranhurados cen-
trados em relação ao furo de fixação
do eixo comando, apertando os res-
pectivos parafusos com o momento
de aperto apropriado.
Verifique a sincronização do eixo,
fazendo girar primeiramente o
volante no sentido dos ponteiros do
relógio e posteriormente continue
girando no sentido contrário até que
o relógio comparador apresente o
valor de 5,31 ± 0,05 mm.
Verifique as condições de sincroniza-
ção ilustradas no item 4.
Sincronização da roda fônica
1. Nas condições de sincronização do
motor, verifique se o pino 99360613 (2)
está situado no dente marcado da roda
fônica (1). Caso contrário, afrouxe os
parafusos (3) e opere a roda fônica (1)
de maneira adequada. Posterior-
mente, aperte os parafusos (3) ao
momento prescrito.
110 / 155
Figura 186
Figura 187
Stralis / Motor Cursor 13 MR 2 2004-10-31
Regulagem da folga dos balancins de admissão e escape e pré-carga dos balan-
cins de comando dos injetores
111 / 155
1. A regulagem da folga entre os balan-
cins e as pontes de comando das vál-
vulas de admissão e escape, bem
como, a regulagem da pré-carga dos
balancins de comando dos injetores
devem ser efetuadas cuidadosamente.
Para efetuar a regulagem, posicione o
cilindro que será regulado em fase de
combustão. As válvulas deste cilindro
estarão fechadas, enquanto são equili-
bradas as válvulas dos cilindros simé-
tricos. Os cilindros simétricos são 1 - 6,
2 - 5 e 3 - 4.
Figura 188
Stralis / Motor Cursor 13 MR 2 2004-10-31
2. Proceda conforme descrito a seguir e
de acordo com as indicações da tabela
para efetuar as operações correta-
mente.
Regulagem da folga entre balan-
cins e pontes de comando das vál-
vulas de admissão e escape
- Afrouxe a porca de fixação (1) do
parafuso de regulagem utilizando
uma chave poligonal.
- Insira uma lâmina do calibre de lâmi-
nas (3).
- Rosqueie e desrosqueie o parafuso
de regulagem com uma chave ade-
quada.
- Certifique-se de que a lâmina do cali-
bre de lâminas (3) desliza com um
leve toque.
- Aperte a porca (1) mantendo imobili-
zado o parafuso de regulagem.
Pré-carga dos balancins de
comando dos injetores
- Afrouxe a porca de fixação do para-
fuso de regulagem do balancim (5)
de comando do injetor (6).
- Rosqueie o parafuso de regulagem
até posicionar o êmbolo no final do
curso, utilizando uma chave apropri-
ada (4).
- Aperte o parafuso de regulagem a um
momento de 5 Nm utilizando um tor-
químetro.
- Desrosqueie o parafuso de regula-
gem de 1/2 a 3/4 de volta.
- Aperte a porca de fixação a um
momento de 39 Nm.
Ordem de injeção: 1-4-2-6-3-5
Nota: Para efetuar corretamente as
regulagens anteriormente descritas,
siga a seqüência descrita na tabela,
verificando para cada fase de rotação
a exatidão do posicionamento medi-
ante a ferramenta 99360612.
Montagem dos agregados do motor
1. Monte a tampa do cabeçote (1), a
tampa (2) das engrenagens de distri-
buição e do blow-by.
Partida e
rotação no
sentido
dos pon-
teiros do
relógio
Balancim
válvulas
cilindro
nº
Regular a
folga das
válvulas
do cilindro
nº
Regular a
pré-carga
dos
injetores
do cilindro
nº
1-6 no
PMS
6 1 5
120º 3 4 1
120º 5 2 4
120º 1 6 2
120º 4 3 6
120º 2 5 3
112 / 155
Figura 189
Stralis / Motor Cursor 13 MR 2 2004-10-31
113 / 155
2. Monte o tubo de sucção e aperte os
parafusos de fixação ao momento
prescrito.
Posicione a junta de vedação (4) no
cárter de óleo (1) e o separador (3).
Monte o cárter no bloco do motor e os
parafusos de fixação (2).
Aperte os parafusos ao momento
especificado.
3. Monte e conecte os componentes
que seguem:
- Grupo termostato.
- Tensor de correia automático.
- Bomba d’água.
- Alternador.
- Correia de comando.
Esquema de montagem da correia de comando
do ventilador - bomba d’água - alternador
1. Alternador
2. Ventilador
3. Bomba d’água
4. Árvore de manivelas
- Volante amortecedor.
- Ventilador.
- Motor de partida.
- Bomba de combustível.
- Cubo da direção hidráulica.
- Filtro de combustível e tubos.
- Resistência de pré-aquecimento.
- Coletor de admissão.
- Intercambiador de calor.
- Filtros de óleo.
- Coletor de escape.
- Turbocompressor e respectivos
tubos de água e óleo.
- Tomada de força (TdF) e respectivos
tubos.
Nota: As porcas de fixação dos tubos
de água do sistema de arrefecimento e
de óleo para lubrificação do turbocom-
pressor devem ser apertados ao
momento de:
35 ± 5 Nm - porcas dos tubos d’água.
55 ± 5 Nm - porca fêmea do tubo de
óleo.
20 a 25 Nm - porca macho do tubo de
óleo.
Figura 190
Figura 191
Stralis / Motor Cursor 13 MR 2 2004-10-31
- Vareta do nível de óleo.
- Conexões elétricas e sensores.
- Monte o tensor de correia automá-
tico do compressor do ar condicio-
nado e a correia de comando.
Esquema de montagem da correia de
comando do compressor
1. Árvore de manivelas
2. Compressor do ar condicionado
4. Monte as correias (1 e 3) utilizando fer-
ramentas adequadas (2 e 4) nos ten-
sores de correias, conforme indicado
pelas setas.
Nota: Os tensores de correias são do
tipo automático, motivo pelo qual não
estão previstas regulagens posteri-
ores à montagem.
114 / 155
Figura 192
Figura 193
Stralis / Motor Cursor 13 MR 2 2004-10-31
Instalação do motor
Vista do lado de escape do motor (lado do condutor)
115 / 155
Figura 194
Stralis / Motor Cursor 13 MR 2 2004-10-31
116 / 155
1. Instale o balancim 99360585 em uma
talha e no motor.
2. Monte cuidadosamente o motor de seu
compartimento, evitando possíveis
contatos com as partes restantes que
estão fixas ao chassi.
3. Monte em ambos os lados os parafu-
sos dianteiros (7) e traseiros (13) de
fixação do suporte do motor.
4. Monte o suporte da alavanca de
mudanças (16) do motor e os parafu-
sos (15).
5. Conecte o tubo de escape (12) e
aperte a braçadeira metálica (11).
6. Monte o tubo de admissão de ar (1) e
os parafusos (9). Conecte o tubo de
admissão de ar (1) na mangueira (5),
no tubo de recuperação de vapores de
óleo (14) e na mangueira flexível (10).
7. Conecte os tubos do líquido de arrefe-
cimento (6) e (8) do motor.
8. Conecte os tubos de gás (3) e aperte a
braçadeira (2).
9. Conecte a mangueira de ar (4).
Stralis / Motor Cursor 13 MR 2 2004-10-31
Vista inferior do motor
117 / 155
10. Posicione o compressor (11) no
suporte do motor (10) e fixe-o com os
parafusos (9).
11. Conecte o tubo do líquido de arrefeci-
mento (2) e o tubo (5) na mangueira
(8).
12. Fixe as braçadeiras (1) e (6) e ligue
as conexões elétricas do compressor.
13. Conecte o tubo do líquido de arrefeci-
mento (3) no motor e no radiador.
Figura 195
Stralis / Motor Cursor 13 MR 2 2004-10-31
Vista do lado da admissão do motor
118 / 155
Figura 196
Stralis / Motor Cursor 13 MR 2 2004-10-31
119 / 155
14. Conecte o chicote principal conforme
segue:
- Monte o chicote principal (10) no
tubo de admissão do motor (12).
Aperte a braçadeira (13).
- Ligue as conexões elétricas (14) do
alternador (15).
- Ligue as conexões elétricas (7) do
motor de partida (6).
- Conecte o cabo massa (9).
- Acople o conector inferior (8) da
central eletrônica (11), procedendo
conforme segue:
a. Encaixe o dente guia.
b. Encaixe o conector na central.
c. Abaixe a alavanca de segurança.
- Ligue o conector superior (5) na
central eletrônica (11).
- Ligue a conexão elétrica (3) no
reservatório da direção hidráulica
(4).
- Monte os parafusos (1) e o suporte
completo para botões de partida e
desligamento do motor (2).
- Conecte o chicote (10) no cabo do
motor através do conector (16).
Stralis / Motor Cursor 13 MR 2 2004-10-31
120 / 155
Figura 197
Stralis / Motor Cursor 13 MR 2 2004-10-31
121 / 155
15. Conecte a mangueira (12) da admis-
são do motor.
16. Conecte os tubos do líquido de
arrefecimento (15) e (16).
17. Conecte o tubo (14) do compressor
de ar e da união (1) e aperte a braça-
deira (3).
18. Conecte o tubo (6) no compressor de
ar e no tubo (17) do coletor de admis-
são e aperte a braçadeira (3).
19. Conecte o tubo (5) do compressor de
ar.
20. Conecte o tubo de ar (13) no filtro da
turbina.
21. Conecte o tubo (4) da bomba de com-
bustível.
22. Conecte o tubo (10) no reservatório
da direção hidráulica (11) e o tubo (8)
na bomba da direção hidráulica (9).
23. Monte os parafusos de fixação (7) e o
suporte de ancoragem da cabina (2).
24. Instale a caixa de mudanças do
motor, conforme descrito no módulo
correspondente.
25. Conecte as baterias montando os
cabos elétricos ou fechando o inter-
ruptor geral de corrente.
26. Aperte todas as porcas e parafusos
ao momento prescrito.
27. Abasteça o motor com a quantidade
de óleo prescrita.
Stralis / Motor Cursor 13 MR 2 2004-10-31
Abastecimento do sistema de
arrefecimento
Operações preliminares
Para veículos equipados somente com o
sistema de calefação básico ou climatiza-
ção manual.
- Abra a torneira do líquido de arrefeci-
mento situada no painel de instrumen-
tos.
Para veículos equipados com o sistema
de climatização automática.
- Coloque o comando da temperatura da
cabina na posição HI.
Para veículos equipados com calefator
adicional.
- O calefator não deve ser ativado.
Operações
- Coloque uma folha de papelão entre o
radiador do líquido de arrefecimento e o
radiador intercooler, para diminuir o
tempo necessário para alcançar a tem-
peratura de funcionamento do motor
(aproximadamente 90ºC).
Advertências:
. As operações de abastecimento devem
ser efetuadas com o motor frio.
. A tampa (1) não deve ser retirada por
nenhum motivo. Para evitar a formação
de bolhas de ar no sistema, o líquido
deve ser drenado lentamente (fluxo de
aproximadamente 8 litros/minuto).
. Para os veículos equipados com calefa-
tor adicional, o percentual de glicol pre-
sente no líquido de arrefecimento não
deve superar a 50% do volume.
- Retire a tampa 2 do reservatório de
expansão (3).
- Introduza o líquido de arrefecimento no
reservatório de expansão (3) até abas-
tecê-lo por completo.
Drenagem de ar do sistema
Nota: Para veículos equipados com
calefator adicional.
. Ative o calefator.
- Ligue o motor e mantenha-o em um
regime de rotação um pouco superior
ao de marcha lenta por aproximada-
mente 5 minutos.
Nota: Se durante os primeiros minutos o
reservatório de expansão esvaziar por
completo, desligue o motor e efetue o
abastecimento novamente com uma
velocidade inferior a antecedente.
Religue o motor.
122 / 155
Figura 198
Stralis / Motor Cursor 13 MR 2 2004-10-31
123 / 155
- Após 5 minutos de funcionamento, res-
tabeleça eventualmente o nível do
líquido de arrefecimento através do
reservatório de expansão.
- Monte a tampa (2) do reservatório de
expansão (3).
- Coloque o motor em regime de rotação
máximo para que o líquido de arrefeci-
mento alcance rapidamente a tempera-
tura de abertura do termostato
(aproximadamente 90ºC) e mantenha-o
desta maneira até obter uma drenagem
completa do ar presente no sistema.
Isto pode ser controlado verificando a
ausência de espuma e bolhas de ar no
reservatório.
O tempo máximo necessário para se
obter a completa drenagem de ar do
sistema é de aproximadamente 15
minutos, desde o momento de abertura
do termostato (início de abertura 85º ±
2ºC).
Advertências:
- Não remova a tampa (2) do reservatório
de expansão até que o líquido de arre-
fecimento do sistema não tenha esfri-
ado por completo.
- Qualquer abastecimento somente deve
ser efetuado com o motor frio, para:
. Eliminar o risco de queimaduras no
operador.
. Evitar danos no motor, pois a pressuri-
zação do sistema de arrefecimento se
verifica somente com o aquecimento
do líquido a partir do motor frio.
Stralis / Motor Cursor 13 MR 2 2004-10-31
Drenagem de ar do sistema de alimentação
124 / 155
Figura 199
- Antes de desligar o motor efetue a
drenagem de ar do sistema de alimen-
tação através dos parafusos de drena-
gem que seguem em um recipiente
apropriado.
. Parafuso de drenagem (1) situado no
suporte do pré-filtro.
. Parafuso de drenagem (2) situado no
suporte do filtro.
. Parafuso de drenagem (4) situado na
parte dianteira do cabeçote.
a. Afrouxe o parafuso de drenagem (1) e
acione o comando manual (3) da
bomba de alimentação até a completa
saída do ar presente no sistema, ou
até que o combustível saia sem bolhas
de ar. Aperte novamente o parafuso
(1).
b. Repita a operação para o parafuso (2).
c. Repita a operação para o parafuso (4).
Nota: Certifique-se de que não ocorra o
derramamento de combustível sobre a
correia de comando do alternador, da
bomba d’água, etc.
Stralis / Motor Cursor 13 MR 2 2004-10-31
125 / 155
Verificação e controles finais
Ligue o motor e deixe-o em movimento
num regime de rotações pouco superior
ao mínimo e aguarde que a temperatura
do líquido de arrefecimento alcance o
valor de abertura da válvula termostática.
Em seguida, certifique-se de que:
- Não existam vazamentos de água nos
pontos de união das mangueiras do cir-
cuito de arrefecimento do motor e de
aquecimenmto interno da cabina. Caso
necessário, reaperte-os.
- Não existam vazamentos de óleo entre
a tampa e o cabeçote, entre o cárter do
motor e o bloco, entre o filtro de óleo e
sua sede, entre o intercambiador de
calor e o bloco, e entre os vários tubos
do circuito de lubrificação.
- As luzes de advertência do painel de
instrumentos e as luzes dos compo-
nentes que foram desligadas na
remoção do motor não apresentam
anomalias.
- Não existam vazamentos de ar através
dos tubos conectados aos compo-
nentes pneumáticos que tenham sido
desmontados.
Stralis / Motor Cursor 13 MR 2 2004-10-31
No circuito de lubrificação estão instalados o intercambiador de calor e dois filtros de
óleo.
Seção da bomba de óleo
126 / 155
SEÇÃO
Figura 201
Lubrificação
A lubrificação é de circulação forçada,
obtida através de bombas de engre-
nagens.
A bomba é acionada através da engrena-
gem (1) pela engrenagem da árvore de
manivelas (2).
Figura 200
Stralis / Motor Cursor 13 MR 2 2004-10-31
Circuito de lubrificação
127 / 155
No corpo do intercambiador de calor
estão instaladas a válvula by-pass com
pressão de abertura de 3 bar e a válvula
termostática que é acionada quando se
supera a temperatura de 82,5ºC.
Figura 202
Figura 203
Percurso de retorno de óleo
Percurso do óleo sob pressão
Detalhe A
Eletroválvula do freio-motor
com pistão de comando do
freio-motor do 4º cilindro
B - aos cilindros 1 - 2 - 3
C - ao cilindro 4
D - aos cilindros 5 - 6
Stralis / Motor Cursor 13 MR 2 2004-10-31
Intercambiador de calor
Seção do intercambiador de calor
Válvula by-pass Válvula termostática
Pressão de atuação de 2 bar Temperatura de atuação 82 ± 2ºC
128 / 155
Figura 204
Figura 205 Figura 206
Stralis / Motor Cursor 13 MR 2 2004-10-31
Filtro de óleo do motor
Consiste em uma nova geração de filtros
que permitem filtrar de maneira mais efi-
ciente, pois estão em condições de reter
uma maior quantidade de partículas com
dimensões muito mais reduzidas do que
as partículas retidas pelos filtros conven-
cionais com parede filtrante de papel.
Enrolamento externo de espiral
Os elementos filtrantes estão estreita-
mente envolvidos por um espiral, a fim de
que cada dobra fique firmemente fixa ao
espiral em relação a outras.
Ele permite o uso uniforme das paredes,
inclusive nas condições mais severas,
como por exemplo: nas partidas a frio
com fluidos de elevada viscosidade. Além
disto, ele garante uma distribuição uni-
forme do fluxo através de todo compri-
mento do elemento filtrante, com a
conseqüente otimização da perda de
carga e de sua vida útil no serviço.
Suporte
Para otimizar a distribuição do fluxo e a
rigidez do elemento filtrante, este filtro
está composto de um suporte exclusivo
constituído por uma robusta rede de
náilon e por material sintético de elevada
resistência.
Parede filtrante
Composto de fibras inorgânicas inertes
ligadas através de resina de fabricação
exclusiva a uma estrutura com poros de
tamanho escalar. A parede é fabricada
exclusivamente aplicando procedimen-
tos de precisão e efetuando rigorosos
controles de qualidade.
Resistência
Uma firme parede filtrante e uma robusta
rede de náilon conferem maior resistên-
cia, especialmente durante as partidas a
frio e para períodos prolongados de uso.
O fluxo do filtro permanece constante e
confiável durante toda sua vida útil e
entre elemento e elemento, independen-
temente de variações nas condições de
serviço.
Partes estruturais
As juntas onde está montado o elemento
filtrante garantem uma perfeita estan-
queidade entre o mesmo e a carcaça,
eliminando os riscos de vazamento e
mantendo constante o fluxo do filtro.
Base resistente à corrosão e um robusto
núcleo metálico interno completam a
estrutura do elemento filtrante.
A adoção destes dispositivos de elevada
filtração, até o momento utilizados
somente em processos industriais, per-
mite:
- Retardar o desgaste dos componentes
do motor.
- Conservar o fluxo e as características
do óleo e reduzir, por conseqüência, a
freqüência de troca.
Figura 207
129 / 155
Stralis / Motor Cursor 13 MR 2 2004-10-31
Sistema de arrefecimento
Arrefecimento de circulação forçada
obtido através de uma bomba centrífuga
(1), acionada pela árvore de manivelas
mediante a correia tipo Poli-V.
A circulação d’água é controlada pelo ter-
mostato.
O radiador é do tipo vertical.
Bomba d’água
Seção da bomba d’água
A bomba d’água está constituída pelo rotor,
rolamento e polia de comando
Nota: Certifique-se de que o corpo da
bomba não possua sinais de engripa-
mento ou vazamento de água. Caso con-
trário, substitua a bomba d’água.
Verifique o funcionamento do termostato
e substitua-o, caso necessário.
Esquema de funcionamento do ter-
mostato
Água em circulação no motor
Água na saída do termostato
130 / 155
Figura 210
Figura 211
Figura 212
Figura 208
Para o
reservatório
de expansão
Para o
reservatório
de expansão
Até o radiador
Desde o motor
Desde o motor Até o
by-pass
Até o
by-pass
Figura 209
Stralis / Motor Cursor 13 MR 2 2004-10-31
Circuito de arrefecimento
131 / 155
Figura 213
Água na saída do termostato
Água em circulação no motor
Água na entrada da bomba
Stralis / Motor Cursor 13 MR 2 2004-10-31
Holset HX 50W (turbina Wastegate)
132 / 155
Válvula limitadora de pressão
Controle e regulagem da válvula limita-
dora de pressão.
1. Desmonte a turbina do motor e fixe-a
em uma morsa.
2. Desconecte o tubo de ar (1) do
comando do acionador (2) utilizando
uma ferramenta adequada.
3. Instale o aparelho 99309002 no acio-
nador e aplique uma variação de
pressão de 0 a 3 bar para verificar o
deslocamento da haste de comando
(2).
Figura 214
Figura 215
Figura 216
Stralis / Motor Cursor 13 MR 2 2004-10-31
133 / 155
4. Caso o acionador esteja bloqueado,
desconecte a haste da turbina reti-
rando o anel trava (2).
Aplique uma pequena pressão ao
acionador (1) para verificar se a haste
está bloqueada.
Em caso positivo, substitua o aciona-
dor. Caso contrário, a causa do não
funcionamento deve ser atribuída ao
mecanismo interno da turbina.
5. Remova os parafusos e retire a tampa
(1) para inspecionar o mecanismo da
turbina pilotado pelo acionador.
6. Certifique-se de que através do furo de
inspeção (2) que o comando (1) da
haste interna não apresenta endureci-
mento ou agarramentos.
Nestes casos efetue a lubrificação e se
a anomalia não for eliminada, substi-
tua a turbina.
Figura 217
Figura 218
Figura 219
Stralis / Motor Cursor 13 MR 2 2004-10-31
Alimentação
A alimentação é obtida através da bomba de alimentação, filtro e pré-filtro de combustí-
vel e seis bicos injetores, acionados pelo eixo comando de válvulas através dos balan-
cins e da central eletrônica.
1. Válvula para circuito de retorno - início da abertura 0,2 bar
2. Válvula para circuito de retorno - início da abertura 3,5 bar
134 / 155
Circuito de retorno
Circuito de alimentação
Figura 220
Stralis / Motor Cursor 13 MR 2 2004-10-31
Injetor-bomba
O injetor-bomba é formado por:
- Êmbolo
- Pulverizador
- Eletroválvula
Injetor-bomba
1. Anel de vedação combustível/óleo
2. Anel de vedação combustível/gases/óleo
3. Anel de vedação combustível/gases de escape
Êmbolo
O êmbolo é acionado por um balancim
comandado diretamente pelo excêntrico
do eixo comando de válvulas.
O êmbolo garante a alta pressão de
abastecimento, com curso de retorno
obtido mediante mola de retração.
Pulverizador
As concessionárias estão autorizadas a
efetuarem somente a diagnose do
sistema de injeção e não podem reparar
o injetor-bomba e tão somente substituí-
lo caso necessário.
Um programa específico de diagnose
presente na central eletrônica gerencia o
funcionamento de cada injetor (desativa
um por vez e controla o fluxo dos outros
cinco).
A diagnose permite distinguir defeitos de
origem elétrica daqueles de origem
mecânica/hidráulica, além de indicar os
injetores-bomba que estão danificados.
Portanto, é necessário interpretar correta-
mente todas as mensagens de erros
diagnosticadas pela central.
Os defeitos nos injetores têm como única
solução a substituição dos mesmos.
Eletroválvula
A solenóide, que se excita em cada fase
ativa do ciclo, através de um sinal prove-
niente da central, comanda uma válvula
de gaveta que intercepta a tubulação de
envio do êmbolo.
Enquanto a solenóide não é excitada, a
válvula permanece aberta e o combus-
tível é bombeado, porém retorna pela
respectiva tubulação, com pressão nor-
mal de trabalho de aproximadamente 5
bar.
Com a solenóide excitada, a válvula se
fecha e o combustível, não podendo
entrar na tubulação de retorno, é bom-
beado no pulverizador de alta pressão,
provocando a elevação da agulha.
A quantidade de combustível injetada
depende do tempo de fechamento da vál-
vula de gaveta e, portanto, da duração da
excitação da solenóide.
A eletroválvula está unida ao corpo do
injetor e não pode ser desmontada.
Na parte superior se encontram dois
parafusos para a fixação dos cabos elétri-
cos provenientes da central eletrônica de
comando.
Para garantir a transmissão do sinal,
aperte os parafusos a um momento de
1,36 a 1,92 Nm com um torquímetro
apropriado.
Figura 221
135 / 155
Stralis / Motor Cursor 13 MR 2 2004-10-31
Substituição dos injetores-bomba
A substituição dos injetores deve ser efet-
uada cuidadosamente (para efetuar a
desmontagem verifique o procedimento
descrito neste módulo).
Nota: Caso a substituição seja feita com
o motor instalado no veículo, antes de
efetuar a desmontagem dos injetores-
bomba, drene o combustível presente
nas tubulações do cabeçote de cilindros,
desenroscando as porcas de abasteci-
mento e retorno do mesmo.
Com relação a cada injetor substituído,
conecte o instrumento para diagnose e
quando for solicitado pelo programa,
introduza o código gravado no injetor
para a reprogramação da central.
Nota: Ao efetuar o controle da folga dos
balancins é importante verificar também a
pré-carga do injetor-bomba.
Fases do injetor
Fase de abastecimento
1. Válvula de combustível
2. Êmbolo
3. Descarga de combustível
4. Canal de abastecimento e refluxo
Durante a fase de abastecimento o
êmbolo (2) desliza até a posição superior.
Depois de passar o ponto mais alto do
came, o rolamento do balancim se apro-
xima ao aro base do came.
A válvula (1) está aberta e, portanto, o
combustível pode entrar no injetor pelo
canal inferior (4) do cabeçote.
O enchimento continua até que o êmbolo
alcance sua posição final de curso supe-
rior.
136 / 155
Figura 222
Figura 223
Stralis / Motor Cursor 13 MR 2 2004-10-31
137 / 155
Fase de injeção
1. Válvula de combustível
2. Êmbolo
3. Descarga de combustível
4. Canal de abastecimento e refluxo
A injeção começa em um determinado
momento da fase de descida do êmbolo,
quando a eletroválvula é excitada e a vál-
vula de combustível (1) se fecha.
O instante de início do envio, adequada-
mente controlado pela central eletrônica,
pode variar em função das condições
operativas do motor. O came continua
empurrando o êmbolo (2) através do
balancim e a injeção prossegue enquanto
a válvula de combustível (1) permanece
fechada.
Fase de redução da pressão
1. Válvula de combustível
2. Êmbolo
3. Descarga de combustível
4. Canal de abastecimento e refluxo
A injeção pára quando a válvula de com-
bustível (1) se abre, em um determinado
momento do curso descendente do
êmbolo, como conseqüência da exci-
tação da eletroválvula.
O combustível flui através da válvula (1)
aberta, dos furos do injetor e do canal (4)
do cabeçote de cilindros.
O tempo no qual a eletroválvula per-
manece excitada, adequadamente con-
trolada pela central eletrônica,
corresponde à duração da injeção (fluxo)
e varia em função das condições operati-
vas do motor.
Figura 224
Figura 225
Stralis / Motor Cursor 13 MR 2 2004-10-31
Tomada de força Hydrocar na distribuição (opcional)
Se trata de uma tomada de força do tipo de um eixo, com movimento de engrenagens e
acoplamento de embreagem, que toma o movimento das engrenagens de distribuição
independente da embreagem do veículo. Pode ser utilizada com o veículo parado ou
em marcha e, para uso contínuo, pode ser conectada ou desconectada com o motor
funcionando.
A tomada de força está disponível nas versões para conexão direta de bombas ou com
flange para árvore de transmissão.
A. Conexão de bombas ISO (opcional 5367) - B. Conexão com flange DIN 10 (opcional 6366)
138 / 155
Figura 226
Stralis / Motor Cursor 13 MR 2 2004-10-31
Características e dados
Tomada de força com conexão a bomba ISO 4 furos (opcional 5367)
Tomada de força com conexão a flange DIN 10 furos (opcional 6366)
Nota: Para o torque máximo permitido de 600 Nm, o regime do motor não deve ser infe-
rior a 1.200 rpm.
Peso (com conexão a flange) 13 kg
Peso (com conexão a bomba) 16 kg
Relação de transmissão até TdF (tomada de força) 1/1,14
Sentido de rotação Oposto ao do motor
Comando Pneumático
Torque disponível contínuo máximo 600 Nm
139 / 155
Figura 227
Figura 228
Stralis / Motor Cursor 13 MR 2 2004-10-31
140 / 155
Conexão da tomada de força
Colocando o comando “A” na posição “1”, o ar que chega ao ponto “1”, passando
através do distribuidor “B” e do ponto “2”, alimenta a embreagem da tomada de força
“C”, permitindo deste modo a passagem do movimento das engrenagens de distribuição
até a tomada de força.
Durante esta fase o comando “A” permanece bloqueado na posição “1”.
Ao desconectar a tomada de força, girando em sentido oposto, o comando é bloqueado
e retorna automaticamente à posição “0”.
Figura 229
Stralis / Motor Cursor 13 MR 2 2004-10-31
141 / 155
Desconexão e reconexão da tomada
de força
Desconecte a porca (1) do tubo de abas-
tecimento de óleo e a porca (2) do tubo
de ar de comando do acoplamento de
fricção.
Solte os oito parafusos de fixação (3) e
retire a tomada de força (4).
Nota: Efetue a reconexão na ordem e
sentido inverso das operações anterio-
res, apertando os parafusos de fixação
ao momento prescrito.
Para reconectar a tomada de força (tanto
para os casos de substituição da tomada
como no caso de reutilização da tomada
removida) é necessário substituir a junta.
Enquanto as tomadas de força não são
fornecidas com placas indicadoras da
cota necessária para calcular a espes-
sura correta da junta, é necessário mon-
tar em sobreposição juntas de 1 ± 0,5
mm, incluídas no kit de reposição. Isto é
necessário para que as engrenagens se
engrenem corretamente.
Próximo à tomada de força será fixada
uma placa indicando uma cota que,
somada àquela gravada no volante e
usando uma tabela específica, permitirá
calcular exatamente o tipo de junta a ser
usada.
Figura 230
Stralis / Motor Cursor 13 MR 2 2004-10-31
142 / 155
Momentos de aperto
Denominação
Momentos
de aperto
Parafusos de fixação do bloco inferior ao principal
(figura 151) *
- Parafusos externos M12 x 1,75
- Parafusos internos M18 x 2
- Parafusos internos
- Parafusos internos
- Parafusos internos
1ª fase: pré-aperto
2ª fase: pré-aperto
3ª fase: aperto angular
4ª fase: aperto angular
5ª fase: aperto angular
30 Nm
120 Nm
60º
55º
60º
Parafusos de fixação dos bicos de arrefecimento do pistão * 35 ± 2 Nm
Parafusos de fixação do intercambiador de calor ao bloco
(figura 7) *
Pré-aperto
Aperto
11,5 ± 3,5 Nm
19 ± 3 Nm
Parafusos de fixação do tubo de sucção de óleo * 24,5 ± 2,5 Nm
Parafusos de fixação do separador do cárter de óleo (figura 236)
Pré-aperto
Aperto
38 Nm
45 Nm
Parafusos de fixação do cabeçote de cilindros (figura 232)
1ª fase: pré-aperto
2ª fase: pré-aperto
3ª fase: aperto angular
4ª fase: aperto angular
parafusos: 4-5-12-20-21
5ª fase: aperto angular
parafusos: 1-2-3-6-7-8-
9-10-11-13-14-15-16-17-
18-19-22-23-24-25-26
60 Nm
120 Nm
90º
45º
65º
Parafusos de fixação do eixo dos balancins
1ª fase: pré-aperto
2ª fase: aperto angular
100 Nm
60º
Contraporca para parafuso de regulagem dos balancins * 39 ± 5 Nm
Parafusos para elementos de fixação dos injetores * 26 Nm
Parafusos de fixação da tampa plástica * 8,5 ± 1,5 Nm
Parafusos de fixação da placa de reforço do cabeçote * 19 ± 3 Nm
Stralis / Motor Cursor 13 MR 2 2004-10-31
Denominação
Momentos
de aperto
Parafusos de fixação do elemento do suporte do motor no
cabeçote de cilindros *
1ª fase: pré-aperto
2ª fase: aperto angular
120 Nm
45º
Parafusos de fixação da carcaça de distribuição ao bloco do
motor M12 x 1,75 (figura 237) *
63 ± 7 Nm
Parafusos de fixação da central ao bloco * 24 ± 2,5 Nm
Parafusos de fixação do elemento do suporte do motor ao cárter
1ª fase: pré-aperto
2ª fase: aperto angular
100 Nm
60º
Parafusos de fixação da engrenagem do eixo comando de vál-
vulas *
1ª fase: pré-aperto
2ª fase: aperto angular
60 Nm
60º
Parafusos de fixação da roda fônica na engrenagem da distri-
buição
8,5 ± 1,5 Nm
Parafusos de fixação do coletor de escape (figura 233) **
Pré-aperto
Aperto
32,5 Nm
45 Nm
Parafusos de fixação do cilindro acionador do freio-motor * 19 Nm
Parafusos de fixação do volante do motor *
1ª fase: pré-aperto
2ª fase: aperto angular
3ª fase: aperto angular
120 Nm
60º
60º
Parafusos de fixação do amortecedor de vibrações *
1ª fase: pré-aperto
2ª fase: aperto angular
70 Nm
50º
Parafusos de fixação dos mancais das engrenagens inter-
mediárias *
1ª fase: pré-aperto
2ª fase: aperto angular
30 Nm
90º
Parafusos de fixação do suporte para regulagem da engrena-
gem intermediária
24,5 ± 2,5 Nm
Parafusos de fixação da bomba de óleo 24,5 ± 2,5 Nm
Parafusos de fixação da tampa dianteira da árvore de manivelas 24,5 ± 2,5 Nm
143 / 155
Stralis / Motor Cursor 13 MR 2 2004-10-31
144 / 155
Denominação
Momentos
de aperto
Parafusos de fixação do suporte do filtro/bomba de combustível 19 Nm
Parafusos de fixação do suporte da central eletrônica 19 ± 3 Nm
Parafusos e porca de fixação do turbocompressor (figura 234) **
1ª fase: pré-aperto
2ª fase: aperto
35 Nm
46 Nm
Parafusos de fixação do termostato 19 ± 3 Nm
Parafusos de fixação da bomba d’água 25 Nm
Parafusos de fixação do cubo do ventilador ao separador 30 Nm
Parafusos de fixação do separador à polia 30 Nm
Parafusos de fixação do suporte do ventilador ao bloco 100 Nm
Parafusos de fixação do tensor de correia automático ao ar
condicionado
26 ± 3 Nm
Parafusos de fixação do tensor de correia automático ao suporte
do alternador
50 ± 5 Nm
Parafusos de fixação da polia fixa para correia do comando dos
órgãos auxiliares ao bloco
105 ± 5 Nm
Parafusos de fixação do motor de partida 74 ± 4 Nm
Parafusos de fixação do aquecedor de ar 30 ± 3 Nm
Parafusos de fixação do compressor de ar 74 ± 4 Nm
Porca de fixação da engrenagem de comando do compressor
de ar *
170 ± 10 Nm
Parafusos de fixação do alternador
M10 x 1,5
M10 x 1,5
L = 35 mm
L = 60 mm
30 ± 3 Nm
44 ± 4 Nm
Parafusos de fixação da bomba hidráulica 46,5 ± 4,5 Nm
Parafusos de fixação do climatizador ao suporte 24,5 ± 2,5 Nm
Parafusos de fixação da proteção 24,5 ± 2,5 Nm
Fixação do sensor de obstrução ao filtro 55 ± 5 Nm
Fixação do sensor de temperatura do líquido de arrefecimento/
combustível
35 Nm
Fixação do transmissor/interruptor termométrico 25 Nm
Fixação do transmissor de temperatura do ar 35 Nm
Stralis / Motor Cursor 13 MR 2 2004-10-31
145 / 155
Denominação
Momentos
de aperto
Fixação do transmissor de impulsos 8 ± 2 Nm
Fixação das conexões ao injetor 1,36 ± 1,92 Nm
Fixação da eletroválvula do freio-motor 32 Nm
* Antes de efetuar a montagem, lubrifique com óleo UTDM.
** Antes de efetuar a montagem, lubrifique com óleo grafitado.
Stralis / Motor Cursor 13 MR 2 2004-10-31
146 / 155
Esquemas de aperto dos principais componentes do motor
Seqüência de aperto dos parafusos de fixação do bloco inferior
Figura 231
Parte dianteira
Parte dianteira
Parte dianteira
Parte dianteira
Parte dianteira
Primeira fase:
Pré-aperto dos
parafusos
externos
30 Nm
Segunda fase:
Pré-aperto dos
parafusos
internos
120 Nm
Terceira fase:
Aperto angular
dos parafusos
internos
60º
Quarta fase:
Aperto angular
dos parafusos
internos
55º
Quinta fase:
Aperto angular
dos parafusos
externos
60º
Stralis / Motor Cursor 13 MR 2 2004-10-31
147 / 155
Seqüência de aperto dos parafusos de fixação do cabeçote de cilindros
Seqüência de aperto dos parafusos de fixação do coletor de escape
Seqüência de aperto dos parafusos e porcas de fixação do turbocompressor ao coletor de escape
Figura 232
Figura 233
Figura 234
Stralis / Motor Cursor 13 MR 2 2004-10-31
148 / 155
Seqüência de aperto dos parafusos de fixação do intercambiador de calor
Seqüência de aperto dos parafusos de fixação do cárter ao bloco
Figura 235
Figura 236
Stralis / Motor Cursor 13 MR 2 2004-10-31
149 / 155
Seqüência de aperto dos parafusos de fixação do bloco à carcaça de distribuição
Ordem de aperto:
10 parafusos M12 x 1,75 x 100
2 parafusos M12 x 1,75 x 70
4 parafusos M12 x 1,75 x 35
1 parafuso M12 x 1,75 x 120
2 parafusos M12 x 1,75 x 193
Figura 237
Stralis / Motor Cursor 13 MR 2 2004-10-31
150 / 155
Momentos de aperto - Tomada de força
* Aplique Loctite 275.
Item Denominação Momentos de aperto
1 Parafuso de cabeça M10 x 1,5 x 120 53 ± 2,7 Nm
2 Parafuso de cabeça M10 x 1,5 x 120 53 ± 2,7 Nm
3 Parafuso M10 x 1,5 x 150 53 ± 2,7 Nm
4 Parafuso de fixação do flange DIN 140 ± 5 Nm
5 Porca de fixação da bomba 85 ± 5 Nm
6 Parafuso de fixação do flange da bomba 115 ± 5 Nm
Figura 238
Stralis / Motor Cursor 13 MR 2 2004-10-31
Ferramentas especiais
Desenho da
ferramenta
Número da
ferramenta
Denominação
99305047 Dinamômetro para controlar a carga de molas
99309002 Ferramenta para teste do turbo
99340054
Ferramenta para remoção da junta posterior do eixo
do motor
99340553 Extrator do retentor dianteiro
99342149 Extrator para porta-injetor
99346250
Ferramenta para montagem do retentor dianteiro da
árvore de manivelas
99346251
Ferramenta para montagem do retentor traseiro da
árvore de manivelas
99360143
Batedor para instalação do guia de válvula (usar com
99360299)
99360144
Ferramenta de retenção das sapatas dos parafusos
de regulagem dos braços oscilantes
99360180
Tampões para proteção dos alojamentos dos inje-
tores
151 / 155
Stralis / Motor Cursor 13 MR 2 2004-10-31
99360184 Alicate para anéis de pistões (remover)
99360261
Ferramenta para desmontagem e montagem das vál-
vulas do motor
99360263
Disco para desmontagem e montagem das válvulas
do motor (usar com 99360261)
99360296
Ferramenta para montagem da guia de válvula (usar
com 99360143)
99360299
Luva para instalação do guia de válvula (usar com
99360143)
99360314 Chave para soltar filtro de óleo
99360321 Ferramenta para girar o volante do motor
99360325 Separador (usar com 99360321)
99360329
Introdutor para montagem do retentor sobre guia de
válvula
99360334
Ferramenta de compressão para medir a saliência da
camisa (usar com 99370415 e 99395603)
152 / 155
Stralis / Motor Cursor 13 MR 2 2004-10-31
99360351 Trava do volante do motor
99360499
Ferramenta para desmontagem e montagem dos
casquilhos do comando de válvulas
99360500 Ferramenta para levantar árvore de manivelas
99360553
Ferramenta de encaixar e instalar os balancins (usar
com 99360144)
99360585 Ferramenta para levantar o motor
99360605 Cinta para anéis de pistões
99360612 Ferramenta para colocar o PMS do motor
99360613
Ferramenta para colocação em fase da roda fônica
do comando de válvulas
99360703 Ferramenta para travar as camisas de cilindros
99360706
Ferramenta para remover as camisas de cilindros
(usar com 99360728)
153 / 155
Stralis / Motor Cursor 13 MR 2 2004-10-31
99360728 Anel 135 mm (usar com 99360706)
99365056 Ferramenta para ajuste da luva do porta-injetor
99370415 Base para relógio comparador
99390330 Alargador para retífica da guia de válvulas
99390722 Punção de aço 150 x 5 mm
99390804
Ferramenta para rosquear e remover a luva do porta-
injetor (usar com 99390805)
99390805 Casquilho de guia (usar com 99390804)
99394015
Casquilho de guia (usar com 99394041 ou
99394043)
99394041
Fresa para retificar o assento do apoio do injetor
(usar com 99394015)
99394043
Fresa para retificar a parte inferior da luva do porta-
injetor (usar com 99394015)
154 / 155
Stralis / Motor Cursor 13 MR 2 2004-10-31
99395216 Chave para torque angular
99395219
Calibre para determinação da medida entre a árvore
de distribuição e a engrenagem
99395363 Ferramenta para verificar paralelismo da biela
99395603 Relógio comparador (0 - 5 mm)
99395687 Súbito
99396035
Anel de centragem da tampa da junta anterior do eixo
do motor
Genérica Extrator universal
Genérica Torquímetro
Genérica Torquímetro de relógio
155 / 155
Conjunto de
Ferramentas

Iveco

  • 1.
    Manual de Reparações MR 22004-10-31 Stralis Motor Cursor 13 Motor Cursor 13 Descrição de Reparações
  • 2.
    Stralis / MotorCursor 13 MR 2 2004-10-31 Índice Especificação técnica 7 Curvas características 8 Características gerais 9 Dados técnicos de montagem 12 Diagnose 18 Blink-Code 18 Procedimento de controle e identificação de falhas 18 Procedimento para cancelar a memória de falhas desde o posto de condução 19 Tabela Blink-Code EDC MS 6.2 20 Instrumentos para diagnose 22 Diagnose de nível superior 22 Diagnose de nível avançado 23 Guia para localização de falhas 24 Localização de falhas com Blink-Code 25 Diagnose de falhas de acordo com os sintomas 32 Vistas do motor 37 Remoção do motor 40 Desmontagem do motor 46 Substituição da engrenagem de acionamento da distribuição e da bomba de óleo 55 Inspeções: Bloco do motor e camisas de cilindros 56 Substituição das camisas de cilindros 59 Inspeções: Árvore de manivelas 61 Raios de concordância da árvore de manivelas 63 Tabela para preenchimento das medidas dos munhões e moentes da árvore de manivelas 63 Seleção dos casquilhos dos mancais e de bielas 64 A. Definição da classe de diâmetro dos alojamentos para os casquilhos no bloco do motor 65 B. Definição da classe de diâmetro dos munhões principais e moentes de biela (diâmetros nominais) 66 3 / 155
  • 3.
    Stralis / MotorCursor 13 MR 2 2004-10-31 C. Seleção dos casquilhos de mancais 67 Seleção dos casquilhos de mancal (munhões retificados) 68 D. Definição da classe de diâmetro do alojamento do casquilho de biela 69 E. Seleção dos casquilhos de biela (moentes com diâmetro nominal) 70 Seleção dos casquilhos de biela (moentes retificados) 71 Verificação da folga de montagem da árvore de manivelas 72 Verificação da folga radial da árvore de manivelas 73 Verificação da folga axial da árvore de manivelas 74 Desmontagem do conjunto pistão e biela 75 Inspeções: Pistões 77 Inspeções: Biela 79 Verificação do paralelismo dos eixos da biela 80 Controle da torção 80 Verificação da flexão da biela 81 Montagem do conjunto pistão e biela 81 Inspeções: Cabeçote de cilindros 83 Inspeções: Válvulas e guias 83 Substituição das guias de válvulas 84 Inspeções: Mola de válvulas 85 Substituição e retificação das sedes de válvulas 85 Substituição da sede porta-injetores 86 Desmontagem 86 Montagem 86 Saliência do bico injetor 87 Inspeções: Eixo comando de válvulas 88 Inspeções: Casquilhos do eixo comando 90 Substituição dos casquilhos do eixo comando (utilizando a ferramenta 99360499) 91 Desmontagem 92 Montagem 92 4 / 155
  • 4.
    Stralis / MotorCursor 13 MR 2 2004-10-31 Inspeções: Balancins e eixo porta-balancins 93 Montagem do cabeçote de cilindros 95 Montagem do motor 96 Montagem da árvore de manivelas e bloco inferior do motor 96 Instalação do conjunto pistão e biela 99 Verificação da folga radial dos moentes de biela 100 Instalação do cabeçote de cilindros 101 Montagem das engrenagens de distribuição 102 Montagem da carcaça e volante do motor 102 Montagem do eixo comando de válvulas e injetores 104 Montagem do eixo porta-balancins 106 Sincronização do eixo da distribuição 107 Sincronização da roda fônica 110 Regulagem da folga dos balancins de admissão e escape e pré-carga dos balancins de comando dos injetores 111 Montagem dos agregados do motor 112 Instalação do motor 115 Abastecimento do sistema de arrefecimento 122 Operações preliminares 122 Operações 122 Drenagem de ar do sistema de alimentação 124 Verificação e controles finais 125 Lubrificação 126 Circuito de lubrificação 127 Intercambiador de calor 128 Filtro de óleo do motor 129 Enrolamento externo de espiral 129 Suporte 129 Parede filtrante 129 Resistência 129 Partes estruturais 129 5 / 155
  • 5.
    Stralis / MotorCursor 13 MR 2 2004-10-31 Sistema de arrefecimento 130 Bomba d’água 130 Esquema de funcionamento do termostato 130 Circuito de arrefecimento 131 Holset HX 50W (turbina Wastegate) 132 Válvula limitadora de pressão 132 Alimentação 134 Injetor-bomba 135 Substituição dos injetores-bomba 136 Fases do injetor 136 Tomada de força Hydrocar na distribuição (opcional) 138 Características e dados 139 Conexão da tomada de força 140 Desconexão e reconexão da tomada de força 141 Momentos de aperto 142 Esquemas de aperto dos principais componentes do motor 146 Momentos de aperto - Tomada de força 150 Ferramentas especiais 151 6 / 155
  • 6.
    Stralis / MotorCursor 13 MR 2 2004-10-31 Especificação técnica Tipo Matrícula F 3 B E 0 6 8 I A * A 0 0 I - Número seqüencial de produção Número da versão em relação à D. B. Válido somente para o nível de emissões de gases com iguais curvas características Potência ou torque do motor C = 440 CV 214 kgm G = 380 CV 184 kgm Aplicação (I = caminhões) Alimentação + injeção (TCA, diesel injeção direta) Número de cilindros Número de tempos e posição dos cilindros (0 = 4 tempos vertical) Motor Evolução da família com igual ou diferente cilindrada Indicação da família de motores 7 / 155
  • 7.
    Stralis / MotorCursor 13 MR 2 2004-10-31 Curvas características Curvas características do motor F3BE0681 8 / 155 Figura 1 Potência máxima: 279 kW Torque máximo: 1.800 Nm 380 CV 184 kgm 1.500 - 1.900 rpm 900 - 1.500 rpm
  • 8.
    Stralis / MotorCursor 13 MR 2 2004-10-31 9 / 155 Características gerais Tipo F3B Ciclo Alimentação Injeção Diesel 4 tempos Superalimentado com intercooler Direta Número de cilindros 6 em linha Diâmetro interno do cilindro mm 135 Curso mm 150 Cilindrada total cm³ 12880 Relação de compressão 16,5 ± 0,8 Potência máxima kW (CV) rpm 279 (380) 1500 - 1900 Torque máximo Nm (kgm) rpm 1800 (184) 900 - 1500 Marcha lenta do motor sem carga rpm 600 ± 25 Regime de rotações máximo do motor sem carga rpm 2400
  • 9.
    Stralis / MotorCursor 13 MR 2 2004-10-31 10 / 155 F3B Distribuição Início antes do P.M.S. Final depois do P.M.I. Início antes do P.M.I. Final depois do P.M.S. A B D C 17º 30º 51º 11º Para controle da regulagem X De funcionamento X mm mm mm mm - - 0,35 - 0,45 0,55 - 0,65 Alimentação Através da bomba de alimentação - filtros Injeção tipo Bosch Com injetores PDE31 de regulagem eletrônica. Injetores - bomba acionados pelo eixo comando de válvulas no cabeçote. Pulverizadores tipo - Ordem de injeção 1 - 4 - 2 - 6 - 3 - 5 Pressão de injeção bar 1.500
  • 10.
    Stralis / MotorCursor 13 MR 2 2004-10-31 11 / 155 F3B (380 CV) Superalimentação Turbocompressor tipo Holset Wastegate HX 55W Lubrificação Pressão do óleo com motor aquecido (100º ± 5º C) - em marcha lenta - em regime máximo de rotações bar bar Forçada através do uso da bomba de engrenagens, válvula limitadora de pressão e filtro de óleo. 1,5 5 Arrefecimento Através da bomba centrí- fuga, do termostato para regulagem do ventilador viscoso, do radiador e do trocador de calor Acionamento da bomba de água Através de correias Termostato duplo - Início da abertura - Abertura máxima ~ 85º C - Urania LD5 (segundo especificação ACEA E3-E5) Urania turbo (segundo especificação ACEA E2) Abastecimento dos motores Capacidade total do 1º abastecimento Capacidade de substituição periódica: - Cárter do motor Quantidade em circulação que retorna ao cárter Quantidade contida no filtro de óleo (a ser acrescentada na troca do filtro) Litros kg Litros kg Litros kg Litros kg Com cárter de óleo de chapa 35 31,5 mín. 20 - máx. 28 mín. 18 - máx. 25,2 7 6,3 3 2,7 óleo óleo
  • 11.
    Stralis / MotorCursor 13 MR 2 2004-10-31 12 / 155 Dados técnicos de montagem Camisa e pistão F3B mm Alojamento das camisas de cilindros Ø 1 153,500 - 153,525 (superior) 152,000 - 152,025 (inferior) Camisas de cilindros: Diâmetro externo Comprimento Ø 2 L 153,461 - 153,486 (superior) 151,890 - 151,915 (inferior) - Folga entre a camisa de cilindro e seu alojamento no bloco 0,014 - 0,039 (superior) 0,085 - 0,135 (inferior) Diâmetro externo (sobremedidas) Ø 2 - Camisas de cilindros: Diâmetro interno Ø 3 Ressalto * Classe de seleção ** Sob uma carga de 8.000 kg A * B * X ** 135,000 - 135,013 135,011 - 135,024 0,045 - 0,075 Pistões Quota de medição Diâmetro externo Ø 1 Alojamento para o pino X A * B * Ø 2 20 134,881 - 134,893 134,892 - 134,894 54,010 - 54,018 Folga entre pistões e camisas de cilindros A * B * 0,107 - 0,132 0,107 - 0,132 Diâmetro dos pistões Ø 1 - Saliência dos pistões X - Pino dos pistões Ø 3 53,994 - 54,000 Folga entre pinos dos pistões e seus alojamentos 0,010 - 0,024 * Classe de seleção * Classe de seleção
  • 12.
    Stralis / MotorCursor 13 MR 2 2004-10-31 13 / 155 Anéis de pistão / biela F3B mm Ranhura no pistão para anéis * Medido no Ø de 130 mm X1 * X2 X3 3,445 - 3,475 3,050 - 3,070 5,020 - 5,040 Anéis: - De compressão trapezoidal - De compressão - Raspador de óleo * Medido no Ø de 130 mm S1 * S2 S3 3,296 - 3,364 2,970 - 2,990 4,970 - 4,990 Folga dos anéis nas ranhuras 1 2 3 0,081 - 0,179 0,060 - 0,100 0,030 - 0,070 Anéis de pistão - Folga entre pontas dos anéis nas camisas de cilindros X1 X2 X3 0,40 - 0,55 0,65 - 0,80 0,40 - 0,75 Sede da bucha do pé de biela Sede dos casquilhos de biela Classe de seleção Ø 2 Ø 1 Ø 2 1 2 3 59,000 - 59,030 94,000 - 94,010 94,011 - 94,020 94,021 - 94,030 Diâmetro da bucha do pé de biela Externo Interno Espessura do casquilho de biela Ø 4 Ø 3 S 59,085 - 59,110 54,019 - 54,035 1,965 - 1,975 (vermelho) 1,976 - 1,985 (verde) 1,986 - 1,995 (amarelo) Interferência na montagem da bucha de biela 0,055 - 0,110 Folga radial entre pino e bucha 0,019 - 0,041 Sobremedida dos casquilhos de biela - Peso da biela Classe A B C g g g 4.661 - 4.694 4.695 - 4.728 4.729 - 4.762 >
  • 13.
    Stralis / MotorCursor 13 MR 2 2004-10-31 14 / 155 Árvore de manivelas F3B mm Empenamento máximo permitido Medido a “X” do eixo longitudinal da biela X 0,08 125 Munhões principais Moentes de biela Casquilhos principais Casquilhos de biela Ø 1 Ø 2 S 1 S 2 99,970 - 100,000 89,970 - 90,000 Espessura: 3,110 - 3,120 (vermelho) 3,121 - 3,130 (verde) 3,131 - 3,140 (amarelo) 1,965 - 1,975 (vermelho) 1,976 - 1,985 (verde) 1,986 - 1,995 (amarelo) Apoios principais Ø 3 106,300 - 106,330 Folga radial: Casquilho - munhão Casquilho - moente 0,060 - 0,100 0,050 - 0,090 Sobremedida dos casquilhos - Munhão principal para reforço X1 47,95 - 48,00 Apoio principal para reforço X2 40,94 - 40,99 Espessura do semi anel de reforço X3 3,38 - 3,43 Folga axial da árvore de manivelas 0,10 - 0,30 Alinhamento Ovalização Conicidade 1 - 2 1 - 2 1 - 2 < 0,025 0,010 0,010
  • 14.
    Stralis / MotorCursor 13 MR 2 2004-10-31 Eixo comando de válvulas e agregados F3B mm Até o motor nº 298108 Altura da mola das válvulas Mola livre Sob uma carga de: 575 ± 28 N 1.095 ± 54 N H H1 H2 72,40 58 45 Saliência dos injetores X 0,52 - 1,34 Sede para bucha do eixo comando no cabeçote de cil- indros (1 - 7) Ø 88,000 - 88,030 Ø dos mancais de apoio do eixo comando (1 - 7) Ø 82,950 - 82,968 Diâmetro externo dos casquilhos para o eixo comando Ø 88,153 - 88,183 Diâmetro interno dos casquilhos para o eixo comando Ø 83,018 - 83,085 Interferência entre casqui- lhos e a sede no cabeçote de cilindros Ø 0,123 - 0,183 Folga entre casquilhos e mancais de apoio do eixo comando: Ø 0,050 - 0,135 Elevação útil dos cames 9,231 9,5607 11,216 Eixo porta-balancins Ø 1 41,984 - 42,000 15 / 155 Ø
  • 15.
    Stralis / MotorCursor 13 MR 2 2004-10-31 F3B Cabeçote de cilindros - Distribuição Sedes da guia de válvulas no cabeçote Ø 1 15,980 - 15,997 Guia de válvulas Ø 2 Ø 3 10,015 - 10,030 16,012 - 16,025 Interferência entre guia de válvulas e sede no cabeçote 0,015 - 0,045 Guia de válvulas - Válvulas: Admissão Escape Ø 4 α Ø 4 α 9,960 - 9,975 60º 30’ + 7’ 30” 9,960 - 9,975 45º 30’ + 7’ 30” Folga da haste das válvulas e respectiva guia 0,040 - 0,070 Sede no cabeçote para válvula: Admissão Escape Ø 1 Ø 1 49,185 - 49,220 46,985 - 47,020 Diâmetro externo da sede da válvula, inclinação das sedes das válvulas no cabeçote de cilindros: Admissão Escape Ø 2 α Ø 2 α 42,060 - 42,075 60º ± 30’ 41,060 - 41,075 45º ± 30’ Projeção das válvulas Admissão Escape X X 0,54 - 0,85 1,75 - 2,05 Interferência entre a sede da válvula e o cabeçote Admissão Escape 0,040 - 0,090 0,040 - 0,090 16 / 155 x
  • 16.
    Stralis / MotorCursor 13 MR 2 2004-10-31 F3B mm Sede para os casquilhos nos balancins Admissão Escape Injetor 45,000 - 45,016 59,000 - 59,019 46,000 - 46,016 Diâmetro externo dos casquilhos para balancins Admissão Escape Injetor 45,090 - 45,130 59,100 - 59,140 46,066 - 46,091 Diâmetro interno dos casquilhos para balancins Admissão Escape Injetor 42,025 - 42,041 56,030 - 56,049 42,015 - 42,071 Interferência entre casquilhos e suas sedes Admissão Escape Injetor 0,074 - 0,130 0,081 - 0,140 0,050 - 0,091 Folga entre balancins e eixo Admissão Escape Injetor 0,025 - 0,057 0,025 - 0,057 0,015 - 0,087 17 / 155 Ø Ø
  • 17.
    Stralis / MotorCursor 13 MR 2 2004-10-31 Diagnose Através do Blink-Code e os instrumentos para diagnose é possível diagnosticar as falhas de natureza elétrica e algumas falhas mecânicas detectadas pela cen- tral. Blink-Code Através da lâmpada de teste EDC é pos- sível receber informações sobre as falhas no motor. Se a lâmpada acender durante o funcio- namento normal do veículo, significa que foi verificada uma falha que pode ser: As informações sobre o tipo de falha ocorrida são informadas através de códi- gos pela lâmpada de teste EDC, medi- ante uma seqüência de piscadas longas e curtas (Blink-Code). Nos procedimentos de controle é utili- zada a tecla de diagnóstico que é encon- trada abaixo da tampa do compartimento da UCI e que incorpora também a lâm- pada de teste EDC. Lâmpada acesa fixa Falha grave Funcionamento limi- tado do sistema. Lâmpada acesa intermitente Falha muito grave Funcionamento limi- tado do sistema. Perda de uma ou várias funções de segurança e possível parada do motor. Procedimento de controle e identifi- cação de falhas Módulo de luzes-piloto no painel frontal do veículo - Pare o veículo e desligue o motor. - Posicione a chave de partida em “MAR” (módulo de luzes-piloto aceso e freio- motor). - Pressione a tecla de diagnose e veri- fique se a lâmpada de teste EDC pisca uma vez. - Sucessivamente, a lâmpada se apaga e começa a acender de modo inter- mitente com uma freqüência longa e em seguida curta. Os códigos de falhas são indicados nas próximas páginas. Por exemplo: o código 1.4 significa que a lâmpada de teste efetuou um sinal lumi- noso longo e quatro curtos. O procedi- mento se repete enquanto não reaparecer o código da primeira falha sinalizada. 18 / 155 Figura 2
  • 18.
    Stralis / MotorCursor 13 MR 2 2004-10-31 19 / 155 Procedimento para cancelar a memória de falhas desde o posto de condução Tabela de diagnose do EDC e lâmpada de teste EDC - Pressione a tecla Blink-Code (com a chave na posição de parada). - Posicione a chave de partida em mar- cha mantendo pressionada a tecla Blink-Code. - Espere cinco segundos. - Posicione novamente a chave de partida na posição de parada. - Certifique-se de que o cancelamento da memória tenha sido concluído, efetuando a leitura numérica através da lâmpada de teste. Figura 3
  • 19.
    Stralis / MotorCursor 13 MR 2 2004-10-31 Tabela Blink-Code EDC MS 6.2 Blink- Code Lâmpada de teste EDC * Descrição de falha Veículo 1.1 Acesa fixa Sinal de velocidade do veículo 1.2 Acesa fixa Seletor de torque 1.3 Apagada Cruise control 1.4 Acesa fixa Pedal do acelerador 1.5 Apagada Interruptor do pedal da embreagem 1.6 Acesa fixa Sinais incorretos do interruptor do pedal de freio 1.7 Apagada Sinais incorretos entre pedal do acelerador e freio Motor 2.1 Apagada Sensor de temperatura d’água 2.2 Apagada Sensor de temperatura de ar 2.3 Apagada Sensor de temperatura de combustível 2.4 Acesa fixa Sensor de pressão de superalimentação 2.5 Apagada Sensor de pressão do ambiente (interno da central) 2.6 Acesa fixa Sensor do interruptor do freio-motor 3.5 Apagada Tensão da bateria Turbocompressor 4.1 Apagada Sensor de pressão de acionamento do turbocom- pressor 4.2 Acesa fixa Sensor de rotações da turbina 4.3 Acesa fixa Rotação inicial da turbina 4.4 Acesa fixa Gerenciamento da turbina (defeito mecânico) 4.5 Acesa fixa Eletroválvula do VGT (se previsto) 4.6 Intermitente Eletroválvula do freio-motor Injetores 5.1 Acesa fixa Falha no injetor do cilindro 1 5.4 Acesa fixa Falha no injetor do cilindro 4 5.2 Acesa fixa Falha no injetor do cilindro 2 5.6 Acesa fixa Falha no injetor do cilindro 6 5.3 Acesa fixa Falha no injetor do cilindro 3 5.5 Acesa fixa Falha no injetor do cilindro 5 Sensores de rotação do motor 6.1 Acesa fixa Sensor do volante 6.2 Acesa fixa Sensor da distribuição 6.4 Intermitente Motor fora de rotação Interface com outras centrais 7.1 Apagada Interface PWM ABS/ASR 7.2 Apagada Linha CAN 7.3 Apagada Linha CAN (gerenciamento do ASR) 7.4 Apagada Linha CAN (gerenciamento dos dados da caixa de mudanças) 20 / 155
  • 20.
    Stralis / MotorCursor 13 MR 2 2004-10-31 Central 9.1 Intermitente Defeito na central 9.2 Acesa fixa Dados incorretos na EEPROM 9.3 Intermitente Immobilizer 9.4 Acesa fixa Relé principal 9.5 Acesa fixa Procedimento errôneo ao desligar o motor 9.6 Acesa fixa Registro incorreto dos dados da central * Lâmpada de teste Blink-Code apagada = falha leve Lâmpada de teste Blink-Code acesa fixa = falha grave Lâmpada de teste Blink-Code intermitente = falha muito grave 21 / 155
  • 21.
    Stralis / MotorCursor 13 MR 2 2004-10-31 22 / 155 Instrumentos para diagnose Diagnose de nível superior Comunicando com a central eletrônica, está em condições de ativar detalhadamente as seguintes funções: 1 Descrição do sistema Explicações sobre o funcionamento do sistema EDC MS 6.2, PIN OUT CENTRALITA 2 Leitura dos dados da central eletrônica 3 Leitura da memória de falhas Distinção da falha presente/intermitente Informação sobre a falha, freqüência e condições ambientais na qual foi verificada Guia para a reparação Esquemas elétricos do circuito em verificação Detalhes sobre o uso do UNITESTER no sistema em verificação 4 Leitura dos parâmetros Parâmetros mensuráveis Parâmetros de estado 5 Cancelamento da memória de falhas 6 Diagnose ativa Leitura dos dados armazenados 7 Outras falhas São obtidas informações sobre a maneira de localizar falhas não reconhecidas diretamente pela central 8 Guia para o PROGRAMA Explicações sobre o uso do programa 9 Engine test Compressão Eficácia do turbocompressor Eficácia do freio-motor Desempenho dos cilindros
  • 22.
    Stralis / MotorCursor 13 MR 2 2004-10-31 23 / 155 Diagnose de nível avançado Dispõe de uma interface operadora do tipo gráfico de alto nível. Permite efetuar um diagnóstico mais pormenorizado, indicando detalhadamente as funções posteriores. Diagnose da central 1 Dados da central 2 Falhas Seleção: Área da falha Características: Desenho do componente examinado, com foto e características elétricas Esquema elétrico: Codificação (cabos, pinos/conectores) Descrição: Informação sobre a falha, freqüência e condições ambientais na qual foi verificada Intervenção: Guia para as reparações, com acesso à função multímetro/osciloscó- pio, integrada com o uso de adaptadores próprios ao sistema Cancelamento: Cancelamento da memória de falhas 3 Parâmetros Parâmetros de estado Parâmetros mensuráveis 4 Diagnose ativa com visualização gráfica dos respectivos parâmetros Leitura dos dados armazenados 5 Sistema (descrição de funcionamento / PIN OUT / outras falhas não diretamente diagnosticadas pela central) Diagnose do motor (engine test) Estes testes são executados automaticamente e diretamente pelo tester, incluídos nas fases de partida e desligamento do motor (exceto para veículos na primeira fase de teste de campo) Compressão Eficácia do turbocompressor Eficácia do freio-motor Desempenho dos cilindros Funções auxiliares Diagnose tradicional do sistema elétrico Localização e interrupção/curto-circuito dos cabos Teste dos componentes (relés, diodos, fusíveis)
  • 23.
    Stralis / MotorCursor 13 MR 2 2004-10-31 24 / 155 Guia para localização de falhas Uma boa diagnose deve ser realizada com os instrumentos para diagnose fabricados pela Iveco. Ao entrar com o veículo numa concessio- nária, são obtidas as informações com as devidas considerações do condutor, porém a primeira intervenção a ser reali- zada é a conexão do instrumento para diagnose e a realização de um diagnós- tico detalhado e completo com: - Leitura da memória de falhas - Leitura dos parâmetros - Diagnóstico do motor - Etc. É conveniente imprimir os resultados obtidos, especialmente no caso da necessidade de solicitação da assistên- cia do Help Desk. Recorde que o Help Desk não aceita solicitações de assistên- cia baseadas somente no Blink-Code. O Blink-Code é um instrumento útil em alguns casos porém não deve substituir a diagnose feita com os instrumentos Iveco, já que oferece somente indicações de caráter geral. Outro fator que favorece a solicitação dos inconvenientes é a experiência. Para suprir em parte a falta de experiên- cia do operador, com este novo sistema eletrônico, não existindo sistemas poste- riores a utilizar como referência, publica- mos nas páginas que seguem, um guia para a localização das falhas elaborado pelo Treinamento em conjunto com espe- cialistas que projetaram e desenvolveram a central EDC MS 6.2. Tampouco a localização de falhas (é con- veniente subtraí-la) substitui o instru- mento para diagnose, porém oferece ajuda adicional, tratando-se de um con- densado de experiências de quem já conhece detalhadamente o sistema. A localização de falhas é constituída por duas fases distintas: - A primeira é a busca de falhas mecâni- cas, através do Blink-Code refere-se a anomalias que podem ser diretamente reconhecidas pela central EDC MS 6.2. Estas anomalias são principalmente de natureza elétrica ou eletrônica. - A segunda é a busca de falhas mecâni- cas, efetuada de acordo com os sinto- mas, onde se detecta possíveis anomalias não identificadas pela cen- tral eletrônica. Estas anomalias são principalmente de natureza mecânica ou hidráulica. A localização de falhas não substitui a diagnose a ser efetuada com os instru- mentos eletrônicos Iveco, tratando-se somente de um complemento do diag- nóstico em referência.
  • 24.
    Stralis/MotorCursor13MR22004-10-31 LocalizaçãodefalhascomBlink-Code 25/155 Blink- Code Lâmpada EDC Possível causa Possíveisfalhas correlacionadas Testes ou intervenções aconselhadas Notas 1.1 Acesa Sensor de velocidade do veí- culo danificado. O tacômetro não funciona. Comportamento anormal do ponteiro do tacômetro. Velocidade do veículo não é limitada, pode ser superada em caso de pouca resistên- cia ao avanço. Irregularidades nas marchas altas. Flight recorder apresenta muito tempo a baixa veloci- dade. Verifique os cabos, conexões e componentes. Valor de substituição da cen- tral: 5 km/h. 1.2 Acesa Interruptor de duas posições danificado. Nenhuma redução na moda- lidade Economy. Verifique os cabos, conexões e componentes. (1.2) (Acesa) Interruptor de duas posições bloqueado em uma posição. Não se obtém comutação entre funcionamento normal e econômico. Permanece na última modali- dade selecionada. Verifique os cabos, conexões e componentes. 1.3 Apagada Interruptores do Cruise Con- trol danificados. Nenhuma reação após o aci- onamento dos interruptores CC/TdF. O Cruise Control / tomada de força não funcionam. Verifique os cabos, conexões e componentes. Sinais não confiáveis dos interruptores (pressionados simultaneamente). 1.4 Acesa Pedal do acelerador: poten- ciômetro danificado ou sinal não plausível. Mínimo a 1.000 rpm e reação anormal do motor ao pressi- onar o pedal do acelerador. Pode ser modificado o regime do motor através do interruptor do Cruise Control (Set + / Set -). 1.4 Acesa Pedal do acelerador: Inter- ruptor de mínima aceleração danificado ou sinal não plau- sível. Mínimo a 1.000 rpm e reação anormal do motor ao pressi- onar o pedal do acelerador. Pode ser modificado o regime do motor através do interruptor do Cruise Control (Set + / Set -).
  • 25.
    Stralis/MotorCursor13MR22004-10-31 26/155 Blink- Code Lâmpada EDC Possível causa Possíveisfalhas correlacionadas Testes ou intervenções aconselhadas Notas 1.5 Apagada Interruptor da embreagem danificado. Cruise Control e tomada de força não funcionam. Irregularidades ao efetuar a troca de marchas. Verifique os cabos, conexões e componentes. 1.6 Acesa Interruptores de freio. Nenhuma reação após o acio- namento dos interruptores do Cruise Control e tomada de força. O Cruise Control/tomada de força não funcionam. Verifique os cabos, conexões e componentes. 1.7 Apagada Sensor do pedal de acelera- dor/interruptores de freio. Nenhuma reação do sistema. 2.1 Apagada Sensor de temperatura do líquido de arrefecimento dani- ficado. Tempo excessivo de partida a frio. Ruído excessivo na combus- tão devido à antecipação da injeção. Ativada a diagnose da resis- tência de pré-aquecimento. Leitura dos parâmetros. Verifique os cabos, conexões e componentes. Ausência da proteção de rea- quecimento, valor de substi- tuição = 0ºC. 2.2 Apagada Sensor de temperatura do ar de superalimentação danifi- cado. Caso o sensor indique uma temperatura inferior à real, o erro não é armazenado e o motor alcança maiores taxas, porém com emissão de fumaça negra. Leitura dos parâmetros. Verifique os cabos, conexões e componentes. Valor de substituição = 20ºC. 2.3 Apagada Sensor de temperatura do combustível danificado. Leitura dos parâmetros. Verifique os cabos, conexões e componentes. Ausência de correção do fluxo de injeção sem que o condu- tor perceba. Valor de substituição = 970 mbares. 2.4 Acesa Sensor de pressão de supera- limentação danificado. Redução da potência. Fumaça negra em grande quantidade. Leitura dos parâmetros do ins- trumento para diagnose: Estando em marcha lenta se verifica o valor de substituição da avaria confirmada.
  • 26.
    Stralis/MotorCursor13MR22004-10-31 27/155 Blink- Code Lâmpada EDC Possível causa Possíveisfalhas correlacionadas Testes ou intervenções aconselhadas Notas 2.5 Apagada Sensor de pressão do ambi- ente danificado. Contatar o Help Desk para a eventual substituição da cen- tral, já que o sensor está inte- grado na mesma. Baixo rendimento em altitudes elevadas. Valor da substituição = 970 mbares. (2.6) (Acesa) Interruptores de comando do freio-motor ou desviador de seleção. Freio-motor não funciona em nenhum dos três modos sele- cionados. Leitura dos parâmetros do ins- trumento para diagnose. Verifique os cabos, conexões e componentes. (2.6) (Acesa) Interruptor do freio-motor blo- queado e fechado. O freio-motor é ativado somente acima de 900 rpm. Diagnóstico ativado da eletro- válvula do freio-motor. Injeção de combustível inter- rompida pela ECU, velocidade do motor reduz para 800 rpm, a injeção do combustível é novamente interrompida pela ECU. (2.6) (Acesa) Interruptor do freio-motor blo- queado e aberto. Diagnose do freio-motor. Diagnose ativada da eletrovál- vula do freio-motor. O freio motor funciona quando é ativado pelo instrumento para diagnose ou pelos outros dois modos de seleção (acele- rador-freio). 3.5 Apagada Tensão da bateria insuficiente ou falha no reconhecimento da tensão. Possíveis problemas de pré- aquecimento e partida. Teste das baterias. EDC opera com o valor subs- tituto de 28 V. 4.1 Apagada Sensor de pressão da tampa do VGT (se previsto) danifi- cado. Taxas reduzidas a baixos regi- mes e na aceleração. Eventual redução da potência do freio-motor. Diagnose do motor: Verifique os cabos, conexões e compo- nentes. Verifique a chegada de ar comprimido na tampa. Verifique o funcionamento da eletroválvula shut-off no chassi. Se durante o teste do VGT (se previsto) a pressão na tampa aumentar mas, visual- mente, o acionador não se mover, significa que o mesmo está travado.
  • 27.
    Stralis/MotorCursor13MR22004-10-31 28/155 Blink- Code Lâmpada EDC Possível causa Possíveisfalhas correlacionadas Testes ou intervenções aconselhadas Notas 4.1 Apagada (somente com VGT) Partes giratórias do turbocom- pressor completamente trava- das. Taxas reduzidas a baixos regi- mes e na aceleração. Redução da potência do freio- motor. Diagnose do motor: Check-up do motor. A central armazena o erro do sensor de rotações da turbina (com VGT), mesmo estando a turbina funcionando correta- mente. (4.1) (Apagada) (somente com VGT) Eletroválvula de comando da VGT (se previsto) bloqueada ou travada fechada. Um ruído anormal indica um comportamento anormal do turbo (a velocidade não está de acordo com a posição do pedal do acelerador). Aceleração do veículo defici- ente. Diagnose do motor: VGT (se previsto). Ativada a diagnose do aciona- dor da turbina. (4.2) (Acesa) (somente com VGT) Mecanismo do VGT (se pre- visto) bloqueado fechado. Potência reduzida com veloci- dade do motor inferior a 1.200 rpm. Fumaça negra com funciona- mento normal, depois da ace- leração. Freio-motor desativado pela central na posição do freio com elevadas rotações do motor. Diagnose do motor: Freio- motor e VGT (se previsto). Ativada a diagnose do aciona- dor da turbina. A potência é reduzida na cen- tral devido à excessiva veloci- dade da turbina. 4.2 Acesa (somente com VGT) Sensor de velocidade do turbo danificado. Redução da potência e da velocidade. Diagnose do motor: Verifique os cabos, conexões e compo- nentes. 4.3 Acesa (somente com VGT) Rotação inicial da turbina ou pressão excessiva de supera- limentação. Redução da potência. Redução da eficácia do freio- motor. Diagnose do motor. Redução do fluxo de combus- tível durante a rotação inicial da turbina. 4.4 Acesa (somente com VGT) Monitoramento do VGT (se previsto) da central. Redução da potência. Diagnose do motor. Desvio da variação da geome- tria VGT (se previsto) supe- rando os valores previstos.
  • 28.
    Stralis/MotorCursor13MR22004-10-31 29/155 Blink- Code Lâmpada EDC Possível causaPossíveis falhas correlacionadas Testes ou intervenções aconselhadas Notas (4.1) (4.4) (Apagada) (Acesa) (somente com VGT) Não chega ar comprimido na válvula VGT (se previsto) ou chega com pressão insufici- ente. Menores taxas a baixos regi- mes e na aceleração. Eventual redução da eficácia do freio-motor. Diagnose do motor: Diagnose ativada do acionador da tur- bina. Verifique a chegada do ar comprimido na tampa. Verifique o funcionamento da eletroválvula shut-off no chassi. Se a mesma não fun- ciona, verifique os cabos, conexões e componentes. Se a eletroválvula shut-off fun- ciona, verifique os tubos de ar entre shut-off e a tampa e a fixação do tubo na tampa. Verifique a eficácia mecânica da eletroválvula de comando do VGT (se previsto). (4.1) (4.4) (Apagada) (Acesa) (somente com VGT) Mecanismo do VGT (se pre- visto) na turbina bloqueado na metade da abertura. Menores taxas a baixos e médios regimes e na acelera- ção. Eventual redução da eficácia do freio-motor. Diagnose do motor: VGT (se previsto), freio-motor. Ativada a diagnose do aciona- dor da turbina. Se o sistema externo de ala- vancas de comando do VGT (se previsto) funciona mas o teste do VGT (se previsto) apresenta a falha, esta deve ser localizada na parte de movimento do dispositivo no interior do turbo. 4.5 Acesa (somente com VGT) Problema elétrico na eletro- válvula VGT (se previsto). Redução significativa da potência a baixos regimes e na aceleração. Redução da eficácia do freio- motor. Diagnose do motor: Verifique os cabos, conexões e compo- nentes. 4.6 Acesa intermitente Eletroválvula do freio-motor. Freio-motor não funciona. Diagnose do motor: Verifique os cabos, conexões e compo- nentes. Se com o diagnóstico do motor o freio-motor não funci- ona. A eletroválvula não é ali- mentada pelo cabo do veículo. 5.x Acesa Problema do circuito de inje- ção no cilindro X. Redução de velocidade do motor, pois funcionará com cinco cilindros. Caso o erro seja intermitente, verifique a seção 2.
  • 29.
    Stralis/MotorCursor13MR22004-10-31 30/155 Blink- Code Lâmpada EDC Possível causa Possíveisfalhas correlacionadas Testes ou intervenções aconselhadas Notas 6.1 Acesa Sensor do volante do motor danificado. Redução da velocidade do motor e potência. A partida do motor pode requerer mais tempo do que o previsto. Leitura da memória de falhas do instrumento para diagnose. Verifique os cabos, conexões e componentes. 6.2 Acesa Sensor do eixo comando. Redução da velocidade do motor e da potência. A partida do motor pode requerer mais tempo do que o previsto. Leitura da memória de falhas do instrumento para diagnose. Verifique os cabos, conexões e componentes. (6.1 - 6.2) (Acesa) Roda fônica do eixo comando gira devido ao afrouxamento dos parafusos. O motor não arranca ou pára e não pode ser acionado. Redução de potência com o motor funcionando ( depois da intervenção aconselhada ao lado). Solte o conector do sensor do eixo comando. Se a partida do motor neces- sita de mais tempo do que o previsto, a roda fônica fica defasada. 6.4 Acesa intermitente O motor atinge 3.800 rpm (em condução) por um motivo qualquer. Leitura da memória de falhas. Leitura flight recorder para obter a confirmação da rota- ção do motor. 7.1 Apagada Problemas na interface dos cabos para ABS / ASR. Falta de funcionamento do ASR. Verifique os cabos do veículo. 7.4 Apagada (somente com VGT) Interrupção do comando da caixa de mudanças CAN. Não funciona o comando da caixa de mudanças através do CAN. (9.1) (Acesa intermitente) Falha na central EDC. O motor pára ou não pode ser acionado. Contate o Help Desk para substituir a central. Não é possível efetuar nenhum diagnóstico. Este erro pode não ter sido memorizado, segundo as con- dições da central.
  • 30.
    Stralis/MotorCursor13MR22004-10-31 31/155 Blink- Code Lâmpada EDC Possível causa Possíveisfalhas correlacionadas Testes ou intervenções aconselhadas Notas 9.2 Acesa Defeito na central (memória EEPROM). Redução da velocidade do motor e da potência. Foi cancelada a memória de falhas possíveis, somente diagnose de falhas disponí- veis presentes. Contate o Help Desk para eventual substituição da cen- tral. 9.4 Acesa Relé principal danificado ou bloqueado na posição de fechamento. Posicionando a chave em OFF o EDC permanece aceso mas o motor se apaga. A alimentação da potência EDC permanece ativa após ter sido posicionada a chave em OFF, risco de descarregar a bateria. Verifique os cabos, conexões e componentes. A falha será armazenada somente após a sucessiva partida. 9.5 Acesa A alimentação da ECU fre- qüentemente interrompida (cinco vezes), relé principal danificado ou parada do motor devido a desconexão do inter- ruptor da bateria. Redução da velocidade máxima do motor e da potên- cia. Verifique o relé principal, cabos e conexões. Investigue os possíveis costumes do condutor com relação ao des- ligamento do motor sem a uti- lização da chave. O problema se resolve somente com o sucessivo pro- cedimento de desligamento e armazenamento de dados corretamente efetuado. 9.6 Acesa Falha no teste de parada da ECU. Redução da velocidade do motor e da potência. É um procedimento de teste interno da central para verifi- car as etapas de potência. Pode armazenar outros erros relativos às diferentes etapas de potência dos acionadores. Contate o Help Desk para eventual substituição da cen- tral.
  • 31.
    Stralis / MotorCursor 13 MR 2 2004-10-31 32 / 155 Diagnose de falhas de acordo com os sintomas As principais anomalias de funcionamento do motor são: 1. O motor não entra em funcionamento 2. O motor aquece excessivamente 3. Motor com baixa potência 4. O motor solta fumaça cinza (tendendo a branca) 5. O motor solta fumaça azul 6. O freio-motor não funciona adequada- mente 7. O motor pára 8. Consumo de combustível excessivo 9. Pressão de óleo excessiva ou insufi- ciente 1 O motor não entra em funcionamento Baterias em bom estado. Não Resistência de pré-aquecimento sempre conectada. Verifique a eficácia do alternador. Verifique as conexões elétricas dos bornes da bateria. Sim Motor de partida em bom estado. Não Efetue as verificações e substitua se necessário. Sim Aquecedor de ar em bom estado. Não Verifique a alimentação e a conexão à massa. Verifique o interruptor do aquecedor com a diagnose ativada. Sim Interruptor principal (relé) em bom estado. Não Verifique a eficácia do fusível. Verifique o interruptor com a diagnose ativada. Sim Bomba de alimentação em bom estado. Não Verifique a pressão de entrada e a eficácia da mesma. Verifique a estanqueidade na admissão. Sim Pré-filtro e filtro de combustível em bom estado. Não Verifique se está obstruído e substitua. Sim Válvula de 0,8 bar no retorno de combustível em bom estado. Não Verifique a sua eficácia e caso esteja bloqueada aberta ou fechada, substitua-a. Sim Circuito de alimentação em bom estado. Não Verifique a estanqueidade e efetue a drenagem de ar (sangria) do sistema.
  • 32.
    Stralis / MotorCursor 13 MR 2 2004-10-31 2 O motor aquece excessivamente Nível do líquido do sistema de arrefecimento correto. Não Verifique possíveis vazamentos e complete o nível. Sim Correias da bomba de água e ventilador eficientes. Não Verifique, ajuste a tensão e caso necessário substitua as correias. Sim Bomba de água em bom estado. Não Revise ou substitua. Sim Termostato em bom estado. Não Verifique se está bloqueado fechado ou parcialmente aberto. Substitua-o. Sim Radiador em bom estado. Não Lave cuidadosamente, verifique possíveis perdas e se for necessário substitua-o. Sim Filtro de ar e tubos do circuito em bom estado. Não Verifique se as mangueiras e as tubu- lações não estão obstruídas. Verifique o indicador de obstrução do filtro e substitua-o caso necessário. Sim Freio do motor desativado. Não Verifique e se necessário substitua-o. Sim Junta do cabeçote em bom estado. Não Verifique a pressão do circuito d’água e substitua a junta. Sim Ventilador em bom estado. Não Substitua-o. 33 / 155
  • 33.
    Stralis / MotorCursor 13 MR 2 2004-10-31 3 Motor com baixa potência Circuito de combustível em bom estado. Não Verifique eventual obstrução do filtro de óleo, do pré-filtro e do filtro de combus- tível e substitua-os em caso afirmativo. Verifique se a válvula de 0,8 bar no retorno de combustível do cabeçote está bloqueada aberta (pressão insufi- ciente) ou bloqueada fechada (temper- atura elevada) e substitua-a. Verifique eventuais perdas no circuito e a eficácia da bomba de alimentação. Sim Injetores em bom estado. Não É possível verificar eventual agarra- mento do êmbolo de um injetor ou uma perda de combustível através da junta. Efetue a diagnose do motor. Sim Circuito de alimentação de ar do motor em bom estado. Não Elimine os estrangulamentos presentes no circuito e substitua o filtro de ar caso esteja obstruído. Verifique o indicador de obstrução do filtro. Sim Circuito dos gases de escape em bom estado. Não Elimine as perdas no coletor de escape. Sim Temperaturas normais de serviço. Não Verifique o sistema de arrefecimento. Sim Acionador VGT (se previsto) em bom estado. Não Efetue a diagnose do motor procedendo de acordo com as instruções visualiza- das no instrumento de diagnose. Sim Turbocompressor em bom estado. Não Efetue a diagnose do motor na turbina e controle a integridade dos seguintes componentes do turbocompressor: palhetas do rotor, rolamentos, válvula moduladora, filtro VGT (se previsto) obstruído e acionador de turbina. Substitua o componente danificado. Diagnose do motor com os instrumentos para diagnose. Sim Sistema mecânico de injeção em bom estado. Não Verifique o nível de desgaste dos balancins dos injetores. Verifique o rolamento, os casquilhos dos balancins e os excêntricos do eixo comando de válvulas. Sim Folga de válvulas adequadas. Não Regule a folga das válvulas. 34 / 155
  • 34.
    Stralis / MotorCursor 13 MR 2 2004-10-31 4 O motor solta fumaça cinza (tendendo a branca) Junta do cabeçote em bom estado. Não Retifique o cabeçote e substitua a junta. Sim Porta-injetores em bom estado. Não Substitua os porta-injetores. Sim Sistema de arrefecimento do turbocompressor em bom estado. Não Repare a turbina. Sim Combustível de boa qualidade. Não Verifique a presença de água no reservatório e elimine-a. 5 O motor solta fumaça azul Anéis dos pistões em bom estado. Não Revise o grupo pistões/cilindros. Sim Sistema de lubrificação do turbocompressor em bom estado. Não Repare a turbina. Sim Anel de vedação das válvulas e bom estado. Não Substitua a junta de válvulas. 6 O freio-motor não funciona adequadamente Componentes do freio-motor em bom estado. Não Verifique o correto funcionamento dos cilindros de acionamento do freio-motor da eletroválvula de comando. Verifique a estanqueidade das tubu- lações de óleo de comando dos cilin- dros. Verifique a folga das válvulas de descarga. Sim Turbocompressor em bom estado. Não VGT (se previsto) desbloqueada aberta. Acionador VGT (se previsto) danificado (perda no tirante). Válvula moduladora danificada. Alimentação incorreta de ar à válvula moduladora. Substitua os componentes danificados. 35 / 155
  • 35.
    Stralis / MotorCursor 13 MR 2 2004-10-31 7 O motor pára Presença de combustível no reservatório. Não Após efetuar o abastecimento, efetue a sangria. Sim Filtro de rede, pré-filtro e filtro de combustível em bom estado. Não Limpe o filtro de rede e substitua o pré-filtro e o filtro de combustível. Sim Tubos no reservatório conectados corretamente. Não Invertendo os tubos o veículo pode parar depois de 200/300 km, ao menos que haja combustível no reservatório, devido ao tubo de alimentação do motor ter menor capacidade de vazão. Inverta os tubos. 8 Consumo de combustível excessivo Filtro de ar em bom estado. Não Substitua-o. Sim Reservatório e tubos de combustível em bom estado. Não Elimine possíveis perdas e substitua as peças deterioradas. 9 Pressão de óleo excessiva ou insuficiente Válvula de regulagem da pressão funciona normalmente. Não Verifique e caso necessário substitua-a. Sim Bomba de óleo e tubos de alimentação em bom estado. Não Verifique e caso necessário substitua-a. Sim Casquilhos dos munhões e moentes em bom estado. Não Substitua os casquilhos e caso necessário retifique a árvore de manivelas. Sim Viscosidade SAE do óleo do motor correta. Não Substitua o óleo do motor por outro de viscosidade adequada. 36 / 155
  • 36.
    Stralis / MotorCursor 13 MR 2 2004-10-31 Vistas do motor Vista frontal do motor Vista lateral esquerda do motor 37 / 155 Figura 4 Figura 5
  • 37.
    Stralis / MotorCursor 13 MR 2 2004-10-31 Vista lateral direita do motor Vista traseira do motor 38 / 155 Figura 6 Figura 7
  • 38.
    Stralis / MotorCursor 13 MR 2 2004-10-31 Vista superior do motor 39 / 155 Figura 8
  • 39.
    Stralis / MotorCursor 13 MR 2 2004-10-31 Remoção do motor 40 / 155 Figura 9
  • 40.
    Stralis / MotorCursor 13 MR 2 2004-10-31 Nota: Para efetuar a lavagem do compartimento do motor, proteja adequadamente os componentes elétricos/eletrônicos e suas respectivas conexões. 41 / 155 1. Posicione o veículo sobre uma vala em um terreno horizontal. Bloqueie as rodas traseiras, levante a grade frontal e bascule a cabina. 2. Desconecte as baterias soltando os cabos elétricos ou abrindo o interruptor geral de corrente. 3. Desconecte a caixa de mudanças do motor, conforme descrito no módulo correspondente. 4. Drene o líquido de arrefecimento e o sistema da direção hidráulica. Esta operação deve ser efetuada pelo lado da admissão do motor. 5. Remova os parafusos de fixação (7) e retire o suporte de ancoragem da cabina (2). 6. Desconecte o tubo (10) do reservatório da direção hidráulica (11) e o tubo (8) da bomba da direção hidráulica (9). 7. Desconecte o tubo (4) da bomba de combustível. 8. Desconecte o tubo de ar (13) do filtro da turbina. 9. Desconecte o tubo (5) do compressor de ar. 10. Desconecte o tubo (6) do compressor de ar e do tubo (17) do coletor de admissão, solte a braçadeira (3) e retire-o. 11. Desconecte o tubo (14) do compres- sor de ar e da união (1), solte a braçadeira (3) e retire-o. 12. Desconecte os tubos do líquido de arrefecimento (15) e (16). 13. Desconecte a mangueira (12) da admissão do motor.
  • 41.
    Stralis / MotorCursor 13 MR 2 2004-10-31 Vista do lado da admissão do motor 42 / 155 Figura 10
  • 42.
    Stralis / MotorCursor 13 MR 2 2004-10-31 43 / 155 14. Como operação preliminar é conve- niente desconectar o chicote principal (10) que permanece fixo ao chassi, procedendo conforme segue: - Afrouxe o chicote (10) e desco- necte-o do cabo do motor através do conector (16). - Remova os parafusos (1) e retire o suporte completo para botões de partida e desligamento do motor (2). - Desligue a conexão elétrica (3) do reservatório da direção hidráulica (4). - Desligue o conector superior (5) da central eletrônica (11). - Desacople o conector inferior (8) da central eletrônica (11), procedendo conforme segue: a. Levante a alavanca de segu- rança. b. Desconecte e desencaixe o conector da central. c. Desencaixe o dente guia e eleve o conector. - Desconecte o cabo massa (9). - Desligue as conexões elétricas (7) do motor de partida (6). - Desligue as conexões elétricas (14) do alternador (15). - Solte a braçadeira (13) e remova o chicote principal (10) do tubo de admissão do motor (12). Posicione o chicote principal (10) cuidadosamente na lateral do chassi, certificando-se de que ele não represente obstáculo para efe- tuar a desmontagem do motor.
  • 43.
    Stralis / MotorCursor 13 MR 2 2004-10-31 Vista inferior do motor 44 / 155 15. Desconecte o tubo do líquido de arrefecimento (3) do motor e do radi- ador e retire-o. 16. Desconecte o tubo do líquido de arrefecimento (2). Solte as braçadei- ras (1) e (6), desconecte o tubo (5) da mangueira (8) e retire-o. 17. Remova os parafusos (9) e retire o compressor (11) do suporte do motor (10). 18. Sem desconectar os tubos do com- pressor (11) e conseqüentemente evitando esvaziar o sistema de ar condicionado, solte as braçadeiras (1) e (6), afrouxe os tubos (7) e des- ligue as conexões elétricas do com- pressor. Posicione o compressor no chassi do veículo, amarrando-o. Figura 11
  • 44.
    Stralis / MotorCursor 13 MR 2 2004-10-31 45 / 155 Vista do lado do escape do motor (lado do condutor) 19. Desconecte a mangueira de ar (4). 20. Solte a braçadeira (2) e desconecte os tubos de gás (3). 21. Desconecte os tubos do líquido de arrefecimento (6) e (8) do motor. 22. Desconecte o tubo de admissão de ar (1) da mangueira (5), do tubo de recuperação de vapores de óleo (14) e da mangueira flexível (10). Remova os parafusos (9) e retire o tubo de admissão de ar (1). 23. Solte a braçadeira metálica (11) e desconecte o tubo de escape (12). 24. Remova os parafusos (15) e retire o suporte da alavanca de mudanças (16) do motor. 25. Instale o balancim 99360585 em uma talha e no motor e tensione-o antes de separar o motor de seus suportes. 26. Remova em ambos os lados os parafusos dianteiros (7) e traseiros (13) de fixação do suporte do motor. 27. Remova cuidadosamente o motor de seu compartimento, evitando pos- síveis contatos com as partes res- tantes que estão fixas ao chassi. Figura 12
  • 45.
    Stralis / MotorCursor 13 MR 2 2004-10-31 Desmontagem do motor 1. Antes de instalar o motor no cavalete giratório, efetue a desmontagem dos componentes que seguem: Lado direito do motor a. Remova o filtro de combustível (1), o reservatório da direção hidráulica (2) e as conexões elétricas. b. Remova a tampa anti-ruído (1) e os tubos de união do compressor. c. Remova o compressor (1) com a bomba de direção assistida (2). d. Retire a correia (1) de comando do ar condicionado, instalando uma fer- ramenta apropriada (3) e operando no sentido indicado pela seta. Retire o compressor do ar condicio- nado (2) juntamente com o suporte do motor. Lado esquerdo do motor e. Remova o suporte do motor (1). f. Remova a válvula de regulagem da pressão de óleo (1). 46 / 155 Figura 13 Figura 14 Figura 15 Figura 16 Figura 17 Figura 18
  • 46.
    Stralis / MotorCursor 13 MR 2 2004-10-31 2. Instale o motor no cavalete giratório. 47 / 155 Figura 19
  • 47.
    Stralis / MotorCursor 13 MR 2 2004-10-31 3. Desligue o conjunto de cabos elétricos dos sensores e dos acionadores elétri- cos. 4.Retire o ventilador (1) da flange (2). 5. Instale a trava 99360351 (1) para blo- queio do volante do motor. 6. Remova os 6 parafusos de fixação Allen e retire o amortecedor de vibra- ções (1). Retire a trava anteriormente instalada. 7. Retire a correia (2) de comando dos órgãos auxiliares, utilizando uma ferra- menta adequada (1) e operando no sentido da seta. 8. Desmonte do motor os seguintes com- ponentes: - Alternador (1). - Flange do ventilador (2). - Tensor automático de correia (3). - Polia da árvore de manivelas (4). - Bomba d’água (6). - Polia fixa (7). - Tensor automático da correia de comando do ar condicionado (5). 48 / 155 Figura 20 Figura 21 Figura 22 Figura 23 Figura 24 1
  • 48.
    Stralis / MotorCursor 13 MR 2 2004-10-31 49 / 155 9. Desconecte os tubos (3) e (6) das eletroválvulas de comando VGT (se previsto). Retire o termostato (1) juntamente com a eletroválvula de comando VGT (se previsto) (2). Remova os parafusos de fixação utili- zando uma chave Allen (4) e retire a polia (5). 10. Instale o extrator 99340553 (2) no retentor da árvore de manivelas (1). Saque o retentor e retire a flange (3). 11. Desmonte do motor os seguintes componentes: - Tubo de alimentação de água (5). - Tubo de saída de água (1). - Tubo de ar para comando dos acio- nadores (2). - Tubo de alimentação de óleo (3). - Tubo de retorno de óleo (4). - Turbocompressor (6). - Coletor de escape (7). 12. Remova os filtros de óleo (1) utili- zando a ferramenta 99360314. Figura 25 Figura 26 Figura 27 Figura 28
  • 49.
    Stralis / MotorCursor 13 MR 2 2004-10-31 13. Remova os parafusos (1) e retire o intercambiador de calor (4). Remova os parafusos (2) e retire o tubo de água (3). 14. Para desmontar a tomada de força (caso exista), desconecte o tubo de óleo (1), remova os parafusos (2) e (3) e retire-a. 15. Desmonte do motor os seguintes componentes: - Suporte do filtro de combustível (1). - Bomba de combustível (2) com seus respectivos tubos. - Motor de partida (3). - Suporte para botões de partida do motor (4), caso ainda não tenha sido removido. - Filtro de ar para válvula PWN (5), com VGT (se previsto). - Coletor de admissão (6) juntamente com a resistência de pré - aqueci- mento do motor. - Central eletrônica (7). 50 / 155 Figura 29 Figura 30 Figura 31
  • 50.
    Stralis / MotorCursor 13 MR 2 2004-10-31 51 / 155 16. Remova os parafusos de fixação e retire a tampa de válvulas do motor (1) e a tampa das engrenagens de distribuição (2) juntamente com o fil- tro blow-by. 17. Remova os parafusos (2) e retire a engrenagem (1) juntamente com a roda fônica. 18. Remova os parafusos (1) e rosqueie um dos parafusos no furo apropriado para extração da placa (2). Retire a guarnição de chapa. 19. Remova os parafusos (2) e retire a engrenagem de distribuição (1). 20. Instale a trava 99360351 (1) para blo- queio do volante do motor. Remova os parafusos de fixação (2), retire a trava (1) e o volante (3) do motor. 21. Posicione o extrator 99340054 (2) e extraia o retentor (1) da carcaça do volante. Figura 32 Figura 33 Figura 34 Figura 35 Figura 36 Figura 37
  • 51.
    Stralis / MotorCursor 13 MR 2 2004-10-31 22. Remova os parafusos de fixação (1) e retire a carcaça do volante (2). 23. Desmonte na ordem que segue: - A engrenagem de comando da tomada de força (1). - A engrenagem de distribuição (2). - A engrenagem da bomba de óleo (3). 24. - Desenganche as molas de retenção (3) da alavanca do freio-motor. - Solte os parafusos (1) e desligue as conexões elétricas dos injetores. - Desligue a conexão elétrica da eletroválvula do freio-motor (8). - Remova os tubos (5) e (7) de ali- mentação dos cilindros do freio- motor (4). - Solte os parafusos (2) de fixação do eixo porta-balancins. - Solte os parafusos (6) de fixação do cabo dos injetores ao cabeçote e retire o cabo pela parte dianteira. 25. Instale a ferramenta 99360553 (1) e retire o conjunto porta-balancins. 52 / 155 Figura 38 Figura 39 Figura 40 Figura 41
  • 52.
    Stralis / MotorCursor 13 MR 2 2004-10-31 53 / 155 26. Solte os parafusos (2) de fixação dos suportes (3) e retire os injetores (1). Solte os parafusos (4) e retire os cilin- dros do freio-motor (5) juntamente com a eletroválvula do freio-motor (6). 27. Instale as tampas 99360180 (1) no lugar dos injetores removidos. Retire cuidadosamente o eixo comando de válvulas (2). Solte os parafusos de fixação do cabeçote de cilindros (3). 28. Posicione os ganchos de elevação apropriados nos olhais de levanta- mento do cabeçote e com auxílio de uma talha levante cuidadosamente o cabeçote (1). Retire a junta do cabeçote (2). Nota: Certifique-se de que o cabeçote esteja completamente solto e então remova-o do bloco do motor. 29. Remova os parafusos (2) e retire o cárter de óleo (1) do motor, junta- mente com o separador (3) e a junta de vedação. Figura 42 Figura 43 Figura 44 Figura 45
  • 53.
    Stralis / MotorCursor 13 MR 2 2004-10-31 30. Remova os parafusos e retire o tubo de sucção (1). 31. Coloque o bloco do motor na posição vertical. 32. Gire a árvore de manivelas até que a capa de biela do 1º cilindro fique exposta, utilizando uma ferramenta apropriada. 33. Remova os parafusos de fixação (2) e retire a capa de biela (3). Pressione com uma ferramenta apropriada a biela e retire cuidadosamente o pistão completo (1) pela parte supe- rior do motor. Nota: Marque as posições dos pistões e bielas para possibilitar a montagem destes nas suas posições originais. 34. Retire os casquilhos de biela. Nota: Marque as posições dos casquilhos para possibilitar a monta- gem destes nas suas posições origi- nais. 35. Proceda conforme os itens 33 e 34 para a retirada dos pistões, bielas e casquilhos dos demais cilindros. 36. Remova os parafusos (1) e (2) utili- zando chaves apropriadas e retire o bloco inferior do bloco do motor. 54 / 155 Figura 46 Figura 47 Figura 48 Figura 49
  • 54.
    Stralis / MotorCursor 13 MR 2 2004-10-31 55 / 155 37. Remova, cuidadosamente, a árvore de manivelas (2) do bloco do motor, utilizando ferramenta e talha apropri- adas. 38. Retire os casquilhos dos mancais (1). Remova os parafusos e retire os bicos de arrefecimento dos pistões (2). Nota: Uma vez concluída a desmon- tagem do motor, efetue uma minu- ciosa limpeza de seus componentes e uma inspeção adequada. Nas páginas que seguem são apre- sentadas as instruções relativas às inspeções e às principais medições que devem ser efetuadas, a fim de identificar as condições em que se encontram cada um dos compo- nentes e a possibilidade de eventual reutilização. Substituição da engrenagem de acio- namento da distribuição e da bomba de óleo Certifique-se de que os dentes da engrenagem não estejam desgastados ou danificados. Caso contrário, remova a engrenagem utilizando um extrator apropriado e substitua-a. Para montagem, aqueça a engrenagem (1) a uma temperatura de 180ºC por aproximadamente 15 minutos, e monte-a na árvore de manivelas (2) com auxílio de uma ferramentra adequada. Figura 50 Figura 51 Figura 52
  • 55.
    Stralis / MotorCursor 13 MR 2 2004-10-31 Inspeções: Bloco do motor e camisas de cilindros Certifique-se de que: - O bloco do motor não apresenta racha- duras. - A superfície de apoio do cabeçote de cilindros não apresenta deformações. - As superfícies das camisas de cilindros não apresentam sinais de emperra- mento, riscos, ovalizações, declive e desgastes excessivos. 1. Para verificar o diâmetro interno das camisas de cilindros, utilize o súbito 99395687 (2), com o relógio compara- dor (1) zerado no anel calibrador (3) de diâmetro igual a 135 mm. Nota: Caso não possua o anel calibra- dor, utilize um micrômetro para zerar o relógio comparador. 2. Verifique o diâmetro da camisa de cilin- dros, para controlar a ovalização, o declive e o desgaste da mesma, utili- zando o súbito 99395687 (2) anterior- mente ajustado. 3. As medições devem ser efetuadas em três alturas diferentes da camisa e em dois planos perpendiculares entre si: uma paralela ao eixo longitudinal do motor (A) e a outra perpendicular (B). 56 / 155 Figura 53 Figura 54 Figura 55 2
  • 56.
    Stralis / MotorCursor 13 MR 2 2004-10-31 57 / 155 4. Caso exista um desgaste superior a 0,150 mm ou uma ovalização superior a 0,100 mm comparados aos valores indicados na figura, substitua as cami- sas de cilindros, visto que não é per- mitido efetuar operações de retífica ou polimento. A = Classe de seleção Ø 135,000-135,013 mm B = Classe de seleção Ø 135,011-135,024 mm Nota: As camisas de cilindros são fornecidas para reposição na classe de seleção “A”. 5. No esquema ilustrado na figura abaixo, são indicados os diâmetros externos das camisas de cilindros e diâmetros internos de seus respectivos alojamen- tos. Caso necessário, as camisas de cilindros podem ser removidas e mon- tadas várias vezes em alojamentos diferentes. A = Ø 142,000 - 142,025 mm B = Ø 140,000 - 140,025 mm C = Ø 141,961 - 141,986 mm D = Ø 139,890 - 139,915 mm Figura 56 Figura 57
  • 57.
    Stralis / MotorCursor 13 MR 2 2004-10-31 Vista do bloco com as camisas de cilindros A = Classe de seleção 135,000 - 135,013 mm B = Classe de seleção 135,011 - 135,024 mm Dados principais das camisas de cilindros Detalhe X Y = Zona de marcação da classe de seleção 58 / 155 Figura 58 Figura 59 Figura 60
  • 58.
    Stralis / MotorCursor 13 MR 2 2004-10-31 59 / 155 Substituição das camisas de cilindros Desmontagem 1. Instale a ferramenta 99360706 (2) e a placa 99360728 (4), conforme ilus- trado na figura, certificando-se de que a placa (4) fique corretamente apoiada na camisa de cilindro. Rosqueie a porca do parafusos (1) e extraia a camisa de cilindro (3) do bloco. Montagem 2. Substitua sempre os anéis de vedação (3), (4) e (5). Monte o calço de ajuste (1) na camisa de cilindros (2). Nota: Os calços de ajuste (1) são fornecidos para reposição nas seguintes espessuras: 0,08 mm; 0,10 mm; 0,12 mm e 0,14 mm. 3. Lubrifique a parte inferior da camisa de cilindro e monte-a no bloco, utilizando uma ferramenta apropriada. Figura 61 Figura 62
  • 59.
    Stralis / MotorCursor 13 MR 2 2004-10-31 4. Verifique a saliência da camisa de cilin- dro utilizando a ferramenta 99360334 (2) e o parafuso (1) apertado a um momento de 225 Nm. Instale o relógio comparador 99395603 e sua base 99370415 (3) e meça a saliência que deve ser de 0,045 a 0,075 mm. Caso contrário, substitua o calço de ajuste da camisa. Saliência da camisa de cilindros 5. Após a montagem, fixe a camisa de cilindro (1) ao bloco (2), utilizando a ferramenta 99360703 (3). 60 / 155 Figura 63 Figura 64 Figura 65
  • 60.
    Stralis / MotorCursor 13 MR 2 2004-10-31 Inspeções: Árvore de manivelas Dados principais dos munhões e moentes de biela da árvore de manivelas Veja detalhes X e Y na página 63. 61 / 155 Figura 66 Casquilhos superiores Casquilhos inferiores
  • 61.
    Stralis / MotorCursor 13 MR 2 2004-10-31 Medição dos munhões Medição dos moentes 62 / 155 Certifique-se de que: - Os munhões e moentes não apresen- tam ranhuras, ovalizações ou des- gastes excessivos. Caso contrário, efetue a retificação dos munhões e moentes com uma retifica- dora. Antes de iniciar a operação de retífica, meça com um micrômetro (1) os munhões e moentes da árvore de mani- velas (2) para estabelecer qual o diâ- metro que deve ser reduzido (com referência à escala de redução dos casquilhos de reposição). Notas: 1. Aconselhamos preencher a tabela da próxima página com os respectivos valores encontrados. 2. Os munhões e moentes devem ser sempre retificados com a mesma classe de redução, para não alterar o equilíbrio da árvore de manivelas. Figura 67 Figura 68
  • 62.
    Stralis / MotorCursor 13 MR 2 2004-10-31 Raios de concordância da árvore de manivelas X = Vista dos raios dos munhões centrais Y = Vista dos raios dos moentes de biela Nota: Durante a operação de retífica, verifique com a máxima atenção os raios de con- cordância dos munhões e moentes de biela, conforme indicado na figura 66 e nas figu- ras acima. 63 / 155 Retificado Retificado Polido Retificado Polido Figura 69 Figura 70 Tabela para preenchimento das medidas dos munhões e moentes da árvore de manivelas Ø Mín. Ø Máx. Ø Mín. Ø Máx. Figura 71 Munhões principais Moentes de biela
  • 63.
    Stralis / MotorCursor 13 MR 2 2004-10-31 Seleção dos casquilhos dos mancais e de bielas Nota: Para obter as folgas de montagem requeridas, os casquilhos dos mancais e de bielas devem ser selecionados da maneira indicada a seguir. Esta operação permite identificar os casquilhos mais adequados para cada um dos munhões/moentes da árvore de manivelas (os casquilhos podem ser, eventualmente, também de classe diferente entre um munhão/moente e o outro). Em função da espessura, os casquilhos devem ser selecionados em classes de tolerân- cia marcadas com um sinal de cor (vermelha/verde - vermelha/preta - verde/preta). Na figura que segue, são indicadas as características dos casquilhos de mancais e de bielas disponíveis como reposição nas medidas padrão (EST) e em medidas superiores permitidas (+0,127; +0,254; +0,508). 64 / 155 Vermelho Vermelho/Preto Verde Verde/Preto Figura 72 Vermelho Vermelho/Preto Verde Verde/Preto Casquilhos de biela Casquilhos dos mancais
  • 64.
    Stralis / MotorCursor 13 MR 2 2004-10-31 Para cada um dos munhões/moentes da árvore de manivelas deve ser efetuada a seguinte operação: Munhões principais - Determine a classe de diâmetro do alojamento no bloco do motor (veja item A). - Determine a classe de diâmetro do munhão principal (veja item B). - Selecione o casquilho de mancal a ser montado (veja item C). Moentes de bielas - Determine a classe de diâmetro do alojamento na biela (veja item D). - Determine a classe de diâmetro do moente de biela (veja item B). - Selecione o casquilho de biela a ser montado (veja item E). A. Definição da classe de diâmetro dos alojamentos para os casquilhos no bloco do motor Na posição indicada na parte dianteira do bloco estão marcadas duas seqüências numéricas. - A primeira seqüência numérica, com quatro dígitos, representa o número do acopla- mento do bloco principal com o respectivo bloco inferior. - A segunda seqüência numérica, com sete dígitos, representa a classe de diâmetro de cada um dos alojamentos dos munhões principais, que poderá ser 1, 2 ou 3. 65 / 155 Figura 73
  • 65.
    Stralis / MotorCursor 13 MR 2 2004-10-31 66 / 155 B. Definição da classe de diâmetro dos munhões principais e moentes de biela (diâmetros nominais) Na árvore de manivelas, na posição indicada pela seta, estão marcadas três seqüên- cias numéricas. - A primeira, com cinco dígitos, representa o número de série da árvore de manivelas. - Abaixo deste número, à esquerda, uma série de sete dígitos se refere aos moentes de biela. O primeiro dígito indica o estado dos moentes de biela (1 = EST, 2 = -0,127). Os outros seis dígitos representam individualmente a classe de diâmetro de cada um dos moentes de biela. - A seqüência numérica localizada à direita, com oito dígitos, se refere aos munhões principais. O primeiro dígito indica o estado dos munhões principais (1 = EST, 2 = - 0,127). Os outros sete dígitos representam individualmente a classe de diâmetro de cada um dos munhões principais. Figura 74 Moentes de biela Munhões principais
  • 66.
    Stralis / MotorCursor 13 MR 2 2004-10-31 67 / 155 C. Seleção dos casquilhos de mancais Uma vez determinado para cada mancal os dados do alojamento do bloco e do munhão da árvore de manivelas, se pode selecionar o tipo de casquilho a ser utilizado com base na tabela que segue. Vermelho Vermelho Vermelho Vermelho Vermelho Vermelho Vermelho Vermelho Verde Verde Verde Verde Verde Verde Verde Verde Verde Verde Figura 75 STD (Padrão)
  • 67.
    Stralis / MotorCursor 13 MR 2 2004-10-31 68 / 155 Seleção dos casquilhos de mancal (munhões retificados) Para os casos em que os munhões tenham sido retificados, verifique o novo diâmetro dos munhões e certifique-se de que ele corresponda ao indicado na tabela. Monte o casquilho de mancal indicado para cada redução. Verde/Preto Verde/Preto Verde/Preto Verde/Preto Verde/Preto Verde/Preto Verde/Preto Verde/Preto Verde/Preto Verde/Preto Verde/Preto Verde/Preto Vermelho/Preto Vermelho/Preto Vermelho/Preto Vermelho/Preto Vermelho/Preto Vermelho/Preto Vermelho Vermelho Vermelho Vermelho Vermelho Vermelho Vermelho Vermelho Vermelho Vermelho Vermelho Vermelho Figura 76 vermelho/preto verde/preto vermelho vermelho
  • 68.
    Stralis / MotorCursor 13 MR 2 2004-10-31 69 / 155 D. Definição da classe de diâmetro do alojamento do casquilho de biela No corpo da biela, na posição indicada pela vista “A”, existem três marcas. Letra que indica a classe de peso A = 4.661 - 4.694 g B = 4.695 - 4.728 g C = 4.729 - 4.762 g Número que indica a classe de diâmetro do alojamento do casquilho de biela 1 = 94,000 - 94,010 mm 2 = 94,011 - 94,020 mm 3 = 94,021 - 94,030 mm Número que indica o acoplamento biela - capa de biela O número que indica a classe de diâmetro do alojamento do casquilho de biela pode ser 1, 2 ou 3. 3 2 1 Figura 77
  • 69.
    Stralis / MotorCursor 13 MR 2 2004-10-31 70 / 155 E. Seleção dos casquilhos de biela (moentes com diâmetro nominal) Uma vez determinada a classe de diâmetro do alojamento do casquilho de biela, é pos- sível estabelecer o tipo de casquilho a ser utilizado, tomando como base as infor- mações da tabela a seguir: Figura 78 Vermelho Vermelho Vermelho Vermelho VermelhoVermelho Vermelho Vermelho Verde Verde Verde Verde Verde Verde Verde Verde Verde Verde STD (Padrão)
  • 70.
    Stralis / MotorCursor 13 MR 2 2004-10-31 71 / 155 Seleção dos casquilhos de biela (moentes retificados) Para os casos em que os moentes de biela tenham sido retificados, verifique o novo diâmetro dos moentes e certifique-se de que ele corresponda ao indicado na tabela. Monte o casquilho de biela indicado para cada redução. Vermelho/Preto Vermelho/Preto Vermelho/Preto Vermelho/Preto Vermelho/Preto Vermelho/Preto Verde/Preto Verde/Preto Verde/Preto Verde/Preto Verde/Preto Verde/Preto Verde/Preto Verde/Preto Verde/Preto Verde/Preto Verde/Preto Verde/Preto Verde Verde Verde Verde Verde Verde Verde Verde Verde Verde Verde Verde Vermelho Vermelho Vermelho Vermelho Vermelho Vermelho Vermelho Vermelho Vermelho Vermelho Vermelho Vermelho Figura 79 vermelho/preto verde/preto vermelho vermelho verde verde
  • 71.
    Stralis / MotorCursor 13 MR 2 2004-10-31 Verificação da folga de monta- gem da árvore de manivelas 1. Coloque o bloco na posição horizontal. 2. Monte os bicos de arrefecimento (2) fazendo coincidir o bico com o furo (3) no bloco do motor. Posicione os casquilhos de mancais (1) nos respectivos mancais do bloco principal. Notas: - Caso utilize os casquilhos anterior- mente removidos, certifique-se de que eles sejam montados em suas posições originais. - Não efetue nenhum tipo de retraba- lhado nos casquilhos. 3. Instale a árvore de manivelas (2) no bloco do motor, utilizando a ferramenta 99360500 (1) e uma talha. 4. Posicione os casquilhos de mancais (1) nos respectivos mancais do bloco inferior (2). 5. Verifique a folga de montagem entre os munhões principais da árvore de manivelas e os respectivos casquilhos, conforme descrito a seguir. 72 / 155 Figura 80 Figura 81 Figura 82
  • 72.
    Stralis / MotorCursor 13 MR 2 2004-10-31 73 / 155 Verificação da folga radial da árvore de manivelas Verifique a folga entre os munhões princi- pais da árvore de manivelas e os respec- tivos casquilhos dos mancais, proce- dendo conforme segue: a. Limpe cuidadosamente os munhões, eliminando qualquer resíduo de óleo. b. Posicione sobre os mancais da árvore de manivelas (2), paralelamente ao eixo longitudinal, um fio calibrado. c. Monte o bloco inferior (1) com auxílio de uma ferramenta e talha apropria- das. d. Lubrifique e monte os parafusos inter- nos (1) com óleo UTDM. Aperte-os ao momento de 120 Nm utilizando um torquímetro e posteriormente efetue um aperto angular de 60º, na seqüên- cia ilustrada da figura. Seqüência de aperto dos parafusos de fixação do bloco inferior ao bloco principal Figura 83 Figura 84 Figura 85
  • 73.
    Stralis / MotorCursor 13 MR 2 2004-10-31 e. Desmonte o bloco inferior e verifique a folga radial. - A folga entre os munhões principais da árvore de manivelas e os respectivos casquilhos dos mancais é obtida com- parando a largura do fio calibrado (2), no ponto de maior esmagamento, com a graduação da escala descrita no invólucro (1) que contém o fio cali- brado. - Os números descritos nesta escala indicam a folga da montagem, em milímetros. - Caso encontre uma folga diferente da prescrita, substitua os casquilhos dos mancais e repita a verificação da folga. Verificação da folga axial da árvore de manivelas 1. Instale o relógio comparador 99395603 (1) de base magnética na árvore de manivelas (2), conforme indicado na figura. 2. Movimente a árvore de manivelas e verifique se a folga axial está de acordo com a prescrita. Caso encontre uma folga superior, substitua os casquilhos do mancal traseiro e proceda novamente a verifi- cação da folga axial. 74 / 155 Figura 87 Figura 86
  • 74.
    Stralis / MotorCursor 13 MR 2 2004-10-31 Desmontagem do conjunto pistão e biela Figura 88 1. Corpo da biela 2. Casquilhos da biela 3. Capa da biela 4. Parafusos de fixação 5. Anel de segurança 6. Anel de compressão superior (trapezoidal) 7. Anel de compressão inferior 8. Anel raspador de óleo com mola espiral 9. Pino do pistão 10. Pistão 75 / 155
  • 75.
    Stralis / MotorCursor 13 MR 2 2004-10-31 Certifique-se de que os pistões não apre- sentam sinais de engripamento, ranhu- ras, rachaduras ou desgaste excessivo. Caso contrário, substitua-os. Os pistões são providos de três anéis elásticos: - O primeiro, de compressão, de seção trapezoidal. - O segundo, de compressão. - O terceiro, raspador de óleo. Os pistões são classificados nas classes A e B, de acordo com seu diâmetro. 1. Remova os anéis (2) do pistão utili- zando o alicate 99360184 (1). 2. Remova o anel de segurança (2) utili- zando um alicate de pontas (1). 3. Remova o pino (1) do pistão, utilizando uma ferramenta adequada. 76 / 155 Figura 89 Figura 90 Figura 91
  • 76.
    Stralis / MotorCursor 13 MR 2 2004-10-31 Inspeções: Pistões Dados principais dos pistões, pinos e anéis * A cota é obtida no diâmetro de 130 mm 77 / 155 Pistão 1. Meça o diâmetro do pistão (1), utili- zando um micrômetro (2), para deter- minar a folga de montagem. Compare o valor obtido com o especificado. Nota: O diâmetro deve ser medido a 20 mm da base do corpo do pistão. Pino do pistão 1. Meça o diâmetro do pino do pistão (1), utilizando um micrômetro (2). Compare o valor obtido com o especificado. 2. Lubrifique com óleo o pino (1) e sua sede no pistão. O pino deve ser inserido no pistão com uma pequena pressão dos dedos e não deve sair devido à força da gravidade. Esta deve ser a condição para uma correta mon- tagem do conjunto. Figura 92 Figura 93 Figura 94 Figura 95
  • 77.
    Stralis / MotorCursor 13 MR 2 2004-10-31 Anéis de compressão e raspador 1.Verifique a espessura dos anéis (2) de compressão e raspador de óleo, utili- zando um micrômetro (1). 2. Verifique a folga entre os anéis (2) de compressão inferior / raspador de óleo e suas respectivas sedes no pistão (1), utilizando um calibre de lâmina (3). 3. Devido a forma particular do anel de compressão superior (2) de seção trapezoidal, a folga “X” entre o anel de compressão e a ranhura do pistão deve ser obtida conforme segue: - Extraia o pistão (1) do bloco do motor de forma que o anel de compressão superior (2) saia até a metade da camisa de cilindros (3). Esquema para medição da folga “X” entre a primeira ranhura do pistão e o anel de com- pressão - Nesta posição, verifique a folga “X” entre o anel de compressão (2) e a ranhura, utilizando um calibre de lâminas. 4. Verifique a folga entre as pontas dos anéis de compressão (1) montados na camisa de cilindros (3) utilizando um calibre de lâminas (2). 5. Caso a distância entre as pontas dos anéis seja inferior ou superior à pres- crita, substitua os anéis. 78 / 155 Figura 96 Figura 97 Figura 98 Figura 99
  • 78.
    Stralis / MotorCursor 13 MR 2 2004-10-31 79 / 155 Nota: Em cada biela estão estampados os dados relativos ao par de acopla- mento, ao peso e alojamento do casquilho. - Dados estampados na biela Letra que indica a classe de peso A = 4.661 - 4.694 g B = 4.695 - 4.728 g C = 4.729 - 4.762 g Número que indica a seleção do diâmetro do alojamento do casquilho da biela 1 = 94,000 - 94,010 mm 2 = 94,011 - 94,020 mm 3 = 94,021 - 94,030 mm Números de identificação do par de acoplamento biela - capa de biela Nota: Ao montar as bielas, certifique-se de que todas sejam da mesma classe de peso. Inspeções: Biela Dados principais da biela, casquilhos, pino do pistão e bucha * A cota do diâmetro interno é obtida depois da introdução forçada da bucha no pé da biela. 3 2 1 Figura 100 Figura 101
  • 79.
    Stralis / MotorCursor 13 MR 2 2004-10-31 Verificação do paralelismo dos eixos da biela Com auxílio do aparelho 99395363 (3), verifique o paralelismo dos eixos da biela (1), conforme descrito a seguir. - Monte a biela (1) no mandril da ferra- menta 99395363 (5) e bloqueie com o parafuso (4). - Posicione o mandril (3) nos prismas em “V”, apoiando a biela (1) na barra de parada (2). Controle da torção Verifique a torção da biela (5) compa- rando dois pontos (A e B) do pino (3) no plano horizontal do eixo da biela. Posicione o suporte (1) do comparador (2) pré-carregando-o em 0,5 mm sobre o pino (3) no ponto A. Zere o relógio com- parador (2). Solte o mandril (4) com a biela (5) e meça a possível diferença no ponto B do lado oposto do pino (3). A diferença entre A e B não deve ser superior a 0,08 mm. 80 / 155 Figura 102 Figura 103
  • 80.
    Stralis / MotorCursor 13 MR 2 2004-10-31 Verificação da flexão da biela Verifique a flexão da biela (5) compa- rando dois pontos “C” e “D” do pino (3) no plano vertical do eixo da biela. Posicione o suporte vertical (1) do com- parador (2) de maneira que a ponta deste último se apoie no pino (3) no ponto C. Faça movimentos com a biela para frente e para trás buscando a posição mais alta do pino e uma vez encontrada esta posição coloque a zero o relógio com- parador (2). Solte o mandril com a biela (5) e repita no lado oposto “D” do pino (3) a verificação do ponto mais alto. Solte o mandril com a biela (5) e repita no lado oposto “D” do pino (3) a verificação do ponto mais alto.diferença entre os pontos “C” e “D” não deve ser superior a 0,08 mm. Montagem do conjunto pistão e biela Esquema de acoplamento da biela ao pistão para a montagem do conjunto na camisa de cilindros. Figura 105 1. Conjunto pistão e biela 2. Zona de gravação no topo do pistão do ideograma da posição de montagem e classe de seleção 3. Zona de gravação da biela Nota: os parafusos da biela podem ser reutilizados enquanto o diâmetro da rosca não reduzir a menos que 13,4 mm. Figura 104 81 / 155
  • 81.
    Stralis / MotorCursor 13 MR 2 2004-10-31 1. Posicione a biela (1) em uma morsa e monte o pistão (2) na mesma, obser- vando a posição de montagem gra- vada na cabeça do pistão. Insira o pino (3) no pistão. 2. Trave o pino com os anéis de segu- rança (2), utilizando um alicate de bico (1). 3. Monte os anéis de compressão e ras- pador de óleo (1) no pistão (2), utili- zando o alicate 99360184 (3). Nota: Os anéis devem ser montados com a marcação “TOP” (4) para cima e com suas pontas defasadas entre si 120º. 4. Monte os casquilhos (1) selecionados conforme descrito anteriormente, tanto na biela quanto na capa de biela. Nota: Caso utilize os casquilhos da biela anteriormente removidos, certi- fique-se de que eles sejam montados em suas posições originais. Não efetue nenhuma operação de retra- balho nos casquilhos. 82 / 155 Figura 106 Figura 107 Figura 108 Figura 109 1 3 2
  • 82.
    Stralis / MotorCursor 13 MR 2 2004-10-31 83 / 155 Inspeções: Cabeçote de cilin- dros Verifique a planicidade da superfície de apoio do cabeçote de cilindros (1) ao bloco do motor, utilizando uma régua (2) e um calibre de lâminas (3). Caso encontre deformações, proceda ao aplainamento do cabeçote, eliminando a menor quantidade possível de material. A quantidade máxima de material que pode ser removida é 0,2 mm. Nota: Após a operação do aplainamento, verifique as superfícies de apoio das vál- vulas e a saliência dos injetores, con- forme descrito neste módulo. Inspeções: Válvulas e guias Dados principais das válvulas de admissão e escape e das guias de vál- vulas * A cota é obtida depois da montagem da guia de válvulas. Esquema de montagem das guias de válvulas e válvulas * A cota é obtida depois da montagem da guia de válvulas. Figura 110 Figura 111 Figura 112
  • 83.
    Stralis / MotorCursor 13 MR 2 2004-10-31 1. Efetue a extração dos depósitos de carbono das válvulas usando uma escova de metal apropriada. 2. Certifique-se de que as válvulas não apresentam sinais de engripamento, rachaduras ou queimaduras. 3. Meça o diâmetro da haste das válvulas (1) com um micrômetro (2). As medi- das devem estar compreendidas den- tro dos valores prescritos. Caso contrário, substitua as válvulas. Caso seja necessário, retifique os alo- jamentos das válvulas, eliminando a menor quantidade possível de mate- rial. Substituição das guias de válvulas 1. Desmonte as guias de válvulas utili- zando o batedor 99360143. 2. Monte as novas guias de válvulas utili- zando o batedor 99360143 e o mandril 99360296. O mandril 99360296 permite esta- belecer a posição exata de montagem das guias de válvulas no cabeçote de cilindros. Nota: Caso não sejam as mesmas guias de válvulas, devem ser monta- das as novas guias no cabeçote de cilindros de maneira que se sobres- saiam em 30,8 a 31,2 mm (figura 112). Uma vez efetuado o cravamento das guias de válvulas, deve ser retificado o furo das mesmas com o alargador 99390330. 84 / 155 Figura 113 Figura 114
  • 84.
    Stralis / MotorCursor 13 MR 2 2004-10-31 85 / 155 Inspeções: Mola de válvulas Dados principais das molas de válvu- las de admissão e escape 1. Antes de efetuar a montagem, veri- fique a flexibilidade das molas de vál- vulas utilizando a ferramenta 99305047 (1) ou “balança” de molas similar. Compare os dados de carga e de deformação elástica com os valores das molas novas indicados anterior- mente. Substituição e retificação das sedes de válvulas Caso seja necessária a substituição dos assentos de válvulas, utilize ferramentas apropriadas. Nota: A retificação das sedes de válvulas no cabeçote de cilindros deve ser efetu- ada sempre que for retificada ou substi- tuída, tanto as válvulas quanto as guias de válvulas. 1. Efetue a retífica das sedes de válvulas (2), conforme os valores de inclinação indicados na figura 112, utilizando fer- ramentas apropriadas. 2. Após a retífica, utilizando a ferramenta 99370415, certifique-se de que o recolhimento das válvulas de admis- são e de escape com relação ao plano da cabeça dos cilindros seja: Válvulas de admissão -0,54 a -0,85 mm Válvulas de escape -1,75 a -2,05 mm Figura 115 Figura 116 Figura 117 Mola livre Válvula fechada Válvula aberta
  • 85.
    Stralis / MotorCursor 13 MR 2 2004-10-31 Substituição da sede porta-inje- tores Desmontagem 1. Rosqueie a sede (2) utilizando a ferra- menta 99390804 (1). 2. As operações que seguem devem ser efetuadas instalando as ferramentas no cabeçote de cilindros através do elemento A. 3. Rosqueie o extrator 99342149 (2) na sede (3). Rosqueie a porca (1) e extraia a sede do cabeçote de cilin- dros. 4. Remova possíveis resíduos (1) presen- tes nas estrias do cabeçote de cilin- dros utilizando a ferramenta 99390722 (2). Montagem 5. Lubrifique os anéis de vedação (3) e monte-os na nova sede (4) utilizando a ferramenta 99365056 (2) fixa no cabeçote de cilindros através do ele- mento A. Crave a nova sede e rosqueie o parafuso (1) recalcando a parte inferior da mesma. 86 / 155 Figura 118 Figura 119 Figura 120 Figura 121
  • 86.
    Stralis / MotorCursor 13 MR 2 2004-10-31 87 / 155 6. Efetue a retífica do furo da nova sede (3) utilizando a fresa retificadora 99394041 (1). 7. Retifique os alojamentos de apoio do injetor na sede (3) utilizando a fresa retificadora 99394043 (1-2). Saliência do bico injetor 1. Verifique a saliência do bico injetor (2) com relação ao plano do cabeçote de cilindros, utilizando um relógio com- parador (1) com base magnética. A saliência do injetor (2) deve ser de 0,52 a 1,34 mm. Esquema de montagem da sede porta-injetores Figura 122 Figura 123 Figura 124 Figura 125
  • 87.
    Stralis / MotorCursor 13 MR 2 2004-10-31 Inspeções: Eixo comando de válvulas Dados principais do eixo comando de válvulas e tolerâncias Tolerâncias Característica da tolerância Símbolo gráfico De orientação Perpendicularidade De posição Concentricidade e coaxilidade De oscilação Oscilação circular Classe de importância atribuída às características do produto Símbolo gráfico Crítica Importante Secundária 88 / 155 Figura 126
  • 88.
    Stralis / MotorCursor 13 MR 2 2004-10-31 - Certifique-se de que as superfícies dos mancais e dos cames estejam bem polidas e não apresentam sinais de empenamento e arranhões. Caso contrário, substitua o eixo e os casquilhos correspondentes. - Posicione o eixo comando (4) entre as pontas (1) e verifique, utilizando um relógio comparador centesimal (2), o levantamento dos cames (3) que deve ser de: . 9,231 mm para os cames de admissão . 9,5607 mm para os cames de escape - Com o eixo comando entre as pontas, verifique com um relógio comparador centesi- mal (1) o alinhamento dos mancais de apoio (2). O desalinhamento não pode ser superior a 0,030 mm. Caso contrário, substitua o eixo comando de válvulas. 89 / 155 Figura 127 Figura 128
  • 89.
    Stralis / MotorCursor 13 MR 2 2004-10-31 Inspeções: Casquilhos do eixo comando As superfícies dos casquilhos não devem apresentar sinais de engripamento ou riscos. Caso contrário, substitua-os. Dados principais dos casquilhos do eixo comando de válvulas e de suas sedes no cabeçote de cilindros Para verificar as folga de montagem, meça o diâmetro interno dos casquilhos e o diâmetro externo dos mancais de apoio (1) do eixo comando. A partir da diferença des- tas medidas é obtida a folga existente. Caso encontre folgas superiores a 0,135 mm, substitua os casquilhos. Para a desmontagem e montagem dos casquilhos, utilize a ferramenta 99360499. Nota: Durante a montagem, certifique-se de que os furos dos casquilhos estejam ali- nhados com os canais de passagem de óleo de lubrificação do cabeçote. 90 / 155 Figura 129 Figura 130
  • 90.
    Stralis / MotorCursor 13 MR 2 2004-10-31 Substituição dos casquilhos do eixo comando (utilizando a ferramenta 99360499) Figura 131 A = Ferramenta com alojamento para casquilhos a serem instalados/extraídos B = Ressalto de posicionamento dos casquilhos C = Referência para correta instalação do 7º casquilho D = Referência para correta instalação dos casquilhos 1 a 6 (marcas de cor amarela) E = Casquilho guia F = Linha guia G = Casquilho guia para fixar o suporte do 7º casquilho H = Placa de fixação do casquilho amarelo no cabeçote de cilindros I = Empunhadura L = Alargador 91 / 155
  • 91.
    Stralis / MotorCursor 13 MR 2 2004-10-31 Desmontagem 1. Posicione, cuidadosamente, a ferra- menta 99360499 no cabeçote de cilin- dros. Os casquilhos devem ser removidos pela parte dianteira dos respectivos alojamentos na ordem: 7, 6, 5, 4, 3, 2 e 1. Para a montagem dos casquilhos 5, 6 e 7 não é necessário o alargador da ferramenta nem o uso do casquilho guia. Com referência aos casquilhos 1, 2, 3 e 4 deve ser utilizado o alargador e os casquilhos guias. Montagem 2. Monte a ferramenta com o alargador e insira os casquilhos 1, 2, 3, 4 e 5 con- forme descrito. a. Posicione o casquilho a ser mon- tado na ferramenta (A), fazendo coincidir o ressalto (B, figura 131) da mesma com o alojamento do casquilho. b. Posicione o casquilho guia (E) e fixe o casquilho guia (G, figura 131) no alojamento do 7º casquilho através da placa (H). c. Durante a fase de cravamento do casquilho faça coincidir a ranhura (F) com a ranhura (M), pois desta forma, após a conclusão do crava- mento, o furo presente no casquilho para efetuar a lubrificação coincidirá com o canal de passagem de óleo do alojamento. O cravamento é concluído quando a 1ª marca amarela de referência (D) ficar ao nível do casquilho guia (G). 92 / 155 Figura 132 Figura 133 Parte traseira Parte dianteira Parte dianteira Parte traseira
  • 92.
    Stralis / MotorCursor 13 MR 2 2004-10-31 93 / 155 3. Insira o casquilho (6) conforme segue: - Desrosqueie a empunhadura (I) e o alargador (N). - Posicione o alargador (N) e o casquilho guia (E) de acordo com o ilustrado na figura. - Repita as operações a, b e c. 4. Insira o casquilho (7) conforme segue: - Retire a empunhadura (I) e o casqui- lho guia (G) fixo à cabeça. - Reistale a guia (G) pela parte interna, de acordo com o ilustrado na figura. - Posicione o casquilho na ferramenta (A) e aproxime-o do alojamento, fazendo coincidir o furo do casquilho com o canal de lubrificação do aloja- mento. - Efetue o cravamento. O 7º casquilho estará completamente cravado quando a referência (C) estiver ao nível do alojamento do casquilho. Inspeções: Balancins e eixo porta-balancins Balancins para injetores-bomba Balancins para válvulas de admissão Balancins para válvulas de escape Certifique-se de que as superfícies dos casquilhos não apresentam sinais de desgaste, ranhuras ou marcas de agarra- mento. Caso contrário, substitua o balan- cim em seu conjunto. Figura 134 Figura 135 Figura 136 Figura 137 Figura 138 Parte traseira Parte dianteira Parte dianteira Parte traseira
  • 93.
    Stralis / MotorCursor 13 MR 2 2004-10-31 Eixo porta-balancins Os excêntricos do eixo comando de válvulas comandam diretamente os balancins: 6 para os injetores e 12 para as válvulas. Os balancins deslizam diretamente sobre os perfis dos cames através de rolamentos. No outro extremo atua sobre uma ponte que atua diretamente na haste das válvulas. Entre o parafuso de regulagem do balancim e a ponte está montada uma pastilha. No interior dos balancins existem dois canais de lubrificação. O eixo porta-balancins ocupa quase todo o cabeçote de cilindros e deve ser desmon- tado para se ter acesso aos órgãos adjacentes. O comprimento do eixo porta-balancins é aproximadamente igual ao do cabeçote de cilindros. 94 / 155 Figura 139
  • 94.
    Stralis / MotorCursor 13 MR 2 2004-10-31 95 / 155 Montagem do cabeçote de cilin- dros 1. Lubrifique com óleo do motor a haste das válvulas e monte as válvulas de admissão e escape nas respectivas guias no cabeçote de cilindros. 2. Monte a arruela-guia inferior (3) e o anel de vedação (1), nas guias de vál- vula (2), utilizando a ferramenta 99360329. 3. Posicione a mola (6) e a arruela-guia superior (5). Instale a ferramenta 99360263 (2) e fixe-a através do elemento (4). Rosqueie a alavanca (1) até conseguir montar as chavetas (3). Retire a ferra- menta (2). 4. Repita as operações anteriores para as demais válvulas do cabeçote. Figura 140 Figura 141
  • 95.
    Stralis / MotorCursor 13 MR 2 2004-10-31 Montagem do motor Montagem da árvore de manivelas e bloco inferior do motor 1. Instale o bloco do motor no cavalete giratório. 2. Monte as camisas de cilindros con- forme descrito neste módulo. 3. Coloque o bloco na posição horizontal. 4. Monte os bicos de arrefecimento (2) dos pistões, fazendo coincidir o bico com o canal de lubrificação (3) do bloco. Posicione os casquilhos (1) nos respectivos mancais do bloco princi- pal. Notas: - Caso utilize casquilhos anteriormente removidos, certifique-se de que eles sejam montados em suas posições originais. - Não efetue nenhum retrabalho nos casquilhos. 5. Instale a árvore de manivelas (2) no bloco principal, utilizando a ferramenta 99360500 (1) e uma talha. 6. Posicione os casquilhos (1) nos respectivos mancais do bloco inferior (2). 96 / 155 Figura 142 Figura 143 Figura 144
  • 96.
    Stralis / MotorCursor 13 MR 2 2004-10-31 97 / 155 7. Aplique silicone Loctite 5699 no bloco principal, com uma ferramenta apropri- ada (1), de acordo com o ilustrado na figura abaixo. Esquema de aplicação do silicone Nota: Efetue a montagem do bloco inferior dentro de no máximo 10 minu- tos após a aplicação do silicone. 8. Monte o bloco inferior (1) com auxílio de ferramenta e talha apropriadas. 9. Aperte os parafusos externos estria- dos (1) a um momento de 30 Nm, conforme seqüência na figura da página seguinte. 10. Aperte os parafusos internos (1) a um momento de 120 Nm, utilizando o torquímetro (3). Na seqüência, efetue um aperto angular de 60º nos mes- mos e posteriormente outro aperto angular de 55º, utilizando a ferra- menta 99395216 (4) e de acordo com a seqüência na figura da página seguinte. 11. Efetue um aperto angular de 60º nos parafusos externos (1), utilizando a ferramenta 99395216 (3). Figura 145 Figura 146 Figura 148 Figura 149 Figura 150 Figura 147
  • 97.
    Stralis / MotorCursor 13 MR 2 2004-10-31 Seqüência de aperto dos parafusos de fixação do bloco inferior 98 / 155 Parte dianteira Figura 151 Parte dianteira Parte dianteira Parte dianteira Parte dianteira Parte dianteira Primeira fase: Aperto dos para- fusos externos a um momento de 30 Nm Segunda fase: Aperto dos para- fusos internos a um momento de 120 Nm Terceira fase: Aperto angular dos parafusos internos 60º Quarta fase: Aperto angular dos parafusos internos 55º Quinta fase: Aperto angular dos parafusos externos 60º
  • 98.
    Stralis / MotorCursor 13 MR 2 2004-10-31 12. Certifique-se de que a tampa (1) esteja montada corretamente, utili- zando o anel centralizador 99396035 (2). Caso necessário, efetue o ajuste e aperte posteriormente os paraufos (3). 13. Monte o retentor (1) da árvore de manivelas, utilizando o mandril 99346250 (2) e aperte a porca (3) para cravar o retentor (1). Instalação do conjunto pistão e biela 1. Coloque o bloco do motor na posição vertical. 2. Remova a capa de biela e monte os casquilhos (1), tanto na biela como na capa de biela. 3. Instale o conjunto pistão e biela (2) nas camisas de cilindros, com auxílio do anel 99360605 (1). Nota: Antes de instalar o conjunto no bloco, certifique-se de que: - Todos os pistões sejam de mesma classe, ou seja, A ou B. - O ideograma estampado na cabeça dos pistões esteja voltado para o vol- ante do motor ou que a ranhura da parte externa dos pistões esteja cor- respondendo com a posição dos bicos de arrefecimento. - As pontas dos anéis estejam a 120º uma da outra. 4. Efetue a verificação da folga radial dos moentes de biela, conforme descrito a seguir. Figura 152 Figura 153 Figura 154 Figura 155 99 / 155
  • 99.
    Stralis / MotorCursor 13 MR 2 2004-10-31 Conjunto pistão-biela Zona de gravação no topo do pistão do ideograma da posição de montagem e classe de seleção Zona de gravação da biela 100 / 155 3 2 1 Verificação da folga radial dos moen- tes de biela a. Limpe cuidadosamente as peças e elimine qualquer resíduo de óleo. Apli- que nos moentes (1) da árvore de manivelas um pedaço de fio calibrado. b. Monte as capas das bielas (1) com os respectivos casquilhos. Monte os parafusos (2) e aperte-os a um momento de 60 Nm, utilizando um torquímetro 99395216 (3) c. Posteriormente, efetue um aperto angular de 60º. d. Remova as capas de biela e verifique a folga existente, comparando a largura do fio calibrado com a gravação da escala existente no invólucro do fio. Caso a folga seja diferente da pre- scrita, substitua os casquilhos e repita a verificação da folga. Figura 156 Figura 157
  • 100.
    Stralis / MotorCursor 13 MR 2 2004-10-31 101 / 155 Instalação do cabeçote de cilindros 1. Certifique-se de que as superfícies de apoio do cabeçote de cilindros e do bloco do motor estejam limpas, bem como, a junta do cabeçote. 2. Posicione os pistões 1 e 6 no PMS. 3. Posicione a junta do cabeçote (2) no bloco do motor. Monte o cabeçote de cilindros (1) utilizando ferramentas adequadas. 4. Aperte os parafusos de fixação do cabeçote conforme seqüência ilus- trada na figura abaixo, em cinco eta- pas descritas a seguir. Seqüência de aperto do cabeçote de cilindros 5. Efetue os apertos que seguem utili- zando um torquímetro (1) apropriado: 1ª etapa: Aperto inicial a um momento de 60 Nm. 2ª etapa: Aperto a um momento de 120 Nm. 6. Efetue apertos angulares, utilizando a ferramenta 99395216 (1): 3ª etapa: Aperto angular de 90º. 4ª etapa: Aperto angular de 45º para os parafusos 4, 5, 12, 13, 20 e 21. 5ª etapa: Aperto angular de 65º para os parafusos 1, 2, 3, 6, 7, 8, 9, 10, 11, 14, 15, 16, 17, 18, 19, 22, 23, 24, 25 e 26. Figura 158 Figura 159 Figura 160 Figura 161
  • 101.
    Stralis / MotorCursor 13 MR 2 2004-10-31 Montagem das engrenagens de distri- buição 1. Monte a bomba de óleo (5), as engre- nagens intermediárias (2) com o suporte (1) e a engrenagem de comando da tomada de força (3). Aperte os parafusos (4) ao momento especificado. Montagem da carcaça e volante do motor 1. Aplique silicone Loctite 5699 na car- caça do volante com auxílio de uma ferramenta apropriada (1) de acordo com o ilustrado na figura. Nota: Monte a carcaça do volante den- tro de no máximo 10 minutos após ter aplicado o silicone. 2. Aperte os parafusos ilustrados na figura na ordem e no momento de aperto que seguem, utilizando um tor- químetro. 3. Posicione o retentor (1), instale o mandril 99346251 (2) e crave o reten- tor (1) na carcaça, apertando a porca (3). 10 parafusos M12 x 1,75 x 100 Aperto de 56 a 70 Nm 2 parafusos M12 x 1,75 x 70 4 parafusos M12 x 1,75 x 35 1 parafuso M12 x 1,75 x 120 2 parafusos M12 x 1,75 x 193 102 / 155 Figura 162 Figura 163 Figura 164 Figura 165
  • 102.
    Stralis / MotorCursor 13 MR 2 2004-10-31 4. Detalhe da gravação no volante do motor da posição dos pistões. A = Furo do volante com uma ranhura, correspondente ao PMS dos pistões 3 e 4. B = Furo do volante com uma ranhura, correspondente ao PMS dos pistões 1 e 6. C = Furo do volante com uma ranhura, correspondente ao PMS dos pistões 2 e 5. D = Furo do volante com duas ranhuras, correspondente a 54º. 103 / 155 A árvore de manivelas possui uma espiga de referência que deve ser acoplada no respectivo alojamento do volante do motor. 5. Trave o volante do motor com a ferra- menta 99360351 (3). Aperte os parafusos (2) em três eta- pas: 1ª etapa: Aperte a um momento de 120 Nm, com um torquímetro (4). 6. 2ª e 3ª etapas: Efetue um aperto angu- lar de 60º em todos os parafusos e, posteriormente, um aperto de 30º, utili- zando a ferramenta 99395216 (1). Figura 166 Figura 167 Figura 168 Vista dos furos A - B - C Vista dos furos D
  • 103.
    Stralis / MotorCursor 13 MR 2 2004-10-31 7. Posicione a árvore de manivelas com os pistões 1 e 6 no ponto morto supe- rior (PMS). Esta situação se verifica quando desde a janela de inspeção, situada na parte inferior da carcaça do volante, pode-se ver o furo com uma ranhura e a ferramenta 99360612 (1) se posiciona no furo (3) presente no volante. Caso não se verifique esta situação, gire levemente a árvore de manivelas e o volante. Montagem do eixo comando de válvu- las e injetores 1. Monte o eixo comando de válvulas posicionando-o conforme as indi- cações (→), ilustradas na figura . Desta forma, se torna mais fácil sin- cronizar o eixo comando. Monte a placa (1) de reforço com a guarnição de chapa. 2. Verifique a posição do suporte (3) para a engrenagem de distribuição, com auxílio do calibre 99395219 (1). Aperte o parafuso (2) a um momento de 24,5 ± 2,5 Nm. 3. Monte a engrenagem de distribuição (1) e aperte os parafusos (2) a um momento de 30 ± 3 Nm. Posterior- mente, efetue um aperto angular de 90º com auxílio da ferramenta 99395216. 104 / 155 Figura 169 Figura 170 Figura 171 Figura 172
  • 104.
    Stralis / MotorCursor 13 MR 2 2004-10-31 105 / 155 4. Monte a engrenagem (2), sem apertar totalmente os parafusos (5), no eixo comando de válvulas posicionando-a de maneira que os quatro furos ranhu- rados fiquem centrados em relação aos furos de fixação do eixo comando. Verifique a folga entre as engrenagens (2) e (3), utilizando um relógio compa- rador de base magnética (1). A folga deve ser de 0,073 a 0,195 mm. Caso contrário, proceda conforme descrito a seguir: - Afrouxe os parafusos (4) de fixação da engrenagem de distribuição (3), afrouxe o parafuso (2, figura 171) de fixação do suporte e desloque o suporte (3, figura 171) a fim de obter a folga prescrita. - Aperte o parafuso (2, figura 171) de fixação do suporte e os parafusos (4). - Aperte os parafusos (5) de fixação da engrenagem ao momento prescrito. 5. Monte os anéis de vedação (1), (2) e (3) nos injetores. 6. Monte os injetores (2) e aperte os parafusos de fixação a um momento de 26 Nm. Monte os cilindros do freio-motor (1) e (4) e aperte-os a um momento de 19 Nm. Posicione as pontes (3) das hastes de válvulas de maneira que todas fiquem com o furo maior voltado para o mesmo lado. Figura 173 Figura 174 Figura 175
  • 105.
    Stralis / MotorCursor 13 MR 2 2004-10-31 Montagem do eixo porta-balancins Nota: Antes de montar o conjunto eixo porta-balancins, certifique-se de que todos os parafusos de ajuste tenham sido completamente desrosqueados. 1. Instale a ferramenta 99360553 (1) e monte o conjunto eixo porta-balancins no motor. 2. Aperte os parafusos (2) de fixação do eixo porta-balancins conforme segue: 1ª etapa: Aperte os parafusos (2) a um momento de 100 Nm, utilizando um torquímetro (1). 2ª etapa: Efetue um aperto angular de 60º utilizando a ferramenta 99395216 (3). 3. Monte as molas de retenção (3) na alavanca do freio-motor. Conecte o tubo (2) aos cilindros do freio-motor (4) e ao cilindro com a eletroválvula do freio-motor (1). 4. Monte o cabo elétrico nos eletro-inje- tores e aperte os parafusos a um momento de 1,36 a 1,92 Nm, utili- zando um torquímetro especial (1). 106 / 155 Figura 176 Figura 177 Figura 178 Figura 179
  • 106.
    Stralis / MotorCursor 13 MR 2 2004-10-31 107 / 155 Sincronização do eixo da distribuição 1. Instale a ferramenta 99360321 (7) e o separador 99360325 (6) na carcaça do volante (2). Nota: A seta indica o sentido de rota- ção do motor em funcionamento. Gire o volante (1) no sentido de rota- ção do motor através das ferramentas acima, de maneira que o pistão do cilindro 1 fique situado aproximada- mente ao PMS na fase de combustão. Esta situação é alcançada quando o furo com uma ranhura (4), sucessivo ao furo com duas ranhuras (5) do volante do motor (1), fique visível atra- vés da janela de inspeção (2). 2. A posição exata do pistão 1 no PMS é obtida quando, na situação ilustrada, a ferramenta 99360612 (1) através do alojamento (2) do sensor de rotações do motor, se encaixa no furo (3) pre- sente no volante do motor (4). Caso esta posição não seja obtida, gire e posicione de maneira adequada o volante do motor (4). Retire a ferramenta 99360612 (1). Figura 180 Figura 181
  • 107.
    Stralis / MotorCursor 13 MR 2 2004-10-31 3. Instale o relógio comparador de base magnética (1) com a haste posi- cionada no rolamento (2) do balancim que comanda o injetor do cilindro 1 e precarregue-o na medida de 6 mm. Gire a árvore de manivelas no sentido dos ponteiros do relógio, através da ferramenta 99360321 (7, figura 180), até que o ponteiro do comparador alcance o valor mínimo. Zere a escala do relógio comparador. Gire o volante do motor no sentido contrário dos ponteiros do relógio até que se verifique no ponteiro do com- parador o valor de elevação do came do eixo comando de 5,31 ± 0,05 mm. 4. A sincronização do eixo comando é obtida quando o valor de elevação de 5,31 ± 0,05 é verificado nas seguintes condições: a. O furo marcado com duas marcas (5) fique visível através da janela de inspeção. b. A ferramenta 99360612 (1), atra- vés do alojamento (2) do sensor de rotações do motor, fica encaixada no furo (3) presente no volante do motor (4). 108 / 155 Figura 182 Figura 183
  • 108.
    Stralis / MotorCursor 13 MR 2 2004-10-31 109 / 155 5. Caso não sejam obtidas as condições anteriormente descritas e indicadas nos pontos a e b, proceda conforme segue: - Solte os parafusos (2) que fixam a engrenagem (1) ao eixo comando e aproveite as ranhuras (1) presentes na engrenagem (2) figura 185. Opere de modo adequado no volante do motor, a fim de obter as condições indicadas nos pontos a e b, figura 183, considerando sempre que o valor de elevação do came não sofra alterações. Aperte os parafusos (2) ao momento prescrito e repita a verificação. 6. Quando a regulagem através das ranhuras (1) não for suficiente para corrigir a defasagem e o eixo comando girar, por estar fixo à engrenagem (2), o valor de referência da elevação do came se modificará conseqüente- mente, nesta situação proceda con- forme segue: - Verifique se os parafusos (2, figura 184) estão bloqueados. Gire o volante do motor 1/2 volta no sentido dos ponteiros do relógio. Gire o volante do motor no sentido contrário ao dos ponteiros do relógio até obter no comparador o valor de 5,31 ± 0,05, correspondente à eleva- ção do came do eixo comando. Retire os parafusos (2, figura 184) e remova a engrenagem (2) do eixo comando. Figura 184 Figura 185
  • 109.
    Stralis / MotorCursor 13 MR 2 2004-10-31 7. Gire novamente o volante até obter as seguintes condições: - Ranhura dupla (5) visível através da janela inferior de inspeção. - A ferramenta 99360612 (1) inserida até o topo no alojamento do sensor de rotações do motor (2) e (3). Monte a engrenagem (2), figura 185, com os quatro furos ranhurados cen- trados em relação ao furo de fixação do eixo comando, apertando os res- pectivos parafusos com o momento de aperto apropriado. Verifique a sincronização do eixo, fazendo girar primeiramente o volante no sentido dos ponteiros do relógio e posteriormente continue girando no sentido contrário até que o relógio comparador apresente o valor de 5,31 ± 0,05 mm. Verifique as condições de sincroniza- ção ilustradas no item 4. Sincronização da roda fônica 1. Nas condições de sincronização do motor, verifique se o pino 99360613 (2) está situado no dente marcado da roda fônica (1). Caso contrário, afrouxe os parafusos (3) e opere a roda fônica (1) de maneira adequada. Posterior- mente, aperte os parafusos (3) ao momento prescrito. 110 / 155 Figura 186 Figura 187
  • 110.
    Stralis / MotorCursor 13 MR 2 2004-10-31 Regulagem da folga dos balancins de admissão e escape e pré-carga dos balan- cins de comando dos injetores 111 / 155 1. A regulagem da folga entre os balan- cins e as pontes de comando das vál- vulas de admissão e escape, bem como, a regulagem da pré-carga dos balancins de comando dos injetores devem ser efetuadas cuidadosamente. Para efetuar a regulagem, posicione o cilindro que será regulado em fase de combustão. As válvulas deste cilindro estarão fechadas, enquanto são equili- bradas as válvulas dos cilindros simé- tricos. Os cilindros simétricos são 1 - 6, 2 - 5 e 3 - 4. Figura 188
  • 111.
    Stralis / MotorCursor 13 MR 2 2004-10-31 2. Proceda conforme descrito a seguir e de acordo com as indicações da tabela para efetuar as operações correta- mente. Regulagem da folga entre balan- cins e pontes de comando das vál- vulas de admissão e escape - Afrouxe a porca de fixação (1) do parafuso de regulagem utilizando uma chave poligonal. - Insira uma lâmina do calibre de lâmi- nas (3). - Rosqueie e desrosqueie o parafuso de regulagem com uma chave ade- quada. - Certifique-se de que a lâmina do cali- bre de lâminas (3) desliza com um leve toque. - Aperte a porca (1) mantendo imobili- zado o parafuso de regulagem. Pré-carga dos balancins de comando dos injetores - Afrouxe a porca de fixação do para- fuso de regulagem do balancim (5) de comando do injetor (6). - Rosqueie o parafuso de regulagem até posicionar o êmbolo no final do curso, utilizando uma chave apropri- ada (4). - Aperte o parafuso de regulagem a um momento de 5 Nm utilizando um tor- químetro. - Desrosqueie o parafuso de regula- gem de 1/2 a 3/4 de volta. - Aperte a porca de fixação a um momento de 39 Nm. Ordem de injeção: 1-4-2-6-3-5 Nota: Para efetuar corretamente as regulagens anteriormente descritas, siga a seqüência descrita na tabela, verificando para cada fase de rotação a exatidão do posicionamento medi- ante a ferramenta 99360612. Montagem dos agregados do motor 1. Monte a tampa do cabeçote (1), a tampa (2) das engrenagens de distri- buição e do blow-by. Partida e rotação no sentido dos pon- teiros do relógio Balancim válvulas cilindro nº Regular a folga das válvulas do cilindro nº Regular a pré-carga dos injetores do cilindro nº 1-6 no PMS 6 1 5 120º 3 4 1 120º 5 2 4 120º 1 6 2 120º 4 3 6 120º 2 5 3 112 / 155 Figura 189
  • 112.
    Stralis / MotorCursor 13 MR 2 2004-10-31 113 / 155 2. Monte o tubo de sucção e aperte os parafusos de fixação ao momento prescrito. Posicione a junta de vedação (4) no cárter de óleo (1) e o separador (3). Monte o cárter no bloco do motor e os parafusos de fixação (2). Aperte os parafusos ao momento especificado. 3. Monte e conecte os componentes que seguem: - Grupo termostato. - Tensor de correia automático. - Bomba d’água. - Alternador. - Correia de comando. Esquema de montagem da correia de comando do ventilador - bomba d’água - alternador 1. Alternador 2. Ventilador 3. Bomba d’água 4. Árvore de manivelas - Volante amortecedor. - Ventilador. - Motor de partida. - Bomba de combustível. - Cubo da direção hidráulica. - Filtro de combustível e tubos. - Resistência de pré-aquecimento. - Coletor de admissão. - Intercambiador de calor. - Filtros de óleo. - Coletor de escape. - Turbocompressor e respectivos tubos de água e óleo. - Tomada de força (TdF) e respectivos tubos. Nota: As porcas de fixação dos tubos de água do sistema de arrefecimento e de óleo para lubrificação do turbocom- pressor devem ser apertados ao momento de: 35 ± 5 Nm - porcas dos tubos d’água. 55 ± 5 Nm - porca fêmea do tubo de óleo. 20 a 25 Nm - porca macho do tubo de óleo. Figura 190 Figura 191
  • 113.
    Stralis / MotorCursor 13 MR 2 2004-10-31 - Vareta do nível de óleo. - Conexões elétricas e sensores. - Monte o tensor de correia automá- tico do compressor do ar condicio- nado e a correia de comando. Esquema de montagem da correia de comando do compressor 1. Árvore de manivelas 2. Compressor do ar condicionado 4. Monte as correias (1 e 3) utilizando fer- ramentas adequadas (2 e 4) nos ten- sores de correias, conforme indicado pelas setas. Nota: Os tensores de correias são do tipo automático, motivo pelo qual não estão previstas regulagens posteri- ores à montagem. 114 / 155 Figura 192 Figura 193
  • 114.
    Stralis / MotorCursor 13 MR 2 2004-10-31 Instalação do motor Vista do lado de escape do motor (lado do condutor) 115 / 155 Figura 194
  • 115.
    Stralis / MotorCursor 13 MR 2 2004-10-31 116 / 155 1. Instale o balancim 99360585 em uma talha e no motor. 2. Monte cuidadosamente o motor de seu compartimento, evitando possíveis contatos com as partes restantes que estão fixas ao chassi. 3. Monte em ambos os lados os parafu- sos dianteiros (7) e traseiros (13) de fixação do suporte do motor. 4. Monte o suporte da alavanca de mudanças (16) do motor e os parafu- sos (15). 5. Conecte o tubo de escape (12) e aperte a braçadeira metálica (11). 6. Monte o tubo de admissão de ar (1) e os parafusos (9). Conecte o tubo de admissão de ar (1) na mangueira (5), no tubo de recuperação de vapores de óleo (14) e na mangueira flexível (10). 7. Conecte os tubos do líquido de arrefe- cimento (6) e (8) do motor. 8. Conecte os tubos de gás (3) e aperte a braçadeira (2). 9. Conecte a mangueira de ar (4).
  • 116.
    Stralis / MotorCursor 13 MR 2 2004-10-31 Vista inferior do motor 117 / 155 10. Posicione o compressor (11) no suporte do motor (10) e fixe-o com os parafusos (9). 11. Conecte o tubo do líquido de arrefeci- mento (2) e o tubo (5) na mangueira (8). 12. Fixe as braçadeiras (1) e (6) e ligue as conexões elétricas do compressor. 13. Conecte o tubo do líquido de arrefeci- mento (3) no motor e no radiador. Figura 195
  • 117.
    Stralis / MotorCursor 13 MR 2 2004-10-31 Vista do lado da admissão do motor 118 / 155 Figura 196
  • 118.
    Stralis / MotorCursor 13 MR 2 2004-10-31 119 / 155 14. Conecte o chicote principal conforme segue: - Monte o chicote principal (10) no tubo de admissão do motor (12). Aperte a braçadeira (13). - Ligue as conexões elétricas (14) do alternador (15). - Ligue as conexões elétricas (7) do motor de partida (6). - Conecte o cabo massa (9). - Acople o conector inferior (8) da central eletrônica (11), procedendo conforme segue: a. Encaixe o dente guia. b. Encaixe o conector na central. c. Abaixe a alavanca de segurança. - Ligue o conector superior (5) na central eletrônica (11). - Ligue a conexão elétrica (3) no reservatório da direção hidráulica (4). - Monte os parafusos (1) e o suporte completo para botões de partida e desligamento do motor (2). - Conecte o chicote (10) no cabo do motor através do conector (16).
  • 119.
    Stralis / MotorCursor 13 MR 2 2004-10-31 120 / 155 Figura 197
  • 120.
    Stralis / MotorCursor 13 MR 2 2004-10-31 121 / 155 15. Conecte a mangueira (12) da admis- são do motor. 16. Conecte os tubos do líquido de arrefecimento (15) e (16). 17. Conecte o tubo (14) do compressor de ar e da união (1) e aperte a braça- deira (3). 18. Conecte o tubo (6) no compressor de ar e no tubo (17) do coletor de admis- são e aperte a braçadeira (3). 19. Conecte o tubo (5) do compressor de ar. 20. Conecte o tubo de ar (13) no filtro da turbina. 21. Conecte o tubo (4) da bomba de com- bustível. 22. Conecte o tubo (10) no reservatório da direção hidráulica (11) e o tubo (8) na bomba da direção hidráulica (9). 23. Monte os parafusos de fixação (7) e o suporte de ancoragem da cabina (2). 24. Instale a caixa de mudanças do motor, conforme descrito no módulo correspondente. 25. Conecte as baterias montando os cabos elétricos ou fechando o inter- ruptor geral de corrente. 26. Aperte todas as porcas e parafusos ao momento prescrito. 27. Abasteça o motor com a quantidade de óleo prescrita.
  • 121.
    Stralis / MotorCursor 13 MR 2 2004-10-31 Abastecimento do sistema de arrefecimento Operações preliminares Para veículos equipados somente com o sistema de calefação básico ou climatiza- ção manual. - Abra a torneira do líquido de arrefeci- mento situada no painel de instrumen- tos. Para veículos equipados com o sistema de climatização automática. - Coloque o comando da temperatura da cabina na posição HI. Para veículos equipados com calefator adicional. - O calefator não deve ser ativado. Operações - Coloque uma folha de papelão entre o radiador do líquido de arrefecimento e o radiador intercooler, para diminuir o tempo necessário para alcançar a tem- peratura de funcionamento do motor (aproximadamente 90ºC). Advertências: . As operações de abastecimento devem ser efetuadas com o motor frio. . A tampa (1) não deve ser retirada por nenhum motivo. Para evitar a formação de bolhas de ar no sistema, o líquido deve ser drenado lentamente (fluxo de aproximadamente 8 litros/minuto). . Para os veículos equipados com calefa- tor adicional, o percentual de glicol pre- sente no líquido de arrefecimento não deve superar a 50% do volume. - Retire a tampa 2 do reservatório de expansão (3). - Introduza o líquido de arrefecimento no reservatório de expansão (3) até abas- tecê-lo por completo. Drenagem de ar do sistema Nota: Para veículos equipados com calefator adicional. . Ative o calefator. - Ligue o motor e mantenha-o em um regime de rotação um pouco superior ao de marcha lenta por aproximada- mente 5 minutos. Nota: Se durante os primeiros minutos o reservatório de expansão esvaziar por completo, desligue o motor e efetue o abastecimento novamente com uma velocidade inferior a antecedente. Religue o motor. 122 / 155 Figura 198
  • 122.
    Stralis / MotorCursor 13 MR 2 2004-10-31 123 / 155 - Após 5 minutos de funcionamento, res- tabeleça eventualmente o nível do líquido de arrefecimento através do reservatório de expansão. - Monte a tampa (2) do reservatório de expansão (3). - Coloque o motor em regime de rotação máximo para que o líquido de arrefeci- mento alcance rapidamente a tempera- tura de abertura do termostato (aproximadamente 90ºC) e mantenha-o desta maneira até obter uma drenagem completa do ar presente no sistema. Isto pode ser controlado verificando a ausência de espuma e bolhas de ar no reservatório. O tempo máximo necessário para se obter a completa drenagem de ar do sistema é de aproximadamente 15 minutos, desde o momento de abertura do termostato (início de abertura 85º ± 2ºC). Advertências: - Não remova a tampa (2) do reservatório de expansão até que o líquido de arre- fecimento do sistema não tenha esfri- ado por completo. - Qualquer abastecimento somente deve ser efetuado com o motor frio, para: . Eliminar o risco de queimaduras no operador. . Evitar danos no motor, pois a pressuri- zação do sistema de arrefecimento se verifica somente com o aquecimento do líquido a partir do motor frio.
  • 123.
    Stralis / MotorCursor 13 MR 2 2004-10-31 Drenagem de ar do sistema de alimentação 124 / 155 Figura 199 - Antes de desligar o motor efetue a drenagem de ar do sistema de alimen- tação através dos parafusos de drena- gem que seguem em um recipiente apropriado. . Parafuso de drenagem (1) situado no suporte do pré-filtro. . Parafuso de drenagem (2) situado no suporte do filtro. . Parafuso de drenagem (4) situado na parte dianteira do cabeçote. a. Afrouxe o parafuso de drenagem (1) e acione o comando manual (3) da bomba de alimentação até a completa saída do ar presente no sistema, ou até que o combustível saia sem bolhas de ar. Aperte novamente o parafuso (1). b. Repita a operação para o parafuso (2). c. Repita a operação para o parafuso (4). Nota: Certifique-se de que não ocorra o derramamento de combustível sobre a correia de comando do alternador, da bomba d’água, etc.
  • 124.
    Stralis / MotorCursor 13 MR 2 2004-10-31 125 / 155 Verificação e controles finais Ligue o motor e deixe-o em movimento num regime de rotações pouco superior ao mínimo e aguarde que a temperatura do líquido de arrefecimento alcance o valor de abertura da válvula termostática. Em seguida, certifique-se de que: - Não existam vazamentos de água nos pontos de união das mangueiras do cir- cuito de arrefecimento do motor e de aquecimenmto interno da cabina. Caso necessário, reaperte-os. - Não existam vazamentos de óleo entre a tampa e o cabeçote, entre o cárter do motor e o bloco, entre o filtro de óleo e sua sede, entre o intercambiador de calor e o bloco, e entre os vários tubos do circuito de lubrificação. - As luzes de advertência do painel de instrumentos e as luzes dos compo- nentes que foram desligadas na remoção do motor não apresentam anomalias. - Não existam vazamentos de ar através dos tubos conectados aos compo- nentes pneumáticos que tenham sido desmontados.
  • 125.
    Stralis / MotorCursor 13 MR 2 2004-10-31 No circuito de lubrificação estão instalados o intercambiador de calor e dois filtros de óleo. Seção da bomba de óleo 126 / 155 SEÇÃO Figura 201 Lubrificação A lubrificação é de circulação forçada, obtida através de bombas de engre- nagens. A bomba é acionada através da engrena- gem (1) pela engrenagem da árvore de manivelas (2). Figura 200
  • 126.
    Stralis / MotorCursor 13 MR 2 2004-10-31 Circuito de lubrificação 127 / 155 No corpo do intercambiador de calor estão instaladas a válvula by-pass com pressão de abertura de 3 bar e a válvula termostática que é acionada quando se supera a temperatura de 82,5ºC. Figura 202 Figura 203 Percurso de retorno de óleo Percurso do óleo sob pressão Detalhe A Eletroválvula do freio-motor com pistão de comando do freio-motor do 4º cilindro B - aos cilindros 1 - 2 - 3 C - ao cilindro 4 D - aos cilindros 5 - 6
  • 127.
    Stralis / MotorCursor 13 MR 2 2004-10-31 Intercambiador de calor Seção do intercambiador de calor Válvula by-pass Válvula termostática Pressão de atuação de 2 bar Temperatura de atuação 82 ± 2ºC 128 / 155 Figura 204 Figura 205 Figura 206
  • 128.
    Stralis / MotorCursor 13 MR 2 2004-10-31 Filtro de óleo do motor Consiste em uma nova geração de filtros que permitem filtrar de maneira mais efi- ciente, pois estão em condições de reter uma maior quantidade de partículas com dimensões muito mais reduzidas do que as partículas retidas pelos filtros conven- cionais com parede filtrante de papel. Enrolamento externo de espiral Os elementos filtrantes estão estreita- mente envolvidos por um espiral, a fim de que cada dobra fique firmemente fixa ao espiral em relação a outras. Ele permite o uso uniforme das paredes, inclusive nas condições mais severas, como por exemplo: nas partidas a frio com fluidos de elevada viscosidade. Além disto, ele garante uma distribuição uni- forme do fluxo através de todo compri- mento do elemento filtrante, com a conseqüente otimização da perda de carga e de sua vida útil no serviço. Suporte Para otimizar a distribuição do fluxo e a rigidez do elemento filtrante, este filtro está composto de um suporte exclusivo constituído por uma robusta rede de náilon e por material sintético de elevada resistência. Parede filtrante Composto de fibras inorgânicas inertes ligadas através de resina de fabricação exclusiva a uma estrutura com poros de tamanho escalar. A parede é fabricada exclusivamente aplicando procedimen- tos de precisão e efetuando rigorosos controles de qualidade. Resistência Uma firme parede filtrante e uma robusta rede de náilon conferem maior resistên- cia, especialmente durante as partidas a frio e para períodos prolongados de uso. O fluxo do filtro permanece constante e confiável durante toda sua vida útil e entre elemento e elemento, independen- temente de variações nas condições de serviço. Partes estruturais As juntas onde está montado o elemento filtrante garantem uma perfeita estan- queidade entre o mesmo e a carcaça, eliminando os riscos de vazamento e mantendo constante o fluxo do filtro. Base resistente à corrosão e um robusto núcleo metálico interno completam a estrutura do elemento filtrante. A adoção destes dispositivos de elevada filtração, até o momento utilizados somente em processos industriais, per- mite: - Retardar o desgaste dos componentes do motor. - Conservar o fluxo e as características do óleo e reduzir, por conseqüência, a freqüência de troca. Figura 207 129 / 155
  • 129.
    Stralis / MotorCursor 13 MR 2 2004-10-31 Sistema de arrefecimento Arrefecimento de circulação forçada obtido através de uma bomba centrífuga (1), acionada pela árvore de manivelas mediante a correia tipo Poli-V. A circulação d’água é controlada pelo ter- mostato. O radiador é do tipo vertical. Bomba d’água Seção da bomba d’água A bomba d’água está constituída pelo rotor, rolamento e polia de comando Nota: Certifique-se de que o corpo da bomba não possua sinais de engripa- mento ou vazamento de água. Caso con- trário, substitua a bomba d’água. Verifique o funcionamento do termostato e substitua-o, caso necessário. Esquema de funcionamento do ter- mostato Água em circulação no motor Água na saída do termostato 130 / 155 Figura 210 Figura 211 Figura 212 Figura 208 Para o reservatório de expansão Para o reservatório de expansão Até o radiador Desde o motor Desde o motor Até o by-pass Até o by-pass Figura 209
  • 130.
    Stralis / MotorCursor 13 MR 2 2004-10-31 Circuito de arrefecimento 131 / 155 Figura 213 Água na saída do termostato Água em circulação no motor Água na entrada da bomba
  • 131.
    Stralis / MotorCursor 13 MR 2 2004-10-31 Holset HX 50W (turbina Wastegate) 132 / 155 Válvula limitadora de pressão Controle e regulagem da válvula limita- dora de pressão. 1. Desmonte a turbina do motor e fixe-a em uma morsa. 2. Desconecte o tubo de ar (1) do comando do acionador (2) utilizando uma ferramenta adequada. 3. Instale o aparelho 99309002 no acio- nador e aplique uma variação de pressão de 0 a 3 bar para verificar o deslocamento da haste de comando (2). Figura 214 Figura 215 Figura 216
  • 132.
    Stralis / MotorCursor 13 MR 2 2004-10-31 133 / 155 4. Caso o acionador esteja bloqueado, desconecte a haste da turbina reti- rando o anel trava (2). Aplique uma pequena pressão ao acionador (1) para verificar se a haste está bloqueada. Em caso positivo, substitua o aciona- dor. Caso contrário, a causa do não funcionamento deve ser atribuída ao mecanismo interno da turbina. 5. Remova os parafusos e retire a tampa (1) para inspecionar o mecanismo da turbina pilotado pelo acionador. 6. Certifique-se de que através do furo de inspeção (2) que o comando (1) da haste interna não apresenta endureci- mento ou agarramentos. Nestes casos efetue a lubrificação e se a anomalia não for eliminada, substi- tua a turbina. Figura 217 Figura 218 Figura 219
  • 133.
    Stralis / MotorCursor 13 MR 2 2004-10-31 Alimentação A alimentação é obtida através da bomba de alimentação, filtro e pré-filtro de combustí- vel e seis bicos injetores, acionados pelo eixo comando de válvulas através dos balan- cins e da central eletrônica. 1. Válvula para circuito de retorno - início da abertura 0,2 bar 2. Válvula para circuito de retorno - início da abertura 3,5 bar 134 / 155 Circuito de retorno Circuito de alimentação Figura 220
  • 134.
    Stralis / MotorCursor 13 MR 2 2004-10-31 Injetor-bomba O injetor-bomba é formado por: - Êmbolo - Pulverizador - Eletroválvula Injetor-bomba 1. Anel de vedação combustível/óleo 2. Anel de vedação combustível/gases/óleo 3. Anel de vedação combustível/gases de escape Êmbolo O êmbolo é acionado por um balancim comandado diretamente pelo excêntrico do eixo comando de válvulas. O êmbolo garante a alta pressão de abastecimento, com curso de retorno obtido mediante mola de retração. Pulverizador As concessionárias estão autorizadas a efetuarem somente a diagnose do sistema de injeção e não podem reparar o injetor-bomba e tão somente substituí- lo caso necessário. Um programa específico de diagnose presente na central eletrônica gerencia o funcionamento de cada injetor (desativa um por vez e controla o fluxo dos outros cinco). A diagnose permite distinguir defeitos de origem elétrica daqueles de origem mecânica/hidráulica, além de indicar os injetores-bomba que estão danificados. Portanto, é necessário interpretar correta- mente todas as mensagens de erros diagnosticadas pela central. Os defeitos nos injetores têm como única solução a substituição dos mesmos. Eletroválvula A solenóide, que se excita em cada fase ativa do ciclo, através de um sinal prove- niente da central, comanda uma válvula de gaveta que intercepta a tubulação de envio do êmbolo. Enquanto a solenóide não é excitada, a válvula permanece aberta e o combus- tível é bombeado, porém retorna pela respectiva tubulação, com pressão nor- mal de trabalho de aproximadamente 5 bar. Com a solenóide excitada, a válvula se fecha e o combustível, não podendo entrar na tubulação de retorno, é bom- beado no pulverizador de alta pressão, provocando a elevação da agulha. A quantidade de combustível injetada depende do tempo de fechamento da vál- vula de gaveta e, portanto, da duração da excitação da solenóide. A eletroválvula está unida ao corpo do injetor e não pode ser desmontada. Na parte superior se encontram dois parafusos para a fixação dos cabos elétri- cos provenientes da central eletrônica de comando. Para garantir a transmissão do sinal, aperte os parafusos a um momento de 1,36 a 1,92 Nm com um torquímetro apropriado. Figura 221 135 / 155
  • 135.
    Stralis / MotorCursor 13 MR 2 2004-10-31 Substituição dos injetores-bomba A substituição dos injetores deve ser efet- uada cuidadosamente (para efetuar a desmontagem verifique o procedimento descrito neste módulo). Nota: Caso a substituição seja feita com o motor instalado no veículo, antes de efetuar a desmontagem dos injetores- bomba, drene o combustível presente nas tubulações do cabeçote de cilindros, desenroscando as porcas de abasteci- mento e retorno do mesmo. Com relação a cada injetor substituído, conecte o instrumento para diagnose e quando for solicitado pelo programa, introduza o código gravado no injetor para a reprogramação da central. Nota: Ao efetuar o controle da folga dos balancins é importante verificar também a pré-carga do injetor-bomba. Fases do injetor Fase de abastecimento 1. Válvula de combustível 2. Êmbolo 3. Descarga de combustível 4. Canal de abastecimento e refluxo Durante a fase de abastecimento o êmbolo (2) desliza até a posição superior. Depois de passar o ponto mais alto do came, o rolamento do balancim se apro- xima ao aro base do came. A válvula (1) está aberta e, portanto, o combustível pode entrar no injetor pelo canal inferior (4) do cabeçote. O enchimento continua até que o êmbolo alcance sua posição final de curso supe- rior. 136 / 155 Figura 222 Figura 223
  • 136.
    Stralis / MotorCursor 13 MR 2 2004-10-31 137 / 155 Fase de injeção 1. Válvula de combustível 2. Êmbolo 3. Descarga de combustível 4. Canal de abastecimento e refluxo A injeção começa em um determinado momento da fase de descida do êmbolo, quando a eletroválvula é excitada e a vál- vula de combustível (1) se fecha. O instante de início do envio, adequada- mente controlado pela central eletrônica, pode variar em função das condições operativas do motor. O came continua empurrando o êmbolo (2) através do balancim e a injeção prossegue enquanto a válvula de combustível (1) permanece fechada. Fase de redução da pressão 1. Válvula de combustível 2. Êmbolo 3. Descarga de combustível 4. Canal de abastecimento e refluxo A injeção pára quando a válvula de com- bustível (1) se abre, em um determinado momento do curso descendente do êmbolo, como conseqüência da exci- tação da eletroválvula. O combustível flui através da válvula (1) aberta, dos furos do injetor e do canal (4) do cabeçote de cilindros. O tempo no qual a eletroválvula per- manece excitada, adequadamente con- trolada pela central eletrônica, corresponde à duração da injeção (fluxo) e varia em função das condições operati- vas do motor. Figura 224 Figura 225
  • 137.
    Stralis / MotorCursor 13 MR 2 2004-10-31 Tomada de força Hydrocar na distribuição (opcional) Se trata de uma tomada de força do tipo de um eixo, com movimento de engrenagens e acoplamento de embreagem, que toma o movimento das engrenagens de distribuição independente da embreagem do veículo. Pode ser utilizada com o veículo parado ou em marcha e, para uso contínuo, pode ser conectada ou desconectada com o motor funcionando. A tomada de força está disponível nas versões para conexão direta de bombas ou com flange para árvore de transmissão. A. Conexão de bombas ISO (opcional 5367) - B. Conexão com flange DIN 10 (opcional 6366) 138 / 155 Figura 226
  • 138.
    Stralis / MotorCursor 13 MR 2 2004-10-31 Características e dados Tomada de força com conexão a bomba ISO 4 furos (opcional 5367) Tomada de força com conexão a flange DIN 10 furos (opcional 6366) Nota: Para o torque máximo permitido de 600 Nm, o regime do motor não deve ser infe- rior a 1.200 rpm. Peso (com conexão a flange) 13 kg Peso (com conexão a bomba) 16 kg Relação de transmissão até TdF (tomada de força) 1/1,14 Sentido de rotação Oposto ao do motor Comando Pneumático Torque disponível contínuo máximo 600 Nm 139 / 155 Figura 227 Figura 228
  • 139.
    Stralis / MotorCursor 13 MR 2 2004-10-31 140 / 155 Conexão da tomada de força Colocando o comando “A” na posição “1”, o ar que chega ao ponto “1”, passando através do distribuidor “B” e do ponto “2”, alimenta a embreagem da tomada de força “C”, permitindo deste modo a passagem do movimento das engrenagens de distribuição até a tomada de força. Durante esta fase o comando “A” permanece bloqueado na posição “1”. Ao desconectar a tomada de força, girando em sentido oposto, o comando é bloqueado e retorna automaticamente à posição “0”. Figura 229
  • 140.
    Stralis / MotorCursor 13 MR 2 2004-10-31 141 / 155 Desconexão e reconexão da tomada de força Desconecte a porca (1) do tubo de abas- tecimento de óleo e a porca (2) do tubo de ar de comando do acoplamento de fricção. Solte os oito parafusos de fixação (3) e retire a tomada de força (4). Nota: Efetue a reconexão na ordem e sentido inverso das operações anterio- res, apertando os parafusos de fixação ao momento prescrito. Para reconectar a tomada de força (tanto para os casos de substituição da tomada como no caso de reutilização da tomada removida) é necessário substituir a junta. Enquanto as tomadas de força não são fornecidas com placas indicadoras da cota necessária para calcular a espes- sura correta da junta, é necessário mon- tar em sobreposição juntas de 1 ± 0,5 mm, incluídas no kit de reposição. Isto é necessário para que as engrenagens se engrenem corretamente. Próximo à tomada de força será fixada uma placa indicando uma cota que, somada àquela gravada no volante e usando uma tabela específica, permitirá calcular exatamente o tipo de junta a ser usada. Figura 230
  • 141.
    Stralis / MotorCursor 13 MR 2 2004-10-31 142 / 155 Momentos de aperto Denominação Momentos de aperto Parafusos de fixação do bloco inferior ao principal (figura 151) * - Parafusos externos M12 x 1,75 - Parafusos internos M18 x 2 - Parafusos internos - Parafusos internos - Parafusos internos 1ª fase: pré-aperto 2ª fase: pré-aperto 3ª fase: aperto angular 4ª fase: aperto angular 5ª fase: aperto angular 30 Nm 120 Nm 60º 55º 60º Parafusos de fixação dos bicos de arrefecimento do pistão * 35 ± 2 Nm Parafusos de fixação do intercambiador de calor ao bloco (figura 7) * Pré-aperto Aperto 11,5 ± 3,5 Nm 19 ± 3 Nm Parafusos de fixação do tubo de sucção de óleo * 24,5 ± 2,5 Nm Parafusos de fixação do separador do cárter de óleo (figura 236) Pré-aperto Aperto 38 Nm 45 Nm Parafusos de fixação do cabeçote de cilindros (figura 232) 1ª fase: pré-aperto 2ª fase: pré-aperto 3ª fase: aperto angular 4ª fase: aperto angular parafusos: 4-5-12-20-21 5ª fase: aperto angular parafusos: 1-2-3-6-7-8- 9-10-11-13-14-15-16-17- 18-19-22-23-24-25-26 60 Nm 120 Nm 90º 45º 65º Parafusos de fixação do eixo dos balancins 1ª fase: pré-aperto 2ª fase: aperto angular 100 Nm 60º Contraporca para parafuso de regulagem dos balancins * 39 ± 5 Nm Parafusos para elementos de fixação dos injetores * 26 Nm Parafusos de fixação da tampa plástica * 8,5 ± 1,5 Nm Parafusos de fixação da placa de reforço do cabeçote * 19 ± 3 Nm
  • 142.
    Stralis / MotorCursor 13 MR 2 2004-10-31 Denominação Momentos de aperto Parafusos de fixação do elemento do suporte do motor no cabeçote de cilindros * 1ª fase: pré-aperto 2ª fase: aperto angular 120 Nm 45º Parafusos de fixação da carcaça de distribuição ao bloco do motor M12 x 1,75 (figura 237) * 63 ± 7 Nm Parafusos de fixação da central ao bloco * 24 ± 2,5 Nm Parafusos de fixação do elemento do suporte do motor ao cárter 1ª fase: pré-aperto 2ª fase: aperto angular 100 Nm 60º Parafusos de fixação da engrenagem do eixo comando de vál- vulas * 1ª fase: pré-aperto 2ª fase: aperto angular 60 Nm 60º Parafusos de fixação da roda fônica na engrenagem da distri- buição 8,5 ± 1,5 Nm Parafusos de fixação do coletor de escape (figura 233) ** Pré-aperto Aperto 32,5 Nm 45 Nm Parafusos de fixação do cilindro acionador do freio-motor * 19 Nm Parafusos de fixação do volante do motor * 1ª fase: pré-aperto 2ª fase: aperto angular 3ª fase: aperto angular 120 Nm 60º 60º Parafusos de fixação do amortecedor de vibrações * 1ª fase: pré-aperto 2ª fase: aperto angular 70 Nm 50º Parafusos de fixação dos mancais das engrenagens inter- mediárias * 1ª fase: pré-aperto 2ª fase: aperto angular 30 Nm 90º Parafusos de fixação do suporte para regulagem da engrena- gem intermediária 24,5 ± 2,5 Nm Parafusos de fixação da bomba de óleo 24,5 ± 2,5 Nm Parafusos de fixação da tampa dianteira da árvore de manivelas 24,5 ± 2,5 Nm 143 / 155
  • 143.
    Stralis / MotorCursor 13 MR 2 2004-10-31 144 / 155 Denominação Momentos de aperto Parafusos de fixação do suporte do filtro/bomba de combustível 19 Nm Parafusos de fixação do suporte da central eletrônica 19 ± 3 Nm Parafusos e porca de fixação do turbocompressor (figura 234) ** 1ª fase: pré-aperto 2ª fase: aperto 35 Nm 46 Nm Parafusos de fixação do termostato 19 ± 3 Nm Parafusos de fixação da bomba d’água 25 Nm Parafusos de fixação do cubo do ventilador ao separador 30 Nm Parafusos de fixação do separador à polia 30 Nm Parafusos de fixação do suporte do ventilador ao bloco 100 Nm Parafusos de fixação do tensor de correia automático ao ar condicionado 26 ± 3 Nm Parafusos de fixação do tensor de correia automático ao suporte do alternador 50 ± 5 Nm Parafusos de fixação da polia fixa para correia do comando dos órgãos auxiliares ao bloco 105 ± 5 Nm Parafusos de fixação do motor de partida 74 ± 4 Nm Parafusos de fixação do aquecedor de ar 30 ± 3 Nm Parafusos de fixação do compressor de ar 74 ± 4 Nm Porca de fixação da engrenagem de comando do compressor de ar * 170 ± 10 Nm Parafusos de fixação do alternador M10 x 1,5 M10 x 1,5 L = 35 mm L = 60 mm 30 ± 3 Nm 44 ± 4 Nm Parafusos de fixação da bomba hidráulica 46,5 ± 4,5 Nm Parafusos de fixação do climatizador ao suporte 24,5 ± 2,5 Nm Parafusos de fixação da proteção 24,5 ± 2,5 Nm Fixação do sensor de obstrução ao filtro 55 ± 5 Nm Fixação do sensor de temperatura do líquido de arrefecimento/ combustível 35 Nm Fixação do transmissor/interruptor termométrico 25 Nm Fixação do transmissor de temperatura do ar 35 Nm
  • 144.
    Stralis / MotorCursor 13 MR 2 2004-10-31 145 / 155 Denominação Momentos de aperto Fixação do transmissor de impulsos 8 ± 2 Nm Fixação das conexões ao injetor 1,36 ± 1,92 Nm Fixação da eletroválvula do freio-motor 32 Nm * Antes de efetuar a montagem, lubrifique com óleo UTDM. ** Antes de efetuar a montagem, lubrifique com óleo grafitado.
  • 145.
    Stralis / MotorCursor 13 MR 2 2004-10-31 146 / 155 Esquemas de aperto dos principais componentes do motor Seqüência de aperto dos parafusos de fixação do bloco inferior Figura 231 Parte dianteira Parte dianteira Parte dianteira Parte dianteira Parte dianteira Primeira fase: Pré-aperto dos parafusos externos 30 Nm Segunda fase: Pré-aperto dos parafusos internos 120 Nm Terceira fase: Aperto angular dos parafusos internos 60º Quarta fase: Aperto angular dos parafusos internos 55º Quinta fase: Aperto angular dos parafusos externos 60º
  • 146.
    Stralis / MotorCursor 13 MR 2 2004-10-31 147 / 155 Seqüência de aperto dos parafusos de fixação do cabeçote de cilindros Seqüência de aperto dos parafusos de fixação do coletor de escape Seqüência de aperto dos parafusos e porcas de fixação do turbocompressor ao coletor de escape Figura 232 Figura 233 Figura 234
  • 147.
    Stralis / MotorCursor 13 MR 2 2004-10-31 148 / 155 Seqüência de aperto dos parafusos de fixação do intercambiador de calor Seqüência de aperto dos parafusos de fixação do cárter ao bloco Figura 235 Figura 236
  • 148.
    Stralis / MotorCursor 13 MR 2 2004-10-31 149 / 155 Seqüência de aperto dos parafusos de fixação do bloco à carcaça de distribuição Ordem de aperto: 10 parafusos M12 x 1,75 x 100 2 parafusos M12 x 1,75 x 70 4 parafusos M12 x 1,75 x 35 1 parafuso M12 x 1,75 x 120 2 parafusos M12 x 1,75 x 193 Figura 237
  • 149.
    Stralis / MotorCursor 13 MR 2 2004-10-31 150 / 155 Momentos de aperto - Tomada de força * Aplique Loctite 275. Item Denominação Momentos de aperto 1 Parafuso de cabeça M10 x 1,5 x 120 53 ± 2,7 Nm 2 Parafuso de cabeça M10 x 1,5 x 120 53 ± 2,7 Nm 3 Parafuso M10 x 1,5 x 150 53 ± 2,7 Nm 4 Parafuso de fixação do flange DIN 140 ± 5 Nm 5 Porca de fixação da bomba 85 ± 5 Nm 6 Parafuso de fixação do flange da bomba 115 ± 5 Nm Figura 238
  • 150.
    Stralis / MotorCursor 13 MR 2 2004-10-31 Ferramentas especiais Desenho da ferramenta Número da ferramenta Denominação 99305047 Dinamômetro para controlar a carga de molas 99309002 Ferramenta para teste do turbo 99340054 Ferramenta para remoção da junta posterior do eixo do motor 99340553 Extrator do retentor dianteiro 99342149 Extrator para porta-injetor 99346250 Ferramenta para montagem do retentor dianteiro da árvore de manivelas 99346251 Ferramenta para montagem do retentor traseiro da árvore de manivelas 99360143 Batedor para instalação do guia de válvula (usar com 99360299) 99360144 Ferramenta de retenção das sapatas dos parafusos de regulagem dos braços oscilantes 99360180 Tampões para proteção dos alojamentos dos inje- tores 151 / 155
  • 151.
    Stralis / MotorCursor 13 MR 2 2004-10-31 99360184 Alicate para anéis de pistões (remover) 99360261 Ferramenta para desmontagem e montagem das vál- vulas do motor 99360263 Disco para desmontagem e montagem das válvulas do motor (usar com 99360261) 99360296 Ferramenta para montagem da guia de válvula (usar com 99360143) 99360299 Luva para instalação do guia de válvula (usar com 99360143) 99360314 Chave para soltar filtro de óleo 99360321 Ferramenta para girar o volante do motor 99360325 Separador (usar com 99360321) 99360329 Introdutor para montagem do retentor sobre guia de válvula 99360334 Ferramenta de compressão para medir a saliência da camisa (usar com 99370415 e 99395603) 152 / 155
  • 152.
    Stralis / MotorCursor 13 MR 2 2004-10-31 99360351 Trava do volante do motor 99360499 Ferramenta para desmontagem e montagem dos casquilhos do comando de válvulas 99360500 Ferramenta para levantar árvore de manivelas 99360553 Ferramenta de encaixar e instalar os balancins (usar com 99360144) 99360585 Ferramenta para levantar o motor 99360605 Cinta para anéis de pistões 99360612 Ferramenta para colocar o PMS do motor 99360613 Ferramenta para colocação em fase da roda fônica do comando de válvulas 99360703 Ferramenta para travar as camisas de cilindros 99360706 Ferramenta para remover as camisas de cilindros (usar com 99360728) 153 / 155
  • 153.
    Stralis / MotorCursor 13 MR 2 2004-10-31 99360728 Anel 135 mm (usar com 99360706) 99365056 Ferramenta para ajuste da luva do porta-injetor 99370415 Base para relógio comparador 99390330 Alargador para retífica da guia de válvulas 99390722 Punção de aço 150 x 5 mm 99390804 Ferramenta para rosquear e remover a luva do porta- injetor (usar com 99390805) 99390805 Casquilho de guia (usar com 99390804) 99394015 Casquilho de guia (usar com 99394041 ou 99394043) 99394041 Fresa para retificar o assento do apoio do injetor (usar com 99394015) 99394043 Fresa para retificar a parte inferior da luva do porta- injetor (usar com 99394015) 154 / 155
  • 154.
    Stralis / MotorCursor 13 MR 2 2004-10-31 99395216 Chave para torque angular 99395219 Calibre para determinação da medida entre a árvore de distribuição e a engrenagem 99395363 Ferramenta para verificar paralelismo da biela 99395603 Relógio comparador (0 - 5 mm) 99395687 Súbito 99396035 Anel de centragem da tampa da junta anterior do eixo do motor Genérica Extrator universal Genérica Torquímetro Genérica Torquímetro de relógio 155 / 155 Conjunto de Ferramentas