Introdução  ao  pipeline   2009Rogério A. Cardoso Rodrigues
 pipeline e Multiciclo
Pipeline e natural
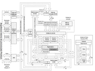
A arquitetura dos processadores Pentium
Processadores Intel de 5ª geração
O funcionamento dos pipeline dos primeiros PentiumMULTICICLO x PIPELINEMulticiclo: as operações são divididas em vários estágios que funcionam seqüencialmente.LatchLatchLatchS1S2SnATIVO no ciclo 2INATIVO no ciclo 2INATIVO no ciclo 2Pipeline: vários estágios funcionam simultaneamente, para instruções diferentes.LatchLatchLatchSnS1S2 instrução k instrução k - 1
ABCDPipeline: é natural!Exemplo de Lavanderia
Tem-se os volumes A, B, C e D de  roupas para lavar, secar e passar
A lavadora leva  30 minutos
A secadora leva 40 minutos
“Passadeira” leva 20 minutosABCDLavanderia Sequencial6 Meia noite7891110Tempo304020304020304020304020TaskOrderA lavanderia sequencial leva 6 horas para 4 volumes
Se usarem o “pipeline”, quanto tempo levaria?304040404020ABCDLavanderia em Pipeline6 Meia noite7891110TempoordemLavanderia em Pipeline leva 3.5 horas304040404020ABCDsobre o PipelineO Pipeline ajuda melhorar o throughput de um trabalho por completo
A taxa do Pipeline é limitada pelo estágio mais lento
Comprimentos desbalanceados dos estágios do pipeline reduzem o speedup
O tempo para “preencher” o pipeline e o tempo para  “limpar” o pipeline reduzem o speedup6 789Tempoordem
Processadores Pentiumde 5ª geração
Pentium O Pentium é um processador, em termos de software, igual ao 386 e ao 486.
Acessa a mesma quantidade  de memória  (4 GB)  e memória  virtual  (64 TB). Como  seu modo  protegido  é muito  parecido  com  o modo protegido do 486, o Pentium é considerado um processador de 32 bits, pois manipula instruções e dados de 32 bits, como fazem o 386 e o 486.Características do Pentium Barramento de dados de 64 bits

Introdução ao pipeline

  • 1.
    Introdução ao pipeline 2009Rogério A. Cardoso Rodrigues
  • 2.
    pipeline eMulticiclo
  • 3.
  • 4.
    A arquitetura dosprocessadores Pentium
  • 5.
  • 6.
    O funcionamento dospipeline dos primeiros PentiumMULTICICLO x PIPELINEMulticiclo: as operações são divididas em vários estágios que funcionam seqüencialmente.LatchLatchLatchS1S2SnATIVO no ciclo 2INATIVO no ciclo 2INATIVO no ciclo 2Pipeline: vários estágios funcionam simultaneamente, para instruções diferentes.LatchLatchLatchSnS1S2 instrução k instrução k - 1
  • 7.
  • 8.
    Tem-se os volumesA, B, C e D de roupas para lavar, secar e passar
  • 9.
    A lavadora leva 30 minutos
  • 10.
    A secadora leva40 minutos
  • 11.
    “Passadeira” leva 20minutosABCDLavanderia Sequencial6 Meia noite7891110Tempo304020304020304020304020TaskOrderA lavanderia sequencial leva 6 horas para 4 volumes
  • 12.
    Se usarem o“pipeline”, quanto tempo levaria?304040404020ABCDLavanderia em Pipeline6 Meia noite7891110TempoordemLavanderia em Pipeline leva 3.5 horas304040404020ABCDsobre o PipelineO Pipeline ajuda melhorar o throughput de um trabalho por completo
  • 13.
    A taxa doPipeline é limitada pelo estágio mais lento
  • 14.
    Comprimentos desbalanceados dosestágios do pipeline reduzem o speedup
  • 15.
    O tempo para“preencher” o pipeline e o tempo para “limpar” o pipeline reduzem o speedup6 789Tempoordem
  • 16.
  • 17.
    Pentium O Pentiumé um processador, em termos de software, igual ao 386 e ao 486.
  • 18.
    Acessa a mesmaquantidade de memória (4 GB) e memória virtual (64 TB). Como seu modo protegido é muito parecido com o modo protegido do 486, o Pentium é considerado um processador de 32 bits, pois manipula instruções e dados de 32 bits, como fazem o 386 e o 486.Características do Pentium Barramento de dados de 64 bits