ELEMENTOS DE
SUBESTAÇÃO
Equipamento de Transformação –
Transformador de Força e de Instrumento.

Equipamento de Proteção – Para Raios, Relés
e Fusíveis


Diego Moraes de Carvalho
Rafael Franco Silveira
EQUIPAMENTO DE
    TRANSFORMAÇÃO
Transformador de Força e de Instrumento
Transformador de Potência



Os transformadores de potência são destinados a
rebaixar ou elevar a tensão e consequentemente elevar
ou reduzir a corrente de um circuito, de modo que não se
altere a potência do circuito.
Tipos

• Transformador de Força - utilizados para gerar, transmitir e
 distribuir energia em subestações e concessionárias. Possuem
 potência de 5 até 300MVA. Quando operam em alta tensão de
 138kV até cerca de 800kV.

• Transformador de Distribuição - utilizados para rebaixar a
 tensão para ser entregue aos clientes finais das empresas de
 distribuição de energia. São normalmente instalados em
 postes ou em câmaras subterrâneas. Possuem potência de 30
 a 300kVA; em tensão de 13,8kV até cerca de 69kV, já o
 transformador de baixa tensão tem 380/220 ou 220/127V
Transformador de Força

• Classificados segundo o seu meio isolante, podendo ser
 a óleo mineral, a líquidos isolantes sintéticos pouco
 inflamáveis (silicone) e secos.



• Dependendo da aplicação, estes equipamentos são
 fabricados com comutadores de tensão sem carga
 (NLTC), com carga (OLTC) - ou uma combinação de
 ambos.
Tipos

• Transformadores   elevadores GSU (Generator Step-up
 Transformer) – elevam a tensão gerada até uma tensão de
 transmissão, que pode ser de 245, 362, 420, 550 e até 800kV.

• Transformadores abaixadores - reduzem a tensão desde o
 nível de transmissão – de 230 a 800kV - até o nível apropriado
 de distribuição, normalmente entre 13,8 e 34,5kV;

• Transformadores    para interconexão de sistemas –
 Interligam sistemas de transmissão com diferentes níveis de
 tensão de tal forma que a potência (tanto ativa quanto reativa)
 possa ser intercambiada entre os sistemas.
Transformador de Instrumentos
• Essenciais na realização das funções de medição e de
 proteção nos sistemas elétricos de potência;

• Podem-se medir, com segurança, os elevados valores de
 tensão e de corrente utilizados na produção, transmissão
 e distribuição de energia elétrica e, assim, fornecer as
 informações necessárias para faturamentos de demanda,
 consumo de energia e também para a atuação com
 precisão dos sistemas de proteção, garantindo um
 funcionamento mais seguro dos equipamentos,
 subestações e linhas de transmissão a que estão
 associados
Transformadores de Corrente

• Instrumento cujo enrolamento primário é ligado em série
 a um circuito elétrico e cujo enrolamento secundário se
 destina a alimentar bobinas de correntes de instrumentos
 elétricos de medição e proteção ou controle;

• São classificados
 de acordo com a sua
 construção mecânica;
TC – Tipos
• Tipo   Primário Enrolado – enrolamento       primário
 constituído de uma ou mais espiras            envolve
 mecanicamente o núcleo do transformador;




• Tipo Barra – primário é constituído por uma barra,
 montada permanentemente     através   do   núcleo   do
 transformador;
TC – Tipos
• Tipo Janela – não possui primário próprio e é constituído
 de uma abertura através do núcleo, por onde passa o
 condutor do circuito primário;




• Tipo Bucha – tipo especial de TC tipo janela é construído
 e projetado para ser instalado sobre uma bucha de um
 equipamento elétrico, fazendo parte integrante do
 fornecimento deste;
TC – Tipos

• Tipo Núcleo Dividido – este tipo possui o enrolamento
 secundário completamente isolado e permanentemente
 montado no núcleo, mas não possui enrolamento
 primário. Parte do núcleo é separável ou articulada para
 permitir o enlaçamento do condutor primário;
Uso

• Serviço de Medição – A designação dos TC’s, de acordo com
 a ABNT, é feita indicando a classe de exatidão seguida da
 carga nominal com a qual se verifica esta exatidão. Já a
 designação de acordo com a ANSI é feita indicando a classe
 de exatidão seguida da letra “B” e da impedância da carga
 nominal com a qual se verifica esta exatidão;

• Exemplos:
• 0,6 – C50,0 (ABNT)
• 0,3 – C2,5 (ABNT)
• 0,6B – 2,0 (ANSI)
• 0,3B – 0,1 (ANSI)
Uso
• Serviço de Proteção – A designação dos TC’s, de
 acordo com a ABNT e ANSI, é feita de acordo com a
 tabela abaixo:
                     Características Nominais                   Designação
            Impedânci Classe Potênci
                                              Tensão                    ABNT (EB-
                 a          de          a             ANSI (C.57.13)
                                            Secundá                       251.2)
            Secundári Exatidã Aparent                   Rev. 1968
                                              ria (V)                   Ver. 1980
             a Interna    o (%)      e (VA)
                            10         2,5      10        T 10            10A 10
                            10          5       20        T 20            10A 20
                            10        12,5      50        T 50            10A 50
                Alta        10         25       100      T 100           10A 100
                            10         50       200      T 200           10A 200
                            10        100       400      T 400           10A 400
                            10        200       800      T 800           10A 800
                            10         2,5      10        C 10            10B 10
                            10          5       20        C 20            10B 20
                            10        12,5      50        C 50            10B 50
               Baixa        10         25       100      C 100           10B 100
                            10         50       200      C 200           10B 200
                            10        100       400      C 400           10B 400
                            10        200       800      C 800           10B 800
Transformadores de Potencial
• O transformador de potencial (TP) é um transformador
 para instrumento cujo enrolamento primário é ligado em
 derivação a um circuito elétrico e cujo enrolamento
 secundário se destina a alimentar bobinas de potencial
 de instrumentos elétricos de medição e proteção ou
 controle;




• Semelhantes   aos transformadores de distribuição
 convencionais mas consomem baixa potência.
Características
• Os TPs variam conforme sua classe de exatidão. Para as
 medições de supervisão e controle utiliza-se TP com
 erros de relação menores ou iguais a 0,3% com desvio
 de fase de 15 minutos. A tabela abaixo apresenta as
 classes de exatidão para TP de acordo com a norma IEC
 60014-1.
                                            Limite dos Erros
            Classe de                            Erro de
                        Carga (%)   Corrente                Desvio de     Aplicação
            exatidão                             relação
                                      (%)                   fase (min)
                                                   (%)
               0,1       25-100      80-120        0,1           5        Laboratório
               0,2       25-100      80-120        0,2          10          Medição
               0,5       25-100      80-120        0,5          20          Medição
                1        25-100      80-120         1           40         Industrial
                                                                         Instrumento
               3         25-100     80-120          3           -
                                                                               s
               3P        25-100       5-Vf          3          120         Proteção
               6P        25-100       5-Vf          6          240         Proteção
TP – Tipos
• Tipo Indutivo – construídos segundo três grupos:


 • Grupo 1 - são aqueles projetados para ligação entre fases. São
   basicamente os do tipo utilizados nos sistemas de até 34,5 kV;

 • Grupo 2 - são aqueles projetados para ligação entre fase e neutro
   de sistema diretamente aterrados;

 • Grupo 3 - são aqueles projetados para ligação entre fase e neutro
   de sistemas onde não se garante a eficácia do aterramento.
TP – Tipos
• Tipo Capacitivo – basicamente utilizam-se de dois
 conjuntos de capacitores que servem para fornecer um
 divisor de tensão e permitir a comunicação através do
 sistema carrier.
Para-raios
Durante a sua vida útil, os para-raios são submetidos
diferentes solicitações elétricas e ambientais:

• Tensão normal de operação;
• Sobretensões temporárias;
• Descargas de longa duração ou de alta intensidade e
  curta duração;
• Contaminação externa do invólucro, quando instalados
  em ambientes poluídos;
• Variações climáticas, exposição a raios ultra-violeta,
  umidades elevadas, etc.
Características Construtivas

Para raios com Gap e resistor não-linear:
São constituídos basicamente:

• Resistor não-linear;
• Corpo de porcelana;
• Centelhador serie;
• Desligador automático;
• Protetor contra sobrepressao;
• Mola de compressão.
Características Construtivas

Para raios com Óxido de Zinco:
São constituídos basicamente:

• Resistor não-linear;
• Corpo de porcelana;
• Corpo Polimérico.
Critérios para seleção e aplicação de
para-raios em subestações
• Seleção das características de operação e de proteção
 dos para-raios, em função das características dos
 sistemas;

• Seleção ou determinação da suportabilidade da isolação;


• Avaliação da coordenação do isolamento.
Localização dos para-raios nas
subestações
• Subestações abrigadas com entrada subterrânea:
Localização dos para-raios nas
subestações
• Subestações abrigadas com entrada aérea:
Localização dos para-raios nas
subestações


• Subestações de instalação exterior:
Localização dos para-raios nas
subestações
• Instalação de captores Franklin em subestações de
 potencia de instalação exterior:
Disjuntores
• Principais e mais eficientes equipamentos utilizados nas
 subestações;

• No estado ligado ou desligado deve suportar as
 condições necessárias para seu funcionamento;

• Mesmo operando muitos meses em condições diversas
 climáticas deve atuar normalmente;

• Deve haver um bom dimensionamento para haver uma
 boa confiabilidade.
Aspectos Construtivos
Disjuntores a sopro magnético

• O arco voltaico é extinto nas câmaras de extinção;


• As forças que impelem o arco para dentro das fendas da
 câmara são produzidas pelo campo magnético da própria
 corrente, passando por uma ou mais bobinas;

• Eventualmente é também de auxilio um sopro
 pneumático auxiliar;

• São utilizados em média tensão de até 24KV.
Aspectos Construtivos

Disjuntor a óleo



• É utilizado o óleo para extinguir o arco elétrico;




• Utilizado o efeito do Hidrogênio e o efeito de fluxo líquido.
Aspectos Construtivos
• Disjuntor a óleo
Aspectos Construtivos
Disjuntor a vácuo

• Baseia-se no principio da extinção do arco elétrico no
 vácuo pois no vácuo inexiste íons positivos e elétrons;

• Os íons positivos e elétrons são fornecidos pela nuvem
 de partículas metálicas provenientes da evaporação dos
 contatos formando o substrato para o arco voltaico;

• Rápida recuperação da rigidez dielétrica, o que permite
 altas capacidades de ruptura em câmaras relativamente
 pequenas.
Aspectos Construtivos
Disjuntor a vácuo
Aspectos Construtivos

Disjuntor a ar comprimido

• O mecanismo eletropneumático além de proporcionar a
 abertura e fechamento dos contatos faz a extinção do
 arco;

• Consiste em criar um fluxo de ar sobre o arco, fluxo este
 provocado por um diferencial de pressão.
Aspectos Construtivos
• Disjuntor a ar comprimido
Aspectos Construtivos
Disjuntor a SF6

• Este gás possui uma série de propriedades físicas e
 químicas que o torna um meio isolante e extintor, por
 excelência;

• Se comporta como um gás nobre;


• As características isolantes do SF6 variam em função da
 pressão (na realidade em função da densidade) e são
 bastante superiores aquelas dos meios isolantes mais
 comuns usados em disjuntores que são o óleo mineral e
 o ar comprimido.
Aspectos Construtivos
• Disjuntor a SF6
Relés

• Trabalham em conjunto com os disjuntores auxiliando na
 proteção;



• A corrente passando em sua bobina de acionamento cujo
 deslocamento do êmbolo, imerso no campo magnético
 formado por essa corrente, faz movimentar o mecanismo
 de acionamento do disjuntor.
Relés
De modo geral os relés são assim classificados:

• Relés de tensão


• Relés de corrente


• Relés de frequência


• Relés direcionais


• Reles de impedância
Relés
Os relés são divididos em duas categorias.

  Primários:
• Conhecidos como relés de ação direta;


• Empregados    em       pequenas   e   medias   instalações
 industriais;

• Geralmente, dispensam transformadores redutores;


• Não necessitam de fonte auxiliar para promoverem o
 disparo do disjuntor.
Relés
Secundários:

• Também conhecidos como reles de ação indireta;


• Amplamente utilizados nas instalações de médio e
 grande porte;

• Necessitam de transformadores redutores como fonte de
 alimentação;

• Requerem, em geral, uma fonte auxiliar de corrente
 continua ou de corrente alternada.
Relés
Quanto à forma construtiva os relés são divididos em:

Fluidodinâmicos
• Utilizam líquidos, em geral, o óleo de vaselina, como
  elemento temporizador;
• Normalmente são construídos para ligação direta com a
  rede;
• Possuem um embolo móvel que se desloca no interior de
  um recipiente, no qual é colocada certa quantidade de
  óleo, que provoca a sua temporização quando o embolo
  é deslocado para fora do recipiente pela ação do campo
  magnético formado pela bobina ligada diretamente ao
  circuito a ser protegido.
Relés

Eletromagnéticos:
• O principio de funcionamento se baseia na força de
  atração exercida entre elementos de material magnético;
• A força eletromagnética desloca um elemento móvel
  instalado no circuito magnético de modo a reduzir sua
  relutância;
• Mesmo sendo muito encontrado em instalações antigas
  que o possuem, não é mais utilizado.
Relés
Eletrodinâmicos:

• Funcionam dentro do principio básico de atuação de duas
  bobinas – uma móvel interagindo dentro de um campo
  formado por outra bobina fixa, tal como se constroem os
  instrumentos de medida de tensão e corrente conhecidos
  como os de bobina móvel;
• Na realidade, eles não tem aplicação notável como
  elementos de proteção de circuitos primários, apesar de
  sua grande sensibilidade;
• Por outro lado, apresentam um custo normalmente
  superior aos demais citados anteriormente.
Relés

Indução:

• Também conhecidos como secundários;
• Tendo sido largamente empregados em subestações
 industriais de potência e concessionarias de serviço
 publico, na proteção de equipamentos de grande valor
 econômico.
Relés

Térmicos:

• Eles são atravessados pela corrente de fase do sistema,
 diretamente ou por meio de transformadores de corrente,
 e, através dos elementos térmicos com características
 semelhantes às características térmicas do equipamento
 que se quer proteger, atuam sobre o circuito de
 alimentação da bobina do disjuntor, desenergizando o
 sistema antes que a temperatura atinja valores acima do
 máximo permitido para aquela maquina em particular.
Relés

Eletrônicos:

• Fruto do desenvolvimento tecnológico da eletrônica dos
  sistemas de potencia;
• Na época em que eram fabricados atendiam a todas as
  necessidades de proteção dos sistemas elétricos,
  competindo em preço e desempenho com os modelos
  eletromecânicos, exceto em pequenos sistemas, quando
  se podiam utilizar os reles convencionais de ação direta,
  dispensando-se os transformadores de medida e as
  fontes auxiliares de alimentação.
Relés
Digitais:

• É uma proteção baseada em técnicas de
  microprocessadores;
• Mantem os mesmos princípios das funções de proteção e
  guardam os mesmo requisitos básicos aplicados aos
  reles eletromecânicos ou de indução e aos reles estáticos
  ou eletrônicos;
• No entanto, os reles digitais oferecem, além das funções
  dos seus antecessores, novas funções aos seus usuários
  adicionado maior velocidade, melhor sensibilidade,
  interfaceamento amigável, acesso remoto,
  armazenamento de informações etc.
Fusíveis
• Dispositivos protetores que são utilizados para evitar que,
 em caso de curto-circuito ou sobrecargas um circuito
 venha sofrer danos;

• Seccionamento e proteção que, pela fusão de um ou
 mais de seus componentes, especialmente projetado e
 dimensionado, abre o circuito no qual está inserido e
 interrompe a corrente elétrica quando esta superar um
 dado valor por um dado intervalo de tempo;

• Elo Fusível - é a parte do fusível que inclui o elemento
 fusível e que requer substituição depois da operação e
 antes que o fusível seja posto novamente em serviço.
Fusíveis HH
• Média tensão, consistem basicamente de um tubo de cerâmica
 com terminais, um corpo suporte para o elo de prata enrolado
 nesse corpo;

• Corpo suporte de cerâmica em forma de estrela separa as
 passagens ou estrangulamentos do elo;

• Elementos enrolados dentro das ranhuras não são
 tencionados e impossibilitados de se deslocar por vibração,
 expansão térmica ou qualquer outro efeito mecânico;

• O elo é totalmente envolvido pelo meio de extinção, de forma
 que sempre tem um certo volume de areia para extinguir o
 arco.
Fusíveis – Corrente Crítica

• Todos os fusíveis têm uma faixa de corrente crítica onde
 acontece a maior solicitação térmica, durante o
 desligamento da corrente. As correntes críticas são
 relativamente baixas;



• A corrente crítica é definida pela IEC 282 como a corrente
 10ms de tempo de fusão multiplicado pelo fator 3 a 4.
Fusíveis – Corrente Mínima
• Àquela em que o fusível consegue interromper sem ajuda de
 dispositivos mecânicos. O valor é entre 2 a 3 vezes a corrente
 nominal;

• Em caso de curto-circuito todas as passagens queimam
 instantaneamente, isso não acontece na faixa de sobrecargas
 baixas, devido às tolerâncias na fabricação os e a disposição
 geométrica, queimam sempre passagens antes (geralmente as
 do centro), quais nesse caso devem suportar uma tensão bem
 mais elevada;

• Para evitar que fusíveis operem em correntes mínimas usa-se
 o percussor em combinação com uma seccionadora de carga
 que neste caso trata de interromper a corrente.
Elos Fusíveis
• Esses elos são utilizados em chaves fusíveis instaladas
 em cruzetas/postes de redes de distribuição- tensões
 nominais de 1 KV a 36,2 KV;

• Os tipos de elos fusíveis são:
  • H - elos fusíveis de alto surto, com alta temporização para
    correntes elevadas - correntes nominais padronizadas: 1A, 2A, 3A
    e 5A;
  • K - elos fusíveis rápidos - Grupo A: corrente
    nominais padronizadas: 6A, 10A, 15A, 25A, 40A, 65A, 100A, 140A
    e 200A. - Grupo B: 8A, 12A, 20A, 30A, 50A e 80A;
  • T - elos fusíveis lentos - Grupos A e B: correntes
    nominais idênticas as dos tipos K, porem com valores de rapidez
    maiores do que esses
Fusíveis de alta Tensão


• Elementos fusíveis tipo cartucho - geralmente
 são dimensionados para pequenas correntes e utilizados,
 em vários casos, para suprir a ausência do disjuntor no
 circuito
Informações Importantes

• Corrente nominal do elo fusível;


• Intercambiabilidade elétrica e mecânica de elos fusíveis;


• Coordenação da Proteção;


• Composição (suporte base, isolador, gancho, olhal, porta-
 fusível, elo-fusível, argola)
Identificação do Fusível

• As seguintes informações devem ser marcadas em todos
 os fusíveis, com exceção dos muito pequenos:

 • Nome ou marca registrada, pela qual pode ser facilmente
     identificado;
 •   Referência de catálogo ou designação de tipo;
 •   Tensão e corrente nominal;
 •   Faixa de interrupção e categoria de utilização (código de letra),
     quando aplicável;
 •   Tipo de corrente e, se aplicável, freqüência nominal.
Observações Complementares
• Pode ser indicado também a capacidade de ruptura de corrente
 em KA - função da corrente nominal e do valor e tipo da tensão que
 ele será submetido;

• Para o tipo de fusível NH inclui-se também o tamanho físico e
 consequentemente as mesmas características citadas para os tipos
 Diazed/Neozed/Silized;

• Os fusíveis são utilizados em série, ou seja, entre a fase e a carga.


• Exemplo de Normas ABNT aplicável para Elo-Fusível:

  • NBR - 5369 - Elos Fusíveis de Distribuição – Especificação.
  • NBR - 8124 - Chaves Fusíveis de Distribuição – Padronização
Referencias Bibliográficas
• http://www.fundec.edu.br/tecnico/seguranca_trabalho/trabalhos/1.4.1
    %20-%20Para-raios.pdf
•   http://paginas.fe.up.pt/~jrf/aulas0506/sobreintensidade/resumo_sp.pdf
•   http://richardcoleon.files.wordpress.com/2011/12/capc3adtulo-5.pdf
•   MAMEDE, João. Manual de equipamentos elétricos, 1994, 2ª ed,
    LTC, p. 173-218.
•   http://www.energy.siemens.com/br/pt/transmissao-de-
    energia/transformadores/transformadores-de-
    potencia/transformadores-de-forca.htm
•   http://www.posmci.ufsc.br/teses/fbm.pdf
•   http://www.dee.feis.unesp.br/pos/teses/arquivos/281-
    dissertacao_Renzo_Fabian_Espinoza.pdf
•   http://www.braspel.com.br/transformadores-de-potencial-interna-
    bps12.html
•   http://www.gardy.ind.br/pdf/85fusivel.pdf

Elementos de subestação

  • 1.
    ELEMENTOS DE SUBESTAÇÃO Equipamento deTransformação – Transformador de Força e de Instrumento. Equipamento de Proteção – Para Raios, Relés e Fusíveis Diego Moraes de Carvalho Rafael Franco Silveira
  • 2.
    EQUIPAMENTO DE TRANSFORMAÇÃO Transformador de Força e de Instrumento
  • 3.
    Transformador de Potência Ostransformadores de potência são destinados a rebaixar ou elevar a tensão e consequentemente elevar ou reduzir a corrente de um circuito, de modo que não se altere a potência do circuito.
  • 4.
    Tipos • Transformador deForça - utilizados para gerar, transmitir e distribuir energia em subestações e concessionárias. Possuem potência de 5 até 300MVA. Quando operam em alta tensão de 138kV até cerca de 800kV. • Transformador de Distribuição - utilizados para rebaixar a tensão para ser entregue aos clientes finais das empresas de distribuição de energia. São normalmente instalados em postes ou em câmaras subterrâneas. Possuem potência de 30 a 300kVA; em tensão de 13,8kV até cerca de 69kV, já o transformador de baixa tensão tem 380/220 ou 220/127V
  • 5.
    Transformador de Força •Classificados segundo o seu meio isolante, podendo ser a óleo mineral, a líquidos isolantes sintéticos pouco inflamáveis (silicone) e secos. • Dependendo da aplicação, estes equipamentos são fabricados com comutadores de tensão sem carga (NLTC), com carga (OLTC) - ou uma combinação de ambos.
  • 6.
    Tipos • Transformadores elevadores GSU (Generator Step-up Transformer) – elevam a tensão gerada até uma tensão de transmissão, que pode ser de 245, 362, 420, 550 e até 800kV. • Transformadores abaixadores - reduzem a tensão desde o nível de transmissão – de 230 a 800kV - até o nível apropriado de distribuição, normalmente entre 13,8 e 34,5kV; • Transformadores para interconexão de sistemas – Interligam sistemas de transmissão com diferentes níveis de tensão de tal forma que a potência (tanto ativa quanto reativa) possa ser intercambiada entre os sistemas.
  • 7.
    Transformador de Instrumentos •Essenciais na realização das funções de medição e de proteção nos sistemas elétricos de potência; • Podem-se medir, com segurança, os elevados valores de tensão e de corrente utilizados na produção, transmissão e distribuição de energia elétrica e, assim, fornecer as informações necessárias para faturamentos de demanda, consumo de energia e também para a atuação com precisão dos sistemas de proteção, garantindo um funcionamento mais seguro dos equipamentos, subestações e linhas de transmissão a que estão associados
  • 8.
    Transformadores de Corrente •Instrumento cujo enrolamento primário é ligado em série a um circuito elétrico e cujo enrolamento secundário se destina a alimentar bobinas de correntes de instrumentos elétricos de medição e proteção ou controle; • São classificados de acordo com a sua construção mecânica;
  • 9.
    TC – Tipos •Tipo Primário Enrolado – enrolamento primário constituído de uma ou mais espiras envolve mecanicamente o núcleo do transformador; • Tipo Barra – primário é constituído por uma barra, montada permanentemente através do núcleo do transformador;
  • 10.
    TC – Tipos •Tipo Janela – não possui primário próprio e é constituído de uma abertura através do núcleo, por onde passa o condutor do circuito primário; • Tipo Bucha – tipo especial de TC tipo janela é construído e projetado para ser instalado sobre uma bucha de um equipamento elétrico, fazendo parte integrante do fornecimento deste;
  • 11.
    TC – Tipos •Tipo Núcleo Dividido – este tipo possui o enrolamento secundário completamente isolado e permanentemente montado no núcleo, mas não possui enrolamento primário. Parte do núcleo é separável ou articulada para permitir o enlaçamento do condutor primário;
  • 12.
    Uso • Serviço deMedição – A designação dos TC’s, de acordo com a ABNT, é feita indicando a classe de exatidão seguida da carga nominal com a qual se verifica esta exatidão. Já a designação de acordo com a ANSI é feita indicando a classe de exatidão seguida da letra “B” e da impedância da carga nominal com a qual se verifica esta exatidão; • Exemplos: • 0,6 – C50,0 (ABNT) • 0,3 – C2,5 (ABNT) • 0,6B – 2,0 (ANSI) • 0,3B – 0,1 (ANSI)
  • 13.
    Uso • Serviço deProteção – A designação dos TC’s, de acordo com a ABNT e ANSI, é feita de acordo com a tabela abaixo: Características Nominais Designação Impedânci Classe Potênci Tensão ABNT (EB- a de a ANSI (C.57.13) Secundá 251.2) Secundári Exatidã Aparent Rev. 1968 ria (V) Ver. 1980 a Interna o (%) e (VA) 10 2,5 10 T 10 10A 10 10 5 20 T 20 10A 20 10 12,5 50 T 50 10A 50 Alta 10 25 100 T 100 10A 100 10 50 200 T 200 10A 200 10 100 400 T 400 10A 400 10 200 800 T 800 10A 800 10 2,5 10 C 10 10B 10 10 5 20 C 20 10B 20 10 12,5 50 C 50 10B 50 Baixa 10 25 100 C 100 10B 100 10 50 200 C 200 10B 200 10 100 400 C 400 10B 400 10 200 800 C 800 10B 800
  • 14.
    Transformadores de Potencial •O transformador de potencial (TP) é um transformador para instrumento cujo enrolamento primário é ligado em derivação a um circuito elétrico e cujo enrolamento secundário se destina a alimentar bobinas de potencial de instrumentos elétricos de medição e proteção ou controle; • Semelhantes aos transformadores de distribuição convencionais mas consomem baixa potência.
  • 15.
    Características • Os TPsvariam conforme sua classe de exatidão. Para as medições de supervisão e controle utiliza-se TP com erros de relação menores ou iguais a 0,3% com desvio de fase de 15 minutos. A tabela abaixo apresenta as classes de exatidão para TP de acordo com a norma IEC 60014-1. Limite dos Erros Classe de Erro de Carga (%) Corrente Desvio de Aplicação exatidão relação (%) fase (min) (%) 0,1 25-100 80-120 0,1 5 Laboratório 0,2 25-100 80-120 0,2 10 Medição 0,5 25-100 80-120 0,5 20 Medição 1 25-100 80-120 1 40 Industrial Instrumento 3 25-100 80-120 3 - s 3P 25-100 5-Vf 3 120 Proteção 6P 25-100 5-Vf 6 240 Proteção
  • 16.
    TP – Tipos •Tipo Indutivo – construídos segundo três grupos: • Grupo 1 - são aqueles projetados para ligação entre fases. São basicamente os do tipo utilizados nos sistemas de até 34,5 kV; • Grupo 2 - são aqueles projetados para ligação entre fase e neutro de sistema diretamente aterrados; • Grupo 3 - são aqueles projetados para ligação entre fase e neutro de sistemas onde não se garante a eficácia do aterramento.
  • 17.
    TP – Tipos •Tipo Capacitivo – basicamente utilizam-se de dois conjuntos de capacitores que servem para fornecer um divisor de tensão e permitir a comunicação através do sistema carrier.
  • 18.
    Para-raios Durante a suavida útil, os para-raios são submetidos diferentes solicitações elétricas e ambientais: • Tensão normal de operação; • Sobretensões temporárias; • Descargas de longa duração ou de alta intensidade e curta duração; • Contaminação externa do invólucro, quando instalados em ambientes poluídos; • Variações climáticas, exposição a raios ultra-violeta, umidades elevadas, etc.
  • 19.
    Características Construtivas Para raioscom Gap e resistor não-linear: São constituídos basicamente: • Resistor não-linear; • Corpo de porcelana; • Centelhador serie; • Desligador automático; • Protetor contra sobrepressao; • Mola de compressão.
  • 20.
    Características Construtivas Para raioscom Óxido de Zinco: São constituídos basicamente: • Resistor não-linear; • Corpo de porcelana; • Corpo Polimérico.
  • 21.
    Critérios para seleçãoe aplicação de para-raios em subestações • Seleção das características de operação e de proteção dos para-raios, em função das características dos sistemas; • Seleção ou determinação da suportabilidade da isolação; • Avaliação da coordenação do isolamento.
  • 22.
    Localização dos para-raiosnas subestações • Subestações abrigadas com entrada subterrânea:
  • 23.
    Localização dos para-raiosnas subestações • Subestações abrigadas com entrada aérea:
  • 24.
    Localização dos para-raiosnas subestações • Subestações de instalação exterior:
  • 25.
    Localização dos para-raiosnas subestações • Instalação de captores Franklin em subestações de potencia de instalação exterior:
  • 26.
    Disjuntores • Principais emais eficientes equipamentos utilizados nas subestações; • No estado ligado ou desligado deve suportar as condições necessárias para seu funcionamento; • Mesmo operando muitos meses em condições diversas climáticas deve atuar normalmente; • Deve haver um bom dimensionamento para haver uma boa confiabilidade.
  • 27.
    Aspectos Construtivos Disjuntores asopro magnético • O arco voltaico é extinto nas câmaras de extinção; • As forças que impelem o arco para dentro das fendas da câmara são produzidas pelo campo magnético da própria corrente, passando por uma ou mais bobinas; • Eventualmente é também de auxilio um sopro pneumático auxiliar; • São utilizados em média tensão de até 24KV.
  • 28.
    Aspectos Construtivos Disjuntor aóleo • É utilizado o óleo para extinguir o arco elétrico; • Utilizado o efeito do Hidrogênio e o efeito de fluxo líquido.
  • 29.
  • 30.
    Aspectos Construtivos Disjuntor avácuo • Baseia-se no principio da extinção do arco elétrico no vácuo pois no vácuo inexiste íons positivos e elétrons; • Os íons positivos e elétrons são fornecidos pela nuvem de partículas metálicas provenientes da evaporação dos contatos formando o substrato para o arco voltaico; • Rápida recuperação da rigidez dielétrica, o que permite altas capacidades de ruptura em câmaras relativamente pequenas.
  • 31.
  • 32.
    Aspectos Construtivos Disjuntor aar comprimido • O mecanismo eletropneumático além de proporcionar a abertura e fechamento dos contatos faz a extinção do arco; • Consiste em criar um fluxo de ar sobre o arco, fluxo este provocado por um diferencial de pressão.
  • 33.
  • 34.
    Aspectos Construtivos Disjuntor aSF6 • Este gás possui uma série de propriedades físicas e químicas que o torna um meio isolante e extintor, por excelência; • Se comporta como um gás nobre; • As características isolantes do SF6 variam em função da pressão (na realidade em função da densidade) e são bastante superiores aquelas dos meios isolantes mais comuns usados em disjuntores que são o óleo mineral e o ar comprimido.
  • 35.
  • 36.
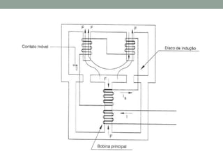
    Relés • Trabalham emconjunto com os disjuntores auxiliando na proteção; • A corrente passando em sua bobina de acionamento cujo deslocamento do êmbolo, imerso no campo magnético formado por essa corrente, faz movimentar o mecanismo de acionamento do disjuntor.
  • 37.
    Relés De modo geralos relés são assim classificados: • Relés de tensão • Relés de corrente • Relés de frequência • Relés direcionais • Reles de impedância
  • 38.
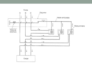
    Relés Os relés sãodivididos em duas categorias. Primários: • Conhecidos como relés de ação direta; • Empregados em pequenas e medias instalações industriais; • Geralmente, dispensam transformadores redutores; • Não necessitam de fonte auxiliar para promoverem o disparo do disjuntor.
  • 40.
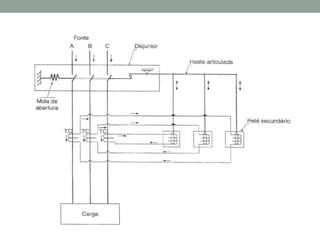
    Relés Secundários: • Também conhecidoscomo reles de ação indireta; • Amplamente utilizados nas instalações de médio e grande porte; • Necessitam de transformadores redutores como fonte de alimentação; • Requerem, em geral, uma fonte auxiliar de corrente continua ou de corrente alternada.
  • 42.
    Relés Quanto à formaconstrutiva os relés são divididos em: Fluidodinâmicos • Utilizam líquidos, em geral, o óleo de vaselina, como elemento temporizador; • Normalmente são construídos para ligação direta com a rede; • Possuem um embolo móvel que se desloca no interior de um recipiente, no qual é colocada certa quantidade de óleo, que provoca a sua temporização quando o embolo é deslocado para fora do recipiente pela ação do campo magnético formado pela bobina ligada diretamente ao circuito a ser protegido.
  • 43.
    Relés Eletromagnéticos: • O principiode funcionamento se baseia na força de atração exercida entre elementos de material magnético; • A força eletromagnética desloca um elemento móvel instalado no circuito magnético de modo a reduzir sua relutância; • Mesmo sendo muito encontrado em instalações antigas que o possuem, não é mais utilizado.
  • 45.
    Relés Eletrodinâmicos: • Funcionam dentrodo principio básico de atuação de duas bobinas – uma móvel interagindo dentro de um campo formado por outra bobina fixa, tal como se constroem os instrumentos de medida de tensão e corrente conhecidos como os de bobina móvel; • Na realidade, eles não tem aplicação notável como elementos de proteção de circuitos primários, apesar de sua grande sensibilidade; • Por outro lado, apresentam um custo normalmente superior aos demais citados anteriormente.
  • 47.
    Relés Indução: • Também conhecidoscomo secundários; • Tendo sido largamente empregados em subestações industriais de potência e concessionarias de serviço publico, na proteção de equipamentos de grande valor econômico.
  • 48.
    Relés Térmicos: • Eles sãoatravessados pela corrente de fase do sistema, diretamente ou por meio de transformadores de corrente, e, através dos elementos térmicos com características semelhantes às características térmicas do equipamento que se quer proteger, atuam sobre o circuito de alimentação da bobina do disjuntor, desenergizando o sistema antes que a temperatura atinja valores acima do máximo permitido para aquela maquina em particular.
  • 50.
    Relés Eletrônicos: • Fruto dodesenvolvimento tecnológico da eletrônica dos sistemas de potencia; • Na época em que eram fabricados atendiam a todas as necessidades de proteção dos sistemas elétricos, competindo em preço e desempenho com os modelos eletromecânicos, exceto em pequenos sistemas, quando se podiam utilizar os reles convencionais de ação direta, dispensando-se os transformadores de medida e as fontes auxiliares de alimentação.
  • 51.
    Relés Digitais: • É umaproteção baseada em técnicas de microprocessadores; • Mantem os mesmos princípios das funções de proteção e guardam os mesmo requisitos básicos aplicados aos reles eletromecânicos ou de indução e aos reles estáticos ou eletrônicos; • No entanto, os reles digitais oferecem, além das funções dos seus antecessores, novas funções aos seus usuários adicionado maior velocidade, melhor sensibilidade, interfaceamento amigável, acesso remoto, armazenamento de informações etc.
  • 52.
    Fusíveis • Dispositivos protetoresque são utilizados para evitar que, em caso de curto-circuito ou sobrecargas um circuito venha sofrer danos; • Seccionamento e proteção que, pela fusão de um ou mais de seus componentes, especialmente projetado e dimensionado, abre o circuito no qual está inserido e interrompe a corrente elétrica quando esta superar um dado valor por um dado intervalo de tempo; • Elo Fusível - é a parte do fusível que inclui o elemento fusível e que requer substituição depois da operação e antes que o fusível seja posto novamente em serviço.
  • 53.
    Fusíveis HH • Médiatensão, consistem basicamente de um tubo de cerâmica com terminais, um corpo suporte para o elo de prata enrolado nesse corpo; • Corpo suporte de cerâmica em forma de estrela separa as passagens ou estrangulamentos do elo; • Elementos enrolados dentro das ranhuras não são tencionados e impossibilitados de se deslocar por vibração, expansão térmica ou qualquer outro efeito mecânico; • O elo é totalmente envolvido pelo meio de extinção, de forma que sempre tem um certo volume de areia para extinguir o arco.
  • 54.
    Fusíveis – CorrenteCrítica • Todos os fusíveis têm uma faixa de corrente crítica onde acontece a maior solicitação térmica, durante o desligamento da corrente. As correntes críticas são relativamente baixas; • A corrente crítica é definida pela IEC 282 como a corrente 10ms de tempo de fusão multiplicado pelo fator 3 a 4.
  • 55.
    Fusíveis – CorrenteMínima • Àquela em que o fusível consegue interromper sem ajuda de dispositivos mecânicos. O valor é entre 2 a 3 vezes a corrente nominal; • Em caso de curto-circuito todas as passagens queimam instantaneamente, isso não acontece na faixa de sobrecargas baixas, devido às tolerâncias na fabricação os e a disposição geométrica, queimam sempre passagens antes (geralmente as do centro), quais nesse caso devem suportar uma tensão bem mais elevada; • Para evitar que fusíveis operem em correntes mínimas usa-se o percussor em combinação com uma seccionadora de carga que neste caso trata de interromper a corrente.
  • 56.
    Elos Fusíveis • Esseselos são utilizados em chaves fusíveis instaladas em cruzetas/postes de redes de distribuição- tensões nominais de 1 KV a 36,2 KV; • Os tipos de elos fusíveis são: • H - elos fusíveis de alto surto, com alta temporização para correntes elevadas - correntes nominais padronizadas: 1A, 2A, 3A e 5A; • K - elos fusíveis rápidos - Grupo A: corrente nominais padronizadas: 6A, 10A, 15A, 25A, 40A, 65A, 100A, 140A e 200A. - Grupo B: 8A, 12A, 20A, 30A, 50A e 80A; • T - elos fusíveis lentos - Grupos A e B: correntes nominais idênticas as dos tipos K, porem com valores de rapidez maiores do que esses
  • 57.
    Fusíveis de altaTensão • Elementos fusíveis tipo cartucho - geralmente são dimensionados para pequenas correntes e utilizados, em vários casos, para suprir a ausência do disjuntor no circuito
  • 58.
    Informações Importantes • Correntenominal do elo fusível; • Intercambiabilidade elétrica e mecânica de elos fusíveis; • Coordenação da Proteção; • Composição (suporte base, isolador, gancho, olhal, porta- fusível, elo-fusível, argola)
  • 59.
    Identificação do Fusível •As seguintes informações devem ser marcadas em todos os fusíveis, com exceção dos muito pequenos: • Nome ou marca registrada, pela qual pode ser facilmente identificado; • Referência de catálogo ou designação de tipo; • Tensão e corrente nominal; • Faixa de interrupção e categoria de utilização (código de letra), quando aplicável; • Tipo de corrente e, se aplicável, freqüência nominal.
  • 60.
    Observações Complementares • Podeser indicado também a capacidade de ruptura de corrente em KA - função da corrente nominal e do valor e tipo da tensão que ele será submetido; • Para o tipo de fusível NH inclui-se também o tamanho físico e consequentemente as mesmas características citadas para os tipos Diazed/Neozed/Silized; • Os fusíveis são utilizados em série, ou seja, entre a fase e a carga. • Exemplo de Normas ABNT aplicável para Elo-Fusível: • NBR - 5369 - Elos Fusíveis de Distribuição – Especificação. • NBR - 8124 - Chaves Fusíveis de Distribuição – Padronização
  • 61.
    Referencias Bibliográficas • http://www.fundec.edu.br/tecnico/seguranca_trabalho/trabalhos/1.4.1 %20-%20Para-raios.pdf • http://paginas.fe.up.pt/~jrf/aulas0506/sobreintensidade/resumo_sp.pdf • http://richardcoleon.files.wordpress.com/2011/12/capc3adtulo-5.pdf • MAMEDE, João. Manual de equipamentos elétricos, 1994, 2ª ed, LTC, p. 173-218. • http://www.energy.siemens.com/br/pt/transmissao-de- energia/transformadores/transformadores-de- potencia/transformadores-de-forca.htm • http://www.posmci.ufsc.br/teses/fbm.pdf • http://www.dee.feis.unesp.br/pos/teses/arquivos/281- dissertacao_Renzo_Fabian_Espinoza.pdf • http://www.braspel.com.br/transformadores-de-potencial-interna- bps12.html • http://www.gardy.ind.br/pdf/85fusivel.pdf