Estruturas :

  Estruturas básicas Cruzetas 2000 mm   Estruturas especiais cruzetas
                2400 mm                              3000 mm
TIPO
 1     N1, M1, B1.                      B1
 2     N2, M2, B2.                      B2
 3     N3, M3, B3.                      B3
 4     N4, M4, B4.                      B4


Simbología normalmente usada.
Estruturas N1




                                                                  tabela




      NOTAS:
1 - A estrutura tipo N1 é usada em tangente, podendo também ser empregada em ângulo, conforme tabela.
2 - Em estrutura consecutivas, deve-se alternar a posição da cruzeta em relação ao poste.
Estruturas N2




                                                                     tabela
  NOTA:
  1 - A estrutura tipo N2 é usada em ângulo, conforme tabela.




Estrutura N2 fim de linha




                                                           NOTAS:
                                                           1 - A estrutura tipo N2 é usada em fins de linha
                                                           com condutores de alumínio 02 AWG .
                                                            Há muitas estruturas N2 com fio 6 cu.
PRIMÁRIO -Estrutura N3




            NOTAS:
            1 - A estrutura tipo N3 é usada em fim de linha com
            condutor de alumínio até 477 MCM.
            2 - Com condutores de alumínio 02 AWG o fim de linha
            é feito com estrutura N2 .
PRIMÁRIO -Estrutura N4




NOTAS:
1 - A estrutura tipo N4 é usada em ângulo até 60 graus, conforme tabela.
2 - Esta estrutura é empregada, mesmo em tangente, quando há mudança de bitola ou
quando há
redução de tração nos condutores ou nos pontos de tracionamento dos cabos,
aproximadamente de 600
em 600mm. No primeiro caso, devem ser incluídos três conectores na lista de material para
efetivação
das conexões necessárias.
3 - Para ângulos maior de 60 graus, utilizar estrutura N3-N3 .
4 - Para condutor de alumínio 2 AWG, deve ser utilizada estrutura N2.
5 - Caso haja seccionamento de cabos ou mudança de bitolas, incluir na relação de materiais
3
conectores a compressão de alumínio, adequados.
PRIMÁRIO - Estrutura B1
                            Nota. Furação para cruzeta de 2000 mm




NOTAS
1. A estrutura B1 é usada em tangente, podendo também ser empregada em ângulo.
- Neste caso, a instalação dos condutores deve ser feita lateralmente.
2. Em estruturas consecutivas, deve-se alternar a posição da cruzeta em relação ao poste.
3. Os postes duplo T devem ser instalados de maneira que as cruzetas fiquem fixadas nas
faces mais largas do poste, a 250 mm do topo.
PRIMÁRIO - Estrutura B2
                           Nota. Furação para cruzeta de 2000 mm




NOTAS
1. Esta estrutura deve ser usada em ângulos.
2. Os postes DT devem ser instalados de maneira que as cruzetas fiquem fixadas nas faces
mais largas do poste,
a 250 mm do topo.
PRIMÁRIO - Estrutura B3
                                    Nota. Furação para cruzeta de 2000 mm




NOTA
Os postes DT devem ser instalados de maneira que as cruzetas fiquem fixadas nas faces mais estreitas do poste, a 200 mm do
topo.
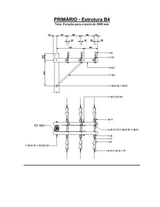
PRIMÁRIO - Estrutura B4
Nota. Furação para cruzeta de 2000 mm
PRIMÁRIO - Estrutura M1
                           Nota. Furação para cruzeta de 2000 mm




NOTAS
1.A estrutura M1 é usada em tangente, podendo também ser empregada em ângulos,
conforme especificado na
. Neste caso, a instalação dos condutores nos isoladores deve ser feita lateralmente.
2.Em estruturas consecutivas deve-se alternar a posição da cruzeta em relação ao
poste.
3. Muito usado em ruas com passeios estreitos.


3.
RIMÁRIO - Estrutura M2
Nota. Furação para cruzeta de 2000 mm
PRIMÁRIO - Estrutura M3




NOTAS
1. A estrutura deve ser utilizada para cabos no máximo até 1/0 AWG CAA.
2. Para encabeçamento com cabos 4 e 2 AWG, utilizar Alça preformada olhal e para
cabos 1/0 AWG, utilizar alça preformada de distribuição e manilha sapatilha.
PRIMÁRIO - Estrutura M4
                           Nota. Furação para cruzeta de 2000 mm




NOTAS
1. A estrutura M4 é também usada em ângulo.
2. Para encabeçamento com cabos 4 e 2 AWG, utilizar alça preformada olhal e para
cabos de 1/0 AWG a 477
MCM, utilizar alça preformada de distribuição e manilha sapatilha.
PRIMÁRIO - Estrutura LT




NOTAS
1. Para encabeçamento com cabos 4 e 2 AWG, utilizar alça preformada olhal e para
cabos 1/0 AWG a 477 MCM, utilizar alça preformada de distribuição e manilha sapatilha.
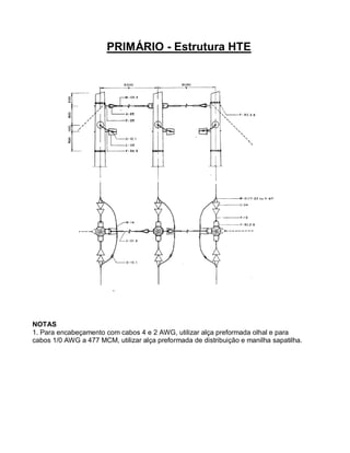
PRIMÁRIO - Estrutura HTE




NOTAS
1. Para encabeçamento com cabos 4 e 2 AWG, utilizar alça preformada olhal e para
cabos 1/0 AWG a 477 MCM, utilizar alça preformada de distribuição e manilha sapatilha.
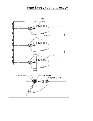
PRIMÁRIO - Estrutura V3- V3
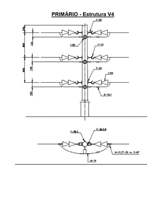
PRIMÁRIO - Estrutura V4
Furação para cruzetas de 3000 mm e 2400 mm- Cataguases

2 E Estruturas BáSicas Rede Tradicional 16 11 2005

  • 1.
    Estruturas : Estruturas básicas Cruzetas 2000 mm Estruturas especiais cruzetas 2400 mm 3000 mm TIPO 1 N1, M1, B1. B1 2 N2, M2, B2. B2 3 N3, M3, B3. B3 4 N4, M4, B4. B4 Simbología normalmente usada.
  • 2.
    Estruturas N1 tabela NOTAS: 1 - A estrutura tipo N1 é usada em tangente, podendo também ser empregada em ângulo, conforme tabela. 2 - Em estrutura consecutivas, deve-se alternar a posição da cruzeta em relação ao poste.
  • 3.
    Estruturas N2 tabela NOTA: 1 - A estrutura tipo N2 é usada em ângulo, conforme tabela. Estrutura N2 fim de linha NOTAS: 1 - A estrutura tipo N2 é usada em fins de linha com condutores de alumínio 02 AWG . Há muitas estruturas N2 com fio 6 cu.
  • 4.
    PRIMÁRIO -Estrutura N3 NOTAS: 1 - A estrutura tipo N3 é usada em fim de linha com condutor de alumínio até 477 MCM. 2 - Com condutores de alumínio 02 AWG o fim de linha é feito com estrutura N2 .
  • 5.
    PRIMÁRIO -Estrutura N4 NOTAS: 1- A estrutura tipo N4 é usada em ângulo até 60 graus, conforme tabela. 2 - Esta estrutura é empregada, mesmo em tangente, quando há mudança de bitola ou quando há redução de tração nos condutores ou nos pontos de tracionamento dos cabos, aproximadamente de 600 em 600mm. No primeiro caso, devem ser incluídos três conectores na lista de material para efetivação das conexões necessárias. 3 - Para ângulos maior de 60 graus, utilizar estrutura N3-N3 . 4 - Para condutor de alumínio 2 AWG, deve ser utilizada estrutura N2. 5 - Caso haja seccionamento de cabos ou mudança de bitolas, incluir na relação de materiais 3 conectores a compressão de alumínio, adequados.
  • 6.
    PRIMÁRIO - EstruturaB1 Nota. Furação para cruzeta de 2000 mm NOTAS 1. A estrutura B1 é usada em tangente, podendo também ser empregada em ângulo. - Neste caso, a instalação dos condutores deve ser feita lateralmente. 2. Em estruturas consecutivas, deve-se alternar a posição da cruzeta em relação ao poste. 3. Os postes duplo T devem ser instalados de maneira que as cruzetas fiquem fixadas nas faces mais largas do poste, a 250 mm do topo.
  • 7.
    PRIMÁRIO - EstruturaB2 Nota. Furação para cruzeta de 2000 mm NOTAS 1. Esta estrutura deve ser usada em ângulos. 2. Os postes DT devem ser instalados de maneira que as cruzetas fiquem fixadas nas faces mais largas do poste, a 250 mm do topo.
  • 8.
    PRIMÁRIO - EstruturaB3 Nota. Furação para cruzeta de 2000 mm NOTA Os postes DT devem ser instalados de maneira que as cruzetas fiquem fixadas nas faces mais estreitas do poste, a 200 mm do topo.
  • 9.
    PRIMÁRIO - EstruturaB4 Nota. Furação para cruzeta de 2000 mm
  • 10.
    PRIMÁRIO - EstruturaM1 Nota. Furação para cruzeta de 2000 mm NOTAS 1.A estrutura M1 é usada em tangente, podendo também ser empregada em ângulos, conforme especificado na . Neste caso, a instalação dos condutores nos isoladores deve ser feita lateralmente. 2.Em estruturas consecutivas deve-se alternar a posição da cruzeta em relação ao poste. 3. Muito usado em ruas com passeios estreitos. 3.
  • 11.
    RIMÁRIO - EstruturaM2 Nota. Furação para cruzeta de 2000 mm
  • 12.
    PRIMÁRIO - EstruturaM3 NOTAS 1. A estrutura deve ser utilizada para cabos no máximo até 1/0 AWG CAA. 2. Para encabeçamento com cabos 4 e 2 AWG, utilizar Alça preformada olhal e para cabos 1/0 AWG, utilizar alça preformada de distribuição e manilha sapatilha.
  • 13.
    PRIMÁRIO - EstruturaM4 Nota. Furação para cruzeta de 2000 mm NOTAS 1. A estrutura M4 é também usada em ângulo. 2. Para encabeçamento com cabos 4 e 2 AWG, utilizar alça preformada olhal e para cabos de 1/0 AWG a 477 MCM, utilizar alça preformada de distribuição e manilha sapatilha.
  • 14.
    PRIMÁRIO - EstruturaLT NOTAS 1. Para encabeçamento com cabos 4 e 2 AWG, utilizar alça preformada olhal e para cabos 1/0 AWG a 477 MCM, utilizar alça preformada de distribuição e manilha sapatilha.
  • 15.
    PRIMÁRIO - EstruturaHTE NOTAS 1. Para encabeçamento com cabos 4 e 2 AWG, utilizar alça preformada olhal e para cabos 1/0 AWG a 477 MCM, utilizar alça preformada de distribuição e manilha sapatilha.
  • 16.
  • 17.
  • 18.
    Furação para cruzetasde 3000 mm e 2400 mm- Cataguases