OPERAÇÃO, MANUTENÇÃO DE SUBESTAÇÕES
DE MEDIA E ALTA TENSÃO
Prof. Benjamim Barros
-GERAÇÃO.
-TRANSMISSÃO
-DISTRIBUIÇÃO
-CONSUMO.
CIRCUITOS SECUNDÁRIOS
DE DISTRIBUIÇÃO 127/220 V
RESIDENCIAL
USINAS
ETC COMERCIAL / INDUSTRIAL - M
CIRCUITOS PRIMÁRIOS
DE DISTRIBUIÇÃO 13.800 V
LINHAS DE SUBTRANSMISSÃ0
138.000 V 88.000 V 69,000V
ETD
ETC - INDÚSTRIA EM AT
Centro da
Operação do
Sistema - COS
LINHA DE TRANSMISSÃO
MAIOR QUE 230.000 V.
ETT’s
Centro de Operação da Distribuição - COD
SISTEMA ELETRICO DE POTÊNCIA
• Geração, transmissão,
distribuição e consumo
GERAÇÃO.
-TRANSMISSÃO
-DISTRIBUIÇÃO
-CONSUMO.
Sistemas interligado transmissão
Sistema de geração Hidroelétrica
Sistema de geração termoelétrica
Sistema de geração eólica
Balanço energético nacional 2010
Balanço energético nacional 2011
ETCs Estações Transformadoras
de Consumidor.
SUBESTAÇÕES
ESTAÇÃO ABAIXADORA DE TENSÃO
Local onde são reunidos conjuntos de equipamentos e componentes responsáveis
pela operação e manobra de parte de um circuito elétrico; possibilitando efetuar-
se alteração na configuração e no valor de tensão da transmissão.
de 12 a 20Kv elevados para
88,138, 230, 440, 750 KV
ETT Estação Transformadora de
Transmissão:
Rebaixa para 88/138 Kv, e distribui para
as Concessionárias
ETDs Estação Transformadora de
Distribuição:
Rebaixa para tensão de distribuição ex.:
3.8, 6.5, 13.8, 20, KV
ESTAÇÃO ELEVADORA DE TENSÃO
POSTO PRIMÁRIO
Entrada do consumidor ponto de recebimento da concessionária
SIMPLIFICADO:
Possui apenas um único transformador trifásico com potência máxima de
300 KVA (dependendo da Concessionária). A medição é efetuada na
baixa tensão e a proteção geral das instalações, no lado de alta tensão, é
feita com fusível.
CONVENCIONAL:
Não há restrição quanto a potência, podem ser instalados vários
transformadores, possui medição do lado da média tensão, proteção
geral na média tensão através de disjuntor com desligamento automático,
e acionamento através de relés.
Conjunto de componentes de entrada consumidora em tensão primária de
distribuição com as funções de Medição, Proteção,Transformação e
Distribuição de energia elétrica.
POSTO PRIMÁRIO
POSTO PRIMÁRIO SIMPLIFICADO
POSTO CONVENCIONAL EM CHAPA BLINDADO
POSTO CONVENCIONAL
RAMAL DE ENTRADA
É o conjunto de condutores com respectivos materiais,
necessários à sua fixação e interligação elétrica, do ponto de
entrega da Concessionária aos terminais da subestação do
consumidor.
O ramal de entrada pode ser definido diferentemente em função do tipo de
subestação.
Ramal de entrada aéreo:
É aquele constituído de condutores nus
(com ou sem isolação), suspensos em
estruturas para instalações aéreas.
Ramal de entrada subterrâneo:
É aquele constituído de condutores isolados,
instalados dentro de eletroduto diretamente
enterrado no solo.
RAMAL DE ENTRADA
RAMAL DE ENTRADA
CABO DE MEDIA TENSÃO
1
2
3
4
5
6
1 – Condutor (Cobre ou Alumínio)
2 – Semicondutor
3 – Isolação (EPR, XLPE, etc.)
4 – Semicondutor
5 – Blindagem
6 – Cobertura externa
PÁRA-RAIOS
Protege os equipamentos de um circuito, contra surto de
tensão transitório provocado por descargas elétricas
atmosféricas, e/ou eventos e anomalias.
Tipos:
- Cabo para-raios: Protege a linha contra descarga atmosférica e a
indutância da linha.
-Pára-raios tipo haste reta (Franklin, Gaiola de Faraday):
Proteção da instalação civil.
- Pára-raios tipo válvula: Proteção dos equipamentos, surto de
tensão e anomalia.
PÁRA-RAIOS
PÁRA-RAIOS
PÁRA-RAIOS DE ALTA TENSÃO
PÁRA-RAIOS DE ALTA TENSÃO
CHAVES
SECCIONADORAS
DISJUNTORES
CHAVES
DISJUNTOR QUEIMADO
DISJUNTOR QUEIMADO
TRAFO
DISJUNTOR
São equipamentos destinados a interromper a corrente
elétrica de um circuito, em condições normais ou anormais
(sobrecarga ou curto-circuito).
Tipos:
Grande volume de óleo (GVO)
Pequeno volume de óleo (PVO)
Sopro magnético
Vácuo
Gás SF6
DISJUNTOR
DISJUNTOR A GRANDE VOLUME DE ÓLEO GVO
Disjuntores a pequeno volume de óleo PVO
Utilizam óleo isolante como elemento de extinção do arco elétrico.
Existem dois tipos de disjuntores a óleo, grande volume de óleo e
pequeno volume de óleo, o que os diferencia são as quantidades do óleo
utilizado, o tamanho físico e alguns detalhes construtivos.
DISJUNTOR
DISJUNTOR
Pólo
Carinho
Bastão de
acionamento
Indicador de nível de óleo
Disjuntor a pequeno volume de óleo
DISJUNTOR
1 cabeçote metálico
2 contato fixo
3 câmara de extinção
4 contato móvel
5 bucha isolante
6 alavanca de ligar e desligar
7 varão de acoplamento
8 compartimento de
sustentação
9 óleo isolante
Posição ligado
Interrupção de
correntes de baixa
intensidade
Interrupção de
correntes elevadas
Câmara de extinção disjuntor Semens 3AC
DISJUNTOR
CONTATOS INTERNOS DO DISJUNTOR
Contato móvel
Contato fixo
DISJUNTOR
Disjuntores á sopro magnético
Utilizam um campo magnético e ar comprimido, para a extinção do arco
elétrico
Disjuntores a vácuo
Utilizam o vácuo para a extinção do arco elétrico. Podemos dizer que este sistema é um
dos mais econômicos em função de: No vácuo não há decomposição de gases, e as
câmaras hermeticamente fechadas sobre pressão eliminam o efeito do meio ambiente,
mantendo dielétrico permanente. Sem a queima e sem as oxidações dos contatos é
garantida uma resistência de contato baixa, prolongando a vida útil do equipamento.
DISJUNTOR
POLO DO DISJUNTOR VÁCUO
Capacitor
Pólo
Base
Caixa de
comando
Macaco
hidráulico
DISJUNTOR A GÁS
DISJUNTOR A GÁS
Disjuntores a gás SF6
Utilizam gás para extinção de arco elétrico. Geralmente este gás e o
Hexafluoreto de Enxofre (SF6), um gás que em condições normais é
altamente dielétrico, inerte, não inflamável, não tóxico e inodoro, isto torna o
disjuntor mais eficaz, já que não há desgaste dos contatos.
DISJUNTOR GÁS
USINA DE ITAIPU SUBESTAÇÃO 500kV SF6
GERAÇÃO, HIDRÁULICA
DISJUNTOR EXTRAÍVEL
DISJUNTOR
DISJUNTOR
DISJUNTOR
ACIONAMENTO DOS DISJUNTORES
DISJUNTOR
ACIONAMENTO DOS DISJUNTORES
DISJUNTOR
COMANDO DOS DISJUNTORES
DISJUNTOR
1 – Comando Manual Mecânico
2 – Comando Manual Elétrico
3 – Comando Automático
COMANDO DOS DISJUNTORES
DISJUNTOR
SECCIONADORES
Seccionador Tripolar a comando único
Cada faca é munida de um isolador, para a sustentação do contato fixo e outro
para sustentação do braço de acionamento (varão), um eixo rotativo, que quando
acionado através de alavanca manual, bastão, varão provoca o fechamento ou
abertura simultânea das três facas contato móvel.
São dispositivos destinados a realizar manobras de seccionar e isolar um circuito elétrico
sem cargas (sem corrente). Em condições normais e com seus contatos fechados, elas
devem ser capazes de manter a condução de sua corrente nominal, inclusive de curto-
circuito, sem sobre-aquecimento.
SECCIONADORES
Chave Seccionadora
Chave faca unipolar
CHAVE FUSÍVEL
Também conhecida como Chave
Mattews. Utilizada para seccionar e
proteger circuitos. Quando ocorre
um curto-circuito o seu elo fusível
interior se rompe deixando cair o
cartucho.
SECCIONADOR SOB CARGA
Ou Seccionador interruptor tripolar de média tensão, possui um dispositivo destinado a
abrir e fechar um circuito sob carga, é projetado para ser instalado em ambiente abrigado,
ou seja, em cubículos, o arco elétrico é extinto dentro de uma câmara e os contatos são
acionados com auxilio de molas para acelerar a abertura e o fechamento.
TRANSFORMADORES
TRANSFORMADORES
É uma maquina estática que por meio de indução
eletromagnética, transfere energia elétrica de um circuito
(primário), para outros circuitos (secundários e/ou
terceários), mantendo a mesma freqüência, mas geralmente
com valores de tensões e correntes diferentes. Eles podem
ser a óleo ou a seco. Quanto à classificação os
transformadores podem ser classificados de abaixador de
tensão, abaixa a tensão do enrolamento secundário em
relação ao enrolamento primário ou elevador, eleva a tensão
do enrolamento secundário em relação ao enrolamento
primário.
Definição
TRANSFORMADORES
Quanto aos tipos podem ser: monofásico ou trifásico.
Quanto à ligação os transformadores podem ser:
ligados em estrela, triângulo (delta) ou zig-zag.
Normalmente nas estações primárias, os
transformadores são: trifásicos, abaixadores,
e suas ligações são: em triângulo (enrolamento
primário), estrela (enrolamento secundário).
Tipos de ligação
TRANSFORMADORES
DELTA
ESTRELA
TRANSFORMADORES
Princípio de Funcionamento
a = V1 = N1 = I2
V2 N2 I1
TRANSFORMADORES
Princípio de Funcionamento
TRANSFORMADORES
TRANSFORMADORES
PARTE ATIVA
TRANSFORMADORES
PARTE ATIVA
TRANSFORMADORES
TRANSFORMADOR A SECO
 CARACTERISTICA
- Óleo Mineral isolante derivado do petróleo
- Cor amarelado embranquecido quando novo
 FUNÇÃO DO ÓLEO NO TRANSFORMADOR
- Isolar
- Refrigerar
 TIPOS
- PARAFINICO
Necessita de um tratamento inicial
Usado ate 88 KV no Brasil e até 460KV na Europa
- NAFTÊNICO
Mais estável a oxidação,
Usado para qualquer classe de tensão
- INIBIDO
- Óleo acrescidos de agente anti-oxidante
Óleo isolante Mineral
TRANSFORMADORES
 PONTO DE FULGOR
- Presença de contaminantes combustível e voláteis
 VISCOSIDADE
- Capacidade do óleo em transferir calor, e sua influência na
velocidade das partes móveis
 UMIDADE
- Presença de água
 COR
-Deterioração e contaminação do óleo
TENSÂO INTERFACIAL
Contaminantes solúveis ou outros produto de deterioração no óleo
 ACIDEZ
-Presença de contaminantes ácidos e mineral
 RIGIDEZ DIELETRICA
- Contaminates condutivo: água, sujeiras partícula condutoras
sabão metálico.
Óleo isolante Mineral Ensaios físicos-químico
TRANSFORMADORES
 CROMATOGRAFIA
- Presença, quantidade e qualidade de gases dissolvido no óleo.
Óleo isolante Mineral Ensaios cromatografia gasosa
TRANSFORMADORES
TRANSFORMADOR SOBRE-AQUECIMENTO
TRANSFORMADORES
Máquina de Termo-Vácuo
TRANSFORMADORES
REFRIGERAÇÃO
TRANSFORMADORES
TRANSFORMADORES
TRANSFORMADORES
TRANSFORMADORES
TRANSFORMADORES
TRANSFORMADORES
INDICADOR DE NÍVEL DE ÓLEO
TRANSFORMADORES
INDICADOR DE NÍVEL DE ÓLEO
TRANSFORMADORES
TRANSFORMADORES
Secador de ar sílica-gel
Termômetro
TRANSFORMADORES
TRANSFORMADORES
Termômetro de imagem térmica
TRANSFORMADORES
Tubo de explosão
TRANSFORMADORES
Tubo de explosão
Relé detector de gás
TRANSFORMADORES
TRANSFORMADORES
Válvula de alívio
Caixa de Seletor de tap
Indicador de tap
Transformador
2
3
4
6
5
7
1
1. ventiladores
2. relé de gás
3. secador
4. TC relé diferencial
5. comutação
6. tanque de expansão
7. registro de óleo
1
8
9
8. radiador
9. tanque
10. termômetros
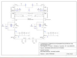
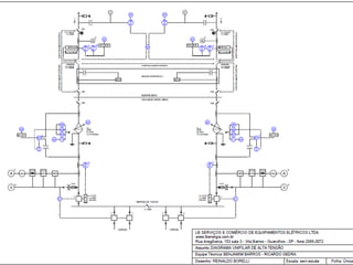
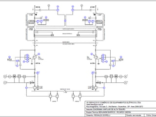
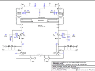
RAC
-
1
1
INTERTRAVAMENTO
ELÉTRICO
7401
Vn =138 KV
In = 600A
86 1 TR 1 e 2
86 1 BA 88
INTERTRAVAMENTO
ELÉTRICO
Vn =145 KV
In = 2000A
86 1 TR 1
SIEMENS
26
49
63
71
87
50
N
3
86
1
TR
1
SEC 3
30
7403
7405
A
50
51
50
3 N
51
86 1 BA 88
RDTD
RAC
-2
1
INTERTRAVAMENTO
ELÉTRICO
7402
Vn =138 KV
In = 600A
86 1 TR 1 e 2
86 2 BA 88
INTERTRAVAMENTO
ELÉTRICO
Vn =145 KV
In = 2000A
86 1 TR 1
SIEMENS
26
49
63
71
87
50
N
3
86
1
TR
1
SEC 4
30
7404
A
50
51
50
3
N
51
86 2 BA 88
7406
RDTD
MEDIÇÃO ELETROPAULO
50
51
3
83
27 27
V V
BARRA 88KV
ISOLADA PARA 138KV
Vn =138 KV
In = 600A
TR - 1
INTEL
Nº 37074
7,5 / 9,375MVA
KVA VArh KWh COS - A
0,8 A
V
Vn =15 KV
In = 800A
500 MVA
Vn =15 KV
In = 800A
500 MVA
27
50
51
3
0,8 A
V
27
ISOLADA PARA 138KV
In = 800A
BARRA DE 13.8KV
3
3
KVA VArh KWh A
COS -
INTERTRAVAMENTO ELÉTRICO
30 30
LB SERVIÇOS E COMERCIO DE EQUIPAMENTOS ELÉTRICOS LTDA
www.lbenergia.com.br
Rua Aragôiania, 153 sala 3 - Vila Barros - Guarulhos - SP - fone 2088-2072
Assunto DIAGRAMA UNIFILAR DE ALTA TENSÃO
EQUIPE TECNÍCA
BENJAMIM BARROS - RICARDO GEDRA
Desenho: LUIZ A. PORCIANI Folha: Única
30
30
TR - 2
INTEL
Nº 37074
7,5 / 9,375MVA
90 90
CARGA CARGA
TRANSFORMADORES PARA INSTRUMENTOS
TRANSFORMADORES PARA INSTRUMENTOS
TRANSFORMADOR DE POTENCIAL
Redutor de Tensão
Tensão secundária padronizada de 115V (Fase-Fase)
Projetados para suportar sobretensões de 10%
Trabalha em vazio
Classe de exatidão 0,3; 0,6 e 1,2
Ligação de mais de um instrumento
DIAGRAMA
TRANSFORMADOR DE CORRENTE
Redutor de Corrente
Corrente no primário Valor nominal do circuito
Corrente nominal no secundário 5 A
DIAGRAMA
PROTEÇÃO
O objetivo de um sistema de proteção nos equipamentos elétricos
consiste em detectar um defeito, isolar o mas rápido possível sem
perturbar outros equipamentos não defeituoso.
Toda proteção deve prever
- Exatidão na proteção
- Seletividade de operação
- Sensibilidade de operação
- Rapidez de operação
DIAGRAMA
RELÊ DE PROTEÇÃO
A finalidade principal do relê é detectar
anomalia e comanda os dispositivo de proteção
desligando e isolando a área protegida
Sua identificação vai de 1 a 100
SEUS COMPONENTES INTERNOS SÂO.
- Elemento sensível
- Elemento de comparação
- Elemento de comando
DIAGRAMA
RELÊ DE PROTEÇÃO
Quanto a sua construção os relé podem ser:
- Eletromecânico
- Estático
- Microprocessado
- Ação direta
- Fluidodinâmico
Quanto a classificação por tempo os relé podem
ser:
- Instantâneos
- Temporizado
DIAGRAMA
RELÊ DE PROTEÇÃO
DIAGRAMA
Reler de ação direta Fluidodinâmico
RELÊ DE PROTEÇÃO
Reler microprocessado
OPERAÇÃO DE SUBESTAÇÕES
A operação de subestação deverá ser efetuada por
pessoas autorizadas Com o curso de NR-10 básico e SEP e com
treinamento prévio e que estejam familiarizados com o sistema
elétrico em alta tensão.
A - Operação de emergência. B - Operação programada.
NR-10
Programação, Documentação e
Relatório.
Documentação e relatório.
1 - Motivo da manobra;
2 - Horário de inicio da manobra;
3 - Se há interrupção;
4 - Se a interrupção é total ou parcial;
5 - Quais os setores afetados;
6 - Quais componentes que serão manobrados;
7 - Tempo total de duração;
8 - Solicitante da manobra;
9 - Responsável(s) pela manobra(s) (operador);
10 - Em caso de entrega para manutenção quem da manutenção
irá executa-la;
11 - Data e horário que o circuito será devolvido para religamento;
12 - Responsável que irar liberar o circuito;
13 - Quais diagramas a serem consultados para manobra;
Autorização para manobras
OPERAÇÃO DE SUBESTAÇÕES
DIAGRAMA
Desligar os circuitos de AT e BT sempre pelos disjuntores e
nunca pelas seccionadoras.
Os disjuntores são feitos para suportar surtos de carga e
até curto circuitos, portanto é elemento responsável pelo
perfeito desligamento ou religamento de toda carga da
subestação.
Quando há diversos disjuntores de Alta Tensão, estes
deverão preferencialmente ser desligados primeiro e por último
o principal.
PROCEDIMENTO PARA OPERAÇÃO DE SUBESTAÇÕES
DIAGRAMA
-Falta de fase no circuito de alimentação.
- Interrupção total do circuito de alimentação.
- Sobre-corrente na subestação.
- Curto-circuito.
- Aquecimento do transformador.
- Falta de óleo no transformador.
- Gás inflamável no transformador.
QUALQUER DESLIGAMENTO DESTA NATUREZA
REQUER UM RELIGAMENTO O QUAL É CONSIDERADO
OPERAÇÃO DE EMERGÊNCIA.
Principais motivo de desligamento automáticos
-Nenhum operador será obrigado a religar uma
subestação, se as condições supras não forem
satisfeitas.
- É proibido efetuar quaisquer serviços de reparos
nas partes vivas de uma subestação, ou seja, em
seus componentes de média/ alta tensão, quando
estiverem energizados. Poderão ser efetuados
reparos nos equipamentos auxiliares de manobra,
o que deverá ser feito com autorização do
engenheiro ou responsável, e deve-se dar
cuidados especiais de trabalho e segurança.
-
Observações de Segurança
DIAGRAMA
-Não é permitido efetuar manobras de subestação
sozinho, sempre deverá haver mais de uma
pessoa credenciada no recinto durante as
manobras.
- É terminantemente proibido fazer manobras em
subestação sem o equipamento de proteção
( luvas, bastões, isolante, tapetes de borracha,
etc.).
- De conformidade com os novos regulamentos
internacionais, os disjuntores de média/ alta
tensão deverão ter acionamento por molas pré
carregadas manualmente ou por motor.
Observações de Segurança
DIAGRAMA
-Não é permitido efetuar manobras de subestação
sozinho, sempre deverá haver mais de uma
pessoa credenciada no recinto durante as
manobras.
- É terminantemente proibido fazer manobras em
subestação sem o equipamento de proteção
( luvas, bastões, isolante, tapetes de borracha,
etc.).
- De conformidade com os novos regulamentos
internacionais, os disjuntores de média/ alta
tensão deverão ter acionamento por molas pré
carregadas manualmente ou por motor.
Observações de Segurança
DIAGRAMA
Seqüência de operação de uma subestação
Desligamento completo (Programado)
OPERAÇÃO DE SUBESTAÇÕES
1- Planejamento;
2- Conferir equipamento;
3- Desligar disjuntor principal através do acionamento
elétrico, na falta, acionamento mecânico;
4- Conferir equipamento;
5- Abrir seccionadora na proteção e trava-la na posição
desligada;
6- Abrir seccionadora na medição da concessionária e
trava-lo conforme item anterior;
7- Abrir seccionadora do poste, quando necessário.(Esta
operação é realizada pela concessionária);
8- Verificar equipamentos;
9- Sinalizar (Avisos de perigo com: barreiras, placas,
etc.);
10- Elaborar relatório.
DIAGRAMA
CONJUNTO COMERCIAL SANTO AMARO
______________________________________________________
TERMO DE RESPONSABILIDADE PARA DESLIGAMENTO
PROGRAMADO DA SUBESTAÇÃO PRIMÁRIA
CONJUNTO COMERCIAL SANTO AMARO
CNPJ nº. 07................./0001-27
Nº. do Cliente: 10013520
Data do desligamento do contrato 09/12/2009.
Declaramos que a execução de serviço de limpeza e / ou manutenção
preventiva nesta subestação primária, que alimenta a instalações elétricas
desta empresa, será efetuada sob supervisão de responsabilidade do
profissional devidamente habilitado, conforme a NR-10, NBR 14039 e demais
normas de Legislação brasileira pertinente.
Diante do exposto, esta empresa assume total responsabilidade Civil e
Criminal na ocorrência de acidentes de pessoas, bens, ao sistema elétrico
da Concessionária, ocasionados por operação inadequada dos
equipamentos existentes no interior da subestação primária, proveniente de
tal intervenção (manutenção preventiva).
Declaramos ainda que não será efetuada nenhuma modificação física,
troca de equipamentos ou ajuste no sistema de proteção sem prévia
comunicação e liberação do equipamento pela Concessionária.
Endereço da unidade do Consumidor.
Rua:Verbo DivinoNº10,............2
Bairro:Chácara Santo Antonio – Santo Amaro -SP
CEP: 04719-002
Engº Responsável: Benjamim Ferreira de Barros
RG: 20.895.............-3
CPF: 126............. -05
CREA: 5063............01
Profissão: Eletrotécnico.
____________________________
Benjamim F. Barros
A- Executar teste de tensão usando o testador de tensão
B- Executar Aterramento temporário;
C- Isolar a área.
MANUTENÇÃO
OPERAÇÃO DE SUBESTAÇÕES
OBS.: No Religamento completo programado, as
operações devem ser inversas ao desligamento
seguindo passo a passo.
Caso o desligamento seja para manutenção, deve-se
verificar se:
A - Todas as ferramentas, equipamentos e pessoal
foram retirados do local;
B - O Aterramento temporário foi retirado;
C - Os equipamentos e o sistema de proteção estão
em ordem;
D - As telas de proteção ou todas as portas estão no
local e fechadas.
Religamento Completo (Programado)
OPERAÇÃO DE SUBESTAÇÕES
DIAGRAMA
- Execução da Manobra
1 - Conferir equipamento
2 - Verificar Equipamentos;
3 - Fechar o seccionador do poste, caso tenha sido aberta;
4- Fechar seccionador na medição da concessionária e
trava-la na posição ligada;
5 - Fechar seccionadora da proteção e trava-la conforme
item anterior;
6 - Conferir equipamento;
7 - Ligar o disjuntor principal através do acionamento
elétrico, na falta acionamento mecânico;
8 - Conferir equipamento;
9 - Ligar os disjuntores secundários ou os de BT’s.
Religamento Completo (Programado)
OPERAÇÃO DE SUBESTAÇÕES
DIAGRAMA
1 – Os trabalhadores devem ser Habilitado ter participado
do curso complementar da NR- 10 com aproveitamento
2 – Uso dos EPIs, e EPCs
3 –Um equipamento só é considerado desenergizado pra
efeito de manutenção quando o mesmo estiver: desligado,
isolado, travado, sinalizado, testado e aterrado.
4- cabe ao responsável o planejamento do serviço,
distribuição das tarefas, uso e condições dos EPIs, e EPCs,
condições geras de trabalho (meio ambiente etc),
ferramentas, sinalização, conferência de manobra com a
equipe localização do aterramento temporário
6 – em toda a manutenção preditiva ,corretiva ou preventiva
deve-se ser constituído um relatório citando as condições
dos equipamentos e alterações referente a relatórios
anteriores deve ser consideradas
Procedimento de segurança
MANUTENÇÃO DE SUBESTAÇÕES
DIAGRAMA
RAC
-
1
1
INTERTRAVAMENTO
ELÉTRICO
7401
Vn =138 KV
In = 600A
86 1 TR 1 e 2
86 1 BA 88
INTERTRAVAMENTO
ELÉTRICO
Vn =145 KV
In = 2000A
86 1 TR 1
SIEMENS
26
49
63
71
87
50
N
3
86
1
TR
1
SEC 3
30
7403
7405
A
50
51
50
3 N
51
86 1 BA 88
RDTD
RAC
-2
1
INTERTRAVAMENTO
ELÉTRICO
7402
Vn =138 KV
In = 600A
86 1 TR 1 e 2
86 2 BA 88
INTERTRAVAMENTO
ELÉTRICO
Vn =145 KV
In = 2000A
86 1 TR 1
SIEMENS
26
49
63
71
87
50
N
3
86
1
TR
1
SEC 4
30
7404
A
50
51
50
3
N
51
86 2 BA 88
7406
RDTD
MEDIÇÃO ELETROPAULO
50
51
3
83
27 27
V V
BARRA 88KV
ISOLADA PARA 138KV
Vn =138 KV
In = 600A
TR - 1
INTEL
Nº 37074
7,5 / 9,375MVA
KVA VArh KWh COS - A
0,8 A
V
Vn =15 KV
In = 800A
500 MVA
Vn =15 KV
In = 800A
500 MVA
27
50
51
3
0,8 A
V
27
ISOLADA PARA 138KV
In = 800A
BARRA DE 13.8KV
3
3
KVA VArh KWh A
COS -
INTERTRAVAMENTO ELÉTRICO
30 30
LB SERVIÇOS E COMERCIO DE EQUIPAMENTOS ELÉTRICOS LTDA
www.lbenergia.com.br
Rua Aragôiania, 153 sala 3 - Vila Barros - Guarulhos - SP - fone 2088-2072
Assunto DIAGRAMA UNIFILAR DE ALTA TENSÃO
EQUIPE TECNÍCA
BENJAMIM BARROS - RICARDO GEDRA
Desenho: LUIZ A. PORCIANI Folha: Única
30
30
TR - 2
INTEL
Nº 37074
7,5 / 9,375MVA
90 90
CARGA CARGA
Cabine PRIMARIA - SENAI.pdf

Cabine PRIMARIA - SENAI.pdf

  • 1.
    OPERAÇÃO, MANUTENÇÃO DESUBESTAÇÕES DE MEDIA E ALTA TENSÃO Prof. Benjamim Barros
  • 2.
  • 3.
    CIRCUITOS SECUNDÁRIOS DE DISTRIBUIÇÃO127/220 V RESIDENCIAL USINAS ETC COMERCIAL / INDUSTRIAL - M CIRCUITOS PRIMÁRIOS DE DISTRIBUIÇÃO 13.800 V LINHAS DE SUBTRANSMISSÃ0 138.000 V 88.000 V 69,000V ETD ETC - INDÚSTRIA EM AT Centro da Operação do Sistema - COS LINHA DE TRANSMISSÃO MAIOR QUE 230.000 V. ETT’s Centro de Operação da Distribuição - COD SISTEMA ELETRICO DE POTÊNCIA • Geração, transmissão, distribuição e consumo
  • 4.
  • 5.
  • 6.
    Sistema de geraçãoHidroelétrica
  • 7.
    Sistema de geraçãotermoelétrica
  • 8.
  • 9.
  • 10.
  • 11.
    ETCs Estações Transformadoras deConsumidor. SUBESTAÇÕES ESTAÇÃO ABAIXADORA DE TENSÃO Local onde são reunidos conjuntos de equipamentos e componentes responsáveis pela operação e manobra de parte de um circuito elétrico; possibilitando efetuar- se alteração na configuração e no valor de tensão da transmissão. de 12 a 20Kv elevados para 88,138, 230, 440, 750 KV ETT Estação Transformadora de Transmissão: Rebaixa para 88/138 Kv, e distribui para as Concessionárias ETDs Estação Transformadora de Distribuição: Rebaixa para tensão de distribuição ex.: 3.8, 6.5, 13.8, 20, KV ESTAÇÃO ELEVADORA DE TENSÃO
  • 12.
    POSTO PRIMÁRIO Entrada doconsumidor ponto de recebimento da concessionária SIMPLIFICADO: Possui apenas um único transformador trifásico com potência máxima de 300 KVA (dependendo da Concessionária). A medição é efetuada na baixa tensão e a proteção geral das instalações, no lado de alta tensão, é feita com fusível. CONVENCIONAL: Não há restrição quanto a potência, podem ser instalados vários transformadores, possui medição do lado da média tensão, proteção geral na média tensão através de disjuntor com desligamento automático, e acionamento através de relés. Conjunto de componentes de entrada consumidora em tensão primária de distribuição com as funções de Medição, Proteção,Transformação e Distribuição de energia elétrica.
  • 13.
  • 14.
  • 16.
    POSTO CONVENCIONAL EMCHAPA BLINDADO
  • 17.
  • 19.
    RAMAL DE ENTRADA Éo conjunto de condutores com respectivos materiais, necessários à sua fixação e interligação elétrica, do ponto de entrega da Concessionária aos terminais da subestação do consumidor. O ramal de entrada pode ser definido diferentemente em função do tipo de subestação. Ramal de entrada aéreo: É aquele constituído de condutores nus (com ou sem isolação), suspensos em estruturas para instalações aéreas. Ramal de entrada subterrâneo: É aquele constituído de condutores isolados, instalados dentro de eletroduto diretamente enterrado no solo.
  • 20.
  • 21.
  • 22.
    CABO DE MEDIATENSÃO 1 2 3 4 5 6 1 – Condutor (Cobre ou Alumínio) 2 – Semicondutor 3 – Isolação (EPR, XLPE, etc.) 4 – Semicondutor 5 – Blindagem 6 – Cobertura externa
  • 24.
    PÁRA-RAIOS Protege os equipamentosde um circuito, contra surto de tensão transitório provocado por descargas elétricas atmosféricas, e/ou eventos e anomalias. Tipos: - Cabo para-raios: Protege a linha contra descarga atmosférica e a indutância da linha. -Pára-raios tipo haste reta (Franklin, Gaiola de Faraday): Proteção da instalação civil. - Pára-raios tipo válvula: Proteção dos equipamentos, surto de tensão e anomalia.
  • 25.
  • 26.
  • 27.
  • 28.
  • 29.
  • 30.
  • 31.
  • 34.
  • 37.
    DISJUNTOR São equipamentos destinadosa interromper a corrente elétrica de um circuito, em condições normais ou anormais (sobrecarga ou curto-circuito). Tipos: Grande volume de óleo (GVO) Pequeno volume de óleo (PVO) Sopro magnético Vácuo Gás SF6
  • 38.
    DISJUNTOR DISJUNTOR A GRANDEVOLUME DE ÓLEO GVO
  • 39.
    Disjuntores a pequenovolume de óleo PVO Utilizam óleo isolante como elemento de extinção do arco elétrico. Existem dois tipos de disjuntores a óleo, grande volume de óleo e pequeno volume de óleo, o que os diferencia são as quantidades do óleo utilizado, o tamanho físico e alguns detalhes construtivos. DISJUNTOR
  • 40.
  • 41.
    Disjuntor a pequenovolume de óleo DISJUNTOR 1 cabeçote metálico 2 contato fixo 3 câmara de extinção 4 contato móvel 5 bucha isolante 6 alavanca de ligar e desligar 7 varão de acoplamento 8 compartimento de sustentação 9 óleo isolante
  • 42.
    Posição ligado Interrupção de correntesde baixa intensidade Interrupção de correntes elevadas Câmara de extinção disjuntor Semens 3AC DISJUNTOR
  • 43.
    CONTATOS INTERNOS DODISJUNTOR Contato móvel Contato fixo
  • 44.
    DISJUNTOR Disjuntores á sopromagnético Utilizam um campo magnético e ar comprimido, para a extinção do arco elétrico
  • 45.
    Disjuntores a vácuo Utilizamo vácuo para a extinção do arco elétrico. Podemos dizer que este sistema é um dos mais econômicos em função de: No vácuo não há decomposição de gases, e as câmaras hermeticamente fechadas sobre pressão eliminam o efeito do meio ambiente, mantendo dielétrico permanente. Sem a queima e sem as oxidações dos contatos é garantida uma resistência de contato baixa, prolongando a vida útil do equipamento. DISJUNTOR
  • 46.
  • 47.
  • 48.
  • 49.
    Disjuntores a gásSF6 Utilizam gás para extinção de arco elétrico. Geralmente este gás e o Hexafluoreto de Enxofre (SF6), um gás que em condições normais é altamente dielétrico, inerte, não inflamável, não tóxico e inodoro, isto torna o disjuntor mais eficaz, já que não há desgaste dos contatos. DISJUNTOR GÁS
  • 50.
    USINA DE ITAIPUSUBESTAÇÃO 500kV SF6 GERAÇÃO, HIDRÁULICA
  • 51.
  • 52.
  • 53.
  • 54.
  • 55.
  • 56.
  • 57.
    COMANDO DOS DISJUNTORES DISJUNTOR 1– Comando Manual Mecânico 2 – Comando Manual Elétrico 3 – Comando Automático
  • 58.
  • 59.
    SECCIONADORES Seccionador Tripolar acomando único Cada faca é munida de um isolador, para a sustentação do contato fixo e outro para sustentação do braço de acionamento (varão), um eixo rotativo, que quando acionado através de alavanca manual, bastão, varão provoca o fechamento ou abertura simultânea das três facas contato móvel. São dispositivos destinados a realizar manobras de seccionar e isolar um circuito elétrico sem cargas (sem corrente). Em condições normais e com seus contatos fechados, elas devem ser capazes de manter a condução de sua corrente nominal, inclusive de curto- circuito, sem sobre-aquecimento.
  • 60.
  • 61.
  • 62.
    CHAVE FUSÍVEL Também conhecidacomo Chave Mattews. Utilizada para seccionar e proteger circuitos. Quando ocorre um curto-circuito o seu elo fusível interior se rompe deixando cair o cartucho.
  • 63.
    SECCIONADOR SOB CARGA OuSeccionador interruptor tripolar de média tensão, possui um dispositivo destinado a abrir e fechar um circuito sob carga, é projetado para ser instalado em ambiente abrigado, ou seja, em cubículos, o arco elétrico é extinto dentro de uma câmara e os contatos são acionados com auxilio de molas para acelerar a abertura e o fechamento.
  • 66.
  • 67.
  • 69.
    É uma maquinaestática que por meio de indução eletromagnética, transfere energia elétrica de um circuito (primário), para outros circuitos (secundários e/ou terceários), mantendo a mesma freqüência, mas geralmente com valores de tensões e correntes diferentes. Eles podem ser a óleo ou a seco. Quanto à classificação os transformadores podem ser classificados de abaixador de tensão, abaixa a tensão do enrolamento secundário em relação ao enrolamento primário ou elevador, eleva a tensão do enrolamento secundário em relação ao enrolamento primário. Definição TRANSFORMADORES
  • 70.
    Quanto aos tipospodem ser: monofásico ou trifásico. Quanto à ligação os transformadores podem ser: ligados em estrela, triângulo (delta) ou zig-zag. Normalmente nas estações primárias, os transformadores são: trifásicos, abaixadores, e suas ligações são: em triângulo (enrolamento primário), estrela (enrolamento secundário). Tipos de ligação TRANSFORMADORES DELTA ESTRELA
  • 71.
  • 72.
  • 73.
  • 74.
  • 75.
  • 76.
  • 77.
     CARACTERISTICA - ÓleoMineral isolante derivado do petróleo - Cor amarelado embranquecido quando novo  FUNÇÃO DO ÓLEO NO TRANSFORMADOR - Isolar - Refrigerar  TIPOS - PARAFINICO Necessita de um tratamento inicial Usado ate 88 KV no Brasil e até 460KV na Europa - NAFTÊNICO Mais estável a oxidação, Usado para qualquer classe de tensão - INIBIDO - Óleo acrescidos de agente anti-oxidante Óleo isolante Mineral TRANSFORMADORES
  • 78.
     PONTO DEFULGOR - Presença de contaminantes combustível e voláteis  VISCOSIDADE - Capacidade do óleo em transferir calor, e sua influência na velocidade das partes móveis  UMIDADE - Presença de água  COR -Deterioração e contaminação do óleo TENSÂO INTERFACIAL Contaminantes solúveis ou outros produto de deterioração no óleo  ACIDEZ -Presença de contaminantes ácidos e mineral  RIGIDEZ DIELETRICA - Contaminates condutivo: água, sujeiras partícula condutoras sabão metálico. Óleo isolante Mineral Ensaios físicos-químico TRANSFORMADORES
  • 79.
     CROMATOGRAFIA - Presença,quantidade e qualidade de gases dissolvido no óleo. Óleo isolante Mineral Ensaios cromatografia gasosa TRANSFORMADORES
  • 80.
  • 81.
  • 82.
  • 83.
  • 84.
  • 85.
  • 86.
  • 87.
  • 88.
  • 89.
    INDICADOR DE NÍVELDE ÓLEO TRANSFORMADORES
  • 90.
    INDICADOR DE NÍVELDE ÓLEO TRANSFORMADORES
  • 91.
  • 92.
  • 93.
  • 94.
  • 95.
  • 96.
    Relé detector degás TRANSFORMADORES
  • 97.
  • 98.
  • 99.
  • 100.
    Transformador 2 3 4 6 5 7 1 1. ventiladores 2. reléde gás 3. secador 4. TC relé diferencial 5. comutação 6. tanque de expansão 7. registro de óleo 1 8 9 8. radiador 9. tanque 10. termômetros
  • 103.
    RAC - 1 1 INTERTRAVAMENTO ELÉTRICO 7401 Vn =138 KV In= 600A 86 1 TR 1 e 2 86 1 BA 88 INTERTRAVAMENTO ELÉTRICO Vn =145 KV In = 2000A 86 1 TR 1 SIEMENS 26 49 63 71 87 50 N 3 86 1 TR 1 SEC 3 30 7403 7405 A 50 51 50 3 N 51 86 1 BA 88 RDTD RAC -2 1 INTERTRAVAMENTO ELÉTRICO 7402 Vn =138 KV In = 600A 86 1 TR 1 e 2 86 2 BA 88 INTERTRAVAMENTO ELÉTRICO Vn =145 KV In = 2000A 86 1 TR 1 SIEMENS 26 49 63 71 87 50 N 3 86 1 TR 1 SEC 4 30 7404 A 50 51 50 3 N 51 86 2 BA 88 7406 RDTD MEDIÇÃO ELETROPAULO 50 51 3 83 27 27 V V BARRA 88KV ISOLADA PARA 138KV Vn =138 KV In = 600A TR - 1 INTEL Nº 37074 7,5 / 9,375MVA KVA VArh KWh COS - A 0,8 A V Vn =15 KV In = 800A 500 MVA Vn =15 KV In = 800A 500 MVA 27 50 51 3 0,8 A V 27 ISOLADA PARA 138KV In = 800A BARRA DE 13.8KV 3 3 KVA VArh KWh A COS - INTERTRAVAMENTO ELÉTRICO 30 30 LB SERVIÇOS E COMERCIO DE EQUIPAMENTOS ELÉTRICOS LTDA www.lbenergia.com.br Rua Aragôiania, 153 sala 3 - Vila Barros - Guarulhos - SP - fone 2088-2072 Assunto DIAGRAMA UNIFILAR DE ALTA TENSÃO EQUIPE TECNÍCA BENJAMIM BARROS - RICARDO GEDRA Desenho: LUIZ A. PORCIANI Folha: Única 30 30 TR - 2 INTEL Nº 37074 7,5 / 9,375MVA 90 90 CARGA CARGA
  • 105.
  • 106.
  • 107.
    TRANSFORMADOR DE POTENCIAL Redutorde Tensão Tensão secundária padronizada de 115V (Fase-Fase) Projetados para suportar sobretensões de 10% Trabalha em vazio Classe de exatidão 0,3; 0,6 e 1,2 Ligação de mais de um instrumento DIAGRAMA
  • 108.
    TRANSFORMADOR DE CORRENTE Redutorde Corrente Corrente no primário Valor nominal do circuito Corrente nominal no secundário 5 A DIAGRAMA
  • 109.
    PROTEÇÃO O objetivo deum sistema de proteção nos equipamentos elétricos consiste em detectar um defeito, isolar o mas rápido possível sem perturbar outros equipamentos não defeituoso. Toda proteção deve prever - Exatidão na proteção - Seletividade de operação - Sensibilidade de operação - Rapidez de operação DIAGRAMA
  • 110.
    RELÊ DE PROTEÇÃO Afinalidade principal do relê é detectar anomalia e comanda os dispositivo de proteção desligando e isolando a área protegida Sua identificação vai de 1 a 100 SEUS COMPONENTES INTERNOS SÂO. - Elemento sensível - Elemento de comparação - Elemento de comando DIAGRAMA
  • 111.
    RELÊ DE PROTEÇÃO Quantoa sua construção os relé podem ser: - Eletromecânico - Estático - Microprocessado - Ação direta - Fluidodinâmico Quanto a classificação por tempo os relé podem ser: - Instantâneos - Temporizado DIAGRAMA
  • 112.
    RELÊ DE PROTEÇÃO DIAGRAMA Relerde ação direta Fluidodinâmico
  • 113.
  • 115.
    OPERAÇÃO DE SUBESTAÇÕES Aoperação de subestação deverá ser efetuada por pessoas autorizadas Com o curso de NR-10 básico e SEP e com treinamento prévio e que estejam familiarizados com o sistema elétrico em alta tensão. A - Operação de emergência. B - Operação programada. NR-10 Programação, Documentação e Relatório. Documentação e relatório.
  • 116.
    1 - Motivoda manobra; 2 - Horário de inicio da manobra; 3 - Se há interrupção; 4 - Se a interrupção é total ou parcial; 5 - Quais os setores afetados; 6 - Quais componentes que serão manobrados; 7 - Tempo total de duração; 8 - Solicitante da manobra; 9 - Responsável(s) pela manobra(s) (operador); 10 - Em caso de entrega para manutenção quem da manutenção irá executa-la; 11 - Data e horário que o circuito será devolvido para religamento; 12 - Responsável que irar liberar o circuito; 13 - Quais diagramas a serem consultados para manobra; Autorização para manobras OPERAÇÃO DE SUBESTAÇÕES DIAGRAMA
  • 117.
    Desligar os circuitosde AT e BT sempre pelos disjuntores e nunca pelas seccionadoras. Os disjuntores são feitos para suportar surtos de carga e até curto circuitos, portanto é elemento responsável pelo perfeito desligamento ou religamento de toda carga da subestação. Quando há diversos disjuntores de Alta Tensão, estes deverão preferencialmente ser desligados primeiro e por último o principal. PROCEDIMENTO PARA OPERAÇÃO DE SUBESTAÇÕES DIAGRAMA
  • 118.
    -Falta de faseno circuito de alimentação. - Interrupção total do circuito de alimentação. - Sobre-corrente na subestação. - Curto-circuito. - Aquecimento do transformador. - Falta de óleo no transformador. - Gás inflamável no transformador. QUALQUER DESLIGAMENTO DESTA NATUREZA REQUER UM RELIGAMENTO O QUAL É CONSIDERADO OPERAÇÃO DE EMERGÊNCIA. Principais motivo de desligamento automáticos
  • 119.
    -Nenhum operador seráobrigado a religar uma subestação, se as condições supras não forem satisfeitas. - É proibido efetuar quaisquer serviços de reparos nas partes vivas de uma subestação, ou seja, em seus componentes de média/ alta tensão, quando estiverem energizados. Poderão ser efetuados reparos nos equipamentos auxiliares de manobra, o que deverá ser feito com autorização do engenheiro ou responsável, e deve-se dar cuidados especiais de trabalho e segurança. - Observações de Segurança DIAGRAMA
  • 120.
    -Não é permitidoefetuar manobras de subestação sozinho, sempre deverá haver mais de uma pessoa credenciada no recinto durante as manobras. - É terminantemente proibido fazer manobras em subestação sem o equipamento de proteção ( luvas, bastões, isolante, tapetes de borracha, etc.). - De conformidade com os novos regulamentos internacionais, os disjuntores de média/ alta tensão deverão ter acionamento por molas pré carregadas manualmente ou por motor. Observações de Segurança DIAGRAMA
  • 121.
    -Não é permitidoefetuar manobras de subestação sozinho, sempre deverá haver mais de uma pessoa credenciada no recinto durante as manobras. - É terminantemente proibido fazer manobras em subestação sem o equipamento de proteção ( luvas, bastões, isolante, tapetes de borracha, etc.). - De conformidade com os novos regulamentos internacionais, os disjuntores de média/ alta tensão deverão ter acionamento por molas pré carregadas manualmente ou por motor. Observações de Segurança DIAGRAMA
  • 122.
    Seqüência de operaçãode uma subestação Desligamento completo (Programado) OPERAÇÃO DE SUBESTAÇÕES 1- Planejamento; 2- Conferir equipamento; 3- Desligar disjuntor principal através do acionamento elétrico, na falta, acionamento mecânico; 4- Conferir equipamento; 5- Abrir seccionadora na proteção e trava-la na posição desligada; 6- Abrir seccionadora na medição da concessionária e trava-lo conforme item anterior; 7- Abrir seccionadora do poste, quando necessário.(Esta operação é realizada pela concessionária); 8- Verificar equipamentos; 9- Sinalizar (Avisos de perigo com: barreiras, placas, etc.); 10- Elaborar relatório. DIAGRAMA
  • 123.
    CONJUNTO COMERCIAL SANTOAMARO ______________________________________________________ TERMO DE RESPONSABILIDADE PARA DESLIGAMENTO PROGRAMADO DA SUBESTAÇÃO PRIMÁRIA CONJUNTO COMERCIAL SANTO AMARO CNPJ nº. 07................./0001-27 Nº. do Cliente: 10013520 Data do desligamento do contrato 09/12/2009. Declaramos que a execução de serviço de limpeza e / ou manutenção preventiva nesta subestação primária, que alimenta a instalações elétricas desta empresa, será efetuada sob supervisão de responsabilidade do profissional devidamente habilitado, conforme a NR-10, NBR 14039 e demais normas de Legislação brasileira pertinente. Diante do exposto, esta empresa assume total responsabilidade Civil e Criminal na ocorrência de acidentes de pessoas, bens, ao sistema elétrico da Concessionária, ocasionados por operação inadequada dos equipamentos existentes no interior da subestação primária, proveniente de tal intervenção (manutenção preventiva). Declaramos ainda que não será efetuada nenhuma modificação física, troca de equipamentos ou ajuste no sistema de proteção sem prévia comunicação e liberação do equipamento pela Concessionária. Endereço da unidade do Consumidor. Rua:Verbo DivinoNº10,............2 Bairro:Chácara Santo Antonio – Santo Amaro -SP CEP: 04719-002 Engº Responsável: Benjamim Ferreira de Barros RG: 20.895.............-3 CPF: 126............. -05 CREA: 5063............01 Profissão: Eletrotécnico. ____________________________ Benjamim F. Barros
  • 124.
    A- Executar testede tensão usando o testador de tensão B- Executar Aterramento temporário; C- Isolar a área. MANUTENÇÃO OPERAÇÃO DE SUBESTAÇÕES
  • 125.
    OBS.: No Religamentocompleto programado, as operações devem ser inversas ao desligamento seguindo passo a passo. Caso o desligamento seja para manutenção, deve-se verificar se: A - Todas as ferramentas, equipamentos e pessoal foram retirados do local; B - O Aterramento temporário foi retirado; C - Os equipamentos e o sistema de proteção estão em ordem; D - As telas de proteção ou todas as portas estão no local e fechadas. Religamento Completo (Programado) OPERAÇÃO DE SUBESTAÇÕES DIAGRAMA
  • 126.
    - Execução daManobra 1 - Conferir equipamento 2 - Verificar Equipamentos; 3 - Fechar o seccionador do poste, caso tenha sido aberta; 4- Fechar seccionador na medição da concessionária e trava-la na posição ligada; 5 - Fechar seccionadora da proteção e trava-la conforme item anterior; 6 - Conferir equipamento; 7 - Ligar o disjuntor principal através do acionamento elétrico, na falta acionamento mecânico; 8 - Conferir equipamento; 9 - Ligar os disjuntores secundários ou os de BT’s. Religamento Completo (Programado) OPERAÇÃO DE SUBESTAÇÕES DIAGRAMA
  • 127.
    1 – Ostrabalhadores devem ser Habilitado ter participado do curso complementar da NR- 10 com aproveitamento 2 – Uso dos EPIs, e EPCs 3 –Um equipamento só é considerado desenergizado pra efeito de manutenção quando o mesmo estiver: desligado, isolado, travado, sinalizado, testado e aterrado. 4- cabe ao responsável o planejamento do serviço, distribuição das tarefas, uso e condições dos EPIs, e EPCs, condições geras de trabalho (meio ambiente etc), ferramentas, sinalização, conferência de manobra com a equipe localização do aterramento temporário 6 – em toda a manutenção preditiva ,corretiva ou preventiva deve-se ser constituído um relatório citando as condições dos equipamentos e alterações referente a relatórios anteriores deve ser consideradas Procedimento de segurança MANUTENÇÃO DE SUBESTAÇÕES DIAGRAMA
  • 130.
    RAC - 1 1 INTERTRAVAMENTO ELÉTRICO 7401 Vn =138 KV In= 600A 86 1 TR 1 e 2 86 1 BA 88 INTERTRAVAMENTO ELÉTRICO Vn =145 KV In = 2000A 86 1 TR 1 SIEMENS 26 49 63 71 87 50 N 3 86 1 TR 1 SEC 3 30 7403 7405 A 50 51 50 3 N 51 86 1 BA 88 RDTD RAC -2 1 INTERTRAVAMENTO ELÉTRICO 7402 Vn =138 KV In = 600A 86 1 TR 1 e 2 86 2 BA 88 INTERTRAVAMENTO ELÉTRICO Vn =145 KV In = 2000A 86 1 TR 1 SIEMENS 26 49 63 71 87 50 N 3 86 1 TR 1 SEC 4 30 7404 A 50 51 50 3 N 51 86 2 BA 88 7406 RDTD MEDIÇÃO ELETROPAULO 50 51 3 83 27 27 V V BARRA 88KV ISOLADA PARA 138KV Vn =138 KV In = 600A TR - 1 INTEL Nº 37074 7,5 / 9,375MVA KVA VArh KWh COS - A 0,8 A V Vn =15 KV In = 800A 500 MVA Vn =15 KV In = 800A 500 MVA 27 50 51 3 0,8 A V 27 ISOLADA PARA 138KV In = 800A BARRA DE 13.8KV 3 3 KVA VArh KWh A COS - INTERTRAVAMENTO ELÉTRICO 30 30 LB SERVIÇOS E COMERCIO DE EQUIPAMENTOS ELÉTRICOS LTDA www.lbenergia.com.br Rua Aragôiania, 153 sala 3 - Vila Barros - Guarulhos - SP - fone 2088-2072 Assunto DIAGRAMA UNIFILAR DE ALTA TENSÃO EQUIPE TECNÍCA BENJAMIM BARROS - RICARDO GEDRA Desenho: LUIZ A. PORCIANI Folha: Única 30 30 TR - 2 INTEL Nº 37074 7,5 / 9,375MVA 90 90 CARGA CARGA