i
CCET – CENTRO DE CIÊNCIAS EXATAS E TECNOLÓGICAS
DORIVAL JORGE LACERDA NOGUEIRA
FÁBIO DOS SANTOS CASTRO
SISTEMAS ESTRUTURAIS DE LAJES
PARÂMETROS DE ESCOLHAS DA SOLUÇÃO ESTRUTURAL
DE LAJES
UNAMA / CCET
Belém - PA
2010
i
DORIVAL JORGE LACERDA NOGUEIRA
FÁBIO DOS SANTOS CASTRO
SISTEMAS ESTRUTURAIS DE LAJES
PARÂMETROS DE ESCOLHAS DA SOLUÇÃO ESTRUTURAL
DE LAJES
UNAMA / CCET
Belém - PA
2010
Trabalho de Conclusão de Curso,
apresentado como exigência Parcial para a
obtenção do Título de Bacharel em
Engenharia Civil, submetido à Banca
Examinadora da Universidade da Amazônia
– UNAMA – e Centro de Ciências Exatas e
Tecnológicas – CCET – elaborado sob a
orientação do M. Sc. Professor orientador
Antônio Massoud Salame.
ii
DORIVAL JORGE LACERDA NOGUEIRA
FÁBIO DOS SANTOS CASTRO
SISTEMAS ESTRUTURAIS DE LAJES
PARÂMETROS DE ESCOLHAS DA SOLUÇÃO ESTRUTURAL DE
LAJES
Trabalho de Conclusão de Curso, apresentado ao Curso de Engenharia Civil do Centro de
Ciências Exatas e Tecnológicas – CCET – Universidade da Amazônia – UNAMA – como
requisito para obtenção do Título de Engenheiro Civil.
BANCA EXAMINADORA
______________________________________
Prof. M. Sc. Antonio Massoud Salame
Orientador – CCET - UNAMA
______________________________________
Prof. Dr. Selênio Feio da Silva
Coordenador do Curso de Engenharia Civil – CCET - UNAMA
_______________________________________
Prof. M. Sc. Evaristo Clementino Rezende dos Santos Junior
Professor – CCET - UNAMA
Apresentado em: _____ / _____ /_____
Conceito: ________________________
Belém - PA
2010
iii
DEDICATÓRIA
Dedicamos aos nossos pais, família e
amigos que sempre nos incentivaram até chegar a
este momento em nossas vidas. Por mais árdua
que tenha sido esta batalha, obrigado por sempre
nos apoiarem.
iv
AGRADECIMENTOS
Agradecemos primeiramente a Deus por ter nos concedido suas bênçãos, em todos os
momentos de nossa vida mesmo nas maiores atribulações quando não enxergávamos o
caminho. “Lâmpada para os meus pés é a tua palavra e Luz para os meus caminhos” (Salmo
109 – 105).
Aos nossos pais por nos mostrarem diariamente seus exemplos humildade, força de
vontade, amor, dedicação e persistência, transmitindo conhecimentos e responsabilidades para
enfim alcançar a maturidade para este momento e nos preparar para uma vida digna e ética
contribuindo para nossa formação moral, profissional e espiritual. Os agradecemos pela vida.
Obrigado! Nós os amamos onde estiverem.
A nossas famílias, pelo companheirismo, carinho, apoio e amizade, a nós transmitidos
nesta jornada e em tantas outras.
_Dorival: Aos meus pais por me ensinarem diariamente seus exemplos de força de vontade,
dedicação e persistência, re-transmitindo conhecimento e contribuindo para minha formação
pessoal, espiritual e acadêmica. Em resumo agradeço a eles por tudo que sou. Obrigado!
_Fábio: Em especial a minha Esposa Alda e minha filha Emily que entraram em minha vida
no momento exato quando mais precisei deste amor que me impulsionou e por diversas vezes
não me deixou desistir.
A todos nossos professores que contribuíram para nossa formação profissional, em
especial a nosso Professor/orientador M. Sc. Antônio Massoud Salame, pelas incansáveis
horas de dedicação a nós oferecidos.
A todos os nossos amigos e colegas de faculdade, e em especial aos nossos grandes
companheiros de estudo Adeilson Miranda, Adriana Monteiro, André Teixeira Rosa, Dílson
Jacob, Elton Lima, Fábio Moreira, Henrique Silva, Wellem Bandeira, Otávio Modesto e
Sandro Tavares.
As Empresas e aos Profissionais da GAFISA S/A, INPAR S/A, MARROQUIM
ENGENHARIA LTDA., CDP – Companhia Docas do Pará, ADECON ENGENHARIA &
CONSTRUÇÕES LTDA., e a NORTE CONSTRUÇÕES CIVIS LTDA., pela atenção e
experiências que nos proporcionaram que foi de fundamental importância para o
desenvolvimento deste.
v
Eis que estou para edificar uma casa ao nome do
SENHOR meu Deus, para lhe consagrar, para
queimar perante ele incenso aromático, e para a
apresentação contínua do pão da proposição, para
os holocaustos da manhã e da tarde, nos sábados
e nas luas novas, e nas festividades do SENHOR
nosso Deus; o que é obrigação perpétua de Israel.
E a casa que estou para edificar há de ser grande;
porque o nosso Deus é maior do que todos os
deuses.
Porém, quem seria capaz de lhe edificar uma
casa, visto que os céus e até os céus dos céus o
não podem conter? E quem sou eu, que lhe
edificasse casa, salvo para queimar incenso
perante ele?
Manda-me, pois, agora um homem hábil para
trabalhar em ouro, em prata, em bronze, em ferro,
em púrpura, em carmesim e em azul; e que saiba
lavrar ao buril, juntamente com os peritos que
estão comigo em Judá e em Jerusalém, os quais
Davi, meu pai, preparou.
Manda-me também madeiras de cedro, de
cipreste, e algumins do Líbano; porque bem sei
eu que os teus servos sabem cortar madeira no
Líbano; e eis que os meus servos estarão com os
teus servos.
E isso para prepararem muita madeira; porque a
casa que estou para fazer há de ser grande e
maravilhosa.
2 CRONICAS 2 – 4:9
vi
RESUMO
Os custos de um sistema estrutural são quantificados levando-se em conta critérios,
como: o Insumo de materiais, mão de obra e tempo de execução. Sendo que para se obter uma
avaliação mais completa dos valores totais de uma obra, é preciso considerar as
peculiaridades de cada sistema, bem como suas implicações no processo construtivo global.
No entanto, para cada finalidade de edificações há um grau de exigência da
funcionalidade, dimensões mínimas e ações a serem atendidas a ser projetado obedecendo às
disposições normativas, que deve ser feita considerando-se aspectos econômicos, de
funcionamento, de execução, e os relacionados à interação com os demais subsistemas
construtivos do edifício.
Devendo-se, portanto, analisar com atenção as situações que possam interferir e até
mesmo inviabilizar a utilização de um sistema estrutural por questões que vão desde o
Método Executivo e à utilização de mão-de-obra, ou ainda, nos casos em que os recursos
financeiros são limitados ao prazo de execução mais longo, o que aumenta consideravelmente
os custos com locação de equipamentos de formas e cimbramento
Este trabalho visa estabelecer novos parâmetros de escolha de Soluções Estruturais
para Lajes, atualizar ou reafirmar estas informações que indiquem a escolha ideal ou a
Solução mais adequada para uma especificidade arquitetônica.
Palavras chaves: Sistema Estrutural, Custos, Análise de Parâmetros, Solução Ideal,
Especificidades Arquitetônicas.
(...)
vii
ABSTRACT
The costs of a structural system are quantified taking into account criteria such as: the
Input of materials, manpower and time of execution. Since to obtain a more complete
assessment of the total values of a work, one must consider the peculiarities of each system
and its implications on overall construction process.
However, for the purpose of each building there is a requirement of the degree of
functionality, minimum dimensions and actions that must be met to be designed obeying the
rules and regulations that must be made considering the economic, operational,
implementation, and related the interaction with other subsystems of the building
construction.
One should therefore carefully analyze the situations that may interfere and even
prevent the use of a structural system for matters ranging from the Executive Method and use
of manpower or, in cases where the financial resources are limited execution time longer,
which considerably increases the cost of equipment leasing forms and scaffolding.
This work aims to establish new parameters for the choice of structural solutions to
slabs, update or restate the information indicating the choice or the most appropriate solution
to a specific architecture.
Keywords: Structural System, Costs, Analysis of Standards, Ideal Solution, Architectural
Specificities.
(...)
viii
LISTA DE TABELAS
Tabela 2-1: Propriedades mecânicas exigíveis de barras e fios de aço destinados a armaduras
para Concreto Armado..............................................................................................................28
Tabela 2-2: Classes de Agressividade Ambiental ....................................................................30
Tabela 2-3: Dimensões mínimas para lajes convencionais. .....................................................36
Tabela 2-4: Cargas para Cálculo de Estruturas de Edificações................................................40
Tabela 2-5: Fios para concreto protendido...............................................................................67
Tabela 2-6: Cordoalhas para concreto protendido....................................................................67
Tabela 2-7: Características Geométricas do Elemento que representa as Vigas do Pavimento
na Grelha equivalente ...............................................................................................................88
Tabela 2-8: Características Geométricas do Elemento que representa as nervuras na grelha
equivalente................................................................................................................................89
Tabela 4-1: Planilha Orçamentária - Laje Convencional, 12 m² (uma direção).....................101
Tabela 4-2: Planilha Orçamentária - Laje Nervurada, 12 m² (uma direção)..........................102
Tabela 4-3: Planilha Orçamentária - Laje Treliçada e Blocos de EPS, 12 m² (uma direção) 102
Tabela 4-4: Planilha Orçamentária - Laje Convencional, 12 m² (duas direções)...................105
Tabela 4-5: Planilha Orçamentária – Laje Nervurada, 12m² (duas direções) ........................105
Tabela 4-6: Planilha Orçamentária – Laje Treliçada, 12m² (duas direções) ..........................106
Tabela 4-7: Planilha Orçamentária - Laje Convencional, 25 m² (uma direção).....................109
Tabela 4-8: Planilha Orçamentária - Laje Nervurada, 25 m² (uma direção)..........................109
Tabela 4-9: Planilha Orçamentária - Laje Treliçada e Blocos de EPS, 25 m² (uma direção) 110
Tabela 4-10: Planilha Orçamentária - Laje Convencional, 25 m² (duas direções).................113
Tabela 4-11: Planilha Orçamentária - Laje Nervurada, 25 m² (duas direções)......................113
Tabela 4-12: Planilha Orçamentária - Laje Treliçada e Blocos de EPS, 25 m² (duas direções)
................................................................................................................................................114
Tabela 4-13: Planilha Orçamentária - Laje Convencional, 50 m² (uma direção)...................117
Tabela 4-14: Planilha Orçamentária - Laje Nervurada, 50 m² (uma direção)........................117
Tabela 4-15: Planilha Orçamentária - Laje Treliçada e Blocos de EPS, 50 m² (uma direção)
................................................................................................................................................118
Tabela 4-16: Planilha Orçamentária - Laje Convencional, 50 m² (duas direções).........121
Tabela 4-17: Planilha Orçamentária - Laje Nervurada, 50 m² (duas direções)......................121
Tabela 4-18: Planilha Orçamentária - Laje Treliçada e Blocos de EPS, 50 m² (duas direções)
................................................................................................................................................122
ix
Tabela 4-19: Lajes de até 12m² ..............................................................................................124
Tabela 4-20: Lajes de até 25 m² .............................................................................................125
Tabela 4-21: Lajes de até 50 m² .............................................................................................125
x
LISTA DE FIGURAS
Figura 2-1: Múltiplos Pórticos garantem boa rigidez...............................................................22
Figura 2-2: Isopletas de Velocidade Básica .............................................................................23
Figura 2-3: Execução de Estrutura de Estádio esportivo..........................................................24
Figura 2-4: Estrutura de Pontes - Ponte do Moju.....................................................................24
Figura 2-5: Barra de Aço CA-50..............................................................................................27
Figura 2-6: Diagrama de tensão-deformação especifica do concreto na compressão simples.31
Figura 2-7: Placa ou laje...........................................................................................................33
Figura 2-8: Perspectiva Inferior de uma laje maciça................................................................34
Figura 2-9: Perspectiva Superior de uma laje maciça. .............................................................35
Figura 2-10: Estrutura com Lajes Maciças...............................................................................36
Figura 2-11: Arranjo Básico das Armaduras de Lajes Maciças. ..............................................37
Figura 2-12: Arranjo Básico alternativo das armaduras das lajes maciças. .............................38
Figura 2-13: Armadura dos balanços das lajes.........................................................................39
Figura 2-14: Representação esquemática do sistema construtivo convencional em concreto .41
Figura 2-15: Acompanhamento de Execução de Estrutura com Laje Maciça. ........................42
Figura 2-16: Laje Nervurada bi-direcional...............................................................................43
Figura 2-17: Laje nervurada moldada no local.........................................................................44
Figura 2-18: Vigota Protendidas...............................................................................................45
Figura 2-19: Vigotas em concreto armado. ..............................................................................45
Figura 2-20: Vigotas treliçadas.................................................................................................46
Figura 2-21: Execução de Lajes treliçadas...............................................................................46
Figura 2-22: Tipos de vigotas, capa de concreto e blocos de preenchimento ..........................47
Figura 2-23: Elementos de Enchimento empregado nas lajes formadas com nervuras pré-
fabricadas..................................................................................................................................48
Figura 2-24: Laje sobre Captel (A) e Laje lisa (B)...................................................................50
Figura 2-25: Concretagem de Maciço. .....................................................................................50
Figura 2-26: Laje Lisa Nervurada apoiada sobre pilares (vista inferior) .................................51
Figura 2-27: Ruína por punção em lajes lisas nervuradas........................................................52
Figura 2-28: Área sujeita ao puncionamento............................................................................53
Figura 2-29: Laje Nervurada Cogumelo...................................................................................53
Figura 2-30: Exemplo de ancoragem com cunhas de aço - Sistema Freyssinet.......................55
Figura 2-31: Sistema de Protensão com Aderência inicial.......................................................57
xi
Figura 2-32: Sistema de Protensão com Aderência Posterior ..................................................58
Figura 2-33: Níveis de Protensão .............................................................................................59
Figura 2-34: Diferença do comportamento de um tirante ........................................................59
Figura 2-35: Mapa de isodeforma do Edifício Yerchanik Kissajikian.....................................60
Figura 2-36: Encurtamento e perda de tensão na armadura .....................................................63
Figura 2-37: Ilustração da Cordoalha, Detalhe e Corte Transversal de Fios............................66
Figura 2-38: Cordoalha Engraxada ..........................................................................................69
Figura 2-39: Laje Nervurada Protendida..................................................................................70
Figura 2-40: Conjunto Placa – Cunha para Ancoragem...........................................................71
Figura 2-41: Cunhas e porta-cunha individuais........................................................................72
Figura 2-42: Macaco de Protensão de Mono Cordoalha..........................................................72
Figura 2-43: Ancoragem Ativa.................................................................................................73
Figura 2-44: Ancoragem passiva..............................................................................................73
Figura 2-45: Detalhe da cadeira................................................................................................74
Figura 2-46: Detalhe de Emenda de Cordoalhas......................................................................75
Figura 2-47: Macaco para mono cordoalhas ............................................................................75
Figura 2-48: Conjunto Macaco-bomba.....................................................................................76
Figura 2-49: Bomba Hidráulica................................................................................................76
Figura 2-50: Esforços Máximos na laje Isolada .......................................................................77
Figura 2-51: Esforços Máximos na Laje contínua....................................................................78
Figura 2-52: Esquema de laje armada em uma direção............................................................79
Figura 2-53: Ilustração do cálculo das reações de apoio e momento fletor – Caso 01 Uma
Única laje..................................................................................................................................80
Figura 2-54: Ilustração do cálculo das reações de apoio e momento fletor – Caso 02 duas
Lajes .........................................................................................................................................80
Figura 2-55: Ilustração do cálculo das reações de apoio e momento fletor – Caso 03 três Lajes
..................................................................................................................................................81
Figura 2-56: Esquematização de laje apoiada em todo o contorno por vigas ..........................82
Figura 2-57: A deformada da laje segundo os cortes A (paralela lx) e B (paralela a ly) .........83
Figura 2-58: Esquema da Teoria das grelhas............................................................................87
Figura 2-59: Carregamento uniformemente distribuído nas barras - carga p - e cargas nos nós
– carga.......................................................................................................................................87
Figura 2-60: Condições de Apoio de Lajes Contínuas.............................................................88
Figura 2-61: Esquema de Regime de Ruptura..........................................................................90
xii
Figura 2-62: Transformação da laje nervurada em laje maciça equivalente ............................92
Figura 2-63: Laje bi-apoiados...................................................................................................94
Figura 2-64: Lajes apoiadas em um lado engastadas no outro.................................................94
Figura 2-65: Lajes bi-engastadas..............................................................................................95
Figura 4-1: Laje de 12 m² - Armada em uma direção ............................................................101
Figura 4-2: Laje de até 12 m² - Armada em duas direções.....................................................104
Figura 4-3: Laje de até 25 m² - Armada em uma direção.......................................................108
Figura 4-4: Laje de até 25 m² - Armada em duas direções.....................................................112
Figura 4-5: Laje de até 50 m² - Armada em uma direção.......................................................116
Figura 4-6: Laje de até 50 m² - Armada em duas direções.....................................................120
xiii
LISTA DE GRÁFICOS
Gráfico 4-1: Custo percentual – Laje Maciça – 12 m² (armada em uma direção) .................103
Gráfico 4-2: Custo percentual – Laje Nervurada – 12 m² (armada em uma direção) ............103
Gráfico 4-3: Custo percentual - Laje Treliçada– 12 m² (armada em uma direção)................103
Gráfico 4-4: Comparativo de Custos entre os modelos estruturais adotados – Caso 12m²
(armada em uma direção) .......................................................................................................104
Gráfico 4-5: Custo percentual – Laje Maciça – 12 m² (armada em duas direções) ...............106
Gráfico 4-6: Custo percentual – Laje Nervurada – 12 m² (armada em duas direções) ..........107
Gráfico 4-7: Custo percentual – Laje Treliçada – 12 m² (armada em duas direções)............107
Gráfico 4-8: Comparativo de Custos entre os modelos estruturais adotados – Caso 12m²
(armadas em duas direções)....................................................................................................108
Gráfico 4-9: Custo percentual – Laje Maciça – 25 m² (armada em uma direção) .................110
Gráfico 4-10: Custo percentual – Laje Nervurada – 25 m² (armada em uma direção) ..........111
Gráfico 4-11: Custo percentual - Laje Treliçada – 25 m² (armada em uma direção).............111
Gráfico 4-12: Comparativo de Custos entre os modelos estruturais adotados – Caso 25m²
(armada em uma direção) .......................................................................................................112
Gráfico 4-13: Custo percentual – Laje Maciça – 25 m² (armada em duas direções) .............114
Gráfico 4-14: Custo percentual – Laje Nervurada – 25 m² (armada em duas direções) ........115
Gráfico 4-15: Custo percentual - Laje Treliçada – 25 m² (armada em duas direções)...........115
Gráfico 4-16: Comparativo de Custos entre os modelos estruturais adotados – Caso 25m²
(armada em duas direções) .....................................................................................................116
Gráfico 4-17: Custo percentual – Laje Maciça – 50 m² (armada em uma direção) ...............118
Gráfico 4-18: Custo percentual – Laje Nervurada – 50 m² (armada em uma direção) ..........119
Gráfico 4-19: Custo percentual - Laje Treliçada – 50 m² (armada em uma direção).............119
Gráfico 4-20: Comparativo de Custos entre os modelos estruturais adotados – Caso 50m²
(armada em uma direção) .......................................................................................................120
Gráfico 4-21: Custo percentual – Laje Maciça – 50 m² (armada em duas direções) .............122
Gráfico 4-22: Custo percentual – Laje Nervurada – 50 m² (armada em duas direções) ........123
Gráfico 4-23: Custo percentual - Laje Treliçada – 50 m² (armada em duas direções)...........123
Gráfico 4-24: Comparativo de Custos entre os modelos estruturais adotados – Caso 50m²
(armada em duas direções) .....................................................................................................124
Gráfico 4-25: Custos Médios..................................................................................................125
xiv
SUMÁRIO
AGRADECIMENTOS..............................................................................................................iv
RESUMO ..............................................................................................................................vi
ABSTRACT .............................................................................................................................vii
LISTA DE TABELAS ............................................................................................................viii
LISTA DE FIGURAS ................................................................................................................x
LISTA DE GRÁFICOS...........................................................................................................xiii
1. INTRODUÇÃO ..................................................................................................18
1.1. OBJETIVOS GERAIS...............................................................................................18
1.2. OBJETIVOS ESPECIFICOS ....................................................................................18
1.3. JUSTIFICATIVA ......................................................................................................19
1.4. HIPÓTESES ..............................................................................................................19
1.5. ESTRUTURA DO TRABALHO ..............................................................................19
2. REVISÃO BIBLIOGRÁFICA............................................................................20
2.1. BREVE HISTÓRICO SOBRE LAJES SUSPENSAS ..............................................20
2.2. ASPECTOS NA CONCEPÇÃO DE ESTRUTURAS ..............................................21
2.2.1. Lançamentos das Estruturas...........................................................................21
2.2.1.1. Segundo a NBR 6118 / 2003 – Requisitos de Qualidade do Projeto..............22
a) Qualidade da Solução Adotada..................................................................................22
b) Condições Impostas ao Projeto..................................................................................22
c) Documentação da solução adotada............................................................................25
d) Avaliação da conformidade do projeto......................................................................25
2.3. MATERIAIS UTILIZADOS NAS ESTRUTURAS .................................................26
2.3.1. Aço .....................................................................................................................26
2.3.2. Concreto ............................................................................................................29
2.3.2.1. Durabilidade....................................................................................................29
2.3.2.2. Resistência Mecânica......................................................................................30
2.3.2.3. Modulo de Elasticidade do Concreto..............................................................30
2.3.2.4. Cobrimento da Armadura ...............................................................................31
2.4. ELEMENTOS DAS ESTRUTURAS EM CONCRETO ARMADO........................32
2.4.1. Lajes...................................................................................................................32
2.4.2. Lajes Maciças....................................................................................................33
xv
2.4.2.1. Características do Sistema de lajes Maciças...................................................41
2.4.3. Lajes Nervuradas..............................................................................................42
2.4.3.1. Tipos mais comuns de lajes nervuradas..........................................................44
a) Laje moldada no local................................................................................................44
b) Lajes Nervuradas com nervuras pré-moldadas..........................................................45
2.4.3.2. Materiais de Enchimento ................................................................................47
2.4.3.3. Lajes Lisas Nervuradas / Lajes Cogumelo......................................................49
2.4.3.4. Punção.............................................................................................................52
2.4.3.5. Lajes Nervuradas Mistas.................................................................................53
2.4.4. Lajes Nervuradas Protendidas........................................................................54
2.4.4.1. Histórico..........................................................................................................54
2.4.4.2. Considerações Gerais......................................................................................56
2.4.4.3. Sistemas de Protensão.....................................................................................57
a) Quanto à aderência, de acordo com seus aspectos construtivos e tecnológicos........57
b) Conforme o grau de protensão desejado para exercer a intensidade de tensão de
tração máxima produzida pelas ações externas. .......................................................................58
2.4.4.4. Definição de protensão ...................................................................................59
2.4.4.5. Protensão aplicada ao concreto.......................................................................61
2.4.4.6. Perda de Protensão..........................................................................................62
2.4.4.7. Verificação de Segurança ...............................................................................63
2.4.5. Materiais............................................................................................................64
2.4.5.1. Concreto..........................................................................................................64
2.4.5.2. Armaduras.......................................................................................................65
a) Armadura Passiva ......................................................................................................65
b) Armadura Ativa .........................................................................................................65
2.4.6. Sentido econômico do concreto protendido....................................................68
2.4.7. Vantagens para o Concreto Protendido .........................................................68
2.4.7.1. Redução da Fissuração....................................................................................68
2.4.7.2. Emprego de Aços de Alta Resistência............................................................69
2.4.7.3. Redução da Seção Transversal .......................................................................69
2.4.7.4. Capacidade de Auto-Recuperação do Concreto .............................................70
2.4.7.5. Garantia Antecipada de Resistência................................................................70
2.4.8. Ancoragens........................................................................................................71
2.4.9. Equipamentos Para Protensão ........................................................................74
xvi
2.5. CLASSIFICAÇÃO DAS LAJES...............................................................................77
2.5.1. Classificação quanto ao posicionamento ........................................................77
2.5.1.1. Lajes Isoladas..................................................................................................77
2.5.1.2. Lajes em Contínuas ou Conjugadas................................................................78
2.5.2. Classificação quanto à forma de Armação.....................................................79
2.5.2.1. Lajes Armadas em uma direção......................................................................79
a) Uma única laje ...........................................................................................................80
b) Duas lajes...................................................................................................................80
c) Três Lajes...................................................................................................................81
2.5.2.2. Lajes Armadas em Duas Direções ..................................................................82
2.5.3. Carregamentos das lajes (q) ............................................................................83
2.5.3.1. Cargas acidentais ou sobrecargas....................................................................83
2.5.3.2. Peso Próprio da laje ........................................................................................84
2.5.3.3. Peso do pavimento e revestimento das lajes...................................................84
2.5.3.4. Peso de paredes sobre as lajes.........................................................................84
2.5.3.5. Peso em enchimento .......................................................................................85
2.5.3.6. Peso total das lajes (q) ....................................................................................85
2.6. PRINCIPAIS MÉTODOS DE DIMENSIONAMENTO ..........................................85
2.6.1. Teoria das grelhas.............................................................................................86
2.6.2. Regime de Ruptura...........................................................................................90
2.6.3. Processo de Marcus ..........................................................................................91
2.6.4. Tabelas de Czerny ............................................................................................91
2.6.5. Método da espessura equivalente....................................................................92
2.7. FLECHA E CONTRA FLECHA ..............................................................................93
2.7.1. Lajes simplesmente apoiadas ou bi-apoiados.................................................94
2.7.2. Lajes apoiadas em um lado e engastadas no outro........................................94
2.7.3. Lajes bi-engastadas ..........................................................................................95
2.7.4. Contra flecha.....................................................................................................95
2.8. VERIFICAÇÃO DOS ESTADOS LIMITES DE SERVIÇO ...................................96
3. METODOLOGIA DO TRABALHO..................................................................98
3.1. TIPOLOGIA E CONCEPÇÃO DOS SISTEMAS CONSTRUTIVOS ADOTADOS
98
3.2. PARÂMETROS DE PESQUISA ..............................................................................99
3.3. PARÂMETROS DE COMPRAÇÃO DE DADOS...................................................99
xvii
3.3.1. Índice de Concreto (ic) .....................................................................................99
3.3.2. Índice de Aço (ia)............................................................................................100
4. CONCEPÇÕES E RESULTADOS ..................................................................101
4.1. PARA LAJES DE 12 M², ARMADAS EM UMA DIREÇÃO ...............................101
4.2. PARA LAJES DE ATÉ 12 M², ARMADAS EM DUAS DIREÇÕES...................104
4.3. PARA LAJES DE 25 M², ARMADAS EM UMA DIREÇÃO ...............................108
4.4. PARA LAJES DE ATÉ 25 M², ARMADAS EM DUAS DIREÇÕES...................112
4.5. PARA LAJES DE 50 M², ARMADAS EM UMA DIREÇÃO ...............................116
4.6. PARA LAJES DE ATÉ 50 M², ARMADAS EM DUAS DIREÇÕES...................120
4.7. COMPARATIVO FINAL DO CUSTO (R$) ..........................................................124
4.7.1. Análise de Custos para as Lajes........................................................................124
5. CONSIDERAÇÕES FINAIS............................................................................126
REFERÊNCIAS BIBLIOGRÁFICAS ...................................................................................128
ANEXOS ...........................................................................................................................132
(...)
18
1. INTRODUÇÃO
Os custos de um sistema estrutural são quantificados levando-se em conta alguns
critérios, como: o Insumo de materiais, mão de obra e tempo de execução, entre outros. Sendo
que para se obter uma avaliação mais completa dos valores totais de uma obra, é preciso
considerar as peculiaridades de cada sistema, bem como suas implicações no processo
construtivo global. Devendo-se, portanto, analisar com atenção as situações que possam
interferir e até mesmo inviabilizar a utilização de um sistema estrutural por questões que vão
desde o Método Executivo e à utilização de mão-de-obra, ou ainda, nos casos em que os
recursos financeiros são limitados ao prazo de execução mais longo, o que aumenta
consideravelmente os custos com locação de equipamentos de formas e cimbramento.
Devido ao grande número de sistemas estruturais encontrados no mercado da
construção civil os profissionais precisam optar por um determinado tipo. Só que muitas
vezes a escolha adotada não se adapta as condições especifica do empreendimento, isso
porque, cada obra possui características arquitetônicas particulares, dificultando a utilização
de um modelo padrão.
Dentro deste contexto de revisar lajes de grandes dimensões, aparecem às soluções de
lajes nervuradas, além das lajes convencionais, as lajes nervuradas servem para reduzir custo
de consumo de material e mesmo peso próprio.
1.1. OBJETIVOS GERAIS
Realizar uma análise comparativa de custos entre as lajes maciças e os vários tipos de
lajes nervuradas.
1.2. OBJETIVOS ESPECIFICOS
Estabelecer novos parâmetros de escolha entre os modelos estruturais adotados nesta
pesquisa, atualizar ou reafirmar estas informações que indiquem a escolha ideal da Solução
Estrutural mais adequada para uma especificidade arquitetônica.
Apresentar resultados que possibilitem uma estimativa de custos aos profissionais da
construção civil, para servir de referência na tomada de decisão por um modelo estrutural a
ser adotado.
19
1.3. JUSTIFICATIVA
Para se projetar uma estrutura composta de lajes, vigas e pilares são necessários definir
inicialmente o tipo de pavimento que será empregado principalmente em função da finalidade
da edificação, dos vãos a vencer e das ações de utilização, para então determinar as ações
finais, e a partir destes dados, calcular e detalhar os elementos da estrutura.
Dependendo da finalidade da edificação projetada há um grau de exigência da
funcionalidade, dimensões mínimas e ações a serem atendidas. Desse modo, a escolha do
sistema estrutural mais adequado para um determinado pavimento de um edifício, assim como
a definição do processo construtivo a ser utilizado, partindo-se sempre do pressuposto que em
cada escolha o sistema estrutural deverá ser projetado obedecendo às disposições normativas,
deve ser feita considerando-se aspectos econômicos, de funcionamento, de execução, e os
relacionados à interação com os demais subsistemas construtivos do edifício.
No entanto, percebe-se a falta de dados consistentes que forneçam parâmetros para os
profissionais da construção civil. Situação que dificulta a tomada de decisão pelo sistema
estrutural a ser empregada numa determinada obra.
1.4. HIPÓTESES
É possível criar uma tabela que estabeleça a solução estrutural mais adequada para
lajes a serem empregadas, definidas pela área a ser executada em metros quadrados.
1.5. ESTRUTURA DO TRABALHO
No primeiro capítulo, consta a Introdução, os Objetivos, a Justificativa e a Hipótese
levantada neste trabalho.
No segundo capítulo, apresentam-se os conceitos sobre o tema deste trabalho a serem
abordados, questões sobre os Aspectos na Concepção de Estruturas, Elementos das Estruturas
em Concreto Armado e Revisão Bibliográfica.
No terceiro capítulo, apresentam-se os Procedimentos Gerais, Metodologia e Critérios
para a criação, descrição e comparação dos Parâmetros de Avaliação.
Em seguida, no quarto capítulo será realizada a Análise dos Resultados.
No quinto capítulo, estarão as Considerações Gerais.
20
2. REVISÃO BIBLIOGRÁFICA
2.1. BREVE HISTÓRICO SOBRE LAJES SUSPENSAS
“Estudando a evolução das construções na civilização ocidental, sob o ponto de vista
das lajes, percebe-se que o homem precisou de milhares de anos para criar pisos acima do
solo” (STRAMANDINOLI, 2003, p. 2).
Contudo os resultados obtidos na pratica da construção de obras de concreto armado,
se avalia que o custo global da estrutura, isto é, o valor de mão de obra e insumos de materiais
corresponde a uma perspectiva de 20% a 25% do valor total da obra.
Conforme o passar dos séculos podemos perceber a evolução das construções que
antes foram executadas em barro, pedras e madeira, onde os assoalhos recebiam as cargas que
eram levadas às vigas transversais, destas às vigas mestras e daí aos pilares.
Em Roma no ano de 27 a.C. que se deu a descoberta do concreto como material de
construção. Sua utilização perdurou até a queda do Império Romano do Ocidente em 1453 e,
a partir da metade do século XIX, retornou a ser utilizado, tendo seu emprego em grande
escala a partir da descoberta do cimento portland, em 1824 (CASSIMINHO, 1999 apud
BOROWSKI, 2005).
Em 1861, na França, um jardineiro chamado Monier associou arames à argamassa de
cimento e areia para a confecção de vasos, descobrindo o concreto armado.
Com a descoberta, as estruturas passaram a ser de concreto armado, mantendo o
mesmo princípio já utilizado com lajes, vigas e pilares (FIGUEIREDO F° et. al. 1996 apud
BOROWSKI, 2005).
Matematicamente comprovado, uma vez que a fração que o custo da estrutura
representa no custo final da obra é relativamente pequena. Um acréscimo de 10% no custo da
estrutura representa um aumento de apenas 2% no custo final de obra.
As mudanças na concepção estrutural iniciaram em 1906 quando C. A. P. Turner
utilizou um sistema patenteado de lajes apoiadas diretamente sob pilares, denominado laje
cogumelo, na construção de um edifício em Minneapolis, no estado de Minnesota, EUA
(BOROWSKI, 2005).
Na Europa, utilizando um sistema próprio e patenteado, Robert Maillart projetou as
primeiras lajes cogumelo com armaduras ortogonais (BOROWSKI, 2005).
21
Silva Fº (2002 apud BOROWSKI, 2005) afirma que as primeiras lajes nervuradas
surgiram apenas na terceira década do século XX. Era uma alternativa às lajes maciças e
visavam uma redução de custo.
Porém Lima et. al. (2000 apud DIAS, 2003) cita que as lajes nervuradas tiveram
origem em 1854, quando um fabricante inglês de gesso e cimento chamado William Boutland
Wilkinson obteve a patente, na Inglaterra, de um sistema que já demonstrava o domínio dos
princípios básicos de funcionamento do concreto armado ao dispor barras de aço nas regiões
tracionadas das vigas. Wilkinson percebeu que a rigidez da laje podia ser aumentada por meio
da inserção de vazios utilizando-se moldes de gesso regularmente espaçados e separados por
nervuras, aonde barras de aço eram colocados na sua porção inferior no meio do vão e subiam
para a parte superior da viga nas proximidades dos apoios.
Desde o início da década de 70, as alterações arquitetônicas no Brasil vêm
impulsionando reformas nos sistemas estruturais, levando ao desaparecimento dos diafragmas
rígidos de alvenaria e fazendo com que as estruturas de concreto armado passassem a
depender cada vez mais das lajes (BOROWSKI, 2005).
Nos edifícios de pisos múltiplos, a utilização de pavimentos em lajes maciças pode
resultar em um consumo de quase dois terços do volume total da estrutura.
(STRAMANDINOLI, 2003).
Conforme a necessidade de racionalização na construção civil, com a minimização dos
custos e prazos, vem fazendo das lajes nervuradas e outras formas de soluções estruturais
opções cada vez mais difundidas, abandonando assim aquilo que foi chamado de Sistema
Convencional.
2.2. ASPECTOS NA CONCEPÇÃO DE ESTRUTURAS
2.2.1. Lançamentos das Estruturas
Para a concepção de uma estrutura utiliza-se a definição do Arranjo Estrutural. Nos
edifícios usuais de concreto armado, o arranjo estrutural comum é constituído por lajes, vigas
e pilares ou pela união desses elementos. Ao nível de fundação, os pilares transmitem as
cargas da estrutura ao terreno, através de elementos estruturais como sapatas, blocos, estacas.
Arranjo estrutural é chamado comumente de lançamento estrutural. O lançamento
estrutural é uma das etapas mais importantes do projeto de uma estrutura de concreto armado.
(Fig. 2-1).
22
Figura 2-1: Múltiplos Pórticos garantem boa rigidez
Fonte: SPOHR, Valdir Henrique. Análise Comparativa De Sistemas Estruturais. Santa Maria, RS. 2008.
2.2.1.1. Segundo a NBR 6118 / 2003 – Requisitos de Qualidade do Projeto
a) Qualidade da Solução Adotada
A solução estrutural a ser adotada em projeto deverá atender aos requisitos de
qualidade estabelecidos nas normas técnicas, isto é, com relação à capacidade de resistência,
ao desempenho em serviço e à durabilidade da estrutura.
A qualidade da solução estrutural a ser adotada deve ainda contemplar as condições de
arquitetura, função (se residencial ou comercial, depósitos, etc.), questões construtivas (ver
NBR 14931), estruturais, de integração com os demais projetos (elétrico, hidráulico,
climatização e outros), explicitados pelos responsáveis técnicos de cada especialidade.
b) Condições Impostas ao Projeto
Todas as condições impostas aos projetos devem ser descritas e pré-estabelecidas de
acordo entre o projetista estrutural e o contratante. Para atender aos requisitos de qualidade
impostos, o projeto deve atender a todos os requisitos estabelecidos na NBR 6118/2003 a qual
se faz vigente e em outras normas complementares e específicas, conforme a situação.
23
As exigências relativas à capacidade resistente e ao desempenho em serviço deixam de
ser satisfeitas, quando são ultrapassados os seus respectivos estados limites, tanto para
concreto quanto ao aço empregado na estrutura.
As exigências de durabilidade deixam de ser atendidas quando não são observados os
critérios de projeto definidos. Para tipos especiais de estruturas, devem ser atendidas
exigências particulares estabelecidas em Normas Brasileiras específicas, a exemplo das
medidas que são especificadas na NBR 6120, estabelecendo as condições exigíveis para a
determinação dos valores de carregamento para serem considerados nos cálculos de projetos
de estrutura. Além de outras exigências as quais podem ser fixadas em projeto, outro exemplo
a NBR 6123, que estabelece as condições de cálculo para as cargas de vento (Fig. 2-2).
“NOTA - Exigências particulares podem, por exemplo, consistir em resistência a explosões, ao
impacto, aos sismos, ou ainda relativas à estanqueidade, ao isolamento térmico ou acústico”.
(NBR 6118 / 2003)
Figura 2-2: Isopletas de Velocidade Básica
Fonte: NBR 6123/1988
24
Figura 2-3: Execução de Estrutura de Estádio esportivo.
Fonte: SILVA, ADCLEIDES ARAÚJO. Módulos Celulares Pré-fabricados de Concreto Protendido para
Construção de Lajes Nervuradas [Rio de Janeiro] 2003.
Figura 2-4: Estrutura de Pontes - Ponte do Moju
Fonte: SALAME, ANTÔNIO MASSOUD. Pontes: Fundamentos e aspectos gerais, superestrutura,
mesoestrutura e infraestrutura. 2010.
25
c) Documentação da solução adotada
O projeto estrutural é constituído por desenhos, especificações e critérios de projeto.
As especificações e os critérios de projeto podem estar sendo mencionados nos desenhos ou
documento separado, os quais devem conter informações claras, corretas, consistentes entre si
e com as exigências estabelecidas conforme as Normas.
O projeto estrutural deve proporcionar as informações necessárias e corretas para a
execução da estrutura. Objetivando garantir a qualidade da execução, com base no projeto,
todas as medidas preventivas devem ser tomadas desde o início das atividades.
Entretanto, estas medidas devem englobar a discussão e aprovação das decisões a
serem tomadas, conforme a distribuição dessas e outras informações pelos elementos das
equipes multidisciplinares e a programação conforme seus cronogramas.
d) Avaliação da conformidade do projeto
Dependendo do porte da obra, a avaliação da conformidade do projeto deve ser
requerida e contratada pelo contratante a um profissional habilitado, devendo este fazer a
Anotação de Responsabilidade Técnica, sendo este o documento específico que acompanha a
documentação do projeto citada em “Documentação da Solução Adotada”.
A avaliação da conformidade do projeto deve ser realizada antes da fase de construção
e, isto é, ainda na fase de concepção dos projetos, como condição essencial para que seus
resultados se tornem efetivos e conseqüentes.
A seção 25 da NBR 6118/2003, estabelece os critérios de aceitação e os
procedimentos corretivos, quando necessários.
Considerando as ações verticais e horizontais que solicitam uma estrutura, deve-se
procurar dispor e definir o posicionamento dos pilares as ligações de vigamento, cintamento a
fim de se combater estes esforços, conduzindo-as até as fundações, tendo sempre em vista
minimizar as interferências com o arranjo arquitetônico.
A definição da disposição das peças estruturais num edifício é influenciada por
diversos fatores. No caso dos edifícios residenciais usuais, por exemplo, a posição da caixa
d’água, a posição das escadas, a posição dos elevadores, a cobertura, o layout do pavimento
tipo, a garagem, etc., trazem implicações importantes para a concepção da estrutura. Além dos
fatores citados acima, é necessário avaliar a interferência com os projetos de instalações
(hidro-sanitário, elétrico, incêndio).
26
No caso dos edifícios com garagem ou estacionamento, a definição das vagas
condiciona a disposição dos pilares e vice-versa. A posição dos pilares influencia no arranjo
das vigas que, por sua vez, delimitam as lajes. Por isso a estrutura é chamada de sistema, ou
seja, um conjunto de elementos que interagem.
O estudo detalhado do projeto arquitetônico é fundamental para a definição de um
arranjo estrutural compatível com mesmo. Quanto melhor for o lançamento estrutural,
menores serão as modificações a serem introduzidas no dimensionamento da estrutura.
2.3. MATERIAIS UTILIZADOS NAS ESTRUTURAS
O projeto de estrutura de qualquer edificação, máquina ou outro elemento qualquer é
um estudo através do qual a estrutura em si e as suas partes componentes são dimensionadas
de forma que tenham resistência suficiente para suportar os esforços para as condições de uso
a que serão submetidas.
Este processo envolve a análise de tensões, esforços e as propriedades mecânicas das
partes componentes.
Os materiais componentes para os diferentes Sistemas Estruturais em Concreto
Armado a ser utilizado é composto basicamente por Aço e o Concreto Estrutural.
2.3.1. Aço
Para Dantas (2003 p.18) as principais características do uso do concreto armado são:
obtenção de peças monolíticas, durabilidade, alta resistência a choques e vibrações, bom
condutor de calor e som, necessidade de escoramentos durante a fabricação, dificuldade de
adaptação e reformas. Considerando-se as construções atualmente existentes no mundo sob a
ética do processo construtivo, pode-se dizer que o aço é um material de estrema importância
na construção de estruturas de edifícios.
No mercado brasileiro são encontrados diversos tipos e fios de aço destinados à
confecção de armaduras passivas das peças estruturais de concreto armado. Na designação
desses fios e barras de aço é usado o prefixo CA, indicativo de seu emprego no concreto
armado.
27
Figura 2-5: Barra de Aço CA-50
Fonte: Acervo do Autor, 2010.
As barras são produtos obtidos por laminação e os fios por trefilação. Os fios são
empregados de Ø 2,4 mm até a bitola Ø 10,0 mm e as barras a partir da bitola Ø 5,0 mm até Ø
40,0 mm. A bitola Ø é um número correspondente ao valor arredondado, em milímetros, do
diâmetro da seção transversal nominal do fio ou da barra.
Conforme a NBR 6118/2003 o aço CA 60 de Ø 5,0 mm é a medida mínima para o
emprego como de estribos de vigas e pilares.
Aço CA 50 de diâmetros 6,3; 8,0; 12,5; 16,0; 20,0 e 25,0 mm para o emprego como
armaduras longitudinais de lajes, vigas e pilares.
A última versão da NBR 7480/96 a separação em classes foi eliminada e todo o
material do tipo barra, caso do CA 25 e CA 50, deve ser fabricado obrigatoriamente por
laminação a quente, e todo fio, caso do CA 60, deve ser fabricado por trefilação ou processo
equivalente (estiramento ou laminação a frio).
28
Tabela 2-1: Propriedades mecânicas exigíveis de barras e fios de aço destinados a
armaduras para Concreto Armado.
CATEGORIA ENSAIO DE TRAÇÃO (valores mínimos)
ENSAIO DE
DOBRAMENTO A
180º
ADERÊNCIA
Resistência
Características de
Escoamento
Limite de
Resistência
Alongamento
em 10 Ø
Diâmetro de pino
Coeficiente de
conformação
superficial mínimo
para Ø ≥ 10 mm
fy (MPa) fst (MPa) % (mm) η
Ø < 20 Ø > 20
*CA-25 250 1,20 fy 18 2 Ø 4 Ø 1,0
*CA-50 500 1,10 fy 8 4 Ø 6 Ø 1,5
*CA-60 600 1,05 fy 5 5 Ø - 1,5
Fonte: NBR 7480/1996.
* fst – Limite de Resistência a Tração
* η – Coeficiente de conformação superficial
* fy – Tensão de Escoamento do Aço
* Ø – Bitola ou Seção Nominal das Barras de Aço
As barras de aço devem ser ligadas entre si, e a este conjunto de barras, dá-se o nome
de armadura ou de esqueleto da estrutura. As armaduras do concreto com barras e malhas ou
telas de aço tem as seguintes funções:
Absorver os esforços de tração em peças estruturais solicitadas à flexão e à tração,
(por exemplo, as vigas de uma edificação), além de contribuir para a capacidade
resistente ou para a estabilidade da estrutura;
Fazer com que as fissuras no concreto, sob a ação de cargas de utilização,
permaneçam na ordem de grandeza de capilares (não sejam facilmente visíveis a olho
nu);
Limitar a abertura das fissuras devido a estados de tensão produzidos por efeitos de
coação, tais como o impedimento à deformação, no caso de variação de temperatura,
de retração, de estruturas hiperestáticas etc.
29
Em peças comprimidas, aumentar a capacidade resistente do concreto à compressão
(por exemplo, no caso de pilares) ou a segurança de peças comprimidas esbeltas
contra a flambagem.
2.3.2. Concreto
O cimento, ao entrar em contato com a água, reage quimicamente, passando por um
processo de hidratação. Durante a hidratação, cada grão do cimento desdobra-se em inúmeras
partículas, formando um sólido poroso denominado gel de silicato de cálcio hidratado. Como
resultado dessa reação, o volume dos sólidos cresce dentro dos limites da pasta, e durante este
processo parte da água da mistura é utilizada na hidratação formando os embricamentos.
É formada então uma espécie de “malha” que reduz a porosidade do concreto e
aumenta a sua resistência mecânica. Logo, se obterá uma maior resistência à compressão
quanto maior a quantidade de embricamentos, pois haverá um concreto menos poroso com
estrutura mais compacta.
Esse processo é complexo e envolve diversas variáveis e, para avaliar a qualidade do
concreto, é importante conhecer as suas propriedades, seja no estado fresco, desde o momento
da colocação da água até o adensamento na fôrma; seja no estado endurecido, resistindo às
ações solicitadas ao longo da vida útil.
2.3.2.1. Durabilidade
Quando o concreto for usado em ambiente reconhecidamente agressivo, por exemplo,
o caso de águas sulfatadas, podendo estas águas, serem do córrego de rios ou outro meio
acida, deverá ser tomado cuidados especiais em relação à escolha dos materiais constituintes,
como a adição de pozolana, além disto, não apenas este efeito está relacionado com a
agressividade do meio. Podendo este também ser as atividades físicas e químicas que possam
vir a atuar sobre a estrutura, respeitando-se o mínimo consumo de cimento e o máximo valor
da razão água/cimento compatíveis com a boa durabilidade do concreto.
30
Tabela 2-2: Classes de Agressividade Ambiental
CLASSE DE
AGRESSIVIDADE
AMBIENTAL
AGRESSIVIDADE
CLASSIFICAÇÃO GERAL DO
TIPO DE AMBIENTE PARA
EFEITO DE PROJETO
RISCO DE
DETERIORAÇÃO DA
ESTRUTURA
I FRACA
RURAL
INSIGNIFICANTE
SUBMERSA
II MODERADA URBANA*/** PEQUENO
III FORTE
MARINHA *
GRANDE
INDUSTRIAL */**
IV MUITO FORTE
INDUSTRIAL */***
ELEVADO
RESPINGOS DE MARÉ
Fonte: NBR 6118/2003.
2.3.2.2. Resistência Mecânica
O concreto se preparado no canteiro ou pré-misturado em usina, deverá apresentar
uma resistência característica (fck), não inferior a 9 MPa e compatível com a adotada no
projeto. O concreto pré-misturado deverá ser fornecido com base na resistência característica
definida em projeto estrutural.
No caso das vigas de fundação, deve-se considerar a classe II, pois se trata de estrutura
em contato com solo úmido não agressivo. Conforme a NBR 6118, a classe de resistência
mínima nestes casos exigida para o concreto é C25 (concreto com Fck =25 MPa aos 28 dias
de idade).
2.3.2.3. Modulo de Elasticidade do Concreto
O concreto apresenta um comportamento não-linear quando submetido a tensões de
certa magnitude. Esse comportamento é decorrente da microfissuração progressiva que ocorre
na interface entre o agregado graúdo e a pasta de cimento.
O diagrama tensão-deformação específica, obtido em um ensaio de compressão
simples é mostrado na Figura 2-6, onde se observa que não há proporcionalidade entre tensão
e deformação especifica. O trecho descendente do diagrama é obtido em um ensaio com
velocidade de deformação controlada.
31
Figura 2-6: Diagrama de tensão-deformação especifica do concreto na compressão
simples.
Fonte: SPOHR, Valdir Henrique. Análise Comparativa De Sistemas Estruturais. Santa Maria, RS. 2008.
O módulo de deformação longitudinal tangente Ec é representado pela inclinação da
reta tangente à curva na origem do diagrama.
De maneira análoga, o módulo secante Ecs representa a inclinação da reta que passa
pela origem e corta o diagrama no ponto correspondente a uma tensão da ordem de 0,4 fc,
sendo fc a resistência à compressão simples.
Segundo Araújo (2003) a expressão para o módulo tangente, proposta na NBR
6118/2003 é derivada do ACI.
Na verdade é a mesma expressão do ACI, onde o coeficiente 5565 é substituído por
5600. Assim, a fórmula apresentada na NBR 6118/2003 é dada por:
Equação 1
O módulo secante é dado por:
Equação 2
2.3.2.4. Cobrimento da Armadura
Os cobrimentos de concreto adotados para os elementos estruturais são os seguintes:
Classe I: 2,0 cm para lajes e 2,5 para vigas e pilares.
Classe II: 2,5 cm para lajes e 3,0 para vigas e pilares.
32
2.4. ELEMENTOS DAS ESTRUTURAS EM CONCRETO ARMADO
Conforme a NBR 6118 /2003 – São aqueles cujo comportamento estrutural depende
da aderência entre concreto e armadura, e nos quais não se aplicam alongamentos iniciais das
armaduras antes da materialização dessa aderência
2.4.1. Lajes
As diferenças entre os diversos tipos de laje se baseiam em função do processo
construtivo. Assim, nos próximos tópicos, citam-se alguns tipos distintos de laje usualmente
empregados e suas particularidades.
Lajes são elementos estruturais tridimensionais planos, onde a espessura é a menor das
três dimensões. Elas sofrem a ação de carregamentos externos normais à suas faces.
Podem ser classificadas em dois grandes grupos: as lajes moldadas no local e as lajes
pré-moldadas, podendo a pré-fabricação ser total ou parcial.
As lajes moldadas no local ou “in loco” recebem essa denominação por serem
construídas em toda a sua totalidade na própria obra, mais precisamente no local em que serão
estruturalmente utilizadas. Elas podem ser subdivididas em lajes com vigas e lajes sem vigas.
Cada uma delas ainda pode ser maciça ou nervurada.
As lajes pré-moldadas recebem elementos pré-fabricados para a sua construção,
normalmente produzidos fora do canteiro de obras, industrialmente. Tais elementos pré-
fabricados podem ser de concreto armado ou de concreto protendido, independentemente se
pré-fabricados ou moldados no local em que serão utilizados.
As lajes também podem ser classificadas com base em outros fatores, como sua
natureza ou tipo de apoio. Souza & Cunha (1998 apud BOROWSKI, 2005) classifica as lajes
quanto à natureza da seguinte forma:
Lajes maciças: lajes de concreto armado ou protendido constituídas de uma placa
maciça;
Lajes nervuradas: são as lajes em que a zona de tração é constituída de nervuras, onde
são dispostas as armaduras, e de uma mesa comprimida. Entre as nervuras, pode-se ou
não inserir um material inerte, sem função estrutural;
Lajes mistas: são lajes nervuradas com material cerâmico preenchendo o espaço entre
as nervuras, participando na resistência mecânica da laje, contribuindo na região
comprimida da peça sujeita a flexão;
33
Lajes em grelhas: são lajes nervuradas em que o espaçamento entre as nervuras é
superior a um metro, sendo calculadas as nervuras como uma grelha de vigas e a mesa
como uma laje independente;
Lajes duplas: podem ser consideradas como um caso particular de lajes nervuradas,
onde as nervuras ficam situadas entre dois painéis de lajes.
Souza & Cunha (1998), também classifica as lajes quanto ao tipo de apoio da seguinte
forma:
Apoiadas sobre alvenaria ou sobre vigas;
Apoiadas sobre o solo;
Apoiadas sobre pilares: são estruturas apoiadas sobre apoios discretos. São conhecidas
como lajes cogumelo, lajes lisas ou lajes planas.
Os elementos de estudo deste trabalho são as lajes nervuradas e as lajes maciças as
quais passam a serem melhores detalhadas a seguir.
2.4.2. Lajes Maciças
A laje maciça (Fig. 2-7) tem sido muito empregada na construção de edificações de
concreto armado. Chama-se de laje maciça à laje de concreto com espessura constante ou
uniforme, moldada in loco a partir do lançamento do concreto fresco sobre um sistema de
formas planas. Apoiadas ao longo de seu contorno. Estes elementos estruturais são
responsáveis pelo recebimento das cargas de utilização aplicadas nos pisos das edificações e
transmissão aos apoios, que geralmente são constituídos por vigas.
Figura 2-7: Placa ou laje
Fonte: SILVA, M. A. FERREIRA. Projeto e Construção de lajes nervuradas de concreto armado. São Carlos.
2005.
34
Um sistema convencional de estruturas de concreto armado é aquele que pode ser
constituído basicamente por lajes maciças, vigas e pilares, sendo que as lajes recebem os
carregamentos oriundos da utilização, ou seja, das pessoas, móveis acrescidos de seu peso
próprio, os quais são transmitidos às vigas, que por sua vez descarregam seus esforços aos
pilares e esses às fundações.
O custo está diretamente relacionado com a espessura da laje. Como as outras duas
dimensões desta solução estrutural são de ordens de grandezas maiores, qualquer alteração da
espessura implica numa variação considerável do volume de concreto e, conseqüentemente, o
peso próprio. Assim, lajes esbeltas, ou seja, com espessura pequena, são normalmente mais
econômicas. Por outro lado, lajes de pequena espessura com freqüência vibram bastante
quando solicitadas por cargas dinâmicas, proporcionam pouco isolamento acústico e podem
sofrer deformações acentuadas, causando desconforto para os usuários.
Para construir um pavimento utilizando lajes maciças de concreto armado é necessário
o emprego de uma estrutura auxiliar que sirva de fôrma sendo este constituído de um tablado
horizontal, normalmente empregando o uso de compensados de madeira, surgindo também à
necessidade de cimbramento, o qual pode ser em madeira ou metálicos. O cimbramento com
escoras metálicas e mãos de força, se torna mais freqüente na atualidade nas edificações de
médio e grande porte; atualmente existem várias empresas que disponibilizam
comercialmente desde o material para locação ou compra quanto o projeto de escoramento
das fôrmas.
Figura 2-8: Perspectiva Inferior de uma laje maciça.
Fonte: SILVA, M. A. FERREIRA. Projeto e Construção de lajes nervuradas de concreto armado. São Carlos.
2005.
35
Figura 2-9: Perspectiva Superior de uma laje maciça.
Fonte: SILVA, M. A. FERREIRA. Projeto e Construção de lajes nervuradas de concreto armado. São Carlos.
2005.
As lajes maciças, quando utilizadas, permitem o uso de alguns procedimentos de
racionalização, tais como empregar armadura em telas e embutir as tubulações das instalações
elétricas, gás, hidráulicas e sanitárias ma própria laje. Outro grande fator que contribui para a
utilização deste modelo estrutural é a versatilidade nas aplicações como edificações
comerciais, escolas, depósitos, etc.
A Tabela 2-3, a seguir apresenta as dimensões mínimas para lajes, regulamentadas
pela NBR 6118/2003, norma brasileira que regulamenta o projeto e a execução de estruturas
de concreto armado.
36
Tabela 2-3: Dimensões mínimas para lajes convencionais.
TIPOLOGIA DA LAJE ESPESSURA MÍNIMA (cm)
* Cobertura não em balanço 5
* Lajes de Piso ou de Cobertura em Balanço 7
* Lajes para Garagem
- Até 30 KN 10
- Acima de 30 KN 12
* Para lajes com protensão apoiadas em
vigas, (L/42), e para lajes de piso bi apoiadas
e (L/50) para lajes de piso
contínuas;
15
* Lajes Lisas 16
* Lajes-Cogumelos 14
Fonte: NBR 6118/2003.
* L – Vão
Figura 2-10: Estrutura com Lajes Maciças
Fonte: Acervo do autor, Março de 2007.
37
Figura 2-11: Arranjo Básico das Armaduras de Lajes Maciças.
Fonte: FUSCO. P. B. Técnica de armar as estruturas de concreto. São Paulo: Pini, 382, 1995.
38
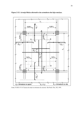
Figura 2-12: Arranjo Básico alternativo das armaduras das lajes maciças.
Fonte: FUSCO. P. B. Técnica de armar as estruturas de concreto. São Paulo: Pini, 382, 1995.
39
Figura 2-13: Armadura dos balanços das lajes.
Fonte: FUSCO. P. B. Técnica de armar as estruturas de concreto. São Paulo: Pini, 382, 1995.
40
As ações usualmente atuantes nas lajes são as seguintes:
Peso próprio;
Peso de revestimento (pavimento: granito, tábua corrida; revestimento da face
inferior);
Impermeabilização / isolamento;
Sobrecargas de utilização (NBR 6120);
Coberturas.
Nas áreas destinadas a sanitários e áreas de serviço, era comum se projetar lajes
rebaixadas, sobre as quais eram colocadas as instalações sanitárias. Já há algum tempo tem-se
preferido projetar a laje dessas áreas nivelada com as demais, colocando-se a tubulação na sua
face inferior, escondida por um forro falso, que permite o acesso às instalações no caso de
eventuais problemas, sem grandes transtornos.
A NBR 6120/1980 – Cargas para Cálculo de Estruturas de Edificações utilizam-se do
Peso Especifico dos materiais. (Tab. 2-4)
Tabela 2-4: Cargas para Cálculo de Estruturas de Edificações.
TIPO DO MATERIAL
PESO ESPECIFICO
APARENTE - KN/m³
* Tijolos Furados 13
* Concreto Armado 25
* Argamassa de cal, cimento e areia 19
* Carga de Revestimentos 1,0
* Peso do telhado (mais revestimento laje
cobertura)
1,0
Fonte: NBR 6120/1980.
41
Figura 2-14: Representação esquemática do sistema construtivo convencional em
concreto
Fonte: SPOHR, Valdir Henrique. Análise Comparativa De Sistemas Estruturais. Santa Maria, RS. 2008.
2.4.2.1. Características do Sistema de lajes Maciças
A laje maciça não é adequada para vencer grandes vãos.
Apresenta uma grande quantidade de vigas, fato esse que deixa as formas do
pavimento muito recortadas, diminuindo a produtividade da construção e o
reaproveitamento das formas;
Grande consumo de formas;
Existência de muitas vigas, por outro lado, forma muitos pórticos que garantem uma
boa rigidez à estrutura;
Um dos sistemas estruturais mais utilizados nas construções de concreto armado, por
isso a mão-de-obra já é bastante treinada;
O volume de concreto é grande devido ao consumo das lajes.
Segundo Franca (1997), as lajes nos edifícios de vários pisos respondem por elevada
parcela de consumo de concreto. No caso de lajes maciças, essa parcela chega usualmente a
quase dois terços do volume total do concreto da estrutura.
42
Figura 2-15: Acompanhamento de Execução de Estrutura com Laje Maciça.
Fonte: Acervo do Autor, Novembro de 2007.
2.4.3. Lajes Nervuradas
São as lajes em que a zona de tração é constituída de Nervuras, onde são dispostas as
armaduras, e de uma mesa comprimida. Entre as nervuras, pode-se ou não inserir um material
inerte, sem função Estrutural.
Os pavimentos constituídos de lajes maciças geralmente possuem espessuras muito
grandes. Impulsionados pela evolução das tendências arquitetônicas, os vãos dos pavimentos
acabam por se tornar cada vez maiores, tornando a estrutura ainda mais antieconômica. Tais
fatos, associados ao alto custo das fôrmas, levaram ao surgimento de uma alternativa de
construção de pavimentos: as lajes nervuradas.
A concepção das lajes nervuradas ocorreu em virtude da baixa resistência mecânica à
tração do concreto que, na região tracionada, somente tem a função de proteger a armadura e
de ligá-la a zona comprimida. Desta forma, retira-se todo o excesso de concreto posicionando
as armaduras em nervuras (BOROWSKI, 2005).
A redução do concreto através do espaço vazado entre as nervuras ou a sua
substituição por materiais mais leves, como blocos cerâmicos ou blocos de poliestireno
expandido, reduz o consumo de concreto e o peso próprio da laje sem prejuízo da altura da
seção resistente e conseqüentemente da rigidez (ANDRADE, 1983 apud BOROWSKI, 2005).
43
Albuquerque & Pinheiro (1998 apud BOROWSKI, 2005) destaca como principais
vantagens das lajes nervuradas:
A utilização de poucos painéis de lajes para cobrir um pavimento devido a sua grande
autonomia, pois atinge facilmente painéis de 80 m²;
A facilidade de execução das fôrmas;
A reduzida interferência na arquitetura pelo reduzido número de vigas.
Segundo Albuquerque (1999, p. 24), a vantagem principal do uso de lajes nervuradas é
a redução do peso próprio da estrutura, já que o volume de concreto diminui, e ainda há um
aumento na inércia, já que a laje tem sua altura aumentada.
Dependendo da existência ou não do material de enchimento e da sua natureza, as
lajes nervuradas também podem apresentar isolamento térmico superior ao concreto (SOUZA
& CUNHA, 1998 apud BOROWSKI, 2005).
Segundo a NBR 6118/2003, lajes nervuradas são "lajes moldadas no local ou com
nervuras pré-moldadas, cuja zona de tração é constituída por nervuras entre as quais pode ser
colocado material inerte."
Figura 2-16: Laje Nervurada bi-direcional.
Fonte: FRANCA, A. B. M.; FUSCO, P. B. As lajes nervuradas na moderna construção de edifícios. São Paulo,
AFALA & ABRAPEX, 1997.
Resultantes da eliminação do concreto abaixo da linha neutra, elas propiciam uma
redução no peso próprio da estrutura como a um todo, além de melhor aproveitar o aço e o
concreto. A resistência à tração é concentrada nas nervuras, e os materiais de enchimento têm
44
como função única substituir o concreto, sem colaborar na resistência, isto é, materiais inertes
sem função estrutural cujo único objetivo é o de preencher os espaços.
Essas reduções propiciam uma economia de materiais, de mão-de-obra e de fôrmas,
aumentando assim a viabilidade do sistema construtivo. Além disso, o emprego de lajes
nervuradas simplifica a execução e permite a industrialização, com redução de perdas e
aumento da produtividade, racionalizando a construção.
2.4.3.1. Tipos mais comuns de lajes nervuradas
Dentre as várias modalidades de lajes nervuradas encontradas no mercado. Nesse
trabalho estaremos considerando dois grandes grupos: lajes nervuradas executadas com
nervuras pré-moldadas e lajes nervuradas moldadas no local, sendo utilizado o EPS
(poliestireno expandido), vigotas treliçadas ou ainda por meio de fôrmas plásticas.
a) Laje moldada no local
Todas as etapas de execução são realizadas "in loco". Portanto, é necessário o uso de
fôrmas e de escoramentos, além do material de enchimento. Podem-se utilizar fôrmas para
substituir os materiais inertes. Essas fôrmas já são encontradas em polipropileno ou em metal,
com dimensões moduladas, sendo necessário utilizar desmoldantes iguais aos empregados nas
lajes maciças.
Figura 2-17: Laje nervurada moldada no local.
Fonte: LIBÂNIO M. P. & REZENDE J. A; Lajes Nervuradas. São Paulo, USP – EESC – Departamento de
Engenharia de Estruturas, 2003
45
b) Lajes Nervuradas com nervuras pré-moldadas
Nessa alternativa, as nervuras são compostas de vigotas pré-moldadas, que dispensam
o uso do tabuleiro da fôrma tradicional. Essas vigotas são capazes de suportar seu peso
próprio e as ações de construção, necessitando apenas de cimbramentos intermediários. Além
das vigotas, essas lajes são constituídas de elementos de enchimento, que são colocados sobre
os elementos pré-moldados, e também de concreto moldado no local. Há três tipos de vigotas.
Figura 2-18: Vigota Protendidas.
Fonte: KASPARY, Cerâmica. Disponível em:
<http://www.ceramicakaspary.com.br/portal/laje_protendida>. Acesso em: 14 de Setembro de 2010.
Figura 2-19: Vigotas em concreto armado.
Fonte: KASPARY, Cerâmica. Disponível em:
<http://www.ceramicakaspary.com.br/portal/laje_protendida>. Acesso em: 14 de Setembro de 2010.
46
Figura 2-20: Vigotas treliçadas
Fonte: KASPARY, Cerâmica. Disponível em:
<http://www.ceramicakaspary.com.br/portal/laje_protendida>. Acesso em: 14 de Setembro de 2010.
Figura 2-21: Execução de Lajes treliçadas
Fonte: SILVA, M. A. FERREIRA. Projeto e Construção de lajes nervuradas de concreto armado. São Carlos.
2005.
47
Figura 2-22: Tipos de vigotas, capa de concreto e blocos de preenchimento
Fonte: FAZ Fácil. Disponível em: < http://www.fazfacil.com.br/images/>. Acesso em: 22 de Setembro de 2010.
2.4.3.2. Materiais de Enchimento
Como componente deste sistema estrutural apresentam-se os materiais inertes, ou
também conhecidos como material de enchimento.
48
Figura 2-23: Elementos de Enchimento empregado nas lajes formadas com nervuras
pré-fabricadas.
Fonte: FAZ Fácil. Disponível em: < http://www.fazfacil.com.br/images/>. Acesso em: 05 de Outubro de 2010.
As lajes pré-fabricadas surgem como um passo decisivo na industrialização do
processo da construção civil. Segundo Borges (1997 apud ALBUQUERQUE, 1999), a pré-
fabricação é um método industrial de construção no qual os elementos fabricados em série,
por sistemas de produção em massa, são posteriormente montados em obra, tendo como
principais vantagens a redução do tempo de construção, do peso da estrutura e,
conseqüentemente, do custo final da obra. Pode-se ainda salientar como grande vantagem a
ausência de fôrmas para as lajes.
Conforme Dias (2008 apud VIZOTTO, 2005), com a industrialização das armaduras
treliçadas, dos blocos de EPS moldado e auto-extinguível, e de fôrmas removíveis adaptadas a
esse sistema, surge à laje nervurada com vigotas pré-fabricadas treliçadas, garantindo outras
possibilidades de soluções e conservando as características de monoliticidade da estrutura. As
lajes treliçadas são normalmente empregadas para vencerem vãos de 4 a 12 metros, têm uma
variação de altura da seção compreendida entre 10 e 30 centímetros e podem ser armadas em
uma ou duas direções.
Dias (2008 apud EL DEBS, 2000) destaca que a utilização de vigotas pré-moldadas
com armação em forma de treliça favorece a utilização das lajes armadas nas duas direções
(lajes bidirecionais).
49
Segundo Muniz (1991 apud BUIATE & LIMA), em relação ao sistema tradicional de
lajes maciças, as lajes com armação treliçada apresentam as seguintes vantagens:
Diminuição do peso-próprio da laje e o conseqüente alívio sobre as fundações;
A possibilidade de embutir todas as instalações elétricas entre a capa de concreto e a
base de concreto pré-moldado;
Em função do bom acabamento e regularidade superficial dos elementos pré-
moldados, na face inferior é requerida apenas uma fina camada de regularização;
Redução significativa de fôrmas;
Sensível redução do escoramento das lajes;
Em lajes contínuas, o uso de vigotas com armação treliçada permite a continuidade
estrutural pela colocação de armadura negativa sobre os apoios, sem que isto
signifique qualquer problema para a sua fixação;
Eliminam-se as perdas das pontas dos vergalhões utilizados na preparação da
armadura no canteiro decorrente da armação treliçada ser fabricada a partir de rolos de
fios de aço trefilado CA-60;
Reduz a quantidade de estoque e movimentação de materiais e pessoas no canteiro de
obras, diminui a mão-de-obra de ferreiros, armadores e carpinteiros e aumenta a
rapidez da construção da estrutura.
Ainda com relação à utilização das vigotas pré-moldadas com armação treliçada, Dias
(2008 apud BUIATE & LIMA, 2005) destaca também que:
Reduz o aparecimento de fissuras pela condição de aderência entre o concreto do
capeamento e o concreto da vigota pré-moldada;
Facilita a colocação de nervuras moldadas “in loco” na direção perpendicular às
vigotas;
Pode oferecer maior resistência ao cisalhamento em função da presença das diagonais
da treliça.
2.4.3.3. Lajes Lisas Nervuradas / Lajes Cogumelo
Lajes Nervuradas são formadas por um conjunto de nervuras em uma ou duas
direções, formando espaços entre as mesmas nos quais são utilizados elementos de
enchimento.
50
Conforme a NBR 6118/2003, a definição de laje-cogumelo está relacionada com as
lajes que estão apoiadas em capteis (Fig. 2-24 “a”), enquanto que as lajes lisas estão apoiadas
diretamente sobre os pilares. (Fig. 2-24 “b”)
Figura 2-24: Laje sobre Captel (A) e Laje lisa (B).
Fonte: SPOHR, Valdir Henrique. Análise Comparativa De Sistemas Estruturais. Santa Maria, RS. 2008.
As lajes lisas nervuradas como se apóiam diretamente sobre os pilares, utilizam na
região dos apoios maciços de concreto, com o objetivo de resistir às tensões de cisalhamento
características nestas regiões.
Figura 2-25: Concretagem de Maciço.
Fonte: Acervo do Autor, Outubro de 2009.
51
Figura 2-26: Laje Lisa Nervurada apoiada sobre pilares (vista inferior)
Fonte: Acervo do Autor, Novembro de 2009.
Conforme Valdir (2008) as lajes nervuradas apresentam vantagens em relação às
demais, entre elas citam-se:
A maior inércia em relação às lajes convencionais, pois possibilita o aumento dos vãos
entre pilares, otimizando os projetos estruturais e criando maiores áreas para manobra
nos estacionamentos;
Os pilares podem e devem ser distribuídos de acordo com as necessidades do projeto
arquitetônico, sem a necessidade de alinhamento ou amarração por conta das vigas;
A composição arquitetônica não está condicionada por vigas o que propicia maior
liberdade ao projeto;
Facilidade na execução, uma vez que as vigas são embutidas na própria laje (sem
vigas altas), evitando-se recortes e agilizando-se os serviços de montagem das formas;
Quando associadas a um sistema de formas industrializadas aceleram muito o processo
construtivo, chegando a um ciclo médio de execução de sete dias por pavimentos.
Em prédios estudantis e/ou bibliotecas podem ser utilizadas apenas com acabamento
superficial contribuindo para o conforto acústico do ambiente.
52
2.4.3.4. Punção
A definição de punção seria o estado limite último por cisalhamento no entorno de
forças concentradas (cargas e reações), e que a ruptura por punção se dá com a propagação de
fissuras inclinadas através da espessura da laje, com a inclinação média de 30º. (SPOHR,
2008 apud ARAUJO, 2003).
Figura 2-27: Ruína por punção em lajes lisas nervuradas
Fonte: SPOHR, Valdir Henrique. Análise Comparativa De Sistemas Estruturais. Santa Maria, RS. 2008.
Segundo Borowski (2005 apud CARVALHO & GOMES, 2001), nas lajes cogumelo,
um dos possíveis modos de ruptura é por puncionamento, ocorrendo de forma localizada,
frágil e brusca, entorno dos pilares ou de carregamentos concentrados.
Borowski (2005 apud COELHO & MELO, 1999), menciona que a importância da
análise de ruptura por punção deverá ganhar maior importância devido à possibilidade de
ocorrência de colapso progressivo, podendo levar toda a estrutura a ruína.
A NBR 6118/2003, apresenta um procedimento baseado na verificação da tensão
presente, correspondente a verificação do cisalhamento em duas ou mais superfícies criticas
definidas no entorno de forças concentradas.
53
Figura 2-28: Área sujeita ao puncionamento
Fonte: BOROWSKI, Gustavo Costa. Cálculo de Deslocamento em Lajes Nervuradas. Santa Maria 2005.
Figura 2-29: Laje Nervurada Cogumelo
Fonte: BOROWSKI, Gustavo Costa. Cálculo de Deslocamento em Lajes Nervuradas. Santa Maria 2005.
2.4.3.5. Lajes Nervuradas Mistas
São aquelas em que, entre as nervuras de concreto armado ou protendido, colocam-se
elementos intermediários (blocos cerâmicos ou de argamassa), solidários com as nervuras e
capazes de resistir aos esforços de compressão oriundos da flexão (não inertes), sendo
considerados no cálculo.
54
2.4.4. Lajes Nervuradas Protendidas
CONCRETO PROTENDIDO
2.4.4.1. Histórico
Segundo Pereira (2000), o pioneirismo das experiências com concreto protendido, as
percussoras foram feitas pelo engenheiro Eugene Freyssinet, na França em 1928, com a
introdução de aço duro em forma de arames trefilados, para realizar a protensão em uma
estrutura. Entretanto, na Alemanha as primeiras aplicações práticas dos fios de aço duro,
foram feitas por Hoyer, através do sistema Hoyer (como ficou conhecido), que consistia em
esticar os fios com o auxílio de dois apoios independentes e que, após o endurecimento do
concreto, cortavam-se os fios, que posteriormente ancoravam-se na peça por aderência.
Porém Almeida Filho (2002) menciona que o inicio dos trabalhos em concreto
protendido data de meados do ano de 1872, quando PH. Jackson, Engenheiro do estado da
Califórnia, EUA, patenteou um sistema o qual utilizou um tirante de união para construir
vigas ou arcos com blocos isolados. Em 1888, na Alemanha, C. W. Doering obteve a patente
para lajes protendidas com fios metálicos, entretanto tais experimentos não tiveram êxito
devido às perdas de Protensão com o passar do tempo.
Em 1934, Dichinger desenvolve a utilização de Protensão externa sem aderência e
dois anos mais tarde construiu a primeira obra de concreto protendido que se tem
conhecimento, foi à ponte de Ave, na Alemanha.
Na Europa, após já na década de 40 Freyssinet, na França, doze anos após seu
primeiro experimento que se tem conhecimento, propõe métodos para se estimar as perdas de
protensão no uso de aços de alta resistência e alta ductilidade, propostas estas que o levaram a
desenvolver o sistema Freyssinet, anos mais tarde como ficou conhecido, tal sistema que
consistia na ancoragem em cunha cônica de 12 cabos. A partir daí, o emprego corrente de
concreto protendido tornou-se possível, principalmente com o lançamento de ancoragens e
equipamentos especializados para protensão.
No Brasil a primeira obra em concreto protendido, foi à ponte do Galeão, no Rio de
Janeiro em 1948, em vigas pré-moldadas, utilizando o sistema Freyssinet, de Protensão não
aderente, sendo na época a maior ponte em concreto protendido no mundo com 380 metros de
comprimento. Foi uma das primeiras realizações patente Freyssinet no mundo, tendo o
próprio Eugene Freyssinet como consultor técnico.
55
Figura 2-30: Exemplo de ancoragem com cunhas de aço - Sistema Freyssinet
Fonte: HANAI, João Bento. Fundamentos do Concreto Protendido. USP. São Carlos, 2005.
A partir da década de 50, vários processos de protensão e ancoragem foram
desenvolvidos e já na década de 70 firmou-se a preferência pela utilização das cordoalhas
ancoradas individualmente por meio de cunhas.
Na atualidade o concreto protendido não se restringe apenas para obras de
transposição como pontes e viadutos como acontecia nos seus primórdios, essa tecnologia é
muito utilizados em estruturas de edifícios, principalmente em lajes e vigas, seja para vencer
grandes vãos, com também permitir o uso de estruturas cada vez mais arrojadas e
combinações livres entre materiais.
A utilização de protensão não aderente vem sendo feita de uma maneira modesta,
talvez devido ao conceito do concreto protendido possivelmente ter custo mais elevado, o que
é um conceito falho, pois a protensão com mono cordoalha (protensão não-aderente) constitui
um sistema altamente competitivo para com o concreto armado convencional. (ALMEIDA
FILHO, 2002)
A maior utilização deste sistema até hoje se dá na região Nordeste, onde se utiliza
desde a construção de pavimentos protendidos, até a construção de fundações tipo radier,
tanto para pequenos domicílios quanto edificações obra de médio e grande porte.
56
2.4.4.2. Considerações Gerais
De acordo com a Norma Brasileira NBR-7197/1989 – Projeto de Obras de Concreto
Protendido definem-se:
a) Peça de concreto protendido
É aquela que é após ser sido submetida a um sistema de forças especialmente e
permanentemente aplicadas chamadas forças de protensão e tais que, em condições de
utilização, quando agirem simultaneamente com as demais ações, impeçam ou limitem a
fissuração do concreto.
b) Armadura de protensão ou armadura ativa
Esta é constituída por fios ou barras, feixes (barras ou fios paralelos) ou cordões (fios
enrolados), e se destina à produção das forças de protensão.
c) Concreto protendido com aderência inicial
Neste processo o estiramento da armadura de protensão é executado utilizando-se
apoios independentes da peça, antes do lançamento do concreto, sendo a ligação armadura de
protensão com os apoios desfeitos após o endurecimento do concreto. A ancoragem no
concreto realiza-se só por aderência.
d) Concreto protendido com aderência posterior
Quando o estiramento da armadura de protensão é executado após o endurecimento do
concreto, utilizando-se como apoios, partes da própria peça, criando-se posteriormente
aderência com o concreto de modo permanente.
e) Concreto protendido sem aderência
É aquele obtido como no caso anterior, porém após o estiramento da armadura de
protensão, não é criada a aderência com o concreto. Sistema de Freyssinet.
57
2.4.4.3. Sistemas de Protensão
Hanai (1995) classifica os sistemas de protensão conforme abaixo:
a) Quanto à aderência, de acordo com seus aspectos construtivos e tecnológicos
a. Concreto protendido com aderência inicial – Cabos tracionados antes do
lançamento do concreto;
Figura 2-31: Sistema de Protensão com Aderência inicial
Fonte: SANTOS & CARVALHO, Alzir Espindola & Paulo Carlos. Análise Comparativa entre os tipos de lajes:
Nervuradas com Fôrma Plástica, Nervurada com vigas Treliçadas e EPS e Nervura Protendida com fôrmas
Plásticas. Belém-PA. 2003.
b. Concreto protendido com aderência posterior – Cabos tracionados após o
lançamento do concreto;
58
Figura 2-32: Sistema de Protensão com Aderência Posterior
Fonte: SANTOS & CARVALHO, Alzir Espindola & Paulo Carlos. Análise Comparativa entre os tipos de lajes:
Nervuradas com Fôrma Plástica, Nervurada com vigas Treliçadas e EPS e Nervura Protendida com fôrmas
Plásticas. Belém-PA. 2003.
c. Concreto protendido sem aderência – Cabos tracionados após o lançamento do
concreto, sem que os mesmos tenham aderência com o concreto.
b) Conforme o grau de protensão desejado para exercer a intensidade de tensão de tração
máxima produzida pelas ações externas.
a. Protensão completa (ou total) – Após serem verificadas as condições para as
combinações freqüentes de ações respeitando o estado limite de descompressão
e para as combinações raras de ações respeitando o estado limite de formação
de fissuras;
b. Protensão limitada – Após serem verificadas as condições para as combinações
quase permanentes de ações respeitando o estado limite de descompressão e
para as combinações freqüentes de ações respeitando o estado limite de
formação de fissuras;
c. Protensão parcial – Após serem verificadas as condições para as combinações
quase-permanentes de ações respeitando o estado limite de descompressão e
para as combinações freqüentes de ações respeitando o estado limite de
abertura de fissura.
59
Figura 2-33: Níveis de Protensão
Fonte: ISHITANI & FRANÇA, Hideki & Ricardo. Concreto Protendido. USP, São Paulo, 2002.
2.4.4.4. Definição de protensão
Segundo PFEIL (1985) é um artifício que consiste numa estrutura um estado prévio de
tensões capaz de melhorar sua resistência ou seu comportamento, sob diversas condições de
carga.
Tecnicamente o concreto protendido é um tipo de concreto armado no qual a armadura
ativa sofre um pré-alongamento, gerando um sistema auto-equilibrado de esforços (tração no
aço e compressão no concreto). Essa é a diferença essencial entre concreto protendido e
armado. Deste modo o elemento protendido apresenta melhor desempenho perante as cargas
externas de serviço.
Figura 2-34: Diferença do comportamento de um tirante
Fonte: ISHITANI & FRANÇA, Hideki & Ricardo. Concreto Protendido. USP, São Paulo, 2002.
60
Figura 2-35: Mapa de isodeforma do Edifício Yerchanik Kissajikian
Fonte: Revista Téchne, edição março de 2003
61
2.4.4.5. Protensão aplicada ao concreto
Ferreira (2010) o artifício de protensão tem uma importância particular no caso do
concreto, pelas seguintes razões:
O concreto é um dos materiais de construção mais importantes. Os materiais
necessários à confecção do concreto (cimento portland, areia, pedra e água) são
disponíveis a baixo custo em todas as regiões habitadas da Terra.
O concreto tem resistência à compressão. Na ordem de 200 Kgf/cm2 (20 MPa) a 500
Kgf/cm2 (50 MPa), são utilizados nas obras.
O concreto oferece pequena resistência à tração, da ordem de 10% de resistência à
compressão. Além de pequena, a resistência à tração do concreto é pouco confiável.
De fato, quando o concreto não é bem executado, a retração do mesmo pode provocar
fissuras, que eliminam a resistência à tração do concreto, antes mesmo de atuar
qualquer solicitação. Devido a essa natureza aleatória da resistência a tração do
concreto, ela é geralmente desprezada nos cálculos.
O concreto como um material de propriedades tão distintas a compressão e a tração,
estruturalmente este comportamento pode ser melhorado conforme as condições de armadura
nas ligações de aço-concreto aplicando-se compressão prévia (isto é, protensão) nas regiões
onde as solicitações produzem tensões de tração.
O uso cabos ou fios de aços de elevadas resistências, como armaduras de concreto
armado, se limita pelo grau de fissuração do concreto. Uma vez que os diferentes tipos de aço
têm aproximadamente o mesmo módulo de elasticidade. Portanto o emprego de aços com
tensões de tração elevadas implica em grandes alongamentos dos mesmos, o que, por sua vez,
ocasiona fissuras muito abertas. A abertura exagerada das fissuras reduz a proteção das
armaduras contra corrosão, e é indesejável esteticamente.
Ferreira (2010) cita que a protensão do concreto é realizada, na prática, por meio de
cabos de aço de alta resistência, tracionados e ancorados no próprio concreto. O artifício da
protensão desloca a faixa de trabalho do concreto para o âmbito das compressões, onde o
material é mais eficiente. Com a protensão, aplicam-se tensões de compressão nas partes da
seção tracionadas pelas solicitações dos carregamentos. Desse modo, pela manipulação das
tensões internas, pode-se obter a contribuição da área total da seção da viga para a inércia da
mesma.
62
Desta forma pela manipulação das tensões internas, pode-se obter a contribuição da
área total da seção da viga para a inércia da mesma.
Santos & Carvalho (2003 apud, PFEIL, 1981). Sob ação de cargas, uma viga
protendida sofre flexão, alterando-se as tensões de compressão aplicadas previamente.
Quando a carga é retirada, a viga volta à sua posição original e as tensões prévias são
restabelecidas. Se as tensões de tração provocadas pelas cargas forem inferiores às tensões
prévias de compressão, a seção continuará comprimida, não sofrendo fissuração. Sob ação de
cargas mais elevadas, as tensões de tração ultrapassam as tensões prévias, de modo que o
concreto fica tracionado e fissura. Retirando-se a carga, a protensão provoca o fechamento das
fissuras.
2.4.4.6. Perda de Protensão
Embora as forças de protensão devam ser de caráter permanente, elas estão sujeitas a
variações de intensidade, para maiores ou menores valores.
A diminuição da intensidade da força de protensão é chamada de Perda de Protensão,
entretanto em alguns casos possamos atribuir uma designação diferente, tal como Queda de
Protensão, como uma forma de distinguir situações que são inerentes aos processos de
transferência de tensões ao concreto.
Por estas razões os cálculos de uma peça protendida deveram estimar as perdas de
protensão, e de posse desses dados, determinarem uma sobre tensão para atuar na peça, para
neutralizar total ou em parte os esforços de tração provocados pela carga de utilização.
Os diversos fatores que influem na força de protensão inicialmente aplicada, alguns
são responsáveis por perdas de protensão imediatas e outros por perdas progressivas que se
desenvolvem ao longo da vida útil da estruturas.
Os fatores que provocam perdas instantâneas, isto é, que ocorrem durante a operação
de protensão e imediatamente após a ancoragem no cabo, destas se destacam: A deformação
imediata (ou elástica) do concreto, atrito do cabo com a bainha e acomodação da ancoragem.
Os fatores que provocam perdas progressivas, isto é, que ocorrem ao longo do tempo,
após o término da operação de protensão, com os cabos já ancorados, são: relaxação do aço de
protensão e retração e fluência do concreto.
63
Figura 2-36: Encurtamento e perda de tensão na armadura
Fonte: HANAI, João Bento. Fundamentos do Concreto Protendido. USP. São Carlos, 2005.
Se a peça de concreto como um todo, ou o local onde está armada a armadura de
protensão, se esta sofrer um encurtamento ao longo do tempo, a armadura também sofre os
efeitos desse encurtamento, ocorrendo então à progressiva diminuição do valor de protensão
instalada.
2.4.4.7. Verificação de Segurança
Como ocorre no caso de verificação da segurança para qualquer tipo de estrutura em
concreto armado, também nas peças de concreto protendido deve-se tomar como referência
inicial a NBR 8681/2003 – Ações e Segurança nas estruturas – Procedimentos.
Para a verificação dos Estados de Limites:
De uma Estrutura – estados a partir dos quais a estrutura apresenta desempenho
inadequado às finalidades da construção a ser edificada.
Dos Limites Últimos – estados em que pela sua simples ocorrência determinam a
paralisação, no todo ou em parte, do uso da construção.
Dos Limites de Serviço – estados estes em que sua ocorrência, repetição ou duração,
causam efeitos estruturais que não respeitam as condições especificadas para o uso
normal da construção, ou que são indícios de comprometimento da durabilidade da
estrutura.
64
2.4.5. Materiais
Os principais materiais a serem considerados são o concreto e os aços de alta
resistência, além de diferentes dispositivos de ancoragem, bainhas metálicas ou plásticas e
cunhas, que constituem a parcela material dos diversos sistemas de protensão com pós-tração.
Para a execução das estruturas em CP, o concreto deve possuir maiores resistências, o
que exige um melhor controle de execução, estes valores de fck estão usualmente
compreendidos entre 30 MPa e 40 MPa. Além disto, requer um acompanhamento melhor da
execução da concretagem, desde o preparo até o adensamento e cura. É importante que o
concreto tenha boas características de compacidade e baixa permeabilidade, para que se tenha
uma proteção suficiente contra a corrosão das armaduras.
Os aços de alta resistência exigem cuidados especiais de proteção contra corrosão, e a
colocação destes deve ser feita com a máxima precisão possível, de modo a garantir as
posições propostas de projeto. São mais econômicos que os aços utilizados em concreto
armado convencional, uma vez que sua resistência é três vezes maior. Trata-se de um aço de
resistência mínima à ruptura por tração f ptk= 175 Kgf/mm2 (ou 1.750 MPa), resistência essa
efetiva (no caso de fios) ou convencional (no caso de cordoalhas), e de relaxação normal.
Os valores do módulo de elasticidade dos aços de protensão são geralmente fornecidos
pelos fabricantes, sendo que os valores são aproximadamente para fios Ep = 205.000 MPa e
para cordoalhas Ep = 195.000 MPa.
2.4.5.1. Concreto
O emprego da protensão necessita da utilização de técnicas mais requintadas que
oferecem melhor qualidade às obras, reduzindo o custo final em relação ao concreto armado
convencional. O controle de qualidade global deve ser mais rigoroso e eficiente, o que torna
possível e necessário o uso de concretos de qualidade. Resistências elevadas nos concretos
são desejáveis por aspectos, tais como:
Ao se aplicar a força de Protensão exige-se do concreto a trabalhabilidade para
suportar solicitações prévias elevadas;
O emprego de concreto de alta resistência favorece a redução das seções transversais,
diminuindo assim o peso próprio da estrutura;
Quanto maior o módulo de elasticidade, maior será a contribuição para redução das
perdas de protensão causadas por retração e fluência.
65
Assim como se faz necessário se obter boas resistências e de controle especifico da
retração e da fluência, é importantíssimo que o concreto tenha boas características de
compacidade e baixa permeabilidade, para a formação de uma proteção eficiente da armadura
contra corrosão. No caso do concreto protendido, o aço da armadura ativa solicitado por
tensões elevadas, torna-se mais suscetível à corrosão, sobretudo a chamada “Corrosão sob
Tensão”
2.4.5.2. Armaduras
a) Armadura Passiva
Armaduras passivas são aquelas dispostas sem tensões prévias utilizando-se de aços
dos tipos comuns CA-50 e CA-60, utilizados no concreto armado convencional.
Ferreira (2010) cita que nenhuma peça das armaduras passivas tenha índices
excessivamente baixos (por maior que seja o grau de protensão), pois esta desempenha
diversas funções importantes, tais como:
Eliminar ou reduzir as fissuras provocadas pela retração do concreto;
Garantir resistência para tensões elásticas de tração em serviço;
Aumentar os momentos de fissuração da peça;
Aumentar o momento fletor de ruptura da seção.
b) Armadura Ativa
Os aços para armadura ativa estão caracterizados por suas elevadas resistências e
ausência de patamar de escoamento. Desta forma, as exigências referentes às disposições
construtivas das armaduras protendidas são mais rigorosas se comparadas as armadura
passivas, devido aos níveis de tensão mais elevados.
Ferreira (2010) menciona que as propriedades mecânicas dos aços de protensão são
caracterizadas pelos seguintes elementos:
Tensão correspondente ao alongamento de 1%;
Limite de resistência à tração;
Alongamento após ruptura;
Número de dobramentos alternados, sem fissuras ou ruptura
66
Figura 2-37: Ilustração da Cordoalha, Detalhe e Corte Transversal de Fios
Fonte: FERREIRA, Prof. M. Sc. Márcio Murilo. Apresentação Sobre Concreto Protendido - Introdução CAP. 01.
Belém, 2010.
Os aços para as armaduras ativas podem se apresentar nas seguintes formas:
Fios trefilados de aço-carbono, diâmetro de 3 a 8 mm, fornecidos em rolos ou bobinas;
Cordoalhas que são fios enrolados em forma de hélice, com dois, três ou sete fios;
Barras de aço-liga de alta resistência, laminadas a quente, com diâmetros superiores a
12 mm, tendo seu comprimento limitado.
Quanto às modalidades e tratamento após o final da fabricação, a fim de melhorar suas
qualidades e trabalhabilidade, as cordoalhas são submetidas aos seguintes tratamentos:
Aliviamento ou relaxação normal (RN): é a retificação por tratamento térmico que
alivia as tensões internas de trefilação.
Estabilização ou de baixa relaxação (RB): são aços trefilados que recebem tratamento
termo-mecânico, o qual melhora as características elásticas e reduz as perdas de tensão
por relaxação.
67
Tabela 2-5: Fios para concreto protendido
FIOS
ESPECIFICAÇÃO
DIÂMETRO
NOMINAL
(mm)
ÁREA
APROX.
(mm
2
)
ÁREA
MÍNIMA
(mm
2)
MASSA
APROX.
(kg/km)
TENSÃO MÍNIMA
DE RUPTURA
TENSÃO MÍNIMA A
1% DE
ALONGAMENTO
ALONG.
APÓS
RUPTURA
(%)(MPA) (Kgf/mm
2)
(MPA) (Kgf/mm
2)
CP 145RBL 9 63,6 62,9 500 1.450 145 1.310 131 6
CP 150RBL 8 50,3 49,6 394 1.500 150 1.350 135 6
CP 170RBE 7 38,5 37,9 302 1.700 170 1.530 153 5
CP 170RBL 7 38,5 37,9 302 1.700 170 1.530 153 5
CP 170RNE 7 38,5 37,9 302 1.700 170 1.450 145 5
CP 175RBE 4 12,6 12,3 99 1.750 175 1.580 158 5
CP 175RBE 5 19,6 19,2 154 1.750 175 1.580 158 5
CP 175RBE 6 28,3 27,8 222 1.750 175 1.580 158 5
CP 175RBL 5 19,6 19,2 154 1.750 175 1.580 158 5
CP 175RBL 6 28,3 27,8 222 1.750 175 1.580 158 5
CP 175RNE 4 12,6 12,3 99 1.750 175 1.490 149 5
CP 175RNE 5 19,6 19,2 154 1.750 175 1.490 149 5
CP 175RNE 6 28,3 27,8 222 1.750 175 1.490 149 5
Fonte: FERREIRA, Prof. M. Sc. Márcio Murilo. Apresentação Sobre Concreto Protendido - Introdução CAP. 01.
Belém, 2010.
Tabela 2-6: Cordoalhas para concreto protendido
CORDOALHAS
ESPECIFICAÇÃO
DIÂMETRO
NOMINAL
(mm)
ÁREA
APROX.
(mm
2
)
ÁREA
MÍNIMA
(mm
2)
MASSA
APROX.
(kg/km)
TENSÃO MÍNIMA
DE RUPTURA
TENSÃO MÍNIMA A 1%
DE ALONGAMENTO
ALONG.
APÓS
RUPTURA
(%)(MPA) (Kgf/mm
2)
(MPA) (Kgf/mm
2)
CORD CP 190 RB 3x3,0 6,5 21,8 21,5 171 40,8 4.080 36,7 3.670 3,5
CORD CP 190 RB 3x3,5 7,6 30,3 30 238 57 5.700 51,3 5.130 3,5
CORD CP 190 RB 3x4,0 8,8 39,6 39,4 312 74,8 7.480 67,3 6.730 3,5
CORD CP 190 RB 3x4,5 9,6 46,5 46,2 366 87,7 8.770 78,9 7.890 3,5
CORD CP 190 RB 3x5,0 11,1 66,5 65,7 520 124,8 12.480 112,3 11.230 3,5
CORD CP 190 RB 7 6,4* 26,5 26,2 210 49,7 4.970 44,7 4.470 6.710 3,5
CORD CP 190 RB 7 7,9* 39,6 39,3 313 74,6 7.460 67,1 9.390 3,5
CORD CP 190 RB 7 9,5 55,5 54,8 441 104,3 10.430 93,9 12.650 3,5
CORD CP 190 RB 7 11 75,5 74,2 590 140,6 14.060 126,5 16.860 3,5
CORD CP 190 RB 7 12,7 101,4 98,7 792 187,3 18.730 168,6 23.920 3,5
CORD CP 190 RB 7 15,2 143,5 140 1.126 265,8 26.580 239,2 3,5
Fonte: FERREIRA, Prof. M. Sc. Márcio Murilo. Apresentação Sobre Concreto Protendido - Introdução CAP. 01.
Belém, 2010.
68
2.4.6. Sentido econômico do concreto protendido.
Ferreira (2010) as resistências de concreto, utilizadas em concreto protendido, são
duas a três vezes maiores que as utilizadas em concreto armado. Os aços utilizados nos cabos
de protensão têm resistência três a cinco vezes superiores às dos aços usuais do concreto
armado. O sentido econômico do concreto protendido consiste no fato de que os aumentos
percentuais de preço são muito inferiores aos acréscimos de resistência utilizáveis, tanto para
o concreto como para o aço de protensão.
2.4.7. Vantagens para o Concreto Protendido
Hanai (2005) afirma que as diferenças entre o concreto protendido e o concreto
armado convencionalmente são diferenças essencialmente tecnológicas.
Entendido uma vez que estas diferenças representam o avanço tecnológico na arte de
construir em concreto, poderíamos supor que o Concreto Protendido seria uma opção melhor
se comparado com o Concreto Armado, entretanto, havendo a necessidade de se considerar
alguns aspectos:
A disponibilidade tecnológica para se projetar e executar obras em concreto
protendido;
O uso da protensão em alguns casos se manifesta de maneira desfavorável em
estruturas, como exemplo na execução de fundações e de pilares sujeitos a compressão
com pequena excentricidade.
No entanto, são enumerados alguns aspectos relevantes da tecnologia do concreto
protendido, que podem ser levados em conta numa possível análise de alternativas.
2.4.7.1. Redução da Fissuração
Graças à protensão hoje é possível melhorar a capacidade de utilização da peça
estrutural e controlar de modo mais eficiente as fissurações, podendo, em alguns casos até
eliminá-la. O concreto na zona comprimida pela ação da protensão resiste melhor aos
alongamentos provocados pela flexão, fissurando-se muito pouco. Modernamente, com o
desenvolvimento da Teoria de Fissuração aumenta-se a durabilidade das estruturas, pois
aumenta a proteção da armadura contra a corrosão, bem como a estanqueidade do concreto.
69
2.4.7.2. Emprego de Aços de Alta Resistência
Para o concreto protendido, são dimensionados aços de alta resistência, capazes de
atingir tensões elevadas de trabalho sem depender de alongamentos exagerados do concreto.
O mecanismo concebido não é um binário na seção protendida, mas sim de
solicitações de alívio. Desta forma, se equilibram as solicitações externas, gerando um
mecanismo onde todos os pontos da peça solicitada estão em estado de tensão uniforme, que
está corrigido com o estado de deformação pela protensão, restando apenas à deformação do
concreto, que é bastante reduzida e também corrigida.
Figura 2-38: Cordoalha Engraxada
Fonte: Acervo do Autor, 2010
Os aços de alta resistência são sensivelmente mais econômicos, pois admitem tensões
maiores, podendo, portanto, ter um consumo reduzido. São fornecidos em bobinas de grande
comprimento, agilizando a fase de corte, eliminando a fase de dobra e evitando problemas
relacionados com emendas da armadura.
2.4.7.3. Redução da Seção Transversal
Com o concreto protendido, todas as seções de são concebidas para trabalhar de forma
única em todos os pontos resistindo aos esforços de flexão. Fazendo uso de toda a
contribuição do concreto, associado à alta resistência do aço, as seções transversais podem ser
reduzidas, minimizando o peso próprio da estrutura.
70
Figura 2-39: Laje Nervurada Protendida
Fonte: Acervo do autor, 2010.
2.4.7.4. Capacidade de Auto-Recuperação do Concreto
Com a eliminação da fissuração evita-se a redução de inércia da seção e o conseqüente
aumento das flechas, porém a redução das flechas é também obtida com a contra flecha
gerada pela excentricidade das forças de Protensão.
Durante a vida útil das estruturas, estas podem passar por situações de tensões
excessivas devido à ação de cargas acidentais, graças a esta situação poderá haver fissurações
maiores no concreto, aumento da solicitação na armadura e nas ancoragens, e as deformações
podem ser significativos.
Porem após o alívio das cargas, a armadura ativa promoverá a correção nas flechas e
as fissuras no concreto voltam a se fechar por completo, desde que as tensões no aço
permaneçam abaixo do limite de escoamento permitido.
2.4.7.5. Garantia Antecipada de Resistência
Geralmente antes de o concreto atingir suas resistências finais ou máximas são nesta
fase que se inicia a aplicação da força de protensão, nesta fase que são introduzidas as maiores
tensões na estrutura. Portanto, a peça protendida não está submetida ao carregamento total
para o qual foi projetado. Sendo assim, a operação de protensão constitui uma espécie de
prova de carga nas peças protendidas.
71
É necessário que haja uma verificação cuidadosa de todas as fases de solicitação da
peça, isto porque a pior situação não é necessariamente aquela correspondente à atuação total
do carregamento, como exemplo o Estado em Vazio.
2.4.8. Ancoragens
As ancoragens são feitas por meio de cunhas de aço (elementos do gênero macho), bi
ou tri partidas e blocos de placas de aço (elementos do gênero fêmea), as cunhas são
internamente ranhuradas e o aço recebe tratamento especial para alcançar as propriedades de
dureza desejada. De acordo com as definições da NBR 7197 (1989), ancoragem é o
dispositivo capaz de manter o cabo em estado de tensão, transmitindo força de protensão à
estrutura.
As ancoragens ativas permitem a aplicação da força de protensão e as ancoragens
passivas simplesmente solidarizam uma extremidade da cordoalha no concreto. Ambas são
compostas pelos mesmos elementos, sendo a ancoragem passiva preparada antes da
concretagem, pela operação de pré-blocagem.
Figura 2-40: Conjunto Placa – Cunha para Ancoragem
Fonte: FERREIRA, Prof. M. Sc. Márcio Murilo. Apresentação Sobre Concreto Protendido - Introdução CAP. 01.
Belém, 2010.
72
Figura 2-41: Cunhas e porta-cunha individuais
Fonte: HANAI, João Bento. Fundamentos do Concreto Protendido. USP. São Carlos, 2005.
Figura 2-42: Macaco de Protensão de Mono Cordoalha
Fonte: HANAI, João Bento. Fundamentos do Concreto Protendido. USP. São Carlos, 2005.
No preparo dos cabos, as extremidades passivas são pré-bloqueadas, ou seja, recebem
uma ancoragem passiva com a aplicação da mesma força calculada para a máxima solicitação
da peça.
73
Figura 2-43: Ancoragem Ativa
Fonte: FERREIRA, Prof. M. Sc. Márcio Murilo. Apresentação Sobre Concreto Protendido - Introdução CAP. 01.
Belém, 2010.
Figura 2-44: Ancoragem passiva
Fonte: FERREIRA, Prof. M. Sc. Márcio Murilo. Apresentação Sobre Concreto Protendido - Introdução CAP. 01.
Belém, 2010.
No sistema de cordoalhas engraxadas as zonas de ancoragem merecem atenção
especial tanto na fase de projeto quanto na fase executiva das obras. Como o cabo não possui
aderência com o concreto ao longo das peças, a manutenção e distribuição da força de
protensão são de responsabilidade do sistema de ancoragens.
Na operação de protensão, a ancoragem é submetida às forças de tração longitudinais
com valores aproximadamente de uma vez e meia a força de protensão, portanto, estas peças
devem resistir pelo menos a esta solicitação, estabelecendo-se assim uma reserva de confiança
deste elemento.
74
2.4.9. Equipamentos Para Protensão
A protensão de uma cordoalha por vez (mono cordoalha engraxada) permite o uso de
macacos de protensão de pequeno porte e relativa leveza.
Os macacos são oferecidos geralmente para forças máximas de 20 e 30 toneladas, para
tensionamento das cordoalhas de 12,7mm e 15,2mm, respectivamente.
O macaco é acoplado a uma bomba hidráulica que deve estar devidamente calibrada
de tal forma que a força de protensão de projeto venha a ser aplicada efetivamente na
estrutura. Recomenda-se uma calibragem periódica, pois o desgaste do uso influi nos
dispositivos de controle.
Cadeira - Dispositivo metálico ou plástico (figura 40) usado para apoiar e segurar os cabos de
pós-tração em sua respectiva posição de projeto, prevenindo deslocamentos antes e durante a
colocação do concreto.
Figura 2-45: Detalhe da cadeira
Fonte: SANTOS & CARVALHO, Alzir Espindola & Paulo Carlos. Análise Comparativa entre os tipos de lajes:
Nervuradas com Fôrma Plástica, Nervurada com vigas Treliçadas e EPS e Nervura Protendida com fôrmas
Plásticas. Belém-PA. 2003.
Emendas - Peça normalmente feita com molas que unem duas pontas de cordoalhas e assim
emendam e transferem a força de protensão de ponta a ponta do cabo.
75
Figura 2-46: Detalhe de Emenda de Cordoalhas
Fonte: SANTOS & CARVALHO, Alzir Espindola & Paulo Carlos. Análise Comparativa entre os tipos de lajes:
Nervuradas com Fôrma Plástica, Nervurada com vigas Treliçadas e EPS e Nervura Protendida com fôrmas
Plásticas. Belém-PA. 2003.
Equipamentos de Protensão - A protensão de uma cordoalha por vez (mono cordoalha
engraxada) permite o uso de macacos hidráulico de pequeno porte e relativa leveza.
Figura 2-47: Macaco para mono cordoalhas
Fonte: FERREIRA, Prof. M. Sc. Márcio Murilo. Apresentação Sobre Concreto Protendido - Introdução CAP. 01.
Belém, 2010.
76
Figura 2-48: Conjunto Macaco-bomba
Fonte: FERREIRA, Prof. M. Sc. Márcio Murilo. Apresentação Sobre Concreto Protendido - Introdução CAP. 01.
Belém, 2010.
Figura 2-49: Bomba Hidráulica
Fonte: FERREIRA, Prof. M. Sc. Márcio Murilo. Apresentação Sobre Concreto Protendido - Introdução CAP. 01.
Belém, 2010.
77
2.5. CLASSIFICAÇÃO DAS LAJES
2.5.1. Classificação quanto ao posicionamento
Geralmente na obra as lajes são concretadas junto com a as vigas, no entanto, quase
sempre os esforços são calculados como se as lajes estivessem simplesmente apoiadas nestas
vigas, neste momento surge à importância do cimbramento das fôrmas que compões a
estrutura.
Esta simplificação de cálculo poderá acontecer quando a viga não tem condições de
rigidez que impeçam a deformação da laje com carga o que a torna desprezível quanto ao
engastamento laje-viga. Devendo se, portanto, considerar o engastamento elástico viga-laje
somente em casos especiais.
2.5.1.1. Lajes Isoladas
Aquelas que possuem trechos contíguos de espessuras muito diferentes, ou que são
rebaixadas, que nestes casos são consideradas apoiadas ou engastadas em seus contornos.
Figura 2-50: Esforços Máximos na laje Isolada
Fonte: Departamento de Engenharia de Estruturas e Fundações. PUC, SP. 2000.
78
2.5.1.2. Lajes em Contínuas ou Conjugadas
Estas lajes possuem espessura constante e trechos contíguos que se inter engastam
sobre as vigas que constituem seus apoios intermediários, e que têm apoios simples nas suas
extremidades livres, seno usual o cálculo aproximado, considerando cada trecho da laje
contínua como se fosse uma laje isolada que mantém suas vinculações primitivas, tornando
assim o cálculo menos trabalhoso.
Figura 2-51: Esforços Máximos na Laje contínua
Fonte: Departamento de Engenharia de Estruturas e Fundações. PUC, SP. 2000.
Porém, para se determinar este engaste, principalmente se faz verificação dos critérios
para engastamento de lajes:
Para que duas lajes sejam engastadas, necessariamente as mesmas devem estar
niveladas;
Uma laje maior só pode ser engastada em outra menor, se pelo menos 70% da maior
esteja em contato com a menor;
Uma laje não pode ser engastada em outra laje, quando a segunda for uma laje em
balanço;
Uma laje maior não pode ser engastada em outra laje menor, quando a metade do
comprimento da sua armadura negativa ultrapassar mais da metade do vão da laje
menor.
79
2.5.2. Classificação quanto à forma de Armação
Do ponto de vista de comportamento à flexão, as lajes podem ser classificadas pela
forma como a qual é armada, isto é em Uma ou Duas direções
2.5.2.1. Lajes Armadas em uma direção
Quando a flexão é bastante predominante segundo a direção paralela a um dos lados,
esta situação corresponde às lajes apoiadas em lados opostos isoladas e contínuas, com ou
sem balanços, e as lajes alongadas apoiadas em todo perímetro.
Figura 2-52: Esquema de laje armada em uma direção.
Fonte: Departamento de Engenharia de Estruturas e Fundações. PUC, SP. 2000.
Sendo, lx, o vão teórico da laje, normalmente, igual à distância entre os eixos das
vigas de apoio, e ly, o seu comprimento.
Lajes armadas em uma direção apresentam a relação entre o maior e o menor vão
superior a 2,0.
Equação 3
80
a) Uma única laje
Figura 2-53: Ilustração do cálculo das reações de apoio e momento fletor – Caso 01 Uma
Única laje
Fonte: LIMA & MORAIS, Afonso Corrêa & Carlos Vinicius. Análise Comparativa entre os tipos de lajes:
Convencional, Nervurada Treliçada com EPS e Nervurada com Fôrma Plástica. Belém-PA. 2002.
b) Duas lajes
Figura 2-54: Ilustração do cálculo das reações de apoio e momento fletor – Caso 02 duas
Lajes
Fonte: LIMA & MORAIS, Afonso Corrêa & Carlos Vinicius. Análise Comparativa entre os tipos de lajes:
Convencional, Nervurada Treliçada com EPS e Nervurada com Fôrma Plástica. Belém-PA. 2002.
81
c) Três Lajes
Figura 2-55: Ilustração do cálculo das reações de apoio e momento fletor – Caso 03 três
Lajes
Fonte: LIMA & MORAIS, Afonso Corrêa & Carlos Vinicius. Análise Comparativa entre os tipos de lajes:
Convencional, Nervurada Treliçada com EPS e Nervurada com Fôrma Plástica. Belém-PA. 2002.
82
2.5.2.2. Lajes Armadas em Duas Direções
Lajes armadas em Duas Direções apresentam a relação entre o maior e o menor vão
igual ou menor a 2,0.
Equação 4
Para lajes armadas em duas direções existem seis tipos de casos, que dependem das
condições de apoio em seu perímetro.
Nesta situação entre as outras formas de cálculo destacam se o processo de Marcus,
que baseado na determinação das direções principal “lx” e secundária “ly”. Sendo que a
direção principal tem como característica o maior número de engastes. Entretanto como
condição de contorno quando o numero de engastes for igual em ambas as direções dever-se
há de adotar o menor valor de “lx” ou o menor lado da laje.
Figura 2-56: Esquematização de laje apoiada em todo o contorno por vigas
Fonte: Departamento de Engenharia de Estruturas e Fundações. PUC, SP. 2000.
Para este cálculo consideram-se algumas condições de contorno, que são hipóteses
simplificadoras como: As Vigas são rígidas a flexão e a existência da continuidade de lajes
vizinhas quando no mesmo nível.
83
Figura 2-57: A deformada da laje segundo os cortes A (paralela lx) e B (paralela a ly)
Fonte: Departamento de Engenharia de Estruturas e Fundações. PUC, SP. 2000.
Nota-se a presença de curvaturas comparáveis segundo os dois cortes, sugerindo a
presença momentos fletores comparáveis:
Mx = momento por unidade de largura com plano de atuação paralelo a lx.
My = momento por unidade de largura com plano de atuação paralelo a ly.
2.5.3. Carregamentos das lajes (q)
As lajes estão sujeitos às seguintes cargas: Acidentais – também conhecidas por
sobrecargas, peso próprio da estrutura, o peso do contra-piso, peso do enchimento (quando
forem rebaixados), peso do pavimento e revestimento, peso de paredes e cargas móveis que
dependem da função para que se destine a estrutura. Para efeito de cálculo, todas as cargas
sobre as lajes são consideradas uniformemente distribuídas.
2.5.3.1. Cargas acidentais ou sobrecargas
Estas cargas são constituídas pelo peso dos objetos sobre um piso. Como a posição
destes objetos é geralmente variável e indeterminada, substitui-s e seus pesos por uma
sobrecarga superficial uniforme, exceto em alguns casos específicos.
84
2.5.3.2. Peso Próprio da laje
Para calcularmos o peso próprio da laje, devemos antes estabelecer as suas dimensões,
que são o comprimento e a largura, chamados de vãos, e sua espessura, chamada de altura.
O Vão teórico pode ser considerado como a distância entre os centros dos apoios.
Para determinação do peso próprio da laje, torna-se necessário previamente fixar a altura da
laje. Esta altura, nos casos de edifícios comuns varia entre 7 e 12 centímetros (cm).
Equação 5
Onde:
Pp – Peso Próprio do Concreto = 2,5 t/m³
δ - Peso Especifico do concreto
AB – Área da base
h – espessura da camada de concreto
2.5.3.3. Peso do pavimento e revestimento das lajes
Na determinação do cálculo do peso do revestimento, devem-se considerar os padrões
da construção e a finalidade do empreendimento para que seja adotado o valor correto da
carga. Nos casos mais comuns é conveniente adotar 50 Kg/m2, podendo este valor variar de
50 a 150 Kg/m2.
2.5.3.4. Peso de paredes sobre as lajes1
Segundo Rocha (1986), havendo paredes que sobrecarreguem a laje, deve-se calcular
o peso por metro linear dessas paredes, multiplicando-se o pé-direito pela espessura e pelo
peso especifico do material. Para alvenaria de tijolos maciços o peso específico é de 1600
kg/m³, para tijolos de argamassa igual a 2000 kg/m³, para tijolos furados igual a 1200 kg/m³ e
para tijolos de espuma 600 kg/m³.
1
Nas lajes armadas em duas direções (cruz), a carga das paredes é calculada dividindo o peso total das paredes
pela área da laje, obtendo-se assim uma nova parcela para a carga por metro quadrado. É importante ressaltar,
que por medida de segurança, não se deve reduzir a área de parede, descontando as partes vazias das esquadrias.
85
2.5.3.5. Peso em enchimento
Para as lajes rebaixadas, destinadas a prever espaços para execução de canalizações,
quando for projetada uma camada de enchimento, deve-se calcular a carga por metro
quadrado (m2) devido ao enchimento, multiplicando sua espessura pelo peso especifico de
1000 kg/m3 (escoria pedaços de tijolos com argamassa magra, etc.).
Quando o enchimento for executado com argamassa pura, como nos rebaixos, o peso
específico deve ser de 1500 kg/m³, usando-se no cálculo da carga por metro quadrado a
espessura média, quando esta for variável.
2.5.3.6. Peso total das lajes (q)
O peso total das lajes será definido em sua totalidade pela soma total das cargas
atuantes sobre o pavimento.
Equação 6
2.6. PRINCIPAIS MÉTODOS DE DIMENSIONAMENTO
Para a análise de um sistema estrutural de lajes em concreto armado, serão
determinadas as solicitações internas e às utilizadas para verificar e atender as exigências dos
estados limite últimos e de utilização.
Através de algum método de cálculo, a distribuição das solicitações internas como os
momentos fletores, esforços cortantes, momentos torçores e esforços normais, para cada laje,
possibilitando então, o seu dimensionamento.
O padrão de estrutural do comportamento básico das lajes é praticamente o mesmo
para qualquer tipo de laje, ou seja, as cargas provenientes da estrutura devem ser levadas do
centro da laje até seus apoios.
As vigas de apoio para um sistema convencional devem receber os momentos,
cortantes e torçores. No entanto, as lajes que são apoiadas apenas em pilares (como o
demonstrado nas Lajes Nervuradas por Punção), as partes da laje que vão de um pilar ao outro
é que devem agir como vigas.
86
O dimensionamento de lajes para concreto armado ou concreto protendido requer o
conhecimento prévio e as definições pré-estabelecidos pelas Normas Técnicas vigentes como
as normas citadas neste trabalho. Entretanto destacamos a NBR 6118 a qual padroniza o
Procedimento para o Projeto de Estruturas de Concreto Armado
2.6.1. Teoria das grelhas
A teoria das grelhas aplica-se para as lajes armadas em duas direções (em cruz), e
consiste em dividir a carga por metro quadrado em duas partes “px” e “py”, uma para cada
direção lx e ly, de modo que se tenha p = px + py.
Esta teoria consiste em dividir o quinhão de carga em dois, nas respectivas direções
“x” e “y” (qx e qy). Sendo que esta carga é distribuída por metro linear, atualmente nas faixas
de 1,00 m de largura nas direções x e y.
Os Momentos máximos positivos serão definidos por:
Equação 7
Equação 8
Os Momentos máximos negativos serão definidos por:
Equação 9
Equação 10
Sendo que para os valores de mx, my, nx, NY, dependem da natureza dos apoios
extremos.
87
Figura 2-58: Esquema da Teoria das grelhas
Fonte: SANTOS & CARVALHO, Alzir Espindola & Paulo Carlos. Análise Comparativa entre os tipos de lajes:
Nervuradas com Fôrma Plástica, Nervurada com vigas Treliçadas e EPS e Nervura Protendida com fôrmas
Plásticas. Belém-PA. 2003.
As cargas distribuídas dividem-se em elementos de grelha equivalente, de acordo com
a área de influência de cada uma. Cargas concentradas podem ser aplicadas diretamente nos
nós ou, desde que considerados os esforços de engastamento perfeito no vetor de cargas
nodais equivalentes, nas barras.
Figura 2-59: Carregamento uniformemente distribuído nas barras - carga p - e cargas
nos nós – carga
Fonte: RIOS, Daniel Ferreti. Procedimento de Projeto de Lajes Nervuradas de Concreto. Santa Maria. 2008.
88
A forma de cálculo para lajes contínuas pode recair sobre um dos casos de lajes
isoladas, se levarmos em consideração os apoios internos substituir por engaste perfeito, e
para apoios extremos substituir por apoios simples. Nestas condições, podemos considerar
cada painel como isolado, possuindo no contorno engaste ou apoio simples, conforme se trate
de viga central ou extrema.
Figura 2-60: Condições de Apoio de Lajes Contínuas
Fonte: RIOS, Daniel Ferreti. Procedimento de Projeto de Lajes Nervuradas de Concreto. Santa Maria. 2008.
Tabela 2-7: Características Geométricas do Elemento que representa as Vigas do
Pavimento na Grelha equivalente
Características Geométricas do Elemento que representa as Vigas do Pavimento na
Grelha equivalente
Seção transversal do elemento que representa as vigas do pavimento na
grelha equivalente
Momento de inércia à flexão If = ( b . h ³ ) / 12
Momento de inércia à torção It = ( h . b ³ ) / 3
Área da seção transversal A = b . h
Fonte: RIOS, Daniel Ferreti. Procedimento de Projeto de Lajes Nervuradas de Concreto. Santa Maria. 2008.
89
Tabela 2-8: Características Geométricas do Elemento que representa as nervuras na
grelha equivalente
Características Geométricas do Elemento que representa as nervuras na grelha
equivalente
Seção transversal do elemento considerado na grelha
equivalente
Largura Colaborante
Posição do Centro de gravidade
Momento de Inércia à Flexão
Momento de Inércia à Torção
Área da Seção Transversal
Fonte: RIOS, Daniel Ferreti. Procedimento de Projeto de Lajes Nervuradas de Concreto. Santa Maria. 2008.
A consideração das ações como distribuídas uniformemente pelas barras da grelha
leva à obtenção de resultados mais realistas de esforços solicitantes e deslocamentos
transversais. O valor numérico destas ações é obtido multiplicando o valor total por metro
quadrado das ações atuantes pela área de influência das barras e dividindo pelo comprimento
da malha.
90
Obtidas as características geométricas dos elementos que compõem a grelha
equivalente à laje nervurada, as características do concreto, as ações atuantes na grelha e a
escolha das combinações de ações a serem consideradas, procede-se ao cálculo dos esforços
solicitantes e deslocamentos transversais para a laje nervurada através de um programa
computacional.
2.6.2. Regime de Ruptura
Lima & Moraes (2002 apud, ROCHA 1986) mencionam que a teoria de ruptura para o
cálculo de lajes consiste em admitir que, sob ação da carga de ruptura as lajes se dividem em
painéis que giram em torno de linhas ao longo das quais atuam um momento igual ao que a
laje resiste na ruptura, segundo a direção normal a estas linhas. Conhecendo-se a posição das
linhas de ruptura, a relação entre o momento de ruptura e a carga que rompe a laje é obtida
estabelecendo as condições de equilíbrio estático nos painéis limitados pelas linhas de ruptura
e pelo contorno da laje.
Figura 2-61: Esquema de Regime de Ruptura
Fonte: LIMA & MORAIS, Afonso Corrêa & Carlos Vinicius. Análise Comparativa entre os tipos de lajes:
Convencional, Nervurada Treliçada com EPS e Nervurada com Fôrma Plástica. Belém-PA. 2002.
Santos & Carvalho (2003 apud, ROCHA 1986), citam que o processo de ruptura para
o cálculo dos momentos nas lajes consiste em calcular o valor do momento de ruptura “m” na
direção “x” em função da carga de ruptura “Pr", em seguida dividir a expressão obtida pelo
coeficiente de segurança, obtendo, assim, o momento admissível em função da carga de
serviço.
91
2.6.3. Processo de Marcus
Santos & Carvalho (2003 apud, ROCHA 1986), em sua primeira teoria, Marcus
assemelhou as lajes isoladas a um tecido de malhas retangulares, chegando a fórmulas
teóricas muito complexas, em virtude do grande número de elementos a calcular e da escassez
de tempo disponível.
Marcus partiu da integração das equações de derivadas parciais, fornecidas pela Teoria
da Elasticidade e empregou as diferenças finitas, em sua primeira teoria.
Após aprofundar mais seus conhecimentos, Marcus desenvolveu uma segunda Teoria,
muito mais prática do que a anterior e precisa se comparada a Teoria das Grelhas. A diferença
da teoria de Marcus para a chamada teoria das Grelhas consiste na introdução de um
coeficiente a mais na fórmula do momento fletor positivo, este coeficiente “kx” definido pela
relação de “ly” sobre “lx”. Este coeficiente, sempre é menor do que a unidade vem diminuir
os valores dos momentos fletores sugerido pela teoria das Grelhas.
Seguem as tabelas de Marcus – Vide o anexo 4.
2.6.4. Tabelas de Czerny
Santos & Carvalho (2003 apud, ROCHA 1986), essas tabelas foram calculadas com
base na Teoria Matemática da Elasticidade, o cálculo se procede seguindo a metodologia
empregada no processo de Marcus, diferenciando-se apenas na escolhas do eixo x que, nas
tabelas de Czerny recai no menor vão, enquanto em Marcus o eixo x é o que possui o maior
número de engastes.
A tabela de Czerny recai para “lx” sempre o menor vão, por isso, quando há
desigualdade de engastamento nas duas direções, ocorre dois casos:
O caso A, para maior número de engaste na faixa de direção y de maior vão.
O caso B, para maior número de engaste na direção do menor vão (x).
A entrada na tabela é feita com a relação entre o maior e o menor vão (lx/ly),
denominada de “є”.
Seguem tabelas de Czerny – Vide o anexo 5.
92
2.6.5. Método da espessura equivalente
O método da espessura equivalente baseia-se no conceito de determinar a laje maciça
de mesma rigidez correspondente à da laje nervurada. A equivalência é feita segundo a inércia
à flexão e calculada pela Equação abaixo:
Equação 11
Onde:
If – Momento de Inércia à flexão
a1- distância entre eixos de nervuras
Como a mesa solidariza as nervuras, o momento de inércia a ser calculado é o da
seção transversal “T”, cuja largura colaborante (bf) pode ser determinada pela Tabela 8.
Figura 2-62: Transformação da laje nervurada em laje maciça equivalente
Fonte: (RIOS, 2008 apud STRAMANDINOLI, 2003)
93
Determinada a espessura equivalente, basta calcular os esforços solicitantes e
deslocamentos, da agora laje maciça, por meio de tabelas clássicas baseadas na Teoria da
Elasticidade (placas delgadas).
2.7. FLECHA E CONTRA FLECHA
Na verificação da flecha em lajes, segundo a NBR 6118:2003, item 19.3.1, cita que
deve ser usados os critérios estabelecidos no item 17.3.2 dessa Norma, considerando-se a
possibilidade de fissuração (estádio II).
O referido item 17.3.2 estabelece limites para flechas segundo a Tabela 13.2 da Norma
citada, levando-se em consideração combinações de ações conforme o item 11.8.3.1 dessa
Norma.
O cálculo da flecha é feito utilizando-se processos analíticos estabelecidos pela própria
Norma (item 17.3.2), que divide o cálculo em duas parcelas: flecha imediata e flecha diferida.
A determinação do valor de tais parcelas é apresentada a seguir e abordada pela
Norma, nos itens 17.3.2.1.1 e 17.3.2.1.2, respectivamente.
De acordo com o item 11.8.3.1 da NBR 6118:2003, as combinações de serviço
classificadas como quase permanentes são aquelas que podem atuar durante grande parte do
período de vida da estrutura e sua consideração pode ser necessária na verificação do estado
limite de deformações excessivas. A tabela 11.4 do item 11.8.3.2 da Norma traz a seguinte
expressão para combinações quase permanentes:
Equação 12
Onde:
F d, ser – corresponde ao valor de cálculo das ações para combinações de serviço;
F g i, k – correspondem as ações devidas às cargas permanentes;
F q j, k – correspondem as ações devidas às cargas variáveis;
Ψ 2 j - corresponde ao coeficiente dado na tabela 11.2 do item 11.7.1, da Norma.
94
No entanto, Flechas são deformações sofridas nas lajes decorrentes de esforços de
flexão, essas deformações são controladas e estão contidas na NBR-6118, e podem ser
definidas conforme o tipo de apoio:
2.7.1. Lajes simplesmente apoiadas ou bi-apoiados
Figura 2-63: Laje bi-apoiados
Fonte: Acervo do autor, 2010.
Equação 13
2.7.2. Lajes apoiadas em um lado e engastadas no outro
Figura 2-64: Lajes apoiadas em um lado engastadas no outro
Fonte: Acervo do autor, 2010.
Equação 14
95
2.7.3. Lajes bi-engastadas
Figura 2-65: Lajes bi-engastadas
Fonte: Acervo do autor, 2010.
Equação 15
2.7.4. Contra flecha
Segundo a NBR 6118:2003 os deslocamentos excessivos podem ser parcialmente
compensados por contra flechas. No caso de se adotar contra flecha de valor “a0”, a flecha
total a ser verificada passa a ser:
Equação 16
A contra flecha “a0” pode ser adotada como um múltiplo de 0,5cm, com valor
estimado pela soma da flecha imediata com metade da flecha diferida, ou seja:
Equação 17
96
2.8. VERIFICAÇÃO DOS ESTADOS LIMITES DE SERVIÇO
Conforme a indicação da NBR 6118:2003, estados limites de serviço são aqueles
relacionados à durabilidade das estruturas, à aparência, ao conforto do usuário e à boa
utilização funcional das mesmas, seja em relação aos usuários, às máquinas ou aos
equipamentos utilizados.
O cálculo na ruína e o cálculo em serviço são fundamentais e imprescindíveis,
enquanto um confere às estruturas uma adequada segurança com relação à sua capacidade de
resistir satisfatoriamente a todas as solicitações possíveis de ocorrer durante o tempo previsto
para a sua existência, o outro garante um desempenho satisfatório das estruturas quando em
uso normal, ou seja, nas condições de utilização (em serviço) para as quais foram projetadas.
São estados limites de serviço que se pode exigir a verificação quanto à segurança das
estruturas de concreto armado, de acordo com a NBR 6118:2003:
Estado limite de formação de fissuras (ELS-F): Como o próprio nome diz, nesse
estado inicia-se a formação de fissuras.
Estado limite de abertura das fissuras (ELS-W): Nesse estado às fissuras apresentam
aberturas características iguais aos máximos especificados.
Estado limite de deformações excessivas (ELS-D): Estado em que as deformações
atingem os limites estabelecidos para utilização normal da estrutura.
Estado limite de vibrações excessivas (ELS-VE): Estado em que as vibrações atingem
os limites estabelecidos para a utilização normal da construção.
Um fator importante encontrado na verificação dos estados limites de serviço é
identificar em qual estádio de comportamento encontra-se a peça em serviço. Esses estádios
diferenciam as fases pelas quais passa a peça de concreto armado quando submetida a um
carregamento crescente.
Segundo a NBR 6118:2003, “nos estados limites de serviço, as estruturas trabalham
parcialmente no estádio I e parcialmente no estádio II. A separação entre essas duas partes é
definida pelo momento de fissuração”. Esse é o momento fletor capaz de provocar a primeira
fissuração na peça.
97
Daniel Rios (2008 apud, Silva 2005) explica que “se o momento fletor atuante numa
dada seção da peça for menor do que o momento de fissuração, isto significa que esta seção
não está fissurada e, portanto, encontra-se no estádio I. Caso contrário, se o momento fletor
atuante for maior do que o de fissuração, a seção encontra-se fissurada e, portanto, no estádio
II”.
Com isso, as características geométricas da seção transversal devem ser calculadas no
estádio I ou no estádio II, dependendo do estado limite verificado.
(...)
98
3. METODOLOGIA DO TRABALHO
Neste presente trabalho desenvolveu-se uma análise comparativa entre os sistemas
estruturais em concreto, para estabelecer novos parâmetros de escolha entre os modelos
estruturais adotados, atualizar ou reafirmar estas informações que indiquem a escolha ideal da
Solução Estrutural mais adequada para uma especificidade arquitetônica.
Numa segunda etapa, fez-se a análise da estrutura para os sistemas escolhidos,
obtendo-se os quantitativos de materiais, os quais vêem a formar os índices definidos para
comparação. Foram comparados os custos totais da obra obtidos por meio de composições de
preços chegando-se a um valor global para cada tipologia adotada.
Por meio da formação dos custos unitários estudaram-se comparativamente os valores
dos índices encontrados com o custo unitário da construção (CUB) para as tipologias
construtivas adotadas.
Tendo em vista que o objetivo de realizar uma análise comparativa de custos no final
da construção, entre lajes maciças e os vários tipos de lajes nervuradas, e como estas
diferenças variam de acordo com as áreas construídas das lajes e o material empregado em
cada um dos tipos, foram adotadas algumas considerações necessárias para que se alcance o
objetivo desejado.
Este trabalho teve como foco de atualização do estudo feito por LIMA & MORAIS em
2002, trabalho o qual foi apresentado para a obtenção do grau de Bach. Engenharia Civil.
O estudo elaborado para a pesquisa foi realizado para lajes de até 12 m², 25 m² e 50
m², com dimensões que as enquadrem armadas em uma e duas direções, tratando-as de forma
isolada umas das outras, e todas somente apoiadas, isto é, sem considerações de
engastamentos.
3.1. TIPOLOGIA E CONCEPÇÃO DOS SISTEMAS CONSTRUTIVOS ADOTADOS
Sistema construtivo: estrutura convencional com lajes, vigas e pilares; estrutura
convencional com lajes nervuradas pré-moldadas treliçadas, vigas e pilares e estrutura
com lajes lisas nervuradas apoiadas em pilares.
Os serviços e insumos envolvidos são: concreto, aço e formas.
99
3.2. PARÂMETROS DE PESQUISA
Considerações de cálculo:
Laje destino – Piso de edificações;
Sobrecarga – 200 Kg/m³;
Peso de Revestimento – 100 Kg/m²;
Resistência característica do concreto a compressão (fck) – 25 MPa;
Considerações para a estrutura:
Para lajes Convencionais, adotou-se a variação de espessura de 9 cm a 11 cm.
Para lajes Nervuradas, adotaram-se blocos maciços de EPS, especificados pelas
seguintes dimensões de 60 x 60 x 30 cm, e ainda fôrmas ou cubetas de polipropileno em
formas tronco-piramidal com altura variando entre 15 ou 21 cm, base de 56 cm, boca de 60
cm, nervuras com 5,0 cm de base e 9,0 cm de boca, armadura de pele Ø 4,2mm C 20 e aços
CA-50 e CA-60.
Em lajes bi-apoiadas, em alguns casos se aplicam o uso dos Aços de Canto, no entanto
este elemento não foi considerado visto que este valor é praticamente igual para todos os tipos
de lajes estudados, não influenciando no resultado final das comparações.
3.3. PARÂMETROS DE COMPRAÇÃO DE DADOS
3.3.1. Índice de Concreto (ic)
É a razão entre o consumo total de concreto extraído do projeto estrutural e a área real
global da edificação, obtida segundo as NBR12721.
Equação 18
100
3.3.2. Índice de Aço (ia)
É a razão entre o consumo de aço utilizado na estrutura e a área total do
edifício.
Equação 19
3.3.3. Índice de Fôrmas (if)
É a razão entre área de formas constante no projeto da estrutura e a área total do
edifício.
Equação 20
(...)
101
4. CONCEPÇÕES E RESULTADOS
4.1. PARA LAJES DE 12 M², ARMADAS EM UMA DIREÇÃO
Figura 4-1: Laje de 12 m² - Armada em uma direção
Fonte: LIMA & MORAIS, Afonso Corrêa & Carlos Vinicius. Análise Comparativa entre os tipos de lajes:
Convencional, Nervurada Treliçada com EPS e Nervurada com Fôrma Plástica. Belém-PA. 2002.
Tabela 4-1: Planilha Orçamentária - Laje Convencional, 12 m² (uma direção)
PLANILHA ORÇAMENTÁRIA OP. 01
LAJE MACIÇA,
CONVENCIONAL
DATA
Nov/10
ITEM DESCRIÇÃO UNID. QUANT.
PREÇO
UNIT.
PREÇO
TOTAL
01. ESTRUTURA
01.01
ESCORAMENTO METÁLICO, para lajes de
edificação com pé direito entre 2,00 m e 3,20 m
M³ 32,49 R$ 30,55 992,55
01.02
CONFECÇÃO E INSTALAÇÃO DE FÔRMA,
de Madeira em Chapa Plastificada, e= 18 mm, (x
12 utilizações)
M³ 10,83 R$ 8,76 94,83
01.03
CONFECÇÃO E INSTALAÇÃO DE
ARMADURA, Aço CA 50 / 60
Kg 24,77 R$ 13,77 341,01
01.04
CONCRETO CONVENCIONAL, fck > 25
MPa - Preparo Transporte, Lançamento,
Adensamento e Cura.
M³ 0,98 R$ 372,82 365,37
01.05 DESFORMA M² 10,83 R$ 2,55 27,63
CUSTO TOTAL R$ 1.821,38
CUSTO POR M² R$ 168,18
102
Tabela 4-2: Planilha Orçamentária - Laje Nervurada, 12 m² (uma direção)
PLANILHA ORÇAMENTÁRIA OP. 02
LAJE NERVURADA, COM
FÔRMAS DE
POLIPROPILENO
DATA
Nov/10
ITEM DESCRIÇÃO UNID. QUANT.
PREÇO
UNIT.
PREÇO
TOTAL
01. ESTRUTURA
01.01
ESCORAMENTO METÁLICO, para lajes de
edificação com pé direito entre 2,00 m e 3,20 m
M³ 32,94 R$ 30,55 R$ 1.006,29
01.02
CONFECÇÃO E INSTALAÇÃO DE FÔRMA,
de Madeira em Chapa Plastificada, e= 18 mm, (x
12 utilizações), com Cubetas em Polipropileno
M² 10,98 R$ 26,57 R$ 291,73
01.03
CONFECÇÃO E INSTALAÇÃO DE
ARMADURA, Aço CA 50 / 60
Kg 26,49 R$ 13,77 R$ 364,69
01.04
CONCRETO CONVENCIONAL, fck > 25
MPa - Preparo, Transporte, Lançamento,
Adensamento e Cura.
M³ 0,77 R$ 372,82 R$ 287,07
01.05 DESFORMA M² 10,98 R$ 2,55 R$ 28,01
CUSTO TOTAL R$ 1.977,80
CUSTO POR M² R$ 180,13
Tabela 4-3: Planilha Orçamentária - Laje Treliçada e Blocos de EPS, 12 m² (uma
direção)
PLANILHA ORÇAMENTÁRIA OP. 03
LAJE NERVURADA
TRELIÇADA, E BLOCOS
DE EPS
DATA
Nov/10
ITEM DESCRIÇÃO UNID. QUANT.
PREÇO
UNIT.
PREÇO
TOTAL
01. ESTRUTURA
01.01
ESCORAMENTO METÁLICO, para lajes de
edificação com pé direito entre 2,00 m e 3,20 m
M³ 32,49 R$ 30,55 R$ 992,55
01.02
CONFECÇÃO E INSTALAÇÃO DE FÔRMA,
de Madeira em Chapa Plastificada, e= 18 mm, (x
12 utilizações), complementadas com Blocos de
EPS
M² 10,83 R$ 24,71 R$ 267,59
01.03
CONFECÇÃO E INSTALAÇÃO DE
ARMADURA e TRELIÇAS, Aço CA 50 / 60
Kg 13,57 R$ 19,11 R$ 259,32
01.04
CONCRETO CONVENCIONAL, fck > 25
MPa - Preparo, Transporte, Lançamento,
Adensamento e Cura.
M³ 0,63 R$ 372,82 R$ 234,88
01.05 DESFORMA M² 10,83 R$ 2,55 R$ 27,63
CUSTO TOTAL R$ 1.781,97
CUSTO POR M² R$ 164,54
103
Gráfico 4-1: Custo percentual – Laje Maciça – 12 m² (armada em uma direção)
Gráfico 4-2: Custo percentual – Laje Nervurada – 12 m² (armada em uma direção)
Gráfico 4-3: Custo percentual - Laje Treliçada– 12 m² (armada em uma direção)
44%
4%
31%
20%
1%
Custo percentual Total por material - Laje Maciça
ESCORAS (M³)
FÔRMA (M²)
AÇO (KG)
CONCRETO (M³)
DESFORMA (M²)
48%
14%
21%
16%
1%
Custo percentual Total por material - Laje Nervurada
ESCORAS (M³)
FÔRMA (M²)
AÇO (KG)
CONCRETO (M³)
DESFORMA (M²)
56%
15%
15%
13%
1%
Custo percentual Total por material - Laje Treliçada
ESCORAS (M³)
FÔRMA (M²)
AÇO (KG)
CONCRETO (M³)
DESFORMA (M²)
104
Gráfico 4-4: Comparativo de Custos entre os modelos estruturais adotados – Caso 12m²
(armada em uma direção)
OP 1 – MACIÇA / OP 2 – NERVURADA / OP 3 - TRELIÇADA
4.2. PARA LAJES DE ATÉ 12 M², ARMADAS EM DUAS DIREÇÕES
Figura 4-2: Laje de até 12 m² - Armada em duas direções
Fonte: LIMA & MORAIS, Afonso Corrêa & Carlos Vinicius. Análise Comparativa entre os tipos de lajes:
Convencional, Nervurada Treliçada com EPS e Nervurada com Fôrma Plástica. Belém-PA. 2002.
R$ 155,00
R$ 160,00
R$ 165,00
R$ 170,00
R$ 175,00
R$ 180,00
R$ 185,00
OP 1 OP 2 OP 3
R$ 168,18
R$ 180,13
R$ 164,54
Custo por m²
105
Tabela 4-4: Planilha Orçamentária - Laje Convencional, 12 m² (duas direções)
PLANILHA ORÇAMENTÁRIA OP. 01
LAJE MACIÇA,
CONVENCIONAL
DATA
Nov/10
ITEM DESCRIÇÃO UNID. QUANT.
PREÇO
UNIT.
PREÇO
TOTAL
01. ESTRUTURA
01.01
ESCORAMENTO METÁLICO, para lajes de
edificação com pé direito entre 2,00 m e 3,20 m
M³ 32,94 R$ 30,55 R$ 1.006,29
01.02
CONFECÇÃO E INSTALAÇÃO DE FÔRMA,
de Madeira em Chapa Plastificada, e= 18 mm, (x
12 utilizações)
M² 10,98 R$ 8,76 R$ 96,14
01.03
CONFECÇÃO E INSTALAÇÃO DE
ARMADURA, Aço CA 50 / 60
Kg 21,89 R$ 13,77 R$ 301,36
01.04
CONCRETO CONVENCIONAL, fck > 25
MPa - Preparo, Transporte, Lançamento,
Adensamento e Cura.
M³ 0,99 R$ 372,82 R$ 369,09
01.05 DESFORMA M² 10,98 R$ 2,55 R$ 28,01
CUSTO TOTAL R$ 1.800,91
CUSTO POR M² R$ 164,02
Tabela 4-5: Planilha Orçamentária – Laje Nervurada, 12m² (duas direções)
PLANILHA ORÇAMENTÁRIA OP. 02
LAJE NERVURADA, COM
FÔRMAS DE
POLIPROPILENO
DATA
Nov/10
ITEM DESCRIÇÃO UNID. QUANT.
PREÇO
UNIT.
PREÇO
TOTAL
01. ESTRUTURA
01.01
ESCORAMENTO METÁLICO, para lajes de
edificação com pé direito entre 2,00 m e 3,20 m
M³ 32,94 R$ 30,55 R$ 1.006,29
01.02
CONFECÇÃO E INSTALAÇÃO DE FÔRMA,
de Madeira em Chapa Plastificada, e= 18 mm, (x
12 utilizações), com Cubetas em Polipropileno
M² 10,98 R$ 26,57 R$ 291,73
01.03
CONFECÇÃO E INSTALAÇÃO DE
ARMADURA, Aço CA 50 / 60
Kg 26,49 R$ 13,77 R$ 364,69
01.04
CONCRETO CONVENCIONAL, fck > 25
MPa - Preparo, Transporte, Lançamento,
Adensamento e Cura.
M³ 0,78 R$ 372,82 R$ 290,80
01.05 DESFORMA M² 10,98 R$ 2,55 R$ 28,01
CUSTO TOTAL R$ 1.981,53
CUSTO POR M² R$ 180,47
106
Tabela 4-6: Planilha Orçamentária – Laje Treliçada, 12m² (duas direções)
PLANILHA ORÇAMENTÁRIA OP. 03
LAJE NERVURADA
TRELIÇADA, E BLOCOS
DE EPS
DATA
Nov/10
ITEM DESCRIÇÃO UNID. QUANT.
PREÇO
UNIT.
PREÇO
TOTAL
01. ESTRUTURA
01.01
ESCORAMENTO METÁLICO, para lajes de
edificação com pé direito entre 2,00 m e 3,20 m
M³ 32,94 R$ 30,55 R$ 1.006,29
01.02
CONFECÇÃO E INSTALAÇÃO DE FÔRMA,
de Madeira em Chapa Plastificada, e= 18 mm, (x
12 utilizações), complementadas com Blocos de
EPS
M² 10,98 R$ 24,71 R$ 271,30
01.03
CONFECÇÃO E INSTALAÇÃO DE
ARMADURA e TRELIÇAS, Aço CA 50 / 60
Kg 19,49 R$ 19,11 R$ 372,52
01.04
CONCRETO CONVENCIONAL, fck > 25
MPa - Preparo, Transporte, Lançamento,
Adensamento e Cura.
M³ 0,64 R$ 372,82 R$ 238,61
01.05 DESFORMA M² 10,98 R$ 2,55 R$ 28,01
CUSTO TOTAL R$ 1.916,73
CUSTO POR M² R$ 174,57
Gráfico 4-5: Custo percentual – Laje Maciça – 12 m² (armada em duas direções)
44%
4%
31%
20%
1%
Custo percentual Total por material - Laje Maciça
ESCORAS (M³)
FÔRMA (M²)
AÇO (KG)
CONCRETO (M³)
DESFORMA (M²)
107
Gráfico 4-6: Custo percentual – Laje Nervurada – 12 m² (armada em duas direções)
Gráfico 4-7: Custo percentual – Laje Treliçada – 12 m² (armada em duas direções)
48%
14%
21%
16%
1%
Custo percentual Total por material - Laje Nervurada
ESCORAS (M³)
FÔRMA (M²)
AÇO (KG)
CONCRETO (M³)
DESFORMA (M²)
53%
14%
19%
12%
2%
Custo percentual Total por material - Laje Treliçada
ESCORAS (M³)
FÔRMA (M²)
AÇO (KG)
CONCRETO (M³)
DESFORMA (M²)
108
Gráfico 4-8: Comparativo de Custos entre os modelos estruturais adotados – Caso 12m²
(armadas em duas direções)
OP 1 – MACIÇA / OP 2 – NERVURADA / OP 3 - TRELIÇADA
4.3. PARA LAJES DE 25 M², ARMADAS EM UMA DIREÇÃO
Figura 4-3: Laje de até 25 m² - Armada em uma direção
Fonte: LIMA & MORAIS, Afonso Corrêa & Carlos Vinicius. Análise Comparativa entre os tipos de lajes:
Convencional, Nervurada Treliçada com EPS e Nervurada com Fôrma Plástica. Belém-PA. 2002.
R$ 155,00
R$ 160,00
R$ 165,00
R$ 170,00
R$ 175,00
R$ 180,00
R$ 185,00
OP 1 OP 2 OP 3
R$ 164,02
R$ 180,47
R$ 174,57
Custo por m²
109
Tabela 4-7: Planilha Orçamentária - Laje Convencional, 25 m² (uma direção)
PLANILHA ORÇAMENTÁRIA OP. 01
LAJE MACIÇA,
CONVENCIONAL
DATA
Nov/10
ITEM DESCRIÇÃO UNID. QUANT.
PREÇO
UNIT.
PREÇO
TOTAL
01. ESTRUTURA
01.01
ESCORAMENTO METÁLICO, para lajes de
edificação com pé direito entre 2,00 m e 3,20 m
M³ 70,35 R$ 30,55 R$ 2.149,14
01.02
CONFECÇÃO E INSTALAÇÃO DE FÔRMA,
de Madeira em Chapa Plastificada, e= 18 mm, (x
12 utilizações)
M² 23,45 R$ 8,76 R$ 205,34
01.03
CONFECÇÃO E INSTALAÇÃO DE
ARMADURA, Aço CA 50 / 60
Kg 71,69 R$ 13,77 R$ 986,96
01.04
CONCRETO CONVENCIONAL, fck > 25
MPa - Preparo, Transporte, Lançamento,
Adensamento e Cura.
M³ 2,35 R$ 372,82 R$ 876,13
01.05 DESFORMA M² 23,45 R$ 2,55 R$ 59,83
CUSTO TOTAL R$ 4.277,39
CUSTO POR M² R$ 182,40
Tabela 4-8: Planilha Orçamentária - Laje Nervurada, 25 m² (uma direção)
PLANILHA ORÇAMENTÁRIA OP. 02
LAJE NERVURADA, COM
FÔRMAS DE
POLIPROPILENO
DATA
Nov/10
ITEM DESCRIÇÃO UNID. QUANT.
PREÇO
UNIT.
PREÇO
TOTAL
01. ESTRUTURA
01.01
ESCORAMENTO METÁLICO, para lajes de
edificação com pé direito entre 2,00 m e 3,20 m
M³ 70,35 R$ 30,55 R$ 2.149,14
01.02
CONFECÇÃO E INSTALAÇÃO DE FÔRMA,
de Madeira em Chapa Plastificada, e= 18 mm, (x
12 utilizações), com Cubetas em Polipropileno
M² 23,45 R$ 26,57 R$ 623,05
01.03
CONFECÇÃO E INSTALAÇÃO DE
ARMADURA, Aço CA 50 / 60
Kg 68,6 R$ 13,77 R$ 944,42
01.04
CONCRETO CONVENCIONAL, fck > 25
MPa - Preparo, Transporte, Lançamento,
Adensamento e Cura.
M³ 1,67 R$ 372,82 R$ 622,61
01.05 DESFORMA M² 23,45 R$ 2,55 R$ 59,83
CUSTO TOTAL R$ 4.399,05
CUSTO POR M² R$ 187,59
110
Tabela 4-9: Planilha Orçamentária - Laje Treliçada e Blocos de EPS, 25 m² (uma
direção)
PLANILHA ORÇAMENTÁRIA OP. 03
LAJE NERVURADA
TRELIÇADA, E BLOCOS
DE EPS
DATA
Nov/10
ITEM DESCRIÇÃO UNID. QUANT.
PREÇO
UNIT.
PREÇO
TOTAL
01. ESTRUTURA
01.01
ESCORAMENTO METÁLICO, para lajes de
edificação com pé direito entre 2,00 m e 3,20 m
M³ 70,35 R$ 30,55 R$ 2.149,14
01.02
CONFECÇÃO E INSTALAÇÃO DE FÔRMA,
de Madeira em Chapa Plastificada, e= 18 mm, (x
12 utilizações), complementadas com Blocos de
EPS
M² 23,45 R$ 24,71 R$ 579,41
01.03
CONFECÇÃO E INSTALAÇÃO DE
ARMADURA e TRELIÇAS, Aço CA 50 / 60
Kg 41,17 R$ 19,11 R$ 786,90
01.04
CONCRETO CONVENCIONAL, fck > 25
MPa - Preparo, Transporte, Lançamento,
Adensamento e Cura.
M³ 1,36 R$ 372,82 R$ 507,04
01.05 DESFORMA M² 23,45 R$ 2,55 R$ 59,83
CUSTO TOTAL R$ 4.082,31
CUSTO POR M² R$ 174,09
Gráfico 4-9: Custo percentual – Laje Maciça – 25 m² (armada em uma direção)
44%
4%
31%
20%
1%
Custo percentual Total por material - Laje Maciça
ESCORAS (M³)
FÔRMA (M²)
AÇO (KG)
CONCRETO (M³)
DESFORMA (M²)
111
Gráfico 4-10: Custo percentual – Laje Nervurada – 25 m² (armada em uma direção)
Gráfico 4-11: Custo percentual - Laje Treliçada – 25 m² (armada em uma direção)
48%
14%
21%
16%
1%
Custo percentual Total por material - Laje Nervurada
ESCORAS (M³)
FÔRMA (M²)
AÇO (KG)
CONCRETO (M³)
DESFORMA (M²)
53%
14%
19%
12%
2%
Custo percentual Total por material - Laje Treliçada
ESCORAS (M³)
FÔRMA (M²)
AÇO (KG)
CONCRETO (M³)
DESFORMA (M²)
112
Gráfico 4-12: Comparativo de Custos entre os modelos estruturais adotados – Caso
25m² (armada em uma direção)
OP 1 – MACIÇA / OP 2 – NERVURADA / OP 3 - TRELIÇADA
4.4. PARA LAJES DE ATÉ 25 M², ARMADAS EM DUAS DIREÇÕES
Figura 4-4: Laje de até 25 m² - Armada em duas direções
Fonte: LIMA & MORAIS, Afonso Corrêa & Carlos Vinicius. Análise Comparativa entre os tipos de lajes:
Convencional, Nervurada Treliçada com EPS e Nervurada com Fôrma Plástica. Belém-PA. 2002.
R$ 165,00
R$ 170,00
R$ 175,00
R$ 180,00
R$ 185,00
R$ 190,00
OP 1 OP 2 OP 3
R$ 182,40
R$ 187,59
R$ 174,09
Custo por m²
113
Tabela 4-10: Planilha Orçamentária - Laje Convencional, 25 m² (duas direções)
PLANILHA ORÇAMENTÁRIA OP. 01
LAJE MACIÇA,
CONVENCIONAL
DATA
Nov/10
ITEM DESCRIÇÃO UNID. QUANT.
PREÇO
UNIT.
PREÇO
TOTAL
01. ESTRUTURA
01.01
ESCORAMENTO METÁLICO, para lajes de
edificação com pé direito entre 2,00 m e 3,20 m
M³ 70,59 R$ 30,55 R$ 2.156,47
01.02
CONFECÇÃO E INSTALAÇÃO DE FÔRMA,
de Madeira em Chapa Plastificada, e= 18 mm, (x
12 utilizações)
M² 23,53 R$ 8,76 R$ 206,04
01.03
CONFECÇÃO E INSTALAÇÃO DE
ARMADURA, Aço CA 50 / 60
Kg 73,56 R$ 13,77 R$ 1.012,70
01.04
CONCRETO CONVENCIONAL, fck > 25
MPa - Preparo, Transporte, Lançamento,
Adensamento e Cura.
M³ 2,36 R$ 372,82 R$ 879,86
01.05 DESFORMA M² 23,53 R$ 2,55 R$ 60,03
CUSTO TOTAL R$ 4.315,10
CUSTO POR M² R$ 183,39
Tabela 4-11: Planilha Orçamentária - Laje Nervurada, 25 m² (duas direções)
PLANILHA ORÇAMENTÁRIA OP. 02
LAJE NERVURADA, COM
FÔRMAS DE
POLIPROPILENO
DATA
Nov/10
ITEM DESCRIÇÃO UNID. QUANT.
PREÇO
UNIT.
PREÇO
TOTAL
01. ESTRUTURA
01.01
ESCORAMENTO METÁLICO, para lajes de
edificação com pé direito entre 2,00 m e 3,20 m
M³ 70,59 R$ 30,55 R$ 2.156,47
01.02
CONFECÇÃO E INSTALAÇÃO DE FÔRMA,
de Madeira em Chapa Plastificada, e= 18 mm, (x
12 utilizações), com Cubetas em Polipropileno
M² 23,53 R$ 26,57 R$ 625,17
01.03
CONFECÇÃO E INSTALAÇÃO DE
ARMADURA, Aço CA 50 / 60
Kg 83,94 R$ 13,77 R$ 1.155,60
01.04
CONCRETO CONVENCIONAL, fck > 25
MPa - Preparo, Transporte, Lançamento,
Adensamento e Cura.
M³ 1,67 R$ 372,82 R$ 622,61
01.05 DESFORMA M² 23,53 R$ 2,55 R$ 60,03
CUSTO TOTAL R$ 4.619,90
CUSTO POR M² R$ 196,34
114
Tabela 4-12: Planilha Orçamentária - Laje Treliçada e Blocos de EPS, 25 m² (duas
direções)
PLANILHA ORÇAMENTÁRIA OP. 03
LAJE NERVURADA
TRELIÇADA, E BLOCOS
DE EPS
DATA
Nov/10
ITEM DESCRIÇÃO UNID. QUANT.
PREÇO
UNIT.
PREÇO
TOTAL
01. ESTRUTURA
01.01
ESCORAMENTO METÁLICO, para lajes de
edificação com pé direito entre 2,00 m e 3,20 m
M³ 70,59 R$ 30,55 R$ 2.156,47
01.02
CONFECÇÃO E INSTALAÇÃO DE FÔRMA,
de Madeira em Chapa Plastificada, e= 18 mm, (x
12 utilizações), complementadas com Blocos de
EPS
M² 23,53 R$ 24,71 R$ 581,38
01.03
CONFECÇÃO E INSTALAÇÃO DE
ARMADURA e TRELIÇAS, Aço CA 50 / 60
Kg 86,50 R$ 19,11 R$ 1.653,31
01.04
CONCRETO CONVENCIONAL, fck > 25
MPa - Preparo, Transporte, Lançamento,
Adensamento e Cura.
M³ 1,74 R$ 372,82 R$ 648,71
01.05 DESFORMA M² 23,53 R$ 2,55 R$ 60,03
CUSTO TOTAL R$ 5.099,91
CUSTO POR M² R$ 216,74
Gráfico 4-13: Custo percentual – Laje Maciça – 25 m² (armada em duas direções)
44%
4%
31%
20%
1%
Custo percentual Total por material - Laje Maciça
ESCORAS (M³)
FÔRMA (M²)
AÇO (KG)
CONCRETO (M³)
DESFORMA (M²)
115
Gráfico 4-14: Custo percentual – Laje Nervurada – 25 m² (armada em duas direções)
Gráfico 4-15: Custo percentual - Laje Treliçada – 25 m² (armada em duas direções)
48%
14%
21%
16%
1%
Custo percentual Total por material - Laje Nervurada
ESCORAS (M³)
FÔRMA (M²)
AÇO (KG)
CONCRETO (M³)
DESFORMA (M²)
42%
11%
33%
13%
1%
Custo percentual Total por material - Laje Treliçada
ESCORAS (M³)
FÔRMA (M²)
AÇO (KG)
CONCRETO (M³)
DESFORMA (M²)
116
Gráfico 4-16: Comparativo de Custos entre os modelos estruturais adotados – Caso
25m² (armada em duas direções)
OP 1 – MACIÇA / OP 2 – NERVURADA / OP 3 - TRELIÇADA
4.5. PARA LAJES DE 50 M², ARMADAS EM UMA DIREÇÃO
Figura 4-5: Laje de até 50 m² - Armada em uma direção
Fonte: LIMA & MORAIS, Afonso Corrêa & Carlos Vinicius. Análise Comparativa entre os tipos de lajes:
Convencional, Nervurada Treliçada com EPS e Nervurada com Fôrma Plástica. Belém-PA. 2002.
R$ 160,00
R$ 170,00
R$ 180,00
R$ 190,00
R$ 200,00
R$ 210,00
R$ 220,00
OP 1 OP 2 OP 3
R$ 183,39
R$ 196,34
R$ 216,74
Custo por m²
117
Tabela 4-13: Planilha Orçamentária - Laje Convencional, 50 m² (uma direção)
PLANILHA ORÇAMENTÁRIA OP. 01
LAJE MACIÇA,
CONVENCIONAL
DATA
Nov/10
ITEM DESCRIÇÃO UNID. QUANT.
PREÇO
UNIT.
PREÇO
TOTAL
01. ESTRUTURA
01.01
ESCORAMENTO METÁLICO, para lajes de
edificação com pé direito entre 2,00 m e 3,20 m
M³ 142,65 R$ 30,55 R$ 4.357,86
01.02
CONFECÇÃO E INSTALAÇÃO DE FÔRMA,
de Madeira em Chapa Plastificada, e= 18 mm, (x
12 utilizações)
M² 47,55 R$ 8,76 R$ 416,36
01.03
CONFECÇÃO E INSTALAÇÃO DE
ARMADURA, Aço CA 50 / 60
Kg 217,19 R$ 13,77 R$ 2.990,05
01.04
CONCRETO CONVENCIONAL, fck > 25
MPa - Preparo, Transporte, Lançamento,
Adensamento e Cura.
M³ 5,24 R$ 372,82 R$ 1.953,59
01.05 DESFORMA M² 47,55 R$ 2,55 R$ 121,32
CUSTO TOTAL R$ 9.839,18
CUSTO POR M² R$ 206,92
Tabela 4-14: Planilha Orçamentária - Laje Nervurada, 50 m² (uma direção)
PLANILHA ORÇAMENTÁRIA OP. 02
LAJE NERVURADA, COM
FÔRMAS DE
POLIPROPILENO
DATA
Nov/10
ITEM DESCRIÇÃO UNID. QUANT.
PREÇO
UNIT.
PREÇO
TOTAL
01. ESTRUTURA
01.01
ESCORAMENTO METÁLICO, para lajes de
edificação com pé direito entre 2,00 m e 3,20 m
M³ 142,68 R$ 30,55 R$ 4.358,77
01.02
CONFECÇÃO E INSTALAÇÃO DE FÔRMA,
de Madeira em Chapa Plastificada, e= 18 mm, (x
12 utilizações), com Cubetas em Polipropileno
M² 47,56 R$ 26,57 R$ 1.263,63
01.03
CONFECÇÃO E INSTALAÇÃO DE
ARMADURA, Aço CA 50 / 60
Kg 138,56 R$ 13,77 R$ 1.907,55
01.04
CONCRETO CONVENCIONAL, fck > 25
MPa - Preparo, Transporte, Lançamento,
Adensamento e Cura.
M³ 3,95 R$ 372,82 R$ 1.472,65
01.05 DESFORMA M² 47,56 R$ 2,55 R$ 121,34
CUSTO TOTAL R$ 9.123,95
CUSTO POR M² R$ 191,84
118
Tabela 4-15: Planilha Orçamentária - Laje Treliçada e Blocos de EPS, 50 m² (uma
direção)
PLANILHA ORÇAMENTÁRIA OP. 03
LAJE NERVURADA
TRELIÇADA, E BLOCOS
DE EPS
DATA
Nov/10
ITEM DESCRIÇÃO UNID. QUANT.
PREÇO
UNIT.
PREÇO
TOTAL
01. ESTRUTURA
01.01
ESCORAMENTO METÁLICO, para lajes de
edificação com pé direito entre 2,00 m e 3,20 m
M³ 142,65 R$ 30,55 R$ 4.357,86
01.02
CONFECÇÃO E INSTALAÇÃO DE FÔRMA,
de Madeira em Chapa Plastificada, e= 18 mm, (x
12 utilizações), complementadas com Blocos de
EPS
M² 47,55 R$ 24,71 R$ 1.174,87
01.03
CONFECÇÃO E INSTALAÇÃO DE
ARMADURA e TRELIÇAS, Aço CA 50 / 60
Kg 95,17 R$ 19,11 R$ 1.819,02
01.04
CONCRETO CONVENCIONAL, fck > 25
MPa - Preparo, Transporte, Lançamento,
Adensamento e Cura.
M³ 3,04 R$ 372,82 R$ 1.133,38
01.05 DESFORMA M² 47,55 R$ 2,55 R$ 121,32
CUSTO TOTAL R$ 8.606,45
CUSTO POR M² R$ 181,00
Gráfico 4-17: Custo percentual – Laje Maciça – 50 m² (armada em uma direção)
44%
4%
31%
20%
1%
Custo percentual Total por material - Laje Maciça
ESCORAS (M³)
FÔRMA (M²)
AÇO (KG)
CONCRETO (M³)
DESFORMA (M²)
119
Gráfico 4-18: Custo percentual – Laje Nervurada – 50 m² (armada em uma direção)
Gráfico 4-19: Custo percentual - Laje Treliçada – 50 m² (armada em uma direção)
48%
14%
21%
16%
1%
Custo percentual Total por material - Laje Nervurada
ESCORAS (M³)
FÔRMA (M²)
AÇO (KG)
CONCRETO (M³)
DESFORMA (M²)
51%
14%
21%
13%
1%
Custo percentual Total por material - Laje Treliçada
ESCORAS (M³)
FÔRMA (M²)
AÇO (KG)
CONCRETO (M³)
DESFORMA (M²)
120
Gráfico 4-20: Comparativo de Custos entre os modelos estruturais adotados – Caso
50m² (armada em uma direção)
OP 1 – MACIÇA / OP 2 – NERVURADA / OP 3 - TRELIÇADA
4.6. PARA LAJES DE ATÉ 50 M², ARMADAS EM DUAS DIREÇÕES
Figura 4-6: Laje de até 50 m² - Armada em duas direções
Fonte: LIMA & MORAIS, Afonso Corrêa & Carlos Vinicius. Análise Comparativa entre os tipos de lajes:
Convencional, Nervurada Treliçada com EPS e Nervurada com Fôrma Plástica. Belém-PA. 2002.
R$ 165,00
R$ 170,00
R$ 175,00
R$ 180,00
R$ 185,00
R$ 190,00
R$ 195,00
R$ 200,00
R$ 205,00
R$ 210,00
OP 1 OP 2 OP 3
R$ 206,92
R$ 191,84
R$ 181,00
Custo por m²
121
Tabela 4-16: Planilha Orçamentária - Laje Convencional, 50 m² (duas direções)
PLANILHA ORÇAMENTÁRIA OP. 01
LAJE MACIÇA,
CONVENCIONAL
DATA
Nov/10
ITEM DESCRIÇÃO UNID. QUANT.
PREÇO
UNIT.
PREÇO
TOTAL
01. ESTRUTURA
01.01
ESCORAMENTO METÁLICO, para lajes de
edificação com pé direito entre 2,00 m e 3,20 m
M³ 143,67 R$ 30,55 R$ 4.389,02
01.02
CONFECÇÃO E INSTALAÇÃO DE FÔRMA,
de Madeira em Chapa Plastificada, e= 18 mm, (x
12 utilizações)
M² 47,89 R$ 8,76 R$ 419,34
01.03
CONFECÇÃO E INSTALAÇÃO DE
ARMADURA, Aço CA 50 / 60
Kg 305,12 R$ 13,77 R$ 4.200,59
01.04
CONCRETO CONVENCIONAL, fck > 25
MPa - Preparo, Transporte, Lançamento,
Adensamento e Cura.
M³ 5,27 R$ 372,82 R$ 1.964,77
01.05 DESFORMA M² 47,89 R$ 2,55 R$ 122,18
CUSTO TOTAL R$ 11.095,90
CUSTO POR M² R$ 231,70
Tabela 4-17: Planilha Orçamentária - Laje Nervurada, 50 m² (duas direções)
PLANILHA ORÇAMENTÁRIA OP. 02
LAJE NERVURADA, COM
FÔRMAS DE
POLIPROPILENO
DATA
Nov/10
ITEM DESCRIÇÃO UNID. QUANT.
PREÇO
UNIT.
PREÇO
TOTAL
01. ESTRUTURA
01.01
ESCORAMENTO METÁLICO, para lajes de
edificação com pé direito entre 2,00 m e 3,20 m
M³ 143,67 R$ 30,55 R$ 4.389,02
01.02
CONFECÇÃO E INSTALAÇÃO DE FÔRMA,
de Madeira em Chapa Plastificada, e= 18 mm, (x
12 utilizações), com Cubetas em Polipropileno
M² 47,89 R$ 26,57 R$ 1.272,40
01.03
CONFECÇÃO E INSTALAÇÃO DE
ARMADURA, Aço CA 50 / 60
Kg 213,31 R$ 13,77 R$ 2.936,64
01.04
CONCRETO CONVENCIONAL, fck > 25
MPa - Preparo, Transporte, Lançamento,
Adensamento e Cura.
M³ 3,98 R$ 372,82 R$ 1.483,83
01.05 DESFORMA M² 47,89 R$ 2,55 R$ 122,18
CUSTO TOTAL R$ 10.204,07
CUSTO POR M² R$ 213,07
122
Tabela 4-18: Planilha Orçamentária - Laje Treliçada e Blocos de EPS, 50 m² (duas
direções)
PLANILHA ORÇAMENTÁRIA OP. 03
LAJE NERVURADA
TRELIÇADA, E BLOCOS DE
EPS
DATA
Nov/10
ITEM DESCRIÇÃO UNID. QUANT. PREÇO UNIT.
PREÇO
TOTAL
01. ESTRUTURA
01.01
ESCORAMENTO METÁLICO, para lajes de
edificação com pé direito entre 2,00 m e 3,20 m
M³ 143,67 R$ 30,55 R$ 4.389,02
01.02
CONFECÇÃO E INSTALAÇÃO DE
FÔRMA, de Madeira em Chapa Plastificada, e=
18 mm, (x 12 utilizações), complementadas
com Blocos de EPS
M² 47,89 R$ 24,71 R$ 1.183,27
01.03
CONFECÇÃO E INSTALAÇÃO DE
ARMADURA e TRELIÇAS, Aço CA 50 / 60
Kg 239,84 R$ 19,11 R$ 4.584,16
01.04
CONCRETO CONVENCIONAL, fck > 25
MPa - Preparo, Transporte, Lançamento,
Adensamento e Cura.
M³ 4,07 R$ 372,82 R$ 1.517,39
01.05 DESFORMA M² 47,89 R$ 2,55 R$ 122,18
CUSTO TOTAL R$ 11.796,02
CUSTO POR M² R$ 246,31
Gráfico 4-21: Custo percentual – Laje Maciça – 50 m² (armada em duas direções)
39%
4%
38%
18%
1%
Custo percentual Total por material - Laje Maciça
ESCORAS (M³)
FÔRMA (M²)
AÇO (KG)
CONCRETO (M³)
DESFORMA (M²)
123
Gráfico 4-22: Custo percentual – Laje Nervurada – 50 m² (armada em duas direções)
Gráfico 4-23: Custo percentual - Laje Treliçada – 50 m² (armada em duas direções)
43%
12%
29%
15%
1%
Custo percentual Total por material - Laje Nervurada
ESCORAS (M³)
FÔRMA (M²)
AÇO (KG)
CONCRETO (M³)
DESFORMA (M²)
37%
10%
39%
13%
1%
Custo percentual Total por material - Laje Treliçada
ESCORAS (M³)
FÔRMA (M²)
AÇO (KG)
CONCRETO (M³)
DESFORMA (M²)
124
Gráfico 4-24: Comparativo de Custos entre os modelos estruturais adotados – Caso
50m² (armada em duas direções)
OP 1 – MACIÇA / OP 2 – NERVURADA / OP 3 - TRELIÇADA
4.7. COMPARATIVO FINAL DO CUSTO (R$)
4.7.1. Análise de Custos para as Lajes
Tabela 4-19: Lajes de até 12m²
QUANT. DIR ÁREA OP 1 - MACIÇA OP 2 - NERVURADA OP 3 - TRELIÇADA
1 DE 12 M² R$ 168,16 R$ 180,13 R$ 164,54
2 ATÉ 12 M² R$ 164,02 R$ 180,47 R$ 174,37
MENOR CUSTO EXECUTIVO
DE 12 M² R$ 164,54 OP 3 - TRELIÇADA ARM. 01 DIREÇÃO
ATÉ 12 M² R$ 164,02 OP 1 - MACIÇA ARM. 02 DIREÇÕES
MELHOR OPÇÃO R$ 164,02 OP 1 - MACIÇA ARM. 02 DIREÇÕES
R$ 195,00
R$ 200,00
R$ 205,00
R$ 210,00
R$ 215,00
R$ 220,00
R$ 225,00
R$ 230,00
R$ 235,00
R$ 240,00
R$ 245,00
R$ 250,00
OP 1 OP 2 OP 3
R$ 231,72
R$ 213,07
R$ 246,31
Custo por m²
125
Tabela 4-20: Lajes de até 25 m²
QUANT. DIR ÁREA OP 1 - MACIÇA OP 2 - NERVURADA OP 3 - TRELIÇADA
1 DE 25 M² R$ 182,40 R$ 187,59 R$ 174,09
2 ATÉ 25 M² R$ 183,39 R$ 196,34 R$ 216,74
MENOR CUSTO EXECUTIVO
DE 25 M² R$ 174,09 OP 3 - TRELIÇADA ARM. 01 DIREÇÃO
ATÉ 25 M² R$ 183,39 OP 1 - MACIÇA ARM. 02 DIREÇÕES
MELHOR OPÇÃO R$ 174,09 OP 3 - TRELIÇADA ARM. 01 DIREÇÃO
Tabela 4-21: Lajes de até 50 m²
QUANT. DIR ÁREA OP 1 - MACIÇA OP 2 - NERVURADA OP 3 - TRELIÇADA
1 DE 50 M² R$ 206,92 R$ 191,84 R$ 181,00
2 ATÉ 50 M² R$ 231,70 R$ 213,07 R$ 246,31
MENOR CUSTO EXECUTIVO
DE 50 M² R$ 181,00 OP 3 - TRELIÇADA ARM. 01 DIREÇÃO
ATÉ 50 M² R$ 213,07 OP 2 - NERVURADA ARM. 02 DIREÇÕES
MELHOR OPÇÃO R$ 181,00 OP 3 - TRELIÇADA ARM. 01 DIREÇÃO
Gráfico 4-25: Custos Médios
R$ 189,43
R$ 191,57
R$ 192,84
OP 1 - MACIÇA OP 2 - NERVURADA OP 3 - TRELIÇADA
ANÁLISE DOS CUSTOS MÉDIOS POR M²
126
5. CONSIDERAÇÕES FINAIS
Este trabalho teve como objetivo realizar análises comparativas de custos entre as lajes
maciças e vários tipos de lajes nervuradas, e criar uma simples tabela que possuísse a relação
dentre as Soluções Estruturais de Lajes apresentadas à correta relação para que se pudesse
estabelecer solução mais adequada para lajes definidas pela área a ser executada em metros
quadrados.
Para cada finalidade de edificações projetada há um grau de exigência da
funcionalidade, dimensões mínimas e ações a serem atendidas. Partindo-se do pressuposto
que em cada escolha o sistema estrutural deverá ser projetado obedecendo às disposições
normativas, deve ser feita considerando-se aspectos econômicos, de funcionamento, de
execução, e os relacionados à interação com os demais subsistemas construtivos do edifício.
Por isso, este trabalho não teve como intenção generalizar os resultados aqui
apresentados. No entanto, acredita-se na criação de dados consistentes que fornecerão
parâmetros para os profissionais da construção civil, facilitando a tomada de decisões pelo
sistema estrutural a ser empregado.
Após constatar que os custos de um sistema estrutural são quantificados levando-se em
consideração critérios como: Consumo de Materiais, Mão de obra, Tempo de Execução, entre
outros. Percebe-se que tal escolha dependeria de muitas variáveis; algumas destas fogem da
competência do engenheiro de estruturas, inclusive. Há ainda o aspecto em que o projeto de
arquitetura pode inviabilizar um determinado sistema estrutural, devido a suas
particularidades e imposições. Desse modo não apenas a escolha do sistema estrutural, mas
também a forma definida do processo construtivo a ser utilizado, e as interações com os
demais subsistemas construtivos do edifício.
Mediante ao exposto nos capítulos 3 e 4.
A estrutura convencional com lajes maciças apresentou o menor custo médio, e a
grande quantidade de vigas dificulta a execução e prejudica a arquitetura. O uso desse sistema
estrutural deve ser restringido a casos específicos. No entanto, este sistema pode ser viável
para lajes com áreas até 25 m² se estas estiverem armadas nas duas direções.
A estrutura com lajes nervuradas com fôrmas de polipropileno apresentou-se como
possivelmente a melhor opção para lajes armadas em duas direções para áreas de 50 m² em
diante, apesar de seu custo médio não ser o melhor por m², observa-se que este sistema de
torna muito viável em função da ausência de vigas e diminuição do numero de pilares em
127
comparação ao outros sistemas este apresentou sempre uma redução de custos com o aumento
das áreas o que justificaria esta opção para edifício de médio e grande porte.
O sistema de lajes Nervuradas treliçadas se mostra como a melhor opção para vãos
onde as lajes podem ser armadas em uma única direção, viabilizando esta opção que se
mostrou como vantajosa, conforme o explicitado em 4.7.
Apesar de que a hipótese deste trabalho “É possível criar uma tabela que estabeleça a
solução estrutural mais adequada para lajes a serem empregadas, definidas pela área a ser
executada em metros quadrados”. não ter sido elaborada, os dados nos levam a definir que
tal tabela não poderá ser montada uma vez que os índices de custos com material e mão de
obra estar em constate mudança. E neste trabalho podemos ressaltar que a escolha de um
sistema estrutural depende de um grande número de variáveis, algumas delas não
contempladas.
Por isso, sugere-se o estudo destes sistemas com a visão voltada para a análise mais
aprofundada e efeitos sobre outros elementos estruturais tais quais:
Vigas ou sua ausência destas;
Pilares;
Fundações;
E a inclusão de novas tecnologias.
128
REFERÊNCIAS BIBLIOGRÁFICAS
ASSOCIAÇÃO BRASILEIRA DE NORMAS TÉCNICAS. NBR 6118 − Projetos de
estrutura de concreto armado. Rio de Janeiro, 2003. 221p.
______. NBR 14931 – Execução de estruturas de concreto - Procedimento. Rio de
Janeiro, 2004. 58p.
______. NBR 6120 – Cargas para o cálculo de estruturas de Edificações. Rio de
Janeiro, 1980. 6p.
______. NBR 6123 − Forças devidas ao vento em edificações. Rio de Janeiro, 1988.
66p.
______. NBR 7480 – Barras e fios de aço destinados a armaduras para concreto
armado. Rio de Janeiro, 1996. 7p.
______. NBR 12721 – Avaliação de Custos Unitários para Incorporação de
Edifícios – Procedimento. Rio de Janeiro, 1999. 63p.
o Revisão da NBR12721/1999 – Avaliação de Custos Unitários para
Incorporação de Edifícios – Procedimento. Rio de Janeiro, 2003. 98p.
ALBUQUERQUE, A.T.; PINHEIRO L.M. (2002). Viabilidade econômica de
alternativas de estruturas de concreto armado para edifícios. São Carlos.
ARAÚJO, Luis Otávio Cocito. Tecnologia de Produção de Edificações em
Concreto Armado. São Paulo, 2004. Universidade Federal de São Carlos,
Departamento de Engenharia Civil.
ATEX Brasil. Encarte técnico. Lagoa Santa (MG), 2009.
BORGES, J. U. A. Critérios de projeto de lajes nervuradas com vigotas pré-
fabricadas. São Paulo. Dissertação (Mestrado) - POLI – USP, 1997.
BOROWSKI, G. da C. Cálculo de deslocamentos em lajes nervuradas. Dissertação
(Mestrado em Engenharia Civil) – Universidade Federal de Santa Maria. Santa Maria,
2005.
CASSIMINHO, A. L. F. Modelização dos convexos representativos das fases de
plasticidade em vigas de concreto armado submetidas à flexão composta
desviada. Santa Maria: UFSM, 1999. 132p. Dissertação (Mestrado em Engenharia
Civil) – Universidade Federal de Santa Maria, 1999.
129
CLIMACO, João Carlos de Teatini de Souza. Estruturas de Concreto Armado
Fundamentos de Projeto, Dimensionamento e verificação.
DANTAS, Allisson Almeida. Procedimentos de Execução de Serviço de Armadura
em Estruturas de Concreto Armado. Belém/PA, 2006. 136p. Trabalho de
Conclusão de curso (graduação em Engenharia Civil) - Universidade Federal do Pará,
2006.
Departamento de Engenharia de Estruturas e Fundações. PUC, SP. 2000.
DIAS, R. H. (2003). Análise numérica de pavimentos de edifícios em lajes
nervuradas. Dissertação (Mestrado em Engenharia) – Escola de Engenharia de São
Carlos, Universidade de São Paulo, São Carlos.
FAZ Fácil. Disponível em: < http://www.fazfacil.com.br/images/>. Acesso em: 22 de
Setembro de 2010.
FERREIRA, Prof. M. Sc. Márcio Murilo. Apresentação Sobre Concreto Protendido -
Introdução CAP. 01. Belém, 2010.
FERREIRA, Silvio Thadeu Leite. Procedimentos de Execução de Serviço de
Concretagem em Estruturas de Concreto Armado. Belém/PA, 2006. 120p.
Trabalho de Conclusão de curso (graduação em Engenharia Civil) - Universidade
Federal do Pará, 2006.
FIGUEIREDO F°, J. R.; CARVALHO, R. C.; FURLAN JR., S. Punção nas lajes sem
vigas: a proposta da revisão da norma brasileira e resultados experimentais. In:
Congresso Técnico-Científico de Engenharia Civil, 1996, Florianópolis. Anais. V. 5,
p. 830-839.
FRANCA, A. B. M.; FUSCO, P. B. As lajes nervuradas na moderna construção de
edifícios. São Paulo, AFALA & ABRAPEX, 1997.
FUSCO. P. B. Técnica de armar as estruturas de concreto. São Paulo: Pini, 382,
1995.
HANAI, J. B. Fundamentos do Concreto Protendido: Notas de Aulas para o
Curso de Engenharia Civil Escola de Engenharia de São Carlos / USP. São Carlos
SP. 1995.
130
ISHITANI & FRANÇA, Hideki & Ricardo. Concreto Protendido. USP, São Paulo,
2002.
KASPARY, Cerâmica. Disponível em:
<http://www.ceramicakaspary.com.br/portal/laje_protendida>. Acesso em: 14 de
Setembro de 2010.
LIBÂNIO M. P. & REZENDE J. A; Lajes Nervuradas. São Paulo, USP – EESC –
Departamento de Engenharia de Estruturas, 2003
LIMA, E. L.; BALAT, V. H.; BISSIO, J. F. Hormigón Armado: Notas sobre su
evolución y la de su teoría. Universidade de Zaragoza. Fev 2000.
LIMA & MORAIS, Afonso Corrêa & Carlos Vinicius. Análise Comparativa entre os
tipos de lajes: Convencional, Nervurada Treliçada com EPS e Nervurada com Fôrma
Plástica. Belém-PA. 2002.
MUNIZ, C. E. Mais competitivas: lajes treliçadas. Revista IBRACON, v.1, n.1, p.
19- 21, Jul-Ago. 1991.
PEREIRA, V. Manual de projeto de lajes pré-moldadas treliçadas. São Paulo.
Associação dos fabricantes de lajes de São Paulo, 2000.
PFEIL, W. Concreto Protendido, vol. 2. Rio de Janeiro RJ. Editora LCT, 1981.
PFEIL, Walter do Couto – Cimbramentos – LTC – Livros Técnicos e Científicos –
Rio de Janeiro; São Paulo, 1987.
Revista Téchne, edição março de 2003
RIOS, Daniel Ferreti. Procedimento de Projeto de Lajes Nervuradas de Concreto.
Santa Maria. 2008.
SALAME, Antônio Massoud. Pontes: Fundamentos e aspectos gerais,
superestrutura, mesoestrutura e infraestrutura. Universidade da Amazônia –
UNAMA. Belém, 2010.
131
SANTOS & CARVALHO, Alzir Espindola & Paulo Carlos. Análise Comparativa
entre os tipos de lajes: Nervuradas com Fôrma Plástica, Nervurada com vigas
Treliçadas e EPS e Nervura Protendida com fôrmas Plásticas. Belém-PA. 2003.
SILVA, Adcleides Araújo. Módulos Celulares Pré-fabricados de Concreto
Protendido para Construção de Lajes Nervuradas [Rio de Janeiro] 2003. XXVIII
166 p.29,7 cm (COPPE/UFRJ, M. Sc., Engenharia Civil, 2003). Tese – Universidade
Federal do Rio de Janeiro, COPPE.
SILVA, M.A.F. (2005). Projeto e construção de lajes nervuradas de concreto
armado. Dissertação (Mestrado em Construção Civil) – Universidade Federal de São
Carlos, São Carlos.
SOBRINHO, Cássio Fabrizzio de Souza. Análise Comparativa da Laje Treliçada
preenchida com bloco de EPS com a laje convencional. Belém/PA, 2002. 33p.
Trabalho de Conclusão de Curso (Graduação em Engenharia Civil) – Universidade da
Amazônia UNAMA, 2002.
SOUZA, V. C. M.; CUNHA, A. J. P. Lajes em concreto Armado e Protendido.
Niterói: EDUFF, 580p. 1998.
STRAMANDINOLI, J. S. B.; LORIGGIO, D. D. Lajes nervuradas: cálculo dos
esforços e deslocamentos usando o processo de analogia de grelha. In: SIMPÓSIO
EPUSP SOBRE ESTRUTURAS DE CONCRETO, 20 p.
TCPO: Tabelas de composições de preços para orçamentos – 13. ed. – São Paulo:
Pini, 2008. 630 p.
132
ANEXOS

Sistemas estruturais-lajes

  • 1.
    i CCET – CENTRODE CIÊNCIAS EXATAS E TECNOLÓGICAS DORIVAL JORGE LACERDA NOGUEIRA FÁBIO DOS SANTOS CASTRO SISTEMAS ESTRUTURAIS DE LAJES PARÂMETROS DE ESCOLHAS DA SOLUÇÃO ESTRUTURAL DE LAJES UNAMA / CCET Belém - PA 2010
  • 2.
    i DORIVAL JORGE LACERDANOGUEIRA FÁBIO DOS SANTOS CASTRO SISTEMAS ESTRUTURAIS DE LAJES PARÂMETROS DE ESCOLHAS DA SOLUÇÃO ESTRUTURAL DE LAJES UNAMA / CCET Belém - PA 2010 Trabalho de Conclusão de Curso, apresentado como exigência Parcial para a obtenção do Título de Bacharel em Engenharia Civil, submetido à Banca Examinadora da Universidade da Amazônia – UNAMA – e Centro de Ciências Exatas e Tecnológicas – CCET – elaborado sob a orientação do M. Sc. Professor orientador Antônio Massoud Salame.
  • 3.
    ii DORIVAL JORGE LACERDANOGUEIRA FÁBIO DOS SANTOS CASTRO SISTEMAS ESTRUTURAIS DE LAJES PARÂMETROS DE ESCOLHAS DA SOLUÇÃO ESTRUTURAL DE LAJES Trabalho de Conclusão de Curso, apresentado ao Curso de Engenharia Civil do Centro de Ciências Exatas e Tecnológicas – CCET – Universidade da Amazônia – UNAMA – como requisito para obtenção do Título de Engenheiro Civil. BANCA EXAMINADORA ______________________________________ Prof. M. Sc. Antonio Massoud Salame Orientador – CCET - UNAMA ______________________________________ Prof. Dr. Selênio Feio da Silva Coordenador do Curso de Engenharia Civil – CCET - UNAMA _______________________________________ Prof. M. Sc. Evaristo Clementino Rezende dos Santos Junior Professor – CCET - UNAMA Apresentado em: _____ / _____ /_____ Conceito: ________________________ Belém - PA 2010
  • 4.
    iii DEDICATÓRIA Dedicamos aos nossospais, família e amigos que sempre nos incentivaram até chegar a este momento em nossas vidas. Por mais árdua que tenha sido esta batalha, obrigado por sempre nos apoiarem.
  • 5.
    iv AGRADECIMENTOS Agradecemos primeiramente aDeus por ter nos concedido suas bênçãos, em todos os momentos de nossa vida mesmo nas maiores atribulações quando não enxergávamos o caminho. “Lâmpada para os meus pés é a tua palavra e Luz para os meus caminhos” (Salmo 109 – 105). Aos nossos pais por nos mostrarem diariamente seus exemplos humildade, força de vontade, amor, dedicação e persistência, transmitindo conhecimentos e responsabilidades para enfim alcançar a maturidade para este momento e nos preparar para uma vida digna e ética contribuindo para nossa formação moral, profissional e espiritual. Os agradecemos pela vida. Obrigado! Nós os amamos onde estiverem. A nossas famílias, pelo companheirismo, carinho, apoio e amizade, a nós transmitidos nesta jornada e em tantas outras. _Dorival: Aos meus pais por me ensinarem diariamente seus exemplos de força de vontade, dedicação e persistência, re-transmitindo conhecimento e contribuindo para minha formação pessoal, espiritual e acadêmica. Em resumo agradeço a eles por tudo que sou. Obrigado! _Fábio: Em especial a minha Esposa Alda e minha filha Emily que entraram em minha vida no momento exato quando mais precisei deste amor que me impulsionou e por diversas vezes não me deixou desistir. A todos nossos professores que contribuíram para nossa formação profissional, em especial a nosso Professor/orientador M. Sc. Antônio Massoud Salame, pelas incansáveis horas de dedicação a nós oferecidos. A todos os nossos amigos e colegas de faculdade, e em especial aos nossos grandes companheiros de estudo Adeilson Miranda, Adriana Monteiro, André Teixeira Rosa, Dílson Jacob, Elton Lima, Fábio Moreira, Henrique Silva, Wellem Bandeira, Otávio Modesto e Sandro Tavares. As Empresas e aos Profissionais da GAFISA S/A, INPAR S/A, MARROQUIM ENGENHARIA LTDA., CDP – Companhia Docas do Pará, ADECON ENGENHARIA & CONSTRUÇÕES LTDA., e a NORTE CONSTRUÇÕES CIVIS LTDA., pela atenção e experiências que nos proporcionaram que foi de fundamental importância para o desenvolvimento deste.
  • 6.
    v Eis que estoupara edificar uma casa ao nome do SENHOR meu Deus, para lhe consagrar, para queimar perante ele incenso aromático, e para a apresentação contínua do pão da proposição, para os holocaustos da manhã e da tarde, nos sábados e nas luas novas, e nas festividades do SENHOR nosso Deus; o que é obrigação perpétua de Israel. E a casa que estou para edificar há de ser grande; porque o nosso Deus é maior do que todos os deuses. Porém, quem seria capaz de lhe edificar uma casa, visto que os céus e até os céus dos céus o não podem conter? E quem sou eu, que lhe edificasse casa, salvo para queimar incenso perante ele? Manda-me, pois, agora um homem hábil para trabalhar em ouro, em prata, em bronze, em ferro, em púrpura, em carmesim e em azul; e que saiba lavrar ao buril, juntamente com os peritos que estão comigo em Judá e em Jerusalém, os quais Davi, meu pai, preparou. Manda-me também madeiras de cedro, de cipreste, e algumins do Líbano; porque bem sei eu que os teus servos sabem cortar madeira no Líbano; e eis que os meus servos estarão com os teus servos. E isso para prepararem muita madeira; porque a casa que estou para fazer há de ser grande e maravilhosa. 2 CRONICAS 2 – 4:9
  • 7.
    vi RESUMO Os custos deum sistema estrutural são quantificados levando-se em conta critérios, como: o Insumo de materiais, mão de obra e tempo de execução. Sendo que para se obter uma avaliação mais completa dos valores totais de uma obra, é preciso considerar as peculiaridades de cada sistema, bem como suas implicações no processo construtivo global. No entanto, para cada finalidade de edificações há um grau de exigência da funcionalidade, dimensões mínimas e ações a serem atendidas a ser projetado obedecendo às disposições normativas, que deve ser feita considerando-se aspectos econômicos, de funcionamento, de execução, e os relacionados à interação com os demais subsistemas construtivos do edifício. Devendo-se, portanto, analisar com atenção as situações que possam interferir e até mesmo inviabilizar a utilização de um sistema estrutural por questões que vão desde o Método Executivo e à utilização de mão-de-obra, ou ainda, nos casos em que os recursos financeiros são limitados ao prazo de execução mais longo, o que aumenta consideravelmente os custos com locação de equipamentos de formas e cimbramento Este trabalho visa estabelecer novos parâmetros de escolha de Soluções Estruturais para Lajes, atualizar ou reafirmar estas informações que indiquem a escolha ideal ou a Solução mais adequada para uma especificidade arquitetônica. Palavras chaves: Sistema Estrutural, Custos, Análise de Parâmetros, Solução Ideal, Especificidades Arquitetônicas. (...)
  • 8.
    vii ABSTRACT The costs ofa structural system are quantified taking into account criteria such as: the Input of materials, manpower and time of execution. Since to obtain a more complete assessment of the total values of a work, one must consider the peculiarities of each system and its implications on overall construction process. However, for the purpose of each building there is a requirement of the degree of functionality, minimum dimensions and actions that must be met to be designed obeying the rules and regulations that must be made considering the economic, operational, implementation, and related the interaction with other subsystems of the building construction. One should therefore carefully analyze the situations that may interfere and even prevent the use of a structural system for matters ranging from the Executive Method and use of manpower or, in cases where the financial resources are limited execution time longer, which considerably increases the cost of equipment leasing forms and scaffolding. This work aims to establish new parameters for the choice of structural solutions to slabs, update or restate the information indicating the choice or the most appropriate solution to a specific architecture. Keywords: Structural System, Costs, Analysis of Standards, Ideal Solution, Architectural Specificities. (...)
  • 9.
    viii LISTA DE TABELAS Tabela2-1: Propriedades mecânicas exigíveis de barras e fios de aço destinados a armaduras para Concreto Armado..............................................................................................................28 Tabela 2-2: Classes de Agressividade Ambiental ....................................................................30 Tabela 2-3: Dimensões mínimas para lajes convencionais. .....................................................36 Tabela 2-4: Cargas para Cálculo de Estruturas de Edificações................................................40 Tabela 2-5: Fios para concreto protendido...............................................................................67 Tabela 2-6: Cordoalhas para concreto protendido....................................................................67 Tabela 2-7: Características Geométricas do Elemento que representa as Vigas do Pavimento na Grelha equivalente ...............................................................................................................88 Tabela 2-8: Características Geométricas do Elemento que representa as nervuras na grelha equivalente................................................................................................................................89 Tabela 4-1: Planilha Orçamentária - Laje Convencional, 12 m² (uma direção).....................101 Tabela 4-2: Planilha Orçamentária - Laje Nervurada, 12 m² (uma direção)..........................102 Tabela 4-3: Planilha Orçamentária - Laje Treliçada e Blocos de EPS, 12 m² (uma direção) 102 Tabela 4-4: Planilha Orçamentária - Laje Convencional, 12 m² (duas direções)...................105 Tabela 4-5: Planilha Orçamentária – Laje Nervurada, 12m² (duas direções) ........................105 Tabela 4-6: Planilha Orçamentária – Laje Treliçada, 12m² (duas direções) ..........................106 Tabela 4-7: Planilha Orçamentária - Laje Convencional, 25 m² (uma direção).....................109 Tabela 4-8: Planilha Orçamentária - Laje Nervurada, 25 m² (uma direção)..........................109 Tabela 4-9: Planilha Orçamentária - Laje Treliçada e Blocos de EPS, 25 m² (uma direção) 110 Tabela 4-10: Planilha Orçamentária - Laje Convencional, 25 m² (duas direções).................113 Tabela 4-11: Planilha Orçamentária - Laje Nervurada, 25 m² (duas direções)......................113 Tabela 4-12: Planilha Orçamentária - Laje Treliçada e Blocos de EPS, 25 m² (duas direções) ................................................................................................................................................114 Tabela 4-13: Planilha Orçamentária - Laje Convencional, 50 m² (uma direção)...................117 Tabela 4-14: Planilha Orçamentária - Laje Nervurada, 50 m² (uma direção)........................117 Tabela 4-15: Planilha Orçamentária - Laje Treliçada e Blocos de EPS, 50 m² (uma direção) ................................................................................................................................................118 Tabela 4-16: Planilha Orçamentária - Laje Convencional, 50 m² (duas direções).........121 Tabela 4-17: Planilha Orçamentária - Laje Nervurada, 50 m² (duas direções)......................121 Tabela 4-18: Planilha Orçamentária - Laje Treliçada e Blocos de EPS, 50 m² (duas direções) ................................................................................................................................................122
  • 10.
    ix Tabela 4-19: Lajesde até 12m² ..............................................................................................124 Tabela 4-20: Lajes de até 25 m² .............................................................................................125 Tabela 4-21: Lajes de até 50 m² .............................................................................................125
  • 11.
    x LISTA DE FIGURAS Figura2-1: Múltiplos Pórticos garantem boa rigidez...............................................................22 Figura 2-2: Isopletas de Velocidade Básica .............................................................................23 Figura 2-3: Execução de Estrutura de Estádio esportivo..........................................................24 Figura 2-4: Estrutura de Pontes - Ponte do Moju.....................................................................24 Figura 2-5: Barra de Aço CA-50..............................................................................................27 Figura 2-6: Diagrama de tensão-deformação especifica do concreto na compressão simples.31 Figura 2-7: Placa ou laje...........................................................................................................33 Figura 2-8: Perspectiva Inferior de uma laje maciça................................................................34 Figura 2-9: Perspectiva Superior de uma laje maciça. .............................................................35 Figura 2-10: Estrutura com Lajes Maciças...............................................................................36 Figura 2-11: Arranjo Básico das Armaduras de Lajes Maciças. ..............................................37 Figura 2-12: Arranjo Básico alternativo das armaduras das lajes maciças. .............................38 Figura 2-13: Armadura dos balanços das lajes.........................................................................39 Figura 2-14: Representação esquemática do sistema construtivo convencional em concreto .41 Figura 2-15: Acompanhamento de Execução de Estrutura com Laje Maciça. ........................42 Figura 2-16: Laje Nervurada bi-direcional...............................................................................43 Figura 2-17: Laje nervurada moldada no local.........................................................................44 Figura 2-18: Vigota Protendidas...............................................................................................45 Figura 2-19: Vigotas em concreto armado. ..............................................................................45 Figura 2-20: Vigotas treliçadas.................................................................................................46 Figura 2-21: Execução de Lajes treliçadas...............................................................................46 Figura 2-22: Tipos de vigotas, capa de concreto e blocos de preenchimento ..........................47 Figura 2-23: Elementos de Enchimento empregado nas lajes formadas com nervuras pré- fabricadas..................................................................................................................................48 Figura 2-24: Laje sobre Captel (A) e Laje lisa (B)...................................................................50 Figura 2-25: Concretagem de Maciço. .....................................................................................50 Figura 2-26: Laje Lisa Nervurada apoiada sobre pilares (vista inferior) .................................51 Figura 2-27: Ruína por punção em lajes lisas nervuradas........................................................52 Figura 2-28: Área sujeita ao puncionamento............................................................................53 Figura 2-29: Laje Nervurada Cogumelo...................................................................................53 Figura 2-30: Exemplo de ancoragem com cunhas de aço - Sistema Freyssinet.......................55 Figura 2-31: Sistema de Protensão com Aderência inicial.......................................................57
  • 12.
    xi Figura 2-32: Sistemade Protensão com Aderência Posterior ..................................................58 Figura 2-33: Níveis de Protensão .............................................................................................59 Figura 2-34: Diferença do comportamento de um tirante ........................................................59 Figura 2-35: Mapa de isodeforma do Edifício Yerchanik Kissajikian.....................................60 Figura 2-36: Encurtamento e perda de tensão na armadura .....................................................63 Figura 2-37: Ilustração da Cordoalha, Detalhe e Corte Transversal de Fios............................66 Figura 2-38: Cordoalha Engraxada ..........................................................................................69 Figura 2-39: Laje Nervurada Protendida..................................................................................70 Figura 2-40: Conjunto Placa – Cunha para Ancoragem...........................................................71 Figura 2-41: Cunhas e porta-cunha individuais........................................................................72 Figura 2-42: Macaco de Protensão de Mono Cordoalha..........................................................72 Figura 2-43: Ancoragem Ativa.................................................................................................73 Figura 2-44: Ancoragem passiva..............................................................................................73 Figura 2-45: Detalhe da cadeira................................................................................................74 Figura 2-46: Detalhe de Emenda de Cordoalhas......................................................................75 Figura 2-47: Macaco para mono cordoalhas ............................................................................75 Figura 2-48: Conjunto Macaco-bomba.....................................................................................76 Figura 2-49: Bomba Hidráulica................................................................................................76 Figura 2-50: Esforços Máximos na laje Isolada .......................................................................77 Figura 2-51: Esforços Máximos na Laje contínua....................................................................78 Figura 2-52: Esquema de laje armada em uma direção............................................................79 Figura 2-53: Ilustração do cálculo das reações de apoio e momento fletor – Caso 01 Uma Única laje..................................................................................................................................80 Figura 2-54: Ilustração do cálculo das reações de apoio e momento fletor – Caso 02 duas Lajes .........................................................................................................................................80 Figura 2-55: Ilustração do cálculo das reações de apoio e momento fletor – Caso 03 três Lajes ..................................................................................................................................................81 Figura 2-56: Esquematização de laje apoiada em todo o contorno por vigas ..........................82 Figura 2-57: A deformada da laje segundo os cortes A (paralela lx) e B (paralela a ly) .........83 Figura 2-58: Esquema da Teoria das grelhas............................................................................87 Figura 2-59: Carregamento uniformemente distribuído nas barras - carga p - e cargas nos nós – carga.......................................................................................................................................87 Figura 2-60: Condições de Apoio de Lajes Contínuas.............................................................88 Figura 2-61: Esquema de Regime de Ruptura..........................................................................90
  • 13.
    xii Figura 2-62: Transformaçãoda laje nervurada em laje maciça equivalente ............................92 Figura 2-63: Laje bi-apoiados...................................................................................................94 Figura 2-64: Lajes apoiadas em um lado engastadas no outro.................................................94 Figura 2-65: Lajes bi-engastadas..............................................................................................95 Figura 4-1: Laje de 12 m² - Armada em uma direção ............................................................101 Figura 4-2: Laje de até 12 m² - Armada em duas direções.....................................................104 Figura 4-3: Laje de até 25 m² - Armada em uma direção.......................................................108 Figura 4-4: Laje de até 25 m² - Armada em duas direções.....................................................112 Figura 4-5: Laje de até 50 m² - Armada em uma direção.......................................................116 Figura 4-6: Laje de até 50 m² - Armada em duas direções.....................................................120
  • 14.
    xiii LISTA DE GRÁFICOS Gráfico4-1: Custo percentual – Laje Maciça – 12 m² (armada em uma direção) .................103 Gráfico 4-2: Custo percentual – Laje Nervurada – 12 m² (armada em uma direção) ............103 Gráfico 4-3: Custo percentual - Laje Treliçada– 12 m² (armada em uma direção)................103 Gráfico 4-4: Comparativo de Custos entre os modelos estruturais adotados – Caso 12m² (armada em uma direção) .......................................................................................................104 Gráfico 4-5: Custo percentual – Laje Maciça – 12 m² (armada em duas direções) ...............106 Gráfico 4-6: Custo percentual – Laje Nervurada – 12 m² (armada em duas direções) ..........107 Gráfico 4-7: Custo percentual – Laje Treliçada – 12 m² (armada em duas direções)............107 Gráfico 4-8: Comparativo de Custos entre os modelos estruturais adotados – Caso 12m² (armadas em duas direções)....................................................................................................108 Gráfico 4-9: Custo percentual – Laje Maciça – 25 m² (armada em uma direção) .................110 Gráfico 4-10: Custo percentual – Laje Nervurada – 25 m² (armada em uma direção) ..........111 Gráfico 4-11: Custo percentual - Laje Treliçada – 25 m² (armada em uma direção).............111 Gráfico 4-12: Comparativo de Custos entre os modelos estruturais adotados – Caso 25m² (armada em uma direção) .......................................................................................................112 Gráfico 4-13: Custo percentual – Laje Maciça – 25 m² (armada em duas direções) .............114 Gráfico 4-14: Custo percentual – Laje Nervurada – 25 m² (armada em duas direções) ........115 Gráfico 4-15: Custo percentual - Laje Treliçada – 25 m² (armada em duas direções)...........115 Gráfico 4-16: Comparativo de Custos entre os modelos estruturais adotados – Caso 25m² (armada em duas direções) .....................................................................................................116 Gráfico 4-17: Custo percentual – Laje Maciça – 50 m² (armada em uma direção) ...............118 Gráfico 4-18: Custo percentual – Laje Nervurada – 50 m² (armada em uma direção) ..........119 Gráfico 4-19: Custo percentual - Laje Treliçada – 50 m² (armada em uma direção).............119 Gráfico 4-20: Comparativo de Custos entre os modelos estruturais adotados – Caso 50m² (armada em uma direção) .......................................................................................................120 Gráfico 4-21: Custo percentual – Laje Maciça – 50 m² (armada em duas direções) .............122 Gráfico 4-22: Custo percentual – Laje Nervurada – 50 m² (armada em duas direções) ........123 Gráfico 4-23: Custo percentual - Laje Treliçada – 50 m² (armada em duas direções)...........123 Gráfico 4-24: Comparativo de Custos entre os modelos estruturais adotados – Caso 50m² (armada em duas direções) .....................................................................................................124 Gráfico 4-25: Custos Médios..................................................................................................125
  • 15.
    xiv SUMÁRIO AGRADECIMENTOS..............................................................................................................iv RESUMO ..............................................................................................................................vi ABSTRACT .............................................................................................................................vii LISTADE TABELAS ............................................................................................................viii LISTA DE FIGURAS ................................................................................................................x LISTA DE GRÁFICOS...........................................................................................................xiii 1. INTRODUÇÃO ..................................................................................................18 1.1. OBJETIVOS GERAIS...............................................................................................18 1.2. OBJETIVOS ESPECIFICOS ....................................................................................18 1.3. JUSTIFICATIVA ......................................................................................................19 1.4. HIPÓTESES ..............................................................................................................19 1.5. ESTRUTURA DO TRABALHO ..............................................................................19 2. REVISÃO BIBLIOGRÁFICA............................................................................20 2.1. BREVE HISTÓRICO SOBRE LAJES SUSPENSAS ..............................................20 2.2. ASPECTOS NA CONCEPÇÃO DE ESTRUTURAS ..............................................21 2.2.1. Lançamentos das Estruturas...........................................................................21 2.2.1.1. Segundo a NBR 6118 / 2003 – Requisitos de Qualidade do Projeto..............22 a) Qualidade da Solução Adotada..................................................................................22 b) Condições Impostas ao Projeto..................................................................................22 c) Documentação da solução adotada............................................................................25 d) Avaliação da conformidade do projeto......................................................................25 2.3. MATERIAIS UTILIZADOS NAS ESTRUTURAS .................................................26 2.3.1. Aço .....................................................................................................................26 2.3.2. Concreto ............................................................................................................29 2.3.2.1. Durabilidade....................................................................................................29 2.3.2.2. Resistência Mecânica......................................................................................30 2.3.2.3. Modulo de Elasticidade do Concreto..............................................................30 2.3.2.4. Cobrimento da Armadura ...............................................................................31 2.4. ELEMENTOS DAS ESTRUTURAS EM CONCRETO ARMADO........................32 2.4.1. Lajes...................................................................................................................32 2.4.2. Lajes Maciças....................................................................................................33
  • 16.
    xv 2.4.2.1. Características doSistema de lajes Maciças...................................................41 2.4.3. Lajes Nervuradas..............................................................................................42 2.4.3.1. Tipos mais comuns de lajes nervuradas..........................................................44 a) Laje moldada no local................................................................................................44 b) Lajes Nervuradas com nervuras pré-moldadas..........................................................45 2.4.3.2. Materiais de Enchimento ................................................................................47 2.4.3.3. Lajes Lisas Nervuradas / Lajes Cogumelo......................................................49 2.4.3.4. Punção.............................................................................................................52 2.4.3.5. Lajes Nervuradas Mistas.................................................................................53 2.4.4. Lajes Nervuradas Protendidas........................................................................54 2.4.4.1. Histórico..........................................................................................................54 2.4.4.2. Considerações Gerais......................................................................................56 2.4.4.3. Sistemas de Protensão.....................................................................................57 a) Quanto à aderência, de acordo com seus aspectos construtivos e tecnológicos........57 b) Conforme o grau de protensão desejado para exercer a intensidade de tensão de tração máxima produzida pelas ações externas. .......................................................................58 2.4.4.4. Definição de protensão ...................................................................................59 2.4.4.5. Protensão aplicada ao concreto.......................................................................61 2.4.4.6. Perda de Protensão..........................................................................................62 2.4.4.7. Verificação de Segurança ...............................................................................63 2.4.5. Materiais............................................................................................................64 2.4.5.1. Concreto..........................................................................................................64 2.4.5.2. Armaduras.......................................................................................................65 a) Armadura Passiva ......................................................................................................65 b) Armadura Ativa .........................................................................................................65 2.4.6. Sentido econômico do concreto protendido....................................................68 2.4.7. Vantagens para o Concreto Protendido .........................................................68 2.4.7.1. Redução da Fissuração....................................................................................68 2.4.7.2. Emprego de Aços de Alta Resistência............................................................69 2.4.7.3. Redução da Seção Transversal .......................................................................69 2.4.7.4. Capacidade de Auto-Recuperação do Concreto .............................................70 2.4.7.5. Garantia Antecipada de Resistência................................................................70 2.4.8. Ancoragens........................................................................................................71 2.4.9. Equipamentos Para Protensão ........................................................................74
  • 17.
    xvi 2.5. CLASSIFICAÇÃO DASLAJES...............................................................................77 2.5.1. Classificação quanto ao posicionamento ........................................................77 2.5.1.1. Lajes Isoladas..................................................................................................77 2.5.1.2. Lajes em Contínuas ou Conjugadas................................................................78 2.5.2. Classificação quanto à forma de Armação.....................................................79 2.5.2.1. Lajes Armadas em uma direção......................................................................79 a) Uma única laje ...........................................................................................................80 b) Duas lajes...................................................................................................................80 c) Três Lajes...................................................................................................................81 2.5.2.2. Lajes Armadas em Duas Direções ..................................................................82 2.5.3. Carregamentos das lajes (q) ............................................................................83 2.5.3.1. Cargas acidentais ou sobrecargas....................................................................83 2.5.3.2. Peso Próprio da laje ........................................................................................84 2.5.3.3. Peso do pavimento e revestimento das lajes...................................................84 2.5.3.4. Peso de paredes sobre as lajes.........................................................................84 2.5.3.5. Peso em enchimento .......................................................................................85 2.5.3.6. Peso total das lajes (q) ....................................................................................85 2.6. PRINCIPAIS MÉTODOS DE DIMENSIONAMENTO ..........................................85 2.6.1. Teoria das grelhas.............................................................................................86 2.6.2. Regime de Ruptura...........................................................................................90 2.6.3. Processo de Marcus ..........................................................................................91 2.6.4. Tabelas de Czerny ............................................................................................91 2.6.5. Método da espessura equivalente....................................................................92 2.7. FLECHA E CONTRA FLECHA ..............................................................................93 2.7.1. Lajes simplesmente apoiadas ou bi-apoiados.................................................94 2.7.2. Lajes apoiadas em um lado e engastadas no outro........................................94 2.7.3. Lajes bi-engastadas ..........................................................................................95 2.7.4. Contra flecha.....................................................................................................95 2.8. VERIFICAÇÃO DOS ESTADOS LIMITES DE SERVIÇO ...................................96 3. METODOLOGIA DO TRABALHO..................................................................98 3.1. TIPOLOGIA E CONCEPÇÃO DOS SISTEMAS CONSTRUTIVOS ADOTADOS 98 3.2. PARÂMETROS DE PESQUISA ..............................................................................99 3.3. PARÂMETROS DE COMPRAÇÃO DE DADOS...................................................99
  • 18.
    xvii 3.3.1. Índice deConcreto (ic) .....................................................................................99 3.3.2. Índice de Aço (ia)............................................................................................100 4. CONCEPÇÕES E RESULTADOS ..................................................................101 4.1. PARA LAJES DE 12 M², ARMADAS EM UMA DIREÇÃO ...............................101 4.2. PARA LAJES DE ATÉ 12 M², ARMADAS EM DUAS DIREÇÕES...................104 4.3. PARA LAJES DE 25 M², ARMADAS EM UMA DIREÇÃO ...............................108 4.4. PARA LAJES DE ATÉ 25 M², ARMADAS EM DUAS DIREÇÕES...................112 4.5. PARA LAJES DE 50 M², ARMADAS EM UMA DIREÇÃO ...............................116 4.6. PARA LAJES DE ATÉ 50 M², ARMADAS EM DUAS DIREÇÕES...................120 4.7. COMPARATIVO FINAL DO CUSTO (R$) ..........................................................124 4.7.1. Análise de Custos para as Lajes........................................................................124 5. CONSIDERAÇÕES FINAIS............................................................................126 REFERÊNCIAS BIBLIOGRÁFICAS ...................................................................................128 ANEXOS ...........................................................................................................................132 (...)
  • 19.
    18 1. INTRODUÇÃO Os custosde um sistema estrutural são quantificados levando-se em conta alguns critérios, como: o Insumo de materiais, mão de obra e tempo de execução, entre outros. Sendo que para se obter uma avaliação mais completa dos valores totais de uma obra, é preciso considerar as peculiaridades de cada sistema, bem como suas implicações no processo construtivo global. Devendo-se, portanto, analisar com atenção as situações que possam interferir e até mesmo inviabilizar a utilização de um sistema estrutural por questões que vão desde o Método Executivo e à utilização de mão-de-obra, ou ainda, nos casos em que os recursos financeiros são limitados ao prazo de execução mais longo, o que aumenta consideravelmente os custos com locação de equipamentos de formas e cimbramento. Devido ao grande número de sistemas estruturais encontrados no mercado da construção civil os profissionais precisam optar por um determinado tipo. Só que muitas vezes a escolha adotada não se adapta as condições especifica do empreendimento, isso porque, cada obra possui características arquitetônicas particulares, dificultando a utilização de um modelo padrão. Dentro deste contexto de revisar lajes de grandes dimensões, aparecem às soluções de lajes nervuradas, além das lajes convencionais, as lajes nervuradas servem para reduzir custo de consumo de material e mesmo peso próprio. 1.1. OBJETIVOS GERAIS Realizar uma análise comparativa de custos entre as lajes maciças e os vários tipos de lajes nervuradas. 1.2. OBJETIVOS ESPECIFICOS Estabelecer novos parâmetros de escolha entre os modelos estruturais adotados nesta pesquisa, atualizar ou reafirmar estas informações que indiquem a escolha ideal da Solução Estrutural mais adequada para uma especificidade arquitetônica. Apresentar resultados que possibilitem uma estimativa de custos aos profissionais da construção civil, para servir de referência na tomada de decisão por um modelo estrutural a ser adotado.
  • 20.
    19 1.3. JUSTIFICATIVA Para seprojetar uma estrutura composta de lajes, vigas e pilares são necessários definir inicialmente o tipo de pavimento que será empregado principalmente em função da finalidade da edificação, dos vãos a vencer e das ações de utilização, para então determinar as ações finais, e a partir destes dados, calcular e detalhar os elementos da estrutura. Dependendo da finalidade da edificação projetada há um grau de exigência da funcionalidade, dimensões mínimas e ações a serem atendidas. Desse modo, a escolha do sistema estrutural mais adequado para um determinado pavimento de um edifício, assim como a definição do processo construtivo a ser utilizado, partindo-se sempre do pressuposto que em cada escolha o sistema estrutural deverá ser projetado obedecendo às disposições normativas, deve ser feita considerando-se aspectos econômicos, de funcionamento, de execução, e os relacionados à interação com os demais subsistemas construtivos do edifício. No entanto, percebe-se a falta de dados consistentes que forneçam parâmetros para os profissionais da construção civil. Situação que dificulta a tomada de decisão pelo sistema estrutural a ser empregada numa determinada obra. 1.4. HIPÓTESES É possível criar uma tabela que estabeleça a solução estrutural mais adequada para lajes a serem empregadas, definidas pela área a ser executada em metros quadrados. 1.5. ESTRUTURA DO TRABALHO No primeiro capítulo, consta a Introdução, os Objetivos, a Justificativa e a Hipótese levantada neste trabalho. No segundo capítulo, apresentam-se os conceitos sobre o tema deste trabalho a serem abordados, questões sobre os Aspectos na Concepção de Estruturas, Elementos das Estruturas em Concreto Armado e Revisão Bibliográfica. No terceiro capítulo, apresentam-se os Procedimentos Gerais, Metodologia e Critérios para a criação, descrição e comparação dos Parâmetros de Avaliação. Em seguida, no quarto capítulo será realizada a Análise dos Resultados. No quinto capítulo, estarão as Considerações Gerais.
  • 21.
    20 2. REVISÃO BIBLIOGRÁFICA 2.1.BREVE HISTÓRICO SOBRE LAJES SUSPENSAS “Estudando a evolução das construções na civilização ocidental, sob o ponto de vista das lajes, percebe-se que o homem precisou de milhares de anos para criar pisos acima do solo” (STRAMANDINOLI, 2003, p. 2). Contudo os resultados obtidos na pratica da construção de obras de concreto armado, se avalia que o custo global da estrutura, isto é, o valor de mão de obra e insumos de materiais corresponde a uma perspectiva de 20% a 25% do valor total da obra. Conforme o passar dos séculos podemos perceber a evolução das construções que antes foram executadas em barro, pedras e madeira, onde os assoalhos recebiam as cargas que eram levadas às vigas transversais, destas às vigas mestras e daí aos pilares. Em Roma no ano de 27 a.C. que se deu a descoberta do concreto como material de construção. Sua utilização perdurou até a queda do Império Romano do Ocidente em 1453 e, a partir da metade do século XIX, retornou a ser utilizado, tendo seu emprego em grande escala a partir da descoberta do cimento portland, em 1824 (CASSIMINHO, 1999 apud BOROWSKI, 2005). Em 1861, na França, um jardineiro chamado Monier associou arames à argamassa de cimento e areia para a confecção de vasos, descobrindo o concreto armado. Com a descoberta, as estruturas passaram a ser de concreto armado, mantendo o mesmo princípio já utilizado com lajes, vigas e pilares (FIGUEIREDO F° et. al. 1996 apud BOROWSKI, 2005). Matematicamente comprovado, uma vez que a fração que o custo da estrutura representa no custo final da obra é relativamente pequena. Um acréscimo de 10% no custo da estrutura representa um aumento de apenas 2% no custo final de obra. As mudanças na concepção estrutural iniciaram em 1906 quando C. A. P. Turner utilizou um sistema patenteado de lajes apoiadas diretamente sob pilares, denominado laje cogumelo, na construção de um edifício em Minneapolis, no estado de Minnesota, EUA (BOROWSKI, 2005). Na Europa, utilizando um sistema próprio e patenteado, Robert Maillart projetou as primeiras lajes cogumelo com armaduras ortogonais (BOROWSKI, 2005).
  • 22.
    21 Silva Fº (2002apud BOROWSKI, 2005) afirma que as primeiras lajes nervuradas surgiram apenas na terceira década do século XX. Era uma alternativa às lajes maciças e visavam uma redução de custo. Porém Lima et. al. (2000 apud DIAS, 2003) cita que as lajes nervuradas tiveram origem em 1854, quando um fabricante inglês de gesso e cimento chamado William Boutland Wilkinson obteve a patente, na Inglaterra, de um sistema que já demonstrava o domínio dos princípios básicos de funcionamento do concreto armado ao dispor barras de aço nas regiões tracionadas das vigas. Wilkinson percebeu que a rigidez da laje podia ser aumentada por meio da inserção de vazios utilizando-se moldes de gesso regularmente espaçados e separados por nervuras, aonde barras de aço eram colocados na sua porção inferior no meio do vão e subiam para a parte superior da viga nas proximidades dos apoios. Desde o início da década de 70, as alterações arquitetônicas no Brasil vêm impulsionando reformas nos sistemas estruturais, levando ao desaparecimento dos diafragmas rígidos de alvenaria e fazendo com que as estruturas de concreto armado passassem a depender cada vez mais das lajes (BOROWSKI, 2005). Nos edifícios de pisos múltiplos, a utilização de pavimentos em lajes maciças pode resultar em um consumo de quase dois terços do volume total da estrutura. (STRAMANDINOLI, 2003). Conforme a necessidade de racionalização na construção civil, com a minimização dos custos e prazos, vem fazendo das lajes nervuradas e outras formas de soluções estruturais opções cada vez mais difundidas, abandonando assim aquilo que foi chamado de Sistema Convencional. 2.2. ASPECTOS NA CONCEPÇÃO DE ESTRUTURAS 2.2.1. Lançamentos das Estruturas Para a concepção de uma estrutura utiliza-se a definição do Arranjo Estrutural. Nos edifícios usuais de concreto armado, o arranjo estrutural comum é constituído por lajes, vigas e pilares ou pela união desses elementos. Ao nível de fundação, os pilares transmitem as cargas da estrutura ao terreno, através de elementos estruturais como sapatas, blocos, estacas. Arranjo estrutural é chamado comumente de lançamento estrutural. O lançamento estrutural é uma das etapas mais importantes do projeto de uma estrutura de concreto armado. (Fig. 2-1).
  • 23.
    22 Figura 2-1: MúltiplosPórticos garantem boa rigidez Fonte: SPOHR, Valdir Henrique. Análise Comparativa De Sistemas Estruturais. Santa Maria, RS. 2008. 2.2.1.1. Segundo a NBR 6118 / 2003 – Requisitos de Qualidade do Projeto a) Qualidade da Solução Adotada A solução estrutural a ser adotada em projeto deverá atender aos requisitos de qualidade estabelecidos nas normas técnicas, isto é, com relação à capacidade de resistência, ao desempenho em serviço e à durabilidade da estrutura. A qualidade da solução estrutural a ser adotada deve ainda contemplar as condições de arquitetura, função (se residencial ou comercial, depósitos, etc.), questões construtivas (ver NBR 14931), estruturais, de integração com os demais projetos (elétrico, hidráulico, climatização e outros), explicitados pelos responsáveis técnicos de cada especialidade. b) Condições Impostas ao Projeto Todas as condições impostas aos projetos devem ser descritas e pré-estabelecidas de acordo entre o projetista estrutural e o contratante. Para atender aos requisitos de qualidade impostos, o projeto deve atender a todos os requisitos estabelecidos na NBR 6118/2003 a qual se faz vigente e em outras normas complementares e específicas, conforme a situação.
  • 24.
    23 As exigências relativasà capacidade resistente e ao desempenho em serviço deixam de ser satisfeitas, quando são ultrapassados os seus respectivos estados limites, tanto para concreto quanto ao aço empregado na estrutura. As exigências de durabilidade deixam de ser atendidas quando não são observados os critérios de projeto definidos. Para tipos especiais de estruturas, devem ser atendidas exigências particulares estabelecidas em Normas Brasileiras específicas, a exemplo das medidas que são especificadas na NBR 6120, estabelecendo as condições exigíveis para a determinação dos valores de carregamento para serem considerados nos cálculos de projetos de estrutura. Além de outras exigências as quais podem ser fixadas em projeto, outro exemplo a NBR 6123, que estabelece as condições de cálculo para as cargas de vento (Fig. 2-2). “NOTA - Exigências particulares podem, por exemplo, consistir em resistência a explosões, ao impacto, aos sismos, ou ainda relativas à estanqueidade, ao isolamento térmico ou acústico”. (NBR 6118 / 2003) Figura 2-2: Isopletas de Velocidade Básica Fonte: NBR 6123/1988
  • 25.
    24 Figura 2-3: Execuçãode Estrutura de Estádio esportivo. Fonte: SILVA, ADCLEIDES ARAÚJO. Módulos Celulares Pré-fabricados de Concreto Protendido para Construção de Lajes Nervuradas [Rio de Janeiro] 2003. Figura 2-4: Estrutura de Pontes - Ponte do Moju Fonte: SALAME, ANTÔNIO MASSOUD. Pontes: Fundamentos e aspectos gerais, superestrutura, mesoestrutura e infraestrutura. 2010.
  • 26.
    25 c) Documentação dasolução adotada O projeto estrutural é constituído por desenhos, especificações e critérios de projeto. As especificações e os critérios de projeto podem estar sendo mencionados nos desenhos ou documento separado, os quais devem conter informações claras, corretas, consistentes entre si e com as exigências estabelecidas conforme as Normas. O projeto estrutural deve proporcionar as informações necessárias e corretas para a execução da estrutura. Objetivando garantir a qualidade da execução, com base no projeto, todas as medidas preventivas devem ser tomadas desde o início das atividades. Entretanto, estas medidas devem englobar a discussão e aprovação das decisões a serem tomadas, conforme a distribuição dessas e outras informações pelos elementos das equipes multidisciplinares e a programação conforme seus cronogramas. d) Avaliação da conformidade do projeto Dependendo do porte da obra, a avaliação da conformidade do projeto deve ser requerida e contratada pelo contratante a um profissional habilitado, devendo este fazer a Anotação de Responsabilidade Técnica, sendo este o documento específico que acompanha a documentação do projeto citada em “Documentação da Solução Adotada”. A avaliação da conformidade do projeto deve ser realizada antes da fase de construção e, isto é, ainda na fase de concepção dos projetos, como condição essencial para que seus resultados se tornem efetivos e conseqüentes. A seção 25 da NBR 6118/2003, estabelece os critérios de aceitação e os procedimentos corretivos, quando necessários. Considerando as ações verticais e horizontais que solicitam uma estrutura, deve-se procurar dispor e definir o posicionamento dos pilares as ligações de vigamento, cintamento a fim de se combater estes esforços, conduzindo-as até as fundações, tendo sempre em vista minimizar as interferências com o arranjo arquitetônico. A definição da disposição das peças estruturais num edifício é influenciada por diversos fatores. No caso dos edifícios residenciais usuais, por exemplo, a posição da caixa d’água, a posição das escadas, a posição dos elevadores, a cobertura, o layout do pavimento tipo, a garagem, etc., trazem implicações importantes para a concepção da estrutura. Além dos fatores citados acima, é necessário avaliar a interferência com os projetos de instalações (hidro-sanitário, elétrico, incêndio).
  • 27.
    26 No caso dosedifícios com garagem ou estacionamento, a definição das vagas condiciona a disposição dos pilares e vice-versa. A posição dos pilares influencia no arranjo das vigas que, por sua vez, delimitam as lajes. Por isso a estrutura é chamada de sistema, ou seja, um conjunto de elementos que interagem. O estudo detalhado do projeto arquitetônico é fundamental para a definição de um arranjo estrutural compatível com mesmo. Quanto melhor for o lançamento estrutural, menores serão as modificações a serem introduzidas no dimensionamento da estrutura. 2.3. MATERIAIS UTILIZADOS NAS ESTRUTURAS O projeto de estrutura de qualquer edificação, máquina ou outro elemento qualquer é um estudo através do qual a estrutura em si e as suas partes componentes são dimensionadas de forma que tenham resistência suficiente para suportar os esforços para as condições de uso a que serão submetidas. Este processo envolve a análise de tensões, esforços e as propriedades mecânicas das partes componentes. Os materiais componentes para os diferentes Sistemas Estruturais em Concreto Armado a ser utilizado é composto basicamente por Aço e o Concreto Estrutural. 2.3.1. Aço Para Dantas (2003 p.18) as principais características do uso do concreto armado são: obtenção de peças monolíticas, durabilidade, alta resistência a choques e vibrações, bom condutor de calor e som, necessidade de escoramentos durante a fabricação, dificuldade de adaptação e reformas. Considerando-se as construções atualmente existentes no mundo sob a ética do processo construtivo, pode-se dizer que o aço é um material de estrema importância na construção de estruturas de edifícios. No mercado brasileiro são encontrados diversos tipos e fios de aço destinados à confecção de armaduras passivas das peças estruturais de concreto armado. Na designação desses fios e barras de aço é usado o prefixo CA, indicativo de seu emprego no concreto armado.
  • 28.
    27 Figura 2-5: Barrade Aço CA-50 Fonte: Acervo do Autor, 2010. As barras são produtos obtidos por laminação e os fios por trefilação. Os fios são empregados de Ø 2,4 mm até a bitola Ø 10,0 mm e as barras a partir da bitola Ø 5,0 mm até Ø 40,0 mm. A bitola Ø é um número correspondente ao valor arredondado, em milímetros, do diâmetro da seção transversal nominal do fio ou da barra. Conforme a NBR 6118/2003 o aço CA 60 de Ø 5,0 mm é a medida mínima para o emprego como de estribos de vigas e pilares. Aço CA 50 de diâmetros 6,3; 8,0; 12,5; 16,0; 20,0 e 25,0 mm para o emprego como armaduras longitudinais de lajes, vigas e pilares. A última versão da NBR 7480/96 a separação em classes foi eliminada e todo o material do tipo barra, caso do CA 25 e CA 50, deve ser fabricado obrigatoriamente por laminação a quente, e todo fio, caso do CA 60, deve ser fabricado por trefilação ou processo equivalente (estiramento ou laminação a frio).
  • 29.
    28 Tabela 2-1: Propriedadesmecânicas exigíveis de barras e fios de aço destinados a armaduras para Concreto Armado. CATEGORIA ENSAIO DE TRAÇÃO (valores mínimos) ENSAIO DE DOBRAMENTO A 180º ADERÊNCIA Resistência Características de Escoamento Limite de Resistência Alongamento em 10 Ø Diâmetro de pino Coeficiente de conformação superficial mínimo para Ø ≥ 10 mm fy (MPa) fst (MPa) % (mm) η Ø < 20 Ø > 20 *CA-25 250 1,20 fy 18 2 Ø 4 Ø 1,0 *CA-50 500 1,10 fy 8 4 Ø 6 Ø 1,5 *CA-60 600 1,05 fy 5 5 Ø - 1,5 Fonte: NBR 7480/1996. * fst – Limite de Resistência a Tração * η – Coeficiente de conformação superficial * fy – Tensão de Escoamento do Aço * Ø – Bitola ou Seção Nominal das Barras de Aço As barras de aço devem ser ligadas entre si, e a este conjunto de barras, dá-se o nome de armadura ou de esqueleto da estrutura. As armaduras do concreto com barras e malhas ou telas de aço tem as seguintes funções: Absorver os esforços de tração em peças estruturais solicitadas à flexão e à tração, (por exemplo, as vigas de uma edificação), além de contribuir para a capacidade resistente ou para a estabilidade da estrutura; Fazer com que as fissuras no concreto, sob a ação de cargas de utilização, permaneçam na ordem de grandeza de capilares (não sejam facilmente visíveis a olho nu); Limitar a abertura das fissuras devido a estados de tensão produzidos por efeitos de coação, tais como o impedimento à deformação, no caso de variação de temperatura, de retração, de estruturas hiperestáticas etc.
  • 30.
    29 Em peças comprimidas,aumentar a capacidade resistente do concreto à compressão (por exemplo, no caso de pilares) ou a segurança de peças comprimidas esbeltas contra a flambagem. 2.3.2. Concreto O cimento, ao entrar em contato com a água, reage quimicamente, passando por um processo de hidratação. Durante a hidratação, cada grão do cimento desdobra-se em inúmeras partículas, formando um sólido poroso denominado gel de silicato de cálcio hidratado. Como resultado dessa reação, o volume dos sólidos cresce dentro dos limites da pasta, e durante este processo parte da água da mistura é utilizada na hidratação formando os embricamentos. É formada então uma espécie de “malha” que reduz a porosidade do concreto e aumenta a sua resistência mecânica. Logo, se obterá uma maior resistência à compressão quanto maior a quantidade de embricamentos, pois haverá um concreto menos poroso com estrutura mais compacta. Esse processo é complexo e envolve diversas variáveis e, para avaliar a qualidade do concreto, é importante conhecer as suas propriedades, seja no estado fresco, desde o momento da colocação da água até o adensamento na fôrma; seja no estado endurecido, resistindo às ações solicitadas ao longo da vida útil. 2.3.2.1. Durabilidade Quando o concreto for usado em ambiente reconhecidamente agressivo, por exemplo, o caso de águas sulfatadas, podendo estas águas, serem do córrego de rios ou outro meio acida, deverá ser tomado cuidados especiais em relação à escolha dos materiais constituintes, como a adição de pozolana, além disto, não apenas este efeito está relacionado com a agressividade do meio. Podendo este também ser as atividades físicas e químicas que possam vir a atuar sobre a estrutura, respeitando-se o mínimo consumo de cimento e o máximo valor da razão água/cimento compatíveis com a boa durabilidade do concreto.
  • 31.
    30 Tabela 2-2: Classesde Agressividade Ambiental CLASSE DE AGRESSIVIDADE AMBIENTAL AGRESSIVIDADE CLASSIFICAÇÃO GERAL DO TIPO DE AMBIENTE PARA EFEITO DE PROJETO RISCO DE DETERIORAÇÃO DA ESTRUTURA I FRACA RURAL INSIGNIFICANTE SUBMERSA II MODERADA URBANA*/** PEQUENO III FORTE MARINHA * GRANDE INDUSTRIAL */** IV MUITO FORTE INDUSTRIAL */*** ELEVADO RESPINGOS DE MARÉ Fonte: NBR 6118/2003. 2.3.2.2. Resistência Mecânica O concreto se preparado no canteiro ou pré-misturado em usina, deverá apresentar uma resistência característica (fck), não inferior a 9 MPa e compatível com a adotada no projeto. O concreto pré-misturado deverá ser fornecido com base na resistência característica definida em projeto estrutural. No caso das vigas de fundação, deve-se considerar a classe II, pois se trata de estrutura em contato com solo úmido não agressivo. Conforme a NBR 6118, a classe de resistência mínima nestes casos exigida para o concreto é C25 (concreto com Fck =25 MPa aos 28 dias de idade). 2.3.2.3. Modulo de Elasticidade do Concreto O concreto apresenta um comportamento não-linear quando submetido a tensões de certa magnitude. Esse comportamento é decorrente da microfissuração progressiva que ocorre na interface entre o agregado graúdo e a pasta de cimento. O diagrama tensão-deformação específica, obtido em um ensaio de compressão simples é mostrado na Figura 2-6, onde se observa que não há proporcionalidade entre tensão e deformação especifica. O trecho descendente do diagrama é obtido em um ensaio com velocidade de deformação controlada.
  • 32.
    31 Figura 2-6: Diagramade tensão-deformação especifica do concreto na compressão simples. Fonte: SPOHR, Valdir Henrique. Análise Comparativa De Sistemas Estruturais. Santa Maria, RS. 2008. O módulo de deformação longitudinal tangente Ec é representado pela inclinação da reta tangente à curva na origem do diagrama. De maneira análoga, o módulo secante Ecs representa a inclinação da reta que passa pela origem e corta o diagrama no ponto correspondente a uma tensão da ordem de 0,4 fc, sendo fc a resistência à compressão simples. Segundo Araújo (2003) a expressão para o módulo tangente, proposta na NBR 6118/2003 é derivada do ACI. Na verdade é a mesma expressão do ACI, onde o coeficiente 5565 é substituído por 5600. Assim, a fórmula apresentada na NBR 6118/2003 é dada por: Equação 1 O módulo secante é dado por: Equação 2 2.3.2.4. Cobrimento da Armadura Os cobrimentos de concreto adotados para os elementos estruturais são os seguintes: Classe I: 2,0 cm para lajes e 2,5 para vigas e pilares. Classe II: 2,5 cm para lajes e 3,0 para vigas e pilares.
  • 33.
    32 2.4. ELEMENTOS DASESTRUTURAS EM CONCRETO ARMADO Conforme a NBR 6118 /2003 – São aqueles cujo comportamento estrutural depende da aderência entre concreto e armadura, e nos quais não se aplicam alongamentos iniciais das armaduras antes da materialização dessa aderência 2.4.1. Lajes As diferenças entre os diversos tipos de laje se baseiam em função do processo construtivo. Assim, nos próximos tópicos, citam-se alguns tipos distintos de laje usualmente empregados e suas particularidades. Lajes são elementos estruturais tridimensionais planos, onde a espessura é a menor das três dimensões. Elas sofrem a ação de carregamentos externos normais à suas faces. Podem ser classificadas em dois grandes grupos: as lajes moldadas no local e as lajes pré-moldadas, podendo a pré-fabricação ser total ou parcial. As lajes moldadas no local ou “in loco” recebem essa denominação por serem construídas em toda a sua totalidade na própria obra, mais precisamente no local em que serão estruturalmente utilizadas. Elas podem ser subdivididas em lajes com vigas e lajes sem vigas. Cada uma delas ainda pode ser maciça ou nervurada. As lajes pré-moldadas recebem elementos pré-fabricados para a sua construção, normalmente produzidos fora do canteiro de obras, industrialmente. Tais elementos pré- fabricados podem ser de concreto armado ou de concreto protendido, independentemente se pré-fabricados ou moldados no local em que serão utilizados. As lajes também podem ser classificadas com base em outros fatores, como sua natureza ou tipo de apoio. Souza & Cunha (1998 apud BOROWSKI, 2005) classifica as lajes quanto à natureza da seguinte forma: Lajes maciças: lajes de concreto armado ou protendido constituídas de uma placa maciça; Lajes nervuradas: são as lajes em que a zona de tração é constituída de nervuras, onde são dispostas as armaduras, e de uma mesa comprimida. Entre as nervuras, pode-se ou não inserir um material inerte, sem função estrutural; Lajes mistas: são lajes nervuradas com material cerâmico preenchendo o espaço entre as nervuras, participando na resistência mecânica da laje, contribuindo na região comprimida da peça sujeita a flexão;
  • 34.
    33 Lajes em grelhas:são lajes nervuradas em que o espaçamento entre as nervuras é superior a um metro, sendo calculadas as nervuras como uma grelha de vigas e a mesa como uma laje independente; Lajes duplas: podem ser consideradas como um caso particular de lajes nervuradas, onde as nervuras ficam situadas entre dois painéis de lajes. Souza & Cunha (1998), também classifica as lajes quanto ao tipo de apoio da seguinte forma: Apoiadas sobre alvenaria ou sobre vigas; Apoiadas sobre o solo; Apoiadas sobre pilares: são estruturas apoiadas sobre apoios discretos. São conhecidas como lajes cogumelo, lajes lisas ou lajes planas. Os elementos de estudo deste trabalho são as lajes nervuradas e as lajes maciças as quais passam a serem melhores detalhadas a seguir. 2.4.2. Lajes Maciças A laje maciça (Fig. 2-7) tem sido muito empregada na construção de edificações de concreto armado. Chama-se de laje maciça à laje de concreto com espessura constante ou uniforme, moldada in loco a partir do lançamento do concreto fresco sobre um sistema de formas planas. Apoiadas ao longo de seu contorno. Estes elementos estruturais são responsáveis pelo recebimento das cargas de utilização aplicadas nos pisos das edificações e transmissão aos apoios, que geralmente são constituídos por vigas. Figura 2-7: Placa ou laje Fonte: SILVA, M. A. FERREIRA. Projeto e Construção de lajes nervuradas de concreto armado. São Carlos. 2005.
  • 35.
    34 Um sistema convencionalde estruturas de concreto armado é aquele que pode ser constituído basicamente por lajes maciças, vigas e pilares, sendo que as lajes recebem os carregamentos oriundos da utilização, ou seja, das pessoas, móveis acrescidos de seu peso próprio, os quais são transmitidos às vigas, que por sua vez descarregam seus esforços aos pilares e esses às fundações. O custo está diretamente relacionado com a espessura da laje. Como as outras duas dimensões desta solução estrutural são de ordens de grandezas maiores, qualquer alteração da espessura implica numa variação considerável do volume de concreto e, conseqüentemente, o peso próprio. Assim, lajes esbeltas, ou seja, com espessura pequena, são normalmente mais econômicas. Por outro lado, lajes de pequena espessura com freqüência vibram bastante quando solicitadas por cargas dinâmicas, proporcionam pouco isolamento acústico e podem sofrer deformações acentuadas, causando desconforto para os usuários. Para construir um pavimento utilizando lajes maciças de concreto armado é necessário o emprego de uma estrutura auxiliar que sirva de fôrma sendo este constituído de um tablado horizontal, normalmente empregando o uso de compensados de madeira, surgindo também à necessidade de cimbramento, o qual pode ser em madeira ou metálicos. O cimbramento com escoras metálicas e mãos de força, se torna mais freqüente na atualidade nas edificações de médio e grande porte; atualmente existem várias empresas que disponibilizam comercialmente desde o material para locação ou compra quanto o projeto de escoramento das fôrmas. Figura 2-8: Perspectiva Inferior de uma laje maciça. Fonte: SILVA, M. A. FERREIRA. Projeto e Construção de lajes nervuradas de concreto armado. São Carlos. 2005.
  • 36.
    35 Figura 2-9: PerspectivaSuperior de uma laje maciça. Fonte: SILVA, M. A. FERREIRA. Projeto e Construção de lajes nervuradas de concreto armado. São Carlos. 2005. As lajes maciças, quando utilizadas, permitem o uso de alguns procedimentos de racionalização, tais como empregar armadura em telas e embutir as tubulações das instalações elétricas, gás, hidráulicas e sanitárias ma própria laje. Outro grande fator que contribui para a utilização deste modelo estrutural é a versatilidade nas aplicações como edificações comerciais, escolas, depósitos, etc. A Tabela 2-3, a seguir apresenta as dimensões mínimas para lajes, regulamentadas pela NBR 6118/2003, norma brasileira que regulamenta o projeto e a execução de estruturas de concreto armado.
  • 37.
    36 Tabela 2-3: Dimensõesmínimas para lajes convencionais. TIPOLOGIA DA LAJE ESPESSURA MÍNIMA (cm) * Cobertura não em balanço 5 * Lajes de Piso ou de Cobertura em Balanço 7 * Lajes para Garagem - Até 30 KN 10 - Acima de 30 KN 12 * Para lajes com protensão apoiadas em vigas, (L/42), e para lajes de piso bi apoiadas e (L/50) para lajes de piso contínuas; 15 * Lajes Lisas 16 * Lajes-Cogumelos 14 Fonte: NBR 6118/2003. * L – Vão Figura 2-10: Estrutura com Lajes Maciças Fonte: Acervo do autor, Março de 2007.
  • 38.
    37 Figura 2-11: ArranjoBásico das Armaduras de Lajes Maciças. Fonte: FUSCO. P. B. Técnica de armar as estruturas de concreto. São Paulo: Pini, 382, 1995.
  • 39.
    38 Figura 2-12: ArranjoBásico alternativo das armaduras das lajes maciças. Fonte: FUSCO. P. B. Técnica de armar as estruturas de concreto. São Paulo: Pini, 382, 1995.
  • 40.
    39 Figura 2-13: Armadurados balanços das lajes. Fonte: FUSCO. P. B. Técnica de armar as estruturas de concreto. São Paulo: Pini, 382, 1995.
  • 41.
    40 As ações usualmenteatuantes nas lajes são as seguintes: Peso próprio; Peso de revestimento (pavimento: granito, tábua corrida; revestimento da face inferior); Impermeabilização / isolamento; Sobrecargas de utilização (NBR 6120); Coberturas. Nas áreas destinadas a sanitários e áreas de serviço, era comum se projetar lajes rebaixadas, sobre as quais eram colocadas as instalações sanitárias. Já há algum tempo tem-se preferido projetar a laje dessas áreas nivelada com as demais, colocando-se a tubulação na sua face inferior, escondida por um forro falso, que permite o acesso às instalações no caso de eventuais problemas, sem grandes transtornos. A NBR 6120/1980 – Cargas para Cálculo de Estruturas de Edificações utilizam-se do Peso Especifico dos materiais. (Tab. 2-4) Tabela 2-4: Cargas para Cálculo de Estruturas de Edificações. TIPO DO MATERIAL PESO ESPECIFICO APARENTE - KN/m³ * Tijolos Furados 13 * Concreto Armado 25 * Argamassa de cal, cimento e areia 19 * Carga de Revestimentos 1,0 * Peso do telhado (mais revestimento laje cobertura) 1,0 Fonte: NBR 6120/1980.
  • 42.
    41 Figura 2-14: Representaçãoesquemática do sistema construtivo convencional em concreto Fonte: SPOHR, Valdir Henrique. Análise Comparativa De Sistemas Estruturais. Santa Maria, RS. 2008. 2.4.2.1. Características do Sistema de lajes Maciças A laje maciça não é adequada para vencer grandes vãos. Apresenta uma grande quantidade de vigas, fato esse que deixa as formas do pavimento muito recortadas, diminuindo a produtividade da construção e o reaproveitamento das formas; Grande consumo de formas; Existência de muitas vigas, por outro lado, forma muitos pórticos que garantem uma boa rigidez à estrutura; Um dos sistemas estruturais mais utilizados nas construções de concreto armado, por isso a mão-de-obra já é bastante treinada; O volume de concreto é grande devido ao consumo das lajes. Segundo Franca (1997), as lajes nos edifícios de vários pisos respondem por elevada parcela de consumo de concreto. No caso de lajes maciças, essa parcela chega usualmente a quase dois terços do volume total do concreto da estrutura.
  • 43.
    42 Figura 2-15: Acompanhamentode Execução de Estrutura com Laje Maciça. Fonte: Acervo do Autor, Novembro de 2007. 2.4.3. Lajes Nervuradas São as lajes em que a zona de tração é constituída de Nervuras, onde são dispostas as armaduras, e de uma mesa comprimida. Entre as nervuras, pode-se ou não inserir um material inerte, sem função Estrutural. Os pavimentos constituídos de lajes maciças geralmente possuem espessuras muito grandes. Impulsionados pela evolução das tendências arquitetônicas, os vãos dos pavimentos acabam por se tornar cada vez maiores, tornando a estrutura ainda mais antieconômica. Tais fatos, associados ao alto custo das fôrmas, levaram ao surgimento de uma alternativa de construção de pavimentos: as lajes nervuradas. A concepção das lajes nervuradas ocorreu em virtude da baixa resistência mecânica à tração do concreto que, na região tracionada, somente tem a função de proteger a armadura e de ligá-la a zona comprimida. Desta forma, retira-se todo o excesso de concreto posicionando as armaduras em nervuras (BOROWSKI, 2005). A redução do concreto através do espaço vazado entre as nervuras ou a sua substituição por materiais mais leves, como blocos cerâmicos ou blocos de poliestireno expandido, reduz o consumo de concreto e o peso próprio da laje sem prejuízo da altura da seção resistente e conseqüentemente da rigidez (ANDRADE, 1983 apud BOROWSKI, 2005).
  • 44.
    43 Albuquerque & Pinheiro(1998 apud BOROWSKI, 2005) destaca como principais vantagens das lajes nervuradas: A utilização de poucos painéis de lajes para cobrir um pavimento devido a sua grande autonomia, pois atinge facilmente painéis de 80 m²; A facilidade de execução das fôrmas; A reduzida interferência na arquitetura pelo reduzido número de vigas. Segundo Albuquerque (1999, p. 24), a vantagem principal do uso de lajes nervuradas é a redução do peso próprio da estrutura, já que o volume de concreto diminui, e ainda há um aumento na inércia, já que a laje tem sua altura aumentada. Dependendo da existência ou não do material de enchimento e da sua natureza, as lajes nervuradas também podem apresentar isolamento térmico superior ao concreto (SOUZA & CUNHA, 1998 apud BOROWSKI, 2005). Segundo a NBR 6118/2003, lajes nervuradas são "lajes moldadas no local ou com nervuras pré-moldadas, cuja zona de tração é constituída por nervuras entre as quais pode ser colocado material inerte." Figura 2-16: Laje Nervurada bi-direcional. Fonte: FRANCA, A. B. M.; FUSCO, P. B. As lajes nervuradas na moderna construção de edifícios. São Paulo, AFALA & ABRAPEX, 1997. Resultantes da eliminação do concreto abaixo da linha neutra, elas propiciam uma redução no peso próprio da estrutura como a um todo, além de melhor aproveitar o aço e o concreto. A resistência à tração é concentrada nas nervuras, e os materiais de enchimento têm
  • 45.
    44 como função únicasubstituir o concreto, sem colaborar na resistência, isto é, materiais inertes sem função estrutural cujo único objetivo é o de preencher os espaços. Essas reduções propiciam uma economia de materiais, de mão-de-obra e de fôrmas, aumentando assim a viabilidade do sistema construtivo. Além disso, o emprego de lajes nervuradas simplifica a execução e permite a industrialização, com redução de perdas e aumento da produtividade, racionalizando a construção. 2.4.3.1. Tipos mais comuns de lajes nervuradas Dentre as várias modalidades de lajes nervuradas encontradas no mercado. Nesse trabalho estaremos considerando dois grandes grupos: lajes nervuradas executadas com nervuras pré-moldadas e lajes nervuradas moldadas no local, sendo utilizado o EPS (poliestireno expandido), vigotas treliçadas ou ainda por meio de fôrmas plásticas. a) Laje moldada no local Todas as etapas de execução são realizadas "in loco". Portanto, é necessário o uso de fôrmas e de escoramentos, além do material de enchimento. Podem-se utilizar fôrmas para substituir os materiais inertes. Essas fôrmas já são encontradas em polipropileno ou em metal, com dimensões moduladas, sendo necessário utilizar desmoldantes iguais aos empregados nas lajes maciças. Figura 2-17: Laje nervurada moldada no local. Fonte: LIBÂNIO M. P. & REZENDE J. A; Lajes Nervuradas. São Paulo, USP – EESC – Departamento de Engenharia de Estruturas, 2003
  • 46.
    45 b) Lajes Nervuradascom nervuras pré-moldadas Nessa alternativa, as nervuras são compostas de vigotas pré-moldadas, que dispensam o uso do tabuleiro da fôrma tradicional. Essas vigotas são capazes de suportar seu peso próprio e as ações de construção, necessitando apenas de cimbramentos intermediários. Além das vigotas, essas lajes são constituídas de elementos de enchimento, que são colocados sobre os elementos pré-moldados, e também de concreto moldado no local. Há três tipos de vigotas. Figura 2-18: Vigota Protendidas. Fonte: KASPARY, Cerâmica. Disponível em: <http://www.ceramicakaspary.com.br/portal/laje_protendida>. Acesso em: 14 de Setembro de 2010. Figura 2-19: Vigotas em concreto armado. Fonte: KASPARY, Cerâmica. Disponível em: <http://www.ceramicakaspary.com.br/portal/laje_protendida>. Acesso em: 14 de Setembro de 2010.
  • 47.
    46 Figura 2-20: Vigotastreliçadas Fonte: KASPARY, Cerâmica. Disponível em: <http://www.ceramicakaspary.com.br/portal/laje_protendida>. Acesso em: 14 de Setembro de 2010. Figura 2-21: Execução de Lajes treliçadas Fonte: SILVA, M. A. FERREIRA. Projeto e Construção de lajes nervuradas de concreto armado. São Carlos. 2005.
  • 48.
    47 Figura 2-22: Tiposde vigotas, capa de concreto e blocos de preenchimento Fonte: FAZ Fácil. Disponível em: < http://www.fazfacil.com.br/images/>. Acesso em: 22 de Setembro de 2010. 2.4.3.2. Materiais de Enchimento Como componente deste sistema estrutural apresentam-se os materiais inertes, ou também conhecidos como material de enchimento.
  • 49.
    48 Figura 2-23: Elementosde Enchimento empregado nas lajes formadas com nervuras pré-fabricadas. Fonte: FAZ Fácil. Disponível em: < http://www.fazfacil.com.br/images/>. Acesso em: 05 de Outubro de 2010. As lajes pré-fabricadas surgem como um passo decisivo na industrialização do processo da construção civil. Segundo Borges (1997 apud ALBUQUERQUE, 1999), a pré- fabricação é um método industrial de construção no qual os elementos fabricados em série, por sistemas de produção em massa, são posteriormente montados em obra, tendo como principais vantagens a redução do tempo de construção, do peso da estrutura e, conseqüentemente, do custo final da obra. Pode-se ainda salientar como grande vantagem a ausência de fôrmas para as lajes. Conforme Dias (2008 apud VIZOTTO, 2005), com a industrialização das armaduras treliçadas, dos blocos de EPS moldado e auto-extinguível, e de fôrmas removíveis adaptadas a esse sistema, surge à laje nervurada com vigotas pré-fabricadas treliçadas, garantindo outras possibilidades de soluções e conservando as características de monoliticidade da estrutura. As lajes treliçadas são normalmente empregadas para vencerem vãos de 4 a 12 metros, têm uma variação de altura da seção compreendida entre 10 e 30 centímetros e podem ser armadas em uma ou duas direções. Dias (2008 apud EL DEBS, 2000) destaca que a utilização de vigotas pré-moldadas com armação em forma de treliça favorece a utilização das lajes armadas nas duas direções (lajes bidirecionais).
  • 50.
    49 Segundo Muniz (1991apud BUIATE & LIMA), em relação ao sistema tradicional de lajes maciças, as lajes com armação treliçada apresentam as seguintes vantagens: Diminuição do peso-próprio da laje e o conseqüente alívio sobre as fundações; A possibilidade de embutir todas as instalações elétricas entre a capa de concreto e a base de concreto pré-moldado; Em função do bom acabamento e regularidade superficial dos elementos pré- moldados, na face inferior é requerida apenas uma fina camada de regularização; Redução significativa de fôrmas; Sensível redução do escoramento das lajes; Em lajes contínuas, o uso de vigotas com armação treliçada permite a continuidade estrutural pela colocação de armadura negativa sobre os apoios, sem que isto signifique qualquer problema para a sua fixação; Eliminam-se as perdas das pontas dos vergalhões utilizados na preparação da armadura no canteiro decorrente da armação treliçada ser fabricada a partir de rolos de fios de aço trefilado CA-60; Reduz a quantidade de estoque e movimentação de materiais e pessoas no canteiro de obras, diminui a mão-de-obra de ferreiros, armadores e carpinteiros e aumenta a rapidez da construção da estrutura. Ainda com relação à utilização das vigotas pré-moldadas com armação treliçada, Dias (2008 apud BUIATE & LIMA, 2005) destaca também que: Reduz o aparecimento de fissuras pela condição de aderência entre o concreto do capeamento e o concreto da vigota pré-moldada; Facilita a colocação de nervuras moldadas “in loco” na direção perpendicular às vigotas; Pode oferecer maior resistência ao cisalhamento em função da presença das diagonais da treliça. 2.4.3.3. Lajes Lisas Nervuradas / Lajes Cogumelo Lajes Nervuradas são formadas por um conjunto de nervuras em uma ou duas direções, formando espaços entre as mesmas nos quais são utilizados elementos de enchimento.
  • 51.
    50 Conforme a NBR6118/2003, a definição de laje-cogumelo está relacionada com as lajes que estão apoiadas em capteis (Fig. 2-24 “a”), enquanto que as lajes lisas estão apoiadas diretamente sobre os pilares. (Fig. 2-24 “b”) Figura 2-24: Laje sobre Captel (A) e Laje lisa (B). Fonte: SPOHR, Valdir Henrique. Análise Comparativa De Sistemas Estruturais. Santa Maria, RS. 2008. As lajes lisas nervuradas como se apóiam diretamente sobre os pilares, utilizam na região dos apoios maciços de concreto, com o objetivo de resistir às tensões de cisalhamento características nestas regiões. Figura 2-25: Concretagem de Maciço. Fonte: Acervo do Autor, Outubro de 2009.
  • 52.
    51 Figura 2-26: LajeLisa Nervurada apoiada sobre pilares (vista inferior) Fonte: Acervo do Autor, Novembro de 2009. Conforme Valdir (2008) as lajes nervuradas apresentam vantagens em relação às demais, entre elas citam-se: A maior inércia em relação às lajes convencionais, pois possibilita o aumento dos vãos entre pilares, otimizando os projetos estruturais e criando maiores áreas para manobra nos estacionamentos; Os pilares podem e devem ser distribuídos de acordo com as necessidades do projeto arquitetônico, sem a necessidade de alinhamento ou amarração por conta das vigas; A composição arquitetônica não está condicionada por vigas o que propicia maior liberdade ao projeto; Facilidade na execução, uma vez que as vigas são embutidas na própria laje (sem vigas altas), evitando-se recortes e agilizando-se os serviços de montagem das formas; Quando associadas a um sistema de formas industrializadas aceleram muito o processo construtivo, chegando a um ciclo médio de execução de sete dias por pavimentos. Em prédios estudantis e/ou bibliotecas podem ser utilizadas apenas com acabamento superficial contribuindo para o conforto acústico do ambiente.
  • 53.
    52 2.4.3.4. Punção A definiçãode punção seria o estado limite último por cisalhamento no entorno de forças concentradas (cargas e reações), e que a ruptura por punção se dá com a propagação de fissuras inclinadas através da espessura da laje, com a inclinação média de 30º. (SPOHR, 2008 apud ARAUJO, 2003). Figura 2-27: Ruína por punção em lajes lisas nervuradas Fonte: SPOHR, Valdir Henrique. Análise Comparativa De Sistemas Estruturais. Santa Maria, RS. 2008. Segundo Borowski (2005 apud CARVALHO & GOMES, 2001), nas lajes cogumelo, um dos possíveis modos de ruptura é por puncionamento, ocorrendo de forma localizada, frágil e brusca, entorno dos pilares ou de carregamentos concentrados. Borowski (2005 apud COELHO & MELO, 1999), menciona que a importância da análise de ruptura por punção deverá ganhar maior importância devido à possibilidade de ocorrência de colapso progressivo, podendo levar toda a estrutura a ruína. A NBR 6118/2003, apresenta um procedimento baseado na verificação da tensão presente, correspondente a verificação do cisalhamento em duas ou mais superfícies criticas definidas no entorno de forças concentradas.
  • 54.
    53 Figura 2-28: Áreasujeita ao puncionamento Fonte: BOROWSKI, Gustavo Costa. Cálculo de Deslocamento em Lajes Nervuradas. Santa Maria 2005. Figura 2-29: Laje Nervurada Cogumelo Fonte: BOROWSKI, Gustavo Costa. Cálculo de Deslocamento em Lajes Nervuradas. Santa Maria 2005. 2.4.3.5. Lajes Nervuradas Mistas São aquelas em que, entre as nervuras de concreto armado ou protendido, colocam-se elementos intermediários (blocos cerâmicos ou de argamassa), solidários com as nervuras e capazes de resistir aos esforços de compressão oriundos da flexão (não inertes), sendo considerados no cálculo.
  • 55.
    54 2.4.4. Lajes NervuradasProtendidas CONCRETO PROTENDIDO 2.4.4.1. Histórico Segundo Pereira (2000), o pioneirismo das experiências com concreto protendido, as percussoras foram feitas pelo engenheiro Eugene Freyssinet, na França em 1928, com a introdução de aço duro em forma de arames trefilados, para realizar a protensão em uma estrutura. Entretanto, na Alemanha as primeiras aplicações práticas dos fios de aço duro, foram feitas por Hoyer, através do sistema Hoyer (como ficou conhecido), que consistia em esticar os fios com o auxílio de dois apoios independentes e que, após o endurecimento do concreto, cortavam-se os fios, que posteriormente ancoravam-se na peça por aderência. Porém Almeida Filho (2002) menciona que o inicio dos trabalhos em concreto protendido data de meados do ano de 1872, quando PH. Jackson, Engenheiro do estado da Califórnia, EUA, patenteou um sistema o qual utilizou um tirante de união para construir vigas ou arcos com blocos isolados. Em 1888, na Alemanha, C. W. Doering obteve a patente para lajes protendidas com fios metálicos, entretanto tais experimentos não tiveram êxito devido às perdas de Protensão com o passar do tempo. Em 1934, Dichinger desenvolve a utilização de Protensão externa sem aderência e dois anos mais tarde construiu a primeira obra de concreto protendido que se tem conhecimento, foi à ponte de Ave, na Alemanha. Na Europa, após já na década de 40 Freyssinet, na França, doze anos após seu primeiro experimento que se tem conhecimento, propõe métodos para se estimar as perdas de protensão no uso de aços de alta resistência e alta ductilidade, propostas estas que o levaram a desenvolver o sistema Freyssinet, anos mais tarde como ficou conhecido, tal sistema que consistia na ancoragem em cunha cônica de 12 cabos. A partir daí, o emprego corrente de concreto protendido tornou-se possível, principalmente com o lançamento de ancoragens e equipamentos especializados para protensão. No Brasil a primeira obra em concreto protendido, foi à ponte do Galeão, no Rio de Janeiro em 1948, em vigas pré-moldadas, utilizando o sistema Freyssinet, de Protensão não aderente, sendo na época a maior ponte em concreto protendido no mundo com 380 metros de comprimento. Foi uma das primeiras realizações patente Freyssinet no mundo, tendo o próprio Eugene Freyssinet como consultor técnico.
  • 56.
    55 Figura 2-30: Exemplode ancoragem com cunhas de aço - Sistema Freyssinet Fonte: HANAI, João Bento. Fundamentos do Concreto Protendido. USP. São Carlos, 2005. A partir da década de 50, vários processos de protensão e ancoragem foram desenvolvidos e já na década de 70 firmou-se a preferência pela utilização das cordoalhas ancoradas individualmente por meio de cunhas. Na atualidade o concreto protendido não se restringe apenas para obras de transposição como pontes e viadutos como acontecia nos seus primórdios, essa tecnologia é muito utilizados em estruturas de edifícios, principalmente em lajes e vigas, seja para vencer grandes vãos, com também permitir o uso de estruturas cada vez mais arrojadas e combinações livres entre materiais. A utilização de protensão não aderente vem sendo feita de uma maneira modesta, talvez devido ao conceito do concreto protendido possivelmente ter custo mais elevado, o que é um conceito falho, pois a protensão com mono cordoalha (protensão não-aderente) constitui um sistema altamente competitivo para com o concreto armado convencional. (ALMEIDA FILHO, 2002) A maior utilização deste sistema até hoje se dá na região Nordeste, onde se utiliza desde a construção de pavimentos protendidos, até a construção de fundações tipo radier, tanto para pequenos domicílios quanto edificações obra de médio e grande porte.
  • 57.
    56 2.4.4.2. Considerações Gerais Deacordo com a Norma Brasileira NBR-7197/1989 – Projeto de Obras de Concreto Protendido definem-se: a) Peça de concreto protendido É aquela que é após ser sido submetida a um sistema de forças especialmente e permanentemente aplicadas chamadas forças de protensão e tais que, em condições de utilização, quando agirem simultaneamente com as demais ações, impeçam ou limitem a fissuração do concreto. b) Armadura de protensão ou armadura ativa Esta é constituída por fios ou barras, feixes (barras ou fios paralelos) ou cordões (fios enrolados), e se destina à produção das forças de protensão. c) Concreto protendido com aderência inicial Neste processo o estiramento da armadura de protensão é executado utilizando-se apoios independentes da peça, antes do lançamento do concreto, sendo a ligação armadura de protensão com os apoios desfeitos após o endurecimento do concreto. A ancoragem no concreto realiza-se só por aderência. d) Concreto protendido com aderência posterior Quando o estiramento da armadura de protensão é executado após o endurecimento do concreto, utilizando-se como apoios, partes da própria peça, criando-se posteriormente aderência com o concreto de modo permanente. e) Concreto protendido sem aderência É aquele obtido como no caso anterior, porém após o estiramento da armadura de protensão, não é criada a aderência com o concreto. Sistema de Freyssinet.
  • 58.
    57 2.4.4.3. Sistemas deProtensão Hanai (1995) classifica os sistemas de protensão conforme abaixo: a) Quanto à aderência, de acordo com seus aspectos construtivos e tecnológicos a. Concreto protendido com aderência inicial – Cabos tracionados antes do lançamento do concreto; Figura 2-31: Sistema de Protensão com Aderência inicial Fonte: SANTOS & CARVALHO, Alzir Espindola & Paulo Carlos. Análise Comparativa entre os tipos de lajes: Nervuradas com Fôrma Plástica, Nervurada com vigas Treliçadas e EPS e Nervura Protendida com fôrmas Plásticas. Belém-PA. 2003. b. Concreto protendido com aderência posterior – Cabos tracionados após o lançamento do concreto;
  • 59.
    58 Figura 2-32: Sistemade Protensão com Aderência Posterior Fonte: SANTOS & CARVALHO, Alzir Espindola & Paulo Carlos. Análise Comparativa entre os tipos de lajes: Nervuradas com Fôrma Plástica, Nervurada com vigas Treliçadas e EPS e Nervura Protendida com fôrmas Plásticas. Belém-PA. 2003. c. Concreto protendido sem aderência – Cabos tracionados após o lançamento do concreto, sem que os mesmos tenham aderência com o concreto. b) Conforme o grau de protensão desejado para exercer a intensidade de tensão de tração máxima produzida pelas ações externas. a. Protensão completa (ou total) – Após serem verificadas as condições para as combinações freqüentes de ações respeitando o estado limite de descompressão e para as combinações raras de ações respeitando o estado limite de formação de fissuras; b. Protensão limitada – Após serem verificadas as condições para as combinações quase permanentes de ações respeitando o estado limite de descompressão e para as combinações freqüentes de ações respeitando o estado limite de formação de fissuras; c. Protensão parcial – Após serem verificadas as condições para as combinações quase-permanentes de ações respeitando o estado limite de descompressão e para as combinações freqüentes de ações respeitando o estado limite de abertura de fissura.
  • 60.
    59 Figura 2-33: Níveisde Protensão Fonte: ISHITANI & FRANÇA, Hideki & Ricardo. Concreto Protendido. USP, São Paulo, 2002. 2.4.4.4. Definição de protensão Segundo PFEIL (1985) é um artifício que consiste numa estrutura um estado prévio de tensões capaz de melhorar sua resistência ou seu comportamento, sob diversas condições de carga. Tecnicamente o concreto protendido é um tipo de concreto armado no qual a armadura ativa sofre um pré-alongamento, gerando um sistema auto-equilibrado de esforços (tração no aço e compressão no concreto). Essa é a diferença essencial entre concreto protendido e armado. Deste modo o elemento protendido apresenta melhor desempenho perante as cargas externas de serviço. Figura 2-34: Diferença do comportamento de um tirante Fonte: ISHITANI & FRANÇA, Hideki & Ricardo. Concreto Protendido. USP, São Paulo, 2002.
  • 61.
    60 Figura 2-35: Mapade isodeforma do Edifício Yerchanik Kissajikian Fonte: Revista Téchne, edição março de 2003
  • 62.
    61 2.4.4.5. Protensão aplicadaao concreto Ferreira (2010) o artifício de protensão tem uma importância particular no caso do concreto, pelas seguintes razões: O concreto é um dos materiais de construção mais importantes. Os materiais necessários à confecção do concreto (cimento portland, areia, pedra e água) são disponíveis a baixo custo em todas as regiões habitadas da Terra. O concreto tem resistência à compressão. Na ordem de 200 Kgf/cm2 (20 MPa) a 500 Kgf/cm2 (50 MPa), são utilizados nas obras. O concreto oferece pequena resistência à tração, da ordem de 10% de resistência à compressão. Além de pequena, a resistência à tração do concreto é pouco confiável. De fato, quando o concreto não é bem executado, a retração do mesmo pode provocar fissuras, que eliminam a resistência à tração do concreto, antes mesmo de atuar qualquer solicitação. Devido a essa natureza aleatória da resistência a tração do concreto, ela é geralmente desprezada nos cálculos. O concreto como um material de propriedades tão distintas a compressão e a tração, estruturalmente este comportamento pode ser melhorado conforme as condições de armadura nas ligações de aço-concreto aplicando-se compressão prévia (isto é, protensão) nas regiões onde as solicitações produzem tensões de tração. O uso cabos ou fios de aços de elevadas resistências, como armaduras de concreto armado, se limita pelo grau de fissuração do concreto. Uma vez que os diferentes tipos de aço têm aproximadamente o mesmo módulo de elasticidade. Portanto o emprego de aços com tensões de tração elevadas implica em grandes alongamentos dos mesmos, o que, por sua vez, ocasiona fissuras muito abertas. A abertura exagerada das fissuras reduz a proteção das armaduras contra corrosão, e é indesejável esteticamente. Ferreira (2010) cita que a protensão do concreto é realizada, na prática, por meio de cabos de aço de alta resistência, tracionados e ancorados no próprio concreto. O artifício da protensão desloca a faixa de trabalho do concreto para o âmbito das compressões, onde o material é mais eficiente. Com a protensão, aplicam-se tensões de compressão nas partes da seção tracionadas pelas solicitações dos carregamentos. Desse modo, pela manipulação das tensões internas, pode-se obter a contribuição da área total da seção da viga para a inércia da mesma.
  • 63.
    62 Desta forma pelamanipulação das tensões internas, pode-se obter a contribuição da área total da seção da viga para a inércia da mesma. Santos & Carvalho (2003 apud, PFEIL, 1981). Sob ação de cargas, uma viga protendida sofre flexão, alterando-se as tensões de compressão aplicadas previamente. Quando a carga é retirada, a viga volta à sua posição original e as tensões prévias são restabelecidas. Se as tensões de tração provocadas pelas cargas forem inferiores às tensões prévias de compressão, a seção continuará comprimida, não sofrendo fissuração. Sob ação de cargas mais elevadas, as tensões de tração ultrapassam as tensões prévias, de modo que o concreto fica tracionado e fissura. Retirando-se a carga, a protensão provoca o fechamento das fissuras. 2.4.4.6. Perda de Protensão Embora as forças de protensão devam ser de caráter permanente, elas estão sujeitas a variações de intensidade, para maiores ou menores valores. A diminuição da intensidade da força de protensão é chamada de Perda de Protensão, entretanto em alguns casos possamos atribuir uma designação diferente, tal como Queda de Protensão, como uma forma de distinguir situações que são inerentes aos processos de transferência de tensões ao concreto. Por estas razões os cálculos de uma peça protendida deveram estimar as perdas de protensão, e de posse desses dados, determinarem uma sobre tensão para atuar na peça, para neutralizar total ou em parte os esforços de tração provocados pela carga de utilização. Os diversos fatores que influem na força de protensão inicialmente aplicada, alguns são responsáveis por perdas de protensão imediatas e outros por perdas progressivas que se desenvolvem ao longo da vida útil da estruturas. Os fatores que provocam perdas instantâneas, isto é, que ocorrem durante a operação de protensão e imediatamente após a ancoragem no cabo, destas se destacam: A deformação imediata (ou elástica) do concreto, atrito do cabo com a bainha e acomodação da ancoragem. Os fatores que provocam perdas progressivas, isto é, que ocorrem ao longo do tempo, após o término da operação de protensão, com os cabos já ancorados, são: relaxação do aço de protensão e retração e fluência do concreto.
  • 64.
    63 Figura 2-36: Encurtamentoe perda de tensão na armadura Fonte: HANAI, João Bento. Fundamentos do Concreto Protendido. USP. São Carlos, 2005. Se a peça de concreto como um todo, ou o local onde está armada a armadura de protensão, se esta sofrer um encurtamento ao longo do tempo, a armadura também sofre os efeitos desse encurtamento, ocorrendo então à progressiva diminuição do valor de protensão instalada. 2.4.4.7. Verificação de Segurança Como ocorre no caso de verificação da segurança para qualquer tipo de estrutura em concreto armado, também nas peças de concreto protendido deve-se tomar como referência inicial a NBR 8681/2003 – Ações e Segurança nas estruturas – Procedimentos. Para a verificação dos Estados de Limites: De uma Estrutura – estados a partir dos quais a estrutura apresenta desempenho inadequado às finalidades da construção a ser edificada. Dos Limites Últimos – estados em que pela sua simples ocorrência determinam a paralisação, no todo ou em parte, do uso da construção. Dos Limites de Serviço – estados estes em que sua ocorrência, repetição ou duração, causam efeitos estruturais que não respeitam as condições especificadas para o uso normal da construção, ou que são indícios de comprometimento da durabilidade da estrutura.
  • 65.
    64 2.4.5. Materiais Os principaismateriais a serem considerados são o concreto e os aços de alta resistência, além de diferentes dispositivos de ancoragem, bainhas metálicas ou plásticas e cunhas, que constituem a parcela material dos diversos sistemas de protensão com pós-tração. Para a execução das estruturas em CP, o concreto deve possuir maiores resistências, o que exige um melhor controle de execução, estes valores de fck estão usualmente compreendidos entre 30 MPa e 40 MPa. Além disto, requer um acompanhamento melhor da execução da concretagem, desde o preparo até o adensamento e cura. É importante que o concreto tenha boas características de compacidade e baixa permeabilidade, para que se tenha uma proteção suficiente contra a corrosão das armaduras. Os aços de alta resistência exigem cuidados especiais de proteção contra corrosão, e a colocação destes deve ser feita com a máxima precisão possível, de modo a garantir as posições propostas de projeto. São mais econômicos que os aços utilizados em concreto armado convencional, uma vez que sua resistência é três vezes maior. Trata-se de um aço de resistência mínima à ruptura por tração f ptk= 175 Kgf/mm2 (ou 1.750 MPa), resistência essa efetiva (no caso de fios) ou convencional (no caso de cordoalhas), e de relaxação normal. Os valores do módulo de elasticidade dos aços de protensão são geralmente fornecidos pelos fabricantes, sendo que os valores são aproximadamente para fios Ep = 205.000 MPa e para cordoalhas Ep = 195.000 MPa. 2.4.5.1. Concreto O emprego da protensão necessita da utilização de técnicas mais requintadas que oferecem melhor qualidade às obras, reduzindo o custo final em relação ao concreto armado convencional. O controle de qualidade global deve ser mais rigoroso e eficiente, o que torna possível e necessário o uso de concretos de qualidade. Resistências elevadas nos concretos são desejáveis por aspectos, tais como: Ao se aplicar a força de Protensão exige-se do concreto a trabalhabilidade para suportar solicitações prévias elevadas; O emprego de concreto de alta resistência favorece a redução das seções transversais, diminuindo assim o peso próprio da estrutura; Quanto maior o módulo de elasticidade, maior será a contribuição para redução das perdas de protensão causadas por retração e fluência.
  • 66.
    65 Assim como sefaz necessário se obter boas resistências e de controle especifico da retração e da fluência, é importantíssimo que o concreto tenha boas características de compacidade e baixa permeabilidade, para a formação de uma proteção eficiente da armadura contra corrosão. No caso do concreto protendido, o aço da armadura ativa solicitado por tensões elevadas, torna-se mais suscetível à corrosão, sobretudo a chamada “Corrosão sob Tensão” 2.4.5.2. Armaduras a) Armadura Passiva Armaduras passivas são aquelas dispostas sem tensões prévias utilizando-se de aços dos tipos comuns CA-50 e CA-60, utilizados no concreto armado convencional. Ferreira (2010) cita que nenhuma peça das armaduras passivas tenha índices excessivamente baixos (por maior que seja o grau de protensão), pois esta desempenha diversas funções importantes, tais como: Eliminar ou reduzir as fissuras provocadas pela retração do concreto; Garantir resistência para tensões elásticas de tração em serviço; Aumentar os momentos de fissuração da peça; Aumentar o momento fletor de ruptura da seção. b) Armadura Ativa Os aços para armadura ativa estão caracterizados por suas elevadas resistências e ausência de patamar de escoamento. Desta forma, as exigências referentes às disposições construtivas das armaduras protendidas são mais rigorosas se comparadas as armadura passivas, devido aos níveis de tensão mais elevados. Ferreira (2010) menciona que as propriedades mecânicas dos aços de protensão são caracterizadas pelos seguintes elementos: Tensão correspondente ao alongamento de 1%; Limite de resistência à tração; Alongamento após ruptura; Número de dobramentos alternados, sem fissuras ou ruptura
  • 67.
    66 Figura 2-37: Ilustraçãoda Cordoalha, Detalhe e Corte Transversal de Fios Fonte: FERREIRA, Prof. M. Sc. Márcio Murilo. Apresentação Sobre Concreto Protendido - Introdução CAP. 01. Belém, 2010. Os aços para as armaduras ativas podem se apresentar nas seguintes formas: Fios trefilados de aço-carbono, diâmetro de 3 a 8 mm, fornecidos em rolos ou bobinas; Cordoalhas que são fios enrolados em forma de hélice, com dois, três ou sete fios; Barras de aço-liga de alta resistência, laminadas a quente, com diâmetros superiores a 12 mm, tendo seu comprimento limitado. Quanto às modalidades e tratamento após o final da fabricação, a fim de melhorar suas qualidades e trabalhabilidade, as cordoalhas são submetidas aos seguintes tratamentos: Aliviamento ou relaxação normal (RN): é a retificação por tratamento térmico que alivia as tensões internas de trefilação. Estabilização ou de baixa relaxação (RB): são aços trefilados que recebem tratamento termo-mecânico, o qual melhora as características elásticas e reduz as perdas de tensão por relaxação.
  • 68.
    67 Tabela 2-5: Fiospara concreto protendido FIOS ESPECIFICAÇÃO DIÂMETRO NOMINAL (mm) ÁREA APROX. (mm 2 ) ÁREA MÍNIMA (mm 2) MASSA APROX. (kg/km) TENSÃO MÍNIMA DE RUPTURA TENSÃO MÍNIMA A 1% DE ALONGAMENTO ALONG. APÓS RUPTURA (%)(MPA) (Kgf/mm 2) (MPA) (Kgf/mm 2) CP 145RBL 9 63,6 62,9 500 1.450 145 1.310 131 6 CP 150RBL 8 50,3 49,6 394 1.500 150 1.350 135 6 CP 170RBE 7 38,5 37,9 302 1.700 170 1.530 153 5 CP 170RBL 7 38,5 37,9 302 1.700 170 1.530 153 5 CP 170RNE 7 38,5 37,9 302 1.700 170 1.450 145 5 CP 175RBE 4 12,6 12,3 99 1.750 175 1.580 158 5 CP 175RBE 5 19,6 19,2 154 1.750 175 1.580 158 5 CP 175RBE 6 28,3 27,8 222 1.750 175 1.580 158 5 CP 175RBL 5 19,6 19,2 154 1.750 175 1.580 158 5 CP 175RBL 6 28,3 27,8 222 1.750 175 1.580 158 5 CP 175RNE 4 12,6 12,3 99 1.750 175 1.490 149 5 CP 175RNE 5 19,6 19,2 154 1.750 175 1.490 149 5 CP 175RNE 6 28,3 27,8 222 1.750 175 1.490 149 5 Fonte: FERREIRA, Prof. M. Sc. Márcio Murilo. Apresentação Sobre Concreto Protendido - Introdução CAP. 01. Belém, 2010. Tabela 2-6: Cordoalhas para concreto protendido CORDOALHAS ESPECIFICAÇÃO DIÂMETRO NOMINAL (mm) ÁREA APROX. (mm 2 ) ÁREA MÍNIMA (mm 2) MASSA APROX. (kg/km) TENSÃO MÍNIMA DE RUPTURA TENSÃO MÍNIMA A 1% DE ALONGAMENTO ALONG. APÓS RUPTURA (%)(MPA) (Kgf/mm 2) (MPA) (Kgf/mm 2) CORD CP 190 RB 3x3,0 6,5 21,8 21,5 171 40,8 4.080 36,7 3.670 3,5 CORD CP 190 RB 3x3,5 7,6 30,3 30 238 57 5.700 51,3 5.130 3,5 CORD CP 190 RB 3x4,0 8,8 39,6 39,4 312 74,8 7.480 67,3 6.730 3,5 CORD CP 190 RB 3x4,5 9,6 46,5 46,2 366 87,7 8.770 78,9 7.890 3,5 CORD CP 190 RB 3x5,0 11,1 66,5 65,7 520 124,8 12.480 112,3 11.230 3,5 CORD CP 190 RB 7 6,4* 26,5 26,2 210 49,7 4.970 44,7 4.470 6.710 3,5 CORD CP 190 RB 7 7,9* 39,6 39,3 313 74,6 7.460 67,1 9.390 3,5 CORD CP 190 RB 7 9,5 55,5 54,8 441 104,3 10.430 93,9 12.650 3,5 CORD CP 190 RB 7 11 75,5 74,2 590 140,6 14.060 126,5 16.860 3,5 CORD CP 190 RB 7 12,7 101,4 98,7 792 187,3 18.730 168,6 23.920 3,5 CORD CP 190 RB 7 15,2 143,5 140 1.126 265,8 26.580 239,2 3,5 Fonte: FERREIRA, Prof. M. Sc. Márcio Murilo. Apresentação Sobre Concreto Protendido - Introdução CAP. 01. Belém, 2010.
  • 69.
    68 2.4.6. Sentido econômicodo concreto protendido. Ferreira (2010) as resistências de concreto, utilizadas em concreto protendido, são duas a três vezes maiores que as utilizadas em concreto armado. Os aços utilizados nos cabos de protensão têm resistência três a cinco vezes superiores às dos aços usuais do concreto armado. O sentido econômico do concreto protendido consiste no fato de que os aumentos percentuais de preço são muito inferiores aos acréscimos de resistência utilizáveis, tanto para o concreto como para o aço de protensão. 2.4.7. Vantagens para o Concreto Protendido Hanai (2005) afirma que as diferenças entre o concreto protendido e o concreto armado convencionalmente são diferenças essencialmente tecnológicas. Entendido uma vez que estas diferenças representam o avanço tecnológico na arte de construir em concreto, poderíamos supor que o Concreto Protendido seria uma opção melhor se comparado com o Concreto Armado, entretanto, havendo a necessidade de se considerar alguns aspectos: A disponibilidade tecnológica para se projetar e executar obras em concreto protendido; O uso da protensão em alguns casos se manifesta de maneira desfavorável em estruturas, como exemplo na execução de fundações e de pilares sujeitos a compressão com pequena excentricidade. No entanto, são enumerados alguns aspectos relevantes da tecnologia do concreto protendido, que podem ser levados em conta numa possível análise de alternativas. 2.4.7.1. Redução da Fissuração Graças à protensão hoje é possível melhorar a capacidade de utilização da peça estrutural e controlar de modo mais eficiente as fissurações, podendo, em alguns casos até eliminá-la. O concreto na zona comprimida pela ação da protensão resiste melhor aos alongamentos provocados pela flexão, fissurando-se muito pouco. Modernamente, com o desenvolvimento da Teoria de Fissuração aumenta-se a durabilidade das estruturas, pois aumenta a proteção da armadura contra a corrosão, bem como a estanqueidade do concreto.
  • 70.
    69 2.4.7.2. Emprego deAços de Alta Resistência Para o concreto protendido, são dimensionados aços de alta resistência, capazes de atingir tensões elevadas de trabalho sem depender de alongamentos exagerados do concreto. O mecanismo concebido não é um binário na seção protendida, mas sim de solicitações de alívio. Desta forma, se equilibram as solicitações externas, gerando um mecanismo onde todos os pontos da peça solicitada estão em estado de tensão uniforme, que está corrigido com o estado de deformação pela protensão, restando apenas à deformação do concreto, que é bastante reduzida e também corrigida. Figura 2-38: Cordoalha Engraxada Fonte: Acervo do Autor, 2010 Os aços de alta resistência são sensivelmente mais econômicos, pois admitem tensões maiores, podendo, portanto, ter um consumo reduzido. São fornecidos em bobinas de grande comprimento, agilizando a fase de corte, eliminando a fase de dobra e evitando problemas relacionados com emendas da armadura. 2.4.7.3. Redução da Seção Transversal Com o concreto protendido, todas as seções de são concebidas para trabalhar de forma única em todos os pontos resistindo aos esforços de flexão. Fazendo uso de toda a contribuição do concreto, associado à alta resistência do aço, as seções transversais podem ser reduzidas, minimizando o peso próprio da estrutura.
  • 71.
    70 Figura 2-39: LajeNervurada Protendida Fonte: Acervo do autor, 2010. 2.4.7.4. Capacidade de Auto-Recuperação do Concreto Com a eliminação da fissuração evita-se a redução de inércia da seção e o conseqüente aumento das flechas, porém a redução das flechas é também obtida com a contra flecha gerada pela excentricidade das forças de Protensão. Durante a vida útil das estruturas, estas podem passar por situações de tensões excessivas devido à ação de cargas acidentais, graças a esta situação poderá haver fissurações maiores no concreto, aumento da solicitação na armadura e nas ancoragens, e as deformações podem ser significativos. Porem após o alívio das cargas, a armadura ativa promoverá a correção nas flechas e as fissuras no concreto voltam a se fechar por completo, desde que as tensões no aço permaneçam abaixo do limite de escoamento permitido. 2.4.7.5. Garantia Antecipada de Resistência Geralmente antes de o concreto atingir suas resistências finais ou máximas são nesta fase que se inicia a aplicação da força de protensão, nesta fase que são introduzidas as maiores tensões na estrutura. Portanto, a peça protendida não está submetida ao carregamento total para o qual foi projetado. Sendo assim, a operação de protensão constitui uma espécie de prova de carga nas peças protendidas.
  • 72.
    71 É necessário quehaja uma verificação cuidadosa de todas as fases de solicitação da peça, isto porque a pior situação não é necessariamente aquela correspondente à atuação total do carregamento, como exemplo o Estado em Vazio. 2.4.8. Ancoragens As ancoragens são feitas por meio de cunhas de aço (elementos do gênero macho), bi ou tri partidas e blocos de placas de aço (elementos do gênero fêmea), as cunhas são internamente ranhuradas e o aço recebe tratamento especial para alcançar as propriedades de dureza desejada. De acordo com as definições da NBR 7197 (1989), ancoragem é o dispositivo capaz de manter o cabo em estado de tensão, transmitindo força de protensão à estrutura. As ancoragens ativas permitem a aplicação da força de protensão e as ancoragens passivas simplesmente solidarizam uma extremidade da cordoalha no concreto. Ambas são compostas pelos mesmos elementos, sendo a ancoragem passiva preparada antes da concretagem, pela operação de pré-blocagem. Figura 2-40: Conjunto Placa – Cunha para Ancoragem Fonte: FERREIRA, Prof. M. Sc. Márcio Murilo. Apresentação Sobre Concreto Protendido - Introdução CAP. 01. Belém, 2010.
  • 73.
    72 Figura 2-41: Cunhase porta-cunha individuais Fonte: HANAI, João Bento. Fundamentos do Concreto Protendido. USP. São Carlos, 2005. Figura 2-42: Macaco de Protensão de Mono Cordoalha Fonte: HANAI, João Bento. Fundamentos do Concreto Protendido. USP. São Carlos, 2005. No preparo dos cabos, as extremidades passivas são pré-bloqueadas, ou seja, recebem uma ancoragem passiva com a aplicação da mesma força calculada para a máxima solicitação da peça.
  • 74.
    73 Figura 2-43: AncoragemAtiva Fonte: FERREIRA, Prof. M. Sc. Márcio Murilo. Apresentação Sobre Concreto Protendido - Introdução CAP. 01. Belém, 2010. Figura 2-44: Ancoragem passiva Fonte: FERREIRA, Prof. M. Sc. Márcio Murilo. Apresentação Sobre Concreto Protendido - Introdução CAP. 01. Belém, 2010. No sistema de cordoalhas engraxadas as zonas de ancoragem merecem atenção especial tanto na fase de projeto quanto na fase executiva das obras. Como o cabo não possui aderência com o concreto ao longo das peças, a manutenção e distribuição da força de protensão são de responsabilidade do sistema de ancoragens. Na operação de protensão, a ancoragem é submetida às forças de tração longitudinais com valores aproximadamente de uma vez e meia a força de protensão, portanto, estas peças devem resistir pelo menos a esta solicitação, estabelecendo-se assim uma reserva de confiança deste elemento.
  • 75.
    74 2.4.9. Equipamentos ParaProtensão A protensão de uma cordoalha por vez (mono cordoalha engraxada) permite o uso de macacos de protensão de pequeno porte e relativa leveza. Os macacos são oferecidos geralmente para forças máximas de 20 e 30 toneladas, para tensionamento das cordoalhas de 12,7mm e 15,2mm, respectivamente. O macaco é acoplado a uma bomba hidráulica que deve estar devidamente calibrada de tal forma que a força de protensão de projeto venha a ser aplicada efetivamente na estrutura. Recomenda-se uma calibragem periódica, pois o desgaste do uso influi nos dispositivos de controle. Cadeira - Dispositivo metálico ou plástico (figura 40) usado para apoiar e segurar os cabos de pós-tração em sua respectiva posição de projeto, prevenindo deslocamentos antes e durante a colocação do concreto. Figura 2-45: Detalhe da cadeira Fonte: SANTOS & CARVALHO, Alzir Espindola & Paulo Carlos. Análise Comparativa entre os tipos de lajes: Nervuradas com Fôrma Plástica, Nervurada com vigas Treliçadas e EPS e Nervura Protendida com fôrmas Plásticas. Belém-PA. 2003. Emendas - Peça normalmente feita com molas que unem duas pontas de cordoalhas e assim emendam e transferem a força de protensão de ponta a ponta do cabo.
  • 76.
    75 Figura 2-46: Detalhede Emenda de Cordoalhas Fonte: SANTOS & CARVALHO, Alzir Espindola & Paulo Carlos. Análise Comparativa entre os tipos de lajes: Nervuradas com Fôrma Plástica, Nervurada com vigas Treliçadas e EPS e Nervura Protendida com fôrmas Plásticas. Belém-PA. 2003. Equipamentos de Protensão - A protensão de uma cordoalha por vez (mono cordoalha engraxada) permite o uso de macacos hidráulico de pequeno porte e relativa leveza. Figura 2-47: Macaco para mono cordoalhas Fonte: FERREIRA, Prof. M. Sc. Márcio Murilo. Apresentação Sobre Concreto Protendido - Introdução CAP. 01. Belém, 2010.
  • 77.
    76 Figura 2-48: ConjuntoMacaco-bomba Fonte: FERREIRA, Prof. M. Sc. Márcio Murilo. Apresentação Sobre Concreto Protendido - Introdução CAP. 01. Belém, 2010. Figura 2-49: Bomba Hidráulica Fonte: FERREIRA, Prof. M. Sc. Márcio Murilo. Apresentação Sobre Concreto Protendido - Introdução CAP. 01. Belém, 2010.
  • 78.
    77 2.5. CLASSIFICAÇÃO DASLAJES 2.5.1. Classificação quanto ao posicionamento Geralmente na obra as lajes são concretadas junto com a as vigas, no entanto, quase sempre os esforços são calculados como se as lajes estivessem simplesmente apoiadas nestas vigas, neste momento surge à importância do cimbramento das fôrmas que compões a estrutura. Esta simplificação de cálculo poderá acontecer quando a viga não tem condições de rigidez que impeçam a deformação da laje com carga o que a torna desprezível quanto ao engastamento laje-viga. Devendo se, portanto, considerar o engastamento elástico viga-laje somente em casos especiais. 2.5.1.1. Lajes Isoladas Aquelas que possuem trechos contíguos de espessuras muito diferentes, ou que são rebaixadas, que nestes casos são consideradas apoiadas ou engastadas em seus contornos. Figura 2-50: Esforços Máximos na laje Isolada Fonte: Departamento de Engenharia de Estruturas e Fundações. PUC, SP. 2000.
  • 79.
    78 2.5.1.2. Lajes emContínuas ou Conjugadas Estas lajes possuem espessura constante e trechos contíguos que se inter engastam sobre as vigas que constituem seus apoios intermediários, e que têm apoios simples nas suas extremidades livres, seno usual o cálculo aproximado, considerando cada trecho da laje contínua como se fosse uma laje isolada que mantém suas vinculações primitivas, tornando assim o cálculo menos trabalhoso. Figura 2-51: Esforços Máximos na Laje contínua Fonte: Departamento de Engenharia de Estruturas e Fundações. PUC, SP. 2000. Porém, para se determinar este engaste, principalmente se faz verificação dos critérios para engastamento de lajes: Para que duas lajes sejam engastadas, necessariamente as mesmas devem estar niveladas; Uma laje maior só pode ser engastada em outra menor, se pelo menos 70% da maior esteja em contato com a menor; Uma laje não pode ser engastada em outra laje, quando a segunda for uma laje em balanço; Uma laje maior não pode ser engastada em outra laje menor, quando a metade do comprimento da sua armadura negativa ultrapassar mais da metade do vão da laje menor.
  • 80.
    79 2.5.2. Classificação quantoà forma de Armação Do ponto de vista de comportamento à flexão, as lajes podem ser classificadas pela forma como a qual é armada, isto é em Uma ou Duas direções 2.5.2.1. Lajes Armadas em uma direção Quando a flexão é bastante predominante segundo a direção paralela a um dos lados, esta situação corresponde às lajes apoiadas em lados opostos isoladas e contínuas, com ou sem balanços, e as lajes alongadas apoiadas em todo perímetro. Figura 2-52: Esquema de laje armada em uma direção. Fonte: Departamento de Engenharia de Estruturas e Fundações. PUC, SP. 2000. Sendo, lx, o vão teórico da laje, normalmente, igual à distância entre os eixos das vigas de apoio, e ly, o seu comprimento. Lajes armadas em uma direção apresentam a relação entre o maior e o menor vão superior a 2,0. Equação 3
  • 81.
    80 a) Uma únicalaje Figura 2-53: Ilustração do cálculo das reações de apoio e momento fletor – Caso 01 Uma Única laje Fonte: LIMA & MORAIS, Afonso Corrêa & Carlos Vinicius. Análise Comparativa entre os tipos de lajes: Convencional, Nervurada Treliçada com EPS e Nervurada com Fôrma Plástica. Belém-PA. 2002. b) Duas lajes Figura 2-54: Ilustração do cálculo das reações de apoio e momento fletor – Caso 02 duas Lajes Fonte: LIMA & MORAIS, Afonso Corrêa & Carlos Vinicius. Análise Comparativa entre os tipos de lajes: Convencional, Nervurada Treliçada com EPS e Nervurada com Fôrma Plástica. Belém-PA. 2002.
  • 82.
    81 c) Três Lajes Figura2-55: Ilustração do cálculo das reações de apoio e momento fletor – Caso 03 três Lajes Fonte: LIMA & MORAIS, Afonso Corrêa & Carlos Vinicius. Análise Comparativa entre os tipos de lajes: Convencional, Nervurada Treliçada com EPS e Nervurada com Fôrma Plástica. Belém-PA. 2002.
  • 83.
    82 2.5.2.2. Lajes Armadasem Duas Direções Lajes armadas em Duas Direções apresentam a relação entre o maior e o menor vão igual ou menor a 2,0. Equação 4 Para lajes armadas em duas direções existem seis tipos de casos, que dependem das condições de apoio em seu perímetro. Nesta situação entre as outras formas de cálculo destacam se o processo de Marcus, que baseado na determinação das direções principal “lx” e secundária “ly”. Sendo que a direção principal tem como característica o maior número de engastes. Entretanto como condição de contorno quando o numero de engastes for igual em ambas as direções dever-se há de adotar o menor valor de “lx” ou o menor lado da laje. Figura 2-56: Esquematização de laje apoiada em todo o contorno por vigas Fonte: Departamento de Engenharia de Estruturas e Fundações. PUC, SP. 2000. Para este cálculo consideram-se algumas condições de contorno, que são hipóteses simplificadoras como: As Vigas são rígidas a flexão e a existência da continuidade de lajes vizinhas quando no mesmo nível.
  • 84.
    83 Figura 2-57: Adeformada da laje segundo os cortes A (paralela lx) e B (paralela a ly) Fonte: Departamento de Engenharia de Estruturas e Fundações. PUC, SP. 2000. Nota-se a presença de curvaturas comparáveis segundo os dois cortes, sugerindo a presença momentos fletores comparáveis: Mx = momento por unidade de largura com plano de atuação paralelo a lx. My = momento por unidade de largura com plano de atuação paralelo a ly. 2.5.3. Carregamentos das lajes (q) As lajes estão sujeitos às seguintes cargas: Acidentais – também conhecidas por sobrecargas, peso próprio da estrutura, o peso do contra-piso, peso do enchimento (quando forem rebaixados), peso do pavimento e revestimento, peso de paredes e cargas móveis que dependem da função para que se destine a estrutura. Para efeito de cálculo, todas as cargas sobre as lajes são consideradas uniformemente distribuídas. 2.5.3.1. Cargas acidentais ou sobrecargas Estas cargas são constituídas pelo peso dos objetos sobre um piso. Como a posição destes objetos é geralmente variável e indeterminada, substitui-s e seus pesos por uma sobrecarga superficial uniforme, exceto em alguns casos específicos.
  • 85.
    84 2.5.3.2. Peso Próprioda laje Para calcularmos o peso próprio da laje, devemos antes estabelecer as suas dimensões, que são o comprimento e a largura, chamados de vãos, e sua espessura, chamada de altura. O Vão teórico pode ser considerado como a distância entre os centros dos apoios. Para determinação do peso próprio da laje, torna-se necessário previamente fixar a altura da laje. Esta altura, nos casos de edifícios comuns varia entre 7 e 12 centímetros (cm). Equação 5 Onde: Pp – Peso Próprio do Concreto = 2,5 t/m³ δ - Peso Especifico do concreto AB – Área da base h – espessura da camada de concreto 2.5.3.3. Peso do pavimento e revestimento das lajes Na determinação do cálculo do peso do revestimento, devem-se considerar os padrões da construção e a finalidade do empreendimento para que seja adotado o valor correto da carga. Nos casos mais comuns é conveniente adotar 50 Kg/m2, podendo este valor variar de 50 a 150 Kg/m2. 2.5.3.4. Peso de paredes sobre as lajes1 Segundo Rocha (1986), havendo paredes que sobrecarreguem a laje, deve-se calcular o peso por metro linear dessas paredes, multiplicando-se o pé-direito pela espessura e pelo peso especifico do material. Para alvenaria de tijolos maciços o peso específico é de 1600 kg/m³, para tijolos de argamassa igual a 2000 kg/m³, para tijolos furados igual a 1200 kg/m³ e para tijolos de espuma 600 kg/m³. 1 Nas lajes armadas em duas direções (cruz), a carga das paredes é calculada dividindo o peso total das paredes pela área da laje, obtendo-se assim uma nova parcela para a carga por metro quadrado. É importante ressaltar, que por medida de segurança, não se deve reduzir a área de parede, descontando as partes vazias das esquadrias.
  • 86.
    85 2.5.3.5. Peso emenchimento Para as lajes rebaixadas, destinadas a prever espaços para execução de canalizações, quando for projetada uma camada de enchimento, deve-se calcular a carga por metro quadrado (m2) devido ao enchimento, multiplicando sua espessura pelo peso especifico de 1000 kg/m3 (escoria pedaços de tijolos com argamassa magra, etc.). Quando o enchimento for executado com argamassa pura, como nos rebaixos, o peso específico deve ser de 1500 kg/m³, usando-se no cálculo da carga por metro quadrado a espessura média, quando esta for variável. 2.5.3.6. Peso total das lajes (q) O peso total das lajes será definido em sua totalidade pela soma total das cargas atuantes sobre o pavimento. Equação 6 2.6. PRINCIPAIS MÉTODOS DE DIMENSIONAMENTO Para a análise de um sistema estrutural de lajes em concreto armado, serão determinadas as solicitações internas e às utilizadas para verificar e atender as exigências dos estados limite últimos e de utilização. Através de algum método de cálculo, a distribuição das solicitações internas como os momentos fletores, esforços cortantes, momentos torçores e esforços normais, para cada laje, possibilitando então, o seu dimensionamento. O padrão de estrutural do comportamento básico das lajes é praticamente o mesmo para qualquer tipo de laje, ou seja, as cargas provenientes da estrutura devem ser levadas do centro da laje até seus apoios. As vigas de apoio para um sistema convencional devem receber os momentos, cortantes e torçores. No entanto, as lajes que são apoiadas apenas em pilares (como o demonstrado nas Lajes Nervuradas por Punção), as partes da laje que vão de um pilar ao outro é que devem agir como vigas.
  • 87.
    86 O dimensionamento delajes para concreto armado ou concreto protendido requer o conhecimento prévio e as definições pré-estabelecidos pelas Normas Técnicas vigentes como as normas citadas neste trabalho. Entretanto destacamos a NBR 6118 a qual padroniza o Procedimento para o Projeto de Estruturas de Concreto Armado 2.6.1. Teoria das grelhas A teoria das grelhas aplica-se para as lajes armadas em duas direções (em cruz), e consiste em dividir a carga por metro quadrado em duas partes “px” e “py”, uma para cada direção lx e ly, de modo que se tenha p = px + py. Esta teoria consiste em dividir o quinhão de carga em dois, nas respectivas direções “x” e “y” (qx e qy). Sendo que esta carga é distribuída por metro linear, atualmente nas faixas de 1,00 m de largura nas direções x e y. Os Momentos máximos positivos serão definidos por: Equação 7 Equação 8 Os Momentos máximos negativos serão definidos por: Equação 9 Equação 10 Sendo que para os valores de mx, my, nx, NY, dependem da natureza dos apoios extremos.
  • 88.
    87 Figura 2-58: Esquemada Teoria das grelhas Fonte: SANTOS & CARVALHO, Alzir Espindola & Paulo Carlos. Análise Comparativa entre os tipos de lajes: Nervuradas com Fôrma Plástica, Nervurada com vigas Treliçadas e EPS e Nervura Protendida com fôrmas Plásticas. Belém-PA. 2003. As cargas distribuídas dividem-se em elementos de grelha equivalente, de acordo com a área de influência de cada uma. Cargas concentradas podem ser aplicadas diretamente nos nós ou, desde que considerados os esforços de engastamento perfeito no vetor de cargas nodais equivalentes, nas barras. Figura 2-59: Carregamento uniformemente distribuído nas barras - carga p - e cargas nos nós – carga Fonte: RIOS, Daniel Ferreti. Procedimento de Projeto de Lajes Nervuradas de Concreto. Santa Maria. 2008.
  • 89.
    88 A forma decálculo para lajes contínuas pode recair sobre um dos casos de lajes isoladas, se levarmos em consideração os apoios internos substituir por engaste perfeito, e para apoios extremos substituir por apoios simples. Nestas condições, podemos considerar cada painel como isolado, possuindo no contorno engaste ou apoio simples, conforme se trate de viga central ou extrema. Figura 2-60: Condições de Apoio de Lajes Contínuas Fonte: RIOS, Daniel Ferreti. Procedimento de Projeto de Lajes Nervuradas de Concreto. Santa Maria. 2008. Tabela 2-7: Características Geométricas do Elemento que representa as Vigas do Pavimento na Grelha equivalente Características Geométricas do Elemento que representa as Vigas do Pavimento na Grelha equivalente Seção transversal do elemento que representa as vigas do pavimento na grelha equivalente Momento de inércia à flexão If = ( b . h ³ ) / 12 Momento de inércia à torção It = ( h . b ³ ) / 3 Área da seção transversal A = b . h Fonte: RIOS, Daniel Ferreti. Procedimento de Projeto de Lajes Nervuradas de Concreto. Santa Maria. 2008.
  • 90.
    89 Tabela 2-8: CaracterísticasGeométricas do Elemento que representa as nervuras na grelha equivalente Características Geométricas do Elemento que representa as nervuras na grelha equivalente Seção transversal do elemento considerado na grelha equivalente Largura Colaborante Posição do Centro de gravidade Momento de Inércia à Flexão Momento de Inércia à Torção Área da Seção Transversal Fonte: RIOS, Daniel Ferreti. Procedimento de Projeto de Lajes Nervuradas de Concreto. Santa Maria. 2008. A consideração das ações como distribuídas uniformemente pelas barras da grelha leva à obtenção de resultados mais realistas de esforços solicitantes e deslocamentos transversais. O valor numérico destas ações é obtido multiplicando o valor total por metro quadrado das ações atuantes pela área de influência das barras e dividindo pelo comprimento da malha.
  • 91.
    90 Obtidas as característicasgeométricas dos elementos que compõem a grelha equivalente à laje nervurada, as características do concreto, as ações atuantes na grelha e a escolha das combinações de ações a serem consideradas, procede-se ao cálculo dos esforços solicitantes e deslocamentos transversais para a laje nervurada através de um programa computacional. 2.6.2. Regime de Ruptura Lima & Moraes (2002 apud, ROCHA 1986) mencionam que a teoria de ruptura para o cálculo de lajes consiste em admitir que, sob ação da carga de ruptura as lajes se dividem em painéis que giram em torno de linhas ao longo das quais atuam um momento igual ao que a laje resiste na ruptura, segundo a direção normal a estas linhas. Conhecendo-se a posição das linhas de ruptura, a relação entre o momento de ruptura e a carga que rompe a laje é obtida estabelecendo as condições de equilíbrio estático nos painéis limitados pelas linhas de ruptura e pelo contorno da laje. Figura 2-61: Esquema de Regime de Ruptura Fonte: LIMA & MORAIS, Afonso Corrêa & Carlos Vinicius. Análise Comparativa entre os tipos de lajes: Convencional, Nervurada Treliçada com EPS e Nervurada com Fôrma Plástica. Belém-PA. 2002. Santos & Carvalho (2003 apud, ROCHA 1986), citam que o processo de ruptura para o cálculo dos momentos nas lajes consiste em calcular o valor do momento de ruptura “m” na direção “x” em função da carga de ruptura “Pr", em seguida dividir a expressão obtida pelo coeficiente de segurança, obtendo, assim, o momento admissível em função da carga de serviço.
  • 92.
    91 2.6.3. Processo deMarcus Santos & Carvalho (2003 apud, ROCHA 1986), em sua primeira teoria, Marcus assemelhou as lajes isoladas a um tecido de malhas retangulares, chegando a fórmulas teóricas muito complexas, em virtude do grande número de elementos a calcular e da escassez de tempo disponível. Marcus partiu da integração das equações de derivadas parciais, fornecidas pela Teoria da Elasticidade e empregou as diferenças finitas, em sua primeira teoria. Após aprofundar mais seus conhecimentos, Marcus desenvolveu uma segunda Teoria, muito mais prática do que a anterior e precisa se comparada a Teoria das Grelhas. A diferença da teoria de Marcus para a chamada teoria das Grelhas consiste na introdução de um coeficiente a mais na fórmula do momento fletor positivo, este coeficiente “kx” definido pela relação de “ly” sobre “lx”. Este coeficiente, sempre é menor do que a unidade vem diminuir os valores dos momentos fletores sugerido pela teoria das Grelhas. Seguem as tabelas de Marcus – Vide o anexo 4. 2.6.4. Tabelas de Czerny Santos & Carvalho (2003 apud, ROCHA 1986), essas tabelas foram calculadas com base na Teoria Matemática da Elasticidade, o cálculo se procede seguindo a metodologia empregada no processo de Marcus, diferenciando-se apenas na escolhas do eixo x que, nas tabelas de Czerny recai no menor vão, enquanto em Marcus o eixo x é o que possui o maior número de engastes. A tabela de Czerny recai para “lx” sempre o menor vão, por isso, quando há desigualdade de engastamento nas duas direções, ocorre dois casos: O caso A, para maior número de engaste na faixa de direção y de maior vão. O caso B, para maior número de engaste na direção do menor vão (x). A entrada na tabela é feita com a relação entre o maior e o menor vão (lx/ly), denominada de “є”. Seguem tabelas de Czerny – Vide o anexo 5.
  • 93.
    92 2.6.5. Método daespessura equivalente O método da espessura equivalente baseia-se no conceito de determinar a laje maciça de mesma rigidez correspondente à da laje nervurada. A equivalência é feita segundo a inércia à flexão e calculada pela Equação abaixo: Equação 11 Onde: If – Momento de Inércia à flexão a1- distância entre eixos de nervuras Como a mesa solidariza as nervuras, o momento de inércia a ser calculado é o da seção transversal “T”, cuja largura colaborante (bf) pode ser determinada pela Tabela 8. Figura 2-62: Transformação da laje nervurada em laje maciça equivalente Fonte: (RIOS, 2008 apud STRAMANDINOLI, 2003)
  • 94.
    93 Determinada a espessuraequivalente, basta calcular os esforços solicitantes e deslocamentos, da agora laje maciça, por meio de tabelas clássicas baseadas na Teoria da Elasticidade (placas delgadas). 2.7. FLECHA E CONTRA FLECHA Na verificação da flecha em lajes, segundo a NBR 6118:2003, item 19.3.1, cita que deve ser usados os critérios estabelecidos no item 17.3.2 dessa Norma, considerando-se a possibilidade de fissuração (estádio II). O referido item 17.3.2 estabelece limites para flechas segundo a Tabela 13.2 da Norma citada, levando-se em consideração combinações de ações conforme o item 11.8.3.1 dessa Norma. O cálculo da flecha é feito utilizando-se processos analíticos estabelecidos pela própria Norma (item 17.3.2), que divide o cálculo em duas parcelas: flecha imediata e flecha diferida. A determinação do valor de tais parcelas é apresentada a seguir e abordada pela Norma, nos itens 17.3.2.1.1 e 17.3.2.1.2, respectivamente. De acordo com o item 11.8.3.1 da NBR 6118:2003, as combinações de serviço classificadas como quase permanentes são aquelas que podem atuar durante grande parte do período de vida da estrutura e sua consideração pode ser necessária na verificação do estado limite de deformações excessivas. A tabela 11.4 do item 11.8.3.2 da Norma traz a seguinte expressão para combinações quase permanentes: Equação 12 Onde: F d, ser – corresponde ao valor de cálculo das ações para combinações de serviço; F g i, k – correspondem as ações devidas às cargas permanentes; F q j, k – correspondem as ações devidas às cargas variáveis; Ψ 2 j - corresponde ao coeficiente dado na tabela 11.2 do item 11.7.1, da Norma.
  • 95.
    94 No entanto, Flechassão deformações sofridas nas lajes decorrentes de esforços de flexão, essas deformações são controladas e estão contidas na NBR-6118, e podem ser definidas conforme o tipo de apoio: 2.7.1. Lajes simplesmente apoiadas ou bi-apoiados Figura 2-63: Laje bi-apoiados Fonte: Acervo do autor, 2010. Equação 13 2.7.2. Lajes apoiadas em um lado e engastadas no outro Figura 2-64: Lajes apoiadas em um lado engastadas no outro Fonte: Acervo do autor, 2010. Equação 14
  • 96.
    95 2.7.3. Lajes bi-engastadas Figura2-65: Lajes bi-engastadas Fonte: Acervo do autor, 2010. Equação 15 2.7.4. Contra flecha Segundo a NBR 6118:2003 os deslocamentos excessivos podem ser parcialmente compensados por contra flechas. No caso de se adotar contra flecha de valor “a0”, a flecha total a ser verificada passa a ser: Equação 16 A contra flecha “a0” pode ser adotada como um múltiplo de 0,5cm, com valor estimado pela soma da flecha imediata com metade da flecha diferida, ou seja: Equação 17
  • 97.
    96 2.8. VERIFICAÇÃO DOSESTADOS LIMITES DE SERVIÇO Conforme a indicação da NBR 6118:2003, estados limites de serviço são aqueles relacionados à durabilidade das estruturas, à aparência, ao conforto do usuário e à boa utilização funcional das mesmas, seja em relação aos usuários, às máquinas ou aos equipamentos utilizados. O cálculo na ruína e o cálculo em serviço são fundamentais e imprescindíveis, enquanto um confere às estruturas uma adequada segurança com relação à sua capacidade de resistir satisfatoriamente a todas as solicitações possíveis de ocorrer durante o tempo previsto para a sua existência, o outro garante um desempenho satisfatório das estruturas quando em uso normal, ou seja, nas condições de utilização (em serviço) para as quais foram projetadas. São estados limites de serviço que se pode exigir a verificação quanto à segurança das estruturas de concreto armado, de acordo com a NBR 6118:2003: Estado limite de formação de fissuras (ELS-F): Como o próprio nome diz, nesse estado inicia-se a formação de fissuras. Estado limite de abertura das fissuras (ELS-W): Nesse estado às fissuras apresentam aberturas características iguais aos máximos especificados. Estado limite de deformações excessivas (ELS-D): Estado em que as deformações atingem os limites estabelecidos para utilização normal da estrutura. Estado limite de vibrações excessivas (ELS-VE): Estado em que as vibrações atingem os limites estabelecidos para a utilização normal da construção. Um fator importante encontrado na verificação dos estados limites de serviço é identificar em qual estádio de comportamento encontra-se a peça em serviço. Esses estádios diferenciam as fases pelas quais passa a peça de concreto armado quando submetida a um carregamento crescente. Segundo a NBR 6118:2003, “nos estados limites de serviço, as estruturas trabalham parcialmente no estádio I e parcialmente no estádio II. A separação entre essas duas partes é definida pelo momento de fissuração”. Esse é o momento fletor capaz de provocar a primeira fissuração na peça.
  • 98.
    97 Daniel Rios (2008apud, Silva 2005) explica que “se o momento fletor atuante numa dada seção da peça for menor do que o momento de fissuração, isto significa que esta seção não está fissurada e, portanto, encontra-se no estádio I. Caso contrário, se o momento fletor atuante for maior do que o de fissuração, a seção encontra-se fissurada e, portanto, no estádio II”. Com isso, as características geométricas da seção transversal devem ser calculadas no estádio I ou no estádio II, dependendo do estado limite verificado. (...)
  • 99.
    98 3. METODOLOGIA DOTRABALHO Neste presente trabalho desenvolveu-se uma análise comparativa entre os sistemas estruturais em concreto, para estabelecer novos parâmetros de escolha entre os modelos estruturais adotados, atualizar ou reafirmar estas informações que indiquem a escolha ideal da Solução Estrutural mais adequada para uma especificidade arquitetônica. Numa segunda etapa, fez-se a análise da estrutura para os sistemas escolhidos, obtendo-se os quantitativos de materiais, os quais vêem a formar os índices definidos para comparação. Foram comparados os custos totais da obra obtidos por meio de composições de preços chegando-se a um valor global para cada tipologia adotada. Por meio da formação dos custos unitários estudaram-se comparativamente os valores dos índices encontrados com o custo unitário da construção (CUB) para as tipologias construtivas adotadas. Tendo em vista que o objetivo de realizar uma análise comparativa de custos no final da construção, entre lajes maciças e os vários tipos de lajes nervuradas, e como estas diferenças variam de acordo com as áreas construídas das lajes e o material empregado em cada um dos tipos, foram adotadas algumas considerações necessárias para que se alcance o objetivo desejado. Este trabalho teve como foco de atualização do estudo feito por LIMA & MORAIS em 2002, trabalho o qual foi apresentado para a obtenção do grau de Bach. Engenharia Civil. O estudo elaborado para a pesquisa foi realizado para lajes de até 12 m², 25 m² e 50 m², com dimensões que as enquadrem armadas em uma e duas direções, tratando-as de forma isolada umas das outras, e todas somente apoiadas, isto é, sem considerações de engastamentos. 3.1. TIPOLOGIA E CONCEPÇÃO DOS SISTEMAS CONSTRUTIVOS ADOTADOS Sistema construtivo: estrutura convencional com lajes, vigas e pilares; estrutura convencional com lajes nervuradas pré-moldadas treliçadas, vigas e pilares e estrutura com lajes lisas nervuradas apoiadas em pilares. Os serviços e insumos envolvidos são: concreto, aço e formas.
  • 100.
    99 3.2. PARÂMETROS DEPESQUISA Considerações de cálculo: Laje destino – Piso de edificações; Sobrecarga – 200 Kg/m³; Peso de Revestimento – 100 Kg/m²; Resistência característica do concreto a compressão (fck) – 25 MPa; Considerações para a estrutura: Para lajes Convencionais, adotou-se a variação de espessura de 9 cm a 11 cm. Para lajes Nervuradas, adotaram-se blocos maciços de EPS, especificados pelas seguintes dimensões de 60 x 60 x 30 cm, e ainda fôrmas ou cubetas de polipropileno em formas tronco-piramidal com altura variando entre 15 ou 21 cm, base de 56 cm, boca de 60 cm, nervuras com 5,0 cm de base e 9,0 cm de boca, armadura de pele Ø 4,2mm C 20 e aços CA-50 e CA-60. Em lajes bi-apoiadas, em alguns casos se aplicam o uso dos Aços de Canto, no entanto este elemento não foi considerado visto que este valor é praticamente igual para todos os tipos de lajes estudados, não influenciando no resultado final das comparações. 3.3. PARÂMETROS DE COMPRAÇÃO DE DADOS 3.3.1. Índice de Concreto (ic) É a razão entre o consumo total de concreto extraído do projeto estrutural e a área real global da edificação, obtida segundo as NBR12721. Equação 18
  • 101.
    100 3.3.2. Índice deAço (ia) É a razão entre o consumo de aço utilizado na estrutura e a área total do edifício. Equação 19 3.3.3. Índice de Fôrmas (if) É a razão entre área de formas constante no projeto da estrutura e a área total do edifício. Equação 20 (...)
  • 102.
    101 4. CONCEPÇÕES ERESULTADOS 4.1. PARA LAJES DE 12 M², ARMADAS EM UMA DIREÇÃO Figura 4-1: Laje de 12 m² - Armada em uma direção Fonte: LIMA & MORAIS, Afonso Corrêa & Carlos Vinicius. Análise Comparativa entre os tipos de lajes: Convencional, Nervurada Treliçada com EPS e Nervurada com Fôrma Plástica. Belém-PA. 2002. Tabela 4-1: Planilha Orçamentária - Laje Convencional, 12 m² (uma direção) PLANILHA ORÇAMENTÁRIA OP. 01 LAJE MACIÇA, CONVENCIONAL DATA Nov/10 ITEM DESCRIÇÃO UNID. QUANT. PREÇO UNIT. PREÇO TOTAL 01. ESTRUTURA 01.01 ESCORAMENTO METÁLICO, para lajes de edificação com pé direito entre 2,00 m e 3,20 m M³ 32,49 R$ 30,55 992,55 01.02 CONFECÇÃO E INSTALAÇÃO DE FÔRMA, de Madeira em Chapa Plastificada, e= 18 mm, (x 12 utilizações) M³ 10,83 R$ 8,76 94,83 01.03 CONFECÇÃO E INSTALAÇÃO DE ARMADURA, Aço CA 50 / 60 Kg 24,77 R$ 13,77 341,01 01.04 CONCRETO CONVENCIONAL, fck > 25 MPa - Preparo Transporte, Lançamento, Adensamento e Cura. M³ 0,98 R$ 372,82 365,37 01.05 DESFORMA M² 10,83 R$ 2,55 27,63 CUSTO TOTAL R$ 1.821,38 CUSTO POR M² R$ 168,18
  • 103.
    102 Tabela 4-2: PlanilhaOrçamentária - Laje Nervurada, 12 m² (uma direção) PLANILHA ORÇAMENTÁRIA OP. 02 LAJE NERVURADA, COM FÔRMAS DE POLIPROPILENO DATA Nov/10 ITEM DESCRIÇÃO UNID. QUANT. PREÇO UNIT. PREÇO TOTAL 01. ESTRUTURA 01.01 ESCORAMENTO METÁLICO, para lajes de edificação com pé direito entre 2,00 m e 3,20 m M³ 32,94 R$ 30,55 R$ 1.006,29 01.02 CONFECÇÃO E INSTALAÇÃO DE FÔRMA, de Madeira em Chapa Plastificada, e= 18 mm, (x 12 utilizações), com Cubetas em Polipropileno M² 10,98 R$ 26,57 R$ 291,73 01.03 CONFECÇÃO E INSTALAÇÃO DE ARMADURA, Aço CA 50 / 60 Kg 26,49 R$ 13,77 R$ 364,69 01.04 CONCRETO CONVENCIONAL, fck > 25 MPa - Preparo, Transporte, Lançamento, Adensamento e Cura. M³ 0,77 R$ 372,82 R$ 287,07 01.05 DESFORMA M² 10,98 R$ 2,55 R$ 28,01 CUSTO TOTAL R$ 1.977,80 CUSTO POR M² R$ 180,13 Tabela 4-3: Planilha Orçamentária - Laje Treliçada e Blocos de EPS, 12 m² (uma direção) PLANILHA ORÇAMENTÁRIA OP. 03 LAJE NERVURADA TRELIÇADA, E BLOCOS DE EPS DATA Nov/10 ITEM DESCRIÇÃO UNID. QUANT. PREÇO UNIT. PREÇO TOTAL 01. ESTRUTURA 01.01 ESCORAMENTO METÁLICO, para lajes de edificação com pé direito entre 2,00 m e 3,20 m M³ 32,49 R$ 30,55 R$ 992,55 01.02 CONFECÇÃO E INSTALAÇÃO DE FÔRMA, de Madeira em Chapa Plastificada, e= 18 mm, (x 12 utilizações), complementadas com Blocos de EPS M² 10,83 R$ 24,71 R$ 267,59 01.03 CONFECÇÃO E INSTALAÇÃO DE ARMADURA e TRELIÇAS, Aço CA 50 / 60 Kg 13,57 R$ 19,11 R$ 259,32 01.04 CONCRETO CONVENCIONAL, fck > 25 MPa - Preparo, Transporte, Lançamento, Adensamento e Cura. M³ 0,63 R$ 372,82 R$ 234,88 01.05 DESFORMA M² 10,83 R$ 2,55 R$ 27,63 CUSTO TOTAL R$ 1.781,97 CUSTO POR M² R$ 164,54
  • 104.
    103 Gráfico 4-1: Custopercentual – Laje Maciça – 12 m² (armada em uma direção) Gráfico 4-2: Custo percentual – Laje Nervurada – 12 m² (armada em uma direção) Gráfico 4-3: Custo percentual - Laje Treliçada– 12 m² (armada em uma direção) 44% 4% 31% 20% 1% Custo percentual Total por material - Laje Maciça ESCORAS (M³) FÔRMA (M²) AÇO (KG) CONCRETO (M³) DESFORMA (M²) 48% 14% 21% 16% 1% Custo percentual Total por material - Laje Nervurada ESCORAS (M³) FÔRMA (M²) AÇO (KG) CONCRETO (M³) DESFORMA (M²) 56% 15% 15% 13% 1% Custo percentual Total por material - Laje Treliçada ESCORAS (M³) FÔRMA (M²) AÇO (KG) CONCRETO (M³) DESFORMA (M²)
  • 105.
    104 Gráfico 4-4: Comparativode Custos entre os modelos estruturais adotados – Caso 12m² (armada em uma direção) OP 1 – MACIÇA / OP 2 – NERVURADA / OP 3 - TRELIÇADA 4.2. PARA LAJES DE ATÉ 12 M², ARMADAS EM DUAS DIREÇÕES Figura 4-2: Laje de até 12 m² - Armada em duas direções Fonte: LIMA & MORAIS, Afonso Corrêa & Carlos Vinicius. Análise Comparativa entre os tipos de lajes: Convencional, Nervurada Treliçada com EPS e Nervurada com Fôrma Plástica. Belém-PA. 2002. R$ 155,00 R$ 160,00 R$ 165,00 R$ 170,00 R$ 175,00 R$ 180,00 R$ 185,00 OP 1 OP 2 OP 3 R$ 168,18 R$ 180,13 R$ 164,54 Custo por m²
  • 106.
    105 Tabela 4-4: PlanilhaOrçamentária - Laje Convencional, 12 m² (duas direções) PLANILHA ORÇAMENTÁRIA OP. 01 LAJE MACIÇA, CONVENCIONAL DATA Nov/10 ITEM DESCRIÇÃO UNID. QUANT. PREÇO UNIT. PREÇO TOTAL 01. ESTRUTURA 01.01 ESCORAMENTO METÁLICO, para lajes de edificação com pé direito entre 2,00 m e 3,20 m M³ 32,94 R$ 30,55 R$ 1.006,29 01.02 CONFECÇÃO E INSTALAÇÃO DE FÔRMA, de Madeira em Chapa Plastificada, e= 18 mm, (x 12 utilizações) M² 10,98 R$ 8,76 R$ 96,14 01.03 CONFECÇÃO E INSTALAÇÃO DE ARMADURA, Aço CA 50 / 60 Kg 21,89 R$ 13,77 R$ 301,36 01.04 CONCRETO CONVENCIONAL, fck > 25 MPa - Preparo, Transporte, Lançamento, Adensamento e Cura. M³ 0,99 R$ 372,82 R$ 369,09 01.05 DESFORMA M² 10,98 R$ 2,55 R$ 28,01 CUSTO TOTAL R$ 1.800,91 CUSTO POR M² R$ 164,02 Tabela 4-5: Planilha Orçamentária – Laje Nervurada, 12m² (duas direções) PLANILHA ORÇAMENTÁRIA OP. 02 LAJE NERVURADA, COM FÔRMAS DE POLIPROPILENO DATA Nov/10 ITEM DESCRIÇÃO UNID. QUANT. PREÇO UNIT. PREÇO TOTAL 01. ESTRUTURA 01.01 ESCORAMENTO METÁLICO, para lajes de edificação com pé direito entre 2,00 m e 3,20 m M³ 32,94 R$ 30,55 R$ 1.006,29 01.02 CONFECÇÃO E INSTALAÇÃO DE FÔRMA, de Madeira em Chapa Plastificada, e= 18 mm, (x 12 utilizações), com Cubetas em Polipropileno M² 10,98 R$ 26,57 R$ 291,73 01.03 CONFECÇÃO E INSTALAÇÃO DE ARMADURA, Aço CA 50 / 60 Kg 26,49 R$ 13,77 R$ 364,69 01.04 CONCRETO CONVENCIONAL, fck > 25 MPa - Preparo, Transporte, Lançamento, Adensamento e Cura. M³ 0,78 R$ 372,82 R$ 290,80 01.05 DESFORMA M² 10,98 R$ 2,55 R$ 28,01 CUSTO TOTAL R$ 1.981,53 CUSTO POR M² R$ 180,47
  • 107.
    106 Tabela 4-6: PlanilhaOrçamentária – Laje Treliçada, 12m² (duas direções) PLANILHA ORÇAMENTÁRIA OP. 03 LAJE NERVURADA TRELIÇADA, E BLOCOS DE EPS DATA Nov/10 ITEM DESCRIÇÃO UNID. QUANT. PREÇO UNIT. PREÇO TOTAL 01. ESTRUTURA 01.01 ESCORAMENTO METÁLICO, para lajes de edificação com pé direito entre 2,00 m e 3,20 m M³ 32,94 R$ 30,55 R$ 1.006,29 01.02 CONFECÇÃO E INSTALAÇÃO DE FÔRMA, de Madeira em Chapa Plastificada, e= 18 mm, (x 12 utilizações), complementadas com Blocos de EPS M² 10,98 R$ 24,71 R$ 271,30 01.03 CONFECÇÃO E INSTALAÇÃO DE ARMADURA e TRELIÇAS, Aço CA 50 / 60 Kg 19,49 R$ 19,11 R$ 372,52 01.04 CONCRETO CONVENCIONAL, fck > 25 MPa - Preparo, Transporte, Lançamento, Adensamento e Cura. M³ 0,64 R$ 372,82 R$ 238,61 01.05 DESFORMA M² 10,98 R$ 2,55 R$ 28,01 CUSTO TOTAL R$ 1.916,73 CUSTO POR M² R$ 174,57 Gráfico 4-5: Custo percentual – Laje Maciça – 12 m² (armada em duas direções) 44% 4% 31% 20% 1% Custo percentual Total por material - Laje Maciça ESCORAS (M³) FÔRMA (M²) AÇO (KG) CONCRETO (M³) DESFORMA (M²)
  • 108.
    107 Gráfico 4-6: Custopercentual – Laje Nervurada – 12 m² (armada em duas direções) Gráfico 4-7: Custo percentual – Laje Treliçada – 12 m² (armada em duas direções) 48% 14% 21% 16% 1% Custo percentual Total por material - Laje Nervurada ESCORAS (M³) FÔRMA (M²) AÇO (KG) CONCRETO (M³) DESFORMA (M²) 53% 14% 19% 12% 2% Custo percentual Total por material - Laje Treliçada ESCORAS (M³) FÔRMA (M²) AÇO (KG) CONCRETO (M³) DESFORMA (M²)
  • 109.
    108 Gráfico 4-8: Comparativode Custos entre os modelos estruturais adotados – Caso 12m² (armadas em duas direções) OP 1 – MACIÇA / OP 2 – NERVURADA / OP 3 - TRELIÇADA 4.3. PARA LAJES DE 25 M², ARMADAS EM UMA DIREÇÃO Figura 4-3: Laje de até 25 m² - Armada em uma direção Fonte: LIMA & MORAIS, Afonso Corrêa & Carlos Vinicius. Análise Comparativa entre os tipos de lajes: Convencional, Nervurada Treliçada com EPS e Nervurada com Fôrma Plástica. Belém-PA. 2002. R$ 155,00 R$ 160,00 R$ 165,00 R$ 170,00 R$ 175,00 R$ 180,00 R$ 185,00 OP 1 OP 2 OP 3 R$ 164,02 R$ 180,47 R$ 174,57 Custo por m²
  • 110.
    109 Tabela 4-7: PlanilhaOrçamentária - Laje Convencional, 25 m² (uma direção) PLANILHA ORÇAMENTÁRIA OP. 01 LAJE MACIÇA, CONVENCIONAL DATA Nov/10 ITEM DESCRIÇÃO UNID. QUANT. PREÇO UNIT. PREÇO TOTAL 01. ESTRUTURA 01.01 ESCORAMENTO METÁLICO, para lajes de edificação com pé direito entre 2,00 m e 3,20 m M³ 70,35 R$ 30,55 R$ 2.149,14 01.02 CONFECÇÃO E INSTALAÇÃO DE FÔRMA, de Madeira em Chapa Plastificada, e= 18 mm, (x 12 utilizações) M² 23,45 R$ 8,76 R$ 205,34 01.03 CONFECÇÃO E INSTALAÇÃO DE ARMADURA, Aço CA 50 / 60 Kg 71,69 R$ 13,77 R$ 986,96 01.04 CONCRETO CONVENCIONAL, fck > 25 MPa - Preparo, Transporte, Lançamento, Adensamento e Cura. M³ 2,35 R$ 372,82 R$ 876,13 01.05 DESFORMA M² 23,45 R$ 2,55 R$ 59,83 CUSTO TOTAL R$ 4.277,39 CUSTO POR M² R$ 182,40 Tabela 4-8: Planilha Orçamentária - Laje Nervurada, 25 m² (uma direção) PLANILHA ORÇAMENTÁRIA OP. 02 LAJE NERVURADA, COM FÔRMAS DE POLIPROPILENO DATA Nov/10 ITEM DESCRIÇÃO UNID. QUANT. PREÇO UNIT. PREÇO TOTAL 01. ESTRUTURA 01.01 ESCORAMENTO METÁLICO, para lajes de edificação com pé direito entre 2,00 m e 3,20 m M³ 70,35 R$ 30,55 R$ 2.149,14 01.02 CONFECÇÃO E INSTALAÇÃO DE FÔRMA, de Madeira em Chapa Plastificada, e= 18 mm, (x 12 utilizações), com Cubetas em Polipropileno M² 23,45 R$ 26,57 R$ 623,05 01.03 CONFECÇÃO E INSTALAÇÃO DE ARMADURA, Aço CA 50 / 60 Kg 68,6 R$ 13,77 R$ 944,42 01.04 CONCRETO CONVENCIONAL, fck > 25 MPa - Preparo, Transporte, Lançamento, Adensamento e Cura. M³ 1,67 R$ 372,82 R$ 622,61 01.05 DESFORMA M² 23,45 R$ 2,55 R$ 59,83 CUSTO TOTAL R$ 4.399,05 CUSTO POR M² R$ 187,59
  • 111.
    110 Tabela 4-9: PlanilhaOrçamentária - Laje Treliçada e Blocos de EPS, 25 m² (uma direção) PLANILHA ORÇAMENTÁRIA OP. 03 LAJE NERVURADA TRELIÇADA, E BLOCOS DE EPS DATA Nov/10 ITEM DESCRIÇÃO UNID. QUANT. PREÇO UNIT. PREÇO TOTAL 01. ESTRUTURA 01.01 ESCORAMENTO METÁLICO, para lajes de edificação com pé direito entre 2,00 m e 3,20 m M³ 70,35 R$ 30,55 R$ 2.149,14 01.02 CONFECÇÃO E INSTALAÇÃO DE FÔRMA, de Madeira em Chapa Plastificada, e= 18 mm, (x 12 utilizações), complementadas com Blocos de EPS M² 23,45 R$ 24,71 R$ 579,41 01.03 CONFECÇÃO E INSTALAÇÃO DE ARMADURA e TRELIÇAS, Aço CA 50 / 60 Kg 41,17 R$ 19,11 R$ 786,90 01.04 CONCRETO CONVENCIONAL, fck > 25 MPa - Preparo, Transporte, Lançamento, Adensamento e Cura. M³ 1,36 R$ 372,82 R$ 507,04 01.05 DESFORMA M² 23,45 R$ 2,55 R$ 59,83 CUSTO TOTAL R$ 4.082,31 CUSTO POR M² R$ 174,09 Gráfico 4-9: Custo percentual – Laje Maciça – 25 m² (armada em uma direção) 44% 4% 31% 20% 1% Custo percentual Total por material - Laje Maciça ESCORAS (M³) FÔRMA (M²) AÇO (KG) CONCRETO (M³) DESFORMA (M²)
  • 112.
    111 Gráfico 4-10: Custopercentual – Laje Nervurada – 25 m² (armada em uma direção) Gráfico 4-11: Custo percentual - Laje Treliçada – 25 m² (armada em uma direção) 48% 14% 21% 16% 1% Custo percentual Total por material - Laje Nervurada ESCORAS (M³) FÔRMA (M²) AÇO (KG) CONCRETO (M³) DESFORMA (M²) 53% 14% 19% 12% 2% Custo percentual Total por material - Laje Treliçada ESCORAS (M³) FÔRMA (M²) AÇO (KG) CONCRETO (M³) DESFORMA (M²)
  • 113.
    112 Gráfico 4-12: Comparativode Custos entre os modelos estruturais adotados – Caso 25m² (armada em uma direção) OP 1 – MACIÇA / OP 2 – NERVURADA / OP 3 - TRELIÇADA 4.4. PARA LAJES DE ATÉ 25 M², ARMADAS EM DUAS DIREÇÕES Figura 4-4: Laje de até 25 m² - Armada em duas direções Fonte: LIMA & MORAIS, Afonso Corrêa & Carlos Vinicius. Análise Comparativa entre os tipos de lajes: Convencional, Nervurada Treliçada com EPS e Nervurada com Fôrma Plástica. Belém-PA. 2002. R$ 165,00 R$ 170,00 R$ 175,00 R$ 180,00 R$ 185,00 R$ 190,00 OP 1 OP 2 OP 3 R$ 182,40 R$ 187,59 R$ 174,09 Custo por m²
  • 114.
    113 Tabela 4-10: PlanilhaOrçamentária - Laje Convencional, 25 m² (duas direções) PLANILHA ORÇAMENTÁRIA OP. 01 LAJE MACIÇA, CONVENCIONAL DATA Nov/10 ITEM DESCRIÇÃO UNID. QUANT. PREÇO UNIT. PREÇO TOTAL 01. ESTRUTURA 01.01 ESCORAMENTO METÁLICO, para lajes de edificação com pé direito entre 2,00 m e 3,20 m M³ 70,59 R$ 30,55 R$ 2.156,47 01.02 CONFECÇÃO E INSTALAÇÃO DE FÔRMA, de Madeira em Chapa Plastificada, e= 18 mm, (x 12 utilizações) M² 23,53 R$ 8,76 R$ 206,04 01.03 CONFECÇÃO E INSTALAÇÃO DE ARMADURA, Aço CA 50 / 60 Kg 73,56 R$ 13,77 R$ 1.012,70 01.04 CONCRETO CONVENCIONAL, fck > 25 MPa - Preparo, Transporte, Lançamento, Adensamento e Cura. M³ 2,36 R$ 372,82 R$ 879,86 01.05 DESFORMA M² 23,53 R$ 2,55 R$ 60,03 CUSTO TOTAL R$ 4.315,10 CUSTO POR M² R$ 183,39 Tabela 4-11: Planilha Orçamentária - Laje Nervurada, 25 m² (duas direções) PLANILHA ORÇAMENTÁRIA OP. 02 LAJE NERVURADA, COM FÔRMAS DE POLIPROPILENO DATA Nov/10 ITEM DESCRIÇÃO UNID. QUANT. PREÇO UNIT. PREÇO TOTAL 01. ESTRUTURA 01.01 ESCORAMENTO METÁLICO, para lajes de edificação com pé direito entre 2,00 m e 3,20 m M³ 70,59 R$ 30,55 R$ 2.156,47 01.02 CONFECÇÃO E INSTALAÇÃO DE FÔRMA, de Madeira em Chapa Plastificada, e= 18 mm, (x 12 utilizações), com Cubetas em Polipropileno M² 23,53 R$ 26,57 R$ 625,17 01.03 CONFECÇÃO E INSTALAÇÃO DE ARMADURA, Aço CA 50 / 60 Kg 83,94 R$ 13,77 R$ 1.155,60 01.04 CONCRETO CONVENCIONAL, fck > 25 MPa - Preparo, Transporte, Lançamento, Adensamento e Cura. M³ 1,67 R$ 372,82 R$ 622,61 01.05 DESFORMA M² 23,53 R$ 2,55 R$ 60,03 CUSTO TOTAL R$ 4.619,90 CUSTO POR M² R$ 196,34
  • 115.
    114 Tabela 4-12: PlanilhaOrçamentária - Laje Treliçada e Blocos de EPS, 25 m² (duas direções) PLANILHA ORÇAMENTÁRIA OP. 03 LAJE NERVURADA TRELIÇADA, E BLOCOS DE EPS DATA Nov/10 ITEM DESCRIÇÃO UNID. QUANT. PREÇO UNIT. PREÇO TOTAL 01. ESTRUTURA 01.01 ESCORAMENTO METÁLICO, para lajes de edificação com pé direito entre 2,00 m e 3,20 m M³ 70,59 R$ 30,55 R$ 2.156,47 01.02 CONFECÇÃO E INSTALAÇÃO DE FÔRMA, de Madeira em Chapa Plastificada, e= 18 mm, (x 12 utilizações), complementadas com Blocos de EPS M² 23,53 R$ 24,71 R$ 581,38 01.03 CONFECÇÃO E INSTALAÇÃO DE ARMADURA e TRELIÇAS, Aço CA 50 / 60 Kg 86,50 R$ 19,11 R$ 1.653,31 01.04 CONCRETO CONVENCIONAL, fck > 25 MPa - Preparo, Transporte, Lançamento, Adensamento e Cura. M³ 1,74 R$ 372,82 R$ 648,71 01.05 DESFORMA M² 23,53 R$ 2,55 R$ 60,03 CUSTO TOTAL R$ 5.099,91 CUSTO POR M² R$ 216,74 Gráfico 4-13: Custo percentual – Laje Maciça – 25 m² (armada em duas direções) 44% 4% 31% 20% 1% Custo percentual Total por material - Laje Maciça ESCORAS (M³) FÔRMA (M²) AÇO (KG) CONCRETO (M³) DESFORMA (M²)
  • 116.
    115 Gráfico 4-14: Custopercentual – Laje Nervurada – 25 m² (armada em duas direções) Gráfico 4-15: Custo percentual - Laje Treliçada – 25 m² (armada em duas direções) 48% 14% 21% 16% 1% Custo percentual Total por material - Laje Nervurada ESCORAS (M³) FÔRMA (M²) AÇO (KG) CONCRETO (M³) DESFORMA (M²) 42% 11% 33% 13% 1% Custo percentual Total por material - Laje Treliçada ESCORAS (M³) FÔRMA (M²) AÇO (KG) CONCRETO (M³) DESFORMA (M²)
  • 117.
    116 Gráfico 4-16: Comparativode Custos entre os modelos estruturais adotados – Caso 25m² (armada em duas direções) OP 1 – MACIÇA / OP 2 – NERVURADA / OP 3 - TRELIÇADA 4.5. PARA LAJES DE 50 M², ARMADAS EM UMA DIREÇÃO Figura 4-5: Laje de até 50 m² - Armada em uma direção Fonte: LIMA & MORAIS, Afonso Corrêa & Carlos Vinicius. Análise Comparativa entre os tipos de lajes: Convencional, Nervurada Treliçada com EPS e Nervurada com Fôrma Plástica. Belém-PA. 2002. R$ 160,00 R$ 170,00 R$ 180,00 R$ 190,00 R$ 200,00 R$ 210,00 R$ 220,00 OP 1 OP 2 OP 3 R$ 183,39 R$ 196,34 R$ 216,74 Custo por m²
  • 118.
    117 Tabela 4-13: PlanilhaOrçamentária - Laje Convencional, 50 m² (uma direção) PLANILHA ORÇAMENTÁRIA OP. 01 LAJE MACIÇA, CONVENCIONAL DATA Nov/10 ITEM DESCRIÇÃO UNID. QUANT. PREÇO UNIT. PREÇO TOTAL 01. ESTRUTURA 01.01 ESCORAMENTO METÁLICO, para lajes de edificação com pé direito entre 2,00 m e 3,20 m M³ 142,65 R$ 30,55 R$ 4.357,86 01.02 CONFECÇÃO E INSTALAÇÃO DE FÔRMA, de Madeira em Chapa Plastificada, e= 18 mm, (x 12 utilizações) M² 47,55 R$ 8,76 R$ 416,36 01.03 CONFECÇÃO E INSTALAÇÃO DE ARMADURA, Aço CA 50 / 60 Kg 217,19 R$ 13,77 R$ 2.990,05 01.04 CONCRETO CONVENCIONAL, fck > 25 MPa - Preparo, Transporte, Lançamento, Adensamento e Cura. M³ 5,24 R$ 372,82 R$ 1.953,59 01.05 DESFORMA M² 47,55 R$ 2,55 R$ 121,32 CUSTO TOTAL R$ 9.839,18 CUSTO POR M² R$ 206,92 Tabela 4-14: Planilha Orçamentária - Laje Nervurada, 50 m² (uma direção) PLANILHA ORÇAMENTÁRIA OP. 02 LAJE NERVURADA, COM FÔRMAS DE POLIPROPILENO DATA Nov/10 ITEM DESCRIÇÃO UNID. QUANT. PREÇO UNIT. PREÇO TOTAL 01. ESTRUTURA 01.01 ESCORAMENTO METÁLICO, para lajes de edificação com pé direito entre 2,00 m e 3,20 m M³ 142,68 R$ 30,55 R$ 4.358,77 01.02 CONFECÇÃO E INSTALAÇÃO DE FÔRMA, de Madeira em Chapa Plastificada, e= 18 mm, (x 12 utilizações), com Cubetas em Polipropileno M² 47,56 R$ 26,57 R$ 1.263,63 01.03 CONFECÇÃO E INSTALAÇÃO DE ARMADURA, Aço CA 50 / 60 Kg 138,56 R$ 13,77 R$ 1.907,55 01.04 CONCRETO CONVENCIONAL, fck > 25 MPa - Preparo, Transporte, Lançamento, Adensamento e Cura. M³ 3,95 R$ 372,82 R$ 1.472,65 01.05 DESFORMA M² 47,56 R$ 2,55 R$ 121,34 CUSTO TOTAL R$ 9.123,95 CUSTO POR M² R$ 191,84
  • 119.
    118 Tabela 4-15: PlanilhaOrçamentária - Laje Treliçada e Blocos de EPS, 50 m² (uma direção) PLANILHA ORÇAMENTÁRIA OP. 03 LAJE NERVURADA TRELIÇADA, E BLOCOS DE EPS DATA Nov/10 ITEM DESCRIÇÃO UNID. QUANT. PREÇO UNIT. PREÇO TOTAL 01. ESTRUTURA 01.01 ESCORAMENTO METÁLICO, para lajes de edificação com pé direito entre 2,00 m e 3,20 m M³ 142,65 R$ 30,55 R$ 4.357,86 01.02 CONFECÇÃO E INSTALAÇÃO DE FÔRMA, de Madeira em Chapa Plastificada, e= 18 mm, (x 12 utilizações), complementadas com Blocos de EPS M² 47,55 R$ 24,71 R$ 1.174,87 01.03 CONFECÇÃO E INSTALAÇÃO DE ARMADURA e TRELIÇAS, Aço CA 50 / 60 Kg 95,17 R$ 19,11 R$ 1.819,02 01.04 CONCRETO CONVENCIONAL, fck > 25 MPa - Preparo, Transporte, Lançamento, Adensamento e Cura. M³ 3,04 R$ 372,82 R$ 1.133,38 01.05 DESFORMA M² 47,55 R$ 2,55 R$ 121,32 CUSTO TOTAL R$ 8.606,45 CUSTO POR M² R$ 181,00 Gráfico 4-17: Custo percentual – Laje Maciça – 50 m² (armada em uma direção) 44% 4% 31% 20% 1% Custo percentual Total por material - Laje Maciça ESCORAS (M³) FÔRMA (M²) AÇO (KG) CONCRETO (M³) DESFORMA (M²)
  • 120.
    119 Gráfico 4-18: Custopercentual – Laje Nervurada – 50 m² (armada em uma direção) Gráfico 4-19: Custo percentual - Laje Treliçada – 50 m² (armada em uma direção) 48% 14% 21% 16% 1% Custo percentual Total por material - Laje Nervurada ESCORAS (M³) FÔRMA (M²) AÇO (KG) CONCRETO (M³) DESFORMA (M²) 51% 14% 21% 13% 1% Custo percentual Total por material - Laje Treliçada ESCORAS (M³) FÔRMA (M²) AÇO (KG) CONCRETO (M³) DESFORMA (M²)
  • 121.
    120 Gráfico 4-20: Comparativode Custos entre os modelos estruturais adotados – Caso 50m² (armada em uma direção) OP 1 – MACIÇA / OP 2 – NERVURADA / OP 3 - TRELIÇADA 4.6. PARA LAJES DE ATÉ 50 M², ARMADAS EM DUAS DIREÇÕES Figura 4-6: Laje de até 50 m² - Armada em duas direções Fonte: LIMA & MORAIS, Afonso Corrêa & Carlos Vinicius. Análise Comparativa entre os tipos de lajes: Convencional, Nervurada Treliçada com EPS e Nervurada com Fôrma Plástica. Belém-PA. 2002. R$ 165,00 R$ 170,00 R$ 175,00 R$ 180,00 R$ 185,00 R$ 190,00 R$ 195,00 R$ 200,00 R$ 205,00 R$ 210,00 OP 1 OP 2 OP 3 R$ 206,92 R$ 191,84 R$ 181,00 Custo por m²
  • 122.
    121 Tabela 4-16: PlanilhaOrçamentária - Laje Convencional, 50 m² (duas direções) PLANILHA ORÇAMENTÁRIA OP. 01 LAJE MACIÇA, CONVENCIONAL DATA Nov/10 ITEM DESCRIÇÃO UNID. QUANT. PREÇO UNIT. PREÇO TOTAL 01. ESTRUTURA 01.01 ESCORAMENTO METÁLICO, para lajes de edificação com pé direito entre 2,00 m e 3,20 m M³ 143,67 R$ 30,55 R$ 4.389,02 01.02 CONFECÇÃO E INSTALAÇÃO DE FÔRMA, de Madeira em Chapa Plastificada, e= 18 mm, (x 12 utilizações) M² 47,89 R$ 8,76 R$ 419,34 01.03 CONFECÇÃO E INSTALAÇÃO DE ARMADURA, Aço CA 50 / 60 Kg 305,12 R$ 13,77 R$ 4.200,59 01.04 CONCRETO CONVENCIONAL, fck > 25 MPa - Preparo, Transporte, Lançamento, Adensamento e Cura. M³ 5,27 R$ 372,82 R$ 1.964,77 01.05 DESFORMA M² 47,89 R$ 2,55 R$ 122,18 CUSTO TOTAL R$ 11.095,90 CUSTO POR M² R$ 231,70 Tabela 4-17: Planilha Orçamentária - Laje Nervurada, 50 m² (duas direções) PLANILHA ORÇAMENTÁRIA OP. 02 LAJE NERVURADA, COM FÔRMAS DE POLIPROPILENO DATA Nov/10 ITEM DESCRIÇÃO UNID. QUANT. PREÇO UNIT. PREÇO TOTAL 01. ESTRUTURA 01.01 ESCORAMENTO METÁLICO, para lajes de edificação com pé direito entre 2,00 m e 3,20 m M³ 143,67 R$ 30,55 R$ 4.389,02 01.02 CONFECÇÃO E INSTALAÇÃO DE FÔRMA, de Madeira em Chapa Plastificada, e= 18 mm, (x 12 utilizações), com Cubetas em Polipropileno M² 47,89 R$ 26,57 R$ 1.272,40 01.03 CONFECÇÃO E INSTALAÇÃO DE ARMADURA, Aço CA 50 / 60 Kg 213,31 R$ 13,77 R$ 2.936,64 01.04 CONCRETO CONVENCIONAL, fck > 25 MPa - Preparo, Transporte, Lançamento, Adensamento e Cura. M³ 3,98 R$ 372,82 R$ 1.483,83 01.05 DESFORMA M² 47,89 R$ 2,55 R$ 122,18 CUSTO TOTAL R$ 10.204,07 CUSTO POR M² R$ 213,07
  • 123.
    122 Tabela 4-18: PlanilhaOrçamentária - Laje Treliçada e Blocos de EPS, 50 m² (duas direções) PLANILHA ORÇAMENTÁRIA OP. 03 LAJE NERVURADA TRELIÇADA, E BLOCOS DE EPS DATA Nov/10 ITEM DESCRIÇÃO UNID. QUANT. PREÇO UNIT. PREÇO TOTAL 01. ESTRUTURA 01.01 ESCORAMENTO METÁLICO, para lajes de edificação com pé direito entre 2,00 m e 3,20 m M³ 143,67 R$ 30,55 R$ 4.389,02 01.02 CONFECÇÃO E INSTALAÇÃO DE FÔRMA, de Madeira em Chapa Plastificada, e= 18 mm, (x 12 utilizações), complementadas com Blocos de EPS M² 47,89 R$ 24,71 R$ 1.183,27 01.03 CONFECÇÃO E INSTALAÇÃO DE ARMADURA e TRELIÇAS, Aço CA 50 / 60 Kg 239,84 R$ 19,11 R$ 4.584,16 01.04 CONCRETO CONVENCIONAL, fck > 25 MPa - Preparo, Transporte, Lançamento, Adensamento e Cura. M³ 4,07 R$ 372,82 R$ 1.517,39 01.05 DESFORMA M² 47,89 R$ 2,55 R$ 122,18 CUSTO TOTAL R$ 11.796,02 CUSTO POR M² R$ 246,31 Gráfico 4-21: Custo percentual – Laje Maciça – 50 m² (armada em duas direções) 39% 4% 38% 18% 1% Custo percentual Total por material - Laje Maciça ESCORAS (M³) FÔRMA (M²) AÇO (KG) CONCRETO (M³) DESFORMA (M²)
  • 124.
    123 Gráfico 4-22: Custopercentual – Laje Nervurada – 50 m² (armada em duas direções) Gráfico 4-23: Custo percentual - Laje Treliçada – 50 m² (armada em duas direções) 43% 12% 29% 15% 1% Custo percentual Total por material - Laje Nervurada ESCORAS (M³) FÔRMA (M²) AÇO (KG) CONCRETO (M³) DESFORMA (M²) 37% 10% 39% 13% 1% Custo percentual Total por material - Laje Treliçada ESCORAS (M³) FÔRMA (M²) AÇO (KG) CONCRETO (M³) DESFORMA (M²)
  • 125.
    124 Gráfico 4-24: Comparativode Custos entre os modelos estruturais adotados – Caso 50m² (armada em duas direções) OP 1 – MACIÇA / OP 2 – NERVURADA / OP 3 - TRELIÇADA 4.7. COMPARATIVO FINAL DO CUSTO (R$) 4.7.1. Análise de Custos para as Lajes Tabela 4-19: Lajes de até 12m² QUANT. DIR ÁREA OP 1 - MACIÇA OP 2 - NERVURADA OP 3 - TRELIÇADA 1 DE 12 M² R$ 168,16 R$ 180,13 R$ 164,54 2 ATÉ 12 M² R$ 164,02 R$ 180,47 R$ 174,37 MENOR CUSTO EXECUTIVO DE 12 M² R$ 164,54 OP 3 - TRELIÇADA ARM. 01 DIREÇÃO ATÉ 12 M² R$ 164,02 OP 1 - MACIÇA ARM. 02 DIREÇÕES MELHOR OPÇÃO R$ 164,02 OP 1 - MACIÇA ARM. 02 DIREÇÕES R$ 195,00 R$ 200,00 R$ 205,00 R$ 210,00 R$ 215,00 R$ 220,00 R$ 225,00 R$ 230,00 R$ 235,00 R$ 240,00 R$ 245,00 R$ 250,00 OP 1 OP 2 OP 3 R$ 231,72 R$ 213,07 R$ 246,31 Custo por m²
  • 126.
    125 Tabela 4-20: Lajesde até 25 m² QUANT. DIR ÁREA OP 1 - MACIÇA OP 2 - NERVURADA OP 3 - TRELIÇADA 1 DE 25 M² R$ 182,40 R$ 187,59 R$ 174,09 2 ATÉ 25 M² R$ 183,39 R$ 196,34 R$ 216,74 MENOR CUSTO EXECUTIVO DE 25 M² R$ 174,09 OP 3 - TRELIÇADA ARM. 01 DIREÇÃO ATÉ 25 M² R$ 183,39 OP 1 - MACIÇA ARM. 02 DIREÇÕES MELHOR OPÇÃO R$ 174,09 OP 3 - TRELIÇADA ARM. 01 DIREÇÃO Tabela 4-21: Lajes de até 50 m² QUANT. DIR ÁREA OP 1 - MACIÇA OP 2 - NERVURADA OP 3 - TRELIÇADA 1 DE 50 M² R$ 206,92 R$ 191,84 R$ 181,00 2 ATÉ 50 M² R$ 231,70 R$ 213,07 R$ 246,31 MENOR CUSTO EXECUTIVO DE 50 M² R$ 181,00 OP 3 - TRELIÇADA ARM. 01 DIREÇÃO ATÉ 50 M² R$ 213,07 OP 2 - NERVURADA ARM. 02 DIREÇÕES MELHOR OPÇÃO R$ 181,00 OP 3 - TRELIÇADA ARM. 01 DIREÇÃO Gráfico 4-25: Custos Médios R$ 189,43 R$ 191,57 R$ 192,84 OP 1 - MACIÇA OP 2 - NERVURADA OP 3 - TRELIÇADA ANÁLISE DOS CUSTOS MÉDIOS POR M²
  • 127.
    126 5. CONSIDERAÇÕES FINAIS Estetrabalho teve como objetivo realizar análises comparativas de custos entre as lajes maciças e vários tipos de lajes nervuradas, e criar uma simples tabela que possuísse a relação dentre as Soluções Estruturais de Lajes apresentadas à correta relação para que se pudesse estabelecer solução mais adequada para lajes definidas pela área a ser executada em metros quadrados. Para cada finalidade de edificações projetada há um grau de exigência da funcionalidade, dimensões mínimas e ações a serem atendidas. Partindo-se do pressuposto que em cada escolha o sistema estrutural deverá ser projetado obedecendo às disposições normativas, deve ser feita considerando-se aspectos econômicos, de funcionamento, de execução, e os relacionados à interação com os demais subsistemas construtivos do edifício. Por isso, este trabalho não teve como intenção generalizar os resultados aqui apresentados. No entanto, acredita-se na criação de dados consistentes que fornecerão parâmetros para os profissionais da construção civil, facilitando a tomada de decisões pelo sistema estrutural a ser empregado. Após constatar que os custos de um sistema estrutural são quantificados levando-se em consideração critérios como: Consumo de Materiais, Mão de obra, Tempo de Execução, entre outros. Percebe-se que tal escolha dependeria de muitas variáveis; algumas destas fogem da competência do engenheiro de estruturas, inclusive. Há ainda o aspecto em que o projeto de arquitetura pode inviabilizar um determinado sistema estrutural, devido a suas particularidades e imposições. Desse modo não apenas a escolha do sistema estrutural, mas também a forma definida do processo construtivo a ser utilizado, e as interações com os demais subsistemas construtivos do edifício. Mediante ao exposto nos capítulos 3 e 4. A estrutura convencional com lajes maciças apresentou o menor custo médio, e a grande quantidade de vigas dificulta a execução e prejudica a arquitetura. O uso desse sistema estrutural deve ser restringido a casos específicos. No entanto, este sistema pode ser viável para lajes com áreas até 25 m² se estas estiverem armadas nas duas direções. A estrutura com lajes nervuradas com fôrmas de polipropileno apresentou-se como possivelmente a melhor opção para lajes armadas em duas direções para áreas de 50 m² em diante, apesar de seu custo médio não ser o melhor por m², observa-se que este sistema de torna muito viável em função da ausência de vigas e diminuição do numero de pilares em
  • 128.
    127 comparação ao outrossistemas este apresentou sempre uma redução de custos com o aumento das áreas o que justificaria esta opção para edifício de médio e grande porte. O sistema de lajes Nervuradas treliçadas se mostra como a melhor opção para vãos onde as lajes podem ser armadas em uma única direção, viabilizando esta opção que se mostrou como vantajosa, conforme o explicitado em 4.7. Apesar de que a hipótese deste trabalho “É possível criar uma tabela que estabeleça a solução estrutural mais adequada para lajes a serem empregadas, definidas pela área a ser executada em metros quadrados”. não ter sido elaborada, os dados nos levam a definir que tal tabela não poderá ser montada uma vez que os índices de custos com material e mão de obra estar em constate mudança. E neste trabalho podemos ressaltar que a escolha de um sistema estrutural depende de um grande número de variáveis, algumas delas não contempladas. Por isso, sugere-se o estudo destes sistemas com a visão voltada para a análise mais aprofundada e efeitos sobre outros elementos estruturais tais quais: Vigas ou sua ausência destas; Pilares; Fundações; E a inclusão de novas tecnologias.
  • 129.
    128 REFERÊNCIAS BIBLIOGRÁFICAS ASSOCIAÇÃO BRASILEIRADE NORMAS TÉCNICAS. NBR 6118 − Projetos de estrutura de concreto armado. Rio de Janeiro, 2003. 221p. ______. NBR 14931 – Execução de estruturas de concreto - Procedimento. Rio de Janeiro, 2004. 58p. ______. NBR 6120 – Cargas para o cálculo de estruturas de Edificações. Rio de Janeiro, 1980. 6p. ______. NBR 6123 − Forças devidas ao vento em edificações. Rio de Janeiro, 1988. 66p. ______. NBR 7480 – Barras e fios de aço destinados a armaduras para concreto armado. Rio de Janeiro, 1996. 7p. ______. NBR 12721 – Avaliação de Custos Unitários para Incorporação de Edifícios – Procedimento. Rio de Janeiro, 1999. 63p. o Revisão da NBR12721/1999 – Avaliação de Custos Unitários para Incorporação de Edifícios – Procedimento. Rio de Janeiro, 2003. 98p. ALBUQUERQUE, A.T.; PINHEIRO L.M. (2002). Viabilidade econômica de alternativas de estruturas de concreto armado para edifícios. São Carlos. ARAÚJO, Luis Otávio Cocito. Tecnologia de Produção de Edificações em Concreto Armado. São Paulo, 2004. Universidade Federal de São Carlos, Departamento de Engenharia Civil. ATEX Brasil. Encarte técnico. Lagoa Santa (MG), 2009. BORGES, J. U. A. Critérios de projeto de lajes nervuradas com vigotas pré- fabricadas. São Paulo. Dissertação (Mestrado) - POLI – USP, 1997. BOROWSKI, G. da C. Cálculo de deslocamentos em lajes nervuradas. Dissertação (Mestrado em Engenharia Civil) – Universidade Federal de Santa Maria. Santa Maria, 2005. CASSIMINHO, A. L. F. Modelização dos convexos representativos das fases de plasticidade em vigas de concreto armado submetidas à flexão composta desviada. Santa Maria: UFSM, 1999. 132p. Dissertação (Mestrado em Engenharia Civil) – Universidade Federal de Santa Maria, 1999.
  • 130.
    129 CLIMACO, João Carlosde Teatini de Souza. Estruturas de Concreto Armado Fundamentos de Projeto, Dimensionamento e verificação. DANTAS, Allisson Almeida. Procedimentos de Execução de Serviço de Armadura em Estruturas de Concreto Armado. Belém/PA, 2006. 136p. Trabalho de Conclusão de curso (graduação em Engenharia Civil) - Universidade Federal do Pará, 2006. Departamento de Engenharia de Estruturas e Fundações. PUC, SP. 2000. DIAS, R. H. (2003). Análise numérica de pavimentos de edifícios em lajes nervuradas. Dissertação (Mestrado em Engenharia) – Escola de Engenharia de São Carlos, Universidade de São Paulo, São Carlos. FAZ Fácil. Disponível em: < http://www.fazfacil.com.br/images/>. Acesso em: 22 de Setembro de 2010. FERREIRA, Prof. M. Sc. Márcio Murilo. Apresentação Sobre Concreto Protendido - Introdução CAP. 01. Belém, 2010. FERREIRA, Silvio Thadeu Leite. Procedimentos de Execução de Serviço de Concretagem em Estruturas de Concreto Armado. Belém/PA, 2006. 120p. Trabalho de Conclusão de curso (graduação em Engenharia Civil) - Universidade Federal do Pará, 2006. FIGUEIREDO F°, J. R.; CARVALHO, R. C.; FURLAN JR., S. Punção nas lajes sem vigas: a proposta da revisão da norma brasileira e resultados experimentais. In: Congresso Técnico-Científico de Engenharia Civil, 1996, Florianópolis. Anais. V. 5, p. 830-839. FRANCA, A. B. M.; FUSCO, P. B. As lajes nervuradas na moderna construção de edifícios. São Paulo, AFALA & ABRAPEX, 1997. FUSCO. P. B. Técnica de armar as estruturas de concreto. São Paulo: Pini, 382, 1995. HANAI, J. B. Fundamentos do Concreto Protendido: Notas de Aulas para o Curso de Engenharia Civil Escola de Engenharia de São Carlos / USP. São Carlos SP. 1995.
  • 131.
    130 ISHITANI & FRANÇA,Hideki & Ricardo. Concreto Protendido. USP, São Paulo, 2002. KASPARY, Cerâmica. Disponível em: <http://www.ceramicakaspary.com.br/portal/laje_protendida>. Acesso em: 14 de Setembro de 2010. LIBÂNIO M. P. & REZENDE J. A; Lajes Nervuradas. São Paulo, USP – EESC – Departamento de Engenharia de Estruturas, 2003 LIMA, E. L.; BALAT, V. H.; BISSIO, J. F. Hormigón Armado: Notas sobre su evolución y la de su teoría. Universidade de Zaragoza. Fev 2000. LIMA & MORAIS, Afonso Corrêa & Carlos Vinicius. Análise Comparativa entre os tipos de lajes: Convencional, Nervurada Treliçada com EPS e Nervurada com Fôrma Plástica. Belém-PA. 2002. MUNIZ, C. E. Mais competitivas: lajes treliçadas. Revista IBRACON, v.1, n.1, p. 19- 21, Jul-Ago. 1991. PEREIRA, V. Manual de projeto de lajes pré-moldadas treliçadas. São Paulo. Associação dos fabricantes de lajes de São Paulo, 2000. PFEIL, W. Concreto Protendido, vol. 2. Rio de Janeiro RJ. Editora LCT, 1981. PFEIL, Walter do Couto – Cimbramentos – LTC – Livros Técnicos e Científicos – Rio de Janeiro; São Paulo, 1987. Revista Téchne, edição março de 2003 RIOS, Daniel Ferreti. Procedimento de Projeto de Lajes Nervuradas de Concreto. Santa Maria. 2008. SALAME, Antônio Massoud. Pontes: Fundamentos e aspectos gerais, superestrutura, mesoestrutura e infraestrutura. Universidade da Amazônia – UNAMA. Belém, 2010.
  • 132.
    131 SANTOS & CARVALHO,Alzir Espindola & Paulo Carlos. Análise Comparativa entre os tipos de lajes: Nervuradas com Fôrma Plástica, Nervurada com vigas Treliçadas e EPS e Nervura Protendida com fôrmas Plásticas. Belém-PA. 2003. SILVA, Adcleides Araújo. Módulos Celulares Pré-fabricados de Concreto Protendido para Construção de Lajes Nervuradas [Rio de Janeiro] 2003. XXVIII 166 p.29,7 cm (COPPE/UFRJ, M. Sc., Engenharia Civil, 2003). Tese – Universidade Federal do Rio de Janeiro, COPPE. SILVA, M.A.F. (2005). Projeto e construção de lajes nervuradas de concreto armado. Dissertação (Mestrado em Construção Civil) – Universidade Federal de São Carlos, São Carlos. SOBRINHO, Cássio Fabrizzio de Souza. Análise Comparativa da Laje Treliçada preenchida com bloco de EPS com a laje convencional. Belém/PA, 2002. 33p. Trabalho de Conclusão de Curso (Graduação em Engenharia Civil) – Universidade da Amazônia UNAMA, 2002. SOUZA, V. C. M.; CUNHA, A. J. P. Lajes em concreto Armado e Protendido. Niterói: EDUFF, 580p. 1998. STRAMANDINOLI, J. S. B.; LORIGGIO, D. D. Lajes nervuradas: cálculo dos esforços e deslocamentos usando o processo de analogia de grelha. In: SIMPÓSIO EPUSP SOBRE ESTRUTURAS DE CONCRETO, 20 p. TCPO: Tabelas de composições de preços para orçamentos – 13. ed. – São Paulo: Pini, 2008. 630 p.
  • 133.