TRANSFORMADORES
Transformadores
Importância dos Trafos
12 ~ 25kV 110 ~1000kV
12 ~ 34,5kV
Unidade
Transformadora
Subestação
Transformadora
Transformação de
Distribuição
Tipos e Construção
 Variar o nível de tensão
 Amostragem de tensão
 Amostragem de corrente
 Transformação de Impedância
Núcleo Envolvenlte (Core-Form)
Núcleo Envolvido (Shell-Form)
O Transformador Ideal
in outS S=
primário secundário
Volts Volts
=
espira espira
1 2 1 1 2
1 2 2 2 1
V V V N I
a
N N V N I
= Þ = = =
Transformação de Impedância [1]
1 1
21 1 2
2 12
2 2
1
1
V V a
Z I V
a
V IZ
aI I
= Þ = =
Transformação de Impedância [2]
400 300j+
4800 0 VV = Ð °
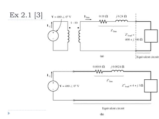
Ex 2.1 [1]
Um sistema monofásico consiste de um gerador de
480 V / 60 Hz, alimentando uma carga Zload = 4 + j3 ,
através de uma linha de transmissão de impedância
Zline = 0,18 + j0,24 .
a. Qual é tensão nos terminais da carga? Qual a
perda na linha de transmissão.
b. Suponha um transformador elevador 1:10 é
colocado entre o gerador e a linha de transmissão
e um transformador abaixador 10:1 é colocado
entre a linha e a carga. Qual será a nova tensão
da carga? Qual a perda na linha de transmissão
agora?
Ex 2.1 [2] (Vantagens do uso dos Trafos)
Ex 2.1 [3]
Transformadores Reais
ind
d d
e N
dt dt
= = ×
1
( )ind P
P
d
e N v t dt
N dt N
= Þ = × Þ = × ×ò
Fluxo por espira
Curva de Histerese
Fluxos
(
( )
)
( )
(
( ) ( ) (
)
)
( ) (
)
( )
S M LS
LSM
P M LP
M
S S S
S
LP
P P P
P P LP
P P
S
S L
S
S
dd
v t N N
dt dt
v
d d
v t N N
dt dt
v t e t e
e t N
a
t e t e
N
t
t
t
e
= +
= × + ×
= +
= +
= × + ×
= +
= =
Curva de Magnetização
Corrente de Magnetização
Corrente de perdas e de fluxo
Corrente de Perdas em
fase com a tensão
Corrente de
Magnetização atrasada
de 90º da tensão
i
Corrente Total = perdas + fluxo
Transformador com Carga
0
1
net P P S S
SP
S P
N i N i
Ni
i N a
Á = × - × = × »
ß
= =
Circuito Equivalente
Núcleo (Histerese + Foucault)
Cobre
Dispersão do Fluxo
Referido à
Alta Tensão
Referido à
Baixa Tensão
Parâmetros [1]
 Núcleo
arccosOC OC
E
OC OC OC
I P
Y
V V I
æ ö÷ç ÷= Ð ç ÷ç ÷ç ×è ø
Parâmetros [2]
 Cobre
arccosSC SC
E
SC SC SC
V P
Z
I V I
æ ö÷ç ÷= Ð ç ÷ç ÷ç ×è ø
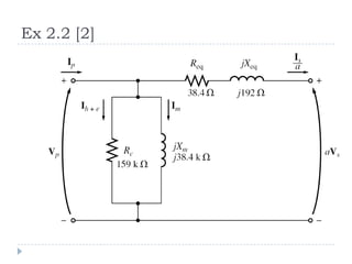
Ex 2.2 [1]
O circuito equivalente de um trafo de 20 kVA,
8000/240 V, 60 Hz deve ser determinado. Os dados
dos ensaios de curto-circuito e circuito aberto são os
que seguem:
Circuito Aberto Curto-Circuito
VOC = 8000 V VSC = 489 V
IOC = 0,214 A ISC = 2,5 A
POC = 400 W PSC = 240 W
Ex 2.2 [2]
Sistema Por unidade (pu) [1]
Sistema Por unidade (pu) [2]
 Valores Típicos
 Req ≈ 0,001 pu
 Xeq ≈ 0,01~ 0,02 pu
 Rc ≈ 50~200 pu
 Xeq ≈ 10~ 40 pu
 Conversão entre bases
Ex 2.3 [1]
Para o circuito da figura (Vbase = 480 V, Sbase = 10 kVA, no
gerador):
a. Encontre as grandezas base.
b. Converta o sistema abaixo para pu.
c. Encontre a potência fornecida a carga.
d. Encontre a perda de potência na linha.
Ex 2.3 [2]
Ex 2.4 [1]
Desenhe o diagrama aproximado do modelo do
transformador do Ex 2.2. Use os dados nominais do
transformador como valores base.
Regulação de Tensão e Eficiência
,nl ,fl
,
,fl
,fl
,pu ,pu
,pu
S S
S fl
P
S
S
P S
S
V V
VR
V
V
V
aVR
V
V V
VR
V
-
=
-
=
-
=
out
in
out
out losses
out
out Fe Cu
P
P
P
P P
P
P P P
=
=
+
=
+ +
Ajuste dos Taps!
DiagramasFasoriais[1]
Indutivo
Resistivo
Capacitivo
Diagramas Fasoriais [2]
Diagramas Fasoriais [2]
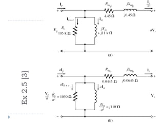
Ex 2.5 [1]
Um trafo de 15 kVA, 2300/230 V é testado para
determinar suas impedâncias e sua regulação de
tensão. Os dados de teste que seguem foram
retirados do lado primário do transformador.
Ex 2.5 [2]
a. Encontre o circuito equivalente deste
transformador referido a AT.
b. Encontre o circuito equivalente deste
transformador referido a BT.
c. Calcule a regulação de tensão com cargas 0,8
atrasada, em fase e 0,8 adiantada.
d. Plote a regulação de tensão destas cargas desde
carga zero até carga máxima.
Ex2.5[3]
Ex2.5[4]
Ex 2.5 [2]
Ex 2.6 [1]
Um transformador de distribuição de 500 kVA,
13.200/480 V tem 4 taps de 2,5 % em seu
enrolamento primário. Qual é o valor da tensão para
este transformador para cada um dos taps
selecionados?
O Autotransformador
 Mudanças pequenas de tensões
 220 / 127 V
 13,2 / 13,8 kV
 Correção de quedas de
tensão nas linhas
Autotransformador Elevador
C C SE SEN I N I× = ×
C SE
C SE
V V
N N
=
Autotransformador Abaixador
C C SE SEN I N I× = ×C SE
C SE
V V
N N
=
Características do AutoTrafo
 Percentual de sobregarga
 Não-isolação entre primário
e secundário
 Relação de transformação CL
H SE C
NV
V N N
=
+
IO SE C
W SE
S N N
S N
+
=
Windings
In/Out
Common
SEries
Ex 2.7 [1]
Um trafo de 100 VA é conectado como autotrafo. Determine:
a. Qual a tensão do secundário do trafo e do autotrafo?
b. Qual é o limite de potência a ser fornecida neste modo de
operação?
c. Calcule o percentual de sobrecarga deste autotrafo comparado ao
trafo.
Autotrafo variável
Ex 2.8 [1]
Um trafo de 1000 kVA, 12/1,2 kV, 60 Hz tem sua
impedância série Z=0,01+j0,08 pu. Este trafo é ligado
como autotrafo 13,2/12 kV. Nestas condições pede-
se:
a. Qual a potência nominal
do autotrafo?
b. Qual a impedância do
autotrafo em pu?
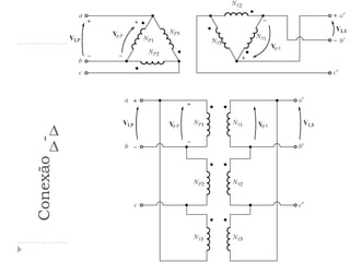
Transformação Trifásica
 Três 1
 Um 3
 Mais leve
 Mais barato
 Mais eficiente
Transformadores Trifásicos
1. Y - Y
- Y
3. Y -
-
ConexãoY-Y[1]
Conexão Y-Y [2]
1. Se as cargas estiverem desbalanceadas, estão as
tensões serão severamente afetadas
2. Tensões com conteúdo de 3º harmônico
• Soluções:
a) Aterrar solidamente o neutro dos
transformadores
b) Ligar enrolamento terceário em delta.
Força auxiliar para
a subestação
Pouco utilizado na prática!
ConexãoY-
30º
Conexão-Y
30º
Conexão-
Ex 2.9 [1]
Um trafo 3 de 50 kVA, 13.800/208 V, D-Y tem uma
resistência de 1 % e uma reatância de 7 %.
a. Qual a impedância do transformador referida a AT?
b. Calcule a regulação de tensão com uma carga
com FDesl 0,8 indutivo usando valores absolutos.
c. Idem item (b) com valores em pu.
dividir por três a
potência
Transformações Trifásicas Utilizando dois
Transformadores
aberto (V-V)
2. Y aberto –
3. Scott T
4. Trifásico T
aberto (V-V) [1]
0 120
120
C B A
C
C
V V V
V V V
V V
= - -
= - Ð °- Ð- °
= Ð °
  


aberto(V-V)[2]
aberto (V-V) [3]
60 10 20I I IÐ °- ÐÐ =° °
( )
( ) ( )
DELTA
1
DELTA ABERTO
3 3
2 2
DELTA ABERTO
DELTA
3 cos 30 30 3
cos 30 60 cos 150 120 3
3 1
0,577, não 66,7 %
3 3
FDesl
FDesl FDesl
P V I V I
P V I V I V I
V IP
P V I
=
= =
= × × × °- ° = × ×
= × × °- ° + × × °- ° = × ×
× ×
= = =
× ×

 
aberto (V-V) [4]
 Alimentando também cargas monofásicas
 Trafo T2 muito maior que o T1
Y aberto - aberto
Transformação3em2
LigaçãoScott
Transformação3em2
ConexãoT
Limitações dos Transformadores e
Problemas Correlatos
 Potência
 Tensão
 Corrente
 Freqüência
( ) ( )
( ) ( )
( ) ( )
( ) ( )
max
max
1
1
sen
cos
sen
P
M
P
M
P
M
P
t v t dt
N
t V t dt
N
V
t
v t
V
V
N
t
t
N
= × ×
= × × × ×
= - × ×
= × ×
=
×
×
ò
ò
O fluxo máximo é
diretamente
proporcional a
tensão máxima
max
max
P
V
N
=
×
Acima do ponto de saturação, um
pequeno incremento na tensão ou
redução na freqüência pode resultar
em uma corrente de magnetização
inaceitável
Ex 2.10 [1]
Um trafo monofásico de 1 kVA, 230/115 V, 60 Hz tem
850 espiras no enrolamento primário e 425 espiras no
secundário.
a. Plote a corrente de
magnetização a
230 V, 60 Hz. Qual
será seu valor rms?
b. Idem para 230 V,
50 Hz
Ex 2.10 [2]
 mag_curve_1.dat
 Planilha que da origem a curva de
magnetização
 mag_current.m
 Programa que plota a corrente de
magnetização em função do tempo
Ex 2.10 [3]
Valores de pico
Distorção
,60Hz 0,69766 ArmsI =
,50Hz 1,1319 ArmsI =
( ) ( ) ( )max
max
max
max
1
sen cos
P P
P
Vd
v t N V t dt t k
dt N N
V
N
= × Þ = × × × × Þ = - × × +
×
=
×
ò
Inrush (melhor caso)
 Tensão da rede
 Fluxo máximo
( ) ( )senMv t V t= × × +
-1.5
-1
-0.5
0
0.5
1
1.5
0 5 10 15 20 25 30 35
Fluxo e Tensão
Tempo
Fluxo Tensão
O melhor
caso é
quando k=0 Regime
Permanente
Inrush (pior caso)
( )
( )
( ) ( )
0
0
1
sen
cos
1 1
2
M M
P
M
M
P
M
M
P
M
M
P
V t dt
N
V
t
N
V
N
V
N
= × × × ×
= - × ×
×
é ù= - × - -ë û×
×
= -
×
ò
max
max
P
V
N
=
×
em regime
O fluxo máximo ocorre
após a integral que cobre a
maior área = área de meio
ciclo do cosseno
dobrar o fluxo além do ponto de saturação
significa aumentar em muito a corrente!
Placa de
Identificação
Trafos para Instrumentação
 Transformador de Potencial
 Transformador de Corrente

Transformers

  • 1.
  • 2.
  • 3.
    Importância dos Trafos 12~ 25kV 110 ~1000kV 12 ~ 34,5kV Unidade Transformadora Subestação Transformadora Transformação de Distribuição
  • 4.
    Tipos e Construção Variar o nível de tensão  Amostragem de tensão  Amostragem de corrente  Transformação de Impedância
  • 5.
  • 6.
  • 7.
    O Transformador Ideal inoutS S= primário secundário Volts Volts = espira espira 1 2 1 1 2 1 2 2 2 1 V V V N I a N N V N I = Þ = = =
  • 8.
    Transformação de Impedância[1] 1 1 21 1 2 2 12 2 2 1 1 V V a Z I V a V IZ aI I = Þ = =
  • 9.
    Transformação de Impedância[2] 400 300j+ 4800 0 VV = Ð °
  • 10.
    Ex 2.1 [1] Umsistema monofásico consiste de um gerador de 480 V / 60 Hz, alimentando uma carga Zload = 4 + j3 , através de uma linha de transmissão de impedância Zline = 0,18 + j0,24 . a. Qual é tensão nos terminais da carga? Qual a perda na linha de transmissão. b. Suponha um transformador elevador 1:10 é colocado entre o gerador e a linha de transmissão e um transformador abaixador 10:1 é colocado entre a linha e a carga. Qual será a nova tensão da carga? Qual a perda na linha de transmissão agora?
  • 11.
    Ex 2.1 [2](Vantagens do uso dos Trafos)
  • 12.
  • 13.
    Transformadores Reais ind d d eN dt dt = = × 1 ( )ind P P d e N v t dt N dt N = Þ = × Þ = × ×ò Fluxo por espira
  • 14.
  • 15.
    Fluxos ( ( ) ) ( ) ( () ( ) ( ) ) ( ) ( ) ( ) S M LS LSM P M LP M S S S S LP P P P P P LP P P S S L S S dd v t N N dt dt v d d v t N N dt dt v t e t e e t N a t e t e N t t t e = + = × + × = + = + = × + × = + = =
  • 16.
  • 17.
  • 18.
    Corrente de perdase de fluxo Corrente de Perdas em fase com a tensão Corrente de Magnetização atrasada de 90º da tensão i
  • 19.
    Corrente Total =perdas + fluxo
  • 20.
    Transformador com Carga 0 1 netP P S S SP S P N i N i Ni i N a Á = × - × = × » ß = =
  • 21.
    Circuito Equivalente Núcleo (Histerese+ Foucault) Cobre Dispersão do Fluxo
  • 22.
  • 24.
    Parâmetros [1]  Núcleo arccosOCOC E OC OC OC I P Y V V I æ ö÷ç ÷= Ð ç ÷ç ÷ç ×è ø
  • 25.
    Parâmetros [2]  Cobre arccosSCSC E SC SC SC V P Z I V I æ ö÷ç ÷= Ð ç ÷ç ÷ç ×è ø
  • 26.
    Ex 2.2 [1] Ocircuito equivalente de um trafo de 20 kVA, 8000/240 V, 60 Hz deve ser determinado. Os dados dos ensaios de curto-circuito e circuito aberto são os que seguem: Circuito Aberto Curto-Circuito VOC = 8000 V VSC = 489 V IOC = 0,214 A ISC = 2,5 A POC = 400 W PSC = 240 W
  • 27.
  • 28.
  • 29.
    Sistema Por unidade(pu) [2]  Valores Típicos  Req ≈ 0,001 pu  Xeq ≈ 0,01~ 0,02 pu  Rc ≈ 50~200 pu  Xeq ≈ 10~ 40 pu  Conversão entre bases
  • 30.
    Ex 2.3 [1] Parao circuito da figura (Vbase = 480 V, Sbase = 10 kVA, no gerador): a. Encontre as grandezas base. b. Converta o sistema abaixo para pu. c. Encontre a potência fornecida a carga. d. Encontre a perda de potência na linha.
  • 31.
  • 33.
    Ex 2.4 [1] Desenheo diagrama aproximado do modelo do transformador do Ex 2.2. Use os dados nominais do transformador como valores base.
  • 34.
    Regulação de Tensãoe Eficiência ,nl ,fl , ,fl ,fl ,pu ,pu ,pu S S S fl P S S P S S V V VR V V V aVR V V V VR V - = - = - = out in out out losses out out Fe Cu P P P P P P P P P = = + = + + Ajuste dos Taps!
  • 35.
  • 36.
  • 37.
  • 38.
    Ex 2.5 [1] Umtrafo de 15 kVA, 2300/230 V é testado para determinar suas impedâncias e sua regulação de tensão. Os dados de teste que seguem foram retirados do lado primário do transformador.
  • 39.
    Ex 2.5 [2] a.Encontre o circuito equivalente deste transformador referido a AT. b. Encontre o circuito equivalente deste transformador referido a BT. c. Calcule a regulação de tensão com cargas 0,8 atrasada, em fase e 0,8 adiantada. d. Plote a regulação de tensão destas cargas desde carga zero até carga máxima.
  • 40.
  • 41.
  • 42.
  • 43.
    Ex 2.6 [1] Umtransformador de distribuição de 500 kVA, 13.200/480 V tem 4 taps de 2,5 % em seu enrolamento primário. Qual é o valor da tensão para este transformador para cada um dos taps selecionados?
  • 44.
    O Autotransformador  Mudançaspequenas de tensões  220 / 127 V  13,2 / 13,8 kV  Correção de quedas de tensão nas linhas
  • 45.
    Autotransformador Elevador C CSE SEN I N I× = × C SE C SE V V N N =
  • 46.
    Autotransformador Abaixador C CSE SEN I N I× = ×C SE C SE V V N N =
  • 47.
    Características do AutoTrafo Percentual de sobregarga  Não-isolação entre primário e secundário  Relação de transformação CL H SE C NV V N N = + IO SE C W SE S N N S N + = Windings In/Out Common SEries
  • 48.
    Ex 2.7 [1] Umtrafo de 100 VA é conectado como autotrafo. Determine: a. Qual a tensão do secundário do trafo e do autotrafo? b. Qual é o limite de potência a ser fornecida neste modo de operação? c. Calcule o percentual de sobrecarga deste autotrafo comparado ao trafo.
  • 49.
  • 50.
    Ex 2.8 [1] Umtrafo de 1000 kVA, 12/1,2 kV, 60 Hz tem sua impedância série Z=0,01+j0,08 pu. Este trafo é ligado como autotrafo 13,2/12 kV. Nestas condições pede- se: a. Qual a potência nominal do autotrafo? b. Qual a impedância do autotrafo em pu?
  • 51.
    Transformação Trifásica  Três1  Um 3  Mais leve  Mais barato  Mais eficiente
  • 52.
  • 53.
  • 54.
    Conexão Y-Y [2] 1.Se as cargas estiverem desbalanceadas, estão as tensões serão severamente afetadas 2. Tensões com conteúdo de 3º harmônico • Soluções: a) Aterrar solidamente o neutro dos transformadores b) Ligar enrolamento terceário em delta. Força auxiliar para a subestação Pouco utilizado na prática!
  • 55.
  • 56.
  • 57.
  • 58.
    Ex 2.9 [1] Umtrafo 3 de 50 kVA, 13.800/208 V, D-Y tem uma resistência de 1 % e uma reatância de 7 %. a. Qual a impedância do transformador referida a AT? b. Calcule a regulação de tensão com uma carga com FDesl 0,8 indutivo usando valores absolutos. c. Idem item (b) com valores em pu. dividir por três a potência
  • 59.
    Transformações Trifásicas Utilizandodois Transformadores aberto (V-V) 2. Y aberto – 3. Scott T 4. Trifásico T
  • 60.
    aberto (V-V) [1] 0120 120 C B A C C V V V V V V V V = - - = - Ð °- Ð- ° = Ð °     
  • 61.
  • 62.
    aberto (V-V) [3] 6010 20I I IÐ °- ÐÐ =° ° ( ) ( ) ( ) DELTA 1 DELTA ABERTO 3 3 2 2 DELTA ABERTO DELTA 3 cos 30 30 3 cos 30 60 cos 150 120 3 3 1 0,577, não 66,7 % 3 3 FDesl FDesl FDesl P V I V I P V I V I V I V IP P V I = = = = × × × °- ° = × × = × × °- ° + × × °- ° = × × × × = = = × ×   
  • 63.
    aberto (V-V) [4] Alimentando também cargas monofásicas  Trafo T2 muito maior que o T1
  • 64.
    Y aberto -aberto
  • 65.
  • 66.
  • 67.
    Limitações dos Transformadorese Problemas Correlatos  Potência  Tensão  Corrente  Freqüência ( ) ( ) ( ) ( ) ( ) ( ) ( ) ( ) max max 1 1 sen cos sen P M P M P M P t v t dt N t V t dt N V t v t V V N t t N = × × = × × × × = - × × = × × = × × ò ò O fluxo máximo é diretamente proporcional a tensão máxima
  • 68.
    max max P V N = × Acima do pontode saturação, um pequeno incremento na tensão ou redução na freqüência pode resultar em uma corrente de magnetização inaceitável
  • 69.
    Ex 2.10 [1] Umtrafo monofásico de 1 kVA, 230/115 V, 60 Hz tem 850 espiras no enrolamento primário e 425 espiras no secundário. a. Plote a corrente de magnetização a 230 V, 60 Hz. Qual será seu valor rms? b. Idem para 230 V, 50 Hz
  • 70.
    Ex 2.10 [2] mag_curve_1.dat  Planilha que da origem a curva de magnetização  mag_current.m  Programa que plota a corrente de magnetização em função do tempo
  • 71.
    Ex 2.10 [3] Valoresde pico Distorção ,60Hz 0,69766 ArmsI = ,50Hz 1,1319 ArmsI =
  • 72.
    ( ) () ( )max max max max 1 sen cos P P P Vd v t N V t dt t k dt N N V N = × Þ = × × × × Þ = - × × + × = × ò Inrush (melhor caso)  Tensão da rede  Fluxo máximo ( ) ( )senMv t V t= × × + -1.5 -1 -0.5 0 0.5 1 1.5 0 5 10 15 20 25 30 35 Fluxo e Tensão Tempo Fluxo Tensão O melhor caso é quando k=0 Regime Permanente
  • 73.
    Inrush (pior caso) () ( ) ( ) ( ) 0 0 1 sen cos 1 1 2 M M P M M P M M P M M P V t dt N V t N V N V N = × × × × = - × × × é ù= - × - -ë û× × = - × ò max max P V N = × em regime O fluxo máximo ocorre após a integral que cobre a maior área = área de meio ciclo do cosseno dobrar o fluxo além do ponto de saturação significa aumentar em muito a corrente!
  • 74.
  • 75.
    Trafos para Instrumentação Transformador de Potencial  Transformador de Corrente