Introdução aos Princípios das
Máquinas Elétricas
Máquinas Elétricas, Transformadores e Vida Cotidiana
Exemplos comuns
Energia Elétrica Energia Mecânica
Energia Mecânica Energia Elétrica
Energia Elétrica Energia Elétrica
Porque as ME estão
tão presentes?
Não geram poluentes Calor Reduzido
Ruído Reduzido Fácil transmissão
Fácil controle
Unidades e Notações
 Unidades Inglesas  libras, pés, ...
 Sistema Internacional  Pascal, metros, ...
 Vetores 
 Fasores 
 Escalares 
 Quantidades Magnéticas  Gauss, Weber, Tesla, ...
v

I
I
Movimento Rotativo, Leis de Newton e
Relações de Potência [1]
2 2
2 2
x
dx d
v
dt dt
dv d x d d
a
dt dt dt dt



 


  
    
Movimento em
torno de um EIXO
Movimento Rotativo, Leis de Newton e
Relações de Potência [3]
 sin
r F
F r

 
 
  
 
F

r

Movimento Rotativo, Leis de Newton e
Relações de Potência [2]
Movimento Rotativo, Leis de Newton e
Relações de Potência [4]
   
F m a J
W F dx W d
d F dx d ddW dW
P F v P
dt dt dt dt
 
 
 
 
    
    
 
        
 
 
~
Bobina percorrida por corrente alternada
 
O Campo Magnético [1]
1. Um condutor pelo qual circula uma corrente
produz um campo magnético ao seu redor
2. Um campo magnético variante com o tempo induz
uma tensão sobre uma bobina
3. Um condutor pelo qual circula uma
corrente, imerso em um campo magnético, sofre
ação de uma força
4. Um condutor em movimento imerso em um campo
magnético sofre uma tensão induzida
O Campo Magnético [2]
 Lei de Ampère
netH dl I


Supondo que não
há perdas de
campo
magnético, este é o
caminho fechado da
integração!
H l N I  
Vetor Intensidade
de Campo
Magnético
Corrente Resultante
O Campo Magnético [3]
 H  esforço
estabelecido pela
corrente a fim de criar
o campo magnético
 B  concentração das
linhas de campo
magnético
 m  permeabilidade
magnética
 f  linhas de campo
magnético
c
N I
H
l
×
=
B Hm
 
= ×
A
c
B dA
B A
N I A
l
f
f
m
f


^
=
= ×
× × ×
=
ò
O Campo Magnético [4]
O Campo Magnético [5]
cl
Am
 =
×
Área da
secção
transversal
nas curvas
m variável com f
mFe  2000~6000 mar
perdas de fluxo no ar
Efeito Franja
Ex 1.1
Três lados deste núcleo
tem largura
uniforme, enquanto o
quarto lado é um pouco
mais fino. A profundidade
do núcleo na página é de
10 cm e as outras
dimensões são
mostradas na Figura.
Assumindo
mr=2500, quanto fluxo
fará circular uma
corrente de 1 A?
Ex 1.2
A figura mostra um núcleo
ferromagnético o qual o caminho
base é de 40 cm. Há um pequeno
gap de 0,05 cm na estrutura. A área
da secção transversal deste núcleo
é de 12 cm2, a permeabilidade
relativa do núcleo é 4000. e número
de espiras é de 400. Assuma que o
efeito de franjas aumente a área da
secção transversal em 5 %.
Encontre:
a) A relutância total (ferro + ar)
b) A corrente necessária para
produzir uma densidade de
fluxo de 0,5 T no gap de ar.
Ex 1.3
A figura mostra um motor cc
simples. O caminho base do estator
é de 50 cm e sua área da secção
transversal é de 12 cm2. O caminho
base do rotor é de 5 cm e sua área
da secção transversal é de 12 cm2.
Cada gap de ar entre rotor e estator
é de 0,05 cm e a área da secção do
gap, incluindo o efeito de franjas é
14 cm2. A permeabilidade relativa
do núcleo de ferro é 2000 e há 200
espiras enroladas no núcleo. Se a
corrente é ajustada para 1 A, qual
será o resultado da densidade de
fluxo nos gaps de ar?
Comportamento Magnético dos Materiais
Ferromagnéticos [1]
Comportamento Magnético dos Materiais
Ferromagnéticos [2]
Comportamento Magnético dos Materiais
Ferromagnéticos [3]
Ex 1.4
Encontre a mr de um típico material ferromagnético mostrado na figura
em: (a)H=50, (b)H=100, (c)H=500 e (d)H=1000A.e/m
Ex 1.5
Um núcleo magnético quadrado tem seu comprimento de
caminho base de 55 cm e uma área da secção transversal
de 150 cm2. Um bobina de 200 espiras é colocado em
torno de uma das pernas do núcleo. O núcleo é feito de um
material que tem a curva de magnetização do exercício
anterior.
a) Quanta corrente é necessária para produzir 0,012 Wb
neste núcleo?
b) Qual é a permeabilidade relativa com a corrente neste
nível?
c) Qual a relutância?
Perdas por Histerese [1]
Laço de Histerese
RB

CH
B

H
Curva de Magnetização
Curvas Típicas
Lei de Faraday ind
d
e N
dt
f
= - ×
f aumentado
Ex 1.6
A figura mostra uma
bobina enrolada em um
núcleo de ferro. Se o fluxo
nesta bobina é dado por
f=0,05.sin(377.t) Wb e há
100 espiras no
núcleo, qual a tensão
induzida nos terminais da
bobina? Qual é a
polaridade de tensão
durante o aumento do
fluxo? Ignore as perdas
por dispersão.
Força Induzida em um Fio
( )F i l B= × ´
 
Tensão Induzida Condutor Movimento em
um Campo Magnético [1]
( )inde v B l= ´


Tensão Induzida Condutor Movimento em
um Campo Magnético [2]
( )inde v B l= ´


Máquina CC Linear
( )inde v B l= ´


( )F i l B= × ´
 
Princípios da ML
( )inde v B l= ´


( )F i l B= × ´
 
MLcomomotor,aplicando
cargaaoeixo
( )inde v B l= ´


( )F i l B= × ´
 
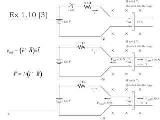
Ex 1.10 (problemas na partida) [1]
A máquina linear mostrada na figura tem uma bateria com tensão de 120
V, uma resistência interna de 0,3 W e uma densidade de fluxo magnético de 0,1
T.
a. Qual a máxima corrente de partida? Qual a velocidade de estado
estacionário?
b. Suponha que 30 N sejam aplicados forçando para a direita a barra. Qual a
nova velocidade de estado estacionário? Quanta potência a barra está
consumindo / fornecendo? Quanta potência a bateria está fornecendo /
consumindo?
c. Suponha 30 N sejam aplicados forçando a barra para a esquerda...
d. Construa um gráfico Velocidade versus Força com a barra movimentando-
se para a direita.
e. Assuma que a barra está descarregada e que repentinamente ela desliza
em uma região onde o campo magnético é reduzido para 0,08. Quão
rapidamente a barra estará deslizado?
Ex 1.10 [3]
( )inde v B l= ´


( )F i l B= × ´
 
Ex 1.10 (Velocidade X Força) [3]
Circuitos R, L, C E RL
RV
LjV
C
j


V
R
Lj
V
Elementos Passivos Lineares
Cj
ZC

1

RZR 
LjZC 
V
V
V
I
I
I
V
V
V
I
I
I
I
V
V
V
I
I
Circuitos RL E RC (série)
V
V
I
I
V
V
I
I
VR
VL
VR
V
I
VR
VC
VR
VC
VR
R
jXL
R
jXC
Z
Z
Z
Z VL
Z
Z
V
I
VL
V
I
VL
VC
V
I
VLVC
V
I
VCVL
jXL
jXC
jXL
jXC
Z
Z
I
I
V
V
Circuitos LC (série)
Circuitos RL E RC (paralelo)
V
I
V
I
IR IL
V
I
G
jBLIL
IR
IL
Y
V
I
IR
IC
Y
IC
B
jBC
Y
Y
V
I
IR IC
Y
Y
V
I
-jBL
-jBL
IL
jBC
jBC
IC
V
I
VI
IL
IC
IL IC
V
I
Y
Y
I
V
I
V
Circuitos LC (paralelo)
Resistor Puro
Potência Tensão Corrente
Indutor Puro
Potência Tensão Corrente
Capacitor Puro
Potência Tensão Corrente
Circuito RL
Potência Tensão Corrente
Triângulo das Potências
S
P
Q

cos
S
P
FP
228 A
304 A
380 A
228 A
304 A
250 kVA
380 A
Vantagens da Correção
250 kVA

P
Potência Ativa = 250x0,6 = 150 kVA
S
Potência Aparente = 250 kVA
ind
Q capQ
Potência Liberada = 100 kW
p
Triângulo das Potências (Com Correção)
Fator de Distorção
40 50 60 70 80 90 100
-40
-20
0
20
40
t (ms)
V(V),I(A) Corrente (A)
Tensão (V)
2 2 2
2 3 4
1
...
V
V V V
THD
V
  

2
1
1
V
V
FDist
THD


2 2 2
2 3 4
1
...
I
I I I
THD
I
  

2
1
1
I
I
FDist
THD


66 68 70 72 74 76
5
10
15
20
25
30
35
t (ms)
V(V),I(A)
FDist, FDesl e FP
Fator de Deslocamento Fator de Distorção
X
I VFP FDesl FDist FDist  

P
Q
cos
S
P
FP
S
DVA
Fator de Potência
1 1
cos
1 1I V
P
FP
S THD THD
f= = × ×
+ +
Fator de
Deslocamento
Fator de
Distorção
Fator de Potência

Introduction to machinery principles

  • 1.
    Introdução aos Princípiosdas Máquinas Elétricas Máquinas Elétricas, Transformadores e Vida Cotidiana
  • 2.
    Exemplos comuns Energia ElétricaEnergia Mecânica Energia Mecânica Energia Elétrica Energia Elétrica Energia Elétrica
  • 3.
    Porque as MEestão tão presentes? Não geram poluentes Calor Reduzido Ruído Reduzido Fácil transmissão Fácil controle
  • 4.
    Unidades e Notações Unidades Inglesas  libras, pés, ...  Sistema Internacional  Pascal, metros, ...  Vetores   Fasores   Escalares   Quantidades Magnéticas  Gauss, Weber, Tesla, ... v  I I
  • 5.
    Movimento Rotativo, Leisde Newton e Relações de Potência [1] 2 2 2 2 x dx d v dt dt dv d x d d a dt dt dt dt                Movimento em torno de um EIXO
  • 6.
    Movimento Rotativo, Leisde Newton e Relações de Potência [3]  sin r F F r           F  r 
  • 7.
    Movimento Rotativo, Leisde Newton e Relações de Potência [2]
  • 8.
    Movimento Rotativo, Leisde Newton e Relações de Potência [4]     F m a J W F dx W d d F dx d ddW dW P F v P dt dt dt dt                                 
  • 9.
    ~ Bobina percorrida porcorrente alternada  
  • 10.
    O Campo Magnético[1] 1. Um condutor pelo qual circula uma corrente produz um campo magnético ao seu redor 2. Um campo magnético variante com o tempo induz uma tensão sobre uma bobina 3. Um condutor pelo qual circula uma corrente, imerso em um campo magnético, sofre ação de uma força 4. Um condutor em movimento imerso em um campo magnético sofre uma tensão induzida
  • 11.
    O Campo Magnético[2]  Lei de Ampère netH dl I   Supondo que não há perdas de campo magnético, este é o caminho fechado da integração! H l N I   Vetor Intensidade de Campo Magnético Corrente Resultante
  • 12.
    O Campo Magnético[3]  H  esforço estabelecido pela corrente a fim de criar o campo magnético  B  concentração das linhas de campo magnético  m  permeabilidade magnética  f  linhas de campo magnético c N I H l × = B Hm   = × A c B dA B A N I A l f f m f   ^ = = × × × × = ò
  • 13.
  • 14.
    O Campo Magnético[5] cl Am  = × Área da secção transversal nas curvas m variável com f mFe  2000~6000 mar perdas de fluxo no ar Efeito Franja
  • 15.
    Ex 1.1 Três ladosdeste núcleo tem largura uniforme, enquanto o quarto lado é um pouco mais fino. A profundidade do núcleo na página é de 10 cm e as outras dimensões são mostradas na Figura. Assumindo mr=2500, quanto fluxo fará circular uma corrente de 1 A?
  • 16.
    Ex 1.2 A figuramostra um núcleo ferromagnético o qual o caminho base é de 40 cm. Há um pequeno gap de 0,05 cm na estrutura. A área da secção transversal deste núcleo é de 12 cm2, a permeabilidade relativa do núcleo é 4000. e número de espiras é de 400. Assuma que o efeito de franjas aumente a área da secção transversal em 5 %. Encontre: a) A relutância total (ferro + ar) b) A corrente necessária para produzir uma densidade de fluxo de 0,5 T no gap de ar.
  • 17.
    Ex 1.3 A figuramostra um motor cc simples. O caminho base do estator é de 50 cm e sua área da secção transversal é de 12 cm2. O caminho base do rotor é de 5 cm e sua área da secção transversal é de 12 cm2. Cada gap de ar entre rotor e estator é de 0,05 cm e a área da secção do gap, incluindo o efeito de franjas é 14 cm2. A permeabilidade relativa do núcleo de ferro é 2000 e há 200 espiras enroladas no núcleo. Se a corrente é ajustada para 1 A, qual será o resultado da densidade de fluxo nos gaps de ar?
  • 18.
    Comportamento Magnético dosMateriais Ferromagnéticos [1]
  • 19.
    Comportamento Magnético dosMateriais Ferromagnéticos [2]
  • 20.
    Comportamento Magnético dosMateriais Ferromagnéticos [3]
  • 21.
    Ex 1.4 Encontre amr de um típico material ferromagnético mostrado na figura em: (a)H=50, (b)H=100, (c)H=500 e (d)H=1000A.e/m
  • 22.
    Ex 1.5 Um núcleomagnético quadrado tem seu comprimento de caminho base de 55 cm e uma área da secção transversal de 150 cm2. Um bobina de 200 espiras é colocado em torno de uma das pernas do núcleo. O núcleo é feito de um material que tem a curva de magnetização do exercício anterior. a) Quanta corrente é necessária para produzir 0,012 Wb neste núcleo? b) Qual é a permeabilidade relativa com a corrente neste nível? c) Qual a relutância?
  • 23.
  • 24.
  • 25.
  • 26.
  • 27.
    Lei de Faradayind d e N dt f = - × f aumentado
  • 28.
    Ex 1.6 A figuramostra uma bobina enrolada em um núcleo de ferro. Se o fluxo nesta bobina é dado por f=0,05.sin(377.t) Wb e há 100 espiras no núcleo, qual a tensão induzida nos terminais da bobina? Qual é a polaridade de tensão durante o aumento do fluxo? Ignore as perdas por dispersão.
  • 29.
    Força Induzida emum Fio ( )F i l B= × ´  
  • 30.
    Tensão Induzida CondutorMovimento em um Campo Magnético [1] ( )inde v B l= ´  
  • 31.
    Tensão Induzida CondutorMovimento em um Campo Magnético [2] ( )inde v B l= ´  
  • 32.
    Máquina CC Linear ()inde v B l= ´   ( )F i l B= × ´  
  • 33.
    Princípios da ML ()inde v B l= ´   ( )F i l B= × ´  
  • 34.
    MLcomomotor,aplicando cargaaoeixo ( )inde vB l= ´   ( )F i l B= × ´  
  • 35.
    Ex 1.10 (problemasna partida) [1] A máquina linear mostrada na figura tem uma bateria com tensão de 120 V, uma resistência interna de 0,3 W e uma densidade de fluxo magnético de 0,1 T. a. Qual a máxima corrente de partida? Qual a velocidade de estado estacionário? b. Suponha que 30 N sejam aplicados forçando para a direita a barra. Qual a nova velocidade de estado estacionário? Quanta potência a barra está consumindo / fornecendo? Quanta potência a bateria está fornecendo / consumindo? c. Suponha 30 N sejam aplicados forçando a barra para a esquerda... d. Construa um gráfico Velocidade versus Força com a barra movimentando- se para a direita. e. Assuma que a barra está descarregada e que repentinamente ela desliza em uma região onde o campo magnético é reduzido para 0,08. Quão rapidamente a barra estará deslizado?
  • 36.
    Ex 1.10 [3] ()inde v B l= ´   ( )F i l B= × ´  
  • 37.
    Ex 1.10 (VelocidadeX Força) [3]
  • 38.
    Circuitos R, L,C E RL RV LjV C j   V R Lj V
  • 39.
    Elementos Passivos Lineares Cj ZC  1  RZR LjZC  V V V I I I V V V I I I I V V V I I
  • 40.
    Circuitos RL ERC (série) V V I I V V I I VR VL VR V I VR VC VR VC VR R jXL R jXC Z Z Z Z VL Z Z V I VL
  • 41.
  • 42.
    Circuitos RL ERC (paralelo) V I V I IR IL V I G jBLIL IR IL Y V I IR IC Y IC B jBC Y Y V I IR IC Y Y V I
  • 43.
  • 44.
  • 45.
  • 46.
  • 47.
  • 48.
  • 49.
    228 A 304 A 380A 228 A 304 A 250 kVA 380 A Vantagens da Correção 250 kVA
  • 50.
     P Potência Ativa =250x0,6 = 150 kVA S Potência Aparente = 250 kVA ind Q capQ Potência Liberada = 100 kW p Triângulo das Potências (Com Correção)
  • 51.
    Fator de Distorção 4050 60 70 80 90 100 -40 -20 0 20 40 t (ms) V(V),I(A) Corrente (A) Tensão (V) 2 2 2 2 3 4 1 ... V V V V THD V     2 1 1 V V FDist THD   2 2 2 2 3 4 1 ... I I I I THD I     2 1 1 I I FDist THD   66 68 70 72 74 76 5 10 15 20 25 30 35 t (ms) V(V),I(A)
  • 52.
    FDist, FDesl eFP Fator de Deslocamento Fator de Distorção X I VFP FDesl FDist FDist  
  • 53.
  • 54.
    1 1 cos 1 1IV P FP S THD THD f= = × × + + Fator de Deslocamento Fator de Distorção Fator de Potência