LINHA DE AQUECEDORES DE PISCINAS HELIOTEMP

Rua São Paulo, 144 - Alphaville Empresarial
CEP 06465-130 - Barueri - São Paulo

VERSÃO - 01 - NOV/09

4166-4600
www.heliotek.com.br
heliotek@heliotek.com.br
Manual do Proprietário

Heliotek
Agradecimentos

Anotações:
Estamos honrados por você ter escolhido um produto Heliotek.
Em resposta a esta confiança, garantimos que os nossos aquecedores são fabricados seguindo Normas
Internacionais de Qualidade ISO 9001 com o objetivo de satisfazê-lo plenamente. Desta forma, é preciso
olhar adiante, pensar no mundo de amanhã e preservar o meio ambiente são preocupações constantes no
desenvolvimento de nossos produtos.
Para atingir este objetivo, a Heliotek teve Sistema de Gestão Ambiental certificado seguindo as Normas
Internacionais ISO 14001. Foram anos de preparação, homologação de fornecedores e matérias-primas
não agressivas e desenvolvimento de processos limpos.
Por tudo isto, ao adquirir um produto Heliotek, você investiu em tecnologia, conforto e demonstrou respeito
ao meio ambiente.
As informações foram preparadas para que você se familiarize com a maneira adequada de operação,
visando uma melhor performance e aproveitamento de todos os recursos do seu aquecedor de piscinas.
Seja um parceiro da Heliotek na preservação do meio ambiente, apesar de sua longa vida útil, um dia você
pode precisar descartar seu equipamento, procure destiná-lo corretamente. Solicite informações no
serviço de limpeza urbana de seu município ou entre em contato conosco: 0800-14 8333 ou
qualidade@heliotek.com.br.

20

1
Manual do Proprietário

Heliotek
10. Certificado de Garantia
ÍNDICE

1. Introdução................................................................................................pág. 03

Prazo
A Heliotek Máquinas e Equipamentos LTDA garante os produtos por ela fabricados e comercializados,
contra todo e qualquer eventual defeito de fabricação durante os períodos abaixo descritos:

Produto

Período de garantia total

Coletores solares e reservatórios térmicos
SolarSonic, HelioSonic e HelioPool

36 meses

Trocadores de calor, controladores
termodinâmicos Top Premium,
UAU,HelioTemp e CTM

12 meses

Vidros, resistências, termostatos, bombas de
circulação, controladores diferenciais, tubos,
conexões, acessórios e serviços

3 meses

2. Acionamento rápido..................................................................................pág. 04
3. Instruções e recomendações....................................................................pág. 04
4. Instalação.................................................................................................pág. 05
5. Programação e Funcionamento................................................................pág. 13
6. Limpeza e conservação............................................................................pág. 15
7. Auto-diagnóstico e Soluções Práticas.......................................................pág. 16

Os prazos serão contados a partir da data existente na nota fiscal de venda do produto, caso o consumidor
não mais a possua, os prazos serão contados a partir da data de fabricação do produto. Os períodos de
garantia total acima mencionados já incluem o período de garantia legal.

Cobertura
8. Especificações Técnicas..........................................................................pág. 17
9. Aplicações .............................................................................................pág. 18
10. Certificado de Garantia...........................................................................pág. 19

Durante os 3 (três) primeiros meses após a entrega do produto, a garantia em vigor segue os termos da LEI
nº 8078 de 11 de setembro de 1990 - Garantia Legal de adequação do produto aos fins a que se destina
cobrindo as peças necessárias bem como a mão-de-obra especializada para sua substituição, o transporte
do produto para análise na fábrica ou em posto autorizado e o deslocamento de um técnico até o local da
instalação do produto*. * Desde que a instalação esteja dentro da área de cobertura da Heliotek.
Decorrido o prazo da Garantia Legal, entra em vigor a Garantia Contratual, que cobre todas as peças
necessárias bem como a mão-de-obra especializada para sua substituição. Os custos com transporte do
produto para análise na fábrica ou em posto autorizado e com o deslocamento de um técnico até o local da
instalação do produto não são cobertos pela Garantia Contratual, sendo portanto objeto de orçamento
para aprovação do cliente.

Observações
Esta garantia não é válida nos seguintes casos:
- Conserto ou ajuste do produto por profissional não autorizado pela Heliotek;
- Utilização do produto em desacordo com as instruções do manual do proprietário;
- Mau uso ou negligência quanto as condições mínimas de conservação e limpeza;
- Manuseio inadequado;
- Impacto de objetos estranhos;
- Exposição do produto a agentes que possam acelerar seu desgaste;
- Instalação elétrica e desacordo com as normais locais ( Ø do cabo, sist. de proteção, etc);
- Raios ou descargas elétricas;
- Vendavais, enchentes, chuvas de granizos, terremotos ou outras ações tempestivas da natureza.

2

19
Manual do Proprietário

Heliotek
9. Aplicações - Trocador de Calor Linha HT 2010- 60Hz
Região

A
B
C
D
E

1. Introdução

TI300

HT14

HT20

HT28

HT40

Área da Piscina

Área da Piscina

Área da Piscina

Área da Piscina

Área da Piscina

Primavera/ Verão

100 m²

160 m²

220 m²

320 m²

440 m²

Outono/ Inverno

100 m²

160 m²

220 m²

320 m²

440 m²

Primavera/ Verão

70 m²

110 m²

160 m²

240 m²

340 m²

Outono/ Inverno

70 m²

110 m²

150 m²

230 m²

320 m²

Primavera/ Verão

30 m²

50 m²

80 m²

100 m²

160 m²

Outono/ Inverno

25 m²

40 m²

70 m²

80 m²

140 m²

Primavera/ Verão

25 m²

45 m²

70 m²

90 m²

140 m²

Outono/ Inverno

20 m²

40 m²

60 m²

80 m²

120 m²

Primavera/ Verão

20 m²

40 m²

60 m²

80 m²

120 m²

Outono/ Inverno

15 m²

30 m²

50 m²

60 m²

100 m²

Período

O seu aquecedor de piscina Heliotek é extremamente eficiente e econômico, desenvolvido
especificamente para aquecimento de piscinas. O seu projeto e operação são similares ao de um
condicionador de ar residencial. Na realidade o aquecedor de piscina usa um compressor hermético que
trabalha em um ciclo de refrigeração, extraindo calor do ar ambiente e transferindo-o para água que circula
para a piscina.
Como todos os trocadores de calor para aquecimento de piscina, quando comparadas com outro tipo de
aquecedor convencional como os de gás ou óleo diesel, apresentam um poder calorífico menor, é normal
que os trocadores de calor funcionem mais tempo para atingir o mesmo resultado dos aquecedores
convencionais.
Eles podem, em alguns casos, ficar 24 horas / dia em operação. Porém, isto não deve gerar preocupação,
pois os trocadores de calor Heliotek foram projetados para operação contínua. Assim, mesmo funcionando
durante várias horas os trocadores de calor são muito mais econômicos do que qualquer outro tipo de
aquecedor.
Para qualquer tipo de aquecedores de piscina, é recomendável a utilização de capas para cobrir a piscina
durante a noite e nos períodos em que a mesma não estiver sendo utilizada. Esta medida minimiza a
evaporação da água, responsável pela maior perda térmica da mesma, reduzindo assim os custos de
aquecimento. Durante os dias quentes, deixar a piscina descoberta para a mesma absorver a irradiação
solar, cobrindo-a apenas a noite.

Baseado nos dados: Temperatura desejada na piscina, 28°C - Profundidade média da piscina, 1.3m - Velocidade do vento, 0.1 m/s Utilização de capa térmica, 12h/dia. Fonte de temperatura:INMET - Instituto Nacional de Meteorologia - Condições climáticas obtidas do
atlas solarimétrico do Brasil - Banco de dados terrestres.

Regiões Climáticas

Foto iustrativa

Diferenciais:
Maior
lDurabilidade
lEficiência
Maior
lPerformance e Economia
Maior
l
Autodiagnóstico
l Utilizar
Fácil de
l
Fácil Instalação
l
Funcionamento Silencioso
l Estética
Melhor

18

3
Manual do Proprietário

Heliotek

8. Especificações Técnicas - Trocador de Calor Linha HT 2010 - 60Hz

2. Acionamento Rápido
A- Pressione a tecla SET três vezes e selecione através de

“P” - piscina ou “S” - spa;
Modelo

HT14

HT20

HT28

HT40

8.90 kW

14,00 kW

19.30 kW

28.00 kW

38.60 kW

2.17 kW

2.83 kW

3.74 kW

5.66 kW

7.48 kW

Coef. de perfomance
[COP]

4,10

5,00

5,16

5,00

5,16

selecione a
Capacidade térmica*

temperatura deseja;
C -Pressione a tecla SET até aparecer “FIL” - Filtragem e através de

selecione o número de horas

de filtragem por dia;
D-Pressione a tecla

TI300

Potência elétrica

B-Pressione a tecla SET até aparecer “POL” - piscina ou “SPA” - spa e através de

SET

até aparecer “C-F” e através de

selecione a escala Celsius ou

Capacidade máxima
para equivalência**

43,807 Btu/h
11,039 kcal/h

69,308 Btu/h
17,466 kcal/h

110,000 Btu/h
27,720 kcal/h

121,640 Btu/h
30,653 kcal/h

221,588 Btu/h
55,840 kcal/h

Ø Tubulação de água

1”

1 1/2”

1 1/2”

1 1/2”

1 1/2”

Distância entre centros
da tubulação de água

120 mm

243 mm

243 mm

243 mm

243 mm

Vazão de água mínima

Fahrenheit.

2.00 m³/h

2.00 m³/h

2,00 m³/h

4.00 m³/h

4.00 m³/h

3. Instruções de Segurança / Recomendações Importantes
Vazão de água média

3.00 m³/h

3.50 m³/h

5.00 m³/h

7.00 m³/h

10.00 m³/h

- Como todo equipamento elétrico, não permita jamais ser manuseado por crianças, mesmo quando
Vazão de água máxima

5.00 m³/h

8.00 m³/h

10.00 m³/h

16.00 m³/h

Perda de carga máxima

10.00 mca

10.00 mca

10.00 mca

10.00 mca

10.00 mca

220V 1F 60Hz

220V 1F 60Hz

220V 1F 60Hz

220V 1F 60Hz

220V 1F 60Hz

220V 3F 60Hz

220V 3F 60Hz

220V 3F 60Hz

220V 3F 60Hz

380V 3F 60Hz

- O equipamento deve ter proteção por disjuntor exclusivo e específico para cargas indutivas;

4.00 m³/h

Alimentação elétrica

desligado;

380V 3F 60Hz

380V 3F 60Hz

380V 3F 60Hz

- Não aplique ou utilize produtos químicos como thinner, gasolina, inseticidas perto do equipamento, pois
estes agentes podem causar danos ao gabinete;
- Não introduza objetos dentro do aparelho através das aberturas de alimentação elétrica e ventilação,
isto pode danificar o aparelho e causar ferimentos aos usuários;

- Não se sente ou apoie objetos no aquecedor;
- Se o fornecimento de energia for interrompido, desligue o disjuntor do aquecedor para evitar que
variações de tensão queimem o compressor;
-

37.60 A
21.80 A
12.60 A

40.00 A
30.00 A
15.00 A

2x 25.00 A
2x 20 00 A
2x 15.00 A
.

2x 40.00 A
2x 30.00 A
2x 15.00 A

6x 6.00 mm ²
10x 2.50 mm ²

11.00 A

14.30 A
8.40 A
4.80 A

18.80 A
10.90 A
6.30 A

Disjuntor

15.00 A

25.00 A
20.00 A
15.00 A

- Use o equipamento somente com a alimentação elétrica especificada pelo modelo;
- Sempre ligue o fio terra do aparelho, ele é a sua segurança;

28.60 A
16.80 A
9.60 A

Corrente nominal

Cabo de alimentação
para distância
máxima de 10m

3x 4.00 mm²

3x 6.00 mm ²

4x 2.50 mm ²

4x 4.00 mm ²

5x 2.50 mm ²

3x 2.50mm²

5x 2.50 mm ²

6x 4.00 mm ²
8x 2.50 mm ²
10x 2.50 mm ²

8x 4.00 mm ²

Largura

o

7,4 - 7,8

o

Cloro
Alcalinidade

80 a 120 ppm

o

Dureza

175 a 225 ppm

1230 mm

1230 mm

1230 mm

1230 mm

Comprimento

580 mm

445 mm

445 mm

445 mm

445 mm

555 mm

730 mm

730 mm

1500 mm

1500 mm

Peso líquido

49 kg

90 kg

107 kg

180 kg

214 kg

1,0 a 1,7 ppm

o

4

PH

550 mm

Altura

Mantenha a água piscina dentro dos seguintes padrões para garantir longevidade do equipamento:

* Capacidade média efetiva obtida em laboratório considerando as condições climáticas médias
do Brasil fornecidas pelo INMET – Instituto Nacional de Meteorologia.
** Capacidade máxima obtida em laboratório em testes comparativos e condições equivalentes
aos principais competidores. A capacidade máxima deve ser utilizada somente para selecionar
um equipamento Heliotek equivalente ao equipamento dos competidores.

17
Manual do Proprietário

Heliotek
7. Autodiagnóstico e Soluções Práticas

4. Instalação

Caso o equipamento apresente alguma anomalia durante o funcionamento, observe o código indicado no
display e sua respectiva solução.

4.1 Localização do Equipamento

Display

A perfomance de seu aquecedor está diretamente relacionada com o local de instalação. Para escolher este local
observe as dimensões do aparelho e algumas características importantes.

Descrição

Solução

OFF

Equipamento está desligando

Programe a temperatura desejada

LP

Pouco gás refrigerante
Sensor pressostático de baixa com defeito

Chamar Assistência Técnica Heliotek

- Local onde o ruído do aquecedor não incomode os usuários;

LP3

Detectado LP por 3 vezes em 1 hora

Chamar Assistência Técnica Heliotek

- O trocador de calor deve ser colocado em uma base plana, nivelada e acima do solo para não prejudicar a
lubrificação do compressor e que efetue a drenagem da água condensada no evaporador (radiador);

HP

Excesso de gás refrigerante
Vazão de água insuficiente
Sensor pressostático de alta com defeito

Chamar Assistência Técnica Heliotek
Verifique os registros e retrolave o filtro
Chamar Assistência Técnica Heliotek

HP3

Detectado HP por 3 vezes em 1 hora

Verifique os registros e retrolave o filtro
Tecle SET para reiniciar o equipamento
Chamar Assistência Técnica Heliotek

Po

Sensor de temperatura da água em aberto

Sensor de temperatura
da água em curto-circuito

Flo

Detectado FLO por 3 vezes em 1 hora

Verifique os registros e retrolave o filtro
Tecle SET para reiniciar o equipamento

dPO

Sensor de temperatura
do gás em aberto

Verifique as conexões do sensor
Substitua o sensor de temperatura

dPE

Sensor de temperatura
do gás em curto-circuito

- Observar as distâncias mínimas (conf. figuras abaixo) para o correto funcionamento do aparelho.

Verifique os registros e retrolave o filtro

Fl3

- Instalador o trocador de calor próximo à piscina para evitar perda térmica na tubulação;

Substitua o sensor de temperatura

Pressão ou vazão de água insuficiente

- Evite instalar o trocador de calor embaixo de árvores para que folhas e gravetos não prejudiquem o
balaceamento do ventilador e possam entupir o dreno;

Verifique as conexões do sensor
Substitua o sensor de temperatura

Pc

- Local de fácil acesso para que a instalação possa ser inspecionada de acordo com o Plano de Manutenção
Preventiva Heliotek;

120 cm

80 cm

30 cm

Saída de ar

Entrada de ar

Entrada de ar

Saída de ar

Ciclo de degelo

FS

Substitua o sensor de temperatura
Aguardar o degelo
30 cm

50 cm

Cubra a piscina com
uma capa térmica à noite
Deixe o Trocador de Calor
funcionar por mais tempo

O Evaporador (radiador)
está obstruído

Limpe-o conforme instruções citadas

O Trocador de Calor
está em um ambiente fechado

Instale o Trocador
de Calor em ambiente aberto

O dimensionamento do Trocador
de Calor está incorreto

16

Solução

O tempo de funcionamento
é muito curto
O Trocador de
Calor não atinge a
temperatura programada

Causa Provável
A perda térmica é muito
grande para este Trocador de Calor

Ocorrência

Verifique com seu revendedor
se o dimensionamento está correto

30 cm

30 cm

80 cm

5
Manual do Proprietário

Heliotek
4.2 Alimentação Hidráulica

5.3 Desligando o Equipamento

A instalação hidráulica deve ser executada por profissionais capacitados, utilizando tubos e conexões de boa
qualidade. O diâmetro mínimo da tubulação para cada aquecedor corresponde ao diâmetro das uniões do
próprio aparelho.

- Tecle SETAS para baixo até aparecer OFF;
Mesmo com o aquecimento em OFF, o programa FIL permanece ativo e filtra a água da piscina. Para parar a
SET
filtragem também tecle SET até aparecer FIL e com as SETAS selecione OFF.

5

- Piscina

3

5.4 Para Aspirar a Piscina (Função Retrolavagem)
Quando é necessário aspirar a piscina ou mesmo efetuar algum tratamento químico e a água não deve
passar pelo aquecedor, deve-se ativar a função retrolavagem no trocador de calor da seguinte maneira:

6

- No controlador eletrônico, programe os parametros conforme abaixo:

o POL = OFF
o SPA = OFF
o FIL = OFF

4
7
2

- Na casa de máquinas, mude os registros e a válvula do filtro para posição desejada;

1
2
3
4
5
6
7

1

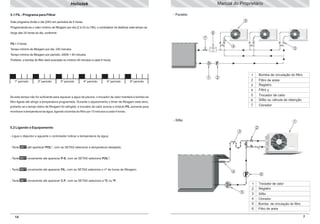
Bomba de circulação do filtro
- Novamente no controlador eletrônico, programe o parâmetro FIL = ON;

Filtro de areia
Registro

- A bomba de circulação ficará ligada;

Filtro y

- Para encerrar a operação, coloque FIL em OFF, reestabeleça as posições dos registros e válvulas e

Trocador de calor
Sifão ou válvula de retenção
Clorador

- Piscina e spa

6. Limpeza e Conservação

3
6
7

4
5

1

6

2

1
2
3
4
5
6
7

programe novamente o aquecedor.

Bomba de circulação do filtro
Filtro de areia
Registro
Filtro y

- Antes de efetuar a limpeza, desligue o disjuntor;
1
- O trocador de calor deve permanecer limpo;
1
- Não aplique álcool ou solventes no Trocador de calor, utilize água e sabão neutro;
1
- Lave o evaporador (radiador) com um jato de água perpendicular e de baixa pressão, para não danificar
as aletas;
1
- Reaperte as conexões elétricas e aplique um desengripante para evitar corrosão;
1
- Verifique se os drenos na base do Trocador de calor estão livres;
1
- Em regiões litorâneas a limpeza deve ser intensificada para evitar corrosão;

Trocador de calor
Sifão ou válvula de retenção
Clorador
15
Manual do Proprietário

Heliotek
- Paralelo

5.1 FIL - Programa para Filtrar

5

Este programa divide o dia (24h) em períodos de 4 horas.
Programando-se o valor mínimo de filtragem por dia (2 à 23 ou ON), o contralador irá distribuir este tempo ao

6

longo das 24 horas do dia, conforme:

7
FIL= 4 horas

4

Tempo mínimo de filtragem por dia: 240 minutos.

3

Tempo mínimo de filtragem por período: 240/6 = 40 minutos.
Portanto, a bomba do filtro será acionada no mínimo 40 minutos a cada 4 horas.

1
1º período

2º período

3º período

4º período

5º período

Bomba de circulação do filtro

1
2
3
4
5
6
7

2

6º período

Se este tempo não for suficiente para aquecer a água da piscina, o trocador de calor manterá a bomba do
filtro ligada até atingir a temperatura programada. Durante o aquecimento o timer de filtragem está ativo,
portanto se o tempo diário de filtragem for atingido, o trocador de calor aciona o módulo FIL somente para

Filtro de areia
Registro
Filtro y
Trocador de calor
Sifão ou válvula de retenção
Clorador

monitorar a temperatura da água, ligando a bomba do filtro por 15 minutos a cada 4 horas.

- Sifão

1

5.2 Ligando o Equipamento

2
3

- Ligue o disjuntor e aguarde o controlador indicar a temperatura da água;

SET
- Tecle SET até aparecer POL*, com as SETAS selecione a temperatura desejada;

- Tecle SET novamente até aparecer P-S, com as SETAS selecione POL*;

SET
- Tecle SET novamente até aparecer FIL, com as SETAS selecione o nº de horas de filtragem;

4

6

SET
- Tecle SET novamente até aparecer C-F, com as SETAS selecione a ºC ou ºF.

5

14

1
2
3
4
5
6

Trocador de calor
Registro
Sifão
Clorador
Bomba de circulação do filtro
Filtro de areia

7
Manual do Proprietário

Heliotek
- Sensor de Fluxo Externo

5. Programação e Funcionamento

Quando o trocador de calor estiver à mais de 2 m, acima ou abaixo do nível da piscina, deve-se utilizar um
sensor de fluxo externo na saída do trocador de calor em substituição ao sensor pressostático de água.

Para alterar os programas, tecle SET até que o módulo correspondente apareça no visor. Com as SETAS,
modifique o valor ou selecione uma opção.

3

2

1

5

4

6

7

1
2
3
4
5
6
7

Trocador de calor
Registro
Sensor de fluxo externo
Clorador
Cabo de ligação do sensor
Bomba de circulação do filtro
Filtro de areia

4.3 Elétrica
4.3.1 Seleção de Cabos e Disjuntores
Tecla SET

A exemplo da instalação hidráulica, a instalação elétrica deve ser executada por um profissional capacitado e
utilizando cabos e disjuntores de boa qualidade. Para selecionar o cabo e o disjuntor adequado ao seu
equipamento, utilize a tabela da página 09.

POL

Teclas

16 ~ 35ºC

POL

Programa para a temperatura da piscina

SPA

Teclas

Esta tabela leva em consideração a pior condição de partida e informa a distância máxima entre o quadro
geral de distribuição e o trocador de calor. Procure sempre alimentar o aquecedor direto do quadro geral,
evitando quedas de tensão em quadros ou caixas intermediárias. Sempre conecte o fio terra do aparelho a um
sistema de aterramento com resistência inferior a 3 ohms.

16 ~ 40ºC

SPA

Programa para a temperatura do spa

P-S

Teclas

P ou S

P-S

Seleciona o programa POL ou SPA

FIL

Teclas

2 ~ 24Hrs

FIL

Programa para filtrar a piscina

Quando o equipamento comandar também a bomba do filtro, deve-se providenciar cabo e disjuntor exclusivo
para alimentar o contator de comando dentro do trocador de calor.

C-F

Teclas

C ou F

C-F

Seleção de escala de temperatura ºC - ºF

8

13
Heliotek

Manual do Proprietário

Após conectar os cabos, religue o disjuntor e observe se o LED do relé de falta e inversão de fase está
aceso, se estiver, a máquina está ligada corretamente. No caso do LED estar apagado, desligue o disjuntor
da máquina e inverta as fases, repita a operação até que o LED fique aceso.

4.3.2 Dimensionamento de Cabos e Disjuntores - Trocadores de Calor HelioTemp

Bomba de circulação do filtro

Cabo

Caso queira automatizar a bomba de filtro, efetue a ligação conforme figura abaixo, de acordo com a
tensão.

mm²

220v 2F

220v 3F

220v 2F

220v 3F

380v 3F

220v 2F

220v 3F

380v 3F

2,5

12

18

7

10

20

5

6

12

4

20

29

11

15

33

7

10

20

6

30

44

16

23

49

11

15

30

10

50

74

27

38

81

18

25

49

16

80

118

44

61

130

29

41

79

25

125

184

68

96

204

46

63

123

35

175

258

95

134

285

64

89

173

50

249

368

136

192

407

92

127

247

70

349

516

191

268

570

128

177

345

15A

10A

25A

20A

15A

40A

30A

15A

Bipolar

Tripolar

Bipolar

Tripolar

Tripolar

Bipolar

Tripolar

Tripolar

Bomba do filtro
Trifasica

TI300

HT20

HT14

6

Fase 3

5

Fase 2

4

Fase 1

3

Fase 3

2

Fase 2

Fase 1

1

Distâncias máximas recomendadas para cada modelo (m)

Caixa elétrica

Bomba do filtro
Monofasica

Fase 2

Vem da rede

3

4

5

Fase 2

2

Fase 1

1

Fase 1

Disj.

6

Os modelos HT28 e HT40 são alimentados por 02 pontos com especificações
dimensionamento HT14 e HT20 respectivamente.

conforme Tabela de

HT28/40

Vem da bomba
do filtro

Caixa elétrica

01 alimentação conforme
Tabela HT14/20

A corrente da bomba do filtro não deve ultrapassar 9A.
01 alimentação conforme
Tabela HT14/20

12

9
Manual do Proprietário

Heliotek
4.3.3 Alimentação
- Modelos trifásicos

Retirar a tampa elétrica e a tampa superior.

Retirar a tampa elétrica.

Tampa superior
Relé

Caixa elétrica
Tampa elétrica

Localizar o relé de falta e inversão de fase, que está no interior da máquina.

Contator Principal

Tampa superior

Relé contra falta
de fase e inversão

Contator auxiliar

Relé

Caixa elétrica

Tampa elétrica

LED

Com o disjuntor da máquina desligado , conectar os cabos conforme as figuras abaixo.
Com o disjuntor da máquina desligado , conectar os cabos conforme as figuras abaixo, de acordo com a
tensão da máquina

220V Monofásica

3

4

5

6

Fase 1
Fase 2

9

1

2

3

4

6

1

Fase 2

8

2

3

Terra

4

5

6

Fase 1

7

Caixa elétrica

10

5

Fase 1

Fase 3

Caixa elétrica

380v Trifásica

8

Fase 3

220v Trifásica

7

Fase R S T

2

Fase R S T

1

7

Fase 2

8

9

Fase 3

9

10

Neutro

10

Terra

11

Caixa elétrica

11

Manual heliotemp

  • 1.
    LINHA DE AQUECEDORESDE PISCINAS HELIOTEMP Rua São Paulo, 144 - Alphaville Empresarial CEP 06465-130 - Barueri - São Paulo VERSÃO - 01 - NOV/09 4166-4600 www.heliotek.com.br heliotek@heliotek.com.br
  • 2.
    Manual do Proprietário Heliotek Agradecimentos Anotações: Estamoshonrados por você ter escolhido um produto Heliotek. Em resposta a esta confiança, garantimos que os nossos aquecedores são fabricados seguindo Normas Internacionais de Qualidade ISO 9001 com o objetivo de satisfazê-lo plenamente. Desta forma, é preciso olhar adiante, pensar no mundo de amanhã e preservar o meio ambiente são preocupações constantes no desenvolvimento de nossos produtos. Para atingir este objetivo, a Heliotek teve Sistema de Gestão Ambiental certificado seguindo as Normas Internacionais ISO 14001. Foram anos de preparação, homologação de fornecedores e matérias-primas não agressivas e desenvolvimento de processos limpos. Por tudo isto, ao adquirir um produto Heliotek, você investiu em tecnologia, conforto e demonstrou respeito ao meio ambiente. As informações foram preparadas para que você se familiarize com a maneira adequada de operação, visando uma melhor performance e aproveitamento de todos os recursos do seu aquecedor de piscinas. Seja um parceiro da Heliotek na preservação do meio ambiente, apesar de sua longa vida útil, um dia você pode precisar descartar seu equipamento, procure destiná-lo corretamente. Solicite informações no serviço de limpeza urbana de seu município ou entre em contato conosco: 0800-14 8333 ou qualidade@heliotek.com.br. 20 1
  • 3.
    Manual do Proprietário Heliotek 10.Certificado de Garantia ÍNDICE 1. Introdução................................................................................................pág. 03 Prazo A Heliotek Máquinas e Equipamentos LTDA garante os produtos por ela fabricados e comercializados, contra todo e qualquer eventual defeito de fabricação durante os períodos abaixo descritos: Produto Período de garantia total Coletores solares e reservatórios térmicos SolarSonic, HelioSonic e HelioPool 36 meses Trocadores de calor, controladores termodinâmicos Top Premium, UAU,HelioTemp e CTM 12 meses Vidros, resistências, termostatos, bombas de circulação, controladores diferenciais, tubos, conexões, acessórios e serviços 3 meses 2. Acionamento rápido..................................................................................pág. 04 3. Instruções e recomendações....................................................................pág. 04 4. Instalação.................................................................................................pág. 05 5. Programação e Funcionamento................................................................pág. 13 6. Limpeza e conservação............................................................................pág. 15 7. Auto-diagnóstico e Soluções Práticas.......................................................pág. 16 Os prazos serão contados a partir da data existente na nota fiscal de venda do produto, caso o consumidor não mais a possua, os prazos serão contados a partir da data de fabricação do produto. Os períodos de garantia total acima mencionados já incluem o período de garantia legal. Cobertura 8. Especificações Técnicas..........................................................................pág. 17 9. Aplicações .............................................................................................pág. 18 10. Certificado de Garantia...........................................................................pág. 19 Durante os 3 (três) primeiros meses após a entrega do produto, a garantia em vigor segue os termos da LEI nº 8078 de 11 de setembro de 1990 - Garantia Legal de adequação do produto aos fins a que se destina cobrindo as peças necessárias bem como a mão-de-obra especializada para sua substituição, o transporte do produto para análise na fábrica ou em posto autorizado e o deslocamento de um técnico até o local da instalação do produto*. * Desde que a instalação esteja dentro da área de cobertura da Heliotek. Decorrido o prazo da Garantia Legal, entra em vigor a Garantia Contratual, que cobre todas as peças necessárias bem como a mão-de-obra especializada para sua substituição. Os custos com transporte do produto para análise na fábrica ou em posto autorizado e com o deslocamento de um técnico até o local da instalação do produto não são cobertos pela Garantia Contratual, sendo portanto objeto de orçamento para aprovação do cliente. Observações Esta garantia não é válida nos seguintes casos: - Conserto ou ajuste do produto por profissional não autorizado pela Heliotek; - Utilização do produto em desacordo com as instruções do manual do proprietário; - Mau uso ou negligência quanto as condições mínimas de conservação e limpeza; - Manuseio inadequado; - Impacto de objetos estranhos; - Exposição do produto a agentes que possam acelerar seu desgaste; - Instalação elétrica e desacordo com as normais locais ( Ø do cabo, sist. de proteção, etc); - Raios ou descargas elétricas; - Vendavais, enchentes, chuvas de granizos, terremotos ou outras ações tempestivas da natureza. 2 19
  • 4.
    Manual do Proprietário Heliotek 9.Aplicações - Trocador de Calor Linha HT 2010- 60Hz Região A B C D E 1. Introdução TI300 HT14 HT20 HT28 HT40 Área da Piscina Área da Piscina Área da Piscina Área da Piscina Área da Piscina Primavera/ Verão 100 m² 160 m² 220 m² 320 m² 440 m² Outono/ Inverno 100 m² 160 m² 220 m² 320 m² 440 m² Primavera/ Verão 70 m² 110 m² 160 m² 240 m² 340 m² Outono/ Inverno 70 m² 110 m² 150 m² 230 m² 320 m² Primavera/ Verão 30 m² 50 m² 80 m² 100 m² 160 m² Outono/ Inverno 25 m² 40 m² 70 m² 80 m² 140 m² Primavera/ Verão 25 m² 45 m² 70 m² 90 m² 140 m² Outono/ Inverno 20 m² 40 m² 60 m² 80 m² 120 m² Primavera/ Verão 20 m² 40 m² 60 m² 80 m² 120 m² Outono/ Inverno 15 m² 30 m² 50 m² 60 m² 100 m² Período O seu aquecedor de piscina Heliotek é extremamente eficiente e econômico, desenvolvido especificamente para aquecimento de piscinas. O seu projeto e operação são similares ao de um condicionador de ar residencial. Na realidade o aquecedor de piscina usa um compressor hermético que trabalha em um ciclo de refrigeração, extraindo calor do ar ambiente e transferindo-o para água que circula para a piscina. Como todos os trocadores de calor para aquecimento de piscina, quando comparadas com outro tipo de aquecedor convencional como os de gás ou óleo diesel, apresentam um poder calorífico menor, é normal que os trocadores de calor funcionem mais tempo para atingir o mesmo resultado dos aquecedores convencionais. Eles podem, em alguns casos, ficar 24 horas / dia em operação. Porém, isto não deve gerar preocupação, pois os trocadores de calor Heliotek foram projetados para operação contínua. Assim, mesmo funcionando durante várias horas os trocadores de calor são muito mais econômicos do que qualquer outro tipo de aquecedor. Para qualquer tipo de aquecedores de piscina, é recomendável a utilização de capas para cobrir a piscina durante a noite e nos períodos em que a mesma não estiver sendo utilizada. Esta medida minimiza a evaporação da água, responsável pela maior perda térmica da mesma, reduzindo assim os custos de aquecimento. Durante os dias quentes, deixar a piscina descoberta para a mesma absorver a irradiação solar, cobrindo-a apenas a noite. Baseado nos dados: Temperatura desejada na piscina, 28°C - Profundidade média da piscina, 1.3m - Velocidade do vento, 0.1 m/s Utilização de capa térmica, 12h/dia. Fonte de temperatura:INMET - Instituto Nacional de Meteorologia - Condições climáticas obtidas do atlas solarimétrico do Brasil - Banco de dados terrestres. Regiões Climáticas Foto iustrativa Diferenciais: Maior lDurabilidade lEficiência Maior lPerformance e Economia Maior l Autodiagnóstico l Utilizar Fácil de l Fácil Instalação l Funcionamento Silencioso l Estética Melhor 18 3
  • 5.
    Manual do Proprietário Heliotek 8.Especificações Técnicas - Trocador de Calor Linha HT 2010 - 60Hz 2. Acionamento Rápido A- Pressione a tecla SET três vezes e selecione através de “P” - piscina ou “S” - spa; Modelo HT14 HT20 HT28 HT40 8.90 kW 14,00 kW 19.30 kW 28.00 kW 38.60 kW 2.17 kW 2.83 kW 3.74 kW 5.66 kW 7.48 kW Coef. de perfomance [COP] 4,10 5,00 5,16 5,00 5,16 selecione a Capacidade térmica* temperatura deseja; C -Pressione a tecla SET até aparecer “FIL” - Filtragem e através de selecione o número de horas de filtragem por dia; D-Pressione a tecla TI300 Potência elétrica B-Pressione a tecla SET até aparecer “POL” - piscina ou “SPA” - spa e através de SET até aparecer “C-F” e através de selecione a escala Celsius ou Capacidade máxima para equivalência** 43,807 Btu/h 11,039 kcal/h 69,308 Btu/h 17,466 kcal/h 110,000 Btu/h 27,720 kcal/h 121,640 Btu/h 30,653 kcal/h 221,588 Btu/h 55,840 kcal/h Ø Tubulação de água 1” 1 1/2” 1 1/2” 1 1/2” 1 1/2” Distância entre centros da tubulação de água 120 mm 243 mm 243 mm 243 mm 243 mm Vazão de água mínima Fahrenheit. 2.00 m³/h 2.00 m³/h 2,00 m³/h 4.00 m³/h 4.00 m³/h 3. Instruções de Segurança / Recomendações Importantes Vazão de água média 3.00 m³/h 3.50 m³/h 5.00 m³/h 7.00 m³/h 10.00 m³/h - Como todo equipamento elétrico, não permita jamais ser manuseado por crianças, mesmo quando Vazão de água máxima 5.00 m³/h 8.00 m³/h 10.00 m³/h 16.00 m³/h Perda de carga máxima 10.00 mca 10.00 mca 10.00 mca 10.00 mca 10.00 mca 220V 1F 60Hz 220V 1F 60Hz 220V 1F 60Hz 220V 1F 60Hz 220V 1F 60Hz 220V 3F 60Hz 220V 3F 60Hz 220V 3F 60Hz 220V 3F 60Hz 380V 3F 60Hz - O equipamento deve ter proteção por disjuntor exclusivo e específico para cargas indutivas; 4.00 m³/h Alimentação elétrica desligado; 380V 3F 60Hz 380V 3F 60Hz 380V 3F 60Hz - Não aplique ou utilize produtos químicos como thinner, gasolina, inseticidas perto do equipamento, pois estes agentes podem causar danos ao gabinete; - Não introduza objetos dentro do aparelho através das aberturas de alimentação elétrica e ventilação, isto pode danificar o aparelho e causar ferimentos aos usuários; - Não se sente ou apoie objetos no aquecedor; - Se o fornecimento de energia for interrompido, desligue o disjuntor do aquecedor para evitar que variações de tensão queimem o compressor; - 37.60 A 21.80 A 12.60 A 40.00 A 30.00 A 15.00 A 2x 25.00 A 2x 20 00 A 2x 15.00 A . 2x 40.00 A 2x 30.00 A 2x 15.00 A 6x 6.00 mm ² 10x 2.50 mm ² 11.00 A 14.30 A 8.40 A 4.80 A 18.80 A 10.90 A 6.30 A Disjuntor 15.00 A 25.00 A 20.00 A 15.00 A - Use o equipamento somente com a alimentação elétrica especificada pelo modelo; - Sempre ligue o fio terra do aparelho, ele é a sua segurança; 28.60 A 16.80 A 9.60 A Corrente nominal Cabo de alimentação para distância máxima de 10m 3x 4.00 mm² 3x 6.00 mm ² 4x 2.50 mm ² 4x 4.00 mm ² 5x 2.50 mm ² 3x 2.50mm² 5x 2.50 mm ² 6x 4.00 mm ² 8x 2.50 mm ² 10x 2.50 mm ² 8x 4.00 mm ² Largura o 7,4 - 7,8 o Cloro Alcalinidade 80 a 120 ppm o Dureza 175 a 225 ppm 1230 mm 1230 mm 1230 mm 1230 mm Comprimento 580 mm 445 mm 445 mm 445 mm 445 mm 555 mm 730 mm 730 mm 1500 mm 1500 mm Peso líquido 49 kg 90 kg 107 kg 180 kg 214 kg 1,0 a 1,7 ppm o 4 PH 550 mm Altura Mantenha a água piscina dentro dos seguintes padrões para garantir longevidade do equipamento: * Capacidade média efetiva obtida em laboratório considerando as condições climáticas médias do Brasil fornecidas pelo INMET – Instituto Nacional de Meteorologia. ** Capacidade máxima obtida em laboratório em testes comparativos e condições equivalentes aos principais competidores. A capacidade máxima deve ser utilizada somente para selecionar um equipamento Heliotek equivalente ao equipamento dos competidores. 17
  • 6.
    Manual do Proprietário Heliotek 7.Autodiagnóstico e Soluções Práticas 4. Instalação Caso o equipamento apresente alguma anomalia durante o funcionamento, observe o código indicado no display e sua respectiva solução. 4.1 Localização do Equipamento Display A perfomance de seu aquecedor está diretamente relacionada com o local de instalação. Para escolher este local observe as dimensões do aparelho e algumas características importantes. Descrição Solução OFF Equipamento está desligando Programe a temperatura desejada LP Pouco gás refrigerante Sensor pressostático de baixa com defeito Chamar Assistência Técnica Heliotek - Local onde o ruído do aquecedor não incomode os usuários; LP3 Detectado LP por 3 vezes em 1 hora Chamar Assistência Técnica Heliotek - O trocador de calor deve ser colocado em uma base plana, nivelada e acima do solo para não prejudicar a lubrificação do compressor e que efetue a drenagem da água condensada no evaporador (radiador); HP Excesso de gás refrigerante Vazão de água insuficiente Sensor pressostático de alta com defeito Chamar Assistência Técnica Heliotek Verifique os registros e retrolave o filtro Chamar Assistência Técnica Heliotek HP3 Detectado HP por 3 vezes em 1 hora Verifique os registros e retrolave o filtro Tecle SET para reiniciar o equipamento Chamar Assistência Técnica Heliotek Po Sensor de temperatura da água em aberto Sensor de temperatura da água em curto-circuito Flo Detectado FLO por 3 vezes em 1 hora Verifique os registros e retrolave o filtro Tecle SET para reiniciar o equipamento dPO Sensor de temperatura do gás em aberto Verifique as conexões do sensor Substitua o sensor de temperatura dPE Sensor de temperatura do gás em curto-circuito - Observar as distâncias mínimas (conf. figuras abaixo) para o correto funcionamento do aparelho. Verifique os registros e retrolave o filtro Fl3 - Instalador o trocador de calor próximo à piscina para evitar perda térmica na tubulação; Substitua o sensor de temperatura Pressão ou vazão de água insuficiente - Evite instalar o trocador de calor embaixo de árvores para que folhas e gravetos não prejudiquem o balaceamento do ventilador e possam entupir o dreno; Verifique as conexões do sensor Substitua o sensor de temperatura Pc - Local de fácil acesso para que a instalação possa ser inspecionada de acordo com o Plano de Manutenção Preventiva Heliotek; 120 cm 80 cm 30 cm Saída de ar Entrada de ar Entrada de ar Saída de ar Ciclo de degelo FS Substitua o sensor de temperatura Aguardar o degelo 30 cm 50 cm Cubra a piscina com uma capa térmica à noite Deixe o Trocador de Calor funcionar por mais tempo O Evaporador (radiador) está obstruído Limpe-o conforme instruções citadas O Trocador de Calor está em um ambiente fechado Instale o Trocador de Calor em ambiente aberto O dimensionamento do Trocador de Calor está incorreto 16 Solução O tempo de funcionamento é muito curto O Trocador de Calor não atinge a temperatura programada Causa Provável A perda térmica é muito grande para este Trocador de Calor Ocorrência Verifique com seu revendedor se o dimensionamento está correto 30 cm 30 cm 80 cm 5
  • 7.
    Manual do Proprietário Heliotek 4.2Alimentação Hidráulica 5.3 Desligando o Equipamento A instalação hidráulica deve ser executada por profissionais capacitados, utilizando tubos e conexões de boa qualidade. O diâmetro mínimo da tubulação para cada aquecedor corresponde ao diâmetro das uniões do próprio aparelho. - Tecle SETAS para baixo até aparecer OFF; Mesmo com o aquecimento em OFF, o programa FIL permanece ativo e filtra a água da piscina. Para parar a SET filtragem também tecle SET até aparecer FIL e com as SETAS selecione OFF. 5 - Piscina 3 5.4 Para Aspirar a Piscina (Função Retrolavagem) Quando é necessário aspirar a piscina ou mesmo efetuar algum tratamento químico e a água não deve passar pelo aquecedor, deve-se ativar a função retrolavagem no trocador de calor da seguinte maneira: 6 - No controlador eletrônico, programe os parametros conforme abaixo: o POL = OFF o SPA = OFF o FIL = OFF 4 7 2 - Na casa de máquinas, mude os registros e a válvula do filtro para posição desejada; 1 2 3 4 5 6 7 1 Bomba de circulação do filtro - Novamente no controlador eletrônico, programe o parâmetro FIL = ON; Filtro de areia Registro - A bomba de circulação ficará ligada; Filtro y - Para encerrar a operação, coloque FIL em OFF, reestabeleça as posições dos registros e válvulas e Trocador de calor Sifão ou válvula de retenção Clorador - Piscina e spa 6. Limpeza e Conservação 3 6 7 4 5 1 6 2 1 2 3 4 5 6 7 programe novamente o aquecedor. Bomba de circulação do filtro Filtro de areia Registro Filtro y - Antes de efetuar a limpeza, desligue o disjuntor; 1 - O trocador de calor deve permanecer limpo; 1 - Não aplique álcool ou solventes no Trocador de calor, utilize água e sabão neutro; 1 - Lave o evaporador (radiador) com um jato de água perpendicular e de baixa pressão, para não danificar as aletas; 1 - Reaperte as conexões elétricas e aplique um desengripante para evitar corrosão; 1 - Verifique se os drenos na base do Trocador de calor estão livres; 1 - Em regiões litorâneas a limpeza deve ser intensificada para evitar corrosão; Trocador de calor Sifão ou válvula de retenção Clorador 15
  • 8.
    Manual do Proprietário Heliotek -Paralelo 5.1 FIL - Programa para Filtrar 5 Este programa divide o dia (24h) em períodos de 4 horas. Programando-se o valor mínimo de filtragem por dia (2 à 23 ou ON), o contralador irá distribuir este tempo ao 6 longo das 24 horas do dia, conforme: 7 FIL= 4 horas 4 Tempo mínimo de filtragem por dia: 240 minutos. 3 Tempo mínimo de filtragem por período: 240/6 = 40 minutos. Portanto, a bomba do filtro será acionada no mínimo 40 minutos a cada 4 horas. 1 1º período 2º período 3º período 4º período 5º período Bomba de circulação do filtro 1 2 3 4 5 6 7 2 6º período Se este tempo não for suficiente para aquecer a água da piscina, o trocador de calor manterá a bomba do filtro ligada até atingir a temperatura programada. Durante o aquecimento o timer de filtragem está ativo, portanto se o tempo diário de filtragem for atingido, o trocador de calor aciona o módulo FIL somente para Filtro de areia Registro Filtro y Trocador de calor Sifão ou válvula de retenção Clorador monitorar a temperatura da água, ligando a bomba do filtro por 15 minutos a cada 4 horas. - Sifão 1 5.2 Ligando o Equipamento 2 3 - Ligue o disjuntor e aguarde o controlador indicar a temperatura da água; SET - Tecle SET até aparecer POL*, com as SETAS selecione a temperatura desejada; - Tecle SET novamente até aparecer P-S, com as SETAS selecione POL*; SET - Tecle SET novamente até aparecer FIL, com as SETAS selecione o nº de horas de filtragem; 4 6 SET - Tecle SET novamente até aparecer C-F, com as SETAS selecione a ºC ou ºF. 5 14 1 2 3 4 5 6 Trocador de calor Registro Sifão Clorador Bomba de circulação do filtro Filtro de areia 7
  • 9.
    Manual do Proprietário Heliotek -Sensor de Fluxo Externo 5. Programação e Funcionamento Quando o trocador de calor estiver à mais de 2 m, acima ou abaixo do nível da piscina, deve-se utilizar um sensor de fluxo externo na saída do trocador de calor em substituição ao sensor pressostático de água. Para alterar os programas, tecle SET até que o módulo correspondente apareça no visor. Com as SETAS, modifique o valor ou selecione uma opção. 3 2 1 5 4 6 7 1 2 3 4 5 6 7 Trocador de calor Registro Sensor de fluxo externo Clorador Cabo de ligação do sensor Bomba de circulação do filtro Filtro de areia 4.3 Elétrica 4.3.1 Seleção de Cabos e Disjuntores Tecla SET A exemplo da instalação hidráulica, a instalação elétrica deve ser executada por um profissional capacitado e utilizando cabos e disjuntores de boa qualidade. Para selecionar o cabo e o disjuntor adequado ao seu equipamento, utilize a tabela da página 09. POL Teclas 16 ~ 35ºC POL Programa para a temperatura da piscina SPA Teclas Esta tabela leva em consideração a pior condição de partida e informa a distância máxima entre o quadro geral de distribuição e o trocador de calor. Procure sempre alimentar o aquecedor direto do quadro geral, evitando quedas de tensão em quadros ou caixas intermediárias. Sempre conecte o fio terra do aparelho a um sistema de aterramento com resistência inferior a 3 ohms. 16 ~ 40ºC SPA Programa para a temperatura do spa P-S Teclas P ou S P-S Seleciona o programa POL ou SPA FIL Teclas 2 ~ 24Hrs FIL Programa para filtrar a piscina Quando o equipamento comandar também a bomba do filtro, deve-se providenciar cabo e disjuntor exclusivo para alimentar o contator de comando dentro do trocador de calor. C-F Teclas C ou F C-F Seleção de escala de temperatura ºC - ºF 8 13
  • 10.
    Heliotek Manual do Proprietário Apósconectar os cabos, religue o disjuntor e observe se o LED do relé de falta e inversão de fase está aceso, se estiver, a máquina está ligada corretamente. No caso do LED estar apagado, desligue o disjuntor da máquina e inverta as fases, repita a operação até que o LED fique aceso. 4.3.2 Dimensionamento de Cabos e Disjuntores - Trocadores de Calor HelioTemp Bomba de circulação do filtro Cabo Caso queira automatizar a bomba de filtro, efetue a ligação conforme figura abaixo, de acordo com a tensão. mm² 220v 2F 220v 3F 220v 2F 220v 3F 380v 3F 220v 2F 220v 3F 380v 3F 2,5 12 18 7 10 20 5 6 12 4 20 29 11 15 33 7 10 20 6 30 44 16 23 49 11 15 30 10 50 74 27 38 81 18 25 49 16 80 118 44 61 130 29 41 79 25 125 184 68 96 204 46 63 123 35 175 258 95 134 285 64 89 173 50 249 368 136 192 407 92 127 247 70 349 516 191 268 570 128 177 345 15A 10A 25A 20A 15A 40A 30A 15A Bipolar Tripolar Bipolar Tripolar Tripolar Bipolar Tripolar Tripolar Bomba do filtro Trifasica TI300 HT20 HT14 6 Fase 3 5 Fase 2 4 Fase 1 3 Fase 3 2 Fase 2 Fase 1 1 Distâncias máximas recomendadas para cada modelo (m) Caixa elétrica Bomba do filtro Monofasica Fase 2 Vem da rede 3 4 5 Fase 2 2 Fase 1 1 Fase 1 Disj. 6 Os modelos HT28 e HT40 são alimentados por 02 pontos com especificações dimensionamento HT14 e HT20 respectivamente. conforme Tabela de HT28/40 Vem da bomba do filtro Caixa elétrica 01 alimentação conforme Tabela HT14/20 A corrente da bomba do filtro não deve ultrapassar 9A. 01 alimentação conforme Tabela HT14/20 12 9
  • 11.
    Manual do Proprietário Heliotek 4.3.3Alimentação - Modelos trifásicos Retirar a tampa elétrica e a tampa superior. Retirar a tampa elétrica. Tampa superior Relé Caixa elétrica Tampa elétrica Localizar o relé de falta e inversão de fase, que está no interior da máquina. Contator Principal Tampa superior Relé contra falta de fase e inversão Contator auxiliar Relé Caixa elétrica Tampa elétrica LED Com o disjuntor da máquina desligado , conectar os cabos conforme as figuras abaixo. Com o disjuntor da máquina desligado , conectar os cabos conforme as figuras abaixo, de acordo com a tensão da máquina 220V Monofásica 3 4 5 6 Fase 1 Fase 2 9 1 2 3 4 6 1 Fase 2 8 2 3 Terra 4 5 6 Fase 1 7 Caixa elétrica 10 5 Fase 1 Fase 3 Caixa elétrica 380v Trifásica 8 Fase 3 220v Trifásica 7 Fase R S T 2 Fase R S T 1 7 Fase 2 8 9 Fase 3 9 10 Neutro 10 Terra 11 Caixa elétrica 11