Manual de
Manutenção
		                                      U07580A.
U07580A	 Manual de Manutenção - Centur 30D / ROMI C420 v5.0
MANUAL DE MANUTENÇÃO
Índice
	 Capítulo 1	 INTRODUÇÃO_____________________________________ 1
1.1.	 Público Alvo do Manual de Manutenção........................................................................................2
1.2.	 Observação Geral..........................................................................................................................2
	 Capítulo 2	 MANUTENÇÃO GERAL______________________________ 3
2.1.	Banco.............................................................................................................................................4
2.1.1.	Nivelamento...................................................................................................................................... 5
2.1.1.1. Ajuste Transversal................................................................................................................ 6
2.1.1.2. Ajuste Longitudinal............................................................................................................... 6
2.2.	Cabeçote........................................................................................................................................8
2.2.1.	 Encoder de Posição.......................................................................................................................... 8
2.2.2.	 Lubrificação....................................................................................................................................... 9
2.2.3.	Alinhamento...................................................................................................................................... 9
2.2.3.1.	 Verificação do alinhamento utilizando haste usinada..................................................... 9
2.2.3.2.	 Procedimentos para o alinhamento do cabeçote.......................................................... 10
2.2.4.	 Levantamento e Transporte do Cabeçote........................................................................................11
2.3.	 Cabeçote Móvel...........................................................................................................................12
2.3.1.	Alinhamento.................................................................................................................................... 12
2.3.2.	 Alinhamento utilizando haste usinada............................................................................................. 13
2.3.3.	 Acesso ao cabeçote móvel............................................................................................................. 13
2.4.	 Mesa e Suporte Transversal........................................................................................................14
2.4.1.	 Operação da Mesa (Eixo Z)............................................................................................................ 14
2.4.1.1.	 Troca de rolamentos..................................................................................................... 14
2.4.1.2.	Graxa............................................................................................................................ 14
2.4.1.3.	 Ajuste da pré-carga....................................................................................................... 15
2.4.1.4.	 Procedimento para substituição / ajuste da correia...................................................... 16
2.4.2.	 Operação do Carro Transversal (Eixo X)........................................................................................ 17
2.4.2.1.	 Troca de rolamentos..................................................................................................... 17
2.4.2.2.	Graxa............................................................................................................................ 18
2.4.2.3.	 Ajuste da pré-carga....................................................................................................... 18
2.4.2.4.	 Procedimento para substituição / ajuste da correia...................................................... 19
2.4.3.	Guias............................................................................................................................................... 20
2.4.4.	 Regulagem da régua cônica........................................................................................................... 20
2.4.5.	 Suporte do ponto de referência - Eixo Z......................................................................................... 22
2.5.	 Motorização.................................................................................................................................23
2.5.2.	 Levantamento e Transporte do Motor Elétrico (caso de substituição)............................................ 24
2.6.	 Sistema de Lubrificação Automática............................................................................................25
2.6.1.	 Manutenção periódica..................................................................................................................... 26
2.7.	 Diagrama de Lubrificação das Guias e Fusos.............................................................................30
2.8.	 Sistema Pneumático (Acessório).................................................................................................31
2.8.1.	 Cabeçote Móvel e Placa Pneumática............................................................................................. 31
2.9.	 Diagramas Pneumáticos..............................................................................................................34
2.9.1.	 Cabeçote Móvel Pneumático.......................................................................................................... 34
2.9.2.	 Placa Pneumática com Cilindro Incorporado.................................................................................. 34
2.10.	 Sistema Hidráulico (Acessório)....................................................................................................35
	 2.10.1. Manutenção Periódica .................................................................................................................. 35
2.10.2.	 Unidade Hidráulica da placa e do cabeçote móvel (ajustes).......................................................... 37
2.10.3.	 Diagrama Hidráulico........................................................................................................................ 38
2.10.4.	 Função dos Componentes da Unidade Hidráulica.......................................................................... 39
2.11.	 Sistema de Refrigeração.............................................................................................................40
2.12.	 Transportador de Cavacos (Acessório).......................................................................................43
2.13.	 Conectores da Refrigeração e Transportador de Cavacos..........................................................45
2.14.	 Abastecimento dos Sistemas.......................................................................................................46
2.15.	 Ruído e Aquecimento Anormais...................................................................................................47
U07580A	 Manual de Manutenção - Centur 30D / ROMI C420 v5.0
MANUAL DE MANUTENÇÃO
2.16.	 Limpadores de Cavacos..............................................................................................................47
2.17.	 Luminária.....................................................................................................................................48
2.18.	 Visor da Porta..............................................................................................................................49
2.18.1.	 Procedimentos para Substituição................................................................................................... 49
2.19.	 Ar Condicionado para Painel Elétrico (Acessório).......................................................................50
2.19.1.	 Manutenção Preventiva.................................................................................................................. 50
2.20.	 Indexador de 72 posições (Acessório).........................................................................................51
2.21.	 Separador de Óleo / Skimmer (Acessório)..................................................................................54
2.22.	 Torre Elétrica Horizontal (Acessório)...........................................................................................55
2.23.	 Trava Elétrica de Segurança........................................................................................................56
2.24.	 Ligação RS232 e tomada de energia elétrica..............................................................................57
2.25.	 Painel Elétrico – Área de Ventilação............................................................................................58
2.26.	 Verificação de Todas as Ligações Elétricas.................................................................................59
2.27.	 Torque para Ajuste dos Sensores................................................................................................59
2.28.	 Tabela de Manutenção Preventiva...............................................................................................60
U07580A	 Manual de Manutenção - Centur 30D / ROMI C420 v4.0	 1
	 Capítulo 1	
INTRODUÇÃO
2	 Manual de Manutenção - Centur 30D / ROMI C420 v5.0	 U07580A
Manual de Manutenção
Instruções para:
Manutenção
Preventiva
  Público Alvo:
• Técnicos de Manutenção
• Técnicos de Inspeção
• Técnicos de Reparos
1.1.	 PÚBLICO ALVO DO MANUAL DE MANUTENÇÃO
1 - INTRODUÇÃO
1.2.	 OBSERVAÇÃO GERAL
IMPORTANTE
Todas as operações de manutenção DEVEM SER REALIZADAS COM A
MÁQUINA DESLIGADA.
Antes de executar qualquer trabalho de manutenção, desligue a máquina pela
chave geral e trave-a com um cadeado para evitar sérios acidentes ou danos
materiais.
Máquina energizada Máquina desligada para atividades de manutenção
Chave Geral
Colocar o cadeado
para travar a
chave geral
VISTA A
A
U07580A	 Manual de Manutenção - Centur 30D / ROMI C420 v4.0	 3
	 Capítulo 2	
MANUTENÇÃO GERAL
4	 Manual de Manutenção - Centur 30D / ROMI C420 v5.0	 U07580A
2.1.	BANCO
O conjunto do banco é um grande responsável pela rigidez e, conseqüentemente, pela precisão
da máquina.
O barramento do torno foi cuidadosamente estudado para obter uma construção simples e
sólida. A ilustração abaixo mostra algumas das partes mais importantes deste conjunto.
COLUNAS
O conjunto do banco, nas versões 500mm e 1000mm entre pontas possui uma coluna grande
(A) e uma coluna pequena (B), ambas de ferro fundido que suportam o barramento (C).
As colunas são apoiadas no solo por parafusos niveladores (D), sendo quatro na coluna grande
(A), dois na coluna pequena (B).
BARRAMENTO
O barramento (C) também é construído de ferro fundido, muito rígido, para garantir movimento
preciso da mesa. As guias do tipo prisma/plano são temperadas e retificadas.
O nervuramento foi desenvolvido objetivando conciliar a alta rigidez desejada com uma boa
condição de escoamento de cavacos. No entanto, um bom escoamento de cavacos depende do tipo
de cavaco que é gerado, e isso depende diretamente do uso do ferramental adequado.
LUBRIFICAÇÃO DOS ROLAMENTOS
No barramento são fixados dois mancais com rolamentos de alta precisão que sustetam e guiam
o fuso de esferas. No mancal dianteiro (lado do cabeçote) são montados dois rolamentos lubrificados
com graxa (ISOFLEX NBU-15 - Klüber) que, sob condições normais de operação, durarão por toda a
sua vida útil. No mancal traseiro é montado um rolamento blindado, com lubrificação permanente.
D B
Barramento e Colunas
C
A
2 - MANUTENÇÃO GERAL
U07580A	 Manual de Manutenção - Centur 30D / ROMI C420 v4.0	 5
2 - MANUTENÇÃO GERAL
2.1.1.	Nivelamento
Introdução
Por exemplo:
Se as bolhas se moverem para a área do parafuso 2B (veja figura 2), aperte o parafuso 3A
para centralizar as bolhas.
Quando ambas as bolhas estiverem centralizadas, a máquina está nivelada. Há uma tolerância
para desnível de um para outro lado da máquina, como pode ser observado na tabela:
TOLERÂNCIA TRANSVERSAL PERMITIDA NO NIVELAMENTO: 0,03mm/m
TOLERÂNCIA LONGITUDINAL PERMITIDA NO NIVELAMENTO
VERSÕES 500mm 1000mm
Centur 30D 0,02mm 0,02mm
a.	 Ajuste todos os parafusos niveladores, até que eles toquem o solo.
b.	 Use 2 níveis de alta precisão no topo do suporte transversal, como mostrado na figura 1.
Nota:	 Antes de usar os níveis, retire a base do porta-ferramenta e, cuidadosamente, limpe a superfície do
carro transversal e os níveis.
Procedimento
Tabela 1
Manual de Operação
S60424D 43Centur 30D
1) INTRODUÇÃO
É muito importante para a precisão e longa durabilidade de operação da máquina que
ela seja precisamente nivelada. Esse procedimento deve ser feito durante a instalação da
máquina, um mês depois e a cada seis meses.
Para nivelar a máquina, é necessário ter 2 níveis de alta precisão, na posição
mostrada na figura 1, assegurando que a diferença de nivelamento seja menor que as
tolerâncias especificadas para os sentidos longitudinal e transversal. As bolhas sempre se
movem para o lado mais alto. Apertando-se os parafusos no lado oposto, as bolhas serão
trazidas para o centro do nível.
Por exemplo:
Se as bolhas se moverem para a área do parafuso 2B (veja figura 2), aperte o
parafuso 3A para centralizar as bolhas.
Quando ambas as bolhas estiverem centralizadas, a máquina está nivelada. Há uma
tolerância para desnível de um para outro lado da máquina, como pode ser observado na
tabela:
2) PROCEDIMENTO
2.1) Ajuste todos os parafusos niveladores, até que eles toquem o solo.
2.2) Use 2 níveis de alta precisão no topo do suporte transversal, como mostrado na
figura 1.
Nota: Antes de usar os níveis, retire a base do porta-ferramenta e, cuidadosamente,
limpe a superfície do carro transversal e os níveis.
VERSÕES 500mm 1000mm
Centur 30D 0,02mm 0,02mm
TOLERÂNCIA LONGITUDINAL PERMITIDA NO NIVELAMENTO
TOLERÂNCIA TRANSVERSAL PERMITIDA NO NIVELAMENTO: 0,04mm/m
3.10 NIVELAMENTO
Figura 1
Tabela 1
Suporte Transversal
Níveis
É muito importante para a precisão e estabilidade geométrica da máquina que ela seja
precisamente nivelada. Esse procedimento é executado pela Romi durante a instalação da máquina,
e recomenda-se a verificação do nivelamento pelo cliente após um mês e a cada seis meses. 	
	 Para nivelar a máquina, é necessário ter 2 níveis de alta precisão (0,02mm/m), na posição
mostrada na figura 1, assegurando que a diferença de nivelamento seja menor que as tolerâncias
especificadas para os sentidos longitudinal e transversal. As bolhas sempre se movem para o lado
mais alto. Apertando-se os parafusos no lado oposto, as bolhas serão trazidas para o centro do
nível.
ATENÇÃO:
Este serviço poderá ser comprado da Romi já que não está incluso
na garantia da máquina.
Carro Transversal (Carro do eixo X)
Figura 1
6	 Manual de Manutenção - Centur 30D / ROMI C420 v5.0	 U07580A
b.	 Movimente o carro inteiramente à direita e repita o procedimento do item a acima.
c.	 Depois que a bolha estiver no centro do nível (transversal) nas duas extremidades e no centro do
barramento, movimente o carro sobre o barramento, completamente da esquerda para a direita,
verificando a variação do nível, que não pode exceder à tolerância especificada na tabela 1.
	 Se houver qualquer desnível acima desta tolerância, tome como referência a leitura do nível da
extremidade esquerda e proceda como descrito abaixo (ver figura 2):
	 - Se A e B estiverem mais altos que B e C, aperte o parafuso 3B, localizado no lado oposto do lado
mais alto, até que a bolha no nível transversal esteja aproximadamente no mesmo nível do plano de
referência (extremidade esquerda).
	 - Se B e C estiverem mais altos que A e B, aperte o parafuso 3A, localizado no lado oposto do lado
mais alto, até que a bolha no nível transversal esteja aproximadamente no mesmo nível do plano de
referência (extremidade esquerda).
d.	 Movimente novamente o carro para a esquerda, faça uma nova referência e desloque o carro para a
direita. Verifique se há qualquer variação acima da tolerância especificada em relação à referência.
Se houver diferença, repita o procedimento dependendo do plano mais alto.
2.1.1.2. Ajuste Longitudinal
a.	 Posicione o carro no centro do barramento e tome como referência o nível colocado
longitudinalmente.
	 - Movimente o carro para a esquerda com o nível colocado longitudinalmente ajustando de zero a
“X” mais baixo que o centro.
	 - Movimente o carro para a direita com o nível colocado longitudinalmente ajustando de zero a “X”
mais baixo que o centro.
Considerar “X” como o valor da tolerância especificada na tabela 1
2 - MANUTENÇÃO GERAL
c.	 Posicione o carro transversal no centro do barramento.
d.	 Nivele a máquina através dos parafusos niveladores até que as bolhas nos níveis estejam
aproximadamente no centro.
Exemplo: Se a bolha estiver à esquerda, aperte os parafusos do lado direito e vice-versa.
Nota: A bolha sempre se moverá para o lado do parafuso apertado.
2.1.1.1. Ajuste Transversal
a.	 Depois que as bolhas estiverem no centro do nível, com o carro no centro do barramento, movimente o
carro inteiramente para a esquerda. Verifique a posição da bolha no nível colocado transversalmente.
Seguindo o mesmo procedimento do item d acima, execute o nivelamento, de modo que a bolha
esteja no centro do nível.
U07580A	 Manual de Manutenção - Centur 30D / ROMI C420 v4.0	 7
Se ocorrerem as condições seguintes, proceda como segue (ver figura 2):
• 	 Centro acima de “X” mais alto que as extremidades: Solte igualmente os parafusos 2A e 2B;
• 	 Centro mais baixo que as extremidades: Aperte igualmente os parafusos 2A e 2B;
• 	 Extremidade esquerda mais alta que o centro: Solte igualmente os parafusos 1A e 1B;
• 	 Extremidade esquerda acima de “X” mais baixa que o centro: Aperte igualmente os parafusos
1A e 1B;
• 	 Extremidade direita mais alta que o centro: Solte igualmente os parafusos 3A e 3B;
• 	 Extremidade direita acima de “X” mais baixa que o centro: Aperte igualmente os parafusos 3A
e 3B.
Se o barramento estiver transversalmente desnivelado, repita os procedimentos de ajuste
transversal e longitudinal.
S64917A 45Centur 30D
1A 2A
1B 2B
3A
3B
LADO BLADO D
LADO A
LADO C FIG. 2
• Centro más bajo que las extremidades: Apriete igualmente los tornillos 2A y 2B (fig.2).
• Extremidad izquierda más alta que el centro: Suelte igualmente los tornillos 1A y 1B
(fig.2).
• Extremidad izquierda arriba de X más baja que el centro: Apriete igualmente los
tornillos 1A y 1B (fig.2).
• Extremidad derecha más alta que el centro: Suelte igualmente los tornillos 3A y 3B
(fig.2).
• Extremidad derecha arriba de X más baja que el centro: Apriete igualmente los
tornillos 3A y 3B (fig.2).
Si la bancada está transversalmente desnivelada, repita los procedimientos.
IMPORTANTE
• La nivelación debe verificarse a cada 2000 horas, para mantener la máquina en
buenas condiciones de operación.
Considerar X como el valor de la tolerancia especificada en la tabla 1
2 - MANUTENÇÃO GERAL
• O nivelamento deve ser verificado a cada 6 meses, para manter a máquina em boas condições
de operação.
IMPORTANTE
Figura 2
8	 Manual de Manutenção - Centur 30D / ROMI C420 v5.0	 U07580A
2.2.	CABEÇOTE
O cabeçote é um dos mais importantes componentes para a obtenção de bons resultados
numa usinagem de precisão.
O eixo-árvore é montado sobre rolamentos de alta precisão, lubrificados permanentemente.
A menos que seja absolutamente necessário, não deverão ser feitos ajustes e peças não deverão
ser substituídas.
2.2.1.	 Encoder de Posição
O eixo árvore é conectado a um encoder de posição através de uma correia dentada com uma
relação de transmissão 1:1. A função do encoder é informar ao comando CNC a posição angular
e a rotação do eixo árvore, permitindo o sincronismo perfeito entre o eixo árvore e o avanço numa
operação de roscagem.
O conjunto do encoder de posição está instalado próximo ao eixo árvore, e é acionado por
polias e correia dentada, corretamente ajustadas de fábrica. Em condições normais de trabalho, não
serão necessários ajustes, mas se ocorrerem ruídos anormais nessa parte da máquina, verifique
a correia dentada. Se os dentes estiverem danificados, a correia deve ser substituída e tensão
excessiva deve ser evitada.
Correia Dentada
Conjunto do Encoder
Vista Frontal
-Afrouxe os parafusos (1) e movimente o encoder para a esquerda
através do oblongo;
- Remova a correia velha;
- Coloque a correia nova;
- Ajuste a tensão da correia movimentando o encoder para a
direita;
- Para finalizar, aperte os parafusos (1).
1
• Procedimento para substituição/ajuste da correia:
1
2 - MANUTENÇÃO GERAL
U07580A	 Manual de Manutenção - Centur 30D / ROMI C420 v4.0	 9
2 - MANUTENÇÃO GERAL
NOTA
Seporqualquerrazãooeixo-árvoreprecisarserdesmontado, seusrolamentos devemserlimpos
e lubrificados novamente com graxa especial ISOFLEX NBU-15 (KLÜBER).
2.2.2.	 Lubrificação
O cabeçote é composto de um cartucho para o eixo árvore e possui variação contínua de
velocidades em uma única gama.
Os rolamentos do eixo-árvore são lubrificados permanentemente com graxa especial prevista
para durar toda a vida dos rolamentos.
Esses rolamentos são protegidos por labirintos que impedem a contaminação da graxa pelo
óleo.
2.2.3.	Alinhamento
Antesdeverificaroalinhamentodocabeçotecertifique-sedequeamáquinaestejacorretamente
nivelada.
Emcondiçõesnormais,oalinhamentodocabeçotenãoénecessário.Entretanto,seporqualquer
razão, ocorrer desalinhamento ou o cabeçote for substituído, deve-se tomar o máximo cuidado com
a operação de alinhamento.
NOTA
	 • O alinhamento do cabeçote é uma operação que influencia diretamente na precisão  da
máquina e somente deve ser feito por pessoal qualificado.
2.2.3.1.	 Verificação do alinhamento utilizando haste usinada
Utilizando uma barra de aço ø50mm e comprimento útil de medição de 300mm, proceder
a medição utilizando um relógio milesimal em três pontos da haste, distribuídos nos 300mm de
comprimento e verificar a conicidade. Se necessário, proceder o alinhamento do cabeçote de acordo
com procedimentos já descritos.
a) 0,015mm
Somente para frente		
	
b) 0,020mm		
Somente para cima
Cilindricidade recomendada
para a haste = 0,003mm
b
a
Para efetuar a correção, verificar o próximo item: “Procedimentos para o alinhamento do
cabeçote”.
10	 Manual de Manutenção - Centur 30D / ROMI C420 v5.0	 U07580A
2 - MANUTENÇÃO GERAL
• PLANO HORIZONTAL
4
3
VISTA FRONTAL
DO CABEÇOTE
VISTA TRASEIRA
DO CABEÇOTE
• PLANO VERTICAL
1
O alinhamento no plano vertical é feito ajustando-se a altura dos calços (1) que suportam o
cabeçote no barramento.
No plano horizontal, o cabeçote é alinhado e travado na posição correta, através de parafusos
que atuam no corpo do cabeçote da máquina e no barramento como mostrado na figura abaixo.
Para o alinhamento deve-se seguir o seguinte procedimento:
- Soltar os parafusos do cartucho (2);
- Manter os parafusos fixos ao barramento (3),
- Atuar sobre os parafusos no cabeçote (4).
Após alinhamento manter todos os parafusos
fixos ao cabeçote e barramento.
2
2.2.3.2.	 Procedimentos para o alinhamento do cabeçote
U07580A	 Manual de Manutenção - Centur 30D / ROMI C420 v4.0	 11
2 - MANUTENÇÃO GERAL
2.2.4.	 Levantamento e Transporte do Cabeçote
	 Para levantar o cabeçote, utilize olhais de suspensão e dispositivos seguros.
Manual de Manutenção
14 S61676DCentur 30D
Olhais de suspensão
Centur 30D 250 kg (550 lb)
Peso estimado do cabeçote
12	 Manual de Manutenção - Centur 30D / ROMI C420 v5.0	 U07580A
Manual de Manutenção
Manutenção
2 - MANUTENÇÃO GERAL
O cabeçote móvel possui um sistema de alinhamento lateral
através de parafusos e chavetas.
Para o alinhamento do cabeçote móvel, proceda como
segue:
A)	 Remova os parafusos (1 e 2).
B)	 Atue nos parafusos (3) para obter o alinhamento de acordo
com a coincidência dos índices existentes no corpo e base do
cabeçote móvel.
C)	 Fixe os parafusos (1 e 2).
IMPORTANTE
	 O cabeçote móvel sai da fábrica perfeitamente alinhado, porém é aconselhável
uma verificação a cada 4000 horas de trabalho. O alinhamento do cabeçote móvel é uma
operação que influencia diretamente na precisão da máquina e somente deve ser feito
por pessoal qualificado.
2.3.1.	Alinhamento
IMPORTANTE
	 É importante para a conservação do conjunto manter o Ponto CM4 montado no conjunto
mesmo que não esteja em uso, evitando a entrada de impurezas.
O cabeçote móvel é provido de um Ponto CM4, o qual pode ser extraído manualmente. Para
isto, avançar a manga até que se torne visível o rasgo de extração, utilize a cunha de extração
e bata suavemente na mesma até que o ponto se solte da manga. Remova o ponto e a cunha
manualmente.
Ponto CM4
Cunha Extratora
Rasgo na manga
Manga
1
3
1
3
2
2.3.	 CABEÇOTE MÓVEL
U07580A	 Manual de Manutenção - Centur 30D / ROMI C420 v4.0	 13
2 - MANUTENÇÃO GERAL
2.3.2.	 Alinhamento utilizando haste usinada
Utilizando uma barra de aço ø50mm e comprimento útil de medição de 300mm, proceder
a medição entre pontas utilizando um relógio milesimal em três pontos da haste, distribuídos nos
300mm de comprimento e verificar o desalinhamento. Se necessário, proceder o alinhamento do
cabeçote móvel de acordo com procedimentos já descritos.
0,04mm
(mais alto em relação ao cabeçote fixo a frio)
0,015mm
(Cabeçote Móvel para frente - lado do operador)
Cilindricidade recomendada
para a haste = 0,003mm
b
a
2.3.3.	 Acesso ao cabeçote móvel
O cabeçote móvel está posicionado na extremidade direita do barramento da máquina.
A máquina é equipada com uma segunda porta frontal, o acesso ao cabeçote móvel se dá
deslocando a porta direita para o lado esquerdo.
S98180**
Cobertura do Cabeçote Móvel
Porta Direita
14	 Manual de Manutenção - Centur 30D / ROMI C420 v5.0	 U07580A
2 - MANUTENÇÃO GERAL
1
2.4.	 MESA E SUPORTE TRANSVERSAL
O movimento da mesa sobre o barramento (Eixo Z) e do carro transversal sobre a mesa (Eixo
X) dão à ferramenta os dois movimentos necessários para a operação de torneamento.
2.4.1.	 Operação da Mesa (Eixo Z)
A mesa se desloca na direção do eixo Z acionada por um servomotor, o qual é acoplado ao
fuso de esferas recirculantes (1) por meio de polias (2) e correia dentada (3). O fuso (1) é suportado
por dois mancais fixados no barramento.
Disposição dos
rolamentos (7)
Fabricante
DB NSK
2.4.1.1.	 Troca de rolamentos
No mancal dianteiro (4), localizado do lado do cabeçote, são
montados dois rolamentos de contato angular (5 e 6). No caso da
desmontagem do fuso, deve-se atentar para a correta posição de
montagem (7) destes rolamentos.
No mancal traseiro (8) é montado um rolamento de esferas (9)
blindado, com lubrificação permanente, o qual não requer uma disposição correta para montagem.
2.4.1.2.	Graxa
Osrolamentos(5e6)sãolubrificadoscomgraxa(ISOFLEX
NBU-15 - Klüber). Esta graxa possui longa durabilidade e sob
condições normais de funcionamento está especificada para
10000 horas de operação. O volume de graxa por rolamento
está indicado na tabela ao lado.
Rolamentos
Volume
Graxa
Total nos
jogos
5 e 6 0,7 c.c. 1,4 c.c.
2
3
46
5
7
8
9
15
U07580A	 Manual de Manutenção - Centur 30D / ROMI C420 v4.0	 15
2 - MANUTENÇÃO GERAL
2.4.1.3.	 Ajuste da pré-carga
Os rolamentos de contato angular são montados com uma pré-carga definida para um perfeito
funcionamento dos rolamentos e eliminação da folga no mancal.
A pré-carga é a pressão de contato entre o mancal e a tampa, calculada com os rolamentos alojados
no mancal.
Para ajustar a pré-carga, deve-se montar a tampa (11) com o retentor (12) e o batente (10). Em
seguida, deve-se posicionar a bucha distanciadora (13) e os rolamentos (5 e 6) no alojamento
(atentando para a correta posição de montagem). Feito isto, deve-se levantar a medida B e ajustar
a tampa (14) com uma medida A, igual ao valor B + (0,030 a 0,050mm). Exemplo: se B = 5mm, a
medida A deverá ser igual a 5,03 a 5,05mm. Com o aperto da tampa (14) no mancal, este valor
adicional se tornará a pressão de contato no rolamento, ou seja, a pré-carga.
Após o ajuste da pré-carga dos rolamentos, o fuso poderá ser montado.
Nota: 	 Torque nos parafusos M8 das tampas (11 e 14) = 40 Nm
	 Torque na porca SKF (15) = 25 Nm
	 Os parafusos devem ser apertados alternadamente (em X)
Figura Ilustrativa
65
1012
11
13
B
14
A
15
16	 Manual de Manutenção - Centur 30D / ROMI C420 v5.0	 U07580A
- Afrouxe os quatro parafusos (16) e movimente o servo motor para a esquerda através do oblongo;
- Remova a correia velha;
- Coloque a correia nova;
- Ajuste a tensão da correia movimentando o servo motor para a direita;
- Para finalizar, aperte os parafusos (16).
•  Tensionamento das correias
A tabela abaixo contempla os valores para o tensionamento da correia utilizando o aparelho Optibelt TT3
Na falta deste aparelho, deverá ser utilizado um aparelho apropriado para correia dentada.
16
NOTA
Verificar a condição da correia a cada 4000 horas e substituí-la se necessário.
2 - MANUTENÇÃO GERAL
2.4.1.4.	 Procedimento para substituição / ajuste da correia:
Tensão da Correia (frequência - Hz)
Correia Nova Correia Usada
Mínimo Máximo Mínimo Máximo
121 127 101 108
Desalinhamento
Angular
Permissível
Desalinhamento
Paralelo
Permissível
0,25º 0,5mm
Outro item importante a ser verificado é o desalinhamento da correia, o qual pode influenciar no
desempenho e resultar no desgaste irregular e na perda de ajuste do tensionamento. Na figura abaixo
pode-se verificar os dois tipos de desalinhamentos existentes: o paralelo e o angular. Favor atentar para
os valores permissíveis:
ATA
N AND
T
entre distance adjustment,
e page 12), or change the
an be slipped easily onto
belt, never force it over a
elt tensile member.
nce may be affected by
t in inconsistent belt wear
e made with high modulus
e length stability over the
lignment does not allow
the entire belt top width.
is being carried by only a
idth, resulting in reduced
alignment is especially
ain®
GT2 belts because of
s and premium polymers
ment: parallel and angular.
e the driveR and driveN
wo pulleys lie in different
re not parallel, the drive is
Parallel misalignment
Angular misalignment
CL
Fleeting angle
CL
Fleeting angle
ATA
N AND
T
entre distance adjustment,
e page 12), or change the
an be slipped easily onto
belt, never force it over a
elt tensile member.
nce may be affected by
t in inconsistent belt wear
e made with high modulus
e length stability over the
lignment does not allow
the entire belt top width.
is being carried by only a
idth, resulting in reduced
alignment is especially
ain®
GT2 belts because of
s and premium polymers
ment: parallel and angular.
e the driveR and driveN
wo pulleys lie in different
re not parallel, the drive is
which the belt enters and
Parallel misalignment
Angular misalignment
CL
Fleeting angle
CL
Fleeting angle
Desalinhamento Paralelo
Desalinhamento Angular
Angulo de desalinhamento
Angulo de desalinhamento
U07580A	 Manual de Manutenção - Centur 30D / ROMI C420 v4.0	 17
2 - MANUTENÇÃO GERAL
2.4.2.	 Operação do Carro Transversal (Eixo X)
O servomotor (1), conectado ao fuso de esferas (2) por meio de polias (3 e 4) e correia dentada
(5), movimenta carro transversal (eixo X) (6) através do deslocamento da porca (7).
1
2
3
4
5
6
7
8
9
10
11 12
2
X
2.4.2.1.	 Troca de rolamentos
O mancal traseiro (10), é montado com um jogo de rolamentos axiais de esferas de contato
angular (11 e 12). No caso da desmontagem do fuso, deve-se atentar para a correta posição de
montagem destes rolamentos (vide item: Ajuste da pré-carga).
No corpo da mesa (9) é montado um rolamento de esferas (8) blindado, com lubrificação
permanente, o qual não requer uma disposição correta para montagem e o ajuste de pré-carga.
18	 Manual de Manutenção - Centur 30D / ROMI C420 v5.0	 U07580A
2 - MANUTENÇÃO GERAL
2.4.2.2.	Graxa
Os rolamentos de contato angular (11 e 12) são lubrificados
com graxa (ISOFLEX NBU-15 - Klüber). Esta graxa possui longa
durabilidade e sob condições normais de funcionamento está
especificada para 10.000 horas de operação. O volume de graxa
por rolamento está indicado na tabela ao lado.
Rolamentos
(posição)
Volume
Graxa
Volume
total
11 e 12 0,5 c.c. 1 c.c.
2.4.2.3.	 Ajuste da pré-carga
Os rolamentos de contato angular (11 e 12) são montados com uma pré-carga definida para um
perfeito funcionamento dos rolamentos e eliminação da folga no mancal.
A pré-carga é a pressão de contato entre o mancal e a tampa, calculada com os rolamentos alojados
no mancal.
Para ajustar a pré-carga, deve-se colocar os rolamentos (11 e 12) no alojamento atentando para a
correta posição de montagem e levantar a medida A. Em seguida, a tampa (13) deve ser ajustada
com uma medida B, igual ao valor A medido + (0,030 a 0,050mm). Exemplo: se A = 5mm, a medida
B deverá ser de 5,03 a 5,05mm. Com o aperto da tampa no mancal, este valor adicional se tornará
a pressão de contato no rolamento, ou seja, a pré-carga.
Após o ajuste da pré-carga dos rolamentos, o fuso (2) poderá ser montado.
A B
Nota: 	 Os parafusos da tampa (13) devem ser apertados
alternadamente (em X) com torque de 40Nm.
	 Torque na porca de regulagem (14) = 17Nm
14
12
11
13
2
Disposição dos
rolamentos (11 e 12)
DB ( )
U07580A	 Manual de Manutenção - Centur 30D / ROMI C420 v4.0	 19
- Afrouxe os quatro parafusos (15) e movimente a
flange de fixação do servo (16) para a cima através
do oblongo;
- Remova a correia velha;
- Coloque a correia nova;
- Ajuste a tensão da correia movimentando a flange de
fixação para baixo;
- Para finalizar, aperte os parafusos (15).
2 - MANUTENÇÃO GERAL
2.4.2.4.	 Procedimento para substituição / ajuste da correia:
NOTA
Verificar a condição da correia a cada 4000 horas e substituí-la se necessário.
•  Tensionamento das correias
A tabela abaixo contempla os valores para o tensionamento da correia utilizando o aparelho Optibelt TT3
Na falta deste aparelho, deverá ser utilizado um aparelho apropriado para correia dentada.
Tensão da Correia (frequência - Hz)
Correia Nova Correia Usada
Mínimo Máximo Mínimo Máximo
112 118 94 101
Desalinhamento
Angular
Permissível
Desalinhamento
Paralelo
Permissível
0,25º -
Outro item importante a ser verificado é o desalinhamento da correia, o qual pode influenciar no
desempenho e resultar no desgaste irregular e na perda de ajuste do tensionamento. Na figura abaixo
pode-se verificar os dois tipos de desalinhamentos existentes: o paralelo e o angular. Favor atentar para
os valores permissíveis:
NG DATA
LLATION AND
NMENT
made for centre distance adjustment,
2 and 3 (see page 12), or change the
the belt can be slipped easily onto
stalling a belt, never force it over a
mage the belt tensile member.
performance may be affected by
can result in inconsistent belt wear
e failure.
ypically are made with high modulus
ich provide length stability over the
ntly, misalignment does not allow
on across the entire belt top width.
, the load is being carried by only a
belt top width, resulting in reduced
per drive alignment is especially
g Poly Chain®
GT2 belts because of
ulus cords and premium polymers
of misalignment: parallel and angular.
nt is where the driveR and driveN
but the two pulleys lie in different
wo shafts are not parallel, the drive is
.
e angle at which the belt enters and
Parallel misalignment
Angular misalignment
CL
Fleeting angle
CL
Fleeting angle
ING DATA
ALLATION AND
GNMENT
made for centre distance adjustment,
2 and 3 (see page 12), or change the
at the belt can be slipped easily onto
nstalling a belt, never force it over a
mage the belt tensile member.
performance may be affected by
ch can result in inconsistent belt wear
sile failure.
typically are made with high modulus
hich provide length stability over the
uently, misalignment does not allow
tion across the entire belt top width.
ve, the load is being carried by only a
e belt top width, resulting in reduced
oper drive alignment is especially
ng Poly Chain®
GT2 belts because of
dulus cords and premium polymers
of misalignment: parallel and angular.
ent is where the driveR and driveN
, but the two pulleys lie in different
wo shafts are not parallel, the drive is
ed.
he angle at which the belt enters and
nd equals the sum of the parallel and
Parallel misalignment
Angular misalignment
CL
Fleeting angle
CL
Fleeting angle
Desalinhamento Paralelo
Desalinhamento Angular
Angulo de desalinhamento
Angulo de desalinhamento
15
16
20	 Manual de Manutenção - Centur 30D / ROMI C420 v5.0	 U07580A
2.4.3.	Guias
A mesa move-se sobre o barramento acionada por fuso de esferas recirculantes (eixo Z)
e é recoberta com turcite nas superfícies de contato com as guias do barramento, as quais são
temperadas e retificadas.
O contato entre o turcite e o ferro fundido reduz o coeficiente de atrito em relação ao contato
ferro com ferro proporcionando menos esforço de deslocamento.
Na parte superior da mesa, há uma guia temperada e retificada. O carro transversal desliza-se
sobre essa guia através do movimento provido pelo fuso X, a eliminação de folga entre as guias do
carro transversal e as guias da mesa é obtida através do ajuste de uma régua cônica.
2.4.4.	 Regulagem da régua cônica
O Centur 30D possui 3 (três) réguas cônicas utilizadas para eliminar a folga mecânica dos
conjuntos deslizantes, sendo que 1 (uma) régua está localizada no carro transversal (eixo X) e 2
(duas) réguas estão localizadas no carro longitudinal (eixo Z).
As réguas cônicas devem ser ajustadas (apertadas) de modo a eliminar a folga entre o carro
transversal com o prisma da mesa e o carro longitudinal com o barramento. O aperto excessivo das
réguas pode causar o travamento do conjunto.
Ao ajustar a régua cônica, deve-se levar em consideração que este ajuste irá deslocar o
eixo lateralmente até a régua se acomodar e eliminar a folga. Por este motivo, deve-se afrouxar os
parafusos da porca do fuso, para permitir um movimento livre do eixo e não danificar o fuso.
2 - MANUTENÇÃO GERAL
1
1
2
2
Parafuso de
regulagem do
carro transversal
Parafuso de
regulagem do
carro longitudinal
Parafuso de
regulagem do
carro longitudinal
Turcite
Régua Cônica
34
Vista A
Vista A
5
U07580A	 Manual de Manutenção - Centur 30D / ROMI C420 v4.0	 21
A regulagem da régua é uma operação que influencia diretamente na precisão da
máquina e somente deve ser feita por pessoal qualificado.
2 - MANUTENÇÃO GERAL
2.4.4.1. Procedimento para ajuste da régua do carro transversal (eixo X):
A)	 Desligar a máquina. Retirar os quatro parafusos (1) e os dois pinos de guia (2) de fixação da porca do
fuso no carro transversal. Dessa forma, o carro transversal torna-se livre;
B)	 Acessar os parafusos de regulagem (3 e 4) da régua do carro transversal pelo furo do raspador de
cavacos;
C)	 Com uma chave Allen 8mm soltar o parafuso (3) para permitir o ajuste da régua;
D)	 Com uma chave Allen 5 mm, passando por dentro do parafuso (3) aperte o parafuso (4) 1/4 de volta
por vez, para pressionar a régua para dentro do carro transversal até eliminar a folga;
	 Cuidado: o aperto excessivo pode travar o carro transversal na guia;
E)	 Ao eliminar a folga, reaperte o parafuso (3) até encostar na régua. Soltar o parafuso (4) até que a
régua fique travada entre os dois parafusos;
F)	 Movimentar o carro transversal manualmente nos dois sentidos para certificar que o movimento está
suave;
G)	 Reposicionar os furos do carro transversal sobre a porca do fuso e reaperte os parafusos (1) de
fixação da porca do fuso.
H)	 Ligar a máquina. Movimentar o carro transversal e verificar se o eixo movimenta suavemente sem a
ocorrência de sobrecarga no servomotor.
I)	 Passar alargador de 8 mm nos furos e colocar os pinos de guia (2) retirados no início do
procedimento.
2.4.4.2. Procedimento para ajuste das réguas do carro longitudinal (eixo Z):
A)	 Desligar a máquina. Afrouxar os parafusos (5) da porca do fuso do eixo Z;
B)	 Acessar os parafusos de regulagem (3 e 4) da régua do carro longitudinal;
C)	 Com uma chave Allen 8mm soltar o parafuso (3) para permitir o ajuste da régua;
D)	 Com uma chave Allen 5mm, passando por dentro do parafuso (3) aperte o parafuso (4) 1/4 de volta
por vez, para pressionar a régua para dentro do carro longitudinal até eliminar a folga;
	 Cuidado: o aperto excessivo pode travar o carro transversal na guia;
E)	 Ao eliminar a folga, reaperte o parafuso (3) até encostar na régua. Soltar o parafuso (4) até que a
régua fique travada entre os dois parafusos;
F)	 Reaperte os parafusos da porca do fuso do eixo Z soltos no início do procedimento;
G)	 Ligar a máquina. Movimentar o carro longitudinal e verificar se o eixo movimenta suavemente sem
a ocorrência de sobrecarga no servomotor.
22	 Manual de Manutenção - Centur 30D / ROMI C420 v5.0	 U07580A
2.4.5.	 Suporte do ponto de referência - Eixo Z
O suporte do ponto de refência tem como finalidade identificar o ponto zero do eixo Z.
Esta identificação se dá através de micros localizados na parte interna da mesa, os quais
mandam ao CNC uma mensagem de localização para que o zeramento seja efetuado.
Suporte do Ponto
de Referência
O suporte do ponto de referência sai de fábrica ajustado e lacrado no
limite de curso do eixo Z.
Pino de Regulagem
do micro
2 - MANUTENÇÃO GERAL
U07580A	 Manual de Manutenção - Centur 30D / ROMI C420 v4.0	 23
D
C
E
A
B
2.5.	MOTORIZAÇÃO
AMotorização é composta basicamente por um Motor ElétricoAC que está localizado na coluna
grande (C), por polias movida e motora e correia Micro V.
Depois de algum tempo de uso, a correia (D)
pode afrouxar devido ao desgaste natural. Se isto
ocorrer, proceda como segue para substituí-la e/ou
ajustá-la:
•	 Solte os 4 parafusos (A) que fixam o suporte
(B).
•	 Atue sobre as 2 porcas (E) e movimente o
suporte (B) para substituir e/ou ajustar a correia.
•	 Depois de substituir ou ajustar a correia,
aperte os 4 parafusos (A).
Não execute qualquer operação ou trabalho de manutenção, antes de ler
cuidadosamente o manual do motor que acompanha a máquina.
2 - MANUTENÇÃO GERAL
2.5.1.	Tensionamento das correias
•	 A tabela abaixo contempla os valores para o
tensionamento da correia utilizando o aparelho
Optibelt TT3
•	 Na falta do aparelho mencionado acima, deverá
ser utilizado um aparelho indicado para correia
micro V.
Configuração da
Máquina
Tensão da Correia (Hz)
Correia Nova Correia Usada
Mínimo Máximo Mínimo Máximo
C30D ASA A2-5” 40 41 37 38
C30D ASA A2-6” 42 43 39 40
•	 Outro item importante a ser verificado é o desalinhamento da correia, o qual pode influenciar no
desempenho e resultar no desgaste irregular e na perda de ajuste do tensionamento. Na figura
abaixo pode-se verificar os dois tipos de desalinhamentos existentes: o paralelo e o angular.
Favor atentar para os valores  permissíveis:
Desalinhamento
Angular
Permissível
Desalinhamento
Paralelo
Permissível
0,25º 3,5mm
NG DATA
ALLATION AND
GNMENT
made for centre distance adjustment,
2 and 3 (see page 12), or change the
t the belt can be slipped easily onto
stalling a belt, never force it over a
mage the belt tensile member.
performance may be affected by
h can result in inconsistent belt wear
le failure.
ypically are made with high modulus
ich provide length stability over the
ently, misalignment does not allow
on across the entire belt top width.
e, the load is being carried by only a
belt top width, resulting in reduced
per drive alignment is especially
g Poly Chain®
GT2 belts because of
ulus cords and premium polymers
of misalignment: parallel and angular.
nt is where the driveR and driveN
but the two pulleys lie in different
wo shafts are not parallel, the drive is
d.
e angle at which the belt enters and
d equals the sum of the parallel and
nts.
y misalignment will result in some
, which is not accounted for in the
n procedure. Misalignment of all
Parallel misalignment
Angular misalignment
CL
Fleeting angle
CL
Fleeting angle
RING DATA
ALLATION AND
GNMENT
e made for centre distance adjustment,
s 2 and 3 (see page 12), or change the
at the belt can be slipped easily onto
nstalling a belt, never force it over a
amage the belt tensile member.
performance may be affected by
ch can result in inconsistent belt wear
sile failure.
typically are made with high modulus
which provide length stability over the
uently, misalignment does not allow
tion across the entire belt top width.
ve, the load is being carried by only a
e belt top width, resulting in reduced
oper drive alignment is especially
ing Poly Chain®
GT2 belts because of
dulus cords and premium polymers
s of misalignment: parallel and angular.
ent is where the driveR and driveN
, but the two pulleys lie in different
two shafts are not parallel, the drive is
ed.
he angle at which the belt enters and
nd equals the sum of the parallel and
ents.
ley misalignment will result in some
fe, which is not accounted for in the
gn procedure. Misalignment of all
should not exceed 1/4° or 5 mm per
distance. Misalignment should be
Parallel misalignment
Angular misalignment
CL
Fleeting angle
CL
Fleeting angle
Desalinhamento Paralelo
Desalinhamento Angular
Angulo de desalinhamento
Angulo de desalinhamento
24	 Manual de Manutenção - Centur 30D / ROMI C420 v5.0	 U07580A
Desligue sempre a Chave Geral antes de acessar o ventilador. Esse acesso
somente pode se dar quando o eixo árvore e o ventilador estiverem completamente
parados.
Nunca tente acessar esses dispositivos enquanto a máquina estiver energizada. Há
riscos de sérios acidentes.
Recomenda-se limpar o ventilador do motor a cada 4000 horas.
Não use qualquer produto químico que possa afetar o material.
Motor Principal - Ventilador
Ventilador
Não execute qualquer operação ou trabalho de manutenção, antes de ler
cuidadosamente o manual do motor que acompanha a máquina.
2 - MANUTENÇÃO GERAL
     

       
                
                
   
   
















    
   
   
   
















    
   
   
   
















    
   
                
  
  


          
      
      
      
        
    
           
    
     
      
          
         
    
  
      
Peso do Motor (aprox.)
Centur 30D/C420 63kg (139 lb)
Olhais de suspensão
2.5.2.	 Levantamento e Transporte do Motor Elétrico (caso de substituição)
Para levantar o motor elétrico use Olhais de Levantamento e dispositivos de levantamento adequados.
U07580A	 Manual de Manutenção - Centur 30D / ROMI C420 v4.0	 25
Lubrificação
Automática
As guias do barramento, da mesa, do carro transversal e os fusos de esferas
recirculantes são lubrificados pelo Sistema de Lubrificação Automática.
O sistema contém uma bomba automática intermitente acionada por um motor elétrico
com ciclos de injeção de óleo regulados. Os distribuidores de fluxo enviam óleo aos pontos
de atrito.
Nem todos os óleos lubrificantes são compatíveis com todos os líquidos refrigerante.
O óleo lubrificante deve apresentar, junto ao líquido refrigerante um bom comportamento
de desemulsificação.
Os fornecedores de lubrificantes podem informar sobre a compatibilidade do óleo
lubrificante com o líquido refrigerante.
Volume de Descarga do Óleo e Tempo de Ciclo
O Lubrificador MMXL-III é uma bomba automática de pistão intermitente que envia:
•	 1,5cc por curso a cada 6 minutos (frequência 50Hz);
•	 1,5cc por curso a cada 5 minutos (frequência 60Hz).
Pressão de Descarga
43 PSI (3 Kgf/cm2
). A pressão de pico do sistema irá diminuir quando:
1 - O volume de descarga diminuir.
2 - O número de dosadores aumentar.
3 - A viscosidade do óleo aumentar.
Gama de Viscosidade do Óleo
150 a 8000 SSU à temperatura de operação.
Óleo usado: DIN 51502 CGLP 68 para guias.
Capacidade do Reservatório
0.5 gal (1,8 litros)
Filtro de Lubrificação
Deve ser inspecionado periodicamente e limpo ou trocado, conforme requerido.
Motor
Sincrônico de 220 V (50/60 Hz), 3 Watts.
2.6.	 SISTEMA DE LUBRIFICAÇÃO AUTOMÁTICA
Vista Superior
2 - MANUTENÇÃO GERAL
26	 Manual de Manutenção - Centur 30D / ROMI C420 v5.0	 U07580A
2 - MANUTENÇÃO GERAL
IMPORTANTE !
Se o lubrificador não estiver atuando as possíveis causas podem ser:
•	 Baixo nível de óleo
•	 Óleo contaminado
•	 Tubos obstruídos
•	 Tubos rompidos (linha aberta)
•	 Sujeira no filtro de sucção
•	 Danos na tubulação na bomba
•	 Viscosidade de óleo inadequada
•	 Ar no sistema de tubulação
•	 Pressostato
• Filtro de Sucção  
	
	 É recomendável substituir o filtro de sucção a cada 12 meses de operação.
	 É necessário desmontar a bomba separando-a do reservatório, para se ter acesso
ao filtro.   
	 Código do filtro: Romi R38059 / LUBE 489010
Filtro de  
Sucção
Trava
2.6.1.	 Manutenção periódica
U07580A	 Manual de Manutenção - Centur 30D / ROMI C420 v4.0	 27
• Unidades de Fluxo (dosadores)
	 É recomendável substituir as unidades de fluxo a cada 12 meses. Em caso
de necessidade de substituição das unidades de fluxo, consultar esquema de
lubrificação.  
	 Veja os códigos  das unidades de fluxo no catálogo de peças.  
	
• Filtro de Linha  
	 É recomendável substituir o filtro de linha a
cada 12 meses de operação.
	 Códigos do filtro: ROMI R92135 / código da
LUBE: 109311
Unidade de
Fluxo
Filtro de Linha
2 - MANUTENÇÃO GERAL
Nunca use óleo de tipo ou marca diferente. Isto pode causar decomposição
químicaformandoresíduodeviscosidadedevidoaosdiferentesaditivosusados
pelos fornecedores. Esse resíduo de viscosidade pode obstruir as saídas
dosadas para os pontos de lubrificação.  Use sempre óleo com viscosidade e
qualidade recomendadas.
Se houver uma troca de marca ou fornecedor do óleo, substitua completamente
o óleo do sistema, incluindo o óleo remanescente na tubulação.
28	 Manual de Manutenção - Centur 30D / ROMI C420 v5.0	 U07580A
Manual de Manutenção
Porca
• Regulagem do volume de descarga de óleo
Para regulagem do volume de descarga de óleo é necessário o seguinte procedimento:
• 	 Regular bomba de lubrificação atuando sobre o regulador, girando-o no sentido horário ou anti-ho-
rário.
• 	 Aplicar adesivo vedante (para lacrar a regulagem) entre a porca e o regulador e entre a porca e o
parafuso.
• 	 Apertar firmemente a porca contra o regulador.
NOTA: 	 Somente proceda a regulagem com o pistão de acionamento completamente livre da ação do
motor.
Aplicar adesivo vedante
Regulador
REGULAR PARA
1.5cc
2 - MANUTENÇÃO GERAL
U07580A	 Manual de Manutenção - Centur 30D / ROMI C420 v4.0	 29
• Troca de óleo
	
Se necessário trocar o óleo, proceda como segue:
•	 Para substituir o óleo no ínicio de um turno, drene o óleo remanescente no reservatório, limpe o
reservatório devidamente, verifique os filtros de sucção e abasteça o reservatório com óleo limpo.
•	 Se a substituição do óleo ocorrer no final de um turno ou fora de horários normais de trabalho,
além do procedimento acima, drene completamente o óleo remanescente na tubulação, através de
lubrificação forçada, acionando a bomba de lubrificação manualmente.
LEMBRE-SE
Nunca pressione o
pistão injetor para
baixo
•	 Para esta operação, o pistão injetor localizado
na unidade de lubrificação deve estar em sua
posição de repouso, para evitar que uma nova
pressurizaçãoocorraacada6minutosedesligue
a máquina.
2 - MANUTENÇÃO GERAL
Manualmente, puxe o pistão injetor, libere-o e aguarde o final da pressurização. Repita este
procedimento no mínimo 20 vezes.
Não retire esta peneira ao
abastecer o reservatório.
A parte superior da unidade
de lubrificação deve ser
mantida sempre limpa.
30	 Manual de Manutenção - Centur 30D / ROMI C420 v5.0	 U07580A
2.7.	 DIAGRAMA DE LUBRIFICAÇÃO DAS GUIAS E FUSOSManual de Manutenção
26 S61676DCentur 30D
PONTOS DE LUBRIFICAÇÃO
1- Prisma da Mesa						 9- Prisma do Barramento	
4- Fuso de esferas (Eixo X)	 	 	 	 10- Prisma do Barramento
5- Prisma da Mesa						 11- Prisma do Barramento
6- Régua dianteira						12- Assento Barramento/Mesa
7- Fuso de esferas recirculantes (Eixo Z)	 	 13- Régua traseira
8- Prisma do Barramento					 14- Assento Barramento/Mesa	
2 - MANUTENÇÃO GERAL
U07580A	 Manual de Manutenção - Centur 30D / ROMI C420 v4.0	 31
2 - MANUTENÇÃO GERAL
2.8.	 SISTEMA PNEUMÁTICO (ACESSÓRIO)
2.8.1.	 Cabeçote Móvel e Placa pneumática
A pressão deve situar-se dentro do limite de 6 Bar.
O ajuste é feito através da válvula do filtro regulador.
• Procedimento de manutenção (limpeza)
	 - Filtro (F) / Filtro regulador (FR)
Verifique semanalmente a situação do F/FR, ou diariamente em situações onde o ar comprimido
de alimentação seja precário.
Se necessário, promova a limpeza como segue:
•	 Afrouxe os parafusos das flanges que fixam o F/FR.
•	 Gire no sentido anti-horário a proteção de metal do F/FR.
•	 Solte o elemento filtrante do corpo do F/FR.
•	 Lave o copo, a proteção e o elemento filtrante com água, sabão neutro ou com querosene. Não use
outros solventes químicos.
•	 Verifique se o elemento filtrante está em boas condições. Se não estiver,     substitua-o.
•	 No caso de filtros coalescentes (elemento vermelho), providencie a substituição do elemento, se
houver sinais de saturação.
•	 Fixe o conjunto do elemento filtrante ao copo e monte o copo com protetor, cuidando para que o anel
de vedação esteja bem posicionado.
	 - Lubrificador (LUB)
Proceda à limpeza, se verificar água ou outras impurezas no óleo, ou se o óleo estiver com
características alteradas.
•	 Solte os parafusos das flanges que fixam o lubrificador.
•	 Gire a proteção metálica no sentito anti-horário.
•	 Lave o copo e outros componentes com água, sabão neutro ou com querosene. Não use outros
solventes químicos.
•	 Monte o vidro com o protetor, atentando para as posições do copo, do anel de vedação e do tubo de
plástico condutor de óleo.                    
IMPORTANTE
Cabeçote Móvel Pneumático:
Caso a pressão da rede tenha constante queda (inferior a 4,5Kgf)  deve-se proceder
com a regulagem do pressostato observando o limite de 3Kgf.
32	 Manual de Manutenção - Centur 30D / ROMI C420 v5.0	 U07580A
Reabastecimento do Lubrificador
•	 Conecte a válvula de latão da parte inferior do corpo do lubrificador ao recipiente com óleo de
reabastecimento (recomendado: ISO VG10 - classe CL - viscosidade = 10mm2
/s 40ºC) através do
tubo ou diretamente.
•	 Com a linha de ar pressurizada, aperte para baixo o botão vermelho situado ao lado da cúpula visora.
O óleo do recipiente será sugado para dentro do copo.
•	 Quando alcançar o nível máximo, libere o botão vermelho e desconecte a válvula.
NOTA: 	 No caso do cabeçote móvel, o reabastecimento do lubrificador deve ser feito retirando o copo
manualmente e enchendo com óleo. Quando colocar o copo, deve-se atentar para a correta po-
sição do anel de vedação.
2 - MANUTENÇÃO GERAL
Regulagem do gotejamento do lubrificador
•	 A regulagem do gotejamento do lubrificador é feita por meio do parafuso de ajuste localizado na parte
superior do conjunto (como demonstrado abaixo).
	 Especificação de regulagem: uma gota a cada 4 a 6 aciomentos da manga do cabeçote móvel ou
uma a duas gotas a cada ciclo de abertura e fechamento da placa.
Filtro regulador
de pressão
KIT PNEUMÁTICO DO CABEÇOTE MÓVEL
KIT PNEUMÁTICO DA PLACA
COM CILINDRO INCORPORADO
Manômetro
Válvula direcional
Lubrificador
Y321
Y322
Y421
Y422
VISTA SUPERIOR
Válvula direcional
PressostatoFiltro regulador
de pressão
Manômetro
Lubrificador
U07580A	 Manual de Manutenção - Centur 30D / ROMI C420 v4.0	 33
• Freqüência de manutenção
• 8 horas:	
	 - Verifique o nível do óleo lubrificante e acrescente óleo recomendado, se necessário.
• 90 horas:	
	 - Coloque uma gota de óleo nos articuladores e garfos.
	 - Certifique-se de que os manômetros estejam funcionando corretamente.
	 - Certifique-se de que a lubrificação esteja funcionando corretamente.
	 - Ajuste o gotejamento se necessário.
	 - Verifique se não há dobras nas mangueiras e substitua-as se estiverem danificadas.
• 360 horas:	
	 - Verifique todas as conexões e mangeiras com relação a vazamentos, reaperte-as ou substitua-as
se necessário.
	 - Certifique-se de que não haja vazamentos nas válvulas e cilindros.
	 - Limpe os elementos filtrantes de conjuntos de preparação de ar. Lave-os com água e sabão ou
com querosene (não use outro tipo de solvente). Depois, sopre com ar comprimido do lado oposto
da passagem normal.
	 - Lave os copos do filtro com água ou querosene (não use solventes).
• 2000 horas:
	 - Verifique o desgaste das buchas dos mancais do cilindro. Substitua-as, se necessário.
2 - MANUTENÇÃO GERAL
34	 Manual de Manutenção - Centur 30D / ROMI C420 v5.0	 U07580A
2.9.	 DIAGRAMAS PNEUMÁTICOS
2.9.1.	 Cabeçote Móvel Pneumático
PtPt - Ajuste de Pressão: 4,5Kgf
2 - MANUTENÇÃO GERAL
S323
Y321 Y322
V321UTA321
VR321
CÓDIGO DESCRIÇÃO
UTA321 UNIDADE DE TRATAMENTO DE AR
Y321 SOLENÓIDE (Avança Cabeçote Móvel)
Y322 SOLENÓIDE (Recua Cabeçote Móvel)
V321 VÁLVULA DIRECIONAL
S323 PRESSOSTATO (Cabeçote Móvel Avançado)
2.9.2.	 Placa Pneumática com Cilindro Incorporado
S423
Y421
Y422
V421 V422
UTA421
Y161
V161
Pt - Ajuste de Pressão: 3Kgf
Pt
Não aplicável ao mercado CE
CÓDIGO DESCRIÇÃO
UTA421 UNIDADE DE TRATAMENTO DE AR
Y421 SOLENÓIDE (Abre Placa)
Y422 SOLENÓIDE (Fecha Placa)
V421 VÁLVULA DIRECIONAL
V422 VÁLVULA DIRECIONAL
S423 PRESSOSTATO (Baixa Pressão)
U07580A	 Manual de Manutenção - Centur 30D / ROMI C420 v4.0	 35
2 - MANUTENÇÃO GERAL
2.10.	 SISTEMA HIDRÁULICO (ACESSÓRIO)
O Centur 30D  possui como acessório uma unidade hidráulica: para cabeçote móvel hidráulico
(acessório) e placa hidráulica (acessório).
2.10.1.	 Manutenção Periódica
Óleo hidráulico:
• 	 Verifique o nível de óleo diariamente. Caso seja observado uma variação no nível, contatar o pessoal
de manutenção, a fim de diagnosticar a causa e reabastecer a unidade.
• 	 Use óleo hidráulico DIN51502 HLP 32.
• 	 A marca amarela superior do Indicador de Nível de Óleo no lado do tanque de fluído hidráulico indica
o nível de óleo máximo (capacidade nominal) desta unidade hidráulica.  
• 	 A marca vermelha abaixo do Indicador de Nível de Óleo, indica o nível mínimo.
• 	 Nunca opere a  bomba com o nível de óleo abaixo da marca vermelha.
Renovação de óleo:
  • 	 Cumpra a primeira troca de óleo após as 500 horas de funcionamento.  
• 	 As renovações subseqüentes podem ser feitas a cada 3000 ou 5000 horas, conforme exigência das
condições operacionais.
• 	 Mantenha o nível de óleo no reservatório, observando periodicamente o indicador de nível. Com-
pletando-o caso necessário.
Filtro de sucção:
• 	 Inspecione e limpe o filtro após as 90 primeiras horas e a cada 360 horas de operação.
	 O filtro está localizado dentro da unidade hidráulica.
DADOS TÉCNICOS
Volume 25 litros
Pressão Máx. 50 bar
Vazão
13,4 l/min (50Hz)
16 l/min (60Hz)
Tipo de Óleo ISO VG 32
Temp. de Trabalho 50º C
Abastecimento de Óleo
Trocadores de Calor
Indicador de nível
Plug para Esvaziamento do Óleo
1
2
3
4
Cobertura da Unidade Hidráulica
Volume do Reservatório:
25 litros
1
2
3
4
36	 Manual de Manutenção - Centur 30D / ROMI C420 v5.0	 U07580A
2 - MANUTENÇÃO GERAL
Trocadores de Calor
Em caso de necessidade de limpeza do trocador de calor, a parte externa deve ser limpa
com ar comprimido ou água. A direção do jato necessita ser paralela às aletas para evitar danos às
mesmas.
Um melhor resultado pode ser obtido adicionando-se detergente, mas deve-se estar atento a
produtos que possam danificar o alumímio.
Se houver óleo ou graxa acumulada, há a necessidade de limpeza através de jato de vapor
ou água quente.
Em caso de necessidade de limpeza na parte interna do trocador de calor, este deverá ser
desmontado. A sujeira pode ser removida através da circulação de produto desengraxante através
do trocador. Esta operação pode durar entre 10 a 30 minutos.
O produto desengraxante que permanecer no interior do trocador de calor após a operação de
limpeza deve ser tirado com água corrente.
Utilizar água corrente após a operação de limpeza interna do trocador para evitar que possam
permanecer traços do produto desengraxante no interior do trocador.
IMPORTANTE
O motor elétrico deve ser protegido durante a operação de limpeza.
CUIDADO !
Operando a bomba da unidade hidráulica com o nível de óleo abaixo do nível
mínimo pode causar os seguintes acidentes :
• 	 	O ar  fluirá mais facilmente no óleo e resultará em falha  da  bomba, ruído,
defeito na válvula ou pressão instável.  
•	 	Ocorrerá vibração na tubulação resultando em vazamento de óleo.
• 	 	A qualidade do fluído hidráulico será prejudicada.
Filtro de linha:
• 	 É recomendada a troca de óleo, substituição do elemento filtrante do filtro de linha e a limpeza
do reservatório após as primeiras 1000 horas e a cada 2000 horas de operação ou no caso de
contaminação.
	 Código do elemento filtrante: Romi S12654 / HDA 114.139
Nota: O filtro de linha é monitorado por um indicador eletrônico que é acionado quando o filtro estiver
saturado, ocorrendo no painel de comando um alarme sonoro e mensagem de filtro sujo. Durante
partidas a frio poderá ocorrer o acionamento do indicador devido ao aumento da viscosidade do
óleo hidráulico, se isto ocorrer, aguarde até que o óleo atinja temperatura normal de trabalho. Se o
elemento filtrante não estiver contaminado, o indicador se rearmará automaticamente, caso contrário
o elemento filtrante deverá ser substituído, bem como o óleo, caso este esteja contaminado.
• 	 Durante os 3 primeiros meses de funcionamento, verifique o trocador de calor quanto a
entupimentos. Posteriormente, efetue a limpeza do mesmo uma vez por ano.
U07580A	 Manual de Manutenção - Centur 30D / ROMI C420 v4.0	 37
2 - MANUTENÇÃO GERAL
2.10.2.	 Unidade Hidráulica da placa e do cabeçote móvel (ajustes)
A unidade hidráulica da placa e do
cabeçote móvel está localizada junto a base
da máquina, e fica completamente protegida.
Para ter acesso, deve-se remover a tampa de
proteção.Oindicadordepressãoficalocalizado
na própria unidade, como demonstrado na
figura ao lado:
Capacidade do Reservatório: 25 litros
Indicador de nível Volume do Reservatório
PLACA HIDRÁULICA
CABEÇOTE MÓVEL HIDRÁULICO
Ä A máxima pressão de trabalho da unidade hidráulica é 35
Bar. Porém, a regulagem da pressão de trabalho do cabeçote
móvel deve ser ajustada em função do peso da peça que será
usinada.
Ä Segue na tabela abaixo a máxima pressão de trabalho em função da placa hidráulica
utilizada:
Nariz
(ASA)
Placa Autoblok Cilindro Hidráulico
Pressão Máxima de
Regulagem
A2-5” Autoblok BH-M 165 VNK 102-46 24 bar
A2-5” Autoblok BH-M 210 VNK 102-46 37 bar
A2-6” Autoblok BH-M 210 VNK 130-52 30 bar
A força de avanço da manga  à 35 Bar é 280 Kgf.
R
VISTA A VISTA B
1
2
1. Manômetro - Informa a Pressão do Cabeçote Móvel;
2. Manômetro - Informa a Pressão da Placa;
3. Regula a Pressão de trabalho do Cabeçote Móvel;
4. Regula a Pressão da Placa;
P(bar)
P(bar)
T30977
3
4
38	 Manual de Manutenção - Centur 30D / ROMI C420 v5.0	 U07580A
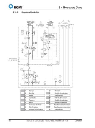
2.10.3.	 Diagrama Hidráulico
2 - MANUTENÇÃO GERAL
1 Tanque 10 Manifold
2 Bomba 11 Modulo de válvulas
3 Motor 12 Pressostato
4 Ventilador 13 Válvula direcional
5 Respiro 14 Modulo de válvulas
6 Filtro 15 Modulo de válvula
7 Indicador de Nivel 16 Parafusosdemont.dobloco
8 Manômetros 17 Parafusosdemont.dobloco
9 Isolante de Borracha 18 Pressostato
Placa
Abre / Fecha
Cabeçote Móvel
Avança / Recua
U07580A	 Manual de Manutenção - Centur 30D / ROMI C420 v4.0	 39
2.10.4.	 Função dos Componentes da Unidade Hidráulica
Cabeçote Móvel Hidráulico
1 - Válvula Reguladora de
velocidade da manga
2 - Válvula de Retenção
3 - Pressostato (Manga Avançada)
4 - Válvula Reguladora de Pressão
5 - Válvula Direcional
1.1 - Regulagem do avanço (20mm/s
à 35 bar) - Não alterar
3.1 - Regulado na Fábrica com 12 Bar
4.1 - Regula a Pressão de Trabalho do
Cab. Móvel de acordo com a peça a
ser fixada
1.2 - Regulagem do recuo (60mm/s à
35 bar) - Não alterar
• Não Alterar
4.2 - Manômetro - Informa a Pressão
do Cabeçote Móvel
Placa Hidráulica
6 - Válvula limitadora de Pressão
7 - Válvula Reguladora de Pressão
8 - Válvula Direcional
6.1 - Regulado na Fábrica de acordo
com a pressão máxima da Placa
7.1 - Regula a Pressão de Trabalho da
Placa acordo com a peça a ser
fixada
• Não Alterar
7.2 - Manômetro - Informa a Pressão
da Placa
Unidade Hidráulica
9 - Pressostato (Linha Principal)
10 - Bomba da Unidade Hidráulica
(regulado com 10 Bar acima da
pressão máx. da Placa - min. 35
Bar)
9.1 - Regulado na Fábrica com 15 Bar
10.1 - Regulado na Fábrica
• Não Alterar
• Manômetro - Informa a Pressão
da Linha Principal
Identificação dos Pressostatos e Solenóides
Código Descrição
S423 Pressostato (Linha Principal)
S323 Pressostato (Manga Avançada)
Y321 Solenóide Avança (Cab. Móvel)
Y322 Solenóide Recua (Cab. Móvel)
Y421 Solenóide Abre Placa (Cab. Móvel)
Y422 Solenóide Fecha Placa (Cab. Móvel)
1
2
3
4
5
4.1
1.1
4.2
1.29
6
7
8
P
T
7.2 7.1
6.1
3.1
P
T
9.1
AB
10
10.1
B2
A2A1
B1
VISTA A
(Placa Hidráulica)
VISTA B
(Cabeçote Móvel Hidráulico)
Y422 Y421
Y322 Y321
S323
S423
2 - MANUTENÇÃO GERAL
40	 Manual de Manutenção - Centur 30D / ROMI C420 v5.0	 U07580A
2.11.	 SISTEMA DE REFRIGERAÇÃO
O sistema completo de refrigeração contém um reservatório localizado na parte traseira da
máquina.Estesistemaéusadoparaesfriarasferramentasdecorteea   peça-obraduranteausinagem,
além de limpar a área de usinagem contra os cavacos. Ao iniciar o turno de trabalho, verifique o nível
do óleo no visor do reservatório e se necessário, acrescente óleo de mesmas características.
Para evitar contaminação do fluido de corte, obstrução e outros problemas, atente para uma
limpeza frequente, a qual dependerá do tipo de cavacos produzidos durante a usinagem.
A primeira limpeza deve ser feita após 360 horas de operação.
Bujão para
escoamento
Tampa do Cesto
Cesto
• Procedimento para limpeza frequente:
- Retire a tampa do cesto;
- Retire o cesto e proceda com a limpeza retirando os resíduos acumulados;
- Para finalizar, recoloque o cesto e a tampa no tanque.
Para limpeza completa do tanque, deve-se retirar o bujão localizado no lado direito inferior do
reservatório afim de escoar todo o líquido refrigerante, retirar as demais tampas e proceder com a
limpeza.
ATENÇÃO!
Para realizar a limpeza do reservatório
a máquina deve estar desligada.
Visor de Nível
ATENÇÃO!
Somente deve ser usado fluido de corte específico para tornos a CNC e deve estar na proporção
de diluição recomendada pelos fornecedores. O uso de fluidos de corte impróprios pode
causar danos à proteção de PVC, aos componentes elétricos e enferrujar os componentes da
máquina.
2 - MANUTENÇÃO GERAL
U07580A	 Manual de Manutenção - Centur 30D / ROMI C420 v4.0	 41
• Procedimento para remoção do tanque:
- Retire a bomba de refrigeração (1);
- Retire a base da bomba (2);
- Retire os parafusos que fixam o tanque nas colunas (3);
- Remova o tanque puxando-o para trás.
Após limpeza do tanque reposicionar o tanque, recolocar os parafusos, a base da bomba e a
bomba de refrigeração.
Para remover o reservatório
puxe-o para trás
1
2
3
3
2 - MANUTENÇÃO GERAL
42	 Manual de Manutenção - Centur 30D / ROMI C420 v5.0	 U07580A
O volume de fluido refrigerante nos reservatórios deve ser controlado através dos visores de
nível. As capacidades citadas acima representam o volume total dos reservatórios.
SISTEMA DE
REFRIGERAÇÃO
TIPO DE ÓLEO CAPACIDADE DO RESERVATÓRIO
Óleo solúvel a base
mineral com 60%
de óleo mineral na
formulação*
Máquina 500mm 80 Litros
Máquina 1000mm 140 Litros
Máquina 500mm com transportador 115 Litros
Máquina 1000mm com transportador 180 Litros
ADVERTÊNCIAS
Não deposite cavacos e óleo refrigerante em lugares impróprios.
O depósito de cavacos e de óleo refrigerante deve ser feito por pessoal treinado e obedecer
aos procedimentos indicados pelas leis ambientais locais.
Não execute qualquer operação ou trabalho de manutenção, antes de ler cuidadosamente o
manual da motobomba que acompanha a máquina.
ATENÇÃO!
O líquido refrigerante deve ser compatível com o óleo utilizado na lubrificação, ou seja,
deve apresentar um bom comportamento de desemulsificação com o mesmo.
Danos causados pela utilização de líquidos refrigerante inadequados ou impuros não estão
abrangidos pela nossa garantia.
2 - MANUTENÇÃO GERAL
(*) Fluido de corte inerte, com características de bioestabilidade, antiespumante e compatibilidade com os materiais
internos, como borrachas, acrílicos, lubrifi cantes, graxas e seus diversos metais, evitando corrosão e alterações nos
seus materiais.
U07580A	 Manual de Manutenção - Centur 30D / ROMI C420 v4.0	 43
2 - MANUTENÇÃO GERAL
2.12.	 TRANSPORTADOR DE CAVACOS (ACESSÓRIO)
O transportador de esteira de arraste deve ser usado para cavacos finos; já o transportador de
esteira articulada para cavacos longos e/ou emaranhados provenientes de processos de usinagem
com ou sem líquidos de refrigeração.
ATENÇÃO!
Para maiores informações sobre o transportador de
cavacosdeve-seconsultaromanualqueacompanha
o acessório.
Proteção do
Motoredutor
Botão de
Emergência
Deve-se executar uma manutenção periódica no motoredutor do transportador, verificando a
limpeza das aberturas de ar, bem como o controle regular do lubrificante e a troca do mesmo, que
dependerá das horas de serviço e da temperatura operacional.
Para verificar o procedimento de limpeza e o tempo para troca do lubrificante deve-se consultar
o manual que acompanha o acessório.
O reservatório do transportador deve ser periodicamente verificado quanto a presença de
sedimentos. Quando necessário, deve ser limpo. A periodicidade da inspeção determina-se em
função das condições de trabalho existentes no local de uso.
Para realizar a manutenção periódica, é necessário retirar a proteção do motoredutor.
Observe que para qualquer ação é necessário que o transportador esteja desligado.
Parasituaçõesdeemergênciaduranteaoperaçãodotransportador,obotãodeemergência
indicado acima deve ser acionado, o que interromperá a ação.
44	 Manual de Manutenção - Centur 30D / ROMI C420 v5.0	 U07580A
2 - MANUTENÇÃO GERAL
• Procedimento para remoção:
	 - 	 Puxe o transportador e o tanque para trás;
	 - 	 Solte os parafusos (1) e movimente as chapas (2) através dos oblongos a fim de liberar o
transportador de cavacos;
	 - 	 Retire o transportador puxando-o para cima;
Após limpeza, reposicione o transportador e as chapas (2) e depois reaperte os parafusos.
Emseguida,empurreotransportadorparabaixodamáquinaatéqueoslimitadores(3)encostem
nas colunas.
Soltar os parafusos dos dois
lados do transportador
3
3
2
Figura ilustrativa
U07580A	 Manual de Manutenção - Centur 30D / ROMI C420 v4.0	 45
2.13.	CONECTORES DAREFRIGERAÇÃO E TRANSPORTADOR
DE CAVACOS
Conector da
Refrigeração
Conector do
Transportador
de Cavacos
Não desligue ou ligue os conectores da Refrigeração e/ou do Transportador de Cavacos
enquanto a Chave Geral estiver na posição ON (ligada). Preste atenção quando inserir ou
extrair os conectores. Assegure-se de que eles não estejam molhados quando manuseá-los.
Há riscos de choque elétrico.
Se qualquer dispositivo for removido ou não instalado, certifique-se de que a tampa dos
conectores esteja no lugar.
A voltagem principal presente nesses conectores é de 380VCA. O sinal de comando
usado no conector do Transportador de Cavacos é de 24VCC.
Nunca conecte qualquer outro dispositivo além da Bomba de Refrigeração e do Transportador
de Cavacos especificados para esta máquina, sob pena de causar sérios danos à máquina/
dispositivo e ao operador.
Mantenha a área desses dois conectores sempre limpa e livre de qualquer obstrução.
2 - MANUTENÇÃO GERAL
Figura ilustrativa
46	 Manual de Manutenção - Centur 30D / ROMI C420 v5.0	 U07580A
2 - MANUTENÇÃO GERAL
2.14.	 ABASTECIMENTO DOS SISTEMAS
Localização desta tabela na máquina:
PLANO DE LUBRIFICAÇÃO - CENTUR 30D
TIPOS DE ÓLEO
SISTEMA DE
LUBRIFICAÇÃO
AUTOMÁTICA
LUBRIFICADOR DO
SISTEMA
PNEUMÁTICO
LUBRIFICAÇÃO
MANUAL DO
CABEÇOTE MÓVEL
LUBRIFICAÇÃO
MANUAL
DA PLACA
1
2
3
4
ISO VG 68
DIN 51502 CG-LP
ISO VG 10
DIN 51502 CL-Hl
ISO VG 68
DIN 51502 CG-LP
GRAXA
MOLYKOTE TP-42
1,8 LITROS
50 ml
N.A.
N.A.
1,5 CC / INJEÇÃO
1 GOTA / 5
ATIVAÇÕES
3 APLICAÇÕES
3 APLICAÇÕES
100 HORAS
(MAX.)
VERIFICAÇÁO
SEMANAL
8 HORAS
8 HORAS
A CADA
12 MESES
A CADA
6 MESES
N.A.
N.A.
A CADA
12 MESES
N.A.
N.A.
N.A.
VOLUME DO
RESERVATÓRIO
AJUSTE DO
SISTEMA /
APLICAÇÃO
PERÍODO DE
ABASTECIMENTO
SUBSTITIÇÃO/
LIMPEZA DO
RESERVATÓRIO
VERIFICAÇÃO
DOS
DOSADORES
SISTEMA DE
REFRIGERAÇÃO
5
FLUIDO COM
MÍNIMO DE 60% DE
ÓLEO MINERAL
63 LITROS (0,5m)
110 LITROS (1,0m)
N.A.
CONFORME
NECESSÁRIO
MENSAL N.A.
S97463
ATENÇÃO!
ESPECIFICAÇÕES PARA CORES:
PRETO: PANTONE PROCESS BLACK C (PADRÃO L77217)
AMARELO: PANTONE 116C (PADRÃO L77203)
ESPECIFICAÇÕES PARA CONFECÇÃO
• IMPRESSO PELO VERSO TIPO SERIGRAFIA
• COM ADESIVO NA FACE TRASEIRA
• ACABAMENTO TEXTURIZADO
Nº S9746
1:1
-
APLICAÇÃO
363-196
Nº REF. MODELO
-
REFERÊNCIA
S61973
1/1
PROJEÇÃOFOLHA
ESCALA
T. TÉRM.
09.05.2008
09.05.2008
09.05.2008
ADELSON
RASERA
ADELSON
PROJETADO
MATERIAL
DESCRIÇÃO
DESENHADO
CONTROLAD
POLICARBONATO esp0,25mm
TABELA (P) DE PLANO DE LUBRIFICAÇÃO CT30D-V3.0
TOLERÂNCIA
PARA MEDIDAS
ANGULARES DE
CHANFROS
SEM INDICAÇÃO
± 3º
±10º
±5º
 400
TOLERÂNC. PARA MEDIDAS ANGULARES SEM INDICAÇÃO
±15º±25º
 30
 6
 30
 3
 6
 3
MEDIDA
ESPECIFIC.
± 2.0± 1.0± 0.5± 0.5USINADA
± 4.0± 2.0± 1.0± 0.5NÃO USINADA
±55º±1º30'
±10º±20º±30º±1º
 120
 400
 50
 120
 10
 50
 10
NÃO USINADA
USINADA
MEDIDA LADO
MENOR DO ANG
TOL.(mm) P/ CHANFROS/RAIOS SEM INDIC.
TOLERÂNCIAS (mm) PARA MEDIDAS LINEARES SEM INDICAÇÃO
± 5± 4± 3± 2± 1.5± 0.8± 0.5± 0.2NÃO USINADA
± 3± 2± 1.5± 0.8± 0.5± 0.3± 0.2± 0.1USINADA
 4000
 2000
 4000
 1000
 2000
 400
 1000
 120
 400
 30
 120
 6
 30
 6
MEDIDA
ESPECIFIC.
ED. MODIFICACAO MODIF. APROV. DATA
ATENÇÃO!
PARA O DESENHO DA TABELA PODERÁ SER
SOLICITADO AO SEP16 UMA CÓPIA
ELETRONICA DO ARQUIVO
VISTA PARA REPRODUÇÃO
PLANO DE LUBRIFICAÇÃO - CENTUR 30D
TIPOS DE ÓLEO
SISTEMA DE
LUBRIFICAÇÃO
AUTOMÁTICA
LUBRIFICADOR DO
SISTEMA
PNEUMÁTICO
LUBRIFICAÇÃO
MANUAL DO
CABEÇOTE MÓVEL
LUBRIFICAÇÃO
MANUAL
DA PLACA
1
2
3
4
ISO VG 68
DIN 51502 CG-LP
ISO VG 10
DIN 51502 CL-Hl
ISO VG 68
DIN 51502 CG-LP
GRAXA
MOLYKOTE TP-42
1,8 LITROS
50 ml
N.A.
N.A.
1,5 CC / INJEÇÃO
1 GOTA / 5
ATIVAÇÕES
3 APLICAÇÕES
3 APLICAÇÕES
100 HORAS
(MAX.)
VERIFICAÇÁO
SEMANAL
8 HORAS
8 HORAS
A CADA
12 MESES
A CADA
6 MESES
N.A.
N.A.
A CADA
12 MESES
N.A.
N.A.
N.A.
VOLUME DO
RESERVATÓRIO
AJUSTE DO
SISTEMA /
APLICAÇÃO
PERÍODO DE
ABASTECIMENTO
SUBSTITIÇÃO/
LIMPEZA DO
RESERVATÓRIO
VERIFICAÇÃO
DOS
DOSADORES
SISTEMA DE
REFRIGERAÇÃO
5
FLUIDO COM
MÍNIMO DE 60% DE
ÓLEO MINERAL
63 LITROS (0,5m)
110 LITROS (1,0m)
N.A.
CONFORME
NECESSÁRIO
MENSAL N.A.
S97463
ATENÇÃO!
VISTA PARA DIMENSIONAMENTO
FUNDO AMARELO
! EM PRETO
172,0
180,0
150,0
158,0
FUNDO PRETO
LETRAS EM AMARELO
NÚMERO CHAVE EM PRETO
FIGURA EM PRETO
FUNDO AMARELO
DESENHOS EM PRETO
TABELA EM PRETO COM FUNDO AMARELO
Para maiores informações consultar Manual de Manutenção
*
*Exceto para Cabe ote Movel Hidráulico ou Pneumáticoç
*
Para maiores informações consultar Manual de Manutenção*Exceto para Cabe ote Movel Hidráulico ou Pneumáticoç
PLANO DE LUBRIFICAÇÃO - CENTUR 30D
TIPOS DE ÓLEO
SISTEMA DE
LUBRIFICAÇÃO
AUTOMÁTICA
LUBRIFICADOR DO
SISTEMA
PNEUMÁTICO
LUBRIFICAÇÃO
MANUAL DO
CABEÇOTE MÓVEL
LUBRIFICAÇÃO
MANUAL
DA PLACA
1
2
3
4
ISO VG 68
DIN 51502 CG-LP
ISO VG 10
DIN 51502 CL-Hl
ISO VG 68
DIN 51502 CG-LP
GRAXA
MOLYKOTE TP-42
1,8 LITROS
50 ml
N.A.
N.A.
1,5 CC / INJEÇÃO
1 GOTA / 5
ATIVAÇÕES
3 APLICAÇÕES
3 APLICAÇÕES
100 HORAS
(MAX.)
VERIFICAÇÁO
SEMANAL
8 HORAS
8 HORAS
A CADA
12 MESES
A CADA
6 MESES
N.A.
N.A.
A CADA
12 MESES
N.A.
N.A.
N.A.
VOLUME DO
RESERVATÓRIO
AJUSTE DO
SISTEMA /
APLICAÇÃO
PERÍODO DE
ABASTECIMENTO
SUBSTITIÇÃO/
LIMPEZA DO
RESERVATÓRIO
VERIFICAÇÃO
DOS
DOSADORES
SISTEMA DE
REFRIGERAÇÃO
5
FLUIDO COM
MÍNIMO DE 60% DE
ÓLEO MINERAL
63 LITROS (0,5m)
110 LITROS (1,0m)
N.A.
CONFORME
NECESSÁRIO
MENSAL N.A.
S97463
ATENÇÃO!
Para maiores informações consultar Manual de Manutenção
*
*Exceto para Cabe ote Movel Hidráulico ou Pneumáticoç
80 LITROS (0,5m)
140 LITROS (1,0m)
80 LITROS (0,5m)
140 LITROS (1,0m)
U07580A	 Manual de Manutenção - Centur 30D / ROMI C420 v4.0	 47
2.16.	 LIMPADORES DE CAVACOS
A longa vida útil das guias da máquina depende diretamente do cuidado e manutenção
dos limpadores. Se os limpadores estiverem danificados, partículas podem obstruir os pontos de
lubrificação, causando sério desgaste às guias retificadas do barramento. Por isso, os limpadores
devem ser verificados regularmente e substituídos, se estiverem danificados.
Limpadores da Mesa
(4x)
Limpador do Suporte
Transversal
Limpador da Manga
2.15.	 RUÍDO E AQUECIMENTO ANORMAIS
Preste muita atenção a ruídos estranhos durante a operação. Ruídos podem indicar problemas
que, se verificados imediatamente, poderão evitar a parada da máquina.
Do mesmo modo, aquecimento anormal de qualquer parte do equipamento pode indicar
problemas que podem causar a parada parcial ou total da máquina.
2 - MANUTENÇÃO GERAL
48	 Manual de Manutenção - Centur 30D / ROMI C420 v5.0	 U07580A
2 - MANUTENÇÃO GERAL
2.17.	LUMINÁRIA
A luminária consiste basicamente de um reator, soquetes e lâmpadas fluorescentes e é fixada
na parte superior da cobertura traseira.
Assim, a tampa da cobertura traseira deve ser retirada para manutenção no reator ou troca
de lâmpada.
Manual de Manutenção
S61676D 35Centur 30D
Calha da Luminária
Não tente acessar a luminária enquanto a
máquina estiver energizada.
Certifique-se de que a energia esteja cortada
antes de substituir as lâmpadas.
Especificações:
Reator
Tipo Fluorescente
Voltagem 220V
Freqüência 50 / 60Hz
Potência
30W (Máquina 500mm)
32W (Máquina 1000mm)
Reator Partida Rápida
U07580A	 Manual de Manutenção - Centur 30D / ROMI C420 v4.0	 49
2 - MANUTENÇÃO GERAL
2.18.	 VISOR DA PORTA
2.18.1.	 Procedimentos para Substituição
O visor da porta frontal é fixado por meio de moldura metálica parafusada do lado interno da
porta.
O visor é composto por uma camada de proteção de policarbonato. Em caso de substituição do
mesmo, deve-se atentar para a correta posição de montagem. Utilize como referência a logomarca
“ROMI” gravada no visor, a qual deve ser posicionada de frente para o operador da máquina.
Visor da porta
Figura ilustrativa
50	 Manual de Manutenção - Centur 30D / ROMI C420 v5.0	 U07580A
2 - MANUTENÇÃO GERAL
2.19.	 AR CONDICIONADO PARA PAINEL ELÉTRICO (ACESSÓRIO)
O ar condicionado para painel elétrico foi desenvolvido e
contruído para dissipar o calor ou refrigerar o ar interno do
painel mantendo-o no máximo 40ºC, protegendo assim os
elementos sensíveis às variações de temperaturas.
O ar condicionado é indicado para temperatura ambiente de
+40ºC a +55ºC.
Limpeza frequente:
Deve ser feita utilizando ar comprimido.
Esteira filtrante:
Autilizaçãodeumaesteirafiltrantesósefaznecessárioquando
o ar do ambiente de trabalho for muito impuro, evitando assim
que o condensador se obstrua.
Para verificar o procedimento de troca da esteira filtrante favor
consultar o manual que acompanha o acessório.
ATENÇÃO!
Antes de realizar qualquer trabalho de manutenção o ar condicionado deve estar desligado.
ATENÇÃO!
Para maiores informações sobre o ar condicionado
deve-se consultar o manual que acompanha o
acessório.
Este aparelho possui um filtro de ar metálico localizado do lado interno da tampa traseira, o
qual deve ser limpo periodicamente  de acordo com o ambiente em que a máquina está exposta.
Inicie a limpeza do filtro semanalmente e altere a periodicidade de acordo com o volume de
sujeira encontrado.
Procedimento para limpeza:
•	 Retire a tampa, a qual é encaixada nas extremidades do aparelho. Note que devido à
fiação não é possível afastar a tampa mais que 30 cm do aparelho;
•	 Retire o filtro localizado atrás da tampa e limpe-o com ar comprimido;
•	 Se necessário, limpe as partes internas do aparelho.
	 Para verificar o direcionamento do ar dentro do painel elétrico, verifique o capítulo Painel
Elétrico - área de ventilação.
2.19.1.	 Manutenção Preventiva
•	 Limpeza Periódica:
U07580A	 Manual de Manutenção - Centur 30D / ROMI C420 v4.0	 51
2 - MANUTENÇÃO GERAL
2.20.	 INDEXADOR DE 72 POSIÇÕES (ACESSÓRIO)
A finalidade do indexador é assegurar o plano de usinagem pré-determinado pelo comando
com indexação de 5 em 5 graus (72 posições).
O kit pneumático para indexador poderá ter diversas configurações dependendo dos opcionais
(placas) que compõe a máquina.
Para verificar a manutenção do kit deve-se consultar o capítulo: Sistemas Pneumáticos.
Indexador
Kit Pneumático
Válvula pneumática do indexador
52	 Manual de Manutenção - Centur 30D / ROMI C420 v5.0	 U07580A
2 - MANUTENÇÃO GERAL
Em caso de substituição do sensor inferior (2), deve-se adotar o seguinte procedimento:
• Recue o pistão (1) - Sistema de Indexação destravado.
• Solte os parafusos que fixam o sensor em seu suporte.
• Substitua o sensor danificado.
• Mova o sensor (2) para cima até o LED se acender, e nesta posição, aperte os parafusos de fixação.
Entrada de ar do
indexador
A atuação do pistão é realizada pneumaticamente, e o retorno ocorre por um sistema de
mola.
1
2
O monitoramento deste sistema é realizado por dois sensores pré-regulados de fábrica e que
não precisam de ajustes:
U07580A	 Manual de Manutenção - Centur 30D / ROMI C420 v4.0	 53
ATENÇÃO!
Os dois sensores nunca deverão estar ligados / desligados ao mesmo
tempo.
Neste caso, deve-se proceder novamente com os procedimentos indicados
anteriormente.
• Avance o pistão (1) - Sistema de Indexação travado.
• Solte os parafusos que fixam o sensor em seu suporte.
• Substitua o sensor danificado.
• Mova o sensor (3) para frente até o LED se acender, e nesta posição, aperte os parafusos de fixação.
Em caso de substituição do sensor lateral (3), deve-se adotar o seguinte procedimento:
3
1
2 - MANUTENÇÃO GERAL
54	 Manual de Manutenção - Centur 30D / ROMI C420 v5.0	 U07580A
Comercialização: São Paulo - SP
Rua Coriolano, 710
05.047 - 900
São Paulo - SP - Brasil
Telefone (11) 3873-3388
Fax (11) 3865-9510
Internet: www.romi.com.br
E-mail:maqfer@romi.com.br
Indústrias Romi S.A.
Matriz
Av. Pérola Byington, 56
13.453-900
Santa Bárbara d'Oeste- SP - Brasil
Telefone +55 19 3455-9000
Fax +55 19 3455-2499
S75849A
Manual de
Instruções
Skimmer
Separador de
Óleo/Refrigerante
2.21.	 SEPARADOR DE ÓLEO / SKIMMER (ACESSÓRIO)
A limpeza e manutenção do equipamento garante um bom funcionamento e uma vida mais longa.
Evite o uso de solventes que contenham dicloroetano, metileno clorídico ou acetona para limpeza.
Mantenha a área de trabalho limpa e organizada para evitar acidentes.
ATENÇÃO
Certifique que o Skimmer esteja desligado ao efetuar qualquer intervenção.
2
1
4
5
3
IDENTIFICAÇÃO DAS PEÇAS EM CASO DE SUBSTITUIÇÃO:
Figura ilustrativa
ATENÇÃO!
Odescarteinadequadodosresíduospodemcontaminar
oAmbiente, portando, deve-se seguir as determinações
locais, estaduais, federais.
Para maiores informações sobre o skimmer favor
consultar o manual que acompanha o acessório.
Comercialização: São Paulo - SP
Rua Coriolano, 710
05.047
- 900
São Paulo - SP - Brasil
Telefone
(11) 3873-3388
Fax
(11) 3865-9510
Internet: ww
w.romi.com
.br
E-mail:maqfer@romi.com
.br
Indústrias
Romi S.A.
Matriz
Av. Pérola Byington, 56
13.453-900
Santa Bárbara d'Oeste- SP -Brasil
Telefone
+55 19
3455-9000
Fax
+55 19
3455-2499
S75849A
Manual de
Instruções
Skimmer
Separador de
Óleo/Refrigerante
•	 Raspador (1)
•	 Caixa frontal (2)
•	 Pino rotativo (3)
•	 Correia (4)
•	 Polia movida (5)
NOTA:
O cliente deverá providenciar um
recipiente para coleta de resíduos.
Recipiente
2 - MANUTENÇÃO GERAL
U07580A	 Manual de Manutenção - Centur 30D / ROMI C420 v4.0	 55
2.22.	 TORRE ELÉTRICA HORIZONTAL (ACESSÓRIO)
A torre porta-ferramentas consiste essencialmente de uma carcaça contendo os componentes
operacionais, fixada firmemente na mesa da máquina ou parte equivalente.
A parte frontal da carcaça é provida de um Disco Porta-Ferramentas. Suportes de ferramentas
ou similares podem ser fixados neste disco, que possui uma característica centrante e roscas de
fixação.
Usando-se um acoplamento de três peças com dentes frontais, nenhum deslocamento axial
do disco ocorre durante o travamento e o destravamento.
Os movimentos de rotação e de travamento são executados por um motor trifásico localizado
na parte posterior da carcaça.
Umaconexãoparaóleorefrigerantepermitealimentaçãodiretadoóleoparadentrodocarregador
de ferramentas.
Os componentes elétricos estão sob uma tampa protetora na parte posterior da torre. A torre
é impermeável.
IMPORTANTE
Não execute qualquer operação ou trabalho de
manutenção, antes de ler cuidadosamente o
manual da torre que acompanha a máquina.
Nanecessidadedetransporte/elevaçãodatorre
elétricautilizeolhaisdesuspensão,dispositivos
e métodos seguros.
Motor
Tampa protetora
Carcaça
Entrada de refrigerante
Saída de refrigerante
Disco
Olhal
Manual de
Instruções
Torre Elétrica
Horizontal
8 posições
S47568A
Indústrias Romi S.A.
Matriz
Av. Pérola Byington, 56
13.453-900
Santa Bárbara d'Oeste- SP - Brasil
Telefone +55 19 3455-9000
Fax +55 19 3455-2499
Comercialização: São Paulo - SP
Rua Coriolano, 710
05.047 - 900 São Paulo - SP - Brasil
Telefone (11) 3873-3388
Fax (11) 3865-9510
Internet: www.romi.com.br
E-mail:maqfer@romi.com.br
Manual de
Instruções
Torre Elétrica
Horizontal
8 posições
S47568A
Indústrias
Romi S.A.
Matriz
Av. Pérola Byington, 56
13.453-900
Santa Bárbara d'Oeste- SP -Brasil
Telefone
+55 19
3455-9000
Fax
+55 19
3455-2499
Comercialização: São Paulo - SP
Rua Coriolano, 710
05.047
- 900 São Paulo - SP - Brasil
Telefone
(11) 3873-3388
Fax
(11) 3865-9510
Internet: ww
w.romi.com
.br
E-mail:maqfer@romi.com
.br
2 - MANUTENÇÃO GERAL
56	 Manual de Manutenção - Centur 30D / ROMI C420 v5.0	 U07580A
2.23.	 TRAVA ELÉTRICA DE SEGURANÇA
A máquina é equipada com trava elétrica de segurança na porta principal e segunda porta.
O destravamento elétrico somente é realizado com a máquina energizada, liberando a abertura
da porta.
Na necessidade de abertura da porta com a máquina desenergizada e travada, deve-se seguir
o procedimento abaixo:
	 1- 	Soltar o parafuso de trava metálico (1) até que a chave de liberação mecânica (2) esteja livre.
	 	 Nota: O parafuso (1) possui um lacre que será rompido quando solto.
	
	 2- 	Girar a chave de liberação mecânica (2) no sentido horário para a posição do cadeado aberto
(180º) observando a indicação da seta. Nesta posição a trava de segurança fica liberada, permitindo
a abertura da porta.
	 3-	 Após término da intervenção, girar a chave de liberação mecânica (2) no sentido anti-horário para
a posição do cadeado fechado (180º) observando a indicação da seta.
	 4-	 Apertar o parafuso de trava metálico (1) e lacrar novamente.
NOTA: 	 Se houver a energização da máquina com o acionamento de trava na posição liberado (cadeado
aberto), não será possível eliminar o estado de emergência da máquina, devido a trava elétrica
de segurança gerar um sinal de falha, mantendo assim o estado de segurança.
2 - MANUTENÇÃO GERAL
1
2
D
estravaTrava
U07580A	 Manual de Manutenção - Centur 30D / ROMI C420 v4.0	 57
2.24.	 LIGAÇÃO RS232 E TOMADA DE ENERGIA ELÉTRICA
Não desconecte ou conecte o cabo serial RS-232 sem desligar a chave geral da máquina. De outro
modo, a porta serial poderá ser danificada.
Não utilize alimentação de outro equipamento, quando o cabo serial estiver conectado à máquina.
Esta ação pode danificar a porta serial do CNC. Utilize sempre a alimentação da máquina à qual
esteja conectado.
Deve-se tomar muito cuidado quando conectar qualquer instrumento na tomada de energia
elétrica.
Certifique-se de que o instrumento conectado na tomada de energia não exceda a corrente liberada
pela tomada.
Certifique-se de que o instrumento esteja ajustado para a voltagem da tomada de energia
elétrica.
Voltagem está sempre presente na tomada enquanto a chave geral está ligada. Deve-se tomar
cuidado antes de conectar qualquer instrumento na tomada.
Não conecte qualquer instrumento além daqueles indicados para o uso.
VOLTAGEM 220VCA
CORRENTE (Máxima) 1A
2 - MANUTENÇÃO GERAL
SXXXXX Programação e Operação - Centur 30D V3.0 19
1. PAINEL DE OPERAÇÃO
Porta RS232
Tomada de Energía
58	 Manual de Manutenção - Centur 30D / ROMI C420 v5.0	 U07580A
2 - MANUTENÇÃO GERAL
2.25.	 PAINEL ELÉTRICO – ÁREA DE VENTILAÇÃO
Sempre desligue a Chave Geral antes de se ter acesso a esta área, observando os
procedimentos de segurança em instalações e serviços em eletricidade.
É mandatário a limpeza/substituição periódica do filtro de ventilação, o tempo para
limpeza do filtro deve ser avaliado conforme o ambiente de trabalho onde a máquina
está instalada, sendo necessário que o cliente avalie em quanto tempo se faz necessária
a limpeza do filtro. E este tempo pode ser alterado na tela Customer do CNC (valor
padrão 192 horas), alertando o cliente de maneira eficaz sempre da periodicidade de
troca do filtro (manutenção preventiva).Após a contagem deste tempo ocorrerá o alarme:
Verificar limpeza dos filtros do painel elétrico.
Ao trocar o filtro atentar-se para que a espuma de vedação esteja devidamente fixada
na estrutura metálica do filtro. Para solicitar este filtro a Romi, favor verificar o código no
Catálogo de Peças (ver Capítulo Chaparia).
Nunca deixe o painel ligado sem o filtro na captação de ar.
Verificarsetodasaspartesreferentesaoconjuntopainelelétricoencontram-sedevidamente
encaixadas e vedadas, o interior do painel elétrico deve ser um local limpo, portanto, se
nas verificações periódicas for encontrado sujeira no mesmo, esta deve ser removida.
IMPORTANTE
O Painel de Comando e o Gabinete Elétrico foram projetados de forma otimizada visando
ocuparpequenoespaçovolumétriconolayoutdamáquina,alémdeteremcomocaracterística
grau de proteção IP54, portanto, para evitar qualquer tipo de dano aos componentes eletro-
eletrônicos não deve-se instalar qualquer tipo de equipamento nestes conjuntos.
A Romi entende que para a instalação de qualquer tipo de equipamento, são necessárias
operações de furação e rosqueamento na Caixa Painel de Comando e/ou Gabinete
Elétrico, possibilitando infiltração de limalhas e pequenos cavacos, além de alterar o grau
de proteção, promovendo assim, a contaminação e consequentemente, comprometendo o
bom funcionamento da máquina.
Atenção: 	
A Romi não se responsabilizará pelos danos ocorridos devido a mudanças nestes
conjuntos.
U07580A	 Manual de Manutenção - Centur 30D / ROMI C420 v4.0	 59
		
2.26.	 VERIFICAÇÃO DE TODAS AS LIGAÇÕES ELÉTRICAS
Desligue sempre a Chave Geral antes de acessar o gabinete elétrico.
Nunca tente acessar qualquer componente dentro do gabinete enquanto a máquina estiver energizada.
Há riscos de sérios acidentes.
Certifique-se de que os procedimentos corretos para ligação elétricas foram obedecidos antes de energizar
a máquina pela primeira vez.
É altamente recomendável que todas as ligações elétricas sejam verificadas e apertadas
novamente, usando ferramenta correta, durante o procedimento de instalação da máquina. Verifique
sempre a fiação ou ligações soltas. Verifique todos os conectores usados.  Recomenda-se verificar
os componentes soltos dentro ou fora do gabinete elétrico.
2 - MANUTENÇÃO GERAL
2.27.	 TORQUE PARA AJUSTE DOS SENSORES
Alguns conjuntos da máquina, tais
como placa e cabeçote móvel, estão
equipadoscomsensoresdeproximidade.
Quando necessário alguma manutenção
ou substituição destes sensores, favor
observar na planilha abaixo o torque
máximorecomendadoparacadadiâmetro
de sensor:
Bucha de Fixação
Porca da Bucha
Sensor
Anel de Pressão
Porca
Sensor
com rosca
metálica
Torque (Nm)
Observações
M5 1,5
M8
6 rosca em corpo de latão
15 rosca em corpo de aço
M12
15 sem bucha de fixação (porca rosqueada no sensor)
20 com bucha de
fixação
na porca da bucha
1,5 na porca de travamento do sensor
M18 40
M30 40
60	 Manual de Manutenção - Centur 30D / ROMI C420 v5.0	 U07580A
2 - MANUTENÇÃO GERAL
2.28.	 TABELA DE MANUTENÇÃO PREVENTIVA
NOTA
Esta tabela tem por objetivo orientar o usuário da máquina sobre os principais componentes
que devem ser inspecionados periodicamente.
A periodicidade recomendada deverá ser reduzida de acordo com a severidade do ambiente e
dascondiçõesdetrabalhoemqueamáquinaestejaexposta.Estahipótesedeverá  seranalisada
pelo departamento de manutenção por meio de um acompanhamento do funcionamento e das
condições dos componentes internos da máquina.
Período
ITENS A SEREM INSPECIONADOS PELO OPERADOR
Diário
Semanal
Quinzenal
Mensal
Pré aquecer a máquina
Verificar nível do óleo lubrificante / hidráulico
Inspecionar filtro de lubrificação
Limpar filtros (tela) do tanque de fluído refrigerante
Retirar excessos de cavacos da área de usinagem
Verificar vazamentos no sistema de lubrificação
Verificar vazamentos no sistema de refrigeração
Verificar vazamentos no sistema hidráulico
Limpar visor da porta
Engraxar placa (consulte manual da placa) (acessório)
Lubrificar a manga do cabeçote móvel (acessório)
Inspecionar o coletor dos cilindros VNK (acessório)
Inspecionar raspadores de cavacos
Verificar nível e qualidade de fluido refrigerante
Inspecionar filtro e filtro regulador do sistema pneumático
Inspecionar lubrificador do sistema pneumático
Limpar o painel de operação externamente
Limpar filtros e ventiladores do painel elétrico
Inspecionar manômetros e mangueiras do sistema pneumático
Inspecionar a lubrificação e ajustar o gotejamento (se necessário) do sistema pneumático
Inspecionar filtro de sucção da unidade hidráulica
Limpar tanque de refrigeração (1ª limpeza após 360 horas)
Inspecionar conexões/mangueiras/válvulas/cilindros do sistema pneumático em relação a vazamentos
Limpar elementos filtrantes e os copos do filtro do sistema pneumático
U07580A	 Manual de Manutenção - Centur 30D / ROMI C420 v4.0	 61
Período
ITENS A SEREM INSPECIONADOS POR TÉCNICOS QUALIFICADOS
Semanal
Mensal
Trimestral
Semestral
Anual
2,5anos
Limpar filtro do aparelho de ar condicionado (acessório)
Inspecionar lubrificação das guias e fusos
Inspecionar funcionamento dos ventiladores dos acionamentos
Inspecionar raspadores de cavacos
Inspecionar regulagem das sapatas de deslizamento da placa pneumática cilindro incorporado
Inspecionar a retenção de ar dentro do cilindro da placa pneumática
Substituição do elemento filtrante do filtro de linha da unidade hidráulica (2000 hs)
Inspecionar e limpar área do cabeçote (correia, polias, sensores)
Inspecionar tubulação e dosadores do sistema de lubrificação
Inspecionar desgaste das buchas dos mancais do cilindro (sistema pneumático)
Verificação do alinhamento do cabeçote móvel (4000 hs)
Inspecionar a válvula de refrigeração da torre (4000 hs)
Inspecionar o óleo lubrificante das engrenagens da torre (4000 hs)
Inspecionar e limpar trocador de calor da Unidade hidráulica
Inspecionar correias dentadas dos eixos X e Z (4000 hs)
Inspecionar a correia do motor principal
Inspecionar e limpar o ventilador do motor principal (4000 hs)
Executar limpeza interna do painel elétrico
Inspecionar nivelamento da máquina
Desmontar e limpar placa (consulte manual da placa)
Verificar folga dos eixos (régua cônica / fusos)
Lubrificar esteira transportadora do transportador de cavacos (*)
Inspecionar o ruído / vibração dos rolamentos do motor principal
Inspecionar e limpar filtro da unidade hidráulica (*)
Inspecionar válvulas de segurança do cilindro (consulte manual do cilindro)
Inspecionar rolamentos do eixo árvore (ruído)
Substituir as unidades de fluxo do sistema de lubrificação
Substituir filtro de linha e filtro de sucção do sistema de lubrificação
Trocar o óleo lubrificante das engrenagens da torre (8000 hs)
Reapertar fiação do painel elétrico
Trocar óleo da unidade hidráulica (1ª troca após 3 meses) (*)
Inspecionar e limpar o trocador de calor da unidade hidráulica
Inspecionar conexões elétricas e desgaste mecânico da torre
Inspecionar e lubrificar os rolamentos dos eixos X e Z (10000 hs)
(*)= Considerando um turno de 16 horas / 5 dias por semana
2 - MANUTENÇÃO GERAL

305155636 manual-de-manutencao-romi

  • 1.
  • 2.
    U07580A Manual deManutenção - Centur 30D / ROMI C420 v5.0 MANUAL DE MANUTENÇÃO Índice Capítulo 1 INTRODUÇÃO_____________________________________ 1 1.1. Público Alvo do Manual de Manutenção........................................................................................2 1.2. Observação Geral..........................................................................................................................2 Capítulo 2 MANUTENÇÃO GERAL______________________________ 3 2.1. Banco.............................................................................................................................................4 2.1.1. Nivelamento...................................................................................................................................... 5 2.1.1.1. Ajuste Transversal................................................................................................................ 6 2.1.1.2. Ajuste Longitudinal............................................................................................................... 6 2.2. Cabeçote........................................................................................................................................8 2.2.1. Encoder de Posição.......................................................................................................................... 8 2.2.2. Lubrificação....................................................................................................................................... 9 2.2.3. Alinhamento...................................................................................................................................... 9 2.2.3.1. Verificação do alinhamento utilizando haste usinada..................................................... 9 2.2.3.2. Procedimentos para o alinhamento do cabeçote.......................................................... 10 2.2.4. Levantamento e Transporte do Cabeçote........................................................................................11 2.3. Cabeçote Móvel...........................................................................................................................12 2.3.1. Alinhamento.................................................................................................................................... 12 2.3.2. Alinhamento utilizando haste usinada............................................................................................. 13 2.3.3. Acesso ao cabeçote móvel............................................................................................................. 13 2.4. Mesa e Suporte Transversal........................................................................................................14 2.4.1. Operação da Mesa (Eixo Z)............................................................................................................ 14 2.4.1.1. Troca de rolamentos..................................................................................................... 14 2.4.1.2. Graxa............................................................................................................................ 14 2.4.1.3. Ajuste da pré-carga....................................................................................................... 15 2.4.1.4. Procedimento para substituição / ajuste da correia...................................................... 16 2.4.2. Operação do Carro Transversal (Eixo X)........................................................................................ 17 2.4.2.1. Troca de rolamentos..................................................................................................... 17 2.4.2.2. Graxa............................................................................................................................ 18 2.4.2.3. Ajuste da pré-carga....................................................................................................... 18 2.4.2.4. Procedimento para substituição / ajuste da correia...................................................... 19 2.4.3. Guias............................................................................................................................................... 20 2.4.4. Regulagem da régua cônica........................................................................................................... 20 2.4.5. Suporte do ponto de referência - Eixo Z......................................................................................... 22 2.5. Motorização.................................................................................................................................23 2.5.2. Levantamento e Transporte do Motor Elétrico (caso de substituição)............................................ 24 2.6. Sistema de Lubrificação Automática............................................................................................25 2.6.1. Manutenção periódica..................................................................................................................... 26 2.7. Diagrama de Lubrificação das Guias e Fusos.............................................................................30 2.8. Sistema Pneumático (Acessório).................................................................................................31 2.8.1. Cabeçote Móvel e Placa Pneumática............................................................................................. 31 2.9. Diagramas Pneumáticos..............................................................................................................34 2.9.1. Cabeçote Móvel Pneumático.......................................................................................................... 34 2.9.2. Placa Pneumática com Cilindro Incorporado.................................................................................. 34 2.10. Sistema Hidráulico (Acessório)....................................................................................................35 2.10.1. Manutenção Periódica .................................................................................................................. 35 2.10.2. Unidade Hidráulica da placa e do cabeçote móvel (ajustes).......................................................... 37 2.10.3. Diagrama Hidráulico........................................................................................................................ 38 2.10.4. Função dos Componentes da Unidade Hidráulica.......................................................................... 39 2.11. Sistema de Refrigeração.............................................................................................................40 2.12. Transportador de Cavacos (Acessório).......................................................................................43 2.13. Conectores da Refrigeração e Transportador de Cavacos..........................................................45 2.14. Abastecimento dos Sistemas.......................................................................................................46 2.15. Ruído e Aquecimento Anormais...................................................................................................47
  • 3.
    U07580A Manual deManutenção - Centur 30D / ROMI C420 v5.0 MANUAL DE MANUTENÇÃO 2.16. Limpadores de Cavacos..............................................................................................................47 2.17. Luminária.....................................................................................................................................48 2.18. Visor da Porta..............................................................................................................................49 2.18.1. Procedimentos para Substituição................................................................................................... 49 2.19. Ar Condicionado para Painel Elétrico (Acessório).......................................................................50 2.19.1. Manutenção Preventiva.................................................................................................................. 50 2.20. Indexador de 72 posições (Acessório).........................................................................................51 2.21. Separador de Óleo / Skimmer (Acessório)..................................................................................54 2.22. Torre Elétrica Horizontal (Acessório)...........................................................................................55 2.23. Trava Elétrica de Segurança........................................................................................................56 2.24. Ligação RS232 e tomada de energia elétrica..............................................................................57 2.25. Painel Elétrico – Área de Ventilação............................................................................................58 2.26. Verificação de Todas as Ligações Elétricas.................................................................................59 2.27. Torque para Ajuste dos Sensores................................................................................................59 2.28. Tabela de Manutenção Preventiva...............................................................................................60
  • 4.
    U07580A Manual deManutenção - Centur 30D / ROMI C420 v4.0 1 Capítulo 1 INTRODUÇÃO
  • 5.
    2 Manual deManutenção - Centur 30D / ROMI C420 v5.0 U07580A Manual de Manutenção Instruções para: Manutenção Preventiva   Público Alvo: • Técnicos de Manutenção • Técnicos de Inspeção • Técnicos de Reparos 1.1. PÚBLICO ALVO DO MANUAL DE MANUTENÇÃO 1 - INTRODUÇÃO 1.2. OBSERVAÇÃO GERAL IMPORTANTE Todas as operações de manutenção DEVEM SER REALIZADAS COM A MÁQUINA DESLIGADA. Antes de executar qualquer trabalho de manutenção, desligue a máquina pela chave geral e trave-a com um cadeado para evitar sérios acidentes ou danos materiais. Máquina energizada Máquina desligada para atividades de manutenção Chave Geral Colocar o cadeado para travar a chave geral VISTA A A
  • 6.
    U07580A Manual deManutenção - Centur 30D / ROMI C420 v4.0 3 Capítulo 2 MANUTENÇÃO GERAL
  • 7.
    4 Manual deManutenção - Centur 30D / ROMI C420 v5.0 U07580A 2.1. BANCO O conjunto do banco é um grande responsável pela rigidez e, conseqüentemente, pela precisão da máquina. O barramento do torno foi cuidadosamente estudado para obter uma construção simples e sólida. A ilustração abaixo mostra algumas das partes mais importantes deste conjunto. COLUNAS O conjunto do banco, nas versões 500mm e 1000mm entre pontas possui uma coluna grande (A) e uma coluna pequena (B), ambas de ferro fundido que suportam o barramento (C). As colunas são apoiadas no solo por parafusos niveladores (D), sendo quatro na coluna grande (A), dois na coluna pequena (B). BARRAMENTO O barramento (C) também é construído de ferro fundido, muito rígido, para garantir movimento preciso da mesa. As guias do tipo prisma/plano são temperadas e retificadas. O nervuramento foi desenvolvido objetivando conciliar a alta rigidez desejada com uma boa condição de escoamento de cavacos. No entanto, um bom escoamento de cavacos depende do tipo de cavaco que é gerado, e isso depende diretamente do uso do ferramental adequado. LUBRIFICAÇÃO DOS ROLAMENTOS No barramento são fixados dois mancais com rolamentos de alta precisão que sustetam e guiam o fuso de esferas. No mancal dianteiro (lado do cabeçote) são montados dois rolamentos lubrificados com graxa (ISOFLEX NBU-15 - Klüber) que, sob condições normais de operação, durarão por toda a sua vida útil. No mancal traseiro é montado um rolamento blindado, com lubrificação permanente. D B Barramento e Colunas C A 2 - MANUTENÇÃO GERAL
  • 8.
    U07580A Manual deManutenção - Centur 30D / ROMI C420 v4.0 5 2 - MANUTENÇÃO GERAL 2.1.1. Nivelamento Introdução Por exemplo: Se as bolhas se moverem para a área do parafuso 2B (veja figura 2), aperte o parafuso 3A para centralizar as bolhas. Quando ambas as bolhas estiverem centralizadas, a máquina está nivelada. Há uma tolerância para desnível de um para outro lado da máquina, como pode ser observado na tabela: TOLERÂNCIA TRANSVERSAL PERMITIDA NO NIVELAMENTO: 0,03mm/m TOLERÂNCIA LONGITUDINAL PERMITIDA NO NIVELAMENTO VERSÕES 500mm 1000mm Centur 30D 0,02mm 0,02mm a. Ajuste todos os parafusos niveladores, até que eles toquem o solo. b. Use 2 níveis de alta precisão no topo do suporte transversal, como mostrado na figura 1. Nota: Antes de usar os níveis, retire a base do porta-ferramenta e, cuidadosamente, limpe a superfície do carro transversal e os níveis. Procedimento Tabela 1 Manual de Operação S60424D 43Centur 30D 1) INTRODUÇÃO É muito importante para a precisão e longa durabilidade de operação da máquina que ela seja precisamente nivelada. Esse procedimento deve ser feito durante a instalação da máquina, um mês depois e a cada seis meses. Para nivelar a máquina, é necessário ter 2 níveis de alta precisão, na posição mostrada na figura 1, assegurando que a diferença de nivelamento seja menor que as tolerâncias especificadas para os sentidos longitudinal e transversal. As bolhas sempre se movem para o lado mais alto. Apertando-se os parafusos no lado oposto, as bolhas serão trazidas para o centro do nível. Por exemplo: Se as bolhas se moverem para a área do parafuso 2B (veja figura 2), aperte o parafuso 3A para centralizar as bolhas. Quando ambas as bolhas estiverem centralizadas, a máquina está nivelada. Há uma tolerância para desnível de um para outro lado da máquina, como pode ser observado na tabela: 2) PROCEDIMENTO 2.1) Ajuste todos os parafusos niveladores, até que eles toquem o solo. 2.2) Use 2 níveis de alta precisão no topo do suporte transversal, como mostrado na figura 1. Nota: Antes de usar os níveis, retire a base do porta-ferramenta e, cuidadosamente, limpe a superfície do carro transversal e os níveis. VERSÕES 500mm 1000mm Centur 30D 0,02mm 0,02mm TOLERÂNCIA LONGITUDINAL PERMITIDA NO NIVELAMENTO TOLERÂNCIA TRANSVERSAL PERMITIDA NO NIVELAMENTO: 0,04mm/m 3.10 NIVELAMENTO Figura 1 Tabela 1 Suporte Transversal Níveis É muito importante para a precisão e estabilidade geométrica da máquina que ela seja precisamente nivelada. Esse procedimento é executado pela Romi durante a instalação da máquina, e recomenda-se a verificação do nivelamento pelo cliente após um mês e a cada seis meses. Para nivelar a máquina, é necessário ter 2 níveis de alta precisão (0,02mm/m), na posição mostrada na figura 1, assegurando que a diferença de nivelamento seja menor que as tolerâncias especificadas para os sentidos longitudinal e transversal. As bolhas sempre se movem para o lado mais alto. Apertando-se os parafusos no lado oposto, as bolhas serão trazidas para o centro do nível. ATENÇÃO: Este serviço poderá ser comprado da Romi já que não está incluso na garantia da máquina. Carro Transversal (Carro do eixo X) Figura 1
  • 9.
    6 Manual deManutenção - Centur 30D / ROMI C420 v5.0 U07580A b. Movimente o carro inteiramente à direita e repita o procedimento do item a acima. c. Depois que a bolha estiver no centro do nível (transversal) nas duas extremidades e no centro do barramento, movimente o carro sobre o barramento, completamente da esquerda para a direita, verificando a variação do nível, que não pode exceder à tolerância especificada na tabela 1. Se houver qualquer desnível acima desta tolerância, tome como referência a leitura do nível da extremidade esquerda e proceda como descrito abaixo (ver figura 2): - Se A e B estiverem mais altos que B e C, aperte o parafuso 3B, localizado no lado oposto do lado mais alto, até que a bolha no nível transversal esteja aproximadamente no mesmo nível do plano de referência (extremidade esquerda). - Se B e C estiverem mais altos que A e B, aperte o parafuso 3A, localizado no lado oposto do lado mais alto, até que a bolha no nível transversal esteja aproximadamente no mesmo nível do plano de referência (extremidade esquerda). d. Movimente novamente o carro para a esquerda, faça uma nova referência e desloque o carro para a direita. Verifique se há qualquer variação acima da tolerância especificada em relação à referência. Se houver diferença, repita o procedimento dependendo do plano mais alto. 2.1.1.2. Ajuste Longitudinal a. Posicione o carro no centro do barramento e tome como referência o nível colocado longitudinalmente. - Movimente o carro para a esquerda com o nível colocado longitudinalmente ajustando de zero a “X” mais baixo que o centro. - Movimente o carro para a direita com o nível colocado longitudinalmente ajustando de zero a “X” mais baixo que o centro. Considerar “X” como o valor da tolerância especificada na tabela 1 2 - MANUTENÇÃO GERAL c. Posicione o carro transversal no centro do barramento. d. Nivele a máquina através dos parafusos niveladores até que as bolhas nos níveis estejam aproximadamente no centro. Exemplo: Se a bolha estiver à esquerda, aperte os parafusos do lado direito e vice-versa. Nota: A bolha sempre se moverá para o lado do parafuso apertado. 2.1.1.1. Ajuste Transversal a. Depois que as bolhas estiverem no centro do nível, com o carro no centro do barramento, movimente o carro inteiramente para a esquerda. Verifique a posição da bolha no nível colocado transversalmente. Seguindo o mesmo procedimento do item d acima, execute o nivelamento, de modo que a bolha esteja no centro do nível.
  • 10.
    U07580A Manual deManutenção - Centur 30D / ROMI C420 v4.0 7 Se ocorrerem as condições seguintes, proceda como segue (ver figura 2): • Centro acima de “X” mais alto que as extremidades: Solte igualmente os parafusos 2A e 2B; • Centro mais baixo que as extremidades: Aperte igualmente os parafusos 2A e 2B; • Extremidade esquerda mais alta que o centro: Solte igualmente os parafusos 1A e 1B; • Extremidade esquerda acima de “X” mais baixa que o centro: Aperte igualmente os parafusos 1A e 1B; • Extremidade direita mais alta que o centro: Solte igualmente os parafusos 3A e 3B; • Extremidade direita acima de “X” mais baixa que o centro: Aperte igualmente os parafusos 3A e 3B. Se o barramento estiver transversalmente desnivelado, repita os procedimentos de ajuste transversal e longitudinal. S64917A 45Centur 30D 1A 2A 1B 2B 3A 3B LADO BLADO D LADO A LADO C FIG. 2 • Centro más bajo que las extremidades: Apriete igualmente los tornillos 2A y 2B (fig.2). • Extremidad izquierda más alta que el centro: Suelte igualmente los tornillos 1A y 1B (fig.2). • Extremidad izquierda arriba de X más baja que el centro: Apriete igualmente los tornillos 1A y 1B (fig.2). • Extremidad derecha más alta que el centro: Suelte igualmente los tornillos 3A y 3B (fig.2). • Extremidad derecha arriba de X más baja que el centro: Apriete igualmente los tornillos 3A y 3B (fig.2). Si la bancada está transversalmente desnivelada, repita los procedimientos. IMPORTANTE • La nivelación debe verificarse a cada 2000 horas, para mantener la máquina en buenas condiciones de operación. Considerar X como el valor de la tolerancia especificada en la tabla 1 2 - MANUTENÇÃO GERAL • O nivelamento deve ser verificado a cada 6 meses, para manter a máquina em boas condições de operação. IMPORTANTE Figura 2
  • 11.
    8 Manual deManutenção - Centur 30D / ROMI C420 v5.0 U07580A 2.2. CABEÇOTE O cabeçote é um dos mais importantes componentes para a obtenção de bons resultados numa usinagem de precisão. O eixo-árvore é montado sobre rolamentos de alta precisão, lubrificados permanentemente. A menos que seja absolutamente necessário, não deverão ser feitos ajustes e peças não deverão ser substituídas. 2.2.1. Encoder de Posição O eixo árvore é conectado a um encoder de posição através de uma correia dentada com uma relação de transmissão 1:1. A função do encoder é informar ao comando CNC a posição angular e a rotação do eixo árvore, permitindo o sincronismo perfeito entre o eixo árvore e o avanço numa operação de roscagem. O conjunto do encoder de posição está instalado próximo ao eixo árvore, e é acionado por polias e correia dentada, corretamente ajustadas de fábrica. Em condições normais de trabalho, não serão necessários ajustes, mas se ocorrerem ruídos anormais nessa parte da máquina, verifique a correia dentada. Se os dentes estiverem danificados, a correia deve ser substituída e tensão excessiva deve ser evitada. Correia Dentada Conjunto do Encoder Vista Frontal -Afrouxe os parafusos (1) e movimente o encoder para a esquerda através do oblongo; - Remova a correia velha; - Coloque a correia nova; - Ajuste a tensão da correia movimentando o encoder para a direita; - Para finalizar, aperte os parafusos (1). 1 • Procedimento para substituição/ajuste da correia: 1 2 - MANUTENÇÃO GERAL
  • 12.
    U07580A Manual deManutenção - Centur 30D / ROMI C420 v4.0 9 2 - MANUTENÇÃO GERAL NOTA Seporqualquerrazãooeixo-árvoreprecisarserdesmontado, seusrolamentos devemserlimpos e lubrificados novamente com graxa especial ISOFLEX NBU-15 (KLÜBER). 2.2.2. Lubrificação O cabeçote é composto de um cartucho para o eixo árvore e possui variação contínua de velocidades em uma única gama. Os rolamentos do eixo-árvore são lubrificados permanentemente com graxa especial prevista para durar toda a vida dos rolamentos. Esses rolamentos são protegidos por labirintos que impedem a contaminação da graxa pelo óleo. 2.2.3. Alinhamento Antesdeverificaroalinhamentodocabeçotecertifique-sedequeamáquinaestejacorretamente nivelada. Emcondiçõesnormais,oalinhamentodocabeçotenãoénecessário.Entretanto,seporqualquer razão, ocorrer desalinhamento ou o cabeçote for substituído, deve-se tomar o máximo cuidado com a operação de alinhamento. NOTA • O alinhamento do cabeçote é uma operação que influencia diretamente na precisão da máquina e somente deve ser feito por pessoal qualificado. 2.2.3.1. Verificação do alinhamento utilizando haste usinada Utilizando uma barra de aço ø50mm e comprimento útil de medição de 300mm, proceder a medição utilizando um relógio milesimal em três pontos da haste, distribuídos nos 300mm de comprimento e verificar a conicidade. Se necessário, proceder o alinhamento do cabeçote de acordo com procedimentos já descritos. a) 0,015mm Somente para frente b) 0,020mm Somente para cima Cilindricidade recomendada para a haste = 0,003mm b a Para efetuar a correção, verificar o próximo item: “Procedimentos para o alinhamento do cabeçote”.
  • 13.
    10 Manual deManutenção - Centur 30D / ROMI C420 v5.0 U07580A 2 - MANUTENÇÃO GERAL • PLANO HORIZONTAL 4 3 VISTA FRONTAL DO CABEÇOTE VISTA TRASEIRA DO CABEÇOTE • PLANO VERTICAL 1 O alinhamento no plano vertical é feito ajustando-se a altura dos calços (1) que suportam o cabeçote no barramento. No plano horizontal, o cabeçote é alinhado e travado na posição correta, através de parafusos que atuam no corpo do cabeçote da máquina e no barramento como mostrado na figura abaixo. Para o alinhamento deve-se seguir o seguinte procedimento: - Soltar os parafusos do cartucho (2); - Manter os parafusos fixos ao barramento (3), - Atuar sobre os parafusos no cabeçote (4). Após alinhamento manter todos os parafusos fixos ao cabeçote e barramento. 2 2.2.3.2. Procedimentos para o alinhamento do cabeçote
  • 14.
    U07580A Manual deManutenção - Centur 30D / ROMI C420 v4.0 11 2 - MANUTENÇÃO GERAL 2.2.4. Levantamento e Transporte do Cabeçote Para levantar o cabeçote, utilize olhais de suspensão e dispositivos seguros. Manual de Manutenção 14 S61676DCentur 30D Olhais de suspensão Centur 30D 250 kg (550 lb) Peso estimado do cabeçote
  • 15.
    12 Manual deManutenção - Centur 30D / ROMI C420 v5.0 U07580A Manual de Manutenção Manutenção 2 - MANUTENÇÃO GERAL O cabeçote móvel possui um sistema de alinhamento lateral através de parafusos e chavetas. Para o alinhamento do cabeçote móvel, proceda como segue: A) Remova os parafusos (1 e 2). B) Atue nos parafusos (3) para obter o alinhamento de acordo com a coincidência dos índices existentes no corpo e base do cabeçote móvel. C) Fixe os parafusos (1 e 2). IMPORTANTE O cabeçote móvel sai da fábrica perfeitamente alinhado, porém é aconselhável uma verificação a cada 4000 horas de trabalho. O alinhamento do cabeçote móvel é uma operação que influencia diretamente na precisão da máquina e somente deve ser feito por pessoal qualificado. 2.3.1. Alinhamento IMPORTANTE É importante para a conservação do conjunto manter o Ponto CM4 montado no conjunto mesmo que não esteja em uso, evitando a entrada de impurezas. O cabeçote móvel é provido de um Ponto CM4, o qual pode ser extraído manualmente. Para isto, avançar a manga até que se torne visível o rasgo de extração, utilize a cunha de extração e bata suavemente na mesma até que o ponto se solte da manga. Remova o ponto e a cunha manualmente. Ponto CM4 Cunha Extratora Rasgo na manga Manga 1 3 1 3 2 2.3. CABEÇOTE MÓVEL
  • 16.
    U07580A Manual deManutenção - Centur 30D / ROMI C420 v4.0 13 2 - MANUTENÇÃO GERAL 2.3.2. Alinhamento utilizando haste usinada Utilizando uma barra de aço ø50mm e comprimento útil de medição de 300mm, proceder a medição entre pontas utilizando um relógio milesimal em três pontos da haste, distribuídos nos 300mm de comprimento e verificar o desalinhamento. Se necessário, proceder o alinhamento do cabeçote móvel de acordo com procedimentos já descritos. 0,04mm (mais alto em relação ao cabeçote fixo a frio) 0,015mm (Cabeçote Móvel para frente - lado do operador) Cilindricidade recomendada para a haste = 0,003mm b a 2.3.3. Acesso ao cabeçote móvel O cabeçote móvel está posicionado na extremidade direita do barramento da máquina. A máquina é equipada com uma segunda porta frontal, o acesso ao cabeçote móvel se dá deslocando a porta direita para o lado esquerdo. S98180** Cobertura do Cabeçote Móvel Porta Direita
  • 17.
    14 Manual deManutenção - Centur 30D / ROMI C420 v5.0 U07580A 2 - MANUTENÇÃO GERAL 1 2.4. MESA E SUPORTE TRANSVERSAL O movimento da mesa sobre o barramento (Eixo Z) e do carro transversal sobre a mesa (Eixo X) dão à ferramenta os dois movimentos necessários para a operação de torneamento. 2.4.1. Operação da Mesa (Eixo Z) A mesa se desloca na direção do eixo Z acionada por um servomotor, o qual é acoplado ao fuso de esferas recirculantes (1) por meio de polias (2) e correia dentada (3). O fuso (1) é suportado por dois mancais fixados no barramento. Disposição dos rolamentos (7) Fabricante DB NSK 2.4.1.1. Troca de rolamentos No mancal dianteiro (4), localizado do lado do cabeçote, são montados dois rolamentos de contato angular (5 e 6). No caso da desmontagem do fuso, deve-se atentar para a correta posição de montagem (7) destes rolamentos. No mancal traseiro (8) é montado um rolamento de esferas (9) blindado, com lubrificação permanente, o qual não requer uma disposição correta para montagem. 2.4.1.2. Graxa Osrolamentos(5e6)sãolubrificadoscomgraxa(ISOFLEX NBU-15 - Klüber). Esta graxa possui longa durabilidade e sob condições normais de funcionamento está especificada para 10000 horas de operação. O volume de graxa por rolamento está indicado na tabela ao lado. Rolamentos Volume Graxa Total nos jogos 5 e 6 0,7 c.c. 1,4 c.c. 2 3 46 5 7 8 9 15
  • 18.
    U07580A Manual deManutenção - Centur 30D / ROMI C420 v4.0 15 2 - MANUTENÇÃO GERAL 2.4.1.3. Ajuste da pré-carga Os rolamentos de contato angular são montados com uma pré-carga definida para um perfeito funcionamento dos rolamentos e eliminação da folga no mancal. A pré-carga é a pressão de contato entre o mancal e a tampa, calculada com os rolamentos alojados no mancal. Para ajustar a pré-carga, deve-se montar a tampa (11) com o retentor (12) e o batente (10). Em seguida, deve-se posicionar a bucha distanciadora (13) e os rolamentos (5 e 6) no alojamento (atentando para a correta posição de montagem). Feito isto, deve-se levantar a medida B e ajustar a tampa (14) com uma medida A, igual ao valor B + (0,030 a 0,050mm). Exemplo: se B = 5mm, a medida A deverá ser igual a 5,03 a 5,05mm. Com o aperto da tampa (14) no mancal, este valor adicional se tornará a pressão de contato no rolamento, ou seja, a pré-carga. Após o ajuste da pré-carga dos rolamentos, o fuso poderá ser montado. Nota: Torque nos parafusos M8 das tampas (11 e 14) = 40 Nm Torque na porca SKF (15) = 25 Nm Os parafusos devem ser apertados alternadamente (em X) Figura Ilustrativa 65 1012 11 13 B 14 A 15
  • 19.
    16 Manual deManutenção - Centur 30D / ROMI C420 v5.0 U07580A - Afrouxe os quatro parafusos (16) e movimente o servo motor para a esquerda através do oblongo; - Remova a correia velha; - Coloque a correia nova; - Ajuste a tensão da correia movimentando o servo motor para a direita; - Para finalizar, aperte os parafusos (16). • Tensionamento das correias A tabela abaixo contempla os valores para o tensionamento da correia utilizando o aparelho Optibelt TT3 Na falta deste aparelho, deverá ser utilizado um aparelho apropriado para correia dentada. 16 NOTA Verificar a condição da correia a cada 4000 horas e substituí-la se necessário. 2 - MANUTENÇÃO GERAL 2.4.1.4. Procedimento para substituição / ajuste da correia: Tensão da Correia (frequência - Hz) Correia Nova Correia Usada Mínimo Máximo Mínimo Máximo 121 127 101 108 Desalinhamento Angular Permissível Desalinhamento Paralelo Permissível 0,25º 0,5mm Outro item importante a ser verificado é o desalinhamento da correia, o qual pode influenciar no desempenho e resultar no desgaste irregular e na perda de ajuste do tensionamento. Na figura abaixo pode-se verificar os dois tipos de desalinhamentos existentes: o paralelo e o angular. Favor atentar para os valores permissíveis: ATA N AND T entre distance adjustment, e page 12), or change the an be slipped easily onto belt, never force it over a elt tensile member. nce may be affected by t in inconsistent belt wear e made with high modulus e length stability over the lignment does not allow the entire belt top width. is being carried by only a idth, resulting in reduced alignment is especially ain® GT2 belts because of s and premium polymers ment: parallel and angular. e the driveR and driveN wo pulleys lie in different re not parallel, the drive is Parallel misalignment Angular misalignment CL Fleeting angle CL Fleeting angle ATA N AND T entre distance adjustment, e page 12), or change the an be slipped easily onto belt, never force it over a elt tensile member. nce may be affected by t in inconsistent belt wear e made with high modulus e length stability over the lignment does not allow the entire belt top width. is being carried by only a idth, resulting in reduced alignment is especially ain® GT2 belts because of s and premium polymers ment: parallel and angular. e the driveR and driveN wo pulleys lie in different re not parallel, the drive is which the belt enters and Parallel misalignment Angular misalignment CL Fleeting angle CL Fleeting angle Desalinhamento Paralelo Desalinhamento Angular Angulo de desalinhamento Angulo de desalinhamento
  • 20.
    U07580A Manual deManutenção - Centur 30D / ROMI C420 v4.0 17 2 - MANUTENÇÃO GERAL 2.4.2. Operação do Carro Transversal (Eixo X) O servomotor (1), conectado ao fuso de esferas (2) por meio de polias (3 e 4) e correia dentada (5), movimenta carro transversal (eixo X) (6) através do deslocamento da porca (7). 1 2 3 4 5 6 7 8 9 10 11 12 2 X 2.4.2.1. Troca de rolamentos O mancal traseiro (10), é montado com um jogo de rolamentos axiais de esferas de contato angular (11 e 12). No caso da desmontagem do fuso, deve-se atentar para a correta posição de montagem destes rolamentos (vide item: Ajuste da pré-carga). No corpo da mesa (9) é montado um rolamento de esferas (8) blindado, com lubrificação permanente, o qual não requer uma disposição correta para montagem e o ajuste de pré-carga.
  • 21.
    18 Manual deManutenção - Centur 30D / ROMI C420 v5.0 U07580A 2 - MANUTENÇÃO GERAL 2.4.2.2. Graxa Os rolamentos de contato angular (11 e 12) são lubrificados com graxa (ISOFLEX NBU-15 - Klüber). Esta graxa possui longa durabilidade e sob condições normais de funcionamento está especificada para 10.000 horas de operação. O volume de graxa por rolamento está indicado na tabela ao lado. Rolamentos (posição) Volume Graxa Volume total 11 e 12 0,5 c.c. 1 c.c. 2.4.2.3. Ajuste da pré-carga Os rolamentos de contato angular (11 e 12) são montados com uma pré-carga definida para um perfeito funcionamento dos rolamentos e eliminação da folga no mancal. A pré-carga é a pressão de contato entre o mancal e a tampa, calculada com os rolamentos alojados no mancal. Para ajustar a pré-carga, deve-se colocar os rolamentos (11 e 12) no alojamento atentando para a correta posição de montagem e levantar a medida A. Em seguida, a tampa (13) deve ser ajustada com uma medida B, igual ao valor A medido + (0,030 a 0,050mm). Exemplo: se A = 5mm, a medida B deverá ser de 5,03 a 5,05mm. Com o aperto da tampa no mancal, este valor adicional se tornará a pressão de contato no rolamento, ou seja, a pré-carga. Após o ajuste da pré-carga dos rolamentos, o fuso (2) poderá ser montado. A B Nota: Os parafusos da tampa (13) devem ser apertados alternadamente (em X) com torque de 40Nm. Torque na porca de regulagem (14) = 17Nm 14 12 11 13 2 Disposição dos rolamentos (11 e 12) DB ( )
  • 22.
    U07580A Manual deManutenção - Centur 30D / ROMI C420 v4.0 19 - Afrouxe os quatro parafusos (15) e movimente a flange de fixação do servo (16) para a cima através do oblongo; - Remova a correia velha; - Coloque a correia nova; - Ajuste a tensão da correia movimentando a flange de fixação para baixo; - Para finalizar, aperte os parafusos (15). 2 - MANUTENÇÃO GERAL 2.4.2.4. Procedimento para substituição / ajuste da correia: NOTA Verificar a condição da correia a cada 4000 horas e substituí-la se necessário. • Tensionamento das correias A tabela abaixo contempla os valores para o tensionamento da correia utilizando o aparelho Optibelt TT3 Na falta deste aparelho, deverá ser utilizado um aparelho apropriado para correia dentada. Tensão da Correia (frequência - Hz) Correia Nova Correia Usada Mínimo Máximo Mínimo Máximo 112 118 94 101 Desalinhamento Angular Permissível Desalinhamento Paralelo Permissível 0,25º - Outro item importante a ser verificado é o desalinhamento da correia, o qual pode influenciar no desempenho e resultar no desgaste irregular e na perda de ajuste do tensionamento. Na figura abaixo pode-se verificar os dois tipos de desalinhamentos existentes: o paralelo e o angular. Favor atentar para os valores permissíveis: NG DATA LLATION AND NMENT made for centre distance adjustment, 2 and 3 (see page 12), or change the the belt can be slipped easily onto stalling a belt, never force it over a mage the belt tensile member. performance may be affected by can result in inconsistent belt wear e failure. ypically are made with high modulus ich provide length stability over the ntly, misalignment does not allow on across the entire belt top width. , the load is being carried by only a belt top width, resulting in reduced per drive alignment is especially g Poly Chain® GT2 belts because of ulus cords and premium polymers of misalignment: parallel and angular. nt is where the driveR and driveN but the two pulleys lie in different wo shafts are not parallel, the drive is . e angle at which the belt enters and Parallel misalignment Angular misalignment CL Fleeting angle CL Fleeting angle ING DATA ALLATION AND GNMENT made for centre distance adjustment, 2 and 3 (see page 12), or change the at the belt can be slipped easily onto nstalling a belt, never force it over a mage the belt tensile member. performance may be affected by ch can result in inconsistent belt wear sile failure. typically are made with high modulus hich provide length stability over the uently, misalignment does not allow tion across the entire belt top width. ve, the load is being carried by only a e belt top width, resulting in reduced oper drive alignment is especially ng Poly Chain® GT2 belts because of dulus cords and premium polymers of misalignment: parallel and angular. ent is where the driveR and driveN , but the two pulleys lie in different wo shafts are not parallel, the drive is ed. he angle at which the belt enters and nd equals the sum of the parallel and Parallel misalignment Angular misalignment CL Fleeting angle CL Fleeting angle Desalinhamento Paralelo Desalinhamento Angular Angulo de desalinhamento Angulo de desalinhamento 15 16
  • 23.
    20 Manual deManutenção - Centur 30D / ROMI C420 v5.0 U07580A 2.4.3. Guias A mesa move-se sobre o barramento acionada por fuso de esferas recirculantes (eixo Z) e é recoberta com turcite nas superfícies de contato com as guias do barramento, as quais são temperadas e retificadas. O contato entre o turcite e o ferro fundido reduz o coeficiente de atrito em relação ao contato ferro com ferro proporcionando menos esforço de deslocamento. Na parte superior da mesa, há uma guia temperada e retificada. O carro transversal desliza-se sobre essa guia através do movimento provido pelo fuso X, a eliminação de folga entre as guias do carro transversal e as guias da mesa é obtida através do ajuste de uma régua cônica. 2.4.4. Regulagem da régua cônica O Centur 30D possui 3 (três) réguas cônicas utilizadas para eliminar a folga mecânica dos conjuntos deslizantes, sendo que 1 (uma) régua está localizada no carro transversal (eixo X) e 2 (duas) réguas estão localizadas no carro longitudinal (eixo Z). As réguas cônicas devem ser ajustadas (apertadas) de modo a eliminar a folga entre o carro transversal com o prisma da mesa e o carro longitudinal com o barramento. O aperto excessivo das réguas pode causar o travamento do conjunto. Ao ajustar a régua cônica, deve-se levar em consideração que este ajuste irá deslocar o eixo lateralmente até a régua se acomodar e eliminar a folga. Por este motivo, deve-se afrouxar os parafusos da porca do fuso, para permitir um movimento livre do eixo e não danificar o fuso. 2 - MANUTENÇÃO GERAL 1 1 2 2 Parafuso de regulagem do carro transversal Parafuso de regulagem do carro longitudinal Parafuso de regulagem do carro longitudinal Turcite Régua Cônica 34 Vista A Vista A 5
  • 24.
    U07580A Manual deManutenção - Centur 30D / ROMI C420 v4.0 21 A regulagem da régua é uma operação que influencia diretamente na precisão da máquina e somente deve ser feita por pessoal qualificado. 2 - MANUTENÇÃO GERAL 2.4.4.1. Procedimento para ajuste da régua do carro transversal (eixo X): A) Desligar a máquina. Retirar os quatro parafusos (1) e os dois pinos de guia (2) de fixação da porca do fuso no carro transversal. Dessa forma, o carro transversal torna-se livre; B) Acessar os parafusos de regulagem (3 e 4) da régua do carro transversal pelo furo do raspador de cavacos; C) Com uma chave Allen 8mm soltar o parafuso (3) para permitir o ajuste da régua; D) Com uma chave Allen 5 mm, passando por dentro do parafuso (3) aperte o parafuso (4) 1/4 de volta por vez, para pressionar a régua para dentro do carro transversal até eliminar a folga; Cuidado: o aperto excessivo pode travar o carro transversal na guia; E) Ao eliminar a folga, reaperte o parafuso (3) até encostar na régua. Soltar o parafuso (4) até que a régua fique travada entre os dois parafusos; F) Movimentar o carro transversal manualmente nos dois sentidos para certificar que o movimento está suave; G) Reposicionar os furos do carro transversal sobre a porca do fuso e reaperte os parafusos (1) de fixação da porca do fuso. H) Ligar a máquina. Movimentar o carro transversal e verificar se o eixo movimenta suavemente sem a ocorrência de sobrecarga no servomotor. I) Passar alargador de 8 mm nos furos e colocar os pinos de guia (2) retirados no início do procedimento. 2.4.4.2. Procedimento para ajuste das réguas do carro longitudinal (eixo Z): A) Desligar a máquina. Afrouxar os parafusos (5) da porca do fuso do eixo Z; B) Acessar os parafusos de regulagem (3 e 4) da régua do carro longitudinal; C) Com uma chave Allen 8mm soltar o parafuso (3) para permitir o ajuste da régua; D) Com uma chave Allen 5mm, passando por dentro do parafuso (3) aperte o parafuso (4) 1/4 de volta por vez, para pressionar a régua para dentro do carro longitudinal até eliminar a folga; Cuidado: o aperto excessivo pode travar o carro transversal na guia; E) Ao eliminar a folga, reaperte o parafuso (3) até encostar na régua. Soltar o parafuso (4) até que a régua fique travada entre os dois parafusos; F) Reaperte os parafusos da porca do fuso do eixo Z soltos no início do procedimento; G) Ligar a máquina. Movimentar o carro longitudinal e verificar se o eixo movimenta suavemente sem a ocorrência de sobrecarga no servomotor.
  • 25.
    22 Manual deManutenção - Centur 30D / ROMI C420 v5.0 U07580A 2.4.5. Suporte do ponto de referência - Eixo Z O suporte do ponto de refência tem como finalidade identificar o ponto zero do eixo Z. Esta identificação se dá através de micros localizados na parte interna da mesa, os quais mandam ao CNC uma mensagem de localização para que o zeramento seja efetuado. Suporte do Ponto de Referência O suporte do ponto de referência sai de fábrica ajustado e lacrado no limite de curso do eixo Z. Pino de Regulagem do micro 2 - MANUTENÇÃO GERAL
  • 26.
    U07580A Manual deManutenção - Centur 30D / ROMI C420 v4.0 23 D C E A B 2.5. MOTORIZAÇÃO AMotorização é composta basicamente por um Motor ElétricoAC que está localizado na coluna grande (C), por polias movida e motora e correia Micro V. Depois de algum tempo de uso, a correia (D) pode afrouxar devido ao desgaste natural. Se isto ocorrer, proceda como segue para substituí-la e/ou ajustá-la: • Solte os 4 parafusos (A) que fixam o suporte (B). • Atue sobre as 2 porcas (E) e movimente o suporte (B) para substituir e/ou ajustar a correia. • Depois de substituir ou ajustar a correia, aperte os 4 parafusos (A). Não execute qualquer operação ou trabalho de manutenção, antes de ler cuidadosamente o manual do motor que acompanha a máquina. 2 - MANUTENÇÃO GERAL 2.5.1. Tensionamento das correias • A tabela abaixo contempla os valores para o tensionamento da correia utilizando o aparelho Optibelt TT3 • Na falta do aparelho mencionado acima, deverá ser utilizado um aparelho indicado para correia micro V. Configuração da Máquina Tensão da Correia (Hz) Correia Nova Correia Usada Mínimo Máximo Mínimo Máximo C30D ASA A2-5” 40 41 37 38 C30D ASA A2-6” 42 43 39 40 • Outro item importante a ser verificado é o desalinhamento da correia, o qual pode influenciar no desempenho e resultar no desgaste irregular e na perda de ajuste do tensionamento. Na figura abaixo pode-se verificar os dois tipos de desalinhamentos existentes: o paralelo e o angular. Favor atentar para os valores permissíveis: Desalinhamento Angular Permissível Desalinhamento Paralelo Permissível 0,25º 3,5mm NG DATA ALLATION AND GNMENT made for centre distance adjustment, 2 and 3 (see page 12), or change the t the belt can be slipped easily onto stalling a belt, never force it over a mage the belt tensile member. performance may be affected by h can result in inconsistent belt wear le failure. ypically are made with high modulus ich provide length stability over the ently, misalignment does not allow on across the entire belt top width. e, the load is being carried by only a belt top width, resulting in reduced per drive alignment is especially g Poly Chain® GT2 belts because of ulus cords and premium polymers of misalignment: parallel and angular. nt is where the driveR and driveN but the two pulleys lie in different wo shafts are not parallel, the drive is d. e angle at which the belt enters and d equals the sum of the parallel and nts. y misalignment will result in some , which is not accounted for in the n procedure. Misalignment of all Parallel misalignment Angular misalignment CL Fleeting angle CL Fleeting angle RING DATA ALLATION AND GNMENT e made for centre distance adjustment, s 2 and 3 (see page 12), or change the at the belt can be slipped easily onto nstalling a belt, never force it over a amage the belt tensile member. performance may be affected by ch can result in inconsistent belt wear sile failure. typically are made with high modulus which provide length stability over the uently, misalignment does not allow tion across the entire belt top width. ve, the load is being carried by only a e belt top width, resulting in reduced oper drive alignment is especially ing Poly Chain® GT2 belts because of dulus cords and premium polymers s of misalignment: parallel and angular. ent is where the driveR and driveN , but the two pulleys lie in different two shafts are not parallel, the drive is ed. he angle at which the belt enters and nd equals the sum of the parallel and ents. ley misalignment will result in some fe, which is not accounted for in the gn procedure. Misalignment of all should not exceed 1/4° or 5 mm per distance. Misalignment should be Parallel misalignment Angular misalignment CL Fleeting angle CL Fleeting angle Desalinhamento Paralelo Desalinhamento Angular Angulo de desalinhamento Angulo de desalinhamento
  • 27.
    24 Manual deManutenção - Centur 30D / ROMI C420 v5.0 U07580A Desligue sempre a Chave Geral antes de acessar o ventilador. Esse acesso somente pode se dar quando o eixo árvore e o ventilador estiverem completamente parados. Nunca tente acessar esses dispositivos enquanto a máquina estiver energizada. Há riscos de sérios acidentes. Recomenda-se limpar o ventilador do motor a cada 4000 horas. Não use qualquer produto químico que possa afetar o material. Motor Principal - Ventilador Ventilador Não execute qualquer operação ou trabalho de manutenção, antes de ler cuidadosamente o manual do motor que acompanha a máquina. 2 - MANUTENÇÃO GERAL                                                                                                                                                                                                                                                                                              Peso do Motor (aprox.) Centur 30D/C420 63kg (139 lb) Olhais de suspensão 2.5.2. Levantamento e Transporte do Motor Elétrico (caso de substituição) Para levantar o motor elétrico use Olhais de Levantamento e dispositivos de levantamento adequados.
  • 28.
    U07580A Manual deManutenção - Centur 30D / ROMI C420 v4.0 25 Lubrificação Automática As guias do barramento, da mesa, do carro transversal e os fusos de esferas recirculantes são lubrificados pelo Sistema de Lubrificação Automática. O sistema contém uma bomba automática intermitente acionada por um motor elétrico com ciclos de injeção de óleo regulados. Os distribuidores de fluxo enviam óleo aos pontos de atrito. Nem todos os óleos lubrificantes são compatíveis com todos os líquidos refrigerante. O óleo lubrificante deve apresentar, junto ao líquido refrigerante um bom comportamento de desemulsificação. Os fornecedores de lubrificantes podem informar sobre a compatibilidade do óleo lubrificante com o líquido refrigerante. Volume de Descarga do Óleo e Tempo de Ciclo O Lubrificador MMXL-III é uma bomba automática de pistão intermitente que envia: • 1,5cc por curso a cada 6 minutos (frequência 50Hz); • 1,5cc por curso a cada 5 minutos (frequência 60Hz). Pressão de Descarga 43 PSI (3 Kgf/cm2 ). A pressão de pico do sistema irá diminuir quando: 1 - O volume de descarga diminuir. 2 - O número de dosadores aumentar. 3 - A viscosidade do óleo aumentar. Gama de Viscosidade do Óleo 150 a 8000 SSU à temperatura de operação. Óleo usado: DIN 51502 CGLP 68 para guias. Capacidade do Reservatório 0.5 gal (1,8 litros) Filtro de Lubrificação Deve ser inspecionado periodicamente e limpo ou trocado, conforme requerido. Motor Sincrônico de 220 V (50/60 Hz), 3 Watts. 2.6. SISTEMA DE LUBRIFICAÇÃO AUTOMÁTICA Vista Superior 2 - MANUTENÇÃO GERAL
  • 29.
    26 Manual deManutenção - Centur 30D / ROMI C420 v5.0 U07580A 2 - MANUTENÇÃO GERAL IMPORTANTE ! Se o lubrificador não estiver atuando as possíveis causas podem ser: • Baixo nível de óleo • Óleo contaminado • Tubos obstruídos • Tubos rompidos (linha aberta) • Sujeira no filtro de sucção • Danos na tubulação na bomba • Viscosidade de óleo inadequada • Ar no sistema de tubulação • Pressostato • Filtro de Sucção É recomendável substituir o filtro de sucção a cada 12 meses de operação. É necessário desmontar a bomba separando-a do reservatório, para se ter acesso ao filtro. Código do filtro: Romi R38059 / LUBE 489010 Filtro de Sucção Trava 2.6.1. Manutenção periódica
  • 30.
    U07580A Manual deManutenção - Centur 30D / ROMI C420 v4.0 27 • Unidades de Fluxo (dosadores) É recomendável substituir as unidades de fluxo a cada 12 meses. Em caso de necessidade de substituição das unidades de fluxo, consultar esquema de lubrificação. Veja os códigos das unidades de fluxo no catálogo de peças. • Filtro de Linha É recomendável substituir o filtro de linha a cada 12 meses de operação. Códigos do filtro: ROMI R92135 / código da LUBE: 109311 Unidade de Fluxo Filtro de Linha 2 - MANUTENÇÃO GERAL Nunca use óleo de tipo ou marca diferente. Isto pode causar decomposição químicaformandoresíduodeviscosidadedevidoaosdiferentesaditivosusados pelos fornecedores. Esse resíduo de viscosidade pode obstruir as saídas dosadas para os pontos de lubrificação. Use sempre óleo com viscosidade e qualidade recomendadas. Se houver uma troca de marca ou fornecedor do óleo, substitua completamente o óleo do sistema, incluindo o óleo remanescente na tubulação.
  • 31.
    28 Manual deManutenção - Centur 30D / ROMI C420 v5.0 U07580A Manual de Manutenção Porca • Regulagem do volume de descarga de óleo Para regulagem do volume de descarga de óleo é necessário o seguinte procedimento: • Regular bomba de lubrificação atuando sobre o regulador, girando-o no sentido horário ou anti-ho- rário. • Aplicar adesivo vedante (para lacrar a regulagem) entre a porca e o regulador e entre a porca e o parafuso. • Apertar firmemente a porca contra o regulador. NOTA: Somente proceda a regulagem com o pistão de acionamento completamente livre da ação do motor. Aplicar adesivo vedante Regulador REGULAR PARA 1.5cc 2 - MANUTENÇÃO GERAL
  • 32.
    U07580A Manual deManutenção - Centur 30D / ROMI C420 v4.0 29 • Troca de óleo Se necessário trocar o óleo, proceda como segue: • Para substituir o óleo no ínicio de um turno, drene o óleo remanescente no reservatório, limpe o reservatório devidamente, verifique os filtros de sucção e abasteça o reservatório com óleo limpo. • Se a substituição do óleo ocorrer no final de um turno ou fora de horários normais de trabalho, além do procedimento acima, drene completamente o óleo remanescente na tubulação, através de lubrificação forçada, acionando a bomba de lubrificação manualmente. LEMBRE-SE Nunca pressione o pistão injetor para baixo • Para esta operação, o pistão injetor localizado na unidade de lubrificação deve estar em sua posição de repouso, para evitar que uma nova pressurizaçãoocorraacada6minutosedesligue a máquina. 2 - MANUTENÇÃO GERAL Manualmente, puxe o pistão injetor, libere-o e aguarde o final da pressurização. Repita este procedimento no mínimo 20 vezes. Não retire esta peneira ao abastecer o reservatório. A parte superior da unidade de lubrificação deve ser mantida sempre limpa.
  • 33.
    30 Manual deManutenção - Centur 30D / ROMI C420 v5.0 U07580A 2.7. DIAGRAMA DE LUBRIFICAÇÃO DAS GUIAS E FUSOSManual de Manutenção 26 S61676DCentur 30D PONTOS DE LUBRIFICAÇÃO 1- Prisma da Mesa 9- Prisma do Barramento 4- Fuso de esferas (Eixo X) 10- Prisma do Barramento 5- Prisma da Mesa 11- Prisma do Barramento 6- Régua dianteira 12- Assento Barramento/Mesa 7- Fuso de esferas recirculantes (Eixo Z) 13- Régua traseira 8- Prisma do Barramento 14- Assento Barramento/Mesa 2 - MANUTENÇÃO GERAL
  • 34.
    U07580A Manual deManutenção - Centur 30D / ROMI C420 v4.0 31 2 - MANUTENÇÃO GERAL 2.8. SISTEMA PNEUMÁTICO (ACESSÓRIO) 2.8.1. Cabeçote Móvel e Placa pneumática A pressão deve situar-se dentro do limite de 6 Bar. O ajuste é feito através da válvula do filtro regulador. • Procedimento de manutenção (limpeza) - Filtro (F) / Filtro regulador (FR) Verifique semanalmente a situação do F/FR, ou diariamente em situações onde o ar comprimido de alimentação seja precário. Se necessário, promova a limpeza como segue: • Afrouxe os parafusos das flanges que fixam o F/FR. • Gire no sentido anti-horário a proteção de metal do F/FR. • Solte o elemento filtrante do corpo do F/FR. • Lave o copo, a proteção e o elemento filtrante com água, sabão neutro ou com querosene. Não use outros solventes químicos. • Verifique se o elemento filtrante está em boas condições. Se não estiver, substitua-o. • No caso de filtros coalescentes (elemento vermelho), providencie a substituição do elemento, se houver sinais de saturação. • Fixe o conjunto do elemento filtrante ao copo e monte o copo com protetor, cuidando para que o anel de vedação esteja bem posicionado. - Lubrificador (LUB) Proceda à limpeza, se verificar água ou outras impurezas no óleo, ou se o óleo estiver com características alteradas. • Solte os parafusos das flanges que fixam o lubrificador. • Gire a proteção metálica no sentito anti-horário. • Lave o copo e outros componentes com água, sabão neutro ou com querosene. Não use outros solventes químicos. • Monte o vidro com o protetor, atentando para as posições do copo, do anel de vedação e do tubo de plástico condutor de óleo. IMPORTANTE Cabeçote Móvel Pneumático: Caso a pressão da rede tenha constante queda (inferior a 4,5Kgf) deve-se proceder com a regulagem do pressostato observando o limite de 3Kgf.
  • 35.
    32 Manual deManutenção - Centur 30D / ROMI C420 v5.0 U07580A Reabastecimento do Lubrificador • Conecte a válvula de latão da parte inferior do corpo do lubrificador ao recipiente com óleo de reabastecimento (recomendado: ISO VG10 - classe CL - viscosidade = 10mm2 /s 40ºC) através do tubo ou diretamente. • Com a linha de ar pressurizada, aperte para baixo o botão vermelho situado ao lado da cúpula visora. O óleo do recipiente será sugado para dentro do copo. • Quando alcançar o nível máximo, libere o botão vermelho e desconecte a válvula. NOTA: No caso do cabeçote móvel, o reabastecimento do lubrificador deve ser feito retirando o copo manualmente e enchendo com óleo. Quando colocar o copo, deve-se atentar para a correta po- sição do anel de vedação. 2 - MANUTENÇÃO GERAL Regulagem do gotejamento do lubrificador • A regulagem do gotejamento do lubrificador é feita por meio do parafuso de ajuste localizado na parte superior do conjunto (como demonstrado abaixo). Especificação de regulagem: uma gota a cada 4 a 6 aciomentos da manga do cabeçote móvel ou uma a duas gotas a cada ciclo de abertura e fechamento da placa. Filtro regulador de pressão KIT PNEUMÁTICO DO CABEÇOTE MÓVEL KIT PNEUMÁTICO DA PLACA COM CILINDRO INCORPORADO Manômetro Válvula direcional Lubrificador Y321 Y322 Y421 Y422 VISTA SUPERIOR Válvula direcional PressostatoFiltro regulador de pressão Manômetro Lubrificador
  • 36.
    U07580A Manual deManutenção - Centur 30D / ROMI C420 v4.0 33 • Freqüência de manutenção • 8 horas: - Verifique o nível do óleo lubrificante e acrescente óleo recomendado, se necessário. • 90 horas: - Coloque uma gota de óleo nos articuladores e garfos. - Certifique-se de que os manômetros estejam funcionando corretamente. - Certifique-se de que a lubrificação esteja funcionando corretamente. - Ajuste o gotejamento se necessário. - Verifique se não há dobras nas mangueiras e substitua-as se estiverem danificadas. • 360 horas: - Verifique todas as conexões e mangeiras com relação a vazamentos, reaperte-as ou substitua-as se necessário. - Certifique-se de que não haja vazamentos nas válvulas e cilindros. - Limpe os elementos filtrantes de conjuntos de preparação de ar. Lave-os com água e sabão ou com querosene (não use outro tipo de solvente). Depois, sopre com ar comprimido do lado oposto da passagem normal. - Lave os copos do filtro com água ou querosene (não use solventes). • 2000 horas: - Verifique o desgaste das buchas dos mancais do cilindro. Substitua-as, se necessário. 2 - MANUTENÇÃO GERAL
  • 37.
    34 Manual deManutenção - Centur 30D / ROMI C420 v5.0 U07580A 2.9. DIAGRAMAS PNEUMÁTICOS 2.9.1. Cabeçote Móvel Pneumático PtPt - Ajuste de Pressão: 4,5Kgf 2 - MANUTENÇÃO GERAL S323 Y321 Y322 V321UTA321 VR321 CÓDIGO DESCRIÇÃO UTA321 UNIDADE DE TRATAMENTO DE AR Y321 SOLENÓIDE (Avança Cabeçote Móvel) Y322 SOLENÓIDE (Recua Cabeçote Móvel) V321 VÁLVULA DIRECIONAL S323 PRESSOSTATO (Cabeçote Móvel Avançado) 2.9.2. Placa Pneumática com Cilindro Incorporado S423 Y421 Y422 V421 V422 UTA421 Y161 V161 Pt - Ajuste de Pressão: 3Kgf Pt Não aplicável ao mercado CE CÓDIGO DESCRIÇÃO UTA421 UNIDADE DE TRATAMENTO DE AR Y421 SOLENÓIDE (Abre Placa) Y422 SOLENÓIDE (Fecha Placa) V421 VÁLVULA DIRECIONAL V422 VÁLVULA DIRECIONAL S423 PRESSOSTATO (Baixa Pressão)
  • 38.
    U07580A Manual deManutenção - Centur 30D / ROMI C420 v4.0 35 2 - MANUTENÇÃO GERAL 2.10. SISTEMA HIDRÁULICO (ACESSÓRIO) O Centur 30D possui como acessório uma unidade hidráulica: para cabeçote móvel hidráulico (acessório) e placa hidráulica (acessório). 2.10.1. Manutenção Periódica Óleo hidráulico: • Verifique o nível de óleo diariamente. Caso seja observado uma variação no nível, contatar o pessoal de manutenção, a fim de diagnosticar a causa e reabastecer a unidade. • Use óleo hidráulico DIN51502 HLP 32. • A marca amarela superior do Indicador de Nível de Óleo no lado do tanque de fluído hidráulico indica o nível de óleo máximo (capacidade nominal) desta unidade hidráulica. • A marca vermelha abaixo do Indicador de Nível de Óleo, indica o nível mínimo. • Nunca opere a bomba com o nível de óleo abaixo da marca vermelha. Renovação de óleo: • Cumpra a primeira troca de óleo após as 500 horas de funcionamento. • As renovações subseqüentes podem ser feitas a cada 3000 ou 5000 horas, conforme exigência das condições operacionais. • Mantenha o nível de óleo no reservatório, observando periodicamente o indicador de nível. Com- pletando-o caso necessário. Filtro de sucção: • Inspecione e limpe o filtro após as 90 primeiras horas e a cada 360 horas de operação. O filtro está localizado dentro da unidade hidráulica. DADOS TÉCNICOS Volume 25 litros Pressão Máx. 50 bar Vazão 13,4 l/min (50Hz) 16 l/min (60Hz) Tipo de Óleo ISO VG 32 Temp. de Trabalho 50º C Abastecimento de Óleo Trocadores de Calor Indicador de nível Plug para Esvaziamento do Óleo 1 2 3 4 Cobertura da Unidade Hidráulica Volume do Reservatório: 25 litros 1 2 3 4
  • 39.
    36 Manual deManutenção - Centur 30D / ROMI C420 v5.0 U07580A 2 - MANUTENÇÃO GERAL Trocadores de Calor Em caso de necessidade de limpeza do trocador de calor, a parte externa deve ser limpa com ar comprimido ou água. A direção do jato necessita ser paralela às aletas para evitar danos às mesmas. Um melhor resultado pode ser obtido adicionando-se detergente, mas deve-se estar atento a produtos que possam danificar o alumímio. Se houver óleo ou graxa acumulada, há a necessidade de limpeza através de jato de vapor ou água quente. Em caso de necessidade de limpeza na parte interna do trocador de calor, este deverá ser desmontado. A sujeira pode ser removida através da circulação de produto desengraxante através do trocador. Esta operação pode durar entre 10 a 30 minutos. O produto desengraxante que permanecer no interior do trocador de calor após a operação de limpeza deve ser tirado com água corrente. Utilizar água corrente após a operação de limpeza interna do trocador para evitar que possam permanecer traços do produto desengraxante no interior do trocador. IMPORTANTE O motor elétrico deve ser protegido durante a operação de limpeza. CUIDADO ! Operando a bomba da unidade hidráulica com o nível de óleo abaixo do nível mínimo pode causar os seguintes acidentes : • O ar fluirá mais facilmente no óleo e resultará em falha da bomba, ruído, defeito na válvula ou pressão instável. • Ocorrerá vibração na tubulação resultando em vazamento de óleo. • A qualidade do fluído hidráulico será prejudicada. Filtro de linha: • É recomendada a troca de óleo, substituição do elemento filtrante do filtro de linha e a limpeza do reservatório após as primeiras 1000 horas e a cada 2000 horas de operação ou no caso de contaminação. Código do elemento filtrante: Romi S12654 / HDA 114.139 Nota: O filtro de linha é monitorado por um indicador eletrônico que é acionado quando o filtro estiver saturado, ocorrendo no painel de comando um alarme sonoro e mensagem de filtro sujo. Durante partidas a frio poderá ocorrer o acionamento do indicador devido ao aumento da viscosidade do óleo hidráulico, se isto ocorrer, aguarde até que o óleo atinja temperatura normal de trabalho. Se o elemento filtrante não estiver contaminado, o indicador se rearmará automaticamente, caso contrário o elemento filtrante deverá ser substituído, bem como o óleo, caso este esteja contaminado. • Durante os 3 primeiros meses de funcionamento, verifique o trocador de calor quanto a entupimentos. Posteriormente, efetue a limpeza do mesmo uma vez por ano.
  • 40.
    U07580A Manual deManutenção - Centur 30D / ROMI C420 v4.0 37 2 - MANUTENÇÃO GERAL 2.10.2. Unidade Hidráulica da placa e do cabeçote móvel (ajustes) A unidade hidráulica da placa e do cabeçote móvel está localizada junto a base da máquina, e fica completamente protegida. Para ter acesso, deve-se remover a tampa de proteção.Oindicadordepressãoficalocalizado na própria unidade, como demonstrado na figura ao lado: Capacidade do Reservatório: 25 litros Indicador de nível Volume do Reservatório PLACA HIDRÁULICA CABEÇOTE MÓVEL HIDRÁULICO Ä A máxima pressão de trabalho da unidade hidráulica é 35 Bar. Porém, a regulagem da pressão de trabalho do cabeçote móvel deve ser ajustada em função do peso da peça que será usinada. Ä Segue na tabela abaixo a máxima pressão de trabalho em função da placa hidráulica utilizada: Nariz (ASA) Placa Autoblok Cilindro Hidráulico Pressão Máxima de Regulagem A2-5” Autoblok BH-M 165 VNK 102-46 24 bar A2-5” Autoblok BH-M 210 VNK 102-46 37 bar A2-6” Autoblok BH-M 210 VNK 130-52 30 bar A força de avanço da manga à 35 Bar é 280 Kgf. R VISTA A VISTA B 1 2 1. Manômetro - Informa a Pressão do Cabeçote Móvel; 2. Manômetro - Informa a Pressão da Placa; 3. Regula a Pressão de trabalho do Cabeçote Móvel; 4. Regula a Pressão da Placa; P(bar) P(bar) T30977 3 4
  • 41.
    38 Manual deManutenção - Centur 30D / ROMI C420 v5.0 U07580A 2.10.3. Diagrama Hidráulico 2 - MANUTENÇÃO GERAL 1 Tanque 10 Manifold 2 Bomba 11 Modulo de válvulas 3 Motor 12 Pressostato 4 Ventilador 13 Válvula direcional 5 Respiro 14 Modulo de válvulas 6 Filtro 15 Modulo de válvula 7 Indicador de Nivel 16 Parafusosdemont.dobloco 8 Manômetros 17 Parafusosdemont.dobloco 9 Isolante de Borracha 18 Pressostato Placa Abre / Fecha Cabeçote Móvel Avança / Recua
  • 42.
    U07580A Manual deManutenção - Centur 30D / ROMI C420 v4.0 39 2.10.4. Função dos Componentes da Unidade Hidráulica Cabeçote Móvel Hidráulico 1 - Válvula Reguladora de velocidade da manga 2 - Válvula de Retenção 3 - Pressostato (Manga Avançada) 4 - Válvula Reguladora de Pressão 5 - Válvula Direcional 1.1 - Regulagem do avanço (20mm/s à 35 bar) - Não alterar 3.1 - Regulado na Fábrica com 12 Bar 4.1 - Regula a Pressão de Trabalho do Cab. Móvel de acordo com a peça a ser fixada 1.2 - Regulagem do recuo (60mm/s à 35 bar) - Não alterar • Não Alterar 4.2 - Manômetro - Informa a Pressão do Cabeçote Móvel Placa Hidráulica 6 - Válvula limitadora de Pressão 7 - Válvula Reguladora de Pressão 8 - Válvula Direcional 6.1 - Regulado na Fábrica de acordo com a pressão máxima da Placa 7.1 - Regula a Pressão de Trabalho da Placa acordo com a peça a ser fixada • Não Alterar 7.2 - Manômetro - Informa a Pressão da Placa Unidade Hidráulica 9 - Pressostato (Linha Principal) 10 - Bomba da Unidade Hidráulica (regulado com 10 Bar acima da pressão máx. da Placa - min. 35 Bar) 9.1 - Regulado na Fábrica com 15 Bar 10.1 - Regulado na Fábrica • Não Alterar • Manômetro - Informa a Pressão da Linha Principal Identificação dos Pressostatos e Solenóides Código Descrição S423 Pressostato (Linha Principal) S323 Pressostato (Manga Avançada) Y321 Solenóide Avança (Cab. Móvel) Y322 Solenóide Recua (Cab. Móvel) Y421 Solenóide Abre Placa (Cab. Móvel) Y422 Solenóide Fecha Placa (Cab. Móvel) 1 2 3 4 5 4.1 1.1 4.2 1.29 6 7 8 P T 7.2 7.1 6.1 3.1 P T 9.1 AB 10 10.1 B2 A2A1 B1 VISTA A (Placa Hidráulica) VISTA B (Cabeçote Móvel Hidráulico) Y422 Y421 Y322 Y321 S323 S423 2 - MANUTENÇÃO GERAL
  • 43.
    40 Manual deManutenção - Centur 30D / ROMI C420 v5.0 U07580A 2.11. SISTEMA DE REFRIGERAÇÃO O sistema completo de refrigeração contém um reservatório localizado na parte traseira da máquina.Estesistemaéusadoparaesfriarasferramentasdecorteea peça-obraduranteausinagem, além de limpar a área de usinagem contra os cavacos. Ao iniciar o turno de trabalho, verifique o nível do óleo no visor do reservatório e se necessário, acrescente óleo de mesmas características. Para evitar contaminação do fluido de corte, obstrução e outros problemas, atente para uma limpeza frequente, a qual dependerá do tipo de cavacos produzidos durante a usinagem. A primeira limpeza deve ser feita após 360 horas de operação. Bujão para escoamento Tampa do Cesto Cesto • Procedimento para limpeza frequente: - Retire a tampa do cesto; - Retire o cesto e proceda com a limpeza retirando os resíduos acumulados; - Para finalizar, recoloque o cesto e a tampa no tanque. Para limpeza completa do tanque, deve-se retirar o bujão localizado no lado direito inferior do reservatório afim de escoar todo o líquido refrigerante, retirar as demais tampas e proceder com a limpeza. ATENÇÃO! Para realizar a limpeza do reservatório a máquina deve estar desligada. Visor de Nível ATENÇÃO! Somente deve ser usado fluido de corte específico para tornos a CNC e deve estar na proporção de diluição recomendada pelos fornecedores. O uso de fluidos de corte impróprios pode causar danos à proteção de PVC, aos componentes elétricos e enferrujar os componentes da máquina. 2 - MANUTENÇÃO GERAL
  • 44.
    U07580A Manual deManutenção - Centur 30D / ROMI C420 v4.0 41 • Procedimento para remoção do tanque: - Retire a bomba de refrigeração (1); - Retire a base da bomba (2); - Retire os parafusos que fixam o tanque nas colunas (3); - Remova o tanque puxando-o para trás. Após limpeza do tanque reposicionar o tanque, recolocar os parafusos, a base da bomba e a bomba de refrigeração. Para remover o reservatório puxe-o para trás 1 2 3 3 2 - MANUTENÇÃO GERAL
  • 45.
    42 Manual deManutenção - Centur 30D / ROMI C420 v5.0 U07580A O volume de fluido refrigerante nos reservatórios deve ser controlado através dos visores de nível. As capacidades citadas acima representam o volume total dos reservatórios. SISTEMA DE REFRIGERAÇÃO TIPO DE ÓLEO CAPACIDADE DO RESERVATÓRIO Óleo solúvel a base mineral com 60% de óleo mineral na formulação* Máquina 500mm 80 Litros Máquina 1000mm 140 Litros Máquina 500mm com transportador 115 Litros Máquina 1000mm com transportador 180 Litros ADVERTÊNCIAS Não deposite cavacos e óleo refrigerante em lugares impróprios. O depósito de cavacos e de óleo refrigerante deve ser feito por pessoal treinado e obedecer aos procedimentos indicados pelas leis ambientais locais. Não execute qualquer operação ou trabalho de manutenção, antes de ler cuidadosamente o manual da motobomba que acompanha a máquina. ATENÇÃO! O líquido refrigerante deve ser compatível com o óleo utilizado na lubrificação, ou seja, deve apresentar um bom comportamento de desemulsificação com o mesmo. Danos causados pela utilização de líquidos refrigerante inadequados ou impuros não estão abrangidos pela nossa garantia. 2 - MANUTENÇÃO GERAL (*) Fluido de corte inerte, com características de bioestabilidade, antiespumante e compatibilidade com os materiais internos, como borrachas, acrílicos, lubrifi cantes, graxas e seus diversos metais, evitando corrosão e alterações nos seus materiais.
  • 46.
    U07580A Manual deManutenção - Centur 30D / ROMI C420 v4.0 43 2 - MANUTENÇÃO GERAL 2.12. TRANSPORTADOR DE CAVACOS (ACESSÓRIO) O transportador de esteira de arraste deve ser usado para cavacos finos; já o transportador de esteira articulada para cavacos longos e/ou emaranhados provenientes de processos de usinagem com ou sem líquidos de refrigeração. ATENÇÃO! Para maiores informações sobre o transportador de cavacosdeve-seconsultaromanualqueacompanha o acessório. Proteção do Motoredutor Botão de Emergência Deve-se executar uma manutenção periódica no motoredutor do transportador, verificando a limpeza das aberturas de ar, bem como o controle regular do lubrificante e a troca do mesmo, que dependerá das horas de serviço e da temperatura operacional. Para verificar o procedimento de limpeza e o tempo para troca do lubrificante deve-se consultar o manual que acompanha o acessório. O reservatório do transportador deve ser periodicamente verificado quanto a presença de sedimentos. Quando necessário, deve ser limpo. A periodicidade da inspeção determina-se em função das condições de trabalho existentes no local de uso. Para realizar a manutenção periódica, é necessário retirar a proteção do motoredutor. Observe que para qualquer ação é necessário que o transportador esteja desligado. Parasituaçõesdeemergênciaduranteaoperaçãodotransportador,obotãodeemergência indicado acima deve ser acionado, o que interromperá a ação.
  • 47.
    44 Manual deManutenção - Centur 30D / ROMI C420 v5.0 U07580A 2 - MANUTENÇÃO GERAL • Procedimento para remoção: - Puxe o transportador e o tanque para trás; - Solte os parafusos (1) e movimente as chapas (2) através dos oblongos a fim de liberar o transportador de cavacos; - Retire o transportador puxando-o para cima; Após limpeza, reposicione o transportador e as chapas (2) e depois reaperte os parafusos. Emseguida,empurreotransportadorparabaixodamáquinaatéqueoslimitadores(3)encostem nas colunas. Soltar os parafusos dos dois lados do transportador 3 3 2 Figura ilustrativa
  • 48.
    U07580A Manual deManutenção - Centur 30D / ROMI C420 v4.0 45 2.13. CONECTORES DAREFRIGERAÇÃO E TRANSPORTADOR DE CAVACOS Conector da Refrigeração Conector do Transportador de Cavacos Não desligue ou ligue os conectores da Refrigeração e/ou do Transportador de Cavacos enquanto a Chave Geral estiver na posição ON (ligada). Preste atenção quando inserir ou extrair os conectores. Assegure-se de que eles não estejam molhados quando manuseá-los. Há riscos de choque elétrico. Se qualquer dispositivo for removido ou não instalado, certifique-se de que a tampa dos conectores esteja no lugar. A voltagem principal presente nesses conectores é de 380VCA. O sinal de comando usado no conector do Transportador de Cavacos é de 24VCC. Nunca conecte qualquer outro dispositivo além da Bomba de Refrigeração e do Transportador de Cavacos especificados para esta máquina, sob pena de causar sérios danos à máquina/ dispositivo e ao operador. Mantenha a área desses dois conectores sempre limpa e livre de qualquer obstrução. 2 - MANUTENÇÃO GERAL Figura ilustrativa
  • 49.
    46 Manual deManutenção - Centur 30D / ROMI C420 v5.0 U07580A 2 - MANUTENÇÃO GERAL 2.14. ABASTECIMENTO DOS SISTEMAS Localização desta tabela na máquina: PLANO DE LUBRIFICAÇÃO - CENTUR 30D TIPOS DE ÓLEO SISTEMA DE LUBRIFICAÇÃO AUTOMÁTICA LUBRIFICADOR DO SISTEMA PNEUMÁTICO LUBRIFICAÇÃO MANUAL DO CABEÇOTE MÓVEL LUBRIFICAÇÃO MANUAL DA PLACA 1 2 3 4 ISO VG 68 DIN 51502 CG-LP ISO VG 10 DIN 51502 CL-Hl ISO VG 68 DIN 51502 CG-LP GRAXA MOLYKOTE TP-42 1,8 LITROS 50 ml N.A. N.A. 1,5 CC / INJEÇÃO 1 GOTA / 5 ATIVAÇÕES 3 APLICAÇÕES 3 APLICAÇÕES 100 HORAS (MAX.) VERIFICAÇÁO SEMANAL 8 HORAS 8 HORAS A CADA 12 MESES A CADA 6 MESES N.A. N.A. A CADA 12 MESES N.A. N.A. N.A. VOLUME DO RESERVATÓRIO AJUSTE DO SISTEMA / APLICAÇÃO PERÍODO DE ABASTECIMENTO SUBSTITIÇÃO/ LIMPEZA DO RESERVATÓRIO VERIFICAÇÃO DOS DOSADORES SISTEMA DE REFRIGERAÇÃO 5 FLUIDO COM MÍNIMO DE 60% DE ÓLEO MINERAL 63 LITROS (0,5m) 110 LITROS (1,0m) N.A. CONFORME NECESSÁRIO MENSAL N.A. S97463 ATENÇÃO! ESPECIFICAÇÕES PARA CORES: PRETO: PANTONE PROCESS BLACK C (PADRÃO L77217) AMARELO: PANTONE 116C (PADRÃO L77203) ESPECIFICAÇÕES PARA CONFECÇÃO • IMPRESSO PELO VERSO TIPO SERIGRAFIA • COM ADESIVO NA FACE TRASEIRA • ACABAMENTO TEXTURIZADO Nº S9746 1:1 - APLICAÇÃO 363-196 Nº REF. MODELO - REFERÊNCIA S61973 1/1 PROJEÇÃOFOLHA ESCALA T. TÉRM. 09.05.2008 09.05.2008 09.05.2008 ADELSON RASERA ADELSON PROJETADO MATERIAL DESCRIÇÃO DESENHADO CONTROLAD POLICARBONATO esp0,25mm TABELA (P) DE PLANO DE LUBRIFICAÇÃO CT30D-V3.0 TOLERÂNCIA PARA MEDIDAS ANGULARES DE CHANFROS SEM INDICAÇÃO ± 3º ±10º ±5º 400 TOLERÂNC. PARA MEDIDAS ANGULARES SEM INDICAÇÃO ±15º±25º 30 6 30 3 6 3 MEDIDA ESPECIFIC. ± 2.0± 1.0± 0.5± 0.5USINADA ± 4.0± 2.0± 1.0± 0.5NÃO USINADA ±55º±1º30' ±10º±20º±30º±1º 120 400 50 120 10 50 10 NÃO USINADA USINADA MEDIDA LADO MENOR DO ANG TOL.(mm) P/ CHANFROS/RAIOS SEM INDIC. TOLERÂNCIAS (mm) PARA MEDIDAS LINEARES SEM INDICAÇÃO ± 5± 4± 3± 2± 1.5± 0.8± 0.5± 0.2NÃO USINADA ± 3± 2± 1.5± 0.8± 0.5± 0.3± 0.2± 0.1USINADA 4000 2000 4000 1000 2000 400 1000 120 400 30 120 6 30 6 MEDIDA ESPECIFIC. ED. MODIFICACAO MODIF. APROV. DATA ATENÇÃO! PARA O DESENHO DA TABELA PODERÁ SER SOLICITADO AO SEP16 UMA CÓPIA ELETRONICA DO ARQUIVO VISTA PARA REPRODUÇÃO PLANO DE LUBRIFICAÇÃO - CENTUR 30D TIPOS DE ÓLEO SISTEMA DE LUBRIFICAÇÃO AUTOMÁTICA LUBRIFICADOR DO SISTEMA PNEUMÁTICO LUBRIFICAÇÃO MANUAL DO CABEÇOTE MÓVEL LUBRIFICAÇÃO MANUAL DA PLACA 1 2 3 4 ISO VG 68 DIN 51502 CG-LP ISO VG 10 DIN 51502 CL-Hl ISO VG 68 DIN 51502 CG-LP GRAXA MOLYKOTE TP-42 1,8 LITROS 50 ml N.A. N.A. 1,5 CC / INJEÇÃO 1 GOTA / 5 ATIVAÇÕES 3 APLICAÇÕES 3 APLICAÇÕES 100 HORAS (MAX.) VERIFICAÇÁO SEMANAL 8 HORAS 8 HORAS A CADA 12 MESES A CADA 6 MESES N.A. N.A. A CADA 12 MESES N.A. N.A. N.A. VOLUME DO RESERVATÓRIO AJUSTE DO SISTEMA / APLICAÇÃO PERÍODO DE ABASTECIMENTO SUBSTITIÇÃO/ LIMPEZA DO RESERVATÓRIO VERIFICAÇÃO DOS DOSADORES SISTEMA DE REFRIGERAÇÃO 5 FLUIDO COM MÍNIMO DE 60% DE ÓLEO MINERAL 63 LITROS (0,5m) 110 LITROS (1,0m) N.A. CONFORME NECESSÁRIO MENSAL N.A. S97463 ATENÇÃO! VISTA PARA DIMENSIONAMENTO FUNDO AMARELO ! EM PRETO 172,0 180,0 150,0 158,0 FUNDO PRETO LETRAS EM AMARELO NÚMERO CHAVE EM PRETO FIGURA EM PRETO FUNDO AMARELO DESENHOS EM PRETO TABELA EM PRETO COM FUNDO AMARELO Para maiores informações consultar Manual de Manutenção * *Exceto para Cabe ote Movel Hidráulico ou Pneumáticoç * Para maiores informações consultar Manual de Manutenção*Exceto para Cabe ote Movel Hidráulico ou Pneumáticoç PLANO DE LUBRIFICAÇÃO - CENTUR 30D TIPOS DE ÓLEO SISTEMA DE LUBRIFICAÇÃO AUTOMÁTICA LUBRIFICADOR DO SISTEMA PNEUMÁTICO LUBRIFICAÇÃO MANUAL DO CABEÇOTE MÓVEL LUBRIFICAÇÃO MANUAL DA PLACA 1 2 3 4 ISO VG 68 DIN 51502 CG-LP ISO VG 10 DIN 51502 CL-Hl ISO VG 68 DIN 51502 CG-LP GRAXA MOLYKOTE TP-42 1,8 LITROS 50 ml N.A. N.A. 1,5 CC / INJEÇÃO 1 GOTA / 5 ATIVAÇÕES 3 APLICAÇÕES 3 APLICAÇÕES 100 HORAS (MAX.) VERIFICAÇÁO SEMANAL 8 HORAS 8 HORAS A CADA 12 MESES A CADA 6 MESES N.A. N.A. A CADA 12 MESES N.A. N.A. N.A. VOLUME DO RESERVATÓRIO AJUSTE DO SISTEMA / APLICAÇÃO PERÍODO DE ABASTECIMENTO SUBSTITIÇÃO/ LIMPEZA DO RESERVATÓRIO VERIFICAÇÃO DOS DOSADORES SISTEMA DE REFRIGERAÇÃO 5 FLUIDO COM MÍNIMO DE 60% DE ÓLEO MINERAL 63 LITROS (0,5m) 110 LITROS (1,0m) N.A. CONFORME NECESSÁRIO MENSAL N.A. S97463 ATENÇÃO! Para maiores informações consultar Manual de Manutenção * *Exceto para Cabe ote Movel Hidráulico ou Pneumáticoç 80 LITROS (0,5m) 140 LITROS (1,0m) 80 LITROS (0,5m) 140 LITROS (1,0m)
  • 50.
    U07580A Manual deManutenção - Centur 30D / ROMI C420 v4.0 47 2.16. LIMPADORES DE CAVACOS A longa vida útil das guias da máquina depende diretamente do cuidado e manutenção dos limpadores. Se os limpadores estiverem danificados, partículas podem obstruir os pontos de lubrificação, causando sério desgaste às guias retificadas do barramento. Por isso, os limpadores devem ser verificados regularmente e substituídos, se estiverem danificados. Limpadores da Mesa (4x) Limpador do Suporte Transversal Limpador da Manga 2.15. RUÍDO E AQUECIMENTO ANORMAIS Preste muita atenção a ruídos estranhos durante a operação. Ruídos podem indicar problemas que, se verificados imediatamente, poderão evitar a parada da máquina. Do mesmo modo, aquecimento anormal de qualquer parte do equipamento pode indicar problemas que podem causar a parada parcial ou total da máquina. 2 - MANUTENÇÃO GERAL
  • 51.
    48 Manual deManutenção - Centur 30D / ROMI C420 v5.0 U07580A 2 - MANUTENÇÃO GERAL 2.17. LUMINÁRIA A luminária consiste basicamente de um reator, soquetes e lâmpadas fluorescentes e é fixada na parte superior da cobertura traseira. Assim, a tampa da cobertura traseira deve ser retirada para manutenção no reator ou troca de lâmpada. Manual de Manutenção S61676D 35Centur 30D Calha da Luminária Não tente acessar a luminária enquanto a máquina estiver energizada. Certifique-se de que a energia esteja cortada antes de substituir as lâmpadas. Especificações: Reator Tipo Fluorescente Voltagem 220V Freqüência 50 / 60Hz Potência 30W (Máquina 500mm) 32W (Máquina 1000mm) Reator Partida Rápida
  • 52.
    U07580A Manual deManutenção - Centur 30D / ROMI C420 v4.0 49 2 - MANUTENÇÃO GERAL 2.18. VISOR DA PORTA 2.18.1. Procedimentos para Substituição O visor da porta frontal é fixado por meio de moldura metálica parafusada do lado interno da porta. O visor é composto por uma camada de proteção de policarbonato. Em caso de substituição do mesmo, deve-se atentar para a correta posição de montagem. Utilize como referência a logomarca “ROMI” gravada no visor, a qual deve ser posicionada de frente para o operador da máquina. Visor da porta Figura ilustrativa
  • 53.
    50 Manual deManutenção - Centur 30D / ROMI C420 v5.0 U07580A 2 - MANUTENÇÃO GERAL 2.19. AR CONDICIONADO PARA PAINEL ELÉTRICO (ACESSÓRIO) O ar condicionado para painel elétrico foi desenvolvido e contruído para dissipar o calor ou refrigerar o ar interno do painel mantendo-o no máximo 40ºC, protegendo assim os elementos sensíveis às variações de temperaturas. O ar condicionado é indicado para temperatura ambiente de +40ºC a +55ºC. Limpeza frequente: Deve ser feita utilizando ar comprimido. Esteira filtrante: Autilizaçãodeumaesteirafiltrantesósefaznecessárioquando o ar do ambiente de trabalho for muito impuro, evitando assim que o condensador se obstrua. Para verificar o procedimento de troca da esteira filtrante favor consultar o manual que acompanha o acessório. ATENÇÃO! Antes de realizar qualquer trabalho de manutenção o ar condicionado deve estar desligado. ATENÇÃO! Para maiores informações sobre o ar condicionado deve-se consultar o manual que acompanha o acessório. Este aparelho possui um filtro de ar metálico localizado do lado interno da tampa traseira, o qual deve ser limpo periodicamente de acordo com o ambiente em que a máquina está exposta. Inicie a limpeza do filtro semanalmente e altere a periodicidade de acordo com o volume de sujeira encontrado. Procedimento para limpeza: • Retire a tampa, a qual é encaixada nas extremidades do aparelho. Note que devido à fiação não é possível afastar a tampa mais que 30 cm do aparelho; • Retire o filtro localizado atrás da tampa e limpe-o com ar comprimido; • Se necessário, limpe as partes internas do aparelho. Para verificar o direcionamento do ar dentro do painel elétrico, verifique o capítulo Painel Elétrico - área de ventilação. 2.19.1. Manutenção Preventiva • Limpeza Periódica:
  • 54.
    U07580A Manual deManutenção - Centur 30D / ROMI C420 v4.0 51 2 - MANUTENÇÃO GERAL 2.20. INDEXADOR DE 72 POSIÇÕES (ACESSÓRIO) A finalidade do indexador é assegurar o plano de usinagem pré-determinado pelo comando com indexação de 5 em 5 graus (72 posições). O kit pneumático para indexador poderá ter diversas configurações dependendo dos opcionais (placas) que compõe a máquina. Para verificar a manutenção do kit deve-se consultar o capítulo: Sistemas Pneumáticos. Indexador Kit Pneumático Válvula pneumática do indexador
  • 55.
    52 Manual deManutenção - Centur 30D / ROMI C420 v5.0 U07580A 2 - MANUTENÇÃO GERAL Em caso de substituição do sensor inferior (2), deve-se adotar o seguinte procedimento: • Recue o pistão (1) - Sistema de Indexação destravado. • Solte os parafusos que fixam o sensor em seu suporte. • Substitua o sensor danificado. • Mova o sensor (2) para cima até o LED se acender, e nesta posição, aperte os parafusos de fixação. Entrada de ar do indexador A atuação do pistão é realizada pneumaticamente, e o retorno ocorre por um sistema de mola. 1 2 O monitoramento deste sistema é realizado por dois sensores pré-regulados de fábrica e que não precisam de ajustes:
  • 56.
    U07580A Manual deManutenção - Centur 30D / ROMI C420 v4.0 53 ATENÇÃO! Os dois sensores nunca deverão estar ligados / desligados ao mesmo tempo. Neste caso, deve-se proceder novamente com os procedimentos indicados anteriormente. • Avance o pistão (1) - Sistema de Indexação travado. • Solte os parafusos que fixam o sensor em seu suporte. • Substitua o sensor danificado. • Mova o sensor (3) para frente até o LED se acender, e nesta posição, aperte os parafusos de fixação. Em caso de substituição do sensor lateral (3), deve-se adotar o seguinte procedimento: 3 1 2 - MANUTENÇÃO GERAL
  • 57.
    54 Manual deManutenção - Centur 30D / ROMI C420 v5.0 U07580A Comercialização: São Paulo - SP Rua Coriolano, 710 05.047 - 900 São Paulo - SP - Brasil Telefone (11) 3873-3388 Fax (11) 3865-9510 Internet: www.romi.com.br E-mail:maqfer@romi.com.br Indústrias Romi S.A. Matriz Av. Pérola Byington, 56 13.453-900 Santa Bárbara d'Oeste- SP - Brasil Telefone +55 19 3455-9000 Fax +55 19 3455-2499 S75849A Manual de Instruções Skimmer Separador de Óleo/Refrigerante 2.21. SEPARADOR DE ÓLEO / SKIMMER (ACESSÓRIO) A limpeza e manutenção do equipamento garante um bom funcionamento e uma vida mais longa. Evite o uso de solventes que contenham dicloroetano, metileno clorídico ou acetona para limpeza. Mantenha a área de trabalho limpa e organizada para evitar acidentes. ATENÇÃO Certifique que o Skimmer esteja desligado ao efetuar qualquer intervenção. 2 1 4 5 3 IDENTIFICAÇÃO DAS PEÇAS EM CASO DE SUBSTITUIÇÃO: Figura ilustrativa ATENÇÃO! Odescarteinadequadodosresíduospodemcontaminar oAmbiente, portando, deve-se seguir as determinações locais, estaduais, federais. Para maiores informações sobre o skimmer favor consultar o manual que acompanha o acessório. Comercialização: São Paulo - SP Rua Coriolano, 710 05.047 - 900 São Paulo - SP - Brasil Telefone (11) 3873-3388 Fax (11) 3865-9510 Internet: ww w.romi.com .br E-mail:maqfer@romi.com .br Indústrias Romi S.A. Matriz Av. Pérola Byington, 56 13.453-900 Santa Bárbara d'Oeste- SP -Brasil Telefone +55 19 3455-9000 Fax +55 19 3455-2499 S75849A Manual de Instruções Skimmer Separador de Óleo/Refrigerante • Raspador (1) • Caixa frontal (2) • Pino rotativo (3) • Correia (4) • Polia movida (5) NOTA: O cliente deverá providenciar um recipiente para coleta de resíduos. Recipiente 2 - MANUTENÇÃO GERAL
  • 58.
    U07580A Manual deManutenção - Centur 30D / ROMI C420 v4.0 55 2.22. TORRE ELÉTRICA HORIZONTAL (ACESSÓRIO) A torre porta-ferramentas consiste essencialmente de uma carcaça contendo os componentes operacionais, fixada firmemente na mesa da máquina ou parte equivalente. A parte frontal da carcaça é provida de um Disco Porta-Ferramentas. Suportes de ferramentas ou similares podem ser fixados neste disco, que possui uma característica centrante e roscas de fixação. Usando-se um acoplamento de três peças com dentes frontais, nenhum deslocamento axial do disco ocorre durante o travamento e o destravamento. Os movimentos de rotação e de travamento são executados por um motor trifásico localizado na parte posterior da carcaça. Umaconexãoparaóleorefrigerantepermitealimentaçãodiretadoóleoparadentrodocarregador de ferramentas. Os componentes elétricos estão sob uma tampa protetora na parte posterior da torre. A torre é impermeável. IMPORTANTE Não execute qualquer operação ou trabalho de manutenção, antes de ler cuidadosamente o manual da torre que acompanha a máquina. Nanecessidadedetransporte/elevaçãodatorre elétricautilizeolhaisdesuspensão,dispositivos e métodos seguros. Motor Tampa protetora Carcaça Entrada de refrigerante Saída de refrigerante Disco Olhal Manual de Instruções Torre Elétrica Horizontal 8 posições S47568A Indústrias Romi S.A. Matriz Av. Pérola Byington, 56 13.453-900 Santa Bárbara d'Oeste- SP - Brasil Telefone +55 19 3455-9000 Fax +55 19 3455-2499 Comercialização: São Paulo - SP Rua Coriolano, 710 05.047 - 900 São Paulo - SP - Brasil Telefone (11) 3873-3388 Fax (11) 3865-9510 Internet: www.romi.com.br E-mail:maqfer@romi.com.br Manual de Instruções Torre Elétrica Horizontal 8 posições S47568A Indústrias Romi S.A. Matriz Av. Pérola Byington, 56 13.453-900 Santa Bárbara d'Oeste- SP -Brasil Telefone +55 19 3455-9000 Fax +55 19 3455-2499 Comercialização: São Paulo - SP Rua Coriolano, 710 05.047 - 900 São Paulo - SP - Brasil Telefone (11) 3873-3388 Fax (11) 3865-9510 Internet: ww w.romi.com .br E-mail:maqfer@romi.com .br 2 - MANUTENÇÃO GERAL
  • 59.
    56 Manual deManutenção - Centur 30D / ROMI C420 v5.0 U07580A 2.23. TRAVA ELÉTRICA DE SEGURANÇA A máquina é equipada com trava elétrica de segurança na porta principal e segunda porta. O destravamento elétrico somente é realizado com a máquina energizada, liberando a abertura da porta. Na necessidade de abertura da porta com a máquina desenergizada e travada, deve-se seguir o procedimento abaixo: 1- Soltar o parafuso de trava metálico (1) até que a chave de liberação mecânica (2) esteja livre. Nota: O parafuso (1) possui um lacre que será rompido quando solto. 2- Girar a chave de liberação mecânica (2) no sentido horário para a posição do cadeado aberto (180º) observando a indicação da seta. Nesta posição a trava de segurança fica liberada, permitindo a abertura da porta. 3- Após término da intervenção, girar a chave de liberação mecânica (2) no sentido anti-horário para a posição do cadeado fechado (180º) observando a indicação da seta. 4- Apertar o parafuso de trava metálico (1) e lacrar novamente. NOTA: Se houver a energização da máquina com o acionamento de trava na posição liberado (cadeado aberto), não será possível eliminar o estado de emergência da máquina, devido a trava elétrica de segurança gerar um sinal de falha, mantendo assim o estado de segurança. 2 - MANUTENÇÃO GERAL 1 2 D estravaTrava
  • 60.
    U07580A Manual deManutenção - Centur 30D / ROMI C420 v4.0 57 2.24. LIGAÇÃO RS232 E TOMADA DE ENERGIA ELÉTRICA Não desconecte ou conecte o cabo serial RS-232 sem desligar a chave geral da máquina. De outro modo, a porta serial poderá ser danificada. Não utilize alimentação de outro equipamento, quando o cabo serial estiver conectado à máquina. Esta ação pode danificar a porta serial do CNC. Utilize sempre a alimentação da máquina à qual esteja conectado. Deve-se tomar muito cuidado quando conectar qualquer instrumento na tomada de energia elétrica. Certifique-se de que o instrumento conectado na tomada de energia não exceda a corrente liberada pela tomada. Certifique-se de que o instrumento esteja ajustado para a voltagem da tomada de energia elétrica. Voltagem está sempre presente na tomada enquanto a chave geral está ligada. Deve-se tomar cuidado antes de conectar qualquer instrumento na tomada. Não conecte qualquer instrumento além daqueles indicados para o uso. VOLTAGEM 220VCA CORRENTE (Máxima) 1A 2 - MANUTENÇÃO GERAL SXXXXX Programação e Operação - Centur 30D V3.0 19 1. PAINEL DE OPERAÇÃO Porta RS232 Tomada de Energía
  • 61.
    58 Manual deManutenção - Centur 30D / ROMI C420 v5.0 U07580A 2 - MANUTENÇÃO GERAL 2.25. PAINEL ELÉTRICO – ÁREA DE VENTILAÇÃO Sempre desligue a Chave Geral antes de se ter acesso a esta área, observando os procedimentos de segurança em instalações e serviços em eletricidade. É mandatário a limpeza/substituição periódica do filtro de ventilação, o tempo para limpeza do filtro deve ser avaliado conforme o ambiente de trabalho onde a máquina está instalada, sendo necessário que o cliente avalie em quanto tempo se faz necessária a limpeza do filtro. E este tempo pode ser alterado na tela Customer do CNC (valor padrão 192 horas), alertando o cliente de maneira eficaz sempre da periodicidade de troca do filtro (manutenção preventiva).Após a contagem deste tempo ocorrerá o alarme: Verificar limpeza dos filtros do painel elétrico. Ao trocar o filtro atentar-se para que a espuma de vedação esteja devidamente fixada na estrutura metálica do filtro. Para solicitar este filtro a Romi, favor verificar o código no Catálogo de Peças (ver Capítulo Chaparia). Nunca deixe o painel ligado sem o filtro na captação de ar. Verificarsetodasaspartesreferentesaoconjuntopainelelétricoencontram-sedevidamente encaixadas e vedadas, o interior do painel elétrico deve ser um local limpo, portanto, se nas verificações periódicas for encontrado sujeira no mesmo, esta deve ser removida. IMPORTANTE O Painel de Comando e o Gabinete Elétrico foram projetados de forma otimizada visando ocuparpequenoespaçovolumétriconolayoutdamáquina,alémdeteremcomocaracterística grau de proteção IP54, portanto, para evitar qualquer tipo de dano aos componentes eletro- eletrônicos não deve-se instalar qualquer tipo de equipamento nestes conjuntos. A Romi entende que para a instalação de qualquer tipo de equipamento, são necessárias operações de furação e rosqueamento na Caixa Painel de Comando e/ou Gabinete Elétrico, possibilitando infiltração de limalhas e pequenos cavacos, além de alterar o grau de proteção, promovendo assim, a contaminação e consequentemente, comprometendo o bom funcionamento da máquina. Atenção: A Romi não se responsabilizará pelos danos ocorridos devido a mudanças nestes conjuntos.
  • 62.
    U07580A Manual deManutenção - Centur 30D / ROMI C420 v4.0 59 2.26. VERIFICAÇÃO DE TODAS AS LIGAÇÕES ELÉTRICAS Desligue sempre a Chave Geral antes de acessar o gabinete elétrico. Nunca tente acessar qualquer componente dentro do gabinete enquanto a máquina estiver energizada. Há riscos de sérios acidentes. Certifique-se de que os procedimentos corretos para ligação elétricas foram obedecidos antes de energizar a máquina pela primeira vez. É altamente recomendável que todas as ligações elétricas sejam verificadas e apertadas novamente, usando ferramenta correta, durante o procedimento de instalação da máquina. Verifique sempre a fiação ou ligações soltas. Verifique todos os conectores usados. Recomenda-se verificar os componentes soltos dentro ou fora do gabinete elétrico. 2 - MANUTENÇÃO GERAL 2.27. TORQUE PARA AJUSTE DOS SENSORES Alguns conjuntos da máquina, tais como placa e cabeçote móvel, estão equipadoscomsensoresdeproximidade. Quando necessário alguma manutenção ou substituição destes sensores, favor observar na planilha abaixo o torque máximorecomendadoparacadadiâmetro de sensor: Bucha de Fixação Porca da Bucha Sensor Anel de Pressão Porca Sensor com rosca metálica Torque (Nm) Observações M5 1,5 M8 6 rosca em corpo de latão 15 rosca em corpo de aço M12 15 sem bucha de fixação (porca rosqueada no sensor) 20 com bucha de fixação na porca da bucha 1,5 na porca de travamento do sensor M18 40 M30 40
  • 63.
    60 Manual deManutenção - Centur 30D / ROMI C420 v5.0 U07580A 2 - MANUTENÇÃO GERAL 2.28. TABELA DE MANUTENÇÃO PREVENTIVA NOTA Esta tabela tem por objetivo orientar o usuário da máquina sobre os principais componentes que devem ser inspecionados periodicamente. A periodicidade recomendada deverá ser reduzida de acordo com a severidade do ambiente e dascondiçõesdetrabalhoemqueamáquinaestejaexposta.Estahipótesedeverá seranalisada pelo departamento de manutenção por meio de um acompanhamento do funcionamento e das condições dos componentes internos da máquina. Período ITENS A SEREM INSPECIONADOS PELO OPERADOR Diário Semanal Quinzenal Mensal Pré aquecer a máquina Verificar nível do óleo lubrificante / hidráulico Inspecionar filtro de lubrificação Limpar filtros (tela) do tanque de fluído refrigerante Retirar excessos de cavacos da área de usinagem Verificar vazamentos no sistema de lubrificação Verificar vazamentos no sistema de refrigeração Verificar vazamentos no sistema hidráulico Limpar visor da porta Engraxar placa (consulte manual da placa) (acessório) Lubrificar a manga do cabeçote móvel (acessório) Inspecionar o coletor dos cilindros VNK (acessório) Inspecionar raspadores de cavacos Verificar nível e qualidade de fluido refrigerante Inspecionar filtro e filtro regulador do sistema pneumático Inspecionar lubrificador do sistema pneumático Limpar o painel de operação externamente Limpar filtros e ventiladores do painel elétrico Inspecionar manômetros e mangueiras do sistema pneumático Inspecionar a lubrificação e ajustar o gotejamento (se necessário) do sistema pneumático Inspecionar filtro de sucção da unidade hidráulica Limpar tanque de refrigeração (1ª limpeza após 360 horas) Inspecionar conexões/mangueiras/válvulas/cilindros do sistema pneumático em relação a vazamentos Limpar elementos filtrantes e os copos do filtro do sistema pneumático
  • 64.
    U07580A Manual deManutenção - Centur 30D / ROMI C420 v4.0 61 Período ITENS A SEREM INSPECIONADOS POR TÉCNICOS QUALIFICADOS Semanal Mensal Trimestral Semestral Anual 2,5anos Limpar filtro do aparelho de ar condicionado (acessório) Inspecionar lubrificação das guias e fusos Inspecionar funcionamento dos ventiladores dos acionamentos Inspecionar raspadores de cavacos Inspecionar regulagem das sapatas de deslizamento da placa pneumática cilindro incorporado Inspecionar a retenção de ar dentro do cilindro da placa pneumática Substituição do elemento filtrante do filtro de linha da unidade hidráulica (2000 hs) Inspecionar e limpar área do cabeçote (correia, polias, sensores) Inspecionar tubulação e dosadores do sistema de lubrificação Inspecionar desgaste das buchas dos mancais do cilindro (sistema pneumático) Verificação do alinhamento do cabeçote móvel (4000 hs) Inspecionar a válvula de refrigeração da torre (4000 hs) Inspecionar o óleo lubrificante das engrenagens da torre (4000 hs) Inspecionar e limpar trocador de calor da Unidade hidráulica Inspecionar correias dentadas dos eixos X e Z (4000 hs) Inspecionar a correia do motor principal Inspecionar e limpar o ventilador do motor principal (4000 hs) Executar limpeza interna do painel elétrico Inspecionar nivelamento da máquina Desmontar e limpar placa (consulte manual da placa) Verificar folga dos eixos (régua cônica / fusos) Lubrificar esteira transportadora do transportador de cavacos (*) Inspecionar o ruído / vibração dos rolamentos do motor principal Inspecionar e limpar filtro da unidade hidráulica (*) Inspecionar válvulas de segurança do cilindro (consulte manual do cilindro) Inspecionar rolamentos do eixo árvore (ruído) Substituir as unidades de fluxo do sistema de lubrificação Substituir filtro de linha e filtro de sucção do sistema de lubrificação Trocar o óleo lubrificante das engrenagens da torre (8000 hs) Reapertar fiação do painel elétrico Trocar óleo da unidade hidráulica (1ª troca após 3 meses) (*) Inspecionar e limpar o trocador de calor da unidade hidráulica Inspecionar conexões elétricas e desgaste mecânico da torre Inspecionar e lubrificar os rolamentos dos eixos X e Z (10000 hs) (*)= Considerando um turno de 16 horas / 5 dias por semana 2 - MANUTENÇÃO GERAL