4 EIXOS - DIVISOR
SISTEMA DE COORDENADAS
SISTEMA DE COORDENADAS ABSOLUTAS
SISTEMA DE COORDENADAS INCREMENTAIS
SISTEMA DE COORDENADAS POLARES
M – Função Auxiliar – M6 (aciona troca ferramenta)
G – Função Preparatório – G0 (deslocamento rápido)
D – Corretor de Ferramenta – D1 (aciona corretor 1)
S – Função Rotação – S2000M3 (2000 rpm horário)
F – Função Avanço (mm/min) – F100 mm/min
T – Define a ferramenta – T01 (ferramenta nº1)
G90 – Coordenadas Absolutas (MODAL)
G90 (MODAL)
X... Y... Z...
X=AC(...) Y=AC(...) Z=AC(...) (não MODAL)
G91 – Coordenadas Incrementais (MODAL)
G91 (MODAL)
X... Y... Z...
X=IC(...) Y=IC(...) Z=IC(...) (não MODAL)
G70 – Sistema de Unidades Polegadas (MODAL)
G71 – Sistema de Unidades Milímetros (MODAL)
G94 – (F) Avanço em mm/min ou pol/min (MODAL)
G95 – (F) Avanço em mm/rot ou pol/rot (MODAL)
G54 a G57 – Sistema de Coordenadas de Trabalho
(zero peça).
G94 – (F) Avanço em mm/min ou pol/min (MODAL)
G95 – (F) Avanço em mm/rot ou pol/rot (MODAL)
G54 a G57 – Sistema de Coordenadas de Trabalho
(zero peça).
G500 – Sistema Coordenada Máquina (MODAL)
G53 – Sistema Coordenada Máquina (não MODAL)
G0 – Deslocamento em máxima velocidade (MODAL)
G1 – Interpolação Linear (MODAL)
Avanço programado (F).
INTERPOLAÇÃO LINEAR
Executar o programa passando pelos pontos em coordenadas absolutas e incrementais
Executar o programa passando pelos pontos em coordenadas absolutas e incrementais
Coord. Absolutas
G17G71G90G94
G53G0Z-110D0
T01
M6
G54D01
S2000M3
G0X0Y0Z10 (P0)
G1Z-7F100
X20Y10 (P1)
Y50 (P2)
X65Y100 (P3)
X100 (P4)
X140Y50 (P5)
X120Y30 (P6)
X100 (P7)
X20Y10 (P1)
G0Z10
M30
Executar o programa passando pelos pontos em coordenadas absolutas e incrementais
Coord. Incrementais
G17G71G90G94
G53G0Z-110D0
T01
M6
G54D01
S2000M3
G0X0Y0Z10 (P0)
G91
G1Z-17F100
X20Y10 (P1)
Y40 (P2)
X45Y50 (P3)
X35 (P4)
X40Y-50 (P5)
X-20Y-20 (P6)
X-20 (P7)
X-80Y-20 (P1)
G0Z17
M30
CHANFROS E RAIOS DE CANTOS
Executar o programa passando pelos pontos em coordenadas absolutas e incrementais
Coord. Absolutas
G17G71G90G94
G53G0Z-110D0
T01
M6
G54D01
S2000M3
G0X0Y0Z10
G1Z-7F100
X20Y10
Y50
X65Y100
X100
X140Y50
X120Y30
X100
X20Y10
G0Z10
M30
Executar o programa passando pelos pontos em coordenadas absolutas e incrementais
Coord. Absolutas
G17G71G90G94
G53G0Z-110D0
T01
M6
G54D01
S2000M3
G0X0Y0Z10
G1Z-7F100
X20Y10
Y50RND=20
X65Y100CHF=10
X100CHR=5
X140Y50RND=10
X120Y30CHR=10
X100RND=50
X20Y10
G0Z10
M30
Executar o programa passando pelos pontos em coordenadas absolutas e incrementais
Coord. Incrementais
G17G71G90G94
G53G0Z-110D0
T01
M6
G54D01
S2000M3
G0X0Y0Z10
G91
G1Z-17F100
X20Y10
Y40
X45Y50
X35
X40Y-50
X-20Y-20
X-20
X-80Y-20
G0Z17
M30
Executar o programa passando pelos pontos em coordenadas absolutas e incrementais
Coord. Incrementais
G17G71G90G94
G53G0Z-110D0
T01
M6
G54D01
S2000M3
G0X0Y0Z10
G91
G1Z-17F100
X20Y10
Y40RND=20
X45Y50CHF=10
X35CHR=5
X40Y-50RND=10
X-20Y-20CHR=10
X-20RND=50
X-80Y-20
G0Z17
M30
G2 – Interpolação Circular Horário
G3 – Interpolação Circular Anti-horário
G2
G3
G2 – Interpolação Circular Horário
G3 – Interpolação Circular Anti-horário
G2/G3 X(...) Y(...) I(...) J(...)
coordenada final coordenada do
do circulo centro do circulo
G2/G3 X(...) Y(...) CR=...
coordenada final Valor do raio
do circulo + <180° - >180°
INTERPOLAÇÃO CIRCULAR G2
Circle
Starting
point
Circle
End
point
IJ
INTERPOLAÇÃO CIRCULAR G3
INTERPOLAÇÃO CIRCULAR G2/G3
DEFINIÇÃO PELO RAIO
G2 – Interpolação Circular Horário
G3 – Interpolação Circular Anti-horário
G2/G3 X(...) Y(...) I(...) J(...)
coordenada final coordenada do
do circulo centro do circulo
G2/G3 X(...) Y(...) CR=...
coordenada final Valor do raio
do circulo + <180° - >180°
Executar o programa passando pelos pontos em coordenadas absolutas e
incrementais utilizando coordenadas do centro do circulo (I e J) e raio (CR).
Executar o programa passando pelos pontos em coordenadas absolutas e
incrementais utilizando coordenadas do centro do circulo (I e J) e raio (CR).
Coord. Incrementais
G17G71G90G54
G53G0Z-110D0
T01
M6
G54D01
S2000M3
G0X0Y0Z10 (P0)
G91
G1Z-17F100
X28.33Y31.14 (P1)
G2Y37.72 I6.67 J18.86 (P2)
G1X53.34Y18.85 (P3)
G2Y-75.42 I13.33 J-37.71(P4)
G1X-53.34Y18.85 (P1)
G0Z10
M30
Executar o programa passando pelos pontos em coordenadas absolutas e
incrementais utilizando coordenadas do centro do circulo (I e J) e raio (CR).
Coord. Absolutas
G17G71G90G54
G53G0Z-110D0
T01
M6
G54D01
S2000M3
G0X0Y0Z10 (P0)
G1Z-7F100
X28.33Y31.14 (P1)
G2Y68.86 I6.67 J18.86 (P2)
G1X81.67Y87.71 (P3)
G2Y12.29 I13.33 J-37.71 (P4)
G1X28.33Y31.14 (P1)
G0Z10
M30
Executar o programa passando pelos pontos em coordenadas absolutas e
incrementais utilizando coordenadas do centro do circulo (I e J) e raio (CR).
Coord. Absolutas
G17G71G90G54
G53G0Z-110D0
T01
M6
G54D01
S2000M3
G0X0Y0Z10 (P0)
G1Z-7F100
X28.33Y31.14 (P1)
G2Y68.86 I=AC(35) J=AC(50) CR=20 (P2)
G1X81.67Y87.71 (P3)
G2Y12.29 I=AC(95) J=AC(50) CR=40 (P4)
G1X28.33Y31.14 (P1)
G0Z10
M30
A esquerda do perfil
A direita do perfil
Executar o pgm com compensação passando pelos pontos em coordenadas incrementais
Executar o pgm com compensação passando pelos pontos em coordenadas incrementais
G17G71G90G94
G53G0Z-110D0
T01
M6
G54D01
S2000M3
G0X0Y0Z10
G91
G1Z-17F100
X20Y10
Y40RND=20
X45Y50CHF=10
X35CHR=5
X40Y-50RND=10
X-20Y-20CHR=10
X-20RND=50
X-80Y-20
G0Z17
M30
Executar o pgm com compensação passando pelos pontos em coordenadas incrementais
G17G71G90G94
G53G0Z-110D0
T01
M6
G54D01
S2000M3
G0X0Y0Z10
G91
G1Z-17F100
........
X20Y10
Y40RND=20
X45Y50CHF=10
X35CHR=5
X40Y-50RND=10
X-20Y-20CHR=10
X-20RND=50
X-80Y-20
........
G0Z17
M30
(P0)
(P1)
(P2)
(P3)
(P4)
(P5)
(P6)
(P7)
(P1)
Executar o pgm com compensação passando pelos pontos em coordenadas incrementais
G17G71G90G94
G53G0Z-110D0
T01
M6
G54D01
S2000M3
G0X0Y0Z10
G91
G1Z-17F100
G41
X20Y10
Y40RND=20
X45Y50CHF=10
X35CHR=5
X40Y-50RND=10
X-20Y-20CHR=10
X-20RND=50
X-80Y-20
G40
G0X-20Y-10
G0Z17
M30
(P0)
(P1)
(P2)
(P3)
(P4)
(P5)
(P6)
(P7)
(P1)
(P0)
Executar o programa com compensação passando pelos pontos em coordenadas
absolutas utilizando o centro do circulo (I e J) em incremental, absoluto e raio (CR).
Executar o programa com compensação passando pelos pontos em coordenadas
absolutas utilizando o centro do circulo (I e J) em incremental e absoluto e raio (CR).
G17G71G90G94
G53G0Z-110D0
T01
M6
G54D01
S2000M3
G0X10Y10Z10
G1Z-3F100
G41
X28.33Y31.14
G2Y68.86 I6.67 J18.86 /
I=AC(35) J=AC(50) / CR=20
G1X81.67Y87.71
G2Y12.29 I13.33 J-37.71 /
I=AC(96) J=AC(50) / CR=-40
G1X28.33Y31.14
G40
G1X10Y10
G0Z10
M30
(P0)
(P1)
(P2)
(P3)
(P4)
(P1)
(P0)
Furação:
Simples – CYCLE 81 e CYCLE 82
Elimina ou quebra cavaco – CYCLE 83
Furação: Furação simples - CYCLE81
CYCLE81 (RTP, RFP, SDIS, DP, DPR)
RTP plano de retorno (absoluto)
RFP plano de referência
(absoluto)
SDIS distância segura (sem sinal)
DP profundidade da furação
(absoluto)
DPR profundidade final da
furação relativa ao plano de
referência (sem sinal)
Furação: Furação simples - CYCLE81
RTP plano de retorno (absoluto)
RFP plano de referência
(absoluto)
SDIS distância segura (sem sinal)
DP profundidade da furação
(absoluto)
DPR profundidade final da
furação relativa ao plano de
referência (sem sinal)
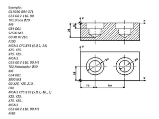
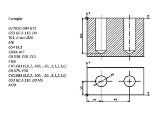
Exemplo:
G17 G90 G94 G71
G53 G0 Z-110. D0
T01; Broca Ø10
M6
G54 D01
S2500 M3
G0 X25. Y25. Z10.
F100
CYCLE81 (5,0,2,-25)
G0 X50. Y50.
CYCLE81((5,0,2,-25)
G53 G0 Z-110. D0 M5
M30
Furação: Furação com tempo de permanência
CYCLE82
DTB tempo de espera na
profundidade final da
furação (segundos)
CYCLE82 (RTP, RFP, SDIS, DP, DPR, DTB)
eliminar cavacos quebrar cavacos
Furação: com quebra ou eliminação
de cavacos CYCLE83
Furação: com quebra ou eliminação
de cavacos CYCLE83
CYCLE83 (RTP, RFP, SDIS, DP, DPR, FDEP, FDPR,
DAM, DTB, DTS, FRF, VARI)
FDEP primeira profundidade de furação (absoluta)
FDPR primeira profundidade de furação relativa ao plano de
referência (sem sinal)
DAM valor de decremento
DTS tempo de espera no ponto inicial e eliminação de cavacos.
FRF fator de avanço para a primeira profundidade de furação (sem
sinal) gama de valores: 0.001 ... 1
VARI modo de trabalho
0 = quebra de cavacos 1 = eliminar cavacos
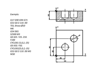
Exemplo:
G17G90 G94 G71
G53 G0 Z-110. D0
T01;Rebaixador diâmetro Ø30
M6
G54 D01
S800 M3
G0 X25. Y25. Z10.
F100
CYCLE82 (5,0,2,-10, ,2)
G0 X75. Y25.
CYCLE82 (5,0,2,-10, ,2)
G53 G0 Z-110. D0 M5
M30
Exemplo:
G17G90 G94 G71
G53 G0 Z-110. D0
T01; Broca Ø20
M6
G54 D01
S2000 M3
G0 X30. Y30. Z10.
F100
CYCLE83 (5,0,2,-100, ,-20, ,5,1,2,1,0)
G0 X75. Y30.
CYCLE83 (5,0,2,-100, ,-20, ,5,1,2,1,0)
G53 G0 Z-110. D0 M5
M30
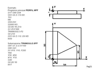
MCALL - Chamada de sub-rotina
MCALL CYCLE_ (__,__,__,__,__)
....
....
....
....
MCALL (cancela rotina)
Exemplo:
G17G90 G94 G71
G53 G0 Z-110. D0
T01;Broca Ø20
M6
G54 D01
S2500 M3
G0 X0 Y0 Z10.
F100
MCALL CYCLE81 (5,0,2,-25)
X25. Y25.
X75. Y25..
MCALL
G53 G0 Z-110. D0 M5
T02;Rebaixador Ø30
M6
G54 D01
S800 M3
G0 X25. Y25. Z10.
F80
MCALL CYCLE82 (5,0,2,-10, ,2)
X25. Y25.
X75. Y25..
MCALL
G53 G0 Z-110. D0 M5
M30
SISTEMA DE COORDENADAS POLARES
Atividade 1
Executar o perfil externo
com compensação de raio
Fresa Ø10 passando pelos
pontos em coordenadas
absolutas.
RA par – sentido horário
P1, P2, P3..., P6 e P1
RA impar – sentido anti-
horário
P1, P6, P5..., P2 e P1
Sub programa
Sub programa
Nome SubPgm Pn
SubPgm
Nome SubPgm Pn
Nome SubPgm Pn
Pgm
Sub programa
DIFERENÇAS
M30 - FIM DE PROGRAMA
M17 – FIM DE SUB PROGRAMA
.MPF – EXTENSÃO PGM PRINCIPAL
.SPF – EXTENSÃO SUB PROGRAMA
DUAS FORMAS DE SE CHAMAR O SUB PROGRAMA
DIRETAMENTE PELO NOME (TRIANGULO Pn)
OU COM A LETRA L + UM NUMERO (L200 Pn)
Pn – n é o numero de repetições do subprograma
Pag21
Executar o programa em duas passas utilizando
sub programa pela esquerda do perfil
pag19
Executar o programa em dois passas
utilizando sub programa
G17 G71 G90 G94
G53 G0 Z-110 D0
T01
M6
G54 D01
S2000 M3
G0 X0 Y0 Z10
G1 Z-7 F200
G42
G1 X10 Y10 F500
X20
G2 X40 Y10 I=AC(30) J=AC(10)
G1 X55
G3 X85 Y40 I=AC(55) J=AC(40)
G1 Y50
X10
Y10
G40
G0 X0 Y0
G0 Z10
G53 G0 Z-110 D0 M5
M30
G17 G71 G90 G94
G53 G0 Z-110 D0
T01
M6
G54 D01
S2000 M3
G0 X0 Y0 Z10
G1 Z-7 F200
G42
G1 X10 Y10 F500
X20
G2 X40 Y10 I=AC(30) J=AC(10)
G1 X55
G3 X85 Y40 I=AC(55) J=AC(40)
G1 Y50
X10
Y10
G40
G0 X0 Y0
G0 Z10
G53 G0 Z-110 D0 M5
M30
ParteRepetitiva
Executar o programa em dois passas
utilizando sub programa
G17 G71 G90 G94
G53 G0 Z-110 D0
T01
M6
G54 D01
S2000 M3
G0 X0 Y0 Z10
G1 Z-7 F200 (:2)
G42
G1 X10 Y10 F500
X20
G2 X40 Y10 I=AC(30) J=AC(10)
G1 X55
G3 X85 Y40 I=AC(55) J=AC(40)
G1 Y50
X10
Y10
G40
G0 X0 Y0
G0 Z10
G53 G0 Z-110 D0 M5
M30
ParteRepetitiva
Executar o programa em dois passas
utilizando sub programa
G17 G71 G90 G94
G53 G0 Z-110 D0
T01
M6
G54 D01
S2000 M3
G0 X0 Y0 Z10
G1 Z-7 F200
G42
G1 X10 Y10 F500
X20
G2 X40 Y10 I=AC(30) J=AC(10)
G1 X55
G3 X85 Y40 I=AC(55) J=AC(40)
G1 Y50
X10
Y10
G40
G0 X0 Y0
G0 Z10
G53 G0 Z-110 D0 M5
M30
G1 Z0 F200
G91 G1 Z-3,5 F200
G90
Parte
Repetitiva
G17 G71 G90 G94
G53 G0 Z-110 D0
T01
M6
G54 D01
S2000 M3
G0 X0 Y0 Z10
G1 Z-7 F200
G42
G1 X10 Y10 F500
X20
G2 X40 Y10 I=AC(30) J=AC(10)
G1 X55
G3 X85 Y40 I=AC(55) J=AC(40)
G1 Y50
X10
Y10
G40
G0 X0 Y0
G0 Z10
G53 G0 Z-110 D0 M5
M30
G17 G71 G90 G94
G53 G0 Z-110 D0
T01
M6
G54 D01
S2000 M3
G0 X0 Y0 Z10
G1 Z0 F200
G91 G1 Z-3,5 F200
G90 G42
G1 X10 Y10 F500
X20
G2 X40 Y10 I=AC(30) J=AC(10)
G1 X55
G3 X85 Y40 I=AC(55) J=AC(40)
G1 Y50
X10
Y10
G40
G0 X0 Y0
G0 Z10
G53 G0 Z-110 D0 M5
M30
Parte
Repetitiva
G17 G71 G90 G94
G53 G0 Z-110 D0
T01
M6
G54 D01
S2000 M3
G0 X0 Y0 Z10
G1 Z0 F200
G91 G1 Z-3,5 F200
G90 G42
G1 X10 Y10 F500
X20
G2 X40 Y10 I=AC(30) J=AC(10)
G1 X55
G3 X85 Y40 I=AC(55) J=AC(40)
G1 Y50
X10
Y10
G40
G0 X0 Y0
G0 Z10
G53 G0 Z-110 D0 M5
M30
Programa Principal
Perfil.MPF
G17 G71 G90 G94
G53 G0 Z-110 D0
T01
M6
G54 D01
S2000 M3
G0 X0 Y0 Z10
G1 Z0 F200
L200 P2
G0 Z10
G53 G0 Z-110 D0 M5
M30
Sub-programa
L200.SPF
G91 G1 Z-3,5 F200
G90 G42
G1 X10 Y10 F500
X20
G2 X40 Y10 I=AC(30) J=AC(10)
G1 X55
G3 X85 Y40 I=AC(55) J=AC(40)
G1 Y50
X10
Y10
G40
G0 X0 Y0
M17
Executar o programa com compensação em duas passadas, passando pelos pontos
em coordenadas absolutas utilizando o centro do circulo (I e J) em incremental e
absoluto e raio (CR).
G17G71G90G94
G53G0Z-110D0
T01
M6
G54D01
S2000M3
G0X10Y10Z10
G1Z-3F100
G41
X28.33Y31.14
G2Y68.86 I6.67 J18.86 /
I=AC(35) J=AC(50) / CR=20
G1X81.67Y87.71
G2Y12.29 I13.33 J-37.71 /
I=AC(96) J=AC(50) / CR=-40
G1X28.33Y31.14
G40
G0X10Y10
G0Z10
M30
(P0)
(P1)
(P2)
(P3)
(P4)
(P1)
(P0)
Executar o programa em duas passas utilizando
sub programa pela esquerda do perfil
Programa Principal
Perfil.MPF
G17 G71 G90 G94
G53 G0 Z-110 D0
T01
M6
G54 D01
S2000 M3
G0 X0 Y15 Z10
G1 Z0 F200
L200 P2
G0 Z10
G0 X30 Y55 Z10
G1 Z0 F200
L200 P2
G0 Z10
G53 G0 Z-110 D0 M5
M30
Sub-programa
L200.SPF
G91 G1 Z-3,5 F200
G41
G1 X20 Y5 F500
X10
G2 X20 Y20 I20 J0
G1 Y–30
G1 X-20
G40
G0 X-20 Y-5
M17
Executar o programa em duas passas utilizando
REPEAT LABEL pela esquerda do perfil
Atividade no LABORATÓRIO
Fazer o programa da figura a baixo, utilizando Sub Programa (2 passes), MCALL, CYCLE 83 e
Coordenadas Polares para os furos diâmetro 6mm.
GRUPO I e III – Sequência – Contorno, furos diâmetro 6 (sentido anti-horário) e diâmetro 12.
GRUPO II e IV - Sequência – Furos diâmetro 6 (sentido horário), diâmetro 12 e contorno.

Apresentação cnc resumida

  • 6.
    4 EIXOS -DIVISOR
  • 10.
  • 11.
  • 12.
  • 13.
  • 16.
    M – FunçãoAuxiliar – M6 (aciona troca ferramenta) G – Função Preparatório – G0 (deslocamento rápido) D – Corretor de Ferramenta – D1 (aciona corretor 1) S – Função Rotação – S2000M3 (2000 rpm horário) F – Função Avanço (mm/min) – F100 mm/min T – Define a ferramenta – T01 (ferramenta nº1) G90 – Coordenadas Absolutas (MODAL) G90 (MODAL) X... Y... Z... X=AC(...) Y=AC(...) Z=AC(...) (não MODAL)
  • 17.
    G91 – CoordenadasIncrementais (MODAL) G91 (MODAL) X... Y... Z... X=IC(...) Y=IC(...) Z=IC(...) (não MODAL) G70 – Sistema de Unidades Polegadas (MODAL) G71 – Sistema de Unidades Milímetros (MODAL) G94 – (F) Avanço em mm/min ou pol/min (MODAL) G95 – (F) Avanço em mm/rot ou pol/rot (MODAL) G54 a G57 – Sistema de Coordenadas de Trabalho (zero peça).
  • 21.
    G94 – (F)Avanço em mm/min ou pol/min (MODAL) G95 – (F) Avanço em mm/rot ou pol/rot (MODAL) G54 a G57 – Sistema de Coordenadas de Trabalho (zero peça). G500 – Sistema Coordenada Máquina (MODAL) G53 – Sistema Coordenada Máquina (não MODAL) G0 – Deslocamento em máxima velocidade (MODAL) G1 – Interpolação Linear (MODAL) Avanço programado (F).
  • 22.
  • 23.
    Executar o programapassando pelos pontos em coordenadas absolutas e incrementais
  • 24.
    Executar o programapassando pelos pontos em coordenadas absolutas e incrementais Coord. Absolutas G17G71G90G94 G53G0Z-110D0 T01 M6 G54D01 S2000M3 G0X0Y0Z10 (P0) G1Z-7F100 X20Y10 (P1) Y50 (P2) X65Y100 (P3) X100 (P4) X140Y50 (P5) X120Y30 (P6) X100 (P7) X20Y10 (P1) G0Z10 M30
  • 25.
    Executar o programapassando pelos pontos em coordenadas absolutas e incrementais Coord. Incrementais G17G71G90G94 G53G0Z-110D0 T01 M6 G54D01 S2000M3 G0X0Y0Z10 (P0) G91 G1Z-17F100 X20Y10 (P1) Y40 (P2) X45Y50 (P3) X35 (P4) X40Y-50 (P5) X-20Y-20 (P6) X-20 (P7) X-80Y-20 (P1) G0Z17 M30
  • 26.
  • 27.
    Executar o programapassando pelos pontos em coordenadas absolutas e incrementais Coord. Absolutas G17G71G90G94 G53G0Z-110D0 T01 M6 G54D01 S2000M3 G0X0Y0Z10 G1Z-7F100 X20Y10 Y50 X65Y100 X100 X140Y50 X120Y30 X100 X20Y10 G0Z10 M30
  • 28.
    Executar o programapassando pelos pontos em coordenadas absolutas e incrementais Coord. Absolutas G17G71G90G94 G53G0Z-110D0 T01 M6 G54D01 S2000M3 G0X0Y0Z10 G1Z-7F100 X20Y10 Y50RND=20 X65Y100CHF=10 X100CHR=5 X140Y50RND=10 X120Y30CHR=10 X100RND=50 X20Y10 G0Z10 M30
  • 29.
    Executar o programapassando pelos pontos em coordenadas absolutas e incrementais Coord. Incrementais G17G71G90G94 G53G0Z-110D0 T01 M6 G54D01 S2000M3 G0X0Y0Z10 G91 G1Z-17F100 X20Y10 Y40 X45Y50 X35 X40Y-50 X-20Y-20 X-20 X-80Y-20 G0Z17 M30
  • 30.
    Executar o programapassando pelos pontos em coordenadas absolutas e incrementais Coord. Incrementais G17G71G90G94 G53G0Z-110D0 T01 M6 G54D01 S2000M3 G0X0Y0Z10 G91 G1Z-17F100 X20Y10 Y40RND=20 X45Y50CHF=10 X35CHR=5 X40Y-50RND=10 X-20Y-20CHR=10 X-20RND=50 X-80Y-20 G0Z17 M30
  • 31.
    G2 – InterpolaçãoCircular Horário G3 – Interpolação Circular Anti-horário G2 G3
  • 32.
    G2 – InterpolaçãoCircular Horário G3 – Interpolação Circular Anti-horário G2/G3 X(...) Y(...) I(...) J(...) coordenada final coordenada do do circulo centro do circulo G2/G3 X(...) Y(...) CR=... coordenada final Valor do raio do circulo + <180° - >180°
  • 33.
  • 34.
  • 35.
  • 36.
    G2 – InterpolaçãoCircular Horário G3 – Interpolação Circular Anti-horário G2/G3 X(...) Y(...) I(...) J(...) coordenada final coordenada do do circulo centro do circulo G2/G3 X(...) Y(...) CR=... coordenada final Valor do raio do circulo + <180° - >180°
  • 37.
    Executar o programapassando pelos pontos em coordenadas absolutas e incrementais utilizando coordenadas do centro do circulo (I e J) e raio (CR).
  • 38.
    Executar o programapassando pelos pontos em coordenadas absolutas e incrementais utilizando coordenadas do centro do circulo (I e J) e raio (CR). Coord. Incrementais G17G71G90G54 G53G0Z-110D0 T01 M6 G54D01 S2000M3 G0X0Y0Z10 (P0) G91 G1Z-17F100 X28.33Y31.14 (P1) G2Y37.72 I6.67 J18.86 (P2) G1X53.34Y18.85 (P3) G2Y-75.42 I13.33 J-37.71(P4) G1X-53.34Y18.85 (P1) G0Z10 M30
  • 39.
    Executar o programapassando pelos pontos em coordenadas absolutas e incrementais utilizando coordenadas do centro do circulo (I e J) e raio (CR). Coord. Absolutas G17G71G90G54 G53G0Z-110D0 T01 M6 G54D01 S2000M3 G0X0Y0Z10 (P0) G1Z-7F100 X28.33Y31.14 (P1) G2Y68.86 I6.67 J18.86 (P2) G1X81.67Y87.71 (P3) G2Y12.29 I13.33 J-37.71 (P4) G1X28.33Y31.14 (P1) G0Z10 M30
  • 40.
    Executar o programapassando pelos pontos em coordenadas absolutas e incrementais utilizando coordenadas do centro do circulo (I e J) e raio (CR). Coord. Absolutas G17G71G90G54 G53G0Z-110D0 T01 M6 G54D01 S2000M3 G0X0Y0Z10 (P0) G1Z-7F100 X28.33Y31.14 (P1) G2Y68.86 I=AC(35) J=AC(50) CR=20 (P2) G1X81.67Y87.71 (P3) G2Y12.29 I=AC(95) J=AC(50) CR=40 (P4) G1X28.33Y31.14 (P1) G0Z10 M30
  • 42.
  • 43.
  • 45.
    Executar o pgmcom compensação passando pelos pontos em coordenadas incrementais
  • 46.
    Executar o pgmcom compensação passando pelos pontos em coordenadas incrementais G17G71G90G94 G53G0Z-110D0 T01 M6 G54D01 S2000M3 G0X0Y0Z10 G91 G1Z-17F100 X20Y10 Y40RND=20 X45Y50CHF=10 X35CHR=5 X40Y-50RND=10 X-20Y-20CHR=10 X-20RND=50 X-80Y-20 G0Z17 M30
  • 47.
    Executar o pgmcom compensação passando pelos pontos em coordenadas incrementais G17G71G90G94 G53G0Z-110D0 T01 M6 G54D01 S2000M3 G0X0Y0Z10 G91 G1Z-17F100 ........ X20Y10 Y40RND=20 X45Y50CHF=10 X35CHR=5 X40Y-50RND=10 X-20Y-20CHR=10 X-20RND=50 X-80Y-20 ........ G0Z17 M30 (P0) (P1) (P2) (P3) (P4) (P5) (P6) (P7) (P1)
  • 48.
    Executar o pgmcom compensação passando pelos pontos em coordenadas incrementais G17G71G90G94 G53G0Z-110D0 T01 M6 G54D01 S2000M3 G0X0Y0Z10 G91 G1Z-17F100 G41 X20Y10 Y40RND=20 X45Y50CHF=10 X35CHR=5 X40Y-50RND=10 X-20Y-20CHR=10 X-20RND=50 X-80Y-20 G40 G0X-20Y-10 G0Z17 M30 (P0) (P1) (P2) (P3) (P4) (P5) (P6) (P7) (P1) (P0)
  • 49.
    Executar o programacom compensação passando pelos pontos em coordenadas absolutas utilizando o centro do circulo (I e J) em incremental, absoluto e raio (CR).
  • 50.
    Executar o programacom compensação passando pelos pontos em coordenadas absolutas utilizando o centro do circulo (I e J) em incremental e absoluto e raio (CR). G17G71G90G94 G53G0Z-110D0 T01 M6 G54D01 S2000M3 G0X10Y10Z10 G1Z-3F100 G41 X28.33Y31.14 G2Y68.86 I6.67 J18.86 / I=AC(35) J=AC(50) / CR=20 G1X81.67Y87.71 G2Y12.29 I13.33 J-37.71 / I=AC(96) J=AC(50) / CR=-40 G1X28.33Y31.14 G40 G1X10Y10 G0Z10 M30 (P0) (P1) (P2) (P3) (P4) (P1) (P0)
  • 51.
    Furação: Simples – CYCLE81 e CYCLE 82 Elimina ou quebra cavaco – CYCLE 83
  • 52.
    Furação: Furação simples- CYCLE81 CYCLE81 (RTP, RFP, SDIS, DP, DPR) RTP plano de retorno (absoluto) RFP plano de referência (absoluto) SDIS distância segura (sem sinal) DP profundidade da furação (absoluto) DPR profundidade final da furação relativa ao plano de referência (sem sinal)
  • 53.
    Furação: Furação simples- CYCLE81 RTP plano de retorno (absoluto) RFP plano de referência (absoluto) SDIS distância segura (sem sinal) DP profundidade da furação (absoluto) DPR profundidade final da furação relativa ao plano de referência (sem sinal)
  • 54.
    Exemplo: G17 G90 G94G71 G53 G0 Z-110. D0 T01; Broca Ø10 M6 G54 D01 S2500 M3 G0 X25. Y25. Z10. F100 CYCLE81 (5,0,2,-25) G0 X50. Y50. CYCLE81((5,0,2,-25) G53 G0 Z-110. D0 M5 M30
  • 55.
    Furação: Furação comtempo de permanência CYCLE82 DTB tempo de espera na profundidade final da furação (segundos) CYCLE82 (RTP, RFP, SDIS, DP, DPR, DTB)
  • 56.
    eliminar cavacos quebrarcavacos Furação: com quebra ou eliminação de cavacos CYCLE83
  • 57.
    Furação: com quebraou eliminação de cavacos CYCLE83 CYCLE83 (RTP, RFP, SDIS, DP, DPR, FDEP, FDPR, DAM, DTB, DTS, FRF, VARI) FDEP primeira profundidade de furação (absoluta) FDPR primeira profundidade de furação relativa ao plano de referência (sem sinal) DAM valor de decremento DTS tempo de espera no ponto inicial e eliminação de cavacos. FRF fator de avanço para a primeira profundidade de furação (sem sinal) gama de valores: 0.001 ... 1 VARI modo de trabalho 0 = quebra de cavacos 1 = eliminar cavacos
  • 58.
    Exemplo: G17G90 G94 G71 G53G0 Z-110. D0 T01;Rebaixador diâmetro Ø30 M6 G54 D01 S800 M3 G0 X25. Y25. Z10. F100 CYCLE82 (5,0,2,-10, ,2) G0 X75. Y25. CYCLE82 (5,0,2,-10, ,2) G53 G0 Z-110. D0 M5 M30
  • 59.
    Exemplo: G17G90 G94 G71 G53G0 Z-110. D0 T01; Broca Ø20 M6 G54 D01 S2000 M3 G0 X30. Y30. Z10. F100 CYCLE83 (5,0,2,-100, ,-20, ,5,1,2,1,0) G0 X75. Y30. CYCLE83 (5,0,2,-100, ,-20, ,5,1,2,1,0) G53 G0 Z-110. D0 M5 M30
  • 60.
    MCALL - Chamadade sub-rotina MCALL CYCLE_ (__,__,__,__,__) .... .... .... .... MCALL (cancela rotina)
  • 61.
    Exemplo: G17G90 G94 G71 G53G0 Z-110. D0 T01;Broca Ø20 M6 G54 D01 S2500 M3 G0 X0 Y0 Z10. F100 MCALL CYCLE81 (5,0,2,-25) X25. Y25. X75. Y25.. MCALL G53 G0 Z-110. D0 M5 T02;Rebaixador Ø30 M6 G54 D01 S800 M3 G0 X25. Y25. Z10. F80 MCALL CYCLE82 (5,0,2,-10, ,2) X25. Y25. X75. Y25.. MCALL G53 G0 Z-110. D0 M5 M30
  • 62.
  • 65.
    Atividade 1 Executar operfil externo com compensação de raio Fresa Ø10 passando pelos pontos em coordenadas absolutas. RA par – sentido horário P1, P2, P3..., P6 e P1 RA impar – sentido anti- horário P1, P6, P5..., P2 e P1
  • 66.
  • 67.
    Sub programa Nome SubPgmPn SubPgm Nome SubPgm Pn Nome SubPgm Pn Pgm
  • 68.
    Sub programa DIFERENÇAS M30 -FIM DE PROGRAMA M17 – FIM DE SUB PROGRAMA .MPF – EXTENSÃO PGM PRINCIPAL .SPF – EXTENSÃO SUB PROGRAMA DUAS FORMAS DE SE CHAMAR O SUB PROGRAMA DIRETAMENTE PELO NOME (TRIANGULO Pn) OU COM A LETRA L + UM NUMERO (L200 Pn) Pn – n é o numero de repetições do subprograma
  • 69.
  • 70.
    Executar o programaem duas passas utilizando sub programa pela esquerda do perfil pag19
  • 71.
    Executar o programaem dois passas utilizando sub programa G17 G71 G90 G94 G53 G0 Z-110 D0 T01 M6 G54 D01 S2000 M3 G0 X0 Y0 Z10 G1 Z-7 F200 G42 G1 X10 Y10 F500 X20 G2 X40 Y10 I=AC(30) J=AC(10) G1 X55 G3 X85 Y40 I=AC(55) J=AC(40) G1 Y50 X10 Y10 G40 G0 X0 Y0 G0 Z10 G53 G0 Z-110 D0 M5 M30
  • 72.
    G17 G71 G90G94 G53 G0 Z-110 D0 T01 M6 G54 D01 S2000 M3 G0 X0 Y0 Z10 G1 Z-7 F200 G42 G1 X10 Y10 F500 X20 G2 X40 Y10 I=AC(30) J=AC(10) G1 X55 G3 X85 Y40 I=AC(55) J=AC(40) G1 Y50 X10 Y10 G40 G0 X0 Y0 G0 Z10 G53 G0 Z-110 D0 M5 M30 ParteRepetitiva Executar o programa em dois passas utilizando sub programa
  • 73.
    G17 G71 G90G94 G53 G0 Z-110 D0 T01 M6 G54 D01 S2000 M3 G0 X0 Y0 Z10 G1 Z-7 F200 (:2) G42 G1 X10 Y10 F500 X20 G2 X40 Y10 I=AC(30) J=AC(10) G1 X55 G3 X85 Y40 I=AC(55) J=AC(40) G1 Y50 X10 Y10 G40 G0 X0 Y0 G0 Z10 G53 G0 Z-110 D0 M5 M30 ParteRepetitiva Executar o programa em dois passas utilizando sub programa
  • 74.
    G17 G71 G90G94 G53 G0 Z-110 D0 T01 M6 G54 D01 S2000 M3 G0 X0 Y0 Z10 G1 Z-7 F200 G42 G1 X10 Y10 F500 X20 G2 X40 Y10 I=AC(30) J=AC(10) G1 X55 G3 X85 Y40 I=AC(55) J=AC(40) G1 Y50 X10 Y10 G40 G0 X0 Y0 G0 Z10 G53 G0 Z-110 D0 M5 M30 G1 Z0 F200 G91 G1 Z-3,5 F200 G90 Parte Repetitiva
  • 75.
    G17 G71 G90G94 G53 G0 Z-110 D0 T01 M6 G54 D01 S2000 M3 G0 X0 Y0 Z10 G1 Z-7 F200 G42 G1 X10 Y10 F500 X20 G2 X40 Y10 I=AC(30) J=AC(10) G1 X55 G3 X85 Y40 I=AC(55) J=AC(40) G1 Y50 X10 Y10 G40 G0 X0 Y0 G0 Z10 G53 G0 Z-110 D0 M5 M30 G17 G71 G90 G94 G53 G0 Z-110 D0 T01 M6 G54 D01 S2000 M3 G0 X0 Y0 Z10 G1 Z0 F200 G91 G1 Z-3,5 F200 G90 G42 G1 X10 Y10 F500 X20 G2 X40 Y10 I=AC(30) J=AC(10) G1 X55 G3 X85 Y40 I=AC(55) J=AC(40) G1 Y50 X10 Y10 G40 G0 X0 Y0 G0 Z10 G53 G0 Z-110 D0 M5 M30 Parte Repetitiva
  • 76.
    G17 G71 G90G94 G53 G0 Z-110 D0 T01 M6 G54 D01 S2000 M3 G0 X0 Y0 Z10 G1 Z0 F200 G91 G1 Z-3,5 F200 G90 G42 G1 X10 Y10 F500 X20 G2 X40 Y10 I=AC(30) J=AC(10) G1 X55 G3 X85 Y40 I=AC(55) J=AC(40) G1 Y50 X10 Y10 G40 G0 X0 Y0 G0 Z10 G53 G0 Z-110 D0 M5 M30 Programa Principal Perfil.MPF G17 G71 G90 G94 G53 G0 Z-110 D0 T01 M6 G54 D01 S2000 M3 G0 X0 Y0 Z10 G1 Z0 F200 L200 P2 G0 Z10 G53 G0 Z-110 D0 M5 M30 Sub-programa L200.SPF G91 G1 Z-3,5 F200 G90 G42 G1 X10 Y10 F500 X20 G2 X40 Y10 I=AC(30) J=AC(10) G1 X55 G3 X85 Y40 I=AC(55) J=AC(40) G1 Y50 X10 Y10 G40 G0 X0 Y0 M17
  • 77.
    Executar o programacom compensação em duas passadas, passando pelos pontos em coordenadas absolutas utilizando o centro do circulo (I e J) em incremental e absoluto e raio (CR). G17G71G90G94 G53G0Z-110D0 T01 M6 G54D01 S2000M3 G0X10Y10Z10 G1Z-3F100 G41 X28.33Y31.14 G2Y68.86 I6.67 J18.86 / I=AC(35) J=AC(50) / CR=20 G1X81.67Y87.71 G2Y12.29 I13.33 J-37.71 / I=AC(96) J=AC(50) / CR=-40 G1X28.33Y31.14 G40 G0X10Y10 G0Z10 M30 (P0) (P1) (P2) (P3) (P4) (P1) (P0)
  • 78.
    Executar o programaem duas passas utilizando sub programa pela esquerda do perfil
  • 79.
    Programa Principal Perfil.MPF G17 G71G90 G94 G53 G0 Z-110 D0 T01 M6 G54 D01 S2000 M3 G0 X0 Y15 Z10 G1 Z0 F200 L200 P2 G0 Z10 G0 X30 Y55 Z10 G1 Z0 F200 L200 P2 G0 Z10 G53 G0 Z-110 D0 M5 M30 Sub-programa L200.SPF G91 G1 Z-3,5 F200 G41 G1 X20 Y5 F500 X10 G2 X20 Y20 I20 J0 G1 Y–30 G1 X-20 G40 G0 X-20 Y-5 M17
  • 80.
    Executar o programaem duas passas utilizando REPEAT LABEL pela esquerda do perfil
  • 81.
    Atividade no LABORATÓRIO Fazero programa da figura a baixo, utilizando Sub Programa (2 passes), MCALL, CYCLE 83 e Coordenadas Polares para os furos diâmetro 6mm. GRUPO I e III – Sequência – Contorno, furos diâmetro 6 (sentido anti-horário) e diâmetro 12. GRUPO II e IV - Sequência – Furos diâmetro 6 (sentido horário), diâmetro 12 e contorno.