RECON - BT
ENTRADAS INDIVIDUAIS E COLETIVAS
Regulamentação para fornecimento de energia
elétrica a consumidores em Baixa Tensão
Coordenação de Engenharia
Gerência de Engenharia da Distribuição
Diretoria de Distribuição
2 RECON – BT Março/2013
APRESENTAÇÃO
A presente Regulamentação tem por finalidade fixar as condições mínimas para projeto e execução de
instalações de entradas individuais e coletivas nas atividades residenciais e não residenciais, com
fornecimento de energia elétrica em tensão secundária de distribuição na área de concessão da Light
Serviços de Eletricidade S.A.
Todas as prescrições técnicas contidas nesta Regulamentação devem ser rigorosamente atendidas.
Entretanto, não dispensam o responsável técnico do necessário conhecimento e amparo na legislação
e normas técnicas específicas para instalações, equipamentos e materiais elétricos em baixa tensão.
À Light é reservado o direito de, em qualquer tempo, alterar o conteúdo desta Regulamentação, no
todo ou em parte, por motivo de ordem técnica ou legal, sendo tais alterações devidamente
comunicadas através de veículos de comunicação que permitam a adequada divulgação e orientação.
Esta Regulamentação cancela e substitui todas as edições anteriores a data de sua publicação
e estará disponível para consulta na internet no endereço www.light.com.br ou nas agências
comerciais da Light.
Rio de Janeiro, março de 2013.
ESTUDOU / ELABOROU ÓRGÃO APROVOU REVISÃO
Clayton G. Vabo
Engº Eletricista
CREA/RJ 130.006 – D
DTE
Luiz Eduardo Pereira Vaz
Engº Eletricista
CREA/RJ 83-1-00969-2-D
DTE
Roberto V. Dias
Engº Eletricista
CREA/RJ 1982106225
DTE
Rogério S. de Castro Menezes
Téc. Eletrotécnica
CREA/RJ 1997105205
DTE
RECON – BT Março/2013 3
ÍNDICE GERAL
CONDIÇÕES GERAIS
1 - Introdução
2 - Terminologias e definições
2.1 - Baixa tensão
2.2 - Carga instalada
2.3 - Compartimento para transformação
2.4 - Consumidor
2.5 - Demanda
2.6 - Edificação
2.7 - Entrada coletiva
2.8 - Entrada individual
2.9 - Instalação de entrada
2.10 - Limite de propriedade
2.11 - Ponto de entrega
2.12 - Ramal de entrada
2.13 - Ramal de ligação
2.14 - Recuo técnico
2.15 - Sistema de Medição e Leitura Centralizada – SMLC
2.16 - Unidade consumidora
3 - Dispositivos legais
3.1 - Decreto n.º 41.019 de 26 de fevereiro de 1957, do Ministério de Minas e Energia
3.2 - Normas para instalações elétricas de Baixa Tensão
3.3 - Resoluções da ANEEL
3.4 - Leis, Decretos e Resoluções do sistema CONFEA/CREA-RJ
3.5 - Código de segurança contra incêndio e pânico do Corpo de Bombeiros do Estado do Rio
de Janeiro - CBMERJ
4 - Limites de fornecimento de energia elétrica
4.1 - Em relação ao número de unidades consumidoras
4.1.1 - Em entrada individual
4.1.2 - Em entrada coletiva
4.2 - Em relação ao tipo de medição
4.3 - Em relação à demanda da instalação e definição do tipo de atendimento
4.3.1 - Rede de distribuição aérea
4 RECON – BT Março/2013
4.3.1.1 - Rede de distribuição aérea sem previsão de conversão para subterrânea
4.3.1.2 - Rede de distribuição aérea com previsão de conversão para subterrânea
4.3.2 - Rede de distribuição subterrânea
4.3.2.1 - Rede de distribuição subterrânea radial
4.3.2.2 - Rede de distribuição subterrânea reticulada
4.4 – Em relação à tensão de fornecimento de energia elétrica
4.4.1 - Tipos de atendimento padronizados conforme o número de fases
4.4.2 - Fornecimento de energia elétrica a cargas especiais
5 - Condições não permitidas
6 - Geração Particular
6.1 - Geração particular de emergência
6.2 - Geração particular com paralelismo momentâneo ou permanente
7 - Conservação dos materiais e equipamentos da instalação de entrada
8 - Acesso as instalações de entrada
9 - Tipos de Solicitações
9.1 - Ligação nova
9.2 - Aumento de carga
9.3 - Diminuição de carga
9.4 - Ligação Provisória de obra
9.5 - Ligação Festiva
9.6 - Ligação em via pública
9.7 - Relocação
9.8 - Reforma
9.9 - Mudança de Grupo tarifário
10 - Solicitação de fornecimento de energia elétrica
10.1 - Prazos de atendimento
10.2 - Dados fornecidos pelo Consumidor
10.3 - Dados fornecidos pela Light
10.4 - Fornecimento de energia elétrica para entradas individuais
10.5 - Fornecimento de energia elétrica para entradas coletivas
10.6 - Apresentação de projeto da instalação de entrada
10.6.1 - Em entrada individual com medição indireta
RECON – BT Março/2013 5
10.6.2 - Em entrada coletiva
10.7 - Prazo de validade do projeto
10.8 - Apresentação do documento “ART” do CREA-RJ
11 - Proteção da instalação de entrada de energia elétrica
11.1 - Proteção contra sobrecorrentes
11.2 - Proteção diferencial-residual
11.3 - Proteção contra sobretensões
11.4 - Proteção contra subtensões e falta de fase
12 - Medição
12.1 - Medição individual
12.2 - Medição de agrupamento
12.3 - Medição de serviço
12.4 - Medição totalizadora
12.5 - Medições especiais
12.6 - Influências de campos magnéticos
13 - Aterramento das instalações de entrada
13.1 - Aterramento do condutor neutro
13.2 - Ligações a terra e condutor de proteção
13.3 - Eletrodo de aterramento
13.4 - Interligação à malha de aterramento e entre barras de neutro e de proteção
13.5 - Número de eletrodos da malha de terra
13.5.1 - Entrada individual de energia elétrica
13.5.1.1 - Entrada individual isolada com demanda avaliada até 23,2 kVA
13.5.1.2 - Entrada individual isolada com demanda avaliada superior a 23,2 kVA e inferior ou igual a
150 kVA
13.5.1.3 - Entrada individual isolada com demanda avaliada superior a 150 kVA
13.5.2 - Entrada coletiva de energia elétrica
13.5.2.1 - Entrada coletiva com até 6 (seis) unidades consumidoras
13.5.2.2 - Entrada coletiva com mais de 6 (seis) unidades consumidoras
14 - Materiais padronizados para instalações de entrada
14.1 - Caixas de medição
14.1.1 - Caixas para Medição direta
14.1.1.1 - Caixa para Medição direta monofásica – CM1 (Figura 1)
14.1.1.2 - Caixa para Medição direta polifásica – CM3 (Figura 2)
14.1.1.3 - Caixa para Medição direta até 200 A – CM200 (Figura 3)
6 RECON – BT Março/2013
14.1.1.4 - Caixa para Seccionamento e Medição direta até 200 A – CSM200 (Figura 4)
14.1.1.5 - Caixa para Seccionamento, Medição direta e Proteção até 200 A – CSMD200 (Figura 5)
14.1.2 - Caixas para Medição indireta
14.1.2.1 - Caixa para Seccionamento e Medição indireta até 600 A – CSM600 (Figura 6)
14.1.2.2 - Caixa para Seccionamento e Medição indireta até 1500 A – CSM1500 (Figura 7)
14.1.2.3 - Caixa para Seccionamento, Medição indireta e Proteção até 600 A – CSMD600 (Figura 8)
14.1.2.4 - Caixa para Seccionamento, Medição indireta e Proteção até 1500 A – CSMD1500 (Figura 9)
14.2 - Caixas para Seccionamento
14.2.1 - Caixa para Seccionador monofásico – CS1 (Figura 10)
14.2.2 - Caixa para Seccionador polifásico até 100 A – CS3 (Figura 11)
14.2.3 - Caixa para Seccionador polifásico até 200 A – CS200 (Figura 12)
14.3 - Caixas para Proteção geral
14.3.1 - Caixa para Disjuntor monofásico – CDJ1 (Figura 13)
14.3.2 - Caixa para Disjuntor polifásico – CDJ3 (Figura 14)
14.3.3 - Caixa para Proteção geral – CPG200 (Figura 15)
14.3.4 - Caixa para Proteção geral – CPG600 (Figura 16)
14.3.5 - Caixa para Proteção geral – CPG1500 (Figura 17)
14.4 - Painéis de medidores
14.4.1 - Painel de Medição – PMD (Figura 18)
14.4.2 - Painel de Seccionamento e Medição – PSMD (Figura 19)
14.4.3 - Painel de Proteção e Medição – PDMD (Figura 20)
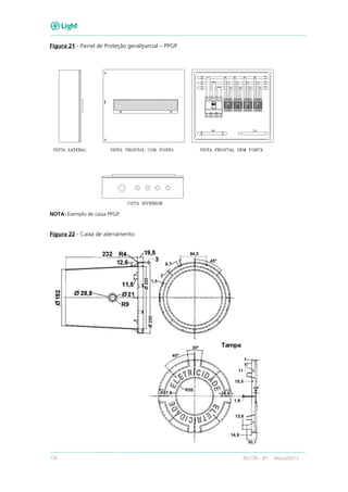
14.4.4 - Painel de Proteção geral/parcial – PPGP (Figura 21)
14.5 - Caixas de Inspeção de Aterramento (Figura 22)
14.6 - Eletroduto
14.7 - Terminais de fixação de dutos
14.8 - Poste de aço
14.9 - Condutores
14.9.1 - Tipo de condutor em função da característica do atendimento
14.9.1.1 - Condutores do Ramal de Ligação
14.9.1.2 - Condutores do Ramal de Entrada
14.9.1.2.1 - Barramento blindado (Bus way)
15 - Compensação de reativos
16 - Casos não previstos
RECON – BT Março/2013 7
SEÇÃO 01
DETERMINAÇÃO DA CARGA INSTALADA E AVALIAÇÃO DE DEMANDA EM BAIXA TENSÃO
17 - Determinação da carga instalada
18 - Avaliação de demandas
18.1 - Método de avaliação - Seção “A”
18.1.1 - Expressão geral para cálculo da demanda
18.1.2 - Avaliação da demanda de entradas individuais e de circuitos de serviço dedicados ao uso de condomínios
18.1.3 - Avaliação da demanda de entradas coletivas
18.1.3.1 - Avaliação da demanda de entradas coletivas com um único agrupamento de medidores
18.1.3.2 - Avaliação da demanda de entradas coletivas com mais de um agrupamento de medidores
18.2 - Método de avaliação - Seção “B”
18.2.1 - Metodologia para aplicação
18.2.1.1 - Avaliação da demanda de entradas coletivas exclusivamente residenciais compostas de 5 a
300 unidades consumidoras
18.2.1.2 - Avaliação da demanda de entradas coletivas mistas
18.3 - Exemplos de avaliação de demandas
SEÇÃO 02
PADRÃO DE LIGAÇÃO DE ENTRADAS INDIVIDUAIS
19 - Padrões de ligação de entradas individuais
19.1 - Entrada individual atendida através de ramal de ligação aéreo
19.1.1 - Determinação do tipo de ancoramento para o ramal de ligação aéreo
19.1.1.1 - Ancoramento do ramal de ligação na fachada
19.1.1.2 - Ancoramento do ramal de ligação em pontalete
19.1.1.3 - Ancoramento do ramal de ligação em poste
19.1.2 - Limites técnicos para ancoramento de ramais de ligação aéreos
19.1.3 - Distâncias mínimas de afastamento dos condutores do ramal de ligação
19.2 - Entrada individual atendida através de ramal de ligação subterrâneo
19.3 - Padrões de atendimento em entradas individuais
SEÇÃO 03
PADRÃO DE LIGAÇÃO DE ENTRADAS COLETIVAS
20 - Padrão de ligação de entradas coletivas
20.1 - Localização da proteção geral
8 RECON – BT Março/2013
20.2 - Localização da Medição de serviço
20.3 - Localização da Medição totalizadora
20.4 - Agrupamentos de medidores
20.4.1 - Agrupamentos de medidores no pavimento térreo junto à proteção geral
20.4.2 - Agrupamento de medidores no pavimento térreo fora do ambiente da proteção geral
20.4.3 - Agrupamentos de medidores distribuídos nos andares
20.4.4 - Painel de proteção geral/parcial - PPGP
20.5 - Sistema de Medição e Leitura Centralizada – SMLC
20.6 - Características construtivas dos ramais de ligação e de entrada em entradas coletivas
20.6.1 - Ramal de ligação aéreo derivado diretamente da rede aérea
20.6.2 - Ramal de ligação subterrâneo derivado diretamente da rede subterrânea
20.6.3 - Ramal de ligação subterrâneo derivado de Compartimento de transformação
20.6.4 - Ramal de entrada
20.6.5 - Proteção mecânica para os condutores do ramal de ligação
20.6.6 - Proteção mecânica para os condutores do ramal de entrada
20.6.7 - Banco de dutos
20.7 - Padrão de atendimento em entrada coletiva
20.7.1 - Atendimento a prédios residenciais, não residenciais e mistos
20.7.2 - Atendimento a condomínios verticais (prédios múltiplos)
20.7.3 - Atendimento a condomínios horizontais ou vilas
20.7.4 - Atendimento em entrada coletiva existente
20.8 - Dimensionamento de materiais e equipamentos de entradas coletivas
20.9 - Exemplos de aplicação de entradas coletivas
SEÇÃO 04
FIGURAS
Figura 1 - Caixa para Medição direta monofásica – CM1
Figura 2 - Caixa para Medição direta polifásica – CM3
Figura 3 - Caixa para Medição direta até 200 A – CM200
Figura 4 - Caixa para Seccionamento e Medição direta até 200 A – CSM200
Figura 5 - Caixa para Seccionamento, Medição direta e Proteção até 200 A – CSMD200
Figura 6 - Caixa para Seccionamento e Medição indireta até 600 A – CSM600
Figura 7 - Caixa para Seccionamento e Medição indireta até 1500 A – CSM1500
Figura 8 - Caixa para Seccionamento, Medição indireta e Proteção até 600 A – CSMD600
Figura 9 - Caixa para Seccionamento, Medição indireta e Proteção até 1500 A – CSMD1500
Figura 10 - Caixa para Seccionador monofásico – CS1
Figura 11 - Caixa para Seccionador polifásico – CS3
Figura 12 - Caixa para Seccionador polifásico até 200 A – CS200
RECON – BT Março/2013 9
Figura 13 - Caixa para Disjuntor monofásico – CDJ1
Figura 14 - Caixa para Disjuntor polifásico – CDJ3
Figura 15 - Caixa para Proteção geral – CPG200
Figura 16 - Caixa para Proteção geral – CPG600
Figura 17 - Caixa para Proteção geral – CPG1500
Figura 18 - Painel de Medição – PMD
Figura 19 - Painel de Seccionamento e Medição – PSMD
Figura 20 - Painel de Proteção e Medição – PDMD
Figura 21 - Painel de Proteção geral/parcial – PPGP
Figura 22 - Caixa de aterramento
Figura 23 - Caixa para dispositivo DPS – CDPS
Figura 24 - Barras “L” e “Z”
SEÇÃO 05
TABELAS
TABELA 1 - Carga mínima e fatores de demanda para instalações de iluminação e tomadas de uso geral
TABELA 2 - Fatores de demanda para aparelhos de aquecimento
TABELA 3A - Fatores de demanda para aparelhos de ar condicionado tipo janela, split e fan-coil (utilização residencial)
TABELA 3B - Fatores de demanda para aparelhos de ar condicionado tipo janela, split e fan-coil (utilização não residencial)
TABELA 4 - Fatores de demanda para equipamentos de ar condicionado central, self container e similares
TABELA 5A - Conversão de “CV” em “kVA”
TABELA 5B - Fator de demanda X Nº de motores
TABELA 6 - Fatores de demanda para máquinas de solda e equipamentos odonto – médico hospitalares
TABELA 7A - Demandas (kVA) de apartamentos em função das áreas (m²) - unidades de consumidoras que utilizem
equipamentos elétricos individuais para aquecimento de água
TABELA 7B - Demandas (kVA) de apartamentos em função das áreas (m²) - unidades de consumidoras que não
utilizem equipamentos elétricos individuais para aquecimento de água
TABELA 8 - Fatores para diversificação de cargas em função do nº de apartamentos
TABELA 9 - Potências médias de aparelhos eletrodomésticos
TABELA 10A - Entrada individual – medição direta – dimensionamento de materiais
TABELA 10B - Entrada individual – medição indireta – dimensionamento de materiais
TABELA 11A - Unidades consumidoras em entrada coletiva - medição direta - dimensionamento de materiais individuais
TABELA 11B - Unidades consumidoras em entradas coletivas “antigas” - medição direta - dimensionamento de
materiais individuais
TABELA 12 - Dimensionamento das ancoragens dos ramais de ligação
TABELA 13 - Seção mínima do condutor de proteção
TABELA 14 - Capacidade mínima de interrupção simétrica dos dispositivos de proteção geral de entrada
TABELA 15 - Corrente máxima admissível em condutores de cobre
10 RECON – BT Março/2013
TABELA 16 - Limite de condução de corrente para barras de cobre de seção retangular
TABELA 17 - Fatores de correção para barramentos horizontais ou verticais com mais de 2 (dois) metros
TABELA 18 - Entradas coletivas – dimensionamento de materiais - circuitos trifásicos em condutores unipolares de
cobre, isolação PVC 70°C anti-chama - tensão 220/127 V
TABELA 19 - Entradas coletivas – dimensionamento de materiais - circuitos trifásicos em condutores unipolares de
cobre, isolação PVC 70°C anti-chama - tensão 380/220 V
TABELA 20 - Entradas coletivas – dimensionamento de materiais - circuitos trifásicos em condutores unipolares de
cobre, isolação EPR ou XLPE 90°C - tensão 220/127 V
TABELA 21 - Entradas coletivas – dimensionamento de materiais - circuitos trifásicos em condutores unipolares de
cobre, isolação EPR ou XLPE 90°C - tensão 380/220 V
ANEXO “A” - Arranjos sugestivos para o dispositivo diferencial-residual
RECON – BT Março/2013 11
CONDIÇÕES GERAIS
1 - Introdução
O fornecimento de energia elétrica em baixa tensão na área de concessão da Light é realizado através
das instalações de entrada das unidades consumidoras caracterizadas por um sistema de
seccionamento, medição e proteção, que deve ser construído pelo interessado em conformidade com
esta Regulamentação, com as normas de segurança e com as normas técnicas brasileiras atinentes.
Ao sistema de distribuição da Light, somente podem ser conectadas instalações de entradas individuais
ou coletivas construídas com equipamentos e materiais de fabricantes que tenham seus produtos
fabricados em conformidade com as normas técnicas brasileiras e que sejam previamente validados
pela Light.
2 - Terminologias e definições
2.1 - Baixa tensão
Tensão entre fases cujo valor eficaz é igual ou inferior a 1 kV.
2.2 - Carga instalada
Somatório das potências nominais de todos os equipamentos elétricos e de iluminação existentes
em uma instalação, expressa em quilowatt (kW).
2.3 - Compartimento para transformação
Compartimento (infra-estrutura) construído pelo Consumidor, quando solicitado pela Light,
destinado à instalação de equipamentos de transformação, proteção e outros necessários ao
atendimento da(s) unidade(s) consumidora(s) da edificação.
2.4 - Consumidor
Pessoa física ou jurídica, de direito público ou privado, legalmente representada, que solicite o
fornecimento, a contratação de energia elétrica ou o uso do sistema elétrico à distribuidora,
assumindo as obrigações decorrentes deste atendimento à(s) sua(s) unidade(s) consumidora(s),
segundo disposto nas normas e nos contratos.
2.5 - Demanda
Valor máximo de potência absorvida num dado intervalo de tempo por um conjunto de cargas
existentes numa instalação, obtido a partir da diversificação dessas cargas por tipo de utilização,
definida em múltiplos de VA ou kVA para efeito de dimensionamento de condutores,
disjuntores, níveis de queda de tensão ou ainda qualquer outra condição assemelhada, devendo
12 RECON – BT Março/2013
também ser expressa em kW a fim de atender as condições definidas na Resolução n.º
414/2010 da ANEEL e demais resoluções e legislações atinentes.
2.6 – Edificação
Construção composta por uma ou mais unidades consumidoras.
2.7 - Entrada coletiva
Conjunto de equipamentos e materiais destinados ao fornecimento de energia elétrica em um só
ponto de entrega, a uma edificação composta por mais de uma unidade consumidora.
2.8 - Entrada individual
Conjunto de equipamentos e materiais destinados ao fornecimento de energia elétrica em um só
ponto de entrega, a uma edificação composta por uma única unidade consumidora.
2.9 - Instalação de entrada
Conjunto de equipamentos e materiais instalados a partir do ponto de entrega.
2.10 - Limite de propriedade
Linha que separa a propriedade de um Consumidor das propriedades vizinhas e da via pública, no
alinhamento determinado pelos Poderes Públicos.
2.11 - Ponto de Entrega
a) O ponto de entrega é a conexão do sistema elétrico da distribuidora com a unidade
consumidora e situa-se no limite da via pública com a propriedade onde esteja localizada a
unidade consumidora, ao qual a Light deve adotar todas as providências técnicas de forma a
viabilizar o fornecimento, bem como operar e manter o seu sistema elétrico até o ponto de
entrega, caracterizado como o limite de sua responsabilidade, observadas as condições
estabelecidas na legislação, resoluções e regulamentos aplicáveis, em especial nas definições
das responsabilidades financeiras da Light e do Consumidor no custeio da infra-estrutura de
fornecimento até o ponto de entrega.
b) Quando o atendimento for através de ramal de ligação aéreo, o ponto de entrega é no ponto
de ancoramento do ramal fixado, em fachada, em pontalete ou em poste instalado na
propriedade particular, situados no limite da propriedade com a via pública.
c) No atendimento com ramal de ligação subterrâneo derivado de rede aérea com descida no
poste da Light, por conveniência do Consumidor, observadas a viabilidade técnica e as normas
da Distribuidora, o ponto de entrega situar-se-á na conexão deste ramal com a rede aérea,
desde que esse ramal não ultrapasse propriedades de terceiros ou vias públicas, exceto
calçadas, e que o consumidor assuma integralmente os custos adicionais decorrentes do
RECON – BT Março/2013 13
atendimento inicial e de eventuais modificações futuras, bem como se responsabilize pela
obtenção de autorização do poder público para execução da obra de sua responsabilidade.
d) No caso de atendimento com ramal de ligação subterrâneo derivado de rede subterrânea, o
ponto de entrega é fixado no limite da propriedade com a via pública no que se refere ao
cumprimento das responsabilidades estabelecidas na Resolução 414/2010 da ANEEL,
relativamente à viabilização do fornecimento, da operação e da manutenção, tanto por parte
da Light quanto por parte do Consumidor. Entretanto, considerando a necessidade técnica de
evitar a realização de emendas entre os ramais de ligação e de entrada junto ao limite de
propriedade (principalmente no atendimento a cargas de grande porte), apenas sob o aspecto
estritamente técnico e operacional, a Light realiza a instalação contínua do ramal de
ligação até o primeiro ponto de conexão interno ao Consumidor (caixa de seccionamento ou
caixa de proteção geral). O trecho interno do ramal, a partir do limite de propriedade, deve ser
considerado como o “ramal de entrada”.
e) Quando existir propriedade de terceiros, em área urbana, entre a via pública e a propriedade
onde esteja localizada a unidade consumidora, o ponto de entrega é no limite da via pública
com a primeira propriedade intermediária.
f) Em se tratando de atendimento através de unidade de transformação interna ao imóvel o
ponto de entrega é na entrada do barramento secundário junto da unidade de transformação.
g) Em condomínio horizontal com rede de distribuição interna da Light (arruamento com livre
acesso para a Light), o ponto de entrega é no limite da via interna do condomínio com cada
propriedade individual.
h) Quando a unidade consumidora, em área rural, for atendida em tensão secundária de
distribuição, o ponto de entrega se situará no local de consumo, ainda que dentro da
propriedade do consumidor, observadas as normas e padrões da distribuidora.
2.12 - Ramal de entrada
Conjunto de condutores e acessórios instalados pelo consumidor entre o ponto de entrega e a
medição ou a proteção geral de entrada de suas instalações.
2.13 - Ramal de ligação
Conjunto de condutores e acessórios instalados entre o ponto de derivação da rede de
distribuição da Light e o ponto de entrega.
14 RECON – BT Março/2013
2.14 - Recuo técnico
Local situado junto ao muro ou fachada da edificação, onde é construído um gabinete de lvenaria
com acesso pela parte externa, para instalação da caixa de medição bem como a proteção geral
(sempre voltada para a parte interna da propriedade) em entradas individuais ou, quando tratar-
se de entrada coletiva, para instalação do painel de medidores.
2.15 - Sistema de Medição e Leitura Centralizada – SMLC
Sistema eletrônico destinado à medição individualizada de energia elétrica desempenhando as
funções de concentração, processamento e indicação das informações de consumo de forma
centralizada de todas as unidades consumidoras que compõem uma determinada entrada coletiva.
2.16 - Unidade consumidora
Conjunto composto por instalações, ramal de entrada, equipamentos elétricos, condutores e
acessórios, caracterizado pelo recebimento de energia elétrica em apenas um ponto de entrega,
com medição individualizada, correspondente a um único consumidor e localizado em uma
mesma propriedade ou em propriedades contíguas.
3 - Dispositivos legais
3.1 - Decreto n.º 41.019 de 26 de fevereiro de 1957, do Ministério de Minas e Energia
Regulamenta o serviço de energia elétrica no País, e, entre outras providências, determina o
cumprimento das normas da ABNT (Associação Brasileira de Normas Técnicas).
3.2 - Normas para instalações elétricas de Baixa Tensão
Devem ser observadas as condições estabelecidas pela Norma NBR-5410 - Instalações elétricas
de baixa tensão da ABNT, bem como outras normas aplicáveis, consideradas as suas revisões e
atualizações.
3.3 - Resoluções da ANEEL
Devem ser observadas as condições gerais de fornecimento de energia elétrica estabelecidas pelas
Resoluções nº 414/2010, 418/2010, 419/2010, 479/2012 e 482/2012 da ANEEL (Agência
Nacional de Energia Elétrica), consideradas as suas revisões e atualizações.
3.4 - Leis, Decretos e Resoluções do sistema CONFEA/CREA-RJ
Devem ser observadas as disposições referentes às habilitações legais de profissionais e empresas
para as atividades de estudo, projeto e execução de instalações de energia elétrica, bem como à
obrigatoriedade de recolhimento da ART - Anotação de Responsabilidade Técnica, atinentes a
leis, decretos, resoluções e normas de fiscalização do sistema CONFEA/CREA-RJ, atualizadas.
RECON – BT Março/2013 15
3.5 - Código de segurança contra incêndio e pânico do Corpo de Bombeiros do Estado do
Rio de Janeiro - CBMERJ
Devem ser observadas as normas técnicas atualizadas do Corpo de Bombeiros, referentes ao
fornecimento de energia elétrica a elevadores, bombas de incêndio, bombas de recalque, circuitos
de iluminação e alimentação de equipamentos destinados à prevenção, detecção e combate ao
fogo e evacuação de edificações sob sinistro, através de medidor de serviço alimentado por
circuito derivado antes da proteção geral de entrada, considerando que cabe ao
Consumidor aprovar junto ao Corpo de Bombeiros o sistema de comando e controle de todos os
equipamentos elétricos acima citados, a partir da porta de acesso da edificação.
4 - Limites de fornecimento de energia elétrica
4.1 - Em relação ao número de unidades consumidoras
4.1.1 - Em entrada individual
O limite de unidades consumidoras, compreendidas numa mesma propriedade atendidas
através de entradas individuais, em rede de distribuição aérea, é de até 4 (quatro) unidades
monofásicas ou até 2 (duas) trifásicas, sendo que a atividade de todas as unidades deve ser
estritamente residencial e o limite de carga instalada individual de até 15 kW.
NOTAS:
1. O Consumidor pode adotar para as mesmas quantidades estabelecidas acima, o atendimento através
de entrada coletiva (painel);
2. Unidades consumidoras bifásicas, quando existentes, para efeito de regra devem ser consideradas
como trifásicas;
3. Para dimensionamento do ponto de ancoramento devem ser observados os limites fixados na nota 2
da Tabela 12.
4. Os limites e condições acima estabelecidos referem-se apenas a ligações atendidas por rede de
distribuição aérea. Para as ligações atendidas por rede de distribuição subterrânea, os limites ficam
restritos a uma ligação, monofásica ou polifásica, por propriedade.
4.1.2 - Em entrada coletiva
Não há restrição do número de unidades consumidoras atendíveis através de entrada coletiva.
4.2 - Em relação ao tipo de medição
O limite de demanda para o fornecimento com medição direta em baixa tensão é de 66,3 kVA
(220/127 V) ou 114,5 kVA (380/220 V). Para demandas superiores a medição será indireta
através de transformadores de corrente (TC).
16 RECON – BT Março/2013
4.3 - Em relação à demanda da instalação e definição do tipo de atendimento
De acordo com a configuração da rede de distribuição existente na área do atendimento e da
demanda avaliada da entrada individual ou coletiva, o atendimento pode ser definido conforme
a seguir:
4.3.1 - Rede de distribuição aérea
4.3.1.1 - Rede de distribuição aérea sem previsão de conversão para subterrânea
O limite de demanda da entrada consumidora para atendimento diretamente pela rede de
distribuição da Light com instalação de ramal de ligação aéreo é de 300 kVA em 220/127
V (vide notas).
O ramal de ligação, dependendo da conveniência técnica do Consumidor, poderá ser
subterrâneo, desde que o mesmo assuma integralmente os custos adicionais decorrentes
do atendimento inicial e de eventuais modificações futuras.
4.3.1.2 - Rede de distribuição aérea com previsão de conversão para subterrânea
O limite de demanda da entrada consumidora para atendimento diretamente pela rede de
distribuição da Light com instalação de ramal de ligação aéreo é de 150 kVA em 220/127V
(vide notas).
O ramal de ligação, dependendo da conveniência técnica do Consumidor, poderá ser
subterrâneo, desde que o mesmo assuma integralmente os custos adicionais decorrentes
do atendimento inicial e de eventuais modificações futuras.
4.3.2 - Rede de distribuição subterrânea
4.3.2.1 - Rede de distribuição subterrânea radial
O atendimento através de ramal de ligação subterrâneo derivado diretamente da rede
subterrânea radial está limitado para demandas até 150 kVA em 220/127 V (vide notas).
4.3.2.2 - Rede de distribuição subterrânea reticulada
O atendimento através de ramal de ligação subterrâneo derivado diretamente da rede
subterrânea reticulada generalizada (malha) está limitado para demandas até 250 kVA em
220/127 V (vide notas).
NOTAS:
1. Sempre que os limites estabelecidos nos itens 4.3.1 e 4.3.2 relativos à demanda avaliada da
edificação forem extrapolados, ou quando, sob o aspecto técnico, as condições locais do
sistema de distribuição da Light se encontrarem esgotadas caracterizando inviabilidade técnica
RECON – BT Março/2013 17
no fornecimento de energia elétrica diretamente pela rede existente, independente de
quaisquer valores fixados, e com base na Resolução 414/2010 da ANEEL, a Light
solicitará (item 4.3.1) ou poderá solicitar (item 4.3.2) a construção, por parte do
Consumidor, de compartimento (infra-estrutura) que permita a instalação de equipamentos
de transformação, proteção e outros necessários ao atendimento da(s) unidade(s)
consumidora(s) da edificação;
2. O compartimento poderá ser construído em via pública dependendo da anuência dos órgãos
públicos ou, interno a propriedade, com a devida formalização da cessão de espaço pelo
Consumidor, sendo a definição estabelecida de comum acordo entre as partes na ocasião da
solicitação de fornecimento de energia elétrica;
3. Quando o compartimento for construído em área interna a propriedade o mesmo deve estar
localizado no limite da propriedade com a via pública, respeitada a legislação de ocupação de
solo vigente, no pavimento térreo, em local de livre e fácil acesso, em condições adequadas de
iluminação, ventilação e segurança de acordo com as dimensões e especificações técnicas a
serem estabelecidas pela Light.
4.4 – Em relação à tensão de fornecimento de energia elétrica
Para determinação do nível de tensão de fornecimento para a unidade consumidora devem ser
observados os seguintes critérios estabelecidos pela Res. 414/2010 da ANEEL:
• Tensão secundária (baixa tensão) em rede aérea: quando a carga instalada na unidade
consumidora for igual ou inferior a 75 kW;
• Tensão secundária (baixa tensão) em sistema subterrâneo: até o limite de carga conforme
padrão de atendimento da distribuidora;
• Tensão primária de distribuição inferior a 69 kV: quando a carga instalada na unidade
consumidora for superior a 75 kW e a demanda a ser contratada pelo interessado, para
fornecimento, for igual ou inferior a 2.500 kW; e
• Tensão primária de distribuição igual ou superior a 69 kV: quando a demanda a ser
contratada pelo interessado, para fornecimento, for superior a 2.500 kW;
Observações:
a) A Light, conforme descrito no artigo 13º da Res. 414/2010 da ANEEL, pode estabelecer tensão
de fornecimento sem observar os critérios descritos acima quando a unidade consumidora
tiver equipamento que, pelas características de funcionamento ou potência, possa prejudicar
a qualidade do fornecimento a outros consumidores, ou quando houver conveniência
técnica e econômica para o subsistema elétrico da distribuidora, desde que haja anuência
do consumidor;
18 RECON – BT Março/2013
b) O consumidor pode optar por tensão superior às referidas acima, desde que haja viabilidade
técnica do subsistema elétrico, sendo de sua responsabilidade os investimentos adicionais
necessários ao atendimento;
c) O consumidor, titular de unidade consumidora com características de atendimento em tensão
secundária, exceto nos casos de sistemas subterrâneos em tensão secundária, pode optar por
tensão primária de distribuição, desde que haja viabilidade técnica do subsistema elétrico e
assuma os investimentos adicionais necessários ao atendimento.
O fornecimento de energia elétrica em baixa tensão na área de concessão da Light é efetivado em
corrente alternada, na frequência de 60 Hertz, nas seguintes tensões nominais:
• 220/127 V - Redes aéreas trifásicas a 4 fios / Urbanas e Rurais;
• 220/127 V - Redes subterrâneas a 4 fios / Urbanas;
• 230-115 V - Redes aéreas monofásicas a 3 fios / Rurais;
• 380/220 V - Sistema subterrâneo dedicado / Urbano (ver nota a seguir)
NOTAS:
1. Em entradas individuais e coletivas situadas em regiões em que o sistema de distribuição da Light em
média tensão, aéreo ou subterrâneo, seja em tensão 13,2 kV, quando solicitado pelo Consumidor, a
Light pode realizar o fornecimento em tensão 380/220 V. Entretanto, o atendimento deve ser através de
sistema subterrâneo dedicado e a demanda do conjunto superior a 200 kVA (sistema de
distribuição subterrâneo radial) ou superior a 1000 kVA (sistema de distribuição subterrâneo
reticulado), nas condições estabelecidas no item 4.3 desta Regulamentação;
2. Complementarmente, o Consumidor deve observar os limites e condições de atendimento no que tange
os níveis de tensão de fornecimento de energia elétrica descritos na Resolução 414/2010 da ANEEL.
4.4.1 - Tipos de atendimento padronizados conforme o número de fases
Entrada individual
Sistema monofásico a 2 fios (uma fase + neutro)
Sistema monofásico a 3 fios (duas fases + neutro) / Rede Rural
Sistema trifásico a 4 fios (três fases + neutro)
NOTA:
Entradas individuais situadas em regiões em que o sistema de distribuição da Light, em baixa tensão seja
trifásico, onde o valor da demanda avaliada indique o enquadramento na categoria monofásica, podem
ter o fornecimento na modalidade bifásica (duas fases + neutro), quando existir a presença comprovada
de equipamentos que operem em tensão de 220 V.
RECON – BT Março/2013 19
Entrada coletiva
Sistema trifásico a 4 fios (três fases + neutro)
Categorias de atendimento das entradas individuais e coletivas
Tensão de fornecimento Categoria de atendimento Demanda (kVA) (1)
220/127 V
(Urbano)
UM1 (1) (3)
UM2 (1) (3)
UM3 (1)
UM4 (1) (2)
UB1 (1) (2)
T
D ≤ 3,3
D ≤ 4,4
4,4 < D ≤ 6,6
6,6 < D ≤ 8,0
D ≤ 8,0
D > 8,0
230 – 115 V
(Rural)
RM1 (1) (3)
RM2 (1) (3)
RM3 (1)
RM4 (1)
RM5 (1)
D ≤ 3,0
D ≤ 4,0
4,0 < D ≤ 6,0
6,0 < D ≤ 8,0
8,0 < D ≤ 14,0
380/220 V
(Urbano especial)
UME1 (1)
UME2 (1)
UME3 (1)
UME4 (1)
TE
D ≤ 5,7
D ≤ 7,7
7,7 < D ≤ 11,5
11,5 < D ≤ 13,4
D > 13,4
Onde:
UM - Urbano monofásico
UB - Urbano bifásico
T - Trifásico
D - Demanda avaliada a partir da carga instalada
RM - Rural monofásico
UME - Urbano monofásico especial
TE - Trifásico especial
NOTAS:
1. Valores determinados a partir da demanda calculada conforme critério descrito na Seção 01 desta
Regulamentação, item 18 - Avaliação de demandas.
2. A categoria Urbano bifásico (UB1) é opcional, podendo ser aplicada em casos especiais onde ocorra
a presença comprovada de equipamentos que operem na tensão de 220 V.
3. Categoria recomendada somente para instalações que não utilizem equipamentos monofásicos especiais
para aquecimento d’água (chuveiro, torneira, aquecedor etc.) com potência superior a 4,4 kVA.
As diversas subdivisões das categorias de atendimento monofásico e trifásico, para efeito de
dimensionamento dos componentes do sistema de medição e proteção geral, estão definidas nas
TABELAS 10-A, 10-B, 11-A e 11-B, em função da demanda calculada.
20 RECON – BT Março/2013
4.4.2 - Fornecimento de energia elétrica a cargas especiais
É reservado à Light o direito de exigir do Consumidor, conforme a Resolução 414/2010 da
ANEEL, a qualquer tempo, a instalação de equipamentos destinados a corrigir e resguardar o
sistema de distribuição contra flutuações, oscilações, cintilações, afundamentos de tensão,
sobretensões, excedentes reativos, desequilíbrios, distorções harmônicas e outras perturbações
originadas das instalações das unidades consumidoras. Cabendo ao Consumidor todo o ônus
decorrente da instalação dos equipamentos necessários à devida adequação.
5 - Condições não permitidas
a) Mais de uma medição para um único Consumidor no mesmo endereço;
b) Instalações de entrada ou cabines de transformação instaladas fora dos limites estabelecidos nesta
Regulamentação, em locais inadequados, de difícil acesso, com iluminação e ventilação deficiente,
sujeitas a inundações (subsolos etc.), ou ainda em desacordo com as dimensões e especificações
técnicas estabelecidas pela Light;
c) Ligação no sistema de distribuição da Light de instalações situadas em propriedades não
delimitadas fisicamente e que não estejam devidamente identificadas por placas numéricas com
características legíveis e duradouras;
d) Cruzamento de propriedade de terceiros por condutores de ramais de ligação;
e) Alteração da carga, de materiais ou equipamentos instalados sem prévia consulta e autorização da Light;
f) Interferência por pessoas não autorizadas nos materiais, equipamentos e dispositivos de segurança
(lacres etc.) da Light;
g) Instalação de filtros, dispositivos de compensação e outros, sem prévia consulta e autorização da Light;
h) Instalação de capacitores que interfiram no sistema de distribuição, sem prévia consulta e
autorização da Light, (ver item 15 desta Regulamentação);
i) Motor com potência nominal superior a 5 CV sem dispositivo de redução da corrente de partida;
j) Instalação de gerador particular sem prévia consulta e autorização da Light (ver item 6);
k) Utilização de materiais e equipamentos não aceitos pela Light. Os materiais validados constam da
listagem disponível no site www.light.com.br ou nas agências comerciais da Light;
RECON – BT Março/2013 21
l) Fixação de ramais de ligação em pontos de ancoramento (estruturas) não padronizados nesta
Regulamentação (ver item 19.1).
6 - Geração Particular
6.1 - Geração particular de emergência
De forma a evitar qualquer possibilidade de paralelismo, as instalações que venham a utilizar
geração particular de emergência devem prever, de acordo com o sistema de geração
projetado, uma das seguintes condições:
• Instalação de chave reversível de acionamento manual ou elétrico, com intertravamento
mecânico (mínimo) separando o circuito de alimentação oriundo da Light do circuito do
gerador particular, de modo a alternar o fornecimento sem ocorrência de simultaneidade;
• Construção de circuito de emergência, absolutamente independente da instalação normal,
alimentado pelo gerador particular;
NOTA: Deve-se instalar dispositivo de disparo da proteção do gerador, devendo o mesmo estar localizado no
compartimento da proteção geral de entrada da edificação ou junto à porta de acesso da edificação.
6.2 - Geração particular com paralelismo momentâneo ou permanente
Os casos de instalações que venham a utilizar gerador particular com necessidade de
paralelismo momentâneo ou permanente devem ser previamente submetidos à Light para
análise e eventual aprovação, inclusive quando se tratar de microgeração ou minigeração nos
termos da resolução da Aneel nº 482/2012.
7 - Conservação dos materiais e equipamentos da instalação de entrada
É de responsabilidade do Consumidor, após o ponto de entrega, conforme estabelecido na Resolução
414/2010 da ANEEL, manter a adequação técnica e a segurança das instalações internas da unidade
consumidora.
O Consumidor será responsável pela custódia dos equipamentos de medição e demais equipamentos e
materiais da Light quando instalados no interior da unidade consumidora, ou, se por solicitação formal
do Consumidor, os equipamentos forem instalados em área exterior a mesma.
O Consumidor será responsável por danos causados aos equipamentos de medição e demais materiais
e equipamentos instalados, assim como por danos causados ao sistema elétrico da Light, decorrentes
de qualquer procedimento irregular ou de deficiência técnica das instalações elétricas internas da
unidade consumidora.
22 RECON – BT Março/2013
As instalações internas que vierem a ficar em desacordo com as normas e/ou padrões aqui
referenciados, e que ofereçam riscos à segurança de pessoas ou bens, deverão ser reformadas ou
substituídas pelo Consumidor.
Caso seja constatada qualquer deficiência técnica e/ou de segurança das instalações da unidade
consumidora, o Consumidor será notificado quanto às irregularidades existentes, com obrigação de
providenciar as adequações necessárias dentro do prazo prefixado, sob pena de corte do fornecimento
pelo não cumprimento conforme estabelecido na Resolução 414/2010 da ANEEL.
8 - Acesso as instalações de entrada
O Consumidor deve permitir, a qualquer tempo, o livre acesso de funcionários contratados pela Light
(devidamente identificados) as instalações de entrada onde se encontram as unidades consumidoras
para fins de leitura, serviços e inspeções necessárias.
NOTA: Para solicitações de aumento de carga, manutenção ou relocação, que impliquem na necessidade de acesso
às instalações de entrada (caixas de medição, proteção etc.) providas de lacres e outros dispositivos de segurança da
Light, o consumidor/responsável técnico, para ter acesso deverá solicitar previamente à Light o rompimento desses
dispositivos, que será providenciado pela própria Light.
9 - Tipos de Solicitações
9.1 - Ligação nova
Ligação destinada ao primeiro fornecimento de energia elétrica para uma unidade consumidora,
residencial ou não residencial, localizada em propriedade com edificação individual ou edificação coletiva.
9. 2 - Aumento de carga
Ligação destinada ao aumento da carga instalada e/ou acréscimo do número de fases
disponibilizadas para uma unidade consumidora, residencial ou não residencial, localizada em
propriedade com edificação individual ou edificação coletiva.
9.3 - Diminuição de carga
Ligação destinada à diminuição da carga instalada e/ou redução do número de fases
disponibilizadas para uma unidade consumidora, residencial ou não residencial, localizada em
propriedade com edificação individual ou edificação coletiva.
9.4 - Ligação Provisória de obra
Ligação destinada ao fornecimento provisório de energia elétrica (de caráter não definitivo) a uma
unidade consumidora cuja atividade seja um canteiro de obras, um evento etc.
RECON – BT Março/2013 23
NOTA: Ligações provisórias de obra cujo ciclo de faturamento seja inferior a 30 dias não requerem a
instalação de equipamento de medição. Sendo assim, na construção do padrão não se faz necessário o
emprego da caixa de medição. Entretanto, no restante, as ligações provisórias de obra devem ser
preparadas com os mesmos padrões previstos nesta Regulamentação para instalações de entrada de
caráter definitivo.
9.5 - Ligação Festiva
Ligação destinada ao fornecimento provisório de energia elétrica (de caráter não definitivo) a uma
unidade consumidora cuja atividade seja uma festa, uma feira, um parque etc.
NOTAS:
1. Ligações festivas cujo ciclo de faturamento seja inferior a 30 dias não requerem a instalação de
equipamento de medição. Sendo assim, na construção do padrão não se faz necessário o emprego da
caixa de medição. Entretanto, no restante, as ligações festivas devem ser preparadas com os mesmos
padrões previstos nesta Regulamentação para instalações de entrada de caráter definitivo;
2. Ligações festivas que venham a ocupar o poste de Light devem ter seus padrões e condições de
atendimento previamente analisados e aprovados pela Light.
9.6 - Ligação em via pública
Ligação destinada a solicitações de ligação nova ou alteração de carga de unidades consumidoras
com atividade não-residencial (bancas de jornal, quiosques etc.) compreendidas em via pública.
NOTAS:
1. Para esse tipo de ligação deve ser apresentada autorização do poder público;
2. As ligações em via pública devem ser preparadas com os mesmos padrões previstos nesta
Regulamentação para instalações de entrada compreendidas em propriedades particulares;
3. Unidades consumidoras que venham a ocupar o poste da Light ou que possuam características físicas
e/ou técnicas diferenciadas, em especial concessões de serviços, devem ter seus padrões e condições de
atendimento previamente analisados e aprovados pela Light, obedecendo aos procedimentos técnicos da
Light, o constante na Resolução conjunta nº 001 de 24 de novembro de 1999 da ANEEL, ANATEL e ANP,
Resolução nº 581 da ANEEL de 29 de outubro de 2002, bem como as posturas municipais;
4. Tratando-se de iluminação pública, a responsabilidade pelos serviços de elaboração de projeto,
implantação, expansão, operação e manutenção das instalações de iluminação pública é de pessoa
jurídica de direito público ou por esta delegada mediante concessão ou autorização;
No caso de fornecimento efetuado a partir de circuito exclusivo, a Light deve instalar os respectivos
equipamentos de medição, quando houver conveniência técnica ou solicitação do Poder Público.
9.7 – Relocação
Serviço destinado a mudança do ponto de entrega/medição de uma unidade consumidora
existente, por conveniência do consumidor, por determinação dos Poderes Públicos e/ou pela
caracterização de risco à segurança de pessoas e/ou bens materiais.
24 RECON – BT Março/2013
NOTA: As instalações de entrada devem ser construídas integralmente em conformidade com esta
Regulamentação.
9.8 - Reforma
Serviço destinado a manutenção da instalação de entrada de uma unidade consumidora, em
função de modernização, falha ou necessidade de manutenção de materiais e equipamentos,
decorrente de solicitação do consumidor ou notificação da Light, lembrando que a reforma não
deve caracterizar alteração de carga.
NOTA: As instalações de entrada devem ser preferencialmente adequadas sob o ponto de vista construtivo
em conformidade com esta Regulamentação, sendo obrigatória a observância dos quesitos técnicos e
de segurança.
9.9 - Mudança de Grupo tarifário
Serviço destinado a mudança de grupo tarifário que, eventualmente, pode requerer a substituição
do equipamento de medição.
NOTA: O consumidor será responsável pelas adaptações na unidade consumidora, caso seja necessário,
adequando as instalações de entrada ao padrão vigente da Light.
10 - Solicitação de fornecimento de energia elétrica
A Light somente atenderá as solicitações de fornecimento de energia elétrica para ligações novas,
alterações de carga, relocações, mudanças de Grupo tarifário etc. de instalações de entrada que
estejam projetadas e executadas em conformidade com os preceitos técnicos e de segurança, com esta
Regulamentação e padrões vigentes, bem como com as normas brasileiras atinentes.
NOTA: Caso as características elétricas e construtivas das instalações do Consumidor difiram das contempladas
nesta Regulamentação, as mesmas deverão ser submetidas previamente a Light, através de consulta técnica, para
análise e aprovação.
10.1 – Prazos de atendimento
A Light tem o prazo máximo de 30 (trinta) dias, contados a partir da data da solicitação do
consumidor, para elaborar os estudos, projetos e orçamentos necessários ao atendimento da
solicitação do consumidor, e informar ao mesmo, por escrito, quando:
• A carga instalada da(s) unidade(s) consumidora(s) for acima de 23,2 kVA;
• Inexistir rede de distribuição que possibilite o pronto atendimento da(s) unidade(s)
consumidora(s);
• A rede de distribuição existente necessitar de reforma ou ampliação;
• O fornecimento depender de construção de ramal subterrâneo;
RECON – BT Março/2013 25
• O fornecimento depender da análise e aprovação de Projeto de Entrada apresentado
pelo Consumidor;
• As unidades consumidoras estiverem compreendidas em entrada coletiva existente.
NOTAS:
1. Para solicitações que não se enquadrarem acima, o prazo para fornecimento de energia elétrica para
atendimento a unidades consumidoras compreendidas em área urbana é de no máximo 3 (três) dias
úteis para vistoria e 2 (dois) dias úteis para ligação e, para atendimento a unidades consumidoras
compreendidas em área rural, o prazo é de no máximo 5 (cinco) dias úteis para vistoria e 5 (cinco) dias
úteis para ligação;
2. Na correspondência encaminhada pela Light ao interessado, em conformidade com a Resolução
414/2010 da ANEEL, devem ser informadas as condições de fornecimento, requisitos técnicos, prazos de
ligação, orçamentos e demais informações atinentes.
10.2 - Dados fornecidos pelo Consumidor
A solicitação de fornecimento de energia elétrica à Light deve ser feita pelo Consumidor através
da apresentação de formulários padronizados e/ou do Projeto de entrada, quando for o caso,
informando os dados do Consumidor, os dados da instalação de entrada assim como outras
informações e documentos cabíveis.
Os formulários padronizados estão disponíveis através da internet no site www.light.com.br ou
nas agências comerciais da Light.
10.3 - Dados fornecidos pela Light
A Light fornecerá e/ou informará a necessidade, a partir da efetivação da solicitação de
fornecimento de energia elétrica e nos prazos fixados pela Resolução nº 414/2010 da ANEEL, os
seguintes dados:
• Cópia dos padrões de ligação, conforme os casos contidos nas alíneas “a” e “b” do item
10.4 desta Regulamentação;
• Formulários padronizados, conforme os casos contidos na alínea “c” do item 10.4 desta
Regulamentação;
• Tensão de fornecimento de energia elétrica;
• Níveis de curto-circuito no ponto de entrega (valores padronizados), quando necessários;
• Necessidade de estudo e serviços em função do tipo e da disponibilidade da rede de
distribuição da Light para atendimento a carga solicitada pelo Consumidor;
• Necessidade de construção de infra-estrutura, pelo interessado, seja em via pública ou na
parte interna da propriedade do consumidor, quando for o caso, que permita a instalação de
equipamentos de transformação, manobra, proteção etc.
26 RECON – BT Março/2013
• Participação financeira do Consumidor, quando existir, na forma da legislação e regulamentos
aplicáveis; e
• Demais condições necessárias ao atendimento da solicitação do Consumidor.
10.4 - Fornecimento de energia elétrica para entradas individuais
a - Ligações novas e alterações de carga, executadas a partir de padrão técnico de ligação
elaborado e fornecido pela Light, sem obrigatoriedade de apresentação de ART pelo
consumidor e/ou por profissional devidamente capacitado.
Devem ser tratadas junto à Light pelo próprio interessado, ou, se desejado, por profissional
autorizado pelo mesmo.
São abrangidas as seguintes modalidades de instalações de entradas individuais sem
obrigatoriedade de apresentação de ART:
• Entradas individuais isoladas, exclusivamente residenciais, monofásicas e polifásicas ligadas
em sistema 220/127 V, com carga instalada até 15 kW, localizadas em regiões de rede de
distribuição urbana, aérea e subterrânea;
• Entradas individuais isoladas, exclusivamente residenciais, monofásicas a 2 ou 3 fios ligadas
em sistema 230-115 V, com carga instalada até 15 kW, localizadas em região de rede de
distribuição aérea rural.
b - Ligações novas e alterações de carga, executadas a partir de padrão técnico de ligação
elaborado e fornecido pela Light, com obrigatoriedade de apresentação de ART por
responsável técnico habilitado pelo CREA/RJ.
Devem ser tratadas junto à Light pelo próprio interessado, ou, se desejado, por profissional
autorizado pelo mesmo.
São abrangidas as seguintes modalidades de instalações de entradas individuais com
obrigatoriedade de apresentação de ART:
• Entradas individuais isoladas, não-residenciais, monofásicas e polifásicas ligadas em sistema
220/127 V, com carga instalada até 15 kW, localizadas em regiões de rede de distribuição
urbana, aérea e subterrânea;
• Entradas individuais isoladas, não-residenciais, monofásicas a 2 ou 3 fios ligadas em sistema
230-115 V, com carga instalada até 15 kW, localizadas em região de rede de distribuição
aérea rural;
RECON – BT Março/2013 27
• Entradas individuais situadas em via pública, tais como, provisórias de obra, festivas,
bancas de jornal, quiosques, banco 24 horas, cabines telefônicas, mobiliário urbano, terminais
rodoviários, equipamentos de operação de outras concessionárias de serviços públicos etc.
monofásicas e polifásicas ligadas em sistema 220/127 V ou 230-115 V, com carga instalada
até 15 kW localizadas em regiões de rede de distribuição urbana ou rural, aérea e
subterrânea.
c - Ligações novas e alterações de carga, executadas a partir de padrões e especificações
técnicas contidas nesta Regulamentação, com carga instalada acima de 15 kW, com
obrigatoriedade de apresentação de projeto elétrico (projeto de entrada), quando for o
caso, e de apresentação de ART por responsável técnico habilitado pelo CREA/RJ.
Devem ser tratadas junto à Light pelo próprio interessado, ou, se desejado, por profissional
autorizado pelo mesmo.
Formulários padronizados estão disponíveis através da internet no site www.light.com.br ou nas
agências comerciais da Light, que devem ser preenchidos pelo responsável técnico, contendo
todos os dados da instalação a serem apresentados à Light, juntamente com diagrama unifilar,
desenhos de detalhes técnicos, memoriais técnicos descritivos e demais exigências cabíveis.
As orientações técnicas para a elaboração de projeto / execução das instalações de entradas
individuais estão contidas na Seção 02 desta Regulamentação.
10.5 - Fornecimento de energia elétrica para entradas coletivas
Ligações novas e alterações de carga de entradas coletivas em 220/127 V e em 380/220 V (ver
item 4.4 desta Regulamentação), executadas a partir de projeto elaborado por responsável
técnico devidamente habilitado pelo CREA/RJ, com obrigatoriedade de apresentação de
projeto elétrico (projeto de entrada) e de ART.
Formulários padronizados estão disponíveis através da internet no site www.light.com.br ou nas
agências comerciais da Light, que devem ser preenchidos pelo responsável técnico, contendo
todos os dados da instalação a serem apresentados à Light, juntamente com diagrama unifilar,
desenhos de detalhes técnicos, memoriais técnicos descritivos e demais exigências cabíveis.
As orientações técnicas para a elaboração de projeto / execução das instalações de entradas
coletivas estão contidas na Seção 03 desta Regulamentação.
10.6 - Apresentação de projeto da instalação de entrada
28 RECON – BT Março/2013
10.6.1 - Em entrada individual com medição indireta
Nos casos de ligações novas, alterações de carga e reformas em entradas individuais com medição
indireta, deve ser apresentado projeto da instalação de entrada elaborado através de software
e impresso em 3 vias em formato A1, A2 ou A3 que permita fácil visualização, contendo:
• Tensão de fornecimento solicitada;
• Diagrama unifilar;
• Quadro de cargas;
• Avaliação da demanda;
• Planta de localização;
• Planta baixa e cortes com detalhes do centro de medição, do trajeto de linhas de dutos e
circuitos de energia elétrica não medida;
• Detalhes construtivos assim como configuração elétrica (parte interna) de caixas e painéis
especiais, quando for o caso;
• Detalhes construtivos da malha de aterramento;
• Planta baixa e cortes com detalhes da infra-estrutura destinada à instalação de
transformadores, chaves etc. (ver item 4.3), quando for o caso;
• Características técnicas dos equipamentos e materiais;
10.6.2 - Em entrada coletiva
Nos casos de ligações novas, alterações de carga e reformas em entradas coletivas, deve ser
apresentado projeto da instalação de entrada elaborado através de software e impresso
em 3 vias em formato A1, A2 ou A3 que permita fácil visualização, contendo:
• Tensão de fornecimento solicitada;
• Diagrama unifilar;
• Quadro de cargas;
• Avaliação da demanda;
• Planta de localização;
• Planta baixa e cortes com detalhes da proteção geral de entrada, dos agrupamentos de
medição, dos trajetos de linhas de dutos e circuitos de energia elétrica não medida (com
distâncias ponto a ponto);
• Detalhes construtivos assim como configuração elétrica (parte interna) de caixas e painéis
especiais, quando for o caso;
• Detalhes construtivos da malha de aterramento;
• Planta baixa e cortes com detalhes da infra-estrutura destinada à instalação de
transformadores, chaves etc. (ver item 4.3), quando for o caso;
• Planta baixa e cortes com detalhes da infra-estrutura destinada ao sistema SMLC (ver
item 20.5), quando for o caso;
RECON – BT Março/2013 29
• Características técnicas dos equipamentos e materiais;
• Valores de queda de tensão e perda técnica, quando for o caso.
NOTAS:
1. Entradas coletivas que possuam até 6 (seis) unidades consumidoras, exclusivamente residenciais, com
carga individual até 15 kW e/ou com demanda do ramal igual ou inferior a 33,1 kVA ficam
dispensadas da apresentação do Projeto de Entrada. Para esses casos o responsável técnico deve
apresentar um Projeto Simplificado através de formulários específicos, disponíveis na internet no
endereço www.light.com.br ou nas agências comerciais da Light;
2. O Projeto de Entrada, quando aprovado, deve ter uma via devolvida ao consumidor/responsável
técnico devidamente carimbada e assinada pela Light;
3. Para instalações que possuam geração própria, seja para utilização de emergência, paralelismo
momentâneo ou permanente, a mesma deve ser representada no Projeto de Entrada;
O responsável técnico deve apresentar carta assinada pelo mesmo assim como pelo Consumidor
informando a condição de funcionamento do gerador, se existe a possibilidade de paralelismo ou
não, o tipo de intertravamento entre a geração própria e a rede de distribuição da Light;
4. Nos casos de unidades consumidoras compreendidas numa determinada entrada coletiva existente
onde o acréscimo de carga decorrente de uma solicitação de ligação nova ou aumento de carga não
implique no redimensionamento dos materiais e equipamentos do trecho coletivo da instalação de
entrada, devem ser apresentados formulários específicos, disponíveis na internet no endereço
www.light.com.br ou nas agências comerciais da Light, para atendimento as solicitações dessa
categoria. Para os casos que impliquem em intervenção no trecho coletivo, deve ser apresentado o
Projeto de Entrada;
5. Em função da complexidade para fornecimento de energia elétrica a instalações de entradas coletivas
no que tange principalmente as características construtivas das edificações projetadas pelos
consumidores e seu respectivo alinhamento com as especificações técnicas contidas nesta
Regulamentação, eventualmente, necessidades relacionadas a conveniências técnicas dos
consumidores, a determinação de construção de compartimentos de transformação internos a
propriedade, o tipo/quantidade de condutores do ramal de ligação, o emprego do sistema SMLC etc.
poderão determinar mudanças no projeto de entrada inicialmente elaborado pelo
Consumidor/responsável técnico.
Nesse sentido, o Consumidor, em tempo hábil e quando solicitado, deve colocar a disposição da Light
um responsável técnico capaz de prestar os esclarecimentos técnicos que se fizerem necessários.
Eventuais atrasos no processo pelo não atendimento desta condição serão de inteira responsabilidade
do Consumidor.
6. A aceitação/aprovação dos desenhos pela Light não subtrai do Consumidor a plena responsabilidade
quanto ao funcionamento correto de suas instalações, bem como de eventuais anomalias provocadas
no sistema de distribuição da Light, oriundas de falha técnica ou operacional em suas instalações.
10.7 - Prazo de validade do projeto
O prazo de validade a ser considerado pela Light, a partir da data de validação do projeto
apresentado, é de até 18 meses, com possibilidade de prorrogação por igual período nos casos
de edificações que comprovem, através do programa normal de obras, a necessidade de
30 RECON – BT Março/2013
extensão de prazo. Cabe destacar que, findado o prazo em questão, o Consumidor deve atender
a toda e qualquer modificação que possa ocorrer nesta Regulamentação.
10.8 - Apresentação do documento “ART” do CREA-RJ
Ficam dispensados de apresentação da ART – Anotação de Responsabilidade Técnica, todos os
casos de ligações atinentes à alínea “a” do item 10.4 desta Regulamentação.
Para todos os demais casos contidos nos itens 10.4 e 10.5 desta Regulamentação é obrigatória
a apresentação da ART - Anotação de Responsabilidade Técnica, devidamente preenchida e
registrada pelo responsável técnico pela instalação junto ao CREA-RJ, relacionando todos os
serviços sob sua responsabilidade e os dados técnicos da instalação, idênticos aos contidos na
solicitação de fornecimento à Light.
11 - Proteção da instalação de entrada de energia elétrica
As recomendações a seguir são baseadas nas diretrizes da Associação Brasileira de Normas Técnicas e
estão estabelecidas na NBR 5410 – Instalações elétricas de baixa tensão, caracterizada como
responsabilidade do responsável técnico.
Devem ser utilizados somente disjuntores que satisfaçam as especificações técnicas contidas nas normas
NBR IEC 60947-2 e NBR IEC 60898 e que sejam certificados pelo INMETRO, quando for o caso.
11.1 - Proteção contra sobrecorrentes
Dispositivo capaz de prover simultaneamente proteção contra correntes de sobrecarga e
de curto-circuito. Deve ser dimensionado e instalado para proteção geral da entrada de energia
elétrica, em conformidade com as normas da ABNT.
Nas entradas individuais, os dispositivos de proteção devem ser eletricamente conectados à
jusante (após) da medição, e apresentar corrente nominal conforme padronização para a
categoria de atendimento específica constante nas tabelas de dimensionamento de materiais das
entradas de energia elétrica (TABELAS 10-A e 10-B).
Nas entradas coletivas (TABELAS 11-A e 11-B), o disjuntor de proteção geral deve estar
eletricamente conectado à jusante (após) da medição totalizadora, quando for o caso.
Os disjuntores de proteção geral de entrada devem ser instalados em caixas padronizadas pela
Light com seu respectivo ambiente selado, de modo que impeça sua substituição ou a
alteração da calibração do equipamento sem a devida autorização da Light.
RECON – BT Março/2013 31
NOTAS:
1. Quando empregado disjuntor ajustável, o valor de ajuste da corrente nominal de carga deve ser
apresentado à Light para prévia validação;
2. O responsável técnico pela instalação deve informar à Light os dados atinentes às características técnicas
do disjuntor (corrente nominal, tensão nominal, faixas de atuação temporizada e instantânea,
capacidade de interrupção etc.) a partir de catálogo do fabricante;
3. A capacidade de interrupção simétrica do dispositivo de proteção geral de entrada deve ser
compatível com o valor calculado da maior corrente de curto-circuito, trifásica e simétrica, no ponto da
instalação. Para tal, deve ser utilizado disjuntor termomagnético, devendo ser utilizada a tabela 14
desta Regulamentação para obtenção dos valores mínimos, de acordo com a configuração elétrica do
sistema de distribuição no local do atendimento;
4. Em entradas coletivas, onde seja caracterizada inviabilidade técnica no emprego do disjuntor de proteção
geral junto à porta principal de acesso da edificação, o mesmo poderá ser instalado em outro ponto da
edificação desde que sua localização seja previamente aprovada pela Light e que possua bobina de
disparo associada a um comando a distância localizado junto à porta principal de acesso da edificação;
5. Deve ser sempre verificada pelo responsável técnico pela instalação, a devida coordenação e
seletividade entre a proteção geral de entrada e os demais dispositivos de proteção
empregados à jusante.
6. Em entradas individuais, trifásicas, devem ser sempre instalados disjuntores tripolares.
11.2 - Proteção diferencial-residual
Dispositivo capaz de prover proteção contra correntes de fuga.
O dispositivo de proteção diferencial-residual deve ser, assim como a proteção geral de entrada,
instalado em caixa padronizada pela Light com seu respectivo ambiente também selado.
Na proteção geral das entradas individuais e das entradas coletivas a utilização de disjuntores com
dispositivo diferencial-residual (DDR, IDR ou dispositivo diferencial-residual acoplado), deve
considerar as condições estabelecidas na tabela abaixo. Nesse caso o sistema TN-S deve ser o
adotado junto à proteção geral de entrada.
A proteção diferencial-residual pode ser efetivada com disjuntor do tipo DDR que inclui as
funções térmica (sobrecarga), magnética (curto-circuito) e diferencial-residual (fuga).
Opcionalmente a proteção diferencial-residual pode ser viabilizada através do uso de dispositivo
IDR em série com um disjuntor termomagnético (sobrecarga e curto-circuito), já que o
dispositivo IDR não apresenta a função magnética (curto-circuito).
Outra alternativa para a proteção diferencial-residual, em especial nas entradas consumidoras
com correntes elevadas, é a utilização de um disjuntor termomagnético (sobrecarga e curto-
circuito) equipado com bobina de disparo associada a um dispositivo para corrente
32 RECON – BT Março/2013
diferencial-residual (TC e relé de corrente com ajuste compatível para a corrente de fuga
instalado no condutor de proteção).
O Anexo A desta Regulamentação oferece os detalhes necessários para o perfeito entendimento
e aplicação desse tipo arranjo.
A proteção diferencial-residencial deve estar em conformidade com as normas brasileiras
aprovadas pela ABNT, mantidas as suas atualizações.
NOTAS:
1. Quando empregados o disjuntor termomagnético e o dispositivo diferencial-residual independentes, o
responsável técnico deve prever, quando necessário, caixa padronizada para abrigar os componentes
separadamente;
2. As notas 1 e 2 do item 11.1, quando forem os casos, também se aplicam às proteções diferenciais-residuais;
3. Os dispositivos diferenciais-residuais devem ser dimensionados pelo responsável técnico considerando o
somatório diversificado das fugas de corrente inerentes às instalações a jusante do dispositivo.
Condição de uso da proteção diferencial-residual
A escolha dos pontos de instalação do dispositivo diferencial-residual deve obedecer aos
seguintes critérios:
PROTEÇÃO COM DISPOSITIVO DIFERENCIAL-RESIDUAL
Tensãode
fornecimento
Entradaindividual
Entrada coletiva
Proteçãogeral
deentrada
Proteçãogeral
damediçãode
serviço
Proteções
parciais(apósa
proteçãogeral)
Proteções
individuaisdas
unidades
consumidoras
Proteções
internasdo
QGBTdecada
unidade
consumidora
230-115
V
Recomendado
(ver obs.)
Não se aplica Não se aplica Não se aplica Não se aplica
Ver
NBR5410
(ver obs.)
220/127
V
Recomendado
(ver obs.)
Recomendado
(ver obs.)
Recomendado
(ver obs.)
Recomendado
(ver obs.)
Recomendado
(ver obs.)
Ver
NBR5410
(ver obs.)
380/220
V
Obrigatório Obrigatório Obrigatório
Recomendado
(ver obs.) Obrigatório
Ver
NBR5410
(ver obs.)
OBS.: É importante destacar que quando da existência de um disjuntor com proteção diferencial-residual,
todos os disjuntores a jusante (após) que não dispuserem a mesma condição, podem proporcionar o
desligamento “indesejado” desse referido disjuntor com proteção diferencial (à montante), seja por fuga,
RECON – BT Março/2013 33
por erro na ligação de cargas monofásicas entre fase e terra (condutor de proteção), ou até mesmo por
curto-circuito de alta impedância. A condição é dita “indesejada” pelo fato de haver um desligamento geral
da unidade consumidora, ou então do próprio conjunto coletivo através do disjuntor geral de entrada.
11.3 - Proteção contra sobretensões
A ocorrência de sobretensões em instalações de energia elétrica não deve comprometer a
segurança de pessoas e a integridade de sistemas elétricos e equipamentos.
Cabe ao Consumidor/responsável técnico a responsabilidade pela especificação e instalação de
proteção contra sobretensões, que deve ser proporcionada basicamente pela adoção de
dispositivos de proteção contra surtos - DPS em tensão nominal e nível de suportabilidade
compatível com a característica da tensão de fornecimento e com a sobretensão prevista, bem
como pela adoção das demais recomendações complementares em conformidade com as
exigências contidas na norma brasileira NBR - 5410 da ABNT, consideradas as suas atualizações.
Quando da utilização do DPS, este deve ser eletricamente conectado a jusante (após) da
medição e do disjuntor de proteção geral da entrada de energia elétrica,
preferencialmente na entrada do Quadro de Distribuição Geral - QDG interno à edificação.
Deve ser proporcionada a segurança de pessoas, instalações e equipamentos, contra tensões
induzidas e/ou transferidas (elevação de potencial) advindas de manobras ou curtos-circuitos
trifásicos, bifásicos ou monofásicos no lado primário das instalações (condições inerentes de um
sistema de distribuição). Nesse sentido, equipamentos ou instalações sensíveis, seja em regime
permanente ou transitório, devem receber proteções adequadas através de relés associados a
dispositivos que possam interromper o fornecimento sem danos ou prejuízos.
NOTAS:
1. O DPS deve ser instalado em caixa padronizada pela Light com seu respectivo ambiente selado (ver
figura 23);
2. A montante (antes) do dispositivo DPS deve ser instalada proteção contra sobrecorrente, abrigada em
caixa de proteção geral (CDJ).
11.4 - Proteção contra subtensões e falta de fase
Nos casos de instalações em que o Consumidor possua equipamentos elétricos e eletrônicos
sensíveis à subtensão ou falta de fase (elevadores, dispositivos de controle, motores e outros),
tanto em regime permanente quanto em regime transitório, cabe ao Consumidor/responsável
técnico a responsabilidade pela especificação e instalação de dispositivo de proteção a ser
conectado junto aos respectivos equipamentos.
34 RECON – BT Março/2013
12 - Medição
O equipamento de medição e acessórios destinados a medir a energia elétrica são fornecidos e instalados
pela Light, em conformidade com as disposições atualizadas da Resolução nº 414/2010 da ANEEL.
12.1 - Medição individual
Destinada a medição e registro do consumo de energia elétrica de determinada unidade consumidora.
Concedida a unidades consumidoras residenciais ou não-residenciais caracterizadas como
unidades independentes. Essa caracterização se dá pela verificação de endereços individuais e
pelo fato de não pertencer a nenhuma condição de condomínio.
A Seção 02 desta Regulamentação define os arranjos que necessitem deste tipo de medição.
12.2 - Medição de agrupamento
Destinada a medição e registro do consumo de energia elétrica de determinada unidade
consumidora.
Concedida a unidades consumidoras residenciais e não-residenciais compreendidas em Entradas
coletivas. Nesse caso essa caracterização se dá pela verificação de um endereço comum a todas as
unidades consumidoras e pela existência de um condomínio oficial para a edificação.
A Seção 03 desta Regulamentação define os arranjos que necessitem deste tipo de medição.
12.3 - Medição de serviço
Destinada a medição e registro do consumo de energia elétrica das cargas de iluminação,
elevadores, bombas d’água etc, de uso comum da edificação e/ou condomínio.
Compreendido em Entradas coletivas, o medidor de serviço deve ser sempre instalado a
montante (antes) da proteção geral de entrada da edificação sempre que houver qualquer
carga de prevenção, detecção e combate a sinistro tais como iluminação de emergência, bombas
de pressurização etc.
A Seção 03 desta Regulamentação define os arranjos que necessitem deste tipo de medição.
12.4 - Medição totalizadora
Destinada a medição e registro do consumo de energia elétrica fornecida em uma entrada
coletiva contemplando todas as unidades consumidoras existentes.
RECON – BT Março/2013 35
A medição totalizadora deve ser empregada sempre que os agrupamentos de medidores forem
distribuídos pelos andares, ou ainda, quando instalados no pavimento térreo a mais de 5 metros
de distância do limite da propriedade com a via pública.
Para os casos onde a transformação da Light esteja interna a propriedade do consumidor, a
medição totalizadora deve ser instalada imediatamente após essa transformação.
A Seção 03 desta Regulamentação define os arranjos que necessitam deste tipo de medição.
12.5 - Medições especiais
Outras modalidades de medições, inerentes a sistemas tarifários diferenciados e regulamentados
pela ANEEL, assim como sistemas inteligentes de medição podem ser adotados, desde que
previamente definido e acordado com a Light.
12.6 - Influências de campos magnéticos
Tendo em vista preservar os equipamentos de medição contra a influência de campos magnéticos,
devem ser observadas as seguintes distâncias mínimas entre barramentos e medidores:
CORRENTE NOMINAL
DO BARRAMENTO (A)
DISTÂNCIA MÍNIMA ENTRE OS
MEDIDORES E O BARRAMENTO (m)
800 0,40
1000 0,50
1200 0,60
1600 0,80
2000 1,00
3000 1,50
4000 2,00
NOTA: As TABELAS 16 e 17 apresentam os limites de condução de corrente para barras de cobre de seção
retangular, bem como os fatores de correção da corrente em função do número de barras em paralelo.
13 - Aterramento das instalações de entrada
13.1 - Aterramento do condutor neutro
Em cada edificação, junto à caixa de medição (entradas individuais) ou a proteção geral de
entrada (entradas coletivas), como parte integrante da instalação, é obrigatória a
construção de malha de terra constituída de uma ou mais hastes interligadas entre si (no solo),
à qual deve ser permanentemente interligados, o condutor de neutro do ramal de entrada de
energia elétrica e o condutor de proteção.
36 RECON – BT Março/2013
13.2 - Ligações a terra e condutor de proteção
O sistema de aterramento praticado por esta Regulamentação é o TN-S, onde os condutores de
neutro e de proteção são interligados e aterrados na malha de terra principal da edificação, junto
à proteção geral de entrada que também, quando for o caso, deve contemplar proteção
diferencial-residual.
Para que a proteção diferencial-residual não perca a seletividade entre os diversos disjuntores
com função diferencial ao longo do sistema elétrico da unidade consumidora, o condutor de
neutro não deve ser aterrado em outros pontos à jusante do primeiro e único ponto de
aterramento permitido, que é o ponto junto à proteção geral de entrada (o primeiro
ponto de proteção geral).
O neutro não pode ser interligado ao condutor de proteção em outros pontos diferentes do
ponto junto à proteção geral de entrada, todavia o condutor de proteção pode ser
multiaterrado a outras malhas existentes na edificação, exceto a malha de aterramento
destinada ao Sistema de proteção contra descargas atmosféricas (para-raio da edificação), sem
nenhum prejuízo para o sistema de proteção diferencial-residual.
As TABELAS 11-A e 11-B desta Regulamentação, além de apresentar o dimensionamento de
materiais para entradas coletivas, também apresenta os detalhes em relação à condição de
aterramento do neutro, bem como a condição de interligação entre as barras de neutro e
de proteção. Também o ANEXO A desta Regulamentação destaca os aspectos que envolvem a
interligação entre os condutores de neutro e de proteção.
O condutor de neutro que é interligado à malha de aterramento deve ser em cobre nu, classe de
encordoamento nº 2, de seção mínima conforme estabelecido nas tabelas de dimensionamento
constantes na Seção 05 desta Regulamentação.
O condutor de proteção deve ser em cobre, isolado na cor verde ou verde e amarela, classe
de encordoamento nº 2, de seção mínima conforme estabelecido nas TABELAS 10-A, 10-B, 11-
A e 11-B desta Regulamentação, devendo percorrer toda a instalação interna e ao qual devem
ser conectadas todas as partes metálicas (carcaças) não energizadas das caixas e painéis
metálicos, dos aparelhos elétricos existentes, bem como o terceiro pino (terra) das tomadas dos
equipamentos elétricos, de acordo com as prescrições atualizadas da NBR - 5410.
O sistema de aterramento deve garantir a manutenção das tensões máximas de toque (V
toque) e de passo (V passo) dentro dos limites de segurança normalizados.
RECON – BT Março/2013 37
13.3 - Eletrodo de aterramento
Deve ser empregada haste de aço cobreada com comprimento de 2,40 metros e
diâmetro de 5/8”.
Quando as condições físicas do local da instalação impedirem a utilização de hastes, deve ser
adotado um dos métodos estabelecidos pela NBR - 5410, que garanta o atendimento das
características dispostas nos itens 13.1 e 13.2 desta Regulamentação.
13.4 - Interligação à malha de aterramento e entre barras de neutro e de proteção
O condutor de aterramento do neutro e o condutor de proteção devem ser em cobre, de seção
mínima dimensionada em função dos condutores de fase do ramal de entrada de energia elétrica,
conforme especificado para cada categoria de atendimento nas TABELAS 10-A, 10-B, 11-A e
11-B e na TABELA 13 (seção mínima do condutor de proteção). Não devem conter emendas, ou
quaisquer dispositivos que possam causar a sua interrupção.
A proteção mecânica do trecho de condutor que interliga o condutor de neutro à malha de
aterramento, deve ser feita através de eletroduto de PVC rígido.
Considerando a adoção do sistema de aterramento TN-S como padrão, somente junto à
proteção geral de entrada é que a barra de proteção e a barra de neutro devem estar conectadas
à malha de aterramento principal, bem como também interligadas entre si internamente à
caixa/painel. Nos circuitos à jusante (após) da proteção geral, o condutor de proteção e o
condutor de neutro não podem ser interligados, de forma a não provocar a perda da
seletividade nas proteções diferenciais- residuais, quando houverem. Contudo, havendo
possibilidade, barras ou condutores de proteção podem e devem ser multiaterrados em outras
malhas de proteção eventualmente existentes na edificação.
A conexão dos condutores de interligação da barra de neutro e da barra de proteção à malha de
aterramento deve ser feita através de conectores que utilizem materiais não ferrosos, de forma
a evitar processos corrosivos.
13.5 - Número de eletrodos da malha de terra
Os eletrodos utilizados devem estar conforme definido no item 13.3 desta Regulamentação,
sendo que o valor máximo da resistência de aterramento, para qualquer das condições a
seguir, não deve ultrapassar 25 ohms.
NOTA: As seções mínimas do condutor da malha de aterramento estão definidas nos subitens a seguir.
Contudo, desde que consideradas as condições de características do solo conforme NBR 5410.
38 RECON – BT Março/2013
13.5.1 - Entrada individual de energia elétrica
13.5.1.1 - Entrada individual isolada com demanda avaliada até 23,2 kVA
Deve ser construída uma malha de aterramento com, no mínimo, uma haste de aço
cobreada de 5/8” com comprimento de 2,40m.
13.5.1.2 - Entrada individual isolada com demanda avaliada superior a 23,2 kVA e
inferior ou igual a 150 kVA
Deve ser construída uma malha de aterramento com no mínimo 3 (três) hastes de aço
cobreadas de 5/8” com comprimento de 2,40m, interligadas entre si por condutor de
cobre nu, de seção não inferior a 25 mm², com espaçamento entre hastes superior ou
igual ao comprimento da haste utilizada.
13.5.1.3 - Entrada individual isolada com demanda avaliada superior a 150 kVA
Deve ser construída uma malha de aterramento com, no mínimo, 6 (seis) hastes de aço
cobreadas de 5/8” com comprimento de 2,40m, interligadas entre si por condutor de
cobre nu, de seção não inferior a 25 mm², com espaçamento entre hastes superior ou
igual ao comprimento da haste utilizada.
13.5.2 - Entrada coletiva de energia elétrica
13.5.2.1 - Entrada coletiva com até 6 (seis) unidades consumidoras
Deve ser construída uma malha de aterramento com no mínimo uma haste de aço
cobreada de 5/8” com comprimento de 2,40m por unidade de consumidora, interligadas
entre si por condutor de cobre nu, de seção não inferior a 25 mm², com espaçamento
entre hastes superior ou igual ao comprimento da haste utilizada.
13.5.2.2 - Entrada coletiva com mais de 6 (seis) unidades consumidoras
Deve ser construída uma malha de aterramento com no mínimo 6 (seis) hastes de aço
cobreadas de 5/8” com comprimento de 2,40m, interligadas entre si por condutor de
cobre nu, de seção não inferior a 25 mm², com espaçamento entre hastes superior ou
igual ao comprimento da haste utilizada.
14 - Materiais padronizados para instalações de entrada
Somente são aceito fabricantes cujos materiais e equipamentos tenham sido previamente validados
pela Light para aplicação nas instalações de entrada dos consumidores.
RECON – BT Março/2013 39
14.1 - Caixas de medição
Destinadas a abrigar o equipamento de medição monofásico ou polifásico, além de outros
acessórios complementares, para medição direta ou indireta.
As portas ou tampas das caixas devem possuir dispositivos para fixação de selos e demais
materiais de segurança conforme padrão Light.
Todas as caixas devem possuir visores em policarbonato a fim de permitir a realização da leitura
do medidor.
Para toda caixa provida de barramentos (fases, neutro e proteção), estes devem ser
dimensionados 1,25 vezes a corrente da demanda máxima prevista para o material. Devem
apresentar suportabilidade ao nível de curto-circuito máximo previsto, considerando inclusive seus
efeitos térmicos e dinâmicos.
Para os casos onde comprovadamente não haja viabilidade técnica (sem parede frontal, por
exemplo) para emprego da caixa de medição no limite da propriedade, voltada diretamente para
a via pública, esta poderá ser instalada no interior da propriedade, desde que instalada em recuo
técnico (nicho) ou gabinete em alvenaria e fique a no máximo 1 (um) metro de distância do limite
da propriedade com a via pública.
14.1.1 - Caixas para Medição direta
Destinadas a abrigar o equipamento de medição monofásico ou polifásico para medição direta
(até 200 A), nos casos de atendimento através de ramal de ligação aéreo ou subterrâneo.
14.1.1.1 - Caixa para Medição direta monofásica – CM1 (Figura 1)
A caixa CM1 deve ser utilizada em ligações monofásicas com valores de corrente até 70 A.
Deve ser fabricada em policarbonato considerando todas as especificações e ensaios
necessários e exigidos pela Light e as normas atinentes.
Em entradas individuais, quando o atendimento for através de ramal de ligação aéreo a
caixa CM1 deve ser instalada sobreposta no poste. Tratando-se de muro ou fachada, pode
ser instalada semi-embutida ou em recuo técnico conforme conveniência do Consumidor.
Quando o atendimento for através de ramal de ligação subterrâneo a caixa CM1 deve ser
instalada no muro ou fachada, sendo instalada semi-embutida ou em recuo técnico
conforme conveniência do Consumidor.
40 RECON – BT Março/2013
NOTAS:
1. A jusante (após) a caixa de medição CM1 deve ser instalada sempre uma caixa de proteção –
CDJ1 voltada para a parte interna da propriedade/edificação (sem acesso externo pela via
pública);
2. Para os casos onde o atendimento for através de ramal de ligação subterrâneo, a caixa CM1 deve ser
precedida de uma caixa de seccionamento – CS1 (exceto quando tratar-se de ligação em via pública).
Em entradas coletivas, deve ser instalada quando os condutores derivarem de caixa de
distribuição existente ou quando tratar-se de medição de serviço conectada antes da proteção
geral da edificação.
14.1.1.2 - Caixa para Medição direta polifásica – CM3 (Figura 2)
A caixa CM3 deve ser utilizada em ligações polifásicas com valores de corrente até 70 A.
Deve ser fabricada em policarbonato considerando todas as especificações e ensaios
necessários e exigidos pela Light e as normas atinentes.
Em entradas individuais, quando o atendimento for através de ramal de ligação aéreo a
caixa CM3 deve ser instalada sobreposta no poste. Tratando-se de muro ou fachada, pode
ser instalada semi-embutida ou em recuo técnico conforme conveniência do Consumidor.
Quando o atendimento for através de ramal de ligação subterrâneo a caixa CM3 deve ser
instalada no muro ou fachada, sendo instalada semi-embutida ou em recuo técnico
conforme conveniência do Consumidor.
NOTAS:
1. A jusante (após) a caixa de medição CM3 deve ser instalada sempre uma caixa de proteção –
CDJ3 voltada para a parte interna da propriedade/edificação (sem acesso externo pela
via pública);
2. Para os casos onde o atendimento for através de ramal de ligação subterrâneo, a caixa CM1
deve ser precedida de uma caixa de seccionamento – CS3 (exceto quando tratar-se de
ligação em via pública).
Em entradas coletivas, deve ser instalada quando os condutores derivarem de caixa de
distribuição existente ou quando tratar-se de medição de serviço conectada antes da
proteção geral da edificação.
14.1.1.3 - Caixa para Medição direta até 200 A – CM200 (Figura 3)
A caixa CM200 deve ser utilizada em ligações polifásicas com valores de corrente a partir
de 71 A até 200 A.
RECON – BT Março/2013 41
Devem ser fabricadas em aço galvanizado tratado contra corrosão com pintura
eletrostática em epóxi ou similar, considerando todas as especificações e ensaios
necessários e exigidos pela Light e as normas atinentes.
Em entradas individuais, utilizada somente quando o atendimento for através de ramal
de ligação subterrâneo, a caixa CM200 deve ser instalada no muro ou fachada, em recuo
técnico (nicho) ou gabinete de alvenaria.
Para esse caso a caixa CM200 deve ser sempre precedida de uma caixa de
seccionamento – CS200.
NOTA: A jusante (após) a caixa de medição CM200 deve ser instalada sempre uma caixa de
proteção – CPG200 voltada para a parte interna da propriedade/edificação (sem acesso externo
pela via pública).
Em entradas coletivas, deve ser instalada quando os condutores derivarem de
caixa/painel de distribuição existente ou quando tratar-se de medição de serviço
conectada antes da proteção geral da edificação.
14.1.1.4 - Caixa para Seccionamento e Medição direta até 200 A – CSM200 (Figura 4)
A caixa CSM200 deve ser utilizada em ligações polifásicas com valores de corrente a
partir de 71 A até 200 A.
Devem ser fabricadas em aço galvanizado tratado contra corrosão com pintura
eletrostática em epóxi ou similar, considerando todas as especificações e ensaios
necessários e exigidos pela Light e as normas atinentes.
Utilizada somente em entradas individuais, sendo o atendimento através de ramal de
ligação aéreo ou subterrâneo, a caixa CSM200 deve ser instalada no muro ou fachada,
em recuo técnico (nicho) ou gabinete em alvenaria.
NOTA: A jusante (após) a caixa de medição CSM200 deve ser instalada sempre uma caixa de
proteção – CPG200 voltada para a parte interna da propriedade/edificação (sem acesso externo
pela via pública).
14.1.1.5 - Caixa para Seccionamento, Medição direta e Proteção até 200 A –
CSMD200 (Figura 5)
A caixa CSMD200 deve ser utilizada em ligações polifásicas com valores de corrente a
partir de 71 A até 200 A, opcionalmente às caixas CM200 ou CSM200.
42 RECON – BT Março/2013
Devem ser fabricadas em aço galvanizado tratado contra corrosão com pintura
eletrostática em epóxi ou similar, considerando todas as especificações e ensaios
necessários e exigidos pela Light e as normas atinentes.
Em entradas individuais, sendo o atendimento através de ramal de ligação aéreo ou
subterrâneo, a caixa CSMD200 deve ser instalada no muro ou fachada, em recuo técnico
(nicho) ou gabinete em alvenaria.
Em entradas coletivas, deve ser instalada quando os condutores derivarem de
caixa/painel de distribuição existente ou quando tratar-se de medição de serviço
conectada antes da proteção geral da edificação.
NOTA: Nos casos de entradas individuais, a caixa CSMD200 instalada em recuo técnico deve ter a
porta de abertura que acessa a alavanca de acionamento do disjuntor protegida for cadeado
fornecido pelo Consumidor. Ou, por conveniência do mesmo, poderá ser instalada uma porta
ornamental com fechadura/cadeado protegendo todo o ambiente do recuo técnico. Nesse caso, a
porta ornamental deve ter um visor em policarbonato na altura dos visores da caixa de medição.
14.1.2 - Caixas para Medição indireta
Destinadas a abrigar o equipamento de medição polifásico e demais componentes do sistema
de medição para medição indireta (acima de 200A), nos casos de atendimento através de
ramal de ligação aéreo ou subterrâneo.
Devem ser fabricadas em aço galvanizado tratado contra corrosão com pintura eletrostática
em epóxi ou similar, considerando todas as especificações e ensaios necessários e exigidos pela
Light e as normas atinentes.
• As caixas do tipo CSM (seccionamento e medição indireta) dividem-se em 2 (dois) módulos, sendo:
1º: Módulo de seccionamento
Destinado ao seccionamento da instalação de entrada.
Esse módulo deve abrigar, em ambiente selado, um dispositivo para o seccionamento geral da
instalação, podendo ser um seccionador tripolar em caixa moldada ou bases fusíveis tipo NH
com barras de continuidade (sem fusíveis). De acordo com a carga pode ser utilizada uma
chave seccionadora tripolar ou ainda um sistema de barras desligadoras formadas por seções
de barras de junção parafusadas, articuláveis ou removíveis.
RECON – BT Março/2013 43
2º: Módulo de medição
Destinado a abrigar o medidor e demais equipamentos que compõem o sistema de medição,
também instalados em ambiente selado.
NOTA: As caixas do tipo CSMD dividem-se em 3 (três) partes: Seccionamento, medição e proteção.
Sendo este último módulo destinado a abrigar a proteção geral da unidade consumidora ou a proteção
geral da edificação, quando for o caso.
14.1.2.1 - Caixa para Seccionamento e Medição indireta até 600 A – CSM600 (Figura 6)
A caixa CSM600 deve ser utilizada em ligações polifásicas com valores de corrente a
partir de 201 A até 600 A.
Em entradas individuais, sendo o atendimento através de ramal subterrâneo, a caixa
CSM600 deve ser instalada no muro ou fachada, em recuo técnico (nicho) ou gabinete
em alvenaria.
Em entradas coletivas, deve ser instalada quando os condutores derivarem de
caixa/painel de distribuição ou quando tratar-se de medição de serviço conectada antes
da proteção geral da edificação.
NOTA: A jusante (após) a caixa de medição CSM600 deve ser instalada sempre uma caixa de
proteção – CPG600 voltada para a parte interna da propriedade/edificação (sem acesso externo
pela via pública).
14.1.2.2 - Caixa para Seccionamento e Medição indireta até 1500 A – CSM1500 (Figura 7)
A caixa CSM1500 deve ser utilizada em ligações polifásicas com valores de corrente a
partir de 601 A até 1500 A.
Em entradas individuais, sendo o atendimento através de ramal subterrâneo, a caixa
CSM1500 deve ser instalada no muro ou fachada, em recuo técnico (nicho) ou gabinete
em alvenaria.
Em entradas coletivas, deve ser instalada quando os condutores derivarem de
caixa/painel de distribuição ou quando tratar-se de medição de serviço conectada antes
da proteção geral da edificação.
NOTA: A jusante (após) a caixa de medição CSM1500 deve ser instalada sempre uma caixa de
proteção – CPG1500 voltada para a parte interna da propriedade/edificação (sem acesso externo
pela via pública).
44 RECON – BT Março/2013
14.1.2.3 - Caixa para Seccionamento, Medição indireta e Proteção até 600 A –
CSMD600 (Figura 8)
A caixa CSMD600 deve ser utilizada em ligações polifásicas com valores de corrente a
partir de 201 A até 600 A.
Em entradas individuais, sendo o atendimento através de ramal subterrâneo, a caixa
CSMD600 deve ser instalada no muro ou fachada, em recuo técnico (nicho) ou gabinete
em alvenaria.
Em entradas coletivas, deve ser instalada quando os condutores derivarem de
caixa/painel de distribuição, quando tratar-se de medição de serviço conectada antes da
proteção geral da edificação, ou como medição totalizadora abrigando a medição e a
proteção geral da edificação.
NOTA: Nos casos de entradas individuais, a caixa CSMD600 instalada em recuo técnico deve ter a
porta de abertura que acessa a alavanca de acionamento do disjuntor protegida for cadeado
fornecido pelo Consumidor. Ou, por conveniência do mesmo, poderá ser instalada uma porta
ornamental com fechadura/cadeado protegendo todo o ambiente do recuo técnico. Nesse caso, a
porta ornamental deve ter um visor em policarbonato na altura dos visores da caixa de medição.
14.1.2.4 - Caixa para Seccionamento, Medição indireta e Proteção até 1500 A –
CSMD1500 (Figura 9)
A caixa CSMD1500 deve ser utilizada em ligações polifásicas com valores de corrente a
partir de 601 A até 1500 A.
Em entradas individuais, sendo o atendimento através de ramal subterrâneo, a caixa
CSMD1500 deve ser instalada no muro ou fachada, em recuo técnico (nicho) ou gabinete
em alvenaria.
Em entradas coletivas, deve ser instalada quando os condutores derivarem de
caixa/painel de distribuição, quando tratar-se de medição de serviço conectada antes da
proteção geral da edificação, ou como medição totalizadora abrigando a medição e a
proteção geral da edificação.
NOTA: Nos casos de entradas individuais, a caixa CSMD1500 instalada em recuo técnico deve ter a
porta de abertura que acessa a alavanca de acionamento do disjuntor protegida for cadeado
fornecido pelo Consumidor. Ou, por conveniência do mesmo, poderá ser instalada uma porta
ornamental com fechadura/cadeado protegendo todo o ambiente do recuo técnico. Nesse caso, a
porta ornamental deve ter um visor em policarbonato na altura dos visores da caixa de medição.
RECON – BT Março/2013 45
NOTAS GERAIS:
1. Quando as caixas CSM ou CSMD forem utilizadas na medição de unidades consumidoras
derivadas de entradas coletivas onde não exista condutor de proteção independente, a
barra de neutro e a barra de proteção devem ser interligadas, já que nesse caso o condutor
de proteção deve derivar da própria caixa para o interior da instalação;
2. Quando as caixas CSM ou CSMD forem utilizadas na medição de unidades consumidoras
derivadas de entradas coletivas, estando eletricamente situadas após um dispositivo de
proteção geral que contemple a condição diferencial-residual, devem possuir “barra de
neutro” e “barra de proteção” independentes, onde a “barra de neutro” deve estar fixada
na caixa através de buchas isolantes e a “barra de proteção” fixada sem bucha de isolação (Ver
ANEXO A e esquema de ligação da TABELA 11-B desta Regulamentação);
3. Nos casos de instalações de entrada com valores de corrente superiores a 1500 A, deve
ser projetada e construída caixa CSM+CPG ou CSMD Especiais, em conformidade com a NBR
IEC 60439-1, considerando aspectos como: Tipo de rede de distribuição local, número de
condutores do ramal de ligação etc. devendo a mesma ser previamente avaliada e aprovada
pela Light;
4. Para instalações de entrada que utilizem caixas de medição indireta (CSM ou CSMD) onde,
comprovado tecnicamente, não for possível a instalação da caixa de medição no limite da
propriedade com a via pública, a mesma poderá ser instalada em até 3 (três) metros desse
limite mediante análise e aprovação prévia da Light.
5. Outras caixas ou arranjos poderão ser desenvolvidos de acordo como a conveniência técnica do
Consumidor, como por exemplo, arranjos de caixas em módulos, desde que previamente
avaliados e aprovados pela Light antes do seu fornecimento ao Consumidor.
14.2 - Caixas para Seccionamento
Devem ser utilizadas em entradas individuais quando o atendimento a unidade consumidora
for através de ramal de ligação subterrâneo através de caixas de medição direta que não dispõem
de seccionamento próprio (exceto quando tratar-se de ligação em via pública).
Devem ser instaladas eletricamente a montante (antes) e junto da caixa de medição.
Destinadas a abrigar, em ambiente selado, um dispositivo para o seccionamento geral da
instalação, podendo ser um seccionador tripolar em caixa moldada ou bases fusíveis tipo NH com
barras de continuidade (sem fusíveis). De acordo com a carga pode ser utilizada uma chave
seccionadora tripolar ou ainda um sistema de barras desligadoras formadas por seções de barras
de junção parafusadas, articuláveis ou removíveis.
Podem ser fabricadas em policarbonato ou em aço galvanizado tratado contra corrosão com
pintura eletrostática em epóxi ou similar, considerando todas as especificações e ensaios
necessários e exigidos pela Light e as normas atinentes.
46 RECON – BT Março/2013
As portas ou tampas das caixas devem possuir dispositivos para fixação de selos e demais
materiais de segurança conforme padrão Light.
Para toda caixa provida de barramentos (fases, neutro e proteção), estes devem ser
dimensionados 1,25 vezes a corrente de demanda máxima prevista para o material. Devem
apresentar suportabilidade ao nível de curto-circuito máximo previsto, considerando inclusive seus
efeitos térmicos e dinâmicos.
14.2.1 - Caixa para Seccionador monofásico – CS1 (Figura 10)
Deve ser instalada semi-embutida ou em recuo técnico de acordo com a conveniência do Consumidor.
14.2.2 - Caixa para Seccionador polifásico até 100 A – CS3 (Figura 11)
Deve ser instalada semi-embutida ou em recuo técnico de acordo com a conveniência do Consumidor.
14.2.3 - Caixa para Seccionador polifásico até 200 A – CS200 (Figura 12)
Deve ser instalada semi-embutida ou em recuo técnico de acordo com a conveniência do Consumidor.
14.3 - Caixas para Proteção geral
Destinadas a abrigar o disjuntor de proteção geral.
Em entradas individuais devem ser utilizadas para abrigar o disjuntor de proteção geral da
unidade consumidora, sempre instaladas a jusante (após) e junto da caixa de medição, voltadas
para a parte interna da propriedade/edificação (sem acesso externo pela via pública).
Em entradas coletivas devem ser utilizadas para abrigar o disjuntor de proteção geral de
entrada da edificação.
Podem ser fabricadas em policarbonato ou em aço galvanizado tratado contra corrosão com
pintura eletrostática em epóxi ou similar, considerando todas as especificações e ensaios
necessários e exigidos pela Light e as normas atinentes.
As portas ou tampas das caixas devem possuir dispositivos para fixação de selos e demais
materiais de segurança conforme padrão Light.
Para toda caixa provida de barramentos (fases, neutro e proteção), estes devem ser
dimensionados 1,25 vezes a corrente de demanda máxima prevista para o material. Devem
apresentar suportabilidade ao nível de curto-circuito máximo previsto, considerando inclusive seus
efeitos térmicos e dinâmicos.
As caixas devem possuir janela para acionamento do disjuntor.
RECON – BT Março/2013 47
NOTA: Ao Consumidor é permitido somente o acesso à alavanca de acionamento do disjuntor. Não é
permitido acesso interno à caixa, para fins de substituição, manutenção ou alteração da calibração do
disjuntor, sem autorização prévia da Light.
14.3.1 - Caixa para Disjuntor monofásico – CDJ1 (Figura 13)
Deve ser utilizada em ligações com disjuntor monofásico de até 70 A.
Em entradas individuais deve ser instalada sobreposta, ou semi-embutida, ou em recuo
técnico por conveniência do Consumidor, sempre voltadas para a parte interna da
propriedade/edificação (sem acesso externo pela via pública).
Em entradas coletivas deve ser instalada sobreposta como proteção individual de qualquer
unidade consumidora compreendida nesse tipo de entrada.
14.3.2 - Caixa para Disjuntor polifásico – CDJ3 (Figura 14)
Deve ser utilizada em ligações com disjuntor trifásico de até 70 A.
Em entradas individuais deve ser instalada sobreposta, ou semi-embutida, ou em recuo
técnico por conveniência do Consumidor, sempre voltadas para a parte interna da
propriedade/edificação (sem acesso externo pela via pública).
Em entradas coletivas deve ser instalada sobreposta como proteção individual de qualquer
unidade consumidora compreendida nesse tipo de entrada.
14.3.3 - Caixa para Proteção geral – CPG200 (Figura 15)
Deve ser utilizada em ligações com disjuntor trifásico de 100 A até 200 A.
Em entradas individuais deve ser instalada sobreposta, ou semi-embutida, ou em recuo
técnico por conveniência do Consumidor, sempre voltadas para a parte interna da
propriedade/edificação (sem acesso externo pela via pública).
Em entradas coletivas deve ser instalada sobreposta como proteção individual de qualquer
unidade consumidora compreendida nesse tipo de entrada ou, como proteção geral de
entrada da edificação.
14.3.4 - Caixa para Proteção geral – CPG600 (Figura 16)
Deve ser utilizada em ligações com disjuntor trifásico de 225 A até 600 A.
48 RECON – BT Março/2013
Em entradas individuais deve ser instalada sobreposta, ou semi-embutida, ou em recuo
técnico por conveniência do Consumidor, sempre voltadas para a parte interna da
propriedade/edificação (sem acesso externo pela via pública).
Em entradas coletivas deve ser instalada sobreposta como proteção individual de qualquer
unidade consumidora compreendida nesse tipo de entrada ou, como proteção geral de
entrada da edificação.
14.3.5 - Caixa para Proteção geral – CPG1500 (Figura 17)
Deve ser utilizada em ligações com disjuntor trifásico de 700 A até 1500 A.
Em entradas individuais deve ser instalada sobreposta, ou semi-embutida, ou em recuo
técnico por conveniência do Consumidor, sempre voltadas para a parte interna da
propriedade/edificação (sem acesso externo pela via pública).
Em entradas coletivas deve ser instalada sobreposta como proteção individual de qualquer
unidade consumidora compreendida nesse tipo de entrada ou, como proteção geral de
entrada da edificação.
NOTAS:
1. Nos casos de instalações de entrada com valores de corrente superiores a 1500 A deve ser
projetada e construída caixa CPG Especial, considerando aspectos como: dimensão do disjuntor
empregado, número de condutores do ramal de ligação etc. devendo a mesma ser previamente
avaliada e aprovada pela Light;
2. Eventualmente, em instalações de entrada com valores inferiores a 1500 A, por conveniência
técnica do responsável técnico, entradas individuais ou coletivas que requeiram caixas de proteção
com dimensões compatíveis com os disjuntores adquiridos também poderão ser projetadas, desde
que, como na nota acima, sejam previamente avaliadas e aprovadas pela Light;
3. Em entradas coletivas onde a caixa CPG vir a abrigar não só a proteção geral de entrada, mas
também os circuitos destinados a medição de serviço, deve ser observado pelo responsável técnico,
na ocasião da elaboração do projeto de entrada, o espaço físico interno da caixa projetada a fim de
garantir que esse espaço permita a instalação dos materiais e equipamentos sem que isso cause
prejuízo a qualidade e a segurança na ocasião da ligação;
4. As caixas CPG devem possuir dimensões adequadas ao dispositivo de proteção utilizado, às barras
de neutro e de proteção, além das barras auxiliares de cobre, tipos “ L ” (Figura 24) e “ Z ”
(Figura 24), quando for o caso, com a finalidade de permitir a derivação, antes do borne/terminal
de entrada do disjuntor de proteção geral, do circuito para o medidor de serviço quando de sua
necessidade, a fim de atender exigência do CBMERJ.
RECON – BT Março/2013 49
14.4 - Painéis de medidores
Devem ser aplicados em ligações novas, aumentos de carga e reformas no atendimento
de unidades consumidoras com medição direta até 200 A compreendidas em
entradas coletivas.
Devem ser fabricados em aço galvanizado tratado contra corrosão com pintura eletrostática em
epóxi ou similar, considerando todas as especificações e ensaios necessários e exigidos pela Light
e as normas atinentes.
As portas e/ou tampas dos painéis devem possuir dispositivos para fixação de selos e demais
materiais de segurança conforme padrão Light.
Todos os painéis devem possuir visores em policarbonato a fim de permitir a realização da leitura
dos medidores.
Para todo painel provido de barramentos (fases, neutro e proteção), estes devem ser
dimensionados 1,25 vezes a corrente de demanda máxima prevista para o material. Devem
apresentar suportabilidade ao nível de curto-circuito máximo previsto, considerando inclusive seus
efeitos térmicos e dinâmicos.
Os painéis devem possuir janela para acionamento de todos os disjuntores.
Ao Consumidor é permitido somente o acesso à alavanca de acionamento dos disjuntores. Não é
permitido acesso interno ao painel, para fins de substituição, manutenção ou alteração da
calibração dos disjuntores, sem autorização prévia da Light.
Devem ser fornecidos sempre com os condutores de interligação “barramento/medidor” e
“medidor/disjuntor de proteção individual” instalados. Os condutores devem ser de seção
compatível com a carga de cada unidade consumidora projetada (mínimo de 10mm²), em cobre
com fio rígido ou em cabo com classe de encordoamento nº 2, isolamento de PVC 70º C com
característica antichama, nas cores preta (fase A), vermelha (fase B), branca (fase C), azul claro
(neutro) e verde ou verde e amarela (condutor de proteção - terra).
No caso de agrupamentos que utilizem dispositivos diferenciais-residuais e, opcionalmente o Consumidor
utilize disjuntores do tipo IDR, estes devem ser abrigados em painéis padronizados especiais.
Devem ser usados painéis padronizados com capacidade para atendimento a 2, 4, 8, 12, 16 e 20
unidades consumidoras ou até mesmo painéis modulares. Entretanto, dependendo das
características da edificação e/ou da conveniência técnica do Consumidor outros painéis com
50 RECON – BT Março/2013
números diferentes podem ser projetados desde que sejam avaliados e aprovados previamente
pela Light.
14.4.1 - Painel de Medição – PMD (Figura 18)
Deve ser utilizado para agrupamento de medidores localizado no mesmo compartimento
da proteção geral de entrada da edificação.
Composto de barramento de distribuição e circuitos individuais para instalação dos medidores assim
como compartimento destinado ao emprego das proteções individuais das unidades consumidoras.
14.4.2 - Painel de Seccionamento e Medição – PSMD (Figura 19)
Deve ser utilizado para agrupamento de medidores localizado em compartimento
diferente do ocupado pela proteção geral de entrada da edificação.
Composto de seccionador tripolar, barramento de distribuição e circuitos individuais para
instalação dos medidores assim como compartimento destinado ao emprego das proteções
individuais das unidades consumidoras.
14.4.3 - Painel de Proteção e Medição – PDMD (Figura 20)
Deve ser utilizado para agrupamento de medidores localizado no ponto de entrega da instalação de
entrada incorporando assim a proteção geral de entrada (disjuntor) da edificação.
Também pode ser usado para agrupamento de medidores localizado em compartimento
diferente do ocupado pela proteção geral de entrada da edificação quando não for
possível a coordenação dessa proteção para curtos-circuitos que venham a ocorrer no
barramento interno do painel de medição.
Caberá ao responsável técnico da instalação de entrada a verificação da coordenação
tomando como base os níveis de curto-circuito constantes na tabela 14 em função do
dimensionamento do ramal de ligação.
Para essa aplicação o painel PDMD deve abrigar uma proteção parcial que garanta proteção
contra curtos-circuitos oriundos do barramento interno do painel de medição.
Composto de disjuntor tripolar, barramento de distribuição e circuitos individuais para
instalação dos medidores assim como compartimento destinado ao emprego das proteções
individuais das unidades consumidoras.
14.4.4 - Painel de Proteção geral/parcial – PPGP (Figura 21)
São aplicados sempre que ocorra a necessidade de utilização de vários painéis de medição
(PMD, PSMD e/ou PDMD) numa mesma entrada coletiva.
RECON – BT Março/2013 51
Devem abrigar a proteção geral, quando houver, e as proteções parciais dos agrupamentos
de medidores.
Devem ser fabricados em aço galvanizado tratado contra corrosão com pintura eletrostática
em epóxi ou similar, considerando todas as especificações e ensaios necessários e exigidos pela
Light e as normas atinentes.
As portas e/ou tampas dos painéis devem possuir dispositivos para fixação de selos e demais
materiais de segurança conforme padrão Light.
Para todo painel provido de barramentos (fases, neutro e proteção), estes devem ser
dimensionados 1,25 vezes a corrente de demanda máxima prevista para o material. Devem
apresentar suportabilidade ao nível de curto-circuito máximo previsto, considerando inclusive
seus efeitos térmicos e dinâmicos.
14.5 - Caixas de Inspeção de Aterramento (Figura 22)
As caixas para inspeção do aterramento devem ser fabricadas em material polimérico, sendo
empregadas de forma a permitir um ponto acessível para conexão de instrumentos para ensaios e
verificações das condições elétricas do sistema de aterramento.
É necessária apenas uma caixa por sistema de aterramento, na qual deve estar contida a primeira
haste da malha de terra e a conexão do condutor de interligação do neutro a malha de aterramento.
Para sistemas de aterramento com mais de 1 (uma) haste, todas as hastes existentes devem estar
disponíveis para inspeção visual pela Light antes da efetivação da ligação. Podendo as mesmas
serem seladas (exceto a primeira) após a ligação da instalação de entrada.
NOTA: Caixas de inspeção de aterramento que eventualmente sejam instaladas em áreas sujeitas à
passagem de veículos ou grande circulação de pessoas devem ser preenchidas com brita (pedra quebrada
em fragmentos) a fim de assegurar sua durabilidade.
14.6 - Eletroduto
Destina-se a proteção mecânica dos condutores do ramal de entrada. Deve ser utilizado
eletroduto não propagante de chama, resistente a UV etc. conforme especificações técnicas
contidas nas NBR’s 5410 e 15465.
No atendimento através de ramal de ligação aéreo, o condutor do ramal de entrada deve ser
protegido por eletroduto rígido em PVC na descida do ponto de ancoragem no poste particular,
pontalete ou na fachada até a medição (entradas individuais) ou até a proteção geral de entrada
(entradas coletivas).
52 RECON – BT Março/2013
No caso de atendimento através de ramal de ligação subterrâneo, o condutor do ramal de
entrada deve ser protegido por eletroduto rígido em PVC ou flexível de polietileno de alta
densidade, do limite da propriedade até a medição (entradas individuais) ou até a proteção geral
de entrada (entradas coletivas).
NOTA: Nas descidas dos circuitos de aterramento devem ser utilizados eletrodutos rígidos de PVC.
14.7 - Terminais de fixação de dutos
A fixação de eletrodutos nas caixas e painéis padronizados, bem como nas caixas do padrão
antigo (caixa de distribuição etc.), deve ser feita através de prensa tubos para eletrodutos, box
reto ou bucha e arruelas.
14.8 - Poste de aço
Deve ser utilizado em entradas individuais para ligações monofásicas ou trifásicas com carga
instalada até 15 kW.
Também podem ser empregados em entradas coletivas apenas para ancoramento do ramal de
ligação aéreo, desde que a carga nominal do poste requerida pela instalação não exceda o valor
de 100 daN e que a demanda do ramal de ligação seja igual ou inferior a 33 kVA.
Para propriedades que estejam localizadas no mesmo lado da rede de distribuição aérea da Light
deve-se utilizar o poste de 6m, e para propriedades que estejam localizadas do outro lado da
rede, deve-se utilizar o poste de 7,5m.
NOTAS:
1. Construtivamente, o poste de aço dispensa a instalação de eletrodutos, curvas etc. uma vez que os
condutores do ramal de ligação (instalado pela Light) assim como os condutores do ramal de entrada
(instalado pelo Consumidor) entram e saem pelo interior do próprio poste;
2. O poste de aço deve ser engastado com base concretada com diâmetro de 27 cm e profundidade de
1 m para postes de 6 metros e diâmetro de 14 cm e profundidade de 1,35m para postes de 7,5 metros;
3. O poste de aço deve ser utilizado alternativamente ao poste de concreto, por conveniência
do consumidor.
14.9 - Condutores
Os condutores devem ser em cobre com classe de encordoamento nº 2 e classe de tensão de
0,6/1 kV. Quanto ao tipo de isolamento, o mesmo poderá ser em PVC 70º C antichama, com
baixa emissão de fumaça, XLPE ou EPR 90º C considerando a aplicação e o tipo de ocupação, se
em eletroduto, eletrocalha sem ventilação etc.
RECON – BT Março/2013 53
NOTA: Outras classes de encordoamento podem ser utilizadas pelo responsável técnico contratado pelo
Consumidor desde que utilizados conectores terminais de compressão de fabricantes previamente
validados pela Light.
A especificação do condutor utilizado, assim como suas características técnicas, a
determinação dos tipos de conexão usados e os pontos de sua instalação devem constar
do projeto de entrada da edificação.
A TABELA 15 apresenta a ampacidade de condutores, podendo ser consultada para auxiliar em
eventuais dimensionamentos.
Todos os condutores indicados nas tabelas 10 A, 10 B, 11 A e 11 B desta Regulamentação,
foram dimensionados apenas pelo critério de ampacidade. Portanto, devem ser observados
rigorosamente pelo responsável técnico, os limites de queda de tensão e perda técnica, a
suportabilidade às correntes de curta duração (curtos-circuitos) e a adequação da
isolação ao tipo de instalação, estabelecidos pela NBR - 5410 da ABNT e normas técnicas
específicas de condutores, compatíveis com as características do circuito, condições que podem
justificar a modificação no dimensionamento apresentado nas referidas tabelas.
14.9.1 - Tipo de condutor em função da característica do atendimento
Para cada categoria de atendimento é fornecida a seção mínima e o número de condutores de
fase, de neutro e de proteção correspondentes, através das tabelas (10-A, 10-B, 11-A e 11-B)
para dimensionamento de equipamentos e materiais de entradas individuais e coletivas.
14.9.1.1 - Condutores do Ramal de Ligação
Quando o ramal de ligação for aéreo, para ligações com carga até 15 kW, em
entrada individual, o ramal de ligação aéreo deve ser instalado pela Light até o ponto da
medição inclusive.
Para ligações com valores acima de 15 kW, em entrada individual ou coletiva, o ramal de
ligação aéreo deve ser instalado pela Light até o ponto de ancoragem do ramal e
interligado ao ramal de entrada dimensionado e instalado pelo Consumidor.
Quando o ramal de ligação for subterrâneo, em entrada individual ou coletiva, este
deve ser instalado pela Light até o primeiro ponto de conexão da instalação de entrada.
NOTA: Considerando as características técnicas da rede de distribuição local assim como as
características construtivas das instalações de entrada projetadas pelo Consumidor, o mesmo
deverá ser informado pela Light quanto à determinação do número de circuitos que irão compor o
54 RECON – BT Março/2013
ramal de ligação, o respectivo banco de dutos assim como o raio de curvatura em função do tipo
de condutores empregados etc.
14.9.1.2 - Condutores do Ramal de Entrada
Os condutores do ramal de entrada devem ser dimensionados, fornecidos e instalados
sempre pelo Consumidor considerando as especificações técnicas contidas nesta
Regulamentação a exceção das ligações em entradas individuais atendidas através de
ramal de ligação aéreo com carga instalada até 15 kW.
A perda técnica máxima permissível nos condutores do ramal de entrada, seja
através de cabos ou através de barramento blindado bus way, entre a medição
totalizadora e os medidores individuais, não deve ser superior a 2 (dois) %.
14.9.1.2.1 - Barramento blindado (Bus way)
Pode ser utilizado pelo consumidor, por conveniência técnica do mesmo, desde que
avaliado e aprovado previamente pela Light através da apresentação do Projeto de
entrada (item 10.6) .
É destinado a interligação elétrica entre a proteção geral ou parcial a cada painel de
medidores correspondente.
Deve apresentar ampacidade equivalente a pelo menos 1,25 vezes o valor da demanda
do conjunto de unidades consumidoras interligadas, índice de proteção (IP) compatível
com o local de instalação e dispositivos para selagem das tampas.
Deve respeitar os mesmos critérios técnicos descritos no item 14.9 assim como as
especificações técnicas e ensaios estabelecidos pela NBR IEC 60439-2 na ABNT.
Deve ser fornecido e instalado pelo fabricante validado de modo qu seja
assegurada a qualidade e a garantia na instalação do material.
Caberá ao consumidor, no tempo determinado pelo fabricante assim como pelas normas
atinentes a barramentos blindados Bus way, realizar as manutenções preventivas e
corretivas que requerem o material.
NOTA: Somente serão aceitos barramentos blindados de fabricantes previamente validados pela
Light. Dessa forma, a fim de possibilitar o processo de validação, o fabricante do barramento
blindado deve apresentar toda a documentação necessária, de acordo com os procedimentos
próprios estabelecidos pela Light, incluindo documentação legal, desenhos de diagramas unifilares,
trifilares e dimensionais (informando: espaçamentos, distâncias entre barras, dimensão das barras
etc.), impedâncias de seqüência (positiva, negativa e zero), nível de curto-circuito máximo
admissível, perdas máximas em kW, ampacidade máxima e respectiva elevação de temperatura em
RECON – BT Março/2013 55
relação ao ambiente de 30º C, nível de isolamento para o qual foi projetado e relatórios de ensaios
realizados em laboratório idôneo etc.
Para auxiliar no dimensionamento de caixas, painéis, condutores etc. podem ser usadas as
tabelas de dimensionamento constantes na Seção 05 desta Regulamentação.
15 - Compensação de reativos
Para cargas cuja característica venha requerer a instalação de capacitores para a correção do fator de
potência, recomenda-se que seja priorizada a instalação de pequenas unidades dedicadas às cargas
reativas, eletricamente situadas após seus respectivos dispositivos de acionamento e proteção.
Havendo opção pelo emprego de banco de capacitores para correção em bloco, por ocasião da
realização do projeto da entrada de energia elétrica deverá ser previsto local para a instalação do mesmo.
A fim de evitar elevação excessiva da corrente de partida (inrush) e outras variações indesejáveis,
bancos de capacitores dedicados a fornecer reativos às cargas que operam em regime não
permanente devem ser do tipo automático e controlados, pelo menos, por tensão e/ou corrente,
associados a funções temporizadas. Não são aceitas instalações “fixas” de bancos de capacitores em
instalações onde a solicitação de reativos ocorre em regime temporário.
Unidades ou bancos de capacitores fixos, de potência máxima até 25 kVAr, podem ser
empregados, exclusivamente, para correção de cargas que comprovadamente operem em regime
permanente. Nesse caso, cabe ao profissional ou empresa legalmente habilitada contratada pelo
Consumidor, a responsabilidade pela garantia da qualidade do fornecimento e segurança da
instalação a partir da operação do dispositivo de correção adotado.
NOTA: Quando de eventual ocorrência de interrupção do fornecimento de energia no sistema da Light, bancos
de capacitores automáticos e/ou controlados, devem ser imediatamente desconectados. O religamento do banco
de capacitores deve ocorrer por intervenção manual ou de forma automática, ambas após um tempo mínimo
de 5 minutos do restabelecimento do fornecimento.
16 - Casos não previstos
Os casos não previstos nesta Regulamentação devem ser submetidos previamente à Light para análise
e aprovação.
56 RECON – BT Março/2013
SEÇÃO 01
DETERMINAÇÃO DA CARGA INSTALADA E AVALIAÇÃO DE
DEMANDA EM BAIXA TENSÃO
17 - Determinação da carga instalada
A carga instalada é determinada a partir do somatório das potências nominais dos aparelhos, dos
equipamentos elétricos e das lâmpadas existentes nas instalações.
No caso de não disponibilidade das potências nominais dos equipamentos e aparelhos
eletrodomésticos, recomenda-se a utilização da TABELA 9, que fornece as potências médias,
aproximadas, dos principais equipamentos e aparelhos.
Todas as TABELAS referidas “numericamente” nesta Seção 01 pertencem e estão contidas no final
desta Regulamentação.
No cálculo para determinação da carga instalada, não devem ser computadas as potências de
aparelhos de reserva.
Para determinação da potência de motores em kVA, considerar os valores nominais de placa
informados pelo fabricante. Quando não for possível essa verificação, considerar os valores das
TABELAS 5A e 5B.
Exemplo de determinação de carga instalada:
Unidade consumidora residencial (220/127 V)
TIPO DE CARGA
POTÊNCIA
NOMINAL
QUANTIDADE TOTAL PARCIAL
Lâmpada incandescente 100 W 4 0,4 kVA
Lâmpada incandescente 60 W 4 0,24 kVA
Lâmpada fluorescente 20 W 2 0,04 kVA
Tomadas 100 W 8 0,8 kVA
Chuveiro elétrico 4400 W 1 4,4 kVA
Ferro elétrico 1000 W 1 1,0 kVA
Geladeira 300 W 1 0,3 kVA
TV à Cores (20”) 90 W 1 0,09 kVA
Ventilador 150 W 3 0,45 kVA
Ar condicionado 1CV 2 3,04 kVA
Bomba d’água (motor) 1CV 2 (1 reserva) 1,52 kVA
Carga instalada total em “kVA” = CI kVA = 12,28 kVA
RECON – BT Março/2013 57
Para efeito de atendimento das condições definidas na Resolução nº 414/2010 da ANEEL, demais
resoluções e legislação atinentes, a carga instalada em kVA (CI kVA,) deve ser expressa em kW (CI
kW), considerando a expressão (CI kW
) = CI kVA x 0,92, onde 0,92 é o fator de potência médio que
o Consumidor pode admitir em suas instalações sem estar sujeito a multas, conforme Resolução nº
414/2010 da ANEEL.
Carga instalada total em “kW” = CI (kW) = 12,28 kVA x 0,92 = 11,3 kW
18 - Avaliação de demandas
A avaliação da demanda deve ser obrigatoriamente efetuada a partir da carga total instalada ou
prevista para a instalação, qualquer que seja o seu valor. Será utilizada na definição da categoria de
atendimento e no dimensionamento dos equipamentos e materiais das instalações de entradas de
energia elétrica monofásicas e polifásicas.
Quando um determinado conjunto de cargas é analisado, verifica-se que, em função da utilização
diversificada dessas cargas, um valor máximo de potência é absorvido por esse conjunto num mesmo
intervalo de tempo, geralmente inferior ao somatório das potências nominais de todas as cargas do
conjunto. Nesse caso, um bom conhecimento da utilização da instalação permite ao projetista a
adoção e aplicação de fatores de demanda ou diversidade na carga instalada, o que proporcionará um
refinamento no dimensionamento dos materiais e equipamentos da instalação de entrada de energia
elétrica, de forma a obter melhor compatibilização técnica e econômica sem comprometer a
confiabilidade e a segurança.
A seguir, sugestivamente, é apresentada uma metodologia para avaliação de demandas composta por
duas seções aplicativas (Seções A e B), que podem ser aplicadas de forma isolada ou conjuntamente
dependendo da característica da instalação. Todavia cumpre ressaltar, que a adoção de tal
metodologia não subtrai a responsabilidade técnica do projetista da instalação quanto ao indispensável
conhecimento das características operativas da carga que permita o dimensionamento adequado dos
materiais e equipamentos, o que pode implicar, inclusive, na adoção de outros métodos de avaliação
e/ou fatores de demanda que não os apresentados nesta Regulamentação, desde que tecnicamente
justificado e previamente submetido ao conhecimento e aprovação da LIGHT, considerando ainda que
o consumidor assuma todos os custos adicionais e inerentes à aplicação da metodologia apresentada.
18.1 - Método de avaliação - Seção “A”
Campo de aplicação:
Entradas individuais
• Avaliação e dimensionamento de entrada individual, isolada, (residencial e não residencial),
com atendimento através de ramal de ligação independente;
58 RECON – BT Março/2013
• Avaliação e dimensionamento do circuito dedicado a cada unidade consumidora individual
(apartamento, loja, sala etc.) derivada de ramal de entrada coletiva.
Entradas coletivas
• Avaliação e dimensionamento dos circuitos de uso coletivo em entrada coletiva residencial,
com até 4 (quatro) unidades consumidoras;
• Avaliação e dimensionamento do circuito dedicado a cada unidade consumidora individual
derivada de ramal de entrada coletiva caracterizado pela presença de cargas atípicas (motores,
saunas e ar condicionado central), como nos casos de coberturas, independente do número
de unidades consumidoras. Nesse caso, o valor de demanda encontrado pela Seção “A” para
essas unidades deverá ser somado ao valor da demanda do restante do condomínio
encontrado pela Seção “B”.
• Avaliação e dimensionamento dos circuitos de uso coletivo em entrada coletiva não
residencial;
• Avaliação e dimensionamento dos circuitos de uso coletivo dedicado às cargas não
residenciais, em entrada coletiva mista;
• Avaliação e dimensionamento dos circuitos de uso coletivo em vilas e condomínios horizontais
com até 4 (quatro) unidades consumidoras.
Circuitos de serviço dedicados ao uso de condomínios
• Avaliação e dimensionamento da carga de circuito de serviço de uso do condomínio, em
entrada coletiva residencial;
• Avaliação e dimensionamento da carga de circuito de serviço de uso do condomínio, em
entrada coletiva não residencial.
18.1.1 - Expressão geral para cálculo da demanda
Dentro dos limites estabelecidos pelo “campo de aplicação” atinente a essa seção, o
dimensionamento de circuitos individuais ou coletivos, deve ser feito a partir da demanda
calculada através da seguinte expressão:
D (kVA) = d 1 + d 2 + d 3 + d 4 + d 5 + d 6
Onde:
d1 (kVA) = demanda de iluminação e tomadas, calculada com base nos fatores de demanda
da TABELA 1, considerando o fator de potência igual a 1,0.
d2 (kVA) = demanda de aparelhos para aquecimento de água (chuveiros, aquecedores,
torneiras etc.), calculada conforme TABELA 2, considerando o fator de potência igual a 1,0.
RECON – BT Março/2013 59
d3 (kVA) = demanda de aparelhos de ar condicionado tipo janela e similares (split, fan-coil),
calculada conforme TABELAS 3A e 3B respectivamente, para uso residencial e não residencial.
d4 (kVA) = demanda de unidades centrais de condicionamento de ar e similares (self
container) calculada a partir das respectivas correntes máximas e demais dados de placa
fornecidos pelos fabricantes, aplicando os fatores de demanda da TABELA 4.
d5 (kVA) = demanda de motores elétricos e máquinas de solda tipo motor - gerador,
calculada conforme TABELAS 5A e 5B.
d6 (kVA) = demanda de máquinas de solda a transformador e aparelhos de raio-x, calculada
conforme TABELA 6.
Previsão de carga
No cálculo da demanda devem ser considerados os valores de carga mínima para iluminação e
tomadas de uso geral constantes da TABELA 1.
Importante:
Atenção especial deve ser dada pelo responsável técnico pela instalação, no sentido de prever
adequadamente outros tipos de carga que venham a ser utilizadas na instalação, como
aparelhos de ar condicionado, chuveiros, motores e outras cargas, em função do tipo de
construção, da atividade do imóvel, da localização, das condições sócio-econômicas e de
outros fatores que possam influenciar na carga total a ser prevista no projeto da instalação de
entrada de energia elétrica.
18.1.2 - Avaliação da demanda de entradas individuais e de circuitos de serviço
dedicados ao uso de condomínios
A demanda deve ser calculada com base na carga instalada, considerando o disposto no item
18.1.1 desta Seção.
18.1.3 - Avaliação da demanda de entradas coletivas
Além das demandas individuais de cada unidade consumidora (UC) e do serviço de uso
comum do condomínio (Ds), devem ser determinadas as demandas de cada trecho do circuito
de uso comum do ramal coletivo, indicadas conforme a seguir:
60 RECON – BT Março/2013
18.1.3.1 - Avaliação da demanda de entradas coletivas com um único
agrupamento de medidores
Onde:
DR - Demanda do ramal de ligação
DPG
- Demanda da proteção geral da entrada
DAG
- Demanda do único agrupamento de medidores
DS - Demanda do circuito de serviço de uso do condomínio
O valor de cada uma dessas demandas deve ser determinado, através da aplicação da
expressão geral e dos critérios estabelecidos no item 18.1.1, ao conjunto da carga
instalada inerente ao trecho do circuito analisado.
A demanda da proteção geral (DPG) deve ser igual a demanda do único “agrupamento de
medidores” (DAG
) determinada através da aplicação da expressão geral e dos critérios
estabelecidos no item 18.1.1 à carga total instalada das unidades consumidoras (UC’s).
DPG = DAG
A demanda do ramal de entrada (DR
) deve ser determinada através do somatório das
demandas do agrupamento das unidades consumidoras (DAG) e do circuito de serviço de
uso do condomínio (DS
), sendo o resultado multiplicado por 0,90.
DR = (DAG + DS) x 0,90
NOTA: Para os casos onde o valor de DR, após a aplicação da expressão acima, for inferior ao valor
de DPG, deve ser estabelecido para dimensionamento do ramal de ligação o valor de DPG.
18.1.3.2 - Avaliação da demanda de entradas coletivas com mais de um
agrupamento de medidores
Onde:
DR - Demanda do ramal de ligação
DPG - Demanda da proteção geral da entrada
DAGR
- Demanda de cada agrupamento de medidores residenciais
DAGNR
- Demanda de cada agrupamento de medidores NÃO residenciais
DSR - Demanda do circuito de serviço de uso do condomínio residencial
DSNR - Demanda do circuito de serviço de uso do condomínio NÃO residencial
RECON – BT Março/2013 61
A demanda referente a cada agrupamento de medidores (DAG) será determinada através
da aplicação da expressão geral e dos critérios estabelecidos em 18.1.1 à carga total
instalada das unidades consumidoras (UC’s) pertencentes ao agrupamento analisado.
Essa demanda deve ser também utilizada para o dimensionamento do equipamento de
proteção do circuito dedicado a cada agrupamento (prumada ou bus-way) existente.
No caso de entrada exclusivamente residencial, a demanda da proteção geral (DPG
)
será determinada através do método de avaliação – Seção “B”.
DPG = kVA(Aeq.) x Fd (Nº total de Apt
os.
)
(ver item 18.2)
A demanda do ramal de ligação (DR) deve ser determinada através do somatório entre a
demandas da proteção geral (DPG) e do serviço residencial (DSR), sendo o resultado
multiplicado por 0,90.
No caso de entrada mista (residencial e não residencial), a demanda da proteção geral
(DPG) será determinada através do somatório das demandas dos agrupamentos (DAG),
sendo o resultado multiplicado por 0,90.
DPG = (DAGR + DAGNR) x 0,90
A demanda do ramal de ligação (DR) deve ser determinada através do somatório das
demandas da proteção geral (DPG), do serviço residencial (DSR) e do serviço não
residencial (DSNR) quando for o caso, sendo o resultado multiplicado por 0,90.
DR = (DPG + DSR + DSNR) x 0,90
18.2 - Método de avaliação - Seção “B”
Campo de aplicação:
Entradas coletivas exclusivamente residenciais que “utilizem equipamentos elétricos
individuais para aquecimento de água”
• Avaliação da demanda e dimensionamento dos circuitos de uso coletivo em entradas
exclusivamente residenciais (prédios, condomínios horizontais e vilas), compostas de 5 a 300
unidades consumidoras (casas ou apartamentos), que utilizem equipamentos para
aquecimento de água (chuveiros com potência nominal individual até 4,4 kVA);
Entradas coletivas exclusivamente residenciais que “não utilizem equipamentos elétricos
individuais para aquecimento de água”
62 RECON – BT Março/2013
• Avaliação da demanda e dimensionamento dos circuitos de uso coletivo em entradas
exclusivamente residenciais (prédios, condomínios horizontais e vilas), compostas de 5 a 300
unidades consumidoras (casas ou apartamentos), que não utilizem equipamentos para
aquecimento de água.
Entradas coletivas mistas (unidades consumidoras residenciais e não residenciais)
• Avaliação da demanda e dimensionamento do circuito de uso comum dedicado à parcela da carga
residencial, composta de 5 a 300 unidades consumidoras residenciais, que utilizem equipamentos
para aquecimento de água (chuveiros com potência nominal individual até 4,4 kVA);
• Avaliação da demanda e dimensionamento do circuito de uso comum dedicado à parcela da
carga residencial, composta de 5 a 300 unidades consumidoras residenciais, que não utilizem
equipamentos para aquecimento de água.
18.2.1 - Metodologia para aplicação
A determinação da demanda relativa a um conjunto de unidades consumidoras residenciais
deverá ser feita através da utilização das TABELAS 7-A e 7-B, onde são obtidas as demandas
em kVA por unidade consumidora residencial (casa ou apartamento) em função da sua área útil.
A TABELA 7-A é aplicável às unidades consumidoras residenciais que utilizem equipamentos
elétricos individuais para aquecimento de água (chuveiro com potência nominal individual até
4,4 kVA).
Portanto :
Quando utilizados equipamentos elétricos individuais de aquecimento de água, com potência
nominal superior a 4, 4 kVA, é recomendável que o responsável técnico aplique um fator de
segurança no valor da demanda em kVA por agrupamento de apartamentos obtido na
TABELA 7-A, conforme tabela a seguir:
Potência do aparelho de
aquecimento de água (kVA)
Fator (%) de segurança
“FS”
4,4 < P ≤ 6,0 Até 1,10
6,0 < P ≤ 10 Até 1,20
Nos casos de utilização de aquecedores com potências diferentes em uma mesma unidade
residencial, deve ser feita um média ponderada a fim de se definir o valor da potência “P”
para a escolha do fator de segurança, onde:
RECON – BT Março/2013 63
Onde: FS = [0,0625 x (Peq. – 4,4) + 1] para 4,4 < Peq. ≤ 6,0 kW; ou então
FS = [0,025 x (Peq. – 6,0) + 1,1] para 6,0 < Peq. ≤ 10,0 kW.
Sendo:
FS = fator de segurança;
Peq.= potência equivalente do aquecedor para a escolha do fator de segurança;
Q = quantidades de aparelhos de aquecimento em suas respectivas potências;
P = potências dos aquecedores em suas respectivas quantidades.
NOTA: O objetivo da aplicação do fator de segurança “FS” foi de proteger os cálculos de demanda
quando da utilização de chuveiros com potências acima de 4,4 kW. Nesse sentido, as avaliações
estatísticas para a definição do “FS” consideraram que a escolha de um chuveiro de maior potência
ocorresse para todas as unidades consumidoras de um mesmo empreendimento residencial, entretanto o
mais comum é a utilização de potências variadas.
Para maior entendimento, admitindo-se que um prédio de apartamentos com 50
apartamentos distribuídos em 5 agrupamentos de 10 apartamentos, onde somente o 1º
agrupamento considerou 2 chuveiros por apartamento sendo um de 4,4 kW e o outro de 6
kW, com os demais agrupamentos com apenas um chuveiro de 4,4 kW por apartamento,
totalizando portanto 50 chuveiros de 4,4 kW e 10 chuveiros de 6 kW, logo:
• Para o cálculo da demanda individual de cada agrupamento com a aplicação das Tabelas
“7A" e “8”:
• 1º agrupamento: 10 apartamentos => F. Div. = 9,64 pela Tabela 8;
150 m
2
=> 4,2 kVA pela Tabela 7A;
Como existem chuveiros maiores que 4,4 kW é necessário corrigir pelo “FS”; portanto: Peq. =
[(10 x 4,4) + (10 x 6)] / (10 + 10) = 5,20 kW, ou seja, ≤ 6,0 kW, assim temos FS = 0,0625 x
(5,2 – 4,4) + 1 = 1,05 (ou seja: 5 %);
Dagr1 = 9,64 x 4,2 x 1,05 = 42,51 = 42,5 kVA
• Para os demais agrupamentos individualmente (2º, 3º, 4º e 5º):
Dagr (2,3,4,5) = 9,64 x 4,2 = 40,49 = 40,5 kVA
• Para a demanda final diversificada:
Q1 x P1 + Q2 x P2 + Qn x Pn
Peq. =
Q1 + Q2 + Qn
64 RECON – BT Março/2013
Nesse caso, considerando os 50 apartamentos de 150 m
2
;
50 apartamentos => F. Div. = 35,34 pela Tabela 8; e ainda como existem chuveiros com potências
maiores que 4,4 kW, também é necessário corrigir pelo “FS” equivalente, Peq. = (50 x 4,4 + 10 x
6) ÷ (50 + 10) = 4,67 kW ou seja, ≤ 6,0 kW, assim temos FS = 0,0625 x (4,67 – 4,4) + 1 = 1,0169
(ou seja: 1,69 %);
DAG_R = 35,34 x 4,2 x 1,0169 = 150,936 = 150,94 kVA
A TABELA 7-B é aplicável às unidades consumidoras residenciais que não utilizem
equipamentos elétricos individuais para aquecimento de água.
Em seguida, aplica-se a TABELA 8 onde é obtido o Fator de diversidade correspondente ao
número de unidades consumidoras que compõem o conjunto analisado.
As TABELAS 7-A e 7-B são aplicáveis, exclusivamente, na determinação da demanda de
unidades consumidoras residenciais com área útil de até 400 m². Para unidades consumidoras
com área superior deverão ser empregadas as seguintes expressões:
D = 0,0473773 x S
0,895075
Unidades consumidoras COM chuveiros elétricos
D = 0,0419268 x S
0,895075
Unidades consumidoras SEM chuveiros elétricos
Onde:
D = Demanda da unidade consumidora residencial em kVA.
S = Área útil em m
2
da unidade consumidora residencial.
NOTA: Nos casos de entradas coletivas cujas unidades consumidoras residenciais possuam áreas úteis
diferentes, a determinação da demanda total deve ser obtida a partir da área útil equivalente (A eq.) para
a aplicação através das TABELAS 7-A, 7-B e 8.
[Nº de Apt
os.
(S1) x S1] + [Nº de Apt
os.
(S2) x S2] + . . . + [Nº de Apt
os.
(Sn) x Sn]
A eq =
Nº de Apt
os.
(S1) + Nº de Apt
os.
(S2) + Nº de Apt
os.
(Sn)
RECON – BT Março/2013 65
Onde:
Nº de Apt
os.
(S1) = Nº de apartamentos do primeiro agrupamento com área S1,
S1 = área dos apartamentos do primeiro agrupamento;
Nº de Apt
os.
(Sn) = Nº de apartamentos do enésimo agrupamento com área Sn,
Sn = área dos apartamentos do enésimo agrupamento;
Aeq = Área equivalente ponderada dos apartamentos em m
2
.
DPG = f [(Nº total de Apartamentos com área equivalente “Aeq.”) e do F.d. (Nº total de Apt
os
.)]
DPG = kVA(Aeq.) x Fd (Nº total de Apt
os.
)
Exemplo de aplicação:
Num edifício com 20 apartamentos com área útil de 100 m
2
e 20 com área útil de 70 m
2
,
considerando o atendimento com dois agrupamentos de medidores, todos os apartamentos com
chuveiros de 4,4 kVA, a demanda total do agrupamento será:
Cálculo da demanda de cada agrupamento (DAGR)
DAGR (Aptº 100 m²) = 2,92 kVA (TABELA 7 A) x Fd (20 Apt
os
) = 17,44 (TABELA 8)
DAGR (Aptº 100 m²) = 2,92 x 17,44 = 50,9 kVA
DAGR (Aptº 70 m²) = 2,12 kVA (TABELA 7 A) x Fd (20 Apt
os
) = 17,44 (TABELA 8)
DAGR (Aptº 70 m²) = 2,12 x 17,44 = 36,97 kVA
Portanto o DAGR total deverá ser calculado em função da área útil equivalente ponderada entre
os dois grupos individuais de 20 apartamentos de 100 m
2
e 20 apartamentos de 70 m
2
.
[20 x 100] + [20 x 70]
A eq = = 85 m
2
20 + 20
(Aptº 85 m²) = 2,52 kVA (TABELA 7 - A) x Fd (40 Apt
os
) = 29,52 (TABELA 8)
DAGR total = DPG= 2,52 x 29,52 = 74,39 kVA
18.2.1.1 - Avaliação da demanda de entradas coletivas exclusivamente
residenciais compostas de 5 a 300 unidades consumidoras
Demanda individual das unidades de consumo residenciais:
A demanda individual da unidade consumidora deve ser determinada através da
aplicação da expressão geral e dos critérios estabelecidos no item 18.1 “Método de
avaliação - Seção A” à carga instalada de cada unidade consumidora.
66 RECON – BT Março/2013
Demanda do circuito de serviço residencial de uso do condomínio (DSR):
Deve ser determinada através da aplicação dos critérios estabelecidos no item 18.1
“Método de avaliação - Seção A”, às cargas de serviço do condomínio.
Demanda de agrupamentos de medidores (DAG
):
A demanda (Dag) de um agrupamento de medidores, composto por 5 ou mais unidades
consumidoras residenciais, deve ser determinada através da aplicação da metodologia
estabelecida no item 18.2 “Método de avaliação - Seção B”.
Demanda da proteção geral (DPG
):
A demanda da proteção geral (DPG) deve ser determinada através da aplicação das
TABELAS 7A, 7B e 8.
DPG = kVA(A aptº.) x Fd (Nº total de Apt
os.
)
Demanda do ramal de ligação (DR
):
É determinada através do somatório das demandas da proteção geral (DPG) e do serviço
de uso do condomínio (DSR
), sendo o seu resultado multiplicado por 0,90.
DR = (DPG + DSR) x 0,90
18.2.1.2 - Avaliação da demanda de entradas coletivas mistas
Nas entradas coletivas mistas, onde unidades consumidoras residenciais e não residenciais
tenham o fornecimento de energia efetivado por um mesmo ramal de entrada coletivo, a
avaliação das demandas deve ser feita conforme os seguintes procedimentos:
Demanda individual das unidades consumidoras, residenciais e não residenciais:
A demanda individual de cada unidade consumidora (UC), residencial ou não residencial,
deve ser determinada, através da aplicação dos critérios estabelecidos no item 18.1
“Método de avaliação - Seção A”, à carga instalada de cada unidade consumidora.
Demanda do circuito de serviço de uso do condomínio (DS):
Circuito de serviço único
Quando um único sistema de serviço for dedicado a todas as unidades consumidoras
(residenciais e não residenciais) existentes na edificação, a demanda de serviço DS deve
ser determinada, através da aplicação da expressão geral e dos critérios estabelecidos no
item 18.1 “Método de avaliação - Seção A” à carga instalada do serviço.
RECON – BT Março/2013 67
Circuitos de serviços independentes
Nos casos em que as unidades consumidoras residenciais e não residenciais forem
atendidas por circuitos de serviços independentes, as demandas dos circuitos de serviços
devem ser calculadas através da aplicação da expressão geral e dos critérios estabelecidos
no item 18.1 “Método de avaliação - Seção A” à carga total instalada em cada um
desses circuitos.
Demanda de agrupamento de medidores (DAG):
A demanda de cada agrupamento de cargas não residenciais (lojas, escritórios e outros)
deve ser determinada, através da aplicação da metodologia estabelecida no item 18.1
“Método de avaliação - Seção A”, ao conjunto de cargas não residenciais.
A demanda de cada agrupamento residencial (com 5 ou mais unidades consumidoras)
deve ser determinada, através da aplicação do critério estabelecido no item 18.2
“Método de avaliação - Seção B”, ao conjunto de cargas residenciais.
Demanda da proteção geral (DPG):
Deve ser determinada através do somatório das demandas dos agrupamentos de cargas
residenciais (DAG residencial) e de cargas não residenciais (DAG não residencial),
sendo o resultado multiplicado por 0,90.
DPG = (DAGR + DAGNR) x 0,90
Demanda do ramal de ligação (DR
):
Em função das características do sistema de serviço de uso do condomínio, deve ser
adotada uma das alternativas a seguir:
Com circuito de serviço único
DR = (DPG + DS) x 0,90
Onde:
DAG residencial = Demanda da carga total residencial (5 ou mais unidades
consumidoras), determinada através da aplicação do “Método de avaliação - Seção B”
estabelecido no item 18.2.
DAG não residencial = Demanda da carga total não residencial, determinada através da
aplicação do “Método de avaliação - Seção A” estabelecido no item 18.1.
DS = Demanda da carga total do serviço único de uso do condomínio, determinada
através da aplicação do “Método de avaliação - Seção A” estabelecido no item 18.1.
68 RECON – BT Março/2013
Com circuitos de serviços independentes
DR = (DPG + DSRR + DSNR) x 0,90
Onde:
DAG residencial = Demanda da carga total residencial (5 ou mais unidades
consumidoras), determinada através da aplicação do “Método de avaliação - Seção B”
estabelecido no item 18.2.
DSR = Demanda da carga do circuito de serviço dedicado exclusivamente às
unidades consumidoras residenciais, determinada através da aplicação do
“Método de avaliação - Seção A” estabelecido no item 18.1.
DAG não residencial = Demanda da carga total das unidades consumidoras não
residenciais, determinada através do “Método de avaliação - Seção A” estabelecido no
item 18.1.
DSNR = Demanda da carga do circuito de serviço dedicado exclusivamente às unidades
consumidoras não residenciais, calculada através da aplicação do “Método de
avaliação - Seção A” estabelecido no item 18.1.
NOTA GERAL: Em qualquer situação em que for aplicado o fator de demanda “0,90” e o
valor encontrado for menor que algum dos valores individuais do conjunto a ser
demandado, deve ser considerado, nesse caso, como valor demandado o maior valor
individual do conjunto.
Por exemplo, se fosse encontrado em um determinado atendimento DAG = 100 kVA e DS
= 20 kVA, nesse caso, o DPG demandado seria DPG = (100+20) x 0,90= 108 kVA, porém
como 108 kVA (demandado) < 120 kVA (um dos valores individuais), o DPG a ser
considerado será DPG = 120 kVA.
18.3 - Exemplos de avaliação de demandas
CASO 1
Residência isolada, área útil de 300 m², com fornecimento de energia através de ramal de ligação
independente em tensão 220/127 V.
Características da Carga Instalada:
Iluminação e Tomadas - 6,0 kVA
Chuveiros elétricos - 3 x 4,4 kVA
RECON – BT Março/2013 69
Torneiras elétricas - 2 x 2,5 kVA
Aparelhos de ar condicionado - 2 x 1 CV
- 2 x 3/4 CV
Motores monofásicos - 1 x 1 CV
- 1 x 1/2 CV
- 2 x 1/4 CV (1 reserva)
Sauna - 9,0 kVA
A - Determinação da carga instalada e da categoria de atendimento
Previsão mínima de iluminação e tomada pela TABELA 1 = 0,030 x 300 = 9,0 kVA, ou seja,
maior que o valor declarado (6,0 kVA), logo o valor a ser considerado deve ser 9,0 kVA.
- Carga instalada (CI) = {9 + (3 x 4,4) + (2 x 2,5) + [(2 x 1CV) + (2 x 3/4 CV)] + [(1 x 1 CV) +
(1 x 1/2 CV) + (1 x 1/4 CV)] + 9}
- Carga instalada (CI) = 9,0 + (3 x 4,4) + (2 x 2,5) + [(2 x 1,52) + (2 x 1,26)] + [(1 x 1,52) +
(1 x 0,87) + (1 x 0,66)] + 9,0
- Carga instalada (CI) = 9,0 + 13,2 + 5,0 + 3,04 + 2,52 + 1,52 + 0,87 + 0,66 + 9,0
- Carga instalada (CI) = 44,81 kVA
- Carga instalada (CI kW) = 44,81 x 0,92 = 41,23 kW
Para a determinação da categoria de atendimento e o dimensionamento dos materiais e
equipamentos da instalação de entrada individual, é necessário avaliar a demanda da instalação,
a partir da carga instalada.
B - Avaliação das demandas (kVA)
Conforme estabelecido em 18.1 “Método de avaliação - Seção A”, temos :
- Iluminação e tomadas (TABELA 1)
C1 = 9,0 kVA (mínimo conforme TABELA 1)
d1 = (1 x 0,80) + (1 x 0,75) + (1 x 0,65) + (1 x 0,60) + (1 x 0,50) + (1 x 0,45) + (1 x 0,40) + (1 x
0,35) + (1 x 0,30)
d1 = 4,80 kVA
- Aparelhos de aquecimento (TABELA 2)
C2 = (3 x 4,4) + (2 x 2,5) + (1 x 9,0)
d2 = (3 x 4,4) x 0,70 + (2 x 2,5) x 0,75 + (1 x 9,0) x 1,0
d2 = 21,99 kVA
- Aparelhos de ar condicionado tipo janela (TABELA 3A)
C3 = (2 x 1 CV ) + (2 x 3/4 CV ) Nº de aparelhos de ar = 4 Logo, FD = 100 %
70 RECON – BT Março/2013
d3 = [(2 x 1,52) + (2 x 1,26)] x 1 = 5,56 kVA
- Motores (TABELAS 5A e 5B)
C5 = ( 1 x 1 CV ) + ( 1 x 1/2 CV ) + ( 2 x 1/4 CV )
1 CV = 1,52 kVA Nº de motores = 4 - 1reserva = 3
1/2 CV = 0,87 kVA Logo, FD = 63,33 %
1/4 CV = 0,66 kVA
d5 = [1, 52 + 0,87 + 0,66] x 0,6333= 1,93 kVA
C - Determinação da demanda total da instalação
D total = d1 + d2 + d3 + d5
D total = 4,8 + 21,99 + 5,56 + 1,93
D total = 34,28 kVA
A entrada individual deve ser trifásica, atendida através de ramal de ligação independente e a
demanda total avaliada (D total) deve ser utilizada para o dimensionamento dos condutores, da
proteção geral e demais materiais componentes da instalação de entrada.
CASO 2
Edificação de uso coletivo, composta por 4 unidades consumidoras residenciais (apartamentos), cada
apartamento com área útil de 96 m² e o serviço (condomínio) com área de 90 m², em tensão 220/127
V, um único agrupamento de medidores (4 apartamentos).
Características da carga instalada:
Por unidade consumidora (apartamento)
Iluminação e tomadas - 3,0 kVA
Aparelhos de aquecimento - 1 x 4,4 kVA
(Aparelhos de ar condicionado tipo janela - 2 x 3/4 CV
Circuito de serviço de uso do condomínio
Iluminação e tomadas - 3,0 kVA
Aparelhos de aquecimento (chuveiro) - 1 x 4,4 kVA
Motores trifásicos - 2 bombas d'água de 2 CV (1 reserva)
- 1 bomba recalque de esgoto de 3 CV
Como se trata de entrada coletiva residencial com até 4 unidades consumidoras, a determinação das
demandas parciais e total deve ser feita através da aplicação do "Método de avaliação - Seção A”,
estabelecido no item 18.1.
RECON – BT Março/2013 71
A - Determinação da carga instalada e da categoria de atendimento
Por unidade consumidora residencial (apartamento):
Previsão mínima de iluminação e tomada pela TABELA 1 = 0,030 x 96 = 2,88 kVA, ou seja,
menor que o valor declarado (3,0 kVA), logo o valor a ser considerado deve ser 3,0 kVA.
- Carga instalada (CI) = [3,0 + (1 x 4,4) + (2 x 3/4 CV)]
- Carga instalada (CI) = 3,0 + 4,4 + (2 x 1,26) = 9,92 kVA
- Carga instalada (CI kW) = 9,92 x 0,92 = 9,13 kW
É necessário calcular a demanda a partir da aplicação do “Método de avaliação - Seção A”,
estabelecido no item 18.1, à carga instalada, para determinar a categoria de atendimento e
dimensionar os materiais e equipamentos atinentes ao circuito individual dedicado a cada unidade
consumidora (apartamento).
Circuito de serviço de uso do condomínio:
Previsão mínima de iluminação e tomada pela TABELA 1 = 0,005 x 90 = 0,45 kVA, ou seja,
menor que o valor declarado (3,0 kVA), logo o valor a ser considerado deve ser 3,0 kVA.
- Carga instalada (CI) = [3,0 + (1 x 4,4) + (1 x 2 CV) + (1 x 3 CV)]
- Carga instalada (CI) = 3,0 + 4,4 + (1 x 2,70) +(1 x 4,04) = 14,14 kVA
- Carga instalada (CI kW) = 14,14 x 0,92 = 13 kW
É necessário calcular a demanda a partir da aplicação do “Método de avaliação - Seção A”,
estabelecido no item 18.1, à carga instalada, para determinar a categoria de atendimento e
dimensionar os materiais e equipamentos inerentes, sendo o serviço do condomínio visto como
uma unidade consumidora.
B - Avaliação das demandas (kVA)
Por apartamento
- Iluminação e tomadas (TABELA 1)
C1 = 3,0 kVA
d1 = (1 x 0,80) + (1 x 0,75) + (1 x 0,65) = 2, 2 kVA
- Aparelhos de aquecimento (TABELA 2)
C2 = 1 x 4,4 = 4,4 kVA
d2 = 4,4 x 1 = 4,4 kVA
72 RECON – BT Março/2013
- Aparelhos de ar condicionado (TABELA 3A)
C3 = 2 x 3/4 CV Nº de aparelhos de ar = 2 Logo FD = 100 %
d3 = (2 x 1,26) x 1 = 2,52 kVA
Dtotal (UC) = d1 + d2 + d3 = 2,2 + 4,4 + 2,52 = 9,12 kVA
Demanda por unidade consumidora (apartamento) = 9,12 kVA
A categoria de atendimento deve ser trifásica em 220/127 V.
Essa demanda serve para dimensionar os materiais e equipamentos dos circuitos individuais,
dedicados às unidades consumidoras residenciais (apartamentos).
Demanda do circuito de serviço de uso do condomínio (DS):
- Iluminação e tomadas (TABELA 1)
C1 = 3,0 kVA
d1 = 3,0 x 0, 80 = 2,4 kVA
- Aparelhos de aquecimento (TABELA 2)
C2 = 1 x 4,4 kVA
d2 = 4,4 x 1,0 = 4,4 kVA
- Motores (TABELAS 5A e 5B)
C5 = (1 x 2 CV) + (1 x 3 CV)
- Pela TABELA 5:
2 CV = 2,70 kVA Nº de motores = 2
3 CV = 4,04 kVA Logo, FD = 75%
d5 = (2,70 + 4,04) x 0,75 = 5,06 kVA
DS = d1 + d2 + d5 = 2,4 + 4,4 + 5,06 = 11,86 kVA
Demanda do circuito de serviço do condomínio (Ds) = 11,86 kVA
A categoria de atendimento deve ser trifásica em 220/127 V.
Essa demanda serve para dimensionar os materiais e equipamentos do circuito de serviço do condomínio.
Demanda do agrupamento (DAG):
O agrupamento de medidores é formado por 4 unidades consumidoras (apartamentos).
- Iluminação e tomadas (TABELA 1)
Carga instalada (C1) = 4 x 3,0 kVA = 12,0 kVA
d1 = (1 x 0,80) + (1 x 0,75) + (1 x 0,65) + (1 x 0,60) + (1 x 0,50 ) + (1 x 0,45) + (1 x 0,40) +
(1 x 0,35) + (1 x 0,30) + (1 x 0,27) + (2 x 0,24)
d1 = 5,55 kVA
RECON – BT Março/2013 73
- Aparelhos de aquecimento (TABELA 2)
C2 = 4 x 4,4 kVA = 17,6 kVA
d2 = 17,6 x 0,66 = 11,62 kVA
- Aparelhos de ar condicionado tipo janela (TABELA 3A)
C3 = 4 x (2 x 3/4 CV) Nº de aparelhos de ar = 8 Logo, FD = 70 %
d3 = 4 x (2 x 1,26) x 0,70 = 7,06 kVA
DAG = d1 + d2 + d3 = 5,55 + 11,62 + 7,06 = 24,23 kVA
Demanda do agrupamento (DAG) = 24,23 kVA
Essa demanda serve para dimensionar os equipamentos e materiais do circuito de uso comum
dedicado ao agrupamento de medidores.
Demanda da proteção geral (DPG)
Como o circuito de serviço de uso do condomínio é derivado antes da proteção geral de entrada,
somente as cargas do agrupamento (apartamentos) influenciam no dispositivo de proteção geral do
prédio, logo:
DPG = DAG = 24,23 kVA
Demanda da proteção geral (DPG) = 24,23 kVA
Essa demanda serve para dimensionar o equipamento de proteção geral da entrada coletiva.
Demanda do ramal de ligação (DR)
É importante notar que, na avaliação da demanda desse trecho coletivo da instalação, todas as
cargas estarão envolvidas. Conforme estabelecido no item 18.1 “Método de avaliação - Seção A”,
a demanda do ramal de ligação será:
DR = (DAG + DS) x 0, 90
DR = (24,23 + 11,86) x 0, 90 = 32,48 kVA
Demanda do ramal de ligação (DR) = 32,48 kVA
Essa demanda deve ser utilizada para dimensionar os condutores, materiais e equipamentos da
instalação da entrada coletiva.
CASO 3
Entrada coletiva exclusivamente residencial com 2 agrupamentos de medidores, um com 10
apartamentos de 2 quartos (área útil = 70m²) e outro com 10 apartamentos de 3 quartos (área útil =
90 m²). Sistema de serviço único com área útil de 600 m², em 220/127 V.
74 RECON – BT Março/2013
Características da carga instalada:
Por apartamento de 2 quartos (70 m²)
Iluminação e tomadas - 1,8 kVA
Aparelhos de aquecimento - 1 x 4,4 kVA (chuveiro)
Aparelhos de ar condicionado tipo janela - 1 x 1 CV
Por apartamento de 3 quartos (90 m²)
Iluminação e tomadas - 2,1 kVA
Aparelhos de aquecimento - 1 x 4,4 kVA (chuveiro)
Aparelhos de ar condicionado tipo janela - 1 x 1 CV
- 2 x 3/4 CV
Circuito de serviço de uso do condomínio
Iluminação e tomadas - 8,0 kVA
Aparelhos de aquecimento - 1 x 4,4 kVA (chuveiro)
Motores trifásicos - 2 elevadores de 10CV
- 2 bombas de 5 CV (1 reserva)
- 2 bombas de 3 CV (1 reserva)
Como se trata de "Entrada coletiva exclusivamente residencial", a carga instalada e as demandas das
unidades consumidoras residenciais, do serviço de uso do condomínio e dos trechos coletivos serão
determinadas conforme a seguir:
Avaliação e dimensionamento dos circuitos individuais dos apartamentos
Pelo “Método de avaliação - Seção A”, estabelecido no item 18.1.
Avaliação da demanda e dimensionamento do circuito de serviço do condomínio
Pelo “Método de avaliação - Seção A”, estabelecido no item 18.1.
Avaliação da demanda e dimensionamento dos trechos coletivos
Pelo “Método de avaliação - Seção B”, estabelecido no item 18.2.
A – Determinação da carga instalada e da categoria de atendimento
Por apartamento (70 m²)
Previsão mínima de iluminação e tomada pela TABELA 1 = 0,030 x 70 = 2,1 kVA, ou seja,
maior que o valor declarado (1,8 kVA), logo o valor a ser considerado deve ser 2,1 kVA.
RECON – BT Março/2013 75
- Carga instalada (CI) = 2,1 + (1 x 4,4) + (1 x 1 CV)
- Carga instalada (CI) = 2,1 + 4,4 + 1,52 = 8,02 kVA
- Carga instalada (CI kW) = 8,02 x 0,92 = 7,38 kW
É necessário calcular a demanda a partir da aplicação do “Método de avaliação - Seção A”,
estabelecido no item 18.1, à carga instalada, para determinar a categoria de atendimento e
dimensionar os materiais e equipamentos inerentes a cada unidade consumidora (apartamento de
2 quartos - 70 m²).
Por apartamento de (90 m²)
Previsão mínima de iluminação e tomada pela TABELA 1 = 0,030 x 90 = 2,7 kVA, ou seja,
maior que o valor declarado (2,1 kVA), logo o valor a ser considerado deve ser 2,7 kVA.
- Carga instalada (CI) = 2,7 + (1 x 4,4) + (1 x 1 CV) + (2 x 3/4 CV)
- Carga instalada total (CI) = 2,7 + 4,4 + 1,52 + (2 x 1,26) = 11,14 kVA
- Carga instalada total (CI kW) = 11,14 x 0,92 = 10,25 kW
É necessário calcular a demanda a partir da aplicação do “Método de avaliação - Seção A”,
estabelecido no item 18.1, à carga instalada, para determinar a categoria de atendimento e
dimensionar os materiais e equipamentos inerentes a cada unidade consumidora (apartamento de
3 quartos - 90 m²).
Circuito de serviço de uso do condomínio (600 m
2
)
Previsão mínima de iluminação e tomada pela TABELA 1 = 0,005 x 600 = 3,0 kVA, ou seja,
menor que o valor declarado (8,0 kVA), logo o valor a ser considerado deve ser 8,0 kVA.
- Carga instalada (CI) = 8,0 + (1 x 4,4) + (2 x 10 CV) + (1 x 5 CV) + (1 x 3 CV)
- Carga instalada (CI) = 8,0 + 4,4 + (2 x 11,54) + (1 x 6,02) + (1 x 4,04) = 45, 54 kVA
- Carga instalada (CI kW) = 45,54 x 0,92 = 41,9 kW
É necessário calcular a demanda a partir da aplicação do “Método de avaliação - Seção A”,
estabelecido no item 18.1, à carga instalada para determinar a categoria de atendimento e
dimensionar os materiais e equipamentos inerentes ao circuito de serviço de uso do condomínio,
visto como uma unidade consumidora individual.
B - Avaliação das demandas (kVA)
Por apartamento (70 m
2
)
- Iluminação e tomadas (TABELA 1)
C1 = 2,1 kVA
d1 = (1 x 0, 80) + (1 x 0,75) + (0,1 x 0,65) = 1,62 kVA
76 RECON – BT Março/2013
- Aparelhos de aquecimento d'água (TABELA 2)
C2 = 1 x 4,4 kVA
d2 = 4,4 x 1,0 = 4,4 kVA
- Aparelhos de ar condicionado tipo janela (TABELA 3A)
C3 = (1 x 1CV) Nº de aparelho de ar = 1 Logo, FD = 100 %
d3 = 1,52 x 1 = 1,52 kVA
D total (UC) = d1 + d2 + d3 = 1,62 + 4,4 + 1,52 = 7,54 kVA
Demanda por apartamento (70 m²) = 7,54 kVA
A categoria de atendimento pode ser monofásica em 127 V, ou então trifásica 220/127 V de
acordo com a conveniência do Consumidor.
Essa demanda serve para dimensionar os equipamentos e materiais dos circuitos individuais,
dedicados às unidades consumidoras residenciais.
Por apartamento (90 m²)
- Iluminação e tomadas (TABELA 1)
C1 = 2,7 kVA
d1 = (1 x 0, 80) + (1 x 0,75) + (0,7 x 0, 65) = 2,01 kVA
- Aparelhos de aquecimento d'água (TABELA 2)
C2 = 1 x 4,4 kVA
d2 = 4,4 x 1,0 = 4,4 kVA
- Aparelhos de ar condicionado tipo janela (TABELA 3A)
C3 = (1 x 1CV) + (2 x 3/4CV) Nº de aparelho de ar = 1 Logo, FD = 100 %
d3 = [(1 x 1,52) + (2 x 1,26 )] x 1,0 = 4,04 kVA
D total (UC) = d1 + d2 + d3 = 2,01 + 4,4 + 4,04 = 10,45 kVA
Demanda por apartamento (90 m²) = 10,45 kVA
A categoria de atendimento deve ser trifásica em 220/127 V.
Essa demanda serve para dimensionar os equipamentos e materiais dos circuitos individuais,
dedicados às unidades consumidoras residenciais.
Demanda do circuito de serviço residencial de uso do condomínio (DSR)
Conforme “Método de avaliação - Seção A”, estabelecido no item 18.1.
- Iluminação e tomadas (TABELA 1)
C1 = 8,0 kVA
d1 = 8,0 x 0,8 = 6,4 kVA
RECON – BT Março/2013 77
- Aparelhos de aquecimento d’água (TABELA 2)
C2 = 1 x 4,4 kVA
d2 = 4,4 x 1,0 = 4,4 kVA
- Motores (TABELA 5A e 5B)
C5 = 2 x 10 CV = 2 X 11,54 kVA Nº de motores = 4 Logo, FD = 57,5%
1 x 5 CV = 1 X 6,02 kVA
1 x 3 CV = 1 X 4,04 kVA
d5 = [(2 x 11,54) + (1 x 6, 02) + (1 x 4, 04)] x 0,575 = 19,06 kVA
DSR = d1 + d2 + d5 = 6,4 + 4,4 + 19,06 = 29,86 kVA
A categoria de atendimento deve ser trifásica em 220/127 V.
Essa demanda serve para dimensionar os equipamentos e materiais do circuito individual de serviço
de uso do condomínio, dedicado às unidades consumidoras residenciais.
Demanda dos agrupamentos (DAGR)
As unidades consumidoras residenciais utilizam equipamentos de aquecimento de água (chuveiros de
até 4,4 kW), e, são distribuídas em dois agrupamentos de medidores com a seguinte composição:
Agrupamento 1 - 10 apartamentos de 70 m².
Agrupamento 2 - 10 apartamentos de 90 m².
Conforme “Método de avaliação - Seção B”, estabelecido no item 18.2.
Demanda do agrupamento 1 (DAGR1)
Como as unidades consumidoras utilizam equipamentos individuais de aquecimento de água:
Da TABELA 7-A: apartamento 70 m² = 2,12 kVA / apartamento
Da TABELA 8: 10 apartamentos ... Fator de diversidade = 9, 64
DAGR1 = 2,12 x 9,64 = 20,44 kVA
Demanda do agrupamento de medidores 1 (DAGR1) = 20,44 kVA
Essa demanda serve para dimensionar os equipamentos e materiais do circuito coletivo de uso
comum, dedicado às unidades consumidoras residenciais (apartamentos de 70 m²).
Demanda do agrupamento 2 (DAGR2)
Como as unidades consumidoras utilizam equipamentos individuais de aquecimento de água:
Da TABELA 7-A: apartamento 90 m² = 2,66 kVA / apartamento
Da TABELA 8: 10 apartamentos... Fator de Diversidade = 9,64
78 RECON – BT Março/2013
DAGR2 = 2,66 x 9,64 = 25,64 kVA
Demanda do agrupamento de medidores 2 (DAGR2) = 25,64 kVA
Essa demanda serve para dimensionar os equipamentos e materiais do circuito coletivo de uso
comum, dedicado às unidades consumidoras residenciais (apartamentos de 90 m²).
Demanda da proteção geral (DPG)
A demanda da proteção geral da entrada coletiva (DPG) será determinada em função da área útil
ponderada entre os dois grupos de apartamentos, através das TABELAS 7A, 7B e 8.
Considerando 10 apartamentos de 70 m
2
e 10 apartamentos de 90 m
2
.
Aeq. = [(10 x 70) + (10 x 90) ] / (10 + 10) = 80 m
2
;
Logo p/ TABELA 7A kVA(Aeq.) = 2,38
Pela TABELA 8, o Fd = 17,44 para 20 apartamentos.
DPG =2,38 x 17,44 = 41,50 kVA
Como a carga do serviço de uso do condomínio é derivada antes do dispositivo de proteção geral
de entrada, ela não é considerada neste trecho coletivo.
Demanda da proteção geral de entrada (DPG) = 41,50 kVA
Essa demanda serve para dimensionar o equipamento de proteção geral da entrada coletiva,
dedicado às unidades consumidoras residenciais (apartamentos).
Demanda do ramal de ligação (DR)
A demanda do ramal de ligação ou demanda total da instalação de entrada será determinada
através do somatório da demanda da proteção geral de entrada (DPG) com a demanda do circuito
de serviço de uso do condomínio (DS), sendo o resultado multiplicado por 0,90.
DR = ( DPG + DSR ) x 0,90
DR = (41,50 + 29,86) x 0,90 = 64,22kVA
Demanda do Ramal de ligação (DR) = 64,22 kVA
Essa demanda serve para dimensionar os condutores, equipamentos e materiais do ramal de
entrada coletivo, dedicado às unidades consumidoras residenciais (apartamentos) e ao circuito de
serviço de uso do condomínio, ou seja, à toda entrada coletiva.
CASO 4
Entrada coletiva mista (residencial / comercial) com as seguintes características:
Tensão de fornecimento em 220/127 V;
RECON – BT Março/2013 79
20 apartamentos com área útil de 60 m²;
12 lojas com área útil de 30 m²;
Serviço exclusivo para os apartamentos com área útil de 200 m
2
;
Serviço exclusivo para as lojas com área útil de 240 m
2
;
Dois agrupamentos de medidores, sendo um para os 20 apartamentos e o outro para as 12 lojas.
Características da carga instalada
Por apartamento (60 m²)
Iluminação e tomadas 2,0 kVA
Aparelhos de aquecimento 1 x 4,4 kVA (chuveiro)
Aparelhos de ar condicionado tipo janela 1 x 3/4 CV
Por loja
Iluminação e tomadas 3,2 kVA
Aparelhos de aquecimento 1 x 4,4 kVA (chuveiro)
Circuito de serviço dedicado às unidades consumidoras residenciais
Iluminação e tomadas 8,0 kVA
Motores trifásicos 2 elevadores de 10 CV
2 bombas de 5 CV (1 reserva)
2 bombas de 3 CV
Circuito de serviço dedicado às unidades consumidoras não residenciais (lojas)
Iluminação e tomadas 9,0 kVA
Aparelhos de aquecimento d'água 1 x 4,4 kVA (chuveiro)
Unidade central de ar condicionado IN = 100 A (cos ϕ = 0, 90)
Motores trifásicos 2 bombas de 5 CV (1 reserva)
Como se trata de entrada coletiva mista (residencial / comercial) a avaliação da carga e das demandas
das unidades consumidoras (apartamentos e lojas), do serviço residencial, do serviço não residencial e
dos trechos coletivos, deve ser feita conforme a seguir:
Pelo “Método de avaliação - Seção A”, estabelecido no item 18.1:
- Avaliação e dimensionamento individual dos apartamentos
- Avaliação e dimensionamento individual das lojas
- Avaliação e dimensionamento do circuito de serviço residencial
80 RECON – BT Março/2013
- Avaliação e dimensionamento do circuito de serviço não residencial
- Avaliação e dimensionamento do circuito comum das cargas não residenciais
Pelo “Método de avaliação - Seção B”, estabelecido no item 18.2:
- Avaliação e dimensionamento dos trechos coletivos das cargas residenciais
A - Determinação da carga instalada e da categoria de atendimento
Por apartamento (60 m²)
Previsão mínima de iluminação e tomada pela TABELA 1 = 0,030 x 60 = 1,8 kVA, ou seja,
menor que o valor declarado (2,0 kVA), logo o valor a ser considerado deve ser 2,0 kVA.
- Carga instalada (CI) = 2,0 + 4,4 + 1,26 = 7,66 kVA
- Carga instalada (CI kW) = 7,66 x 0,92 = 7,05 kW
É necessário calcular a demanda a partir da carga instalada para determinar a categoria de atendimento
e dimensionar os materiais e equipamentos inerentes a cada unidade consumidora residencial.
Por loja (30 m²)
Previsão mínima de iluminação e tomada pela TABELA 1 = 0,020 x 30 = 0,6 kVA, ou seja,
maior que o valor declarado (3,2 kVA), logo o valor a ser considerado deve ser 3,2 kVA.
- Carga instalada (CI) = 3,2 + 4,4 = 7,60 kVA
- Carga instalada (CI kW) = 7,60 x 0,92 = 6,99 kW
É necessário calcular a demanda a partir da carga instalada para determinar a categoria de
atendimento e dimensionar os materiais e equipamentos inerentes a cada unidade consumidora
não residencial.
Circuito de serviço de uso do condomínio "residencial" (200 m
2
)
Previsão mínima de iluminação e tomada pela TABELA 1 = 0,005 x 200 = 1,0 kVA, ou seja,
menor que o valor declarado (8,0 kVA), logo o valor a ser considerado deve ser 8,0 kVA.
- Carga instalada (CI) = 8,0 + (2 x 10 CV) + (1 x 5 CV) + (2 x 3 CV)
- Carga instalada (CI) = 8,0 + (2 x 11,54) + (1 x 6,02) + (2 x 4,04) = 45,18 kVA
- Carga instalada (CI kW) = 45,18 x 0,92 = 41,57 kW
RECON – BT Março/2013 81
É necessário calcular a demanda a partir da carga instalada para determinar a categoria de
atendimento e dimensionar os materiais e equipamentos inerentes ao serviço. A demanda do
circuito de serviço deve ser determinada pelo “Método de avaliação - Seção A”, estabelecido no
item 18.1.
Circuito de serviço de uso do condomínio "não residencial" (240 m
2
)
Previsão mínima de iluminação e tomada pela TABELA 1 = 0,005 x 240 = 1,2 kVA, ou seja,
menor que o valor declarado (9,0 kVA), logo o valor a ser considerado deve ser 9,0 kVA.
- Carga instalada (CI) = 9,0 + (1 x 4,4) + [( √ 3 x 220 x 100)/1000] + (1 x 5CV)
- Carga instalada (CI) = 9,0 + 4,4 + 38,11 + (1 x 6,02) = 57,53 kVA
- Carga instalada (CI kW) = 57,53 x 0,92 = 52,93 kW
É necessário calcular a demanda a partir da carga instalada, para determinar a categoria de
atendimento e dimensionar os materiais e equipamentos inerentes a cada unidade consumidora.
A demanda do circuito de serviço será determinada pelo “Método de avaliação - Seção A”,
estabelecido no item 18.1.
B - Avaliação das demandas (kVA)
Por apartamento (60 m²)
Iluminação e tomadas (TABELA 1)
C1 = 2,0 kVA
d1 = (1 x 0,80) + (1 x 0,75) = 1,55 kVA
Aparelhos de aquecimento (TABELA 2)
C2 = (1 x 4,4) kVA
d2 = 4,4 x 1,0 = 4,4 kVA
Aparelhos de ar condicionado tipo janela (TABELA 3)
C3 = (1 x 3/4 CV) Nº de aparelhos de ar = 1 Logo, FD = 100 %
C3 = 1,26 kVA
d3 = 1,26 x 1,0 = 1,26 kVA
D total = d1 + d2 + d3 = 1,55 + 4,4 + 1,26 = 7,21 kVA
Demanda por apartamento (60 m²) = 7,21 kVA
A categoria de atendimento pode ser monofásica em 127 V, ou então trifásica 220/127 V de
acordo com a conveniência do Consumidor.
82 RECON – BT Março/2013
Essa demanda serve para dimensionar os condutores, equipamentos e materiais dos circuitos
individuais, dedicados às unidades consumidoras residenciais (apartamentos).
Por Loja (30 m²)
- Iluminação e tomadas (TABELA 1)
C1 = 3,2 kVA
d1 = 3,2 x 0,80 = 2,56 kVA
- Aparelhos de aquecimento d’água (TABELA 2)
C2 = (1 x 4,4) kVA
d2 = 4,4 x 1,0 = 4,4 kVA
- Aparelhos de ar condicionado tipo janela (TABELA 3A ou 3B)
Não existem aparelhos tipo janela, já que as instalações são servidas por sistema de ar condicionado Central.
D total = d1 + d2 = 2,56 + 4,4 = 6,96 kVA
Demanda por Loja (30 m²) = 6, 96 kVA
A categoria de atendimento pode ser monofásica em 127 V, ou então trifásica 220/127 V de
acordo com a conveniência do Consumidor.
Essa demanda servirá para dimensionar os condutores, equipamentos e materiais dos circuitos
individuais dedicados às unidades consumidoras não residenciais (lojas).
Demanda do circuito de serviço não residencial (DSNR)
Deve ser aplicado o “Método de avaliação - Seção A”, estabelecido no item 18.1.
- Iluminação e tomadas (TABELA 1)
C1 = 9,0 kVA
d1 = 9,0 x 0,80 = 7,20 kVA
- Aparelhos de aquecimento (TABELA 2)
C2 = 1 x 4,4 kVA Nº de aquecedores = 1 Logo FD = 100 %
d2 = 4,4 x 1 = 4,4 kVA
- Unidade de ar condicionado central (TABELA 4)
C4 = 38,11 kVA Nº de aparelhos = 1 Logo FD = 100 %
d4 = 38,11 x 1 = 38,11 kVA
- Motores (TABELA 5)
C5 = 1 x 5 CV = 6,02 kVA N° de motores = 1 FD = 100 %
d5 = 1 x 6,02 = 6,02 kVA
RECON – BT Março/2013 83
DSNR = d1 + d2 + d4 + d5 = 7,20 + 4,4 + 38,11 + 6,02 = 55,73 kVA
DSNR = 55,73 kVA
Demanda do circuito de serviço não residencial (DSNR) = 55,73 kVA
A categoria de atendimento deve ser trifásica em 220 / 127 V.
Essa demanda serve para dimensionar os condutores, equipamentos e materiais do circuito de
serviço do condomínio, dedicado às unidades consumidoras não residenciais (lojas).
Demanda do circuito de serviço residencial (DSR)
Deve ser aplicado o “Método de avaliação - Seção A”, estabelecido no item 18.1.
- Iluminação e tomadas (TABELA 1)
C1 = 8,0 kVA
d1 = 8,0 x 0,8 = 6,4 kVA
- Motores (TABELA 5A e 5B)
2 x 10 CV = 2 x 11,54 kVA Nº de motores = 5
1 x 5 CV = 1 x 6,02 kVA Fator de demanda = 54 %
2 x 3 CV = 1 x 6,06 kVA
d5 = [(2 x 11,54) + (1 x 6, 02) + (2 x 4,04)] x 0,54 = 20,08 kVA
DSR = d1 + d5
DSR = 6,4 + 20,08= 26,48 kVA
Demanda do circuito de serviço residencial (DSR) = 26,48 kVA
A categoria de atendimento deve ser trifásica em 220/127 V.
Essa demanda serve para dimensionar os condutores, equipamentos e materiais, do circuito de
serviço do condomínio dedicado às unidades consumidoras residenciais (apartamentos).
Demanda dos Agrupamentos (DAG)
São dois os agrupamentos de medidores, com a seguinte composição:
Agrupamento 1 - 20 apartamentos de 60 m²
Agrupamento 2 - 12 lojas de 30 m²
Demanda do Agrupamento 1 (DAGR)
Como se trata de agrupamento de medidores, composto exclusivamente por unidades
consumidoras residenciais (apartamentos), deve ser aplicado o “Método de avaliação - Seção B”,
estabelecido no item 18.2.
Como as unidades consumidoras utilizam equipamentos individuais de aquecimento de água:
84 RECON – BT Março/2013
Da TABELA 7-A: Apartamento 60 m
2
= 1, 84 kVA / Apartamento
Da TABELA 8: 20 apartamentos... Fator de Diversidade = 17,44
DAGR = 1, 84 x 17,44 = 32,09 kVA
Demanda do Agrupamento 1 (DAGR) = 32,09 kVA
Essa demanda serve para dimensionar os condutores, equipamentos e materiais do circuito do
agrupamento de medidores dedicado exclusivamente às unidades consumidoras residenciais
(apartamentos).
Demanda da proteção parcial do Agrupamento 1 (DAGR) = 32,09 kVA
Demanda do Agrupamento 2 (DAGNR)
Como se trata de agrupamento dedicado exclusivamente às unidades consumidoras não
residenciais, deve ser aplicado o “Método de avaliação - Seção A”, estabelecido no item 18.1,
nas cargas das lojas.
- Iluminação e tomadas (TABELA 1)
C1 = 12 x 3,2 = 38,40 kVA
d1 = 38,40 x 0,8 = 30,72 kVA
- Aparelhos de aquecimento (TABELA 2)
C2 = 12 x 4,4 = 52,80 kVA Nº de aparelhos = 12 Logo, FD = 45 %
d2 = 52,80 x 0,45 = 23,76 kVA
DAGNR = d1 + d2 = 30,72 + 23,76
DAGNR = 54,48 kVA
Demanda do Agrupamento 2 (DAGNR) = 54,48 kVA
Essa demanda serve para dimensionar os condutores, equipamentos e materiais do circuito trifásico
dedicado exclusivamente ao agrupamento de medidores das unidades consumidoras não
residenciais (lojas).
Demanda da proteção parcial do Agrupamento 2 (DAGNR) = 54,48 kVA
Demanda da proteção geral (DPG)
Conforme estabelecido no item 18.1.3.2 "Avaliação da demanda de entradas coletivas com
mais de um agrupamento de medidores", considerando que os serviços estão conectados antes
do dispositivo de proteção geral de entrada, a demanda da proteção geral (DPG) deve ser
RECON – BT Março/2013 85
determinada através do somatório das demandas dos agrupamentos (DAGR e DAGNR), sendo o
resultado multiplicado por 0,90.
DPG = (DAGR + DAGNR) x 0,90 = (32,09 + 54,48) x 0,90
DPG = 77,91 kVA
Demanda proteção geral de entrada (DPG) = 77,91 kVA
Essa demanda serve para dimensionar o equipamento de proteção geral da entrada coletiva.
Demanda do ramal de ligação (DR)
Conforme estabelecido no item 18.1.3.2 "Avaliação da demanda de entradas coletivas com
mais de um agrupamento de medidores", a demanda do ramal de ligação será determinada
através do somatório da demanda da proteção geral (DPG), com as demandas do serviço
residencial (DSR) e do serviço não residencial (DSNR), sendo o resultado multiplicado por 0,90.
DR = (DPG + DSR + DSNR) x 0,90 = (77,91 + 26,48 + 55,73) x 0,90 = 144,11 kVA
Demanda do ramal de ligação (DR) = 144,11 kVA
Essa demanda serve para dimensionar os condutores, equipamentos e materiais do ramal de
ligação da entrada coletiva.
CASO 5
Entrada coletiva mista (residencial / comercial) com as seguintes características:
“Sistema de aquecimento de água das unidades de consumo a gás”
Tensão de fornecimento em 220/127 V;
10 apartamentos com área útil de 300 m²;
7 lojas com área útil de 180 m²;
Serviço exclusivo para os apartamentos com área útil de 400 m
2
;
Serviço exclusivo para as lojas com área útil de 240 m²;
Dois agrupamentos de medidores, sendo um para os 10 apartamentos e o outro para as 7 lojas.
Características da carga instalada
Por apartamento (300 m² )
Iluminação e tomadas 6,2 kVA
Uma unidade de ar condicionado central IN = 55 A Cos ϕ = 0,8
86 RECON – BT Março/2013
Por loja (180 m²)
Iluminação e tomadas 8,2 kVA
Fan- coil 1 x 3 CV
Circuito de serviço dedicado às unidades consumidoras residenciais
Iluminação e tomadas 7,5 kVA
Motores trifásicos 2 elevadores de 10 CV
2 bombas de 5 CV (1 reserva)
2 bombas de 3 CV
Circuito de serviço dedicado às unidades de consumo não residencial (lojas)
Iluminação e tomadas 9,0 kVA
Unidade central de condicionamento de ar (3φ) IN = 130 A (cos ϕ = 0, 82)
Motores 2 bombas de 5 CV (1 reserva)
Como se trata de entrada coletiva mista (residencial / comercial), a avaliação da carga e das demandas
das unidades consumidoras (apartamentos e lojas), do serviço residencial, do serviço não residencial e
dos trechos coletivos, deve ser feita conforme a seguir:
Pelo “Método de avaliação - Seção A”, estabelecido no item 18.1:
- Avaliação e dimensionamento individual dos apartamentos
- Avaliação e dimensionamento individual das lojas
- Avaliação e dimensionamento do circuito de serviço residencial
- Avaliação e dimensionamento do circuito de serviço não residencial
- Avaliação e dimensionamento do circuito comum de cargas não residenciais
Pelo “Método de avaliação - Seção B”, estabelecido no item 18.2:
- Avaliação e dimensionamento dos trechos coletivos das cargas residenciais
A - Determinação da carga instalada e da categoria de atendimento
Por apartamento (300 m²)
Previsão mínima de iluminação e tomada pela TABELA 1 = 0,030 x 300 = 9,0 kVA, ou seja,
maior que o valor declarado (6,2 kVA), logo o valor a ser considerado deve ser 9,0 kVA.
- Carga instalada (CI) = 9,0 + [(√ 3 x 220 x 55)/1000]
- Carga instalada (CI) = 9,0 + 20,96 = 29,96 kVA
- Carga instalada (CI kW) = 29,96 x 0,92 = 27,57 kW
É necessário calcular a demanda a partir da carga instalada para determinar a categoria de atendimento e
dimensionar os materiais e equipamentos inerentes a cada unidade de consumo residencial.
RECON – BT Março/2013 87
Por loja (180 m²)
Previsão mínima de iluminação e tomada pela TABELA 1 = 0,020 x 2180 = 3,6 kVA , ou seja,
menor que o valor declarado (8,2 kVA), logo o valor a ser considerado deve ser 8,2 kVA.
- Carga instalada (CI) = 8,2 + (1 x 3 CV) = 8,2 + (1 x 4,04) = 12,24 kVA
- Carga instalada (CI kW) = 12,24 x 0,92 = 11,26 kW
É necessário calcular a demanda a partir da carga instalada para determinar a categoria de
atendimento e dimensionar os materiais e equipamentos inerentes a cada unidade consumidora
não residencial (loja).
Circuito de serviço de uso do condomínio "residencial" (400 m
2
)
Previsão mínima de iluminação e tomada pela TABELA 1 = 0,005 x 400 = 2,0 kVA, ou seja,
menor que o valor declarado (7,5 kVA), logo o valor a ser considerado deve ser 7,5 kVA.
- Carga instalada (CI) = 7,5 + (2 x 10 CV) + (1 x 5 CV) + (2 x 3 CV)
- Carga instalada (CI) = 7,5 + (2 x 11,54) + (1 x 6,02) + (2 x 4,04) = 44,68 kVA
- Carga instalada (CI kW) = 44,68 x 0,92 = 41,11 kW
Como o circuito de serviço é dedicado exclusivamente às unidades consumidoras residenciais
(apartamentos), a demanda deve ser determinada pelo “Método de avaliação - Seção A”,
estabelecido no item 18.1.
Circuito de serviço de uso do condomínio "não residencial" (240 m
2
)
Previsão mínima de iluminação e tomada pela TABELA 1 = 0,005 x 240 = 1,2 kVA, ou seja,
menor que o valor declarado (9,0 kVA), logo o valor a ser considerado deve ser 9,0 kVA.
- Carga instalada (CI) = 9,0 + [(√ 3 x 220 x 130)/1000] + (1 x 5 CV)
- Carga instalada (CI) = 9,0 + 49,54 + (1 x 6,02) = 64,56 kVA
- Carga instalada (CI kW) = 64,56 x 0,92 = 59,40 kW
-
Como o circuito de serviço é dedicado exclusivamente às unidades consumidoras não residenciais
(lojas), a demanda deve ser determinada através da aplicação do “Método de avaliação - Seção
A”, estabelecido no item 18.1, à carga instalada.
B - Avaliação das demandas (kVA)
Por apartamento (300 m²)
- Iluminação e tomadas (TABELA 1)
88 RECON – BT Março/2013
C1 = 9,0 kVA
d1 = (0,80 x 1) + (0,75 x 1) + (0,65 x 1) + ( 0,60 x 1) + ( 0,50 x 1) + (0,45 x 1) + (0,40 x 1) + (0,35
x 1) + (0,30 x 1) = 4,8 kVA
d1 = 4,8 kVA
- Unidade central de ar condicionado (TABELA 4)
C4 = 20,96 kVA
d4 = 20,96 x 1,0 = 20,96 kVA
D total (Aptº) = d1 + d4 = 4,8 + 20,96 = 25,76 kVA
Demanda por apartamento (300 m²) = 25,76 kVA
A categoria de atendimento deve ser trifásica em 220/127 V.
Essa demanda serve para dimensionar os condutores, equipamentos e materiais dos circuitos
individuais dedicados às unidades consumidoras residenciais (apartamentos).
Por Loja (180 m²)
- Iluminação e tomadas (TABELA 1)
C1 = 8,2 kVA
d1 = 8,2 x 0,80 = 6,56 kVA
- Fan-Coil (TABELAS 5A e 3B)
C4 = 1 x 3CV = 1 x 4,04 kVA
d4 = 4,04 x 1,0 = 4,04 kVA
D total = d1 + d4 = 6,56 + 4,04 = 10,60 kVA
Demanda por Loja (180 m²) = 10, 60 kVA
A categoria de atendimento deve ser trifásica em 220/127 V.
Essa demanda serve para dimensionar os condutores, equipamentos e materiais dos circuitos
individuais, dedicados às unidades consumidoras não residenciais (lojas).
Demanda do circuito de serviço não residencial (DSNR)
Deve ser aplicado o “Método de avaliação - Seção A”, estabelecido no item 18.1.
- Iluminação e tomadas (TABELA 1)
C1 = 9, 0 kVA
d1 = 9, 0 x 0,8 = 7, 20 kVA
RECON – BT Março/2013 89
- Unidade de ar condicionado central (TABELA 4)
C4 = 49,54 kVA
d4 = 49,54 x 1 = 49,54 kVA
NOTA: Neste exemplo estamos considerando que o sistema de ar condicionado central (geração de água gelada –
“termoacumulação”) esteja ocorrendo durante a demanda máxima do Consumidor. Nos casos em que o sistema de
termoacumulação estiver ocorrendo fora do instante de demanda máxima em questão (casos de utilização de tarifa
horo-sazonal), não é necessário que o valor específico “d4” seja adicionado ao total demandado.
- Motores (TABELA 5A e 5B)
C5 = 1 x 5 CV = 6, 02 kVA
d5 = 6, 02 kVA
DSNR = d1 + d4 + d5
DSNR = 7, 20 + 49,54 + 6,02 = 62,76 kVA
Demanda do circuito de serviço não residencial (DSNR) = 62,76 kVA
Essa demanda serve para dimensionar os condutores, equipamentos e materiais do circuito de
serviço do condomínio dedicado às unidades consumidoras não residenciais (lojas).
Demanda do circuito de serviço residencial (DSR)
Deve ser aplicado o “Método de avaliação - Seção A”, estabelecido no item 18.1.
- Iluminação e tomadas (TABELA 1)
C1 = 7,5 kVA
d1 = 7,5 x 0,8 = 6,0 kVA
- Motores (TABELAS 5A e 5B)
2 x 10 CV = (2 x 11,54) kVA
1 x 5 CV = (1 x 6, 02) kVA
2 x 3 CV = (2 x 4,04) kVA
"Não são computados motores de reserva"
d5 = [(2 x 11,54) + (1 x 6, 02) + (2 x 4,04)] x 0,54 = 20,08 kVA
DSR = d1 + d5
DSR = 6,0 + 20,08 = 26,08 kVA
Demanda do circuito de serviço residencial (DSR) = 26,08 kVA
Essa demanda serve para dimensionar os condutores, equipamentos e materiais do circuito de
serviço do condomínio dedicado às unidades consumidoras residenciais (apartamentos).
90 RECON – BT Março/2013
Demanda dos Agrupamentos (DAG)
São dois os agrupamentos de medidores, com a seguinte composição:
Agrupamento 1 - 10 apartamentos de 300 m²
Agrupamento 2 - 7 lojas de 180 m²
Demanda do Agrupamento 1 (DAGR)
Como se trata de agrupamento composto por medidores exclusivamente dedicados às unidades
consumidoras residenciais, deve ser aplicado o “Método de avaliação - Seção B”, estabelecido
no item 18.2.
Como as unidades consumidoras não utilizam equipamentos elétricos de aquecimento de água:
Da TABELA 7-B: Apartamento 300 m² = 6,91 kVA / Apartamento
Da TABELA 8: 10 apartamentos... Fator de Diversidade = 9,64
DAGR = 6,91x 9,64 = 66,61 kVA
Demanda do Agrupamento 1 (DAGR) = 66,61 kVA
Essa demanda serve para dimensionar os condutores, equipamentos e materiais, do circuito
dedicado ao agrupamento de medidores das unidades consumidoras residenciais (apartamentos).
Demanda da proteção parcial do Agrupamento 1 (DAGR) = 66,61 kVA
Demanda do Agrupamento 2 (DAGNR)
Como se trata de agrupamento dedicado às unidades consumidoras não residenciais, deve ser
aplicado o “Método de avaliação - Seção A”, estabelecido no item 18.1, nas cargas das lojas.
Demanda do agrupamento 2 (DAGNR)
- Iluminação e tomadas (TABELA 1)
C1 = 7 x 8,2 = 57,4 kVA
d1 = 57,4 x 0,8 = 45,92 kVA
- Fan-coil (TABELAS 3B e 5A)
C3 = 7 x (1 x 3 CV) = 7 x (1 x 4,04) = 28,28 kVA Nº de Fan-coil = 7
d3 = 28,28 x 1,0 = 28,28 kVA Fator de demanda = 100%
DAGNR = d1 + d3
DAGNR = 45,92 + 28,28 = 74,2 kVA
RECON – BT Março/2013 91
Demanda do Agrupamento 2 (DAGNR) = 74,2 kVA
A categoria de atendimento deve ser trifásica em 220/127 V.
Essa demanda serve para dimensionar os condutores, equipamentos e materiais do circuito
dedicado ao agrupamento de medidores das unidades consumidoras não residenciais (lojas).
Demanda da proteção parcial do Agrupamento 2 (DAGNR) = 74,2 kVA
Demanda da proteção Geral (DPG)
Conforme estabelecido no item 18.1.3.2 "Avaliação da demanda de entradas coletivas com
mais de um agrupamento de medidores", considerando que os serviços estão conectados antes
do dispositivo de proteção geral de entrada, a demanda da proteção geral (DPG) deve ser
determinada através do somatório das demandas dos agrupamentos (DAGR e DAGNR), sendo o
resultado multiplicado por 0,90.
DPG = (DAGR + DAGNR) x 0,90 = (66,61 + 74,2) x 0,90 = 126,73 kVA
Demanda proteção geral de entrada (DPG) = 126,73 kVA
Essa demanda serve para dimensionar o equipamento de proteção geral da entrada coletiva.
Demanda do ramal de ligação (DR)
Conforme estabelecido no item 18.1.3.2 "Avaliação da demanda de entradas coletivas com
mais de um agrupamento de medidores", a demanda do ramal de ligação será determinada
através do somatório da demanda da proteção geral (DPG), com as demandas do serviço
residencial (DSR) e do serviço não residencial (DSNR), sendo o resultado multiplicado por 0,90.
DR = (DPG + DSR + DSNR) x 0,90 = (126,73 + 26,08 + 62,76) x 0,90 = 194,01 kVA
Demanda do ramal de ligação (DR) = 194,01 kVA
Essa demanda serve para dimensionar os condutores, equipamentos e materiais do ramal de
ligação da entrada coletiva.
92 RECON – BT Março/2013
SEÇÃO 02
PADRÃO DE LIGAÇÃO DE ENTRADAS INDIVIDUAIS
19 - Padrões de ligação de entradas individuais
Devem ser observadas as condições gerais de fornecimento de energia elétrica estabelecidas nos itens
4 a 16 desta Regulamentação em complemento aos padrões construtivos estabelecidos nessa seção.
TIPO DE PADRÃO DE ENTRADA – MEDIÇÃO DIRETA
DEMANDA (kVA) REDE AÉREA REDE SUBTERRÂNEA
D ≤≤≤≤ 8,0
Caixa CM1 sobreposta em poste particular ou semi-
embutida no muro ou na fachada, ou em recuo
técnico, com CDJ1 voltada para a parte interna da
propriedade.
Caixa CS1 e CM1 semi-embutidas no
muro ou na fachada, ou em recuo técnico,
com CDJ1 voltada para a parte interna da
propriedade.
8,0<<<< D ≤≤≤≤ 23,2
Caixa CM3 sobreposta em poste particular ou semi-
embutida no muro ou na fachada, ou em recuo
técnico, com CDJ3 voltada para a parte interna da
propriedade.
Caixa CS3 e CM3 semi-embutidas no
muro ou na fachada, ou em recuo técnico,
com CDJ3 voltada para a parte interna da
propriedade.
23,2 <<<< D ≤≤≤≤ 66,3
Caixa CM200 sobreposta em poste particular ou
semi-embutida no muro ou na fachada, ou em
recuo técnico, com CPG200 voltada para a parte
interna da propriedade.
Caixa CS200+CM200 ou CSM200 semi-
embutidas no muro ou na fachada, ou em
recuo técnico, com CPG200 voltada para a
parte interna da propriedade.
TIPO DE PADRÃO DE ENTRADA – MEDIÇÃO INDIRETA
DEMANDA (kVA) REDE AÉREA REDE SUBTERRÂNEA
66, 3 <<<< D ≤≤≤≤ 198,8
Caixa CSM600 em gabinete de alvenaria ou em recuo
técnico no muro ou na fachada, com CPG600 voltada
para a parte interna da propriedade.
Opcionalmente poderá ser utilizada a caixa
CSMD600 (ver item 14.1.2.3).
Caixa CSM600 em gabinete de alvenaria
ou em recuo técnico no muro ou na
fachada, com CPG600 voltada para a
parte interna da propriedade.
Opcionalmente poderá ser utilizada a caixa
CSMD600 (ver item 14.1.2.3).
198,8 <<<< D ≤≤≤≤ 300
Caixa CSM1500 em gabinete de alvenaria ou em recuo
técnico no muro ou na fachada, com CPG1500 voltada
para a parte interna da propriedade.
Opcionalmente poderá ser utilizada a caixa
CSMD1500 (ver item 14.1.2.4).
Caixa CSM1500 em gabinete de alvenaria
ou em recuo técnico no muro ou na
fachada, com CPG1500 voltada para a
parte interna da propriedade.
Opcionalmente poderá ser utilizada a caixa
CSMD1500 (ver item 14.1.2.4).
300 <<<< D ≤≤≤≤ 497,0
NÃO SE APLICA
Caixa CSM1500 em gabinete de alvenaria
ou em recuo técnico no muro ou na
fachada, com CPG1500 voltada para a
parte interna da propriedade.
Opcionalmente poderá ser utilizada a caixa
CSMD1500 (ver item 14.1.2.4).
D >>>> 497,0 NÃO SE APLICA
Caixa especial de medição (ver nota 3 do
item 14.1.2.4)
NOTA: Todas as características técnicas dos materiais e detalhamentos de montagens encontram-se,
respectivamente, nas tabelas de dimensionamento e nos padrões de ligação contidos nesta Regulamentação.
RECON – BT Março/2013 93
19.1 - Entrada individual atendida através de ramal de ligação aéreo
O ramal de ligação deve ser fornecido e instalado pela Light (ver item 14.9.1.1).
Para ligações com carga até 15 kW, o ramal de ligação aéreo deve ser instalado pela Light até a
medição, inclusive.
Para ligações com valores acima de 15 kW, o ramal de ligação aéreo deve ser instalado pela Light
até o ponto de ancoragem do ramal e interligado ao ramal de entrada, sendo este dimensionado
e instalado pelo Consumidor.
NOTAS:
1. Nos casos de ligações em rede de distribuição aérea, com descida no poste, pontalete ou na fachada,
entre o ponto de ancoragem do ramal de ligação e a caixa de medição, deve-se instalar como proteção
mecânica para o ramal de entrada eletroduto rígido de PVC próprio para instalação externa com
aditivo anti UV;
2. Solicitações de ligação nova ou aumento de carga com demanda avaliada acima de 150kVA devem,
obrigatoriamente, ter suas instalações preparadas (linhas de dutos) para atendimento através de
ramal subterrâneo.
19.1.1 - Determinação do tipo de ancoramento para o ramal de ligação aéreo
Quando o atendimento for através de ramal de ligação aéreo, o ponto de entrega é no ponto
de ancoramento do ramal fixado, em fachada, em pontalete ou em poste instalado na
propriedade particular, situados no limite da propriedade com a via pública.
19.1.1.1 - Ancoramento do ramal de ligação na fachada
O ramal de ligação deve ser ancorado na fachada quando forem satisfeitas as alturas
mínimas estabelecidas no item 19.1.3 e quando a edificação encontrar-se situada no
limite da propriedade com a via pública.
19.1.1.2 - Ancoramento do ramal de ligação em pontalete
O ramal de ligação deve ser ancorado no pontalete quando não forem satisfeitas as
alturas mínimas estabelecidas no item 19.1.3 e quando a edificação encontrar-se situada
no limite da propriedade com a via pública.
19.1.1.3 - Ancoramento do ramal de ligação em poste
O ramal de ligação deve ser ancorado no poste quando não forem satisfeitas as alturas
mínimas estabelecidas no item 19.1.3 e/ou quando a edificação encontrar-se afastada do
limite da propriedade com a via pública inviabilizando o ancoramento do ramal na fachada.
NOTAS:
1. O poste deve ser instalado sempre no limite da propriedade com a via pública;
94 RECON – BT Março/2013
2. As formas de ancoramento padronizadas pela Light são em poste, pontalete ou fachada.
Nesse sentido, outras formas de ancoramento, que justifiquem tecnicamente sua
necessidade, deverão ser submetidas previamente a Light para análise e aprovação.
19.1.2 - Limites técnicos para ancoramento de ramais de ligação aéreos
O comprimento máximo do vão associado ao tipo de ancoramento e posição da rede não
deve exceder aos limites estabelecidos na Tabela 12.
19.1.3 – Distâncias mínimas de afastamento dos condutores do ramal de ligação
• 0,60 m entre circuitos de baixa tensão e circuitos de telefonia, sinalização e congêneres;
• 1,20 m quando passar junto à janelas, sacadas, escadas, saídas de incêndio, terraços etc.;
• 2,50 m acima do piso de sacadas, terraços ou varandas (na projeção vertical);
• 0,50 m abaixo do piso de sacadas, terraços ou varandas (na projeção vertical);
• 5,50 m do piso acabado, na passagem de veículos (travessia de logradouro);
• 4,50 m do piso acabado, na passagem de veículos (entradas particulares);
• 4,00 m do piso acabado, na passagem de pedestres;
• 3,00 m do piso acabado, na saída de eletroduto.
19.2 - Entrada individual atendida através de ramal de ligação subterrâneo
O ramal de ligação subterrâneo deve ser instalado pela Light até o primeiro ponto de conexão da
instalação de entrada.
NOTA: Nos casos de ligações em rede de distribuição subterrânea, no trecho compreendido entre o limite
da propriedade com a via pública e a caixa de seccionamento/medição, deve-se instalar como proteção
mecânica para o ramal de ligação eletroduto rígido de PVC ou tubo flexível corrugado de polietileno,
apropriados para a aplicação.
19.3 - Padrões de atendimento em entradas individuais
A Light somente atenderá as solicitações de fornecimento de energia elétrica para ligações novas,
alterações de carga, relocações, mudança do Grupo tarifário etc. de instalações de entrada que
estejam projetadas e executadas em conformidade com os preceitos técnicos e de segurança,
com esta Regulamentação e padrões vigentes, bem como com as normas brasileiras atinentes.
As TABELAS 10A e 10B desta Regulamentação apresentam os detalhes das condições do
atendimento no que se referem aos valores de demanda em função da categoria de atendimento,
além da capacidade dos disjuntores, seção dos condutores etc.
A seguir são apresentados arranjos de atendimentos de entradas individuais, tanto com ramais de
ligação aéreos quanto subterrâneos, que devem ser construídos em conformidade com esta
Regulamentação.
Exemplos de configurações de instalações de entradas individuais com ramal de ligação
aéreo derivado de rede aérea de distribuição (todas as cotas encontram-se em milímetros)
RECON – BT Março/2013 95
Exemplo 1A - Ramal de ligação aéreo com ancoramento na fachada e caixa de medição semi-
embutida na fachada. Rede aérea de distribuição - Caixa para medição semi-embutida na
fachada e caixa do disjuntor de proteção voltada para a parte interna da propriedade.
Ligações com demanda até 66,3 Kva
Vista Lateral
Vista Frontal
96 RECON – BT Março/2013
Exemplo – 2A - Ramal de ligação aéreo com ancoramento em pontalete e caixa de medição
semi-embutida na fachada. Rede aérea de distribuição - Caixa para medição semi-embutida na
fachada e caixa do disjuntor de proteção voltada para a parte interna da propriedade. Ligações
com demanda até 66,3 kVA
Vista Lateral
Vista Frontal
RECON – BT Março/2013 97
Exemplo 3A - Ramal de ligação aéreo com ancoramento em poste particular e caixa de
medição no recuo técnico no muro. Rede aérea de distribuição - Caixa para medição instalada
em recuo técnico, no muro e caixa do disjuntor de proteção voltada para a parte interna da
propriedade. Ligações com demanda até 66,3 Kva
Vista Lateral
Vista Frontal
98 RECON – BT Março/2013
Exemplo 4A - Ramal de ligação aéreo com ancoramento e caixa de medição em poste particular.
Rede aérea de distribuição - Caixa para medição e caixa do disjuntor de proteção no poste particular.
Ligações com demanda até 66,3 Kva
NOTA: Caso a caixa de medição seja metálica, esta deverá ser obrigatoriamente abrigada em
estrutura de alvenaria protegida contra intempéries.
Vista Lateral
Vista Frontal
RECON – BT Março/2013 99
Exemplo 5A - Ramal de ligação aéreo com ancoramento em poste de aço e caixa de medição
semi-embutida no recuo técnico, no muro. Rede aérea de distribuição - Caixa para medição
instalada em recuo técnico, no muro e caixa do disjuntor de proteção voltada para a parte
interna da propriedade. Ligações com carga até 15 kW
Vista Frontal
Vista Lateral
100 RECON – BT Março/2013
Exemplo 6A - Ramal de ligação aéreo com ancoramento e caixa de medição em poste de aço.
Rede aérea de distribuição - Caixa para medição e caixa do disjuntor de proteção no poste particular.
Ligações com carga até 15 K.
Vista Frontal
NOTA: Caso a caixa de medição seja metálica, esta deverá ser obrigatoriamente abrigada em estrutura de alvenaria
protegida contra interpéries.
Vista Lateral
RECON – BT Março/2013 101
Exemplo 7A - Ramal de ligação aéreo com ancoramento em poste particular e caixa de
“medição indireta” em gabinete no recuo técnico no muro. Rede aérea de distribuição – Caixa
para medição CSM no recuo técnico e caixa do disjuntor de proteção geral CPG voltada para a
parte interna da propriedade. Ligações com demanda de 66,3 kVA a 150 kVA
NOTA: O atendimento também pode ser efetivado através de ramal de ligação ancorado na fachada ou em pontalete
(ver item 19.1.2).
Vista Lateral
Vista Frontal
102 RECON – BT Março/2013
Exemplo 8A - Ramal de ligação aéreo com ancoramento em poste particular (padrão de
ligação provisória de obra ou festiva).
Rede aérea de distribuição - Caixa do disjuntor de proteção no poste particular.
Ligações com demanda até 66,3 Kva
NOTA: Acima é apresentada figura ilustrativa de uma ligação provisória de obra ou festiva que, sob
todos os aspectos técnicos é idêntica aos padrões fixados para as outras categorias de atendimento a
exceção da caixa de medição.
RECON – BT Março/2013
Exemplos de configurações de entradas individuais com ramal de ligação subterrâneo
derivado de rede subterrânea de distribuição
Exemplo 1B - Ramal de
Rede subterrânea de distribuição
e caixa do disjuntor de proteção voltada para a parte interna da propriedade.
Ligações com demanda
Nota: Alternativamente ao arranjo apresentado acima pode ser utiliz
seccionamento incorporado a caixa de medição.
xemplos de configurações de entradas individuais com ramal de ligação subterrâneo
derivado de rede subterrânea de distribuição
Ramal de ligação subterrâneo com caixa de medição semi-
Rede subterrânea de distribuição - Caixa CS e caixa para medição semi-embutidas na fachada
e caixa do disjuntor de proteção voltada para a parte interna da propriedade.
Ligações com demanda até 66,3 kVA
Alternativamente ao arranjo apresentado acima pode ser utilizada a caixa CSM200 que possui o
seccionamento incorporado a caixa de medição.
103
xemplos de configurações de entradas individuais com ramal de ligação subterrâneo
-embutida na fachada
embutidas na fachada
e caixa do disjuntor de proteção voltada para a parte interna da propriedade.
ada a caixa CSM200 que possui o
Vista Lateral
Vista Frontal
104 RECON – BT Março/2013
Exemplo 2B - Ramal de ligação subterrâneo com caixa de medição no recuo técnico, no muro.
Rede subterrânea de distribuição - Caixa CS e caixa para medição no recuo técnico, no muro,
e caixa do disjuntor de proteção voltada para a parte interna da propriedade.
Ligações com demanda até 66,3 kVA
NOTA: Alternativamente ao arranjo apresentado acima pode ser utilizada a caixa CSM200 que possui
o seccionamento incorporado a caixa de medição.
Vista Lateral
Vista Frontal
RECON – BT Março/2013 105
Exemplo 3B- Ramal de ligação subterrâneo com caixa de “medição indireta” no recuo
técnico, no muro. Rede subterrânea de distribuição – Caixa para seccionador e medição indireta
CSM no recuo técnico, no muro, e caixa do disjuntor de proteção geral CPG voltada para a parte
interna da propriedade. Ligações com demanda acima 66,3 kVA
Vista Lateral
Vista Frontal
106 RECON – BT Março/2013
SEÇÃO 03
PADRÃO DE LIGAÇÃO DE ENTRADAS COLETIVAS
20 - Padrão de ligação de entradas coletivas
Em função das características construtivas da edificação e da conveniência do Consumidor, podem ser
empregados diferentes tipos de configurações e sistemas de medição. Dessa forma, a solicitação para
o atendimento deve ser sempre precedida pela aprovação do Projeto de entrada (ver item 10.6),
evitando transtornos por eventuais contradições com esta Regulamentação.
As condições técnicas de atendimento, envolvendo a proteção geral de entrada, aterramento, sistemas
de medição etc. estão estabelecidas nas “Condições Gerais” desta Regulamentação.
As caixas e painéis que compõem os padrões de ligação em entradas coletivas devem estar localizados
sempre em ambiente seco, ventilado, iluminado, não inundável e que ofereça acesso livre à Light a
qualquer tempo.
NOTA: Recomenda-se que, junto a instalação de entrada seja disponibilizado o Prontuário técnico da instalação
em conformidade com as condições técnicas fixadas pela Norma Regulamentadora - NR-10 – Segurança em
instalações e serviços em eletricidade.
20.1 - Localização da proteção geral
A proteção geral deve estar localizada a no máximo 3 (três) metros da porta principal de
acesso da edificação (sempre no pavimento térreo).
O disjuntor de proteção geral da edificação deve ser instalado em caixa padronizada conforme
item 14.3 desta Regulamentação.
NOTAS:
1. Em caso de inviabilidade técnica comprovada, a proteção geral pode ser instalada a mais de 3 (três)
metros, desde que o disjuntor seja equipado com bobina de disparo e comando de acionamento à
distância instalado a no máximo 3 (três) metros da porta principal da edificação;
2. Em edificações que possuam proteção geral de entrada a partir de 2000 A, opcionalmente, e a critério
do responsável técnico, a proteção geral de entrada pode ser desmembrada em 2 proteções
(disjuntores), desde que haja intertravamento entre ambas e que as mesmas estejam, obrigatoriamente,
instaladas na mesma caixa de proteção (CPG).
3. Em condomínio onde exista mais de uma edificação (prédio), para cada uma deve ser atribuída uma
proteção geral, localizada a no máximo 3 (três) metros da porta principal de acesso da edificação
(sempre no pavimento térreo), de forma a garantir as condições de segurança e operativas para o Corpo
de Bombeiros em caso de sinistro; sendo desnecessário o emprego de uma proteção geral que abranja
todas as edificações (prédios) que compreendam esse mesmo condomínio.
RECON – BT Março/2013 107
4. Em edificação que possua múltiplos agrupamentos, opcionalmente, poderá ser utilizado um painel
PPGP para acomodar tanto a proteção geral da edificação quanto as proteções parciais dos
agrupamentos.
20.2 - Localização da Medição de serviço
O medidor de serviço deve ser sempre instalado a montante (antes) da proteção geral de
entrada da edificação sempre que houver qualquer carga de prevenção, detecção e combate a
sinistro (incêndio) tais como iluminação de emergência, bombas de pressurização etc.
O medidor de serviço da edificação deve ser instalado em caixa padronizada conforme item 14.1
desta Regulamentação.
NOTAS:
1. O circuito que alimenta a bomba de incêndio da edificação poderá ser instalado antes da proteção geral
do medidor de serviço, com sua proteção independente, a critério do responsável técnico e com
observância das normas do CBMERJ;
2. Devem ser utilizados, quando necessário, terminais de fixação (Figura 24) para derivação dos condutores
do medidor de serviço antes da proteção geral;
3. Recomenda-se que o quadro de comando das cargas associadas à medição de serviço, principalmente
aquelas dedicadas à prevenção, detecção e combate a incêndios seja instalado junto à medição de
serviço da edificação;
4. Em condomínio onde exista mais de uma edificação (prédio), para cada uma deve ser atribuída uma
medição de serviço a fim de delimitar claramente a abrangência do circuito elétrico que atende as áreas
comuns de forma a garantir as condições de segurança e operativas para o Corpo de Bombeiros em caso
de sinistro;
5. Em condomínio onde exista mais de uma edificação (prédio), e atribuído a este um medidor de serviço
condominial, também considerando aspectos de segurança e operacionais para o Corpo de Bombeiros,
suas cargas devem ser, preferencialmente, restritas as aéreas externas.
20.3 - Localização da Medição totalizadora
A medição totalizadora deve ser empregada, nos casos de ligação nova ou aumento de carga
(com intervenção em todos trecho coletivo existente), sempre que os agrupamentos de medidores
forem distribuídos pelos andares, ou ainda, quando instalados no pavimento térreo a mais de 5
metros de distância do limite da propriedade com a via pública.
Para os casos onde a transformação da Light esteja interna a propriedade do consumidor, a
medição totalizadora deve ser instalada imediatamente após essa transformação.
A mesma deve ser instalada sempre a montante (antes) da proteção geral da entrada coletiva e
do medidor de serviço, inclusive.
108 RECON – BT Março/2013
A caixa para emprego da medição totalizadora deve ser dimensionada em função da demanda do
ramal de ligação destinado a edificação. Podendo, eventualmente, ser utilizada a caixa de
medição CSMD com a finalidade de abrigar simultaneamente a medição totalizadora e a proteção
geral da edificação, quando for o caso.
NOTA: Cabe destacar que a medição totalizadora sempre estará associada a sistema SMLC descrito no
item 20.5.
20.4 - Agrupamentos de medidores
20.4.1 - Agrupamentos de medidores no pavimento térreo junto à proteção geral
O padrão de medição em entradas coletivas é através de agrupamentos de medidores no
pavimento térreo (no nível do arruamento) sempre instalados no mesmo
ambiente/junto da proteção geral.
Os medidores devem ser instalados em um ou mais agrupamentos, montados em painéis de
medição do tipo PMD (em conjunto com a caixa de proteção geral) ou do tipo PDMD (com a
proteção geral incorporada ao painel) conforme padronização estabelecida no item 14.4
desta Regulamentação.
20.4.2 - Agrupamento de medidores no pavimento térreo fora do ambiente da
proteção geral
Alternativamente, por conveniência do Consumidor, os agrupamentos de medidores
podem ser instalados fora do ambiente da proteção geral.
Os medidores devem ser instalados em um ou mais agrupamentos, montados em painéis de
medição do tipo PSMD (com seccionamento incorporado ao painel) ou do tipo PDMD (com a
proteção parcial incorporada ao painel) conforme padronização estabelecida no item 14.4
desta Regulamentação.
No caso onde os agrupamentos estejam a mais de 5 metros de distância da proteção geral, os
medidores serão atendidos obrigatoriamente através do sistema SMLC (Sistema de medição e
leitura centralizada conforme item 20.5 desta Regulamentação).
20.4.3 - Agrupamentos de medidores distribuídos nos andares
Também por conveniência técnica do Consumidor, os agrupamentos de medidores podem
ser instalados de forma distribuída nos andares da edificação.
RECON – BT Março/2013 109
Os medidores devem ser instalados em um ou mais agrupamentos, montados em painéis de
medição do tipo PSMD (com seccionamento incorporado ao painel) ou do tipo PDMD (com a
proteção parcial incorporada ao painel) conforme padronização estabelecida no item 14.4
desta Regulamentação.
Nesses casos, os medidores serão atendidos obrigatoriamente através do sistema SMLC
(Sistema de medição e leitura centralizada conforme item 20.5 desta Regulamentação).
20.4.4 - Painel de proteção geral/parcial – PPGP
Em entradas coletivas onde são aplicados múltiplos painéis de medidores, opcionalmente,
pode-se utilizar o painel PPGP para abrigar a proteção geral e/ou as proteções parciais dos
agrupamentos de medidores a jusante (antes) dos painéis do tipo PSMD ou PDMD.
NOTA: Compete ao responsável técnico com observâncias nos aspectos de dimensionamento inerentes
a proteções, em especial aos aspectos relacionados à coordenação e seletividade entre as proteções
existentes, a opção pela utilização de proteções parciais a jusante da proteção geral da entrada coletiva.
20.5 - Sistema de Medição e Leitura Centralizada – SMLC
O SMLC deve ser aplicado sempre que, por conveniência do Consumidor, for empregada
medição através de agrupamentos distribuídos pelos andares, ou ainda, quando instalados no
pavimento térreo a mais de 5 metros de distância da proteção geral da entrada coletiva.
Cabe ao interessado o ônus decorrente da diferença entre os custos totais do sistema SMLC e
uma medição de agrupamento convencional.
Todo o sistema de medição será de propriedade da Light, ficando sob sua responsabilidade a
operação e manutenção.
NOTA: As especificações técnicas e construtivas relativas ao sistema SMLC encontra-se disponibilizadas no
documento “Especificação para implantação de infra-estrutura do Sistema SMLC” (disponível na
internet no site www.light.com.br).
20.6 - Características construtivas dos ramais de ligação e de entrada em entradas coletivas
O ramal de ligação deve ser aéreo ou subterrâneo, conforme as características do sistema de
distribuição no local do atendimento e da demanda da instalação.
A cada entrada de energia elétrica deve ser concedido um único ramal de ligação.
NOTA: Em uma edificação onde existam tanto unidades consumidoras em baixa-tensão como em média-
tensão o atendimento deve ser feito também através de um único ramal, sendo o mesmo em média tensão,
interligado a uma chave a gás instalada pela Light que permite o seccionamento independente da
110 RECON – BT Março/2013
subestação em MT e do transformador de distribuição, também instalado pela Light, que atenderá as
unidades consumidoras em BT.
O ramal de entrada, a critério do consumidor e de acordo com as características físicas da
edificação pode ser aéreo ou subterrâneo.
20.6.1 - Ramal de ligação aéreo derivado diretamente da rede aérea
Em entrada coletiva com demanda avaliada até 150 kVA, o ramal de ligação deve ser
aéreo, da rede de distribuição aérea até o ponto de entrega situado no primeiro ponto de
ancoramento (poste, pontalete ou fachada) da propriedade particular, fornecido e instalado
pela Light.
Para os casos com demanda avaliada acima de 150 kVA, o ramal de ligação deve ser
subterrâneo, derivado da rede de distribuição aérea até o ponto de entrega/ponto de
conexão situado no interior da propriedade, sendo o mesmo fornecido e instalado pela Light.
NOTAS:
1. Quando, por conveniência técnica do Consumidor, for solicitado ramal de ligação subterrâneo
derivado de rede aérea, com demanda avaliada inferior a 150 kVA, caberá ao interessado todo o ônus
inerente aos materiais e serviços necessários para a instalação do ramal de ligação subterrâneo;
2. Quando se tratar de região de rede aérea com previsão de conversão para rede subterrânea, o
Consumidor deve deixar preparada, a partir do limite de propriedade, a estrutura civil (eletrodutos
envelopados em concreto etc.) que possa permitir o atendimento futuro através de ramal subterrâneo;
20.6.2 - Ramal de ligação subterrâneo derivado diretamente da rede subterrânea
O ramal de ligação deve ser obrigatoriamente subterrâneo, fornecido e instalado pela Light
no trecho entre a rede de distribuição e o primeiro ponto de conexão da instalação de entrada.
NOTA: Considerando as características técnicas da rede de distribuição local assim como as características
construtivas das instalações de entrada projetadas pelo responsável técnico, o mesmo deve ser informado
pela Light quanto à determinação do número de circuitos que irão compor o ramal de ligação, bem como o
dimensionamento de bancos de dutos, inclusive de dutos reservas, quando for o caso.
20.6.3 - Ramal de ligação subterrâneo derivado de Compartimento de transformação
Sempre que excedidos os valores fixados no item 4.3, deve ser construído, pelo consumidor,
compartimento (infra-estrutura), no limite da propriedade com a via pública, que permita a
instalação de equipamentos de transformação etc. para atendimento a solicitação de
fornecimento de energia elétrica da edificação.
RECON – BT Março/2013 111
20.6.4 - Ramal de entrada
Os condutores do ramal de entrada (trecho compreendido entre a proteção geral de entrada
até as unidades consumidoras) devem ser dimensionados, fornecidos e instalados sempre
pelo Consumidor considerando as especificações técnicas contidas nesta Regulamentação.
NOTAS:
1. Para auxiliar o responsável técnico quanto ao dimensionamento dos condutores do ramal de entrada
poderão ser usadas as Tabelas 18, 19, 20 e 21 presentes na Seção 05.
2. O responsável técnico deve dimensionar os condutores observando os critérios de ampacidade, tipo
de isolamento, tipo de ocupação assim como os limites de queda de tensão, perda técnica e
suportabilidade às correntes de curta duração (curto-circuitos).
20.6.5 – Proteção mecânica para os condutores do ramal de ligação
Nos casos de ligações em rede de distribuição subterrânea, no trecho compreendido entre o
limite da propriedade com a via pública e a proteção geral da edificação, deve-se instalar
como proteção mecânica para o ramal de ligação eletroduto rígido de PVC ou tubo
flexível corrugado de polietileno apropriados para a aplicação.
NOTA: Em entradas coletivas, onde a edificação possua subsolo, o ramal de ligação deve ser instalado
obrigatoriamente em eletroduto rígido de PVC.
20.6.6 – Proteção mecânica para os condutores do ramal de entrada
Nos casos de ligações em rede de distribuição aérea, com descida no poste, pontalete ou na
fachada, entre o ponto de ancoragem do ramal de ligação e a proteção geral da edificação,
deve-se instalar como proteção mecânica para o ramal de entrada eletroduto rígido de PVC
próprio para instalação externa com aditivo anti UV.
NOTA: Para os trechos compreendidos entre a proteção geral até os painéis de medidores, opcionalmente,
considerando claro as características construtivas da edificação, o responsável técnico pode instalar eletroduto
rígido de PVC, eletrocalhas ou bandejas perfuradas (com dispositivos para fixação de selos de segurança da Light),
desde que observado pelo mesmo os aspectos relacionados à ampacidade e o tipo de isolamento dos
condutores, a taxa de ocupação, o raio de curvatura, esforços mecânicos etc.
20.6.7 – Banco de dutos
Nos casos de ligações em rede de distribuição subterrânea, no trecho compreendido entre o
limite da propriedade com a via pública e a proteção geral da edificação, a proteção mecânica
(eletroduto rígido de PVC ou tubo flexível de polietileno) deve ser instalada com pelo menos
50 cm de profundidade em relação ao nível do solo com compactação adequada a área em
que os mesmos estão instalados recomendando-se que em áreas de circulação de veículos os
mesmos sejam envelopados em concreto.
112 RECON – BT Março/2013
20.7 - Padrão de atendimento em entrada coletiva
A seguir são apresentados arranjos de atendimentos que devem ser construídos em conformidade
com esta Regulamentação para atendimento a solicitações de ligação nova, alteração de carga ou
reforma das entradas coletivas.
20.7.1 – Atendimento a prédios residenciais, não residenciais e mistos
As condições gerais de atendimento estão estabelecidas nos itens 4 a 15 desta
Regulamentação. Complementarmente, as Tabelas 11A, 19, 20, 21 e 22 mostram detalhes
relativos ao dimensionamento dos materiais inerentes a este tipo de atendimento.
20.7.2 - Atendimento a condomínios verticais (prédios múltiplos)
Conforme os tipos de empreendimentos, podem ser adotadas as mesmas determinações do
item 20.7.1. Entretanto, este tipo de atendimento deve ser, preferencialmente, precedido de
apresentação prévia pelo interessado dos projetos para análise e validação pela Light a fim de
que seja assegurada a melhor solução técnica a ser adotada, principalmente no que tange aos
arranjos do sistema de distribuição.
20.7.3 - Atendimento a condomínios horizontais ou vilas
Em condomínios horizontais ou vilas ocupadas por residências isoladas, o atendimento as
unidades consumidoras deve respeitar as especificações contidas nesta Regulamentação
observados os padrões de entradas individuais constantes da Seção 02.
Entretanto, a fim de privilegiar as condições de segurança e acesso e onde as características
arquitetônicas permitam o atendimento coletivo, opcionalmente, o consumidor pode solicitar
o atendimento através de painel de medidores instalado junto a portaria principal de acesso
do condomínio ou vila, nas mesmas condições de atendimento do item 20.7.1.
Para condomínios horizontais ou vilas onde a quantidade de residências é significativa e/ou as
distâncias são elevadas inviabilizando o emprego de um único painel de medidores,
opcionalmente, o consumidor também pode solicitar o atendimento através de múltiplos
painéis de medidores distribuídos ao longo do condomínio. Entretanto, este tipo de
atendimento deve ser tratado como instalação especial e, portanto, devem ser apresentados
previamente pelo interessado os respectivos projetos para análise e validação a fim de que
seja assegurada a melhor solução técnica a ser adotada, principalmente no que tange aos
arranjos do sistema de distribuição.
NOTA: Quando um novo pedido de ligação nova ou aumento de carga implicar na necessidade de
adequação de uma rede, caberá a Light a adequação dessa rede a fim de disponibilizar o atendimento a
solicitação do Consumidor conforme disposto na Resolução 414/2010 da ANEEL.
RECON – BT Março/2013 113
20.7.4 - Atendimento em entrada coletiva existente
Para solicitação de ligação nova ou alteração de carga em instalações de entrada construídas
através de padrões de ligação anteriores a vigência desta Regulamentação deve ser consultado
o documento “Condições para atendimento a unidades consumidoras compreendidas
em entradas coletivas existentes” (disponível na internet no site www.light.com.br).
O documento trata das particularidades desse tipo de instalação de entrada e estabelece as
condições necessárias para atendimento as solicitações.
20.8 - Dimensionamento de materiais e equipamentos de entradas coletivas
Para dimensionamento dos materiais e equipamentos devem ser observadas as especificações
técnicas contidas nas “Condições gerais” desta Regulamentação assim como,
complementarmente, devem ser utilizadas as tabelas associadas às entradas coletivas constantes
na Seção 05.
20.9 - Exemplos de aplicação de entradas coletivas
A seguir são apresentados arranjos de atendimentos coletivos que devem ser construídos em
conformidade com esta Regulamentação.
Exemplos de configurações de instalações de entrada de Entradas coletivas
1 – Entrada coletiva atendida através de ramal de ligação aéreo com ancoramento na fachada,
medição totalizadora e proteção geral abrigadas em caixa tipo CSMD e painéis de medidores
PMD no pavimento térreo.
2 – Entrada coletiva atendida através de ramal de ligação subterrâneo, medição totalizadora e
proteção geral abrigadas em caixa tipo CSMD e painéis de medidores PSMD ou PDMD
distribuídos pelos andares.
114 RECON – BT Março/2013
3 – Entrada coletiva atendida através de ramal de ligação subterrâneo derivado de Compartimento
de transformação interno a edificação, medição totalizadora e proteção geral abrigadas em caixa
tipo CSMD e painéis de medidores PSMD ou PDMD distribuídos pelos andares.
RECON – BT Março/2013 115
SEÇÃO 04
FIGURAS
Figura 1 - Caixa para Medição direta monofásica – CM1
Caixa polimérica
116 RECON – BT Março/2013
Figura 2 - Caixa para Medição direta polifásica – CM3
Caixa Polimérica
RECON – BT Março/2013 117
Figura 3 - Caixa para Medição direta até 200 A – CM200
118 RECON – BT Março/2013
Figura 4 - Caixa para Seccionamento e Medição direta até 200 A – CSM200
RECON – BT Março/2013 119
Figura 5 - Caixa para Seccionamento, Medição direta e Proteção até 200 A – CSMD200
120 RECON – BT Março/2013
Figura 6 - Caixa para Seccionamento e Medição indireta até 600 A – CSM600
RECON – BT Março/2013 121
Figura 7 - Caixa para Seccionamento e Medição indireta até 1500 A – CSM1500
122 RECON – BT Março/2013
Figura 8 - Caixa para Seccionamento, Medição indireta e Proteção até 600 A – CSMD600
RECON – BT Março/2013 123
Arranjo invertido
124 RECON – BT Março/2013
Figura 9 - Caixa para Seccionamento, Medição indireta e Proteção até 1500 A – CSMD1500
NOTA: A CSMD1500 também poderá ser construída invertida (conforme figura 8) por conveniência do Consumidor.
RECON – BT Março/2013 125
Figura 10 - Caixa para Seccionador monofásico – CS1
126 RECON – BT Março/2013
Figura 11 - Caixa para Seccionador polifásico – CS3
RECON – BT Março/2013 127
Figura 12 - Caixa para Seccionador polifásico até 200 A – CS200
128 RECON – BT Março/2013
Figura 13 - Caixa para Disjuntor monofásico – CDJ1
RECON – BT Março/2013 129
Figura 14 - Caixa para Disjuntor polifásico – CDJ3
130 RECON – BT Março/2013
Figura 15 - Caixa para Proteção geral – CPG200
RECON – BT Março/2013 131
Figura 16 - Caixa para Proteção geral – CPG600
132 RECON – BT Março/2013
Figura 17 - Caixa para Proteção geral – CPG1500
RECON – BT Março/2013 133
Figura 18 - Painel de Medição – PMD
NOTA: Exemplo de um painel de medidores com 8 (oito) unidades consumidoras. Outros arranjos padronizados
(2, 4, 12, 16, 20 ou até painéis modulares) podem ser utilizados de acordo com o projeto da instalação de entrada
do consumidor.
134 RECON – BT Março/2013
Figura 19 - Painel de Seccionamento e Medição – PSMD
NOTA: Exemplo de um painel de medidores com 8 (oito) unidades consumidoras. Outros arranjos padronizados
(2, 4, 12, 16, 20 ou até painéis modulares) podem ser utilizados de acordo com o projeto da instalação de entrada
do consumidor.
RECON – BT Março/2013 135
Figura 20 - Painel de Proteção e Medição – PDMD
NOTA: Exemplo de um painel de medidores com 8 (oito) unidades consumidoras. Outros arranjos padronizados
(2, 4, 12, 16, 20 ou até painéis modulares) podem ser utilizados de acordo com o projeto da instalação de entrada
do consumidor.
136 RECON – BT Março/2013
Figura 21 - Painel de Proteção geral/parcial – PPGP
NOTA: Exemplo de caixa PPGP.
Figura 22 - Caixa de aterramento
RECON – BT Março/2013 137
Figura 23 - caixa para dispositivo DPS – CDPS
138 RECON – BT Março/2013
Figura 24 - Barras “L” e “Z”
NOTA: Os diâmetros das furações são orientativos, já que podem ser alterados em função do tamanho do
disjuntor, bem como do tipo de terminal utilizado.
RECON – BT Março/2013 139
SEÇÃO 05
TABELAS
TABELA 1 - (MÉTODO DE AVALIAÇÃO - SEÇÃO A)
CARGA MÍNIMA E FATORES DE DEMANDA PARA INSTALAÇÕES DE ILUMINAÇÃO E TOMADAS DE
USO GERAL
DESCRIÇÃO
CARGA MÍNIMA
(kVA / m²)
FATOR DE DEMANDA (%)
Auditórios, salões para exposições,
salas de vídeo e semelhantes
0,015 80
Bancos, postos de serviços públicos
e semelhantes
0,050 80
Barbearias, salões de beleza e
semelhantes
0,020 80
Clubes e semelhantes 0,020 80
Escolas e semelhantes 0,030
80 para os primeiros 12 kVA
50 p/ o que exceder de 12 kVA
Escritórios 0,050
80 para os primeiros 20 kVA
60 p/o que exceder de 20 kVA
Garagens, áreas de serviço e
semelhantes
0,005
Residencial
80 para os primeiros 10 kVA 25
p/ o que exceder de 10 kVA
Não
Residencial
80 para os primeiros 30 kVA
60 p/ o que exceder de 30 até 100 kVA
40 p/ o que exceder de 100 kVA
Hospitais, centros de saúde e
semelhantes
0,020
40 para os primeiros 50 kVA
20 p/o que exceder de 50 kVA
Hotéis, motéis e semelhantes 0,020
50 para os primeiros 20 kVA
40 para os seguintes 80 kVA
30 p/o que exceder de 100 kVA
Igrejas, salões religiosos e
semelhantes
0,015 80
Lojas e semelhantes 0,020 80
Unidades Consumidoras
Residenciais
(Casas, apartamentos etc.)
0,030
0 < P (kVA) ≤1 (80)
1 < P (kVA) ≤2 (75)
2 < P (kVA) ≤3 (65)
3 < P (kVA) ≤4 (60)
4 < P (kVA) ≤5 (50)
5 < P (kVA) ≤6 (45)
6 < P (kVA) ≤ 7 (40)
7 < P (kVA) ≤ 8 (35)
8 < P (kVA) ≤ 9 (30)
9 < P (kVA) ≤ 10 (27)
10 < P (kVA) ⇒ (24)
Restaurantes, bares, lanchonetes e
semelhantes
0,020 80
NOTA: Instalações em que, pela sua natureza, a carga seja utilizada simultaneamente, deverão ser consideradas
com fator de demanda de 100%.
140 RECON – BT Março/2013
TABELA 2 - (MÉTODO DE AVALIAÇÃO - SEÇÃO A)
FATORES DE DEMANDA PARA APARELHOS DE AQUECIMENTO
N° de
Aparelhos
Fator de
Demanda
(%)
Nº de
Aparelhos
Fator de
Demanda
(%)
Nº de
Aparelhos
Fator de
Demanda
(%)
1 100 10 49 19 36
2 75 11 47 20 35
3 70 12 45 21 34
4 66 13 43 22 33
5 62 14 41 23 32
6 59 15 40 24 31
7 56 16 39 25 OU MAIS 30
8 53 17 38
9 51 18 37
NOTA: Para o dimensionamento de ramais de entrada ou trechos coletivos destinados ao fornecimento de mais de
uma unidade consumidora, fatores de demanda devem ser aplicados para cada tipo de aparelho, separadamente, sendo
a demanda total de aquecimento o somatório das demandas obtidas: d2 = d2 chuveiros + d2 aquecedores + d2
torneiras + ...
TABELA 3A - (MÉTODO DE AVALIAÇÃO - SEÇÃO A)
FATORES DE DEMANDA PARA APARELHOS DE AR CONDICIONADO TIPO JANELA, SPLIT E FAN-COIL
(UTILIZAÇÃO RESIDENCIAL)
N °°°° DE APARELHOS FATOR DE DEMANDA (%)
1 a 4 100
5 a 10 70
11 a 20 60
21 a 30 55
31 a 40 53
41 a 50 52
Acima de 50 50
TABELA 3B - (MÉTODO DE AVALIAÇÃO - SEÇÃO A)
FATORES DE DEMANDA PARA APARELHOS DE AR CONDICIONADO TIPO JANELA, SPLIT E FAN-COIL
(UTILIZAÇÃO NÃO RESIDENCIAL)
N °°°° DE APARELHOS FATOR DE DEMANDA (%)
1 a 10 100
11 a 20 75
21 a 30 70
31 a 40 65
41 a 50 60
51 a 80 55
Acima de 80 50
RECON – BT Março/2013 141
TABELA 4 - (MÉTODO DE AVALIAÇÃO - SEÇÃO A)
FATORES DE DEMANDA PARA EQUIPAMENTOS DE AR CONDICIONADO CENTRAL, SELF CONTAINER
E SIMILARES
N °°°° DE APARELHOS FATOR DE DEMANDA (%)
1 a 10 100
11 a 20 75
21 a 30 70
31 a 40 65
41 a 50 60
51 a 80 55
Acima de 80 50
TABELA 5A - (MÉTODO DE AVALIAÇÃO - SEÇÃO A) - CONVERSÃO DE “CV” EM “kVA"
POTENCIA
DO MOTOR
(cv) kVA
¼ 0,66
1/3 0,77
½ 0,87
¾ 1,26
1 1,52
1 ½ 2,17
2 2,70
3 4,04
4 5,03
5 6,02
7 ½ 8,65
10 11,54
12 ½ 14,09
15 16,65
20 22,10
25 25,83
30 30,52
40 39,74
50 48,73
60 58,15
75 72,28
100 95,56
125 117,05
150 141,29
200 190,18
142 RECON – BT Março/2013
TABELA 5B - (MÉTODO DE AVALIAÇÃO - SEÇÃO A)
FATOR DE DEMANDA x N° DE MOTORES
Nº TOTAL DE MOTORES 1 2 3 4 5 6 7 8 9 ≥≥≥≥ 10
FATOR DE DEMANDA (%) 100,0 75,0 63,33 57,50 54,00 50,00 47,14 45,00 43,33 42,00
Observação: Motores classificados como “RESERVA” não devem ser computados nos cálculos, tanto de carga
instalada, quanto demandada.
EXEMPLOS DE APLICAÇÃO:
1. Verificação da demanda para 4 motores trifásicos de 5 cv, 1 motor trifásico de 3 cv, 1 motor
trifásico de 2 cv, 1 motor trifásico de 1 cv, totalizando 7 motores.
Logo utilizando as TABELAS 5A e 5B, temos:
D = [ (4 x 6,02) + (1 x 4,04) + (1 x 2,7) + (1 x 1,52 ) ] x 0,4714 = 15,25 kVA
D = 15,25 kVA
Atenção especial deve ser dada aos casos de demanda entre motores diferentes mas com
diferença de potência entre eles acentuadamente elevada.
2. Verificação da demanda para 1 (um) motor de 50 cv + 1 (um) motor de 5 cv, onde nesse caso
se a condição demandada for menor que a potência do maior motor, deve prevalecer como
demanda total a potência do maior motor, ou seja, a inequação a seguir deve ser atendida:
N (maior motor) > D (condição demandada)
Onde:
N (maior motor) = Potência do maior motor,
D (condição demandada) = Demanda em função das TABELAS 5A e 5B,
Logo, para o exemplo em questão, temos:
D = (48,73 + 6,02) x 0,75 = 41,06 kVA, portanto como a condição demandada não atendeu a
inequação acima (48,73 < 41,06), logo a demanda total a ser considerada é D = 48,73 kVA.
D = 48,73 kVA
TABELA 6 - (MÉTODO DE AVALIAÇÂO - SEÇÃO A)
FATORES DE DEMANDA PARA MÁQUINAS DE SOLDA E EQUIPAMENTOS ODONTO – MÉDICO
HOSPITALARES - (APARELHOS DE RAIO-X, TOMÓGRAFOS, MAMÓGRAFOS E OUTROS)
RECON – BT Março/2013 143
EQUIPAMENTO
QUANTIDADE
DE EQUIPAMENTOS
FATOR DE DEMANDA (%)
Máquina de Solda
1
2 a 3
4 a 7
mais de 7
100
70
60
50
Aparelho de Raio-X
Tomógrafo
Mamógrafo
Ressonância magnética
Outros similares
1
2 a 5
6 a 10
mais de 10
100
60
50
40
NOTA: Quando a demanda de um grupo de equipamentos for inferior à potência individual do maior equipamento
do conjunto, deve ser considerado o valor de potência do maior equipamento como a demanda do conjunto.
TABELA 7A - (Unidades de consumo que utilizem equipamentos elétricos individuais p/
aquecimento de água) - (MÉTODO DE AVALIAÇÃO - SEÇÃO B)
DEMANDAS (kVA) DE APARTAMENTOS EM FUNÇÃO DAS ÁREAS (m²)
Área m
2
kVA Área m
2
kVA Área m
2
kVA Área m
2
kVA Área m
2
kVA Área m
2
kVA Área m
2
kVA Área m
2
kVA
20 1,35 70 2,12 120 3,44 170 4,70 220 5,92 270 7,11 320 8,28 370 9,43
21 1,35 71 2,15 121 3,47 171 4,72 221 5,94 271 7,13 321 8,30 371 9,45
22 1,35 72 2,18 122 3,49 172 4,75 222 5,97 272 7,16 322 8,32 372 9,47
23 1,35 73 2,20 123 3,52 173 4,77 223 5,99 273 7,18 323 8,35 373 9,49
24 1,35 74 2,23 124 3,54 174 4,80 224 6,01 274 7,20 324 8,37 374 9,52
25 1,35 75 2,26 125 3,57 175 4,82 225 6,04 275 7,23 325 8,39 375 9,54
26 1,35 76 2,29 126 3,59 176 4,85 226 6,06 276 7,25 326 8,42 376 9,56
27 1,35 77 2,31 127 3,62 177 4,87 227 6,09 277 7,27 327 8,44 377 9,58
28 1,35 78 2,34 128 3,64 178 4,90 228 6,11 278 7,30 328 8,46 378 9,61
29 1,35 79 2,37 129 3,67 179 4,92 229 6,13 279 7,32 329 8,48 379 9,63
30 1,35 80 2,39 130 3,70 180 4,95 230 6,16 280 7,34 330 8,51 380 9,65
31 1,35 81 2,42 131 3,72 181 4,97 231 6,18 281 7,37 331 8,53 381 9,68
32 1,35 82 2,45 132 3,75 182 4,99 232 6,21 282 7,39 332 8,55 382 9,70
33 1,35 83 2,47 133 3,77 183 5,02 233 6,23 283 7,41 333 8,58 383 9,72
34 1,35 84 2,50 134 3,80 184 5,04 234 6,25 284 7,44 334 8,60 384 9,74
35 1,35 85 2,53 135 3,82 185 5,07 235 6,28 285 7,46 335 8,62 385 9,77
36 1,35 86 2,55 136 3,85 186 5,09 236 6,30 286 7,49 336 8,65 386 9,79
37 1,35 87 2,58 137 3,87 187 5,12 237 6,33 287 7,51 337 8,67 387 9,81
38 1,35 88 2,61 138 3,90 188 5,14 238 6,35 288 7,53 338 8,69 388 9,83
39 1,35 89 2,63 139 3,92 189 5,17 239 6,37 289 7,56 339 8,72 389 9,86
40 1,35 90 2,66 140 3,95 190 5,19 240 6,40 290 7,58 340 8,74 390 9,88
41 1,35 91 2,69 141 3,97 191 5,22 241 6,42 291 7,60 341 8,76 391 9,90
42 1,35 92 2,71 142 4,00 192 5,24 242 6,45 292 7,63 342 8,78 392 9,93
43 1,37 93 2,74 143 4,02 193 5,26 243 6,47 293 7,65 343 8,81 393 9,95
44 1,40 94 2,76 144 4,05 194 5,29 244 6,49 294 7,67 344 8,83 394 9,97
45 1,43 95 2,79 145 4,08 195 5,31 245 6,52 295 7,70 345 8,85 395 9,99
46 1,46 96 2,82 146 4,10 196 5,34 246 6,54 296 7,72 346 8,88 396 10,02
47 1,49 97 2,84 147 4,13 197 5,36 247 6,56 297 7,74 347 8,90 397 10,04
144 RECON – BT Março/2013
48 1,51 98 2,87 148 4,15 198 5,39 248 6,59 298 7,77 348 8,92 398 10,06
49 1,54 99 2,90 149 4,18 199 5,41 249 6,61 299 7,79 349 8,95 399 10,08
50 1,57 100 2,92 150 4,20 200 5,43 250 6,64 300 7,81 350 8,97 400 10,11
51 1,60 101 2,95 151 4,23 201 5,46 251 6,66 301 7,84 351 8,99
52 1,63 102 2,97 152 4,25 202 5,48 252 6,68 302 7,86 352 9,01
53 1,66 103 3,00 153 4,28 203 5,51 253 6,71 303 7,88 353 9,04
54 1,68 104 3,03 154 4,30 204 5,53 254 6,73 304 7,91 354 9,06
55 1,71 105 3,05 155 4,33 205 5,56 255 6,75 305 7,93 355 9,08
56 1,74 106 3,08 156 4,35 206 5,58 256 6,78 306 7,95 356 9,11
57 1,77 107 3,10 157 4,38 207 5,60 257 6,80 307 7,98 357 9,13
58 1,79 108 3,13 158 4,40 208 5,63 258 6,83 308 8,00 358 9,15
59 1,82 109 3,16 159 4,43 209 5,65 259 6,85 309 8,02 359 9,17
60 1,85 110 3,18 160 4,45 210 5,68 260 6,87 310 8,04 360 9,20
61 1,88 111 3,21 161 4,48 211 5,70 261 6,90 311 8,07 361 9,22
62 1,91 112 3,23 162 4,50 212 5,73 262 6,92 312 8,09 362 9,24
63 1,93 113 3,26 163 4,53 213 5,75 263 6,94 313 8,11 363 9,27
64 1,96 114 3,29 164 4,55 214 5,77 264 6,97 314 8,14 364 9,29
65 1,99 115 3,31 165 4,57 215 5,80 265 6,99 315 8,16 365 9,31
66 2,01 116 3,34 166 4,60 216 5,82 266 7,01 316 8,18 366 9,33
67 2,04 117 3,36 167 4,62 217 5,85 267 7,04 317 8,21 367 9,36
68 2,07 118 3,39 168 4,65 218 5,87 268 7,06 318 8,23 368 9,38
69 2,10 119 3,41 169 4,67 219 5,89 269 7,09 319 8,25 369 9,40
TABELA 7B - (Unidades de consumo que NÃO utilizem equipamentos elétricos individuais para
aquecimento de água) - (MÉTODO DE AVALIAÇÃO - SEÇÃO B)
DEMANDAS (kVA) DE APARTAMENTOS EM FUNÇÃO DAS ÁREAS (m²)
Área m
2
kVA
Área
m
2 kVA Área m
2
kVA Área m
2
kVA
Área
m
2 kVA Área m
2
kVA Área m
2
kVA
Área
m
2 kVA
20 1,35 70 1,88 120 3,04 170 4,16 220 5,24 270 6,29 320 7,32 370 8,34
21 1,35 71 1,90 121 3,07 171 4,18 221 5,26 271 6,31 321 7,35 371 8,36
22 1,35 72 1,93 122 3,09 172 4,20 222 5,28 272 6,33 322 7,37 372 8,38
23 1,35 73 1,95 123 3,11 173 4,22 223 5,30 273 6,35 323 7,39 373 8,40
24 1,35 74 1,98 124 3,14 174 4,25 224 5,32 274 6,37 324 7,41 374 8,42
25 1,35 75 2,00 125 3,16 175 4,27 225 5,34 275 6,40 325 7,43 375 8,44
26 1,35 76 2,02 126 3,18 176 4,29 226 5,37 276 6,42 326 7,45 376 8,46
27 1,35 77 2,05 127 3,20 177 4,31 227 5,39 277 6,44 327 7,47 377 8,48
28 1,35 78 2,07 128 3,23 178 4,33 228 5,41 278 6,46 328 7,49 378 8,50
29 1,35 79 2,09 129 3,25 179 4,35 229 5,43 279 6,48 329 7,51 379 8,52
30 1,35 80 2,12 130 3,27 180 4,38 230 5,45 280 6,50 330 7,53 380 8,54
31 1,35 81 2,14 131 3,29 181 4,40 231 5,47 281 6,52 331 7,55 381 8,56
32 1,35 82 2,17 132 3,32 182 4,42 232 5,49 282 6,54 332 7,57 382 8,58
33 1,35 83 2,19 133 3,34 183 4,44 233 5,51 283 6,56 333 7,59 383 8,60
34 1,35 84 2,21 134 3,36 184 4,46 234 5,53 284 6,58 334 7,61 384 8,62
35 1,35 85 2,24 135 3,38 185 4,49 235 5,56 285 6,60 335 7,63 385 8,64
36 1,35 86 2,26 136 3,41 186 4,51 236 5,58 286 6,62 336 7,65 386 8,66
37 1,35 87 2,28 137 3,43 187 4,53 237 5,60 287 6,64 337 7,67 387 8,68
RECON – BT Março/2013 145
38 1,35 88 2,31 138 3,45 188 4,55 238 5,62 288 6,67 338 7,69 388 8,70
39 1,35 89 2,33 139 3,47 189 4,57 239 5,64 289 6,69 339 7,71 389 8,72
40 1,35 90 2,35 140 3,49 190 4,59 240 5,66 290 6,71 340 7,73 390 8,74
41 1,35 91 2,38 141 3,52 191 4,62 241 5,68 291 6,73 341 7,75 391 8,76
42 1,35 92 2,40 142 3,54 192 4,64 242 5,70 292 6,75 342 7,77 392 8,78
43 1,21 93 2,42 143 3,56 193 4,66 243 5,73 293 6,77 343 7,79 393 8,80
44 1,24 94 2,45 144 3,58 194 4,68 244 5,75 294 6,79 344 7,81 394 8,82
45 1,27 95 2,47 145 3,61 195 4,70 245 5,77 295 6,81 345 7,83 395 8,84
46 1,29 96 2,49 146 3,63 196 4,72 246 5,79 296 6,83 346 7,86 396 8,86
47 1,32 97 2,52 147 3,65 197 4,74 247 5,81 297 6,85 347 7,88 397 8,88
48 1,34 98 2,54 148 3,67 198 4,77 248 5,83 298 6,87 348 7,90 398 8,90
49 1,37 99 2,56 149 3,70 199 4,79 249 5,85 299 6,89 349 7,92 399 8,92
50 1,39 100 2,59 150 3,72 200 4,81 250 5,87 300 6,91 350 7,94 400 8,94
51 1,42 101 2,61 151 3,74 201 4,83 251 5,89 301 6,93 351 7,96
52 1,44 102 2,63 152 3,76 202 4,85 252 5,91 302 6,95 352 7,98
53 1,47 103 2,66 153 3,78 203 4,87 253 5,94 303 6,98 353 8,00
54 1,49 104 2,68 154 3,81 204 4,90 254 5,96 304 7,00 354 8,02
55 1,51 105 2,70 155 3,83 205 4,92 255 5,98 305 7,02 355 8,04
56 1,54 106 2,72 156 3,85 206 4,94 256 6,00 306 7,04 356 8,06
57 1,56 107 2,75 157 3,87 207 4,96 257 6,02 307 7,06 357 8,08
58 1,59 108 2,77 158 3,89 208 4,98 258 6,04 308 7,08 358 8,10
59 1,61 109 2,79 159 3,92 209 5,00 259 6,06 309 7,10 359 8,12
60 1,64 110 2,82 160 3,94 210 5,02 260 6,08 310 7,12 360 8,14
61 1,66 111 2,84 161 3,96 211 5,05 261 6,10 311 7,14 361 8,16
62 1,69 112 2,86 162 3,98 212 5,07 262 6,12 312 7,16 362 8,18
63 1,71 113 2,89 163 4,00 213 5,09 263 6,15 313 7,18 363 8,20
64 1,73 114 2,91 164 4,03 214 5,11 264 6,17 314 7,20 364 8,22
65 1,76 115 2,93 165 4,05 215 5,13 265 6,19 315 7,22 365 8,24
66 1,78 116 2,95 166 4,07 216 5,15 266 6,21 316 7,24 366 8,26
67 1,81 117 2,98 167 4,09 217 5,17 267 6,23 317 7,26 367 8,28
68 1,83 118 3,00 168 4,11 218 5,20 268 6,25 318 7,28 368 8,30
1,86 119 3,02 169 4,14 219 5,22 269 6,27 319 7,30 369 8,32
TABELA 8
(MÉTODO DE AVALIAÇÃO - SEÇÃO B)
FATORES PARA DIVERSIFICAÇÃO DE CARGAS EM FUNÇÃO DO Nº. DE APARTAMENTOS
Nº APTº F, APTº Nº APTº F, APTº Nº APTº F, APTº Nº APTº F, APTº Nº APTº F, APTº Nº APTº F, APTº
-- -- 51 35,90 101 63,59 151 74,74 201 80,89 251 82,73
-- -- 52 36,46 102 63,84 152 74,89 202 80,94 252 82,74
-- -- 53 37,02 103 64,09 153 75,04 203 80,99 253 82,75
-- -- 54 37,58 104 64,34 154 75,19 204 81,04 254 82,76
5 4,84 55 38,14 105 64,59 155 75,34 205 81,09 255 82,77
6 5,80 56 38,70 106 64,84 156 75,49 206 81,14 256 82,78
7 6,76 57 39,26 107 65,09 157 75,64 207 81,19 257 82,79
8 7,72 58 39,82 108 65,34 158 75,79 208 81,24 258 82,80
146 RECON – BT Março/2013
9 8,68 59 40,38 109 65,59 159 75,94 209 81,29 259 82,81
10 9,64 60 40,94 110 65,84 160 76,09 210 81,34 260 82,82
11 10,42 61 41,50 111 66,09 161 76,24 211 81,39 261 82,83
12 11,20 62 42,06 112 66,34 162 76,39 212 81,44 262 82,84
13 11,98 63 42,62 113 66,59 163 76,54 213 81,49 263 82,85
14 12,76 64 43,18 114 66,84 164 76,69 214 81,54 264 82,86
15 13,54 65 43,74 115 67,09 165 76,84 215 81,59 265 82,87
16 14,32 66 44,30 116 67,34 166 76,99 216 81,64 266 82,88
17 15,10 67 44,86 117 67,59 167 77,14 217 81,69 267 82,89
18 15,88 68 45,42 118 67,84 168 77,29 218 81,74 268 82,90
19 16,66 69 45,98 119 68,09 169 77,44 219 81,79 269 82,91
20 17,44 70 46,54 120 68,34 170 77,59 220 81,84 270 82,92
21 18,05 71 47,10 121 68,59 171 77,74 221 81,89 271 82,93
22 18,66 72 47,66 122 68,84 172 77,89 222 81,94 272 82,94
23 19,27 73 48,22 123 69,09 173 78,04 223 81,99 273 82,95
24 19,88 74 48,78 124 69,34 174 78,19 224 82,04 274 82,96
25 20,49 75 49,34 125 69,59 175 78,34 225 82,09 275 82,97
26 21,10 76 49,90 126 69,79 176 78,44 226 82,12 276 82,98
27 21,71 77 50,46 127 69,99 177 78,54 227 82,15 277 82,99
28 22,32 78 51,02 128 70,19 178 78,64 228 82,18 278 83,00
29 22,93 79 51,58 129 70,39 179 78,74 229 82,21 279 83,00
30 23,54 80 52,14 130 70,59 180 78,84 230 82,24 280 83,00
31 24,14 81 52,70 131 70,79 181 78,94 231 82,27 281 83,00
32 24,74 82 53,26 132 70,99 182 79,04 232 82,30 282 83,00
33 25,34 83 53,82 133 71,19 183 79,14 233 82,33 283 83,00
34 25,94 84 54,38 134 71,39 184 79,24 234 82,36 284 83,00
35 26,54 85 54,94 135 71,59 185 79,34 235 82,39 285 83,00
36 27,14 86 55,50 136 71,79 186 79,44 236 82,42 286 83,00
37 27,74 87 56,06 137 71,99 187 79,54 237 82,45 287 83,00
38 28,34 88 56,62 138 72,19 188 79,64 238 82,48 288 83,00
39 28,94 89 57,18 139 72,39 189 79,74 239 82,50 289 83,00
40 29,54 90 57,74 140 72,59 190 79,84 240 82,52 290 83,00
41 30,14 91 58,30 141 72,79 191 79,94 241 82,54 291 83,00
42 30,74 92 58,86 142 72,99 192 80,04 242 82,56 292 83,00
43 31,34 93 59,42 143 73,19 193 80,14 243 82,58 293 83,00
44 31,94 94 59,98 144 73,39 194 80,24 244 82,60 294 83,00
45 32,54 95 60,54 145 73,59 195 80,34 245 82,62 295 83,00
46 33,10 96 61,10 146 73,79 196 80,44 246 82,64 296 83,00
47 33,66 97 61,66 147 73,99 197 80,54 247 82,66 297 83,00
48 34,22 98 62,22 148 74,19 198 80,64 248 82,68 298 83,00
49 34,78 99 62,78 149 74,39 199 80,74 249 82,70 299 83,00
50 35,34 100 63,34 150 74,59 200 80,84 250 82,72 300 83,00
RECON – BT Março/2013 147
TABELA 9
POTÊNCIAS MÉDIAS DE APARELHOS ELETRODOMÉSTICOS
APARELHO POTÊNCIA (VA)
Ar condicionado - 3/4 HP 1125
Ar condicionado - 1 HP 1500
Ar condicionado - 14000 BTU/h 1900
Aparelho de som 120
Aquecedor de água - até 80 litros 1500
Aquecedor de água - de 100 a 150 litros 2500
Aspirador de pó 200
Aquecedor de ambiente 1000
Batedeira 100
Boiler elétrico 2500
Cafeteira elétrica 600
Circulador de ar 150
Chuveiro elétrico 4400
Enceradeira 300
Ferro elétrico automático 1000
Forno à resistência 1500
Forno de micro ondas 1300
Freezer 400
Geladeira 1 porta 200
Geladeira 2 portas 300
Lavadora de louças 1500
Lavadora de roupas 1000
Liquidificador 200
Secadora de roupas 3500
Torneira elétrica 2500
Torradeira 800
TV em cores - 20 polegadas 90
TV em cores - 14 polegadas 60
TV preto e branco 40
Ventilador 100
148 RECON – BT Março/2013
TABELA 10A
ENTRADA INDIVIDUAL - MEDIÇÃO DIRETA - DIMENSIONAMENTO DE MATERIAIS
TENSÃONOMINAL(V)
CATEGORIADEATENDIMENTO
DEMANDADE
ATENDIMENTO“D”(kVA)
ELETRODUTODORAMALDELIGAÇÃO
e/oudoRAMALDEENTRADA
(PVCrígidoouPOLIETILENOcorrugado)
(empolegadas)
PROTEÇÃOGERAL
(Ampères–Nºdepólos)(2)(3)
PADRÃO DE
MEDIÇÃO
(ligação nova
e aumento de
carga)
Condutordoramaldeentrada
(fases+neutro)
(mm2
–Cu–PVC70°C)(1)(4)
P=CONDUTORDEPROTEÇÃO
(mm2
–Cu–PVC70°C)(5)
Condutordeinterligação
doneutroàmalhadeaterramento
(mm2
–Cu–nu)
115
1Φ
RM1 D ≤ 3
1”
30 – 1Φ CM1 + CDJ 1
(7)
2 (1 x 6) 1 x 6 1 x 6
RM2 3 < D ≤ 4 40 – 1Φ 2 (1 x 10) 1 x 10 1 x 10
230
1Φ
(6)
RM3 4 < D ≤ 6
1 ½”
30 – 2Φ
CM3 + CDJ 3
(7)
3 (1 x 6) 1 x 6 1 x 6
RM4 6 < D ≤ 8 40 – 2Φ 3 (1 x 10) 1 x 10 1 x 10
RM5 8 < D ≤ 14 70 – 2Φ 3 (1 x 25) 1 x 16 1 x 16
127
1Φ
UM1 D ≤ 3,3
1”
30 – 1Φ
CM1 + CDJ 1
(7)
2 (1 x 6) 1 x 6 1 x 6
UM2 3,3 < D ≤ 4,4 40 – 1Φ 2 (1 x 10) 1 x 10 1 x 10
UM3 4,4 < D ≤ 6,6 60 – 1Φ 2 (1 x 16)
1 x 16 1 x 16
UM4 6,6 < D ≤ 8 70 – 1Φ 2 (1 x 25)
220
3Φ
T1 D ≤ 10
1 ½”
30 – 3Φ
CM3 + CDJ 3
(7)
4 (1 x 6) 1 x 6 1 x 6
T2 10 < D ≤ 13,3 40 – 3Φ 4 (1 x 10) 1 x 10 1 x 10
T3 13,3 < D ≤ 19,9
2”
60 – 3Φ 4 (1 x 16)
1 x 16 1 x 16T4 19,9 < D ≤ 23,2 70 – 3Φ 4 (1 x 25)
T5 23,2 < D ≤ 33,1
3”
100 – 3Φ
CSM 200 + CPG 200
(7)
4 (1 x 35)
T6 33,1 < D ≤ 41,4 125 – 3Φ 4 (1 x 50) 1 x 25 1 x 25
T7 41,4 < D ≤ 49,7
4”
150 – 3Φ 4 (1 x 70) 1 x 35 1 x 35
T8 49,7 < D ≤ 58,0 175 – 3Φ 4 (1 x 95) 1 x 50 1 x 50
T9 58,0 < D ≤ 66,3 200 – 3Φ 4 (1 x 95) 1 x 50 1 x 50
NOTAS:
1. Para todas as categorias RM, UM assim como as categorias T1, T2 e T3, o ramal de entrada, do
ponto de ancoragem até o ponto de medição deve ser através da continuidade dos condutores do ramal
de ligação, instalados sempre pela Light.
2. A capacidade mínima de interrupção de curto-circuito simétrico em “kA” dos disjuntores de proteção,
cujos ramais de ligação sejam com cabos até 120 mm
2
, deve ser compatível com os valores estabelecidos
na TABELA 14 desta Regulamentação.
3. De acordo com as condições definidas no item 11.2 desta Regulamentação, deve ser utilizada
proteção diferencial-residual (disjuntor DDR, dispositivo IDR ou Dispositivo diferencial acoplado ao
disjuntor geral). O Anexo A desta Regulamentação mostra os detalhes de aplicação.
Este tipo de proteção diferencial, além de diminuir significativamente a possibilidade de choques elétricos
em seres vivos, principalmente se considerados os equipamentos/eletrodomésticos com baixo nível de
isolamento onde o aterramento através do condutor de proteção antecipa o desligamento do circuito
antes que este seja tocado, também se mostra bastante eficiente contra a possibilidade de curto-circuito e
RECON – BT Março/2013 149
alta impedância (baixo valor de corrente) que gera uma falsa sobrecarga e, em algumas situações,
inclusive o estabelecimento de arco à terra, o que pode ocasionar incêndio na edificação.
4. Estas informações consideram apenas a condição de ampacidade (capacidade de corrente) do cabo
conforme critérios de carregamento da NBR 5410, portanto cabe ao Consumidor, através de seu
responsável técnico, verificar o atendimento também para queda de tensão, curto-circuito e perda
técnica, providenciando as alterações cabíveis se for o caso.
5. Na determinação da seção mínima dos condutores de proteção (ver item 11 desta Regulamentação) o
responsável técnico pela instalação deve considerar a condição de curto-circuito franco entre fase e
terra/(condutor de proteção) e verificar se estão sendo atendidos os limites térmicos do cabo (temperatura
máxima da isolação) em função da corrente de curto e do tempo de atuação da proteção utilizada.
6. O sistema monofásico 230 V (tensão entre fases) é originado de transformador monofásico com
secundário a 3 (três) fios (fase + fase + neutro) e defasamento angular de 180º.
7. Sempre que o ramal de ligação for derivado da rede subterrânea da Light, é necessário acrescentar
uma caixa para seccionamento (CS) antes da caixa de medição (exceto em ligações em via pública).
TABELA 10B
ENTRADA INDIVIDUAL – MEDIÇÃO INDIRETA - DIMENSIONAMENTO DE MATERIAIS (220/127 V)
TENSÃONOMINAL(V)
CATEGORIADEATENDIMENTO
DEMANDADE
ATENDIMENTO“D”
(kVA)
ELETRODUTODORAMALDELIGAÇÃO
e/oudoRAMALDEENTRADA(PVCliso
ouPOLIETILENOcorrugado)(Φemmm)
PROTEÇÃOGERAL
(Ampères–Nºdepolos)
(1)(2)
PADRÃODEMEDIÇÃO
(ligaçãonovaeaumentodecarga)
Condutordoramaldeentrada(fases+
neutro)(mm
2
–Cu–PVC70°C)(3)
P=CONDUTORDEPROTEÇÃO
(mm
2
–Cu–PVC70°C)(4)(5)(6)
220
3Φ
TI1 66,3 < D ≤ 74,6
100
(no mínimo)
225 - 3Φ
CSMouCSMD
4 x (1 x 120) 1 x 70
TI2 74,6 < D ≤ 82,8 250 - 3Φ 4 x (1 x 120) 1 x 70
TI3 82,8 < D ≤ 99,4 300 - 3Φ 4 x (1 x 150) 1 x 95
TI4 99,4 < D ≤ 116 350- 3Φ 4 x (1 x 185) 1 x 95
TI5 116 < D ≤ 132,5 400 - 3Φ 4 x (1 x 240) 1 x 120
TI6 132,5 < D ≤ 165,7 500 - 3Φ 8 x (1 x 150) 1 x 150
TI7 165,7 < D ≤ 198,8 600 - 3Φ 8 x (1 x 240) 1 x 240
TI8 198,8 < D ≤ 231,9 700 - 3Φ 12 x (1 x 185) 2 x 150
TI9 231,9 < D ≤ 265,1 800 - 3Φ 12 x (1 x 240) 3 x 150
TI10 265,1 < D ≤ 300 1000 - 3Φ 16 x (1 x 240) 2 x 240
TI11 300,1 < D ≤ 331,3 1000 - 3Φ 16 x (1 x 240) 2 x 240
TI12 331,3 < D ≤ 397,6 1200 - 3Φ 20 x (1 x 240) 3 x 240
TI13 397,6 < D ≤ 530,1 1600 - 3Φ 28 x (1x 240) 4 x 240
TI14 530,1 < D ≤ 662,7
150
(no mínimo)
2000 - 3Φ 20 x (1 x 500) 3 x 500
TI15 662,7 < D ≤ 828,4 2500 - 3Φ 28 x (1 x 500) 4 x 500
TI16 828,4 < D ≤ 994 3000 - 3Φ 44 x (1 x 500) 6 x 500
150 RECON – BT Março/2013
NOTAS:
1. A capacidade mínima de interrupção de curto-circuito simétrico em “kA” dos disjuntores de proteção
geral, cujos ramais de ligação sejam com cabos até 120 mm
2
, deve ser compatível com os valores
estabelecidos na TABELA 14 desta Regulamentação. Para seções maiores, o nível de curto-circuito será
fornecido pela Light, para cada caso, devendo a capacidade de interrupção do dispositivo de proteção
geral ser compatível com esse valor, e nunca inferior a 60 kA.
2. De acordo com as condições definidas no item 11.2 desta Regulamentação, deve ser utilizada
proteção diferencial (disjuntor DDR, dispositivo IDR ou Dispositivo diferencial acoplado ao disjuntor
geral). O Anexo A desta Regulamentação mostra os detalhes de aplicação.
Este tipo de proteção diferencial, além de diminuir significativamente a possibilidade de choques elétricos
em seres vivos, principalmente se considerados os equipamentos/eletrodomésticos com baixo nível de
isolamento onde o aterramento através do condutor de proteção antecipa o desligamento do circuito
antes que este seja tocado, também se mostra bastante eficiente contra a possibilidade de curto-circuito
de alta impedância (baixo valor de corrente) que gera uma falsa sobrecarga e, em algumas situações,
inclusive o estabelecimento de arco à terra, o que pode ocasionar incêndio na edificação.
3. Estas informações consideram apenas a condição de ampacidade (capacidade de corrente) do cabo
conforme critérios de carregamento da NBR 5410, portanto cabe ao Consumidor, através de seu
responsável técnico, verificar o atendimento também para queda de tensão, curto-circuito e perda
técnica, providenciando as alterações cabíveis se for o caso.
4. Na determinação da seção mínima dos condutores de proteção (ver item 11 desta Regulamentação) o
responsável técnico pela instalação deve considerar a condição de curto-circuito franco entre fase e
terra/(condutor de proteção) e verificar se estão sendo atendidos os limites térmicos do cabo (temperatura
máxima da isolação) em função da corrente de curto e do tempo de atuação da proteção utilizada.
Cuidado especial, também considerando os níveis máximos de curto-circuito da instalação, deve ser dado
para o dimensionamento do(s) condutor(es) que interligam as barras de neutro e a de proteção junto ao
ponto da proteção geral de entrada.
5. Na coluna referente aos condutores de proteção, opcionalmente, dependendo das condições do circuito,
pode ser utilizado a condição mínima de 2 x 240 mm
2
em vez de 4 x 120 mm
2
, e assim outros arranjos
podem ser feitos para atender a condição mínima de metade da seção dos condutores de fase.
6. O condutor de interligação do neutro à malha de terra do Consumidor (barra de neutro junto a proteção
geral de entrada) depende das condições de resistência ohmica da malha, bem como da situação mais
crítica de curto-circuito entre fase e terra (solo ou estrutura metálica enterrada não conectada ao
condutor de proteção). Portanto, cabe ao Consumidor, através do responsável técnico pelas instalações,
verificar essa condição para o dimensionamento da seção do condutor de interligação da barra de neutro
à malha de terra particular, lembrando contudo, que nunca poderá ser inferior ao condutor utilizado na
construção da respectiva malha de terra.
RECON – BT Março/2013 151
TABELA 11
UNIDADES CONSUMIDORAS EM ENTRADA COLETIVA - MEDIÇÃO DIRETA DIMENSIONAMENTO
DE MATERIAIS INDIVIDUAISTENSÃONOMINAL
(V)
CATEGORIADEATENDIMENTO
DEMANDADEATENDIMENTO“D”
(kVA)
PROTEÇÃOGERALINDIVIDUAL
(Ampères–Nºdepolos)(1)(2)
PADRÃODEMEDIÇÃO
(ligaçãonovaeaumentodecarga)
(3)(4)(5)(6)
Condutordoscircuitosdesaída
apósamedição(fases+neutro)
(mm2
–Cu–PVC70°C)(7)
P=CONDUTORDEPROTEÇÃO
(mm2
–Cu–PVC70°C)(8)
127
1Φ
UM1 D ≤ 3,3 30 - 1Φ
Paineldemedição(PMD,PDMDouPSMD)
2 (1 x 6) 1 x 6
UM2 3,3 < D ≤ 4,4 40 - 1Φ 2 (1 x 10) 1 x 10
UM3 4,4 < D ≤ 6,6 60 - 1Φ 2 (1 x 16)
1 x 16
UM4 6,6 < D ≤ 8 70 - 1Φ 2 (1 x 25)
220
3Φ
T1 D ≤ 10 30 - 3Φ 4 (1 x 6) 1 x 6
T2 10 < D ≤ 13,3 40 - 3Φ 4 (1 x 10) 1 x 10
T3 13,3 < D ≤ 19,9 60 - 3Φ 4 (1 x 16)
1 x 16T4 19,9 < D ≤ 23,2 70 - 3Φ 4 (1 x 25)
T5 23,2 < D ≤ 33,1 100 - 3Φ 4 (1 x 35)
T6 33,1 < D ≤ 41,4 125 - 3Φ 4 (1 x 50) 1 x 25
T7 41,4 < D ≤ 49,7 150 - 3Φ 4 (1 x 70) 1 x 35
T8 49,7 < D ≤ 58 175 - 3Φ
4 (1 x 95) 1 x 50
T9 58 < D ≤ 66,3 200 - 3Φ
220
1Φ
UME1 D ≤ 5,7 30 - 1Φ 2 (1 x 6) 1 x 6
UME2 5,7 < D ≤ 7,7 40 - 1Φ 2 (1 x 10) 1 x 10
UME3 7,7 < D ≤ 11,5 60 - 1Φ 2 (1 x 16)
1 x 16
UME4 11,5 < D ≤ 13,4 70 - 1Φ 2 (1 x 25)
380
3Φ
(9)(9)(9)(9)
TE1 D ≤ 17,2 30 - 3Φ 4 (1 x 6) + P 1 x 6
TE2 17,2 < D ≤ 22,9 40 - 3Φ 4 (1 x 10) + P 1 x 10
TE3 22,9 < D ≤ 34,3 60 - 3Φ 4 (1 x 16) + P
1 x 16TE4 34,3 < D ≤ 40,1 70 - 3Φ 4 (1 x 25) + P
TE5 40,1 < D ≤ 57,2 100 - 3Φ 4 (1 x 35) + P
TE6 57,2 < D ≤ 71,5 125 - 3Φ 4 (1 x 50) + P 1 x 25
TE7 71,5 < D ≤ 85,8 150 - 3Φ 4 (1 x 70) + P 1 x 35
TE8 85,8 < D ≤ 100,2 175 - 3Φ
4 (1 x 95) + P 1 x 50
TE9 100,2 < D ≤ 114,5 200 - 3Φ
NOTAS:
1. A capacidade mínima de interrupção de curto-circuito simétrico em “kA” dos disjuntores de proteção
geral, cujos ramais de ligação sejam com cabos até 120 mm
2
, deve ser compatível com os valores
estabelecidos na TABELA 14 desta Regulamentação.
152 RECON – BT Março/2013
2. De acordo com as condições definidas no item 11.8 desta Regulamentação, deve ser utilizada
proteção diferencial (disjuntor DDR, dispositivo IDR ou Dispositivo diferencial acoplado ao disjuntor
geral). O Anexo A desta Regulamentação mostra os detalhes de aplicação.
Este tipo de proteção diferencial, além de diminuir significativamente a possibilidade de choques elétricos
em seres vivos, principalmente se considerados os equipamentos/eletrodomésticos com baixo nível de
isolamento onde o aterramento através do condutor de proteção antecipa o desligamento do circuito
antes que este seja tocado, também se mostra bastante eficiente contra a possibilidade de curto-circuito
de alta impedância (baixo valor de corrente) que gera uma falsa sobrecarga e, em algumas situações,
inclusive o estabelecimento de arco à terra, o que pode ocasionar incêndio na edificação.
3. Para a medição de serviço da edificação, pode ser utilizado o ambiente do painel de medição
(exclusivamente em painel PDMD com derivação a montante de proteção geral) quando a carga
demandada de serviço implicar em corrente até 200 A. Nesse caso, deve ser observado que o limite total
da carga (demanda de serviço + demanda diversificada das unidades consumidoras) não implique em
ultrapassagem do limite técnico do painel de medição.
4. Arranjos que contemplem a proteção geral de entrada instalada de forma independente em CPG, onde
a medição e a proteção de serviço devem ser derivadas à montante da CPG, As figuras a seguir
(ESQUEMA DE LIGAÇÃO 1 e ESQUEMA DE LIGAÇÃO 2) mostram os detalhes de ligação.
5. Especificamente para as edificações atendidas pelo regime coletivo, mas que contemplem em seu
conjunto de atendimento, várias unidades consumidoras com demandas individuais superiores a
66,3 kVA na classe de tensão 220/127 V ou 114,5 kVA na classe 380/220 V, caracterizando um
atendimento coletivo para unidades consumidoras com medição indireta, deve ser adotado o arranjo
de alimentação dessas unidades consumidoras a partir de painéis de proteção geral parcial (PPGP),
com cada proteção geral parcial calculada para a demanda de cada agrupamento (conjunto) desses
consumidores, onde essa proteção geral parcial deve alimentar o barramento principal de uma caixa de
distribuição especial, da qual devem ser derivados individualmente cada unidade consumidora com
medição indireta, que deve utilizar uma caixa CSM+CPG ou CSMD como padrão.
6. Para a escolha das condições dimensionais do painel (PMD, PSMD ou PDMD) deve ser considerada a
demanda máxima diversificada em função do nº de medidores, inicialmente desejados por painel, que
naturalmente vai depender das características individuais das unidades consumidoras.
As Figuras 18, 19 e 20 com suas variações, contidas nesta Regulamentação, mostram as dimensões
previstas para cada configuração possível.
7. Estas informações consideram apenas a condição de ampacidade (capacidade de corrente) do cabo
conforme critérios de carregamento da NBR 5410, portanto cabe ao Consumidor, através de seu
responsável técnico, verificar o atendimento também para queda de tensão, curto-circuito e perda
técnica, providenciando as alterações cabíveis se for o caso.
8. A interligação da barra de neutro com a barra de proteção só deve ocorrer no primeiro ponto de
proteção, ou seja, junto a proteção geral coletiva. Nos demais pontos de proteção (caso do painel de
medição coletiva, quadros de proteção internos às unidades consumidora, nos apartamentos, nas salas,
nas lojas etc.) a interligação entre as barras de neutro e de proteção não deve ocorrer, sendo este o
expediente necessário para que se possa sempre obter, em caso de falha de um disjuntor com proteção
diferencial, que o disjuntor imediatamente a montante desse disjuntor que falhou, também com
proteção diferencial, possa realmente operar e de forma seletiva (ver arranjos sugestivos para dispositivo
diferencial no Anexo A desta Regulamentação).
RECON – BT Março/2013 153
9. De acordo com as condições definidas no item 11.8 desta Regulamentação, é obrigatória a utilização de
proteção diferencial-residual (disjuntor DDR, dispositivo IDR ou Dispositivo diferencial acoplado ao
disjuntor geral) nas categorias de atendimento com 380/220 V. O Anexo A desta Regulamentação
mostra os detalhes de aplicação.
Obs,: Conforme já explicado, as barras de neutro e de proteção NÃO devem ser interligadas nos pontos de
proteção a jusante (após) a proteção geral de entrada, contudo, a barra de proteção, se houver disponibilidade
na edificação, pode ser aterrada em outras malhas de terra existentes, ou seja, a barra de proteção pode ser
multiaterrada sem problemas para a seletividade da proteção diferencial.
154 RECON – BT Março/2013
TABELA 11B – ESQUEMA DE LIGAÇÃO 2
UNIDADES CONSUMIDORAS EM ENTRADAS COLETIVAS “ANTIGAS” - MEDIÇÃO DIRETA
DIMENSIONAMENTO DE MATERIAS INDIVIDUAIS
TENSÃONOMINAL(V)
CATEGORIADEATENDIMENTO
DEMANDADE
ATENDIMENTO“D”(kVA)
EletrodutoentreaCDeamedição
PVClisoouaçocorrugado
(ΦΦΦΦempolegadas)
PROTEÇÃOGERALINDIVIDUAL
(Ampères–Nºdepolos)(1)(2)
PADRÃODELIGAÇÃO
Condutordoscircuitosdesaídaapós
amedição(fases+neutro)
(mm2
–Cu–PVC70°C)(3)
127
1Φ
UM1 D ≤ 3,3
1”
30 - 1Φ
CM1
+
CDJ 1
3 (1 x 6)
UM2 3,3 < D ≤ 4,4 40 - 1Φ 3 (1 x 10)
UM3 4,4 < D ≤ 6,6 60 - 1Φ 3 (1 x 16)
UM4 6,6 < D ≤ 8 70 - 1Φ 3 (1 x 25)
220
3Φ
T1 D ≤ 10
1 ½”
30 - 3Φ
CM3
+
CDJ 3
4 (1 x 6)
T2 10 < D ≤ 13,3 40 - 3Φ 4 (1 x 10)
T3 13,3 < D ≤ 19,9 60 - 3Φ 4 (1 x 16)
T4 19,9 < D ≤ 23,2 70 - 3Φ 4 (1 x 25)
T5 23,2 < D ≤ 33,1 2” 100 - 3Φ
CM 200 +CPG200
4 (1 x 35)
T6 33,1 < D ≤ 41,4
3”
125 - 3Φ 4 (1 x 50)
T7 41,4 < D ≤ 49,7 150 - 3Φ 4 (1 x 70)
T8 49,7 < D ≤ 58
4”
175 - 3Φ 4 (1 x 95)
T9 58 < D ≤ 66,3 200 - 3Φ 4 (1 x 95)
220
1Φ
UME1 D ≤ 5,7
1”
30 - 1Φ
CM1
+
CDJ 1
3 (1 x 6)
UME2 5,7 < D ≤ 7,7 40 - 1Φ 3 (1 x 10)
UME3 7,7 < D ≤ 11,5 60 - 1Φ 3 (1 x 16)
UME4 11,5 < D ≤ 13,4 70 - 1Φ 3 (1 x 25)
380
3Φ
(5)(5)(5)(5)
TE1 D ≤ 17,2
1 ½”
30 - 3Φ
CM3
+
CDJ 3
4 (1 x 6) + P
TE2 17,2 < D ≤ 22,9 40 - 3Φ 4 (1 x 10) + P
TE3 22,9 < D ≤ 34,3 60 - 3Φ 4 (1 x 16) + P
TE4 34,3 < D ≤ 40,1 70 - 3Φ 4 (1 x 25) + P
TE5 40,1 < D ≤ 57,2 2” 100 - 3Φ 4 (1 x 25) + P
TE6 57,2 < D ≤ 71,5
3”
125 - 3Φ
CM 200 +CPG200
4 (1 x 35) + P
TE7 71,5 < D ≤ 85,8 150 - 3Φ 4 (1 x 50) + P
TE8 85,8 < D ≤ 100,2
4”
175 - 3Φ
4 (1 x 70) + P
TE9 100,2 < D ≤ 114,5 200 - 3Φ
NOTAS:
1. A capacidade mínima de interrupção de curto-circuito simétrico em “kA” dos disjuntores de proteção
geral, cujos ramais de ligação sejam com cabos até 120 mm
2
, deve ser compatível com os valores
estabelecidos na TABELA 14 desta Regulamentação.
RECON – BT Março/2013 155
2. De acordo com as condições definidas no item 11.8 desta Regulamentação, deve ser utilizada proteção
diferencial (disjuntor DDR, dispositivo IDR ou Dispositivo diferencial acoplado ao disjuntor geral). O
Anexo A desta Regulamentação mostra os detalhes de aplicação.
Este tipo de proteção diferencial, além de diminuir significativamente a possibilidade de choques elétricos
em seres vivos, principalmente se considerados os equipamentos/ eletrodomésticos com baixo nível de
isolamento onde o aterramento através do condutor de proteção antecipa o desligamento do circuito
antes que este seja tocado, também se mostra bastante eficiente contra a possibilidade de curto-circuito
de alta impedância (baixo valor de corrente) que gera uma falsa sobrecarga e, em algumas situações,
inclusive o estabelecimento de arco à terra, o que pode ocasionar incêndio na edificação.
3. Estas informações consideram apenas a condição de ampacidade (capacidade de corrente) do cabo
conforme critérios de carregamento da NBR 5410, portanto cabe ao Consumidor, através de seu
responsável técnico, verificar o atendimento também para queda de tensão, curto-circuito e perda
técnica, providenciando as alterações cabíveis se for o caso.
Os condutores que se referem aos circuitos de saída após a medição/proteção geral, os respectivos
disjuntores de proteção geral, os materiais e caixas destinadas ao padrão de medição, incluindo
eletrodutos, acessórios etc. são fornecidos e instalados pelo Consumidor.
4. A interligação da barra de neutro com a barra de proteção só deve ocorrer no primeiro ponto de
proteção, ou seja, junto a proteção geral coletiva. Nos demais pontos de proteção (caso do painel de
medição coletiva, quadros de proteção internos às unidades consumidora, nos apartamentos, nas salas,
nas lojas etc.) a interligação entre as barras de neutro e de proteção não deve ocorrer, sendo este o
expediente necessário para que se possa sempre obter, em caso de falha de um disjuntor com proteção
diferencial, que o disjuntor imediatamente a montante desse disjuntor que falhou, também com
proteção diferencial, possa realmente operar e de forma seletiva (ver arranjos sugestivos para dispositivo
diferencial no Anexo B desta Regulamentação).
5. De acordo com as condições definidas no item 11 desta Regulamentação, é obrigatória a utilização de
proteção diferencial (disjuntor DDR, dispositivo IDR ou Dispositivo diferencial acoplado ao disjuntor geral)
nas categorias de atendimento com 380/220V. O Anexo B desta Regulamentação mostra os detalhes
de aplicação.
TABELA 12 – DIMENSIONAMENTO DAS ANCORAGENS DOS RAMAIS DE LIGAÇÃO
Tipo de atendimento
Vão máximo para instalação do ramal de ligação, em metros
Esforço na ancoragem em daN,
para um ramal de 30 metros
(Ver Nota 3)
Carga nominal do poste de 6 metros (rede do mesmo lado) ou
7 metros (rede do lado oposto), em daN
100
daN
150
daN
300
daN
400
daN
600 daN 800 daN Pontalete Fachada
Monofásico
D ≤ 8kVA
30m 100 daN 100 daN
Trifásico
D ≤ 13,3kVA
30m 100 daN 100 daN
Trifásico
13,3kVA < D ≤ 33,1kVA
30m 100 daN 100 daN
Trifásico
33,1kVA < D ≤ 58kVA
30m 130 daN
Trifásico
58 kVA < D ≤ 82,8kVA
30m 130 daN
Trifásico
82,8kVA < D ≤ 132,5kVA
15m 30m 346 daN
Trifásico
132,5kVA < D ≤ 300kVA
15 m 30 m 692 daN
156 RECON – BT Março/2013
NOTAS:
1. Os comprimentos acima, somente são aplicáveis, quando atendidas as alturas mínimas dos condutores
ao solo (ver item 19.1.3) na condição de flecha máxima e a compatibilidade com as limitações de
resistência mecânica das estruturas de ancoramento do ramal de ligação;
2. Para propriedades com mais de uma unidade consumidora atendidas através de padrões de entrada individuais
(ver item 4.1.1), o limite de ramais individuais fixados no mesmo ponto de ancoramento, sendo o mesmo um
pontalete ou um poste de 100 daN, é de até 2 (dois) ramais monofásicos ou 1 (um) trifásico.
Para a ligação de 4 (quatro) ramais monofásicos ou 2 (dois) trifásicos deve-se utilizar um poste de 200 daN.
3. Nos ancoramentos em pontalete e diretamente na fachada, os esforços a serem considerados nos
dimensionamentos dos pontos de fixação, são os constantes na tabela, considerando-se a correta fixação
(concretagem) do dispositivo de ancoramento. Esta fixação deve ser devidamente dimensionada por responsável
técnico legalmente habilitado;
4. Sempre que a fachada da edificação estiver situada no limite de propriedade com a via pública, o
ancoramento dos condutores do ramal de ligação, desde que as condições físicas permitam, deve ser
feito em dispositivo chumbado diretamente na fachada. Nesse caso deve ser empregado parafuso M16
ou parafuso chumbador, com porca olhal;
5. Alternativamente, pode ser empregada armação vertical com 1 (um) isolador, fixada por parafusos
chumbados na fachada;
6. O pontalete deve ser empregado quando, estando a fachada da edificação situada no alinhamento do
limite de propriedade com a via pública, não for possível atender a altura mínima de segurança dos
condutores ao solo através do ancoramento diretamente na fachada;
O poste deve ser empregado quando:
Não for possível, com o ancoramento do ramal diretamente na fachada ou em pontalete, garantir a
altura mínima de segurança dos condutores ao solo, ou necessário desviar os condutores do ramal do
terreno de terceiros. Neste caso o poste deve ser instalado junto a fachada da edificação, no limite de
propriedade com a via pública.
A edificação estiver recuada em relação ao limite de propriedade com a via pública, devendo neste caso
o poste ser instalado junto ao muro ou cerca, no limite de propriedade com a via pública.
7. Somente devem ser empregados postes, pontaletes e estruturas para ancoramento de fabricantes
validados tecnicamente pela LIGHT;
8. Outras alternativas para ancoramento de Ramal de Ligação que não as padronizadas nesta
Regulamentação, devem ser apresentadas à LIGHT para análise, acompanhadas de memorial de cálculos
e justificativa técnica elaborados por responsável técnico legalmente habilitado, bem como pelo
documento ART devidamente quitado junto ao CREA-RJ.
TABELA 13 - SEÇÃO MÍNIMA DO CONDUTOR DE PROTEÇÃO
SEÇÃO “S” DOS CONDUTORES FASE DA INSTALAÇÃO (mm2
) SEÇÃO MÍNIMA DO CONDUTOR DE PROTEÇÃO (mm2
)
S ≤ 16 S
16 < S ≤ 35 16
S > 35 0,5 x S
Nota: A seção não deve ser inferior ao valor determinado pela expressão seguinte (aplicável apenas para tempos
de atuação da proteção até 5 segundos).
RECON – BT Março/2013 157
I
2
. t
S =
k
Onde:
S = Seção do condutor, em mm
2
;
I = Valor eficaz (CA) da corrente máxima de falta (curto-circuito), em ampères;
t = Tempo de atuação da proteção, em segundos;
k = Fator que depende do material do condutor de proteção, de sua isolação e outras partes e das
temperaturas inicial e final.
A seguir são apresentados valores típicos de “ k “ para cabos na classe de tensão 0,6/1 kV com
condutor de cobre isolado, tanto em PVC, quanto em XLPE ou EPR.
MATERIAL DO
CONDUTOR
Fator “k“
MATERIAL DA ISOLAÇÃO
PVC XLPE ou EPR
Cobre 114 142
NOTAS:
1) A temperatura inicial considerada para o condutor isolado com PVC antes da falta é de 70 ºC;
2) A temperatura máxima final admissível para o condutor isolado com PVC é 160 ºC;
3) A temperatura inicial considerada para o condutor isolado com XLPE ou EPR antes da falta é de 90 ºC;
4) A temperatura máxima final admissível para o condutor isolado com XLPE ou EPR é 250 ºC;
5) A temperatura ambiente considerada é 30ºC.
TABELA 14 - CAPACIDADE MÍNIMA DE INTERRUPÇÃO SIMÉTRICA DOS DISPOSITIVOS DE PROTEÇÃO
GERAL DE ENTRADA
CONDUTOR DO
RAMAL DE
ENTRADA
(Cu - mm
2
)
(1)
SISTEMA DE FORNECIMENTO EM BAIXA TENSÃO
(com lance de circuito de 15 metros)
AÉREO SUBTERRÂNEO
RADIAL RADIAL RETICULADO RETICULADO DEDICADO
6
5 kA
15 kA 15 kA
(2)
10
25
10 kA
35
50
15 kA 25 kA 25 kA
70
95
20 kA
30 kA 40 kA
120
2 x 70 40 kA
50 kA
2 x 95 50 kA
Maiores bitolas 25 kA (2) (3)
158 RECON – BT Março/2013
NOTAS:
1. Valores relativos a 1 conjunto de cabos, salvo quando indicado.
2. Os valores de curto-circuito serão fornecidos pela Light para cada caso, devendo as capacidades de
interrupção dos dispositivos de proteção geral serem compatíveis com o maior dos valores de curto-circuito
disponíveis nos respectivos pontos de instalação.
3. O nível de curto-circuito será fornecido pela Light, para cada caso, devendo a capacidade de interrupção do
dispositivo de proteção geral ser compatível com esse valor, e nunca inferior a 60 kA.
4. Havendo previsão para conversão do sistema de fornecimento existente (AÉREO para SUBTERRÂNEO ou
SUBTERRÂNEO RADIAL para RETICULADO), os dispositivos de proteção deverão ser dimensionados para a
futura situação,
5. Dependendo da capacidade de interrupção do dispositivo de proteção geral, mesmo nas pequenas ligações,
poderá vir a ser inviabilizada sua instalação em caixa para disjuntor CPG padronizada.
Nesses casos, o disjuntor deve ser instalado em caixa especialmente construída, em material polimérico ou
metálico protegido contra corrosão, para abrigar o dispositivo de proteção geral, com dimensões compatíveis
e possibilitando a instalação de selo e demais dispositivos de segurança.
6. Todos os valores dessa tabela estão referidos a 220 V.
TABELA 15 - CORRENTE MÁXIMA ADMISSÍVEL EM CONDUTORES DE COBRE (Ampère)
SEÇÃO
(Cu -mm
2
)
PVC EPR – XLPE
Temperatura do condutor 70ºC
Temperatura ambiente 30ºC
Temperatura do condutor 90ºC
Temperatura ambiente 30ºC
Temperatura do solo 20ºC
AO AR
LIVRE
2 ou 3
CONDUTORES
EM ELETRODUTO
NA PAREDE
3 CABOS
SINGELOS EM
TRIFÓLIO NO DUTO
6 51 36 46
10 71 50 61
16 97 68 79
25 130 89 101
35 162 110 122
50 197 134 144
70 254 171 178
95 311 207 211
120 362 239 240
150 419 275 271
185 480 314 304
240 569 370 351
300 659 426 396
NOTAS:
1. As seções dos condutores estão referidas apenas pelo critério de ampacidade para orientar a escolha e o
primeiro passo no dimensionamento. Portanto, devem ser observados rigorosamente pelo responsável
técnico, os limites de queda de tensão e perda técnica, a suportabilidade às correntes de curta duração (curto-
circuito) e a adequação ao tipo de instalação, estabelecidos pela NBR - 5410 da ABNT e normas técnicas
RECON – BT Março/2013 159
específicas de condutores, compatíveis com as características do circuito; condições que podem justificar a
modificação no dimensionamento apresentado nas referidas tabelas.
2. As características dos condutores devem estar em conformidade com o estabelecido na NBR – 5410, para
cada tipo de instalação, em especial, quanto à condição antichama e não propagante de fumaça tóxica.
TABELA 16 - LIMITE DE CONDUÇÃO DE CORRENTE PARA BARRAS DE COBRE DE SEÇÃO RETANGULAR
Largura x Espessura
(mm )
NÚMERO DE BARRA DO FEIXE
1 2 3 4
CORRENTE MÁXIMA ADMISSÍVEL – AMPÈRE
12 X 2 110 200 - -
15 x 2 140 240 - -
15 x 3 170 300 - -
20 x 2 185 315 - -
20 x 3 220 380 - -
20 x 5 295 500 - -
25 x 3 270 460 - -
25 x 5 350 600 - -
30 x 3 315 540 - -
30 x 5 400 700 - -
40 x 3 420 710 - -
40 x 5 520 900 - -
40 x 10 760 1350 1850 2500
50 x 5 630 1100 1650 2100
50 x 10 820 1600 2250 3000
60 x 5 760 1250 1760 2400
60 x 10 1060 1900 2600 3500
80 x 5 970 1700 2300 3000
80 x 10 1380 2300 3100 4200
100 x 5 1200 2050 2850 3500
100 x 10 1700 2800 3650 5000
120 x 10 2000 3100 4100 5700
160 x 10 2500 3900 5300 7300
200 x 10 3000 4750 6350 8800
NOTAS:
1. Nesta tabela foram consideradas:
- Temperatura ambiente – 35° C’
- Temperatura do barramento – 65° C’
2. As barras do feixe devem conservar entre si espaçamento igual ou maior que sua espessura, exceto no feixe de
4 (quatro) barras onde o espaçamento entre a segunda e a terceira barras deve ser de 50 mm.
160 RECON – BT Março/2013
3. O afastamento mínimo entre barras de diferentes fases e entres estas e estruturas de montagens deve ser tal
que, quando da ocorrência de flechas máximas provenientes dos esforços eletrodinâmicos, esses valores não
sejam inferiores a 60 mm para tensões até 300V e 100 mm para tensões superiores.
4. Para dimensionamento de barras destinadas à instalação de transformadores de corrente ver TABELA 16.
5. Para barramentos com a maior dimensão (largura) na posição horizontal ou para barramentos verticais com
mais de 2 (dois) metros, devem ser aplicados os fatores de correção da tabela abaixo.
TABELA 17 - FATORES DE CORREÇÃO PARA BARRAMENTOS HORIZONTAIS OU VERTICAIS COM
MAIS DE 2 (DOIS) METROS
N,º de barras do feixe
(por fase)
Largura das barras (mm) Fator de correção
2 50 até 200
0,80
3
50 até 80
100 até 120 0,75
160 até 200 0,70
4
50 até 80 0,80
100 até 120 0,75
160 0,70
200 0,65
TABELA 18 - ENTRADAS COLETIVAS – DIMENSIONAMENTO DE MATERIAIS - Circuitos trifásicos em
condutores unipolares de cobre, isolação PVC 70°C anti-chama - TENSÃO 220/127 V
Faixa da
Demanda de
atendimento
"D" (kVA)
Proteção
Geral (A)
Circuito em eletroduto de PVC
sobreposto eletroduto embutido em
alvenaria ou eletrocalha
(n° circuitos x seção mm2)
Circuito em
bandeja perfurada
(método F - NBR 5410)
(n° circuitos x seção mm2)
D<= 23,2 70 1 x 25 1 x 16
23,2 33,1 100 1 x 35 1 x 25
33,1 41,4 125 1 x 50 1 x 35
41,4 49,7 150 1 x 70 1 x 50
49,7 58 175 1 x 95 1 x 50
58 66,3 200 1 x 95 1 x 50
66,3 74,6 225 1 x 120 1 x 70
74,6 82,8 250 1 x 120 1 x 70
82,8 99,4 300 1 x 150 1 x 95
99,4 116 350 1 x 185 1 x 120
116 132,5 400 1 x 240 1 x 150
132,5 165,7 500 2 x 150 1 x 240
165,7 198,8 600 2 x 240 2 x 120
198,8 231,9 700 3 x 185 2 x 150
231,9 265,1 800 3 x 240 2 x 185
265,1 331,3 1000 4 x 240 3 x 150
331,3 397,6 1200 5 x 240 3 x 185
397,6 530,1 1600 7 x 240 4 x 240
530,1 662,7 2000 5 x 500 5 x 240
662,7 828,4 2500 7 x 500 6 x 240
828,4 994 3000 11 x 500 8 x 240
RECON – BT Março/2013 161
TABELA 19 - ENTRADAS COLETIVAS – DIMENSIONAMENTO DE MATERIAIS - Circuitos trifásicos em
condutores unipolares de cobre, isolação PVC 70°C anti-chama - TENSÃO 380/220 V
TABELA 20 - ENTRADAS COLETIVAS – DIMENSIONAMENTO DE MATERIAIS - Circuitos trifásicos em
condutores unipolares de cobre, isolação EPR ou XLPE 90°C - TENSÃO 220/127 V
Faixa da
Demanda de
atendimento
"D" (kVA)
Proteção
Geral (A)
Circuito em eletroduto de PVC
sobreposto eletroduto embutido em
alvenaria ou eletrocalha
(n° circuitos x seção mm2)
Circuito em
bandeja perfurada
(método F - NBR 5410)
(n° circuitos x seção mm2)
D<= 23,2 70 1 x 16
Não se aplica
23,2 33,1 100 1 x 16
33,1 41,4 125 1 x 25
41,4 49,7 150 1 x 35
49,7 58 175 1 x 50
58 66,3 200 1 x 70
66,3 74,6 225 1 x 70
74,6 82,8 250 1 x 70
82,8 99,4 300 1 x 95
99,4 116 350 1 x 120
116 132,5 400 1 x 150
132,5 165,7 500 1 x 240
165,7 198,8 600 2 x 150
198,8 231,9 700 2 x 185
231,9 265,1 800 2 x 240
265,1 331,3 1000 4 x 150
331,3 397,6 1200 4 x 185
397,6 530,1 1600 6 x 185
530,1 662,7 2000 7 x 240
662,7 828,4 2500 11 x 185
828,4 994 3000 12 x 240
Faixa da
Demanda de
atendimento
"D" (kVA)
Proteção
Geral (A)
Circuito em eletroduto de PVC
sobreposto eletroduto embutido em
alvenaria ou eletrocalha
(n° circuitos x seção mm2)
Circuito em
bandeja perfurada
(método F - NBR 5410)
(n° circuitos x seção mm2)
D<= 57,2 100 1 x 25 1 x 16
57,2 71,5 125 1 x 35 1 x 25
71,5 85,8 150 1 x 50 1 x 35
85,8 100,2 175 1 x 70 1 x 50
100,2 114,5 200 1 x 70 1 x 50
114,5 128,8 225 1 x 95 1 x 70
128,8 143,1 250 1 x 120 1 x 70
143,1 171,7 300 1 x 150 1 x 95
171,7 200,3 350 1 x 185 1 x 120
200,3 228,9 400 1 x 240 1 x 150
228,9 286,2 500 2 x 150 1 x 240
286,2 343,4 600 2 x 240 2 x 120
343,4 400,6 700 3 x 185 2 x 150
400,6 457,9 800 3 x 240 2 x 185
457,9 572,3 1000 4 x 240 2 x 240
572,3 686,8 1200 5 x 240 3 x 185
686,8 915,7 1600 7 x 240 4 x 240
915,7 1144,7 2000 5 x 500 5 x 240
1144,7 1430,8 2500 7 x 500 6 x 240
1430,8 1717,0 3000 9 x 500 8 x 240
162 RECON – BT Março/2013
TABELA 21 - ENTRADAS COLETIVAS – DIMENSIONAMENTO DE MATERIAIS - Circuitos trifásicos em
condutores unipolares de cobre, isolação EPR ou XLPE 90°C - TENSÃO 380/220 V
Faixa da
Demanda de
atendimento
"D" (kVA)
Proteção
Geral (A)
Circuito em eletroduto de PVC
sobreposto eletroduto embutido em
alvenaria ou eletrocalha
(n° circuitos x seção mm2)
Circuito em
bandeja perfurada
(método F - NBR 5410)
(n° circuitos x seção mm2)
D<= 57,2 100 1 x 16
Não se aplica
57,2 71,5 125 1 x 25
71,5 85,8 150 1 x 35
85,8 100,2 175 1 x 50
100,2 114,5 200 1 x 50
114,5 128,8 225 1 x 70
128,8 143,1 250 1 x 70
143,1 171,7 300 1 x 95
171,7 200,3 350 1 x 120
200,3 228,9 400 1 x 150
228,9 286,2 500 1 x 240
286,2 343,4 600 2 x 150
343,4 400,6 700 2 x 185
400,6 457,9 800 2 x 240
457,9 572,3 1000 3 x 240
572,3 686,8 1200 4 x 240
686,8 915,7 1600 5 x 240
915,7 1144,7 2000 7 x 240
1144,7 1430,8 2500 5 x 500
1430,8 1717,0 3000 7 x 500
NOTAS:
1. A quantidade de circuitos e seções dos condutores acima são orientativas e levam em conta apenas o critério
de capacidade de condução de corrente sendo o primeiro passo no dimensionamento. Portanto, devem ser
observados rigorosamente pelo responsável técnico, os limites de queda de tensão e perda técnica, a
suportabilidade às correntes de curta duração (curto-circuito) e a adequação ao tipo de instalação,
estabelecidos pela NBR - 5410 da ABNT e normas técnicas específicas de condutores, compatíveis com as
características do circuito; condições que podem justificar a modificação no dimensionamento apresentado
nas referidas tabelas.
Deve ser considerado também o aquecimento dos condutores sob regime de operação permanente que deve
ser compatível com os materiais e condições do ambiente em que se encontram.
2. As características dos condutores devem estar em conformidade com o estabelecido na NBR – 5410, para cada
tipo de instalação, em especial, quanto à condição antichama e não propagante de fumaça tóxica.
RECON – BT Março/2013 163
ANEXO A - ARRANJOS SUGESTIVOS PARA O DISPOSITIVO DIFERENCIAL-RESIDUAL
Opcionalmente, quando não for possível que o TC do dispositivo diferencial envolva todos os cabos do
circuito de alimentação do ramal de ligação, o que deve ocorrer com os Consumidores atendidos com
mais de um cabo por fase, pode ser utilizado o arranjo da Figura “B” a seguir, disponibilizando o
referido TC no próprio condutor de proteção.
O dispositivo diferencial integrado ao disjuntor geral termomagnético deve ter
o relé de corrente (Rc) com possibilidade de ajuste para valores acima da
corrente total diversificada de fuga da instalação.
O disjuntor termomagnético em questão deve possuir uma bobina de abertura
(BA), a fim de permitir que se instale o disparo do dispositivo diferencial.
Porém o rearme deve ser manual, ou seja, mecânico por meio de alavanca.
O barramento de proteção e o barramento de neutro estão contidos na Caixa
de Seccionamento Medição e Proteção - CSMD indicada para a demanda
solicitada.
Somente junto a proteção geral de entrada é que as barras de neutro e de
proteção podem e devem ser interligadas. Nas caixas a jusante da CSMD,
seja no QGBT ou mesmo nos quadros internos de distribuição, as barras de
neutro e de proteção não podem ser interligadas. Essa condição de não
interligação permite que possa ocorrer o desarme do disjuntor imediatamente
a montante, de forma seletiva, daquele disjuntor que possa ter falhado.
Entretanto no local de interligação o condutor ou condutores que farão a
interligação entre as barras deve(m) ser dimensionado(s) considerando a
condição mais crítica de curto-circuito entre fase e condutor de proteção. Em
algumas situações pode ser necessário que a interligação seja feita até mesmo
pelo mesmo conjunto de barras do respectivo barramento
Figura “A”
OBS.: Também nesse arranjo, somente junto a proteção geral de entrada é
que as barras de neutro e de proteção podem e devem ser interligadas.
O arranjo dessa Figura “B”, bem como o arranjo da Figura “A”, podem ser
praticados tanto nas proteções gerais de entrada dos Consumidores
individuais com medição indireta, como também nas proteções gerais das
entradas coletivas onde as proteções gerais individuais de cada Consumidor
também devem disponibilizar proteções diferenciais, todavia nessas proteções,
principalmente, por possuírem seus disjuntores com valores menores de
corrente (nominal e de curto-circuito), podem ser utilizados, tanto o disjuntor
DDR que dispensa o disjuntor termomagnético, ou então o dispositivo IDR
que deve ser associados em série com o disjuntor termomagnético.
Cabe observar que a proteção diferencial objetiva a corrente de fuga,
entretanto pode também enxergar uma corrente de curto-circuito franco entre
fase e condutor de proteção, nesse caso, mesmo que curto ocorra na fase que
alimenta o relé de corrente impedindo a sua atuação pela queda de tensão, o
curto-circuito será interrompido pela condição termomagnética (magnética).
Figura “B”
164 RECON – BT Março/2013
A seguir a demonstração de um arranjo trifilar simplificado mostrado na Figura “C”, a fim de permitir
observar o motivo pelo qual não se deve interligar as barras de neutro e de proteção nas caixas de
distribuição, nas caixas de medição e respectivas proteções que estejam a jusante (após) a proteção
geral de entrada da edificação, ou seja, somente junto a proteção geral de entrada é que se deve
interligar as barras de neutro e de proteção.
Portanto, equipamentos como aparelhos de ar condicionado, geladeiras, máquinas de lavar roupas,
fogões etc., que já possuem, em sua maioria, tomadas de três pinos nos casos de equipamentos
monofásicos e tomadas de quatro pinos nos casos de equipamentos trifásicos, só podem ser aterrados
no condutor de proteção.
NOTA: Cuidados especiais devem ser tomados com alguns equipamentos microprocessados como computadores,
sistemas de comandos de elevadores através de controladores lógicos programáveis (CLP’s) etc. que não admitem
valores elevados de potencial entre neutro e terra (condutor de proteção), em alguns casos sendo necessários
valores menores que 1,5 V. Devem ser observadas as correntes elevadas de neutro, seja por desequilíbrio de carga
em circuitos trifásicos, por cargas monofásicas de grande porte, ou ainda em função de níveis elevados de
“harmônicos” principalmente de terceira ordem, com agravo para os circuitos longos, a fim de se evitar
diferenças de potencial (R x I) acima dos limites aceitáveis em função de cada equipamento sensível a essa
condição, bem como utilizar de opções de circuitos a três fios (fase + neutro + terra/proteção) e a quatro fios (3
fases + terra/proteção), com base no estabelecido na NBR 5410.
Independentemente do arranjo ideal que permita evitar valores de potencial entre neutro e
terra/proteção acima dos permitidos aos referidos equipamentos, deve ser disponibilizada proteção
através de relés ajustados adequadamente e que promovam o imediato desligamento do equipamento
em questão através de contatoras e/ou disjuntores especiais associados a esses relés.
Na escolha do dispositivo diferencial, o Consumidor ou seu responsável técnico deve ter o cuidado em
avaliar as curvas “tempo x corrente” dos disjuntores de proteção, tanto para os disjuntores
termomagnéticos, quanto para os disjuntores diferenciais DDR, dispositivo IDR ou dispositivo
diferencial acoplado ao disjuntor geral. Essa avaliação é fundamental para que sempre ocorra
seletividade e coordenação entre as diversas proteções ao longo do circuito, já que é bastante comum
que disjuntores maiores (bipolares e tripolares) sejam mais rápidos que disjuntores monopolares
quando da ocorrência de curto-circuito, o que geralmente não ocorre para a condição de sobrecarga.
Principalmente quando da opção pela utilização do dispositivo tipo IDR, que funciona em série com o
disjuntor termomagnético, torna-se fundamental a citada avaliação até porque os IDR’s não possuem
capacidade de interrupção de curto-circuito, logo é importante que esses IDR’s só operem para a
condição de fuga e que nos casos de curto-circuito sejam mais lentos que os disjuntores
termomagnéticos, sob pena de serem completamente danificados durante uma ocorrência de curto-
circuito franco entre fase e condutor de proteção.
Apenas como esclarecimento, deve-se lembrar que os dispositivos diferenciais não protegem pessoas
se estas forem submetidas a potenciais entre fases ou entre fase e neutro, principalmente se estiverem
bem isoladas da referência de terra. Entretanto, diminui significativamente a possibilidade de choques
elétricos, principalmente se considerados os equipamentos/eletrodomésticos com baixo nível de
isolamento (ou perda de isolamento ao longo de sua vida útil), onde o aterramento através do
RECON – BT Março/2013 165
Figura “C”
condutor de proteção antecipa o desligamento do circuito antes que este seja tocado; lembrando
ainda que também se mostra bastante eficiente contra a possibilidade de curto-circuito de alta
impedância (baixo valor de corrente) que gera uma falsa sobrecarga e, em algumas situações, inclusive
o estabelecimento de arco à terra, o que pode ocasionar incêndio na edificação.
NOTA: Opcionalmente a proteção com disjuntor DDR, que além de enxergar as correntes de fuga, possui ainda a
capacidade de interrupção em regime de curto-circuito e sobrecarga, pode ser feita por disjuntor termomagnético
associado ao dispositivo IDR que somente enxerga as correntes de fuga, ou seja, além de não disponibilizar os
elemento magnético para a condição de curto-circuito, também não possui capacidade de interrupção compatível
com o regime de curto-circuito.
Logo, cuidados especiais devem ser tomados pelos responsáveis técnicos das instalações quando da
aquisição dos dispositivos IDR’s, no que se refere a condição de seletividade com os disjuntores
termomagnéticos por ocasião da ocorrência de curto-circuito, ou seja, o dispositivos IDR devem ser
mais lentos em condições de curto-circuito do que os disjuntores termomagnéticos já que, em geral,
não possuem capacidade de interrupção em regime de curto-circuito, ou então ter o elemento sensor
de corrente saturado em condições de curto-circuito para que só operem quando sensibilizados para
as correntes de fuga.

Recon da LIGHT(RIO DE JANEIRO).

  • 1.
    RECON - BT ENTRADASINDIVIDUAIS E COLETIVAS Regulamentação para fornecimento de energia elétrica a consumidores em Baixa Tensão Coordenação de Engenharia Gerência de Engenharia da Distribuição Diretoria de Distribuição
  • 2.
    2 RECON –BT Março/2013 APRESENTAÇÃO A presente Regulamentação tem por finalidade fixar as condições mínimas para projeto e execução de instalações de entradas individuais e coletivas nas atividades residenciais e não residenciais, com fornecimento de energia elétrica em tensão secundária de distribuição na área de concessão da Light Serviços de Eletricidade S.A. Todas as prescrições técnicas contidas nesta Regulamentação devem ser rigorosamente atendidas. Entretanto, não dispensam o responsável técnico do necessário conhecimento e amparo na legislação e normas técnicas específicas para instalações, equipamentos e materiais elétricos em baixa tensão. À Light é reservado o direito de, em qualquer tempo, alterar o conteúdo desta Regulamentação, no todo ou em parte, por motivo de ordem técnica ou legal, sendo tais alterações devidamente comunicadas através de veículos de comunicação que permitam a adequada divulgação e orientação. Esta Regulamentação cancela e substitui todas as edições anteriores a data de sua publicação e estará disponível para consulta na internet no endereço www.light.com.br ou nas agências comerciais da Light. Rio de Janeiro, março de 2013. ESTUDOU / ELABOROU ÓRGÃO APROVOU REVISÃO Clayton G. Vabo Engº Eletricista CREA/RJ 130.006 – D DTE Luiz Eduardo Pereira Vaz Engº Eletricista CREA/RJ 83-1-00969-2-D DTE Roberto V. Dias Engº Eletricista CREA/RJ 1982106225 DTE Rogério S. de Castro Menezes Téc. Eletrotécnica CREA/RJ 1997105205 DTE
  • 3.
    RECON – BTMarço/2013 3 ÍNDICE GERAL CONDIÇÕES GERAIS 1 - Introdução 2 - Terminologias e definições 2.1 - Baixa tensão 2.2 - Carga instalada 2.3 - Compartimento para transformação 2.4 - Consumidor 2.5 - Demanda 2.6 - Edificação 2.7 - Entrada coletiva 2.8 - Entrada individual 2.9 - Instalação de entrada 2.10 - Limite de propriedade 2.11 - Ponto de entrega 2.12 - Ramal de entrada 2.13 - Ramal de ligação 2.14 - Recuo técnico 2.15 - Sistema de Medição e Leitura Centralizada – SMLC 2.16 - Unidade consumidora 3 - Dispositivos legais 3.1 - Decreto n.º 41.019 de 26 de fevereiro de 1957, do Ministério de Minas e Energia 3.2 - Normas para instalações elétricas de Baixa Tensão 3.3 - Resoluções da ANEEL 3.4 - Leis, Decretos e Resoluções do sistema CONFEA/CREA-RJ 3.5 - Código de segurança contra incêndio e pânico do Corpo de Bombeiros do Estado do Rio de Janeiro - CBMERJ 4 - Limites de fornecimento de energia elétrica 4.1 - Em relação ao número de unidades consumidoras 4.1.1 - Em entrada individual 4.1.2 - Em entrada coletiva 4.2 - Em relação ao tipo de medição 4.3 - Em relação à demanda da instalação e definição do tipo de atendimento 4.3.1 - Rede de distribuição aérea
  • 4.
    4 RECON –BT Março/2013 4.3.1.1 - Rede de distribuição aérea sem previsão de conversão para subterrânea 4.3.1.2 - Rede de distribuição aérea com previsão de conversão para subterrânea 4.3.2 - Rede de distribuição subterrânea 4.3.2.1 - Rede de distribuição subterrânea radial 4.3.2.2 - Rede de distribuição subterrânea reticulada 4.4 – Em relação à tensão de fornecimento de energia elétrica 4.4.1 - Tipos de atendimento padronizados conforme o número de fases 4.4.2 - Fornecimento de energia elétrica a cargas especiais 5 - Condições não permitidas 6 - Geração Particular 6.1 - Geração particular de emergência 6.2 - Geração particular com paralelismo momentâneo ou permanente 7 - Conservação dos materiais e equipamentos da instalação de entrada 8 - Acesso as instalações de entrada 9 - Tipos de Solicitações 9.1 - Ligação nova 9.2 - Aumento de carga 9.3 - Diminuição de carga 9.4 - Ligação Provisória de obra 9.5 - Ligação Festiva 9.6 - Ligação em via pública 9.7 - Relocação 9.8 - Reforma 9.9 - Mudança de Grupo tarifário 10 - Solicitação de fornecimento de energia elétrica 10.1 - Prazos de atendimento 10.2 - Dados fornecidos pelo Consumidor 10.3 - Dados fornecidos pela Light 10.4 - Fornecimento de energia elétrica para entradas individuais 10.5 - Fornecimento de energia elétrica para entradas coletivas 10.6 - Apresentação de projeto da instalação de entrada 10.6.1 - Em entrada individual com medição indireta
  • 5.
    RECON – BTMarço/2013 5 10.6.2 - Em entrada coletiva 10.7 - Prazo de validade do projeto 10.8 - Apresentação do documento “ART” do CREA-RJ 11 - Proteção da instalação de entrada de energia elétrica 11.1 - Proteção contra sobrecorrentes 11.2 - Proteção diferencial-residual 11.3 - Proteção contra sobretensões 11.4 - Proteção contra subtensões e falta de fase 12 - Medição 12.1 - Medição individual 12.2 - Medição de agrupamento 12.3 - Medição de serviço 12.4 - Medição totalizadora 12.5 - Medições especiais 12.6 - Influências de campos magnéticos 13 - Aterramento das instalações de entrada 13.1 - Aterramento do condutor neutro 13.2 - Ligações a terra e condutor de proteção 13.3 - Eletrodo de aterramento 13.4 - Interligação à malha de aterramento e entre barras de neutro e de proteção 13.5 - Número de eletrodos da malha de terra 13.5.1 - Entrada individual de energia elétrica 13.5.1.1 - Entrada individual isolada com demanda avaliada até 23,2 kVA 13.5.1.2 - Entrada individual isolada com demanda avaliada superior a 23,2 kVA e inferior ou igual a 150 kVA 13.5.1.3 - Entrada individual isolada com demanda avaliada superior a 150 kVA 13.5.2 - Entrada coletiva de energia elétrica 13.5.2.1 - Entrada coletiva com até 6 (seis) unidades consumidoras 13.5.2.2 - Entrada coletiva com mais de 6 (seis) unidades consumidoras 14 - Materiais padronizados para instalações de entrada 14.1 - Caixas de medição 14.1.1 - Caixas para Medição direta 14.1.1.1 - Caixa para Medição direta monofásica – CM1 (Figura 1) 14.1.1.2 - Caixa para Medição direta polifásica – CM3 (Figura 2) 14.1.1.3 - Caixa para Medição direta até 200 A – CM200 (Figura 3)
  • 6.
    6 RECON –BT Março/2013 14.1.1.4 - Caixa para Seccionamento e Medição direta até 200 A – CSM200 (Figura 4) 14.1.1.5 - Caixa para Seccionamento, Medição direta e Proteção até 200 A – CSMD200 (Figura 5) 14.1.2 - Caixas para Medição indireta 14.1.2.1 - Caixa para Seccionamento e Medição indireta até 600 A – CSM600 (Figura 6) 14.1.2.2 - Caixa para Seccionamento e Medição indireta até 1500 A – CSM1500 (Figura 7) 14.1.2.3 - Caixa para Seccionamento, Medição indireta e Proteção até 600 A – CSMD600 (Figura 8) 14.1.2.4 - Caixa para Seccionamento, Medição indireta e Proteção até 1500 A – CSMD1500 (Figura 9) 14.2 - Caixas para Seccionamento 14.2.1 - Caixa para Seccionador monofásico – CS1 (Figura 10) 14.2.2 - Caixa para Seccionador polifásico até 100 A – CS3 (Figura 11) 14.2.3 - Caixa para Seccionador polifásico até 200 A – CS200 (Figura 12) 14.3 - Caixas para Proteção geral 14.3.1 - Caixa para Disjuntor monofásico – CDJ1 (Figura 13) 14.3.2 - Caixa para Disjuntor polifásico – CDJ3 (Figura 14) 14.3.3 - Caixa para Proteção geral – CPG200 (Figura 15) 14.3.4 - Caixa para Proteção geral – CPG600 (Figura 16) 14.3.5 - Caixa para Proteção geral – CPG1500 (Figura 17) 14.4 - Painéis de medidores 14.4.1 - Painel de Medição – PMD (Figura 18) 14.4.2 - Painel de Seccionamento e Medição – PSMD (Figura 19) 14.4.3 - Painel de Proteção e Medição – PDMD (Figura 20) 14.4.4 - Painel de Proteção geral/parcial – PPGP (Figura 21) 14.5 - Caixas de Inspeção de Aterramento (Figura 22) 14.6 - Eletroduto 14.7 - Terminais de fixação de dutos 14.8 - Poste de aço 14.9 - Condutores 14.9.1 - Tipo de condutor em função da característica do atendimento 14.9.1.1 - Condutores do Ramal de Ligação 14.9.1.2 - Condutores do Ramal de Entrada 14.9.1.2.1 - Barramento blindado (Bus way) 15 - Compensação de reativos 16 - Casos não previstos
  • 7.
    RECON – BTMarço/2013 7 SEÇÃO 01 DETERMINAÇÃO DA CARGA INSTALADA E AVALIAÇÃO DE DEMANDA EM BAIXA TENSÃO 17 - Determinação da carga instalada 18 - Avaliação de demandas 18.1 - Método de avaliação - Seção “A” 18.1.1 - Expressão geral para cálculo da demanda 18.1.2 - Avaliação da demanda de entradas individuais e de circuitos de serviço dedicados ao uso de condomínios 18.1.3 - Avaliação da demanda de entradas coletivas 18.1.3.1 - Avaliação da demanda de entradas coletivas com um único agrupamento de medidores 18.1.3.2 - Avaliação da demanda de entradas coletivas com mais de um agrupamento de medidores 18.2 - Método de avaliação - Seção “B” 18.2.1 - Metodologia para aplicação 18.2.1.1 - Avaliação da demanda de entradas coletivas exclusivamente residenciais compostas de 5 a 300 unidades consumidoras 18.2.1.2 - Avaliação da demanda de entradas coletivas mistas 18.3 - Exemplos de avaliação de demandas SEÇÃO 02 PADRÃO DE LIGAÇÃO DE ENTRADAS INDIVIDUAIS 19 - Padrões de ligação de entradas individuais 19.1 - Entrada individual atendida através de ramal de ligação aéreo 19.1.1 - Determinação do tipo de ancoramento para o ramal de ligação aéreo 19.1.1.1 - Ancoramento do ramal de ligação na fachada 19.1.1.2 - Ancoramento do ramal de ligação em pontalete 19.1.1.3 - Ancoramento do ramal de ligação em poste 19.1.2 - Limites técnicos para ancoramento de ramais de ligação aéreos 19.1.3 - Distâncias mínimas de afastamento dos condutores do ramal de ligação 19.2 - Entrada individual atendida através de ramal de ligação subterrâneo 19.3 - Padrões de atendimento em entradas individuais SEÇÃO 03 PADRÃO DE LIGAÇÃO DE ENTRADAS COLETIVAS 20 - Padrão de ligação de entradas coletivas 20.1 - Localização da proteção geral
  • 8.
    8 RECON –BT Março/2013 20.2 - Localização da Medição de serviço 20.3 - Localização da Medição totalizadora 20.4 - Agrupamentos de medidores 20.4.1 - Agrupamentos de medidores no pavimento térreo junto à proteção geral 20.4.2 - Agrupamento de medidores no pavimento térreo fora do ambiente da proteção geral 20.4.3 - Agrupamentos de medidores distribuídos nos andares 20.4.4 - Painel de proteção geral/parcial - PPGP 20.5 - Sistema de Medição e Leitura Centralizada – SMLC 20.6 - Características construtivas dos ramais de ligação e de entrada em entradas coletivas 20.6.1 - Ramal de ligação aéreo derivado diretamente da rede aérea 20.6.2 - Ramal de ligação subterrâneo derivado diretamente da rede subterrânea 20.6.3 - Ramal de ligação subterrâneo derivado de Compartimento de transformação 20.6.4 - Ramal de entrada 20.6.5 - Proteção mecânica para os condutores do ramal de ligação 20.6.6 - Proteção mecânica para os condutores do ramal de entrada 20.6.7 - Banco de dutos 20.7 - Padrão de atendimento em entrada coletiva 20.7.1 - Atendimento a prédios residenciais, não residenciais e mistos 20.7.2 - Atendimento a condomínios verticais (prédios múltiplos) 20.7.3 - Atendimento a condomínios horizontais ou vilas 20.7.4 - Atendimento em entrada coletiva existente 20.8 - Dimensionamento de materiais e equipamentos de entradas coletivas 20.9 - Exemplos de aplicação de entradas coletivas SEÇÃO 04 FIGURAS Figura 1 - Caixa para Medição direta monofásica – CM1 Figura 2 - Caixa para Medição direta polifásica – CM3 Figura 3 - Caixa para Medição direta até 200 A – CM200 Figura 4 - Caixa para Seccionamento e Medição direta até 200 A – CSM200 Figura 5 - Caixa para Seccionamento, Medição direta e Proteção até 200 A – CSMD200 Figura 6 - Caixa para Seccionamento e Medição indireta até 600 A – CSM600 Figura 7 - Caixa para Seccionamento e Medição indireta até 1500 A – CSM1500 Figura 8 - Caixa para Seccionamento, Medição indireta e Proteção até 600 A – CSMD600 Figura 9 - Caixa para Seccionamento, Medição indireta e Proteção até 1500 A – CSMD1500 Figura 10 - Caixa para Seccionador monofásico – CS1 Figura 11 - Caixa para Seccionador polifásico – CS3 Figura 12 - Caixa para Seccionador polifásico até 200 A – CS200
  • 9.
    RECON – BTMarço/2013 9 Figura 13 - Caixa para Disjuntor monofásico – CDJ1 Figura 14 - Caixa para Disjuntor polifásico – CDJ3 Figura 15 - Caixa para Proteção geral – CPG200 Figura 16 - Caixa para Proteção geral – CPG600 Figura 17 - Caixa para Proteção geral – CPG1500 Figura 18 - Painel de Medição – PMD Figura 19 - Painel de Seccionamento e Medição – PSMD Figura 20 - Painel de Proteção e Medição – PDMD Figura 21 - Painel de Proteção geral/parcial – PPGP Figura 22 - Caixa de aterramento Figura 23 - Caixa para dispositivo DPS – CDPS Figura 24 - Barras “L” e “Z” SEÇÃO 05 TABELAS TABELA 1 - Carga mínima e fatores de demanda para instalações de iluminação e tomadas de uso geral TABELA 2 - Fatores de demanda para aparelhos de aquecimento TABELA 3A - Fatores de demanda para aparelhos de ar condicionado tipo janela, split e fan-coil (utilização residencial) TABELA 3B - Fatores de demanda para aparelhos de ar condicionado tipo janela, split e fan-coil (utilização não residencial) TABELA 4 - Fatores de demanda para equipamentos de ar condicionado central, self container e similares TABELA 5A - Conversão de “CV” em “kVA” TABELA 5B - Fator de demanda X Nº de motores TABELA 6 - Fatores de demanda para máquinas de solda e equipamentos odonto – médico hospitalares TABELA 7A - Demandas (kVA) de apartamentos em função das áreas (m²) - unidades de consumidoras que utilizem equipamentos elétricos individuais para aquecimento de água TABELA 7B - Demandas (kVA) de apartamentos em função das áreas (m²) - unidades de consumidoras que não utilizem equipamentos elétricos individuais para aquecimento de água TABELA 8 - Fatores para diversificação de cargas em função do nº de apartamentos TABELA 9 - Potências médias de aparelhos eletrodomésticos TABELA 10A - Entrada individual – medição direta – dimensionamento de materiais TABELA 10B - Entrada individual – medição indireta – dimensionamento de materiais TABELA 11A - Unidades consumidoras em entrada coletiva - medição direta - dimensionamento de materiais individuais TABELA 11B - Unidades consumidoras em entradas coletivas “antigas” - medição direta - dimensionamento de materiais individuais TABELA 12 - Dimensionamento das ancoragens dos ramais de ligação TABELA 13 - Seção mínima do condutor de proteção TABELA 14 - Capacidade mínima de interrupção simétrica dos dispositivos de proteção geral de entrada TABELA 15 - Corrente máxima admissível em condutores de cobre
  • 10.
    10 RECON –BT Março/2013 TABELA 16 - Limite de condução de corrente para barras de cobre de seção retangular TABELA 17 - Fatores de correção para barramentos horizontais ou verticais com mais de 2 (dois) metros TABELA 18 - Entradas coletivas – dimensionamento de materiais - circuitos trifásicos em condutores unipolares de cobre, isolação PVC 70°C anti-chama - tensão 220/127 V TABELA 19 - Entradas coletivas – dimensionamento de materiais - circuitos trifásicos em condutores unipolares de cobre, isolação PVC 70°C anti-chama - tensão 380/220 V TABELA 20 - Entradas coletivas – dimensionamento de materiais - circuitos trifásicos em condutores unipolares de cobre, isolação EPR ou XLPE 90°C - tensão 220/127 V TABELA 21 - Entradas coletivas – dimensionamento de materiais - circuitos trifásicos em condutores unipolares de cobre, isolação EPR ou XLPE 90°C - tensão 380/220 V ANEXO “A” - Arranjos sugestivos para o dispositivo diferencial-residual
  • 11.
    RECON – BTMarço/2013 11 CONDIÇÕES GERAIS 1 - Introdução O fornecimento de energia elétrica em baixa tensão na área de concessão da Light é realizado através das instalações de entrada das unidades consumidoras caracterizadas por um sistema de seccionamento, medição e proteção, que deve ser construído pelo interessado em conformidade com esta Regulamentação, com as normas de segurança e com as normas técnicas brasileiras atinentes. Ao sistema de distribuição da Light, somente podem ser conectadas instalações de entradas individuais ou coletivas construídas com equipamentos e materiais de fabricantes que tenham seus produtos fabricados em conformidade com as normas técnicas brasileiras e que sejam previamente validados pela Light. 2 - Terminologias e definições 2.1 - Baixa tensão Tensão entre fases cujo valor eficaz é igual ou inferior a 1 kV. 2.2 - Carga instalada Somatório das potências nominais de todos os equipamentos elétricos e de iluminação existentes em uma instalação, expressa em quilowatt (kW). 2.3 - Compartimento para transformação Compartimento (infra-estrutura) construído pelo Consumidor, quando solicitado pela Light, destinado à instalação de equipamentos de transformação, proteção e outros necessários ao atendimento da(s) unidade(s) consumidora(s) da edificação. 2.4 - Consumidor Pessoa física ou jurídica, de direito público ou privado, legalmente representada, que solicite o fornecimento, a contratação de energia elétrica ou o uso do sistema elétrico à distribuidora, assumindo as obrigações decorrentes deste atendimento à(s) sua(s) unidade(s) consumidora(s), segundo disposto nas normas e nos contratos. 2.5 - Demanda Valor máximo de potência absorvida num dado intervalo de tempo por um conjunto de cargas existentes numa instalação, obtido a partir da diversificação dessas cargas por tipo de utilização, definida em múltiplos de VA ou kVA para efeito de dimensionamento de condutores, disjuntores, níveis de queda de tensão ou ainda qualquer outra condição assemelhada, devendo
  • 12.
    12 RECON –BT Março/2013 também ser expressa em kW a fim de atender as condições definidas na Resolução n.º 414/2010 da ANEEL e demais resoluções e legislações atinentes. 2.6 – Edificação Construção composta por uma ou mais unidades consumidoras. 2.7 - Entrada coletiva Conjunto de equipamentos e materiais destinados ao fornecimento de energia elétrica em um só ponto de entrega, a uma edificação composta por mais de uma unidade consumidora. 2.8 - Entrada individual Conjunto de equipamentos e materiais destinados ao fornecimento de energia elétrica em um só ponto de entrega, a uma edificação composta por uma única unidade consumidora. 2.9 - Instalação de entrada Conjunto de equipamentos e materiais instalados a partir do ponto de entrega. 2.10 - Limite de propriedade Linha que separa a propriedade de um Consumidor das propriedades vizinhas e da via pública, no alinhamento determinado pelos Poderes Públicos. 2.11 - Ponto de Entrega a) O ponto de entrega é a conexão do sistema elétrico da distribuidora com a unidade consumidora e situa-se no limite da via pública com a propriedade onde esteja localizada a unidade consumidora, ao qual a Light deve adotar todas as providências técnicas de forma a viabilizar o fornecimento, bem como operar e manter o seu sistema elétrico até o ponto de entrega, caracterizado como o limite de sua responsabilidade, observadas as condições estabelecidas na legislação, resoluções e regulamentos aplicáveis, em especial nas definições das responsabilidades financeiras da Light e do Consumidor no custeio da infra-estrutura de fornecimento até o ponto de entrega. b) Quando o atendimento for através de ramal de ligação aéreo, o ponto de entrega é no ponto de ancoramento do ramal fixado, em fachada, em pontalete ou em poste instalado na propriedade particular, situados no limite da propriedade com a via pública. c) No atendimento com ramal de ligação subterrâneo derivado de rede aérea com descida no poste da Light, por conveniência do Consumidor, observadas a viabilidade técnica e as normas da Distribuidora, o ponto de entrega situar-se-á na conexão deste ramal com a rede aérea, desde que esse ramal não ultrapasse propriedades de terceiros ou vias públicas, exceto calçadas, e que o consumidor assuma integralmente os custos adicionais decorrentes do
  • 13.
    RECON – BTMarço/2013 13 atendimento inicial e de eventuais modificações futuras, bem como se responsabilize pela obtenção de autorização do poder público para execução da obra de sua responsabilidade. d) No caso de atendimento com ramal de ligação subterrâneo derivado de rede subterrânea, o ponto de entrega é fixado no limite da propriedade com a via pública no que se refere ao cumprimento das responsabilidades estabelecidas na Resolução 414/2010 da ANEEL, relativamente à viabilização do fornecimento, da operação e da manutenção, tanto por parte da Light quanto por parte do Consumidor. Entretanto, considerando a necessidade técnica de evitar a realização de emendas entre os ramais de ligação e de entrada junto ao limite de propriedade (principalmente no atendimento a cargas de grande porte), apenas sob o aspecto estritamente técnico e operacional, a Light realiza a instalação contínua do ramal de ligação até o primeiro ponto de conexão interno ao Consumidor (caixa de seccionamento ou caixa de proteção geral). O trecho interno do ramal, a partir do limite de propriedade, deve ser considerado como o “ramal de entrada”. e) Quando existir propriedade de terceiros, em área urbana, entre a via pública e a propriedade onde esteja localizada a unidade consumidora, o ponto de entrega é no limite da via pública com a primeira propriedade intermediária. f) Em se tratando de atendimento através de unidade de transformação interna ao imóvel o ponto de entrega é na entrada do barramento secundário junto da unidade de transformação. g) Em condomínio horizontal com rede de distribuição interna da Light (arruamento com livre acesso para a Light), o ponto de entrega é no limite da via interna do condomínio com cada propriedade individual. h) Quando a unidade consumidora, em área rural, for atendida em tensão secundária de distribuição, o ponto de entrega se situará no local de consumo, ainda que dentro da propriedade do consumidor, observadas as normas e padrões da distribuidora. 2.12 - Ramal de entrada Conjunto de condutores e acessórios instalados pelo consumidor entre o ponto de entrega e a medição ou a proteção geral de entrada de suas instalações. 2.13 - Ramal de ligação Conjunto de condutores e acessórios instalados entre o ponto de derivação da rede de distribuição da Light e o ponto de entrega.
  • 14.
    14 RECON –BT Março/2013 2.14 - Recuo técnico Local situado junto ao muro ou fachada da edificação, onde é construído um gabinete de lvenaria com acesso pela parte externa, para instalação da caixa de medição bem como a proteção geral (sempre voltada para a parte interna da propriedade) em entradas individuais ou, quando tratar- se de entrada coletiva, para instalação do painel de medidores. 2.15 - Sistema de Medição e Leitura Centralizada – SMLC Sistema eletrônico destinado à medição individualizada de energia elétrica desempenhando as funções de concentração, processamento e indicação das informações de consumo de forma centralizada de todas as unidades consumidoras que compõem uma determinada entrada coletiva. 2.16 - Unidade consumidora Conjunto composto por instalações, ramal de entrada, equipamentos elétricos, condutores e acessórios, caracterizado pelo recebimento de energia elétrica em apenas um ponto de entrega, com medição individualizada, correspondente a um único consumidor e localizado em uma mesma propriedade ou em propriedades contíguas. 3 - Dispositivos legais 3.1 - Decreto n.º 41.019 de 26 de fevereiro de 1957, do Ministério de Minas e Energia Regulamenta o serviço de energia elétrica no País, e, entre outras providências, determina o cumprimento das normas da ABNT (Associação Brasileira de Normas Técnicas). 3.2 - Normas para instalações elétricas de Baixa Tensão Devem ser observadas as condições estabelecidas pela Norma NBR-5410 - Instalações elétricas de baixa tensão da ABNT, bem como outras normas aplicáveis, consideradas as suas revisões e atualizações. 3.3 - Resoluções da ANEEL Devem ser observadas as condições gerais de fornecimento de energia elétrica estabelecidas pelas Resoluções nº 414/2010, 418/2010, 419/2010, 479/2012 e 482/2012 da ANEEL (Agência Nacional de Energia Elétrica), consideradas as suas revisões e atualizações. 3.4 - Leis, Decretos e Resoluções do sistema CONFEA/CREA-RJ Devem ser observadas as disposições referentes às habilitações legais de profissionais e empresas para as atividades de estudo, projeto e execução de instalações de energia elétrica, bem como à obrigatoriedade de recolhimento da ART - Anotação de Responsabilidade Técnica, atinentes a leis, decretos, resoluções e normas de fiscalização do sistema CONFEA/CREA-RJ, atualizadas.
  • 15.
    RECON – BTMarço/2013 15 3.5 - Código de segurança contra incêndio e pânico do Corpo de Bombeiros do Estado do Rio de Janeiro - CBMERJ Devem ser observadas as normas técnicas atualizadas do Corpo de Bombeiros, referentes ao fornecimento de energia elétrica a elevadores, bombas de incêndio, bombas de recalque, circuitos de iluminação e alimentação de equipamentos destinados à prevenção, detecção e combate ao fogo e evacuação de edificações sob sinistro, através de medidor de serviço alimentado por circuito derivado antes da proteção geral de entrada, considerando que cabe ao Consumidor aprovar junto ao Corpo de Bombeiros o sistema de comando e controle de todos os equipamentos elétricos acima citados, a partir da porta de acesso da edificação. 4 - Limites de fornecimento de energia elétrica 4.1 - Em relação ao número de unidades consumidoras 4.1.1 - Em entrada individual O limite de unidades consumidoras, compreendidas numa mesma propriedade atendidas através de entradas individuais, em rede de distribuição aérea, é de até 4 (quatro) unidades monofásicas ou até 2 (duas) trifásicas, sendo que a atividade de todas as unidades deve ser estritamente residencial e o limite de carga instalada individual de até 15 kW. NOTAS: 1. O Consumidor pode adotar para as mesmas quantidades estabelecidas acima, o atendimento através de entrada coletiva (painel); 2. Unidades consumidoras bifásicas, quando existentes, para efeito de regra devem ser consideradas como trifásicas; 3. Para dimensionamento do ponto de ancoramento devem ser observados os limites fixados na nota 2 da Tabela 12. 4. Os limites e condições acima estabelecidos referem-se apenas a ligações atendidas por rede de distribuição aérea. Para as ligações atendidas por rede de distribuição subterrânea, os limites ficam restritos a uma ligação, monofásica ou polifásica, por propriedade. 4.1.2 - Em entrada coletiva Não há restrição do número de unidades consumidoras atendíveis através de entrada coletiva. 4.2 - Em relação ao tipo de medição O limite de demanda para o fornecimento com medição direta em baixa tensão é de 66,3 kVA (220/127 V) ou 114,5 kVA (380/220 V). Para demandas superiores a medição será indireta através de transformadores de corrente (TC).
  • 16.
    16 RECON –BT Março/2013 4.3 - Em relação à demanda da instalação e definição do tipo de atendimento De acordo com a configuração da rede de distribuição existente na área do atendimento e da demanda avaliada da entrada individual ou coletiva, o atendimento pode ser definido conforme a seguir: 4.3.1 - Rede de distribuição aérea 4.3.1.1 - Rede de distribuição aérea sem previsão de conversão para subterrânea O limite de demanda da entrada consumidora para atendimento diretamente pela rede de distribuição da Light com instalação de ramal de ligação aéreo é de 300 kVA em 220/127 V (vide notas). O ramal de ligação, dependendo da conveniência técnica do Consumidor, poderá ser subterrâneo, desde que o mesmo assuma integralmente os custos adicionais decorrentes do atendimento inicial e de eventuais modificações futuras. 4.3.1.2 - Rede de distribuição aérea com previsão de conversão para subterrânea O limite de demanda da entrada consumidora para atendimento diretamente pela rede de distribuição da Light com instalação de ramal de ligação aéreo é de 150 kVA em 220/127V (vide notas). O ramal de ligação, dependendo da conveniência técnica do Consumidor, poderá ser subterrâneo, desde que o mesmo assuma integralmente os custos adicionais decorrentes do atendimento inicial e de eventuais modificações futuras. 4.3.2 - Rede de distribuição subterrânea 4.3.2.1 - Rede de distribuição subterrânea radial O atendimento através de ramal de ligação subterrâneo derivado diretamente da rede subterrânea radial está limitado para demandas até 150 kVA em 220/127 V (vide notas). 4.3.2.2 - Rede de distribuição subterrânea reticulada O atendimento através de ramal de ligação subterrâneo derivado diretamente da rede subterrânea reticulada generalizada (malha) está limitado para demandas até 250 kVA em 220/127 V (vide notas). NOTAS: 1. Sempre que os limites estabelecidos nos itens 4.3.1 e 4.3.2 relativos à demanda avaliada da edificação forem extrapolados, ou quando, sob o aspecto técnico, as condições locais do sistema de distribuição da Light se encontrarem esgotadas caracterizando inviabilidade técnica
  • 17.
    RECON – BTMarço/2013 17 no fornecimento de energia elétrica diretamente pela rede existente, independente de quaisquer valores fixados, e com base na Resolução 414/2010 da ANEEL, a Light solicitará (item 4.3.1) ou poderá solicitar (item 4.3.2) a construção, por parte do Consumidor, de compartimento (infra-estrutura) que permita a instalação de equipamentos de transformação, proteção e outros necessários ao atendimento da(s) unidade(s) consumidora(s) da edificação; 2. O compartimento poderá ser construído em via pública dependendo da anuência dos órgãos públicos ou, interno a propriedade, com a devida formalização da cessão de espaço pelo Consumidor, sendo a definição estabelecida de comum acordo entre as partes na ocasião da solicitação de fornecimento de energia elétrica; 3. Quando o compartimento for construído em área interna a propriedade o mesmo deve estar localizado no limite da propriedade com a via pública, respeitada a legislação de ocupação de solo vigente, no pavimento térreo, em local de livre e fácil acesso, em condições adequadas de iluminação, ventilação e segurança de acordo com as dimensões e especificações técnicas a serem estabelecidas pela Light. 4.4 – Em relação à tensão de fornecimento de energia elétrica Para determinação do nível de tensão de fornecimento para a unidade consumidora devem ser observados os seguintes critérios estabelecidos pela Res. 414/2010 da ANEEL: • Tensão secundária (baixa tensão) em rede aérea: quando a carga instalada na unidade consumidora for igual ou inferior a 75 kW; • Tensão secundária (baixa tensão) em sistema subterrâneo: até o limite de carga conforme padrão de atendimento da distribuidora; • Tensão primária de distribuição inferior a 69 kV: quando a carga instalada na unidade consumidora for superior a 75 kW e a demanda a ser contratada pelo interessado, para fornecimento, for igual ou inferior a 2.500 kW; e • Tensão primária de distribuição igual ou superior a 69 kV: quando a demanda a ser contratada pelo interessado, para fornecimento, for superior a 2.500 kW; Observações: a) A Light, conforme descrito no artigo 13º da Res. 414/2010 da ANEEL, pode estabelecer tensão de fornecimento sem observar os critérios descritos acima quando a unidade consumidora tiver equipamento que, pelas características de funcionamento ou potência, possa prejudicar a qualidade do fornecimento a outros consumidores, ou quando houver conveniência técnica e econômica para o subsistema elétrico da distribuidora, desde que haja anuência do consumidor;
  • 18.
    18 RECON –BT Março/2013 b) O consumidor pode optar por tensão superior às referidas acima, desde que haja viabilidade técnica do subsistema elétrico, sendo de sua responsabilidade os investimentos adicionais necessários ao atendimento; c) O consumidor, titular de unidade consumidora com características de atendimento em tensão secundária, exceto nos casos de sistemas subterrâneos em tensão secundária, pode optar por tensão primária de distribuição, desde que haja viabilidade técnica do subsistema elétrico e assuma os investimentos adicionais necessários ao atendimento. O fornecimento de energia elétrica em baixa tensão na área de concessão da Light é efetivado em corrente alternada, na frequência de 60 Hertz, nas seguintes tensões nominais: • 220/127 V - Redes aéreas trifásicas a 4 fios / Urbanas e Rurais; • 220/127 V - Redes subterrâneas a 4 fios / Urbanas; • 230-115 V - Redes aéreas monofásicas a 3 fios / Rurais; • 380/220 V - Sistema subterrâneo dedicado / Urbano (ver nota a seguir) NOTAS: 1. Em entradas individuais e coletivas situadas em regiões em que o sistema de distribuição da Light em média tensão, aéreo ou subterrâneo, seja em tensão 13,2 kV, quando solicitado pelo Consumidor, a Light pode realizar o fornecimento em tensão 380/220 V. Entretanto, o atendimento deve ser através de sistema subterrâneo dedicado e a demanda do conjunto superior a 200 kVA (sistema de distribuição subterrâneo radial) ou superior a 1000 kVA (sistema de distribuição subterrâneo reticulado), nas condições estabelecidas no item 4.3 desta Regulamentação; 2. Complementarmente, o Consumidor deve observar os limites e condições de atendimento no que tange os níveis de tensão de fornecimento de energia elétrica descritos na Resolução 414/2010 da ANEEL. 4.4.1 - Tipos de atendimento padronizados conforme o número de fases Entrada individual Sistema monofásico a 2 fios (uma fase + neutro) Sistema monofásico a 3 fios (duas fases + neutro) / Rede Rural Sistema trifásico a 4 fios (três fases + neutro) NOTA: Entradas individuais situadas em regiões em que o sistema de distribuição da Light, em baixa tensão seja trifásico, onde o valor da demanda avaliada indique o enquadramento na categoria monofásica, podem ter o fornecimento na modalidade bifásica (duas fases + neutro), quando existir a presença comprovada de equipamentos que operem em tensão de 220 V.
  • 19.
    RECON – BTMarço/2013 19 Entrada coletiva Sistema trifásico a 4 fios (três fases + neutro) Categorias de atendimento das entradas individuais e coletivas Tensão de fornecimento Categoria de atendimento Demanda (kVA) (1) 220/127 V (Urbano) UM1 (1) (3) UM2 (1) (3) UM3 (1) UM4 (1) (2) UB1 (1) (2) T D ≤ 3,3 D ≤ 4,4 4,4 < D ≤ 6,6 6,6 < D ≤ 8,0 D ≤ 8,0 D > 8,0 230 – 115 V (Rural) RM1 (1) (3) RM2 (1) (3) RM3 (1) RM4 (1) RM5 (1) D ≤ 3,0 D ≤ 4,0 4,0 < D ≤ 6,0 6,0 < D ≤ 8,0 8,0 < D ≤ 14,0 380/220 V (Urbano especial) UME1 (1) UME2 (1) UME3 (1) UME4 (1) TE D ≤ 5,7 D ≤ 7,7 7,7 < D ≤ 11,5 11,5 < D ≤ 13,4 D > 13,4 Onde: UM - Urbano monofásico UB - Urbano bifásico T - Trifásico D - Demanda avaliada a partir da carga instalada RM - Rural monofásico UME - Urbano monofásico especial TE - Trifásico especial NOTAS: 1. Valores determinados a partir da demanda calculada conforme critério descrito na Seção 01 desta Regulamentação, item 18 - Avaliação de demandas. 2. A categoria Urbano bifásico (UB1) é opcional, podendo ser aplicada em casos especiais onde ocorra a presença comprovada de equipamentos que operem na tensão de 220 V. 3. Categoria recomendada somente para instalações que não utilizem equipamentos monofásicos especiais para aquecimento d’água (chuveiro, torneira, aquecedor etc.) com potência superior a 4,4 kVA. As diversas subdivisões das categorias de atendimento monofásico e trifásico, para efeito de dimensionamento dos componentes do sistema de medição e proteção geral, estão definidas nas TABELAS 10-A, 10-B, 11-A e 11-B, em função da demanda calculada.
  • 20.
    20 RECON –BT Março/2013 4.4.2 - Fornecimento de energia elétrica a cargas especiais É reservado à Light o direito de exigir do Consumidor, conforme a Resolução 414/2010 da ANEEL, a qualquer tempo, a instalação de equipamentos destinados a corrigir e resguardar o sistema de distribuição contra flutuações, oscilações, cintilações, afundamentos de tensão, sobretensões, excedentes reativos, desequilíbrios, distorções harmônicas e outras perturbações originadas das instalações das unidades consumidoras. Cabendo ao Consumidor todo o ônus decorrente da instalação dos equipamentos necessários à devida adequação. 5 - Condições não permitidas a) Mais de uma medição para um único Consumidor no mesmo endereço; b) Instalações de entrada ou cabines de transformação instaladas fora dos limites estabelecidos nesta Regulamentação, em locais inadequados, de difícil acesso, com iluminação e ventilação deficiente, sujeitas a inundações (subsolos etc.), ou ainda em desacordo com as dimensões e especificações técnicas estabelecidas pela Light; c) Ligação no sistema de distribuição da Light de instalações situadas em propriedades não delimitadas fisicamente e que não estejam devidamente identificadas por placas numéricas com características legíveis e duradouras; d) Cruzamento de propriedade de terceiros por condutores de ramais de ligação; e) Alteração da carga, de materiais ou equipamentos instalados sem prévia consulta e autorização da Light; f) Interferência por pessoas não autorizadas nos materiais, equipamentos e dispositivos de segurança (lacres etc.) da Light; g) Instalação de filtros, dispositivos de compensação e outros, sem prévia consulta e autorização da Light; h) Instalação de capacitores que interfiram no sistema de distribuição, sem prévia consulta e autorização da Light, (ver item 15 desta Regulamentação); i) Motor com potência nominal superior a 5 CV sem dispositivo de redução da corrente de partida; j) Instalação de gerador particular sem prévia consulta e autorização da Light (ver item 6); k) Utilização de materiais e equipamentos não aceitos pela Light. Os materiais validados constam da listagem disponível no site www.light.com.br ou nas agências comerciais da Light;
  • 21.
    RECON – BTMarço/2013 21 l) Fixação de ramais de ligação em pontos de ancoramento (estruturas) não padronizados nesta Regulamentação (ver item 19.1). 6 - Geração Particular 6.1 - Geração particular de emergência De forma a evitar qualquer possibilidade de paralelismo, as instalações que venham a utilizar geração particular de emergência devem prever, de acordo com o sistema de geração projetado, uma das seguintes condições: • Instalação de chave reversível de acionamento manual ou elétrico, com intertravamento mecânico (mínimo) separando o circuito de alimentação oriundo da Light do circuito do gerador particular, de modo a alternar o fornecimento sem ocorrência de simultaneidade; • Construção de circuito de emergência, absolutamente independente da instalação normal, alimentado pelo gerador particular; NOTA: Deve-se instalar dispositivo de disparo da proteção do gerador, devendo o mesmo estar localizado no compartimento da proteção geral de entrada da edificação ou junto à porta de acesso da edificação. 6.2 - Geração particular com paralelismo momentâneo ou permanente Os casos de instalações que venham a utilizar gerador particular com necessidade de paralelismo momentâneo ou permanente devem ser previamente submetidos à Light para análise e eventual aprovação, inclusive quando se tratar de microgeração ou minigeração nos termos da resolução da Aneel nº 482/2012. 7 - Conservação dos materiais e equipamentos da instalação de entrada É de responsabilidade do Consumidor, após o ponto de entrega, conforme estabelecido na Resolução 414/2010 da ANEEL, manter a adequação técnica e a segurança das instalações internas da unidade consumidora. O Consumidor será responsável pela custódia dos equipamentos de medição e demais equipamentos e materiais da Light quando instalados no interior da unidade consumidora, ou, se por solicitação formal do Consumidor, os equipamentos forem instalados em área exterior a mesma. O Consumidor será responsável por danos causados aos equipamentos de medição e demais materiais e equipamentos instalados, assim como por danos causados ao sistema elétrico da Light, decorrentes de qualquer procedimento irregular ou de deficiência técnica das instalações elétricas internas da unidade consumidora.
  • 22.
    22 RECON –BT Março/2013 As instalações internas que vierem a ficar em desacordo com as normas e/ou padrões aqui referenciados, e que ofereçam riscos à segurança de pessoas ou bens, deverão ser reformadas ou substituídas pelo Consumidor. Caso seja constatada qualquer deficiência técnica e/ou de segurança das instalações da unidade consumidora, o Consumidor será notificado quanto às irregularidades existentes, com obrigação de providenciar as adequações necessárias dentro do prazo prefixado, sob pena de corte do fornecimento pelo não cumprimento conforme estabelecido na Resolução 414/2010 da ANEEL. 8 - Acesso as instalações de entrada O Consumidor deve permitir, a qualquer tempo, o livre acesso de funcionários contratados pela Light (devidamente identificados) as instalações de entrada onde se encontram as unidades consumidoras para fins de leitura, serviços e inspeções necessárias. NOTA: Para solicitações de aumento de carga, manutenção ou relocação, que impliquem na necessidade de acesso às instalações de entrada (caixas de medição, proteção etc.) providas de lacres e outros dispositivos de segurança da Light, o consumidor/responsável técnico, para ter acesso deverá solicitar previamente à Light o rompimento desses dispositivos, que será providenciado pela própria Light. 9 - Tipos de Solicitações 9.1 - Ligação nova Ligação destinada ao primeiro fornecimento de energia elétrica para uma unidade consumidora, residencial ou não residencial, localizada em propriedade com edificação individual ou edificação coletiva. 9. 2 - Aumento de carga Ligação destinada ao aumento da carga instalada e/ou acréscimo do número de fases disponibilizadas para uma unidade consumidora, residencial ou não residencial, localizada em propriedade com edificação individual ou edificação coletiva. 9.3 - Diminuição de carga Ligação destinada à diminuição da carga instalada e/ou redução do número de fases disponibilizadas para uma unidade consumidora, residencial ou não residencial, localizada em propriedade com edificação individual ou edificação coletiva. 9.4 - Ligação Provisória de obra Ligação destinada ao fornecimento provisório de energia elétrica (de caráter não definitivo) a uma unidade consumidora cuja atividade seja um canteiro de obras, um evento etc.
  • 23.
    RECON – BTMarço/2013 23 NOTA: Ligações provisórias de obra cujo ciclo de faturamento seja inferior a 30 dias não requerem a instalação de equipamento de medição. Sendo assim, na construção do padrão não se faz necessário o emprego da caixa de medição. Entretanto, no restante, as ligações provisórias de obra devem ser preparadas com os mesmos padrões previstos nesta Regulamentação para instalações de entrada de caráter definitivo. 9.5 - Ligação Festiva Ligação destinada ao fornecimento provisório de energia elétrica (de caráter não definitivo) a uma unidade consumidora cuja atividade seja uma festa, uma feira, um parque etc. NOTAS: 1. Ligações festivas cujo ciclo de faturamento seja inferior a 30 dias não requerem a instalação de equipamento de medição. Sendo assim, na construção do padrão não se faz necessário o emprego da caixa de medição. Entretanto, no restante, as ligações festivas devem ser preparadas com os mesmos padrões previstos nesta Regulamentação para instalações de entrada de caráter definitivo; 2. Ligações festivas que venham a ocupar o poste de Light devem ter seus padrões e condições de atendimento previamente analisados e aprovados pela Light. 9.6 - Ligação em via pública Ligação destinada a solicitações de ligação nova ou alteração de carga de unidades consumidoras com atividade não-residencial (bancas de jornal, quiosques etc.) compreendidas em via pública. NOTAS: 1. Para esse tipo de ligação deve ser apresentada autorização do poder público; 2. As ligações em via pública devem ser preparadas com os mesmos padrões previstos nesta Regulamentação para instalações de entrada compreendidas em propriedades particulares; 3. Unidades consumidoras que venham a ocupar o poste da Light ou que possuam características físicas e/ou técnicas diferenciadas, em especial concessões de serviços, devem ter seus padrões e condições de atendimento previamente analisados e aprovados pela Light, obedecendo aos procedimentos técnicos da Light, o constante na Resolução conjunta nº 001 de 24 de novembro de 1999 da ANEEL, ANATEL e ANP, Resolução nº 581 da ANEEL de 29 de outubro de 2002, bem como as posturas municipais; 4. Tratando-se de iluminação pública, a responsabilidade pelos serviços de elaboração de projeto, implantação, expansão, operação e manutenção das instalações de iluminação pública é de pessoa jurídica de direito público ou por esta delegada mediante concessão ou autorização; No caso de fornecimento efetuado a partir de circuito exclusivo, a Light deve instalar os respectivos equipamentos de medição, quando houver conveniência técnica ou solicitação do Poder Público. 9.7 – Relocação Serviço destinado a mudança do ponto de entrega/medição de uma unidade consumidora existente, por conveniência do consumidor, por determinação dos Poderes Públicos e/ou pela caracterização de risco à segurança de pessoas e/ou bens materiais.
  • 24.
    24 RECON –BT Março/2013 NOTA: As instalações de entrada devem ser construídas integralmente em conformidade com esta Regulamentação. 9.8 - Reforma Serviço destinado a manutenção da instalação de entrada de uma unidade consumidora, em função de modernização, falha ou necessidade de manutenção de materiais e equipamentos, decorrente de solicitação do consumidor ou notificação da Light, lembrando que a reforma não deve caracterizar alteração de carga. NOTA: As instalações de entrada devem ser preferencialmente adequadas sob o ponto de vista construtivo em conformidade com esta Regulamentação, sendo obrigatória a observância dos quesitos técnicos e de segurança. 9.9 - Mudança de Grupo tarifário Serviço destinado a mudança de grupo tarifário que, eventualmente, pode requerer a substituição do equipamento de medição. NOTA: O consumidor será responsável pelas adaptações na unidade consumidora, caso seja necessário, adequando as instalações de entrada ao padrão vigente da Light. 10 - Solicitação de fornecimento de energia elétrica A Light somente atenderá as solicitações de fornecimento de energia elétrica para ligações novas, alterações de carga, relocações, mudanças de Grupo tarifário etc. de instalações de entrada que estejam projetadas e executadas em conformidade com os preceitos técnicos e de segurança, com esta Regulamentação e padrões vigentes, bem como com as normas brasileiras atinentes. NOTA: Caso as características elétricas e construtivas das instalações do Consumidor difiram das contempladas nesta Regulamentação, as mesmas deverão ser submetidas previamente a Light, através de consulta técnica, para análise e aprovação. 10.1 – Prazos de atendimento A Light tem o prazo máximo de 30 (trinta) dias, contados a partir da data da solicitação do consumidor, para elaborar os estudos, projetos e orçamentos necessários ao atendimento da solicitação do consumidor, e informar ao mesmo, por escrito, quando: • A carga instalada da(s) unidade(s) consumidora(s) for acima de 23,2 kVA; • Inexistir rede de distribuição que possibilite o pronto atendimento da(s) unidade(s) consumidora(s); • A rede de distribuição existente necessitar de reforma ou ampliação; • O fornecimento depender de construção de ramal subterrâneo;
  • 25.
    RECON – BTMarço/2013 25 • O fornecimento depender da análise e aprovação de Projeto de Entrada apresentado pelo Consumidor; • As unidades consumidoras estiverem compreendidas em entrada coletiva existente. NOTAS: 1. Para solicitações que não se enquadrarem acima, o prazo para fornecimento de energia elétrica para atendimento a unidades consumidoras compreendidas em área urbana é de no máximo 3 (três) dias úteis para vistoria e 2 (dois) dias úteis para ligação e, para atendimento a unidades consumidoras compreendidas em área rural, o prazo é de no máximo 5 (cinco) dias úteis para vistoria e 5 (cinco) dias úteis para ligação; 2. Na correspondência encaminhada pela Light ao interessado, em conformidade com a Resolução 414/2010 da ANEEL, devem ser informadas as condições de fornecimento, requisitos técnicos, prazos de ligação, orçamentos e demais informações atinentes. 10.2 - Dados fornecidos pelo Consumidor A solicitação de fornecimento de energia elétrica à Light deve ser feita pelo Consumidor através da apresentação de formulários padronizados e/ou do Projeto de entrada, quando for o caso, informando os dados do Consumidor, os dados da instalação de entrada assim como outras informações e documentos cabíveis. Os formulários padronizados estão disponíveis através da internet no site www.light.com.br ou nas agências comerciais da Light. 10.3 - Dados fornecidos pela Light A Light fornecerá e/ou informará a necessidade, a partir da efetivação da solicitação de fornecimento de energia elétrica e nos prazos fixados pela Resolução nº 414/2010 da ANEEL, os seguintes dados: • Cópia dos padrões de ligação, conforme os casos contidos nas alíneas “a” e “b” do item 10.4 desta Regulamentação; • Formulários padronizados, conforme os casos contidos na alínea “c” do item 10.4 desta Regulamentação; • Tensão de fornecimento de energia elétrica; • Níveis de curto-circuito no ponto de entrega (valores padronizados), quando necessários; • Necessidade de estudo e serviços em função do tipo e da disponibilidade da rede de distribuição da Light para atendimento a carga solicitada pelo Consumidor; • Necessidade de construção de infra-estrutura, pelo interessado, seja em via pública ou na parte interna da propriedade do consumidor, quando for o caso, que permita a instalação de equipamentos de transformação, manobra, proteção etc.
  • 26.
    26 RECON –BT Março/2013 • Participação financeira do Consumidor, quando existir, na forma da legislação e regulamentos aplicáveis; e • Demais condições necessárias ao atendimento da solicitação do Consumidor. 10.4 - Fornecimento de energia elétrica para entradas individuais a - Ligações novas e alterações de carga, executadas a partir de padrão técnico de ligação elaborado e fornecido pela Light, sem obrigatoriedade de apresentação de ART pelo consumidor e/ou por profissional devidamente capacitado. Devem ser tratadas junto à Light pelo próprio interessado, ou, se desejado, por profissional autorizado pelo mesmo. São abrangidas as seguintes modalidades de instalações de entradas individuais sem obrigatoriedade de apresentação de ART: • Entradas individuais isoladas, exclusivamente residenciais, monofásicas e polifásicas ligadas em sistema 220/127 V, com carga instalada até 15 kW, localizadas em regiões de rede de distribuição urbana, aérea e subterrânea; • Entradas individuais isoladas, exclusivamente residenciais, monofásicas a 2 ou 3 fios ligadas em sistema 230-115 V, com carga instalada até 15 kW, localizadas em região de rede de distribuição aérea rural. b - Ligações novas e alterações de carga, executadas a partir de padrão técnico de ligação elaborado e fornecido pela Light, com obrigatoriedade de apresentação de ART por responsável técnico habilitado pelo CREA/RJ. Devem ser tratadas junto à Light pelo próprio interessado, ou, se desejado, por profissional autorizado pelo mesmo. São abrangidas as seguintes modalidades de instalações de entradas individuais com obrigatoriedade de apresentação de ART: • Entradas individuais isoladas, não-residenciais, monofásicas e polifásicas ligadas em sistema 220/127 V, com carga instalada até 15 kW, localizadas em regiões de rede de distribuição urbana, aérea e subterrânea; • Entradas individuais isoladas, não-residenciais, monofásicas a 2 ou 3 fios ligadas em sistema 230-115 V, com carga instalada até 15 kW, localizadas em região de rede de distribuição aérea rural;
  • 27.
    RECON – BTMarço/2013 27 • Entradas individuais situadas em via pública, tais como, provisórias de obra, festivas, bancas de jornal, quiosques, banco 24 horas, cabines telefônicas, mobiliário urbano, terminais rodoviários, equipamentos de operação de outras concessionárias de serviços públicos etc. monofásicas e polifásicas ligadas em sistema 220/127 V ou 230-115 V, com carga instalada até 15 kW localizadas em regiões de rede de distribuição urbana ou rural, aérea e subterrânea. c - Ligações novas e alterações de carga, executadas a partir de padrões e especificações técnicas contidas nesta Regulamentação, com carga instalada acima de 15 kW, com obrigatoriedade de apresentação de projeto elétrico (projeto de entrada), quando for o caso, e de apresentação de ART por responsável técnico habilitado pelo CREA/RJ. Devem ser tratadas junto à Light pelo próprio interessado, ou, se desejado, por profissional autorizado pelo mesmo. Formulários padronizados estão disponíveis através da internet no site www.light.com.br ou nas agências comerciais da Light, que devem ser preenchidos pelo responsável técnico, contendo todos os dados da instalação a serem apresentados à Light, juntamente com diagrama unifilar, desenhos de detalhes técnicos, memoriais técnicos descritivos e demais exigências cabíveis. As orientações técnicas para a elaboração de projeto / execução das instalações de entradas individuais estão contidas na Seção 02 desta Regulamentação. 10.5 - Fornecimento de energia elétrica para entradas coletivas Ligações novas e alterações de carga de entradas coletivas em 220/127 V e em 380/220 V (ver item 4.4 desta Regulamentação), executadas a partir de projeto elaborado por responsável técnico devidamente habilitado pelo CREA/RJ, com obrigatoriedade de apresentação de projeto elétrico (projeto de entrada) e de ART. Formulários padronizados estão disponíveis através da internet no site www.light.com.br ou nas agências comerciais da Light, que devem ser preenchidos pelo responsável técnico, contendo todos os dados da instalação a serem apresentados à Light, juntamente com diagrama unifilar, desenhos de detalhes técnicos, memoriais técnicos descritivos e demais exigências cabíveis. As orientações técnicas para a elaboração de projeto / execução das instalações de entradas coletivas estão contidas na Seção 03 desta Regulamentação. 10.6 - Apresentação de projeto da instalação de entrada
  • 28.
    28 RECON –BT Março/2013 10.6.1 - Em entrada individual com medição indireta Nos casos de ligações novas, alterações de carga e reformas em entradas individuais com medição indireta, deve ser apresentado projeto da instalação de entrada elaborado através de software e impresso em 3 vias em formato A1, A2 ou A3 que permita fácil visualização, contendo: • Tensão de fornecimento solicitada; • Diagrama unifilar; • Quadro de cargas; • Avaliação da demanda; • Planta de localização; • Planta baixa e cortes com detalhes do centro de medição, do trajeto de linhas de dutos e circuitos de energia elétrica não medida; • Detalhes construtivos assim como configuração elétrica (parte interna) de caixas e painéis especiais, quando for o caso; • Detalhes construtivos da malha de aterramento; • Planta baixa e cortes com detalhes da infra-estrutura destinada à instalação de transformadores, chaves etc. (ver item 4.3), quando for o caso; • Características técnicas dos equipamentos e materiais; 10.6.2 - Em entrada coletiva Nos casos de ligações novas, alterações de carga e reformas em entradas coletivas, deve ser apresentado projeto da instalação de entrada elaborado através de software e impresso em 3 vias em formato A1, A2 ou A3 que permita fácil visualização, contendo: • Tensão de fornecimento solicitada; • Diagrama unifilar; • Quadro de cargas; • Avaliação da demanda; • Planta de localização; • Planta baixa e cortes com detalhes da proteção geral de entrada, dos agrupamentos de medição, dos trajetos de linhas de dutos e circuitos de energia elétrica não medida (com distâncias ponto a ponto); • Detalhes construtivos assim como configuração elétrica (parte interna) de caixas e painéis especiais, quando for o caso; • Detalhes construtivos da malha de aterramento; • Planta baixa e cortes com detalhes da infra-estrutura destinada à instalação de transformadores, chaves etc. (ver item 4.3), quando for o caso; • Planta baixa e cortes com detalhes da infra-estrutura destinada ao sistema SMLC (ver item 20.5), quando for o caso;
  • 29.
    RECON – BTMarço/2013 29 • Características técnicas dos equipamentos e materiais; • Valores de queda de tensão e perda técnica, quando for o caso. NOTAS: 1. Entradas coletivas que possuam até 6 (seis) unidades consumidoras, exclusivamente residenciais, com carga individual até 15 kW e/ou com demanda do ramal igual ou inferior a 33,1 kVA ficam dispensadas da apresentação do Projeto de Entrada. Para esses casos o responsável técnico deve apresentar um Projeto Simplificado através de formulários específicos, disponíveis na internet no endereço www.light.com.br ou nas agências comerciais da Light; 2. O Projeto de Entrada, quando aprovado, deve ter uma via devolvida ao consumidor/responsável técnico devidamente carimbada e assinada pela Light; 3. Para instalações que possuam geração própria, seja para utilização de emergência, paralelismo momentâneo ou permanente, a mesma deve ser representada no Projeto de Entrada; O responsável técnico deve apresentar carta assinada pelo mesmo assim como pelo Consumidor informando a condição de funcionamento do gerador, se existe a possibilidade de paralelismo ou não, o tipo de intertravamento entre a geração própria e a rede de distribuição da Light; 4. Nos casos de unidades consumidoras compreendidas numa determinada entrada coletiva existente onde o acréscimo de carga decorrente de uma solicitação de ligação nova ou aumento de carga não implique no redimensionamento dos materiais e equipamentos do trecho coletivo da instalação de entrada, devem ser apresentados formulários específicos, disponíveis na internet no endereço www.light.com.br ou nas agências comerciais da Light, para atendimento as solicitações dessa categoria. Para os casos que impliquem em intervenção no trecho coletivo, deve ser apresentado o Projeto de Entrada; 5. Em função da complexidade para fornecimento de energia elétrica a instalações de entradas coletivas no que tange principalmente as características construtivas das edificações projetadas pelos consumidores e seu respectivo alinhamento com as especificações técnicas contidas nesta Regulamentação, eventualmente, necessidades relacionadas a conveniências técnicas dos consumidores, a determinação de construção de compartimentos de transformação internos a propriedade, o tipo/quantidade de condutores do ramal de ligação, o emprego do sistema SMLC etc. poderão determinar mudanças no projeto de entrada inicialmente elaborado pelo Consumidor/responsável técnico. Nesse sentido, o Consumidor, em tempo hábil e quando solicitado, deve colocar a disposição da Light um responsável técnico capaz de prestar os esclarecimentos técnicos que se fizerem necessários. Eventuais atrasos no processo pelo não atendimento desta condição serão de inteira responsabilidade do Consumidor. 6. A aceitação/aprovação dos desenhos pela Light não subtrai do Consumidor a plena responsabilidade quanto ao funcionamento correto de suas instalações, bem como de eventuais anomalias provocadas no sistema de distribuição da Light, oriundas de falha técnica ou operacional em suas instalações. 10.7 - Prazo de validade do projeto O prazo de validade a ser considerado pela Light, a partir da data de validação do projeto apresentado, é de até 18 meses, com possibilidade de prorrogação por igual período nos casos de edificações que comprovem, através do programa normal de obras, a necessidade de
  • 30.
    30 RECON –BT Março/2013 extensão de prazo. Cabe destacar que, findado o prazo em questão, o Consumidor deve atender a toda e qualquer modificação que possa ocorrer nesta Regulamentação. 10.8 - Apresentação do documento “ART” do CREA-RJ Ficam dispensados de apresentação da ART – Anotação de Responsabilidade Técnica, todos os casos de ligações atinentes à alínea “a” do item 10.4 desta Regulamentação. Para todos os demais casos contidos nos itens 10.4 e 10.5 desta Regulamentação é obrigatória a apresentação da ART - Anotação de Responsabilidade Técnica, devidamente preenchida e registrada pelo responsável técnico pela instalação junto ao CREA-RJ, relacionando todos os serviços sob sua responsabilidade e os dados técnicos da instalação, idênticos aos contidos na solicitação de fornecimento à Light. 11 - Proteção da instalação de entrada de energia elétrica As recomendações a seguir são baseadas nas diretrizes da Associação Brasileira de Normas Técnicas e estão estabelecidas na NBR 5410 – Instalações elétricas de baixa tensão, caracterizada como responsabilidade do responsável técnico. Devem ser utilizados somente disjuntores que satisfaçam as especificações técnicas contidas nas normas NBR IEC 60947-2 e NBR IEC 60898 e que sejam certificados pelo INMETRO, quando for o caso. 11.1 - Proteção contra sobrecorrentes Dispositivo capaz de prover simultaneamente proteção contra correntes de sobrecarga e de curto-circuito. Deve ser dimensionado e instalado para proteção geral da entrada de energia elétrica, em conformidade com as normas da ABNT. Nas entradas individuais, os dispositivos de proteção devem ser eletricamente conectados à jusante (após) da medição, e apresentar corrente nominal conforme padronização para a categoria de atendimento específica constante nas tabelas de dimensionamento de materiais das entradas de energia elétrica (TABELAS 10-A e 10-B). Nas entradas coletivas (TABELAS 11-A e 11-B), o disjuntor de proteção geral deve estar eletricamente conectado à jusante (após) da medição totalizadora, quando for o caso. Os disjuntores de proteção geral de entrada devem ser instalados em caixas padronizadas pela Light com seu respectivo ambiente selado, de modo que impeça sua substituição ou a alteração da calibração do equipamento sem a devida autorização da Light.
  • 31.
    RECON – BTMarço/2013 31 NOTAS: 1. Quando empregado disjuntor ajustável, o valor de ajuste da corrente nominal de carga deve ser apresentado à Light para prévia validação; 2. O responsável técnico pela instalação deve informar à Light os dados atinentes às características técnicas do disjuntor (corrente nominal, tensão nominal, faixas de atuação temporizada e instantânea, capacidade de interrupção etc.) a partir de catálogo do fabricante; 3. A capacidade de interrupção simétrica do dispositivo de proteção geral de entrada deve ser compatível com o valor calculado da maior corrente de curto-circuito, trifásica e simétrica, no ponto da instalação. Para tal, deve ser utilizado disjuntor termomagnético, devendo ser utilizada a tabela 14 desta Regulamentação para obtenção dos valores mínimos, de acordo com a configuração elétrica do sistema de distribuição no local do atendimento; 4. Em entradas coletivas, onde seja caracterizada inviabilidade técnica no emprego do disjuntor de proteção geral junto à porta principal de acesso da edificação, o mesmo poderá ser instalado em outro ponto da edificação desde que sua localização seja previamente aprovada pela Light e que possua bobina de disparo associada a um comando a distância localizado junto à porta principal de acesso da edificação; 5. Deve ser sempre verificada pelo responsável técnico pela instalação, a devida coordenação e seletividade entre a proteção geral de entrada e os demais dispositivos de proteção empregados à jusante. 6. Em entradas individuais, trifásicas, devem ser sempre instalados disjuntores tripolares. 11.2 - Proteção diferencial-residual Dispositivo capaz de prover proteção contra correntes de fuga. O dispositivo de proteção diferencial-residual deve ser, assim como a proteção geral de entrada, instalado em caixa padronizada pela Light com seu respectivo ambiente também selado. Na proteção geral das entradas individuais e das entradas coletivas a utilização de disjuntores com dispositivo diferencial-residual (DDR, IDR ou dispositivo diferencial-residual acoplado), deve considerar as condições estabelecidas na tabela abaixo. Nesse caso o sistema TN-S deve ser o adotado junto à proteção geral de entrada. A proteção diferencial-residual pode ser efetivada com disjuntor do tipo DDR que inclui as funções térmica (sobrecarga), magnética (curto-circuito) e diferencial-residual (fuga). Opcionalmente a proteção diferencial-residual pode ser viabilizada através do uso de dispositivo IDR em série com um disjuntor termomagnético (sobrecarga e curto-circuito), já que o dispositivo IDR não apresenta a função magnética (curto-circuito). Outra alternativa para a proteção diferencial-residual, em especial nas entradas consumidoras com correntes elevadas, é a utilização de um disjuntor termomagnético (sobrecarga e curto- circuito) equipado com bobina de disparo associada a um dispositivo para corrente
  • 32.
    32 RECON –BT Março/2013 diferencial-residual (TC e relé de corrente com ajuste compatível para a corrente de fuga instalado no condutor de proteção). O Anexo A desta Regulamentação oferece os detalhes necessários para o perfeito entendimento e aplicação desse tipo arranjo. A proteção diferencial-residencial deve estar em conformidade com as normas brasileiras aprovadas pela ABNT, mantidas as suas atualizações. NOTAS: 1. Quando empregados o disjuntor termomagnético e o dispositivo diferencial-residual independentes, o responsável técnico deve prever, quando necessário, caixa padronizada para abrigar os componentes separadamente; 2. As notas 1 e 2 do item 11.1, quando forem os casos, também se aplicam às proteções diferenciais-residuais; 3. Os dispositivos diferenciais-residuais devem ser dimensionados pelo responsável técnico considerando o somatório diversificado das fugas de corrente inerentes às instalações a jusante do dispositivo. Condição de uso da proteção diferencial-residual A escolha dos pontos de instalação do dispositivo diferencial-residual deve obedecer aos seguintes critérios: PROTEÇÃO COM DISPOSITIVO DIFERENCIAL-RESIDUAL Tensãode fornecimento Entradaindividual Entrada coletiva Proteçãogeral deentrada Proteçãogeral damediçãode serviço Proteções parciais(apósa proteçãogeral) Proteções individuaisdas unidades consumidoras Proteções internasdo QGBTdecada unidade consumidora 230-115 V Recomendado (ver obs.) Não se aplica Não se aplica Não se aplica Não se aplica Ver NBR5410 (ver obs.) 220/127 V Recomendado (ver obs.) Recomendado (ver obs.) Recomendado (ver obs.) Recomendado (ver obs.) Recomendado (ver obs.) Ver NBR5410 (ver obs.) 380/220 V Obrigatório Obrigatório Obrigatório Recomendado (ver obs.) Obrigatório Ver NBR5410 (ver obs.) OBS.: É importante destacar que quando da existência de um disjuntor com proteção diferencial-residual, todos os disjuntores a jusante (após) que não dispuserem a mesma condição, podem proporcionar o desligamento “indesejado” desse referido disjuntor com proteção diferencial (à montante), seja por fuga,
  • 33.
    RECON – BTMarço/2013 33 por erro na ligação de cargas monofásicas entre fase e terra (condutor de proteção), ou até mesmo por curto-circuito de alta impedância. A condição é dita “indesejada” pelo fato de haver um desligamento geral da unidade consumidora, ou então do próprio conjunto coletivo através do disjuntor geral de entrada. 11.3 - Proteção contra sobretensões A ocorrência de sobretensões em instalações de energia elétrica não deve comprometer a segurança de pessoas e a integridade de sistemas elétricos e equipamentos. Cabe ao Consumidor/responsável técnico a responsabilidade pela especificação e instalação de proteção contra sobretensões, que deve ser proporcionada basicamente pela adoção de dispositivos de proteção contra surtos - DPS em tensão nominal e nível de suportabilidade compatível com a característica da tensão de fornecimento e com a sobretensão prevista, bem como pela adoção das demais recomendações complementares em conformidade com as exigências contidas na norma brasileira NBR - 5410 da ABNT, consideradas as suas atualizações. Quando da utilização do DPS, este deve ser eletricamente conectado a jusante (após) da medição e do disjuntor de proteção geral da entrada de energia elétrica, preferencialmente na entrada do Quadro de Distribuição Geral - QDG interno à edificação. Deve ser proporcionada a segurança de pessoas, instalações e equipamentos, contra tensões induzidas e/ou transferidas (elevação de potencial) advindas de manobras ou curtos-circuitos trifásicos, bifásicos ou monofásicos no lado primário das instalações (condições inerentes de um sistema de distribuição). Nesse sentido, equipamentos ou instalações sensíveis, seja em regime permanente ou transitório, devem receber proteções adequadas através de relés associados a dispositivos que possam interromper o fornecimento sem danos ou prejuízos. NOTAS: 1. O DPS deve ser instalado em caixa padronizada pela Light com seu respectivo ambiente selado (ver figura 23); 2. A montante (antes) do dispositivo DPS deve ser instalada proteção contra sobrecorrente, abrigada em caixa de proteção geral (CDJ). 11.4 - Proteção contra subtensões e falta de fase Nos casos de instalações em que o Consumidor possua equipamentos elétricos e eletrônicos sensíveis à subtensão ou falta de fase (elevadores, dispositivos de controle, motores e outros), tanto em regime permanente quanto em regime transitório, cabe ao Consumidor/responsável técnico a responsabilidade pela especificação e instalação de dispositivo de proteção a ser conectado junto aos respectivos equipamentos.
  • 34.
    34 RECON –BT Março/2013 12 - Medição O equipamento de medição e acessórios destinados a medir a energia elétrica são fornecidos e instalados pela Light, em conformidade com as disposições atualizadas da Resolução nº 414/2010 da ANEEL. 12.1 - Medição individual Destinada a medição e registro do consumo de energia elétrica de determinada unidade consumidora. Concedida a unidades consumidoras residenciais ou não-residenciais caracterizadas como unidades independentes. Essa caracterização se dá pela verificação de endereços individuais e pelo fato de não pertencer a nenhuma condição de condomínio. A Seção 02 desta Regulamentação define os arranjos que necessitem deste tipo de medição. 12.2 - Medição de agrupamento Destinada a medição e registro do consumo de energia elétrica de determinada unidade consumidora. Concedida a unidades consumidoras residenciais e não-residenciais compreendidas em Entradas coletivas. Nesse caso essa caracterização se dá pela verificação de um endereço comum a todas as unidades consumidoras e pela existência de um condomínio oficial para a edificação. A Seção 03 desta Regulamentação define os arranjos que necessitem deste tipo de medição. 12.3 - Medição de serviço Destinada a medição e registro do consumo de energia elétrica das cargas de iluminação, elevadores, bombas d’água etc, de uso comum da edificação e/ou condomínio. Compreendido em Entradas coletivas, o medidor de serviço deve ser sempre instalado a montante (antes) da proteção geral de entrada da edificação sempre que houver qualquer carga de prevenção, detecção e combate a sinistro tais como iluminação de emergência, bombas de pressurização etc. A Seção 03 desta Regulamentação define os arranjos que necessitem deste tipo de medição. 12.4 - Medição totalizadora Destinada a medição e registro do consumo de energia elétrica fornecida em uma entrada coletiva contemplando todas as unidades consumidoras existentes.
  • 35.
    RECON – BTMarço/2013 35 A medição totalizadora deve ser empregada sempre que os agrupamentos de medidores forem distribuídos pelos andares, ou ainda, quando instalados no pavimento térreo a mais de 5 metros de distância do limite da propriedade com a via pública. Para os casos onde a transformação da Light esteja interna a propriedade do consumidor, a medição totalizadora deve ser instalada imediatamente após essa transformação. A Seção 03 desta Regulamentação define os arranjos que necessitam deste tipo de medição. 12.5 - Medições especiais Outras modalidades de medições, inerentes a sistemas tarifários diferenciados e regulamentados pela ANEEL, assim como sistemas inteligentes de medição podem ser adotados, desde que previamente definido e acordado com a Light. 12.6 - Influências de campos magnéticos Tendo em vista preservar os equipamentos de medição contra a influência de campos magnéticos, devem ser observadas as seguintes distâncias mínimas entre barramentos e medidores: CORRENTE NOMINAL DO BARRAMENTO (A) DISTÂNCIA MÍNIMA ENTRE OS MEDIDORES E O BARRAMENTO (m) 800 0,40 1000 0,50 1200 0,60 1600 0,80 2000 1,00 3000 1,50 4000 2,00 NOTA: As TABELAS 16 e 17 apresentam os limites de condução de corrente para barras de cobre de seção retangular, bem como os fatores de correção da corrente em função do número de barras em paralelo. 13 - Aterramento das instalações de entrada 13.1 - Aterramento do condutor neutro Em cada edificação, junto à caixa de medição (entradas individuais) ou a proteção geral de entrada (entradas coletivas), como parte integrante da instalação, é obrigatória a construção de malha de terra constituída de uma ou mais hastes interligadas entre si (no solo), à qual deve ser permanentemente interligados, o condutor de neutro do ramal de entrada de energia elétrica e o condutor de proteção.
  • 36.
    36 RECON –BT Março/2013 13.2 - Ligações a terra e condutor de proteção O sistema de aterramento praticado por esta Regulamentação é o TN-S, onde os condutores de neutro e de proteção são interligados e aterrados na malha de terra principal da edificação, junto à proteção geral de entrada que também, quando for o caso, deve contemplar proteção diferencial-residual. Para que a proteção diferencial-residual não perca a seletividade entre os diversos disjuntores com função diferencial ao longo do sistema elétrico da unidade consumidora, o condutor de neutro não deve ser aterrado em outros pontos à jusante do primeiro e único ponto de aterramento permitido, que é o ponto junto à proteção geral de entrada (o primeiro ponto de proteção geral). O neutro não pode ser interligado ao condutor de proteção em outros pontos diferentes do ponto junto à proteção geral de entrada, todavia o condutor de proteção pode ser multiaterrado a outras malhas existentes na edificação, exceto a malha de aterramento destinada ao Sistema de proteção contra descargas atmosféricas (para-raio da edificação), sem nenhum prejuízo para o sistema de proteção diferencial-residual. As TABELAS 11-A e 11-B desta Regulamentação, além de apresentar o dimensionamento de materiais para entradas coletivas, também apresenta os detalhes em relação à condição de aterramento do neutro, bem como a condição de interligação entre as barras de neutro e de proteção. Também o ANEXO A desta Regulamentação destaca os aspectos que envolvem a interligação entre os condutores de neutro e de proteção. O condutor de neutro que é interligado à malha de aterramento deve ser em cobre nu, classe de encordoamento nº 2, de seção mínima conforme estabelecido nas tabelas de dimensionamento constantes na Seção 05 desta Regulamentação. O condutor de proteção deve ser em cobre, isolado na cor verde ou verde e amarela, classe de encordoamento nº 2, de seção mínima conforme estabelecido nas TABELAS 10-A, 10-B, 11- A e 11-B desta Regulamentação, devendo percorrer toda a instalação interna e ao qual devem ser conectadas todas as partes metálicas (carcaças) não energizadas das caixas e painéis metálicos, dos aparelhos elétricos existentes, bem como o terceiro pino (terra) das tomadas dos equipamentos elétricos, de acordo com as prescrições atualizadas da NBR - 5410. O sistema de aterramento deve garantir a manutenção das tensões máximas de toque (V toque) e de passo (V passo) dentro dos limites de segurança normalizados.
  • 37.
    RECON – BTMarço/2013 37 13.3 - Eletrodo de aterramento Deve ser empregada haste de aço cobreada com comprimento de 2,40 metros e diâmetro de 5/8”. Quando as condições físicas do local da instalação impedirem a utilização de hastes, deve ser adotado um dos métodos estabelecidos pela NBR - 5410, que garanta o atendimento das características dispostas nos itens 13.1 e 13.2 desta Regulamentação. 13.4 - Interligação à malha de aterramento e entre barras de neutro e de proteção O condutor de aterramento do neutro e o condutor de proteção devem ser em cobre, de seção mínima dimensionada em função dos condutores de fase do ramal de entrada de energia elétrica, conforme especificado para cada categoria de atendimento nas TABELAS 10-A, 10-B, 11-A e 11-B e na TABELA 13 (seção mínima do condutor de proteção). Não devem conter emendas, ou quaisquer dispositivos que possam causar a sua interrupção. A proteção mecânica do trecho de condutor que interliga o condutor de neutro à malha de aterramento, deve ser feita através de eletroduto de PVC rígido. Considerando a adoção do sistema de aterramento TN-S como padrão, somente junto à proteção geral de entrada é que a barra de proteção e a barra de neutro devem estar conectadas à malha de aterramento principal, bem como também interligadas entre si internamente à caixa/painel. Nos circuitos à jusante (após) da proteção geral, o condutor de proteção e o condutor de neutro não podem ser interligados, de forma a não provocar a perda da seletividade nas proteções diferenciais- residuais, quando houverem. Contudo, havendo possibilidade, barras ou condutores de proteção podem e devem ser multiaterrados em outras malhas de proteção eventualmente existentes na edificação. A conexão dos condutores de interligação da barra de neutro e da barra de proteção à malha de aterramento deve ser feita através de conectores que utilizem materiais não ferrosos, de forma a evitar processos corrosivos. 13.5 - Número de eletrodos da malha de terra Os eletrodos utilizados devem estar conforme definido no item 13.3 desta Regulamentação, sendo que o valor máximo da resistência de aterramento, para qualquer das condições a seguir, não deve ultrapassar 25 ohms. NOTA: As seções mínimas do condutor da malha de aterramento estão definidas nos subitens a seguir. Contudo, desde que consideradas as condições de características do solo conforme NBR 5410.
  • 38.
    38 RECON –BT Março/2013 13.5.1 - Entrada individual de energia elétrica 13.5.1.1 - Entrada individual isolada com demanda avaliada até 23,2 kVA Deve ser construída uma malha de aterramento com, no mínimo, uma haste de aço cobreada de 5/8” com comprimento de 2,40m. 13.5.1.2 - Entrada individual isolada com demanda avaliada superior a 23,2 kVA e inferior ou igual a 150 kVA Deve ser construída uma malha de aterramento com no mínimo 3 (três) hastes de aço cobreadas de 5/8” com comprimento de 2,40m, interligadas entre si por condutor de cobre nu, de seção não inferior a 25 mm², com espaçamento entre hastes superior ou igual ao comprimento da haste utilizada. 13.5.1.3 - Entrada individual isolada com demanda avaliada superior a 150 kVA Deve ser construída uma malha de aterramento com, no mínimo, 6 (seis) hastes de aço cobreadas de 5/8” com comprimento de 2,40m, interligadas entre si por condutor de cobre nu, de seção não inferior a 25 mm², com espaçamento entre hastes superior ou igual ao comprimento da haste utilizada. 13.5.2 - Entrada coletiva de energia elétrica 13.5.2.1 - Entrada coletiva com até 6 (seis) unidades consumidoras Deve ser construída uma malha de aterramento com no mínimo uma haste de aço cobreada de 5/8” com comprimento de 2,40m por unidade de consumidora, interligadas entre si por condutor de cobre nu, de seção não inferior a 25 mm², com espaçamento entre hastes superior ou igual ao comprimento da haste utilizada. 13.5.2.2 - Entrada coletiva com mais de 6 (seis) unidades consumidoras Deve ser construída uma malha de aterramento com no mínimo 6 (seis) hastes de aço cobreadas de 5/8” com comprimento de 2,40m, interligadas entre si por condutor de cobre nu, de seção não inferior a 25 mm², com espaçamento entre hastes superior ou igual ao comprimento da haste utilizada. 14 - Materiais padronizados para instalações de entrada Somente são aceito fabricantes cujos materiais e equipamentos tenham sido previamente validados pela Light para aplicação nas instalações de entrada dos consumidores.
  • 39.
    RECON – BTMarço/2013 39 14.1 - Caixas de medição Destinadas a abrigar o equipamento de medição monofásico ou polifásico, além de outros acessórios complementares, para medição direta ou indireta. As portas ou tampas das caixas devem possuir dispositivos para fixação de selos e demais materiais de segurança conforme padrão Light. Todas as caixas devem possuir visores em policarbonato a fim de permitir a realização da leitura do medidor. Para toda caixa provida de barramentos (fases, neutro e proteção), estes devem ser dimensionados 1,25 vezes a corrente da demanda máxima prevista para o material. Devem apresentar suportabilidade ao nível de curto-circuito máximo previsto, considerando inclusive seus efeitos térmicos e dinâmicos. Para os casos onde comprovadamente não haja viabilidade técnica (sem parede frontal, por exemplo) para emprego da caixa de medição no limite da propriedade, voltada diretamente para a via pública, esta poderá ser instalada no interior da propriedade, desde que instalada em recuo técnico (nicho) ou gabinete em alvenaria e fique a no máximo 1 (um) metro de distância do limite da propriedade com a via pública. 14.1.1 - Caixas para Medição direta Destinadas a abrigar o equipamento de medição monofásico ou polifásico para medição direta (até 200 A), nos casos de atendimento através de ramal de ligação aéreo ou subterrâneo. 14.1.1.1 - Caixa para Medição direta monofásica – CM1 (Figura 1) A caixa CM1 deve ser utilizada em ligações monofásicas com valores de corrente até 70 A. Deve ser fabricada em policarbonato considerando todas as especificações e ensaios necessários e exigidos pela Light e as normas atinentes. Em entradas individuais, quando o atendimento for através de ramal de ligação aéreo a caixa CM1 deve ser instalada sobreposta no poste. Tratando-se de muro ou fachada, pode ser instalada semi-embutida ou em recuo técnico conforme conveniência do Consumidor. Quando o atendimento for através de ramal de ligação subterrâneo a caixa CM1 deve ser instalada no muro ou fachada, sendo instalada semi-embutida ou em recuo técnico conforme conveniência do Consumidor.
  • 40.
    40 RECON –BT Março/2013 NOTAS: 1. A jusante (após) a caixa de medição CM1 deve ser instalada sempre uma caixa de proteção – CDJ1 voltada para a parte interna da propriedade/edificação (sem acesso externo pela via pública); 2. Para os casos onde o atendimento for através de ramal de ligação subterrâneo, a caixa CM1 deve ser precedida de uma caixa de seccionamento – CS1 (exceto quando tratar-se de ligação em via pública). Em entradas coletivas, deve ser instalada quando os condutores derivarem de caixa de distribuição existente ou quando tratar-se de medição de serviço conectada antes da proteção geral da edificação. 14.1.1.2 - Caixa para Medição direta polifásica – CM3 (Figura 2) A caixa CM3 deve ser utilizada em ligações polifásicas com valores de corrente até 70 A. Deve ser fabricada em policarbonato considerando todas as especificações e ensaios necessários e exigidos pela Light e as normas atinentes. Em entradas individuais, quando o atendimento for através de ramal de ligação aéreo a caixa CM3 deve ser instalada sobreposta no poste. Tratando-se de muro ou fachada, pode ser instalada semi-embutida ou em recuo técnico conforme conveniência do Consumidor. Quando o atendimento for através de ramal de ligação subterrâneo a caixa CM3 deve ser instalada no muro ou fachada, sendo instalada semi-embutida ou em recuo técnico conforme conveniência do Consumidor. NOTAS: 1. A jusante (após) a caixa de medição CM3 deve ser instalada sempre uma caixa de proteção – CDJ3 voltada para a parte interna da propriedade/edificação (sem acesso externo pela via pública); 2. Para os casos onde o atendimento for através de ramal de ligação subterrâneo, a caixa CM1 deve ser precedida de uma caixa de seccionamento – CS3 (exceto quando tratar-se de ligação em via pública). Em entradas coletivas, deve ser instalada quando os condutores derivarem de caixa de distribuição existente ou quando tratar-se de medição de serviço conectada antes da proteção geral da edificação. 14.1.1.3 - Caixa para Medição direta até 200 A – CM200 (Figura 3) A caixa CM200 deve ser utilizada em ligações polifásicas com valores de corrente a partir de 71 A até 200 A.
  • 41.
    RECON – BTMarço/2013 41 Devem ser fabricadas em aço galvanizado tratado contra corrosão com pintura eletrostática em epóxi ou similar, considerando todas as especificações e ensaios necessários e exigidos pela Light e as normas atinentes. Em entradas individuais, utilizada somente quando o atendimento for através de ramal de ligação subterrâneo, a caixa CM200 deve ser instalada no muro ou fachada, em recuo técnico (nicho) ou gabinete de alvenaria. Para esse caso a caixa CM200 deve ser sempre precedida de uma caixa de seccionamento – CS200. NOTA: A jusante (após) a caixa de medição CM200 deve ser instalada sempre uma caixa de proteção – CPG200 voltada para a parte interna da propriedade/edificação (sem acesso externo pela via pública). Em entradas coletivas, deve ser instalada quando os condutores derivarem de caixa/painel de distribuição existente ou quando tratar-se de medição de serviço conectada antes da proteção geral da edificação. 14.1.1.4 - Caixa para Seccionamento e Medição direta até 200 A – CSM200 (Figura 4) A caixa CSM200 deve ser utilizada em ligações polifásicas com valores de corrente a partir de 71 A até 200 A. Devem ser fabricadas em aço galvanizado tratado contra corrosão com pintura eletrostática em epóxi ou similar, considerando todas as especificações e ensaios necessários e exigidos pela Light e as normas atinentes. Utilizada somente em entradas individuais, sendo o atendimento através de ramal de ligação aéreo ou subterrâneo, a caixa CSM200 deve ser instalada no muro ou fachada, em recuo técnico (nicho) ou gabinete em alvenaria. NOTA: A jusante (após) a caixa de medição CSM200 deve ser instalada sempre uma caixa de proteção – CPG200 voltada para a parte interna da propriedade/edificação (sem acesso externo pela via pública). 14.1.1.5 - Caixa para Seccionamento, Medição direta e Proteção até 200 A – CSMD200 (Figura 5) A caixa CSMD200 deve ser utilizada em ligações polifásicas com valores de corrente a partir de 71 A até 200 A, opcionalmente às caixas CM200 ou CSM200.
  • 42.
    42 RECON –BT Março/2013 Devem ser fabricadas em aço galvanizado tratado contra corrosão com pintura eletrostática em epóxi ou similar, considerando todas as especificações e ensaios necessários e exigidos pela Light e as normas atinentes. Em entradas individuais, sendo o atendimento através de ramal de ligação aéreo ou subterrâneo, a caixa CSMD200 deve ser instalada no muro ou fachada, em recuo técnico (nicho) ou gabinete em alvenaria. Em entradas coletivas, deve ser instalada quando os condutores derivarem de caixa/painel de distribuição existente ou quando tratar-se de medição de serviço conectada antes da proteção geral da edificação. NOTA: Nos casos de entradas individuais, a caixa CSMD200 instalada em recuo técnico deve ter a porta de abertura que acessa a alavanca de acionamento do disjuntor protegida for cadeado fornecido pelo Consumidor. Ou, por conveniência do mesmo, poderá ser instalada uma porta ornamental com fechadura/cadeado protegendo todo o ambiente do recuo técnico. Nesse caso, a porta ornamental deve ter um visor em policarbonato na altura dos visores da caixa de medição. 14.1.2 - Caixas para Medição indireta Destinadas a abrigar o equipamento de medição polifásico e demais componentes do sistema de medição para medição indireta (acima de 200A), nos casos de atendimento através de ramal de ligação aéreo ou subterrâneo. Devem ser fabricadas em aço galvanizado tratado contra corrosão com pintura eletrostática em epóxi ou similar, considerando todas as especificações e ensaios necessários e exigidos pela Light e as normas atinentes. • As caixas do tipo CSM (seccionamento e medição indireta) dividem-se em 2 (dois) módulos, sendo: 1º: Módulo de seccionamento Destinado ao seccionamento da instalação de entrada. Esse módulo deve abrigar, em ambiente selado, um dispositivo para o seccionamento geral da instalação, podendo ser um seccionador tripolar em caixa moldada ou bases fusíveis tipo NH com barras de continuidade (sem fusíveis). De acordo com a carga pode ser utilizada uma chave seccionadora tripolar ou ainda um sistema de barras desligadoras formadas por seções de barras de junção parafusadas, articuláveis ou removíveis.
  • 43.
    RECON – BTMarço/2013 43 2º: Módulo de medição Destinado a abrigar o medidor e demais equipamentos que compõem o sistema de medição, também instalados em ambiente selado. NOTA: As caixas do tipo CSMD dividem-se em 3 (três) partes: Seccionamento, medição e proteção. Sendo este último módulo destinado a abrigar a proteção geral da unidade consumidora ou a proteção geral da edificação, quando for o caso. 14.1.2.1 - Caixa para Seccionamento e Medição indireta até 600 A – CSM600 (Figura 6) A caixa CSM600 deve ser utilizada em ligações polifásicas com valores de corrente a partir de 201 A até 600 A. Em entradas individuais, sendo o atendimento através de ramal subterrâneo, a caixa CSM600 deve ser instalada no muro ou fachada, em recuo técnico (nicho) ou gabinete em alvenaria. Em entradas coletivas, deve ser instalada quando os condutores derivarem de caixa/painel de distribuição ou quando tratar-se de medição de serviço conectada antes da proteção geral da edificação. NOTA: A jusante (após) a caixa de medição CSM600 deve ser instalada sempre uma caixa de proteção – CPG600 voltada para a parte interna da propriedade/edificação (sem acesso externo pela via pública). 14.1.2.2 - Caixa para Seccionamento e Medição indireta até 1500 A – CSM1500 (Figura 7) A caixa CSM1500 deve ser utilizada em ligações polifásicas com valores de corrente a partir de 601 A até 1500 A. Em entradas individuais, sendo o atendimento através de ramal subterrâneo, a caixa CSM1500 deve ser instalada no muro ou fachada, em recuo técnico (nicho) ou gabinete em alvenaria. Em entradas coletivas, deve ser instalada quando os condutores derivarem de caixa/painel de distribuição ou quando tratar-se de medição de serviço conectada antes da proteção geral da edificação. NOTA: A jusante (após) a caixa de medição CSM1500 deve ser instalada sempre uma caixa de proteção – CPG1500 voltada para a parte interna da propriedade/edificação (sem acesso externo pela via pública).
  • 44.
    44 RECON –BT Março/2013 14.1.2.3 - Caixa para Seccionamento, Medição indireta e Proteção até 600 A – CSMD600 (Figura 8) A caixa CSMD600 deve ser utilizada em ligações polifásicas com valores de corrente a partir de 201 A até 600 A. Em entradas individuais, sendo o atendimento através de ramal subterrâneo, a caixa CSMD600 deve ser instalada no muro ou fachada, em recuo técnico (nicho) ou gabinete em alvenaria. Em entradas coletivas, deve ser instalada quando os condutores derivarem de caixa/painel de distribuição, quando tratar-se de medição de serviço conectada antes da proteção geral da edificação, ou como medição totalizadora abrigando a medição e a proteção geral da edificação. NOTA: Nos casos de entradas individuais, a caixa CSMD600 instalada em recuo técnico deve ter a porta de abertura que acessa a alavanca de acionamento do disjuntor protegida for cadeado fornecido pelo Consumidor. Ou, por conveniência do mesmo, poderá ser instalada uma porta ornamental com fechadura/cadeado protegendo todo o ambiente do recuo técnico. Nesse caso, a porta ornamental deve ter um visor em policarbonato na altura dos visores da caixa de medição. 14.1.2.4 - Caixa para Seccionamento, Medição indireta e Proteção até 1500 A – CSMD1500 (Figura 9) A caixa CSMD1500 deve ser utilizada em ligações polifásicas com valores de corrente a partir de 601 A até 1500 A. Em entradas individuais, sendo o atendimento através de ramal subterrâneo, a caixa CSMD1500 deve ser instalada no muro ou fachada, em recuo técnico (nicho) ou gabinete em alvenaria. Em entradas coletivas, deve ser instalada quando os condutores derivarem de caixa/painel de distribuição, quando tratar-se de medição de serviço conectada antes da proteção geral da edificação, ou como medição totalizadora abrigando a medição e a proteção geral da edificação. NOTA: Nos casos de entradas individuais, a caixa CSMD1500 instalada em recuo técnico deve ter a porta de abertura que acessa a alavanca de acionamento do disjuntor protegida for cadeado fornecido pelo Consumidor. Ou, por conveniência do mesmo, poderá ser instalada uma porta ornamental com fechadura/cadeado protegendo todo o ambiente do recuo técnico. Nesse caso, a porta ornamental deve ter um visor em policarbonato na altura dos visores da caixa de medição.
  • 45.
    RECON – BTMarço/2013 45 NOTAS GERAIS: 1. Quando as caixas CSM ou CSMD forem utilizadas na medição de unidades consumidoras derivadas de entradas coletivas onde não exista condutor de proteção independente, a barra de neutro e a barra de proteção devem ser interligadas, já que nesse caso o condutor de proteção deve derivar da própria caixa para o interior da instalação; 2. Quando as caixas CSM ou CSMD forem utilizadas na medição de unidades consumidoras derivadas de entradas coletivas, estando eletricamente situadas após um dispositivo de proteção geral que contemple a condição diferencial-residual, devem possuir “barra de neutro” e “barra de proteção” independentes, onde a “barra de neutro” deve estar fixada na caixa através de buchas isolantes e a “barra de proteção” fixada sem bucha de isolação (Ver ANEXO A e esquema de ligação da TABELA 11-B desta Regulamentação); 3. Nos casos de instalações de entrada com valores de corrente superiores a 1500 A, deve ser projetada e construída caixa CSM+CPG ou CSMD Especiais, em conformidade com a NBR IEC 60439-1, considerando aspectos como: Tipo de rede de distribuição local, número de condutores do ramal de ligação etc. devendo a mesma ser previamente avaliada e aprovada pela Light; 4. Para instalações de entrada que utilizem caixas de medição indireta (CSM ou CSMD) onde, comprovado tecnicamente, não for possível a instalação da caixa de medição no limite da propriedade com a via pública, a mesma poderá ser instalada em até 3 (três) metros desse limite mediante análise e aprovação prévia da Light. 5. Outras caixas ou arranjos poderão ser desenvolvidos de acordo como a conveniência técnica do Consumidor, como por exemplo, arranjos de caixas em módulos, desde que previamente avaliados e aprovados pela Light antes do seu fornecimento ao Consumidor. 14.2 - Caixas para Seccionamento Devem ser utilizadas em entradas individuais quando o atendimento a unidade consumidora for através de ramal de ligação subterrâneo através de caixas de medição direta que não dispõem de seccionamento próprio (exceto quando tratar-se de ligação em via pública). Devem ser instaladas eletricamente a montante (antes) e junto da caixa de medição. Destinadas a abrigar, em ambiente selado, um dispositivo para o seccionamento geral da instalação, podendo ser um seccionador tripolar em caixa moldada ou bases fusíveis tipo NH com barras de continuidade (sem fusíveis). De acordo com a carga pode ser utilizada uma chave seccionadora tripolar ou ainda um sistema de barras desligadoras formadas por seções de barras de junção parafusadas, articuláveis ou removíveis. Podem ser fabricadas em policarbonato ou em aço galvanizado tratado contra corrosão com pintura eletrostática em epóxi ou similar, considerando todas as especificações e ensaios necessários e exigidos pela Light e as normas atinentes.
  • 46.
    46 RECON –BT Março/2013 As portas ou tampas das caixas devem possuir dispositivos para fixação de selos e demais materiais de segurança conforme padrão Light. Para toda caixa provida de barramentos (fases, neutro e proteção), estes devem ser dimensionados 1,25 vezes a corrente de demanda máxima prevista para o material. Devem apresentar suportabilidade ao nível de curto-circuito máximo previsto, considerando inclusive seus efeitos térmicos e dinâmicos. 14.2.1 - Caixa para Seccionador monofásico – CS1 (Figura 10) Deve ser instalada semi-embutida ou em recuo técnico de acordo com a conveniência do Consumidor. 14.2.2 - Caixa para Seccionador polifásico até 100 A – CS3 (Figura 11) Deve ser instalada semi-embutida ou em recuo técnico de acordo com a conveniência do Consumidor. 14.2.3 - Caixa para Seccionador polifásico até 200 A – CS200 (Figura 12) Deve ser instalada semi-embutida ou em recuo técnico de acordo com a conveniência do Consumidor. 14.3 - Caixas para Proteção geral Destinadas a abrigar o disjuntor de proteção geral. Em entradas individuais devem ser utilizadas para abrigar o disjuntor de proteção geral da unidade consumidora, sempre instaladas a jusante (após) e junto da caixa de medição, voltadas para a parte interna da propriedade/edificação (sem acesso externo pela via pública). Em entradas coletivas devem ser utilizadas para abrigar o disjuntor de proteção geral de entrada da edificação. Podem ser fabricadas em policarbonato ou em aço galvanizado tratado contra corrosão com pintura eletrostática em epóxi ou similar, considerando todas as especificações e ensaios necessários e exigidos pela Light e as normas atinentes. As portas ou tampas das caixas devem possuir dispositivos para fixação de selos e demais materiais de segurança conforme padrão Light. Para toda caixa provida de barramentos (fases, neutro e proteção), estes devem ser dimensionados 1,25 vezes a corrente de demanda máxima prevista para o material. Devem apresentar suportabilidade ao nível de curto-circuito máximo previsto, considerando inclusive seus efeitos térmicos e dinâmicos. As caixas devem possuir janela para acionamento do disjuntor.
  • 47.
    RECON – BTMarço/2013 47 NOTA: Ao Consumidor é permitido somente o acesso à alavanca de acionamento do disjuntor. Não é permitido acesso interno à caixa, para fins de substituição, manutenção ou alteração da calibração do disjuntor, sem autorização prévia da Light. 14.3.1 - Caixa para Disjuntor monofásico – CDJ1 (Figura 13) Deve ser utilizada em ligações com disjuntor monofásico de até 70 A. Em entradas individuais deve ser instalada sobreposta, ou semi-embutida, ou em recuo técnico por conveniência do Consumidor, sempre voltadas para a parte interna da propriedade/edificação (sem acesso externo pela via pública). Em entradas coletivas deve ser instalada sobreposta como proteção individual de qualquer unidade consumidora compreendida nesse tipo de entrada. 14.3.2 - Caixa para Disjuntor polifásico – CDJ3 (Figura 14) Deve ser utilizada em ligações com disjuntor trifásico de até 70 A. Em entradas individuais deve ser instalada sobreposta, ou semi-embutida, ou em recuo técnico por conveniência do Consumidor, sempre voltadas para a parte interna da propriedade/edificação (sem acesso externo pela via pública). Em entradas coletivas deve ser instalada sobreposta como proteção individual de qualquer unidade consumidora compreendida nesse tipo de entrada. 14.3.3 - Caixa para Proteção geral – CPG200 (Figura 15) Deve ser utilizada em ligações com disjuntor trifásico de 100 A até 200 A. Em entradas individuais deve ser instalada sobreposta, ou semi-embutida, ou em recuo técnico por conveniência do Consumidor, sempre voltadas para a parte interna da propriedade/edificação (sem acesso externo pela via pública). Em entradas coletivas deve ser instalada sobreposta como proteção individual de qualquer unidade consumidora compreendida nesse tipo de entrada ou, como proteção geral de entrada da edificação. 14.3.4 - Caixa para Proteção geral – CPG600 (Figura 16) Deve ser utilizada em ligações com disjuntor trifásico de 225 A até 600 A.
  • 48.
    48 RECON –BT Março/2013 Em entradas individuais deve ser instalada sobreposta, ou semi-embutida, ou em recuo técnico por conveniência do Consumidor, sempre voltadas para a parte interna da propriedade/edificação (sem acesso externo pela via pública). Em entradas coletivas deve ser instalada sobreposta como proteção individual de qualquer unidade consumidora compreendida nesse tipo de entrada ou, como proteção geral de entrada da edificação. 14.3.5 - Caixa para Proteção geral – CPG1500 (Figura 17) Deve ser utilizada em ligações com disjuntor trifásico de 700 A até 1500 A. Em entradas individuais deve ser instalada sobreposta, ou semi-embutida, ou em recuo técnico por conveniência do Consumidor, sempre voltadas para a parte interna da propriedade/edificação (sem acesso externo pela via pública). Em entradas coletivas deve ser instalada sobreposta como proteção individual de qualquer unidade consumidora compreendida nesse tipo de entrada ou, como proteção geral de entrada da edificação. NOTAS: 1. Nos casos de instalações de entrada com valores de corrente superiores a 1500 A deve ser projetada e construída caixa CPG Especial, considerando aspectos como: dimensão do disjuntor empregado, número de condutores do ramal de ligação etc. devendo a mesma ser previamente avaliada e aprovada pela Light; 2. Eventualmente, em instalações de entrada com valores inferiores a 1500 A, por conveniência técnica do responsável técnico, entradas individuais ou coletivas que requeiram caixas de proteção com dimensões compatíveis com os disjuntores adquiridos também poderão ser projetadas, desde que, como na nota acima, sejam previamente avaliadas e aprovadas pela Light; 3. Em entradas coletivas onde a caixa CPG vir a abrigar não só a proteção geral de entrada, mas também os circuitos destinados a medição de serviço, deve ser observado pelo responsável técnico, na ocasião da elaboração do projeto de entrada, o espaço físico interno da caixa projetada a fim de garantir que esse espaço permita a instalação dos materiais e equipamentos sem que isso cause prejuízo a qualidade e a segurança na ocasião da ligação; 4. As caixas CPG devem possuir dimensões adequadas ao dispositivo de proteção utilizado, às barras de neutro e de proteção, além das barras auxiliares de cobre, tipos “ L ” (Figura 24) e “ Z ” (Figura 24), quando for o caso, com a finalidade de permitir a derivação, antes do borne/terminal de entrada do disjuntor de proteção geral, do circuito para o medidor de serviço quando de sua necessidade, a fim de atender exigência do CBMERJ.
  • 49.
    RECON – BTMarço/2013 49 14.4 - Painéis de medidores Devem ser aplicados em ligações novas, aumentos de carga e reformas no atendimento de unidades consumidoras com medição direta até 200 A compreendidas em entradas coletivas. Devem ser fabricados em aço galvanizado tratado contra corrosão com pintura eletrostática em epóxi ou similar, considerando todas as especificações e ensaios necessários e exigidos pela Light e as normas atinentes. As portas e/ou tampas dos painéis devem possuir dispositivos para fixação de selos e demais materiais de segurança conforme padrão Light. Todos os painéis devem possuir visores em policarbonato a fim de permitir a realização da leitura dos medidores. Para todo painel provido de barramentos (fases, neutro e proteção), estes devem ser dimensionados 1,25 vezes a corrente de demanda máxima prevista para o material. Devem apresentar suportabilidade ao nível de curto-circuito máximo previsto, considerando inclusive seus efeitos térmicos e dinâmicos. Os painéis devem possuir janela para acionamento de todos os disjuntores. Ao Consumidor é permitido somente o acesso à alavanca de acionamento dos disjuntores. Não é permitido acesso interno ao painel, para fins de substituição, manutenção ou alteração da calibração dos disjuntores, sem autorização prévia da Light. Devem ser fornecidos sempre com os condutores de interligação “barramento/medidor” e “medidor/disjuntor de proteção individual” instalados. Os condutores devem ser de seção compatível com a carga de cada unidade consumidora projetada (mínimo de 10mm²), em cobre com fio rígido ou em cabo com classe de encordoamento nº 2, isolamento de PVC 70º C com característica antichama, nas cores preta (fase A), vermelha (fase B), branca (fase C), azul claro (neutro) e verde ou verde e amarela (condutor de proteção - terra). No caso de agrupamentos que utilizem dispositivos diferenciais-residuais e, opcionalmente o Consumidor utilize disjuntores do tipo IDR, estes devem ser abrigados em painéis padronizados especiais. Devem ser usados painéis padronizados com capacidade para atendimento a 2, 4, 8, 12, 16 e 20 unidades consumidoras ou até mesmo painéis modulares. Entretanto, dependendo das características da edificação e/ou da conveniência técnica do Consumidor outros painéis com
  • 50.
    50 RECON –BT Março/2013 números diferentes podem ser projetados desde que sejam avaliados e aprovados previamente pela Light. 14.4.1 - Painel de Medição – PMD (Figura 18) Deve ser utilizado para agrupamento de medidores localizado no mesmo compartimento da proteção geral de entrada da edificação. Composto de barramento de distribuição e circuitos individuais para instalação dos medidores assim como compartimento destinado ao emprego das proteções individuais das unidades consumidoras. 14.4.2 - Painel de Seccionamento e Medição – PSMD (Figura 19) Deve ser utilizado para agrupamento de medidores localizado em compartimento diferente do ocupado pela proteção geral de entrada da edificação. Composto de seccionador tripolar, barramento de distribuição e circuitos individuais para instalação dos medidores assim como compartimento destinado ao emprego das proteções individuais das unidades consumidoras. 14.4.3 - Painel de Proteção e Medição – PDMD (Figura 20) Deve ser utilizado para agrupamento de medidores localizado no ponto de entrega da instalação de entrada incorporando assim a proteção geral de entrada (disjuntor) da edificação. Também pode ser usado para agrupamento de medidores localizado em compartimento diferente do ocupado pela proteção geral de entrada da edificação quando não for possível a coordenação dessa proteção para curtos-circuitos que venham a ocorrer no barramento interno do painel de medição. Caberá ao responsável técnico da instalação de entrada a verificação da coordenação tomando como base os níveis de curto-circuito constantes na tabela 14 em função do dimensionamento do ramal de ligação. Para essa aplicação o painel PDMD deve abrigar uma proteção parcial que garanta proteção contra curtos-circuitos oriundos do barramento interno do painel de medição. Composto de disjuntor tripolar, barramento de distribuição e circuitos individuais para instalação dos medidores assim como compartimento destinado ao emprego das proteções individuais das unidades consumidoras. 14.4.4 - Painel de Proteção geral/parcial – PPGP (Figura 21) São aplicados sempre que ocorra a necessidade de utilização de vários painéis de medição (PMD, PSMD e/ou PDMD) numa mesma entrada coletiva.
  • 51.
    RECON – BTMarço/2013 51 Devem abrigar a proteção geral, quando houver, e as proteções parciais dos agrupamentos de medidores. Devem ser fabricados em aço galvanizado tratado contra corrosão com pintura eletrostática em epóxi ou similar, considerando todas as especificações e ensaios necessários e exigidos pela Light e as normas atinentes. As portas e/ou tampas dos painéis devem possuir dispositivos para fixação de selos e demais materiais de segurança conforme padrão Light. Para todo painel provido de barramentos (fases, neutro e proteção), estes devem ser dimensionados 1,25 vezes a corrente de demanda máxima prevista para o material. Devem apresentar suportabilidade ao nível de curto-circuito máximo previsto, considerando inclusive seus efeitos térmicos e dinâmicos. 14.5 - Caixas de Inspeção de Aterramento (Figura 22) As caixas para inspeção do aterramento devem ser fabricadas em material polimérico, sendo empregadas de forma a permitir um ponto acessível para conexão de instrumentos para ensaios e verificações das condições elétricas do sistema de aterramento. É necessária apenas uma caixa por sistema de aterramento, na qual deve estar contida a primeira haste da malha de terra e a conexão do condutor de interligação do neutro a malha de aterramento. Para sistemas de aterramento com mais de 1 (uma) haste, todas as hastes existentes devem estar disponíveis para inspeção visual pela Light antes da efetivação da ligação. Podendo as mesmas serem seladas (exceto a primeira) após a ligação da instalação de entrada. NOTA: Caixas de inspeção de aterramento que eventualmente sejam instaladas em áreas sujeitas à passagem de veículos ou grande circulação de pessoas devem ser preenchidas com brita (pedra quebrada em fragmentos) a fim de assegurar sua durabilidade. 14.6 - Eletroduto Destina-se a proteção mecânica dos condutores do ramal de entrada. Deve ser utilizado eletroduto não propagante de chama, resistente a UV etc. conforme especificações técnicas contidas nas NBR’s 5410 e 15465. No atendimento através de ramal de ligação aéreo, o condutor do ramal de entrada deve ser protegido por eletroduto rígido em PVC na descida do ponto de ancoragem no poste particular, pontalete ou na fachada até a medição (entradas individuais) ou até a proteção geral de entrada (entradas coletivas).
  • 52.
    52 RECON –BT Março/2013 No caso de atendimento através de ramal de ligação subterrâneo, o condutor do ramal de entrada deve ser protegido por eletroduto rígido em PVC ou flexível de polietileno de alta densidade, do limite da propriedade até a medição (entradas individuais) ou até a proteção geral de entrada (entradas coletivas). NOTA: Nas descidas dos circuitos de aterramento devem ser utilizados eletrodutos rígidos de PVC. 14.7 - Terminais de fixação de dutos A fixação de eletrodutos nas caixas e painéis padronizados, bem como nas caixas do padrão antigo (caixa de distribuição etc.), deve ser feita através de prensa tubos para eletrodutos, box reto ou bucha e arruelas. 14.8 - Poste de aço Deve ser utilizado em entradas individuais para ligações monofásicas ou trifásicas com carga instalada até 15 kW. Também podem ser empregados em entradas coletivas apenas para ancoramento do ramal de ligação aéreo, desde que a carga nominal do poste requerida pela instalação não exceda o valor de 100 daN e que a demanda do ramal de ligação seja igual ou inferior a 33 kVA. Para propriedades que estejam localizadas no mesmo lado da rede de distribuição aérea da Light deve-se utilizar o poste de 6m, e para propriedades que estejam localizadas do outro lado da rede, deve-se utilizar o poste de 7,5m. NOTAS: 1. Construtivamente, o poste de aço dispensa a instalação de eletrodutos, curvas etc. uma vez que os condutores do ramal de ligação (instalado pela Light) assim como os condutores do ramal de entrada (instalado pelo Consumidor) entram e saem pelo interior do próprio poste; 2. O poste de aço deve ser engastado com base concretada com diâmetro de 27 cm e profundidade de 1 m para postes de 6 metros e diâmetro de 14 cm e profundidade de 1,35m para postes de 7,5 metros; 3. O poste de aço deve ser utilizado alternativamente ao poste de concreto, por conveniência do consumidor. 14.9 - Condutores Os condutores devem ser em cobre com classe de encordoamento nº 2 e classe de tensão de 0,6/1 kV. Quanto ao tipo de isolamento, o mesmo poderá ser em PVC 70º C antichama, com baixa emissão de fumaça, XLPE ou EPR 90º C considerando a aplicação e o tipo de ocupação, se em eletroduto, eletrocalha sem ventilação etc.
  • 53.
    RECON – BTMarço/2013 53 NOTA: Outras classes de encordoamento podem ser utilizadas pelo responsável técnico contratado pelo Consumidor desde que utilizados conectores terminais de compressão de fabricantes previamente validados pela Light. A especificação do condutor utilizado, assim como suas características técnicas, a determinação dos tipos de conexão usados e os pontos de sua instalação devem constar do projeto de entrada da edificação. A TABELA 15 apresenta a ampacidade de condutores, podendo ser consultada para auxiliar em eventuais dimensionamentos. Todos os condutores indicados nas tabelas 10 A, 10 B, 11 A e 11 B desta Regulamentação, foram dimensionados apenas pelo critério de ampacidade. Portanto, devem ser observados rigorosamente pelo responsável técnico, os limites de queda de tensão e perda técnica, a suportabilidade às correntes de curta duração (curtos-circuitos) e a adequação da isolação ao tipo de instalação, estabelecidos pela NBR - 5410 da ABNT e normas técnicas específicas de condutores, compatíveis com as características do circuito, condições que podem justificar a modificação no dimensionamento apresentado nas referidas tabelas. 14.9.1 - Tipo de condutor em função da característica do atendimento Para cada categoria de atendimento é fornecida a seção mínima e o número de condutores de fase, de neutro e de proteção correspondentes, através das tabelas (10-A, 10-B, 11-A e 11-B) para dimensionamento de equipamentos e materiais de entradas individuais e coletivas. 14.9.1.1 - Condutores do Ramal de Ligação Quando o ramal de ligação for aéreo, para ligações com carga até 15 kW, em entrada individual, o ramal de ligação aéreo deve ser instalado pela Light até o ponto da medição inclusive. Para ligações com valores acima de 15 kW, em entrada individual ou coletiva, o ramal de ligação aéreo deve ser instalado pela Light até o ponto de ancoragem do ramal e interligado ao ramal de entrada dimensionado e instalado pelo Consumidor. Quando o ramal de ligação for subterrâneo, em entrada individual ou coletiva, este deve ser instalado pela Light até o primeiro ponto de conexão da instalação de entrada. NOTA: Considerando as características técnicas da rede de distribuição local assim como as características construtivas das instalações de entrada projetadas pelo Consumidor, o mesmo deverá ser informado pela Light quanto à determinação do número de circuitos que irão compor o
  • 54.
    54 RECON –BT Março/2013 ramal de ligação, o respectivo banco de dutos assim como o raio de curvatura em função do tipo de condutores empregados etc. 14.9.1.2 - Condutores do Ramal de Entrada Os condutores do ramal de entrada devem ser dimensionados, fornecidos e instalados sempre pelo Consumidor considerando as especificações técnicas contidas nesta Regulamentação a exceção das ligações em entradas individuais atendidas através de ramal de ligação aéreo com carga instalada até 15 kW. A perda técnica máxima permissível nos condutores do ramal de entrada, seja através de cabos ou através de barramento blindado bus way, entre a medição totalizadora e os medidores individuais, não deve ser superior a 2 (dois) %. 14.9.1.2.1 - Barramento blindado (Bus way) Pode ser utilizado pelo consumidor, por conveniência técnica do mesmo, desde que avaliado e aprovado previamente pela Light através da apresentação do Projeto de entrada (item 10.6) . É destinado a interligação elétrica entre a proteção geral ou parcial a cada painel de medidores correspondente. Deve apresentar ampacidade equivalente a pelo menos 1,25 vezes o valor da demanda do conjunto de unidades consumidoras interligadas, índice de proteção (IP) compatível com o local de instalação e dispositivos para selagem das tampas. Deve respeitar os mesmos critérios técnicos descritos no item 14.9 assim como as especificações técnicas e ensaios estabelecidos pela NBR IEC 60439-2 na ABNT. Deve ser fornecido e instalado pelo fabricante validado de modo qu seja assegurada a qualidade e a garantia na instalação do material. Caberá ao consumidor, no tempo determinado pelo fabricante assim como pelas normas atinentes a barramentos blindados Bus way, realizar as manutenções preventivas e corretivas que requerem o material. NOTA: Somente serão aceitos barramentos blindados de fabricantes previamente validados pela Light. Dessa forma, a fim de possibilitar o processo de validação, o fabricante do barramento blindado deve apresentar toda a documentação necessária, de acordo com os procedimentos próprios estabelecidos pela Light, incluindo documentação legal, desenhos de diagramas unifilares, trifilares e dimensionais (informando: espaçamentos, distâncias entre barras, dimensão das barras etc.), impedâncias de seqüência (positiva, negativa e zero), nível de curto-circuito máximo admissível, perdas máximas em kW, ampacidade máxima e respectiva elevação de temperatura em
  • 55.
    RECON – BTMarço/2013 55 relação ao ambiente de 30º C, nível de isolamento para o qual foi projetado e relatórios de ensaios realizados em laboratório idôneo etc. Para auxiliar no dimensionamento de caixas, painéis, condutores etc. podem ser usadas as tabelas de dimensionamento constantes na Seção 05 desta Regulamentação. 15 - Compensação de reativos Para cargas cuja característica venha requerer a instalação de capacitores para a correção do fator de potência, recomenda-se que seja priorizada a instalação de pequenas unidades dedicadas às cargas reativas, eletricamente situadas após seus respectivos dispositivos de acionamento e proteção. Havendo opção pelo emprego de banco de capacitores para correção em bloco, por ocasião da realização do projeto da entrada de energia elétrica deverá ser previsto local para a instalação do mesmo. A fim de evitar elevação excessiva da corrente de partida (inrush) e outras variações indesejáveis, bancos de capacitores dedicados a fornecer reativos às cargas que operam em regime não permanente devem ser do tipo automático e controlados, pelo menos, por tensão e/ou corrente, associados a funções temporizadas. Não são aceitas instalações “fixas” de bancos de capacitores em instalações onde a solicitação de reativos ocorre em regime temporário. Unidades ou bancos de capacitores fixos, de potência máxima até 25 kVAr, podem ser empregados, exclusivamente, para correção de cargas que comprovadamente operem em regime permanente. Nesse caso, cabe ao profissional ou empresa legalmente habilitada contratada pelo Consumidor, a responsabilidade pela garantia da qualidade do fornecimento e segurança da instalação a partir da operação do dispositivo de correção adotado. NOTA: Quando de eventual ocorrência de interrupção do fornecimento de energia no sistema da Light, bancos de capacitores automáticos e/ou controlados, devem ser imediatamente desconectados. O religamento do banco de capacitores deve ocorrer por intervenção manual ou de forma automática, ambas após um tempo mínimo de 5 minutos do restabelecimento do fornecimento. 16 - Casos não previstos Os casos não previstos nesta Regulamentação devem ser submetidos previamente à Light para análise e aprovação.
  • 56.
    56 RECON –BT Março/2013 SEÇÃO 01 DETERMINAÇÃO DA CARGA INSTALADA E AVALIAÇÃO DE DEMANDA EM BAIXA TENSÃO 17 - Determinação da carga instalada A carga instalada é determinada a partir do somatório das potências nominais dos aparelhos, dos equipamentos elétricos e das lâmpadas existentes nas instalações. No caso de não disponibilidade das potências nominais dos equipamentos e aparelhos eletrodomésticos, recomenda-se a utilização da TABELA 9, que fornece as potências médias, aproximadas, dos principais equipamentos e aparelhos. Todas as TABELAS referidas “numericamente” nesta Seção 01 pertencem e estão contidas no final desta Regulamentação. No cálculo para determinação da carga instalada, não devem ser computadas as potências de aparelhos de reserva. Para determinação da potência de motores em kVA, considerar os valores nominais de placa informados pelo fabricante. Quando não for possível essa verificação, considerar os valores das TABELAS 5A e 5B. Exemplo de determinação de carga instalada: Unidade consumidora residencial (220/127 V) TIPO DE CARGA POTÊNCIA NOMINAL QUANTIDADE TOTAL PARCIAL Lâmpada incandescente 100 W 4 0,4 kVA Lâmpada incandescente 60 W 4 0,24 kVA Lâmpada fluorescente 20 W 2 0,04 kVA Tomadas 100 W 8 0,8 kVA Chuveiro elétrico 4400 W 1 4,4 kVA Ferro elétrico 1000 W 1 1,0 kVA Geladeira 300 W 1 0,3 kVA TV à Cores (20”) 90 W 1 0,09 kVA Ventilador 150 W 3 0,45 kVA Ar condicionado 1CV 2 3,04 kVA Bomba d’água (motor) 1CV 2 (1 reserva) 1,52 kVA Carga instalada total em “kVA” = CI kVA = 12,28 kVA
  • 57.
    RECON – BTMarço/2013 57 Para efeito de atendimento das condições definidas na Resolução nº 414/2010 da ANEEL, demais resoluções e legislação atinentes, a carga instalada em kVA (CI kVA,) deve ser expressa em kW (CI kW), considerando a expressão (CI kW ) = CI kVA x 0,92, onde 0,92 é o fator de potência médio que o Consumidor pode admitir em suas instalações sem estar sujeito a multas, conforme Resolução nº 414/2010 da ANEEL. Carga instalada total em “kW” = CI (kW) = 12,28 kVA x 0,92 = 11,3 kW 18 - Avaliação de demandas A avaliação da demanda deve ser obrigatoriamente efetuada a partir da carga total instalada ou prevista para a instalação, qualquer que seja o seu valor. Será utilizada na definição da categoria de atendimento e no dimensionamento dos equipamentos e materiais das instalações de entradas de energia elétrica monofásicas e polifásicas. Quando um determinado conjunto de cargas é analisado, verifica-se que, em função da utilização diversificada dessas cargas, um valor máximo de potência é absorvido por esse conjunto num mesmo intervalo de tempo, geralmente inferior ao somatório das potências nominais de todas as cargas do conjunto. Nesse caso, um bom conhecimento da utilização da instalação permite ao projetista a adoção e aplicação de fatores de demanda ou diversidade na carga instalada, o que proporcionará um refinamento no dimensionamento dos materiais e equipamentos da instalação de entrada de energia elétrica, de forma a obter melhor compatibilização técnica e econômica sem comprometer a confiabilidade e a segurança. A seguir, sugestivamente, é apresentada uma metodologia para avaliação de demandas composta por duas seções aplicativas (Seções A e B), que podem ser aplicadas de forma isolada ou conjuntamente dependendo da característica da instalação. Todavia cumpre ressaltar, que a adoção de tal metodologia não subtrai a responsabilidade técnica do projetista da instalação quanto ao indispensável conhecimento das características operativas da carga que permita o dimensionamento adequado dos materiais e equipamentos, o que pode implicar, inclusive, na adoção de outros métodos de avaliação e/ou fatores de demanda que não os apresentados nesta Regulamentação, desde que tecnicamente justificado e previamente submetido ao conhecimento e aprovação da LIGHT, considerando ainda que o consumidor assuma todos os custos adicionais e inerentes à aplicação da metodologia apresentada. 18.1 - Método de avaliação - Seção “A” Campo de aplicação: Entradas individuais • Avaliação e dimensionamento de entrada individual, isolada, (residencial e não residencial), com atendimento através de ramal de ligação independente;
  • 58.
    58 RECON –BT Março/2013 • Avaliação e dimensionamento do circuito dedicado a cada unidade consumidora individual (apartamento, loja, sala etc.) derivada de ramal de entrada coletiva. Entradas coletivas • Avaliação e dimensionamento dos circuitos de uso coletivo em entrada coletiva residencial, com até 4 (quatro) unidades consumidoras; • Avaliação e dimensionamento do circuito dedicado a cada unidade consumidora individual derivada de ramal de entrada coletiva caracterizado pela presença de cargas atípicas (motores, saunas e ar condicionado central), como nos casos de coberturas, independente do número de unidades consumidoras. Nesse caso, o valor de demanda encontrado pela Seção “A” para essas unidades deverá ser somado ao valor da demanda do restante do condomínio encontrado pela Seção “B”. • Avaliação e dimensionamento dos circuitos de uso coletivo em entrada coletiva não residencial; • Avaliação e dimensionamento dos circuitos de uso coletivo dedicado às cargas não residenciais, em entrada coletiva mista; • Avaliação e dimensionamento dos circuitos de uso coletivo em vilas e condomínios horizontais com até 4 (quatro) unidades consumidoras. Circuitos de serviço dedicados ao uso de condomínios • Avaliação e dimensionamento da carga de circuito de serviço de uso do condomínio, em entrada coletiva residencial; • Avaliação e dimensionamento da carga de circuito de serviço de uso do condomínio, em entrada coletiva não residencial. 18.1.1 - Expressão geral para cálculo da demanda Dentro dos limites estabelecidos pelo “campo de aplicação” atinente a essa seção, o dimensionamento de circuitos individuais ou coletivos, deve ser feito a partir da demanda calculada através da seguinte expressão: D (kVA) = d 1 + d 2 + d 3 + d 4 + d 5 + d 6 Onde: d1 (kVA) = demanda de iluminação e tomadas, calculada com base nos fatores de demanda da TABELA 1, considerando o fator de potência igual a 1,0. d2 (kVA) = demanda de aparelhos para aquecimento de água (chuveiros, aquecedores, torneiras etc.), calculada conforme TABELA 2, considerando o fator de potência igual a 1,0.
  • 59.
    RECON – BTMarço/2013 59 d3 (kVA) = demanda de aparelhos de ar condicionado tipo janela e similares (split, fan-coil), calculada conforme TABELAS 3A e 3B respectivamente, para uso residencial e não residencial. d4 (kVA) = demanda de unidades centrais de condicionamento de ar e similares (self container) calculada a partir das respectivas correntes máximas e demais dados de placa fornecidos pelos fabricantes, aplicando os fatores de demanda da TABELA 4. d5 (kVA) = demanda de motores elétricos e máquinas de solda tipo motor - gerador, calculada conforme TABELAS 5A e 5B. d6 (kVA) = demanda de máquinas de solda a transformador e aparelhos de raio-x, calculada conforme TABELA 6. Previsão de carga No cálculo da demanda devem ser considerados os valores de carga mínima para iluminação e tomadas de uso geral constantes da TABELA 1. Importante: Atenção especial deve ser dada pelo responsável técnico pela instalação, no sentido de prever adequadamente outros tipos de carga que venham a ser utilizadas na instalação, como aparelhos de ar condicionado, chuveiros, motores e outras cargas, em função do tipo de construção, da atividade do imóvel, da localização, das condições sócio-econômicas e de outros fatores que possam influenciar na carga total a ser prevista no projeto da instalação de entrada de energia elétrica. 18.1.2 - Avaliação da demanda de entradas individuais e de circuitos de serviço dedicados ao uso de condomínios A demanda deve ser calculada com base na carga instalada, considerando o disposto no item 18.1.1 desta Seção. 18.1.3 - Avaliação da demanda de entradas coletivas Além das demandas individuais de cada unidade consumidora (UC) e do serviço de uso comum do condomínio (Ds), devem ser determinadas as demandas de cada trecho do circuito de uso comum do ramal coletivo, indicadas conforme a seguir:
  • 60.
    60 RECON –BT Março/2013 18.1.3.1 - Avaliação da demanda de entradas coletivas com um único agrupamento de medidores Onde: DR - Demanda do ramal de ligação DPG - Demanda da proteção geral da entrada DAG - Demanda do único agrupamento de medidores DS - Demanda do circuito de serviço de uso do condomínio O valor de cada uma dessas demandas deve ser determinado, através da aplicação da expressão geral e dos critérios estabelecidos no item 18.1.1, ao conjunto da carga instalada inerente ao trecho do circuito analisado. A demanda da proteção geral (DPG) deve ser igual a demanda do único “agrupamento de medidores” (DAG ) determinada através da aplicação da expressão geral e dos critérios estabelecidos no item 18.1.1 à carga total instalada das unidades consumidoras (UC’s). DPG = DAG A demanda do ramal de entrada (DR ) deve ser determinada através do somatório das demandas do agrupamento das unidades consumidoras (DAG) e do circuito de serviço de uso do condomínio (DS ), sendo o resultado multiplicado por 0,90. DR = (DAG + DS) x 0,90 NOTA: Para os casos onde o valor de DR, após a aplicação da expressão acima, for inferior ao valor de DPG, deve ser estabelecido para dimensionamento do ramal de ligação o valor de DPG. 18.1.3.2 - Avaliação da demanda de entradas coletivas com mais de um agrupamento de medidores Onde: DR - Demanda do ramal de ligação DPG - Demanda da proteção geral da entrada DAGR - Demanda de cada agrupamento de medidores residenciais DAGNR - Demanda de cada agrupamento de medidores NÃO residenciais DSR - Demanda do circuito de serviço de uso do condomínio residencial DSNR - Demanda do circuito de serviço de uso do condomínio NÃO residencial
  • 61.
    RECON – BTMarço/2013 61 A demanda referente a cada agrupamento de medidores (DAG) será determinada através da aplicação da expressão geral e dos critérios estabelecidos em 18.1.1 à carga total instalada das unidades consumidoras (UC’s) pertencentes ao agrupamento analisado. Essa demanda deve ser também utilizada para o dimensionamento do equipamento de proteção do circuito dedicado a cada agrupamento (prumada ou bus-way) existente. No caso de entrada exclusivamente residencial, a demanda da proteção geral (DPG ) será determinada através do método de avaliação – Seção “B”. DPG = kVA(Aeq.) x Fd (Nº total de Apt os. ) (ver item 18.2) A demanda do ramal de ligação (DR) deve ser determinada através do somatório entre a demandas da proteção geral (DPG) e do serviço residencial (DSR), sendo o resultado multiplicado por 0,90. No caso de entrada mista (residencial e não residencial), a demanda da proteção geral (DPG) será determinada através do somatório das demandas dos agrupamentos (DAG), sendo o resultado multiplicado por 0,90. DPG = (DAGR + DAGNR) x 0,90 A demanda do ramal de ligação (DR) deve ser determinada através do somatório das demandas da proteção geral (DPG), do serviço residencial (DSR) e do serviço não residencial (DSNR) quando for o caso, sendo o resultado multiplicado por 0,90. DR = (DPG + DSR + DSNR) x 0,90 18.2 - Método de avaliação - Seção “B” Campo de aplicação: Entradas coletivas exclusivamente residenciais que “utilizem equipamentos elétricos individuais para aquecimento de água” • Avaliação da demanda e dimensionamento dos circuitos de uso coletivo em entradas exclusivamente residenciais (prédios, condomínios horizontais e vilas), compostas de 5 a 300 unidades consumidoras (casas ou apartamentos), que utilizem equipamentos para aquecimento de água (chuveiros com potência nominal individual até 4,4 kVA); Entradas coletivas exclusivamente residenciais que “não utilizem equipamentos elétricos individuais para aquecimento de água”
  • 62.
    62 RECON –BT Março/2013 • Avaliação da demanda e dimensionamento dos circuitos de uso coletivo em entradas exclusivamente residenciais (prédios, condomínios horizontais e vilas), compostas de 5 a 300 unidades consumidoras (casas ou apartamentos), que não utilizem equipamentos para aquecimento de água. Entradas coletivas mistas (unidades consumidoras residenciais e não residenciais) • Avaliação da demanda e dimensionamento do circuito de uso comum dedicado à parcela da carga residencial, composta de 5 a 300 unidades consumidoras residenciais, que utilizem equipamentos para aquecimento de água (chuveiros com potência nominal individual até 4,4 kVA); • Avaliação da demanda e dimensionamento do circuito de uso comum dedicado à parcela da carga residencial, composta de 5 a 300 unidades consumidoras residenciais, que não utilizem equipamentos para aquecimento de água. 18.2.1 - Metodologia para aplicação A determinação da demanda relativa a um conjunto de unidades consumidoras residenciais deverá ser feita através da utilização das TABELAS 7-A e 7-B, onde são obtidas as demandas em kVA por unidade consumidora residencial (casa ou apartamento) em função da sua área útil. A TABELA 7-A é aplicável às unidades consumidoras residenciais que utilizem equipamentos elétricos individuais para aquecimento de água (chuveiro com potência nominal individual até 4,4 kVA). Portanto : Quando utilizados equipamentos elétricos individuais de aquecimento de água, com potência nominal superior a 4, 4 kVA, é recomendável que o responsável técnico aplique um fator de segurança no valor da demanda em kVA por agrupamento de apartamentos obtido na TABELA 7-A, conforme tabela a seguir: Potência do aparelho de aquecimento de água (kVA) Fator (%) de segurança “FS” 4,4 < P ≤ 6,0 Até 1,10 6,0 < P ≤ 10 Até 1,20 Nos casos de utilização de aquecedores com potências diferentes em uma mesma unidade residencial, deve ser feita um média ponderada a fim de se definir o valor da potência “P” para a escolha do fator de segurança, onde:
  • 63.
    RECON – BTMarço/2013 63 Onde: FS = [0,0625 x (Peq. – 4,4) + 1] para 4,4 < Peq. ≤ 6,0 kW; ou então FS = [0,025 x (Peq. – 6,0) + 1,1] para 6,0 < Peq. ≤ 10,0 kW. Sendo: FS = fator de segurança; Peq.= potência equivalente do aquecedor para a escolha do fator de segurança; Q = quantidades de aparelhos de aquecimento em suas respectivas potências; P = potências dos aquecedores em suas respectivas quantidades. NOTA: O objetivo da aplicação do fator de segurança “FS” foi de proteger os cálculos de demanda quando da utilização de chuveiros com potências acima de 4,4 kW. Nesse sentido, as avaliações estatísticas para a definição do “FS” consideraram que a escolha de um chuveiro de maior potência ocorresse para todas as unidades consumidoras de um mesmo empreendimento residencial, entretanto o mais comum é a utilização de potências variadas. Para maior entendimento, admitindo-se que um prédio de apartamentos com 50 apartamentos distribuídos em 5 agrupamentos de 10 apartamentos, onde somente o 1º agrupamento considerou 2 chuveiros por apartamento sendo um de 4,4 kW e o outro de 6 kW, com os demais agrupamentos com apenas um chuveiro de 4,4 kW por apartamento, totalizando portanto 50 chuveiros de 4,4 kW e 10 chuveiros de 6 kW, logo: • Para o cálculo da demanda individual de cada agrupamento com a aplicação das Tabelas “7A" e “8”: • 1º agrupamento: 10 apartamentos => F. Div. = 9,64 pela Tabela 8; 150 m 2 => 4,2 kVA pela Tabela 7A; Como existem chuveiros maiores que 4,4 kW é necessário corrigir pelo “FS”; portanto: Peq. = [(10 x 4,4) + (10 x 6)] / (10 + 10) = 5,20 kW, ou seja, ≤ 6,0 kW, assim temos FS = 0,0625 x (5,2 – 4,4) + 1 = 1,05 (ou seja: 5 %); Dagr1 = 9,64 x 4,2 x 1,05 = 42,51 = 42,5 kVA • Para os demais agrupamentos individualmente (2º, 3º, 4º e 5º): Dagr (2,3,4,5) = 9,64 x 4,2 = 40,49 = 40,5 kVA • Para a demanda final diversificada: Q1 x P1 + Q2 x P2 + Qn x Pn Peq. = Q1 + Q2 + Qn
  • 64.
    64 RECON –BT Março/2013 Nesse caso, considerando os 50 apartamentos de 150 m 2 ; 50 apartamentos => F. Div. = 35,34 pela Tabela 8; e ainda como existem chuveiros com potências maiores que 4,4 kW, também é necessário corrigir pelo “FS” equivalente, Peq. = (50 x 4,4 + 10 x 6) ÷ (50 + 10) = 4,67 kW ou seja, ≤ 6,0 kW, assim temos FS = 0,0625 x (4,67 – 4,4) + 1 = 1,0169 (ou seja: 1,69 %); DAG_R = 35,34 x 4,2 x 1,0169 = 150,936 = 150,94 kVA A TABELA 7-B é aplicável às unidades consumidoras residenciais que não utilizem equipamentos elétricos individuais para aquecimento de água. Em seguida, aplica-se a TABELA 8 onde é obtido o Fator de diversidade correspondente ao número de unidades consumidoras que compõem o conjunto analisado. As TABELAS 7-A e 7-B são aplicáveis, exclusivamente, na determinação da demanda de unidades consumidoras residenciais com área útil de até 400 m². Para unidades consumidoras com área superior deverão ser empregadas as seguintes expressões: D = 0,0473773 x S 0,895075 Unidades consumidoras COM chuveiros elétricos D = 0,0419268 x S 0,895075 Unidades consumidoras SEM chuveiros elétricos Onde: D = Demanda da unidade consumidora residencial em kVA. S = Área útil em m 2 da unidade consumidora residencial. NOTA: Nos casos de entradas coletivas cujas unidades consumidoras residenciais possuam áreas úteis diferentes, a determinação da demanda total deve ser obtida a partir da área útil equivalente (A eq.) para a aplicação através das TABELAS 7-A, 7-B e 8. [Nº de Apt os. (S1) x S1] + [Nº de Apt os. (S2) x S2] + . . . + [Nº de Apt os. (Sn) x Sn] A eq = Nº de Apt os. (S1) + Nº de Apt os. (S2) + Nº de Apt os. (Sn)
  • 65.
    RECON – BTMarço/2013 65 Onde: Nº de Apt os. (S1) = Nº de apartamentos do primeiro agrupamento com área S1, S1 = área dos apartamentos do primeiro agrupamento; Nº de Apt os. (Sn) = Nº de apartamentos do enésimo agrupamento com área Sn, Sn = área dos apartamentos do enésimo agrupamento; Aeq = Área equivalente ponderada dos apartamentos em m 2 . DPG = f [(Nº total de Apartamentos com área equivalente “Aeq.”) e do F.d. (Nº total de Apt os .)] DPG = kVA(Aeq.) x Fd (Nº total de Apt os. ) Exemplo de aplicação: Num edifício com 20 apartamentos com área útil de 100 m 2 e 20 com área útil de 70 m 2 , considerando o atendimento com dois agrupamentos de medidores, todos os apartamentos com chuveiros de 4,4 kVA, a demanda total do agrupamento será: Cálculo da demanda de cada agrupamento (DAGR) DAGR (Aptº 100 m²) = 2,92 kVA (TABELA 7 A) x Fd (20 Apt os ) = 17,44 (TABELA 8) DAGR (Aptº 100 m²) = 2,92 x 17,44 = 50,9 kVA DAGR (Aptº 70 m²) = 2,12 kVA (TABELA 7 A) x Fd (20 Apt os ) = 17,44 (TABELA 8) DAGR (Aptº 70 m²) = 2,12 x 17,44 = 36,97 kVA Portanto o DAGR total deverá ser calculado em função da área útil equivalente ponderada entre os dois grupos individuais de 20 apartamentos de 100 m 2 e 20 apartamentos de 70 m 2 . [20 x 100] + [20 x 70] A eq = = 85 m 2 20 + 20 (Aptº 85 m²) = 2,52 kVA (TABELA 7 - A) x Fd (40 Apt os ) = 29,52 (TABELA 8) DAGR total = DPG= 2,52 x 29,52 = 74,39 kVA 18.2.1.1 - Avaliação da demanda de entradas coletivas exclusivamente residenciais compostas de 5 a 300 unidades consumidoras Demanda individual das unidades de consumo residenciais: A demanda individual da unidade consumidora deve ser determinada através da aplicação da expressão geral e dos critérios estabelecidos no item 18.1 “Método de avaliação - Seção A” à carga instalada de cada unidade consumidora.
  • 66.
    66 RECON –BT Março/2013 Demanda do circuito de serviço residencial de uso do condomínio (DSR): Deve ser determinada através da aplicação dos critérios estabelecidos no item 18.1 “Método de avaliação - Seção A”, às cargas de serviço do condomínio. Demanda de agrupamentos de medidores (DAG ): A demanda (Dag) de um agrupamento de medidores, composto por 5 ou mais unidades consumidoras residenciais, deve ser determinada através da aplicação da metodologia estabelecida no item 18.2 “Método de avaliação - Seção B”. Demanda da proteção geral (DPG ): A demanda da proteção geral (DPG) deve ser determinada através da aplicação das TABELAS 7A, 7B e 8. DPG = kVA(A aptº.) x Fd (Nº total de Apt os. ) Demanda do ramal de ligação (DR ): É determinada através do somatório das demandas da proteção geral (DPG) e do serviço de uso do condomínio (DSR ), sendo o seu resultado multiplicado por 0,90. DR = (DPG + DSR) x 0,90 18.2.1.2 - Avaliação da demanda de entradas coletivas mistas Nas entradas coletivas mistas, onde unidades consumidoras residenciais e não residenciais tenham o fornecimento de energia efetivado por um mesmo ramal de entrada coletivo, a avaliação das demandas deve ser feita conforme os seguintes procedimentos: Demanda individual das unidades consumidoras, residenciais e não residenciais: A demanda individual de cada unidade consumidora (UC), residencial ou não residencial, deve ser determinada, através da aplicação dos critérios estabelecidos no item 18.1 “Método de avaliação - Seção A”, à carga instalada de cada unidade consumidora. Demanda do circuito de serviço de uso do condomínio (DS): Circuito de serviço único Quando um único sistema de serviço for dedicado a todas as unidades consumidoras (residenciais e não residenciais) existentes na edificação, a demanda de serviço DS deve ser determinada, através da aplicação da expressão geral e dos critérios estabelecidos no item 18.1 “Método de avaliação - Seção A” à carga instalada do serviço.
  • 67.
    RECON – BTMarço/2013 67 Circuitos de serviços independentes Nos casos em que as unidades consumidoras residenciais e não residenciais forem atendidas por circuitos de serviços independentes, as demandas dos circuitos de serviços devem ser calculadas através da aplicação da expressão geral e dos critérios estabelecidos no item 18.1 “Método de avaliação - Seção A” à carga total instalada em cada um desses circuitos. Demanda de agrupamento de medidores (DAG): A demanda de cada agrupamento de cargas não residenciais (lojas, escritórios e outros) deve ser determinada, através da aplicação da metodologia estabelecida no item 18.1 “Método de avaliação - Seção A”, ao conjunto de cargas não residenciais. A demanda de cada agrupamento residencial (com 5 ou mais unidades consumidoras) deve ser determinada, através da aplicação do critério estabelecido no item 18.2 “Método de avaliação - Seção B”, ao conjunto de cargas residenciais. Demanda da proteção geral (DPG): Deve ser determinada através do somatório das demandas dos agrupamentos de cargas residenciais (DAG residencial) e de cargas não residenciais (DAG não residencial), sendo o resultado multiplicado por 0,90. DPG = (DAGR + DAGNR) x 0,90 Demanda do ramal de ligação (DR ): Em função das características do sistema de serviço de uso do condomínio, deve ser adotada uma das alternativas a seguir: Com circuito de serviço único DR = (DPG + DS) x 0,90 Onde: DAG residencial = Demanda da carga total residencial (5 ou mais unidades consumidoras), determinada através da aplicação do “Método de avaliação - Seção B” estabelecido no item 18.2. DAG não residencial = Demanda da carga total não residencial, determinada através da aplicação do “Método de avaliação - Seção A” estabelecido no item 18.1. DS = Demanda da carga total do serviço único de uso do condomínio, determinada através da aplicação do “Método de avaliação - Seção A” estabelecido no item 18.1.
  • 68.
    68 RECON –BT Março/2013 Com circuitos de serviços independentes DR = (DPG + DSRR + DSNR) x 0,90 Onde: DAG residencial = Demanda da carga total residencial (5 ou mais unidades consumidoras), determinada através da aplicação do “Método de avaliação - Seção B” estabelecido no item 18.2. DSR = Demanda da carga do circuito de serviço dedicado exclusivamente às unidades consumidoras residenciais, determinada através da aplicação do “Método de avaliação - Seção A” estabelecido no item 18.1. DAG não residencial = Demanda da carga total das unidades consumidoras não residenciais, determinada através do “Método de avaliação - Seção A” estabelecido no item 18.1. DSNR = Demanda da carga do circuito de serviço dedicado exclusivamente às unidades consumidoras não residenciais, calculada através da aplicação do “Método de avaliação - Seção A” estabelecido no item 18.1. NOTA GERAL: Em qualquer situação em que for aplicado o fator de demanda “0,90” e o valor encontrado for menor que algum dos valores individuais do conjunto a ser demandado, deve ser considerado, nesse caso, como valor demandado o maior valor individual do conjunto. Por exemplo, se fosse encontrado em um determinado atendimento DAG = 100 kVA e DS = 20 kVA, nesse caso, o DPG demandado seria DPG = (100+20) x 0,90= 108 kVA, porém como 108 kVA (demandado) < 120 kVA (um dos valores individuais), o DPG a ser considerado será DPG = 120 kVA. 18.3 - Exemplos de avaliação de demandas CASO 1 Residência isolada, área útil de 300 m², com fornecimento de energia através de ramal de ligação independente em tensão 220/127 V. Características da Carga Instalada: Iluminação e Tomadas - 6,0 kVA Chuveiros elétricos - 3 x 4,4 kVA
  • 69.
    RECON – BTMarço/2013 69 Torneiras elétricas - 2 x 2,5 kVA Aparelhos de ar condicionado - 2 x 1 CV - 2 x 3/4 CV Motores monofásicos - 1 x 1 CV - 1 x 1/2 CV - 2 x 1/4 CV (1 reserva) Sauna - 9,0 kVA A - Determinação da carga instalada e da categoria de atendimento Previsão mínima de iluminação e tomada pela TABELA 1 = 0,030 x 300 = 9,0 kVA, ou seja, maior que o valor declarado (6,0 kVA), logo o valor a ser considerado deve ser 9,0 kVA. - Carga instalada (CI) = {9 + (3 x 4,4) + (2 x 2,5) + [(2 x 1CV) + (2 x 3/4 CV)] + [(1 x 1 CV) + (1 x 1/2 CV) + (1 x 1/4 CV)] + 9} - Carga instalada (CI) = 9,0 + (3 x 4,4) + (2 x 2,5) + [(2 x 1,52) + (2 x 1,26)] + [(1 x 1,52) + (1 x 0,87) + (1 x 0,66)] + 9,0 - Carga instalada (CI) = 9,0 + 13,2 + 5,0 + 3,04 + 2,52 + 1,52 + 0,87 + 0,66 + 9,0 - Carga instalada (CI) = 44,81 kVA - Carga instalada (CI kW) = 44,81 x 0,92 = 41,23 kW Para a determinação da categoria de atendimento e o dimensionamento dos materiais e equipamentos da instalação de entrada individual, é necessário avaliar a demanda da instalação, a partir da carga instalada. B - Avaliação das demandas (kVA) Conforme estabelecido em 18.1 “Método de avaliação - Seção A”, temos : - Iluminação e tomadas (TABELA 1) C1 = 9,0 kVA (mínimo conforme TABELA 1) d1 = (1 x 0,80) + (1 x 0,75) + (1 x 0,65) + (1 x 0,60) + (1 x 0,50) + (1 x 0,45) + (1 x 0,40) + (1 x 0,35) + (1 x 0,30) d1 = 4,80 kVA - Aparelhos de aquecimento (TABELA 2) C2 = (3 x 4,4) + (2 x 2,5) + (1 x 9,0) d2 = (3 x 4,4) x 0,70 + (2 x 2,5) x 0,75 + (1 x 9,0) x 1,0 d2 = 21,99 kVA - Aparelhos de ar condicionado tipo janela (TABELA 3A) C3 = (2 x 1 CV ) + (2 x 3/4 CV ) Nº de aparelhos de ar = 4 Logo, FD = 100 %
  • 70.
    70 RECON –BT Março/2013 d3 = [(2 x 1,52) + (2 x 1,26)] x 1 = 5,56 kVA - Motores (TABELAS 5A e 5B) C5 = ( 1 x 1 CV ) + ( 1 x 1/2 CV ) + ( 2 x 1/4 CV ) 1 CV = 1,52 kVA Nº de motores = 4 - 1reserva = 3 1/2 CV = 0,87 kVA Logo, FD = 63,33 % 1/4 CV = 0,66 kVA d5 = [1, 52 + 0,87 + 0,66] x 0,6333= 1,93 kVA C - Determinação da demanda total da instalação D total = d1 + d2 + d3 + d5 D total = 4,8 + 21,99 + 5,56 + 1,93 D total = 34,28 kVA A entrada individual deve ser trifásica, atendida através de ramal de ligação independente e a demanda total avaliada (D total) deve ser utilizada para o dimensionamento dos condutores, da proteção geral e demais materiais componentes da instalação de entrada. CASO 2 Edificação de uso coletivo, composta por 4 unidades consumidoras residenciais (apartamentos), cada apartamento com área útil de 96 m² e o serviço (condomínio) com área de 90 m², em tensão 220/127 V, um único agrupamento de medidores (4 apartamentos). Características da carga instalada: Por unidade consumidora (apartamento) Iluminação e tomadas - 3,0 kVA Aparelhos de aquecimento - 1 x 4,4 kVA (Aparelhos de ar condicionado tipo janela - 2 x 3/4 CV Circuito de serviço de uso do condomínio Iluminação e tomadas - 3,0 kVA Aparelhos de aquecimento (chuveiro) - 1 x 4,4 kVA Motores trifásicos - 2 bombas d'água de 2 CV (1 reserva) - 1 bomba recalque de esgoto de 3 CV Como se trata de entrada coletiva residencial com até 4 unidades consumidoras, a determinação das demandas parciais e total deve ser feita através da aplicação do "Método de avaliação - Seção A”, estabelecido no item 18.1.
  • 71.
    RECON – BTMarço/2013 71 A - Determinação da carga instalada e da categoria de atendimento Por unidade consumidora residencial (apartamento): Previsão mínima de iluminação e tomada pela TABELA 1 = 0,030 x 96 = 2,88 kVA, ou seja, menor que o valor declarado (3,0 kVA), logo o valor a ser considerado deve ser 3,0 kVA. - Carga instalada (CI) = [3,0 + (1 x 4,4) + (2 x 3/4 CV)] - Carga instalada (CI) = 3,0 + 4,4 + (2 x 1,26) = 9,92 kVA - Carga instalada (CI kW) = 9,92 x 0,92 = 9,13 kW É necessário calcular a demanda a partir da aplicação do “Método de avaliação - Seção A”, estabelecido no item 18.1, à carga instalada, para determinar a categoria de atendimento e dimensionar os materiais e equipamentos atinentes ao circuito individual dedicado a cada unidade consumidora (apartamento). Circuito de serviço de uso do condomínio: Previsão mínima de iluminação e tomada pela TABELA 1 = 0,005 x 90 = 0,45 kVA, ou seja, menor que o valor declarado (3,0 kVA), logo o valor a ser considerado deve ser 3,0 kVA. - Carga instalada (CI) = [3,0 + (1 x 4,4) + (1 x 2 CV) + (1 x 3 CV)] - Carga instalada (CI) = 3,0 + 4,4 + (1 x 2,70) +(1 x 4,04) = 14,14 kVA - Carga instalada (CI kW) = 14,14 x 0,92 = 13 kW É necessário calcular a demanda a partir da aplicação do “Método de avaliação - Seção A”, estabelecido no item 18.1, à carga instalada, para determinar a categoria de atendimento e dimensionar os materiais e equipamentos inerentes, sendo o serviço do condomínio visto como uma unidade consumidora. B - Avaliação das demandas (kVA) Por apartamento - Iluminação e tomadas (TABELA 1) C1 = 3,0 kVA d1 = (1 x 0,80) + (1 x 0,75) + (1 x 0,65) = 2, 2 kVA - Aparelhos de aquecimento (TABELA 2) C2 = 1 x 4,4 = 4,4 kVA d2 = 4,4 x 1 = 4,4 kVA
  • 72.
    72 RECON –BT Março/2013 - Aparelhos de ar condicionado (TABELA 3A) C3 = 2 x 3/4 CV Nº de aparelhos de ar = 2 Logo FD = 100 % d3 = (2 x 1,26) x 1 = 2,52 kVA Dtotal (UC) = d1 + d2 + d3 = 2,2 + 4,4 + 2,52 = 9,12 kVA Demanda por unidade consumidora (apartamento) = 9,12 kVA A categoria de atendimento deve ser trifásica em 220/127 V. Essa demanda serve para dimensionar os materiais e equipamentos dos circuitos individuais, dedicados às unidades consumidoras residenciais (apartamentos). Demanda do circuito de serviço de uso do condomínio (DS): - Iluminação e tomadas (TABELA 1) C1 = 3,0 kVA d1 = 3,0 x 0, 80 = 2,4 kVA - Aparelhos de aquecimento (TABELA 2) C2 = 1 x 4,4 kVA d2 = 4,4 x 1,0 = 4,4 kVA - Motores (TABELAS 5A e 5B) C5 = (1 x 2 CV) + (1 x 3 CV) - Pela TABELA 5: 2 CV = 2,70 kVA Nº de motores = 2 3 CV = 4,04 kVA Logo, FD = 75% d5 = (2,70 + 4,04) x 0,75 = 5,06 kVA DS = d1 + d2 + d5 = 2,4 + 4,4 + 5,06 = 11,86 kVA Demanda do circuito de serviço do condomínio (Ds) = 11,86 kVA A categoria de atendimento deve ser trifásica em 220/127 V. Essa demanda serve para dimensionar os materiais e equipamentos do circuito de serviço do condomínio. Demanda do agrupamento (DAG): O agrupamento de medidores é formado por 4 unidades consumidoras (apartamentos). - Iluminação e tomadas (TABELA 1) Carga instalada (C1) = 4 x 3,0 kVA = 12,0 kVA d1 = (1 x 0,80) + (1 x 0,75) + (1 x 0,65) + (1 x 0,60) + (1 x 0,50 ) + (1 x 0,45) + (1 x 0,40) + (1 x 0,35) + (1 x 0,30) + (1 x 0,27) + (2 x 0,24) d1 = 5,55 kVA
  • 73.
    RECON – BTMarço/2013 73 - Aparelhos de aquecimento (TABELA 2) C2 = 4 x 4,4 kVA = 17,6 kVA d2 = 17,6 x 0,66 = 11,62 kVA - Aparelhos de ar condicionado tipo janela (TABELA 3A) C3 = 4 x (2 x 3/4 CV) Nº de aparelhos de ar = 8 Logo, FD = 70 % d3 = 4 x (2 x 1,26) x 0,70 = 7,06 kVA DAG = d1 + d2 + d3 = 5,55 + 11,62 + 7,06 = 24,23 kVA Demanda do agrupamento (DAG) = 24,23 kVA Essa demanda serve para dimensionar os equipamentos e materiais do circuito de uso comum dedicado ao agrupamento de medidores. Demanda da proteção geral (DPG) Como o circuito de serviço de uso do condomínio é derivado antes da proteção geral de entrada, somente as cargas do agrupamento (apartamentos) influenciam no dispositivo de proteção geral do prédio, logo: DPG = DAG = 24,23 kVA Demanda da proteção geral (DPG) = 24,23 kVA Essa demanda serve para dimensionar o equipamento de proteção geral da entrada coletiva. Demanda do ramal de ligação (DR) É importante notar que, na avaliação da demanda desse trecho coletivo da instalação, todas as cargas estarão envolvidas. Conforme estabelecido no item 18.1 “Método de avaliação - Seção A”, a demanda do ramal de ligação será: DR = (DAG + DS) x 0, 90 DR = (24,23 + 11,86) x 0, 90 = 32,48 kVA Demanda do ramal de ligação (DR) = 32,48 kVA Essa demanda deve ser utilizada para dimensionar os condutores, materiais e equipamentos da instalação da entrada coletiva. CASO 3 Entrada coletiva exclusivamente residencial com 2 agrupamentos de medidores, um com 10 apartamentos de 2 quartos (área útil = 70m²) e outro com 10 apartamentos de 3 quartos (área útil = 90 m²). Sistema de serviço único com área útil de 600 m², em 220/127 V.
  • 74.
    74 RECON –BT Março/2013 Características da carga instalada: Por apartamento de 2 quartos (70 m²) Iluminação e tomadas - 1,8 kVA Aparelhos de aquecimento - 1 x 4,4 kVA (chuveiro) Aparelhos de ar condicionado tipo janela - 1 x 1 CV Por apartamento de 3 quartos (90 m²) Iluminação e tomadas - 2,1 kVA Aparelhos de aquecimento - 1 x 4,4 kVA (chuveiro) Aparelhos de ar condicionado tipo janela - 1 x 1 CV - 2 x 3/4 CV Circuito de serviço de uso do condomínio Iluminação e tomadas - 8,0 kVA Aparelhos de aquecimento - 1 x 4,4 kVA (chuveiro) Motores trifásicos - 2 elevadores de 10CV - 2 bombas de 5 CV (1 reserva) - 2 bombas de 3 CV (1 reserva) Como se trata de "Entrada coletiva exclusivamente residencial", a carga instalada e as demandas das unidades consumidoras residenciais, do serviço de uso do condomínio e dos trechos coletivos serão determinadas conforme a seguir: Avaliação e dimensionamento dos circuitos individuais dos apartamentos Pelo “Método de avaliação - Seção A”, estabelecido no item 18.1. Avaliação da demanda e dimensionamento do circuito de serviço do condomínio Pelo “Método de avaliação - Seção A”, estabelecido no item 18.1. Avaliação da demanda e dimensionamento dos trechos coletivos Pelo “Método de avaliação - Seção B”, estabelecido no item 18.2. A – Determinação da carga instalada e da categoria de atendimento Por apartamento (70 m²) Previsão mínima de iluminação e tomada pela TABELA 1 = 0,030 x 70 = 2,1 kVA, ou seja, maior que o valor declarado (1,8 kVA), logo o valor a ser considerado deve ser 2,1 kVA.
  • 75.
    RECON – BTMarço/2013 75 - Carga instalada (CI) = 2,1 + (1 x 4,4) + (1 x 1 CV) - Carga instalada (CI) = 2,1 + 4,4 + 1,52 = 8,02 kVA - Carga instalada (CI kW) = 8,02 x 0,92 = 7,38 kW É necessário calcular a demanda a partir da aplicação do “Método de avaliação - Seção A”, estabelecido no item 18.1, à carga instalada, para determinar a categoria de atendimento e dimensionar os materiais e equipamentos inerentes a cada unidade consumidora (apartamento de 2 quartos - 70 m²). Por apartamento de (90 m²) Previsão mínima de iluminação e tomada pela TABELA 1 = 0,030 x 90 = 2,7 kVA, ou seja, maior que o valor declarado (2,1 kVA), logo o valor a ser considerado deve ser 2,7 kVA. - Carga instalada (CI) = 2,7 + (1 x 4,4) + (1 x 1 CV) + (2 x 3/4 CV) - Carga instalada total (CI) = 2,7 + 4,4 + 1,52 + (2 x 1,26) = 11,14 kVA - Carga instalada total (CI kW) = 11,14 x 0,92 = 10,25 kW É necessário calcular a demanda a partir da aplicação do “Método de avaliação - Seção A”, estabelecido no item 18.1, à carga instalada, para determinar a categoria de atendimento e dimensionar os materiais e equipamentos inerentes a cada unidade consumidora (apartamento de 3 quartos - 90 m²). Circuito de serviço de uso do condomínio (600 m 2 ) Previsão mínima de iluminação e tomada pela TABELA 1 = 0,005 x 600 = 3,0 kVA, ou seja, menor que o valor declarado (8,0 kVA), logo o valor a ser considerado deve ser 8,0 kVA. - Carga instalada (CI) = 8,0 + (1 x 4,4) + (2 x 10 CV) + (1 x 5 CV) + (1 x 3 CV) - Carga instalada (CI) = 8,0 + 4,4 + (2 x 11,54) + (1 x 6,02) + (1 x 4,04) = 45, 54 kVA - Carga instalada (CI kW) = 45,54 x 0,92 = 41,9 kW É necessário calcular a demanda a partir da aplicação do “Método de avaliação - Seção A”, estabelecido no item 18.1, à carga instalada para determinar a categoria de atendimento e dimensionar os materiais e equipamentos inerentes ao circuito de serviço de uso do condomínio, visto como uma unidade consumidora individual. B - Avaliação das demandas (kVA) Por apartamento (70 m 2 ) - Iluminação e tomadas (TABELA 1) C1 = 2,1 kVA d1 = (1 x 0, 80) + (1 x 0,75) + (0,1 x 0,65) = 1,62 kVA
  • 76.
    76 RECON –BT Março/2013 - Aparelhos de aquecimento d'água (TABELA 2) C2 = 1 x 4,4 kVA d2 = 4,4 x 1,0 = 4,4 kVA - Aparelhos de ar condicionado tipo janela (TABELA 3A) C3 = (1 x 1CV) Nº de aparelho de ar = 1 Logo, FD = 100 % d3 = 1,52 x 1 = 1,52 kVA D total (UC) = d1 + d2 + d3 = 1,62 + 4,4 + 1,52 = 7,54 kVA Demanda por apartamento (70 m²) = 7,54 kVA A categoria de atendimento pode ser monofásica em 127 V, ou então trifásica 220/127 V de acordo com a conveniência do Consumidor. Essa demanda serve para dimensionar os equipamentos e materiais dos circuitos individuais, dedicados às unidades consumidoras residenciais. Por apartamento (90 m²) - Iluminação e tomadas (TABELA 1) C1 = 2,7 kVA d1 = (1 x 0, 80) + (1 x 0,75) + (0,7 x 0, 65) = 2,01 kVA - Aparelhos de aquecimento d'água (TABELA 2) C2 = 1 x 4,4 kVA d2 = 4,4 x 1,0 = 4,4 kVA - Aparelhos de ar condicionado tipo janela (TABELA 3A) C3 = (1 x 1CV) + (2 x 3/4CV) Nº de aparelho de ar = 1 Logo, FD = 100 % d3 = [(1 x 1,52) + (2 x 1,26 )] x 1,0 = 4,04 kVA D total (UC) = d1 + d2 + d3 = 2,01 + 4,4 + 4,04 = 10,45 kVA Demanda por apartamento (90 m²) = 10,45 kVA A categoria de atendimento deve ser trifásica em 220/127 V. Essa demanda serve para dimensionar os equipamentos e materiais dos circuitos individuais, dedicados às unidades consumidoras residenciais. Demanda do circuito de serviço residencial de uso do condomínio (DSR) Conforme “Método de avaliação - Seção A”, estabelecido no item 18.1. - Iluminação e tomadas (TABELA 1) C1 = 8,0 kVA d1 = 8,0 x 0,8 = 6,4 kVA
  • 77.
    RECON – BTMarço/2013 77 - Aparelhos de aquecimento d’água (TABELA 2) C2 = 1 x 4,4 kVA d2 = 4,4 x 1,0 = 4,4 kVA - Motores (TABELA 5A e 5B) C5 = 2 x 10 CV = 2 X 11,54 kVA Nº de motores = 4 Logo, FD = 57,5% 1 x 5 CV = 1 X 6,02 kVA 1 x 3 CV = 1 X 4,04 kVA d5 = [(2 x 11,54) + (1 x 6, 02) + (1 x 4, 04)] x 0,575 = 19,06 kVA DSR = d1 + d2 + d5 = 6,4 + 4,4 + 19,06 = 29,86 kVA A categoria de atendimento deve ser trifásica em 220/127 V. Essa demanda serve para dimensionar os equipamentos e materiais do circuito individual de serviço de uso do condomínio, dedicado às unidades consumidoras residenciais. Demanda dos agrupamentos (DAGR) As unidades consumidoras residenciais utilizam equipamentos de aquecimento de água (chuveiros de até 4,4 kW), e, são distribuídas em dois agrupamentos de medidores com a seguinte composição: Agrupamento 1 - 10 apartamentos de 70 m². Agrupamento 2 - 10 apartamentos de 90 m². Conforme “Método de avaliação - Seção B”, estabelecido no item 18.2. Demanda do agrupamento 1 (DAGR1) Como as unidades consumidoras utilizam equipamentos individuais de aquecimento de água: Da TABELA 7-A: apartamento 70 m² = 2,12 kVA / apartamento Da TABELA 8: 10 apartamentos ... Fator de diversidade = 9, 64 DAGR1 = 2,12 x 9,64 = 20,44 kVA Demanda do agrupamento de medidores 1 (DAGR1) = 20,44 kVA Essa demanda serve para dimensionar os equipamentos e materiais do circuito coletivo de uso comum, dedicado às unidades consumidoras residenciais (apartamentos de 70 m²). Demanda do agrupamento 2 (DAGR2) Como as unidades consumidoras utilizam equipamentos individuais de aquecimento de água: Da TABELA 7-A: apartamento 90 m² = 2,66 kVA / apartamento Da TABELA 8: 10 apartamentos... Fator de Diversidade = 9,64
  • 78.
    78 RECON –BT Março/2013 DAGR2 = 2,66 x 9,64 = 25,64 kVA Demanda do agrupamento de medidores 2 (DAGR2) = 25,64 kVA Essa demanda serve para dimensionar os equipamentos e materiais do circuito coletivo de uso comum, dedicado às unidades consumidoras residenciais (apartamentos de 90 m²). Demanda da proteção geral (DPG) A demanda da proteção geral da entrada coletiva (DPG) será determinada em função da área útil ponderada entre os dois grupos de apartamentos, através das TABELAS 7A, 7B e 8. Considerando 10 apartamentos de 70 m 2 e 10 apartamentos de 90 m 2 . Aeq. = [(10 x 70) + (10 x 90) ] / (10 + 10) = 80 m 2 ; Logo p/ TABELA 7A kVA(Aeq.) = 2,38 Pela TABELA 8, o Fd = 17,44 para 20 apartamentos. DPG =2,38 x 17,44 = 41,50 kVA Como a carga do serviço de uso do condomínio é derivada antes do dispositivo de proteção geral de entrada, ela não é considerada neste trecho coletivo. Demanda da proteção geral de entrada (DPG) = 41,50 kVA Essa demanda serve para dimensionar o equipamento de proteção geral da entrada coletiva, dedicado às unidades consumidoras residenciais (apartamentos). Demanda do ramal de ligação (DR) A demanda do ramal de ligação ou demanda total da instalação de entrada será determinada através do somatório da demanda da proteção geral de entrada (DPG) com a demanda do circuito de serviço de uso do condomínio (DS), sendo o resultado multiplicado por 0,90. DR = ( DPG + DSR ) x 0,90 DR = (41,50 + 29,86) x 0,90 = 64,22kVA Demanda do Ramal de ligação (DR) = 64,22 kVA Essa demanda serve para dimensionar os condutores, equipamentos e materiais do ramal de entrada coletivo, dedicado às unidades consumidoras residenciais (apartamentos) e ao circuito de serviço de uso do condomínio, ou seja, à toda entrada coletiva. CASO 4 Entrada coletiva mista (residencial / comercial) com as seguintes características: Tensão de fornecimento em 220/127 V;
  • 79.
    RECON – BTMarço/2013 79 20 apartamentos com área útil de 60 m²; 12 lojas com área útil de 30 m²; Serviço exclusivo para os apartamentos com área útil de 200 m 2 ; Serviço exclusivo para as lojas com área útil de 240 m 2 ; Dois agrupamentos de medidores, sendo um para os 20 apartamentos e o outro para as 12 lojas. Características da carga instalada Por apartamento (60 m²) Iluminação e tomadas 2,0 kVA Aparelhos de aquecimento 1 x 4,4 kVA (chuveiro) Aparelhos de ar condicionado tipo janela 1 x 3/4 CV Por loja Iluminação e tomadas 3,2 kVA Aparelhos de aquecimento 1 x 4,4 kVA (chuveiro) Circuito de serviço dedicado às unidades consumidoras residenciais Iluminação e tomadas 8,0 kVA Motores trifásicos 2 elevadores de 10 CV 2 bombas de 5 CV (1 reserva) 2 bombas de 3 CV Circuito de serviço dedicado às unidades consumidoras não residenciais (lojas) Iluminação e tomadas 9,0 kVA Aparelhos de aquecimento d'água 1 x 4,4 kVA (chuveiro) Unidade central de ar condicionado IN = 100 A (cos ϕ = 0, 90) Motores trifásicos 2 bombas de 5 CV (1 reserva) Como se trata de entrada coletiva mista (residencial / comercial) a avaliação da carga e das demandas das unidades consumidoras (apartamentos e lojas), do serviço residencial, do serviço não residencial e dos trechos coletivos, deve ser feita conforme a seguir: Pelo “Método de avaliação - Seção A”, estabelecido no item 18.1: - Avaliação e dimensionamento individual dos apartamentos - Avaliação e dimensionamento individual das lojas - Avaliação e dimensionamento do circuito de serviço residencial
  • 80.
    80 RECON –BT Março/2013 - Avaliação e dimensionamento do circuito de serviço não residencial - Avaliação e dimensionamento do circuito comum das cargas não residenciais Pelo “Método de avaliação - Seção B”, estabelecido no item 18.2: - Avaliação e dimensionamento dos trechos coletivos das cargas residenciais A - Determinação da carga instalada e da categoria de atendimento Por apartamento (60 m²) Previsão mínima de iluminação e tomada pela TABELA 1 = 0,030 x 60 = 1,8 kVA, ou seja, menor que o valor declarado (2,0 kVA), logo o valor a ser considerado deve ser 2,0 kVA. - Carga instalada (CI) = 2,0 + 4,4 + 1,26 = 7,66 kVA - Carga instalada (CI kW) = 7,66 x 0,92 = 7,05 kW É necessário calcular a demanda a partir da carga instalada para determinar a categoria de atendimento e dimensionar os materiais e equipamentos inerentes a cada unidade consumidora residencial. Por loja (30 m²) Previsão mínima de iluminação e tomada pela TABELA 1 = 0,020 x 30 = 0,6 kVA, ou seja, maior que o valor declarado (3,2 kVA), logo o valor a ser considerado deve ser 3,2 kVA. - Carga instalada (CI) = 3,2 + 4,4 = 7,60 kVA - Carga instalada (CI kW) = 7,60 x 0,92 = 6,99 kW É necessário calcular a demanda a partir da carga instalada para determinar a categoria de atendimento e dimensionar os materiais e equipamentos inerentes a cada unidade consumidora não residencial. Circuito de serviço de uso do condomínio "residencial" (200 m 2 ) Previsão mínima de iluminação e tomada pela TABELA 1 = 0,005 x 200 = 1,0 kVA, ou seja, menor que o valor declarado (8,0 kVA), logo o valor a ser considerado deve ser 8,0 kVA. - Carga instalada (CI) = 8,0 + (2 x 10 CV) + (1 x 5 CV) + (2 x 3 CV) - Carga instalada (CI) = 8,0 + (2 x 11,54) + (1 x 6,02) + (2 x 4,04) = 45,18 kVA - Carga instalada (CI kW) = 45,18 x 0,92 = 41,57 kW
  • 81.
    RECON – BTMarço/2013 81 É necessário calcular a demanda a partir da carga instalada para determinar a categoria de atendimento e dimensionar os materiais e equipamentos inerentes ao serviço. A demanda do circuito de serviço deve ser determinada pelo “Método de avaliação - Seção A”, estabelecido no item 18.1. Circuito de serviço de uso do condomínio "não residencial" (240 m 2 ) Previsão mínima de iluminação e tomada pela TABELA 1 = 0,005 x 240 = 1,2 kVA, ou seja, menor que o valor declarado (9,0 kVA), logo o valor a ser considerado deve ser 9,0 kVA. - Carga instalada (CI) = 9,0 + (1 x 4,4) + [( √ 3 x 220 x 100)/1000] + (1 x 5CV) - Carga instalada (CI) = 9,0 + 4,4 + 38,11 + (1 x 6,02) = 57,53 kVA - Carga instalada (CI kW) = 57,53 x 0,92 = 52,93 kW É necessário calcular a demanda a partir da carga instalada, para determinar a categoria de atendimento e dimensionar os materiais e equipamentos inerentes a cada unidade consumidora. A demanda do circuito de serviço será determinada pelo “Método de avaliação - Seção A”, estabelecido no item 18.1. B - Avaliação das demandas (kVA) Por apartamento (60 m²) Iluminação e tomadas (TABELA 1) C1 = 2,0 kVA d1 = (1 x 0,80) + (1 x 0,75) = 1,55 kVA Aparelhos de aquecimento (TABELA 2) C2 = (1 x 4,4) kVA d2 = 4,4 x 1,0 = 4,4 kVA Aparelhos de ar condicionado tipo janela (TABELA 3) C3 = (1 x 3/4 CV) Nº de aparelhos de ar = 1 Logo, FD = 100 % C3 = 1,26 kVA d3 = 1,26 x 1,0 = 1,26 kVA D total = d1 + d2 + d3 = 1,55 + 4,4 + 1,26 = 7,21 kVA Demanda por apartamento (60 m²) = 7,21 kVA A categoria de atendimento pode ser monofásica em 127 V, ou então trifásica 220/127 V de acordo com a conveniência do Consumidor.
  • 82.
    82 RECON –BT Março/2013 Essa demanda serve para dimensionar os condutores, equipamentos e materiais dos circuitos individuais, dedicados às unidades consumidoras residenciais (apartamentos). Por Loja (30 m²) - Iluminação e tomadas (TABELA 1) C1 = 3,2 kVA d1 = 3,2 x 0,80 = 2,56 kVA - Aparelhos de aquecimento d’água (TABELA 2) C2 = (1 x 4,4) kVA d2 = 4,4 x 1,0 = 4,4 kVA - Aparelhos de ar condicionado tipo janela (TABELA 3A ou 3B) Não existem aparelhos tipo janela, já que as instalações são servidas por sistema de ar condicionado Central. D total = d1 + d2 = 2,56 + 4,4 = 6,96 kVA Demanda por Loja (30 m²) = 6, 96 kVA A categoria de atendimento pode ser monofásica em 127 V, ou então trifásica 220/127 V de acordo com a conveniência do Consumidor. Essa demanda servirá para dimensionar os condutores, equipamentos e materiais dos circuitos individuais dedicados às unidades consumidoras não residenciais (lojas). Demanda do circuito de serviço não residencial (DSNR) Deve ser aplicado o “Método de avaliação - Seção A”, estabelecido no item 18.1. - Iluminação e tomadas (TABELA 1) C1 = 9,0 kVA d1 = 9,0 x 0,80 = 7,20 kVA - Aparelhos de aquecimento (TABELA 2) C2 = 1 x 4,4 kVA Nº de aquecedores = 1 Logo FD = 100 % d2 = 4,4 x 1 = 4,4 kVA - Unidade de ar condicionado central (TABELA 4) C4 = 38,11 kVA Nº de aparelhos = 1 Logo FD = 100 % d4 = 38,11 x 1 = 38,11 kVA - Motores (TABELA 5) C5 = 1 x 5 CV = 6,02 kVA N° de motores = 1 FD = 100 % d5 = 1 x 6,02 = 6,02 kVA
  • 83.
    RECON – BTMarço/2013 83 DSNR = d1 + d2 + d4 + d5 = 7,20 + 4,4 + 38,11 + 6,02 = 55,73 kVA DSNR = 55,73 kVA Demanda do circuito de serviço não residencial (DSNR) = 55,73 kVA A categoria de atendimento deve ser trifásica em 220 / 127 V. Essa demanda serve para dimensionar os condutores, equipamentos e materiais do circuito de serviço do condomínio, dedicado às unidades consumidoras não residenciais (lojas). Demanda do circuito de serviço residencial (DSR) Deve ser aplicado o “Método de avaliação - Seção A”, estabelecido no item 18.1. - Iluminação e tomadas (TABELA 1) C1 = 8,0 kVA d1 = 8,0 x 0,8 = 6,4 kVA - Motores (TABELA 5A e 5B) 2 x 10 CV = 2 x 11,54 kVA Nº de motores = 5 1 x 5 CV = 1 x 6,02 kVA Fator de demanda = 54 % 2 x 3 CV = 1 x 6,06 kVA d5 = [(2 x 11,54) + (1 x 6, 02) + (2 x 4,04)] x 0,54 = 20,08 kVA DSR = d1 + d5 DSR = 6,4 + 20,08= 26,48 kVA Demanda do circuito de serviço residencial (DSR) = 26,48 kVA A categoria de atendimento deve ser trifásica em 220/127 V. Essa demanda serve para dimensionar os condutores, equipamentos e materiais, do circuito de serviço do condomínio dedicado às unidades consumidoras residenciais (apartamentos). Demanda dos Agrupamentos (DAG) São dois os agrupamentos de medidores, com a seguinte composição: Agrupamento 1 - 20 apartamentos de 60 m² Agrupamento 2 - 12 lojas de 30 m² Demanda do Agrupamento 1 (DAGR) Como se trata de agrupamento de medidores, composto exclusivamente por unidades consumidoras residenciais (apartamentos), deve ser aplicado o “Método de avaliação - Seção B”, estabelecido no item 18.2. Como as unidades consumidoras utilizam equipamentos individuais de aquecimento de água:
  • 84.
    84 RECON –BT Março/2013 Da TABELA 7-A: Apartamento 60 m 2 = 1, 84 kVA / Apartamento Da TABELA 8: 20 apartamentos... Fator de Diversidade = 17,44 DAGR = 1, 84 x 17,44 = 32,09 kVA Demanda do Agrupamento 1 (DAGR) = 32,09 kVA Essa demanda serve para dimensionar os condutores, equipamentos e materiais do circuito do agrupamento de medidores dedicado exclusivamente às unidades consumidoras residenciais (apartamentos). Demanda da proteção parcial do Agrupamento 1 (DAGR) = 32,09 kVA Demanda do Agrupamento 2 (DAGNR) Como se trata de agrupamento dedicado exclusivamente às unidades consumidoras não residenciais, deve ser aplicado o “Método de avaliação - Seção A”, estabelecido no item 18.1, nas cargas das lojas. - Iluminação e tomadas (TABELA 1) C1 = 12 x 3,2 = 38,40 kVA d1 = 38,40 x 0,8 = 30,72 kVA - Aparelhos de aquecimento (TABELA 2) C2 = 12 x 4,4 = 52,80 kVA Nº de aparelhos = 12 Logo, FD = 45 % d2 = 52,80 x 0,45 = 23,76 kVA DAGNR = d1 + d2 = 30,72 + 23,76 DAGNR = 54,48 kVA Demanda do Agrupamento 2 (DAGNR) = 54,48 kVA Essa demanda serve para dimensionar os condutores, equipamentos e materiais do circuito trifásico dedicado exclusivamente ao agrupamento de medidores das unidades consumidoras não residenciais (lojas). Demanda da proteção parcial do Agrupamento 2 (DAGNR) = 54,48 kVA Demanda da proteção geral (DPG) Conforme estabelecido no item 18.1.3.2 "Avaliação da demanda de entradas coletivas com mais de um agrupamento de medidores", considerando que os serviços estão conectados antes do dispositivo de proteção geral de entrada, a demanda da proteção geral (DPG) deve ser
  • 85.
    RECON – BTMarço/2013 85 determinada através do somatório das demandas dos agrupamentos (DAGR e DAGNR), sendo o resultado multiplicado por 0,90. DPG = (DAGR + DAGNR) x 0,90 = (32,09 + 54,48) x 0,90 DPG = 77,91 kVA Demanda proteção geral de entrada (DPG) = 77,91 kVA Essa demanda serve para dimensionar o equipamento de proteção geral da entrada coletiva. Demanda do ramal de ligação (DR) Conforme estabelecido no item 18.1.3.2 "Avaliação da demanda de entradas coletivas com mais de um agrupamento de medidores", a demanda do ramal de ligação será determinada através do somatório da demanda da proteção geral (DPG), com as demandas do serviço residencial (DSR) e do serviço não residencial (DSNR), sendo o resultado multiplicado por 0,90. DR = (DPG + DSR + DSNR) x 0,90 = (77,91 + 26,48 + 55,73) x 0,90 = 144,11 kVA Demanda do ramal de ligação (DR) = 144,11 kVA Essa demanda serve para dimensionar os condutores, equipamentos e materiais do ramal de ligação da entrada coletiva. CASO 5 Entrada coletiva mista (residencial / comercial) com as seguintes características: “Sistema de aquecimento de água das unidades de consumo a gás” Tensão de fornecimento em 220/127 V; 10 apartamentos com área útil de 300 m²; 7 lojas com área útil de 180 m²; Serviço exclusivo para os apartamentos com área útil de 400 m 2 ; Serviço exclusivo para as lojas com área útil de 240 m²; Dois agrupamentos de medidores, sendo um para os 10 apartamentos e o outro para as 7 lojas. Características da carga instalada Por apartamento (300 m² ) Iluminação e tomadas 6,2 kVA Uma unidade de ar condicionado central IN = 55 A Cos ϕ = 0,8
  • 86.
    86 RECON –BT Março/2013 Por loja (180 m²) Iluminação e tomadas 8,2 kVA Fan- coil 1 x 3 CV Circuito de serviço dedicado às unidades consumidoras residenciais Iluminação e tomadas 7,5 kVA Motores trifásicos 2 elevadores de 10 CV 2 bombas de 5 CV (1 reserva) 2 bombas de 3 CV Circuito de serviço dedicado às unidades de consumo não residencial (lojas) Iluminação e tomadas 9,0 kVA Unidade central de condicionamento de ar (3φ) IN = 130 A (cos ϕ = 0, 82) Motores 2 bombas de 5 CV (1 reserva) Como se trata de entrada coletiva mista (residencial / comercial), a avaliação da carga e das demandas das unidades consumidoras (apartamentos e lojas), do serviço residencial, do serviço não residencial e dos trechos coletivos, deve ser feita conforme a seguir: Pelo “Método de avaliação - Seção A”, estabelecido no item 18.1: - Avaliação e dimensionamento individual dos apartamentos - Avaliação e dimensionamento individual das lojas - Avaliação e dimensionamento do circuito de serviço residencial - Avaliação e dimensionamento do circuito de serviço não residencial - Avaliação e dimensionamento do circuito comum de cargas não residenciais Pelo “Método de avaliação - Seção B”, estabelecido no item 18.2: - Avaliação e dimensionamento dos trechos coletivos das cargas residenciais A - Determinação da carga instalada e da categoria de atendimento Por apartamento (300 m²) Previsão mínima de iluminação e tomada pela TABELA 1 = 0,030 x 300 = 9,0 kVA, ou seja, maior que o valor declarado (6,2 kVA), logo o valor a ser considerado deve ser 9,0 kVA. - Carga instalada (CI) = 9,0 + [(√ 3 x 220 x 55)/1000] - Carga instalada (CI) = 9,0 + 20,96 = 29,96 kVA - Carga instalada (CI kW) = 29,96 x 0,92 = 27,57 kW É necessário calcular a demanda a partir da carga instalada para determinar a categoria de atendimento e dimensionar os materiais e equipamentos inerentes a cada unidade de consumo residencial.
  • 87.
    RECON – BTMarço/2013 87 Por loja (180 m²) Previsão mínima de iluminação e tomada pela TABELA 1 = 0,020 x 2180 = 3,6 kVA , ou seja, menor que o valor declarado (8,2 kVA), logo o valor a ser considerado deve ser 8,2 kVA. - Carga instalada (CI) = 8,2 + (1 x 3 CV) = 8,2 + (1 x 4,04) = 12,24 kVA - Carga instalada (CI kW) = 12,24 x 0,92 = 11,26 kW É necessário calcular a demanda a partir da carga instalada para determinar a categoria de atendimento e dimensionar os materiais e equipamentos inerentes a cada unidade consumidora não residencial (loja). Circuito de serviço de uso do condomínio "residencial" (400 m 2 ) Previsão mínima de iluminação e tomada pela TABELA 1 = 0,005 x 400 = 2,0 kVA, ou seja, menor que o valor declarado (7,5 kVA), logo o valor a ser considerado deve ser 7,5 kVA. - Carga instalada (CI) = 7,5 + (2 x 10 CV) + (1 x 5 CV) + (2 x 3 CV) - Carga instalada (CI) = 7,5 + (2 x 11,54) + (1 x 6,02) + (2 x 4,04) = 44,68 kVA - Carga instalada (CI kW) = 44,68 x 0,92 = 41,11 kW Como o circuito de serviço é dedicado exclusivamente às unidades consumidoras residenciais (apartamentos), a demanda deve ser determinada pelo “Método de avaliação - Seção A”, estabelecido no item 18.1. Circuito de serviço de uso do condomínio "não residencial" (240 m 2 ) Previsão mínima de iluminação e tomada pela TABELA 1 = 0,005 x 240 = 1,2 kVA, ou seja, menor que o valor declarado (9,0 kVA), logo o valor a ser considerado deve ser 9,0 kVA. - Carga instalada (CI) = 9,0 + [(√ 3 x 220 x 130)/1000] + (1 x 5 CV) - Carga instalada (CI) = 9,0 + 49,54 + (1 x 6,02) = 64,56 kVA - Carga instalada (CI kW) = 64,56 x 0,92 = 59,40 kW - Como o circuito de serviço é dedicado exclusivamente às unidades consumidoras não residenciais (lojas), a demanda deve ser determinada através da aplicação do “Método de avaliação - Seção A”, estabelecido no item 18.1, à carga instalada. B - Avaliação das demandas (kVA) Por apartamento (300 m²) - Iluminação e tomadas (TABELA 1)
  • 88.
    88 RECON –BT Março/2013 C1 = 9,0 kVA d1 = (0,80 x 1) + (0,75 x 1) + (0,65 x 1) + ( 0,60 x 1) + ( 0,50 x 1) + (0,45 x 1) + (0,40 x 1) + (0,35 x 1) + (0,30 x 1) = 4,8 kVA d1 = 4,8 kVA - Unidade central de ar condicionado (TABELA 4) C4 = 20,96 kVA d4 = 20,96 x 1,0 = 20,96 kVA D total (Aptº) = d1 + d4 = 4,8 + 20,96 = 25,76 kVA Demanda por apartamento (300 m²) = 25,76 kVA A categoria de atendimento deve ser trifásica em 220/127 V. Essa demanda serve para dimensionar os condutores, equipamentos e materiais dos circuitos individuais dedicados às unidades consumidoras residenciais (apartamentos). Por Loja (180 m²) - Iluminação e tomadas (TABELA 1) C1 = 8,2 kVA d1 = 8,2 x 0,80 = 6,56 kVA - Fan-Coil (TABELAS 5A e 3B) C4 = 1 x 3CV = 1 x 4,04 kVA d4 = 4,04 x 1,0 = 4,04 kVA D total = d1 + d4 = 6,56 + 4,04 = 10,60 kVA Demanda por Loja (180 m²) = 10, 60 kVA A categoria de atendimento deve ser trifásica em 220/127 V. Essa demanda serve para dimensionar os condutores, equipamentos e materiais dos circuitos individuais, dedicados às unidades consumidoras não residenciais (lojas). Demanda do circuito de serviço não residencial (DSNR) Deve ser aplicado o “Método de avaliação - Seção A”, estabelecido no item 18.1. - Iluminação e tomadas (TABELA 1) C1 = 9, 0 kVA d1 = 9, 0 x 0,8 = 7, 20 kVA
  • 89.
    RECON – BTMarço/2013 89 - Unidade de ar condicionado central (TABELA 4) C4 = 49,54 kVA d4 = 49,54 x 1 = 49,54 kVA NOTA: Neste exemplo estamos considerando que o sistema de ar condicionado central (geração de água gelada – “termoacumulação”) esteja ocorrendo durante a demanda máxima do Consumidor. Nos casos em que o sistema de termoacumulação estiver ocorrendo fora do instante de demanda máxima em questão (casos de utilização de tarifa horo-sazonal), não é necessário que o valor específico “d4” seja adicionado ao total demandado. - Motores (TABELA 5A e 5B) C5 = 1 x 5 CV = 6, 02 kVA d5 = 6, 02 kVA DSNR = d1 + d4 + d5 DSNR = 7, 20 + 49,54 + 6,02 = 62,76 kVA Demanda do circuito de serviço não residencial (DSNR) = 62,76 kVA Essa demanda serve para dimensionar os condutores, equipamentos e materiais do circuito de serviço do condomínio dedicado às unidades consumidoras não residenciais (lojas). Demanda do circuito de serviço residencial (DSR) Deve ser aplicado o “Método de avaliação - Seção A”, estabelecido no item 18.1. - Iluminação e tomadas (TABELA 1) C1 = 7,5 kVA d1 = 7,5 x 0,8 = 6,0 kVA - Motores (TABELAS 5A e 5B) 2 x 10 CV = (2 x 11,54) kVA 1 x 5 CV = (1 x 6, 02) kVA 2 x 3 CV = (2 x 4,04) kVA "Não são computados motores de reserva" d5 = [(2 x 11,54) + (1 x 6, 02) + (2 x 4,04)] x 0,54 = 20,08 kVA DSR = d1 + d5 DSR = 6,0 + 20,08 = 26,08 kVA Demanda do circuito de serviço residencial (DSR) = 26,08 kVA Essa demanda serve para dimensionar os condutores, equipamentos e materiais do circuito de serviço do condomínio dedicado às unidades consumidoras residenciais (apartamentos).
  • 90.
    90 RECON –BT Março/2013 Demanda dos Agrupamentos (DAG) São dois os agrupamentos de medidores, com a seguinte composição: Agrupamento 1 - 10 apartamentos de 300 m² Agrupamento 2 - 7 lojas de 180 m² Demanda do Agrupamento 1 (DAGR) Como se trata de agrupamento composto por medidores exclusivamente dedicados às unidades consumidoras residenciais, deve ser aplicado o “Método de avaliação - Seção B”, estabelecido no item 18.2. Como as unidades consumidoras não utilizam equipamentos elétricos de aquecimento de água: Da TABELA 7-B: Apartamento 300 m² = 6,91 kVA / Apartamento Da TABELA 8: 10 apartamentos... Fator de Diversidade = 9,64 DAGR = 6,91x 9,64 = 66,61 kVA Demanda do Agrupamento 1 (DAGR) = 66,61 kVA Essa demanda serve para dimensionar os condutores, equipamentos e materiais, do circuito dedicado ao agrupamento de medidores das unidades consumidoras residenciais (apartamentos). Demanda da proteção parcial do Agrupamento 1 (DAGR) = 66,61 kVA Demanda do Agrupamento 2 (DAGNR) Como se trata de agrupamento dedicado às unidades consumidoras não residenciais, deve ser aplicado o “Método de avaliação - Seção A”, estabelecido no item 18.1, nas cargas das lojas. Demanda do agrupamento 2 (DAGNR) - Iluminação e tomadas (TABELA 1) C1 = 7 x 8,2 = 57,4 kVA d1 = 57,4 x 0,8 = 45,92 kVA - Fan-coil (TABELAS 3B e 5A) C3 = 7 x (1 x 3 CV) = 7 x (1 x 4,04) = 28,28 kVA Nº de Fan-coil = 7 d3 = 28,28 x 1,0 = 28,28 kVA Fator de demanda = 100% DAGNR = d1 + d3 DAGNR = 45,92 + 28,28 = 74,2 kVA
  • 91.
    RECON – BTMarço/2013 91 Demanda do Agrupamento 2 (DAGNR) = 74,2 kVA A categoria de atendimento deve ser trifásica em 220/127 V. Essa demanda serve para dimensionar os condutores, equipamentos e materiais do circuito dedicado ao agrupamento de medidores das unidades consumidoras não residenciais (lojas). Demanda da proteção parcial do Agrupamento 2 (DAGNR) = 74,2 kVA Demanda da proteção Geral (DPG) Conforme estabelecido no item 18.1.3.2 "Avaliação da demanda de entradas coletivas com mais de um agrupamento de medidores", considerando que os serviços estão conectados antes do dispositivo de proteção geral de entrada, a demanda da proteção geral (DPG) deve ser determinada através do somatório das demandas dos agrupamentos (DAGR e DAGNR), sendo o resultado multiplicado por 0,90. DPG = (DAGR + DAGNR) x 0,90 = (66,61 + 74,2) x 0,90 = 126,73 kVA Demanda proteção geral de entrada (DPG) = 126,73 kVA Essa demanda serve para dimensionar o equipamento de proteção geral da entrada coletiva. Demanda do ramal de ligação (DR) Conforme estabelecido no item 18.1.3.2 "Avaliação da demanda de entradas coletivas com mais de um agrupamento de medidores", a demanda do ramal de ligação será determinada através do somatório da demanda da proteção geral (DPG), com as demandas do serviço residencial (DSR) e do serviço não residencial (DSNR), sendo o resultado multiplicado por 0,90. DR = (DPG + DSR + DSNR) x 0,90 = (126,73 + 26,08 + 62,76) x 0,90 = 194,01 kVA Demanda do ramal de ligação (DR) = 194,01 kVA Essa demanda serve para dimensionar os condutores, equipamentos e materiais do ramal de ligação da entrada coletiva.
  • 92.
    92 RECON –BT Março/2013 SEÇÃO 02 PADRÃO DE LIGAÇÃO DE ENTRADAS INDIVIDUAIS 19 - Padrões de ligação de entradas individuais Devem ser observadas as condições gerais de fornecimento de energia elétrica estabelecidas nos itens 4 a 16 desta Regulamentação em complemento aos padrões construtivos estabelecidos nessa seção. TIPO DE PADRÃO DE ENTRADA – MEDIÇÃO DIRETA DEMANDA (kVA) REDE AÉREA REDE SUBTERRÂNEA D ≤≤≤≤ 8,0 Caixa CM1 sobreposta em poste particular ou semi- embutida no muro ou na fachada, ou em recuo técnico, com CDJ1 voltada para a parte interna da propriedade. Caixa CS1 e CM1 semi-embutidas no muro ou na fachada, ou em recuo técnico, com CDJ1 voltada para a parte interna da propriedade. 8,0<<<< D ≤≤≤≤ 23,2 Caixa CM3 sobreposta em poste particular ou semi- embutida no muro ou na fachada, ou em recuo técnico, com CDJ3 voltada para a parte interna da propriedade. Caixa CS3 e CM3 semi-embutidas no muro ou na fachada, ou em recuo técnico, com CDJ3 voltada para a parte interna da propriedade. 23,2 <<<< D ≤≤≤≤ 66,3 Caixa CM200 sobreposta em poste particular ou semi-embutida no muro ou na fachada, ou em recuo técnico, com CPG200 voltada para a parte interna da propriedade. Caixa CS200+CM200 ou CSM200 semi- embutidas no muro ou na fachada, ou em recuo técnico, com CPG200 voltada para a parte interna da propriedade. TIPO DE PADRÃO DE ENTRADA – MEDIÇÃO INDIRETA DEMANDA (kVA) REDE AÉREA REDE SUBTERRÂNEA 66, 3 <<<< D ≤≤≤≤ 198,8 Caixa CSM600 em gabinete de alvenaria ou em recuo técnico no muro ou na fachada, com CPG600 voltada para a parte interna da propriedade. Opcionalmente poderá ser utilizada a caixa CSMD600 (ver item 14.1.2.3). Caixa CSM600 em gabinete de alvenaria ou em recuo técnico no muro ou na fachada, com CPG600 voltada para a parte interna da propriedade. Opcionalmente poderá ser utilizada a caixa CSMD600 (ver item 14.1.2.3). 198,8 <<<< D ≤≤≤≤ 300 Caixa CSM1500 em gabinete de alvenaria ou em recuo técnico no muro ou na fachada, com CPG1500 voltada para a parte interna da propriedade. Opcionalmente poderá ser utilizada a caixa CSMD1500 (ver item 14.1.2.4). Caixa CSM1500 em gabinete de alvenaria ou em recuo técnico no muro ou na fachada, com CPG1500 voltada para a parte interna da propriedade. Opcionalmente poderá ser utilizada a caixa CSMD1500 (ver item 14.1.2.4). 300 <<<< D ≤≤≤≤ 497,0 NÃO SE APLICA Caixa CSM1500 em gabinete de alvenaria ou em recuo técnico no muro ou na fachada, com CPG1500 voltada para a parte interna da propriedade. Opcionalmente poderá ser utilizada a caixa CSMD1500 (ver item 14.1.2.4). D >>>> 497,0 NÃO SE APLICA Caixa especial de medição (ver nota 3 do item 14.1.2.4) NOTA: Todas as características técnicas dos materiais e detalhamentos de montagens encontram-se, respectivamente, nas tabelas de dimensionamento e nos padrões de ligação contidos nesta Regulamentação.
  • 93.
    RECON – BTMarço/2013 93 19.1 - Entrada individual atendida através de ramal de ligação aéreo O ramal de ligação deve ser fornecido e instalado pela Light (ver item 14.9.1.1). Para ligações com carga até 15 kW, o ramal de ligação aéreo deve ser instalado pela Light até a medição, inclusive. Para ligações com valores acima de 15 kW, o ramal de ligação aéreo deve ser instalado pela Light até o ponto de ancoragem do ramal e interligado ao ramal de entrada, sendo este dimensionado e instalado pelo Consumidor. NOTAS: 1. Nos casos de ligações em rede de distribuição aérea, com descida no poste, pontalete ou na fachada, entre o ponto de ancoragem do ramal de ligação e a caixa de medição, deve-se instalar como proteção mecânica para o ramal de entrada eletroduto rígido de PVC próprio para instalação externa com aditivo anti UV; 2. Solicitações de ligação nova ou aumento de carga com demanda avaliada acima de 150kVA devem, obrigatoriamente, ter suas instalações preparadas (linhas de dutos) para atendimento através de ramal subterrâneo. 19.1.1 - Determinação do tipo de ancoramento para o ramal de ligação aéreo Quando o atendimento for através de ramal de ligação aéreo, o ponto de entrega é no ponto de ancoramento do ramal fixado, em fachada, em pontalete ou em poste instalado na propriedade particular, situados no limite da propriedade com a via pública. 19.1.1.1 - Ancoramento do ramal de ligação na fachada O ramal de ligação deve ser ancorado na fachada quando forem satisfeitas as alturas mínimas estabelecidas no item 19.1.3 e quando a edificação encontrar-se situada no limite da propriedade com a via pública. 19.1.1.2 - Ancoramento do ramal de ligação em pontalete O ramal de ligação deve ser ancorado no pontalete quando não forem satisfeitas as alturas mínimas estabelecidas no item 19.1.3 e quando a edificação encontrar-se situada no limite da propriedade com a via pública. 19.1.1.3 - Ancoramento do ramal de ligação em poste O ramal de ligação deve ser ancorado no poste quando não forem satisfeitas as alturas mínimas estabelecidas no item 19.1.3 e/ou quando a edificação encontrar-se afastada do limite da propriedade com a via pública inviabilizando o ancoramento do ramal na fachada. NOTAS: 1. O poste deve ser instalado sempre no limite da propriedade com a via pública;
  • 94.
    94 RECON –BT Março/2013 2. As formas de ancoramento padronizadas pela Light são em poste, pontalete ou fachada. Nesse sentido, outras formas de ancoramento, que justifiquem tecnicamente sua necessidade, deverão ser submetidas previamente a Light para análise e aprovação. 19.1.2 - Limites técnicos para ancoramento de ramais de ligação aéreos O comprimento máximo do vão associado ao tipo de ancoramento e posição da rede não deve exceder aos limites estabelecidos na Tabela 12. 19.1.3 – Distâncias mínimas de afastamento dos condutores do ramal de ligação • 0,60 m entre circuitos de baixa tensão e circuitos de telefonia, sinalização e congêneres; • 1,20 m quando passar junto à janelas, sacadas, escadas, saídas de incêndio, terraços etc.; • 2,50 m acima do piso de sacadas, terraços ou varandas (na projeção vertical); • 0,50 m abaixo do piso de sacadas, terraços ou varandas (na projeção vertical); • 5,50 m do piso acabado, na passagem de veículos (travessia de logradouro); • 4,50 m do piso acabado, na passagem de veículos (entradas particulares); • 4,00 m do piso acabado, na passagem de pedestres; • 3,00 m do piso acabado, na saída de eletroduto. 19.2 - Entrada individual atendida através de ramal de ligação subterrâneo O ramal de ligação subterrâneo deve ser instalado pela Light até o primeiro ponto de conexão da instalação de entrada. NOTA: Nos casos de ligações em rede de distribuição subterrânea, no trecho compreendido entre o limite da propriedade com a via pública e a caixa de seccionamento/medição, deve-se instalar como proteção mecânica para o ramal de ligação eletroduto rígido de PVC ou tubo flexível corrugado de polietileno, apropriados para a aplicação. 19.3 - Padrões de atendimento em entradas individuais A Light somente atenderá as solicitações de fornecimento de energia elétrica para ligações novas, alterações de carga, relocações, mudança do Grupo tarifário etc. de instalações de entrada que estejam projetadas e executadas em conformidade com os preceitos técnicos e de segurança, com esta Regulamentação e padrões vigentes, bem como com as normas brasileiras atinentes. As TABELAS 10A e 10B desta Regulamentação apresentam os detalhes das condições do atendimento no que se referem aos valores de demanda em função da categoria de atendimento, além da capacidade dos disjuntores, seção dos condutores etc. A seguir são apresentados arranjos de atendimentos de entradas individuais, tanto com ramais de ligação aéreos quanto subterrâneos, que devem ser construídos em conformidade com esta Regulamentação. Exemplos de configurações de instalações de entradas individuais com ramal de ligação aéreo derivado de rede aérea de distribuição (todas as cotas encontram-se em milímetros)
  • 95.
    RECON – BTMarço/2013 95 Exemplo 1A - Ramal de ligação aéreo com ancoramento na fachada e caixa de medição semi- embutida na fachada. Rede aérea de distribuição - Caixa para medição semi-embutida na fachada e caixa do disjuntor de proteção voltada para a parte interna da propriedade. Ligações com demanda até 66,3 Kva Vista Lateral Vista Frontal
  • 96.
    96 RECON –BT Março/2013 Exemplo – 2A - Ramal de ligação aéreo com ancoramento em pontalete e caixa de medição semi-embutida na fachada. Rede aérea de distribuição - Caixa para medição semi-embutida na fachada e caixa do disjuntor de proteção voltada para a parte interna da propriedade. Ligações com demanda até 66,3 kVA Vista Lateral Vista Frontal
  • 97.
    RECON – BTMarço/2013 97 Exemplo 3A - Ramal de ligação aéreo com ancoramento em poste particular e caixa de medição no recuo técnico no muro. Rede aérea de distribuição - Caixa para medição instalada em recuo técnico, no muro e caixa do disjuntor de proteção voltada para a parte interna da propriedade. Ligações com demanda até 66,3 Kva Vista Lateral Vista Frontal
  • 98.
    98 RECON –BT Março/2013 Exemplo 4A - Ramal de ligação aéreo com ancoramento e caixa de medição em poste particular. Rede aérea de distribuição - Caixa para medição e caixa do disjuntor de proteção no poste particular. Ligações com demanda até 66,3 Kva NOTA: Caso a caixa de medição seja metálica, esta deverá ser obrigatoriamente abrigada em estrutura de alvenaria protegida contra intempéries. Vista Lateral Vista Frontal
  • 99.
    RECON – BTMarço/2013 99 Exemplo 5A - Ramal de ligação aéreo com ancoramento em poste de aço e caixa de medição semi-embutida no recuo técnico, no muro. Rede aérea de distribuição - Caixa para medição instalada em recuo técnico, no muro e caixa do disjuntor de proteção voltada para a parte interna da propriedade. Ligações com carga até 15 kW Vista Frontal Vista Lateral
  • 100.
    100 RECON –BT Março/2013 Exemplo 6A - Ramal de ligação aéreo com ancoramento e caixa de medição em poste de aço. Rede aérea de distribuição - Caixa para medição e caixa do disjuntor de proteção no poste particular. Ligações com carga até 15 K. Vista Frontal NOTA: Caso a caixa de medição seja metálica, esta deverá ser obrigatoriamente abrigada em estrutura de alvenaria protegida contra interpéries. Vista Lateral
  • 101.
    RECON – BTMarço/2013 101 Exemplo 7A - Ramal de ligação aéreo com ancoramento em poste particular e caixa de “medição indireta” em gabinete no recuo técnico no muro. Rede aérea de distribuição – Caixa para medição CSM no recuo técnico e caixa do disjuntor de proteção geral CPG voltada para a parte interna da propriedade. Ligações com demanda de 66,3 kVA a 150 kVA NOTA: O atendimento também pode ser efetivado através de ramal de ligação ancorado na fachada ou em pontalete (ver item 19.1.2). Vista Lateral Vista Frontal
  • 102.
    102 RECON –BT Março/2013 Exemplo 8A - Ramal de ligação aéreo com ancoramento em poste particular (padrão de ligação provisória de obra ou festiva). Rede aérea de distribuição - Caixa do disjuntor de proteção no poste particular. Ligações com demanda até 66,3 Kva NOTA: Acima é apresentada figura ilustrativa de uma ligação provisória de obra ou festiva que, sob todos os aspectos técnicos é idêntica aos padrões fixados para as outras categorias de atendimento a exceção da caixa de medição.
  • 103.
    RECON – BTMarço/2013 Exemplos de configurações de entradas individuais com ramal de ligação subterrâneo derivado de rede subterrânea de distribuição Exemplo 1B - Ramal de Rede subterrânea de distribuição e caixa do disjuntor de proteção voltada para a parte interna da propriedade. Ligações com demanda Nota: Alternativamente ao arranjo apresentado acima pode ser utiliz seccionamento incorporado a caixa de medição. xemplos de configurações de entradas individuais com ramal de ligação subterrâneo derivado de rede subterrânea de distribuição Ramal de ligação subterrâneo com caixa de medição semi- Rede subterrânea de distribuição - Caixa CS e caixa para medição semi-embutidas na fachada e caixa do disjuntor de proteção voltada para a parte interna da propriedade. Ligações com demanda até 66,3 kVA Alternativamente ao arranjo apresentado acima pode ser utilizada a caixa CSM200 que possui o seccionamento incorporado a caixa de medição. 103 xemplos de configurações de entradas individuais com ramal de ligação subterrâneo -embutida na fachada embutidas na fachada e caixa do disjuntor de proteção voltada para a parte interna da propriedade. ada a caixa CSM200 que possui o Vista Lateral Vista Frontal
  • 104.
    104 RECON –BT Março/2013 Exemplo 2B - Ramal de ligação subterrâneo com caixa de medição no recuo técnico, no muro. Rede subterrânea de distribuição - Caixa CS e caixa para medição no recuo técnico, no muro, e caixa do disjuntor de proteção voltada para a parte interna da propriedade. Ligações com demanda até 66,3 kVA NOTA: Alternativamente ao arranjo apresentado acima pode ser utilizada a caixa CSM200 que possui o seccionamento incorporado a caixa de medição. Vista Lateral Vista Frontal
  • 105.
    RECON – BTMarço/2013 105 Exemplo 3B- Ramal de ligação subterrâneo com caixa de “medição indireta” no recuo técnico, no muro. Rede subterrânea de distribuição – Caixa para seccionador e medição indireta CSM no recuo técnico, no muro, e caixa do disjuntor de proteção geral CPG voltada para a parte interna da propriedade. Ligações com demanda acima 66,3 kVA Vista Lateral Vista Frontal
  • 106.
    106 RECON –BT Março/2013 SEÇÃO 03 PADRÃO DE LIGAÇÃO DE ENTRADAS COLETIVAS 20 - Padrão de ligação de entradas coletivas Em função das características construtivas da edificação e da conveniência do Consumidor, podem ser empregados diferentes tipos de configurações e sistemas de medição. Dessa forma, a solicitação para o atendimento deve ser sempre precedida pela aprovação do Projeto de entrada (ver item 10.6), evitando transtornos por eventuais contradições com esta Regulamentação. As condições técnicas de atendimento, envolvendo a proteção geral de entrada, aterramento, sistemas de medição etc. estão estabelecidas nas “Condições Gerais” desta Regulamentação. As caixas e painéis que compõem os padrões de ligação em entradas coletivas devem estar localizados sempre em ambiente seco, ventilado, iluminado, não inundável e que ofereça acesso livre à Light a qualquer tempo. NOTA: Recomenda-se que, junto a instalação de entrada seja disponibilizado o Prontuário técnico da instalação em conformidade com as condições técnicas fixadas pela Norma Regulamentadora - NR-10 – Segurança em instalações e serviços em eletricidade. 20.1 - Localização da proteção geral A proteção geral deve estar localizada a no máximo 3 (três) metros da porta principal de acesso da edificação (sempre no pavimento térreo). O disjuntor de proteção geral da edificação deve ser instalado em caixa padronizada conforme item 14.3 desta Regulamentação. NOTAS: 1. Em caso de inviabilidade técnica comprovada, a proteção geral pode ser instalada a mais de 3 (três) metros, desde que o disjuntor seja equipado com bobina de disparo e comando de acionamento à distância instalado a no máximo 3 (três) metros da porta principal da edificação; 2. Em edificações que possuam proteção geral de entrada a partir de 2000 A, opcionalmente, e a critério do responsável técnico, a proteção geral de entrada pode ser desmembrada em 2 proteções (disjuntores), desde que haja intertravamento entre ambas e que as mesmas estejam, obrigatoriamente, instaladas na mesma caixa de proteção (CPG). 3. Em condomínio onde exista mais de uma edificação (prédio), para cada uma deve ser atribuída uma proteção geral, localizada a no máximo 3 (três) metros da porta principal de acesso da edificação (sempre no pavimento térreo), de forma a garantir as condições de segurança e operativas para o Corpo de Bombeiros em caso de sinistro; sendo desnecessário o emprego de uma proteção geral que abranja todas as edificações (prédios) que compreendam esse mesmo condomínio.
  • 107.
    RECON – BTMarço/2013 107 4. Em edificação que possua múltiplos agrupamentos, opcionalmente, poderá ser utilizado um painel PPGP para acomodar tanto a proteção geral da edificação quanto as proteções parciais dos agrupamentos. 20.2 - Localização da Medição de serviço O medidor de serviço deve ser sempre instalado a montante (antes) da proteção geral de entrada da edificação sempre que houver qualquer carga de prevenção, detecção e combate a sinistro (incêndio) tais como iluminação de emergência, bombas de pressurização etc. O medidor de serviço da edificação deve ser instalado em caixa padronizada conforme item 14.1 desta Regulamentação. NOTAS: 1. O circuito que alimenta a bomba de incêndio da edificação poderá ser instalado antes da proteção geral do medidor de serviço, com sua proteção independente, a critério do responsável técnico e com observância das normas do CBMERJ; 2. Devem ser utilizados, quando necessário, terminais de fixação (Figura 24) para derivação dos condutores do medidor de serviço antes da proteção geral; 3. Recomenda-se que o quadro de comando das cargas associadas à medição de serviço, principalmente aquelas dedicadas à prevenção, detecção e combate a incêndios seja instalado junto à medição de serviço da edificação; 4. Em condomínio onde exista mais de uma edificação (prédio), para cada uma deve ser atribuída uma medição de serviço a fim de delimitar claramente a abrangência do circuito elétrico que atende as áreas comuns de forma a garantir as condições de segurança e operativas para o Corpo de Bombeiros em caso de sinistro; 5. Em condomínio onde exista mais de uma edificação (prédio), e atribuído a este um medidor de serviço condominial, também considerando aspectos de segurança e operacionais para o Corpo de Bombeiros, suas cargas devem ser, preferencialmente, restritas as aéreas externas. 20.3 - Localização da Medição totalizadora A medição totalizadora deve ser empregada, nos casos de ligação nova ou aumento de carga (com intervenção em todos trecho coletivo existente), sempre que os agrupamentos de medidores forem distribuídos pelos andares, ou ainda, quando instalados no pavimento térreo a mais de 5 metros de distância do limite da propriedade com a via pública. Para os casos onde a transformação da Light esteja interna a propriedade do consumidor, a medição totalizadora deve ser instalada imediatamente após essa transformação. A mesma deve ser instalada sempre a montante (antes) da proteção geral da entrada coletiva e do medidor de serviço, inclusive.
  • 108.
    108 RECON –BT Março/2013 A caixa para emprego da medição totalizadora deve ser dimensionada em função da demanda do ramal de ligação destinado a edificação. Podendo, eventualmente, ser utilizada a caixa de medição CSMD com a finalidade de abrigar simultaneamente a medição totalizadora e a proteção geral da edificação, quando for o caso. NOTA: Cabe destacar que a medição totalizadora sempre estará associada a sistema SMLC descrito no item 20.5. 20.4 - Agrupamentos de medidores 20.4.1 - Agrupamentos de medidores no pavimento térreo junto à proteção geral O padrão de medição em entradas coletivas é através de agrupamentos de medidores no pavimento térreo (no nível do arruamento) sempre instalados no mesmo ambiente/junto da proteção geral. Os medidores devem ser instalados em um ou mais agrupamentos, montados em painéis de medição do tipo PMD (em conjunto com a caixa de proteção geral) ou do tipo PDMD (com a proteção geral incorporada ao painel) conforme padronização estabelecida no item 14.4 desta Regulamentação. 20.4.2 - Agrupamento de medidores no pavimento térreo fora do ambiente da proteção geral Alternativamente, por conveniência do Consumidor, os agrupamentos de medidores podem ser instalados fora do ambiente da proteção geral. Os medidores devem ser instalados em um ou mais agrupamentos, montados em painéis de medição do tipo PSMD (com seccionamento incorporado ao painel) ou do tipo PDMD (com a proteção parcial incorporada ao painel) conforme padronização estabelecida no item 14.4 desta Regulamentação. No caso onde os agrupamentos estejam a mais de 5 metros de distância da proteção geral, os medidores serão atendidos obrigatoriamente através do sistema SMLC (Sistema de medição e leitura centralizada conforme item 20.5 desta Regulamentação). 20.4.3 - Agrupamentos de medidores distribuídos nos andares Também por conveniência técnica do Consumidor, os agrupamentos de medidores podem ser instalados de forma distribuída nos andares da edificação.
  • 109.
    RECON – BTMarço/2013 109 Os medidores devem ser instalados em um ou mais agrupamentos, montados em painéis de medição do tipo PSMD (com seccionamento incorporado ao painel) ou do tipo PDMD (com a proteção parcial incorporada ao painel) conforme padronização estabelecida no item 14.4 desta Regulamentação. Nesses casos, os medidores serão atendidos obrigatoriamente através do sistema SMLC (Sistema de medição e leitura centralizada conforme item 20.5 desta Regulamentação). 20.4.4 - Painel de proteção geral/parcial – PPGP Em entradas coletivas onde são aplicados múltiplos painéis de medidores, opcionalmente, pode-se utilizar o painel PPGP para abrigar a proteção geral e/ou as proteções parciais dos agrupamentos de medidores a jusante (antes) dos painéis do tipo PSMD ou PDMD. NOTA: Compete ao responsável técnico com observâncias nos aspectos de dimensionamento inerentes a proteções, em especial aos aspectos relacionados à coordenação e seletividade entre as proteções existentes, a opção pela utilização de proteções parciais a jusante da proteção geral da entrada coletiva. 20.5 - Sistema de Medição e Leitura Centralizada – SMLC O SMLC deve ser aplicado sempre que, por conveniência do Consumidor, for empregada medição através de agrupamentos distribuídos pelos andares, ou ainda, quando instalados no pavimento térreo a mais de 5 metros de distância da proteção geral da entrada coletiva. Cabe ao interessado o ônus decorrente da diferença entre os custos totais do sistema SMLC e uma medição de agrupamento convencional. Todo o sistema de medição será de propriedade da Light, ficando sob sua responsabilidade a operação e manutenção. NOTA: As especificações técnicas e construtivas relativas ao sistema SMLC encontra-se disponibilizadas no documento “Especificação para implantação de infra-estrutura do Sistema SMLC” (disponível na internet no site www.light.com.br). 20.6 - Características construtivas dos ramais de ligação e de entrada em entradas coletivas O ramal de ligação deve ser aéreo ou subterrâneo, conforme as características do sistema de distribuição no local do atendimento e da demanda da instalação. A cada entrada de energia elétrica deve ser concedido um único ramal de ligação. NOTA: Em uma edificação onde existam tanto unidades consumidoras em baixa-tensão como em média- tensão o atendimento deve ser feito também através de um único ramal, sendo o mesmo em média tensão, interligado a uma chave a gás instalada pela Light que permite o seccionamento independente da
  • 110.
    110 RECON –BT Março/2013 subestação em MT e do transformador de distribuição, também instalado pela Light, que atenderá as unidades consumidoras em BT. O ramal de entrada, a critério do consumidor e de acordo com as características físicas da edificação pode ser aéreo ou subterrâneo. 20.6.1 - Ramal de ligação aéreo derivado diretamente da rede aérea Em entrada coletiva com demanda avaliada até 150 kVA, o ramal de ligação deve ser aéreo, da rede de distribuição aérea até o ponto de entrega situado no primeiro ponto de ancoramento (poste, pontalete ou fachada) da propriedade particular, fornecido e instalado pela Light. Para os casos com demanda avaliada acima de 150 kVA, o ramal de ligação deve ser subterrâneo, derivado da rede de distribuição aérea até o ponto de entrega/ponto de conexão situado no interior da propriedade, sendo o mesmo fornecido e instalado pela Light. NOTAS: 1. Quando, por conveniência técnica do Consumidor, for solicitado ramal de ligação subterrâneo derivado de rede aérea, com demanda avaliada inferior a 150 kVA, caberá ao interessado todo o ônus inerente aos materiais e serviços necessários para a instalação do ramal de ligação subterrâneo; 2. Quando se tratar de região de rede aérea com previsão de conversão para rede subterrânea, o Consumidor deve deixar preparada, a partir do limite de propriedade, a estrutura civil (eletrodutos envelopados em concreto etc.) que possa permitir o atendimento futuro através de ramal subterrâneo; 20.6.2 - Ramal de ligação subterrâneo derivado diretamente da rede subterrânea O ramal de ligação deve ser obrigatoriamente subterrâneo, fornecido e instalado pela Light no trecho entre a rede de distribuição e o primeiro ponto de conexão da instalação de entrada. NOTA: Considerando as características técnicas da rede de distribuição local assim como as características construtivas das instalações de entrada projetadas pelo responsável técnico, o mesmo deve ser informado pela Light quanto à determinação do número de circuitos que irão compor o ramal de ligação, bem como o dimensionamento de bancos de dutos, inclusive de dutos reservas, quando for o caso. 20.6.3 - Ramal de ligação subterrâneo derivado de Compartimento de transformação Sempre que excedidos os valores fixados no item 4.3, deve ser construído, pelo consumidor, compartimento (infra-estrutura), no limite da propriedade com a via pública, que permita a instalação de equipamentos de transformação etc. para atendimento a solicitação de fornecimento de energia elétrica da edificação.
  • 111.
    RECON – BTMarço/2013 111 20.6.4 - Ramal de entrada Os condutores do ramal de entrada (trecho compreendido entre a proteção geral de entrada até as unidades consumidoras) devem ser dimensionados, fornecidos e instalados sempre pelo Consumidor considerando as especificações técnicas contidas nesta Regulamentação. NOTAS: 1. Para auxiliar o responsável técnico quanto ao dimensionamento dos condutores do ramal de entrada poderão ser usadas as Tabelas 18, 19, 20 e 21 presentes na Seção 05. 2. O responsável técnico deve dimensionar os condutores observando os critérios de ampacidade, tipo de isolamento, tipo de ocupação assim como os limites de queda de tensão, perda técnica e suportabilidade às correntes de curta duração (curto-circuitos). 20.6.5 – Proteção mecânica para os condutores do ramal de ligação Nos casos de ligações em rede de distribuição subterrânea, no trecho compreendido entre o limite da propriedade com a via pública e a proteção geral da edificação, deve-se instalar como proteção mecânica para o ramal de ligação eletroduto rígido de PVC ou tubo flexível corrugado de polietileno apropriados para a aplicação. NOTA: Em entradas coletivas, onde a edificação possua subsolo, o ramal de ligação deve ser instalado obrigatoriamente em eletroduto rígido de PVC. 20.6.6 – Proteção mecânica para os condutores do ramal de entrada Nos casos de ligações em rede de distribuição aérea, com descida no poste, pontalete ou na fachada, entre o ponto de ancoragem do ramal de ligação e a proteção geral da edificação, deve-se instalar como proteção mecânica para o ramal de entrada eletroduto rígido de PVC próprio para instalação externa com aditivo anti UV. NOTA: Para os trechos compreendidos entre a proteção geral até os painéis de medidores, opcionalmente, considerando claro as características construtivas da edificação, o responsável técnico pode instalar eletroduto rígido de PVC, eletrocalhas ou bandejas perfuradas (com dispositivos para fixação de selos de segurança da Light), desde que observado pelo mesmo os aspectos relacionados à ampacidade e o tipo de isolamento dos condutores, a taxa de ocupação, o raio de curvatura, esforços mecânicos etc. 20.6.7 – Banco de dutos Nos casos de ligações em rede de distribuição subterrânea, no trecho compreendido entre o limite da propriedade com a via pública e a proteção geral da edificação, a proteção mecânica (eletroduto rígido de PVC ou tubo flexível de polietileno) deve ser instalada com pelo menos 50 cm de profundidade em relação ao nível do solo com compactação adequada a área em que os mesmos estão instalados recomendando-se que em áreas de circulação de veículos os mesmos sejam envelopados em concreto.
  • 112.
    112 RECON –BT Março/2013 20.7 - Padrão de atendimento em entrada coletiva A seguir são apresentados arranjos de atendimentos que devem ser construídos em conformidade com esta Regulamentação para atendimento a solicitações de ligação nova, alteração de carga ou reforma das entradas coletivas. 20.7.1 – Atendimento a prédios residenciais, não residenciais e mistos As condições gerais de atendimento estão estabelecidas nos itens 4 a 15 desta Regulamentação. Complementarmente, as Tabelas 11A, 19, 20, 21 e 22 mostram detalhes relativos ao dimensionamento dos materiais inerentes a este tipo de atendimento. 20.7.2 - Atendimento a condomínios verticais (prédios múltiplos) Conforme os tipos de empreendimentos, podem ser adotadas as mesmas determinações do item 20.7.1. Entretanto, este tipo de atendimento deve ser, preferencialmente, precedido de apresentação prévia pelo interessado dos projetos para análise e validação pela Light a fim de que seja assegurada a melhor solução técnica a ser adotada, principalmente no que tange aos arranjos do sistema de distribuição. 20.7.3 - Atendimento a condomínios horizontais ou vilas Em condomínios horizontais ou vilas ocupadas por residências isoladas, o atendimento as unidades consumidoras deve respeitar as especificações contidas nesta Regulamentação observados os padrões de entradas individuais constantes da Seção 02. Entretanto, a fim de privilegiar as condições de segurança e acesso e onde as características arquitetônicas permitam o atendimento coletivo, opcionalmente, o consumidor pode solicitar o atendimento através de painel de medidores instalado junto a portaria principal de acesso do condomínio ou vila, nas mesmas condições de atendimento do item 20.7.1. Para condomínios horizontais ou vilas onde a quantidade de residências é significativa e/ou as distâncias são elevadas inviabilizando o emprego de um único painel de medidores, opcionalmente, o consumidor também pode solicitar o atendimento através de múltiplos painéis de medidores distribuídos ao longo do condomínio. Entretanto, este tipo de atendimento deve ser tratado como instalação especial e, portanto, devem ser apresentados previamente pelo interessado os respectivos projetos para análise e validação a fim de que seja assegurada a melhor solução técnica a ser adotada, principalmente no que tange aos arranjos do sistema de distribuição. NOTA: Quando um novo pedido de ligação nova ou aumento de carga implicar na necessidade de adequação de uma rede, caberá a Light a adequação dessa rede a fim de disponibilizar o atendimento a solicitação do Consumidor conforme disposto na Resolução 414/2010 da ANEEL.
  • 113.
    RECON – BTMarço/2013 113 20.7.4 - Atendimento em entrada coletiva existente Para solicitação de ligação nova ou alteração de carga em instalações de entrada construídas através de padrões de ligação anteriores a vigência desta Regulamentação deve ser consultado o documento “Condições para atendimento a unidades consumidoras compreendidas em entradas coletivas existentes” (disponível na internet no site www.light.com.br). O documento trata das particularidades desse tipo de instalação de entrada e estabelece as condições necessárias para atendimento as solicitações. 20.8 - Dimensionamento de materiais e equipamentos de entradas coletivas Para dimensionamento dos materiais e equipamentos devem ser observadas as especificações técnicas contidas nas “Condições gerais” desta Regulamentação assim como, complementarmente, devem ser utilizadas as tabelas associadas às entradas coletivas constantes na Seção 05. 20.9 - Exemplos de aplicação de entradas coletivas A seguir são apresentados arranjos de atendimentos coletivos que devem ser construídos em conformidade com esta Regulamentação. Exemplos de configurações de instalações de entrada de Entradas coletivas 1 – Entrada coletiva atendida através de ramal de ligação aéreo com ancoramento na fachada, medição totalizadora e proteção geral abrigadas em caixa tipo CSMD e painéis de medidores PMD no pavimento térreo. 2 – Entrada coletiva atendida através de ramal de ligação subterrâneo, medição totalizadora e proteção geral abrigadas em caixa tipo CSMD e painéis de medidores PSMD ou PDMD distribuídos pelos andares.
  • 114.
    114 RECON –BT Março/2013 3 – Entrada coletiva atendida através de ramal de ligação subterrâneo derivado de Compartimento de transformação interno a edificação, medição totalizadora e proteção geral abrigadas em caixa tipo CSMD e painéis de medidores PSMD ou PDMD distribuídos pelos andares.
  • 115.
    RECON – BTMarço/2013 115 SEÇÃO 04 FIGURAS Figura 1 - Caixa para Medição direta monofásica – CM1 Caixa polimérica
  • 116.
    116 RECON –BT Março/2013 Figura 2 - Caixa para Medição direta polifásica – CM3 Caixa Polimérica
  • 117.
    RECON – BTMarço/2013 117 Figura 3 - Caixa para Medição direta até 200 A – CM200
  • 118.
    118 RECON –BT Março/2013 Figura 4 - Caixa para Seccionamento e Medição direta até 200 A – CSM200
  • 119.
    RECON – BTMarço/2013 119 Figura 5 - Caixa para Seccionamento, Medição direta e Proteção até 200 A – CSMD200
  • 120.
    120 RECON –BT Março/2013 Figura 6 - Caixa para Seccionamento e Medição indireta até 600 A – CSM600
  • 121.
    RECON – BTMarço/2013 121 Figura 7 - Caixa para Seccionamento e Medição indireta até 1500 A – CSM1500
  • 122.
    122 RECON –BT Março/2013 Figura 8 - Caixa para Seccionamento, Medição indireta e Proteção até 600 A – CSMD600
  • 123.
    RECON – BTMarço/2013 123 Arranjo invertido
  • 124.
    124 RECON –BT Março/2013 Figura 9 - Caixa para Seccionamento, Medição indireta e Proteção até 1500 A – CSMD1500 NOTA: A CSMD1500 também poderá ser construída invertida (conforme figura 8) por conveniência do Consumidor.
  • 125.
    RECON – BTMarço/2013 125 Figura 10 - Caixa para Seccionador monofásico – CS1
  • 126.
    126 RECON –BT Março/2013 Figura 11 - Caixa para Seccionador polifásico – CS3
  • 127.
    RECON – BTMarço/2013 127 Figura 12 - Caixa para Seccionador polifásico até 200 A – CS200
  • 128.
    128 RECON –BT Março/2013 Figura 13 - Caixa para Disjuntor monofásico – CDJ1
  • 129.
    RECON – BTMarço/2013 129 Figura 14 - Caixa para Disjuntor polifásico – CDJ3
  • 130.
    130 RECON –BT Março/2013 Figura 15 - Caixa para Proteção geral – CPG200
  • 131.
    RECON – BTMarço/2013 131 Figura 16 - Caixa para Proteção geral – CPG600
  • 132.
    132 RECON –BT Março/2013 Figura 17 - Caixa para Proteção geral – CPG1500
  • 133.
    RECON – BTMarço/2013 133 Figura 18 - Painel de Medição – PMD NOTA: Exemplo de um painel de medidores com 8 (oito) unidades consumidoras. Outros arranjos padronizados (2, 4, 12, 16, 20 ou até painéis modulares) podem ser utilizados de acordo com o projeto da instalação de entrada do consumidor.
  • 134.
    134 RECON –BT Março/2013 Figura 19 - Painel de Seccionamento e Medição – PSMD NOTA: Exemplo de um painel de medidores com 8 (oito) unidades consumidoras. Outros arranjos padronizados (2, 4, 12, 16, 20 ou até painéis modulares) podem ser utilizados de acordo com o projeto da instalação de entrada do consumidor.
  • 135.
    RECON – BTMarço/2013 135 Figura 20 - Painel de Proteção e Medição – PDMD NOTA: Exemplo de um painel de medidores com 8 (oito) unidades consumidoras. Outros arranjos padronizados (2, 4, 12, 16, 20 ou até painéis modulares) podem ser utilizados de acordo com o projeto da instalação de entrada do consumidor.
  • 136.
    136 RECON –BT Março/2013 Figura 21 - Painel de Proteção geral/parcial – PPGP NOTA: Exemplo de caixa PPGP. Figura 22 - Caixa de aterramento
  • 137.
    RECON – BTMarço/2013 137 Figura 23 - caixa para dispositivo DPS – CDPS
  • 138.
    138 RECON –BT Março/2013 Figura 24 - Barras “L” e “Z” NOTA: Os diâmetros das furações são orientativos, já que podem ser alterados em função do tamanho do disjuntor, bem como do tipo de terminal utilizado.
  • 139.
    RECON – BTMarço/2013 139 SEÇÃO 05 TABELAS TABELA 1 - (MÉTODO DE AVALIAÇÃO - SEÇÃO A) CARGA MÍNIMA E FATORES DE DEMANDA PARA INSTALAÇÕES DE ILUMINAÇÃO E TOMADAS DE USO GERAL DESCRIÇÃO CARGA MÍNIMA (kVA / m²) FATOR DE DEMANDA (%) Auditórios, salões para exposições, salas de vídeo e semelhantes 0,015 80 Bancos, postos de serviços públicos e semelhantes 0,050 80 Barbearias, salões de beleza e semelhantes 0,020 80 Clubes e semelhantes 0,020 80 Escolas e semelhantes 0,030 80 para os primeiros 12 kVA 50 p/ o que exceder de 12 kVA Escritórios 0,050 80 para os primeiros 20 kVA 60 p/o que exceder de 20 kVA Garagens, áreas de serviço e semelhantes 0,005 Residencial 80 para os primeiros 10 kVA 25 p/ o que exceder de 10 kVA Não Residencial 80 para os primeiros 30 kVA 60 p/ o que exceder de 30 até 100 kVA 40 p/ o que exceder de 100 kVA Hospitais, centros de saúde e semelhantes 0,020 40 para os primeiros 50 kVA 20 p/o que exceder de 50 kVA Hotéis, motéis e semelhantes 0,020 50 para os primeiros 20 kVA 40 para os seguintes 80 kVA 30 p/o que exceder de 100 kVA Igrejas, salões religiosos e semelhantes 0,015 80 Lojas e semelhantes 0,020 80 Unidades Consumidoras Residenciais (Casas, apartamentos etc.) 0,030 0 < P (kVA) ≤1 (80) 1 < P (kVA) ≤2 (75) 2 < P (kVA) ≤3 (65) 3 < P (kVA) ≤4 (60) 4 < P (kVA) ≤5 (50) 5 < P (kVA) ≤6 (45) 6 < P (kVA) ≤ 7 (40) 7 < P (kVA) ≤ 8 (35) 8 < P (kVA) ≤ 9 (30) 9 < P (kVA) ≤ 10 (27) 10 < P (kVA) ⇒ (24) Restaurantes, bares, lanchonetes e semelhantes 0,020 80 NOTA: Instalações em que, pela sua natureza, a carga seja utilizada simultaneamente, deverão ser consideradas com fator de demanda de 100%.
  • 140.
    140 RECON –BT Março/2013 TABELA 2 - (MÉTODO DE AVALIAÇÃO - SEÇÃO A) FATORES DE DEMANDA PARA APARELHOS DE AQUECIMENTO N° de Aparelhos Fator de Demanda (%) Nº de Aparelhos Fator de Demanda (%) Nº de Aparelhos Fator de Demanda (%) 1 100 10 49 19 36 2 75 11 47 20 35 3 70 12 45 21 34 4 66 13 43 22 33 5 62 14 41 23 32 6 59 15 40 24 31 7 56 16 39 25 OU MAIS 30 8 53 17 38 9 51 18 37 NOTA: Para o dimensionamento de ramais de entrada ou trechos coletivos destinados ao fornecimento de mais de uma unidade consumidora, fatores de demanda devem ser aplicados para cada tipo de aparelho, separadamente, sendo a demanda total de aquecimento o somatório das demandas obtidas: d2 = d2 chuveiros + d2 aquecedores + d2 torneiras + ... TABELA 3A - (MÉTODO DE AVALIAÇÃO - SEÇÃO A) FATORES DE DEMANDA PARA APARELHOS DE AR CONDICIONADO TIPO JANELA, SPLIT E FAN-COIL (UTILIZAÇÃO RESIDENCIAL) N °°°° DE APARELHOS FATOR DE DEMANDA (%) 1 a 4 100 5 a 10 70 11 a 20 60 21 a 30 55 31 a 40 53 41 a 50 52 Acima de 50 50 TABELA 3B - (MÉTODO DE AVALIAÇÃO - SEÇÃO A) FATORES DE DEMANDA PARA APARELHOS DE AR CONDICIONADO TIPO JANELA, SPLIT E FAN-COIL (UTILIZAÇÃO NÃO RESIDENCIAL) N °°°° DE APARELHOS FATOR DE DEMANDA (%) 1 a 10 100 11 a 20 75 21 a 30 70 31 a 40 65 41 a 50 60 51 a 80 55 Acima de 80 50
  • 141.
    RECON – BTMarço/2013 141 TABELA 4 - (MÉTODO DE AVALIAÇÃO - SEÇÃO A) FATORES DE DEMANDA PARA EQUIPAMENTOS DE AR CONDICIONADO CENTRAL, SELF CONTAINER E SIMILARES N °°°° DE APARELHOS FATOR DE DEMANDA (%) 1 a 10 100 11 a 20 75 21 a 30 70 31 a 40 65 41 a 50 60 51 a 80 55 Acima de 80 50 TABELA 5A - (MÉTODO DE AVALIAÇÃO - SEÇÃO A) - CONVERSÃO DE “CV” EM “kVA" POTENCIA DO MOTOR (cv) kVA ¼ 0,66 1/3 0,77 ½ 0,87 ¾ 1,26 1 1,52 1 ½ 2,17 2 2,70 3 4,04 4 5,03 5 6,02 7 ½ 8,65 10 11,54 12 ½ 14,09 15 16,65 20 22,10 25 25,83 30 30,52 40 39,74 50 48,73 60 58,15 75 72,28 100 95,56 125 117,05 150 141,29 200 190,18
  • 142.
    142 RECON –BT Março/2013 TABELA 5B - (MÉTODO DE AVALIAÇÃO - SEÇÃO A) FATOR DE DEMANDA x N° DE MOTORES Nº TOTAL DE MOTORES 1 2 3 4 5 6 7 8 9 ≥≥≥≥ 10 FATOR DE DEMANDA (%) 100,0 75,0 63,33 57,50 54,00 50,00 47,14 45,00 43,33 42,00 Observação: Motores classificados como “RESERVA” não devem ser computados nos cálculos, tanto de carga instalada, quanto demandada. EXEMPLOS DE APLICAÇÃO: 1. Verificação da demanda para 4 motores trifásicos de 5 cv, 1 motor trifásico de 3 cv, 1 motor trifásico de 2 cv, 1 motor trifásico de 1 cv, totalizando 7 motores. Logo utilizando as TABELAS 5A e 5B, temos: D = [ (4 x 6,02) + (1 x 4,04) + (1 x 2,7) + (1 x 1,52 ) ] x 0,4714 = 15,25 kVA D = 15,25 kVA Atenção especial deve ser dada aos casos de demanda entre motores diferentes mas com diferença de potência entre eles acentuadamente elevada. 2. Verificação da demanda para 1 (um) motor de 50 cv + 1 (um) motor de 5 cv, onde nesse caso se a condição demandada for menor que a potência do maior motor, deve prevalecer como demanda total a potência do maior motor, ou seja, a inequação a seguir deve ser atendida: N (maior motor) > D (condição demandada) Onde: N (maior motor) = Potência do maior motor, D (condição demandada) = Demanda em função das TABELAS 5A e 5B, Logo, para o exemplo em questão, temos: D = (48,73 + 6,02) x 0,75 = 41,06 kVA, portanto como a condição demandada não atendeu a inequação acima (48,73 < 41,06), logo a demanda total a ser considerada é D = 48,73 kVA. D = 48,73 kVA TABELA 6 - (MÉTODO DE AVALIAÇÂO - SEÇÃO A) FATORES DE DEMANDA PARA MÁQUINAS DE SOLDA E EQUIPAMENTOS ODONTO – MÉDICO HOSPITALARES - (APARELHOS DE RAIO-X, TOMÓGRAFOS, MAMÓGRAFOS E OUTROS)
  • 143.
    RECON – BTMarço/2013 143 EQUIPAMENTO QUANTIDADE DE EQUIPAMENTOS FATOR DE DEMANDA (%) Máquina de Solda 1 2 a 3 4 a 7 mais de 7 100 70 60 50 Aparelho de Raio-X Tomógrafo Mamógrafo Ressonância magnética Outros similares 1 2 a 5 6 a 10 mais de 10 100 60 50 40 NOTA: Quando a demanda de um grupo de equipamentos for inferior à potência individual do maior equipamento do conjunto, deve ser considerado o valor de potência do maior equipamento como a demanda do conjunto. TABELA 7A - (Unidades de consumo que utilizem equipamentos elétricos individuais p/ aquecimento de água) - (MÉTODO DE AVALIAÇÃO - SEÇÃO B) DEMANDAS (kVA) DE APARTAMENTOS EM FUNÇÃO DAS ÁREAS (m²) Área m 2 kVA Área m 2 kVA Área m 2 kVA Área m 2 kVA Área m 2 kVA Área m 2 kVA Área m 2 kVA Área m 2 kVA 20 1,35 70 2,12 120 3,44 170 4,70 220 5,92 270 7,11 320 8,28 370 9,43 21 1,35 71 2,15 121 3,47 171 4,72 221 5,94 271 7,13 321 8,30 371 9,45 22 1,35 72 2,18 122 3,49 172 4,75 222 5,97 272 7,16 322 8,32 372 9,47 23 1,35 73 2,20 123 3,52 173 4,77 223 5,99 273 7,18 323 8,35 373 9,49 24 1,35 74 2,23 124 3,54 174 4,80 224 6,01 274 7,20 324 8,37 374 9,52 25 1,35 75 2,26 125 3,57 175 4,82 225 6,04 275 7,23 325 8,39 375 9,54 26 1,35 76 2,29 126 3,59 176 4,85 226 6,06 276 7,25 326 8,42 376 9,56 27 1,35 77 2,31 127 3,62 177 4,87 227 6,09 277 7,27 327 8,44 377 9,58 28 1,35 78 2,34 128 3,64 178 4,90 228 6,11 278 7,30 328 8,46 378 9,61 29 1,35 79 2,37 129 3,67 179 4,92 229 6,13 279 7,32 329 8,48 379 9,63 30 1,35 80 2,39 130 3,70 180 4,95 230 6,16 280 7,34 330 8,51 380 9,65 31 1,35 81 2,42 131 3,72 181 4,97 231 6,18 281 7,37 331 8,53 381 9,68 32 1,35 82 2,45 132 3,75 182 4,99 232 6,21 282 7,39 332 8,55 382 9,70 33 1,35 83 2,47 133 3,77 183 5,02 233 6,23 283 7,41 333 8,58 383 9,72 34 1,35 84 2,50 134 3,80 184 5,04 234 6,25 284 7,44 334 8,60 384 9,74 35 1,35 85 2,53 135 3,82 185 5,07 235 6,28 285 7,46 335 8,62 385 9,77 36 1,35 86 2,55 136 3,85 186 5,09 236 6,30 286 7,49 336 8,65 386 9,79 37 1,35 87 2,58 137 3,87 187 5,12 237 6,33 287 7,51 337 8,67 387 9,81 38 1,35 88 2,61 138 3,90 188 5,14 238 6,35 288 7,53 338 8,69 388 9,83 39 1,35 89 2,63 139 3,92 189 5,17 239 6,37 289 7,56 339 8,72 389 9,86 40 1,35 90 2,66 140 3,95 190 5,19 240 6,40 290 7,58 340 8,74 390 9,88 41 1,35 91 2,69 141 3,97 191 5,22 241 6,42 291 7,60 341 8,76 391 9,90 42 1,35 92 2,71 142 4,00 192 5,24 242 6,45 292 7,63 342 8,78 392 9,93 43 1,37 93 2,74 143 4,02 193 5,26 243 6,47 293 7,65 343 8,81 393 9,95 44 1,40 94 2,76 144 4,05 194 5,29 244 6,49 294 7,67 344 8,83 394 9,97 45 1,43 95 2,79 145 4,08 195 5,31 245 6,52 295 7,70 345 8,85 395 9,99 46 1,46 96 2,82 146 4,10 196 5,34 246 6,54 296 7,72 346 8,88 396 10,02 47 1,49 97 2,84 147 4,13 197 5,36 247 6,56 297 7,74 347 8,90 397 10,04
  • 144.
    144 RECON –BT Março/2013 48 1,51 98 2,87 148 4,15 198 5,39 248 6,59 298 7,77 348 8,92 398 10,06 49 1,54 99 2,90 149 4,18 199 5,41 249 6,61 299 7,79 349 8,95 399 10,08 50 1,57 100 2,92 150 4,20 200 5,43 250 6,64 300 7,81 350 8,97 400 10,11 51 1,60 101 2,95 151 4,23 201 5,46 251 6,66 301 7,84 351 8,99 52 1,63 102 2,97 152 4,25 202 5,48 252 6,68 302 7,86 352 9,01 53 1,66 103 3,00 153 4,28 203 5,51 253 6,71 303 7,88 353 9,04 54 1,68 104 3,03 154 4,30 204 5,53 254 6,73 304 7,91 354 9,06 55 1,71 105 3,05 155 4,33 205 5,56 255 6,75 305 7,93 355 9,08 56 1,74 106 3,08 156 4,35 206 5,58 256 6,78 306 7,95 356 9,11 57 1,77 107 3,10 157 4,38 207 5,60 257 6,80 307 7,98 357 9,13 58 1,79 108 3,13 158 4,40 208 5,63 258 6,83 308 8,00 358 9,15 59 1,82 109 3,16 159 4,43 209 5,65 259 6,85 309 8,02 359 9,17 60 1,85 110 3,18 160 4,45 210 5,68 260 6,87 310 8,04 360 9,20 61 1,88 111 3,21 161 4,48 211 5,70 261 6,90 311 8,07 361 9,22 62 1,91 112 3,23 162 4,50 212 5,73 262 6,92 312 8,09 362 9,24 63 1,93 113 3,26 163 4,53 213 5,75 263 6,94 313 8,11 363 9,27 64 1,96 114 3,29 164 4,55 214 5,77 264 6,97 314 8,14 364 9,29 65 1,99 115 3,31 165 4,57 215 5,80 265 6,99 315 8,16 365 9,31 66 2,01 116 3,34 166 4,60 216 5,82 266 7,01 316 8,18 366 9,33 67 2,04 117 3,36 167 4,62 217 5,85 267 7,04 317 8,21 367 9,36 68 2,07 118 3,39 168 4,65 218 5,87 268 7,06 318 8,23 368 9,38 69 2,10 119 3,41 169 4,67 219 5,89 269 7,09 319 8,25 369 9,40 TABELA 7B - (Unidades de consumo que NÃO utilizem equipamentos elétricos individuais para aquecimento de água) - (MÉTODO DE AVALIAÇÃO - SEÇÃO B) DEMANDAS (kVA) DE APARTAMENTOS EM FUNÇÃO DAS ÁREAS (m²) Área m 2 kVA Área m 2 kVA Área m 2 kVA Área m 2 kVA Área m 2 kVA Área m 2 kVA Área m 2 kVA Área m 2 kVA 20 1,35 70 1,88 120 3,04 170 4,16 220 5,24 270 6,29 320 7,32 370 8,34 21 1,35 71 1,90 121 3,07 171 4,18 221 5,26 271 6,31 321 7,35 371 8,36 22 1,35 72 1,93 122 3,09 172 4,20 222 5,28 272 6,33 322 7,37 372 8,38 23 1,35 73 1,95 123 3,11 173 4,22 223 5,30 273 6,35 323 7,39 373 8,40 24 1,35 74 1,98 124 3,14 174 4,25 224 5,32 274 6,37 324 7,41 374 8,42 25 1,35 75 2,00 125 3,16 175 4,27 225 5,34 275 6,40 325 7,43 375 8,44 26 1,35 76 2,02 126 3,18 176 4,29 226 5,37 276 6,42 326 7,45 376 8,46 27 1,35 77 2,05 127 3,20 177 4,31 227 5,39 277 6,44 327 7,47 377 8,48 28 1,35 78 2,07 128 3,23 178 4,33 228 5,41 278 6,46 328 7,49 378 8,50 29 1,35 79 2,09 129 3,25 179 4,35 229 5,43 279 6,48 329 7,51 379 8,52 30 1,35 80 2,12 130 3,27 180 4,38 230 5,45 280 6,50 330 7,53 380 8,54 31 1,35 81 2,14 131 3,29 181 4,40 231 5,47 281 6,52 331 7,55 381 8,56 32 1,35 82 2,17 132 3,32 182 4,42 232 5,49 282 6,54 332 7,57 382 8,58 33 1,35 83 2,19 133 3,34 183 4,44 233 5,51 283 6,56 333 7,59 383 8,60 34 1,35 84 2,21 134 3,36 184 4,46 234 5,53 284 6,58 334 7,61 384 8,62 35 1,35 85 2,24 135 3,38 185 4,49 235 5,56 285 6,60 335 7,63 385 8,64 36 1,35 86 2,26 136 3,41 186 4,51 236 5,58 286 6,62 336 7,65 386 8,66 37 1,35 87 2,28 137 3,43 187 4,53 237 5,60 287 6,64 337 7,67 387 8,68
  • 145.
    RECON – BTMarço/2013 145 38 1,35 88 2,31 138 3,45 188 4,55 238 5,62 288 6,67 338 7,69 388 8,70 39 1,35 89 2,33 139 3,47 189 4,57 239 5,64 289 6,69 339 7,71 389 8,72 40 1,35 90 2,35 140 3,49 190 4,59 240 5,66 290 6,71 340 7,73 390 8,74 41 1,35 91 2,38 141 3,52 191 4,62 241 5,68 291 6,73 341 7,75 391 8,76 42 1,35 92 2,40 142 3,54 192 4,64 242 5,70 292 6,75 342 7,77 392 8,78 43 1,21 93 2,42 143 3,56 193 4,66 243 5,73 293 6,77 343 7,79 393 8,80 44 1,24 94 2,45 144 3,58 194 4,68 244 5,75 294 6,79 344 7,81 394 8,82 45 1,27 95 2,47 145 3,61 195 4,70 245 5,77 295 6,81 345 7,83 395 8,84 46 1,29 96 2,49 146 3,63 196 4,72 246 5,79 296 6,83 346 7,86 396 8,86 47 1,32 97 2,52 147 3,65 197 4,74 247 5,81 297 6,85 347 7,88 397 8,88 48 1,34 98 2,54 148 3,67 198 4,77 248 5,83 298 6,87 348 7,90 398 8,90 49 1,37 99 2,56 149 3,70 199 4,79 249 5,85 299 6,89 349 7,92 399 8,92 50 1,39 100 2,59 150 3,72 200 4,81 250 5,87 300 6,91 350 7,94 400 8,94 51 1,42 101 2,61 151 3,74 201 4,83 251 5,89 301 6,93 351 7,96 52 1,44 102 2,63 152 3,76 202 4,85 252 5,91 302 6,95 352 7,98 53 1,47 103 2,66 153 3,78 203 4,87 253 5,94 303 6,98 353 8,00 54 1,49 104 2,68 154 3,81 204 4,90 254 5,96 304 7,00 354 8,02 55 1,51 105 2,70 155 3,83 205 4,92 255 5,98 305 7,02 355 8,04 56 1,54 106 2,72 156 3,85 206 4,94 256 6,00 306 7,04 356 8,06 57 1,56 107 2,75 157 3,87 207 4,96 257 6,02 307 7,06 357 8,08 58 1,59 108 2,77 158 3,89 208 4,98 258 6,04 308 7,08 358 8,10 59 1,61 109 2,79 159 3,92 209 5,00 259 6,06 309 7,10 359 8,12 60 1,64 110 2,82 160 3,94 210 5,02 260 6,08 310 7,12 360 8,14 61 1,66 111 2,84 161 3,96 211 5,05 261 6,10 311 7,14 361 8,16 62 1,69 112 2,86 162 3,98 212 5,07 262 6,12 312 7,16 362 8,18 63 1,71 113 2,89 163 4,00 213 5,09 263 6,15 313 7,18 363 8,20 64 1,73 114 2,91 164 4,03 214 5,11 264 6,17 314 7,20 364 8,22 65 1,76 115 2,93 165 4,05 215 5,13 265 6,19 315 7,22 365 8,24 66 1,78 116 2,95 166 4,07 216 5,15 266 6,21 316 7,24 366 8,26 67 1,81 117 2,98 167 4,09 217 5,17 267 6,23 317 7,26 367 8,28 68 1,83 118 3,00 168 4,11 218 5,20 268 6,25 318 7,28 368 8,30 1,86 119 3,02 169 4,14 219 5,22 269 6,27 319 7,30 369 8,32 TABELA 8 (MÉTODO DE AVALIAÇÃO - SEÇÃO B) FATORES PARA DIVERSIFICAÇÃO DE CARGAS EM FUNÇÃO DO Nº. DE APARTAMENTOS Nº APTº F, APTº Nº APTº F, APTº Nº APTº F, APTº Nº APTº F, APTº Nº APTº F, APTº Nº APTº F, APTº -- -- 51 35,90 101 63,59 151 74,74 201 80,89 251 82,73 -- -- 52 36,46 102 63,84 152 74,89 202 80,94 252 82,74 -- -- 53 37,02 103 64,09 153 75,04 203 80,99 253 82,75 -- -- 54 37,58 104 64,34 154 75,19 204 81,04 254 82,76 5 4,84 55 38,14 105 64,59 155 75,34 205 81,09 255 82,77 6 5,80 56 38,70 106 64,84 156 75,49 206 81,14 256 82,78 7 6,76 57 39,26 107 65,09 157 75,64 207 81,19 257 82,79 8 7,72 58 39,82 108 65,34 158 75,79 208 81,24 258 82,80
  • 146.
    146 RECON –BT Março/2013 9 8,68 59 40,38 109 65,59 159 75,94 209 81,29 259 82,81 10 9,64 60 40,94 110 65,84 160 76,09 210 81,34 260 82,82 11 10,42 61 41,50 111 66,09 161 76,24 211 81,39 261 82,83 12 11,20 62 42,06 112 66,34 162 76,39 212 81,44 262 82,84 13 11,98 63 42,62 113 66,59 163 76,54 213 81,49 263 82,85 14 12,76 64 43,18 114 66,84 164 76,69 214 81,54 264 82,86 15 13,54 65 43,74 115 67,09 165 76,84 215 81,59 265 82,87 16 14,32 66 44,30 116 67,34 166 76,99 216 81,64 266 82,88 17 15,10 67 44,86 117 67,59 167 77,14 217 81,69 267 82,89 18 15,88 68 45,42 118 67,84 168 77,29 218 81,74 268 82,90 19 16,66 69 45,98 119 68,09 169 77,44 219 81,79 269 82,91 20 17,44 70 46,54 120 68,34 170 77,59 220 81,84 270 82,92 21 18,05 71 47,10 121 68,59 171 77,74 221 81,89 271 82,93 22 18,66 72 47,66 122 68,84 172 77,89 222 81,94 272 82,94 23 19,27 73 48,22 123 69,09 173 78,04 223 81,99 273 82,95 24 19,88 74 48,78 124 69,34 174 78,19 224 82,04 274 82,96 25 20,49 75 49,34 125 69,59 175 78,34 225 82,09 275 82,97 26 21,10 76 49,90 126 69,79 176 78,44 226 82,12 276 82,98 27 21,71 77 50,46 127 69,99 177 78,54 227 82,15 277 82,99 28 22,32 78 51,02 128 70,19 178 78,64 228 82,18 278 83,00 29 22,93 79 51,58 129 70,39 179 78,74 229 82,21 279 83,00 30 23,54 80 52,14 130 70,59 180 78,84 230 82,24 280 83,00 31 24,14 81 52,70 131 70,79 181 78,94 231 82,27 281 83,00 32 24,74 82 53,26 132 70,99 182 79,04 232 82,30 282 83,00 33 25,34 83 53,82 133 71,19 183 79,14 233 82,33 283 83,00 34 25,94 84 54,38 134 71,39 184 79,24 234 82,36 284 83,00 35 26,54 85 54,94 135 71,59 185 79,34 235 82,39 285 83,00 36 27,14 86 55,50 136 71,79 186 79,44 236 82,42 286 83,00 37 27,74 87 56,06 137 71,99 187 79,54 237 82,45 287 83,00 38 28,34 88 56,62 138 72,19 188 79,64 238 82,48 288 83,00 39 28,94 89 57,18 139 72,39 189 79,74 239 82,50 289 83,00 40 29,54 90 57,74 140 72,59 190 79,84 240 82,52 290 83,00 41 30,14 91 58,30 141 72,79 191 79,94 241 82,54 291 83,00 42 30,74 92 58,86 142 72,99 192 80,04 242 82,56 292 83,00 43 31,34 93 59,42 143 73,19 193 80,14 243 82,58 293 83,00 44 31,94 94 59,98 144 73,39 194 80,24 244 82,60 294 83,00 45 32,54 95 60,54 145 73,59 195 80,34 245 82,62 295 83,00 46 33,10 96 61,10 146 73,79 196 80,44 246 82,64 296 83,00 47 33,66 97 61,66 147 73,99 197 80,54 247 82,66 297 83,00 48 34,22 98 62,22 148 74,19 198 80,64 248 82,68 298 83,00 49 34,78 99 62,78 149 74,39 199 80,74 249 82,70 299 83,00 50 35,34 100 63,34 150 74,59 200 80,84 250 82,72 300 83,00
  • 147.
    RECON – BTMarço/2013 147 TABELA 9 POTÊNCIAS MÉDIAS DE APARELHOS ELETRODOMÉSTICOS APARELHO POTÊNCIA (VA) Ar condicionado - 3/4 HP 1125 Ar condicionado - 1 HP 1500 Ar condicionado - 14000 BTU/h 1900 Aparelho de som 120 Aquecedor de água - até 80 litros 1500 Aquecedor de água - de 100 a 150 litros 2500 Aspirador de pó 200 Aquecedor de ambiente 1000 Batedeira 100 Boiler elétrico 2500 Cafeteira elétrica 600 Circulador de ar 150 Chuveiro elétrico 4400 Enceradeira 300 Ferro elétrico automático 1000 Forno à resistência 1500 Forno de micro ondas 1300 Freezer 400 Geladeira 1 porta 200 Geladeira 2 portas 300 Lavadora de louças 1500 Lavadora de roupas 1000 Liquidificador 200 Secadora de roupas 3500 Torneira elétrica 2500 Torradeira 800 TV em cores - 20 polegadas 90 TV em cores - 14 polegadas 60 TV preto e branco 40 Ventilador 100
  • 148.
    148 RECON –BT Março/2013 TABELA 10A ENTRADA INDIVIDUAL - MEDIÇÃO DIRETA - DIMENSIONAMENTO DE MATERIAIS TENSÃONOMINAL(V) CATEGORIADEATENDIMENTO DEMANDADE ATENDIMENTO“D”(kVA) ELETRODUTODORAMALDELIGAÇÃO e/oudoRAMALDEENTRADA (PVCrígidoouPOLIETILENOcorrugado) (empolegadas) PROTEÇÃOGERAL (Ampères–Nºdepólos)(2)(3) PADRÃO DE MEDIÇÃO (ligação nova e aumento de carga) Condutordoramaldeentrada (fases+neutro) (mm2 –Cu–PVC70°C)(1)(4) P=CONDUTORDEPROTEÇÃO (mm2 –Cu–PVC70°C)(5) Condutordeinterligação doneutroàmalhadeaterramento (mm2 –Cu–nu) 115 1Φ RM1 D ≤ 3 1” 30 – 1Φ CM1 + CDJ 1 (7) 2 (1 x 6) 1 x 6 1 x 6 RM2 3 < D ≤ 4 40 – 1Φ 2 (1 x 10) 1 x 10 1 x 10 230 1Φ (6) RM3 4 < D ≤ 6 1 ½” 30 – 2Φ CM3 + CDJ 3 (7) 3 (1 x 6) 1 x 6 1 x 6 RM4 6 < D ≤ 8 40 – 2Φ 3 (1 x 10) 1 x 10 1 x 10 RM5 8 < D ≤ 14 70 – 2Φ 3 (1 x 25) 1 x 16 1 x 16 127 1Φ UM1 D ≤ 3,3 1” 30 – 1Φ CM1 + CDJ 1 (7) 2 (1 x 6) 1 x 6 1 x 6 UM2 3,3 < D ≤ 4,4 40 – 1Φ 2 (1 x 10) 1 x 10 1 x 10 UM3 4,4 < D ≤ 6,6 60 – 1Φ 2 (1 x 16) 1 x 16 1 x 16 UM4 6,6 < D ≤ 8 70 – 1Φ 2 (1 x 25) 220 3Φ T1 D ≤ 10 1 ½” 30 – 3Φ CM3 + CDJ 3 (7) 4 (1 x 6) 1 x 6 1 x 6 T2 10 < D ≤ 13,3 40 – 3Φ 4 (1 x 10) 1 x 10 1 x 10 T3 13,3 < D ≤ 19,9 2” 60 – 3Φ 4 (1 x 16) 1 x 16 1 x 16T4 19,9 < D ≤ 23,2 70 – 3Φ 4 (1 x 25) T5 23,2 < D ≤ 33,1 3” 100 – 3Φ CSM 200 + CPG 200 (7) 4 (1 x 35) T6 33,1 < D ≤ 41,4 125 – 3Φ 4 (1 x 50) 1 x 25 1 x 25 T7 41,4 < D ≤ 49,7 4” 150 – 3Φ 4 (1 x 70) 1 x 35 1 x 35 T8 49,7 < D ≤ 58,0 175 – 3Φ 4 (1 x 95) 1 x 50 1 x 50 T9 58,0 < D ≤ 66,3 200 – 3Φ 4 (1 x 95) 1 x 50 1 x 50 NOTAS: 1. Para todas as categorias RM, UM assim como as categorias T1, T2 e T3, o ramal de entrada, do ponto de ancoragem até o ponto de medição deve ser através da continuidade dos condutores do ramal de ligação, instalados sempre pela Light. 2. A capacidade mínima de interrupção de curto-circuito simétrico em “kA” dos disjuntores de proteção, cujos ramais de ligação sejam com cabos até 120 mm 2 , deve ser compatível com os valores estabelecidos na TABELA 14 desta Regulamentação. 3. De acordo com as condições definidas no item 11.2 desta Regulamentação, deve ser utilizada proteção diferencial-residual (disjuntor DDR, dispositivo IDR ou Dispositivo diferencial acoplado ao disjuntor geral). O Anexo A desta Regulamentação mostra os detalhes de aplicação. Este tipo de proteção diferencial, além de diminuir significativamente a possibilidade de choques elétricos em seres vivos, principalmente se considerados os equipamentos/eletrodomésticos com baixo nível de isolamento onde o aterramento através do condutor de proteção antecipa o desligamento do circuito antes que este seja tocado, também se mostra bastante eficiente contra a possibilidade de curto-circuito e
  • 149.
    RECON – BTMarço/2013 149 alta impedância (baixo valor de corrente) que gera uma falsa sobrecarga e, em algumas situações, inclusive o estabelecimento de arco à terra, o que pode ocasionar incêndio na edificação. 4. Estas informações consideram apenas a condição de ampacidade (capacidade de corrente) do cabo conforme critérios de carregamento da NBR 5410, portanto cabe ao Consumidor, através de seu responsável técnico, verificar o atendimento também para queda de tensão, curto-circuito e perda técnica, providenciando as alterações cabíveis se for o caso. 5. Na determinação da seção mínima dos condutores de proteção (ver item 11 desta Regulamentação) o responsável técnico pela instalação deve considerar a condição de curto-circuito franco entre fase e terra/(condutor de proteção) e verificar se estão sendo atendidos os limites térmicos do cabo (temperatura máxima da isolação) em função da corrente de curto e do tempo de atuação da proteção utilizada. 6. O sistema monofásico 230 V (tensão entre fases) é originado de transformador monofásico com secundário a 3 (três) fios (fase + fase + neutro) e defasamento angular de 180º. 7. Sempre que o ramal de ligação for derivado da rede subterrânea da Light, é necessário acrescentar uma caixa para seccionamento (CS) antes da caixa de medição (exceto em ligações em via pública). TABELA 10B ENTRADA INDIVIDUAL – MEDIÇÃO INDIRETA - DIMENSIONAMENTO DE MATERIAIS (220/127 V) TENSÃONOMINAL(V) CATEGORIADEATENDIMENTO DEMANDADE ATENDIMENTO“D” (kVA) ELETRODUTODORAMALDELIGAÇÃO e/oudoRAMALDEENTRADA(PVCliso ouPOLIETILENOcorrugado)(Φemmm) PROTEÇÃOGERAL (Ampères–Nºdepolos) (1)(2) PADRÃODEMEDIÇÃO (ligaçãonovaeaumentodecarga) Condutordoramaldeentrada(fases+ neutro)(mm 2 –Cu–PVC70°C)(3) P=CONDUTORDEPROTEÇÃO (mm 2 –Cu–PVC70°C)(4)(5)(6) 220 3Φ TI1 66,3 < D ≤ 74,6 100 (no mínimo) 225 - 3Φ CSMouCSMD 4 x (1 x 120) 1 x 70 TI2 74,6 < D ≤ 82,8 250 - 3Φ 4 x (1 x 120) 1 x 70 TI3 82,8 < D ≤ 99,4 300 - 3Φ 4 x (1 x 150) 1 x 95 TI4 99,4 < D ≤ 116 350- 3Φ 4 x (1 x 185) 1 x 95 TI5 116 < D ≤ 132,5 400 - 3Φ 4 x (1 x 240) 1 x 120 TI6 132,5 < D ≤ 165,7 500 - 3Φ 8 x (1 x 150) 1 x 150 TI7 165,7 < D ≤ 198,8 600 - 3Φ 8 x (1 x 240) 1 x 240 TI8 198,8 < D ≤ 231,9 700 - 3Φ 12 x (1 x 185) 2 x 150 TI9 231,9 < D ≤ 265,1 800 - 3Φ 12 x (1 x 240) 3 x 150 TI10 265,1 < D ≤ 300 1000 - 3Φ 16 x (1 x 240) 2 x 240 TI11 300,1 < D ≤ 331,3 1000 - 3Φ 16 x (1 x 240) 2 x 240 TI12 331,3 < D ≤ 397,6 1200 - 3Φ 20 x (1 x 240) 3 x 240 TI13 397,6 < D ≤ 530,1 1600 - 3Φ 28 x (1x 240) 4 x 240 TI14 530,1 < D ≤ 662,7 150 (no mínimo) 2000 - 3Φ 20 x (1 x 500) 3 x 500 TI15 662,7 < D ≤ 828,4 2500 - 3Φ 28 x (1 x 500) 4 x 500 TI16 828,4 < D ≤ 994 3000 - 3Φ 44 x (1 x 500) 6 x 500
  • 150.
    150 RECON –BT Março/2013 NOTAS: 1. A capacidade mínima de interrupção de curto-circuito simétrico em “kA” dos disjuntores de proteção geral, cujos ramais de ligação sejam com cabos até 120 mm 2 , deve ser compatível com os valores estabelecidos na TABELA 14 desta Regulamentação. Para seções maiores, o nível de curto-circuito será fornecido pela Light, para cada caso, devendo a capacidade de interrupção do dispositivo de proteção geral ser compatível com esse valor, e nunca inferior a 60 kA. 2. De acordo com as condições definidas no item 11.2 desta Regulamentação, deve ser utilizada proteção diferencial (disjuntor DDR, dispositivo IDR ou Dispositivo diferencial acoplado ao disjuntor geral). O Anexo A desta Regulamentação mostra os detalhes de aplicação. Este tipo de proteção diferencial, além de diminuir significativamente a possibilidade de choques elétricos em seres vivos, principalmente se considerados os equipamentos/eletrodomésticos com baixo nível de isolamento onde o aterramento através do condutor de proteção antecipa o desligamento do circuito antes que este seja tocado, também se mostra bastante eficiente contra a possibilidade de curto-circuito de alta impedância (baixo valor de corrente) que gera uma falsa sobrecarga e, em algumas situações, inclusive o estabelecimento de arco à terra, o que pode ocasionar incêndio na edificação. 3. Estas informações consideram apenas a condição de ampacidade (capacidade de corrente) do cabo conforme critérios de carregamento da NBR 5410, portanto cabe ao Consumidor, através de seu responsável técnico, verificar o atendimento também para queda de tensão, curto-circuito e perda técnica, providenciando as alterações cabíveis se for o caso. 4. Na determinação da seção mínima dos condutores de proteção (ver item 11 desta Regulamentação) o responsável técnico pela instalação deve considerar a condição de curto-circuito franco entre fase e terra/(condutor de proteção) e verificar se estão sendo atendidos os limites térmicos do cabo (temperatura máxima da isolação) em função da corrente de curto e do tempo de atuação da proteção utilizada. Cuidado especial, também considerando os níveis máximos de curto-circuito da instalação, deve ser dado para o dimensionamento do(s) condutor(es) que interligam as barras de neutro e a de proteção junto ao ponto da proteção geral de entrada. 5. Na coluna referente aos condutores de proteção, opcionalmente, dependendo das condições do circuito, pode ser utilizado a condição mínima de 2 x 240 mm 2 em vez de 4 x 120 mm 2 , e assim outros arranjos podem ser feitos para atender a condição mínima de metade da seção dos condutores de fase. 6. O condutor de interligação do neutro à malha de terra do Consumidor (barra de neutro junto a proteção geral de entrada) depende das condições de resistência ohmica da malha, bem como da situação mais crítica de curto-circuito entre fase e terra (solo ou estrutura metálica enterrada não conectada ao condutor de proteção). Portanto, cabe ao Consumidor, através do responsável técnico pelas instalações, verificar essa condição para o dimensionamento da seção do condutor de interligação da barra de neutro à malha de terra particular, lembrando contudo, que nunca poderá ser inferior ao condutor utilizado na construção da respectiva malha de terra.
  • 151.
    RECON – BTMarço/2013 151 TABELA 11 UNIDADES CONSUMIDORAS EM ENTRADA COLETIVA - MEDIÇÃO DIRETA DIMENSIONAMENTO DE MATERIAIS INDIVIDUAISTENSÃONOMINAL (V) CATEGORIADEATENDIMENTO DEMANDADEATENDIMENTO“D” (kVA) PROTEÇÃOGERALINDIVIDUAL (Ampères–Nºdepolos)(1)(2) PADRÃODEMEDIÇÃO (ligaçãonovaeaumentodecarga) (3)(4)(5)(6) Condutordoscircuitosdesaída apósamedição(fases+neutro) (mm2 –Cu–PVC70°C)(7) P=CONDUTORDEPROTEÇÃO (mm2 –Cu–PVC70°C)(8) 127 1Φ UM1 D ≤ 3,3 30 - 1Φ Paineldemedição(PMD,PDMDouPSMD) 2 (1 x 6) 1 x 6 UM2 3,3 < D ≤ 4,4 40 - 1Φ 2 (1 x 10) 1 x 10 UM3 4,4 < D ≤ 6,6 60 - 1Φ 2 (1 x 16) 1 x 16 UM4 6,6 < D ≤ 8 70 - 1Φ 2 (1 x 25) 220 3Φ T1 D ≤ 10 30 - 3Φ 4 (1 x 6) 1 x 6 T2 10 < D ≤ 13,3 40 - 3Φ 4 (1 x 10) 1 x 10 T3 13,3 < D ≤ 19,9 60 - 3Φ 4 (1 x 16) 1 x 16T4 19,9 < D ≤ 23,2 70 - 3Φ 4 (1 x 25) T5 23,2 < D ≤ 33,1 100 - 3Φ 4 (1 x 35) T6 33,1 < D ≤ 41,4 125 - 3Φ 4 (1 x 50) 1 x 25 T7 41,4 < D ≤ 49,7 150 - 3Φ 4 (1 x 70) 1 x 35 T8 49,7 < D ≤ 58 175 - 3Φ 4 (1 x 95) 1 x 50 T9 58 < D ≤ 66,3 200 - 3Φ 220 1Φ UME1 D ≤ 5,7 30 - 1Φ 2 (1 x 6) 1 x 6 UME2 5,7 < D ≤ 7,7 40 - 1Φ 2 (1 x 10) 1 x 10 UME3 7,7 < D ≤ 11,5 60 - 1Φ 2 (1 x 16) 1 x 16 UME4 11,5 < D ≤ 13,4 70 - 1Φ 2 (1 x 25) 380 3Φ (9)(9)(9)(9) TE1 D ≤ 17,2 30 - 3Φ 4 (1 x 6) + P 1 x 6 TE2 17,2 < D ≤ 22,9 40 - 3Φ 4 (1 x 10) + P 1 x 10 TE3 22,9 < D ≤ 34,3 60 - 3Φ 4 (1 x 16) + P 1 x 16TE4 34,3 < D ≤ 40,1 70 - 3Φ 4 (1 x 25) + P TE5 40,1 < D ≤ 57,2 100 - 3Φ 4 (1 x 35) + P TE6 57,2 < D ≤ 71,5 125 - 3Φ 4 (1 x 50) + P 1 x 25 TE7 71,5 < D ≤ 85,8 150 - 3Φ 4 (1 x 70) + P 1 x 35 TE8 85,8 < D ≤ 100,2 175 - 3Φ 4 (1 x 95) + P 1 x 50 TE9 100,2 < D ≤ 114,5 200 - 3Φ NOTAS: 1. A capacidade mínima de interrupção de curto-circuito simétrico em “kA” dos disjuntores de proteção geral, cujos ramais de ligação sejam com cabos até 120 mm 2 , deve ser compatível com os valores estabelecidos na TABELA 14 desta Regulamentação.
  • 152.
    152 RECON –BT Março/2013 2. De acordo com as condições definidas no item 11.8 desta Regulamentação, deve ser utilizada proteção diferencial (disjuntor DDR, dispositivo IDR ou Dispositivo diferencial acoplado ao disjuntor geral). O Anexo A desta Regulamentação mostra os detalhes de aplicação. Este tipo de proteção diferencial, além de diminuir significativamente a possibilidade de choques elétricos em seres vivos, principalmente se considerados os equipamentos/eletrodomésticos com baixo nível de isolamento onde o aterramento através do condutor de proteção antecipa o desligamento do circuito antes que este seja tocado, também se mostra bastante eficiente contra a possibilidade de curto-circuito de alta impedância (baixo valor de corrente) que gera uma falsa sobrecarga e, em algumas situações, inclusive o estabelecimento de arco à terra, o que pode ocasionar incêndio na edificação. 3. Para a medição de serviço da edificação, pode ser utilizado o ambiente do painel de medição (exclusivamente em painel PDMD com derivação a montante de proteção geral) quando a carga demandada de serviço implicar em corrente até 200 A. Nesse caso, deve ser observado que o limite total da carga (demanda de serviço + demanda diversificada das unidades consumidoras) não implique em ultrapassagem do limite técnico do painel de medição. 4. Arranjos que contemplem a proteção geral de entrada instalada de forma independente em CPG, onde a medição e a proteção de serviço devem ser derivadas à montante da CPG, As figuras a seguir (ESQUEMA DE LIGAÇÃO 1 e ESQUEMA DE LIGAÇÃO 2) mostram os detalhes de ligação. 5. Especificamente para as edificações atendidas pelo regime coletivo, mas que contemplem em seu conjunto de atendimento, várias unidades consumidoras com demandas individuais superiores a 66,3 kVA na classe de tensão 220/127 V ou 114,5 kVA na classe 380/220 V, caracterizando um atendimento coletivo para unidades consumidoras com medição indireta, deve ser adotado o arranjo de alimentação dessas unidades consumidoras a partir de painéis de proteção geral parcial (PPGP), com cada proteção geral parcial calculada para a demanda de cada agrupamento (conjunto) desses consumidores, onde essa proteção geral parcial deve alimentar o barramento principal de uma caixa de distribuição especial, da qual devem ser derivados individualmente cada unidade consumidora com medição indireta, que deve utilizar uma caixa CSM+CPG ou CSMD como padrão. 6. Para a escolha das condições dimensionais do painel (PMD, PSMD ou PDMD) deve ser considerada a demanda máxima diversificada em função do nº de medidores, inicialmente desejados por painel, que naturalmente vai depender das características individuais das unidades consumidoras. As Figuras 18, 19 e 20 com suas variações, contidas nesta Regulamentação, mostram as dimensões previstas para cada configuração possível. 7. Estas informações consideram apenas a condição de ampacidade (capacidade de corrente) do cabo conforme critérios de carregamento da NBR 5410, portanto cabe ao Consumidor, através de seu responsável técnico, verificar o atendimento também para queda de tensão, curto-circuito e perda técnica, providenciando as alterações cabíveis se for o caso. 8. A interligação da barra de neutro com a barra de proteção só deve ocorrer no primeiro ponto de proteção, ou seja, junto a proteção geral coletiva. Nos demais pontos de proteção (caso do painel de medição coletiva, quadros de proteção internos às unidades consumidora, nos apartamentos, nas salas, nas lojas etc.) a interligação entre as barras de neutro e de proteção não deve ocorrer, sendo este o expediente necessário para que se possa sempre obter, em caso de falha de um disjuntor com proteção diferencial, que o disjuntor imediatamente a montante desse disjuntor que falhou, também com proteção diferencial, possa realmente operar e de forma seletiva (ver arranjos sugestivos para dispositivo diferencial no Anexo A desta Regulamentação).
  • 153.
    RECON – BTMarço/2013 153 9. De acordo com as condições definidas no item 11.8 desta Regulamentação, é obrigatória a utilização de proteção diferencial-residual (disjuntor DDR, dispositivo IDR ou Dispositivo diferencial acoplado ao disjuntor geral) nas categorias de atendimento com 380/220 V. O Anexo A desta Regulamentação mostra os detalhes de aplicação. Obs,: Conforme já explicado, as barras de neutro e de proteção NÃO devem ser interligadas nos pontos de proteção a jusante (após) a proteção geral de entrada, contudo, a barra de proteção, se houver disponibilidade na edificação, pode ser aterrada em outras malhas de terra existentes, ou seja, a barra de proteção pode ser multiaterrada sem problemas para a seletividade da proteção diferencial.
  • 154.
    154 RECON –BT Março/2013 TABELA 11B – ESQUEMA DE LIGAÇÃO 2 UNIDADES CONSUMIDORAS EM ENTRADAS COLETIVAS “ANTIGAS” - MEDIÇÃO DIRETA DIMENSIONAMENTO DE MATERIAS INDIVIDUAIS TENSÃONOMINAL(V) CATEGORIADEATENDIMENTO DEMANDADE ATENDIMENTO“D”(kVA) EletrodutoentreaCDeamedição PVClisoouaçocorrugado (ΦΦΦΦempolegadas) PROTEÇÃOGERALINDIVIDUAL (Ampères–Nºdepolos)(1)(2) PADRÃODELIGAÇÃO Condutordoscircuitosdesaídaapós amedição(fases+neutro) (mm2 –Cu–PVC70°C)(3) 127 1Φ UM1 D ≤ 3,3 1” 30 - 1Φ CM1 + CDJ 1 3 (1 x 6) UM2 3,3 < D ≤ 4,4 40 - 1Φ 3 (1 x 10) UM3 4,4 < D ≤ 6,6 60 - 1Φ 3 (1 x 16) UM4 6,6 < D ≤ 8 70 - 1Φ 3 (1 x 25) 220 3Φ T1 D ≤ 10 1 ½” 30 - 3Φ CM3 + CDJ 3 4 (1 x 6) T2 10 < D ≤ 13,3 40 - 3Φ 4 (1 x 10) T3 13,3 < D ≤ 19,9 60 - 3Φ 4 (1 x 16) T4 19,9 < D ≤ 23,2 70 - 3Φ 4 (1 x 25) T5 23,2 < D ≤ 33,1 2” 100 - 3Φ CM 200 +CPG200 4 (1 x 35) T6 33,1 < D ≤ 41,4 3” 125 - 3Φ 4 (1 x 50) T7 41,4 < D ≤ 49,7 150 - 3Φ 4 (1 x 70) T8 49,7 < D ≤ 58 4” 175 - 3Φ 4 (1 x 95) T9 58 < D ≤ 66,3 200 - 3Φ 4 (1 x 95) 220 1Φ UME1 D ≤ 5,7 1” 30 - 1Φ CM1 + CDJ 1 3 (1 x 6) UME2 5,7 < D ≤ 7,7 40 - 1Φ 3 (1 x 10) UME3 7,7 < D ≤ 11,5 60 - 1Φ 3 (1 x 16) UME4 11,5 < D ≤ 13,4 70 - 1Φ 3 (1 x 25) 380 3Φ (5)(5)(5)(5) TE1 D ≤ 17,2 1 ½” 30 - 3Φ CM3 + CDJ 3 4 (1 x 6) + P TE2 17,2 < D ≤ 22,9 40 - 3Φ 4 (1 x 10) + P TE3 22,9 < D ≤ 34,3 60 - 3Φ 4 (1 x 16) + P TE4 34,3 < D ≤ 40,1 70 - 3Φ 4 (1 x 25) + P TE5 40,1 < D ≤ 57,2 2” 100 - 3Φ 4 (1 x 25) + P TE6 57,2 < D ≤ 71,5 3” 125 - 3Φ CM 200 +CPG200 4 (1 x 35) + P TE7 71,5 < D ≤ 85,8 150 - 3Φ 4 (1 x 50) + P TE8 85,8 < D ≤ 100,2 4” 175 - 3Φ 4 (1 x 70) + P TE9 100,2 < D ≤ 114,5 200 - 3Φ NOTAS: 1. A capacidade mínima de interrupção de curto-circuito simétrico em “kA” dos disjuntores de proteção geral, cujos ramais de ligação sejam com cabos até 120 mm 2 , deve ser compatível com os valores estabelecidos na TABELA 14 desta Regulamentação.
  • 155.
    RECON – BTMarço/2013 155 2. De acordo com as condições definidas no item 11.8 desta Regulamentação, deve ser utilizada proteção diferencial (disjuntor DDR, dispositivo IDR ou Dispositivo diferencial acoplado ao disjuntor geral). O Anexo A desta Regulamentação mostra os detalhes de aplicação. Este tipo de proteção diferencial, além de diminuir significativamente a possibilidade de choques elétricos em seres vivos, principalmente se considerados os equipamentos/ eletrodomésticos com baixo nível de isolamento onde o aterramento através do condutor de proteção antecipa o desligamento do circuito antes que este seja tocado, também se mostra bastante eficiente contra a possibilidade de curto-circuito de alta impedância (baixo valor de corrente) que gera uma falsa sobrecarga e, em algumas situações, inclusive o estabelecimento de arco à terra, o que pode ocasionar incêndio na edificação. 3. Estas informações consideram apenas a condição de ampacidade (capacidade de corrente) do cabo conforme critérios de carregamento da NBR 5410, portanto cabe ao Consumidor, através de seu responsável técnico, verificar o atendimento também para queda de tensão, curto-circuito e perda técnica, providenciando as alterações cabíveis se for o caso. Os condutores que se referem aos circuitos de saída após a medição/proteção geral, os respectivos disjuntores de proteção geral, os materiais e caixas destinadas ao padrão de medição, incluindo eletrodutos, acessórios etc. são fornecidos e instalados pelo Consumidor. 4. A interligação da barra de neutro com a barra de proteção só deve ocorrer no primeiro ponto de proteção, ou seja, junto a proteção geral coletiva. Nos demais pontos de proteção (caso do painel de medição coletiva, quadros de proteção internos às unidades consumidora, nos apartamentos, nas salas, nas lojas etc.) a interligação entre as barras de neutro e de proteção não deve ocorrer, sendo este o expediente necessário para que se possa sempre obter, em caso de falha de um disjuntor com proteção diferencial, que o disjuntor imediatamente a montante desse disjuntor que falhou, também com proteção diferencial, possa realmente operar e de forma seletiva (ver arranjos sugestivos para dispositivo diferencial no Anexo B desta Regulamentação). 5. De acordo com as condições definidas no item 11 desta Regulamentação, é obrigatória a utilização de proteção diferencial (disjuntor DDR, dispositivo IDR ou Dispositivo diferencial acoplado ao disjuntor geral) nas categorias de atendimento com 380/220V. O Anexo B desta Regulamentação mostra os detalhes de aplicação. TABELA 12 – DIMENSIONAMENTO DAS ANCORAGENS DOS RAMAIS DE LIGAÇÃO Tipo de atendimento Vão máximo para instalação do ramal de ligação, em metros Esforço na ancoragem em daN, para um ramal de 30 metros (Ver Nota 3) Carga nominal do poste de 6 metros (rede do mesmo lado) ou 7 metros (rede do lado oposto), em daN 100 daN 150 daN 300 daN 400 daN 600 daN 800 daN Pontalete Fachada Monofásico D ≤ 8kVA 30m 100 daN 100 daN Trifásico D ≤ 13,3kVA 30m 100 daN 100 daN Trifásico 13,3kVA < D ≤ 33,1kVA 30m 100 daN 100 daN Trifásico 33,1kVA < D ≤ 58kVA 30m 130 daN Trifásico 58 kVA < D ≤ 82,8kVA 30m 130 daN Trifásico 82,8kVA < D ≤ 132,5kVA 15m 30m 346 daN Trifásico 132,5kVA < D ≤ 300kVA 15 m 30 m 692 daN
  • 156.
    156 RECON –BT Março/2013 NOTAS: 1. Os comprimentos acima, somente são aplicáveis, quando atendidas as alturas mínimas dos condutores ao solo (ver item 19.1.3) na condição de flecha máxima e a compatibilidade com as limitações de resistência mecânica das estruturas de ancoramento do ramal de ligação; 2. Para propriedades com mais de uma unidade consumidora atendidas através de padrões de entrada individuais (ver item 4.1.1), o limite de ramais individuais fixados no mesmo ponto de ancoramento, sendo o mesmo um pontalete ou um poste de 100 daN, é de até 2 (dois) ramais monofásicos ou 1 (um) trifásico. Para a ligação de 4 (quatro) ramais monofásicos ou 2 (dois) trifásicos deve-se utilizar um poste de 200 daN. 3. Nos ancoramentos em pontalete e diretamente na fachada, os esforços a serem considerados nos dimensionamentos dos pontos de fixação, são os constantes na tabela, considerando-se a correta fixação (concretagem) do dispositivo de ancoramento. Esta fixação deve ser devidamente dimensionada por responsável técnico legalmente habilitado; 4. Sempre que a fachada da edificação estiver situada no limite de propriedade com a via pública, o ancoramento dos condutores do ramal de ligação, desde que as condições físicas permitam, deve ser feito em dispositivo chumbado diretamente na fachada. Nesse caso deve ser empregado parafuso M16 ou parafuso chumbador, com porca olhal; 5. Alternativamente, pode ser empregada armação vertical com 1 (um) isolador, fixada por parafusos chumbados na fachada; 6. O pontalete deve ser empregado quando, estando a fachada da edificação situada no alinhamento do limite de propriedade com a via pública, não for possível atender a altura mínima de segurança dos condutores ao solo através do ancoramento diretamente na fachada; O poste deve ser empregado quando: Não for possível, com o ancoramento do ramal diretamente na fachada ou em pontalete, garantir a altura mínima de segurança dos condutores ao solo, ou necessário desviar os condutores do ramal do terreno de terceiros. Neste caso o poste deve ser instalado junto a fachada da edificação, no limite de propriedade com a via pública. A edificação estiver recuada em relação ao limite de propriedade com a via pública, devendo neste caso o poste ser instalado junto ao muro ou cerca, no limite de propriedade com a via pública. 7. Somente devem ser empregados postes, pontaletes e estruturas para ancoramento de fabricantes validados tecnicamente pela LIGHT; 8. Outras alternativas para ancoramento de Ramal de Ligação que não as padronizadas nesta Regulamentação, devem ser apresentadas à LIGHT para análise, acompanhadas de memorial de cálculos e justificativa técnica elaborados por responsável técnico legalmente habilitado, bem como pelo documento ART devidamente quitado junto ao CREA-RJ. TABELA 13 - SEÇÃO MÍNIMA DO CONDUTOR DE PROTEÇÃO SEÇÃO “S” DOS CONDUTORES FASE DA INSTALAÇÃO (mm2 ) SEÇÃO MÍNIMA DO CONDUTOR DE PROTEÇÃO (mm2 ) S ≤ 16 S 16 < S ≤ 35 16 S > 35 0,5 x S Nota: A seção não deve ser inferior ao valor determinado pela expressão seguinte (aplicável apenas para tempos de atuação da proteção até 5 segundos).
  • 157.
    RECON – BTMarço/2013 157 I 2 . t S = k Onde: S = Seção do condutor, em mm 2 ; I = Valor eficaz (CA) da corrente máxima de falta (curto-circuito), em ampères; t = Tempo de atuação da proteção, em segundos; k = Fator que depende do material do condutor de proteção, de sua isolação e outras partes e das temperaturas inicial e final. A seguir são apresentados valores típicos de “ k “ para cabos na classe de tensão 0,6/1 kV com condutor de cobre isolado, tanto em PVC, quanto em XLPE ou EPR. MATERIAL DO CONDUTOR Fator “k“ MATERIAL DA ISOLAÇÃO PVC XLPE ou EPR Cobre 114 142 NOTAS: 1) A temperatura inicial considerada para o condutor isolado com PVC antes da falta é de 70 ºC; 2) A temperatura máxima final admissível para o condutor isolado com PVC é 160 ºC; 3) A temperatura inicial considerada para o condutor isolado com XLPE ou EPR antes da falta é de 90 ºC; 4) A temperatura máxima final admissível para o condutor isolado com XLPE ou EPR é 250 ºC; 5) A temperatura ambiente considerada é 30ºC. TABELA 14 - CAPACIDADE MÍNIMA DE INTERRUPÇÃO SIMÉTRICA DOS DISPOSITIVOS DE PROTEÇÃO GERAL DE ENTRADA CONDUTOR DO RAMAL DE ENTRADA (Cu - mm 2 ) (1) SISTEMA DE FORNECIMENTO EM BAIXA TENSÃO (com lance de circuito de 15 metros) AÉREO SUBTERRÂNEO RADIAL RADIAL RETICULADO RETICULADO DEDICADO 6 5 kA 15 kA 15 kA (2) 10 25 10 kA 35 50 15 kA 25 kA 25 kA 70 95 20 kA 30 kA 40 kA 120 2 x 70 40 kA 50 kA 2 x 95 50 kA Maiores bitolas 25 kA (2) (3)
  • 158.
    158 RECON –BT Março/2013 NOTAS: 1. Valores relativos a 1 conjunto de cabos, salvo quando indicado. 2. Os valores de curto-circuito serão fornecidos pela Light para cada caso, devendo as capacidades de interrupção dos dispositivos de proteção geral serem compatíveis com o maior dos valores de curto-circuito disponíveis nos respectivos pontos de instalação. 3. O nível de curto-circuito será fornecido pela Light, para cada caso, devendo a capacidade de interrupção do dispositivo de proteção geral ser compatível com esse valor, e nunca inferior a 60 kA. 4. Havendo previsão para conversão do sistema de fornecimento existente (AÉREO para SUBTERRÂNEO ou SUBTERRÂNEO RADIAL para RETICULADO), os dispositivos de proteção deverão ser dimensionados para a futura situação, 5. Dependendo da capacidade de interrupção do dispositivo de proteção geral, mesmo nas pequenas ligações, poderá vir a ser inviabilizada sua instalação em caixa para disjuntor CPG padronizada. Nesses casos, o disjuntor deve ser instalado em caixa especialmente construída, em material polimérico ou metálico protegido contra corrosão, para abrigar o dispositivo de proteção geral, com dimensões compatíveis e possibilitando a instalação de selo e demais dispositivos de segurança. 6. Todos os valores dessa tabela estão referidos a 220 V. TABELA 15 - CORRENTE MÁXIMA ADMISSÍVEL EM CONDUTORES DE COBRE (Ampère) SEÇÃO (Cu -mm 2 ) PVC EPR – XLPE Temperatura do condutor 70ºC Temperatura ambiente 30ºC Temperatura do condutor 90ºC Temperatura ambiente 30ºC Temperatura do solo 20ºC AO AR LIVRE 2 ou 3 CONDUTORES EM ELETRODUTO NA PAREDE 3 CABOS SINGELOS EM TRIFÓLIO NO DUTO 6 51 36 46 10 71 50 61 16 97 68 79 25 130 89 101 35 162 110 122 50 197 134 144 70 254 171 178 95 311 207 211 120 362 239 240 150 419 275 271 185 480 314 304 240 569 370 351 300 659 426 396 NOTAS: 1. As seções dos condutores estão referidas apenas pelo critério de ampacidade para orientar a escolha e o primeiro passo no dimensionamento. Portanto, devem ser observados rigorosamente pelo responsável técnico, os limites de queda de tensão e perda técnica, a suportabilidade às correntes de curta duração (curto- circuito) e a adequação ao tipo de instalação, estabelecidos pela NBR - 5410 da ABNT e normas técnicas
  • 159.
    RECON – BTMarço/2013 159 específicas de condutores, compatíveis com as características do circuito; condições que podem justificar a modificação no dimensionamento apresentado nas referidas tabelas. 2. As características dos condutores devem estar em conformidade com o estabelecido na NBR – 5410, para cada tipo de instalação, em especial, quanto à condição antichama e não propagante de fumaça tóxica. TABELA 16 - LIMITE DE CONDUÇÃO DE CORRENTE PARA BARRAS DE COBRE DE SEÇÃO RETANGULAR Largura x Espessura (mm ) NÚMERO DE BARRA DO FEIXE 1 2 3 4 CORRENTE MÁXIMA ADMISSÍVEL – AMPÈRE 12 X 2 110 200 - - 15 x 2 140 240 - - 15 x 3 170 300 - - 20 x 2 185 315 - - 20 x 3 220 380 - - 20 x 5 295 500 - - 25 x 3 270 460 - - 25 x 5 350 600 - - 30 x 3 315 540 - - 30 x 5 400 700 - - 40 x 3 420 710 - - 40 x 5 520 900 - - 40 x 10 760 1350 1850 2500 50 x 5 630 1100 1650 2100 50 x 10 820 1600 2250 3000 60 x 5 760 1250 1760 2400 60 x 10 1060 1900 2600 3500 80 x 5 970 1700 2300 3000 80 x 10 1380 2300 3100 4200 100 x 5 1200 2050 2850 3500 100 x 10 1700 2800 3650 5000 120 x 10 2000 3100 4100 5700 160 x 10 2500 3900 5300 7300 200 x 10 3000 4750 6350 8800 NOTAS: 1. Nesta tabela foram consideradas: - Temperatura ambiente – 35° C’ - Temperatura do barramento – 65° C’ 2. As barras do feixe devem conservar entre si espaçamento igual ou maior que sua espessura, exceto no feixe de 4 (quatro) barras onde o espaçamento entre a segunda e a terceira barras deve ser de 50 mm.
  • 160.
    160 RECON –BT Março/2013 3. O afastamento mínimo entre barras de diferentes fases e entres estas e estruturas de montagens deve ser tal que, quando da ocorrência de flechas máximas provenientes dos esforços eletrodinâmicos, esses valores não sejam inferiores a 60 mm para tensões até 300V e 100 mm para tensões superiores. 4. Para dimensionamento de barras destinadas à instalação de transformadores de corrente ver TABELA 16. 5. Para barramentos com a maior dimensão (largura) na posição horizontal ou para barramentos verticais com mais de 2 (dois) metros, devem ser aplicados os fatores de correção da tabela abaixo. TABELA 17 - FATORES DE CORREÇÃO PARA BARRAMENTOS HORIZONTAIS OU VERTICAIS COM MAIS DE 2 (DOIS) METROS N,º de barras do feixe (por fase) Largura das barras (mm) Fator de correção 2 50 até 200 0,80 3 50 até 80 100 até 120 0,75 160 até 200 0,70 4 50 até 80 0,80 100 até 120 0,75 160 0,70 200 0,65 TABELA 18 - ENTRADAS COLETIVAS – DIMENSIONAMENTO DE MATERIAIS - Circuitos trifásicos em condutores unipolares de cobre, isolação PVC 70°C anti-chama - TENSÃO 220/127 V Faixa da Demanda de atendimento "D" (kVA) Proteção Geral (A) Circuito em eletroduto de PVC sobreposto eletroduto embutido em alvenaria ou eletrocalha (n° circuitos x seção mm2) Circuito em bandeja perfurada (método F - NBR 5410) (n° circuitos x seção mm2) D<= 23,2 70 1 x 25 1 x 16 23,2 33,1 100 1 x 35 1 x 25 33,1 41,4 125 1 x 50 1 x 35 41,4 49,7 150 1 x 70 1 x 50 49,7 58 175 1 x 95 1 x 50 58 66,3 200 1 x 95 1 x 50 66,3 74,6 225 1 x 120 1 x 70 74,6 82,8 250 1 x 120 1 x 70 82,8 99,4 300 1 x 150 1 x 95 99,4 116 350 1 x 185 1 x 120 116 132,5 400 1 x 240 1 x 150 132,5 165,7 500 2 x 150 1 x 240 165,7 198,8 600 2 x 240 2 x 120 198,8 231,9 700 3 x 185 2 x 150 231,9 265,1 800 3 x 240 2 x 185 265,1 331,3 1000 4 x 240 3 x 150 331,3 397,6 1200 5 x 240 3 x 185 397,6 530,1 1600 7 x 240 4 x 240 530,1 662,7 2000 5 x 500 5 x 240 662,7 828,4 2500 7 x 500 6 x 240 828,4 994 3000 11 x 500 8 x 240
  • 161.
    RECON – BTMarço/2013 161 TABELA 19 - ENTRADAS COLETIVAS – DIMENSIONAMENTO DE MATERIAIS - Circuitos trifásicos em condutores unipolares de cobre, isolação PVC 70°C anti-chama - TENSÃO 380/220 V TABELA 20 - ENTRADAS COLETIVAS – DIMENSIONAMENTO DE MATERIAIS - Circuitos trifásicos em condutores unipolares de cobre, isolação EPR ou XLPE 90°C - TENSÃO 220/127 V Faixa da Demanda de atendimento "D" (kVA) Proteção Geral (A) Circuito em eletroduto de PVC sobreposto eletroduto embutido em alvenaria ou eletrocalha (n° circuitos x seção mm2) Circuito em bandeja perfurada (método F - NBR 5410) (n° circuitos x seção mm2) D<= 23,2 70 1 x 16 Não se aplica 23,2 33,1 100 1 x 16 33,1 41,4 125 1 x 25 41,4 49,7 150 1 x 35 49,7 58 175 1 x 50 58 66,3 200 1 x 70 66,3 74,6 225 1 x 70 74,6 82,8 250 1 x 70 82,8 99,4 300 1 x 95 99,4 116 350 1 x 120 116 132,5 400 1 x 150 132,5 165,7 500 1 x 240 165,7 198,8 600 2 x 150 198,8 231,9 700 2 x 185 231,9 265,1 800 2 x 240 265,1 331,3 1000 4 x 150 331,3 397,6 1200 4 x 185 397,6 530,1 1600 6 x 185 530,1 662,7 2000 7 x 240 662,7 828,4 2500 11 x 185 828,4 994 3000 12 x 240 Faixa da Demanda de atendimento "D" (kVA) Proteção Geral (A) Circuito em eletroduto de PVC sobreposto eletroduto embutido em alvenaria ou eletrocalha (n° circuitos x seção mm2) Circuito em bandeja perfurada (método F - NBR 5410) (n° circuitos x seção mm2) D<= 57,2 100 1 x 25 1 x 16 57,2 71,5 125 1 x 35 1 x 25 71,5 85,8 150 1 x 50 1 x 35 85,8 100,2 175 1 x 70 1 x 50 100,2 114,5 200 1 x 70 1 x 50 114,5 128,8 225 1 x 95 1 x 70 128,8 143,1 250 1 x 120 1 x 70 143,1 171,7 300 1 x 150 1 x 95 171,7 200,3 350 1 x 185 1 x 120 200,3 228,9 400 1 x 240 1 x 150 228,9 286,2 500 2 x 150 1 x 240 286,2 343,4 600 2 x 240 2 x 120 343,4 400,6 700 3 x 185 2 x 150 400,6 457,9 800 3 x 240 2 x 185 457,9 572,3 1000 4 x 240 2 x 240 572,3 686,8 1200 5 x 240 3 x 185 686,8 915,7 1600 7 x 240 4 x 240 915,7 1144,7 2000 5 x 500 5 x 240 1144,7 1430,8 2500 7 x 500 6 x 240 1430,8 1717,0 3000 9 x 500 8 x 240
  • 162.
    162 RECON –BT Março/2013 TABELA 21 - ENTRADAS COLETIVAS – DIMENSIONAMENTO DE MATERIAIS - Circuitos trifásicos em condutores unipolares de cobre, isolação EPR ou XLPE 90°C - TENSÃO 380/220 V Faixa da Demanda de atendimento "D" (kVA) Proteção Geral (A) Circuito em eletroduto de PVC sobreposto eletroduto embutido em alvenaria ou eletrocalha (n° circuitos x seção mm2) Circuito em bandeja perfurada (método F - NBR 5410) (n° circuitos x seção mm2) D<= 57,2 100 1 x 16 Não se aplica 57,2 71,5 125 1 x 25 71,5 85,8 150 1 x 35 85,8 100,2 175 1 x 50 100,2 114,5 200 1 x 50 114,5 128,8 225 1 x 70 128,8 143,1 250 1 x 70 143,1 171,7 300 1 x 95 171,7 200,3 350 1 x 120 200,3 228,9 400 1 x 150 228,9 286,2 500 1 x 240 286,2 343,4 600 2 x 150 343,4 400,6 700 2 x 185 400,6 457,9 800 2 x 240 457,9 572,3 1000 3 x 240 572,3 686,8 1200 4 x 240 686,8 915,7 1600 5 x 240 915,7 1144,7 2000 7 x 240 1144,7 1430,8 2500 5 x 500 1430,8 1717,0 3000 7 x 500 NOTAS: 1. A quantidade de circuitos e seções dos condutores acima são orientativas e levam em conta apenas o critério de capacidade de condução de corrente sendo o primeiro passo no dimensionamento. Portanto, devem ser observados rigorosamente pelo responsável técnico, os limites de queda de tensão e perda técnica, a suportabilidade às correntes de curta duração (curto-circuito) e a adequação ao tipo de instalação, estabelecidos pela NBR - 5410 da ABNT e normas técnicas específicas de condutores, compatíveis com as características do circuito; condições que podem justificar a modificação no dimensionamento apresentado nas referidas tabelas. Deve ser considerado também o aquecimento dos condutores sob regime de operação permanente que deve ser compatível com os materiais e condições do ambiente em que se encontram. 2. As características dos condutores devem estar em conformidade com o estabelecido na NBR – 5410, para cada tipo de instalação, em especial, quanto à condição antichama e não propagante de fumaça tóxica.
  • 163.
    RECON – BTMarço/2013 163 ANEXO A - ARRANJOS SUGESTIVOS PARA O DISPOSITIVO DIFERENCIAL-RESIDUAL Opcionalmente, quando não for possível que o TC do dispositivo diferencial envolva todos os cabos do circuito de alimentação do ramal de ligação, o que deve ocorrer com os Consumidores atendidos com mais de um cabo por fase, pode ser utilizado o arranjo da Figura “B” a seguir, disponibilizando o referido TC no próprio condutor de proteção. O dispositivo diferencial integrado ao disjuntor geral termomagnético deve ter o relé de corrente (Rc) com possibilidade de ajuste para valores acima da corrente total diversificada de fuga da instalação. O disjuntor termomagnético em questão deve possuir uma bobina de abertura (BA), a fim de permitir que se instale o disparo do dispositivo diferencial. Porém o rearme deve ser manual, ou seja, mecânico por meio de alavanca. O barramento de proteção e o barramento de neutro estão contidos na Caixa de Seccionamento Medição e Proteção - CSMD indicada para a demanda solicitada. Somente junto a proteção geral de entrada é que as barras de neutro e de proteção podem e devem ser interligadas. Nas caixas a jusante da CSMD, seja no QGBT ou mesmo nos quadros internos de distribuição, as barras de neutro e de proteção não podem ser interligadas. Essa condição de não interligação permite que possa ocorrer o desarme do disjuntor imediatamente a montante, de forma seletiva, daquele disjuntor que possa ter falhado. Entretanto no local de interligação o condutor ou condutores que farão a interligação entre as barras deve(m) ser dimensionado(s) considerando a condição mais crítica de curto-circuito entre fase e condutor de proteção. Em algumas situações pode ser necessário que a interligação seja feita até mesmo pelo mesmo conjunto de barras do respectivo barramento Figura “A” OBS.: Também nesse arranjo, somente junto a proteção geral de entrada é que as barras de neutro e de proteção podem e devem ser interligadas. O arranjo dessa Figura “B”, bem como o arranjo da Figura “A”, podem ser praticados tanto nas proteções gerais de entrada dos Consumidores individuais com medição indireta, como também nas proteções gerais das entradas coletivas onde as proteções gerais individuais de cada Consumidor também devem disponibilizar proteções diferenciais, todavia nessas proteções, principalmente, por possuírem seus disjuntores com valores menores de corrente (nominal e de curto-circuito), podem ser utilizados, tanto o disjuntor DDR que dispensa o disjuntor termomagnético, ou então o dispositivo IDR que deve ser associados em série com o disjuntor termomagnético. Cabe observar que a proteção diferencial objetiva a corrente de fuga, entretanto pode também enxergar uma corrente de curto-circuito franco entre fase e condutor de proteção, nesse caso, mesmo que curto ocorra na fase que alimenta o relé de corrente impedindo a sua atuação pela queda de tensão, o curto-circuito será interrompido pela condição termomagnética (magnética). Figura “B”
  • 164.
    164 RECON –BT Março/2013 A seguir a demonstração de um arranjo trifilar simplificado mostrado na Figura “C”, a fim de permitir observar o motivo pelo qual não se deve interligar as barras de neutro e de proteção nas caixas de distribuição, nas caixas de medição e respectivas proteções que estejam a jusante (após) a proteção geral de entrada da edificação, ou seja, somente junto a proteção geral de entrada é que se deve interligar as barras de neutro e de proteção. Portanto, equipamentos como aparelhos de ar condicionado, geladeiras, máquinas de lavar roupas, fogões etc., que já possuem, em sua maioria, tomadas de três pinos nos casos de equipamentos monofásicos e tomadas de quatro pinos nos casos de equipamentos trifásicos, só podem ser aterrados no condutor de proteção. NOTA: Cuidados especiais devem ser tomados com alguns equipamentos microprocessados como computadores, sistemas de comandos de elevadores através de controladores lógicos programáveis (CLP’s) etc. que não admitem valores elevados de potencial entre neutro e terra (condutor de proteção), em alguns casos sendo necessários valores menores que 1,5 V. Devem ser observadas as correntes elevadas de neutro, seja por desequilíbrio de carga em circuitos trifásicos, por cargas monofásicas de grande porte, ou ainda em função de níveis elevados de “harmônicos” principalmente de terceira ordem, com agravo para os circuitos longos, a fim de se evitar diferenças de potencial (R x I) acima dos limites aceitáveis em função de cada equipamento sensível a essa condição, bem como utilizar de opções de circuitos a três fios (fase + neutro + terra/proteção) e a quatro fios (3 fases + terra/proteção), com base no estabelecido na NBR 5410. Independentemente do arranjo ideal que permita evitar valores de potencial entre neutro e terra/proteção acima dos permitidos aos referidos equipamentos, deve ser disponibilizada proteção através de relés ajustados adequadamente e que promovam o imediato desligamento do equipamento em questão através de contatoras e/ou disjuntores especiais associados a esses relés. Na escolha do dispositivo diferencial, o Consumidor ou seu responsável técnico deve ter o cuidado em avaliar as curvas “tempo x corrente” dos disjuntores de proteção, tanto para os disjuntores termomagnéticos, quanto para os disjuntores diferenciais DDR, dispositivo IDR ou dispositivo diferencial acoplado ao disjuntor geral. Essa avaliação é fundamental para que sempre ocorra seletividade e coordenação entre as diversas proteções ao longo do circuito, já que é bastante comum que disjuntores maiores (bipolares e tripolares) sejam mais rápidos que disjuntores monopolares quando da ocorrência de curto-circuito, o que geralmente não ocorre para a condição de sobrecarga. Principalmente quando da opção pela utilização do dispositivo tipo IDR, que funciona em série com o disjuntor termomagnético, torna-se fundamental a citada avaliação até porque os IDR’s não possuem capacidade de interrupção de curto-circuito, logo é importante que esses IDR’s só operem para a condição de fuga e que nos casos de curto-circuito sejam mais lentos que os disjuntores termomagnéticos, sob pena de serem completamente danificados durante uma ocorrência de curto- circuito franco entre fase e condutor de proteção. Apenas como esclarecimento, deve-se lembrar que os dispositivos diferenciais não protegem pessoas se estas forem submetidas a potenciais entre fases ou entre fase e neutro, principalmente se estiverem bem isoladas da referência de terra. Entretanto, diminui significativamente a possibilidade de choques elétricos, principalmente se considerados os equipamentos/eletrodomésticos com baixo nível de isolamento (ou perda de isolamento ao longo de sua vida útil), onde o aterramento através do
  • 165.
    RECON – BTMarço/2013 165 Figura “C” condutor de proteção antecipa o desligamento do circuito antes que este seja tocado; lembrando ainda que também se mostra bastante eficiente contra a possibilidade de curto-circuito de alta impedância (baixo valor de corrente) que gera uma falsa sobrecarga e, em algumas situações, inclusive o estabelecimento de arco à terra, o que pode ocasionar incêndio na edificação. NOTA: Opcionalmente a proteção com disjuntor DDR, que além de enxergar as correntes de fuga, possui ainda a capacidade de interrupção em regime de curto-circuito e sobrecarga, pode ser feita por disjuntor termomagnético associado ao dispositivo IDR que somente enxerga as correntes de fuga, ou seja, além de não disponibilizar os elemento magnético para a condição de curto-circuito, também não possui capacidade de interrupção compatível com o regime de curto-circuito. Logo, cuidados especiais devem ser tomados pelos responsáveis técnicos das instalações quando da aquisição dos dispositivos IDR’s, no que se refere a condição de seletividade com os disjuntores termomagnéticos por ocasião da ocorrência de curto-circuito, ou seja, o dispositivos IDR devem ser mais lentos em condições de curto-circuito do que os disjuntores termomagnéticos já que, em geral, não possuem capacidade de interrupção em regime de curto-circuito, ou então ter o elemento sensor de corrente saturado em condições de curto-circuito para que só operem quando sensibilizados para as correntes de fuga.