Manual de Operação
Manual de Operação da Mesa Controladora de CFTV
ATX K 105
Favor ler este manual de operação cuidadosamente antes de instalar e usar o produto.
Favor manter este manual em local acessível. Risco de choque elétrico. Não abra!
Manual de Operação
Índice
I. Resumo Pág. 3
II. Introdução da função Pág. 3
III. Introdução ao painel da mesa controladora Pág. 4
1 Esquema do painel frontal e descrição dos botões Pág. 4
2 Painel traseiro Pág. 6
IV. Configuração da mesa Pág. 6
V. Operação da mesa Pág. 8
VI. Instalação e conexão Pág. 11
VII. Especificações técnicas Pág. 13
VIII. Pontos importantes Pág. 13
Manual de Operação
I. Resumo
A mesa controladora é usada para receptores de terminais como a speed dome, o decodificador, etc. Numa
interface elétrica EIA/RS-485 entre a mesa e o receptor, uma mesa pode controlar 32 speed dome e
decodificadores sem congestionar o barramento. A distância de comunicação entre a mesa e o receptor é
de até 1.2 km. É muito fácil operar e configurar a speed dome. O controlador também serve para controlar o
receptor do terminal para ativar a função de controle de pan/tilt, lentes, etc.
Principais funções:
● Configura a taxa de endereço da dome e o decodificador: 0~255.
● Controla as funções da dome. Por exemplo: mudar o modo ON/OFF.
● Opera o pan/tilt da dome movendo em diferentes níveis de velocidade.
● Configura mais de 128 posições preset e 6 tours para a speed dome e chama qualquer um deles. Cada
tour contém mais de 16 posições preset. Você pode configurar o período de permanência e mover para
cada posição preset.
● Controla a speed dome manualmente ou automaticamente. É possível mudar a configuração inicial
através do menu da dome.
● Pode-se controlar manualmente o foco, o zoom e a íris da câmera.
II. Introdução da função
Seleção de câmera: (0~255)
Controle de Joystick: Controla a direção de pan/tilt e a velocidade da dome.
Controle de lentes: Controla o foco, o zoom e a íris da câmera.
Operação deposição preset: (1~128)
Configurar posição preset
Chamar posição preset
Operação de tour: (1~6)
Configurar tour
Aplicar tour
Controle de pan automático da Speed Dome (incluindo velocidade e direção de pan automático)
Auto-aprendizagem de rastreamento da Speed Dome
Configuração de Função de menu da Speed Dome
Controle direto no Decodificador: Controla os dispositivos frontais, como o decodificador.
Manual de Operação
III. Introdução: Mesa
1. Esquema do painel frontal e descrição dos botões (Figura 1)
Há um joystick de velocidade, botões e LCD no painel frontal da mesa controladora. A visualização é usada
para mostrar o status do sistema e a informação de operação. O joystick controla os movimentos da dome
para cima,para baixo, para a direita e para a esquerda.
FUNC
0
1 2 3
4 5 6
7 8 9
EnterClear
WI DE TELE FAR NEAR
CAM/ I DAUTO OPEN CLOSE
Current CamID:001
SEQ PTZ/ MULXLI VE TAPE
ON OFF F1 F2 F3
CALL PRESET SHOT
PTZ & Mul t i pl exer
Figura 1
Descrição dos botões:
● Func (1 cam): Configura a função especial do sistema junto aos outros botões.
● Zoom (Tela cheia): Mostra a imagem da câmera em tela cheia. Pressione Zoom outra vez para rever a 2
Zoom da câmera selecionada.
● PIP (up arrow): Mostra a imagem da câmera no modo PIP (imagem em imagem).
● 2 x 2 (down arrow): Mostra a imagem da câmera em 4-frame.
● 3 x 3 (left arrow): Mostra a imagem da câmera em 9-frame.
● 4 x 4 (right arrow): Mostra a imagem da câmera em 16-frame.
● Live (ao vivo): Mostra a imagem ao vivo da câmera no modo atual.
● Tape: Imagens de reprodução: Função + Tape: Reprodução de informação de vídeo do VCR.
Manual de Operação
● CAM: No modo multiplex: Usado com os botões de câmera para selecionar as câmeras para visualizar
nos formatos cheio, PIP, 2 x 2, 3 x 3 e 4 x 4. No modo speed dome: Selecione o endereço da dome.
● F2: No modo multiplex: Início automático da mudança de câmeras. Este botão também é usado durante a
configuração para ligar todos os alvos de detecção de movimento. No modo speed dome: Botões de
controle auxiliares.
● Call:Chama a posição preset.
● Preset: Configura a posição preset.
● Shot: Configura ou chama o tour.
● Auto: Controla rotação automática horizontal para pan/tilt.
● Wide: Ângulo amplo.
● Tele: Muda para uma faixa de telescópio.
● Far: Realiza o foco de longe manualmente.
● Near: Realiza o foco de perto manualmente.
● Open: Abre a íris.
● Close:Fecha a íris.
● On: Liga as configurações de função.
● Off: Desliga as configurações de função.
● F1: Botões de controle auxiliares.
● F3: Muda o controle entre a speed dome inteligente e a multiplexer.
● [0]-[9]: Número das teclas.
● [Clear]: Apaga os dados inseridos.
● [Enter]: Confirma.
Manual de Operação
2. Painel traseiro (Figura 2)
A. Conector de entrada de força: DC12V
B. Mudança de código ID: Usado para configurar o protocolo em uso e a baud rate de comunicação.
C. Conector de comunicação RS485:O controlador está conectado à caixa do adaptador por um cabo
específico.
Figura 2
IV. Configuração da mesa
a) O protocolo em uso e a baud rate de comunicação da mesa são configuradas pelo código ID na Figura 2.
DIP1-DIP4 são usados para selecionar o tipo do protocolo de comunicação como na seguinte tabela:
Tipo de
Protocolo/Mod
o do código ID
Configuraçã
o do tipo do
protocolo
DIP1
Configuração
do tipo de
Protocolo
DIP2
Configuração
do tipo de
Protocolo
DIP3
Configuração
do tipo de
Protocolo
DIP4
Configuração
padrão Baud
Rate
Configuração
padrão Baud
Rate
Protocolo
Integrado
Samsung ON OFF OFF OFF OFF ON ●
Neon ON OFF OFF OFF OFF ON ●
Reservado OFF ON OFF OFF OFF ON ○
Pelco-D ON ON OFF OFF OFF OFF ●
Pelco-
P/4800Bps
OFF OFF ON OFF ON OFF ●
Pelco-
P/9600Bps
OFF OFF ON OFF OFF ON ●
Panasonic ON OFF ON OFF OFF ON ●
Reservado OFF ON ON OFF OFF ON ○
Hunda600 ON ON ON OFF OFF ON ●
Lilin OFF OFF OFF ON OFF ON ●
Vicon ON OFF OFF ON ON OFF ○
Molynx OFF ON OFF ON OFF ON ○
Kalatel ON ON OFF ON ON OFF ●
VCL OFF OFF ON ON OFF ON ○
Reservado ON OFF ON ON OFF ON ○
Alec OFF ON ON ON OFF ON ●
Ultrak ON ON ON ON OFF ON ●
Manual de Operação
b) DIP5 e DIP6 são usados para selecionar a baud rate, como na seguinte tabela (DIP7 e DIP8 não são
usados):
Baud Rate Status do
código ID
DIP1
Status do
código ID
DIP2
Status do
código ID
DIP3
Status do
código ID
DIP4
Status do
código ID
DIP5
Status do
código ID
DIP6
Status do
código ID
DIP7
Status do
código ID
DIP8
2400bps OFF OFF
4800bps ON OFF
9600bps OFF ON
19200bps ON ON
c) Alguns dos códigos ID dos protocolos são configurados da seguinte maneira:
d) Mudando o controle entre speed dome e multiplexer
O controlador pode ser operado em dois modos: speed dome e multiplexer. Quando estiver funcionando, ela
será operada no modo padrão. Pressione [F3] para alterar entre os dois modos. Quando estiver sob o modo
do Multiplexer, você pode pode controlá-la via “Address Box” (caixa de endereço). O LCD visualizará “Mulx
Addr:001”. Alternativamente você pode controlá-la pressionando [F3] até que seja visualizada no LCD a
mensagem “CONTROLLING MULX”, então controle a mulptiplexer pela saída RS-232 da mesa. Durante a
operação, favor prestar atenção nas informações visualizadas no LCD.
1 2 3 4 5 6 7 8ON
PELCO- D/ 2400Bps
NEON/ 9600Bps
1 2 3 4 5 6 7 8ON
1 2 3 4 5 6 7 8ON
PELCO- P/ 4800Bps
1 2 3 4 5 6 7 8ON
PELCO- P/ 9600Bps
1 2 3 4 5 6 7 8ON
Ul t r ak/ 9600Bps
1 2 3 4 5 6 7 8ON
PANASONI C/ 9600Bps
1 2 3 4 5 6 7 8ON
KALATEL/ 4800Bps
Manual de Operação
V. Operação da mesa
1. Selecione o endereço da Speed Dome: [CAM]+[N]+[ENTER]
Visualização: Current CamID: 001(Atual CamID: 001)
Descrição:N - - No. Da câmera de 0 a 255
Função: Selecione o endereço da câmera a ser controlada. Quando o valor N estiver em conformidade com
o endereço da Speed Dome, ela estará sob controle.
2. Configure a posição preset: [PRESET]+[N]+[ENTER]
Visualização: Preset No:001
Descrição: N - - No. da posição preset de 1 a 128.
Função: Posição atual de armazenamento e referência como posição de preset No.N.
3.Chame a posição preset: [CALL]+[N]+[Enter]
Visualização: Call Number 001 (Chame Nº 001)
Descrição: N - - No. da posição preset de 1 a 128.
Função: Transfere a câmera para a posição de preset No.N.
4.Cancela a posição de preset: [PRESET]+[N]+OFF]
Visualização: Preset No:001
Descrição: N - - No. da posição preset de 1 a 128.
Função: Apagar a posição preset No. N armazenada.
5. Configuração do tour: (Neon, Samsung, Pelco-D, Pelco-P acessíveis):
● Entre no status da configuração de rastreamento ₤º [SHOT]+[N]+ON] (₤º no. de rastreamento de 1 a 6).
Visualização: Track = 01 Sum = 6
Descrição: Rastreamento No.1 é a configuração atual, com 6 posições de preset.
● Editar rastreamento: Pressione [TELE] para a página de baixo e pressione [WIDE] para editar a página de
cima. Cada rastreamento envolve 16 pontos preset e a velocidade de funcionamento e o tempo de origem
de cada posição preset.
Visualização: No.: 01 Point: 001→ Descrição: A primeira posição preset no rastreamento é 001.
Visualização: No.: 01 Speed: 001→ Descrição: A velocidade do primeiro ponto preset no rastreamento é a
primeira classe.
Visualização: No.: 01 Time: 001→ Descrição: O tempo de origem do primeiro ponto preset no rastreamento
é de 4 segundos.
● Taxa de velocidade:de 1 a 8, do mais rápido para o mais lento. Para qualquer outra velocidade, a taxa
será referida como a primeira classe. A taxa de tempo de origem é de 1 a 255.
● Quando o ponto preset No. N estiver configurado como No. 0, então todos os pontos preset antes o ponto
preset No.N no rastreamento serão válidos. Entretanto, todos os números dos pontos preset e suas
velocidades e tempo de origem serão configurados como 0 automaticamente.
● Depois que o rastreamento for editado, pressione OFF para armazenar e sair ao usar o joystick para sair
sem armazenamento.
6. Gerar tour: [SHOT]+[N]+[Enter]
Visualização: Input Tour No:01
Descrição: N - - No. do rastreamento de 1 a 6.
Função: Realizar o tour de rastreamento No.N e parar o tour usando o joystick.
Manual de Operação
7. Parar o tour: [SHOT]+[N]+[OFF]
Visualização: Input Tour No:01
Descrição: N - - No. do rastreamento de 1 a 6.
Função: Parar o rastreamento No.N ou parar o tour usando o joystick.
8.Cancela o tour: [SHOT]+[N]+[OFF] (Pressione [OFF] até que apareça a mensagem “Clear Tour OK).
Visualização: Input Tour No:01
Descrição: M - - No. do rastreamento de 1 a 6.
Função: Apagar o rastreamento No. N
9. Pan automático ON (Operação de Neon, Protocolo Samsung): [AUTO]+[P1]+[ON]+[P2]+[OFF]
Visualização: Input 1st No:001
Descrição: P1- - - - o início do escaneamento No. do ponto preset de 1 a 128, que já deve ter sido
configurado.
Visualização: Input 2nd No:002
Descrição: P2- - - - fim do escaneamento No. do ponto preset de 1 a 128, que já deve ter sido configurado.
Se P1=P2 e P2 coincidem, a speed dome escaneará numa faixa de 360º.
Observação:
(1) Para os protocolos Pelco-D e Pelco-P o caminho da operação será:
● Configurar a posição de início do escaneamento: Transfere a speed dome para a posição de início do
escaneamento, operação [AUTO]+[ON]
● Configurar a posição de fim do escaneamento: Transfere a speed dome para a posição de fim do
escaneamento, operação [AUTO]+[OFF]
● Executar Pan automático: [AUTO]+[ENTER]
(2) A operação de Pan automático segue os seguintes parâmetros. Você deve configurar estes parâmetros
antes de usar o comando de pan automático para começar a operação de escaneamento. Você pode usar o
comando de escaneamento Stop (parar) ou comando de escaneamento Stop (parar) PT para parar o
escaneamento.
Configurando a condição de escaneamento:
● Posição de Pan Automático (primeira posição específica, segunda posição específica)
● Velocidade e Direção de Pan Automático
Manual de Operação
10. Parar Pan Automático: [AUTO]+[OFF] (somente para protocolo Neon e Samsung) ou use o joystick para
parar o escaneamento.
11. Controlar o Zoom da Câmara: [WIDE]/[TELE]
12. Controlar o Foco da Câmara: [FAR]/[NEAR]
13. Controlar a Íris da Câmera: [OPEN]/[CLOSE]
14. Controle auxiliar da câmera: Pela combinação dos botões [F1] e [ON][OFF], você pode configurar
alguns dados da câmera e e as funções são listadas da seguinte maneira:
Nº do
valor N
Objeto de controle Definição da operação de
teclado F1+N+[ON]
Definição da operação de
teclado F1+N+[OFF]
0 Alimentação da Câmera/Controle Reset Alterna em On/Off Reset de Câmera
1 Compensação de luz de fundo ON OFF
2 Iluminação Zero ON OFF
3 Visualização ON OFF
4 Zoom Digital ON OFF
5 Luz de fundo da tela do teclado ON OFF
6 Foco Automático Manual
7 Íris Automático Manual
8 Modo Balanço de Branco (WB) Automático Manual
9 Modo Balanço de Branco (WB) Modo Indoor Modo Outdoor
10 Modo Balanço de Branco (WB) Modo ATW Ajustar WB (balanço de
branco)
11 Mudança Cor/Preto e Branco Cor Preto e Branco
12 Configurar Pan Automático (Somente
condições para escaneamento. Se iniciar o
escaneamento, opere como o item 9 neste
parágrafo)
<180º, baixa velocidade >180º, baixa velocidade
13 Configurar Pan Automático (Somente
condições para escaneamento. Se iniciar o
escaneamento, opere como o item 9 neste
parágrafo)
<180º, média velocidade >180º, baixa velocidade
14 Configurar Pan Automático (Somente
condições para escaneamento. Se iniciar o
escaneamento, opere como o item 9 neste
parágrafo)
<180º, alta velocidade >180º, baixa velocidade
5. Use o joystick para controlar a velocidade da speed dome:
Você pode usar o joystick de velocidade para controlar a direção Pan/Tilt e a velocidade da speed dome
casualmente. A velocidade de pan/tilt é decidida pelo ângulo do joystick que você operou (Figura
3).Mudando o ângulo de tilt do joystick, você poderá ajustar a velocidade uniformemente e a câmera poderá
focar automaticamente durante o escaneamento para manter as imagens sendo distintas.
Figure 3
UP
DOWN
RI GHTLEFT
FAST
SLOW
LEFTRI GHT
UP
DOWN
6. Se ocorrer um erro na operação, a mensagem
“Error Operation” (erro na operação) aparecerá por
1 segundo.
Manual de Operação
VI. Instalação e Conexão
Atenção: Favor ler o manual de operação da mesa e da speed dome cuidadosamente antes de conectar os
fios. Qualquer conexão incorreta pode causar danos permanentes no dispositivo. Ao conectar os fios de
comunicação, primeiro desligue a fonte de todos os dispositivos.
Os fios de comunicação entre os dispositivos devem ser torcidos. Deve-se instalar os cabos longe de linhas
de alta voltagem.
1. Marcação de fios da caixa de transferência (Figura 4).
2. As conexões da mesa controlam a dome (Figura 5).
3. Conexões entre a mesa e a speed dome (Figura 6).
RED
BLACK
GREEN
YELLOW
RED£ºRS485+
BLACK£ºRS485-
GREEN£ºGND
YELLOW£ºRS232 OUT
Figure 4
(Figure 4)
Figure6
6
Figure5
Manual de Operação
4. Conexão entre a mesa e o multiplex através da
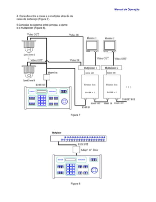
caixa de endereço (Figura 7).
5.Conexão do sistema entre a mesa, a dome
e o multiplexer (Figura 8).
Figura 7
Figura 8
Manual de Operação
VII. Especificações técnicas
● Comunicação entre a Speed Dome e a Mesa.
● Conector de comunicação: RS-485.
● Baud rate de comunicação: Quatro baud rates (Por exemplo: 2400Bos, 4800Bps, 9600Bps e 19200Bps.
● Distância de comunicação: 1200 M no máximo.
● Alimentação: DC12V/0.5A.
● Tamanho: 1315 x 165 x 57 (mm)
● Peso: 2Kg
● Número de Speed Dome com velocidade controlada até 32.
VIII. Pontos importantes
● Favor ler o manual de operação da mesa cuidadosamente antes de usá-la.
● O manual de operação está focado principalmente nas funções de protocolos PELCO-D, PELCO-P e
Neon. ● A mesa necessita de alimentação DC12V. Favor confirmar a voltagem e a polaridade antes de ligar
a alimentação.
● Não coloque a mesa sobre lugares molhados e também não permita que ela receba chuva, a fim de se
evitar curto circuito ou choque.
● Como a mesa é um dispositivo eletrônico sofisticado, você nunca deverá abrí-la.
● A mesa tem protocolos múltiplos integrados e você poderá selecionar o protocolo correto e a baud rate.
Ao ligar a alimentação, tenha cuidado com o protocolo selecionado e com a baud rate na primeira tela.
● Se a mesa controlar o multiplexer, a operação de botões de combinação
é a seguinte: Pressione um botão primeiro e depois o outro. Por exemplo: ao entrar ou sair da configuração
do menu (Function + Zoom), pressione o botão Function (função) primeiro, e pressione o botão de Zoom
depois que o botão Function tiver sido reativada.
● Ao controlar o multiplexer através da caixa do adaptador, selecione o endereço multiplexer: N + CAM/ID
(N: endereço multiplexer 1 - - 128).
● Para controlar o multiplexer, selecione a câmera (1-16): N + ENTR N: número do canal (1 - - 16).

Operador de cftv

  • 1.
    Manual de Operação Manualde Operação da Mesa Controladora de CFTV ATX K 105 Favor ler este manual de operação cuidadosamente antes de instalar e usar o produto. Favor manter este manual em local acessível. Risco de choque elétrico. Não abra!
  • 2.
    Manual de Operação Índice I.Resumo Pág. 3 II. Introdução da função Pág. 3 III. Introdução ao painel da mesa controladora Pág. 4 1 Esquema do painel frontal e descrição dos botões Pág. 4 2 Painel traseiro Pág. 6 IV. Configuração da mesa Pág. 6 V. Operação da mesa Pág. 8 VI. Instalação e conexão Pág. 11 VII. Especificações técnicas Pág. 13 VIII. Pontos importantes Pág. 13
  • 3.
    Manual de Operação I.Resumo A mesa controladora é usada para receptores de terminais como a speed dome, o decodificador, etc. Numa interface elétrica EIA/RS-485 entre a mesa e o receptor, uma mesa pode controlar 32 speed dome e decodificadores sem congestionar o barramento. A distância de comunicação entre a mesa e o receptor é de até 1.2 km. É muito fácil operar e configurar a speed dome. O controlador também serve para controlar o receptor do terminal para ativar a função de controle de pan/tilt, lentes, etc. Principais funções: ● Configura a taxa de endereço da dome e o decodificador: 0~255. ● Controla as funções da dome. Por exemplo: mudar o modo ON/OFF. ● Opera o pan/tilt da dome movendo em diferentes níveis de velocidade. ● Configura mais de 128 posições preset e 6 tours para a speed dome e chama qualquer um deles. Cada tour contém mais de 16 posições preset. Você pode configurar o período de permanência e mover para cada posição preset. ● Controla a speed dome manualmente ou automaticamente. É possível mudar a configuração inicial através do menu da dome. ● Pode-se controlar manualmente o foco, o zoom e a íris da câmera. II. Introdução da função Seleção de câmera: (0~255) Controle de Joystick: Controla a direção de pan/tilt e a velocidade da dome. Controle de lentes: Controla o foco, o zoom e a íris da câmera. Operação deposição preset: (1~128) Configurar posição preset Chamar posição preset Operação de tour: (1~6) Configurar tour Aplicar tour Controle de pan automático da Speed Dome (incluindo velocidade e direção de pan automático) Auto-aprendizagem de rastreamento da Speed Dome Configuração de Função de menu da Speed Dome Controle direto no Decodificador: Controla os dispositivos frontais, como o decodificador.
  • 4.
    Manual de Operação III.Introdução: Mesa 1. Esquema do painel frontal e descrição dos botões (Figura 1) Há um joystick de velocidade, botões e LCD no painel frontal da mesa controladora. A visualização é usada para mostrar o status do sistema e a informação de operação. O joystick controla os movimentos da dome para cima,para baixo, para a direita e para a esquerda. FUNC 0 1 2 3 4 5 6 7 8 9 EnterClear WI DE TELE FAR NEAR CAM/ I DAUTO OPEN CLOSE Current CamID:001 SEQ PTZ/ MULXLI VE TAPE ON OFF F1 F2 F3 CALL PRESET SHOT PTZ & Mul t i pl exer Figura 1 Descrição dos botões: ● Func (1 cam): Configura a função especial do sistema junto aos outros botões. ● Zoom (Tela cheia): Mostra a imagem da câmera em tela cheia. Pressione Zoom outra vez para rever a 2 Zoom da câmera selecionada. ● PIP (up arrow): Mostra a imagem da câmera no modo PIP (imagem em imagem). ● 2 x 2 (down arrow): Mostra a imagem da câmera em 4-frame. ● 3 x 3 (left arrow): Mostra a imagem da câmera em 9-frame. ● 4 x 4 (right arrow): Mostra a imagem da câmera em 16-frame. ● Live (ao vivo): Mostra a imagem ao vivo da câmera no modo atual. ● Tape: Imagens de reprodução: Função + Tape: Reprodução de informação de vídeo do VCR.
  • 5.
    Manual de Operação ●CAM: No modo multiplex: Usado com os botões de câmera para selecionar as câmeras para visualizar nos formatos cheio, PIP, 2 x 2, 3 x 3 e 4 x 4. No modo speed dome: Selecione o endereço da dome. ● F2: No modo multiplex: Início automático da mudança de câmeras. Este botão também é usado durante a configuração para ligar todos os alvos de detecção de movimento. No modo speed dome: Botões de controle auxiliares. ● Call:Chama a posição preset. ● Preset: Configura a posição preset. ● Shot: Configura ou chama o tour. ● Auto: Controla rotação automática horizontal para pan/tilt. ● Wide: Ângulo amplo. ● Tele: Muda para uma faixa de telescópio. ● Far: Realiza o foco de longe manualmente. ● Near: Realiza o foco de perto manualmente. ● Open: Abre a íris. ● Close:Fecha a íris. ● On: Liga as configurações de função. ● Off: Desliga as configurações de função. ● F1: Botões de controle auxiliares. ● F3: Muda o controle entre a speed dome inteligente e a multiplexer. ● [0]-[9]: Número das teclas. ● [Clear]: Apaga os dados inseridos. ● [Enter]: Confirma.
  • 6.
    Manual de Operação 2.Painel traseiro (Figura 2) A. Conector de entrada de força: DC12V B. Mudança de código ID: Usado para configurar o protocolo em uso e a baud rate de comunicação. C. Conector de comunicação RS485:O controlador está conectado à caixa do adaptador por um cabo específico. Figura 2 IV. Configuração da mesa a) O protocolo em uso e a baud rate de comunicação da mesa são configuradas pelo código ID na Figura 2. DIP1-DIP4 são usados para selecionar o tipo do protocolo de comunicação como na seguinte tabela: Tipo de Protocolo/Mod o do código ID Configuraçã o do tipo do protocolo DIP1 Configuração do tipo de Protocolo DIP2 Configuração do tipo de Protocolo DIP3 Configuração do tipo de Protocolo DIP4 Configuração padrão Baud Rate Configuração padrão Baud Rate Protocolo Integrado Samsung ON OFF OFF OFF OFF ON ● Neon ON OFF OFF OFF OFF ON ● Reservado OFF ON OFF OFF OFF ON ○ Pelco-D ON ON OFF OFF OFF OFF ● Pelco- P/4800Bps OFF OFF ON OFF ON OFF ● Pelco- P/9600Bps OFF OFF ON OFF OFF ON ● Panasonic ON OFF ON OFF OFF ON ● Reservado OFF ON ON OFF OFF ON ○ Hunda600 ON ON ON OFF OFF ON ● Lilin OFF OFF OFF ON OFF ON ● Vicon ON OFF OFF ON ON OFF ○ Molynx OFF ON OFF ON OFF ON ○ Kalatel ON ON OFF ON ON OFF ● VCL OFF OFF ON ON OFF ON ○ Reservado ON OFF ON ON OFF ON ○ Alec OFF ON ON ON OFF ON ● Ultrak ON ON ON ON OFF ON ●
  • 7.
    Manual de Operação b)DIP5 e DIP6 são usados para selecionar a baud rate, como na seguinte tabela (DIP7 e DIP8 não são usados): Baud Rate Status do código ID DIP1 Status do código ID DIP2 Status do código ID DIP3 Status do código ID DIP4 Status do código ID DIP5 Status do código ID DIP6 Status do código ID DIP7 Status do código ID DIP8 2400bps OFF OFF 4800bps ON OFF 9600bps OFF ON 19200bps ON ON c) Alguns dos códigos ID dos protocolos são configurados da seguinte maneira: d) Mudando o controle entre speed dome e multiplexer O controlador pode ser operado em dois modos: speed dome e multiplexer. Quando estiver funcionando, ela será operada no modo padrão. Pressione [F3] para alterar entre os dois modos. Quando estiver sob o modo do Multiplexer, você pode pode controlá-la via “Address Box” (caixa de endereço). O LCD visualizará “Mulx Addr:001”. Alternativamente você pode controlá-la pressionando [F3] até que seja visualizada no LCD a mensagem “CONTROLLING MULX”, então controle a mulptiplexer pela saída RS-232 da mesa. Durante a operação, favor prestar atenção nas informações visualizadas no LCD. 1 2 3 4 5 6 7 8ON PELCO- D/ 2400Bps NEON/ 9600Bps 1 2 3 4 5 6 7 8ON 1 2 3 4 5 6 7 8ON PELCO- P/ 4800Bps 1 2 3 4 5 6 7 8ON PELCO- P/ 9600Bps 1 2 3 4 5 6 7 8ON Ul t r ak/ 9600Bps 1 2 3 4 5 6 7 8ON PANASONI C/ 9600Bps 1 2 3 4 5 6 7 8ON KALATEL/ 4800Bps
  • 8.
    Manual de Operação V.Operação da mesa 1. Selecione o endereço da Speed Dome: [CAM]+[N]+[ENTER] Visualização: Current CamID: 001(Atual CamID: 001) Descrição:N - - No. Da câmera de 0 a 255 Função: Selecione o endereço da câmera a ser controlada. Quando o valor N estiver em conformidade com o endereço da Speed Dome, ela estará sob controle. 2. Configure a posição preset: [PRESET]+[N]+[ENTER] Visualização: Preset No:001 Descrição: N - - No. da posição preset de 1 a 128. Função: Posição atual de armazenamento e referência como posição de preset No.N. 3.Chame a posição preset: [CALL]+[N]+[Enter] Visualização: Call Number 001 (Chame Nº 001) Descrição: N - - No. da posição preset de 1 a 128. Função: Transfere a câmera para a posição de preset No.N. 4.Cancela a posição de preset: [PRESET]+[N]+OFF] Visualização: Preset No:001 Descrição: N - - No. da posição preset de 1 a 128. Função: Apagar a posição preset No. N armazenada. 5. Configuração do tour: (Neon, Samsung, Pelco-D, Pelco-P acessíveis): ● Entre no status da configuração de rastreamento ₤º [SHOT]+[N]+ON] (₤º no. de rastreamento de 1 a 6). Visualização: Track = 01 Sum = 6 Descrição: Rastreamento No.1 é a configuração atual, com 6 posições de preset. ● Editar rastreamento: Pressione [TELE] para a página de baixo e pressione [WIDE] para editar a página de cima. Cada rastreamento envolve 16 pontos preset e a velocidade de funcionamento e o tempo de origem de cada posição preset. Visualização: No.: 01 Point: 001→ Descrição: A primeira posição preset no rastreamento é 001. Visualização: No.: 01 Speed: 001→ Descrição: A velocidade do primeiro ponto preset no rastreamento é a primeira classe. Visualização: No.: 01 Time: 001→ Descrição: O tempo de origem do primeiro ponto preset no rastreamento é de 4 segundos. ● Taxa de velocidade:de 1 a 8, do mais rápido para o mais lento. Para qualquer outra velocidade, a taxa será referida como a primeira classe. A taxa de tempo de origem é de 1 a 255. ● Quando o ponto preset No. N estiver configurado como No. 0, então todos os pontos preset antes o ponto preset No.N no rastreamento serão válidos. Entretanto, todos os números dos pontos preset e suas velocidades e tempo de origem serão configurados como 0 automaticamente. ● Depois que o rastreamento for editado, pressione OFF para armazenar e sair ao usar o joystick para sair sem armazenamento. 6. Gerar tour: [SHOT]+[N]+[Enter] Visualização: Input Tour No:01 Descrição: N - - No. do rastreamento de 1 a 6. Função: Realizar o tour de rastreamento No.N e parar o tour usando o joystick.
  • 9.
    Manual de Operação 7.Parar o tour: [SHOT]+[N]+[OFF] Visualização: Input Tour No:01 Descrição: N - - No. do rastreamento de 1 a 6. Função: Parar o rastreamento No.N ou parar o tour usando o joystick. 8.Cancela o tour: [SHOT]+[N]+[OFF] (Pressione [OFF] até que apareça a mensagem “Clear Tour OK). Visualização: Input Tour No:01 Descrição: M - - No. do rastreamento de 1 a 6. Função: Apagar o rastreamento No. N 9. Pan automático ON (Operação de Neon, Protocolo Samsung): [AUTO]+[P1]+[ON]+[P2]+[OFF] Visualização: Input 1st No:001 Descrição: P1- - - - o início do escaneamento No. do ponto preset de 1 a 128, que já deve ter sido configurado. Visualização: Input 2nd No:002 Descrição: P2- - - - fim do escaneamento No. do ponto preset de 1 a 128, que já deve ter sido configurado. Se P1=P2 e P2 coincidem, a speed dome escaneará numa faixa de 360º. Observação: (1) Para os protocolos Pelco-D e Pelco-P o caminho da operação será: ● Configurar a posição de início do escaneamento: Transfere a speed dome para a posição de início do escaneamento, operação [AUTO]+[ON] ● Configurar a posição de fim do escaneamento: Transfere a speed dome para a posição de fim do escaneamento, operação [AUTO]+[OFF] ● Executar Pan automático: [AUTO]+[ENTER] (2) A operação de Pan automático segue os seguintes parâmetros. Você deve configurar estes parâmetros antes de usar o comando de pan automático para começar a operação de escaneamento. Você pode usar o comando de escaneamento Stop (parar) ou comando de escaneamento Stop (parar) PT para parar o escaneamento. Configurando a condição de escaneamento: ● Posição de Pan Automático (primeira posição específica, segunda posição específica) ● Velocidade e Direção de Pan Automático
  • 10.
    Manual de Operação 10.Parar Pan Automático: [AUTO]+[OFF] (somente para protocolo Neon e Samsung) ou use o joystick para parar o escaneamento. 11. Controlar o Zoom da Câmara: [WIDE]/[TELE] 12. Controlar o Foco da Câmara: [FAR]/[NEAR] 13. Controlar a Íris da Câmera: [OPEN]/[CLOSE] 14. Controle auxiliar da câmera: Pela combinação dos botões [F1] e [ON][OFF], você pode configurar alguns dados da câmera e e as funções são listadas da seguinte maneira: Nº do valor N Objeto de controle Definição da operação de teclado F1+N+[ON] Definição da operação de teclado F1+N+[OFF] 0 Alimentação da Câmera/Controle Reset Alterna em On/Off Reset de Câmera 1 Compensação de luz de fundo ON OFF 2 Iluminação Zero ON OFF 3 Visualização ON OFF 4 Zoom Digital ON OFF 5 Luz de fundo da tela do teclado ON OFF 6 Foco Automático Manual 7 Íris Automático Manual 8 Modo Balanço de Branco (WB) Automático Manual 9 Modo Balanço de Branco (WB) Modo Indoor Modo Outdoor 10 Modo Balanço de Branco (WB) Modo ATW Ajustar WB (balanço de branco) 11 Mudança Cor/Preto e Branco Cor Preto e Branco 12 Configurar Pan Automático (Somente condições para escaneamento. Se iniciar o escaneamento, opere como o item 9 neste parágrafo) <180º, baixa velocidade >180º, baixa velocidade 13 Configurar Pan Automático (Somente condições para escaneamento. Se iniciar o escaneamento, opere como o item 9 neste parágrafo) <180º, média velocidade >180º, baixa velocidade 14 Configurar Pan Automático (Somente condições para escaneamento. Se iniciar o escaneamento, opere como o item 9 neste parágrafo) <180º, alta velocidade >180º, baixa velocidade 5. Use o joystick para controlar a velocidade da speed dome: Você pode usar o joystick de velocidade para controlar a direção Pan/Tilt e a velocidade da speed dome casualmente. A velocidade de pan/tilt é decidida pelo ângulo do joystick que você operou (Figura 3).Mudando o ângulo de tilt do joystick, você poderá ajustar a velocidade uniformemente e a câmera poderá focar automaticamente durante o escaneamento para manter as imagens sendo distintas. Figure 3 UP DOWN RI GHTLEFT FAST SLOW LEFTRI GHT UP DOWN 6. Se ocorrer um erro na operação, a mensagem “Error Operation” (erro na operação) aparecerá por 1 segundo.
  • 11.
    Manual de Operação VI.Instalação e Conexão Atenção: Favor ler o manual de operação da mesa e da speed dome cuidadosamente antes de conectar os fios. Qualquer conexão incorreta pode causar danos permanentes no dispositivo. Ao conectar os fios de comunicação, primeiro desligue a fonte de todos os dispositivos. Os fios de comunicação entre os dispositivos devem ser torcidos. Deve-se instalar os cabos longe de linhas de alta voltagem. 1. Marcação de fios da caixa de transferência (Figura 4). 2. As conexões da mesa controlam a dome (Figura 5). 3. Conexões entre a mesa e a speed dome (Figura 6). RED BLACK GREEN YELLOW RED£ºRS485+ BLACK£ºRS485- GREEN£ºGND YELLOW£ºRS232 OUT Figure 4 (Figure 4) Figure6 6 Figure5
  • 12.
    Manual de Operação 4.Conexão entre a mesa e o multiplex através da caixa de endereço (Figura 7). 5.Conexão do sistema entre a mesa, a dome e o multiplexer (Figura 8). Figura 7 Figura 8
  • 13.
    Manual de Operação VII.Especificações técnicas ● Comunicação entre a Speed Dome e a Mesa. ● Conector de comunicação: RS-485. ● Baud rate de comunicação: Quatro baud rates (Por exemplo: 2400Bos, 4800Bps, 9600Bps e 19200Bps. ● Distância de comunicação: 1200 M no máximo. ● Alimentação: DC12V/0.5A. ● Tamanho: 1315 x 165 x 57 (mm) ● Peso: 2Kg ● Número de Speed Dome com velocidade controlada até 32. VIII. Pontos importantes ● Favor ler o manual de operação da mesa cuidadosamente antes de usá-la. ● O manual de operação está focado principalmente nas funções de protocolos PELCO-D, PELCO-P e Neon. ● A mesa necessita de alimentação DC12V. Favor confirmar a voltagem e a polaridade antes de ligar a alimentação. ● Não coloque a mesa sobre lugares molhados e também não permita que ela receba chuva, a fim de se evitar curto circuito ou choque. ● Como a mesa é um dispositivo eletrônico sofisticado, você nunca deverá abrí-la. ● A mesa tem protocolos múltiplos integrados e você poderá selecionar o protocolo correto e a baud rate. Ao ligar a alimentação, tenha cuidado com o protocolo selecionado e com a baud rate na primeira tela. ● Se a mesa controlar o multiplexer, a operação de botões de combinação é a seguinte: Pressione um botão primeiro e depois o outro. Por exemplo: ao entrar ou sair da configuração do menu (Function + Zoom), pressione o botão Function (função) primeiro, e pressione o botão de Zoom depois que o botão Function tiver sido reativada. ● Ao controlar o multiplexer através da caixa do adaptador, selecione o endereço multiplexer: N + CAM/ID (N: endereço multiplexer 1 - - 128). ● Para controlar o multiplexer, selecione a câmera (1-16): N + ENTR N: número do canal (1 - - 16).