1. INFORMAÇÕES GERAIS
NORMAS DE SEGURANÇA 1-1
INFORMAÇÕES DE SERVIÇO 1-1
NÚMEROS DE IDENTIFICAÇÃO 1-1
ESPECIFICAÇÕES 1-3
VALORES DE TORQUE 1-12
FERRAMENTAS 1-17
PONTOS DE LUBRIFICAÇÃO E VEDAÇÃO 1-19
PASSAGEM DE CABOS E DA FIAÇÃO 1-23
SISTEMA DE CONTROLE DE EMISSÕES 1-36
1-1
CBR600F
INFORMAÇÕES DE SERVIÇO
1. Use somente peças, óleos e lubrificantes genuínos HONDA, recomendados pela HONDA ou seus equivalentes. Peças
que não atendam às especificações HONDA podem causar danos à motocicleta.
2. Use as ferramentas especiais ao efetuar reparos na motocicleta. Porcas e parafusos métricos não podem ser
substituídos por fixadores ingleses.
4. Instale novas juntas, anéis de vedação, cupilhas e placas de fixação durante a montagem.
5. Ao apertar porcas e parafusos, comece pelos de diâmetro maior ou pelos parafusos internos. Em seguida, aperte-os
gradativamente, em ordem cruzada, no torque especificado, a menos que especificado diferentemente.
6. Limpe as peças com solvente de limpeza após a desmontagem. Lubrifique as superfícies deslizantes antes da
montagem.
7. Após a montagem, verifique se todas as peças foram instaladas corretamente e se seu funcionamento é adequado.
8. Passe todos os fios elétricos como mostrado nas páginas 1-23 a 1-35, “Passagem de cabos e da fiação”.
NÚMEROS DE IDENTIFICAÇÃO
1
INFORMAÇÕES GERAIS
1-2
CBR600F
NÚMERO DE SÉRIE DO CHASSI
(1) O número de série do chassi está gravado no lado
direito da coluna de direção.
NÚMERO DE SÉRIE DO MOTOR
(2) O número de série do motor está gravado no lado
direito da carcaça superior do motor.
NÚMEROS DE IDENTIFICAÇÃO
DA CARCAÇA DE ACELERAÇÃO
(3) O número de identificação da carcaça de aceleração
está gravado no lado de admissão, como mostra a
figura.
ETIQUETA DE COR
(4) A etiqueta de cor está fixada como mostra a figura.
Ao pedir peças de reposição, especifique o código
de cor.
INFORMAÇÕES GERAIS
1-3
CBR600F
ESPECIFICAÇÕES
GERAL
Item Especificações
DIMENSÕES Comprimento total 2.065 mm
Largura total 685 mm
Altura total 1.135mm
Distância entre eixos 1.390 mm
Altura do assento 805 mm
Altura do pedal de apoio 360 mm
Altura mínima do solo 135 mm
Peso seco 170 kg
Peso em ordem de marcha 198 kg
Capacidade máxima de carga 189 kg
CHASSI Tipo de chassi Diamond
Suspensão dianteira Garfo telescópico
Curso da suspensão dianteira 120 mm
Suspensão traseira Braço oscilante
Curso da suspensão traseira 120 mm
Dimensão do pneu dianteiro 120/70 ZR 17 (58W) Radial
Dimensão do pneu traseiro 18/55ZR 17 (73W) Radial
Marca dos pneus:
Bridgestone Dianteiro: BT010FF
Traseiro: BT010RF
Dunlop Dianteiro: D207FJ
Traseiro: D207P
Michelin Dianteiro: Pilot SPORT E
Traseiro: Pilot SPORT E
Freio dianteiro A disco, hidráulico, duplo
Freio traseiro A disco, hidráulico, único
Cáster 24O
Trail 96 mm
Capacidade do tanque de combustível 18,0 l
MOTOR Disposição dos cilindros Quatro cilindros em linha, inclinados 31o
em relação à vertical
Diâmetro e curso 67,0 x 42,5 mm
Cilindrada 599 cm3
Relação de compressão 12,0: 1
Sistema de válvulas Acionado por corrente, DOHC
Válvula de admissão Abertura 22o
APMS
Fechamento 43o
DPMI
Válvula de escapamento Abertura 38o
APMI
Fechamento 7o
DPMS
Sistema de lubrificação Forçada por bomba de óleo
Bomba de óleo Trocoidal
Sistema de arrefecimento Arrefecido por líquido
Filtro de ar Elemento de 59,0,1 kg
Ordem de ignição 1 – 2 – 4 – 3
INFORMAÇÕES GERAIS
1-4
GERAL (Continuação)
CBR600F
Item Especificações
CARBURADOR Tipo PGM – FI (Injeção Eletrônica de Combustível)
Diâmetro externo do acelerador 38 mm
TRANSMISSÃO Sistema de embreagem Multidisco em banho de óleo
Sistema de funcionamento
Operado com cabo
da embreagem
Transmissão 6 marchas constantemente engrenadas
Redução primária 1,822 (82/45)
Redução final 2,813 (45/16)
Relação de transmissão 1a
2,833 (34/12)
2a
2,062 (33/16)
3a
1,647 (28/17)
4a
1,421 (27/19)
5a
1,272 (28/22)
6a
1,173 (27/23)
Sistema de mudanças De retorno operado pelo pé esquerdo,
1 - N - 2 - 3 - 4 - 5 - 6
SISTEMA ELÉTRICO Sistema de ignição Digital totalmente transistorizada,
com avanço elétrico
Sistema de partida Elétrica
Sistema de carga Alternador trifásico
Regulador/retificador SCR trifásico, retificação de ondas completas
Sistema de iluminação Bateria
INFORMAÇÕES GERAIS
1-5
CBR600F
SISTEMA DE LUBRIFICAÇÃO Unidade: mm
SISTEMA DE COMBUSTÍVEL (Injeção de Combustível Programada)
Item Padrão Limite de uso
Capacidade de óleo do motor Na drenagem 3,0 l —
Na desmontagem 3,3 l —
Na troca do filtro de óleo 3,7 l —
Óleo recomendado: MOBIL SUPERMOTO 4T
Classificação de serviço API SF —
Viscosidade: SAE 20W-50
Pressão do óleo no interruptor de pressão do óleo 490 kPa (5,0 kgf.cm2
, 71 psi)
a 6.000 rpm (80o
C)
Rotor da bomba de óleo Folga entre os rotores interno
0,15 0,20
e externo
Folga entre o rotor externo e
0,15 – 0,22 0,35
a carcaça da bomba
Folga entre os rotores e a face
0,02 – 0,07 0,10
da carcaça da bomba
Item Especificações
Número de identificação Exceto tipo G GQ90A
da carcaça do acelerador Tipo G GQ90D
Diferença de vácuo das válvulas de partida 20 mm Hg
Válvula de aceleração de base para a sincronização No. 1
Marcha lenta 1.300 ± 100 rpm
Folga livre da manopla do acelerador 2 – 6 mm
Resistência do sensor de temperatura do ar de
admissão (a 20o
C)
1 – 4 kΩ
Resistência do sensor de temperatura do líquido de
arrefecimento do motor (a 20o
C)
2,3 – 2,6 kΩ
Resistência do injetor de combustível (a 20
o
C) 11,1 – 12,3 kΩ
Resistência da válvula solenóide de controle PAIR (a 20
o
C) 20 – 24 Ω
Voltagem máxima do gerador de pulsos do
comando (a 20o
C)
Mínimo de 0,7 V
Voltagem máxima do gerador de pulsos da ignição
em 20o
C)
Mínimo de 0,7 V
Pressão absoluta do coletor na marcha lenta 150 – 250 mm Hg
Pressão de combustível na marcha lenta 343 kPa (3,5 kg.m/cm2
, 50 psi)
Fluxo da bomba de combustível (a 12 V) Mínimo de 188 cm3
/10 segundos
INFORMAÇÕES GERAIS
1-6
SISTEMA DE ARREFECIMENTO
CABEÇOTE/VÁLVULAS Unidade: mm
CBR600F
Item Especificações
Capacidade do líquido Radiador e Motor 2,7 litros
de arrefecimento Reservatório 0,31 litros
Pressão de alívio da tampa do radiador 108 - 137 kPa (1,1 - 1,4 kgf/cm2
, 16 - 20 psi)
Termostato Início da abertura 80- 84°C
Completamente aberto 90°C
Curso da válvula mínimo 8 mm
Líquido de arrefecimento recomendado Anti-congelante etileno glicol de alta qualidade
com inibidores para proteção contra corrosão.
Concentração padrão do líquido de arrefecimento Solução de 50 - 50% de etileno glicol e água destilada
Item Padrão Limite de uso
Compressão do cilindro 1,226 kPa (12,5 kgf/cm2
,
—178 psi) a 350 rpm
Folga das válvulas ADM 0,20 ± 0,03 —
ESC 0,28 ± 0,03 —
Árvore de comando Altura do ressalto ADM 36,56 – 36,80 36, 5
ESC 35,34 – 35,58 35,3
Empenamento — 0,05
Folga de óleo 0,030 – 0,072 0,10
Ajustador da válvula Diâmetro externo do ajustador 25,978 – 25,993 25,97
Diâmetro interno do alojamento do
26,010 – 26,026 26,04ajustador
Válvula, guia Diâmetro externo ADM 3,975 – 3,990 3,965
da válvula da haste da válvula ESC 3,965 – 3,980 3,955
Diâmetro interno da
ADM/ESC 4,000 – 4,012 4,04guia da válvula
Folga entre a haste e ADM 0,010 – 0,037 0,075
a guia da válvula ESC 0,020 – 0,047 0,085
Projeção da guia da válvula ADM 16,1 – 16,4 —
acima do cabeçote ESC 14,3 – 14,6 —
Largura da sede da válvula ADM/ESC 0,90 – 1,10 1,5
Comprimento livre da mola da válvula ADM 39,5 38,71
ESC 36,3 35,57
Empenamento do cabeçote — 0,10
INFORMAÇÕES GERAIS
1-7
CBR600F
EMBREAGEM/SELETOR DE MARCHAS Unidade: mm
CARCAÇA DO MOTOR/TRANSMISSÃO Unidade: mm
ALTERNADOR/EMBREAGEM DE PARTIDA Unidade: mm
Item Padrão Limite de uso
Folga livre da alavanca da embreagem 10 – 20 —
Embreagem Comprimento livre da mola da embreagem 46,5 45,2
Espessura do disco da embreagem 2,92 – 3,08 2,6
Empenamento do separador da embreagem — 0,30
Carcaça da embreagem D.I 25,000 – 25,021 25,03
D.E 34,975 – 34,991 34,97
Diâmetro externo da árvore primária
na guia da carcaça da embreagem
24,980 – 24,993 24,96
Item Padrão Limite de uso
Garfo seletor D.I. 12,000 – 12,021 12,03
Espessura da garra do garfo 5,93 – 6,00 5,9
Eixo dos garfos seletores D.E. 11,957 – 11,968 11,95
Transmissão D.I. da engrenagem M5, M6 28,000 – 28,021 28,04
C2, C3, C4 31,000 - 31,025 31,04
D.E. da bucha da engrenagem M5, M6 27,959 – 27,980 27,94
C2 30,955 – 30,980 30,94
C3, C4 30,950 – 30,975 30,93
Folga entre a engrenagem M5, M6 0,020 – 0,062 0,10
e a bucha C2 0,020 – 0,070 0,10
C3, C4 0,025 – 0,075 0,11
D.I. da bucha da engrenagem M5 24,985 – 25,006 25,016
C2 27,985 – 28,006 28,021
D.E. da árvore primária na M5 24,967 – 24,980 24,96
D.E. da árvore secundária na C2 27,967 – 27,980 27,96
Folga entre a árvore e a bucha M5 0,005 – 0,039 0,06
C2 0,005 – 0,039 0,06
Item Padrão Limite de uso
Diâmetro externo do ressalto da engrenagem movida de partida 51,699 - 51,718 51,684
INFORMAÇÕES GERAIS
1-8
ÁRVORE DE MANIVELAS/PISTÃO/CILINDRO Unidade: mm
CBR600F
Item Padrão Limite de uso
Árvore de manivelas Folga lateral da biela 0,10 – 0,25 0,30
Folga de óleo dos mancais
da árvore de manivelas
0,028 – 0,052 0,06
Folga de óleo dos mancais principais 0,020 – 0,038 0,05
Empenamento — 0,05
Pistão, pino do D.E. a 15 mm da parte inferior do pistão 66,965 – 66,985 66,90
pistão e anéis D.I. da cavidade do pino do pistão 17,002 – 17,008 17,02
D.E. do pino do pistão 16,994 – 17,000 16,98
Folga entre o pistão e o pino do pistão 0,002 – 0,014 0,04
Folga das extremidades 1o
0,10 – 0,20 0,4
do anel do pistão 2o
0,18 – 0,30 0,5
Anel de óleo
0,2 – 0,7 1,0
(anel lateral)
Folga entre a canaleta e 1o
0,020 -–0,050 0,08
o anel do pistão 2o
0,015 – 0,050 0,08
Cilindro D.I. 67,000 – 67,015 67,10
Ovalização — 0,10
Conicidade — 0,10
Empenamento — 0,10
Folga entre o cilindro e o pistão 0,015 – 0,050 0,10
D.I. da cabeça da biela 17,016 – 17,034 17,04
Folga entre a biela e o pino do pistão 0,016 – 0,040 0,06
INFORMAÇÕES GERAIS
1-9
CBR600F
RODA DIANTEIRA/SUSPENSÃO/SISTEMA DE DIREÇÃO Unidade: mm
RODA TRASEIRA/SUSPENSÃO Unidade: mm
Item Padrão Limite de uso
Profundidade mínima dos sulcos da banda de rodagem — 1,5
Pressão do pneu frio Somente piloto 250 kPa (2,50 kgf/cm2
, 36 psi) —
Piloto e passageiro 250 kPa (2,50 kgf/cm2
, 36psi) —
Empenamento do eixo — 0,20
Excentricidade Radial — 2,0
da roda Axial — 2,0
Contrapeso para balanceamento da roda — 60 g (máx)
Garfo Comprimento livre da mola 286 280,3
Empenamento do garfo — 0,20
Fluido recomendado Fluido ATF —
Nível do fluido 116 —
Capacidade de fluido 462 ± 2,5 cm3
—
Assento inicial do ajustador da pré carga 4a
ranhura a partir do topo —
Assento inicial do ajustador da tensão 1-3/4 volta a partir da posição
—
mais rígida
Assento inicial do ajustador da 1-1/4 voltas à partir da posição
—
compressão mais rígida
Pré-carga do rolamento da coluna de direção 1,0 - 1,5 kgf —
Item Padrão Limite de uso
Profundidade mínima dos sulcos da banda de rodagem — 2,0
Pressão do pneu frio Somente piloto 290 kPa (2,90 kgf/cm2
, 42 psi) —
Piloto e passageiro 290 kPa (2,90 kgf/cm2
, 42 psi) —
Empenamento do eixo — 0,20
Excentricidade Radial — 2,0
da roda Axial — 2,0
Contrapeso para balanceamento da roda — 60 g (máx)
Corrente de Medida/elos DID DID525HV – 108LE —
transmissão RK RKGB525R0Z1–108LE —
Folga 25 – 35 —
Amortecedor Posição padrão do ajustador da mola 2a
posição —
Assento inicial do ajustador da tensão 1 1/2 voltas a partir da posição
—
mais rígida
Assento inicial do ajustador da 1 1/2 volta a partir da posição
—
compressão mais rígida
INFORMAÇÕES GERAIS
1-10
FREIO HIDRÁULICO Unidade: mm
BATERIA/SISTEMA DE CARGA
CBR600F
Item Padrão Limite de uso
Dianteiro Fluido de freio especificado DOT 4 —
Espessura do disco do freio 4,4 – 4,6 3,5
Empenamento do disco do freio — 0,20
Diâmetro interno do cilindro mestre 15,870 – 15,913 15,925
Diâmetro externo do pistão do cilindro mestre 15,827 – 15,854 15,815
Diâmetro interno do caliper do cilindro mestre A 33,960 – 34,010 34,02
B 32,030 – 32,080 32,09
Diâmetro externo do pistão do cáliper A 33,802 – 33,835 33,794
B 31,877 – 31,910 31,869
Traseiro Fluido de freio especificado DOT 4 —
Altura do pedal do freio 75 —
Espessura do disco do freio 4,8 – 5,2 4,0
Empenamento do disco do freio — 0,30
Diâmetro interno do cilindro mestre 14,000 – 14,043 14,055
Diâmetro externo do pistão do cilindro mestre 13,957 – 13,984 13,945
Diametro interno do caliper do cilindro mestre 38,180 – 38,230 38,24
Diâmetro externo do pistão do cáliper 38,098 – 38,148 38,090
Item Especificações
Bateria Capacidade 12V – 8,6 Ah
Fuga de Corrente máx. 2,0mA
Voltagem (20o
C) Completamente carregada 13,0 – 13,2V
Necessita de carga Abaixo de 12,3V
Corrente de carga Normal 0,9 A/5 – 10h
Rápida 4,0 A/0,5h
Alternador Capacidade 0,433 kW/5.000 rpm
Resistência da bobina de carga (20o
C) 0,1 – 1,0 Ω
Item Especificações
Velas de ignição NGK IMR9A-9H
DENSO IUH27D
Folga dos eletrodos da vela de ignição 0,80 – 0,90 mm
Voltagem da bobina de ignição Mínimo de 100 V
Voltagem do gerador de pulsos Mínimo de 0,7 V
Ponto de ignição Marca “F” 13o
APMS em marcha lenta
SISTEMA DE IGNIÇÃO
INFORMAÇÕES GERAIS
1-11
CBR600F
SISTEMA DE PARTIDA Unidade: mm
Item Padrão Limite de uso
Comprimento das escovas do motor de partida 12,0 - 13,0 6,5
Item Especificações
Lâmpadas Farol Alto 12 V – 55 W
Baixo 12 V – 55 W
Luz de posição 12 V – 5 W
Lanterna traseira/luz do freio 12 V – 5/21W x 2
Lâmpada da sinaleira 12 V – 21 W x 4
Luz do painel de instrumentos LED
Indicador da sinaleira LED
Indicador do farol alto LED
Indicador de ponto morto LED
Indicador da pressão do óleo LED
Indicador do PGM-FI LED
Indicador da reserva de combustível LED
Fusível Fusível principal 30 A
Fusível PGM-FI 20 A
Sub-fusível 10 A X 6
Pico de voltagem do tacômetro 10,5 V mínimo
Interruptor Início do fechamento (ON) 98 – 102°C
do Motor
Início da abertura 93 – 97°Cda Ventoinha
LUZES/INSTRUMENTOS/INTERRUPTORES
INFORMAÇÕES GERAIS
1-12
VALORES DE TORQUE
• As especificações de torque listadas abaixo são para fixadores importantes.
• Outros fixadores devem ser apertados nos valores de torque padrão listados acima.
NOTAS: 1. Aplique selante na rosca.
2. Aplique trava química na rosca.
3. Fixe
4. Aplique óleo na rosca e na superfície do flange.
5. Porca em U.
6. Parafuso ALOC; substitua por um parafuso novo.
7. Aplique graxa na rosca.
8. Aplique óleo à base de molibdênio nas roscas e superfícies de assentamento (após a remoção do óleo anti-corrosão).
9. Parafuso CT.
CBR600F
Tipo de fixador
TORQUE
Tipo de fixador
TORQUE
N.m (kg.m) N.m (kg.m)
Porca e parafuso sextavado, 5 mm 5 (0,5) Parafuso, 5 mm 4 (0,4)
Porca e parafuso sextavado, 6 mm 10 (1,0) Parafuso, 6 mm 9 (0,9)
Porca e parafuso sextavado, 8 mm 22 (2,2) Parafuso flange, 6 mm (cabeça menor
Porca e parafuso sextavado, 10 mm 34 (3,4) de 8 mm)
10 (1,0)
Porca e parafuso sextavado, 12 mm 54 (5,4) Parafuso flange, 6 mm (cabeça maior
de 8 mm)
12 (1,2)
Parafuso e porca flange, 6 mm (cabeça
de 10 mm)
12 (1,2)
Parafuso e porca flange, 8 mm 26 (2,6)
Parafuso e porca flange, 10 mm 39 (3,9)
MOTOR
Item Qtde
Diâmetro da Torque
Notas
Rosca (mm) N.m (kg.m)
Manutenção:
Vela de ignição 4 10 12 (1,2)
Tampa do orifício da árvore de manivelas 1 45 18 (1,8) Nota 7
Cartucho do filtro de óleo 1 20 26 (2,6) Nota4
Parafuso de drenagem do óleo do motor 1 12 29 (2,9)
Sistema de lubrificação
Parafuso de vedação da galeria principal de óleo 2 20 29 (2,9) Nota 2
Parafuso da tampa da bomba de óleo 1 6 8 (0,8) Nota 9
Parafuso de fixação do radiador de óleo 1 20 64 (6,4) Nota 4
Sistema de alimentação (Injeção Eletrônica de Combustível)
ECT (Temperatura do líquido de Arrefecimento do Motor)
/Sensor termostático
1 12 23 (2,3)
Parafuso da braçadeira do coletor da carcaça do acelerador 8 5 Veja a pág. 1-14
Parafuso de fixação do suporte do cabo do acelerador 2 5 3 (0,3)
Contraporca das válvulas de partida 4 10 2 (0,2)
Parafuso da placa de sincronização das válvulas de partida 4 3 1 (0,1)
Parafuso de fixação da unidade de controle da marcha lenta 2 6 5 (0,5)
Parafuso de fixação do regulador de pressão 2 6 10 (1,0)
Bujão da conexão de vácuo para sincronização 2 5 3 (0,3)
Sistema de arrefecimento
Parafuso flange da tampa da bomba d´água 2 6 12 (1,2) Nota 9
Parafuso flange da tampa do termostato 2 6 12 (1,2) Nota 9
Fixação do motor
Parafuso especial do pinhão de transmissão 1 10 54 (5,4)
INFORMAÇÕES GERAIS
1-13
CBR600F
MOTOR (Continuação)
Item Qtde
Diâmetro da Torque
Notas
Rosca (mm) N.m (kg.m)
Cabeçote/válvulas
Parafuso arruela de fixação do cabeçote 10 9 47 (4,7) Nota 8
Parafuso flange do suporte da árvore de comando 20 6 12 (1,2) Nota 4
Parafuso de vedação do cabeçote 1 14 18 (1,8) Nota 2
Parafuso da tampa do cabeçote 3 6 10 (1,0)
Parafuso flange da placa de respiro 3 6 12 (1,2) Nota 2,9
Parafuso SH da tampa da válvula de palheta PAIR 4 6 12 (1,2) Nota 9
Parafuso da engrenagem de comando 4 7 20 (2,0) Nota 2
Parafuso do rotor do gerador de pulsos do comando 2 6 12 (1,2) Nota 2
Parafuso Allen de fixação da guia da corrente do comando 2 6 10 (1,0)
Parafuso Allen da articulação do tensor da corrente do comando 1 6 10 (1,0) Nota 2
Parafuso/arruela da guia da corrente do comando 1 6 12 (1,2)
Prisioneiro do cabeçote (prisioneiro do escapamento) 8 6 Veja a página 1-14
Embreagem/Seletor de marchas
Contraporca do cubo da embreagem 1 22 127 (12,7) Nota 3,4
Parafuso/arruela da mola da embreagem 5 6 12 (1,2)
Parafuso da engrenagem movida da bomba de óleo tambor 1 6 15 (1,5) Nota 2
Parafuso Allen central do tambor seletor 1 8 23 (2,3) Nota 2
Parafuso de articulação do limitador do tambor seletor 1 6 12 (1,2)
Limitador da mola do pedal de câmbio 1 8 22 (2,2)
Parafuso/arruela da guia da fiação do gerador de pulsos da ignição 1 6 12 (1,2)
Alternador/Embreagem de partida
Parafuso Allen de fixação do estator 4 6 12 (1,2)
Parafuso Allen da carcaça da embreagem 6 8 16 (1,6) Nota 2
Parafuso flange do volante do motor 1 10 103 (10,3) Nota 4
Parafuso da braçadeira da fiação do alternador 1 6 12 (1,2) Nota 9
Carcaça do motor/Transmissão
Parafuso da placa de fixação do rolamento da árvore primária 3 6 12 (1,2) Nota 2
Parafuso de fixação do eixo dos garfos seletores e do rolamento
do tambor do seletor 2 6 12 (1,2) Nota 2
Parafuso da carcaça do motor (Mancal principal) 10 8 25 (2,5) Nota 8
Parafuso da carcaça do motor 1 10 39 (3,9)
Parafuso da carcaça do motor 6 7 18 (1,8)
Parafuso da carcaça do motor (Lado superior) 5 8 25 (2,5)
Árvores de manivela/Pistão/Cilindro
Porca da capa da biela 8 7 25 (2,5) Nota 4
Sistema de ignição
Parafuso de fixação do rotor do gerador de pulsos 1 10 59 (5,9)
Sistema de partida
Porca do terminal do motor de partida 1 6 12 (1,2)
Luzes/Indicadores/Interruptores
Interruptor de pressão do óleo 1 1/8 12 (1,2) Nota 1
Parafuso/arruela do terminal da fiação do interruptor da pressão do óleo 1 4 2 (0,2)
Interruptor de ponto morto 1 10 12 (1,2)
INFORMAÇÕES GERAIS
1-14
CBR600F
Braçadeira do isolador (Lado da carcaça do acelerador)
7 ± 1 mm
Braçadeira do isolador (Lado do cabeçote)
4 ± 1 mm
Prisioneiro do tubo de escapamento:
50,5 ± 5 mm
INFORMAÇÕES GERAIS
1-15
CBR600F
CHASSI
Item Qtde
Diâmetro da Torque
Notas
Rosca (mm) N.m (kg.m)
Chassi/Carenagem/Sistema de escapamento:
Parafuso especial da rabeta 2 6 2 (0,2)
Parafuso entre a carenagem superior e inferior 6 5 2 (0,2)
Parafuso entre a carenagem interna e inferior 6 6 2 (0,2)
Parafusos de fixação do pára-brisa 6 4 1 (0,1)
Parafuso/porca de fixação superior do trilho do assento 2 10 49 (4,9)
Parafuso/porca de fixação inferior do trilho do assento 2 10 49 (4,9)
Porca flange da junção do tubo de escapamento 8 7 12 (1,2)
Parafuso flange da braçadeira do escapamento 2 8 23 (2,3)
Parafuso flange de fixação do pedal de apoio 4 8 26 (2,6)
Sistema de alimentação: (Injeção Eletrônica de Combustível)
Parafuso da tampa do gargalo de abastecimento de combustível 3 4 2 (0,2)
Parafuso de verificação de serviço 1 6 15 (1,5)
Parafuso banjo do tubo de combustível (lado do tanque de combustível) 1 12 22 (2,2)
Porca de vedação do tubo de combustível (lado da carcaça do acelerador) 1 12 22 (2,2)
Porca de fixação da bomba de combustível 6 6 12 (1,2)
Sensor O2 1 12 25 (2,5)
Sistema de arrefecimento:
Porca da ventoinha de arrefecimento 1 5 3,0 (0.3) Nota 2
Porca de fixação do motor da ventoinha 3 5 5,0 (0,5)
Fixação do motor:
Parafuso de fixação dianteiro do motor 2 10 39 (3,9) Veja a pag.
7-10
Parafuso de fixação central do motor 2 10 39 (3,9)
Parafuso de ajuste do suporte central do motor 1 20 3 (0,3)
Contraporca do suporte central do motor 1 20 54 (5,4)
Porca de fixação do motor 1 10 39 (3,9)
Parafuso de ajuste do suporte traseiro do motor 1 22 3 (0,3)
Contraporca do suporte traseiro do motor (lado direito) 1 22 54 5,4)
Porca do suporte de articulação do amortecedor 2 10 39 (3,9)
Roda dianteira/suspensão/sistema de direção
Parafuso de fixação do contrapeso do guidão 2 6 10 (1,0) Nota 6
Parafuso de fixação do disco do freio dianteiro 12 6 20 (2,0) Nota 6
Parafuso do eixo dianteiro 1 1/4 59 (5,9)
Parafuso flange do suporte do eixo dianteiro 4 8 22 (2,2)
Parafuso flange da presilha da mangueira do freio dianteiro
(Garfo esquerdo) 1 6 12(1,2)
Parafuso da conexão 3 vias da mangueira do freio dianteiro
(Garfo direito) 1 6 12 (1,2)
Parafuso Allen do garfo 2 10 34 (3,4) Nota 2
Parafuso superior do garfo 2 39 23 (2,3)
Parafuso Allen de fixação da mesa superior 2 8 23 (2,3)
Parafuso flange de fixação da mesa inferior 2 10 39 (3,9)
Porca de ajuste do rolamento da coluna de direção 1 26 25 (2,5) Veja a pag.
13-29
Contraporca de ajuste do rolamento da coluna de direção 1 26 —
Porca da coluna de direção 1 24 103 (10,3)
Parafuso da presilha da mangueira do freio dianteiro(coluna de direção) 1 6 10 (1,0)
INFORMAÇÕES GERAIS
1-16
CBR600F
Item Qtde
Diâmetro da Torque
Notas
Rosca (mm) N.m (kg.m)
Roda traseira/suspensão:
Parafuso de fixação do disco de freio traseiro 4 8 42 (4,2) Nota 6
Porca da coroa de transmissão 6 10 64 (6,4) Nota 5
Porca do eixo traseiro 1 18 93 (9,3) Nota 5
Porca de fixação do amortecedor traseiro 2 10 44 (4,4) Nota 5
Porca placa de articulação - braço oscilante 1 10 44 (4,4) Nota 5
Porca de articulação do amortecedor - placa de articulação 1 10 44 (4,4) Nota 5
Porca de articulação do amortecedor - suporte 1 10 44 (4,4) Nota 5
Parafuso flange da guia da corrente de transmissão 2 6 9 (0,9) Nota 6
Parafuso de ajuste da articulação do braço oscilante 2 30 7 (0,7) Veja a pág.
14-22
Contraporca do parafuso de ajuste da articulação do braço oscilante 2 30 64 (6,4)
Porca de articulação do braço oscilante 1 18 93 (9,3)
Freio Hidráulico:
Parafuso da tampa do reservatório do cilindro mestre dianteiro 2 4 2 (0,2)
Parafuso de articulação da alavanca do freio 1 6 1 (0,1)
Porca de articulação da alavanca do freio 1 6 6 (0,6)
Parafuso do interruptor da luz do freio dianteiro 1 4 1 (0,1)
Parafuso de fixação do cilindro mestre dianteiro 2 6 12 (1,2)
Parafuso torx de fixação do cáliper do freio dianteiro 8 8 23 (2,3) Nota 2
Parafuso flange de fixação do cáliper do freio dianteiro 4 8 30 (3,0) Nota 6
Porca de junção do cilindro mestre traseiro 1 8 18 (1,8)
Parafuso de fixação do cáliper do freio traseiro 2 6 9 (0,9)
Parafuso/porca de fixação do reservatório do freio traseiro 1 6 12 (1,2)
Parafuso do cáliper do freio traseiro 1 8 23 (2,3)
Parafuso do pino do cáliper do freio traseiro 1 12 27 (2,7)
Pino da pastilha 5 10 18 (1,8)
Bujão do pino da pastilha 1 10 3,0 (0,3)
Parafuso de óleo da mangueira do freio 5 10 34 (3,4)
Válvula de sangria do cáliper do freio 3 8 6 (0,6)
Luzes/Indicadores/Interruptores:
Parafuso de fixação do cavalete lateral 1 6 10 (1,0) Nota 6
Parafuso de fixação do interruptor de ignição 2 8 25 (2,5)
Interruptor do motor da ventoinha 1 16 18 (1,8) Nota 1
Outros fixadores
Parafuso de articulação do cavalete lateral 1 10 10 (1,0)
Contraporca de articulação do cavalete lateral 1 10 29 (2,9)
Parafuso flange do suporte do cavalete lateral 2 10 44 (4,4) Nota 6
Parafuso Allen do suporte do pedal de apoio do piloto 4 8 26 (2,6)
INFORMAÇÕES GERAIS
1-17
CBR600F
FERRAMENTAS ESPECIAIS
Descrição
Código da
Notas
Capítulo
Ferramenta Ref.
Manômetro de pressão de combustível 07406-0040003 Nota 2: ou 07406-0040002 5
Manômetro de óleo 07506-3000000 Nota 1 4
Acessório do manômetro de óleo 07510-MJ10100 Nota 1 4
Extrator universal de rolamentos 07631-0010000 Nota 1 12
Fixador do cubo da embreagem 07724-0050002 Nota 1 9
Fixador do volante do motor 07725-0040000 Nota 1 10
Extrator do rotor 07733-0020001 Nota 2: ou 07933 - 3950000 10
Contrapeso do extrator 07741-0010201 14
Acessório, 32 x 35 mm 07746-0010100 9, 14
Acessório, 37 x 40 mm 07746-0010200 9, 14
Acessório, 42 x 47 mm 07746-0010300 13, 14
Acessório, 52 x 55 mm 07746-0010400 14
Acessório, 24 x 26 mm 07746-0010700 14
Acessório, 22 x 24 mm 07746-0010800 14
Instalador interno “C” 07746-0030100 11
Acessório, D.I. 25 mm 07746-0030200 12
Acessório, D.I. 30 mm 07746-0030300 11
Guia, 17 mm 07746-0040400 9, 14
Guia, 20 mm 07746-0040500 13, 14
Guia, 25 mm 07746-0040600 14
Guia, 35 mm 07746-0040800 9
Guia, 28 mm 07746-0041100 14
Cabo do extrator de rolamento 07746-0050100 13, 14
Cabeçote extrator de rolamento, 20 mm 07749-0050600 13, 14
Instalador de rolamento 07749-0010000 9, 13, 14
Compressor da mola da válvula 07757-0010000 8
Fresas da sede da válvula Nota 1 8
Fresa da sede da válvula, 24,5 mm (45o
ESC) 07780-0010100
Fresa da sede da válvula, 27,5 mm (45o
ADM) 07780-0010200
Fresa plana da válvula, 24 mm (32o
ESC) 07780-0012500
Fresa plana da válvula, 27 mm (32o
ADM) 07780-0013300
Fresa interna, 22 mm (60º ESC) 07780-0014202
Fresa interna, 26 mm (60º ADM) 07780-0014500
Suporte para fresa da sede da válvula, 4,0 mm 07781-0010500
Chave para contraporca 07908-4690003 14
Alicate para anel elástico 07914-SA50001 15
Chave da coluna de direção 07916-3710101 Nota 3: ou 07916-3710100 13
Cabo extrator de rolamentos 07936-3710100 14
Cabeçote do extrator de rolamentos 07936-3710600 14
Acessório, 28 x 30 07946-1870100 14
Conjunto de extratores de pista 07946-KM90001 13
– Acessório do instalador A 07946-KM90100
– Acessório do instalador B 07946-KM90200
– Conjunto do cabo do instalador 07946-KM90300
– Extrator de rolamento, A 07946-KM90401
– Extrator de rolamento, B 07946-KM90500
– Base do conjunto 07946-KM90600
Instalador da coluna de direção 07946-MB00000 13
Contrapeso do instalador do vedador do garfo 07947-KA50100 13
Acessório do instalador do vedador do garfo 07946-KA40200 13
Cabo do acessório 07949-3710001 Nota 2: ou 07946-MJ00100 14
Acessório do compressor da mola da válvula 07959-KM30101 8
Chave do filtro de óleo 07HAA-PJ70100 3
Adaptador de voltagem 07HGJ-0020100 5, 17, 19
Protetor do alojamento do ajustador 07HMG-MR70002 8
Alargador da guia da válvula, 4,008 mm 07HMH-MR10103 3
Instalador/extrator da guia da válvula 07JMD-KY20100 8
INFORMAÇÕES GERAIS
1-18
FERRAMENTAS ESPECIAIS
CBR600F
Descrição
Código da
Notas
Capítulo
Ferramenta Ref.
Extrator de rolamentos de agulhas 07LMC-KV30100 14
Alargador da guia da válvula, 4,008 mm 07MMH-MV90100 8
Acessório do medidor de compressão 07RMJ-MY50100 8
Chave para contraporca 07VMA-MBB0100 7
adatador de inspeção 07XMZ-MBW0101 20
Fiação de teste da ECU 07YMZ-0010100 5
Acessório, 34 mm 07ZMD-MBW0100 14
Acessório, 37 mm 07ZMD-MBW0200 ou 07746-0010100. 14
(Para instalação do rolamento
radial de esferas da articulação
direita do braço oscilante)
07946-MJ00100 com 07HMC-
MR70100.
(Para remoção do rolamento
de agulhas da articulação
esquerda do braço oscilante)
07746-0010200.
(Para instalação do rolamento
de agulhas da articulação
esquerda do braço oscilante).
INFORMAÇÕES GERAIS
1-19
CBR600F
PONTOS DE LUBRIFICAÇÃO E VEDAÇÃO
MOTOR
Localização Material Notas
Superfície de contato da carcaça do motor Junta líquida (Three Bond
1207B ou equivalente)
Superfície de contato do cárter de óleo
Superfície de assentamento da tampa da carcaça direita
Rosca do interruptor de pressão do óleo
10-15mm10-15mm
10-15mm10-15mm
Não aplique na extremidade da rosca 3 - 4 mm
INFORMAÇÕES GERAIS
1-20
MOTOR (Continuação)
CBR600F
Localização Material Notas
Rebaixo semicircular do cabeçote Junta líquida
Superfície do mancal da árvore de manivelas Óleo de bissulfeto de
Superfície deslizante do pino do pistão molibdênio (mistura na
Superfície do mancal das bronzinas proporção de 50% de óleo
Superfície interna da cabeça da biela para motor e 50% de graxa de
Superfície do mancal da árvore de manivelas bissulfeto de molibdênio)
Mancais e ressaltos da árvore de comando
Haste de válvula (superfície deslizante da guia de válvula)
Superfície deslizante do acionador de válvula
Superfície deslizante da engrenagem movida primária
Superfície deslizante da guia externa da embreagem
Engrenagens M3/4, C5, C6 (ranhuras dos garfos seletores)
Superfície externa da engrenagem redutora de partida
Superfície deslizante da mola de fricção da sub-engrenagem primária
Área deslizante do anel do pistão Óleo para motor
Junta do filtro de tela
Superfície do disco da embreagem
Superfície deslizante da embreagem unidirecional de partida
Rosca da porca da biela
Rosca do parafuso do volante do motor e superfície de assentamento
Rosca do parafuso de 9 mm do mancal e superfície de assentamento
(após remover o aditivo anti-corrosivo)
Parafuso especial do cabeçote (após remover o aditivo anti-corrosivo)
Contraporca do cubo da embreagem
Rosca do cartucho do filtro de óleo e anel de vedação
Superfície de assentamento e roscas do parafuso do suporte do comando
Roscas do parafuso central do radiador de óleo
Todos os dentes das engrenagens e superfícies de rotação
Todos os rolamentos
Todos os anéis de vedação
Outras áreas de rotação e superfícies deslizantes
ÁREA DE APLICAÇÃO
ÁREA DE APLICAÇÃO
INFORMAÇÕES GERAIS
1-21
CBR600F
MOTOR (Continuação)
Localização Material Notas
Rosca da tampa do orifício da árvore de manivelas Graxa para uso geral
Lábios de todos os vedadores de óleo
Rosca do parafuso de vedação da carcaça superior do motor Trava química
Rosca do parafuso de vedação da carcaça inferior do motor
Roscas do parafuso de fixação da guia A da corrente do comando
Roscas do parafuso do rotor do gerador de pulsos do comando
Rosca do parafuso de vedação do cabeçote
Rosca da conexão do respiro da tampa do cabeçote
Rosca do parafuso da carcaça da embreagem unidirecional de partida Área de aplicação:
Rosca do parafuso da engrenagem movida da bomba de óleo 6,5 ± 1 mm
Rosca do parafuso da placa de fixação do tambor seletor
Rosca do parafuso da placa de fixação do rolamento da árvore primária
Rosca do parafuso da engrenagem de comando
Rosca do parafuso da placa de respiro da tampa do cabeçote
Rosca do parafuso central do tambor seletor
Roscas do parafuso de articulação do tensor da corrente do comando
Roscas do parafuso de articulação da guia da corrente do comando
INFORMAÇÕES GERAIS
1-22
CHASSI
CBR600F
Localização Material Notas
Superfície deslizante do gancho do assento Graxa para uso geral
Lábio do retentor de pó da roda dianteira
Flange da coroa de transmissão e superfície de assentamento do
cubo da roda e anel de vedação
Lábio do retentor de pó da roda traseira
Superfície interna do espaçador lateral da roda traseira
Área de deslizamento da manopla do acelerador
Superfície deslizante do parafuso de articulação da alavanca da
embreagem
Superfície deslizante da articulação do pedal do freio traseiro
Superfície deslizante da articulação/haste do pedal de câmbio
Articulação do pedal de câmbio
Superfície deslizante do pedal de apoio
Superfície deslizante do pedal de apoio do passageiro
Área de deslizamento da articulação do pedal de apoio
Articulação do cavalete lateral
Articulação do cavalete central
Superfície deslizante do rolamento da coluna de direção Graxa para uso geral
Lábio do retentor de pó da coluna de direção
Rolamentos da articulação do braço oscilante
Lábio do retentor de pó do braço oscilante
Rolamento de agulhas do amortecedor traseiro
Lábio do retentor de pó do amortecedor traseiro
Rolamentos de agulha do amortecedor
Lábio do retentor de pó do amortecedor
Cabo interno A e B do cabo do acelerador Lubrificante para cabos
Cabo interno da embreagem
Parte interna da borracha da manopla do guidão Adesivo HONDA A
Rosca da porca de ajuste superior da coluna de direção Óleo do motor
Retentores de pó do cáliper do freio Graxa de silicone
Articulação da alavanca do freio dianteiro e extremidades dos pistões
Parte interna do protetor de borracha do cilindro mestre traseiro e
extremidades da haste de acionamento
Superfície do pino deslizante do cáliper do freio
Retentores do cilindro mestre do freio Fluido de freio DOT 4
Selos dos pistões do cáliper do freio
Anel de vedação do parafuso superior do garfo Fluido de freio
Lábios do vedador de óleo do garfo
Rosca do parafuso de junção da mangueira do cilindro mestre traseiro Trava química
Rosca do parafuso de fixação do cáliper do freio dianteiro
Rosca do parafuso do pino do cáliper do freio traseiro
INFORMAÇÕES GERAIS
1-23
CBR600F
CABOS DO ACELERADOR
CABO DA EMBREAGEM
MANGUEIRA DO FREIO DIANTEIRO
CONECTOR 9P (PRETO) DOS
INTERRUPTORES DO GUIDÃO
DIREITO
CONECTOR 4P (NATURAL)
DO IMOBILIZADOR
CONECTOR 4P (NATURAL) DO
INTERRUPTOR DE IGNIÇÃO
FIAÇÃO DA BUZINA
CONECTOR 9P
(PRETO) DO PAINEL
DE INSTRUMENTOS
CONECTOR 9P (NATURAL) DO
PAINEL DE INSTRUMENTOS
CONECTOR 9P (PRETO) DOS
INTERRUPTORES DO GUIDÃO
ESQUERDO
RELÉ DO FAROL
RELÉ DO INTERRUPTOR DE EMERGÊNCIA
RELÉ DO SINALIZADOR
FITA BRANCA
CONECTOR DA
SINALEIRA ESQUERDA
CONECTOR DA
SINALEIRA DIREITA
SOQUETES DO FAROL
CONECTOR 12P (CINZA) DA
FIAÇÃO SECUNDÁRIA DIANTEIRA
INFORMAÇÕES GERAIS
1-24
CBR600F
BRAÇADEIRAS DA FIAÇÃO
CABO DA EMBREAGEM FIAÇÃO DOS INTERRUPTORES
DO GUIDÃO ESQUERDO
FIAÇÃO PRINCIPAL
FIAÇÃO SECUNDÁRIA DO
PAINEL DE INSTRUMENTOS
FIAÇÃO DA BUZINA
CONECTOR 12P (CINZA) DA
FIAÇÃO SECUNDÁRIA DIANTEIRA
CONECTOR 9P (PRETO) DO
PAINEL DE INSTRUMENTOS
CONECTOR 9P (NATURAL) DO
PAINEL DE INSTRUMENTOS
INFORMAÇÕES GERAIS
1-25
CBR600F
FIAÇÃO DOS INTERRUPTORES
DO GUIDÃO DIREITO
CABOS DO ACELERADOR
CABO DA EMBREAGEM
BRAÇADEIRA
DA FIAÇÃO
BRAÇADEIRA DA FIAÇÃO
BRAÇADEIRA DA FIAÇÃO
MANGUEIRA DO FREIO DIANTEIRO
INFORMAÇÕES GERAIS
1-26
CBR600F
CABO DA EMBREAGEM
FIAÇÃO DO
INTERRUPTOR DE IGNIÇÃO
FIAÇÃO DO RECEPTOR
DO IMOBILIZADOR
BRAÇADEIRA DA FIAÇÃO
MANGUEIRA DO FREIO
CABOS DO ACELERADOR
BRAÇADEIRAS DA FIAÇÃO
FIAÇÃO DA BUZINA
FIAÇÃO DOS INTERRUPTORES
DO GUIDÃO ESQUERDO
FIAÇÃO PRINCIPAL
BRAÇADEIRA DA FIAÇÃO
FIAÇÃO DOS INTERRUPTORES
DO GUIDÃO DIREITO
INFORMAÇÕES GERAIS
1-27
CBR600F
CONECTOR 9P (CINZA) DA
FIAÇÃO SECUNDÁRIA DO
INJETOR DE COMBUSTÍVEL
SENSOR MAP
SENSOR IAT
INJETOR No 1
REGULADOR DE PRESSÃO
INJETOR No. 2
INJETOR No. 3
INJETOR No. 4
INFORMAÇÕES GERAIS
1-28
CBR600F
TUBO DE RESPIRO DA CARCAÇA
VÁLVULA SOLENÓIDE DE CONTROLE PAIR
CABOS DO ACELERADOR
MANGUEIRA DE SUCÇÃO DE AR PAIR
BRAÇADEIRA DA FIAÇÃO
CONECTOR 10P (CINZA) DA
FIAÇÃO SECUNDÁRIA DO
INJETOR DE COMBUSTÍVEL
MANGUEIRAS DE SUCÇÃO DE AR PAIR
FIAÇÃO SECUNDÁRIA
DA BOBINA DE IGNIÇÃO
CONECTOR 3P
(CINZA) DO SENSOR
DO ACELERADOR
TUBO DE VÁCUO No 1
FITA BRANCA
BRAÇADEIRA DA
FIAÇÃO PRINCIPAL
PONTO DE TERRA
TUBO LADRÃO DO LÍQUIDO
DE ARREFECIMENTO
TUBO DE VÁCUO No 4
TUBO DE RESPIRO DO
TANQUE DE COMBUSTÍVEL
TUBO LADRÃO DO
TANQUE DE COMBUSTÍVEL
INFORMAÇÕES GERAIS
1-29
CBR600F
CONECTOR 6P (PRETO) DA FIAÇÃO
SECUNDÁRIA DA BOBINA DE IGNIÇÃO
CONECTORES 2P (NATURAL)
DO GERADOR DE PULSOS
DO COMANDO, 2P (VERDE)
DO INTERRUPTOR DO
CAVALETE LATERAL, 12P
(CINZA) DA FIAÇÃO
SECUNDÁRIA DO MOTOR
TUBOS DE ÁGUA DA
UNIDADE WAX DE
CONTROLE DE MARCHA LENTA
CABO DO MOTOR DE PARTIDA
CABO TERRA DO MOTOR DE PARTIDA
TUBO LADRÃO
CONECTOR 3P (PRETO) DO
SENSOR DE VELOCIDADE DO
VEÍCULO
MANGUEIRA SUPERIOR DO RADIADOR
TUBO SIFÃO
TUBO DE SANGRIA DE AR
CONECTOR 3P (CINZA)
DO SENSOR ECT
INTERRUPTOR DE
PRESSÃO DO ÓLEO
CONECTOR 2P (VERMELHO)
DO GERADOR DE PULSOS
DA IGNIÇÃO
INFORMAÇÕES GERAIS
1-30
CBR600F
CONECTOR 6P (PRETO) DA FIAÇÃO
SECUNDÁRIA DA BOBINA DE IGNIÇÃO
CONECTOR 2P (CINZA) DO SENSOR IAT
CONECTOR 3P (CINZA)
DO SENSOR MAP
CONECTOR 10P (CINZA) DA FIAÇÃO
SECUNDÁRIA DA CARCAÇA DO ACELERADOR
CONECTOR 2P (NATURAL)
DA VÁLVULA SOLENÓIDE
DE CONTROLE PAIR
CONECTOR 2P (PRETO)
DA FIAÇÃO
SECUNDÁRIA DO
RADIADOR
GERADOR DE PULSOS DO COMANDO
CONECTORES 2P (NATURAL) DO
GERADOR DE PULSOS DO
COMANDO, 2P (VERDE) DO
INTERRUPTOR DO CAVALETE
LATERAL, 12P (CINZA) DA FIAÇÃO
SECUNDÁRIA DO MOTOR
CONECTOR 14P (CINZA) DA
FIAÇÃO SECUNDÁRIA TRASEIRA
CONECTOR 6P (PRETO) DO
REGULADOR/RETIFICADOR
FIAÇÃO DO INTERRUPTOR DO CAVALETE LATERAL
CONECTOR 3P (NATURAL)
DO ALTERNADOR
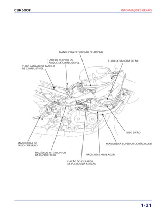
INFORMAÇÕES GERAIS
1-31
CBR600F
TUBO LADRÃO DO TANQUE
DE COMBUSTÍVEL
TUBO DE RESPIRO DO
TANQUE DE COMBUSTÍVEL
MANGUEIRA DE SUCÇÃO DE AR PAIR
TUBO DE SANGRIA DE AR
MANGUEIRA DO
FREIO TRASEIRO
FIAÇÃO DO INTERRUPTOR
DA LUZ DO FREIO
FIAÇÃO DO GERADOR
DE PULSOS DA IGNIÇÃO
FIAÇÃO DA EMBREAGEM
MANGUEIRA SUPERIOR DO RADIADOR
TUBO SIFÃO
INFORMAÇÕES GERAIS
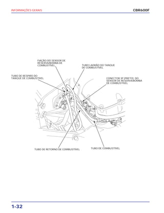
1-32
CBR600F
TUBO DE RESPIRO DO
TANQUE DE COMBUSTÍVEL
FIAÇÃO DO SENSOR DE
RESERVA/BOMBA DE
COMBUSTÍVEL TUBO LADRÃO DO TANQUE
DE COMBUSTÍVEL
CONECTOR 3P (PRETO) DO
SENSOR DE RESERVA/BOMBA
DE COMBUSTÍVEL
TUBO DE RETORNO DE COMBUSTÍVEL TUBO DE COMBUSTÍVEL
INFORMAÇÕES GERAIS
1-33
CBR600F
BRAÇADEIRAS DA FIAÇÃO
BATERIA
TERMINAL NEGATIVO (-) DA BATERIA
SUPORTE DO FUSÍVEL PGM-FI
CAIXA DE FUSÍVEL
CONECTOR 22P (CINZA
CLARO) DO ECM
CONECTOR DE
VERIFICAÇÃO DE SERVIÇO
CONECTOR 22P
(PRETO) DO ECM
MANGUEIRA DO RESERVATÓRIO
DO AMORTECEDOR
INTERRUPTOR DO RELÉ DE
PARTIDA/FUSÍVEL PRINCIPAL
CABO POSITIVO (+) DA BATERIA
FIAÇÃO PRINCIPAL
INFORMAÇÕES GERAIS
1-34
CBR600F
CONECTORES DA
LANTERNA/LUZ DE FREIO
CONECTORES DA SINALEIRA
FIAÇÃO SECUNDÁRIA TRASEIRA
TERMINAL NEGATIVO (-) DA BATERIA
TERMINAL POSITIVO (+) DA BATERIA
BRAÇADEIRAS DA FIAÇÃO
FIAÇÃO PRINCIPAL
CONECTOR 6P (PRETO) DO
REGULADOR/RETIFICADOR
CONECTOR 14P (CINZA)
DA FIAÇÃO SECUNDÁRIA
TRASEIRA
RELÉ DE CORTE
DE COMBUSTÍVEL
RELÉ DO INTERRUPTOR DO MOTOR
REGULADOR/RETIFICADOR
MANGUEIRA DO FREIO TRASEIRO
CONECTOR 3P (BRANCO)
DO ALTERNADOR
MANGUEIRA DO
RESERVATÓRIO DO FREIO
BRAÇADEIRA DA FIAÇÃO
CONECTOR 2P (PRETO) DO
INTERRUPTOR DA LUZ DO FREIO
INFORMAÇÕES GERAIS
1-35
CBR600F
Tipo G:
CONECTORES DA
LANTERNA/LUZ DE FREIO
CONECTORES DA SINALEIRA
FIAÇÃO SECUNDÁRIA TRASEIRA
TERMINAL NEGATIVO (-) DA BATERIA
TERMINAL POSITIVO (+) DA BATERIA
BRAÇADEIRAS DA FIAÇÃO
CONECTOR 3P (NATURAL)
DO SENSOR O2
FIAÇÃO PRINCIPAL
CONECTOR 6P (PRETO) DO
REGULADOR/RETIFICADOR
CONECTOR 14P (CINZA)
DA FIAÇÃO SECUNDÁRIA
TRASEIRA
RELÉ DE CORTE DE
COMBUSTÍVEL
RELÉ DO INTERRUPTOR DO MOTOR
REGULADOR/RETIFICADOR
MANGUEIRA DO FREIO TRASEIRO
MANGUEIRA DO RESERVATÓRIO DO FREIO
BRAÇADEIRA DA FIAÇÃO
CONECTOR 3P (BRANCO)
DO ALTERNADOR
FIAÇÃO DO SENSOR O2
CONECTOR 2P (PRETO) DO
INTERRUPTOR DA LUZ DO FREIO
INFORMAÇÕES GERAIS
1-36
SISTEMAS DE CONTROLE DE EMISSÃO
FONTE DE EMISSÕES
O processo de combustão produz monóxido de carbono e hidrocarbonetos. O controle de hidrocarbonetos é muito
importante, pois, sob certas condições, eles reagem para formar fumaça e névoa fotoquímica, quando expostos à luz
solar. O monóxido de carbono não reage da mesma forma, mas é tóxico.
A Moto Honda da Amazônia Ltda. utiliza ajustes do carburador “pobres”, bem como outros sistemas para reduzir a
emissão de monóxido de carbono e hidrocarbonetos.
SISTEMA DE CONTROLE DE EMISSÃO DO CÁRTER DO MOTOR
O motor apresenta um sistema de cárter fechado a fim de evitar a descarga de gases na atmosfera. Os gases de
derivação retornam à câmara de combustão através do filtro de ar e do acelerador.
CBR600F
CARCAÇA DO FILTRO DE AR
CARCAÇA DO ACELERADOR
AR FRESCO
GÁS DE DERIVAÇÃO
INFORMAÇÕES GERAIS
1-37
CBR600F
SISTEMA DE CONTROLE DE EMISSÕES DOS GASES DE ESCAPAMENTO (SISTEMA DE SUPRIMENTO
SECUNDÁRIO DE AR)
O sistema de controle de emissões dos gases de escapamento apresenta um ajuste de injeção “pobre”. Não há
necessidade de ajuste, exceto pelo ajuste da marcha lenta através do parafuso do aceleração. Este sistema não está
integrado ao sistema de controle de emissões do cárter do motor.
O sistema de controle de emissões dos gases de escapamento consiste de um sistema de suprimento secundário de ar
que introduz ar filtrado nos gases de escapamento através do orifício de escapamento. O ar fresco é aspirado através do
orifício de escapamento pela válvula de controle PAIR (controle de pulsos da injeção secundária de ar).
Esta carga de ar fresco promove a queima dos gases de escapamento que não sofreram combustão e transforma uma
quantidade considerável de hidrocarbonetos e monóxido de carbono em dióxido de carbono e vapor d`água, que são
inofensivos.
A válvula de palheta evita o retorno do fluxo de ar através do sistema. A válvula de controle PAIR é acionada pela
válvula solenóide, que é, por sua vez, controlada pela unidade PGM-FI, A passagem é aberta/fechada de acordo com as
condições de funcionamento (sensores ECT/IAT/TP/MAP e rotação do motor).
Não há necessidade de efetuar qualquer ajuste no sistema do suprimento secundário de ar, embora inspeções
periódicas de seus componentes sejam recomendados.
VÁLVULA DE CONTROLE PAIR
CARCAÇA DO FILTRO DE AR
CARCAÇA DO ACELERADOR
VÁLVULA DE RETENÇÃO PAIR
ORIFÍCIO DE ESCAPAMENTO
AR FRESCO
GÁS DE ESCAPAMENTO
INFORMAÇÕES GERAIS
1-38
SISTEMA DE CONTROLE DE EMISSÕES DE RUÍDO
MODIFICAÇÕES NO SISTEMA DE CONTROLE DE RUIDOS SÃO PROIBIDAS.
As leis e regulamentações locais proíbem as seguintes ações e resultados subseqüentes das mesmas: (1) A remoção,
afetuada por qualquer pessoa, ou qualquer tipo de ação que torne inoperante, por outro motivo que não seja
manutenção, reparos ou substituição, de qualquer dispositivo ou elemento de projeto para o controle de ruídos
incorporado em qualquer veículo novo, antes de sua venda ou entraga ao comprador ou durante sua utilização; (2) o
uso de veículos, por qualquer pessoa, após tais dispositivos ou elementos terem sido removidos ou terem se tornado
inoperantes.
ENTRE AS AÇÕES QUE CONSTITUEM TAIS MODIFICAÇÕES ENCONTRAM-SE OS ITENS LISTADOS
ABAIXO:
1. Remoção ou dano ao silencioso, defletores de escapamento ou qualquer outro componente que conduza os gases de
escapamento.
2. Remoção de ou danos de qualquer peça do sistema de admissão.
3. Falta de manutenção adequada.
4. Substituição de qualquer peça móvel do veículo ou peça do sistema de admissão ou escapamento por outras que não
sejam as especificadas pelo fabricante.
CBR600F
INFORMAÇÕES GERAIS
1-39
CBR600F
NOTAS
COMO USAR ESTE MANUAL
Este manual de serviço descreve os
procedimentos de serviço para a CBR600F.
Siga as recomendações da Tabela de Manutenção
(Capítulo 3) para garantir condições perfeitas de
funcionamento da motocicleta.
A 1a
manutenção programada é muito importante,
pois irá compensar os desgastes iniciais que
ocorrem durante o período de amaciamento.
Os Capítulos 1 e 3 aplicam-se a toda motocicleta.
O Capítulo 2 apresenta os procedimentos de
remoção/instalação de componentes que pode
ser necessária para efetuar os serviços descritos
nos capítulos subseqüentes.
Os Capítulos 4 a 19 apresentam as peças da
motocicleta, agrupadas de acordo com sua
localização.
Localize o capítulo desejado nesta página. Em
seguida, consulte o índice apresentado na
primeira página do capítulo selecionado.
A maioria dos capítulos apresenta uma ilustração
do sistema ou conjunto, as informações de
serviço e a diagnose de defeitos. As páginas
seguintes apresentam procedimentos mais
detalhados.
Se a causa do problema for desconhecida,
consulte o Capítulo 22, “Diagnose de Defeitos”.
MOTO HONDA DA AMAZÔNIA LTDA.
Departamento de Serviços Pós-Venda
Setor de Publicações Técnicas
TODAS AS INFORMAÇÕES, ILUSTRAÇÕES,
PROCEDIMENTOS E ESPECIFICAÇÕES
APRESENTADOS NESTA PUBLICAÇÃO SÃO
BASEADOS NAS INFORMAÇÕES MAIS
RECENTES DISPONÍVEIS SOBRE O PRODUTO
NO MOMENTO DA APROVAÇÃO DA
IMPRESSÃO.
A MOTO HONDA DA AMAZÔNIA LTDA
RESERVA-SE O DIREITO DE ALTERAR AS
CARACTERÍSTICAS DO PRODUTO A
QUALQUER MOMENTO E SEM PRÉVIO
AVISO, SEM QUE ISTO INCORRA EM
QUAISQUER OBRIGAÇÕES.
NENHUMA PARTE DESTA PUBLICAÇÃO
PODE SER REPRODUZIDA SEM
AUTORIZAÇÃO PRÉVIA POR ESCRITO.
2
1
9
10
11
12
13
14
15
16
17
18
19
20
21
22
6
5
8
7
4
3
ÍNDICE GERAL
INFORMAÇÕES GERAIS
CHASSI/CARENAGEM/SISTEMA DE
ESCAPAMENTO
MANUTENÇÃO
SISTEMA DE LUBRIFICAÇÃO
SISTEMA DE COMBUSTÍVEL (INJEÇÃO
DE COMBUSTIVEL PROGRAMADA)
SISTEMA DE ARREFECIMENTO
REMOÇÃO/INSTALAÇÃO DO MOTOR
CABEÇOTE/VÁLVULAS
EMBREAGEM/SELETOR DE MARCHAS
ALTERNADOR/EMBREAGEM DE PARTIDA
CARCAÇA DO MOTOR/TRANSMISSÃO
ÁRVORE DE MANIVELAS /PISTÃO/
CILINDRO
RODA DIANTEIRA/SUSPENSÃO/
SISTEMA DE DIREÇÃO
RODA TRASEIRA/SUSPENSÃO
FREIO HIDRÁULICO
BATERIA/SISTEMA DE CARGA
SISTEMA DE IGNIÇÃO
SISTEMA DE PARTIDA
LUZES/INDICADORES/INTERRUPTORES
DIAGRAMA ELÉTRICO
CARACTERÍSTICAS TÉCNICAS
DIAGNOSE DE DEFEITOS
SISTEMAELÉTRICOCHASSIMOTORESISTEMADETRANSMISSÃO
23SUPLEMENTO

Manaul de serviço cbr600 f(3) (2001~) informac

  • 1.
    1. INFORMAÇÕES GERAIS NORMASDE SEGURANÇA 1-1 INFORMAÇÕES DE SERVIÇO 1-1 NÚMEROS DE IDENTIFICAÇÃO 1-1 ESPECIFICAÇÕES 1-3 VALORES DE TORQUE 1-12 FERRAMENTAS 1-17 PONTOS DE LUBRIFICAÇÃO E VEDAÇÃO 1-19 PASSAGEM DE CABOS E DA FIAÇÃO 1-23 SISTEMA DE CONTROLE DE EMISSÕES 1-36 1-1 CBR600F INFORMAÇÕES DE SERVIÇO 1. Use somente peças, óleos e lubrificantes genuínos HONDA, recomendados pela HONDA ou seus equivalentes. Peças que não atendam às especificações HONDA podem causar danos à motocicleta. 2. Use as ferramentas especiais ao efetuar reparos na motocicleta. Porcas e parafusos métricos não podem ser substituídos por fixadores ingleses. 4. Instale novas juntas, anéis de vedação, cupilhas e placas de fixação durante a montagem. 5. Ao apertar porcas e parafusos, comece pelos de diâmetro maior ou pelos parafusos internos. Em seguida, aperte-os gradativamente, em ordem cruzada, no torque especificado, a menos que especificado diferentemente. 6. Limpe as peças com solvente de limpeza após a desmontagem. Lubrifique as superfícies deslizantes antes da montagem. 7. Após a montagem, verifique se todas as peças foram instaladas corretamente e se seu funcionamento é adequado. 8. Passe todos os fios elétricos como mostrado nas páginas 1-23 a 1-35, “Passagem de cabos e da fiação”. NÚMEROS DE IDENTIFICAÇÃO 1
  • 2.
    INFORMAÇÕES GERAIS 1-2 CBR600F NÚMERO DESÉRIE DO CHASSI (1) O número de série do chassi está gravado no lado direito da coluna de direção. NÚMERO DE SÉRIE DO MOTOR (2) O número de série do motor está gravado no lado direito da carcaça superior do motor. NÚMEROS DE IDENTIFICAÇÃO DA CARCAÇA DE ACELERAÇÃO (3) O número de identificação da carcaça de aceleração está gravado no lado de admissão, como mostra a figura. ETIQUETA DE COR (4) A etiqueta de cor está fixada como mostra a figura. Ao pedir peças de reposição, especifique o código de cor.
  • 3.
    INFORMAÇÕES GERAIS 1-3 CBR600F ESPECIFICAÇÕES GERAL Item Especificações DIMENSÕESComprimento total 2.065 mm Largura total 685 mm Altura total 1.135mm Distância entre eixos 1.390 mm Altura do assento 805 mm Altura do pedal de apoio 360 mm Altura mínima do solo 135 mm Peso seco 170 kg Peso em ordem de marcha 198 kg Capacidade máxima de carga 189 kg CHASSI Tipo de chassi Diamond Suspensão dianteira Garfo telescópico Curso da suspensão dianteira 120 mm Suspensão traseira Braço oscilante Curso da suspensão traseira 120 mm Dimensão do pneu dianteiro 120/70 ZR 17 (58W) Radial Dimensão do pneu traseiro 18/55ZR 17 (73W) Radial Marca dos pneus: Bridgestone Dianteiro: BT010FF Traseiro: BT010RF Dunlop Dianteiro: D207FJ Traseiro: D207P Michelin Dianteiro: Pilot SPORT E Traseiro: Pilot SPORT E Freio dianteiro A disco, hidráulico, duplo Freio traseiro A disco, hidráulico, único Cáster 24O Trail 96 mm Capacidade do tanque de combustível 18,0 l MOTOR Disposição dos cilindros Quatro cilindros em linha, inclinados 31o em relação à vertical Diâmetro e curso 67,0 x 42,5 mm Cilindrada 599 cm3 Relação de compressão 12,0: 1 Sistema de válvulas Acionado por corrente, DOHC Válvula de admissão Abertura 22o APMS Fechamento 43o DPMI Válvula de escapamento Abertura 38o APMI Fechamento 7o DPMS Sistema de lubrificação Forçada por bomba de óleo Bomba de óleo Trocoidal Sistema de arrefecimento Arrefecido por líquido Filtro de ar Elemento de 59,0,1 kg Ordem de ignição 1 – 2 – 4 – 3
  • 4.
    INFORMAÇÕES GERAIS 1-4 GERAL (Continuação) CBR600F ItemEspecificações CARBURADOR Tipo PGM – FI (Injeção Eletrônica de Combustível) Diâmetro externo do acelerador 38 mm TRANSMISSÃO Sistema de embreagem Multidisco em banho de óleo Sistema de funcionamento Operado com cabo da embreagem Transmissão 6 marchas constantemente engrenadas Redução primária 1,822 (82/45) Redução final 2,813 (45/16) Relação de transmissão 1a 2,833 (34/12) 2a 2,062 (33/16) 3a 1,647 (28/17) 4a 1,421 (27/19) 5a 1,272 (28/22) 6a 1,173 (27/23) Sistema de mudanças De retorno operado pelo pé esquerdo, 1 - N - 2 - 3 - 4 - 5 - 6 SISTEMA ELÉTRICO Sistema de ignição Digital totalmente transistorizada, com avanço elétrico Sistema de partida Elétrica Sistema de carga Alternador trifásico Regulador/retificador SCR trifásico, retificação de ondas completas Sistema de iluminação Bateria
  • 5.
    INFORMAÇÕES GERAIS 1-5 CBR600F SISTEMA DELUBRIFICAÇÃO Unidade: mm SISTEMA DE COMBUSTÍVEL (Injeção de Combustível Programada) Item Padrão Limite de uso Capacidade de óleo do motor Na drenagem 3,0 l — Na desmontagem 3,3 l — Na troca do filtro de óleo 3,7 l — Óleo recomendado: MOBIL SUPERMOTO 4T Classificação de serviço API SF — Viscosidade: SAE 20W-50 Pressão do óleo no interruptor de pressão do óleo 490 kPa (5,0 kgf.cm2 , 71 psi) a 6.000 rpm (80o C) Rotor da bomba de óleo Folga entre os rotores interno 0,15 0,20 e externo Folga entre o rotor externo e 0,15 – 0,22 0,35 a carcaça da bomba Folga entre os rotores e a face 0,02 – 0,07 0,10 da carcaça da bomba Item Especificações Número de identificação Exceto tipo G GQ90A da carcaça do acelerador Tipo G GQ90D Diferença de vácuo das válvulas de partida 20 mm Hg Válvula de aceleração de base para a sincronização No. 1 Marcha lenta 1.300 ± 100 rpm Folga livre da manopla do acelerador 2 – 6 mm Resistência do sensor de temperatura do ar de admissão (a 20o C) 1 – 4 kΩ Resistência do sensor de temperatura do líquido de arrefecimento do motor (a 20o C) 2,3 – 2,6 kΩ Resistência do injetor de combustível (a 20 o C) 11,1 – 12,3 kΩ Resistência da válvula solenóide de controle PAIR (a 20 o C) 20 – 24 Ω Voltagem máxima do gerador de pulsos do comando (a 20o C) Mínimo de 0,7 V Voltagem máxima do gerador de pulsos da ignição em 20o C) Mínimo de 0,7 V Pressão absoluta do coletor na marcha lenta 150 – 250 mm Hg Pressão de combustível na marcha lenta 343 kPa (3,5 kg.m/cm2 , 50 psi) Fluxo da bomba de combustível (a 12 V) Mínimo de 188 cm3 /10 segundos
  • 6.
    INFORMAÇÕES GERAIS 1-6 SISTEMA DEARREFECIMENTO CABEÇOTE/VÁLVULAS Unidade: mm CBR600F Item Especificações Capacidade do líquido Radiador e Motor 2,7 litros de arrefecimento Reservatório 0,31 litros Pressão de alívio da tampa do radiador 108 - 137 kPa (1,1 - 1,4 kgf/cm2 , 16 - 20 psi) Termostato Início da abertura 80- 84°C Completamente aberto 90°C Curso da válvula mínimo 8 mm Líquido de arrefecimento recomendado Anti-congelante etileno glicol de alta qualidade com inibidores para proteção contra corrosão. Concentração padrão do líquido de arrefecimento Solução de 50 - 50% de etileno glicol e água destilada Item Padrão Limite de uso Compressão do cilindro 1,226 kPa (12,5 kgf/cm2 , —178 psi) a 350 rpm Folga das válvulas ADM 0,20 ± 0,03 — ESC 0,28 ± 0,03 — Árvore de comando Altura do ressalto ADM 36,56 – 36,80 36, 5 ESC 35,34 – 35,58 35,3 Empenamento — 0,05 Folga de óleo 0,030 – 0,072 0,10 Ajustador da válvula Diâmetro externo do ajustador 25,978 – 25,993 25,97 Diâmetro interno do alojamento do 26,010 – 26,026 26,04ajustador Válvula, guia Diâmetro externo ADM 3,975 – 3,990 3,965 da válvula da haste da válvula ESC 3,965 – 3,980 3,955 Diâmetro interno da ADM/ESC 4,000 – 4,012 4,04guia da válvula Folga entre a haste e ADM 0,010 – 0,037 0,075 a guia da válvula ESC 0,020 – 0,047 0,085 Projeção da guia da válvula ADM 16,1 – 16,4 — acima do cabeçote ESC 14,3 – 14,6 — Largura da sede da válvula ADM/ESC 0,90 – 1,10 1,5 Comprimento livre da mola da válvula ADM 39,5 38,71 ESC 36,3 35,57 Empenamento do cabeçote — 0,10
  • 7.
    INFORMAÇÕES GERAIS 1-7 CBR600F EMBREAGEM/SELETOR DEMARCHAS Unidade: mm CARCAÇA DO MOTOR/TRANSMISSÃO Unidade: mm ALTERNADOR/EMBREAGEM DE PARTIDA Unidade: mm Item Padrão Limite de uso Folga livre da alavanca da embreagem 10 – 20 — Embreagem Comprimento livre da mola da embreagem 46,5 45,2 Espessura do disco da embreagem 2,92 – 3,08 2,6 Empenamento do separador da embreagem — 0,30 Carcaça da embreagem D.I 25,000 – 25,021 25,03 D.E 34,975 – 34,991 34,97 Diâmetro externo da árvore primária na guia da carcaça da embreagem 24,980 – 24,993 24,96 Item Padrão Limite de uso Garfo seletor D.I. 12,000 – 12,021 12,03 Espessura da garra do garfo 5,93 – 6,00 5,9 Eixo dos garfos seletores D.E. 11,957 – 11,968 11,95 Transmissão D.I. da engrenagem M5, M6 28,000 – 28,021 28,04 C2, C3, C4 31,000 - 31,025 31,04 D.E. da bucha da engrenagem M5, M6 27,959 – 27,980 27,94 C2 30,955 – 30,980 30,94 C3, C4 30,950 – 30,975 30,93 Folga entre a engrenagem M5, M6 0,020 – 0,062 0,10 e a bucha C2 0,020 – 0,070 0,10 C3, C4 0,025 – 0,075 0,11 D.I. da bucha da engrenagem M5 24,985 – 25,006 25,016 C2 27,985 – 28,006 28,021 D.E. da árvore primária na M5 24,967 – 24,980 24,96 D.E. da árvore secundária na C2 27,967 – 27,980 27,96 Folga entre a árvore e a bucha M5 0,005 – 0,039 0,06 C2 0,005 – 0,039 0,06 Item Padrão Limite de uso Diâmetro externo do ressalto da engrenagem movida de partida 51,699 - 51,718 51,684
  • 8.
    INFORMAÇÕES GERAIS 1-8 ÁRVORE DEMANIVELAS/PISTÃO/CILINDRO Unidade: mm CBR600F Item Padrão Limite de uso Árvore de manivelas Folga lateral da biela 0,10 – 0,25 0,30 Folga de óleo dos mancais da árvore de manivelas 0,028 – 0,052 0,06 Folga de óleo dos mancais principais 0,020 – 0,038 0,05 Empenamento — 0,05 Pistão, pino do D.E. a 15 mm da parte inferior do pistão 66,965 – 66,985 66,90 pistão e anéis D.I. da cavidade do pino do pistão 17,002 – 17,008 17,02 D.E. do pino do pistão 16,994 – 17,000 16,98 Folga entre o pistão e o pino do pistão 0,002 – 0,014 0,04 Folga das extremidades 1o 0,10 – 0,20 0,4 do anel do pistão 2o 0,18 – 0,30 0,5 Anel de óleo 0,2 – 0,7 1,0 (anel lateral) Folga entre a canaleta e 1o 0,020 -–0,050 0,08 o anel do pistão 2o 0,015 – 0,050 0,08 Cilindro D.I. 67,000 – 67,015 67,10 Ovalização — 0,10 Conicidade — 0,10 Empenamento — 0,10 Folga entre o cilindro e o pistão 0,015 – 0,050 0,10 D.I. da cabeça da biela 17,016 – 17,034 17,04 Folga entre a biela e o pino do pistão 0,016 – 0,040 0,06
  • 9.
    INFORMAÇÕES GERAIS 1-9 CBR600F RODA DIANTEIRA/SUSPENSÃO/SISTEMADE DIREÇÃO Unidade: mm RODA TRASEIRA/SUSPENSÃO Unidade: mm Item Padrão Limite de uso Profundidade mínima dos sulcos da banda de rodagem — 1,5 Pressão do pneu frio Somente piloto 250 kPa (2,50 kgf/cm2 , 36 psi) — Piloto e passageiro 250 kPa (2,50 kgf/cm2 , 36psi) — Empenamento do eixo — 0,20 Excentricidade Radial — 2,0 da roda Axial — 2,0 Contrapeso para balanceamento da roda — 60 g (máx) Garfo Comprimento livre da mola 286 280,3 Empenamento do garfo — 0,20 Fluido recomendado Fluido ATF — Nível do fluido 116 — Capacidade de fluido 462 ± 2,5 cm3 — Assento inicial do ajustador da pré carga 4a ranhura a partir do topo — Assento inicial do ajustador da tensão 1-3/4 volta a partir da posição — mais rígida Assento inicial do ajustador da 1-1/4 voltas à partir da posição — compressão mais rígida Pré-carga do rolamento da coluna de direção 1,0 - 1,5 kgf — Item Padrão Limite de uso Profundidade mínima dos sulcos da banda de rodagem — 2,0 Pressão do pneu frio Somente piloto 290 kPa (2,90 kgf/cm2 , 42 psi) — Piloto e passageiro 290 kPa (2,90 kgf/cm2 , 42 psi) — Empenamento do eixo — 0,20 Excentricidade Radial — 2,0 da roda Axial — 2,0 Contrapeso para balanceamento da roda — 60 g (máx) Corrente de Medida/elos DID DID525HV – 108LE — transmissão RK RKGB525R0Z1–108LE — Folga 25 – 35 — Amortecedor Posição padrão do ajustador da mola 2a posição — Assento inicial do ajustador da tensão 1 1/2 voltas a partir da posição — mais rígida Assento inicial do ajustador da 1 1/2 volta a partir da posição — compressão mais rígida
  • 10.
    INFORMAÇÕES GERAIS 1-10 FREIO HIDRÁULICOUnidade: mm BATERIA/SISTEMA DE CARGA CBR600F Item Padrão Limite de uso Dianteiro Fluido de freio especificado DOT 4 — Espessura do disco do freio 4,4 – 4,6 3,5 Empenamento do disco do freio — 0,20 Diâmetro interno do cilindro mestre 15,870 – 15,913 15,925 Diâmetro externo do pistão do cilindro mestre 15,827 – 15,854 15,815 Diâmetro interno do caliper do cilindro mestre A 33,960 – 34,010 34,02 B 32,030 – 32,080 32,09 Diâmetro externo do pistão do cáliper A 33,802 – 33,835 33,794 B 31,877 – 31,910 31,869 Traseiro Fluido de freio especificado DOT 4 — Altura do pedal do freio 75 — Espessura do disco do freio 4,8 – 5,2 4,0 Empenamento do disco do freio — 0,30 Diâmetro interno do cilindro mestre 14,000 – 14,043 14,055 Diâmetro externo do pistão do cilindro mestre 13,957 – 13,984 13,945 Diametro interno do caliper do cilindro mestre 38,180 – 38,230 38,24 Diâmetro externo do pistão do cáliper 38,098 – 38,148 38,090 Item Especificações Bateria Capacidade 12V – 8,6 Ah Fuga de Corrente máx. 2,0mA Voltagem (20o C) Completamente carregada 13,0 – 13,2V Necessita de carga Abaixo de 12,3V Corrente de carga Normal 0,9 A/5 – 10h Rápida 4,0 A/0,5h Alternador Capacidade 0,433 kW/5.000 rpm Resistência da bobina de carga (20o C) 0,1 – 1,0 Ω Item Especificações Velas de ignição NGK IMR9A-9H DENSO IUH27D Folga dos eletrodos da vela de ignição 0,80 – 0,90 mm Voltagem da bobina de ignição Mínimo de 100 V Voltagem do gerador de pulsos Mínimo de 0,7 V Ponto de ignição Marca “F” 13o APMS em marcha lenta SISTEMA DE IGNIÇÃO
  • 11.
    INFORMAÇÕES GERAIS 1-11 CBR600F SISTEMA DEPARTIDA Unidade: mm Item Padrão Limite de uso Comprimento das escovas do motor de partida 12,0 - 13,0 6,5 Item Especificações Lâmpadas Farol Alto 12 V – 55 W Baixo 12 V – 55 W Luz de posição 12 V – 5 W Lanterna traseira/luz do freio 12 V – 5/21W x 2 Lâmpada da sinaleira 12 V – 21 W x 4 Luz do painel de instrumentos LED Indicador da sinaleira LED Indicador do farol alto LED Indicador de ponto morto LED Indicador da pressão do óleo LED Indicador do PGM-FI LED Indicador da reserva de combustível LED Fusível Fusível principal 30 A Fusível PGM-FI 20 A Sub-fusível 10 A X 6 Pico de voltagem do tacômetro 10,5 V mínimo Interruptor Início do fechamento (ON) 98 – 102°C do Motor Início da abertura 93 – 97°Cda Ventoinha LUZES/INSTRUMENTOS/INTERRUPTORES
  • 12.
    INFORMAÇÕES GERAIS 1-12 VALORES DETORQUE • As especificações de torque listadas abaixo são para fixadores importantes. • Outros fixadores devem ser apertados nos valores de torque padrão listados acima. NOTAS: 1. Aplique selante na rosca. 2. Aplique trava química na rosca. 3. Fixe 4. Aplique óleo na rosca e na superfície do flange. 5. Porca em U. 6. Parafuso ALOC; substitua por um parafuso novo. 7. Aplique graxa na rosca. 8. Aplique óleo à base de molibdênio nas roscas e superfícies de assentamento (após a remoção do óleo anti-corrosão). 9. Parafuso CT. CBR600F Tipo de fixador TORQUE Tipo de fixador TORQUE N.m (kg.m) N.m (kg.m) Porca e parafuso sextavado, 5 mm 5 (0,5) Parafuso, 5 mm 4 (0,4) Porca e parafuso sextavado, 6 mm 10 (1,0) Parafuso, 6 mm 9 (0,9) Porca e parafuso sextavado, 8 mm 22 (2,2) Parafuso flange, 6 mm (cabeça menor Porca e parafuso sextavado, 10 mm 34 (3,4) de 8 mm) 10 (1,0) Porca e parafuso sextavado, 12 mm 54 (5,4) Parafuso flange, 6 mm (cabeça maior de 8 mm) 12 (1,2) Parafuso e porca flange, 6 mm (cabeça de 10 mm) 12 (1,2) Parafuso e porca flange, 8 mm 26 (2,6) Parafuso e porca flange, 10 mm 39 (3,9) MOTOR Item Qtde Diâmetro da Torque Notas Rosca (mm) N.m (kg.m) Manutenção: Vela de ignição 4 10 12 (1,2) Tampa do orifício da árvore de manivelas 1 45 18 (1,8) Nota 7 Cartucho do filtro de óleo 1 20 26 (2,6) Nota4 Parafuso de drenagem do óleo do motor 1 12 29 (2,9) Sistema de lubrificação Parafuso de vedação da galeria principal de óleo 2 20 29 (2,9) Nota 2 Parafuso da tampa da bomba de óleo 1 6 8 (0,8) Nota 9 Parafuso de fixação do radiador de óleo 1 20 64 (6,4) Nota 4 Sistema de alimentação (Injeção Eletrônica de Combustível) ECT (Temperatura do líquido de Arrefecimento do Motor) /Sensor termostático 1 12 23 (2,3) Parafuso da braçadeira do coletor da carcaça do acelerador 8 5 Veja a pág. 1-14 Parafuso de fixação do suporte do cabo do acelerador 2 5 3 (0,3) Contraporca das válvulas de partida 4 10 2 (0,2) Parafuso da placa de sincronização das válvulas de partida 4 3 1 (0,1) Parafuso de fixação da unidade de controle da marcha lenta 2 6 5 (0,5) Parafuso de fixação do regulador de pressão 2 6 10 (1,0) Bujão da conexão de vácuo para sincronização 2 5 3 (0,3) Sistema de arrefecimento Parafuso flange da tampa da bomba d´água 2 6 12 (1,2) Nota 9 Parafuso flange da tampa do termostato 2 6 12 (1,2) Nota 9 Fixação do motor Parafuso especial do pinhão de transmissão 1 10 54 (5,4)
  • 13.
    INFORMAÇÕES GERAIS 1-13 CBR600F MOTOR (Continuação) ItemQtde Diâmetro da Torque Notas Rosca (mm) N.m (kg.m) Cabeçote/válvulas Parafuso arruela de fixação do cabeçote 10 9 47 (4,7) Nota 8 Parafuso flange do suporte da árvore de comando 20 6 12 (1,2) Nota 4 Parafuso de vedação do cabeçote 1 14 18 (1,8) Nota 2 Parafuso da tampa do cabeçote 3 6 10 (1,0) Parafuso flange da placa de respiro 3 6 12 (1,2) Nota 2,9 Parafuso SH da tampa da válvula de palheta PAIR 4 6 12 (1,2) Nota 9 Parafuso da engrenagem de comando 4 7 20 (2,0) Nota 2 Parafuso do rotor do gerador de pulsos do comando 2 6 12 (1,2) Nota 2 Parafuso Allen de fixação da guia da corrente do comando 2 6 10 (1,0) Parafuso Allen da articulação do tensor da corrente do comando 1 6 10 (1,0) Nota 2 Parafuso/arruela da guia da corrente do comando 1 6 12 (1,2) Prisioneiro do cabeçote (prisioneiro do escapamento) 8 6 Veja a página 1-14 Embreagem/Seletor de marchas Contraporca do cubo da embreagem 1 22 127 (12,7) Nota 3,4 Parafuso/arruela da mola da embreagem 5 6 12 (1,2) Parafuso da engrenagem movida da bomba de óleo tambor 1 6 15 (1,5) Nota 2 Parafuso Allen central do tambor seletor 1 8 23 (2,3) Nota 2 Parafuso de articulação do limitador do tambor seletor 1 6 12 (1,2) Limitador da mola do pedal de câmbio 1 8 22 (2,2) Parafuso/arruela da guia da fiação do gerador de pulsos da ignição 1 6 12 (1,2) Alternador/Embreagem de partida Parafuso Allen de fixação do estator 4 6 12 (1,2) Parafuso Allen da carcaça da embreagem 6 8 16 (1,6) Nota 2 Parafuso flange do volante do motor 1 10 103 (10,3) Nota 4 Parafuso da braçadeira da fiação do alternador 1 6 12 (1,2) Nota 9 Carcaça do motor/Transmissão Parafuso da placa de fixação do rolamento da árvore primária 3 6 12 (1,2) Nota 2 Parafuso de fixação do eixo dos garfos seletores e do rolamento do tambor do seletor 2 6 12 (1,2) Nota 2 Parafuso da carcaça do motor (Mancal principal) 10 8 25 (2,5) Nota 8 Parafuso da carcaça do motor 1 10 39 (3,9) Parafuso da carcaça do motor 6 7 18 (1,8) Parafuso da carcaça do motor (Lado superior) 5 8 25 (2,5) Árvores de manivela/Pistão/Cilindro Porca da capa da biela 8 7 25 (2,5) Nota 4 Sistema de ignição Parafuso de fixação do rotor do gerador de pulsos 1 10 59 (5,9) Sistema de partida Porca do terminal do motor de partida 1 6 12 (1,2) Luzes/Indicadores/Interruptores Interruptor de pressão do óleo 1 1/8 12 (1,2) Nota 1 Parafuso/arruela do terminal da fiação do interruptor da pressão do óleo 1 4 2 (0,2) Interruptor de ponto morto 1 10 12 (1,2)
  • 14.
    INFORMAÇÕES GERAIS 1-14 CBR600F Braçadeira doisolador (Lado da carcaça do acelerador) 7 ± 1 mm Braçadeira do isolador (Lado do cabeçote) 4 ± 1 mm Prisioneiro do tubo de escapamento: 50,5 ± 5 mm
  • 15.
    INFORMAÇÕES GERAIS 1-15 CBR600F CHASSI Item Qtde Diâmetroda Torque Notas Rosca (mm) N.m (kg.m) Chassi/Carenagem/Sistema de escapamento: Parafuso especial da rabeta 2 6 2 (0,2) Parafuso entre a carenagem superior e inferior 6 5 2 (0,2) Parafuso entre a carenagem interna e inferior 6 6 2 (0,2) Parafusos de fixação do pára-brisa 6 4 1 (0,1) Parafuso/porca de fixação superior do trilho do assento 2 10 49 (4,9) Parafuso/porca de fixação inferior do trilho do assento 2 10 49 (4,9) Porca flange da junção do tubo de escapamento 8 7 12 (1,2) Parafuso flange da braçadeira do escapamento 2 8 23 (2,3) Parafuso flange de fixação do pedal de apoio 4 8 26 (2,6) Sistema de alimentação: (Injeção Eletrônica de Combustível) Parafuso da tampa do gargalo de abastecimento de combustível 3 4 2 (0,2) Parafuso de verificação de serviço 1 6 15 (1,5) Parafuso banjo do tubo de combustível (lado do tanque de combustível) 1 12 22 (2,2) Porca de vedação do tubo de combustível (lado da carcaça do acelerador) 1 12 22 (2,2) Porca de fixação da bomba de combustível 6 6 12 (1,2) Sensor O2 1 12 25 (2,5) Sistema de arrefecimento: Porca da ventoinha de arrefecimento 1 5 3,0 (0.3) Nota 2 Porca de fixação do motor da ventoinha 3 5 5,0 (0,5) Fixação do motor: Parafuso de fixação dianteiro do motor 2 10 39 (3,9) Veja a pag. 7-10 Parafuso de fixação central do motor 2 10 39 (3,9) Parafuso de ajuste do suporte central do motor 1 20 3 (0,3) Contraporca do suporte central do motor 1 20 54 (5,4) Porca de fixação do motor 1 10 39 (3,9) Parafuso de ajuste do suporte traseiro do motor 1 22 3 (0,3) Contraporca do suporte traseiro do motor (lado direito) 1 22 54 5,4) Porca do suporte de articulação do amortecedor 2 10 39 (3,9) Roda dianteira/suspensão/sistema de direção Parafuso de fixação do contrapeso do guidão 2 6 10 (1,0) Nota 6 Parafuso de fixação do disco do freio dianteiro 12 6 20 (2,0) Nota 6 Parafuso do eixo dianteiro 1 1/4 59 (5,9) Parafuso flange do suporte do eixo dianteiro 4 8 22 (2,2) Parafuso flange da presilha da mangueira do freio dianteiro (Garfo esquerdo) 1 6 12(1,2) Parafuso da conexão 3 vias da mangueira do freio dianteiro (Garfo direito) 1 6 12 (1,2) Parafuso Allen do garfo 2 10 34 (3,4) Nota 2 Parafuso superior do garfo 2 39 23 (2,3) Parafuso Allen de fixação da mesa superior 2 8 23 (2,3) Parafuso flange de fixação da mesa inferior 2 10 39 (3,9) Porca de ajuste do rolamento da coluna de direção 1 26 25 (2,5) Veja a pag. 13-29 Contraporca de ajuste do rolamento da coluna de direção 1 26 — Porca da coluna de direção 1 24 103 (10,3) Parafuso da presilha da mangueira do freio dianteiro(coluna de direção) 1 6 10 (1,0)
  • 16.
    INFORMAÇÕES GERAIS 1-16 CBR600F Item Qtde Diâmetroda Torque Notas Rosca (mm) N.m (kg.m) Roda traseira/suspensão: Parafuso de fixação do disco de freio traseiro 4 8 42 (4,2) Nota 6 Porca da coroa de transmissão 6 10 64 (6,4) Nota 5 Porca do eixo traseiro 1 18 93 (9,3) Nota 5 Porca de fixação do amortecedor traseiro 2 10 44 (4,4) Nota 5 Porca placa de articulação - braço oscilante 1 10 44 (4,4) Nota 5 Porca de articulação do amortecedor - placa de articulação 1 10 44 (4,4) Nota 5 Porca de articulação do amortecedor - suporte 1 10 44 (4,4) Nota 5 Parafuso flange da guia da corrente de transmissão 2 6 9 (0,9) Nota 6 Parafuso de ajuste da articulação do braço oscilante 2 30 7 (0,7) Veja a pág. 14-22 Contraporca do parafuso de ajuste da articulação do braço oscilante 2 30 64 (6,4) Porca de articulação do braço oscilante 1 18 93 (9,3) Freio Hidráulico: Parafuso da tampa do reservatório do cilindro mestre dianteiro 2 4 2 (0,2) Parafuso de articulação da alavanca do freio 1 6 1 (0,1) Porca de articulação da alavanca do freio 1 6 6 (0,6) Parafuso do interruptor da luz do freio dianteiro 1 4 1 (0,1) Parafuso de fixação do cilindro mestre dianteiro 2 6 12 (1,2) Parafuso torx de fixação do cáliper do freio dianteiro 8 8 23 (2,3) Nota 2 Parafuso flange de fixação do cáliper do freio dianteiro 4 8 30 (3,0) Nota 6 Porca de junção do cilindro mestre traseiro 1 8 18 (1,8) Parafuso de fixação do cáliper do freio traseiro 2 6 9 (0,9) Parafuso/porca de fixação do reservatório do freio traseiro 1 6 12 (1,2) Parafuso do cáliper do freio traseiro 1 8 23 (2,3) Parafuso do pino do cáliper do freio traseiro 1 12 27 (2,7) Pino da pastilha 5 10 18 (1,8) Bujão do pino da pastilha 1 10 3,0 (0,3) Parafuso de óleo da mangueira do freio 5 10 34 (3,4) Válvula de sangria do cáliper do freio 3 8 6 (0,6) Luzes/Indicadores/Interruptores: Parafuso de fixação do cavalete lateral 1 6 10 (1,0) Nota 6 Parafuso de fixação do interruptor de ignição 2 8 25 (2,5) Interruptor do motor da ventoinha 1 16 18 (1,8) Nota 1 Outros fixadores Parafuso de articulação do cavalete lateral 1 10 10 (1,0) Contraporca de articulação do cavalete lateral 1 10 29 (2,9) Parafuso flange do suporte do cavalete lateral 2 10 44 (4,4) Nota 6 Parafuso Allen do suporte do pedal de apoio do piloto 4 8 26 (2,6)
  • 17.
    INFORMAÇÕES GERAIS 1-17 CBR600F FERRAMENTAS ESPECIAIS Descrição Códigoda Notas Capítulo Ferramenta Ref. Manômetro de pressão de combustível 07406-0040003 Nota 2: ou 07406-0040002 5 Manômetro de óleo 07506-3000000 Nota 1 4 Acessório do manômetro de óleo 07510-MJ10100 Nota 1 4 Extrator universal de rolamentos 07631-0010000 Nota 1 12 Fixador do cubo da embreagem 07724-0050002 Nota 1 9 Fixador do volante do motor 07725-0040000 Nota 1 10 Extrator do rotor 07733-0020001 Nota 2: ou 07933 - 3950000 10 Contrapeso do extrator 07741-0010201 14 Acessório, 32 x 35 mm 07746-0010100 9, 14 Acessório, 37 x 40 mm 07746-0010200 9, 14 Acessório, 42 x 47 mm 07746-0010300 13, 14 Acessório, 52 x 55 mm 07746-0010400 14 Acessório, 24 x 26 mm 07746-0010700 14 Acessório, 22 x 24 mm 07746-0010800 14 Instalador interno “C” 07746-0030100 11 Acessório, D.I. 25 mm 07746-0030200 12 Acessório, D.I. 30 mm 07746-0030300 11 Guia, 17 mm 07746-0040400 9, 14 Guia, 20 mm 07746-0040500 13, 14 Guia, 25 mm 07746-0040600 14 Guia, 35 mm 07746-0040800 9 Guia, 28 mm 07746-0041100 14 Cabo do extrator de rolamento 07746-0050100 13, 14 Cabeçote extrator de rolamento, 20 mm 07749-0050600 13, 14 Instalador de rolamento 07749-0010000 9, 13, 14 Compressor da mola da válvula 07757-0010000 8 Fresas da sede da válvula Nota 1 8 Fresa da sede da válvula, 24,5 mm (45o ESC) 07780-0010100 Fresa da sede da válvula, 27,5 mm (45o ADM) 07780-0010200 Fresa plana da válvula, 24 mm (32o ESC) 07780-0012500 Fresa plana da válvula, 27 mm (32o ADM) 07780-0013300 Fresa interna, 22 mm (60º ESC) 07780-0014202 Fresa interna, 26 mm (60º ADM) 07780-0014500 Suporte para fresa da sede da válvula, 4,0 mm 07781-0010500 Chave para contraporca 07908-4690003 14 Alicate para anel elástico 07914-SA50001 15 Chave da coluna de direção 07916-3710101 Nota 3: ou 07916-3710100 13 Cabo extrator de rolamentos 07936-3710100 14 Cabeçote do extrator de rolamentos 07936-3710600 14 Acessório, 28 x 30 07946-1870100 14 Conjunto de extratores de pista 07946-KM90001 13 – Acessório do instalador A 07946-KM90100 – Acessório do instalador B 07946-KM90200 – Conjunto do cabo do instalador 07946-KM90300 – Extrator de rolamento, A 07946-KM90401 – Extrator de rolamento, B 07946-KM90500 – Base do conjunto 07946-KM90600 Instalador da coluna de direção 07946-MB00000 13 Contrapeso do instalador do vedador do garfo 07947-KA50100 13 Acessório do instalador do vedador do garfo 07946-KA40200 13 Cabo do acessório 07949-3710001 Nota 2: ou 07946-MJ00100 14 Acessório do compressor da mola da válvula 07959-KM30101 8 Chave do filtro de óleo 07HAA-PJ70100 3 Adaptador de voltagem 07HGJ-0020100 5, 17, 19 Protetor do alojamento do ajustador 07HMG-MR70002 8 Alargador da guia da válvula, 4,008 mm 07HMH-MR10103 3 Instalador/extrator da guia da válvula 07JMD-KY20100 8
  • 18.
    INFORMAÇÕES GERAIS 1-18 FERRAMENTAS ESPECIAIS CBR600F Descrição Códigoda Notas Capítulo Ferramenta Ref. Extrator de rolamentos de agulhas 07LMC-KV30100 14 Alargador da guia da válvula, 4,008 mm 07MMH-MV90100 8 Acessório do medidor de compressão 07RMJ-MY50100 8 Chave para contraporca 07VMA-MBB0100 7 adatador de inspeção 07XMZ-MBW0101 20 Fiação de teste da ECU 07YMZ-0010100 5 Acessório, 34 mm 07ZMD-MBW0100 14 Acessório, 37 mm 07ZMD-MBW0200 ou 07746-0010100. 14 (Para instalação do rolamento radial de esferas da articulação direita do braço oscilante) 07946-MJ00100 com 07HMC- MR70100. (Para remoção do rolamento de agulhas da articulação esquerda do braço oscilante) 07746-0010200. (Para instalação do rolamento de agulhas da articulação esquerda do braço oscilante).
  • 19.
    INFORMAÇÕES GERAIS 1-19 CBR600F PONTOS DELUBRIFICAÇÃO E VEDAÇÃO MOTOR Localização Material Notas Superfície de contato da carcaça do motor Junta líquida (Three Bond 1207B ou equivalente) Superfície de contato do cárter de óleo Superfície de assentamento da tampa da carcaça direita Rosca do interruptor de pressão do óleo 10-15mm10-15mm 10-15mm10-15mm Não aplique na extremidade da rosca 3 - 4 mm
  • 20.
    INFORMAÇÕES GERAIS 1-20 MOTOR (Continuação) CBR600F LocalizaçãoMaterial Notas Rebaixo semicircular do cabeçote Junta líquida Superfície do mancal da árvore de manivelas Óleo de bissulfeto de Superfície deslizante do pino do pistão molibdênio (mistura na Superfície do mancal das bronzinas proporção de 50% de óleo Superfície interna da cabeça da biela para motor e 50% de graxa de Superfície do mancal da árvore de manivelas bissulfeto de molibdênio) Mancais e ressaltos da árvore de comando Haste de válvula (superfície deslizante da guia de válvula) Superfície deslizante do acionador de válvula Superfície deslizante da engrenagem movida primária Superfície deslizante da guia externa da embreagem Engrenagens M3/4, C5, C6 (ranhuras dos garfos seletores) Superfície externa da engrenagem redutora de partida Superfície deslizante da mola de fricção da sub-engrenagem primária Área deslizante do anel do pistão Óleo para motor Junta do filtro de tela Superfície do disco da embreagem Superfície deslizante da embreagem unidirecional de partida Rosca da porca da biela Rosca do parafuso do volante do motor e superfície de assentamento Rosca do parafuso de 9 mm do mancal e superfície de assentamento (após remover o aditivo anti-corrosivo) Parafuso especial do cabeçote (após remover o aditivo anti-corrosivo) Contraporca do cubo da embreagem Rosca do cartucho do filtro de óleo e anel de vedação Superfície de assentamento e roscas do parafuso do suporte do comando Roscas do parafuso central do radiador de óleo Todos os dentes das engrenagens e superfícies de rotação Todos os rolamentos Todos os anéis de vedação Outras áreas de rotação e superfícies deslizantes ÁREA DE APLICAÇÃO ÁREA DE APLICAÇÃO
  • 21.
    INFORMAÇÕES GERAIS 1-21 CBR600F MOTOR (Continuação) LocalizaçãoMaterial Notas Rosca da tampa do orifício da árvore de manivelas Graxa para uso geral Lábios de todos os vedadores de óleo Rosca do parafuso de vedação da carcaça superior do motor Trava química Rosca do parafuso de vedação da carcaça inferior do motor Roscas do parafuso de fixação da guia A da corrente do comando Roscas do parafuso do rotor do gerador de pulsos do comando Rosca do parafuso de vedação do cabeçote Rosca da conexão do respiro da tampa do cabeçote Rosca do parafuso da carcaça da embreagem unidirecional de partida Área de aplicação: Rosca do parafuso da engrenagem movida da bomba de óleo 6,5 ± 1 mm Rosca do parafuso da placa de fixação do tambor seletor Rosca do parafuso da placa de fixação do rolamento da árvore primária Rosca do parafuso da engrenagem de comando Rosca do parafuso da placa de respiro da tampa do cabeçote Rosca do parafuso central do tambor seletor Roscas do parafuso de articulação do tensor da corrente do comando Roscas do parafuso de articulação da guia da corrente do comando
  • 22.
    INFORMAÇÕES GERAIS 1-22 CHASSI CBR600F Localização MaterialNotas Superfície deslizante do gancho do assento Graxa para uso geral Lábio do retentor de pó da roda dianteira Flange da coroa de transmissão e superfície de assentamento do cubo da roda e anel de vedação Lábio do retentor de pó da roda traseira Superfície interna do espaçador lateral da roda traseira Área de deslizamento da manopla do acelerador Superfície deslizante do parafuso de articulação da alavanca da embreagem Superfície deslizante da articulação do pedal do freio traseiro Superfície deslizante da articulação/haste do pedal de câmbio Articulação do pedal de câmbio Superfície deslizante do pedal de apoio Superfície deslizante do pedal de apoio do passageiro Área de deslizamento da articulação do pedal de apoio Articulação do cavalete lateral Articulação do cavalete central Superfície deslizante do rolamento da coluna de direção Graxa para uso geral Lábio do retentor de pó da coluna de direção Rolamentos da articulação do braço oscilante Lábio do retentor de pó do braço oscilante Rolamento de agulhas do amortecedor traseiro Lábio do retentor de pó do amortecedor traseiro Rolamentos de agulha do amortecedor Lábio do retentor de pó do amortecedor Cabo interno A e B do cabo do acelerador Lubrificante para cabos Cabo interno da embreagem Parte interna da borracha da manopla do guidão Adesivo HONDA A Rosca da porca de ajuste superior da coluna de direção Óleo do motor Retentores de pó do cáliper do freio Graxa de silicone Articulação da alavanca do freio dianteiro e extremidades dos pistões Parte interna do protetor de borracha do cilindro mestre traseiro e extremidades da haste de acionamento Superfície do pino deslizante do cáliper do freio Retentores do cilindro mestre do freio Fluido de freio DOT 4 Selos dos pistões do cáliper do freio Anel de vedação do parafuso superior do garfo Fluido de freio Lábios do vedador de óleo do garfo Rosca do parafuso de junção da mangueira do cilindro mestre traseiro Trava química Rosca do parafuso de fixação do cáliper do freio dianteiro Rosca do parafuso do pino do cáliper do freio traseiro
  • 23.
    INFORMAÇÕES GERAIS 1-23 CBR600F CABOS DOACELERADOR CABO DA EMBREAGEM MANGUEIRA DO FREIO DIANTEIRO CONECTOR 9P (PRETO) DOS INTERRUPTORES DO GUIDÃO DIREITO CONECTOR 4P (NATURAL) DO IMOBILIZADOR CONECTOR 4P (NATURAL) DO INTERRUPTOR DE IGNIÇÃO FIAÇÃO DA BUZINA CONECTOR 9P (PRETO) DO PAINEL DE INSTRUMENTOS CONECTOR 9P (NATURAL) DO PAINEL DE INSTRUMENTOS CONECTOR 9P (PRETO) DOS INTERRUPTORES DO GUIDÃO ESQUERDO RELÉ DO FAROL RELÉ DO INTERRUPTOR DE EMERGÊNCIA RELÉ DO SINALIZADOR FITA BRANCA CONECTOR DA SINALEIRA ESQUERDA CONECTOR DA SINALEIRA DIREITA SOQUETES DO FAROL CONECTOR 12P (CINZA) DA FIAÇÃO SECUNDÁRIA DIANTEIRA
  • 24.
    INFORMAÇÕES GERAIS 1-24 CBR600F BRAÇADEIRAS DAFIAÇÃO CABO DA EMBREAGEM FIAÇÃO DOS INTERRUPTORES DO GUIDÃO ESQUERDO FIAÇÃO PRINCIPAL FIAÇÃO SECUNDÁRIA DO PAINEL DE INSTRUMENTOS FIAÇÃO DA BUZINA CONECTOR 12P (CINZA) DA FIAÇÃO SECUNDÁRIA DIANTEIRA CONECTOR 9P (PRETO) DO PAINEL DE INSTRUMENTOS CONECTOR 9P (NATURAL) DO PAINEL DE INSTRUMENTOS
  • 25.
    INFORMAÇÕES GERAIS 1-25 CBR600F FIAÇÃO DOSINTERRUPTORES DO GUIDÃO DIREITO CABOS DO ACELERADOR CABO DA EMBREAGEM BRAÇADEIRA DA FIAÇÃO BRAÇADEIRA DA FIAÇÃO BRAÇADEIRA DA FIAÇÃO MANGUEIRA DO FREIO DIANTEIRO
  • 26.
    INFORMAÇÕES GERAIS 1-26 CBR600F CABO DAEMBREAGEM FIAÇÃO DO INTERRUPTOR DE IGNIÇÃO FIAÇÃO DO RECEPTOR DO IMOBILIZADOR BRAÇADEIRA DA FIAÇÃO MANGUEIRA DO FREIO CABOS DO ACELERADOR BRAÇADEIRAS DA FIAÇÃO FIAÇÃO DA BUZINA FIAÇÃO DOS INTERRUPTORES DO GUIDÃO ESQUERDO FIAÇÃO PRINCIPAL BRAÇADEIRA DA FIAÇÃO FIAÇÃO DOS INTERRUPTORES DO GUIDÃO DIREITO
  • 27.
    INFORMAÇÕES GERAIS 1-27 CBR600F CONECTOR 9P(CINZA) DA FIAÇÃO SECUNDÁRIA DO INJETOR DE COMBUSTÍVEL SENSOR MAP SENSOR IAT INJETOR No 1 REGULADOR DE PRESSÃO INJETOR No. 2 INJETOR No. 3 INJETOR No. 4
  • 28.
    INFORMAÇÕES GERAIS 1-28 CBR600F TUBO DERESPIRO DA CARCAÇA VÁLVULA SOLENÓIDE DE CONTROLE PAIR CABOS DO ACELERADOR MANGUEIRA DE SUCÇÃO DE AR PAIR BRAÇADEIRA DA FIAÇÃO CONECTOR 10P (CINZA) DA FIAÇÃO SECUNDÁRIA DO INJETOR DE COMBUSTÍVEL MANGUEIRAS DE SUCÇÃO DE AR PAIR FIAÇÃO SECUNDÁRIA DA BOBINA DE IGNIÇÃO CONECTOR 3P (CINZA) DO SENSOR DO ACELERADOR TUBO DE VÁCUO No 1 FITA BRANCA BRAÇADEIRA DA FIAÇÃO PRINCIPAL PONTO DE TERRA TUBO LADRÃO DO LÍQUIDO DE ARREFECIMENTO TUBO DE VÁCUO No 4 TUBO DE RESPIRO DO TANQUE DE COMBUSTÍVEL TUBO LADRÃO DO TANQUE DE COMBUSTÍVEL
  • 29.
    INFORMAÇÕES GERAIS 1-29 CBR600F CONECTOR 6P(PRETO) DA FIAÇÃO SECUNDÁRIA DA BOBINA DE IGNIÇÃO CONECTORES 2P (NATURAL) DO GERADOR DE PULSOS DO COMANDO, 2P (VERDE) DO INTERRUPTOR DO CAVALETE LATERAL, 12P (CINZA) DA FIAÇÃO SECUNDÁRIA DO MOTOR TUBOS DE ÁGUA DA UNIDADE WAX DE CONTROLE DE MARCHA LENTA CABO DO MOTOR DE PARTIDA CABO TERRA DO MOTOR DE PARTIDA TUBO LADRÃO CONECTOR 3P (PRETO) DO SENSOR DE VELOCIDADE DO VEÍCULO MANGUEIRA SUPERIOR DO RADIADOR TUBO SIFÃO TUBO DE SANGRIA DE AR CONECTOR 3P (CINZA) DO SENSOR ECT INTERRUPTOR DE PRESSÃO DO ÓLEO CONECTOR 2P (VERMELHO) DO GERADOR DE PULSOS DA IGNIÇÃO
  • 30.
    INFORMAÇÕES GERAIS 1-30 CBR600F CONECTOR 6P(PRETO) DA FIAÇÃO SECUNDÁRIA DA BOBINA DE IGNIÇÃO CONECTOR 2P (CINZA) DO SENSOR IAT CONECTOR 3P (CINZA) DO SENSOR MAP CONECTOR 10P (CINZA) DA FIAÇÃO SECUNDÁRIA DA CARCAÇA DO ACELERADOR CONECTOR 2P (NATURAL) DA VÁLVULA SOLENÓIDE DE CONTROLE PAIR CONECTOR 2P (PRETO) DA FIAÇÃO SECUNDÁRIA DO RADIADOR GERADOR DE PULSOS DO COMANDO CONECTORES 2P (NATURAL) DO GERADOR DE PULSOS DO COMANDO, 2P (VERDE) DO INTERRUPTOR DO CAVALETE LATERAL, 12P (CINZA) DA FIAÇÃO SECUNDÁRIA DO MOTOR CONECTOR 14P (CINZA) DA FIAÇÃO SECUNDÁRIA TRASEIRA CONECTOR 6P (PRETO) DO REGULADOR/RETIFICADOR FIAÇÃO DO INTERRUPTOR DO CAVALETE LATERAL CONECTOR 3P (NATURAL) DO ALTERNADOR
  • 31.
    INFORMAÇÕES GERAIS 1-31 CBR600F TUBO LADRÃODO TANQUE DE COMBUSTÍVEL TUBO DE RESPIRO DO TANQUE DE COMBUSTÍVEL MANGUEIRA DE SUCÇÃO DE AR PAIR TUBO DE SANGRIA DE AR MANGUEIRA DO FREIO TRASEIRO FIAÇÃO DO INTERRUPTOR DA LUZ DO FREIO FIAÇÃO DO GERADOR DE PULSOS DA IGNIÇÃO FIAÇÃO DA EMBREAGEM MANGUEIRA SUPERIOR DO RADIADOR TUBO SIFÃO
  • 32.
    INFORMAÇÕES GERAIS 1-32 CBR600F TUBO DERESPIRO DO TANQUE DE COMBUSTÍVEL FIAÇÃO DO SENSOR DE RESERVA/BOMBA DE COMBUSTÍVEL TUBO LADRÃO DO TANQUE DE COMBUSTÍVEL CONECTOR 3P (PRETO) DO SENSOR DE RESERVA/BOMBA DE COMBUSTÍVEL TUBO DE RETORNO DE COMBUSTÍVEL TUBO DE COMBUSTÍVEL
  • 33.
    INFORMAÇÕES GERAIS 1-33 CBR600F BRAÇADEIRAS DAFIAÇÃO BATERIA TERMINAL NEGATIVO (-) DA BATERIA SUPORTE DO FUSÍVEL PGM-FI CAIXA DE FUSÍVEL CONECTOR 22P (CINZA CLARO) DO ECM CONECTOR DE VERIFICAÇÃO DE SERVIÇO CONECTOR 22P (PRETO) DO ECM MANGUEIRA DO RESERVATÓRIO DO AMORTECEDOR INTERRUPTOR DO RELÉ DE PARTIDA/FUSÍVEL PRINCIPAL CABO POSITIVO (+) DA BATERIA FIAÇÃO PRINCIPAL
  • 34.
    INFORMAÇÕES GERAIS 1-34 CBR600F CONECTORES DA LANTERNA/LUZDE FREIO CONECTORES DA SINALEIRA FIAÇÃO SECUNDÁRIA TRASEIRA TERMINAL NEGATIVO (-) DA BATERIA TERMINAL POSITIVO (+) DA BATERIA BRAÇADEIRAS DA FIAÇÃO FIAÇÃO PRINCIPAL CONECTOR 6P (PRETO) DO REGULADOR/RETIFICADOR CONECTOR 14P (CINZA) DA FIAÇÃO SECUNDÁRIA TRASEIRA RELÉ DE CORTE DE COMBUSTÍVEL RELÉ DO INTERRUPTOR DO MOTOR REGULADOR/RETIFICADOR MANGUEIRA DO FREIO TRASEIRO CONECTOR 3P (BRANCO) DO ALTERNADOR MANGUEIRA DO RESERVATÓRIO DO FREIO BRAÇADEIRA DA FIAÇÃO CONECTOR 2P (PRETO) DO INTERRUPTOR DA LUZ DO FREIO
  • 35.
    INFORMAÇÕES GERAIS 1-35 CBR600F Tipo G: CONECTORESDA LANTERNA/LUZ DE FREIO CONECTORES DA SINALEIRA FIAÇÃO SECUNDÁRIA TRASEIRA TERMINAL NEGATIVO (-) DA BATERIA TERMINAL POSITIVO (+) DA BATERIA BRAÇADEIRAS DA FIAÇÃO CONECTOR 3P (NATURAL) DO SENSOR O2 FIAÇÃO PRINCIPAL CONECTOR 6P (PRETO) DO REGULADOR/RETIFICADOR CONECTOR 14P (CINZA) DA FIAÇÃO SECUNDÁRIA TRASEIRA RELÉ DE CORTE DE COMBUSTÍVEL RELÉ DO INTERRUPTOR DO MOTOR REGULADOR/RETIFICADOR MANGUEIRA DO FREIO TRASEIRO MANGUEIRA DO RESERVATÓRIO DO FREIO BRAÇADEIRA DA FIAÇÃO CONECTOR 3P (BRANCO) DO ALTERNADOR FIAÇÃO DO SENSOR O2 CONECTOR 2P (PRETO) DO INTERRUPTOR DA LUZ DO FREIO
  • 36.
    INFORMAÇÕES GERAIS 1-36 SISTEMAS DECONTROLE DE EMISSÃO FONTE DE EMISSÕES O processo de combustão produz monóxido de carbono e hidrocarbonetos. O controle de hidrocarbonetos é muito importante, pois, sob certas condições, eles reagem para formar fumaça e névoa fotoquímica, quando expostos à luz solar. O monóxido de carbono não reage da mesma forma, mas é tóxico. A Moto Honda da Amazônia Ltda. utiliza ajustes do carburador “pobres”, bem como outros sistemas para reduzir a emissão de monóxido de carbono e hidrocarbonetos. SISTEMA DE CONTROLE DE EMISSÃO DO CÁRTER DO MOTOR O motor apresenta um sistema de cárter fechado a fim de evitar a descarga de gases na atmosfera. Os gases de derivação retornam à câmara de combustão através do filtro de ar e do acelerador. CBR600F CARCAÇA DO FILTRO DE AR CARCAÇA DO ACELERADOR AR FRESCO GÁS DE DERIVAÇÃO
  • 37.
    INFORMAÇÕES GERAIS 1-37 CBR600F SISTEMA DECONTROLE DE EMISSÕES DOS GASES DE ESCAPAMENTO (SISTEMA DE SUPRIMENTO SECUNDÁRIO DE AR) O sistema de controle de emissões dos gases de escapamento apresenta um ajuste de injeção “pobre”. Não há necessidade de ajuste, exceto pelo ajuste da marcha lenta através do parafuso do aceleração. Este sistema não está integrado ao sistema de controle de emissões do cárter do motor. O sistema de controle de emissões dos gases de escapamento consiste de um sistema de suprimento secundário de ar que introduz ar filtrado nos gases de escapamento através do orifício de escapamento. O ar fresco é aspirado através do orifício de escapamento pela válvula de controle PAIR (controle de pulsos da injeção secundária de ar). Esta carga de ar fresco promove a queima dos gases de escapamento que não sofreram combustão e transforma uma quantidade considerável de hidrocarbonetos e monóxido de carbono em dióxido de carbono e vapor d`água, que são inofensivos. A válvula de palheta evita o retorno do fluxo de ar através do sistema. A válvula de controle PAIR é acionada pela válvula solenóide, que é, por sua vez, controlada pela unidade PGM-FI, A passagem é aberta/fechada de acordo com as condições de funcionamento (sensores ECT/IAT/TP/MAP e rotação do motor). Não há necessidade de efetuar qualquer ajuste no sistema do suprimento secundário de ar, embora inspeções periódicas de seus componentes sejam recomendados. VÁLVULA DE CONTROLE PAIR CARCAÇA DO FILTRO DE AR CARCAÇA DO ACELERADOR VÁLVULA DE RETENÇÃO PAIR ORIFÍCIO DE ESCAPAMENTO AR FRESCO GÁS DE ESCAPAMENTO
  • 38.
    INFORMAÇÕES GERAIS 1-38 SISTEMA DECONTROLE DE EMISSÕES DE RUÍDO MODIFICAÇÕES NO SISTEMA DE CONTROLE DE RUIDOS SÃO PROIBIDAS. As leis e regulamentações locais proíbem as seguintes ações e resultados subseqüentes das mesmas: (1) A remoção, afetuada por qualquer pessoa, ou qualquer tipo de ação que torne inoperante, por outro motivo que não seja manutenção, reparos ou substituição, de qualquer dispositivo ou elemento de projeto para o controle de ruídos incorporado em qualquer veículo novo, antes de sua venda ou entraga ao comprador ou durante sua utilização; (2) o uso de veículos, por qualquer pessoa, após tais dispositivos ou elementos terem sido removidos ou terem se tornado inoperantes. ENTRE AS AÇÕES QUE CONSTITUEM TAIS MODIFICAÇÕES ENCONTRAM-SE OS ITENS LISTADOS ABAIXO: 1. Remoção ou dano ao silencioso, defletores de escapamento ou qualquer outro componente que conduza os gases de escapamento. 2. Remoção de ou danos de qualquer peça do sistema de admissão. 3. Falta de manutenção adequada. 4. Substituição de qualquer peça móvel do veículo ou peça do sistema de admissão ou escapamento por outras que não sejam as especificadas pelo fabricante. CBR600F
  • 39.
  • 40.
    COMO USAR ESTEMANUAL Este manual de serviço descreve os procedimentos de serviço para a CBR600F. Siga as recomendações da Tabela de Manutenção (Capítulo 3) para garantir condições perfeitas de funcionamento da motocicleta. A 1a manutenção programada é muito importante, pois irá compensar os desgastes iniciais que ocorrem durante o período de amaciamento. Os Capítulos 1 e 3 aplicam-se a toda motocicleta. O Capítulo 2 apresenta os procedimentos de remoção/instalação de componentes que pode ser necessária para efetuar os serviços descritos nos capítulos subseqüentes. Os Capítulos 4 a 19 apresentam as peças da motocicleta, agrupadas de acordo com sua localização. Localize o capítulo desejado nesta página. Em seguida, consulte o índice apresentado na primeira página do capítulo selecionado. A maioria dos capítulos apresenta uma ilustração do sistema ou conjunto, as informações de serviço e a diagnose de defeitos. As páginas seguintes apresentam procedimentos mais detalhados. Se a causa do problema for desconhecida, consulte o Capítulo 22, “Diagnose de Defeitos”. MOTO HONDA DA AMAZÔNIA LTDA. Departamento de Serviços Pós-Venda Setor de Publicações Técnicas TODAS AS INFORMAÇÕES, ILUSTRAÇÕES, PROCEDIMENTOS E ESPECIFICAÇÕES APRESENTADOS NESTA PUBLICAÇÃO SÃO BASEADOS NAS INFORMAÇÕES MAIS RECENTES DISPONÍVEIS SOBRE O PRODUTO NO MOMENTO DA APROVAÇÃO DA IMPRESSÃO. A MOTO HONDA DA AMAZÔNIA LTDA RESERVA-SE O DIREITO DE ALTERAR AS CARACTERÍSTICAS DO PRODUTO A QUALQUER MOMENTO E SEM PRÉVIO AVISO, SEM QUE ISTO INCORRA EM QUAISQUER OBRIGAÇÕES. NENHUMA PARTE DESTA PUBLICAÇÃO PODE SER REPRODUZIDA SEM AUTORIZAÇÃO PRÉVIA POR ESCRITO. 2 1 9 10 11 12 13 14 15 16 17 18 19 20 21 22 6 5 8 7 4 3 ÍNDICE GERAL INFORMAÇÕES GERAIS CHASSI/CARENAGEM/SISTEMA DE ESCAPAMENTO MANUTENÇÃO SISTEMA DE LUBRIFICAÇÃO SISTEMA DE COMBUSTÍVEL (INJEÇÃO DE COMBUSTIVEL PROGRAMADA) SISTEMA DE ARREFECIMENTO REMOÇÃO/INSTALAÇÃO DO MOTOR CABEÇOTE/VÁLVULAS EMBREAGEM/SELETOR DE MARCHAS ALTERNADOR/EMBREAGEM DE PARTIDA CARCAÇA DO MOTOR/TRANSMISSÃO ÁRVORE DE MANIVELAS /PISTÃO/ CILINDRO RODA DIANTEIRA/SUSPENSÃO/ SISTEMA DE DIREÇÃO RODA TRASEIRA/SUSPENSÃO FREIO HIDRÁULICO BATERIA/SISTEMA DE CARGA SISTEMA DE IGNIÇÃO SISTEMA DE PARTIDA LUZES/INDICADORES/INTERRUPTORES DIAGRAMA ELÉTRICO CARACTERÍSTICAS TÉCNICAS DIAGNOSE DE DEFEITOS SISTEMAELÉTRICOCHASSIMOTORESISTEMADETRANSMISSÃO 23SUPLEMENTO