CBR600F
INFORMAÇÕES DE SERVIÇO 10-1
DIAGNOSE DE DEFEITOS 10-2
DESMONTAGEM DAS CARCAÇAS 10-3
TRANSMISSÃO 10-4
MONTAGEM DA CARCAÇA DO MOTOR 10-12
10-1
CARCAÇA DO MOTOR/
TRANSMISSÃO10.
INFORMAÇÕES DE SERVIÇO
INSTRUÇÕES GERAIS
• As carcaças do motor devem ser separadas para serviços na árvore de manivelas, pistão , cilindro e transmissão (Incluindo
o garfo e o tambor seletor). Para efetuar reparos nestes componentes o motor deve ser removido do chassi (Capítulo 7).
• Os seguintes componentes devem ser removidos antes de separar as carcaças do motor:
– Cárter do motor, bomba de óleo e radiador de óleo (capítulo 4).
– Bomba d’água (capítulo 6).
– Cabeçote (capítulo 8).
– Embreagem / seletor de marchas (capítulo 9).
– Tampa lateral esquerda (capítulo 15).
– Rotor e tampa do gerador de pulsos da ignição (capítulo 16).
– Motor de partida, estator e embreagem de partida (capítulo 17).
• Cuidado para não danificar as superfícies de contato e mancais da árvore de manivelas durante os reparos.
• Aplique junta líquida nas superfícies de contato das carcaças do motor durante a montagem. Retire completamente todo
excesso de junta líquida.
ESPECIFICAÇÕES
Item Padrão Limite de Uso
Transmissão Diâmetro Interno M5, M6 28,000-28,021 28,04
da engrenagem C2, C3, C4 31,000-31,025 31,04
Diâmetro externo M5, M6 27,959-27,980 27,94
da bucha da C2 30,959-30,980 30,94
engrenagem C3, C4 30,950-30,975 30,93
Diâmetro interno da M5 24,985-25.006 25,016
bucha da engrenagem C2 27,985-28,006 28,021
Folga entre a bucha M5, M6 0,020-0,062 –
e a engrenagem C2, C3, C4 0,020-0,070 –
Diâmetro externo da Bucha M5 24,967-24,980 24,960
árvore primária Na guia externa 21,980-21,993 21,95
Diâmetro externo da
Bucha C2 27,967-27,980 27,96árvore secundária
Folga entre a bucha M5 0,005-0,039 –
e o eixo C2 0,005-0,039 –
Garfos seletores/ Empenamento 5,93-6,00 5,90
Eixo Diâmetro interno dos garfos seletores 12,000-12,021 12,030
Diâmetro externo do eixo dos garfos seletores 11,957-11,968 11,95
Unidade: mm 10
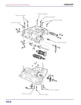
CBR600FCARCAÇA DO MOTOR/TRANSMISSÃO
10-0
26 N.m (2,6 kg.m)
26 N.m (2,6 kg.m)
12 N.m (1,2 kg.m)
12 N.m (1,2 kg.m)
12 N.m (1,2 kg.m)
12 N.m (1,2 kg.m)
12 N.m (1,2 kg.m)
24 N.m (2,4 kg.m)
40 N.m (4,0 kg.m)
CBR600F
10-2
CARCAÇA DO MOTOR/TRANSMISSÃO
DIAGNOSE DE DEFEITOS
A marcha escapa
• Dentes ou ranhuras de acoplamento da engrenagem gastos
• Eixo do garfo seletor empenado
• Garfo seletor desgastado ou empenado
• Batente do tambor seletor quebrado
• Mola de retorno do seletor quebrada
Dificuldade na mudança de marcha
• Funcionamento inadequado da embreagem
• Ajuste incorreto da embreagem
• Viscosidade do óleo do motor incorreta
• Garfo seletor deformado
• Eixo do garfo seletor deformado
• Dentes do garfo seletor deformados
• Ranhuras do excêntrico do tambor seletor danificadas
• Eixo seletor empenado
VALORES DE TORQUE
Parafusos da carcaça do motor (6 mm) 12 N.m (1,2 kg.m)
Parafusos da carcaça do motor (8 mm) 24 N.m (2,4 kg.m)
Parafusos da carcaça do motor (10 mm) 40 N.m (4,0 kg.m)
Parafuso do mancal principal 26 N.m (2,6 kg.m) Aplique óleo nas roscas.
Parafusos de vedação (20 mm) 30 N.m (3,0 kg.m) Aplique junta líquida nas roscas.
(14 mm) 25 N.m (2,5 kg.m) Aplique junta líquida nas roscas.
FERRAMENTAS ESPECIAIS
Instalador DI, 40 mm 07746-0030100
Adaptador DI, 25 mm 07746-0030200
CBR600F CARCAÇA DO MOTOR/TRANSMISSÃO
10-3
DESMONTAGEM DAS CARCAÇAS
Verifique na página 10-1 as informações de serviços sobre as
peças que necessitam ser removidas antes da desmontagem da
carcaça do motor.
Remova o parafuso, bucha e guia da corrente do comando.
Remova a corrente do comando e a engrenagem movida do
comando.
Remova o parafuso e o terminal do interruptor de pressão de
óleo.
Desacople o conector do interruptor do neutro.
Remova os parafusos e o sensor de velocidade.
c
Retire o sensor de velocidade antes de separar a carcaça
do motor. Não desmonte ou monte a carcaça do motor
com o sensor de velocidade instalado.
Remova os parafusos da carcaça superior e as arruelas de
vedação.
PARAFUSO CONECTOR
PARAFUSOS
SENSOR DE VELOCIDADE
PARAFUSOS
GUIA DA CORRENTE BUCHA
ENGRENAGEM MOTORA CORRENTE
PARAFUSOS/ARRUELAS DE VEDAÇÃO
TERMINAL
PARAFUSO
CBR600F
10-4
Apóie o motor com o lado superior para baixo.
Solte os parafusos da carcaça inferior em seqüência cruzada,
do lado externo para o lado interno em várias etapas.
Remova os parafusos e arruelas de vedação.
Remova a carcaça inferior da carcaça superior.
Verifique a posição dos anéis de óleo.
Remova os pinos guia e os anéis de óleo.
TRANSMISSÃO
REMOÇÃO
Remova a árvore secundária de transmissão.
Verifique a localização dos pinos e anéis dos rolamentos.
Remova os parafusos e o conjunto da árvore primária de
transmissão.
CARCAÇA DO MOTOR/TRANSMISSÃO
PARAFUSOS
CARCAÇA INFERIOR
ÁRVORE SECUNDÁRIA
CARCAÇA SUPERIOR
PINO ANEL
PARAFUSOS
PLACA DE FIXAÇÃO
PARAFUSOS/
ARRUELAS
DE VEDAÇÃO
CBR600F CARCAÇA DO MOTOR/TRANSMISSÃO
10-5
Remova a árvore primária.
Remova os parafusos e as placas de fixação do tambor seletor.
Remova o eixo e os garfos seletores.
Remova o rolamento e o tambor seletor.
PLACAS DE FIXAÇÃO
EIXO DO GARFO SELETOR
GARFOS SELETORES
ROLAMENTO
ÁRVORE PRIMÁRIA
TAMBOR SELETOR
PARAFUSOS
CBR600F
10-6
DESMONTAGEM DA TRANSMISSÃO
Desmonte a árvore primária e a árvore secundária.
Verifique se os rolamentos de agulha da árvore primária e da
árvore secundária estão danificados ou com desgaste
excessivo.
INSPEÇÃO
Engrenagens
Verifique se as engrenagens estão gastas ou danificadas.
Verifique os orifícios e ressaltos de engrenamento quanto a
desgaste ou danos.
Meça o diâmetro interno das engrenagens.
Limite de Uso: M5, M6: 28,04 mm
C2, C3 e C4: 31,04 mm
Buchas
Verifique cada bucha se estão danificadas ou com desgaste
excessivo.
Meça o diâmetro externo de cada bucha.
Limite de uso: M5, M6: 27,94 mm
C3, C4: 30,93 mm
C2: 30,94 mm
Meça o diâmetro interno de cada bucha.
Limite de Uso: M5: 25,016 mm
C2: 28,021 mm
CARCAÇA DO MOTOR/TRANSMISSÃO
ÁRVORE PRIMÁRIA
CAPA DOS ROLAMENTO
ÁRVORE SECUNDÁRIA
ROLAMENTOS DE AGULHA
CBR600F CARCAÇA DO MOTOR/TRANSMISSÃO
10-7
ÁRVORE PRIMÁRIA/ÁRVORE SECUNDÁRIA
Verifique as ranhuras e superfícies deslizantes. Se estão
danificadas ou com desgaste anormal.
Meça o diâmetro externo da árvore primária e secundária na
região deslizante das buchas.
Limite de Uso:
Árvore Primária: na bucha da engrenagem primária da
5ª: 24,960 mm
Árvore Secundária: na bucha da engrenagem secundária da
2ª: 27,96 mm
TAMBOR SELETOR
Inspecione o tambor seletor se está marcado, arranhado ou com
sinais evidentes de falta de lubrificação. Verifique se as ranhuras
do tambor seletor estão com desgaste anormal ou danificadas.
GARFO SELETOR
Verifique se os garfos seletores estão gastos ou deformados.
Meça o diâmetro interno e o empenamento dos garfos seletores.
Limite de Uso:
D.I.: 12,030 mm
Espessura dos dentes: 5,90 mm
EIXO DOS GARFOS SELETORES
Verifique o eixo se está gasto ou danificado.
Meça o diâmetro externo do eixo dos garfos seletores.
Limite de Uso: 11,95 mm
TAMBOR SELETOR
ÁRVORE SECUNDÁRIA
ÁRVORE PRIMÁRIA
ROLAMENTO
CBR600F
10-8
MONTAGEM DA TRANSMISSÃO
Limpe todas as peças com solvente não inflamável.
Aplique óleo a base de molibdênio nas seguintes peças:
– Ranhuras dos garfos seletores
– Nas superfícies internas e externas das buchas
– Nas superfícies externas das ranhuras das buchas.
Monte a árvore primária e a árvore secundária.
NOTA
• Verifique se as engrenagens movem-se livremente nos
eixos.
• Verifique se as extremidades dos anéis elásticos estão
assentados corretamente nas ranhuras.
CARCAÇA DO MOTOR/TRANSMISSÃO
ANEL ELÁSTICO
CORRETO INCORRETO
ÁRVORE PRIMÁRIA
ÁRVORE PRIMÁRIA
ARRUELA DE ENCOSTO (33 x 25 x 1)
ENGRENAGEM PRIMÁRIA 5ª (20D)
ARRUELA ENTALHADA
ENGRENAGENS PRIMÁRIA 3ª E 4ª (17/19D)
ANEL ELÁSTICO
BUCHA ENTALHADA ENGRENAGEM
PRIMÁRIA 6ª
ARRUELA ENTALHADA
ENGRENAGEM
PRIMÁRIA 2ª (16D)
CAPA DO ROLAMENTO
ARRUELA DE ENCOSTO,
31 x 20 x 0,9
Engrenagens e superfícies deslizantes das
buchas e ranhuras dos garfos seletores.
ARRUELA TRAVA
ARRUELA ENTALHADA
ANEL ELÁSTICO
BUCHA ENGRENAGEM
PRIMÁRIA 5ª
ENGRENAGEM PRIMÁRIA
1ª (14D)
POSIÇÃO DAS ARRUELAS
E ANÉIS ELÁSTICOS
ENGRENAGEM
PRIMÁRIA 6ª (23D)
ROLAMENTO
DE AGULHAS
OILMo
CBR600F CARCAÇA DO MOTOR/TRANSMISSÃO
10-9
CAPA DO ROLAMENTO
ARRUELA DE ENCOSTO, 31 x 20 x 0,9
ANEL ELÁSTICO
ÁRVORE SECUNDÁRIA
POSIÇÃO DAS ARRUELAS E ANÉIS ELÁSTICOS
BUCHA ENTALHADA
DA ENGRENAGEM
SECUNDÁRIA 3ª
ARRUELA TRAVA
BUCHA DA ENGRENAGEM SECUNDÁRIA 4ª
ARRUELA ENTALHADA
ANEL ELÁSTICO
ENGRENAGEM SECUNDÁRIA 2ª (33D)
ARRUELA ENTALHADA
ENGRENAGEM SECUNDÁRIA 6ª (25D)
ENGRENAGEM SECUNDÁRIA 4ª (26D)
ARRUELA ENTALHADA
ENGRENAGEM SECUNDÁRIA 3ª (28D)
ARRUELA ENTALHADA
ENGRENAGEM SECUNDÁRIA 5ª (24D)
ENGRENAGEM
SECUNDÁRIA 1ª (41D)
ROLAMENTO DE
AGULHAS
BUCHA DA
ENGRENAGEM
SECUNDARIA 2ª
SUPERFÍCIES DESLIZANTES DAS
ENGRENAGENS, BUCHAS E RANHURAS
DOS GARFOS SELETORES.
ÁRVORE SECUNDÁRIA
OILMo
CBR600F
10-10
SUBSTITUIÇÃO DO ROLAMENTO DA ÁRVORE
PRIMÁRIA
NOTA
Remova o rolamento da árvore primária pressionando a árvore
primária conforme mostrado.
Não remova o rolamento da árvore secundária. Caso houver
necessidade de substituir o rolamento, deverá ser substituído
o conjunto da árvore secundária.
Instale o rolamento novo na árvore primária usando a ferramenta
especial.
FERRAMENTAS:
Instalador, D.I. 40 mm 07746-0030100
Adaptador, D.I., 25 mm 07746-0030200
NOTA
Instale o rolamento com a marca gravada voltada para fora.
INSTALAÇÃO
Instale o tambor seletor e o rolamento na carcaça inferior do
motor.
Os garfos seletores possuem marcas de identificação.
Marca de identificação “R” para o garfo seletor direito, “L” para
o garfo seletor esquerdo e “C” para o garfo seletor central.
CARCAÇA DO MOTOR/TRANSMISSÃO
ÁRVORE PRIMÁRIA
ROLAMENTO
REMOVEDOR
TAMBOR SELETOR
MARCA “L” MARCA “C” MARCA “R”
GARFOS SELETORES
ROLAMENTO
ROLAMENTO
ÁRVORE
PRIMÁRIA
ADAPTADOR
CBR600F CARCAÇA DO MOTOR/TRANSMISSÃO
10-11
Instale os garfos seletores, alinhando os pinos com as ranhuras
do tambor seletor. Certifique-se de que as marcas de
identificação estão voltadas para o lado direito do motor.
Aplique óleo de motor limpo no eixo e instale-o através dos
garfos seletores.
Instale as placas de fixação do rolamento no tambor seletor com
a marca “OUT” voltada para fora.
Aplique trava química nas roscas dos parafusos da placa de
fixação.
Instale e aperte os parafusos da placa de fixação.
Instale a árvore primária na carcaça superior.
Instale a placa do rolamento da árvore primária com a marca
“OUTSIDE” voltada para fora.
Aplique trava química nas roscas dos parafusos da placa de
fixação.
Instale e aperte os parafusos da placa de fixação.
PLACAS DE FIXAÇÃO
ÁRVORE PRIMÁRIA
PARAFUSOS
GARFOS SELETORES
EIXO DO GARFO SELETOR
MARCA “OUT SIDE”
PARAFUSOS MARCA “OUT”
PLACA DE
FIXAÇÃO
ÓLEO
CBR600F
10-12
Instale o conjunto da árvore secundária.
NOTA
• Alinhe o furo da carcaça do rolamento de agulhas da árvore
secundária com o pino da carcaça superior.
• Alinhe a ranhura do rolamento da árvore secundária com o
limitador, pino e a ranhura da carcaça.
Após a instalação, verifique o funcionamento suave da
transmissão.
MONTAGEM DA CARCAÇA DO MOTOR
Limpe totalmente as superfícies de apoio das carcaças superior
e inferior tomando cuidado para não danificá-las.
Aplique uma pequena quantidade de junta líquida nas
superfícies de apoio das carcaças, exceto na regiãol do
parafuso do mancal do rolamento primário (parafuso 8 mm da
carcaça inferior) e nas áreas dos orifícios de óleo conforme
mostrado.
c
Não aplique junta líquida ao redor da área de passagem
de óleo e na área do mancal do rolamento primário.
Instale o anel de óleo (curto) na carcaça superior.
NOTA
Instale o anel de óleo com o lado de diâmetro menor voltado
para a carcaça inferior conforme mostrado.
CARCAÇA DO MOTOR/TRANSMISSÃO
ÁRVORE SECUNDÁRIA ALINHAR
ALINHAR
ANEL DE ÓLEO (CURTO)
CARCAÇA
INFERIOR
CBR600F CARCAÇA DO MOTOR/TRANSMISSÃO
10-13
Instale o anel de óleo (comprido) na carcaça superior.
NOTA
Instale o anel de óleo, alinhando a ranhura com o furo da
carcaça superior.
Instale os pinos guia na carcaça superior.
Monte as duas carcaças, alinhando as garras dos garfos
seletores com as ranhuras das engrenagens.
Verifique o funcionamento suave da transmissão.
PINOS GUIA
GUIA DE ÓLEO (COMPRIDO)
GARFO
SELETOR
DIREITO
GARFO SELETOR
CENTRALGARFO
SELETOR
ESQUERDO
ENGRENAGEM
PRIMÁRIA 3ª E 4ª
ENGRENAGEM
SECUNDÁRIA 5ª
ENGRENA
-GEM
SECUNDÁ-
RIA 6ª
CBR600F
10-14
Aplique óleo nas roscas do parafuso do mancal principal e
superfície de assentamento.
Instale os parafusos da carcaça inferior e arruelas.
Aperte os parafusos 8 mm da carcaça inferior de forma cruzada
em várias etapas, começando pelos parafusos internos e em
seguida, os parafusos externos.
TORQUE: Parafuso do Mancal Principal: 26 N.m (2,6 kg.m)
Instale os outros parafusos e arruelas de vedação conforme
mostrado.
NOTA
Aperte os parafusos da carcaça de forma cruzada e
progressiva, começando pelos parafusos de diâmetro maior.
Torque: Parafuso 6 mm: 12 N.m (1,2 kg.m)
Parafuso 8 mm: 24 N.m (2,4 kg.m)
Parafuso 10 mm: 40 N.m (4,0 kg.m)
Instale as arruelas de vedação nos parafusos indicados com
as marcas “⌬”.
Limpe o sensor de velocidade e instale o anel de vedação novo.
Instale o sensor de velocidade na carcaça superior e aperte os
parafusos.
Acople o terminal do interruptor de pressão de óleo e o conector
do interruptor do neutro.
CARCAÇA DO MOTOR/TRANSMISSÃO
PARAFUSO, 6 mm
PARAFUSO DO MANCAL
PRINCIPAL
ARRUELA
ANEL DE VEDAÇÃO PARAFUSOS
PARAFUSO, 10 mm
PARAFUSO, 8 mm
SENSOR DE VELOCIDADE
TERMINAL CONECTOR
NOVA
CBR600F CARCAÇA DO MOTOR/TRANSMISSÃO
10-15
Instale a engrenagem motora do comando alinhando a ranhura
com o dente maior. Instale e passe a corrente do comando
através da carcaça do motor.
Instale a guia da corrente do comando, a bucha e o parafuso.
Reinstale todas as peças removidas. (pág. 10-1).
GUIA DA CORRENTE BUCHA
ENGRENAGEM MOTORA CORRENTE
PARAFUSO
NOTAS
INFORMAÇÕES GERAIS
COMO USAR ESTE MANUAL
Este manual descreve os procedimentos de serviço
para a motocicleta CBR600 modelos (FS 95), (FT 96)
e (FV 97).
Siga as recomendações da Tabela de Manutenção
(Capítulo 3) para assegurar que o veículo esteja em
perfeitas condições de funcionamento.
A realização da primeira manutenção programada é
extremamente importante. O desgaste inicial que
ocorre durante o período de amaciamento será
compensado.
Os capítulos 1 e 3 aplicam-se para toda a
motocicleta.
Os capítulo 4 a 19 descrevem as peças da
motocicleta, agrupadas de acordo com sua
localização.
Encontre o capítulo desejado nesta página e
consulte a tabela de índice na primeira página do
capítulo.
A maioria dos capítulos apresenta inicialmente a
ilustração de um conjunto ou sistema, informações
de serviço e diagnose de defeitos para aquele
capítulo. As páginas seguintes apresentam
procedimentos detalhados.
Se não houver conhecimento sobre a causa do
problema, consulte o capítulo 20 "Diagnose de
Defeitos".
MOTO HONDA DA AMAZÔNIA LTDA.
Departamento de Serviços Pós-Venda
Setor de Publicações Técnicas
TODAS AS INFORMAÇÕES, ILUSTRAÇÕES,
INSTRUÇÕES E ESPECIFICAÇÕES INCLUÍDAS
NESTA PUBLICAÇÃO SÃO BASEADAS NAS
INFORMAÇÕES MAIS RECENTES DISPONÍVEIS
NA OCASIÃO DA APROVAÇÃO DA IMPRESSÃO
DO MANUAL. A MOTO HONDA DA AMAZÔNIA
LTDA SE RESERVA O DIREITO DE ALTERAR AS
CARACTERÍSTICAS DA MOTOCICLETA A
QUALQUER MOMENTO E SEM PRÉVIO AVISO,
NÃO INCORRENDO, ASSIM, EM OBRIGAÇÕES
DE QUALQUER ESPÉCIE. NENHUMA PARTE
DESTA PUBLICAÇÃO PODE SER
REPRODUZIDA SEM AVISO PRÉVIO. ESTE
MANUAL FOI ELABORADO PARA PESSOAS
QUE TENHAM CONHECIMENTOS BÁSICOS
SOBRE A MANUTENÇÃO DAS MOTOS HONDA.
ÍNDICE GERAL
INFORMAÇÕES GERAIS 1
AGREGADOS DO CHASSI/ESCAPAMENTO 2
MANUTENÇÃO 3
SISTEMA DE LUBRIFICAÇÃO 4
SISTEMA DE COMBUSTÍVEL 5
SISTEMA DE ARREFECIMENTO 6
REMOÇÃO/INSTALAÇÃO DO MOTOR 7
CABEÇOTE/VÁLVULAS 8
EMBREAGEM/SELETOR DE MARCHAS 9
CARCAÇA DO MOTOR/TRANSMISSÃO 10
CILINDRO/PISTÃO/ÁRVORE
DE MANIVELAS 11
RODA DIANTEIRA/SUSPENSÃO/
SISTEMA DE DIREÇÃO 12
RODA TRASEIRA/SUSPENSÃO 13
FREIO HIDRÁULICO 14
SISTEMA DE CARGA/ALTERNADOR 15
SISTEMA DE IGNIÇÃO 16
MOTOR DE PARTIDA/
EMBREAGEM DE PARTIDA 17
INSTRUMENTOS/INTERRUPTORES
SISTEMA
ELÉTRICO
CHASSIMOTORETRANSMISSÃO
18
DIAGRAMA ELÉTRICO 19
DIAGNOSE DE DEFEITOS 20

Manual de serviço cbr600 f(1) (~1997) carcaca

  • 1.
    CBR600F INFORMAÇÕES DE SERVIÇO10-1 DIAGNOSE DE DEFEITOS 10-2 DESMONTAGEM DAS CARCAÇAS 10-3 TRANSMISSÃO 10-4 MONTAGEM DA CARCAÇA DO MOTOR 10-12 10-1 CARCAÇA DO MOTOR/ TRANSMISSÃO10. INFORMAÇÕES DE SERVIÇO INSTRUÇÕES GERAIS • As carcaças do motor devem ser separadas para serviços na árvore de manivelas, pistão , cilindro e transmissão (Incluindo o garfo e o tambor seletor). Para efetuar reparos nestes componentes o motor deve ser removido do chassi (Capítulo 7). • Os seguintes componentes devem ser removidos antes de separar as carcaças do motor: – Cárter do motor, bomba de óleo e radiador de óleo (capítulo 4). – Bomba d’água (capítulo 6). – Cabeçote (capítulo 8). – Embreagem / seletor de marchas (capítulo 9). – Tampa lateral esquerda (capítulo 15). – Rotor e tampa do gerador de pulsos da ignição (capítulo 16). – Motor de partida, estator e embreagem de partida (capítulo 17). • Cuidado para não danificar as superfícies de contato e mancais da árvore de manivelas durante os reparos. • Aplique junta líquida nas superfícies de contato das carcaças do motor durante a montagem. Retire completamente todo excesso de junta líquida. ESPECIFICAÇÕES Item Padrão Limite de Uso Transmissão Diâmetro Interno M5, M6 28,000-28,021 28,04 da engrenagem C2, C3, C4 31,000-31,025 31,04 Diâmetro externo M5, M6 27,959-27,980 27,94 da bucha da C2 30,959-30,980 30,94 engrenagem C3, C4 30,950-30,975 30,93 Diâmetro interno da M5 24,985-25.006 25,016 bucha da engrenagem C2 27,985-28,006 28,021 Folga entre a bucha M5, M6 0,020-0,062 – e a engrenagem C2, C3, C4 0,020-0,070 – Diâmetro externo da Bucha M5 24,967-24,980 24,960 árvore primária Na guia externa 21,980-21,993 21,95 Diâmetro externo da Bucha C2 27,967-27,980 27,96árvore secundária Folga entre a bucha M5 0,005-0,039 – e o eixo C2 0,005-0,039 – Garfos seletores/ Empenamento 5,93-6,00 5,90 Eixo Diâmetro interno dos garfos seletores 12,000-12,021 12,030 Diâmetro externo do eixo dos garfos seletores 11,957-11,968 11,95 Unidade: mm 10
  • 2.
    CBR600FCARCAÇA DO MOTOR/TRANSMISSÃO 10-0 26N.m (2,6 kg.m) 26 N.m (2,6 kg.m) 12 N.m (1,2 kg.m) 12 N.m (1,2 kg.m) 12 N.m (1,2 kg.m) 12 N.m (1,2 kg.m) 12 N.m (1,2 kg.m) 24 N.m (2,4 kg.m) 40 N.m (4,0 kg.m)
  • 3.
    CBR600F 10-2 CARCAÇA DO MOTOR/TRANSMISSÃO DIAGNOSEDE DEFEITOS A marcha escapa • Dentes ou ranhuras de acoplamento da engrenagem gastos • Eixo do garfo seletor empenado • Garfo seletor desgastado ou empenado • Batente do tambor seletor quebrado • Mola de retorno do seletor quebrada Dificuldade na mudança de marcha • Funcionamento inadequado da embreagem • Ajuste incorreto da embreagem • Viscosidade do óleo do motor incorreta • Garfo seletor deformado • Eixo do garfo seletor deformado • Dentes do garfo seletor deformados • Ranhuras do excêntrico do tambor seletor danificadas • Eixo seletor empenado VALORES DE TORQUE Parafusos da carcaça do motor (6 mm) 12 N.m (1,2 kg.m) Parafusos da carcaça do motor (8 mm) 24 N.m (2,4 kg.m) Parafusos da carcaça do motor (10 mm) 40 N.m (4,0 kg.m) Parafuso do mancal principal 26 N.m (2,6 kg.m) Aplique óleo nas roscas. Parafusos de vedação (20 mm) 30 N.m (3,0 kg.m) Aplique junta líquida nas roscas. (14 mm) 25 N.m (2,5 kg.m) Aplique junta líquida nas roscas. FERRAMENTAS ESPECIAIS Instalador DI, 40 mm 07746-0030100 Adaptador DI, 25 mm 07746-0030200
  • 4.
    CBR600F CARCAÇA DOMOTOR/TRANSMISSÃO 10-3 DESMONTAGEM DAS CARCAÇAS Verifique na página 10-1 as informações de serviços sobre as peças que necessitam ser removidas antes da desmontagem da carcaça do motor. Remova o parafuso, bucha e guia da corrente do comando. Remova a corrente do comando e a engrenagem movida do comando. Remova o parafuso e o terminal do interruptor de pressão de óleo. Desacople o conector do interruptor do neutro. Remova os parafusos e o sensor de velocidade. c Retire o sensor de velocidade antes de separar a carcaça do motor. Não desmonte ou monte a carcaça do motor com o sensor de velocidade instalado. Remova os parafusos da carcaça superior e as arruelas de vedação. PARAFUSO CONECTOR PARAFUSOS SENSOR DE VELOCIDADE PARAFUSOS GUIA DA CORRENTE BUCHA ENGRENAGEM MOTORA CORRENTE PARAFUSOS/ARRUELAS DE VEDAÇÃO TERMINAL PARAFUSO
  • 5.
    CBR600F 10-4 Apóie o motorcom o lado superior para baixo. Solte os parafusos da carcaça inferior em seqüência cruzada, do lado externo para o lado interno em várias etapas. Remova os parafusos e arruelas de vedação. Remova a carcaça inferior da carcaça superior. Verifique a posição dos anéis de óleo. Remova os pinos guia e os anéis de óleo. TRANSMISSÃO REMOÇÃO Remova a árvore secundária de transmissão. Verifique a localização dos pinos e anéis dos rolamentos. Remova os parafusos e o conjunto da árvore primária de transmissão. CARCAÇA DO MOTOR/TRANSMISSÃO PARAFUSOS CARCAÇA INFERIOR ÁRVORE SECUNDÁRIA CARCAÇA SUPERIOR PINO ANEL PARAFUSOS PLACA DE FIXAÇÃO PARAFUSOS/ ARRUELAS DE VEDAÇÃO
  • 6.
    CBR600F CARCAÇA DOMOTOR/TRANSMISSÃO 10-5 Remova a árvore primária. Remova os parafusos e as placas de fixação do tambor seletor. Remova o eixo e os garfos seletores. Remova o rolamento e o tambor seletor. PLACAS DE FIXAÇÃO EIXO DO GARFO SELETOR GARFOS SELETORES ROLAMENTO ÁRVORE PRIMÁRIA TAMBOR SELETOR PARAFUSOS
  • 7.
    CBR600F 10-6 DESMONTAGEM DA TRANSMISSÃO Desmontea árvore primária e a árvore secundária. Verifique se os rolamentos de agulha da árvore primária e da árvore secundária estão danificados ou com desgaste excessivo. INSPEÇÃO Engrenagens Verifique se as engrenagens estão gastas ou danificadas. Verifique os orifícios e ressaltos de engrenamento quanto a desgaste ou danos. Meça o diâmetro interno das engrenagens. Limite de Uso: M5, M6: 28,04 mm C2, C3 e C4: 31,04 mm Buchas Verifique cada bucha se estão danificadas ou com desgaste excessivo. Meça o diâmetro externo de cada bucha. Limite de uso: M5, M6: 27,94 mm C3, C4: 30,93 mm C2: 30,94 mm Meça o diâmetro interno de cada bucha. Limite de Uso: M5: 25,016 mm C2: 28,021 mm CARCAÇA DO MOTOR/TRANSMISSÃO ÁRVORE PRIMÁRIA CAPA DOS ROLAMENTO ÁRVORE SECUNDÁRIA ROLAMENTOS DE AGULHA
  • 8.
    CBR600F CARCAÇA DOMOTOR/TRANSMISSÃO 10-7 ÁRVORE PRIMÁRIA/ÁRVORE SECUNDÁRIA Verifique as ranhuras e superfícies deslizantes. Se estão danificadas ou com desgaste anormal. Meça o diâmetro externo da árvore primária e secundária na região deslizante das buchas. Limite de Uso: Árvore Primária: na bucha da engrenagem primária da 5ª: 24,960 mm Árvore Secundária: na bucha da engrenagem secundária da 2ª: 27,96 mm TAMBOR SELETOR Inspecione o tambor seletor se está marcado, arranhado ou com sinais evidentes de falta de lubrificação. Verifique se as ranhuras do tambor seletor estão com desgaste anormal ou danificadas. GARFO SELETOR Verifique se os garfos seletores estão gastos ou deformados. Meça o diâmetro interno e o empenamento dos garfos seletores. Limite de Uso: D.I.: 12,030 mm Espessura dos dentes: 5,90 mm EIXO DOS GARFOS SELETORES Verifique o eixo se está gasto ou danificado. Meça o diâmetro externo do eixo dos garfos seletores. Limite de Uso: 11,95 mm TAMBOR SELETOR ÁRVORE SECUNDÁRIA ÁRVORE PRIMÁRIA ROLAMENTO
  • 9.
    CBR600F 10-8 MONTAGEM DA TRANSMISSÃO Limpetodas as peças com solvente não inflamável. Aplique óleo a base de molibdênio nas seguintes peças: – Ranhuras dos garfos seletores – Nas superfícies internas e externas das buchas – Nas superfícies externas das ranhuras das buchas. Monte a árvore primária e a árvore secundária. NOTA • Verifique se as engrenagens movem-se livremente nos eixos. • Verifique se as extremidades dos anéis elásticos estão assentados corretamente nas ranhuras. CARCAÇA DO MOTOR/TRANSMISSÃO ANEL ELÁSTICO CORRETO INCORRETO ÁRVORE PRIMÁRIA ÁRVORE PRIMÁRIA ARRUELA DE ENCOSTO (33 x 25 x 1) ENGRENAGEM PRIMÁRIA 5ª (20D) ARRUELA ENTALHADA ENGRENAGENS PRIMÁRIA 3ª E 4ª (17/19D) ANEL ELÁSTICO BUCHA ENTALHADA ENGRENAGEM PRIMÁRIA 6ª ARRUELA ENTALHADA ENGRENAGEM PRIMÁRIA 2ª (16D) CAPA DO ROLAMENTO ARRUELA DE ENCOSTO, 31 x 20 x 0,9 Engrenagens e superfícies deslizantes das buchas e ranhuras dos garfos seletores. ARRUELA TRAVA ARRUELA ENTALHADA ANEL ELÁSTICO BUCHA ENGRENAGEM PRIMÁRIA 5ª ENGRENAGEM PRIMÁRIA 1ª (14D) POSIÇÃO DAS ARRUELAS E ANÉIS ELÁSTICOS ENGRENAGEM PRIMÁRIA 6ª (23D) ROLAMENTO DE AGULHAS OILMo
  • 10.
    CBR600F CARCAÇA DOMOTOR/TRANSMISSÃO 10-9 CAPA DO ROLAMENTO ARRUELA DE ENCOSTO, 31 x 20 x 0,9 ANEL ELÁSTICO ÁRVORE SECUNDÁRIA POSIÇÃO DAS ARRUELAS E ANÉIS ELÁSTICOS BUCHA ENTALHADA DA ENGRENAGEM SECUNDÁRIA 3ª ARRUELA TRAVA BUCHA DA ENGRENAGEM SECUNDÁRIA 4ª ARRUELA ENTALHADA ANEL ELÁSTICO ENGRENAGEM SECUNDÁRIA 2ª (33D) ARRUELA ENTALHADA ENGRENAGEM SECUNDÁRIA 6ª (25D) ENGRENAGEM SECUNDÁRIA 4ª (26D) ARRUELA ENTALHADA ENGRENAGEM SECUNDÁRIA 3ª (28D) ARRUELA ENTALHADA ENGRENAGEM SECUNDÁRIA 5ª (24D) ENGRENAGEM SECUNDÁRIA 1ª (41D) ROLAMENTO DE AGULHAS BUCHA DA ENGRENAGEM SECUNDARIA 2ª SUPERFÍCIES DESLIZANTES DAS ENGRENAGENS, BUCHAS E RANHURAS DOS GARFOS SELETORES. ÁRVORE SECUNDÁRIA OILMo
  • 11.
    CBR600F 10-10 SUBSTITUIÇÃO DO ROLAMENTODA ÁRVORE PRIMÁRIA NOTA Remova o rolamento da árvore primária pressionando a árvore primária conforme mostrado. Não remova o rolamento da árvore secundária. Caso houver necessidade de substituir o rolamento, deverá ser substituído o conjunto da árvore secundária. Instale o rolamento novo na árvore primária usando a ferramenta especial. FERRAMENTAS: Instalador, D.I. 40 mm 07746-0030100 Adaptador, D.I., 25 mm 07746-0030200 NOTA Instale o rolamento com a marca gravada voltada para fora. INSTALAÇÃO Instale o tambor seletor e o rolamento na carcaça inferior do motor. Os garfos seletores possuem marcas de identificação. Marca de identificação “R” para o garfo seletor direito, “L” para o garfo seletor esquerdo e “C” para o garfo seletor central. CARCAÇA DO MOTOR/TRANSMISSÃO ÁRVORE PRIMÁRIA ROLAMENTO REMOVEDOR TAMBOR SELETOR MARCA “L” MARCA “C” MARCA “R” GARFOS SELETORES ROLAMENTO ROLAMENTO ÁRVORE PRIMÁRIA ADAPTADOR
  • 12.
    CBR600F CARCAÇA DOMOTOR/TRANSMISSÃO 10-11 Instale os garfos seletores, alinhando os pinos com as ranhuras do tambor seletor. Certifique-se de que as marcas de identificação estão voltadas para o lado direito do motor. Aplique óleo de motor limpo no eixo e instale-o através dos garfos seletores. Instale as placas de fixação do rolamento no tambor seletor com a marca “OUT” voltada para fora. Aplique trava química nas roscas dos parafusos da placa de fixação. Instale e aperte os parafusos da placa de fixação. Instale a árvore primária na carcaça superior. Instale a placa do rolamento da árvore primária com a marca “OUTSIDE” voltada para fora. Aplique trava química nas roscas dos parafusos da placa de fixação. Instale e aperte os parafusos da placa de fixação. PLACAS DE FIXAÇÃO ÁRVORE PRIMÁRIA PARAFUSOS GARFOS SELETORES EIXO DO GARFO SELETOR MARCA “OUT SIDE” PARAFUSOS MARCA “OUT” PLACA DE FIXAÇÃO ÓLEO
  • 13.
    CBR600F 10-12 Instale o conjuntoda árvore secundária. NOTA • Alinhe o furo da carcaça do rolamento de agulhas da árvore secundária com o pino da carcaça superior. • Alinhe a ranhura do rolamento da árvore secundária com o limitador, pino e a ranhura da carcaça. Após a instalação, verifique o funcionamento suave da transmissão. MONTAGEM DA CARCAÇA DO MOTOR Limpe totalmente as superfícies de apoio das carcaças superior e inferior tomando cuidado para não danificá-las. Aplique uma pequena quantidade de junta líquida nas superfícies de apoio das carcaças, exceto na regiãol do parafuso do mancal do rolamento primário (parafuso 8 mm da carcaça inferior) e nas áreas dos orifícios de óleo conforme mostrado. c Não aplique junta líquida ao redor da área de passagem de óleo e na área do mancal do rolamento primário. Instale o anel de óleo (curto) na carcaça superior. NOTA Instale o anel de óleo com o lado de diâmetro menor voltado para a carcaça inferior conforme mostrado. CARCAÇA DO MOTOR/TRANSMISSÃO ÁRVORE SECUNDÁRIA ALINHAR ALINHAR ANEL DE ÓLEO (CURTO) CARCAÇA INFERIOR
  • 14.
    CBR600F CARCAÇA DOMOTOR/TRANSMISSÃO 10-13 Instale o anel de óleo (comprido) na carcaça superior. NOTA Instale o anel de óleo, alinhando a ranhura com o furo da carcaça superior. Instale os pinos guia na carcaça superior. Monte as duas carcaças, alinhando as garras dos garfos seletores com as ranhuras das engrenagens. Verifique o funcionamento suave da transmissão. PINOS GUIA GUIA DE ÓLEO (COMPRIDO) GARFO SELETOR DIREITO GARFO SELETOR CENTRALGARFO SELETOR ESQUERDO ENGRENAGEM PRIMÁRIA 3ª E 4ª ENGRENAGEM SECUNDÁRIA 5ª ENGRENA -GEM SECUNDÁ- RIA 6ª
  • 15.
    CBR600F 10-14 Aplique óleo nasroscas do parafuso do mancal principal e superfície de assentamento. Instale os parafusos da carcaça inferior e arruelas. Aperte os parafusos 8 mm da carcaça inferior de forma cruzada em várias etapas, começando pelos parafusos internos e em seguida, os parafusos externos. TORQUE: Parafuso do Mancal Principal: 26 N.m (2,6 kg.m) Instale os outros parafusos e arruelas de vedação conforme mostrado. NOTA Aperte os parafusos da carcaça de forma cruzada e progressiva, começando pelos parafusos de diâmetro maior. Torque: Parafuso 6 mm: 12 N.m (1,2 kg.m) Parafuso 8 mm: 24 N.m (2,4 kg.m) Parafuso 10 mm: 40 N.m (4,0 kg.m) Instale as arruelas de vedação nos parafusos indicados com as marcas “⌬”. Limpe o sensor de velocidade e instale o anel de vedação novo. Instale o sensor de velocidade na carcaça superior e aperte os parafusos. Acople o terminal do interruptor de pressão de óleo e o conector do interruptor do neutro. CARCAÇA DO MOTOR/TRANSMISSÃO PARAFUSO, 6 mm PARAFUSO DO MANCAL PRINCIPAL ARRUELA ANEL DE VEDAÇÃO PARAFUSOS PARAFUSO, 10 mm PARAFUSO, 8 mm SENSOR DE VELOCIDADE TERMINAL CONECTOR NOVA
  • 16.
    CBR600F CARCAÇA DOMOTOR/TRANSMISSÃO 10-15 Instale a engrenagem motora do comando alinhando a ranhura com o dente maior. Instale e passe a corrente do comando através da carcaça do motor. Instale a guia da corrente do comando, a bucha e o parafuso. Reinstale todas as peças removidas. (pág. 10-1). GUIA DA CORRENTE BUCHA ENGRENAGEM MOTORA CORRENTE PARAFUSO NOTAS
  • 17.
    INFORMAÇÕES GERAIS COMO USARESTE MANUAL Este manual descreve os procedimentos de serviço para a motocicleta CBR600 modelos (FS 95), (FT 96) e (FV 97). Siga as recomendações da Tabela de Manutenção (Capítulo 3) para assegurar que o veículo esteja em perfeitas condições de funcionamento. A realização da primeira manutenção programada é extremamente importante. O desgaste inicial que ocorre durante o período de amaciamento será compensado. Os capítulos 1 e 3 aplicam-se para toda a motocicleta. Os capítulo 4 a 19 descrevem as peças da motocicleta, agrupadas de acordo com sua localização. Encontre o capítulo desejado nesta página e consulte a tabela de índice na primeira página do capítulo. A maioria dos capítulos apresenta inicialmente a ilustração de um conjunto ou sistema, informações de serviço e diagnose de defeitos para aquele capítulo. As páginas seguintes apresentam procedimentos detalhados. Se não houver conhecimento sobre a causa do problema, consulte o capítulo 20 "Diagnose de Defeitos". MOTO HONDA DA AMAZÔNIA LTDA. Departamento de Serviços Pós-Venda Setor de Publicações Técnicas TODAS AS INFORMAÇÕES, ILUSTRAÇÕES, INSTRUÇÕES E ESPECIFICAÇÕES INCLUÍDAS NESTA PUBLICAÇÃO SÃO BASEADAS NAS INFORMAÇÕES MAIS RECENTES DISPONÍVEIS NA OCASIÃO DA APROVAÇÃO DA IMPRESSÃO DO MANUAL. A MOTO HONDA DA AMAZÔNIA LTDA SE RESERVA O DIREITO DE ALTERAR AS CARACTERÍSTICAS DA MOTOCICLETA A QUALQUER MOMENTO E SEM PRÉVIO AVISO, NÃO INCORRENDO, ASSIM, EM OBRIGAÇÕES DE QUALQUER ESPÉCIE. NENHUMA PARTE DESTA PUBLICAÇÃO PODE SER REPRODUZIDA SEM AVISO PRÉVIO. ESTE MANUAL FOI ELABORADO PARA PESSOAS QUE TENHAM CONHECIMENTOS BÁSICOS SOBRE A MANUTENÇÃO DAS MOTOS HONDA. ÍNDICE GERAL INFORMAÇÕES GERAIS 1 AGREGADOS DO CHASSI/ESCAPAMENTO 2 MANUTENÇÃO 3 SISTEMA DE LUBRIFICAÇÃO 4 SISTEMA DE COMBUSTÍVEL 5 SISTEMA DE ARREFECIMENTO 6 REMOÇÃO/INSTALAÇÃO DO MOTOR 7 CABEÇOTE/VÁLVULAS 8 EMBREAGEM/SELETOR DE MARCHAS 9 CARCAÇA DO MOTOR/TRANSMISSÃO 10 CILINDRO/PISTÃO/ÁRVORE DE MANIVELAS 11 RODA DIANTEIRA/SUSPENSÃO/ SISTEMA DE DIREÇÃO 12 RODA TRASEIRA/SUSPENSÃO 13 FREIO HIDRÁULICO 14 SISTEMA DE CARGA/ALTERNADOR 15 SISTEMA DE IGNIÇÃO 16 MOTOR DE PARTIDA/ EMBREAGEM DE PARTIDA 17 INSTRUMENTOS/INTERRUPTORES SISTEMA ELÉTRICO CHASSIMOTORETRANSMISSÃO 18 DIAGRAMA ELÉTRICO 19 DIAGNOSE DE DEFEITOS 20