COMO USAR ESTE SUPLEMENTO
Este suplemento do manual de serviço descreve
os procedimentos de serviço para a
CBR600F1/FS1.
Verifique na primeira parte deste Manual de
Serviços os procedimentos não descritos neste
suplemento.
MOTO HONDA DA AMAZÔNIA LTDA.
Departamento de Serviços Pós-Venda
Setor de Publicações Técnicas
TODAS AS INFORMAÇÕES, ILUSTRAÇÕES,
PROCEDIMENTOS E ESPECIFICAÇÕES
APRESENTADAS NESTA PUBLICAÇÃO SÃO
BASEADAS NAS INFORMAÇÕES MAIS
RECENTES DISPONÍVEIS SOBRE O PRODUTO
NO MOMENTO DA APROVAÇÃO DA
IMPRESSÃO.
A MOTO HONDA DA AMAZÔNIA LTDA
RESERVA-SE O DIREITO DE ALTERAR AS
CARACTERÍSTICAS DO PRODUTO A
QUALQUER MOMENTO E SEM PRÉVIO
AVISO, SEM QUE ISTO INCORRA EM
QUAISQUER OBRIGAÇÕES.
NENHUMA PARTE DESTA PUBLICAÇÃO
PODE SER REPRODUZIDA SEM
AUTORIZAÇÃO PRÉVIA POR ESCRITO.
2
1
9
10
11
12
13
14
15
16
17
18
19
20
21
22
23
6
5
8
7
4
3
ÍNDICE GERAL
INFORMAÇÕES GERAIS
CHASSI/CARENAGEM/SISTEMA DE
ESCAPAMENTO
MANUTENÇÃO
SISTEMA DE LUBRIFICAÇÃO
SISTEMA DE COMBUSTÍVEL (INJEÇÃO
DE COMBUSTIVEL PROGRAMADA)
SISTEMA DE ARREFECIMENTO
REMOÇÃO/INSTALAÇÃO DO MOTOR
CABEÇOTE/VÁLVULAS
EMBREAGEM/ARTICULAÇÃO DE
MUDANÇA DE MARCHAS
ALTERNADOR/EMBREAGEM DE PARTIDA
CARCAÇA DO MOTOR/TRANSMISSÃO
ÁRVORE DE MANIVELAS /
PISTÃO/CILINDRO
RODA DIANTEIRA/SUSPENSÃO/
SISTEMA DE DIREÇÃO
RODA TRASEIRA/SUSPENSÃO
FREIO HIDRÁULICO
BATERIA/SISTEMA DE CARGA
SISTEMA DE IGNIÇÃO
PARTIDA ELÉTRICA
LUZES/INDICADORES/INTERRUPTORES
DIAGRAMA ELÉTRICO
CARACTERÍSTICAS TÉCNICAS
DIAGNOSE DE DEFEITOS
SUPLEMENTO
SISTEMAELÉTRICOCHASSIMOTORESISTEMADETRANSMISSÃO
23. SUPLEMENTO
IDENTIFICAÇÃO DO MODELO 23-1
ESPECIFICAÇÕES 23-2
VALORES DE TORQUE 23-11
PONTOS DE LUBRIFICAÇÃO E VEDAÇÃO 23-16
PASSAGENS DE CABOS E FIAÇÃO 23-20
LOCALIZAÇÕES DA CARENAGEM 23-27
ASSENTO (FS1) 23-28
ASSENTO TRASEIRO (FS1) 23-28
CARENAGEM SUPERIOR (FS1) 23-30
PÁRA-LAMA TRASEIRO (FS1) 23-31
TRILHO DO ASSENTO (FS1) 23-34
LOCALIZAÇÃO DO SISTEMA PGM-FI 23-37
(FS1)
ECM (MÓDULO DE CONTROLE DO 23-38
MOTOR/ FS1)
SUPORTE INFERIOR DA ARTICULAÇÃO 23-38
DO AMORTECEDOR (FS1)
CABEÇOTE (EXCETO TIPOS BR E MX) 23-39
EMBREAGEM (EXCETO TIPOS BR E MX) 23-44
BATERIA (FS1) 23-45
LANTERNA TRASEIRA/LUZ DO FREIO 23-46
(FS1)
LÂMPADA DA PLACA DE LICENÇA (FS1) 23-47
DIAGRAMA ELÉTRICO 23-48
CBR600F
SUPLEMENTO
23-1
CBR600F
O número de identificação da carcaça do acelerador
carburador está gravado na traseira de cada carcaça do
acelerador.
A etiqueta com o código de cores está colada conforme
mostra a ilustração. Sempre especifique o código de cor
ao a solicitar as peças coloridas.
O número de série do chassi está gravado no lado
direito da coluna de direção.
O número de série do motor está gravado no lado
dianteiro superior da carcaça do motor.
NÚMERO DE SÉRIE DO CHASSI
NÚMERO DE SÉRIE DO MOTOR
DA CARACAÇA DO ACELERADOR ACELERADOR
ETIQUETA COM O
CODIGO DE CORES
IDENTIFICAÇÃO DO MODELO (EXCETO TIPOS BR E MX)
NÚMERO DE IDENTIFICAÇÃO
SUPLEMENTO
23-2
ESPECIFICAÇÕES
GERAL
CBR600F
Item Especificações
Dimensões Comprimento total 2.100 mm
Largura total 685 mm
Altura total 1.135mm
Distância entre eixos 1.385 mm
Altura do assento 805 mm
Altura do pedal de apoio 360 mm
Altura mínima do solo 135 mm
Peso seco
FS1 (Tipos ED, E, F e U) 169 kg
FS1 (Tipo G) 170 kg
F1 (Tipo BR e MX) 170 kg
Peso em ordem de marcha
FS1 (Tipos ED, E, F, G e U) 197 kg
FS1 (Tipo G) 198 kg
F1 (Tipo BR e MX) 198 kg
Capacidade máxima de carga 189 kg
Chassi Tipo de chassi Diamond
Suspensão dianteira Garfo telescópico
Curso da suspensão dianteira 120 mm
Suspensão traseira Braço oscilante
Curso da suspensão traseira 120 mm
Dimensão do pneu dianteiro 120/70 ZR 17 (58W) Radial
Dimensão do pneu traseiro 180/55ZR 17 (73W) Radial
Marca dos pneus
Bridgestone Dianteiro: BT010FF
Dunlop Dianteiro: D207FJ
Michelin Dianteiro: Pilot SPORT E
Bridgestone Traseiro: BT010RF
Dunlop Traseiro: D207P
Michelin Traseiro: Pilot SPORT E
Freio dianteiro A disco, hidráulico, duplo
Freio traseiro A disco, hidráulico, único
Cáster 24o
Trail 96 mm
Capacidade do tanque de combustível 18,0 l
Motor Disposição dos cilindros Quatro cilindros em linha, inclinados 31o
em relação à vertical
Diâmetro e curso 67,0 x 42,5 mm
Cilindrada 599 cm3
Relação de compressão 12,0:1
Sistema de válvulas Acionado por corrente, DOHC
Válvula de admissão abertura 22º APMS
fechamento 43º DPMI
Válvula de escapamento abertura 38º APMI
fechamento 7º DPMS
Sistema de lubrificação Forçada por bomba de óleo
Bomba de óleo Trocoidal
Sistema de arrefecimento Arrefecido por líquido
Filtro de ar Elemento de papel
Peso do motor 59,0 kg
Ordem de ignição 1 – 2 – 4 – 3
SUPLEMENTO
23-3
CBR600F
GERAL (CONTINUAÇÃO)
Item Especificações
Carburador Tipo PGM-FI (Injeção Eletrônica de Combustível)
Diâmetro externo do acelerador 38 mm
Transmissão Sistema de embreagem Multidisco em banho de óleo
Sistema de funcionamento da embreagem Operado com cabo
Transmissão 6 marchas constantemente engrenadas
Redução primária 1,822 (82/45)
Redução final
FS1 (Tipos ED, E, F, G e U) 2,875 (46/16)
F1 (Tipo BR e MX) 2,813 (45/16)
Relação de transmissão 1a
2,833 (34/12)
2a
2,062 (33/16
3a
1,647 (28/17)
4a
1,421 (27/19)
5a
1,272 (28/22)
6a
1,173 (27/23)
Sistema de mudanças De retorno operado pelo pé esquerdo, 1 – N – 2 – 3 – 4 – 5 – 6
Sistema Sistema de ignição Digital totalmente transistorizada, com avanço elétrico
elétrico Sistema de partida Elétrica
Sistema de carga Alternador trifásico
Regulador/retificador SCR/trifásico, retificação de ondas completas
Sistema de iluminação Bateria
SUPLEMENTO
23-4
SISTEMA DE LUBRIFICAÇÃO
Unidade: mm
CBR600F
Item Padrão Limite de uso
Capacidade de óleo do motor Na drenagem 3,0 l —
Na troca do filtro de óleo 3,3 l —
Na desmontagem 3,7 l —
Óleo recomendado: MOBIL SUPERMOTO 4T
Classificação de serviço API SF —
Viscosidade: SAE 20W-50
Pressão do óleo no interruptor de pressão do óleo 490 kPa (5,0 kgf.cm2
, 71 psi)
—
a 6.000 rpm (80ºC)
Rotor da bomba de óleo Folga entre os rotores interno
e externo
0,15 0,20
Folga entre o rotor externo e
a carcaça da bomba
0,15 – 0,22 0,35
Folga entre os rotores e a face
da carcaça da bomba
0,02 – 0,07 0,10
Item Especificações
Número de identificação da Exceto tipo G GQ90A
carcaça do acelerador Tipo G GQ90D
Diferença de vácuo das válvulas de partida 20 mm Hg
Válvula de aceleração de base para a sincronização nº 1
Marcha lenta 1.300 ± 100 rpm
Folga livre da manopla do acelerador 2 – 6 mm
Resistência do sensor de temperatura do ar de admissão
(a 20o
C)
1 – 4 kΩ
Resistência do sensor de temperatura do líquido de
arrefecimento do motor (a 20o
C)
2,3 – 2,6 kΩ
Resistência do injetor de combustível (a 20o
C) 11,1 – 12,3 kΩ
Resistência da válvula solenóide de controle PAIR (a 20o
C) 20 – 24Ω
Voltagem máxima do gerador de pulsos do comando (a 20o
C) Mínimo de 0,7 V
Voltagem máxima do gerador de pulsos da ignição (em 20o
C) Mínimo de 0,7 V
Pressão absoluta do coletor na marcha lenta 150 – 250 mm Hg
Pressão de combustível na marcha lenta 343 kPa (3,5 kg.m/cm2
, 50 psi)
Fluxo da bomba de combustível (a 12 V) Mínimo de 188 cm3
/10 segundos
SISTEMA DE COMBUSTÍVEL (Injeção de Combustível Programada)
SUPLEMENTO
23-5
CBR600F
SISTEMA DE ARREFECIMENTO
Item Especificações
Capacidade do líquido Radiador e Motor 2,7 litros
de arrefecimento Reservatório 0,31 litros
Pressão de alívio da tampa do radiador 108 - 137 kPa (1,1 – 1,4 kgf/cm2
, 16 - 20 psi)
Termostato Início da abertura 80- 84°C
Completamente aberto 90°C
Curso da válvula mínimo 8 mm
Líquido de arrefecimento recomendado Anti-congelante etileno glicol de alta qualidade
com inibidores para proteção contra corrosão.
Concentração padrão do líquido de arrefecimento Solução de 50 - 50% de etileno glicol e água destilada
CABEÇOTE/VÁLVULAS
Unidade: mm
Item Padrão Limite de uso
Compressão do cilindro 1,226 kPa (12,5 kgf/cm2
,
—
178 psi) a 350 rpm
Folga das válvulas ADM 0,20 ± 0,03 —
ESC 0,28 ± 0,03 —
Árvore de comando Altura do ressalto ADM 36,26 – 36,50 36,2
(Exceto tipos BR e MX) ESC 35,34 – 35,58 35,3
Empenamento — 0,05
Folga de óleo 0,030 – 0,072 0,10
Ajustador da válvula Diâmetro externo do ajustador 25,978 – 25,993 25,97
Diâmetro interno do alojamento
26,010 – 26,026 26,04
do ajustador
Válvula, guia Diâmetro externo ADM 3,975 – 3,990 3,965
da válvula da haste da válvula ESC 3,965 – 3,980 3,955
Diâmetro interno da
ADM/ESC 4,000 – 4,012 4,04
guia da válvula
Folga entre a haste e ADM 0,010 – 0,037 0,075
a guia da válvula ESC 0,020 – 0,047 0,085
Projeção da guia da válvula ADM 16,1 – 16,4 —
acima do cabeçote ESC 14,3 – 14,6 —
Largura da sede da válvula ADM/ESC 0,90 – 1,10 1,5
Comprimento livre ADM (Exceto tipos Externa 42,2 41,36
da mola da válvula BR e MX) Interna 36,4 35,57
ESC 36,3 35,57
Empenamento do cabeçote — 0,10
SUPLEMENTO
23-6
EMBREAGEM/SELETOR DE MARCHAS
Unidade: mm
CBR600F
Item Padrão Limite de uso
Folga livre da alavanca da embreagem 10 – 20 —
Embreagem Comprimento livre da Exceto tipos BR e MX) 44,7 43,4
mola da embreagem Tipos BR e MX) 46,5 45,2
Espessura do disco da embreagem 2,92 – 3,08 2,6
Empenamento do separador da embreagem — 0,30
Carcaça da embreagem D.I 25,000 – 25,021 25,03
D.E 34,975 – 34,991 34,97
Diâmetro externo da árvore primária
na guia da carcaça da embreagem
24,980 – 24,993 24,96
ALTERNADOR/EMBREAGEM DE PARTIDA
Unidade: mm
Item Padrão Limite de uso
Diâmetro externo do ressalto da engrenagem movida de partida 51,699 – 51,718 51,684
CARCAÇA DO MOTOR/TRANSMISSÃO
Unidade: mm
Item Padrão Limite de uso
Garfo seletor D.I. 12,000 – 12,021 12,03
Espessura da garra do garfo 5,93 – 6,00 5,9
Eixo dos garfos seletores D.E. 11,957 – 11,968 11,95
Transmissão D.I. da engrenagem M5, M6 28,000 – 28,021 28,04
C2, C3, C4 31,000 - 31,025 31,04
D.E. da bucha da engrenagem M5, M6 27,959 – 27,980 27,94
C2 30,955 – 30,980 30,94
C3, C4 30,950 – 30,975 30,93
Folga entre a engrenagem M5, M6 0,020 – 0,062 0,10
e a bucha C2 0,020 – 0,070 0,10
C3, C4 0,025 – 0,075 0,11
D.I. da bucha da engrenagem M5 24,985 – 25,006 25,016
C2 27,985 – 28,006 28,021
D.E. da árvore primária na M5 24,967 – 24,980 24,96
D.E. da árvore secundária na C2 27,967 – 27,980 27,96
Folga entre a árvore e a bucha M5 0,005 – 0,039 0,06
C2 0,005 – 0,039 0,06
SUPLEMENTO
23-7
CBR600F
ÁRVORE DE MANIVELAS/PISTÃO/CILINDRO
Unidade: mm
Item Padrão Limite de uso
Árvore de manivelas Folga lateral da biela 0,10 – 0,25 0,30
Folga de óleo dos mancais
da árvore de manivelas
0,028 – 0,052 0,06
Folga de óleo dos mancais principais 0,020 – 0,038 0,05
Empenamento — 0,05
Pistão, pino do D.E. a 15 mm da parte inferior do pistão 66,965 – 66,985 66,90
pistão e anéis do D.I. da cavidade do pino do pistão 17,002 – 17,008 17,02
pistão D.E. do pino do pistão 16,994 – 17,000 16,98
Folga entre o pistão e o pino do pistão 0,002 – 0,014 0,04
Folga das extremidades do anel 1o
0,10 – 0,20 0,4
do pistão 2o
0,18 – 0,30 0,5
Anel de óleo (anel lateral) 0,2 - 0,7 1,0
Folga entre a canaleta e 1o
0,020 -–0,050 0,08
o anel do pistão 2o
0,015 – 0,050 0,08
Cilindro D.I. 67,000 - 67,015 67,10
Ovalização — 0,10
Conicidade — 0,10
Empenamento — 0,10
Folga entre o cilindro e o pistão 0,015 – 0,050 0,10
D.I. da cabeça da biela 17,016 – 17,034 17,04
Folga entre a biela e o pino do pistão 0,016 – 0,040 0,06
SUPLEMENTO
23-8
RODA DIANTEIRA/SUSPENSÃO/SISTEMA DE DIREÇÃO
Unidade: mm
CBR600F
Item Padrão Limite de uso
Profundidade mínima dos sulcos da banda de rodagem — 1,5
Pressão do pneu frio Somente piloto 250 kPa (2,50 kgf/cm2
, 36 psi) —
Piloto e passageiro 250 kPa (2,50 kgf/cm2
, 36psi) —
Empenamento do eixo — 0,20
Excentricidade Radial — 2,0
da roda Axial — 2,0
Contrapeso para balanceamento da roda — 60 g (máx)
Garfo Comprimento livre da mola 286 280,3
Direção da mola Com o lado cônico virado para cima —
Empenamento do garfo — 0,20
Fluido recomendado Fluido ATF —
Nível do fluido 116 —
Capacidade de fluido 462 ± 2,5 cm3
—
Assento inicial do ajustador da pré carga 4a
ranhura a partir do topo —
Assento inicial do ajustador da tensão 1 3/4 volta a partir da posição
—
mais rígida
Assento inicial do ajustador da 1-1/4 voltas a partir da posição
—
compressão mais rígida
Pré-carga do rolamento da coluna de direção 1,0 - 1,5 kgf —
RODA TRASEIRA/SUSPENSÃO
Unidade: mm
Item Padrão Limite de uso
Profundidade mínima dos sulcos da banda de rodagem — 2,0
Pressão do pneu frio Somente piloto 290 kPa (2,90 kgf/cm2
, 42 psi) —
Piloto e passageiro 290 kPa (2,90 kgf/cm2
, 42 psi) —
Empenamento do eixo — 0,20
Excentricidade Radial — 2,0
da roda Axial — 2,0
Contrapeso para balanceamento da roda — 60 g (máx)
Corrente de Medida/elos DID DID525HV – 108LE —
transmissão RK RKGB525R0Z1–108LE —
Folga 25 – 35 —
Amortecedor Posição padrão do ajustador da mola 2a
posição —
Assento inicial do ajustador da tensão 1 1/2 voltas a partir da posição
—
mais rígida
Assento inicial do ajustador da 1 1/2 volta a partir da posição
—
compressão mais rígida
SUPLEMENTO
23-9
CBR600F
FREIO HIDRÁULICO
Unidade: mm
Item Padrão Limite de uso
Dianteiro Fluido de freio especificado DOT 4 —
Espessura do disco do freio 4,4 – 4,6 3,5
Empenamento do disco do freio — 0,20
Diâmetro interno do cilindro mestre 15,870 – 15,913 15,925
Diâmetro externo do pistão do cilindro mestre 15,827 – 15,854 15,815
Diâmetro interno do caliper do cilindro mestre A 33,960 – 34,010 34,02
B 32,030 – 32,080 32,09
Diâmetro externo do pistão do cáliper A 33,802 – 33,835 33,794
B 31,877 – 31,910 31,869
Traseiro Fluido de freio especificado DOT 4 —
Altura do pedal do freio 75 —
Espessura do disco do freio 4,8 – 5,2 4,0
Empenamento do disco do freio — 0,30
Diâmetro interno do cilindro mestre 14,000 – 14,043 14,055
Diâmetro externo do pistão do cilindro mestre 13,957 – 13,984 13,945
Diametro interno do caliper do cilindro mestre 38,180 – 38,230 38,24
Diâmetro externo do pistão do cáliper 38,098 – 38,148 38,090
BATERIA/SISTEMA DE CARGA
Item Especificações
Bateria Capacidade 12V – 8,6 AH
Fuga de Corrente máx. 0,2mA
Voltagem (20o
C) Completamente carregada 13,0 – 13,2V
Necessita de carga Abaixo de 12,3V
Corrente de carga Normal 0,9 A/5 – 10h
Rápida 4,0 A/0,5h
Alternador Capacidade 0,433 kW/5.000 rpm
Resistência da bobina de carga (20o
C) 0,1 – 1,0 Ω
SISTEMA DE IGNIÇÃO
Item Especificações
Velas de ignição NGK IMR9A-9H
DENSO IUH27D
Folga dos eletrodos da vela de ignição 0,80 – 0,90 mm
Voltagem máxima da bobina de ignição Mínimo de 100 V
Voltagem máxima do gerador de pulsos Mínimo de 0,7 V
Ponto de ignição Marca “F” 13o
APMS em marcha lenta
SUPLEMENTO
23-10
SISTEMA DE PARTIDA
Unidade: mm
CBR600F
Item Padrão Limite de uso
Comprimento das escovas do motor de partida 12,0 – 13,0 6,5
LUZES/INSTRUMENTOS/INTERRUPTORES
Item Especificações
Lâmpadas Farol Alto 12 V – 55 W
Baixo 12 V – 55 W
Luz de posição 12 V – 5 W
Lanterna traseira/luz do freio 12 V – 5/21W x 2
Lâmpada da sinaleira 12 V – 21 W x 4
Luz do painel de instrumentos LED
Indicador da sinaleira LED
Indicador do farol alto LED
Indicador de ponto morto LED
Indicador da pressão do óleo LED
Indicador do PGM-FI LED
Indicador da reserva de combustível LED
Fusível Fusível principal 30 A
Fusível PGM-FI 20 A
Sub-fusível 10 A X 6
Pico de voltagem do tacômetro 10,5 V mínimo
Interruptor Início do fechamento (ON) 98 – 102°C
do Motor
Início da abertura 93 – 97°Cda Ventoinha
SUPLEMENTO
23-11
CBR600F
VALORES DE TORQUE
Tipo de fixador
TORQUE
Tipo de fixador
TORQUE
N.m (kg.m) N.m (kg.m)
Porca e parafuso sextavado, 5 mm 5 (0,5) Parafuso, 5 mm 4 (0,4)
Porca e parafuso sextavado, 6 mm 10 (1,0) Parafuso, 6 mm 9 (0,9)
Porca e parafuso sextavado, 8 mm 22 (2,2) Parafuso flange, 6 mm (cabeça menor
Porca e parafuso sextavado, 10 mm 34 (3,4) de 8 mm)
10 (1,0)
Porca e parafuso sextavado, 12 mm 54 (5,4) Parafuso flange, 6 mm (cabeça maior
de 8 mm)
12 (1,2)
Parafuso e porca flange, 6 mm (cabeça
de 10 mm)
12 (1,2)
Parafuso e porca flange, 8 mm 26 (2,6)
Parafuso e porca flange, 10 mm 39 (3,9)
• As especificações de torque listadas abaixo são para fixadores importantes.
• Outros fixadores devem ser apertados nos valores de torque padrão listados acima.
NOTAS: 1. Aplique junta liquida na rosca.
2. Aplique trava química na rosca.
3. Fixe
4. Aplique óleo na rosca e na superfície do flange.
5. Porca em U.
6. Parafuso ALOC; substitua por um parafuso novo.
7. Aplique graxa na rosca.
8. Aplique óleo à base de molibdênio nas roscas e superfícies de assentamento (após a remoção do óleo anti-corrosão).
9. Parafuso CT.
MOTOR
Item Qtde
Diâmetro da Torque
Notas
Rosca (mm) N.m (kg.m)
Manutenção:
Vela de ignição 4 10 12 (1,2)
Tampa do orifício da árvore de manivelas 1 45 18 (1,8) Nota 7
Cartucho do filtro de óleo 1 20 26 (2,6) Nota4
Parafuso de drenagem do óleo do motor 1 12 29 (2,9)
Sistema de lubrificação
Parafuso de vedação da galeria principal de óleo 2 20 29 (2,9) Nota 2
Parafuso da tampa da bomba de óleo 1 6 8 (0,8) Nota 9
Parafuso de fixação do radiador de óleo 1 20 64 (6,4) Nota 4
Sistema de alimentação (Injeção Eletrônica de Combustível)
ECT (Temperatura do líquido de Arrefecimento do Motor)
/Sensor termostático 1 12 23 (2,3)
Parafuso da braçadeira do coletor da carcaça do acelerador 8 5 Veja a pág. 23-13
Parafuso de fixação do suporte do cabo do acelerador 2 5 3
Contraporca das válvulas de partida 4 10 2 (0,2)
Parafuso da placa de sincronização das válvulas de partida 4 3 1 (0,1)
Parafuso da placa de fixação da unidade de controle da marcha lenta 1 3 1 (0,1)
Parafuso de fixação da unidade de controle da marcha lenta 2 6 5 (0,5)
Parafuso de fixação do regulador de pressão 2 6 10 (1,0)
Bujão da conexão de vácuo para sincronização 2 5 3 (0,3)
Sistema de arrefecimento
Parafuso flange da tampa da bomba d´água 2 6 12 (1,2) Nota 9
Parafuso flange da tampa do termostato 2 6 12 (1,2) Nota 9
Fixação do motor
Parafuso especial do pinhão de transmissão 1 10 54 (5,4)
SUPLEMENTO
23-12
MOTOR (Continuação)
CBR600F
Item Qtde
Diâmetro da Torque
Notas
Rosca (mm) N.m (kg.m)
Cabeçote/válvulas
Parafuso arruela de fixação do cabeçote 10 9 47 (4,7) Nota 8
Parafuso flange do suporte da árvore de comando 20 6 12 (1,2) Nota 4
Parafuso de vedação do cabeçote 1 14 18 (1,8) Nota 2
Parafuso da tampa do cabeçote 3 6 10 (1,0)
Parafuso flange da placa de respiro 3 6 12 (1,2) Nota 2,9
Parafuso SH da tampa da válvula de palheta PAIR 4 6 12 (1,2) Nota 9
Parafuso da engrenagem de comando 4 7 20 (2,0) Nota 2
Parafuso flange do rotor do gerador de pulsos do comando 2 6 12 (1,2) Nota 2
Parafuso Allen de fixação da guia da corrente do comando 2 6 10 (1,0)
Parafuso Allen da articulação do tensor da corrente do comando 1 6 10 (1,0) Nota 2
Parafuso/arruela da guia da corrente do comando 1 6 12 (1,2)
Prisioneiro do cabeçote (prisioneiro do escapamento) 8 6 Veja a página
23-13
Embreagem/Seletor de marchas
Contraporca do cubo da embreagem 1 22 127 (12,7) Nota 3,4
Parafuso/arruela da mola da embreagem 5 6 12 (1,2)
Parafuso da engrenagem movida da bomba de óleo 1 6 15 (1,5) Nota 2
Parafuso Allen central do tambor seletor 1 8 23 (2,3) Nota 2
Parafuso de articulação do limitador do tambor seletor 1 6 12 (1,2)
Limitador da mola do pedal de câmbio 1 8 22 (2,2)
Parafuso/arruela da guia da fiação do gerador de pulsos da ignição 1 6 12 (1,2)
Alternador/Embreagem de partida
Parafuso Allen de fixação do estator 4 6 12 (1,2)
Parafuso Allen da carcaça da embreagem 6 8 16 (1,6) Nota 2
Parafuso flange do volante do motor 1 10 103 (10,3) Nota 4
Parafuso flange da braçadeira da fiação do alternador 1 6 12 (1,2) Nota 9
Carcaça do motor/Transmissão
Parafuso da placa de fixação do rolamento da árvore primária 3 6 12 (1,2) Nota 2
Parafuso de fixação do eixo dos garfos seletores e do rolamento
do tambor do seletor 2 6 12 (1,2) Nota 2
Parafuso da carcaça do motor (Mancal principal) 10 8 25 (2,5) Nota 8
Parafuso da carcaça do motor 1 10 39 (3,9)
Parafuso da carcaça do motor 6 7 18 (1,8)
Parafuso da carcaça do motor (Lado superior) 5 8 25 (2,5)
Árvores de manivela/Pistão/Cilindro
Porca da capa da biela 8 7 25 (2,5) Nota 4
Sistema de ignição
Parafuso de fixação do rotor do gerador de pulsos 1 10 59 (5,9)
Sistema de partida
Porca do terminal do motor de partida 1 6 12 (1,2)
Luzes/Indicadores/Interruptores
Interruptor de pressão do óleo 1 1/8 12 (1,2) Nota 1
Parafuso/arruela do terminal da fiação do interruptor da pressão do óleo 1 4 2 (0,2)
Interruptor de ponto morto 1 10 12 (1,2)
SUPLEMENTO
23-13
CBR600F
Braçadeira do isolador (Lado da carcaça do acelerador)
7 ± 1 mm
Braçadeira do isolador (Lado do cabeçote)
4 ± 1 mm
Prisioneiro do tubo de escapamento:
50,5 ± 5 mm
SUPLEMENTO
23-14
CHASSI
CBR600F
Item Qtde
Diâmetro da Torque
Notas
Rosca (mm) N.m (kg.m)
Chassi/Carenagem/Sistema de escapamento:
Parafuso especial da rabeta 2 6 2 (0,2)
Parafuso entre a carenagem superior e inferior 6 5 2 (0,2)
Parafuso entre a carenagem interna e inferior 6 6 2 (0,2)
Parafusos de fixação do pára-brisa 6 4 1 (0,1)
Parafuso/porca de fixação superior do trilho do assento 2 10 49 (4,9)
Parafuso/porca de fixação inferior do trilho do assento 2 10 49 (4,9)
Porca flange da junção do tubo de escapamento 8 7 12 (1,2)
Parafuso flange da braçadeira do escapamento 2 8 23 (2,3)
Parafuso flange de fixação do pedal de apoio 4 8 26 (2,6)
Sistema de alimentação: (Injeção Eletrônica de Combustível)
Parafuso da tampa do gargalo de abastecimento de combustível 3 4 2 (0,2)
Parafuso de verificação de serviço 1 6 15 (1,5)
Parafuso banjo do tubo de combustível (lado do tanque de combustível) 1 12 22 (2,2)
Porca de vedação do tubo de combustível (lado da carcaça do acelerador) 1 12 22 (2,2)
Porca de fixação da bomba de combustível 6 6 12 (1,2)
Sensor O2 1 12 25 (2,5)
Sistema de arrefecimento:
Porca da ventoinha de arrefecimento 1 5 3,0 (0.3) Nota 2
Porca de fixação do motor da ventoinha 3 5 5,0 (0,5)
Fixação do motor:
Parafuso de fixação dianteiro do motor 2 10 39 (3,9) Veja a pag.
7-10
Parafuso de fixação central do motor 2 10 39 (3,9)
Parafuso de ajuste do suporte central do motor 1 20 3 (0,3)
Contraporca do suporte central do motor 1 20 54 (5,4)
Porca de fixação do motor 1 10 39 (3,9)
Parafuso de ajuste do suporte traseiro do motor 1 22 3 (0,3)
Contraporca do suporte traseiro do motor (lado direito) 1 22 54 5,4)
Porca do suporte de articulação do amortecedor 2 10 39 (3,9)
Roda dianteira/suspensão/sistema de direção
Parafuso de fixação do contrapeso do guidão 2 6 10 (1,0) Nota 6
Parafuso de fixação do disco do freio dianteiro 12 6 20 (2,0) Nota 6
Parafuso do eixo dianteiro 1 14 59 (5,9)
Parafuso flange do suporte do eixo dianteiro 4 8 22 (2,2)
Parafuso flange da presilha da mangueira do freio dianteiro
(Garfo esquerdo) 1 6 12(1,2)
Parafuso da conexão 3 vias da mangueira do freio dianteiro
(Garfo direito) 1 6 12 (1,2)
Parafuso Allen do garfo 2 10 34 (3,4) Nota 2
Parafuso superior do garfo 2 39 23 (2,3)
Parafuso Allen de fixação da mesa superior 2 8 23 (2,3)
Parafuso flange de fixação da mesa inferior 2 10 39 (3,9)
Porca de ajuste do rolamento da coluna de direção 1 26 25 (2,5) Veja a pag.
13-29
Contraporca de ajuste do rolamento da coluna de direção 1 26 —
Porca da coluna de direção 1 24 103 (10,3)
Parafuso da presilha da mangueira do freio dianteiro(coluna de direção) 1 6 10 (1,0)
SUPLEMENTO
23-15
CBR600F
Item Qtde
Diâmetro da Torque
Notas
Rosca (mm) N.m (kg.m)
Roda traseira/suspensão:
Parafuso de fixação do disco de freio traseiro 4 8 42 (4,2) Nota 6
Porca da coroa de transmissão 6 10 64 (6,4) Nota 5
Porca do eixo traseiro 1 18 93 (9,3) Nota 5
Porca de fixação do amortecedor traseiro 2 10 44 (4,4) Nota 5
Porca placa de articulação – braço oscilante 1 10 44 (4,4) Nota 5
Porca de articulação do amortecedor – placa de articulação 1 10 44 (4,4) Nota 5
Porca de articulação do amortecedor – suporte 1 10 44 (4,4) Nota 5
Parafuso flange da guia da corrente de transmissão 2 6 9 (0,9) Nota 6
Parafuso de ajuste da articulação do braço oscilante 2 30 7 (0,7) Veja a pág.
14-22
Contraporca do parafuso de ajuste da articulação do braço oscilante 2 30 64 (6,4)
Porca de articulação do braço oscilante 1 18 93 (9,3)
Freio Hidráulico:
Parafuso da tampa do reservatório do cilindro mestre dianteiro 2 4 2 (0,2)
Parafuso de articulação da alavanca do freio 1 6 1 (0,1)
Porca de articulação da alavanca do freio 1 6 6 (0,6)
Parafuso do interruptor da luz do freio dianteiro 1 4 1 (0,1)
Parafuso de fixação do cilindro mestre dianteiro 2 6 12 (1,2)
Parafuso torx de fixação do cáliper do freio dianteiro 8 8 23 (2,3) Nota 2
Parafuso flange de fixação do cáliper do freio dianteiro 4 8 30 (3,0) Nota 6
Porca de junção do cilindro mestre traseiro 1 8 18 (1,8)
Parafuso de fixação do cáliper do freio traseiro 2 6 9 (0,9)
Parafuso/porca de fixação do reservatório do freio traseiro 1 6 12 (1,2)
Parafuso do cáliper do freio traseiro 1 8 23 (2,3)
Parafuso do pino do cáliper do freio traseiro 1 12 27 (2,7)
Pino da pastilha 5 10 18 (1,8)
Bujão do pino da pastilha 1 10 3,0 (0,3)
Parafuso de óleo da mangueira do freio 5 10 34 (3,4)
Válvula de sangria do cáliper do freio 3 8 6 (0,6)
Luzes/Indicadores/Interruptores:
Parafuso de fixação do cavalete lateral 1 6 10 (1,0) Nota 6
Parafuso de fixação do interruptor de ignição 2 8 25 (2,5)
Interruptor do motor da ventoinha 1 16 18 (1,8) Nota 1
Outros fixadores
Parafuso de articulação do cavalete lateral 1 10 10 (1,0)
Contraporca de articulação do cavalete lateral 1 10 29 (2,9)
Parafuso flange do suporte do cavalete lateral 2 10 44 (4,4) Nota 6
Parafuso Allen do suporte do pedal de apoio do piloto 4 8 26 (2,6)
CHASSI (Continuação)
SUPLEMENTO
23-16
CBR600F
PONTOS DE LUBRIFICAÇÃO E VEDAÇÃO
MOTOR
Localização Material Notas
Superfície de contato da carcaça do motor Junta líquida (Three Bond
1207B ou equivalente)
Superfície de contato do cárter de óleo
10-15mm10-15mm
10-15mm10-15mm
Não aplique junta líquida na
extremidade da rosca 3 - 4 mm
Superfície de assentamento da carcaça direita
Rosca do interruptor de pressão do óleo
SUPLEMENTO
23-17
CBR600F
MOTOR (Continuação)
Localização Material Notas
Rebaixo semicircular do cabeçote Junta líquida
Superfície do mancal da árvore de manivelas Óleo de bissulfeto de
Superfície deslizante do pino do pistão molibdênio (mistura na
Superfície do mancal das bronzinas proporção de 50% de óleo
Superfície interna da cabeça da biela para motor e 50% de graxa de
Superfície do mancal da árvore de manivelas bissulfeto de molibdênio)
Mancais e ressaltos da árvore de comando
Haste de válvula (superfície deslizante da guia de válvula)
Superfície deslizante do acionador de válvula
Superfície deslizante da engrenagem movida primária
Superfície deslizante da guia externa da embreagem
Engrenagens M3/4, C5, C6 (ranhuras dos garfos seletores)
Superfície externa da engrenagem redutora de partida
Superfície deslizante da mola de fricção da sub-engrenagem primária
Área deslizante do anel do pistão Óleo para motor
Junta do filtro de tela
Superfície do disco da embreagem
Superfície deslizante da embreagem unidirecional de partida
Rosca da porca da biela
Rosca do parafuso do volante do motor e superfície de assentamento
Rosca do parafuso de 9 mm do mancal e superfície de assentamento
(após remover o aditivo anti-corrosivo)
Parafuso especial do cabeçote (após remover o aditivo anti-corrosivo)
Rosca da contraporca do cubo da embreagem
Rosca do cartucho do filtro de óleo e anel de vedação
Superfície de assentamento e roscas do parafuso do suporte do comando
Roscas do parafuso central do radiador de óleo
Todos os dentes das engrenagens e superfícies de rotação
Todos os rolamentos
Todos os anéis de vedação
Outras áreas de rotação e superfícies deslizantes
ÁREA DE APLICAÇÃO
ÁREA DE APLICAÇÃO
SUPLEMENTO
23-18
MOTOR (Continuação)
CBR600F
Localização Material Notas
Rosca da tampa do orifício da árvore de manivelas Graxa para uso geral
Lábios de todos os vedadores de óleo
Rosca do parafuso de vedação da carcaça superior do motor Trava química
Rosca do parafuso de vedação da carcaça inferior do motor
Roscas do parafuso de fixação do cabeçote
Roscas do parafuso do rotor do gerador de pulsos do comando
Rosca do parafuso de vedação do cabeçote
Rosca da conexão do respiro da tampa do cabeçote
Rosca do parafuso da carcaça da embreagem unidirecional de partida Área de aplicação:
Rosca do parafuso da engrenagem movida da bomba de óleo 6,5 ± 1 mm
Rosca do parafuso da placa de fixação do tambor seletor
Rosca do parafuso da placa de fixação do rolamento da árvore primária
Rosca do parafuso da engrenagem de comando
Rosca do parafuso da placa de respiro da tampa do cabeçote
Rosca do parafuso central do tambor seletor
Roscas do parafuso de articulação do tensor da corrente do comando
Roscas do parafuso de articulação da guia da corrente do comando
SUPLEMENTO
23-19
CBR600F
CHASSI
Localização Material Notas
Superfície deslizante do gancho do assento Graxa para uso geral
Lábio do retentor de pó da roda dianteira
Flange da coroa de transmissão e superfície de assentamento do
cubo da roda e anel de vedação
Lábio do retentor de pó da roda traseira
Superfície interna do espaçador lateral da roda traseira
Área de deslizamento da manopla do acelerador
Superfície deslizante do parafuso de articulação da alavanca da
embreagem
Superfície deslizante da articulação do pedal do freio traseiro
Superfície deslizante da articulação/haste do pedal de câmbio
Articulação do pedal de câmbio
Superfície deslizante do pedal de apoio
Superfície deslizante do pedal de apoio do passageiro
Área de deslizamento da articulação do pedal de apoio
Articulação do cavalete lateral
Articulação do cavalete central (Tipos BR e MX)
Superfície deslizante do rolamento da coluna de direção Graxa para uso geral
Lábio do retentor de pó da coluna de direção
Rolamento da articulação do braço oscilante
Lábio do retentor de pó do braço oscilante
Rolamento de agulhas do amortecedor traseiro
Lábio do retentor de pó do amortecedor traseiro
Cabo interno A e B do cabo do acelerador Lubrificante para cabos
Cabo interno da embreagem
Cabo externo da embreagem
Parte interna da borracha da manopla do guidão Adesivo HONDA A
Rosca da porca de ajuste superior da coluna de direção Óleo do motor
Retentores de pó do cáliper do freio Graxa de silicone
Articulação da alavanca do freio dianteiro e extremidades dos pistões
Parte interna do protetor de borracha do cilindro mestre traseiro e
extremidades da haste de acionamento
Superfície do pino deslizante do cáliper do freio
Retentores do cilindro mestre do freio Fluido de freio DOT 4
Selos dos pistões do cáliper do freio
Anel de vedação do parafuso superior do garfo Fluido de freio
Lábios do vedador de óleo do garfo
Rosca do parafuso de junção da mangueira do cilindro mestre traseiro Trava química
Rosca do parafuso de fixação do cáliper do freio dianteiro
Rosca do parafuso do pino do cáliper do freio traseiro
SUPLEMENTO
23-20
PASSAGENS DE CABOS E FIAÇÃO
CBR600F
CABOS DO ACELERADOR
CABO DA EMBREAGEM
MANGUEIRA DO
FREIO DIANTEIRO
CONECTOR 9P (PRETO)
DOS INTERRUPTORES
DO GUIDÃO DIREITO
CONECTOR 4P (NATURAL)
DO IMOBILIZADOR (EXCETO
TIPOS U, BR E MX)
CONECTOR 4P (NATURAL) DO
INTERRUPTOR DE IGNIÇÃO
FIAÇÃO DA BUZINA
CONECTOR 9P (PRETO) DO
PAINEL DE INSTRUMENTOS
CONECTOR 9P (NATURAL) DO
PAINEL DE INSTRUMENTOS
CONECTOR 9P (PRETO) DOS
INTERRUPTORES DO GUIDÃO ESQUERDO
FITA BRANCA
RELÉ DO FAROL
RELÉ DO INTERRUPTOR
DE EMERGÊNCIA
CONECTOR DA
SINALEIRA ESQUERDA
SOQUETE DO FAROL
CONECTOR 12P (CINZA) DA
FIAÇÃO SECUNDÁRIA DIANTEIRA
RELÉ DO SINALIZADOR
CONECTOR DA
SINALEIRA DIREITA
SOQUETE DA LÂMPADA DE
ILUMINAÇÃO (EXCETO TIPO U)
SOQUETE DO FAROL
SUPLEMENTO
23-21
CBR600F
FIAÇÃO DO RECEPTOR
DO IMOBILIZADOR
(Exceto tipos U, BR e MX)
BRAÇADEIRA DA FIAÇÃO
MANGUEIRA DO FREIO
CABOS DO ACELERADOR
FIAÇÃO DO INTERRUPTOR
DE IGNIÇÃO
CABO DA EMBREAGEM
BRAÇADEIRAS DA FIAÇÃO
FIAÇÃO DA BUZINA
FIAÇÃO DOS INTERRUPTORES
DO GUIDÃO ESQUERDO
FIAÇÃO PRINCIPAL
BRAÇADEIRA DA FIAÇÃO
FIAÇÃO DOS INTERRUPTORES
DO GUIDÃO DIREITO
SUPLEMENTO
23-22
FS1 (Exceto tipos BR e MX)
CBR600F
CONECTOR 6P (PRETO) DA FIAÇÃO
SECUNDÁRIA DA BOBINA DE IGNIÇÃO
CONECTOR 2P (CINZA)
DO SENSOR IAT
CONECTOR 3P (CINZA)
DO SENSOR MAP
CONECTOR 2P (NATURAL)
DA VÁLVULA SOLENÓIDE
DE CONTROLE PAIR
CONECTOR 10P (CINZA) DA FIAÇÃO
SECUNDÁRIA DA CARCAÇA DO ACELERADOR
CONECTOR 2P (PRETO)
DA FIAÇÃO
SECUNDÁRIA DO
RADIADOR
CONECTOR 14P (CINZA) DA
FIAÇÃO SECUNDÁRIA TRASEIRA
CONECTOR 6P (PRETO) DO
REGULADOR/RETIFICADOR
GERADOR DE PULSOS DO COMANDO
CONECTORES 2P (NATURAL) DO
GERADOR DE PULSOS DO COMANDO,
2P (VERDE) DO INTERRUPTOR DO
CAVALETE LATERAL, 12P (CINZA) DA
FIAÇÃO SECUNDÁRIA DO MOTOR
CONECTOR 3P (NATURAL)
DO ALTERNADOR
FIAÇÃO DO INTERRUPTOR
DO CAVALETE LATERAL
SUPLEMENTO
23-23
CBR600F
FS1 (Exceto tipos BR e MX)
TUBO LADRÃO DO
TANQUE DE COMBUSTÍVEL
TUBO DE RESPIRO DO
TANQUE DE COMBUSTÍVEL
MANGUEIRA DE SUCÇÃO DE AR PAIR
TUBO DE SANGRIA DE AR
MANGUEIRA DO
FREIO TRASEIRO
FIAÇÃO DO INTERRUPTOR
DA LUZ DO FREIO
FIAÇÃO DO GERADOR
DE PULSOS DA IGNIÇÃO
FIAÇÃO DA EMBREAGEM
MANGUEIRA SUPERIOR
DO RADIADOR
TUBO SIFÃO
SUPLEMENTO
23-24
CBR600F
FS1 (Exceto tipos BR e MX)
FIAÇÃO PRINCIPAL
BATERIA
CONECTOR 22P (CINZA
CLARO) DO ECM
CONECTOR 22P (PRETO) DO ECM
REGULADOR/RETIFICADOR
MANGUEIRA DO RESERVATÓRIO
DO AMORTECEDOR
BRAÇADEIRAS DA FIAÇÃO
INTERRUPTOR DO RELÉ DE
PARTIDA/FUSÍVEL PRINCIPAL
CONECTOR DE VERIFICAÇÃO DE SERVIÇO
SUPORTE DO FUSÍVEL PGM-FI
CAIXA DE FUSÍVEL
SUPLEMENTO
23-25
CBR600F
FS1 (Exceto tipos BR e MX)
CONECTORES DA
LANTERNA/LUZ DE FREIO
CONECTORES DA
SINALEIRA/PLACA DE LICENÇA
FIAÇÃO SECUNDÁRIA TRASEIRA
TERMINAL NEGATIVO
(-) DA BATERIA
ECM
BRAÇADEIRAS DA FIAÇÃO
FIAÇÃO PRINCIPAL
CONECTOR 6P (PRETO) DO
REGULADOR/RETIFICADOR
CONECTOR 14P (CINZA)
DA FIAÇÃO SECUNDÁRIA
TRASEIRA
RELÉ DE CORTE
DE COMBUSTÍVEL
RELÉ DO INTERRUPTOR
DO MOTOR
MANGUEIRA DO FREIO TRASEIRO
MANGUEIRA DO
RESERVATÓRIO DO FREIO
CONECTOR 3P (BRANCO)
DO ALTERNADOR
CONECTOR 2P (PRETO) DO
INTERRUPTOR DA LUZ DO FREIO
BRAÇADEIRA DA FIAÇÃO
SUPLEMENTO
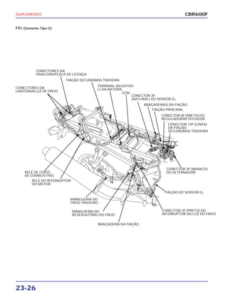
23-26
FS1 (Somente Tipo G)
CBR600F
CONECTORES DA
LANTERNA/LUZ DE FREIO
CONECTORES DA
SINALEIRA/PLACA DE LICENÇA
FIAÇÃO SECUNDÁRIA TRASEIRA
TERMINAL NEGATIVO
(-) DA BATERIA
ECM
CONECTOR 3P
(NATURAL) DO SENSOR O2
BRAÇADEIRAS DA FIAÇÃO
FIAÇÃO PRINCIPAL
CONECTOR 6P (PRETO) DO
REGULADOR/RETIFICADOR
CONECTOR 14P (CINZA)
DA FIAÇÃO
SECUNDÁRIA TRASEIRA
RELÉ DE CORTE
DE COMBUSTÍVEL
RELÉ DO INTERRUPTOR
DO MOTOR
MANGUEIRA DO
FREIO TRASEIRO
MANGUEIRA DO
RESERVATÓRIO DO FREIO
BRAÇADEIRA DA FIAÇÃO
CONECTOR 3P (BRANCO)
DO ALTERNADOR
FIAÇÃO DO SENSOR O2
CONECTOR 2P (PRETO) DO
INTERRUPTOR DA LUZ DO FREIO
SUPLEMENTO
23-27
CBR600F
LOCALIZAÇÕES DA CARENAGEM (FS1)
CARENAGEM SUPERIOR
PÁRA-LAMA DIANTEIRO
PÁRA-BRISA
ASSENTO DIANTEIRO
ASSENTO TRASEIRO
PÁRA-LAMA TRASEIRO
RABETA
CARENAGEM CENTRAL INTERMEDIÁRIA
CARENAGEM INFERIOR
TAMPA DO CONDUTO DE AR
CÂMARA RESSOADORA
TAMPA DO CONDUTO
DE AR DIANTEIRO
CONDUTO DE AR
CÂMARA RESSOADORA
CONDUTO DE AR
SUPLEMENTO
23-28
ASSENTO (FS1)
REMOÇÃO
Remova os dois parafusos de fixação localizados na parte
traseira do assento.
Deslize o assento para trás e depois retire-o.
Remova os espaçadores de fixação.
ASSENTO TRASEIRO/RABETA (FS1)
REMOÇÃO
Remova o assento (veja acima).
Destrave o assento traseiro usando a chave de ignição.
Levante a extremidade traseira do assento traseiro e remova-o.
Remova os parafusos de fixação da rabeta e as arruelas.
INSTALAÇÃO
Instale os espaçadores de fixação nos suportes do assento
conforme mostra a ilustração.
Alinhe o gancho do assento com o suporte traseiro do
tanque de combustível e instale o assento.
Instale e aperte firmemente os parafusos de fixação do
assento.
NOTA
Cuidado para não perder os espaçadores de fixação.
CBR600F
ASSENTO PARAFUSOS
ESPAÇADORES
ASSENTO
GANCHO
PARAFUSOS
ESPAÇADORES
ASSENTO TRASEIRO
CHAVE DE IGNIÇÃO
PARAFUSOS DE FIXAÇÃO
ARRUELAS
SUPLEMENTO
23-29
CBR600F
Remova as quatro presilhas de fixação e os dois parafusos 5
mm de retenção.
INSTALAÇÃO
Abra cuidadosamente as extremidades da rabeta e, em
seguida remova-a do trilho do assento.
PRESILHAS DE FIXAÇÃO
PARAFUSOS DE RETENÇÃOPRESILHAS DE FIXAÇÃO
RABETA
ASSENTO
ASSENTO TRASEIRO
RABETA
SUPLEMENTO
23-30
A instalação é o procedimento inverso da remoção.
Instale as duas presilhas de fixação e aperte os parafusos de
fixação.
NOTA
Certifique-se de que a região inferior da rabeta está
corretamente assentada no pára-lama traseiro antes de
apertar os fixadores.
CARENAGEM SUPERIOR (FS1)
REMOÇÃO DO PÁRA-BRISA
Remova os parafusos Allen, arruelas de plástico e borracha
e, em seguida remova o pára-brisa.
INSTALAÇÃO DO PÁRA-BRISA
Instale o pára-brisa e, em seguida as arruelas de plástico e
borracha e os parafusos Allen.
Aperte primeiramente os quatro parafusos Allen inferiores e,
em seguida os dois parafusos Allen superiores no torque
especificado.
TORQUE: 1 N.m (0,1 kg.m)
NOTA
Instale os parafusos Allen compridos nas extremidades
inferiores do pára-brisa.
Instale as arruelas e aperte firmemente os parafusos de fixação.
CBR600F
PRESILHAS DE FIXAÇÃO
PARAFUSOS PRESILHAS DE FIXAÇÃO
PARAFUSOS DE FIXAÇÃO
ESPAÇADORES
PÁRA-BRISA
PARAFUSOS ALLEN
ARRUELA DE BORRACHA ARRUELA DE PLÁSTICO
PÁRA-BRISA
PARAFUSOS ALLEN
PARAFUSOS COMPRIDOS
SUPLEMENTO
23-31
CBR600F
PÁRA-LAMA TRASEIRO (FS1)
REMOÇÃO
Remova os seguintes componentes:
– Rabeta (página 2-2)
– ECM (página 23-38)
– Bateria (página 23-45)
Solte as guias do pára-lama traseiro e, em seguida remova a
tampa da bateria.
Desacople os seguintes conectores:
– Conectores da sinaleira traseira.
– Conector da placa de licença.
– Conectores da lanterna/luz do freio traseiro.
Desenganche o cabo trava do assento do suporte do cabo.
Remova o relé de corte de combustível e o relé do interruptor
de emergência das guias do pára-lama traseiro.
Solte a fiação secundária traseira das guias do pára-lama
traseiro.
Desenganche a lingüeta de retenção e remova a tampa do
fusível do PGM-FI e a caixa de fusíveis.
Remova o interruptor do relé de partida das guias do pára-
lama traseiro.
TAMPA DA BATERIA
CAIXA DE FUSÍVEIS DO PGM-FI CAIXA DE FUSÍVEIS
INTERRUPTOR DO RELÉ DE PARTIDA
CONECTORES DA LANTERNA/LUZ DO FREIO
TRASEIRO
CABO TRAVA
DO ASSENTO
CONECTORES
DO SINALIZADOR
CONECTOR DA LUZ
DA PLACA DE LICENÇA
RELÉ DE CORTE
DE COMBUSTÍVEL
RELÉ DO INTERRUPTOR
DE EMERGÊNCIA
FIAÇÃO SECUNDÁRIA
SUPLEMENTO
23-32
Remova os dois parafusos de fixação e os espaçadores do
pára-lama traseiro.
INSTALAÇÃO
Solte o pára-lama traseiro do suporte do trilho do assento e,
em seguida remova o pára-lama traseiro puxando-o para trás.
CBR600F
PARAFUSOS/ESPAÇADORES
PÁRA-LAMA TRASEIRO SUPORTE DO TRILHO
DO ASSENTO
BATERIA
RELÉ DO INTERRUPTOR DE EMERGÊNCIA
RELÉ DE CORTE DE COMBUSTÍVEL
ECM
TAMPA DA BATERIA
PÁRA-LAMA TRASEIRO
CAIXA DE FUSÍVEIS
SUPORTE DO FUSÍVEL PGM-FI
INTERRUPTOR DO RELÉ DE PARTIDA
SUPLEMENTO
23-33
CBR600F
NOTA
Instale o pára-lama traseiro no trilho do assento, enquanto
alinha a ranhura inferior com o suporte do trilho do assento.
Enquanto estiver instalando o pára-lama traseiro, passe a
fiação corretamente (página 23-20).
Passe corretamente a fiação secundária traseira e instale-a
nas guias do pára-lama traseiro.
Instale o relé de corte de combustível e o relé do interruptor
de emergência nas guias do pára-lama traseiro.
Acople os seguintes conectores:
– Conectores da sinaleira traseira.
– Conector da placa de licença.
– Conectores da lanterna/luz do freio traseiro.
Acople o cabo trava do assento no suporte do cabo.
Instale as peças removidas na ordem inversa da remoção.
Instale os espaçadores de fixação do pára-lama traseiro e os
parafusos. Aperte firmemente os parafusos.
PÁRA-LAMA TRASEIRO
BRAÇO DO TRILHO
DO ASSENTO
PARAFUSOS/ESPAÇADORES
RELÉ DE CORTE
DE COMBUSTÍVEL
RELÉ DO INTERRUPTOR
DE EMERGÊNCIA
FIAÇÃO SECUNDÁRIA
CONECTORES DA LANTERNA/LUZ DE FREIO
CABO TRAVA
DO ASSENTO
CONECTORES DA LUZ
DA PLACA DE LICENÇACONECTORES
DA SINALEIRA
SUPLEMENTO
23-34
TRILHO DO ASSENTO (FS1)
REMOÇÃO
Remova o pára-lama traseiro (página 23-31).
Solte a braçadeira e remova o reservatório do freio do
suporte do trilho traseiro.
Remova o regulador/retificador (página 16-8).
Remova a porca/parafuso de fixação do silencioso.
Remova os parafusos e o suporte do pedal de apoio direito.
Remova os parafusos e o suporte do pedal de apoio esquerdo.
Remova a braçadeira do interruptor da luz do freio.
Remova a porca/parafuso e o reservatório do freio do
suporte do trilho traseiro.
CBR600F
BRAÇADEIRA RESERVATÓRIO
RESERVATÓRIO
BRAÇADEIRA PARAFUSO/PORCA
PARAFUSOS
PARAFUSO/PORCA SUPORTE DO PEDAL DE APOIO
PARAFUSOS
SUPORTE DO PEDAL DE APOIO
SUPLEMENTO
23-35
CBR600F
Remova a braçadeira da fiação principal.
Remova as porcas/parafusos de fixação do trilho do assento,
arruela/espaçador de fixação do reservatório e o trilho do
assento.
Instale o trilho do assento no chassi.
NOTA
Posicione o reservatório do líquido de arrefecimento,
espaçador e arruela no fixador direito superior e, em seguida
instale os parafusos e porcas de fixação.
Fixe os parafusos e aperte as porcas de fixação do trilho do
assento com o torque especificado.
TORQUE: 49 N.m (4,9 kg.m)
Prenda a fiação principal utilizando a braçadeira.
Instale as porcas cegas no fixador esquerdo do trilho do
assento.
INSTALAÇÃO
ESPAÇADOR/ARRUELA
PARAFUSOS/
PORCAS FLANGE
PARAFUSOS/PORCAS
CEGAS
BRAÇADEIRA DA FIAÇÃO
26 N.m (2,6 kg.m)
SUPORTE DO PEDAL
DE APOIO DIREITO
12 N.m (1,2 kg.m)
49 N.m (4,9 kg.m)
RESERVATÓRIO DO FREIO
49 N.m (4,9 kg.m)
TRILHO DO ASSENTO
REGULADOR/RETIFICADOR
26 N.m (2,6 kg.m)
SUPORTE DO PEDAL
DE APOIO ESQUERDO
RESERVATÓRIO DO LÍQUIDO
DE ARREFECIMENTO
RESERVATÓRIO DO AMORTECEDOR
ESPAÇADOR/ARRUELA PARAFUSOS/
PORCAS FLANGE
PARAFUSOS/
PORCAS CEGAS
BRAÇADEIRA
SUPLEMENTO
23-36
Instale o suporte do pedal de apoio esquerdo e aperte os
parafusos com o torque especificado.
TORQUE: 26 N.m (2,6 kg.m)
Passe corretamente a mangueira do reservatório do freio
traseiro. Instale e aperte o parafuso/porca com o torque
especificado.
TORQUE: 12 N.m (1,2 kg.m)
Prenda a fiação do interruptor da luz do freio traseiro
utilizando a braçadeira.
Instale o reservatório do amortecedor traseiro com o
ajustador de compressão voltado para fora.
Aperte firmemente o parafuso da braçadeira.
Instale as peças removidas na ordem inversa da remoção.
Instale o suporte do pedal de apoio direito e aperte os
parafusos com o torque especificado.
TORQUE: 26 N.m (2,6 kg.m)
Instale o parafuso de fixação do silencioso, a arruela e a
porca , e aperte firmemente a porca.
Instale o regulador/retificador (página 16-8).
CBR600F
PARAFUSOS
SUPORTE DO PEDAL DE APOIO
PARAFUSOS
PARAFUSO/PORCA
SUPORTE DO
PEDAL DE APOIO
RESERVATÓRIO
BRAÇADEIRA PARAFUSO/PORCA
RESERVATÓRIOBRAÇADEIRA
SUPLEMENTO
23-37
CBR600F
LOCALIZAÇÃO DO SISTEMA PGM-FI (FS1)
Nome completo Abreviações
Sensor de pressão absoluta do coletor Sensor MAP
Sensor de posição do acelerador Sensor TP
Sensor de temperatura do ar de admissão Sensor IAT
Sensor de temperatura do líquido de arrefecimento do motor Sensor ECT
Módulo de controle do motor ECM
SENSOR DO
ÂNGULO DO CHASSI
INTERRUPTOR DE IGNIÇÃO
VÁLVULA SOLENÓIDE DE CONTROLE PAIR
SENSOR IAT
SENSOR ECT
SENSOR TP
BOMBA DE
COMBUSTÍVEL
ECM
RELÉ DO INTERRUPTOR
DE EMERGÊNCIA
RELÉ DE CORTE
DE COMBUSTÍVEL
SENSOR MAP
GERADOR DE PULSOS
DO COMANDO
INJETOR
REGULADOR
DE PRESSÃO
GERADOR DE PULSOS
DA IGNIÇÃO
SENSOR DE VELOCIDADE
DO VEÍCULO
SENSOR O2 (SOMENTE TIPO G)
SUPLEMENTO
23-38
ECM (MÓDULO DE CONTROLE DO
MOTOR/ FS1)
REMOÇÃO/INSTALAÇÃO
Remova o assento (pág. 23-28).
Remova a braçadeira do suporte do ECM e remova o ECM da
tampa da bateria.
Solte os conectores 22P (cinza claro) e 22P (preto) do ECM.
Remova o parafuso de fixação do braço do pedal do câmbio
e, em seguida remova o braço do eixo de mudanças.
Remova a porca/parafuso de fixação do suporte inferior da
articulação do amortecedor / cavalete lateral.
Remova o parafuso e o conjunto do suporte do cavalete
lateral.
SUPORTE INFERIOR DA ARTICULAÇÃO DO
AMORTECEDOR (FS1)
REMOÇÃO
Remova os seguintes componentes:
– Silenciosos/tubo de escapamento (página 2-19).
– Carcaça do acelerador (página 5-62).
Desacople o conector 2P (Verde) do interruptor do cavalete
lateral.
CBR600F
CONECTOR 22P (CINZA CLARO)
ECM
BRAÇADEIRA CONECTOR 22P (PRETO)
CONECTOR 2P (VERDE)
BRAÇO DO PEDAL
DO CÂMBIO PARAFUSO
PARAFUSO/PORCA PARAFUSO
SUPORTE DO CAVALETE LATERAL
SUPLEMENTO
23-39
CBR600F
Remova os dois parafusos, a tampa do pinhão de
transmissão e a placa-guia.
Remova os pinos-guia.
INSTALAÇÃO
Instale os quatro pinos-guia nos orifícios dos parafusos da
articulação do amortecedor no motor.
Remova a porca/parafuso Allen de fixação inferior da
articulação do amortecedor.
Remova a porca/parafuso de fixação do suporte inferior da
articulação do amortecedor e, em seguida remova os
suportes inferiores direito e esquerdo.
TAMPA DO PINHÃO DE TRANSMISSÃO
PLACA-GUIA PARAFUSOS
PINOS-GUIA
PINOS-GUIA
PORCA/PARAFUSO
DO SUPORTE
PORCA/PARAFUSO DE
ARTICULAÇÃO DO
AMORTECEDOR
SUPORTE DE ARTICULAÇÃO DO AMORTECEDOR
SUPLEMENTO
23-40
Instale os suportes inferiores direito e esquerdo da
articulação do amortecedor no motor.
Instale o parafuso e porca do suporte inferior da articulação
do amortecedor.
Instale o parafuso Allen e porca de fixação inferior da
articulação do amortecedor.
Instale o suporte do cavalete lateral e, em seguida instale o
parafuso de fixação do suporte inferior da articulação do
amortecedor pelo lado esquerdo. Instale a porca.
Instale o parafuso de fixação do suporte do cavalete lateral.
Aperte as porcas do suporte inferior da articulação do
amortecedor no torque especificado.
TORQUE: 39 N.m (3,9 kg.m)
Aperte a porca do suporte inferior/articulação do
amortecedor no torque especificado.
TORQUE: 44 N.m (4,4 kg.m)
Instale a placa guia da corrente de transmissão e a tampa do
pinhão de transmissão. Aperte os parafusos firmemente.
TAMPA DO PINHÃO DE TRANSMISSÃO
PLACA GUIA PARAFUSOS
CBR600F
PORCA/PARAFUSO
DO SUPORTE
PORCA/PARAFUSO
DA ARTICULAÇÃO
DO AMORTECEDOR
SUPORTE DA ARTICULAÇÃO
DO AMORTECEDOR
PARAFUSO/PORCA PARAFUSO
SUPORTE DO CAVALETE LATERAL
PORCA/PARAFUSO DO SUPORTE
PORCA/PARAFUSO
DA ARTICULAÇÃO
DO AMORTECEDOR
PORCA/PARAFUSO
DO SUPORTE
SUPLEMENTO
23-41
CBR600F
Aperte o parafuso do suporte do cavalete lateral no torque
especificado.
TORQUE: 44 N.m (4,4 kg.m)
Passe corretamente a fiação e acople o conector 2P (Verde)
do interruptor do cavalete lateral.
Instale os seguintes componentes:
– Carcaça do acelerador (página 5-66).
– Silenciosos/tubo de escapamento (página 2-20).
Instale as peças removidas na ordem inversa da remoção.
CABEÇOTE (EXCETO TIPOS BR E MX)
DESMONTAGEM
Instale o protetor no alojamento do ajustador (página 8-12).
Remova as chavetas das molas das válvulas, usando as
ferramentas especiais como mostra a ilustração.
Ferramentas especiais:
Compressor da mola da válvula 07757-0010000
Acessório do compressor da mola da válvula 07959-KM30101
a
Para evitar a perda de tensão, não comprima as molas
das válvulas mais do que o necessário para remover as
chavetas.
Instale o braço no eixo de mudanças alinhando a ranhura do
braço com a marca de punção gravada no eixo.
Instale e aperte o parafuso de fixação.
ACESSÓRIO
COMPRESSOR DA MOLA DE VÁLVULA
PARAFUSO
SUPORTE DO CAVALETE LATERAL
BRAÇO DO PEDAL
DE CÂMBIO PARAFUSO
CONECTOR 2P (VERDE)
SUPLEMENTO
23-42
Remova as seguintes peças:
– Retentor da mola
– Molas das válvulas
– Válvulas
– Vedador da haste
– Assentos das molas
MONTAGEM
INSPEÇÃO
Molas das válvulas
Meça o comprimento livre das molas das válvulas.
Substitua as molas se o comprimento for inferior ao limite de
uso.
Externa 41,36 mm
Limite de Uso Interna: 35,57 mm
Escapamento: 35,57 mm
CBR600F
VEDADOR DA HASTE
ASSENTO DA MOLA
RETENTOR
MOLA DA VÁLVULA
DE ESCAPAMENTO
MOLAS DA VÁLVULA DE ADMISSÃO
VALVULA
AJUSTADOR DA VÁLVULA
CALÇO
CHAVETAS
RETENTOR DA MOLA
MOLA DA VÁLVULA
DE ESCAPAMENTO
VEDADOR DA HASTE
ASSENTO DA MOLA
GUIA DA VÁLVULA
MOLA DA VÁLVULA DE
ADMISSÃO (INTERNA)
MOLA DA VÁLVULA DE
ADMISSÃO (EXTERNA)
VÁLVULA DE ESCAPAMENTO VÁLVULA DE ADMISSÃO
NOVO
ÓleoMo
ÓleoMo
ÓleoMo
SUPLEMENTO
23-43
CBR600F
Limpe o conjunto do cabeçote com solvente de limpeza e
seque as passagens de óleo com ar comprimido.
Instale o protetor no alojamento do ajustador da válvula
(página 8-20).
Instale as sedes das molas das válvulas.
Instale os novos vedadores nas hastes.
Lubrifique todas as hastes das válvulas com graxa a base de
bissulfeto de molibdênio e introduza as válvulas em suas guias.
Para não danificar os vedadores, gire as válvulas lentamente
ao introduzi-las.
Instale as chavetas das válvulas, usando a ferramenta
especial, conforme mostra a ilustração.
Para evitar a perda de tensão, não comprima as molas das
válvulas mais do que o necessário.
Ferramentas especiais:
Compressor da mola da válvula 07757 - 0010000
Acessório do compressor da mola da válvula 07959 - KM30101
Bata levemente nas hastes das válvulas com dois martelos
plásticos para assentar as chavetas firmemente.
Instale e aperte as velas de ignição.
TORQUE: 12 N.m (1,2 kg.m)
Instale as molas das válvulas com os elos mais próximos
virados para a câmara de combustão.
Instale os retentores das molas.
ACESSÓRIO
COMPRESSOR DA MOLA DA VÁLVULA
MARTELOS PLÁSTICOS
VEDADOR DA HASTE VÁLVULA
ASSENTO DA MOLA
RETENTOR
MOLA DE VÁLVULA
DE ESCAPAMENTO
MOLAS DE VÁLVULA DE ADMISSÃO
ÓleoMo
SUPLEMENTO
23-44
EMBREAGEM (EXCETO TIPOS BR E MX)
REMOÇÃO
Remova a tampa da carcaça direita do motor (página 9-3).
Remova os parafusos flange, as molas e o platô da embreagem.
Remova o rolamento e a haste de acionamento da embreagem.
MOLAS/PARAFUSOS DA EMBREAGEM
PLATÔ
INSTALAÇÃO
Remova os seguintes itens:
– Oito discos da embreagem
– Sete separadores
– Assento da mola
– Mola de fricção
CBR600F
MOLA DE FRICÇÃO
DISCOS/SEPARADORES
DA EMBREAGEM
ASSENTO DA MOLA
GUIA DA CARCAÇA
ENGRENAGEM MOVIDA
ENGRENAGEM MOTORA
15 N.m (1,5 kg.m)
CARCAÇA DA EMBREAGEM
ARRUELA
CUBO DA EMBREAGEM
ASSENTO DA MOLA
MOLA DE FRICÇÃO
DISCOS DA EMBREAGEM (VERDE)
PLACAS DA
EMBREAGEM
DISCOS DA
EMBREAGEM (DI MAIOR)
DISCOS DA EMBREAGEM
(PÚRPURA)
12 N.m (1,2 kg.m)
ARRUELA TRAVA
CONTRAPORCA
127 N.m (12,7 kg.m)
HASTE DE ACIONAMENTO
ROLAMENTO DE ACIONAMENTO
PLATÔMOLA
SUPLEMENTO
23-45
CBR600F
Instale a carcaça da embreagem (página 9-10).
Instale o cubo da embreagem.
Instale a arruela-trava com a marca “OUT” voltada para fora.
Instale e aperte a porca-trava do cubo da embreagem (página
9-11).
Instale o disco de D.I. maior no cubo da embreagem
conforme mostra a ilustração.
Instale os discos e separadores alternadamente.
Instale o disco de cor “Verde” na ranhura mais superficial da
carcaça da embreagem.
BATERIA (FS1)
REMOÇÃO/INSTALAÇÃO
Remova o ECM (página 23-38).
Abra a tampa do alojamento da bateria soltando as duas
presilhas de trava.
NOTA
Sempre desligue o interruptor de ignição antes de
desconectar qualquer componente elétrico.
Instale o assento da mola e a mola de fricção no cubo da
embreagem.
Lubrifique os discos e separadores com óleo para motor novo.
MARCA “OUT” CUBO DA EMBREAGEM
ARRUELA TRAVA
ASSENTO DA MOLA
MOLA DE FRICÇÃO
DISCOS DA EMBREAGEM “VERDE”
PLACAS DA EMBREAGEM
DISCO DA
EMBREAGEM
( D.I. MAIOR)
DISCOS DA EMBREAGEM (PRIMARIA
TAMPA DO ALOJAMENTO
SUPLEMENTO
23-46
Desconecte o cabo negativo e, em seguida, o cabo positivo.
Remova a bateria.
Instale a bateria na ordem inversa da remoção, conectando
os cabos corretamente, como mostra a figura.
NOTA
Após instalar a bateria, cubra os terminais com graxa limpa.
Primeiro conecte o cabo positivo e depois o negativo.
Enquanto pressiona a lâmpada, gire-a no sentido anti-horário
para removê-la e substitui-la por uma nova.
Instale o soquete/lâmpada da lanterna traseira/luz do freio na
ordem inversa da remoção.
REMOÇÃO/INSTALAÇÃO
Remova a rabeta (página 2-9).
Remova as duas porcas, braçadeiras da fiação e a unidade
da lanterna traseira/luz de freio.
A instalação é o procedimento inverso da remoção.
LANTERNA TRASEIRA/LUZ DO FREIO (FS1)
SUBSTITUIÇÃO DA LÂMPADA
Remova o assento traseiro (página 23-28).
Desacople os conectores da lâmpada da lanterna traseira/luz
do freio.
Remova o soquete da lâmpada da lanterna traseira/luz do
freio, girando-o no sentido anti-horário.
CBR600F
BATERIA CABO NEGATIVO
CABO POSITIVO
SOQUETES DA LÂMPADA
CONECTORES
LÂMPADA
UNIDADE DA LANTERNA TRASEIRA/LUZ DE FREIO
PORCAS BRAÇADEIRA DA FIAÇÃO
SUPLEMENTO
23-47
CBR600F
LÂMPADA DA PLACA DE LICENÇA (FS1)
SUBSTITUIÇÃO DA LÂMPADA
Abra o suporte da placa de licença.
Remova os parafusos e o suporte do conjunto da placa de licença.
Remova os parafusos, a tampa e a lente da lâmpada da placa
de licença.
Enquanto pressiona a lâmpada, gire-a no sentido anti-horário
para removê-la e substitui-la por uma nova.
Instale a lâmpada da placa de licença na ordem inversa da
remoção.
LÂMPADA DA PLACA DE LICENÇA
PARAFUSOS
TAMPA LÂMPADA
PARAFUSOS
SUPLEMENTO
23-48
CBR600F
NOTAS
SUPLEMENTO
23-48
CBR600F
DIAGRAMA ELÉTRICO
F1 (TIPO BR, MX):
0030Z-MBW-M100
Bl: Preto
Y: Amarelo
Bu: Azul
G: Verde
R: Vermelho
W: Branco
Br: Marrom
O: Laranja
Lb: Azul claro
Lg: Verde claro
P: Rosa
Gr: Cinza
NTERRUPTOR DO
CAVALETE LATERAL
INTERRUPTOR DA LUZ
DO FREIO DIANTEIRO
INTERRUPTOR DE PARTIDA.
EMERGÊNCIA.ILUMINAÇÃO
MOTOR DA VENTOINHA
INTERRUPTOR DO
MOTOR DA VENTOINHA
VÁLVULA SOLENÓIDE
DE INJEÇÃO DE AR DE
ESCAPAMENTO
ECM
ECM
CONECTOR DE
VERIFICAÇÃO DE SERVIÇO
GERADOR DE PULSOS
DO COMANDO
SENSOR MAP
INJETOR3
INJETOR4
INJETOR2
INJETOR1
SENSOR TP
SENSOR DE RESERVA
DE COMBUSTÍVEL
BOMBA DE COMBUSTÍVEL
SENSOR IAT
RELÉ DO FAROL
LÂMPADA DO SINALIZADOR
DIANTEIRO DIREITO 12V/21W
LÂMPADA DO SINALIZADOR
TRASEIRO DIREITO 12V/21W
2P LB
LUZ DE POSIÇÃO
12V/5W
FAROL ALTO
(HI) 12V/55W
FAROL BAIXO
(LO) 12V/55W
LÂMPADA DO SINALIZADOR
DIANTEIRO ESQUERDO 12V/21W
SENSOR DO ÂNGULO
DO CHASSI
RELÉ DO
SINALIZADOR
INTERRUPTOR
DE ILUMINAÇÃO
INTERRUPTOR
DO SINALIZADOR
INTERRUPTOR
DE PASSAGEM
INTERRUPTOR
COMUTADOR
INTERRUPTOR
DA BUZINA
INTERRUPTORES DA BUZINA,
SINALEIRA, PASSAGEM, COMUTADOR
INTERRUPTOR DE
PRESSÃO DO ÓLEO
INTERRUPTOR
DE IGNIÇÃO
BAT3 TL BAT4 HL
P O O
H O O O O
COR BI/Br Br/W BI/R
Bu/W
• • •
•
FAN IG BAT1 Chave
ON O O O
OFF
Trava
W R L
R O O
N
L O O
COR Gr Lb O
BAT Hi
Solto
Acionado O O
COR BI/R
HL Lo Hi
Lo O O
(N) O O O
Hi O O
COR
W
Ho Lo
Solto
Acionado O O
COR Lg W/G
IG BAT
OFF
RUN O O
COR BI W/BI
ST IG
Solto
Acionado O O
COR Y/R BI
Chave
ligada
Chave
desligada
Chave desligada
/Pino trava
3P
MINI
INTERRUPTOR
DA EMBREAGEM
INTERRUPTOR
DO PONTO MORTO
SENSOR ECT
SENSOR DE VELOCIDADE
DO VEÍCULO
INTERRUPTOR
DE EMERGÊNCIA
INTERRUPTOR
DE PARTIDA INTERRUPTOR DE IGNIÇÃO
INTERRUPTOR DA LUZ
DO FREIO TRASEIRO
BOBINAS DE IGNIÇÃO
GERADOR DE PULSOS
DA IGNIÇÃO
CAIXA DE FUSÍVEIS
A 10 A (FAROL)
B 10 A (NEUTRO, ÓLEO, TEMPERATURA, TACÔMETRO,
VELOCÍMETRO, POSIÇÃO, BUZINA,
INSTRUMENTOS, LANTERNA)
C 10 A (SINALEIRA, INTERRUPTOR DE EMERGÊNCIA,
BUZINA, PASSAGEM)
D 10 A (PARTIDA, SENSOR DO ÂNGULO DO CHASSI)
E 10 A (MOTOR DA VENTOINHA)
F 10 A (INSTRUMENTOS)
REGULADOR/
RETIFICADOR
INTERRUPTOR DO
RELÉ DE PARTIDA
ALTERNADOR
RELÉ DE CORTE
DE COMBUSTÍVEL
RELÉ DE PARADA
DO MOTOR
FUSÍVEL PRINCIPAL 30 A
LÂMPADA DO SINALIZADOR
TRASEIRO ESQUERDO12V/21W
LUZ DO FREIO/LANTERNA
12V/21/5W x 2
MOTOR DE PARTIDA
FUSÍVEL 20 A (FI)
BATERIA
LEVANTADO
ABAIXADO
DIODO DA
EMBREAGEM
BUZINA
TEMP(-)
SPEED
IGN(+)
ILLUMI(+)
BATT(+)
FIIND(-)
TACHO
OIL(-)
TURNR(+)
HIBEAM(+)
NEUTRAL
TURN(+)
(-)
SENSOR(-)
RES.SEN.
SIDESTAND
SUPLEMENTO
23-49
CBR600F
NOTAS
COMO USAR ESTE MANUAL
Este manual de serviço descreve os
procedimentos de serviço para a CBR600F.
Siga as recomendações da Tabela de Manutenção
(Capítulo 3) para garantir condições perfeitas de
funcionamento da motocicleta.
A 1a
manutenção programada é muito importante,
pois irá compensar os desgastes iniciais que
ocorrem durante o período de amaciamento.
Os Capítulos 1 e 3 aplicam-se a toda motocicleta.
O Capítulo 2 apresenta os procedimentos de
remoção/instalação de componentes que pode
ser necessária para efetuar os serviços descritos
nos capítulos subseqüentes.
Os Capítulos 4 a 19 apresentam as peças da
motocicleta, agrupadas de acordo com sua
localização.
Localize o capítulo desejado nesta página. Em
seguida, consulte o índice apresentado na
primeira página do capítulo selecionado.
A maioria dos capítulos apresenta uma ilustração
do sistema ou conjunto, as informações de
serviço e a diagnose de defeitos. As páginas
seguintes apresentam procedimentos mais
detalhados.
Se a causa do problema for desconhecida,
consulte o Capítulo 22, “Diagnose de Defeitos”.
MOTO HONDA DA AMAZÔNIA LTDA.
Departamento de Serviços Pós-Venda
Setor de Publicações Técnicas
TODAS AS INFORMAÇÕES, ILUSTRAÇÕES,
PROCEDIMENTOS E ESPECIFICAÇÕES
APRESENTADOS NESTA PUBLICAÇÃO SÃO
BASEADOS NAS INFORMAÇÕES MAIS
RECENTES DISPONÍVEIS SOBRE O PRODUTO
NO MOMENTO DA APROVAÇÃO DA
IMPRESSÃO.
A MOTO HONDA DA AMAZÔNIA LTDA
RESERVA-SE O DIREITO DE ALTERAR AS
CARACTERÍSTICAS DO PRODUTO A
QUALQUER MOMENTO E SEM PRÉVIO
AVISO, SEM QUE ISTO INCORRA EM
QUAISQUER OBRIGAÇÕES.
NENHUMA PARTE DESTA PUBLICAÇÃO
PODE SER REPRODUZIDA SEM
AUTORIZAÇÃO PRÉVIA POR ESCRITO.
2
1
9
10
11
12
13
14
15
16
17
18
19
20
21
22
6
5
8
7
4
3
ÍNDICE GERAL
INFORMAÇÕES GERAIS
CHASSI/CARENAGEM/SISTEMA DE
ESCAPAMENTO
MANUTENÇÃO
SISTEMA DE LUBRIFICAÇÃO
SISTEMA DE COMBUSTÍVEL (INJEÇÃO
DE COMBUSTIVEL PROGRAMADA)
SISTEMA DE ARREFECIMENTO
REMOÇÃO/INSTALAÇÃO DO MOTOR
CABEÇOTE/VÁLVULAS
EMBREAGEM/SELETOR DE MARCHAS
ALTERNADOR/EMBREAGEM DE PARTIDA
CARCAÇA DO MOTOR/TRANSMISSÃO
ÁRVORE DE MANIVELAS /PISTÃO/
CILINDRO
RODA DIANTEIRA/SUSPENSÃO/
SISTEMA DE DIREÇÃO
RODA TRASEIRA/SUSPENSÃO
FREIO HIDRÁULICO
BATERIA/SISTEMA DE CARGA
SISTEMA DE IGNIÇÃO
SISTEMA DE PARTIDA
LUZES/INDICADORES/INTERRUPTORES
DIAGRAMA ELÉTRICO
CARACTERÍSTICAS TÉCNICAS
DIAGNOSE DE DEFEITOS
SISTEMAELÉTRICOCHASSIMOTORESISTEMADETRANSMISSÃO
23SUPLEMENTO

Manaul de serviço cbr600 f(3) (2001~) suplemen

  • 1.
    COMO USAR ESTESUPLEMENTO Este suplemento do manual de serviço descreve os procedimentos de serviço para a CBR600F1/FS1. Verifique na primeira parte deste Manual de Serviços os procedimentos não descritos neste suplemento. MOTO HONDA DA AMAZÔNIA LTDA. Departamento de Serviços Pós-Venda Setor de Publicações Técnicas TODAS AS INFORMAÇÕES, ILUSTRAÇÕES, PROCEDIMENTOS E ESPECIFICAÇÕES APRESENTADAS NESTA PUBLICAÇÃO SÃO BASEADAS NAS INFORMAÇÕES MAIS RECENTES DISPONÍVEIS SOBRE O PRODUTO NO MOMENTO DA APROVAÇÃO DA IMPRESSÃO. A MOTO HONDA DA AMAZÔNIA LTDA RESERVA-SE O DIREITO DE ALTERAR AS CARACTERÍSTICAS DO PRODUTO A QUALQUER MOMENTO E SEM PRÉVIO AVISO, SEM QUE ISTO INCORRA EM QUAISQUER OBRIGAÇÕES. NENHUMA PARTE DESTA PUBLICAÇÃO PODE SER REPRODUZIDA SEM AUTORIZAÇÃO PRÉVIA POR ESCRITO. 2 1 9 10 11 12 13 14 15 16 17 18 19 20 21 22 23 6 5 8 7 4 3 ÍNDICE GERAL INFORMAÇÕES GERAIS CHASSI/CARENAGEM/SISTEMA DE ESCAPAMENTO MANUTENÇÃO SISTEMA DE LUBRIFICAÇÃO SISTEMA DE COMBUSTÍVEL (INJEÇÃO DE COMBUSTIVEL PROGRAMADA) SISTEMA DE ARREFECIMENTO REMOÇÃO/INSTALAÇÃO DO MOTOR CABEÇOTE/VÁLVULAS EMBREAGEM/ARTICULAÇÃO DE MUDANÇA DE MARCHAS ALTERNADOR/EMBREAGEM DE PARTIDA CARCAÇA DO MOTOR/TRANSMISSÃO ÁRVORE DE MANIVELAS / PISTÃO/CILINDRO RODA DIANTEIRA/SUSPENSÃO/ SISTEMA DE DIREÇÃO RODA TRASEIRA/SUSPENSÃO FREIO HIDRÁULICO BATERIA/SISTEMA DE CARGA SISTEMA DE IGNIÇÃO PARTIDA ELÉTRICA LUZES/INDICADORES/INTERRUPTORES DIAGRAMA ELÉTRICO CARACTERÍSTICAS TÉCNICAS DIAGNOSE DE DEFEITOS SUPLEMENTO SISTEMAELÉTRICOCHASSIMOTORESISTEMADETRANSMISSÃO
  • 2.
    23. SUPLEMENTO IDENTIFICAÇÃO DOMODELO 23-1 ESPECIFICAÇÕES 23-2 VALORES DE TORQUE 23-11 PONTOS DE LUBRIFICAÇÃO E VEDAÇÃO 23-16 PASSAGENS DE CABOS E FIAÇÃO 23-20 LOCALIZAÇÕES DA CARENAGEM 23-27 ASSENTO (FS1) 23-28 ASSENTO TRASEIRO (FS1) 23-28 CARENAGEM SUPERIOR (FS1) 23-30 PÁRA-LAMA TRASEIRO (FS1) 23-31 TRILHO DO ASSENTO (FS1) 23-34 LOCALIZAÇÃO DO SISTEMA PGM-FI 23-37 (FS1) ECM (MÓDULO DE CONTROLE DO 23-38 MOTOR/ FS1) SUPORTE INFERIOR DA ARTICULAÇÃO 23-38 DO AMORTECEDOR (FS1) CABEÇOTE (EXCETO TIPOS BR E MX) 23-39 EMBREAGEM (EXCETO TIPOS BR E MX) 23-44 BATERIA (FS1) 23-45 LANTERNA TRASEIRA/LUZ DO FREIO 23-46 (FS1) LÂMPADA DA PLACA DE LICENÇA (FS1) 23-47 DIAGRAMA ELÉTRICO 23-48 CBR600F
  • 3.
    SUPLEMENTO 23-1 CBR600F O número deidentificação da carcaça do acelerador carburador está gravado na traseira de cada carcaça do acelerador. A etiqueta com o código de cores está colada conforme mostra a ilustração. Sempre especifique o código de cor ao a solicitar as peças coloridas. O número de série do chassi está gravado no lado direito da coluna de direção. O número de série do motor está gravado no lado dianteiro superior da carcaça do motor. NÚMERO DE SÉRIE DO CHASSI NÚMERO DE SÉRIE DO MOTOR DA CARACAÇA DO ACELERADOR ACELERADOR ETIQUETA COM O CODIGO DE CORES IDENTIFICAÇÃO DO MODELO (EXCETO TIPOS BR E MX) NÚMERO DE IDENTIFICAÇÃO
  • 4.
    SUPLEMENTO 23-2 ESPECIFICAÇÕES GERAL CBR600F Item Especificações Dimensões Comprimentototal 2.100 mm Largura total 685 mm Altura total 1.135mm Distância entre eixos 1.385 mm Altura do assento 805 mm Altura do pedal de apoio 360 mm Altura mínima do solo 135 mm Peso seco FS1 (Tipos ED, E, F e U) 169 kg FS1 (Tipo G) 170 kg F1 (Tipo BR e MX) 170 kg Peso em ordem de marcha FS1 (Tipos ED, E, F, G e U) 197 kg FS1 (Tipo G) 198 kg F1 (Tipo BR e MX) 198 kg Capacidade máxima de carga 189 kg Chassi Tipo de chassi Diamond Suspensão dianteira Garfo telescópico Curso da suspensão dianteira 120 mm Suspensão traseira Braço oscilante Curso da suspensão traseira 120 mm Dimensão do pneu dianteiro 120/70 ZR 17 (58W) Radial Dimensão do pneu traseiro 180/55ZR 17 (73W) Radial Marca dos pneus Bridgestone Dianteiro: BT010FF Dunlop Dianteiro: D207FJ Michelin Dianteiro: Pilot SPORT E Bridgestone Traseiro: BT010RF Dunlop Traseiro: D207P Michelin Traseiro: Pilot SPORT E Freio dianteiro A disco, hidráulico, duplo Freio traseiro A disco, hidráulico, único Cáster 24o Trail 96 mm Capacidade do tanque de combustível 18,0 l Motor Disposição dos cilindros Quatro cilindros em linha, inclinados 31o em relação à vertical Diâmetro e curso 67,0 x 42,5 mm Cilindrada 599 cm3 Relação de compressão 12,0:1 Sistema de válvulas Acionado por corrente, DOHC Válvula de admissão abertura 22º APMS fechamento 43º DPMI Válvula de escapamento abertura 38º APMI fechamento 7º DPMS Sistema de lubrificação Forçada por bomba de óleo Bomba de óleo Trocoidal Sistema de arrefecimento Arrefecido por líquido Filtro de ar Elemento de papel Peso do motor 59,0 kg Ordem de ignição 1 – 2 – 4 – 3
  • 5.
    SUPLEMENTO 23-3 CBR600F GERAL (CONTINUAÇÃO) Item Especificações CarburadorTipo PGM-FI (Injeção Eletrônica de Combustível) Diâmetro externo do acelerador 38 mm Transmissão Sistema de embreagem Multidisco em banho de óleo Sistema de funcionamento da embreagem Operado com cabo Transmissão 6 marchas constantemente engrenadas Redução primária 1,822 (82/45) Redução final FS1 (Tipos ED, E, F, G e U) 2,875 (46/16) F1 (Tipo BR e MX) 2,813 (45/16) Relação de transmissão 1a 2,833 (34/12) 2a 2,062 (33/16 3a 1,647 (28/17) 4a 1,421 (27/19) 5a 1,272 (28/22) 6a 1,173 (27/23) Sistema de mudanças De retorno operado pelo pé esquerdo, 1 – N – 2 – 3 – 4 – 5 – 6 Sistema Sistema de ignição Digital totalmente transistorizada, com avanço elétrico elétrico Sistema de partida Elétrica Sistema de carga Alternador trifásico Regulador/retificador SCR/trifásico, retificação de ondas completas Sistema de iluminação Bateria
  • 6.
    SUPLEMENTO 23-4 SISTEMA DE LUBRIFICAÇÃO Unidade:mm CBR600F Item Padrão Limite de uso Capacidade de óleo do motor Na drenagem 3,0 l — Na troca do filtro de óleo 3,3 l — Na desmontagem 3,7 l — Óleo recomendado: MOBIL SUPERMOTO 4T Classificação de serviço API SF — Viscosidade: SAE 20W-50 Pressão do óleo no interruptor de pressão do óleo 490 kPa (5,0 kgf.cm2 , 71 psi) — a 6.000 rpm (80ºC) Rotor da bomba de óleo Folga entre os rotores interno e externo 0,15 0,20 Folga entre o rotor externo e a carcaça da bomba 0,15 – 0,22 0,35 Folga entre os rotores e a face da carcaça da bomba 0,02 – 0,07 0,10 Item Especificações Número de identificação da Exceto tipo G GQ90A carcaça do acelerador Tipo G GQ90D Diferença de vácuo das válvulas de partida 20 mm Hg Válvula de aceleração de base para a sincronização nº 1 Marcha lenta 1.300 ± 100 rpm Folga livre da manopla do acelerador 2 – 6 mm Resistência do sensor de temperatura do ar de admissão (a 20o C) 1 – 4 kΩ Resistência do sensor de temperatura do líquido de arrefecimento do motor (a 20o C) 2,3 – 2,6 kΩ Resistência do injetor de combustível (a 20o C) 11,1 – 12,3 kΩ Resistência da válvula solenóide de controle PAIR (a 20o C) 20 – 24Ω Voltagem máxima do gerador de pulsos do comando (a 20o C) Mínimo de 0,7 V Voltagem máxima do gerador de pulsos da ignição (em 20o C) Mínimo de 0,7 V Pressão absoluta do coletor na marcha lenta 150 – 250 mm Hg Pressão de combustível na marcha lenta 343 kPa (3,5 kg.m/cm2 , 50 psi) Fluxo da bomba de combustível (a 12 V) Mínimo de 188 cm3 /10 segundos SISTEMA DE COMBUSTÍVEL (Injeção de Combustível Programada)
  • 7.
    SUPLEMENTO 23-5 CBR600F SISTEMA DE ARREFECIMENTO ItemEspecificações Capacidade do líquido Radiador e Motor 2,7 litros de arrefecimento Reservatório 0,31 litros Pressão de alívio da tampa do radiador 108 - 137 kPa (1,1 – 1,4 kgf/cm2 , 16 - 20 psi) Termostato Início da abertura 80- 84°C Completamente aberto 90°C Curso da válvula mínimo 8 mm Líquido de arrefecimento recomendado Anti-congelante etileno glicol de alta qualidade com inibidores para proteção contra corrosão. Concentração padrão do líquido de arrefecimento Solução de 50 - 50% de etileno glicol e água destilada CABEÇOTE/VÁLVULAS Unidade: mm Item Padrão Limite de uso Compressão do cilindro 1,226 kPa (12,5 kgf/cm2 , — 178 psi) a 350 rpm Folga das válvulas ADM 0,20 ± 0,03 — ESC 0,28 ± 0,03 — Árvore de comando Altura do ressalto ADM 36,26 – 36,50 36,2 (Exceto tipos BR e MX) ESC 35,34 – 35,58 35,3 Empenamento — 0,05 Folga de óleo 0,030 – 0,072 0,10 Ajustador da válvula Diâmetro externo do ajustador 25,978 – 25,993 25,97 Diâmetro interno do alojamento 26,010 – 26,026 26,04 do ajustador Válvula, guia Diâmetro externo ADM 3,975 – 3,990 3,965 da válvula da haste da válvula ESC 3,965 – 3,980 3,955 Diâmetro interno da ADM/ESC 4,000 – 4,012 4,04 guia da válvula Folga entre a haste e ADM 0,010 – 0,037 0,075 a guia da válvula ESC 0,020 – 0,047 0,085 Projeção da guia da válvula ADM 16,1 – 16,4 — acima do cabeçote ESC 14,3 – 14,6 — Largura da sede da válvula ADM/ESC 0,90 – 1,10 1,5 Comprimento livre ADM (Exceto tipos Externa 42,2 41,36 da mola da válvula BR e MX) Interna 36,4 35,57 ESC 36,3 35,57 Empenamento do cabeçote — 0,10
  • 8.
    SUPLEMENTO 23-6 EMBREAGEM/SELETOR DE MARCHAS Unidade:mm CBR600F Item Padrão Limite de uso Folga livre da alavanca da embreagem 10 – 20 — Embreagem Comprimento livre da Exceto tipos BR e MX) 44,7 43,4 mola da embreagem Tipos BR e MX) 46,5 45,2 Espessura do disco da embreagem 2,92 – 3,08 2,6 Empenamento do separador da embreagem — 0,30 Carcaça da embreagem D.I 25,000 – 25,021 25,03 D.E 34,975 – 34,991 34,97 Diâmetro externo da árvore primária na guia da carcaça da embreagem 24,980 – 24,993 24,96 ALTERNADOR/EMBREAGEM DE PARTIDA Unidade: mm Item Padrão Limite de uso Diâmetro externo do ressalto da engrenagem movida de partida 51,699 – 51,718 51,684 CARCAÇA DO MOTOR/TRANSMISSÃO Unidade: mm Item Padrão Limite de uso Garfo seletor D.I. 12,000 – 12,021 12,03 Espessura da garra do garfo 5,93 – 6,00 5,9 Eixo dos garfos seletores D.E. 11,957 – 11,968 11,95 Transmissão D.I. da engrenagem M5, M6 28,000 – 28,021 28,04 C2, C3, C4 31,000 - 31,025 31,04 D.E. da bucha da engrenagem M5, M6 27,959 – 27,980 27,94 C2 30,955 – 30,980 30,94 C3, C4 30,950 – 30,975 30,93 Folga entre a engrenagem M5, M6 0,020 – 0,062 0,10 e a bucha C2 0,020 – 0,070 0,10 C3, C4 0,025 – 0,075 0,11 D.I. da bucha da engrenagem M5 24,985 – 25,006 25,016 C2 27,985 – 28,006 28,021 D.E. da árvore primária na M5 24,967 – 24,980 24,96 D.E. da árvore secundária na C2 27,967 – 27,980 27,96 Folga entre a árvore e a bucha M5 0,005 – 0,039 0,06 C2 0,005 – 0,039 0,06
  • 9.
    SUPLEMENTO 23-7 CBR600F ÁRVORE DE MANIVELAS/PISTÃO/CILINDRO Unidade:mm Item Padrão Limite de uso Árvore de manivelas Folga lateral da biela 0,10 – 0,25 0,30 Folga de óleo dos mancais da árvore de manivelas 0,028 – 0,052 0,06 Folga de óleo dos mancais principais 0,020 – 0,038 0,05 Empenamento — 0,05 Pistão, pino do D.E. a 15 mm da parte inferior do pistão 66,965 – 66,985 66,90 pistão e anéis do D.I. da cavidade do pino do pistão 17,002 – 17,008 17,02 pistão D.E. do pino do pistão 16,994 – 17,000 16,98 Folga entre o pistão e o pino do pistão 0,002 – 0,014 0,04 Folga das extremidades do anel 1o 0,10 – 0,20 0,4 do pistão 2o 0,18 – 0,30 0,5 Anel de óleo (anel lateral) 0,2 - 0,7 1,0 Folga entre a canaleta e 1o 0,020 -–0,050 0,08 o anel do pistão 2o 0,015 – 0,050 0,08 Cilindro D.I. 67,000 - 67,015 67,10 Ovalização — 0,10 Conicidade — 0,10 Empenamento — 0,10 Folga entre o cilindro e o pistão 0,015 – 0,050 0,10 D.I. da cabeça da biela 17,016 – 17,034 17,04 Folga entre a biela e o pino do pistão 0,016 – 0,040 0,06
  • 10.
    SUPLEMENTO 23-8 RODA DIANTEIRA/SUSPENSÃO/SISTEMA DEDIREÇÃO Unidade: mm CBR600F Item Padrão Limite de uso Profundidade mínima dos sulcos da banda de rodagem — 1,5 Pressão do pneu frio Somente piloto 250 kPa (2,50 kgf/cm2 , 36 psi) — Piloto e passageiro 250 kPa (2,50 kgf/cm2 , 36psi) — Empenamento do eixo — 0,20 Excentricidade Radial — 2,0 da roda Axial — 2,0 Contrapeso para balanceamento da roda — 60 g (máx) Garfo Comprimento livre da mola 286 280,3 Direção da mola Com o lado cônico virado para cima — Empenamento do garfo — 0,20 Fluido recomendado Fluido ATF — Nível do fluido 116 — Capacidade de fluido 462 ± 2,5 cm3 — Assento inicial do ajustador da pré carga 4a ranhura a partir do topo — Assento inicial do ajustador da tensão 1 3/4 volta a partir da posição — mais rígida Assento inicial do ajustador da 1-1/4 voltas a partir da posição — compressão mais rígida Pré-carga do rolamento da coluna de direção 1,0 - 1,5 kgf — RODA TRASEIRA/SUSPENSÃO Unidade: mm Item Padrão Limite de uso Profundidade mínima dos sulcos da banda de rodagem — 2,0 Pressão do pneu frio Somente piloto 290 kPa (2,90 kgf/cm2 , 42 psi) — Piloto e passageiro 290 kPa (2,90 kgf/cm2 , 42 psi) — Empenamento do eixo — 0,20 Excentricidade Radial — 2,0 da roda Axial — 2,0 Contrapeso para balanceamento da roda — 60 g (máx) Corrente de Medida/elos DID DID525HV – 108LE — transmissão RK RKGB525R0Z1–108LE — Folga 25 – 35 — Amortecedor Posição padrão do ajustador da mola 2a posição — Assento inicial do ajustador da tensão 1 1/2 voltas a partir da posição — mais rígida Assento inicial do ajustador da 1 1/2 volta a partir da posição — compressão mais rígida
  • 11.
    SUPLEMENTO 23-9 CBR600F FREIO HIDRÁULICO Unidade: mm ItemPadrão Limite de uso Dianteiro Fluido de freio especificado DOT 4 — Espessura do disco do freio 4,4 – 4,6 3,5 Empenamento do disco do freio — 0,20 Diâmetro interno do cilindro mestre 15,870 – 15,913 15,925 Diâmetro externo do pistão do cilindro mestre 15,827 – 15,854 15,815 Diâmetro interno do caliper do cilindro mestre A 33,960 – 34,010 34,02 B 32,030 – 32,080 32,09 Diâmetro externo do pistão do cáliper A 33,802 – 33,835 33,794 B 31,877 – 31,910 31,869 Traseiro Fluido de freio especificado DOT 4 — Altura do pedal do freio 75 — Espessura do disco do freio 4,8 – 5,2 4,0 Empenamento do disco do freio — 0,30 Diâmetro interno do cilindro mestre 14,000 – 14,043 14,055 Diâmetro externo do pistão do cilindro mestre 13,957 – 13,984 13,945 Diametro interno do caliper do cilindro mestre 38,180 – 38,230 38,24 Diâmetro externo do pistão do cáliper 38,098 – 38,148 38,090 BATERIA/SISTEMA DE CARGA Item Especificações Bateria Capacidade 12V – 8,6 AH Fuga de Corrente máx. 0,2mA Voltagem (20o C) Completamente carregada 13,0 – 13,2V Necessita de carga Abaixo de 12,3V Corrente de carga Normal 0,9 A/5 – 10h Rápida 4,0 A/0,5h Alternador Capacidade 0,433 kW/5.000 rpm Resistência da bobina de carga (20o C) 0,1 – 1,0 Ω SISTEMA DE IGNIÇÃO Item Especificações Velas de ignição NGK IMR9A-9H DENSO IUH27D Folga dos eletrodos da vela de ignição 0,80 – 0,90 mm Voltagem máxima da bobina de ignição Mínimo de 100 V Voltagem máxima do gerador de pulsos Mínimo de 0,7 V Ponto de ignição Marca “F” 13o APMS em marcha lenta
  • 12.
    SUPLEMENTO 23-10 SISTEMA DE PARTIDA Unidade:mm CBR600F Item Padrão Limite de uso Comprimento das escovas do motor de partida 12,0 – 13,0 6,5 LUZES/INSTRUMENTOS/INTERRUPTORES Item Especificações Lâmpadas Farol Alto 12 V – 55 W Baixo 12 V – 55 W Luz de posição 12 V – 5 W Lanterna traseira/luz do freio 12 V – 5/21W x 2 Lâmpada da sinaleira 12 V – 21 W x 4 Luz do painel de instrumentos LED Indicador da sinaleira LED Indicador do farol alto LED Indicador de ponto morto LED Indicador da pressão do óleo LED Indicador do PGM-FI LED Indicador da reserva de combustível LED Fusível Fusível principal 30 A Fusível PGM-FI 20 A Sub-fusível 10 A X 6 Pico de voltagem do tacômetro 10,5 V mínimo Interruptor Início do fechamento (ON) 98 – 102°C do Motor Início da abertura 93 – 97°Cda Ventoinha
  • 13.
    SUPLEMENTO 23-11 CBR600F VALORES DE TORQUE Tipode fixador TORQUE Tipo de fixador TORQUE N.m (kg.m) N.m (kg.m) Porca e parafuso sextavado, 5 mm 5 (0,5) Parafuso, 5 mm 4 (0,4) Porca e parafuso sextavado, 6 mm 10 (1,0) Parafuso, 6 mm 9 (0,9) Porca e parafuso sextavado, 8 mm 22 (2,2) Parafuso flange, 6 mm (cabeça menor Porca e parafuso sextavado, 10 mm 34 (3,4) de 8 mm) 10 (1,0) Porca e parafuso sextavado, 12 mm 54 (5,4) Parafuso flange, 6 mm (cabeça maior de 8 mm) 12 (1,2) Parafuso e porca flange, 6 mm (cabeça de 10 mm) 12 (1,2) Parafuso e porca flange, 8 mm 26 (2,6) Parafuso e porca flange, 10 mm 39 (3,9) • As especificações de torque listadas abaixo são para fixadores importantes. • Outros fixadores devem ser apertados nos valores de torque padrão listados acima. NOTAS: 1. Aplique junta liquida na rosca. 2. Aplique trava química na rosca. 3. Fixe 4. Aplique óleo na rosca e na superfície do flange. 5. Porca em U. 6. Parafuso ALOC; substitua por um parafuso novo. 7. Aplique graxa na rosca. 8. Aplique óleo à base de molibdênio nas roscas e superfícies de assentamento (após a remoção do óleo anti-corrosão). 9. Parafuso CT. MOTOR Item Qtde Diâmetro da Torque Notas Rosca (mm) N.m (kg.m) Manutenção: Vela de ignição 4 10 12 (1,2) Tampa do orifício da árvore de manivelas 1 45 18 (1,8) Nota 7 Cartucho do filtro de óleo 1 20 26 (2,6) Nota4 Parafuso de drenagem do óleo do motor 1 12 29 (2,9) Sistema de lubrificação Parafuso de vedação da galeria principal de óleo 2 20 29 (2,9) Nota 2 Parafuso da tampa da bomba de óleo 1 6 8 (0,8) Nota 9 Parafuso de fixação do radiador de óleo 1 20 64 (6,4) Nota 4 Sistema de alimentação (Injeção Eletrônica de Combustível) ECT (Temperatura do líquido de Arrefecimento do Motor) /Sensor termostático 1 12 23 (2,3) Parafuso da braçadeira do coletor da carcaça do acelerador 8 5 Veja a pág. 23-13 Parafuso de fixação do suporte do cabo do acelerador 2 5 3 Contraporca das válvulas de partida 4 10 2 (0,2) Parafuso da placa de sincronização das válvulas de partida 4 3 1 (0,1) Parafuso da placa de fixação da unidade de controle da marcha lenta 1 3 1 (0,1) Parafuso de fixação da unidade de controle da marcha lenta 2 6 5 (0,5) Parafuso de fixação do regulador de pressão 2 6 10 (1,0) Bujão da conexão de vácuo para sincronização 2 5 3 (0,3) Sistema de arrefecimento Parafuso flange da tampa da bomba d´água 2 6 12 (1,2) Nota 9 Parafuso flange da tampa do termostato 2 6 12 (1,2) Nota 9 Fixação do motor Parafuso especial do pinhão de transmissão 1 10 54 (5,4)
  • 14.
    SUPLEMENTO 23-12 MOTOR (Continuação) CBR600F Item Qtde Diâmetroda Torque Notas Rosca (mm) N.m (kg.m) Cabeçote/válvulas Parafuso arruela de fixação do cabeçote 10 9 47 (4,7) Nota 8 Parafuso flange do suporte da árvore de comando 20 6 12 (1,2) Nota 4 Parafuso de vedação do cabeçote 1 14 18 (1,8) Nota 2 Parafuso da tampa do cabeçote 3 6 10 (1,0) Parafuso flange da placa de respiro 3 6 12 (1,2) Nota 2,9 Parafuso SH da tampa da válvula de palheta PAIR 4 6 12 (1,2) Nota 9 Parafuso da engrenagem de comando 4 7 20 (2,0) Nota 2 Parafuso flange do rotor do gerador de pulsos do comando 2 6 12 (1,2) Nota 2 Parafuso Allen de fixação da guia da corrente do comando 2 6 10 (1,0) Parafuso Allen da articulação do tensor da corrente do comando 1 6 10 (1,0) Nota 2 Parafuso/arruela da guia da corrente do comando 1 6 12 (1,2) Prisioneiro do cabeçote (prisioneiro do escapamento) 8 6 Veja a página 23-13 Embreagem/Seletor de marchas Contraporca do cubo da embreagem 1 22 127 (12,7) Nota 3,4 Parafuso/arruela da mola da embreagem 5 6 12 (1,2) Parafuso da engrenagem movida da bomba de óleo 1 6 15 (1,5) Nota 2 Parafuso Allen central do tambor seletor 1 8 23 (2,3) Nota 2 Parafuso de articulação do limitador do tambor seletor 1 6 12 (1,2) Limitador da mola do pedal de câmbio 1 8 22 (2,2) Parafuso/arruela da guia da fiação do gerador de pulsos da ignição 1 6 12 (1,2) Alternador/Embreagem de partida Parafuso Allen de fixação do estator 4 6 12 (1,2) Parafuso Allen da carcaça da embreagem 6 8 16 (1,6) Nota 2 Parafuso flange do volante do motor 1 10 103 (10,3) Nota 4 Parafuso flange da braçadeira da fiação do alternador 1 6 12 (1,2) Nota 9 Carcaça do motor/Transmissão Parafuso da placa de fixação do rolamento da árvore primária 3 6 12 (1,2) Nota 2 Parafuso de fixação do eixo dos garfos seletores e do rolamento do tambor do seletor 2 6 12 (1,2) Nota 2 Parafuso da carcaça do motor (Mancal principal) 10 8 25 (2,5) Nota 8 Parafuso da carcaça do motor 1 10 39 (3,9) Parafuso da carcaça do motor 6 7 18 (1,8) Parafuso da carcaça do motor (Lado superior) 5 8 25 (2,5) Árvores de manivela/Pistão/Cilindro Porca da capa da biela 8 7 25 (2,5) Nota 4 Sistema de ignição Parafuso de fixação do rotor do gerador de pulsos 1 10 59 (5,9) Sistema de partida Porca do terminal do motor de partida 1 6 12 (1,2) Luzes/Indicadores/Interruptores Interruptor de pressão do óleo 1 1/8 12 (1,2) Nota 1 Parafuso/arruela do terminal da fiação do interruptor da pressão do óleo 1 4 2 (0,2) Interruptor de ponto morto 1 10 12 (1,2)
  • 15.
    SUPLEMENTO 23-13 CBR600F Braçadeira do isolador(Lado da carcaça do acelerador) 7 ± 1 mm Braçadeira do isolador (Lado do cabeçote) 4 ± 1 mm Prisioneiro do tubo de escapamento: 50,5 ± 5 mm
  • 16.
    SUPLEMENTO 23-14 CHASSI CBR600F Item Qtde Diâmetro daTorque Notas Rosca (mm) N.m (kg.m) Chassi/Carenagem/Sistema de escapamento: Parafuso especial da rabeta 2 6 2 (0,2) Parafuso entre a carenagem superior e inferior 6 5 2 (0,2) Parafuso entre a carenagem interna e inferior 6 6 2 (0,2) Parafusos de fixação do pára-brisa 6 4 1 (0,1) Parafuso/porca de fixação superior do trilho do assento 2 10 49 (4,9) Parafuso/porca de fixação inferior do trilho do assento 2 10 49 (4,9) Porca flange da junção do tubo de escapamento 8 7 12 (1,2) Parafuso flange da braçadeira do escapamento 2 8 23 (2,3) Parafuso flange de fixação do pedal de apoio 4 8 26 (2,6) Sistema de alimentação: (Injeção Eletrônica de Combustível) Parafuso da tampa do gargalo de abastecimento de combustível 3 4 2 (0,2) Parafuso de verificação de serviço 1 6 15 (1,5) Parafuso banjo do tubo de combustível (lado do tanque de combustível) 1 12 22 (2,2) Porca de vedação do tubo de combustível (lado da carcaça do acelerador) 1 12 22 (2,2) Porca de fixação da bomba de combustível 6 6 12 (1,2) Sensor O2 1 12 25 (2,5) Sistema de arrefecimento: Porca da ventoinha de arrefecimento 1 5 3,0 (0.3) Nota 2 Porca de fixação do motor da ventoinha 3 5 5,0 (0,5) Fixação do motor: Parafuso de fixação dianteiro do motor 2 10 39 (3,9) Veja a pag. 7-10 Parafuso de fixação central do motor 2 10 39 (3,9) Parafuso de ajuste do suporte central do motor 1 20 3 (0,3) Contraporca do suporte central do motor 1 20 54 (5,4) Porca de fixação do motor 1 10 39 (3,9) Parafuso de ajuste do suporte traseiro do motor 1 22 3 (0,3) Contraporca do suporte traseiro do motor (lado direito) 1 22 54 5,4) Porca do suporte de articulação do amortecedor 2 10 39 (3,9) Roda dianteira/suspensão/sistema de direção Parafuso de fixação do contrapeso do guidão 2 6 10 (1,0) Nota 6 Parafuso de fixação do disco do freio dianteiro 12 6 20 (2,0) Nota 6 Parafuso do eixo dianteiro 1 14 59 (5,9) Parafuso flange do suporte do eixo dianteiro 4 8 22 (2,2) Parafuso flange da presilha da mangueira do freio dianteiro (Garfo esquerdo) 1 6 12(1,2) Parafuso da conexão 3 vias da mangueira do freio dianteiro (Garfo direito) 1 6 12 (1,2) Parafuso Allen do garfo 2 10 34 (3,4) Nota 2 Parafuso superior do garfo 2 39 23 (2,3) Parafuso Allen de fixação da mesa superior 2 8 23 (2,3) Parafuso flange de fixação da mesa inferior 2 10 39 (3,9) Porca de ajuste do rolamento da coluna de direção 1 26 25 (2,5) Veja a pag. 13-29 Contraporca de ajuste do rolamento da coluna de direção 1 26 — Porca da coluna de direção 1 24 103 (10,3) Parafuso da presilha da mangueira do freio dianteiro(coluna de direção) 1 6 10 (1,0)
  • 17.
    SUPLEMENTO 23-15 CBR600F Item Qtde Diâmetro daTorque Notas Rosca (mm) N.m (kg.m) Roda traseira/suspensão: Parafuso de fixação do disco de freio traseiro 4 8 42 (4,2) Nota 6 Porca da coroa de transmissão 6 10 64 (6,4) Nota 5 Porca do eixo traseiro 1 18 93 (9,3) Nota 5 Porca de fixação do amortecedor traseiro 2 10 44 (4,4) Nota 5 Porca placa de articulação – braço oscilante 1 10 44 (4,4) Nota 5 Porca de articulação do amortecedor – placa de articulação 1 10 44 (4,4) Nota 5 Porca de articulação do amortecedor – suporte 1 10 44 (4,4) Nota 5 Parafuso flange da guia da corrente de transmissão 2 6 9 (0,9) Nota 6 Parafuso de ajuste da articulação do braço oscilante 2 30 7 (0,7) Veja a pág. 14-22 Contraporca do parafuso de ajuste da articulação do braço oscilante 2 30 64 (6,4) Porca de articulação do braço oscilante 1 18 93 (9,3) Freio Hidráulico: Parafuso da tampa do reservatório do cilindro mestre dianteiro 2 4 2 (0,2) Parafuso de articulação da alavanca do freio 1 6 1 (0,1) Porca de articulação da alavanca do freio 1 6 6 (0,6) Parafuso do interruptor da luz do freio dianteiro 1 4 1 (0,1) Parafuso de fixação do cilindro mestre dianteiro 2 6 12 (1,2) Parafuso torx de fixação do cáliper do freio dianteiro 8 8 23 (2,3) Nota 2 Parafuso flange de fixação do cáliper do freio dianteiro 4 8 30 (3,0) Nota 6 Porca de junção do cilindro mestre traseiro 1 8 18 (1,8) Parafuso de fixação do cáliper do freio traseiro 2 6 9 (0,9) Parafuso/porca de fixação do reservatório do freio traseiro 1 6 12 (1,2) Parafuso do cáliper do freio traseiro 1 8 23 (2,3) Parafuso do pino do cáliper do freio traseiro 1 12 27 (2,7) Pino da pastilha 5 10 18 (1,8) Bujão do pino da pastilha 1 10 3,0 (0,3) Parafuso de óleo da mangueira do freio 5 10 34 (3,4) Válvula de sangria do cáliper do freio 3 8 6 (0,6) Luzes/Indicadores/Interruptores: Parafuso de fixação do cavalete lateral 1 6 10 (1,0) Nota 6 Parafuso de fixação do interruptor de ignição 2 8 25 (2,5) Interruptor do motor da ventoinha 1 16 18 (1,8) Nota 1 Outros fixadores Parafuso de articulação do cavalete lateral 1 10 10 (1,0) Contraporca de articulação do cavalete lateral 1 10 29 (2,9) Parafuso flange do suporte do cavalete lateral 2 10 44 (4,4) Nota 6 Parafuso Allen do suporte do pedal de apoio do piloto 4 8 26 (2,6) CHASSI (Continuação)
  • 18.
    SUPLEMENTO 23-16 CBR600F PONTOS DE LUBRIFICAÇÃOE VEDAÇÃO MOTOR Localização Material Notas Superfície de contato da carcaça do motor Junta líquida (Three Bond 1207B ou equivalente) Superfície de contato do cárter de óleo 10-15mm10-15mm 10-15mm10-15mm Não aplique junta líquida na extremidade da rosca 3 - 4 mm Superfície de assentamento da carcaça direita Rosca do interruptor de pressão do óleo
  • 19.
    SUPLEMENTO 23-17 CBR600F MOTOR (Continuação) Localização MaterialNotas Rebaixo semicircular do cabeçote Junta líquida Superfície do mancal da árvore de manivelas Óleo de bissulfeto de Superfície deslizante do pino do pistão molibdênio (mistura na Superfície do mancal das bronzinas proporção de 50% de óleo Superfície interna da cabeça da biela para motor e 50% de graxa de Superfície do mancal da árvore de manivelas bissulfeto de molibdênio) Mancais e ressaltos da árvore de comando Haste de válvula (superfície deslizante da guia de válvula) Superfície deslizante do acionador de válvula Superfície deslizante da engrenagem movida primária Superfície deslizante da guia externa da embreagem Engrenagens M3/4, C5, C6 (ranhuras dos garfos seletores) Superfície externa da engrenagem redutora de partida Superfície deslizante da mola de fricção da sub-engrenagem primária Área deslizante do anel do pistão Óleo para motor Junta do filtro de tela Superfície do disco da embreagem Superfície deslizante da embreagem unidirecional de partida Rosca da porca da biela Rosca do parafuso do volante do motor e superfície de assentamento Rosca do parafuso de 9 mm do mancal e superfície de assentamento (após remover o aditivo anti-corrosivo) Parafuso especial do cabeçote (após remover o aditivo anti-corrosivo) Rosca da contraporca do cubo da embreagem Rosca do cartucho do filtro de óleo e anel de vedação Superfície de assentamento e roscas do parafuso do suporte do comando Roscas do parafuso central do radiador de óleo Todos os dentes das engrenagens e superfícies de rotação Todos os rolamentos Todos os anéis de vedação Outras áreas de rotação e superfícies deslizantes ÁREA DE APLICAÇÃO ÁREA DE APLICAÇÃO
  • 20.
    SUPLEMENTO 23-18 MOTOR (Continuação) CBR600F Localização MaterialNotas Rosca da tampa do orifício da árvore de manivelas Graxa para uso geral Lábios de todos os vedadores de óleo Rosca do parafuso de vedação da carcaça superior do motor Trava química Rosca do parafuso de vedação da carcaça inferior do motor Roscas do parafuso de fixação do cabeçote Roscas do parafuso do rotor do gerador de pulsos do comando Rosca do parafuso de vedação do cabeçote Rosca da conexão do respiro da tampa do cabeçote Rosca do parafuso da carcaça da embreagem unidirecional de partida Área de aplicação: Rosca do parafuso da engrenagem movida da bomba de óleo 6,5 ± 1 mm Rosca do parafuso da placa de fixação do tambor seletor Rosca do parafuso da placa de fixação do rolamento da árvore primária Rosca do parafuso da engrenagem de comando Rosca do parafuso da placa de respiro da tampa do cabeçote Rosca do parafuso central do tambor seletor Roscas do parafuso de articulação do tensor da corrente do comando Roscas do parafuso de articulação da guia da corrente do comando
  • 21.
    SUPLEMENTO 23-19 CBR600F CHASSI Localização Material Notas Superfíciedeslizante do gancho do assento Graxa para uso geral Lábio do retentor de pó da roda dianteira Flange da coroa de transmissão e superfície de assentamento do cubo da roda e anel de vedação Lábio do retentor de pó da roda traseira Superfície interna do espaçador lateral da roda traseira Área de deslizamento da manopla do acelerador Superfície deslizante do parafuso de articulação da alavanca da embreagem Superfície deslizante da articulação do pedal do freio traseiro Superfície deslizante da articulação/haste do pedal de câmbio Articulação do pedal de câmbio Superfície deslizante do pedal de apoio Superfície deslizante do pedal de apoio do passageiro Área de deslizamento da articulação do pedal de apoio Articulação do cavalete lateral Articulação do cavalete central (Tipos BR e MX) Superfície deslizante do rolamento da coluna de direção Graxa para uso geral Lábio do retentor de pó da coluna de direção Rolamento da articulação do braço oscilante Lábio do retentor de pó do braço oscilante Rolamento de agulhas do amortecedor traseiro Lábio do retentor de pó do amortecedor traseiro Cabo interno A e B do cabo do acelerador Lubrificante para cabos Cabo interno da embreagem Cabo externo da embreagem Parte interna da borracha da manopla do guidão Adesivo HONDA A Rosca da porca de ajuste superior da coluna de direção Óleo do motor Retentores de pó do cáliper do freio Graxa de silicone Articulação da alavanca do freio dianteiro e extremidades dos pistões Parte interna do protetor de borracha do cilindro mestre traseiro e extremidades da haste de acionamento Superfície do pino deslizante do cáliper do freio Retentores do cilindro mestre do freio Fluido de freio DOT 4 Selos dos pistões do cáliper do freio Anel de vedação do parafuso superior do garfo Fluido de freio Lábios do vedador de óleo do garfo Rosca do parafuso de junção da mangueira do cilindro mestre traseiro Trava química Rosca do parafuso de fixação do cáliper do freio dianteiro Rosca do parafuso do pino do cáliper do freio traseiro
  • 22.
    SUPLEMENTO 23-20 PASSAGENS DE CABOSE FIAÇÃO CBR600F CABOS DO ACELERADOR CABO DA EMBREAGEM MANGUEIRA DO FREIO DIANTEIRO CONECTOR 9P (PRETO) DOS INTERRUPTORES DO GUIDÃO DIREITO CONECTOR 4P (NATURAL) DO IMOBILIZADOR (EXCETO TIPOS U, BR E MX) CONECTOR 4P (NATURAL) DO INTERRUPTOR DE IGNIÇÃO FIAÇÃO DA BUZINA CONECTOR 9P (PRETO) DO PAINEL DE INSTRUMENTOS CONECTOR 9P (NATURAL) DO PAINEL DE INSTRUMENTOS CONECTOR 9P (PRETO) DOS INTERRUPTORES DO GUIDÃO ESQUERDO FITA BRANCA RELÉ DO FAROL RELÉ DO INTERRUPTOR DE EMERGÊNCIA CONECTOR DA SINALEIRA ESQUERDA SOQUETE DO FAROL CONECTOR 12P (CINZA) DA FIAÇÃO SECUNDÁRIA DIANTEIRA RELÉ DO SINALIZADOR CONECTOR DA SINALEIRA DIREITA SOQUETE DA LÂMPADA DE ILUMINAÇÃO (EXCETO TIPO U) SOQUETE DO FAROL
  • 23.
    SUPLEMENTO 23-21 CBR600F FIAÇÃO DO RECEPTOR DOIMOBILIZADOR (Exceto tipos U, BR e MX) BRAÇADEIRA DA FIAÇÃO MANGUEIRA DO FREIO CABOS DO ACELERADOR FIAÇÃO DO INTERRUPTOR DE IGNIÇÃO CABO DA EMBREAGEM BRAÇADEIRAS DA FIAÇÃO FIAÇÃO DA BUZINA FIAÇÃO DOS INTERRUPTORES DO GUIDÃO ESQUERDO FIAÇÃO PRINCIPAL BRAÇADEIRA DA FIAÇÃO FIAÇÃO DOS INTERRUPTORES DO GUIDÃO DIREITO
  • 24.
    SUPLEMENTO 23-22 FS1 (Exceto tiposBR e MX) CBR600F CONECTOR 6P (PRETO) DA FIAÇÃO SECUNDÁRIA DA BOBINA DE IGNIÇÃO CONECTOR 2P (CINZA) DO SENSOR IAT CONECTOR 3P (CINZA) DO SENSOR MAP CONECTOR 2P (NATURAL) DA VÁLVULA SOLENÓIDE DE CONTROLE PAIR CONECTOR 10P (CINZA) DA FIAÇÃO SECUNDÁRIA DA CARCAÇA DO ACELERADOR CONECTOR 2P (PRETO) DA FIAÇÃO SECUNDÁRIA DO RADIADOR CONECTOR 14P (CINZA) DA FIAÇÃO SECUNDÁRIA TRASEIRA CONECTOR 6P (PRETO) DO REGULADOR/RETIFICADOR GERADOR DE PULSOS DO COMANDO CONECTORES 2P (NATURAL) DO GERADOR DE PULSOS DO COMANDO, 2P (VERDE) DO INTERRUPTOR DO CAVALETE LATERAL, 12P (CINZA) DA FIAÇÃO SECUNDÁRIA DO MOTOR CONECTOR 3P (NATURAL) DO ALTERNADOR FIAÇÃO DO INTERRUPTOR DO CAVALETE LATERAL
  • 25.
    SUPLEMENTO 23-23 CBR600F FS1 (Exceto tiposBR e MX) TUBO LADRÃO DO TANQUE DE COMBUSTÍVEL TUBO DE RESPIRO DO TANQUE DE COMBUSTÍVEL MANGUEIRA DE SUCÇÃO DE AR PAIR TUBO DE SANGRIA DE AR MANGUEIRA DO FREIO TRASEIRO FIAÇÃO DO INTERRUPTOR DA LUZ DO FREIO FIAÇÃO DO GERADOR DE PULSOS DA IGNIÇÃO FIAÇÃO DA EMBREAGEM MANGUEIRA SUPERIOR DO RADIADOR TUBO SIFÃO
  • 26.
    SUPLEMENTO 23-24 CBR600F FS1 (Exceto tiposBR e MX) FIAÇÃO PRINCIPAL BATERIA CONECTOR 22P (CINZA CLARO) DO ECM CONECTOR 22P (PRETO) DO ECM REGULADOR/RETIFICADOR MANGUEIRA DO RESERVATÓRIO DO AMORTECEDOR BRAÇADEIRAS DA FIAÇÃO INTERRUPTOR DO RELÉ DE PARTIDA/FUSÍVEL PRINCIPAL CONECTOR DE VERIFICAÇÃO DE SERVIÇO SUPORTE DO FUSÍVEL PGM-FI CAIXA DE FUSÍVEL
  • 27.
    SUPLEMENTO 23-25 CBR600F FS1 (Exceto tiposBR e MX) CONECTORES DA LANTERNA/LUZ DE FREIO CONECTORES DA SINALEIRA/PLACA DE LICENÇA FIAÇÃO SECUNDÁRIA TRASEIRA TERMINAL NEGATIVO (-) DA BATERIA ECM BRAÇADEIRAS DA FIAÇÃO FIAÇÃO PRINCIPAL CONECTOR 6P (PRETO) DO REGULADOR/RETIFICADOR CONECTOR 14P (CINZA) DA FIAÇÃO SECUNDÁRIA TRASEIRA RELÉ DE CORTE DE COMBUSTÍVEL RELÉ DO INTERRUPTOR DO MOTOR MANGUEIRA DO FREIO TRASEIRO MANGUEIRA DO RESERVATÓRIO DO FREIO CONECTOR 3P (BRANCO) DO ALTERNADOR CONECTOR 2P (PRETO) DO INTERRUPTOR DA LUZ DO FREIO BRAÇADEIRA DA FIAÇÃO
  • 28.
    SUPLEMENTO 23-26 FS1 (Somente TipoG) CBR600F CONECTORES DA LANTERNA/LUZ DE FREIO CONECTORES DA SINALEIRA/PLACA DE LICENÇA FIAÇÃO SECUNDÁRIA TRASEIRA TERMINAL NEGATIVO (-) DA BATERIA ECM CONECTOR 3P (NATURAL) DO SENSOR O2 BRAÇADEIRAS DA FIAÇÃO FIAÇÃO PRINCIPAL CONECTOR 6P (PRETO) DO REGULADOR/RETIFICADOR CONECTOR 14P (CINZA) DA FIAÇÃO SECUNDÁRIA TRASEIRA RELÉ DE CORTE DE COMBUSTÍVEL RELÉ DO INTERRUPTOR DO MOTOR MANGUEIRA DO FREIO TRASEIRO MANGUEIRA DO RESERVATÓRIO DO FREIO BRAÇADEIRA DA FIAÇÃO CONECTOR 3P (BRANCO) DO ALTERNADOR FIAÇÃO DO SENSOR O2 CONECTOR 2P (PRETO) DO INTERRUPTOR DA LUZ DO FREIO
  • 29.
    SUPLEMENTO 23-27 CBR600F LOCALIZAÇÕES DA CARENAGEM(FS1) CARENAGEM SUPERIOR PÁRA-LAMA DIANTEIRO PÁRA-BRISA ASSENTO DIANTEIRO ASSENTO TRASEIRO PÁRA-LAMA TRASEIRO RABETA CARENAGEM CENTRAL INTERMEDIÁRIA CARENAGEM INFERIOR TAMPA DO CONDUTO DE AR CÂMARA RESSOADORA TAMPA DO CONDUTO DE AR DIANTEIRO CONDUTO DE AR CÂMARA RESSOADORA CONDUTO DE AR
  • 30.
    SUPLEMENTO 23-28 ASSENTO (FS1) REMOÇÃO Remova osdois parafusos de fixação localizados na parte traseira do assento. Deslize o assento para trás e depois retire-o. Remova os espaçadores de fixação. ASSENTO TRASEIRO/RABETA (FS1) REMOÇÃO Remova o assento (veja acima). Destrave o assento traseiro usando a chave de ignição. Levante a extremidade traseira do assento traseiro e remova-o. Remova os parafusos de fixação da rabeta e as arruelas. INSTALAÇÃO Instale os espaçadores de fixação nos suportes do assento conforme mostra a ilustração. Alinhe o gancho do assento com o suporte traseiro do tanque de combustível e instale o assento. Instale e aperte firmemente os parafusos de fixação do assento. NOTA Cuidado para não perder os espaçadores de fixação. CBR600F ASSENTO PARAFUSOS ESPAÇADORES ASSENTO GANCHO PARAFUSOS ESPAÇADORES ASSENTO TRASEIRO CHAVE DE IGNIÇÃO PARAFUSOS DE FIXAÇÃO ARRUELAS
  • 31.
    SUPLEMENTO 23-29 CBR600F Remova as quatropresilhas de fixação e os dois parafusos 5 mm de retenção. INSTALAÇÃO Abra cuidadosamente as extremidades da rabeta e, em seguida remova-a do trilho do assento. PRESILHAS DE FIXAÇÃO PARAFUSOS DE RETENÇÃOPRESILHAS DE FIXAÇÃO RABETA ASSENTO ASSENTO TRASEIRO RABETA
  • 32.
    SUPLEMENTO 23-30 A instalação éo procedimento inverso da remoção. Instale as duas presilhas de fixação e aperte os parafusos de fixação. NOTA Certifique-se de que a região inferior da rabeta está corretamente assentada no pára-lama traseiro antes de apertar os fixadores. CARENAGEM SUPERIOR (FS1) REMOÇÃO DO PÁRA-BRISA Remova os parafusos Allen, arruelas de plástico e borracha e, em seguida remova o pára-brisa. INSTALAÇÃO DO PÁRA-BRISA Instale o pára-brisa e, em seguida as arruelas de plástico e borracha e os parafusos Allen. Aperte primeiramente os quatro parafusos Allen inferiores e, em seguida os dois parafusos Allen superiores no torque especificado. TORQUE: 1 N.m (0,1 kg.m) NOTA Instale os parafusos Allen compridos nas extremidades inferiores do pára-brisa. Instale as arruelas e aperte firmemente os parafusos de fixação. CBR600F PRESILHAS DE FIXAÇÃO PARAFUSOS PRESILHAS DE FIXAÇÃO PARAFUSOS DE FIXAÇÃO ESPAÇADORES PÁRA-BRISA PARAFUSOS ALLEN ARRUELA DE BORRACHA ARRUELA DE PLÁSTICO PÁRA-BRISA PARAFUSOS ALLEN PARAFUSOS COMPRIDOS
  • 33.
    SUPLEMENTO 23-31 CBR600F PÁRA-LAMA TRASEIRO (FS1) REMOÇÃO Removaos seguintes componentes: – Rabeta (página 2-2) – ECM (página 23-38) – Bateria (página 23-45) Solte as guias do pára-lama traseiro e, em seguida remova a tampa da bateria. Desacople os seguintes conectores: – Conectores da sinaleira traseira. – Conector da placa de licença. – Conectores da lanterna/luz do freio traseiro. Desenganche o cabo trava do assento do suporte do cabo. Remova o relé de corte de combustível e o relé do interruptor de emergência das guias do pára-lama traseiro. Solte a fiação secundária traseira das guias do pára-lama traseiro. Desenganche a lingüeta de retenção e remova a tampa do fusível do PGM-FI e a caixa de fusíveis. Remova o interruptor do relé de partida das guias do pára- lama traseiro. TAMPA DA BATERIA CAIXA DE FUSÍVEIS DO PGM-FI CAIXA DE FUSÍVEIS INTERRUPTOR DO RELÉ DE PARTIDA CONECTORES DA LANTERNA/LUZ DO FREIO TRASEIRO CABO TRAVA DO ASSENTO CONECTORES DO SINALIZADOR CONECTOR DA LUZ DA PLACA DE LICENÇA RELÉ DE CORTE DE COMBUSTÍVEL RELÉ DO INTERRUPTOR DE EMERGÊNCIA FIAÇÃO SECUNDÁRIA
  • 34.
    SUPLEMENTO 23-32 Remova os doisparafusos de fixação e os espaçadores do pára-lama traseiro. INSTALAÇÃO Solte o pára-lama traseiro do suporte do trilho do assento e, em seguida remova o pára-lama traseiro puxando-o para trás. CBR600F PARAFUSOS/ESPAÇADORES PÁRA-LAMA TRASEIRO SUPORTE DO TRILHO DO ASSENTO BATERIA RELÉ DO INTERRUPTOR DE EMERGÊNCIA RELÉ DE CORTE DE COMBUSTÍVEL ECM TAMPA DA BATERIA PÁRA-LAMA TRASEIRO CAIXA DE FUSÍVEIS SUPORTE DO FUSÍVEL PGM-FI INTERRUPTOR DO RELÉ DE PARTIDA
  • 35.
    SUPLEMENTO 23-33 CBR600F NOTA Instale o pára-lamatraseiro no trilho do assento, enquanto alinha a ranhura inferior com o suporte do trilho do assento. Enquanto estiver instalando o pára-lama traseiro, passe a fiação corretamente (página 23-20). Passe corretamente a fiação secundária traseira e instale-a nas guias do pára-lama traseiro. Instale o relé de corte de combustível e o relé do interruptor de emergência nas guias do pára-lama traseiro. Acople os seguintes conectores: – Conectores da sinaleira traseira. – Conector da placa de licença. – Conectores da lanterna/luz do freio traseiro. Acople o cabo trava do assento no suporte do cabo. Instale as peças removidas na ordem inversa da remoção. Instale os espaçadores de fixação do pára-lama traseiro e os parafusos. Aperte firmemente os parafusos. PÁRA-LAMA TRASEIRO BRAÇO DO TRILHO DO ASSENTO PARAFUSOS/ESPAÇADORES RELÉ DE CORTE DE COMBUSTÍVEL RELÉ DO INTERRUPTOR DE EMERGÊNCIA FIAÇÃO SECUNDÁRIA CONECTORES DA LANTERNA/LUZ DE FREIO CABO TRAVA DO ASSENTO CONECTORES DA LUZ DA PLACA DE LICENÇACONECTORES DA SINALEIRA
  • 36.
    SUPLEMENTO 23-34 TRILHO DO ASSENTO(FS1) REMOÇÃO Remova o pára-lama traseiro (página 23-31). Solte a braçadeira e remova o reservatório do freio do suporte do trilho traseiro. Remova o regulador/retificador (página 16-8). Remova a porca/parafuso de fixação do silencioso. Remova os parafusos e o suporte do pedal de apoio direito. Remova os parafusos e o suporte do pedal de apoio esquerdo. Remova a braçadeira do interruptor da luz do freio. Remova a porca/parafuso e o reservatório do freio do suporte do trilho traseiro. CBR600F BRAÇADEIRA RESERVATÓRIO RESERVATÓRIO BRAÇADEIRA PARAFUSO/PORCA PARAFUSOS PARAFUSO/PORCA SUPORTE DO PEDAL DE APOIO PARAFUSOS SUPORTE DO PEDAL DE APOIO
  • 37.
    SUPLEMENTO 23-35 CBR600F Remova a braçadeirada fiação principal. Remova as porcas/parafusos de fixação do trilho do assento, arruela/espaçador de fixação do reservatório e o trilho do assento. Instale o trilho do assento no chassi. NOTA Posicione o reservatório do líquido de arrefecimento, espaçador e arruela no fixador direito superior e, em seguida instale os parafusos e porcas de fixação. Fixe os parafusos e aperte as porcas de fixação do trilho do assento com o torque especificado. TORQUE: 49 N.m (4,9 kg.m) Prenda a fiação principal utilizando a braçadeira. Instale as porcas cegas no fixador esquerdo do trilho do assento. INSTALAÇÃO ESPAÇADOR/ARRUELA PARAFUSOS/ PORCAS FLANGE PARAFUSOS/PORCAS CEGAS BRAÇADEIRA DA FIAÇÃO 26 N.m (2,6 kg.m) SUPORTE DO PEDAL DE APOIO DIREITO 12 N.m (1,2 kg.m) 49 N.m (4,9 kg.m) RESERVATÓRIO DO FREIO 49 N.m (4,9 kg.m) TRILHO DO ASSENTO REGULADOR/RETIFICADOR 26 N.m (2,6 kg.m) SUPORTE DO PEDAL DE APOIO ESQUERDO RESERVATÓRIO DO LÍQUIDO DE ARREFECIMENTO RESERVATÓRIO DO AMORTECEDOR ESPAÇADOR/ARRUELA PARAFUSOS/ PORCAS FLANGE PARAFUSOS/ PORCAS CEGAS BRAÇADEIRA
  • 38.
    SUPLEMENTO 23-36 Instale o suportedo pedal de apoio esquerdo e aperte os parafusos com o torque especificado. TORQUE: 26 N.m (2,6 kg.m) Passe corretamente a mangueira do reservatório do freio traseiro. Instale e aperte o parafuso/porca com o torque especificado. TORQUE: 12 N.m (1,2 kg.m) Prenda a fiação do interruptor da luz do freio traseiro utilizando a braçadeira. Instale o reservatório do amortecedor traseiro com o ajustador de compressão voltado para fora. Aperte firmemente o parafuso da braçadeira. Instale as peças removidas na ordem inversa da remoção. Instale o suporte do pedal de apoio direito e aperte os parafusos com o torque especificado. TORQUE: 26 N.m (2,6 kg.m) Instale o parafuso de fixação do silencioso, a arruela e a porca , e aperte firmemente a porca. Instale o regulador/retificador (página 16-8). CBR600F PARAFUSOS SUPORTE DO PEDAL DE APOIO PARAFUSOS PARAFUSO/PORCA SUPORTE DO PEDAL DE APOIO RESERVATÓRIO BRAÇADEIRA PARAFUSO/PORCA RESERVATÓRIOBRAÇADEIRA
  • 39.
    SUPLEMENTO 23-37 CBR600F LOCALIZAÇÃO DO SISTEMAPGM-FI (FS1) Nome completo Abreviações Sensor de pressão absoluta do coletor Sensor MAP Sensor de posição do acelerador Sensor TP Sensor de temperatura do ar de admissão Sensor IAT Sensor de temperatura do líquido de arrefecimento do motor Sensor ECT Módulo de controle do motor ECM SENSOR DO ÂNGULO DO CHASSI INTERRUPTOR DE IGNIÇÃO VÁLVULA SOLENÓIDE DE CONTROLE PAIR SENSOR IAT SENSOR ECT SENSOR TP BOMBA DE COMBUSTÍVEL ECM RELÉ DO INTERRUPTOR DE EMERGÊNCIA RELÉ DE CORTE DE COMBUSTÍVEL SENSOR MAP GERADOR DE PULSOS DO COMANDO INJETOR REGULADOR DE PRESSÃO GERADOR DE PULSOS DA IGNIÇÃO SENSOR DE VELOCIDADE DO VEÍCULO SENSOR O2 (SOMENTE TIPO G)
  • 40.
    SUPLEMENTO 23-38 ECM (MÓDULO DECONTROLE DO MOTOR/ FS1) REMOÇÃO/INSTALAÇÃO Remova o assento (pág. 23-28). Remova a braçadeira do suporte do ECM e remova o ECM da tampa da bateria. Solte os conectores 22P (cinza claro) e 22P (preto) do ECM. Remova o parafuso de fixação do braço do pedal do câmbio e, em seguida remova o braço do eixo de mudanças. Remova a porca/parafuso de fixação do suporte inferior da articulação do amortecedor / cavalete lateral. Remova o parafuso e o conjunto do suporte do cavalete lateral. SUPORTE INFERIOR DA ARTICULAÇÃO DO AMORTECEDOR (FS1) REMOÇÃO Remova os seguintes componentes: – Silenciosos/tubo de escapamento (página 2-19). – Carcaça do acelerador (página 5-62). Desacople o conector 2P (Verde) do interruptor do cavalete lateral. CBR600F CONECTOR 22P (CINZA CLARO) ECM BRAÇADEIRA CONECTOR 22P (PRETO) CONECTOR 2P (VERDE) BRAÇO DO PEDAL DO CÂMBIO PARAFUSO PARAFUSO/PORCA PARAFUSO SUPORTE DO CAVALETE LATERAL
  • 41.
    SUPLEMENTO 23-39 CBR600F Remova os doisparafusos, a tampa do pinhão de transmissão e a placa-guia. Remova os pinos-guia. INSTALAÇÃO Instale os quatro pinos-guia nos orifícios dos parafusos da articulação do amortecedor no motor. Remova a porca/parafuso Allen de fixação inferior da articulação do amortecedor. Remova a porca/parafuso de fixação do suporte inferior da articulação do amortecedor e, em seguida remova os suportes inferiores direito e esquerdo. TAMPA DO PINHÃO DE TRANSMISSÃO PLACA-GUIA PARAFUSOS PINOS-GUIA PINOS-GUIA PORCA/PARAFUSO DO SUPORTE PORCA/PARAFUSO DE ARTICULAÇÃO DO AMORTECEDOR SUPORTE DE ARTICULAÇÃO DO AMORTECEDOR
  • 42.
    SUPLEMENTO 23-40 Instale os suportesinferiores direito e esquerdo da articulação do amortecedor no motor. Instale o parafuso e porca do suporte inferior da articulação do amortecedor. Instale o parafuso Allen e porca de fixação inferior da articulação do amortecedor. Instale o suporte do cavalete lateral e, em seguida instale o parafuso de fixação do suporte inferior da articulação do amortecedor pelo lado esquerdo. Instale a porca. Instale o parafuso de fixação do suporte do cavalete lateral. Aperte as porcas do suporte inferior da articulação do amortecedor no torque especificado. TORQUE: 39 N.m (3,9 kg.m) Aperte a porca do suporte inferior/articulação do amortecedor no torque especificado. TORQUE: 44 N.m (4,4 kg.m) Instale a placa guia da corrente de transmissão e a tampa do pinhão de transmissão. Aperte os parafusos firmemente. TAMPA DO PINHÃO DE TRANSMISSÃO PLACA GUIA PARAFUSOS CBR600F PORCA/PARAFUSO DO SUPORTE PORCA/PARAFUSO DA ARTICULAÇÃO DO AMORTECEDOR SUPORTE DA ARTICULAÇÃO DO AMORTECEDOR PARAFUSO/PORCA PARAFUSO SUPORTE DO CAVALETE LATERAL PORCA/PARAFUSO DO SUPORTE PORCA/PARAFUSO DA ARTICULAÇÃO DO AMORTECEDOR PORCA/PARAFUSO DO SUPORTE
  • 43.
    SUPLEMENTO 23-41 CBR600F Aperte o parafusodo suporte do cavalete lateral no torque especificado. TORQUE: 44 N.m (4,4 kg.m) Passe corretamente a fiação e acople o conector 2P (Verde) do interruptor do cavalete lateral. Instale os seguintes componentes: – Carcaça do acelerador (página 5-66). – Silenciosos/tubo de escapamento (página 2-20). Instale as peças removidas na ordem inversa da remoção. CABEÇOTE (EXCETO TIPOS BR E MX) DESMONTAGEM Instale o protetor no alojamento do ajustador (página 8-12). Remova as chavetas das molas das válvulas, usando as ferramentas especiais como mostra a ilustração. Ferramentas especiais: Compressor da mola da válvula 07757-0010000 Acessório do compressor da mola da válvula 07959-KM30101 a Para evitar a perda de tensão, não comprima as molas das válvulas mais do que o necessário para remover as chavetas. Instale o braço no eixo de mudanças alinhando a ranhura do braço com a marca de punção gravada no eixo. Instale e aperte o parafuso de fixação. ACESSÓRIO COMPRESSOR DA MOLA DE VÁLVULA PARAFUSO SUPORTE DO CAVALETE LATERAL BRAÇO DO PEDAL DE CÂMBIO PARAFUSO CONECTOR 2P (VERDE)
  • 44.
    SUPLEMENTO 23-42 Remova as seguintespeças: – Retentor da mola – Molas das válvulas – Válvulas – Vedador da haste – Assentos das molas MONTAGEM INSPEÇÃO Molas das válvulas Meça o comprimento livre das molas das válvulas. Substitua as molas se o comprimento for inferior ao limite de uso. Externa 41,36 mm Limite de Uso Interna: 35,57 mm Escapamento: 35,57 mm CBR600F VEDADOR DA HASTE ASSENTO DA MOLA RETENTOR MOLA DA VÁLVULA DE ESCAPAMENTO MOLAS DA VÁLVULA DE ADMISSÃO VALVULA AJUSTADOR DA VÁLVULA CALÇO CHAVETAS RETENTOR DA MOLA MOLA DA VÁLVULA DE ESCAPAMENTO VEDADOR DA HASTE ASSENTO DA MOLA GUIA DA VÁLVULA MOLA DA VÁLVULA DE ADMISSÃO (INTERNA) MOLA DA VÁLVULA DE ADMISSÃO (EXTERNA) VÁLVULA DE ESCAPAMENTO VÁLVULA DE ADMISSÃO NOVO ÓleoMo ÓleoMo ÓleoMo
  • 45.
    SUPLEMENTO 23-43 CBR600F Limpe o conjuntodo cabeçote com solvente de limpeza e seque as passagens de óleo com ar comprimido. Instale o protetor no alojamento do ajustador da válvula (página 8-20). Instale as sedes das molas das válvulas. Instale os novos vedadores nas hastes. Lubrifique todas as hastes das válvulas com graxa a base de bissulfeto de molibdênio e introduza as válvulas em suas guias. Para não danificar os vedadores, gire as válvulas lentamente ao introduzi-las. Instale as chavetas das válvulas, usando a ferramenta especial, conforme mostra a ilustração. Para evitar a perda de tensão, não comprima as molas das válvulas mais do que o necessário. Ferramentas especiais: Compressor da mola da válvula 07757 - 0010000 Acessório do compressor da mola da válvula 07959 - KM30101 Bata levemente nas hastes das válvulas com dois martelos plásticos para assentar as chavetas firmemente. Instale e aperte as velas de ignição. TORQUE: 12 N.m (1,2 kg.m) Instale as molas das válvulas com os elos mais próximos virados para a câmara de combustão. Instale os retentores das molas. ACESSÓRIO COMPRESSOR DA MOLA DA VÁLVULA MARTELOS PLÁSTICOS VEDADOR DA HASTE VÁLVULA ASSENTO DA MOLA RETENTOR MOLA DE VÁLVULA DE ESCAPAMENTO MOLAS DE VÁLVULA DE ADMISSÃO ÓleoMo
  • 46.
    SUPLEMENTO 23-44 EMBREAGEM (EXCETO TIPOSBR E MX) REMOÇÃO Remova a tampa da carcaça direita do motor (página 9-3). Remova os parafusos flange, as molas e o platô da embreagem. Remova o rolamento e a haste de acionamento da embreagem. MOLAS/PARAFUSOS DA EMBREAGEM PLATÔ INSTALAÇÃO Remova os seguintes itens: – Oito discos da embreagem – Sete separadores – Assento da mola – Mola de fricção CBR600F MOLA DE FRICÇÃO DISCOS/SEPARADORES DA EMBREAGEM ASSENTO DA MOLA GUIA DA CARCAÇA ENGRENAGEM MOVIDA ENGRENAGEM MOTORA 15 N.m (1,5 kg.m) CARCAÇA DA EMBREAGEM ARRUELA CUBO DA EMBREAGEM ASSENTO DA MOLA MOLA DE FRICÇÃO DISCOS DA EMBREAGEM (VERDE) PLACAS DA EMBREAGEM DISCOS DA EMBREAGEM (DI MAIOR) DISCOS DA EMBREAGEM (PÚRPURA) 12 N.m (1,2 kg.m) ARRUELA TRAVA CONTRAPORCA 127 N.m (12,7 kg.m) HASTE DE ACIONAMENTO ROLAMENTO DE ACIONAMENTO PLATÔMOLA
  • 47.
    SUPLEMENTO 23-45 CBR600F Instale a carcaçada embreagem (página 9-10). Instale o cubo da embreagem. Instale a arruela-trava com a marca “OUT” voltada para fora. Instale e aperte a porca-trava do cubo da embreagem (página 9-11). Instale o disco de D.I. maior no cubo da embreagem conforme mostra a ilustração. Instale os discos e separadores alternadamente. Instale o disco de cor “Verde” na ranhura mais superficial da carcaça da embreagem. BATERIA (FS1) REMOÇÃO/INSTALAÇÃO Remova o ECM (página 23-38). Abra a tampa do alojamento da bateria soltando as duas presilhas de trava. NOTA Sempre desligue o interruptor de ignição antes de desconectar qualquer componente elétrico. Instale o assento da mola e a mola de fricção no cubo da embreagem. Lubrifique os discos e separadores com óleo para motor novo. MARCA “OUT” CUBO DA EMBREAGEM ARRUELA TRAVA ASSENTO DA MOLA MOLA DE FRICÇÃO DISCOS DA EMBREAGEM “VERDE” PLACAS DA EMBREAGEM DISCO DA EMBREAGEM ( D.I. MAIOR) DISCOS DA EMBREAGEM (PRIMARIA TAMPA DO ALOJAMENTO
  • 48.
    SUPLEMENTO 23-46 Desconecte o cabonegativo e, em seguida, o cabo positivo. Remova a bateria. Instale a bateria na ordem inversa da remoção, conectando os cabos corretamente, como mostra a figura. NOTA Após instalar a bateria, cubra os terminais com graxa limpa. Primeiro conecte o cabo positivo e depois o negativo. Enquanto pressiona a lâmpada, gire-a no sentido anti-horário para removê-la e substitui-la por uma nova. Instale o soquete/lâmpada da lanterna traseira/luz do freio na ordem inversa da remoção. REMOÇÃO/INSTALAÇÃO Remova a rabeta (página 2-9). Remova as duas porcas, braçadeiras da fiação e a unidade da lanterna traseira/luz de freio. A instalação é o procedimento inverso da remoção. LANTERNA TRASEIRA/LUZ DO FREIO (FS1) SUBSTITUIÇÃO DA LÂMPADA Remova o assento traseiro (página 23-28). Desacople os conectores da lâmpada da lanterna traseira/luz do freio. Remova o soquete da lâmpada da lanterna traseira/luz do freio, girando-o no sentido anti-horário. CBR600F BATERIA CABO NEGATIVO CABO POSITIVO SOQUETES DA LÂMPADA CONECTORES LÂMPADA UNIDADE DA LANTERNA TRASEIRA/LUZ DE FREIO PORCAS BRAÇADEIRA DA FIAÇÃO
  • 49.
    SUPLEMENTO 23-47 CBR600F LÂMPADA DA PLACADE LICENÇA (FS1) SUBSTITUIÇÃO DA LÂMPADA Abra o suporte da placa de licença. Remova os parafusos e o suporte do conjunto da placa de licença. Remova os parafusos, a tampa e a lente da lâmpada da placa de licença. Enquanto pressiona a lâmpada, gire-a no sentido anti-horário para removê-la e substitui-la por uma nova. Instale a lâmpada da placa de licença na ordem inversa da remoção. LÂMPADA DA PLACA DE LICENÇA PARAFUSOS TAMPA LÂMPADA PARAFUSOS
  • 50.
  • 51.
    SUPLEMENTO 23-48 CBR600F DIAGRAMA ELÉTRICO F1 (TIPOBR, MX): 0030Z-MBW-M100 Bl: Preto Y: Amarelo Bu: Azul G: Verde R: Vermelho W: Branco Br: Marrom O: Laranja Lb: Azul claro Lg: Verde claro P: Rosa Gr: Cinza NTERRUPTOR DO CAVALETE LATERAL INTERRUPTOR DA LUZ DO FREIO DIANTEIRO INTERRUPTOR DE PARTIDA. EMERGÊNCIA.ILUMINAÇÃO MOTOR DA VENTOINHA INTERRUPTOR DO MOTOR DA VENTOINHA VÁLVULA SOLENÓIDE DE INJEÇÃO DE AR DE ESCAPAMENTO ECM ECM CONECTOR DE VERIFICAÇÃO DE SERVIÇO GERADOR DE PULSOS DO COMANDO SENSOR MAP INJETOR3 INJETOR4 INJETOR2 INJETOR1 SENSOR TP SENSOR DE RESERVA DE COMBUSTÍVEL BOMBA DE COMBUSTÍVEL SENSOR IAT RELÉ DO FAROL LÂMPADA DO SINALIZADOR DIANTEIRO DIREITO 12V/21W LÂMPADA DO SINALIZADOR TRASEIRO DIREITO 12V/21W 2P LB LUZ DE POSIÇÃO 12V/5W FAROL ALTO (HI) 12V/55W FAROL BAIXO (LO) 12V/55W LÂMPADA DO SINALIZADOR DIANTEIRO ESQUERDO 12V/21W SENSOR DO ÂNGULO DO CHASSI RELÉ DO SINALIZADOR INTERRUPTOR DE ILUMINAÇÃO INTERRUPTOR DO SINALIZADOR INTERRUPTOR DE PASSAGEM INTERRUPTOR COMUTADOR INTERRUPTOR DA BUZINA INTERRUPTORES DA BUZINA, SINALEIRA, PASSAGEM, COMUTADOR INTERRUPTOR DE PRESSÃO DO ÓLEO INTERRUPTOR DE IGNIÇÃO BAT3 TL BAT4 HL P O O H O O O O COR BI/Br Br/W BI/R Bu/W • • • • FAN IG BAT1 Chave ON O O O OFF Trava W R L R O O N L O O COR Gr Lb O BAT Hi Solto Acionado O O COR BI/R HL Lo Hi Lo O O (N) O O O Hi O O COR W Ho Lo Solto Acionado O O COR Lg W/G IG BAT OFF RUN O O COR BI W/BI ST IG Solto Acionado O O COR Y/R BI Chave ligada Chave desligada Chave desligada /Pino trava 3P MINI INTERRUPTOR DA EMBREAGEM INTERRUPTOR DO PONTO MORTO SENSOR ECT SENSOR DE VELOCIDADE DO VEÍCULO INTERRUPTOR DE EMERGÊNCIA INTERRUPTOR DE PARTIDA INTERRUPTOR DE IGNIÇÃO INTERRUPTOR DA LUZ DO FREIO TRASEIRO BOBINAS DE IGNIÇÃO GERADOR DE PULSOS DA IGNIÇÃO CAIXA DE FUSÍVEIS A 10 A (FAROL) B 10 A (NEUTRO, ÓLEO, TEMPERATURA, TACÔMETRO, VELOCÍMETRO, POSIÇÃO, BUZINA, INSTRUMENTOS, LANTERNA) C 10 A (SINALEIRA, INTERRUPTOR DE EMERGÊNCIA, BUZINA, PASSAGEM) D 10 A (PARTIDA, SENSOR DO ÂNGULO DO CHASSI) E 10 A (MOTOR DA VENTOINHA) F 10 A (INSTRUMENTOS) REGULADOR/ RETIFICADOR INTERRUPTOR DO RELÉ DE PARTIDA ALTERNADOR RELÉ DE CORTE DE COMBUSTÍVEL RELÉ DE PARADA DO MOTOR FUSÍVEL PRINCIPAL 30 A LÂMPADA DO SINALIZADOR TRASEIRO ESQUERDO12V/21W LUZ DO FREIO/LANTERNA 12V/21/5W x 2 MOTOR DE PARTIDA FUSÍVEL 20 A (FI) BATERIA LEVANTADO ABAIXADO DIODO DA EMBREAGEM BUZINA TEMP(-) SPEED IGN(+) ILLUMI(+) BATT(+) FIIND(-) TACHO OIL(-) TURNR(+) HIBEAM(+) NEUTRAL TURN(+) (-) SENSOR(-) RES.SEN. SIDESTAND
  • 52.
  • 53.
    COMO USAR ESTEMANUAL Este manual de serviço descreve os procedimentos de serviço para a CBR600F. Siga as recomendações da Tabela de Manutenção (Capítulo 3) para garantir condições perfeitas de funcionamento da motocicleta. A 1a manutenção programada é muito importante, pois irá compensar os desgastes iniciais que ocorrem durante o período de amaciamento. Os Capítulos 1 e 3 aplicam-se a toda motocicleta. O Capítulo 2 apresenta os procedimentos de remoção/instalação de componentes que pode ser necessária para efetuar os serviços descritos nos capítulos subseqüentes. Os Capítulos 4 a 19 apresentam as peças da motocicleta, agrupadas de acordo com sua localização. Localize o capítulo desejado nesta página. Em seguida, consulte o índice apresentado na primeira página do capítulo selecionado. A maioria dos capítulos apresenta uma ilustração do sistema ou conjunto, as informações de serviço e a diagnose de defeitos. As páginas seguintes apresentam procedimentos mais detalhados. Se a causa do problema for desconhecida, consulte o Capítulo 22, “Diagnose de Defeitos”. MOTO HONDA DA AMAZÔNIA LTDA. Departamento de Serviços Pós-Venda Setor de Publicações Técnicas TODAS AS INFORMAÇÕES, ILUSTRAÇÕES, PROCEDIMENTOS E ESPECIFICAÇÕES APRESENTADOS NESTA PUBLICAÇÃO SÃO BASEADOS NAS INFORMAÇÕES MAIS RECENTES DISPONÍVEIS SOBRE O PRODUTO NO MOMENTO DA APROVAÇÃO DA IMPRESSÃO. A MOTO HONDA DA AMAZÔNIA LTDA RESERVA-SE O DIREITO DE ALTERAR AS CARACTERÍSTICAS DO PRODUTO A QUALQUER MOMENTO E SEM PRÉVIO AVISO, SEM QUE ISTO INCORRA EM QUAISQUER OBRIGAÇÕES. NENHUMA PARTE DESTA PUBLICAÇÃO PODE SER REPRODUZIDA SEM AUTORIZAÇÃO PRÉVIA POR ESCRITO. 2 1 9 10 11 12 13 14 15 16 17 18 19 20 21 22 6 5 8 7 4 3 ÍNDICE GERAL INFORMAÇÕES GERAIS CHASSI/CARENAGEM/SISTEMA DE ESCAPAMENTO MANUTENÇÃO SISTEMA DE LUBRIFICAÇÃO SISTEMA DE COMBUSTÍVEL (INJEÇÃO DE COMBUSTIVEL PROGRAMADA) SISTEMA DE ARREFECIMENTO REMOÇÃO/INSTALAÇÃO DO MOTOR CABEÇOTE/VÁLVULAS EMBREAGEM/SELETOR DE MARCHAS ALTERNADOR/EMBREAGEM DE PARTIDA CARCAÇA DO MOTOR/TRANSMISSÃO ÁRVORE DE MANIVELAS /PISTÃO/ CILINDRO RODA DIANTEIRA/SUSPENSÃO/ SISTEMA DE DIREÇÃO RODA TRASEIRA/SUSPENSÃO FREIO HIDRÁULICO BATERIA/SISTEMA DE CARGA SISTEMA DE IGNIÇÃO SISTEMA DE PARTIDA LUZES/INDICADORES/INTERRUPTORES DIAGRAMA ELÉTRICO CARACTERÍSTICAS TÉCNICAS DIAGNOSE DE DEFEITOS SISTEMAELÉTRICOCHASSIMOTORESISTEMADETRANSMISSÃO 23SUPLEMENTO