CARCAÇA DO
MOTOR/TRANSMISSÃO
INFORMAÇÕES DE SERVIÇO 11-1
DIAGNOSE DE DEFEITOS 11-2
SEPARAÇÃO DA CARCAÇA DO MOTOR 11-3
GARFO SELETOR/TAMBOR SELETOR 11-4
TRANSMISSÃO 11-6
MONTAGEM DA CARCAÇA DO MOTOR 11-12
11-1
CBR600F 11.
INFORMAÇÕES DE SERVIÇO
INSTRUÇÕES GERAIS
• A carcaça do motor deve ser separada para efetuar os serviços de reparo e manutenção das seguintes peças:
– Transmissão;
– Árvore de manivelas (capítulo 12);
– Pistão/biela (capítulo 12);
• Os seguintes componentes devem ser removidos, antes da separação da carcaça do motor:
– Volante do motor (capítulo 10);
– Embreagem/articulação de mudanças (capítulo 9);
– Cabeçote (capítulo 8);
– Motor (capítulo 7)
– Cárter, bomba de óleo e radiador de óleo (capítulo 4);
– Motor de partida (capítulo 18)
– Bomba d’água (capítulo 6);
• Tome cuidado para não danificar as superfícies de contato da carcaça do motor, ao efetuar os serviços de reparo e
manutenção.
• Antes de montar as duas metades da carcaça do motor, aplique junta líquida em suas superfícies de contato e limpe
completamente o excesso.
ESPECIFICAÇÕES
Unidade: mm
Item Padrão Limite de uso
Garfo seletor D.I. 12,000 – 12,021 12,03
Espessura da garra do garfo 5,93 - 6,00 5,9
Eixo dos garfos seletores D.E. 11,957 – 11,968 11,95
Transmissão D.I. da engrenagem M5, M6 28,000 – 28,021 28,04
C2, C3, C4 31,000 – 31,025 31,04
D.E. da bucha da engrenagem M5, M6 27,959 – 27,980 27,94
C2 30,955 – 30,980 30,94
C3, C4 30,950 – 30,975 30,93
Folga entre a engrenagem M5, M6 0,020 – 0,062 0,10
e a bucha C2 0,020 – 0,070 0,10
C3, C4 0,025 – 0,075 0,11
D.I. da bucha da engrenagem M5 24,985 – 25,006 25,016
C2 27,985 – 28,006 28,021
D.E. da árvore primária na M5 24,967 – 24,980 24,96
D.E. da árvore secundária na C2 27,967 – 27,980 27,96
Folga entre a árvore e a bucha M5 0,005 – 0,039 0,06
C2 0,005 – 0,039 0,06
11
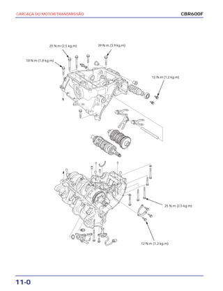
11-0
CARCAÇA DO MOTOR/TRANSMISSÃO CBR600F
25 N.m (2,5 kg.m)
18 N.m (1,8 kg.m)
39 N.m (3,9 kg.m)
12 N.m (1,2 kg.m)
25 N.m (2,5 kg.m)
12 N.m (1,2 kg.m)
CARCAÇA DO MOTOR/TRANSMISSÃO
11-2
VALORES DE TORQUE
Parafuso da placa de fixação do rolamento da árvore primária 12 N.m (1,2 kg.m) Aplique trava química na
rosca
Parafuso de fixação do eixo dos garfos seletores e do rolamento
do tambor do seletor 12 N.m (1,2 kg.m) Aplique trava química na
rosca
Parafuso da carcaça do motor (Mancal principal) 25 N.m (2,5 kg.m) Aplique óleo na rosca e na
superfície de assentamento
Parafuso da carcaça do motor (10 mm) 39 N.m (3,9 kg.m)
(7 mm) 18 N.m (1,8 kg.m)
Parafuso da carcaça do motor (Lado superior 8 mm) 25 N.m (2,5 kg.m)
Ferramentas:
Instalador interno “C” 07746-0030100
Acessório, D.I. 25 mm 07746-0030200
DIAGNOSE DE DEFEITOS
Dificuldade para mudar as marchas
• Funcionamento inadequado da embreagem (capítulo 9)
• Óleo do motor com viscosidade incorreta
• Garfos seletores empenados
• Eixo dos garfos seletores empenado
• Garras do garfo seletor empenadas
• Ranhuras do excêntrico do tambor seletor danificadas
• Eixo de mudança de marchas empenado
As marchas escapam
• Ressaltos da engrenagem desgastados
• Ranhura do seletor de marchas desgastada
• Eixo dos garfos seletores empenado
• Posicionador de marchas do tambor seletor quebrado
• Garfos seletores empenados ou quebrados
• Mola do posicionador do tambor seletor quebrada
• Mola de retorno do eixo de mudança de marchas quebrada
Ruído excessivo do motor
• Engrenagens da transmissão danificadas ou desgastadas
• Rolamentos da transmissão danificados ou desgastados
CBR600F
CARCAÇA DO MOTOR/TRANSMISSÃO
11-3
CBR600F
SEPARAÇÃO DA CARCAÇA DO MOTOR
Antes de separar a carcaça do motor, consulte as Informações de
Serviço (página 11-1) quanto à remoção das peças necessárias.
Desacople os seguintes conectores e remova a fiação
secundária do motor:
– Conector 3P (Preto) do sensor de velocódade
– Conector do interruptor de pressão do óleo
– Conector do interruptor do ponto morto
a
Remova o sensor de velocidade antes de separar a
carcaça do motor. Não separe nem monte a carcaça do
motor com o sensor de velocidade instalado.
Remova os parafusos e a placa de fixação da árvore primária.
Solte os sete parafusos, 6 mm, e os cinco parafusos, 8 mm,
em ordem cruzada, em 2 ou 3 etapas.
Remova os parafusos e as arruelas de vedação.
Desacople os seguintes componentes:
– Interruptor de pressão do óleo(página 19-16).
– Sensor de velocidade(página 19-12).
– Guia/tensor da corrente de comando (página 8-21).
Remova os parafusos e a junção da mangueira de água.
CONECTOR 3P (PRETO)
CONECTOR DO INTERRUPTOR
DE PRESSÃO DO ÓLEO
PLACA DE FIXAÇÃO
PARAFUSOS
ARRUELAS DE VEDAÇÃO
SENSOR DE VELOCIDADE INTERRUPTOR DE
PRESSÃO DO ÓLEO
JUNÇÃO DA MANGUEIRA D’ÁGUA
CARCAÇA DO MOTOR/TRANSMISSÃO
11-4
Coloque o motor de cabeça para baixo.
Solte os dois parafusos, 6 mm, os seis parafusos, 7 mm e os
dez parafusos, 8 mm e 10 mm, em ordem cruzada, em 2 ou 3
etapas.
Remova os parafusos e as arruelas de vedação.
Separe a carcaça inferior da carcaça superior do motor.
PARAFUSO 10 mm
PARAFUSOS 7 mm PARAFUSOS 8 mm
GARFO SELETOR/TAMBOR SELETOR
REMOÇÃO
Separe as duas metades da carcaça do motor (página 11-3).
Remova os parafusos/arruelas de fixação do rolamento.
Remova o eixo e os garfos seletores.
PARAFUSOS /ARRUELAS
EIXO DOS GARFOS SELETORES
Remova o tambor seletor.
TAMBOR SELETOR
Remova os três pinos-guia e os dois orifícios de óleo.
Se necessário, remova o espaçador de articulação do braço
oscilante da carcaça inferior.
Limpe qualquer resíduo de junta líquida das superfícies de
contato da carcaça do motor.
PINOS-GUIA
ORIFÍCIOS DE ÓLEO
CBR600F
PARAFUSOS
6 mm
CARCAÇA DO MOTOR/TRANSMISSÃO
11-5
CBR600F
INSPEÇÃO DO GARFO SELETOR/TAMBOR SELETOR
Verifique os pinos da guia do garfo seletor quanto a desgaste
anormal ou danos.
Meça o D.I. do garfo seletor.
Meça a espessura da garra do garfo seletor.
Limite de Uso 5,9 mm
Limite de Uso 12,03 mm
Verifique a ranhura da guia do tambor seletor quanto a
desgaste anormal ou danos.
Gire o rolamento com o dedo.
O rolamento do tambor seletor deve girar livremente e sem
folga.
Se necessário, subtsitua o rolamento.
INSTALAÇÃO
Instale o tambor seletor na carcaça inferior do motor.
Meça o D.E. do eixo dos garfos seletores.
Limite de Uso 11,95 mm
TAMBOR SELETOR
CARCAÇA DO MOTOR/TRANSMISSÃO
11-6
Os garfos seletores dispõem das seguintes marcas de
identificação:
RL: Garfos seletores direito e esquerdo.
C: Garfo seletor central.
MARCAS DE IDENTIFICAÇÃO
Aplique trava química nas roscas dos parafusos/arruelas de
fixação do rolamento.
Instale os parafusos/arruelas de fixação e aperte-os no torque
especificado.
TORQUE: 12 N.m (1,2 kg.m)
Monte as duas metades da carcaça do motor (página 11-11).
PARAFUSOS/ARRUELAS
EIXO DO GARFO SELETOR
TRANSMISSÃO
DESMONTAGEM/REMOÇÃO
Separe as duas metades da carcaça do motor (página 11-3).
Remova os conjuntos das árvores primária e secundária.
ÁRVORE SECUNDÁRIA
ÁRVORE PRIMÁRIA
Instale os garfos seletores na ranhura da guia do tambor
seletor, com as marcas de identificação viradas para o lado
direito do motor. Insira o eixo dos garfos.
EIXO DO GARFO SELETOR
CBR600F
TRAVA
CARCAÇA DO MOTOR/TRANSMISSÃO
11-7
CBR600F
Remova os pinos-guia e o anel de fixação do rolamento da
árvore secundária.
Desmonte as árvores primária e secundária.
Limpe completamente as peças desmontadas com solvente.
Verifique o rolamento de agulhas da árvore primária e da
árvore secundária quanto a desgaste anormal ou danos.
Verifique os ressaltos e os dentes da engrenagem quanto a
desgaste anormal ou danos.
Meça o diâmetro interno da engrenagem.
LIMITES DE USO:
M5, M6: 28,04 mm
C2, C3, C4: 31,04 mm
Meça o diâmetro externo da bucha da engrenagem.
LIMITES DE USO:
M5, M6: 27,94 mm
C2: 30,94 mm
C3, C4: 30,93 mm
Calcule a folga entre a engrenagem e a bucha.
M5, M6: 0,10 mm
C2: 0,10 mm
C3, C4: 0,11 mm
Meça o diâmetro externo da bucha da engrenagem.
M5: 25,016 mm
C2: 28,021 mm
Verifique a árvore primária e a árvore secundária quanto a
desgaste anormal ou danos.
Verifique a ranhura do seletor de marchas quanto a desgaste
anormal ou danos.
PINOS-GUIA
CARCAÇA DO MOTOR/TRANSMISSÃO
11-8
Meça o diâmetro externo da árvore primária na engrenagem
M5.
Meça o diâmetro externo da árvore secundária na
engrenagem C2.
Calcule a folga entre a bucha e a árvore.
LIMITES DE USO:
M5: 0,06 mm
C2: 0,06 mm
Limite de Uso 27,96 mm
Limite de Uso 24,96 mm
SUBSTITUIÇÃO DO ROLAMENTO DA ÁRVORE
PRIMÁRIA
Retire o rolamento da árvore primária utilizando uma prensa
hidráulica.
Instale um novo rolamento na árvore primária com as
ferramentas especiais.
Ferramentas:
Instalador interno “C” 07746-0030100
Acessório, D.I. 25 mm 07746-0030200
NOTA
Instale com o lado da ranhura virado para cima.
Gire a pista externa do rolamento de esferas com o dedo.
O rolamento deve girar suavemente e sem ruídos.
Verifique também se a pista interna do rolamento se encaixa
firmemente na árvore.
Substitua o rolamento se a pista externa não girar
suavemente e sem ruídos ou se a pista interna estiver com
uma folga excessiva na árvore.
Substitua a árvore secundária, espaçador e rolamento em
conjunto, se a pista externa não girar suavemente e sem
ruídos ou se a pista interna estiver com uma folga excessiva
na árvore.
ROLAMENTO
CBR600F
M5
C2
ÁRVORE PRIMÁRIA
ACESSÓRIO
INSTALADOR D.I. 40 mm
ROLAMENTO
CARCAÇA DO MOTOR/TRANSMISSÃO
11-9
CBR600F
MONTAGEM
M2 (16D)
M6 (23D)
M3/4 (17/19D)
M5 (22D)
ÁRVORE PRIMÁRIA/M1 (12D)
C1 (34D)
C6 (27D)
C4 (27D)
C3 (28D)
C5 (28D)
C2 (33D)
ÁRVORE SECUNDÁRIA
CARCAÇA DO MOTOR/TRANSMISSÃO
11-10
Monte as engrenagens da transmissão e os eixos.
Aplique óleo de motor em cada engrenagem e verifique se
apresentam movimento suave.
Alinhe os orifícios de óleo da bucha M6 e da árvore primária,
e das buchas estriadas C3, C4 e da árvore secundária.
• Alinhe as lingüetas da arruela de trava com as ranhuras da
arruela estriada.
• Sempre instale a arruela de encosto e o anel elástico com a
borda chanfrada (laminada) virada na direção contrária da
carga axial.
• Instale o anel elástico de maneira que a folga de sua
extremidade alinhe-se com a ranhura nas estrias.
• Certifique-se de que o anel elástico esteja totalmente
assentado na ranhura da árvore, após instalá-lo.
CBR600F
CARCAÇA DO MOTOR/TRANSMISSÃO
11-11
CBR600F
INSTALAÇÃO
Aplique óleo à base de molibdênio nas renhuras do garfo
seletor das engrenagens M3/4, C5 e C6.
Instale o conjunto da árvore primária e secundária ,
alinhando a ranhura do rolamento da árvore secundária com
o anel de fixação da carcaça e os orifícios com os pinos-guia.
Alinhe também o pino limitador do rolamento da árvore
secundária com a ranhura da carcaça.
Instale os pinos-guia nos orifícios da carcaça superior.
Instale o anel de fixação do rolamento da árvore secundária
na ranhura da carcaça superior do motor.
ÁRVORE SECUNDÁRIA
ÁRVORE PRIMÁRIA
PINO LIMITADOR
ANEL DE FIXAÇÃO
PINOS-GUIA
ÓleoMo
ÓleoMo
ÓleoMo
CARCAÇA DO MOTOR/TRANSMISSÃO
11-12
MONTAGEM DA CARCAÇA DO MOTOR
Instale os espaçadores de articulação do braço oscilante na
carcaça inferior.
ESPAÇADORES
Instale os três pinos-guia.
Instale os orifícios de óleo, alinhando os ressaltos com as
ranhuras da carcaça superior.
PINOS-GUIA
ORIFÍCIOS DE ÓLEO
Aplique junta líquida na superfície de contato da carcaça do
motor exceto no parafuso do mancal principal (parafuso 8
mm da carcaça inferior) e região de passagem de óleo.
CBR600F
VEDANTE
CARCAÇA DO MOTOR/TRANSMISSÃO
11-13
CBR600F
Instale a carcaça inferior na carcaça superior.
Limpe completamente os novos parafusos de 8 mm com
solvente e deixe-os secar bem.
Aplique óleo na rosca do parafuso, 8 mm, e nas superfícies
de assentamento e instale-o.
Instale o parafuso, 10 mm, os seis parafusos, 7 mm, e os dois
parafusos, 6 mm.
Certifique-se de que as carcaças superior e inferior estejam
firmemente assentadas.
Aperte os parafusos 8 mm da carcaça inferior (parafusos do
mancal principal) de dentro para fora em ordem cruzada, em
2 ou 3 etapas.
TORQUE: 25 mm: 25 N.m (2,5 kg.m)
Aperte o parafuso 10 mm no torque especificado e, em
seguida aperte os parafusos 7 mm e 6 mm.
TORQUE: Parafuso, 10 mm: 39 N.m (3,9 kg.m)
Parafuso,7 mm: 18 N.m (1,8 kg.m)
Instale os cinco parafusos, 8 mm, e os sete parafusos, 6 mm
da carcaça superior com novas arruelas de vedação.
Aperte os parafusos 8 mm em ordem cruzada, em 2 ou 3
etapas.
TORQUE: 25 N.m (2,5 kg.m)
NOTA
Aperte firmemente os parafusos 6 mm em ordem cruzada,
em 2 ou 3 etapas.
Instale as arruelas de vedação indicadas pelas marcas
“∆“.
PARAFUSOS, 7 mm
PARAFUSOS, 8 mm
PARAFUSOS, 6 mm
PARAFUSOS, 10 mm
PARAFUSO, 6 mm/
PARAFUSOS, 6 mm
ARRUELA DE VEDAÇÃO
PARAFUSOS, 6 mm
PARAFUSOS, 8 mm
PARAFUSOS, 8 mm/ ARRUELAS DE VEDAÇÃO
NOVO
NOVO
CARCAÇA DO MOTOR/TRANSMISSÃO
11-14
Aplique trava química nas roscas do parafuso da placa de
fixação.
Instale a placa de fixação do rolamento com a marca “OUT
SIDE” virada para fora.
Instale e aperte os parafusos no torque especificado.
TORQUE: 12 N.m (1,2 kg.m)
PLACA DE FIXAÇÃO
PARAFUSOS MARCA “OUT SIDE”
Instale a fiação secundária do motor e acople os seguintes
conectores:
– Conector 3P (Preto) do sensor de velocódade
– Conector do interruptor de pressão do óleo
– Conector do interruptor do ponto morto
Instale as peças removidas na ordem inversa da remoção.
CONECTOR 3P (PRETO)
Instale um novo anel de vedação na ranhura da junção da
mangueira d’água.
Instale a junção da mangueira de água no bloco do cilindro.
Instale e aperte firmemente os parafusos de fixação da
junção da mangueira d’ água.
Instale o interruptor de pressão do óleo(página 19-16).
Instale o sensor de velocidade(página 19-12).
SENSOR DE VELOCIDADE INTERRUPTOR DE
PRESSÃO DO ÓLEO
JUNÇÃO DA MANGUEIRA D’ÁGUA
CBR600F
CONECTOR DO INTERRUPTOR
DE PRESSÃO DO ÓLEO
CARCAÇA DO MOTOR/TRANSMISSÃO
11-15
CBR600F
NOTAS
COMO USAR ESTE MANUAL
Este manual de serviço descreve os
procedimentos de serviço para a CBR600F.
Siga as recomendações da Tabela de Manutenção
(Capítulo 3) para garantir condições perfeitas de
funcionamento da motocicleta.
A 1a
manutenção programada é muito importante,
pois irá compensar os desgastes iniciais que
ocorrem durante o período de amaciamento.
Os Capítulos 1 e 3 aplicam-se a toda motocicleta.
O Capítulo 2 apresenta os procedimentos de
remoção/instalação de componentes que pode
ser necessária para efetuar os serviços descritos
nos capítulos subseqüentes.
Os Capítulos 4 a 19 apresentam as peças da
motocicleta, agrupadas de acordo com sua
localização.
Localize o capítulo desejado nesta página. Em
seguida, consulte o índice apresentado na
primeira página do capítulo selecionado.
A maioria dos capítulos apresenta uma ilustração
do sistema ou conjunto, as informações de
serviço e a diagnose de defeitos. As páginas
seguintes apresentam procedimentos mais
detalhados.
Se a causa do problema for desconhecida,
consulte o Capítulo 22, “Diagnose de Defeitos”.
MOTO HONDA DA AMAZÔNIA LTDA.
Departamento de Serviços Pós-Venda
Setor de Publicações Técnicas
TODAS AS INFORMAÇÕES, ILUSTRAÇÕES,
PROCEDIMENTOS E ESPECIFICAÇÕES
APRESENTADOS NESTA PUBLICAÇÃO SÃO
BASEADOS NAS INFORMAÇÕES MAIS
RECENTES DISPONÍVEIS SOBRE O PRODUTO
NO MOMENTO DA APROVAÇÃO DA
IMPRESSÃO.
A MOTO HONDA DA AMAZÔNIA LTDA
RESERVA-SE O DIREITO DE ALTERAR AS
CARACTERÍSTICAS DO PRODUTO A
QUALQUER MOMENTO E SEM PRÉVIO
AVISO, SEM QUE ISTO INCORRA EM
QUAISQUER OBRIGAÇÕES.
NENHUMA PARTE DESTA PUBLICAÇÃO
PODE SER REPRODUZIDA SEM
AUTORIZAÇÃO PRÉVIA POR ESCRITO.
2
1
9
10
11
12
13
14
15
16
17
18
19
20
21
22
6
5
8
7
4
3
ÍNDICE GERAL
INFORMAÇÕES GERAIS
CHASSI/CARENAGEM/SISTEMA DE
ESCAPAMENTO
MANUTENÇÃO
SISTEMA DE LUBRIFICAÇÃO
SISTEMA DE COMBUSTÍVEL (INJEÇÃO
DE COMBUSTIVEL PROGRAMADA)
SISTEMA DE ARREFECIMENTO
REMOÇÃO/INSTALAÇÃO DO MOTOR
CABEÇOTE/VÁLVULAS
EMBREAGEM/SELETOR DE MARCHAS
ALTERNADOR/EMBREAGEM DE PARTIDA
CARCAÇA DO MOTOR/TRANSMISSÃO
ÁRVORE DE MANIVELAS /PISTÃO/
CILINDRO
RODA DIANTEIRA/SUSPENSÃO/
SISTEMA DE DIREÇÃO
RODA TRASEIRA/SUSPENSÃO
FREIO HIDRÁULICO
BATERIA/SISTEMA DE CARGA
SISTEMA DE IGNIÇÃO
SISTEMA DE PARTIDA
LUZES/INDICADORES/INTERRUPTORES
DIAGRAMA ELÉTRICO
CARACTERÍSTICAS TÉCNICAS
DIAGNOSE DE DEFEITOS
SISTEMAELÉTRICOCHASSIMOTORESISTEMADETRANSMISSÃO
23SUPLEMENTO

Manaul de serviço cbr600 f(3) (2001~) transmis

  • 1.
    CARCAÇA DO MOTOR/TRANSMISSÃO INFORMAÇÕES DESERVIÇO 11-1 DIAGNOSE DE DEFEITOS 11-2 SEPARAÇÃO DA CARCAÇA DO MOTOR 11-3 GARFO SELETOR/TAMBOR SELETOR 11-4 TRANSMISSÃO 11-6 MONTAGEM DA CARCAÇA DO MOTOR 11-12 11-1 CBR600F 11. INFORMAÇÕES DE SERVIÇO INSTRUÇÕES GERAIS • A carcaça do motor deve ser separada para efetuar os serviços de reparo e manutenção das seguintes peças: – Transmissão; – Árvore de manivelas (capítulo 12); – Pistão/biela (capítulo 12); • Os seguintes componentes devem ser removidos, antes da separação da carcaça do motor: – Volante do motor (capítulo 10); – Embreagem/articulação de mudanças (capítulo 9); – Cabeçote (capítulo 8); – Motor (capítulo 7) – Cárter, bomba de óleo e radiador de óleo (capítulo 4); – Motor de partida (capítulo 18) – Bomba d’água (capítulo 6); • Tome cuidado para não danificar as superfícies de contato da carcaça do motor, ao efetuar os serviços de reparo e manutenção. • Antes de montar as duas metades da carcaça do motor, aplique junta líquida em suas superfícies de contato e limpe completamente o excesso. ESPECIFICAÇÕES Unidade: mm Item Padrão Limite de uso Garfo seletor D.I. 12,000 – 12,021 12,03 Espessura da garra do garfo 5,93 - 6,00 5,9 Eixo dos garfos seletores D.E. 11,957 – 11,968 11,95 Transmissão D.I. da engrenagem M5, M6 28,000 – 28,021 28,04 C2, C3, C4 31,000 – 31,025 31,04 D.E. da bucha da engrenagem M5, M6 27,959 – 27,980 27,94 C2 30,955 – 30,980 30,94 C3, C4 30,950 – 30,975 30,93 Folga entre a engrenagem M5, M6 0,020 – 0,062 0,10 e a bucha C2 0,020 – 0,070 0,10 C3, C4 0,025 – 0,075 0,11 D.I. da bucha da engrenagem M5 24,985 – 25,006 25,016 C2 27,985 – 28,006 28,021 D.E. da árvore primária na M5 24,967 – 24,980 24,96 D.E. da árvore secundária na C2 27,967 – 27,980 27,96 Folga entre a árvore e a bucha M5 0,005 – 0,039 0,06 C2 0,005 – 0,039 0,06 11
  • 2.
    11-0 CARCAÇA DO MOTOR/TRANSMISSÃOCBR600F 25 N.m (2,5 kg.m) 18 N.m (1,8 kg.m) 39 N.m (3,9 kg.m) 12 N.m (1,2 kg.m) 25 N.m (2,5 kg.m) 12 N.m (1,2 kg.m)
  • 3.
    CARCAÇA DO MOTOR/TRANSMISSÃO 11-2 VALORESDE TORQUE Parafuso da placa de fixação do rolamento da árvore primária 12 N.m (1,2 kg.m) Aplique trava química na rosca Parafuso de fixação do eixo dos garfos seletores e do rolamento do tambor do seletor 12 N.m (1,2 kg.m) Aplique trava química na rosca Parafuso da carcaça do motor (Mancal principal) 25 N.m (2,5 kg.m) Aplique óleo na rosca e na superfície de assentamento Parafuso da carcaça do motor (10 mm) 39 N.m (3,9 kg.m) (7 mm) 18 N.m (1,8 kg.m) Parafuso da carcaça do motor (Lado superior 8 mm) 25 N.m (2,5 kg.m) Ferramentas: Instalador interno “C” 07746-0030100 Acessório, D.I. 25 mm 07746-0030200 DIAGNOSE DE DEFEITOS Dificuldade para mudar as marchas • Funcionamento inadequado da embreagem (capítulo 9) • Óleo do motor com viscosidade incorreta • Garfos seletores empenados • Eixo dos garfos seletores empenado • Garras do garfo seletor empenadas • Ranhuras do excêntrico do tambor seletor danificadas • Eixo de mudança de marchas empenado As marchas escapam • Ressaltos da engrenagem desgastados • Ranhura do seletor de marchas desgastada • Eixo dos garfos seletores empenado • Posicionador de marchas do tambor seletor quebrado • Garfos seletores empenados ou quebrados • Mola do posicionador do tambor seletor quebrada • Mola de retorno do eixo de mudança de marchas quebrada Ruído excessivo do motor • Engrenagens da transmissão danificadas ou desgastadas • Rolamentos da transmissão danificados ou desgastados CBR600F
  • 4.
    CARCAÇA DO MOTOR/TRANSMISSÃO 11-3 CBR600F SEPARAÇÃODA CARCAÇA DO MOTOR Antes de separar a carcaça do motor, consulte as Informações de Serviço (página 11-1) quanto à remoção das peças necessárias. Desacople os seguintes conectores e remova a fiação secundária do motor: – Conector 3P (Preto) do sensor de velocódade – Conector do interruptor de pressão do óleo – Conector do interruptor do ponto morto a Remova o sensor de velocidade antes de separar a carcaça do motor. Não separe nem monte a carcaça do motor com o sensor de velocidade instalado. Remova os parafusos e a placa de fixação da árvore primária. Solte os sete parafusos, 6 mm, e os cinco parafusos, 8 mm, em ordem cruzada, em 2 ou 3 etapas. Remova os parafusos e as arruelas de vedação. Desacople os seguintes componentes: – Interruptor de pressão do óleo(página 19-16). – Sensor de velocidade(página 19-12). – Guia/tensor da corrente de comando (página 8-21). Remova os parafusos e a junção da mangueira de água. CONECTOR 3P (PRETO) CONECTOR DO INTERRUPTOR DE PRESSÃO DO ÓLEO PLACA DE FIXAÇÃO PARAFUSOS ARRUELAS DE VEDAÇÃO SENSOR DE VELOCIDADE INTERRUPTOR DE PRESSÃO DO ÓLEO JUNÇÃO DA MANGUEIRA D’ÁGUA
  • 5.
    CARCAÇA DO MOTOR/TRANSMISSÃO 11-4 Coloqueo motor de cabeça para baixo. Solte os dois parafusos, 6 mm, os seis parafusos, 7 mm e os dez parafusos, 8 mm e 10 mm, em ordem cruzada, em 2 ou 3 etapas. Remova os parafusos e as arruelas de vedação. Separe a carcaça inferior da carcaça superior do motor. PARAFUSO 10 mm PARAFUSOS 7 mm PARAFUSOS 8 mm GARFO SELETOR/TAMBOR SELETOR REMOÇÃO Separe as duas metades da carcaça do motor (página 11-3). Remova os parafusos/arruelas de fixação do rolamento. Remova o eixo e os garfos seletores. PARAFUSOS /ARRUELAS EIXO DOS GARFOS SELETORES Remova o tambor seletor. TAMBOR SELETOR Remova os três pinos-guia e os dois orifícios de óleo. Se necessário, remova o espaçador de articulação do braço oscilante da carcaça inferior. Limpe qualquer resíduo de junta líquida das superfícies de contato da carcaça do motor. PINOS-GUIA ORIFÍCIOS DE ÓLEO CBR600F PARAFUSOS 6 mm
  • 6.
    CARCAÇA DO MOTOR/TRANSMISSÃO 11-5 CBR600F INSPEÇÃODO GARFO SELETOR/TAMBOR SELETOR Verifique os pinos da guia do garfo seletor quanto a desgaste anormal ou danos. Meça o D.I. do garfo seletor. Meça a espessura da garra do garfo seletor. Limite de Uso 5,9 mm Limite de Uso 12,03 mm Verifique a ranhura da guia do tambor seletor quanto a desgaste anormal ou danos. Gire o rolamento com o dedo. O rolamento do tambor seletor deve girar livremente e sem folga. Se necessário, subtsitua o rolamento. INSTALAÇÃO Instale o tambor seletor na carcaça inferior do motor. Meça o D.E. do eixo dos garfos seletores. Limite de Uso 11,95 mm TAMBOR SELETOR
  • 7.
    CARCAÇA DO MOTOR/TRANSMISSÃO 11-6 Osgarfos seletores dispõem das seguintes marcas de identificação: RL: Garfos seletores direito e esquerdo. C: Garfo seletor central. MARCAS DE IDENTIFICAÇÃO Aplique trava química nas roscas dos parafusos/arruelas de fixação do rolamento. Instale os parafusos/arruelas de fixação e aperte-os no torque especificado. TORQUE: 12 N.m (1,2 kg.m) Monte as duas metades da carcaça do motor (página 11-11). PARAFUSOS/ARRUELAS EIXO DO GARFO SELETOR TRANSMISSÃO DESMONTAGEM/REMOÇÃO Separe as duas metades da carcaça do motor (página 11-3). Remova os conjuntos das árvores primária e secundária. ÁRVORE SECUNDÁRIA ÁRVORE PRIMÁRIA Instale os garfos seletores na ranhura da guia do tambor seletor, com as marcas de identificação viradas para o lado direito do motor. Insira o eixo dos garfos. EIXO DO GARFO SELETOR CBR600F TRAVA
  • 8.
    CARCAÇA DO MOTOR/TRANSMISSÃO 11-7 CBR600F Removaos pinos-guia e o anel de fixação do rolamento da árvore secundária. Desmonte as árvores primária e secundária. Limpe completamente as peças desmontadas com solvente. Verifique o rolamento de agulhas da árvore primária e da árvore secundária quanto a desgaste anormal ou danos. Verifique os ressaltos e os dentes da engrenagem quanto a desgaste anormal ou danos. Meça o diâmetro interno da engrenagem. LIMITES DE USO: M5, M6: 28,04 mm C2, C3, C4: 31,04 mm Meça o diâmetro externo da bucha da engrenagem. LIMITES DE USO: M5, M6: 27,94 mm C2: 30,94 mm C3, C4: 30,93 mm Calcule a folga entre a engrenagem e a bucha. M5, M6: 0,10 mm C2: 0,10 mm C3, C4: 0,11 mm Meça o diâmetro externo da bucha da engrenagem. M5: 25,016 mm C2: 28,021 mm Verifique a árvore primária e a árvore secundária quanto a desgaste anormal ou danos. Verifique a ranhura do seletor de marchas quanto a desgaste anormal ou danos. PINOS-GUIA
  • 9.
    CARCAÇA DO MOTOR/TRANSMISSÃO 11-8 Meçao diâmetro externo da árvore primária na engrenagem M5. Meça o diâmetro externo da árvore secundária na engrenagem C2. Calcule a folga entre a bucha e a árvore. LIMITES DE USO: M5: 0,06 mm C2: 0,06 mm Limite de Uso 27,96 mm Limite de Uso 24,96 mm SUBSTITUIÇÃO DO ROLAMENTO DA ÁRVORE PRIMÁRIA Retire o rolamento da árvore primária utilizando uma prensa hidráulica. Instale um novo rolamento na árvore primária com as ferramentas especiais. Ferramentas: Instalador interno “C” 07746-0030100 Acessório, D.I. 25 mm 07746-0030200 NOTA Instale com o lado da ranhura virado para cima. Gire a pista externa do rolamento de esferas com o dedo. O rolamento deve girar suavemente e sem ruídos. Verifique também se a pista interna do rolamento se encaixa firmemente na árvore. Substitua o rolamento se a pista externa não girar suavemente e sem ruídos ou se a pista interna estiver com uma folga excessiva na árvore. Substitua a árvore secundária, espaçador e rolamento em conjunto, se a pista externa não girar suavemente e sem ruídos ou se a pista interna estiver com uma folga excessiva na árvore. ROLAMENTO CBR600F M5 C2 ÁRVORE PRIMÁRIA ACESSÓRIO INSTALADOR D.I. 40 mm ROLAMENTO
  • 10.
    CARCAÇA DO MOTOR/TRANSMISSÃO 11-9 CBR600F MONTAGEM M2(16D) M6 (23D) M3/4 (17/19D) M5 (22D) ÁRVORE PRIMÁRIA/M1 (12D) C1 (34D) C6 (27D) C4 (27D) C3 (28D) C5 (28D) C2 (33D) ÁRVORE SECUNDÁRIA
  • 11.
    CARCAÇA DO MOTOR/TRANSMISSÃO 11-10 Monteas engrenagens da transmissão e os eixos. Aplique óleo de motor em cada engrenagem e verifique se apresentam movimento suave. Alinhe os orifícios de óleo da bucha M6 e da árvore primária, e das buchas estriadas C3, C4 e da árvore secundária. • Alinhe as lingüetas da arruela de trava com as ranhuras da arruela estriada. • Sempre instale a arruela de encosto e o anel elástico com a borda chanfrada (laminada) virada na direção contrária da carga axial. • Instale o anel elástico de maneira que a folga de sua extremidade alinhe-se com a ranhura nas estrias. • Certifique-se de que o anel elástico esteja totalmente assentado na ranhura da árvore, após instalá-lo. CBR600F
  • 12.
    CARCAÇA DO MOTOR/TRANSMISSÃO 11-11 CBR600F INSTALAÇÃO Apliqueóleo à base de molibdênio nas renhuras do garfo seletor das engrenagens M3/4, C5 e C6. Instale o conjunto da árvore primária e secundária , alinhando a ranhura do rolamento da árvore secundária com o anel de fixação da carcaça e os orifícios com os pinos-guia. Alinhe também o pino limitador do rolamento da árvore secundária com a ranhura da carcaça. Instale os pinos-guia nos orifícios da carcaça superior. Instale o anel de fixação do rolamento da árvore secundária na ranhura da carcaça superior do motor. ÁRVORE SECUNDÁRIA ÁRVORE PRIMÁRIA PINO LIMITADOR ANEL DE FIXAÇÃO PINOS-GUIA ÓleoMo ÓleoMo ÓleoMo
  • 13.
    CARCAÇA DO MOTOR/TRANSMISSÃO 11-12 MONTAGEMDA CARCAÇA DO MOTOR Instale os espaçadores de articulação do braço oscilante na carcaça inferior. ESPAÇADORES Instale os três pinos-guia. Instale os orifícios de óleo, alinhando os ressaltos com as ranhuras da carcaça superior. PINOS-GUIA ORIFÍCIOS DE ÓLEO Aplique junta líquida na superfície de contato da carcaça do motor exceto no parafuso do mancal principal (parafuso 8 mm da carcaça inferior) e região de passagem de óleo. CBR600F VEDANTE
  • 14.
    CARCAÇA DO MOTOR/TRANSMISSÃO 11-13 CBR600F Instalea carcaça inferior na carcaça superior. Limpe completamente os novos parafusos de 8 mm com solvente e deixe-os secar bem. Aplique óleo na rosca do parafuso, 8 mm, e nas superfícies de assentamento e instale-o. Instale o parafuso, 10 mm, os seis parafusos, 7 mm, e os dois parafusos, 6 mm. Certifique-se de que as carcaças superior e inferior estejam firmemente assentadas. Aperte os parafusos 8 mm da carcaça inferior (parafusos do mancal principal) de dentro para fora em ordem cruzada, em 2 ou 3 etapas. TORQUE: 25 mm: 25 N.m (2,5 kg.m) Aperte o parafuso 10 mm no torque especificado e, em seguida aperte os parafusos 7 mm e 6 mm. TORQUE: Parafuso, 10 mm: 39 N.m (3,9 kg.m) Parafuso,7 mm: 18 N.m (1,8 kg.m) Instale os cinco parafusos, 8 mm, e os sete parafusos, 6 mm da carcaça superior com novas arruelas de vedação. Aperte os parafusos 8 mm em ordem cruzada, em 2 ou 3 etapas. TORQUE: 25 N.m (2,5 kg.m) NOTA Aperte firmemente os parafusos 6 mm em ordem cruzada, em 2 ou 3 etapas. Instale as arruelas de vedação indicadas pelas marcas “∆“. PARAFUSOS, 7 mm PARAFUSOS, 8 mm PARAFUSOS, 6 mm PARAFUSOS, 10 mm PARAFUSO, 6 mm/ PARAFUSOS, 6 mm ARRUELA DE VEDAÇÃO PARAFUSOS, 6 mm PARAFUSOS, 8 mm PARAFUSOS, 8 mm/ ARRUELAS DE VEDAÇÃO NOVO NOVO
  • 15.
    CARCAÇA DO MOTOR/TRANSMISSÃO 11-14 Apliquetrava química nas roscas do parafuso da placa de fixação. Instale a placa de fixação do rolamento com a marca “OUT SIDE” virada para fora. Instale e aperte os parafusos no torque especificado. TORQUE: 12 N.m (1,2 kg.m) PLACA DE FIXAÇÃO PARAFUSOS MARCA “OUT SIDE” Instale a fiação secundária do motor e acople os seguintes conectores: – Conector 3P (Preto) do sensor de velocódade – Conector do interruptor de pressão do óleo – Conector do interruptor do ponto morto Instale as peças removidas na ordem inversa da remoção. CONECTOR 3P (PRETO) Instale um novo anel de vedação na ranhura da junção da mangueira d’água. Instale a junção da mangueira de água no bloco do cilindro. Instale e aperte firmemente os parafusos de fixação da junção da mangueira d’ água. Instale o interruptor de pressão do óleo(página 19-16). Instale o sensor de velocidade(página 19-12). SENSOR DE VELOCIDADE INTERRUPTOR DE PRESSÃO DO ÓLEO JUNÇÃO DA MANGUEIRA D’ÁGUA CBR600F CONECTOR DO INTERRUPTOR DE PRESSÃO DO ÓLEO
  • 16.
  • 17.
    COMO USAR ESTEMANUAL Este manual de serviço descreve os procedimentos de serviço para a CBR600F. Siga as recomendações da Tabela de Manutenção (Capítulo 3) para garantir condições perfeitas de funcionamento da motocicleta. A 1a manutenção programada é muito importante, pois irá compensar os desgastes iniciais que ocorrem durante o período de amaciamento. Os Capítulos 1 e 3 aplicam-se a toda motocicleta. O Capítulo 2 apresenta os procedimentos de remoção/instalação de componentes que pode ser necessária para efetuar os serviços descritos nos capítulos subseqüentes. Os Capítulos 4 a 19 apresentam as peças da motocicleta, agrupadas de acordo com sua localização. Localize o capítulo desejado nesta página. Em seguida, consulte o índice apresentado na primeira página do capítulo selecionado. A maioria dos capítulos apresenta uma ilustração do sistema ou conjunto, as informações de serviço e a diagnose de defeitos. As páginas seguintes apresentam procedimentos mais detalhados. Se a causa do problema for desconhecida, consulte o Capítulo 22, “Diagnose de Defeitos”. MOTO HONDA DA AMAZÔNIA LTDA. Departamento de Serviços Pós-Venda Setor de Publicações Técnicas TODAS AS INFORMAÇÕES, ILUSTRAÇÕES, PROCEDIMENTOS E ESPECIFICAÇÕES APRESENTADOS NESTA PUBLICAÇÃO SÃO BASEADOS NAS INFORMAÇÕES MAIS RECENTES DISPONÍVEIS SOBRE O PRODUTO NO MOMENTO DA APROVAÇÃO DA IMPRESSÃO. A MOTO HONDA DA AMAZÔNIA LTDA RESERVA-SE O DIREITO DE ALTERAR AS CARACTERÍSTICAS DO PRODUTO A QUALQUER MOMENTO E SEM PRÉVIO AVISO, SEM QUE ISTO INCORRA EM QUAISQUER OBRIGAÇÕES. NENHUMA PARTE DESTA PUBLICAÇÃO PODE SER REPRODUZIDA SEM AUTORIZAÇÃO PRÉVIA POR ESCRITO. 2 1 9 10 11 12 13 14 15 16 17 18 19 20 21 22 6 5 8 7 4 3 ÍNDICE GERAL INFORMAÇÕES GERAIS CHASSI/CARENAGEM/SISTEMA DE ESCAPAMENTO MANUTENÇÃO SISTEMA DE LUBRIFICAÇÃO SISTEMA DE COMBUSTÍVEL (INJEÇÃO DE COMBUSTIVEL PROGRAMADA) SISTEMA DE ARREFECIMENTO REMOÇÃO/INSTALAÇÃO DO MOTOR CABEÇOTE/VÁLVULAS EMBREAGEM/SELETOR DE MARCHAS ALTERNADOR/EMBREAGEM DE PARTIDA CARCAÇA DO MOTOR/TRANSMISSÃO ÁRVORE DE MANIVELAS /PISTÃO/ CILINDRO RODA DIANTEIRA/SUSPENSÃO/ SISTEMA DE DIREÇÃO RODA TRASEIRA/SUSPENSÃO FREIO HIDRÁULICO BATERIA/SISTEMA DE CARGA SISTEMA DE IGNIÇÃO SISTEMA DE PARTIDA LUZES/INDICADORES/INTERRUPTORES DIAGRAMA ELÉTRICO CARACTERÍSTICAS TÉCNICAS DIAGNOSE DE DEFEITOS SISTEMAELÉTRICOCHASSIMOTORESISTEMADETRANSMISSÃO 23SUPLEMENTO