ELETRICISTA INSTALADOR
INDUSTRIAL
Qualificação
© SENAI - PR, 2004
0004BA0104104
Elaboração Técnica Edmir Carvelli
Revisão Técnica Laércio Facina e Cláudio Alves Batista
Equipe de editoração
Coordenação do Labtec Eduardo Fayet
Diagramação Virtual Grafic Design
Ilustração Virtual Grafic Design
Capa Ricardo Mueller de Oliveira
Direitos reservados ao
SENAI — Serviço Nacional de Aprendizagem Industrial
Departamento Regional do Paraná
Avenida Cândido de Abreu, 200 - Centro Cívico
Telefone: (41) 350-7000
Telefax: (41) 350-7101
E-mail: senaidr@pr.senai.br
CEP 80530-902 — Curitiba - PR
S474e SENAI. PR
Eletricista Instalador Industrial / SENAI.
PR. -- Curitiba, 2004.
96 p.
1. Instalação Elétrica Industrial.
CDU: 621.3
Ficha Catalográfica
NIT - Núcleo de Informação Tecnológica
Diretoria de Tecnologia SENAI - DR/PR
SUMÁRIOSUMÁRIO
MOTORES ELÉTRICOS ...................................................................................................... 5
MOTOR MONOFÁSICO DE CORRENTE ALTERNADA....................................................... 6
MOTOR TRIFÁSICO ............................................................................................................ 8
MOTOR 9 TERMINAIS ........................................................................................................ 12
MOTOR 12 TERMINAIS ...................................................................................................... 14
CHAVE DE PARTIDA – ESTRELA TRIÂNGULO ................................................................ 16
DISPOSITIVOS DE PROTEÇÃO ....................................................................................... 20
DISPOSITIVOS DE COMANDO ......................................................................................... 25
CHAVES MAGNÉTICAS ...................................................................................................... 29
PARTIDA ESTRELA-TRIÂNGULO ...................................................................................... 33
ESTRELA TRIÂNGULO COM REVERSÃO ........................................................................ 36
COMPENSADORA ............................................................................................................. 37
COMPENSADORA COM REVERSÃO ............................................................................... 38
3 MOTORES 1 COMPENSADORA .................................................................................... 39
DAHLANDER ...................................................................................................................... 40
DAHLANDER COM REVERSÃO ........................................................................................ 41
MOTOR 2 ENROLAMENTOS ............................................................................................. 42
MOTOR 2 ENROLAMENTOS COM REVERSÃO ............................................................... 43
PARTIDA ROTÓRICA ......................................................................................................... 44
PARTIDA ROTÓRICA COM REVERSÃO ........................................................................... 45
PARTIDA SÉRIE PARALELA .............................................................................................. 46
PARTIDA CONSECUTIVA ................................................................................................... 48
INTERRUPTOR FIM-DE-CURSO ....................................................................................... 49
RELÊ FALTA DE FASE ....................................................................................................... 51
CHAVE BÓIA ...................................................................................................................... 52
RELÊ DE NÍVEL ................................................................................................................. 53
SENSOR DE APROXIMAÇÃO............................................................................................ 54
FRENAGEM POR CORRENTE CONTÍNUA ....................................................................... 56
SISTEMAS DE PARTIDA .................................................................................................... 57
DIMENSIONAMENTO ......................................................................................................... 63
TABELA DE CONTADORES .............................................................................................. 68
TABELA DE SEGURANÇA - TIPO D .................................................................................. 69
TABELA DE SEGURANÇA - TIPO NH ................................................................................ 70
CÁLCULO DOS ALIMENTADORES ................................................................................... 71
TABELA CAPACIDADE DE CONDUÇÃO ........................................................................... 74
CÁLCULO DE CONVERSÃO DE POTÊNCIA .................................................................... 75
GRAU DE PROTEÇÃO ...................................................................................................... 77
CATEGORIA DE MOTORES .............................................................................................. 78
FATOR DE POTÊNCIA ....................................................................................................... 79
RENDIMENTO E PERDA ................................................................................................... 86
CÁLCULO FATOR DE POTÊNCIA ..................................................................................... 90
RELAÇÕES TRIGONOMÉTRICAS..................................................................................... 95
BIBLIOGRAFIA.................................................................................................................... 96
0004BA0104104 - ELETRICISTA INSTALADOR INDUSTRIAL
5
SENAI-PR
Motor elétrico é uma máquina capaz de transformar energia elétrica em mecânica. É o
mais usado entre todos os tipos de motores, pois combina as vantagens da utilização da
energia elétrica com o baixo custo, facilidade de transporte, limpeza e facilidade de comando,
custo reduzido, grande versatilidade de adaptação às cargas dos mais diversos tipos e melho-
res rendimentos. Os tipos mais comuns são:
1. Motores de corrente contínua
São motores de custo mais elevados, além de necessitarem de uma fonte de corrente
contínua.
Podem funcionar com velocidade ajustável entre amplos limites e se prestam a contro-
les de grande flexibilidade e precisão. Por isso seu uso é restrito a casos especiais onde estas
exigências compensam o custo muito mais alto de sua instalação.
2. Motores de corrente alternada
São os mais utilizados, pois a distribuição de energia elétrica é feita quase que totalmen-
te em corrente alternada. Dentre os principais tipos de motores de corrente alternada pode-
mos citar:
v Motor síncrono: funciona com velocidade fixa. É utilizado somente para grandes potên-
cias (em função de seu alto custo para motores de pequena potência) ou quando se
necessite de velocidade invariável.
v Motor de indução: funciona normalmente com velocidade constante, que pode variar
ligeiramente com a carga mecânica aplicada ao eixo.
Devido a sua grande simplicidade, robustez e baixo custo, é o motor elétrico mais usado
entre todos, sendo adequado para quase todos os tipos de máquinas acionadas, encontradas
na prática.
MOTORES ELÉTRICOSMOTORES ELÉTRICOS
0004BA0104104 - ELETRICISTA INSTALADOR INDUSTRIAL
6
SENAI-PR
MOTOR MONOFÁSICO DEMOTOR MONOFÁSICO DE CORRENTE ALTERNADACORRENTE ALTERNADA
É aquele projetado para ser alimentado por circuito de corrente monofásica ou bifásica.
Os principais tipos são:
v de fase dividida;
v de arranque capacitivo;
v de pólos amortecedores;
v universal.
Dentre estes trataremos do motor monofásico de arranque capacitivo por ser um dos
mais utilizados.
Este motor é constituído por duas partes principais. Uma fixa (estator) que é formado
por chapas finas de ferro silicioso, isoladas eletricamente e prensadas umas junto às outras.
É no estator onde os enrolamentos são alojados. A parte móvel (rotor) é também forma-
da por um conjunto de finas chapas de ferro silicioso isoladas eletricamente umas das outras.
Os elementos principais responsáveis pelo funcionamento deste tipo de motor são:
v enrolamento de trabalho ou principal - é o enrolamento que entra em funcionamento a
partir do momento em que o motor é ligado e só deixa de funcionar quando o mesmo é
desligado;
v enrolamento de partida ou auxiliar - enrolamento que devido à sua combinação com o
capacitor, proporciona um outro campo magnético, que em conjunto com o campo mag-
nético produzido pelo enrolamento de trabalho, irá provocar a partida do motor.
v interruptor centrífugo - dispositivo que tem a função de colocar o enrolamento de parti-
da em funcionamento no instante da partida e de retirá-lo quando o motor atingir aproxi-
madamente 75 % de sua rotação nominal .
v capacitor - tem a função de ajudar na partida do motor.
0004BA0104104 - ELETRICISTA INSTALADOR INDUSTRIAL
7
SENAI-PR
A numeração interna dos enrolamentos de partida e de trabalho, assim como as liga-
ções externas (ligações que se encontram na placa de identificação do motor) estão repre-
sentadas abaixo:
0004BA0104104 - ELETRICISTA INSTALADOR INDUSTRIAL
8
SENAI-PR
MOTOR TRIFÁSICOMOTOR TRIFÁSICO
É um motor próprio para ser alimentado por um sistema elétrico de 3 fases. São motores
de emprego mais amplo na indústria. Oferecem melhores condições de operação do que os
monofásicos (não necessitam de auxílio na partida e apresentam rendimento mais elevados), e
não dependem de redes elétricas especiais como os motores de corrente contínua.
Este tipo de motor é utilizado em inúmeras situações, atendendo a uma variada gama de
potência.
Eles podem ser de vários tipos:
v assíncrono de rotor em curto:
para serviços que não exijam velocidades variáveis e partida com carga, como moinhos,
ventiladores, prensas, bombas centrífugas, máquinas operatrizes, etc;
v assíncrono de rotor bobinado:
para serviços que requerem velocidade variável e partida com carga, como compresso-
res, transportadores, guindastes, pontes rolantes, etc;
v síncrono:
para serviços que exijam velocidade constante ou onde se deseja corrigir o fator de po-
tência da rede elétrica.
Entre os tipos de motores de C.A. citados, o motor assíncrono com rotor em curto é o
mais utilizado. Por este motivo, iniciaremos nossos estudos sobre motores elétricos trifásicos
com ele.
Este motor, assim como os monofásicos, também são formados por duas partes
principais:uma fixa, chamada estator e outra móvel, denominada rotor. É no estator onde
encontramos as bobinas que são isoladas do núcleo e distribuídas nas ranhuras do mesmo.
LIGAÇÃO INTERNA DE MOTOR TRIFÁSICO DE 6 TERMINAIS
Na ligação triângulo 220 V ( D ) as bobinas são agrupadas de acordo com o esquema
abaixo representado:
Já na ligação estrela 380 V ( Y ) tem-se:
LIGAÇÕES EXTERNAS DO MOTOR TRIFÁSICO DE 6 TERMINAIS
0004BA0104104 - ELETRICISTA INSTALADOR INDUSTRIAL
10
SENAI-PR
Para identificarmos os terminais deste motor, podemos seguir o roteiro abaixo:
1) Através de um multímetro (na função Ohm), de um teste de continuidade ou com o auxí-
lio de uma lâmpada para teste, localizar as 3 bobinas internas;
2) Separe três pontas, uma de cada conjunto e junte-os;
3) As três restantes coloque R, S e T;
4) Energize o motor;
5) Se funcionar, os pontos que estão em R, S e T são os pontos 1, 2 e 3 e de acordo com o
fechamento interno numere os três restantes, o par da 1 é o número 4, o par da 2 é o
número 5 e o par da 3 é a número 6.
6) Se não funcionar, inverta uma bobina pela do seu par e refaça o teste. Se ainda não deu,
volte na posição inicial e inverta outra bobina; faça isso até funcionar.
OBSERVAÇÕES:
1. Para inverter-se o sentido de rotação do motor,
basta trocar uma linha por outra qualquer. Por
exemplo, a Linha1
com a Linha2
.
2. Na ligação Y, (estrela) a alimentação das bobi-
nas podem ser invertidas, ou seja, as linhas
energizam os terminais 4, 5 e 6 , enquanto que
os de números 1, 2 e 3 são curto-circuitados.
3. A identificação dos terminais do motor também
pode ser encontrada através de letras. A corres-
pondência com os números são:
U - 1
V - 2
W - 3
X - 4
Y - 5
Z - 6
0004BA0104104 - ELETRICISTA INSTALADOR INDUSTRIAL
11
SENAI-PR
1) Como são ligadas internamente os enrolamentos do motor trifásico de indução de
seis terminais?
2) Mostrar o esquema de ligação dos terminais do motor em 220 V.
3) Mostrar o esquema de ligação dos terminais do motor em 380 V.
4) O que é necessário para se inverter o sentido de rotação do motor trifásico?
5) Mostrar o diagrama de ligação de uma chave reversora trifásica para ligação de um
motor em 220 V.
(Representar a chave nas 3 posições).
Solucionando
Problemas
0004BA0104104 - ELETRICISTA INSTALADOR INDUSTRIAL
12
SENAI-PR
MOTOR 9 TERMINAISMOTOR 9 TERMINAIS
MOTOR TRIFÁSICO DE 9 TERMINAIS
0004BA0104104 - ELETRICISTA INSTALADOR INDUSTRIAL
13
SENAI-PR
MOTOR TRIFÁSICO DE 9 TERMINAIS
0004BA0104104 - ELETRICISTA INSTALADOR INDUSTRIAL
14
SENAI-PR
MOTOR 12 TERMINAISMOTOR 12 TERMINAIS
MOTOR TRIFÁSICO DE 12 TERMINAIS
0004BA0104104 - ELETRICISTA INSTALADOR INDUSTRIAL
15
SENAI-PR
MOTOR TRIFÁSICO DE 12 TERMINAIS
0004BA0104104 - ELETRICISTA INSTALADOR INDUSTRIAL
16
SENAI-PR
CHAVE DE PARTIDA – ESTRELA TRIÂNGULOCHAVE DE PARTIDA – ESTRELA TRIÂNGULO
A chave de partida estrela-triângulo tem por objetivo limitar a corrente de partida do motor
no instante de sua partida.
É utilizada para atender às exigências das companhias fornecedoras de energia elétrica
que consideram necessário o emprego de dispositivos especiais para limitar a corrente de
partida, a fim de evitar perturbações no funcionamento de instalações vizinhas. Para a utiliza-
ção deste sistema de partida, necessita-se observar os seguintes critérios:
v Quanto a carga - o motor deverá partir com a máquina acionada em vazio, isto é, sem
carga aplicada a seu eixo. A mesma só poderá ser incrementada à máquina após o
motor ter atingido aproximadamente 80 % de sua velocidade síncrona.
v Quanto a tensão da rede - deverá ser igual ao valor de tensão da ligação ∆ do motor e
não ser superior a 500V.
v Quanto ao motor - deverá atender as seguintes exigências:
1) Possuir pelo menos 6 terminais para ligação (1, 2, 3, 4, 5, 6 ou U, V, W, X, Y, Z );
2) Ter disponibilidade de ligação em dupla tensão, ou seja, 220 / 380 V, 380 / 660 V ou 440 V
/ 760 V. As tensões duplas deverão estar relacionadas matematicamente pelo fator trifásico
( 3 ).
A tabela seguinte mostra quando podemos usar este tipo de partida em função da tensão
da rede e das tensões de ligações dos motores a serem comandados:
Tensão da rede Tensão de ligação em D Tensão de ligação em Y
220 V 220 V 380 V
380 V 380 V 660 V
440 V 440 V 760 V
0004BA0104104 - ELETRICISTA INSTALADOR INDUSTRIAL
17
SENAI-PR
A ligação estrela-triângulo apresenta vantagens em relação a partida direta do motor como a
redução da corrente de partida para 25 a 30 % da corrente de partida direta na ligação estrela.
Se a partida fosse direta a ligação absorveria da rede 500 % da corrente nominal. Em
contra partida tem-se também a potência do motor reduzida a 1/3 da nominal .
CHAVE DE PARTIDA – COMPENSADORA
Dispositivo para partida de motor elétrico com tensão reduzida.
Seu emprego é justificado em atendimento as exigências das companhias fornecedoras
de energia elétrica, a fim de evitar perturbações nas redes vizinhas devida à acentuada queda
de tensão provocada pela corrente de partida.
Este sistema de partida de motores vem atender também um detalhe técnico importante
que é o de permitir a partida do motor sob carga. Os terminais do motor deverão ser
conectados de acordo com a tensão da rede.
A tensão na chave é reduzida através do autotransformador que possui normalmente
“taps” de 65% e 80% da tensão nominal da rede. A manobra para a posição definitiva de
funcionamento deve ser feita quando o motor alcançar aproximadamente 80% de sua veloci-
dade nominal para receber tensão plena .
É obrigatória a instalação de um seccionador com fusíveis antes da chave compensadora
para proteção da mesma.
A principal desvantagem deste tipo de partida para motores está no seu maior custo em
função do autotransformador, além da limitação de sua freqüência de manobra, pois devem
ser respeitados os números de partidas bem como sua duração para um determinado interva-
lo de tempo.
Outro fator negativo neste sistema de partida com chave manual é que na passagem de
tensão reduzida para tensão plena, o motor é desligado. Isto faz com que se tenha um novo
pico de corrente quando a tensão no motor é restabelecida.
0004BA0104104 - ELETRICISTA INSTALADOR INDUSTRIAL
18
SENAI-PR
CHAVE COMUTADORA DE PÓLOS
Dispositivo previsto para proporcionar duas ou mais velocidades a um motor através da
comutação do número de pólos de seu enrolamento ou entre dois enrolamentos do mesmo.
A velocidade síncrona (ns
) de um motor é definida pela velocidade de rotação do cam-
po girante, a qual depende do número de pólos do motor (p) e da freqüência da rede (f) dada
em Hertz ou ciclo por segundo. A velocidade do campo então pode ser expressa da seguinte
maneira:
p
f
ns
×
=
120
Assim, temos as seguintes velocidades síncronas para os valores de número de pólos
abaixo representados:
Quando o motor gira numa velocidade diferente da velocidade síncrona, temos um motor
assíncrono. A diferença percentual entre a velocidade do motor e a velocidade síncrona é definida
como escorregamento ( S ) que pode ser calculado pela fórmula:
100(%) x
ns
nns
S
−
=
Número de Pólos Rotações Por Minuto ( síncrona )
do Motor 50 Hz 60 Hz
2 3000 3600
4 1500 1800
6 1000 1200
8 750 900
Os motores de rotor de gaiola apresentam escorregamento entre 2 a 5 %. Por exemplo,
um motor com 1750 RPM ( IV pólos ) possui escorregamento de:
S(%)
= ( 1800 - 1750 ) / 1800 x 100
S = 2,77 %
0004BA0104104 - ELETRICISTA INSTALADOR INDUSTRIAL
19
SENAI-PR
0 1 2
Ligar as chaves de comutação polar:
0004BA0104104 - ELETRICISTA INSTALADOR INDUSTRIAL
20
SENAI-PR
DISPOSITIVOS DE PROTEÇÃODISPOSITIVOS DE PROTEÇÃO
Os condutores e equipamentos que fazem parte de um circuito elétrico devem ser prote-
gidos automaticamente contra correntes de curto-circuito e contra sobrecargas de longa
duração (intensidade de corrente acima do valor compatível com o aquecimento do condutor e
que poderiam danificar a isolação do mesmo ou deteriorar o equipamento). Quando ocorrer
um curto-circuito, o dispositivo de proteção deverá interromper a corrente antes que os efeitos
térmicos e mecânicos da mesma possam tornar-se perigosos aos condutores, terminais e
equipamentos.
A) FUSÍVEIS
São dispositivos de proteção com corpo de porcelana, com suficiente resistência mecâ-
nica, com extremidades metálicas interligadas internamente pelo élo fusível e imerso em areia
de granulação adequada.
Finalidade: Os fusíveis tem a finalidade de proteger um circuito elétrico (equipamento,
fiação) contra corrente de curto-circuito ou sobrecarga de longa duração.
Simbologia :
Tipos de segurança:
Segurança NH
Segurança D
NH :
N (do alemão - Niederspannung) => baixa tensão
H (do alemão - Hochleistung) => alta capacidade
0004BA0104104 - ELETRICISTA INSTALADOR INDUSTRIAL
21
SENAI-PR
A segurança NH é composta de:
Base: material de construção à base de esteatita. Possui contatos em forma de garras pratea-
das pressionadas por molas.
Fusível: corpo retangular de porcelana com extremidades metálicas em forma de faca .
No interior do corpo de porcelana encontra-se o elo fusível e o elo indicador de queima, imerso
em areia especial de granulometria adequada.
O fusível é formado pelo:
Elo fusível : feito de cobre, em forma de lâminas vazadas em determinados pontos a fim
de redução da seção condutora;
Elo indicador de queima : constituído por um fino fio ligado em paralelo com o elo fusível.
Quando o elo fusível se funde este fio também se funde, provocando então o desprendimento
da espoleta;
Areia especial: é utilizada como meio extintor do arco voltaico, evitando portanto o perigo
de explosão do fusível.
O arco voltaico se desenvolve por um caminho, formado pela ionização sucessiva da
parte gasosa que se interpõe entre os contatos, devido à abertura lenta dos contatos pôr onde
circule uma corrente de um circuito com carga.
A segurança D é composta de:
Base: elemento de porcelana onde é conectada a entrada/saída de energia e aloja todos
os componentes da segurança D.
Tampa: corpo de porcelana com um corpo metálico roscado. Serve para fixar o fusível à
base.
Anel de proteção : elemento também de porcelana, num formato de anel cuja finalidade é
de evitar a possibilidade de contato acidental, na hora da troca do fusível.
Parafuso de ajuste: dispositivo de porcelana com parafuso metálico que faz a união de
entrada de energia elétrica para o fusível . Impede o uso de fusível de capacidade de corrente
superior à indicada.
0004BA0104104 - ELETRICISTA INSTALADOR INDUSTRIAL
22
SENAI-PR
Fusível: corpo que se assemelha ao formato de uma garrafa. Possui extremidades me-
tálicas, em uma das quais está localizada a espoleta.
A fusão do elo fusível dá-se pelos efeitos térmicos da corrente.
As classes de função são :
g : fusíveis que suportam a corrente nominal por tempo indeterminado e são capazes de
desligar a partir do menor valor de sobrecorrente até a corrente nominal de desligamento. Este
tipo reage à menor intensidade de sobrecorrente.
a: fusíveis que suportam a corrente nominal por tempo indeterminado e são capazes de
desligar a partir de um determinado múltiplo do valor da corrente nominal até a corrente nomi-
nal de desligamento. Este tipo reage a partir de um valor elevado de sobrecorrente.
As classes de objetos protegidos são:
L: cabos e linhas
M: equipamentos eletromecânicos
R: semicondutores
B: instalações em condições pesadas (minas)
Portanto os fusíveis são especificados para classes de serviços, compostos de classe
de função e da classe de objetos protegidos. Consequentemente as classes de serviços são
indicadas por duas letras:
gL: proteção total de cabos e linhas em geral
aM: proteção parcial de equipamentos eletromecânicos
aR: proteção parcial de equipamentos eletrônicos
B: proteção total de instalações em minas
Geralmente empregam-se fusíveis da classe de serviço aM.
Os equipamentos de segurança devem ser instalados no ponto inicial do circuito que
deve ser protegido.
A altura de fixação deve ser tal que o operador tenha facilidade de fazer a inspeção ou
manejo.
0004BA0104104 - ELETRICISTA INSTALADOR INDUSTRIAL
23
SENAI-PR
Os locais a serem colocados as seguranças devem ser arejados, evitando-se ambien-
tes confinados, para que a temperatura seja igual a do ambiente. Esses locais devem ser de
fácil acesso para que haja facilidade quando da inspeção e da manutenção.
FUSÍVEIS TIPO RÁPIDO E TIPO RETARDADO
O fusível tipo retardado: suporta elevações de corrente por certo tempo, sem ocorrer a
fusão do elo fusível. É indicado para proteção de circuitos onde existam cargas indutivas e
capacitivas.
Fusível tipo rápido: fusíveis para o uso em circuitos predominantemente resistivos, ou
seja, onde não haja picos de correntes.
B) RELÉ DE SOBRECARGA
É um dispositivo construído para proteger, controlar ou comandar um circuito elétrico,
atuando sempre pelo efeito térmico provocado pela corrente elétrica. Possui um regulador de
corrente, onde a regulagem pode ser variada conforme as características do circuito.
Os relés de sobrecarga não podem ser operados manualmente. São, portanto, emprega-
dos em combinação com contatores, em geral na proteção de motores. Também chamados de
relés térmicos, esses dispositivos tem como elemento básico o bi-metal. Esse bi-metal é cons-
tituído de duas lâminas finas (normalmente ferro e níquel), sobrepostas e soldadas.
Funcionamento: Quando dois metais de coeficientes de dilatação diferentes são unidos
em superposição, temos um par metálico com a conformação apropriada para o relé.
Em virtude da diferença de coeficiente de dilatação, um dos metais alonga-se mais do que
o outro. Por estarem rigidamente unidos, o de menor coeficiente de dilatação provoca um
encurvamento do conjunto para o seu lado, afastando o mesmo para um determinado ponto.
Esse movimento pode ser usado para diversos fins, como disparar um gatilho e abrir um
circuito. O gatilho tem a função de fazer com que a abertura ou o fechamento dos contatos
seja o mais rápido possível, a fim de que o arco elétrico não provoque a soldagem ou o desgas-
te dos contatos.
0004BA0104104 - ELETRICISTA INSTALADOR INDUSTRIAL
24
SENAI-PR
Os bornes de numeração ímpar são para entrada de energia, ou seja, devem receber
alimentação, enquanto que os bornes de numeração par são para saída de energia.
O borne 98 é utilizado para conectar a lâmpada de indicação de parada do motor por
sobrecarga.
Simbologia:
0004BA0104104 - ELETRICISTA INSTALADOR INDUSTRIAL
25
SENAI-PR
DISPOSITIVOS DE COMANDODISPOSITIVOS DE COMANDO
BATERIA
As chaves auxiliares tipo botoeira são chaves de comando manual que tem por finalida-
de interromper ou estabelecer momentaneamente, por pulso, um circuito de comando, para
iniciar, interromper ou comandar um processo de automação.
Vermelho => para, desligar, botão de emergência;
Amarelo => iniciar um retorno, eliminar uma condição perigosa;
Verde ou Preto => arranque, ligar, partida;
Branco ou Azul => qualquer função que não corresponda a uma das cores anteriores
Devem ser instaladas bem à mão, na altura prevista e dispostas fisicamente na posi-
ção e espaçamento correto, quando se instalarem várias botoeiras.
Quanto à sua disposição, o botão desliga deve ficar sob o botão liga na posição vertical.
Na posição horizontal, o botão desliga geralmente está à direita do botão liga.
Simbologia
0004BA0104104 - ELETRICISTA INSTALADOR INDUSTRIAL
26
SENAI-PR
OBSERVAÇÕES:
1) a entrada de energia é conectada nos bornes de
numeração ímpar, e a saída nos bornes pares.
2) considerando o botão na posição de repouso:
ü o contato NF (normalmente fechado ou abridor)
recebe a numeração: 1 - 2
ü o contato NA (normalmente aberto ou fechador)
recebe a numeração: 3 - 4
INTERRUPTORES FIM DE CURSO
São dispositivos auxiliares de comando, de acionamento, que atuam num circuito com
função bastante diversificada, como:
v comandar contatores;
v comandar circuitos de sinalização para indicar a posição de um determinado móvel.
As chaves auxiliares fim de curso são basicamente constituídas por uma alavanca ou
haste, com ou sem roldanas na extremidade, que transmite o movimento aos contatos que se
abrem ou se fecham de acordo com a sua função.
Estes dispositivos são utilizados para:
1. Controle - determinar os pontos de parada dos elevadores, sinalização, produzir seqüência
e controle de operação.
2. Comando - paradas, inversão de curso ou sentido de rotação de partes móveis.
3. Segurança - paradas de energia, alarme e sinalização.
Simbologia
0004BA0104104 - ELETRICISTA INSTALADOR INDUSTRIAL
27
SENAI-PR
CONTATOR
São dispositivos de comando, acionados eletromagneticamente, construídos para uma ele-
vada freqüência de operação.
Para o comando de motor, geralmente é acoplado a relés de sobrecarga. Possuem câ-
mara para extinção do arco voltaico.
Os contatores pertencem a classe das chaves.
Basicamente existem contatores para os motores e contatores auxiliares.
Características dos contatores para os motores:
v Possuem dois tipos de contatos com capacidade de corrente diferentes (contatos princi-
pais e contatos auxiliares);
v maior robustez de construção;
v recebem relés de proteção;
v tamanho físico de acordo com a potência a ser comandada;
v potência da bobina do eletroímã varia de acordo com o tipo de contator.
Simbologia
0004BA0104104 - ELETRICISTA INSTALADOR INDUSTRIAL
28
SENAI-PR
CATEGORIAS DE EMPREGO DE CONTATORES WEG CONFORME A VDE 0660
TIPO
DE
CORRENTE
CATEGORIA APLICAÇÕES
SERVIÇO
NORMAL
SERVIÇO
OCASIONAL
Ligar Desligar Ligar Desligar
AC1
Manobras leves; carga ôhmica ou
pouco indutiva (aquecedores,
lâmpadas incandescentes e
fluorescentes compensadas) .
1 x In 1 x In 1,5 x In 1,5 x In
AC2
Manobras leves; comando de
motores com anéis coletores
(guinchos, bombas, compressores,
etc ). Desligamento em regime .
2,5 x In
1 x In
2,5 x In
(1)
4 x In 4 x In
C.A.
AC3
Serviço normal de manobras de
motores com rotor de gaiola
(bombas, ventiladores, compres
sores, etc). Desligamento em regime.
6 x In 1 x In 10 x In
8 x In (2)
8 x In
8 x In (2)
AC4
Manobras pesadas. Acionar motores
com carga plena; comando
intermitente ( pulsatório ); reversão a
plena marcha e paradas por contra-
corrente ( pontes rolantes, tornos, etc
).
6 x In 6 x In
12 x In
10 x In (2)
10 x In
8 x In (2)
DC1 Carga ôhmica ou pouco indutiva 1 x In 1 x In 1,5 x In 1,5 x In
C.C. DC2
DC3
Acionar motores com excitação em
paralelo. 1 x In 1 x In
4 x In
2,5 x In
(3)
4 x In
DC4
DC5
Acionar motores com excitação em
série. 2,5 x In
1 x In
2,5 x In
(3)
4 x In 4 x In
AC11 Circuitos de comando em corrente
alternada. 10 x In 1 x In 10 x In 10 x In
DC12 Circuitos de comando em corrente
contínua. 1 x In 1 x In 1,1 x In 1,1 x In
1) Refere-se a paradas por contra - corrente.
2) Para In > 100 A.
3) Refere-se a serviço intermitente ( pulsatório ), reversão a plena marcha e paradas por contra - corrente.
0004BA0104104 - ELETRICISTA INSTALADOR INDUSTRIAL
29
SENAI-PR
CHAVES MAGNÉTICASCHAVES MAGNÉTICAS
LIGA DESLIGA TRIFÁSICA
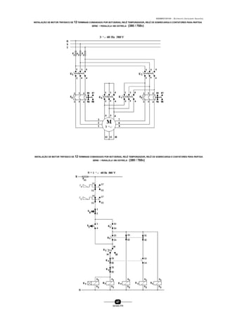
INSTALAÇÃO DE MOTOR TRIFÁSICO COMANDADO POR BOTEIRAS,CONTATOR E RELÊ DE SOBRECARGA
LIGAÇÕES DE MOTOR MONOFÁSICO (127 V E 220 V)
LIGA DESLIGA MONOFÁSICA
0004BA0104104 - ELETRICISTA INSTALADOR INDUSTRIAL
30
SENAI-PR
INSTALAÇÃO DE MOTOR TRIFÁSICO COMANDADO POR BOTÕES,RELÊ DE SOBRECARGA E CONTATORES PARA REVERSÃO
REVERSORA TRIFÁSICA
0004BA0104104 - ELETRICISTA INSTALADOR INDUSTRIAL
31
SENAI-PR
CHAVE REVERSORA MONOFÁSICA (127 V)
CHAVE REVERSORA MONOFÁSICA (220 V)
0004BA0104104 - ELETRICISTA INSTALADOR INDUSTRIAL
32
SENAI-PR
Solucionando
Problemas
0004BA0104104 - ELETRICISTA INSTALADOR INDUSTRIAL
33
SENAI-PR
PARTIDA ESTRELA-TRIÂNGULOPARTIDA ESTRELA-TRIÂNGULO
O sistema de partida estrela-triângulo tem como objetivo, reduzir o pico de corrente na
partida do motor.
Na ligação estrela, os mesmos podem partir no máximo, com 30% de sua carga nomi-
nal, pois na partida, a corrente e o conjugado são reduzidos para 25 à 33% do valor atingido na
partida em ligação triângulo.
A curva de conjugado do motor deverá ser suficientemente elevada para poder garantir a
aceleração das máquinas de até 95% da rotação nominal, com a corrente de partida.
Os motores deverão ter disponibilidade de ligação em dupla tensão (220/380V, 380/660V,
440/760V).
Os valores de tensão das ligações estrela e triângulo deverão estar relacionadas mate-
maticamente pelo fator tráficos ( 3).
Vantagens :
v baixo custo;
v pequeno espaço ocupado por seus componentes;
v número sem limites de manobras;
Desvantagens:
v se o motor não atingir pelo menos 90% de sua rotação nominal, na comutação para a
ligação triângulo, o pico de corrente é quase que o mesmo para a partida direta devido ao
desligamento do motor;
v o motor deverá ter pelo menos 6 terminais acessíveis para ligações;
v o valor de tensão da rede deverá coincidir com o valor de tensão da ligação triângulo do
motor.
0004BA0104104 - ELETRICISTA INSTALADOR INDUSTRIAL
34
SENAI-PR
INSTALAÇÃO DE MOTOR TRIFÁSICO COM PARTIDA ESTRELA -TRIÂNGULO AUTOMÁTICA
INSTALAÇÃO DE MOTOR TRIFÁSICO COMANDADO POR BOTOEIRAS,RELÊ DE SOBRECARGA,RELÊ TEMPORIZADORE CONTATORES PARA PARTIDA ESTRELA -TRIÂNGULO
AUTOMÁTICA
0004BA0104104 - ELETRICISTA INSTALADOR INDUSTRIAL
35
SENAI-PR
INSTALAÇÃO DE MOTOR TRIFÁSICO COMANDADO POR BOTOEIRAS,RELÊ DE SOBRECARGA,RELÊ TEMPORIZADORE CONTATORES PARA PARTIDA ESTRELA -TRIÂNGULO
AUTOMÁTICA
0004BA0104104 - ELETRICISTA INSTALADOR INDUSTRIAL
36
SENAI-PR
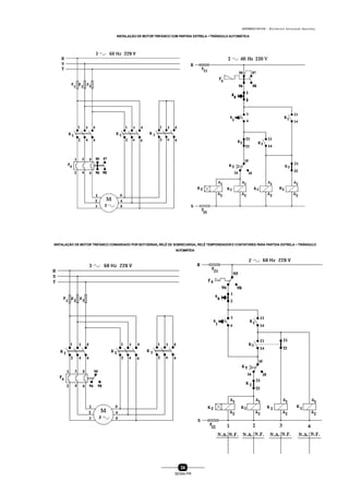
INSTALAÇÃO DE MOTOR TRIFÁSICO COMANDADO POR CONTATORES,RELÊ DE SOBRECARGA, TEMPORIZADOR E BOTOEIRAS PARA PARTIDA EM ESTRELA - TRIÂNGULO
AUTOMÁTICA COM REVERSÃO
ESTRELA TRIÂNGULO COM REVERSÃOESTRELA TRIÂNGULO COM REVERSÃO
INSTALAÇÃO DE MOTOR TRIFÁSICO COMANDADO POR CONTATORES,RELÊ DE SOBRECARGA, TEMPORIZADOR E BOTOEIRAS PARA PARTIDA EM ESTRELA - TRIÂNGULO
AUTOMÁTICA COM REVERSÃO
0004BA0104104 - ELETRICISTA INSTALADOR INDUSTRIAL
37
SENAI-PR
COMPENSADORACOMPENSADORA
INSTALAÇÃO DE MOTOR TRIFÁSICO COMANDADO POR BOTOEIRAS,RELÊ TEMPORIZADOR, RELÊ DE SOBRECARGA E CONTATORES PARA PARTIDA EM COMPENSADORA
AUTOMÁTICA
0004BA0104104 - ELETRICISTA INSTALADOR INDUSTRIAL
38
SENAI-PR
COMPENSADORA COM REVERSÃOCOMPENSADORA COM REVERSÃO
PARTIDA EM COMPENSADORA AUTOMÁTICA COM REVERSÃO
PARTIDA EM COMPENSADORA AUTOMÁTICA COM REVERSÃO
0004BA0104104 - ELETRICISTA INSTALADOR INDUSTRIAL
39
SENAI-PR
3 MOTORES 1 COMPENSADORA3 MOTORES 1 COMPENSADORA
INSTALAÇÃO DE CHAVE COMPENSADORA AUTOMÁTICA COM 1AUTO-TRANSFORMADOR PARA PARTIDA DE 3MOTORES
INSTALAÇÃO DE CHAVE COMPENSADORA AUTOMÁTICA COM 1AUTO-TRANSFORMADOR PARA PARTIDA DE 3MOTORES
0004BA0104104 - ELETRICISTA INSTALADOR INDUSTRIAL
40
SENAI-PR
DAHLANDERDAHLANDER
INSTALAÇÃO DE MOTOR TRIFÁSICO (LIGAÇÃO DAHLANDER) COMANDADO POR BOTOEIRAS,RELÊS DE SOBRECARGA E CONTATORES
0004BA0104104 - ELETRICISTA INSTALADOR INDUSTRIAL
41
SENAI-PR
DAHLANDER COM REVERSÃODAHLANDER COM REVERSÃO
INSTALAÇÃO DE MOTOR TRIFÁSICO (LIGAÇÃO DAHLANDER) PARA COMUTAÇÃO POLAR AUTOMÁTICA E REVERSÃO
0004BA0104104 - ELETRICISTA INSTALADOR INDUSTRIAL
42
SENAI-PR
MOTOR 2 ENROLAMENTOSMOTOR 2 ENROLAMENTOS
INSTALAÇÃO DE MOTOR TRIFÁSICO DE DOIS ENROLAMENTOS SEPARADOS (2 E 4 PÓLOS)
0004BA0104104 - ELETRICISTA INSTALADOR INDUSTRIAL
43
SENAI-PR
INSTALAÇÃO DE MOTOR TRIFÁSICO DE DOIS ENROLAMENTOS SEPARADOS (2 E 4 PÓLOS) COM COMUTAÇÃO POLAR E REVERSÃO POR BOTÕES
MOTOR 2 ENROLAMENTOS COM REVERSÃOMOTOR 2 ENROLAMENTOS COM REVERSÃO
INSTALAÇÃO DE MOTOR TRIFÁSICO DE DOIS ENROLAMENTOS SEPARADOS (2E 4 PÓLOS) COM COMUTAÇÃO POLAR E REVERSÃO POR BOTOEIRAS
0004BA0104104 - ELETRICISTA INSTALADOR INDUSTRIAL
44
SENAI-PR
PARTIDA ROTÓRICAPARTIDA ROTÓRICA
PARTIDA RETÓRICA SEMI-AUTOMÁTICA
PARTIDA RETÓRICA AUTOMÁTICA
0004BA0104104 - ELETRICISTA INSTALADOR INDUSTRIAL
45
SENAI-PR
PARTIDA ROTÓRICA COM REVERSÃOPARTIDA ROTÓRICA COM REVERSÃO
PARTIDA RETÓRICA AUTOMÁTICA COM REVERSÃO
PARTIDA ROTÓRICA AUTOMÁTICA COM REVERSÃO
0004BA0104104 - ELETRICISTA INSTALADOR INDUSTRIAL
46
SENAI-PR
PARTIDA SÉRIE PARALELAPARTIDA SÉRIE PARALELA
INSTALAÇÃO DE MOTOR TRIFÁSICO DE 12 TERMINAIS COMANDADO POR BOTOEIRAS, RELÊ TEMPORIZADOR,RELÊ DE SOBRECARGA E CONTATORES PARA PARTIDA
SÉRIE - PARALELA EM TRIÂNGULO (220 / 440V)
INSTALAÇÃO DE MOTOR TRIFÁSICO DE 12 TERMINAIS COMANDADO POR BOTOEIRAS, RELÊ TEMPORIZADOR,RELÊ DE SOBRECARGA E CONTATORES PARA PARTIDA
SÉRIE - PARALELA EM TRIÂNGULO (220 / 440V)
0004BA0104104 - ELETRICISTA INSTALADOR INDUSTRIAL
47
SENAI-PR
INSTALAÇÃO DE MOTOR TRIFÁSICO DE 12 TERMINAIS COMANDADO POR BOTOEIRAS, RELÊ TEMPORIZADOR,RELÊ DE SOBRECARGA E CONTATORES PARA PARTIDA
SÉRIE - PARALELA EM ESTRELA (380 / 760V)
INSTALAÇÃO DE MOTOR TRIFÁSICO DE 12 TERMINAIS COMANDADO POR BOTOEIRAS, RELÊ TEMPORIZADOR,RELÊ DE SOBRECARGA E CONTATORES PARA PARTIDA
SÉRIE - PARALELA EM ESTRELA (380 / 760V)
0004BA0104104 - ELETRICISTA INSTALADOR INDUSTRIAL
48
SENAI-PR
PARTIDA CONSECUTIVAPARTIDA CONSECUTIVA
PARTIDA CONSECUTIVA AUTOMÁTICA
0004BA0104104 - ELETRICISTA INSTALADOR INDUSTRIAL
49
SENAI-PR
INTERRUPTOR FIM-DE-CURSOINTERRUPTOR FIM-DE-CURSO
INSTALACÃO DE PORTÃO ELÉTRICO COMANDADO POR INTERRUPTORES FIM-DE-CURSO E RELÊ TEMPORIZADOR
Abertura e fechamento manual
Estágio 1 (Abrir portão):
Acionando-se a botoeira S1 ou S’1, a bobina do contator K1 é energizada. O contato
fechado de K1(21-22) intertrava a bobina do contator K2. A bobina do contator K1 é selada pelo
contato aberto K1(13-14) e os contatos principais colocam o motor sob tensão, fazendo com
que o portão comece a abrir. Chegando ao fInal de seu curso, o portão pressiona o interruptor
fim-de-curso S2. Neste instante, seu contato fechado S2(1-2) abre-se, desenergizando a bobi-
na de K1 e conseqüentemente, parando o motor. O contato aberto do interruptor fim-de-curso
S2(3-4) fecha-se e energiza a bobina do contator auxiliar Ka. (o contato da chave de 3 bornes
está fechado no manual). O contato de Ka(13-14) fecha-se.
Estágio 2 (fechar portão):
Acionando-se a botoeira S1 ou S’1, a bobina do contator K2 é energizada. O contato
fechado de K2(21-22) intertrava a bobina do contator K1. A bobina do contator K2 é selado pelo
contato aberto K2 (13-14) e os contatos principais colocam o motor sob tensão, fazendo com
que o portão comece a fechar. O interruptor fim-de-curso S2 é liberado (o contato NA volta a
permanecer aberto e o contato NF volta a permanecer fechado). Chegando ao final de seu
curso, o portão pressiona o interruptor fim-de-curso S3. Neste instante, seu contato fechado
S3(1-2) abre-se, desenergizando a bobina de K2 e conseqüentemente, parando o motor atra-
vés da abertura de seus contatos principais.
0004BA0104104 - ELETRICISTA INSTALADOR INDUSTRIAL
50
SENAI-PR
A nova abertura do portão é iniciada com o acionamento da botoeira S1 ou S’1 conforme
descrito no estágio 1.
Abertura manual e fechamento automático
Estágio 1 (Abrir portão):
Acionando-se a botoeira S1 ou S’1, a bobina do contator K1 é energizada. O contato
fechado de K1(21-22) intertrava a bobina do contator K2. A bobina do contator K1 é selada pelo
contato aberto K1(13-14) e os contatos principais colocam o motor sob tensão, fazendo com
que o portão comece a abrir. Chegando ao final de seu curso, o portão pressiona o interruptor
fim-de-curso S2. Neste instante, seu contato fechado S2(1-2) abre-se, desenergizando a bobi-
na de KI e conseqüentemente, parando o motor. O contato aberto do interruptor fim-de-curso
S2 fecha-se e energiza a bobina do relê temporizador Kr. (o contato da chave de 3 bornes está
fechado no automático).
Estágio 2 (fechar portão):
Decorrido o tempo ajustado para o relê temporizador, seu contado (15-18) fecha-se,
energizando a bobina do contator K2. O contato fechado de K2(21-22) intertrava a bobina do
contator KI. A bobina do contator K2 é selada pelo contato aberto K2(13-14) e os contatos
principais colocam o motor sob tensão, fazendo com que o portão comece a fechar. O inter-
ruptor fim-de-curso S2 é liberado (o contato NA volta a permanecer aberto e o contato NF vota
a permanecer fechado). Chegando ao final de seu curso, o portão pressiona o interruptor fim-
de-curso S3. Neste instante, seu contato fechado S3(1-2) abre-se, desenergizando a bobina
de K2 e conseqüentemente, parando o motor através da abertura de seus contatos principais.
A nova abertura do portão é iniciada com o acionamento da botoeira S1 ou S’1 conforme
descrito no estágio 1.
Observações:
1) Por medida de segurança, o contator K1 deve abrir o portão.
2) A botoeira S0 desliga o motor em qualquer estágio de funcionamento.
3) A chave de 3 bornes permite abrir/fechar o portão no modo manual ou automático.
0004BA0104104 - ELETRICISTA INSTALADOR INDUSTRIAL
51
SENAI-PR
RELÊ FALTA DE FASERELÊ FALTA DE FASE
INSTALAÇÃO DE MOTOR TRIFÁSICO COMANDADO POR BOTOEIRAS,CONTATOR , RELÊ DE SOBRECARGA E RELÊ DE FALTA DE FASE
0004BA0104104 - ELETRICISTA INSTALADOR INDUSTRIAL
52
SENAI-PR
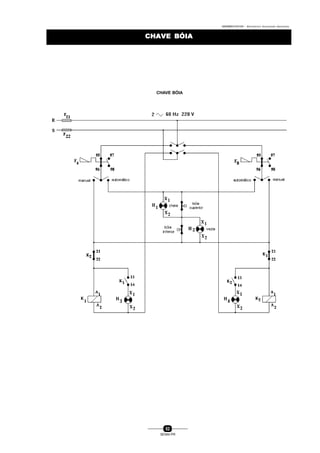
CHAVE BÓIACHAVE BÓIA
CHAVE BÓIA
0004BA0104104 - ELETRICISTA INSTALADOR INDUSTRIAL
53
SENAI-PR
RELÊ DE NÍVELRELÊ DE NÍVEL
INSTALAÇÃO DE DOIS MOTORES TRIFÁSICOS (PARA BOMBA DE RECALQUE) COMCOMUTAÇÃO AUTOMÁTICA E MANUAL COMANDADA POR RELÊS DE: NÍVEL,FALTA DE
FASE E SOBRECARGA
0004BA0104104 - ELETRICISTA INSTALADOR INDUSTRIAL
54
SENAI-PR
SENSOR DE APROXIMAÇÃOSENSOR DE APROXIMAÇÃO
SENSORES DE APROXIMAÇÃO
Definição
Dispositivo que comuta um circuito elétrico, mediante a aproximação de um corpo, frente
à sua face sensível.
Princícipio de funcionamento
Baseia-se na existência de uma bobina geradora de campo eletromagnético que cria a
região ativa do sensor. A presença de um material metálico nesta região, faz com que o
campo magnético seja atenuado, causando então a mudança de estado da saída do mesmo.
A alta velocidade e confiabilidade dos sensores são as principais vantagens que estes
dispositivos oferecem em relação aos eletromecânicos.
Os sensores de aproximação indutiva são dispositivos que comutam um circuito elétri-
co, quando aproximamos de sua face sensível uma peça metálica.
Já os de aproximação capacitivo, além dos metais, também respondem à aproximação
de materiais como vidros, líquidos, granulados (condutores ou não).
Os principais componentes de um sensor de aproximação são:
v corpo encapsulado, onde são alojados todos os componentes eletrônicos;
v elemento de fixação, que tem a função de fixar o sensor no seu local de trabalho;
v condutor, que são destinados as ligações do sensor.
As principais características elétricas dos sensores são:
v Tensão nominal - variável para corrente contínua (CC) de 10 a 30 V e de 90 a 250 V para
os de corrente alternada (CA);
0004BA0104104 - ELETRICISTA INSTALADOR INDUSTRIAL
55
SENAI-PR
v Corrente nominal - valor máximo de corrente que os componentes eletrônicos internos
suportam sem se danificarem;
v Tipo de contato - normalmente aberto (NA) e/ou normalmente fechado (NF);
v Sensibilidade - ou distância de acionamento (Sn) dada em milímetros. É a distância má-
xima que atua o sensor aproximando-se de sua face sensível uma chapa quadrada de
aço de 1 mm de espessura e de lado igual ao diâmetro do sensor;
v Freqüência de comutação.
ESQUEMAS DE LIGAÇÃO
0004BA0104104 - ELETRICISTA INSTALADOR INDUSTRIAL
56
SENAI-PR
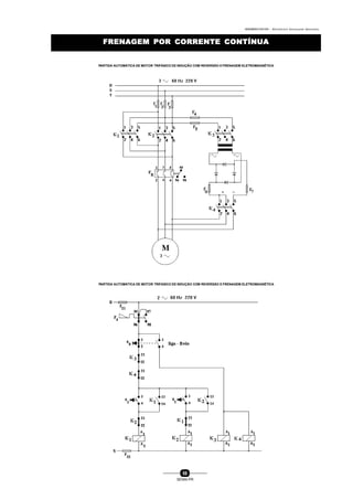
FRENAGEM POR CORRENTE CONTÍNUAFRENAGEM POR CORRENTE CONTÍNUA
PARTIDA AUTOMÁTICA DE MOTOR TRIFÁSICO DE INDUÇÃO COM REVERSÃO E FRENAGEM ELETROMAGNÉTICA
PARTIDA AUTOMÁTICA DE MOTOR TRIFÁSICO DE INDUÇÃO COM REVERSÃO E FRENAGEM ELETROMAGNÉTICA
0004BA0104104 - ELETRICISTA INSTALADOR INDUSTRIAL
57
SENAI-PR
SISTEMAS DE PARTIDASISTEMAS DE PARTIDA
PARTIDA COMPENSADORA
Este sistema de partida foi desenvolvido para reduzir o pico de corrente proveniente da
partida do motor elétrico, porém, deixando o mesmo com conjugado suficiente para a partida e
aceleração com carga.
Neste sistema, a tensão é reduzida através de um auto-transformador que possui termi-
nais ( tap ) de 65% e de 80% da tensão nominal, a fim de que os motores possam partir
satisfatoriamente. Assim sendo, a corrente e o conjugado de partida ficam reduzidos a aproxi-
madamente 42 % e 64 % dos valores atingidos em partida direta, para os terminais ( tap ) de 65
% e 80 % respectivamente.
Vantagens:
v na comutação do tap de partida para a tensão plena (da rede), o motor não é desligado e
o segundo pico é bem reduzido, visto o auto-transformador trabalhar como uma reatância;
v para que o motor possa partir satisfatoriamente, é possível variar o tap de 65% para 80%
ou até mesmo para 90% da tensão da rede;
v o valor de tensão da rede poderá ser igual ao valor de tensão da ligação triângulo ou
estrela do motor.
Desvantagens:
v limitação de sua freqüência de manobra;
v custo mais elevado em função do auto-transformador;
v maior espaço ocupado pelo quadro devido também ao auto-transformador.
0004BA0104104 - ELETRICISTA INSTALADOR INDUSTRIAL
58
SENAI-PR
Limitação da corrente de partida em motores trifásicos:
Sempre que possível, a partida de um motor trifásico de gaiola, deverá ser direta, por
meio de contatores. Deve ter - se em conta que para um determinado motor, as curvas de
conjugado e correntes são fixas, independente da dificuldade de partida, para uma tensão
constante.
Nos casos em que a corrente de partida do motor é elevada podem ocorrer as seguintes
conseqüências prejudiciais:
a) Elevada queda de tensão no sistema de alimentação da rede. Em função disto, provoca
a interferência em equipamentos instalados no sistema;
b) O sistema de proteção (cabos, contatores) deverá ser superdimensionado, ocasionan-
do um custo elevado;
c) A imposição das concessionárias de energia elétrica que limitam a queda de tensão da
rede.
Caso a partida direta não seja possível, devido aos problemas citados acima, pode - se
usar sistema de partida indireta para reduzir a corrente de partida.
Estes sistemas de partida indireta (tensão reduzida) são:
v chave estrela - triângulo;
v chave compensadora;
v chave série - paralelo;
v resistor primário;
v reator primário;
v partida eletrônica (soft - start).
Partida com chave estrela - triângulo
É fundamental para a partida com a chave estrela - triângulo que o motor tenha a possi-
bilidade de ligação em dupla tensão, ou seja, em 220/380V, em 380/660V ou 440/760V. Os
motores deverão ter no mínimo seis bornes de ligação. A partida estrela - triângulo poderá ser
usada quando a curva de conjugados do motor é suficientemente elevada para poder garantir
a aceleração da máquina com a corrente reduzida.
0004BA0104104 - ELETRICISTA INSTALADOR INDUSTRIAL
59
SENAI-PR
Na ligação estrela, o conjugado fica reduzido para 25 a 33 % do conjugado de partida na
ligação triângulo. Por este motivo, sempre que for necessária uma partida estrela - triângulo,
deverá ser usado um motor com curva de conjugado elevado.
Os motores Weg têm alto conjugado máximo e de partida, sendo, portanto, ideais para a
maioria dos casos, para uma partida estrela - triângulo.
Antes de se decidir por uma partida estrela - triângulo, será necessário verificar se o
conjugado de partida será suficiente para operar a máquina. O conjugado resistente da carga
não poderá ultrapassar o conjugado de partida do motor, nem a corrente no instante da mudan-
ça para triângulo poderá ser de valor inaceitável. Existem casos onde este sistema de partida
não pode ser usado.
No caso de termos um alto conjugado resistente e se a partida for em estrela, o motor
acelera a carga aproximadamente até 85% da rotação nominal. Neste ponto, a chave deverá
ser ligada em triângulo. Neste caso, a corrente, que era aproximadamente a nominal, ou seja,
100%, salta repentinamente para 320%, o que não é nenhuma vantagem, uma vez que na
partida era de somente 190%.
Num outro caso temos um motor com as mesmas características, porém, o conjugado
resistente é bem menor. Na ligação estrela, o motor acelera a carga até 95% da rotação nomi-
nal. Quando a chave é ligada em triângulo, a corrente, que era de aproximadamente 50%, sobe
para 170%, ou seja, praticamente igual a da partida em estrela. Neste caso, a ligação estrela -
triângulo apresenta vantagem, porque se fosse ligado direto, absorveria da rede 600% da cor-
rente nominal.
A chave estrela - triângulo em geral só pode ser empregada em partidas da máquina em
vazio, isto é, sem carga. Somente depois de ter atingido a rotação nominal, a carga poderá ser
aplicada. O instante da comutação de estrela para triângulo deve ser criteriosamente determi-
nado, para que este método de partida possa efetivamente ser vantajoso nos casos em que a
partida direta não é possível. No caso de motores tripla tensão nominal ( 220/380/440/760V ),
deve - se optar pela ligação 220/380V ou 440/760V, dependendo da rede de alimentação.
Esquematicamente, a ligação estrela - triângulo num motor para uma rede de 220V é
feita da maneira indicada na figura 1, notando - se que a tensão por fase durante a partida é
reduzida para 127V.
0004BA0104104 - ELETRICISTA INSTALADOR INDUSTRIAL
60
SENAI-PR
Partida com chave compensadora (autotransformador)
A chave compensadora pode ser usada para a partida de motores sob carga. Ela
reduz a corrente de partida, evitando uma sobrecarga no circuito, deixando, porém, o
motor com um conjugado suficiente para a partida e aceleração. A tensão na chave
compensadora é reduzida através de autotransformador que possui normalmente taps
de 50, 65 e 80% da tensão nominal.
Comparação entre chaves estrela - triângulo e compensadoras “automáticas”:
Estrela - triângulo (automática):
Vantagens:
a) a chave estrela - triângulo é muito utilizada por seu custo reduzido;
b) não tem limite quanto ao seu número de manobras;
c) os componentes ocupam pouco espaço;
d) a corrente de partida fica reduzida para aproximadamente 1/3
Desvantagens:
a) a chave só pode ser aplicada a motores cujos seis terminais ou bornes sejam acessí-
veis;
b) a tensão de rede deve coincidir com a tensão em triângulo do motor;
c) com a corrente de partida reduzida para aproximadamente 1/3 da corrente nominal, re-
duz-se também o momento de partida 1/3;
d) caso o motor não atingir pelo menos 90% de sua velocidade nominal, o pico de corrente
na comutação de estrela para triângulo será quase como se fosse uma partida direta, o
que se torna prejudicial aos contatos dos contatores e não traz nenhuma vantagem para
a rede elétrica.
0004BA0104104 - ELETRICISTA INSTALADOR INDUSTRIAL
61
SENAI-PR
Chave compensadora (automática)
Vantagens:
a) no tap de 65% a corrente de linha é aproximadamente igual a da chave estrela - triângulo,
entretanto, na passagem da tensão reduzida para a tensão da rede, o motor não é desli-
gado e o segundo pico é bem reduzido, visto que o auto - trafo por curto tempo se torna
uma reatância.
b) é possível a variação do tap de 65% para 80% ou até para 90% da tensão da rede, a fim
de que o motor possa partir satisfatoriamente.
Desvantagens:
a) a grande desvantagem é a limitação de sua freqüência de manobras. Na chave
compensadora automática é sempre necessário saber a sua freqüência de manobra
para determinar o auto - trafo de acordo;
b) a chave compensadora é bem mais cara do que a chave estrela - triângulo, devido ao
auto - trafo;
c) devido ao tamanho do auto - trafo, a construção se torna volumosa, necessitando qua-
dros maiores, o que torna o seu preço elevado.
Partida com chave série - paralelo
Para partida em série - paralelo é necessário que o motor seja religável para duas ten-
sões, a menor delas igual a da rede e a outra duas vezes maior.
Este tipo de ligação exige nove (9) terminais no motor e a tensão nominal mais comum
é 220/440V, ou seja: durante a partida o motor é ligado na configuração série até atingir sua
rotação nominal e, então, faz-se a comutação para a configuração paralelo.
0004BA0104104 - ELETRICISTA INSTALADOR INDUSTRIAL
62
SENAI-PR
Partida com resistor primário
Neste método de partida são colocados resistores em série com cada uma das
fases, provocando uma queda de tensão nos bornes do motor e conseqüentemente,
uma redução na corrente absorvida. Naturalmente, o conjugado de partida também fica
reduzido. Quando o motor está próximo de sua velocidade nominal é ligado diretamente
à rede. Este método de partida melhora o fator de potência na partida, mas, possui o
inconveniente de produzir maior perda de energia nos próprios resistores. Na prática, é
um método pouco utilizado.
Partida com reator primário
Este método de partida é similar ao anterior, sendo inserida uma reatância indutiva
nas fases de alimentação. Tem-se com isso, perdas menores, maior fator de potência e
torque máximo maior que no caso do resistor primário. Porém, os reatores são mais
caros, sendo utilizados, na prática, apenas para partida de motores de grande potência e
de média tensão.
Partida eletrônica (soft - start)
O avanço da eletrônica permitiu a criação da chave de partida a estado sólido a
qual consiste de um conjunto de pares de tiristores (SCR) (ou combinações de tiristores/
diodos),um em cada borne de potência do motor. O ângulo de disparo de cada par de
tiristores é controlado eletronicamente para aplicar uma tensão variável aos terminais do
motor durante a “aceleração”. Este comportamento é, muitas vezes, chamado de “parti-
da suave” (soft - start). No final do período de partida, ajustável tipicamente entre 2 e 30
segundos, a tensão atinge seu valor pleno após uma aceleração suave ou uma rampa
ascendente, ao invés de ser submetido a incrementos ou “saltos “ repentinos, como
ocorre com os métodos de partida por autotransformador, ligação estrela - triângulo, etc.
Com isso, consegue - se manter a corrente de partida (na linha) próxima da nominal e
com suave variação, como desejado. Além da vantagem do controle da tensão (corren-
te) durante a partida, a chave eletrônica apresenta, também, a vantagem de não possuir
partes móveis ou que gerem arco, como nas chaves mecânicas. Este é um dos pontos
fortes das chaves eletrônicas, pois sua vida útil é mais longa (até centenas de milhões
de manobras). É importante lembrar, porém, que uma vida útil tão longa, tem pouco a ver
com o motor, o qual pode falhar bem mais cedo por questões que não tem a ver com a
partida.
0004BA0104104 - ELETRICISTA INSTALADOR INDUSTRIAL
63
SENAI-PR
DIMENSIONAMENTODIMENSIONAMENTO
SELEÇÃO DOS DISPOSITIVOS DE COMANDO E PROTEÇÃO
Partida direta
1) Através da placa do motor, identificar:
v In (corrente nominal em ampére)
v E (tensão nominal em volt)
v P (potência em CV, HP ou KW)
v Cod ou Ip/In (corrente com o rotor bloqueado)
v F.S. (fator de serviço)
2) Procurar na Tabela 1:
v Contator baseado na potência e/ou na corrente máxima de serviço;
3) Calcular a corrente de partida em triângulo (Ip?): quando não encontrar o Cod ou Ip/In
estipular um valor em torno de 6 à 8 vezes a In para a partida direta.
4) Através da IpD, ir na Tabela 3 ou 4 (Curva de desligamento tempo/corrente) e procurar o
fusível.
OBS: O fusível deve suportar a corrente de partida sem fundir-se (adotar tempo de
partida do motor em torno de 4 à 6 segundos ).
5) Identificar a laj do relé:
6) Através desta, identificar na Tabela 1 o relé de sobrecarga.
IpD = InxCod. ou
Ip
In
IpD = In .
Iaj. = In
0004BA0104104 - ELETRICISTA INSTALADOR INDUSTRIAL
64
SENAI-PR
Partida em estrela - triângulo
1) Através da placa do motor, identificar:
v In (corrente nominal em ampére)
v E (tensão nominal em volt)
v P (potência em CV, HP ou KW)
v Cod ou Ip/In (corrente com o rotor bloqueado)
v F.S. (fator de serviço)
K1 e K2 = 0,58 x In
v Com o resultado, ir na Tabela 1 e localizar o contator através da corrente máxima de
serviço;
v Com o contator encontrado achar o fusível máximo;
3) Encontrar o contator K3 (partida - ver diagrama):
K3 = 0,33 x In
v Com o resultado, ir na Tabela 1 e achar o contator através da corrente máxima de
serviço.
OBS: Em K3 não é necessário identificar o fusível máximo.
4) Calcular a corrente de partida em estrela (IpY)
3
∆
=Υ
Ip
Ip
Através da IpY, ir na Tabela 3 ou 4 e procurar o fusível.
IpD = InxCod. ou
Ip
In
IpD = In .
0004BA0104104 - ELETRICISTA INSTALADOR INDUSTRIAL
65
SENAI-PR
5) Encontrar o relé de sobrecarga:
Iaj = 0,58 x In
v Com o resultado, ir na Tabela 1 e identificar o relé.
Partida em compensadora
1) Através da placa do motor, identificar:
v In (corrente nominal em ampére)
v E (tensão nominal em volt)
v P (potência em CV, HP ou KW)
v Cod ou Ip/In (corrente com o rotor bloqueado)
v F.S. (fator de serviço)
2) Dimensionar o contator de acordo com o “tap” do auto-tranformador a ser utilizado.
OBS : É preferível dimensionar K3 ( ver figura 2 e/ou 3 ) para o “tap” de 80% visto este
dar condições de trabalho também em 65% sem alteração dos contatores:
K3 = 0,64 x In para 80 % ou K3 = 0,42 x In para 65 %
v Com o relultado, ir na Tabela 1 e achar o contator baseado na corrente máxima de
serviço;
3) Para dimensionar K1 (ver figura 2 e/ou 3) é preferível usar o “tap” de 65%, visto este
dar condições de trabalho também em 80% sem alteração dos contatores:
K1 = 0,23 x In para 65 % ou K1 = 0,16 x In para 80 %
4) Dimensionar K2 de acordo com a In do motor:
OBSERVAÇÕES:
1) O fusível deve suportar a IpY sem fundir-se
(tempo de partida em estrela em torno de 9 a 11
segundos);
2)SeofusívelencontradoforabaixodaIndomotor,
deve-seoptarpelopróximofusíveldaescalaimedia-
tamentesuperioracorrentenominaldomotor.
K2
= In
0004BA0104104 - ELETRICISTA INSTALADOR INDUSTRIAL
66
SENAI-PR
6) Com uma das correntes de partida, ir na Tabela 3 e ou 4 e localizar o fusível.
OBS: O fusível deve suportar a Ipc sem fundir-se (tempo de partida do motor em torno
de 14 a 16 segundos).
7) Relé de sobrecarga:
Ver Tabela 1 e localizar o relé.
EXEMPLOS DE DIMENSIONAMENTO
PARTIDA DIRETA
Selecionar os dispositivos de comando (contator) e de proteção (fusíveis e relê de sobre-
carga) para o motor trifásico com os seguintes dados:
1730 RPM
P = 4 CV
In = 11,4 A em 220 V
Ip/In = 7,4
F.S. = 1,15
OBS.:
1) Considerar categoria de emprego para o contator, a AC3
2) Tempo de partida do motor = 4 segundos
v Com o valor encontrado, ir na Tabela 1 e achar o contator baseado na corrente máxi-
ma de serviço;
v Através do contator encontrado, localizar o fusível máximo;
5) Calcular a corrente de partida em compensadora:
Ipc65%
= 0,42 x Ip∆∆
IpD = InxCod. ou
Ip
In
IpD = In .
0004BA0104104 - ELETRICISTA INSTALADOR INDUSTRIAL
67
SENAI-PR
PARTIDA EM ESTRELA - TRIÂNGULO
Seleciomar os dispositivos de comando (contatores) e de proteção (fusíveis e relè de
sobrecarga) para o motor trifásico com os seguintes dados:
3520 RPM
P = 30 CV
In = 70 A em 220 V
Ip/In = 9,2
F.S. = 1,15
OBS.:
1) Conciderar categoria de emprego para o contator, a AC3
2) Tempo de partida do motor = 10 segundos
PARTIDA EM COMPENSADORA
Selecionar os dispositivos de comando (contatores) e de proteção (fusíveis e relé de
sobrecarga) para o motor trifásico com os seguintes dados:
1775 RPM
P = 60 CV
In = 140 A em 220 V
Ip/In = 8
F.S. = 1,0
OBS.:
1) Considerar categoria de emprego para o contator, a AC3
2) Tempo de partida do motor = 15 segundos
0004BA0104104 - ELETRICISTA INSTALADOR INDUSTRIAL
68
SENAI-PR
TABELA DE CONTADORESTABELA DE CONTADORES
0004BA0104104 - ELETRICISTA INSTALADOR INDUSTRIAL
69
SENAI-PR
TABELA DE SEGURANÇA - TIPO DTABELA DE SEGURANÇA - TIPO D
0004BA0104104 - ELETRICISTA INSTALADOR INDUSTRIAL
70
SENAI-PR
TABELA DE SEGURANÇA - TIPO NHTABELA DE SEGURANÇA - TIPO NH
0004BA0104104 - ELETRICISTA INSTALADOR INDUSTRIAL
71
SENAI-PR
CÁLCULO DOS ALIMENTADORESCÁLCULO DOS ALIMENTADORES
No cálculo dos alimentadores devem ser seguidas as seguintes condições básicas:
1) Obediência aos limites de queda de tensão estabelecidos por norma (NBR 5410/90).
2) Obediência a capacidade de condução de corrente do condutor.
CLASSIFICAÇÃO DOS ALIMENTADORES
a) ALIMENTADORES DE ILUMINAÇÃO
Para este tipo de alimentador, a queda de tensão do medidor até o ponto final de consu-
mo, deverá ser de 4%, sendo 2% no alimentador e 2% nos ramais.
b) ALIMENTADORES DE FORÇA
Podemos encontrar as seguintes distribuições de alimentadores:
1) Radial - A carga é alimentada diretamente pelo quadro de distribuição, sendo a queda
máxima entre o quadro e a carga de 5%.
0004BA0104104 - ELETRICISTA INSTALADOR INDUSTRIAL
72
SENAI-PR
2) Linear - Já neste caso, a queda de tensão poderá ser distribuída em 4 % na linha que
alimenta os ramais e 1% nos ramais.
3) Mista - Tem-se aqui uma combinação dos tipos de distribuições acima mencionadas.
Para alimentadores trifásicos, devem ser feitas as seguintes recomendações:
1) Para cargas resistivas, a corrente de cálculo deve ser igual a corrente nominal .
2) Para cargas indutivas , a corrente de cálculo deve ser acrescida dos seguintes valo-
res:
v 25 % para o(s) maior(es) motor(es) em potência;
v 15 % para o(s) motor(es) imediatamente inferior(es) ao maior(es).
3) Considerar a In para os demais motores.
0004BA0104104 - ELETRICISTA INSTALADOR INDUSTRIAL
73
SENAI-PR
Pe = Potência Efetiva ( W )
MONOFÁSICO I = P(w) / E * COS ϕ
Pr = Potência Reativa ( VAr )
TRIFÁSICO I = P(w) / 3 * E * COS ϕ
Pa = Potência Aparente ( VA )
MONOFÁSICO
S = ( 200 * ρ / e% * E ) * Σ L * I
e% = ( 200 * ρ / S * E ) * Σ L * I
TRIFÁSICO
S = ( 100 * 3 * ρ / e% * E ) * Σ L * I
e% = ( 100 * 3 * ρ / S * E ) * Σ L * I
S = Seção do condutor em ( mm2
)
ρ = Resistividade elétrica do condutor
Para o cobre : ( 1/56 Ω * mm2
/m)
E = Tensão de alimentação da carga em ( V )
e%
= Queda de tensão percentual
L = Comprimento do trecho percorrido pela corrente em ( m )
I = Corrente no comprimento considerado em ( A )
0004BA0104104 - ELETRICISTA INSTALADOR INDUSTRIAL
74
SENAI-PR
TABELA CAPACIDADE DE CONDUÇÃOTABELA CAPACIDADE DE CONDUÇÃO
0004BA0104104 - ELETRICISTA INSTALADOR INDUSTRIAL
75
SENAI-PR
CÁLCULO DE CONVERSÃO DE POTÊNCIACÁLCULO DE CONVERSÃO DE POTÊNCIA
Potência Elétrica: é o trabalho realizado pela corrente elétrica na unidade de tempo.
A grandeza potência elétrica é quem nos informa a capacidade do aparelho em transfor-
mar energia elétrica em outras formas de energia. Portanto, quanto maior a potência elétrica
de um receptor, mais corrente elétrica o mesmo consome e, mais energia ele produz. Veja o
exemplo a seguir.
A lâmpada de esquerda tem uma potência elétrica três vezes maior do que a lâmpada da
direita, como conseqüência, o consumo é proporcional.
Outro exemplo:
O mesmo caso se aplica aqui. O motor da esquerda tem potência três vezes maior que
o motor da direita. Logo, tanto a quantidade de energia que o motor produzirá e o consumo
serão cerca de três vezes maior que o motor da direita.
Desses dois exemplos, podemos perceber as unidades referentes a potência elétrica
usadas para os aparelhos, ou seja:
Lâmpadas e outros aparelhos resistivos => WATT (W)
Motores elétricos em geral => CAVALO-VAPOR (CV)
HORSE-POWER (HP)
0004BA0104104 - ELETRICISTA INSTALADOR INDUSTRIAL
76
SENAI-PR
RELAÇÃO ENTRE “WATT” , “CV” e “HP”
1 Cavalo-Vapor (CV) = 736 Watts
1 Horse-Power (HP) = 746 Watts
1 Cavalo-Vapor (CV) = 0,9867 HP
1 Horse-Power (HP) = 1,0136 CV
EXEMPLOS
1) Quantos Watts tem um motor de 7,5 CV?
1 CV ————— 736 Watts
7,5 CV ————— X
7,5 x 736
X = —————
1
X = 5.520 Watts
Logo, um motor de 7,5 CV tem 5520 Watts.
2) Quantos Watts possui um motor de 15 HP?
1 HP ———— 746 Watts
15 HP ———— X
15 x 746
X = —————
1
X = 11.190 Watts
Logo, um motor de 15 HP possui 11.190 Watts
0004BA0104104 - ELETRICISTA INSTALADOR INDUSTRIAL
77
SENAI-PR
GRAU DE PROTEÇÃOGRAU DE PROTEÇÃO
GRAU DE PROTEÇÃO DE MOTORES (IP)
O grau de proteção dos motores elétricos é normalmente expresso através de 2 dígitos.
O primeiro indica a proteção contra corpos sólidos que varia de 50 mm de tamanho até chegar
ao pó.
Dígito Indicação do Primeiro Dígito
0 Não protegido
1 Protegido contra objetos sólidos maiores que 50 mm
2 Protegido contra objetos sólidos maiores que 12 mm
3 Protegido contra objetos sólidos maiores que 2,5 mm
4 Protegido contra objetos sólidos maiores que 1,0 mm
5 Protegido contra poeira prejudicial ao motor
6 Totalmente protegido contra poeira
O segundo dígito indica a proteção contra água
Dígito Indicação do Segundo Dígito
0 Não protegido
1 Protegido contra quedas verticais de gotas de água
2
Protegido contra quedas de gotas de água para uma inclinação
máxima de 15 graus
3 Protegido contra água espergida de um ângulo de 60 graus da vertical (chuva)
4 Protegido contra projeções de água de qualquer direção
5 Protegido contra jatos de água de qualquer direção
6 Protegido contra ondas do mar ou de água projetada em jatos potentes
7 Protegido contra imersão e água, sob condições definidas de tempo e pressão
8
Protegido para submersão contínua em água, nas condições
especificadas pelo fabricante
0004BA0104104 - ELETRICISTA INSTALADOR INDUSTRIAL
78
SENAI-PR
CATEGORIA DE MOTORESCATEGORIA DE MOTORES
CATEGORIA DE MOTORES ELÉTRICOS DE INDUÇÃO TRIFÁSICOS
Conforme as suas características de conjugado em relação à velocidade e corrente de
partida, os motores de indução trifásicos com rotor de gaiola, são classificados em categorias,
cada uma adequada a um tipo de carga. Estas categorias são definidas em norma (NBR
7094), e são as seguintes:
Categoria N
Conjugado de partida normal, corrente de partida normal e baixo escorregamento. Constitu-
em a maioria dos motores encontrados no mercado, prestando-se ao acionamento de cargas
normais, como bombas, máquinas operatrizes, ventiladores.
Categoria H
Conjugado de partida alto, corrente de partida normal e baixo escorregamento. Usados
para cargas que exigem maior conjugado na partida, como peneiras, transportadores carrega-
dores, cargas de alta inércia, britadores, etc.
Categoria D
Conjugado de partida alto, corrente de partida normal e alto escorregamento (> que 5%).
Usados em prensas excêntricas e máquinas semelhantes, onde a carga apresenta picos pe-
riódicos. Usados também em elevadores e cargas que necessitam de conjugados de partida
muito altos e corrente de partida limitada.
0004BA0104104 - ELETRICISTA INSTALADOR INDUSTRIAL
79
SENAI-PR
FATOR DE POTÊNCIAFATOR DE POTÊNCIA
Para entendermos melhor o que venha ser fator de potência, definiremos antes alguns
conceitos importantes:
Potência - capacidade de produzir trabalho na unidade de tempo;
Potência ativa ou efetiva - é aquela que efetivamente produz trabalho útil. É normal-
mente expressa em quilo-watt (kW);
Potência reativa - é utilizada para criar o fluxo magnético necessário ao funcionamento
de equipamentos indutivos como os motores elétricos, transformadores e reatores. É expres-
sa em quilovolt-ampere-reativo (kVAr);
Potência aparente - é a potência total absorvida por uma instalação elétrica, e é normal-
mente expressa em (kVA) .
Energia - é a utilização da potência num determinado intervalo de tempo;
Energia ativa ou efetiva - utilização da potência ativa durante qualquer período de tem-
po. É normalmente expressa em kWh;
Energia reativa - é a utilização da potência reativa em um período de tempo qualquer.
Expressa em (kVArh);
Os equipamentos elétricos podem consumir energia ativa e/ou reativa para o seu funci-
onamento.
A soma geométrica das potências ativa e reativa resulta na potência aparente como
mostra a figura abaixo:
0004BA0104104 - ELETRICISTA INSTALADOR INDUSTRIAL
80
SENAI-PR
cos ϕ =ϕ = Kwh / KVAh = KW / KVA
O fator de potência ou cos ϕ pode ser expresso pela relação:
O baixo fator de potência numa instalação elétrica geralmente provoca:
v perdas de energia dentro das instalações;
v danos em equipamentos devido à sobrecarga;
v aumento de desgaste nos dispositivos de proteção de manobras;
v aumento de investimentos em condutores e equipamentos elétricos sujeitos à limitação
térmica de corrente;
v obstrução de capacidade dos equipamentos, impedindo a ligação de novas cargas;
v queda de tensão nos circuitos de distribuição de energia elétrica e flutuações de tensão,
que podem provocar a queima de motores;
v dificuldades de regulação do sistema.
As principais causas do baixo fator de potência são:
v motores e/ou transformadores operando em “vazio“ ou com pequenas cargas;
v motores e/ou transformadores superdimensionados;
v lâmpadas de descarga sem reatores de alto fator de potência;
v grande quantidade de motores de pequena potência;
v o acionamento de máquinas operatrizes nas indústrias é feito através de motores
elétricos.
0004BA0104104 - ELETRICISTA INSTALADOR INDUSTRIAL
81
SENAI-PR
F A T O R D E P O T Ê N C I A
N Ú M E R O D E P Ó L O S
CV II IV VI VIII
3600 RPM 1800 RPM 1200 RPM 900 RPM
1 0,800 0,730 0,690 0,660
1,5 0,870 0,810 0,670 0,560
2 0,930 0,810 0,710 0,620
3 0,830 0,840 0,710 0,690
4 0,830 0,830 0,740 0,700
5 0,870 0,850 0,750 0,730
6 0,880 0,830 0,770 0,640
7,5 0,860 0,860 0,720 0,670
10 0,910 0,840 0,780 0,700
12,5 0,920 0,840 0,810 0,780
15 0,910 0,860 0,800 0,790
20 0,910 0,870 0,790 0,800
25 0,930 0,870 0,860 0,770
30 0,920 0,870 0,860 0,830
40 0,890 0,870 0,870 0,780
50 0,890 0,880 0,820 0,820
60 0,910 0,880 0,790 0,820
75 0,910 0,890 0,830 0,780
100 0,910 0,890 0,850 0,810
125 0,890 0,880 0,850 0,790
150 0,900 0,870 0,830 0,790
175 0,900 0,890 0,840
200 0,900 0,890 0,840
250 0,900 0,880
O fator de potência dos motores elétricos varia de motor para motor e também é influenciado
pelas condições de operação.
Para ilustrarmos melhor esta situação, vejamos a tabela:
Observe que o fator de potência aumenta com a potência do motor e diminui com o
aumento do número de pólos.
O instrumento utilizado para medir o fator de potência denomina-se fasímetro, também
chamado de cosfímetro. Os procedimentos para se corrigir o fator de potência são:
v dimensionar e utilizar corretamente os equipamentos elétricos;
v quando ocorrerem ampliações ou modificações previstas para as instalações industri-
ais, introduzir, se possível, equipamentos que aumentem o consumo de energia elétrica
ativa mas não reativa, tais como:
n motores síncronos de alto fator de potência com operação à plena carga;
n fornos e outros equipamentos de aquecimento por resistência;
0004BA0104104 - ELETRICISTA INSTALADOR INDUSTRIAL
82
SENAI-PR
n reatores de alto fator de potência para lâmpadas de descarga;
n caldeiras elétricas;
n capacitores onde sejam necessário.
FATOR DE POTÊNCIA
Fator de Potência é o número que indica o quanto de energia elétrica é transformada
em outras formas de energia. Este número varia entre zero (0) e a unidade (1).
Um fator de potência igual a 1 indica que o aparelho utilizou toda a energia elétrica consumida,
transformando - a em outras formas de energia. Um aparelho que apresentasse o fator de potên-
cia igual a zero não transformaria nenhuma energia elétrica, ou seja, estaria desperdiçando toda
a energia recebida.
CONSEQÜÊNCIAS DE UM BAIXO FATOR DE POTÊNCIA
a) crescimento da conta de energia elétrica;
b) crescimento na queda de tensão;
c) sobrecarga no sistema elétrico;
d) iluminação reduzida;
e) aumento das perdas de energia por calor.
CAUSAS DO BAIXO FATOR DE POTÊNCIA
a) instalação de lâmpadas fluorescentes;
b) retificadores;
c) equipamentos eletrônicos;
d) motores de indução subcarregados;
e) transformadores em vazio ou superdimensionados.
OBJETIVOS PRINCIPAIS DA MELHORIA DO FATOR DE POTÊNCIA
a) redução dos custos com energia elétrica;
b) liberação da capacidade do sistema;
c) crescimento do nível de tensão, por diminuição das quedas;
d) redução das perdas do sistema.
0004BA0104104 - ELETRICISTA INSTALADOR INDUSTRIAL
83
SENAI-PR
CORREÇÃO DO FATOR DE POTÊNCIA
A primeira providência para corrigir o baixo fator de potência é a análise das causas que
levam a utilização excessiva de energia reativa. A eliminação dessas causas passa pela raciona-
lização do uso de equipamentos superdimensionados, redistribuir cargas pelos diversos circuitos,
etc, pode eventualmente, solucionar o problema de excesso de reativo nas instalações.
A partir destas providências uma forma de reduzir a circulação de energia reativa pelo
sistema elétrico, consiste em produzí-la, o mais próximo da carga, utilizando um equipamento
chamado capacitor.
Instalando-se capacitores junto às cargas indutivas, a circulação de energia reativa fica
limitada a estes equipamentos. Na prática, a energia reativa passa a ser fornecida pelos
capacitores, liberando parte da capacidade do sistema elétrico e das instalações da unidade
consumidora. Isso é comumente chamado de compensação de energia reativa.
Quando está havendo consumo de energia reativa caracterizando uma situação de com-
pensação insuficiente, o fator de potência é chamado de indutivo. Quando está havendo um
fornecimento de energia reativa à rede, caracterizando uma situação de compensação exces-
siva o fator de potência é chamado de capacitivo.
CONSIDERAÇÕES FINAIS
O decreto n° 479 de 20/03/92 reiterou a obrigatoriedade de se manter o fator de potência o
mais próximo possível da unidade, tanto pelas concessionárias quanto pelos consumidores.
A nova legislação pertinente, estabelecida pelo Departamento Nacional de Águas e Ener-
gia Elétrica, introduz uma nova forma de abordagem do ajuste pelo baixo fator de potência,
com os seguintes aspectos relevantes: - aumento do limite mínimo do fator de potência de
0,85 para 0,92, - faturamento de energia reativa capacitiva excedente e - redução do período de
avaliação do fator de potência de mensal para horário, a partir de 1996.
0004BA0104104 - ELETRICISTA INSTALADOR INDUSTRIAL
84
SENAI-PR
FUNDAMENTAÇÃO TEÓRICA DO FATOR DE POTÊNCIA
v Potência ativa (kW): é a energia que realmente é transformada em outra forma de ener-
gia. É a energia elétrica aproveitada, ou seja, a energia que consumimos e pagamos;
v Potência reativa (kVar): é a energia trocada entre o gerador e o receptor, não sendo
consumida, portanto é uma energia não transformada, ou seja, não gera trabalho ne-
nhum (desperdício). É a energia que não consumimos mas pagamos;
v Potência aparente (kVA): é a soma vetorial das duas potências anteriores. É a potência
gerada e transmitida a carga.
3=P x E x I x cos ϕ
P aparente (kVA) = P ap.cos ϕ (kW) + P ap.sen ϕ (kVar) (kVar)
FP = Potência ativa (kW) / Potência aparente (kVA) = cos ϕ
FP = fator de potência
0004BA0104104 - ELETRICISTA INSTALADOR INDUSTRIAL
85
SENAI-PR
CONSIDERAÇÕES
a ) se ϕ = 0 tem - se cos ϕ = 1, logo:
P aparente ( kVA ) = P ativa ( kW )
v Nestas considerações enquadram - se os aparelhos que possuem resistência elétrica:
Ex. : chuveiros, aquecedores, ferro elétrico, lâmpadas incandescentes.
b) se 0 < ϕ < 90° tem - se
P aparente ( kVA ) = P ativa ( kW ) + P reativa ( kV ar)
v Enquadram - se nesta característica os aparelhos que possuem enrolamento.
Ex. : motor elétrico, reator, transformador, etc.
c ) se ϕ = 90° tem - se cos ϕ = 0, logo
P aparente( kVA) = P reativa (kVar)
v Não existe aparelho nenhum que utilize esta forma de energia.
FORMULÁRIO PARA O CÁLCULO DAS POTÊNCIAS ATIVAS (W)
v Circuitos monofásicos de corrente alternada:
P = E x I x cos ϕ
v Circuitos trifásicos:
3=P x E x I x cos ϕ
0004BA0104104 - ELETRICISTA INSTALADOR INDUSTRIAL
86
SENAI-PR
RENDIMENTO E PERDARENDIMENTO E PERDA
RENDIMENTO E PERDAS NOS MOTORES ELÉTRICOS
O rendimento do motor, ou seja, a eficiência, esta relacionada diretamente com as per-
das que se produzem com seu funcionamento. Perdas estas das mais variadas, sendo as
mais importantes:
v Perdas por efeito Joule (aquecimento) no estator e no rotor:
As perdas por efeito Joule são as que se verificam nos condutores estatóricos e rotóricos
por efeito da passagem da corrente elétrica.
v Perdas mecânicas:
As perdas mecânicas são as devidas aos atritos nos suportes e à ventilação, por isso
dependem do tipo de suporte, dos processos de lubrificação, dos sistemas de ventilação
e da velocidade de rotação do motor.
Podemos expressar o rendimento dos motores elétricos percentualmente através de:
Pe
Pf
=η
Onde:
Pe
= potência efetiva em W
Pf
= potência final também em W
O cálculo dessas perdas é muito complexo, pois cada tipo de perda tem um peso dife-
rente para cada tipo de motor. A tabela a seguir mostra como varia o rendimento do motor
conforme suas características com relação à rotação e sua potência elétrica.
0004BA0104104 - ELETRICISTA INSTALADOR INDUSTRIAL
87
SENAI-PR
R E N D I M E N T O S
N Ú M E R O D E P Ó L O S
CV II IV VI VIII
3600 RPM 1800 RPM 1200 RPM 900 RPM
1 0,809 0,759 0,794 0,750
1,5 0,829 0,795 0,792 0,805
2 0,830 0,825 0,840 0,841
3 0,851 0,848 0,847 0,862
4 0,863 0,862 0,870 0,865
5 0,860 0,873 0,875 0,881
6 0,874 0,880 0,882 0,881
7,5 0,887 0,890 0,893 0,897
10 0,901 0,901 0,901 0,907
12,5 0,905 0,909 0,905 0,910
15 0,910 0,917 0,902 0,914
20 0,920 0,923 0,906 0,919
25 0,915 0,925 0,921 0,927
30 0,923 0,930 0,932 0,930
40 0,931 0,933 0,933 0,930
50 0,932 0,935 0,932 0,936
60 0,927 0,936 0,936 0,941
75 0,934 0,938 0,940 0,944
100 0,939 0,943 0,946 0,945
125 0,934 0,944 0,945 0,952
150 0,938 0,950 0,947 0,954
175 0,943 0,951 0,953
200 0,946 0,953 0,954
250 0,950 0,956
Dados extraídos de catálogo da WEG - Motores de Alto Rendimento (Linha Plus).
O ideal seria que o rendimento de um motor fosse igual a 1, ou seja, que não houvesse
perda nenhuma, mas isso não é possível.
De uma maneira geral, quanto maior a rotação e potência do motor, o rendimento do mes-
mo tende a aumentar. O rendimento do motor com relação a carga diminui em dois casos:
v Se o motor trabalhar com pouca carga;
v Com excesso de carga, principalmente quando é ultrapassada a carga normal. Daí a
importância dos motores estarem dimensionados corretamente de acordo com o conju-
gado requerido pela máquina.
Para efeitos de cálculos, o rendimento dos motores é da ordem de 80%. Isto significa
que 20% são perdas.
0004BA0104104 - ELETRICISTA INSTALADOR INDUSTRIAL
88
SENAI-PR
Exemplo:
Calcular as potências aparente, efetiva, reativa e final para o motor trifásico de indução
abaixo:
v 5 CV
v 1730 RPM
v 13,6 A / 220 V
v Ip/In = 7,5
v η = 83,5 %
v cos ϕ = 0,85
v F.S. = 1,15
Solução:
1) A potência aparente ( Pa
) é dada pela expressão:
Substituindo os valores, tem-se :
2) A potência efetiva ( Pe
) é dada pela expressão:
Substituindo os valores, temos:
3) A potência reativa ( Pr
) é dada pela expressão:
Logo, tem-se:
Pa = 3 x E x I
Pa = 3 x 220 x 13,6 =========> Pa = 5.182,30 VA ou 5,18 KVA
Pe = Pa x cos ϕϕ
Pe = 5.182,30 x 0,85 ============> Pe = 4.404,95 W ou 4,40 KW
Pr = P Pa e
2 2
−
Pr = 5182 30 4 404 952 2
. , . ,− =====> Pr = 2.729,94 VAr ou 2,73 KVAr
0004BA0104104 - ELETRICISTA INSTALADOR INDUSTRIAL
89
SENAI-PR
4) E a potência final ( Pf
) é obtida através da expressão:
Assim, temos:
RESUMO DAS POTÊNCIAS
Pf = Pe x ηη
Pf = 4.404,95 x 0,835 ===========> Pf = 3.678,13 W ou 3,68 KW
0004BA0104104 - ELETRICISTA INSTALADOR INDUSTRIAL
90
SENAI-PR
EXEMPLO
Numa indústria tem-se um consumo de 500 kW com um fator de potência de 70 %.
Deseja-se melhorá-lo para 95%. Pergunta-se:
1) Qual deve ser a potência reativa (kVAr) a ser instalada através de capacitores?
2) Qual a reducão da potência aparente (kVA) após a instalação dos mesmos?
3) Qual a redução de corrente com o aumento do fator de potência de 70% para 95%?
Solução :
1.a ) Determinação do número de kVAr com cos ϕ = 70%
Da Tabela 1 , com cos ϕ = 70%,
encontramos kVAr/kW = 1,020, ou seja:
1.b ) Determinação do número de kVAr com cos ϕ = 95 %
Da Tabela 1 , com cos ϕ = 95%,
encontramos kVAr/kW = 0,329, ou seja:
Logo, a quantidade de kVAr a ser instalada para que o fator de potência aumente de 70%
para 95% é dada pela diferença entre os kVAr calculados, ou seja:
kVAr = 1,020 x kW = 1,020 x 500 ==> kVAr = 510
kVAr = 0,329 x kW = 0,329 x 500 ==> kVAr = 164,5
kVAr (à instalar) = 510 - 164,5 ==> kVAr (à instalar) = 345,5
CÁLCULO FATOR DE POTÊNCIACÁLCULO FATOR DE POTÊNCIA
0004BA0104104 - ELETRICISTA INSTALADOR INDUSTRIAL
91
SENAI-PR
3) Supondo a tensão constante, as correntes antes e depois da instalação dos capacitores
são calculadas através das expressões :
Para cos ϕ = 70 % : I = kVA / 3 x E ==> I = 714,29 / 3x 220 ==> I = 1,87 kA
Para cos ϕ = 95 % : I = kVA / 3 x E ==> I = 526,32 / 3 x 220 ==> I = 1,38 kA
A redução de kVA é dada então através da diferença entre os kVA:
kVA (cos ϕ = 70 % )
- kVA(cos ϕ = 95 % )
= 714,29 - 526,32
Logo, tem-se ==> kVA(de redução) = 187,97
2) As potências aparente com cos ϕ = 70 % e cos ϕ = 95 % são :
kVA (cos ϕ = 70 % ) = kW / cos ϕ = 500 / 0,70 ==> kVA = 714,29
kVA (cos ϕ = 95 % ) = kW / cos ϕ = 500 / 0,95 ==> kVA = 526,32
0004BA0104104 - ELETRICISTA INSTALADOR INDUSTRIAL
92
SENAI-PR
T A B E L A 1
kW/kVA ou cos ϕϕ kVAr/kVA kVAr/kW kW/kVA ou cos ϕϕ kVAr/kVA kVAr/kW
1,00 0,000 0,000 0,50 0,866 1,732
0,99 0,141 0,142 0,49 0,872 1,779
0,98 0,199 0,203 0,48 0,877 1,828
0,97 0,243 0,251 0,47 0,883 1,878
0,96 0,280 0,292 0,46 0,888 1,930
0,95 0,312 0,329 0,45 0,893 1,985
0,94 0,341 0,363 0,44 0,898 2,041
0,93 0,368 0,395 0,43 0,903 2,100
0,92 0,392 0,426 0,42 0,908 2,161
0,91 0,415 0,456 0,41 0,912 2,225
0,90 0,436 0,484 0,40 0,917 2,291
0,89 0,456 0,512 0,39 0,921 2,361
0,88 0,475 0,540 0,38 0,925 2,434
0,87 0,493 0,567 0,37 0,929 2,511
0,86 0,510 0,593 0,36 0,933 2,592
0,85 0,527 0,620 0,35 0,937 2,676
0,84 0,543 0,646 0,34 0,940 2,766
0,83 0,558 0,672 0,33 0,944 2,861
0,82 0,572 0,698 0,32 0,947 2,961
0,81 0,586 0,724 0,31 0,951 3,067
0,80 0,600 0,750 0,30 0,954 3,180
0,79 0,613 0,776 0,29 0,957 3,300
0,78 0,626 0,802 0,28 0,960 3,429
0,77 0,638 0,829 0,27 0,963 3,566
0,76 0,650 0,855 0,26 0,966 3,714
0,75 0,661 0,882 0,25 0,968 3,873
0,74 0,673 0,909 0,24 0,971 4,045
0,73 0,683 0,936 0,23 0,973 4,231
0,72 0,694 0,964 0,22 0,975 4,434
0,71 0,704 0,992 0,21 0,978 4,656
0,70 0,714 1,020 0,20 0,980 4,899
0,69 0,724 1,049 0,19 0,982 5,167
0,68 0,733 1,078 0,18 0,984 5,465
0,67 0,742 1,108 0,17 0,985 5,797
0,66 0,751 1,138 0,16 0,987 6,169
0,65 0,760 1,169 0,15 0,989 6,591
0,64 0,768 1,201 0,14 0,990 7,073
0,63 0,777 1,233 0,13 0,992 7,627
0,62 0,785 1,265 0,12 0,993 8,273
0,61 0,792 1,299 0,11 0,994 9,036
0,60 0,800 1,333 0,10 0,995 9,950
0,59 0,807 1,368 0,09 0,996 11,066
0,58 0,815 1,405 0,08 0,997 12,460
0,57 0,822 1,441 0,07 0,998 14,251
0,56 0,828 1,479 0,06 0,998 16,637
0,55 0,835 1,518 0,05 0,999 19,975
0,54 0,842 1,559 0,04 0,999 24,980
0,53 0,848 1,600 0,03 1,000 33,318
0,52 0,854 1,643 0,02 1,000 49,990
0,51 0,860 1,687 0,01 1,000 99,995
0,00 1,000
RELAÇÃO ENTRE OS VALORES DE :
kW/kVA (cos ϕϕ) , kVAr/kVA e kVAr/kW
0004BA0104104 - ELETRICISTA INSTALADOR INDUSTRIAL
93
SENAI-PR
0004BA0104104 - ELETRICISTA INSTALADOR INDUSTRIAL
94
SENAI-PR
0004BA0104104 - ELETRICISTA INSTALADOR INDUSTRIAL
95
SENAI-PR
RELAÇÕES TRIGONOMÉTRICASRELAÇÕES TRIGONOMÉTRICAS
GRAU SENO CO-SENO TANGENTE GRAU SENO CO-SENO TANGENTE
0 0,00000 1,00000 0,00000 46 0,71934 0,69466 1,03553
1 0,01745 0,99985 0,01746 47 0,73135 0,68200 1,07237
2 0,03490 0,99939 0,03492 48 0,74314 0,66913 1,11061
3 0,05234 0,99863 0,05241 49 0,75471 0,65606 1,15037
4 0,06976 0,99756 0,06993 50 0,76604 0,64279 1,19175
5 0,08716 0,99619 0,08749 51 0,77715 0,62932 1,23490
6 0,10453 0,99452 0,10510 52 0,78801 0,61566 1,27994
7 0,12187 0,99255 0,12278 53 0,79864 0,60182 1,32704
8 0,13917 0,99027 0,14054 54 0,80902 0,58779 1,37638
9 0,15643 0,98769 0,15838 55 0,81915 0,57358 1,42815
10 0,17365 0,98481 0,17633 56 0,82904 0,55919 1,48256
11 0,19081 0,98163 0,19438 57 0,83867 0,54464 1,53986
12 0,20791 0,97815 0,21256 58 0,84805 0,52992 1,60033
13 0,22495 0,97437 0,23087 59 0,85717 0,51504 1,66428
14 0,24192 0,97030 0,24933 60 0,86603 0,50000 1,73205
15 0,25882 0,96593 0,26795 61 0,87462 0,48481 1,80405
16 0,27564 0,96126 0,28675 62 0,88295 0,46947 1,88073
17 0,29237 0,95630 0,30573 63 0,89101 0,45399 1,96261
18 0,30902 0,95106 0,32492 64 0,89879 0,43837 2,05030
19 0,32557 0,94552 0,34433 65 0,90631 0,42262 2,14451
20 0,34202 0,93969 0,36397 66 0,91355 0,40674 2,24604
21 0,35837 0,93358 0,38386 67 0,92050 0,39073 2,35585
22 0,37461 0,92718 0,40403 68 0,92718 0,37461 2,47509
23 0,39073 0,92050 0,42447 69 0,93358 0,35837 2,60509
24 0,40674 0,91355 0,44523 70 0,93969 0,34202 2,74748
25 0,42262 0,90631 0,46631 71 0,94552 0,32557 2,90421
26 0,43837 0,89879 0,48773 72 0,95106 0,30902 3,07768
27 0,45399 0,89101 0,50953 73 0,95630 0,29237 3,27085
28 0,46947 0,88295 0,53171 74 0,96126 0,27564 3,48741
29 0,48481 0,87462 0,55431 75 0,96593 0,25882 3,73205
30 0,50000 0,86603 0,57735 76 0,97030 0,24192 4,01078
31 0,51504 0,85717 0,60086 77 0,97437 0,22495 4,33148
32 0,52992 0,84805 0,62487 78 0,97815 0,20791 4,70463
33 0,54464 0,83867 0,64941 79 0,98163 0,19081 5,14455
34 0,55919 0,82904 0,67451 80 0,98481 0,17365 5,67128
35 0,57358 0,81915 0,70021 81 0,98769 0,15643 6,31375
36 0,58779 0,80902 0,72654 82 0,99027 0,13917 7,11537
37 0,60182 0,79864 0,75355 83 0,99255 0,12187 8,14435
38 0,61566 0,78801 0,78129 84 0,99452 0,10453 9,51436
39 0,62932 0,77715 0,80978 85 0,99619 0,08716 11,43005
40 0,64279 0,76604 0,83910 86 0,99756 0,06976 14,30067
41 0,65606 0,75471 0,86929 87 0,99863 0,05234 19,08114
42 0,66913 0,74314 0,90040 88 0,99939 0,03490 28,63625
43 0,68200 0,73135 0,93252 89 0,99985 0,01745 57,28996
44 0,69466 0,71934 0,96569 90 1,00000 0,00000
45 0,70711 0,70711 1,00000
RELAÇÕES TRIGONOMÉTRICAS NO TRIÂNGULO RETÂNGULO
0004BA0104104 - ELETRICISTA INSTALADOR INDUSTRIAL
96
SENAI-PR
BIBLIOGRAFIABIBLIOGRAFIA
1. Creder, Hélio. Instalações Elétricas 13a
Edição. Editora LTC. Rio de Janeiro - RJ.
2. Niskier, Júlio / Macintyre, A . J..Instalações Elétricas 2a
Edição. Editora LTC . Rio de Janei-
ro - RJ.
3. Alvarenga, Beatriz / Máximo, Antonio. Curso de Física 3 . 2a
Edição Editora Harbra. São
Paulo - SP.
4. Resnick, Halliday. Fundamentos de Física.
5. Apostila Anglo. 27 . Física - Eletrodinâmica.
6. Apostilas de Eletrotécnica do Senai.
7. Apostilas da Pirelli. Instalações Elétricas Residenciais. VOL 1 à 6.
8. Manual Pirelli de Instalações Elétricas. Editora Pini.
9. NTC 9-01100 – Fornecimento em tensão secundária de distribuição.
Catálogos Técnicos:
v Siemens
v Weg
v GE
v Osram
v Ficap
v Universal Peletri
v Catálogo geral de lâmpadas fluorescentes

Eletricista industrial partida

  • 1.
  • 2.
    Qualificação © SENAI -PR, 2004 0004BA0104104 Elaboração Técnica Edmir Carvelli Revisão Técnica Laércio Facina e Cláudio Alves Batista Equipe de editoração Coordenação do Labtec Eduardo Fayet Diagramação Virtual Grafic Design Ilustração Virtual Grafic Design Capa Ricardo Mueller de Oliveira Direitos reservados ao SENAI — Serviço Nacional de Aprendizagem Industrial Departamento Regional do Paraná Avenida Cândido de Abreu, 200 - Centro Cívico Telefone: (41) 350-7000 Telefax: (41) 350-7101 E-mail: senaidr@pr.senai.br CEP 80530-902 — Curitiba - PR S474e SENAI. PR Eletricista Instalador Industrial / SENAI. PR. -- Curitiba, 2004. 96 p. 1. Instalação Elétrica Industrial. CDU: 621.3 Ficha Catalográfica NIT - Núcleo de Informação Tecnológica Diretoria de Tecnologia SENAI - DR/PR
  • 3.
    SUMÁRIOSUMÁRIO MOTORES ELÉTRICOS ......................................................................................................5 MOTOR MONOFÁSICO DE CORRENTE ALTERNADA....................................................... 6 MOTOR TRIFÁSICO ............................................................................................................ 8 MOTOR 9 TERMINAIS ........................................................................................................ 12 MOTOR 12 TERMINAIS ...................................................................................................... 14 CHAVE DE PARTIDA – ESTRELA TRIÂNGULO ................................................................ 16 DISPOSITIVOS DE PROTEÇÃO ....................................................................................... 20 DISPOSITIVOS DE COMANDO ......................................................................................... 25 CHAVES MAGNÉTICAS ...................................................................................................... 29 PARTIDA ESTRELA-TRIÂNGULO ...................................................................................... 33 ESTRELA TRIÂNGULO COM REVERSÃO ........................................................................ 36 COMPENSADORA ............................................................................................................. 37 COMPENSADORA COM REVERSÃO ............................................................................... 38 3 MOTORES 1 COMPENSADORA .................................................................................... 39 DAHLANDER ...................................................................................................................... 40 DAHLANDER COM REVERSÃO ........................................................................................ 41 MOTOR 2 ENROLAMENTOS ............................................................................................. 42 MOTOR 2 ENROLAMENTOS COM REVERSÃO ............................................................... 43 PARTIDA ROTÓRICA ......................................................................................................... 44 PARTIDA ROTÓRICA COM REVERSÃO ........................................................................... 45 PARTIDA SÉRIE PARALELA .............................................................................................. 46 PARTIDA CONSECUTIVA ................................................................................................... 48 INTERRUPTOR FIM-DE-CURSO ....................................................................................... 49 RELÊ FALTA DE FASE ....................................................................................................... 51 CHAVE BÓIA ...................................................................................................................... 52 RELÊ DE NÍVEL ................................................................................................................. 53 SENSOR DE APROXIMAÇÃO............................................................................................ 54 FRENAGEM POR CORRENTE CONTÍNUA ....................................................................... 56 SISTEMAS DE PARTIDA .................................................................................................... 57 DIMENSIONAMENTO ......................................................................................................... 63 TABELA DE CONTADORES .............................................................................................. 68 TABELA DE SEGURANÇA - TIPO D .................................................................................. 69 TABELA DE SEGURANÇA - TIPO NH ................................................................................ 70 CÁLCULO DOS ALIMENTADORES ................................................................................... 71 TABELA CAPACIDADE DE CONDUÇÃO ........................................................................... 74
  • 4.
    CÁLCULO DE CONVERSÃODE POTÊNCIA .................................................................... 75 GRAU DE PROTEÇÃO ...................................................................................................... 77 CATEGORIA DE MOTORES .............................................................................................. 78 FATOR DE POTÊNCIA ....................................................................................................... 79 RENDIMENTO E PERDA ................................................................................................... 86 CÁLCULO FATOR DE POTÊNCIA ..................................................................................... 90 RELAÇÕES TRIGONOMÉTRICAS..................................................................................... 95 BIBLIOGRAFIA.................................................................................................................... 96
  • 5.
    0004BA0104104 - ELETRICISTAINSTALADOR INDUSTRIAL 5 SENAI-PR Motor elétrico é uma máquina capaz de transformar energia elétrica em mecânica. É o mais usado entre todos os tipos de motores, pois combina as vantagens da utilização da energia elétrica com o baixo custo, facilidade de transporte, limpeza e facilidade de comando, custo reduzido, grande versatilidade de adaptação às cargas dos mais diversos tipos e melho- res rendimentos. Os tipos mais comuns são: 1. Motores de corrente contínua São motores de custo mais elevados, além de necessitarem de uma fonte de corrente contínua. Podem funcionar com velocidade ajustável entre amplos limites e se prestam a contro- les de grande flexibilidade e precisão. Por isso seu uso é restrito a casos especiais onde estas exigências compensam o custo muito mais alto de sua instalação. 2. Motores de corrente alternada São os mais utilizados, pois a distribuição de energia elétrica é feita quase que totalmen- te em corrente alternada. Dentre os principais tipos de motores de corrente alternada pode- mos citar: v Motor síncrono: funciona com velocidade fixa. É utilizado somente para grandes potên- cias (em função de seu alto custo para motores de pequena potência) ou quando se necessite de velocidade invariável. v Motor de indução: funciona normalmente com velocidade constante, que pode variar ligeiramente com a carga mecânica aplicada ao eixo. Devido a sua grande simplicidade, robustez e baixo custo, é o motor elétrico mais usado entre todos, sendo adequado para quase todos os tipos de máquinas acionadas, encontradas na prática. MOTORES ELÉTRICOSMOTORES ELÉTRICOS
  • 6.
    0004BA0104104 - ELETRICISTAINSTALADOR INDUSTRIAL 6 SENAI-PR MOTOR MONOFÁSICO DEMOTOR MONOFÁSICO DE CORRENTE ALTERNADACORRENTE ALTERNADA É aquele projetado para ser alimentado por circuito de corrente monofásica ou bifásica. Os principais tipos são: v de fase dividida; v de arranque capacitivo; v de pólos amortecedores; v universal. Dentre estes trataremos do motor monofásico de arranque capacitivo por ser um dos mais utilizados. Este motor é constituído por duas partes principais. Uma fixa (estator) que é formado por chapas finas de ferro silicioso, isoladas eletricamente e prensadas umas junto às outras. É no estator onde os enrolamentos são alojados. A parte móvel (rotor) é também forma- da por um conjunto de finas chapas de ferro silicioso isoladas eletricamente umas das outras. Os elementos principais responsáveis pelo funcionamento deste tipo de motor são: v enrolamento de trabalho ou principal - é o enrolamento que entra em funcionamento a partir do momento em que o motor é ligado e só deixa de funcionar quando o mesmo é desligado; v enrolamento de partida ou auxiliar - enrolamento que devido à sua combinação com o capacitor, proporciona um outro campo magnético, que em conjunto com o campo mag- nético produzido pelo enrolamento de trabalho, irá provocar a partida do motor. v interruptor centrífugo - dispositivo que tem a função de colocar o enrolamento de parti- da em funcionamento no instante da partida e de retirá-lo quando o motor atingir aproxi- madamente 75 % de sua rotação nominal . v capacitor - tem a função de ajudar na partida do motor.
  • 7.
    0004BA0104104 - ELETRICISTAINSTALADOR INDUSTRIAL 7 SENAI-PR A numeração interna dos enrolamentos de partida e de trabalho, assim como as liga- ções externas (ligações que se encontram na placa de identificação do motor) estão repre- sentadas abaixo:
  • 8.
    0004BA0104104 - ELETRICISTAINSTALADOR INDUSTRIAL 8 SENAI-PR MOTOR TRIFÁSICOMOTOR TRIFÁSICO É um motor próprio para ser alimentado por um sistema elétrico de 3 fases. São motores de emprego mais amplo na indústria. Oferecem melhores condições de operação do que os monofásicos (não necessitam de auxílio na partida e apresentam rendimento mais elevados), e não dependem de redes elétricas especiais como os motores de corrente contínua. Este tipo de motor é utilizado em inúmeras situações, atendendo a uma variada gama de potência. Eles podem ser de vários tipos: v assíncrono de rotor em curto: para serviços que não exijam velocidades variáveis e partida com carga, como moinhos, ventiladores, prensas, bombas centrífugas, máquinas operatrizes, etc; v assíncrono de rotor bobinado: para serviços que requerem velocidade variável e partida com carga, como compresso- res, transportadores, guindastes, pontes rolantes, etc; v síncrono: para serviços que exijam velocidade constante ou onde se deseja corrigir o fator de po- tência da rede elétrica. Entre os tipos de motores de C.A. citados, o motor assíncrono com rotor em curto é o mais utilizado. Por este motivo, iniciaremos nossos estudos sobre motores elétricos trifásicos com ele. Este motor, assim como os monofásicos, também são formados por duas partes principais:uma fixa, chamada estator e outra móvel, denominada rotor. É no estator onde encontramos as bobinas que são isoladas do núcleo e distribuídas nas ranhuras do mesmo.
  • 9.
    LIGAÇÃO INTERNA DEMOTOR TRIFÁSICO DE 6 TERMINAIS Na ligação triângulo 220 V ( D ) as bobinas são agrupadas de acordo com o esquema abaixo representado: Já na ligação estrela 380 V ( Y ) tem-se: LIGAÇÕES EXTERNAS DO MOTOR TRIFÁSICO DE 6 TERMINAIS
  • 10.
    0004BA0104104 - ELETRICISTAINSTALADOR INDUSTRIAL 10 SENAI-PR Para identificarmos os terminais deste motor, podemos seguir o roteiro abaixo: 1) Através de um multímetro (na função Ohm), de um teste de continuidade ou com o auxí- lio de uma lâmpada para teste, localizar as 3 bobinas internas; 2) Separe três pontas, uma de cada conjunto e junte-os; 3) As três restantes coloque R, S e T; 4) Energize o motor; 5) Se funcionar, os pontos que estão em R, S e T são os pontos 1, 2 e 3 e de acordo com o fechamento interno numere os três restantes, o par da 1 é o número 4, o par da 2 é o número 5 e o par da 3 é a número 6. 6) Se não funcionar, inverta uma bobina pela do seu par e refaça o teste. Se ainda não deu, volte na posição inicial e inverta outra bobina; faça isso até funcionar. OBSERVAÇÕES: 1. Para inverter-se o sentido de rotação do motor, basta trocar uma linha por outra qualquer. Por exemplo, a Linha1 com a Linha2 . 2. Na ligação Y, (estrela) a alimentação das bobi- nas podem ser invertidas, ou seja, as linhas energizam os terminais 4, 5 e 6 , enquanto que os de números 1, 2 e 3 são curto-circuitados. 3. A identificação dos terminais do motor também pode ser encontrada através de letras. A corres- pondência com os números são: U - 1 V - 2 W - 3 X - 4 Y - 5 Z - 6
  • 11.
    0004BA0104104 - ELETRICISTAINSTALADOR INDUSTRIAL 11 SENAI-PR 1) Como são ligadas internamente os enrolamentos do motor trifásico de indução de seis terminais? 2) Mostrar o esquema de ligação dos terminais do motor em 220 V. 3) Mostrar o esquema de ligação dos terminais do motor em 380 V. 4) O que é necessário para se inverter o sentido de rotação do motor trifásico? 5) Mostrar o diagrama de ligação de uma chave reversora trifásica para ligação de um motor em 220 V. (Representar a chave nas 3 posições). Solucionando Problemas
  • 12.
    0004BA0104104 - ELETRICISTAINSTALADOR INDUSTRIAL 12 SENAI-PR MOTOR 9 TERMINAISMOTOR 9 TERMINAIS MOTOR TRIFÁSICO DE 9 TERMINAIS
  • 13.
    0004BA0104104 - ELETRICISTAINSTALADOR INDUSTRIAL 13 SENAI-PR MOTOR TRIFÁSICO DE 9 TERMINAIS
  • 14.
    0004BA0104104 - ELETRICISTAINSTALADOR INDUSTRIAL 14 SENAI-PR MOTOR 12 TERMINAISMOTOR 12 TERMINAIS MOTOR TRIFÁSICO DE 12 TERMINAIS
  • 15.
    0004BA0104104 - ELETRICISTAINSTALADOR INDUSTRIAL 15 SENAI-PR MOTOR TRIFÁSICO DE 12 TERMINAIS
  • 16.
    0004BA0104104 - ELETRICISTAINSTALADOR INDUSTRIAL 16 SENAI-PR CHAVE DE PARTIDA – ESTRELA TRIÂNGULOCHAVE DE PARTIDA – ESTRELA TRIÂNGULO A chave de partida estrela-triângulo tem por objetivo limitar a corrente de partida do motor no instante de sua partida. É utilizada para atender às exigências das companhias fornecedoras de energia elétrica que consideram necessário o emprego de dispositivos especiais para limitar a corrente de partida, a fim de evitar perturbações no funcionamento de instalações vizinhas. Para a utiliza- ção deste sistema de partida, necessita-se observar os seguintes critérios: v Quanto a carga - o motor deverá partir com a máquina acionada em vazio, isto é, sem carga aplicada a seu eixo. A mesma só poderá ser incrementada à máquina após o motor ter atingido aproximadamente 80 % de sua velocidade síncrona. v Quanto a tensão da rede - deverá ser igual ao valor de tensão da ligação ∆ do motor e não ser superior a 500V. v Quanto ao motor - deverá atender as seguintes exigências: 1) Possuir pelo menos 6 terminais para ligação (1, 2, 3, 4, 5, 6 ou U, V, W, X, Y, Z ); 2) Ter disponibilidade de ligação em dupla tensão, ou seja, 220 / 380 V, 380 / 660 V ou 440 V / 760 V. As tensões duplas deverão estar relacionadas matematicamente pelo fator trifásico ( 3 ). A tabela seguinte mostra quando podemos usar este tipo de partida em função da tensão da rede e das tensões de ligações dos motores a serem comandados: Tensão da rede Tensão de ligação em D Tensão de ligação em Y 220 V 220 V 380 V 380 V 380 V 660 V 440 V 440 V 760 V
  • 17.
    0004BA0104104 - ELETRICISTAINSTALADOR INDUSTRIAL 17 SENAI-PR A ligação estrela-triângulo apresenta vantagens em relação a partida direta do motor como a redução da corrente de partida para 25 a 30 % da corrente de partida direta na ligação estrela. Se a partida fosse direta a ligação absorveria da rede 500 % da corrente nominal. Em contra partida tem-se também a potência do motor reduzida a 1/3 da nominal . CHAVE DE PARTIDA – COMPENSADORA Dispositivo para partida de motor elétrico com tensão reduzida. Seu emprego é justificado em atendimento as exigências das companhias fornecedoras de energia elétrica, a fim de evitar perturbações nas redes vizinhas devida à acentuada queda de tensão provocada pela corrente de partida. Este sistema de partida de motores vem atender também um detalhe técnico importante que é o de permitir a partida do motor sob carga. Os terminais do motor deverão ser conectados de acordo com a tensão da rede. A tensão na chave é reduzida através do autotransformador que possui normalmente “taps” de 65% e 80% da tensão nominal da rede. A manobra para a posição definitiva de funcionamento deve ser feita quando o motor alcançar aproximadamente 80% de sua veloci- dade nominal para receber tensão plena . É obrigatória a instalação de um seccionador com fusíveis antes da chave compensadora para proteção da mesma. A principal desvantagem deste tipo de partida para motores está no seu maior custo em função do autotransformador, além da limitação de sua freqüência de manobra, pois devem ser respeitados os números de partidas bem como sua duração para um determinado interva- lo de tempo. Outro fator negativo neste sistema de partida com chave manual é que na passagem de tensão reduzida para tensão plena, o motor é desligado. Isto faz com que se tenha um novo pico de corrente quando a tensão no motor é restabelecida.
  • 18.
    0004BA0104104 - ELETRICISTAINSTALADOR INDUSTRIAL 18 SENAI-PR CHAVE COMUTADORA DE PÓLOS Dispositivo previsto para proporcionar duas ou mais velocidades a um motor através da comutação do número de pólos de seu enrolamento ou entre dois enrolamentos do mesmo. A velocidade síncrona (ns ) de um motor é definida pela velocidade de rotação do cam- po girante, a qual depende do número de pólos do motor (p) e da freqüência da rede (f) dada em Hertz ou ciclo por segundo. A velocidade do campo então pode ser expressa da seguinte maneira: p f ns × = 120 Assim, temos as seguintes velocidades síncronas para os valores de número de pólos abaixo representados: Quando o motor gira numa velocidade diferente da velocidade síncrona, temos um motor assíncrono. A diferença percentual entre a velocidade do motor e a velocidade síncrona é definida como escorregamento ( S ) que pode ser calculado pela fórmula: 100(%) x ns nns S − = Número de Pólos Rotações Por Minuto ( síncrona ) do Motor 50 Hz 60 Hz 2 3000 3600 4 1500 1800 6 1000 1200 8 750 900 Os motores de rotor de gaiola apresentam escorregamento entre 2 a 5 %. Por exemplo, um motor com 1750 RPM ( IV pólos ) possui escorregamento de: S(%) = ( 1800 - 1750 ) / 1800 x 100 S = 2,77 %
  • 19.
    0004BA0104104 - ELETRICISTAINSTALADOR INDUSTRIAL 19 SENAI-PR 0 1 2 Ligar as chaves de comutação polar:
  • 20.
    0004BA0104104 - ELETRICISTAINSTALADOR INDUSTRIAL 20 SENAI-PR DISPOSITIVOS DE PROTEÇÃODISPOSITIVOS DE PROTEÇÃO Os condutores e equipamentos que fazem parte de um circuito elétrico devem ser prote- gidos automaticamente contra correntes de curto-circuito e contra sobrecargas de longa duração (intensidade de corrente acima do valor compatível com o aquecimento do condutor e que poderiam danificar a isolação do mesmo ou deteriorar o equipamento). Quando ocorrer um curto-circuito, o dispositivo de proteção deverá interromper a corrente antes que os efeitos térmicos e mecânicos da mesma possam tornar-se perigosos aos condutores, terminais e equipamentos. A) FUSÍVEIS São dispositivos de proteção com corpo de porcelana, com suficiente resistência mecâ- nica, com extremidades metálicas interligadas internamente pelo élo fusível e imerso em areia de granulação adequada. Finalidade: Os fusíveis tem a finalidade de proteger um circuito elétrico (equipamento, fiação) contra corrente de curto-circuito ou sobrecarga de longa duração. Simbologia : Tipos de segurança: Segurança NH Segurança D NH : N (do alemão - Niederspannung) => baixa tensão H (do alemão - Hochleistung) => alta capacidade
  • 21.
    0004BA0104104 - ELETRICISTAINSTALADOR INDUSTRIAL 21 SENAI-PR A segurança NH é composta de: Base: material de construção à base de esteatita. Possui contatos em forma de garras pratea- das pressionadas por molas. Fusível: corpo retangular de porcelana com extremidades metálicas em forma de faca . No interior do corpo de porcelana encontra-se o elo fusível e o elo indicador de queima, imerso em areia especial de granulometria adequada. O fusível é formado pelo: Elo fusível : feito de cobre, em forma de lâminas vazadas em determinados pontos a fim de redução da seção condutora; Elo indicador de queima : constituído por um fino fio ligado em paralelo com o elo fusível. Quando o elo fusível se funde este fio também se funde, provocando então o desprendimento da espoleta; Areia especial: é utilizada como meio extintor do arco voltaico, evitando portanto o perigo de explosão do fusível. O arco voltaico se desenvolve por um caminho, formado pela ionização sucessiva da parte gasosa que se interpõe entre os contatos, devido à abertura lenta dos contatos pôr onde circule uma corrente de um circuito com carga. A segurança D é composta de: Base: elemento de porcelana onde é conectada a entrada/saída de energia e aloja todos os componentes da segurança D. Tampa: corpo de porcelana com um corpo metálico roscado. Serve para fixar o fusível à base. Anel de proteção : elemento também de porcelana, num formato de anel cuja finalidade é de evitar a possibilidade de contato acidental, na hora da troca do fusível. Parafuso de ajuste: dispositivo de porcelana com parafuso metálico que faz a união de entrada de energia elétrica para o fusível . Impede o uso de fusível de capacidade de corrente superior à indicada.
  • 22.
    0004BA0104104 - ELETRICISTAINSTALADOR INDUSTRIAL 22 SENAI-PR Fusível: corpo que se assemelha ao formato de uma garrafa. Possui extremidades me- tálicas, em uma das quais está localizada a espoleta. A fusão do elo fusível dá-se pelos efeitos térmicos da corrente. As classes de função são : g : fusíveis que suportam a corrente nominal por tempo indeterminado e são capazes de desligar a partir do menor valor de sobrecorrente até a corrente nominal de desligamento. Este tipo reage à menor intensidade de sobrecorrente. a: fusíveis que suportam a corrente nominal por tempo indeterminado e são capazes de desligar a partir de um determinado múltiplo do valor da corrente nominal até a corrente nomi- nal de desligamento. Este tipo reage a partir de um valor elevado de sobrecorrente. As classes de objetos protegidos são: L: cabos e linhas M: equipamentos eletromecânicos R: semicondutores B: instalações em condições pesadas (minas) Portanto os fusíveis são especificados para classes de serviços, compostos de classe de função e da classe de objetos protegidos. Consequentemente as classes de serviços são indicadas por duas letras: gL: proteção total de cabos e linhas em geral aM: proteção parcial de equipamentos eletromecânicos aR: proteção parcial de equipamentos eletrônicos B: proteção total de instalações em minas Geralmente empregam-se fusíveis da classe de serviço aM. Os equipamentos de segurança devem ser instalados no ponto inicial do circuito que deve ser protegido. A altura de fixação deve ser tal que o operador tenha facilidade de fazer a inspeção ou manejo.
  • 23.
    0004BA0104104 - ELETRICISTAINSTALADOR INDUSTRIAL 23 SENAI-PR Os locais a serem colocados as seguranças devem ser arejados, evitando-se ambien- tes confinados, para que a temperatura seja igual a do ambiente. Esses locais devem ser de fácil acesso para que haja facilidade quando da inspeção e da manutenção. FUSÍVEIS TIPO RÁPIDO E TIPO RETARDADO O fusível tipo retardado: suporta elevações de corrente por certo tempo, sem ocorrer a fusão do elo fusível. É indicado para proteção de circuitos onde existam cargas indutivas e capacitivas. Fusível tipo rápido: fusíveis para o uso em circuitos predominantemente resistivos, ou seja, onde não haja picos de correntes. B) RELÉ DE SOBRECARGA É um dispositivo construído para proteger, controlar ou comandar um circuito elétrico, atuando sempre pelo efeito térmico provocado pela corrente elétrica. Possui um regulador de corrente, onde a regulagem pode ser variada conforme as características do circuito. Os relés de sobrecarga não podem ser operados manualmente. São, portanto, emprega- dos em combinação com contatores, em geral na proteção de motores. Também chamados de relés térmicos, esses dispositivos tem como elemento básico o bi-metal. Esse bi-metal é cons- tituído de duas lâminas finas (normalmente ferro e níquel), sobrepostas e soldadas. Funcionamento: Quando dois metais de coeficientes de dilatação diferentes são unidos em superposição, temos um par metálico com a conformação apropriada para o relé. Em virtude da diferença de coeficiente de dilatação, um dos metais alonga-se mais do que o outro. Por estarem rigidamente unidos, o de menor coeficiente de dilatação provoca um encurvamento do conjunto para o seu lado, afastando o mesmo para um determinado ponto. Esse movimento pode ser usado para diversos fins, como disparar um gatilho e abrir um circuito. O gatilho tem a função de fazer com que a abertura ou o fechamento dos contatos seja o mais rápido possível, a fim de que o arco elétrico não provoque a soldagem ou o desgas- te dos contatos.
  • 24.
    0004BA0104104 - ELETRICISTAINSTALADOR INDUSTRIAL 24 SENAI-PR Os bornes de numeração ímpar são para entrada de energia, ou seja, devem receber alimentação, enquanto que os bornes de numeração par são para saída de energia. O borne 98 é utilizado para conectar a lâmpada de indicação de parada do motor por sobrecarga. Simbologia:
  • 25.
    0004BA0104104 - ELETRICISTAINSTALADOR INDUSTRIAL 25 SENAI-PR DISPOSITIVOS DE COMANDODISPOSITIVOS DE COMANDO BATERIA As chaves auxiliares tipo botoeira são chaves de comando manual que tem por finalida- de interromper ou estabelecer momentaneamente, por pulso, um circuito de comando, para iniciar, interromper ou comandar um processo de automação. Vermelho => para, desligar, botão de emergência; Amarelo => iniciar um retorno, eliminar uma condição perigosa; Verde ou Preto => arranque, ligar, partida; Branco ou Azul => qualquer função que não corresponda a uma das cores anteriores Devem ser instaladas bem à mão, na altura prevista e dispostas fisicamente na posi- ção e espaçamento correto, quando se instalarem várias botoeiras. Quanto à sua disposição, o botão desliga deve ficar sob o botão liga na posição vertical. Na posição horizontal, o botão desliga geralmente está à direita do botão liga. Simbologia
  • 26.
    0004BA0104104 - ELETRICISTAINSTALADOR INDUSTRIAL 26 SENAI-PR OBSERVAÇÕES: 1) a entrada de energia é conectada nos bornes de numeração ímpar, e a saída nos bornes pares. 2) considerando o botão na posição de repouso: ü o contato NF (normalmente fechado ou abridor) recebe a numeração: 1 - 2 ü o contato NA (normalmente aberto ou fechador) recebe a numeração: 3 - 4 INTERRUPTORES FIM DE CURSO São dispositivos auxiliares de comando, de acionamento, que atuam num circuito com função bastante diversificada, como: v comandar contatores; v comandar circuitos de sinalização para indicar a posição de um determinado móvel. As chaves auxiliares fim de curso são basicamente constituídas por uma alavanca ou haste, com ou sem roldanas na extremidade, que transmite o movimento aos contatos que se abrem ou se fecham de acordo com a sua função. Estes dispositivos são utilizados para: 1. Controle - determinar os pontos de parada dos elevadores, sinalização, produzir seqüência e controle de operação. 2. Comando - paradas, inversão de curso ou sentido de rotação de partes móveis. 3. Segurança - paradas de energia, alarme e sinalização. Simbologia
  • 27.
    0004BA0104104 - ELETRICISTAINSTALADOR INDUSTRIAL 27 SENAI-PR CONTATOR São dispositivos de comando, acionados eletromagneticamente, construídos para uma ele- vada freqüência de operação. Para o comando de motor, geralmente é acoplado a relés de sobrecarga. Possuem câ- mara para extinção do arco voltaico. Os contatores pertencem a classe das chaves. Basicamente existem contatores para os motores e contatores auxiliares. Características dos contatores para os motores: v Possuem dois tipos de contatos com capacidade de corrente diferentes (contatos princi- pais e contatos auxiliares); v maior robustez de construção; v recebem relés de proteção; v tamanho físico de acordo com a potência a ser comandada; v potência da bobina do eletroímã varia de acordo com o tipo de contator. Simbologia
  • 28.
    0004BA0104104 - ELETRICISTAINSTALADOR INDUSTRIAL 28 SENAI-PR CATEGORIAS DE EMPREGO DE CONTATORES WEG CONFORME A VDE 0660 TIPO DE CORRENTE CATEGORIA APLICAÇÕES SERVIÇO NORMAL SERVIÇO OCASIONAL Ligar Desligar Ligar Desligar AC1 Manobras leves; carga ôhmica ou pouco indutiva (aquecedores, lâmpadas incandescentes e fluorescentes compensadas) . 1 x In 1 x In 1,5 x In 1,5 x In AC2 Manobras leves; comando de motores com anéis coletores (guinchos, bombas, compressores, etc ). Desligamento em regime . 2,5 x In 1 x In 2,5 x In (1) 4 x In 4 x In C.A. AC3 Serviço normal de manobras de motores com rotor de gaiola (bombas, ventiladores, compres sores, etc). Desligamento em regime. 6 x In 1 x In 10 x In 8 x In (2) 8 x In 8 x In (2) AC4 Manobras pesadas. Acionar motores com carga plena; comando intermitente ( pulsatório ); reversão a plena marcha e paradas por contra- corrente ( pontes rolantes, tornos, etc ). 6 x In 6 x In 12 x In 10 x In (2) 10 x In 8 x In (2) DC1 Carga ôhmica ou pouco indutiva 1 x In 1 x In 1,5 x In 1,5 x In C.C. DC2 DC3 Acionar motores com excitação em paralelo. 1 x In 1 x In 4 x In 2,5 x In (3) 4 x In DC4 DC5 Acionar motores com excitação em série. 2,5 x In 1 x In 2,5 x In (3) 4 x In 4 x In AC11 Circuitos de comando em corrente alternada. 10 x In 1 x In 10 x In 10 x In DC12 Circuitos de comando em corrente contínua. 1 x In 1 x In 1,1 x In 1,1 x In 1) Refere-se a paradas por contra - corrente. 2) Para In > 100 A. 3) Refere-se a serviço intermitente ( pulsatório ), reversão a plena marcha e paradas por contra - corrente.
  • 29.
    0004BA0104104 - ELETRICISTAINSTALADOR INDUSTRIAL 29 SENAI-PR CHAVES MAGNÉTICASCHAVES MAGNÉTICAS LIGA DESLIGA TRIFÁSICA INSTALAÇÃO DE MOTOR TRIFÁSICO COMANDADO POR BOTEIRAS,CONTATOR E RELÊ DE SOBRECARGA LIGAÇÕES DE MOTOR MONOFÁSICO (127 V E 220 V) LIGA DESLIGA MONOFÁSICA
  • 30.
    0004BA0104104 - ELETRICISTAINSTALADOR INDUSTRIAL 30 SENAI-PR INSTALAÇÃO DE MOTOR TRIFÁSICO COMANDADO POR BOTÕES,RELÊ DE SOBRECARGA E CONTATORES PARA REVERSÃO REVERSORA TRIFÁSICA
  • 31.
    0004BA0104104 - ELETRICISTAINSTALADOR INDUSTRIAL 31 SENAI-PR CHAVE REVERSORA MONOFÁSICA (127 V) CHAVE REVERSORA MONOFÁSICA (220 V)
  • 32.
    0004BA0104104 - ELETRICISTAINSTALADOR INDUSTRIAL 32 SENAI-PR Solucionando Problemas
  • 33.
    0004BA0104104 - ELETRICISTAINSTALADOR INDUSTRIAL 33 SENAI-PR PARTIDA ESTRELA-TRIÂNGULOPARTIDA ESTRELA-TRIÂNGULO O sistema de partida estrela-triângulo tem como objetivo, reduzir o pico de corrente na partida do motor. Na ligação estrela, os mesmos podem partir no máximo, com 30% de sua carga nomi- nal, pois na partida, a corrente e o conjugado são reduzidos para 25 à 33% do valor atingido na partida em ligação triângulo. A curva de conjugado do motor deverá ser suficientemente elevada para poder garantir a aceleração das máquinas de até 95% da rotação nominal, com a corrente de partida. Os motores deverão ter disponibilidade de ligação em dupla tensão (220/380V, 380/660V, 440/760V). Os valores de tensão das ligações estrela e triângulo deverão estar relacionadas mate- maticamente pelo fator tráficos ( 3). Vantagens : v baixo custo; v pequeno espaço ocupado por seus componentes; v número sem limites de manobras; Desvantagens: v se o motor não atingir pelo menos 90% de sua rotação nominal, na comutação para a ligação triângulo, o pico de corrente é quase que o mesmo para a partida direta devido ao desligamento do motor; v o motor deverá ter pelo menos 6 terminais acessíveis para ligações; v o valor de tensão da rede deverá coincidir com o valor de tensão da ligação triângulo do motor.
  • 34.
    0004BA0104104 - ELETRICISTAINSTALADOR INDUSTRIAL 34 SENAI-PR INSTALAÇÃO DE MOTOR TRIFÁSICO COM PARTIDA ESTRELA -TRIÂNGULO AUTOMÁTICA INSTALAÇÃO DE MOTOR TRIFÁSICO COMANDADO POR BOTOEIRAS,RELÊ DE SOBRECARGA,RELÊ TEMPORIZADORE CONTATORES PARA PARTIDA ESTRELA -TRIÂNGULO AUTOMÁTICA
  • 35.
    0004BA0104104 - ELETRICISTAINSTALADOR INDUSTRIAL 35 SENAI-PR INSTALAÇÃO DE MOTOR TRIFÁSICO COMANDADO POR BOTOEIRAS,RELÊ DE SOBRECARGA,RELÊ TEMPORIZADORE CONTATORES PARA PARTIDA ESTRELA -TRIÂNGULO AUTOMÁTICA
  • 36.
    0004BA0104104 - ELETRICISTAINSTALADOR INDUSTRIAL 36 SENAI-PR INSTALAÇÃO DE MOTOR TRIFÁSICO COMANDADO POR CONTATORES,RELÊ DE SOBRECARGA, TEMPORIZADOR E BOTOEIRAS PARA PARTIDA EM ESTRELA - TRIÂNGULO AUTOMÁTICA COM REVERSÃO ESTRELA TRIÂNGULO COM REVERSÃOESTRELA TRIÂNGULO COM REVERSÃO INSTALAÇÃO DE MOTOR TRIFÁSICO COMANDADO POR CONTATORES,RELÊ DE SOBRECARGA, TEMPORIZADOR E BOTOEIRAS PARA PARTIDA EM ESTRELA - TRIÂNGULO AUTOMÁTICA COM REVERSÃO
  • 37.
    0004BA0104104 - ELETRICISTAINSTALADOR INDUSTRIAL 37 SENAI-PR COMPENSADORACOMPENSADORA INSTALAÇÃO DE MOTOR TRIFÁSICO COMANDADO POR BOTOEIRAS,RELÊ TEMPORIZADOR, RELÊ DE SOBRECARGA E CONTATORES PARA PARTIDA EM COMPENSADORA AUTOMÁTICA
  • 38.
    0004BA0104104 - ELETRICISTAINSTALADOR INDUSTRIAL 38 SENAI-PR COMPENSADORA COM REVERSÃOCOMPENSADORA COM REVERSÃO PARTIDA EM COMPENSADORA AUTOMÁTICA COM REVERSÃO PARTIDA EM COMPENSADORA AUTOMÁTICA COM REVERSÃO
  • 39.
    0004BA0104104 - ELETRICISTAINSTALADOR INDUSTRIAL 39 SENAI-PR 3 MOTORES 1 COMPENSADORA3 MOTORES 1 COMPENSADORA INSTALAÇÃO DE CHAVE COMPENSADORA AUTOMÁTICA COM 1AUTO-TRANSFORMADOR PARA PARTIDA DE 3MOTORES INSTALAÇÃO DE CHAVE COMPENSADORA AUTOMÁTICA COM 1AUTO-TRANSFORMADOR PARA PARTIDA DE 3MOTORES
  • 40.
    0004BA0104104 - ELETRICISTAINSTALADOR INDUSTRIAL 40 SENAI-PR DAHLANDERDAHLANDER INSTALAÇÃO DE MOTOR TRIFÁSICO (LIGAÇÃO DAHLANDER) COMANDADO POR BOTOEIRAS,RELÊS DE SOBRECARGA E CONTATORES
  • 41.
    0004BA0104104 - ELETRICISTAINSTALADOR INDUSTRIAL 41 SENAI-PR DAHLANDER COM REVERSÃODAHLANDER COM REVERSÃO INSTALAÇÃO DE MOTOR TRIFÁSICO (LIGAÇÃO DAHLANDER) PARA COMUTAÇÃO POLAR AUTOMÁTICA E REVERSÃO
  • 42.
    0004BA0104104 - ELETRICISTAINSTALADOR INDUSTRIAL 42 SENAI-PR MOTOR 2 ENROLAMENTOSMOTOR 2 ENROLAMENTOS INSTALAÇÃO DE MOTOR TRIFÁSICO DE DOIS ENROLAMENTOS SEPARADOS (2 E 4 PÓLOS)
  • 43.
    0004BA0104104 - ELETRICISTAINSTALADOR INDUSTRIAL 43 SENAI-PR INSTALAÇÃO DE MOTOR TRIFÁSICO DE DOIS ENROLAMENTOS SEPARADOS (2 E 4 PÓLOS) COM COMUTAÇÃO POLAR E REVERSÃO POR BOTÕES MOTOR 2 ENROLAMENTOS COM REVERSÃOMOTOR 2 ENROLAMENTOS COM REVERSÃO INSTALAÇÃO DE MOTOR TRIFÁSICO DE DOIS ENROLAMENTOS SEPARADOS (2E 4 PÓLOS) COM COMUTAÇÃO POLAR E REVERSÃO POR BOTOEIRAS
  • 44.
    0004BA0104104 - ELETRICISTAINSTALADOR INDUSTRIAL 44 SENAI-PR PARTIDA ROTÓRICAPARTIDA ROTÓRICA PARTIDA RETÓRICA SEMI-AUTOMÁTICA PARTIDA RETÓRICA AUTOMÁTICA
  • 45.
    0004BA0104104 - ELETRICISTAINSTALADOR INDUSTRIAL 45 SENAI-PR PARTIDA ROTÓRICA COM REVERSÃOPARTIDA ROTÓRICA COM REVERSÃO PARTIDA RETÓRICA AUTOMÁTICA COM REVERSÃO PARTIDA ROTÓRICA AUTOMÁTICA COM REVERSÃO
  • 46.
    0004BA0104104 - ELETRICISTAINSTALADOR INDUSTRIAL 46 SENAI-PR PARTIDA SÉRIE PARALELAPARTIDA SÉRIE PARALELA INSTALAÇÃO DE MOTOR TRIFÁSICO DE 12 TERMINAIS COMANDADO POR BOTOEIRAS, RELÊ TEMPORIZADOR,RELÊ DE SOBRECARGA E CONTATORES PARA PARTIDA SÉRIE - PARALELA EM TRIÂNGULO (220 / 440V) INSTALAÇÃO DE MOTOR TRIFÁSICO DE 12 TERMINAIS COMANDADO POR BOTOEIRAS, RELÊ TEMPORIZADOR,RELÊ DE SOBRECARGA E CONTATORES PARA PARTIDA SÉRIE - PARALELA EM TRIÂNGULO (220 / 440V)
  • 47.
    0004BA0104104 - ELETRICISTAINSTALADOR INDUSTRIAL 47 SENAI-PR INSTALAÇÃO DE MOTOR TRIFÁSICO DE 12 TERMINAIS COMANDADO POR BOTOEIRAS, RELÊ TEMPORIZADOR,RELÊ DE SOBRECARGA E CONTATORES PARA PARTIDA SÉRIE - PARALELA EM ESTRELA (380 / 760V) INSTALAÇÃO DE MOTOR TRIFÁSICO DE 12 TERMINAIS COMANDADO POR BOTOEIRAS, RELÊ TEMPORIZADOR,RELÊ DE SOBRECARGA E CONTATORES PARA PARTIDA SÉRIE - PARALELA EM ESTRELA (380 / 760V)
  • 48.
    0004BA0104104 - ELETRICISTAINSTALADOR INDUSTRIAL 48 SENAI-PR PARTIDA CONSECUTIVAPARTIDA CONSECUTIVA PARTIDA CONSECUTIVA AUTOMÁTICA
  • 49.
    0004BA0104104 - ELETRICISTAINSTALADOR INDUSTRIAL 49 SENAI-PR INTERRUPTOR FIM-DE-CURSOINTERRUPTOR FIM-DE-CURSO INSTALACÃO DE PORTÃO ELÉTRICO COMANDADO POR INTERRUPTORES FIM-DE-CURSO E RELÊ TEMPORIZADOR Abertura e fechamento manual Estágio 1 (Abrir portão): Acionando-se a botoeira S1 ou S’1, a bobina do contator K1 é energizada. O contato fechado de K1(21-22) intertrava a bobina do contator K2. A bobina do contator K1 é selada pelo contato aberto K1(13-14) e os contatos principais colocam o motor sob tensão, fazendo com que o portão comece a abrir. Chegando ao fInal de seu curso, o portão pressiona o interruptor fim-de-curso S2. Neste instante, seu contato fechado S2(1-2) abre-se, desenergizando a bobi- na de K1 e conseqüentemente, parando o motor. O contato aberto do interruptor fim-de-curso S2(3-4) fecha-se e energiza a bobina do contator auxiliar Ka. (o contato da chave de 3 bornes está fechado no manual). O contato de Ka(13-14) fecha-se. Estágio 2 (fechar portão): Acionando-se a botoeira S1 ou S’1, a bobina do contator K2 é energizada. O contato fechado de K2(21-22) intertrava a bobina do contator K1. A bobina do contator K2 é selado pelo contato aberto K2 (13-14) e os contatos principais colocam o motor sob tensão, fazendo com que o portão comece a fechar. O interruptor fim-de-curso S2 é liberado (o contato NA volta a permanecer aberto e o contato NF volta a permanecer fechado). Chegando ao final de seu curso, o portão pressiona o interruptor fim-de-curso S3. Neste instante, seu contato fechado S3(1-2) abre-se, desenergizando a bobina de K2 e conseqüentemente, parando o motor atra- vés da abertura de seus contatos principais.
  • 50.
    0004BA0104104 - ELETRICISTAINSTALADOR INDUSTRIAL 50 SENAI-PR A nova abertura do portão é iniciada com o acionamento da botoeira S1 ou S’1 conforme descrito no estágio 1. Abertura manual e fechamento automático Estágio 1 (Abrir portão): Acionando-se a botoeira S1 ou S’1, a bobina do contator K1 é energizada. O contato fechado de K1(21-22) intertrava a bobina do contator K2. A bobina do contator K1 é selada pelo contato aberto K1(13-14) e os contatos principais colocam o motor sob tensão, fazendo com que o portão comece a abrir. Chegando ao final de seu curso, o portão pressiona o interruptor fim-de-curso S2. Neste instante, seu contato fechado S2(1-2) abre-se, desenergizando a bobi- na de KI e conseqüentemente, parando o motor. O contato aberto do interruptor fim-de-curso S2 fecha-se e energiza a bobina do relê temporizador Kr. (o contato da chave de 3 bornes está fechado no automático). Estágio 2 (fechar portão): Decorrido o tempo ajustado para o relê temporizador, seu contado (15-18) fecha-se, energizando a bobina do contator K2. O contato fechado de K2(21-22) intertrava a bobina do contator KI. A bobina do contator K2 é selada pelo contato aberto K2(13-14) e os contatos principais colocam o motor sob tensão, fazendo com que o portão comece a fechar. O inter- ruptor fim-de-curso S2 é liberado (o contato NA volta a permanecer aberto e o contato NF vota a permanecer fechado). Chegando ao final de seu curso, o portão pressiona o interruptor fim- de-curso S3. Neste instante, seu contato fechado S3(1-2) abre-se, desenergizando a bobina de K2 e conseqüentemente, parando o motor através da abertura de seus contatos principais. A nova abertura do portão é iniciada com o acionamento da botoeira S1 ou S’1 conforme descrito no estágio 1. Observações: 1) Por medida de segurança, o contator K1 deve abrir o portão. 2) A botoeira S0 desliga o motor em qualquer estágio de funcionamento. 3) A chave de 3 bornes permite abrir/fechar o portão no modo manual ou automático.
  • 51.
    0004BA0104104 - ELETRICISTAINSTALADOR INDUSTRIAL 51 SENAI-PR RELÊ FALTA DE FASERELÊ FALTA DE FASE INSTALAÇÃO DE MOTOR TRIFÁSICO COMANDADO POR BOTOEIRAS,CONTATOR , RELÊ DE SOBRECARGA E RELÊ DE FALTA DE FASE
  • 52.
    0004BA0104104 - ELETRICISTAINSTALADOR INDUSTRIAL 52 SENAI-PR CHAVE BÓIACHAVE BÓIA CHAVE BÓIA
  • 53.
    0004BA0104104 - ELETRICISTAINSTALADOR INDUSTRIAL 53 SENAI-PR RELÊ DE NÍVELRELÊ DE NÍVEL INSTALAÇÃO DE DOIS MOTORES TRIFÁSICOS (PARA BOMBA DE RECALQUE) COMCOMUTAÇÃO AUTOMÁTICA E MANUAL COMANDADA POR RELÊS DE: NÍVEL,FALTA DE FASE E SOBRECARGA
  • 54.
    0004BA0104104 - ELETRICISTAINSTALADOR INDUSTRIAL 54 SENAI-PR SENSOR DE APROXIMAÇÃOSENSOR DE APROXIMAÇÃO SENSORES DE APROXIMAÇÃO Definição Dispositivo que comuta um circuito elétrico, mediante a aproximação de um corpo, frente à sua face sensível. Princícipio de funcionamento Baseia-se na existência de uma bobina geradora de campo eletromagnético que cria a região ativa do sensor. A presença de um material metálico nesta região, faz com que o campo magnético seja atenuado, causando então a mudança de estado da saída do mesmo. A alta velocidade e confiabilidade dos sensores são as principais vantagens que estes dispositivos oferecem em relação aos eletromecânicos. Os sensores de aproximação indutiva são dispositivos que comutam um circuito elétri- co, quando aproximamos de sua face sensível uma peça metálica. Já os de aproximação capacitivo, além dos metais, também respondem à aproximação de materiais como vidros, líquidos, granulados (condutores ou não). Os principais componentes de um sensor de aproximação são: v corpo encapsulado, onde são alojados todos os componentes eletrônicos; v elemento de fixação, que tem a função de fixar o sensor no seu local de trabalho; v condutor, que são destinados as ligações do sensor. As principais características elétricas dos sensores são: v Tensão nominal - variável para corrente contínua (CC) de 10 a 30 V e de 90 a 250 V para os de corrente alternada (CA);
  • 55.
    0004BA0104104 - ELETRICISTAINSTALADOR INDUSTRIAL 55 SENAI-PR v Corrente nominal - valor máximo de corrente que os componentes eletrônicos internos suportam sem se danificarem; v Tipo de contato - normalmente aberto (NA) e/ou normalmente fechado (NF); v Sensibilidade - ou distância de acionamento (Sn) dada em milímetros. É a distância má- xima que atua o sensor aproximando-se de sua face sensível uma chapa quadrada de aço de 1 mm de espessura e de lado igual ao diâmetro do sensor; v Freqüência de comutação. ESQUEMAS DE LIGAÇÃO
  • 56.
    0004BA0104104 - ELETRICISTAINSTALADOR INDUSTRIAL 56 SENAI-PR FRENAGEM POR CORRENTE CONTÍNUAFRENAGEM POR CORRENTE CONTÍNUA PARTIDA AUTOMÁTICA DE MOTOR TRIFÁSICO DE INDUÇÃO COM REVERSÃO E FRENAGEM ELETROMAGNÉTICA PARTIDA AUTOMÁTICA DE MOTOR TRIFÁSICO DE INDUÇÃO COM REVERSÃO E FRENAGEM ELETROMAGNÉTICA
  • 57.
    0004BA0104104 - ELETRICISTAINSTALADOR INDUSTRIAL 57 SENAI-PR SISTEMAS DE PARTIDASISTEMAS DE PARTIDA PARTIDA COMPENSADORA Este sistema de partida foi desenvolvido para reduzir o pico de corrente proveniente da partida do motor elétrico, porém, deixando o mesmo com conjugado suficiente para a partida e aceleração com carga. Neste sistema, a tensão é reduzida através de um auto-transformador que possui termi- nais ( tap ) de 65% e de 80% da tensão nominal, a fim de que os motores possam partir satisfatoriamente. Assim sendo, a corrente e o conjugado de partida ficam reduzidos a aproxi- madamente 42 % e 64 % dos valores atingidos em partida direta, para os terminais ( tap ) de 65 % e 80 % respectivamente. Vantagens: v na comutação do tap de partida para a tensão plena (da rede), o motor não é desligado e o segundo pico é bem reduzido, visto o auto-transformador trabalhar como uma reatância; v para que o motor possa partir satisfatoriamente, é possível variar o tap de 65% para 80% ou até mesmo para 90% da tensão da rede; v o valor de tensão da rede poderá ser igual ao valor de tensão da ligação triângulo ou estrela do motor. Desvantagens: v limitação de sua freqüência de manobra; v custo mais elevado em função do auto-transformador; v maior espaço ocupado pelo quadro devido também ao auto-transformador.
  • 58.
    0004BA0104104 - ELETRICISTAINSTALADOR INDUSTRIAL 58 SENAI-PR Limitação da corrente de partida em motores trifásicos: Sempre que possível, a partida de um motor trifásico de gaiola, deverá ser direta, por meio de contatores. Deve ter - se em conta que para um determinado motor, as curvas de conjugado e correntes são fixas, independente da dificuldade de partida, para uma tensão constante. Nos casos em que a corrente de partida do motor é elevada podem ocorrer as seguintes conseqüências prejudiciais: a) Elevada queda de tensão no sistema de alimentação da rede. Em função disto, provoca a interferência em equipamentos instalados no sistema; b) O sistema de proteção (cabos, contatores) deverá ser superdimensionado, ocasionan- do um custo elevado; c) A imposição das concessionárias de energia elétrica que limitam a queda de tensão da rede. Caso a partida direta não seja possível, devido aos problemas citados acima, pode - se usar sistema de partida indireta para reduzir a corrente de partida. Estes sistemas de partida indireta (tensão reduzida) são: v chave estrela - triângulo; v chave compensadora; v chave série - paralelo; v resistor primário; v reator primário; v partida eletrônica (soft - start). Partida com chave estrela - triângulo É fundamental para a partida com a chave estrela - triângulo que o motor tenha a possi- bilidade de ligação em dupla tensão, ou seja, em 220/380V, em 380/660V ou 440/760V. Os motores deverão ter no mínimo seis bornes de ligação. A partida estrela - triângulo poderá ser usada quando a curva de conjugados do motor é suficientemente elevada para poder garantir a aceleração da máquina com a corrente reduzida.
  • 59.
    0004BA0104104 - ELETRICISTAINSTALADOR INDUSTRIAL 59 SENAI-PR Na ligação estrela, o conjugado fica reduzido para 25 a 33 % do conjugado de partida na ligação triângulo. Por este motivo, sempre que for necessária uma partida estrela - triângulo, deverá ser usado um motor com curva de conjugado elevado. Os motores Weg têm alto conjugado máximo e de partida, sendo, portanto, ideais para a maioria dos casos, para uma partida estrela - triângulo. Antes de se decidir por uma partida estrela - triângulo, será necessário verificar se o conjugado de partida será suficiente para operar a máquina. O conjugado resistente da carga não poderá ultrapassar o conjugado de partida do motor, nem a corrente no instante da mudan- ça para triângulo poderá ser de valor inaceitável. Existem casos onde este sistema de partida não pode ser usado. No caso de termos um alto conjugado resistente e se a partida for em estrela, o motor acelera a carga aproximadamente até 85% da rotação nominal. Neste ponto, a chave deverá ser ligada em triângulo. Neste caso, a corrente, que era aproximadamente a nominal, ou seja, 100%, salta repentinamente para 320%, o que não é nenhuma vantagem, uma vez que na partida era de somente 190%. Num outro caso temos um motor com as mesmas características, porém, o conjugado resistente é bem menor. Na ligação estrela, o motor acelera a carga até 95% da rotação nomi- nal. Quando a chave é ligada em triângulo, a corrente, que era de aproximadamente 50%, sobe para 170%, ou seja, praticamente igual a da partida em estrela. Neste caso, a ligação estrela - triângulo apresenta vantagem, porque se fosse ligado direto, absorveria da rede 600% da cor- rente nominal. A chave estrela - triângulo em geral só pode ser empregada em partidas da máquina em vazio, isto é, sem carga. Somente depois de ter atingido a rotação nominal, a carga poderá ser aplicada. O instante da comutação de estrela para triângulo deve ser criteriosamente determi- nado, para que este método de partida possa efetivamente ser vantajoso nos casos em que a partida direta não é possível. No caso de motores tripla tensão nominal ( 220/380/440/760V ), deve - se optar pela ligação 220/380V ou 440/760V, dependendo da rede de alimentação. Esquematicamente, a ligação estrela - triângulo num motor para uma rede de 220V é feita da maneira indicada na figura 1, notando - se que a tensão por fase durante a partida é reduzida para 127V.
  • 60.
    0004BA0104104 - ELETRICISTAINSTALADOR INDUSTRIAL 60 SENAI-PR Partida com chave compensadora (autotransformador) A chave compensadora pode ser usada para a partida de motores sob carga. Ela reduz a corrente de partida, evitando uma sobrecarga no circuito, deixando, porém, o motor com um conjugado suficiente para a partida e aceleração. A tensão na chave compensadora é reduzida através de autotransformador que possui normalmente taps de 50, 65 e 80% da tensão nominal. Comparação entre chaves estrela - triângulo e compensadoras “automáticas”: Estrela - triângulo (automática): Vantagens: a) a chave estrela - triângulo é muito utilizada por seu custo reduzido; b) não tem limite quanto ao seu número de manobras; c) os componentes ocupam pouco espaço; d) a corrente de partida fica reduzida para aproximadamente 1/3 Desvantagens: a) a chave só pode ser aplicada a motores cujos seis terminais ou bornes sejam acessí- veis; b) a tensão de rede deve coincidir com a tensão em triângulo do motor; c) com a corrente de partida reduzida para aproximadamente 1/3 da corrente nominal, re- duz-se também o momento de partida 1/3; d) caso o motor não atingir pelo menos 90% de sua velocidade nominal, o pico de corrente na comutação de estrela para triângulo será quase como se fosse uma partida direta, o que se torna prejudicial aos contatos dos contatores e não traz nenhuma vantagem para a rede elétrica.
  • 61.
    0004BA0104104 - ELETRICISTAINSTALADOR INDUSTRIAL 61 SENAI-PR Chave compensadora (automática) Vantagens: a) no tap de 65% a corrente de linha é aproximadamente igual a da chave estrela - triângulo, entretanto, na passagem da tensão reduzida para a tensão da rede, o motor não é desli- gado e o segundo pico é bem reduzido, visto que o auto - trafo por curto tempo se torna uma reatância. b) é possível a variação do tap de 65% para 80% ou até para 90% da tensão da rede, a fim de que o motor possa partir satisfatoriamente. Desvantagens: a) a grande desvantagem é a limitação de sua freqüência de manobras. Na chave compensadora automática é sempre necessário saber a sua freqüência de manobra para determinar o auto - trafo de acordo; b) a chave compensadora é bem mais cara do que a chave estrela - triângulo, devido ao auto - trafo; c) devido ao tamanho do auto - trafo, a construção se torna volumosa, necessitando qua- dros maiores, o que torna o seu preço elevado. Partida com chave série - paralelo Para partida em série - paralelo é necessário que o motor seja religável para duas ten- sões, a menor delas igual a da rede e a outra duas vezes maior. Este tipo de ligação exige nove (9) terminais no motor e a tensão nominal mais comum é 220/440V, ou seja: durante a partida o motor é ligado na configuração série até atingir sua rotação nominal e, então, faz-se a comutação para a configuração paralelo.
  • 62.
    0004BA0104104 - ELETRICISTAINSTALADOR INDUSTRIAL 62 SENAI-PR Partida com resistor primário Neste método de partida são colocados resistores em série com cada uma das fases, provocando uma queda de tensão nos bornes do motor e conseqüentemente, uma redução na corrente absorvida. Naturalmente, o conjugado de partida também fica reduzido. Quando o motor está próximo de sua velocidade nominal é ligado diretamente à rede. Este método de partida melhora o fator de potência na partida, mas, possui o inconveniente de produzir maior perda de energia nos próprios resistores. Na prática, é um método pouco utilizado. Partida com reator primário Este método de partida é similar ao anterior, sendo inserida uma reatância indutiva nas fases de alimentação. Tem-se com isso, perdas menores, maior fator de potência e torque máximo maior que no caso do resistor primário. Porém, os reatores são mais caros, sendo utilizados, na prática, apenas para partida de motores de grande potência e de média tensão. Partida eletrônica (soft - start) O avanço da eletrônica permitiu a criação da chave de partida a estado sólido a qual consiste de um conjunto de pares de tiristores (SCR) (ou combinações de tiristores/ diodos),um em cada borne de potência do motor. O ângulo de disparo de cada par de tiristores é controlado eletronicamente para aplicar uma tensão variável aos terminais do motor durante a “aceleração”. Este comportamento é, muitas vezes, chamado de “parti- da suave” (soft - start). No final do período de partida, ajustável tipicamente entre 2 e 30 segundos, a tensão atinge seu valor pleno após uma aceleração suave ou uma rampa ascendente, ao invés de ser submetido a incrementos ou “saltos “ repentinos, como ocorre com os métodos de partida por autotransformador, ligação estrela - triângulo, etc. Com isso, consegue - se manter a corrente de partida (na linha) próxima da nominal e com suave variação, como desejado. Além da vantagem do controle da tensão (corren- te) durante a partida, a chave eletrônica apresenta, também, a vantagem de não possuir partes móveis ou que gerem arco, como nas chaves mecânicas. Este é um dos pontos fortes das chaves eletrônicas, pois sua vida útil é mais longa (até centenas de milhões de manobras). É importante lembrar, porém, que uma vida útil tão longa, tem pouco a ver com o motor, o qual pode falhar bem mais cedo por questões que não tem a ver com a partida.
  • 63.
    0004BA0104104 - ELETRICISTAINSTALADOR INDUSTRIAL 63 SENAI-PR DIMENSIONAMENTODIMENSIONAMENTO SELEÇÃO DOS DISPOSITIVOS DE COMANDO E PROTEÇÃO Partida direta 1) Através da placa do motor, identificar: v In (corrente nominal em ampére) v E (tensão nominal em volt) v P (potência em CV, HP ou KW) v Cod ou Ip/In (corrente com o rotor bloqueado) v F.S. (fator de serviço) 2) Procurar na Tabela 1: v Contator baseado na potência e/ou na corrente máxima de serviço; 3) Calcular a corrente de partida em triângulo (Ip?): quando não encontrar o Cod ou Ip/In estipular um valor em torno de 6 à 8 vezes a In para a partida direta. 4) Através da IpD, ir na Tabela 3 ou 4 (Curva de desligamento tempo/corrente) e procurar o fusível. OBS: O fusível deve suportar a corrente de partida sem fundir-se (adotar tempo de partida do motor em torno de 4 à 6 segundos ). 5) Identificar a laj do relé: 6) Através desta, identificar na Tabela 1 o relé de sobrecarga. IpD = InxCod. ou Ip In IpD = In . Iaj. = In
  • 64.
    0004BA0104104 - ELETRICISTAINSTALADOR INDUSTRIAL 64 SENAI-PR Partida em estrela - triângulo 1) Através da placa do motor, identificar: v In (corrente nominal em ampére) v E (tensão nominal em volt) v P (potência em CV, HP ou KW) v Cod ou Ip/In (corrente com o rotor bloqueado) v F.S. (fator de serviço) K1 e K2 = 0,58 x In v Com o resultado, ir na Tabela 1 e localizar o contator através da corrente máxima de serviço; v Com o contator encontrado achar o fusível máximo; 3) Encontrar o contator K3 (partida - ver diagrama): K3 = 0,33 x In v Com o resultado, ir na Tabela 1 e achar o contator através da corrente máxima de serviço. OBS: Em K3 não é necessário identificar o fusível máximo. 4) Calcular a corrente de partida em estrela (IpY) 3 ∆ =Υ Ip Ip Através da IpY, ir na Tabela 3 ou 4 e procurar o fusível. IpD = InxCod. ou Ip In IpD = In .
  • 65.
    0004BA0104104 - ELETRICISTAINSTALADOR INDUSTRIAL 65 SENAI-PR 5) Encontrar o relé de sobrecarga: Iaj = 0,58 x In v Com o resultado, ir na Tabela 1 e identificar o relé. Partida em compensadora 1) Através da placa do motor, identificar: v In (corrente nominal em ampére) v E (tensão nominal em volt) v P (potência em CV, HP ou KW) v Cod ou Ip/In (corrente com o rotor bloqueado) v F.S. (fator de serviço) 2) Dimensionar o contator de acordo com o “tap” do auto-tranformador a ser utilizado. OBS : É preferível dimensionar K3 ( ver figura 2 e/ou 3 ) para o “tap” de 80% visto este dar condições de trabalho também em 65% sem alteração dos contatores: K3 = 0,64 x In para 80 % ou K3 = 0,42 x In para 65 % v Com o relultado, ir na Tabela 1 e achar o contator baseado na corrente máxima de serviço; 3) Para dimensionar K1 (ver figura 2 e/ou 3) é preferível usar o “tap” de 65%, visto este dar condições de trabalho também em 80% sem alteração dos contatores: K1 = 0,23 x In para 65 % ou K1 = 0,16 x In para 80 % 4) Dimensionar K2 de acordo com a In do motor: OBSERVAÇÕES: 1) O fusível deve suportar a IpY sem fundir-se (tempo de partida em estrela em torno de 9 a 11 segundos); 2)SeofusívelencontradoforabaixodaIndomotor, deve-seoptarpelopróximofusíveldaescalaimedia- tamentesuperioracorrentenominaldomotor. K2 = In
  • 66.
    0004BA0104104 - ELETRICISTAINSTALADOR INDUSTRIAL 66 SENAI-PR 6) Com uma das correntes de partida, ir na Tabela 3 e ou 4 e localizar o fusível. OBS: O fusível deve suportar a Ipc sem fundir-se (tempo de partida do motor em torno de 14 a 16 segundos). 7) Relé de sobrecarga: Ver Tabela 1 e localizar o relé. EXEMPLOS DE DIMENSIONAMENTO PARTIDA DIRETA Selecionar os dispositivos de comando (contator) e de proteção (fusíveis e relê de sobre- carga) para o motor trifásico com os seguintes dados: 1730 RPM P = 4 CV In = 11,4 A em 220 V Ip/In = 7,4 F.S. = 1,15 OBS.: 1) Considerar categoria de emprego para o contator, a AC3 2) Tempo de partida do motor = 4 segundos v Com o valor encontrado, ir na Tabela 1 e achar o contator baseado na corrente máxi- ma de serviço; v Através do contator encontrado, localizar o fusível máximo; 5) Calcular a corrente de partida em compensadora: Ipc65% = 0,42 x Ip∆∆ IpD = InxCod. ou Ip In IpD = In .
  • 67.
    0004BA0104104 - ELETRICISTAINSTALADOR INDUSTRIAL 67 SENAI-PR PARTIDA EM ESTRELA - TRIÂNGULO Seleciomar os dispositivos de comando (contatores) e de proteção (fusíveis e relè de sobrecarga) para o motor trifásico com os seguintes dados: 3520 RPM P = 30 CV In = 70 A em 220 V Ip/In = 9,2 F.S. = 1,15 OBS.: 1) Conciderar categoria de emprego para o contator, a AC3 2) Tempo de partida do motor = 10 segundos PARTIDA EM COMPENSADORA Selecionar os dispositivos de comando (contatores) e de proteção (fusíveis e relé de sobrecarga) para o motor trifásico com os seguintes dados: 1775 RPM P = 60 CV In = 140 A em 220 V Ip/In = 8 F.S. = 1,0 OBS.: 1) Considerar categoria de emprego para o contator, a AC3 2) Tempo de partida do motor = 15 segundos
  • 68.
    0004BA0104104 - ELETRICISTAINSTALADOR INDUSTRIAL 68 SENAI-PR TABELA DE CONTADORESTABELA DE CONTADORES
  • 69.
    0004BA0104104 - ELETRICISTAINSTALADOR INDUSTRIAL 69 SENAI-PR TABELA DE SEGURANÇA - TIPO DTABELA DE SEGURANÇA - TIPO D
  • 70.
    0004BA0104104 - ELETRICISTAINSTALADOR INDUSTRIAL 70 SENAI-PR TABELA DE SEGURANÇA - TIPO NHTABELA DE SEGURANÇA - TIPO NH
  • 71.
    0004BA0104104 - ELETRICISTAINSTALADOR INDUSTRIAL 71 SENAI-PR CÁLCULO DOS ALIMENTADORESCÁLCULO DOS ALIMENTADORES No cálculo dos alimentadores devem ser seguidas as seguintes condições básicas: 1) Obediência aos limites de queda de tensão estabelecidos por norma (NBR 5410/90). 2) Obediência a capacidade de condução de corrente do condutor. CLASSIFICAÇÃO DOS ALIMENTADORES a) ALIMENTADORES DE ILUMINAÇÃO Para este tipo de alimentador, a queda de tensão do medidor até o ponto final de consu- mo, deverá ser de 4%, sendo 2% no alimentador e 2% nos ramais. b) ALIMENTADORES DE FORÇA Podemos encontrar as seguintes distribuições de alimentadores: 1) Radial - A carga é alimentada diretamente pelo quadro de distribuição, sendo a queda máxima entre o quadro e a carga de 5%.
  • 72.
    0004BA0104104 - ELETRICISTAINSTALADOR INDUSTRIAL 72 SENAI-PR 2) Linear - Já neste caso, a queda de tensão poderá ser distribuída em 4 % na linha que alimenta os ramais e 1% nos ramais. 3) Mista - Tem-se aqui uma combinação dos tipos de distribuições acima mencionadas. Para alimentadores trifásicos, devem ser feitas as seguintes recomendações: 1) Para cargas resistivas, a corrente de cálculo deve ser igual a corrente nominal . 2) Para cargas indutivas , a corrente de cálculo deve ser acrescida dos seguintes valo- res: v 25 % para o(s) maior(es) motor(es) em potência; v 15 % para o(s) motor(es) imediatamente inferior(es) ao maior(es). 3) Considerar a In para os demais motores.
  • 73.
    0004BA0104104 - ELETRICISTAINSTALADOR INDUSTRIAL 73 SENAI-PR Pe = Potência Efetiva ( W ) MONOFÁSICO I = P(w) / E * COS ϕ Pr = Potência Reativa ( VAr ) TRIFÁSICO I = P(w) / 3 * E * COS ϕ Pa = Potência Aparente ( VA ) MONOFÁSICO S = ( 200 * ρ / e% * E ) * Σ L * I e% = ( 200 * ρ / S * E ) * Σ L * I TRIFÁSICO S = ( 100 * 3 * ρ / e% * E ) * Σ L * I e% = ( 100 * 3 * ρ / S * E ) * Σ L * I S = Seção do condutor em ( mm2 ) ρ = Resistividade elétrica do condutor Para o cobre : ( 1/56 Ω * mm2 /m) E = Tensão de alimentação da carga em ( V ) e% = Queda de tensão percentual L = Comprimento do trecho percorrido pela corrente em ( m ) I = Corrente no comprimento considerado em ( A )
  • 74.
    0004BA0104104 - ELETRICISTAINSTALADOR INDUSTRIAL 74 SENAI-PR TABELA CAPACIDADE DE CONDUÇÃOTABELA CAPACIDADE DE CONDUÇÃO
  • 75.
    0004BA0104104 - ELETRICISTAINSTALADOR INDUSTRIAL 75 SENAI-PR CÁLCULO DE CONVERSÃO DE POTÊNCIACÁLCULO DE CONVERSÃO DE POTÊNCIA Potência Elétrica: é o trabalho realizado pela corrente elétrica na unidade de tempo. A grandeza potência elétrica é quem nos informa a capacidade do aparelho em transfor- mar energia elétrica em outras formas de energia. Portanto, quanto maior a potência elétrica de um receptor, mais corrente elétrica o mesmo consome e, mais energia ele produz. Veja o exemplo a seguir. A lâmpada de esquerda tem uma potência elétrica três vezes maior do que a lâmpada da direita, como conseqüência, o consumo é proporcional. Outro exemplo: O mesmo caso se aplica aqui. O motor da esquerda tem potência três vezes maior que o motor da direita. Logo, tanto a quantidade de energia que o motor produzirá e o consumo serão cerca de três vezes maior que o motor da direita. Desses dois exemplos, podemos perceber as unidades referentes a potência elétrica usadas para os aparelhos, ou seja: Lâmpadas e outros aparelhos resistivos => WATT (W) Motores elétricos em geral => CAVALO-VAPOR (CV) HORSE-POWER (HP)
  • 76.
    0004BA0104104 - ELETRICISTAINSTALADOR INDUSTRIAL 76 SENAI-PR RELAÇÃO ENTRE “WATT” , “CV” e “HP” 1 Cavalo-Vapor (CV) = 736 Watts 1 Horse-Power (HP) = 746 Watts 1 Cavalo-Vapor (CV) = 0,9867 HP 1 Horse-Power (HP) = 1,0136 CV EXEMPLOS 1) Quantos Watts tem um motor de 7,5 CV? 1 CV ————— 736 Watts 7,5 CV ————— X 7,5 x 736 X = ————— 1 X = 5.520 Watts Logo, um motor de 7,5 CV tem 5520 Watts. 2) Quantos Watts possui um motor de 15 HP? 1 HP ———— 746 Watts 15 HP ———— X 15 x 746 X = ————— 1 X = 11.190 Watts Logo, um motor de 15 HP possui 11.190 Watts
  • 77.
    0004BA0104104 - ELETRICISTAINSTALADOR INDUSTRIAL 77 SENAI-PR GRAU DE PROTEÇÃOGRAU DE PROTEÇÃO GRAU DE PROTEÇÃO DE MOTORES (IP) O grau de proteção dos motores elétricos é normalmente expresso através de 2 dígitos. O primeiro indica a proteção contra corpos sólidos que varia de 50 mm de tamanho até chegar ao pó. Dígito Indicação do Primeiro Dígito 0 Não protegido 1 Protegido contra objetos sólidos maiores que 50 mm 2 Protegido contra objetos sólidos maiores que 12 mm 3 Protegido contra objetos sólidos maiores que 2,5 mm 4 Protegido contra objetos sólidos maiores que 1,0 mm 5 Protegido contra poeira prejudicial ao motor 6 Totalmente protegido contra poeira O segundo dígito indica a proteção contra água Dígito Indicação do Segundo Dígito 0 Não protegido 1 Protegido contra quedas verticais de gotas de água 2 Protegido contra quedas de gotas de água para uma inclinação máxima de 15 graus 3 Protegido contra água espergida de um ângulo de 60 graus da vertical (chuva) 4 Protegido contra projeções de água de qualquer direção 5 Protegido contra jatos de água de qualquer direção 6 Protegido contra ondas do mar ou de água projetada em jatos potentes 7 Protegido contra imersão e água, sob condições definidas de tempo e pressão 8 Protegido para submersão contínua em água, nas condições especificadas pelo fabricante
  • 78.
    0004BA0104104 - ELETRICISTAINSTALADOR INDUSTRIAL 78 SENAI-PR CATEGORIA DE MOTORESCATEGORIA DE MOTORES CATEGORIA DE MOTORES ELÉTRICOS DE INDUÇÃO TRIFÁSICOS Conforme as suas características de conjugado em relação à velocidade e corrente de partida, os motores de indução trifásicos com rotor de gaiola, são classificados em categorias, cada uma adequada a um tipo de carga. Estas categorias são definidas em norma (NBR 7094), e são as seguintes: Categoria N Conjugado de partida normal, corrente de partida normal e baixo escorregamento. Constitu- em a maioria dos motores encontrados no mercado, prestando-se ao acionamento de cargas normais, como bombas, máquinas operatrizes, ventiladores. Categoria H Conjugado de partida alto, corrente de partida normal e baixo escorregamento. Usados para cargas que exigem maior conjugado na partida, como peneiras, transportadores carrega- dores, cargas de alta inércia, britadores, etc. Categoria D Conjugado de partida alto, corrente de partida normal e alto escorregamento (> que 5%). Usados em prensas excêntricas e máquinas semelhantes, onde a carga apresenta picos pe- riódicos. Usados também em elevadores e cargas que necessitam de conjugados de partida muito altos e corrente de partida limitada.
  • 79.
    0004BA0104104 - ELETRICISTAINSTALADOR INDUSTRIAL 79 SENAI-PR FATOR DE POTÊNCIAFATOR DE POTÊNCIA Para entendermos melhor o que venha ser fator de potência, definiremos antes alguns conceitos importantes: Potência - capacidade de produzir trabalho na unidade de tempo; Potência ativa ou efetiva - é aquela que efetivamente produz trabalho útil. É normal- mente expressa em quilo-watt (kW); Potência reativa - é utilizada para criar o fluxo magnético necessário ao funcionamento de equipamentos indutivos como os motores elétricos, transformadores e reatores. É expres- sa em quilovolt-ampere-reativo (kVAr); Potência aparente - é a potência total absorvida por uma instalação elétrica, e é normal- mente expressa em (kVA) . Energia - é a utilização da potência num determinado intervalo de tempo; Energia ativa ou efetiva - utilização da potência ativa durante qualquer período de tem- po. É normalmente expressa em kWh; Energia reativa - é a utilização da potência reativa em um período de tempo qualquer. Expressa em (kVArh); Os equipamentos elétricos podem consumir energia ativa e/ou reativa para o seu funci- onamento. A soma geométrica das potências ativa e reativa resulta na potência aparente como mostra a figura abaixo:
  • 80.
    0004BA0104104 - ELETRICISTAINSTALADOR INDUSTRIAL 80 SENAI-PR cos ϕ =ϕ = Kwh / KVAh = KW / KVA O fator de potência ou cos ϕ pode ser expresso pela relação: O baixo fator de potência numa instalação elétrica geralmente provoca: v perdas de energia dentro das instalações; v danos em equipamentos devido à sobrecarga; v aumento de desgaste nos dispositivos de proteção de manobras; v aumento de investimentos em condutores e equipamentos elétricos sujeitos à limitação térmica de corrente; v obstrução de capacidade dos equipamentos, impedindo a ligação de novas cargas; v queda de tensão nos circuitos de distribuição de energia elétrica e flutuações de tensão, que podem provocar a queima de motores; v dificuldades de regulação do sistema. As principais causas do baixo fator de potência são: v motores e/ou transformadores operando em “vazio“ ou com pequenas cargas; v motores e/ou transformadores superdimensionados; v lâmpadas de descarga sem reatores de alto fator de potência; v grande quantidade de motores de pequena potência; v o acionamento de máquinas operatrizes nas indústrias é feito através de motores elétricos.
  • 81.
    0004BA0104104 - ELETRICISTAINSTALADOR INDUSTRIAL 81 SENAI-PR F A T O R D E P O T Ê N C I A N Ú M E R O D E P Ó L O S CV II IV VI VIII 3600 RPM 1800 RPM 1200 RPM 900 RPM 1 0,800 0,730 0,690 0,660 1,5 0,870 0,810 0,670 0,560 2 0,930 0,810 0,710 0,620 3 0,830 0,840 0,710 0,690 4 0,830 0,830 0,740 0,700 5 0,870 0,850 0,750 0,730 6 0,880 0,830 0,770 0,640 7,5 0,860 0,860 0,720 0,670 10 0,910 0,840 0,780 0,700 12,5 0,920 0,840 0,810 0,780 15 0,910 0,860 0,800 0,790 20 0,910 0,870 0,790 0,800 25 0,930 0,870 0,860 0,770 30 0,920 0,870 0,860 0,830 40 0,890 0,870 0,870 0,780 50 0,890 0,880 0,820 0,820 60 0,910 0,880 0,790 0,820 75 0,910 0,890 0,830 0,780 100 0,910 0,890 0,850 0,810 125 0,890 0,880 0,850 0,790 150 0,900 0,870 0,830 0,790 175 0,900 0,890 0,840 200 0,900 0,890 0,840 250 0,900 0,880 O fator de potência dos motores elétricos varia de motor para motor e também é influenciado pelas condições de operação. Para ilustrarmos melhor esta situação, vejamos a tabela: Observe que o fator de potência aumenta com a potência do motor e diminui com o aumento do número de pólos. O instrumento utilizado para medir o fator de potência denomina-se fasímetro, também chamado de cosfímetro. Os procedimentos para se corrigir o fator de potência são: v dimensionar e utilizar corretamente os equipamentos elétricos; v quando ocorrerem ampliações ou modificações previstas para as instalações industri- ais, introduzir, se possível, equipamentos que aumentem o consumo de energia elétrica ativa mas não reativa, tais como: n motores síncronos de alto fator de potência com operação à plena carga; n fornos e outros equipamentos de aquecimento por resistência;
  • 82.
    0004BA0104104 - ELETRICISTAINSTALADOR INDUSTRIAL 82 SENAI-PR n reatores de alto fator de potência para lâmpadas de descarga; n caldeiras elétricas; n capacitores onde sejam necessário. FATOR DE POTÊNCIA Fator de Potência é o número que indica o quanto de energia elétrica é transformada em outras formas de energia. Este número varia entre zero (0) e a unidade (1). Um fator de potência igual a 1 indica que o aparelho utilizou toda a energia elétrica consumida, transformando - a em outras formas de energia. Um aparelho que apresentasse o fator de potên- cia igual a zero não transformaria nenhuma energia elétrica, ou seja, estaria desperdiçando toda a energia recebida. CONSEQÜÊNCIAS DE UM BAIXO FATOR DE POTÊNCIA a) crescimento da conta de energia elétrica; b) crescimento na queda de tensão; c) sobrecarga no sistema elétrico; d) iluminação reduzida; e) aumento das perdas de energia por calor. CAUSAS DO BAIXO FATOR DE POTÊNCIA a) instalação de lâmpadas fluorescentes; b) retificadores; c) equipamentos eletrônicos; d) motores de indução subcarregados; e) transformadores em vazio ou superdimensionados. OBJETIVOS PRINCIPAIS DA MELHORIA DO FATOR DE POTÊNCIA a) redução dos custos com energia elétrica; b) liberação da capacidade do sistema; c) crescimento do nível de tensão, por diminuição das quedas; d) redução das perdas do sistema.
  • 83.
    0004BA0104104 - ELETRICISTAINSTALADOR INDUSTRIAL 83 SENAI-PR CORREÇÃO DO FATOR DE POTÊNCIA A primeira providência para corrigir o baixo fator de potência é a análise das causas que levam a utilização excessiva de energia reativa. A eliminação dessas causas passa pela raciona- lização do uso de equipamentos superdimensionados, redistribuir cargas pelos diversos circuitos, etc, pode eventualmente, solucionar o problema de excesso de reativo nas instalações. A partir destas providências uma forma de reduzir a circulação de energia reativa pelo sistema elétrico, consiste em produzí-la, o mais próximo da carga, utilizando um equipamento chamado capacitor. Instalando-se capacitores junto às cargas indutivas, a circulação de energia reativa fica limitada a estes equipamentos. Na prática, a energia reativa passa a ser fornecida pelos capacitores, liberando parte da capacidade do sistema elétrico e das instalações da unidade consumidora. Isso é comumente chamado de compensação de energia reativa. Quando está havendo consumo de energia reativa caracterizando uma situação de com- pensação insuficiente, o fator de potência é chamado de indutivo. Quando está havendo um fornecimento de energia reativa à rede, caracterizando uma situação de compensação exces- siva o fator de potência é chamado de capacitivo. CONSIDERAÇÕES FINAIS O decreto n° 479 de 20/03/92 reiterou a obrigatoriedade de se manter o fator de potência o mais próximo possível da unidade, tanto pelas concessionárias quanto pelos consumidores. A nova legislação pertinente, estabelecida pelo Departamento Nacional de Águas e Ener- gia Elétrica, introduz uma nova forma de abordagem do ajuste pelo baixo fator de potência, com os seguintes aspectos relevantes: - aumento do limite mínimo do fator de potência de 0,85 para 0,92, - faturamento de energia reativa capacitiva excedente e - redução do período de avaliação do fator de potência de mensal para horário, a partir de 1996.
  • 84.
    0004BA0104104 - ELETRICISTAINSTALADOR INDUSTRIAL 84 SENAI-PR FUNDAMENTAÇÃO TEÓRICA DO FATOR DE POTÊNCIA v Potência ativa (kW): é a energia que realmente é transformada em outra forma de ener- gia. É a energia elétrica aproveitada, ou seja, a energia que consumimos e pagamos; v Potência reativa (kVar): é a energia trocada entre o gerador e o receptor, não sendo consumida, portanto é uma energia não transformada, ou seja, não gera trabalho ne- nhum (desperdício). É a energia que não consumimos mas pagamos; v Potência aparente (kVA): é a soma vetorial das duas potências anteriores. É a potência gerada e transmitida a carga. 3=P x E x I x cos ϕ P aparente (kVA) = P ap.cos ϕ (kW) + P ap.sen ϕ (kVar) (kVar) FP = Potência ativa (kW) / Potência aparente (kVA) = cos ϕ FP = fator de potência
  • 85.
    0004BA0104104 - ELETRICISTAINSTALADOR INDUSTRIAL 85 SENAI-PR CONSIDERAÇÕES a ) se ϕ = 0 tem - se cos ϕ = 1, logo: P aparente ( kVA ) = P ativa ( kW ) v Nestas considerações enquadram - se os aparelhos que possuem resistência elétrica: Ex. : chuveiros, aquecedores, ferro elétrico, lâmpadas incandescentes. b) se 0 < ϕ < 90° tem - se P aparente ( kVA ) = P ativa ( kW ) + P reativa ( kV ar) v Enquadram - se nesta característica os aparelhos que possuem enrolamento. Ex. : motor elétrico, reator, transformador, etc. c ) se ϕ = 90° tem - se cos ϕ = 0, logo P aparente( kVA) = P reativa (kVar) v Não existe aparelho nenhum que utilize esta forma de energia. FORMULÁRIO PARA O CÁLCULO DAS POTÊNCIAS ATIVAS (W) v Circuitos monofásicos de corrente alternada: P = E x I x cos ϕ v Circuitos trifásicos: 3=P x E x I x cos ϕ
  • 86.
    0004BA0104104 - ELETRICISTAINSTALADOR INDUSTRIAL 86 SENAI-PR RENDIMENTO E PERDARENDIMENTO E PERDA RENDIMENTO E PERDAS NOS MOTORES ELÉTRICOS O rendimento do motor, ou seja, a eficiência, esta relacionada diretamente com as per- das que se produzem com seu funcionamento. Perdas estas das mais variadas, sendo as mais importantes: v Perdas por efeito Joule (aquecimento) no estator e no rotor: As perdas por efeito Joule são as que se verificam nos condutores estatóricos e rotóricos por efeito da passagem da corrente elétrica. v Perdas mecânicas: As perdas mecânicas são as devidas aos atritos nos suportes e à ventilação, por isso dependem do tipo de suporte, dos processos de lubrificação, dos sistemas de ventilação e da velocidade de rotação do motor. Podemos expressar o rendimento dos motores elétricos percentualmente através de: Pe Pf =η Onde: Pe = potência efetiva em W Pf = potência final também em W O cálculo dessas perdas é muito complexo, pois cada tipo de perda tem um peso dife- rente para cada tipo de motor. A tabela a seguir mostra como varia o rendimento do motor conforme suas características com relação à rotação e sua potência elétrica.
  • 87.
    0004BA0104104 - ELETRICISTAINSTALADOR INDUSTRIAL 87 SENAI-PR R E N D I M E N T O S N Ú M E R O D E P Ó L O S CV II IV VI VIII 3600 RPM 1800 RPM 1200 RPM 900 RPM 1 0,809 0,759 0,794 0,750 1,5 0,829 0,795 0,792 0,805 2 0,830 0,825 0,840 0,841 3 0,851 0,848 0,847 0,862 4 0,863 0,862 0,870 0,865 5 0,860 0,873 0,875 0,881 6 0,874 0,880 0,882 0,881 7,5 0,887 0,890 0,893 0,897 10 0,901 0,901 0,901 0,907 12,5 0,905 0,909 0,905 0,910 15 0,910 0,917 0,902 0,914 20 0,920 0,923 0,906 0,919 25 0,915 0,925 0,921 0,927 30 0,923 0,930 0,932 0,930 40 0,931 0,933 0,933 0,930 50 0,932 0,935 0,932 0,936 60 0,927 0,936 0,936 0,941 75 0,934 0,938 0,940 0,944 100 0,939 0,943 0,946 0,945 125 0,934 0,944 0,945 0,952 150 0,938 0,950 0,947 0,954 175 0,943 0,951 0,953 200 0,946 0,953 0,954 250 0,950 0,956 Dados extraídos de catálogo da WEG - Motores de Alto Rendimento (Linha Plus). O ideal seria que o rendimento de um motor fosse igual a 1, ou seja, que não houvesse perda nenhuma, mas isso não é possível. De uma maneira geral, quanto maior a rotação e potência do motor, o rendimento do mes- mo tende a aumentar. O rendimento do motor com relação a carga diminui em dois casos: v Se o motor trabalhar com pouca carga; v Com excesso de carga, principalmente quando é ultrapassada a carga normal. Daí a importância dos motores estarem dimensionados corretamente de acordo com o conju- gado requerido pela máquina. Para efeitos de cálculos, o rendimento dos motores é da ordem de 80%. Isto significa que 20% são perdas.
  • 88.
    0004BA0104104 - ELETRICISTAINSTALADOR INDUSTRIAL 88 SENAI-PR Exemplo: Calcular as potências aparente, efetiva, reativa e final para o motor trifásico de indução abaixo: v 5 CV v 1730 RPM v 13,6 A / 220 V v Ip/In = 7,5 v η = 83,5 % v cos ϕ = 0,85 v F.S. = 1,15 Solução: 1) A potência aparente ( Pa ) é dada pela expressão: Substituindo os valores, tem-se : 2) A potência efetiva ( Pe ) é dada pela expressão: Substituindo os valores, temos: 3) A potência reativa ( Pr ) é dada pela expressão: Logo, tem-se: Pa = 3 x E x I Pa = 3 x 220 x 13,6 =========> Pa = 5.182,30 VA ou 5,18 KVA Pe = Pa x cos ϕϕ Pe = 5.182,30 x 0,85 ============> Pe = 4.404,95 W ou 4,40 KW Pr = P Pa e 2 2 − Pr = 5182 30 4 404 952 2 . , . ,− =====> Pr = 2.729,94 VAr ou 2,73 KVAr
  • 89.
    0004BA0104104 - ELETRICISTAINSTALADOR INDUSTRIAL 89 SENAI-PR 4) E a potência final ( Pf ) é obtida através da expressão: Assim, temos: RESUMO DAS POTÊNCIAS Pf = Pe x ηη Pf = 4.404,95 x 0,835 ===========> Pf = 3.678,13 W ou 3,68 KW
  • 90.
    0004BA0104104 - ELETRICISTAINSTALADOR INDUSTRIAL 90 SENAI-PR EXEMPLO Numa indústria tem-se um consumo de 500 kW com um fator de potência de 70 %. Deseja-se melhorá-lo para 95%. Pergunta-se: 1) Qual deve ser a potência reativa (kVAr) a ser instalada através de capacitores? 2) Qual a reducão da potência aparente (kVA) após a instalação dos mesmos? 3) Qual a redução de corrente com o aumento do fator de potência de 70% para 95%? Solução : 1.a ) Determinação do número de kVAr com cos ϕ = 70% Da Tabela 1 , com cos ϕ = 70%, encontramos kVAr/kW = 1,020, ou seja: 1.b ) Determinação do número de kVAr com cos ϕ = 95 % Da Tabela 1 , com cos ϕ = 95%, encontramos kVAr/kW = 0,329, ou seja: Logo, a quantidade de kVAr a ser instalada para que o fator de potência aumente de 70% para 95% é dada pela diferença entre os kVAr calculados, ou seja: kVAr = 1,020 x kW = 1,020 x 500 ==> kVAr = 510 kVAr = 0,329 x kW = 0,329 x 500 ==> kVAr = 164,5 kVAr (à instalar) = 510 - 164,5 ==> kVAr (à instalar) = 345,5 CÁLCULO FATOR DE POTÊNCIACÁLCULO FATOR DE POTÊNCIA
  • 91.
    0004BA0104104 - ELETRICISTAINSTALADOR INDUSTRIAL 91 SENAI-PR 3) Supondo a tensão constante, as correntes antes e depois da instalação dos capacitores são calculadas através das expressões : Para cos ϕ = 70 % : I = kVA / 3 x E ==> I = 714,29 / 3x 220 ==> I = 1,87 kA Para cos ϕ = 95 % : I = kVA / 3 x E ==> I = 526,32 / 3 x 220 ==> I = 1,38 kA A redução de kVA é dada então através da diferença entre os kVA: kVA (cos ϕ = 70 % ) - kVA(cos ϕ = 95 % ) = 714,29 - 526,32 Logo, tem-se ==> kVA(de redução) = 187,97 2) As potências aparente com cos ϕ = 70 % e cos ϕ = 95 % são : kVA (cos ϕ = 70 % ) = kW / cos ϕ = 500 / 0,70 ==> kVA = 714,29 kVA (cos ϕ = 95 % ) = kW / cos ϕ = 500 / 0,95 ==> kVA = 526,32
  • 92.
    0004BA0104104 - ELETRICISTAINSTALADOR INDUSTRIAL 92 SENAI-PR T A B E L A 1 kW/kVA ou cos ϕϕ kVAr/kVA kVAr/kW kW/kVA ou cos ϕϕ kVAr/kVA kVAr/kW 1,00 0,000 0,000 0,50 0,866 1,732 0,99 0,141 0,142 0,49 0,872 1,779 0,98 0,199 0,203 0,48 0,877 1,828 0,97 0,243 0,251 0,47 0,883 1,878 0,96 0,280 0,292 0,46 0,888 1,930 0,95 0,312 0,329 0,45 0,893 1,985 0,94 0,341 0,363 0,44 0,898 2,041 0,93 0,368 0,395 0,43 0,903 2,100 0,92 0,392 0,426 0,42 0,908 2,161 0,91 0,415 0,456 0,41 0,912 2,225 0,90 0,436 0,484 0,40 0,917 2,291 0,89 0,456 0,512 0,39 0,921 2,361 0,88 0,475 0,540 0,38 0,925 2,434 0,87 0,493 0,567 0,37 0,929 2,511 0,86 0,510 0,593 0,36 0,933 2,592 0,85 0,527 0,620 0,35 0,937 2,676 0,84 0,543 0,646 0,34 0,940 2,766 0,83 0,558 0,672 0,33 0,944 2,861 0,82 0,572 0,698 0,32 0,947 2,961 0,81 0,586 0,724 0,31 0,951 3,067 0,80 0,600 0,750 0,30 0,954 3,180 0,79 0,613 0,776 0,29 0,957 3,300 0,78 0,626 0,802 0,28 0,960 3,429 0,77 0,638 0,829 0,27 0,963 3,566 0,76 0,650 0,855 0,26 0,966 3,714 0,75 0,661 0,882 0,25 0,968 3,873 0,74 0,673 0,909 0,24 0,971 4,045 0,73 0,683 0,936 0,23 0,973 4,231 0,72 0,694 0,964 0,22 0,975 4,434 0,71 0,704 0,992 0,21 0,978 4,656 0,70 0,714 1,020 0,20 0,980 4,899 0,69 0,724 1,049 0,19 0,982 5,167 0,68 0,733 1,078 0,18 0,984 5,465 0,67 0,742 1,108 0,17 0,985 5,797 0,66 0,751 1,138 0,16 0,987 6,169 0,65 0,760 1,169 0,15 0,989 6,591 0,64 0,768 1,201 0,14 0,990 7,073 0,63 0,777 1,233 0,13 0,992 7,627 0,62 0,785 1,265 0,12 0,993 8,273 0,61 0,792 1,299 0,11 0,994 9,036 0,60 0,800 1,333 0,10 0,995 9,950 0,59 0,807 1,368 0,09 0,996 11,066 0,58 0,815 1,405 0,08 0,997 12,460 0,57 0,822 1,441 0,07 0,998 14,251 0,56 0,828 1,479 0,06 0,998 16,637 0,55 0,835 1,518 0,05 0,999 19,975 0,54 0,842 1,559 0,04 0,999 24,980 0,53 0,848 1,600 0,03 1,000 33,318 0,52 0,854 1,643 0,02 1,000 49,990 0,51 0,860 1,687 0,01 1,000 99,995 0,00 1,000 RELAÇÃO ENTRE OS VALORES DE : kW/kVA (cos ϕϕ) , kVAr/kVA e kVAr/kW
  • 93.
    0004BA0104104 - ELETRICISTAINSTALADOR INDUSTRIAL 93 SENAI-PR
  • 94.
    0004BA0104104 - ELETRICISTAINSTALADOR INDUSTRIAL 94 SENAI-PR
  • 95.
    0004BA0104104 - ELETRICISTAINSTALADOR INDUSTRIAL 95 SENAI-PR RELAÇÕES TRIGONOMÉTRICASRELAÇÕES TRIGONOMÉTRICAS GRAU SENO CO-SENO TANGENTE GRAU SENO CO-SENO TANGENTE 0 0,00000 1,00000 0,00000 46 0,71934 0,69466 1,03553 1 0,01745 0,99985 0,01746 47 0,73135 0,68200 1,07237 2 0,03490 0,99939 0,03492 48 0,74314 0,66913 1,11061 3 0,05234 0,99863 0,05241 49 0,75471 0,65606 1,15037 4 0,06976 0,99756 0,06993 50 0,76604 0,64279 1,19175 5 0,08716 0,99619 0,08749 51 0,77715 0,62932 1,23490 6 0,10453 0,99452 0,10510 52 0,78801 0,61566 1,27994 7 0,12187 0,99255 0,12278 53 0,79864 0,60182 1,32704 8 0,13917 0,99027 0,14054 54 0,80902 0,58779 1,37638 9 0,15643 0,98769 0,15838 55 0,81915 0,57358 1,42815 10 0,17365 0,98481 0,17633 56 0,82904 0,55919 1,48256 11 0,19081 0,98163 0,19438 57 0,83867 0,54464 1,53986 12 0,20791 0,97815 0,21256 58 0,84805 0,52992 1,60033 13 0,22495 0,97437 0,23087 59 0,85717 0,51504 1,66428 14 0,24192 0,97030 0,24933 60 0,86603 0,50000 1,73205 15 0,25882 0,96593 0,26795 61 0,87462 0,48481 1,80405 16 0,27564 0,96126 0,28675 62 0,88295 0,46947 1,88073 17 0,29237 0,95630 0,30573 63 0,89101 0,45399 1,96261 18 0,30902 0,95106 0,32492 64 0,89879 0,43837 2,05030 19 0,32557 0,94552 0,34433 65 0,90631 0,42262 2,14451 20 0,34202 0,93969 0,36397 66 0,91355 0,40674 2,24604 21 0,35837 0,93358 0,38386 67 0,92050 0,39073 2,35585 22 0,37461 0,92718 0,40403 68 0,92718 0,37461 2,47509 23 0,39073 0,92050 0,42447 69 0,93358 0,35837 2,60509 24 0,40674 0,91355 0,44523 70 0,93969 0,34202 2,74748 25 0,42262 0,90631 0,46631 71 0,94552 0,32557 2,90421 26 0,43837 0,89879 0,48773 72 0,95106 0,30902 3,07768 27 0,45399 0,89101 0,50953 73 0,95630 0,29237 3,27085 28 0,46947 0,88295 0,53171 74 0,96126 0,27564 3,48741 29 0,48481 0,87462 0,55431 75 0,96593 0,25882 3,73205 30 0,50000 0,86603 0,57735 76 0,97030 0,24192 4,01078 31 0,51504 0,85717 0,60086 77 0,97437 0,22495 4,33148 32 0,52992 0,84805 0,62487 78 0,97815 0,20791 4,70463 33 0,54464 0,83867 0,64941 79 0,98163 0,19081 5,14455 34 0,55919 0,82904 0,67451 80 0,98481 0,17365 5,67128 35 0,57358 0,81915 0,70021 81 0,98769 0,15643 6,31375 36 0,58779 0,80902 0,72654 82 0,99027 0,13917 7,11537 37 0,60182 0,79864 0,75355 83 0,99255 0,12187 8,14435 38 0,61566 0,78801 0,78129 84 0,99452 0,10453 9,51436 39 0,62932 0,77715 0,80978 85 0,99619 0,08716 11,43005 40 0,64279 0,76604 0,83910 86 0,99756 0,06976 14,30067 41 0,65606 0,75471 0,86929 87 0,99863 0,05234 19,08114 42 0,66913 0,74314 0,90040 88 0,99939 0,03490 28,63625 43 0,68200 0,73135 0,93252 89 0,99985 0,01745 57,28996 44 0,69466 0,71934 0,96569 90 1,00000 0,00000 45 0,70711 0,70711 1,00000 RELAÇÕES TRIGONOMÉTRICAS NO TRIÂNGULO RETÂNGULO
  • 96.
    0004BA0104104 - ELETRICISTAINSTALADOR INDUSTRIAL 96 SENAI-PR BIBLIOGRAFIABIBLIOGRAFIA 1. Creder, Hélio. Instalações Elétricas 13a Edição. Editora LTC. Rio de Janeiro - RJ. 2. Niskier, Júlio / Macintyre, A . J..Instalações Elétricas 2a Edição. Editora LTC . Rio de Janei- ro - RJ. 3. Alvarenga, Beatriz / Máximo, Antonio. Curso de Física 3 . 2a Edição Editora Harbra. São Paulo - SP. 4. Resnick, Halliday. Fundamentos de Física. 5. Apostila Anglo. 27 . Física - Eletrodinâmica. 6. Apostilas de Eletrotécnica do Senai. 7. Apostilas da Pirelli. Instalações Elétricas Residenciais. VOL 1 à 6. 8. Manual Pirelli de Instalações Elétricas. Editora Pini. 9. NTC 9-01100 – Fornecimento em tensão secundária de distribuição. Catálogos Técnicos: v Siemens v Weg v GE v Osram v Ficap v Universal Peletri v Catálogo geral de lâmpadas fluorescentes