CLP -Controlador Lógico Programável
Aprendendo linguagem Ladder
com o Clic Edit - WEG
Apostila de Exercícios
Prof. Cláudio R. Truffa
- 2005 -
Introdução
Este material tem como objetivo a familiarização com a linguagem LADDER,
utilizando o software (freeware) da WEG, que estã disponível na página
www.weg.com.br, pois este posibilita a implementação e simulação de programas
em linguagem ladder não necessitando, como na maioria dos CLP de se ter o
equipamento.
O Clic Edit é um software de simples operacionalidade, bastando se ter os
conhecimentos básicos da linguagem para se implementar diversos sistemas que
poderão ser ativados de modo real, conectando-se o microcomputador com o
software a um CLP através de um cabo próprio.
A seqüência determinada nesta apostila não é obrigatória, mas facilita a utilização
didática do software para uma aprendizagem que possibilitará ao discente todas as
condições para a aprendizagem da linguagem bem como a utilização do CLP WEG
em sua totalidade.
São 26 exercícios que poderão ser alterados ou complementados de acordo com as
necessidades de cada curso tais como carga horária, disponibilidade de laboratório,
etc.
Espero com isso ter contribuido com o corpo docente e, esperando sugestôes e
contribuições para melhoria deste material
O autor
ctruffa@pop.com.br
2
SUMÁRIO de Exercícios
Exercício 01 - Três interruptores em série e uma saída ............... 04
Exercício 02 - Dois interruptores em paralelo e uma saída ............ 05
Exercício 03 - Comando simples - uma botoeira ......................... 05
Exercício 04 - Comando simples - duas botoeiras ....................... 05
Exercício 05 - Comando reversor - tipo 1 ................................... 06
Exercício 06 - Comando reversor - tipo 2 ................................... 06
Exercício 07 - Comando reversor - com duas botoeiras ................ 07
Exercício 08 - Solução de problemas combinátórios 1 .................. 08
Exercício 09 - Solução de problemas combinátórios 2 .................. 08
Exercício 10 - Solução de problemas combinátórios 3 .................. 09
Exercício 11 - Solução de problemas combinátórios 4 .................. 10
Exercício 12 - Solução de problemas combinátórios 5 .................. 10
Exercício 13 - Solução de problemas combinátórios 6 .................. 11
Exercício 14 - Minuteria ........................................................... 12
Exercício 15 - Chave estrela-triângulo ........................................ 12
Exercício 16 - Seqüência de pistôes A+B+A-B- .......................... 13
Exercício 17 - Seqüência de pistôes A+A-B+B- .......................... 14
Exercício 18 - Seqüëncia de pistôes A+B+A-C+B-C- ................... 15
Problemas ............................................................................. 16
ctruffa@pop.com.br
3
Exercício 01 - Três interruptores em série acionando uma saída
Objetivo : Demonstrar o funcionamento básico de um CLP, tanto em linguagem
ladder como também a sua simulação.
Anotaçôes :
___________________________________________________________________
___________________________________________________________________
___________________________________________________________________
___________________________________________________________________
___________________________________________________________________
___________________________________________________________________
___________________________________________________________________
___________________________________________________________________
___________________________________________________________________
ctruffa@pop.com.br
4
Exercício 02 - Dois interruptores em paralelo e uma saída
Objetivo : Demonstrar o funcionamento básico e simulação de um CLP.
Exercício 03 - Comando simples - uma botoeira.
Objetivo :
Exercício 04 - Comando simples - duas botoeiras
Objetivo :
ctruffa@pop.com.br
5
Exercício 05 - Comando reversor - tipo 1
Objetivo :
I1 - desliga
I2 - esquerda
I3 - direita
Exercício 06 - Comando reversor - tipo 2
Objetivo :
I1 - desliga
I2 - esquerda
I3 - direita
ctruffa@pop.com.br
6
Exercício 07 - Comando reversor - com duas botoeiras
Objetivo :
I1 - desliga
I2 e I3 - esquerda
I4 e I5 - direita
ctruffa@pop.com.br
7
Exercício 08 - Solução de problemas combinátórios 1
Objetivo :
B A S
0 0 0
0 1 1 A B'
1 0 1 A' B
1 1 0
Exercício 09 - Solução de problemas combinátórios 2
Objetivo :
C B A S
0 0 0 0
0 0 1 0
0 1 0 1 A' B C'
0 1 1 1 A B C'
1 0 0 1 A' B' C
1 0 1 1 A B' C
1 1 0 0
1 1 1 0
Minimizando as equações pelo método gráfico temos : B'C + B C'
ctruffa@pop.com.br
8
Exercício 10 - Solução de problemas combinátórios 3
Objetivo :
C B A S
0 0 0 0
0 0 1 0
0 1 0 0
0 1 1 1 A B C'
1 0 0 0
1 0 1 1 A B' C
1 1 0 1 A' BC
1 1 1 1 ABC
Minimizando as equações pelo método gráfico temos : AB + AC + BC
ctruffa@pop.com.br
9
Exercício 11 - Solução de problemas combinátórios 4
Objetivo :
C B A S
0 0 0 0 A + B + C
0 0 1 1
0 1 0 1
0 1 1 0 A'+ B' + C
1 0 0 1
1 0 1 1
1 1 0 1
1 1 1 1
Minimizando as equações pelo método gráfico temos : ( A + B + C ) . ( A' + B' + C)
Exercício 12 - Solução de problemas combinátórios 5
Objetivo :
C B A S
0 0 0 0
0 0 1 0
0 1 0 1 A'B C'
0 1 1 1 A B C'
1 0 0 0
1 0 1 0
1 1 0 1 A'BC
1 1 1 1 ABC
Minimizando as equações pelo método gráfico temos : AB + AC + BC
ctruffa@pop.com.br
10
Exercício 13 - Solução de problemas combinátórios 6
Objetivo :
D C B A S
0 0 0 0 1 A' B' C' D'
0 0 0 1 0
0 0 1 0 1 A' B C' D'
0 0 1 1 0
0 1 0 0 0
0 1 0 1 1 A B' C D'
0 1 1 0 0
0 1 1 1 1 A B C D'
1 0 0 0 1 A' B' C' D
1 0 0 1 0
1 0 1 0 1 A' B C' D
1 0 1 1 0
1 1 0 0 0
1 1 0 1 1 A B' C D
1 1 1 0 0
1 1 1 1 1 A B C D
Minimizando as equações pelo método gráfico temos : AC + A'C'
ctruffa@pop.com.br
11
Exercício 14 - Minuteria
Objetivo : Manipular váriaveis de tempo
OBS: O temporizador deverá ter o modo 3 e um "Reset Input" diferente do
acionador ( I1 )
Exercício 15 - Chave estrela-triângulo
Objetivo :
ctruffa@pop.com.br
12
Exercício 16 - Seqüência de pistôes A+B+A-B-
Objetivo : Implementar um circuito utilizando o método cascata elétrico para fazer
cumprir a seqüência solicitada.
Entradas
botão liga I1
Saídas
sensor
A
recuado A0 I2
avançado A1 I3
pistão A
avança A+ Q1
recua A- Q2
sensor
B
recuado B0 I4
avançado B1 I5
pistão B
avança B+ Q3
avançado B+ Q4
ctruffa@pop.com.br
13
Exercício 17 - Seqüência de pistôes A+A-B+B-
Objetivo :
Entradas
botão liga I1
Saídas
sensor
A
recuado A0 I2
avançado A1 I3
pistão A
avança A+ Q1
recua A- Q2
sensor
B
recuado B0 I4
avançado B1 I5
pistão B
avança B+ Q3
recua B- Q4
ctruffa@pop.com.br
14
Exercício 18 - Seqüëncia de pistôes A+B+A-C+B-C-
Objetivo :
Entradas
botão liga I1
Saídas
sensor
A
recuado A0 I2
avançado A1 I3
pistão A
avança A+ Q1
recua A- Q2
sensor
B
recuado B0 I4
avançado B1 I5
pistão B
avança B+ Q3
recua B- Q4
sensor
C
recuado C0 I6
avançado C1 I7
pistão C
avança C+ Q5
recua C- Q6
ctruffa@pop.com.br
15
PROBLEMAS
Nesta fase são fornecidos problema para que o aluno desenvolva a sua solução.
P1 - Exercício 19 - Seqüência de pistões A+(B+A-) C+B-C-
P2 - Exercício 20 - Semáforo para pedestre
P3 - Exercício 21 - Semáforo duas vias
P4 - Exercício 22 - Semáforo duas vias + pedestres
P5 - Exercício 23 - Situação-problema 1 (combinatório)
P6 - Exercício 24 - Situação-problema 2 (seqüëncial )
P7 - Exercício 25 - Situação-problema 3 (contador )
P8 - Exercício 26 - Situação-problema 4 (analógico)
ctruffa@pop.com.br
16
Anexo 1
Método Cascata Elétrico
ctruffa@pop.com.br
17
Método cascata - elétrico
Para se projetar um circuito que satisfaça uma seqüência de operação de
acionadores pelo método cascata elétrico é necessário seguir os passos seguintes,
que são bastante similares ao cascata pneumático.
1º passo - Separar os grupos ( processo idêntico ao processo pneumático).
2º passo - Montar a cascata
3º passo - Implementar o circuito de acordo com a seqüência exigida.
1º passo - Separar os grupos
Para dividir uma seqüência em grupo deve-se, primeiramente, escrever a
seqüência. Em seguida deve-se ler a seqüência, da esquerda para a direita,
cortando-a com um traço vertical toda vez que uma letra for se repetir, não
importando, no momento, os sinais de ( + ) ou ( - ).
Finalmente, o número de subdivisões provocadas pelos traços verticais é igual ao
número de setores que a cascata deve possuir.
Eis alguns exemplos:
1) A + B + | A – B –
1 2
2) A + B + | B – A –
1 2
Nos exemplos 1 e 2 o traço subdivide a seqüência em duas partes, determinando
dois grupos.
3) A + | A – B + | B –
1 2 1
Aqui, embora os traços tenham fracionado a seqüência em três partes, a letra
contida na terceira divisão não está contida na primeira. Neste caso, com o intuito
ctruffa@pop.com.br
18
de se economizar relés, pode-se considerar o retorno de B como parte integrante da
primeira divisão.
Assim, para a construção do comando elétrico pelo método cascata serão
necessários dois grupos.
4) A + B + C+ | A – B – | A + B + C – | A – B –
1 2 3 4
Neste caso, os traços subdividem a seqüência em quatro grupos.
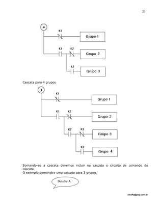
2º passo - Montar a cascata
Após a identificação do número de grupos será necessário montar a cascata que
será parte da preparação para o circuito final.
Cascata para 2 grupos
Cascata para 3 grupos
ctruffa@pop.com.br
19
Cascata para 4 grupos
Somando-se a cascata devemos incluir na cascata o circuito de comando da
cascata.
O exemplo demonstra uma cascata para 3 grupos.
ctruffa@pop.com.br
20
Detalhe A
Kn k11
k1
k1 k2
k2
k2 k3
Detalhe A : Este contato (normal fechado) deve ter o endereço do último relé da
cascata, no caso mostrado acima seria k3
Detalhe B : Estes contatos serão acionados quando da mudança do grupo .
Os demais seguem a regra geral, ou seja são idênticos ao exemplo, notando que o
último relê é responsável pelo final do ciclo, não possuindo um contato de retenção.
3º passo - Implementar o circuito de acordo com a seqüência exigida
Para implementação do circuito admiti-se a regra geral para desenvolvimento de
circuitos ( "regra do : quem ativa ? quem mostra que ativou ? ")
Exemplo 1
A + B+ A - B -
1º passo - Separar os grupos ( processo idêntico ao processo pneumático).
ctruffa@pop.com.br
21
Detalhe B
A + B+ |A - B -
Grupo 1 Grupo 2
2º passo - Montar a cascata
+ -
k1 quem quem
ativa ? mostra
que
ativou ?
k1
k2 k1
k1
k1 k2
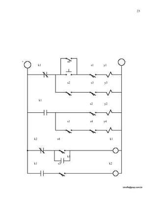
3º passo - Implementar o circuito de acordo com a seqüência exigida.
s1 s2 s3 s4
y1 y2 y3 y4
ctruffa@pop.com.br
22
+ s0 -
k1 s1 y1
s2 s3 y3
k1
s2 y2
s1 s4 y4
k2 s4 k1
k1
k1 s3 k2
ctruffa@pop.com.br
23
ctruffa@pop.com.br
24

Clp aprendizagem clic2 weg

  • 1.
    CLP -Controlador LógicoProgramável Aprendendo linguagem Ladder com o Clic Edit - WEG Apostila de Exercícios Prof. Cláudio R. Truffa - 2005 -
  • 2.
    Introdução Este material temcomo objetivo a familiarização com a linguagem LADDER, utilizando o software (freeware) da WEG, que estã disponível na página www.weg.com.br, pois este posibilita a implementação e simulação de programas em linguagem ladder não necessitando, como na maioria dos CLP de se ter o equipamento. O Clic Edit é um software de simples operacionalidade, bastando se ter os conhecimentos básicos da linguagem para se implementar diversos sistemas que poderão ser ativados de modo real, conectando-se o microcomputador com o software a um CLP através de um cabo próprio. A seqüência determinada nesta apostila não é obrigatória, mas facilita a utilização didática do software para uma aprendizagem que possibilitará ao discente todas as condições para a aprendizagem da linguagem bem como a utilização do CLP WEG em sua totalidade. São 26 exercícios que poderão ser alterados ou complementados de acordo com as necessidades de cada curso tais como carga horária, disponibilidade de laboratório, etc. Espero com isso ter contribuido com o corpo docente e, esperando sugestôes e contribuições para melhoria deste material O autor ctruffa@pop.com.br 2
  • 3.
    SUMÁRIO de Exercícios Exercício01 - Três interruptores em série e uma saída ............... 04 Exercício 02 - Dois interruptores em paralelo e uma saída ............ 05 Exercício 03 - Comando simples - uma botoeira ......................... 05 Exercício 04 - Comando simples - duas botoeiras ....................... 05 Exercício 05 - Comando reversor - tipo 1 ................................... 06 Exercício 06 - Comando reversor - tipo 2 ................................... 06 Exercício 07 - Comando reversor - com duas botoeiras ................ 07 Exercício 08 - Solução de problemas combinátórios 1 .................. 08 Exercício 09 - Solução de problemas combinátórios 2 .................. 08 Exercício 10 - Solução de problemas combinátórios 3 .................. 09 Exercício 11 - Solução de problemas combinátórios 4 .................. 10 Exercício 12 - Solução de problemas combinátórios 5 .................. 10 Exercício 13 - Solução de problemas combinátórios 6 .................. 11 Exercício 14 - Minuteria ........................................................... 12 Exercício 15 - Chave estrela-triângulo ........................................ 12 Exercício 16 - Seqüência de pistôes A+B+A-B- .......................... 13 Exercício 17 - Seqüência de pistôes A+A-B+B- .......................... 14 Exercício 18 - Seqüëncia de pistôes A+B+A-C+B-C- ................... 15 Problemas ............................................................................. 16 ctruffa@pop.com.br 3
  • 4.
    Exercício 01 -Três interruptores em série acionando uma saída Objetivo : Demonstrar o funcionamento básico de um CLP, tanto em linguagem ladder como também a sua simulação. Anotaçôes : ___________________________________________________________________ ___________________________________________________________________ ___________________________________________________________________ ___________________________________________________________________ ___________________________________________________________________ ___________________________________________________________________ ___________________________________________________________________ ___________________________________________________________________ ___________________________________________________________________ ctruffa@pop.com.br 4
  • 5.
    Exercício 02 -Dois interruptores em paralelo e uma saída Objetivo : Demonstrar o funcionamento básico e simulação de um CLP. Exercício 03 - Comando simples - uma botoeira. Objetivo : Exercício 04 - Comando simples - duas botoeiras Objetivo : ctruffa@pop.com.br 5
  • 6.
    Exercício 05 -Comando reversor - tipo 1 Objetivo : I1 - desliga I2 - esquerda I3 - direita Exercício 06 - Comando reversor - tipo 2 Objetivo : I1 - desliga I2 - esquerda I3 - direita ctruffa@pop.com.br 6
  • 7.
    Exercício 07 -Comando reversor - com duas botoeiras Objetivo : I1 - desliga I2 e I3 - esquerda I4 e I5 - direita ctruffa@pop.com.br 7
  • 8.
    Exercício 08 -Solução de problemas combinátórios 1 Objetivo : B A S 0 0 0 0 1 1 A B' 1 0 1 A' B 1 1 0 Exercício 09 - Solução de problemas combinátórios 2 Objetivo : C B A S 0 0 0 0 0 0 1 0 0 1 0 1 A' B C' 0 1 1 1 A B C' 1 0 0 1 A' B' C 1 0 1 1 A B' C 1 1 0 0 1 1 1 0 Minimizando as equações pelo método gráfico temos : B'C + B C' ctruffa@pop.com.br 8
  • 9.
    Exercício 10 -Solução de problemas combinátórios 3 Objetivo : C B A S 0 0 0 0 0 0 1 0 0 1 0 0 0 1 1 1 A B C' 1 0 0 0 1 0 1 1 A B' C 1 1 0 1 A' BC 1 1 1 1 ABC Minimizando as equações pelo método gráfico temos : AB + AC + BC ctruffa@pop.com.br 9
  • 10.
    Exercício 11 -Solução de problemas combinátórios 4 Objetivo : C B A S 0 0 0 0 A + B + C 0 0 1 1 0 1 0 1 0 1 1 0 A'+ B' + C 1 0 0 1 1 0 1 1 1 1 0 1 1 1 1 1 Minimizando as equações pelo método gráfico temos : ( A + B + C ) . ( A' + B' + C) Exercício 12 - Solução de problemas combinátórios 5 Objetivo : C B A S 0 0 0 0 0 0 1 0 0 1 0 1 A'B C' 0 1 1 1 A B C' 1 0 0 0 1 0 1 0 1 1 0 1 A'BC 1 1 1 1 ABC Minimizando as equações pelo método gráfico temos : AB + AC + BC ctruffa@pop.com.br 10
  • 11.
    Exercício 13 -Solução de problemas combinátórios 6 Objetivo : D C B A S 0 0 0 0 1 A' B' C' D' 0 0 0 1 0 0 0 1 0 1 A' B C' D' 0 0 1 1 0 0 1 0 0 0 0 1 0 1 1 A B' C D' 0 1 1 0 0 0 1 1 1 1 A B C D' 1 0 0 0 1 A' B' C' D 1 0 0 1 0 1 0 1 0 1 A' B C' D 1 0 1 1 0 1 1 0 0 0 1 1 0 1 1 A B' C D 1 1 1 0 0 1 1 1 1 1 A B C D Minimizando as equações pelo método gráfico temos : AC + A'C' ctruffa@pop.com.br 11
  • 12.
    Exercício 14 -Minuteria Objetivo : Manipular váriaveis de tempo OBS: O temporizador deverá ter o modo 3 e um "Reset Input" diferente do acionador ( I1 ) Exercício 15 - Chave estrela-triângulo Objetivo : ctruffa@pop.com.br 12
  • 13.
    Exercício 16 -Seqüência de pistôes A+B+A-B- Objetivo : Implementar um circuito utilizando o método cascata elétrico para fazer cumprir a seqüência solicitada. Entradas botão liga I1 Saídas sensor A recuado A0 I2 avançado A1 I3 pistão A avança A+ Q1 recua A- Q2 sensor B recuado B0 I4 avançado B1 I5 pistão B avança B+ Q3 avançado B+ Q4 ctruffa@pop.com.br 13
  • 14.
    Exercício 17 -Seqüência de pistôes A+A-B+B- Objetivo : Entradas botão liga I1 Saídas sensor A recuado A0 I2 avançado A1 I3 pistão A avança A+ Q1 recua A- Q2 sensor B recuado B0 I4 avançado B1 I5 pistão B avança B+ Q3 recua B- Q4 ctruffa@pop.com.br 14
  • 15.
    Exercício 18 -Seqüëncia de pistôes A+B+A-C+B-C- Objetivo : Entradas botão liga I1 Saídas sensor A recuado A0 I2 avançado A1 I3 pistão A avança A+ Q1 recua A- Q2 sensor B recuado B0 I4 avançado B1 I5 pistão B avança B+ Q3 recua B- Q4 sensor C recuado C0 I6 avançado C1 I7 pistão C avança C+ Q5 recua C- Q6 ctruffa@pop.com.br 15
  • 16.
    PROBLEMAS Nesta fase sãofornecidos problema para que o aluno desenvolva a sua solução. P1 - Exercício 19 - Seqüência de pistões A+(B+A-) C+B-C- P2 - Exercício 20 - Semáforo para pedestre P3 - Exercício 21 - Semáforo duas vias P4 - Exercício 22 - Semáforo duas vias + pedestres P5 - Exercício 23 - Situação-problema 1 (combinatório) P6 - Exercício 24 - Situação-problema 2 (seqüëncial ) P7 - Exercício 25 - Situação-problema 3 (contador ) P8 - Exercício 26 - Situação-problema 4 (analógico) ctruffa@pop.com.br 16
  • 17.
    Anexo 1 Método CascataElétrico ctruffa@pop.com.br 17
  • 18.
    Método cascata -elétrico Para se projetar um circuito que satisfaça uma seqüência de operação de acionadores pelo método cascata elétrico é necessário seguir os passos seguintes, que são bastante similares ao cascata pneumático. 1º passo - Separar os grupos ( processo idêntico ao processo pneumático). 2º passo - Montar a cascata 3º passo - Implementar o circuito de acordo com a seqüência exigida. 1º passo - Separar os grupos Para dividir uma seqüência em grupo deve-se, primeiramente, escrever a seqüência. Em seguida deve-se ler a seqüência, da esquerda para a direita, cortando-a com um traço vertical toda vez que uma letra for se repetir, não importando, no momento, os sinais de ( + ) ou ( - ). Finalmente, o número de subdivisões provocadas pelos traços verticais é igual ao número de setores que a cascata deve possuir. Eis alguns exemplos: 1) A + B + | A – B – 1 2 2) A + B + | B – A – 1 2 Nos exemplos 1 e 2 o traço subdivide a seqüência em duas partes, determinando dois grupos. 3) A + | A – B + | B – 1 2 1 Aqui, embora os traços tenham fracionado a seqüência em três partes, a letra contida na terceira divisão não está contida na primeira. Neste caso, com o intuito ctruffa@pop.com.br 18
  • 19.
    de se economizarrelés, pode-se considerar o retorno de B como parte integrante da primeira divisão. Assim, para a construção do comando elétrico pelo método cascata serão necessários dois grupos. 4) A + B + C+ | A – B – | A + B + C – | A – B – 1 2 3 4 Neste caso, os traços subdividem a seqüência em quatro grupos. 2º passo - Montar a cascata Após a identificação do número de grupos será necessário montar a cascata que será parte da preparação para o circuito final. Cascata para 2 grupos Cascata para 3 grupos ctruffa@pop.com.br 19
  • 20.
    Cascata para 4grupos Somando-se a cascata devemos incluir na cascata o circuito de comando da cascata. O exemplo demonstra uma cascata para 3 grupos. ctruffa@pop.com.br 20 Detalhe A
  • 21.
    Kn k11 k1 k1 k2 k2 k2k3 Detalhe A : Este contato (normal fechado) deve ter o endereço do último relé da cascata, no caso mostrado acima seria k3 Detalhe B : Estes contatos serão acionados quando da mudança do grupo . Os demais seguem a regra geral, ou seja são idênticos ao exemplo, notando que o último relê é responsável pelo final do ciclo, não possuindo um contato de retenção. 3º passo - Implementar o circuito de acordo com a seqüência exigida Para implementação do circuito admiti-se a regra geral para desenvolvimento de circuitos ( "regra do : quem ativa ? quem mostra que ativou ? ") Exemplo 1 A + B+ A - B - 1º passo - Separar os grupos ( processo idêntico ao processo pneumático). ctruffa@pop.com.br 21 Detalhe B
  • 22.
    A + B+|A - B - Grupo 1 Grupo 2 2º passo - Montar a cascata + - k1 quem quem ativa ? mostra que ativou ? k1 k2 k1 k1 k1 k2 3º passo - Implementar o circuito de acordo com a seqüência exigida. s1 s2 s3 s4 y1 y2 y3 y4 ctruffa@pop.com.br 22
  • 23.
    + s0 - k1s1 y1 s2 s3 y3 k1 s2 y2 s1 s4 y4 k2 s4 k1 k1 k1 s3 k2 ctruffa@pop.com.br 23
  • 24.