Curso de Eletrônica 
Foco em Eletrônica digital para 
uso da Plataforma Arduino
Conceito de Potência e Energia 
“Trabalho e energia em física são sinônimos. Toda vez que um trabalho é realizado 
uma certa quantidade de energia é transformada e uma força estará atuando em 
algum corpo” 
Unidades de Trabalho (Energia) 
Joule(J) é a unidade oficial de energia e trabalho 
Outras Unidades 
Caloria (cal)=4,18J 
kWh=3,6x106J
Unidades de Potência 
Potência e trabalho (energia transformada) estão relacionadas por: 
P = t t = P.t ou 
t 
onde τ(tau) é o trabalhorealizado(emJoules) 
t é otempo gasto para realizar otrabalho(emsegundos) 
Pé a potência desenvolvida (emwatts) 
Outra Unidade: HP 1HP = 746W 
OBS: A letra W, em alguns livros, é usada para representar trabalho (work em inglês) não é usada para não 
confundir com W de Watt
Exemplo 
Imagine você deslocando um saco de açúcar de 5Kg de uma altura 
de 1m em 1s. 
Você gastou energia? Realizou um trabalho? Desenvolveu uma potência? 
Qual foi a quantidade de energia gasta? Do que depende essa 
Energia ? 
De acordo com a Física.......................
DE = M.g.Dh (em Joules) 
M massa do corpo em Kg 
g aceleração da gravidade(@ 9,8m/ s2 ) 
Dh deslocamento (em m) 
DE = 5.9,8.1 = 49J
Qual a potencia desenvolvida? 
P = t 
P J 49 49 
= 49 = / = 
J s W 
s 
1 
t 
É a potência desenvolvida ao deslocar o saco de 5kg de açúcar de 1m .
Mais um exemplo... 
Qual a quantidade de energia consumida num banho de 30min, 
se o chuveiro tem uma potência de 5000W (5kW)? 
Dados: P=5000W=5000J/s=5kW t=30min=1800s=0,5h 
t = P.t = 5000.1800 = 9.000.000J 
ou em KWh 
t = P.t = 5kW.0,5h = 2,5kWh
Efeito Joule 
É o aquecimento de um condutor provocado pela passagem de uma 
corrente elétrica. 
Potência Elétrica de um Bipolo 
Gerador Receptor 
P 
P = U.I U em Volts 
I em Amperes 
P em Watts 
U 
I 
P 
P 
Não elétrica 
P 
elétrica 
P 
elétrica 
P 
Não elétrica
Exemplo 
Qual é a potência desenvolvida (em HP e W) por uma pessoa para 
elevar um corpo de 5kg a uma altura de 1,5m em 1s? Adotar g=10m/s2 
R: 
t = DEP = 5.10.1,5 = 75J como t = 1s 
= t = 75 = / = 
P 75 75 
J s W 
J 
s 
t 
1 
1HP = 746W ® P @ 0,1HP
Lei de Joule 
O bipolo receptor é um resistor 
I 
U 
P=U.I 
P 
D 
=P=U.I 
Como U = R.I Þ P = (R.I ).I = R.I 2 
U 
R 
P U U 
R 
I U 
R 
2 
= Þ = .( ) = 
P 
D 
=potência dissipada em calor
Aplicações do Efeito Joule 
- Chuveiro, aquecedores, forno elétrico, lâmpada, Ferro de soldar, etc. 
Resistência de Chuveiro Lâmpada
Aplicações do Efeito Joule 
Ferro de Soldar
Aplicações do Efeito Joule 
- Proteção de Circuitos 
Fusíveis Disjuntores
Aplicações do Efeito Joule 
- Dissipação de Calor 
A perda (transferência) de calor depende das dimensões 
1/8W 1/4W 1/2W 1W
Calor em Excesso 
Dissipadores de Calor: Placa metálica ligada ao componente.
Limites de Funcionamento 
2V 
1A 
1W 
2W 
A diferença (1W) é usada para aquecer o resistor !!!!!!!!
Exercícios 
As especificações de um resistor são: 1kOhm/1W. Calcule qual a 
máxima tensão que pode ser aplicada ao resistor. 
R: R=1kOhm=1000 Ohm P=1W 
0,0316A 31,6mA 
P R.I I 1 Máx 
1000 
2 
Máx Máx = ® = = = 
U R.I 1k.31,6mA 31,6V Máx Máx = = =
Um motor elétrico consome 10A quando ligado em 220V. Se o rendimento (η) do motor é 80%, 
calcular: 
a) Potência elétrica (P 
E 
) 
b) Energia consumida (em kWh) em 2 horas de funcionamento 
c) Potência mecânica obtida no eixo (P 
M 
) 
d) Potencia dissipada em calor(P 
D 
) 
R: P motor 
E 
P 
D 
P 
P = potência elétrica = potência total 
M 
E 
P 
M 
= potência mecânica = potência útil 
P 
D 
= potência dissipada = potencia transformada em calor 
M 
P 
.100 
E 
h = P
P 
E 
= P 
M 
+ P 
D 
→ conservação da energia 
R: 
a) 
P U.I 220.10A 2200W 2,2KW E = = = = 
b) τ = P.t = 2,2kW.2h = 4,4kWh 
c) 
= M Þ = = 
η M 
P 0,8.2200 1760W 
P 
P 
E 
d) PD= PE - PM = 2200 -1760 = 440W
Um fio de resistência 5 Ohms é imerso em uma massa de água 
de 1kg a 20oC. O conjunto está dentro de um calorímetro ideal. 
O fio é ligado a uma tensão de 100V. Calcule que temperatura 
a massa de água atingirá após 1min. 
obs : da física Q = m.c.Δq 
Q= quantidade de calor em calorias (cal) 
m= massa de água (em g) 
Δθ= variação de temperatura=θF-θi (em ºC) 
c= calor especifico da água (em cal/g. ºCC)) cc==11cal/gºC 
100 2 
= = = 
R: P W J / s ( ) 2000 2000 
5
Para t=1min=60s a quantidade de energia fornecida à água será 
de: 
t = P.t = 2000.60 = 120.000J 
= 120.000 = . 
Em calorias: Q 30 000cal 
4 
como Q = m.c.Dq 
C 
. 
Q 30o 
D = = 30 000 = 
m c 
. 
1000 1 
. 
q 
oC 
Dq =q F - 20 = 30 Þq F = 50
Calcule: a) Potência elétrica do gerador 
b) Potência dissipada no resistor em cada caso. 
a) 
12 V 2 Ohm 
b) 
12 V 2kOhm 
12 2 
2 
= = ( ) = . - = 
= = ( ) = PG PD 72 10 W 72mW 
PG PD 72W 
2 
12 3 
2000
Associação de Resistores 
Resistores são associados para: 
•Obter outro valor de resistência. 
•Dividir uma tensão. 
•Dividir uma corrente 
Tipos de Associação de Resistores: 
Associação em Serie 
Associação em Paralelo 
Associação Mista 
Associação em Estrela 
Associação em Triângulo
Associação Série de Resistores 
Resistores estão ligados em série quando a corrente que passa 
por um deles, for a mesma que passa pelos outros. 
R1 R2 R3 
I1 I2 I3 
IT 
I1=I2=I3=IT
Por outro lado a tensão total aplicada na associação será dividida 
entre os resistores da associação de forma que: 
U 
T 
= U 
+U 
2 
1 
+U 
3
Resistor Equivalente (RE) 
É um único resistor que pode substituir a associação e o 
resto do circuito não nota nenhuma diferença. Para isso o 
seu valor deve ser dado por: 
RE=R1+R2+.....+Rn 
E... 
PE=P1+P2+.....+Pn 
OBS: O equivalente será sempre MAIOR do que o 
maior dos resistores da associação.
Exemplo: Associação 
Valores em Ohms 
RE=1Ω+2Ω+3Ω = 6 Ω
Circuito Equivalente
Balanço Energético 
åPG = åPR 
åPG = 24W åPR = 4W + 8W +12W = 24W
Exercício 
Calcular: a) Resistência Equivalente b) Corrente 
no circuito c) Tensão em cada resistor d) Potência 
dissipada em cada resistor 
Valores em Ohms 
a) RE=40+60=100 Ohms
b) 
IT 
I 10V T = = = 
0,1A 100mA 
100Ω
c) 
U1 U2 
0,1A 
U1=40Ω.0,1A=4V U2=60Ω.0,1A=6V 
P1=U.I=4V.0,1A=0,4W P2=U.I=6V.0,1A=0,6W
Divisor de Tensão 
Do exposto acima podemos concluir que um circuito série é um divisor de 
tensão. Na prática usamos de várias formas um divisor de tensão, desde 
polarização de transistores até controle de volume de um amplificador. 
= . 
U 1 R 1 
U 
R + 
R 
1 2 
= . 
U 2 R 2 
U 
R + 
R 
1 2 
I U 
R1 + 
R2 
=
Exercícios 
1) Calcule a tensão em RL 
, . = 
+ 
33 9 , 
, , 
UL 5 4V 
33 2 2 
= 
UL 
UL 
, . = 
+ 
33 9 , 
, , 
UL 4 57V 
33 3 2 
=
Calcule a tensão em UL para os casos: 
a) Cursor (C) no meio b) Cursor (C) todo para cima (A) c) Cursor (C) todo para baixo (B)
a) Cursor (C) no meio 
, . = 
+ 
0 5 9 , 
, , 
UL 1046V 
0 5 38 
=
b) Cursor (C) todo para cima (A) 
. = 
+ 
1 9 , 
, 
UL 2 093V 
1 33 
=
c) Cursor (C) todo para baixo (B) 
0 9 = 
+ 
UL 0V 
0 4 3 
= 
, 
.
Associação Paralelo de Resistores 
Resistores estão ligados em paralelo quando a tensão aplicada 
em um for a mesma aplicada nos outros 
R1 
R2 
R3 
IT 
I1 
I2 
I3 
IT 
RE
Características 
IT = I1 + I2 + I3 
UT =U1 =U2 = U3 
1 = 1 + 1 + 1 ou G E 
= G + G + 
G 
R E 
R R R 1 2 3 
1 2 3 
PT = P1 + P2 + P3 
OBS: O equivalente será sempre MENOR que o menor dos resistores da associação
Casos Particulares 
Para dois resistores em paralelo: 
= + Þ = . 
R R R 
1 2 
R R R E 
E + 
1 2 
1 1 1 
1 2 
R R 
Para n resistores iguais em paralelo: 
R R E = 
n
Exercício 
Calcular: 
a) Equivalente 
b) Corrente total 
c) Corrente em cada resistor 
d) Potência dissipada em cada resistor
a) Resistor Equivalente 
24Ohms 
R 40.60 
40 60 
1 
60 
1 
40 
1 
R 
E 
E 
= 
+ 
= + Þ = 
Circuito Equivalente 
IT
b) Corrente total 
IT V 0 5A 
12 = , 
W 
24 
= 
IT
c) Corrente em cada resistor 
I 
1 
I 12V 1 = = = 
0,3A 300mA 
40Ω 
I2 
IT = 0,3A + 0,2A = 0,5A 
I 12V 2 = = = 
0,2A 200mA 
60Ω 
0,5A 
0,3A 0,2A
d) Potência dissipada em cada resistor 
12 2 
1 , ( ) == 
P V 3 6W 
W 
40 
= 
12 2 
2 , ( ) == 
P V 2 4W 
W 
60 
= 
12 2 
= ( ) . , 
PT V 12V 0 5A 6W 
24 
= = 
W
Exercício 
Qual a indicação de cada amperímetro (ideal)? 
Qual a resistência Equivalente? 
Obs: Considerar amperímetro (resistência interna nula)
Podemos determinar cada uma das correntes por: 
4mA 
I 12V 1 = = 
3k 
0,8mA 
I 12V 2 = = 
15k 
1,2mA 
I 12V 3 = = 
10k
Calculo da resistência equivalente: 
2k 
12V 
E = = 
6mA 
12V 
4mA 0,8mA 1,2mA 
U 
I 
R 
T 
T 
+ + 
= = 
ou 
R 2k 
1 
15k 
1 
10k 
1 
3k 
1 
R 
E 
E 
= + + Þ =
Exercício 
Calcular o valor mínimo que pode ter Rv para que o fusível não queime 
I 
Rv 
IL 
I 
F
Aplicações de Circuitos Paralelos 
Instalação Elétrica
Circuitos Mistos 
Exemplo: Determinar: a) RE b) Todas as correntes c) Fazer o balanço energético 
Procedimento: determinar quais resistores estão em série e/ou paralelo e resolver, diminuindo o circuito. 
Repetir o procedimento até chegar no equivalente.
R6=20+30+50=100 Ohms 
Redesenhando o circuito...
= // = . 
7 2 6 100 150 = 
R R R 60Ohms 
+ 
100 150 
Redesenhando o circuito...
RE=30+60=90 Ohms 
E finalmente... 
A 
B
IT 
Podemos calcular a corrente fornecida pelo gerador 
I 18V T = = = 
0,2A 200mA 
90 Ohms
Substituindo RE por R1serieR7 
Podemos determinar as tensões em R1 e R7 
0,2A 
A 
B 
U1 
U7 
U1=30.0,2=6V U7=60.0,2=12V
Substituindo R7 por R2paraleloR6, e indicando a tensão entre A e B calculada. 
I2 
I6=I3=I4=I5 
I 12V 2 = = = 
0,08A 80mA 
150Ohms 
I I I I 12V 6 3 4 5 = = = = = = 
0,12A 120mA 
100Ohms
Finalmente... 
0,2A 
0,08A 
0,12A 
6V 
P1=30.(02)2=1,2W 
3,6V 
6V 
P2=R2xI22 =150x(0,08)2 =0,96W 
12V 
2,4V 
P3=R3xI32=20x(0,12)2 =0,288W P4 =R4xI4=30x(0,12)2=0,432W 
P5 =R5xI52=50x(0,12)2=0,72W
Balanço Energético 
PG PR 
PG1 18.0,2=3,6W PR1 1,200W 
PR2 0,960W 
PR3 0,288W 
PR4 0,432W 
PR5 0,720W 
PGT 3,6W PRT 3,6W
= . 
U R U L + 
1 
R R 
1 2 
DIVISOR DE TENSÃO 
U = R X 
. 
U 
L R X 
+ 
R2 
RX = R1 // RL
Calcular a tensão entre A e B (UAB) com a chave para cima e para baixo. 
Chave para cima 
U k V AB 7,2 
V 
15 .12 = 
k + 
K 
10 15 
=
Chave para baixo 
A resistência equivalente entre A e B vale: 
R R k k AB X 6 
O circuito equivalente resultante será... 
K 
15 .10 = 
k + 
k 
10 15 
= =
...E portanto UAB valerá: 
U k V AB 4,5 
V 
6 .12 = 
k + 
k 
10 6 
=
Calcular a tensão entre A e B (UAB) com a chave para cima e para baixo. 
Chave para cima 
U k V AB 7,2 
V 
15 .12 = 
k + 
k 
10 15 
=
Chave para baixo 
A resistência equivalente entre A e B valerá: 
R R k k AB X 0,9375 
O circuito equivalente resultante será... 
k 
1 .15 = 
k + 
k 
15 1 
= =
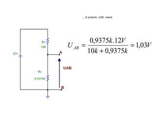
.....E portanto UAB valerá: 
U k V AB 1,03 
V 
0,9375 .12 = 
k + 
k 
10 0,9375 
=
Calcular a tensão entre A e B (UAB) com a chave para cima e para baixo. 
Chave para cima 
U k V AB 7,2 
V 
15 .12 = 
k + 
k 
10 15 
=
Chave para baixo 
k 
A resistência equivalente entre A e B valerá: 
R R k k AB X 14,56 
500 .15 = 
+ 
k k 
15 500 
= =
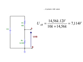
.....E portanto UAB valerá: 
U k V AB 7,114 
V 
14,56 .12 = 
k + 
k 
10 14,56 
=
Associação de Geradores de Tensão Real 
Associação Série: O principal objetivo é aumentar a tensão, é o caso mais comum.
Circuito Equivalente 
Isto é... 
E(equivalente) = E1 + E2 R(equivalente) = R1 + R2 
E1,R1 
E2,R2 
E 
E 
,R 
E
Associação Paralelo: O objetivo é aumentar a corrente. É usado em baterias. 
IMPORTANTE !!!!: os geradores devem ter a mesma FEM 
E,R1 E,R2 E,R 
E 
Equivalente = E1 =E2=E Requivalente = R1//R2
Associação Mista: É usada quando é necessário aumenta tensão e corrente. 
Aplicação: Bateria do carro, Painel solar 
+ 
-
Gerador de Corrente 
É um bipolo gerador que fornece uma corrente constante independentemente da tensão no seus terminais (carga). 
Gerador de Corrente Ideal 
Símbolo 
Curva Característica 
Observe que mudando a carga (RL) mudamos a tensão mas a corrente fornecida 
será a mesma, IS, isso acontece pois o gerador ideal tem resistência interna infinita.
Gerador de Corrente Real 
Na prática, existe uma perda de corrente pois os geradores de corrente não tem 
resistência interna infinita. A resistência interna R 
S 
é finita. 
Gerador de Corrente Real 
Símbolo Curva Característica 
Observe que mudando a carga (RL) a corrente fornecida mudará pois parte da 
corrente gerada internamente será consumida pela resistência interna R 
S
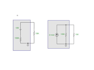
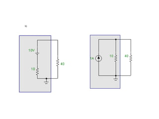
Equivalência entre um Gerador de Tensão e um Gerador de Corrente 
Dado um gerador de tensão existe um gerador de corrente que lhe é equivalente, isto é, 
do ponto de vista de uma carga tanto faz ela estar ligada no gerador de tensão ou no de corrente. 
Para haver equivalência entre o gerador de corrente (IS, RS) e o 
gerador de tensão (E, Ri ) deve haver a seguinte relação:
Dada a fonte de corrente para obter a fonte de tensão equivalente: 
Dada a fonte de tensão para obter a fonte de corrente equivalente:
Exemplos: 
1) Dar o gerador de corrente equivalente em cada caso 
40V 
I E 
a) 40mA 
S = = = 
1k 
R 
i 
R R 1k S i = =
b)
c)
Referência: 
http://www.eletronica24h.com.br

Segunda parte do curso de eletrônica apresentado no Hackerspace Uberlândia - MG

  • 1.
    Curso de Eletrônica Foco em Eletrônica digital para uso da Plataforma Arduino
  • 2.
    Conceito de Potênciae Energia “Trabalho e energia em física são sinônimos. Toda vez que um trabalho é realizado uma certa quantidade de energia é transformada e uma força estará atuando em algum corpo” Unidades de Trabalho (Energia) Joule(J) é a unidade oficial de energia e trabalho Outras Unidades Caloria (cal)=4,18J kWh=3,6x106J
  • 3.
    Unidades de Potência Potência e trabalho (energia transformada) estão relacionadas por: P = t t = P.t ou t onde τ(tau) é o trabalhorealizado(emJoules) t é otempo gasto para realizar otrabalho(emsegundos) Pé a potência desenvolvida (emwatts) Outra Unidade: HP 1HP = 746W OBS: A letra W, em alguns livros, é usada para representar trabalho (work em inglês) não é usada para não confundir com W de Watt
  • 4.
    Exemplo Imagine vocêdeslocando um saco de açúcar de 5Kg de uma altura de 1m em 1s. Você gastou energia? Realizou um trabalho? Desenvolveu uma potência? Qual foi a quantidade de energia gasta? Do que depende essa Energia ? De acordo com a Física.......................
  • 5.
    DE = M.g.Dh(em Joules) M massa do corpo em Kg g aceleração da gravidade(@ 9,8m/ s2 ) Dh deslocamento (em m) DE = 5.9,8.1 = 49J
  • 6.
    Qual a potenciadesenvolvida? P = t P J 49 49 = 49 = / = J s W s 1 t É a potência desenvolvida ao deslocar o saco de 5kg de açúcar de 1m .
  • 7.
    Mais um exemplo... Qual a quantidade de energia consumida num banho de 30min, se o chuveiro tem uma potência de 5000W (5kW)? Dados: P=5000W=5000J/s=5kW t=30min=1800s=0,5h t = P.t = 5000.1800 = 9.000.000J ou em KWh t = P.t = 5kW.0,5h = 2,5kWh
  • 8.
    Efeito Joule Éo aquecimento de um condutor provocado pela passagem de uma corrente elétrica. Potência Elétrica de um Bipolo Gerador Receptor P P = U.I U em Volts I em Amperes P em Watts U I P P Não elétrica P elétrica P elétrica P Não elétrica
  • 9.
    Exemplo Qual éa potência desenvolvida (em HP e W) por uma pessoa para elevar um corpo de 5kg a uma altura de 1,5m em 1s? Adotar g=10m/s2 R: t = DEP = 5.10.1,5 = 75J como t = 1s = t = 75 = / = P 75 75 J s W J s t 1 1HP = 746W ® P @ 0,1HP
  • 10.
    Lei de Joule O bipolo receptor é um resistor I U P=U.I P D =P=U.I Como U = R.I Þ P = (R.I ).I = R.I 2 U R P U U R I U R 2 = Þ = .( ) = P D =potência dissipada em calor
  • 11.
    Aplicações do EfeitoJoule - Chuveiro, aquecedores, forno elétrico, lâmpada, Ferro de soldar, etc. Resistência de Chuveiro Lâmpada
  • 12.
    Aplicações do EfeitoJoule Ferro de Soldar
  • 13.
    Aplicações do EfeitoJoule - Proteção de Circuitos Fusíveis Disjuntores
  • 14.
    Aplicações do EfeitoJoule - Dissipação de Calor A perda (transferência) de calor depende das dimensões 1/8W 1/4W 1/2W 1W
  • 15.
    Calor em Excesso Dissipadores de Calor: Placa metálica ligada ao componente.
  • 16.
    Limites de Funcionamento 2V 1A 1W 2W A diferença (1W) é usada para aquecer o resistor !!!!!!!!
  • 17.
    Exercícios As especificaçõesde um resistor são: 1kOhm/1W. Calcule qual a máxima tensão que pode ser aplicada ao resistor. R: R=1kOhm=1000 Ohm P=1W 0,0316A 31,6mA P R.I I 1 Máx 1000 2 Máx Máx = ® = = = U R.I 1k.31,6mA 31,6V Máx Máx = = =
  • 18.
    Um motor elétricoconsome 10A quando ligado em 220V. Se o rendimento (η) do motor é 80%, calcular: a) Potência elétrica (P E ) b) Energia consumida (em kWh) em 2 horas de funcionamento c) Potência mecânica obtida no eixo (P M ) d) Potencia dissipada em calor(P D ) R: P motor E P D P P = potência elétrica = potência total M E P M = potência mecânica = potência útil P D = potência dissipada = potencia transformada em calor M P .100 E h = P
  • 19.
    P E =P M + P D → conservação da energia R: a) P U.I 220.10A 2200W 2,2KW E = = = = b) τ = P.t = 2,2kW.2h = 4,4kWh c) = M Þ = = η M P 0,8.2200 1760W P P E d) PD= PE - PM = 2200 -1760 = 440W
  • 20.
    Um fio deresistência 5 Ohms é imerso em uma massa de água de 1kg a 20oC. O conjunto está dentro de um calorímetro ideal. O fio é ligado a uma tensão de 100V. Calcule que temperatura a massa de água atingirá após 1min. obs : da física Q = m.c.Δq Q= quantidade de calor em calorias (cal) m= massa de água (em g) Δθ= variação de temperatura=θF-θi (em ºC) c= calor especifico da água (em cal/g. ºCC)) cc==11cal/gºC 100 2 = = = R: P W J / s ( ) 2000 2000 5
  • 21.
    Para t=1min=60s aquantidade de energia fornecida à água será de: t = P.t = 2000.60 = 120.000J = 120.000 = . Em calorias: Q 30 000cal 4 como Q = m.c.Dq C . Q 30o D = = 30 000 = m c . 1000 1 . q oC Dq =q F - 20 = 30 Þq F = 50
  • 22.
    Calcule: a) Potênciaelétrica do gerador b) Potência dissipada no resistor em cada caso. a) 12 V 2 Ohm b) 12 V 2kOhm 12 2 2 = = ( ) = . - = = = ( ) = PG PD 72 10 W 72mW PG PD 72W 2 12 3 2000
  • 23.
    Associação de Resistores Resistores são associados para: •Obter outro valor de resistência. •Dividir uma tensão. •Dividir uma corrente Tipos de Associação de Resistores: Associação em Serie Associação em Paralelo Associação Mista Associação em Estrela Associação em Triângulo
  • 24.
    Associação Série deResistores Resistores estão ligados em série quando a corrente que passa por um deles, for a mesma que passa pelos outros. R1 R2 R3 I1 I2 I3 IT I1=I2=I3=IT
  • 25.
    Por outro ladoa tensão total aplicada na associação será dividida entre os resistores da associação de forma que: U T = U +U 2 1 +U 3
  • 26.
    Resistor Equivalente (RE) É um único resistor que pode substituir a associação e o resto do circuito não nota nenhuma diferença. Para isso o seu valor deve ser dado por: RE=R1+R2+.....+Rn E... PE=P1+P2+.....+Pn OBS: O equivalente será sempre MAIOR do que o maior dos resistores da associação.
  • 27.
    Exemplo: Associação Valoresem Ohms RE=1Ω+2Ω+3Ω = 6 Ω
  • 28.
  • 29.
    Balanço Energético åPG= åPR åPG = 24W åPR = 4W + 8W +12W = 24W
  • 30.
    Exercício Calcular: a)Resistência Equivalente b) Corrente no circuito c) Tensão em cada resistor d) Potência dissipada em cada resistor Valores em Ohms a) RE=40+60=100 Ohms
  • 31.
    b) IT I10V T = = = 0,1A 100mA 100Ω
  • 32.
    c) U1 U2 0,1A U1=40Ω.0,1A=4V U2=60Ω.0,1A=6V P1=U.I=4V.0,1A=0,4W P2=U.I=6V.0,1A=0,6W
  • 33.
    Divisor de Tensão Do exposto acima podemos concluir que um circuito série é um divisor de tensão. Na prática usamos de várias formas um divisor de tensão, desde polarização de transistores até controle de volume de um amplificador. = . U 1 R 1 U R + R 1 2 = . U 2 R 2 U R + R 1 2 I U R1 + R2 =
  • 34.
    Exercícios 1) Calculea tensão em RL , . = + 33 9 , , , UL 5 4V 33 2 2 = UL UL , . = + 33 9 , , , UL 4 57V 33 3 2 =
  • 35.
    Calcule a tensãoem UL para os casos: a) Cursor (C) no meio b) Cursor (C) todo para cima (A) c) Cursor (C) todo para baixo (B)
  • 36.
    a) Cursor (C)no meio , . = + 0 5 9 , , , UL 1046V 0 5 38 =
  • 37.
    b) Cursor (C)todo para cima (A) . = + 1 9 , , UL 2 093V 1 33 =
  • 38.
    c) Cursor (C)todo para baixo (B) 0 9 = + UL 0V 0 4 3 = , .
  • 39.
    Associação Paralelo deResistores Resistores estão ligados em paralelo quando a tensão aplicada em um for a mesma aplicada nos outros R1 R2 R3 IT I1 I2 I3 IT RE
  • 40.
    Características IT =I1 + I2 + I3 UT =U1 =U2 = U3 1 = 1 + 1 + 1 ou G E = G + G + G R E R R R 1 2 3 1 2 3 PT = P1 + P2 + P3 OBS: O equivalente será sempre MENOR que o menor dos resistores da associação
  • 41.
    Casos Particulares Paradois resistores em paralelo: = + Þ = . R R R 1 2 R R R E E + 1 2 1 1 1 1 2 R R Para n resistores iguais em paralelo: R R E = n
  • 42.
    Exercício Calcular: a)Equivalente b) Corrente total c) Corrente em cada resistor d) Potência dissipada em cada resistor
  • 43.
    a) Resistor Equivalente 24Ohms R 40.60 40 60 1 60 1 40 1 R E E = + = + Þ = Circuito Equivalente IT
  • 44.
    b) Corrente total IT V 0 5A 12 = , W 24 = IT
  • 45.
    c) Corrente emcada resistor I 1 I 12V 1 = = = 0,3A 300mA 40Ω I2 IT = 0,3A + 0,2A = 0,5A I 12V 2 = = = 0,2A 200mA 60Ω 0,5A 0,3A 0,2A
  • 46.
    d) Potência dissipadaem cada resistor 12 2 1 , ( ) == P V 3 6W W 40 = 12 2 2 , ( ) == P V 2 4W W 60 = 12 2 = ( ) . , PT V 12V 0 5A 6W 24 = = W
  • 47.
    Exercício Qual aindicação de cada amperímetro (ideal)? Qual a resistência Equivalente? Obs: Considerar amperímetro (resistência interna nula)
  • 48.
    Podemos determinar cadauma das correntes por: 4mA I 12V 1 = = 3k 0,8mA I 12V 2 = = 15k 1,2mA I 12V 3 = = 10k
  • 49.
    Calculo da resistênciaequivalente: 2k 12V E = = 6mA 12V 4mA 0,8mA 1,2mA U I R T T + + = = ou R 2k 1 15k 1 10k 1 3k 1 R E E = + + Þ =
  • 50.
    Exercício Calcular ovalor mínimo que pode ter Rv para que o fusível não queime I Rv IL I F
  • 51.
    Aplicações de CircuitosParalelos Instalação Elétrica
  • 52.
    Circuitos Mistos Exemplo:Determinar: a) RE b) Todas as correntes c) Fazer o balanço energético Procedimento: determinar quais resistores estão em série e/ou paralelo e resolver, diminuindo o circuito. Repetir o procedimento até chegar no equivalente.
  • 53.
  • 54.
    = // =. 7 2 6 100 150 = R R R 60Ohms + 100 150 Redesenhando o circuito...
  • 55.
    RE=30+60=90 Ohms Efinalmente... A B
  • 56.
    IT Podemos calculara corrente fornecida pelo gerador I 18V T = = = 0,2A 200mA 90 Ohms
  • 57.
    Substituindo RE porR1serieR7 Podemos determinar as tensões em R1 e R7 0,2A A B U1 U7 U1=30.0,2=6V U7=60.0,2=12V
  • 58.
    Substituindo R7 porR2paraleloR6, e indicando a tensão entre A e B calculada. I2 I6=I3=I4=I5 I 12V 2 = = = 0,08A 80mA 150Ohms I I I I 12V 6 3 4 5 = = = = = = 0,12A 120mA 100Ohms
  • 59.
    Finalmente... 0,2A 0,08A 0,12A 6V P1=30.(02)2=1,2W 3,6V 6V P2=R2xI22 =150x(0,08)2 =0,96W 12V 2,4V P3=R3xI32=20x(0,12)2 =0,288W P4 =R4xI4=30x(0,12)2=0,432W P5 =R5xI52=50x(0,12)2=0,72W
  • 60.
    Balanço Energético PGPR PG1 18.0,2=3,6W PR1 1,200W PR2 0,960W PR3 0,288W PR4 0,432W PR5 0,720W PGT 3,6W PRT 3,6W
  • 61.
    = . UR U L + 1 R R 1 2 DIVISOR DE TENSÃO U = R X . U L R X + R2 RX = R1 // RL
  • 62.
    Calcular a tensãoentre A e B (UAB) com a chave para cima e para baixo. Chave para cima U k V AB 7,2 V 15 .12 = k + K 10 15 =
  • 63.
    Chave para baixo A resistência equivalente entre A e B vale: R R k k AB X 6 O circuito equivalente resultante será... K 15 .10 = k + k 10 15 = =
  • 64.
    ...E portanto UABvalerá: U k V AB 4,5 V 6 .12 = k + k 10 6 =
  • 65.
    Calcular a tensãoentre A e B (UAB) com a chave para cima e para baixo. Chave para cima U k V AB 7,2 V 15 .12 = k + k 10 15 =
  • 66.
    Chave para baixo A resistência equivalente entre A e B valerá: R R k k AB X 0,9375 O circuito equivalente resultante será... k 1 .15 = k + k 15 1 = =
  • 67.
    .....E portanto UABvalerá: U k V AB 1,03 V 0,9375 .12 = k + k 10 0,9375 =
  • 68.
    Calcular a tensãoentre A e B (UAB) com a chave para cima e para baixo. Chave para cima U k V AB 7,2 V 15 .12 = k + k 10 15 =
  • 69.
    Chave para baixo k A resistência equivalente entre A e B valerá: R R k k AB X 14,56 500 .15 = + k k 15 500 = =
  • 70.
    .....E portanto UABvalerá: U k V AB 7,114 V 14,56 .12 = k + k 10 14,56 =
  • 71.
    Associação de Geradoresde Tensão Real Associação Série: O principal objetivo é aumentar a tensão, é o caso mais comum.
  • 72.
    Circuito Equivalente Istoé... E(equivalente) = E1 + E2 R(equivalente) = R1 + R2 E1,R1 E2,R2 E E ,R E
  • 73.
    Associação Paralelo: Oobjetivo é aumentar a corrente. É usado em baterias. IMPORTANTE !!!!: os geradores devem ter a mesma FEM E,R1 E,R2 E,R E Equivalente = E1 =E2=E Requivalente = R1//R2
  • 74.
    Associação Mista: Éusada quando é necessário aumenta tensão e corrente. Aplicação: Bateria do carro, Painel solar + -
  • 75.
    Gerador de Corrente É um bipolo gerador que fornece uma corrente constante independentemente da tensão no seus terminais (carga). Gerador de Corrente Ideal Símbolo Curva Característica Observe que mudando a carga (RL) mudamos a tensão mas a corrente fornecida será a mesma, IS, isso acontece pois o gerador ideal tem resistência interna infinita.
  • 76.
    Gerador de CorrenteReal Na prática, existe uma perda de corrente pois os geradores de corrente não tem resistência interna infinita. A resistência interna R S é finita. Gerador de Corrente Real Símbolo Curva Característica Observe que mudando a carga (RL) a corrente fornecida mudará pois parte da corrente gerada internamente será consumida pela resistência interna R S
  • 77.
    Equivalência entre umGerador de Tensão e um Gerador de Corrente Dado um gerador de tensão existe um gerador de corrente que lhe é equivalente, isto é, do ponto de vista de uma carga tanto faz ela estar ligada no gerador de tensão ou no de corrente. Para haver equivalência entre o gerador de corrente (IS, RS) e o gerador de tensão (E, Ri ) deve haver a seguinte relação:
  • 78.
    Dada a fontede corrente para obter a fonte de tensão equivalente: Dada a fonte de tensão para obter a fonte de corrente equivalente:
  • 79.
    Exemplos: 1) Daro gerador de corrente equivalente em cada caso 40V I E a) 40mA S = = = 1k R i R R 1k S i = =
  • 80.
  • 81.
  • 82.