GARANTIA


  1
  ANO      Serra Mármore   MC12002.9
                           UMC12002.9




1200W 13000rpm
2


                3
        1
                    4




                        5

6




    9
Especificações da Ferramenta

Serra Mármore

 Código do Produto                                                          MC12002.9            UMC12002.9
 Voltagem / Frequência                                        [ V/Hz ]      220 / 50~60          127 / 50~60
 Potência Nominal                                             [W]              1200                 1200
 Rotação sem Carga                                            [ rpm ]         13000                13000
 Disco de Corte Diamantado Ø                                  [ mm ]            110                  110
 Furo de Montagem                                             [ mm ]             20                   20
 Máx Profundidade de Corte a 90º                              [ mm ]             34                   34
 Máx Profundidade de Corte a 45º                              [ mm ]             22                   22
 Peso                                                         [ kg ]            3,0                  3,0
 Classe de Proteção                                                                / II
    Favor Observar o modelo na placa de identificação da sua ferramenta. A denominação comercial pode variar. As
                           indicações valem apenas para as tensões nominais indicadas.


 Componentes da ferramenta
A numeração dos elementos da ferramenta se                      Use óculos de proteção e protetores auriculares.
refere à apresentação da ferramenta elétrica na                 Use equipamentos de proteção individual
página de ilustrações.                                          adicionais, tais como luvas, sapatos de
Enquanto faz a leitura das instruções de                        segurança e avental.
operação, abra na página de ilustrações da                      Se o cabo da ferramenta estiver danificado, não
ferramenta e deixe aberta.                                      toque no cabo e tire o plugue da tomada
                                                                imediatamente. Nunca use a ferramenta se o
  1 Interruptor Liga/Desliga
                                                                cabo estiver danificado.
  2 Botão de Bloqueio do Interruptor                            Nunca utilize a ferramenta com o cabo na
  3 Empunhadura                                                 frente desta.
  4 Escala de Profundidade de Corte                             Utilize aparelhos detectores apropriados para
                                                                detectar cabos de alimentação elétrica ou peça
  5 Parafuso Borboleta para Cortes Profundos                    ajuda da empresa concessionária de energia
  6 Protetor de Segurança                                       elétrica.
  7 Placa de Base                                               O contato com cabos elétricos pode provocar
                                                                incêndio e choque elétrico. O corte de uma
  8 Flange de Montagem
                                                                linha de gás pode levar a uma explosão. Uma
  9 Disco de Corte Diamantado                                   perfuração de um tubo de água provoca dano
* Nem todos os acessórios apresentados ou                       material ou pode provocar um choque elétrico.
  descritos pertencem ao volume de fornecimento                 O contato com um cabo sob tensão também
  padrão.                                                       coloca peças de metal da ferramenta elétrica
                                                                sob tensão e aumenta o risco de um choque
                                                                elétrico.
               Para Sua Segurança                               Observe as instruções de montagem e operação
                                                                do fabricante para discos de corte diamantados.
               Somente é possível trabalhar                     Use apenas discos de corte diamantados cuja
               com segurança com essa                           velocidade máxima permitida seja no mínimo
               ferramenta      quando      as                   igual à velocidade sem carga da ferramenta.
               informações de operação e
               segurança são lidas e seguidas
               estritamente.   Adicionalmente,
               as informações gerais de
               segurança     contidas   nesse
               manual devem ser observadas.
Verifique o disco de corte antes de usá-lo. O     Trocando os Acessórios
  disco de corte deve ser montado de maneira
  alinhada e ser capaz de rotacionar livremente.     Antes de qualquer manuseio com a
  Teste a ferramenta por no mínimo 30                ferramenta, retire o plugue da tomada.
  segundos sem carga. Não use discos de corte        Use luvas de proteção.
  danificados, desbalanceados ou que estejam
  vibrando.                                          Certifique-se de que o disco de corte
                                                     esteja corretamente colocado e em
  Verifique as dimensões dos discos de corte. O
                                                     perfeitas condições de uso.
  diâmetro do furo deve servir na flange de
  montagem. Não use adaptadores para discos
  que não possuam furos de tamanhos
  compatíveis com a ferramenta.                    Colocação do Disco
  Proteja os discos de corte contra impactos,      Posicione a flange de montagem 1 no eixo do
  queda ou óleos.                                  motor 2. Em seguida posicione o disco de corte
                                                   3 no eixo do motor 2 e ajuste a flange 4 usando
  Não trabalhe com materiais que contenham
                                                   a chave de aperto 5. A montagem do parafuso 6
  amianto.
                                                   deve prender a flange 4 utilizando a chave de
  Proteja a peça a ser trabalhada. Prenda a        aperto 7.
  peça a ser trabalhada em equipamentos
  especificos. Não é seguro segurar a peça com     Enquanto estiver montando, certifique-se de
  as mãos.                                         que o parafuso 6 e o disco de corte 3 estejam
                                                   na mesma rotação.
  Use a ferramenta na peça apenas quando
  esta já estiver ligada.
  Mantenha as mãos longe do disco de corte.
                                                                                   Fig 1
  O bloqueio do disco de corte pode levar a um
  forte contragolpe. Se isso acontecer, desligue
  a ferramenta imediatamente.
  Atenção! Os discos de corte não param de
  girar imediatamente após a ferramenta ser
  desligada. Não aplique pressão lateral nos
  discos de corte.
  Atenção! Discos diamantados ficam muito
  quentes durante a utilização; não toque
  enquanto estes não esfriarem.
  Sempre desligue a ferramenta e espere que
  ela pare de girar antes de apoiá-la em
  qualquer superfície.
  Nunca permita que crianças operem a
  ferramenta.
  INGCO garante o perfeito funcionamente da
  ferramenta se apenas acessórios originais        Desmontagem (ver figura 1)
  forem utilizados.                                Segure a flange 4 juntamente com a chave de
                                                   aperto 5 e solte o parafuso 6 usando a chave de
                                                   aperto 7.
 Usar a Serra Mármore
Essa ferramenta foi projetada para o corte
horizontal ou corte de materiais tais como o
mármore. Deve ser utilizada com o protetor de
segurança e posicionada sobre uma base firme.
A ferramenta foi projetada para cortes molhados
em casos específicos. Não foi projetada para
cortes em madeira, plástico ou metal.
Montando a Mangueira (ver fig 2)                   Operação Inicial
O parágrafo seguinte se aplica apenas para as      Sempre utilize a voltagem correta. A
ferramentas que vierem com mangueira inclusa.      voltagem da fonte de energia deve
Use a ferramenta para trabalho de corte molhado    corresponder aos valores nominais da
apenas com arrefecimento à água.                   ferramenta.
Instale e ajuste o sistema de água apenas
quando a ferramenta estiver desligada.             Interruptor Liga e Desliga
O bocal da mangueira 1 deve estar preso com o      Para ligar a ferramenta, aperte o interruptor
dispositivo de fixação 2 e o parafuso disponível   Liga/Desliga 1.
para essa finalidade.                              Para travar a ferramenta, aperte e segure o
Aparafuse o adaptador da mangueira 3 à torneira    interruptor Liga/Desliga e aperte o botão de
e fixe a mangueira 4 no bocal da mangueira 1.      trava 2.
                                                   Para desligar a ferramenta, solte o interruptor
                                                   Liga/Desliga 1 ou aperte e solte logo após.

                                                    Instruções de Operação
                                                            Use óculos de segurança, protetor
                                                            auricular e máscara de proteção
                                                            contra pó.
                                                   Utilize luvas e sapatos de proteção.
                                                   Prenda a peça a ser trabalhada caso ela não
                                                   permaneça no local devido ao seu peso
            Fig 2
                                                   próprio.
                                                   Não sobrecarregue a ferramenta de maneira
 Ajustando a Profundidade de Corte                 que esta possa travar.
 (ver fig 3)                                       Atenção! Discos de corte diamantados
                                                   ficam muito quentes durante a utilização;
Para ajustar a profundidade de corte, solte o      não toque neles até que estes estiverem
parafuso 1 e desloque a placa de base 7 para       esfriado.
frente, subindo ou descendo até atingir a medida   Quando estiver cortando, não pressione,
desejada.                                          incline ou vibre. Deslize suavemente com uma
Para cima – para pouca profundidade de corte       velocidade compatível com o material a ser
Para baixo – para maior profundidade de corte      trabalhado.
Utilize uma régua, escala ou instrumento similar   Não trave o disco aplicando pressão lateral.
para ajustar a profundidade desejada.
Reaperte o parafuso 1.                             Direção de Corte
Mantenha uma velocidade uniforme de corte em       A direção de corte é muito importante.
todo o procedimento. Para um corte mais            A ferramenta deve sempre trabalhar no sentido
apurado, o disco diamantado deverá sobressair 2    contrário à rotação, de modo que ela seja
cm do material.                                    empurrada para frente. Caso contrário, a
                                                   máquina pode exercer pressão para fora do
                                                   corte de maneira descontrolada.
         Fig 3
Manutenção e Limpeza                               Proteção ao Meio Ambiente
   Assegure-se que a ferramenta está
   desligada da corrente elétrica antes de
   qualquer reparo.
        Para sua segurança e funcionamento
       correto, mantenha a saída de ventilação
       da ferramenta limpa e sem obstruções.
Escova de Carvão
Substitua a escova de carvão apenas por            Recicle as matérias primas em vez de descartá-
escovas de carvão INGCO originais, que são         las no lixo.
projetadas especificamente para a resistência      As ferramentas, acessórios e embalagens
elétrica e durabilidade para cada tipo de motor.   devem ser recicladas.
Escovas de carvão não compatíveis causarão
danos no motor da ferramenta.
Lubrificação
É aconselhável a re-lubrificação do sistema de
transmissão cada vez que a escova de carvão
é trocada, pois a graxa perde suas
propriedades de lubrificação.
Se a ferramenta falhar apesar de tomadas as
precauções e seguidos os procedimentos de
teste, deve ser provido reparo na ferramenta
através da Assistência Técnica Autorizada
INGCO.
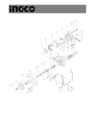
MC12002.9 – Lista de Peças
NO. Descrição                        Qde NO. Descrição                              Qde
1    Anel de Isolação de Ar           1   27   Anel de Mola12                       1
2    Estator                          1   28   Chaveta Semi Redonda 4*13            1
3    Punho Revestido                  1   29   Engrenagem Pequena                   1
4    Interruptor                      1   30   Rolamento 629                        1
5    Carcaça                          1   31   Tampa Intermediária                  1
6    Logomarca                        1   32   Chaveta Semi Redonda 3*10            1
7    Arruela Chata φ5                 3   33   Rotor                                1
8    Arruela de Pressão φ5            3   34   Anel de Escoamento                   1
9    Parafuso cabeça de cruz M5*40    3   35   Rolamento 608                        1
10   Parafuso de Cruz ST4*18          4   36   Anel de Borracha                     1
11   Suporte de Escova                2   37   Parafuso Sextavado M4*28             4
12   Escova                           2   38   Arruela Chata φ4                     4
13   Suporte de Escova Revestido      2   39   Arruela de Pressão φ4                4
14   Cabo                             1   40   Anel de Mola 32                      1
15   Luva                             1   41   Engrenagem Grande                    1
16   Placa de Pressão do Cabo         1   42   Anel de retenção de mola para eixo   2
17   Parafuso de Cruz ST4*14          2   43   Mancal de Agulha 0810                1
18   Capacitor                        1   44   Ponta Aberta φ6*32                   1
19   Parafuso de Cruz ST5*65          2   45   Placa Base                           1
20   Parafuso Hexagonal               1   46   Parafuso Borboleta 5*10              1
21   Placa Posterior                  1   47   Torneira de água                     1
22   Disco de corte                   1   48   Luva de separação                    1
23   Placa Anterior                   1   49   Arruela de Pressão φ6                1
24   Revestimento                     1   50   Parafuso Borboleta 5*25              1
25   Eixo de Saída                    1   51   Chave Hexagonal                      1
26   Rolamento 6201                   1
Serra Mármore

 www.ingcotools.com.br

Serra mármore 1200w Ingco - Chimas

  • 1.
    GARANTIA 1 ANO Serra Mármore MC12002.9 UMC12002.9 1200W 13000rpm
  • 2.
    2 3 1 4 5 6 9
  • 3.
    Especificações da Ferramenta SerraMármore Código do Produto MC12002.9 UMC12002.9 Voltagem / Frequência [ V/Hz ] 220 / 50~60 127 / 50~60 Potência Nominal [W] 1200 1200 Rotação sem Carga [ rpm ] 13000 13000 Disco de Corte Diamantado Ø [ mm ] 110 110 Furo de Montagem [ mm ] 20 20 Máx Profundidade de Corte a 90º [ mm ] 34 34 Máx Profundidade de Corte a 45º [ mm ] 22 22 Peso [ kg ] 3,0 3,0 Classe de Proteção / II Favor Observar o modelo na placa de identificação da sua ferramenta. A denominação comercial pode variar. As indicações valem apenas para as tensões nominais indicadas. Componentes da ferramenta A numeração dos elementos da ferramenta se Use óculos de proteção e protetores auriculares. refere à apresentação da ferramenta elétrica na Use equipamentos de proteção individual página de ilustrações. adicionais, tais como luvas, sapatos de Enquanto faz a leitura das instruções de segurança e avental. operação, abra na página de ilustrações da Se o cabo da ferramenta estiver danificado, não ferramenta e deixe aberta. toque no cabo e tire o plugue da tomada imediatamente. Nunca use a ferramenta se o 1 Interruptor Liga/Desliga cabo estiver danificado. 2 Botão de Bloqueio do Interruptor Nunca utilize a ferramenta com o cabo na 3 Empunhadura frente desta. 4 Escala de Profundidade de Corte Utilize aparelhos detectores apropriados para detectar cabos de alimentação elétrica ou peça 5 Parafuso Borboleta para Cortes Profundos ajuda da empresa concessionária de energia 6 Protetor de Segurança elétrica. 7 Placa de Base O contato com cabos elétricos pode provocar incêndio e choque elétrico. O corte de uma 8 Flange de Montagem linha de gás pode levar a uma explosão. Uma 9 Disco de Corte Diamantado perfuração de um tubo de água provoca dano * Nem todos os acessórios apresentados ou material ou pode provocar um choque elétrico. descritos pertencem ao volume de fornecimento O contato com um cabo sob tensão também padrão. coloca peças de metal da ferramenta elétrica sob tensão e aumenta o risco de um choque elétrico. Para Sua Segurança Observe as instruções de montagem e operação do fabricante para discos de corte diamantados. Somente é possível trabalhar Use apenas discos de corte diamantados cuja com segurança com essa velocidade máxima permitida seja no mínimo ferramenta quando as igual à velocidade sem carga da ferramenta. informações de operação e segurança são lidas e seguidas estritamente. Adicionalmente, as informações gerais de segurança contidas nesse manual devem ser observadas.
  • 4.
    Verifique o discode corte antes de usá-lo. O Trocando os Acessórios disco de corte deve ser montado de maneira alinhada e ser capaz de rotacionar livremente. Antes de qualquer manuseio com a Teste a ferramenta por no mínimo 30 ferramenta, retire o plugue da tomada. segundos sem carga. Não use discos de corte Use luvas de proteção. danificados, desbalanceados ou que estejam vibrando. Certifique-se de que o disco de corte esteja corretamente colocado e em Verifique as dimensões dos discos de corte. O perfeitas condições de uso. diâmetro do furo deve servir na flange de montagem. Não use adaptadores para discos que não possuam furos de tamanhos compatíveis com a ferramenta. Colocação do Disco Proteja os discos de corte contra impactos, Posicione a flange de montagem 1 no eixo do queda ou óleos. motor 2. Em seguida posicione o disco de corte 3 no eixo do motor 2 e ajuste a flange 4 usando Não trabalhe com materiais que contenham a chave de aperto 5. A montagem do parafuso 6 amianto. deve prender a flange 4 utilizando a chave de Proteja a peça a ser trabalhada. Prenda a aperto 7. peça a ser trabalhada em equipamentos especificos. Não é seguro segurar a peça com Enquanto estiver montando, certifique-se de as mãos. que o parafuso 6 e o disco de corte 3 estejam na mesma rotação. Use a ferramenta na peça apenas quando esta já estiver ligada. Mantenha as mãos longe do disco de corte. Fig 1 O bloqueio do disco de corte pode levar a um forte contragolpe. Se isso acontecer, desligue a ferramenta imediatamente. Atenção! Os discos de corte não param de girar imediatamente após a ferramenta ser desligada. Não aplique pressão lateral nos discos de corte. Atenção! Discos diamantados ficam muito quentes durante a utilização; não toque enquanto estes não esfriarem. Sempre desligue a ferramenta e espere que ela pare de girar antes de apoiá-la em qualquer superfície. Nunca permita que crianças operem a ferramenta. INGCO garante o perfeito funcionamente da ferramenta se apenas acessórios originais Desmontagem (ver figura 1) forem utilizados. Segure a flange 4 juntamente com a chave de aperto 5 e solte o parafuso 6 usando a chave de aperto 7. Usar a Serra Mármore Essa ferramenta foi projetada para o corte horizontal ou corte de materiais tais como o mármore. Deve ser utilizada com o protetor de segurança e posicionada sobre uma base firme. A ferramenta foi projetada para cortes molhados em casos específicos. Não foi projetada para cortes em madeira, plástico ou metal.
  • 5.
    Montando a Mangueira(ver fig 2) Operação Inicial O parágrafo seguinte se aplica apenas para as Sempre utilize a voltagem correta. A ferramentas que vierem com mangueira inclusa. voltagem da fonte de energia deve Use a ferramenta para trabalho de corte molhado corresponder aos valores nominais da apenas com arrefecimento à água. ferramenta. Instale e ajuste o sistema de água apenas quando a ferramenta estiver desligada. Interruptor Liga e Desliga O bocal da mangueira 1 deve estar preso com o Para ligar a ferramenta, aperte o interruptor dispositivo de fixação 2 e o parafuso disponível Liga/Desliga 1. para essa finalidade. Para travar a ferramenta, aperte e segure o Aparafuse o adaptador da mangueira 3 à torneira interruptor Liga/Desliga e aperte o botão de e fixe a mangueira 4 no bocal da mangueira 1. trava 2. Para desligar a ferramenta, solte o interruptor Liga/Desliga 1 ou aperte e solte logo após. Instruções de Operação Use óculos de segurança, protetor auricular e máscara de proteção contra pó. Utilize luvas e sapatos de proteção. Prenda a peça a ser trabalhada caso ela não permaneça no local devido ao seu peso Fig 2 próprio. Não sobrecarregue a ferramenta de maneira Ajustando a Profundidade de Corte que esta possa travar. (ver fig 3) Atenção! Discos de corte diamantados ficam muito quentes durante a utilização; Para ajustar a profundidade de corte, solte o não toque neles até que estes estiverem parafuso 1 e desloque a placa de base 7 para esfriado. frente, subindo ou descendo até atingir a medida Quando estiver cortando, não pressione, desejada. incline ou vibre. Deslize suavemente com uma Para cima – para pouca profundidade de corte velocidade compatível com o material a ser Para baixo – para maior profundidade de corte trabalhado. Utilize uma régua, escala ou instrumento similar Não trave o disco aplicando pressão lateral. para ajustar a profundidade desejada. Reaperte o parafuso 1. Direção de Corte Mantenha uma velocidade uniforme de corte em A direção de corte é muito importante. todo o procedimento. Para um corte mais A ferramenta deve sempre trabalhar no sentido apurado, o disco diamantado deverá sobressair 2 contrário à rotação, de modo que ela seja cm do material. empurrada para frente. Caso contrário, a máquina pode exercer pressão para fora do corte de maneira descontrolada. Fig 3
  • 6.
    Manutenção e Limpeza Proteção ao Meio Ambiente Assegure-se que a ferramenta está desligada da corrente elétrica antes de qualquer reparo. Para sua segurança e funcionamento correto, mantenha a saída de ventilação da ferramenta limpa e sem obstruções. Escova de Carvão Substitua a escova de carvão apenas por Recicle as matérias primas em vez de descartá- escovas de carvão INGCO originais, que são las no lixo. projetadas especificamente para a resistência As ferramentas, acessórios e embalagens elétrica e durabilidade para cada tipo de motor. devem ser recicladas. Escovas de carvão não compatíveis causarão danos no motor da ferramenta. Lubrificação É aconselhável a re-lubrificação do sistema de transmissão cada vez que a escova de carvão é trocada, pois a graxa perde suas propriedades de lubrificação. Se a ferramenta falhar apesar de tomadas as precauções e seguidos os procedimentos de teste, deve ser provido reparo na ferramenta através da Assistência Técnica Autorizada INGCO.
  • 7.
    MC12002.9 – Listade Peças NO. Descrição Qde NO. Descrição Qde 1 Anel de Isolação de Ar 1 27 Anel de Mola12 1 2 Estator 1 28 Chaveta Semi Redonda 4*13 1 3 Punho Revestido 1 29 Engrenagem Pequena 1 4 Interruptor 1 30 Rolamento 629 1 5 Carcaça 1 31 Tampa Intermediária 1 6 Logomarca 1 32 Chaveta Semi Redonda 3*10 1 7 Arruela Chata φ5 3 33 Rotor 1 8 Arruela de Pressão φ5 3 34 Anel de Escoamento 1 9 Parafuso cabeça de cruz M5*40 3 35 Rolamento 608 1 10 Parafuso de Cruz ST4*18 4 36 Anel de Borracha 1 11 Suporte de Escova 2 37 Parafuso Sextavado M4*28 4 12 Escova 2 38 Arruela Chata φ4 4 13 Suporte de Escova Revestido 2 39 Arruela de Pressão φ4 4 14 Cabo 1 40 Anel de Mola 32 1 15 Luva 1 41 Engrenagem Grande 1 16 Placa de Pressão do Cabo 1 42 Anel de retenção de mola para eixo 2 17 Parafuso de Cruz ST4*14 2 43 Mancal de Agulha 0810 1 18 Capacitor 1 44 Ponta Aberta φ6*32 1 19 Parafuso de Cruz ST5*65 2 45 Placa Base 1 20 Parafuso Hexagonal 1 46 Parafuso Borboleta 5*10 1 21 Placa Posterior 1 47 Torneira de água 1 22 Disco de corte 1 48 Luva de separação 1 23 Placa Anterior 1 49 Arruela de Pressão φ6 1 24 Revestimento 1 50 Parafuso Borboleta 5*25 1 25 Eixo de Saída 1 51 Chave Hexagonal 1 26 Rolamento 6201 1
  • 9.