CASA DA CONSTRUÇÃO PARAENSE
LAUDO TÉCNICO DE INSTALAÇÃO DE MÁQUINA
SERRA CIRCULAR
DE BANCADA
MODELO
B - 100
CÉSAR ROBERTO NASCIMENTO GUIMARÃES
ENGENHEIRO MECÂNICO E AMBIENTAL
CREA- CONFEA: 020983995-3
ÍNDICE
1 - NORMAS DE SEGURANÇA.............................................................................................3
2 - ÁREAS DE RISCOS E POSICIONAMENTO BÁSICO DE OPERAÇÃO.........................4
3 - NORMA NR-12:.................................................................................................................5
4 - MANUTENÇÃO.................................................................................................................6
5 - DADOS DA MÁQUINA......................................................................................................6
6 - RECOMENDAÇÕES E PRECAUÇÕES............................................................................7
7 - CONSIDERAÇÕES TÉCNICAS........................................................................................8
8 - CARACTERÍSTICAS TÉCNICAS.....................................................................................8
9 - CARREGAMENTO............................................................................................................9
10 - REGULAGENS................................................................................................................9
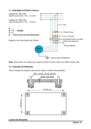
11 - ESQUEMA ELÉTRICO..................................................................................................10
12 - FIXAÇÃO DA MÁQUINA...............................................................................................10
13 - OPERAÇÃO SEGURA..................................................................................................11
14 - ACIDENTES COMUNS..................................................................................................11
15 - CONTROLE DE MANUTENÇÃO..................................................................................12
16 - BIBLIOGRAFIA.............................................................................................................13
.
LAUDO DE MÁQUINA
Página 2
LAUDO DE MÁQUINA
Página 3
1 - NORMAS DE SEGURANÇA
Visamos estabelecer as medidas prevencionistas de segurança e higiene do trabalho a
serem adotadas na instalação, operação e manutenção da máquina e equipamentos, visando à
prevenção de acidentes do trabalho.
Observaremos algumas dicas para trabalhar com segurança:
- Conforme artigo 185 da CLT, os reparos e ajustes, somente poderão ser executados com
a máquina parada, salvo se o movimento for indispensável para a realização do ajuste;
-Antes de começar o trabalho conferir os dispositivos de segurança;
- Instalar a mesa de modo que exista espaço suficiente para a movimentação da madeira;
- Conectar o duto do exaustor na saída do cavaqueara; se assim na marcenaria estiver.
- Manter limpa a área de trabalho, livre de pedaços de madeira e obstáculos;
- Não usar roupas de trabalho soltas, principalmente nas áreas dos punhos e quadris;
- Não usar objetos como relógios, anéis, correntes, pulseiras, etc.;
- Movimentar a madeira de modo firme e seguro;
- Nunca intervir na máquina ligada;
- Ao abandonar a posição de trabalho desligue a máquina;
- Nunca deixe a máquina ligada sem vigilância;
- Não deixe o cabo de alimentação da rede elétrica no caminho ou área de trabalho;
- Desconectar a máquina da rede elétrica antes de: Trabalho de manutenção; Trabalho de
limpeza; Mudança ou regulagem de ferramentas; Eliminação de cavacos e pedaços de
Madeira restante na máquina;
- Remover resinas com solvente apropriado (óleo diesel);
- Nunca trabalhe sem dispositivos (EPI’s) de segurança;
- Opere a máquina com o máximo de atenção possível;
- Nunca retire protetores de correias, engrenagens, ferramentas;
- Antes de cada operação, certifique-se de tomar todas as medidas preventivas de seguran-
ça.
Obs.: Instalar a máquina observando o item 12.1 e seus sub-itens da norma NR-12.
LAUDO DE MÁQUINA
Página 4
2 - ÁREAS DE RISCOS E POSICIONAMENTO DE OPERAÇÃO
Máquina de uso comum em qualquer indústria da madeira. Consiste, de forma
esquemática, de uma mesa fixa com uma abertura de formato linear sobre a bancada por
onde passa o disco da serra acionado pelo motor que se encontra localizado na parte
inferior da máquina.
07
01
05
0602
08
04
Figura 01 – Esquema da desempenadeira
Fonte: Omil – Manual Técnico de Instalação e Operação (2014)
Legenda:
01 - Mesa de apoio
02 - Capa de proteção da serra
03 - Dobradeira da mesa
04 - Disco de serra
05 - Proteção de polias e correias NR - 12
06 - Guia de alinhamento
07 - Motor 5 cv
08 - Chave liga desliga
03
B - 100
Os acidentes ocorrem devido a seguintes causas:
a) Contato direto com os dentes do disco;
b) Retrocesso da peça a cortar;
c) Projeção do disco ou parte dele.
Os acidentes podem ocorrer por contato tanto na parte superior quanto na parte
inferior do disco.
3 - NORMAS NR -12
12.1. Instalações e áreas de trabalho.
12.1.1. Os pisos dos locais de trabalho onde se instalam máquinas e equipamentos devem
ser vistoriados e limpos, sempre que apresentarem riscos provenientes de graxas, óleos e
outras substâncias que os tornem escorregadios.
12.1.2. As áreas de circulação e os espaços em torno de máquinas e equipamentos, devem
ser dimensionados de forma que o material, os trabalhadores e os transportadores mecani-
zados possam movimentar-se com segurança.
12.1.3. Entre partes móveis de máquinas e/ou equipamentos deve haver uma faixa livre va-
riável de 0,70m (setenta centímetros) a 1,30m (um metro e trinta centímetros), a critério da
autoridade competente em segurança e medicina do trabalho.
12.1.4. A distância mínima entre máquinas e equipamentos deve ser de 0,60m (sessenta
centímetros) a 0,80m (oitenta centímetros), a critério da autoridade competente em segura-
nça e medicina do trabalho.
12.1.5. Além da distância mínima de separação das máquinas, deve haver áreas reservadas
para corredores e armazenamento de materiais, devidamente demarcadas com faixa nas co-
res indicadas pela NR 26.
12.1.6. Cada área de trabalho, situada em torno da máquina ou do equipamento, deve ser
adequada ao tipo de operação e à classe da máquina ou do equipamento a que atende.
12.1.7. As vias principais de circulação, no interior dos locais de trabalho, e as que conduzem
às saídas devem ter, no mínimo, 1,20m (um metro e vinte centímetros) de largura e ser devi-
damente demarcadas e mantidas permanentemente desobstruídas.
12.1.8. As máquinas e os equipamentos de grandes dimensões devem ter escadas e pas-
sadiços que permitam acesso fácil e seguro aos locais em que seja necessária a execução
de tarefas.
LAUDO DE MÁQUINA
Página 5
LAUDO DE MÁQUINA
Página 6
EMPRESA CASA DA CONSTRUÇÃO PARAENSE
CNPJ 17.173.200/0001-49
NOME EMPRESARIAL MARIA L VIEIRA - ME
ENDEREÇO TRAVESSA DA CAIXA D`ÁGUA Nº 10 BAIRRO TORRE
Dados da Empresa:
CNAE 47.44 - 0 - 99 - COMÉRCIO VAREJISTA DE MATERIAIS DE CONSTRUÇÃO
MUNICÍPIO ITAPECURU MIRIM UF MA CEP 65.485-000
FABRICANTE MÁQUINAS OMIL LTDA
CNPJ 84.148.489/0001-55
NOME EMPRESARIAL MÁQUINAS OMIL LTDA ANO DE FABRICAÇÃO 2001
ENDEREÇO RUA DOUTOR GETÚLIO VARGAS Nº 1660 BAIRRO CENTRO
Dados da Máquina SERRA CIRCULAR - B - 100:
MUNICÍPIO IBIRAMA UF SC CEP 89.140-000
NÚMERO DA MÁQUINA 0001 SÉRIE 08 - 10 MODELO B - 100
MOTOR 5,0 CV 2P TENÇÃO 220 - 380 v FREQÜÊNCIA 60 Hz 3,7 Kw
5 - DADOS DA MÁQUINA
4 - MANUTENÇÃO
Leia com atenção as normas de segurança:
1. Recomenda-se que a rede elétrica para instalação da SERRA CIRCULAR seja
dotada de uma chave geral;
2. Obrigatório o aterramento da máquina.
3. Certificar-se que a tensão da rede elétrica seja condizente com a tensão do motor elétrico;
4. Ao efetuar qualquer tipo de manutenção, troca ou afiação da ferramenta ou mesmo limpeza
da máquina, deverá ser desligada a chave geral para evitar acionamento acidental ou indevido;
5. Antes de ligar a máquina, certificar-se que a porca de aperto da ferramenta esteja devida-
mente apertada;
6. Antes de por a máquina em funcionamento certificar-se que o eixo não esteja travado;
7. Manter sempre limpo e lubrificado os fusos de suspensão da serra, inclinação da serra e
suspensão do riscador.
IMPORTANTE: Ao operar a máquina, dedicar toda a atenção ao trabalho executado e usar
todos os meios de proteção disponíveis. A má utilização da máquina e/ou não comprimento
das normas de manutenção e operação
6 - RECOMENDAÇÕES E PRECAUÇÕES
LAUDO DE MÁQUINA
Página 7
1. Ao introduzir o material em uma serra de bancada, as mãos devem ser mantidas fora
da linha de corte. Nenhuma defesa pode evitar que uma pessoa deixe as mãos em
contato com a serra se as mãos acompanham o material até a serra. Ao cortar a
madeira com a guia de alinhamento próximo a serra, deverá ser utilizado uma
ferramenta ou dispositivo para empurrar a peça trabalhada até a serra.
2. A lâmina da serra deve situar-se de modo que sobressaia o mínimo possível acima
do material. Quanto mais baixo está a lâmina menor será a possibilidade que se
produza um retrocesso. É uma boa prática manter-se fora da linha do material que
está sendo cortado. É recomendável utilizar um avental de couro grosso ou outra
proteção para o abdômen.
3. É sempre perigoso serrar sem apoio. O material deve ser apoiado em uma guia de
alinhamento.
4. A serra deve ser adequada ao trabalho. É uma prática pouco segura cortar longitudinalmente a
madeira com uma serra de bancada sem um sistema anti-retrocesso. É recomendável utilizar
cutelo divisor (lâmina dianteira separadora).
5. É perigosa a prática de retirar a capa de proteção devido a pouca distância entre a serra
e a guia de alinhamento. Pode-se utilizar uma tábua suplementar sob a madeira a ser serrada,
utilizando ferramentas adequadas para prendê-las.
6. Deve-se evitar o corte transversal de peças longas em uma serra de mesa. O
trabalhador terá que exercer uma pressão considerável com a mão próxima a lâmina
da serra. As partes da madeira que ultrapassam o tamanho da mesa podem ser
golpeadas por transeuntes. O material longo deverá ser serrado por uma serra
circular pendular (Serra Circular) com uma bancada de apoio adequada.
7. O trabalho que deva ser realizado em máquinas especiais de alimentação automática,
não deverá ser efetuado em máquinas genéricas de alimentação manual.
8. Para o ajuste da guia de uma serra de mesa, sem a retirada dos mecanismos de proteção,
deve-se fazer uma marca permanente sobre a mesa para indicar a linha de corte.
9. Deve-se parar totalmente a máquina antes de ajustar a lâmina ou a guia; e desconectá-
la da rede elétrica antes de trocar a lâmina.
10. A capa de proteção, bem como o cutelo divisor, deve inclinar-se com a serra, impedindo
que a proteção toque a serra.
LAUDO DE MÁQUINA
Página 8
7 - CONSIDERAÇÕES TÉCNICAS
Máquina de uso comum em qualquer indústria da madeira. Consiste, de forma
esquemática, de uma mesa fixa com uma abertura de formato linear sobre a bancada por
onde passa o disco da serra acionado pelo motor que se encontra localizado na parte
inferior da máquina.
8 - CARACTERÍSTICAS TÉCNICAS
Comprimento total da máquina________________________________________ 1000 mm;
Largura útil ________________________________________________________ 900 mm;
Altura da Máquina___________________________________________________ 850 mm;
Rotação do eixo____________________________________________________3470 rpm;
Motorização________________________________________________________ 3 e 5 cv
Discos____________________________________________________________ 600mm;
Inclinação da régua de encosto________________________________________ 90° e 45°
Peso (com embalagem e sem motor)_____________________________________ 380 kg
- utilização de disco em velocidade superior a recomendada pelo fabricante;
- fixação incorreta do disco no eixo;
- disco desequilibrado;
- emprego de madeira com incrustações duras;
- abandono de ferramenta junto ao disco;
- utilização de discos desgastados.
LAUDO DE MÁQUINA
Página 9
09 - CARREGAMENTO
1- Levantamento com cabo de aço ou cordoalha:
- A máquina deverá ser levantada conforme mostra a figura acima.
IMPORTANTE: Usar cabo de aço ou cordoalha própriospara o peso da máquina (335kg).
2- Levantamento com empilhadeira:
- O palet a qual à maquina esta fixada possui calços com altura própria, que permitem entrar
com o garfo da empilhadeira.
10 - REGULAGEM
O protetor da parte anterior da lâmina de corte pode ser auto-regulável ou manual.
A serra deve dispor de vários tipos de mecanismos de proteção. Não há nenhum mecanismo
que possa servir para todas as funções que as serras podem desempenhar.
Podem ser constituídos por peças de madeira articuladas entre si, por meio de
charneiras ou dobradiças, que permitem a proteção do porta-ferramentas na zona não
ocupada pela peça que está sendo trabalhada.
LAUDO DE MÁQUINA
Página 10
11 - ESQUEMA ELÉTRICO/ Elétrica
Ligação em 220 volts.
Usar Fusível 35 A - Fio - 1,5 mm²
Ligação em 380 volts.
Usar Fusível 25 A - Fio - 1,5 mm²
R
S - FASES
T
N - Fase neutra do transformador
Ligação a ser executada pelo cliente.
Fio.
Chave Faca.
P1 P2 P3
Condulete fixado na parte
externa da máquina.
Chave Elétrica.
R
S
T
N
Motor
5 cv
Fusível.
Aterramento Obrigatório.
Nota: Para motor 3cv poderá ser usado em 220V Fusível 25A e em 380V Fusível 16A .
12 - FIXAÇÃO DA MÁQUINA
Para a fixação da máquina deverá ser usado o método de parabolde.
PB - 13133 - Ø 1/2" X51/4"
NÍVEL DO PISO
90,00cm
110,00 cm
LAUDO DE MÁQUINA
Página 11
13 - OPERAÇÃO SEGURA
Contato inferior: geralmente é produzido quando se procede a eliminação de
aparas ou serragem que se acumulam na parte inferior da máquina durante o uso. A
solução definitiva para o problema é a instalação de um sistema de aspiração que
elimine estes resíduos conforme vão sendo produzidos. Com este sistema se consegue
um efeito duplo:
Contato superior: a parte superior do disco deve ser protegida por capas de
proteção. Existe uma grande variedade das mesmas. Com a instalação das capas de
proteção se consegue dois efeitos: a proteção ante um fortuito contato com o disco e a
proteção ocular do trabalhador, já que é minimizada a projeção de partículas. A capa de
proteção não evita a necessidade de utilização de óculos protetores.
14 - ACIDENTES COMUNS
1. Use proteção para os olhos.
2. Não use a ferramenta na presença de líquidos ou gases inflamáveis.
3. NUNCA use a ferramenta com um disco de corte abrasivo instalado.
4. Antes de utilizar a ferramenta, verifique cuidadosamente se o disco não está trincado ou
danificado. Troque imediatamente o disco se este estiver trincado ou danificado.
5. Use somente discos de corte recomendados pelo fabricante que estejam em conformida-
de com EN847-1, e note que a cunha separadora não deve ser mais espessa que a largura
do corte feito pelo disco de corte e não deve ser mais fina que o corpo da lâmina.
6. Use sempre os acessórios recomendados neste manual. O uso de acessórios inapropria-
dos, tais como discos de corte abrasivos, pode causar ferimentos.
7. Selecione o disco de corte correto para o material a ser cortado.
8. Não use discos de corte feitos de aço de alta velocidade.
9. Para reduzir o ruído emitido, mantenha o disco de corte sempre afiado e limpo.
10.Utilize discos de corte corretamente afiados. Observe a velocidade máxima marcada no
disco de corte.
LAUDO DE MÁQUINA
Página 12
15 - CONTROLE DE MANUTENÇÃO
QUADRO DE MANUTENÇÃO PREVENTIVA PERÍODO: DE ______A_____
MAQUINAS PROCESSOS DATA RESPONSÁVEL REALIZADO
TUPIA TU - 1000
SERRA
CIRCULAR
PLAINA
PROCESSO
1 - LUBRIFICAÇÃO
2 - AFIAÇÃO DE LÂMINAS
3- TROCA DE LIXA
4 - TROCA DE CARREIAS
5 - TROCA DE ROLAMENTOS
6 - TROCA DE MANCAIS
7 - TROCA DE MOTOR
9 - TROCA DE CHAVE LIGA/DESLIGA
10 -TROCA DE PARAFUSOS
LAUDO DE MÁQUINA
Página 13
16 - BIBLIOGRAFIA
ARMSTRONG, B. H.; DUPONT , P .; WIT , C. C. ASurvey of Models, Analysis T ools and
Compensation Methods for Control of Machines with Friction. Automatica, v . 30, n. 7, p.
1.083-1.138, 1994
BAFORCELLINI, F . A. Projeto Conceitual. EMC/UFSC, 2002. Apostila do curso de PósGraduação
em Engenharia Mecânica
BISPINK, t. Neue Wege zur Beurteilung Hochgenauer Vorschubantriebe für
Ultrapräzionsmaschinen. RWTH. Aachen: Verlag Shaker Aachen, out. 1992.
BREHM, R.; DUN, K. van; TEUNISSEN, J. C. G.; HAISMA, J. Transparent Single Point Turning
of Optical Glass, Precision Engineering, 1979.
CALISTER JR., W. D. Material Science and Engineering, An Introduction, 3a Edição. Jonh
Willey & Sons. 1994.
CHALOUX, L. E. Part Fixuring for Diamond Machinig. In: SPIE, v . 508, p. 109, 1984.
DA VIDSON, A. Handbook of Precision Engineering - vol. 5. McGraw Hill, 1972.
DA VIDSON, A. Handbook of Precision Engineering - vol. 5. McGraw Hill, 1972.
ERNST , A. Digital Linear and Metrology – Position Feedback Systems for Machines and
Devices. Verlag Moderne Industrie AG & Co., 1989.
FULLER, D. D. Theory and Practice of Lubrication for Engineers. John Wiley & Sons, 2ª edição,
1984.
FUT AMI, S.; FURA T ANI, A.; YOSHIDA, S. Nanometer Positioning and its Microdynamics.
Nanotechnology , v . 1, 1990.
GERCHMAN, M. C.; YOUDEN, D. H. An Evaluation of Ultra-precise Machine T ool Contouring

Laudo da serra circular b 100

  • 1.
    CASA DA CONSTRUÇÃOPARAENSE LAUDO TÉCNICO DE INSTALAÇÃO DE MÁQUINA SERRA CIRCULAR DE BANCADA MODELO B - 100 CÉSAR ROBERTO NASCIMENTO GUIMARÃES ENGENHEIRO MECÂNICO E AMBIENTAL CREA- CONFEA: 020983995-3
  • 2.
    ÍNDICE 1 - NORMASDE SEGURANÇA.............................................................................................3 2 - ÁREAS DE RISCOS E POSICIONAMENTO BÁSICO DE OPERAÇÃO.........................4 3 - NORMA NR-12:.................................................................................................................5 4 - MANUTENÇÃO.................................................................................................................6 5 - DADOS DA MÁQUINA......................................................................................................6 6 - RECOMENDAÇÕES E PRECAUÇÕES............................................................................7 7 - CONSIDERAÇÕES TÉCNICAS........................................................................................8 8 - CARACTERÍSTICAS TÉCNICAS.....................................................................................8 9 - CARREGAMENTO............................................................................................................9 10 - REGULAGENS................................................................................................................9 11 - ESQUEMA ELÉTRICO..................................................................................................10 12 - FIXAÇÃO DA MÁQUINA...............................................................................................10 13 - OPERAÇÃO SEGURA..................................................................................................11 14 - ACIDENTES COMUNS..................................................................................................11 15 - CONTROLE DE MANUTENÇÃO..................................................................................12 16 - BIBLIOGRAFIA.............................................................................................................13 . LAUDO DE MÁQUINA Página 2
  • 3.
    LAUDO DE MÁQUINA Página3 1 - NORMAS DE SEGURANÇA Visamos estabelecer as medidas prevencionistas de segurança e higiene do trabalho a serem adotadas na instalação, operação e manutenção da máquina e equipamentos, visando à prevenção de acidentes do trabalho. Observaremos algumas dicas para trabalhar com segurança: - Conforme artigo 185 da CLT, os reparos e ajustes, somente poderão ser executados com a máquina parada, salvo se o movimento for indispensável para a realização do ajuste; -Antes de começar o trabalho conferir os dispositivos de segurança; - Instalar a mesa de modo que exista espaço suficiente para a movimentação da madeira; - Conectar o duto do exaustor na saída do cavaqueara; se assim na marcenaria estiver. - Manter limpa a área de trabalho, livre de pedaços de madeira e obstáculos; - Não usar roupas de trabalho soltas, principalmente nas áreas dos punhos e quadris; - Não usar objetos como relógios, anéis, correntes, pulseiras, etc.; - Movimentar a madeira de modo firme e seguro; - Nunca intervir na máquina ligada; - Ao abandonar a posição de trabalho desligue a máquina; - Nunca deixe a máquina ligada sem vigilância; - Não deixe o cabo de alimentação da rede elétrica no caminho ou área de trabalho; - Desconectar a máquina da rede elétrica antes de: Trabalho de manutenção; Trabalho de limpeza; Mudança ou regulagem de ferramentas; Eliminação de cavacos e pedaços de Madeira restante na máquina; - Remover resinas com solvente apropriado (óleo diesel); - Nunca trabalhe sem dispositivos (EPI’s) de segurança; - Opere a máquina com o máximo de atenção possível; - Nunca retire protetores de correias, engrenagens, ferramentas; - Antes de cada operação, certifique-se de tomar todas as medidas preventivas de seguran- ça. Obs.: Instalar a máquina observando o item 12.1 e seus sub-itens da norma NR-12.
  • 4.
    LAUDO DE MÁQUINA Página4 2 - ÁREAS DE RISCOS E POSICIONAMENTO DE OPERAÇÃO Máquina de uso comum em qualquer indústria da madeira. Consiste, de forma esquemática, de uma mesa fixa com uma abertura de formato linear sobre a bancada por onde passa o disco da serra acionado pelo motor que se encontra localizado na parte inferior da máquina. 07 01 05 0602 08 04 Figura 01 – Esquema da desempenadeira Fonte: Omil – Manual Técnico de Instalação e Operação (2014) Legenda: 01 - Mesa de apoio 02 - Capa de proteção da serra 03 - Dobradeira da mesa 04 - Disco de serra 05 - Proteção de polias e correias NR - 12 06 - Guia de alinhamento 07 - Motor 5 cv 08 - Chave liga desliga 03 B - 100 Os acidentes ocorrem devido a seguintes causas: a) Contato direto com os dentes do disco; b) Retrocesso da peça a cortar; c) Projeção do disco ou parte dele. Os acidentes podem ocorrer por contato tanto na parte superior quanto na parte inferior do disco.
  • 5.
    3 - NORMASNR -12 12.1. Instalações e áreas de trabalho. 12.1.1. Os pisos dos locais de trabalho onde se instalam máquinas e equipamentos devem ser vistoriados e limpos, sempre que apresentarem riscos provenientes de graxas, óleos e outras substâncias que os tornem escorregadios. 12.1.2. As áreas de circulação e os espaços em torno de máquinas e equipamentos, devem ser dimensionados de forma que o material, os trabalhadores e os transportadores mecani- zados possam movimentar-se com segurança. 12.1.3. Entre partes móveis de máquinas e/ou equipamentos deve haver uma faixa livre va- riável de 0,70m (setenta centímetros) a 1,30m (um metro e trinta centímetros), a critério da autoridade competente em segurança e medicina do trabalho. 12.1.4. A distância mínima entre máquinas e equipamentos deve ser de 0,60m (sessenta centímetros) a 0,80m (oitenta centímetros), a critério da autoridade competente em segura- nça e medicina do trabalho. 12.1.5. Além da distância mínima de separação das máquinas, deve haver áreas reservadas para corredores e armazenamento de materiais, devidamente demarcadas com faixa nas co- res indicadas pela NR 26. 12.1.6. Cada área de trabalho, situada em torno da máquina ou do equipamento, deve ser adequada ao tipo de operação e à classe da máquina ou do equipamento a que atende. 12.1.7. As vias principais de circulação, no interior dos locais de trabalho, e as que conduzem às saídas devem ter, no mínimo, 1,20m (um metro e vinte centímetros) de largura e ser devi- damente demarcadas e mantidas permanentemente desobstruídas. 12.1.8. As máquinas e os equipamentos de grandes dimensões devem ter escadas e pas- sadiços que permitam acesso fácil e seguro aos locais em que seja necessária a execução de tarefas. LAUDO DE MÁQUINA Página 5
  • 6.
    LAUDO DE MÁQUINA Página6 EMPRESA CASA DA CONSTRUÇÃO PARAENSE CNPJ 17.173.200/0001-49 NOME EMPRESARIAL MARIA L VIEIRA - ME ENDEREÇO TRAVESSA DA CAIXA D`ÁGUA Nº 10 BAIRRO TORRE Dados da Empresa: CNAE 47.44 - 0 - 99 - COMÉRCIO VAREJISTA DE MATERIAIS DE CONSTRUÇÃO MUNICÍPIO ITAPECURU MIRIM UF MA CEP 65.485-000 FABRICANTE MÁQUINAS OMIL LTDA CNPJ 84.148.489/0001-55 NOME EMPRESARIAL MÁQUINAS OMIL LTDA ANO DE FABRICAÇÃO 2001 ENDEREÇO RUA DOUTOR GETÚLIO VARGAS Nº 1660 BAIRRO CENTRO Dados da Máquina SERRA CIRCULAR - B - 100: MUNICÍPIO IBIRAMA UF SC CEP 89.140-000 NÚMERO DA MÁQUINA 0001 SÉRIE 08 - 10 MODELO B - 100 MOTOR 5,0 CV 2P TENÇÃO 220 - 380 v FREQÜÊNCIA 60 Hz 3,7 Kw 5 - DADOS DA MÁQUINA 4 - MANUTENÇÃO Leia com atenção as normas de segurança: 1. Recomenda-se que a rede elétrica para instalação da SERRA CIRCULAR seja dotada de uma chave geral; 2. Obrigatório o aterramento da máquina. 3. Certificar-se que a tensão da rede elétrica seja condizente com a tensão do motor elétrico; 4. Ao efetuar qualquer tipo de manutenção, troca ou afiação da ferramenta ou mesmo limpeza da máquina, deverá ser desligada a chave geral para evitar acionamento acidental ou indevido; 5. Antes de ligar a máquina, certificar-se que a porca de aperto da ferramenta esteja devida- mente apertada; 6. Antes de por a máquina em funcionamento certificar-se que o eixo não esteja travado; 7. Manter sempre limpo e lubrificado os fusos de suspensão da serra, inclinação da serra e suspensão do riscador. IMPORTANTE: Ao operar a máquina, dedicar toda a atenção ao trabalho executado e usar todos os meios de proteção disponíveis. A má utilização da máquina e/ou não comprimento das normas de manutenção e operação
  • 7.
    6 - RECOMENDAÇÕESE PRECAUÇÕES LAUDO DE MÁQUINA Página 7 1. Ao introduzir o material em uma serra de bancada, as mãos devem ser mantidas fora da linha de corte. Nenhuma defesa pode evitar que uma pessoa deixe as mãos em contato com a serra se as mãos acompanham o material até a serra. Ao cortar a madeira com a guia de alinhamento próximo a serra, deverá ser utilizado uma ferramenta ou dispositivo para empurrar a peça trabalhada até a serra. 2. A lâmina da serra deve situar-se de modo que sobressaia o mínimo possível acima do material. Quanto mais baixo está a lâmina menor será a possibilidade que se produza um retrocesso. É uma boa prática manter-se fora da linha do material que está sendo cortado. É recomendável utilizar um avental de couro grosso ou outra proteção para o abdômen. 3. É sempre perigoso serrar sem apoio. O material deve ser apoiado em uma guia de alinhamento. 4. A serra deve ser adequada ao trabalho. É uma prática pouco segura cortar longitudinalmente a madeira com uma serra de bancada sem um sistema anti-retrocesso. É recomendável utilizar cutelo divisor (lâmina dianteira separadora). 5. É perigosa a prática de retirar a capa de proteção devido a pouca distância entre a serra e a guia de alinhamento. Pode-se utilizar uma tábua suplementar sob a madeira a ser serrada, utilizando ferramentas adequadas para prendê-las. 6. Deve-se evitar o corte transversal de peças longas em uma serra de mesa. O trabalhador terá que exercer uma pressão considerável com a mão próxima a lâmina da serra. As partes da madeira que ultrapassam o tamanho da mesa podem ser golpeadas por transeuntes. O material longo deverá ser serrado por uma serra circular pendular (Serra Circular) com uma bancada de apoio adequada. 7. O trabalho que deva ser realizado em máquinas especiais de alimentação automática, não deverá ser efetuado em máquinas genéricas de alimentação manual. 8. Para o ajuste da guia de uma serra de mesa, sem a retirada dos mecanismos de proteção, deve-se fazer uma marca permanente sobre a mesa para indicar a linha de corte. 9. Deve-se parar totalmente a máquina antes de ajustar a lâmina ou a guia; e desconectá- la da rede elétrica antes de trocar a lâmina. 10. A capa de proteção, bem como o cutelo divisor, deve inclinar-se com a serra, impedindo que a proteção toque a serra.
  • 8.
    LAUDO DE MÁQUINA Página8 7 - CONSIDERAÇÕES TÉCNICAS Máquina de uso comum em qualquer indústria da madeira. Consiste, de forma esquemática, de uma mesa fixa com uma abertura de formato linear sobre a bancada por onde passa o disco da serra acionado pelo motor que se encontra localizado na parte inferior da máquina. 8 - CARACTERÍSTICAS TÉCNICAS Comprimento total da máquina________________________________________ 1000 mm; Largura útil ________________________________________________________ 900 mm; Altura da Máquina___________________________________________________ 850 mm; Rotação do eixo____________________________________________________3470 rpm; Motorização________________________________________________________ 3 e 5 cv Discos____________________________________________________________ 600mm; Inclinação da régua de encosto________________________________________ 90° e 45° Peso (com embalagem e sem motor)_____________________________________ 380 kg - utilização de disco em velocidade superior a recomendada pelo fabricante; - fixação incorreta do disco no eixo; - disco desequilibrado; - emprego de madeira com incrustações duras; - abandono de ferramenta junto ao disco; - utilização de discos desgastados.
  • 9.
    LAUDO DE MÁQUINA Página9 09 - CARREGAMENTO 1- Levantamento com cabo de aço ou cordoalha: - A máquina deverá ser levantada conforme mostra a figura acima. IMPORTANTE: Usar cabo de aço ou cordoalha própriospara o peso da máquina (335kg). 2- Levantamento com empilhadeira: - O palet a qual à maquina esta fixada possui calços com altura própria, que permitem entrar com o garfo da empilhadeira. 10 - REGULAGEM O protetor da parte anterior da lâmina de corte pode ser auto-regulável ou manual. A serra deve dispor de vários tipos de mecanismos de proteção. Não há nenhum mecanismo que possa servir para todas as funções que as serras podem desempenhar. Podem ser constituídos por peças de madeira articuladas entre si, por meio de charneiras ou dobradiças, que permitem a proteção do porta-ferramentas na zona não ocupada pela peça que está sendo trabalhada.
  • 10.
    LAUDO DE MÁQUINA Página10 11 - ESQUEMA ELÉTRICO/ Elétrica Ligação em 220 volts. Usar Fusível 35 A - Fio - 1,5 mm² Ligação em 380 volts. Usar Fusível 25 A - Fio - 1,5 mm² R S - FASES T N - Fase neutra do transformador Ligação a ser executada pelo cliente. Fio. Chave Faca. P1 P2 P3 Condulete fixado na parte externa da máquina. Chave Elétrica. R S T N Motor 5 cv Fusível. Aterramento Obrigatório. Nota: Para motor 3cv poderá ser usado em 220V Fusível 25A e em 380V Fusível 16A . 12 - FIXAÇÃO DA MÁQUINA Para a fixação da máquina deverá ser usado o método de parabolde. PB - 13133 - Ø 1/2" X51/4" NÍVEL DO PISO 90,00cm 110,00 cm
  • 11.
    LAUDO DE MÁQUINA Página11 13 - OPERAÇÃO SEGURA Contato inferior: geralmente é produzido quando se procede a eliminação de aparas ou serragem que se acumulam na parte inferior da máquina durante o uso. A solução definitiva para o problema é a instalação de um sistema de aspiração que elimine estes resíduos conforme vão sendo produzidos. Com este sistema se consegue um efeito duplo: Contato superior: a parte superior do disco deve ser protegida por capas de proteção. Existe uma grande variedade das mesmas. Com a instalação das capas de proteção se consegue dois efeitos: a proteção ante um fortuito contato com o disco e a proteção ocular do trabalhador, já que é minimizada a projeção de partículas. A capa de proteção não evita a necessidade de utilização de óculos protetores. 14 - ACIDENTES COMUNS 1. Use proteção para os olhos. 2. Não use a ferramenta na presença de líquidos ou gases inflamáveis. 3. NUNCA use a ferramenta com um disco de corte abrasivo instalado. 4. Antes de utilizar a ferramenta, verifique cuidadosamente se o disco não está trincado ou danificado. Troque imediatamente o disco se este estiver trincado ou danificado. 5. Use somente discos de corte recomendados pelo fabricante que estejam em conformida- de com EN847-1, e note que a cunha separadora não deve ser mais espessa que a largura do corte feito pelo disco de corte e não deve ser mais fina que o corpo da lâmina. 6. Use sempre os acessórios recomendados neste manual. O uso de acessórios inapropria- dos, tais como discos de corte abrasivos, pode causar ferimentos. 7. Selecione o disco de corte correto para o material a ser cortado. 8. Não use discos de corte feitos de aço de alta velocidade. 9. Para reduzir o ruído emitido, mantenha o disco de corte sempre afiado e limpo. 10.Utilize discos de corte corretamente afiados. Observe a velocidade máxima marcada no disco de corte.
  • 12.
    LAUDO DE MÁQUINA Página12 15 - CONTROLE DE MANUTENÇÃO QUADRO DE MANUTENÇÃO PREVENTIVA PERÍODO: DE ______A_____ MAQUINAS PROCESSOS DATA RESPONSÁVEL REALIZADO TUPIA TU - 1000 SERRA CIRCULAR PLAINA PROCESSO 1 - LUBRIFICAÇÃO 2 - AFIAÇÃO DE LÂMINAS 3- TROCA DE LIXA 4 - TROCA DE CARREIAS 5 - TROCA DE ROLAMENTOS 6 - TROCA DE MANCAIS 7 - TROCA DE MOTOR 9 - TROCA DE CHAVE LIGA/DESLIGA 10 -TROCA DE PARAFUSOS
  • 13.
    LAUDO DE MÁQUINA Página13 16 - BIBLIOGRAFIA ARMSTRONG, B. H.; DUPONT , P .; WIT , C. C. ASurvey of Models, Analysis T ools and Compensation Methods for Control of Machines with Friction. Automatica, v . 30, n. 7, p. 1.083-1.138, 1994 BAFORCELLINI, F . A. Projeto Conceitual. EMC/UFSC, 2002. Apostila do curso de PósGraduação em Engenharia Mecânica BISPINK, t. Neue Wege zur Beurteilung Hochgenauer Vorschubantriebe für Ultrapräzionsmaschinen. RWTH. Aachen: Verlag Shaker Aachen, out. 1992. BREHM, R.; DUN, K. van; TEUNISSEN, J. C. G.; HAISMA, J. Transparent Single Point Turning of Optical Glass, Precision Engineering, 1979. CALISTER JR., W. D. Material Science and Engineering, An Introduction, 3a Edição. Jonh Willey & Sons. 1994. CHALOUX, L. E. Part Fixuring for Diamond Machinig. In: SPIE, v . 508, p. 109, 1984. DA VIDSON, A. Handbook of Precision Engineering - vol. 5. McGraw Hill, 1972. DA VIDSON, A. Handbook of Precision Engineering - vol. 5. McGraw Hill, 1972. ERNST , A. Digital Linear and Metrology – Position Feedback Systems for Machines and Devices. Verlag Moderne Industrie AG & Co., 1989. FULLER, D. D. Theory and Practice of Lubrication for Engineers. John Wiley & Sons, 2ª edição, 1984. FUT AMI, S.; FURA T ANI, A.; YOSHIDA, S. Nanometer Positioning and its Microdynamics. Nanotechnology , v . 1, 1990. GERCHMAN, M. C.; YOUDEN, D. H. An Evaluation of Ultra-precise Machine T ool Contouring