ACIONAMENTO DE
MÁQUINAS ELÉTRICAS
USANDO CLP SIEMENS
      S7-212




  Laboratório de Eletrotécnica
PRÁTICAS DE ACIONAMENTOS ELÉTRICOS DE MOTORES
        COM O USO DE CLP (Controlador Lógico Programável)

TÓPICOS

   APRESENTAÇÃO DO CLP
       HISTÓRICO
       DEFINIÇÕES TÉCNICAS
       FUNCIONALIDADES
       PRINCÍPIOS DE FUNCIONAMENTO
       COMPONENTES BÁSICOS
       SOFTWARE
       CONCEITOS BÁSICOS DA LINGUAGEM LADDER

   APLICAÇÕES (PRÁTICAS DE LABORATÓRIO)
        CHAVE DE PARTIDA DIRETA
        CHAVE DE PARTIDA REVERSORA
        CHAVE DE PARTIDA ESTRELA-TRIÂNGULO

   CONCLUSÃO.

APRESENTAÇÃO DO CLP

       Esta apostila tem como intuito trazer conhecimentos básicos do uso do CLP
   SIMATIC STEP 7, da SIEMENS, aplicados às práticas de acionamento elétrico de
   motores de indução. Abordaremos uma breve descrição do equipamento, desde seu
   histórico até os seus componentes e o software de programação, bem como três
   práticas de laboratório. Por fim serão apresentadas as suas possibilidades de
   aplicação.

HISTÓRICO

       O controlador lógico programável nasceu na indústria automobilística americana,
devida grande dificuldade que havia para mudar a lógica de controle de painéis de
comando ao se alterar a linha da montagem. Essa mudança exigia muito tempo e
dinheiro. Para resolver essa dificuldade, foi preparada uma especificação das
necessidades de muitos usuários de circuitos e relés, tanto da indústria automobilística
como de toda a indústria manufatureira. Nascia assim um equipamento bastante versátil
e de fácil utilização, que vem se aprimorando constantemente. Desde seu aparecimento
até hoje, muita coisa evoluiu nos controladores lógicos. Esta evolução está ligada
diretamente ao desenvolvimento tecnológico da informática, principalmente em termos
de software e de hardware.

DEFINIÇÕES TÉCNICAS

       Segundo a ABNT (Associação Brasileira de Normas técnicas), é um equipamento
eletrônico digital com hardware e software compatíveis com aplicações industriais.
Segundo a NEMA (National Electrical Manufactures Association), È um aparelho
eletrônico digital que utiliza uma memória programável para armazena internamente
instruções e para implementar funções específicas, tais como lógica, sequenciamento,
temporizarão, contagem e aritmética, controlando, por meio de módulos de entradas e
saídas, vários tipos de máquinas ou processos.

FUNCIONALIDADES

       Os Controladores Lógicos Programáveis (CLP’’s) são equipamentos eletrônicos
de última geração, utilizados em sistemas de automação flexível. Permitem desenvolver
e alterar facilmente a lógica para acionamento das saídas em função das entradas.
Desta forma, pode-se utilizar inúmeros pontos de entrada de sinal, para controlar
pontos de saída de sinal (cargas). As vantagens dos controladores lógicos
programáveis em relação aos sistemas convencionais são:

      !"Ocupam menos espaço;
      !"Requerem menor potência elétrica;
      !"Podem ser reutilizados;
      !"São programáveis, permitindo alterar os parâmetros de controle;
        com maior confiabilidade;
      !"Sua manutenção é mais fácil;
      !"Oferece maior flexibilidade;

      !"Permitem interface de comunicação com outros CLPs e computadores
        de controle;
      !"Permite maior rapidez na elaboração do projeto do sistema.


PRINCÍPIO DE FUNCIONAMENTO

      Podemos dizer que o CLP é um “microcomputador” aplicado ao controle de um
sistema ou de um processo.
      É composto de módulos de entradas e saídas digitais ou analógicas e uma UCP
(Unidade Central de Processamento).
      De acordo com a lógica interna de programação, definida pelo usuário através de
software específico, o CLP reage aos sinais de entrada, impondo respostas às suas
saídas.




                         ESQUEMA BÁSICO FUNCIONAL
CICLO DE VARREDURA DAS INSTRUÇÒES LÓGICAS



      COMPONENTES BÁSICOS

                                                        LED’s de Status de
                    LED’s de Status de                  Funcionamento das
                    Funcionamento                       Saídas

Saídas




UCP




         Entradas
                                                   LED’s de Status de
                                                   Funcionamento das
                                                   Entradas
Entradas: São compostas de contatos tipo seco NA, dispostas em bornes de conexão
na parte inferior do corpo do CLP. São numeradas de I0.0 a I0.7, perfazendo 8 entradas
analógicas.

Saídas: São compostas de contatos tipo seco NA, dispostas em bornes de conexão na
parte superior do corpo do CLP. São numeradas de Q0.0 a Q0.5, perfazendo 6 saídas
analógicas.

UCP: É composta essencialmente por circuitos eletrônicos, memórias e drivers
instalados internamente do corpo do CLP.

LED’s de Status de Funcionamento: São leds indicativos de funcionamento do CLP.
No modo RUN, o equipamento está executando o programa lógico, antes programado e
enviado pelo cabo serial de um microcomputador. No modo STOP, o CLP encontra-se
desativado.

LED’s de Status de Funcionamento das Entradas: São leds indicativos de
funcionamento das entradas de sinal do CLP. Caso alguma acenda, indica que o sinal
desta entrada está em um nível lógico ALTO ou 1 (Ex: Sinal de Tensão de 24 V). Já se
o led estiver apagado, o mesmo indica um nível lógico de entrada BAIXO ou 0 (Ex:
Sinal de Tensão 0 V)

LED’s de Status de Funcionamento das Saídas: São leds indicativos de
funcionamento das saídas de sinal do CLP. Caso alguma acenda, indica que o sinal
desta saída está em um nível lógico ALTO ou 1 (Ex: Sinal de Tensão de 220 V). Já se o
led estiver apagado, o mesmo indica um nível lógico de saída BAIXO ou 0 (Ex: Sinal de
Tensão 0 V)


SOFTWARE

       O software de programação utilizado pelo CLP Siemens Simatic S7 – Série 200
(CPU 212) é o Step7. É composto por uma área de trabalho onde são executadas as
programações utilizando blocos de funções pré-determinadas, como contatos secos
abertos NA, contatos secos NF, Blocos Temporizadores, Blocos Contadores, entre
outros.




                           TELA DO SOFTWARE STEP 7
Este software permite utilizar cerca de 3 tipos diferentes linguagens de
programação, como Linguagem Ladder, Diagrama de Blocos e Listas de Instruções.
       Ao decorrer desta apostila, as práticas desenvolvidas estão baseadas na
linguagem Ladder por ser esta de fácil compreensão e extremamente prática e simples.



CONCEITOS BÁSICOS DA LINGUAGEM LADDER:

       Os CLP vieram a substituir elementos e componentes eletro-eletrônicos de
acionamento e a linguagem utilizada na sua programação é similar à linguagem de
diagramas lógicos de acionamento desenvolvidos por eletrotécnicos e profissionais da
área de controle, esta linguagem é denominada linguagem de contatos ou
simplesmente LADDER.
       A linguagem Ladder permite que se desenvolvam lógicas combinacionais,
seqüenciais e circuitos que envolvam ambas, utilizando como operadores para estas
lógicas: entradas, saídas, estados auxiliares e registros numéricos. A Tabela abaixo
exemplifica 3 dos principais símbolos de programação.




      ANALOGIA ENTRE A LÓGICA DE BOOLE E A LINGUAGEM LADDER
Para entendermos a estrutura da linguagem vamos exemplificar o acionamento
de uma lâmpada L a partir de um botão liga/desliga.
     Abaixo, o esquema elétrico tradicional, o programa e as ligações no CLP.




       O botão B1, normalmente aberto, está ligado a entrada I0.0 e a lâmpada está
ligada à saída Q0.0. Ao acionarmos B1, I0.0 é acionado e a saída Q0.0 é energizada.
Caso quiséssemos que a lâmpada apagasse quando acionássemos B1 bastaria trocar
o contato normal aberto por um contato normal fechado, o que representa a função
NOT (NÃO).

     Também poderemos utilizar estes conceitos para desenvolver outras lógicas,
como por exemplo a lógica AND (E), abaixo representada:




      Ou ainda a lógica OR (OU), abaixo representada:
APLICAÇÕES (PRÁTICAS DE LABORATÓRIO)


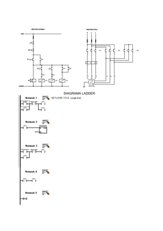
CHAVE DE PARTIDA DIRETA:


      Para esta prática, serão utilizados apenas um contactor e um botão LIGA e outro
DESLIGA. Ao acionar o LIGA, o CLP acionará uma entrada para o mesmo fazer atuar
uma de suas saídas com um nível lógico de tensão alto a fim de acionar a bobina do
contactor principal. Quando se desejar desligar o motor, será necessário apenas
acionar o botão DESLIGA.

                  DIAGRAMA UNIFILAR DE COMANDO E FORÇA
CIRCUITO DE COMANDO                                                 CIRCUITO DE FORÇA

                                                                              R     S     T
  FASE



                               FUSÍVEL                                                            FUSÍVEIS
                               DE COMANDO                                                         DE FORÇA




                                                                                                      CONTATOS DA
                               CONTATO DO
                                                                                                      CONTACTORA C1
                               RELÉ DE SOBRECARGA
                                                                                                 C1




                               BOTOEIRA DE
              B0               DESLIGAMENTO
                                                                                                      ELEMENTOS DO
                                                                                                      RELÉ DE SOBRECARGA


                                            CONTATO AUXILIAR
                                            DE AUTO-RETENÇÃO
             B1                    C1




                                 BOBINA DA
                                 CONTACTORA
                          C1                                   ATERRAMENTO
                                                                                                 MOTOR




NEUTRO




                  DIAGRAMA LADDER DA CHAVE DE PARTIDA DIRETA




                  ESQUEMA DE MONTAGEM FÍSICA NO PAINEL DO CLP
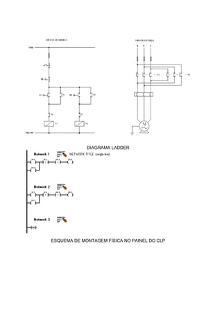
CHAVE DE REVERSORA:

      Para esta prática, serão utilizados apenas um contactor e um botão LIGA e outro
DESLIGA. Ao acionar o LIGA, o CLP acionará uma entrada para o mesmo fazer atuar
uma de suas saídas com um nível lógico de tensão alto a fim de acionar a bobina do
contator principal. Quando se desejar desligar o motor, será necessário apenas acionar
o botão DESLIGA.

DIAGRAMAS DE FORÇA E DE COMANDO
DIAGRAMA LADDER




ESQUEMA DE MONTAGEM FÍSICA NO PAINEL DO CLP
CHAVE ESTRELA – TRIÂNGULO

Neste caso, partimos o motor na configuração estrela, de forma a minimizar a corrente
de partida e, depois de determinado tempo especificado no relé temporizado, comuta-
se o motor para a configuração triângulo.
Ao pressionar B1, energiza-se o contactor C3, que por sua vez energiza o contactor C1.
Isso liga o motor a rede trifásica na configuração estrela. Após o tempo especificado no
relé temporizado RT, o contactor C3 é desenergizada e o contactor C2 energizada. C1
continua energizada, pois existe um contato auxiliar de C1 para efetuar sua auto-
retenção. Com isso, o motor é conectado a rede trifásica na configuração triângulo.
A botoeira B0, quando pressionada, desliga o motor.


                      DIAGRAMAS DE FORÇA E COMANDO
DIAGRAMA LADDER
ESQUEMA DE MONTAGEM FÍSICA NO PAINEL DO CLP




Esta apostila é parte do II Exercício Escolar da Disciplina Acionamentos de Máquinas
Elétricas, ministrada pelo Professor José Bione Neto e confeccionada pelos alunos
abaixo:
   • Antônio Elias Nogueira
   • Thiago Aquino
   • Gustavo Marinho.


   •   Local: Laboratório de Eletrotécnica/POLI/UPE




Recife, junho de 2003.

Apostila%20 %20 plc%20-%20siemens%20step%207

  • 1.
    ACIONAMENTO DE MÁQUINAS ELÉTRICAS USANDOCLP SIEMENS S7-212 Laboratório de Eletrotécnica
  • 2.
    PRÁTICAS DE ACIONAMENTOSELÉTRICOS DE MOTORES COM O USO DE CLP (Controlador Lógico Programável) TÓPICOS APRESENTAÇÃO DO CLP HISTÓRICO DEFINIÇÕES TÉCNICAS FUNCIONALIDADES PRINCÍPIOS DE FUNCIONAMENTO COMPONENTES BÁSICOS SOFTWARE CONCEITOS BÁSICOS DA LINGUAGEM LADDER APLICAÇÕES (PRÁTICAS DE LABORATÓRIO) CHAVE DE PARTIDA DIRETA CHAVE DE PARTIDA REVERSORA CHAVE DE PARTIDA ESTRELA-TRIÂNGULO CONCLUSÃO. APRESENTAÇÃO DO CLP Esta apostila tem como intuito trazer conhecimentos básicos do uso do CLP SIMATIC STEP 7, da SIEMENS, aplicados às práticas de acionamento elétrico de motores de indução. Abordaremos uma breve descrição do equipamento, desde seu histórico até os seus componentes e o software de programação, bem como três práticas de laboratório. Por fim serão apresentadas as suas possibilidades de aplicação. HISTÓRICO O controlador lógico programável nasceu na indústria automobilística americana, devida grande dificuldade que havia para mudar a lógica de controle de painéis de comando ao se alterar a linha da montagem. Essa mudança exigia muito tempo e dinheiro. Para resolver essa dificuldade, foi preparada uma especificação das necessidades de muitos usuários de circuitos e relés, tanto da indústria automobilística como de toda a indústria manufatureira. Nascia assim um equipamento bastante versátil e de fácil utilização, que vem se aprimorando constantemente. Desde seu aparecimento até hoje, muita coisa evoluiu nos controladores lógicos. Esta evolução está ligada diretamente ao desenvolvimento tecnológico da informática, principalmente em termos de software e de hardware. DEFINIÇÕES TÉCNICAS Segundo a ABNT (Associação Brasileira de Normas técnicas), é um equipamento eletrônico digital com hardware e software compatíveis com aplicações industriais. Segundo a NEMA (National Electrical Manufactures Association), È um aparelho eletrônico digital que utiliza uma memória programável para armazena internamente
  • 3.
    instruções e paraimplementar funções específicas, tais como lógica, sequenciamento, temporizarão, contagem e aritmética, controlando, por meio de módulos de entradas e saídas, vários tipos de máquinas ou processos. FUNCIONALIDADES Os Controladores Lógicos Programáveis (CLP’’s) são equipamentos eletrônicos de última geração, utilizados em sistemas de automação flexível. Permitem desenvolver e alterar facilmente a lógica para acionamento das saídas em função das entradas. Desta forma, pode-se utilizar inúmeros pontos de entrada de sinal, para controlar pontos de saída de sinal (cargas). As vantagens dos controladores lógicos programáveis em relação aos sistemas convencionais são: !"Ocupam menos espaço; !"Requerem menor potência elétrica; !"Podem ser reutilizados; !"São programáveis, permitindo alterar os parâmetros de controle; com maior confiabilidade; !"Sua manutenção é mais fácil; !"Oferece maior flexibilidade; !"Permitem interface de comunicação com outros CLPs e computadores de controle; !"Permite maior rapidez na elaboração do projeto do sistema. PRINCÍPIO DE FUNCIONAMENTO Podemos dizer que o CLP é um “microcomputador” aplicado ao controle de um sistema ou de um processo. É composto de módulos de entradas e saídas digitais ou analógicas e uma UCP (Unidade Central de Processamento). De acordo com a lógica interna de programação, definida pelo usuário através de software específico, o CLP reage aos sinais de entrada, impondo respostas às suas saídas. ESQUEMA BÁSICO FUNCIONAL
  • 4.
    CICLO DE VARREDURADAS INSTRUÇÒES LÓGICAS COMPONENTES BÁSICOS LED’s de Status de LED’s de Status de Funcionamento das Funcionamento Saídas Saídas UCP Entradas LED’s de Status de Funcionamento das Entradas
  • 5.
    Entradas: São compostasde contatos tipo seco NA, dispostas em bornes de conexão na parte inferior do corpo do CLP. São numeradas de I0.0 a I0.7, perfazendo 8 entradas analógicas. Saídas: São compostas de contatos tipo seco NA, dispostas em bornes de conexão na parte superior do corpo do CLP. São numeradas de Q0.0 a Q0.5, perfazendo 6 saídas analógicas. UCP: É composta essencialmente por circuitos eletrônicos, memórias e drivers instalados internamente do corpo do CLP. LED’s de Status de Funcionamento: São leds indicativos de funcionamento do CLP. No modo RUN, o equipamento está executando o programa lógico, antes programado e enviado pelo cabo serial de um microcomputador. No modo STOP, o CLP encontra-se desativado. LED’s de Status de Funcionamento das Entradas: São leds indicativos de funcionamento das entradas de sinal do CLP. Caso alguma acenda, indica que o sinal desta entrada está em um nível lógico ALTO ou 1 (Ex: Sinal de Tensão de 24 V). Já se o led estiver apagado, o mesmo indica um nível lógico de entrada BAIXO ou 0 (Ex: Sinal de Tensão 0 V) LED’s de Status de Funcionamento das Saídas: São leds indicativos de funcionamento das saídas de sinal do CLP. Caso alguma acenda, indica que o sinal desta saída está em um nível lógico ALTO ou 1 (Ex: Sinal de Tensão de 220 V). Já se o led estiver apagado, o mesmo indica um nível lógico de saída BAIXO ou 0 (Ex: Sinal de Tensão 0 V) SOFTWARE O software de programação utilizado pelo CLP Siemens Simatic S7 – Série 200 (CPU 212) é o Step7. É composto por uma área de trabalho onde são executadas as programações utilizando blocos de funções pré-determinadas, como contatos secos abertos NA, contatos secos NF, Blocos Temporizadores, Blocos Contadores, entre outros. TELA DO SOFTWARE STEP 7
  • 6.
    Este software permiteutilizar cerca de 3 tipos diferentes linguagens de programação, como Linguagem Ladder, Diagrama de Blocos e Listas de Instruções. Ao decorrer desta apostila, as práticas desenvolvidas estão baseadas na linguagem Ladder por ser esta de fácil compreensão e extremamente prática e simples. CONCEITOS BÁSICOS DA LINGUAGEM LADDER: Os CLP vieram a substituir elementos e componentes eletro-eletrônicos de acionamento e a linguagem utilizada na sua programação é similar à linguagem de diagramas lógicos de acionamento desenvolvidos por eletrotécnicos e profissionais da área de controle, esta linguagem é denominada linguagem de contatos ou simplesmente LADDER. A linguagem Ladder permite que se desenvolvam lógicas combinacionais, seqüenciais e circuitos que envolvam ambas, utilizando como operadores para estas lógicas: entradas, saídas, estados auxiliares e registros numéricos. A Tabela abaixo exemplifica 3 dos principais símbolos de programação. ANALOGIA ENTRE A LÓGICA DE BOOLE E A LINGUAGEM LADDER
  • 7.
    Para entendermos aestrutura da linguagem vamos exemplificar o acionamento de uma lâmpada L a partir de um botão liga/desliga. Abaixo, o esquema elétrico tradicional, o programa e as ligações no CLP. O botão B1, normalmente aberto, está ligado a entrada I0.0 e a lâmpada está ligada à saída Q0.0. Ao acionarmos B1, I0.0 é acionado e a saída Q0.0 é energizada. Caso quiséssemos que a lâmpada apagasse quando acionássemos B1 bastaria trocar o contato normal aberto por um contato normal fechado, o que representa a função NOT (NÃO). Também poderemos utilizar estes conceitos para desenvolver outras lógicas, como por exemplo a lógica AND (E), abaixo representada: Ou ainda a lógica OR (OU), abaixo representada:
  • 8.
    APLICAÇÕES (PRÁTICAS DELABORATÓRIO) CHAVE DE PARTIDA DIRETA: Para esta prática, serão utilizados apenas um contactor e um botão LIGA e outro DESLIGA. Ao acionar o LIGA, o CLP acionará uma entrada para o mesmo fazer atuar uma de suas saídas com um nível lógico de tensão alto a fim de acionar a bobina do contactor principal. Quando se desejar desligar o motor, será necessário apenas acionar o botão DESLIGA. DIAGRAMA UNIFILAR DE COMANDO E FORÇA
  • 9.
    CIRCUITO DE COMANDO CIRCUITO DE FORÇA R S T FASE FUSÍVEL FUSÍVEIS DE COMANDO DE FORÇA CONTATOS DA CONTATO DO CONTACTORA C1 RELÉ DE SOBRECARGA C1 BOTOEIRA DE B0 DESLIGAMENTO ELEMENTOS DO RELÉ DE SOBRECARGA CONTATO AUXILIAR DE AUTO-RETENÇÃO B1 C1 BOBINA DA CONTACTORA C1 ATERRAMENTO MOTOR NEUTRO DIAGRAMA LADDER DA CHAVE DE PARTIDA DIRETA ESQUEMA DE MONTAGEM FÍSICA NO PAINEL DO CLP
  • 10.
    CHAVE DE REVERSORA: Para esta prática, serão utilizados apenas um contactor e um botão LIGA e outro DESLIGA. Ao acionar o LIGA, o CLP acionará uma entrada para o mesmo fazer atuar uma de suas saídas com um nível lógico de tensão alto a fim de acionar a bobina do contator principal. Quando se desejar desligar o motor, será necessário apenas acionar o botão DESLIGA. DIAGRAMAS DE FORÇA E DE COMANDO
  • 11.
    DIAGRAMA LADDER ESQUEMA DEMONTAGEM FÍSICA NO PAINEL DO CLP
  • 12.
    CHAVE ESTRELA –TRIÂNGULO Neste caso, partimos o motor na configuração estrela, de forma a minimizar a corrente de partida e, depois de determinado tempo especificado no relé temporizado, comuta- se o motor para a configuração triângulo. Ao pressionar B1, energiza-se o contactor C3, que por sua vez energiza o contactor C1. Isso liga o motor a rede trifásica na configuração estrela. Após o tempo especificado no relé temporizado RT, o contactor C3 é desenergizada e o contactor C2 energizada. C1 continua energizada, pois existe um contato auxiliar de C1 para efetuar sua auto- retenção. Com isso, o motor é conectado a rede trifásica na configuração triângulo. A botoeira B0, quando pressionada, desliga o motor. DIAGRAMAS DE FORÇA E COMANDO
  • 13.
  • 14.
    ESQUEMA DE MONTAGEMFÍSICA NO PAINEL DO CLP Esta apostila é parte do II Exercício Escolar da Disciplina Acionamentos de Máquinas Elétricas, ministrada pelo Professor José Bione Neto e confeccionada pelos alunos abaixo: • Antônio Elias Nogueira • Thiago Aquino • Gustavo Marinho. • Local: Laboratório de Eletrotécnica/POLI/UPE Recife, junho de 2003.