Manual de Consulta Rápida
Ferramenta VCO-950 e
Diagnósticos de Falhas
No
2
Caminhões e Ônibus
MCR-B.PMD 3/12/2003, 10:391
Serviços e Assistência Técnica - Caminhões e Ônibus
Edição Mar/2004
Sumário
Este manual contem instruções de utilização da ferramenta eletrô-
nica VCO-950, bem como informações para a correção dos códi-
gos de falhas dos motores Série 12 (4 e 6 cilindros).O manual está
dividido em dois blocos da seguinte forma:
PARTE A - Instrução de utilização VCO-950
PARTE B - Informações Gerais
PARTE C - Medições
PARTE D - Diagnóstico de Falhas
A-3MOTORES MWM
D
INSTRUÇÕES DE OPERAÇÕES E TESTES - VCO - 950
A-4 MOTORES MWM
ÍNDICE
Introdução
Atenção ........................................................................................................ 05
Acessórios ................................................................................................... 06
Ligação......................................................................................................... 07
Operação...................................................................................................... 08
Testes .......................................................................................................... 09
Tabela de aplicação ...................................................................................... 12
Dados Técnicos ........................................................................................... 13
Orientação ................................................................................................... 14
Habilitação do tipo de veículo ....................................................................... 20
Impressão .................................................................................................... 22
Operação do sistema de injeção .................................................................. 27
A-5MOTORES MWM
D
ATENÇÃO:
A ferramenta de diagnóstico Volkswagen VCO - 950, mostra no visor os códigos
de falhas detectado pela unidade de comando (ECM), e efetua leitura de valores
do sistema,
Introdução
Movimenta para a
“Esquerda”
Tecla “Não”
Reinicia o aparelho
Movimenta para a
“Direita”
Tecla “Sim”
Visor
Conector para cabo
de comunicação
com impressora
Volta ao Menu
VCO - 950
Conector de
alimentação (12V)
A-6 MOTORES MWM
Introdução
ACESSÓRIOS:
Gancho
Cabo de Alimentação
Cabo de de Impressão
Cabo de Diagnóstico C26 Cabo DB9/Serial Db25
Fonte de Alimentação 12V (bivolt)
Cabos auxiliares para medição
A-7MOTORES MWM
D
Introdução
LIGAÇÃO
Atenção:
A alimentação do VCO - 950 é feita pelo cabo de comunicação C26, como
mostra na figura.
AO CONECTOR DE
DIAGNÓSTICO DO
VEÍCULO
O conector de diagnóstico está
localizado junto a central elétrica
do veículo. A localização da
central no veículo depende do
encarroçador
Localização do conector
de diagnóstico no veículo
Ônibus
Conexão do
VCO-950 no veículo
1 - Conecte o cabo C26 no
VCO-950.
2 - Com a chave de
partida desligada,
conecte o VCO-950
no veículo.
3 - Para efetuar as
leituras ligue a chave
de partida.
A-8 VCO - 950
OOPPEERRAAÇÇÃÃOO
Escolha do veículo:
Após ligado, o VCO - 950 apresentará a mensagem que identifica a versão
do software, e número de série do VCO - 950:
e logo após a mensagem:
Versao 01
NS: xxxxxx
As teclas
selecionam o tipo
de veículo.
Outro Modelo?
nao sim
Se for teclado
o
VOC - 950
repete a última
escolha.
Se for teclado o
VOC - 950 apaga os códigos
de falha do teste anterior e
permite a escolha de outro
veículo.
Tipo de veiculo
XXX
Veiculo:
XXX
Motor: XXXXXXX
XXXXXXXXX
Opcao:
1. Teste?
Modelo:
XXX
Motor: XXXXXXX
XXXXXXXXX
Opcao:
1. Teste?
Utilize Conector
CXX
Tipo de veiculo
XXX
As teclas
selecionam o modelo.
As teclas
selecionam o
sistema.
Indica qual
conector deve
ser utilizado.
VOC - 950
VCO - 950 A-9
TTEESSTTEESS
O sistema X12 EDC 07 permite executar funções de código de defeito,
leituras de parâmetros, apagar memória de defeitos atuadores e ajustes para
a Volksguard.
TESTE 1 - Códigos de Defeito
Apresenta os códigos de defeitos armazenados na memória da ECM.
TESTE 2 - Leituras
Permite verificar várias condições do motor, com motor parado (ignição
ligada), funcionando ou veículo em movimento:
Apresentação no display:
O VCO - 950, na forma de leituras, apresenta duas leituras simultâneas, na
linha superior e na linha inferior.
Para mudar o padrão de leituras, proceda da seguinte forma:
• Escolha a opção leituras e tecle : o VCO - 950 apresentará duas
leituras.
• As teclas alternam os pares de leituras.
• Teclando , a leitura da linha inferior é fixada e as teclas
alternam apenas a leitura da linha superior.
• Teclando novamente, a leitura da linha superior é fixada e as
teclas passam a alternar a leitura da linha inferior.
Teclando novamente, as teclas alternam os pares de
leituras.
A-10 VCO - 950
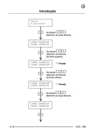
Teste:
2.Leituras?
LINHA SUPERIOR
LINHA INFERIOR
LINHA SUPERIOR
LINHA INFERIOR*
LINHA SUPERIOR
LINHA INFERIOR
LINHA SUPERIOR*
LINHA INFERIOR
As teclas
alternam as duas leituras.
As teclas
alternam as leituras
da linha superior.
As teclas
alternam as leituras
da linha inferior.
As teclas
alternam as duas leituras.
* - Fixada
* - Fixada
VCO - 950 A-11
Teste 3 - Atuadores
Permite realizar testes com o veículo.
Ver seção XXXXX
Teste 4 - Volksguard
Permite ajustar os parâmetros do Volksguard, ver seção XXXX.
Erro de comunicação: Sempre que ocorrer um erro de comunicação, como o
mostrado no visor:
Aperte uma tecla qualquer e repita a operação. Se o problema persistir,
desligue o VCO - 950 e verifique se as ligações dos cabos estão corretas ou
se existe algum problema nos cabos e conectores.
Siga corretamente a seqüência de ligação e tente novamente.
! Atencao !
Erro Comunicacao
A-12 VCO - 950
TTAABBEELLAA DDEE AAPPLLIICCAAÇÇÃÃOO
VVOOLLKKSSWWAAGGEENN -- CCAAMMIINNHHÕÕEESS
MODELOS SISTEMA UTILIZADO ANO FABR.
CONECTOR
TIPO
MANUAL DE
OPERAÇÃO
(SEÇÃO)
SSIISSTTEEMMAA DDEE IINNJJEEÇÇÃÃOO
8-150E Cummins 4 CILINDROS ISBE 2003 ⇒ C 26 6
13-170E Cummins 4 CILINDROS ISBE 2003 ⇒ C 26 6
15-170E Cummins 4 CILINDROS ISBE 2003 ⇒ C 26 6
17-250E Cummins 6 CILINDROS ISBE 2003 ⇒ C 26 6
23-250E Cummins 6 CILINDROS ISBE 2003 ⇒ C 26 6
VVOOLLKKSSWWAAGGEENN -- ÔÔNNIIBBUUSS
MODELOS SISTEMA UTILIZADO
ANO
FABR.
CONECTOR
TIPO
MANUAL DE
OPERAÇÃO
(SEÇÃO)
SSIISSTTEEMMAA DDEE IINNJJEEÇÇÃÃOO
8-150 EOD Motor MWM 4 Cil. X12 EDC 07 2004 ⇒ C 26 ?
8-150 EOD
Motor Cummins 4 Cil.
INTERACT
2003 ⇒ C 26 ?
17-210 EOD Motor MWM 6 Cil. X12 EDC 07 2004 ⇒ C 26 ?
17-260 EOT Motor MWM 6 Cil. X12 EDC 07 2004 ⇒ C 26 ?
VCO - 950 A-13
DDAADDOOSS TTÉÉCCNNIICCOOSS
Fornecimento Standard Equipamento: VCO - 950
Número de tipo VW F000 WA0 704
Cd-Rom com programa VW/Versão 1 F000 WA8 009
Licença (Programa VW/Versão 1) F000 WA8 010
Inclui no fornecimento:
Fonte 12 Volts F000 WA4 001
Cabo de alimentação F000 WA0 154
Cabo serial DB9 - DB 25 F000 WA0 140
Gancho de fixação F000 WA5 024
Cabo de interface para impressora F000 WA0 144
Maleta F000 WA5 030
Manual de operação atualizado com versão V???? F000 WA7 023
Características Técnicas do VCO - 950:
Alimentação: 12 Volts a 24 Volts
Saída para impressora
Visor de cristal líquido com iluminação back light
Temperatura de funcionamento: 0 a 50 graus Celsius
Saída RS 232
Dimensões e medidas:
Peso:
VCO - 950: aproximadamente 560 g
VCO - 950 completo com cabos e maleta: 2,600 g
Medidas em mm:
VCO - 950 sem a maleta (L x P x A): 100 x 40 x 230
Maleta: (L x P x A): 360 x 130 x 330
A-14 VCO - 950
OORRIIEENNTTAAÇÇÃÃOO
1 Instruções Importantes
i
&
Antes de colocar em operação, conectar e operar aparelhos de
medição, é imprescindível estudar cuidadosamente o manual
de operação e principalmente as instruções de segurança. Isto
eliminará dúvidas no manuseio dos equipamentos com relação
aos critérios de segurança, para preservação de sua própria
integridade física e evitar danos aos aparelhos.
1.1 Grupos de usuários
Este produto foi desenvolvido e fabricado para os técnicos capacitado, como
mecânicos, eletricistas, mestres, técnicos e engenheiros de automóveis, no
ramo automobilístico.
1.2 Acordo
Através do uso do produto você declara estar de acordo com as seguintes
determinações:
Direitos autorais (Copyright)
Software e dados são de propriedade da Volkswagen ou de seus
fornecedores e protegidos contra reprodução pela Lei de Direitos Autorais,
contratos internacionais e outros mecanismos legais. A reprodução ou
entrega de dados e software ou de parte destes a terceiros é prática proibida
e expõe o infrator a sanções legais. Em caso de violação a Volkswagen se
reserva o direito de mover ação processual e indenizatória.
Responsabilidade
Todos os dados neste programa baseiam-se em detalhes fornecidos pelos
fabricantes e importadores. A Volkswagen não se responsabiliza pela
correção e integridade do software e dos dados, nem assume
responsabilidade por danos decorrentes de erro ou falha do software ou dos
dados. A responsabilidade da Volkswagen limita-se ao preço efetivamente
pago pelo cliente por este produto. Esta exclusão de responsabilidade não se
aplica a danos causados por omissão, negligência ou imprudência por parte
da Volkswagen.
Este aparelho de teste Volkswagen pode ser operado somente com o
programa liberado pela Volkswagen. Caso o aparelho de teste Volkswagen
seja operado com outro programa cessam todos os direitos de reclamação de
garantia estabelecidos em nossas condições de fornecimento. Além disso,
VCO - 950 A-15
não podemos assumir responsabilidade por danos diretos ou indiretos
causados pelo uso de sistema operacional não liberado.
2 Instruções de segurança
Tensão da rede
Alta tensão
Tanto na rede elétrica quanto em sistemas elétricos de veículos automotivos,
ocorrem tensões perigosas. Ao tocar peças com tensão aplicada (por
exemplo: bobina de ignição), existe o risco de descarga elétrica em função de
isolação danificada (por exemplo: fissuras em cabos de ignição). Isto se
aplica tanto ao lado primário como secundário do sistema de ignição, ao
chicote e respectivas conexões, sistemas de iluminação (Litronic) e à
conexão de aparelhos de teste.
Precauções:
• Conectar aparelhos de teste somente a tomadas devidamente protegidas
e aterradas.
• Usar somente os cabos de ligação que acompanham os aparelhos de
teste.
• Usar somente extensões com contatos de segurança.
• Substituir os cabos com isolação danificada (por exemplo: cabos de
ligação à rede ou cabos de ignição).
• Conectar os analisadores primeiro à rede elétrica antes de conectá-lo ao
veículo.
• Substituir os cabos com isolação danificada (por exemplo: cabos de
ignição).
• Conectar o analisador à massa do motor ou da bateria (B) antes de ligar
a ignição.
• Fazer intervenções no sistema elétrico de veículos somente com a
ignição desligada. Intervenções são por exemplo: conexão de aparelhos de
teste, substituição de componentes do sistema de ignição, desmontagem de
elementos (por exemplo: alternadores), ligação de elementos em uma
bancada de teste etc.
• Quando possível, realizar trabalhos de teste e ajuste somente com a
ignição desligada e o motor parado.
• Nos trabalhos de teste e ajuste com a ignição ligada ou com o motor em
funcionamento, nunca tocar em peças condutoras de tensão. Isto vale tanto
A-16 VCO - 950
para as ligações do aparelho de teste como ligações de elementos em
bancos de provas.
• Fazer as conexões de teste somente com os elementos de ligação
apropriados.
• Encaixar corretamente os conectores de teste e atentar para uma perfeita
união.
• Nunca abrir a carcaça dos aparelhos de medição.
Risco de agressão ao aparelho respiratório
Na medição do gás de escape são empregadas mangueiras coletoras de
gás de escape que, em caso de aquecimento acima de 250 ºC ou em caso
de incêndio, liberam um gás altamente tóxico (fluoreto de hidrogênio) que
pode agredir o aparelho respiratório.
Precauções:
Em caso de inalação procurar imediatamente um médico!
Na eliminação de resíduos de combustão, usar luvas de
neopreno ou PVC.
Neutralizar resíduos de combustão com solução hidróxido de cálcio. Serão
formados fluoretos de cálcio atóxicos, que podem ser lavados.
Risco de corrosão
Ácidos e soluções alcalinas causam ferimentos graves na pele
desprotegida. Junto com a umidade (água) o fluoreto de hidrogênio forma o
ácido fluorídrico.
O condensado que se acumula na mangueira coletora e no reservatório de
condensado também contém ácido.
Na substituição do sensor de medição de O2, observar que o sensor de
medição contém solução alcalina.
Na substituição do sensor de medição de NO, observar que o sensor de
medição contém ácido.
VCO - 950 A-17
Precauções:
• Lavar imediatamente as partes agredidas da pele com água abundante,
em seguida procurar auxílio médico!
• sensor de medição de NO e O2 é lixo especial que deve ser destinado
em separado. O setor de Equipamentos Técnicos Volkswagen providencia a
destinação adequada dos sensores de medição.
• Havendo vazamento de um cristal líquido de um display danificado, é
essencial evitar o contato direto com a pele, inalação ou ingestão desse
líquido!
Precauções:
• Lavar cuidadosamente a pele e as roupas que entraram em contato com
o cristal líquido com água abundante e sabão.
• Procurar imediatamente um médico em caso de inalação ou ingestão.
Risco de asfixia
Emissões veiculares contêm monóxido de carbono (CO), um gás incolor e
inodoro. Quando inalado, o monóxido de carbono provoca deficiência de
oxigênio no organismo. É necessário um cuidado especial nos trabalhos em
valetas, uma vez que alguns elementos do gás de escape são mais pesados
que o ar e se depositam no fundo da valeta.
Cuidado também com os sistemas de escape de veículos.
Precauções:
• Cuidar para que haja sempre uma boa ventilação e exaustão
(principalmente em valetas).
• Em ambientes fechados ligar e conectar sempre a exaustão.
Risco de ferimento
Risco de esmagamento
Em veículos sem trava de deslocamento existe por exemplo: o risco de ser
esmagado contra uma bancada. Nos motores em funcionamento ou mesmo
parados existem peças rotativas e móveis (por exemplo: polias), que podem
A-18 VCO - 950
provocar ferimentos em dedos e braços. Principalmente em ventiladores
elétricos existe o risco de acionamento inesperado mesmo com o motor ou a
ignição desligados.
Existe ainda o risco de tropeço nos rolos salientes/ avançados, nos cabos de
ligação e cabo de ligação à rede elétrica para o sistema de teste.
Precauções:
• Travar o veículo contra deslocamento durante o teste. Posicionar a
alavanca do câmbio automático na posição de estacionamento (“Park”),
puxar o freio de mão ou bloquear as rodas com calços.
• Não tocar em peças rotativas / móveis com o motor em funcionamento.
• Nos trabalhos em ou próximos a ventiladores elétricos, primeiro deixar o
motor esfriar, depois desconectar o plug do ventilador.
• Não deixar os cabos de ligação do aparelho de teste próximos à área de
peças rotativas.
• Instalar os cabos de modo a evitar tropeços.
• Travar as rodas do rack de transporte do sistema de teste para prevenir
deslocamento involuntário.
Risco de queimadura
Nos trabalhos junto ao motores quente existe risco de queimadura em caso
de contato ou aproximação de componentes como por exemplo: coletor de
escape, turbocompressor, sonda Lambda etc. Estes componentes podem
atingir temperaturas de centenas de graus centígrados. Dependendo da
duração da medição do gás de escape, também poderá haver um
aquecimento da sonda coletora do analisador de gás de escape.
Precauções:
Usar equipamento de segurança, por exemplo: luvas.
Deixar o motor esfriar, o que também vale para aquecimento estacionário.
Não colocar os cabos de ligação dos aparelhos de teste sobre ou próximos a
peças quentes.
Não deixar o motor funcionando além do tempo necessário ao
teste/regulagem.
VCO - 950 A-19
Risco de incêndio
Risco de explosão
Em trabalhos no sistema de injeção/preparação da mistura existe o risco de
incêndio e explosão devido à presença do combustível e dos vapores do
combustível.
Precauções:
• Desligar o sistema de ignição.
• Deixar o motor esfriar.
• Nenhuma chama aberta ou fontes de faísca.
• Não fumar.
• Recolher vazamentos de combustível.
• Assegurar boa ventilação e exaustão em ambientes fechados.
Ruído
Nas medições em veículos, principalmente com o motor em alta rotação,
poderão ocorrer níveis de ruído superiores a 70 dB(A). Níveis de ruído dessa
intensidade incidindo por um período prolongado sobre o ser humano podem
provocar danos auditivos.
Precauções:
• Caso necessário, os locais de trabalho próximos ao local de teste deverão
ser protegidos contra ruídos.
• Quando necessário, o operador deverá usar protetores auriculares.
A-20 VCO - 950
Habilitação de Tipo de Veículo
Para habilitar um tipo de veículo, proceda
da seguinte forma:
• Desligue o VCO-950.
• Mantenhas as teclas pressionadas
simultaneamente e ligue o VCO-950.
• O VCO-950 mostrará a opção
“Habilita Tipo de Veiculo ?”.
• Pressionando a tecla ,
•O VCO-950 acessará a lista de tipos de veículos que
podem ser habilitados.
• Use as teclas para escolher a
tipo de veículo desejado.
• Pressionando a tecla ,
• O VCO-950 irá solicitar a senha
para habilitar o tipo de veículo.
A senha é um número de cinco dígitos que deve
ser digitado da seguinte forma:
• Selecione o dígito a ser alterado com as teclas .
A tecla avança para o próximo dígito, e a tecla
retorna ao dígito anterior.
(O dígito selecionado é indicado por um pequeno traço).
• Com as teclas altere o valor do dígito selecionado.
• Após alterar o último dígito, pressione a tecla .
VCO - 950 A-21
Habilitação de Tipo de Veículo
Pronto para iniciar os testes.
Versao XXX
NS: XXXXXX
Habilita
Tipo de Veiculo?
Tipo de Veiculo:
XXX
Digite a Senha:
00000
Tipo de Veiculo
Habilitado
Senha Incorreta
Outro Modelo?
NAO SIM
As teclas
selecionam o tipo
de veículo. As teclas
alteram o valor do dígito
selecionado.
As teclas
fixam o valor escolhido e
selecionam outro dígito.
Se a senha for digitada
incorretamente, será
necessário desligar
o VCO-950 e ligá-lo
novamente.
Se a senha for digitada
corretamente, o
VCO - 950 habilita
a escollha de modelos.
Habilitar Outro
Tipo de Veiculo?
A-22 VCO - 950
O VCO - 950 está preparado para acionar impressoras do padrão ASCII.
Impressoras com um padrão diferente deste, podem imprimir alguns
caracteres estranhos e diferentes dos esperados.
Ao conectar a impressora ao VCO - 950, certifique-se de que a impressora
esteja desligada.
O VCO - 950 pode ser desligado e levado até a impressora mais próxima, à
qual deve ser ligado novamente
(utilize a fonte de 12 Volts DC fornecida) . Ao tornar a ligar o VCO - 950 com
a finalidade de imprimir os resultados, na tela que se lê “OUTRO MODELO -
SIM ou NÃO” coloque a opção “NÃO” e vá para a opção “IMPRESSÃO”.
VCO - 950 A-23
IIMMPPRREESSSSÃÃOO DDEE RREELLAATTÓÓRRIIOOSS
O cursor fica piscando em
cima do dia.
A seta aumenta
de 1 a 31 e a diminui.
A tecla fixa o dia.
Opcao: 2/4
2.Impressao?
Imprime Data?
Não Sim
Escolha Data
1/ 1/ 95
Escolha Data
1/ 1/ 95
O cursor fica piscando em
cima do mês.
A seta aumenta
de 1 a 12 e a diminui.
A tecla fixa o mês.
Continua na página seguinte.
O cursor fica piscando
em cima do ano.
A seta aumenta a
partir de 95.
diminui.
A tecla fixa o ano.
Continua na página seguinte.
Escolha Data
1/ 1/ 95
A-24 VCO - 950
continuação
Imprimindo... Erro de Impress
O cursor fica piscando em
cima do primeiro dígito.
A seta aumenta
de 0 a 9 e a diminui.
A tecla fixa o mês.
Teclando retorna à página anterior.
Escolha Placa
0000
Escolha Placa
0000
Escolha Placa
0000
Escolha Placa
0000
Imprime Placa?
Não Sim
Impressora
Ligada?
VCO - 950 A-25
EEXXEEMMPPLLOOSS DDEE RREESSUULLTTAADDOOSS DDEE IIMMPPRREESSSSÃÃOO
a) Impressão apresentando somente códigos de erros presentes:
b) Impressão apresentando somente códigos de erros passados:
####################################################
SCANNER VCO - 950
Data: 06 / 02 / 00
Placa: 1234
Sistema: ISBe
####################################################
CODIGOS DE DEFEITOS PASSADOS:
Cod. 523 Sensor Temp. Ar
Int/CC Vbat
Cod. 537 Regul. Temperatura óleo
Falha
CODIGOS DE DEFEITOS PRESENTES:
Nenhuma Falha Foi Detectada ! !
RESPONSAVEL:
####################################################
SCANNER VCO - 950
Data: 06 / 02 / 00
Placa: 1234
Sistema: ISBe
####################################################
CODIGOS DE DEFEITOS PASSADOS:
Nenhuma Falha Foi Detectada !!
CODIGOS DE DEFEITOS PRESENTES:
Cod. 523 Sensor Temp. Ar
Int/CC Vbat
Cod. 537 Regul. Temperatura óleo
Falha
RESPONSAVEL:
A-26 VCO - 950
c) Impressão apresentando códigos de erros passados e presentes:
d) Impressão quando não são lidos os códigos de defeitos:
####################################################
SCANNER VCO - 950
Data: 06 / 02 / 00
Placa: 1234
Sistema: ISBe
####################################################
CODIGOS DE DEFEITOS PASSADOS:
Cod. 530 Reg Valv. Marcha-lenta
Int/CC Vbat
CODIGOS DE DEFEITOS PRESENTES:
Cod. 518 Potenc. Pedal acelerador
Int/CC Vbat
RESPONSAVEL:
####################################################
SCANNER VCO - 950
Data: 06 / 02 / 00
Placa: 1234
Sistema: ISBe
####################################################
Teste Nao Executado
VCO - 950 A-27
SSiisstteemmaa ddee iinnjjeeççããoo eelleettrrôônniiccaa:: MMWWMM
6Cil. X12 EDC 07
4Cil. X12 EDC 07
1 Menu Principal
Opcao: 4/4
4.Numero Modulo?
Continua no item 2
deste manual.
Imprime informações
dos códigos de
defeitos.
Ver seção D
do manual.
Apaga memória de
defeitos da ECU.
Ver seção C do
manual.
Número de
identificação da ECU.
Ver seção C
do manual.
Opcao: 2/4
2.Impressao?
Opcao: 1/4
1.Testes?
Opcao: 3/4
3.ApagarMemoria?
A-28 VCO - 950
2 Menu Testes
Continua no
item 3 deste
manual.
Efetua diversas
leituras de
parâmetros do sistema.
Continua no item 4
deste manual.
Teste: 1/5
1.Cod. Defeito?
Teste: 2/5
2.Leituras?
Teste: 3/5
3.LeitEspeciais
Continua no item 5
deste
manual.
Ajusta parâmetros do
Volksguard.
Obs.: Necessita de
senha.
Teste: 4/5
4.Atuadores?
Teste: 5/5
5.Volksguard?
Efetua diversas
leituras de
parâmetros do sistema.
Continua no item 4
deste manual.
VCO - 950 A-29
3 Códigos de Defeito
Os códigos são apresentados como na tela abaixo:
Código Sintomas
0 Sem sintoma
1 Acima da faixa
2 Abaixo da faixa
3 Tensão de alimentação acima da faixa
4 Sem Sinal
8 Sinal não plausível
9 Valor medido acima da faixa
10 Valor medido abaixo da faixa
12 Tensão de alimentação abaixo da faixa
Defeito: 1/3
1.Def. Presentes
Consulte as
tabelas de
defeitos nos
itens 3.1 e 3.2
Consulte a
tabela de
defeitos.
Defeito: 2/3
2.Def. Passados
Defeito: 3/3
3.Def. Intermit.
Consulte a
tabela de
defeitos.
Cod:P0120-02 01
Pedal Acelerador
Mensagem
Código Sintoma
Contador
A-30 VCO - 950
Tabela de códigos de defeito
Código Mensagem Descrição
P0100 Sensor MAF Sensor de massa de ar
P0105 SensorPressAtmos Sensor de pressão atmosférica
P0110 SensorTempArAdm Sensor de temperatura do ar da admissão
P0115 SensorTemperAgua Sensor de temperatura do líquido de
arrefecimento do motor
P0120 Pedal Acelerador Pedal do acelerador
P0180 SensorTempCombus Sensor de temperatura do combustível
P0190 PressaoCombustiv Sensor de pressão do combustível
P0195 SensorTempOleoMt Sensor de temperatura do óleo do motor
P0201 Injetor Combust1 Injetor de combustível do cilindro 1
P0202 Injetor Combust2 Injetor de combustível do cilindro 2
P0203 Injetor Combust3 Injetor de combustível do cilindro 3
P0204 Injetor Combust4 Injetor de combustível do cilindro 4
P0205 Injetor Combust5 Injetor de combustível do cilindro 5
P0206 Injetor Combust6 Injetor de combustível do cilindro 6
P0219 SinalRotacaoMot Sinal de rotação do motor excedeu o limite
máximo
P0220 Pedal Acelerador Pedal do acelerador
P0230 PowerStage 7 Estágio de força higside 7
P0231 ValvulAlivioRail Válvula de alívio de pressão do combustível
P0232 PressaoCombustiv Pressão do combustível
P0233 PressaoCombustiv Pressão do combustível
P0235 SensorPressArAdm Sensor de pressão do ar de admissão
P0239 SensorTempArAdm Sensor de temperatura do ar de admissão
P0301 BalanceCilindro1 Balanceamento do cilindro 1
P0302 BalanceCilindro2 Balanceamento do cilindro 2
P0303 BalanceCilindro3 Balanceamento do cilindro 3
P0304 BalanceCilindro4 Balanceamento do cilindro 4
P0305 BalanceCilindro5 Balanceamento do cilindro 5
P0306 BalanceCilindro6 Balanceamento do cilindro 6
P0320 SinalRotacaoMot Discrepância entre o sinal medido pelo
sensor de fase e de rotação
P0335 SinalRotacaoMot Sensor de rotação
VCO - 950 A-31
P0340 SensFaseComaValv Sensor de fase no comando de válvula
P0400 Sistema EGR Sistema EGR
P0500 SensorVelocidade Sinal do sensor de velocidade do veículo
P0520 SensorPressOleoM Sensor de pressão do óleo do motor
P0555 ErroDesligameECM Erro de desligamento da ECM
P0560 Tensao Bateria Tensão da bateria
P0561 TensaoAlimentECM Tensão de alimentação da ECM
P0571 InterruptFreio Interruptor do pedal do freio
P0572 PilotoAutomatico Piloto automático
P0606 Mau Func. ECM Informação do número de vezes que a ECM
foi reiniciada devido a erro
P0650 Lampada Diagnose Lâmpada de diagnose ou lâmpada de
parada de emegência
P0703 Conversor Torque Conversor de Torque
P0704 InterruEmbreagem Interruptor do pedal da embreagem
P1125 RegulPressTurbo Regulador da pressão do turbo
P1285 ErroDesligameECM Erro no teste de desligamento da ECM
P1604 Erro Interno ECM Erro de verificação do bloco 1 da memória
EEPROM
P1605 Erro Interno ECM Erro de gravação na EEPROM
P1606 BancoCapacitor 1 Banco de capacitores 1
P1607 BancoCapacitor 2 Banco de capacitores 2
P1609 Controle Tracao Controle de tração
P1610 Transmissao Controle da transmissão
P1611 MaufuncionamCAN Maufuncionamento do módulo controlador
CAN
P1612 SensorNivel Agua Sensor de nível da água de arrefecimento
do motor
P1613 SensorAguaCombus Sensor de água no combustível
P1614 Erro Interno ECM Erro na EEPROM, não foi feito o afterrun
P1615 Erro Interno ECM Erro de verificação do bloco 3 da memória
EEPROM
P1625 Rele Principal Relé principal
P1670 AquecPartidaFria Aquecedor de partida a frio
P1671 PowerStage 2 Estágio de força lowside 2
P1672 PowerStage 3 Estágio de força lowside 3
P1673 PowerStage 4 Estágio de força lowside 4
A-32 VCO - 950
P1674 LampAdvertencia Lâmpada de advertência
P1680 PowerStage 1 Estágio de força higside 1
P1681 PowerStage 2 Estágio de força higside 2
P1682 PowerStage 3 Estágio de força higside 3
P1683 Freio Motor Freio motor
P1684 PowerStage 5 Estágio de força higside 5
P1685 PowerStage 6 Estágio de força higside 6
P1687 Motor de Partida Motor de partida
P1688 PowerStage 9 Estágio de força higside 8
P1689 PowerStage 10 Estágio de força higside 10
P1690 BombaCombustRail Bomba de combustível para o Rail
P1691 AtuadPressaoTurb Atuador de pressão no turbo
P1693 PowerStage 1 Tacográfo
P1694 PowerStage 2 Estágio de força , baixo sinal 2
P1695 PowerStage 3 Estágio de força , baixo sinal 3
P1696 PowerStage 4 Estágio de força , baixo sinal 4
4 Leituras
Tabela de leituras
Mensagem Descrição
AguaNoCombust N Água no combustível (S/N)
BancoCap1 00.00V Banco de capacitores C1
BancoCap2 00.00V Banco de capacitores C2
Bateria 00.00V Tensão da bateria
Chave Ignicao L Estado do terminal 15 (L/D)
Freio Motor D Estado do freio motor (L/D)
InicioInj 001º Inicio da injeção de combustível
Int Kickdown D Interruptor de Kickdown (L/D)
InterrFreioEst D Estado do freio de estacionamento (L/D)
InterruEmbreageL Estado da embreagem(L/D)
InterruptFreio L Estado do interruptor do freio
LimPTO 0000RPM Limite superior de rotação do PTO
LimRMax 0000RPM Limite de rotação máxima que pode ser programada
pela ferramenta
VCO - 950 A-33
LimRMin 0000RPM Limite de rotação mínima que pode ser programada
pela ferramenta
LimRota 0000RPM Rotação máxima permitida para a marcha atual
LimVeMax 000km/h Limite de velocidade máxima que pode ser
programada pela ferramenta
Marcha Selec 0 Marcha detectada pela ECM
MaxPTO 0000RPM Máxima rotação do PTO
MaxPilAu 000km/h Velocidade máxima do piloto automático
MinPilAu 000km/h Mínima velocidade para ativar o piloto automático
NivNormalAgua S Nível da água dentro do limite (S/N)
OffsetML 0000RPM Off-set da marcha lenta
Pedal Acel 000% Pedal do acelerador
PolaSensFase 0 Polaridade do sensor de fase
PolaSensRota 0 Polaridade do sensor de rotação
PrCombus 0000bar Pressão do Combustível (Common-Rail)
PrTurbo 000bar Pressão de admissão
PresAtm 0000mBar Pressão atmosférica
PresOleo 0.00bar Pressão do óleo do motor
RefRotML 000RPM Valor base da marcha-lenta
Rotacao 0000RPM Rotação do motor
TempAgua 000ºC Temperatura da água
TempArAdm 000ºC Temperatura do ar de admissão
TempComb 000ºC Temperatura do combustível
TempOleoM 000ºC Temperatura do óleo do motor
VelIns 000km/h Velocidade instantânea do veiculo
VelMax 000km/h Limite de velocidade programada
VelPilAu 000km/h Velocidade selecionada no Piloto Automático
A-34 VCO - 950
Leituras especiais
Mensagem Descrição
Data ProgramaECM
XXXXXXXXXXXXXXXX
Data de programação da ECM
Modelo Motor
XXXXXXXXXXXXXXXX
Tipo do motor
NroChassiVeic.
XXXXXXXXXXXXXXXX
VIN
NroSerieMotor
XXXXXXXXXXXXXXXX
Numero de serie do motor
Total Horas ECM
XXXXXXXXXXXXXXXh
Horas de trabalho da ECM
TotalDistRodada
XXXXXXXXXXXXXXKm
Distancia Total
TotalHorasMotor
XXXXXXXXXXXXXXXh
Horas de trabalho do motor
TotalVezesECMLig
XXXXXXXXXXXXXXXX
Total de vezes que a ECM foi ligada.
VersSoftware ECM
XXXXXXXXXXXXXXXX
Versão do software da ECM
VCO - 950 2A-35
5 Atuadores
Tabela de atuadores
Motor Ligado
Mensagem Rasther Descrição
CorteCilindro1 Corte Cilindro 1
CorteCilindro2 Corte Cilindro 2
CorteCilindro3 Corte Cilindro 3
CorteCilindro4 Corte Cilindro 4
CorteCilindro5 Corte Cilindro 5
CorteCilindro6 Corte Cilindro 6
Obs.: Corte Cilindro 5 e 6, validos para motores 6 cilindros.
Corte de cilindro: Identifica desvios de potência individualmente para cada
cilindro. Potanto se algum cilindro indicar valores muito diferentes dos outros,
significa que o cilindro não está se comportando como os outros.
Os testes devem ser feitos com o motor ligado.
A-36 VCO - 950
Rotacao Maxima
XXXXRPM
Rotacao Minima
XXXRPM
Tempo Medido
XXXXXms
Atuador: X/Y
X.CorteCilindro
Aguarde...
Falha no Teste!
No corte cilindro, se o
motor estiver desligado,
fica em aguarde e
depois da falha de teste
Rotação de
término de teste
Rotação de início
de teste
Tempo medido
de aceleração do
motor
O veículo deve
estar em
marcha-lenta
VCO - 950 A-37
Motor Parado
Mensagem Rasther Descrição
Teste Compress Identifica desvio de compressão para cada cilindro,
devido a algum desgaste.
Continua na outra página
Aguarde...
Coloque o Cambio
no NEUTRO
Atuador: 1/1
1.Teste Compress
Ligue
o Motor
Falha no Teste!
Para realizar os testes, o câmbio
deve estar no neutro, o freio de
estacionamento deve estar acionado
e o motor parado.
Aguarde 10 segundos
Tente ligar o motor até aparecer
a tela abaixo.
Acione Freio de
Estacionamento
A-38 VCO - 950
Continuação
T1 cil1 XXXXµs
T2 cil1 XXXXµs
T1 cil2 XXXXµs
T2 cil2 XXXXµs
T1 cil3 XXXXµs
T2 cil3 XXXXµs
T1 cil3 XXXXµs
T2 cil3 XXXXµs
T1 cil5 XXXXµs
T2 cil5 XXXXµs
T1 cil6 XXXXµs
T2 cil6 XXXXµs
T1 - Tempo de compressão do
cilindro, quanto maior, melhor.
T2 - Tempo de expansão do
cilindro, quanto menor, melhor.
Cilindro 5 e 6 mostrados
apenas para veiculos com 6
cilindros.
VCO - 950 A-39
5 Volksguard
Procedimento para realização dos ajustes:
Depois de ajustar as funções do Volksguard é necessário teclar retorna até
voltar para o menu "Opção" e desligar a ignição por no minímo 10 segundos.
Quando ligar a ignição os ajustes serão concluídos.
Mensagem VCO-950 Descrição do Menu
X.Limite Rotacao Habilita ou desabilita os limites de rotação
X.LimRotMarcha 1 Ajusta o limite de rotação da 1
a
marcha
X.LimRotMarcha 2 Ajusta o limite de rotação da 2
a
marcha
X.LimRotMarcha 3 Ajusta o limite de rotação da 3
a
marcha
X.LimRotMarcha 4 Ajusta o limite de rotação da 4
a
marcha
X.LimRotMarcha 5 Ajusta o limite de rotação da 5
a
marcha
X.LimRotMarcha 6 Ajusta o limite de rotação da 6º marcha
X.Max Velocidade Ajusta máxima velocidade permitida
A-40 VCO - 950
Volksguard: 1/8
1.LimRotMarcha 1
← - Ajuste + →
XXXXRPM
Ajuste Realizado
Ver Procedimento
← Diminui
→ Aumenta
Digite Senha
XXXXX
Aguarde...
VCO - 950 A-41
continuação
Volksguard: 2/8
2.LimRotMarcha 2
← - Ajuste + →
XXXXRPM
Ajuste Realizado
Ver Procedimento
← Diminui
→ Aumenta
Volksguard: 3/8
3.LimRotMarcha 3
← - Ajuste + →
XXXXRPM
Ajuste Realizado
Ver Procedimento
← Diminui
→ Aumenta
Volksguard: 4/8
4.LimRotMarcha 4
← - Ajuste + →
XXXXRPM
Ajuste Realizado
Ver Procedimento
← Diminui
→ Aumenta
A-42 VCO - 950
continuação
Volksguard: 5/8
5.LimRotMarcha 5
← - Ajuste + →
XXXXRPM
Ajuste Realizado
Ver Procedimento
← Diminui
→ Aumenta
Volksguard: 6/8
6.LimRotMarcha 6
← - Ajuste + →
XXXXRPM
Ajuste Realizado
Ver Procedimento
← Diminui
→ Aumenta
Volksguard: 7/8
7.Limite Rotacao
← D Funcao L →
LimiRotacaoDesab
Ajuste Realizado
Ver Procedimento
← Desabilita
→ Habilita
VCO - 950 A-43
continuação
Volksguard: 8/8
8.Max Velocidade
← - Ajuste + →
XXKm/h
Ajuste Realizado
Ver Procedimento
← Diminui
→ Aumenta
INTENCIONALMENTE EM BRANCO
VCO - 950 B -1
Luzes de advertência e Códigos de Falha
O motor eletrônico informa, através das luzes de aviso no painel, possíveis
falhas em seus componentes ou sistemas.
-A Luz amarela (2) indica que uma falha leve está ocorrendo.
-Se acender com o veículo em movimento, não é necessário parar o veículo
de imediato, mas verificar a ocorrência na primeira oportunidade>
-A luz vermelha (1) indica que uma falha grave está ocorrendo.
-Se acender com o veículo em movimento, é necessário parar o veículo tão
logo as condições de trânsito permitam.
-Logo após acender a lâmpada vermelha, o sistema de proteção pode iniciar
o despotenciamento do motor, ou seja, o motor começa a pewrder potência.
Códigos de Falha por piscada
A luz de aviso vermelha (1) informa o código da falha através de piscadas.
- Para verificar o código da falha o veículo deve estar parado.
B - 2 VCO - 950
1- Gire a chave de partida para a posição ligado (não dar partida no
motor)
2- Conecte os dois conectores soltos que estão na central elétrica
3- Se houver falha, a luz de aviso vermelha irá piscar o código da falha
Exemplo: código de falha 23
• A luz vermelha pisca duas vezes para indicar o número 2 e, em
seguida, três vezes para indicar o número 3
• Para verificar se há outros códigos de falha na memória, desconecte
os conectores e conecte novamente.
• Caso haja outro código a lâmpada vermelha irá piscar da mesma
forma indicada acima para o novo código.
• Se não houver mais códigos de falha na memória, irá piscar
novamente o código anterior (23).
MOTORES MWM Série 12 B - 3
Apresentação dos Sensores e Conectores
Apresentação dos Conectores nos Sensores
A identificação da pinagem nos conectores dos sensores obedece à padronização OBD que
determina a leitura dos pinos da direita para a esquerda. A ordem dos números é baseada pela
posição do pino trava que está localizado na parte superior do conector do sensor.
Dessa forma, a leitura e a identificação dos pinos no conector é feita conforme abaixo:
ler_pinos.fm Page 5 Monday, March 8, 2004 7:54 PM
B - 4 MOTORES MWM Série 12
Apresentação dos Sensores e Conectores
A leitura no esquema elétrico do sensor segue a seguinte ordem:
A) Sensor de dois pinos:
B) Sensor de três pinos:
ler_pinos.fm Page 6 Monday, March 8, 2004 7:54 PM
MOTORES MWM Série 12 B - 5
Apresentação dos Sensores e Conectores
C) Sensor de quatro pinos:
ler_pinos.fm Page 7 Monday, March 8, 2004 7:54 PM
B - 6 MOTORES MWM Série 12
Apresentação dos Sensores e Conectores
Vista Lateral - Lado de Admissão e Escape
ler_pinos.fm Page 8 Monday, March 8, 2004 7:54 PM
MOTORES MWM Série 12 B - 7
Apresentação dos Sensores e Conectores
Vista Lateral - Lado do Sistema de Combustível
ler_pinos.fm Page 9 Monday, March 8, 2004 7:54 PM
B - 8 MOTORES MWM Série 12
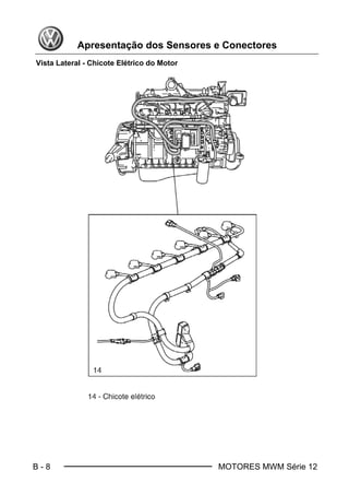
Apresentação dos Sensores e Conectores
Vista Lateral - Chicote Elétrico do Motor
ler_pinos.fm Page 10 Monday, March 8, 2004 7:54 PM
B-9MOTORES MWM
Para reduzir a possibilidade de danos aos pinos e ao chicote, use as
pontas de teste do kit de ferramenta VCO-950 ao efetuar uma medição:
NOTA: Quando efetuar medidas na massa de um bloco, use uma superfície de
metal limpa e sem pintura para obter medidas precisas.
Uso de Pontas de Prova Especiais
Informações Gerais
Especificações mínimas do multímetro
Tensão DC = 500 mV a 600V
Tensão AC = 5 V a 600V
Corrente DC = 320 micro A até 10A
Corrente AC = 320 micro A até 10A
Resistência Ohm = 320 Ohm até 32 Mohm
Teste de diodo
continuidade audível
Temperatura (sensor termopar)
B-10 MOTORES MWM
Utilize as pontas de teste apropriadas para reduzir a possibilidade
de danos nos pinos do conector.
Identificação dos pinos no conector do motor de 16 pinos
1
5
6
11
12
16
Informações Gerais
B-11MOTORES MWM
Utilize as pontas de teste apropriadas para reduzir a possibilidade
de danos nos pinos do conector.
1
3
4
6
8
9
15
22 29
30
36
Identificação dos pinos no conector do motor de 36 pinos
Informações Gerais
B-12 MOTORES MWM
Utilize as pontas de teste apropriadas para reduzir a possibilidade
de danos nos pinos do conector.
Identificação dos pinos no conector do motor de 89 pinos
112
7
11
17 6
54
72
89
71
36
18
35
53
Informações Gerais
C - 1MOTORES MWM
Medições
Como Medir Amperagem
Certifique-se que as pontas de prova estejam conectadas nos termi-
nais do multímetro. Consulte as instruções do fabricante do
multímetro.
Abra o circuito no ponto em que a corrente deve ser medida.
Selecione a função de corrente CA (A~) ou CC (A-) no medidor.
Ligue a tensão no circuito sendo medido.
Coloque as pontas de prova do medidor entre as extremidades do circuito aber-
to para medir a amperagem e leia a medição exibida.
C - 2 MOTORES MWM
Medições
Como Medir Tensão
Certifique-se de que as pontas de prova estejam conectadas nos
terminais do multímetro. Consulte as instruções do fabricante do
multímetro.
Selecione a função de tensão CA (V~) ou CC (V-) no medidor.
Ligue a tensão no circuito sendo medido.
Encoste a ponta de prova positiva (+) do multímetro no terminal ou pino em que
esta sendo medido. Encoste a outra ponta em uma superfície metálica limpa e
sem pintura que esteja conectada à massa ou ao terminal negativo (-) da bate-
ria e leia a medição exibida.
C - 3MOTORES MWM
Como Medir Resistência
Selecione a função resistência no medidor.
Certifique-se de que não haja tensão nos componentes sendo testados.
Desconecte ambas as extremidades do circuito ou do componente a ser medi-
do. Encoste uma das pontas de prova em uma extremidade do circuito ou a um
terminal do componente. Encoste a outra ponta de prova na outra extremidade
do circuito ou ao outro terminal do componente e leia a medição exibida.
Utilize as pontas de teste apropriadas para reduzir a possibilidade
de danos nos pinos do conector.
Medições
C - 4 MOTORES MWM
Utilize as pontas de teste apropriadas para reduzir a possibilidade
de danos nos pinos do conector.
Como Fazer o Teste de Continuidade
Selecione a função de continuidade no medidor (normalmente marcada com um
símbolo de diodo).
Certifique-se de que não exista tensão aplicada no componente sendo testado.
Desconecte ambas as extremidades do circuito ou do componente a ser medido.
Encoste uma ponta de prova em uma das extremidades do circuito ou um dos
terminais do componente. Encoste a outra ponta de prova na outra extremidade
do circuito ou no outro terminal do componente. Leia a medição exibida.
Se houver um circuito aberto, o medidor não emitirá o “beep”.
Medições
C - 5MOTORES MWM
Verificação dos Pinos dos Conectores
Ao desconectar os conectores durante o diagnóstico de falhas, os pinos devem
sempre ser inspecionados para certificar-se que estes não sejam a causa de uma
conexão incorreta. Você deve verificar se existem pinos tortos, corroídos ou torci-
dos para trás, bem como se faltam vedações ou se estas estão danificadas.
Umidade no conector
A umidade em um conector também pode ser a causa de problemas de
performance do sistema. Muitas vezes torna-se difícil inspecionar um conector
quanto à presença de umidade. No caso de suspeita de umidade, o conector deve
ser secado com a aplicação de um limpador de contatos. Também pode ser usado
um soprador de ar quente ajustado em baixo calor para não danificar o compo-
nente ou os fios.
NOTA: Não aplique ar comprimido nas portas do ECM ou no conector. O ar com-
primido pode conter umidade devido à condensação.
Medições
C- 6 MOTORES MWM
Pinos Empurrados para Trás
Inspecione ambos os terminais, macho e fêmea quanto à existência de pinos que
não possam estabelecer contato por estarem empurrados para trás no conector.
Para efetuar o reparo, empurre o pino no corpo do conector pela parte traseira
deste. Certifique-se de que este fique travado no lugar. Substitua o pino se não
houver travamento. Consulte a seção de reparos para o conector específico.
Pinos Corroídos
Inspecione ambos os terminais, macho e fêmea quanto à corrosão, a qual poderá
provocar uma conexão elétrica deficiente dentro do conector. Se houver pinos
corroídos, estes deverão ser substituídos. Consulte a seção de reparos para o
conector específico.
Medições
C - 7MOTORES MWM
Pinos Tortos ou Expandidos
Inspecione os terminais machos do conector. Se qualquer terminal estiver torto ou
expandido de forma a não encaixar facilmente com o outro lado do conector, o
pino deverá ser substituído. Consulte a seção de reparos para o conector especí-
fico.
O curto-circuito com a massa é uma condição em que existe uma cone-
xão indevida de um circuito com a massa.
O procedimento para verificação de um curto-circuito com a massa é o seguinte:
1. Desligue a chave de ignição.
2. Desconecte os conectores que necessitem ser testados.
a - Ao testar um sensor, desconecte-o do conector do chicote.
b - Ao testar o chicote do conector no ECM, desconecte também o conec-
tor do chicote no sensor ou nos sensores múltiplos.
Medições
C - 8 MOTORES MWM
3- Identifique os pinos que necessitem ser testados.
4- Inspecione os pinos do conector.
5- Ajuste o multímetro para medição de resistência.
6- Encoste uma das pontas de prova do multímetro no pino correto a ser
testado.
7- Encoste a outra ponta de prova do multímetro no bloco do motor.
Utilize as pontas de teste apropriadas para reduzir a possibilidade
de danos nos pinos do conector.
Medições
C - 9MOTORES MWM
Medições do sensor de velocidade do veículo
Utilize as pontas de teste apropriadas para reduzir a possibilidade
de danos nos pinos do conector.
Utilizar um multímetro para executar as medições.
Entre pinos A e B ou C e D
- à 25 °
C = 1500 à3500 W
Entre pinos A ou B com C ou D
- sem continuidade
Medições
C-10 MOTORES MWM
Utilize as pontas de teste apropriadas para reduzir a possibilidade
de danos nos pinos do conector.
Medições nos sensores de rotação do motor
Utilizar um multímetro para executar as medições.
Resitência à 25 °
C = 860 W
Medições
C-11MOTORES MWM
Medições no sensor pressão/temperatura de óleo do motor
Utilize as pontas de teste apropriadas para reduzir a possibilidade
de danos nos pinos do conector.
Utilizar um multímetro para executar as medições.
Medições
C-12 MOTORES MWM
Utilize as pontas de teste apropriadas para reduzir a possibilidade
de danos nos pinos do conector.
Medições no sensor de temperatura do motor
Utilizar um multímetro para executar as medições.
Temperatura (
o
C) Resistencia (W)
0 5k - 7 k
25 1700 - 2500
50 700 - 1000
75 300 - 450
100 150 - 220
Medições
C-13MOTORES MWM
Medições no sensor pressão/temperatura no coletor de
admissão
Utilize as pontas de teste apropriadas para reduzir a possibilidade
de danos nos pinos do conector.
Utilizar um multímetro para executar as medições.
Pressão (mm Hg) Tensão (V)
381,00 0,43 - 0,60
762,00 0,90 - 1,25
1143,00 1,40 - 1,93
1905,01 2,40 - 3,25
2540,01 3,10 - 4,22
Medições
C-14 MOTORES MWM
Utilize as pontas de teste apropriadas para reduzir a possibilidade
de danos nos pinos do conector.
Medições no sensor de combustível (common rail)
Utilizar um multímetro para executar as medições.
Pressão kPa (bar) Tensão (V)
0 0,50
40000 (400) 1,39
70000 (700) 2,06
100000 (1000) 2,72
140000 (1400) 3,61
180000 (1800) 4,5
Medições
C-15MOTORES MWM
Medições no pedal do acelerador
Utilize as pontas de teste apropriadas para reduzir a possibilidade
de danos nos pinos do conector.
Utilizar um multímetro para executar as medições.
Entre a alimentação e o retorno D e K
-pedal liberado ou pressionado= 2125 a 2175 Ω.
Entre a massa e o sinal K e E
-pedal liberado = 128 a 288 Ω.
Entre a massa e o sinal K e E
-pedal pressionado = 1509 a 2156 Ω.
Medições
INTENCIONALMENTE EM BRANCO
MOTORES MWM Série 12 D- 1
Códigos de Falhas
Índice de PCodes VW
P0105/01 ....................................................................................................................................25
P0105/02 ....................................................................................................................................27
P0105/04 ....................................................................................................................................29
P0105/09 ....................................................................................................................................31
P0115/01 ....................................................................................................................................33
P0115/02 ....................................................................................................................................35
P0115/04 ....................................................................................................................................37
P0115/09 ....................................................................................................................................39
P0120/01 ....................................................................................................................................41
P0120/02 ....................................................................................................................................43
P0120/03 ....................................................................................................................................45
P0120/04 ....................................................................................................................................47
P0120/12 ....................................................................................................................................49
P0190/01 ....................................................................................................................................51
P0190/02 ....................................................................................................................................53
P0190/03 ....................................................................................................................................55
P0190/04 ....................................................................................................................................57
P0190/09 ....................................................................................................................................59
P0190/12 ....................................................................................................................................61
P0195/01 ....................................................................................................................................63
P0195/02 ....................................................................................................................................65
P0195/04 ....................................................................................................................................67
P0195/09 ....................................................................................................................................69
P0201/01 ....................................................................................................................................71
P0201/02 ....................................................................................................................................73
P0201/04 ....................................................................................................................................75
P0201/08 ....................................................................................................................................77
P0233/01 ....................................................................................................................................79
P0233/03 ....................................................................................................................................81
P0233/04 ....................................................................................................................................83
P0233/08 ....................................................................................................................................85
P0233/09 ....................................................................................................................................87
P0233/10 ....................................................................................................................................89
P0233/12 ....................................................................................................................................91
P0235/01 ....................................................................................................................................93
P0235/02 ....................................................................................................................................95
P0235/03 ....................................................................................................................................97
P0235/04 ....................................................................................................................................99
P0235/09 ..................................................................................................................................101
P0235/12 ..................................................................................................................................103
P0239/01 ..................................................................................................................................105
P0239/02 ..................................................................................................................................107
P0239/04 ..................................................................................................................................109
P0520/01 ..................................................................................................................................111
P0520/02 ..................................................................................................................................113
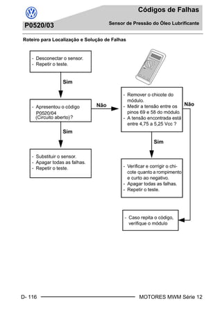
P0520/03 ..................................................................................................................................115
P0520/04 ..................................................................................................................................117
Book.book Page 1 Monday, March 8, 2004 8:58 PM
D- 2
Códigos de Falhas
Índice de PCodes VW
MOTORES MWM Série 12
P0520/09 ..................................................................................................................................119
P0520/10 ..................................................................................................................................121
P0520/12 ..................................................................................................................................123
P0560/01 ..................................................................................................................................125
P0560/02 ..................................................................................................................................127
P0560/04 ..................................................................................................................................129
P0560/09 ..................................................................................................................................131
P0560/10 ..................................................................................................................................133
P1613/04 ..................................................................................................................................135
P1613/09 ..................................................................................................................................137
Book.book Page 2 Monday, March 8, 2004 8:58 PM
MOTORES MWM Série 12 D- 3
Códigos de Falhas
Índice de Sensores e Atuadores
Sensor de Pressão Atmosférica .................................................................................................25
Sensor de Pressão Atmosférica .................................................................................................27
Sensor de Pressão Atmosférica .................................................................................................29
Sensor de Pressão Atmosférica .................................................................................................31
Sensor de Temperatura do Líquido de Arrefecimento ...............................................................33
Sensor de Temperatura do Líquido de Arrefecimento ...............................................................35
Sensor de Temperatura do Líquido de Arrefecimento ...............................................................37
Sensor de Temperatura do Líquido de Arrefecimento ...............................................................39
Sensor do Pedal do Acelerador .................................................................................................41
Sensor do Pedal do Acelerador .................................................................................................43
Sensor do Pedal do Acelerador .................................................................................................45
Sensor do Pedal do Acelerador .................................................................................................47
Sensor do Pedal do Acelerador .................................................................................................49
Sensor de Pressão de Combustível (Rail) .................................................................................51
Sensor de Pressão de Combustível ...........................................................................................53
Sensor de Pressão de Combustível ...........................................................................................55
Sensor de Pressão de Combustível (Rail) .................................................................................57
Sensor de Pressão de Combustível (Rail) .................................................................................59
Sensor de Pressão de Combustível (Rail) .................................................................................61
Sensor de Temperatura do Óleo Lubrificante ............................................................................63
Sensor de Temperatura do Óleo Lubrificante ............................................................................65
Sensor de Temperatura do Óleo Lubrificante ............................................................................67
Sensor de Temperatura do Óleo Lubrificante ............................................................................69
Bico Injetor Cilindro 1 .................................................................................................................71
Bico Injetor Cilindro 1 .................................................................................................................73
Bico Injetor Cilindro 1 .................................................................................................................75
Bico Injetor Cilindro 1 .................................................................................................................77
Sensor de Pressão de Combustível (Rail) .................................................................................79
Sensor de Pressão de Combustível (Rail) .................................................................................81
Sensor de Pressão de Combustível (Rail) .................................................................................83
Sensor de Pressão de Combustível (Rail) .................................................................................85
Sensor de Pressão de Combustível (Rail) .................................................................................87
Sensor de Pressão de Combustível (Rail) .................................................................................89
Sensor de Pressão de Combustível (Rail) .................................................................................91
Sensor de Pressão do Ar no Coletor de Admissão ....................................................................93
Sensor de Pressão do Ar no Coletor de Admissão ....................................................................95
Sensor de Pressão do Ar no Coletor de Admissão ....................................................................97
Sensor de Pressão do Ar no Coletor de Admissão ....................................................................99
Sensor de Pressão do Ar no Coletor de Admissão ..................................................................101
Sensor de Pressão do Ar no Coletor de Admissão ..................................................................103
Sensor de Temperatura do Ar no Coletor de Admissão ..........................................................105
Sensor de Temperatura do Ar no Coletor de Admissão ..........................................................107
Sensor de Temperatura do Ar no Coletor de Admissão ..........................................................109
Sensor de Pressão de Óleo Lubrificante .................................................................................111
Sensor de Pressão de Óleo Lubrificante .................................................................................113
Sensor de Pressão de Óleo Lubrificante .................................................................................115
Sensor de Pressão de Óleo Lubrificante .................................................................................117
Book.book Page 3 Monday, March 8, 2004 8:58 PM
D- 4 MOTORES MWM Série 12
Códigos de Falhas
Índice de Sensores e Atuadores
Sensor de Pressão de Óleo Lubrificante .................................................................................119
Sensor de Pressão de Óleo Lubrificante .................................................................................121
Sensor de Pressão de Óleo Lubrificante .................................................................................123
Sensor de Tensão da Bateria ..................................................................................................125
Sensor de Tensão da Bateria ..................................................................................................129
Sensor de Tensão da Bateria ..................................................................................................131
Sensor de Tensão da Bateria ..................................................................................................133
Sensor de Água no Combustível .............................................................................................135
Sensor de Água no Combustível .............................................................................................137
Book.book Page 4 Monday, March 8, 2004 8:58 PM
MOTORES MWM Série 12 D - 5
Relação de Códigos de Falhas por PCode
PCode Piscada Descrição Sensor
P0105-01 16 Tensão elevada no sensor de
pressão atmosférico
SensorPressAtmos
P0105-02 16 Tensão baixa no sensor de
pressão atmosférico
SensorPressAtmos
P0105-04 16 Sinal do sensor de pressão
atmosférica perdido
SensorPressAtmos
P0105-09 16 Pressão atmosférica acima do
limite máximo
SensorPressAtmos
P0115-01 11 Tensão elevada no sensor de
temperatura do líquido de
arrefecimento do motor
SensorTemperÁgua
P0115-02 11 Baixa tensão no sensor de
temperatura do líquido de
arrefecimento do motor
SensorTemperÁgua
P0115-04 11 Sinal sensor de temperatura do
agua de arrefecimento do motor
perdido
SensorTemperÁgua
P0115-09 11 Temperatura do líquido de
arrefecimento excedeu o limite
de proteção do motor
SensorTemperÁgua
P0120-01 23 Tensão elevada no sensor de
posição do acelerador
Pedal Acelerador
P0120-02 23 Baixa tensão no sensor de
posição do acelerador
Pedal Acelerador
P0120-03 23 Tensão de alimentação baixa
no sensor de posição do
acelerador
TensAlimSensPed
P0120-04 23 Sinal do sensor de posição do
acelerador perdido
Pedal Acelerador
P0120-08 23 Tensão no sensor de posição
do acelerador nao plausivel
com interruptor de marcha lenta
InterMLPedalAcel
P0120-12 23 Tensão de alimentação elevada
no sensor de posição do
acelerador
TensAlimSensPed
P0190-01 22 Tensão elevada no sensor de
pressão de combustível
Press LinhaInjec
P0190-02 22 Tensão baixa no sensor de
pressão de combustível
Press LinhaInjec
Book.book Page 5 Monday, March 8, 2004 8:38 PM
D - 6 MOTORES MWM Série 12
Relação de Códigos de Falhas por PCode
P0190-03 22 Tensão de alimentação baixa
no sensor de pressão de
combustível
TensAlimPresComb
P0190-04 22 Sinal do sensor de pressão do
combustível perdido
PressaoCombustiv
P0190-09 22 Pressão do combustível acima
do limite máximo do sistema
PressaoCombustiv
P0190-12 22 Tensão de alimentação elevada
no sensor de pressão de
combustível
TensAlimPresComb
P0195-01 17 Tensão elevada no sensor de
temperatura do óleo
SensorTempOleoMt
P0195-02 17 Baixa tensão no sensor de
temperatura do óleo
SensorTempOleoMt
P0195-04 17 Sinal sensor de temperatura do
óleo perdido
SensorTempOleoMt
P0195-09 17 Temperatura do óleo acima do
limite máximo de proteção do
motor
SensorTempOleoMt
P0201-01 58 Curto-circuito para tensão da
bateria no Injetor 1
Injetor Combust1
P0201-02 58 Curto-circuito para terra no
Injetor 1
Injetor Combust1
P0201-04 58 Injetor 1 não conectado Injetor Combust1
P0201-08 58 Falha na monitoração do injetor
1
Injetor Combust1
P0202-01 59 Curto-circuito para tensão da
bateria no Injetor 2
Injetor Combust2
P0202-02 59 Curto-circuito para terra no
Injetor 2
Injetor Combust2
P0202-04 59 Injetor 2 não conectado Injetor Combust2
P0202-08 59 Falha na monitoração do injetor
2
Injetor Combust2
P0203-01 61 Curto-circuito para tensão da
bateria no Injetor 3
Injetor Combust3
P0203-02 61 Curto-circuito para terra no
Injetor 3
Injetor Combust3
P0203-04 61 Injetor 3 não conectado Injetor Combust3
P0203-08 61 Falha na monitoração do injetor
3
Injetor Combust3
PCode Piscada Descrição Sensor
Book.book Page 6 Monday, March 8, 2004 8:38 PM
MOTORES MWM Série 12 D - 7
Relação de Códigos de Falhas por PCode
P0204-01 62 Curto-circuito para tensão da
bateria no Injetor 4
Injetor Combust4
P0204-02 62 Curto-circuito para terra no
Injetor 4
Injetor Combust4
P0204-04 62 Injetor 4 não conectado Injetor Combust4
P0204-08 62 Falha na monitoração do injetor
4
Injetor Combust4
P0205-01 63 Curto-circuito para tensão da
bateria no Injetor 5
Injetor Combust5
P0205-02 63 Curto-circuito para terra no
Injetor 5
Injetor Combust5
P0205-04 63 Injetor 5 não conectado Injetor Combust5
P0205-08 63 Falha na monitoração do injetor
5
Injetor Combust5
P0206-01 64 Curto-circuito para tensão da
bateria no Injetor 6
Injetor Combust6
P0206-02 64 Curto-circuito para terra no
Injetor 6
Injetor Combust6
P0206-04 64 Injetor 6 não conectado Injetor Combust6
P0206-08 64 Falha na monitoração do injetor
6
Injetor Combust6
P0219-08 38 Rotação do motor excedeu o
limite máximo (overspeed).
SinalRotacaoMot
P0220-08 24 Nao Pausibilidade entre
interruptor pedal de freio e
pedal do acelerador
InterMLPedalAcel
P0231-01 47 Pressão do combustível (Rail)
acima do limite máximo do
sistema
MPRV_S_PRESHIGH_DUC
ValvulaAlivioRail
P0231-02 47 Detectada a abetura da válvula
de alívio de pressão do
combustível
MPRV_S_RECSTEP1_DUC
ValvulaAlivioRail
P0231-03 47 Choque de pressão para
abertura da válvula de alívio de
pressão do combustível
MPRV_S_KICKOFF_DUC
ValvulaAlivioRail
PCode Piscada Descrição Sensor
Book.book Page 7 Monday, March 8, 2004 8:38 PM
D - 8 MOTORES MWM Série 12
Relação de Códigos de Falhas por PCode
P0231-04 47 Detectada a abetura da válvula
de alívio de pressão do
combustível
MPRV_S_RECSTEP1_DUC
ValvulaAlivioRail
P0231-08 47 Detectada a abetura da válvula
de alívio de pressão do
combustível
MPRV_S_RECSTEP2_DUC
ValvulaAlivioRail
P0231-09 47 Válvula de alívio de pressão do
combustível não abriu após
choque de pressão
MPRV_S_INHIBITED_DUC
ValvulaAlivioRail
P0231-10 47 Válvula de alívio de pressão do
combustível aberta
MPRV_S_OPEN_DUC
ValvulaAlivioRail
P0231-12 47 Detectada a abetura da válvula
de alívio de pressão do
combustível
MPRV_S_EVALACT_DUC
ValvulaAlivioRail
P0233-01 32 Sinal de pressão do
combustível excedeu o máximo
limite (High pressure)
Pressao Combust.
P0233-03 32 Vazamento de pressão durante
overrun (Leakage in overrun)
Pressao Combust.
P0233-04 32 Pressão de combustível muito
baixa (Low pressure)
PressaoCombustiv
P0233-08 32 Pressão na linha de
combustível consideravelmente
mais baixo do que o comando
de pressão de combustível
(Neg. deviation)
Pressao Combust.
P0233-09 32 Vazamento de pressão
detectado por cálculo do
balanço de débito não plausível
(Leakage in quantity balance)
Pressao Combust.
P0233-10 32 Vazamento de pressão durante
a marcha lenta (Low idle)
Pressao Combust.
P0233-12 32 Pressão na linha de
combustível consideravelmente
mais alto do que o comando de
pressão de combustível (Pos.
Deviation)
Pressao Combust.
PCode Piscada Descrição Sensor
Book.book Page 8 Monday, March 8, 2004 8:38 PM
MOTORES MWM Série 12 D - 9
Relação de Códigos de Falhas por PCode
P0235-01 14 Tensão elevada no sensor de
pressão do ar de admissão
SensorPressArAdm
P0235-02 14 Baixa tensão no sensor de
pressão do ar de admissão
SensorPressArAdm
P0235-03 14 Tensão de alimentação baixa
do sensor de pressão do ar de
admissão
TensAliSensPrAdm
P0235-04 14 Sinal sensor de pressao do
turbo perdido
SensorPressArAdm
P0235-09 14 Pressão de admissão acima do
limite máximo
SensorPressArAdm
P0235-12 14 Tensão de alimentação elevada
do sensor de pressão do ar de
admissão
TensAliSensPrAdm
P0239-01 13 Tensão elevada no sensor de
temperatura do ar de admissão
SensorTempArAdm
P0239-02 13 Baixa tensão no sensor de
temperatura do ar de admissão
SensorTempArAdm
P0239-04 13 Sinal sensor de temperatura do
ar de admissao perdido
SensorTempArAdm
P0320-08 44 Sinais diferentes de rotação
pelo sensor de fase e pelo
sensor de rotação
SinalRotacaoMot
P0335-08 42 Defeito no sensor de rotação. SinalRotacaoMot
P0340-08 43 Defeito no sensor de fase. SinalRotacaoMot
P0500-01 25 Sinal de velocidade do veículo
elevado
SensorVelocidade
P0500-02 25 Sinal de velocidade do veículo
baixo
SensorVelocidade
P0500-04 25 Sinal de velocidade do veiculo
perdido
SensorVelocidade
P0500-08 25 Sinal de velocidade do veículo
não plausível
SensorVelocidade
P0500-09 25 Sinal de velocidade do veículo
acima do limite máximo
Velocidade Maxim
P0520-01 18 Tensão elevada no sensor de
pressão do óleo
SinalPressOleoMt
P0520-02 18 Baixa tensão no sensor de
pressão do óleo
SinalPressOleoMt
PCode Piscada Descrição Sensor
Book.book Page 9 Monday, March 8, 2004 8:38 PM
D - 10 MOTORES MWM Série 12
Relação de Códigos de Falhas por PCode
P0520-03 18 Baixa tensão de alimentação do
sensor de pressão do óleo
TensAliSensPrOl
P0520-04 18 Sinal sensor de pressao do óleo
perdido
SinalPressOleoMt
P0520-09 18 Pressão do óleo acima do limite
máximo de proteção d0 motor
SinalPressOleoMt
P0520-10 18 Pressão do óleo abaixo do
limite mínimo de proteção do
motor
SinalPressOleoMt
P0520-12 18 Tensão de alimentação elevada
no sensor de pressão do óleo
TensAliSensPrOl
P0560-01 21 Tensão de alimentação elevada TensaoBateria
P0560-02 21 Tensão de alimentação baixa
mesmo com a rotacao do
motor acima de marcha de lenta
TensaoBateria
P0560-04 21 Erro na conversao do sinal
analógico para digital.
TensaoBateria
P0560-09 21 Tensão de alimentação acima
do limite máximo do sistema
TensaoBateria
P0560-10 21 Tensão de alimentação abaixo
do limite mínimo do sistema
TensaoBateria
P0561-03 48 Tensão de alimentação interna
baixa
TensaoAlimentECM
P0561-04 48 Falha no modo de monitoração
(Watchdog)
TensaoAlimentECM
P0561-08 48 Modo de monitoração e tensão
de alimentação interna não
plausível
TensaoAlimentECM
P0561-12 48 Tensão de alimentação interna
elevada
TensaoAlimentECM
P0571-08 28 Sinal do sensor do pedal de
freio não plausível
SensPosPedalFrei
P0606-08 46 "Reset do módulo por
condições adverssas
"Recovery
P0650-01 71 Curto-circuito para tensão da
bateria na lâmpada de parada
de emergência (Stop)
LuzesAdvertencia
P0650-02 71 Curto-circuito para terra na
lampada de parada de
emergência (Stop)
LuzesAdvertencia
PCode Piscada Descrição Sensor
Book.book Page 10 Monday, March 8, 2004 8:38 PM
MOTORES MWM Série 12 D - 11
Relação de Códigos de Falhas por PCode
P0650-04 71 Lâmpada de parada de
emergência (Stop) não
conectada
LuzesAdvertencia
P0704-04 27 Sem sinal do sensor do pedal
de embreagem
SensPosPedalEmb
P1285-03 41 Sinal da monitoração do tensão
de alimentação abaixo do limite
ErroDesECM
P1285-04 41 Falha no teste de desligamento
do motor
ErroDesECM
P1285-08 41 Teste do Watchdog não
plausível
ErroDesECM
P1285-12 41 Sinal da monitoração do tensão
de alimentação acima do limite
ErroDesECM
P1604-08 45 Erro de verificação do bloco 1
da memória EEPROM.
ErroInterSoftECM
P1605-08 93 Erro de verificação na escrita na
memória EEPROM.
ErroGravacao ECM
P1606-01 49 Tensão elevada no capacitor
interno C1
Capacitor1Inj.
P1606-02 49 Tensão baixa no capacitor
interno C1
Capacitor1Inj.
P1606-04 49 Erro na conversao do sinal
analógico para digital.
Capacitor1Inj.
P1607-01 51 Tensão elevada no capacitor
interno C2
Capacitor2Inj.
P1607-02 51 Tensão baixa no capacitor
interno C2
Capacitor2Inj.
P1607-04 51 Erro na conversao do sinal
analógico para digital.
Capacitor2Inj.
P1612-03 91 Tensão baixa no sensor de nível
da água de arrefecimento do
motor
SensorNivel Água
P1612-04 91 Sinal do sensor de nível de
água de arrefecimento do motor
perdido
SensorNivel Água
P1612-08 91 Sinal do sensor de nível de
água de arrefecimento do motor
não plausível
SensorNivel Água
P1612-10 91 Nível baixo do líquido de
arrefecimento
SensorNivel Água
PCode Piscada Descrição Sensor
Book.book Page 11 Monday, March 8, 2004 8:38 PM
D - 12 MOTORES MWM Série 12
Relação de Códigos de Falhas por PCode
P1612-12 91 Tensão elevada no sensor de
nível da água de arrefecimento
do motor
SensorNivel Água
P1613-04 92 Sinal do sensor de água no
combustível perdido
SensorÁguaCombus
P1613-09 92 água no combustivel SensorÁguaCombus
P1614-08 94 Erro na EEPROM. Não foi feito
afterrun.
ErroInterSoftECM
P1615-08 95 Erro de verificação do bloco 1
da memória EEPROM.
ErroInterSoftECM
P1625-01 39 Falha na monitoração da
alimentação interna UB2
TensaoAlimentECM
P1625-02 39 Falha na monitoração da
alimentação interna UB3
TensaoAlimentECM
P1625-03 39 Falha na monitoração da
alimentação interna UB2 e UB3
TensaoAlimentECM
P1625-04 39 Falha na monitoração da
alimentação interna UB4
TensaoAlimentECM
P1625-05 39 Falha na monitoração da
alimentação interna UB2 e UB4
TensaoAlimentECM
P1625-06 39 Falha na monitoração da
alimentação interna UB3 e UB4
TensaoAlimentECM
P1625-07 39 Falha na monitoração da
alimentação interna UB2 UB3 e
UB4
TensaoAlimentECM
P1625-08 39 Falha do relê principal
(converssor A/D)
TensaoAlimentECM
P1674-01 69 Curto-circuito para tensão da
bateria na lâmpada de aviso
(Warning)
LuzesAdvertencia
P1674-02 69 Curto-circuito para terra na
lâmpada de aviso (Warning)
LuzesAdvertencia
P1674-04 69 Lâmpada de aviso (Warning)
não cenectada
LuzesAdvertencia
P1683-01 75 Curto-circuito para tensão da
bateria na válvula do freio motor
CircuitoFreioMot
P1683-02 75 Curto-circuito para terra na
vávula do freio motor
CircuitoFreioMot
P1683-04 75 Válvula do freio motor não
conectada
CircuitoFreioMot
PCode Piscada Descrição Sensor
Book.book Page 12 Monday, March 8, 2004 8:38 PM
MOTORES MWM Série 12 D - 13
Relação de Códigos de Falhas por PCode
P1690-04 83 Sinal da vávula solenóide da
bomba CP3 perdido
Pressao Combust.
P1690-04 83 Sinal da vávula solenóide da
bomba CP3 perdido
PressaoCombustiv
PCode Piscada Descrição Sensor
Book.book Page 13 Monday, March 8, 2004 8:38 PM
D - 14 MOTORES MWM Série 12
Relação de Códigos de Falhas por PCode
Book.book Page 14 Monday, March 8, 2004 8:38 PM
Página deixada intencionalmente em branco
MOTORES MWM Série 12 D - 15
Relação de Códigos de Falhas
por Códigos de Piscadas
Piscadas PCode Descrição Sensor
11 P0115-01 Tensão elevada no sensor de
temperatura do líquido de
arrefecimento do motor
Sensor de Temperatura do Líquido de
Arrefecimento
11 P0115-02 Baixa tensão no sensor de tem-
peratura do líquido de arrefeci-
mento do motor
Sensor de Temperatura do Líquido de
Arrefecimento
11 P0115-04 Sinal sensor de temperatura do
agua de arrefecimento do motor
perdido
Sensor de Temperatura do Líquido de
Arrefecimento
11 P0115-09 Temperatura do líquido de
arrefecimento excedeu o limite
de proteção do motor
Sensor de Temperatura do Líquido de
Arrefecimento
13 P0239-01 Tensão elevada no sensor de
temperatura do ar de admissão
Sensor de Temperatura do Ar de
Admissão
13 P0239-02 Baixa tensão no sensor de tem-
peratura do ar de admissão
Sensor de Temperatura do Ar de
Admissão
13 P0239-04 Sinal sensor de temperatura do
ar de admissao perdido
Sensor de Temperatura do Ar de
Admissão
14 P0235-01 Tensão elevada no sensor de
pressão do ar de admissão
Sensor de Pressão do Ar de Admissão
14 P0235-02 Baixa tensão no sensor de
pressão do ar de admissão
Sensor de Pressão do Ar de Admissão
14 P0235-03 Tensão de alimentação baixa
do sensor de pressão do ar de
admissão
TensAliSensPrAdm
14 P0235-04 Sinal sensor de pressao do
turbo perdido
Sensor de Pressão do Ar de Admissão
14 P0235-09 Pressão de admissão acima do
limite máximo
Sensor de Pressão do Ar de Admissão
14 P0235-12 Tensão de alimentação elevada
do sensor de pressão do ar de
admissão
TensAliSensPrAdm
16 P0105-01 Tensão elevada no sensor de
pressão atmosférico
Sensor de Pressão Atmosférica
16 P0105-02 Tensão baixa no sensor de
pressão atmosférico
Sensor de Pressão Atmosférica
16 P0105-04 Sinal do sensor de pressão
atmosférica perdido
Sensor de Pressão Atmosférica
16 P0105-09 Pressão atmosférica acima do
limite máximo
Sensor de Pressão Atmosférica
Book.book Page 15 Monday, March 8, 2004 8:38 PM
D - 16 MOTORES MWM Série 12
Relação de Códigos de Falhas
por Códigos de Piscadas
17 P0195-01 Tensão elevada no sensor de
temperatura do óleo
SensorTempOleoMt
17 P0195-02 Baixa tensão no sensor de tem-
peratura do óleo
SensorTempOleoMt
17 P0195-04 Sinal sensor de temperatura do
óleo perdido
SensorTempOleoMt
17 P0195-09 Temperatura do óleo acima do
limite máximo de proteção do
motor
SensorTempOleoMt
18 P0520-01 Tensão elevada no sensor de
pressão do óleo
SinalPressOleoMt
18 P0520-02 Baixa tensão no sensor de
pressão do óleo
SinalPressOleoMt
18 P0520-03 Baixa tensão de alimentação do
sensor de pressão do óleo
TensAliSensPrOl
18 P0520-04 Sinal sensor de pressao do óleo
perdido
SinalPressOleoMt
18 P0520-09 Pressão do óleo acima do limite
máximo de proteção d0 motor
SinalPressOleoMt
18 P0520-10 Pressão do óleo abaixo do lim-
ite mínimo de proteção do
motor
SinalPressOleoMt
18 P0520-12 Tensão de alimentação elevada
no sensor de pressão do óleo
TensAliSensPrOl
21 P0560-01 Tensão de alimentação elevada TensaoBateria
21 P0560-02 Tensão de alimentação baixa,
mesmo com a rotacao do
motor acima de marcha de lenta
TensaoBateria
21 P0560-04 Erro na conversao do sinal
analógico para digital.
TensaoBateria
21 P0560-09 Tensão de alimentação acima
do limite máximo do sistema
TensaoBateria
21 P0560-10 Tensão de alimentação abaixo
do limite mínimo do sistema
TensaoBateria
22 P0190-01 Tensão elevada no sensor de
pressão de combustível
Press LinhaInjec
22 P0190-02 Tensão baixa no sensor de
pressão de combustível
Press LinhaInjec
Piscadas PCode Descrição Sensor
Book.book Page 16 Monday, March 8, 2004 8:38 PM
MOTORES MWM Série 12 D - 17
Relação de Códigos de Falhas
por Códigos de Piscadas
22 P0190-03 Tensão de alimentação baixa
no sensor de pressão de com-
bustível
TensAlimPresComb
22 P0190-04 Sinal do sensor de pressão do
combustível perdido
PressaoCombustiv
22 P0190-09 Pressão do combustível acima
do limite máximo do sistema
PressaoCombustiv
22 P0190-12 Tensão de alimentação elevada
no sensor de pressão de com-
bustível
TensAlimPresComb
23 P0120-01 Tensão elevada no sensor de
posição do acelerador
Sensor do Pedal do Acelerador
23 P0120-02 Baixa tensão no sensor de
posição do acelerador
Sensor do Pedal do Acelerador
23 P0120-03 Tensão de alimentação baixa
no sensor de posição do acel-
erador
TensAlimSensPed
23 P0120-04 Sinal do sensor de posição do
acelerador perdido
Sensor do Pedal do Acelerador
23 P0120-08 Tensão no sensor de posição
do acelerador nao plausivel
com interruptor de marcha lenta
InterMLPedalAcel
23 P0120-12 Tensão de alimentação elevada
no sensor de posição do acel-
erador
TensAlimSensPed
24 P0220-08 Nao Pausibilidade entre inter-
ruptor pedal de freio e pedal do
acelerador
InterMLPedalAcel
25 P0500-01 Sinal de velocidade do veículo
elevado
SensorVelocidade
25 P0500-02 Sinal de velocidade do veículo
baixo
SensorVelocidade
25 P0500-04 Sinal de velocidade do veiculo
perdido
SensorVelocidade
25 P0500-08 Sinal de velocidade do veículo
não plausível
SensorVelocidade
25 P0500-09 Sinal de velocidade do veículo
acima do limite máximo
Velocidade Maxim
27 P0704-04 Sem sinal do sensor do pedal
de embreagem
SensPosPedalEmb
Piscadas PCode Descrição Sensor
Book.book Page 17 Monday, March 8, 2004 8:38 PM
D - 18 MOTORES MWM Série 12
Relação de Códigos de Falhas
por Códigos de Piscadas
28 P0571-08 Sinal do sensor do pedal de
freio não plausível
SensPosPedalFrei
32 P0233-01 Sinal de pressão do combus-
tível excedeu o máximo limite
(High pressure)
Pressao Combust.
32 P0233-03 Vazamento de pressão durante
overrun (Leakage in overrun)
Pressao Combust.
32 P0233-04 Pressão de combustível muito
baixa (Low pressure)
PressaoCombustiv
32 P0233-08 Pressão na linha de combus-
tível consideravelmente mais
baixo do que o comando de
pressão de combustível (Neg.
deviation)
Pressao Combust.
32 P0233-09 Vazamento de pressão
detectado por cálculo do bal-
anço de débito não plausível
(Leakage in quantity balance)
Pressao Combust.
32 P0233-10 Vazamento de pressão durante
a marcha lenta (Low idle)
Pressao Combust.
32 P0233-12 Pressão na linha de combus-
tível consideravelmente mais
alto do que o comando de
pressão de combustível (Pos.
Deviation)
Pressao Combust.
38 P0219-08 Rotação do motor excedeu o
limite máximo (overspeed).
SinalRotacaoMot
39 P1625-01 Falha na monitoração da ali-
mentação interna UB2
TensaoAlimentECM
39 P1625-02 Falha na monitoração da ali-
mentação interna UB3
TensaoAlimentECM
39 P1625-03 Falha na monitoração da ali-
mentação interna UB2 e UB3
TensaoAlimentECM
39 P1625-04 Falha na monitoração da ali-
mentação interna UB4
TensaoAlimentECM
39 P1625-05 Falha na monitoração da ali-
mentação interna UB2 e UB4
TensaoAlimentECM
39 P1625-06 Falha na monitoração da ali-
mentação interna UB3 e UB4
TensaoAlimentECM
Piscadas PCode Descrição Sensor
Book.book Page 18 Monday, March 8, 2004 8:38 PM
MOTORES MWM Série 12 D - 19
Relação de Códigos de Falhas
por Códigos de Piscadas
39 P1625-07 Falha na monitoração da ali-
mentação interna UB2, UB3 e
UB4
TensaoAlimentECM
39 P1625-08 Falha do relê principal (con-
verssor A/D)
TensaoAlimentECM
41 P1285-03 Sinal da monitoração do tensão
de alimentação abaixo do limite
ErroDesECM
41 P1285-04 Falha no teste de desligamento
do motor
ErroDesECM
41 P1285-08 Teste do Watchdog não
plausível
ErroDesECM
41 P1285-12 Sinal da monitoração do tensão
de alimentação acima do limite
ErroDesECM
42 P0335-08 Defeito no sensor de rotação. SinalRotacaoMot
43 P0340-08 Defeito no sensor de fase. SinalRotacaoMot
44 P0320-08 Sinais diferentes de rotação
pelo sensor de fase e pelo sen-
sor de rotação
SinalRotacaoMot
45 P1604-08 Erro de verificação do bloco 1
da memória EEPROM.
ErroInterSoftECM
46 P0606-08 "Reset do módulo por
condições adverssas
"Recovery
47 P0231-01 Pressão do combustível (Rail)
acima do limite máximo do
sistema
MPRV_S_PRESHIGH_DUC
ValvulaAlivioRail
47 P0231-02 Detectada a abetura da válvula
de alívio de pressão do com-
bustível
MPRV_S_RECSTEP1_DUC
ValvulaAlivioRail
47 P0231-03 Choque de pressão para aber-
tura da válvula de alívio de
pressão do combustível
MPRV_S_KICKOFF_DUC
ValvulaAlivioRail
47 P0231-04 Detectada a abetura da válvula
de alívio de pressão do com-
bustível
MPRV_S_RECSTEP1_DUC
ValvulaAlivioRail
Piscadas PCode Descrição Sensor
Book.book Page 19 Monday, March 8, 2004 8:38 PM
D - 20 MOTORES MWM Série 12
Relação de Códigos de Falhas
por Códigos de Piscadas
47 P0231-08 Detectada a abetura da válvula
de alívio de pressão do com-
bustível
MPRV_S_RECSTEP2_DUC
ValvulaAlivioRail
47 P0231-09 Válvula de alívio de pressão do
combustível não abriu após
choque de pressão
MPRV_S_INHIBITED_DUC
ValvulaAlivioRail
47 P0231-10 Válvula de alívio de pressão do
combustível aberta
MPRV_S_OPEN_DUC
ValvulaAlivioRail
47 P0231-12 Detectada a abetura da válvula
de alívio de pressão do com-
bustível
MPRV_S_EVALACT_DUC
ValvulaAlivioRail
48 P0561-03 Tensão de alimentação interna
baixa
TensaoAlimentECM
48 P0561-04 Falha no modo de monitoração
(Watchdog)
TensaoAlimentECM
48 P0561-08 Modo de monitoração e tensão
de alimentação interna não
plausível
TensaoAlimentECM
48 P0561-12 Tensão de alimentação interna
elevada
TensaoAlimentECM
49 P1606-01 Tensão elevada no capacitor
interno C1
Capacitor1Inj.
49 P1606-02 Tensão baixa no capacitor
interno C1
Capacitor1Inj.
49 P1606-04 Erro na conversao do sinal
analógico para digital.
Capacitor1Inj.
51 P1607-01 Tensão elevada no capacitor
interno C2
Capacitor2Inj.
51 P1607-02 Tensão baixa no capacitor
interno C2
Capacitor2Inj.
51 P1607-04 Erro na conversao do sinal
analógico para digital.
Capacitor2Inj.
58 P0201-01 Curto-circuito para tensão da
bateria no Injetor 1
Injetor Combust1
58 P0201-02 Curto-circuito para terra no Inje-
tor 1
Injetor Combust1
58 P0201-04 Injetor 1 não conectado Injetor Combust1
Piscadas PCode Descrição Sensor
Book.book Page 20 Monday, March 8, 2004 8:38 PM
MOTORES MWM Série 12 D - 21
Relação de Códigos de Falhas
por Códigos de Piscadas
58 P0201-08 Falha na monitoração do injetor
1
Injetor Combust1
59 P0202-01 Curto-circuito para tensão da
bateria no Injetor 2
Injetor Combust2
59 P0202-02 Curto-circuito para terra no Inje-
tor 2
Injetor Combust2
59 P0202-04 Injetor 2 não conectado Injetor Combust2
59 P0202-08 Falha na monitoração do injetor
2
Injetor Combust2
61 P0203-01 Curto-circuito para tensão da
bateria no Injetor 3
Injetor Combust3
61 P0203-02 Curto-circuito para terra no Inje-
tor 3
Injetor Combust3
61 P0203-04 Injetor 3 não conectado Injetor Combust3
61 P0203-08 Falha na monitoração do injetor
3
Injetor Combust3
62 P0204-01 Curto-circuito para tensão da
bateria no Injetor 4
Injetor Combust4
62 P0204-02 Curto-circuito para terra no Inje-
tor 4
Injetor Combust4
62 P0204-04 Injetor 4 não conectado Injetor Combust4
62 P0204-08 Falha na monitoração do injetor
4
Injetor Combust4
63 P0205-01 Curto-circuito para tensão da
bateria no Injetor 5
Injetor Combust5
63 P0205-02 Curto-circuito para terra no Inje-
tor 5
Injetor Combust5
63 P0205-04 Injetor 5 não conectado Injetor Combust5
63 P0205-08 Falha na monitoração do injetor
5
Injetor Combust5
64 P0206-01 Curto-circuito para tensão da
bateria no Injetor 6
Injetor Combust6
64 P0206-02 Curto-circuito para terra no Inje-
tor 6
Injetor Combust6
64 P0206-04 Injetor 6 não conectado Injetor Combust6
64 P0206-08 Falha na monitoração do injetor
6
Injetor Combust6
Piscadas PCode Descrição Sensor
Book.book Page 21 Monday, March 8, 2004 8:38 PM
D - 22 MOTORES MWM Série 12
Relação de Códigos de Falhas
por Códigos de Piscadas
69 P1674-01 Curto-circuito para tensão da
bateria na lâmpada de aviso
(Warning)
LuzesAdvertencia
69 P1674-02 Curto-circuito para terra na lâm-
pada de aviso (Warning)
LuzesAdvertencia
69 P1674-04 Lâmpada de aviso (Warning)
não cenectada
LuzesAdvertencia
71 P0650-01 Curto-circuito para tensão da
bateria na lâmpada de parada
de emergência (Stop)
LuzesAdvertencia
71 P0650-02 Curto-circuito para terra na lam-
pada de parada de emergência
(Stop)
LuzesAdvertencia
71 P0650-04 Lâmpada de parada de
emergência (Stop) não
conectada
LuzesAdvertencia
75 P1683-01 Curto-circuito para tensão da
bateria na válvula do freio motor
CircuitoFreioMot
75 P1683-02 Curto-circuito para terra na
vávula do freio motor
CircuitoFreioMot
75 P1683-04 Válvula do freio motor não
conectada
CircuitoFreioMot
83 P1690-04 Sinal da vávula solenóide da
bomba CP3 perdido
Pressao Combust.
83 P1690-04 Sinal da vávula solenóide da
bomba CP3 perdido
PressaoCombustiv
91 P1612-03 Tensão baixa no sensor de nível
da água de arrefecimento do
motor
SensorNivel Água
91 P1612-04 Sinal do sensor de nível de
água de arrefecimento do motor
perdido
SensorNivel Água
91 P1612-08 Sinal do sensor de nível de
água de arrefecimento do motor
não plausível
SensorNivel Água
91 P1612-10 Nível baixo do líquido de
arrefecimento
SensorNivel Água
91 P1612-12 Tensão elevada no sensor de
nível da água de arrefecimento
do motor
SensorNivel Água
Piscadas PCode Descrição Sensor
Book.book Page 22 Monday, March 8, 2004 8:38 PM
MOTORES MWM Série 12 D - 23
Relação de Códigos de Falhas
por Códigos de Piscadas
92 P1613-04 Sinal do sensor de água no
combustível perdido
SensorÁguaCombus
92 P1613-09 água no combustivel SensorÁguaCombus
93 P1605-08 Erro de verificação na escrita na
memória EEPROM.
ErroGravacao ECM
94 P1614-08 Erro na EEPROM. Não foi feito
afterrun.
ErroInterSoftECM
95 P1615-08 Erro de verificação do bloco 1
da memória EEPROM.
ErroInterSoftECM
Piscadas PCode Descrição Sensor
Book.book Page 23 Monday, March 8, 2004 8:38 PM
D - 24 MOTORES MWM Série 12
Relação de Códigos de Falhas
por Códigos de Piscadas
Book.book Page 24 Monday, March 8, 2004 8:38 PM
Página deixada intencionalmente em branco
MOTORES MWM Série 12 D- 25
Códigos de Falhas
Sensor de Pressão Atmosférica
P0105/01
Sensor de Pressão AtmosféricaP0105/01
Detalhamento
Foi detectado um valor de tensão de alimentação elevado no sensor de pressão atmosférica.
Esta tensão de alimentação é fornecida através do drivers internos do módulo, há a possibidade
desta tensão ser decorrente da alimentação produzida pelo alternador e a mesma esta acima
dos valores tolerados pelo módulo, verifique se existe outros códigos e corrija-os.
Por tratar-se de um sensor interno ao módulo, não é possível nenhum tipo de teste a não ser
substituir o módulo e certificar-se de que desapareceu a indicação da falha.
Caso persista a indicação verifique a ferramenta de diagnóse.
OBSERVAÇÃO: Apague todas as falhas e repita o teste antes de proceder a troca do módulo
Estratégia
Código
Piscado
Causa
16 Sinal de tensão alto do sensor de pressão atmosférica.
Acima de 3000 Hpa Reduz 50% de potência / Aciona lâmpada amarela .
Este sinal é utilizado pelo módulo para utilizar mapas de injeção em função da altitude para
proteger o turbo/ motor.
Book.book Page 25 Monday, March 8, 2004 8:38 PM
D- 26
Códigos de Falhas
Sensor de Pressão Atmosférica
MOTORES MWM Série 12
P0105/01
Roteiro para Localização e Solução de Falhas
Desconectar o sensor e medir a resistência conforme tabela abaixo:
Book.book Page 26 Monday, March 8, 2004 8:38 PM
MOTORES MWM Série 12 D- 27
Códigos de Falhas
Sensor de Pressão Atmosférica
P0105/02
Sensor de Pressão AtmosféricaP0105/02
Detalhamento
Foi detectado um valor de tensão de alimentação baixa no sensor de pressão atmosférica.
Esta tensão de alimentação é fornecida através do drivers internos do módulo, há a possibidade
desta tensão ser decorrente da alimentação do módulo com valor inferior a 8 volts, verifique se
existe outros códigos e corrija-os.
Por tratar-se de um sensor interno ao módulo, não é possível nenhum tipo de teste a não ser
substituir o módulo e certificar-se de que desapareceu a indicação da falha.
Caso persista a indicação verifique a ferramenta de diagnóse.
OBSERVAÇÃO: Apague todas as falhas e repita o teste antes de proceder a troca do módulo
Estratégia
Código
Piscado
Causa
16 Sinal de tensão baixo do sensor de pressão atmosférica.
Acima de 3000 Hpa Reduz 50% de potência / Aciona lâmpada amarela .
Este sinal é utilizado pelo módulo para utilizar mapas de injeção em função da altitude para
proteger o turbo/ motor.
Book.book Page 27 Monday, March 8, 2004 8:38 PM
D- 28
Códigos de Falhas
Sensor de Pressão Atmosférica
MOTORES MWM Série 12
P0105/02
Book.book Page 28 Monday, March 8, 2004 8:38 PM
Página deixada intencionalmente em branco
MOTORES MWM Série 12 D- 29
Códigos de Falhas
Sensor de Pressão Atmosférica
P0105/04
Sensor de Pressão AtmosféricaP0105/04
Detalhamento
Possivelmente o circuito ou sensor de pressão atmosférica, esteja em circuito aberto, portanto
sem ligação com a ECM.
Verifique presença de água ou outra substância em volta do sensor, que poderia provocar um
curto circuito interno ao módulo.
Por tratar-se de um sensor interno ao módulo, não é possível nenhum tipo de teste a não ser
substituir o módulo e certificar-se de que desapareceu a indicação da falha.
Caso persista a indicação verifique a ferramenta de diagnóse.
OBSERVAÇÃO: Apague todas as falhas e repita o teste antes de proceder a troca do módulo
Estratégia
Código
Piscado
Causa
16 Sinal perdido do sensor de pressão atmosférica.
Acima de 3000 Hpa Reduz 50% de potência / Aciona lâmpada amarela .
Este sinal é utilizado pelo módulo para utilizar mapas de injeção em função da altitude para
proteger o turbo/ motor.
Book.book Page 29 Monday, March 8, 2004 8:38 PM
D- 30
Códigos de Falhas
Sensor de Pressão Atmosférica
MOTORES MWM Série 12
P0105/04
Book.book Page 30 Monday, March 8, 2004 8:38 PM
Página deixada intencionalmente em branco
MOTORES MWM Série 12 D- 31
Códigos de Falhas
Sensor de Pressão Atmosférica
P0105/09
Sensor de Pressão AtmosféricaP0105/09
Detalhamento
Foi detectado um valor de pressão atmosférica acima do valor programado no módulo para esta
aplicação.
Compare o valor programado no módulo com a altitude em que se encontra o veículo.
Caso esteja dentro do programado certifique a não presença de água ou outra substância em
volta do sensor, que poderia provocar uma leitura errada.
Por tratar-se de um sensor interno ao módulo, não é possível nenhum tipo de teste a não ser
substituir o módulo e certificar-se de que desapareceu a indicação da falha.
Caso persista a indicação verifique a ferramenta de diagnóse.
OBSERVAÇÃO: Apague todas as falhas e repita o teste antes de proceder a troca do módulo
Estratégia
Código
Piscado
Causa
16 Sinal de pressão atmosférica excedeu limite de proteção do motor.
Acima de 3000 Hpa Reduz 50% de potência / Aciona lâmpada amarela .
Este sinal é utilizado pelo módulo para utilizar mapas de injeção em função da altitude para
proteger o turbo/ motor.
Book.book Page 31 Monday, March 8, 2004 8:38 PM
D- 32
Códigos de Falhas
Sensor de Pressão Atmosférica
MOTORES MWM Série 12
P0105/09
Book.book Page 32 Monday, March 8, 2004 8:38 PM
Página deixada intencionalmente em branco
MOTORES MWM Série 12 D- 33
Códigos de Falhas
Sensor de Temperatura do Líquido de Arrefecimento
P0115/01
Sensor de Temperatura do Líquido de ArrefecimentoP0115/01
084/02
Detalhamento
Foi detectado um sinal de tensão alto (não compatível com os sinais dos demais sensores),
proveniente do sensor de temperatura do liquido de arrefecimento. É possível que a resistência
do sensor esteja alterado ou um curto circuito na fiação.
Estratégia
Código
Piscado
Causa
11 Sinal de tensão alto do sensor de temperatura do líquido de arrefecimento.
Acima de 100 °C Aciona lâmpada amarela
Acima de 105 °C Reduz 50% de potência
Acima de 115 °C Reduz 100% de potência
Este sinal é utilizado pelo módulo para selecionar :
• Estratégias de partida à frio ou a quente;
• Corrigir tempo de injeção;
• Corrigir o ângulo de início de injeção.
Book.book Page 33 Monday, March 8, 2004 8:38 PM
D- 34
Códigos de Falhas
Sensor de Temperatura do Líquido de Arrefecimento
MOTORES MWM Série 12
P0115/01
Roteiro para Localização e Solução de Falhas
Book.book Page 34 Monday, March 8, 2004 8:38 PM
MOTORES MWM Série 12 D- 35
Códigos de Falhas
Sensor de Temperatura do Líquido de Arrefecimento
P0115/02
Sensor de Temperatura do Líquido de ArrefecimentoP0115/02
Detalhamento
Foi detectado um sinal de tensão baixo (não compatível com os sinais dos demais sensores),
proveniente do sensor de temperatura do liquido de arrefecimento. É possível que a resistência
do sensor esteja alterado ou um curto circuito na fiação.
Estratégia
Código
Piscado
Causa
11 Sinal de tensão baixo no sensor de temp. de água.
Acima de 100 °C Aciona lâmpada amarela
Acima de 105 °C Reduz 50% de potência
Acima de 115 °C Reduz 100% de potência
Este sinal é utilizado pelo módulo para selecionar :
• Estratégias de partida à frio ou a quente;
• Corrigir tempo de injeção;
• Corrigir o ângulo de início de injeção.
Book.book Page 35 Monday, March 8, 2004 8:38 PM
D- 36
Códigos de Falhas
Sensor de Temperatura do Líquido de Arrefecimento
MOTORES MWM Série 12
P0115/02
Roteiro para Localização e Solução de Falhas
Book.book Page 36 Monday, March 8, 2004 8:38 PM
MOTORES MWM Série 12 D- 37
Códigos de Falhas
Sensor de Temperatura do Líquido de Arrefecimento
P0115/04
Sensor de Temperatura do Líquido de ArrefecimentoP0115/04
Detalhamento
Possivelmente o circuito ou sensor de temperatura do líquido de arrefecimento, esteja em
circuito aberto; portanto sem ligação com a ECM.
Para localizar o problema vamos provocar um defeito inverso.
Estratégia
Código
Piscado
Causa
11 Sem sinal do sensor de temperatura do líquido de arrefecimento.
Acima de 100 °C Aciona lâmpada amarela
Acima de 105 °C Reduz 50% de potência
Acima de 115 °C Reduz 100% de potência
Este sinal é utilizado pelo módulo para selecionar :
• Estratégias de partida à frio ou a quente;
• Corrigir tempo de injeção;
• Corrigir o ângulo de início de injeção.
Book.book Page 37 Monday, March 8, 2004 8:38 PM
D- 38
Códigos de Falhas
Sensor de Temperatura do Líquido de Arrefecimento
MOTORES MWM Série 12
P0115/04
Roteiro para Localização e Solução de Falhas
Book.book Page 38 Monday, March 8, 2004 8:38 PM
MOTORES MWM Série 12 D- 39
Códigos de Falhas
Sensor de Temperatura do Líquido de Arrefecimento
P0115/09
Sensor de Temperatura do Líquido de ArrefecimentoP0115/09
084/02
Detalhamento
A temperatura do líquido de arrefecimento está acima do valor programado para proteção do
motor (105 °C). Este código pode ter sido acionado por condições reais no funcionamento do
motor ou por erro de leitura do sensor ou chicote.
Antes de começar o teste verifique se há indícios de impurezas no sensor.
Estratégia
Código
Piscado
Causa
11 Temperatura do líquido excedeu limite de proteção do motor
Acima de 100 °C Aciona lâmpada amarela
Acima de 105 °C Reduz 50% de potência
Acima de 115 °C Reduz 100% de potência
Este sinal é utilizado pelo módulo para selecionar :
• Estratégias de partida à frio ou a quente;
• Corrigir tempo de injeção;
• Corrigir o ângulo de início de injeção.
CONECTOR DO
MOTOR
Book.book Page 39 Monday, March 8, 2004 8:38 PM
D- 40
Códigos de Falhas
Sensor de Temperatura do Líquido de Arrefecimento
MOTORES MWM Série 12
P0115/09
Roteiro para Localização e Solução de Falhas
Desconectar o sensor e medir a resistência conforme tabela abaixo:
Temperatura °C
Resistência
(kΩ)
- 20 15,462 (+-6%)
- 10 9,397 (+-6%)
0 5,896 (+-6%)
10 3,792 (+- 6%)
20 2,500 (+- 6%)
25 2,057 (+- 5%)
30 1,707 (+- 5%)
40 1,175 (+- 5%)
50 0,834 (+- 4%)
60 0,596 (+- 4%)
70 0,435 (+- 4%)
80 0,323 (+- 2%)
90 0,243 (+- 2%)
100 0,186 (+- 2%)
110 0,144 (+- 2%)
120 0,113 (+- 2%)
130 0,089 (+- 2%)
Não - Substituir o sensor.
- Repetir o teste.
Sim
- Com o circuito aberto.
- Repetir o teste.
- Verifique se apresenta código
P0115/04 (Circuito aberto)
- Repetiu o código
P0115/09 ?
Não
Sim
- Instalar o sensor.
- Repetir o teste
Sim
- Substituir o sensor
Book.book Page 40 Monday, March 8, 2004 8:38 PM
MOTORES MWM Série 12 D- 41
Códigos de Falhas
Sensor do Pedal do Acelerador
P0120/01
Sensor do Pedal do AceleradorP0120/01
Detalhamento
Foi detectado um sinal de tensão alta proveniente do sensor de pedal do acelerador. Possível
que a resistência do sensor esteja alterado ou um curto circuito na fiação.
Estratégia
Código
Piscado
Causa
23 Sinal de tensão alto no sensor do Pedal do acelerador.
Na ausência deste sinal será fixado a rotação do motor em 1200 rpm
Acenderá a lâmpada amarela
• Este sinal é utilizado pelo módulo para validar a marcha lenta e variar rpm de acordo com a
solicitação do condutor.
Book.book Page 41 Monday, March 8, 2004 8:38 PM
D- 42
Códigos de Falhas
Sensor do Pedal do Acelerador
MOTORES MWM Série 12
P0120/01
Roteiro para Localização e Solução de Falhas
Book.book Page 42 Monday, March 8, 2004 8:38 PM
MOTORES MWM Série 12 D- 43
Códigos de Falhas
Sensor do Pedal do Acelerador
P0120/02
Sensor do Pedal do AceleradorP0120/02
Detalhamento
Foi detectado um sinal de tensão baixo proveniente do sensor de pedal de acelerador.
É possível que a resistência do sensor esteja alterado ou um curto circuito na fiação.
Estratégia
Código
Piscado
Causa
23 Sinal de tensão baixo no sensor do Pedal do acelerador.
Na ausência deste sinal será fixado a rotação do motor em 1200 rpm
Acenderá a lâmpada amarela
• Este sinal é utilizado pelo módulo para validar a marcha lenta e variar rpm de acordo com a
solicitação do condutor.
Book.book Page 43 Monday, March 8, 2004 8:38 PM
D- 44
Códigos de Falhas
Sensor do Pedal do Acelerador
MOTORES MWM Série 12
P0120/02
Roteiro para Localização e Solução de Falhas
Book.book Page 44 Monday, March 8, 2004 8:38 PM
MOTORES MWM Série 12 D- 45
Códigos de Falhas
Sensor do Pedal do Acelerador
P0120/03
Sensor do Pedal do AceleradorP0120/03
Detalhamento
Foi detectado uma tensão de alimentação inferior a 4,75 Volts no sensor de pedal do acelerador.
Esta tensão pode ser decorrente de um problema interno ao módulo ou possível curto com
positivo de bateria.
Vamos executar o teste de verificação de curto com o negativo de bateria.
Estratégia
Código
Piscado
Causa
23 Tensão de alimentação abaixo do normal.
Na ausência deste sinal será fixado a rotação do motor em 1200 rpm
Acenderá a lâmpada amarela
• Este sinal é utilizado pelo módulo para validar a marcha lenta e variar rpm de acordo com a
solicitação do condutor.
Book.book Page 45 Monday, March 8, 2004 8:38 PM
D- 46
Códigos de Falhas
Sensor do Pedal do Acelerador
MOTORES MWM Série 12
P0120/03
Roteiro para Localização e Solução de Falhas
Book.book Page 46 Monday, March 8, 2004 8:38 PM
MOTORES MWM Série 12 D- 47
Códigos de Falhas
Sensor do Pedal do Acelerador
P0120/04
Sensor do Pedal do AceleradorP0120/04
Detalhamento
Foi detectado uma tensão de alimentação inferior a 4,75 Volts no sensor de pedal do acelerador.
Esta tensão pode ser decorrente de um problema interno ao módulo ou possível curto com
positivo de bateria.
Vamos executar o teste de verificação de curto com o negativo de bateria.
Estratégia
Código
Piscado
Causa
23 Tensão de alimentação abaixo do normal.
Na ausência deste sinal será fixado a rotação do motor em 1200 rpm
Acenderá a lâmpada amarela
• Este sinal é utilizado pelo módulo para validar a marcha lenta e variar rpm de acordo com a
solicitação do condutor.
Book.book Page 47 Monday, March 8, 2004 8:38 PM
D- 48
Códigos de Falhas
Sensor do Pedal do Acelerador
MOTORES MWM Série 12
P0120/04
Roteiro para Localização e Solução de Falhas
Book.book Page 48 Monday, March 8, 2004 8:38 PM
MOTORES MWM Série 12 D- 49
Códigos de Falhas
Sensor do Pedal do Acelerador
P0120/12
Sensor do Pedal do AceleradorP0120/12
Detalhamento
Foi detectado uma tensão de alimentação superior a 5,25 Volts no sensor de pedal do
acelerador. Esta tensão pode ser decorrente de um problema interno ao módulo ou possível
curto com positivo de bateria.
Vamos executar o teste de verificação de curto com o positivo de bateria.
Estratégia
Código
Piscado
Causa
23 Tensão de alimentação acima do normal.
Na ausência deste sinal será fixado a rotação do motor em 1200 rpm
Acenderá a lâmpada amarela
• Este sinal é utilizado pelo módulo para validar a marcha lenta e variar rpm de acordo com a
solicitação do condutor.
Book.book Page 49 Monday, March 8, 2004 8:38 PM
D- 50
Códigos de Falhas
Sensor do Pedal do Acelerador
MOTORES MWM Série 12
P0120/12
Roteiro para Localização e Solução de Falhas
Book.book Page 50 Monday, March 8, 2004 8:38 PM
MOTORES MWM Série 12 D- 51
Códigos de Falhas
Sensor de Pressão de Combustível (Rail)
P0190/01
Sensor de Pressão de Combustível (Rail)
P0190/01
Detalhamento
Foi detectado um sinal de tensão alta, proveniente do sensor de pressão do rail. É possível que
a resistência do sensor esteja alterado ou um curto circuito na fiação.
Estratégia
Código
Piscado
Causa
22 Sinal de tensão alto no sensor de pressão de combustível.
Sensor apresenta defeito ou valor de pressão ultrapasse 1485 bar.
Lâmpada vermelha
é acionada
A potência é reduzia abaixo de 80%
Retorno da bomba
será aberto
A pressão no rail será reduzido a 80 bar.
Este sinal é utilizado pelo módulo para calculo do volume de combustível a ser injetado e
como elemento de segurança do sistema.
Book.book Page 51 Monday, March 8, 2004 8:38 PM
D- 52
Códigos de Falhas
Sensor de Pressão de Combustível (Rail)
MOTORES MWM Série 12
P0190/01
Roteiro para Localização e Solução de Falhas
Book.book Page 52 Monday, March 8, 2004 8:38 PM
MOTORES MWM Série 12 D- 53
Códigos de Falhas
Sensor de Pressão de Combustível (Rail)
P0190/02
Sensor de Pressão de Combustível
P0190/02
Detalhamento
Foi detectado um sinal de tensão baixo, proveniente do sensor de pressão do rail. É possível
que a resistência do sensor esteja alterado ou um curto circuito na fiação.
Estratégia
Código
Piscado
Causa
22 Sinal de tensão baixo no sensor de pressão de combustível .
Sensor apresenta defeito ou valor de pressão ultrapasse 1485 bar.
Lâmpada vermelha
é acionada
A potência é reduzia abaixo de 80%
Retorno da bomba
será aberto
A pressão no rail será reduzido a 80 bar.
Este sinal é utilizado pelo módulo para calculo do volume de combustível a ser injetado e
como elemento de segurança do sistema.
Book.book Page 53 Monday, March 8, 2004 8:38 PM
D- 54
Códigos de Falhas
Sensor de Pressão de Combustível (Rail)
MOTORES MWM Série 12
P0190/02
Roteiro para Localização e Solução de Falhas
Book.book Page 54 Monday, March 8, 2004 8:38 PM
MOTORES MWM Série 12 D- 55
Códigos de Falhas
Sensor de Pressão de Combustível (Rail)
P0190/03
Sensor de Pressão de CombustívelP0190/03
Detalhamento
Foi detectado um sinal de tensão baixo, proveniente do sensor de pressão do rail. É possível
que a resistência do sensor esteja alterado ou um curto circuito na fiação.
Estratégia
Código
Piscado
Causa
22 Sinal de tensão baixo no sensor de pressão de combustível .
Sensor apresenta defeito ou valor de pressão ultrapasse 1485 bar.
Lâmpada vermelha
é acionada
A potência é reduzia abaixo de 80%
Retorno da bomba
será aberto
A pressão no rail será reduzido a 80 bar.
Este sinal é utilizado pelo módulo para calculo do volume de combustível a ser injetado e
como elemento de segurança do sistema.
Book.book Page 55 Monday, March 8, 2004 8:38 PM
D- 56
Códigos de Falhas
Sensor de Pressão de Combustível (Rail)
MOTORES MWM Série 12
P0190/03
Roteiro para Localização e Solução de Falhas
Book.book Page 56 Monday, March 8, 2004 8:38 PM
MOTORES MWM Série 12 D- 57
Códigos de Falhas
Sensor de Pressão de Combustível (Rail)
P0190/04
Sensor de Pressão de Combustível (Rail)
P0190/04
Detalhamento
Possivelmente o circuito ou sensor de pressão do rail, esteja em circuito aberto, portanto sem
ligação com a ECM.
Para localizar o problema, vamos provocar um defeito inverso.
Estratégia
Código
Piscado
Causa
22 Sinal de tensão do sensor de pressão de combustível perdido.
Sensor apresenta defeito ou valor de pressão ultrapasse 1485 bar.
Lâmpada vermelha
é acionada
A potência é reduzia abaixo de 80%
Retorno da bomba
será aberto
A pressão no rail será reduzido a 80 bar.
Este sinal é utilizado pelo módulo para calculo do volume de combustível a ser injetado e
como elemento de segurança do sistema.
Book.book Page 57 Monday, March 8, 2004 8:38 PM
D- 58
Códigos de Falhas
Sensor de Pressão de Combustível (Rail)
MOTORES MWM Série 12
P0190/04
Roteiro para Localização e Solução de Falhas
Book.book Page 58 Monday, March 8, 2004 8:38 PM
MOTORES MWM Série 12 D- 59
Códigos de Falhas
Sensor de Pressão de Combustível (Rail)
P0190/09
Sensor de Pressão de Combustível (Rail)P0190/09
Código
Piscado
Causa
Book.book Page 59 Monday, March 8, 2004 8:38 PM
Página deixada intencionalmente em branco
D- 60
Códigos de Falhas
Sensor de Pressão de Combustível (Rail)
MOTORES MWM Série 12
P0190/09
Roteiro para Localização e Solução de Falhas
Book.book Page 60 Monday, March 8, 2004 8:38 PM
Página deixada intencionalmente em branco
MOTORES MWM Série 12 D- 61
Códigos de Falhas
Sensor de Pressão de Combustível (Rail)
P0190/12
Sensor de Pressão de Combustível (Rail)P0190/12
Detalhamento
Foi detectado uma tensão de alimentação superior a 5,5 Volts no sensor do rail.
Esta tensão pode ser decorrente de um problema interno ao módulo ou possível curto com
positivo de bateria.
Vamos executar o teste de verificação de curto com o positivo de bateria.
Estratégia
Código
Piscado
Causa
22 Tensão de alimentação de alimentação elevada no sensor de pressão rail.
Sensor apresenta defeito ou valor de pressão ultrapasse 1485 bar.
Lâmpada vermelha
é acionada
A potência é reduzia abaixo de 80%
Retorno da bomba
será aberto
A pressão no rail será reduzido a 80 bar.
Este sinal é utilizado pelo módulo para calculo do volume de combustível a ser injetado e
como elemento de segurança do sistema.
Book.book Page 61 Monday, March 8, 2004 8:38 PM
D- 62
Códigos de Falhas
Sensor de Pressão de Combustível (Rail)
MOTORES MWM Série 12
P0190/12
Roteiro para Localização e Solução de Falhas
Book.book Page 62 Monday, March 8, 2004 8:38 PM
MOTORES MWM Série 12 D- 63
Códigos de Falhas
Sensor de Temperatura do Óleo Lubrificante
P0195/01
Sensor de Temperatura do Óleo LubrificanteP0195/01
Detalhamento
Foi detectado um sinal de tensão baixo (não compatível com os sinais dos demais sensores),
proveniente do sensor de temperatura do óleo lubrificante. É possível que a resistência do
sensor esteja alterado ou um curto circuito na fiação.
Estratégia
Código
Piscado
Causa
17 Sinal de tensão alto no sensor de temperatura do óleo.
Acima de 140 °C Aciona lampada amarela - Reduz 20% de Potência
Este sinal é utilizado pelo módulo para proteção do motor, verificando a degradação do óleo
lubrificante.
Book.book Page 63 Monday, March 8, 2004 8:38 PM
D- 64
Códigos de Falhas
Sensor de Temperatura do Óleo Lubrificante
MOTORES MWM Série 12
P0195/01
Roteiro para Localização e Solução de Falhas
Book.book Page 64 Monday, March 8, 2004 8:38 PM
MOTORES MWM Série 12 D- 65
Códigos de Falhas
Sensor de Temperatura do Óleo Lubrificante
P0195/02
Sensor de Temperatura do Óleo LubrificanteP0195/02
Detalhamento
Foi detectado um sinal de tensão baixo (não compatível com os sinais dos demais sensores),
proveniente do sensor de temperatura do óleo lubrificante. É possível que a resistência do
sensor esteja alterado ou um curto circuito na fiação.
Estratégia
Código
Piscado
Causa
17 Sinal de tensão baixo no sensor de temperatura do óleo.
Acima de 140 °C Aciona lampada amarela - Reduz 20% de Potência
Este sinal é utilizado pelo módulo para proteção do motor, verificando a degradação do óleo
lubrificante.
Book.book Page 65 Monday, March 8, 2004 8:38 PM
D- 66
Códigos de Falhas
Sensor de Temperatura do Óleo Lubrificante
MOTORES MWM Série 12
P0195/02
Roteiro para Localização e Solução de Falhas
Book.book Page 66 Monday, March 8, 2004 8:38 PM
MOTORES MWM Série 12 D- 67
Códigos de Falhas
Sensor de Temperatura do Óleo Lubrificante
P0195/04
Sensor de Temperatura do Óleo LubrificanteP0195/04
Detalhamento
Possivelmente o circuito ou sensor de temperatura do óleo lubrificante, esteja em circuito aberto,
portanto sem ligação com a ECM.
Para localizar o problema, vamos provocar um defeito inverso.
Estratégia
Código
Piscado
Causa
17 Sem sinal no sensor de temperatura do óleo.
Acima de 140 °C Aciona lampada amarela - Reduz 20% de Potência
Este sinal é utilizado pelo módulo para proteção do motor, verificando a degradação do óleo
lubrificante.
Book.book Page 67 Monday, March 8, 2004 8:38 PM
D- 68
Códigos de Falhas
Sensor de Temperatura do Óleo Lubrificante
MOTORES MWM Série 12
P0195/04
Roteiro para Localização e Solução de Falhas
Book.book Page 68 Monday, March 8, 2004 8:38 PM
MOTORES MWM Série 12 D- 69
Códigos de Falhas
Sensor de Temperatura do Óleo Lubrificante
P0195/09
Sensor de Temperatura do Óleo LubrificanteP0195/09
Detalhamento
A temperatura do óleo lubrificante está acima do valor programado para proteção do motor
(140 °C). Este código pode ter sido acionado por condições reais no funcionamento do motor ou
por erro de leitura do sensor ou fiação. Antes de começar o teste verifique se há falhas no
sistema de refrigeração e resfriador de óleo.
Estratégia
Código
Piscado
Causa
17 Temperatura do óleo excedeu limite de proteção do motor.
Acima de 140 °C Aciona lampada amarela - Reduz 20% de Potência
Este sinal é utilizado pelo módulo para proteção do motor, verificando a degradação do óleo
lubrificante.
Book.book Page 69 Monday, March 8, 2004 8:38 PM
D- 70
Códigos de Falhas
Sensor de Temperatura do Óleo Lubrificante
MOTORES MWM Série 12
P0195/09
Roteiro para Localização e Solução de Falhas
Desconectar o sensor e medir a resistência conforme tabela abaixo:
Book.book Page 70 Monday, March 8, 2004 8:38 PM
MOTORES MWM Série 12 D- 71
Códigos de Falhas
Bico Injetor Cilindro 1
P0201/01
Bico Injetor Cilindro 1P0201/01
Detalhamento
Foi detectado um sinal de tensão alta , proveniente do solenóide do injetor cilindro 1. É possível
que a resistência da bobina esteja alterada ou um curto circuito na fiação.
Estratégia
Código
Piscado
Causa
58 Curto circuito para tensão da bateria no injetor 1.
Falha no
monitoramento do
injetor
acende luz vermelha.
reduz 80 %potência do motor.
• Este sinal é utilizado pelo módulo para verificação do acionamento dos injetores.
Book.book Page 71 Monday, March 8, 2004 8:38 PM
D- 72
Códigos de Falhas
Bico Injetor Cilindro 1
MOTORES MWM Série 12
P0201/01
Roteiro para Localização e Solução de Falhas
Book.book Page 72 Monday, March 8, 2004 8:38 PM
MOTORES MWM Série 12 D- 73
Códigos de Falhas
Bico Injetor Cilindro 1
P0201/02
Bico Injetor Cilindro 1P0201/02
Detalhamento
Foi detectado um sinal de tensão alta , proveniente do solenóide do injetor cilindro 1. É possível
que a resistência da bobina esteja alterada ou um curto circuito na fiação.
Estratégia
Código
Piscado
Causa
58 Curto circuito para tensão da bateria no injetor 1.
Falha no
monitoramento do
injetor
acende luz vermelha.
reduz 80 %potência do motor.
• Este sinal é utilizado pelo módulo para verificação do acionamento dos injetores.
Book.book Page 73 Monday, March 8, 2004 8:38 PM
D- 74
Códigos de Falhas
Bico Injetor Cilindro 1
MOTORES MWM Série 12
P0201/02
Roteiro para Localização e Solução de Falhas
Book.book Page 74 Monday, March 8, 2004 8:38 PM
MOTORES MWM Série 12 D- 75
Códigos de Falhas
Bico Injetor Cilindro 1
P0201/04
Bico Injetor Cilindro 1P0201/04
Detalhamento
Possivelmente o circuito ou solenóide do bico injetor cilindro 1, esteja em circuito aberto;
portanto sem ligação com a ECM.
Estratégia
Código
Piscado
Causa
58 Injetor cilindro 1 não conectado.
Falha no
monitoramento do
injetor
acende luz vermelha.
reduz 80 %potência do motor.
• Este sinal é utilizado pelo módulo para verificação do acionamento dos injetores.
Book.book Page 75 Monday, March 8, 2004 8:38 PM
D- 76
Códigos de Falhas
Bico Injetor Cilindro 1
MOTORES MWM Série 12
P0201/04
Roteiro para Localização e Solução de Falhas
Book.book Page 76 Monday, March 8, 2004 8:38 PM
MOTORES MWM Série 12 D- 77
Códigos de Falhas
Bico Injetor Cilindro 1
P0201/08
Bico Injetor Cilindro 1P0201/08
Detalhamento
Possivelmente o circuito ou solenóide do bico injetor cilindro 1, esteja com valor da resistência
alterado. A queda de tensão no acionamento do solenóide não corresponde aos valores
programados no módulo.
Estratégia
Código
Piscado
Causa
58 Falha na monitoração do sinal do injetor 1.
Falha no
monitoramento do
injetor
acende luz vermelha.
reduz 80 %potência do motor.
• Este sinal é utilizado pelo módulo para verificação do acionamento dos injetores.
Book.book Page 77 Monday, March 8, 2004 8:38 PM
D- 78
Códigos de Falhas
Bico Injetor Cilindro 1
MOTORES MWM Série 12
P0201/08
Roteiro para Localização e Solução de Falhas
Book.book Page 78 Monday, March 8, 2004 8:38 PM
MOTORES MWM Série 12 D- 79
Códigos de Falhas
Sensor de Pressão de Combustível (Rail)
P0233/01
Sensor de Pressão de Combustível (Rail)P0233/01
Detalhamento
O sinal do sensor de pressão no rail está acima do limite máximo programado para esta
aplicação. Este código pode ter sido acionado por condições reais no funcionamento do motor
ou por erro de leitura do sensor ou fiação. Por tratar-se de um dos sensores incorporados ao rail
(montagem cônica), apague todos o códigos e repita o teste antes de proceder uma
desmontagem e teste no sensor de pressão do rail.
Estratégia
Código
Piscado
Causa
32 Sinal do sensor de combustível excedeu o máximo limite.
Sensor apresenta defeito ou valor de pressão ultrapasse 1485 bar.
Lâmpada vermelha
é acionada
A potência é reduzia abaixo de 80%
Retorno da bomba
será aberto
A pressão no rail será reduzido a 80 bar.
Este sinal é utilizado pelo módulo para calculo do volume de combustível a ser injetado e
como elemento de segurança do sistema.
Book.book Page 79 Monday, March 8, 2004 8:38 PM
D- 80
Códigos de Falhas
Sensor de Pressão de Combustível (Rail)
MOTORES MWM Série 12
P0233/01
Roteiro para Localização e Solução de Falhas
Desconectar o sensor e medir a resistência conforme tabela abaixo:
Book.book Page 80 Monday, March 8, 2004 8:38 PM
MOTORES MWM Série 12 D- 81
Códigos de Falhas
Sensor de Pressão de Combustível (Rail)
P0233/03
Sensor de Pressão de Combustível (Rail)P0233/03
Detalhamento
Foi detectado um vazamento de pressão na linha de combustível durante o check de
desligamento do motor.
Após desligar a chave, o módulo verificou queda de pressão na linha de combustível não
comandada.
Apague todos o códigos e repita o teste.
Caso repita o código verifique:
• Abertura da válvula de segurança.
• Possíveis vazamentos na linha de alta pressão.
• Estanqueidade dos injetores.
Estratégia
Código
Piscado
Causa
32 Vazamento de pressão durante overrun.
Sensor apresenta defeito ou valor de pressão ultrapasse 1485 bar.
Lâmpada vermelha
é acionada
A potência é reduzia abaixo de 80%
Retorno da bomba
será aberto
A pressão no rail será reduzido a 80 bar.
Este sinal é utilizado pelo módulo para calculo do volume de combustível a ser injetado e
como elemento de segurança do sistema.
Book.book Page 81 Monday, March 8, 2004 8:38 PM
D- 82
Códigos de Falhas
Sensor de Pressão de Combustível (Rail)
MOTORES MWM Série 12
P0233/03
Roteiro para Localização e Solução de Falhas
Book.book Page 82 Monday, March 8, 2004 8:38 PM
Página deixada intencionalmente em branco
MOTORES MWM Série 12 D- 83
Códigos de Falhas
Sensor de Pressão de Combustível (Rail)
P0233/04
Sensor de Pressão de Combustível (Rail)P0233/04
Detalhamento
Foi detectado um sinal de pressão baixo na linha de combustível, não compatível com os sinais
dos demais sensores. É possível que a resistência do sensor esteja alterado ou um curto
circuito na fiação. Por tratar-se de um dos sensores incorporados ao rail (montagem cônica ),
apague todos o códigos e repita o teste antes de proceder uma desmontagem e teste no sensor
de pressão do rail.
Estratégia
Código
Piscado
Causa
32 Pressão de combustível baixa na linha.
Sensor apresenta defeito ou valor de pressão ultrapasse 1485 bar.
Lâmpada vermelha
é acionada
A potência é reduzia abaixo de 80%
Retorno da bomba
será aberto
A pressão no rail será reduzido a 80 bar.
Este sinal é utilizado pelo módulo para calculo do volume de combustível a ser injetado e
como elemento de segurança do sistema.
Book.book Page 83 Monday, March 8, 2004 8:38 PM
D- 84
Códigos de Falhas
Sensor de Pressão de Combustível (Rail)
MOTORES MWM Série 12
P0233/04
Roteiro para Localização e Solução de Falhas
Desconectar o sensor e medir a resistência conforme tabela abaixo:
Book.book Page 84 Monday, March 8, 2004 8:38 PM
MOTORES MWM Série 12 D- 85
Códigos de Falhas
Sensor de Pressão de Combustível (Rail)
P0233/08
Sensor de Pressão de Combustível (Rail)P0233/08
Detalhamento
Foi detectado um valor de tensão (pressão) do sensor do rail que não corresponde ao comando
do módulo.
O módulo envia um comando de pressão e monitora a resposta; e percebeu que a pressão não
atinge o valor comandado.
É possível que a válvula Mprop possua algum problema mecânico ou exista algum vazamento
através da válvula de segurança que não foi possível sua detecção.
Por tratar-se de um sensores incorporados ao rail ( montagem cônica ), e não sendo possível
nenhum tipo de teste na válvula de segurança, apague todos o códigos e repita o teste antes de
proceder uma desmontagem e teste no sensor de pressão do rail.
Caso persista a indicação verifique a ferramenta de diagnose.
Estratégia
Código
Piscado
Causa
32 Pressão de combustível com desvio abaixo do set point.
Sensor apresenta defeito ou valor de pressão ultrapasse 1485 bar.
Lâmpada vermelha
é acionada
A potência é reduzia abaixo de 80%
Retorno da bomba
será aberto
A pressão no rail será reduzido a 80 bar.
Este sinal é utilizado pelo módulo para calculo do volume de combustível a ser injetado e
como elemento de segurança do sistema.
Book.book Page 85 Monday, March 8, 2004 8:38 PM
D- 86
Códigos de Falhas
Sensor de Pressão de Combustível (Rail)
MOTORES MWM Série 12
P0233/08
Book.book Page 86 Monday, March 8, 2004 8:38 PM
Página deixada intencionalmente em branco
MOTORES MWM Série 12 D- 87
Códigos de Falhas
Sensor de Pressão de Combustível (Rail)
P0233/09
Sensor de Pressão de Combustível (Rail)P0233/09
Detalhamento
Foi detectado um vazamento de pressão na linha de combustível durante o cálculo de pressão
atual e a programada.
Apague todos o códigos e repita o teste.
Caso repita o código verifique:
• Abertura da válvula de segurança.
• Possíveis vazamentos na linha de alta pressão.
• Estanqueidade dos injetores.
Estratégia
Código
Piscado
Causa
32 Vazamento de pressão durante o cálculo de pressão atual e o set point.
Sensor apresenta defeito ou valor de pressão ultrapasse 1485 bar.
Lâmpada vermelha
é acionada
A potência é reduzia abaixo de 80%
Retorno da bomba
será aberto
A pressão no rail será reduzido a 80 bar.
Este sinal é utilizado pelo módulo para calculo do volume de combustível a ser injetado e
como elemento de segurança do sistema.
Book.book Page 87 Monday, March 8, 2004 8:38 PM
D- 88
Códigos de Falhas
Sensor de Pressão de Combustível (Rail)
MOTORES MWM Série 12
P0233/09
Book.book Page 88 Monday, March 8, 2004 8:38 PM
Página deixada intencionalmente em branco
MOTORES MWM Série 12 D- 89
Códigos de Falhas
Sensor de Pressão de Combustível (Rail)
P0233/10
Sensor de Pressão de Combustível (Rail)P0233/10
Detalhamento
Foi detectado um vazamento de pressão na linha de combustível durante a marcha lenta do
motor.
Durante a marcha lenta foi verificado uma necessidade de aumento de vazão para estabilizar a
pressão do rail; este aumento esta fora do mapa gravado na memória do módulo ; o que indica
um possível vazamento no sistema de alta pressão.
Apague todos o códigos e repita o teste.
Caso repita o código verifique:
•
• Abertura da válvula de segurança.
• Possíveis vazamentos na linha de alta pressão.
• Estanqueidade dos injetores.
Estratégia
Código
Piscado
Causa
32 Vazamento de pressão durante a Marcha Lenta.
Sensor apresenta defeito ou valor de pressão ultrapasse 1485 bar.
Lâmpada vermelha
é acionada
A potência é reduzia abaixo de 80%
Retorno da bomba
será aberto
A pressão no rail será reduzido a 80 bar.
Este sinal é utilizado pelo módulo para calculo do volume de combustível a ser injetado e
como elemento de segurança do sistema.
Book.book Page 89 Monday, March 8, 2004 8:38 PM
D- 90
Códigos de Falhas
Sensor de Pressão de Combustível (Rail)
MOTORES MWM Série 12
P0233/10
Book.book Page 90 Monday, March 8, 2004 8:38 PM
Página deixada intencionalmente em branco
MOTORES MWM Série 12 D- 91
Códigos de Falhas
Sensor de Pressão de Combustível (Rail)
P0233/12
Sensor de Pressão de Combustível (Rail)P0233/12
Detalhamento
Foi detectado um valor de tensão (pressão) do sensor do rail que não corresponde ao comando
do módulo.
O módulo envia um comando de pressão e monitora a resposta; e percebeu que a pressão esta
acima do valor comandado.
É possível que a válvula Mprop possua algum problema mecânico ou exista algum problema na
alimentação da válvula Mprop.
Por tratar-se de um sensores incorporados ao rail ( montagem cônica ), e não sendo possível
nenhum tipo de teste na válvula de segurança, apague todos o códigos e repita o teste antes de
proceder uma desmontagem e teste no sensor de pressão do rail.
Caso persista a indicação verifique a ferramenta de diagnose.
Estratégia
Código
Piscado
Causa
32 Pressão de combustível com desvio acima do set point.
Sensor apresenta defeito ou valor de pressão ultrapasse 1485 bar.
Lâmpada vermelha
é acionada
A potência é reduzia abaixo de 80%
Retorno da bomba
será aberto
A pressão no rail será reduzido a 80 bar.
Este sinal é utilizado pelo módulo para calculo do volume de combustível a ser injetado e
como elemento de segurança do sistema.
Book.book Page 91 Monday, March 8, 2004 8:38 PM
D- 92
Códigos de Falhas
Sensor de Pressão de Combustível (Rail)
MOTORES MWM Série 12
P0233/12
Book.book Page 92 Monday, March 8, 2004 8:38 PM
Página deixada intencionalmente em branco
MOTORES MWM Série 12 D- 93
Códigos de Falhas
Sensor de Pressão do Ar no Coletor de Admissão
P0235/01
Sensor de Pressão do Ar no Coletor de AdmissãoP0235/01
Detalhamento
Foi detectado um sinal de tensão alto (não compatível com os sinais dos demais sensores),
proveniente do sensor de temperatura do liquido de arrefecimento. É possível que a resistência
do sensor esteja alterado ou um curto circuito na fiação.
Estratégia
Código
Piscado
Causa
14 Sinal de tensão alto no sensor pressão do coletor admissão.
Falha reconhecida
no sensor
Aciona lampada amarela / Reduz 20% de Potência
Acima de 3000 hPa reduz 50%
Este sinal é utilizado pelo módulo para calcular a massa de ar admitida, e definir:
• Definir o tempo de injeção;
• Calcular ângulo de início de injeção;
• Como proteção no mapa de emissões.
Book.book Page 93 Monday, March 8, 2004 8:38 PM
D- 94
Códigos de Falhas
Sensor de Pressão do Ar no Coletor de Admissão
MOTORES MWM Série 12
P0235/01
Roteiro para Localização e Solução de Falhas
Book.book Page 94 Monday, March 8, 2004 8:38 PM
MOTORES MWM Série 12 D- 95
Códigos de Falhas
Sensor de Pressão do Ar no Coletor de Admissão
P0235/02
Sensor de Pressão do Ar no Coletor de AdmissãoP0235/02
Detalhamento
Foi detectado um sinal de tensão baixo (não compatível com os sinais dos demais sensores),
proveniente do sensor de temperatura do liquido de arrefecimento. É possível que a resistência
do sensor esteja alterado ou um curto circuito na fiação.
Estratégia
Código
Piscado
Causa
14 Sinal de tensão baixo no sensor pressão do coletor Admissão.
Falha reconhecida
no sensor
Aciona lampada amarela / Reduz 20% de Potência
Acima de 3000 hPa reduz 50%
Este sinal é utilizado pelo módulo para calcular a massa de ar admitida, e definir:
• Definir o tempo de injeção;
• Calcular ângulo de início de injeção;
• Como proteção no mapa de emissões.
Book.book Page 95 Monday, March 8, 2004 8:38 PM
D- 96
Códigos de Falhas
Sensor de Pressão do Ar no Coletor de Admissão
MOTORES MWM Série 12
P0235/02
Roteiro para Localização e Solução de Falhas
Book.book Page 96 Monday, March 8, 2004 8:38 PM
MOTORES MWM Série 12 D- 97
Códigos de Falhas
Sensor de Pressão do Ar no Coletor de Admissão
P0235/03
Sensor de Pressão do Ar no Coletor de AdmissãoP0235/03
Detalhamento
Foi detectado uma tensão de alimentação inferior a 4,75 Volts no sensor.
Esta tensão pode ser decorrente de um problema interno ao módulo ou possível curto com o
negativo da bateria. Vamos executar o teste de verificação de curto com o negativo da bateria.
Estratégia
Código
Piscado
Causa
14 Tensão de alimentação baixa no sensor pressão coletor Adm.
Falha reconhecida
no sensor
Aciona lampada amarela / Reduz 20% de Potência
Acima de 3000 hPa reduz 50%
Este sinal é utilizado pelo módulo para calcular a massa de ar admitida, e definir:
• Definir o tempo de injeção;
• Calcular ângulo de início de injeção;
• Como proteção no mapa de emissões.
Book.book Page 97 Monday, March 8, 2004 8:38 PM
D- 98
Códigos de Falhas
Sensor de Pressão do Ar no Coletor de Admissão
MOTORES MWM Série 12
P0235/03
Roteiro para Localização e Solução de Falhas
Book.book Page 98 Monday, March 8, 2004 8:38 PM
MOTORES MWM Série 12 D- 99
Códigos de Falhas
Sensor de Pressão do Ar no Coletor de Admissão
P0235/04
Sensor de Pressão do Ar no Coletor de AdmissãoP0235/04
Detalhamento
Foi detectado uma tensão de alimentação inferior a 4,75 Volts no sensor.
Esta tensão pode ser decorrente de um problema interno ao módulo ou possível curto com o
negativo da bateria. Vamos executar o teste de verificação de curto com o negativo da bateria.
Estratégia
Código
Piscado
Causa
14 Tensão de alimentação baixa no sensor pressão coletor Adm.
Falha reconhecida
no sensor
Aciona lampada amarela / Reduz 20% de Potência
Acima de 3000 hPa reduz 50%
Este sinal é utilizado pelo módulo para calcular a massa de ar admitida, e definir:
• Definir o tempo de injeção;
• Calcular ângulo de início de injeção;
• Como proteção no mapa de emissões.
Book.book Page 99 Monday, March 8, 2004 8:38 PM
D- 100
Códigos de Falhas
Sensor de Pressão do Ar no Coletor de Admissão
MOTORES MWM Série 12
P0235/04
Roteiro para Localização e Solução de Falhas
Book.book Page 100 Monday, March 8, 2004 8:38 PM
MOTORES MWM Série 12 D- 101
Códigos de Falhas
Sensor de Pressão do Ar no Coletor de Admissão
P0235/09
Sensor de Pressão do Ar no Coletor de AdmissãoP0235/09
Detalhamento
A pressão no coletor de admissão está acima do valor programado para proteção do motor
(300 kPa). Este código pode ter sido acionado por condições reais no funcionamento do motor
ou por erro de leitura do sensor ou fiação. Antes de começar o teste verifique se há indícios de
impurezas no sensoria.
Estratégia
Código
Piscado
Causa
14 Pressão no coletor de admissão acima do limite máximo.
Falha reconhecida
no sensor
Aciona lampada amarela / Reduz 20% de Potência
Acima de 3000 hPa reduz 50%
Este sinal é utilizado pelo módulo para calcular a massa de ar admitida, e definir:
• Definir o tempo de injeção;
• Calcular ângulo de início de injeção;
• Como proteção no mapa de emissões.
Book.book Page 101 Monday, March 8, 2004 8:38 PM
D- 102
Códigos de Falhas
Sensor de Pressão do Ar no Coletor de Admissão
MOTORES MWM Série 12
P0235/09
Roteiro para Localização e Solução de Falhas
Desconectar o sensor e medir a resistência conforme tabela abaixo:
Book.book Page 102 Monday, March 8, 2004 8:38 PM
MOTORES MWM Série 12 D- 103
Códigos de Falhas
Sensor de Pressão do Ar no Coletor de Admissão
P0235/12
Sensor de Pressão do Ar no Coletor de AdmissãoP0235/12
Detalhamento
Foi detectado uma tensão de alimentação superior a 5,25 Volts no sensor.
Esta tensão pode ser decorrente de um problema interno ao módulo ou possível curto com
positivo de bateria. Vamos executar o teste de verificação de curto com o positivo de bateria.
Estratégia
Código
Piscado
Causa
14 Tensão alimentação alto no sensor pressão coletor Admissão.
Falha reconhecida
no sensor
Aciona lampada amarela / Reduz 20% de Potência
Acima de 3000 hPa reduz 50%
Este sinal é utilizado pelo módulo para calcular a massa de ar admitida, e definir:
• Definir o tempo de injeção;
• Calcular ângulo de início de injeção;
• Como proteção no mapa de emissões.
Book.book Page 103 Monday, March 8, 2004 8:38 PM
D- 104
Códigos de Falhas
Sensor de Pressão do Ar no Coletor de Admissão
MOTORES MWM Série 12
P0235/12
Roteiro para Localização e Solução de Falhas
Desconectar o sensor e medir a resistência conforme tabela abaixo:
Book.book Page 104 Monday, March 8, 2004 8:38 PM
MOTORES MWM Série 12 D- 105
Códigos de Falhas
Sensor de Temperatura do Ar no Coletor de Admissão
P0239/01
Sensor de Temperatura do Ar no Coletor de AdmissãoP0239/01
Detalhamento
Foi detectado um sinal de tensão alto (não compatível com os sinais dos demais sensores),
proveniente do sensor de temperatura do ar no coletor de admissão. É possível que a
resistência do sensor esteja alterado ou um curto circuito na fiação.
Estratégia
Código
Piscado
Causa
13 Sinal de tensão alto no sensor de Temperatura do Ar no Coletor de Admissão.
Falha Reconhecida
no Sensor
Aciona lâmpada amarela
Reduz 50% de Potência
Este sinal é utilizado pelo módulo para calcular a massa de ar admitida, e definir:
• Definir o tempo de injeção;
• Calcular ângulo de início de injeção;
• Como proteção no mapa de emissões.
Book.book Page 105 Monday, March 8, 2004 8:38 PM
D- 106
Códigos de Falhas
Sensor de Temperatura do Ar no Coletor de Admissão
MOTORES MWM Série 12
P0239/01
Roteiro para Localização e Solução de Falhas
Book.book Page 106 Monday, March 8, 2004 8:38 PM
MOTORES MWM Série 12 D- 107
Códigos de Falhas
Sensor de Temperatura do Ar no Coletor de Admissão
P0239/02
Sensor de Temperatura do Ar no Coletor de AdmissãoP0239/02
Detalhamento
Foi detectado um sinal de tensão baixo (não compatível com os sinais dos demais sensores),
proveniente do sensor de temperatura do ar no coletor de admissão. É possível que a
resistência do sensor esteja alterado ou um curto circuito na fiação.
Estratégia
Código
Piscado
Causa
13 Sinal de tensão baixo no sensor de temp. de água.
Falha Reconhecida
no Sensor
Aciona lâmpada amarela
Reduz 50% de Potência
Este sinal é utilizado pelo módulo para calcular a massa de ar admitida, e definir:
• Definir o tempo de injeção;
• Calcular ângulo de início de injeção;
• Como proteção no mapa de emissões.
Book.book Page 107 Monday, March 8, 2004 8:38 PM
D- 108
Códigos de Falhas
Sensor de Temperatura do Ar no Coletor de Admissão
MOTORES MWM Série 12
P0239/02
Roteiro para Localização e Solução de Falhas
Book.book Page 108 Monday, March 8, 2004 8:38 PM
MOTORES MWM Série 12 D- 109
Códigos de Falhas
Sensor de Temperatura do Ar no Coletor de Admissão
P0239/04
Sensor de Temperatura do Ar no Coletor de AdmissãoP0239/04
Detalhamento
Possivelmente o circuito ou sensor de temperatura do ar no coletor de admissão, esteja em
circuito aberto, portanto sem ligação com a ECM.
Para localizar o problema, vamos provocar um defeito inverso.
Estratégia
Código
Piscado
Causa
13 Sinal do sensor de Temperatura do Ar no Coletor de Admissão perdido.
Falha Reconhecida
no Sensor
Aciona lâmpada amarela
Reduz 50% de Potência
Este sinal é utilizado pelo módulo para calcular a massa de ar admitida, e definir:
• Definir o tempo de injeção;
• Calcular ângulo de início de injeção;
• Como proteção no mapa de emissões.
Book.book Page 109 Monday, March 8, 2004 8:38 PM
D- 110
Códigos de Falhas
Sensor de Temperatura do Ar no Coletor de Admissão
MOTORES MWM Série 12
P0239/04
Roteiro para Localização e Solução de Falhas
Book.book Page 110 Monday, March 8, 2004 8:38 PM
MOTORES MWM Série 12 D- 111
Códigos de Falhas
Sensor de Pressão do Óleo Lubrificante
P0520/01
Sensor de Pressão de Óleo LubrificanteP0520/01
Detalhamento
Foi detectado um sinal de tensão alta (não compatível com os sinais dos demais sensores),
proveniente do sensor de pressão de óleo lubrificante. É possível que a resistência do sensor
esteja alterado ou um curto circuito na fiação.
Estratégia
Código
Piscado
Causa
18 Sinal alto no sensor de pressão de óleo
Falha Reconhecida
no Sensor
Aciona lâmpada amarela
Parada do Motor - abaixo de 0,5 bar
• Este sinal é utilizado pelo módulo para proteção do motor
Book.book Page 111 Monday, March 8, 2004 8:38 PM
D- 112
Códigos de Falhas
Sensor de Pressão do Óleo Lubrificante
MOTORES MWM Série 12
P0520/01
Roteiro para Localização e Solução de Falhas
Book.book Page 112 Monday, March 8, 2004 8:38 PM
MOTORES MWM Série 12 D- 113
Códigos de Falhas
Sensor de Pressão do Óleo Lubrificante
P0520/02
Sensor de Pressão de Óleo LubrificanteP0520/02
Detalhamento
Foi detectado um sinal de tensão baixo (não compatível com os sinais dos demais sensores),
proveniente do sensor de pressão do óleo. É possível que a resistência do sensor esteja
alterado ou um curto circuito na fiação.
Estratégia
Código
Piscado
Causa
18 Sinal baixo no sensor de pressão de óleo
Falha Reconhecida
no Sensor
Aciona lâmpada amarela
Parada do Motor - abaixo de 0,5 bar
• Este sinal é utilizado pelo módulo para proteção do motor
Book.book Page 113 Monday, March 8, 2004 8:38 PM
D- 114
Códigos de Falhas
Sensor de Pressão do Óleo Lubrificante
MOTORES MWM Série 12
P0520/02
Roteiro para Localização e Solução de Falhas
Book.book Page 114 Monday, March 8, 2004 8:38 PM
MOTORES MWM Série 12 D- 115
Códigos de Falhas
Sensor de Pressão do Óleo Lubrificante
P0520/03
Sensor de Pressão de Óleo LubrificanteP0520/03
Detalhamento
Foi detectado uma tensão de alimentação superior a 4,75 Volts no sensor.
Esta tensão pode ser decorrente de um problema interno ao módulo ou possível curto com o
negativo da bateria.
Vamos executar o teste de verificação de curto com o negativo de bateria.
Estratégia
Código
Piscado
Causa
18 Baixa tensão de alimentação do sensor de pressão do óleo
Falha Reconhecida
no Sensor
Aciona lâmpada amarela
Parada do Motor - abaixo de 0,5 bar
• Este sinal é utilizado pelo módulo para proteção do motor
Book.book Page 115 Monday, March 8, 2004 8:38 PM
D- 116
Códigos de Falhas
Sensor de Pressão do Óleo Lubrificante
MOTORES MWM Série 12
P0520/03
Roteiro para Localização e Solução de Falhas
Book.book Page 116 Monday, March 8, 2004 8:38 PM
MOTORES MWM Série 12 D- 117
Códigos de Falhas
Sensor de Pressão do Óleo Lubrificante
P0520/04
Sensor de Pressão de Óleo LubrificanteP0520/04
Detalhamento
Possivelmente o circuito ou sensor de pressão do óleo lubrificante, esteja em circuito aberto,
portanto sem ligação com a ECM.
Para localizar o problema, vamos provocar um defeito inverso.
Estratégia
Código
Piscado
Causa
18 Sinal do sensor de pressão do óleo perdido.
Falha Reconhecida
no Sensor
Aciona lâmpada amarela
Parada do Motor - abaixo de 0,5 bar
• Este sinal é utilizado pelo módulo para proteção do motor
Book.book Page 117 Monday, March 8, 2004 8:38 PM
D- 118
Códigos de Falhas
Sensor de Pressão do Óleo Lubrificante
MOTORES MWM Série 12
P0520/04
Roteiro para Localização e Solução de Falhas
Book.book Page 118 Monday, March 8, 2004 8:38 PM
MOTORES MWM Série 12 D- 119
Códigos de Falhas
Sensor de Pressão do Óleo Lubrificante
P0520/09
Sensor de Pressão de Óleo LubrificanteP0520/09
Detalhamento
A pressão de óleo lubrificante está acima do valor programado para proteção do motor (800
kPa). Este código pode ter sido acionado por condições reais no funcionamento do motor ou por
erro de leitura do sensor ou fiação.
Antes de começar o teste verifique se há indícios de impurezas no sensor.
Estratégia
Código
Piscado
Causa
18 Pressão de óleo acima do limite de proteção do motor
Falha Reconhecida
no Sensor
Aciona lâmpada amarela
Parada do Motor - abaixo de 0,5 bar
• Este sinal é utilizado pelo módulo para proteção do motor
Book.book Page 119 Monday, March 8, 2004 8:38 PM
D- 120
Códigos de Falhas
Sensor de Pressão do Óleo Lubrificante
MOTORES MWM Série 12
P0520/09
Roteiro para Localização e Solução de Falhas
Desconectar o sensor e medir a resistência conforme tabela abaixo:
Book.book Page 120 Monday, March 8, 2004 8:38 PM
MOTORES MWM Série 12 D- 121
Códigos de Falhas
Sensor de Pressão do Óleo Lubrificante
P0520/10
Sensor de Pressão de Óleo LubrificanteP0520/10
Detalhamento
A pressão de óleo lubrificante está abaixo do valor programado para proteção do motor (80
kPa). Este código pode ter sido acionado por condições reais no funcionamento do motor ou por
erro de leitura do sensor ou fiação.
Antes de começar o teste verifique se há indícios de impurezas no sensor condições de filtro e
nível de óleo no cárter.
Estratégia
Código
Piscado
Causa
18 Pressão de óleo abaixo do limite de proteção do motor
Falha Reconhecida
no Sensor
Aciona lâmpada amarela
Parada do Motor - abaixo de 0,5 bar
• Este sinal é utilizado pelo módulo para proteção do motor
Book.book Page 121 Monday, March 8, 2004 8:38 PM
D- 122
Códigos de Falhas
Sensor de Pressão do Óleo Lubrificante
MOTORES MWM Série 12
P0520/10
Roteiro para Localização e Solução de Falhas
Desconectar o sensor e medir a resistência conforme tabela abaixo:
Book.book Page 122 Monday, March 8, 2004 8:38 PM
MOTORES MWM Série 12 D- 123
Códigos de Falhas
Sensor de Pressão do Óleo Lubrificante
P0520/12
Sensor de Pressão de Óleo LubrificanteP0520/12
Detalhamento
Foi detectado uma tensão de alimentação superior a 5,25 Volts no sensor. Esta tensão pode ser
decorrente de um problema interno ao módulo ou possível curto com positivo de bateria. Vamos
executar o teste de verificação de curto com o positivo de bateria.
Estratégia
Código
Piscado
Causa
18 Tensão de alimentação elevada no sensor de pressão de óleo
Falha Reconhecida
no Sensor
Aciona lâmpada amarela
Parada do Motor - abaixo de 0,5 bar
• Este sinal é utilizado pelo módulo para proteção do motor
Book.book Page 123 Monday, March 8, 2004 8:38 PM
D- 124
Códigos de Falhas
Sensor de Pressão do Óleo Lubrificante
MOTORES MWM Série 12
P0520/12
Roteiro para Localização e Solução de Falhas
Desconectar o sensor e medir a resistência conforme tabela abaixo:
Book.book Page 124 Monday, March 8, 2004 8:38 PM
MOTORES MWM Série 12 D- 125
Códigos de Falhas
Sensor de Tensão da Bateria
P0560/01
Sensor de Tensão da BateriaP0560/01
Detalhamento
Foi detectado uma tensão de alimentação do módulo elevada . Esta tensão está acima de 16
Vcc, sistema 12 Vcc acima 27 Vcc (sistema 24 Vcc)mas encontra-se acima do valor nominal do
sistema.
Estratégia
Código
Piscado
Causa
21 Tensão de alimentação elevada.
A tensão de alimentação do módulo deve ser verificada antes de diagnosticar alta ou
baixa tensão.
• Este sinal é utilizado para monitor a tensão de alimentação do módulo.
Book.book Page 125 Monday, March 8, 2004 8:38 PM
D- 126
Códigos de Falhas
Sensor de Tensão da Bateria
MOTORES MWM Série 12
P0560/01
Roteiro para Localização e Solução de Falhas
Desconectar o sensor e medir a resistência conforme tabela abaixo:
Book.book Page 126 Monday, March 8, 2004 8:38 PM
MOTORES MWM Série 12 D- 127
Códigos de Falhas
Sensor de Tensão da Bateria
P0560/02
Sensor de Tensão da Bateria
P0560/02
Detalhamento
Foi detectado uma tensão de alimentação do módulo elevada . Esta tensão está acima de 16
Vcc, sistema 12 Vcc acima 27 Vcc (sistema 24 Vcc)mas encontra-se acima do valor nominal do
sistema.
Estratégia
Código
Piscado
Causa
21 Tensão de alimentação elevada.
A tensão de alimentação do módulo deve ser verificada antes de diagnosticar alta ou
baixa tensão.
• Este sinal é utilizado para monitor a tensão de alimentação do módulo.
Book.book Page 127 Monday, March 8, 2004 8:38 PM
D- 128
Códigos de Falhas
Sensor de Tensão da Bateria
MOTORES MWM Série 12
P0560/02
Roteiro para Localização e Solução de Falhas
Desconectar o sensor e medir a resistência conforme tabela abaixo:
Book.book Page 128 Monday, March 8, 2004 8:38 PM
MOTORES MWM Série 12 D- 129
Códigos de Falhas
Sensor de Tensão da Bateria
P0560/04
Sensor de Tensão da BateriaP0560/04
Detalhamento
Foi detectado um erro na conversão de analógico para digital no sinal de tensão de bateria.
Por tratar-se de uma falha interna no processamento do módulo, não é possível nenhum tipo de
teste a não ser substituir o módulo e certificar-se de que desapareceu a indicação da falha.
Caso persista a indicação verifique a ferramenta de diagnose.
OBSERVAÇÃO: Apague todas as falhas e repita o teste antes de proceder a troca do módulo.
Estratégia
Código
Piscado
Causa
21 Erro na conversão de sinal analógico digital.
A tensão de alimentação do módulo deve ser verificada antes de diagnosticar alta ou
baixa tensão.
• Este sinal é utilizado para monitor a tensão de alimentação do módulo.
Book.book Page 129 Monday, March 8, 2004 8:38 PM
D- 130
Códigos de Falhas
Sensor de Tensão da Bateria
MOTORES MWM Série 12
P0560/04
Book.book Page 130 Monday, March 8, 2004 8:38 PM
MOTORES MWM Série 12 D- 131
Códigos de Falhas
Sensor de Tensão da Bateria
P0560/09
Sensor de Tensão da BateriaP0560/09
Detalhamento
Foi detectado uma tensão de alimentação do módulo superior a 16 Vcc (sistema 12Vcc), ou
superior a 27 Vcc (sistema 24 Vcc).
Estratégia
Código
Piscado
Causa
21 Tensão de alimentação acima do máximo do sistema.
A tensão de alimentação do módulo deve ser verificada antes de diagnosticar alta ou
baixa tensão.
• Este sinal é utilizado para monitor a tensão de alimentação do módulo.
Book.book Page 131 Monday, March 8, 2004 8:38 PM
D- 132
Códigos de Falhas
Sensor de Tensão da Bateria
MOTORES MWM Série 12
P0560/09
Roteiro para Localização e Solução de Falhas
Book.book Page 132 Monday, March 8, 2004 8:38 PM
MOTORES MWM Série 12 D- 133
Códigos de Falhas
Sensor de Tensão da Bateria
P0560/10
Sensor de Tensão da BateriaP0560/10
Detalhamento
Foi detectado uma tensão de alimentação do módulo inferior a 8,5 Volts.
Estratégia
Código
Piscado
Causa
21 Tensão de alimentação abaixo do mínimo do sistema.
A tensão de alimentação do módulo deve ser verificada antes de diagnosticar alta ou
baixa tensão.
• Este sinal é utilizado para monitor a tensão de alimentação do módulo.
Book.book Page 133 Monday, March 8, 2004 8:38 PM
D- 134
Códigos de Falhas
Sensor de Tensão da Bateria
MOTORES MWM Série 12
P0560/10
Roteiro para Localização e Solução de Falhas
Book.book Page 134 Monday, March 8, 2004 8:38 PM
MOTORES MWM Série 12 D- 135
Códigos de Falhas
Sensor de Água no Combustível
P1613/04
Sensor de Água no CombustívelP1613/04
Detalhamento
Possivelmente o circuito ou sensor de presença de água no combustível, esteja em circuito
aberto, portanto sem ligação com a ECM
Para localizar o problema, vamos provocar um defeito inverso
Estratégia
Código
Piscado
Causa
92 Sem sinal do sensor de presença de água no combustível.
Presença de água no
combustível
aciona a lâmpada amarela.
Sensor defeituoso aciona lâmpada amarela / Reduz 20% da potência do motor.
• Este sinal é utilizado pelo módulo como elemento de proteção do sistema de injeção
Book.book Page 135 Monday, March 8, 2004 8:38 PM
D- 136
Códigos de Falhas
Sensor de Água no Combustível
MOTORES MWM Série 12
P1613/04
Roteiro para Localização e Solução de Falhas
Book.book Page 136 Monday, March 8, 2004 8:38 PM
MOTORES MWM Série 12 D- 137
Códigos de Falhas
Sensor de Água no Combustível
P1613/09
Sensor de Água no CombustívelP1613/09
Detalhamento
Foi detectado a presença de água no combustível ou algum resíduo acumulado no sensor.
Antes de proceder o diagnóstico verifique e limpe o sensor.
Estratégia
Código
Piscado
Causa
92 Presença de água no combustível.
Presença de água no
combustível
aciona a lâmpada amarela.
Sensor defeituoso aciona lâmpada amarela / Reduz 20% da potência do motor.
• Este sinal é utilizado pelo módulo como elemento de proteção do sistema de injeção
Book.book Page 137 Monday, March 8, 2004 8:38 PM
D- 138
Códigos de Falhas
Sensor de Água no Combustível
MOTORES MWM Série 12
P1613/09
Roteiro para Localização e Solução de Falhas
Book.book Page 138 Monday, March 8, 2004 8:38 PM
Volkswagen do Brasil Ltda. - Caminhões e Ônibus
Serviços e Assistência Técnica

Manual consulta rapida VCO 950

  • 1.
    Manual de ConsultaRápida Ferramenta VCO-950 e Diagnósticos de Falhas No 2 Caminhões e Ônibus
  • 2.
  • 3.
    Serviços e AssistênciaTécnica - Caminhões e Ônibus Edição Mar/2004 Sumário Este manual contem instruções de utilização da ferramenta eletrô- nica VCO-950, bem como informações para a correção dos códi- gos de falhas dos motores Série 12 (4 e 6 cilindros).O manual está dividido em dois blocos da seguinte forma: PARTE A - Instrução de utilização VCO-950 PARTE B - Informações Gerais PARTE C - Medições PARTE D - Diagnóstico de Falhas
  • 5.
    A-3MOTORES MWM D INSTRUÇÕES DEOPERAÇÕES E TESTES - VCO - 950
  • 6.
    A-4 MOTORES MWM ÍNDICE Introdução Atenção........................................................................................................ 05 Acessórios ................................................................................................... 06 Ligação......................................................................................................... 07 Operação...................................................................................................... 08 Testes .......................................................................................................... 09 Tabela de aplicação ...................................................................................... 12 Dados Técnicos ........................................................................................... 13 Orientação ................................................................................................... 14 Habilitação do tipo de veículo ....................................................................... 20 Impressão .................................................................................................... 22 Operação do sistema de injeção .................................................................. 27
  • 7.
    A-5MOTORES MWM D ATENÇÃO: A ferramentade diagnóstico Volkswagen VCO - 950, mostra no visor os códigos de falhas detectado pela unidade de comando (ECM), e efetua leitura de valores do sistema, Introdução Movimenta para a “Esquerda” Tecla “Não” Reinicia o aparelho Movimenta para a “Direita” Tecla “Sim” Visor Conector para cabo de comunicação com impressora Volta ao Menu VCO - 950 Conector de alimentação (12V)
  • 8.
    A-6 MOTORES MWM Introdução ACESSÓRIOS: Gancho Cabode Alimentação Cabo de de Impressão Cabo de Diagnóstico C26 Cabo DB9/Serial Db25 Fonte de Alimentação 12V (bivolt) Cabos auxiliares para medição
  • 9.
    A-7MOTORES MWM D Introdução LIGAÇÃO Atenção: A alimentaçãodo VCO - 950 é feita pelo cabo de comunicação C26, como mostra na figura. AO CONECTOR DE DIAGNÓSTICO DO VEÍCULO O conector de diagnóstico está localizado junto a central elétrica do veículo. A localização da central no veículo depende do encarroçador Localização do conector de diagnóstico no veículo Ônibus Conexão do VCO-950 no veículo 1 - Conecte o cabo C26 no VCO-950. 2 - Com a chave de partida desligada, conecte o VCO-950 no veículo. 3 - Para efetuar as leituras ligue a chave de partida.
  • 10.
    A-8 VCO -950 OOPPEERRAAÇÇÃÃOO Escolha do veículo: Após ligado, o VCO - 950 apresentará a mensagem que identifica a versão do software, e número de série do VCO - 950: e logo após a mensagem: Versao 01 NS: xxxxxx As teclas selecionam o tipo de veículo. Outro Modelo? nao sim Se for teclado o VOC - 950 repete a última escolha. Se for teclado o VOC - 950 apaga os códigos de falha do teste anterior e permite a escolha de outro veículo. Tipo de veiculo XXX Veiculo: XXX Motor: XXXXXXX XXXXXXXXX Opcao: 1. Teste? Modelo: XXX Motor: XXXXXXX XXXXXXXXX Opcao: 1. Teste? Utilize Conector CXX Tipo de veiculo XXX As teclas selecionam o modelo. As teclas selecionam o sistema. Indica qual conector deve ser utilizado. VOC - 950
  • 11.
    VCO - 950A-9 TTEESSTTEESS O sistema X12 EDC 07 permite executar funções de código de defeito, leituras de parâmetros, apagar memória de defeitos atuadores e ajustes para a Volksguard. TESTE 1 - Códigos de Defeito Apresenta os códigos de defeitos armazenados na memória da ECM. TESTE 2 - Leituras Permite verificar várias condições do motor, com motor parado (ignição ligada), funcionando ou veículo em movimento: Apresentação no display: O VCO - 950, na forma de leituras, apresenta duas leituras simultâneas, na linha superior e na linha inferior. Para mudar o padrão de leituras, proceda da seguinte forma: • Escolha a opção leituras e tecle : o VCO - 950 apresentará duas leituras. • As teclas alternam os pares de leituras. • Teclando , a leitura da linha inferior é fixada e as teclas alternam apenas a leitura da linha superior. • Teclando novamente, a leitura da linha superior é fixada e as teclas passam a alternar a leitura da linha inferior. Teclando novamente, as teclas alternam os pares de leituras.
  • 12.
    A-10 VCO -950 Teste: 2.Leituras? LINHA SUPERIOR LINHA INFERIOR LINHA SUPERIOR LINHA INFERIOR* LINHA SUPERIOR LINHA INFERIOR LINHA SUPERIOR* LINHA INFERIOR As teclas alternam as duas leituras. As teclas alternam as leituras da linha superior. As teclas alternam as leituras da linha inferior. As teclas alternam as duas leituras. * - Fixada * - Fixada
  • 13.
    VCO - 950A-11 Teste 3 - Atuadores Permite realizar testes com o veículo. Ver seção XXXXX Teste 4 - Volksguard Permite ajustar os parâmetros do Volksguard, ver seção XXXX. Erro de comunicação: Sempre que ocorrer um erro de comunicação, como o mostrado no visor: Aperte uma tecla qualquer e repita a operação. Se o problema persistir, desligue o VCO - 950 e verifique se as ligações dos cabos estão corretas ou se existe algum problema nos cabos e conectores. Siga corretamente a seqüência de ligação e tente novamente. ! Atencao ! Erro Comunicacao
  • 14.
    A-12 VCO -950 TTAABBEELLAA DDEE AAPPLLIICCAAÇÇÃÃOO VVOOLLKKSSWWAAGGEENN -- CCAAMMIINNHHÕÕEESS MODELOS SISTEMA UTILIZADO ANO FABR. CONECTOR TIPO MANUAL DE OPERAÇÃO (SEÇÃO) SSIISSTTEEMMAA DDEE IINNJJEEÇÇÃÃOO 8-150E Cummins 4 CILINDROS ISBE 2003 ⇒ C 26 6 13-170E Cummins 4 CILINDROS ISBE 2003 ⇒ C 26 6 15-170E Cummins 4 CILINDROS ISBE 2003 ⇒ C 26 6 17-250E Cummins 6 CILINDROS ISBE 2003 ⇒ C 26 6 23-250E Cummins 6 CILINDROS ISBE 2003 ⇒ C 26 6 VVOOLLKKSSWWAAGGEENN -- ÔÔNNIIBBUUSS MODELOS SISTEMA UTILIZADO ANO FABR. CONECTOR TIPO MANUAL DE OPERAÇÃO (SEÇÃO) SSIISSTTEEMMAA DDEE IINNJJEEÇÇÃÃOO 8-150 EOD Motor MWM 4 Cil. X12 EDC 07 2004 ⇒ C 26 ? 8-150 EOD Motor Cummins 4 Cil. INTERACT 2003 ⇒ C 26 ? 17-210 EOD Motor MWM 6 Cil. X12 EDC 07 2004 ⇒ C 26 ? 17-260 EOT Motor MWM 6 Cil. X12 EDC 07 2004 ⇒ C 26 ?
  • 15.
    VCO - 950A-13 DDAADDOOSS TTÉÉCCNNIICCOOSS Fornecimento Standard Equipamento: VCO - 950 Número de tipo VW F000 WA0 704 Cd-Rom com programa VW/Versão 1 F000 WA8 009 Licença (Programa VW/Versão 1) F000 WA8 010 Inclui no fornecimento: Fonte 12 Volts F000 WA4 001 Cabo de alimentação F000 WA0 154 Cabo serial DB9 - DB 25 F000 WA0 140 Gancho de fixação F000 WA5 024 Cabo de interface para impressora F000 WA0 144 Maleta F000 WA5 030 Manual de operação atualizado com versão V???? F000 WA7 023 Características Técnicas do VCO - 950: Alimentação: 12 Volts a 24 Volts Saída para impressora Visor de cristal líquido com iluminação back light Temperatura de funcionamento: 0 a 50 graus Celsius Saída RS 232 Dimensões e medidas: Peso: VCO - 950: aproximadamente 560 g VCO - 950 completo com cabos e maleta: 2,600 g Medidas em mm: VCO - 950 sem a maleta (L x P x A): 100 x 40 x 230 Maleta: (L x P x A): 360 x 130 x 330
  • 16.
    A-14 VCO -950 OORRIIEENNTTAAÇÇÃÃOO 1 Instruções Importantes i & Antes de colocar em operação, conectar e operar aparelhos de medição, é imprescindível estudar cuidadosamente o manual de operação e principalmente as instruções de segurança. Isto eliminará dúvidas no manuseio dos equipamentos com relação aos critérios de segurança, para preservação de sua própria integridade física e evitar danos aos aparelhos. 1.1 Grupos de usuários Este produto foi desenvolvido e fabricado para os técnicos capacitado, como mecânicos, eletricistas, mestres, técnicos e engenheiros de automóveis, no ramo automobilístico. 1.2 Acordo Através do uso do produto você declara estar de acordo com as seguintes determinações: Direitos autorais (Copyright) Software e dados são de propriedade da Volkswagen ou de seus fornecedores e protegidos contra reprodução pela Lei de Direitos Autorais, contratos internacionais e outros mecanismos legais. A reprodução ou entrega de dados e software ou de parte destes a terceiros é prática proibida e expõe o infrator a sanções legais. Em caso de violação a Volkswagen se reserva o direito de mover ação processual e indenizatória. Responsabilidade Todos os dados neste programa baseiam-se em detalhes fornecidos pelos fabricantes e importadores. A Volkswagen não se responsabiliza pela correção e integridade do software e dos dados, nem assume responsabilidade por danos decorrentes de erro ou falha do software ou dos dados. A responsabilidade da Volkswagen limita-se ao preço efetivamente pago pelo cliente por este produto. Esta exclusão de responsabilidade não se aplica a danos causados por omissão, negligência ou imprudência por parte da Volkswagen. Este aparelho de teste Volkswagen pode ser operado somente com o programa liberado pela Volkswagen. Caso o aparelho de teste Volkswagen seja operado com outro programa cessam todos os direitos de reclamação de garantia estabelecidos em nossas condições de fornecimento. Além disso,
  • 17.
    VCO - 950A-15 não podemos assumir responsabilidade por danos diretos ou indiretos causados pelo uso de sistema operacional não liberado. 2 Instruções de segurança Tensão da rede Alta tensão Tanto na rede elétrica quanto em sistemas elétricos de veículos automotivos, ocorrem tensões perigosas. Ao tocar peças com tensão aplicada (por exemplo: bobina de ignição), existe o risco de descarga elétrica em função de isolação danificada (por exemplo: fissuras em cabos de ignição). Isto se aplica tanto ao lado primário como secundário do sistema de ignição, ao chicote e respectivas conexões, sistemas de iluminação (Litronic) e à conexão de aparelhos de teste. Precauções: • Conectar aparelhos de teste somente a tomadas devidamente protegidas e aterradas. • Usar somente os cabos de ligação que acompanham os aparelhos de teste. • Usar somente extensões com contatos de segurança. • Substituir os cabos com isolação danificada (por exemplo: cabos de ligação à rede ou cabos de ignição). • Conectar os analisadores primeiro à rede elétrica antes de conectá-lo ao veículo. • Substituir os cabos com isolação danificada (por exemplo: cabos de ignição). • Conectar o analisador à massa do motor ou da bateria (B) antes de ligar a ignição. • Fazer intervenções no sistema elétrico de veículos somente com a ignição desligada. Intervenções são por exemplo: conexão de aparelhos de teste, substituição de componentes do sistema de ignição, desmontagem de elementos (por exemplo: alternadores), ligação de elementos em uma bancada de teste etc. • Quando possível, realizar trabalhos de teste e ajuste somente com a ignição desligada e o motor parado. • Nos trabalhos de teste e ajuste com a ignição ligada ou com o motor em funcionamento, nunca tocar em peças condutoras de tensão. Isto vale tanto
  • 18.
    A-16 VCO -950 para as ligações do aparelho de teste como ligações de elementos em bancos de provas. • Fazer as conexões de teste somente com os elementos de ligação apropriados. • Encaixar corretamente os conectores de teste e atentar para uma perfeita união. • Nunca abrir a carcaça dos aparelhos de medição. Risco de agressão ao aparelho respiratório Na medição do gás de escape são empregadas mangueiras coletoras de gás de escape que, em caso de aquecimento acima de 250 ºC ou em caso de incêndio, liberam um gás altamente tóxico (fluoreto de hidrogênio) que pode agredir o aparelho respiratório. Precauções: Em caso de inalação procurar imediatamente um médico! Na eliminação de resíduos de combustão, usar luvas de neopreno ou PVC. Neutralizar resíduos de combustão com solução hidróxido de cálcio. Serão formados fluoretos de cálcio atóxicos, que podem ser lavados. Risco de corrosão Ácidos e soluções alcalinas causam ferimentos graves na pele desprotegida. Junto com a umidade (água) o fluoreto de hidrogênio forma o ácido fluorídrico. O condensado que se acumula na mangueira coletora e no reservatório de condensado também contém ácido. Na substituição do sensor de medição de O2, observar que o sensor de medição contém solução alcalina. Na substituição do sensor de medição de NO, observar que o sensor de medição contém ácido.
  • 19.
    VCO - 950A-17 Precauções: • Lavar imediatamente as partes agredidas da pele com água abundante, em seguida procurar auxílio médico! • sensor de medição de NO e O2 é lixo especial que deve ser destinado em separado. O setor de Equipamentos Técnicos Volkswagen providencia a destinação adequada dos sensores de medição. • Havendo vazamento de um cristal líquido de um display danificado, é essencial evitar o contato direto com a pele, inalação ou ingestão desse líquido! Precauções: • Lavar cuidadosamente a pele e as roupas que entraram em contato com o cristal líquido com água abundante e sabão. • Procurar imediatamente um médico em caso de inalação ou ingestão. Risco de asfixia Emissões veiculares contêm monóxido de carbono (CO), um gás incolor e inodoro. Quando inalado, o monóxido de carbono provoca deficiência de oxigênio no organismo. É necessário um cuidado especial nos trabalhos em valetas, uma vez que alguns elementos do gás de escape são mais pesados que o ar e se depositam no fundo da valeta. Cuidado também com os sistemas de escape de veículos. Precauções: • Cuidar para que haja sempre uma boa ventilação e exaustão (principalmente em valetas). • Em ambientes fechados ligar e conectar sempre a exaustão. Risco de ferimento Risco de esmagamento Em veículos sem trava de deslocamento existe por exemplo: o risco de ser esmagado contra uma bancada. Nos motores em funcionamento ou mesmo parados existem peças rotativas e móveis (por exemplo: polias), que podem
  • 20.
    A-18 VCO -950 provocar ferimentos em dedos e braços. Principalmente em ventiladores elétricos existe o risco de acionamento inesperado mesmo com o motor ou a ignição desligados. Existe ainda o risco de tropeço nos rolos salientes/ avançados, nos cabos de ligação e cabo de ligação à rede elétrica para o sistema de teste. Precauções: • Travar o veículo contra deslocamento durante o teste. Posicionar a alavanca do câmbio automático na posição de estacionamento (“Park”), puxar o freio de mão ou bloquear as rodas com calços. • Não tocar em peças rotativas / móveis com o motor em funcionamento. • Nos trabalhos em ou próximos a ventiladores elétricos, primeiro deixar o motor esfriar, depois desconectar o plug do ventilador. • Não deixar os cabos de ligação do aparelho de teste próximos à área de peças rotativas. • Instalar os cabos de modo a evitar tropeços. • Travar as rodas do rack de transporte do sistema de teste para prevenir deslocamento involuntário. Risco de queimadura Nos trabalhos junto ao motores quente existe risco de queimadura em caso de contato ou aproximação de componentes como por exemplo: coletor de escape, turbocompressor, sonda Lambda etc. Estes componentes podem atingir temperaturas de centenas de graus centígrados. Dependendo da duração da medição do gás de escape, também poderá haver um aquecimento da sonda coletora do analisador de gás de escape. Precauções: Usar equipamento de segurança, por exemplo: luvas. Deixar o motor esfriar, o que também vale para aquecimento estacionário. Não colocar os cabos de ligação dos aparelhos de teste sobre ou próximos a peças quentes. Não deixar o motor funcionando além do tempo necessário ao teste/regulagem.
  • 21.
    VCO - 950A-19 Risco de incêndio Risco de explosão Em trabalhos no sistema de injeção/preparação da mistura existe o risco de incêndio e explosão devido à presença do combustível e dos vapores do combustível. Precauções: • Desligar o sistema de ignição. • Deixar o motor esfriar. • Nenhuma chama aberta ou fontes de faísca. • Não fumar. • Recolher vazamentos de combustível. • Assegurar boa ventilação e exaustão em ambientes fechados. Ruído Nas medições em veículos, principalmente com o motor em alta rotação, poderão ocorrer níveis de ruído superiores a 70 dB(A). Níveis de ruído dessa intensidade incidindo por um período prolongado sobre o ser humano podem provocar danos auditivos. Precauções: • Caso necessário, os locais de trabalho próximos ao local de teste deverão ser protegidos contra ruídos. • Quando necessário, o operador deverá usar protetores auriculares.
  • 22.
    A-20 VCO -950 Habilitação de Tipo de Veículo Para habilitar um tipo de veículo, proceda da seguinte forma: • Desligue o VCO-950. • Mantenhas as teclas pressionadas simultaneamente e ligue o VCO-950. • O VCO-950 mostrará a opção “Habilita Tipo de Veiculo ?”. • Pressionando a tecla , •O VCO-950 acessará a lista de tipos de veículos que podem ser habilitados. • Use as teclas para escolher a tipo de veículo desejado. • Pressionando a tecla , • O VCO-950 irá solicitar a senha para habilitar o tipo de veículo. A senha é um número de cinco dígitos que deve ser digitado da seguinte forma: • Selecione o dígito a ser alterado com as teclas . A tecla avança para o próximo dígito, e a tecla retorna ao dígito anterior. (O dígito selecionado é indicado por um pequeno traço). • Com as teclas altere o valor do dígito selecionado. • Após alterar o último dígito, pressione a tecla .
  • 23.
    VCO - 950A-21 Habilitação de Tipo de Veículo Pronto para iniciar os testes. Versao XXX NS: XXXXXX Habilita Tipo de Veiculo? Tipo de Veiculo: XXX Digite a Senha: 00000 Tipo de Veiculo Habilitado Senha Incorreta Outro Modelo? NAO SIM As teclas selecionam o tipo de veículo. As teclas alteram o valor do dígito selecionado. As teclas fixam o valor escolhido e selecionam outro dígito. Se a senha for digitada incorretamente, será necessário desligar o VCO-950 e ligá-lo novamente. Se a senha for digitada corretamente, o VCO - 950 habilita a escollha de modelos. Habilitar Outro Tipo de Veiculo?
  • 24.
    A-22 VCO -950 O VCO - 950 está preparado para acionar impressoras do padrão ASCII. Impressoras com um padrão diferente deste, podem imprimir alguns caracteres estranhos e diferentes dos esperados. Ao conectar a impressora ao VCO - 950, certifique-se de que a impressora esteja desligada. O VCO - 950 pode ser desligado e levado até a impressora mais próxima, à qual deve ser ligado novamente (utilize a fonte de 12 Volts DC fornecida) . Ao tornar a ligar o VCO - 950 com a finalidade de imprimir os resultados, na tela que se lê “OUTRO MODELO - SIM ou NÃO” coloque a opção “NÃO” e vá para a opção “IMPRESSÃO”.
  • 25.
    VCO - 950A-23 IIMMPPRREESSSSÃÃOO DDEE RREELLAATTÓÓRRIIOOSS O cursor fica piscando em cima do dia. A seta aumenta de 1 a 31 e a diminui. A tecla fixa o dia. Opcao: 2/4 2.Impressao? Imprime Data? Não Sim Escolha Data 1/ 1/ 95 Escolha Data 1/ 1/ 95 O cursor fica piscando em cima do mês. A seta aumenta de 1 a 12 e a diminui. A tecla fixa o mês. Continua na página seguinte. O cursor fica piscando em cima do ano. A seta aumenta a partir de 95. diminui. A tecla fixa o ano. Continua na página seguinte. Escolha Data 1/ 1/ 95
  • 26.
    A-24 VCO -950 continuação Imprimindo... Erro de Impress O cursor fica piscando em cima do primeiro dígito. A seta aumenta de 0 a 9 e a diminui. A tecla fixa o mês. Teclando retorna à página anterior. Escolha Placa 0000 Escolha Placa 0000 Escolha Placa 0000 Escolha Placa 0000 Imprime Placa? Não Sim Impressora Ligada?
  • 27.
    VCO - 950A-25 EEXXEEMMPPLLOOSS DDEE RREESSUULLTTAADDOOSS DDEE IIMMPPRREESSSSÃÃOO a) Impressão apresentando somente códigos de erros presentes: b) Impressão apresentando somente códigos de erros passados: #################################################### SCANNER VCO - 950 Data: 06 / 02 / 00 Placa: 1234 Sistema: ISBe #################################################### CODIGOS DE DEFEITOS PASSADOS: Cod. 523 Sensor Temp. Ar Int/CC Vbat Cod. 537 Regul. Temperatura óleo Falha CODIGOS DE DEFEITOS PRESENTES: Nenhuma Falha Foi Detectada ! ! RESPONSAVEL: #################################################### SCANNER VCO - 950 Data: 06 / 02 / 00 Placa: 1234 Sistema: ISBe #################################################### CODIGOS DE DEFEITOS PASSADOS: Nenhuma Falha Foi Detectada !! CODIGOS DE DEFEITOS PRESENTES: Cod. 523 Sensor Temp. Ar Int/CC Vbat Cod. 537 Regul. Temperatura óleo Falha RESPONSAVEL:
  • 28.
    A-26 VCO -950 c) Impressão apresentando códigos de erros passados e presentes: d) Impressão quando não são lidos os códigos de defeitos: #################################################### SCANNER VCO - 950 Data: 06 / 02 / 00 Placa: 1234 Sistema: ISBe #################################################### CODIGOS DE DEFEITOS PASSADOS: Cod. 530 Reg Valv. Marcha-lenta Int/CC Vbat CODIGOS DE DEFEITOS PRESENTES: Cod. 518 Potenc. Pedal acelerador Int/CC Vbat RESPONSAVEL: #################################################### SCANNER VCO - 950 Data: 06 / 02 / 00 Placa: 1234 Sistema: ISBe #################################################### Teste Nao Executado
  • 29.
    VCO - 950A-27 SSiisstteemmaa ddee iinnjjeeççããoo eelleettrrôônniiccaa:: MMWWMM 6Cil. X12 EDC 07 4Cil. X12 EDC 07 1 Menu Principal Opcao: 4/4 4.Numero Modulo? Continua no item 2 deste manual. Imprime informações dos códigos de defeitos. Ver seção D do manual. Apaga memória de defeitos da ECU. Ver seção C do manual. Número de identificação da ECU. Ver seção C do manual. Opcao: 2/4 2.Impressao? Opcao: 1/4 1.Testes? Opcao: 3/4 3.ApagarMemoria?
  • 30.
    A-28 VCO -950 2 Menu Testes Continua no item 3 deste manual. Efetua diversas leituras de parâmetros do sistema. Continua no item 4 deste manual. Teste: 1/5 1.Cod. Defeito? Teste: 2/5 2.Leituras? Teste: 3/5 3.LeitEspeciais Continua no item 5 deste manual. Ajusta parâmetros do Volksguard. Obs.: Necessita de senha. Teste: 4/5 4.Atuadores? Teste: 5/5 5.Volksguard? Efetua diversas leituras de parâmetros do sistema. Continua no item 4 deste manual.
  • 31.
    VCO - 950A-29 3 Códigos de Defeito Os códigos são apresentados como na tela abaixo: Código Sintomas 0 Sem sintoma 1 Acima da faixa 2 Abaixo da faixa 3 Tensão de alimentação acima da faixa 4 Sem Sinal 8 Sinal não plausível 9 Valor medido acima da faixa 10 Valor medido abaixo da faixa 12 Tensão de alimentação abaixo da faixa Defeito: 1/3 1.Def. Presentes Consulte as tabelas de defeitos nos itens 3.1 e 3.2 Consulte a tabela de defeitos. Defeito: 2/3 2.Def. Passados Defeito: 3/3 3.Def. Intermit. Consulte a tabela de defeitos. Cod:P0120-02 01 Pedal Acelerador Mensagem Código Sintoma Contador
  • 32.
    A-30 VCO -950 Tabela de códigos de defeito Código Mensagem Descrição P0100 Sensor MAF Sensor de massa de ar P0105 SensorPressAtmos Sensor de pressão atmosférica P0110 SensorTempArAdm Sensor de temperatura do ar da admissão P0115 SensorTemperAgua Sensor de temperatura do líquido de arrefecimento do motor P0120 Pedal Acelerador Pedal do acelerador P0180 SensorTempCombus Sensor de temperatura do combustível P0190 PressaoCombustiv Sensor de pressão do combustível P0195 SensorTempOleoMt Sensor de temperatura do óleo do motor P0201 Injetor Combust1 Injetor de combustível do cilindro 1 P0202 Injetor Combust2 Injetor de combustível do cilindro 2 P0203 Injetor Combust3 Injetor de combustível do cilindro 3 P0204 Injetor Combust4 Injetor de combustível do cilindro 4 P0205 Injetor Combust5 Injetor de combustível do cilindro 5 P0206 Injetor Combust6 Injetor de combustível do cilindro 6 P0219 SinalRotacaoMot Sinal de rotação do motor excedeu o limite máximo P0220 Pedal Acelerador Pedal do acelerador P0230 PowerStage 7 Estágio de força higside 7 P0231 ValvulAlivioRail Válvula de alívio de pressão do combustível P0232 PressaoCombustiv Pressão do combustível P0233 PressaoCombustiv Pressão do combustível P0235 SensorPressArAdm Sensor de pressão do ar de admissão P0239 SensorTempArAdm Sensor de temperatura do ar de admissão P0301 BalanceCilindro1 Balanceamento do cilindro 1 P0302 BalanceCilindro2 Balanceamento do cilindro 2 P0303 BalanceCilindro3 Balanceamento do cilindro 3 P0304 BalanceCilindro4 Balanceamento do cilindro 4 P0305 BalanceCilindro5 Balanceamento do cilindro 5 P0306 BalanceCilindro6 Balanceamento do cilindro 6 P0320 SinalRotacaoMot Discrepância entre o sinal medido pelo sensor de fase e de rotação P0335 SinalRotacaoMot Sensor de rotação
  • 33.
    VCO - 950A-31 P0340 SensFaseComaValv Sensor de fase no comando de válvula P0400 Sistema EGR Sistema EGR P0500 SensorVelocidade Sinal do sensor de velocidade do veículo P0520 SensorPressOleoM Sensor de pressão do óleo do motor P0555 ErroDesligameECM Erro de desligamento da ECM P0560 Tensao Bateria Tensão da bateria P0561 TensaoAlimentECM Tensão de alimentação da ECM P0571 InterruptFreio Interruptor do pedal do freio P0572 PilotoAutomatico Piloto automático P0606 Mau Func. ECM Informação do número de vezes que a ECM foi reiniciada devido a erro P0650 Lampada Diagnose Lâmpada de diagnose ou lâmpada de parada de emegência P0703 Conversor Torque Conversor de Torque P0704 InterruEmbreagem Interruptor do pedal da embreagem P1125 RegulPressTurbo Regulador da pressão do turbo P1285 ErroDesligameECM Erro no teste de desligamento da ECM P1604 Erro Interno ECM Erro de verificação do bloco 1 da memória EEPROM P1605 Erro Interno ECM Erro de gravação na EEPROM P1606 BancoCapacitor 1 Banco de capacitores 1 P1607 BancoCapacitor 2 Banco de capacitores 2 P1609 Controle Tracao Controle de tração P1610 Transmissao Controle da transmissão P1611 MaufuncionamCAN Maufuncionamento do módulo controlador CAN P1612 SensorNivel Agua Sensor de nível da água de arrefecimento do motor P1613 SensorAguaCombus Sensor de água no combustível P1614 Erro Interno ECM Erro na EEPROM, não foi feito o afterrun P1615 Erro Interno ECM Erro de verificação do bloco 3 da memória EEPROM P1625 Rele Principal Relé principal P1670 AquecPartidaFria Aquecedor de partida a frio P1671 PowerStage 2 Estágio de força lowside 2 P1672 PowerStage 3 Estágio de força lowside 3 P1673 PowerStage 4 Estágio de força lowside 4
  • 34.
    A-32 VCO -950 P1674 LampAdvertencia Lâmpada de advertência P1680 PowerStage 1 Estágio de força higside 1 P1681 PowerStage 2 Estágio de força higside 2 P1682 PowerStage 3 Estágio de força higside 3 P1683 Freio Motor Freio motor P1684 PowerStage 5 Estágio de força higside 5 P1685 PowerStage 6 Estágio de força higside 6 P1687 Motor de Partida Motor de partida P1688 PowerStage 9 Estágio de força higside 8 P1689 PowerStage 10 Estágio de força higside 10 P1690 BombaCombustRail Bomba de combustível para o Rail P1691 AtuadPressaoTurb Atuador de pressão no turbo P1693 PowerStage 1 Tacográfo P1694 PowerStage 2 Estágio de força , baixo sinal 2 P1695 PowerStage 3 Estágio de força , baixo sinal 3 P1696 PowerStage 4 Estágio de força , baixo sinal 4 4 Leituras Tabela de leituras Mensagem Descrição AguaNoCombust N Água no combustível (S/N) BancoCap1 00.00V Banco de capacitores C1 BancoCap2 00.00V Banco de capacitores C2 Bateria 00.00V Tensão da bateria Chave Ignicao L Estado do terminal 15 (L/D) Freio Motor D Estado do freio motor (L/D) InicioInj 001º Inicio da injeção de combustível Int Kickdown D Interruptor de Kickdown (L/D) InterrFreioEst D Estado do freio de estacionamento (L/D) InterruEmbreageL Estado da embreagem(L/D) InterruptFreio L Estado do interruptor do freio LimPTO 0000RPM Limite superior de rotação do PTO LimRMax 0000RPM Limite de rotação máxima que pode ser programada pela ferramenta
  • 35.
    VCO - 950A-33 LimRMin 0000RPM Limite de rotação mínima que pode ser programada pela ferramenta LimRota 0000RPM Rotação máxima permitida para a marcha atual LimVeMax 000km/h Limite de velocidade máxima que pode ser programada pela ferramenta Marcha Selec 0 Marcha detectada pela ECM MaxPTO 0000RPM Máxima rotação do PTO MaxPilAu 000km/h Velocidade máxima do piloto automático MinPilAu 000km/h Mínima velocidade para ativar o piloto automático NivNormalAgua S Nível da água dentro do limite (S/N) OffsetML 0000RPM Off-set da marcha lenta Pedal Acel 000% Pedal do acelerador PolaSensFase 0 Polaridade do sensor de fase PolaSensRota 0 Polaridade do sensor de rotação PrCombus 0000bar Pressão do Combustível (Common-Rail) PrTurbo 000bar Pressão de admissão PresAtm 0000mBar Pressão atmosférica PresOleo 0.00bar Pressão do óleo do motor RefRotML 000RPM Valor base da marcha-lenta Rotacao 0000RPM Rotação do motor TempAgua 000ºC Temperatura da água TempArAdm 000ºC Temperatura do ar de admissão TempComb 000ºC Temperatura do combustível TempOleoM 000ºC Temperatura do óleo do motor VelIns 000km/h Velocidade instantânea do veiculo VelMax 000km/h Limite de velocidade programada VelPilAu 000km/h Velocidade selecionada no Piloto Automático
  • 36.
    A-34 VCO -950 Leituras especiais Mensagem Descrição Data ProgramaECM XXXXXXXXXXXXXXXX Data de programação da ECM Modelo Motor XXXXXXXXXXXXXXXX Tipo do motor NroChassiVeic. XXXXXXXXXXXXXXXX VIN NroSerieMotor XXXXXXXXXXXXXXXX Numero de serie do motor Total Horas ECM XXXXXXXXXXXXXXXh Horas de trabalho da ECM TotalDistRodada XXXXXXXXXXXXXXKm Distancia Total TotalHorasMotor XXXXXXXXXXXXXXXh Horas de trabalho do motor TotalVezesECMLig XXXXXXXXXXXXXXXX Total de vezes que a ECM foi ligada. VersSoftware ECM XXXXXXXXXXXXXXXX Versão do software da ECM
  • 37.
    VCO - 9502A-35 5 Atuadores Tabela de atuadores Motor Ligado Mensagem Rasther Descrição CorteCilindro1 Corte Cilindro 1 CorteCilindro2 Corte Cilindro 2 CorteCilindro3 Corte Cilindro 3 CorteCilindro4 Corte Cilindro 4 CorteCilindro5 Corte Cilindro 5 CorteCilindro6 Corte Cilindro 6 Obs.: Corte Cilindro 5 e 6, validos para motores 6 cilindros. Corte de cilindro: Identifica desvios de potência individualmente para cada cilindro. Potanto se algum cilindro indicar valores muito diferentes dos outros, significa que o cilindro não está se comportando como os outros. Os testes devem ser feitos com o motor ligado.
  • 38.
    A-36 VCO -950 Rotacao Maxima XXXXRPM Rotacao Minima XXXRPM Tempo Medido XXXXXms Atuador: X/Y X.CorteCilindro Aguarde... Falha no Teste! No corte cilindro, se o motor estiver desligado, fica em aguarde e depois da falha de teste Rotação de término de teste Rotação de início de teste Tempo medido de aceleração do motor O veículo deve estar em marcha-lenta
  • 39.
    VCO - 950A-37 Motor Parado Mensagem Rasther Descrição Teste Compress Identifica desvio de compressão para cada cilindro, devido a algum desgaste. Continua na outra página Aguarde... Coloque o Cambio no NEUTRO Atuador: 1/1 1.Teste Compress Ligue o Motor Falha no Teste! Para realizar os testes, o câmbio deve estar no neutro, o freio de estacionamento deve estar acionado e o motor parado. Aguarde 10 segundos Tente ligar o motor até aparecer a tela abaixo. Acione Freio de Estacionamento
  • 40.
    A-38 VCO -950 Continuação T1 cil1 XXXXµs T2 cil1 XXXXµs T1 cil2 XXXXµs T2 cil2 XXXXµs T1 cil3 XXXXµs T2 cil3 XXXXµs T1 cil3 XXXXµs T2 cil3 XXXXµs T1 cil5 XXXXµs T2 cil5 XXXXµs T1 cil6 XXXXµs T2 cil6 XXXXµs T1 - Tempo de compressão do cilindro, quanto maior, melhor. T2 - Tempo de expansão do cilindro, quanto menor, melhor. Cilindro 5 e 6 mostrados apenas para veiculos com 6 cilindros.
  • 41.
    VCO - 950A-39 5 Volksguard Procedimento para realização dos ajustes: Depois de ajustar as funções do Volksguard é necessário teclar retorna até voltar para o menu "Opção" e desligar a ignição por no minímo 10 segundos. Quando ligar a ignição os ajustes serão concluídos. Mensagem VCO-950 Descrição do Menu X.Limite Rotacao Habilita ou desabilita os limites de rotação X.LimRotMarcha 1 Ajusta o limite de rotação da 1 a marcha X.LimRotMarcha 2 Ajusta o limite de rotação da 2 a marcha X.LimRotMarcha 3 Ajusta o limite de rotação da 3 a marcha X.LimRotMarcha 4 Ajusta o limite de rotação da 4 a marcha X.LimRotMarcha 5 Ajusta o limite de rotação da 5 a marcha X.LimRotMarcha 6 Ajusta o limite de rotação da 6º marcha X.Max Velocidade Ajusta máxima velocidade permitida
  • 42.
    A-40 VCO -950 Volksguard: 1/8 1.LimRotMarcha 1 ← - Ajuste + → XXXXRPM Ajuste Realizado Ver Procedimento ← Diminui → Aumenta Digite Senha XXXXX Aguarde...
  • 43.
    VCO - 950A-41 continuação Volksguard: 2/8 2.LimRotMarcha 2 ← - Ajuste + → XXXXRPM Ajuste Realizado Ver Procedimento ← Diminui → Aumenta Volksguard: 3/8 3.LimRotMarcha 3 ← - Ajuste + → XXXXRPM Ajuste Realizado Ver Procedimento ← Diminui → Aumenta Volksguard: 4/8 4.LimRotMarcha 4 ← - Ajuste + → XXXXRPM Ajuste Realizado Ver Procedimento ← Diminui → Aumenta
  • 44.
    A-42 VCO -950 continuação Volksguard: 5/8 5.LimRotMarcha 5 ← - Ajuste + → XXXXRPM Ajuste Realizado Ver Procedimento ← Diminui → Aumenta Volksguard: 6/8 6.LimRotMarcha 6 ← - Ajuste + → XXXXRPM Ajuste Realizado Ver Procedimento ← Diminui → Aumenta Volksguard: 7/8 7.Limite Rotacao ← D Funcao L → LimiRotacaoDesab Ajuste Realizado Ver Procedimento ← Desabilita → Habilita
  • 45.
    VCO - 950A-43 continuação Volksguard: 8/8 8.Max Velocidade ← - Ajuste + → XXKm/h Ajuste Realizado Ver Procedimento ← Diminui → Aumenta
  • 46.
  • 47.
    VCO - 950B -1 Luzes de advertência e Códigos de Falha O motor eletrônico informa, através das luzes de aviso no painel, possíveis falhas em seus componentes ou sistemas. -A Luz amarela (2) indica que uma falha leve está ocorrendo. -Se acender com o veículo em movimento, não é necessário parar o veículo de imediato, mas verificar a ocorrência na primeira oportunidade> -A luz vermelha (1) indica que uma falha grave está ocorrendo. -Se acender com o veículo em movimento, é necessário parar o veículo tão logo as condições de trânsito permitam. -Logo após acender a lâmpada vermelha, o sistema de proteção pode iniciar o despotenciamento do motor, ou seja, o motor começa a pewrder potência. Códigos de Falha por piscada A luz de aviso vermelha (1) informa o código da falha através de piscadas. - Para verificar o código da falha o veículo deve estar parado.
  • 48.
    B - 2VCO - 950 1- Gire a chave de partida para a posição ligado (não dar partida no motor) 2- Conecte os dois conectores soltos que estão na central elétrica 3- Se houver falha, a luz de aviso vermelha irá piscar o código da falha Exemplo: código de falha 23 • A luz vermelha pisca duas vezes para indicar o número 2 e, em seguida, três vezes para indicar o número 3 • Para verificar se há outros códigos de falha na memória, desconecte os conectores e conecte novamente. • Caso haja outro código a lâmpada vermelha irá piscar da mesma forma indicada acima para o novo código. • Se não houver mais códigos de falha na memória, irá piscar novamente o código anterior (23).
  • 49.
    MOTORES MWM Série12 B - 3 Apresentação dos Sensores e Conectores Apresentação dos Conectores nos Sensores A identificação da pinagem nos conectores dos sensores obedece à padronização OBD que determina a leitura dos pinos da direita para a esquerda. A ordem dos números é baseada pela posição do pino trava que está localizado na parte superior do conector do sensor. Dessa forma, a leitura e a identificação dos pinos no conector é feita conforme abaixo: ler_pinos.fm Page 5 Monday, March 8, 2004 7:54 PM
  • 50.
    B - 4MOTORES MWM Série 12 Apresentação dos Sensores e Conectores A leitura no esquema elétrico do sensor segue a seguinte ordem: A) Sensor de dois pinos: B) Sensor de três pinos: ler_pinos.fm Page 6 Monday, March 8, 2004 7:54 PM
  • 51.
    MOTORES MWM Série12 B - 5 Apresentação dos Sensores e Conectores C) Sensor de quatro pinos: ler_pinos.fm Page 7 Monday, March 8, 2004 7:54 PM
  • 52.
    B - 6MOTORES MWM Série 12 Apresentação dos Sensores e Conectores Vista Lateral - Lado de Admissão e Escape ler_pinos.fm Page 8 Monday, March 8, 2004 7:54 PM
  • 53.
    MOTORES MWM Série12 B - 7 Apresentação dos Sensores e Conectores Vista Lateral - Lado do Sistema de Combustível ler_pinos.fm Page 9 Monday, March 8, 2004 7:54 PM
  • 54.
    B - 8MOTORES MWM Série 12 Apresentação dos Sensores e Conectores Vista Lateral - Chicote Elétrico do Motor ler_pinos.fm Page 10 Monday, March 8, 2004 7:54 PM
  • 55.
    B-9MOTORES MWM Para reduzira possibilidade de danos aos pinos e ao chicote, use as pontas de teste do kit de ferramenta VCO-950 ao efetuar uma medição: NOTA: Quando efetuar medidas na massa de um bloco, use uma superfície de metal limpa e sem pintura para obter medidas precisas. Uso de Pontas de Prova Especiais Informações Gerais Especificações mínimas do multímetro Tensão DC = 500 mV a 600V Tensão AC = 5 V a 600V Corrente DC = 320 micro A até 10A Corrente AC = 320 micro A até 10A Resistência Ohm = 320 Ohm até 32 Mohm Teste de diodo continuidade audível Temperatura (sensor termopar)
  • 56.
    B-10 MOTORES MWM Utilizeas pontas de teste apropriadas para reduzir a possibilidade de danos nos pinos do conector. Identificação dos pinos no conector do motor de 16 pinos 1 5 6 11 12 16 Informações Gerais
  • 57.
    B-11MOTORES MWM Utilize aspontas de teste apropriadas para reduzir a possibilidade de danos nos pinos do conector. 1 3 4 6 8 9 15 22 29 30 36 Identificação dos pinos no conector do motor de 36 pinos Informações Gerais
  • 58.
    B-12 MOTORES MWM Utilizeas pontas de teste apropriadas para reduzir a possibilidade de danos nos pinos do conector. Identificação dos pinos no conector do motor de 89 pinos 112 7 11 17 6 54 72 89 71 36 18 35 53 Informações Gerais
  • 59.
    C - 1MOTORESMWM Medições Como Medir Amperagem Certifique-se que as pontas de prova estejam conectadas nos termi- nais do multímetro. Consulte as instruções do fabricante do multímetro. Abra o circuito no ponto em que a corrente deve ser medida. Selecione a função de corrente CA (A~) ou CC (A-) no medidor. Ligue a tensão no circuito sendo medido. Coloque as pontas de prova do medidor entre as extremidades do circuito aber- to para medir a amperagem e leia a medição exibida.
  • 60.
    C - 2MOTORES MWM Medições Como Medir Tensão Certifique-se de que as pontas de prova estejam conectadas nos terminais do multímetro. Consulte as instruções do fabricante do multímetro. Selecione a função de tensão CA (V~) ou CC (V-) no medidor. Ligue a tensão no circuito sendo medido. Encoste a ponta de prova positiva (+) do multímetro no terminal ou pino em que esta sendo medido. Encoste a outra ponta em uma superfície metálica limpa e sem pintura que esteja conectada à massa ou ao terminal negativo (-) da bate- ria e leia a medição exibida.
  • 61.
    C - 3MOTORESMWM Como Medir Resistência Selecione a função resistência no medidor. Certifique-se de que não haja tensão nos componentes sendo testados. Desconecte ambas as extremidades do circuito ou do componente a ser medi- do. Encoste uma das pontas de prova em uma extremidade do circuito ou a um terminal do componente. Encoste a outra ponta de prova na outra extremidade do circuito ou ao outro terminal do componente e leia a medição exibida. Utilize as pontas de teste apropriadas para reduzir a possibilidade de danos nos pinos do conector. Medições
  • 62.
    C - 4MOTORES MWM Utilize as pontas de teste apropriadas para reduzir a possibilidade de danos nos pinos do conector. Como Fazer o Teste de Continuidade Selecione a função de continuidade no medidor (normalmente marcada com um símbolo de diodo). Certifique-se de que não exista tensão aplicada no componente sendo testado. Desconecte ambas as extremidades do circuito ou do componente a ser medido. Encoste uma ponta de prova em uma das extremidades do circuito ou um dos terminais do componente. Encoste a outra ponta de prova na outra extremidade do circuito ou no outro terminal do componente. Leia a medição exibida. Se houver um circuito aberto, o medidor não emitirá o “beep”. Medições
  • 63.
    C - 5MOTORESMWM Verificação dos Pinos dos Conectores Ao desconectar os conectores durante o diagnóstico de falhas, os pinos devem sempre ser inspecionados para certificar-se que estes não sejam a causa de uma conexão incorreta. Você deve verificar se existem pinos tortos, corroídos ou torci- dos para trás, bem como se faltam vedações ou se estas estão danificadas. Umidade no conector A umidade em um conector também pode ser a causa de problemas de performance do sistema. Muitas vezes torna-se difícil inspecionar um conector quanto à presença de umidade. No caso de suspeita de umidade, o conector deve ser secado com a aplicação de um limpador de contatos. Também pode ser usado um soprador de ar quente ajustado em baixo calor para não danificar o compo- nente ou os fios. NOTA: Não aplique ar comprimido nas portas do ECM ou no conector. O ar com- primido pode conter umidade devido à condensação. Medições
  • 64.
    C- 6 MOTORESMWM Pinos Empurrados para Trás Inspecione ambos os terminais, macho e fêmea quanto à existência de pinos que não possam estabelecer contato por estarem empurrados para trás no conector. Para efetuar o reparo, empurre o pino no corpo do conector pela parte traseira deste. Certifique-se de que este fique travado no lugar. Substitua o pino se não houver travamento. Consulte a seção de reparos para o conector específico. Pinos Corroídos Inspecione ambos os terminais, macho e fêmea quanto à corrosão, a qual poderá provocar uma conexão elétrica deficiente dentro do conector. Se houver pinos corroídos, estes deverão ser substituídos. Consulte a seção de reparos para o conector específico. Medições
  • 65.
    C - 7MOTORESMWM Pinos Tortos ou Expandidos Inspecione os terminais machos do conector. Se qualquer terminal estiver torto ou expandido de forma a não encaixar facilmente com o outro lado do conector, o pino deverá ser substituído. Consulte a seção de reparos para o conector especí- fico. O curto-circuito com a massa é uma condição em que existe uma cone- xão indevida de um circuito com a massa. O procedimento para verificação de um curto-circuito com a massa é o seguinte: 1. Desligue a chave de ignição. 2. Desconecte os conectores que necessitem ser testados. a - Ao testar um sensor, desconecte-o do conector do chicote. b - Ao testar o chicote do conector no ECM, desconecte também o conec- tor do chicote no sensor ou nos sensores múltiplos. Medições
  • 66.
    C - 8MOTORES MWM 3- Identifique os pinos que necessitem ser testados. 4- Inspecione os pinos do conector. 5- Ajuste o multímetro para medição de resistência. 6- Encoste uma das pontas de prova do multímetro no pino correto a ser testado. 7- Encoste a outra ponta de prova do multímetro no bloco do motor. Utilize as pontas de teste apropriadas para reduzir a possibilidade de danos nos pinos do conector. Medições
  • 67.
    C - 9MOTORESMWM Medições do sensor de velocidade do veículo Utilize as pontas de teste apropriadas para reduzir a possibilidade de danos nos pinos do conector. Utilizar um multímetro para executar as medições. Entre pinos A e B ou C e D - à 25 ° C = 1500 à3500 W Entre pinos A ou B com C ou D - sem continuidade Medições
  • 68.
    C-10 MOTORES MWM Utilizeas pontas de teste apropriadas para reduzir a possibilidade de danos nos pinos do conector. Medições nos sensores de rotação do motor Utilizar um multímetro para executar as medições. Resitência à 25 ° C = 860 W Medições
  • 69.
    C-11MOTORES MWM Medições nosensor pressão/temperatura de óleo do motor Utilize as pontas de teste apropriadas para reduzir a possibilidade de danos nos pinos do conector. Utilizar um multímetro para executar as medições. Medições
  • 70.
    C-12 MOTORES MWM Utilizeas pontas de teste apropriadas para reduzir a possibilidade de danos nos pinos do conector. Medições no sensor de temperatura do motor Utilizar um multímetro para executar as medições. Temperatura ( o C) Resistencia (W) 0 5k - 7 k 25 1700 - 2500 50 700 - 1000 75 300 - 450 100 150 - 220 Medições
  • 71.
    C-13MOTORES MWM Medições nosensor pressão/temperatura no coletor de admissão Utilize as pontas de teste apropriadas para reduzir a possibilidade de danos nos pinos do conector. Utilizar um multímetro para executar as medições. Pressão (mm Hg) Tensão (V) 381,00 0,43 - 0,60 762,00 0,90 - 1,25 1143,00 1,40 - 1,93 1905,01 2,40 - 3,25 2540,01 3,10 - 4,22 Medições
  • 72.
    C-14 MOTORES MWM Utilizeas pontas de teste apropriadas para reduzir a possibilidade de danos nos pinos do conector. Medições no sensor de combustível (common rail) Utilizar um multímetro para executar as medições. Pressão kPa (bar) Tensão (V) 0 0,50 40000 (400) 1,39 70000 (700) 2,06 100000 (1000) 2,72 140000 (1400) 3,61 180000 (1800) 4,5 Medições
  • 73.
    C-15MOTORES MWM Medições nopedal do acelerador Utilize as pontas de teste apropriadas para reduzir a possibilidade de danos nos pinos do conector. Utilizar um multímetro para executar as medições. Entre a alimentação e o retorno D e K -pedal liberado ou pressionado= 2125 a 2175 Ω. Entre a massa e o sinal K e E -pedal liberado = 128 a 288 Ω. Entre a massa e o sinal K e E -pedal pressionado = 1509 a 2156 Ω. Medições
  • 74.
  • 75.
    MOTORES MWM Série12 D- 1 Códigos de Falhas Índice de PCodes VW P0105/01 ....................................................................................................................................25 P0105/02 ....................................................................................................................................27 P0105/04 ....................................................................................................................................29 P0105/09 ....................................................................................................................................31 P0115/01 ....................................................................................................................................33 P0115/02 ....................................................................................................................................35 P0115/04 ....................................................................................................................................37 P0115/09 ....................................................................................................................................39 P0120/01 ....................................................................................................................................41 P0120/02 ....................................................................................................................................43 P0120/03 ....................................................................................................................................45 P0120/04 ....................................................................................................................................47 P0120/12 ....................................................................................................................................49 P0190/01 ....................................................................................................................................51 P0190/02 ....................................................................................................................................53 P0190/03 ....................................................................................................................................55 P0190/04 ....................................................................................................................................57 P0190/09 ....................................................................................................................................59 P0190/12 ....................................................................................................................................61 P0195/01 ....................................................................................................................................63 P0195/02 ....................................................................................................................................65 P0195/04 ....................................................................................................................................67 P0195/09 ....................................................................................................................................69 P0201/01 ....................................................................................................................................71 P0201/02 ....................................................................................................................................73 P0201/04 ....................................................................................................................................75 P0201/08 ....................................................................................................................................77 P0233/01 ....................................................................................................................................79 P0233/03 ....................................................................................................................................81 P0233/04 ....................................................................................................................................83 P0233/08 ....................................................................................................................................85 P0233/09 ....................................................................................................................................87 P0233/10 ....................................................................................................................................89 P0233/12 ....................................................................................................................................91 P0235/01 ....................................................................................................................................93 P0235/02 ....................................................................................................................................95 P0235/03 ....................................................................................................................................97 P0235/04 ....................................................................................................................................99 P0235/09 ..................................................................................................................................101 P0235/12 ..................................................................................................................................103 P0239/01 ..................................................................................................................................105 P0239/02 ..................................................................................................................................107 P0239/04 ..................................................................................................................................109 P0520/01 ..................................................................................................................................111 P0520/02 ..................................................................................................................................113 P0520/03 ..................................................................................................................................115 P0520/04 ..................................................................................................................................117 Book.book Page 1 Monday, March 8, 2004 8:58 PM
  • 76.
    D- 2 Códigos deFalhas Índice de PCodes VW MOTORES MWM Série 12 P0520/09 ..................................................................................................................................119 P0520/10 ..................................................................................................................................121 P0520/12 ..................................................................................................................................123 P0560/01 ..................................................................................................................................125 P0560/02 ..................................................................................................................................127 P0560/04 ..................................................................................................................................129 P0560/09 ..................................................................................................................................131 P0560/10 ..................................................................................................................................133 P1613/04 ..................................................................................................................................135 P1613/09 ..................................................................................................................................137 Book.book Page 2 Monday, March 8, 2004 8:58 PM
  • 77.
    MOTORES MWM Série12 D- 3 Códigos de Falhas Índice de Sensores e Atuadores Sensor de Pressão Atmosférica .................................................................................................25 Sensor de Pressão Atmosférica .................................................................................................27 Sensor de Pressão Atmosférica .................................................................................................29 Sensor de Pressão Atmosférica .................................................................................................31 Sensor de Temperatura do Líquido de Arrefecimento ...............................................................33 Sensor de Temperatura do Líquido de Arrefecimento ...............................................................35 Sensor de Temperatura do Líquido de Arrefecimento ...............................................................37 Sensor de Temperatura do Líquido de Arrefecimento ...............................................................39 Sensor do Pedal do Acelerador .................................................................................................41 Sensor do Pedal do Acelerador .................................................................................................43 Sensor do Pedal do Acelerador .................................................................................................45 Sensor do Pedal do Acelerador .................................................................................................47 Sensor do Pedal do Acelerador .................................................................................................49 Sensor de Pressão de Combustível (Rail) .................................................................................51 Sensor de Pressão de Combustível ...........................................................................................53 Sensor de Pressão de Combustível ...........................................................................................55 Sensor de Pressão de Combustível (Rail) .................................................................................57 Sensor de Pressão de Combustível (Rail) .................................................................................59 Sensor de Pressão de Combustível (Rail) .................................................................................61 Sensor de Temperatura do Óleo Lubrificante ............................................................................63 Sensor de Temperatura do Óleo Lubrificante ............................................................................65 Sensor de Temperatura do Óleo Lubrificante ............................................................................67 Sensor de Temperatura do Óleo Lubrificante ............................................................................69 Bico Injetor Cilindro 1 .................................................................................................................71 Bico Injetor Cilindro 1 .................................................................................................................73 Bico Injetor Cilindro 1 .................................................................................................................75 Bico Injetor Cilindro 1 .................................................................................................................77 Sensor de Pressão de Combustível (Rail) .................................................................................79 Sensor de Pressão de Combustível (Rail) .................................................................................81 Sensor de Pressão de Combustível (Rail) .................................................................................83 Sensor de Pressão de Combustível (Rail) .................................................................................85 Sensor de Pressão de Combustível (Rail) .................................................................................87 Sensor de Pressão de Combustível (Rail) .................................................................................89 Sensor de Pressão de Combustível (Rail) .................................................................................91 Sensor de Pressão do Ar no Coletor de Admissão ....................................................................93 Sensor de Pressão do Ar no Coletor de Admissão ....................................................................95 Sensor de Pressão do Ar no Coletor de Admissão ....................................................................97 Sensor de Pressão do Ar no Coletor de Admissão ....................................................................99 Sensor de Pressão do Ar no Coletor de Admissão ..................................................................101 Sensor de Pressão do Ar no Coletor de Admissão ..................................................................103 Sensor de Temperatura do Ar no Coletor de Admissão ..........................................................105 Sensor de Temperatura do Ar no Coletor de Admissão ..........................................................107 Sensor de Temperatura do Ar no Coletor de Admissão ..........................................................109 Sensor de Pressão de Óleo Lubrificante .................................................................................111 Sensor de Pressão de Óleo Lubrificante .................................................................................113 Sensor de Pressão de Óleo Lubrificante .................................................................................115 Sensor de Pressão de Óleo Lubrificante .................................................................................117 Book.book Page 3 Monday, March 8, 2004 8:58 PM
  • 78.
    D- 4 MOTORESMWM Série 12 Códigos de Falhas Índice de Sensores e Atuadores Sensor de Pressão de Óleo Lubrificante .................................................................................119 Sensor de Pressão de Óleo Lubrificante .................................................................................121 Sensor de Pressão de Óleo Lubrificante .................................................................................123 Sensor de Tensão da Bateria ..................................................................................................125 Sensor de Tensão da Bateria ..................................................................................................129 Sensor de Tensão da Bateria ..................................................................................................131 Sensor de Tensão da Bateria ..................................................................................................133 Sensor de Água no Combustível .............................................................................................135 Sensor de Água no Combustível .............................................................................................137 Book.book Page 4 Monday, March 8, 2004 8:58 PM
  • 79.
    MOTORES MWM Série12 D - 5 Relação de Códigos de Falhas por PCode PCode Piscada Descrição Sensor P0105-01 16 Tensão elevada no sensor de pressão atmosférico SensorPressAtmos P0105-02 16 Tensão baixa no sensor de pressão atmosférico SensorPressAtmos P0105-04 16 Sinal do sensor de pressão atmosférica perdido SensorPressAtmos P0105-09 16 Pressão atmosférica acima do limite máximo SensorPressAtmos P0115-01 11 Tensão elevada no sensor de temperatura do líquido de arrefecimento do motor SensorTemperÁgua P0115-02 11 Baixa tensão no sensor de temperatura do líquido de arrefecimento do motor SensorTemperÁgua P0115-04 11 Sinal sensor de temperatura do agua de arrefecimento do motor perdido SensorTemperÁgua P0115-09 11 Temperatura do líquido de arrefecimento excedeu o limite de proteção do motor SensorTemperÁgua P0120-01 23 Tensão elevada no sensor de posição do acelerador Pedal Acelerador P0120-02 23 Baixa tensão no sensor de posição do acelerador Pedal Acelerador P0120-03 23 Tensão de alimentação baixa no sensor de posição do acelerador TensAlimSensPed P0120-04 23 Sinal do sensor de posição do acelerador perdido Pedal Acelerador P0120-08 23 Tensão no sensor de posição do acelerador nao plausivel com interruptor de marcha lenta InterMLPedalAcel P0120-12 23 Tensão de alimentação elevada no sensor de posição do acelerador TensAlimSensPed P0190-01 22 Tensão elevada no sensor de pressão de combustível Press LinhaInjec P0190-02 22 Tensão baixa no sensor de pressão de combustível Press LinhaInjec Book.book Page 5 Monday, March 8, 2004 8:38 PM
  • 80.
    D - 6MOTORES MWM Série 12 Relação de Códigos de Falhas por PCode P0190-03 22 Tensão de alimentação baixa no sensor de pressão de combustível TensAlimPresComb P0190-04 22 Sinal do sensor de pressão do combustível perdido PressaoCombustiv P0190-09 22 Pressão do combustível acima do limite máximo do sistema PressaoCombustiv P0190-12 22 Tensão de alimentação elevada no sensor de pressão de combustível TensAlimPresComb P0195-01 17 Tensão elevada no sensor de temperatura do óleo SensorTempOleoMt P0195-02 17 Baixa tensão no sensor de temperatura do óleo SensorTempOleoMt P0195-04 17 Sinal sensor de temperatura do óleo perdido SensorTempOleoMt P0195-09 17 Temperatura do óleo acima do limite máximo de proteção do motor SensorTempOleoMt P0201-01 58 Curto-circuito para tensão da bateria no Injetor 1 Injetor Combust1 P0201-02 58 Curto-circuito para terra no Injetor 1 Injetor Combust1 P0201-04 58 Injetor 1 não conectado Injetor Combust1 P0201-08 58 Falha na monitoração do injetor 1 Injetor Combust1 P0202-01 59 Curto-circuito para tensão da bateria no Injetor 2 Injetor Combust2 P0202-02 59 Curto-circuito para terra no Injetor 2 Injetor Combust2 P0202-04 59 Injetor 2 não conectado Injetor Combust2 P0202-08 59 Falha na monitoração do injetor 2 Injetor Combust2 P0203-01 61 Curto-circuito para tensão da bateria no Injetor 3 Injetor Combust3 P0203-02 61 Curto-circuito para terra no Injetor 3 Injetor Combust3 P0203-04 61 Injetor 3 não conectado Injetor Combust3 P0203-08 61 Falha na monitoração do injetor 3 Injetor Combust3 PCode Piscada Descrição Sensor Book.book Page 6 Monday, March 8, 2004 8:38 PM
  • 81.
    MOTORES MWM Série12 D - 7 Relação de Códigos de Falhas por PCode P0204-01 62 Curto-circuito para tensão da bateria no Injetor 4 Injetor Combust4 P0204-02 62 Curto-circuito para terra no Injetor 4 Injetor Combust4 P0204-04 62 Injetor 4 não conectado Injetor Combust4 P0204-08 62 Falha na monitoração do injetor 4 Injetor Combust4 P0205-01 63 Curto-circuito para tensão da bateria no Injetor 5 Injetor Combust5 P0205-02 63 Curto-circuito para terra no Injetor 5 Injetor Combust5 P0205-04 63 Injetor 5 não conectado Injetor Combust5 P0205-08 63 Falha na monitoração do injetor 5 Injetor Combust5 P0206-01 64 Curto-circuito para tensão da bateria no Injetor 6 Injetor Combust6 P0206-02 64 Curto-circuito para terra no Injetor 6 Injetor Combust6 P0206-04 64 Injetor 6 não conectado Injetor Combust6 P0206-08 64 Falha na monitoração do injetor 6 Injetor Combust6 P0219-08 38 Rotação do motor excedeu o limite máximo (overspeed). SinalRotacaoMot P0220-08 24 Nao Pausibilidade entre interruptor pedal de freio e pedal do acelerador InterMLPedalAcel P0231-01 47 Pressão do combustível (Rail) acima do limite máximo do sistema MPRV_S_PRESHIGH_DUC ValvulaAlivioRail P0231-02 47 Detectada a abetura da válvula de alívio de pressão do combustível MPRV_S_RECSTEP1_DUC ValvulaAlivioRail P0231-03 47 Choque de pressão para abertura da válvula de alívio de pressão do combustível MPRV_S_KICKOFF_DUC ValvulaAlivioRail PCode Piscada Descrição Sensor Book.book Page 7 Monday, March 8, 2004 8:38 PM
  • 82.
    D - 8MOTORES MWM Série 12 Relação de Códigos de Falhas por PCode P0231-04 47 Detectada a abetura da válvula de alívio de pressão do combustível MPRV_S_RECSTEP1_DUC ValvulaAlivioRail P0231-08 47 Detectada a abetura da válvula de alívio de pressão do combustível MPRV_S_RECSTEP2_DUC ValvulaAlivioRail P0231-09 47 Válvula de alívio de pressão do combustível não abriu após choque de pressão MPRV_S_INHIBITED_DUC ValvulaAlivioRail P0231-10 47 Válvula de alívio de pressão do combustível aberta MPRV_S_OPEN_DUC ValvulaAlivioRail P0231-12 47 Detectada a abetura da válvula de alívio de pressão do combustível MPRV_S_EVALACT_DUC ValvulaAlivioRail P0233-01 32 Sinal de pressão do combustível excedeu o máximo limite (High pressure) Pressao Combust. P0233-03 32 Vazamento de pressão durante overrun (Leakage in overrun) Pressao Combust. P0233-04 32 Pressão de combustível muito baixa (Low pressure) PressaoCombustiv P0233-08 32 Pressão na linha de combustível consideravelmente mais baixo do que o comando de pressão de combustível (Neg. deviation) Pressao Combust. P0233-09 32 Vazamento de pressão detectado por cálculo do balanço de débito não plausível (Leakage in quantity balance) Pressao Combust. P0233-10 32 Vazamento de pressão durante a marcha lenta (Low idle) Pressao Combust. P0233-12 32 Pressão na linha de combustível consideravelmente mais alto do que o comando de pressão de combustível (Pos. Deviation) Pressao Combust. PCode Piscada Descrição Sensor Book.book Page 8 Monday, March 8, 2004 8:38 PM
  • 83.
    MOTORES MWM Série12 D - 9 Relação de Códigos de Falhas por PCode P0235-01 14 Tensão elevada no sensor de pressão do ar de admissão SensorPressArAdm P0235-02 14 Baixa tensão no sensor de pressão do ar de admissão SensorPressArAdm P0235-03 14 Tensão de alimentação baixa do sensor de pressão do ar de admissão TensAliSensPrAdm P0235-04 14 Sinal sensor de pressao do turbo perdido SensorPressArAdm P0235-09 14 Pressão de admissão acima do limite máximo SensorPressArAdm P0235-12 14 Tensão de alimentação elevada do sensor de pressão do ar de admissão TensAliSensPrAdm P0239-01 13 Tensão elevada no sensor de temperatura do ar de admissão SensorTempArAdm P0239-02 13 Baixa tensão no sensor de temperatura do ar de admissão SensorTempArAdm P0239-04 13 Sinal sensor de temperatura do ar de admissao perdido SensorTempArAdm P0320-08 44 Sinais diferentes de rotação pelo sensor de fase e pelo sensor de rotação SinalRotacaoMot P0335-08 42 Defeito no sensor de rotação. SinalRotacaoMot P0340-08 43 Defeito no sensor de fase. SinalRotacaoMot P0500-01 25 Sinal de velocidade do veículo elevado SensorVelocidade P0500-02 25 Sinal de velocidade do veículo baixo SensorVelocidade P0500-04 25 Sinal de velocidade do veiculo perdido SensorVelocidade P0500-08 25 Sinal de velocidade do veículo não plausível SensorVelocidade P0500-09 25 Sinal de velocidade do veículo acima do limite máximo Velocidade Maxim P0520-01 18 Tensão elevada no sensor de pressão do óleo SinalPressOleoMt P0520-02 18 Baixa tensão no sensor de pressão do óleo SinalPressOleoMt PCode Piscada Descrição Sensor Book.book Page 9 Monday, March 8, 2004 8:38 PM
  • 84.
    D - 10MOTORES MWM Série 12 Relação de Códigos de Falhas por PCode P0520-03 18 Baixa tensão de alimentação do sensor de pressão do óleo TensAliSensPrOl P0520-04 18 Sinal sensor de pressao do óleo perdido SinalPressOleoMt P0520-09 18 Pressão do óleo acima do limite máximo de proteção d0 motor SinalPressOleoMt P0520-10 18 Pressão do óleo abaixo do limite mínimo de proteção do motor SinalPressOleoMt P0520-12 18 Tensão de alimentação elevada no sensor de pressão do óleo TensAliSensPrOl P0560-01 21 Tensão de alimentação elevada TensaoBateria P0560-02 21 Tensão de alimentação baixa mesmo com a rotacao do motor acima de marcha de lenta TensaoBateria P0560-04 21 Erro na conversao do sinal analógico para digital. TensaoBateria P0560-09 21 Tensão de alimentação acima do limite máximo do sistema TensaoBateria P0560-10 21 Tensão de alimentação abaixo do limite mínimo do sistema TensaoBateria P0561-03 48 Tensão de alimentação interna baixa TensaoAlimentECM P0561-04 48 Falha no modo de monitoração (Watchdog) TensaoAlimentECM P0561-08 48 Modo de monitoração e tensão de alimentação interna não plausível TensaoAlimentECM P0561-12 48 Tensão de alimentação interna elevada TensaoAlimentECM P0571-08 28 Sinal do sensor do pedal de freio não plausível SensPosPedalFrei P0606-08 46 "Reset do módulo por condições adverssas "Recovery P0650-01 71 Curto-circuito para tensão da bateria na lâmpada de parada de emergência (Stop) LuzesAdvertencia P0650-02 71 Curto-circuito para terra na lampada de parada de emergência (Stop) LuzesAdvertencia PCode Piscada Descrição Sensor Book.book Page 10 Monday, March 8, 2004 8:38 PM
  • 85.
    MOTORES MWM Série12 D - 11 Relação de Códigos de Falhas por PCode P0650-04 71 Lâmpada de parada de emergência (Stop) não conectada LuzesAdvertencia P0704-04 27 Sem sinal do sensor do pedal de embreagem SensPosPedalEmb P1285-03 41 Sinal da monitoração do tensão de alimentação abaixo do limite ErroDesECM P1285-04 41 Falha no teste de desligamento do motor ErroDesECM P1285-08 41 Teste do Watchdog não plausível ErroDesECM P1285-12 41 Sinal da monitoração do tensão de alimentação acima do limite ErroDesECM P1604-08 45 Erro de verificação do bloco 1 da memória EEPROM. ErroInterSoftECM P1605-08 93 Erro de verificação na escrita na memória EEPROM. ErroGravacao ECM P1606-01 49 Tensão elevada no capacitor interno C1 Capacitor1Inj. P1606-02 49 Tensão baixa no capacitor interno C1 Capacitor1Inj. P1606-04 49 Erro na conversao do sinal analógico para digital. Capacitor1Inj. P1607-01 51 Tensão elevada no capacitor interno C2 Capacitor2Inj. P1607-02 51 Tensão baixa no capacitor interno C2 Capacitor2Inj. P1607-04 51 Erro na conversao do sinal analógico para digital. Capacitor2Inj. P1612-03 91 Tensão baixa no sensor de nível da água de arrefecimento do motor SensorNivel Água P1612-04 91 Sinal do sensor de nível de água de arrefecimento do motor perdido SensorNivel Água P1612-08 91 Sinal do sensor de nível de água de arrefecimento do motor não plausível SensorNivel Água P1612-10 91 Nível baixo do líquido de arrefecimento SensorNivel Água PCode Piscada Descrição Sensor Book.book Page 11 Monday, March 8, 2004 8:38 PM
  • 86.
    D - 12MOTORES MWM Série 12 Relação de Códigos de Falhas por PCode P1612-12 91 Tensão elevada no sensor de nível da água de arrefecimento do motor SensorNivel Água P1613-04 92 Sinal do sensor de água no combustível perdido SensorÁguaCombus P1613-09 92 água no combustivel SensorÁguaCombus P1614-08 94 Erro na EEPROM. Não foi feito afterrun. ErroInterSoftECM P1615-08 95 Erro de verificação do bloco 1 da memória EEPROM. ErroInterSoftECM P1625-01 39 Falha na monitoração da alimentação interna UB2 TensaoAlimentECM P1625-02 39 Falha na monitoração da alimentação interna UB3 TensaoAlimentECM P1625-03 39 Falha na monitoração da alimentação interna UB2 e UB3 TensaoAlimentECM P1625-04 39 Falha na monitoração da alimentação interna UB4 TensaoAlimentECM P1625-05 39 Falha na monitoração da alimentação interna UB2 e UB4 TensaoAlimentECM P1625-06 39 Falha na monitoração da alimentação interna UB3 e UB4 TensaoAlimentECM P1625-07 39 Falha na monitoração da alimentação interna UB2 UB3 e UB4 TensaoAlimentECM P1625-08 39 Falha do relê principal (converssor A/D) TensaoAlimentECM P1674-01 69 Curto-circuito para tensão da bateria na lâmpada de aviso (Warning) LuzesAdvertencia P1674-02 69 Curto-circuito para terra na lâmpada de aviso (Warning) LuzesAdvertencia P1674-04 69 Lâmpada de aviso (Warning) não cenectada LuzesAdvertencia P1683-01 75 Curto-circuito para tensão da bateria na válvula do freio motor CircuitoFreioMot P1683-02 75 Curto-circuito para terra na vávula do freio motor CircuitoFreioMot P1683-04 75 Válvula do freio motor não conectada CircuitoFreioMot PCode Piscada Descrição Sensor Book.book Page 12 Monday, March 8, 2004 8:38 PM
  • 87.
    MOTORES MWM Série12 D - 13 Relação de Códigos de Falhas por PCode P1690-04 83 Sinal da vávula solenóide da bomba CP3 perdido Pressao Combust. P1690-04 83 Sinal da vávula solenóide da bomba CP3 perdido PressaoCombustiv PCode Piscada Descrição Sensor Book.book Page 13 Monday, March 8, 2004 8:38 PM
  • 88.
    D - 14MOTORES MWM Série 12 Relação de Códigos de Falhas por PCode Book.book Page 14 Monday, March 8, 2004 8:38 PM Página deixada intencionalmente em branco
  • 89.
    MOTORES MWM Série12 D - 15 Relação de Códigos de Falhas por Códigos de Piscadas Piscadas PCode Descrição Sensor 11 P0115-01 Tensão elevada no sensor de temperatura do líquido de arrefecimento do motor Sensor de Temperatura do Líquido de Arrefecimento 11 P0115-02 Baixa tensão no sensor de tem- peratura do líquido de arrefeci- mento do motor Sensor de Temperatura do Líquido de Arrefecimento 11 P0115-04 Sinal sensor de temperatura do agua de arrefecimento do motor perdido Sensor de Temperatura do Líquido de Arrefecimento 11 P0115-09 Temperatura do líquido de arrefecimento excedeu o limite de proteção do motor Sensor de Temperatura do Líquido de Arrefecimento 13 P0239-01 Tensão elevada no sensor de temperatura do ar de admissão Sensor de Temperatura do Ar de Admissão 13 P0239-02 Baixa tensão no sensor de tem- peratura do ar de admissão Sensor de Temperatura do Ar de Admissão 13 P0239-04 Sinal sensor de temperatura do ar de admissao perdido Sensor de Temperatura do Ar de Admissão 14 P0235-01 Tensão elevada no sensor de pressão do ar de admissão Sensor de Pressão do Ar de Admissão 14 P0235-02 Baixa tensão no sensor de pressão do ar de admissão Sensor de Pressão do Ar de Admissão 14 P0235-03 Tensão de alimentação baixa do sensor de pressão do ar de admissão TensAliSensPrAdm 14 P0235-04 Sinal sensor de pressao do turbo perdido Sensor de Pressão do Ar de Admissão 14 P0235-09 Pressão de admissão acima do limite máximo Sensor de Pressão do Ar de Admissão 14 P0235-12 Tensão de alimentação elevada do sensor de pressão do ar de admissão TensAliSensPrAdm 16 P0105-01 Tensão elevada no sensor de pressão atmosférico Sensor de Pressão Atmosférica 16 P0105-02 Tensão baixa no sensor de pressão atmosférico Sensor de Pressão Atmosférica 16 P0105-04 Sinal do sensor de pressão atmosférica perdido Sensor de Pressão Atmosférica 16 P0105-09 Pressão atmosférica acima do limite máximo Sensor de Pressão Atmosférica Book.book Page 15 Monday, March 8, 2004 8:38 PM
  • 90.
    D - 16MOTORES MWM Série 12 Relação de Códigos de Falhas por Códigos de Piscadas 17 P0195-01 Tensão elevada no sensor de temperatura do óleo SensorTempOleoMt 17 P0195-02 Baixa tensão no sensor de tem- peratura do óleo SensorTempOleoMt 17 P0195-04 Sinal sensor de temperatura do óleo perdido SensorTempOleoMt 17 P0195-09 Temperatura do óleo acima do limite máximo de proteção do motor SensorTempOleoMt 18 P0520-01 Tensão elevada no sensor de pressão do óleo SinalPressOleoMt 18 P0520-02 Baixa tensão no sensor de pressão do óleo SinalPressOleoMt 18 P0520-03 Baixa tensão de alimentação do sensor de pressão do óleo TensAliSensPrOl 18 P0520-04 Sinal sensor de pressao do óleo perdido SinalPressOleoMt 18 P0520-09 Pressão do óleo acima do limite máximo de proteção d0 motor SinalPressOleoMt 18 P0520-10 Pressão do óleo abaixo do lim- ite mínimo de proteção do motor SinalPressOleoMt 18 P0520-12 Tensão de alimentação elevada no sensor de pressão do óleo TensAliSensPrOl 21 P0560-01 Tensão de alimentação elevada TensaoBateria 21 P0560-02 Tensão de alimentação baixa, mesmo com a rotacao do motor acima de marcha de lenta TensaoBateria 21 P0560-04 Erro na conversao do sinal analógico para digital. TensaoBateria 21 P0560-09 Tensão de alimentação acima do limite máximo do sistema TensaoBateria 21 P0560-10 Tensão de alimentação abaixo do limite mínimo do sistema TensaoBateria 22 P0190-01 Tensão elevada no sensor de pressão de combustível Press LinhaInjec 22 P0190-02 Tensão baixa no sensor de pressão de combustível Press LinhaInjec Piscadas PCode Descrição Sensor Book.book Page 16 Monday, March 8, 2004 8:38 PM
  • 91.
    MOTORES MWM Série12 D - 17 Relação de Códigos de Falhas por Códigos de Piscadas 22 P0190-03 Tensão de alimentação baixa no sensor de pressão de com- bustível TensAlimPresComb 22 P0190-04 Sinal do sensor de pressão do combustível perdido PressaoCombustiv 22 P0190-09 Pressão do combustível acima do limite máximo do sistema PressaoCombustiv 22 P0190-12 Tensão de alimentação elevada no sensor de pressão de com- bustível TensAlimPresComb 23 P0120-01 Tensão elevada no sensor de posição do acelerador Sensor do Pedal do Acelerador 23 P0120-02 Baixa tensão no sensor de posição do acelerador Sensor do Pedal do Acelerador 23 P0120-03 Tensão de alimentação baixa no sensor de posição do acel- erador TensAlimSensPed 23 P0120-04 Sinal do sensor de posição do acelerador perdido Sensor do Pedal do Acelerador 23 P0120-08 Tensão no sensor de posição do acelerador nao plausivel com interruptor de marcha lenta InterMLPedalAcel 23 P0120-12 Tensão de alimentação elevada no sensor de posição do acel- erador TensAlimSensPed 24 P0220-08 Nao Pausibilidade entre inter- ruptor pedal de freio e pedal do acelerador InterMLPedalAcel 25 P0500-01 Sinal de velocidade do veículo elevado SensorVelocidade 25 P0500-02 Sinal de velocidade do veículo baixo SensorVelocidade 25 P0500-04 Sinal de velocidade do veiculo perdido SensorVelocidade 25 P0500-08 Sinal de velocidade do veículo não plausível SensorVelocidade 25 P0500-09 Sinal de velocidade do veículo acima do limite máximo Velocidade Maxim 27 P0704-04 Sem sinal do sensor do pedal de embreagem SensPosPedalEmb Piscadas PCode Descrição Sensor Book.book Page 17 Monday, March 8, 2004 8:38 PM
  • 92.
    D - 18MOTORES MWM Série 12 Relação de Códigos de Falhas por Códigos de Piscadas 28 P0571-08 Sinal do sensor do pedal de freio não plausível SensPosPedalFrei 32 P0233-01 Sinal de pressão do combus- tível excedeu o máximo limite (High pressure) Pressao Combust. 32 P0233-03 Vazamento de pressão durante overrun (Leakage in overrun) Pressao Combust. 32 P0233-04 Pressão de combustível muito baixa (Low pressure) PressaoCombustiv 32 P0233-08 Pressão na linha de combus- tível consideravelmente mais baixo do que o comando de pressão de combustível (Neg. deviation) Pressao Combust. 32 P0233-09 Vazamento de pressão detectado por cálculo do bal- anço de débito não plausível (Leakage in quantity balance) Pressao Combust. 32 P0233-10 Vazamento de pressão durante a marcha lenta (Low idle) Pressao Combust. 32 P0233-12 Pressão na linha de combus- tível consideravelmente mais alto do que o comando de pressão de combustível (Pos. Deviation) Pressao Combust. 38 P0219-08 Rotação do motor excedeu o limite máximo (overspeed). SinalRotacaoMot 39 P1625-01 Falha na monitoração da ali- mentação interna UB2 TensaoAlimentECM 39 P1625-02 Falha na monitoração da ali- mentação interna UB3 TensaoAlimentECM 39 P1625-03 Falha na monitoração da ali- mentação interna UB2 e UB3 TensaoAlimentECM 39 P1625-04 Falha na monitoração da ali- mentação interna UB4 TensaoAlimentECM 39 P1625-05 Falha na monitoração da ali- mentação interna UB2 e UB4 TensaoAlimentECM 39 P1625-06 Falha na monitoração da ali- mentação interna UB3 e UB4 TensaoAlimentECM Piscadas PCode Descrição Sensor Book.book Page 18 Monday, March 8, 2004 8:38 PM
  • 93.
    MOTORES MWM Série12 D - 19 Relação de Códigos de Falhas por Códigos de Piscadas 39 P1625-07 Falha na monitoração da ali- mentação interna UB2, UB3 e UB4 TensaoAlimentECM 39 P1625-08 Falha do relê principal (con- verssor A/D) TensaoAlimentECM 41 P1285-03 Sinal da monitoração do tensão de alimentação abaixo do limite ErroDesECM 41 P1285-04 Falha no teste de desligamento do motor ErroDesECM 41 P1285-08 Teste do Watchdog não plausível ErroDesECM 41 P1285-12 Sinal da monitoração do tensão de alimentação acima do limite ErroDesECM 42 P0335-08 Defeito no sensor de rotação. SinalRotacaoMot 43 P0340-08 Defeito no sensor de fase. SinalRotacaoMot 44 P0320-08 Sinais diferentes de rotação pelo sensor de fase e pelo sen- sor de rotação SinalRotacaoMot 45 P1604-08 Erro de verificação do bloco 1 da memória EEPROM. ErroInterSoftECM 46 P0606-08 "Reset do módulo por condições adverssas "Recovery 47 P0231-01 Pressão do combustível (Rail) acima do limite máximo do sistema MPRV_S_PRESHIGH_DUC ValvulaAlivioRail 47 P0231-02 Detectada a abetura da válvula de alívio de pressão do com- bustível MPRV_S_RECSTEP1_DUC ValvulaAlivioRail 47 P0231-03 Choque de pressão para aber- tura da válvula de alívio de pressão do combustível MPRV_S_KICKOFF_DUC ValvulaAlivioRail 47 P0231-04 Detectada a abetura da válvula de alívio de pressão do com- bustível MPRV_S_RECSTEP1_DUC ValvulaAlivioRail Piscadas PCode Descrição Sensor Book.book Page 19 Monday, March 8, 2004 8:38 PM
  • 94.
    D - 20MOTORES MWM Série 12 Relação de Códigos de Falhas por Códigos de Piscadas 47 P0231-08 Detectada a abetura da válvula de alívio de pressão do com- bustível MPRV_S_RECSTEP2_DUC ValvulaAlivioRail 47 P0231-09 Válvula de alívio de pressão do combustível não abriu após choque de pressão MPRV_S_INHIBITED_DUC ValvulaAlivioRail 47 P0231-10 Válvula de alívio de pressão do combustível aberta MPRV_S_OPEN_DUC ValvulaAlivioRail 47 P0231-12 Detectada a abetura da válvula de alívio de pressão do com- bustível MPRV_S_EVALACT_DUC ValvulaAlivioRail 48 P0561-03 Tensão de alimentação interna baixa TensaoAlimentECM 48 P0561-04 Falha no modo de monitoração (Watchdog) TensaoAlimentECM 48 P0561-08 Modo de monitoração e tensão de alimentação interna não plausível TensaoAlimentECM 48 P0561-12 Tensão de alimentação interna elevada TensaoAlimentECM 49 P1606-01 Tensão elevada no capacitor interno C1 Capacitor1Inj. 49 P1606-02 Tensão baixa no capacitor interno C1 Capacitor1Inj. 49 P1606-04 Erro na conversao do sinal analógico para digital. Capacitor1Inj. 51 P1607-01 Tensão elevada no capacitor interno C2 Capacitor2Inj. 51 P1607-02 Tensão baixa no capacitor interno C2 Capacitor2Inj. 51 P1607-04 Erro na conversao do sinal analógico para digital. Capacitor2Inj. 58 P0201-01 Curto-circuito para tensão da bateria no Injetor 1 Injetor Combust1 58 P0201-02 Curto-circuito para terra no Inje- tor 1 Injetor Combust1 58 P0201-04 Injetor 1 não conectado Injetor Combust1 Piscadas PCode Descrição Sensor Book.book Page 20 Monday, March 8, 2004 8:38 PM
  • 95.
    MOTORES MWM Série12 D - 21 Relação de Códigos de Falhas por Códigos de Piscadas 58 P0201-08 Falha na monitoração do injetor 1 Injetor Combust1 59 P0202-01 Curto-circuito para tensão da bateria no Injetor 2 Injetor Combust2 59 P0202-02 Curto-circuito para terra no Inje- tor 2 Injetor Combust2 59 P0202-04 Injetor 2 não conectado Injetor Combust2 59 P0202-08 Falha na monitoração do injetor 2 Injetor Combust2 61 P0203-01 Curto-circuito para tensão da bateria no Injetor 3 Injetor Combust3 61 P0203-02 Curto-circuito para terra no Inje- tor 3 Injetor Combust3 61 P0203-04 Injetor 3 não conectado Injetor Combust3 61 P0203-08 Falha na monitoração do injetor 3 Injetor Combust3 62 P0204-01 Curto-circuito para tensão da bateria no Injetor 4 Injetor Combust4 62 P0204-02 Curto-circuito para terra no Inje- tor 4 Injetor Combust4 62 P0204-04 Injetor 4 não conectado Injetor Combust4 62 P0204-08 Falha na monitoração do injetor 4 Injetor Combust4 63 P0205-01 Curto-circuito para tensão da bateria no Injetor 5 Injetor Combust5 63 P0205-02 Curto-circuito para terra no Inje- tor 5 Injetor Combust5 63 P0205-04 Injetor 5 não conectado Injetor Combust5 63 P0205-08 Falha na monitoração do injetor 5 Injetor Combust5 64 P0206-01 Curto-circuito para tensão da bateria no Injetor 6 Injetor Combust6 64 P0206-02 Curto-circuito para terra no Inje- tor 6 Injetor Combust6 64 P0206-04 Injetor 6 não conectado Injetor Combust6 64 P0206-08 Falha na monitoração do injetor 6 Injetor Combust6 Piscadas PCode Descrição Sensor Book.book Page 21 Monday, March 8, 2004 8:38 PM
  • 96.
    D - 22MOTORES MWM Série 12 Relação de Códigos de Falhas por Códigos de Piscadas 69 P1674-01 Curto-circuito para tensão da bateria na lâmpada de aviso (Warning) LuzesAdvertencia 69 P1674-02 Curto-circuito para terra na lâm- pada de aviso (Warning) LuzesAdvertencia 69 P1674-04 Lâmpada de aviso (Warning) não cenectada LuzesAdvertencia 71 P0650-01 Curto-circuito para tensão da bateria na lâmpada de parada de emergência (Stop) LuzesAdvertencia 71 P0650-02 Curto-circuito para terra na lam- pada de parada de emergência (Stop) LuzesAdvertencia 71 P0650-04 Lâmpada de parada de emergência (Stop) não conectada LuzesAdvertencia 75 P1683-01 Curto-circuito para tensão da bateria na válvula do freio motor CircuitoFreioMot 75 P1683-02 Curto-circuito para terra na vávula do freio motor CircuitoFreioMot 75 P1683-04 Válvula do freio motor não conectada CircuitoFreioMot 83 P1690-04 Sinal da vávula solenóide da bomba CP3 perdido Pressao Combust. 83 P1690-04 Sinal da vávula solenóide da bomba CP3 perdido PressaoCombustiv 91 P1612-03 Tensão baixa no sensor de nível da água de arrefecimento do motor SensorNivel Água 91 P1612-04 Sinal do sensor de nível de água de arrefecimento do motor perdido SensorNivel Água 91 P1612-08 Sinal do sensor de nível de água de arrefecimento do motor não plausível SensorNivel Água 91 P1612-10 Nível baixo do líquido de arrefecimento SensorNivel Água 91 P1612-12 Tensão elevada no sensor de nível da água de arrefecimento do motor SensorNivel Água Piscadas PCode Descrição Sensor Book.book Page 22 Monday, March 8, 2004 8:38 PM
  • 97.
    MOTORES MWM Série12 D - 23 Relação de Códigos de Falhas por Códigos de Piscadas 92 P1613-04 Sinal do sensor de água no combustível perdido SensorÁguaCombus 92 P1613-09 água no combustivel SensorÁguaCombus 93 P1605-08 Erro de verificação na escrita na memória EEPROM. ErroGravacao ECM 94 P1614-08 Erro na EEPROM. Não foi feito afterrun. ErroInterSoftECM 95 P1615-08 Erro de verificação do bloco 1 da memória EEPROM. ErroInterSoftECM Piscadas PCode Descrição Sensor Book.book Page 23 Monday, March 8, 2004 8:38 PM
  • 98.
    D - 24MOTORES MWM Série 12 Relação de Códigos de Falhas por Códigos de Piscadas Book.book Page 24 Monday, March 8, 2004 8:38 PM Página deixada intencionalmente em branco
  • 99.
    MOTORES MWM Série12 D- 25 Códigos de Falhas Sensor de Pressão Atmosférica P0105/01 Sensor de Pressão AtmosféricaP0105/01 Detalhamento Foi detectado um valor de tensão de alimentação elevado no sensor de pressão atmosférica. Esta tensão de alimentação é fornecida através do drivers internos do módulo, há a possibidade desta tensão ser decorrente da alimentação produzida pelo alternador e a mesma esta acima dos valores tolerados pelo módulo, verifique se existe outros códigos e corrija-os. Por tratar-se de um sensor interno ao módulo, não é possível nenhum tipo de teste a não ser substituir o módulo e certificar-se de que desapareceu a indicação da falha. Caso persista a indicação verifique a ferramenta de diagnóse. OBSERVAÇÃO: Apague todas as falhas e repita o teste antes de proceder a troca do módulo Estratégia Código Piscado Causa 16 Sinal de tensão alto do sensor de pressão atmosférica. Acima de 3000 Hpa Reduz 50% de potência / Aciona lâmpada amarela . Este sinal é utilizado pelo módulo para utilizar mapas de injeção em função da altitude para proteger o turbo/ motor. Book.book Page 25 Monday, March 8, 2004 8:38 PM
  • 100.
    D- 26 Códigos deFalhas Sensor de Pressão Atmosférica MOTORES MWM Série 12 P0105/01 Roteiro para Localização e Solução de Falhas Desconectar o sensor e medir a resistência conforme tabela abaixo: Book.book Page 26 Monday, March 8, 2004 8:38 PM
  • 101.
    MOTORES MWM Série12 D- 27 Códigos de Falhas Sensor de Pressão Atmosférica P0105/02 Sensor de Pressão AtmosféricaP0105/02 Detalhamento Foi detectado um valor de tensão de alimentação baixa no sensor de pressão atmosférica. Esta tensão de alimentação é fornecida através do drivers internos do módulo, há a possibidade desta tensão ser decorrente da alimentação do módulo com valor inferior a 8 volts, verifique se existe outros códigos e corrija-os. Por tratar-se de um sensor interno ao módulo, não é possível nenhum tipo de teste a não ser substituir o módulo e certificar-se de que desapareceu a indicação da falha. Caso persista a indicação verifique a ferramenta de diagnóse. OBSERVAÇÃO: Apague todas as falhas e repita o teste antes de proceder a troca do módulo Estratégia Código Piscado Causa 16 Sinal de tensão baixo do sensor de pressão atmosférica. Acima de 3000 Hpa Reduz 50% de potência / Aciona lâmpada amarela . Este sinal é utilizado pelo módulo para utilizar mapas de injeção em função da altitude para proteger o turbo/ motor. Book.book Page 27 Monday, March 8, 2004 8:38 PM
  • 102.
    D- 28 Códigos deFalhas Sensor de Pressão Atmosférica MOTORES MWM Série 12 P0105/02 Book.book Page 28 Monday, March 8, 2004 8:38 PM Página deixada intencionalmente em branco
  • 103.
    MOTORES MWM Série12 D- 29 Códigos de Falhas Sensor de Pressão Atmosférica P0105/04 Sensor de Pressão AtmosféricaP0105/04 Detalhamento Possivelmente o circuito ou sensor de pressão atmosférica, esteja em circuito aberto, portanto sem ligação com a ECM. Verifique presença de água ou outra substância em volta do sensor, que poderia provocar um curto circuito interno ao módulo. Por tratar-se de um sensor interno ao módulo, não é possível nenhum tipo de teste a não ser substituir o módulo e certificar-se de que desapareceu a indicação da falha. Caso persista a indicação verifique a ferramenta de diagnóse. OBSERVAÇÃO: Apague todas as falhas e repita o teste antes de proceder a troca do módulo Estratégia Código Piscado Causa 16 Sinal perdido do sensor de pressão atmosférica. Acima de 3000 Hpa Reduz 50% de potência / Aciona lâmpada amarela . Este sinal é utilizado pelo módulo para utilizar mapas de injeção em função da altitude para proteger o turbo/ motor. Book.book Page 29 Monday, March 8, 2004 8:38 PM
  • 104.
    D- 30 Códigos deFalhas Sensor de Pressão Atmosférica MOTORES MWM Série 12 P0105/04 Book.book Page 30 Monday, March 8, 2004 8:38 PM Página deixada intencionalmente em branco
  • 105.
    MOTORES MWM Série12 D- 31 Códigos de Falhas Sensor de Pressão Atmosférica P0105/09 Sensor de Pressão AtmosféricaP0105/09 Detalhamento Foi detectado um valor de pressão atmosférica acima do valor programado no módulo para esta aplicação. Compare o valor programado no módulo com a altitude em que se encontra o veículo. Caso esteja dentro do programado certifique a não presença de água ou outra substância em volta do sensor, que poderia provocar uma leitura errada. Por tratar-se de um sensor interno ao módulo, não é possível nenhum tipo de teste a não ser substituir o módulo e certificar-se de que desapareceu a indicação da falha. Caso persista a indicação verifique a ferramenta de diagnóse. OBSERVAÇÃO: Apague todas as falhas e repita o teste antes de proceder a troca do módulo Estratégia Código Piscado Causa 16 Sinal de pressão atmosférica excedeu limite de proteção do motor. Acima de 3000 Hpa Reduz 50% de potência / Aciona lâmpada amarela . Este sinal é utilizado pelo módulo para utilizar mapas de injeção em função da altitude para proteger o turbo/ motor. Book.book Page 31 Monday, March 8, 2004 8:38 PM
  • 106.
    D- 32 Códigos deFalhas Sensor de Pressão Atmosférica MOTORES MWM Série 12 P0105/09 Book.book Page 32 Monday, March 8, 2004 8:38 PM Página deixada intencionalmente em branco
  • 107.
    MOTORES MWM Série12 D- 33 Códigos de Falhas Sensor de Temperatura do Líquido de Arrefecimento P0115/01 Sensor de Temperatura do Líquido de ArrefecimentoP0115/01 084/02 Detalhamento Foi detectado um sinal de tensão alto (não compatível com os sinais dos demais sensores), proveniente do sensor de temperatura do liquido de arrefecimento. É possível que a resistência do sensor esteja alterado ou um curto circuito na fiação. Estratégia Código Piscado Causa 11 Sinal de tensão alto do sensor de temperatura do líquido de arrefecimento. Acima de 100 °C Aciona lâmpada amarela Acima de 105 °C Reduz 50% de potência Acima de 115 °C Reduz 100% de potência Este sinal é utilizado pelo módulo para selecionar : • Estratégias de partida à frio ou a quente; • Corrigir tempo de injeção; • Corrigir o ângulo de início de injeção. Book.book Page 33 Monday, March 8, 2004 8:38 PM
  • 108.
    D- 34 Códigos deFalhas Sensor de Temperatura do Líquido de Arrefecimento MOTORES MWM Série 12 P0115/01 Roteiro para Localização e Solução de Falhas Book.book Page 34 Monday, March 8, 2004 8:38 PM
  • 109.
    MOTORES MWM Série12 D- 35 Códigos de Falhas Sensor de Temperatura do Líquido de Arrefecimento P0115/02 Sensor de Temperatura do Líquido de ArrefecimentoP0115/02 Detalhamento Foi detectado um sinal de tensão baixo (não compatível com os sinais dos demais sensores), proveniente do sensor de temperatura do liquido de arrefecimento. É possível que a resistência do sensor esteja alterado ou um curto circuito na fiação. Estratégia Código Piscado Causa 11 Sinal de tensão baixo no sensor de temp. de água. Acima de 100 °C Aciona lâmpada amarela Acima de 105 °C Reduz 50% de potência Acima de 115 °C Reduz 100% de potência Este sinal é utilizado pelo módulo para selecionar : • Estratégias de partida à frio ou a quente; • Corrigir tempo de injeção; • Corrigir o ângulo de início de injeção. Book.book Page 35 Monday, March 8, 2004 8:38 PM
  • 110.
    D- 36 Códigos deFalhas Sensor de Temperatura do Líquido de Arrefecimento MOTORES MWM Série 12 P0115/02 Roteiro para Localização e Solução de Falhas Book.book Page 36 Monday, March 8, 2004 8:38 PM
  • 111.
    MOTORES MWM Série12 D- 37 Códigos de Falhas Sensor de Temperatura do Líquido de Arrefecimento P0115/04 Sensor de Temperatura do Líquido de ArrefecimentoP0115/04 Detalhamento Possivelmente o circuito ou sensor de temperatura do líquido de arrefecimento, esteja em circuito aberto; portanto sem ligação com a ECM. Para localizar o problema vamos provocar um defeito inverso. Estratégia Código Piscado Causa 11 Sem sinal do sensor de temperatura do líquido de arrefecimento. Acima de 100 °C Aciona lâmpada amarela Acima de 105 °C Reduz 50% de potência Acima de 115 °C Reduz 100% de potência Este sinal é utilizado pelo módulo para selecionar : • Estratégias de partida à frio ou a quente; • Corrigir tempo de injeção; • Corrigir o ângulo de início de injeção. Book.book Page 37 Monday, March 8, 2004 8:38 PM
  • 112.
    D- 38 Códigos deFalhas Sensor de Temperatura do Líquido de Arrefecimento MOTORES MWM Série 12 P0115/04 Roteiro para Localização e Solução de Falhas Book.book Page 38 Monday, March 8, 2004 8:38 PM
  • 113.
    MOTORES MWM Série12 D- 39 Códigos de Falhas Sensor de Temperatura do Líquido de Arrefecimento P0115/09 Sensor de Temperatura do Líquido de ArrefecimentoP0115/09 084/02 Detalhamento A temperatura do líquido de arrefecimento está acima do valor programado para proteção do motor (105 °C). Este código pode ter sido acionado por condições reais no funcionamento do motor ou por erro de leitura do sensor ou chicote. Antes de começar o teste verifique se há indícios de impurezas no sensor. Estratégia Código Piscado Causa 11 Temperatura do líquido excedeu limite de proteção do motor Acima de 100 °C Aciona lâmpada amarela Acima de 105 °C Reduz 50% de potência Acima de 115 °C Reduz 100% de potência Este sinal é utilizado pelo módulo para selecionar : • Estratégias de partida à frio ou a quente; • Corrigir tempo de injeção; • Corrigir o ângulo de início de injeção. CONECTOR DO MOTOR Book.book Page 39 Monday, March 8, 2004 8:38 PM
  • 114.
    D- 40 Códigos deFalhas Sensor de Temperatura do Líquido de Arrefecimento MOTORES MWM Série 12 P0115/09 Roteiro para Localização e Solução de Falhas Desconectar o sensor e medir a resistência conforme tabela abaixo: Temperatura °C Resistência (kΩ) - 20 15,462 (+-6%) - 10 9,397 (+-6%) 0 5,896 (+-6%) 10 3,792 (+- 6%) 20 2,500 (+- 6%) 25 2,057 (+- 5%) 30 1,707 (+- 5%) 40 1,175 (+- 5%) 50 0,834 (+- 4%) 60 0,596 (+- 4%) 70 0,435 (+- 4%) 80 0,323 (+- 2%) 90 0,243 (+- 2%) 100 0,186 (+- 2%) 110 0,144 (+- 2%) 120 0,113 (+- 2%) 130 0,089 (+- 2%) Não - Substituir o sensor. - Repetir o teste. Sim - Com o circuito aberto. - Repetir o teste. - Verifique se apresenta código P0115/04 (Circuito aberto) - Repetiu o código P0115/09 ? Não Sim - Instalar o sensor. - Repetir o teste Sim - Substituir o sensor Book.book Page 40 Monday, March 8, 2004 8:38 PM
  • 115.
    MOTORES MWM Série12 D- 41 Códigos de Falhas Sensor do Pedal do Acelerador P0120/01 Sensor do Pedal do AceleradorP0120/01 Detalhamento Foi detectado um sinal de tensão alta proveniente do sensor de pedal do acelerador. Possível que a resistência do sensor esteja alterado ou um curto circuito na fiação. Estratégia Código Piscado Causa 23 Sinal de tensão alto no sensor do Pedal do acelerador. Na ausência deste sinal será fixado a rotação do motor em 1200 rpm Acenderá a lâmpada amarela • Este sinal é utilizado pelo módulo para validar a marcha lenta e variar rpm de acordo com a solicitação do condutor. Book.book Page 41 Monday, March 8, 2004 8:38 PM
  • 116.
    D- 42 Códigos deFalhas Sensor do Pedal do Acelerador MOTORES MWM Série 12 P0120/01 Roteiro para Localização e Solução de Falhas Book.book Page 42 Monday, March 8, 2004 8:38 PM
  • 117.
    MOTORES MWM Série12 D- 43 Códigos de Falhas Sensor do Pedal do Acelerador P0120/02 Sensor do Pedal do AceleradorP0120/02 Detalhamento Foi detectado um sinal de tensão baixo proveniente do sensor de pedal de acelerador. É possível que a resistência do sensor esteja alterado ou um curto circuito na fiação. Estratégia Código Piscado Causa 23 Sinal de tensão baixo no sensor do Pedal do acelerador. Na ausência deste sinal será fixado a rotação do motor em 1200 rpm Acenderá a lâmpada amarela • Este sinal é utilizado pelo módulo para validar a marcha lenta e variar rpm de acordo com a solicitação do condutor. Book.book Page 43 Monday, March 8, 2004 8:38 PM
  • 118.
    D- 44 Códigos deFalhas Sensor do Pedal do Acelerador MOTORES MWM Série 12 P0120/02 Roteiro para Localização e Solução de Falhas Book.book Page 44 Monday, March 8, 2004 8:38 PM
  • 119.
    MOTORES MWM Série12 D- 45 Códigos de Falhas Sensor do Pedal do Acelerador P0120/03 Sensor do Pedal do AceleradorP0120/03 Detalhamento Foi detectado uma tensão de alimentação inferior a 4,75 Volts no sensor de pedal do acelerador. Esta tensão pode ser decorrente de um problema interno ao módulo ou possível curto com positivo de bateria. Vamos executar o teste de verificação de curto com o negativo de bateria. Estratégia Código Piscado Causa 23 Tensão de alimentação abaixo do normal. Na ausência deste sinal será fixado a rotação do motor em 1200 rpm Acenderá a lâmpada amarela • Este sinal é utilizado pelo módulo para validar a marcha lenta e variar rpm de acordo com a solicitação do condutor. Book.book Page 45 Monday, March 8, 2004 8:38 PM
  • 120.
    D- 46 Códigos deFalhas Sensor do Pedal do Acelerador MOTORES MWM Série 12 P0120/03 Roteiro para Localização e Solução de Falhas Book.book Page 46 Monday, March 8, 2004 8:38 PM
  • 121.
    MOTORES MWM Série12 D- 47 Códigos de Falhas Sensor do Pedal do Acelerador P0120/04 Sensor do Pedal do AceleradorP0120/04 Detalhamento Foi detectado uma tensão de alimentação inferior a 4,75 Volts no sensor de pedal do acelerador. Esta tensão pode ser decorrente de um problema interno ao módulo ou possível curto com positivo de bateria. Vamos executar o teste de verificação de curto com o negativo de bateria. Estratégia Código Piscado Causa 23 Tensão de alimentação abaixo do normal. Na ausência deste sinal será fixado a rotação do motor em 1200 rpm Acenderá a lâmpada amarela • Este sinal é utilizado pelo módulo para validar a marcha lenta e variar rpm de acordo com a solicitação do condutor. Book.book Page 47 Monday, March 8, 2004 8:38 PM
  • 122.
    D- 48 Códigos deFalhas Sensor do Pedal do Acelerador MOTORES MWM Série 12 P0120/04 Roteiro para Localização e Solução de Falhas Book.book Page 48 Monday, March 8, 2004 8:38 PM
  • 123.
    MOTORES MWM Série12 D- 49 Códigos de Falhas Sensor do Pedal do Acelerador P0120/12 Sensor do Pedal do AceleradorP0120/12 Detalhamento Foi detectado uma tensão de alimentação superior a 5,25 Volts no sensor de pedal do acelerador. Esta tensão pode ser decorrente de um problema interno ao módulo ou possível curto com positivo de bateria. Vamos executar o teste de verificação de curto com o positivo de bateria. Estratégia Código Piscado Causa 23 Tensão de alimentação acima do normal. Na ausência deste sinal será fixado a rotação do motor em 1200 rpm Acenderá a lâmpada amarela • Este sinal é utilizado pelo módulo para validar a marcha lenta e variar rpm de acordo com a solicitação do condutor. Book.book Page 49 Monday, March 8, 2004 8:38 PM
  • 124.
    D- 50 Códigos deFalhas Sensor do Pedal do Acelerador MOTORES MWM Série 12 P0120/12 Roteiro para Localização e Solução de Falhas Book.book Page 50 Monday, March 8, 2004 8:38 PM
  • 125.
    MOTORES MWM Série12 D- 51 Códigos de Falhas Sensor de Pressão de Combustível (Rail) P0190/01 Sensor de Pressão de Combustível (Rail) P0190/01 Detalhamento Foi detectado um sinal de tensão alta, proveniente do sensor de pressão do rail. É possível que a resistência do sensor esteja alterado ou um curto circuito na fiação. Estratégia Código Piscado Causa 22 Sinal de tensão alto no sensor de pressão de combustível. Sensor apresenta defeito ou valor de pressão ultrapasse 1485 bar. Lâmpada vermelha é acionada A potência é reduzia abaixo de 80% Retorno da bomba será aberto A pressão no rail será reduzido a 80 bar. Este sinal é utilizado pelo módulo para calculo do volume de combustível a ser injetado e como elemento de segurança do sistema. Book.book Page 51 Monday, March 8, 2004 8:38 PM
  • 126.
    D- 52 Códigos deFalhas Sensor de Pressão de Combustível (Rail) MOTORES MWM Série 12 P0190/01 Roteiro para Localização e Solução de Falhas Book.book Page 52 Monday, March 8, 2004 8:38 PM
  • 127.
    MOTORES MWM Série12 D- 53 Códigos de Falhas Sensor de Pressão de Combustível (Rail) P0190/02 Sensor de Pressão de Combustível P0190/02 Detalhamento Foi detectado um sinal de tensão baixo, proveniente do sensor de pressão do rail. É possível que a resistência do sensor esteja alterado ou um curto circuito na fiação. Estratégia Código Piscado Causa 22 Sinal de tensão baixo no sensor de pressão de combustível . Sensor apresenta defeito ou valor de pressão ultrapasse 1485 bar. Lâmpada vermelha é acionada A potência é reduzia abaixo de 80% Retorno da bomba será aberto A pressão no rail será reduzido a 80 bar. Este sinal é utilizado pelo módulo para calculo do volume de combustível a ser injetado e como elemento de segurança do sistema. Book.book Page 53 Monday, March 8, 2004 8:38 PM
  • 128.
    D- 54 Códigos deFalhas Sensor de Pressão de Combustível (Rail) MOTORES MWM Série 12 P0190/02 Roteiro para Localização e Solução de Falhas Book.book Page 54 Monday, March 8, 2004 8:38 PM
  • 129.
    MOTORES MWM Série12 D- 55 Códigos de Falhas Sensor de Pressão de Combustível (Rail) P0190/03 Sensor de Pressão de CombustívelP0190/03 Detalhamento Foi detectado um sinal de tensão baixo, proveniente do sensor de pressão do rail. É possível que a resistência do sensor esteja alterado ou um curto circuito na fiação. Estratégia Código Piscado Causa 22 Sinal de tensão baixo no sensor de pressão de combustível . Sensor apresenta defeito ou valor de pressão ultrapasse 1485 bar. Lâmpada vermelha é acionada A potência é reduzia abaixo de 80% Retorno da bomba será aberto A pressão no rail será reduzido a 80 bar. Este sinal é utilizado pelo módulo para calculo do volume de combustível a ser injetado e como elemento de segurança do sistema. Book.book Page 55 Monday, March 8, 2004 8:38 PM
  • 130.
    D- 56 Códigos deFalhas Sensor de Pressão de Combustível (Rail) MOTORES MWM Série 12 P0190/03 Roteiro para Localização e Solução de Falhas Book.book Page 56 Monday, March 8, 2004 8:38 PM
  • 131.
    MOTORES MWM Série12 D- 57 Códigos de Falhas Sensor de Pressão de Combustível (Rail) P0190/04 Sensor de Pressão de Combustível (Rail) P0190/04 Detalhamento Possivelmente o circuito ou sensor de pressão do rail, esteja em circuito aberto, portanto sem ligação com a ECM. Para localizar o problema, vamos provocar um defeito inverso. Estratégia Código Piscado Causa 22 Sinal de tensão do sensor de pressão de combustível perdido. Sensor apresenta defeito ou valor de pressão ultrapasse 1485 bar. Lâmpada vermelha é acionada A potência é reduzia abaixo de 80% Retorno da bomba será aberto A pressão no rail será reduzido a 80 bar. Este sinal é utilizado pelo módulo para calculo do volume de combustível a ser injetado e como elemento de segurança do sistema. Book.book Page 57 Monday, March 8, 2004 8:38 PM
  • 132.
    D- 58 Códigos deFalhas Sensor de Pressão de Combustível (Rail) MOTORES MWM Série 12 P0190/04 Roteiro para Localização e Solução de Falhas Book.book Page 58 Monday, March 8, 2004 8:38 PM
  • 133.
    MOTORES MWM Série12 D- 59 Códigos de Falhas Sensor de Pressão de Combustível (Rail) P0190/09 Sensor de Pressão de Combustível (Rail)P0190/09 Código Piscado Causa Book.book Page 59 Monday, March 8, 2004 8:38 PM Página deixada intencionalmente em branco
  • 134.
    D- 60 Códigos deFalhas Sensor de Pressão de Combustível (Rail) MOTORES MWM Série 12 P0190/09 Roteiro para Localização e Solução de Falhas Book.book Page 60 Monday, March 8, 2004 8:38 PM Página deixada intencionalmente em branco
  • 135.
    MOTORES MWM Série12 D- 61 Códigos de Falhas Sensor de Pressão de Combustível (Rail) P0190/12 Sensor de Pressão de Combustível (Rail)P0190/12 Detalhamento Foi detectado uma tensão de alimentação superior a 5,5 Volts no sensor do rail. Esta tensão pode ser decorrente de um problema interno ao módulo ou possível curto com positivo de bateria. Vamos executar o teste de verificação de curto com o positivo de bateria. Estratégia Código Piscado Causa 22 Tensão de alimentação de alimentação elevada no sensor de pressão rail. Sensor apresenta defeito ou valor de pressão ultrapasse 1485 bar. Lâmpada vermelha é acionada A potência é reduzia abaixo de 80% Retorno da bomba será aberto A pressão no rail será reduzido a 80 bar. Este sinal é utilizado pelo módulo para calculo do volume de combustível a ser injetado e como elemento de segurança do sistema. Book.book Page 61 Monday, March 8, 2004 8:38 PM
  • 136.
    D- 62 Códigos deFalhas Sensor de Pressão de Combustível (Rail) MOTORES MWM Série 12 P0190/12 Roteiro para Localização e Solução de Falhas Book.book Page 62 Monday, March 8, 2004 8:38 PM
  • 137.
    MOTORES MWM Série12 D- 63 Códigos de Falhas Sensor de Temperatura do Óleo Lubrificante P0195/01 Sensor de Temperatura do Óleo LubrificanteP0195/01 Detalhamento Foi detectado um sinal de tensão baixo (não compatível com os sinais dos demais sensores), proveniente do sensor de temperatura do óleo lubrificante. É possível que a resistência do sensor esteja alterado ou um curto circuito na fiação. Estratégia Código Piscado Causa 17 Sinal de tensão alto no sensor de temperatura do óleo. Acima de 140 °C Aciona lampada amarela - Reduz 20% de Potência Este sinal é utilizado pelo módulo para proteção do motor, verificando a degradação do óleo lubrificante. Book.book Page 63 Monday, March 8, 2004 8:38 PM
  • 138.
    D- 64 Códigos deFalhas Sensor de Temperatura do Óleo Lubrificante MOTORES MWM Série 12 P0195/01 Roteiro para Localização e Solução de Falhas Book.book Page 64 Monday, March 8, 2004 8:38 PM
  • 139.
    MOTORES MWM Série12 D- 65 Códigos de Falhas Sensor de Temperatura do Óleo Lubrificante P0195/02 Sensor de Temperatura do Óleo LubrificanteP0195/02 Detalhamento Foi detectado um sinal de tensão baixo (não compatível com os sinais dos demais sensores), proveniente do sensor de temperatura do óleo lubrificante. É possível que a resistência do sensor esteja alterado ou um curto circuito na fiação. Estratégia Código Piscado Causa 17 Sinal de tensão baixo no sensor de temperatura do óleo. Acima de 140 °C Aciona lampada amarela - Reduz 20% de Potência Este sinal é utilizado pelo módulo para proteção do motor, verificando a degradação do óleo lubrificante. Book.book Page 65 Monday, March 8, 2004 8:38 PM
  • 140.
    D- 66 Códigos deFalhas Sensor de Temperatura do Óleo Lubrificante MOTORES MWM Série 12 P0195/02 Roteiro para Localização e Solução de Falhas Book.book Page 66 Monday, March 8, 2004 8:38 PM
  • 141.
    MOTORES MWM Série12 D- 67 Códigos de Falhas Sensor de Temperatura do Óleo Lubrificante P0195/04 Sensor de Temperatura do Óleo LubrificanteP0195/04 Detalhamento Possivelmente o circuito ou sensor de temperatura do óleo lubrificante, esteja em circuito aberto, portanto sem ligação com a ECM. Para localizar o problema, vamos provocar um defeito inverso. Estratégia Código Piscado Causa 17 Sem sinal no sensor de temperatura do óleo. Acima de 140 °C Aciona lampada amarela - Reduz 20% de Potência Este sinal é utilizado pelo módulo para proteção do motor, verificando a degradação do óleo lubrificante. Book.book Page 67 Monday, March 8, 2004 8:38 PM
  • 142.
    D- 68 Códigos deFalhas Sensor de Temperatura do Óleo Lubrificante MOTORES MWM Série 12 P0195/04 Roteiro para Localização e Solução de Falhas Book.book Page 68 Monday, March 8, 2004 8:38 PM
  • 143.
    MOTORES MWM Série12 D- 69 Códigos de Falhas Sensor de Temperatura do Óleo Lubrificante P0195/09 Sensor de Temperatura do Óleo LubrificanteP0195/09 Detalhamento A temperatura do óleo lubrificante está acima do valor programado para proteção do motor (140 °C). Este código pode ter sido acionado por condições reais no funcionamento do motor ou por erro de leitura do sensor ou fiação. Antes de começar o teste verifique se há falhas no sistema de refrigeração e resfriador de óleo. Estratégia Código Piscado Causa 17 Temperatura do óleo excedeu limite de proteção do motor. Acima de 140 °C Aciona lampada amarela - Reduz 20% de Potência Este sinal é utilizado pelo módulo para proteção do motor, verificando a degradação do óleo lubrificante. Book.book Page 69 Monday, March 8, 2004 8:38 PM
  • 144.
    D- 70 Códigos deFalhas Sensor de Temperatura do Óleo Lubrificante MOTORES MWM Série 12 P0195/09 Roteiro para Localização e Solução de Falhas Desconectar o sensor e medir a resistência conforme tabela abaixo: Book.book Page 70 Monday, March 8, 2004 8:38 PM
  • 145.
    MOTORES MWM Série12 D- 71 Códigos de Falhas Bico Injetor Cilindro 1 P0201/01 Bico Injetor Cilindro 1P0201/01 Detalhamento Foi detectado um sinal de tensão alta , proveniente do solenóide do injetor cilindro 1. É possível que a resistência da bobina esteja alterada ou um curto circuito na fiação. Estratégia Código Piscado Causa 58 Curto circuito para tensão da bateria no injetor 1. Falha no monitoramento do injetor acende luz vermelha. reduz 80 %potência do motor. • Este sinal é utilizado pelo módulo para verificação do acionamento dos injetores. Book.book Page 71 Monday, March 8, 2004 8:38 PM
  • 146.
    D- 72 Códigos deFalhas Bico Injetor Cilindro 1 MOTORES MWM Série 12 P0201/01 Roteiro para Localização e Solução de Falhas Book.book Page 72 Monday, March 8, 2004 8:38 PM
  • 147.
    MOTORES MWM Série12 D- 73 Códigos de Falhas Bico Injetor Cilindro 1 P0201/02 Bico Injetor Cilindro 1P0201/02 Detalhamento Foi detectado um sinal de tensão alta , proveniente do solenóide do injetor cilindro 1. É possível que a resistência da bobina esteja alterada ou um curto circuito na fiação. Estratégia Código Piscado Causa 58 Curto circuito para tensão da bateria no injetor 1. Falha no monitoramento do injetor acende luz vermelha. reduz 80 %potência do motor. • Este sinal é utilizado pelo módulo para verificação do acionamento dos injetores. Book.book Page 73 Monday, March 8, 2004 8:38 PM
  • 148.
    D- 74 Códigos deFalhas Bico Injetor Cilindro 1 MOTORES MWM Série 12 P0201/02 Roteiro para Localização e Solução de Falhas Book.book Page 74 Monday, March 8, 2004 8:38 PM
  • 149.
    MOTORES MWM Série12 D- 75 Códigos de Falhas Bico Injetor Cilindro 1 P0201/04 Bico Injetor Cilindro 1P0201/04 Detalhamento Possivelmente o circuito ou solenóide do bico injetor cilindro 1, esteja em circuito aberto; portanto sem ligação com a ECM. Estratégia Código Piscado Causa 58 Injetor cilindro 1 não conectado. Falha no monitoramento do injetor acende luz vermelha. reduz 80 %potência do motor. • Este sinal é utilizado pelo módulo para verificação do acionamento dos injetores. Book.book Page 75 Monday, March 8, 2004 8:38 PM
  • 150.
    D- 76 Códigos deFalhas Bico Injetor Cilindro 1 MOTORES MWM Série 12 P0201/04 Roteiro para Localização e Solução de Falhas Book.book Page 76 Monday, March 8, 2004 8:38 PM
  • 151.
    MOTORES MWM Série12 D- 77 Códigos de Falhas Bico Injetor Cilindro 1 P0201/08 Bico Injetor Cilindro 1P0201/08 Detalhamento Possivelmente o circuito ou solenóide do bico injetor cilindro 1, esteja com valor da resistência alterado. A queda de tensão no acionamento do solenóide não corresponde aos valores programados no módulo. Estratégia Código Piscado Causa 58 Falha na monitoração do sinal do injetor 1. Falha no monitoramento do injetor acende luz vermelha. reduz 80 %potência do motor. • Este sinal é utilizado pelo módulo para verificação do acionamento dos injetores. Book.book Page 77 Monday, March 8, 2004 8:38 PM
  • 152.
    D- 78 Códigos deFalhas Bico Injetor Cilindro 1 MOTORES MWM Série 12 P0201/08 Roteiro para Localização e Solução de Falhas Book.book Page 78 Monday, March 8, 2004 8:38 PM
  • 153.
    MOTORES MWM Série12 D- 79 Códigos de Falhas Sensor de Pressão de Combustível (Rail) P0233/01 Sensor de Pressão de Combustível (Rail)P0233/01 Detalhamento O sinal do sensor de pressão no rail está acima do limite máximo programado para esta aplicação. Este código pode ter sido acionado por condições reais no funcionamento do motor ou por erro de leitura do sensor ou fiação. Por tratar-se de um dos sensores incorporados ao rail (montagem cônica), apague todos o códigos e repita o teste antes de proceder uma desmontagem e teste no sensor de pressão do rail. Estratégia Código Piscado Causa 32 Sinal do sensor de combustível excedeu o máximo limite. Sensor apresenta defeito ou valor de pressão ultrapasse 1485 bar. Lâmpada vermelha é acionada A potência é reduzia abaixo de 80% Retorno da bomba será aberto A pressão no rail será reduzido a 80 bar. Este sinal é utilizado pelo módulo para calculo do volume de combustível a ser injetado e como elemento de segurança do sistema. Book.book Page 79 Monday, March 8, 2004 8:38 PM
  • 154.
    D- 80 Códigos deFalhas Sensor de Pressão de Combustível (Rail) MOTORES MWM Série 12 P0233/01 Roteiro para Localização e Solução de Falhas Desconectar o sensor e medir a resistência conforme tabela abaixo: Book.book Page 80 Monday, March 8, 2004 8:38 PM
  • 155.
    MOTORES MWM Série12 D- 81 Códigos de Falhas Sensor de Pressão de Combustível (Rail) P0233/03 Sensor de Pressão de Combustível (Rail)P0233/03 Detalhamento Foi detectado um vazamento de pressão na linha de combustível durante o check de desligamento do motor. Após desligar a chave, o módulo verificou queda de pressão na linha de combustível não comandada. Apague todos o códigos e repita o teste. Caso repita o código verifique: • Abertura da válvula de segurança. • Possíveis vazamentos na linha de alta pressão. • Estanqueidade dos injetores. Estratégia Código Piscado Causa 32 Vazamento de pressão durante overrun. Sensor apresenta defeito ou valor de pressão ultrapasse 1485 bar. Lâmpada vermelha é acionada A potência é reduzia abaixo de 80% Retorno da bomba será aberto A pressão no rail será reduzido a 80 bar. Este sinal é utilizado pelo módulo para calculo do volume de combustível a ser injetado e como elemento de segurança do sistema. Book.book Page 81 Monday, March 8, 2004 8:38 PM
  • 156.
    D- 82 Códigos deFalhas Sensor de Pressão de Combustível (Rail) MOTORES MWM Série 12 P0233/03 Roteiro para Localização e Solução de Falhas Book.book Page 82 Monday, March 8, 2004 8:38 PM Página deixada intencionalmente em branco
  • 157.
    MOTORES MWM Série12 D- 83 Códigos de Falhas Sensor de Pressão de Combustível (Rail) P0233/04 Sensor de Pressão de Combustível (Rail)P0233/04 Detalhamento Foi detectado um sinal de pressão baixo na linha de combustível, não compatível com os sinais dos demais sensores. É possível que a resistência do sensor esteja alterado ou um curto circuito na fiação. Por tratar-se de um dos sensores incorporados ao rail (montagem cônica ), apague todos o códigos e repita o teste antes de proceder uma desmontagem e teste no sensor de pressão do rail. Estratégia Código Piscado Causa 32 Pressão de combustível baixa na linha. Sensor apresenta defeito ou valor de pressão ultrapasse 1485 bar. Lâmpada vermelha é acionada A potência é reduzia abaixo de 80% Retorno da bomba será aberto A pressão no rail será reduzido a 80 bar. Este sinal é utilizado pelo módulo para calculo do volume de combustível a ser injetado e como elemento de segurança do sistema. Book.book Page 83 Monday, March 8, 2004 8:38 PM
  • 158.
    D- 84 Códigos deFalhas Sensor de Pressão de Combustível (Rail) MOTORES MWM Série 12 P0233/04 Roteiro para Localização e Solução de Falhas Desconectar o sensor e medir a resistência conforme tabela abaixo: Book.book Page 84 Monday, March 8, 2004 8:38 PM
  • 159.
    MOTORES MWM Série12 D- 85 Códigos de Falhas Sensor de Pressão de Combustível (Rail) P0233/08 Sensor de Pressão de Combustível (Rail)P0233/08 Detalhamento Foi detectado um valor de tensão (pressão) do sensor do rail que não corresponde ao comando do módulo. O módulo envia um comando de pressão e monitora a resposta; e percebeu que a pressão não atinge o valor comandado. É possível que a válvula Mprop possua algum problema mecânico ou exista algum vazamento através da válvula de segurança que não foi possível sua detecção. Por tratar-se de um sensores incorporados ao rail ( montagem cônica ), e não sendo possível nenhum tipo de teste na válvula de segurança, apague todos o códigos e repita o teste antes de proceder uma desmontagem e teste no sensor de pressão do rail. Caso persista a indicação verifique a ferramenta de diagnose. Estratégia Código Piscado Causa 32 Pressão de combustível com desvio abaixo do set point. Sensor apresenta defeito ou valor de pressão ultrapasse 1485 bar. Lâmpada vermelha é acionada A potência é reduzia abaixo de 80% Retorno da bomba será aberto A pressão no rail será reduzido a 80 bar. Este sinal é utilizado pelo módulo para calculo do volume de combustível a ser injetado e como elemento de segurança do sistema. Book.book Page 85 Monday, March 8, 2004 8:38 PM
  • 160.
    D- 86 Códigos deFalhas Sensor de Pressão de Combustível (Rail) MOTORES MWM Série 12 P0233/08 Book.book Page 86 Monday, March 8, 2004 8:38 PM Página deixada intencionalmente em branco
  • 161.
    MOTORES MWM Série12 D- 87 Códigos de Falhas Sensor de Pressão de Combustível (Rail) P0233/09 Sensor de Pressão de Combustível (Rail)P0233/09 Detalhamento Foi detectado um vazamento de pressão na linha de combustível durante o cálculo de pressão atual e a programada. Apague todos o códigos e repita o teste. Caso repita o código verifique: • Abertura da válvula de segurança. • Possíveis vazamentos na linha de alta pressão. • Estanqueidade dos injetores. Estratégia Código Piscado Causa 32 Vazamento de pressão durante o cálculo de pressão atual e o set point. Sensor apresenta defeito ou valor de pressão ultrapasse 1485 bar. Lâmpada vermelha é acionada A potência é reduzia abaixo de 80% Retorno da bomba será aberto A pressão no rail será reduzido a 80 bar. Este sinal é utilizado pelo módulo para calculo do volume de combustível a ser injetado e como elemento de segurança do sistema. Book.book Page 87 Monday, March 8, 2004 8:38 PM
  • 162.
    D- 88 Códigos deFalhas Sensor de Pressão de Combustível (Rail) MOTORES MWM Série 12 P0233/09 Book.book Page 88 Monday, March 8, 2004 8:38 PM Página deixada intencionalmente em branco
  • 163.
    MOTORES MWM Série12 D- 89 Códigos de Falhas Sensor de Pressão de Combustível (Rail) P0233/10 Sensor de Pressão de Combustível (Rail)P0233/10 Detalhamento Foi detectado um vazamento de pressão na linha de combustível durante a marcha lenta do motor. Durante a marcha lenta foi verificado uma necessidade de aumento de vazão para estabilizar a pressão do rail; este aumento esta fora do mapa gravado na memória do módulo ; o que indica um possível vazamento no sistema de alta pressão. Apague todos o códigos e repita o teste. Caso repita o código verifique: • • Abertura da válvula de segurança. • Possíveis vazamentos na linha de alta pressão. • Estanqueidade dos injetores. Estratégia Código Piscado Causa 32 Vazamento de pressão durante a Marcha Lenta. Sensor apresenta defeito ou valor de pressão ultrapasse 1485 bar. Lâmpada vermelha é acionada A potência é reduzia abaixo de 80% Retorno da bomba será aberto A pressão no rail será reduzido a 80 bar. Este sinal é utilizado pelo módulo para calculo do volume de combustível a ser injetado e como elemento de segurança do sistema. Book.book Page 89 Monday, March 8, 2004 8:38 PM
  • 164.
    D- 90 Códigos deFalhas Sensor de Pressão de Combustível (Rail) MOTORES MWM Série 12 P0233/10 Book.book Page 90 Monday, March 8, 2004 8:38 PM Página deixada intencionalmente em branco
  • 165.
    MOTORES MWM Série12 D- 91 Códigos de Falhas Sensor de Pressão de Combustível (Rail) P0233/12 Sensor de Pressão de Combustível (Rail)P0233/12 Detalhamento Foi detectado um valor de tensão (pressão) do sensor do rail que não corresponde ao comando do módulo. O módulo envia um comando de pressão e monitora a resposta; e percebeu que a pressão esta acima do valor comandado. É possível que a válvula Mprop possua algum problema mecânico ou exista algum problema na alimentação da válvula Mprop. Por tratar-se de um sensores incorporados ao rail ( montagem cônica ), e não sendo possível nenhum tipo de teste na válvula de segurança, apague todos o códigos e repita o teste antes de proceder uma desmontagem e teste no sensor de pressão do rail. Caso persista a indicação verifique a ferramenta de diagnose. Estratégia Código Piscado Causa 32 Pressão de combustível com desvio acima do set point. Sensor apresenta defeito ou valor de pressão ultrapasse 1485 bar. Lâmpada vermelha é acionada A potência é reduzia abaixo de 80% Retorno da bomba será aberto A pressão no rail será reduzido a 80 bar. Este sinal é utilizado pelo módulo para calculo do volume de combustível a ser injetado e como elemento de segurança do sistema. Book.book Page 91 Monday, March 8, 2004 8:38 PM
  • 166.
    D- 92 Códigos deFalhas Sensor de Pressão de Combustível (Rail) MOTORES MWM Série 12 P0233/12 Book.book Page 92 Monday, March 8, 2004 8:38 PM Página deixada intencionalmente em branco
  • 167.
    MOTORES MWM Série12 D- 93 Códigos de Falhas Sensor de Pressão do Ar no Coletor de Admissão P0235/01 Sensor de Pressão do Ar no Coletor de AdmissãoP0235/01 Detalhamento Foi detectado um sinal de tensão alto (não compatível com os sinais dos demais sensores), proveniente do sensor de temperatura do liquido de arrefecimento. É possível que a resistência do sensor esteja alterado ou um curto circuito na fiação. Estratégia Código Piscado Causa 14 Sinal de tensão alto no sensor pressão do coletor admissão. Falha reconhecida no sensor Aciona lampada amarela / Reduz 20% de Potência Acima de 3000 hPa reduz 50% Este sinal é utilizado pelo módulo para calcular a massa de ar admitida, e definir: • Definir o tempo de injeção; • Calcular ângulo de início de injeção; • Como proteção no mapa de emissões. Book.book Page 93 Monday, March 8, 2004 8:38 PM
  • 168.
    D- 94 Códigos deFalhas Sensor de Pressão do Ar no Coletor de Admissão MOTORES MWM Série 12 P0235/01 Roteiro para Localização e Solução de Falhas Book.book Page 94 Monday, March 8, 2004 8:38 PM
  • 169.
    MOTORES MWM Série12 D- 95 Códigos de Falhas Sensor de Pressão do Ar no Coletor de Admissão P0235/02 Sensor de Pressão do Ar no Coletor de AdmissãoP0235/02 Detalhamento Foi detectado um sinal de tensão baixo (não compatível com os sinais dos demais sensores), proveniente do sensor de temperatura do liquido de arrefecimento. É possível que a resistência do sensor esteja alterado ou um curto circuito na fiação. Estratégia Código Piscado Causa 14 Sinal de tensão baixo no sensor pressão do coletor Admissão. Falha reconhecida no sensor Aciona lampada amarela / Reduz 20% de Potência Acima de 3000 hPa reduz 50% Este sinal é utilizado pelo módulo para calcular a massa de ar admitida, e definir: • Definir o tempo de injeção; • Calcular ângulo de início de injeção; • Como proteção no mapa de emissões. Book.book Page 95 Monday, March 8, 2004 8:38 PM
  • 170.
    D- 96 Códigos deFalhas Sensor de Pressão do Ar no Coletor de Admissão MOTORES MWM Série 12 P0235/02 Roteiro para Localização e Solução de Falhas Book.book Page 96 Monday, March 8, 2004 8:38 PM
  • 171.
    MOTORES MWM Série12 D- 97 Códigos de Falhas Sensor de Pressão do Ar no Coletor de Admissão P0235/03 Sensor de Pressão do Ar no Coletor de AdmissãoP0235/03 Detalhamento Foi detectado uma tensão de alimentação inferior a 4,75 Volts no sensor. Esta tensão pode ser decorrente de um problema interno ao módulo ou possível curto com o negativo da bateria. Vamos executar o teste de verificação de curto com o negativo da bateria. Estratégia Código Piscado Causa 14 Tensão de alimentação baixa no sensor pressão coletor Adm. Falha reconhecida no sensor Aciona lampada amarela / Reduz 20% de Potência Acima de 3000 hPa reduz 50% Este sinal é utilizado pelo módulo para calcular a massa de ar admitida, e definir: • Definir o tempo de injeção; • Calcular ângulo de início de injeção; • Como proteção no mapa de emissões. Book.book Page 97 Monday, March 8, 2004 8:38 PM
  • 172.
    D- 98 Códigos deFalhas Sensor de Pressão do Ar no Coletor de Admissão MOTORES MWM Série 12 P0235/03 Roteiro para Localização e Solução de Falhas Book.book Page 98 Monday, March 8, 2004 8:38 PM
  • 173.
    MOTORES MWM Série12 D- 99 Códigos de Falhas Sensor de Pressão do Ar no Coletor de Admissão P0235/04 Sensor de Pressão do Ar no Coletor de AdmissãoP0235/04 Detalhamento Foi detectado uma tensão de alimentação inferior a 4,75 Volts no sensor. Esta tensão pode ser decorrente de um problema interno ao módulo ou possível curto com o negativo da bateria. Vamos executar o teste de verificação de curto com o negativo da bateria. Estratégia Código Piscado Causa 14 Tensão de alimentação baixa no sensor pressão coletor Adm. Falha reconhecida no sensor Aciona lampada amarela / Reduz 20% de Potência Acima de 3000 hPa reduz 50% Este sinal é utilizado pelo módulo para calcular a massa de ar admitida, e definir: • Definir o tempo de injeção; • Calcular ângulo de início de injeção; • Como proteção no mapa de emissões. Book.book Page 99 Monday, March 8, 2004 8:38 PM
  • 174.
    D- 100 Códigos deFalhas Sensor de Pressão do Ar no Coletor de Admissão MOTORES MWM Série 12 P0235/04 Roteiro para Localização e Solução de Falhas Book.book Page 100 Monday, March 8, 2004 8:38 PM
  • 175.
    MOTORES MWM Série12 D- 101 Códigos de Falhas Sensor de Pressão do Ar no Coletor de Admissão P0235/09 Sensor de Pressão do Ar no Coletor de AdmissãoP0235/09 Detalhamento A pressão no coletor de admissão está acima do valor programado para proteção do motor (300 kPa). Este código pode ter sido acionado por condições reais no funcionamento do motor ou por erro de leitura do sensor ou fiação. Antes de começar o teste verifique se há indícios de impurezas no sensoria. Estratégia Código Piscado Causa 14 Pressão no coletor de admissão acima do limite máximo. Falha reconhecida no sensor Aciona lampada amarela / Reduz 20% de Potência Acima de 3000 hPa reduz 50% Este sinal é utilizado pelo módulo para calcular a massa de ar admitida, e definir: • Definir o tempo de injeção; • Calcular ângulo de início de injeção; • Como proteção no mapa de emissões. Book.book Page 101 Monday, March 8, 2004 8:38 PM
  • 176.
    D- 102 Códigos deFalhas Sensor de Pressão do Ar no Coletor de Admissão MOTORES MWM Série 12 P0235/09 Roteiro para Localização e Solução de Falhas Desconectar o sensor e medir a resistência conforme tabela abaixo: Book.book Page 102 Monday, March 8, 2004 8:38 PM
  • 177.
    MOTORES MWM Série12 D- 103 Códigos de Falhas Sensor de Pressão do Ar no Coletor de Admissão P0235/12 Sensor de Pressão do Ar no Coletor de AdmissãoP0235/12 Detalhamento Foi detectado uma tensão de alimentação superior a 5,25 Volts no sensor. Esta tensão pode ser decorrente de um problema interno ao módulo ou possível curto com positivo de bateria. Vamos executar o teste de verificação de curto com o positivo de bateria. Estratégia Código Piscado Causa 14 Tensão alimentação alto no sensor pressão coletor Admissão. Falha reconhecida no sensor Aciona lampada amarela / Reduz 20% de Potência Acima de 3000 hPa reduz 50% Este sinal é utilizado pelo módulo para calcular a massa de ar admitida, e definir: • Definir o tempo de injeção; • Calcular ângulo de início de injeção; • Como proteção no mapa de emissões. Book.book Page 103 Monday, March 8, 2004 8:38 PM
  • 178.
    D- 104 Códigos deFalhas Sensor de Pressão do Ar no Coletor de Admissão MOTORES MWM Série 12 P0235/12 Roteiro para Localização e Solução de Falhas Desconectar o sensor e medir a resistência conforme tabela abaixo: Book.book Page 104 Monday, March 8, 2004 8:38 PM
  • 179.
    MOTORES MWM Série12 D- 105 Códigos de Falhas Sensor de Temperatura do Ar no Coletor de Admissão P0239/01 Sensor de Temperatura do Ar no Coletor de AdmissãoP0239/01 Detalhamento Foi detectado um sinal de tensão alto (não compatível com os sinais dos demais sensores), proveniente do sensor de temperatura do ar no coletor de admissão. É possível que a resistência do sensor esteja alterado ou um curto circuito na fiação. Estratégia Código Piscado Causa 13 Sinal de tensão alto no sensor de Temperatura do Ar no Coletor de Admissão. Falha Reconhecida no Sensor Aciona lâmpada amarela Reduz 50% de Potência Este sinal é utilizado pelo módulo para calcular a massa de ar admitida, e definir: • Definir o tempo de injeção; • Calcular ângulo de início de injeção; • Como proteção no mapa de emissões. Book.book Page 105 Monday, March 8, 2004 8:38 PM
  • 180.
    D- 106 Códigos deFalhas Sensor de Temperatura do Ar no Coletor de Admissão MOTORES MWM Série 12 P0239/01 Roteiro para Localização e Solução de Falhas Book.book Page 106 Monday, March 8, 2004 8:38 PM
  • 181.
    MOTORES MWM Série12 D- 107 Códigos de Falhas Sensor de Temperatura do Ar no Coletor de Admissão P0239/02 Sensor de Temperatura do Ar no Coletor de AdmissãoP0239/02 Detalhamento Foi detectado um sinal de tensão baixo (não compatível com os sinais dos demais sensores), proveniente do sensor de temperatura do ar no coletor de admissão. É possível que a resistência do sensor esteja alterado ou um curto circuito na fiação. Estratégia Código Piscado Causa 13 Sinal de tensão baixo no sensor de temp. de água. Falha Reconhecida no Sensor Aciona lâmpada amarela Reduz 50% de Potência Este sinal é utilizado pelo módulo para calcular a massa de ar admitida, e definir: • Definir o tempo de injeção; • Calcular ângulo de início de injeção; • Como proteção no mapa de emissões. Book.book Page 107 Monday, March 8, 2004 8:38 PM
  • 182.
    D- 108 Códigos deFalhas Sensor de Temperatura do Ar no Coletor de Admissão MOTORES MWM Série 12 P0239/02 Roteiro para Localização e Solução de Falhas Book.book Page 108 Monday, March 8, 2004 8:38 PM
  • 183.
    MOTORES MWM Série12 D- 109 Códigos de Falhas Sensor de Temperatura do Ar no Coletor de Admissão P0239/04 Sensor de Temperatura do Ar no Coletor de AdmissãoP0239/04 Detalhamento Possivelmente o circuito ou sensor de temperatura do ar no coletor de admissão, esteja em circuito aberto, portanto sem ligação com a ECM. Para localizar o problema, vamos provocar um defeito inverso. Estratégia Código Piscado Causa 13 Sinal do sensor de Temperatura do Ar no Coletor de Admissão perdido. Falha Reconhecida no Sensor Aciona lâmpada amarela Reduz 50% de Potência Este sinal é utilizado pelo módulo para calcular a massa de ar admitida, e definir: • Definir o tempo de injeção; • Calcular ângulo de início de injeção; • Como proteção no mapa de emissões. Book.book Page 109 Monday, March 8, 2004 8:38 PM
  • 184.
    D- 110 Códigos deFalhas Sensor de Temperatura do Ar no Coletor de Admissão MOTORES MWM Série 12 P0239/04 Roteiro para Localização e Solução de Falhas Book.book Page 110 Monday, March 8, 2004 8:38 PM
  • 185.
    MOTORES MWM Série12 D- 111 Códigos de Falhas Sensor de Pressão do Óleo Lubrificante P0520/01 Sensor de Pressão de Óleo LubrificanteP0520/01 Detalhamento Foi detectado um sinal de tensão alta (não compatível com os sinais dos demais sensores), proveniente do sensor de pressão de óleo lubrificante. É possível que a resistência do sensor esteja alterado ou um curto circuito na fiação. Estratégia Código Piscado Causa 18 Sinal alto no sensor de pressão de óleo Falha Reconhecida no Sensor Aciona lâmpada amarela Parada do Motor - abaixo de 0,5 bar • Este sinal é utilizado pelo módulo para proteção do motor Book.book Page 111 Monday, March 8, 2004 8:38 PM
  • 186.
    D- 112 Códigos deFalhas Sensor de Pressão do Óleo Lubrificante MOTORES MWM Série 12 P0520/01 Roteiro para Localização e Solução de Falhas Book.book Page 112 Monday, March 8, 2004 8:38 PM
  • 187.
    MOTORES MWM Série12 D- 113 Códigos de Falhas Sensor de Pressão do Óleo Lubrificante P0520/02 Sensor de Pressão de Óleo LubrificanteP0520/02 Detalhamento Foi detectado um sinal de tensão baixo (não compatível com os sinais dos demais sensores), proveniente do sensor de pressão do óleo. É possível que a resistência do sensor esteja alterado ou um curto circuito na fiação. Estratégia Código Piscado Causa 18 Sinal baixo no sensor de pressão de óleo Falha Reconhecida no Sensor Aciona lâmpada amarela Parada do Motor - abaixo de 0,5 bar • Este sinal é utilizado pelo módulo para proteção do motor Book.book Page 113 Monday, March 8, 2004 8:38 PM
  • 188.
    D- 114 Códigos deFalhas Sensor de Pressão do Óleo Lubrificante MOTORES MWM Série 12 P0520/02 Roteiro para Localização e Solução de Falhas Book.book Page 114 Monday, March 8, 2004 8:38 PM
  • 189.
    MOTORES MWM Série12 D- 115 Códigos de Falhas Sensor de Pressão do Óleo Lubrificante P0520/03 Sensor de Pressão de Óleo LubrificanteP0520/03 Detalhamento Foi detectado uma tensão de alimentação superior a 4,75 Volts no sensor. Esta tensão pode ser decorrente de um problema interno ao módulo ou possível curto com o negativo da bateria. Vamos executar o teste de verificação de curto com o negativo de bateria. Estratégia Código Piscado Causa 18 Baixa tensão de alimentação do sensor de pressão do óleo Falha Reconhecida no Sensor Aciona lâmpada amarela Parada do Motor - abaixo de 0,5 bar • Este sinal é utilizado pelo módulo para proteção do motor Book.book Page 115 Monday, March 8, 2004 8:38 PM
  • 190.
    D- 116 Códigos deFalhas Sensor de Pressão do Óleo Lubrificante MOTORES MWM Série 12 P0520/03 Roteiro para Localização e Solução de Falhas Book.book Page 116 Monday, March 8, 2004 8:38 PM
  • 191.
    MOTORES MWM Série12 D- 117 Códigos de Falhas Sensor de Pressão do Óleo Lubrificante P0520/04 Sensor de Pressão de Óleo LubrificanteP0520/04 Detalhamento Possivelmente o circuito ou sensor de pressão do óleo lubrificante, esteja em circuito aberto, portanto sem ligação com a ECM. Para localizar o problema, vamos provocar um defeito inverso. Estratégia Código Piscado Causa 18 Sinal do sensor de pressão do óleo perdido. Falha Reconhecida no Sensor Aciona lâmpada amarela Parada do Motor - abaixo de 0,5 bar • Este sinal é utilizado pelo módulo para proteção do motor Book.book Page 117 Monday, March 8, 2004 8:38 PM
  • 192.
    D- 118 Códigos deFalhas Sensor de Pressão do Óleo Lubrificante MOTORES MWM Série 12 P0520/04 Roteiro para Localização e Solução de Falhas Book.book Page 118 Monday, March 8, 2004 8:38 PM
  • 193.
    MOTORES MWM Série12 D- 119 Códigos de Falhas Sensor de Pressão do Óleo Lubrificante P0520/09 Sensor de Pressão de Óleo LubrificanteP0520/09 Detalhamento A pressão de óleo lubrificante está acima do valor programado para proteção do motor (800 kPa). Este código pode ter sido acionado por condições reais no funcionamento do motor ou por erro de leitura do sensor ou fiação. Antes de começar o teste verifique se há indícios de impurezas no sensor. Estratégia Código Piscado Causa 18 Pressão de óleo acima do limite de proteção do motor Falha Reconhecida no Sensor Aciona lâmpada amarela Parada do Motor - abaixo de 0,5 bar • Este sinal é utilizado pelo módulo para proteção do motor Book.book Page 119 Monday, March 8, 2004 8:38 PM
  • 194.
    D- 120 Códigos deFalhas Sensor de Pressão do Óleo Lubrificante MOTORES MWM Série 12 P0520/09 Roteiro para Localização e Solução de Falhas Desconectar o sensor e medir a resistência conforme tabela abaixo: Book.book Page 120 Monday, March 8, 2004 8:38 PM
  • 195.
    MOTORES MWM Série12 D- 121 Códigos de Falhas Sensor de Pressão do Óleo Lubrificante P0520/10 Sensor de Pressão de Óleo LubrificanteP0520/10 Detalhamento A pressão de óleo lubrificante está abaixo do valor programado para proteção do motor (80 kPa). Este código pode ter sido acionado por condições reais no funcionamento do motor ou por erro de leitura do sensor ou fiação. Antes de começar o teste verifique se há indícios de impurezas no sensor condições de filtro e nível de óleo no cárter. Estratégia Código Piscado Causa 18 Pressão de óleo abaixo do limite de proteção do motor Falha Reconhecida no Sensor Aciona lâmpada amarela Parada do Motor - abaixo de 0,5 bar • Este sinal é utilizado pelo módulo para proteção do motor Book.book Page 121 Monday, March 8, 2004 8:38 PM
  • 196.
    D- 122 Códigos deFalhas Sensor de Pressão do Óleo Lubrificante MOTORES MWM Série 12 P0520/10 Roteiro para Localização e Solução de Falhas Desconectar o sensor e medir a resistência conforme tabela abaixo: Book.book Page 122 Monday, March 8, 2004 8:38 PM
  • 197.
    MOTORES MWM Série12 D- 123 Códigos de Falhas Sensor de Pressão do Óleo Lubrificante P0520/12 Sensor de Pressão de Óleo LubrificanteP0520/12 Detalhamento Foi detectado uma tensão de alimentação superior a 5,25 Volts no sensor. Esta tensão pode ser decorrente de um problema interno ao módulo ou possível curto com positivo de bateria. Vamos executar o teste de verificação de curto com o positivo de bateria. Estratégia Código Piscado Causa 18 Tensão de alimentação elevada no sensor de pressão de óleo Falha Reconhecida no Sensor Aciona lâmpada amarela Parada do Motor - abaixo de 0,5 bar • Este sinal é utilizado pelo módulo para proteção do motor Book.book Page 123 Monday, March 8, 2004 8:38 PM
  • 198.
    D- 124 Códigos deFalhas Sensor de Pressão do Óleo Lubrificante MOTORES MWM Série 12 P0520/12 Roteiro para Localização e Solução de Falhas Desconectar o sensor e medir a resistência conforme tabela abaixo: Book.book Page 124 Monday, March 8, 2004 8:38 PM
  • 199.
    MOTORES MWM Série12 D- 125 Códigos de Falhas Sensor de Tensão da Bateria P0560/01 Sensor de Tensão da BateriaP0560/01 Detalhamento Foi detectado uma tensão de alimentação do módulo elevada . Esta tensão está acima de 16 Vcc, sistema 12 Vcc acima 27 Vcc (sistema 24 Vcc)mas encontra-se acima do valor nominal do sistema. Estratégia Código Piscado Causa 21 Tensão de alimentação elevada. A tensão de alimentação do módulo deve ser verificada antes de diagnosticar alta ou baixa tensão. • Este sinal é utilizado para monitor a tensão de alimentação do módulo. Book.book Page 125 Monday, March 8, 2004 8:38 PM
  • 200.
    D- 126 Códigos deFalhas Sensor de Tensão da Bateria MOTORES MWM Série 12 P0560/01 Roteiro para Localização e Solução de Falhas Desconectar o sensor e medir a resistência conforme tabela abaixo: Book.book Page 126 Monday, March 8, 2004 8:38 PM
  • 201.
    MOTORES MWM Série12 D- 127 Códigos de Falhas Sensor de Tensão da Bateria P0560/02 Sensor de Tensão da Bateria P0560/02 Detalhamento Foi detectado uma tensão de alimentação do módulo elevada . Esta tensão está acima de 16 Vcc, sistema 12 Vcc acima 27 Vcc (sistema 24 Vcc)mas encontra-se acima do valor nominal do sistema. Estratégia Código Piscado Causa 21 Tensão de alimentação elevada. A tensão de alimentação do módulo deve ser verificada antes de diagnosticar alta ou baixa tensão. • Este sinal é utilizado para monitor a tensão de alimentação do módulo. Book.book Page 127 Monday, March 8, 2004 8:38 PM
  • 202.
    D- 128 Códigos deFalhas Sensor de Tensão da Bateria MOTORES MWM Série 12 P0560/02 Roteiro para Localização e Solução de Falhas Desconectar o sensor e medir a resistência conforme tabela abaixo: Book.book Page 128 Monday, March 8, 2004 8:38 PM
  • 203.
    MOTORES MWM Série12 D- 129 Códigos de Falhas Sensor de Tensão da Bateria P0560/04 Sensor de Tensão da BateriaP0560/04 Detalhamento Foi detectado um erro na conversão de analógico para digital no sinal de tensão de bateria. Por tratar-se de uma falha interna no processamento do módulo, não é possível nenhum tipo de teste a não ser substituir o módulo e certificar-se de que desapareceu a indicação da falha. Caso persista a indicação verifique a ferramenta de diagnose. OBSERVAÇÃO: Apague todas as falhas e repita o teste antes de proceder a troca do módulo. Estratégia Código Piscado Causa 21 Erro na conversão de sinal analógico digital. A tensão de alimentação do módulo deve ser verificada antes de diagnosticar alta ou baixa tensão. • Este sinal é utilizado para monitor a tensão de alimentação do módulo. Book.book Page 129 Monday, March 8, 2004 8:38 PM
  • 204.
    D- 130 Códigos deFalhas Sensor de Tensão da Bateria MOTORES MWM Série 12 P0560/04 Book.book Page 130 Monday, March 8, 2004 8:38 PM
  • 205.
    MOTORES MWM Série12 D- 131 Códigos de Falhas Sensor de Tensão da Bateria P0560/09 Sensor de Tensão da BateriaP0560/09 Detalhamento Foi detectado uma tensão de alimentação do módulo superior a 16 Vcc (sistema 12Vcc), ou superior a 27 Vcc (sistema 24 Vcc). Estratégia Código Piscado Causa 21 Tensão de alimentação acima do máximo do sistema. A tensão de alimentação do módulo deve ser verificada antes de diagnosticar alta ou baixa tensão. • Este sinal é utilizado para monitor a tensão de alimentação do módulo. Book.book Page 131 Monday, March 8, 2004 8:38 PM
  • 206.
    D- 132 Códigos deFalhas Sensor de Tensão da Bateria MOTORES MWM Série 12 P0560/09 Roteiro para Localização e Solução de Falhas Book.book Page 132 Monday, March 8, 2004 8:38 PM
  • 207.
    MOTORES MWM Série12 D- 133 Códigos de Falhas Sensor de Tensão da Bateria P0560/10 Sensor de Tensão da BateriaP0560/10 Detalhamento Foi detectado uma tensão de alimentação do módulo inferior a 8,5 Volts. Estratégia Código Piscado Causa 21 Tensão de alimentação abaixo do mínimo do sistema. A tensão de alimentação do módulo deve ser verificada antes de diagnosticar alta ou baixa tensão. • Este sinal é utilizado para monitor a tensão de alimentação do módulo. Book.book Page 133 Monday, March 8, 2004 8:38 PM
  • 208.
    D- 134 Códigos deFalhas Sensor de Tensão da Bateria MOTORES MWM Série 12 P0560/10 Roteiro para Localização e Solução de Falhas Book.book Page 134 Monday, March 8, 2004 8:38 PM
  • 209.
    MOTORES MWM Série12 D- 135 Códigos de Falhas Sensor de Água no Combustível P1613/04 Sensor de Água no CombustívelP1613/04 Detalhamento Possivelmente o circuito ou sensor de presença de água no combustível, esteja em circuito aberto, portanto sem ligação com a ECM Para localizar o problema, vamos provocar um defeito inverso Estratégia Código Piscado Causa 92 Sem sinal do sensor de presença de água no combustível. Presença de água no combustível aciona a lâmpada amarela. Sensor defeituoso aciona lâmpada amarela / Reduz 20% da potência do motor. • Este sinal é utilizado pelo módulo como elemento de proteção do sistema de injeção Book.book Page 135 Monday, March 8, 2004 8:38 PM
  • 210.
    D- 136 Códigos deFalhas Sensor de Água no Combustível MOTORES MWM Série 12 P1613/04 Roteiro para Localização e Solução de Falhas Book.book Page 136 Monday, March 8, 2004 8:38 PM
  • 211.
    MOTORES MWM Série12 D- 137 Códigos de Falhas Sensor de Água no Combustível P1613/09 Sensor de Água no CombustívelP1613/09 Detalhamento Foi detectado a presença de água no combustível ou algum resíduo acumulado no sensor. Antes de proceder o diagnóstico verifique e limpe o sensor. Estratégia Código Piscado Causa 92 Presença de água no combustível. Presença de água no combustível aciona a lâmpada amarela. Sensor defeituoso aciona lâmpada amarela / Reduz 20% da potência do motor. • Este sinal é utilizado pelo módulo como elemento de proteção do sistema de injeção Book.book Page 137 Monday, March 8, 2004 8:38 PM
  • 212.
    D- 138 Códigos deFalhas Sensor de Água no Combustível MOTORES MWM Série 12 P1613/09 Roteiro para Localização e Solução de Falhas Book.book Page 138 Monday, March 8, 2004 8:38 PM
  • 213.
    Volkswagen do BrasilLtda. - Caminhões e Ônibus Serviços e Assistência Técnica