PE 54.00-B-0030-01A Edição: 05/03
Esquema elétrico: Preliminar
Accelo 915 C (979.046)
Validade: Desde início de produção
Tensão da instalação elétrica: 24 Volts
Código de cores dos cabos elétricos:
bl = azul
br = marrom
ge = amarelo
gn = verde
gr = cinza
li = lilás
rt = vermelho
sw = preto
ws = branco
Identificação dos cabos elétricos
Conexão à massa
O circuito negativo deste veículo retorna ao pólo negativo da bateria, estando portanto a carro-
çaria, chassi e motor isolados. Qualquer sistema elétrico adicional deverá ter o circuito negativo
ligado diretamente ao pólo negativo da bateria, através do ponto de conexão existente na lon-
garina.
Os losangos numerados referem-se respectivamente às conexões à massa:
− Ponto de massa na central elétrica
− Ponto de massa no chassi
− Ponto de massa no painel de instrumentos
Interpretação do esquema elétrico
Este esquema elétrico está subdividido em vários módulos dispostos em ordem alfabética.
Cada módulo possui ao lado da página ou na página anterior, sua respectiva legenda
Para visualizar um módulo desejado, clicar sobre o nome do mesmo no índice geral.
Indicações gerais de segurança
Os itens de segurança listados a seguir não são únicos. Utilize sempre o bom senso, completando-
os se necessário.
- Antes de iniciar qualquer intervenção no veículo, certifique-se de que o freio de estacionamen-
to esteja aplicado, as rodas devidamente calçadas e a caixa de mudanças esteja na posição
neutra.
- Nunca funcione o motor em recinto fechado e não ventilado. Os gases de escape contém, além
de outros componentes nocivos, monóxido de carbono, que é inodoro, incolor e que pode ser
letal, se inalado.
- Opere cuidadosamente com as baterias. Evite faíscas elétricas ou chamas expostas próximo às
mesmas. O gás emanado das baterias é explosivo.
Evite o contato da solução eletrolítica com a pele, roupa e estrutura do veículo.
Se a solução atingir acidentalmente os olhos, lave-os com água abundante e procure socorro
médico.
- Quando da execução de serviços que requerem o emprego de solda elétrica, no veículo, desli-
gue o sistema elétrico do mesmo (módulos, pedal do acelerador, soquetes do painel elétrico, ter-
minais massa, W do alternador e terminais de bateria), a fim de que não seja danificado. Proteja
convenientemente as peças plásticas/fibras, fios e cabos elétricos, vidros e pintura, que podem
ser danificados por respingo de solda. Utilize sempre equipamentos de proteção individual
(EPI) necessários, para evitar acidentes pessoais.
Mantenha próximo um extintor de incêndio.
- Dispense atenção a cabos/fios elétricos e tubo de tecalon, utilizados no sistema pneumático e
no sistema de alimentação de combustível, a fim de que não sejam danificados quando da exe-
cução de serviços de manutenção/reparo. Atente para que os tubos de tecalon jamais sejam
dobrados.
2,5 rt/bl
seção transversal (2,5 mm2
)
cor principal
cor secundária
◊1
◊2
◊3
Continuar
PE 54.00-B-0030-01A Edição: 05/03
1
Índice dos módulos:
ABS ............................................................................................................... 2
Acelerador .................................................................................................. 16
Acendedor de cigarros............................................................................... 32
Acionamento elétrico dos vidros (veículos com sistema de alarme)........ 4
Acionamento elétrico dos vidros (veículos sem sistema de alarme) ........ 6
Alarme .......................................................................................................... 7
Alimentação do módulo UCV (controle do veículo)................................... 9
Ar condicionado e ventilação forçada .......................................................10
Buzina .........................................................................................................21
CAN............................................................................................................. 12
Desgaste da embreagem ............................................................................16
Desgaste das pastilhas de freio .................................................................14
Diagnose ..................................................................................................... 15
Etiqueta de identificação de fusíveis e relés.............................................41
Etiqueta de identificação de fusíveis e relés (Continuação) .................... 42
Freio motor .................................................................................................17
Iluminação
Faróis ..........................................................................................................................18
Iluminação interna da cabina (veículos com sistema de alarme)..................... 19
Iluminação interna da cabina (veículos sem sistema de alarme)..................... 20
Luzes de freio ............................................................................................................21
Luzes de marcha-à-ré ...............................................................................................21
Luzes de neblina .......................................................................................................22
Luzes de posição e delimitação ..............................................................................23
Luzes indicadoras de direção e de emergência ...................................................24
Indicador de manutenção do filtro de ar.................................................. 16
Lavador e limpador de pára-brisas ........................................................... 25
Manutenção do filtro de ar........................................................................ 16
Motor
Alimentação do módulo do motor .......................................................................... 26
Alimentação do módulo UCV (controle do veículo) .............................................. 9
CAN............................................................................................................................. 12
Interruptor de parada e partida do motor no compartimento do motor.......... 27
Sensor de ângulo de início de injeção ...................................................................27
Sensor de nível de óleo do cárter .......................................................................... 27
Sensor de pressão de óleo do motor ...................................................................... 27
Sensor de rotação da árvore de manivelas ...........................................................27
Sensor de temperatura de óleo do motor.............................................................. 27
Sensor de temperatura do combustível .................................................................27
Sensor de temperatura do líquido de arrefecimento do motor .........................27
Sensor de temperatura/pressão ar do coletor de admissão............................... 27
Nível do líquido de arrefecimento ............................................................ 16
Painel de instrumentos
Alimentação do painel de instrumentos ............................................................... 29
Interruptor da lâmpada-piloto da trava da cabina ...............................................30
Interruptor do cinto de segurança .........................................................................30
Interruptor do indicador de pressão pneumática................................................ 30
Sensor de água no filtro de combustível ...............................................................30
Sensor do nível de fluido da embreagem.............................................................. 30
Rádio........................................................................................................... 32
Regulagem elétrica e desembaçador dos espelhos retrovisores............. 34
Sensor de água no filtro de combustível .................................................. 30
Sensor de desgaste da embreagem .......................................................... 16
Sensor do líquido de arrefecimento ......................................................... 16
Sensores de falha no sistema de freio ...................................................... 31
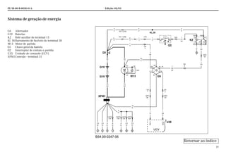
Sistema de geração de energia.................................................................. 35
Sistema de geração dos barramentos FC(Kl 15), FD (Kl 30) ................... 36
Sistema de partida ..................................................................................... 37
Tacógrafo .................................................................................................... 39
Tomada 12 Volts ........................................................................................ 32
Trava da cabina........................................................................................... 30
Travamento de portas ................................................................................ 40
Ventilação forçada ..................................................................................... 10
Etiqueta de identificação de fusíveis e relés............................................. 41
Etiqueta de identificação de fusíveis e relés (Continuação).................... 42
Retornar à primeira página
PE 54.00-B-0030-01A Edição: 05/03
2
ABS
B26 Sensor ABS dianteiro esquerdo
B27 Sensor ABS dianteiro direito
B28 Sensor ABS/ASR traseiro esquerdo
B29 Sensor ABS/ASR traseiro direito
J4 Tomada para diagnóstico
Kl. 15Barramento de fusíveis do terminal 15
Kl. 30Barramento de fusíveis do terminal 30
P18 Painel de instrumentos
U5 Módulo eletrônico do sistema ABS/ASR
V7 Válvula de controle ABS do eixo dianteiro, lado esquerdo
V8 Válvula de controle ABS do eixo dianteiro, lado direito
V9 Válvula de controle ABS do freio traseiro esquerdo
Circuito Retornar ao índice
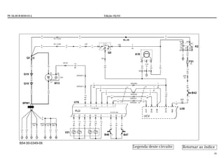
PE 54.00-B-0030-01A Edição: 05/03
3
B54.00-0321-09
Legenda deste circuito Retornar ao índice
PE 54.00-B-0030-01A Edição: 05/03
4
Acionamento elétrico dos vidros (veículos com sistema de alarme)
M5 Motor de acionamento do vidro, lado do motorista
M6 Motor de acionamento do vidro, lado do passageiro
S12 Interruptor de acionamento do vidro, lado do motorista
S13 Interruptor de acionamento do vidro, lado do passageiro
S33 Interruptor de acionamento do vidro, lado do passageiro (acionado pelo motorista)
U31 Módulo do alarme (ADW)
Circuito Retornar ao índice
PE 54.00-B-0030-01A Edição: 05/03
5
B54.00-0322-09
Legenda deste circuito Retornar ao índice
PE 54.00-B-0030-01A Edição: 05/03
6
Acionamento elétrico dos vidros (veículos sem sistema de alarme)
Kl. 15Barramento de fusíveis do terminal 15
Kl. 30Barramento de fusíveis do terminal 30
M5 Motor de acionamento do vidro, lado do motorista
M6 Motor de acionamento do vidro, lado do passageiro
S12 Interruptor de acionamento do vidro, lado do motorista
S13 Interruptor de acionamento do vidro, lado do passageiro
S33 Interruptor de acionamento do vidro, lado do passageiro
(acionado pelo motorista)
B54.00-0323-12
Retornar ao índice
PE 54.00-B-0030-01A Edição: 05/03
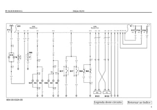
7
Alarme
B17 Interruptor na porta para iluminação da cabina
B63 Interruptor da lâmpada-piloto da trava da cabina
B121 Sensor de alarme (RX)
B122 Sensor de alarme (TX)
E3 Luz indicadora de direção dianteira esquerda
E4 Luz indicadora de direção dianteira direita
E5 Luz indicadora de direção traseira esquerda
E6 Luz indicadora de direção traseira direita
E36 Luz indicadora de direção lateral esquerda
E37 Luz indicadora de direção lateral direita
H15 Iluminação interna da cabina
H66 Lâmpada-piloto (LED) do alarme
Kl. 15Barramento de fusíveis do terminal 15
Kl. 30Barramento de fusíveis do terminal 30
T8 Sirene para alarme (ADW)
U31 Módulo do alarme (ADW)
Retornar ao índiceCircuito
PE 54.00-B-0030-01A Edição: 05/03
8
B54.00-0324-09
Legenda deste circuito Retornar ao índice
PE 54.00-B-0030-01A Edição: 05/03
9
Alimentação do módulo UCV (controle do veículo)
Kl. 15Barramento de fusíveis do terminal 15
Kl. 30Barramento de fusíveis do terminal 30
U35 Unidade de comando (UCV)
B54.00-0325-03
Retornar ao índice
PE 54.00-B-0030-01A Edição: 05/03
10
Ar condicionado e ventilação forçada
A10 Seletor de velocidades - ventilação/ar condicionado
A11 Controle do ar condicionado
B22 Termostato do ar condicionado
B53 Pressostato duplo do ar condicionado
G6 Alternador
K10 Relé auxiliar do ventilador
K38 Relé auxiliar do compressor do ar condicionado
Kl. 15Barramento de fusíveis do terminal 15
Kl. 30Barramento de fusíveis do terminal 30
M4 Motor do ventilador (ventilação forçada)
M11 Servo-motor do ar condicionado
P9 Compressor com acoplamento magnético do ar condicionado
R5 Resistência do ar condicionado
U35 Unidade de comando (UCV)
Retornar ao índiceCircuito
PE 54.00-B-0030-01A Edição: 05/03
11
B54.00-0326-09
Legenda deste circuito Retornar ao índice
PE 54.00-B-0030-01A Edição: 05/03
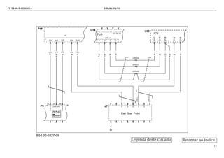
12
CAN
J7 CAN - Conector ponta estrela
P5 Tacógrafo eletrônico
P18 Painel de instrumentos
U16 Módulo do gerenciamento eletrônico do motor (PLD)
U35 Unidade de comando (UCV)
Retornar ao índiceCircuito
PE 54.00-B-0030-01A Edição: 05/03
13
B54.00-0327-09
Legenda deste circuito Retornar ao índice
PE 54.00-B-0030-01A Edição: 05/03
14
Desgaste das pastilhas de freio
B87 Interruptor desgaste pastilha de freio dianteiro direito
B88 Interruptor desgaste pastilha de freio dianteiro esquerdo
B89 Interruptor desgaste pastilha de freio traseiro direito
B90 Interruptor desgaste pastilha de freio traseiro esquerdo
P18 Painel de instrumentos
B54.00-0328-03
Retornar ao índice
PE 54.00-B-0030-01A Edição: 05/03
15
Diagnose
J4 Tomada para diagnóstico
Kl. 15Barramento de fusíveis do terminal 15
Kl. 30Barramento de fusíveis do terminal 30
P18 Painel de instrumentos
U5 Módulo eletrônico do sistema ABS/ASR
U16 Módulo do gerenciamento eletrônico do motor (PLD)
U35 Unidade de comando (UCV)
B54.00-0329-12
Retornar ao índice
PE 54.00-B-0030-01A Edição: 05/03
16
Acelerador, Indicador de manutenção do filtro de ar, Sensor de desgaste da embreagem, Sensor do líquido de arrefecimento
B8 Interruptor da lâmpada-piloto do indicador de
manutenção do filtro de ar
B49 Interruptor da lâmpada-piloto de nível do líquido de
arrefecimento
B111 Sensor de desgaste da embreagem
Kl. 15Barramento de fusíveis do terminal 15
U17 Pedal do acelerador
U35 Unidade de comando (UCV)
B54.00-0330-12
Retornar ao índice
PE 54.00-B-0030-01A Edição: 05/03
17
Freio motor
Kl. 15Barramento de fusíveis do terminal 15
S7 Interruptor de freio-motor direto/desliga
U35 Unidade de comando (UCV)
V30 Válvula eletromagnética Top-Brake/ Freio-motor
B54.00-0331-03
Retornar ao índice
PE 54.00-B-0030-01A Edição: 05/03
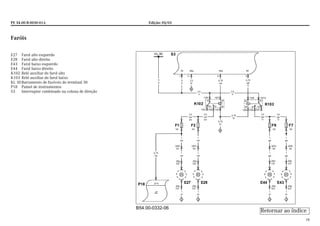
18
Faróis
E27 Farol alto esquerdo
E28 Farol alto direito
E43 Farol baixo esquerdo
E44 Farol baixo direito
K102 Relé auxiliar do farol alto
K103 Relé auxiliar do farol baixo
Kl. 30Barramento de fusíveis do terminal 30
P18 Painel de instrumentos
S3 Interruptor combinado na coluna de direção
B54.00-0332-06
Retornar ao índice
PE 54.00-B-0030-01A Edição: 05/03
19
Iluminação interna da cabina (veículos com sistema de alarme)
B17 Interruptor na porta para iluminação da cabina
H15 Iluminação interna da cabina
Kl. 30Barramento de fusíveis do terminal 30
P18 Painel de instrumentos
S42 Interruptor da iluminação interna
U31 Módulo do alarme (ADW)
B54.00-0333-12
Retornar ao índice
PE 54.00-B-0030-01A Edição: 05/03
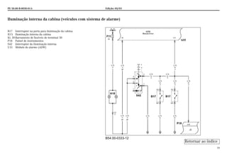
20
Iluminação interna da cabina (veículos sem sistema de alarme)
B17 Interruptor na porta para iluminação da cabina
H15 Iluminação interna da cabina
Kl. 30Barramento de fusíveis do terminal 30
P18 Painel de instrumentos
S42 Interruptor da iluminação interna
B54.00-0334-12
Retornar ao índice
PE 54.00-B-0030-01A Edição: 05/03
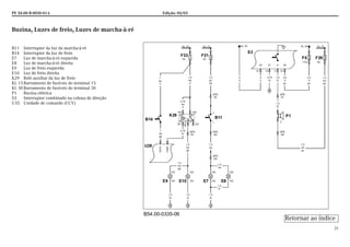
21
Buzina, Luzes de freio, Luzes de marcha-à-ré
B11 Interruptor da luz da marcha-à-ré
B14 Interruptor da luz de freio
E7 Luz de marcha-à-ré esquerda
E8 Luz de marcha-à-ré direita
E9 Luz de freio esquerda
E10 Luz de freio direita
K29 Relé auxiliar da luz de freio
Kl. 15Barramento de fusíveis do terminal 15
Kl. 30Barramento de fusíveis do terminal 30
P1 Buzina elétrica
S3 Interruptor combinado na coluna de direção
U35 Unidade de comando (UCV)
B54.00-0335-06
Retornar ao índice
PE 54.00-B-0030-01A Edição: 05/03
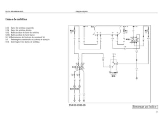
22
Luzes de neblina
E23 Farol de neblina esquerdo
E24 Farol de neblina direito
K12 Relé auxiliar do farol de neblina
K103 Relé auxiliar do farol baixo
Kl. 30Barramento de fusíveis do terminal 30
S3 Interruptor combinado na coluna de direção
S15 Interruptor dos faróis de neblina
B54.00-0336-06
Retornar ao índice
PE 54.00-B-0030-01A Edição: 05/03
23
Luzes de posição e delimitação
E11 Luz de posição traseira esquerda
E12 Luz de posição traseira direita
E13 Luz de delimitação dianteira esquerda
E14 Luz de delimitação dianteira direita
E17 Luz de posição dianteira esquerda
E17a Luz de posição lateral dianteira esquerda
E18 Luz de posição dianteira direita
E18a Luz de posição lateral dianteira direita
K104 Relé auxiliar das luzes de posição e delimitação
Kl. 30Barramento de fusíveis do terminal 30
S3 Interruptor combinado na coluna de direção
B54.00-0337-06
Retornar ao índice
PE 54.00-B-0030-01A Edição: 05/03
24
Luzes indicadoras de direção e de emergência
E3 Luz indicadora de direção dianteira esquerda
E4 Luz indicadora de direção dianteira direita
E5 Luz indicadora de direção traseira esquerda
E6 Luz indicadora de direção traseira direita
E36 Luz indicadora de direção lateral esquerda
E37 Luz indicadora de direção lateral direita
K7 Relé das luzes indicadoras de direção
K7a Relé auxiliar das luzes indicadoras de direção direita
K7b Relé auxiliar das luzes indicadoras de direção esquerda
K99 Relé auxiliar sonoro
Kl. 30Barramento de fusíveis do terminal 30
P18 Painel de instrumentos
R10 Resistência para luzes indicadoras de direção
S3 Interruptor combinado na coluna de direção
B54.00-0338-06
Retornar ao índice
PE 54.00-B-0030-01A Edição: 05/03
25
Lavador e limpador de pára-brisas
K6 Relé temporizador do motor do limpador de pára-brisa
K6b Relé auxiliar do motor do limpador de pára-brisa
Kl. 15Barramento de fusíveis do terminal 15
Kl. 30Barramento de fusíveis do terminal 30
M2 Motor do lavador de pára-brisa
M3 Motor do limpador de pára-brisa
S3 Interruptor combinado na coluna de direção
B54.00-0339-06
Retornar ao índice
PE 54.00-B-0030-01A Edição: 05/03
26
Alimentação do módulo do motor
G19 Baterias
Kl. 15Barramento de fusíveis do terminal 15
M13 Motor de partida
Q1 Chave geral da bateria
U16 Módulo do gerenciamento eletrônico do motor (PLD)
XPM1Conexão - terminal 31
B54.00-0340-03
Retornar ao índice
PE 54.00-B-0030-01A Edição: 05/03
27
Sensores do motor
B46 Interruptor de partida no compartimento do motor
B47 Interruptor de parada do motor no compartimento do motor
B51 Sensor de temperatura do líquido de arrefecimento do motor
B70 Sensor de temperatura do combustível
B71 Sensor de temperatura/pressão ar do coletor de admissão
B72 Sensor de pressão de óleo do motor
B73 Sensor de temperatura de óleo do motor
B86 Sensor de nível de óleo do cárter
G17 Sensor de rotação da árvore de manivelas
G18 Sensor de ângulo de início de injeção
U16 Módulo do gerenciamento eletrônico do motor (PLD)
V31 Conjunto válvula eletromagnética do sistema de injeção
Retornar ao índiceCircuito
PE 54.00-B-0030-01A Edição: 05/03
28
B54.00-0341-09
Retornar ao índiceLegenda deste circuito Retornar ao índice
PE 54.00-B-0030-01A Edição: 05/03
29
Alimentação do painel de instrumentos
Kl. 15Barramento de fusíveis do terminal 15
Kl. 30Barramento de fusíveis do terminal 30
P18 Painel de instrumentos
B54.00-0342-03
Retornar ao índice
PE 54.00-B-0030-01A Edição: 05/03
30
Interruptor da lâmpada-piloto da trava da cabina, Interruptor do cinto de segurança, Interruptor do indicador de pressão
pneumática, Sensor de água no filtro de combustível, Sensor do nível de fluido da embreagem
B4 Interruptor do indicador de pressão pneumática
B16 Interruptor do cinto de segurança
B63 Interruptor da lâmpada-piloto da trava da cabina
B91 Sensor do nível de fluído da embreagem
B118 Sensor de água no filtro de combustível
P18 Painel de instrumentos
B54.00-0343-12 Retornar ao índice
PE 54.00-B-0030-01A Edição: 05/03
31
Sensores de falha no sistema de freio
B54 Interruptor da lâmpada-piloto de falha do freio dianteiro
B55 Interruptor da lâmpada-piloto de falha do freio traseiro
P18 Painel de instrumentos
B54.00-0344-03
Retornar ao índice
PE 54.00-B-0030-01A Edição: 05/03
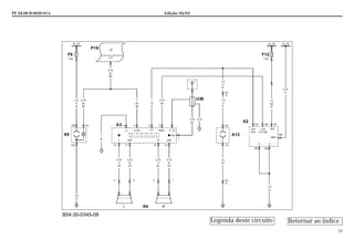
32
Acendedor de cigarros, Rádio, Tomada 12 Volts
A2 Conversor 24/12 V para rádio
A3 Rádio
A4 Alto-falante
A5 Acendedor de cigarros
A13 Tomada elétrica para equipamentos adicionais (12 volts)
Kl. 30Barramento de fusíveis do terminal 30
P18 Painel de instrumentos
U36 Módulo amplificador da antena de rádio
Retornar ao índiceCircuito
PE 54.00-B-0030-01A Edição: 05/03
33
B54.00-0345-09
Retornar ao índiceLegenda deste circuito
PE 54.00-B-0030-01A Edição: 05/03
34
Regulagem elétrica e desembaçador dos espelhos retrovisores
K89 Relé temporizador do
aquecimento dos espelhos
Kl. 15Barramento de fusíveis do
terminal 15
P10 Regulagem elétrica/
desembaçador do espelho
esquerdo
P11 Regulagem elétrica/
desembaçador do espelho direito
R2 Resistência de aquecimento do
espelho retrovisor esquerdo
R3 Resistência de aquecimento do
espelho retrovisor direito
S9 Interruptor desembaçador dos
espelhos
S37 Interruptor de regulagem dos
espelhos retrovisores
B54.00-0346-06
Retornar ao índice
PE 54.00-B-0030-01A Edição: 05/03
35
Sistema de geração de energia
G6 Alternador
G19 Baterias
K2 Relé auxiliar do terminal 15
Kl. 30Barramento de fusíveis do terminal 30
M13 Motor de partida
Q1 Chave geral da bateria
Q2 Interruptor de contato e partida
U35 Unidade de comando (UCV)
XPM1Conexão - terminal 31
B54.00-0347-06
Retornar ao índice
PE 54.00-B-0030-01A Edição: 05/03
36
Sistema de geração dos barramentos FC(Kl 15), FD (Kl 30)
G6 Alternador
G19 Baterias
K2 Relé auxiliar do terminal 15
Kl. 15Barramento de fusíveis do terminal 15
Kl. 30Barramento de fusíveis do terminal 30
M13 Motor de partida
Q1 Chave geral da bateria
Q2 Interruptor de contato e partida
XPM1Conexão - terminal 31
B54.00-0348-12
Retornar ao índice
PE 54.00-B-0030-01A Edição: 05/03
37
Sistema de partida
A15 Bobina para chave de contato e partida (imobilizer)
B42 Interruptor de corte de partida em ponto morto
B46 Interruptor de partida no compartimento do motor
B47 Interruptor de parada do motor no compartimento do motor
G19 Baterias
K2 Relé auxiliar do terminal 15
Kl. 30Barramento de fusíveis do terminal 30
M13 Motor de partida
Q1 Chave geral da bateria
Q2 Interruptor de contato e partida
U16 Módulo do gerenciamento eletrônico do motor (PLD)
U35 Unidade de comando (UCV)
V31 Conjunto válvula eletromagnética do sistema de injeção
XPM1Conexão - terminal 31
Retornar ao índiceCircuito
PE 54.00-B-0030-01A Edição: 05/03
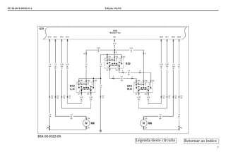
38
B54.00-0349-09
Retornar ao índiceLegenda deste circuito
PE 54.00-B-0030-01A Edição: 05/03
39
Tacógrafo
G16 Gerador de impulsos na caixa de mudanças
(sensor de velocidade)
Kl. 15Barramento de fusíveis do terminal 15
Kl. 30Barramento de fusíveis do terminal 30
P5 Tacógrafo eletrônico
P18 Painel de instrumentos
U35 Unidade de comando (UCV)
B54.00-0350-06
Retornar ao índice
PE 54.00-B-0030-01A Edição: 05/03
40
Travamento de portas
M14 Motor da trava da porta (lado do motorista)
M15 Motor da trava da porta (lado do passageiro)
P5 Tacógrafo eletrônico
U31 Módulo do alarme (ADW)
B54.00-0351-06
Retornar ao índice
PE 54.00-B-0030-01A Edição: 05/03
41
F1 - 5A Farol alto esquerdo F11 - 3A Lamp. cortesia F21 - 5A Luz ré
F2 - 5A Farol alto direito F12 - 7,5A Conversor 24V/12V F22 - 5A UCV/PLD
F3 - 5A Tacógrafo F13 - 5A Lant. posição/delim. dir. F23 - 3A Alarme
F4 - 7,5A Lâmpadas pisca-alerta F14 - 5A Lant. posição/delim. esq. F24 - 5A ABS/UCV
F5 - 15A Motor ventilador F15 - Reserva F25 - Reserva
F6 - 7,5A Acendedor de cigarros F16 - 25A Alarme F26 - Reserva
F7 - 5A Farol baixo esquerdo F17 - 25A Alarme F27 - 3A Regulagem retrovisor
F8 - 5A Farol baixo direito F18 - 25A ABS F28 -
7,5A
Aquecimento retrovisor
F9 - 3A Iluminação interna F19 - 15A Vidro elétrico passageiro F29 - 5A Buzina
F10 - 5A UCV F20 - 15A Vidro elétrico motorista F30 - 25A Limpador e lavador do pára-brisa
Etiqueta de identificação de fusíveis e relés
Retornar ao índice
PE 54.00-B-0030-01A Edição: 05/03
42
F31 - 4A Ar condicionado K2 - Relé auxiliar do terminal 15 K102 - Relé aux. farol alto
F32 - 10A Farol de neblina K6 - Relé temp. limpador K103 - Relé aux. farol baixo
F33 - 5A Lanterna de freio K7 - Relé das luzes indicadoras de direção K104 - Relé aux. lanternas
F34 - 5A Tacógrafo K10 - Relé motor ventilador K7a Relé aux. ind. direção D
F35 - 5A Luz freio/freio-motor K12 - Relé farol neblina K7b - Relé aux. ind. direção E
F6 - 5A Diagnose K29 - Relé lanterna de freio K6a Relé aux. motor limpador
K38 - Relé ar condicionado K6b - Relé aux. motor limpador
K89 - Relé aquec. retrovisor
K99 - Relé auxiliar pisca (sonoro)
Etiqueta de identificação de fusíveis e relés (Continuação)
Retornar ao índice

Esquema electrico acelo 915 c

  • 1.
    PE 54.00-B-0030-01A Edição:05/03 Esquema elétrico: Preliminar Accelo 915 C (979.046) Validade: Desde início de produção Tensão da instalação elétrica: 24 Volts Código de cores dos cabos elétricos: bl = azul br = marrom ge = amarelo gn = verde gr = cinza li = lilás rt = vermelho sw = preto ws = branco Identificação dos cabos elétricos Conexão à massa O circuito negativo deste veículo retorna ao pólo negativo da bateria, estando portanto a carro- çaria, chassi e motor isolados. Qualquer sistema elétrico adicional deverá ter o circuito negativo ligado diretamente ao pólo negativo da bateria, através do ponto de conexão existente na lon- garina. Os losangos numerados referem-se respectivamente às conexões à massa: − Ponto de massa na central elétrica − Ponto de massa no chassi − Ponto de massa no painel de instrumentos Interpretação do esquema elétrico Este esquema elétrico está subdividido em vários módulos dispostos em ordem alfabética. Cada módulo possui ao lado da página ou na página anterior, sua respectiva legenda Para visualizar um módulo desejado, clicar sobre o nome do mesmo no índice geral. Indicações gerais de segurança Os itens de segurança listados a seguir não são únicos. Utilize sempre o bom senso, completando- os se necessário. - Antes de iniciar qualquer intervenção no veículo, certifique-se de que o freio de estacionamen- to esteja aplicado, as rodas devidamente calçadas e a caixa de mudanças esteja na posição neutra. - Nunca funcione o motor em recinto fechado e não ventilado. Os gases de escape contém, além de outros componentes nocivos, monóxido de carbono, que é inodoro, incolor e que pode ser letal, se inalado. - Opere cuidadosamente com as baterias. Evite faíscas elétricas ou chamas expostas próximo às mesmas. O gás emanado das baterias é explosivo. Evite o contato da solução eletrolítica com a pele, roupa e estrutura do veículo. Se a solução atingir acidentalmente os olhos, lave-os com água abundante e procure socorro médico. - Quando da execução de serviços que requerem o emprego de solda elétrica, no veículo, desli- gue o sistema elétrico do mesmo (módulos, pedal do acelerador, soquetes do painel elétrico, ter- minais massa, W do alternador e terminais de bateria), a fim de que não seja danificado. Proteja convenientemente as peças plásticas/fibras, fios e cabos elétricos, vidros e pintura, que podem ser danificados por respingo de solda. Utilize sempre equipamentos de proteção individual (EPI) necessários, para evitar acidentes pessoais. Mantenha próximo um extintor de incêndio. - Dispense atenção a cabos/fios elétricos e tubo de tecalon, utilizados no sistema pneumático e no sistema de alimentação de combustível, a fim de que não sejam danificados quando da exe- cução de serviços de manutenção/reparo. Atente para que os tubos de tecalon jamais sejam dobrados. 2,5 rt/bl seção transversal (2,5 mm2 ) cor principal cor secundária ◊1 ◊2 ◊3 Continuar
  • 2.
    PE 54.00-B-0030-01A Edição:05/03 1 Índice dos módulos: ABS ............................................................................................................... 2 Acelerador .................................................................................................. 16 Acendedor de cigarros............................................................................... 32 Acionamento elétrico dos vidros (veículos com sistema de alarme)........ 4 Acionamento elétrico dos vidros (veículos sem sistema de alarme) ........ 6 Alarme .......................................................................................................... 7 Alimentação do módulo UCV (controle do veículo)................................... 9 Ar condicionado e ventilação forçada .......................................................10 Buzina .........................................................................................................21 CAN............................................................................................................. 12 Desgaste da embreagem ............................................................................16 Desgaste das pastilhas de freio .................................................................14 Diagnose ..................................................................................................... 15 Etiqueta de identificação de fusíveis e relés.............................................41 Etiqueta de identificação de fusíveis e relés (Continuação) .................... 42 Freio motor .................................................................................................17 Iluminação Faróis ..........................................................................................................................18 Iluminação interna da cabina (veículos com sistema de alarme)..................... 19 Iluminação interna da cabina (veículos sem sistema de alarme)..................... 20 Luzes de freio ............................................................................................................21 Luzes de marcha-à-ré ...............................................................................................21 Luzes de neblina .......................................................................................................22 Luzes de posição e delimitação ..............................................................................23 Luzes indicadoras de direção e de emergência ...................................................24 Indicador de manutenção do filtro de ar.................................................. 16 Lavador e limpador de pára-brisas ........................................................... 25 Manutenção do filtro de ar........................................................................ 16 Motor Alimentação do módulo do motor .......................................................................... 26 Alimentação do módulo UCV (controle do veículo) .............................................. 9 CAN............................................................................................................................. 12 Interruptor de parada e partida do motor no compartimento do motor.......... 27 Sensor de ângulo de início de injeção ...................................................................27 Sensor de nível de óleo do cárter .......................................................................... 27 Sensor de pressão de óleo do motor ...................................................................... 27 Sensor de rotação da árvore de manivelas ...........................................................27 Sensor de temperatura de óleo do motor.............................................................. 27 Sensor de temperatura do combustível .................................................................27 Sensor de temperatura do líquido de arrefecimento do motor .........................27 Sensor de temperatura/pressão ar do coletor de admissão............................... 27 Nível do líquido de arrefecimento ............................................................ 16 Painel de instrumentos Alimentação do painel de instrumentos ............................................................... 29 Interruptor da lâmpada-piloto da trava da cabina ...............................................30 Interruptor do cinto de segurança .........................................................................30 Interruptor do indicador de pressão pneumática................................................ 30 Sensor de água no filtro de combustível ...............................................................30 Sensor do nível de fluido da embreagem.............................................................. 30 Rádio........................................................................................................... 32 Regulagem elétrica e desembaçador dos espelhos retrovisores............. 34 Sensor de água no filtro de combustível .................................................. 30 Sensor de desgaste da embreagem .......................................................... 16 Sensor do líquido de arrefecimento ......................................................... 16 Sensores de falha no sistema de freio ...................................................... 31 Sistema de geração de energia.................................................................. 35 Sistema de geração dos barramentos FC(Kl 15), FD (Kl 30) ................... 36 Sistema de partida ..................................................................................... 37 Tacógrafo .................................................................................................... 39 Tomada 12 Volts ........................................................................................ 32 Trava da cabina........................................................................................... 30 Travamento de portas ................................................................................ 40 Ventilação forçada ..................................................................................... 10 Etiqueta de identificação de fusíveis e relés............................................. 41 Etiqueta de identificação de fusíveis e relés (Continuação).................... 42 Retornar à primeira página
  • 3.
    PE 54.00-B-0030-01A Edição:05/03 2 ABS B26 Sensor ABS dianteiro esquerdo B27 Sensor ABS dianteiro direito B28 Sensor ABS/ASR traseiro esquerdo B29 Sensor ABS/ASR traseiro direito J4 Tomada para diagnóstico Kl. 15Barramento de fusíveis do terminal 15 Kl. 30Barramento de fusíveis do terminal 30 P18 Painel de instrumentos U5 Módulo eletrônico do sistema ABS/ASR V7 Válvula de controle ABS do eixo dianteiro, lado esquerdo V8 Válvula de controle ABS do eixo dianteiro, lado direito V9 Válvula de controle ABS do freio traseiro esquerdo Circuito Retornar ao índice
  • 4.
    PE 54.00-B-0030-01A Edição:05/03 3 B54.00-0321-09 Legenda deste circuito Retornar ao índice
  • 5.
    PE 54.00-B-0030-01A Edição:05/03 4 Acionamento elétrico dos vidros (veículos com sistema de alarme) M5 Motor de acionamento do vidro, lado do motorista M6 Motor de acionamento do vidro, lado do passageiro S12 Interruptor de acionamento do vidro, lado do motorista S13 Interruptor de acionamento do vidro, lado do passageiro S33 Interruptor de acionamento do vidro, lado do passageiro (acionado pelo motorista) U31 Módulo do alarme (ADW) Circuito Retornar ao índice
  • 6.
    PE 54.00-B-0030-01A Edição:05/03 5 B54.00-0322-09 Legenda deste circuito Retornar ao índice
  • 7.
    PE 54.00-B-0030-01A Edição:05/03 6 Acionamento elétrico dos vidros (veículos sem sistema de alarme) Kl. 15Barramento de fusíveis do terminal 15 Kl. 30Barramento de fusíveis do terminal 30 M5 Motor de acionamento do vidro, lado do motorista M6 Motor de acionamento do vidro, lado do passageiro S12 Interruptor de acionamento do vidro, lado do motorista S13 Interruptor de acionamento do vidro, lado do passageiro S33 Interruptor de acionamento do vidro, lado do passageiro (acionado pelo motorista) B54.00-0323-12 Retornar ao índice
  • 8.
    PE 54.00-B-0030-01A Edição:05/03 7 Alarme B17 Interruptor na porta para iluminação da cabina B63 Interruptor da lâmpada-piloto da trava da cabina B121 Sensor de alarme (RX) B122 Sensor de alarme (TX) E3 Luz indicadora de direção dianteira esquerda E4 Luz indicadora de direção dianteira direita E5 Luz indicadora de direção traseira esquerda E6 Luz indicadora de direção traseira direita E36 Luz indicadora de direção lateral esquerda E37 Luz indicadora de direção lateral direita H15 Iluminação interna da cabina H66 Lâmpada-piloto (LED) do alarme Kl. 15Barramento de fusíveis do terminal 15 Kl. 30Barramento de fusíveis do terminal 30 T8 Sirene para alarme (ADW) U31 Módulo do alarme (ADW) Retornar ao índiceCircuito
  • 9.
    PE 54.00-B-0030-01A Edição:05/03 8 B54.00-0324-09 Legenda deste circuito Retornar ao índice
  • 10.
    PE 54.00-B-0030-01A Edição:05/03 9 Alimentação do módulo UCV (controle do veículo) Kl. 15Barramento de fusíveis do terminal 15 Kl. 30Barramento de fusíveis do terminal 30 U35 Unidade de comando (UCV) B54.00-0325-03 Retornar ao índice
  • 11.
    PE 54.00-B-0030-01A Edição:05/03 10 Ar condicionado e ventilação forçada A10 Seletor de velocidades - ventilação/ar condicionado A11 Controle do ar condicionado B22 Termostato do ar condicionado B53 Pressostato duplo do ar condicionado G6 Alternador K10 Relé auxiliar do ventilador K38 Relé auxiliar do compressor do ar condicionado Kl. 15Barramento de fusíveis do terminal 15 Kl. 30Barramento de fusíveis do terminal 30 M4 Motor do ventilador (ventilação forçada) M11 Servo-motor do ar condicionado P9 Compressor com acoplamento magnético do ar condicionado R5 Resistência do ar condicionado U35 Unidade de comando (UCV) Retornar ao índiceCircuito
  • 12.
    PE 54.00-B-0030-01A Edição:05/03 11 B54.00-0326-09 Legenda deste circuito Retornar ao índice
  • 13.
    PE 54.00-B-0030-01A Edição:05/03 12 CAN J7 CAN - Conector ponta estrela P5 Tacógrafo eletrônico P18 Painel de instrumentos U16 Módulo do gerenciamento eletrônico do motor (PLD) U35 Unidade de comando (UCV) Retornar ao índiceCircuito
  • 14.
    PE 54.00-B-0030-01A Edição:05/03 13 B54.00-0327-09 Legenda deste circuito Retornar ao índice
  • 15.
    PE 54.00-B-0030-01A Edição:05/03 14 Desgaste das pastilhas de freio B87 Interruptor desgaste pastilha de freio dianteiro direito B88 Interruptor desgaste pastilha de freio dianteiro esquerdo B89 Interruptor desgaste pastilha de freio traseiro direito B90 Interruptor desgaste pastilha de freio traseiro esquerdo P18 Painel de instrumentos B54.00-0328-03 Retornar ao índice
  • 16.
    PE 54.00-B-0030-01A Edição:05/03 15 Diagnose J4 Tomada para diagnóstico Kl. 15Barramento de fusíveis do terminal 15 Kl. 30Barramento de fusíveis do terminal 30 P18 Painel de instrumentos U5 Módulo eletrônico do sistema ABS/ASR U16 Módulo do gerenciamento eletrônico do motor (PLD) U35 Unidade de comando (UCV) B54.00-0329-12 Retornar ao índice
  • 17.
    PE 54.00-B-0030-01A Edição:05/03 16 Acelerador, Indicador de manutenção do filtro de ar, Sensor de desgaste da embreagem, Sensor do líquido de arrefecimento B8 Interruptor da lâmpada-piloto do indicador de manutenção do filtro de ar B49 Interruptor da lâmpada-piloto de nível do líquido de arrefecimento B111 Sensor de desgaste da embreagem Kl. 15Barramento de fusíveis do terminal 15 U17 Pedal do acelerador U35 Unidade de comando (UCV) B54.00-0330-12 Retornar ao índice
  • 18.
    PE 54.00-B-0030-01A Edição:05/03 17 Freio motor Kl. 15Barramento de fusíveis do terminal 15 S7 Interruptor de freio-motor direto/desliga U35 Unidade de comando (UCV) V30 Válvula eletromagnética Top-Brake/ Freio-motor B54.00-0331-03 Retornar ao índice
  • 19.
    PE 54.00-B-0030-01A Edição:05/03 18 Faróis E27 Farol alto esquerdo E28 Farol alto direito E43 Farol baixo esquerdo E44 Farol baixo direito K102 Relé auxiliar do farol alto K103 Relé auxiliar do farol baixo Kl. 30Barramento de fusíveis do terminal 30 P18 Painel de instrumentos S3 Interruptor combinado na coluna de direção B54.00-0332-06 Retornar ao índice
  • 20.
    PE 54.00-B-0030-01A Edição:05/03 19 Iluminação interna da cabina (veículos com sistema de alarme) B17 Interruptor na porta para iluminação da cabina H15 Iluminação interna da cabina Kl. 30Barramento de fusíveis do terminal 30 P18 Painel de instrumentos S42 Interruptor da iluminação interna U31 Módulo do alarme (ADW) B54.00-0333-12 Retornar ao índice
  • 21.
    PE 54.00-B-0030-01A Edição:05/03 20 Iluminação interna da cabina (veículos sem sistema de alarme) B17 Interruptor na porta para iluminação da cabina H15 Iluminação interna da cabina Kl. 30Barramento de fusíveis do terminal 30 P18 Painel de instrumentos S42 Interruptor da iluminação interna B54.00-0334-12 Retornar ao índice
  • 22.
    PE 54.00-B-0030-01A Edição:05/03 21 Buzina, Luzes de freio, Luzes de marcha-à-ré B11 Interruptor da luz da marcha-à-ré B14 Interruptor da luz de freio E7 Luz de marcha-à-ré esquerda E8 Luz de marcha-à-ré direita E9 Luz de freio esquerda E10 Luz de freio direita K29 Relé auxiliar da luz de freio Kl. 15Barramento de fusíveis do terminal 15 Kl. 30Barramento de fusíveis do terminal 30 P1 Buzina elétrica S3 Interruptor combinado na coluna de direção U35 Unidade de comando (UCV) B54.00-0335-06 Retornar ao índice
  • 23.
    PE 54.00-B-0030-01A Edição:05/03 22 Luzes de neblina E23 Farol de neblina esquerdo E24 Farol de neblina direito K12 Relé auxiliar do farol de neblina K103 Relé auxiliar do farol baixo Kl. 30Barramento de fusíveis do terminal 30 S3 Interruptor combinado na coluna de direção S15 Interruptor dos faróis de neblina B54.00-0336-06 Retornar ao índice
  • 24.
    PE 54.00-B-0030-01A Edição:05/03 23 Luzes de posição e delimitação E11 Luz de posição traseira esquerda E12 Luz de posição traseira direita E13 Luz de delimitação dianteira esquerda E14 Luz de delimitação dianteira direita E17 Luz de posição dianteira esquerda E17a Luz de posição lateral dianteira esquerda E18 Luz de posição dianteira direita E18a Luz de posição lateral dianteira direita K104 Relé auxiliar das luzes de posição e delimitação Kl. 30Barramento de fusíveis do terminal 30 S3 Interruptor combinado na coluna de direção B54.00-0337-06 Retornar ao índice
  • 25.
    PE 54.00-B-0030-01A Edição:05/03 24 Luzes indicadoras de direção e de emergência E3 Luz indicadora de direção dianteira esquerda E4 Luz indicadora de direção dianteira direita E5 Luz indicadora de direção traseira esquerda E6 Luz indicadora de direção traseira direita E36 Luz indicadora de direção lateral esquerda E37 Luz indicadora de direção lateral direita K7 Relé das luzes indicadoras de direção K7a Relé auxiliar das luzes indicadoras de direção direita K7b Relé auxiliar das luzes indicadoras de direção esquerda K99 Relé auxiliar sonoro Kl. 30Barramento de fusíveis do terminal 30 P18 Painel de instrumentos R10 Resistência para luzes indicadoras de direção S3 Interruptor combinado na coluna de direção B54.00-0338-06 Retornar ao índice
  • 26.
    PE 54.00-B-0030-01A Edição:05/03 25 Lavador e limpador de pára-brisas K6 Relé temporizador do motor do limpador de pára-brisa K6b Relé auxiliar do motor do limpador de pára-brisa Kl. 15Barramento de fusíveis do terminal 15 Kl. 30Barramento de fusíveis do terminal 30 M2 Motor do lavador de pára-brisa M3 Motor do limpador de pára-brisa S3 Interruptor combinado na coluna de direção B54.00-0339-06 Retornar ao índice
  • 27.
    PE 54.00-B-0030-01A Edição:05/03 26 Alimentação do módulo do motor G19 Baterias Kl. 15Barramento de fusíveis do terminal 15 M13 Motor de partida Q1 Chave geral da bateria U16 Módulo do gerenciamento eletrônico do motor (PLD) XPM1Conexão - terminal 31 B54.00-0340-03 Retornar ao índice
  • 28.
    PE 54.00-B-0030-01A Edição:05/03 27 Sensores do motor B46 Interruptor de partida no compartimento do motor B47 Interruptor de parada do motor no compartimento do motor B51 Sensor de temperatura do líquido de arrefecimento do motor B70 Sensor de temperatura do combustível B71 Sensor de temperatura/pressão ar do coletor de admissão B72 Sensor de pressão de óleo do motor B73 Sensor de temperatura de óleo do motor B86 Sensor de nível de óleo do cárter G17 Sensor de rotação da árvore de manivelas G18 Sensor de ângulo de início de injeção U16 Módulo do gerenciamento eletrônico do motor (PLD) V31 Conjunto válvula eletromagnética do sistema de injeção Retornar ao índiceCircuito
  • 29.
    PE 54.00-B-0030-01A Edição:05/03 28 B54.00-0341-09 Retornar ao índiceLegenda deste circuito Retornar ao índice
  • 30.
    PE 54.00-B-0030-01A Edição:05/03 29 Alimentação do painel de instrumentos Kl. 15Barramento de fusíveis do terminal 15 Kl. 30Barramento de fusíveis do terminal 30 P18 Painel de instrumentos B54.00-0342-03 Retornar ao índice
  • 31.
    PE 54.00-B-0030-01A Edição:05/03 30 Interruptor da lâmpada-piloto da trava da cabina, Interruptor do cinto de segurança, Interruptor do indicador de pressão pneumática, Sensor de água no filtro de combustível, Sensor do nível de fluido da embreagem B4 Interruptor do indicador de pressão pneumática B16 Interruptor do cinto de segurança B63 Interruptor da lâmpada-piloto da trava da cabina B91 Sensor do nível de fluído da embreagem B118 Sensor de água no filtro de combustível P18 Painel de instrumentos B54.00-0343-12 Retornar ao índice
  • 32.
    PE 54.00-B-0030-01A Edição:05/03 31 Sensores de falha no sistema de freio B54 Interruptor da lâmpada-piloto de falha do freio dianteiro B55 Interruptor da lâmpada-piloto de falha do freio traseiro P18 Painel de instrumentos B54.00-0344-03 Retornar ao índice
  • 33.
    PE 54.00-B-0030-01A Edição:05/03 32 Acendedor de cigarros, Rádio, Tomada 12 Volts A2 Conversor 24/12 V para rádio A3 Rádio A4 Alto-falante A5 Acendedor de cigarros A13 Tomada elétrica para equipamentos adicionais (12 volts) Kl. 30Barramento de fusíveis do terminal 30 P18 Painel de instrumentos U36 Módulo amplificador da antena de rádio Retornar ao índiceCircuito
  • 34.
    PE 54.00-B-0030-01A Edição:05/03 33 B54.00-0345-09 Retornar ao índiceLegenda deste circuito
  • 35.
    PE 54.00-B-0030-01A Edição:05/03 34 Regulagem elétrica e desembaçador dos espelhos retrovisores K89 Relé temporizador do aquecimento dos espelhos Kl. 15Barramento de fusíveis do terminal 15 P10 Regulagem elétrica/ desembaçador do espelho esquerdo P11 Regulagem elétrica/ desembaçador do espelho direito R2 Resistência de aquecimento do espelho retrovisor esquerdo R3 Resistência de aquecimento do espelho retrovisor direito S9 Interruptor desembaçador dos espelhos S37 Interruptor de regulagem dos espelhos retrovisores B54.00-0346-06 Retornar ao índice
  • 36.
    PE 54.00-B-0030-01A Edição:05/03 35 Sistema de geração de energia G6 Alternador G19 Baterias K2 Relé auxiliar do terminal 15 Kl. 30Barramento de fusíveis do terminal 30 M13 Motor de partida Q1 Chave geral da bateria Q2 Interruptor de contato e partida U35 Unidade de comando (UCV) XPM1Conexão - terminal 31 B54.00-0347-06 Retornar ao índice
  • 37.
    PE 54.00-B-0030-01A Edição:05/03 36 Sistema de geração dos barramentos FC(Kl 15), FD (Kl 30) G6 Alternador G19 Baterias K2 Relé auxiliar do terminal 15 Kl. 15Barramento de fusíveis do terminal 15 Kl. 30Barramento de fusíveis do terminal 30 M13 Motor de partida Q1 Chave geral da bateria Q2 Interruptor de contato e partida XPM1Conexão - terminal 31 B54.00-0348-12 Retornar ao índice
  • 38.
    PE 54.00-B-0030-01A Edição:05/03 37 Sistema de partida A15 Bobina para chave de contato e partida (imobilizer) B42 Interruptor de corte de partida em ponto morto B46 Interruptor de partida no compartimento do motor B47 Interruptor de parada do motor no compartimento do motor G19 Baterias K2 Relé auxiliar do terminal 15 Kl. 30Barramento de fusíveis do terminal 30 M13 Motor de partida Q1 Chave geral da bateria Q2 Interruptor de contato e partida U16 Módulo do gerenciamento eletrônico do motor (PLD) U35 Unidade de comando (UCV) V31 Conjunto válvula eletromagnética do sistema de injeção XPM1Conexão - terminal 31 Retornar ao índiceCircuito
  • 39.
    PE 54.00-B-0030-01A Edição:05/03 38 B54.00-0349-09 Retornar ao índiceLegenda deste circuito
  • 40.
    PE 54.00-B-0030-01A Edição:05/03 39 Tacógrafo G16 Gerador de impulsos na caixa de mudanças (sensor de velocidade) Kl. 15Barramento de fusíveis do terminal 15 Kl. 30Barramento de fusíveis do terminal 30 P5 Tacógrafo eletrônico P18 Painel de instrumentos U35 Unidade de comando (UCV) B54.00-0350-06 Retornar ao índice
  • 41.
    PE 54.00-B-0030-01A Edição:05/03 40 Travamento de portas M14 Motor da trava da porta (lado do motorista) M15 Motor da trava da porta (lado do passageiro) P5 Tacógrafo eletrônico U31 Módulo do alarme (ADW) B54.00-0351-06 Retornar ao índice
  • 42.
    PE 54.00-B-0030-01A Edição:05/03 41 F1 - 5A Farol alto esquerdo F11 - 3A Lamp. cortesia F21 - 5A Luz ré F2 - 5A Farol alto direito F12 - 7,5A Conversor 24V/12V F22 - 5A UCV/PLD F3 - 5A Tacógrafo F13 - 5A Lant. posição/delim. dir. F23 - 3A Alarme F4 - 7,5A Lâmpadas pisca-alerta F14 - 5A Lant. posição/delim. esq. F24 - 5A ABS/UCV F5 - 15A Motor ventilador F15 - Reserva F25 - Reserva F6 - 7,5A Acendedor de cigarros F16 - 25A Alarme F26 - Reserva F7 - 5A Farol baixo esquerdo F17 - 25A Alarme F27 - 3A Regulagem retrovisor F8 - 5A Farol baixo direito F18 - 25A ABS F28 - 7,5A Aquecimento retrovisor F9 - 3A Iluminação interna F19 - 15A Vidro elétrico passageiro F29 - 5A Buzina F10 - 5A UCV F20 - 15A Vidro elétrico motorista F30 - 25A Limpador e lavador do pára-brisa Etiqueta de identificação de fusíveis e relés Retornar ao índice
  • 43.
    PE 54.00-B-0030-01A Edição:05/03 42 F31 - 4A Ar condicionado K2 - Relé auxiliar do terminal 15 K102 - Relé aux. farol alto F32 - 10A Farol de neblina K6 - Relé temp. limpador K103 - Relé aux. farol baixo F33 - 5A Lanterna de freio K7 - Relé das luzes indicadoras de direção K104 - Relé aux. lanternas F34 - 5A Tacógrafo K10 - Relé motor ventilador K7a Relé aux. ind. direção D F35 - 5A Luz freio/freio-motor K12 - Relé farol neblina K7b - Relé aux. ind. direção E F6 - 5A Diagnose K29 - Relé lanterna de freio K6a Relé aux. motor limpador K38 - Relé ar condicionado K6b - Relé aux. motor limpador K89 - Relé aquec. retrovisor K99 - Relé auxiliar pisca (sonoro) Etiqueta de identificação de fusíveis e relés (Continuação) Retornar ao índice