COTIP
Colégio Técnico Industrial de Piracicaba
APOSTILA 2 C.L.P. – LOGO!
Prof. Anderson Rodrigo Rossi
OBS.: Este curso será baseado em CLP – LOGO!-SIEMENS.
Piracicaba, 26 de janeiro de 2009.
COTIP – COLÉGIO TÉCNICO INDUSTRIAL DE PIRACICABA
C.L.P. – CONTROLADOR LÓGICO PROGRAMÁVEL - 5º SEMESTRE
2
4 – Introdução ao LOGO! SOFTCOMFORT
O LOGO! SoftComfort é o software utilizado para programar LOGO! através
de diagrama de blocos com simulação off line. O LOGO! Soft Comfort possui as
seguintes vantagens:
• Criação simples e confortável de programas de comutação;
• Ampla documentação de programas de comutação;
• Diversas funções de impressão;
• A mais baixa quota de avarias nos programas de comutação graças à
simulação no PC.
O LOGO! Soft Comfort possui a superfície de operação conforme
apresentada na Figura 4.1.
Figura 4.1 – Superfície de operação do LOGO! Soft Comfort.
COTIP – COLÉGIO TÉCNICO INDUSTRIAL DE PIRACICABA
C.L.P. – CONTROLADOR LÓGICO PROGRAMÁVEL - 5º SEMESTRE
3
A superfície de operação possui os seguintes itens:
• Barra de Menu: Encentram-se os mais diversos comandos para editar
e gerenciar os programas. Isto engloba também pré-ajustes e funções
para a transmissão de programas.
• Barra de Ícones: Permite acesso rápido e confortável às mais
importantes e mais utilizadas funções.
• Barra de Ferramenta: Permite acesso rápido aos blocos e funções de
programação.
• Linha de Status: Encontram-se algumas informações sobre a
ferramenta ativa, o status do programa e o fator zoom ajustado, o lado
da imagem geral da comutação e o aparelho LOGO! selecionado.
• Superfície de Programação: Na superfície de programação serão
ordenados os ícones e vínculos do programa. Trata-se da janela de
trabalho propriamente dita.
• Barras de rolagem: Para não perder a noção geral de programas mais
complexos as barras de rolagem auxiliam na visualização da imagem
do programa através de movimentação horizontal e vertical.
A barra de menu e suas ramificações são apresentadas na Figura 4.2.
COTIP – COLÉGIO TÉCNICO INDUSTRIAL DE PIRACICABA
C.L.P. – CONTROLADOR LÓGICO PROGRAMÁVEL - 5º SEMESTRE
4
Figura 4.2 – Barra de Menu e suas ramificações.
A barra de menu apresenta os seguintes campos:
• Arquivo: Sob o menu Arquivo serão executados comandos para
gerenciar os arquivos, tais como:
o Novo: Abre uma nova superfície de programação para ser
criado um novo programa.
o Abrir: Abre uma tela para o usuário selecionar algum programa
memorizado anteriormente para ser aberto.
o Memorizar: Salva o programa com um nome e em um local
determinados pelo usuário. Em caso de programa existente
apenas salva o programa atual com o mesmo nome e endereço.
o Memorizar sob: Mesmo sendo arquivo existente, abre uma tela
para determinar nome e local onde o arquivo será salvo.
o Ajustar página: Abre uma janela na qual as configurações
(Formato da página, margens, alinhamento) da página para o
programa podem ser estabelecidas.
COTIP – COLÉGIO TÉCNICO INDUSTRIAL DE PIRACICABA
C.L.P. – CONTROLADOR LÓGICO PROGRAMÁVEL - 5º SEMESTRE
5
o Visualizar impressão: Pode ter uma idéia de qual a imagem
que o programa impresso terá.
o Imprimir: Dá liberdade a opções para a seleção de impressoras
e as propriedades da impressão.
o Propriedades: Encontram-se 3 folhas de dados para
propriedades (geral, comentários e estatísticas). Em “geral”
pode-se dar entrada a dados (projeto ou dados internos da
empresa) sobre o programa atual. Em “comentários” podem ser
depositadas descrições do programa ou anotações diversas. Na
folha de dados “estatísticas” é mostrado quando foi criado o
programa e quando foi realizada a última modificação.
o Finalizar: A aplicação do LOGO!Soft Comfort é encerrada.
• Editar: Sob o menu Editar serão executados comandos para editar o
programa, tais como:
o Desfazer: As ações realizadas podem ser desfeitas, sempre a
última ação será desfeita primeira.
o Restituir: Os atos desfeitos podem ser restituídos, sempre o
último ato desfeito primeiro.
o Cancelar: Os objetos marcados serão cancelados (deletados).
o Recortar: Os objetos marcados serão cancelados da superfície
de programação e serão transferidos para a área de
transferência.
o Copiar: Os objetos marcados serão copiados da superfície de
programação para a área de transferência.
o Inserir: Os objetos da área de transferência serão inseridos na
superfície de programação.
o Marcar tudo: Todos os objetos da superfície de programação
serão marcados.
o Vai para bloco: Faz a exibição de uma relação de blocos
utilizados.
o Marcados no primeiro plano: Aciona um objeto marcado no
primeiro plano.
o Marcados no último plano: Aciona um objeto marcado no
último plano.
COTIP – COLÉGIO TÉCNICO INDUSTRIAL DE PIRACICABA
C.L.P. – CONTROLADOR LÓGICO PROGRAMÁVEL - 5º SEMESTRE
6
o Nomes de conexão: Abre uma janela para denominação das
conexões (entradas e saídas).
o Propriedades do bloco: Abre a janela de parâmetros do bloco
selecionado.
• Formato: Oferece possibilidades de formatação de textos e grupos de
funções, tais como:
o Fonte: Ajusta tipo da fonte, estilo da fonte, tamanho da fonte e
cor da fonte.
o Alinhar: Podem-se alinhar objetos de forma vertical e paisagem
(horizontal).
o Ajustar na grade: Auxílio para ordenar os objetos de forma
clara. Pode-se ajustar a distância dos pontos e a visibilidade da
grade.
o Alinhar na grade: Para eliminar deslocamentos desordenados
de objetos.
• Visão: Pode-se ajustar o tamanho da representação do programa e
aciona e cancela diversas janelas, tais ações são:
o Zoom: Abre uma janela para selecionar qual o fator de
ampliação de visualização.
o Ampliar: Aumenta a visualização de acordo com passos
definidos.
o Reduzir: Reduz a visualização de acordo com passos definidos.
o Barra de Ferramentas: Aciona ou cancela a visualização de
barras na superfície de operação.
o Mensagens: exibe mensagens sobre o programa criado.
o Linha de status: Aciona ou cancela a exibição do status do
programa.
o Tipos de ferramentas: Aciona ou cancela a exibição do nome
da ferramenta após ser posicionado e mantido por 1 segundo
sobre a ferramenta.
• Extras: Neste menu pode-se encontrar ajustes de transmissão e
ajustes do aparelho LOGO!, tais ajustes são:
o Transmitir: Executa a transmissão do LOGO! e o PC.
COTIP – COLÉGIO TÉCNICO INDUSTRIAL DE PIRACICABA
C.L.P. – CONTROLADOR LÓGICO PROGRAMÁVEL - 5º SEMESTRE
7
o Determinar LOGO!: O software calcula as necessidades do
programa criado e seleciona a opção de LOGO! que atende as
características.
o Seleção de aparelho: Possibilita determinar qual LOGO! será
utilizado.
o Ajustar relógio: Configuração de data e hora para o LOGO!.
o Simulação: Liga a simulação do programa.
o Parâmetro de simulação: Abre uma janela para ajustes para os
objetos da simulação, tais como tipo de entrada (tecla, chave ou
freqüência).
o Opções: Abre janela para opções, sendo: informações gerais
(número de páginas, idioma), monitor (exibição), imprimir
(campos a serem impressos), interface (porta de comunicação),
cores (cores de fundo e simulação) e simulação (exibição dos
estados e valores).
• Ajuda: A ajuda é composta de conteúdo, centro de atualização de
software (Update Center) e Informações sobre o software.
A barra dos ícones é apenas um facilitador da barra de menu. A barra de
ícones é apresentada na Figura 4.3.
Figura 4.3 – Barra de ícones.
A barra de ferramentas é apresentada na Figura 4.4.
Abrir Salvar Recortar Copiar Colar Desfazer Restaurar
Alinhar vertical Alinhar Horizontal Download Upload Ampliar Reduzir
Novo
COTIP – COLÉGIO TÉCNICO INDUSTRIAL DE PIRACICABA
C.L.P. – CONTROLADOR LÓGICO PROGRAMÁVEL - 5º SEMESTRE
8
Figura 4.4 – Barra de ferramentas.
A ferramenta de seleção serve para selecionar e mover objetos (blocos de
funções, textos e linhas de ligação).
A ferramenta de texto serve para dispor ou modificar textos e comentários.
A ferramenta de recortar serve para separar e ligar novamente ligações
entre blocos de função.
A ferramenta de ligar serve para conectar as entradas e saídas dos blocos
de funções.
Constantes e Bornes serve para inserir blocos de entradas, blocos de
saídas, marcadores ou constantes (high, low).
Funções básicas serve para dispor as funções básicas para serem inseridas.
Funções especiais serve para dispor as funções especiais para serem
inseridas.
A ferramenta de simulação serve para iniciar a simulação do programa ela
abre um menu com as entradas e saídas disponíveis no programa.
Ferramenta de Seleção Recortar Constantes e Bornes Funções Especiais
Ferramenta de Texto Ligar Funções Básicas Simulação
COTIP – COLÉGIO TÉCNICO INDUSTRIAL DE PIRACICABA
C.L.P. – CONTROLADOR LÓGICO PROGRAMÁVEL - 5º SEMESTRE
9
Bornes (Co)
I Entradas digitais (I1, I2, I3, I4 ...)
AI Entradas analógicas (AI1, AI2)
Q Saídas Digitais (Q1,Q2, Q3 ...)
M Marcador (M1, M2, M3 ...)
hi Nível lógico alto
lo Nível lógico baixo
x Conexão aberta
COTIP – COLÉGIO TÉCNICO INDUSTRIAL DE PIRACICABA
C.L.P. – CONTROLADOR LÓGICO PROGRAMÁVEL - 5º SEMESTRE
10
QUESTÕES
1 – O que é LOGO! SoftComfort e quais as suas vantagens?
2 – Do que é composta a superfície de operação?
3 – Como é composta a barra de ferramenta?
4 – O que são entradas digitais? Cite 3 exemplos.
5 – O que são entradas analógicas? Cite 3 exemplos
6 – Ligue uma entrada a uma saída e simule o circuito. O circuito deve
funcionar conforme a figura abaixo.
J1
Key = A
V1
12 V
1
2
0
X1
12V_10W
7 – É possível ligar duas saídas na mesma entrada?
V1
12 V
X1
12V_10W
J1
Key = A
2
X2
12V_10W
1
0
8 – É possível ligar duas entradas na mesma saída?
J2
Key = A
V1
12 V
20
X1
12V_10W
J1
Key = A
1
3
ou
J2
Key = A
V1
12 V
0
X1
12V_10W
J1
Key = A
1
2
COTIP – COLÉGIO TÉCNICO INDUSTRIAL DE PIRACICABA
C.L.P. – CONTROLADOR LÓGICO PROGRAMÁVEL - 5º SEMESTRE
11
5 –Funções Básicas NOT, AND e OR
Tabela Verdade
Entrada Saída
0 1
1 0
Com relação a comandos elétricos a função básica NOT se comporta como
um contato normal fechado.
Exemplo: Monte o circuito abaixo e teste seu funcionamento.
L1
12V
BAT1
9V
A lâmpada é uma saída digital, podemos utilizar Q1 e a
chave é uma entrada digital, podemos utilizar I1.
A saída Q será invertida em relação à entrada, ou
seja, se a entrada for 0 (desligada), a saída será 1
(ligada), se a entrada for 1, a saída será 0.
COTIP – COLÉGIO TÉCNICO INDUSTRIAL DE PIRACICABA
C.L.P. – CONTROLADOR LÓGICO PROGRAMÁVEL - 5º SEMESTRE
12
Tabela Verdade
Entrada 1 Entrada 2 Entrada 3 Saída
0 0 0 0
0 0 1 0
0 1 0 0
0 1 1 0
1 0 0 0
1 0 1 0
1 1 0 0
1 1 1 1
Obs.: Se alguma entrada não for conectada (nível aberto – x) essa
entrada não faz parte da lógica.
Com relação a comandos elétricos a função básica AND se comporta como
um circuito série.
Exemplo: Monte o circuito abaixo e teste seu funcionamento.
L1
12V
BAT1
9V
A lâmpada é uma saída digital, podemos utilizar Q1 e as
chaves são entrada digitais, podemos utilizar I1 e I2.
A saída Q somente será 1 (ligada), se e somente se
todas as entradas forem 1. Se alguma entrada não
for conectada, será determinada como “1”.
COTIP – COLÉGIO TÉCNICO INDUSTRIAL DE PIRACICABA
C.L.P. – CONTROLADOR LÓGICO PROGRAMÁVEL - 5º SEMESTRE
13
Tabela Verdade
Entrada 1 Entrada 2 Entrada 3 Saída
0 0 0 0
0 0 1 1
0 1 0 1
0 1 1 1
1 0 0 1
1 0 1 1
1 1 0 1
1 1 1 1
Obs.: Se alguma entrada não for conectada (nível aberto – x) essa
entrada não faz parte da lógica.
Com relação a comandos elétricos a função básica OR se comporta como um
circuito paralelo.
Exemplo: Monte o circuito abaixo e teste seu funcionamento.
L1
12V
BAT1
9V
A lâmpada é uma saída digital, podemos utilizar Q1 e as
chaves são entrada digitais, podemos utilizar I1 e I2.
A saída Q será 1 (ligada), se pelo menos uma das
entradas for 1. Se alguma entrada não for
conectada, será determinada como “0”.
COTIP – COLÉGIO TÉCNICO INDUSTRIAL DE PIRACICABA
C.L.P. – CONTROLADOR LÓGICO PROGRAMÁVEL - 5º SEMESTRE
14
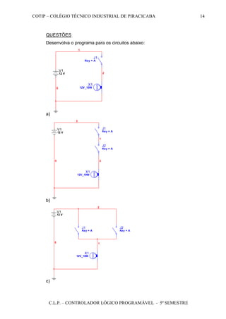
QUESTÕES
Desenvolva o programa para os circuitos abaixo:
a)
J1
Key = A
V1
12 V
1
2
0
X1
12V_10W
b)
J2
Key = A
V1
12 V
20
X1
12V_10W
J1
Key = A
1
3
c)
J2
Key = A
V1
12 V
0
X1
12V_10W
J1
Key = A
1
2
COTIP – COLÉGIO TÉCNICO INDUSTRIAL DE PIRACICABA
C.L.P. – CONTROLADOR LÓGICO PROGRAMÁVEL - 5º SEMESTRE
15
d)
V1
12 V
X1
12V_10W
J1
Key = A
2
X2
12V_10W
1
0
e)
V1
12 V
X1
12V_10W
J1
Key = A
2
0
J2
Key = A
J3
Key = A
1
3
f)
V1
12 V
X1
12V_10W
J1
Key = Space
1
X2
12V_10W
3
0
2
Obs: Fisicamente existe apenas um botão com dois contatos N.A. que acionam as lâmpadas
de máquina parada e máquina funcionando.
COTIP – COLÉGIO TÉCNICO INDUSTRIAL DE PIRACICABA
C.L.P. – CONTROLADOR LÓGICO PROGRAMÁVEL - 5º SEMESTRE
16
g)
V1
12 V
X1
12V_10W
0
J1
Key = A
1
J2
Key = A
J3
Key = A
2
J4
Key = A
3
4
h)
V1
12 V
X1
12V_10W
J1
Key = A
1
J2
Key = A
J3
Key = A
3
J4
Key = A
J5
Key = A
J6
Key = A
5
J7
Key = A
20
4
6
COTIP – COLÉGIO TÉCNICO INDUSTRIAL DE PIRACICABA
C.L.P. – CONTROLADOR LÓGICO PROGRAMÁVEL - 5º SEMESTRE
17
6 –Funções Básicas NAND, NOR, XOR, AND com
Flanco, NAND com flanco
Tabela Verdade
Entrada 1 Entrada 2 Entrada 3 Saída
0 0 0 1
0 0 1 1
0 1 0 1
0 1 1 1
1 0 0 1
1 0 1 1
1 1 0 1
1 1 1 0
Com relação a comandos elétricos a função básica NAND se comporta como
um circuito paralelo com entradas com contato normal fechado.
Exemplo: Monte o circuito abaixo e teste seu funcionamento.
L1
12V
BAT1
9V
A lâmpada é uma saída digital, podemos utilizar Q1 e as
chaves são entrada digitais, podemos utilizar I1, I2 e I3.
A saída Q somente será 0, se e somente se todas
as entradas forem 1. Se alguma entrada não for
conectada, será determinada como “1”.
COTIP – COLÉGIO TÉCNICO INDUSTRIAL DE PIRACICABA
C.L.P. – CONTROLADOR LÓGICO PROGRAMÁVEL - 5º SEMESTRE
18
Tabela Verdade
Entrada 1 Entrada 2 Entrada 3 Saída
0 0 0 1
0 0 1 0
0 1 0 0
0 1 1 0
1 0 0 0
1 0 1 0
1 1 0 0
1 1 1 0
Com relação a comandos elétricos a função básica NAND se comporta como
um circuito série com entradas com contato normal fechado.
Exemplo: Monte o circuito abaixo e teste seu funcionamento.
L1
12V
BAT1
9V
A lâmpada é uma saída digital, podemos utilizar Q1 e as
chaves são entrada digitais, podemos utilizar I1, I2 e I3.
A saída Q será 0 (desligada), se pelo menos uma
das entradas for 1. Se todas as entradas forem 0 a
saída será 1. Se alguma entrada não for
conectada, será determinada como “0”.
COTIP – COLÉGIO TÉCNICO INDUSTRIAL DE PIRACICABA
C.L.P. – CONTROLADOR LÓGICO PROGRAMÁVEL - 5º SEMESTRE
19
Tabela Verdade
Entrada 1 Entrada 2 Saída
0 0 0
0 1 1
1 0 1
1 1 0
A saída Q somente será 0, se e somente se todas
as entradas forem 1 e no ciclo anterior ao menos
uma entrada tiver tido o estado 0.
A saída Q somente será 1 (ligada), se e somente se
todas as entradas forem 1 e se no ciclo anterior ao
menos uma entrada tiver tido o estado 0.
A saída Q somente será 1, se e somente se as
entradas tiverem valores diferentes. Se alguma
entrada não for conectada, será determinada como
“0”.
COTIP – COLÉGIO TÉCNICO INDUSTRIAL DE PIRACICABA
C.L.P. – CONTROLADOR LÓGICO PROGRAMÁVEL - 5º SEMESTRE
20
QUESTÕES
1) Monte um circuito para realizar teste de lâmpadas em um painel de uma
máquina. A máquina possui 4 lâmpadas e devem ser testadas por 1 botão N.A.
2) Projete um circuito lógico para acionar uma lâmpada sempre que uma ou
todas as 3 chaves estejam acionadas. 2 chaves não pode ligar a lâmpada.
Exemplo: I1 Acende
I2 Acende
I3 Acende
I1 e I2 e I3 Acende
I1 e I2 Não acende
I1 e I3 Não acende
I2 e I3 Não acende
3) Resolva os circuitos com a menor quantidade de portas lógicas possível.
L1
12V
BAT1
9V
a)
L1
12V
BAT1
9V
b)
COTIP – COLÉGIO TÉCNICO INDUSTRIAL DE PIRACICABA
C.L.P. – CONTROLADOR LÓGICO PROGRAMÁVEL - 5º SEMESTRE
21
RESUMO DAS FUNÇÕES BÁCICAS (GF)
COTIP – COLÉGIO TÉCNICO INDUSTRIAL DE PIRACICABA
C.L.P. – CONTROLADOR LÓGICO PROGRAMÁVEL - 5º SEMESTRE
22
BIBLIOGRAFIA
CAPELLI, Alexandre. CLP Controladores Lógicos Programáveis na Prática.
Rio de Janeiro: Antenna Edições Técnicas Ltda, 2007.
GEORGINI, Marcelo. Automação Aplicada – Descrição e Implementação de
Sistemas Seqüenciais com PLCs. 7 ed. São Paulo: Editora Érica, 2006.
Manual de Instruções do LOGO! (SIEMENS). A5E00067788 01.
Manual de Instruções do LOGO! Soft Comfort.
Manual do Curso STEP 7 – SIEMENS (BASICS OF PLC).
ORTEGA, José. Curso de Programación y mantenimiento de PLC´s
industriales.
PARR, E. A. Programmable Controllers An Engineering´s Guide. 3 Ed.
Amsterdan: Newnes, 2003.

Apostila2 clp logo

  • 1.
    COTIP Colégio Técnico Industrialde Piracicaba APOSTILA 2 C.L.P. – LOGO! Prof. Anderson Rodrigo Rossi OBS.: Este curso será baseado em CLP – LOGO!-SIEMENS. Piracicaba, 26 de janeiro de 2009.
  • 2.
    COTIP – COLÉGIOTÉCNICO INDUSTRIAL DE PIRACICABA C.L.P. – CONTROLADOR LÓGICO PROGRAMÁVEL - 5º SEMESTRE 2 4 – Introdução ao LOGO! SOFTCOMFORT O LOGO! SoftComfort é o software utilizado para programar LOGO! através de diagrama de blocos com simulação off line. O LOGO! Soft Comfort possui as seguintes vantagens: • Criação simples e confortável de programas de comutação; • Ampla documentação de programas de comutação; • Diversas funções de impressão; • A mais baixa quota de avarias nos programas de comutação graças à simulação no PC. O LOGO! Soft Comfort possui a superfície de operação conforme apresentada na Figura 4.1. Figura 4.1 – Superfície de operação do LOGO! Soft Comfort.
  • 3.
    COTIP – COLÉGIOTÉCNICO INDUSTRIAL DE PIRACICABA C.L.P. – CONTROLADOR LÓGICO PROGRAMÁVEL - 5º SEMESTRE 3 A superfície de operação possui os seguintes itens: • Barra de Menu: Encentram-se os mais diversos comandos para editar e gerenciar os programas. Isto engloba também pré-ajustes e funções para a transmissão de programas. • Barra de Ícones: Permite acesso rápido e confortável às mais importantes e mais utilizadas funções. • Barra de Ferramenta: Permite acesso rápido aos blocos e funções de programação. • Linha de Status: Encontram-se algumas informações sobre a ferramenta ativa, o status do programa e o fator zoom ajustado, o lado da imagem geral da comutação e o aparelho LOGO! selecionado. • Superfície de Programação: Na superfície de programação serão ordenados os ícones e vínculos do programa. Trata-se da janela de trabalho propriamente dita. • Barras de rolagem: Para não perder a noção geral de programas mais complexos as barras de rolagem auxiliam na visualização da imagem do programa através de movimentação horizontal e vertical. A barra de menu e suas ramificações são apresentadas na Figura 4.2.
  • 4.
    COTIP – COLÉGIOTÉCNICO INDUSTRIAL DE PIRACICABA C.L.P. – CONTROLADOR LÓGICO PROGRAMÁVEL - 5º SEMESTRE 4 Figura 4.2 – Barra de Menu e suas ramificações. A barra de menu apresenta os seguintes campos: • Arquivo: Sob o menu Arquivo serão executados comandos para gerenciar os arquivos, tais como: o Novo: Abre uma nova superfície de programação para ser criado um novo programa. o Abrir: Abre uma tela para o usuário selecionar algum programa memorizado anteriormente para ser aberto. o Memorizar: Salva o programa com um nome e em um local determinados pelo usuário. Em caso de programa existente apenas salva o programa atual com o mesmo nome e endereço. o Memorizar sob: Mesmo sendo arquivo existente, abre uma tela para determinar nome e local onde o arquivo será salvo. o Ajustar página: Abre uma janela na qual as configurações (Formato da página, margens, alinhamento) da página para o programa podem ser estabelecidas.
  • 5.
    COTIP – COLÉGIOTÉCNICO INDUSTRIAL DE PIRACICABA C.L.P. – CONTROLADOR LÓGICO PROGRAMÁVEL - 5º SEMESTRE 5 o Visualizar impressão: Pode ter uma idéia de qual a imagem que o programa impresso terá. o Imprimir: Dá liberdade a opções para a seleção de impressoras e as propriedades da impressão. o Propriedades: Encontram-se 3 folhas de dados para propriedades (geral, comentários e estatísticas). Em “geral” pode-se dar entrada a dados (projeto ou dados internos da empresa) sobre o programa atual. Em “comentários” podem ser depositadas descrições do programa ou anotações diversas. Na folha de dados “estatísticas” é mostrado quando foi criado o programa e quando foi realizada a última modificação. o Finalizar: A aplicação do LOGO!Soft Comfort é encerrada. • Editar: Sob o menu Editar serão executados comandos para editar o programa, tais como: o Desfazer: As ações realizadas podem ser desfeitas, sempre a última ação será desfeita primeira. o Restituir: Os atos desfeitos podem ser restituídos, sempre o último ato desfeito primeiro. o Cancelar: Os objetos marcados serão cancelados (deletados). o Recortar: Os objetos marcados serão cancelados da superfície de programação e serão transferidos para a área de transferência. o Copiar: Os objetos marcados serão copiados da superfície de programação para a área de transferência. o Inserir: Os objetos da área de transferência serão inseridos na superfície de programação. o Marcar tudo: Todos os objetos da superfície de programação serão marcados. o Vai para bloco: Faz a exibição de uma relação de blocos utilizados. o Marcados no primeiro plano: Aciona um objeto marcado no primeiro plano. o Marcados no último plano: Aciona um objeto marcado no último plano.
  • 6.
    COTIP – COLÉGIOTÉCNICO INDUSTRIAL DE PIRACICABA C.L.P. – CONTROLADOR LÓGICO PROGRAMÁVEL - 5º SEMESTRE 6 o Nomes de conexão: Abre uma janela para denominação das conexões (entradas e saídas). o Propriedades do bloco: Abre a janela de parâmetros do bloco selecionado. • Formato: Oferece possibilidades de formatação de textos e grupos de funções, tais como: o Fonte: Ajusta tipo da fonte, estilo da fonte, tamanho da fonte e cor da fonte. o Alinhar: Podem-se alinhar objetos de forma vertical e paisagem (horizontal). o Ajustar na grade: Auxílio para ordenar os objetos de forma clara. Pode-se ajustar a distância dos pontos e a visibilidade da grade. o Alinhar na grade: Para eliminar deslocamentos desordenados de objetos. • Visão: Pode-se ajustar o tamanho da representação do programa e aciona e cancela diversas janelas, tais ações são: o Zoom: Abre uma janela para selecionar qual o fator de ampliação de visualização. o Ampliar: Aumenta a visualização de acordo com passos definidos. o Reduzir: Reduz a visualização de acordo com passos definidos. o Barra de Ferramentas: Aciona ou cancela a visualização de barras na superfície de operação. o Mensagens: exibe mensagens sobre o programa criado. o Linha de status: Aciona ou cancela a exibição do status do programa. o Tipos de ferramentas: Aciona ou cancela a exibição do nome da ferramenta após ser posicionado e mantido por 1 segundo sobre a ferramenta. • Extras: Neste menu pode-se encontrar ajustes de transmissão e ajustes do aparelho LOGO!, tais ajustes são: o Transmitir: Executa a transmissão do LOGO! e o PC.
  • 7.
    COTIP – COLÉGIOTÉCNICO INDUSTRIAL DE PIRACICABA C.L.P. – CONTROLADOR LÓGICO PROGRAMÁVEL - 5º SEMESTRE 7 o Determinar LOGO!: O software calcula as necessidades do programa criado e seleciona a opção de LOGO! que atende as características. o Seleção de aparelho: Possibilita determinar qual LOGO! será utilizado. o Ajustar relógio: Configuração de data e hora para o LOGO!. o Simulação: Liga a simulação do programa. o Parâmetro de simulação: Abre uma janela para ajustes para os objetos da simulação, tais como tipo de entrada (tecla, chave ou freqüência). o Opções: Abre janela para opções, sendo: informações gerais (número de páginas, idioma), monitor (exibição), imprimir (campos a serem impressos), interface (porta de comunicação), cores (cores de fundo e simulação) e simulação (exibição dos estados e valores). • Ajuda: A ajuda é composta de conteúdo, centro de atualização de software (Update Center) e Informações sobre o software. A barra dos ícones é apenas um facilitador da barra de menu. A barra de ícones é apresentada na Figura 4.3. Figura 4.3 – Barra de ícones. A barra de ferramentas é apresentada na Figura 4.4. Abrir Salvar Recortar Copiar Colar Desfazer Restaurar Alinhar vertical Alinhar Horizontal Download Upload Ampliar Reduzir Novo
  • 8.
    COTIP – COLÉGIOTÉCNICO INDUSTRIAL DE PIRACICABA C.L.P. – CONTROLADOR LÓGICO PROGRAMÁVEL - 5º SEMESTRE 8 Figura 4.4 – Barra de ferramentas. A ferramenta de seleção serve para selecionar e mover objetos (blocos de funções, textos e linhas de ligação). A ferramenta de texto serve para dispor ou modificar textos e comentários. A ferramenta de recortar serve para separar e ligar novamente ligações entre blocos de função. A ferramenta de ligar serve para conectar as entradas e saídas dos blocos de funções. Constantes e Bornes serve para inserir blocos de entradas, blocos de saídas, marcadores ou constantes (high, low). Funções básicas serve para dispor as funções básicas para serem inseridas. Funções especiais serve para dispor as funções especiais para serem inseridas. A ferramenta de simulação serve para iniciar a simulação do programa ela abre um menu com as entradas e saídas disponíveis no programa. Ferramenta de Seleção Recortar Constantes e Bornes Funções Especiais Ferramenta de Texto Ligar Funções Básicas Simulação
  • 9.
    COTIP – COLÉGIOTÉCNICO INDUSTRIAL DE PIRACICABA C.L.P. – CONTROLADOR LÓGICO PROGRAMÁVEL - 5º SEMESTRE 9 Bornes (Co) I Entradas digitais (I1, I2, I3, I4 ...) AI Entradas analógicas (AI1, AI2) Q Saídas Digitais (Q1,Q2, Q3 ...) M Marcador (M1, M2, M3 ...) hi Nível lógico alto lo Nível lógico baixo x Conexão aberta
  • 10.
    COTIP – COLÉGIOTÉCNICO INDUSTRIAL DE PIRACICABA C.L.P. – CONTROLADOR LÓGICO PROGRAMÁVEL - 5º SEMESTRE 10 QUESTÕES 1 – O que é LOGO! SoftComfort e quais as suas vantagens? 2 – Do que é composta a superfície de operação? 3 – Como é composta a barra de ferramenta? 4 – O que são entradas digitais? Cite 3 exemplos. 5 – O que são entradas analógicas? Cite 3 exemplos 6 – Ligue uma entrada a uma saída e simule o circuito. O circuito deve funcionar conforme a figura abaixo. J1 Key = A V1 12 V 1 2 0 X1 12V_10W 7 – É possível ligar duas saídas na mesma entrada? V1 12 V X1 12V_10W J1 Key = A 2 X2 12V_10W 1 0 8 – É possível ligar duas entradas na mesma saída? J2 Key = A V1 12 V 20 X1 12V_10W J1 Key = A 1 3 ou J2 Key = A V1 12 V 0 X1 12V_10W J1 Key = A 1 2
  • 11.
    COTIP – COLÉGIOTÉCNICO INDUSTRIAL DE PIRACICABA C.L.P. – CONTROLADOR LÓGICO PROGRAMÁVEL - 5º SEMESTRE 11 5 –Funções Básicas NOT, AND e OR Tabela Verdade Entrada Saída 0 1 1 0 Com relação a comandos elétricos a função básica NOT se comporta como um contato normal fechado. Exemplo: Monte o circuito abaixo e teste seu funcionamento. L1 12V BAT1 9V A lâmpada é uma saída digital, podemos utilizar Q1 e a chave é uma entrada digital, podemos utilizar I1. A saída Q será invertida em relação à entrada, ou seja, se a entrada for 0 (desligada), a saída será 1 (ligada), se a entrada for 1, a saída será 0.
  • 12.
    COTIP – COLÉGIOTÉCNICO INDUSTRIAL DE PIRACICABA C.L.P. – CONTROLADOR LÓGICO PROGRAMÁVEL - 5º SEMESTRE 12 Tabela Verdade Entrada 1 Entrada 2 Entrada 3 Saída 0 0 0 0 0 0 1 0 0 1 0 0 0 1 1 0 1 0 0 0 1 0 1 0 1 1 0 0 1 1 1 1 Obs.: Se alguma entrada não for conectada (nível aberto – x) essa entrada não faz parte da lógica. Com relação a comandos elétricos a função básica AND se comporta como um circuito série. Exemplo: Monte o circuito abaixo e teste seu funcionamento. L1 12V BAT1 9V A lâmpada é uma saída digital, podemos utilizar Q1 e as chaves são entrada digitais, podemos utilizar I1 e I2. A saída Q somente será 1 (ligada), se e somente se todas as entradas forem 1. Se alguma entrada não for conectada, será determinada como “1”.
  • 13.
    COTIP – COLÉGIOTÉCNICO INDUSTRIAL DE PIRACICABA C.L.P. – CONTROLADOR LÓGICO PROGRAMÁVEL - 5º SEMESTRE 13 Tabela Verdade Entrada 1 Entrada 2 Entrada 3 Saída 0 0 0 0 0 0 1 1 0 1 0 1 0 1 1 1 1 0 0 1 1 0 1 1 1 1 0 1 1 1 1 1 Obs.: Se alguma entrada não for conectada (nível aberto – x) essa entrada não faz parte da lógica. Com relação a comandos elétricos a função básica OR se comporta como um circuito paralelo. Exemplo: Monte o circuito abaixo e teste seu funcionamento. L1 12V BAT1 9V A lâmpada é uma saída digital, podemos utilizar Q1 e as chaves são entrada digitais, podemos utilizar I1 e I2. A saída Q será 1 (ligada), se pelo menos uma das entradas for 1. Se alguma entrada não for conectada, será determinada como “0”.
  • 14.
    COTIP – COLÉGIOTÉCNICO INDUSTRIAL DE PIRACICABA C.L.P. – CONTROLADOR LÓGICO PROGRAMÁVEL - 5º SEMESTRE 14 QUESTÕES Desenvolva o programa para os circuitos abaixo: a) J1 Key = A V1 12 V 1 2 0 X1 12V_10W b) J2 Key = A V1 12 V 20 X1 12V_10W J1 Key = A 1 3 c) J2 Key = A V1 12 V 0 X1 12V_10W J1 Key = A 1 2
  • 15.
    COTIP – COLÉGIOTÉCNICO INDUSTRIAL DE PIRACICABA C.L.P. – CONTROLADOR LÓGICO PROGRAMÁVEL - 5º SEMESTRE 15 d) V1 12 V X1 12V_10W J1 Key = A 2 X2 12V_10W 1 0 e) V1 12 V X1 12V_10W J1 Key = A 2 0 J2 Key = A J3 Key = A 1 3 f) V1 12 V X1 12V_10W J1 Key = Space 1 X2 12V_10W 3 0 2 Obs: Fisicamente existe apenas um botão com dois contatos N.A. que acionam as lâmpadas de máquina parada e máquina funcionando.
  • 16.
    COTIP – COLÉGIOTÉCNICO INDUSTRIAL DE PIRACICABA C.L.P. – CONTROLADOR LÓGICO PROGRAMÁVEL - 5º SEMESTRE 16 g) V1 12 V X1 12V_10W 0 J1 Key = A 1 J2 Key = A J3 Key = A 2 J4 Key = A 3 4 h) V1 12 V X1 12V_10W J1 Key = A 1 J2 Key = A J3 Key = A 3 J4 Key = A J5 Key = A J6 Key = A 5 J7 Key = A 20 4 6
  • 17.
    COTIP – COLÉGIOTÉCNICO INDUSTRIAL DE PIRACICABA C.L.P. – CONTROLADOR LÓGICO PROGRAMÁVEL - 5º SEMESTRE 17 6 –Funções Básicas NAND, NOR, XOR, AND com Flanco, NAND com flanco Tabela Verdade Entrada 1 Entrada 2 Entrada 3 Saída 0 0 0 1 0 0 1 1 0 1 0 1 0 1 1 1 1 0 0 1 1 0 1 1 1 1 0 1 1 1 1 0 Com relação a comandos elétricos a função básica NAND se comporta como um circuito paralelo com entradas com contato normal fechado. Exemplo: Monte o circuito abaixo e teste seu funcionamento. L1 12V BAT1 9V A lâmpada é uma saída digital, podemos utilizar Q1 e as chaves são entrada digitais, podemos utilizar I1, I2 e I3. A saída Q somente será 0, se e somente se todas as entradas forem 1. Se alguma entrada não for conectada, será determinada como “1”.
  • 18.
    COTIP – COLÉGIOTÉCNICO INDUSTRIAL DE PIRACICABA C.L.P. – CONTROLADOR LÓGICO PROGRAMÁVEL - 5º SEMESTRE 18 Tabela Verdade Entrada 1 Entrada 2 Entrada 3 Saída 0 0 0 1 0 0 1 0 0 1 0 0 0 1 1 0 1 0 0 0 1 0 1 0 1 1 0 0 1 1 1 0 Com relação a comandos elétricos a função básica NAND se comporta como um circuito série com entradas com contato normal fechado. Exemplo: Monte o circuito abaixo e teste seu funcionamento. L1 12V BAT1 9V A lâmpada é uma saída digital, podemos utilizar Q1 e as chaves são entrada digitais, podemos utilizar I1, I2 e I3. A saída Q será 0 (desligada), se pelo menos uma das entradas for 1. Se todas as entradas forem 0 a saída será 1. Se alguma entrada não for conectada, será determinada como “0”.
  • 19.
    COTIP – COLÉGIOTÉCNICO INDUSTRIAL DE PIRACICABA C.L.P. – CONTROLADOR LÓGICO PROGRAMÁVEL - 5º SEMESTRE 19 Tabela Verdade Entrada 1 Entrada 2 Saída 0 0 0 0 1 1 1 0 1 1 1 0 A saída Q somente será 0, se e somente se todas as entradas forem 1 e no ciclo anterior ao menos uma entrada tiver tido o estado 0. A saída Q somente será 1 (ligada), se e somente se todas as entradas forem 1 e se no ciclo anterior ao menos uma entrada tiver tido o estado 0. A saída Q somente será 1, se e somente se as entradas tiverem valores diferentes. Se alguma entrada não for conectada, será determinada como “0”.
  • 20.
    COTIP – COLÉGIOTÉCNICO INDUSTRIAL DE PIRACICABA C.L.P. – CONTROLADOR LÓGICO PROGRAMÁVEL - 5º SEMESTRE 20 QUESTÕES 1) Monte um circuito para realizar teste de lâmpadas em um painel de uma máquina. A máquina possui 4 lâmpadas e devem ser testadas por 1 botão N.A. 2) Projete um circuito lógico para acionar uma lâmpada sempre que uma ou todas as 3 chaves estejam acionadas. 2 chaves não pode ligar a lâmpada. Exemplo: I1 Acende I2 Acende I3 Acende I1 e I2 e I3 Acende I1 e I2 Não acende I1 e I3 Não acende I2 e I3 Não acende 3) Resolva os circuitos com a menor quantidade de portas lógicas possível. L1 12V BAT1 9V a) L1 12V BAT1 9V b)
  • 21.
    COTIP – COLÉGIOTÉCNICO INDUSTRIAL DE PIRACICABA C.L.P. – CONTROLADOR LÓGICO PROGRAMÁVEL - 5º SEMESTRE 21 RESUMO DAS FUNÇÕES BÁCICAS (GF)
  • 22.
    COTIP – COLÉGIOTÉCNICO INDUSTRIAL DE PIRACICABA C.L.P. – CONTROLADOR LÓGICO PROGRAMÁVEL - 5º SEMESTRE 22 BIBLIOGRAFIA CAPELLI, Alexandre. CLP Controladores Lógicos Programáveis na Prática. Rio de Janeiro: Antenna Edições Técnicas Ltda, 2007. GEORGINI, Marcelo. Automação Aplicada – Descrição e Implementação de Sistemas Seqüenciais com PLCs. 7 ed. São Paulo: Editora Érica, 2006. Manual de Instruções do LOGO! (SIEMENS). A5E00067788 01. Manual de Instruções do LOGO! Soft Comfort. Manual do Curso STEP 7 – SIEMENS (BASICS OF PLC). ORTEGA, José. Curso de Programación y mantenimiento de PLC´s industriales. PARR, E. A. Programmable Controllers An Engineering´s Guide. 3 Ed. Amsterdan: Newnes, 2003.