FACULDADE DE TECNOLOGIA DE SOROCABA
DESENHO TÉCNICO MECÂNICO II
Prof. M. Sc. Edson Del Mastro
Profª. Helena Setsuko Del Mastro Espíndola
Prof.M.Sc. Osni Paula Leite
Janeiro de 2012
Desenho Técnico Mecânico II – Prof. M. Sc. Edson Del Mastro / Prof. Helena S. Del Mastro Espíndola
Faculdade de Tecnologia de Sorocaba
2
2
Índice
ROSCAS – generalidades, normas, representação .......................................................3
UNIÕES COM PARAFUSOS......................................................................................... 20
FUROS E PONTAS SOBRESSALENTES – normas..................................................... 30
PARAFUSOS – normas................................................................................................. 38
PORCAS – normas........................................................................................................ 53
ARRUELAS – normas.................................................................................................... 60
UNIÕES COM PARAFUSOS e afins – exercícios propostos......................................... 67
CHAVETAS E ANÉIS – normas e exercício resolvido.................................................... 75
CHAVETAS E ANÉIS – exercícios propostos ................................................................ 80
EIXOS – norma de eixo entalhado ................................................................................ 84
SAÍDAS DE FERRAMENTAS – norma.......................................................................... 85
POLIAS ―V‖ e correias – generalidades, norma e exercício resolvido ........................... 87
POLIAS ―V‖ – exercícios propostos ............................................................................... 94
ENGRENAGENS – generalidades, repres., geometria e normas.................................. 95
ENGRENAGENS – exercícios resolvidos e propostos ................................................111
ROLAMENTOS – generalidades, representação, catálogo......................................... 112
GRAXEIRAS................................................................................................................ 130
VEDAÇÕES – normas, catálogos e representação..................................................... 131
PROBLEMA DA CAPA................................................................................................. 152
CHAPAS E PERFIS de aço ......................................................................................... 155
RELAÇÕES DE PUBLICAÇÕES RECOMENDADAS ................................................. 159
ÍNDICE DE NORMAS.................................................................................................. 160
Desenho Técnico Mecânico II – Prof. M. Sc. Edson Del Mastro / Prof. Helena S. Del Mastro Espíndola
Faculdade de Tecnologia de Sorocaba
3
3
ROSCAS
Definições:
Hélice Cilíndrica: curva cilíndrica que forma um ângulo constante com a geratriz do
cilindro ou cone onde está enrolada
α= ângulo da hélice
ph= passo da hélice
Rosca: é um filete (de seção constante) de forma helicoidal feito na superfície externa ou
interna de um cilindro ou cone.
Passo da Rosca: é a distância entre dois filetes consecutivos, em pontos homólogos da
rosca, medida sobre um plano que contém o eixo da rosca.
Passo da Hélice a(ph) ou avanço (a): distância entre dois filetes consecutivos, em pontos
homólogos de uma mesma hélice, sobre um plano que contém o eixo da rosca.
Classificações:
Quanto ao número de hélices:
1) Rosca de uma entrada – é a que tem um só filete em correspondência com o
passo da hélice.
2) Rosca com mais de uma entrada – dois ou mais filetes são abertos no espaço
correspondente ao passo da hélice (para se obter um avanço maior sem recorrer a
um filete maior – que iria requerer um diâmetro também maior.
Rosca de 1 entrada Rosca de 2 entradas
a = 2p
Desenho Técnico Mecânico II – Prof. M. Sc. Edson Del Mastro / Prof. Helena S. Del Mastro Espíndola
Faculdade de Tecnologia de Sorocaba
4
4
Quanto à direção da hélice:
1) Rosca à direita – as espiras sobem à direita em torno de uma haste colocada
verticalmente.
2) Roscas à esquerda – as espiras sobem à esquerda.
HÉLICE à DIREITA HÉLICE à ESQUERDA
Sobe para a direita Sobe para a esquerda
Quanto ao sólido básico:
1) Rosca cilíndrica
2) Rosca cônica
3) Rosca externa
4) Rosca interna
Quanto à função
1) fixação (a grande maioria dos casos – parafusos, porcas)
2) movimentação (ex.: movimentos de mesas e cabeçotes em máquinas-ferramentas
– também fuso de esferas)
3) precisão (ex.: micrômetro)
4) vedação (ex.: botijões – rosca cônica NPT e NPTF)
Quanto ao perfil do filete:
1) triangular (fixação, precisão, vedação)
2) trapezoidal (fixação, movimentação – quando os esforços são importantes, está
previsto um raio na raiz do filete – v. DIN 103)
3) dente de serra (movimentação)
4) redonda (movimentação com choques mecânicos – ex.: prensa fição)
5) quadrada (não normalizada) (fixação, movimentação)
Desenho Técnico Mecânico II – Prof. M. Sc. Edson Del Mastro / Prof. Helena S. Del Mastro Espíndola
Faculdade de Tecnologia de Sorocaba
5
5
PRINCIPAIS ROSCAS (perfil triangular)
 Rosca métrica ISO - Normal
- Fina
 Roscas unificadas americana (USA)
 UNC – unified national coarse (bruta)
 UNF – unified national fine
 UNEF – unified national extra fine
 NPT – national pipe taper (cônica)
 NPTF – national pipe taper fine (cônica fina)
 Rosca WhitWorth
 Rosca de gás WhitWorth – BSP (British Standard Pipe)
Perfis de Rosca
Triangular Trapezoidal Dente de serra
Redondo Quadrado
Designação de Rosca
Designação de Rosca Exemplos Significados
Rosca Métrica ISO M20 Ønominal ~ Øext.=20; passo normalizado
Rosca Métrica ISO Fina M20x1,5 Ønominal ~ Øext.=20; passo=1,5
Rosca Whitworth 3/4‖ f Ønominal ~ Øext.=¾‖; tolerância - fina1
Rosca Americana – Normal 1/2‖ - 12 UNC – 2A Ønominal ~ Øext.=½‖; 12 f.p.p; Qualid.2;2
Rosca Americana – Fina 1/2‖ - 20 UNF – 2B Ønominal ~ Øext.=½‖; 20 fpp; Qualid.2; R.
int.
Rosca Americana – Extra Fina 1/2‖ - 28 UNEF – 3A Ønominal ~ Øext.=½‖; 28 fpp; Qualid. 3; R.
ext.
Rosca Americana – P constante 1/2‖ - N12 – 2A Ønominal ~ Øext.=½‖; 12 fpp; Qualid. 2; R.
ext.
Rosca Withworth para Tubos R 3/4‖ Øext. > Ø nom. ~ int. tubo
Rosca de Filete Trapezoidal Tr 50x8 Ønominal ~ Øext.; passo = 8 (DIN 103)
Rosca de Filete em Dente de
Serra
S 100x12 Ønominal ~ Øext.; passo = 12 (DIN 513)
Rosca de Filete Redondo Rd 20x1/8‖ Ønominal ~ Øext.; passo = 1/8‖ (DIN 405)
1
Outras tolerâncias: média (m); grosseira (g) – âng. flancos
2
A = rosca externa; B = rosca interna
Desenho Técnico Mecânico II – Prof. M. Sc. Edson Del Mastro / Prof. Helena S. Del Mastro Espíndola
Faculdade de Tecnologia de Sorocaba
6
6
Representação Simplificada das Partes Roscadas
Este método independe do tipo de rosca
 REPRESENTAÇÃO CONVENCIONAL
Para roscas visíveis – crista do filete: linha grossa
raiz da rosca: linha fina
Para roscas encobertas – a crista e a raiz são representadas por linhas tracejadas
(linha fina)
Rosca de partes cortadas – as hachuras devem ser estendidas até o diâmetro do
furo.
Vista de topo da rosca visível – a raiz deve ser representada por uma
circunferência parcial de linha fina, de aproximadamente ¾ de circunferência.
Limitações do comprimento útil da rosca – é representado por uma linha grossa.
Roscas incompletas – roscas incompletas ou a parte além do limite de
comprimento útil da rosca não são mostradas (mas pode quando isso for importante).
Furação Rosqueamento Montagem
Desenho Técnico Mecânico II – Prof. M. Sc. Edson Del Mastro / Prof. Helena S. Del Mastro Espíndola
Faculdade de Tecnologia de Sorocaba
7
7
Representação e Cotagem – Exemplos
 Rosca Externa
 Rosca Interna
ou
Ø BROCA = d – p
(Ø broca p/ rosca métrica
– DIN 336)
Desenho Técnico Mecânico II – Prof. M. Sc. Edson Del Mastro / Prof. Helena S. Del Mastro Espíndola
Faculdade de Tecnologia de Sorocaba
8
8
PERFIL TRIANGULAR ISO
VARIAÇÃO DO ÂNGULO DA HÉLICE α
d = Ø nominal
p = passo da rosca
a = avanço
ROSCA FINA
(fixação c/ vibração)
ROSCA NORMAL
(fixação)
ROSCA 2 ENTRADAS
(movimentação)
INFLUÊNCIA DO ÂNGULO DA HÉLICE QUANTO À FUNÇÃO DA ROSCA
P = Força axial sobre paraf. e porca
N = P . cos α
Fp = P . sen α
Fa ≤ N . μ
Μ = coeficiente de atrito entre paraf. e
porca
Desenho Técnico Mecânico II – Prof. M. Sc. Edson Del Mastro / Prof. Helena S. Del Mastro Espíndola
Faculdade de Tecnologia de Sorocaba
9
9
ROSCA MÉTRICA ISO
DIN 13 folha 12 (séries selecionadas)
COMUM
Série 1
FINA
Série 2
FINA
Série 3
FINA
Série 4
M 0,3 0,08 M 18 x 2 M 12 x 1 M 2 x 0,25
M 0,4 0,1 M 20 x 2 M 36 x 2 M 2,3 x 0,25
M 0,5 0,13 M 22 x 2 M 39 x 2 M 2,6 x 0,35
M 0,6 0,15 M 24 x 2 M 42 x 2 M 3 x 0,35
M 0,8 0,2 M 27 x 2 M 45 x 2 M 4 x 0,5
M 1 0,25 M 30 x 2 M 48 x 2 M 5 x 0,5
M 1,2 0,25 M 33 x 2 M 52 x 2 M 6 x 0,5
M 1,4 0,3 M 36 x 3 M 56 x 2 M 8 x 1
M 1,7 0,35 M 39 x 3 M 58 x 2 M 10 x 1
M 2 0,4 M 42 x 3 M 60 x 2 M 12 x 1,5
M 2,3 0,4 M 45 x 3 M 64 x 2 M 14 x 1,5
M 2,6 0,45 M 48 x 3 M 68 x 2 M 16 x 1,5
M 3 0,5 M 52 x 3 M 72 x 2 M 18 x 1,5
M 3,5 0,6 M 56 x 4 M 76 x 2 M 20 x 1,5
M 4 0,7 M 60 x 4 M 80 x 2 M 22 x 1,5
M 5 0,8 M 64 x 4 M 85 x 2 M 24 x 1,5
M 6 1 M 68 x 4 M 90 x 2 M 26 x 1,5
M 8 1,25 M 72 x 4 M 95 x 2 M 27 x 1,5
M 10 1,5 M 76 x 4 M 100 x 2 M 28 x 1,5
M 12 1,75 M 80 x 4 M 105 x 2 M 30 x 1,5
M 14 2 M 85 x 4 M 110 x 2 M 32 x 1,5
M 16 2 M 90 x 4 M 115 x 2 M 33 x 1,5
M 18 2,5 M 95 x 4 M 120 x 2 M 35 x 1,5
M 20 2,5 M 100 x 4 M 125 x 2 M 36 x 1,5
M 22 2,5 M 105 x 4 M 130 x 3 M 38 x 1,5
M 24 3 M 110 x 4 M 140 x 3 M 39 x 1,5
M 27 3 M 115 x 4 ATÉ M 40 x 1,5
M 30 3,5 M 120 x 4 M 300 x 3 M 42 x 1,5
M 33 3,5 M 125 x 4 M 45 x 1,5
M 36 4 M 130 x 4 M 48 x 1,5
M 39 4 M 140 x 6 M 50 x 1,5
M 42 4,5
ATÉ
M 52 x 1,5
M 45 4,5 M 55 x 1,5
M 48 5 M 300 x 6 M 58 x 1,5
Desenho Técnico Mecânico II – Prof. M. Sc. Edson Del Mastro / Prof. Helena S. Del Mastro Espíndola
Faculdade de Tecnologia de Sorocaba
10
10
ROSCA AMERICANA (USA)
p = passo
t = 0.886p
d1 = d-2t1
d2 = d-t1
t1 = 0.5495p
Ø UNC UNF UNEF
#0 (.060) — 80 —
#1 (.073) 64 72 —
#2 (.086) 56 64 —
#3 (.099) 48 56 —
#4 (.112) 40 18 —
#5 (.125) 40 44 —
#6 (.138) 32 40 —
#8 (.164) 32 36 —
#10 (.190) 24 32 —
#12 (.215) 24 28 —
¼ 20 28 36
5/16 18 24 32
3/8 16 24 32
7/16 14 20 28
½ 12 20 28
½ 13-nc — —
9/16 12 18 24
5/8 11 18 24
¾ 10 16 20
7/8 9 14 20
1 8 14 20
1 1/8 7 12 18
1 ¼ 7 12 18
1 3/8 6 — —
1 ½ 6 12 18
1 ¾ 5 — 16
2 4,5 — 16
2 ¼ 4,5 — 16
2 ½ 4 — 16
2 ¾ 4 — 16
3 4 — 16
>3 — — 16
Ø N8 N12 N16
½ — 12 —
9/16 — 12 —
3/8 — 12 —
11/16 — 12 —
¾ — 12 16
13/16 — 12 16
1 8 12 16
1 1/16 — 12 16
1 1/8 8 12 16
1 3/16 — 12 16
1 ¼ 8 12 16
1 5/16 — 12 16
1 3/8 8 12 16
1 7/16 — 12 16
1 ½ 8 12 16
1 9/16 — — 16
1 5/8 8 12 16
1 11/16 — — 16
1 ¾ 8 12 16
1 13/16 — — 16
1 7/8 8 12 16
1 15/16 — — 16
2 8 12 16
2 1/16 — — 16
2 1/8 8 12 16
2 3/16 — — 16
2 ¼ 8 12 16
2 5/16 — — 16
2 3/8 — 12 16
2 7/16 — — 16
2 ½ 8 12 16
2 5/8 — 12 16
2 ¾ 8 12 16
2 7/8 — 12 16
3 8 12 16
3 1/8 — 12 16
3 ¼ 8 12 16
3 3/8 — 12 16
3 ½ 8 12 16
3 5/8 — 12 16
3 ¾ 8 12 16
3 7/8 — 12 16
4 8 12 16
4 a 6‖ 8 12 16
*Variação de ¼
Desenho Técnico Mecânico II – Prof. M. Sc. Edson Del Mastro / Prof. Helena S. Del Mastro Espíndola
Faculdade de Tecnologia de Sorocaba
11
11
EXEMPLOS DE DESIGNAÇÃO
Desenho Técnico Mecânico II – Prof. M. Sc. Edson Del Mastro / Prof. Helena S. Del Mastro Espíndola
Faculdade de Tecnologia de Sorocaba
12
12
ROSCA WHITWORTH
WHITWORTH COMUM
DIN11
Exemplo de designação
R. Whitworth comum
DIÂM.
NOMINAL
POLEGADA
ROSCA
(mm)
DIÂMETRO
DO
NÚCLEO
ÁREA
DO N.
(cm²)
f.p.p. passo
1/4 6,35 4,72 0175 20 1,27
5/16 7,94 6,13 0295 18 1,41
3/8 9,53 7,49 0441 16 1,59
1/2 12,70 9,99 0784 12 2,12
5/8 15,88 12,92 1311 11 2,31
3/4 19,05 15,80 1960 10 2,54
7/8 22,23 18,61 2720 9 2,82
1 25,40 21,34 3575 8 3,8
1 1/8 28,80 23,93 4497 7 3,63
1 1/4 31,75 27,10 5770 7 3,63
1 3/8 34,93 29,51 6837 6 4,23
1 1/2 38,10 32,63 8388 6 4,23
1 5/8 41,28 34,77 9495 5 5,08
1 3/4 44,45 37,95 11310 5 5,08
2 50,80 43,57 14912 4 1/2 5,65
2 1/4 57,15 49,02 18813 4 6,35
2 1/2 63,50 55,37 24019 4 6,35
2 3/4 69,85 60,56 28304 3 1/2 7,26
3 76,20 66,91 35161 3 1/2 7,26
3 1/4 82,55 72,54 41333 3 1/4 7,82
3 1/2 88,90 78,89 48885 3 1/4 7,82
3 3/4 95,25 84,41 55959 3 8,47
4 101,60 90,76 64697 3 8,47
4 1/4 107,95 96,64 73349 2 7/8 8,84
Desenho Técnico Mecânico II – Prof. M. Sc. Edson Del Mastro / Prof. Helena S. Del Mastro Espíndola
Faculdade de Tecnologia de Sorocaba
13
13
WHITWORTH PARA TUBOS
DIN 259
Ø NOMINAL
Ø INTERNO
POLEGADA
Ø ROSCA
D
Ø NÚCLEO
D1
Passo
p
f.p.p.
1/8 9,73 8,57 0,91 28
1/4 13,16 11,45 1,34 19
3/8 16,66 14,95 1,34 19
1/2 20,96 18,63 1,81 14
5/8 22,91 20,59 1,81 14
3/4 26,44 24,12 1,81 14
7/8 30,20 27,88 1,81 14
1 33,25 30,29 2,31 11
1 1/4 41,91 38,95 2,31 11
1 1/2 47,81 44,85 2,31 11
1 3/4 53,75 50,79 2,31 11
2 59,62 56,66 2,31 11
2 1/4 65,71 62,76 2,31 11
2 1/2 75,19 72,23 2,31 11
2 3/4 81,54 78,58 2,31 11
3 87,89 84,93 2,31 11
3 1/4 93,98 91,03 2,31 11
3 1/2 100,33 97,37 2,31 11
3 3/4 106,68 103,73 2,31 11
4 113,03 110,08 2,31 11
4 1/2 125,74 122,78 2,31 11
5 133,44 135,48 2,31 11
Exemplo
R. Whitworth p/ tubos
Desenho Técnico Mecânico II – Prof. M. Sc. Edson Del Mastro / Prof. Helena S. Del Mastro Espíndola
Faculdade de Tecnologia de Sorocaba
14
14
prefori di maschiatura
filettatura metrica ISO(M)
filettatura metrica ISO fine (MF)
M MF
filetto
diametro
diame-
tro
pre-
foro
filetto diametro
diame-
tro
pre-
foro
filetto diametro
diame-
tro
pre-
foro
filetto diametro
diame-
tro pre-
foro
mm mm mm mm mm mm mm mm
M 1 0,75 M 1 x 0,2 0,8 M 14 x 1,25 12,8 M 45 x 2 43
M 1,1 0,85 M 1,1 x 0,2 0,9 M 12 x 1,5 10,5 M 48 x 2 46
M 1,2 0,95 M 1,2 x 0,2 1 M 14 x 1,5 12,5 M 50 x 2 48
M 1,4 1,1 M 1,4 x 0,2 1,2 M 15 x 1,5 13,5 M 52 x 2 50
M 1,6 1,25 M 1,6 x 0,2 1,4 M 16 x 1,5 14,5 M 30 x 3 27
M 1,8 1,45 M 1,8 x 0,2 1,6 M 17 x 1,5 15,5 M 33 x 3 30
M 2 1,6 M 1,4 x 0,25 1,15 M 18 x 1,5 16,5 M 36 x 3 33
M 2,2 1,75 M 2 x 0,25 1,75 M 20 x 1,5 18,5 M 39 x 3 36
M 2,5 2,05 M 2,2 x 0,25 1,95 M 22 x 1,5 20,5 M 40 x 3 37
M 3 2,5 M 2,5 x 0,35 2,15 M 24 x 1,5 22,5 M 42 x 3 39
M 3,5 2,9 M 3 x 0,35 2,65 M 25 x 1,5 23,5 M 45 x 3 42
M 4 3,3 M 3,5 x 0,35 3,15 M 26 x 1,5 24,5 M 48 x 3 45
M 4,5 3,7 M 4 x 0,5 3,5 M 27 x 1,5 25,5 M 50 x 3 47
M 5 4,2 M 4,5 x 0,5 4 M 28 x 1,5 26,5 M 52 x 3 49
M 6 5 M 5 x 0,5 4,5 M 30 x 1,5 28,5 M 42 x 4 38
M 7 6 M 5,5 x 0,5 5 M 32 x 1,5 30,5 M 45 x 4 41
M 8 6,8 M 6 x 0,75 5,2 M 33 x 1,5 31,5 M 48 x 4 44
M 9 7,8 M 7 x 0,75 6,2 M 35 x 1,5 33,5 M 52 x 4 48
M 10 8,5 M 8 x 0,75 7,2 M 36 x 1,5 34,5
M 11 9,5 M 9 x 0,75 8,2 M 38 x 1,5 36,5
M 12 10,2 M 10 x 0,75 9,2 M 39 x 1,5 37,5
M 14 12 M 11 x 0,75 10,2 M 40 x 1,5 38,5
M 16 14 M 8 x 1 7 M 42 x 1,5 40,5
M 18 15,5 M 9 x 1 8 M 45 x 1,5 43,5
M 20 17,5 M 10 x 1 9 M 48 x 1,5 46,5
M 22 19,5 M 11 x 1 10 M 50 x 1,5 48,5
M 24 21 M 12 x 1 11 M 52 x 1,5 50,5
M 27 24 M 14 x 1 13 M 18 x 2 16
M 30 26,5 M 15 x 1 14 M 20 x 2 18
M 33 29,5 M 16 x 1 15 M 22 x 2 20
M 36 32 M 17 x 1 16 M 24 x 2 22
M 39 35 M 18 x 1 17 M 25 x 2 23
M(DIN)M 42 37,5 M 20 x 1 19 M 27 x 2 25
M 45 40,5 M 22 x 1 21 M 28 x 2 26
filetto diametro
diametro
pre-foro
M 48 43 M 24 x 1 23 M 30 x 2 28
M 52 47 M 25 x 1 24 M 32 x 2 30
M 56 50,5 M 27 x 1 26 M 33 x 2 31 mm mm
M 28 x 1 27 M 36 x 2 34
M 30 x 1 29 M 39 x 2 37 M 1,7 1,3
M 10 x 1,25 8,8 M 40 x 2 38 M 2,3 1,9
M 12 x 1,25 10,8 M 42 x 2 40 M 2,6 2,1
Desenho Técnico Mecânico II – Prof. M. Sc. Edson Del Mastro / Prof. Helena S. Del Mastro Espíndola
Faculdade de Tecnologia de Sorocaba
15
15
Desenho Técnico Mecânico II – Prof. M. Sc. Edson Del Mastro / Prof. Helena S. Del Mastro Espíndola
Faculdade de Tecnologia de Sorocaba
16
16
Desenho Técnico Mecânico II – Prof. M. Sc. Edson Del Mastro / Prof. Helena S. Del Mastro Espíndola
Faculdade de Tecnologia de Sorocaba
17
17
Desenho Técnico Mecânico II – Prof. M. Sc. Edson Del Mastro / Prof. Helena S. Del Mastro Espíndola
Faculdade de Tecnologia de Sorocaba
18
18
Desenho Técnico Mecânico II – Prof. M. Sc. Edson Del Mastro / Prof. Helena S. Del Mastro Espíndola
Faculdade de Tecnologia de Sorocaba
19
19
EXERCÍCIO
1. Luva roscada; mat.: aço inox – s/ esc
mat.: aço ABNT 1020
Complementar o corte total e cotar
Rosca externa: métrica fina à esquerda  d=36  Passo 1,5
Rosca interna: métrica comum  d=12
2. Suporte – mat.: FC-15 – s/ esc. – completar o desenho e adotar cotas
Desenho Técnico Mecânico II – Prof. M. Sc. Edson Del Mastro / Prof. Helena S. Del Mastro Espíndola
Faculdade de Tecnologia de Sorocaba
20
20
Parafuso com cabeça e porca hexagonais
R ~ 1,5 d
r ~ 0,4 d
EXEMPLO DE ESPECIFICAÇÃO:
(d) (L)
Classe de
resistência conf.
DIN 267 p3
Parafuso sextavado M16 x 80 DIN 931-5.6
Porca sextavada M16 DIN 934-5
Desenho Técnico Mecânico II – Prof. M. Sc. Edson Del Mastro / Prof. Helena S. Del Mastro Espíndola
Faculdade de Tecnologia de Sorocaba
21
21
Desenho Técnico Mecânico II – Prof. M. Sc. Edson Del Mastro / Prof. Helena S. Del Mastro Espíndola
Faculdade de Tecnologia de Sorocaba
22
22
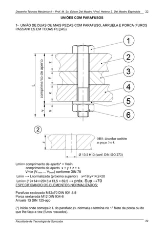
UNIÕES COM PARAFUSOS
1- UNIÃO DE DUAS OU MAIS PEÇAS COM PARAFUSO, ARRUELA E PORCA (FUROS
PASSANTES EM TODAS PEÇAS)
Lmín= comprimento de aperto* + Vmín
comprimento de aperto x + y + z + s
Vmín (V1mín ... V5mín) conforme DIN 78
Lmín → Lnormalizado (próximo superior) x=19;y=14;z=20
Lmín= (19+14++20+3)+13,5 = 69,5 → próx. Sup →70
ESPECIFICANDO OS ELEMENTOS NORMALIZADOS:
Parafuso sextavado M12x70 DIN 931-8.8
Porca sextavada M12 DIN 934-8
Arruela 13 DIN 125-aço
(*) Inicia onde começa o L do parafuso (v. normas) e termina no 1° filete da porca ou do
que lhe faça a vez (furos roscados).
Desenho Técnico Mecânico II – Prof. M. Sc. Edson Del Mastro / Prof. Helena S. Del Mastro Espíndola
Faculdade de Tecnologia de Sorocaba
23
23
PARAFUSO ALLEN
Designação
Parafuso Allen M16x70 DIN 912-5.6
Valores de amín (normalizados)
Aço
Bronze
Ferro
Fundido
Alumínio
Metais
Dúcteis
1d 1,25d 2d 2,5d
a= comprimento atuante da rosca
Desenho Técnico Mecânico II – Prof. M. Sc. Edson Del Mastro / Prof. Helena S. Del Mastro Espíndola
Faculdade de Tecnologia de Sorocaba
24
24
UNIÕES COM PARAFUSOS
2 – UNIÃO DE DUAS OU MAIS PEÇAS ATRAVÉS DE PARAFUSO E FURO ROSCADO
PASSANTE NA ÚLTIMA PEÇA.
(DIN 74 – parte 2) (DIN ISO 273) (DIN 13 fl 1)
Lmín= comprimento de aperto + amín (v. Tabela: função de d e material)
Lmín= [(33-15)+26]+14 = 58 próx. superior → 60
ESPECIFICANDO...
Parafuso Allen M14x60 DIN 912-5.6
Desenho Técnico Mecânico II – Prof. M. Sc. Edson Del Mastro / Prof. Helena S. Del Mastro Espíndola
Faculdade de Tecnologia de Sorocaba
25
25
Quando a última peça for menor que Amin
SOLUÇÕES
 DE MANUTENÇÃO
1- Soldar (elétrica) um retalho Ø ou □, furar e rosquear
2- Soldar (elétrica) uma porca sextava, quadrada (normalizada)
 DE PRODUÇÃO
1- Soldar (por projeção) porcas especiais p/ isso (sext. DIN 929, quadrada DIN 928)
2- Furar e repuxar (estamparia) DIN 7952
Desenho Técnico Mecânico II – Prof. M. Sc. Edson Del Mastro / Prof. Helena S. Del Mastro Espíndola
Faculdade de Tecnologia de Sorocaba
26
26
UNIÕES COM PARAFUSOS
3- UNIÃO DE DUAS OU MAIS PEÇAS ATRAVÉS DE PARAFUSO E FURO ROSCADO
CEGO NA ÚLTIMA PEÇA.
Lmín= comprimento de aperto + amín (v. Tabela)
Lmín= (22+17)+12,5 = 51,5
Lmín= 51,5 próx. superior normalizado→ 55
ESPECIFICANDO: Parafuso cab. escareada M10x55 DIN 963-5.8
areal= L-comprto
. aperto = 55 – (22+17)=16
b = areal + 0,5d = 16 + 0,5 x 10 = 21
t = b + e1 = 21 + 7,3 = 28,3 ≈ 29
(e2, e3)
Desenho Técnico Mecânico II – Prof. M. Sc. Edson Del Mastro / Prof. Helena S. Del Mastro Espíndola
Faculdade de Tecnologia de Sorocaba
27
27
4- UNIÃO DE DUAS OU MAIS PEÇAS ATRAVÉS DE PRISIONEIRO, ARRUELA E
PORCA
PRISIONEIRO
FIXAÇÃO DO PRISIONEIRO NA PEÇA BASE
Desenho Técnico Mecânico II – Prof. M. Sc. Edson Del Mastro / Prof. Helena S. Del Mastro Espíndola
Faculdade de Tecnologia de Sorocaba
28
28
UNIÕES COM PARAFUSOS
4- DUAS OU MAIS PEÇAS UNIDAS ATRAVÉS DE PRISIONEIRO, ARRUELA E PORCA
Lmín = comprimento aperto + Vmín (V1...V5, conf. DIN 78)
Lmín = (18 + 20 + 3) + 17 = 58 próx. superior → 60
ESPECIFICANDO...
Prisioneiro M16x60 DIN 939-10.9
Porca sextavada M16 DIN 934-10
Arruela 17 DIN 125-aço
ATENÇÃO: prisioneiro p/ aço: DIN 938
prisioneiro p/ alumínio: DIN 835
Desenho Técnico Mecânico II – Prof. M. Sc. Edson Del Mastro / Prof. Helena S. Del Mastro Espíndola
Faculdade de Tecnologia de Sorocaba
29
29
CLASSE DE RESISTÊNCIA
(CONF. DIN 267 p.3)
- Máquina universal de ensaio
de (tração, compressão, flexão)
- Corpo de Prova Normalizado
(chapa ou redondo)
Gráfico: Ensaio de tração convencional*
2
00
2
0
0
d
4F
A
F
σ
4
d
A*
π
π


σB = Tensão Limite de Resistência
σS = Tensão Limite de Escoamento 1º Número =
10
σB
2º Número =
B
S
σ
σ
10
1º Nº x 2º Nº = σ
σ
σσ
S
B
SB
x10
10

Desenho Técnico Mecânico II – Prof. M. Sc. Edson Del Mastro / Prof. Helena S. Del Mastro Espíndola
Faculdade de Tecnologia de Sorocaba
30
30
Folha 3 DIN ISO 273
Medidas em mm
1. CAMPO DE APLICAÇÃO:
Esta norma internacional recomenda furos passantes para aplicações gerais em
conexões de parafusos. Os furos passantes indicados podem ser calculados em função
das superfícies de contato dos parafusos e porcas conforme definidas nas normas ISO
correspondentes.
OBSERVAÇÃO: Os furos passantes para conexões por parafuso especiais devem ser
determinados de acordo com as características construtivas específicas.
2. MEDIDAS:
Diâmetro
da rosca
Furo de passagem dh
Série:
Diâmetro
da rosca
Furo de passagem dh
Série:
D fina média grossa d fina média grossa
1 1,1 1,2 1,3 33 34 36 38
1,2 1,3 1,4 1,5 36 37 39 42
1,4 1,5 1,6 1,8 39 40 42 45
1,6 1,7 1,8 2 42 43 45 48
1,8 2 2,1 2,2 45 46 48 52
2 2,2 2,4 2,6 48 50 52 56
2,5 2,7 2,9 3,1 52 54 56 62
3 3,2 3,4 3,6 56 58 62 66
3,5 3,7 3,9 4,2 60 62 66 70
4 4,3 4,5 4,8 64 66 70 74
4,5 4,8 5 5,3 68 70 74 78
5 5,3 5,5 5,8 72 74 78 82
6 6,4 6,6 7 76 78 82 86
7 7,4 7,6 8 80 82 86 91
8 8,4 9 10 85 87 91 96
10 10,5 11 12 90 93 96 101
12 13 13,5 14,5 95 98 101 107
14 15 15,5 16,5 100 104 107 112
16 17 17,5 18,5 105 109 112 117
18 19 20 21 110 114 117 122
20 21 22 24 115 119 122 127
22 23 24 26 120 124 127 132
24 25 26 28 125 129 132 137
27 28 30 32 130 134 137 144
30 31 33 35 140 144 147 155
150 155 158 165
Os campos de tolerância a seguir são indicados a título de informação, para os casos
em que seja necessário determinar tolerâncias a partir de normas nacionais.
série fina:H12 série média H13 série grossa: H14
Aconselha-se chanfrar o furo passante nos casos em que seja necessário evitar o
bloqueio da passagem do setor de transição abaixo da cabeça do parafuso pela abertura do
furo.
Desenho Técnico Mecânico II – Prof. M. Sc. Edson Del Mastro / Prof. Helena S. Del Mastro Espíndola
Faculdade de Tecnologia de Sorocaba
31
31
December 1980
Countersinks
For Countersunk Head Screws
DIN
74
Part 1
Dimensions in mm
1 Dimensions and designations
Shape Afor countersunk head screws in accordance with DIN 963 and DIN 965
Oval head countersunk screws in accordance with DIN 964 and DIN 966
Self-cutting screws shape F and G in accordance with DIN 7513 and shape D and E in accordance
with DIN 7516
Thread-grooving screws shape K, L, M and N in accordance with DIN 7500
Countersunk head wood screws in accordance with DIN 97 and DIN 7997
Raised countersunk (oval) head wood screws in accordance with DIN 95 and DIN 7995
Medium (m) type Fine (f) type
Designation of a countersink of shape A, medium (m) executation for a 4 mm screw thread diameter:
Countersink DIN 74 – A m 4
Table 1
For screw thread
diameter
1) 1 1,2 1,4 1,6 1,8 2 2,5 3 3,5 4 4,5
4)
Type
m
d1
2)
H13 1,2 1,4 1,6 1,8 2,1 2,4 2,9 3,4 3,9 4,5 5
d2 H13 2,4 2,8 3,3 3,7 4,1 4,6 5,7 6,5 7,6 8,6 9,5
t1 ≈ 0,6 0,7 0,8 0,9 1,0 1,1 1,4 1,6 1,9 2,1 2,3
Type
f
d1
3)
H12 1,1 1,3 1,5 1,7 2 2,2 2,7 3,2 3,7 4,3 4,8
d3 H12 2 2,5 2,8 3,3 3,8 4,3 5 6 7 8 9
t1 ≈ 0,7 0,8 0,9 1 1,2 1,2 1,5 1,7 2 2,2 2,4
t2
1,0
0

0,2 0,15 0,15 0,2 0,2 0,15 0,35 0,25 0,3 0,3 0,3
For screw thread
diameter
1) 5 5,5
4)
6 7
4)
8 10 12 14 16 18 20
Type
m
d1
2)
H13 5,5 6 6,6 7,6 9 11 13,5 15,5 17,5 20 22
d2 H13 10,4 11,4 12,4 14,4 16,4 20,4 23,9 26,9 31,9 36,4 40,4
t1 ≈ 2,5 2,7 2,9 3,3 3,7 4,7 5,2 5,7 7,2 8,2 9,2
Type
f
d1
3)
H12 5,3 5,8 6,4 7,4 8,4 10,5 13 15 17 19 21
d3 H12 10 10,8 11,5 13 15 19 23 26 30 34 37
t1 ≈ 2,6 2,8 3 3,5 4 5 5,7 6,2 7,7 8,7 9,7
t2
1,0
0

0,2 0,3 0,45 0,45 0,7 0,7 0,7 0,7 1,2 1,2 1,7
1) In the case of Wood screws: nominal diameter
2) Through hole medium in accordance with DIN ISO 273 (except for screw thread diameter
5.5)
3) Through hole fine in accordance with DIN ISO 273 (except for screw thread diameter 5.5)
4) Applies only to wood screws
Desenho Técnico Mecânico II – Prof. M. Sc. Edson Del Mastro / Prof. Helena S. Del Mastro Espíndola
Faculdade de Tecnologia de Sorocaba
32
32
UDC 621 882 15 472.3 : 621.882.215.891.6 DOUTSCHE NORMEN DECEMBER 1980
Countersinks
for Cheese Head Screws
DIN
74
Part 2
Senkungen fur Schauben mit Zylinderkopf
Dimensions in mm
1 Dimensions and designation
Shape H for cheese head screws in accordance whit DIN 84 and DIN7984
self-cutting screws shape A in accordance with DIN 7513
thread-grooving screws shape A in accordance whit DIN 7500
Shape J for cheese head screws in accordance with DIN 6912
Shape K for cheese head screws in accordance with DIN 912
Designition of a countersink od shape H with thouugh hole medium (m). for a 10 mm screw thead diameter
―Countersink DIN 74 – H m 10‖
For screw thread diameter 1 1,2 1,4 1,6 1,8 2 2,5 3 3,5 4 5 6 8
d1
medium(m)
1
) H13 1,2 1,4 1,6 1,8 2,1 2,4 2,9 3,4 3,9 4,5 5,5 6,6 9
fine(f)
2
) H12 1,1 1,3 1,5 1,7 2 2,2 2,7 3,2 3,7 4,3 5,3 6,4 8,4
d2 H13 2,2 2,5 2,8 3,3 3,8 4,3 5 6 6,5 8 10 11 15
d3
3
) - - - - - - - - - - - - -
t
for countersink
shape H 0,8 0,9 1 1,2 1,5 1,6 2 2,4 2,9 3,2 4 4,7 6
shape J - - - - - - - - - 3,4 4,2 4,8 6
shape K - - 1,6 1,8 - 2,3 2,9 3,4 - 4,6 5,7 6,8 9
per.dev. +0.1 +0.2 +0.4
0 0 0
For screw thread diameter 10 12 14 16 18 20 22 24 27 30 33 36 42 48
d1
medium(m)
1
) H13 11 13,5 15,5 17,5 20 22 24 26 30 33 36 39 45 52
fine(f)
2
) H12 10,5 13 15 17 19 21 23 25 - - - - - -
d2 H13 18 20 24 26 30 33 36 40 43 48 53 57 66 76
d3
3
) - 16 18 20 22 24 26 28 33 36 39 42 48 56
t
for countersink
shape H 7 8 9 10,5 11,5 12,5 13,5 14,5 - - - - - -
shape J 7,5 8,5 9,5 11,5 12,5 13,5 14,5 15,5 17,5 19,5 21,5 23,5 - -
shape K 11 13 15 17,5 19,5 21,5 23,5 25,5 28,5 32 35 38 44 50
per.dev. +0.4 +0.6
0 0
1
) Though hole medium in accordance with DIN ISO 273 (to be preferred)
2
) Though hole fine in accordance with DIN ISO 273
3
) 90º contersink or radiused, and it the screw thead diameter is less than 12 mm, only deburred
Desenho Técnico Mecânico II – Prof. M. Sc. Edson Del Mastro / Prof. Helena S. Del Mastro Espíndola
Faculdade de Tecnologia de Sorocaba
33
33
Desenho Técnico Mecânico II – Prof. M. Sc. Edson Del Mastro / Prof. Helena S. Del Mastro Espíndola
Faculdade de Tecnologia de Sorocaba
34
34
Desenho Técnico Mecânico II – Prof. M. Sc. Edson Del Mastro / Prof. Helena S. Del Mastro Espíndola
Faculdade de Tecnologia de Sorocaba
35
35
Folha 3 DIN 76 parte 1
2 Rosca interna (Rosca de porca)
Furação para o fundo da rosca
2.1 com saída de rosca 2.2 com rebaixo sem rosca
Demais medidas como na
figura ao lado.
O ângulo de transição
entre f1 e f2, varia entre
30º e 60º conforme o tipo
de fabricação
b= comprimento útil da rosca
5) Aconselha-se, para a medida calculada t: um desvio permissível de 0+0,5P
3) ß normalmente é 120º 0
10; em casos especiais 90º; para prisioneiros em metal leve
aconselha-se um rebaixamento cilíndrico.
Tabela 2
ROSCA TRECHO SEM ROSCA TRECHO SEM ROSCA COM REBAIXO
d
e1 e2 e3 g
f1 f2
min. max. r
Passo
Rosca Normal
C D7
) C D7
)
P Normal Curta Longa H13 Normal Curta Normal Curta ≈
0,2 — 1,3 0,8 2 d + 0,1 0,8 0,5 1,2 0,9 0,1
0,25 1; 1,2 1,5 1 2,4 d + 0,1 1 0,6 1,4 1 0,12
0,3 1,4 1,8 1,2 2,9 d + 0,1 1,2 0,75 1,6 1,25 0,15
0,35 1,6; 1,7; 1,8 2,1 1,3 3,3 d + 0,2 1,4 0,9 1,9 1,4 0,17
0,4 2; 2,3 2,3 1,5 3,7 d + 0,2 1,6 1 2,2 1,6 0,2
0,45 2,2; 2,5; 2,6 2,6 1,6 4,1 d + 0,2 1,8 1,1 2,4 1,7 0,22
0,5 3 2,8 1,8 4,5 d + 0,3 2 1,25 2,7 2 0,25
0,6 3,5 3,4 2,1 5,4 d + 0,3 2,4 1,5 3,3 2,4 0,3
0,7 4 3,8 2,4 6,1 d + 0,3 2,8 1,75 3,8 2,75 0,35
0,75 4,5 4 2,5 6,4 d + 0,3 3 1,9 4 2,9 0,4
0,8 5 4,2 2,7 6,8 d + 0,3 3,2 2 4,2 3 0,4
1 6; 7 5,1 3,2 8,2 d + 0,5 4 2,5 5,2 3,7 0,5
1,25 8 6,2 3,9 10 d + 0,5 5 3,2 6,7 4,9 0,6
1,5 10 7,3 4,6 11,6 d + 0,5 6 3,8 7,8 5,6 0,75
1,75 12 8,3 5,2 13,3 d + 0,5 7 4,3 9,1 6,4 0,9
2 14; 16 9,3 5,8 14,8 d + 0,5 8 5 10,3 7,3 1
2,5 18; 20; 22 11,2 7 17,9 d + 0,5 10 6,3 13 9,3 1,25
3 24; 27 13,1 8,2 21 d + 0,5 12 7,5 15,2 10,7 1,5
3,5 30; 33 15,2 9,5 24,3 d + 0,5 14 9 17,7 12,7 1,75
4 36; 39 16,8 10,5 26,9 d + 0,5 16 10 20 14 2
4,5 42; 45 18,4 11,5 29,4 d + 0,5 18 11 23 16 2,25
5 48; 52 20,8 13 33,3 d + 0,5 20 12,5 26 18,5 2,5
5,5 56; 60 22,4 14 35,8 d + 0,5 22 14 28 20 2,75
6 64; 68 24 15 38,4 d + 0,5 24 15 30 21 3
As medidas indicadas
correspondem a =
6,3→4P 4→2,5P 10→6,3P — 4P 2,5P — — 0,5P
7 ) A saída de rosca com rebaixo de forma D(curta) aplica-se somente aos casos especiais em
que razãos técnicas determinem a necessidade desse rebaixo curto. Neste caso a letra D da
forma deve ser indicada na falta do dimensionamento do rebaixo, p. ex.: Rebaixo D DIN76. Na
falta de indicação vale a forma normal C, como p. ex.: rebaixo DIN 76.
Desenho Técnico Mecânico II – Prof. M. Sc. Edson Del Mastro / Prof. Helena S. Del Mastro Espíndola
Faculdade de Tecnologia de Sorocaba
36
36
Folha 4 DIN 78
2. PONTAS SOBRESSALENTES DOS PARAFUSOS
Os valores de v1 a v5 estabelecidos pela Tabela 3 para as pontas sobressalentes visam a
garantir que a ponta livre não tenha mais do que 2P(7). os elementos de apoio, como por
exemplo arruelas, também devem ser considerados.
1. PARAFUSOS COM CABEÇA (cabeças sextavadas apenas para ilustrar o exemplo).
1. PRISIONEIROS
Tabela 3
d
u7
) v1 v2 v3 v4 v5
d
u v1 v2 v3 v4 v5
min. min. min. min. min. min. min. min. min. min. min. min.
1,6 0,7 2 1,7 − − − 36 8 37 24 46 37 48
2 0,8 2,4 2 − − − 39 8 39 27,5 48 39 53
2,5 0,9 2,9 2,5 − − − 42 9 43 30 55 42 −
3 1 3,4 2,8 − − 5,1 45 9 45 31,5 57 43,5 −
3,5 1,2 4 3,2 − − − 48 10 48 34 60 46 −
4 1,4 4,6 3,6 6,4 − 6,2 52 10 52 36 64 48 −
5 1,6 5,6 4,3 7,6 − 8,4 56 11 56 − 68 − −
6 2 7 5,2 9,5 7 9,6 60 11 59 − 74 − −
7 2 7,5 − 10 7,5 10,7 64 12 63 − 78 − −
8 2,5 9 6,5 12 9 12,6 68 12 66 − 81 − −
10 3 11 8 15 11 15,5 72 12 70 − 85 − −
12 3,5 13,5 9,5 18,5 13,5 17,5 76 12 73 − 88 − −
14 4 15 11 20 15 21,4 80 12 76 − 91 − −
16 4 17 12 23 17 23,6 90 12 84 − 104 − −
18 5 20 13 26 20 27,2 100 12 92 − 112 − −
20 5 21 15 27 21 29,5 110 12 100 − − − −
22 5 23 16 31 23 31,7 120 12 108 − − − −
24 6 25 18 33 25 35,4 125 12 112 − − − −
27 6 28 19,5 36 28 36 130 12 116 − − − −
30 7 31 22 40 31 40,5 140 12 124 − − − −
33 7 33 23,5 42 33 43,5 150 12 132 − − − −
As pontas sobressalentes de comprimento v1 e v5 servem para o cálculo do comprimento
total do parafuso (comprimento nominal), a partir de L = comprimento de aperto + ponta
sobressalente. O comprimento L assim calculado deve ser arredondado para o valor
imediatamente superior da tabela de comprimento da norma do tipo de parafuso em questão.
Para parafusos de ajuste valem as medidas de pontas sobressalentes indicadas para a forma
específica.
Desenho Técnico Mecânico II – Prof. M. Sc. Edson Del Mastro / Prof. Helena S. Del Mastro Espíndola
Faculdade de Tecnologia de Sorocaba
37
37
Desenho Técnico Mecânico II – Prof. M. Sc. Edson Del Mastro / Prof. Helena S. Del Mastro Espíndola
Faculdade de Tecnologia de Sorocaba
38
38
Novembro de 1970
PARAFUSOS DE CABEÇA SEXTAVADA DE ROSCA MÉTRICA
ACABAMENTO m e mg
DIN
931
Ver nos esclarecimentos a correlação com as recomendações ISO
Medidas em mm
Designação de um parafuso de cabeça sextavada de rosca d = M8, comprimento l=50mm e classe
de resistência 8,8:
PARAFUSODECABEÇASEXTAVADAM8 X 50 DIN 931 8,8
d Ml,6 M 1,7*) M2 M 2,3*) M 2,5 M2.6*) M 3 (M 3,5) M4 M5 M6 (M7) M8 M10 M12
. b
1) 9 9 10 11 11 11 12 13 14 16 18 20 22 26 30
2) - - - - - - - - - 22 24 26 28 32 36
3) - - - - - - - - - - - _ - 45 49
c - - - - - - - - 0,1 0,2 0,3 0,3 0,4 0,4 0,4
da max. 2 2,1 2,6 2,9 3,1 3,2 3,6 4,1 4,77 5,7 6,8 7,8 9,2 11,2 14,2
emin
m 3,48 3,82 4,38 4,95 5,51 5,51 6,08 6,64 7,74 8,87 11,05 12,12 14,38 18,90 21,10
mg - - - - - - - - - - - - - - 20,88
k
1,1 1,2 1,4 1,6 1,7 1,8 2 2,4 2,8 3,5 4 5 5,5 7 8
r min. 0,1 0,1 0,1 0,1 0,1 0,1 0,1 0,1 0,2 0,2 0,25 0,25 0,4 0,4 04
s 3,2 3,5 4 4,5 5 5 5,5 6 7 8 10 11 13 17 19
l4
) Peso ( 7 , 8 5 kg/dm3
) kg/1000 pecas ≈
12 0,240 0,280 0,400 Os parafusos acima da
linha cheia têm rosca até
próximo da cabeça e devem
ser designados pela DIN
933
(14) 0,272 0,315 0,450 0610 0,770 0,790
16 0,304 0,350 0400 0,675 0,845 0,870
(18) 0,740 0,920 0,950
20 0,805 0,995 1,03 1,29
(22) 1,07 1,11 1,40 2,03 2,82
25 1,17 1.24 1,57 2,25 3,12
(28) 1,74 2,48 3,41
30 3,61 5,64 8,06 12,1
35 4,04 6,42 9,13 13,6 18,2
40 4,53 7,20 10,2 15,1 20,7 35,0
45 5,03 7,98 11,3 16,6 22,2 38,0 53,6
50 5,52 8,76 12,3 18,1 24,2 41,1 58,1
55 6,02 9,54 13,4 19,5 25,8 43,8 62,6
60 6,51 10,3 14,4 21,0 27,8 46,9 67,0
65 7,01 11,1 15,5 22,5 29,8 50,0 70,3
70 7,50 11,9 16,1 24,0 31,8 53,1 74,7
75 12,7 17,5 25,5 33,7 56,.2 79,1
80 13,5 18,6 27,0 35,7 62,3 83,6
(85) 19,7 28,5 37,7 65,4 88,0
90 20,8 30,0 39,6 68,5 92,4
(95) 31,5 41,6 71,6 96,9
100 33,1 43,6 77,7 100
110 47,5 83,9 109
120 90,0 118
130 96,2 127
140 102 136
150 108 145
160 153
170 162
180 171.
*) Medidas não previstas pela ISO/R 272 -1962 e que devem ser evitadas.
Desenho Técnico Mecânico II – Prof. M. Sc. Edson Del Mastro / Prof. Helena S. Del Mastro Espíndola
Faculdade de Tecnologia de Sorocaba
39
39
Folha 2 DIN 931 Continuação da Tabela da Folha 1
d (M14) M16 (M18) M20 (M22) M24 (M27) M 30 (M33) M36 (M 39) M42 (M45) M48 (M52)
b
1) 34 38 42 46 50 54 60 66 72 78 84 90 96 102 -
2) 40 44 48 52 56 60 66 72 78 84 90 96 102 108 116
3) 53 57 61 65 69 73 79 85 91 97 103 109 115 121 129
C 0,4 0,4 0,4 0,4 0,4 0,5 0,5 0,5 0,5 0,5 0,6 0,6 0,6 0,6 —
da max. 16,2 18,2 20,2 22,4 24,4 26,4 30,4 33,4 36,4 39,4 42,4 45,6 48,6 52,6 56,6
e min
m 24,49 26,75 30,14 33,53 35,72 39,98 45,63 51,28 55,80 61,31 66,96 72,61 78,26 83,91 89,56
mm 23,91 26,17 29,56 32,95 35,03 39,55 45,20 50,85 55,37 60,79 66,44 72,09 77,74 83,39 89,04
k 9 10 12 13 14 15 17 19 21 23 25 26 28 30 33
r min. 0,6 0,6 0,6 0,8 0,8 0,8 1 1 1 1 1 1,2 1,2 1,6 1,6
s 22 24 27 30 32 36 41 46 50 55 60 65 70 75 80
l4
) Peso (7,85 kg/dm3
) kg/1000 peças ≈
50 82,2 Os parafusos acima da linha
cheia tem rosca ate próximo da
cabeça e devem ser designados
pela DIN 933
55 88,3 115
60 94,3 123 161
65 100 131 171 219
70 106 139 181 231 281
75 112 147 191 243 296 364
80 118 155 201 255 311 382 511
(85) 124 163 210 267 326 410 534
90 128 171 220 279 341 428 557 712
(95) 134 179 230 291 356 446 580 739
100 140 186 240 303 370 464 603 767 951
110 152 202 260 327 400 500 650 823 1020 1250 1510
120 165 218 280 351 430 535 695 880 1090 1330 1590 1900 2240
130 175 230 295 365 450 560 720 920 1150 1400 1650 1980 2350 2780
140 187 246 315 389 480 595 765 975 1220 1480 1740 2090 2480 2920
150 199 262 335 423 510 630 810 1030 1290 1560 1830 2200 2400 3010 3450
160 211 278 355 447 540 665 855 1090 1350 1640 1930 2310 2730 3160 3770
170 223 294 375 470 570 700 900 1140 1410 1720 2020 2420 2850 3300 3930
180 235 310 395 495 600 735 945 1200 1480 1900 2120 2520 2980 3440 4100
190 247 326 415 520 630 770 990 1250 1540 1980 2210 2630 3100 3580 4270
200 260 342 435 545 660 805 1030 1310 1610 2060 2310 2740 3220 3720 4430
220 590 720 870 1130 1420 1750 2220 2500 2960 3470 4010 4760
240 1530 1880 2380 2700 3180 3820 4290 5110
260 1640 2020 2540 2900 3400 4030 4570 5450
Evitar na medida do possível os tamanhos entre parênteses.
Estes parafusos são normalmente fabricados nas classes de resistência 5,6 e 8,8 no tamanho
definido pela indicação de peso. Os tamanhos que aparecem em negrito na tabela correspondem
aos que normalmente existem em estoque no comércio, dada a freqüência de sua utilização.
Condições técnicas do fornecimento DIN 267
Classe de resistência (Materiais): 5,6
5,8 (somente até M4) |conforme DIN 267 parte 3
8,8(somente até M39)|
10,9
Outras classes de resistência ou materiais mediante acordo
específico
Desenho Técnico Mecânico II – Prof. M. Sc. Edson Del Mastro / Prof. Helena S. Del Mastro Espíndola
Faculdade de Tecnologia de Sorocaba
40
40
Desenho Técnico Mecânico II – Prof. M. Sc. Edson Del Mastro / Prof. Helena S. Del Mastro Espíndola
Faculdade de Tecnologia de Sorocaba
41
41
Setembro de 1979
PARAFUSOS DE CABEÇA CILÍNDRICA COM SEXTAVADO INTERNO
ISO 4762 MODIFICADA
DIN
912
Medidas em mm
Fim de rosca com ponta cônica. Para roscas M4 “Como saída da máquina” (sem ponta)
OBSERVAÇÃO: ds só para os parafusos com
haste.
Arredondamento leve ou abaixo no
sextavado interno permissíveis.
Outro formato permissível para o fundo do
sextavado interno
O canto inferior da cabeça pode ser
arredondada até dw ou chanfrada, e deve ser
isento de rebarba.
A critério do fabricante o canto superior da
cabeça pode ser arredondada ou chanfrada
(contorno da prensagem)
Transição máxima do eixo à cabeça
Desenho Técnico Mecânico II – Prof. M. Sc. Edson Del Mastro / Prof. Helena S. Del Mastro Espíndola
Faculdade de Tecnologia de Sorocaba
42
42
Folha 4 DIN 912 Tabela 1 (continuação)
Rosca d M3 M4 M5 M6 M8
- - - - M8X1
P
1
) 0,5 0,7 0,8 1 1,25
b Comp.Nominal 18 20 22 24 28
max. 2) 5,5 7 8,5 10 13
dk max. 3) 5,68 7,22 8,72 10,22 13,27
min. 5,32 6,78 8,28 9,78 12,73
da
max. 3,6 4,7 5,7 6,8 9,2
ds
max. 3 4 5 6 8
min. 2,86 3,82 4,82 5,82 7,78
e min. v 2,87 3,44 4,58 5,72 6,86
f max. 0,51 0,6 0,6 0,68 1,02
k
max. 3 4 5 6 8
min. 2,86 3,82 4,82 5,7 7,64
r min. 0,1 0,2 0,2 0,25 0,4
Medida Nominal 2,5 3 4 5 6
s
min. 2,52 3,02 4,02 5,02 6,02
max. 2,58 3,08 4,095 5,14 6,14
t min. 1,3 2 2,5 3 4
v max. 0,3 0,4 0,5 0,6 0,8
dw min. 5,07 6,53 8,03 9,38 12,33
w min. 1,15 1,4 1,9 2,3 3
Desenho Técnico Mecânico II – Prof. M. Sc. Edson Del Mastro / Prof. Helena S. Del Mastro Espíndola
Faculdade de Tecnologia de Sorocaba
43
43
Desenho Técnico Mecânico II – Prof. M. Sc. Edson Del Mastro / Prof. Helena S. Del Mastro Espíndola
Faculdade de Tecnologia de Sorocaba
44
44
Desenho Técnico Mecânico II – Prof. M. Sc. Edson Del Mastro / Prof. Helena S. Del Mastro Espíndola
Faculdade de Tecnologia de Sorocaba
45
45
Desenho Técnico Mecânico II – Prof. M. Sc. Edson Del Mastro / Prof. Helena S. Del Mastro Espíndola
Faculdade de Tecnologia de Sorocaba
46
46
Desenho Técnico Mecânico II – Prof. M. Sc. Edson Del Mastro / Prof. Helena S. Del Mastro Espíndola
Faculdade de Tecnologia de Sorocaba
47
47
Dezembro de 1972
PRISIONEIROS
EXTREMIDADE PARAFUSÁVEL ≈ 2 d
DIN 835
Substitui também a DIN 836
Os prisioneiros definidos nesta norma utilizam-se principalmente para serem
parafusados nas ligas de alumínio. Quando a designação não contiver as siglas
Fo (= sem rosca de ajustagem bloqueado duro ou Sn4, vale a tolerância Sk6 DIN 13
e DIN 14 suplemento 14, conforme DIN 267 parte 2 para a rosca da extremidade de
aparafusamento.
Medidas em mm
x cf. DIN 76
z1 cf. DIN 78
Designação de um prisioneiro de rosca d = M12, comprimento l = 80mm e classe de resistência 8,8:
PRISIONEIRO Ml2 X 80 DIN 835-8,8
Designação de um prisioneiro igual, porém sem a rosca de ajustagem bloqueado duro, (Fo);
PRISIONEIRO M 12 Fo X 80 DIN 835-8,8
1) Para comprimento l até 125mm
2) Para comprimento l de 125 até 200mm
3) Para comprimento l acima de 200mm
Desenho Técnico Mecânico II – Prof. M. Sc. Edson Del Mastro / Prof. Helena S. Del Mastro Espíndola
Faculdade de Tecnologia de Sorocaba
48
48
Desenho Técnico Mecânico II – Prof. M. Sc. Edson Del Mastro / Prof. Helena S. Del Mastro Espíndola
Faculdade de Tecnologia de Sorocaba
49
49
Desenho Técnico Mecânico II – Prof. M. Sc. Edson Del Mastro / Prof. Helena S. Del Mastro Espíndola
Faculdade de Tecnologia de Sorocaba
50
50
Classes de Resistência: de preferência: 4.8 ou 5.8
Permissível: 8.8 ou 10.9
Desenho Técnico Mecânico II – Prof. M. Sc. Edson Del Mastro / Prof. Helena S. Del Mastro Espíndola
Faculdade de Tecnologia de Sorocaba
51
51
Classes de Resistência: de preferência: 4.8 ou 5.8
Permissível: 8.8 ou 10.9
Desenho Técnico Mecânico II – Prof. M. Sc. Edson Del Mastro / Prof. Helena S. Del Mastro Espíndola
Faculdade de Tecnologia de Sorocaba
52
52
Classes de Resistência: de preferência: 4.8
Permissível: 8.8
Desenho Técnico Mecânico II – Prof. M. Sc. Edson Del Mastro / Prof. Helena S. Del Mastro Espíndola
Faculdade de Tecnologia de Sorocaba
53
53
Desenho Técnico Mecânico II – Prof. M. Sc. Edson Del Mastro / Prof. Helena S. Del Mastro Espíndola
Faculdade de Tecnologia de Sorocaba
54
54
Desenho Técnico Mecânico II – Prof. M. Sc. Edson Del Mastro / Prof. Helena S. Del Mastro Espíndola
Faculdade de Tecnologia de Sorocaba
55
55
Dezembro de 1972
PORCAS SEXTAVADAS FORMA BAIXA DIN 439
Medidas em mm
Forma A
(só até M10)
Forma B
15 até 30°
Designação de uma porca sextavada da forma A com rosca d1 = M4 e classe de
resistência 04:
PORCASEXTAVADAAM4DIN439-04
d1 d2
e
min. m s
Coluna
1
Coluna 2 Coluna 3 Coluna 4 min. Forma A Forma B
Ml,6 — — — 2,88 3,28 3,48 1 3,2
(Ml,8) — — — 3,15 3,62 3,82 1,1 3,5
M2 — — — 3,6 4,18 4,38 1,2 4
M2,5 — — — 4,5 5,31 5,51 1,6 5
M3 — — — 4,95 5,87 6,08 1,8 5,5
(M3,5) — — — 5,4 6,44 6,64 2 6
M4 — — — 6,3 7,50 7,74 2,2 7
M5 — — — 7,2 8,63 8,87 2,7 8
M6 — — — 9 10,89 11,05 3,2 10
M8 M8x l — — 11,7 14,20 14,38 4 13
M10 Ml0x1,25 — M10 x 1 15,3 18,72 18,90 5 17
M12 M12 xl,5 — M12 x 1,25 17,1 — 21,10 6 19
(M14) M14 x 1,5 — — 19,8 — 24,49 7 22
M16 M16 x 1,5 — — 21,6 — 26,75 8 24
(M18) M18 x 2 — M18 x 1,5 24,3 — 30,14 9 27
M20 M20 x 2 — M20 x 1,5 27 — 33,53 10 30
(M22) M22 x 2 — M22 x 1,5 28,8 — 35,72 11 32
M24 M24 x 2 — M24 x 1,5 32,4 — 39,98 12 36
(M27) M27 x 2 — M27 x 1,5 36,9 — 45,63 13,5 41
M30 M30 x 2 — M30 x 1,5 41,4 — 51,28 15 46
(M33) M33 x 2 — M33 x 1,5 45 — 55,80 16,5 50
M36 M36 x 3 M36 x 2 M36 x 1,5 49,5 — 61,31 18 55
(M39) M39x 3 M39 x 2 M39 x 1,5 54 — 66,96 19,5 60
M42 M42 x 3 M42 x 2 M42 x 1,5 62 — 72,61 21 65
(M45) M45 x 3 M45 x 2 M45 x 1,5 66 — 78,26 22,5 70
M48 M48 x 3 M48 x 2 M48 x 1,5 71 — 83,91 24 75
(M52) M52 x 3 M52 x 2 M52 x 1,5 76 — 89,56 26 80
Os tamanhos entre parênteses da coluna 1 e as roscas finas das colunas 2, 3 e 4 devem ser evitados na
medida do possível
Classes de Resistência Forma A Forma B
Conforme DIN 267 Até M2,5:11H Até 2,5 11H
Parte 4 Acima de M3:04 M3 a M10:04
M12 a M39:04,06
Acima de M39:14H
Desenho Técnico Mecânico II – Prof. M. Sc. Edson Del Mastro / Prof. Helena S. Del Mastro Espíndola
Faculdade de Tecnologia de Sorocaba
56
56
Desenho Técnico Mecânico II – Prof. M. Sc. Edson Del Mastro / Prof. Helena S. Del Mastro Espíndola
Faculdade de Tecnologia de Sorocaba
57
57
Desenho Técnico Mecânico II – Prof. M. Sc. Edson Del Mastro / Prof. Helena S. Del Mastro Espíndola
Faculdade de Tecnologia de Sorocaba
58
58
Dezembro de
1972
PORCAS SEXTAVADAS PARA SOLDAR DIN 929
Medidas em mm
Designação de uma porca sextavada para soldar de rosca d1= M8
PORCA PARA SOLDAR M 8 DIN 929
As dimensões entre parênteses devem ser mantidas na medida do possível.
CONDIÇÕES TÉCNICAS DO FORNECIMENTO: conforme DIN 267
CLASSE DE RESISTÊNCIA: 8, soldável, conforme DIN 267 parte 4.
Outras classes de resistência e materiais mediante acordo específico.
ACABAMENTO: m conforme DIN 267 parte 2.
Rosca d1
cf. DIN 13
b d2 d3 e f h1 h2 m s
Peso (7,85
kg/dm³)
kg/1000
peças
≈
Tol. Tol. Tol.
Perm. d11 H13 ≈ ±0,2 Perm
.
Perm
.
h14 hl3
M3 - - 0,8 4,5 4,5 8,6 6,2 0,55
-0,1
0,25
-0,1
3 7,5 0,78
M4 - - 0,8 ±0,2 6 6 10,4 7,7 0,65 0,35 3,5 9 1,13
M5 - - 0,8 7 7 11,5 8,7 0,7 0,4 4 10 1,73
M6 - - 0,9 ±0,22 8 8 12,7 9,7 0,75
-0,15
0,4 5 11 2,50
(M7) - - 0,9 9 9 13,9 10,8 0,8 0,5
-0,15
5,5 12 3,24
M8 (M 8X1) - 1 ±0,25 10,5 10,5 16,2 12,6 0,9 0,5 6,5 14 5,27
M10 (M 10X1,25) - 1,25 12,5 12,5 19,6 15,1 1,15
-0,2
0,65 8 17 9,58
M12 (M 12X1,25) (M12X1,5) 1,25 ±0,3 14,8 14,8 21,9 17,3 1,4 0,8
-0,2
10 19 13,7
(M14) - (M 14X1,5) 1,5 16,8 16,8 25,4 19,8 1,8 1 11 22 21,3
M16 - (M16X1,5) 1,5 ±0,4 18,8 18,8 27,7 21,8 1,8 1 13 24 28,5
Detalhe X(corte)
Desenho Técnico Mecânico II – Prof. M. Sc. Edson Del Mastro / Prof. Helena S. Del Mastro
Espíndola
Faculdade de Tecnologia de Sorocaba
59
59
Folha 2 DIN 929
MEDIDAS DE COLOCAÇÃO (Porca antes de soldar)
Notação nos Desenhos
Rosca d1 cf.DIN 13
Espessura
da chapa
a min.
H11
M3 - - 0,63 4,5
M4 - - 0,75 6
M5 - — 0,88 7
M6 - - 0,88 8
(M7) - - 0,88 9
M8 (M8x1) - 1 10,5
M10 (M 10X1,25) - 1,25 12,5
M12 (M 12X1,25) (M 12X1,5) 1,5 14,8
(M14) - (M 14X1,5) 2 16,8
M16 - (M 16X1,5) 2 18,8
Desenho Técnico Mecânico II – Prof. M. Sc. Edson Del Mastro / Prof. Helena S. Del Mastro
Espíndola
Faculdade de Tecnologia de Sorocaba
60
60
ARRUELA PARA PARAFUSO E PORCA SEXTAVADA DIN 125
d1 d2 s d1 d2 s
3,2 7 0,5 19 34 4
3,7 8 0,5 21 36 4 *
4,3 9 0,8 25 44 4
5,3 11 1 27 50 5 *
6,4 12 1,5 31 56 5 *
8,4 17 2 36 68 6 *
10,5 21 2,5 37 68 6
13 24 3 40 72 6 *
15 28 3 43 78 7 *
* 17 30 3 50 92 8
(*) Uso também para R. Whitworth
ARRUELA BRUTA PARA PARAFUSO E PORCA SEXTAVADA DIN 126
d1 d2 s d1 d2 s
5,8 11 1 33 56 5 *
7 12 1,5 36 60 5 *
9,5 17 2 39 68 6 *
11,5 21 2,5 42 72 6 *
14 24 3 45 78 7 *
18 30 3 48 85 7 *
23 36 4 52 92 8
* 25 40 4 56 98 8 *
* 27 44 4 61 105 9
(*) Uso também para rosca Whitworth
ARRUELA PARA PARAFUSO CABEÇA CILINDRICA E REDONDA
DIN 433
d1 d2 s d1 d2 s
3,2 6 0,5 15 25 2
3,7 7 0,5 17 27 2 *
4,3 8 0,5 19 30 2,3
5,3 10 1 21 33 2,5 *
6,4 11 1,5
8,4 15 1,5
10,5 18 1,5
13 20 2
* 13,5 21 2
(*) Uso também para rosca Whitworth
Desenho Técnico Mecânico II – Prof. M. Sc. Edson Del Mastro / Prof. Helena S. Del Mastro
Espíndola
Faculdade de Tecnologia de Sorocaba
61
61
Ф
d1 d2 s r
p/ paraf. de
Rosca
Métricanominal
3 3,1 + 0,3 5,6 1 ± 0,1 0,2 M 3
4 4,1 + 0,3 7 1,2 ± 0,1 0,3 M 4
5 5,1 + 0,3 8,6 1,5 ± 0,1 0,4 M 5
6 6,1 + 0,4 9,7 1,5 ± 0,1 0,5 M 6
8 8,2 + 0,4 12,8 2 ± 0,1 0,8 M 8
10 10,2 + 0,6 16,1 2,5 ± 0,15 0,8 M 10
12 12,2 + 0,8 18,3 2,5 ± 0,15 1,2 M 12
16 16,2 + 1 24,6 3,5 ± 0,2 1,2 M 16
20 20,2 + 1 30,6 4,5 ± 0,2 1,2 M 20
24 24,5 + 1 35,9 5 ± 0,2 2 M 24
30 30,5 + 1,3 44,2 6 ± 0,2 2 M 30
36 36,5 + 1,3 52,3 7 ± 0,25 2 M 36
42 42,5 + 1,3 60,3 8 ± 0,25 2 M 42
48 49 + 1,3 67 8 ± 0,5 2,5 M 48
Desenho Técnico Mecânico II – Prof. M. Sc. Edson Del Mastro / Prof. Helena S. Del Mastro
Espíndola
Faculdade de Tecnologia de Sorocaba
62
62
Desenho Técnico Mecânico II – Prof. M. Sc. Edson Del Mastro / Prof. Helena S. Del Mastro
Espíndola
Faculdade de Tecnologia de Sorocaba
63
63
Desenho Técnico Mecânico II – Prof. M. Sc. Edson Del Mastro / Prof. Helena S. Del Mastro
Espíndola
Faculdade de Tecnologia de Sorocaba
64
64
Desenho Técnico Mecânico II – Prof. M. Sc. Edson Del Mastro / Prof. Helena S. Del Mastro
Espíndola
Faculdade de Tecnologia de Sorocaba
65
65
Desenho Técnico Mecânico II – Prof. M. Sc. Edson Del Mastro / Prof. Helena S. Del Mastro
Espíndola
Faculdade de Tecnologia de Sorocaba
66
66
Desenho Técnico Mecânico II – Prof. M. Sc. Edson Del Mastro / Prof. Helena S. Del Mastro
Espíndola
Faculdade de Tecnologia de Sorocaba
67
67
Exercício n° 1: Dadas a rosca e as espessuras das
placas, fazer:
1.1 O DESENHO DE CONJUNTO em escala,
identificando cada item;
1.2 Calcular o comprimento (L) do parafuso (deixar os
cálculos);
1.3 Preencher a lista de peças especificando
corretamente os elementos normalizados
envolvidos (parafuso, arruela, porca, etc.);
1.4 Detalhar as peças não normalizadas.
nº d m
mat.
pç 3
1 M 8 20 Al
2 M 12 20 Cu
3 M 6 15 Ms
4 M 16 25 fofo
5 M 20 35 aço
6 M 5 10 fofo
7 M 8 18 fofo
8 M 24 30 fofo
9 M 6 10 aço
10 M 10 30 Cu
11 M 30 50 Al
12 M 10 30 aço
13 M 24 40 fofo
14 M 5 14 aço
15 M 36 60 Cu
16 M 12 25 fofo
17 M 6 20 Cu
18 M 20 40 fofo
19 M 30 60 aço
20 M 10 28 aço
21 M 36 70 fofo
22 M 5 18 Al
23 M 24 50 aço
24 M 30 70 aço
25 M 6 20 fofo
26 M 20 45 Ms
27 M 36 80 fofo
28 M 8 25 aço
29 M 12 30 fofo
30 M 16 40 Ms
31 M 10 20 fofo
32 M 20 40 aço
33 M 12 22 Ms
34 M 8 28 aço
35 M 16 36 fofo
36 M 8 20 aço
37 M 10 34 fofo
38 M 12 40 Al
39 M 16 50 aço
40 M 30 70 fofo
Ms= Latão
Desenho Técnico Mecânico II – Prof. M. Sc. Edson Del Mastro / Prof. Helena S. Del Mastro
Espíndola
Faculdade de Tecnologia de Sorocaba
68
68
Exercício n° 2: Dadas a rosca e as espessuras das placas,
fazer:
1.1 O DESENHO DE CONJUNTO em escala, identificando
cada item;
1.2 Calcular o comprimento (L) do parafuso (deixar os
cálculos);
1.3 Preencher a lista de peças especificando corretamente
os elementos normalizados envolvidos (parafuso,
arruela, porca, etc.);
1.4 Detalhar as peças não normalizadas.
nº d m
Mat.
pç. 1
1 M 16 22 aço
2 M 8 32 fofo
3 M 12 42 Al
4 M 16 32 aço
5 M 16 40 Br
6 M 20 67 fofo
7 M 5 20 Ms
8 M 8 40 aço
9 M 20 64 Al
10 M 6 22 Ms
11 M 10 40 fofo
12 M 16 32 aço
13 M 12 55 Al
14 M 20 78 fofo
15 M 5 14 Ms
16 M 16 42 aço
17 M 12 33 fofo
18 M 6 32 Al
19 M 20 56 Br
20 M 16 32 fofo
21 M 10 27 Ms
22 M 20 52 aço
23 M 5 15 fofo
24 M 12 50 aço
25 M 16 42 fofo
26 M 6 20 Al
27 M 20 73 Br
28 M 12 52 fofo
29 M 8 30 aço
30 M 12 33 fofo
31 M 16 40 Al
32 M 10 53 aço
33 M 16 50 Al
34 M 20 82 fofo
35 M 12 50 aço
36 M 20 42 fofo
37 M 16 34 Al
38 M 6 32 aço
39 M 10 36 Al
40 M 12 30 aço
Ms= Latão
Br= Bronze
Desenho Técnico Mecânico II – Prof. M. Sc. Edson Del Mastro / Prof. Helena S. Del Mastro
Espíndola
Faculdade de Tecnologia de Sorocaba
69
69
Exercício n° 3: Dadas a rosca e as espessuras das placas,
fazer:
1.1 O DESENHO DE CONJUNTO em escala,
identificando cada item;
1.2 Calcular o comprimento (L) do parafuso (deixar os
cálculos);
1.3 Preencher a lista de peças especificando
corretamente os elementos normalizados envolvidos
(parafuso, arruela, porca, etc);
1.4 Detalhar as peças não normalizadas.
nº d m n
mat.
pç.1
1 M 6 15 10 fofo
2 M 16 35 20 aço
3 M 10 28 18 Br
4 M 6 15 12 fofo
5 M 12 30 20 aço
6 M 10 26 18 aço
7 M 8 18 15 aço
8 M 16 38 22 Al
9 M 12 32 20 fofo
10 M 20 44 18 aço
11 M 36 80 25 aço
12 M 20 50 20 fofo
13 M 6 16 10 aço
14 M 12 30 20 fofo
15 M 30 70 25 aço
16 M 27 66 30 Ms
17 M 16 42 28 aço
18 M 24 63 20 aço
19 M 12 30 18 fofo
20 M 20 52 20 Ms
21 M 8 20 20 aço
22 M 6 16 10 fofo
23 M 16 42 18 Al
24 M 8 18 15 fofo
25 M 27 70 25 aço
26 M 12 32 15 aço
27 M 10 26 12 aço
28 M 20 50 25 Al
29 M 16 40 25 Ms
30 M 24 62 30 aço
31 M 20 52 26 aço
32 M 16 46 19 fofo
33 M 20 52 24 aço
34 M 16 38 15 Al
35 M 6 20 12 Ms
36 M 16 40 15 Al
37 M 30 75 25 aço
38 M 20 50 22 fofo
39 M 27 68 30 fofo
40 M 20 52 18 Al
Ms= Latão
Br= Bronze
Desenho Técnico Mecânico II – Prof. M. Sc. Edson Del Mastro / Prof. Helena S. Del Mastro
Espíndola
Faculdade de Tecnologia de Sorocaba
70
70
Exercício n° 4: Dadas a rosca e as espessuras das placas, fazer:
1.1 O DESENHO DE CONJUNTO em escala, identificando
cada item;
1.2 Calcular o comprimento (L) do parafuso (deixar os
cálculos);
1.3 Preencher a lista de peças especificando corretamente os
elementos normalizados envolvidos (parafuso, arruela,
porca);
1.4 Detalhar as peças não normalizadas.
Obs.: especificar também t e b
nº d m
mat.
pç.3
1 M 6 15 aço
2 M 8 20 aço
3 M 12 25 aço
4 M 16 40 aço
5 M 10 30 aço
6 M 20 38 aço
7 M 8 22 fofo
8 M 12 30 fofo
9 M 16 45 fofo
10 M 6 16 fofo
11 M 20 48 fofo
12 M 10 24 Al
13 M 12 26 Al
14 M 8 18 Al
15 M 27 65 Al
16 M 16 35 Al
17 M 10 22 fofo
18 M 24 42 aço
19 M 6 16 Al
20 M 30 78 fofo
21 M 20 55 aço
22 M 6 17 fofo
23 M 16 47 aço
24 M 10 28 fofo
25 M 12 32 fofo
26 M 27 68 aço
27 M 24 62 aço
28 M 8 28 Al
29 M 16 35 aço
30 M 30 74 fofo
31 M 12 34 Al
32 M 36 80 aço
33 M 24 50 aço
34 M 8 21 fofo
35 M 20 53 fofo
36 M 27 73 Al
37 M 30 66 Al
38 M 10 27 aço
39 M 10 43 fofo
40 M 8 21 aço
Desenho Técnico Mecânico II – Prof. M. Sc. Edson Del Mastro / Prof. Helena S. Del Mastro
Espíndola
Faculdade de Tecnologia de Sorocaba
71
71
Desenho Técnico Mecânico II – Prof. M. Sc. Edson Del Mastro / Prof. Helena S. Del Mastro
Espíndola
Faculdade de Tecnologia de Sorocaba
72
72
Desenho Técnico Mecânico II – Prof. M. Sc. Edson Del Mastro / Prof. Helena S. Del Mastro
Espíndola
Faculdade de Tecnologia de Sorocaba
73
73
Desenho Técnico Mecânico II – Prof. M. Sc. Edson Del Mastro / Prof. Helena S. Del Mastro
Espíndola
Faculdade de Tecnologia de Sorocaba
74
74
Desenho Técnico Mecânico II – Prof. M. Sc. Edson Del Mastro / Prof. Helena S. Del Mastro
Espíndola
Faculdade de Tecnologia de Sorocaba
75
75
CHAVETA
Chaveta é um elemento de máquina que serve para transmitir potência do
eixo para a roda (polias, engrenagens, volantes, etc.), fazendo-os girar
solidariamente. Fabricada em aço ela se interpõe em uma cavidade de um eixo e de
um cubo.
DIN 6885
Dimensões nominais: b x h x l
d
acima de
10 12 17 22 30 38 44 50 58 65 75 85 95 110 130 150
até 12 17 22 30 38 44 50 58 65 75 85 95 110 130 150 170
b 4 5 6 8 10 12 14 16 18 20 22 25 28 32 36 40
h 4 5 6 7 8 8 9 10 11 12 14 14 16 18 20 22
t1 2,4 2,9 3,5 4,1 4,7 4,9 5,5 6,2 6,8 7,4 8,5 8,7 9,9 11,1 12,3 13,5
t2 1,7 2,2 2,6 3 3,4 3,2 3,6 3,9 4,3 4,7 5,6 5,4 6,2 7,1 7,9 8,7
l
de 10 12 16 20 25 32 40 45 50 56 65 70 80 90 100 110
até 45 56 70 90 110 140 160 180 200 220 250 250 315 355 400 400
I normalizado: 10, 12, 14, ..., 22, 25, 28, 32,36, 40, 45, 50 56 63, 70 80 110, 125, 140, 160, ..., 220, 250,
280, 315, 355, 400
TIPO TIPO
Chaveta A bxhxl DIN 6885 f.1
Exemplo: ―Chaveta A 8x12x60 DIN 6885 f.1‖
Desenho Técnico Mecânico II – Prof. M. Sc. Edson Del Mastro / Prof. Helena S. Del Mastro
Espíndola
Faculdade de Tecnologia de Sorocaba
76
76
Chaveta A bxhxl DIN 6885 f.1Chaveta A bxhxl DIN 6885 f.1Chaveta A bxhxl DIN 6885 f.1
Desenho Técnico Mecânico II – Prof. M. Sc. Edson Del Mastro / Prof. Helena S. Del Mastro
Espíndola
Faculdade de Tecnologia de Sorocaba
77
77
Desenho Técnico Mecânico II – Prof. M. Sc. Edson Del Mastro / Prof. Helena S. Del Mastro
Espíndola
Faculdade de Tecnologia de Sorocaba
78
78
Montagem com chaveta e anel elástico
Desenho Técnico Mecânico II – Prof. M. Sc. Edson Del Mastro / Prof. Helena S. Del Mastro
Espíndola
Faculdade de Tecnologia de Sorocaba
79
79
Chaveta e anel elástico
Desenho Técnico Mecânico II – Prof. M. Sc. Edson Del Mastro / Prof. Helena S. Del Mastro
Espíndola
Faculdade de Tecnologia de Sorocaba
80
80
Desenho Técnico Mecânico II – Prof. M. Sc. Edson Del Mastro / Prof. Helena S. Del Mastro
Espíndola
Faculdade de Tecnologia de Sorocaba
81
81
Desenho Técnico Mecânico II – Prof. M. Sc. Edson Del Mastro / Prof. Helena S. Del Mastro
Espíndola
Faculdade de Tecnologia de Sorocaba
82
82
Desenho Técnico Mecânico II – Prof. M. Sc. Edson Del Mastro / Prof. Helena S. Del Mastro
Espíndola
Faculdade de Tecnologia de Sorocaba
83
83
Desenho Técnico Mecânico II – Prof. M. Sc. Edson Del Mastro / Prof. Helena S. Del Mastro
Espíndola
Faculdade de Tecnologia de Sorocaba
84
84
EIXOS ENTALHADOS
SÉRIE LEVE SÉRIE MÉDIA Constr. de Máquinas Ferramentas
DIN 5462 DIN 5463
4 ENTALHES
DIN 5471
6 ENTALHES DIN
5472
z x d1 x d2 b
centragem
z x d1 x d2 b
centragem Centragem interna
d1 x d2 x b d1 x d2 x b
6 x 23 x 26 6
interna
6 x 11 x 14 3
interna
11 x 15 x 3 21 x 25 x 5
6 x 26 x 30 6 6 x 13 x 16 3,5 13 x 17 x 4 23 x 28 x 6
6 x 28 x 32 7 6 x 16 x 20 4 16 x 20 x 6 26 x 32 x 6
8 x 32 x 36 6
internaoupelosflancos
6 x 18 x 22 5 18 x 22 x 6 28 x 34 x 7
8 x 36 x 40 7 6 x 21 x 25 5 21 x 25 x 8 32 x 38 x 8
8 x 42 x 46 8 6 x 23 x 28 6 24 x 28 x 8 36 x 42 x 8
8 x 46 x 50 9 6 x 26 x 32 6 28 x 32 x 10 42 x 48 x 10
8 x 52 x 58 10 6 x 28 x 34 7 32 x 38 x 10 46 x 52 x 12
8 x 56 x 62 10 8 x 32 x 38 6
internaoupelosflancos
36 x 42 x 12 52 x 60 x 14
8 x 62 x 68 12 8 x 36 x 42 7 42 x 48 x 12 58 x 65 x 14
10 x 72 x 78 12 8 x 42 x 48 8 46 x 52 x 14 62 x 70 x 16
10 x 82 x 88 12 8 x 46 x 54 9 52 x 60 x 14 68 x 78 x 16
10 x 92 x 98 14 8 x 52 x 60 10 58 x 65 x 16 72 x 82 x 16
10 x 102 x 105 16 8 x 55 x 65 10 62 x 70 x 16 78 x 90 x 16
10 x 112 x 120 18 8 x 62 x 72 12 68 x 78 x 16 82 x 95 x 16
10 x 72 x 82 12 88 x 100 x 16
10 x 82 x 92 12 DIN 5471 92 x 105 x 20
DIN 5462 e DIN 5463 10 x 92 x 102 14 e 98 x 110 x 20
Eixo entalhado 10 x 102 x 112 16 DIN 5472 105 x 120 x 20
z x d1 x d2 10 x 112 x 125 18 Eixo entalhado 115 x 130 x 20
d1 x d2 x b 130 x 145 x 24
dc= diâm. interno ou
menor do entalhado
Desenho Técnico Mecânico II – Prof. M. Sc. Edson Del Mastro / Prof. Helena S. Del Mastro
Espíndola
Faculdade de Tecnologia de Sorocaba
85
85
Desenho Técnico Mecânico II – Prof. M. Sc. Edson Del Mastro / Prof. Helena S. Del Mastro
Espíndola
Faculdade de Tecnologia de Sorocaba
86
86
Desenho Técnico Mecânico II – Prof. M. Sc. Edson Del Mastro / Prof. Helena S. Del Mastro
Espíndola
Faculdade de Tecnologia de Sorocaba
87
87
Polias
São usadas como elementos de transmissão de potência e tem como grande
vantagem o custo relativamente baixo de construção, pois não exige caixa fechada
como no caso dos redutores. Basicamente podem ser lisas para correias planas e
com ranhuras para correias trapezoidais.
O uso da correia trapezoidal é bem mais comum o que se deve ao seu melhor
desempenho mecânico. Além disso, os fabricantes de correias trapezoidais
apresentam grande gama de dimensões que são encontradas com facilidade no
comércio especializado, o que facilita a execução do projeto.
A transmissão por correia oferece vantagens tais como:
 construção relativamente simples
 funcionamento silencioso
 boa capacidade de absorção de choques
Em contraposição temos como desvantagens:
 maiores dimensões com relação às engrenagens
 grandes distâncias entre eixos
 menor vida útil
A transmissão admite um alto rendimento, da ordem de 95 a 98%.
A relação de transmissão pode variar de 1 a 8.
Desenho Técnico Mecânico II – Prof. M. Sc. Edson Del Mastro / Prof. Helena S. Del Mastro
Espíndola
Faculdade de Tecnologia de Sorocaba
88
88
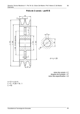
Polia de 2 canais – perfil B
raios dos canais = r1
ângulos de fundição = 3º
raios não especificados = r2
L= 2 t + s (n-1)
L = 2 . 11,50 + 19 . 1
L = 42
d + t2 = 29
Desenho Técnico Mecânico II – Prof. M. Sc. Edson Del Mastro / Prof. Helena S. Del Mastro
Espíndola
Faculdade de Tecnologia de Sorocaba
89
89
Dimensões dos canais das polias “V”
Perfil
Ângulo do canal
t s w y z h k x R4
Diâmetro
externo (mm)
Graus
A
de 75 a 170
acima de 170
34º
38º
9,5 15 13 3 2 13 5 5 1
B
de 130 a 240
acima de 240
34º
38º
11,5 19 17 3 2 17 6,5 6,25 1
C
de 200 a 350
acima de 350
34º
38º
15,25 25,5 22,5 4 3 22 9,5 8,25 1,5
D
de 300 a 450
acima de 450
36º
38º
22 36,5 32 6 4,5 28 12,5 11 1,5
E
de 485 a 630
acima de 630
36º
38º
27,25 44,5 38,5 8 6 33 16 13 1,5
Largura L = 2 t + s (n-1)
n = número de canais
4
Não é necessário desenhar, mas sim indicar no desenho. v. pg.91
Desenho Técnico Mecânico II – Prof. M. Sc. Edson Del Mastro / Prof. Helena S. Del Mastro
Espíndola
Faculdade de Tecnologia de Sorocaba
90
90
ER – 44 – 01 Exercício resolvido de Polia ―V‖
Problema:
Numa transmissão com 3 CV e com 3 correias ―V‖, perfil ―A‖, a polia motora (1) gira a
1160 rpm. Determinar e desenhar a polia movida (2) sabendo-se que esta gira a 320
e que a largura do seu cubo é de 54mm.
Solução:
[símbolos e fórmulas conf. Normas (chaveta e polia) e apostila ―Alívio em Rodas‖]
Dados do enunciado:
N=3; 3 canais; perfil ―A‖; n1=1160 rpm; n2= 320 rpm; Lc2=54
 L=2T+S(n-1)=2x9,5+15(3-1)=49; h=13; k=5; x=5
 De1=75 não sendo dado, adotar o mínimo da norma)
 Dn1=De1-2x=75-2x5=65
 a2=6 (v.gráfico
5
) ; rf2=2; y2
=2
 Dn2=
n1.Dn1
n2
=
1160x65
320
=235,6
 De2=Dn2+2x=235,6+2x5=245,6
 Di2=De2-2h=245,6-2x13=219,6
 da2=De2-2(h+k)=245,6-2(13+5) 209
 de2=90√
N
n2
3
+2t1=90√
3
320
3
+2x4,1 28 (para aço ABNT 1050 conf.STIPKOVIC)
 dc2=1,6de2+2t2=1,6x28+2x3 51
 dm2=
da2+dc2
2
=
209+51
2
=130
 dfmáx2=
da2-dc2
2
-2(rf2+y2
)=
209-51
2
-2(2+2)=71
 sen o 2=
dfmáx2 +2a2
dm2
=
71+2x6
130
=0,6384→ o 2=39,68°
 nfo 2=
180°
o 2
=
180°
39,68°
4,537 furos→5 furos de df2
 sendo 5 furos, 2=
180°
5
=36°
 df2=sen 2.dm2-2a2=sen 36°x130-2x6=64
portanto: 5 furos de 64; a2=6; rf2; y2
=2
ver desenho ER-44-01 na página seguinte
5
Conf. N, n2, Dn2
Desenho Técnico Mecânico II – Prof. M. Sc. Edson Del Mastro / Prof. Helena S. Del Mastro
Espíndola
Faculdade de Tecnologia de Sorocaba
91
91
Formato A4
Desenho Técnico Mecânico II – Prof. M. Sc. Edson Del Mastro / Prof. Helena S. Del Mastro
Espíndola
Faculdade de Tecnologia de Sorocaba
92
92
ER-44-02
Problema:
Numa transmissão com 10 CV e com 3 correias ―V‖, perfil ―B‖, a polia motora (1) gira
a 870 rpm e seu diâmetro externo é de 145 mm.
Determinar e desenhar a polia movida (2) sabendo-se que esta gira a 580 e que a
largura do seu cubo é de 73mm.
Solução:
[símbolos e fórmulas conf. Normas (chaveta e polia) e apostila ―Alívio em Rodas‖]
Dados do enunciado:
N=10; 3 canais; perfil ―B‖; n1=870 rpm; De1=145; n2= 580; Lc2=73
 L=2T+S(n-1)=2x11,5+19(3-1)=61; h=17; k=6,5; x=6,25
 Dn1=De1-2x=145-2x6,5=132,5
 Dn2=
n1.Dn1
n2
=
870x132,5
580
=198,7
 De2=Dn2+2x=198,7+2x6,25=211,2
 Di2=De2-2h=211,2-2x17=177,2
 da2=De2-2(h+k)=211,2-2(17+6,5) 164
 de2=90√
N
n2
3
+2t1=90√
580
3
+2x4,7 33
 dc2=1,6de2+2t2=1,6x33+2x3,4 60
 a2=7 (v. gráfico); rf2=2; y2
=2
 dm2=
da2+dc2
2
=
164+60
2
=112
 dfmáx2=
da2-dc2
2
-2(rf2+y2
)=
164-60
2
-2(2+2)=44
 sen o 2=
dfmáx2 +2a2
dm2
=
44+2x7
112
=0,5178→ o 2=31,19°
 nfo 2=
180°
o 2
=
180°
31,19°
5,77 furos→6 furos de s ou 4 furos oblongos
 Faremos 4 furos oblongos
ver desenho ER-44-02 na página seguinte
Desenho Técnico Mecânico II – Prof. M. Sc. Edson Del Mastro / Prof. Helena S. Del Mastro
Espíndola
Faculdade de Tecnologia de Sorocaba
93
93
Desenho Técnico Mecânico II – Prof. M. Sc. Edson Del Mastro / Prof. Helena S. Del Mastro
Espíndola
Faculdade de Tecnologia de Sorocaba
94
94
EXERCÍCIOS PROPOSTOS SOBRE POLIAS ―V‖
EP – 44 – 01
Numa transmissão de 10 cv por correias ―V‖, perfil ―B‖, 3 correias, a polia motora (1) gira a
870 rpm e tem diâmetro externo=140. Determinar e calcular a polia movida (2) sabendo-se
que esta deverá girar a 420 rpm e tem largura do cubo=82. A roda deverá ter um alívio de
peso com alma vazada, furos redondos ou oblongos.
EP – 44 – 02
Numa transmissão de 2 cv por correias ―V‖, perfil ―A‖, 2 canais, a polia motora (1) gira a 1160
rpm. Determinar e desenhar a polia movida (2) sabendo-se que esta deverá girar a 440 rpm
e tem largura do cubo = 34. Prever um alívio de peso com alma vazada, furos redondos ou
oblongos.
EP – 44 – 03
Numa Transmissão de 12,5 cv por correias ―V‖, perfil C, 2 canais, a polia motora (1) gira a
370 rpm e tem De1=270. Determinar e desenhar a polia movida (2) sabendo-se que a
relação de transmissão i=1,5917, largura do cubo=82 (com 2 rasgos de chaveta a 180°).
Prever um alívio de peso com alma vazada, furos redondos ou oblongos.
EP – 44 – 04
Numa transmissão de 6cv por 4 correias ―V‖, perfil ―B‖, a polia motora (1) gira a 520 rpm.
Determinar e desenhar a polia movida (2) sabendo-se que esta deverá girar a 288 rpm e
que a largura do seu cubo é de 84.
Fazer alívio de peso com alma vazada, furos redondos ou oblongos
EP – 44 – 05
Numa transmissão de 7,5 cv, por 3 correias ―V‖, perfil ―C‖, a polia motora (1) gira a 231 rpm e
seu diâmetro externo tem 270 mm.
Determinar e desenhar a polia motora (2), sabendo-se que esta deverá girar a 150 rpm e
que a largura do seu cubo é de 84 mm. (2 chavetas A 12x8x80 DIN 6885 st – 2 à 180°).
Desenho Técnico Mecânico II – Prof. M. Sc. Edson Del Mastro / Prof. Helena S. Del Mastro
Espíndola
Faculdade de Tecnologia de Sorocaba
95
95
Engrenagens
1. Tipos e aplicações
Engrenagens são elementos de máquinas cuja finalidade é a transmissão de
potência entre os eixos que podem ser paralelos concorrentes ou reversos.
Conforme o acabamento as engrenagens podem apresentar altos rendimentos nas
transmissões, além de suportar grandes esforços; são particularmente práticas
quando se desejam variações de velocidades, como no caso dos câmbios de
veículos e caixas de velocidades das máquinas operatrizes.
Quanto à forma externa (sólido básico) as engrenagens podem ser: cilíndricas,
cônicas ou hiperboloidais.
Quanto à forma dos dentes podem ser:
de dentes retos ou de dentes helicoidais
Engrenagens cilíndricas Engrenagens cônicas
Desenho Técnico Mecânico II – Prof. M. Sc. Edson Del Mastro / Prof. Helena S. Del Mastro
Espíndola
Faculdade de Tecnologia de Sorocaba
96
96
2. Exemplos dos vários tipos
ECR
- dentes retos
- cilíndricas
- eixos paralelos
- i até 8 (ideal)6
- cilíndricas
- dentes helicoidais (uma
com hélice à direita, outra
à esquerda)
- eixos paralelos
- funcionamento
silencioso
- cilíndricas
- dentes helicoidais
(ambas com hélice na
mesma direção)
- eixos reversos (para
pequenas cargas)
- i de 1 a 5
Pinhão-cremalheira
- cilíndricas
- cremalheira
- eixos paralelos
6
i= relação de transmissão =
1
2
2
1
z
z
n
n

Desenho Técnico Mecânico II – Prof. M. Sc. Edson Del Mastro / Prof. Helena S. Del Mastro
Espíndola
Faculdade de Tecnologia de Sorocaba
97
97
- cônicas
- dentes retos
- eixos concorrentes
- i até 6 (ideal)
- cônicas
- dentes inclinados
- eixos concorrentes
- cônicas
- dentes helicoidais
(curvos)
- eixos concorrentes
Hiperboloidais ou
hipoidais
- dentes curvos
- eixos reversos (caso
mais comum: ortogonais)
Sem-fim-e-coroa
- baixo rendimento (ƞ)
- o eixo motor é o sem-
fim
- i ~ 13 a um n° muito
grande
Desenho Técnico Mecânico II – Prof. M. Sc. Edson Del Mastro / Prof. Helena S. Del Mastro
Espíndola
Faculdade de Tecnologia de Sorocaba
98
98
3. Nomenclatura
Num par de engrenagens engrenadas temos uma motora e outra movida. A de
menor dimensão é chamada pinhão e a outra coroa.
Define-se como relação de transmissão i:
Resumindo as várias possibilidades:
i > 1 isto é n1 > n2 – redutor de velocidades
i < 1 isto é n1 < n2 – ampliador de velocidades
i = 1 isto é n1 = n2 – transmissão sem variação de velocidades
Algumas publicações indicam a relação de transmissão através da forma 1 : i.
A letra Z é tradicionalmente usada para indicar o nº de dentes das engrenagens e
um índice (1, 2, etc) para caracterizar uma posição.
Desenho Técnico Mecânico II – Prof. M. Sc. Edson Del Mastro / Prof. Helena S. Del Mastro
Espíndola
Faculdade de Tecnologia de Sorocaba
99
99
Cremalheira de referência
p = π.m
e=v
ha = 1 . m
hd = 1,25 . m
α = 20º
p = passo
m = módulo
Cp = π . dp
Cp = p . z
π . dp = p . z
π . dp = π . m . z
Di = dp - 2 . hd
Di = m . z - 2 . 1,25 . m
De = dp + 2 . ha
De = m . z + 2 . m
h = ha + hd = 1m + 1,25m
i = relação de transmissão (ou rel. de velocidade)
i =
1
2
2
1
z
z
n
n

Dp = m . z
Di = m (z - 2,5) De = m (z + 2)
h = 2,25 m
Desenho Técnico Mecânico II – Prof. M. Sc. Edson Del Mastro / Prof. Helena S. Del Mastro
Espíndola
Faculdade de Tecnologia de Sorocaba
100
100
4. Geometria dos dentes
De = diâmetro externo
Di = diâmetro interno
Dp = diâmetro primitivo
p = passo
v = vão do dente
e = espessura do dente
ha = altura da cabeça (adendo)
hd = altura do pé (dedendo)
Desenvolvendo a engrenagem pelo diâmetro primitivo, temos:
(módulo)
portanto:
, mas construtivamente ha = m
portanto:
hddpdi .2 , mas construtivamente hd = 1,2 a 1,3m
portanto:
Módulos normalizados
0,25 – 0,50 – 0,75 – 1..................................... 3,75 – 4,00 (variação 0,25)
4,00 – 4,5 – 5.............................................................7,00 (variação 0,50)
7,00 – 8,00 – 9,00 – 10,0.........................................16,00 (variação 1,00)
pzdp ..  z
p
dp

 m
p


hadpde .2
dp = m . z
de = m (z + 2)
di = m (z – 2,5)
Desenho Técnico Mecânico II – Prof. M. Sc. Edson Del Mastro / Prof. Helena S. Del Mastro
Espíndola
Faculdade de Tecnologia de Sorocaba
101
101
5. Geometria do Engrenamento
6. Dentes Helicoidais (ECH)
Desenho da engrenagem cilíndrica de
dentes retos
Na face lateral temos a engrenagem
aparente de onde tiramos o passo frontal
ou aparente. Sendo α o ângulo de hélice
temos:
cos
pf
pn Sendo:
pn = passo normal
pf = passo frontal
ou
mn = mf . cosα
Sendo :
ou
mn = módulo
normal
mf = módulo frontal
dp = mf . z
cos
.zmn
dp 
Desenho Técnico Mecânico II – Prof. M. Sc. Edson Del Mastro / Prof. Helena S. Del Mastro
Espíndola
Faculdade de Tecnologia de Sorocaba
102
102
7. Representação simplificada
7.1 – Engrenagem cheia
7.2 – Engrenagem com alma cheia
Desenho Técnico Mecânico II – Prof. M. Sc. Edson Del Mastro / Prof. Helena S. Del Mastro
Espíndola
Faculdade de Tecnologia de Sorocaba
103
103
7.3 – Engrenagem com alma vazada
7.4 – Representação de um engrenamento
Desenho Técnico Mecânico II – Prof. M. Sc. Edson Del Mastro / Prof. Helena S. Del Mastro
Espíndola
Faculdade de Tecnologia de Sorocaba
104
104
ENGRENAGENS
A TABELA ABAIXO DEVE CONSTAR NO DESENHO DE FABRICAÇÃO
ISO/R 1340-1971
Para ECR e ECH
CARACTERÍSTICAS DOS DENTES
Módulo 5
Nº de dentes 44
Cremalheira de Ref. ABNT PB-89 20°
Ângulo da hélice 23,56°
Direção do Ângulo da
Hélice
À direita
Diâmetro primitivo 240
Fator de correção x.m 0
Medida w sobre 6 dentes 85,13 04,0
06,0


Classe de Qualidade 6 (ISO 1328)
Distância entre centros 240±0,02
Engrenagem conjugada Z=44
desenho nº 345
Obs: Para engrenagens cônicas V. ISO/R 1341
Desenho Técnico Mecânico II – Prof. M. Sc. Edson Del Mastro / Prof. Helena S. Del Mastro
Espíndola
Faculdade de Tecnologia de Sorocaba
105
105
Método rápido e eficaz que simplifica a medição dos dentes de uma
engrenagem com independência absoluta do diâmetro exterior.
Fórmula baseada sobre o método da formação da evolvente.*
A distância W é constante sendo tangente do círculo base da curva de uma evolvente* e entre
qualquer dos lados opostos de dois dentes.
A figura demonstra graficamente que as distâncias FG e SZ, tangentes ao círculo base, são
constantes.
A medida tomada no paquímetro ou micrômetro é a efetiva da espessura do dente segundo o
círculo base em espessura; segundo o círculo primitivo obtém-se da relação






 )(
2
2 1tg
R
Eb
RbEp , sendo Ep= espessura do dente no primitivo; Eb = espessura do
dente no círculo base; Rb = raio do círculo base; d = ângulo de pressão**.
* Evolvente é a curva gerada, por um ponto de uma reta, quando esta última rola, sem deslizar,
sobre a circunferência de um círculo.
** Ângulo de pressão é o ângulo formado no ponto de contato sobre o círculo primitivo de uma
engrenagem, entre a tangente ao círculo primitivo e a normal à evolvente.
Medida W – Fórmulas simplificadas
Para α=14º30’
W = m [(3,04280xC)+1,5218+(0,00514xZ)]
Para α=15º
W = m [(3,03455xC)+1,5177+(0,00594xZ)]
Para α=20º
W = m [(2,952xC)+1,476+(0,014xZ)]
m=Módulo
C=Número do intervalos de dentes no comprimento
a medir
Z=Número total e dentes da engrenagem
α=Ângulo de pressão
Nºmínimode
intervalosde
dentes
Tábua para a seleção do número de intervalos
dos dentes entre os apalpadores do calibre de
medição.
Ângulo de pressão
14º30’ 17º 20º 22º30’ 25º
C Número de dentes
1 12-25 12-21 12-18 12-16 12-14
2 26-37 22-32 19-27 17-24 15-21
3 38-50 33-42 28-36 25-32 22-29
4 51-62 43-53 37-45 33-40 30-36
5 63-75 54-64 46-54 41-48 37-43
6 76-87 65-74 55-63 49-56 44-51
7 88-100 75-85 64-72 57-64 52-58
8 - 86-96 73-81 65-72 59-65
Desenho Técnico Mecânico II – Prof. M. Sc. Edson Del Mastro / Prof. Helena S. Del Mastro Espíndola
Faculdade de Tecnologia de Sorocaba
107
107
ER – 46 – 01 Exercício Resolvido de Engrenagem
Numa transmissão por engrenagens (ECR), a potencia é de 3,5 CV, o módulo = 4,5
pinhão tem 17 dentes, módulo = 4,5; largura 34 (no dentado) e gira a 1145 rpm.
Calcular e desenhar a coroa, sabendo-se que esta deve girar aprox. a 494 rpm; largura do
cubo = 38; espessura da alma = 8. Deverá ter um alívio de peso com alma vazada, furos
redondos.
Solução:
[símbolos e fórmulas conf. Normas (chaveta e polia) e apostila ―Alívio em Rodas‖]
Dados do enunciado:
N=10; 3 canais; perfil ―B‖; n1=870 rpm; De1=145; n2= 580; Lc2=38
m = 4,5; z1 = 17 dentes; N = 3,5 CV; n1 = 1145 rpm; b1 = 34; n2 ~ 494 rpm; Lc2 = 38; a2= 8
(dados acima)
   
   
   
       
 
   
 
 
 
 
 
 
    126
2
39174,5
2
zzm
Lec
2e1rodasdascentrososentredistânciaLec
0144ERV.40dffuros;5furos!5,10
35,26
180º
α
180º
nf
35,26α0,577
97
1640
dm
2adf
senα
4022,52
2
48146
yrf2
2
dcda
df
2e1tabelasver:yeRf*322342bb
97
2
48146
2
dcda
dm
486,472x31,6x262t1,6dedc
2648,251,4228,1728,245,3228,17.2
494
5,3
90290de
146146,25910,1252184,5Keh2Deda
9Kevalor)maioro(adotado4,52ou82mouaKe
175,5394,5zmDp
10,1254,52,252,25mh
184,52394,52zmDe
3939,4
494
171145
n
zn
zznzn
21
1,2
1,2
max2
20
20
20
2
2máx2
20
22
22
máx2
2212
22
2
2(2)22
1
3
13
2
2
222
222
22
22
2
11
22211





































mmtt
n
N
W=     zCm  014,0476,1952,2
m=módulo
C=número de intervalos entre dentes (V. tabela pág. 101)
z=nº de dentes
W2=     22 z0,0141,476C2,952m 
W2=      62,23390,0141,47642,952m 
Desenho Técnico Mecânico II – Prof. M. Sc. Edson Del Mastro / Prof. Helena S. Del Mastro Espíndola
Faculdade de Tecnologia de Sorocaba
108
108
Ø48
Ø97-5furosequidistantes
Ø40 5
Desenho Técnico Mecânico II – Prof. M. Sc. Edson Del Mastro / Prof. Helena S. Del Mastro Espíndola
Faculdade de Tecnologia de Sorocaba
109
109
ER – 46 – 02 Exercício Resolvido de Engrenagem
Determinar e desenhar o pinhão do par engrenado que tem módulo = 3; relação de
transmissão ~ 2,347 e deve ter uma distância entre centros das rodas de 150±5. A largura
dentada da coroa é 38. O pinhão tem furo para eixo = 22; largura do cubo = 48 e alma =
7. Fazer alívio com alma vazada, furos redondos.
Solução:
(símbolos e fórmulas conforme norma de chaveta e apostilas de DTM II e ―Alívio de
Rodas‖)
m = 3; i ~ 2,347; Lec1,2 = 150±5; b2 = 38; de1 = 22; Lc1 = 48; a1 = 7 (dados acima)
   
 
 
 
 
 
2,333...
30
70
i
150
2
7030
3Lce:conferindo
70z30;z:tentativa1ª
70?70,4302,347izz
30?29,8
3,3473
1502
z
i1m
2Lce
zi1zizz
m
2Lce
2
zzm
Lce
zz
z
z
i
1,2
21
12
1
1,2
1111
1,221
1,2
12
1
2














 i
Satisfatório. Isto é, i e Lce1,2 dentro do previsto.
Resolver o pinhão (roda 1):
   
   
   
        ?5,5222
2
4168
yrf2
2
1
dc
1
da
máx1
df
402382
2
b
1
b
55
2
4168
2
1
dc
1
da
1
dm
412x2,61,6x22t1,6de
1
dc
6868,576,75296
1
Keh2
1
De
1
da
7
1
Kevalor)maioro(adotar32ou72mou
1
a
1
Ke
90303
1
zm
1
Dp
6,7532,252,25mh
9623032
1
zm
1
De
11
2(1)1

















2
Regra prática: não fazer furos de alívio, isto é, fazer alma cheia quando:
df<20 (rodas de Fofo e aço Fofo)
df<12 [fundição sob pressão (zamac), sinterizados e injetados (polímeros)]
W1=     11 z0,0141,476C2,952m 
W1=      32,256300,0141,47632,952m 
Desenho Técnico Mecânico II – Prof. M. Sc. Edson Del Mastro / Prof. Helena S. Del Mastro Espíndola
Faculdade de Tecnologia de Sorocaba
110
110
Ø41
Desenho Técnico Mecânico II – Prof. M. Sc. Edson Del Mastro / Prof. Helena S. Del Mastro Espíndola
Faculdade de Tecnologia de Sorocaba
111
111
Exercícios propostos sobre engrenagens (ECR)
EP – 46 – 01
Numa transmissão por engrenagens (ECR), a potencia é de 1,5 CV o pinhão tem 19
dentes; módulo=2,5; largura 30 (no dentado) e gira a 850 rpm.
Calcular e desenhar a coroa, sabendo-se que esta deve girar aprox. a 310 rpm; largura do
cubo=34; espessura da alma=6. Deverá ter um alívio de peso com alma vazada, furos
redondos. Mat.: fofo DIN GG – 18.
EP – 46 – 02
Determinar e desenhar o pinhão do par engrenado (ECR) do qual a potencia é de 2 CV,
tem módulo=4; relação de transmissão ~ 1,877 e deve ter uma distância entre centros das
rodas de 200 ± 6. A largura dentada da coroa é 34 e gira a 850 rpm. O pinhão tem largura
do cubo=40 e alma=7. Alívio com alma vazada, furos redondos. Mat.: fofo ABNT FC 15.
EP – 46 – 03
Numa transmissão por engrenagens (ECR) a potencia é de 4 CV, o pinhão tem 27 dentes;
módulo=3,5; largura 45 (no dentado) e gira a 1200 rpm. Calcular e desenhar a coroa,
sabendo-se que esta tem largura do cubo=53; espessura da alma=8. A relação de
transmissão é ~ 3,417. Deverá ter um alívio de peso com alma vazada, furos redondos.
Mat.: fofo DIN GGG 45.
EP – 46 – 04
Numa transmissão por engrenagens (ECR) a potencia é de 4,5 CV, o pinhão tem 29
dentes; módulo=3,5; largura 45 (no dentado) e gira a 1050 rpm. Calcular e desenhar a
coroa, sabendo-se que esta tem largura do cubo=50; espessura da alma=8. A relação de
transmissão é ~3,234. Deverá ter um alívio de peso com alma vazada, furos especiais, 5
braços – V. apostilas ―Alívio em Rodas‖. Mat.: aço fofo SAE 1112.
Desenho Técnico Mecânico II – Prof. M. Sc. Edson Del Mastro / Prof. Helena S. Del Mastro Espíndola
Faculdade de Tecnologia de Sorocaba
112
112
Rolamentos
Os rolamentos são elementos de máquinas que servem como suporte de eixos que
giram e estão sujeitos a cargas; estas atuam sobre os rolamentos que, por suas
características construtivas devem suportar estes esforços durante um tempo que é
definido como a vida útil do mancal. Os rolamentos são fornecidos prontos por grandes
fabricantes tais como: FAG, SKF, TIMKEN e outros; cabe ao projetista a escolha do tipo e
das dimensões, o que só pode ser feito com o conhecimento das características de cada
tipo de rolamento.
Basicamente podemos classificar as cargas como Radiais (Fr) e Axiais (Fa). Uma
série de rolamentos é feita visando suportar Fr e são chamados Rolamentos Radiais.
Outra série de rolamentos é feita para suportar Fa e são chamados de Rolamentos
Axiais. Alguns rolamentos devem, algumas vezes, suportar simultaneamente Fa e Fr; as
duas séries citadas apresentam alguns tipos de rolamentos para cargas combinadas (Fa
e Fr).
Construtivamente podemos considerar a seguinte divisão:
- Rolamentos de Esferas
- Rolamentos de Rolos
Esferas e Rolos constituem os ''corpos rolantes'' que visam reduzir os atritos do
mancal e conferir ao rolamento um alto rendimento mecânico (cerca de 88% ou n=0,88).
Podem, também, serem rígidos, parcialmente rígido, desmontáveis e auto-
compensadores.
Os principais tipos de rolamentos são:
Para cargas radiais- Rol. rígido de esferas
Rol. de rolos cilíndricos
Rol. auto-compensador de esferas
Rol. auto-compensador de rolos.
Rolamento rígido
de esferas
Rolos cilíndricos Auto-compensadores
de esferas
Auto-compensadores
de rolos
Para cargas axiais- Rol. axial de escora simples de esferas
idem com placa e contra-placa esférica
Rol. axial de escora dupla de esferas
idem com placa e contra-placa esférica
Rol. axial auto-compensador de rolos.
Desenho Técnico Mecânico II – Prof. M. Sc. Edson Del Mastro / Prof. Helena S. Del Mastro Espíndola
Faculdade de Tecnologia de Sorocaba
113
113
Para cargas combinados- Rol. rígido de uma carreira de esferas
Rol. de rolos cilíndricos com flanges
Rol. de esferas de contato angular
Rol. auto-compensador de esferas
Rol. auto-compensador de rolos
Rol. de rolos cônicos.
Os rolamentos auto-compensadores são aplicados quando houver desalinhamento
entre o eixo e o furo da caixa.
Para cargas pequenas e médias e rotações elevadas é indicado com o uso de
rolamentos de esferas.
Com cargas elevadas e possibilidade de choques são aplicados rolamentos de
rolos.
A escolha do rolamento adequado deve ser feita tendo-se a mão o catálogo do
fabricante. A escolha deve se processar em duas etapas: 1) escolha do tipo com base nas
condições de aplicação do rolamento. 2) determinção das dimensões tendo como
referência as cargas aplicadas no rolamento, sua velocidade e a duração desejada, esta
expressa, geralmente em horas de funcionamento.
Axial de escora simples Contato angular
Axial de escora dupla Rolos cônicos
Desenho Técnico Mecânico II – Prof. M. Sc. Edson Del Mastro / Prof. Helena S. Del Mastro Espíndola
Faculdade de Tecnologia de Sorocaba
114
114
Numeração
Os primeiros algarismos do número de um rolamento se referem as séries de
diâmetro externo e de largura: os dois últimos algarismos definem o diâmetro interno do
rolamento. A relação é o seguinte:
final d final x 5 = d
00 10 04 x 5 20
01 12 05 x 5 25
02 15 ...
03 17 20 x 5 100
...
Exemplo:
FAG 6006 SKF 6306
FAG - nome do fabricante SKF - nome do fabricante
6 - rolamento rígido de esferas 6 - rolamento rígido de esferas
0 - D=55 B=13 3 - D=72 B=19
06 - d=30 d=30
O número é normalizado internacionalmente sendo o código de numeração usado
por quase todos os fabricantes. Para construções especiais de um mesmo tipo adotam-se
letras após o número. Alguns tipos têm construções diferentes, adotando-se, neste caso,
letras antes do número.
Exemplo:
NU 204 NJ204 N204 6305N 6305NR 6305Z
NU NJ N
Construção
N
Construção
NR
Construção
Z
Desenho Técnico Mecânico II – Prof. M. Sc. Edson Del Mastro / Prof. Helena S. Del Mastro Espíndola
Faculdade de Tecnologia de Sorocaba
115
115
Rolamentos
Rolamentos são elementos de máquinas que suportam os eixos em seus
movimentos e estão sujeitos a cargas.
Mancais - de deslizamento (ou escorregamento)
- de rolamento
Hidrostático
- fluido pressurizado Hidrodinâmico
Aerostático
Classificações de rolamentos
1- Quanto ao elemento rolante
esferas
rolos cilíndricos
agulhas
rolos cônicos
rolos abaulados simétricos
rolos abaulados assimétricos
Desenho Técnico Mecânico II – Prof. M. Sc. Edson Del Mastro / Prof. Helena S. Del Mastro Espíndola
Faculdade de Tecnologia de Sorocaba
116
116
2- Quanto à direção da carga
- Carga radial
- Carga axial
- Carga combinada
Nomenclatura e cotas mais importantes
Fr
Fa
Desenho Técnico Mecânico II – Prof. M. Sc. Edson Del Mastro / Prof. Helena S. Del Mastro Espíndola
Faculdade de Tecnologia de Sorocaba
117
117
Rolamento rígido de uma carreira de esferas
Boukde
3
2
3
2

d = 50
D = 90 designação 6210
B = 20
r = 2
Rolamento de Rolos cilíndricos
lc=
2
B Ex. NU 211
NJ 211
N 211
d=55
D=100
B=21
r=2,5
r1=2
F=66,5
J=70,8
E=88,5
Desenho Técnico Mecânico II – Prof. M. Sc. Edson Del Mastro / Prof. Helena S. Del Mastro Espíndola
Faculdade de Tecnologia de Sorocaba
118
118
Rolamentos de contato angular
Rolamento Autocompensador de esferas
12.11
d=55
D=100
B=21
r=2.5
2
B
de 
7211B
d=55
D=100
B=21
r=2.5
r1=2
a=43
3211
d=55
D=100
B=33.3
r=2.5
a=71
Desenho Técnico Mecânico II – Prof. M. Sc. Edson Del Mastro / Prof. Helena S. Del Mastro Espíndola
Faculdade de Tecnologia de Sorocaba
119
119
Rolamento axial de esfera de escora simples
51118 Dw=120
dw=90
Dg=120
dg=92
H=22
r=1,5
Kde
3
2

ab
3
2

Rolamento axial com contra-placa esférica (escora simples)
53218
Kde
3
2

dw=90
dg=93
Dw=135
Dg=135
Su=13.5
R=100
h=38.5
r=2
du=110
Du=140
Hu=42
A=45
Desenho Técnico Mecânico II – Prof. M. Sc. Edson Del Mastro / Prof. Helena S. Del Mastro Espíndola
Faculdade de Tecnologia de Sorocaba
120
120
MONTAGENS DE ROLAMENTOS
PRINCÍPIO GERAL
Os mancais de rolamentos, ou simplesmente rolamentos, devem ser montados
formando uma estrutura isostática com eixo e caixas. Isso é necessário para evitar danos
nos mesmos durante a montagem e o funcionamento.7
¨ISOSTÁTICA: Diz-se da estrutura de um material quando as tensões relativas a uma seção qualquer
podem ser determinadas a partir das equações da estática (ou seja, estas equações são suficientes para
esta determinação). (Antônimo: HIPERESTÁTICO.)¨ (Enciclopédia LARROUSSE – Nova Cultural – S. Paulo
– 1999 – pg. 3252)
Traduzindo o acima: teremos tantas equações quantas forem as incógnitas (que é o mesmo número de
vínculos).
ESQUEMA GERAL DE 1 EIXO BIAPOIADO ISOSTATICAMENTE
∑ F = 0
∑ M = 0
1 – Apoio articulado fixo
2 – Apoio articulado móvel
F1, F2, ..., Fn = forças atuantes no trabalho (polias, engrenagens, etc.)
Fr1 = reação radial no apoio 1
Fr2 = reação radial no apoio 2
Fa1 = reação axial no apoio 1
Fig 1 – exemplo de estrutura isostática
7
- Se os 2 rolamentos estiverem bloqueados (constituindo uma estrutura hiperestática), poderão ocorrer
tensões acima das admissíveis entre os elementos rolantes e as pistas de rolamento, provocando
deformações maiores que as esperadas e ocasionando amassamento,ruptura ou descascamento dessas
partes. Essas tensões maiores ocorrem por diferenças dimensionais (axiais) devido a 3 origens: 1) dilatação
térmica (aquecimento em serviço); 2) geométrica (o eixo se flexiona devido às cargas radiais – engrenagens,
polias, etc. – exigindo uma distância menor entre os mancais; 3) somatória dos erros axiais das diversas
partes encostadas girantes x paradas (devido às tolerâncias dimensionais das diversas peças). Esta última
é, em geral, a mais grave. O rolamento livre deve compensar essas diferenças.
Desenho Técnico Mecânico II – Prof. M. Sc. Edson Del Mastro / Prof. Helena S. Del Mastro Espíndola
Faculdade de Tecnologia de Sorocaba
121
121
MONTAGEM COM 2 MANCAIS
O caso mais comum é cada mancal ser constituído por apenas 1 rolamento.
Neste caso, para existir a condição isostática, um rolamento deverá estar bloqueado e o
outro, livre8
.
Rolamento bloqueado – quando os 2 anéis (int. e ext.) estão presos axialmente,
ou seja, estão encostados em outras peças em ambos os lados9
. O rolamento bloqueado
suporta cargas radial (Fr) e axial (Fa). (Fig 2)
Rolamento livre – quando ao menos um dos anéis (int. ou ext.) estiver
desencostado em ambos os lados. O rolamento livre suporta apenas carga radial (Fr).
São recomendadas as montagens conforme Fig 3 e 4. É preferível quando o anel interno
é o bloqueado (ajuste mais apertado), Fig 3.
Fig 2 – rolam. bloqueado Fig 3 – rolam. livre Fig 4 – rolam. livre
Ainda sobre rolamento livre...
Montagens com ambos anéis desencostados conforme Fig 5 (com larga mobilidade
axial) não são recomendadas. Mas se a possibilidade de deslocamento axial estiver
limitada a alguns milímetros, isso pode ser aceitável. Fig 6 e 7.
Fig 5 – não recomendável Fig 6 – aceitável Fig 7 – aceitável
8
- A montagem do rolamento com interferência não evita seu deslocamento axial.
9
Exceções: rolamentos radiais separáveis são naturalmente livres. P. ex., rolamentos radiais de rolos
cilíndricos (N, NU), rolamento radial de agulhas.
Desenho Técnico Mecânico II – Prof. M. Sc. Edson Del Mastro / Prof. Helena S. Del Mastro Espíndola
Faculdade de Tecnologia de Sorocaba
122
122
Quando um dos mancais é muito mais solicitado que o outro10
, costuma-se usar 1
rolamento duplo ou 1 par de rolamentos para constituir esse mancal11
.
Incluem-se na categoria de rolamento duplo ou mais (rolamentos mais largos que
os simples - e suportando cargas maiores):
- rolamento radial rígido de 2 carreiras de esferas ;
- rolamento de contato angular de 2 carreiras (disposição em ¨O¨);
- rolamento de rolos cilíndricos de 2 carreiras;
- rolamento de rolos cilíndricos de 4 carreiras de furo cilíndrico ou cônico;
- rolamento de rolos cilíndricos com número máximo de rolos, de 2 carreiras;
- rolamento de agulhas combinado (esferas e agulhas);
- rolamento de rolos cônicos de 2 carreiras;
- rolamento de rolos cônicos de 4 carreiras;
- rolamento autocompensador de 2 carreiras de rolos de furo cilíndrico ou cônico;
- rolos de leva, seção larga (2 carreiras);
obs.: os rolamentos acima em geral são montados como bloqueados, exceto os de rolos cilíndricos (são
do tipo NNU ou NN). No caso dos autocompensadores, são usados 2 rolamentos (1 em cada mancal
12
) – 1
será bloqueado e o outro, livre.
Pares de rolamentos13
encostados um no outro ou muito próximos também são
usados constituindo um mancal. Os rolamentos para carga combinada (rol. de contato
angular e de rolos cônicos) são montados bloqueados. Os pares mais comuns são:
- rolamentos de contato angular, montados nas disposições: ¨tanden¨ (Fig 8) para carga
axial dobrada num só sentido; em ¨O¨ ou em ¨X¨ (Fig 9 e10) para ambos os sentidos.
Fig 8 - disposição “Tanden” Fig 9 - disposição em “O” Fig 10 - disposição em “X”
10
Isso acontece quando há uma grande carga extrapolada aos mancais. Por ex. no nariz do torno ou no
mancal próximo da ferramenta na fresadora vertical, na mandriladora universal, etc..
11
O uso de 1 rolamento simples no lugar de um duplo ou 1 par, resultaria em 1 rolamento de grandes
dimensões (em relação ao do outro mancal), acarretando dificuldades para o projeto (principalmente os
diâmetros de eixo e caixa muito maiores desse lado que do outro).
12
Como existem rolamentos autocompensadores de rolos com 1(também chamados de rol. de rolos
esféricos) ou 2 carreiras (os de esferas, só com 2), costuma-se colocar o de 1 carreira como mancal pouco
solicitado e o de 2, bloqueado, no lado de maior solicitação (por características geométricas, o de 2
carreiras está mais apto para suportar cargas axiais).
13
Dois rolamentos iguais.
Desenho Técnico Mecânico II – Prof. M. Sc. Edson Del Mastro / Prof. Helena S. Del Mastro Espíndola
Faculdade de Tecnologia de Sorocaba
123
123
- rolamentos de rolos cônicos, quando constituem um único mancal, em geral são
montados próximos, um contrário do outro e separados por um anel distanciador entre os
cones (disposição em ¨X¨ - face-to-face) Fig 11, ou entre as capas (disposição em ¨O¨-
back-to-back) Fig 12.
Fig 11 Fig 12
EXCEÇÕES
1 – Conjunto bloqueado
Para aplicações que exigem muita rigidez pode-se usar 2 rolamentos de rolos
cônicos (Fig 13) ou 2 de contato angular (Fig 14) perfazendo um conjunto bloqueado de 2
mancais – montados com alguma pré-carga.
Algumas vezes, porém, são montados com uma folga calculada para compensar
variações de temperatura durante o trabalho.14
Fig 13 – rolamentos de rolos cônicos bloqueados
14
Folga essa que deve ser medida com relógio comparador na ponta do eixo, com seu deslocamento axial
para a frente e para traz. A SKF dispõe de software para o cálculo dessa folga.
Desenho Técnico Mecânico II – Prof. M. Sc. Edson Del Mastro / Prof. Helena S. Del Mastro Espíndola
Faculdade de Tecnologia de Sorocaba
124
124
Fig 14 – rolamentos de contato angular bloqueados
2 – Conjunto bi-bloqueado
Algumas vezes, com apoios próximos entre si, pode-se montar os rolamentos como se vê
na Fig 15. Apesar dessa montagem ser chamada assim, na realidade não existe o
bloqueio – note-se a pequena folga axial recomendada.
Fig. 15 – rolamentos rígidos de esferas bi-bloqueados
Desenho Técnico Mecânico II – Prof. M. Sc. Edson Del Mastro / Prof. Helena S. Del Mastro Espíndola
Faculdade de Tecnologia de Sorocaba
125
125
Montagem de rolamentos axiais
Quando se aplica um rolamento axial 15
, junto com ele, no mesmo mancal,
recomenda-se montar um rolamento radial, formando um conjunto bloqueado (Fig. 16).
Mesmo no caso de não existir carga radial importante, isto é uma segurança para evitar
que o rolamento axial gire excentricamente16
. Nos casos de rolamentos axiais de rolos
cilíndricos ou de agulhas, isso se torna obrigatório.
Também recomenda-se montar o rolamento axial de duplo sentido (ou escora
dupla) junto com 1 radial. O ajuste axial na(s) contra-placa(s) pode ser feito através de
rosca, arruelas de ajuste, molas de compressão ou molas em estrela ―RINGSPANN‖. (Fig.
17)
Fig. 16 – rolamento axial de esferas com rol.de rolos cônicos
Fig 17 – rolamento axial duplo + rol radial com (ajuste por molas de compressão)
15
Rolamentos axiais de esferas, de direção única ou dupla ação, com anel de caixa paralelo ou com anel de
caixa esférico e anel de encosto; rol. axiais de esferas de contato angular de direção única ou dupla; rol.
axiais de rolos cilíndricos; rol. axiais de agulhas; rol. axiais de rolos cônicos de direção única ou dupla; rol.
axiais autocompensadores de rolos.
16
Isso pode ocorrer devido à folga axial de montagem ou de um pequeno desgaste. O aumento dessa folga
pode provocar a desmontagem do rolamento.
Desenho Técnico Mecânico II – Prof. M. Sc. Edson Del Mastro / Prof. Helena S. Del Mastro Espíndola
Faculdade de Tecnologia de Sorocaba
126
126
Rolamento axial autocompensador (de rolos abaulados assimétricos)
Neste caso, deve ser montado junto com um rol, autocompensador (radial).
Importante: os centros de giro das pistas esféricas dos dois rolamentos devem ser
concêntricos (Fig. 18)
Fig. 18 – rolam. axial autocompensador montado com 1 autocompensador radial
MONTAGEM COM MAIS DE 2 MANCAIS
Raramente usa-se 3 ou mais mancais num único eixo rígido. Nesses casos
somente 1 mancal será bloqueado – os demais serão livres. Há que se ter especial
atenção com o alinhamento entre os mancais (óptico se possível)17
. Geralmente se usam
rolamentos autocompensadores, nesses casos.
17
ALINHADORES ÓPTICOS e cursos para seu manuseio: ver fornecedores autorizados de rolamentos.
Desenho Técnico Mecânico II – Prof. M. Sc. Edson Del Mastro / Prof. Helena S. Del Mastro Espíndola
Faculdade de Tecnologia de Sorocaba
127
127
Desenho Técnico Mecânico II – Prof. M. Sc. Edson Del Mastro / Prof. Helena S. Del Mastro Espíndola
Faculdade de Tecnologia de Sorocaba
128
128
Desenho Técnico Mecânico II – Prof. M. Sc. Edson Del Mastro / Prof. Helena S. Del Mastro Espíndola
Faculdade de Tecnologia de Sorocaba
129
129
Desenho Técnico Mecânico II – Prof. M. Sc. Edson Del Mastro / Prof. Helena S. Del Mastro Espíndola
Faculdade de Tecnologia de Sorocaba
130
130
GRAXEIRA
Exemplo: Graxeira tipo Olimite ¼”
TIPO
MENOR
TIPO
MAIOR
TIPO
MENOR
TIPO
MAIOR
F 0,2 0,3 Y 6,0 6,0
D1 5,0 5,0 Z 4,0 4,0
D G 1/8‖ G ¼‖ P 4,0 4,0
C 3,0 4,0 L1 7,0 9,0
B 7,5 10,0 L 6,0 8,0
A 18,0 23,0 H 12,0 16,0
Desenho Técnico Mecânico II – Prof. M. Sc. Edson Del Mastro / Prof. Helena S. Del Mastro Espíndola
Faculdade de Tecnologia de Sorocaba
131
131
VEDADORES DE ROLAMENTOS
Lubrificação: os rolamentos são equipamentos que devem trabalhar lubrificados –
sem isso, têm vida curta. Essa lubrificação é feita através de óleo mineral ou graxa (óleo
mineral + sabão metálico) e, decorrente das condições de trabalho e ambientais, pode
conter aditivos para melhorar seu desempenho. É importante a determinação da
viscosidade (ponto de graxa), índice de viscosidade, tipo(s) de aditivo(s), quantidade de
lubrificante e intervalos de relubrificação (v. catálogos de companhias de petróleo).
Os vedadores de rolamentos têm como objetivo manter o lubrificante junto ao
mancal18
e também protegê-lo contra a entrada de contaminantes sólidos e umidade.
Quanto à posição relativa ao rolamento, a vedação pode ser integrada (Figs 1 e 2)
ou externa (Figs 3 a 16).
Fig. 1 – Rol. c/ placa de proteção (2Z) Fig. 2 – Rol. c/ placa de vedação (2RS)
Na escolha do vedador devem ser considerados os seguintes fatores: ● tipo de
lubrificante(graxa ou óleo) ● velocidade periférica ou tangencial (Vt) da superfície vedante
● possível desalinhamento do eixo ● disposição do eixo (horizontal ou vertical) ● aumento
de temperatura ● atrito do vedador ● espaço disponível ● influências ambientais ●
qualidade e custo (preferível as fabricadas em série por especialistas).
Vedadores sem contato: são passagens estreitas radiais, axiais ou em labirinto.
Como as peças não estão em contato, não há atrito, ruído ou desgaste sendo indicadas
para altas velocidades e temperaturas (Figs. 3 a 11). Fig.16, torna-se sem contato após
uso.
Fig. 3 – Passagem estreita Fig. 4 – Passagem estreita com
canais circulares
Fig. 5 – Passagem estreita com
canais helicoidais
18
1 rolamento ou arranjo de rolamentos
Desenho Técnico Mecânico II – Prof. M. Sc. Edson Del Mastro / Prof. Helena S. Del Mastro Espíndola
Faculdade de Tecnologia de Sorocaba
132
132
Fig. 6 – Labirinto axial Fig. 7 – Labirinto radial Fig. 8 – Labirinto com vãos
inclinados (desalinhamento eixo)
Fig. 9 – Anéis “Z” (SKF) Fig. 10 – Anel defletor Fig. 11 – Anel defletor com retorno
do óleo
Vedadores de contato: sua eficiência depende essencialmente da elasticidade e
resistência ao desgaste do material (em geral, polímeros) que exerce pressão na
superfície de contato (Figs. 12 a 16). Seu uso está limitado pela Vt máx. de cada material.
Vt=πdn/60000 (Vt:m/s; d: mm; n:RPM) e da rugosidade da superfície de contato. P. ex.,
anel de feltro (Fig. 15) até 4m/s; retentores de elastômeros (Figs.12 e 13) até 18m/s.
Fig. 12 – Retentor mont. p/ óleo Fig. 13 – Retentor mont. Para
graxa
Fig. 14 – Anel “V ring”
Fig. 15 – Anel de feltro DIN 5419 Fig. 16 – Anel “Nilos”
Desenho Técnico Mecânico II – Prof. M. Sc. Edson Del Mastro / Prof. Helena S. Del Mastro Espíndola
Faculdade de Tecnologia de Sorocaba
133
133
ANÉIS DE FELTRO
DIN 5419
Série F1
Arruela
Ranhura de anel de
feltro
Nº
Milímetros
d1 D B d2 a b c
F1 5 20 31 3,5 21 4,2 4 5
. 6 25 38 5 26 5,5 4 6
. 7 30 43 5 31 5,5 4 6
F1 8 35 48 5 36 5,5 4 6
. 9 40 53 5 41 5,5 4 6
. 10 45 58 5 46 5,5 4 6
F1 11 50 67 6 51 7 5 8
. 12 55 72 6 56 7 5 8
. 13 60 77 6 61 7 5 8
F1 15 65 82 6 66 7 5 8
. 16 70 89 7 71 8,2 6 9
. 17 75 94 7 76 8,2 6 9
F1 18 80 99 7 81 8,2 6 9
. 19 85 104 7 86 8,2 6 9
. 20 90 111 8,5 91 9,5 7 10
F1 22 100 125 9,5 101 11 8 12
. 24 110 135 9,5 111 11 8 12
. 26 115 140 9,5 116 11 8 12
F1 28 125 154 10,5 126 12,4 9 14
. 30 135 164 10,5 136 12,4 9 14
. 33 140 173 12 141 13,9 10 16
F1 34 150 183 12 151 13,9 10 16
. 36 160 193 12 161 13,9 10 16
. 38 170 203 12 171 13,9 10 16
. 40 180 213 12 181 13,9 10 16
F1 44 200 240 13,5 202 15,7 11 19
. 48 220 260 13,5 222 15,7 11 19
. 52 240 286 14,5 242 17,4 12 22
F1 56 260 306 14,5 262 17,4 12 22
. 60 280 332 16 282 19,2 13 25
. 64 300 352 16 302 19,2 13 25
Desenho Técnico Mecânico II – Prof. M. Sc. Edson Del Mastro / Prof. Helena S. Del Mastro Espíndola
Faculdade de Tecnologia de Sorocaba
134
134
Arruelas de vedação (tipo Z) SKF
d1 d2 b h designação
mm
10 26 4 1 Z 000
10 30 4 1 Z 200
10 30 4 1 Z 200 F
12 28 4 1 Z 001
12 32 4 1 Z 201
12 37 4 1 Z 301
15 32 4 1 Z 002
15 35 4 1 Z 202
15 42 5 1,25 Z 302
17 35 4 1 Z 003
17 40 4 1 Z 203
17 47 5 1,25 Z 303
20 42 5 1,25 Z 004
20 47 5 1,25 Z 204
20 52 5 1,25 Z 304
25 47 5 1,25 Z 005
25 52 5 1,25 Z 205
25 62 6 1,5 Z 305
30 55 5 1,25 Z 006
30 62 6 1,5 Z 206
30 72 6 1,5 Z 306
35 62 6 1,5 Z 007
35 72 6 1,5 Z 207
35 80 6 1,5 Z 307
40 68 6 1,5 Z 008
40 80 6 1,5 Z 208
40 90 6 1,5 Z 308
45 75 6 1,5 Z 009
45 85 6 1,5 Z 209
45 100 6 1,5 Z 309
50 80 6 1,5 Z 010
50 90 6 1,5 Z 210
50 110 6 1,5 Z 310
55 90 6 1,5 Z 011
55 100 7 1,5 Z 211
60 95 6 1,5 Z 012
60 110 7 1,5 Z 212
65 100 7 1,5 Z 013
65 120 7 1,5 Z 213
70 110 7 1,5 Z 014
70 125 7 1,5 Z 214
75 115 7 1,5 Z 015
75 130 7 1,5 Z 215
80 140 7 1,5 Z 216
www.skf.com.br
Desenho Técnico Mecânico II – Prof. M. Sc. Edson Del Mastro / Prof. Helena S. Del Mastro Espíndola
Faculdade de Tecnologia de Sorocaba
135
135
ANÉIS NILOS para rolamentos de esferas de 1 colar conforme DIN 625
Tipo do
rolamento
d D b
Tipo de
ANEL NILOS
a b c k h
Tipo de
ANEL NILOS
i D c s h
62 00 10 30 9 62 00 AV 27,5 10 18 0,3 1,8 62 00 JV 14,4 30 24 0,3 1,8
62 01 12 32 10 62 01AV 28,1 12 20 0,3 1,8 62 01 JV 16,4 32 26 0,3 1,8
62 02 15 35 11 62 02 AV 31,8 15 22 0,3 2 62 02 JV 18,6 35 27 0,3 2
62 03 17 40 12 62 03 AV 35,7 17 25 0,3 2 62 03 JV 21,5 40 31 0,3 2
62 04 20 47 14 62 04 AV 41,2 20 29 0,3 2 62 04 JV 25,7 47 37 0,3 2
62 05 25 52 15 62 05 AV 47 25 36 0,3 2,5 62 05 JV 31,5 52 42 0,3 2,5
62 06 30 62 16 62 06 AV 56,2 30 44 0,3 2,5 62 06 JV 36,3 62 47 0,3 2,5
62 07 35 72 17 62 07 AV 64,8 35 48 0,3 2,5 62 07 JV 43 72 56 0,3 2,5
62 08 40 80 18 62 08 AV 72,7 40 57 0,3 3 62 08 JV 48 80 62 0,3 3
62 09 45 85 19 62 09 AV 77,8 45 61 0,3 3 62 09 JV 53 85 68 0,3 3
62 10 50 92 20 62 10 AV 82,8 50 67 0,3 3 62 10 JV 57,5 90 73 0,3 3
62 11 55 100 21 62 11 AV 90,8 55 75 0,3 3 62 11 JV 64,5 100 80 0,3 3
62 12 60 110 22 62 12 AV 100,8 60 85 0,3 3 62 12 JV 70 110 85 0,3 3
62 13 65 120 23 62 13 AV 110,5 65 90 0,3 3 62 13 JV 76,5 120 95 0,3 3
62 14 70 125 24 62 14 AV 115,8 70 95 0,3 3,5 62 14 JV 79,5 125 102 0,3 3,5
62 15 75 130 25 62 15 AV 120,5 75 100 0,5 3,5 62 15 JV 85 130 105 0,5 3,5
62 16 80 140 26 62 16 AV 129 80 106 0,5 3,5 62 16 JV 92 140 112 0,5 3,5
ANÉIS NILOS p/ rolamentos de esferas de rolos cônicos DIN 720 - somente vedação
externa
Tipos do
rolamento
d D B
Tipo do
ANEL
NILOS
a d C s v
Tipo do
ANEL
NILOS
a1 a2 d c w s1 s2 h G g t
302 03 17 40 13,5 302 03 AV 39,5 17 30 0,3 2,6 302 03 AK 38 43 17 30 24 0,3 0,5 3 44 41 13,8
302 04 20 47 15,5 302 04 AV 46,5 20 36 0,3 3,6 302 04 AK 45 50 20 34 27 0,3 0,5 3 51 48 15,8
302 05 25 52 16,5 302 05 AV 51,5 25 40 0,3 3,6 302 05 AK 49 55 25 40 33 0,3 0,5 3 56 53 16,8
302 06 30 62 17,5 302 06 AV 61,5 30 47 0,3 3,6 302 06 AK 60 65 30 47 38 0,3 0,5 3 66 63 17,8
306 07 35 72 18,5 302 07 AV 71,5 35 55 0,3 3,6 302 07 AK 69,5 75 35 55 45 0,3 0,5 4 76 73 18,8
302 08 40 80 20 302 08 AV 79,5 40 61 0,3 4,1 302 08 AK 77,5 83 40 61 50 0,3 0,5 4 84 81 20,3
302 09 45 85 21 302 09 AV 84,5 45 67 0,3 5,1 302 09 AK 82 88 45 67 55 0,3 0,5 4 89 86 21,3
302 10 50 90 22 302 10 AV 89,5 50 71 0,3 5,1 302 10 AK 87,5 93 50 71 60 0,3 0,5 4 94 91 22,3
302 11 55 100 23 302 11 AV 99,5 55 78 0,3 5,1 302 11 AK 97 103 55 78 68 0,3 0,5 4,5 104 101 23,3
302 12 60 110 24 302 12 AV 109,5 60 85 0,5 5,1 302 12 AK 106,5 113 60 85 73 0,3 0,5 4,5 114 111 24,3
302 13 65 120 25 302 13 AV 119,5 65 93 0,5 5,1 30213 AK 116,5 123 65 93 78 0,3 0,5 4,5 124 121 25,3
302 14 70 125 26,5 302 14 AV 124,5 70 98 0,5 5,6 302 14 AK 121 128 70 98 83 0,5 0,5 5 129 126 27
302 15 75 130 27,5 302 15 AV 129,5 75 104 0,5 5,6 302 15 AK 126 133 75 104 88 0,5 0,5 5 134 131 28
302 16 80 140 28,5 302 16 AV 139,5 80 110 0,5 5,6 302 16 AK 136 143 80 110 95 0,5 0,5 5 144 141 29
www.nilos.com.br
Desenho Técnico Mecânico II – Prof. M. Sc. Edson Del Mastro / Prof. Helena S. Del Mastro Espíndola
Faculdade de Tecnologia de Sorocaba
136
136
DIN 3760
d1
h11
d3 d1
h11
d3 d1
h11
d3 d1
h11
d3 d1
h11
d3 d1
h11
d3
6
7
8
9
10
11
12
14
15
16
17
18
20
22
4,8
5,7
6,8
7,5
8,4
9,3
10,2
12,1
13,1
14
14,9
15,8
17,7
19,6
24
25
26
28
30
32
35
36
38
40
42
45
48
50
21,5
22,5
23,4
25,3
27,3
29,2
32
33
34,9
36,8
38,7
41,6
44,5
46,4
52
55
56
58
60
62
63
65
68
70
72
75
78
80
48,3
51,3
52,3
54,2
56,1
58,1
59,1
61
63,9
65,8
67,7
70,7
73,6
75,5
85
90
95
100
105
110
115
120
125
130
135
140
145
150
80,4
85,3
90,1
95
99,9
104,7
109,6
114,5
119,4
124,3
129,2
133
138
143
160
170
180
190
200
210
220
230
240
250
260
280
300
320
153
163
173
183
193
203
213
223
233
243
249
269
289
309
340
360
380
400
420
440
460
480
500
329
349
369
389
409
429
449
469
489
Desenho Técnico Mecânico II – Prof. M. Sc. Edson Del Mastro / Prof. Helena S. Del Mastro Espíndola
Faculdade de Tecnologia de Sorocaba
137
137
www.sabo.com.br
Desenho Técnico Mecânico II – Prof. M. Sc. Edson Del Mastro / Prof. Helena S. Del Mastro Espíndola
Faculdade de Tecnologia de Sorocaba
138
138
Desenho Técnico Mecânico II – Prof. M. Sc. Edson Del Mastro / Prof. Helena S. Del Mastro Espíndola
Faculdade de Tecnologia de Sorocaba
139
139
Desenho Técnico Mecânico II – Prof. M. Sc. Edson Del Mastro / Prof. Helena S. Del Mastro Espíndola
Faculdade de Tecnologia de Sorocaba
140
140
Desenho Técnico Mecânico II – Prof. M. Sc. Edson Del Mastro / Prof. Helena S. Del Mastro Espíndola
Faculdade de Tecnologia de Sorocaba
141
141
Desenho Técnico Mecânico II – Prof. M. Sc. Edson Del Mastro / Prof. Helena S. Del Mastro Espíndola
Faculdade de Tecnologia de Sorocaba
142
142
Desenho Técnico Mecânico II – Prof. M. Sc. Edson Del Mastro / Prof. Helena S. Del Mastro Espíndola
Faculdade de Tecnologia de Sorocaba
143
143
Desenho Técnico Mecânico II – Prof. M. Sc. Edson Del Mastro / Prof. Helena S. Del Mastro Espíndola
Faculdade de Tecnologia de Sorocaba
144
144
Desenho Técnico Mecânico II – Prof. M. Sc. Edson Del Mastro / Prof. Helena S. Del Mastro Espíndola
Faculdade de Tecnologia de Sorocaba
145
145
Desenho Técnico Mecânico II – Prof. M. Sc. Edson Del Mastro / Prof. Helena S. Del Mastro Espíndola
Faculdade de Tecnologia de Sorocaba
146
146
Desenho Técnico Mecânico II – Prof. M. Sc. Edson Del Mastro / Prof. Helena S. Del Mastro Espíndola
Faculdade de Tecnologia de Sorocaba
147
147
Desenho Técnico Mecânico II – Prof. M. Sc. Edson Del Mastro / Prof. Helena S. Del Mastro Espíndola
Faculdade de Tecnologia de Sorocaba
148
148
Desenho Técnico Mecânico II – Prof. M. Sc. Edson Del Mastro / Prof. Helena S. Del Mastro Espíndola
Faculdade de Tecnologia de Sorocaba
149
149
Desenho Técnico Mecânico II – Prof. M. Sc. Edson Del Mastro / Prof. Helena S. Del Mastro Espíndola
Faculdade de Tecnologia de Sorocaba
150
150
Desenho Técnico Mecânico II – Prof. M. Sc. Edson Del Mastro / Prof. Helena S. Del Mastro Espíndola
Faculdade de Tecnologia de Sorocaba
151
151
Desenho Técnico Mecânico II – Prof. M. Sc. Edson Del Mastro / Prof. Helena S. Del Mastro Espíndola
Faculdade de Tecnologia de Sorocaba
152
152
PROBLEMA DA CAPA (desta apostila)
Dado um rolamento (tabela ao lado):
1. trabalho preliminar: fazer esboço das peças
não normalizadas determinando suas dimensões e
selecionando o material com dimensões em bruto.
Selecionar as peças normalizadas, especificando-as
(parafuso, anel ''O-RING'', retentor, rolamento)
2. trabalho definitivo a entregar: desenho do
conjunto (identificado), desenho de detalhes das
peças não normalizadas e lista de peças (todas), em
formato único.
SEQÜÊNCIA DE TRABALHO
1.Determinar as dimensões do rolamento (d, D, B, r), especificá-lo e as das peças anexas
(da, Da, ra) (pág. 127)
no exemplo: ''Rolamento rígido de esferas 6206'' (30 x 62 x 16 x 1,5)
da mín. = 35 ; Da máx. = 57 ; ra máx. = 1
2. Esboçar e determinar dimensões do eixo e especificar a matéria-prima do mesmo (pág
154 a 156).
''eixo, aço ABNT 1045, > Ø 1 ½ '' x ?
3.Selecione um retentor (pág. 137 a 145) BR ou BA com ''Diâmetro de Eixo'' > ou = da e
''Diâmetro do Alojamento'' < Da – 2. No exemplo:
''Retentor 01421 BR – Sabó'' (36 x 54 x 7,5): estas dimensões servirão de base para
dimensionar a bucha e a tampa.
4.Selecionar anel O-RING e respectivo chanfro na carcaça (pág. 148 a 151) procurar D.I.
~ D – (2 a 4) no exemplo: D.I. = 60,046; W = 1/16'' ''anel O-RING OR1-36, ORION''; (pág.
146) ch = 2,4 x 45° (carcaça).
5.Esboçar e determinar dimensões da carcaça e respectiva matéria-prima (tubo mecânico
pág.157) ''carcaça, tubo mecânico Ø 95 x Ø 50 x ? SANDVIK 7L
*determinar após desenho da tampa e especificação do parafuso
Dígito final
do aluno
Rolamento
(pág.114)
Parafuso
0 6204 M6
1 6404 M6
2 6205 M6
3 6305 M6
4 6006 M6
5 6306 M6
6 6207 M8
7 6307 M8
8 6008 M8
9 6208 M8
exemplo 6206 M6
Desenho Técnico Mecânico II – Prof. M. Sc. Edson Del Mastro / Prof. Helena S. Del Mastro Espíndola
Faculdade de Tecnologia de Sorocaba
153
153
6. Esboçar e determinar dimensões da tampa
7.Esboçar e determinar dimensões da bucha (pág. 136, capa)
8.Esboçar o parafuso e o furo roscado cego na carcaça
Lmín. = comprimento aperto + a mín.
Lmín. = (11 – 6,8) + 6 = 10,2
L = 12 (pág. 39)
a real = L – comprimento ap.
a real = 12 – 4,2 = 7,8
b = 7,8 + 6/2 = 10,8 ~ 11
t = b + e1 = 10,8 + 5,1 ~ 16
parafuso Allen M6 x 12 DIN 912 – 8.8
OBSERVAÇÃO IMPORTANTE: deve ser executado um desenho de estudo de montagem (sem raios,
chanfros, etc.) paralelamente à definição das peças, onde as cotas ''estimadas'' se definirão. Os esboços
das peças e as especificações dos elementos normalizados servirão para registrar as cotas e informações
selecionadas e adotadas, evitando esquecimentos e consultas (repetidas) à normas e catálogos na hora de
fazer o desenho de detalhes.
Desenho Técnico Mecânico II – Prof. M. Sc. Edson Del Mastro / Prof. Helena S. Del Mastro Espíndola
Faculdade de Tecnologia de Sorocaba
154
154
Problema da capa – Vistas da montagem.
Montagem em corte total.
Montagem em perspectiva
Montagem em perspectiva com corte total, vista explodida.
Montagem em perspectiva vista explodida
Desenho Técnico Mecânico II – Prof. M. Sc. Edson Del Mastro / Prof. Helena S. Del Mastro Espíndola
Faculdade de Tecnologia de Sorocaba
155
155
www.tetraferro.com.br
Desenho Técnico Mecânico II – Prof. M. Sc. Edson Del Mastro / Prof. Helena S. Del Mastro Espíndola
Faculdade de Tecnologia de Sorocaba
156
156
Desenho Técnico Mecânico II – Prof. M. Sc. Edson Del Mastro / Prof. Helena S. Del Mastro Espíndola
Faculdade de Tecnologia de Sorocaba
157
157
www.gerdau.com.br
BARRA REDONDA MECÂNICA
Barras com seção transversal circular. Produzidas segundo a norma ASTM
A36 (aço com baixo teor de carbono) e a norma SAE, 1020 e 1045.
Empregadas principalmente em grades e portões, na fabricação de eixos e
ferramentas, máquinas, forjamento, trefilação, etc.
BITOLAS (d)
PESO
LINEAR
BITOLAS (d)
PESO
LINEAR
pol. mm kg/m pol. mm kg/m
1/4‖ 6,35 0,25 1 5/8‖ 41,28 10,50
5/16‖ 7,94 0,39 42 mm 42,00 10,90
3/8‖ 9,53 0,56 1 3/4‖ 44,45 12,18
1/2‖ 12,70 0,99 1 13/16‖ 46,04 13,06
9/16‖ 14,29 1,26 1 7/8‖ 47,63 13,98
5/8‖ 15,88 1,56 2‖ 50,80 15,91
11/16‖ 17,46 1,88 2 1/16‖ 52,39 16,92
3/4‖ 19,05 2,24 2 1/8‖ 53,98 17,96
7/8‖ 22,23 3,05 2 1/4‖ 57,15 20,14
1‖ 25,40 3,98 2 3/8‖ 60,33 22,43
1 1/8‖ 28,58 5,04 2 7/16‖ 61,91 23,63
1 1/4‖ 31,75 6,22 2 1/2‖ 63,50 24,86
33 mm 33,00 6,71 2 9/16‖ 65,08 26,11
1 5/16‖ 33,34 6,85 2 5/8‖ 66,68 27,40
1 3/8‖ 34,93 7,52 2 3/4‖ 69,85 30,08
1 7/16‖ 36,51 8,22 2 7/8‖ 73,03 32,87
1 1/2‖ 38,10 8,95 3‖ 76,20 35,79
1 9/16‖ 39,69 9,71 3 1/16‖ 77,79 37,30
3 1/8‖ 79,38 38,84
Obs.: Mediante consulta, poderão ser fabricados bitolas em milímetros As
Barras Redondas Mecânicas também podem ser fornecidas segundo as
normas ASTM A572 G50 e em GERDAU COR (ASTM A588), resistente à
Corrosão Atmosferica.
Obs.:1) Todas as barras e perfis(exceto os indicados) são fornecidos em
barra de 6,00m (-0, +010m.).
2) Todos os pesos constantes neste catálogo são aproximados.
Desenho Técnico Mecânico II – Prof. M. Sc. Edson Del Mastro / Prof. Helena S. Del Mastro Espíndola
Faculdade de Tecnologia de Sorocaba
158
158
SANDVIK 7L – AÇO AO CARBONO (CATÁLOGO)
Medidas garantidas após desbaste**
Comp. aprox.
Peso
médio
teórico
Medidas garantidas após desbaste**
Comprimento
aprox.
Peso
médio
teóricoØ ext Ø int
Centragem sobre
o Ф ext.
Centragem
sobre o Ф int.
Ø ext. Ø int.
Centragem sobre
o Ф ext.
Centragem sobre o
Ф int.
mm
Ф ext. Ф int. Ф ext. Ф int.
m** kg/m mm
Ф ext. Ф int. Ф ext. Ф int.
m** kg/m
max.m
m
min.
mm
max.
mm
min.
mm
max.
mm
min.
mm
max.
mm
min.
mm
32 x 20 31,5 21,6 30,4 20,5 3,2 – 4,5 4,2 106 x 80 105,0 85,3 101,2 81 2,9 - 4,1 32,0
32 x 16 31,5 17,8 30,2 16,5 3,2 – 4,5 5,0 106 x 71 105,0 77,3 100,4 72,0 2,3 – 3,3 40,2
106 x 56 105,0 64,1 98,9 57,0 2,6 – 3,8 51,7
36 x 25 35,5 26,6 34,4 25,5 2,8 – 4,0 4,5
36 x 20 35,5 21,8 34,2 20,5 3,7 – 5,3 5,9 112 x 90 111,0 94,8 107,6 91,0 3,1 – 4,4 30,0
36 x 16 35,5 18,2 33,8 16,5 3,3 – 4,6 6,7 112 x 80 111,0 86,0 106,6 81,0 2,3 – 3,3 40,2
112 x 63 111,0 71,0 104,9 64,0 2,5 – 3,6 54,9
40 x 28 39,5 29,6 38,4 28,5 2,7 – 3,9 5,5
40 x 25 39,5 26,8 38,2 25,5 3,5 – 5,0 6,4 118 x 90 117,0 95,8 112,8 91,0 2,3 – 3,4 38,6
40 x 20 39,5 22,2 37,8 20,5 2,8 – 4,0 7,8 118 x 80 117,0 87,0 111,8 81,0 1,7 – 2,7 48,9
118 x 63 117,0 72,0 110,1 64,0 2,1 – 3,1 63,6
45 x 32 44,5 33,6 43,4 32,5 3,0 – 4,2 6,7
45 x 28 44,5 29,8 43,2 28,5 2,3 – 3,4 8,1 125 x 100 124,0 105,5 120,0 101,0 2,4 – 3,5 37,8
45 x 20 44,5 22,8 42,2 20,5 3,1 – 4,4 10,4 125 x 90 124,0 96,7 119,0 91,0 1,7 – 2,7 49,3
125 x 71 124,0 79,9 117,2 72,0 1,9 – 2,9 67,3
50 x 36 49,5 37,6 48,4 36,5 2,9 – 4,1 8,0
50 x 32 49,5 34,0 48,0 32,5 2,8 – 4,0 9,6 132 x 106 131,0 111,8 126,7 107,0 2,2 – 3,2 41,7
50 x 25 49,5 27,8 47,2 25,5 2,6 – 3,8 12,0 132 x 90 131,0 97,6 125,2 91,0 2,3 – 3,3 60,6
132 x 71 131,0 81,0 123,2 72,0 1,6 – 2,5 79,1
56 x 40 55,5 41,9 54,2 40,5 2,7 – 3,9 10,1
56 x 36 55,5 38,3 53,8 36,5 2,2 – 3,2 11,9 140 x 112 139,0 118,2 134,4 113,0 1,8 – 2,8 47,5
56 x 28 55,5 31,1 53,0 28,5 3,0 – 4,2 15,0 140 x 100 139,0 107,6 133,2 101,0 2,2 – 3,2 62,8
140 x 80 139,0 90,0 131,2 81,0 1,6 – 2,4 84,6
63 x 50 62,0 52,9 60,4 51,0 2,6 – 3,8 9,9
63 x 40 62,5 42,9 60,4 40,5 3,7 – 5,2 15,3 150 x 125 149,0 131,0 144,5 126,0 3,0 – 4,2 47,1
63 x 32 62,5 35,5 59,8 32,5 2,2 – 3,3 18,8 150 x 106 149,0 114,2 142,7 107,0 1,7 – 2,7 73,8
150 x 80 149,0 91,4 140,0 81,0 1,2 – 1,9 102,8
71 x 56 70,0 59,2 68,1 57,0 3,6 – 5,1 12,8
71 x 45 70,0 49,6 66,8 46,0 2,8 – 4,0 19,5 160 x 132 159,0 138,6 154,0 133,0 2,5 – 3,6 55,7
71 x 36 70,5 39,8 67,6 36,5 3,7 – 5,2 23,9 160 x 112 159,0 121,0 152,0 113,0 1,5 – 2,3 85,2
160 x 90 159,0 101,6 149,8 91,0 1,1 – 1,7 112,1
75 x 60 74,0 63,2 72,1 61,0 3,5 – 5,0 13,6
75 x 50 74,0 54,4 70,8 51,0 2,8 – 4,0 20,2 170 x 140 169,0 147,0 163,6 141,0 2,1 – 3,1 63,3
75 x 40 74,0 46,0 69,4 41,0 3,0 – 4,0 25,7 170 x 118 169,0 127,6 161,4 119,0 1,3 – 2,0 97,6
80 x 63 79,0 66,6 76,7 64,0 3,3 – 4,8 16,3 180 x 150 179,0 157,2 173,4 151,0 1,9 – 2,9 67,8
80 x 50 79,0 55,2 75,4 51,0 2,6 – 3,8 25,1 180 x 125 179,0 135,2 170,9 126,0 1,1 – 1,8 109,4
80 x 40 79,0 46,4 74,2 41,0 3,1 – 4,3 30,6
190 x 160 189,0 167,4 183,2 161,0 0,8 – 1,2 72,4
85 x 67 84,0 70,8 81,6 68,0 3,5 – 5,0 18,3 190 x 132 189,0 142,8 180,4 133,0 0,6 – 1,0 121,8
85 x 55 84,0 60,2 80,4 56,0 2,8 – 4,0 27,1
85 x 45 84,0 51,4 79,2 46,0 2,8 – 3,8 33,2 200 x 160 199,0 168,8 192,0 161,0 0,8 – 1,2 96,9
200 x 140 199,0 151,2 190,0 141,0 0,5 – 0,9 133,1
90 x 71 89,0 75,0 86,4 72,0 3;2 – 4,7 20,5
90 x 63 89,0 68,0 85,5 64,0 2,4 – 3,5 27,0 212 x 170 211,0 179,2 203,6 171,0 0,7 – 1,1 108,0
90 x 50 89,0 56,6 84,2 51,0 2,5 – 3,7 35,8 212 x 150 211,0 161,6 201,6 151,0 0,5 – 0,9 146,7
95 x 75 94,0 79,4 91,0 76,0 3,5 – 5,0 22,7 224 x 180 223,0 189,7 215,2 181,0 0,6 – 1,0 119,8
95 x 67 94,0 72,2 90,4 68,0 2,8 – 4,0 29,6 224 x 160 223,0 172,0 213,2 161,0 0,5 – 0,8 160,9
95 x 50 94,0 57,4 88,6 51,0 2,5 – 3,5 41,6
236 x 190 235,0 200,3 226,6 191,0 0,5 – 0,8 132,1
100 x 80 99,0 84,4 96,0 81,0 3,9 – 5,5 24,2 236 x 170 235,0 182,8 224,6 171,0 0,4 – 0,6 175,6
100 x 71 99,0 76,4 95,2 72,0 2,9 – 4,1 32,4
100 x 56 99,0 63,2 93,7 57,0 2,0 – 3,0 43,9 250 x 200 249,0 211,0 240,0 201,0 0,5 – 0,7 151,4
250 x 180 249,0 193,4 238,0 181,0 0,4 – 0,6 197,3
Desenho Técnico Mecânico II – Prof. M. Sc. Edson Del Mastro / Prof. Helena S. Del Mastro Espíndola
Faculdade de Tecnologia de Sorocaba
159
159
RELAÇÃO DE PUBLICAÇÕES RECOMENDADAS:
1) IPESI Eletrônica & Informática: - www.ipesi.com.br – e-mail: ipesi@ipesi.com.br
Fone: 3670-1677 para solicitar informações e catálogos
2) P&S – Produtos e Equipamentos e Serviços Industriais - www.ps.com.br –
Fone: (0xx11)0800 161333 - e-mail: atendimento@banas.com.br
3) ISO CATALOGUE 2004 – cd-rom e versão impressa – todas as normas em
projetos e outras publicações ( inglês ou francês) – e-mail: sales@iso.org
4) NEI – Noticiário de Equipamentos Industriais - www.nei.com.br –
Fone.:(0xx11) 33274452
5) MAQUINAS E METAIS – Revista Brasileira de Mecânica, Metalurgia e Automação.
www.arandanet.com.br - Fax: (0xx11) 3666-9585 – Fone.:(0xx11) 3824-5300
6) MUNDO MECÂNICO - www.mecanicaonline.com.br -
e-mail: faleconosco@mecanicaonline.com.br
7) BANAS QUALIDADE – Gestão, Processo e Meio Ambiente –
www.banasqualidade.com.br - Fone: (0xx11) 5188-1515 –
e-mail: contato@epse.com.br
8) CIENCIA HOJE – Revista de divulgação cientifica da Sociedade Brasileira para o
Progresso da Ciência - www.jornaldaciencia.org.br ou www.ciencia.org.br
9) TECNOLOGIA – Publicações da Secretaria da Indústria, Comercio, Ciência e
Tecnologia do Estado de São Paulo e do Instituto de Pesquisa Tecnológicas do
Estado de São Paulo S/A – IPT – Departamento de Publicações – Caixa Postal
7141 CEP:05508-901 São Paulo – SP – BRASIL - site: www.ipt.br -
Fone.: (0xx11) 3767-4000
10)MINEIRAÇÃO E METALURGIA - www.abmbrasil.com.br/cim -
Fone.:(0xx11) 5534-4333 – Fax: (0xx11) 5534-4330 –
e-mail: abm@abmbrasil.com.br
11)ENERGIA E PRODUÇÃO – Energia elétrica, derivados de petróleo, carvão,
biomassa e outros insumos energéticos - www.poli.usp.br
12)GUIA DE AUTOMAÇÃO INDUSTRIAL - www.i-magazine.com.br
13)REVISTA CNI – INDUSTRIA BRASILEIRA - www.cni.org.br -
Fone.: (0xx61) 3317-9989 / 3317-9993 - Fax: (0xx61) 3317-9994
atualizado em: Janeiro de 2012
Desenho Técnico Mecânico II – Prof. M. Sc. Edson Del Mastro / Prof. Helena S. Del Mastro Espíndola
Faculdade de Tecnologia de Sorocaba
160
160
ÍNDICE DE NORMAS – por ordem numérica
DIN 11_______ Rosca Whitworth..............................................................................12
DIN 13_______ Rosca métrica....................................................................................9
DIN 74_______ Furos escareados, rebaixados para parafusos ................................31
DIN 76_______ Saídas de roscas externa e interna .................................................33
DIN 78_______ Pontas sobressalentes dos parafusos .............................................36
DIN 84_______ Parafuso cabeça cilíndrica com fenda .............................................50
DIN 125______ Arruela plana....................................................................................60
DIN 126______ Arruela plana bruta ..........................................................................60
DIN 127______ Arruela de pressão...........................................................................61
DIN 137______ Arruela ondulada..............................................................................62
DIN 259______ Rosca Whitworth para tubos............................................................13
DIN ISO 273 __ Furo de passagem para parafuso ....................................................30
DIN 336______ Diâmetro de broca para furo roscado...............................................14
DIN 433______ Arruela plana para parafuso Allen e cabeça redonda ......................60
DIN 439______ Porca sextavada baixa (contra-porca) .............................................55
DIN 471______ Anel de retenção para eixos (anel elástico) .....................................76
DIN 472______ Anel de retenção para furos (anel elástico)......................................77
DIN 509______ Saídas de ferramentas.....................................................................85
DIN 835______ Prisioneiro para alumínio .................................................................47
DIN 912______ Parafuso Allen..................................................................................41
DIN 914______ Parafuso Allen sem cabeça..............................................................46
DIN 929______ Porca sextavada para soldar ...........................................................58
DIN 931______ Parafuso sextavado comum.............................................................38
DIN 933______ Parafuso sextavado rosca próxima..................................................40
DIN 934______ Porca sextava comum......................................................................53
DIN 938______ Prisioneiro para aço .........................................................................48
DIN 939______ Prisioneiro para ferro fundido (fofo) .................................................49
DIN 963______ Parafuso cabeça escareada com fenda...........................................44
DIN 964______ Parafuso cabeça oval com fenda.....................................................51
DIN 965______ Parafuso cabeça escareada com fenda em cruz .............................52
DIN 980______ Porca auto-atarraxante ....................................................................56
DIN 3760_____ Retentores – dimensões nas peças anexas ..................................136
DIN 5419_____ Anéis de feltro (vedação) ...............................................................133
DIN 5462_____ Eixo entalhado série leve.................................................................84
DIN 5463_____ Eixo entalhado série média..............................................................84
DIN 5471_____ Eixo entalhado para máquina ferram. - 4 entalhes ..........................84
DIN 5472_____ Eixo entalhado para máquina ferram. - 6 entalhes ..........................84
DIN 6797_____ Arruela dentada ...............................................................................62
DIN 6798_____ Arruela dentada ...............................................................................62
DIN 6885_____ Chaveta plana..................................................................................75
DIN 7952_____ Furos repuxados em chapa fina.......................................................37
DIN 7980_____ Arruela de pressão para parafusos cilíndricos.................................62
Canais de Polia ''V'', padrão americano...........................................89
ABNT PB 89 __ Cremalheira de referência................................................................99
ISO/R 1340___ Características dos dentes (engrenagem) .....................................104

Apostila parafusos

  • 1.
    FACULDADE DE TECNOLOGIADE SOROCABA DESENHO TÉCNICO MECÂNICO II Prof. M. Sc. Edson Del Mastro Profª. Helena Setsuko Del Mastro Espíndola Prof.M.Sc. Osni Paula Leite Janeiro de 2012
  • 2.
    Desenho Técnico MecânicoII – Prof. M. Sc. Edson Del Mastro / Prof. Helena S. Del Mastro Espíndola Faculdade de Tecnologia de Sorocaba 2 2 Índice ROSCAS – generalidades, normas, representação .......................................................3 UNIÕES COM PARAFUSOS......................................................................................... 20 FUROS E PONTAS SOBRESSALENTES – normas..................................................... 30 PARAFUSOS – normas................................................................................................. 38 PORCAS – normas........................................................................................................ 53 ARRUELAS – normas.................................................................................................... 60 UNIÕES COM PARAFUSOS e afins – exercícios propostos......................................... 67 CHAVETAS E ANÉIS – normas e exercício resolvido.................................................... 75 CHAVETAS E ANÉIS – exercícios propostos ................................................................ 80 EIXOS – norma de eixo entalhado ................................................................................ 84 SAÍDAS DE FERRAMENTAS – norma.......................................................................... 85 POLIAS ―V‖ e correias – generalidades, norma e exercício resolvido ........................... 87 POLIAS ―V‖ – exercícios propostos ............................................................................... 94 ENGRENAGENS – generalidades, repres., geometria e normas.................................. 95 ENGRENAGENS – exercícios resolvidos e propostos ................................................111 ROLAMENTOS – generalidades, representação, catálogo......................................... 112 GRAXEIRAS................................................................................................................ 130 VEDAÇÕES – normas, catálogos e representação..................................................... 131 PROBLEMA DA CAPA................................................................................................. 152 CHAPAS E PERFIS de aço ......................................................................................... 155 RELAÇÕES DE PUBLICAÇÕES RECOMENDADAS ................................................. 159 ÍNDICE DE NORMAS.................................................................................................. 160
  • 3.
    Desenho Técnico MecânicoII – Prof. M. Sc. Edson Del Mastro / Prof. Helena S. Del Mastro Espíndola Faculdade de Tecnologia de Sorocaba 3 3 ROSCAS Definições: Hélice Cilíndrica: curva cilíndrica que forma um ângulo constante com a geratriz do cilindro ou cone onde está enrolada α= ângulo da hélice ph= passo da hélice Rosca: é um filete (de seção constante) de forma helicoidal feito na superfície externa ou interna de um cilindro ou cone. Passo da Rosca: é a distância entre dois filetes consecutivos, em pontos homólogos da rosca, medida sobre um plano que contém o eixo da rosca. Passo da Hélice a(ph) ou avanço (a): distância entre dois filetes consecutivos, em pontos homólogos de uma mesma hélice, sobre um plano que contém o eixo da rosca. Classificações: Quanto ao número de hélices: 1) Rosca de uma entrada – é a que tem um só filete em correspondência com o passo da hélice. 2) Rosca com mais de uma entrada – dois ou mais filetes são abertos no espaço correspondente ao passo da hélice (para se obter um avanço maior sem recorrer a um filete maior – que iria requerer um diâmetro também maior. Rosca de 1 entrada Rosca de 2 entradas a = 2p
  • 4.
    Desenho Técnico MecânicoII – Prof. M. Sc. Edson Del Mastro / Prof. Helena S. Del Mastro Espíndola Faculdade de Tecnologia de Sorocaba 4 4 Quanto à direção da hélice: 1) Rosca à direita – as espiras sobem à direita em torno de uma haste colocada verticalmente. 2) Roscas à esquerda – as espiras sobem à esquerda. HÉLICE à DIREITA HÉLICE à ESQUERDA Sobe para a direita Sobe para a esquerda Quanto ao sólido básico: 1) Rosca cilíndrica 2) Rosca cônica 3) Rosca externa 4) Rosca interna Quanto à função 1) fixação (a grande maioria dos casos – parafusos, porcas) 2) movimentação (ex.: movimentos de mesas e cabeçotes em máquinas-ferramentas – também fuso de esferas) 3) precisão (ex.: micrômetro) 4) vedação (ex.: botijões – rosca cônica NPT e NPTF) Quanto ao perfil do filete: 1) triangular (fixação, precisão, vedação) 2) trapezoidal (fixação, movimentação – quando os esforços são importantes, está previsto um raio na raiz do filete – v. DIN 103) 3) dente de serra (movimentação) 4) redonda (movimentação com choques mecânicos – ex.: prensa fição) 5) quadrada (não normalizada) (fixação, movimentação)
  • 5.
    Desenho Técnico MecânicoII – Prof. M. Sc. Edson Del Mastro / Prof. Helena S. Del Mastro Espíndola Faculdade de Tecnologia de Sorocaba 5 5 PRINCIPAIS ROSCAS (perfil triangular)  Rosca métrica ISO - Normal - Fina  Roscas unificadas americana (USA)  UNC – unified national coarse (bruta)  UNF – unified national fine  UNEF – unified national extra fine  NPT – national pipe taper (cônica)  NPTF – national pipe taper fine (cônica fina)  Rosca WhitWorth  Rosca de gás WhitWorth – BSP (British Standard Pipe) Perfis de Rosca Triangular Trapezoidal Dente de serra Redondo Quadrado Designação de Rosca Designação de Rosca Exemplos Significados Rosca Métrica ISO M20 Ønominal ~ Øext.=20; passo normalizado Rosca Métrica ISO Fina M20x1,5 Ønominal ~ Øext.=20; passo=1,5 Rosca Whitworth 3/4‖ f Ønominal ~ Øext.=¾‖; tolerância - fina1 Rosca Americana – Normal 1/2‖ - 12 UNC – 2A Ønominal ~ Øext.=½‖; 12 f.p.p; Qualid.2;2 Rosca Americana – Fina 1/2‖ - 20 UNF – 2B Ønominal ~ Øext.=½‖; 20 fpp; Qualid.2; R. int. Rosca Americana – Extra Fina 1/2‖ - 28 UNEF – 3A Ønominal ~ Øext.=½‖; 28 fpp; Qualid. 3; R. ext. Rosca Americana – P constante 1/2‖ - N12 – 2A Ønominal ~ Øext.=½‖; 12 fpp; Qualid. 2; R. ext. Rosca Withworth para Tubos R 3/4‖ Øext. > Ø nom. ~ int. tubo Rosca de Filete Trapezoidal Tr 50x8 Ønominal ~ Øext.; passo = 8 (DIN 103) Rosca de Filete em Dente de Serra S 100x12 Ønominal ~ Øext.; passo = 12 (DIN 513) Rosca de Filete Redondo Rd 20x1/8‖ Ønominal ~ Øext.; passo = 1/8‖ (DIN 405) 1 Outras tolerâncias: média (m); grosseira (g) – âng. flancos 2 A = rosca externa; B = rosca interna
  • 6.
    Desenho Técnico MecânicoII – Prof. M. Sc. Edson Del Mastro / Prof. Helena S. Del Mastro Espíndola Faculdade de Tecnologia de Sorocaba 6 6 Representação Simplificada das Partes Roscadas Este método independe do tipo de rosca  REPRESENTAÇÃO CONVENCIONAL Para roscas visíveis – crista do filete: linha grossa raiz da rosca: linha fina Para roscas encobertas – a crista e a raiz são representadas por linhas tracejadas (linha fina) Rosca de partes cortadas – as hachuras devem ser estendidas até o diâmetro do furo. Vista de topo da rosca visível – a raiz deve ser representada por uma circunferência parcial de linha fina, de aproximadamente ¾ de circunferência. Limitações do comprimento útil da rosca – é representado por uma linha grossa. Roscas incompletas – roscas incompletas ou a parte além do limite de comprimento útil da rosca não são mostradas (mas pode quando isso for importante). Furação Rosqueamento Montagem
  • 7.
    Desenho Técnico MecânicoII – Prof. M. Sc. Edson Del Mastro / Prof. Helena S. Del Mastro Espíndola Faculdade de Tecnologia de Sorocaba 7 7 Representação e Cotagem – Exemplos  Rosca Externa  Rosca Interna ou Ø BROCA = d – p (Ø broca p/ rosca métrica – DIN 336)
  • 8.
    Desenho Técnico MecânicoII – Prof. M. Sc. Edson Del Mastro / Prof. Helena S. Del Mastro Espíndola Faculdade de Tecnologia de Sorocaba 8 8 PERFIL TRIANGULAR ISO VARIAÇÃO DO ÂNGULO DA HÉLICE α d = Ø nominal p = passo da rosca a = avanço ROSCA FINA (fixação c/ vibração) ROSCA NORMAL (fixação) ROSCA 2 ENTRADAS (movimentação) INFLUÊNCIA DO ÂNGULO DA HÉLICE QUANTO À FUNÇÃO DA ROSCA P = Força axial sobre paraf. e porca N = P . cos α Fp = P . sen α Fa ≤ N . μ Μ = coeficiente de atrito entre paraf. e porca
  • 9.
    Desenho Técnico MecânicoII – Prof. M. Sc. Edson Del Mastro / Prof. Helena S. Del Mastro Espíndola Faculdade de Tecnologia de Sorocaba 9 9 ROSCA MÉTRICA ISO DIN 13 folha 12 (séries selecionadas) COMUM Série 1 FINA Série 2 FINA Série 3 FINA Série 4 M 0,3 0,08 M 18 x 2 M 12 x 1 M 2 x 0,25 M 0,4 0,1 M 20 x 2 M 36 x 2 M 2,3 x 0,25 M 0,5 0,13 M 22 x 2 M 39 x 2 M 2,6 x 0,35 M 0,6 0,15 M 24 x 2 M 42 x 2 M 3 x 0,35 M 0,8 0,2 M 27 x 2 M 45 x 2 M 4 x 0,5 M 1 0,25 M 30 x 2 M 48 x 2 M 5 x 0,5 M 1,2 0,25 M 33 x 2 M 52 x 2 M 6 x 0,5 M 1,4 0,3 M 36 x 3 M 56 x 2 M 8 x 1 M 1,7 0,35 M 39 x 3 M 58 x 2 M 10 x 1 M 2 0,4 M 42 x 3 M 60 x 2 M 12 x 1,5 M 2,3 0,4 M 45 x 3 M 64 x 2 M 14 x 1,5 M 2,6 0,45 M 48 x 3 M 68 x 2 M 16 x 1,5 M 3 0,5 M 52 x 3 M 72 x 2 M 18 x 1,5 M 3,5 0,6 M 56 x 4 M 76 x 2 M 20 x 1,5 M 4 0,7 M 60 x 4 M 80 x 2 M 22 x 1,5 M 5 0,8 M 64 x 4 M 85 x 2 M 24 x 1,5 M 6 1 M 68 x 4 M 90 x 2 M 26 x 1,5 M 8 1,25 M 72 x 4 M 95 x 2 M 27 x 1,5 M 10 1,5 M 76 x 4 M 100 x 2 M 28 x 1,5 M 12 1,75 M 80 x 4 M 105 x 2 M 30 x 1,5 M 14 2 M 85 x 4 M 110 x 2 M 32 x 1,5 M 16 2 M 90 x 4 M 115 x 2 M 33 x 1,5 M 18 2,5 M 95 x 4 M 120 x 2 M 35 x 1,5 M 20 2,5 M 100 x 4 M 125 x 2 M 36 x 1,5 M 22 2,5 M 105 x 4 M 130 x 3 M 38 x 1,5 M 24 3 M 110 x 4 M 140 x 3 M 39 x 1,5 M 27 3 M 115 x 4 ATÉ M 40 x 1,5 M 30 3,5 M 120 x 4 M 300 x 3 M 42 x 1,5 M 33 3,5 M 125 x 4 M 45 x 1,5 M 36 4 M 130 x 4 M 48 x 1,5 M 39 4 M 140 x 6 M 50 x 1,5 M 42 4,5 ATÉ M 52 x 1,5 M 45 4,5 M 55 x 1,5 M 48 5 M 300 x 6 M 58 x 1,5
  • 10.
    Desenho Técnico MecânicoII – Prof. M. Sc. Edson Del Mastro / Prof. Helena S. Del Mastro Espíndola Faculdade de Tecnologia de Sorocaba 10 10 ROSCA AMERICANA (USA) p = passo t = 0.886p d1 = d-2t1 d2 = d-t1 t1 = 0.5495p Ø UNC UNF UNEF #0 (.060) — 80 — #1 (.073) 64 72 — #2 (.086) 56 64 — #3 (.099) 48 56 — #4 (.112) 40 18 — #5 (.125) 40 44 — #6 (.138) 32 40 — #8 (.164) 32 36 — #10 (.190) 24 32 — #12 (.215) 24 28 — ¼ 20 28 36 5/16 18 24 32 3/8 16 24 32 7/16 14 20 28 ½ 12 20 28 ½ 13-nc — — 9/16 12 18 24 5/8 11 18 24 ¾ 10 16 20 7/8 9 14 20 1 8 14 20 1 1/8 7 12 18 1 ¼ 7 12 18 1 3/8 6 — — 1 ½ 6 12 18 1 ¾ 5 — 16 2 4,5 — 16 2 ¼ 4,5 — 16 2 ½ 4 — 16 2 ¾ 4 — 16 3 4 — 16 >3 — — 16 Ø N8 N12 N16 ½ — 12 — 9/16 — 12 — 3/8 — 12 — 11/16 — 12 — ¾ — 12 16 13/16 — 12 16 1 8 12 16 1 1/16 — 12 16 1 1/8 8 12 16 1 3/16 — 12 16 1 ¼ 8 12 16 1 5/16 — 12 16 1 3/8 8 12 16 1 7/16 — 12 16 1 ½ 8 12 16 1 9/16 — — 16 1 5/8 8 12 16 1 11/16 — — 16 1 ¾ 8 12 16 1 13/16 — — 16 1 7/8 8 12 16 1 15/16 — — 16 2 8 12 16 2 1/16 — — 16 2 1/8 8 12 16 2 3/16 — — 16 2 ¼ 8 12 16 2 5/16 — — 16 2 3/8 — 12 16 2 7/16 — — 16 2 ½ 8 12 16 2 5/8 — 12 16 2 ¾ 8 12 16 2 7/8 — 12 16 3 8 12 16 3 1/8 — 12 16 3 ¼ 8 12 16 3 3/8 — 12 16 3 ½ 8 12 16 3 5/8 — 12 16 3 ¾ 8 12 16 3 7/8 — 12 16 4 8 12 16 4 a 6‖ 8 12 16 *Variação de ¼
  • 11.
    Desenho Técnico MecânicoII – Prof. M. Sc. Edson Del Mastro / Prof. Helena S. Del Mastro Espíndola Faculdade de Tecnologia de Sorocaba 11 11 EXEMPLOS DE DESIGNAÇÃO
  • 12.
    Desenho Técnico MecânicoII – Prof. M. Sc. Edson Del Mastro / Prof. Helena S. Del Mastro Espíndola Faculdade de Tecnologia de Sorocaba 12 12 ROSCA WHITWORTH WHITWORTH COMUM DIN11 Exemplo de designação R. Whitworth comum DIÂM. NOMINAL POLEGADA ROSCA (mm) DIÂMETRO DO NÚCLEO ÁREA DO N. (cm²) f.p.p. passo 1/4 6,35 4,72 0175 20 1,27 5/16 7,94 6,13 0295 18 1,41 3/8 9,53 7,49 0441 16 1,59 1/2 12,70 9,99 0784 12 2,12 5/8 15,88 12,92 1311 11 2,31 3/4 19,05 15,80 1960 10 2,54 7/8 22,23 18,61 2720 9 2,82 1 25,40 21,34 3575 8 3,8 1 1/8 28,80 23,93 4497 7 3,63 1 1/4 31,75 27,10 5770 7 3,63 1 3/8 34,93 29,51 6837 6 4,23 1 1/2 38,10 32,63 8388 6 4,23 1 5/8 41,28 34,77 9495 5 5,08 1 3/4 44,45 37,95 11310 5 5,08 2 50,80 43,57 14912 4 1/2 5,65 2 1/4 57,15 49,02 18813 4 6,35 2 1/2 63,50 55,37 24019 4 6,35 2 3/4 69,85 60,56 28304 3 1/2 7,26 3 76,20 66,91 35161 3 1/2 7,26 3 1/4 82,55 72,54 41333 3 1/4 7,82 3 1/2 88,90 78,89 48885 3 1/4 7,82 3 3/4 95,25 84,41 55959 3 8,47 4 101,60 90,76 64697 3 8,47 4 1/4 107,95 96,64 73349 2 7/8 8,84
  • 13.
    Desenho Técnico MecânicoII – Prof. M. Sc. Edson Del Mastro / Prof. Helena S. Del Mastro Espíndola Faculdade de Tecnologia de Sorocaba 13 13 WHITWORTH PARA TUBOS DIN 259 Ø NOMINAL Ø INTERNO POLEGADA Ø ROSCA D Ø NÚCLEO D1 Passo p f.p.p. 1/8 9,73 8,57 0,91 28 1/4 13,16 11,45 1,34 19 3/8 16,66 14,95 1,34 19 1/2 20,96 18,63 1,81 14 5/8 22,91 20,59 1,81 14 3/4 26,44 24,12 1,81 14 7/8 30,20 27,88 1,81 14 1 33,25 30,29 2,31 11 1 1/4 41,91 38,95 2,31 11 1 1/2 47,81 44,85 2,31 11 1 3/4 53,75 50,79 2,31 11 2 59,62 56,66 2,31 11 2 1/4 65,71 62,76 2,31 11 2 1/2 75,19 72,23 2,31 11 2 3/4 81,54 78,58 2,31 11 3 87,89 84,93 2,31 11 3 1/4 93,98 91,03 2,31 11 3 1/2 100,33 97,37 2,31 11 3 3/4 106,68 103,73 2,31 11 4 113,03 110,08 2,31 11 4 1/2 125,74 122,78 2,31 11 5 133,44 135,48 2,31 11 Exemplo R. Whitworth p/ tubos
  • 14.
    Desenho Técnico MecânicoII – Prof. M. Sc. Edson Del Mastro / Prof. Helena S. Del Mastro Espíndola Faculdade de Tecnologia de Sorocaba 14 14 prefori di maschiatura filettatura metrica ISO(M) filettatura metrica ISO fine (MF) M MF filetto diametro diame- tro pre- foro filetto diametro diame- tro pre- foro filetto diametro diame- tro pre- foro filetto diametro diame- tro pre- foro mm mm mm mm mm mm mm mm M 1 0,75 M 1 x 0,2 0,8 M 14 x 1,25 12,8 M 45 x 2 43 M 1,1 0,85 M 1,1 x 0,2 0,9 M 12 x 1,5 10,5 M 48 x 2 46 M 1,2 0,95 M 1,2 x 0,2 1 M 14 x 1,5 12,5 M 50 x 2 48 M 1,4 1,1 M 1,4 x 0,2 1,2 M 15 x 1,5 13,5 M 52 x 2 50 M 1,6 1,25 M 1,6 x 0,2 1,4 M 16 x 1,5 14,5 M 30 x 3 27 M 1,8 1,45 M 1,8 x 0,2 1,6 M 17 x 1,5 15,5 M 33 x 3 30 M 2 1,6 M 1,4 x 0,25 1,15 M 18 x 1,5 16,5 M 36 x 3 33 M 2,2 1,75 M 2 x 0,25 1,75 M 20 x 1,5 18,5 M 39 x 3 36 M 2,5 2,05 M 2,2 x 0,25 1,95 M 22 x 1,5 20,5 M 40 x 3 37 M 3 2,5 M 2,5 x 0,35 2,15 M 24 x 1,5 22,5 M 42 x 3 39 M 3,5 2,9 M 3 x 0,35 2,65 M 25 x 1,5 23,5 M 45 x 3 42 M 4 3,3 M 3,5 x 0,35 3,15 M 26 x 1,5 24,5 M 48 x 3 45 M 4,5 3,7 M 4 x 0,5 3,5 M 27 x 1,5 25,5 M 50 x 3 47 M 5 4,2 M 4,5 x 0,5 4 M 28 x 1,5 26,5 M 52 x 3 49 M 6 5 M 5 x 0,5 4,5 M 30 x 1,5 28,5 M 42 x 4 38 M 7 6 M 5,5 x 0,5 5 M 32 x 1,5 30,5 M 45 x 4 41 M 8 6,8 M 6 x 0,75 5,2 M 33 x 1,5 31,5 M 48 x 4 44 M 9 7,8 M 7 x 0,75 6,2 M 35 x 1,5 33,5 M 52 x 4 48 M 10 8,5 M 8 x 0,75 7,2 M 36 x 1,5 34,5 M 11 9,5 M 9 x 0,75 8,2 M 38 x 1,5 36,5 M 12 10,2 M 10 x 0,75 9,2 M 39 x 1,5 37,5 M 14 12 M 11 x 0,75 10,2 M 40 x 1,5 38,5 M 16 14 M 8 x 1 7 M 42 x 1,5 40,5 M 18 15,5 M 9 x 1 8 M 45 x 1,5 43,5 M 20 17,5 M 10 x 1 9 M 48 x 1,5 46,5 M 22 19,5 M 11 x 1 10 M 50 x 1,5 48,5 M 24 21 M 12 x 1 11 M 52 x 1,5 50,5 M 27 24 M 14 x 1 13 M 18 x 2 16 M 30 26,5 M 15 x 1 14 M 20 x 2 18 M 33 29,5 M 16 x 1 15 M 22 x 2 20 M 36 32 M 17 x 1 16 M 24 x 2 22 M 39 35 M 18 x 1 17 M 25 x 2 23 M(DIN)M 42 37,5 M 20 x 1 19 M 27 x 2 25 M 45 40,5 M 22 x 1 21 M 28 x 2 26 filetto diametro diametro pre-foro M 48 43 M 24 x 1 23 M 30 x 2 28 M 52 47 M 25 x 1 24 M 32 x 2 30 M 56 50,5 M 27 x 1 26 M 33 x 2 31 mm mm M 28 x 1 27 M 36 x 2 34 M 30 x 1 29 M 39 x 2 37 M 1,7 1,3 M 10 x 1,25 8,8 M 40 x 2 38 M 2,3 1,9 M 12 x 1,25 10,8 M 42 x 2 40 M 2,6 2,1
  • 15.
    Desenho Técnico MecânicoII – Prof. M. Sc. Edson Del Mastro / Prof. Helena S. Del Mastro Espíndola Faculdade de Tecnologia de Sorocaba 15 15
  • 16.
    Desenho Técnico MecânicoII – Prof. M. Sc. Edson Del Mastro / Prof. Helena S. Del Mastro Espíndola Faculdade de Tecnologia de Sorocaba 16 16
  • 17.
    Desenho Técnico MecânicoII – Prof. M. Sc. Edson Del Mastro / Prof. Helena S. Del Mastro Espíndola Faculdade de Tecnologia de Sorocaba 17 17
  • 18.
    Desenho Técnico MecânicoII – Prof. M. Sc. Edson Del Mastro / Prof. Helena S. Del Mastro Espíndola Faculdade de Tecnologia de Sorocaba 18 18
  • 19.
    Desenho Técnico MecânicoII – Prof. M. Sc. Edson Del Mastro / Prof. Helena S. Del Mastro Espíndola Faculdade de Tecnologia de Sorocaba 19 19 EXERCÍCIO 1. Luva roscada; mat.: aço inox – s/ esc mat.: aço ABNT 1020 Complementar o corte total e cotar Rosca externa: métrica fina à esquerda  d=36  Passo 1,5 Rosca interna: métrica comum  d=12 2. Suporte – mat.: FC-15 – s/ esc. – completar o desenho e adotar cotas
  • 20.
    Desenho Técnico MecânicoII – Prof. M. Sc. Edson Del Mastro / Prof. Helena S. Del Mastro Espíndola Faculdade de Tecnologia de Sorocaba 20 20 Parafuso com cabeça e porca hexagonais R ~ 1,5 d r ~ 0,4 d EXEMPLO DE ESPECIFICAÇÃO: (d) (L) Classe de resistência conf. DIN 267 p3 Parafuso sextavado M16 x 80 DIN 931-5.6 Porca sextavada M16 DIN 934-5
  • 21.
    Desenho Técnico MecânicoII – Prof. M. Sc. Edson Del Mastro / Prof. Helena S. Del Mastro Espíndola Faculdade de Tecnologia de Sorocaba 21 21
  • 22.
    Desenho Técnico MecânicoII – Prof. M. Sc. Edson Del Mastro / Prof. Helena S. Del Mastro Espíndola Faculdade de Tecnologia de Sorocaba 22 22 UNIÕES COM PARAFUSOS 1- UNIÃO DE DUAS OU MAIS PEÇAS COM PARAFUSO, ARRUELA E PORCA (FUROS PASSANTES EM TODAS PEÇAS) Lmín= comprimento de aperto* + Vmín comprimento de aperto x + y + z + s Vmín (V1mín ... V5mín) conforme DIN 78 Lmín → Lnormalizado (próximo superior) x=19;y=14;z=20 Lmín= (19+14++20+3)+13,5 = 69,5 → próx. Sup →70 ESPECIFICANDO OS ELEMENTOS NORMALIZADOS: Parafuso sextavado M12x70 DIN 931-8.8 Porca sextavada M12 DIN 934-8 Arruela 13 DIN 125-aço (*) Inicia onde começa o L do parafuso (v. normas) e termina no 1° filete da porca ou do que lhe faça a vez (furos roscados).
  • 23.
    Desenho Técnico MecânicoII – Prof. M. Sc. Edson Del Mastro / Prof. Helena S. Del Mastro Espíndola Faculdade de Tecnologia de Sorocaba 23 23 PARAFUSO ALLEN Designação Parafuso Allen M16x70 DIN 912-5.6 Valores de amín (normalizados) Aço Bronze Ferro Fundido Alumínio Metais Dúcteis 1d 1,25d 2d 2,5d a= comprimento atuante da rosca
  • 24.
    Desenho Técnico MecânicoII – Prof. M. Sc. Edson Del Mastro / Prof. Helena S. Del Mastro Espíndola Faculdade de Tecnologia de Sorocaba 24 24 UNIÕES COM PARAFUSOS 2 – UNIÃO DE DUAS OU MAIS PEÇAS ATRAVÉS DE PARAFUSO E FURO ROSCADO PASSANTE NA ÚLTIMA PEÇA. (DIN 74 – parte 2) (DIN ISO 273) (DIN 13 fl 1) Lmín= comprimento de aperto + amín (v. Tabela: função de d e material) Lmín= [(33-15)+26]+14 = 58 próx. superior → 60 ESPECIFICANDO... Parafuso Allen M14x60 DIN 912-5.6
  • 25.
    Desenho Técnico MecânicoII – Prof. M. Sc. Edson Del Mastro / Prof. Helena S. Del Mastro Espíndola Faculdade de Tecnologia de Sorocaba 25 25 Quando a última peça for menor que Amin SOLUÇÕES  DE MANUTENÇÃO 1- Soldar (elétrica) um retalho Ø ou □, furar e rosquear 2- Soldar (elétrica) uma porca sextava, quadrada (normalizada)  DE PRODUÇÃO 1- Soldar (por projeção) porcas especiais p/ isso (sext. DIN 929, quadrada DIN 928) 2- Furar e repuxar (estamparia) DIN 7952
  • 26.
    Desenho Técnico MecânicoII – Prof. M. Sc. Edson Del Mastro / Prof. Helena S. Del Mastro Espíndola Faculdade de Tecnologia de Sorocaba 26 26 UNIÕES COM PARAFUSOS 3- UNIÃO DE DUAS OU MAIS PEÇAS ATRAVÉS DE PARAFUSO E FURO ROSCADO CEGO NA ÚLTIMA PEÇA. Lmín= comprimento de aperto + amín (v. Tabela) Lmín= (22+17)+12,5 = 51,5 Lmín= 51,5 próx. superior normalizado→ 55 ESPECIFICANDO: Parafuso cab. escareada M10x55 DIN 963-5.8 areal= L-comprto . aperto = 55 – (22+17)=16 b = areal + 0,5d = 16 + 0,5 x 10 = 21 t = b + e1 = 21 + 7,3 = 28,3 ≈ 29 (e2, e3)
  • 27.
    Desenho Técnico MecânicoII – Prof. M. Sc. Edson Del Mastro / Prof. Helena S. Del Mastro Espíndola Faculdade de Tecnologia de Sorocaba 27 27 4- UNIÃO DE DUAS OU MAIS PEÇAS ATRAVÉS DE PRISIONEIRO, ARRUELA E PORCA PRISIONEIRO FIXAÇÃO DO PRISIONEIRO NA PEÇA BASE
  • 28.
    Desenho Técnico MecânicoII – Prof. M. Sc. Edson Del Mastro / Prof. Helena S. Del Mastro Espíndola Faculdade de Tecnologia de Sorocaba 28 28 UNIÕES COM PARAFUSOS 4- DUAS OU MAIS PEÇAS UNIDAS ATRAVÉS DE PRISIONEIRO, ARRUELA E PORCA Lmín = comprimento aperto + Vmín (V1...V5, conf. DIN 78) Lmín = (18 + 20 + 3) + 17 = 58 próx. superior → 60 ESPECIFICANDO... Prisioneiro M16x60 DIN 939-10.9 Porca sextavada M16 DIN 934-10 Arruela 17 DIN 125-aço ATENÇÃO: prisioneiro p/ aço: DIN 938 prisioneiro p/ alumínio: DIN 835
  • 29.
    Desenho Técnico MecânicoII – Prof. M. Sc. Edson Del Mastro / Prof. Helena S. Del Mastro Espíndola Faculdade de Tecnologia de Sorocaba 29 29 CLASSE DE RESISTÊNCIA (CONF. DIN 267 p.3) - Máquina universal de ensaio de (tração, compressão, flexão) - Corpo de Prova Normalizado (chapa ou redondo) Gráfico: Ensaio de tração convencional* 2 00 2 0 0 d 4F A F σ 4 d A* π π   σB = Tensão Limite de Resistência σS = Tensão Limite de Escoamento 1º Número = 10 σB 2º Número = B S σ σ 10 1º Nº x 2º Nº = σ σ σσ S B SB x10 10 
  • 30.
    Desenho Técnico MecânicoII – Prof. M. Sc. Edson Del Mastro / Prof. Helena S. Del Mastro Espíndola Faculdade de Tecnologia de Sorocaba 30 30 Folha 3 DIN ISO 273 Medidas em mm 1. CAMPO DE APLICAÇÃO: Esta norma internacional recomenda furos passantes para aplicações gerais em conexões de parafusos. Os furos passantes indicados podem ser calculados em função das superfícies de contato dos parafusos e porcas conforme definidas nas normas ISO correspondentes. OBSERVAÇÃO: Os furos passantes para conexões por parafuso especiais devem ser determinados de acordo com as características construtivas específicas. 2. MEDIDAS: Diâmetro da rosca Furo de passagem dh Série: Diâmetro da rosca Furo de passagem dh Série: D fina média grossa d fina média grossa 1 1,1 1,2 1,3 33 34 36 38 1,2 1,3 1,4 1,5 36 37 39 42 1,4 1,5 1,6 1,8 39 40 42 45 1,6 1,7 1,8 2 42 43 45 48 1,8 2 2,1 2,2 45 46 48 52 2 2,2 2,4 2,6 48 50 52 56 2,5 2,7 2,9 3,1 52 54 56 62 3 3,2 3,4 3,6 56 58 62 66 3,5 3,7 3,9 4,2 60 62 66 70 4 4,3 4,5 4,8 64 66 70 74 4,5 4,8 5 5,3 68 70 74 78 5 5,3 5,5 5,8 72 74 78 82 6 6,4 6,6 7 76 78 82 86 7 7,4 7,6 8 80 82 86 91 8 8,4 9 10 85 87 91 96 10 10,5 11 12 90 93 96 101 12 13 13,5 14,5 95 98 101 107 14 15 15,5 16,5 100 104 107 112 16 17 17,5 18,5 105 109 112 117 18 19 20 21 110 114 117 122 20 21 22 24 115 119 122 127 22 23 24 26 120 124 127 132 24 25 26 28 125 129 132 137 27 28 30 32 130 134 137 144 30 31 33 35 140 144 147 155 150 155 158 165 Os campos de tolerância a seguir são indicados a título de informação, para os casos em que seja necessário determinar tolerâncias a partir de normas nacionais. série fina:H12 série média H13 série grossa: H14 Aconselha-se chanfrar o furo passante nos casos em que seja necessário evitar o bloqueio da passagem do setor de transição abaixo da cabeça do parafuso pela abertura do furo.
  • 31.
    Desenho Técnico MecânicoII – Prof. M. Sc. Edson Del Mastro / Prof. Helena S. Del Mastro Espíndola Faculdade de Tecnologia de Sorocaba 31 31 December 1980 Countersinks For Countersunk Head Screws DIN 74 Part 1 Dimensions in mm 1 Dimensions and designations Shape Afor countersunk head screws in accordance with DIN 963 and DIN 965 Oval head countersunk screws in accordance with DIN 964 and DIN 966 Self-cutting screws shape F and G in accordance with DIN 7513 and shape D and E in accordance with DIN 7516 Thread-grooving screws shape K, L, M and N in accordance with DIN 7500 Countersunk head wood screws in accordance with DIN 97 and DIN 7997 Raised countersunk (oval) head wood screws in accordance with DIN 95 and DIN 7995 Medium (m) type Fine (f) type Designation of a countersink of shape A, medium (m) executation for a 4 mm screw thread diameter: Countersink DIN 74 – A m 4 Table 1 For screw thread diameter 1) 1 1,2 1,4 1,6 1,8 2 2,5 3 3,5 4 4,5 4) Type m d1 2) H13 1,2 1,4 1,6 1,8 2,1 2,4 2,9 3,4 3,9 4,5 5 d2 H13 2,4 2,8 3,3 3,7 4,1 4,6 5,7 6,5 7,6 8,6 9,5 t1 ≈ 0,6 0,7 0,8 0,9 1,0 1,1 1,4 1,6 1,9 2,1 2,3 Type f d1 3) H12 1,1 1,3 1,5 1,7 2 2,2 2,7 3,2 3,7 4,3 4,8 d3 H12 2 2,5 2,8 3,3 3,8 4,3 5 6 7 8 9 t1 ≈ 0,7 0,8 0,9 1 1,2 1,2 1,5 1,7 2 2,2 2,4 t2 1,0 0  0,2 0,15 0,15 0,2 0,2 0,15 0,35 0,25 0,3 0,3 0,3 For screw thread diameter 1) 5 5,5 4) 6 7 4) 8 10 12 14 16 18 20 Type m d1 2) H13 5,5 6 6,6 7,6 9 11 13,5 15,5 17,5 20 22 d2 H13 10,4 11,4 12,4 14,4 16,4 20,4 23,9 26,9 31,9 36,4 40,4 t1 ≈ 2,5 2,7 2,9 3,3 3,7 4,7 5,2 5,7 7,2 8,2 9,2 Type f d1 3) H12 5,3 5,8 6,4 7,4 8,4 10,5 13 15 17 19 21 d3 H12 10 10,8 11,5 13 15 19 23 26 30 34 37 t1 ≈ 2,6 2,8 3 3,5 4 5 5,7 6,2 7,7 8,7 9,7 t2 1,0 0  0,2 0,3 0,45 0,45 0,7 0,7 0,7 0,7 1,2 1,2 1,7 1) In the case of Wood screws: nominal diameter 2) Through hole medium in accordance with DIN ISO 273 (except for screw thread diameter 5.5) 3) Through hole fine in accordance with DIN ISO 273 (except for screw thread diameter 5.5) 4) Applies only to wood screws
  • 32.
    Desenho Técnico MecânicoII – Prof. M. Sc. Edson Del Mastro / Prof. Helena S. Del Mastro Espíndola Faculdade de Tecnologia de Sorocaba 32 32 UDC 621 882 15 472.3 : 621.882.215.891.6 DOUTSCHE NORMEN DECEMBER 1980 Countersinks for Cheese Head Screws DIN 74 Part 2 Senkungen fur Schauben mit Zylinderkopf Dimensions in mm 1 Dimensions and designation Shape H for cheese head screws in accordance whit DIN 84 and DIN7984 self-cutting screws shape A in accordance with DIN 7513 thread-grooving screws shape A in accordance whit DIN 7500 Shape J for cheese head screws in accordance with DIN 6912 Shape K for cheese head screws in accordance with DIN 912 Designition of a countersink od shape H with thouugh hole medium (m). for a 10 mm screw thead diameter ―Countersink DIN 74 – H m 10‖ For screw thread diameter 1 1,2 1,4 1,6 1,8 2 2,5 3 3,5 4 5 6 8 d1 medium(m) 1 ) H13 1,2 1,4 1,6 1,8 2,1 2,4 2,9 3,4 3,9 4,5 5,5 6,6 9 fine(f) 2 ) H12 1,1 1,3 1,5 1,7 2 2,2 2,7 3,2 3,7 4,3 5,3 6,4 8,4 d2 H13 2,2 2,5 2,8 3,3 3,8 4,3 5 6 6,5 8 10 11 15 d3 3 ) - - - - - - - - - - - - - t for countersink shape H 0,8 0,9 1 1,2 1,5 1,6 2 2,4 2,9 3,2 4 4,7 6 shape J - - - - - - - - - 3,4 4,2 4,8 6 shape K - - 1,6 1,8 - 2,3 2,9 3,4 - 4,6 5,7 6,8 9 per.dev. +0.1 +0.2 +0.4 0 0 0 For screw thread diameter 10 12 14 16 18 20 22 24 27 30 33 36 42 48 d1 medium(m) 1 ) H13 11 13,5 15,5 17,5 20 22 24 26 30 33 36 39 45 52 fine(f) 2 ) H12 10,5 13 15 17 19 21 23 25 - - - - - - d2 H13 18 20 24 26 30 33 36 40 43 48 53 57 66 76 d3 3 ) - 16 18 20 22 24 26 28 33 36 39 42 48 56 t for countersink shape H 7 8 9 10,5 11,5 12,5 13,5 14,5 - - - - - - shape J 7,5 8,5 9,5 11,5 12,5 13,5 14,5 15,5 17,5 19,5 21,5 23,5 - - shape K 11 13 15 17,5 19,5 21,5 23,5 25,5 28,5 32 35 38 44 50 per.dev. +0.4 +0.6 0 0 1 ) Though hole medium in accordance with DIN ISO 273 (to be preferred) 2 ) Though hole fine in accordance with DIN ISO 273 3 ) 90º contersink or radiused, and it the screw thead diameter is less than 12 mm, only deburred
  • 33.
    Desenho Técnico MecânicoII – Prof. M. Sc. Edson Del Mastro / Prof. Helena S. Del Mastro Espíndola Faculdade de Tecnologia de Sorocaba 33 33
  • 34.
    Desenho Técnico MecânicoII – Prof. M. Sc. Edson Del Mastro / Prof. Helena S. Del Mastro Espíndola Faculdade de Tecnologia de Sorocaba 34 34
  • 35.
    Desenho Técnico MecânicoII – Prof. M. Sc. Edson Del Mastro / Prof. Helena S. Del Mastro Espíndola Faculdade de Tecnologia de Sorocaba 35 35 Folha 3 DIN 76 parte 1 2 Rosca interna (Rosca de porca) Furação para o fundo da rosca 2.1 com saída de rosca 2.2 com rebaixo sem rosca Demais medidas como na figura ao lado. O ângulo de transição entre f1 e f2, varia entre 30º e 60º conforme o tipo de fabricação b= comprimento útil da rosca 5) Aconselha-se, para a medida calculada t: um desvio permissível de 0+0,5P 3) ß normalmente é 120º 0 10; em casos especiais 90º; para prisioneiros em metal leve aconselha-se um rebaixamento cilíndrico. Tabela 2 ROSCA TRECHO SEM ROSCA TRECHO SEM ROSCA COM REBAIXO d e1 e2 e3 g f1 f2 min. max. r Passo Rosca Normal C D7 ) C D7 ) P Normal Curta Longa H13 Normal Curta Normal Curta ≈ 0,2 — 1,3 0,8 2 d + 0,1 0,8 0,5 1,2 0,9 0,1 0,25 1; 1,2 1,5 1 2,4 d + 0,1 1 0,6 1,4 1 0,12 0,3 1,4 1,8 1,2 2,9 d + 0,1 1,2 0,75 1,6 1,25 0,15 0,35 1,6; 1,7; 1,8 2,1 1,3 3,3 d + 0,2 1,4 0,9 1,9 1,4 0,17 0,4 2; 2,3 2,3 1,5 3,7 d + 0,2 1,6 1 2,2 1,6 0,2 0,45 2,2; 2,5; 2,6 2,6 1,6 4,1 d + 0,2 1,8 1,1 2,4 1,7 0,22 0,5 3 2,8 1,8 4,5 d + 0,3 2 1,25 2,7 2 0,25 0,6 3,5 3,4 2,1 5,4 d + 0,3 2,4 1,5 3,3 2,4 0,3 0,7 4 3,8 2,4 6,1 d + 0,3 2,8 1,75 3,8 2,75 0,35 0,75 4,5 4 2,5 6,4 d + 0,3 3 1,9 4 2,9 0,4 0,8 5 4,2 2,7 6,8 d + 0,3 3,2 2 4,2 3 0,4 1 6; 7 5,1 3,2 8,2 d + 0,5 4 2,5 5,2 3,7 0,5 1,25 8 6,2 3,9 10 d + 0,5 5 3,2 6,7 4,9 0,6 1,5 10 7,3 4,6 11,6 d + 0,5 6 3,8 7,8 5,6 0,75 1,75 12 8,3 5,2 13,3 d + 0,5 7 4,3 9,1 6,4 0,9 2 14; 16 9,3 5,8 14,8 d + 0,5 8 5 10,3 7,3 1 2,5 18; 20; 22 11,2 7 17,9 d + 0,5 10 6,3 13 9,3 1,25 3 24; 27 13,1 8,2 21 d + 0,5 12 7,5 15,2 10,7 1,5 3,5 30; 33 15,2 9,5 24,3 d + 0,5 14 9 17,7 12,7 1,75 4 36; 39 16,8 10,5 26,9 d + 0,5 16 10 20 14 2 4,5 42; 45 18,4 11,5 29,4 d + 0,5 18 11 23 16 2,25 5 48; 52 20,8 13 33,3 d + 0,5 20 12,5 26 18,5 2,5 5,5 56; 60 22,4 14 35,8 d + 0,5 22 14 28 20 2,75 6 64; 68 24 15 38,4 d + 0,5 24 15 30 21 3 As medidas indicadas correspondem a = 6,3→4P 4→2,5P 10→6,3P — 4P 2,5P — — 0,5P 7 ) A saída de rosca com rebaixo de forma D(curta) aplica-se somente aos casos especiais em que razãos técnicas determinem a necessidade desse rebaixo curto. Neste caso a letra D da forma deve ser indicada na falta do dimensionamento do rebaixo, p. ex.: Rebaixo D DIN76. Na falta de indicação vale a forma normal C, como p. ex.: rebaixo DIN 76.
  • 36.
    Desenho Técnico MecânicoII – Prof. M. Sc. Edson Del Mastro / Prof. Helena S. Del Mastro Espíndola Faculdade de Tecnologia de Sorocaba 36 36 Folha 4 DIN 78 2. PONTAS SOBRESSALENTES DOS PARAFUSOS Os valores de v1 a v5 estabelecidos pela Tabela 3 para as pontas sobressalentes visam a garantir que a ponta livre não tenha mais do que 2P(7). os elementos de apoio, como por exemplo arruelas, também devem ser considerados. 1. PARAFUSOS COM CABEÇA (cabeças sextavadas apenas para ilustrar o exemplo). 1. PRISIONEIROS Tabela 3 d u7 ) v1 v2 v3 v4 v5 d u v1 v2 v3 v4 v5 min. min. min. min. min. min. min. min. min. min. min. min. 1,6 0,7 2 1,7 − − − 36 8 37 24 46 37 48 2 0,8 2,4 2 − − − 39 8 39 27,5 48 39 53 2,5 0,9 2,9 2,5 − − − 42 9 43 30 55 42 − 3 1 3,4 2,8 − − 5,1 45 9 45 31,5 57 43,5 − 3,5 1,2 4 3,2 − − − 48 10 48 34 60 46 − 4 1,4 4,6 3,6 6,4 − 6,2 52 10 52 36 64 48 − 5 1,6 5,6 4,3 7,6 − 8,4 56 11 56 − 68 − − 6 2 7 5,2 9,5 7 9,6 60 11 59 − 74 − − 7 2 7,5 − 10 7,5 10,7 64 12 63 − 78 − − 8 2,5 9 6,5 12 9 12,6 68 12 66 − 81 − − 10 3 11 8 15 11 15,5 72 12 70 − 85 − − 12 3,5 13,5 9,5 18,5 13,5 17,5 76 12 73 − 88 − − 14 4 15 11 20 15 21,4 80 12 76 − 91 − − 16 4 17 12 23 17 23,6 90 12 84 − 104 − − 18 5 20 13 26 20 27,2 100 12 92 − 112 − − 20 5 21 15 27 21 29,5 110 12 100 − − − − 22 5 23 16 31 23 31,7 120 12 108 − − − − 24 6 25 18 33 25 35,4 125 12 112 − − − − 27 6 28 19,5 36 28 36 130 12 116 − − − − 30 7 31 22 40 31 40,5 140 12 124 − − − − 33 7 33 23,5 42 33 43,5 150 12 132 − − − − As pontas sobressalentes de comprimento v1 e v5 servem para o cálculo do comprimento total do parafuso (comprimento nominal), a partir de L = comprimento de aperto + ponta sobressalente. O comprimento L assim calculado deve ser arredondado para o valor imediatamente superior da tabela de comprimento da norma do tipo de parafuso em questão. Para parafusos de ajuste valem as medidas de pontas sobressalentes indicadas para a forma específica.
  • 37.
    Desenho Técnico MecânicoII – Prof. M. Sc. Edson Del Mastro / Prof. Helena S. Del Mastro Espíndola Faculdade de Tecnologia de Sorocaba 37 37
  • 38.
    Desenho Técnico MecânicoII – Prof. M. Sc. Edson Del Mastro / Prof. Helena S. Del Mastro Espíndola Faculdade de Tecnologia de Sorocaba 38 38 Novembro de 1970 PARAFUSOS DE CABEÇA SEXTAVADA DE ROSCA MÉTRICA ACABAMENTO m e mg DIN 931 Ver nos esclarecimentos a correlação com as recomendações ISO Medidas em mm Designação de um parafuso de cabeça sextavada de rosca d = M8, comprimento l=50mm e classe de resistência 8,8: PARAFUSODECABEÇASEXTAVADAM8 X 50 DIN 931 8,8 d Ml,6 M 1,7*) M2 M 2,3*) M 2,5 M2.6*) M 3 (M 3,5) M4 M5 M6 (M7) M8 M10 M12 . b 1) 9 9 10 11 11 11 12 13 14 16 18 20 22 26 30 2) - - - - - - - - - 22 24 26 28 32 36 3) - - - - - - - - - - - _ - 45 49 c - - - - - - - - 0,1 0,2 0,3 0,3 0,4 0,4 0,4 da max. 2 2,1 2,6 2,9 3,1 3,2 3,6 4,1 4,77 5,7 6,8 7,8 9,2 11,2 14,2 emin m 3,48 3,82 4,38 4,95 5,51 5,51 6,08 6,64 7,74 8,87 11,05 12,12 14,38 18,90 21,10 mg - - - - - - - - - - - - - - 20,88 k 1,1 1,2 1,4 1,6 1,7 1,8 2 2,4 2,8 3,5 4 5 5,5 7 8 r min. 0,1 0,1 0,1 0,1 0,1 0,1 0,1 0,1 0,2 0,2 0,25 0,25 0,4 0,4 04 s 3,2 3,5 4 4,5 5 5 5,5 6 7 8 10 11 13 17 19 l4 ) Peso ( 7 , 8 5 kg/dm3 ) kg/1000 pecas ≈ 12 0,240 0,280 0,400 Os parafusos acima da linha cheia têm rosca até próximo da cabeça e devem ser designados pela DIN 933 (14) 0,272 0,315 0,450 0610 0,770 0,790 16 0,304 0,350 0400 0,675 0,845 0,870 (18) 0,740 0,920 0,950 20 0,805 0,995 1,03 1,29 (22) 1,07 1,11 1,40 2,03 2,82 25 1,17 1.24 1,57 2,25 3,12 (28) 1,74 2,48 3,41 30 3,61 5,64 8,06 12,1 35 4,04 6,42 9,13 13,6 18,2 40 4,53 7,20 10,2 15,1 20,7 35,0 45 5,03 7,98 11,3 16,6 22,2 38,0 53,6 50 5,52 8,76 12,3 18,1 24,2 41,1 58,1 55 6,02 9,54 13,4 19,5 25,8 43,8 62,6 60 6,51 10,3 14,4 21,0 27,8 46,9 67,0 65 7,01 11,1 15,5 22,5 29,8 50,0 70,3 70 7,50 11,9 16,1 24,0 31,8 53,1 74,7 75 12,7 17,5 25,5 33,7 56,.2 79,1 80 13,5 18,6 27,0 35,7 62,3 83,6 (85) 19,7 28,5 37,7 65,4 88,0 90 20,8 30,0 39,6 68,5 92,4 (95) 31,5 41,6 71,6 96,9 100 33,1 43,6 77,7 100 110 47,5 83,9 109 120 90,0 118 130 96,2 127 140 102 136 150 108 145 160 153 170 162 180 171. *) Medidas não previstas pela ISO/R 272 -1962 e que devem ser evitadas.
  • 39.
    Desenho Técnico MecânicoII – Prof. M. Sc. Edson Del Mastro / Prof. Helena S. Del Mastro Espíndola Faculdade de Tecnologia de Sorocaba 39 39 Folha 2 DIN 931 Continuação da Tabela da Folha 1 d (M14) M16 (M18) M20 (M22) M24 (M27) M 30 (M33) M36 (M 39) M42 (M45) M48 (M52) b 1) 34 38 42 46 50 54 60 66 72 78 84 90 96 102 - 2) 40 44 48 52 56 60 66 72 78 84 90 96 102 108 116 3) 53 57 61 65 69 73 79 85 91 97 103 109 115 121 129 C 0,4 0,4 0,4 0,4 0,4 0,5 0,5 0,5 0,5 0,5 0,6 0,6 0,6 0,6 — da max. 16,2 18,2 20,2 22,4 24,4 26,4 30,4 33,4 36,4 39,4 42,4 45,6 48,6 52,6 56,6 e min m 24,49 26,75 30,14 33,53 35,72 39,98 45,63 51,28 55,80 61,31 66,96 72,61 78,26 83,91 89,56 mm 23,91 26,17 29,56 32,95 35,03 39,55 45,20 50,85 55,37 60,79 66,44 72,09 77,74 83,39 89,04 k 9 10 12 13 14 15 17 19 21 23 25 26 28 30 33 r min. 0,6 0,6 0,6 0,8 0,8 0,8 1 1 1 1 1 1,2 1,2 1,6 1,6 s 22 24 27 30 32 36 41 46 50 55 60 65 70 75 80 l4 ) Peso (7,85 kg/dm3 ) kg/1000 peças ≈ 50 82,2 Os parafusos acima da linha cheia tem rosca ate próximo da cabeça e devem ser designados pela DIN 933 55 88,3 115 60 94,3 123 161 65 100 131 171 219 70 106 139 181 231 281 75 112 147 191 243 296 364 80 118 155 201 255 311 382 511 (85) 124 163 210 267 326 410 534 90 128 171 220 279 341 428 557 712 (95) 134 179 230 291 356 446 580 739 100 140 186 240 303 370 464 603 767 951 110 152 202 260 327 400 500 650 823 1020 1250 1510 120 165 218 280 351 430 535 695 880 1090 1330 1590 1900 2240 130 175 230 295 365 450 560 720 920 1150 1400 1650 1980 2350 2780 140 187 246 315 389 480 595 765 975 1220 1480 1740 2090 2480 2920 150 199 262 335 423 510 630 810 1030 1290 1560 1830 2200 2400 3010 3450 160 211 278 355 447 540 665 855 1090 1350 1640 1930 2310 2730 3160 3770 170 223 294 375 470 570 700 900 1140 1410 1720 2020 2420 2850 3300 3930 180 235 310 395 495 600 735 945 1200 1480 1900 2120 2520 2980 3440 4100 190 247 326 415 520 630 770 990 1250 1540 1980 2210 2630 3100 3580 4270 200 260 342 435 545 660 805 1030 1310 1610 2060 2310 2740 3220 3720 4430 220 590 720 870 1130 1420 1750 2220 2500 2960 3470 4010 4760 240 1530 1880 2380 2700 3180 3820 4290 5110 260 1640 2020 2540 2900 3400 4030 4570 5450 Evitar na medida do possível os tamanhos entre parênteses. Estes parafusos são normalmente fabricados nas classes de resistência 5,6 e 8,8 no tamanho definido pela indicação de peso. Os tamanhos que aparecem em negrito na tabela correspondem aos que normalmente existem em estoque no comércio, dada a freqüência de sua utilização. Condições técnicas do fornecimento DIN 267 Classe de resistência (Materiais): 5,6 5,8 (somente até M4) |conforme DIN 267 parte 3 8,8(somente até M39)| 10,9 Outras classes de resistência ou materiais mediante acordo específico
  • 40.
    Desenho Técnico MecânicoII – Prof. M. Sc. Edson Del Mastro / Prof. Helena S. Del Mastro Espíndola Faculdade de Tecnologia de Sorocaba 40 40
  • 41.
    Desenho Técnico MecânicoII – Prof. M. Sc. Edson Del Mastro / Prof. Helena S. Del Mastro Espíndola Faculdade de Tecnologia de Sorocaba 41 41 Setembro de 1979 PARAFUSOS DE CABEÇA CILÍNDRICA COM SEXTAVADO INTERNO ISO 4762 MODIFICADA DIN 912 Medidas em mm Fim de rosca com ponta cônica. Para roscas M4 “Como saída da máquina” (sem ponta) OBSERVAÇÃO: ds só para os parafusos com haste. Arredondamento leve ou abaixo no sextavado interno permissíveis. Outro formato permissível para o fundo do sextavado interno O canto inferior da cabeça pode ser arredondada até dw ou chanfrada, e deve ser isento de rebarba. A critério do fabricante o canto superior da cabeça pode ser arredondada ou chanfrada (contorno da prensagem) Transição máxima do eixo à cabeça
  • 42.
    Desenho Técnico MecânicoII – Prof. M. Sc. Edson Del Mastro / Prof. Helena S. Del Mastro Espíndola Faculdade de Tecnologia de Sorocaba 42 42 Folha 4 DIN 912 Tabela 1 (continuação) Rosca d M3 M4 M5 M6 M8 - - - - M8X1 P 1 ) 0,5 0,7 0,8 1 1,25 b Comp.Nominal 18 20 22 24 28 max. 2) 5,5 7 8,5 10 13 dk max. 3) 5,68 7,22 8,72 10,22 13,27 min. 5,32 6,78 8,28 9,78 12,73 da max. 3,6 4,7 5,7 6,8 9,2 ds max. 3 4 5 6 8 min. 2,86 3,82 4,82 5,82 7,78 e min. v 2,87 3,44 4,58 5,72 6,86 f max. 0,51 0,6 0,6 0,68 1,02 k max. 3 4 5 6 8 min. 2,86 3,82 4,82 5,7 7,64 r min. 0,1 0,2 0,2 0,25 0,4 Medida Nominal 2,5 3 4 5 6 s min. 2,52 3,02 4,02 5,02 6,02 max. 2,58 3,08 4,095 5,14 6,14 t min. 1,3 2 2,5 3 4 v max. 0,3 0,4 0,5 0,6 0,8 dw min. 5,07 6,53 8,03 9,38 12,33 w min. 1,15 1,4 1,9 2,3 3
  • 43.
    Desenho Técnico MecânicoII – Prof. M. Sc. Edson Del Mastro / Prof. Helena S. Del Mastro Espíndola Faculdade de Tecnologia de Sorocaba 43 43
  • 44.
    Desenho Técnico MecânicoII – Prof. M. Sc. Edson Del Mastro / Prof. Helena S. Del Mastro Espíndola Faculdade de Tecnologia de Sorocaba 44 44
  • 45.
    Desenho Técnico MecânicoII – Prof. M. Sc. Edson Del Mastro / Prof. Helena S. Del Mastro Espíndola Faculdade de Tecnologia de Sorocaba 45 45
  • 46.
    Desenho Técnico MecânicoII – Prof. M. Sc. Edson Del Mastro / Prof. Helena S. Del Mastro Espíndola Faculdade de Tecnologia de Sorocaba 46 46
  • 47.
    Desenho Técnico MecânicoII – Prof. M. Sc. Edson Del Mastro / Prof. Helena S. Del Mastro Espíndola Faculdade de Tecnologia de Sorocaba 47 47 Dezembro de 1972 PRISIONEIROS EXTREMIDADE PARAFUSÁVEL ≈ 2 d DIN 835 Substitui também a DIN 836 Os prisioneiros definidos nesta norma utilizam-se principalmente para serem parafusados nas ligas de alumínio. Quando a designação não contiver as siglas Fo (= sem rosca de ajustagem bloqueado duro ou Sn4, vale a tolerância Sk6 DIN 13 e DIN 14 suplemento 14, conforme DIN 267 parte 2 para a rosca da extremidade de aparafusamento. Medidas em mm x cf. DIN 76 z1 cf. DIN 78 Designação de um prisioneiro de rosca d = M12, comprimento l = 80mm e classe de resistência 8,8: PRISIONEIRO Ml2 X 80 DIN 835-8,8 Designação de um prisioneiro igual, porém sem a rosca de ajustagem bloqueado duro, (Fo); PRISIONEIRO M 12 Fo X 80 DIN 835-8,8 1) Para comprimento l até 125mm 2) Para comprimento l de 125 até 200mm 3) Para comprimento l acima de 200mm
  • 48.
    Desenho Técnico MecânicoII – Prof. M. Sc. Edson Del Mastro / Prof. Helena S. Del Mastro Espíndola Faculdade de Tecnologia de Sorocaba 48 48
  • 49.
    Desenho Técnico MecânicoII – Prof. M. Sc. Edson Del Mastro / Prof. Helena S. Del Mastro Espíndola Faculdade de Tecnologia de Sorocaba 49 49
  • 50.
    Desenho Técnico MecânicoII – Prof. M. Sc. Edson Del Mastro / Prof. Helena S. Del Mastro Espíndola Faculdade de Tecnologia de Sorocaba 50 50 Classes de Resistência: de preferência: 4.8 ou 5.8 Permissível: 8.8 ou 10.9
  • 51.
    Desenho Técnico MecânicoII – Prof. M. Sc. Edson Del Mastro / Prof. Helena S. Del Mastro Espíndola Faculdade de Tecnologia de Sorocaba 51 51 Classes de Resistência: de preferência: 4.8 ou 5.8 Permissível: 8.8 ou 10.9
  • 52.
    Desenho Técnico MecânicoII – Prof. M. Sc. Edson Del Mastro / Prof. Helena S. Del Mastro Espíndola Faculdade de Tecnologia de Sorocaba 52 52 Classes de Resistência: de preferência: 4.8 Permissível: 8.8
  • 53.
    Desenho Técnico MecânicoII – Prof. M. Sc. Edson Del Mastro / Prof. Helena S. Del Mastro Espíndola Faculdade de Tecnologia de Sorocaba 53 53
  • 54.
    Desenho Técnico MecânicoII – Prof. M. Sc. Edson Del Mastro / Prof. Helena S. Del Mastro Espíndola Faculdade de Tecnologia de Sorocaba 54 54
  • 55.
    Desenho Técnico MecânicoII – Prof. M. Sc. Edson Del Mastro / Prof. Helena S. Del Mastro Espíndola Faculdade de Tecnologia de Sorocaba 55 55 Dezembro de 1972 PORCAS SEXTAVADAS FORMA BAIXA DIN 439 Medidas em mm Forma A (só até M10) Forma B 15 até 30° Designação de uma porca sextavada da forma A com rosca d1 = M4 e classe de resistência 04: PORCASEXTAVADAAM4DIN439-04 d1 d2 e min. m s Coluna 1 Coluna 2 Coluna 3 Coluna 4 min. Forma A Forma B Ml,6 — — — 2,88 3,28 3,48 1 3,2 (Ml,8) — — — 3,15 3,62 3,82 1,1 3,5 M2 — — — 3,6 4,18 4,38 1,2 4 M2,5 — — — 4,5 5,31 5,51 1,6 5 M3 — — — 4,95 5,87 6,08 1,8 5,5 (M3,5) — — — 5,4 6,44 6,64 2 6 M4 — — — 6,3 7,50 7,74 2,2 7 M5 — — — 7,2 8,63 8,87 2,7 8 M6 — — — 9 10,89 11,05 3,2 10 M8 M8x l — — 11,7 14,20 14,38 4 13 M10 Ml0x1,25 — M10 x 1 15,3 18,72 18,90 5 17 M12 M12 xl,5 — M12 x 1,25 17,1 — 21,10 6 19 (M14) M14 x 1,5 — — 19,8 — 24,49 7 22 M16 M16 x 1,5 — — 21,6 — 26,75 8 24 (M18) M18 x 2 — M18 x 1,5 24,3 — 30,14 9 27 M20 M20 x 2 — M20 x 1,5 27 — 33,53 10 30 (M22) M22 x 2 — M22 x 1,5 28,8 — 35,72 11 32 M24 M24 x 2 — M24 x 1,5 32,4 — 39,98 12 36 (M27) M27 x 2 — M27 x 1,5 36,9 — 45,63 13,5 41 M30 M30 x 2 — M30 x 1,5 41,4 — 51,28 15 46 (M33) M33 x 2 — M33 x 1,5 45 — 55,80 16,5 50 M36 M36 x 3 M36 x 2 M36 x 1,5 49,5 — 61,31 18 55 (M39) M39x 3 M39 x 2 M39 x 1,5 54 — 66,96 19,5 60 M42 M42 x 3 M42 x 2 M42 x 1,5 62 — 72,61 21 65 (M45) M45 x 3 M45 x 2 M45 x 1,5 66 — 78,26 22,5 70 M48 M48 x 3 M48 x 2 M48 x 1,5 71 — 83,91 24 75 (M52) M52 x 3 M52 x 2 M52 x 1,5 76 — 89,56 26 80 Os tamanhos entre parênteses da coluna 1 e as roscas finas das colunas 2, 3 e 4 devem ser evitados na medida do possível Classes de Resistência Forma A Forma B Conforme DIN 267 Até M2,5:11H Até 2,5 11H Parte 4 Acima de M3:04 M3 a M10:04 M12 a M39:04,06 Acima de M39:14H
  • 56.
    Desenho Técnico MecânicoII – Prof. M. Sc. Edson Del Mastro / Prof. Helena S. Del Mastro Espíndola Faculdade de Tecnologia de Sorocaba 56 56
  • 57.
    Desenho Técnico MecânicoII – Prof. M. Sc. Edson Del Mastro / Prof. Helena S. Del Mastro Espíndola Faculdade de Tecnologia de Sorocaba 57 57
  • 58.
    Desenho Técnico MecânicoII – Prof. M. Sc. Edson Del Mastro / Prof. Helena S. Del Mastro Espíndola Faculdade de Tecnologia de Sorocaba 58 58 Dezembro de 1972 PORCAS SEXTAVADAS PARA SOLDAR DIN 929 Medidas em mm Designação de uma porca sextavada para soldar de rosca d1= M8 PORCA PARA SOLDAR M 8 DIN 929 As dimensões entre parênteses devem ser mantidas na medida do possível. CONDIÇÕES TÉCNICAS DO FORNECIMENTO: conforme DIN 267 CLASSE DE RESISTÊNCIA: 8, soldável, conforme DIN 267 parte 4. Outras classes de resistência e materiais mediante acordo específico. ACABAMENTO: m conforme DIN 267 parte 2. Rosca d1 cf. DIN 13 b d2 d3 e f h1 h2 m s Peso (7,85 kg/dm³) kg/1000 peças ≈ Tol. Tol. Tol. Perm. d11 H13 ≈ ±0,2 Perm . Perm . h14 hl3 M3 - - 0,8 4,5 4,5 8,6 6,2 0,55 -0,1 0,25 -0,1 3 7,5 0,78 M4 - - 0,8 ±0,2 6 6 10,4 7,7 0,65 0,35 3,5 9 1,13 M5 - - 0,8 7 7 11,5 8,7 0,7 0,4 4 10 1,73 M6 - - 0,9 ±0,22 8 8 12,7 9,7 0,75 -0,15 0,4 5 11 2,50 (M7) - - 0,9 9 9 13,9 10,8 0,8 0,5 -0,15 5,5 12 3,24 M8 (M 8X1) - 1 ±0,25 10,5 10,5 16,2 12,6 0,9 0,5 6,5 14 5,27 M10 (M 10X1,25) - 1,25 12,5 12,5 19,6 15,1 1,15 -0,2 0,65 8 17 9,58 M12 (M 12X1,25) (M12X1,5) 1,25 ±0,3 14,8 14,8 21,9 17,3 1,4 0,8 -0,2 10 19 13,7 (M14) - (M 14X1,5) 1,5 16,8 16,8 25,4 19,8 1,8 1 11 22 21,3 M16 - (M16X1,5) 1,5 ±0,4 18,8 18,8 27,7 21,8 1,8 1 13 24 28,5 Detalhe X(corte)
  • 59.
    Desenho Técnico MecânicoII – Prof. M. Sc. Edson Del Mastro / Prof. Helena S. Del Mastro Espíndola Faculdade de Tecnologia de Sorocaba 59 59 Folha 2 DIN 929 MEDIDAS DE COLOCAÇÃO (Porca antes de soldar) Notação nos Desenhos Rosca d1 cf.DIN 13 Espessura da chapa a min. H11 M3 - - 0,63 4,5 M4 - - 0,75 6 M5 - — 0,88 7 M6 - - 0,88 8 (M7) - - 0,88 9 M8 (M8x1) - 1 10,5 M10 (M 10X1,25) - 1,25 12,5 M12 (M 12X1,25) (M 12X1,5) 1,5 14,8 (M14) - (M 14X1,5) 2 16,8 M16 - (M 16X1,5) 2 18,8
  • 60.
    Desenho Técnico MecânicoII – Prof. M. Sc. Edson Del Mastro / Prof. Helena S. Del Mastro Espíndola Faculdade de Tecnologia de Sorocaba 60 60 ARRUELA PARA PARAFUSO E PORCA SEXTAVADA DIN 125 d1 d2 s d1 d2 s 3,2 7 0,5 19 34 4 3,7 8 0,5 21 36 4 * 4,3 9 0,8 25 44 4 5,3 11 1 27 50 5 * 6,4 12 1,5 31 56 5 * 8,4 17 2 36 68 6 * 10,5 21 2,5 37 68 6 13 24 3 40 72 6 * 15 28 3 43 78 7 * * 17 30 3 50 92 8 (*) Uso também para R. Whitworth ARRUELA BRUTA PARA PARAFUSO E PORCA SEXTAVADA DIN 126 d1 d2 s d1 d2 s 5,8 11 1 33 56 5 * 7 12 1,5 36 60 5 * 9,5 17 2 39 68 6 * 11,5 21 2,5 42 72 6 * 14 24 3 45 78 7 * 18 30 3 48 85 7 * 23 36 4 52 92 8 * 25 40 4 56 98 8 * * 27 44 4 61 105 9 (*) Uso também para rosca Whitworth ARRUELA PARA PARAFUSO CABEÇA CILINDRICA E REDONDA DIN 433 d1 d2 s d1 d2 s 3,2 6 0,5 15 25 2 3,7 7 0,5 17 27 2 * 4,3 8 0,5 19 30 2,3 5,3 10 1 21 33 2,5 * 6,4 11 1,5 8,4 15 1,5 10,5 18 1,5 13 20 2 * 13,5 21 2 (*) Uso também para rosca Whitworth
  • 61.
    Desenho Técnico MecânicoII – Prof. M. Sc. Edson Del Mastro / Prof. Helena S. Del Mastro Espíndola Faculdade de Tecnologia de Sorocaba 61 61 Ф d1 d2 s r p/ paraf. de Rosca Métricanominal 3 3,1 + 0,3 5,6 1 ± 0,1 0,2 M 3 4 4,1 + 0,3 7 1,2 ± 0,1 0,3 M 4 5 5,1 + 0,3 8,6 1,5 ± 0,1 0,4 M 5 6 6,1 + 0,4 9,7 1,5 ± 0,1 0,5 M 6 8 8,2 + 0,4 12,8 2 ± 0,1 0,8 M 8 10 10,2 + 0,6 16,1 2,5 ± 0,15 0,8 M 10 12 12,2 + 0,8 18,3 2,5 ± 0,15 1,2 M 12 16 16,2 + 1 24,6 3,5 ± 0,2 1,2 M 16 20 20,2 + 1 30,6 4,5 ± 0,2 1,2 M 20 24 24,5 + 1 35,9 5 ± 0,2 2 M 24 30 30,5 + 1,3 44,2 6 ± 0,2 2 M 30 36 36,5 + 1,3 52,3 7 ± 0,25 2 M 36 42 42,5 + 1,3 60,3 8 ± 0,25 2 M 42 48 49 + 1,3 67 8 ± 0,5 2,5 M 48
  • 62.
    Desenho Técnico MecânicoII – Prof. M. Sc. Edson Del Mastro / Prof. Helena S. Del Mastro Espíndola Faculdade de Tecnologia de Sorocaba 62 62
  • 63.
    Desenho Técnico MecânicoII – Prof. M. Sc. Edson Del Mastro / Prof. Helena S. Del Mastro Espíndola Faculdade de Tecnologia de Sorocaba 63 63
  • 64.
    Desenho Técnico MecânicoII – Prof. M. Sc. Edson Del Mastro / Prof. Helena S. Del Mastro Espíndola Faculdade de Tecnologia de Sorocaba 64 64
  • 65.
    Desenho Técnico MecânicoII – Prof. M. Sc. Edson Del Mastro / Prof. Helena S. Del Mastro Espíndola Faculdade de Tecnologia de Sorocaba 65 65
  • 66.
    Desenho Técnico MecânicoII – Prof. M. Sc. Edson Del Mastro / Prof. Helena S. Del Mastro Espíndola Faculdade de Tecnologia de Sorocaba 66 66
  • 67.
    Desenho Técnico MecânicoII – Prof. M. Sc. Edson Del Mastro / Prof. Helena S. Del Mastro Espíndola Faculdade de Tecnologia de Sorocaba 67 67 Exercício n° 1: Dadas a rosca e as espessuras das placas, fazer: 1.1 O DESENHO DE CONJUNTO em escala, identificando cada item; 1.2 Calcular o comprimento (L) do parafuso (deixar os cálculos); 1.3 Preencher a lista de peças especificando corretamente os elementos normalizados envolvidos (parafuso, arruela, porca, etc.); 1.4 Detalhar as peças não normalizadas. nº d m mat. pç 3 1 M 8 20 Al 2 M 12 20 Cu 3 M 6 15 Ms 4 M 16 25 fofo 5 M 20 35 aço 6 M 5 10 fofo 7 M 8 18 fofo 8 M 24 30 fofo 9 M 6 10 aço 10 M 10 30 Cu 11 M 30 50 Al 12 M 10 30 aço 13 M 24 40 fofo 14 M 5 14 aço 15 M 36 60 Cu 16 M 12 25 fofo 17 M 6 20 Cu 18 M 20 40 fofo 19 M 30 60 aço 20 M 10 28 aço 21 M 36 70 fofo 22 M 5 18 Al 23 M 24 50 aço 24 M 30 70 aço 25 M 6 20 fofo 26 M 20 45 Ms 27 M 36 80 fofo 28 M 8 25 aço 29 M 12 30 fofo 30 M 16 40 Ms 31 M 10 20 fofo 32 M 20 40 aço 33 M 12 22 Ms 34 M 8 28 aço 35 M 16 36 fofo 36 M 8 20 aço 37 M 10 34 fofo 38 M 12 40 Al 39 M 16 50 aço 40 M 30 70 fofo Ms= Latão
  • 68.
    Desenho Técnico MecânicoII – Prof. M. Sc. Edson Del Mastro / Prof. Helena S. Del Mastro Espíndola Faculdade de Tecnologia de Sorocaba 68 68 Exercício n° 2: Dadas a rosca e as espessuras das placas, fazer: 1.1 O DESENHO DE CONJUNTO em escala, identificando cada item; 1.2 Calcular o comprimento (L) do parafuso (deixar os cálculos); 1.3 Preencher a lista de peças especificando corretamente os elementos normalizados envolvidos (parafuso, arruela, porca, etc.); 1.4 Detalhar as peças não normalizadas. nº d m Mat. pç. 1 1 M 16 22 aço 2 M 8 32 fofo 3 M 12 42 Al 4 M 16 32 aço 5 M 16 40 Br 6 M 20 67 fofo 7 M 5 20 Ms 8 M 8 40 aço 9 M 20 64 Al 10 M 6 22 Ms 11 M 10 40 fofo 12 M 16 32 aço 13 M 12 55 Al 14 M 20 78 fofo 15 M 5 14 Ms 16 M 16 42 aço 17 M 12 33 fofo 18 M 6 32 Al 19 M 20 56 Br 20 M 16 32 fofo 21 M 10 27 Ms 22 M 20 52 aço 23 M 5 15 fofo 24 M 12 50 aço 25 M 16 42 fofo 26 M 6 20 Al 27 M 20 73 Br 28 M 12 52 fofo 29 M 8 30 aço 30 M 12 33 fofo 31 M 16 40 Al 32 M 10 53 aço 33 M 16 50 Al 34 M 20 82 fofo 35 M 12 50 aço 36 M 20 42 fofo 37 M 16 34 Al 38 M 6 32 aço 39 M 10 36 Al 40 M 12 30 aço Ms= Latão Br= Bronze
  • 69.
    Desenho Técnico MecânicoII – Prof. M. Sc. Edson Del Mastro / Prof. Helena S. Del Mastro Espíndola Faculdade de Tecnologia de Sorocaba 69 69 Exercício n° 3: Dadas a rosca e as espessuras das placas, fazer: 1.1 O DESENHO DE CONJUNTO em escala, identificando cada item; 1.2 Calcular o comprimento (L) do parafuso (deixar os cálculos); 1.3 Preencher a lista de peças especificando corretamente os elementos normalizados envolvidos (parafuso, arruela, porca, etc); 1.4 Detalhar as peças não normalizadas. nº d m n mat. pç.1 1 M 6 15 10 fofo 2 M 16 35 20 aço 3 M 10 28 18 Br 4 M 6 15 12 fofo 5 M 12 30 20 aço 6 M 10 26 18 aço 7 M 8 18 15 aço 8 M 16 38 22 Al 9 M 12 32 20 fofo 10 M 20 44 18 aço 11 M 36 80 25 aço 12 M 20 50 20 fofo 13 M 6 16 10 aço 14 M 12 30 20 fofo 15 M 30 70 25 aço 16 M 27 66 30 Ms 17 M 16 42 28 aço 18 M 24 63 20 aço 19 M 12 30 18 fofo 20 M 20 52 20 Ms 21 M 8 20 20 aço 22 M 6 16 10 fofo 23 M 16 42 18 Al 24 M 8 18 15 fofo 25 M 27 70 25 aço 26 M 12 32 15 aço 27 M 10 26 12 aço 28 M 20 50 25 Al 29 M 16 40 25 Ms 30 M 24 62 30 aço 31 M 20 52 26 aço 32 M 16 46 19 fofo 33 M 20 52 24 aço 34 M 16 38 15 Al 35 M 6 20 12 Ms 36 M 16 40 15 Al 37 M 30 75 25 aço 38 M 20 50 22 fofo 39 M 27 68 30 fofo 40 M 20 52 18 Al Ms= Latão Br= Bronze
  • 70.
    Desenho Técnico MecânicoII – Prof. M. Sc. Edson Del Mastro / Prof. Helena S. Del Mastro Espíndola Faculdade de Tecnologia de Sorocaba 70 70 Exercício n° 4: Dadas a rosca e as espessuras das placas, fazer: 1.1 O DESENHO DE CONJUNTO em escala, identificando cada item; 1.2 Calcular o comprimento (L) do parafuso (deixar os cálculos); 1.3 Preencher a lista de peças especificando corretamente os elementos normalizados envolvidos (parafuso, arruela, porca); 1.4 Detalhar as peças não normalizadas. Obs.: especificar também t e b nº d m mat. pç.3 1 M 6 15 aço 2 M 8 20 aço 3 M 12 25 aço 4 M 16 40 aço 5 M 10 30 aço 6 M 20 38 aço 7 M 8 22 fofo 8 M 12 30 fofo 9 M 16 45 fofo 10 M 6 16 fofo 11 M 20 48 fofo 12 M 10 24 Al 13 M 12 26 Al 14 M 8 18 Al 15 M 27 65 Al 16 M 16 35 Al 17 M 10 22 fofo 18 M 24 42 aço 19 M 6 16 Al 20 M 30 78 fofo 21 M 20 55 aço 22 M 6 17 fofo 23 M 16 47 aço 24 M 10 28 fofo 25 M 12 32 fofo 26 M 27 68 aço 27 M 24 62 aço 28 M 8 28 Al 29 M 16 35 aço 30 M 30 74 fofo 31 M 12 34 Al 32 M 36 80 aço 33 M 24 50 aço 34 M 8 21 fofo 35 M 20 53 fofo 36 M 27 73 Al 37 M 30 66 Al 38 M 10 27 aço 39 M 10 43 fofo 40 M 8 21 aço
  • 71.
    Desenho Técnico MecânicoII – Prof. M. Sc. Edson Del Mastro / Prof. Helena S. Del Mastro Espíndola Faculdade de Tecnologia de Sorocaba 71 71
  • 72.
    Desenho Técnico MecânicoII – Prof. M. Sc. Edson Del Mastro / Prof. Helena S. Del Mastro Espíndola Faculdade de Tecnologia de Sorocaba 72 72
  • 73.
    Desenho Técnico MecânicoII – Prof. M. Sc. Edson Del Mastro / Prof. Helena S. Del Mastro Espíndola Faculdade de Tecnologia de Sorocaba 73 73
  • 74.
    Desenho Técnico MecânicoII – Prof. M. Sc. Edson Del Mastro / Prof. Helena S. Del Mastro Espíndola Faculdade de Tecnologia de Sorocaba 74 74
  • 75.
    Desenho Técnico MecânicoII – Prof. M. Sc. Edson Del Mastro / Prof. Helena S. Del Mastro Espíndola Faculdade de Tecnologia de Sorocaba 75 75 CHAVETA Chaveta é um elemento de máquina que serve para transmitir potência do eixo para a roda (polias, engrenagens, volantes, etc.), fazendo-os girar solidariamente. Fabricada em aço ela se interpõe em uma cavidade de um eixo e de um cubo. DIN 6885 Dimensões nominais: b x h x l d acima de 10 12 17 22 30 38 44 50 58 65 75 85 95 110 130 150 até 12 17 22 30 38 44 50 58 65 75 85 95 110 130 150 170 b 4 5 6 8 10 12 14 16 18 20 22 25 28 32 36 40 h 4 5 6 7 8 8 9 10 11 12 14 14 16 18 20 22 t1 2,4 2,9 3,5 4,1 4,7 4,9 5,5 6,2 6,8 7,4 8,5 8,7 9,9 11,1 12,3 13,5 t2 1,7 2,2 2,6 3 3,4 3,2 3,6 3,9 4,3 4,7 5,6 5,4 6,2 7,1 7,9 8,7 l de 10 12 16 20 25 32 40 45 50 56 65 70 80 90 100 110 até 45 56 70 90 110 140 160 180 200 220 250 250 315 355 400 400 I normalizado: 10, 12, 14, ..., 22, 25, 28, 32,36, 40, 45, 50 56 63, 70 80 110, 125, 140, 160, ..., 220, 250, 280, 315, 355, 400 TIPO TIPO Chaveta A bxhxl DIN 6885 f.1 Exemplo: ―Chaveta A 8x12x60 DIN 6885 f.1‖
  • 76.
    Desenho Técnico MecânicoII – Prof. M. Sc. Edson Del Mastro / Prof. Helena S. Del Mastro Espíndola Faculdade de Tecnologia de Sorocaba 76 76 Chaveta A bxhxl DIN 6885 f.1Chaveta A bxhxl DIN 6885 f.1Chaveta A bxhxl DIN 6885 f.1
  • 77.
    Desenho Técnico MecânicoII – Prof. M. Sc. Edson Del Mastro / Prof. Helena S. Del Mastro Espíndola Faculdade de Tecnologia de Sorocaba 77 77
  • 78.
    Desenho Técnico MecânicoII – Prof. M. Sc. Edson Del Mastro / Prof. Helena S. Del Mastro Espíndola Faculdade de Tecnologia de Sorocaba 78 78 Montagem com chaveta e anel elástico
  • 79.
    Desenho Técnico MecânicoII – Prof. M. Sc. Edson Del Mastro / Prof. Helena S. Del Mastro Espíndola Faculdade de Tecnologia de Sorocaba 79 79 Chaveta e anel elástico
  • 80.
    Desenho Técnico MecânicoII – Prof. M. Sc. Edson Del Mastro / Prof. Helena S. Del Mastro Espíndola Faculdade de Tecnologia de Sorocaba 80 80
  • 81.
    Desenho Técnico MecânicoII – Prof. M. Sc. Edson Del Mastro / Prof. Helena S. Del Mastro Espíndola Faculdade de Tecnologia de Sorocaba 81 81
  • 82.
    Desenho Técnico MecânicoII – Prof. M. Sc. Edson Del Mastro / Prof. Helena S. Del Mastro Espíndola Faculdade de Tecnologia de Sorocaba 82 82
  • 83.
    Desenho Técnico MecânicoII – Prof. M. Sc. Edson Del Mastro / Prof. Helena S. Del Mastro Espíndola Faculdade de Tecnologia de Sorocaba 83 83
  • 84.
    Desenho Técnico MecânicoII – Prof. M. Sc. Edson Del Mastro / Prof. Helena S. Del Mastro Espíndola Faculdade de Tecnologia de Sorocaba 84 84 EIXOS ENTALHADOS SÉRIE LEVE SÉRIE MÉDIA Constr. de Máquinas Ferramentas DIN 5462 DIN 5463 4 ENTALHES DIN 5471 6 ENTALHES DIN 5472 z x d1 x d2 b centragem z x d1 x d2 b centragem Centragem interna d1 x d2 x b d1 x d2 x b 6 x 23 x 26 6 interna 6 x 11 x 14 3 interna 11 x 15 x 3 21 x 25 x 5 6 x 26 x 30 6 6 x 13 x 16 3,5 13 x 17 x 4 23 x 28 x 6 6 x 28 x 32 7 6 x 16 x 20 4 16 x 20 x 6 26 x 32 x 6 8 x 32 x 36 6 internaoupelosflancos 6 x 18 x 22 5 18 x 22 x 6 28 x 34 x 7 8 x 36 x 40 7 6 x 21 x 25 5 21 x 25 x 8 32 x 38 x 8 8 x 42 x 46 8 6 x 23 x 28 6 24 x 28 x 8 36 x 42 x 8 8 x 46 x 50 9 6 x 26 x 32 6 28 x 32 x 10 42 x 48 x 10 8 x 52 x 58 10 6 x 28 x 34 7 32 x 38 x 10 46 x 52 x 12 8 x 56 x 62 10 8 x 32 x 38 6 internaoupelosflancos 36 x 42 x 12 52 x 60 x 14 8 x 62 x 68 12 8 x 36 x 42 7 42 x 48 x 12 58 x 65 x 14 10 x 72 x 78 12 8 x 42 x 48 8 46 x 52 x 14 62 x 70 x 16 10 x 82 x 88 12 8 x 46 x 54 9 52 x 60 x 14 68 x 78 x 16 10 x 92 x 98 14 8 x 52 x 60 10 58 x 65 x 16 72 x 82 x 16 10 x 102 x 105 16 8 x 55 x 65 10 62 x 70 x 16 78 x 90 x 16 10 x 112 x 120 18 8 x 62 x 72 12 68 x 78 x 16 82 x 95 x 16 10 x 72 x 82 12 88 x 100 x 16 10 x 82 x 92 12 DIN 5471 92 x 105 x 20 DIN 5462 e DIN 5463 10 x 92 x 102 14 e 98 x 110 x 20 Eixo entalhado 10 x 102 x 112 16 DIN 5472 105 x 120 x 20 z x d1 x d2 10 x 112 x 125 18 Eixo entalhado 115 x 130 x 20 d1 x d2 x b 130 x 145 x 24 dc= diâm. interno ou menor do entalhado
  • 85.
    Desenho Técnico MecânicoII – Prof. M. Sc. Edson Del Mastro / Prof. Helena S. Del Mastro Espíndola Faculdade de Tecnologia de Sorocaba 85 85
  • 86.
    Desenho Técnico MecânicoII – Prof. M. Sc. Edson Del Mastro / Prof. Helena S. Del Mastro Espíndola Faculdade de Tecnologia de Sorocaba 86 86
  • 87.
    Desenho Técnico MecânicoII – Prof. M. Sc. Edson Del Mastro / Prof. Helena S. Del Mastro Espíndola Faculdade de Tecnologia de Sorocaba 87 87 Polias São usadas como elementos de transmissão de potência e tem como grande vantagem o custo relativamente baixo de construção, pois não exige caixa fechada como no caso dos redutores. Basicamente podem ser lisas para correias planas e com ranhuras para correias trapezoidais. O uso da correia trapezoidal é bem mais comum o que se deve ao seu melhor desempenho mecânico. Além disso, os fabricantes de correias trapezoidais apresentam grande gama de dimensões que são encontradas com facilidade no comércio especializado, o que facilita a execução do projeto. A transmissão por correia oferece vantagens tais como:  construção relativamente simples  funcionamento silencioso  boa capacidade de absorção de choques Em contraposição temos como desvantagens:  maiores dimensões com relação às engrenagens  grandes distâncias entre eixos  menor vida útil A transmissão admite um alto rendimento, da ordem de 95 a 98%. A relação de transmissão pode variar de 1 a 8.
  • 88.
    Desenho Técnico MecânicoII – Prof. M. Sc. Edson Del Mastro / Prof. Helena S. Del Mastro Espíndola Faculdade de Tecnologia de Sorocaba 88 88 Polia de 2 canais – perfil B raios dos canais = r1 ângulos de fundição = 3º raios não especificados = r2 L= 2 t + s (n-1) L = 2 . 11,50 + 19 . 1 L = 42 d + t2 = 29
  • 89.
    Desenho Técnico MecânicoII – Prof. M. Sc. Edson Del Mastro / Prof. Helena S. Del Mastro Espíndola Faculdade de Tecnologia de Sorocaba 89 89 Dimensões dos canais das polias “V” Perfil Ângulo do canal t s w y z h k x R4 Diâmetro externo (mm) Graus A de 75 a 170 acima de 170 34º 38º 9,5 15 13 3 2 13 5 5 1 B de 130 a 240 acima de 240 34º 38º 11,5 19 17 3 2 17 6,5 6,25 1 C de 200 a 350 acima de 350 34º 38º 15,25 25,5 22,5 4 3 22 9,5 8,25 1,5 D de 300 a 450 acima de 450 36º 38º 22 36,5 32 6 4,5 28 12,5 11 1,5 E de 485 a 630 acima de 630 36º 38º 27,25 44,5 38,5 8 6 33 16 13 1,5 Largura L = 2 t + s (n-1) n = número de canais 4 Não é necessário desenhar, mas sim indicar no desenho. v. pg.91
  • 90.
    Desenho Técnico MecânicoII – Prof. M. Sc. Edson Del Mastro / Prof. Helena S. Del Mastro Espíndola Faculdade de Tecnologia de Sorocaba 90 90 ER – 44 – 01 Exercício resolvido de Polia ―V‖ Problema: Numa transmissão com 3 CV e com 3 correias ―V‖, perfil ―A‖, a polia motora (1) gira a 1160 rpm. Determinar e desenhar a polia movida (2) sabendo-se que esta gira a 320 e que a largura do seu cubo é de 54mm. Solução: [símbolos e fórmulas conf. Normas (chaveta e polia) e apostila ―Alívio em Rodas‖] Dados do enunciado: N=3; 3 canais; perfil ―A‖; n1=1160 rpm; n2= 320 rpm; Lc2=54  L=2T+S(n-1)=2x9,5+15(3-1)=49; h=13; k=5; x=5  De1=75 não sendo dado, adotar o mínimo da norma)  Dn1=De1-2x=75-2x5=65  a2=6 (v.gráfico 5 ) ; rf2=2; y2 =2  Dn2= n1.Dn1 n2 = 1160x65 320 =235,6  De2=Dn2+2x=235,6+2x5=245,6  Di2=De2-2h=245,6-2x13=219,6  da2=De2-2(h+k)=245,6-2(13+5) 209  de2=90√ N n2 3 +2t1=90√ 3 320 3 +2x4,1 28 (para aço ABNT 1050 conf.STIPKOVIC)  dc2=1,6de2+2t2=1,6x28+2x3 51  dm2= da2+dc2 2 = 209+51 2 =130  dfmáx2= da2-dc2 2 -2(rf2+y2 )= 209-51 2 -2(2+2)=71  sen o 2= dfmáx2 +2a2 dm2 = 71+2x6 130 =0,6384→ o 2=39,68°  nfo 2= 180° o 2 = 180° 39,68° 4,537 furos→5 furos de df2  sendo 5 furos, 2= 180° 5 =36°  df2=sen 2.dm2-2a2=sen 36°x130-2x6=64 portanto: 5 furos de 64; a2=6; rf2; y2 =2 ver desenho ER-44-01 na página seguinte 5 Conf. N, n2, Dn2
  • 91.
    Desenho Técnico MecânicoII – Prof. M. Sc. Edson Del Mastro / Prof. Helena S. Del Mastro Espíndola Faculdade de Tecnologia de Sorocaba 91 91 Formato A4
  • 92.
    Desenho Técnico MecânicoII – Prof. M. Sc. Edson Del Mastro / Prof. Helena S. Del Mastro Espíndola Faculdade de Tecnologia de Sorocaba 92 92 ER-44-02 Problema: Numa transmissão com 10 CV e com 3 correias ―V‖, perfil ―B‖, a polia motora (1) gira a 870 rpm e seu diâmetro externo é de 145 mm. Determinar e desenhar a polia movida (2) sabendo-se que esta gira a 580 e que a largura do seu cubo é de 73mm. Solução: [símbolos e fórmulas conf. Normas (chaveta e polia) e apostila ―Alívio em Rodas‖] Dados do enunciado: N=10; 3 canais; perfil ―B‖; n1=870 rpm; De1=145; n2= 580; Lc2=73  L=2T+S(n-1)=2x11,5+19(3-1)=61; h=17; k=6,5; x=6,25  Dn1=De1-2x=145-2x6,5=132,5  Dn2= n1.Dn1 n2 = 870x132,5 580 =198,7  De2=Dn2+2x=198,7+2x6,25=211,2  Di2=De2-2h=211,2-2x17=177,2  da2=De2-2(h+k)=211,2-2(17+6,5) 164  de2=90√ N n2 3 +2t1=90√ 580 3 +2x4,7 33  dc2=1,6de2+2t2=1,6x33+2x3,4 60  a2=7 (v. gráfico); rf2=2; y2 =2  dm2= da2+dc2 2 = 164+60 2 =112  dfmáx2= da2-dc2 2 -2(rf2+y2 )= 164-60 2 -2(2+2)=44  sen o 2= dfmáx2 +2a2 dm2 = 44+2x7 112 =0,5178→ o 2=31,19°  nfo 2= 180° o 2 = 180° 31,19° 5,77 furos→6 furos de s ou 4 furos oblongos  Faremos 4 furos oblongos ver desenho ER-44-02 na página seguinte
  • 93.
    Desenho Técnico MecânicoII – Prof. M. Sc. Edson Del Mastro / Prof. Helena S. Del Mastro Espíndola Faculdade de Tecnologia de Sorocaba 93 93
  • 94.
    Desenho Técnico MecânicoII – Prof. M. Sc. Edson Del Mastro / Prof. Helena S. Del Mastro Espíndola Faculdade de Tecnologia de Sorocaba 94 94 EXERCÍCIOS PROPOSTOS SOBRE POLIAS ―V‖ EP – 44 – 01 Numa transmissão de 10 cv por correias ―V‖, perfil ―B‖, 3 correias, a polia motora (1) gira a 870 rpm e tem diâmetro externo=140. Determinar e calcular a polia movida (2) sabendo-se que esta deverá girar a 420 rpm e tem largura do cubo=82. A roda deverá ter um alívio de peso com alma vazada, furos redondos ou oblongos. EP – 44 – 02 Numa transmissão de 2 cv por correias ―V‖, perfil ―A‖, 2 canais, a polia motora (1) gira a 1160 rpm. Determinar e desenhar a polia movida (2) sabendo-se que esta deverá girar a 440 rpm e tem largura do cubo = 34. Prever um alívio de peso com alma vazada, furos redondos ou oblongos. EP – 44 – 03 Numa Transmissão de 12,5 cv por correias ―V‖, perfil C, 2 canais, a polia motora (1) gira a 370 rpm e tem De1=270. Determinar e desenhar a polia movida (2) sabendo-se que a relação de transmissão i=1,5917, largura do cubo=82 (com 2 rasgos de chaveta a 180°). Prever um alívio de peso com alma vazada, furos redondos ou oblongos. EP – 44 – 04 Numa transmissão de 6cv por 4 correias ―V‖, perfil ―B‖, a polia motora (1) gira a 520 rpm. Determinar e desenhar a polia movida (2) sabendo-se que esta deverá girar a 288 rpm e que a largura do seu cubo é de 84. Fazer alívio de peso com alma vazada, furos redondos ou oblongos EP – 44 – 05 Numa transmissão de 7,5 cv, por 3 correias ―V‖, perfil ―C‖, a polia motora (1) gira a 231 rpm e seu diâmetro externo tem 270 mm. Determinar e desenhar a polia motora (2), sabendo-se que esta deverá girar a 150 rpm e que a largura do seu cubo é de 84 mm. (2 chavetas A 12x8x80 DIN 6885 st – 2 à 180°).
  • 95.
    Desenho Técnico MecânicoII – Prof. M. Sc. Edson Del Mastro / Prof. Helena S. Del Mastro Espíndola Faculdade de Tecnologia de Sorocaba 95 95 Engrenagens 1. Tipos e aplicações Engrenagens são elementos de máquinas cuja finalidade é a transmissão de potência entre os eixos que podem ser paralelos concorrentes ou reversos. Conforme o acabamento as engrenagens podem apresentar altos rendimentos nas transmissões, além de suportar grandes esforços; são particularmente práticas quando se desejam variações de velocidades, como no caso dos câmbios de veículos e caixas de velocidades das máquinas operatrizes. Quanto à forma externa (sólido básico) as engrenagens podem ser: cilíndricas, cônicas ou hiperboloidais. Quanto à forma dos dentes podem ser: de dentes retos ou de dentes helicoidais Engrenagens cilíndricas Engrenagens cônicas
  • 96.
    Desenho Técnico MecânicoII – Prof. M. Sc. Edson Del Mastro / Prof. Helena S. Del Mastro Espíndola Faculdade de Tecnologia de Sorocaba 96 96 2. Exemplos dos vários tipos ECR - dentes retos - cilíndricas - eixos paralelos - i até 8 (ideal)6 - cilíndricas - dentes helicoidais (uma com hélice à direita, outra à esquerda) - eixos paralelos - funcionamento silencioso - cilíndricas - dentes helicoidais (ambas com hélice na mesma direção) - eixos reversos (para pequenas cargas) - i de 1 a 5 Pinhão-cremalheira - cilíndricas - cremalheira - eixos paralelos 6 i= relação de transmissão = 1 2 2 1 z z n n 
  • 97.
    Desenho Técnico MecânicoII – Prof. M. Sc. Edson Del Mastro / Prof. Helena S. Del Mastro Espíndola Faculdade de Tecnologia de Sorocaba 97 97 - cônicas - dentes retos - eixos concorrentes - i até 6 (ideal) - cônicas - dentes inclinados - eixos concorrentes - cônicas - dentes helicoidais (curvos) - eixos concorrentes Hiperboloidais ou hipoidais - dentes curvos - eixos reversos (caso mais comum: ortogonais) Sem-fim-e-coroa - baixo rendimento (ƞ) - o eixo motor é o sem- fim - i ~ 13 a um n° muito grande
  • 98.
    Desenho Técnico MecânicoII – Prof. M. Sc. Edson Del Mastro / Prof. Helena S. Del Mastro Espíndola Faculdade de Tecnologia de Sorocaba 98 98 3. Nomenclatura Num par de engrenagens engrenadas temos uma motora e outra movida. A de menor dimensão é chamada pinhão e a outra coroa. Define-se como relação de transmissão i: Resumindo as várias possibilidades: i > 1 isto é n1 > n2 – redutor de velocidades i < 1 isto é n1 < n2 – ampliador de velocidades i = 1 isto é n1 = n2 – transmissão sem variação de velocidades Algumas publicações indicam a relação de transmissão através da forma 1 : i. A letra Z é tradicionalmente usada para indicar o nº de dentes das engrenagens e um índice (1, 2, etc) para caracterizar uma posição.
  • 99.
    Desenho Técnico MecânicoII – Prof. M. Sc. Edson Del Mastro / Prof. Helena S. Del Mastro Espíndola Faculdade de Tecnologia de Sorocaba 99 99 Cremalheira de referência p = π.m e=v ha = 1 . m hd = 1,25 . m α = 20º p = passo m = módulo Cp = π . dp Cp = p . z π . dp = p . z π . dp = π . m . z Di = dp - 2 . hd Di = m . z - 2 . 1,25 . m De = dp + 2 . ha De = m . z + 2 . m h = ha + hd = 1m + 1,25m i = relação de transmissão (ou rel. de velocidade) i = 1 2 2 1 z z n n  Dp = m . z Di = m (z - 2,5) De = m (z + 2) h = 2,25 m
  • 100.
    Desenho Técnico MecânicoII – Prof. M. Sc. Edson Del Mastro / Prof. Helena S. Del Mastro Espíndola Faculdade de Tecnologia de Sorocaba 100 100 4. Geometria dos dentes De = diâmetro externo Di = diâmetro interno Dp = diâmetro primitivo p = passo v = vão do dente e = espessura do dente ha = altura da cabeça (adendo) hd = altura do pé (dedendo) Desenvolvendo a engrenagem pelo diâmetro primitivo, temos: (módulo) portanto: , mas construtivamente ha = m portanto: hddpdi .2 , mas construtivamente hd = 1,2 a 1,3m portanto: Módulos normalizados 0,25 – 0,50 – 0,75 – 1..................................... 3,75 – 4,00 (variação 0,25) 4,00 – 4,5 – 5.............................................................7,00 (variação 0,50) 7,00 – 8,00 – 9,00 – 10,0.........................................16,00 (variação 1,00) pzdp ..  z p dp   m p   hadpde .2 dp = m . z de = m (z + 2) di = m (z – 2,5)
  • 101.
    Desenho Técnico MecânicoII – Prof. M. Sc. Edson Del Mastro / Prof. Helena S. Del Mastro Espíndola Faculdade de Tecnologia de Sorocaba 101 101 5. Geometria do Engrenamento 6. Dentes Helicoidais (ECH) Desenho da engrenagem cilíndrica de dentes retos Na face lateral temos a engrenagem aparente de onde tiramos o passo frontal ou aparente. Sendo α o ângulo de hélice temos: cos pf pn Sendo: pn = passo normal pf = passo frontal ou mn = mf . cosα Sendo : ou mn = módulo normal mf = módulo frontal dp = mf . z cos .zmn dp 
  • 102.
    Desenho Técnico MecânicoII – Prof. M. Sc. Edson Del Mastro / Prof. Helena S. Del Mastro Espíndola Faculdade de Tecnologia de Sorocaba 102 102 7. Representação simplificada 7.1 – Engrenagem cheia 7.2 – Engrenagem com alma cheia
  • 103.
    Desenho Técnico MecânicoII – Prof. M. Sc. Edson Del Mastro / Prof. Helena S. Del Mastro Espíndola Faculdade de Tecnologia de Sorocaba 103 103 7.3 – Engrenagem com alma vazada 7.4 – Representação de um engrenamento
  • 104.
    Desenho Técnico MecânicoII – Prof. M. Sc. Edson Del Mastro / Prof. Helena S. Del Mastro Espíndola Faculdade de Tecnologia de Sorocaba 104 104 ENGRENAGENS A TABELA ABAIXO DEVE CONSTAR NO DESENHO DE FABRICAÇÃO ISO/R 1340-1971 Para ECR e ECH CARACTERÍSTICAS DOS DENTES Módulo 5 Nº de dentes 44 Cremalheira de Ref. ABNT PB-89 20° Ângulo da hélice 23,56° Direção do Ângulo da Hélice À direita Diâmetro primitivo 240 Fator de correção x.m 0 Medida w sobre 6 dentes 85,13 04,0 06,0   Classe de Qualidade 6 (ISO 1328) Distância entre centros 240±0,02 Engrenagem conjugada Z=44 desenho nº 345 Obs: Para engrenagens cônicas V. ISO/R 1341
  • 105.
    Desenho Técnico MecânicoII – Prof. M. Sc. Edson Del Mastro / Prof. Helena S. Del Mastro Espíndola Faculdade de Tecnologia de Sorocaba 105 105 Método rápido e eficaz que simplifica a medição dos dentes de uma engrenagem com independência absoluta do diâmetro exterior. Fórmula baseada sobre o método da formação da evolvente.* A distância W é constante sendo tangente do círculo base da curva de uma evolvente* e entre qualquer dos lados opostos de dois dentes. A figura demonstra graficamente que as distâncias FG e SZ, tangentes ao círculo base, são constantes. A medida tomada no paquímetro ou micrômetro é a efetiva da espessura do dente segundo o círculo base em espessura; segundo o círculo primitivo obtém-se da relação        )( 2 2 1tg R Eb RbEp , sendo Ep= espessura do dente no primitivo; Eb = espessura do dente no círculo base; Rb = raio do círculo base; d = ângulo de pressão**. * Evolvente é a curva gerada, por um ponto de uma reta, quando esta última rola, sem deslizar, sobre a circunferência de um círculo. ** Ângulo de pressão é o ângulo formado no ponto de contato sobre o círculo primitivo de uma engrenagem, entre a tangente ao círculo primitivo e a normal à evolvente. Medida W – Fórmulas simplificadas Para α=14º30’ W = m [(3,04280xC)+1,5218+(0,00514xZ)] Para α=15º W = m [(3,03455xC)+1,5177+(0,00594xZ)] Para α=20º W = m [(2,952xC)+1,476+(0,014xZ)] m=Módulo C=Número do intervalos de dentes no comprimento a medir Z=Número total e dentes da engrenagem α=Ângulo de pressão Nºmínimode intervalosde dentes Tábua para a seleção do número de intervalos dos dentes entre os apalpadores do calibre de medição. Ângulo de pressão 14º30’ 17º 20º 22º30’ 25º C Número de dentes 1 12-25 12-21 12-18 12-16 12-14 2 26-37 22-32 19-27 17-24 15-21 3 38-50 33-42 28-36 25-32 22-29 4 51-62 43-53 37-45 33-40 30-36 5 63-75 54-64 46-54 41-48 37-43 6 76-87 65-74 55-63 49-56 44-51 7 88-100 75-85 64-72 57-64 52-58 8 - 86-96 73-81 65-72 59-65
  • 107.
    Desenho Técnico MecânicoII – Prof. M. Sc. Edson Del Mastro / Prof. Helena S. Del Mastro Espíndola Faculdade de Tecnologia de Sorocaba 107 107 ER – 46 – 01 Exercício Resolvido de Engrenagem Numa transmissão por engrenagens (ECR), a potencia é de 3,5 CV, o módulo = 4,5 pinhão tem 17 dentes, módulo = 4,5; largura 34 (no dentado) e gira a 1145 rpm. Calcular e desenhar a coroa, sabendo-se que esta deve girar aprox. a 494 rpm; largura do cubo = 38; espessura da alma = 8. Deverá ter um alívio de peso com alma vazada, furos redondos. Solução: [símbolos e fórmulas conf. Normas (chaveta e polia) e apostila ―Alívio em Rodas‖] Dados do enunciado: N=10; 3 canais; perfil ―B‖; n1=870 rpm; De1=145; n2= 580; Lc2=38 m = 4,5; z1 = 17 dentes; N = 3,5 CV; n1 = 1145 rpm; b1 = 34; n2 ~ 494 rpm; Lc2 = 38; a2= 8 (dados acima)                                           126 2 39174,5 2 zzm Lec 2e1rodasdascentrososentredistânciaLec 0144ERV.40dffuros;5furos!5,10 35,26 180º α 180º nf 35,26α0,577 97 1640 dm 2adf senα 4022,52 2 48146 yrf2 2 dcda df 2e1tabelasver:yeRf*322342bb 97 2 48146 2 dcda dm 486,472x31,6x262t1,6dedc 2648,251,4228,1728,245,3228,17.2 494 5,3 90290de 146146,25910,1252184,5Keh2Deda 9Kevalor)maioro(adotado4,52ou82mouaKe 175,5394,5zmDp 10,1254,52,252,25mh 184,52394,52zmDe 3939,4 494 171145 n zn zznzn 21 1,2 1,2 max2 20 20 20 2 2máx2 20 22 22 máx2 2212 22 2 2(2)22 1 3 13 2 2 222 222 22 22 2 11 22211                                      mmtt n N W=     zCm  014,0476,1952,2 m=módulo C=número de intervalos entre dentes (V. tabela pág. 101) z=nº de dentes W2=     22 z0,0141,476C2,952m  W2=      62,23390,0141,47642,952m 
  • 108.
    Desenho Técnico MecânicoII – Prof. M. Sc. Edson Del Mastro / Prof. Helena S. Del Mastro Espíndola Faculdade de Tecnologia de Sorocaba 108 108 Ø48 Ø97-5furosequidistantes Ø40 5
  • 109.
    Desenho Técnico MecânicoII – Prof. M. Sc. Edson Del Mastro / Prof. Helena S. Del Mastro Espíndola Faculdade de Tecnologia de Sorocaba 109 109 ER – 46 – 02 Exercício Resolvido de Engrenagem Determinar e desenhar o pinhão do par engrenado que tem módulo = 3; relação de transmissão ~ 2,347 e deve ter uma distância entre centros das rodas de 150±5. A largura dentada da coroa é 38. O pinhão tem furo para eixo = 22; largura do cubo = 48 e alma = 7. Fazer alívio com alma vazada, furos redondos. Solução: (símbolos e fórmulas conforme norma de chaveta e apostilas de DTM II e ―Alívio de Rodas‖) m = 3; i ~ 2,347; Lec1,2 = 150±5; b2 = 38; de1 = 22; Lc1 = 48; a1 = 7 (dados acima)               2,333... 30 70 i 150 2 7030 3Lce:conferindo 70z30;z:tentativa1ª 70?70,4302,347izz 30?29,8 3,3473 1502 z i1m 2Lce zi1zizz m 2Lce 2 zzm Lce zz z z i 1,2 21 12 1 1,2 1111 1,221 1,2 12 1 2                i Satisfatório. Isto é, i e Lce1,2 dentro do previsto. Resolver o pinhão (roda 1):                     ?5,5222 2 4168 yrf2 2 1 dc 1 da máx1 df 402382 2 b 1 b 55 2 4168 2 1 dc 1 da 1 dm 412x2,61,6x22t1,6de 1 dc 6868,576,75296 1 Keh2 1 De 1 da 7 1 Kevalor)maioro(adotar32ou72mou 1 a 1 Ke 90303 1 zm 1 Dp 6,7532,252,25mh 9623032 1 zm 1 De 11 2(1)1                  2 Regra prática: não fazer furos de alívio, isto é, fazer alma cheia quando: df<20 (rodas de Fofo e aço Fofo) df<12 [fundição sob pressão (zamac), sinterizados e injetados (polímeros)] W1=     11 z0,0141,476C2,952m  W1=      32,256300,0141,47632,952m 
  • 110.
    Desenho Técnico MecânicoII – Prof. M. Sc. Edson Del Mastro / Prof. Helena S. Del Mastro Espíndola Faculdade de Tecnologia de Sorocaba 110 110 Ø41
  • 111.
    Desenho Técnico MecânicoII – Prof. M. Sc. Edson Del Mastro / Prof. Helena S. Del Mastro Espíndola Faculdade de Tecnologia de Sorocaba 111 111 Exercícios propostos sobre engrenagens (ECR) EP – 46 – 01 Numa transmissão por engrenagens (ECR), a potencia é de 1,5 CV o pinhão tem 19 dentes; módulo=2,5; largura 30 (no dentado) e gira a 850 rpm. Calcular e desenhar a coroa, sabendo-se que esta deve girar aprox. a 310 rpm; largura do cubo=34; espessura da alma=6. Deverá ter um alívio de peso com alma vazada, furos redondos. Mat.: fofo DIN GG – 18. EP – 46 – 02 Determinar e desenhar o pinhão do par engrenado (ECR) do qual a potencia é de 2 CV, tem módulo=4; relação de transmissão ~ 1,877 e deve ter uma distância entre centros das rodas de 200 ± 6. A largura dentada da coroa é 34 e gira a 850 rpm. O pinhão tem largura do cubo=40 e alma=7. Alívio com alma vazada, furos redondos. Mat.: fofo ABNT FC 15. EP – 46 – 03 Numa transmissão por engrenagens (ECR) a potencia é de 4 CV, o pinhão tem 27 dentes; módulo=3,5; largura 45 (no dentado) e gira a 1200 rpm. Calcular e desenhar a coroa, sabendo-se que esta tem largura do cubo=53; espessura da alma=8. A relação de transmissão é ~ 3,417. Deverá ter um alívio de peso com alma vazada, furos redondos. Mat.: fofo DIN GGG 45. EP – 46 – 04 Numa transmissão por engrenagens (ECR) a potencia é de 4,5 CV, o pinhão tem 29 dentes; módulo=3,5; largura 45 (no dentado) e gira a 1050 rpm. Calcular e desenhar a coroa, sabendo-se que esta tem largura do cubo=50; espessura da alma=8. A relação de transmissão é ~3,234. Deverá ter um alívio de peso com alma vazada, furos especiais, 5 braços – V. apostilas ―Alívio em Rodas‖. Mat.: aço fofo SAE 1112.
  • 112.
    Desenho Técnico MecânicoII – Prof. M. Sc. Edson Del Mastro / Prof. Helena S. Del Mastro Espíndola Faculdade de Tecnologia de Sorocaba 112 112 Rolamentos Os rolamentos são elementos de máquinas que servem como suporte de eixos que giram e estão sujeitos a cargas; estas atuam sobre os rolamentos que, por suas características construtivas devem suportar estes esforços durante um tempo que é definido como a vida útil do mancal. Os rolamentos são fornecidos prontos por grandes fabricantes tais como: FAG, SKF, TIMKEN e outros; cabe ao projetista a escolha do tipo e das dimensões, o que só pode ser feito com o conhecimento das características de cada tipo de rolamento. Basicamente podemos classificar as cargas como Radiais (Fr) e Axiais (Fa). Uma série de rolamentos é feita visando suportar Fr e são chamados Rolamentos Radiais. Outra série de rolamentos é feita para suportar Fa e são chamados de Rolamentos Axiais. Alguns rolamentos devem, algumas vezes, suportar simultaneamente Fa e Fr; as duas séries citadas apresentam alguns tipos de rolamentos para cargas combinadas (Fa e Fr). Construtivamente podemos considerar a seguinte divisão: - Rolamentos de Esferas - Rolamentos de Rolos Esferas e Rolos constituem os ''corpos rolantes'' que visam reduzir os atritos do mancal e conferir ao rolamento um alto rendimento mecânico (cerca de 88% ou n=0,88). Podem, também, serem rígidos, parcialmente rígido, desmontáveis e auto- compensadores. Os principais tipos de rolamentos são: Para cargas radiais- Rol. rígido de esferas Rol. de rolos cilíndricos Rol. auto-compensador de esferas Rol. auto-compensador de rolos. Rolamento rígido de esferas Rolos cilíndricos Auto-compensadores de esferas Auto-compensadores de rolos Para cargas axiais- Rol. axial de escora simples de esferas idem com placa e contra-placa esférica Rol. axial de escora dupla de esferas idem com placa e contra-placa esférica Rol. axial auto-compensador de rolos.
  • 113.
    Desenho Técnico MecânicoII – Prof. M. Sc. Edson Del Mastro / Prof. Helena S. Del Mastro Espíndola Faculdade de Tecnologia de Sorocaba 113 113 Para cargas combinados- Rol. rígido de uma carreira de esferas Rol. de rolos cilíndricos com flanges Rol. de esferas de contato angular Rol. auto-compensador de esferas Rol. auto-compensador de rolos Rol. de rolos cônicos. Os rolamentos auto-compensadores são aplicados quando houver desalinhamento entre o eixo e o furo da caixa. Para cargas pequenas e médias e rotações elevadas é indicado com o uso de rolamentos de esferas. Com cargas elevadas e possibilidade de choques são aplicados rolamentos de rolos. A escolha do rolamento adequado deve ser feita tendo-se a mão o catálogo do fabricante. A escolha deve se processar em duas etapas: 1) escolha do tipo com base nas condições de aplicação do rolamento. 2) determinção das dimensões tendo como referência as cargas aplicadas no rolamento, sua velocidade e a duração desejada, esta expressa, geralmente em horas de funcionamento. Axial de escora simples Contato angular Axial de escora dupla Rolos cônicos
  • 114.
    Desenho Técnico MecânicoII – Prof. M. Sc. Edson Del Mastro / Prof. Helena S. Del Mastro Espíndola Faculdade de Tecnologia de Sorocaba 114 114 Numeração Os primeiros algarismos do número de um rolamento se referem as séries de diâmetro externo e de largura: os dois últimos algarismos definem o diâmetro interno do rolamento. A relação é o seguinte: final d final x 5 = d 00 10 04 x 5 20 01 12 05 x 5 25 02 15 ... 03 17 20 x 5 100 ... Exemplo: FAG 6006 SKF 6306 FAG - nome do fabricante SKF - nome do fabricante 6 - rolamento rígido de esferas 6 - rolamento rígido de esferas 0 - D=55 B=13 3 - D=72 B=19 06 - d=30 d=30 O número é normalizado internacionalmente sendo o código de numeração usado por quase todos os fabricantes. Para construções especiais de um mesmo tipo adotam-se letras após o número. Alguns tipos têm construções diferentes, adotando-se, neste caso, letras antes do número. Exemplo: NU 204 NJ204 N204 6305N 6305NR 6305Z NU NJ N Construção N Construção NR Construção Z
  • 115.
    Desenho Técnico MecânicoII – Prof. M. Sc. Edson Del Mastro / Prof. Helena S. Del Mastro Espíndola Faculdade de Tecnologia de Sorocaba 115 115 Rolamentos Rolamentos são elementos de máquinas que suportam os eixos em seus movimentos e estão sujeitos a cargas. Mancais - de deslizamento (ou escorregamento) - de rolamento Hidrostático - fluido pressurizado Hidrodinâmico Aerostático Classificações de rolamentos 1- Quanto ao elemento rolante esferas rolos cilíndricos agulhas rolos cônicos rolos abaulados simétricos rolos abaulados assimétricos
  • 116.
    Desenho Técnico MecânicoII – Prof. M. Sc. Edson Del Mastro / Prof. Helena S. Del Mastro Espíndola Faculdade de Tecnologia de Sorocaba 116 116 2- Quanto à direção da carga - Carga radial - Carga axial - Carga combinada Nomenclatura e cotas mais importantes Fr Fa
  • 117.
    Desenho Técnico MecânicoII – Prof. M. Sc. Edson Del Mastro / Prof. Helena S. Del Mastro Espíndola Faculdade de Tecnologia de Sorocaba 117 117 Rolamento rígido de uma carreira de esferas Boukde 3 2 3 2  d = 50 D = 90 designação 6210 B = 20 r = 2 Rolamento de Rolos cilíndricos lc= 2 B Ex. NU 211 NJ 211 N 211 d=55 D=100 B=21 r=2,5 r1=2 F=66,5 J=70,8 E=88,5
  • 118.
    Desenho Técnico MecânicoII – Prof. M. Sc. Edson Del Mastro / Prof. Helena S. Del Mastro Espíndola Faculdade de Tecnologia de Sorocaba 118 118 Rolamentos de contato angular Rolamento Autocompensador de esferas 12.11 d=55 D=100 B=21 r=2.5 2 B de  7211B d=55 D=100 B=21 r=2.5 r1=2 a=43 3211 d=55 D=100 B=33.3 r=2.5 a=71
  • 119.
    Desenho Técnico MecânicoII – Prof. M. Sc. Edson Del Mastro / Prof. Helena S. Del Mastro Espíndola Faculdade de Tecnologia de Sorocaba 119 119 Rolamento axial de esfera de escora simples 51118 Dw=120 dw=90 Dg=120 dg=92 H=22 r=1,5 Kde 3 2  ab 3 2  Rolamento axial com contra-placa esférica (escora simples) 53218 Kde 3 2  dw=90 dg=93 Dw=135 Dg=135 Su=13.5 R=100 h=38.5 r=2 du=110 Du=140 Hu=42 A=45
  • 120.
    Desenho Técnico MecânicoII – Prof. M. Sc. Edson Del Mastro / Prof. Helena S. Del Mastro Espíndola Faculdade de Tecnologia de Sorocaba 120 120 MONTAGENS DE ROLAMENTOS PRINCÍPIO GERAL Os mancais de rolamentos, ou simplesmente rolamentos, devem ser montados formando uma estrutura isostática com eixo e caixas. Isso é necessário para evitar danos nos mesmos durante a montagem e o funcionamento.7 ¨ISOSTÁTICA: Diz-se da estrutura de um material quando as tensões relativas a uma seção qualquer podem ser determinadas a partir das equações da estática (ou seja, estas equações são suficientes para esta determinação). (Antônimo: HIPERESTÁTICO.)¨ (Enciclopédia LARROUSSE – Nova Cultural – S. Paulo – 1999 – pg. 3252) Traduzindo o acima: teremos tantas equações quantas forem as incógnitas (que é o mesmo número de vínculos). ESQUEMA GERAL DE 1 EIXO BIAPOIADO ISOSTATICAMENTE ∑ F = 0 ∑ M = 0 1 – Apoio articulado fixo 2 – Apoio articulado móvel F1, F2, ..., Fn = forças atuantes no trabalho (polias, engrenagens, etc.) Fr1 = reação radial no apoio 1 Fr2 = reação radial no apoio 2 Fa1 = reação axial no apoio 1 Fig 1 – exemplo de estrutura isostática 7 - Se os 2 rolamentos estiverem bloqueados (constituindo uma estrutura hiperestática), poderão ocorrer tensões acima das admissíveis entre os elementos rolantes e as pistas de rolamento, provocando deformações maiores que as esperadas e ocasionando amassamento,ruptura ou descascamento dessas partes. Essas tensões maiores ocorrem por diferenças dimensionais (axiais) devido a 3 origens: 1) dilatação térmica (aquecimento em serviço); 2) geométrica (o eixo se flexiona devido às cargas radiais – engrenagens, polias, etc. – exigindo uma distância menor entre os mancais; 3) somatória dos erros axiais das diversas partes encostadas girantes x paradas (devido às tolerâncias dimensionais das diversas peças). Esta última é, em geral, a mais grave. O rolamento livre deve compensar essas diferenças.
  • 121.
    Desenho Técnico MecânicoII – Prof. M. Sc. Edson Del Mastro / Prof. Helena S. Del Mastro Espíndola Faculdade de Tecnologia de Sorocaba 121 121 MONTAGEM COM 2 MANCAIS O caso mais comum é cada mancal ser constituído por apenas 1 rolamento. Neste caso, para existir a condição isostática, um rolamento deverá estar bloqueado e o outro, livre8 . Rolamento bloqueado – quando os 2 anéis (int. e ext.) estão presos axialmente, ou seja, estão encostados em outras peças em ambos os lados9 . O rolamento bloqueado suporta cargas radial (Fr) e axial (Fa). (Fig 2) Rolamento livre – quando ao menos um dos anéis (int. ou ext.) estiver desencostado em ambos os lados. O rolamento livre suporta apenas carga radial (Fr). São recomendadas as montagens conforme Fig 3 e 4. É preferível quando o anel interno é o bloqueado (ajuste mais apertado), Fig 3. Fig 2 – rolam. bloqueado Fig 3 – rolam. livre Fig 4 – rolam. livre Ainda sobre rolamento livre... Montagens com ambos anéis desencostados conforme Fig 5 (com larga mobilidade axial) não são recomendadas. Mas se a possibilidade de deslocamento axial estiver limitada a alguns milímetros, isso pode ser aceitável. Fig 6 e 7. Fig 5 – não recomendável Fig 6 – aceitável Fig 7 – aceitável 8 - A montagem do rolamento com interferência não evita seu deslocamento axial. 9 Exceções: rolamentos radiais separáveis são naturalmente livres. P. ex., rolamentos radiais de rolos cilíndricos (N, NU), rolamento radial de agulhas.
  • 122.
    Desenho Técnico MecânicoII – Prof. M. Sc. Edson Del Mastro / Prof. Helena S. Del Mastro Espíndola Faculdade de Tecnologia de Sorocaba 122 122 Quando um dos mancais é muito mais solicitado que o outro10 , costuma-se usar 1 rolamento duplo ou 1 par de rolamentos para constituir esse mancal11 . Incluem-se na categoria de rolamento duplo ou mais (rolamentos mais largos que os simples - e suportando cargas maiores): - rolamento radial rígido de 2 carreiras de esferas ; - rolamento de contato angular de 2 carreiras (disposição em ¨O¨); - rolamento de rolos cilíndricos de 2 carreiras; - rolamento de rolos cilíndricos de 4 carreiras de furo cilíndrico ou cônico; - rolamento de rolos cilíndricos com número máximo de rolos, de 2 carreiras; - rolamento de agulhas combinado (esferas e agulhas); - rolamento de rolos cônicos de 2 carreiras; - rolamento de rolos cônicos de 4 carreiras; - rolamento autocompensador de 2 carreiras de rolos de furo cilíndrico ou cônico; - rolos de leva, seção larga (2 carreiras); obs.: os rolamentos acima em geral são montados como bloqueados, exceto os de rolos cilíndricos (são do tipo NNU ou NN). No caso dos autocompensadores, são usados 2 rolamentos (1 em cada mancal 12 ) – 1 será bloqueado e o outro, livre. Pares de rolamentos13 encostados um no outro ou muito próximos também são usados constituindo um mancal. Os rolamentos para carga combinada (rol. de contato angular e de rolos cônicos) são montados bloqueados. Os pares mais comuns são: - rolamentos de contato angular, montados nas disposições: ¨tanden¨ (Fig 8) para carga axial dobrada num só sentido; em ¨O¨ ou em ¨X¨ (Fig 9 e10) para ambos os sentidos. Fig 8 - disposição “Tanden” Fig 9 - disposição em “O” Fig 10 - disposição em “X” 10 Isso acontece quando há uma grande carga extrapolada aos mancais. Por ex. no nariz do torno ou no mancal próximo da ferramenta na fresadora vertical, na mandriladora universal, etc.. 11 O uso de 1 rolamento simples no lugar de um duplo ou 1 par, resultaria em 1 rolamento de grandes dimensões (em relação ao do outro mancal), acarretando dificuldades para o projeto (principalmente os diâmetros de eixo e caixa muito maiores desse lado que do outro). 12 Como existem rolamentos autocompensadores de rolos com 1(também chamados de rol. de rolos esféricos) ou 2 carreiras (os de esferas, só com 2), costuma-se colocar o de 1 carreira como mancal pouco solicitado e o de 2, bloqueado, no lado de maior solicitação (por características geométricas, o de 2 carreiras está mais apto para suportar cargas axiais). 13 Dois rolamentos iguais.
  • 123.
    Desenho Técnico MecânicoII – Prof. M. Sc. Edson Del Mastro / Prof. Helena S. Del Mastro Espíndola Faculdade de Tecnologia de Sorocaba 123 123 - rolamentos de rolos cônicos, quando constituem um único mancal, em geral são montados próximos, um contrário do outro e separados por um anel distanciador entre os cones (disposição em ¨X¨ - face-to-face) Fig 11, ou entre as capas (disposição em ¨O¨- back-to-back) Fig 12. Fig 11 Fig 12 EXCEÇÕES 1 – Conjunto bloqueado Para aplicações que exigem muita rigidez pode-se usar 2 rolamentos de rolos cônicos (Fig 13) ou 2 de contato angular (Fig 14) perfazendo um conjunto bloqueado de 2 mancais – montados com alguma pré-carga. Algumas vezes, porém, são montados com uma folga calculada para compensar variações de temperatura durante o trabalho.14 Fig 13 – rolamentos de rolos cônicos bloqueados 14 Folga essa que deve ser medida com relógio comparador na ponta do eixo, com seu deslocamento axial para a frente e para traz. A SKF dispõe de software para o cálculo dessa folga.
  • 124.
    Desenho Técnico MecânicoII – Prof. M. Sc. Edson Del Mastro / Prof. Helena S. Del Mastro Espíndola Faculdade de Tecnologia de Sorocaba 124 124 Fig 14 – rolamentos de contato angular bloqueados 2 – Conjunto bi-bloqueado Algumas vezes, com apoios próximos entre si, pode-se montar os rolamentos como se vê na Fig 15. Apesar dessa montagem ser chamada assim, na realidade não existe o bloqueio – note-se a pequena folga axial recomendada. Fig. 15 – rolamentos rígidos de esferas bi-bloqueados
  • 125.
    Desenho Técnico MecânicoII – Prof. M. Sc. Edson Del Mastro / Prof. Helena S. Del Mastro Espíndola Faculdade de Tecnologia de Sorocaba 125 125 Montagem de rolamentos axiais Quando se aplica um rolamento axial 15 , junto com ele, no mesmo mancal, recomenda-se montar um rolamento radial, formando um conjunto bloqueado (Fig. 16). Mesmo no caso de não existir carga radial importante, isto é uma segurança para evitar que o rolamento axial gire excentricamente16 . Nos casos de rolamentos axiais de rolos cilíndricos ou de agulhas, isso se torna obrigatório. Também recomenda-se montar o rolamento axial de duplo sentido (ou escora dupla) junto com 1 radial. O ajuste axial na(s) contra-placa(s) pode ser feito através de rosca, arruelas de ajuste, molas de compressão ou molas em estrela ―RINGSPANN‖. (Fig. 17) Fig. 16 – rolamento axial de esferas com rol.de rolos cônicos Fig 17 – rolamento axial duplo + rol radial com (ajuste por molas de compressão) 15 Rolamentos axiais de esferas, de direção única ou dupla ação, com anel de caixa paralelo ou com anel de caixa esférico e anel de encosto; rol. axiais de esferas de contato angular de direção única ou dupla; rol. axiais de rolos cilíndricos; rol. axiais de agulhas; rol. axiais de rolos cônicos de direção única ou dupla; rol. axiais autocompensadores de rolos. 16 Isso pode ocorrer devido à folga axial de montagem ou de um pequeno desgaste. O aumento dessa folga pode provocar a desmontagem do rolamento.
  • 126.
    Desenho Técnico MecânicoII – Prof. M. Sc. Edson Del Mastro / Prof. Helena S. Del Mastro Espíndola Faculdade de Tecnologia de Sorocaba 126 126 Rolamento axial autocompensador (de rolos abaulados assimétricos) Neste caso, deve ser montado junto com um rol, autocompensador (radial). Importante: os centros de giro das pistas esféricas dos dois rolamentos devem ser concêntricos (Fig. 18) Fig. 18 – rolam. axial autocompensador montado com 1 autocompensador radial MONTAGEM COM MAIS DE 2 MANCAIS Raramente usa-se 3 ou mais mancais num único eixo rígido. Nesses casos somente 1 mancal será bloqueado – os demais serão livres. Há que se ter especial atenção com o alinhamento entre os mancais (óptico se possível)17 . Geralmente se usam rolamentos autocompensadores, nesses casos. 17 ALINHADORES ÓPTICOS e cursos para seu manuseio: ver fornecedores autorizados de rolamentos.
  • 127.
    Desenho Técnico MecânicoII – Prof. M. Sc. Edson Del Mastro / Prof. Helena S. Del Mastro Espíndola Faculdade de Tecnologia de Sorocaba 127 127
  • 128.
    Desenho Técnico MecânicoII – Prof. M. Sc. Edson Del Mastro / Prof. Helena S. Del Mastro Espíndola Faculdade de Tecnologia de Sorocaba 128 128
  • 129.
    Desenho Técnico MecânicoII – Prof. M. Sc. Edson Del Mastro / Prof. Helena S. Del Mastro Espíndola Faculdade de Tecnologia de Sorocaba 129 129
  • 130.
    Desenho Técnico MecânicoII – Prof. M. Sc. Edson Del Mastro / Prof. Helena S. Del Mastro Espíndola Faculdade de Tecnologia de Sorocaba 130 130 GRAXEIRA Exemplo: Graxeira tipo Olimite ¼” TIPO MENOR TIPO MAIOR TIPO MENOR TIPO MAIOR F 0,2 0,3 Y 6,0 6,0 D1 5,0 5,0 Z 4,0 4,0 D G 1/8‖ G ¼‖ P 4,0 4,0 C 3,0 4,0 L1 7,0 9,0 B 7,5 10,0 L 6,0 8,0 A 18,0 23,0 H 12,0 16,0
  • 131.
    Desenho Técnico MecânicoII – Prof. M. Sc. Edson Del Mastro / Prof. Helena S. Del Mastro Espíndola Faculdade de Tecnologia de Sorocaba 131 131 VEDADORES DE ROLAMENTOS Lubrificação: os rolamentos são equipamentos que devem trabalhar lubrificados – sem isso, têm vida curta. Essa lubrificação é feita através de óleo mineral ou graxa (óleo mineral + sabão metálico) e, decorrente das condições de trabalho e ambientais, pode conter aditivos para melhorar seu desempenho. É importante a determinação da viscosidade (ponto de graxa), índice de viscosidade, tipo(s) de aditivo(s), quantidade de lubrificante e intervalos de relubrificação (v. catálogos de companhias de petróleo). Os vedadores de rolamentos têm como objetivo manter o lubrificante junto ao mancal18 e também protegê-lo contra a entrada de contaminantes sólidos e umidade. Quanto à posição relativa ao rolamento, a vedação pode ser integrada (Figs 1 e 2) ou externa (Figs 3 a 16). Fig. 1 – Rol. c/ placa de proteção (2Z) Fig. 2 – Rol. c/ placa de vedação (2RS) Na escolha do vedador devem ser considerados os seguintes fatores: ● tipo de lubrificante(graxa ou óleo) ● velocidade periférica ou tangencial (Vt) da superfície vedante ● possível desalinhamento do eixo ● disposição do eixo (horizontal ou vertical) ● aumento de temperatura ● atrito do vedador ● espaço disponível ● influências ambientais ● qualidade e custo (preferível as fabricadas em série por especialistas). Vedadores sem contato: são passagens estreitas radiais, axiais ou em labirinto. Como as peças não estão em contato, não há atrito, ruído ou desgaste sendo indicadas para altas velocidades e temperaturas (Figs. 3 a 11). Fig.16, torna-se sem contato após uso. Fig. 3 – Passagem estreita Fig. 4 – Passagem estreita com canais circulares Fig. 5 – Passagem estreita com canais helicoidais 18 1 rolamento ou arranjo de rolamentos
  • 132.
    Desenho Técnico MecânicoII – Prof. M. Sc. Edson Del Mastro / Prof. Helena S. Del Mastro Espíndola Faculdade de Tecnologia de Sorocaba 132 132 Fig. 6 – Labirinto axial Fig. 7 – Labirinto radial Fig. 8 – Labirinto com vãos inclinados (desalinhamento eixo) Fig. 9 – Anéis “Z” (SKF) Fig. 10 – Anel defletor Fig. 11 – Anel defletor com retorno do óleo Vedadores de contato: sua eficiência depende essencialmente da elasticidade e resistência ao desgaste do material (em geral, polímeros) que exerce pressão na superfície de contato (Figs. 12 a 16). Seu uso está limitado pela Vt máx. de cada material. Vt=πdn/60000 (Vt:m/s; d: mm; n:RPM) e da rugosidade da superfície de contato. P. ex., anel de feltro (Fig. 15) até 4m/s; retentores de elastômeros (Figs.12 e 13) até 18m/s. Fig. 12 – Retentor mont. p/ óleo Fig. 13 – Retentor mont. Para graxa Fig. 14 – Anel “V ring” Fig. 15 – Anel de feltro DIN 5419 Fig. 16 – Anel “Nilos”
  • 133.
    Desenho Técnico MecânicoII – Prof. M. Sc. Edson Del Mastro / Prof. Helena S. Del Mastro Espíndola Faculdade de Tecnologia de Sorocaba 133 133 ANÉIS DE FELTRO DIN 5419 Série F1 Arruela Ranhura de anel de feltro Nº Milímetros d1 D B d2 a b c F1 5 20 31 3,5 21 4,2 4 5 . 6 25 38 5 26 5,5 4 6 . 7 30 43 5 31 5,5 4 6 F1 8 35 48 5 36 5,5 4 6 . 9 40 53 5 41 5,5 4 6 . 10 45 58 5 46 5,5 4 6 F1 11 50 67 6 51 7 5 8 . 12 55 72 6 56 7 5 8 . 13 60 77 6 61 7 5 8 F1 15 65 82 6 66 7 5 8 . 16 70 89 7 71 8,2 6 9 . 17 75 94 7 76 8,2 6 9 F1 18 80 99 7 81 8,2 6 9 . 19 85 104 7 86 8,2 6 9 . 20 90 111 8,5 91 9,5 7 10 F1 22 100 125 9,5 101 11 8 12 . 24 110 135 9,5 111 11 8 12 . 26 115 140 9,5 116 11 8 12 F1 28 125 154 10,5 126 12,4 9 14 . 30 135 164 10,5 136 12,4 9 14 . 33 140 173 12 141 13,9 10 16 F1 34 150 183 12 151 13,9 10 16 . 36 160 193 12 161 13,9 10 16 . 38 170 203 12 171 13,9 10 16 . 40 180 213 12 181 13,9 10 16 F1 44 200 240 13,5 202 15,7 11 19 . 48 220 260 13,5 222 15,7 11 19 . 52 240 286 14,5 242 17,4 12 22 F1 56 260 306 14,5 262 17,4 12 22 . 60 280 332 16 282 19,2 13 25 . 64 300 352 16 302 19,2 13 25
  • 134.
    Desenho Técnico MecânicoII – Prof. M. Sc. Edson Del Mastro / Prof. Helena S. Del Mastro Espíndola Faculdade de Tecnologia de Sorocaba 134 134 Arruelas de vedação (tipo Z) SKF d1 d2 b h designação mm 10 26 4 1 Z 000 10 30 4 1 Z 200 10 30 4 1 Z 200 F 12 28 4 1 Z 001 12 32 4 1 Z 201 12 37 4 1 Z 301 15 32 4 1 Z 002 15 35 4 1 Z 202 15 42 5 1,25 Z 302 17 35 4 1 Z 003 17 40 4 1 Z 203 17 47 5 1,25 Z 303 20 42 5 1,25 Z 004 20 47 5 1,25 Z 204 20 52 5 1,25 Z 304 25 47 5 1,25 Z 005 25 52 5 1,25 Z 205 25 62 6 1,5 Z 305 30 55 5 1,25 Z 006 30 62 6 1,5 Z 206 30 72 6 1,5 Z 306 35 62 6 1,5 Z 007 35 72 6 1,5 Z 207 35 80 6 1,5 Z 307 40 68 6 1,5 Z 008 40 80 6 1,5 Z 208 40 90 6 1,5 Z 308 45 75 6 1,5 Z 009 45 85 6 1,5 Z 209 45 100 6 1,5 Z 309 50 80 6 1,5 Z 010 50 90 6 1,5 Z 210 50 110 6 1,5 Z 310 55 90 6 1,5 Z 011 55 100 7 1,5 Z 211 60 95 6 1,5 Z 012 60 110 7 1,5 Z 212 65 100 7 1,5 Z 013 65 120 7 1,5 Z 213 70 110 7 1,5 Z 014 70 125 7 1,5 Z 214 75 115 7 1,5 Z 015 75 130 7 1,5 Z 215 80 140 7 1,5 Z 216 www.skf.com.br
  • 135.
    Desenho Técnico MecânicoII – Prof. M. Sc. Edson Del Mastro / Prof. Helena S. Del Mastro Espíndola Faculdade de Tecnologia de Sorocaba 135 135 ANÉIS NILOS para rolamentos de esferas de 1 colar conforme DIN 625 Tipo do rolamento d D b Tipo de ANEL NILOS a b c k h Tipo de ANEL NILOS i D c s h 62 00 10 30 9 62 00 AV 27,5 10 18 0,3 1,8 62 00 JV 14,4 30 24 0,3 1,8 62 01 12 32 10 62 01AV 28,1 12 20 0,3 1,8 62 01 JV 16,4 32 26 0,3 1,8 62 02 15 35 11 62 02 AV 31,8 15 22 0,3 2 62 02 JV 18,6 35 27 0,3 2 62 03 17 40 12 62 03 AV 35,7 17 25 0,3 2 62 03 JV 21,5 40 31 0,3 2 62 04 20 47 14 62 04 AV 41,2 20 29 0,3 2 62 04 JV 25,7 47 37 0,3 2 62 05 25 52 15 62 05 AV 47 25 36 0,3 2,5 62 05 JV 31,5 52 42 0,3 2,5 62 06 30 62 16 62 06 AV 56,2 30 44 0,3 2,5 62 06 JV 36,3 62 47 0,3 2,5 62 07 35 72 17 62 07 AV 64,8 35 48 0,3 2,5 62 07 JV 43 72 56 0,3 2,5 62 08 40 80 18 62 08 AV 72,7 40 57 0,3 3 62 08 JV 48 80 62 0,3 3 62 09 45 85 19 62 09 AV 77,8 45 61 0,3 3 62 09 JV 53 85 68 0,3 3 62 10 50 92 20 62 10 AV 82,8 50 67 0,3 3 62 10 JV 57,5 90 73 0,3 3 62 11 55 100 21 62 11 AV 90,8 55 75 0,3 3 62 11 JV 64,5 100 80 0,3 3 62 12 60 110 22 62 12 AV 100,8 60 85 0,3 3 62 12 JV 70 110 85 0,3 3 62 13 65 120 23 62 13 AV 110,5 65 90 0,3 3 62 13 JV 76,5 120 95 0,3 3 62 14 70 125 24 62 14 AV 115,8 70 95 0,3 3,5 62 14 JV 79,5 125 102 0,3 3,5 62 15 75 130 25 62 15 AV 120,5 75 100 0,5 3,5 62 15 JV 85 130 105 0,5 3,5 62 16 80 140 26 62 16 AV 129 80 106 0,5 3,5 62 16 JV 92 140 112 0,5 3,5 ANÉIS NILOS p/ rolamentos de esferas de rolos cônicos DIN 720 - somente vedação externa Tipos do rolamento d D B Tipo do ANEL NILOS a d C s v Tipo do ANEL NILOS a1 a2 d c w s1 s2 h G g t 302 03 17 40 13,5 302 03 AV 39,5 17 30 0,3 2,6 302 03 AK 38 43 17 30 24 0,3 0,5 3 44 41 13,8 302 04 20 47 15,5 302 04 AV 46,5 20 36 0,3 3,6 302 04 AK 45 50 20 34 27 0,3 0,5 3 51 48 15,8 302 05 25 52 16,5 302 05 AV 51,5 25 40 0,3 3,6 302 05 AK 49 55 25 40 33 0,3 0,5 3 56 53 16,8 302 06 30 62 17,5 302 06 AV 61,5 30 47 0,3 3,6 302 06 AK 60 65 30 47 38 0,3 0,5 3 66 63 17,8 306 07 35 72 18,5 302 07 AV 71,5 35 55 0,3 3,6 302 07 AK 69,5 75 35 55 45 0,3 0,5 4 76 73 18,8 302 08 40 80 20 302 08 AV 79,5 40 61 0,3 4,1 302 08 AK 77,5 83 40 61 50 0,3 0,5 4 84 81 20,3 302 09 45 85 21 302 09 AV 84,5 45 67 0,3 5,1 302 09 AK 82 88 45 67 55 0,3 0,5 4 89 86 21,3 302 10 50 90 22 302 10 AV 89,5 50 71 0,3 5,1 302 10 AK 87,5 93 50 71 60 0,3 0,5 4 94 91 22,3 302 11 55 100 23 302 11 AV 99,5 55 78 0,3 5,1 302 11 AK 97 103 55 78 68 0,3 0,5 4,5 104 101 23,3 302 12 60 110 24 302 12 AV 109,5 60 85 0,5 5,1 302 12 AK 106,5 113 60 85 73 0,3 0,5 4,5 114 111 24,3 302 13 65 120 25 302 13 AV 119,5 65 93 0,5 5,1 30213 AK 116,5 123 65 93 78 0,3 0,5 4,5 124 121 25,3 302 14 70 125 26,5 302 14 AV 124,5 70 98 0,5 5,6 302 14 AK 121 128 70 98 83 0,5 0,5 5 129 126 27 302 15 75 130 27,5 302 15 AV 129,5 75 104 0,5 5,6 302 15 AK 126 133 75 104 88 0,5 0,5 5 134 131 28 302 16 80 140 28,5 302 16 AV 139,5 80 110 0,5 5,6 302 16 AK 136 143 80 110 95 0,5 0,5 5 144 141 29 www.nilos.com.br
  • 136.
    Desenho Técnico MecânicoII – Prof. M. Sc. Edson Del Mastro / Prof. Helena S. Del Mastro Espíndola Faculdade de Tecnologia de Sorocaba 136 136 DIN 3760 d1 h11 d3 d1 h11 d3 d1 h11 d3 d1 h11 d3 d1 h11 d3 d1 h11 d3 6 7 8 9 10 11 12 14 15 16 17 18 20 22 4,8 5,7 6,8 7,5 8,4 9,3 10,2 12,1 13,1 14 14,9 15,8 17,7 19,6 24 25 26 28 30 32 35 36 38 40 42 45 48 50 21,5 22,5 23,4 25,3 27,3 29,2 32 33 34,9 36,8 38,7 41,6 44,5 46,4 52 55 56 58 60 62 63 65 68 70 72 75 78 80 48,3 51,3 52,3 54,2 56,1 58,1 59,1 61 63,9 65,8 67,7 70,7 73,6 75,5 85 90 95 100 105 110 115 120 125 130 135 140 145 150 80,4 85,3 90,1 95 99,9 104,7 109,6 114,5 119,4 124,3 129,2 133 138 143 160 170 180 190 200 210 220 230 240 250 260 280 300 320 153 163 173 183 193 203 213 223 233 243 249 269 289 309 340 360 380 400 420 440 460 480 500 329 349 369 389 409 429 449 469 489
  • 137.
    Desenho Técnico MecânicoII – Prof. M. Sc. Edson Del Mastro / Prof. Helena S. Del Mastro Espíndola Faculdade de Tecnologia de Sorocaba 137 137 www.sabo.com.br
  • 138.
    Desenho Técnico MecânicoII – Prof. M. Sc. Edson Del Mastro / Prof. Helena S. Del Mastro Espíndola Faculdade de Tecnologia de Sorocaba 138 138
  • 139.
    Desenho Técnico MecânicoII – Prof. M. Sc. Edson Del Mastro / Prof. Helena S. Del Mastro Espíndola Faculdade de Tecnologia de Sorocaba 139 139
  • 140.
    Desenho Técnico MecânicoII – Prof. M. Sc. Edson Del Mastro / Prof. Helena S. Del Mastro Espíndola Faculdade de Tecnologia de Sorocaba 140 140
  • 141.
    Desenho Técnico MecânicoII – Prof. M. Sc. Edson Del Mastro / Prof. Helena S. Del Mastro Espíndola Faculdade de Tecnologia de Sorocaba 141 141
  • 142.
    Desenho Técnico MecânicoII – Prof. M. Sc. Edson Del Mastro / Prof. Helena S. Del Mastro Espíndola Faculdade de Tecnologia de Sorocaba 142 142
  • 143.
    Desenho Técnico MecânicoII – Prof. M. Sc. Edson Del Mastro / Prof. Helena S. Del Mastro Espíndola Faculdade de Tecnologia de Sorocaba 143 143
  • 144.
    Desenho Técnico MecânicoII – Prof. M. Sc. Edson Del Mastro / Prof. Helena S. Del Mastro Espíndola Faculdade de Tecnologia de Sorocaba 144 144
  • 145.
    Desenho Técnico MecânicoII – Prof. M. Sc. Edson Del Mastro / Prof. Helena S. Del Mastro Espíndola Faculdade de Tecnologia de Sorocaba 145 145
  • 146.
    Desenho Técnico MecânicoII – Prof. M. Sc. Edson Del Mastro / Prof. Helena S. Del Mastro Espíndola Faculdade de Tecnologia de Sorocaba 146 146
  • 147.
    Desenho Técnico MecânicoII – Prof. M. Sc. Edson Del Mastro / Prof. Helena S. Del Mastro Espíndola Faculdade de Tecnologia de Sorocaba 147 147
  • 148.
    Desenho Técnico MecânicoII – Prof. M. Sc. Edson Del Mastro / Prof. Helena S. Del Mastro Espíndola Faculdade de Tecnologia de Sorocaba 148 148
  • 149.
    Desenho Técnico MecânicoII – Prof. M. Sc. Edson Del Mastro / Prof. Helena S. Del Mastro Espíndola Faculdade de Tecnologia de Sorocaba 149 149
  • 150.
    Desenho Técnico MecânicoII – Prof. M. Sc. Edson Del Mastro / Prof. Helena S. Del Mastro Espíndola Faculdade de Tecnologia de Sorocaba 150 150
  • 151.
    Desenho Técnico MecânicoII – Prof. M. Sc. Edson Del Mastro / Prof. Helena S. Del Mastro Espíndola Faculdade de Tecnologia de Sorocaba 151 151
  • 152.
    Desenho Técnico MecânicoII – Prof. M. Sc. Edson Del Mastro / Prof. Helena S. Del Mastro Espíndola Faculdade de Tecnologia de Sorocaba 152 152 PROBLEMA DA CAPA (desta apostila) Dado um rolamento (tabela ao lado): 1. trabalho preliminar: fazer esboço das peças não normalizadas determinando suas dimensões e selecionando o material com dimensões em bruto. Selecionar as peças normalizadas, especificando-as (parafuso, anel ''O-RING'', retentor, rolamento) 2. trabalho definitivo a entregar: desenho do conjunto (identificado), desenho de detalhes das peças não normalizadas e lista de peças (todas), em formato único. SEQÜÊNCIA DE TRABALHO 1.Determinar as dimensões do rolamento (d, D, B, r), especificá-lo e as das peças anexas (da, Da, ra) (pág. 127) no exemplo: ''Rolamento rígido de esferas 6206'' (30 x 62 x 16 x 1,5) da mín. = 35 ; Da máx. = 57 ; ra máx. = 1 2. Esboçar e determinar dimensões do eixo e especificar a matéria-prima do mesmo (pág 154 a 156). ''eixo, aço ABNT 1045, > Ø 1 ½ '' x ? 3.Selecione um retentor (pág. 137 a 145) BR ou BA com ''Diâmetro de Eixo'' > ou = da e ''Diâmetro do Alojamento'' < Da – 2. No exemplo: ''Retentor 01421 BR – Sabó'' (36 x 54 x 7,5): estas dimensões servirão de base para dimensionar a bucha e a tampa. 4.Selecionar anel O-RING e respectivo chanfro na carcaça (pág. 148 a 151) procurar D.I. ~ D – (2 a 4) no exemplo: D.I. = 60,046; W = 1/16'' ''anel O-RING OR1-36, ORION''; (pág. 146) ch = 2,4 x 45° (carcaça). 5.Esboçar e determinar dimensões da carcaça e respectiva matéria-prima (tubo mecânico pág.157) ''carcaça, tubo mecânico Ø 95 x Ø 50 x ? SANDVIK 7L *determinar após desenho da tampa e especificação do parafuso Dígito final do aluno Rolamento (pág.114) Parafuso 0 6204 M6 1 6404 M6 2 6205 M6 3 6305 M6 4 6006 M6 5 6306 M6 6 6207 M8 7 6307 M8 8 6008 M8 9 6208 M8 exemplo 6206 M6
  • 153.
    Desenho Técnico MecânicoII – Prof. M. Sc. Edson Del Mastro / Prof. Helena S. Del Mastro Espíndola Faculdade de Tecnologia de Sorocaba 153 153 6. Esboçar e determinar dimensões da tampa 7.Esboçar e determinar dimensões da bucha (pág. 136, capa) 8.Esboçar o parafuso e o furo roscado cego na carcaça Lmín. = comprimento aperto + a mín. Lmín. = (11 – 6,8) + 6 = 10,2 L = 12 (pág. 39) a real = L – comprimento ap. a real = 12 – 4,2 = 7,8 b = 7,8 + 6/2 = 10,8 ~ 11 t = b + e1 = 10,8 + 5,1 ~ 16 parafuso Allen M6 x 12 DIN 912 – 8.8 OBSERVAÇÃO IMPORTANTE: deve ser executado um desenho de estudo de montagem (sem raios, chanfros, etc.) paralelamente à definição das peças, onde as cotas ''estimadas'' se definirão. Os esboços das peças e as especificações dos elementos normalizados servirão para registrar as cotas e informações selecionadas e adotadas, evitando esquecimentos e consultas (repetidas) à normas e catálogos na hora de fazer o desenho de detalhes.
  • 154.
    Desenho Técnico MecânicoII – Prof. M. Sc. Edson Del Mastro / Prof. Helena S. Del Mastro Espíndola Faculdade de Tecnologia de Sorocaba 154 154 Problema da capa – Vistas da montagem. Montagem em corte total. Montagem em perspectiva Montagem em perspectiva com corte total, vista explodida. Montagem em perspectiva vista explodida
  • 155.
    Desenho Técnico MecânicoII – Prof. M. Sc. Edson Del Mastro / Prof. Helena S. Del Mastro Espíndola Faculdade de Tecnologia de Sorocaba 155 155 www.tetraferro.com.br
  • 156.
    Desenho Técnico MecânicoII – Prof. M. Sc. Edson Del Mastro / Prof. Helena S. Del Mastro Espíndola Faculdade de Tecnologia de Sorocaba 156 156
  • 157.
    Desenho Técnico MecânicoII – Prof. M. Sc. Edson Del Mastro / Prof. Helena S. Del Mastro Espíndola Faculdade de Tecnologia de Sorocaba 157 157 www.gerdau.com.br BARRA REDONDA MECÂNICA Barras com seção transversal circular. Produzidas segundo a norma ASTM A36 (aço com baixo teor de carbono) e a norma SAE, 1020 e 1045. Empregadas principalmente em grades e portões, na fabricação de eixos e ferramentas, máquinas, forjamento, trefilação, etc. BITOLAS (d) PESO LINEAR BITOLAS (d) PESO LINEAR pol. mm kg/m pol. mm kg/m 1/4‖ 6,35 0,25 1 5/8‖ 41,28 10,50 5/16‖ 7,94 0,39 42 mm 42,00 10,90 3/8‖ 9,53 0,56 1 3/4‖ 44,45 12,18 1/2‖ 12,70 0,99 1 13/16‖ 46,04 13,06 9/16‖ 14,29 1,26 1 7/8‖ 47,63 13,98 5/8‖ 15,88 1,56 2‖ 50,80 15,91 11/16‖ 17,46 1,88 2 1/16‖ 52,39 16,92 3/4‖ 19,05 2,24 2 1/8‖ 53,98 17,96 7/8‖ 22,23 3,05 2 1/4‖ 57,15 20,14 1‖ 25,40 3,98 2 3/8‖ 60,33 22,43 1 1/8‖ 28,58 5,04 2 7/16‖ 61,91 23,63 1 1/4‖ 31,75 6,22 2 1/2‖ 63,50 24,86 33 mm 33,00 6,71 2 9/16‖ 65,08 26,11 1 5/16‖ 33,34 6,85 2 5/8‖ 66,68 27,40 1 3/8‖ 34,93 7,52 2 3/4‖ 69,85 30,08 1 7/16‖ 36,51 8,22 2 7/8‖ 73,03 32,87 1 1/2‖ 38,10 8,95 3‖ 76,20 35,79 1 9/16‖ 39,69 9,71 3 1/16‖ 77,79 37,30 3 1/8‖ 79,38 38,84 Obs.: Mediante consulta, poderão ser fabricados bitolas em milímetros As Barras Redondas Mecânicas também podem ser fornecidas segundo as normas ASTM A572 G50 e em GERDAU COR (ASTM A588), resistente à Corrosão Atmosferica. Obs.:1) Todas as barras e perfis(exceto os indicados) são fornecidos em barra de 6,00m (-0, +010m.). 2) Todos os pesos constantes neste catálogo são aproximados.
  • 158.
    Desenho Técnico MecânicoII – Prof. M. Sc. Edson Del Mastro / Prof. Helena S. Del Mastro Espíndola Faculdade de Tecnologia de Sorocaba 158 158 SANDVIK 7L – AÇO AO CARBONO (CATÁLOGO) Medidas garantidas após desbaste** Comp. aprox. Peso médio teórico Medidas garantidas após desbaste** Comprimento aprox. Peso médio teóricoØ ext Ø int Centragem sobre o Ф ext. Centragem sobre o Ф int. Ø ext. Ø int. Centragem sobre o Ф ext. Centragem sobre o Ф int. mm Ф ext. Ф int. Ф ext. Ф int. m** kg/m mm Ф ext. Ф int. Ф ext. Ф int. m** kg/m max.m m min. mm max. mm min. mm max. mm min. mm max. mm min. mm 32 x 20 31,5 21,6 30,4 20,5 3,2 – 4,5 4,2 106 x 80 105,0 85,3 101,2 81 2,9 - 4,1 32,0 32 x 16 31,5 17,8 30,2 16,5 3,2 – 4,5 5,0 106 x 71 105,0 77,3 100,4 72,0 2,3 – 3,3 40,2 106 x 56 105,0 64,1 98,9 57,0 2,6 – 3,8 51,7 36 x 25 35,5 26,6 34,4 25,5 2,8 – 4,0 4,5 36 x 20 35,5 21,8 34,2 20,5 3,7 – 5,3 5,9 112 x 90 111,0 94,8 107,6 91,0 3,1 – 4,4 30,0 36 x 16 35,5 18,2 33,8 16,5 3,3 – 4,6 6,7 112 x 80 111,0 86,0 106,6 81,0 2,3 – 3,3 40,2 112 x 63 111,0 71,0 104,9 64,0 2,5 – 3,6 54,9 40 x 28 39,5 29,6 38,4 28,5 2,7 – 3,9 5,5 40 x 25 39,5 26,8 38,2 25,5 3,5 – 5,0 6,4 118 x 90 117,0 95,8 112,8 91,0 2,3 – 3,4 38,6 40 x 20 39,5 22,2 37,8 20,5 2,8 – 4,0 7,8 118 x 80 117,0 87,0 111,8 81,0 1,7 – 2,7 48,9 118 x 63 117,0 72,0 110,1 64,0 2,1 – 3,1 63,6 45 x 32 44,5 33,6 43,4 32,5 3,0 – 4,2 6,7 45 x 28 44,5 29,8 43,2 28,5 2,3 – 3,4 8,1 125 x 100 124,0 105,5 120,0 101,0 2,4 – 3,5 37,8 45 x 20 44,5 22,8 42,2 20,5 3,1 – 4,4 10,4 125 x 90 124,0 96,7 119,0 91,0 1,7 – 2,7 49,3 125 x 71 124,0 79,9 117,2 72,0 1,9 – 2,9 67,3 50 x 36 49,5 37,6 48,4 36,5 2,9 – 4,1 8,0 50 x 32 49,5 34,0 48,0 32,5 2,8 – 4,0 9,6 132 x 106 131,0 111,8 126,7 107,0 2,2 – 3,2 41,7 50 x 25 49,5 27,8 47,2 25,5 2,6 – 3,8 12,0 132 x 90 131,0 97,6 125,2 91,0 2,3 – 3,3 60,6 132 x 71 131,0 81,0 123,2 72,0 1,6 – 2,5 79,1 56 x 40 55,5 41,9 54,2 40,5 2,7 – 3,9 10,1 56 x 36 55,5 38,3 53,8 36,5 2,2 – 3,2 11,9 140 x 112 139,0 118,2 134,4 113,0 1,8 – 2,8 47,5 56 x 28 55,5 31,1 53,0 28,5 3,0 – 4,2 15,0 140 x 100 139,0 107,6 133,2 101,0 2,2 – 3,2 62,8 140 x 80 139,0 90,0 131,2 81,0 1,6 – 2,4 84,6 63 x 50 62,0 52,9 60,4 51,0 2,6 – 3,8 9,9 63 x 40 62,5 42,9 60,4 40,5 3,7 – 5,2 15,3 150 x 125 149,0 131,0 144,5 126,0 3,0 – 4,2 47,1 63 x 32 62,5 35,5 59,8 32,5 2,2 – 3,3 18,8 150 x 106 149,0 114,2 142,7 107,0 1,7 – 2,7 73,8 150 x 80 149,0 91,4 140,0 81,0 1,2 – 1,9 102,8 71 x 56 70,0 59,2 68,1 57,0 3,6 – 5,1 12,8 71 x 45 70,0 49,6 66,8 46,0 2,8 – 4,0 19,5 160 x 132 159,0 138,6 154,0 133,0 2,5 – 3,6 55,7 71 x 36 70,5 39,8 67,6 36,5 3,7 – 5,2 23,9 160 x 112 159,0 121,0 152,0 113,0 1,5 – 2,3 85,2 160 x 90 159,0 101,6 149,8 91,0 1,1 – 1,7 112,1 75 x 60 74,0 63,2 72,1 61,0 3,5 – 5,0 13,6 75 x 50 74,0 54,4 70,8 51,0 2,8 – 4,0 20,2 170 x 140 169,0 147,0 163,6 141,0 2,1 – 3,1 63,3 75 x 40 74,0 46,0 69,4 41,0 3,0 – 4,0 25,7 170 x 118 169,0 127,6 161,4 119,0 1,3 – 2,0 97,6 80 x 63 79,0 66,6 76,7 64,0 3,3 – 4,8 16,3 180 x 150 179,0 157,2 173,4 151,0 1,9 – 2,9 67,8 80 x 50 79,0 55,2 75,4 51,0 2,6 – 3,8 25,1 180 x 125 179,0 135,2 170,9 126,0 1,1 – 1,8 109,4 80 x 40 79,0 46,4 74,2 41,0 3,1 – 4,3 30,6 190 x 160 189,0 167,4 183,2 161,0 0,8 – 1,2 72,4 85 x 67 84,0 70,8 81,6 68,0 3,5 – 5,0 18,3 190 x 132 189,0 142,8 180,4 133,0 0,6 – 1,0 121,8 85 x 55 84,0 60,2 80,4 56,0 2,8 – 4,0 27,1 85 x 45 84,0 51,4 79,2 46,0 2,8 – 3,8 33,2 200 x 160 199,0 168,8 192,0 161,0 0,8 – 1,2 96,9 200 x 140 199,0 151,2 190,0 141,0 0,5 – 0,9 133,1 90 x 71 89,0 75,0 86,4 72,0 3;2 – 4,7 20,5 90 x 63 89,0 68,0 85,5 64,0 2,4 – 3,5 27,0 212 x 170 211,0 179,2 203,6 171,0 0,7 – 1,1 108,0 90 x 50 89,0 56,6 84,2 51,0 2,5 – 3,7 35,8 212 x 150 211,0 161,6 201,6 151,0 0,5 – 0,9 146,7 95 x 75 94,0 79,4 91,0 76,0 3,5 – 5,0 22,7 224 x 180 223,0 189,7 215,2 181,0 0,6 – 1,0 119,8 95 x 67 94,0 72,2 90,4 68,0 2,8 – 4,0 29,6 224 x 160 223,0 172,0 213,2 161,0 0,5 – 0,8 160,9 95 x 50 94,0 57,4 88,6 51,0 2,5 – 3,5 41,6 236 x 190 235,0 200,3 226,6 191,0 0,5 – 0,8 132,1 100 x 80 99,0 84,4 96,0 81,0 3,9 – 5,5 24,2 236 x 170 235,0 182,8 224,6 171,0 0,4 – 0,6 175,6 100 x 71 99,0 76,4 95,2 72,0 2,9 – 4,1 32,4 100 x 56 99,0 63,2 93,7 57,0 2,0 – 3,0 43,9 250 x 200 249,0 211,0 240,0 201,0 0,5 – 0,7 151,4 250 x 180 249,0 193,4 238,0 181,0 0,4 – 0,6 197,3
  • 159.
    Desenho Técnico MecânicoII – Prof. M. Sc. Edson Del Mastro / Prof. Helena S. Del Mastro Espíndola Faculdade de Tecnologia de Sorocaba 159 159 RELAÇÃO DE PUBLICAÇÕES RECOMENDADAS: 1) IPESI Eletrônica & Informática: - www.ipesi.com.br – e-mail: ipesi@ipesi.com.br Fone: 3670-1677 para solicitar informações e catálogos 2) P&S – Produtos e Equipamentos e Serviços Industriais - www.ps.com.br – Fone: (0xx11)0800 161333 - e-mail: atendimento@banas.com.br 3) ISO CATALOGUE 2004 – cd-rom e versão impressa – todas as normas em projetos e outras publicações ( inglês ou francês) – e-mail: sales@iso.org 4) NEI – Noticiário de Equipamentos Industriais - www.nei.com.br – Fone.:(0xx11) 33274452 5) MAQUINAS E METAIS – Revista Brasileira de Mecânica, Metalurgia e Automação. www.arandanet.com.br - Fax: (0xx11) 3666-9585 – Fone.:(0xx11) 3824-5300 6) MUNDO MECÂNICO - www.mecanicaonline.com.br - e-mail: faleconosco@mecanicaonline.com.br 7) BANAS QUALIDADE – Gestão, Processo e Meio Ambiente – www.banasqualidade.com.br - Fone: (0xx11) 5188-1515 – e-mail: contato@epse.com.br 8) CIENCIA HOJE – Revista de divulgação cientifica da Sociedade Brasileira para o Progresso da Ciência - www.jornaldaciencia.org.br ou www.ciencia.org.br 9) TECNOLOGIA – Publicações da Secretaria da Indústria, Comercio, Ciência e Tecnologia do Estado de São Paulo e do Instituto de Pesquisa Tecnológicas do Estado de São Paulo S/A – IPT – Departamento de Publicações – Caixa Postal 7141 CEP:05508-901 São Paulo – SP – BRASIL - site: www.ipt.br - Fone.: (0xx11) 3767-4000 10)MINEIRAÇÃO E METALURGIA - www.abmbrasil.com.br/cim - Fone.:(0xx11) 5534-4333 – Fax: (0xx11) 5534-4330 – e-mail: abm@abmbrasil.com.br 11)ENERGIA E PRODUÇÃO – Energia elétrica, derivados de petróleo, carvão, biomassa e outros insumos energéticos - www.poli.usp.br 12)GUIA DE AUTOMAÇÃO INDUSTRIAL - www.i-magazine.com.br 13)REVISTA CNI – INDUSTRIA BRASILEIRA - www.cni.org.br - Fone.: (0xx61) 3317-9989 / 3317-9993 - Fax: (0xx61) 3317-9994 atualizado em: Janeiro de 2012
  • 160.
    Desenho Técnico MecânicoII – Prof. M. Sc. Edson Del Mastro / Prof. Helena S. Del Mastro Espíndola Faculdade de Tecnologia de Sorocaba 160 160 ÍNDICE DE NORMAS – por ordem numérica DIN 11_______ Rosca Whitworth..............................................................................12 DIN 13_______ Rosca métrica....................................................................................9 DIN 74_______ Furos escareados, rebaixados para parafusos ................................31 DIN 76_______ Saídas de roscas externa e interna .................................................33 DIN 78_______ Pontas sobressalentes dos parafusos .............................................36 DIN 84_______ Parafuso cabeça cilíndrica com fenda .............................................50 DIN 125______ Arruela plana....................................................................................60 DIN 126______ Arruela plana bruta ..........................................................................60 DIN 127______ Arruela de pressão...........................................................................61 DIN 137______ Arruela ondulada..............................................................................62 DIN 259______ Rosca Whitworth para tubos............................................................13 DIN ISO 273 __ Furo de passagem para parafuso ....................................................30 DIN 336______ Diâmetro de broca para furo roscado...............................................14 DIN 433______ Arruela plana para parafuso Allen e cabeça redonda ......................60 DIN 439______ Porca sextavada baixa (contra-porca) .............................................55 DIN 471______ Anel de retenção para eixos (anel elástico) .....................................76 DIN 472______ Anel de retenção para furos (anel elástico)......................................77 DIN 509______ Saídas de ferramentas.....................................................................85 DIN 835______ Prisioneiro para alumínio .................................................................47 DIN 912______ Parafuso Allen..................................................................................41 DIN 914______ Parafuso Allen sem cabeça..............................................................46 DIN 929______ Porca sextavada para soldar ...........................................................58 DIN 931______ Parafuso sextavado comum.............................................................38 DIN 933______ Parafuso sextavado rosca próxima..................................................40 DIN 934______ Porca sextava comum......................................................................53 DIN 938______ Prisioneiro para aço .........................................................................48 DIN 939______ Prisioneiro para ferro fundido (fofo) .................................................49 DIN 963______ Parafuso cabeça escareada com fenda...........................................44 DIN 964______ Parafuso cabeça oval com fenda.....................................................51 DIN 965______ Parafuso cabeça escareada com fenda em cruz .............................52 DIN 980______ Porca auto-atarraxante ....................................................................56 DIN 3760_____ Retentores – dimensões nas peças anexas ..................................136 DIN 5419_____ Anéis de feltro (vedação) ...............................................................133 DIN 5462_____ Eixo entalhado série leve.................................................................84 DIN 5463_____ Eixo entalhado série média..............................................................84 DIN 5471_____ Eixo entalhado para máquina ferram. - 4 entalhes ..........................84 DIN 5472_____ Eixo entalhado para máquina ferram. - 6 entalhes ..........................84 DIN 6797_____ Arruela dentada ...............................................................................62 DIN 6798_____ Arruela dentada ...............................................................................62 DIN 6885_____ Chaveta plana..................................................................................75 DIN 7952_____ Furos repuxados em chapa fina.......................................................37 DIN 7980_____ Arruela de pressão para parafusos cilíndricos.................................62 Canais de Polia ''V'', padrão americano...........................................89 ABNT PB 89 __ Cremalheira de referência................................................................99 ISO/R 1340___ Características dos dentes (engrenagem) .....................................104