DETERMINAÇÃO DO MODELO EM QUADRATURA, CONTROLE POR
ORIENTAÇÃO DE CAMPO E ESTIMAÇÃO DO FLUXO DE UMA MÁQUINA
                       DE INDUÇÃO
            Manuel Ricardo Vargas Ávila, Paulo Roberto Eckert e Maurício Borges Longhi
                                         Manuel06_20@hotmail.com
                                  Universidade Federal do Rio Grande do Sul
                              Programa de Pós-Graduação em Engenharia Elétrica
                               ELE222- CONTROLE DE MAQUINAS ELETRICAS


      RESUMO: O presente documento consiste em um               indução, e através do modelo, possa aplicar diversas
relato das atividades desenvolvidas durante as aulas 4,         técnicas de controle para melhorar seu desempenho,
5 e 6. A aula 4 tem um desenvolvimento do modelo em             economia de energia e confiabilidade.
quadratura da máquina de indução, a representação do
motor em coordenadas genéricas, e a traves desta                2 BASE TEÓRICA
representação poder gerar um modelo representativo
dos diversos sistemas de referência (estacionário, móvel        2.1 REPRESENTAÇÃO EM QUADRATURA
e síncrono). As aulas 5 e 6, mostram um
desenvolvimento teórico sobre o controle da máquina de            DA MÁQUINA DE INDUÇÃO TRIFÁSICA
indução por orientação de campo e um modelo de
estimação do fluxo da máquina.                                        Uma vez que as tensões, correntes e fluxos que
Será feita uma breve introdução sobre a importância de          compõem a dinâmica da máquina de indução trifásica
ter um modelo da maquinas de indução para o                     podem ser representadas por um conjunto de equações
desenvolvimento de técnicas de controle na indústria.           equivalentes no sistema bifásico, pode-se pensar
Em seguida, será feito um desenvolvimento teórico da            também em representar a máquina bifásica em um
representação do sistema em quadratura dependendo               sistema de coordenadas em quadratura. [1]
do tipo de característica da máquina trifásica, o
equacionamento do motor em coordenadas genéricas.
Finalmente, serão mostrados e discutidos os resultados
do projeto a traves de gráficos e simulações com
Matlab-simulink.


  PALAVRAS-CHAVE: maquina, indutância, trifásica,
quadratura, Matlab.


1 INTRODUÇÃO
                                                                Figura 1 - Representação do estator das maquinas trifásica e
     A máquina de indução é aquela cuja velocidade de
                                                                                  bifásica em quadratura
rotação do rotor é menor que a do campo magnético do
estator e depende da carga. Esta máquina tem a
propriedade de ser reversível, ou seja, pode funcionar                Existe uma relação entre as variáveis elétricas das
como motor e como gerador.                                      máquinas trifásica e bifásica em quadratura, o qual é
                                                                definida por:
Nos últimos anos, o motor de indução tem sido mais
usada máquina rotativa a nível industrial, principalmente
devido à sua versatilidade (entre 80% e 90% dos
motores industriais são motores de indução). A razão de                                                                    (1)
sua importância na indústria é porque estas máquinas                                           √         √
são geralmente de baixo custo de fabricação e de
manutenção, o seu desenho é compacto obtendo
máxima potência por unidade de volume. A sua                         No sistema bifásico em quadratura existe uma
utilização generalizada em muitas aplicações implica            terceira componente       denominada componente de
que os pesquisadores se concentram em temas como                sequência zero, que em sistema trifásicos equilibrados
controle de velocidade, controle de torque, a                   apresenta valor nulo depois da transformação para o
programação de trabalho ciclos e determinação de                sistema bifásico em quadratura.
parâmetros. Por isso é importante que o engenheiro
tenha um modelo em variáveis de estado da máquina de


                                                            1
Reescrevendo (1), temos a seguinte relação:
                                                                                                   (            )

                  [ ]                 [ ]                 (2)
                                                                             2.2 SISTEMAS DE REFERÊNCIA                       E     A
     Onde cada uma das variáveis de estado estão                               TRANSFORMAÇÃO DE PARK
relacionadas ao estator da máquina.

      Na equação (2),        é denominada matriz de                                 Como na máquina de indução o campo magnético
transformação e representa uma matriz quadrada de                            do estator e o do giram em velocidades diferentes, é
ordem três. Esta matriz de transformação é diferente                         necessário se estabelecer um sistema de referência
dependendo do tipo de característica da máquina                              utilizado para a representação das variáveis da máquina
trifásica a ser preservada depois da transformação para                      em uma mesma velocidade.
a máquina bifásica em quadratura.
                                                                             2.2.1 TRANSFORMAÇÃO DE PARK
2.1.1 TRANSFORMAÇÃO COM POTÊNCIA
   INVARIANTE                                                                      A transformação de Park para as variáveis do
                                                                             estator é dada por:
A matriz de transformação      utilizada para manter a
potência total da máquina trifásica invariável quando é
realizada a transformação para a máquina bifásica é:
                                                                             Sendo:


                                          √           √                                      [                      ]   (5)
                  √                                                (3)
                          √           √               √
                          [                                   ]

Por tanto fazendo substituição de (3) em (2).
                                                                              = nova base de referência (rotor ou estator)
                                                                               = Representa o ângulo formado entre os fasores das
                                                                             variáveis do estator   .
                      (                                   ) √
                                                                             A transformação de Park para as variáveis do rotor é
                              √               √
                      (                                       ) √            dada por:

                  √               √                   √
                 (                                                 ) √
                                                                             Sendo:

2.1.2 TRANSFORMAÇÃO COM AMPLITUDE
                                                                                             [                      ]   (6)
   INVARIANTE

    A matriz de transformação utilizada para obtenção                         = nova base de referência (rotor ou estator)
da máquina bifásica considerando invariante as                                 = Representa o ângulo formado entre os fasores das
amplitudes das variáveis elétricas é:                                        variáveis do rotor    .

                                                                             2.2.2 SISTEMAS DE REFERENCIA
                                      √           √
                                                                  (4)
                                                                                  Os sistemas de referência utilizados para a
                                                                             representação das variáveis do estator e do rotor da
                      [                                   ]
                                                                             máquina de indução, são:

Por tanto fazendo substituição de (4) em (2).
                                                                                     Sistema de referência estacionário

                          (                               )                       Este sistema emprega o eixo do estator como
                                                                             referência.
                              √               √
                      (                                       )



                                                                         2
(7)                               ̇
                                                              [          ]   [               ][           ]   [           ][       ]       [       ]   (11)
                                                                  ̇


                                                              Sendo:

                                                              Fluxos do estator e rotor:
     As matrizes      e    realizam a mudança das
variáveis do estator e do rotor para o sistema
estacionário.                                                                            [            ]                        [       ]


       Sistema de referência Móvel                           Correntes do estator e rotor:
   Este sistema é referenciado ao rotor e os ângulos
  são:
                                                                                          [           ]                        [   ]
                               (8)
                                                              Tensões do estator e rotor:


                                                                                         [            ]                        [       ]



     As matrizes     e     realizam a mudança das             Resistencia do estator e rotor:
variáveis do estator e do rotor para o sistema de
referência móvel.
                                                                                  [                   ]           [                            ]

       Sistema de referência síncrono

     O sistema de referência síncrono possui como             Matriz
referência a velocidade síncrona do campo girante do
estator, representada por . O ângulo é obtido por:
                                                                                                  [                   ]
                          ∫

                                 (9)
                                                                  O valor de velocidade      é escolhido dependendo
                                      (10)                    do sistema de referência utilizado.

                                                                                                             Sistema de referência
                                                                                                                  estacionário
                                                                                                          Sistema de referência móvel
                                                                                                             Sistema de referência
                                                                                                                   síncrono
      As matrizes     e     realizam a mudança das                    Tabela 1. Escolha da velocidade, em função do sistema de
variáveis do estator e do rotor para o sistema de                                        referência utilizado
referência síncrono.
                                                                  Considerando que o sistema trifásico é equilibrado,
                                                              então a terceira componente (denominada componente
2.3 MODELO   DO    MOTOR                             EM       de sequência zero) apresentara valor nulo.
  COORDENADAS GENÉRICAS
                                                                   Existe uma relação direta entre as correntes e os
                                                              fluxos do estator e rotor, o qual é a seguinte:
     A equação que descreve o sistema                em
coordenadas genéricas está definida por:




                                                          3
componente em quadratura (componente q) proporcional
                                                                    ao torque eletromagnético (13). O FCO é efetuado em
                 [                           ][      ]   (12)       coordenadas síncronas.
  [      ]
                                                                       O objetivo do controle por campo orientado é
                                                                    estabelecer e manter uma relação angular entre o vetor
                                                                    da corrente do estator e o fluxo do rotor.

                                                                        Existem duas técnicas para aplicar o controle por
Sendo:
                                                                    campo orientado. A primeira é chamada campo
                                                                    orientado direto, pois utiliza a informação do fluxo para
                                                                    realizar a orientação do campo. A segunda técnica é
                                                                    chamada de campo orientado indireto, pois calcula a
                                                                    velocidade do campo gigante para obter o
                                                                    escorregamento necessário para a orientação de campo.

                                                                       As dois técnicas serão utilizadas para controlar o
                                                                    fluxo do rotor e a velocidade do motor.

                                                                      Os modelo de controle do fluxo e velocidade são
                                                                    encontrados utilizando os modelos reduzidos da
2.4 EQUAÇÃO      DE                                TORQUE           máquina de indução trifásica:
  ELETROMAGNÉTICO                                      EM
  COORDENADAS GENÉRICAS

                     (                   )        (13)

Sendo:
                                                                                  Figura3 - Modelo de controle do fluxo do rotor




3 CONTROLE POR ORIENTAÇÃO DE
  CAMPO
                                                                                 Figura4 - Controle de velocidade do motor


                                                                      A partir destes modelos podemos definir os ganhos
                                                                    do controlador PI que será usado nas técnicas de
                                                                    controle por campo orientado.

                                                                    3.1 CAMPO ORIENTADO DIRETO


      Figura2 - Relação entre o vetor corrente do estator
                 com o vetor do fluxo do rotor


   O controle por orientação de campo (FCO) é um
conjunto de condições que fixam a orientação (ângulo
   entre o vetor corrente do estator e o vetor fluxo do
rotor ou também chamado campo da máquina, por isso
é definido como controle por campo orientado.

    O conceito de campo orientado implica que as
componentes do vetor corrente do estator sejam
                                                                              Figura5 - Blocos do campo orientado direto
orientadas de forma que a componente direta
(componente d) seja proporcional ao fluxo rotórico e a


                                                                4
No campo orientado (DFO), o fluxo é realimentado
e por isso, deve ser estimado ou medido. Esta técnica
utiliza as próprias componentes de fluxo do estator para
realizar a conversão entre os sistemas de coordenadas
síncronos e o estacionário.

Tem-se que a seguinte relação:


        [       ]       [            ][       ]       (14)


Onde o fluxo do rotor esta definido por:

                                                                       Figura6 – Diagrama esquemático do controle orientado pelo
                                                                                            campo direto
                    √(      )                     (15)

         A equação (14) relaciona as correntes no eixo               3.2 CAMPO ORIENTADO INDIRETO
em quadratura e direto em um referencial arbitrário
chamada “X” com as respetivas correntes do estator no
referencial estacionário.

        Reescrevendo a equação (14):

                                                      (16)


                                                         (17)

      Agora tendo que as correntes em quadratura do
estator são iguais que as correntes     , nós podemos
reescrever (15) e (16) da seguinte maneira:
                                                                        Figura7 - Blocos do campo orientado indireto

                                                          (18)
                                                                       O uso do campo orientado indireto (IFO) é mais forte
                                                                     que o campo orientado direto, debido a sua facilidade de
                                                         (19)        operação do motor próximo a velocidade zero, onde a
                                                                     medição e a estimação do fluxo fica difícil.

   Aplicando transformação inversa dada por (14) nos                    A partir da figura é implementado o controle por
propios fluxos do rotor, pode-se provar que:                         campo orientado indireto. Antes de fazer a
                                                                     transformação das correntes em quadratura do estator
                                                                     ao correntes A,B,C, nós devemos realizar a
                                                                     transformação das coordenadas síncronas para
    [       ]       [            ]        [       ]       (20)
                                                                     coordenadas estacionarias a traves da seguinte
                                                                     equação:
    Admitindo que o fluxo de quadratura do rotor
 , tem-se que o fluxo do rotor dependera apenas da
corrente direta do estator, e por tanto tem-se a seguinte
relação:
                                                                             [   ]   [                    ][     ]     (21)


                                                                     Onde:




   O diagrama esquemático do controle orientado pelo
campo direto, é o seguinte:


                                                                 5
4 MÉTODOS DE SIMULAÇÃO
   Este item do trabalho apresenta, estágio a estágio, os
modelos utilizados em MatLab Simulink para simulação.
Na primeira parte, serão apresentados os parâmetros
carregados. Na segunda parte, serão apresentados os
blocos básicos usados em todas as simulações. Em
seguida, serão detalhados os métodos de simulação
para transformações de base, para controle por
orientação de campo direto e indireto. Por fim, será
apresentado o bloco do controlador PI e o método de
sintonia empregado.
   Os Apêndices apresentam os modelos completos de
simulação.

4.1 PARÂMETROS
   A Tabela 1 mostra os parâmetros utilizados para as
                                                                          Figura 8 – Bloco do Motor de Indução.
simulações. Eles são introduzidos ao sistema antes da
simulação propriamente dita por meio da execução de
                                                                   O bloco de comparador com histerese é apresentado
uma rotina. Os valores são aqueles sugeridos em [4] e
                                                                na Figura (9). Ele produz os sinais pulsados, a partir da
estão em unidades do SI.
                                                                comparação entre o sinal de referência de corrente e
                                                                das correntes do motor, que são utilizados como entrada
       Tabela 1 – Parâmetros utilizados na simulação
                                                                no bloco do inversor. [2]
                   Parâmetro              Valor
            Rs (resistência estator)      0,728
              Rr (resistência rotor)      0,706
            Ls (indutância estator)       0,0996
              Lr (indutância rotor)       0,0996
            Lm (indutância mútua)         0,0953
           Jm (momento de inércia)        0,062
         Bm (coef. de atrito viscoso)      0,01
            Np (nº de par de polos)          2
           Vfn (tensão fase-neutro)        220
         f (frequência sinal de rede)       50
                                                                      Figura 9 – Bloco do Comparador com histerese.
A tensão Vfn de 220 V foi utilizada apenas nos estudos
                                                                    O bloco do inversor é apresentado na Figura (10). A
que envolvem transformações de coordenadas. Para os
                                                                entrada admite o sinal PWM produzido, em nível 0 ou 1,
estudos realizados em controle por campo orientado,
                                                                pelo comparador com histerese. O grupo de saídas
manteve-se a tensão DC do bloco Inversor em 540 V.
                                                                utilizadas é composto por VAN, VBN, e VCN, que
                                                                produzem. [2]
4.2 ESTÁGIOS

   Alguns blocos/estágios são utilizados em todas as
simulações. O bloco do motor de indução está
apresentado na Figura (8). É um modelo em
coordenadas estacionárias, que tem como entradas as
tensões de alimentação e torque de carga. Como
saídas, apresenta as correntes de estator, torque
elétrico, fluxos do rotor e velocidade do rotor. [2]




                                                                              Figura 10 – Bloco do Inversor.




                                                            6
Figuras (13), (14) e (15). O conteúdo interno dos blocos
                                                                  está apresentado nos Apêndices.
4.2.1 TRANSFORMAÇÕES

  Um bloco em coordenadas generalizadas foi utilizado
para as simulações, conforme apresenta a Figura (11).




                                                                    Figura 13 – Observador de fluxo empregando modelo de
                                                                                          corrente.




  Figura 11 – Bloco do motor de indução em coordenadas              Figura 14 – Observador de fluxo empregando modelo de
                      generalizadas.                                                       tensão.

   A escolha do sistema de coordenadas é feito por
meio da entrada wx. Para sistema de coordenadas
síncrono, faz-se wx=ws; para sistema de coordenadas
rotórico, faz-se wx=wr; e para sistema de coordenadas
estacionário, faz-se wx=0.

4.2.2 CONTROLE POR CAMPO ORIENTADO
   DIRETO

   Um bloco foi criado para conceber o controle por
                                                                  Figura 15 - Observador de fluxo empregando modelo misto de
campo orientado indireto. Ele está mostrado na Figura
                                                                                          Gopinath.
(12). Como entradas, este bloco admite as correntes em
quadratura e os fluxos em coordenadas α-β.

                                                                     Nos modelos de corrente e misto, que têm como
                                                                  entrada a velocidade, admite-se wr em rad/s. Por isso,
                                                                  deve-se realizar a conversão de unidades entre o bloco
                                                                  do motor de indução e o bloco do observador.
                                                                     Conforme orientação contida em [5], os valores de σ1
                                                                  e σ2, no observador de Gopinath, foram 11π e 8 π,
                                                                  respectivamente.

                                                                  4.2.3 CONTROLE POR CAMPO ORIENTADO
                                                                     INDIRETO
Figura 12 – Bloco para controle por campo orientado direto.
                                                                     Um bloco foi criado para conceber o controle por
   Primeiramente, foram realizadas simulações tendo               campo orientado indireto. Ele está mostrado na Figura
em conta o conhecimento do fluxo, que é fornecido pelo            (16). Ele admite como entradas a corrente Iq, o fluxo e a
bloco do motor de indução apresentado na Figura (9).              velocidade rotórica.
Em seguida, foram simulados três diferentes
observadores para estimar o fluxo: observador de fluxo
empregando modelo de corrente, observador de fluxo
empregando modelo de tensão e observador de fluxo
empregando modelo de Gopinath (observador misto).
Os três observadores mencionadas são mostrados nas


                                                              7
Figura 16 – Bloco para controle por campo orientado
                        indireto.

4.3 SINTONIZAÇÃO DO CONTROLADOR PI
                                                                     Figura 19 - Modelo do bloco PID Controller.
  Os modelo de controle do fluxo e velocidade são
encontrados utilizando os modelos reduzidos da
máquina de indução trifásica:




   Figura 17 - Modelo de controle do fluxo do rotor.




        Figura 18 – Controle da velocidade do motor.
                                                                    Figura 20 - Autotuning do bloco PID Controller.
  A partir destes modelos podemos definir os ganhos
do controlador PI que será usado nas técnicas de                  O controlador foi sintonizado para que o sistema
controle por campo orientado direto e indireto.                tenha um tempo de estabelecimento de 0.4 segundos.

                                                               Os ganhos obtidos são:

        Sintonização dos ganhos do modelo de fluxo do
         rotor


Considerando que:


                                                               A resposta do sistema reduzido com o ganho obtido é:




     Para implementação do PI, foi utilizado o bloque de
  simulink PID Controller. Este bloque implementa
  algoritmos de controle PID continuo e discreto e
  Dentro dele, nós podemos sintonizar o sistema, neste
  caso o modelo reduzido da máquina.




                                                           8
1600


                                                                                         1400


                                                                                         1200




                                                                 Velocidade [ rpm ]
                                                                                         1000


                                                                                             800


                                                                                             600


                                                                                             400


                                                                                             200


                                                                                               0
                                                                                                   0    0.1    0.2     0.3       0.4        0.5      0.6    0.7     0.8      0.9          1
                                                                                                                                         Tempo [ s ]



          Figura 21 – Saída do sistema reduzido.               Figura 22- Velocidade versus tempo para partida sem carga e
                                                                      inserção de torque nominal 50,4 Nm em 0,5 s.


5 RESULTADOS                                                                                 200




     Este capítulo visa aparesentar os resultados                                            150

obtidos a partir dos modelos desenvolvidos e descritos
na seção anterior. Esta dividido em três itens:
                                                                                             100



                                                                             Torque [ Nm ]
transformações de referencial em coordenadas dq0,
controle orientado por campo indireto e controle por
campo orientado direto.                                                                       50



5.1 TRANSFORMAÇÕES DE REFERENCIAL                                                              0


      As transformações de referencial do modelo em
quadratura da máquina de indução é uma ferramenta                                             -50
                                                                                                    0   0.1    0.2      0.3        0.4       0.5      0.6     0.7     0.8      0.9            1
importante no controle e acionamento da máquina.                                                                                          Tempo [ s ]

Sabe-se, por exemplo, que o controle vetorial é                  Figura 23- Torque versus tempo para partida sem carga e
realizado em coordenadas síncronas. Isso facilita o                  inserção de conjugado nominal 50,4 Nm em 0,5 s.
controle pois pode-se aplicar conceitos equivalentes aos
aplicados no controle de máquinas de corrente contínua            Pode-se observar com isso que se a máquina de
desde que o sistema seja equilibrado e portanto as             indução estiver operando em malha aberta existe um
componentes de sequência zero possam ser                       ponto de operação distinto para cada valor de torque.
desprezadas.
   Os resultados que serão apresentados a seguir foram                                       200

obtidos empregando a transformação com amplitude
constante.                                                                                   150

   Para validar os modelos, para os diferentes
diferencias, deve-se observar que os parâmentros
                                                                                             100
                                                                         Torque [ Nm ]




mecânicos de saída, como é o caso do torque e da
velocidade devem ser idênticos independete do
referencial utilizado. Isto se confirma para os modelos                                      50

em estudo.
   Com base no modelo genérico da máquina de                                                   0
indução simulada que tem os parâmetros apresentados,
com a máquina operando em malha aberta e aplicando
                                                                                             -50
um torque de carga nominal no instante de tempo 0.5 s,                                             0     200     400          600        800      1000      1200      1400         1600
                                                                                                                                 Velocidade [ RPM ]
obtêm-se os resultados para velocidade angular e torque
eletromagnética nas figuras subsequentes.                        Figura 24- Torque versus velocidade angular para partida
                                                               sem carga e inserção de conjugado nominal 50,4 Nm em 0,5 s.

                                                                  Os três gráficos mostrados anteriormente são os
                                                               mesmo independente do referencial adotado.
                                                                  Para cada referencial adotado foram observados as
                                                               correntes do estator e o fluxo do rotor, pois estas são
                                                               grandezas que serão medidas ou estimadas quando
                                                               estivermos interessados em realizar o controle por
                                                               campo orientado.


                                                           9
torque nominal. É possível observar que depois que a
5.1.1 REFERENCIAL ESTACIONÁRIO                                                                            velocidade estabiliza a frequência das correntes é muito
                                                                                                          baixa, pois nesta situação a máquina opera sem carga,
   Os primeiros resultados apresentados se referem ao                                                     logo com escorregamento muito baixo. Assim que é
referencial estacionário, ou seja, aquele que a referência                                                inserida a carga a frequência e a amplitude das
fica estática.                                                                                            correntes aumenta uma vez que a potência mecânica e
   A figura a seguir mostra as correntes ABC do estator                                                   logo a elétrica é maior e o escorregamento também
no referencial estacionário considerando que a máquina                                                    aumenta.
parte sem carga e no instante de tempo 0,5 s é aplicado
torque nominal.                                                                                                                150

                    150
                                                                                                                               100

                    100
                                                                                                                                50




                                                                                                             Corrente [ A ]
                     50
                                                                                                                                 0
   Corrente [ A ]




                      0
                                                                                                                                -50

                     -50
                                                                                                                               -100


                    -100
                                                                                                                               -150
                                                                                                                                      0   0.1   0.2   0.3   0.4      0.5      0.6   0.7   0.8   0.9   1
                                                                                                                                                                  Tempo [ s ]
                    -150
                           0   0.1   0.2   0.3   0.4      0.5      0.6   0.7    0.8    0.9       1
                                                       Tempo [ s ]                                         Figura 27- Correntes de estator no referencial móvel versus
Figura 25 - Correntes de estator no referencial estacionário                                               tempo para partida sem carga e inserção de torque de carga
versus tempo para partida sem carga e inserção de torque de                                                                nominal 50,4 Nm em 0,5 s.
             carga nominal 50,4 Nm em 0,5 s.
                                                                                                             Fênomeno semelhante ao relatado com as correntes
   A figura a seguir mostra os fluxos dq do rotor no                                                      do estator no referencial móvel ocorre com os fluxos do
referencial estacionário considerando que a máquina                                                       rotor no que diz respeito a variação da frequência.
parte sem carga e no instante de tempo 0,5 s é aplicado                                                                          1

torque nominal.                                                                                                                 0.8

                      1                                                                                                         0.6

                    0.8                                                                                                         0.4

                    0.6                                                                                                         0.2
                                                                                                                Fluxo [ Wb ]




                    0.4                                                                                                          0

                    0.2                                                                                                        -0.2
     Fluxo [ Wb ]




                      0                                                                                                        -0.4

                    -0.2                                                                                                       -0.6

                    -0.4                                                                                                       -0.8

                    -0.6                                                                                                         -1
                                                                                                                                      0   0.1   0.2   0.3   0.4      0.5      0.6   0.7   0.8   0.9   1
                    -0.8                                                                                                                                          Tempo [ s ]


                      -1                                                                                    Figura 28 - Fluxos dq do rotor no referencial móvel versus
                           0   0.1   0.2   0.3   0.4      0.5      0.6   0.7   0.8    0.9    1
                                                       Tempo [ s ]                                         tempo para partida sem carga e inserção de torque de carga
 Figura 26 - Fluxos dq do rotor no referencial estacionário                                                                 nominal 50,4 Nm em 0,5 s.
versus tempo para partida sem carga e inserção de torque de
             carga nominal 50,4 Nm em 0,5 s.
                                                                                                          5.1.3 REFERENCIAL SÍNCRONO
    De acordo com as figuras acima é possível observar
que a frequência dos sinais de tensão e fluxo neste                                                          O referencial síncrono tem se movimento com a
referencial é de 50Hz, ou seja, a frequência da fonte de                                                  velocidade síncrona dependendo da tensão aplicada .
tensão trifásica.                                                                                            A figura a seguir mostra as correntes ABC do estator
                                                                                                          no referencial síncrono considerando que a máquina
5.1.2 REFERENCIAL MÓVEL                                                                                   parte sem carga e no instante de tempo 0,5 s é aplicado
                                                                                                          torque nominal. É possível observar que depois que a
   O referencial móvel se movimento com a velocidade                                                      velocidade estabiliza a frequência das correntes é zero,
do rotor.                                                                                                 pois a frequência do referencial é a mesma das
   A figura a seguir mostra as correntes ABC do estator                                                   correntes. Assim que é inserida a carga a amplitude das
no referencial móvel considerando que a máquina parte                                                     correntes aumenta uma vez que a potência mecânica e
sem carga e no instante de tempo 0,5 s é aplicado                                                         logo a elétrica também aumenta, no entanto, a
                                                                                                          frequência continua zero.


                                                                                                     10
150                                                                                                     400


                                                                                                                             300
                     100

                                                                                                                             200

                      50
                                                                                                                             100
   Corrente [ A ]




                                                                                                        Tensão [ V ]
                       0                                                                                                       0


                                                                                                                             -100
                      -50

                                                                                                                             -200

                     -100
                                                                                                                             -300


                     -150                                                                                                    -400
                            0   0.1   0.2   0.3   0.4      0.5      0.6   0.7   0.8   0.9   1                                       0       0.005       0.01                  0.015       0.02         0.025
                                                        Tempo [ s ]                                                                                            Tempo [ s ]


  Figura 29 - Correntes de estator no referencial síncrono                                              Figura 31 - Tensão de uma fase do estator no referncial
versus tempo para partida sem carga e inserção de torque de                                                           estacionário versus tempo.
             carga nominal 50,4 Nm em 0,5 s.
                                                                                                                               3
   Fênomeno semelhante ao relatado com as correntes
do estator no referencial síncrono ocorre com os fluxos                                                                       2.5

do rotor no que diz respeito a variação da frequência.
                                                                                                                               2
                      0.4




                                                                                                          Corrente [ A ]
                                                                                                                              1.5
                      0.2

                                                                                                                               1
                       0

                                                                                                                              0.5
      Fluxo [ Wb ]




                     -0.2

                                                                                                                               0
                     -0.4

                                                                                                                             -0.5
                                                                                                                                    0       0.005       0.01                  0.015       0.02         0.025
                     -0.6
                                                                                                                                                               Tempo [ s ]


                     -0.8                                                                            Figura 32 - Corrente de uma fase do estator no referncial
                                                                                                     estacionário versus tempo sendo o valor rms é 1,28 A.
                       -1
                            0   0.1   0.2   0.3   0.4      0.5      0.6   0.7   0.8   0.9   1
                                                        Tempo [ s ]


Figura 30- Fluxos dq do rotor no referencial síncrono versus                                                  Como o controle por campo orientado indireto
tempo para partida sem carga e inserção de torque de carga                                           não possui referência de fluxo do rotor este varia para
                nominal 50,4 Nm em 0,5 s.                                                            diferentes condições de torque de carga e de velocidade
                                                                                                     referência conforme mostram as duasfiguras a seguir.
5.2 CONTROLE POR CAMPO ORIENTADO
  INDIRETO                                                                                                                    1.6
                                                                                                                                                                                                 Te=0
                                                                                                                                                                                                 Te=16.8
                                                                                                                              1.4
      Inicialmente são mostradas as tensões e correntes                                                                                                                                          Te=50.4

de alimentação do motor no referencial estacionário. A                                                                        1.2

frequência de chaveamento é na faixa de
                                                                                                                               1
aproximadamente 7 kHz com cinco níveis distintos de
                                                                                                              Fluxo [ Wb ]




tensão como pode ser observado a seguir.                                                                                      0.8


                                                                                                                              0.6


                                                                                                                              0.4


                                                                                                                              0.2


                                                                                                                               0
                                                                                                                                    0   1     2     3    4         5            6     7    8     9         10
                                                                                                                                                               Teempo [ s ]


                                                                                                      Figura 33 - Módulo de fluxo do rotor versus tempo para uma
                                                                                                         velocidade de referência de 1500 rpm com diferentes
                                                                                                     condições de torque de carga considerando partida sem carga
                                                                                                                  e inserção de torque de carga em 2 s.




                                                                                                11
considerando partida sem carga e inserção de torque de carga
                                 1.6
                                                                                                     w=200                                        em 2 s.
                                                                                                     w=1000
                                 1.4
                                                                                                     w=1800

                                 1.2
                                                                                                                                 Observou-se que o controle por orientação de
                                                                                                                        campo indireto é capaz de seguir a referência inclusive
                                  1                                                                                     para velocidades muito baixas, como por exemplo 20
                 Fluxo [ Wb ]




                                 0.8
                                                                                                                        rpm, conforme mostra a figura a seguir.
                                                                                                                                                     50
                                 0.6

                                                                                                                                                      0
                                 0.4


                                 0.2                                                                                                                 -50




                                                                                                                           Velocidade [ rpm ]
                                  0                                                                                                                 -100
                                       0   1       2   3         4       5         6      7   8      9        10
                                                                     Tempo [ s ]

                                                                                                                                                    -150
   Figura 34 - Módulo de fluxo do rotor versus tempo para
torque de carga nominal 50.4 Nm com diferentes velocidades                                                                                          -200
 de referência considerando partida sem carga e inserção de
                   torque de carga em 2 s.                                                                                                          -250



         A implementação do controle por campo                                                                                                      -300
                                                                                                                                                           0   1     2   3     4       5         6   7     8      9         10
                                                                                                                                                                                   Tempo [ s ]
orientado indireto se mostrou bastante eficiente para
diferentes faixas de velocidades e condições de torque,                                                                    Figura 37 - Velocidade versus tempo para velocidade de
como pode ser verificado na figura abaixo.                                                                                 referência de 20 rpm. A partida da máquina é sem carga
                                                                                                                         sendo que no instante 2 s é apicado torque de carga nominal
                             2500
                                                                                                     w=200                                         50.4 Nm.
                                                                                                     w=1000
                             2000                                                                    w=1800
                                                                                                                        5.3 CONTROLE POR CAMPO ORIENTADO
                             1500                                                                                         DIRETO
   Velocidade [ rpm ]




                             1000                                                                                              O controle por campo orientado direto pode ser
                                                                                                                        implementado através da medição direta do fluxo do
                                500                                                                                     rotor, o que na prática é de difícil implementação, ou por
                                                                                                                        observadores de estado. Os observadores de fluxo
                                  0                                                                                     podem implementar modelos de: tensão corrente e de
                                                                                                                        Gopinath. As figuras a seguir mostram resultados de
                                -500
                                       0   1       2   3         4       5         6      7   8      9        10
                                                                                                                        fluxo e velocidade comparando os diferentes métodos,
                                                                     Tempo [ s ]                                        sob condições indicadas.
  Figura 35 - Velocidade versus tempo para torque de carga                                                                                           1.4
  nominal 50.4 Nm com diferentes velocidades de referência
considerando partida sem carga e inserção de torque de carga                                                                                         1.2

                           em 2 s.
                                                                                                                                                      1


        Para a condição de torque nominal
                                                                                                                                     Fluxo [ Wb ]




                                                                                                                                                     0.8
considerando os valores de velocidade de referência
simulados acima são apresentadas as curvas de torque                                                                                                 0.6                                                       Fref
                                                                                                                                                                                                               Fmedido
versus velocidade.                                                                                                                                                                                             FEst.Corr.
                                                                                                                                                     0.4                                                       FEst.Ten.
                                300                                                                                                                                                                            FEst.Gop.
                                                                                                     w=200
                                                                                                                                                     0.2
                                                                                                     w=1000
                                250                                                                  w=1800
                                                                                                                                                      0
                                                                                                                                                           0   0.5   1   1.5   2      2.5        3   3.5   4     4.5        5
                                200                                                                                                                                                Tempo [ s ]


                                                                                                                          Figura 38 - Fluxo no rotor versus tempo para quatro formas
             Torque [ Nm ]




                                150
                                                                                                                          distintas de implementação do controle por campo orientado
                                100                                                                                     direto. São atribuídos valores de referência de 0,72 Wb para o
                                                                                                                        fluxo e 1500 rpm para velocidade. A partida da máquina é sem
                                 50
                                                                                                                           carga sendo que no instante 2 s é apicado torque de carga
                                  0
                                                                                                                                               nominal 50.4 Nm.

                                 -50
                                   -500        0           500          1000           1500   2000        2500
                                                                 Velocidade [ rpm ]


 Figura 36 - Torque versus velocidade para torque de carga
 nominal 50.4 Nm com diferentes velocidades de referência


                                                                                                                   12
sem carga sendo que no iinstante 2 s é apicado torque de
                           2000
                                                                                                                                 carga nominal 50.4 Nm.
                           1800

                           1600
                                                                                                                                             2.5
                           1400                                                                                                                                                                        Fref
                                                                                                                                                                                                       Fmedido
   Velocidade [ rpm ]




                                                                                          Fmedido
                           1200                                                                                                                                                                        FEst.Corr.
                                                                                          FEst.Corr.
                                                                                                                                              2                                                        FEst.Ten.
                                                                                          FEst.Ten.
                           1000                                                                                                                                                                        FEst.Gop.
                                                                                          FEst.Gop.
                                800
                                                                                                                                             1.5




                                                                                                                             Fluxo [ Wb ]
                                600

                                400
                                                                                                                                              1
                                200

                                 0
                                      0   0.5   1   1.5   2      2.5        3   3.5   4    4.5         5
                                                                                                                                             0.5
                                                              Tempo [ s ]


   Figura 39 - Velocidade versus tempo para quatro formas
 distintas de implementação do controle por campo orientado                                                                                   0
                                                                                                                                                   0   0.5   1   1.5   2      2.5        3   3.5   4    4.5         5
                                                                                                                                                                           Tempo [ s ]
direto. São atribuídos valores de referência de 0,72 Wb para o
  fluxo e 1500 rpm para velocidade. A partida da máquina é                                                        Figura 42 - Fluxo o rotor versus tempo para quatro formas
sem carga sendo que no instante 2 s é apicado torque de carga                                                    distintas de implementação do controle por campo orientado
                       nominal 50.4 Nm.                                                                         direto. São atribuídos valores de referência de 0,72 Wb para o
                                                                                                                fluxo e 200 rpm para velocidade. A partida da máquina é sem
                                                                                                                   carga sendo que no in in instante 2 s é apicado torque de
                                                                                                                                    carga nominal 50.4 Nm.
                                1.6
                                                                                          Fref
                                1.4                                                       Fmedido
                                                                                          FEst.Corr.
                                                                                                                desde que o sistema seja equilibrado e portanto as
                                1.2
                                                                                          FEst.Ten.             componentes de sequência
                                                                                          FEst.Gop.

                                                                                                                                            500
                                 1                                                                                                                                                                     Fmedido
                 Fluxo [ Wb ]




                                                                                                                                            400                                                        FEst.Corr.
                                0.8                                                                                                                                                                    FEst.Ten.
                                                                                                                                            300                                                        FEst.Gop.

                                0.6
                                                                                                                                            200
                                                                                                                   Velocidade [ rpm ]




                                0.4
                                                                                                                                            100

                                0.2                                                                                                           0


                                 0                                                                                                          -100
                                      0   0.5   1   1.5   2      2.5        3   3.5   4    4.5         5
                                                              Tempo [ s ]
                                                                                                                                            -200

 Figura 40 – Fluxo o rotor versus tempo para quatro formas                                                                                  -300
 distintas de implementação do controle por campo orientado
direto. São atribuídos valores de referência de 0,72 Wb para o                                                                              -400
                                                                                                                                                   0   0.5   1   1.5   2      2.5        3   3.5   4    4.5         5
                                                                                                                                                                           Tempo [ s ]
  fluxo e 1000 rpm para velocidade. A partida da máquina é
sem carga sendo que no in in instante 2 s é apicado torque de                                                      Figura 43- Velocidade versus tempo para quatro formas
                    carga nominal 50.4 Nm.                                                                       distintas de implementação do controle por campo orientado
                                                                                                                direto. São atribuídos valores de referência de 0,72 Wb para o
                                                                                                                fluxo e 200 rpm para velocidade. A partida da máquina é sem
                           1200
                                                                                          Fmedido                 carga sendo que no iinstante 2 s é apicado torque de carga
                                                                                          FEst.Corr.
                                                                                          FEst.Ten.
                                                                                                                                       nominal 50.4 Nm.
                           1000
                                                                                          FEst.Gop.


                                800
                                                                                                                         Como o observador empregando o modelo de
                                                                                                                tensão apresentou o melhor resultado, este foi
   Velocidade [ rpm ]




                                600
                                                                                                                submetido a condições de referência de velocidade e de
                                                                                                                carga do que àquele realizado com o controle por campo
                                400
                                                                                                                orientado indireto para apresentar melhor critério de
                                                                                                                comparação entre os métodos de controle.
                                200



                                 0
                                      0   0.5   1   1.5   2      2.5        3   3.5   4    4.5         5
                                                              Tempo [ s ]


   Figura 41 - Velocidade versus tempo para quatro formas
 distintas de implementação do controle por campo orientado
direto. São atribuídos valores de referência de 0,72 Wb para o
  fluxo e 1000 rpm para velocidade. A partida da máquina é



                                                                                                           13
[1] Khalil, H. Nonlinear Systems. 2nd. ed., Prentice Hall, NJ,
                        180
                                                                                               wref=200
                                                                                                                        1996.
                        160                                                                    wref=1000
                                                                                               wref=1800
                        140
                                                                                                                    [2] SPILLER, P. A. Plataforma para simulação e
                                                                                                                        implementação em tempo real de técnicas de
                        120
                                                                                                                        acionamento e controle em máquinas de indução
                        100                                                                                             utilizando MatLab/Simulink. 2001. 132 f. Dissertação
        Torque [ Nm ]




                         80
                                                                                                                        (Mestrado) - Programa de Pós-graduação em Engenharia
                                                                                                                        Elétrica, Pontifícia Universidade Católica do Rio Grande do
                         60
                                                                                                                        Sul, Porto Alegre, 2001.
                         40

                         20
                                                                                                                    [3] PEREIRA, L. F. A. Aula 4: modelo em quadratura da
                                                                                                                        máquina de indução. Porto Alegre: UFRGS, 2012.
                          0

                         -20
                           -500          0         500          1000           1500     2000           2500
                                                                                                                    [4] PEREIRA, L. F. A. Aula 5: controle por orientação de
                                                         Velocidade [ rpm ]                                             campo. Porto Alegre: UFRGS, 2012.
 Figura 44 - Torque versus velocidade para torque de carga
                                                                                                                    [5] PEREIRA, L. F. A. Aula 6: estimação do fluxo da máquina
  nominal 50.4 Nm com diferentes velocidades de referência                                                              de indução. Porto Alegre: UFRGS, 2012.
considerando partida sem carga e inserção de torque de carga
    em 2 s com controle por campo orientado direto com                                                              [6] HAFFNER, J. F. Análise de estimadores de fluxo para
    observador de fluxo empregando o modelo de tensão.                                                                 implementação de técnicas de controle por campo orientado
                                                                                                                       direto em máquinas de indução. 1998. 227 f. Dissertação
                                                                                                                       (Mestrado) - Programa de Pós-graduação em Engenharia Elétrica,
                         50                                                                                            Pontifícia Universidade Católica do Rio Grande do Sul, Porto Alegre,
                                                                                                                       1998.
                          0


                         -50


                        -100
   Velocidade [ rpm ]




                        -150


                        -200


                        -250


                        -300


                        -350


                        -400
                               0   0.5       1   1.5     2      2.5        3      3.5   4       4.5        5
                                                             Tempo [ s ]


   Figura 45 - Velocidade versus tempo para velocidade de
   referência de 20 rpm. A partida da máquina é sem carga
 sendo que no instante 2 s é apicado torque de carga nominal
50.4 Nm. A simulação do controle por campo orientado direto
   é implementada com observador de fluxo empregando o
                      modelo de tensão.

6 CONCLUSÕES

    Este trabalho propôs-se a fazer um estudo referente
aos métodos de controle por orientação de campo em
uma máquina de indução trifásica.
    Foram criados arquivos em MatLab Simulink a fim de
emular os sistemas de controle e acionamento do motor.
O simulador obtido fornece uma interface de simulação
de aparência consistente e controles intuitivos.
    Os resultados mostram que o sistema de controle por
orientação de campo direto não apresenta consistência
para velocidades de referência baixas quando são
utilizados os observadores que dependem da velocidade
de saída.
    O controle por campo orientado indireto, por sua vez,
apresentou larga faixa de operação em termos de
velocidade de referência.


7 REFERÊNCIAS


                                                                                                               14
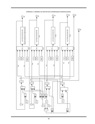
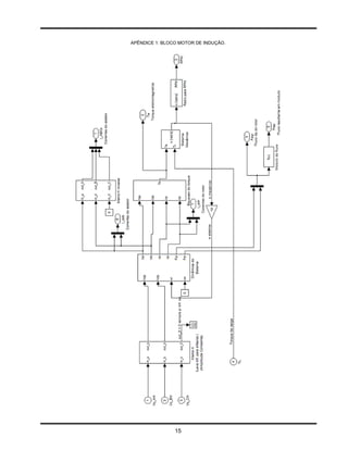
APÊNDICE 1: BLOCO MOTOR DE INDUÇÃO.




                15
APÊNDICE 2: DINÂMICA DO MOTOR EM COORDENADAS GENERALIZADAS.




                            16
APÊNDICE 3: OBSERVADOR DE FLUXO EMPREGANDO MODELO DE CORRENTE.


                                             Gain1

                                                 T2


                                                1
   1           -K-                                       1
                                                s
 in_as                                                   Far
               Gain                         Integrator

                                  Product


   3         pi/30
  Wr


                       Product1



                                                1
   2           -K-                                       2
                                                s
 in_bs                                                   Fbr
               Gain2                    Integrator1
                                             Gain3

                                                 T2




                                  17
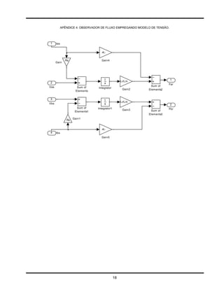
APÊNDICE 4: OBSERVADOR DE FLUXO EMPREGANDO MODELO DE TENSÃO.




1     Ias


                                   -K-

              Rs                   Gain4
      Gain




                                     1                                     1
2                                                  Lr/Lm
                                     s                                  Far
Vas                                                          Sum of
                     Sum of      Integrator         Gain2   Elements2
                    Elements

3                                    1
                                                   Lr/Lm
Vbs                                  s                                     2
                     Sum of     Integrator1                             Fbr
                                                    Gain3    Sum of
                    Elements1
                                                            Elements3

               Rs Gain1


                                   -K-
4     Ibs
                                   Gain5




                                              18
APÊNDICE 5: OBSERVADOR DE FLUXO EMPREGANDO MODELO DE GOPINATH.




                             19
APÊNDICE 6: BLOCO CONTROLE POR ORIENTAÇÃO DE CAMPO DIRETO.



1
Ids




2
Iqs




                                   ((-u[5]*u[2])+(u[4]*u[1]))*(1/u[3])   1
3
                                                                         Ias
Fr                   Mux                          Fcn



                                  ((u[4]*u[2])+(u[5]*u[1]))*(1/u[3])      2
                                                                          Ibs
4                                               Fcn1

Far



5
Fbr


                     Mux




                                 20
APÊNDICE 7: BLOCO CONTROLE POR ORIENTAÇÃO DE CAMPO INDIRETO.




                            21
APÊNDICE 8: SIMULADOR DE CONTROLE POR CAMPO ORIENTADO INDIRETO E POR CAMPO ORIENTADO DIRETO COM
                                         FLUXO CONHECIDO.




                                              22
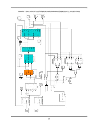
APÊNDICE 9: SIMULADOR DE CONTROLE POR CAMPO ORIENTADO DIRETO COM FLUXO OBSERVADO.




                                       23

Controle por orientação de campo e estimação do fluxo de uma máquina de indução

  • 1.
    DETERMINAÇÃO DO MODELOEM QUADRATURA, CONTROLE POR ORIENTAÇÃO DE CAMPO E ESTIMAÇÃO DO FLUXO DE UMA MÁQUINA DE INDUÇÃO Manuel Ricardo Vargas Ávila, Paulo Roberto Eckert e Maurício Borges Longhi Manuel06_20@hotmail.com Universidade Federal do Rio Grande do Sul Programa de Pós-Graduação em Engenharia Elétrica ELE222- CONTROLE DE MAQUINAS ELETRICAS RESUMO: O presente documento consiste em um indução, e através do modelo, possa aplicar diversas relato das atividades desenvolvidas durante as aulas 4, técnicas de controle para melhorar seu desempenho, 5 e 6. A aula 4 tem um desenvolvimento do modelo em economia de energia e confiabilidade. quadratura da máquina de indução, a representação do motor em coordenadas genéricas, e a traves desta 2 BASE TEÓRICA representação poder gerar um modelo representativo dos diversos sistemas de referência (estacionário, móvel 2.1 REPRESENTAÇÃO EM QUADRATURA e síncrono). As aulas 5 e 6, mostram um desenvolvimento teórico sobre o controle da máquina de DA MÁQUINA DE INDUÇÃO TRIFÁSICA indução por orientação de campo e um modelo de estimação do fluxo da máquina. Uma vez que as tensões, correntes e fluxos que Será feita uma breve introdução sobre a importância de compõem a dinâmica da máquina de indução trifásica ter um modelo da maquinas de indução para o podem ser representadas por um conjunto de equações desenvolvimento de técnicas de controle na indústria. equivalentes no sistema bifásico, pode-se pensar Em seguida, será feito um desenvolvimento teórico da também em representar a máquina bifásica em um representação do sistema em quadratura dependendo sistema de coordenadas em quadratura. [1] do tipo de característica da máquina trifásica, o equacionamento do motor em coordenadas genéricas. Finalmente, serão mostrados e discutidos os resultados do projeto a traves de gráficos e simulações com Matlab-simulink. PALAVRAS-CHAVE: maquina, indutância, trifásica, quadratura, Matlab. 1 INTRODUÇÃO Figura 1 - Representação do estator das maquinas trifásica e A máquina de indução é aquela cuja velocidade de bifásica em quadratura rotação do rotor é menor que a do campo magnético do estator e depende da carga. Esta máquina tem a propriedade de ser reversível, ou seja, pode funcionar Existe uma relação entre as variáveis elétricas das como motor e como gerador. máquinas trifásica e bifásica em quadratura, o qual é definida por: Nos últimos anos, o motor de indução tem sido mais usada máquina rotativa a nível industrial, principalmente devido à sua versatilidade (entre 80% e 90% dos motores industriais são motores de indução). A razão de (1) sua importância na indústria é porque estas máquinas √ √ são geralmente de baixo custo de fabricação e de manutenção, o seu desenho é compacto obtendo máxima potência por unidade de volume. A sua No sistema bifásico em quadratura existe uma utilização generalizada em muitas aplicações implica terceira componente denominada componente de que os pesquisadores se concentram em temas como sequência zero, que em sistema trifásicos equilibrados controle de velocidade, controle de torque, a apresenta valor nulo depois da transformação para o programação de trabalho ciclos e determinação de sistema bifásico em quadratura. parâmetros. Por isso é importante que o engenheiro tenha um modelo em variáveis de estado da máquina de 1
  • 2.
    Reescrevendo (1), temosa seguinte relação: ( ) [ ] [ ] (2) 2.2 SISTEMAS DE REFERÊNCIA E A Onde cada uma das variáveis de estado estão TRANSFORMAÇÃO DE PARK relacionadas ao estator da máquina. Na equação (2), é denominada matriz de Como na máquina de indução o campo magnético transformação e representa uma matriz quadrada de do estator e o do giram em velocidades diferentes, é ordem três. Esta matriz de transformação é diferente necessário se estabelecer um sistema de referência dependendo do tipo de característica da máquina utilizado para a representação das variáveis da máquina trifásica a ser preservada depois da transformação para em uma mesma velocidade. a máquina bifásica em quadratura. 2.2.1 TRANSFORMAÇÃO DE PARK 2.1.1 TRANSFORMAÇÃO COM POTÊNCIA INVARIANTE A transformação de Park para as variáveis do estator é dada por: A matriz de transformação utilizada para manter a potência total da máquina trifásica invariável quando é realizada a transformação para a máquina bifásica é: Sendo: √ √ [ ] (5) √ (3) √ √ √ [ ] Por tanto fazendo substituição de (3) em (2). = nova base de referência (rotor ou estator) = Representa o ângulo formado entre os fasores das variáveis do estator . ( ) √ A transformação de Park para as variáveis do rotor é √ √ ( ) √ dada por: √ √ √ ( ) √ Sendo: 2.1.2 TRANSFORMAÇÃO COM AMPLITUDE [ ] (6) INVARIANTE A matriz de transformação utilizada para obtenção = nova base de referência (rotor ou estator) da máquina bifásica considerando invariante as = Representa o ângulo formado entre os fasores das amplitudes das variáveis elétricas é: variáveis do rotor . 2.2.2 SISTEMAS DE REFERENCIA √ √ (4) Os sistemas de referência utilizados para a representação das variáveis do estator e do rotor da [ ] máquina de indução, são: Por tanto fazendo substituição de (4) em (2).  Sistema de referência estacionário ( ) Este sistema emprega o eixo do estator como referência. √ √ ( ) 2
  • 3.
    (7) ̇ [ ] [ ][ ] [ ][ ] [ ] (11) ̇ Sendo: Fluxos do estator e rotor: As matrizes e realizam a mudança das variáveis do estator e do rotor para o sistema estacionário. [ ] [ ]  Sistema de referência Móvel Correntes do estator e rotor: Este sistema é referenciado ao rotor e os ângulos são: [ ] [ ] (8) Tensões do estator e rotor: [ ] [ ] As matrizes e realizam a mudança das Resistencia do estator e rotor: variáveis do estator e do rotor para o sistema de referência móvel. [ ] [ ]  Sistema de referência síncrono O sistema de referência síncrono possui como Matriz referência a velocidade síncrona do campo girante do estator, representada por . O ângulo é obtido por: [ ] ∫ (9) O valor de velocidade é escolhido dependendo (10) do sistema de referência utilizado. Sistema de referência estacionário Sistema de referência móvel Sistema de referência síncrono As matrizes e realizam a mudança das Tabela 1. Escolha da velocidade, em função do sistema de variáveis do estator e do rotor para o sistema de referência utilizado referência síncrono. Considerando que o sistema trifásico é equilibrado, então a terceira componente (denominada componente 2.3 MODELO DO MOTOR EM de sequência zero) apresentara valor nulo. COORDENADAS GENÉRICAS Existe uma relação direta entre as correntes e os fluxos do estator e rotor, o qual é a seguinte: A equação que descreve o sistema em coordenadas genéricas está definida por: 3
  • 4.
    componente em quadratura(componente q) proporcional ao torque eletromagnético (13). O FCO é efetuado em [ ][ ] (12) coordenadas síncronas. [ ] O objetivo do controle por campo orientado é estabelecer e manter uma relação angular entre o vetor da corrente do estator e o fluxo do rotor. Existem duas técnicas para aplicar o controle por Sendo: campo orientado. A primeira é chamada campo orientado direto, pois utiliza a informação do fluxo para realizar a orientação do campo. A segunda técnica é chamada de campo orientado indireto, pois calcula a velocidade do campo gigante para obter o escorregamento necessário para a orientação de campo. As dois técnicas serão utilizadas para controlar o fluxo do rotor e a velocidade do motor. Os modelo de controle do fluxo e velocidade são encontrados utilizando os modelos reduzidos da 2.4 EQUAÇÃO DE TORQUE máquina de indução trifásica: ELETROMAGNÉTICO EM COORDENADAS GENÉRICAS ( ) (13) Sendo: Figura3 - Modelo de controle do fluxo do rotor 3 CONTROLE POR ORIENTAÇÃO DE CAMPO Figura4 - Controle de velocidade do motor A partir destes modelos podemos definir os ganhos do controlador PI que será usado nas técnicas de controle por campo orientado. 3.1 CAMPO ORIENTADO DIRETO Figura2 - Relação entre o vetor corrente do estator com o vetor do fluxo do rotor O controle por orientação de campo (FCO) é um conjunto de condições que fixam a orientação (ângulo entre o vetor corrente do estator e o vetor fluxo do rotor ou também chamado campo da máquina, por isso é definido como controle por campo orientado. O conceito de campo orientado implica que as componentes do vetor corrente do estator sejam Figura5 - Blocos do campo orientado direto orientadas de forma que a componente direta (componente d) seja proporcional ao fluxo rotórico e a 4
  • 5.
    No campo orientado(DFO), o fluxo é realimentado e por isso, deve ser estimado ou medido. Esta técnica utiliza as próprias componentes de fluxo do estator para realizar a conversão entre os sistemas de coordenadas síncronos e o estacionário. Tem-se que a seguinte relação: [ ] [ ][ ] (14) Onde o fluxo do rotor esta definido por: Figura6 – Diagrama esquemático do controle orientado pelo campo direto √( ) (15) A equação (14) relaciona as correntes no eixo 3.2 CAMPO ORIENTADO INDIRETO em quadratura e direto em um referencial arbitrário chamada “X” com as respetivas correntes do estator no referencial estacionário. Reescrevendo a equação (14): (16) (17) Agora tendo que as correntes em quadratura do estator são iguais que as correntes , nós podemos reescrever (15) e (16) da seguinte maneira: Figura7 - Blocos do campo orientado indireto (18) O uso do campo orientado indireto (IFO) é mais forte que o campo orientado direto, debido a sua facilidade de (19) operação do motor próximo a velocidade zero, onde a medição e a estimação do fluxo fica difícil. Aplicando transformação inversa dada por (14) nos A partir da figura é implementado o controle por propios fluxos do rotor, pode-se provar que: campo orientado indireto. Antes de fazer a transformação das correntes em quadratura do estator ao correntes A,B,C, nós devemos realizar a transformação das coordenadas síncronas para [ ] [ ] [ ] (20) coordenadas estacionarias a traves da seguinte equação: Admitindo que o fluxo de quadratura do rotor , tem-se que o fluxo do rotor dependera apenas da corrente direta do estator, e por tanto tem-se a seguinte relação: [ ] [ ][ ] (21) Onde: O diagrama esquemático do controle orientado pelo campo direto, é o seguinte: 5
  • 6.
    4 MÉTODOS DESIMULAÇÃO Este item do trabalho apresenta, estágio a estágio, os modelos utilizados em MatLab Simulink para simulação. Na primeira parte, serão apresentados os parâmetros carregados. Na segunda parte, serão apresentados os blocos básicos usados em todas as simulações. Em seguida, serão detalhados os métodos de simulação para transformações de base, para controle por orientação de campo direto e indireto. Por fim, será apresentado o bloco do controlador PI e o método de sintonia empregado. Os Apêndices apresentam os modelos completos de simulação. 4.1 PARÂMETROS A Tabela 1 mostra os parâmetros utilizados para as Figura 8 – Bloco do Motor de Indução. simulações. Eles são introduzidos ao sistema antes da simulação propriamente dita por meio da execução de O bloco de comparador com histerese é apresentado uma rotina. Os valores são aqueles sugeridos em [4] e na Figura (9). Ele produz os sinais pulsados, a partir da estão em unidades do SI. comparação entre o sinal de referência de corrente e das correntes do motor, que são utilizados como entrada Tabela 1 – Parâmetros utilizados na simulação no bloco do inversor. [2] Parâmetro Valor Rs (resistência estator) 0,728 Rr (resistência rotor) 0,706 Ls (indutância estator) 0,0996 Lr (indutância rotor) 0,0996 Lm (indutância mútua) 0,0953 Jm (momento de inércia) 0,062 Bm (coef. de atrito viscoso) 0,01 Np (nº de par de polos) 2 Vfn (tensão fase-neutro) 220 f (frequência sinal de rede) 50 Figura 9 – Bloco do Comparador com histerese. A tensão Vfn de 220 V foi utilizada apenas nos estudos O bloco do inversor é apresentado na Figura (10). A que envolvem transformações de coordenadas. Para os entrada admite o sinal PWM produzido, em nível 0 ou 1, estudos realizados em controle por campo orientado, pelo comparador com histerese. O grupo de saídas manteve-se a tensão DC do bloco Inversor em 540 V. utilizadas é composto por VAN, VBN, e VCN, que produzem. [2] 4.2 ESTÁGIOS Alguns blocos/estágios são utilizados em todas as simulações. O bloco do motor de indução está apresentado na Figura (8). É um modelo em coordenadas estacionárias, que tem como entradas as tensões de alimentação e torque de carga. Como saídas, apresenta as correntes de estator, torque elétrico, fluxos do rotor e velocidade do rotor. [2] Figura 10 – Bloco do Inversor. 6
  • 7.
    Figuras (13), (14)e (15). O conteúdo interno dos blocos está apresentado nos Apêndices. 4.2.1 TRANSFORMAÇÕES Um bloco em coordenadas generalizadas foi utilizado para as simulações, conforme apresenta a Figura (11). Figura 13 – Observador de fluxo empregando modelo de corrente. Figura 11 – Bloco do motor de indução em coordenadas Figura 14 – Observador de fluxo empregando modelo de generalizadas. tensão. A escolha do sistema de coordenadas é feito por meio da entrada wx. Para sistema de coordenadas síncrono, faz-se wx=ws; para sistema de coordenadas rotórico, faz-se wx=wr; e para sistema de coordenadas estacionário, faz-se wx=0. 4.2.2 CONTROLE POR CAMPO ORIENTADO DIRETO Um bloco foi criado para conceber o controle por Figura 15 - Observador de fluxo empregando modelo misto de campo orientado indireto. Ele está mostrado na Figura Gopinath. (12). Como entradas, este bloco admite as correntes em quadratura e os fluxos em coordenadas α-β. Nos modelos de corrente e misto, que têm como entrada a velocidade, admite-se wr em rad/s. Por isso, deve-se realizar a conversão de unidades entre o bloco do motor de indução e o bloco do observador. Conforme orientação contida em [5], os valores de σ1 e σ2, no observador de Gopinath, foram 11π e 8 π, respectivamente. 4.2.3 CONTROLE POR CAMPO ORIENTADO INDIRETO Figura 12 – Bloco para controle por campo orientado direto. Um bloco foi criado para conceber o controle por Primeiramente, foram realizadas simulações tendo campo orientado indireto. Ele está mostrado na Figura em conta o conhecimento do fluxo, que é fornecido pelo (16). Ele admite como entradas a corrente Iq, o fluxo e a bloco do motor de indução apresentado na Figura (9). velocidade rotórica. Em seguida, foram simulados três diferentes observadores para estimar o fluxo: observador de fluxo empregando modelo de corrente, observador de fluxo empregando modelo de tensão e observador de fluxo empregando modelo de Gopinath (observador misto). Os três observadores mencionadas são mostrados nas 7
  • 8.
    Figura 16 –Bloco para controle por campo orientado indireto. 4.3 SINTONIZAÇÃO DO CONTROLADOR PI Figura 19 - Modelo do bloco PID Controller. Os modelo de controle do fluxo e velocidade são encontrados utilizando os modelos reduzidos da máquina de indução trifásica: Figura 17 - Modelo de controle do fluxo do rotor. Figura 18 – Controle da velocidade do motor. Figura 20 - Autotuning do bloco PID Controller. A partir destes modelos podemos definir os ganhos do controlador PI que será usado nas técnicas de O controlador foi sintonizado para que o sistema controle por campo orientado direto e indireto. tenha um tempo de estabelecimento de 0.4 segundos. Os ganhos obtidos são:  Sintonização dos ganhos do modelo de fluxo do rotor Considerando que: A resposta do sistema reduzido com o ganho obtido é: Para implementação do PI, foi utilizado o bloque de simulink PID Controller. Este bloque implementa algoritmos de controle PID continuo e discreto e Dentro dele, nós podemos sintonizar o sistema, neste caso o modelo reduzido da máquina. 8
  • 9.
    1600 1400 1200 Velocidade [ rpm ] 1000 800 600 400 200 0 0 0.1 0.2 0.3 0.4 0.5 0.6 0.7 0.8 0.9 1 Tempo [ s ] Figura 21 – Saída do sistema reduzido. Figura 22- Velocidade versus tempo para partida sem carga e inserção de torque nominal 50,4 Nm em 0,5 s. 5 RESULTADOS 200 Este capítulo visa aparesentar os resultados 150 obtidos a partir dos modelos desenvolvidos e descritos na seção anterior. Esta dividido em três itens: 100 Torque [ Nm ] transformações de referencial em coordenadas dq0, controle orientado por campo indireto e controle por campo orientado direto. 50 5.1 TRANSFORMAÇÕES DE REFERENCIAL 0 As transformações de referencial do modelo em quadratura da máquina de indução é uma ferramenta -50 0 0.1 0.2 0.3 0.4 0.5 0.6 0.7 0.8 0.9 1 importante no controle e acionamento da máquina. Tempo [ s ] Sabe-se, por exemplo, que o controle vetorial é Figura 23- Torque versus tempo para partida sem carga e realizado em coordenadas síncronas. Isso facilita o inserção de conjugado nominal 50,4 Nm em 0,5 s. controle pois pode-se aplicar conceitos equivalentes aos aplicados no controle de máquinas de corrente contínua Pode-se observar com isso que se a máquina de desde que o sistema seja equilibrado e portanto as indução estiver operando em malha aberta existe um componentes de sequência zero possam ser ponto de operação distinto para cada valor de torque. desprezadas. Os resultados que serão apresentados a seguir foram 200 obtidos empregando a transformação com amplitude constante. 150 Para validar os modelos, para os diferentes diferencias, deve-se observar que os parâmentros 100 Torque [ Nm ] mecânicos de saída, como é o caso do torque e da velocidade devem ser idênticos independete do referencial utilizado. Isto se confirma para os modelos 50 em estudo. Com base no modelo genérico da máquina de 0 indução simulada que tem os parâmetros apresentados, com a máquina operando em malha aberta e aplicando -50 um torque de carga nominal no instante de tempo 0.5 s, 0 200 400 600 800 1000 1200 1400 1600 Velocidade [ RPM ] obtêm-se os resultados para velocidade angular e torque eletromagnética nas figuras subsequentes. Figura 24- Torque versus velocidade angular para partida sem carga e inserção de conjugado nominal 50,4 Nm em 0,5 s. Os três gráficos mostrados anteriormente são os mesmo independente do referencial adotado. Para cada referencial adotado foram observados as correntes do estator e o fluxo do rotor, pois estas são grandezas que serão medidas ou estimadas quando estivermos interessados em realizar o controle por campo orientado. 9
  • 10.
    torque nominal. Épossível observar que depois que a 5.1.1 REFERENCIAL ESTACIONÁRIO velocidade estabiliza a frequência das correntes é muito baixa, pois nesta situação a máquina opera sem carga, Os primeiros resultados apresentados se referem ao logo com escorregamento muito baixo. Assim que é referencial estacionário, ou seja, aquele que a referência inserida a carga a frequência e a amplitude das fica estática. correntes aumenta uma vez que a potência mecânica e A figura a seguir mostra as correntes ABC do estator logo a elétrica é maior e o escorregamento também no referencial estacionário considerando que a máquina aumenta. parte sem carga e no instante de tempo 0,5 s é aplicado torque nominal. 150 150 100 100 50 Corrente [ A ] 50 0 Corrente [ A ] 0 -50 -50 -100 -100 -150 0 0.1 0.2 0.3 0.4 0.5 0.6 0.7 0.8 0.9 1 Tempo [ s ] -150 0 0.1 0.2 0.3 0.4 0.5 0.6 0.7 0.8 0.9 1 Tempo [ s ] Figura 27- Correntes de estator no referencial móvel versus Figura 25 - Correntes de estator no referencial estacionário tempo para partida sem carga e inserção de torque de carga versus tempo para partida sem carga e inserção de torque de nominal 50,4 Nm em 0,5 s. carga nominal 50,4 Nm em 0,5 s. Fênomeno semelhante ao relatado com as correntes A figura a seguir mostra os fluxos dq do rotor no do estator no referencial móvel ocorre com os fluxos do referencial estacionário considerando que a máquina rotor no que diz respeito a variação da frequência. parte sem carga e no instante de tempo 0,5 s é aplicado 1 torque nominal. 0.8 1 0.6 0.8 0.4 0.6 0.2 Fluxo [ Wb ] 0.4 0 0.2 -0.2 Fluxo [ Wb ] 0 -0.4 -0.2 -0.6 -0.4 -0.8 -0.6 -1 0 0.1 0.2 0.3 0.4 0.5 0.6 0.7 0.8 0.9 1 -0.8 Tempo [ s ] -1 Figura 28 - Fluxos dq do rotor no referencial móvel versus 0 0.1 0.2 0.3 0.4 0.5 0.6 0.7 0.8 0.9 1 Tempo [ s ] tempo para partida sem carga e inserção de torque de carga Figura 26 - Fluxos dq do rotor no referencial estacionário nominal 50,4 Nm em 0,5 s. versus tempo para partida sem carga e inserção de torque de carga nominal 50,4 Nm em 0,5 s. 5.1.3 REFERENCIAL SÍNCRONO De acordo com as figuras acima é possível observar que a frequência dos sinais de tensão e fluxo neste O referencial síncrono tem se movimento com a referencial é de 50Hz, ou seja, a frequência da fonte de velocidade síncrona dependendo da tensão aplicada . tensão trifásica. A figura a seguir mostra as correntes ABC do estator no referencial síncrono considerando que a máquina 5.1.2 REFERENCIAL MÓVEL parte sem carga e no instante de tempo 0,5 s é aplicado torque nominal. É possível observar que depois que a O referencial móvel se movimento com a velocidade velocidade estabiliza a frequência das correntes é zero, do rotor. pois a frequência do referencial é a mesma das A figura a seguir mostra as correntes ABC do estator correntes. Assim que é inserida a carga a amplitude das no referencial móvel considerando que a máquina parte correntes aumenta uma vez que a potência mecânica e sem carga e no instante de tempo 0,5 s é aplicado logo a elétrica também aumenta, no entanto, a frequência continua zero. 10
  • 11.
    150 400 300 100 200 50 100 Corrente [ A ] Tensão [ V ] 0 0 -100 -50 -200 -100 -300 -150 -400 0 0.1 0.2 0.3 0.4 0.5 0.6 0.7 0.8 0.9 1 0 0.005 0.01 0.015 0.02 0.025 Tempo [ s ] Tempo [ s ] Figura 29 - Correntes de estator no referencial síncrono Figura 31 - Tensão de uma fase do estator no referncial versus tempo para partida sem carga e inserção de torque de estacionário versus tempo. carga nominal 50,4 Nm em 0,5 s. 3 Fênomeno semelhante ao relatado com as correntes do estator no referencial síncrono ocorre com os fluxos 2.5 do rotor no que diz respeito a variação da frequência. 2 0.4 Corrente [ A ] 1.5 0.2 1 0 0.5 Fluxo [ Wb ] -0.2 0 -0.4 -0.5 0 0.005 0.01 0.015 0.02 0.025 -0.6 Tempo [ s ] -0.8 Figura 32 - Corrente de uma fase do estator no referncial estacionário versus tempo sendo o valor rms é 1,28 A. -1 0 0.1 0.2 0.3 0.4 0.5 0.6 0.7 0.8 0.9 1 Tempo [ s ] Figura 30- Fluxos dq do rotor no referencial síncrono versus Como o controle por campo orientado indireto tempo para partida sem carga e inserção de torque de carga não possui referência de fluxo do rotor este varia para nominal 50,4 Nm em 0,5 s. diferentes condições de torque de carga e de velocidade referência conforme mostram as duasfiguras a seguir. 5.2 CONTROLE POR CAMPO ORIENTADO INDIRETO 1.6 Te=0 Te=16.8 1.4 Inicialmente são mostradas as tensões e correntes Te=50.4 de alimentação do motor no referencial estacionário. A 1.2 frequência de chaveamento é na faixa de 1 aproximadamente 7 kHz com cinco níveis distintos de Fluxo [ Wb ] tensão como pode ser observado a seguir. 0.8 0.6 0.4 0.2 0 0 1 2 3 4 5 6 7 8 9 10 Teempo [ s ] Figura 33 - Módulo de fluxo do rotor versus tempo para uma velocidade de referência de 1500 rpm com diferentes condições de torque de carga considerando partida sem carga e inserção de torque de carga em 2 s. 11
  • 12.
    considerando partida semcarga e inserção de torque de carga 1.6 w=200 em 2 s. w=1000 1.4 w=1800 1.2 Observou-se que o controle por orientação de campo indireto é capaz de seguir a referência inclusive 1 para velocidades muito baixas, como por exemplo 20 Fluxo [ Wb ] 0.8 rpm, conforme mostra a figura a seguir. 50 0.6 0 0.4 0.2 -50 Velocidade [ rpm ] 0 -100 0 1 2 3 4 5 6 7 8 9 10 Tempo [ s ] -150 Figura 34 - Módulo de fluxo do rotor versus tempo para torque de carga nominal 50.4 Nm com diferentes velocidades -200 de referência considerando partida sem carga e inserção de torque de carga em 2 s. -250 A implementação do controle por campo -300 0 1 2 3 4 5 6 7 8 9 10 Tempo [ s ] orientado indireto se mostrou bastante eficiente para diferentes faixas de velocidades e condições de torque, Figura 37 - Velocidade versus tempo para velocidade de como pode ser verificado na figura abaixo. referência de 20 rpm. A partida da máquina é sem carga sendo que no instante 2 s é apicado torque de carga nominal 2500 w=200 50.4 Nm. w=1000 2000 w=1800 5.3 CONTROLE POR CAMPO ORIENTADO 1500 DIRETO Velocidade [ rpm ] 1000 O controle por campo orientado direto pode ser implementado através da medição direta do fluxo do 500 rotor, o que na prática é de difícil implementação, ou por observadores de estado. Os observadores de fluxo 0 podem implementar modelos de: tensão corrente e de Gopinath. As figuras a seguir mostram resultados de -500 0 1 2 3 4 5 6 7 8 9 10 fluxo e velocidade comparando os diferentes métodos, Tempo [ s ] sob condições indicadas. Figura 35 - Velocidade versus tempo para torque de carga 1.4 nominal 50.4 Nm com diferentes velocidades de referência considerando partida sem carga e inserção de torque de carga 1.2 em 2 s. 1 Para a condição de torque nominal Fluxo [ Wb ] 0.8 considerando os valores de velocidade de referência simulados acima são apresentadas as curvas de torque 0.6 Fref Fmedido versus velocidade. FEst.Corr. 0.4 FEst.Ten. 300 FEst.Gop. w=200 0.2 w=1000 250 w=1800 0 0 0.5 1 1.5 2 2.5 3 3.5 4 4.5 5 200 Tempo [ s ] Figura 38 - Fluxo no rotor versus tempo para quatro formas Torque [ Nm ] 150 distintas de implementação do controle por campo orientado 100 direto. São atribuídos valores de referência de 0,72 Wb para o fluxo e 1500 rpm para velocidade. A partida da máquina é sem 50 carga sendo que no instante 2 s é apicado torque de carga 0 nominal 50.4 Nm. -50 -500 0 500 1000 1500 2000 2500 Velocidade [ rpm ] Figura 36 - Torque versus velocidade para torque de carga nominal 50.4 Nm com diferentes velocidades de referência 12
  • 13.
    sem carga sendoque no iinstante 2 s é apicado torque de 2000 carga nominal 50.4 Nm. 1800 1600 2.5 1400 Fref Fmedido Velocidade [ rpm ] Fmedido 1200 FEst.Corr. FEst.Corr. 2 FEst.Ten. FEst.Ten. 1000 FEst.Gop. FEst.Gop. 800 1.5 Fluxo [ Wb ] 600 400 1 200 0 0 0.5 1 1.5 2 2.5 3 3.5 4 4.5 5 0.5 Tempo [ s ] Figura 39 - Velocidade versus tempo para quatro formas distintas de implementação do controle por campo orientado 0 0 0.5 1 1.5 2 2.5 3 3.5 4 4.5 5 Tempo [ s ] direto. São atribuídos valores de referência de 0,72 Wb para o fluxo e 1500 rpm para velocidade. A partida da máquina é Figura 42 - Fluxo o rotor versus tempo para quatro formas sem carga sendo que no instante 2 s é apicado torque de carga distintas de implementação do controle por campo orientado nominal 50.4 Nm. direto. São atribuídos valores de referência de 0,72 Wb para o fluxo e 200 rpm para velocidade. A partida da máquina é sem carga sendo que no in in instante 2 s é apicado torque de carga nominal 50.4 Nm. 1.6 Fref 1.4 Fmedido FEst.Corr. desde que o sistema seja equilibrado e portanto as 1.2 FEst.Ten. componentes de sequência FEst.Gop. 500 1 Fmedido Fluxo [ Wb ] 400 FEst.Corr. 0.8 FEst.Ten. 300 FEst.Gop. 0.6 200 Velocidade [ rpm ] 0.4 100 0.2 0 0 -100 0 0.5 1 1.5 2 2.5 3 3.5 4 4.5 5 Tempo [ s ] -200 Figura 40 – Fluxo o rotor versus tempo para quatro formas -300 distintas de implementação do controle por campo orientado direto. São atribuídos valores de referência de 0,72 Wb para o -400 0 0.5 1 1.5 2 2.5 3 3.5 4 4.5 5 Tempo [ s ] fluxo e 1000 rpm para velocidade. A partida da máquina é sem carga sendo que no in in instante 2 s é apicado torque de Figura 43- Velocidade versus tempo para quatro formas carga nominal 50.4 Nm. distintas de implementação do controle por campo orientado direto. São atribuídos valores de referência de 0,72 Wb para o fluxo e 200 rpm para velocidade. A partida da máquina é sem 1200 Fmedido carga sendo que no iinstante 2 s é apicado torque de carga FEst.Corr. FEst.Ten. nominal 50.4 Nm. 1000 FEst.Gop. 800 Como o observador empregando o modelo de tensão apresentou o melhor resultado, este foi Velocidade [ rpm ] 600 submetido a condições de referência de velocidade e de carga do que àquele realizado com o controle por campo 400 orientado indireto para apresentar melhor critério de comparação entre os métodos de controle. 200 0 0 0.5 1 1.5 2 2.5 3 3.5 4 4.5 5 Tempo [ s ] Figura 41 - Velocidade versus tempo para quatro formas distintas de implementação do controle por campo orientado direto. São atribuídos valores de referência de 0,72 Wb para o fluxo e 1000 rpm para velocidade. A partida da máquina é 13
  • 14.
    [1] Khalil, H.Nonlinear Systems. 2nd. ed., Prentice Hall, NJ, 180 wref=200 1996. 160 wref=1000 wref=1800 140 [2] SPILLER, P. A. Plataforma para simulação e implementação em tempo real de técnicas de 120 acionamento e controle em máquinas de indução 100 utilizando MatLab/Simulink. 2001. 132 f. Dissertação Torque [ Nm ] 80 (Mestrado) - Programa de Pós-graduação em Engenharia Elétrica, Pontifícia Universidade Católica do Rio Grande do 60 Sul, Porto Alegre, 2001. 40 20 [3] PEREIRA, L. F. A. Aula 4: modelo em quadratura da máquina de indução. Porto Alegre: UFRGS, 2012. 0 -20 -500 0 500 1000 1500 2000 2500 [4] PEREIRA, L. F. A. Aula 5: controle por orientação de Velocidade [ rpm ] campo. Porto Alegre: UFRGS, 2012. Figura 44 - Torque versus velocidade para torque de carga [5] PEREIRA, L. F. A. Aula 6: estimação do fluxo da máquina nominal 50.4 Nm com diferentes velocidades de referência de indução. Porto Alegre: UFRGS, 2012. considerando partida sem carga e inserção de torque de carga em 2 s com controle por campo orientado direto com [6] HAFFNER, J. F. Análise de estimadores de fluxo para observador de fluxo empregando o modelo de tensão. implementação de técnicas de controle por campo orientado direto em máquinas de indução. 1998. 227 f. Dissertação (Mestrado) - Programa de Pós-graduação em Engenharia Elétrica, 50 Pontifícia Universidade Católica do Rio Grande do Sul, Porto Alegre, 1998. 0 -50 -100 Velocidade [ rpm ] -150 -200 -250 -300 -350 -400 0 0.5 1 1.5 2 2.5 3 3.5 4 4.5 5 Tempo [ s ] Figura 45 - Velocidade versus tempo para velocidade de referência de 20 rpm. A partida da máquina é sem carga sendo que no instante 2 s é apicado torque de carga nominal 50.4 Nm. A simulação do controle por campo orientado direto é implementada com observador de fluxo empregando o modelo de tensão. 6 CONCLUSÕES Este trabalho propôs-se a fazer um estudo referente aos métodos de controle por orientação de campo em uma máquina de indução trifásica. Foram criados arquivos em MatLab Simulink a fim de emular os sistemas de controle e acionamento do motor. O simulador obtido fornece uma interface de simulação de aparência consistente e controles intuitivos. Os resultados mostram que o sistema de controle por orientação de campo direto não apresenta consistência para velocidades de referência baixas quando são utilizados os observadores que dependem da velocidade de saída. O controle por campo orientado indireto, por sua vez, apresentou larga faixa de operação em termos de velocidade de referência. 7 REFERÊNCIAS 14
  • 15.
    APÊNDICE 1: BLOCOMOTOR DE INDUÇÃO. 15
  • 16.
    APÊNDICE 2: DINÂMICADO MOTOR EM COORDENADAS GENERALIZADAS. 16
  • 17.
    APÊNDICE 3: OBSERVADORDE FLUXO EMPREGANDO MODELO DE CORRENTE. Gain1 T2 1 1 -K- 1 s in_as Far Gain Integrator Product 3 pi/30 Wr Product1 1 2 -K- 2 s in_bs Fbr Gain2 Integrator1 Gain3 T2 17
  • 18.
    APÊNDICE 4: OBSERVADORDE FLUXO EMPREGANDO MODELO DE TENSÃO. 1 Ias -K- Rs Gain4 Gain 1 1 2 Lr/Lm s Far Vas Sum of Sum of Integrator Gain2 Elements2 Elements 3 1 Lr/Lm Vbs s 2 Sum of Integrator1 Fbr Gain3 Sum of Elements1 Elements3 Rs Gain1 -K- 4 Ibs Gain5 18
  • 19.
    APÊNDICE 5: OBSERVADORDE FLUXO EMPREGANDO MODELO DE GOPINATH. 19
  • 20.
    APÊNDICE 6: BLOCOCONTROLE POR ORIENTAÇÃO DE CAMPO DIRETO. 1 Ids 2 Iqs ((-u[5]*u[2])+(u[4]*u[1]))*(1/u[3]) 1 3 Ias Fr Mux Fcn ((u[4]*u[2])+(u[5]*u[1]))*(1/u[3]) 2 Ibs 4 Fcn1 Far 5 Fbr Mux 20
  • 21.
    APÊNDICE 7: BLOCOCONTROLE POR ORIENTAÇÃO DE CAMPO INDIRETO. 21
  • 22.
    APÊNDICE 8: SIMULADORDE CONTROLE POR CAMPO ORIENTADO INDIRETO E POR CAMPO ORIENTADO DIRETO COM FLUXO CONHECIDO. 22
  • 23.
    APÊNDICE 9: SIMULADORDE CONTROLE POR CAMPO ORIENTADO DIRETO COM FLUXO OBSERVADO. 23