O meio ambiente acústico Centro Universitário Izabela Hendrix 4º Período – Design de Interiores Psicologia Ambiental – Manuel Muñoz Alunos: Jacson Rossi e Priscila Prado
O Barulho faz Mal à Saúde Barulho ensurdecedor não é só um jeito exagerado de falar. Com o passar do tempo, uma pessoa exposta diariamente a sons muito altos pode ter a audição comprometida. Máquinas, veículos e aglomerações tornam a poluição sonora cada dia mais intensa.  Sons e vibrações que ultrapassam os níveis previstos pelas normas legais e que podem causar problemas auditivos irreversíveis ou perturbar as pessoas é o que se chama de poluição sonora. Apesar das leis e das políticas públicas para controlar o problema e dos alertas feitos por especialistas, a poluição sonora ainda não sensibiliza tanto como a do ar ou a da água. De acordo com a Organização Mundial da Saúde (OMS), o limite suportável para o ouvido humano é 65 decibéis. Acima disso, o organismo começa a sofrer. Para salas de aula, a Associação Brasileira de Normas Técnicas estipula que o limite tolerado é de 40 a 50 decibéis. Esse índice, aprovado por resolução do Conselho Nacional do Meio Ambiente (Conama), tem força de lei.
Ruído alto libera adrenalina  "Orelha não tem pálpebra", brinca o engenheiro ambiental Eduardo Murgel, especialista em acústica, de São Paulo. "Enquanto outros órgãos do sentido descansam durante o sono, os ouvidos se mantêm em estado de alerta", explica. A audição funciona como um alarme, e isso tem explicação antropológica: quando o homem vivia em cavernas, ficava atento para ouvir quando um animal se aproximava. Ao perceber o perigo, seu cérebro produzia quantidade extra de adrenalina, deixando o corpo preparado para o combate ou para a fuga. O barulho sempre foi associado a circunstâncias que causam temor . Hoje o homem não precisa mais se defender de predadores, mas seu sistema de defesa continua o mesmo: sempre que ouve um ruído alto, o nível de adrenalina aumenta, fazendo subir a pressão arterial e gerando estresse instantâneo.
 
Estima-se que 20% da população da Comunidade Européia (80 milhões de habitantes) esteja exposta a níveis inaceitáveis de ruído. A forma de lidar com o ruído ambiental varia de país para país, mas os gestores ambientais têm em comum:  - Planejamento de novas áreas residenciais, industriais, rodovias e aeroportos.   - Gerenciamento de denúncias da população.   - Fiscalização e controle de emissões sonoras do sistema de tráfego e dos setores da indústria e de serviços
Barulho causa doenças  A longo prazo, o ruído excessivo pode causar gastrite, insônia, aumento do nível de colesterol, distúrbios psíquicos e perda da audição. Provoca ainda irritabilidade,  ansiedade, excitação, desconforto, medo e tensão. Em uma sala de aula, o professor faz tamanho esforço para ser ouvido que acaba gritando sem perceber. Com isso, fica vulnerável ao aparecimento de laringites e calos nas cordas vocais. Os efeitos da poluição sonora prejudicam a aprendizagem: quando todo mundo fala alto, ninguém ouve nada direito e é difícil prestar atenção. De acordo com Eduardo Murgel, o primeiro problema das escolas é a planta: não se desenham edifícios escolares levando em conta as condições acústicas. "Se a lei determina um nível de 40 a 50 decibéis por sala de aula, os arquitetos deveriam colocar o prédio no fundo do terreno, longe da rua e fazer o pátio na frente”.  A solução para as escolas e outros ambientes são salas com tratamento acústico - forros e pisos que absorvam o som.
“ Soluções” Desenvolvido para compor o sistema drywall de paredes e forros de montagem a seco com placas de gesso.O sistema de isolamento acústico é composto por lã de vidro aglomerada com resinas sintéticas, aplicada no interior das paredes  de gesso acartonado e sobre a estrutura do forro de gesso acartonado.  É elaborado em um moderno sistema de produção, que garante fibras suaves e com resistência mecânica superior, proporcionando excepcionais índices de isolação térmica e acústica. Todas as construções podem se beneficiar com as vantagens que o isolante acústico proporciona ao sistema drywall, graças ao  seu alto índice de isolação acústica e térmica. Uma vez que os sistemas construtivos de paredes do sistema drywall são variáveis e diferem das paredes convencionais,a  aplicação da lã de vidro é essencial para proporcionar e realizar uma excelente isolação térmica e acústica do sistema todo. Assim é indicado nas paredes internas, externas e lajes de teto, ou para vedação de áreas úmidas. Ao criar um sistema massa (parede) + mola (lã de vidro ) + massa (parede), que impede a formação de ondas estacionárias no interior da construção, se torna possível reduzir a transmissão das vibrações sonoras de um ambiente para outro. Com isso o ambiente ganha espaço e funcionalidade, uma vez que é descartada a construção de paredes pesadas. Paredes e forros
Paredes em Drywall São constituídas por placas de gesso, pré-fabricadas a partir da gipsita natural, parafusadas em uma estrutura metálica leve. A estrutura, em perfilados de aço zincado, é constituída por guias e montantes, sobre os quais são fixadas as placas de gesso, em uma ou mais camadas, gerando uma superfície apta a receber o acabamento final. Substituem os materiais convencionais com vantagens como: Montagem rápida com obra limpa e seca; Ganho de área útil: em um apartamento de 100m 2 , pode-se chegar a 4% de ganho de área útil em decorrência da menor espessura da parede; Diversas opções de acabamento: pinturas, azulejos, mármores, fórmicas etc; Menor peso por m 2  otimizando o dimensionamento das estruturas e fundações. Uma parede simples pesa em torno de 25kg/m 2 ; Adaptabilidade a qualquer tipo de estrutura:madeira, concreto ou aço podendo receber qualquer tipo de fixação de objetos. O comportamento das paredes atende aos critérios de impacto de corpo mole e corpo duro, além das solicitações transmitidas por portas; Facilidade na instalação dos sistemas elétricos e hidráulicos; Isolamento térmico e acústico; Resistência ao fogo. A forma de montagem e os materiais utilizados definem o nível de desempenho que pode variar conforme o número de placas, dimensão das estruturas e incorporação de elementos isolantes térmicos ou acústicos. São utilizadas internamente como paredes de distribuição, separativas e técnicas. IMPORTANTE Para localidades com umidade relativa do ar acima de 85%, em mais de 50% dos dias do ano, consultar o departamento técnico da Placo (0800 019 2540).
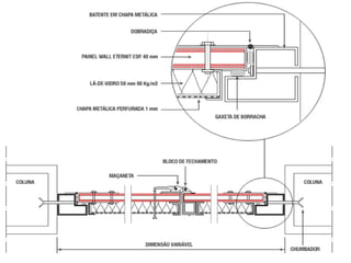
portas O propósito de uma porta Acústica é fornecer uma barreira à passagem do som de um recinto para outro, evitando a entrada de nível sonoro que possa interferir na atividade exercida no local ou evitando a saída de som em nível que possa ser prejudicial as atividades humanas exercidas nas proximidades. Para fazer essa função de porta Acústica o material de construção deve obedecer determinadas leis físicas pertinentes ao isolamento acústico.  Para fazer essa função de porta acústica o material de construção deve obedecer determinadas leis físicas pertinentes ao isolamento acústico. Embora essas portas sejam pré-montadas e testadas antes do envio ao cliente, sua instalação requer cuidados especiais. Esses cuidados variam desde chumbamento no esquadro, prumo, nivelamento da soleira em relação ao piso, lubrificação das dobradiças e zelo com as vedações.  As portas acústicas em madeira, são preenchidas com produtos acústicos de alta densidade e contam com sistema de bloqueio de vazamento sonoro com barra telescópica na base da porta, dispensando a instalação de soleiras fixas no piso e são dotadas de dobradiças especiais reforçadas. As portas acústicas ainda podem contar com visores acústicos, barras anti-pânico e podem ser fabricadas em diversos tamanhos,com uma ou duas folhas. “ Soluções”
 
 
UTILIZAÇÃO   - estúdios    - auditórios    - Teatros e Cinema    - Centrais de Ar Condicionado    - Casa de Máquinas    - Grupo Gerador    - Residências   Aliando estética e altíssimo desempenho termo-acústico com excelente padrão  de acabamento, atende aos projetos mais exigentes, proporcionando valiosa composição decorativa ao ambiente. As Portas Acústicas podem ser fabricadas em chapa de aço carbono, dentro de um criterioso controle de qualidade em diversos modelos padronizados e sob medida, com isolação a partir de 25 dB. Podem ser fornecidas com visor, folha dupla, bandeira removível, fecho em engate rápido ou fechadura especial. Apresentam alta resistência e durabilidade.
Forro de ótimo desempenho termo-acústico com custo acessível, sendo aplicado principalmente em grandes áreas de afluência de público (supermecados, restaurantes, shoppings, etc.), onde o conforto ambiental requerido por esses ambientes é fator prepoderante do projeto.
Especificações Feltro ou painel, constituído por lã de vidro, utilizado para isolação termo-acústica de paredes, revestidos com soft-paper (papel kraft) ou soft-véu (véu de vidro)   Feltros Painéis Referência Compr x Larg (m x m) Espessura (mm) Compr x Larg (m x m) Espessura (mm) WF-50 12.5 x 1.2 50 1.2 x 0.6 50 WF-75 12.5 x 1.2 75 1.2 x 0.6 75 WF-100 12.5 x 1.2 100 1.2 x 0.6 100
 
 
O Decorsound é um painel de lã de vidro, desenvolvido para aplicações de correção acústica de ambientes. Ele poderá ser aplicado na parede utilizando fita de fixação ou então com parafusos e buchas. CARACTERÍSTICA Painel modular absorvedor acústico. A solução ideal para obtenção de conforto acústico, para uso residencial e comercial. De fácil instalação podem ser fixados nas paredes com velcro ou parafusos e buchas Composição: Painel em lã de vidro, revestido com tecido. APLICAÇÃO O aspecto agradável, bem como a versatilidade de aplicação, permitem que os painéis Decorsound se adaptem em qualquer ambiente. O Decorsound pode ser utilizado para melhoria de conforto acústico em:       - home offices, bibliotecas, salas de estar, salas de TV       - home theaters, salas de audição, estúdios de gravação, locução       - ambientes de ensaios musicais (corais, instrumentos, etc.)       - igrejas, templos religiosos       - casas noturnas, restaurantes e qualquer ambiente que necessite de tratamento acústico.
Lã de Rocha Como o nome já indica, a Lã de Rocha é feita de rocha. A matéria-prima básica é a rocha vulcânica chamada de diábase. O processo de fabricação se resume a produção de fibras que são compostas posteriormente por algum aglutinante de resina. Durante o processo de produção as fibras são prensadas na densidade e espessuras  desejada. Formando assim, placas rígidas ou semi-rígidas, feltros e flocos, o que  pode  depois  converter-se  em outros materiais tipo: tubos, peças moldadas, forros, porta corta-fogo, etc... A Lã de Rocha é considerada excelente Isolamento Térmico para equipamentos e tubulações  Industriais ou Isolamento Acústico podendo ser aplicado em forros, paredes de Dry-wall ou sob pisos flutuantes, podendo ainda ser usada criativamente  como meio para a germinação de plantas no sistema de Hidropônia . A densidade da Lã de Rocha pode variar desde 30kgm³ até 300kgm³. O ponto de fusão da Lã de Rocha em temperaturas de  operação ,se dá  a  partir da  temperatura de 1200°C.  O ponto de fusão da Rocha Basáltica se dá na temperatura de 1500°C. A Lã de Rocha é vastamente usada nos seguintes seguimentos de mercado: Industrial,Construção Civil,Naval, Petroleiro,Termelétrico,Proteção Passiva contra o fogo,Hidropônico, entre outros.
 
 
 
 
Projeto e construção de estudio em prédio comercial. Sala original com 84m2 Características   Sala no 3o andar de prédio comercial (vizinhos no mesmo andar, em cima e em baixo).    Pé direito baixo = 2,46m.    Proximidade de avenida com grande fluxo, gerando dentro da sala níveis de 75 dB(A) de ruído.    Piso (laje) original com isolamento em torno de 36 dB(A).  
Parte da sala original. Se vê os antigos aparelhos de ar condicionado (tipo caixote) e o teto rebaixado em placas de gesso.
O Projeto   Construção de uma técnica, uma sala de gravação/ensaio, uma sala de bateria, um lounge (home theater) mais 3 banheiros, copa e área de circulação.    Conseguir o melhor isolamento entre os andares sem roubar muito do pé direito.    Eliminação de uma janela e isolamento de outras 2 para o exterior (avenida).    Isolamento entre todas as divisões internas, com uso de alvenaria, blocos de vidro, DryWall, janelas com vidros duplos e portas acústicas.    Instalação de ar independente para cada ambiente.    Tratamento da acústica interna de cada ambiente de acordo com sua utilização.    Ter ambientes claros, bonitos, agradáveis e funcionais.
Construção da parede da técnica. O antigo teto já foi retirado.  Piso elevado, início da instalação dos montantes p/ Dry Wall, e tubulação para multicabos.
Piso e montantes na sala de gravação. Os buracos dos ar-condicionados estão fechados.  Passagem de conduítes e preenchimento com material fono-absorvente nas paredes.
Eliminação de uma janela com Dry Wall, tubulação do Split da bateria e início do tablado.  Porta acústica em aço carbono instalada.  Estrutura com montantes para sala de bateria, com todas as paredes inclinadas. Toda a estrutura é desencostada da sala de gravação.
Sala de bateria com chapas de gesso acartonado quase terminada.  Sala de bateria terminada, já com difusores e instrumento.  Técnica com mesa de som e monitores pronta para os testes finais.
Sala de gravação (parede difusora em pedra)  Sala de gravação.
Video
Bibliografia revistaescola.bril.com.br http://www.drywall.org.br/artigos.php/3/30/drywall-no-brasil-reflexoestecnologicas http://www.axionconstrucoes.com.br/arquivos_downloads/acustica/qualidade%20acústica%20das%20paredes%20drywall.pdf http://www.isoalfa.com.br/isolantesAcusticos.php http://www.isotran.com.br/index2.htm http://www.larocha.com/index.php http://www.angelfire.com/film/homecinema/#decor http://www.acustica.org.br/associese2.cfm http://www.pro-acustic.com/pro_realiz_sbr.htm

O meio ambiente acustico.97

  • 1.
    O meio ambienteacústico Centro Universitário Izabela Hendrix 4º Período – Design de Interiores Psicologia Ambiental – Manuel Muñoz Alunos: Jacson Rossi e Priscila Prado
  • 2.
    O Barulho fazMal à Saúde Barulho ensurdecedor não é só um jeito exagerado de falar. Com o passar do tempo, uma pessoa exposta diariamente a sons muito altos pode ter a audição comprometida. Máquinas, veículos e aglomerações tornam a poluição sonora cada dia mais intensa. Sons e vibrações que ultrapassam os níveis previstos pelas normas legais e que podem causar problemas auditivos irreversíveis ou perturbar as pessoas é o que se chama de poluição sonora. Apesar das leis e das políticas públicas para controlar o problema e dos alertas feitos por especialistas, a poluição sonora ainda não sensibiliza tanto como a do ar ou a da água. De acordo com a Organização Mundial da Saúde (OMS), o limite suportável para o ouvido humano é 65 decibéis. Acima disso, o organismo começa a sofrer. Para salas de aula, a Associação Brasileira de Normas Técnicas estipula que o limite tolerado é de 40 a 50 decibéis. Esse índice, aprovado por resolução do Conselho Nacional do Meio Ambiente (Conama), tem força de lei.
  • 3.
    Ruído alto liberaadrenalina "Orelha não tem pálpebra", brinca o engenheiro ambiental Eduardo Murgel, especialista em acústica, de São Paulo. "Enquanto outros órgãos do sentido descansam durante o sono, os ouvidos se mantêm em estado de alerta", explica. A audição funciona como um alarme, e isso tem explicação antropológica: quando o homem vivia em cavernas, ficava atento para ouvir quando um animal se aproximava. Ao perceber o perigo, seu cérebro produzia quantidade extra de adrenalina, deixando o corpo preparado para o combate ou para a fuga. O barulho sempre foi associado a circunstâncias que causam temor . Hoje o homem não precisa mais se defender de predadores, mas seu sistema de defesa continua o mesmo: sempre que ouve um ruído alto, o nível de adrenalina aumenta, fazendo subir a pressão arterial e gerando estresse instantâneo.
  • 4.
  • 5.
    Estima-se que 20%da população da Comunidade Européia (80 milhões de habitantes) esteja exposta a níveis inaceitáveis de ruído. A forma de lidar com o ruído ambiental varia de país para país, mas os gestores ambientais têm em comum: - Planejamento de novas áreas residenciais, industriais, rodovias e aeroportos. - Gerenciamento de denúncias da população. - Fiscalização e controle de emissões sonoras do sistema de tráfego e dos setores da indústria e de serviços
  • 6.
    Barulho causa doenças A longo prazo, o ruído excessivo pode causar gastrite, insônia, aumento do nível de colesterol, distúrbios psíquicos e perda da audição. Provoca ainda irritabilidade, ansiedade, excitação, desconforto, medo e tensão. Em uma sala de aula, o professor faz tamanho esforço para ser ouvido que acaba gritando sem perceber. Com isso, fica vulnerável ao aparecimento de laringites e calos nas cordas vocais. Os efeitos da poluição sonora prejudicam a aprendizagem: quando todo mundo fala alto, ninguém ouve nada direito e é difícil prestar atenção. De acordo com Eduardo Murgel, o primeiro problema das escolas é a planta: não se desenham edifícios escolares levando em conta as condições acústicas. "Se a lei determina um nível de 40 a 50 decibéis por sala de aula, os arquitetos deveriam colocar o prédio no fundo do terreno, longe da rua e fazer o pátio na frente”. A solução para as escolas e outros ambientes são salas com tratamento acústico - forros e pisos que absorvam o som.
  • 7.
    “ Soluções” Desenvolvidopara compor o sistema drywall de paredes e forros de montagem a seco com placas de gesso.O sistema de isolamento acústico é composto por lã de vidro aglomerada com resinas sintéticas, aplicada no interior das paredes  de gesso acartonado e sobre a estrutura do forro de gesso acartonado.  É elaborado em um moderno sistema de produção, que garante fibras suaves e com resistência mecânica superior, proporcionando excepcionais índices de isolação térmica e acústica. Todas as construções podem se beneficiar com as vantagens que o isolante acústico proporciona ao sistema drywall, graças ao  seu alto índice de isolação acústica e térmica. Uma vez que os sistemas construtivos de paredes do sistema drywall são variáveis e diferem das paredes convencionais,a  aplicação da lã de vidro é essencial para proporcionar e realizar uma excelente isolação térmica e acústica do sistema todo. Assim é indicado nas paredes internas, externas e lajes de teto, ou para vedação de áreas úmidas. Ao criar um sistema massa (parede) + mola (lã de vidro ) + massa (parede), que impede a formação de ondas estacionárias no interior da construção, se torna possível reduzir a transmissão das vibrações sonoras de um ambiente para outro. Com isso o ambiente ganha espaço e funcionalidade, uma vez que é descartada a construção de paredes pesadas. Paredes e forros
  • 8.
    Paredes em DrywallSão constituídas por placas de gesso, pré-fabricadas a partir da gipsita natural, parafusadas em uma estrutura metálica leve. A estrutura, em perfilados de aço zincado, é constituída por guias e montantes, sobre os quais são fixadas as placas de gesso, em uma ou mais camadas, gerando uma superfície apta a receber o acabamento final. Substituem os materiais convencionais com vantagens como: Montagem rápida com obra limpa e seca; Ganho de área útil: em um apartamento de 100m 2 , pode-se chegar a 4% de ganho de área útil em decorrência da menor espessura da parede; Diversas opções de acabamento: pinturas, azulejos, mármores, fórmicas etc; Menor peso por m 2  otimizando o dimensionamento das estruturas e fundações. Uma parede simples pesa em torno de 25kg/m 2 ; Adaptabilidade a qualquer tipo de estrutura:madeira, concreto ou aço podendo receber qualquer tipo de fixação de objetos. O comportamento das paredes atende aos critérios de impacto de corpo mole e corpo duro, além das solicitações transmitidas por portas; Facilidade na instalação dos sistemas elétricos e hidráulicos; Isolamento térmico e acústico; Resistência ao fogo. A forma de montagem e os materiais utilizados definem o nível de desempenho que pode variar conforme o número de placas, dimensão das estruturas e incorporação de elementos isolantes térmicos ou acústicos. São utilizadas internamente como paredes de distribuição, separativas e técnicas. IMPORTANTE Para localidades com umidade relativa do ar acima de 85%, em mais de 50% dos dias do ano, consultar o departamento técnico da Placo (0800 019 2540).
  • 9.
    portas O propósitode uma porta Acústica é fornecer uma barreira à passagem do som de um recinto para outro, evitando a entrada de nível sonoro que possa interferir na atividade exercida no local ou evitando a saída de som em nível que possa ser prejudicial as atividades humanas exercidas nas proximidades. Para fazer essa função de porta Acústica o material de construção deve obedecer determinadas leis físicas pertinentes ao isolamento acústico. Para fazer essa função de porta acústica o material de construção deve obedecer determinadas leis físicas pertinentes ao isolamento acústico. Embora essas portas sejam pré-montadas e testadas antes do envio ao cliente, sua instalação requer cuidados especiais. Esses cuidados variam desde chumbamento no esquadro, prumo, nivelamento da soleira em relação ao piso, lubrificação das dobradiças e zelo com as vedações.  As portas acústicas em madeira, são preenchidas com produtos acústicos de alta densidade e contam com sistema de bloqueio de vazamento sonoro com barra telescópica na base da porta, dispensando a instalação de soleiras fixas no piso e são dotadas de dobradiças especiais reforçadas. As portas acústicas ainda podem contar com visores acústicos, barras anti-pânico e podem ser fabricadas em diversos tamanhos,com uma ou duas folhas. “ Soluções”
  • 10.
  • 11.
  • 12.
    UTILIZAÇÃO   - estúdios   - auditórios    - Teatros e Cinema    - Centrais de Ar Condicionado    - Casa de Máquinas    - Grupo Gerador    - Residências   Aliando estética e altíssimo desempenho termo-acústico com excelente padrão  de acabamento, atende aos projetos mais exigentes, proporcionando valiosa composição decorativa ao ambiente. As Portas Acústicas podem ser fabricadas em chapa de aço carbono, dentro de um criterioso controle de qualidade em diversos modelos padronizados e sob medida, com isolação a partir de 25 dB. Podem ser fornecidas com visor, folha dupla, bandeira removível, fecho em engate rápido ou fechadura especial. Apresentam alta resistência e durabilidade.
  • 13.
    Forro de ótimodesempenho termo-acústico com custo acessível, sendo aplicado principalmente em grandes áreas de afluência de público (supermecados, restaurantes, shoppings, etc.), onde o conforto ambiental requerido por esses ambientes é fator prepoderante do projeto.
  • 14.
    Especificações Feltro oupainel, constituído por lã de vidro, utilizado para isolação termo-acústica de paredes, revestidos com soft-paper (papel kraft) ou soft-véu (véu de vidro)   Feltros Painéis Referência Compr x Larg (m x m) Espessura (mm) Compr x Larg (m x m) Espessura (mm) WF-50 12.5 x 1.2 50 1.2 x 0.6 50 WF-75 12.5 x 1.2 75 1.2 x 0.6 75 WF-100 12.5 x 1.2 100 1.2 x 0.6 100
  • 15.
  • 16.
  • 17.
    O Decorsound éum painel de lã de vidro, desenvolvido para aplicações de correção acústica de ambientes. Ele poderá ser aplicado na parede utilizando fita de fixação ou então com parafusos e buchas. CARACTERÍSTICA Painel modular absorvedor acústico. A solução ideal para obtenção de conforto acústico, para uso residencial e comercial. De fácil instalação podem ser fixados nas paredes com velcro ou parafusos e buchas Composição: Painel em lã de vidro, revestido com tecido. APLICAÇÃO O aspecto agradável, bem como a versatilidade de aplicação, permitem que os painéis Decorsound se adaptem em qualquer ambiente. O Decorsound pode ser utilizado para melhoria de conforto acústico em:       - home offices, bibliotecas, salas de estar, salas de TV       - home theaters, salas de audição, estúdios de gravação, locução       - ambientes de ensaios musicais (corais, instrumentos, etc.)       - igrejas, templos religiosos       - casas noturnas, restaurantes e qualquer ambiente que necessite de tratamento acústico.
  • 18.
    Lã de RochaComo o nome já indica, a Lã de Rocha é feita de rocha. A matéria-prima básica é a rocha vulcânica chamada de diábase. O processo de fabricação se resume a produção de fibras que são compostas posteriormente por algum aglutinante de resina. Durante o processo de produção as fibras são prensadas na densidade e espessuras  desejada. Formando assim, placas rígidas ou semi-rígidas, feltros e flocos, o que  pode  depois  converter-se  em outros materiais tipo: tubos, peças moldadas, forros, porta corta-fogo, etc... A Lã de Rocha é considerada excelente Isolamento Térmico para equipamentos e tubulações  Industriais ou Isolamento Acústico podendo ser aplicado em forros, paredes de Dry-wall ou sob pisos flutuantes, podendo ainda ser usada criativamente  como meio para a germinação de plantas no sistema de Hidropônia . A densidade da Lã de Rocha pode variar desde 30kgm³ até 300kgm³. O ponto de fusão da Lã de Rocha em temperaturas de  operação ,se dá  a  partir da  temperatura de 1200°C.  O ponto de fusão da Rocha Basáltica se dá na temperatura de 1500°C. A Lã de Rocha é vastamente usada nos seguintes seguimentos de mercado: Industrial,Construção Civil,Naval, Petroleiro,Termelétrico,Proteção Passiva contra o fogo,Hidropônico, entre outros.
  • 19.
  • 20.
  • 21.
  • 22.
  • 23.
    Projeto e construçãode estudio em prédio comercial. Sala original com 84m2 Características   Sala no 3o andar de prédio comercial (vizinhos no mesmo andar, em cima e em baixo).   Pé direito baixo = 2,46m.   Proximidade de avenida com grande fluxo, gerando dentro da sala níveis de 75 dB(A) de ruído.   Piso (laje) original com isolamento em torno de 36 dB(A).  
  • 24.
    Parte da salaoriginal. Se vê os antigos aparelhos de ar condicionado (tipo caixote) e o teto rebaixado em placas de gesso.
  • 25.
    O Projeto Construção de uma técnica, uma sala de gravação/ensaio, uma sala de bateria, um lounge (home theater) mais 3 banheiros, copa e área de circulação.   Conseguir o melhor isolamento entre os andares sem roubar muito do pé direito.   Eliminação de uma janela e isolamento de outras 2 para o exterior (avenida).   Isolamento entre todas as divisões internas, com uso de alvenaria, blocos de vidro, DryWall, janelas com vidros duplos e portas acústicas.   Instalação de ar independente para cada ambiente.   Tratamento da acústica interna de cada ambiente de acordo com sua utilização.   Ter ambientes claros, bonitos, agradáveis e funcionais.
  • 26.
    Construção da parededa técnica. O antigo teto já foi retirado. Piso elevado, início da instalação dos montantes p/ Dry Wall, e tubulação para multicabos.
  • 27.
    Piso e montantesna sala de gravação. Os buracos dos ar-condicionados estão fechados. Passagem de conduítes e preenchimento com material fono-absorvente nas paredes.
  • 28.
    Eliminação de umajanela com Dry Wall, tubulação do Split da bateria e início do tablado. Porta acústica em aço carbono instalada. Estrutura com montantes para sala de bateria, com todas as paredes inclinadas. Toda a estrutura é desencostada da sala de gravação.
  • 29.
    Sala de bateriacom chapas de gesso acartonado quase terminada. Sala de bateria terminada, já com difusores e instrumento. Técnica com mesa de som e monitores pronta para os testes finais.
  • 30.
    Sala de gravação(parede difusora em pedra) Sala de gravação.
  • 31.
  • 32.
    Bibliografia revistaescola.bril.com.br http://www.drywall.org.br/artigos.php/3/30/drywall-no-brasil-reflexoestecnologicashttp://www.axionconstrucoes.com.br/arquivos_downloads/acustica/qualidade%20acústica%20das%20paredes%20drywall.pdf http://www.isoalfa.com.br/isolantesAcusticos.php http://www.isotran.com.br/index2.htm http://www.larocha.com/index.php http://www.angelfire.com/film/homecinema/#decor http://www.acustica.org.br/associese2.cfm http://www.pro-acustic.com/pro_realiz_sbr.htm