Eletricidade Veicular
=
=
=
=
=
=
Abertura de portas
PLD
ADM
NR
Caixa automática
Easy shift
Eletricidade Veicular — Mercedez-Benz
Global Training. 1
Índice
Sistema abertura de portas
Sistema de abertura de portas ........................................................................................ 9
Interruptor do Sistema de Segurança ..................................................................... 10
Interruptores e Válvulas do Chassi.......................................................................... 11
Interruptores e Válvulas a instalados pelo encarroçador ....................................... 12
Representação eletropneumática do sistema de abertura de portas .......................... 13
Esquema elétrico do bloqueio de abertura de portas e
do movimento do veículo (parcial) ........................................................................... 14
Esquema elétrico do bloqueio de abertura de portas e
do movimento do veículo (continuação) ................................................................. 15
Abertura de portas bloqueada pelo ADM (veículo em movimento) .............................. 16
Esquema elétrico com destaque do bloqueio de abertura de portas estando
o veículo em movimento ......................................................................................... 17
Bloqueio do movimento do veículo (porta aberta) ........................................................ 18
Esquema elétrico do bloqueio do movimento do veículo com destaque
para o bloqueio pelos interruptores de fim de curso das portas .......................... 19
Bloqueio da abertura das portas, sem aplicação do freio de serviço
ou freio de estacionamento ...........................................................................................20
Destaque do bloqueio de fechamento das portas sem a aplicação dos freios
e bloqueio do acelerador ......................................................................................... 21
Bloqueio da parada do motor sem a aplicação do freio de estacionamento
(chave de contato desligada) o operador está tentando parar o motor .....................22
Bloqueio da parada do motor sem a aplicação do freio
estacionamento (chave de contato ligada) ...................................................................23
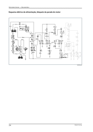
Esquema elétrico da alimentação, bloqueio da parada do motor .......................... 24
Esquema elétrico do aviso de bloqueio do movimento do veículo e
de acionamento das luzes de freio ..........................................................................25
Esquema elétrico com destaque para o bloqueio do movimento do veículo .........26
Esquema elétrico com destaque para o bloqueio da abertura das portas
estando o veículo em movimento ............................................................................27
Esquema elétrico com destaque para o interruptor de emergência .....................28
Esquema elétrico com destaque para a tecla de emergência do painel ................29
Sistema PLD
Conceito ......................................................................................................................... 31
Inovações tecnológicas ................................................................................................. 31
Modulo de gerenciamento do motor - MR .................................................................... 31
Módulo de controle do motor MR - construção e funcionamento ..............................32
Eletricidade Veicular — Mercedez-Benz
Global Training.
2
Módulo virgem ..........................................................................................................32
Módulo com jogo de parâmetros básicos ..............................................................32
Módulo completo (Com Flags) .................................................................................32
Módulo instalado no veículo (KL 30) .......................................................................33
Módulo instalado no veículo (KL 30 + KL 15) Chave de contato ligada .................33
Instante da partida (KL 30 + KL 15 + KL 50) ..........................................................33
Esquema de funcionamento do MR.........................................................................33
Vista dos conectores do módulo ............................................................................34
Localização dos êmbolos (durante a partida) .........................................................35
Localização dos êmbolos (após a partida)..............................................................36
Funcionamento com falha no sensor de comando ................................................36
Funcionamento com falha no sensor do volante ...................................................37
Determinação do início e tempo de injeção ...........................................................37
Temperatura do líquido de arrefecimento do motor ...............................................38
Temperatura e pressão do ar de sobrealimentação ...............................................38
Rotação e posição do motor ...................................................................................38
Proteção do turbo....................................................................................................38
Pressão do óleo .......................................................................................................39
Temperatura do líquido de arrefecimento................................................................39
Funções de proteção do motor .....................................................................................39
Redução de torque ...................................................................................................40
Redução de Potência ...............................................................................................40
Baixo nível de óleo ................................................................................................... 41
Testes de funcionamento do motor ..............................................................................42
Teste de compressão ...............................................................................................42
Desvio de rotação em marcha lenta ........................................................................42
Desligamento dos cilindros .....................................................................................43
Tempo para o atracamento da unidade injetora .....................................................43
Teste de polaridade nos sensores de RPM (volante) e
sincronismo (comando de válvulas).........................................................................43
Sensores do motor ........................................................................................................44
Sensor de temperatura do líquido de arrefecimento ..............................................44
Sensor de temperatura e pressão do ar de admissão ...........................................45
Sensor de temperatura do combustível ..................................................................46
Sensor de pressão e temperatura do óleo do motor ............................................. 47
Sensores indutivos de RPM (volante) e de sincronismo (comando) ......................48
Sensor de indutivo do volante .................................................................................48
Sensor de indutivo do comando .............................................................................49
Curva de resposta dos sensores de pressão - Ar de admissão e
óleo lubrificante........................................................................................................50
Curva de resposta dos sensores de temperaturas do motor ................................ 51
Sistema de injeção PLD .................................................................................................52
Unidade Injetora ............................................................................................................52
Eletricidade Veicular — Mercedez-Benz
Global Training. 3
Circulação do combustível no cabeçote da unidade injetora ................................53
Representação esquemática do funcionamento das unidades injetoras ..............54
Impacto e tempo de reação.....................................................................................56
Identificação do impacto .........................................................................................56
Regulagem do volume de injeção .............................................................................57
Ângulo de injeção .....................................................................................................57
Processo de injeção ................................................................................................58
Circuito de combustível motor série 900 ......................................................................59
Circuito de combustível motor série 450 ......................................................................60
Circuito de combustível motor série 450 aplicado no 1938 S .................................... 61
Valores reais para MR (PLD) ...........................................................................................62
Valores binários para MR (PLD) .....................................................................................64
Códigos de falhas para MR (PLD) ..................................................................................70
Lista de parâmetros para o MR .....................................................................................89
Sistema ADM
Módulo ADM - Funcionamento ......................................................................................92
Vista dos conectores ...............................................................................................92
Diagrama em bloco - PLD e ADM .............................................................................93
Pedal do acelerador .................................................................................................93
Reconhecimento da faixa de trabalho do pedal do acelerador .............................95
Tacômetro .......................................................................................................................97
Indicador de pressão .....................................................................................................98
Verificação do indicador de pressão de óleo ..........................................................98
Indicador de temperatura ............................................................................................ 100
Verificação do indicador de temperatura .............................................................. 100
Lâmpada indicadora de falhas no ADM ou PLD .......................................................... 101
Lâmpada indicadora de baixo nível de óleo lubrificante ............................................. 102
Bloqueio da partida do motor ...................................................................................... 103
Bloqueio do pedal do acelerador ................................................................................. 103
Limitador de velocidade - Tacógrafo ............................................................................ 104
Freio motor ................................................................................................................... 105
Transmissão automática .............................................................................................. 106
Ar Condicionado .......................................................................................................... 107
ADR - Controle de rotação para serviços especiais.................................................... 108
Exemplo de uma aplicação........................................................................................... 108
Saída de sinal para reles IWK....................................................................................... 110
Parâmetros do ADM ......................................................................................................111
Tabelas das conexões do ADM.................................................................................... 125
Eletricidade Veicular — Mercedez-Benz
Global Training.
4
Sistema NR
Disposição dos componentes do NR .......................................................................... 129
Suspensão eletropneumática ENR .................................................................. 130
Geral.................................................................................................................. 130
Altura normal I .................................................................................................. 130
Altura normal II................................................................................................. 130
Localização da medida H1 do eixo dianteiro O500 LE ................................... 131
Localização da medida H1 do eixo dianteiro O 500M.................................... 131
Localização da medida H2 do eixo dianteiro O500 LE e O 500M ................. 131
Kneeling ( ajoelhamento ) ................................................................................ 132
Controle da suspensão.................................................................................... 132
Diagnóse de falhas ........................................................................................... 132
Falhas de plausibilidade ................................................................................... 132
Reprogramação ou calibração ......................................................................... 132
Bloco de válvulas do NR ......................................................................................... 133
Válvula de controle da suspensão ......................................................................... 134
Bloco de válvulas .............................................................................................. 134
Contato desligado............................................................................................ 134
Contato ligado ................................................................................................. 134
Pressurização das bolsas ................................................................................ 135
Ajoelhamento ................................................................................................... 135
Despressurização ............................................................................................. 135
Sensores de nível ............................................................................................. 136
Troca do sensor ............................................................................................... 136
Interruptores no painel de instrumentos.............................................................. 137
Luzes no painel de instrumentos........................................................................... 138
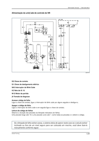
Alimentação da unid/ade de controle do NR ....................................................... 139
Circuito das válvulas de controle da suspensão ................................................... 141
Conectores do sistema ENR.................................................................................. 142
Sugestões para ajustar a suspensão do veículo manualmente em caso de falha
no sistema .............................................................................................................. 143
Caixas de Mudanças
Caixas de mudanças .................................................................................................... 145
Conversor de torque .............................................................................................. 146
Conjuntos plantetários .......................................................................................... 147
Bomba de óleo ....................................................................................................... 147
Pacote de lamelas .................................................................................................. 148
Bloco de válvulas .................................................................................................... 148
Esquema elétrico do bloco de válvulas.................................................................. 149
Retardador ZF............................................................................................................... 150
Interruptor S31 do painel desligado...................................................................... 152
Retardador impedido de funcionar pelo ADM ....................................................... 153
Eletricidade Veicular — Mercedez-Benz
Global Training. 5
ABS modulando retardador não funciona ............................................................. 154
Transmissão em primeira ou segunda marcha ...................................................... 155
Segundo estágio do retardador ( interruptor de luz de freio ligado )................... 156
Temperatura da trasmissão acima de 130°C ........................................................ 157
Esquema elétrico do retardador ............................................................................ 158
Esquema elétrico da alimentação da unidade de controle da transmissão
e tomada de diagnose ......................................................................................... 159
Esquema elétrico da seletora de marchas ZF ....................................................... 160
Desenhos dos conectores dos chicotes elétricos da transmissão
automática ZF ........................................................................................................ 161
Tempo de mudança de marchas ............................................................................ 163
Manutenção preventiva................................................................................................ 163
Tipos de óleo.......................................................................................................... 164
Como verificar o nível de óleo.......................................................................... 164
Troca do óleo ................................................................................................... 164
Reboque do veículo .......................................................................................... 164
Teste de Stall (simulação de funcionamento do trem de força com carga) ......... 165
Para ler os códigos de falhas................................................................................. 165
Para apagar as falhas ............................................................................................. 165
Tabela de código de falhas para ZF HP 500/590/600 ........................................ 166
Primeira marcha ..................................................................................................... 168
Segunda marcha..................................................................................................... 169
Terceira marcha ...................................................................................................... 170
Quarta marcha........................................................................................................ 171
Marcha a ré ............................................................................................................ 172
EASY SHIFT - Sistema eletro-pneumático de mudança de marchas
EASY SHIFT - Sistema eletro-pneumático de mudança de marchas .......................... 174
O que é o sistema Easy Shift ? .................................................................................... 174
Quais são as vantagens do sistema?........................................................................... 174
Quais são as funções que o sistema tem? .................................................................. 174
Lista de reposição de peças ........................................................................................ 175
Componentes e diagnóstico de falhas.................................................................. 176
Alavanca seletora de marchas ( S 29 ) .................................................................. 176
Diagnose da válvula ................................................................................................ 176
Verificação das tensões na alavanca de mudanças .............................................. 177
Figuras ilustrativas da alavanca seletora de marchas ..................................... 178
Central de válvulas (U 11) ............................................................................................. 179
Diagnose da central de válvulas ............................................................................. 179
Teste dinâmico da Central de válvulas (U 11) .................................................. 179
Figuras ilustrativas da central de válvulas ....................................................... 180
Módulo temporizador de pressão de alimentação ( U 13 )......................................... 181
Diagnose do módulo temporizador ....................................................................... 181
Eletricidade Veicular — Mercedez-Benz
Global Training.
6
Módulo amplificador de sinal (U12) ............................................................................. 181
Diagnose do módulo amplificador de sinal (U12) .................................................. 181
Sensor de velocidade G12. .......................................................................................... 181
Diagnose do sensor de velocidade G12. ............................................................... 181
Sensor do pedal da embreagem (B40). ....................................................................... 182
Diagnose do sensor do pedal da embreagem (B40) ............................................. 182
Ajuste do sensor .............................................................................................. 182
Sensor de rotação da entrada da caixa de mudanças G 10....................................... 183
Diagnose do sensor de rotação G10..................................................................... 183
Principais problemas encontrados........................................................................ 183
Conector da caixa de válvulas ............................................................................... 183
Figuras Complementares - Sistema Easy Shift ............................................................ 184
Esquema elétrico ( chave de contato ligada ) ............................................................. 185
Esquema elétrico ( embreagem acionada ).................................................................. 186
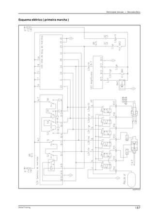
Esquema elétrico ( primeira marcha ) .......................................................................... 187
Esquema elétrico ( temporização da embreagem ) ..................................................... 188
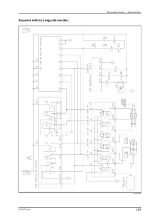
Esquema elétrico ( segunda marcha ) ......................................................................... 189
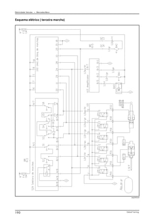
Esquema elétrico ( terceira marcha) ............................................................................ 190
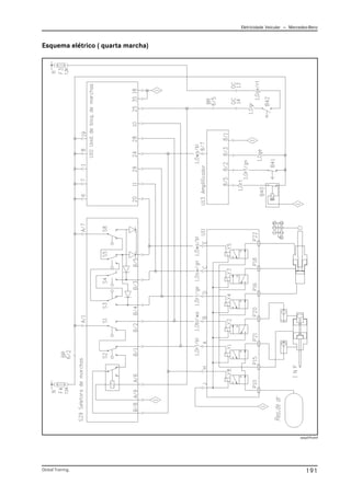
Esquema elétrico ( quarta marcha) .............................................................................. 191
Esquema elétrico ( quinta marcha) .............................................................................. 192
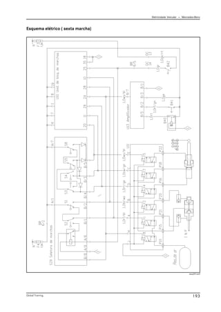
Esquema elétrico ( sexta marcha)................................................................................ 193
Esquema elétrico ( quarta marcha) .............................................................................. 194
Eletricidade Veicular — Mercedez-Benz
Global Training. 7
Eletricidade Veicular — Mercedez-Benz
Global Training.
8
Eletricidade Veicular
Sistema abertura de portas
Eletricidade Veicular — Mercedez-Benz
Global Training. 9
Sistema de abertura de proteção da operação das portas
Para atender as legislações de algumas cidades do Brasil quanto a proteção dos passageiros os
sistema de portas deve garantir o seguinte:
1.0 - Bloqueio da abertura das portas com o veículo em movimento
2.0 - Bloqueio do movimento do veículo com uma ou mais portas abertas.
Uma proteção adicional é oferecida segundo os seguintes itens:
1.0 - Estando o veículo parado e as portas abertas, só é possível fecha-las, atuando no freio
de serviço ou o freio de estacionamento, isto evita que o operador utilize a abertura das
portas como maneira de freiar o veículo e não utililizando os freios convencionais.
2.0 - O bloqueio de movimento do veículo é feito aplicando uma pressão de frenagem de
3,5bar no circuito de freio de serviço.
3.0 - As luzes de freio e indicadora no painel estarão acesas, sempre que o bloqueio de
movimento do veículo estiver acionado.
4.0 - Para evitar que o sistema seja usado como freio de estacionamento, não é possível
desligar o motor, sem aplicar o freio de estacionamento, se ocorrer uma tentativa de desligar
o motor, um alarme sonoro é disparado.
Sistema de abertura de portas
Eletricidade Veicular — Mercedez-Benz
Global Training.
10
Interruptor do Sistema de Segurança
Caso o sistema apresente alguma falha, o mesmo poderá ser desativado através do interruptor
vermelho no painel de instrumentos(Chave de segurança).
Deverá ser rompido o lacre, basculada a tampa e puxado o botão.
Lembramos que tal procedimento deverá somente deverá ser efetuado com o freio de
estacionamento acionado. Quando o sistema de portas for desligado, o freio de serviço será
desaplicado, podendo o veículo ser colocado em movimento.
Após o lacre ser rompido, o mesmo deverá ser recolocado IMEDIATAMENTE !!!
Chave de Segurança caso o sistema apresente falha.
Romper o lacre, bascular a tampa e puxar o botão somente com o freio de estacionamento acionado.
Após o lacre rompido, o memos deverá ser recolocado imediatamente
CBC113.tif CBC114.tif
CBC115.tif
Eletricidade Veicular — Mercedez-Benz
Global Training. 11
Interruptores e Válvulas do Chassi
(Informações Complementares)
O sistema de portas no chassi O 500, possui interruptores e válvulas que estão descritas
resumidamente para que as mesmas possam ser identificadas e para que não haja dúvidas quanto
ao teste final do sistema, após o encarroçamento.
B56Interruptorauxiliardofreiodeestacionamentopara
o Sistema de Portas, localizado atrás do Eixo Traseiro
Interruptor e Válvula Magnética do
acionamento do freio de serviço para o
Sistema de Portas Localizado à frente
do Eixo Traseiro
V19 - Válv.Magn.Acionamento Freio de Serviço (M24)
B38 - Inter.Luz Piloto Acionam.Freio de Serviço (M27)
B57 Interruptor auxiliar do freio de serviço para
o Sistema de Portas, localizado na dianteira do Chassi
V19 B 38
CBC117.tif
CBC118.tif
CBC119.tif
CBC120.tif
Eletricidade Veicular — Mercedez-Benz
Global Training.
12
Interruptores e Válvulas a instalados pelo encarroçador
(Informações Complementares)
Estas figura mostram os interruptores e as válvulas instaladas conforme sugestões da DCB, pode
haver variações de posição e tipo de peças conforme o encarroçamento.
V24Duasválvulasinstaladasnaslinhasdeentradadocilindro
defechamentodasportasparaimpediraaberturadasportas.
B58Interruptordepressãoinstaladonalinha defechamentodasportas,
este interruptor se fecha quando o condutor tenta abrir a porta.
B59 Interruptor de fim de curso das portas, ele se abre
somentequandoaportaestácompletamentefechada.
CBC121.tif
CBC122.tif
CBC123.tif
Eletricidade Veicular — Mercedez-Benz
Global Training. 13
B56 – Interruptor de freio de serviço
Fecha contato quando o freio de serviço não está
aplicado.
B57–Interruptor de freio de estacionamento
Fecha contato quando o freio de estacionamento
não está aplicado.
B65 – Interruptor de pressão na linha de
fechamento das portas
Fecha sempre que a porta está sendo aberta
B58 – Interruptor de fim de curso das portas
Está fechado sempre que a porta não está
completamente fechada
K9 – Rele de bloqueio de abertura de portas
Bloqueia a abertura das portas quando o veículo
está em movimento
K57 – Rele de inibidor do bloqueio do veículo
Impede que o bloqueio do veículo seja acionado
estando o veículo em movimento
O desenho acima é uma representação eletropneumática do sistema de abertura de portas, para facilitar a interpretação,
foram omitidas informações que estão nos esquemas elétricos nas páginas seguintes.
Representação eletropneumática do sistema de abertura de portas
K64 – Rele de bloqueio do acelerador
Envia um sinal positivo ao ADM para o bloqueio
do acelerador
K81 – Rele de emergência do sistema
Quando acionado pelo interruptor de emergência,
elimina a alimentação elétrica do sistema
V19 – Válvula de bloqueio do movimento do
veículo
Aplica pressão no circuito de freio de serviço,
sempre que a porta não está totalmente fechada
V24 – Válvula de bloqueio de abertura das
portas
Impedem a entrada e saída de ar dos cilindros
das portas
1 – Linha de pressão principal 8,0bar
21 – Linha de pressão do freio de serviço
22–Linhadepressãodofreiodeestacionamento
CBC023.emf
Eletricidade Veicular — Mercedez-Benz
Global Training.
14
Esquema elétrico do bloqueio de abertura de portas e do movimento do veículo (parcial)
B56 - Interruptor de freio de serviço
Fecha contato quando o freio de serviço não está
aplicado.
B57 - Interruptor de freio de estacionamento
Fecha contato quando o freio de estacionamento
não está aplicado.
Fecha sempre que a porta está sendo aberta
B58 - Interruptor de pressão da linha
de fechamento da porta dianteira
B65 - Interruptor de pressão da linha
de fechamento da porta traseira
B66 - Interruptor de pressão da linha
de fechamento da porta central
Estão fechados sempre que não houver pressão
de ar na linha de fechamento das portas
B59 - Interruptor de fim de curso da abertura
da porta dianteira
B67 - Interruptor de fim de curso da abertura
da porta traseira
B68 - Interruptor de fim de curso da abertura
da porta central
Estão fechados sempre que as portas não estão
completamente fechadas
K9 - Rele de bloqueio de abertura de portas
Bloqueia a abertura das portas quando o veículo
está em movimento
K57 - Rele de inibidor do bloqueio do veículo
Impede que o bloqueio do veículo seja acionado
estando o veículo em movimento
K64 - Rele de bloqueio do acelerador
Envia um sinal positivo ao ADM para o bloqueio
do acelerador
K81 - Rele de emergência do sistema
Quando acionado pelo interruptor de emergência,
elimina a alimentação elétrica do sistema
V19 - Válvula de bloqueio do movimento do
veículo
Aplica pressão no circuito de freio de serviço,
sempre que a porta não está totalmente fechada
V24 - Válvula de bloqueio de abertura da porta
dianteira
V28 - Válvula de bloqueio de abertura da porta
traseira
V29 - Válvula de bloqueio de abertura da porta
central
Impedem a entrada e saída de ar dos cilindros das
portas
CBC036.emf
Eletricidade Veicular — Mercedez-Benz
Global Training. 15
B56 - Interruptor de freio de serviço
Fecha contato quando o freio de serviço não está
aplicado.
B57 - Interruptor de freio de estacionamento
Fecha contato quando o freio de estacionamento
não está aplicado.
Fecha sempre que a porta está sendo aberta
B58 - Interruptor de pressão da linha de
fechamento da porta dianteira
B65 - Interruptor de pressão da linha de
fechamento da porta traseira
B66 - Interruptor de pressão da linha de
fechamento da porta central
Estão fechados sempre que não houver pressão
de ar na linha de fechamento das portas
B59 - Interruptor de fim de curso da abertura
da porta dianteira
B67 - Interruptor de fim de curso da abertura
da porta traseira
B68 - Interruptor de fim de curso da abertura
da porta central
Estão fechados sempre que as portas não estão
completamente fechadas
K9 - Rele de bloqueio de abertura de portas
Bloqueia a abertura das portas quando o veículo
está em movimento
Esquema elétrico do bloqueio de abertura de portas e do movimento do veículo
(continuação)
K57 - Rele de inibidor do bloqueio do veículo
Impede que o bloqueio do veículo seja acionado
estando o veículo em movimento
K64 - Rele de bloqueio do acelerador
Envia um sinal positivo ao ADM para o bloqueio
do acelerador
K81 - Rele de emergência do sistema
Quando acionado pelo interruptor de emergência,
elimina a alimentação elétrica do sistema
V19 - Válvula de bloqueio do movimento
do veículo
Aplica pressão no circuito de freio de serviço,
sempre que a porta não está totalmente fechada
V24 - Válvula de bloqueio de abertura da porta
dianteira
V28 - Válvula de bloqueio de abertura da
porta traseira
V29 - Válvula de bloqueio de abertura da
porta central
Impedem a entrada e saída de ar dos cilindros
das portas
CBC049.emf
Eletricidade Veicular — Mercedez-Benz
Global Training.
16
Abertura de portas bloqueada pelo ADM (veículo em movimento)
Quando o veículo está em movimento, o ADM envia um comando elétrico ao rele K9 que por sua
vez ativa as válvulas de bloqueio V24. As válvulas de bloqueio V24 impedem a entrada de ar no
cilindro de abertura de portas.
CBC045.emf
Eletricidade Veicular — Mercedez-Benz
Global Training. 17
Esquema elétrico com destaque do bloqueio de abertura de portas estando o veículo
em movimento
CBC012.emf
Eletricidade Veicular — Mercedez-Benz
Global Training.
18
Bloqueio do movimento do veículo (porta aberta)
Quando as portas não estão completamente fechadas, os interruptores de fim de curso se fecham
enviando um comando até a válvula de bloqueio de marcha V19. A válvula V19 libera pressão de
ar de 8bar para a válvula de redução de pressão que a reduz para 3,5bar e a envia à válvula
bi direcional de 3vias e ao circuito de freio de serviço.
CBC025.emf
Eletricidade Veicular — Mercedez-Benz
Global Training. 19
Esquema elétrico do bloqueio do movimento do veículo com destaque para o bloqueio
pelos interruptores de fim de curso das portas
CBC041.emf
Eletricidade Veicular — Mercedez-Benz
Global Training.
20
Bloqueio da abertura das portas, sem aplicação do freio de serviço ou freio de
estacionamento
O movimento do veículo continua bloqueado pelo interruptor de fim de curso da porta B59, o freio
de estacionamento não está aplicado pois o interruptor B56 está fechado, o freio de serviço
também não está aplicado pois o interruptor B56 também está fechado, não há pressurização na
linha de fechamento da porta por isso B65 também está fechado, desta forma é formado um
circuito para o acionamento das válvulas de bloqueio de abertura de porta V24. Para que seja
possível fechar as portas, é necessário aplicar o freio de estacionamento ou o freio de serviço.
Ao mesmo tempo, o rele K64 é acionado e envia um sinal positivo ao ADM, o que faz com que o
pedal do acelerador fique inoperante.
CBC046.emf
Eletricidade Veicular — Mercedez-Benz
Global Training. 21
Destaque do bloqueio de fechamento das portas sem a aplicação dos freios e bloqueio do
acelerador
CBC044.emf
Eletricidade Veicular — Mercedez-Benz
Global Training.
22
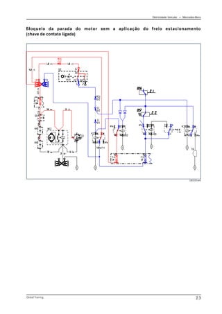
Se o movimento do veículo estiver bloqueado pelo sistema de portas, não há como desligar o
motor pois embora a chave de contato seja desligada, a tensão no KL15 é mantida pelo rele K82
que por sua vez é comandado pelo interruptor de freio de estacionamento B57. Neste caso o
alarme sonoro T6 é acionado
Bloqueio da parada do motor sem a aplicação do freio de estacionamento
(chave de contato desligada) o operador está tentando parar o motor
CBC034.emf
Eletricidade Veicular — Mercedez-Benz
Global Training. 23
Bloqueio da parada do motor sem a aplicação do freio estacionamento
(chave de contato ligada)
CBC033.emf
Eletricidade Veicular — Mercedez-Benz
Global Training.
24
Esquema elétrico da alimentação, bloqueio da parada do motor
CBC038.emf
Eletricidade Veicular — Mercedez-Benz
Global Training. 25
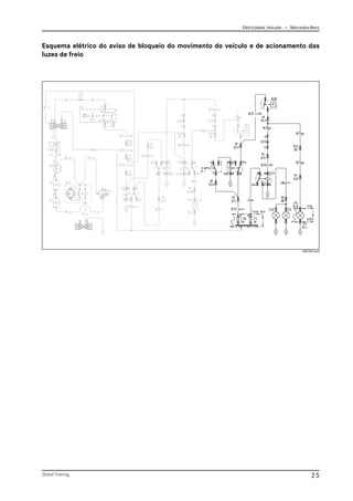
Esquema elétrico do aviso de bloqueio do movimento do veículo e de acionamento das
luzes de freio
CBC047.emf
Eletricidade Veicular — Mercedez-Benz
Global Training.
26
Esquema elétrico com destaque para o bloqueio do movimento do veículo
CBC041.emf
Eletricidade Veicular — Mercedez-Benz
Global Training. 27
Esquema elétrico com destaque para o bloqueio da abertura das portas estando o veículo
em movimento
CBC012.emf
Eletricidade Veicular — Mercedez-Benz
Global Training.
28
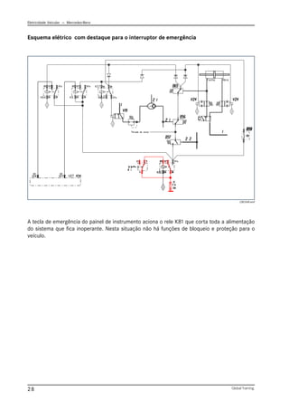
Esquema elétrico com destaque para o interruptor de emergência
A tecla de emergência do painel de instrumento aciona o rele K81 que corta toda a alimentação
do sistema que fica inoperante. Nesta situação não há funções de bloqueio e proteção para o
veículo.
CBC048.emf
Eletricidade Veicular — Mercedez-Benz
Global Training. 29
Esquema elétrico com destaque para a tecla de emergência do painel
CBC042.emf
Eletricidade Veicular — Mercedez-Benz
Global Training.
30
Eletricidade Veicular
Sistema PLD
Eletricidade Veicular — Mercedez-Benz
Global Training. 31
Conceito
Visando atender as recentes leis de preservação ambiental, e ainda, conservando o alto
desempenho e dirigibilidade, características dos seus veículos, a Mercedes-Benz apresenta a
nova série de motores com gerenciamento eletrônico.
Todo o controle da alimentação de combustível é atribuído ao sistema de gerenciamento eletrônico,
que proporciona uma melhor combustão, com redução significativa da emissão de poluentes.
Além desta inovação, os motores foram projetados para apresentar maior durabilidade e redução
do consumo de combustível.
Com uma mecânica simples, está liderando esta nova tendência mundial, aliando os benefícios
da nova tecnologia de controle de injeção, com a redução dos custos de manutenção.
Para que esses novos limites sejam alcançados, foram necessárias modificações mecânicas, e a
implantação de um sistema com gerenciamento eletrônico, para controle do regime de
funcionamento do motor.
Inovações tecnológicas
A maior novidade implementada nos motores eletrônicos é o sistema de injeção de combustível
com gerenciamento eletrônico.
Este mecanismo é conhecido como sistema BOMBA -TUBO -BICO, devido à sua disposição
construtiva. Esta configuração consiste de uma unidade injetora por cilindro, interligada ao
bicoinjetor através de uma pequena tubulação de alta pressão. Na unidade injetora estão alojados
o elemento injetor, as câmaras de pressão e descarga de combustível, a válvula de controle de
vazão e seu eletroímã de acionamento. Estes componentes são responsáveis pela elevação de
pressão e controle do volume de injeção. O tubo de alta pressão conduz o combustível ao bico e
este o distribui, de forma atomizada, na câmara de combustão.
Bico Injetor
Unidade
Injetora
Êmbolo
PLD 019.tif
Tubo
Comando de
válvulas
Modulo de gerenciamento do motor - MR
Eletricidade Veicular — Mercedez-Benz
Global Training.
32
Módulo de controle do motor MR - construção e funcionamento
Módulo virgem
É um módulo eletrônico com funções semelhantes as de um microcomputador, ele possui
processador, memória e programa.
Sua parte eletrônica é o que chamamos de hardware, na sua memória foram gravados um programa
e um conjunto de parâmetros fixos.
Parâmetros fixos são informações que são comuns a todos os tipos de motores eletrônicos, elas
são colocadas dentro do módulo pelo fabricante Temic.
Módulo com jogo de parâmetros básicos
É um módulo virgem que já recebeu um conjunto de parâmetros básicos, agora ele já está apto a
trabalhar com um motor, pois conhece suas características.
Parâmetros básicos são informações que determinam um tipo de motor (OM 904 LA, OM 906 LA
ou OM 457 LA...) eles são colocados dentro do módulo pela area de fabricação de motores durante
testes na produção.
Módulo completo (Com Flags)
Este módulo já recebeu toda a parametrização, agora ele está apto a desempenhar todas as
funções pois conhece as características do motor e os acessórios nele instalados.
Flags são informações que indicam ao PLD qual o tipo de acessório instalado no motor, (ventilador,
válvula do top-brake, tipo de motor de partida...), elas são colocadas dentro do módulo pela area
de fabricação motores ou pelo pessoal de serviço.
PLD 009.tif
Eletricidade Veicular — Mercedez-Benz
Global Training. 33
Módulo instalado no veículo (KL 30)
Mantem todas as características do motor e memoriza eventuais códigos de falhas.
Módulo instalado no veículo (KL 30 + KL 15) Chave de contato ligada
Inicia-se um processo de comunicação com outros modulos e leitura dos sensores, caso exista
alguma falha já pode haver a comunicação desta falha.
Instante da partida (KL 30 + KL 15 + KL 50)
O PLD verifica se não existe um aviso de bloqueio de partida, caso não exista, ele calcula e aplica
um débito de partida de acordo com a temperatura do motor. Para fazer esta tarefa, o PLD precisa
ler a temperatura do motor, acionar o motor de partida e localizar os êmbolos.
Esquema de funcionamento do MR
PLP001.emf
Eletricidade Veicular — Mercedez-Benz
Global Training.
34
PLD007.tif
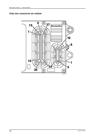
Vista dos conectores do módulo
Eletricidade Veicular — Mercedez-Benz
Global Training. 35
Neste estágio de funcionamento, o PLD já sabe qual será o ângulo de início de injeção. Suponhamos
que ele tenha determinado um início de injeção a 15° antes do PMS, neste caso o PLD precisa
saber quanto tempo o êmbolo Nº 1 demora para se deslocar de 55° até 15° antes do PMS um
deslocamento de 40°. Para cálculo do tempo, o módulo capta a informação de rotação do motor
proviniente do sensor de rotação localizado na árvore de manivelas.
A informação de velocidade do êmbolo é gerada pela passagem de 36 orifícios localizados
no volante do motor.
Localização dos êmbolos (durante a partida)
Quando o motor começa a girar, é gerado um pulso elétrico no sensor que está no eixo do comando,
o PLD interpreta este pulso como sendo um sinal de que o pistão Nº1 está a 55° antes do PMS
no tempo de compressão.
O módulo PLD está apto a variar o ponto de injeção de 35° antes do PMS até 5° após o PMS.
PLD002.emf
PLD003.emf
Eletricidade Veicular — Mercedez-Benz
Global Training.
36
Localização dos êmbolos (após a partida)
Depois que o PLD reconhece a posição dos êmbolos e o tempo de compressão, ele passa utilizar
somente o sinal gerado pelo sensor que está no volante do motor. Neste sensor além do sinal de
rotação é gerado um sinal que indica que o pistão está a 65º antes do PMS tanto no tempo de
compressão como no tempo de escapamento, entretanto o último sinal é desprezado.
Funcionamento com falha no sensor de comando
Caso o sensor do comando de válvulas não esteja funcionando, não há como o PLD identificar o
tempo de compressão. Neste caso haverá um sinal elétrico nas unidades injetoras tanto no tempo
de compressão como no tempo de escapamento.
PLD 005.emf
PLD004.emf
PLD005.emf
Eletricidade Veicular — Mercedez-Benz
Global Training. 37
Determinação do início e tempo de injeção
O início e tempo de injeção determina o trabalho a ser realizado pelo motor, o PLD necessita de
várias informações para calcular estes valores. Estas informações do regime de funcionamento
do motor são fornecidas pelo módulo de adaptação do veículo (ADM), pelos parâmetros gravados
no PLD e pelos sensores distribuídos no motor.
Funcionamento com falha no sensor do volante
Caso o sensor do volante não esteja funcionando, o PLD passa a trabalhar somente com o sensor
do comando de válvulas, neste caso pode haver perda de potência do motor. O sinal de rotação é
gerado por 12 orifícios que passam na frente do sensor a cada volta do eixo do comando.
PLD 006.emf
PLD006.emf
PLD007.emf
Eletricidade Veicular — Mercedez-Benz
Global Training.
38
Temperatura do líquido de arrefecimento do motor
Informação utilizada pelo módulo de comando para determinar o débito de partida, início de injeção,
cálculo do torque nominal, rotinas de proteção contra o superaquecimento.
Um exemplo de débito errado de combustível, é de quando o motor está frio e é injetado uma
quantidade de combustível maior do que o necessário, devido as baixas temperaturas de trabalho
do motor, esse combustível não é totalmente queimado, expelindo fumaça branca pelo escapamento.
Temperatura e pressão do ar de sobrealimentação
Informação utilizada pelo módulo de comando para determinar a densidade do ar admitido pelo
motor.
Quando o ar está frio e pressurizado, ele está mais denso e portanto contém mais oxigênio, esta
informação é muito importante, pois existe uma proporção correta de oxigênio versus combustível
que quando não é respeitada, pode gerar problemas de perda de potência, fumaça e até mesmo
desgaste prematuro do motor.
Rotação e posição do motor
O módulo de comando necessita destas informações para determinar a rotação do motor e a
posição dos êmbolos, permitindo assim o sequenciamento da injeção de combustível nos cilindros.
O início de injeção e a quantidade de combustível a ser injetado em função da rotação do motor,
estão relacionados com o tempo disponível para queima de combustível e consequentemente
com a potência do motor.
Proteção do turbo
O módulo de comando protege o turbo diminuindo a potência máxima do motor em caso do veículo
estar trabalhando em uma condição onde a pressão atmosférica é baixa. Para isso, ele utiliza a
informação de pressão atmosférica gerada internamente por um sensor e um jogo de parâmetros
que indicam qual o turbo instalado no motor.
Por isso na troca de um turbo ou de um módulo de comando, deve se cuidar para que os dois
sejam compatíveis, caso não, é preciso trocar os parâmetros do módulo em um procedimento
chamado “Download”, só é possível fazê-lo com o Star Diagnosis.
Eletricidade Veicular — Mercedez-Benz
Global Training. 39
Pressão do óleo
Com relação a pressão do óleo do motor, a proteção oferecida é um aviso (sonoro e luminoso)
quando a pressão está abaixo de 0,5 bar.
A pressão real do óleo pode ser monitorada constantemente através de lâmpadas, ou indicador
por ponteiro, no painel de instrumentos.
Caso a temperatura de trabalho do motor exceda seu limite, o módulo de comando avisa ao
condutor por meio de avisos sonoros e visuais, além de executar uma rotina de proteção do motor,
diminuindo seu torque e potência. Esta rotina é ativada assim que a temperatura supera 105°C.
Funções de proteção do motor
Temperatura do líquido de arrefecimento
PLD008.emf
PLD009.emf
Eletricidade Veicular — Mercedez-Benz
Global Training.
40
PLD 100.tif
Gráficos representativos de potência e torque em função da temperatura
Redução de torque
Redução de Potência
PLD 004.tif
Eletricidade Veicular — Mercedez-Benz
Global Training. 41
Baixo nível de óleo
O módulo de comando alerta ao condutor quando o nível de óleo está abaixo de um valor
especificado. Para o seu cálculo são utilizadas informações do sensor de nível e temperatura do
óleo lubrificante. Com o sensor de temperatura o módulo é capaz de reconhecer a variação do
nível do óleo causado pela temperatura, corrigindo-o.
A leitura do sinal é feita de forma cíclica pelo módulo, para que não seja gerada uma informação
errada quando o veículo estiver em movimento. Esta função depende da correta parametrização
do tipo de sensor e do tipo de cárter que devem ser feitas no módulo.
PLD010.emf
Eletricidade Veicular — Mercedez-Benz
Global Training.
42
Testes de funcionamento do motor
O módulo de comando pode auxiliar o mecânico ou eletricista a resolver eventuais falhas de
funcionamento com alguns testes que estão disponíveis através do equipamento de diagnose.
Teste de compressão
Durante a rotina de teste o módulo de comando lê a velocidade de cada um dos êmbolos e aquele
que obtiver a menor velocidade é o que tem a melhor compressão (designado como100%). Então
relaciona-se este com os valores obtidos pelos demais. Uma variação de até 25% entre o melhor
e o pior cilindro é aceitável.
Qualquer eventualidade que afete a velocidade dos êmbolos pode ser detectada com este teste:
êmbolo engripado, válvula do “Top-brake” travada aberta, anéis alinhados, anéis quebrados, cilindro
desgastado, etc.
Desvio de rotação em marcha lenta
Na execução desta rotina é vigiada a contribuição de cada cilindro para a rotação (velocidade) de
marcha-lenta do motor. Desvios de velocidade entre cilindros são compensadas pelo módulo
eletrônico. Com isto elimina-se o desbalanceamento gerado pelos diferentes rendimentos de
queima de combustível entre cilindros.
Através do equipamento de diagnóstico pode-se ler o desvio de velocidade (em percentagem) de
cada êmbolo em relação ao valor ideal. Valores positivos siginificam que a velocidade do êmbolo
está abaixo do valor prescrito, caso os valores sejam negativos temos velocidades acima do
mesmo.
Para amenizar este efeito de desbalanceamento, o módulo corrige a quantidade de combustível a
ser injetado em cada cilindro de forma que todos eles executem exatamente o mesmo trabalho.
Desvios maiores que 5% podem gerar códigos de falhas.
Estes valores podem sofrer influência de problemas que afetam o funcionamento do cilindro como,
por exemplo: problemas elétricos na unidade injetora, problemas de compressão no cilindro,
problemas com bico injetor, etc.
Figurailustrandootempodedeslocamentoangulardovolante
durante duas voltas, note que o cilindro 2 é o que possui o
maiortempodedeslocamentoangulare,consequentemente,
é o que apresentará o maior desvio.
PLD011.emf
Eletricidade Veicular — Mercedez-Benz
Global Training. 43
Desligamento dos cilindros
Deve ser usada como meio auxiliar na detecção de problemas mecânicos do motor decorrentes
do sistema de injeção ou do mau funcionamento de partes mecânicas móveis (êmbolos, anéis,
etc.). Nesta função é realizado o desligamento individual dos cilindros, o módulo de comando
corta o sinal elétrico da unidade injetora selecionada.
Tempo para o atracamento da unidade injetora
O tempo para o atracamento, é o tempo gasto pela válvula de controle de fluxo da unidade injetora
feche, por completo, a saída do combustível para o retorno, iniciando a injeção de combustível na
câmara de combustão.
Este teste é realizado para verificar se as unidades injetoras (válvulas) estão trabalhando
perfeitamente. Caso o tempo de atracamento em alguma unidade seja superior a 1,6 milisegundos,
existe uma avaria na mesma.
Teste de polaridade nos sensores de RPM (volante) e sincronismo
(comando de válvulas)
O objetivo desta função é detectar erros de polaridade nos sensores do volante e comando de
válvulas. Este é necessário após reparações nos fios destes sensores ou nos casos de:
- motor com dificulade de partida
- redução de potência em regimes de plena carga.
Representação gráfica de inversão de polaridade
PLD 101.tif
No gráfico ao lado podemos observar o resultado da inversão
dos sinais (polaridade) dos sensores do comando de válvulas e
do volante.
X – Erro de informação de sincronismo quando o sensor tem
seus terminais invertidos. Aproximadamente
0,6 milisegundos de atraso (em marcha-lenta) equivale
a 3 graus no volante do motor.
Eletricidade Veicular — Mercedez-Benz
Global Training.
44
Sensor de temperatura do líquido de arrefecimento
Sensores do motor
Esquema elétrico
Dentro do sensor está montado um termistor
cujo a resistência elétrica varia de acordo com
a temperatura. No caso deste sensor, quanto
maior a temperatura de trabalho, menor é o
valor da resistência, por isso este sensor é
denominado NTC (Termistor de Coeficiente
Negativo).
Localizado na região de maior temperatura do
motor, próximo à válvula termostática, tem a
função de indicar ao módulo PLD, a temperatura
do líquido de arrefecimento.
Com esta informação o PLD habilita várias
rotinas especiais:
- Regulagem do débito de partida,
- Início de injeção,
- Cálculo do torque nominal e proteção con-
tra
o superaquecimento.
PLD 105.tif
PLD012.emf
Eletricidade Veicular — Mercedez-Benz
Global Training. 45
Sensor de temperatura e pressão do ar de admissão
Encapsulados em um único componente, são
responsáveis por transformar as variações de
pressão e temperatura no coletor de admissão,
após o turboalimentador, em variação de tensão.
Estes sinais elétricos enviados pelos sensores,
são captados pelo módulo de comando,
permitindo determinar a densidade do ar no
coletor de admissão.
Sabendo a densidade do ar admitida pelo motor,
o módulo de comando consegue determinar a
quantidade de combustível ideal para uma
queima estequiométrica.
O sensor de pressão é um sensor eletrônico que
tem como base de funcionamento um
componente piezoelétrico, ou seja, é um circuito
eletrônico que utiliza um sinal elétrico gerado
por um cristal que gera uma tensão elétrica
conforme a pressão a que está submetido.
O circuito eletrônico necessita de uma tensão de
alimentação de 5V a qual é fornecida pelo módulo
eletrônico e gera uma tensão elétrica que pode
variar de 0,5V a 4,5V conforme a pressão que
está sendo medida.
O sensor de temperatura é um termistor do tipo
NTC (Termistor de Coeficiente Negativo) que varia
sua resistencia em função da temperatura de
trabalho, funciona como o sensor de temperatura
de combustível visto anteriormente.
B72 - Sensor de temperatura e pressão do ar de admissão
PLD016.emf
PLD015.emf
Eletricidade Veicular — Mercedez-Benz
Global Training.
46
Sensor de temperatura do combustível
Tem o mesmo principio de funcionamento do
sensor de temperatura do líquido de
arrefecimento do motor.
Nos motores eletrônicos o combustível, ao passar
pelas galerias internas do bloco do motor antes
de ser admitido nas unidades injetoras, sofre
variações significativas de temperatura.
Estas variações alteram sua densidade e,
consequentemente, o volume injetado pelas
unidades injetoras. O módulo reconhece esta
variação de temperatura através do sensor de
temperatura do combustível e modifica o tempo
de injeção para atender o volume correto a ser
injetado.
PLD012.tif
Esquema elétrico
PLD017.emf
Eletricidade Veicular — Mercedez-Benz
Global Training. 47
Sensor de pressão e temperatura do óleo do motor
O sensor de temperatura e de pressão do óleo do motor estão montados juntamente em um único
sensor. Este tem o mesmo principio de funcionamento do sensor de pressão e temperatura do ar
de admissão.
O módulo de comando utiliza a informação de temperatura do óleo lubrificante para corrigir o
valor de nível de óleo.
A Informação de pressão do óleo do motor, é transmitida ao ADM para efeito de alarme sonoro e
indicadores no painel de instrumentos. O alarme sonoro deverá soar sempre que a pressão esti-
ver abaixo de 0,5 bar estando o motor em funcionamento, entretanto, a pressão normal indicada
em marcha lenta é próxima a 2,0 bar e em rotação máxima deve ser de aproximadamente 5,0 bar.
Sensor de temperatura
OM 904 LA/OM 906 LA Sensor de temperatura
OM 457 LA Versão antiga
Sensor de pressão
OM 904 LA/OM 906 LA
Sensor de pressão
OM 457 LA
PLD020.emf
PLD016.emf
PLD019.emf
PLD021.emf
Eletricidade Veicular — Mercedez-Benz
Global Training.
48
Sensores indutivos de RPM (volante) e de sincronismo (comando)
Este sensor é composto de uma bobina enrolada num pequeno imã. Naturalmente ao redor deste
sensor existe um campo magnético. Este campo magnético pode ser representado por linhas que
cortam o núcleo do sensor e o ar que está ao redor dele. O ar é um mau condutor, por isso, o
campo magnético formado tem pouca densidade. Se aproximarmos a este sensor um pedaço de
ferro, que é um bom condutor de campo magnético, haverá um adensamento do campo.
Sempre que houver uma variação na densidade do campo magnético, surgirá uma tensão elétrica
alternada nos terminais do sensor. A amplitude da tensão elétrica gerada depende da intensidade
e da velocidade da variação da densidade do campo magnético.
Sensor de indutivo do volante
No volante do motor estão posicionados 37 orifícios. Destes, 36 são dispostos de 10 em 10
graus. O sensor é alojado de forma perpendicular ao volante. Quando os orifícios passam pelo
elemento sensor, é gerado um pulso de tensão.
A frequência desses pulsos determina a rotação do motor. O orifício auxiliar permite ao módulo
identificar a posição do êmbolo do primeiro cilindro.
1 - Fios de ligação
2 - Corpo do sensor
3 - Bucha elástica de fixação
4 - Núcleo
5 - Núcleo
6 - Bobina
7 - Furo ou rasgo
A - Folga de ajuste.
Encoste o sensor estando o motor parado. A distância será
ajustada automáticamente.
PLD021.tif
PLD104.tif
Sinal de posição
Sinal de rotação
Eletricidade Veicular — Mercedez-Benz
Global Training. 49
Sensor de indutivo do comando
Na engrenagem do comando de válvulas estão também posicionados 13 orifícios, sendo 12
distribuídos de 30 em 30 graus. O módulo de comando, com a informação obtida destes dois
sensores - do volante do motor e do comando de válvulas, identifica a posição de todos os êmbolos,
permitindo que a injeção seja sequenciada nos cilindros.
O módulo de comando está apto a variar o ponto de injeção de 35° antes do PMS até 5° após o
PMS, garantindo o melhor rendimento térmico possível.
Esquema elétrico
PLD 106.tif
G17 - Sensor de rotação e posição localizado no volante do motor
G18 - Sensor de rotação e posição localizado no comando de válvulas do motor
Eletricidade Veicular — Mercedez-Benz
Global Training.
50
Curva de resposta dos sensores de pressão - Ar de admissão e
óleo lubrificante
PLD 112.tif
Eletricidade Veicular — Mercedez-Benz
Global Training. 51
Curva de resposta dos sensores de temperaturas do motor
PLD 001.tif
Eletricidade Veicular — Mercedez-Benz
Global Training.
52
Sistema de injeção PLD
Unidade Injetora
Nos motores de injeção mecânica, existe uma
bomba injetora comum a todos os cilindros. Esta
tem a finalidade de dosar e pressurizar o
combustível aos bicos injetores.
Todo este processo de dosagem e pressurização
do combustível é feito através de mecanismos
internos a bomba, que por se tratar de controles
mecânicos não se obtem tanta precisão no
processo.
No sistema de injeção PLD (Bomba-Tubo-Bico)
existe uma unidade injetora, controlada
eletricamente, para cada cilindro . Essas unidades
tem por finalidade succionar o combustível
proveniente de uma galeria em comum para
todas, pressurizá-lo, e no momento ideal, definido
pelo módulo de comando PLD, enviá-lo sob
pressão aos bicos injetores para que seja
realizado o processo de combustão. Neste caso
a dosagem do combustível é feita por intermédio
de controles eletrônicos, o que fornece mais
precisão no processo se comparado com um
motor de injeção mecânica.
Nos motores com injeção mecânica, a bomba
injetora é tocada por uma engrenagem em
contato com o comando de válvulas, nos motores
com sistema de injeção PLD as unidades injetoras
continuam sendo acionadas pelo comando de
válvulas, porém por ressaltos no mesmo.
1 - Débito de alivio
2 - Débito de retorno de combustível
3 - Placa de cobertura
4 - Batente da válvula
5 - Mola da válvula
6 - Apoio da mola da válvula
7 - Placa intermediária
8 - Eletroimã da bomba
9 - Placa do induzido
10 - Filtro de combustível
11 - Prato da mola
PLD 107.jpg
12 - Válvula
13 - Carcaça da bomba
14 - Elemento da bomba
15 - Bucha
16 - Deslizante
17 - Mola do impulsor de roletes
18 - Prato da mola
19 - Impulsor de roletes
20 - Canal de óleo
21 - Rolete
22 - Pino impulsor do rolete
Eletricidade Veicular — Mercedez-Benz
Global Training. 53
Circulação do combustível no cabeçote da unidade injetora
As peças móveis no cabeçote da unidade injetora (elemento da bomba, corpo da válvula) são
lubrificadas através do combustível do mesmo modo que nas bombas injetoras.
A parte inferior da bomba está localizada no circuito do óleo no bloco do motor. No caso de danos
da junta de vedação inferior (indicada pela seta) podem ocorrer danos no motor devido à diluição
do óleo lubrificante do motor causada pela contaminação de combustível.
1 - Canal de retorno no bloco do motor
2 - Canal de retorno no cabeçote da bomba
3 - Cabeçote da bomba
4 - Tubulação de injeção
5 - Eletroimã
6 - Filtro de combustível
7 - Válvula
8 - Placa do induzido no corpo da válvula
9 - Canal de alimentação no cabeçote da bomba
10 - Entrada (ilustração otimizada; a afluência está
localizada no lado oposto)
11 - Câmara de alta pressão
12 - Elemento da bomba
13 - Circuito de óleo no bloco do motor
PLD 108.tif
Eletricidade Veicular — Mercedez-Benz
Global Training.
54
Representação esquemática do funcionamento das unidades injetoras
1 - Curso de admissão
No curso de admissão, o elemento da bomba (10) se desloca para baixo, permitindo a entrada
de combustível previamente pressurizado.
2 - Curso prévio
No curso prévio o elemento da bomba (10) se desloca para cima. Como não há sinal elétrico para
o fechamento da válvula (6), o combustível flui para a linha de retorno.
1 - Ressalto do comando de válvulas
2 - Canal de retorno
3 - Canal de alimentação
4 - Porta injetor com injetor
5 - Tubulação de injeção
6 - Válvula
7 - Eletroimã
8 - Câmara de alta pressão
9 - Elemento da bomba
10 - Rolete da unidade injetora
1
1
1
1
1 2
2
2
2
2
injetora001.tif injetora002.tif
1
2
3
4
5
6
7
8
9
10
Eletricidade Veicular — Mercedez-Benz
Global Training. 55
3 - Curso de injeção
Neste instante o módulo comanda o fechamento da válvula (6) forçando o combustível que está
sendo bombeado a abrir a agulha do brico injetor, iniciando assim a injeção.
4 - Curso residual
Com o fim do sinal elétrico que comanda a válvula (6) a mesma se abre e despressurizando a linha
de alta pressão e permitindo que o combustível não aproveitado para a injeção flua para a linha
de retorno.
3
3
3
3
3 4
4
4
4
4
injetora003.tif injetora004.tif
Eletricidade Veicular — Mercedez-Benz
Global Training.
56
Impacto e tempo de reação
Quando é ativada a válvula eletromagnética na unidade injetora, transcorre um tempo até que a
válvula vede na superfície cônica de fechamento (2) (A) vencendo a força da mola (1).
Esse tempo é chamado de tempo de atracamento. O tempo de atracamento depende da
temperatura. Normalmente oscila entre 1 ms e 1,2 ms. Com o motor frio, é possível um tempo de
reação maior na fase de partida.
Identificação do impacto
Na ativação do eletroimã da unidade injetora, a corrente (1) aumenta até aproximadamente 16 A
devido ao campo magnético. Ao diminuir a separação entre a placa de ancoragem e o núcleo do
eletroimã, a corrente diminuirá até 10 A. Desta forma, o circuito detector na unidade de controle
identifica que a válvula está fechada (inicia o processo de injeção).
1 - Percurso da corrente na unidade injetora
2 - Início de fechamento
injetora005.tif
PLP110.tif
Eletricidade Veicular — Mercedez-Benz
Global Training. 57
Regulagem do volume de injeção
Nos motores anteriores, o volume de injeção era regulado na bomba injetora através de um preciso
e complexo mecanismo. No caso de falhas deste mecanismo, por exemplo no caso de falta de
potência, eram necessários métodos e aparelhos de testes para executar os trabalhos de diagnóstico
e regulagens.
No PLD, a unidade injetora determina somente a margem limite na qual pode-se efetuar a regulagem
eletrônica. A margem máxima de regulagem é determinada pelo curso do ressalto da unidade
injetora (aproximadamente 65,5°) e a margem máxima do fluxo através do volume impelido no
cilindro de alta pressão.
Ângulo de injeção
O ângulo no qual se deslocou a árvore de manivelas, com o motor em funcionamento, desde o início
(S=identificação do fechamento) até o final de um curso de injeção (a válvula abre), é o ângulo de
injeção (A). A árvore do comando de válvulas gira somente a metade do ângulo de injeção da árvore
de manivelas.
Com a ajuda do ângulo de injeção (amplitude de impulso), a unidade de controle PLD determina a
duração da injeção e, portanto, o volume de injeção.
No esquema 1, o início elétrico de injeção acontece com a identificação do fechamento (S) 5° APMS.
Com um ângulo de injeção de 10° da árvore de manivelas, o curso de alimentação finaliza-se depois
do PMS (esquema 2).
PLP033.tif
Eletricidade Veicular — Mercedez-Benz
Global Training.
58
Esquema 1 - Depois do tempo de reação (D), a válvula fica fechada (F, início da injeção). ao girar a
engrenagem da árvore de manivelas para o PMS, o elemento da bomba move-se para cima e a pressão
do combustível na câmara de alta pressão aumenta até a pressão de abertura (aprox. 250 bar - indicado
pela seta). Nesta fase, a agulha do injetor se eleva.
Processo de injeção
Posições de alimentação
A - Curso prévio
B - Curso de alimentação
C - Curso residual
D - Tempo de reação
E - Amplitude de impulso
F - Início da injeção
G - Início real da injeção
Organogramas
1 - Ordem de injeção do processador principal na
ativação da válvula magnética (escala final da
potência)
2 - Curso da corrente no eletroimã
3 - Identificação do fechamento
4 - Movimento do corpo da válvula
5 - Pressão de injeção no injetor
6 - Elevação da agulha no injetor
7 - Sinal do número de rotações (registro da
modificação do ângulo)
Nota: O diagrama está representado de forma
simplificada.
PLD 111.tif
Eletricidade Veicular — Mercedez-Benz
Global Training. 59
Circuito de combustível motor série 900
comb003.tif
Eletricidade Veicular — Mercedez-Benz
Global Training.
60
Circuito de combustível motor série 450
comb002.tif
Eletricidade Veicular — Mercedez-Benz
Global Training. 61
Circuito de combustível motor série 450 aplicado no 1938 S
comb001.tif
Eletricidade Veicular — Mercedez-Benz
Global Training.
62
Valores reais para MR (PLD)
Eletricidade Veicular — Mercedez-Benz
Global Training. 63
Eletricidade Veicular — Mercedez-Benz
Global Training.
64
Valores binários para MR (PLD)
Eletricidade Veicular — Mercedez-Benz
Global Training. 65
Eletricidade Veicular — Mercedez-Benz
Global Training.
66
Eletricidade Veicular — Mercedez-Benz
Global Training. 67
Eletricidade Veicular — Mercedez-Benz
Global Training.
68
Eletricidade Veicular — Mercedez-Benz
Global Training. 69
Eletricidade Veicular — Mercedez-Benz
Global Training.
70
Códigos de falhas para MR (PLD)
0 10 15 - Valor de medição do sensor de temperatura do óleo está acima da faixa de
medição.
1.0 Desconecte o sensor e faça uma ponte entre os terminais do chicote. Se a falha mudar
para 01016, troque o sensor se a falha não mudar verifique o chicote elétrico quanto a cabo
rompido.
0 10 16 - Valor de medição do sensor de temperatura do óleo está abaixo da faixa
de medição.
1.0 Desconecte o sensor. Se a falha mudar para 01015, troque o sensor, se a falha não
mudar, verifique o chicote elétrico quando a curto circuito.
0 13 15 - Valor de medição do sensor de pressão atmosférica acima da faixa de medição.
1.0 Troque o MR
0 13 16 - Valor de medição do sensor de pressão atmosférica abaixo da faixa de medição.
1.0 Troque o MR
0 18 74 - Variação da pressão do turbo é muito grande
1.0 Verifique o sistema de regulagem Waste gate.
2.0 Comprove a plausibilidade dos sensores de temperatura lendo os valores reais MW13,
MW14, Mw16 e MW17.
3.0 Comprove a plausibilidade dos sensores de pressão lendo os valores reais MW18 e W19.
0 20 20 - Pressão do óleo muito baixa
1.0 Verifique a pressão do óleo lendo o valor real MW 20, caso a pressão esteja muito
próximo de 0,5bar, cheque o sensor e o sistema de lubrificação.
0 20 26 - Pressão do óleo muito alta
Sugestões para solução
1.0 Verifique a pressão do óleo lendo o valor real MW 20, caso a pressão esteja muito acima
de 5,0bar, cheque o sensor e o sistema de lubrificação.
Eletricidade Veicular — Mercedez-Benz
Global Training. 71
0 21 22 - Temperatura do líquido de arrefecimento muito alta
1.0 Comprove a plausibilidade dos sensores de temperatura lendo os valores reais MW13,
MW14, Mw16 e MW17.
2.0 Verifique acionamento do segundo estágio do ventilador.
3.0 Verifiquei sistema de arrefecimento.
0 25 09 - Curto circuito no sensor de nível de óleo.
1.0 Desconecte o senso
2.0 Se a falha mudou para 025 15 troque o sensor
3.0 Se a falha não mudou para 02515, verifique o chicote elétrico
0 25 15 - Valor de medição do sensor de nível de óleo muito alto.
1.0 Desconecte o sensor
2.0 Faça uma ponte entre os terminais do chicote que liga no sensor
3.0 Se a falha mudou para 025 09 troque o sensor
4.0 Se a falha não mudou para 02509, verifique o chicote elétrico quanto a cabo rompido.
0 25 16 - Valor de medição do sensor de nível de óleo muito baixo.
1.0 Desconecte o sensor
2.0 Se a falha mudou para 025 15 troque o sensor
3.0 Se a falha não mudou para 02515, verifique o chicote elétrico quanto a curto entre
cabos ou com o bloco do motor.
0 25 17 - Valor de medição do sensor de nível de óleo muito alto.
1.0 Desconecte o sensor
2.0 Faça uma ponte entre os terminais do chicote que liga no sensor
3.0 Se a falha mudou para 025 09 troque o sensor
4.0 Se a falha não mudou para 02509, verifique o chicote elétrico quanto a cabo rompido.
0 40 24 - Falha interna de comunicação entre processadores principal e de emergência.
1.0 Troque o MR
0 40 37 - MR não é capaz de reconhecer a seqüência de ignição dos cilindros.
1.0 Troque o MR
0 40 38 - Falha interna no circuito de acionamento do motor de partida.
1.0 Troque o MR
Eletricidade Veicular — Mercedez-Benz
Global Training.
72
0 40 47 - Falha interna na leitura de parâmetros.
1.0 Troque o MR
0 40 48 - Falha interna a seqüência de ignição dos cilindros não coincide com o tipo de
motor.
1.0 Troque o MR
0 40 50 - Falha interna, o hardware do MR não é reconhecido pelo software.
1.0 Troque o MR
0 40 51 - Falha interna, erro de parametrização.
1.0 Troque o MR
0 40 56 - Falha interna, o MR não é capaz de acionar o motor de partida.
1.0 Troque o MR
0 65 06 - Falha no sistema de separador de óleo.
1.0 Não aplicado, troque MR
0 65 64 - Falha no sistema de separador de óleo.
1.0 Não aplicado, troque MR
0 75 42 - Tensão da bateria muito alta, ( acima de 30V para sistemas 24V ou acima de
16V para sistemas de 12V) por um tempo maior que 5 segundos.
1.0 Verifique regulador de tensão
2.0 Verifique ligações de equipamentos de 12V entre as duas baterias.
0 75 43 - Tensão da bateria muito baixa, ( acima de 22V para sistemas 24V ou acima de
10V para sistemas de 12V) por um tempo maior que 5 segundos.
1.0 Verifique regulador de tensão
2.0 Verifique os cabos de ligação desde o borne positivo da bateria até a entrada do MR.
3.0 Compare a tensão medida com o multímetro na entrada do MR e o valor lido em
valor MW21, se o valor lido pelo MR, troque o MR.
Eletricidade Veicular — Mercedez-Benz
Global Training. 73
0 90 44 - Ajuste do desvio de rotação em marcha lenta do cilindro 1 esteve no limite
por um tempo maior que 5s.
1.0 Verifique a tubulação de alta pressão de combustível para o cilindro 1
2.0 Verifique o bico injetor do cilindro 1
3.0 Verifique a unidade injetora do cilindro 1
0 90 45 - Compensação individual de torque do cilindro 1 esteve no limite por um
tempo maior que 5s.
1.0 Verifique a tubulação de alta pressão de combustível para o cilindro 1
2.0 Verifique o bico injetor do cilindro 1
3.0 Verifique a unidade injetora do cilindro 1
0 91 44 - Ajuste do desvio de rotação em marcha lenta do cilindro 2 esteve no limite
por um tempo maior que 5s.
1.0 Verifique a tubulação de alta pressão de combustível para o cilindro 2
2.0 Verifique o bico injetor do cilindro 2
3.0 Verifique a unidade injetora do cilindro 2
0 91 45 - Compensação individual de torque do cilindro 2 esteve no limite por um
tempo maior que 5s.
1.0 Verifique a tubulação de alta pressão de combustível para o cilindro 2
2.0 Verifique o bico injetor do cilindro 2
3.0 Verifique a unidade injetora do cilindro 2
0 92 44 - Ajuste do desvio de rotação em marcha lenta do cilindro 3 esteve no limite
por um tempo maior que 5s.
1.0 Verifique a tubulação de alta pressão de combustível para o cilindro 3
2.0 Verifique o bico injetor do cilindro 3
3.0 Verifique a unidade injetora do cilindro 3
0 92 45
Compensação individual de torque do cilindro 1 esteve no limite por um tempo maior que 5s.
1.0 Verifique a tubulação de alta pressão de combustível para o cilindro 3
2.0 Verifique o bico injetor do cilindro 3
3.0 Verifique a unidade injetora do cilindro 3
Eletricidade Veicular — Mercedez-Benz
Global Training.
74
0 93 44 - Ajuste do desvio de rotação em marcha lenta do cilindro 4 esteve no limite
por um tempo maior que 5s.
1.0 Verifique a tubulação de alta pressão de combustível para o cilindro 4
2.0 Verifique o bico injetor do cilindro 4
3.0 Verifique a unidade injetora do cilindro 4
0 9345 - Compensação individual de torque do cilindro 4 esteve no limite por um
tempo maior que 5s.
1.0 Verifique a tubulação de alta pressão de combustível para o cilindro 4
2.0 Verifique o bico injetor do cilindro 4
3.0 Verifique a unidade injetora do cilindro 4
0 94 44 - Ajuste do desvio de rotação em marcha lenta do cilindro 5 esteve no limite
por um tempo maior que 5s.
1.0 Verifique a tubulação de alta pressão de combustível para o cilindro 5
2.0 Verifique o bico injetor do cilindro 5
3.0 Verifique a unidade injetora do cilindro 5
0 94 45 - Compensação individual de torque do cilindro 5 esteve no limite por um
tempo maior que 5s.
1.0 Verifique a tubulação de alta pressão de combustível para o cilindro 5
2.0 Verifique o bico injetor do cilindro 5
3.0 Verifique a unidade injetora do cilindro 5
0 95 44 - Ajuste do desvio de rotação em marcha lenta do cilindro 6 esteve no limite
por um tempo maior que 5s.
Sugestões para solução
1.0 Verifique a tubulação de alta pressão de combustível para o cilindro 6
2.0 Verifique o bico injetor do cilindro 6
3.0 Verifique a unidade injetora do cilindro 6
0 95 45 - Compensação individual de torque do cilindro 6 esteve no limite por um
tempo maior que 5s.
1.0 Verifique a tubulação de alta pressão de combustível para o cilindro 6
2.0 Verifique o bico injetor do cilindro 6
3.0 Verifique a unidade injetora do cilindro 6
Eletricidade Veicular — Mercedez-Benz
Global Training. 75
0 96 44 - Ajuste do desvio de rotação em marcha lenta do cilindro 7 esteve no limite
por um tempo maior que 5s.
1.0 Verifique a tubulação de alta pressão de combustível para o cilindro 7
2.0 Verifique o bico injetor do cilindro 7
3.0 Verifique a unidade injetora do cilindro 7
0 96 45 - Compensação individual de torque do cilindro 7 esteve no limite por um
tempo maior que 5s.
1.0 Verifique a tubulação de alta pressão de combustível para o cilindro 7
2.0 Verifique o bico injetor do cilindro 7
3.0 Verifique a unidade injetora do cilindro 7
0 97 44 - Ajuste do desvio de rotação em marcha lenta do cilindro 8 esteve no limite
por um tempo maior que 5s.
1.0 Verifique a tubulação de alta pressão de combustível para o cilindro 8
2.0 Verifique o bico injetor do cilindro 8
3.0 Verifique a unidade injetora do cilindro 8
0 97 45 - Compensação individual de torque do cilindro 8 esteve no limite por um
tempo maior que 5s.
1.0 Verifique a tubulação de alta pressão de combustível para o cilindro 8
2.0 Verifique o bico injetor do cilindro 8
3.0 Verifique a unidade injetora do cilindro 8
0 98 46 - Impossível fazer a compensação individual de cilindros.
1.0 Troque o MR.
1 01 00 - Só existe comunicação na linha L do CAN de baixa velocidade que vai do MR
até o FR.
1.0 Procure por curto circuito a massa ou cabo rompido.
1 01 01 - Só existe comunicação na linha H do CAN de baixa velocidade que vai
do MR até o FR.
1.0 Procure por curto circuito a massa ou cabo rompido.
1 01 02 - Informações implausíveis na linha CAN de baixa velocidade que vai do MR
até o FR.
1.0 Apague os códigos do FR.
Eletricidade Veicular — Mercedez-Benz
Global Training.
76
1 01 04 - Impossível comunicação na linha CAN de baixa velocidade que vai do MR
até o FR.
1.0 Verifique alimentação KL15 do FR com FR BW01 Bits 10.
2.0 Verifique as conexões da linha CAN que vão desde o MR até o FR.
1 01 49 - Tipo de ventilador de arrefecimento do motor parametrizado de forma errada
no FR.
1.0 Corrija o parâmetro 73 do FR que deve ser coerente com o parâmetro 17 do MR.
1 03 08 - Sinal do sensor de comando muito baixo.
1.0 Troque o sensor do eixo de comando com o do volante do motor.
2.0 Se o código de falha mudou para 10408, troque o sensor se o código de falha permaneceu
o mesmo, verifique as ligações do sensor.
1 03 09 - Sinal do sensor de comando muito alto.
1.0 Troque o sensor do eixo de comando com o do volante do motor.
2.0 Se o código de falha mudou para 10409, troque o sensor se o código de falha permaneceu
o mesmo, verifique as ligações do sensor.
1 03 10 - Picos do sinal do sensor de comando muito baixos.
1.0 Remova o sensor e limpe possíveis limalhas ou pedaços de metais.
2.0 Verifique se os furos da engrenagem do eixo de comando não estão danificados
3.0 Troque o sensor do eixo de comando com o do volante do motor.
4.0 Se o código de falha mudou para 10410, troque o sensor se o código de falha permaneceu
o mesmo, verifique as ligações do sensor.
1 03 11 - Sinal do sensor do comando não está coerente com o sinal do volante, não
existe uma sincronização esperada entre a posição dos dois eixos.
1.0 Remova o sensor e limpe possíveis limalhas ou pedaços de metais.
2.0 Verifique se os furos da engrenagem do eixo de comando não estão danificados.
3.0 Verifique se a bucha de fixação do sensor está em boas condições, na dúvida troque-a.
4.0 Troque o sensor do eixo de comando com o do volante do motor.
5.0 Se o código de falha mudou para 10411, troque o sensor se o código de falha permaneceu
o mesmo, verifique as ligações do sensor.
1 03 12 - Não existe sinal na entrada do sensor do eixo de comando.
1.0 Troque o sensor do eixo de comando com o do volante do motor.
2.0 Se o código de falha mudou para 10412, troque o sensor se o código de falha permaneceu
o mesmo, verifique as ligações do sensor.
Eletricidade Veicular — Mercedez-Benz
Global Training. 77
1 03 13 - Polaridade do sensor do eixo de comando invertida.
1.0 Se foram feitos reparos na ligação do sensor, inverta a posição dos cabos do sensor.
1 04 08 - Sinal do sensor de comando muito baixo.
1.0 Troque o sensor do eixo de comando com o do volante do motor.
2.0 Se o código de falha mudou para 10308, troque o sensor se o código de falha permaneceu
o mesmo, verifique as ligações do sensor.
1 04 09 - Sinal do sensor de comando muito alto.
1.0 Troque o sensor do eixo de comando com o do volante do motor.
2.0 Se o código de falha mudou para 10309, troque o sensor se o código de falha permaneceu
o mesmo, verifique as ligações do sensor.
1 04 10 - Picos do sinal do sensor de comando muito baixos.
1.0 Remova o sensor e limpe possíveis limalhas ou pedaços de metais.
2.0 Verifique se os furos da engrenagem do eixo de comando não estão danificados
3.0 Troque o sensor do eixo de comando com o do volante do motor.
4.0 Se o código de falha mudou para 10310, troque o sensor se o código de falha permaneceu
o mesmo, verifique as ligações do sensor.
1 04 11 - Sinal do sensor do comando não está coerente com o sinal do volante, não
existe uma sincronização esperada entre a posição dos dois eixos.
1.0 Remova o sensor e limpe possíveis limalhas ou pedaços de metais.
2.0 Verifique se os furos da engrenagem do eixo de comando não estão danificados.
3.0 Verifique se a bucha de fixação do sensor está em boas condições, na dúvida troque-a.
4.0 Troque o sensor do eixo de comando com o do volante do motor.
5.0 Se o código de falha mudou para 10311, troque o sensor se o código de falha permaneceu
o mesmo, verifique as ligações do sensor.
1 04 12 - Não existe sinal na entrada do sensor do eixo de comando.
1.0 Troque o sensor do eixo de comando com o do volante do motor.
2.0 Se o código de falha mudou para 10312, troque o sensor se o código de falha permaneceu
o mesmo, verifique as ligações do sensor.
1 04 13 - Polaridade do sensor do eixo de comando invertida.
1.0 Se foram feitos reparos na ligação do sensor, inverta a posição dos cabos do sensor.
Eletricidade Veicular — Mercedez-Benz
Global Training.
78
1 05 30 - Motor atingiu uma rotação muito alta, nestas condições o alarme sonoro do
painel de instrumentos deve ter tocado alertando o motorista do risco para o motor, o
topbrake é automaticamente acionado.
1.0 Orientar o motorista quanto ao risco para o motor em caso de sobrerotação.
1 11 15 - Valor medido no sensor de temperatura do combustível é muito alto.
1.0 Remova o sensor.
2.0 Faça uma ponte entre os terminais do sensor.
3.0 Se o código mudar para 1 11 16 troque o sensor se não mudar procure por cabo rompido
na ligação do sensor.
1 11 16 - Valor medido no sensor de temperatura do combustível é muito baixo.
1.0 Remova o sensor.
2.0 Se o código mudar para 1 11 15 troque o sensor se não mudar procure por cabos em
curto na ligação do sensor.
1 12 15 - Valor medido no sensor de temperatura do ar de admissão é muito alto.
1.0 Remova o sensor.
2.0 Faça uma ponte entre os terminais do sensor.
3.0 Se o código mudar para 1 12 16 troque o sensor se não mudar procure por cabo rompido
na ligação do sensor.
1 12 16 - Valor medido no sensor de temperatura do ar de admissão é muito baixo.
1.0 Remova o sensor.
2.0 Se o código mudar para 1 12 15 troque o sensor se não mudar procure por cabos em
curto na ligação do sensor.
1 14 15 - Valor medido no sensor de pressão do ar de admissão é muito alto.
1.0 Remova o sensor.
2.0 Faça uma ponte entre os terminais 1 e 4 do conector do sensor.
3.0 Se o código mudar para 1 14 16 troque o sensor se não mudar procure por cabo rompido
na ligação do sensor.
1 14 16 - Valor medido no sensor de pressão do ar de admissão é muito baixo.
1.0 Remova o sensor.
2.0 Se o código mudar para 1 14 15 troque o sensor se não mudar procure por cabos em
curto na ligação do sensor.
Eletricidade Veicular — Mercedez-Benz
Global Training. 79
1 14 17 - Valor medido no sensor de pressão do ar de admissão não é plausível, o valor está
muito diferente do valor lido no sensor de pressão atmosférica que está dentro do MR.
1.0 Compare os valores MW18 e MW19 no MR, em nível com o mar o valor deve ser bem
próximo de 1000mbar, e a medida que a altura aumenta, a pressão diminui, a 600m
acima do nível do mar a pressão é próxima de 900mbar.
2.0 Se o valor MW19 estiver muito fora do esperado, troque o MR.
3.0 Se o valor MW18 estiver muito fora do esperado, verifique o sensor e sua ligação.
1 15 15 - Valor medido no sensor de temperatura do liquido de arrefecimento é muito alto.
1.0 Remova o sensor.
2.0 Faça uma ponte entre os terminais do concector do sensor.
3.0 Se o código mudar para 1 15 16 troque o sensor se não mudar procure por cabo rompido
na ligação do sensor.
1 15 16 - Valor medido no sensor de temperatura do combustível é muito baixo.
1.0 Remova o sensor.
2.0 Se o código mudar para 1 15 15 troque o sensor se não mudar procure por cabos
em curto na ligação do sensor.
1 16 15 - Valor medido no sensor de pressão do óleo do motor é muito alto.
1.0 Remova o sensor.
2.0 Faça uma ponte entre os terminais 1 e 4 do conector do sensor.
3.0 Se o código mudar para 1 16 16 troque o sensor se não mudar procure por cabo rompido
na ligação do sensor.
1 16 16 - Valor medido no sensor de pressão do óleo do motor é muito baixo.
1.0 Remova o sensor.
2.0 Se o código mudar para 1 16 15 troque o sensor se não mudar procure por cabos em
curto na ligação do sensor.
1 16 17 - Valor medido no sensor de pressão do óleo do motor é muito diferente
do valor esperado.
1.0 Veja o valor MW20 no MR, um motor em boas condições apresenta pressão
de aproximadamente 1500 mbar em marcha lenta e 5000 mbar em máxima rotação.
2.0 Se o valor MW20 estiver um pouco acima do esperado, verifique a válvula reguladora
de pressão do óleo.
3.0 Se o valor MW20 estiver um apresentar dígitos iguais, ex: 99999, verifique o sensor
e sua ligação.
Eletricidade Veicular — Mercedez-Benz
Global Training.
80
1 18 18 - Valor medido no sensor de pressão do ar de admissão é muito diferente do
valor esperado.
O MR determina um valor esperado de pressão com base nas informações de rotação
e torque do motor.
1.0 Verifique tubulações, resfriador de ar e turbo.
2.0 Verifique o sensor de pressão do ar de admissão.
1 18 20 - Valor medido no sensor de pressão do ar de admissão é muito alto.
O MR determina um valor esperado de pressão com base nas informações de rotação
e torque do motor.
1.0 Verifique wastegate ( sistema mecânico de ajuste da pressão do turbo ).
2.0 Verifique o sensor de pressão do ar de admissão.
1 18 74 - Valor medido no sensor de pressão do ar de admissão é muito diferente do
valor esperado.
O MR determina um valor esperado de pressão com base nas informações de rotação
e torque do motor.
1.0 Verifique wastegate ( sistema mecânico de ajuste da pressão do turbo ).
2.0 Verifique o sensor de pressão do ar de admissão.
1 18 75 - Valor medido no sensor de pressão do ar de admissão não é alcançado.
O MR determina um valor esperado de pressão com base nas informações de rotação
e torque do motor.
1.0 Verifique wastegate ( sistema mecânico de ajuste da pressão do turbo ).
2.0 Verifique o sensor de pressão do ar de admissão.
1 18 76 - Valor de frenagem com turbo brake está muito baixo.
1.0 Verifique controles mecânicos e elétricos do turbo brake.
1 19 17 - Valor da pressão do combustível fora do valor esperado.
1.0 Ainda não temos este sensor montado nos nossos veículos.
1 22 19 - KL15 presente no MR e não no FR por um tempo maior que 2 segundos, isso
pode gerar conflitos de início de comunicação via CAN de baixa velocidade.
1.0 Verifique toda a fiação.
2.0 Apague o código de falha.
Eletricidade Veicular — Mercedez-Benz
Global Training. 81
1 23 19 - KL50 presente no MR e não no FR por um tempo maior que 2 segundos, isso
pode gerar conflitos de comunicação com relação a partida do motor.
1.0 Verifique toda a instalação do KL 50 inclusive os reles.
1 40 34 - Falha interna no MR no circuito de acionamento da válvula
proporcional 1.
1.0 Troque o MR.
1 40 35 - Falha interna no MR no circuito de acionamento do banco 2 de válvula
proporcional .
1.0 Troque o MR.
1 40 36 - Falha interna no MR no circuito de acionamento da válvula proporcional 5.
1.0 Troque o MR.
1 40 38, 1 40 39 - Falha interna no MR no circuito de acionamento do relê do motor
de partida.
1.0 Troque o MR.
1 40 41 - Falha interna no MR no circuito de acionamento da da válvula proporcional.
1.0 Troque o MR.
1 40 49 - Falha de parametrização do MR.
1.0 Troque o MR.
1 40 54 - Falha geral na leitura dos dados do CAN.
1.0 Troque o MR.
1 50 26 - Tempo de atracamento da unidade injetora do cilindro 1 indefinido.
1.0 Se aparecer o mesmo problema para outras unidades, verifique a tensão da bateria,
verifique o circuito de combustível quanto vazamento, filtro obstruido etç.
2.0 Troque a unidade injetora com outra, se o código de falha mudar, troque a unidade
injetora.
Eletricidade Veicular — Mercedez-Benz
Global Training.
82
1 51 26 - Tempo de atracamento da unidade injetora do cilindro 2 indefinido.
1.0 Se aparecer o mesmo problema para outras unidades, verifique a tensão da bateria,
verifique o circuito de combustível quanto vazamento, filtro obstruido etç.
2.0 Troque a unidade injetora com outra, se o código de falha mudar, troque a unidade
injetora.
1 52 26 - Tempo de atracamento da unidade injetora do cilindro 3 indefinido.
1.0 Se aparecer o mesmo problema para outras unidades, verifique a tensão da bateria,
verifique o circuito de combustível quanto vazamento, filtro obstruido etç.
2.0 Troque a unidade injetora com outra, se o código de falha mudar, troque a unidade
injetora.
1 53 26 - Tempo de atracamento da unidade injetora do cilindro 4 indefinido.
1.0 Se aparecer o mesmo problema para outras unidades, verifique a tensão da bateria,
verifique o circuito de combustível quanto vazamento, filtro obstruido etç.
2.0 Troque a unidade injetora com outra, se o código de falha mudar, troque a unidade
injetora.
1 54 26 - Tempo de atracamento da unidade injetora do cilindro 5 indefinido.
1.0 Se aparecer o mesmo problema para outras unidades, verifique a tensão da bateria,
verifique o circuito de combustível quanto vazamento, filtro obstruido etç.
2.0 Troque a unidade injetora com outra, se o código de falha mudar, troque a unidade
injetora.
1 55 26 - Tempo de atracamento da unidade injetora do cilindro 6 indefinido.
1.0 Se aparecer o mesmo problema para outras unidades, verifique a tensão da bateria,
verifique o circuito de combustível quanto vazamento, filtro obstruido etç.
2.0 Troque a unidade injetora com outra, se o código de falha mudar, troque a unidade
injetora.
1 56 26 - Tempo de atracamento da unidade injetora do cilindro 7 indefinido.
1.0 Se aparecer o mesmo problema para outras unidades, verifique a tensão da bateria,
verifique o circuito de combustível quanto vazamento, filtro obstruido etç.
2.0 Troque a unidade injetora com outra, se o código de falha mudar, troque a unidade
injetora.
1 57 26 - Tempo de atracamento da unidade injetora do cilindro 8 indefinido.
1.0 Se aparecer o mesmo problema para outras unidades, verifique a tensão da bateria,
verifique o circuito de combustível quanto vazamento, filtro obstruido etç.
2.0 Troque a unidade injetora com outra, se o código de falha mudar, troque a
unidade injetora.
Eletricidade Veicular — Mercedez-Benz
Global Training. 83
1 50 27 - Defeito elétrico na unidade injetora do cilindro 1.
1.0 Se aparecer o mesmo problema para outras unidades, verifique a tensão da bateria.
2.0 Troque a unidade injetora com outra, se o código de falha mudar, troque a
unidade injetora.
1 51 27 - Defeito elétrico na unidade injetora do cilindro 2.
1.0 Se aparecer o mesmo problema para outras unidades, verifique a tensão da bateria.
2.0 Troque a unidade injetora com outra, se o código de falha mudar, troque a
unidade injetora.
1 52 27 - Defeito elétrico na unidade injetora do cilindro 3.
1.0 Se aparecer o mesmo problema para outras unidades, verifique a tensão da bateria.
2.0 Troque a unidade injetora com outra, se o código de falha mudar, troque a
unidade injetora.
1 54 27 - Defeito elétrico na unidade injetora do cilindro 5.
1.0 Se aparecer o mesmo problema para outras unidades, verifique a tensão da bateria.
2.0 Troque a unidade injetora com outra, se o código de falha mudar, troque a
unidade injetora.
1 55 27 - Defeito elétrico na unidade injetora do cilindro 6.
1.0 Se aparecer o mesmo problema para outras unidades, verifique a tensão da bateria.
2.0 Troque a unidade injetora com outra, se o código de falha mudar, troque a
unidade injetora.
1 56 27 - Defeito elétrico na unidade injetora do cilindro 7.
1.0 Se aparecer o mesmo problema para outras unidades, verifique a tensão da bateria.
2.0 Troque a unidade injetora com outra, se o código de falha mudar, troque a
unidade injetora.
1 57 27 - Defeito elétrico na unidade injetora do cilindro 8.
1.0 Se aparecer o mesmo problema para outras unidades, verifique a tensão da bateria.
2.0 Troque a unidade injetora com outra, se o código de falha mudar, ttroque a
unidade injetora.
1 70 06 - Curto circuito na ligação da válvula proporcional 1.
1.0 Se a válvula proporcional não estiver instalada, verifique a parametrização do MR.
2.0 Desconecte a válvula.
3.0 Se a falha mudou para 1 70 09, troque a válvula, se o código não mudou, verifique
a ligação nos conectores X2 55/51 e X2 55/12.
Eletricidade Veicular — Mercedez-Benz
Global Training.
84
1 70 07 - Curto circuito com positivo no circuito da válvula proporcional 1.
1.0 Se a válvula proporcional não estiver instalada, verifique a parametrização do MR.
2.0 Desconecte a válvula.
3.0 Faça uma ponte entre os terminais do conector que é ligado na válvula.
4.0 Se a falha mudou para 1 70 06, troque a válvula, se o código não mudou, verifique
a ligação nos conectores X2 55/51 e X2 55/12.
1 70 09 - Circuito da ligação da válvula proporcional 1 aberto.
1.0 Se a válvula proporcional não estiver instalada, verifique a parametrização do MR.
2.0 Desconecte a válvula.
3.0 Faça uma ponte entre os terminais do conector que é ligado na válvula.
4.0 Se a falha mudou para 1 70 06, troque a válvula, se o código não mudou, verifique
a ligação nos conectores X2 55/51 e X2 55/12.
1 71 06 - Curto circuito na ligação da válvula proporcional 3.
1.0 Se a válvula proporcional não estiver instalada, verifique a parametrização do MR.
2.0 Desconecte a válvula.
3.0 Se a falha mudou para 1 71 09, troque a válvula, se o código não mudou, verifique
a ligação nos conectores X2 55/41 e X2 55/12.
1 71 07 - Curto circuito com positivo no circuito da válvula proporcional 3.
1.0 Se a válvula proporcional não estiver instalada, verifique a parametrização do MR.
2.0 Desconecte a válvula.
3.0 Faça uma ponte entre os terminais do conector que é ligado na válvula.
4.0 Se a falha mudou para 1 70 06, troque a válvula, se o código não mudou, vverifique
a ligação nos conectores X2 55/41 e X2 55/12.
1 71 09 - Circuito da ligação da válvula proporcional 3 aberto.
1.0 Se a válvula proporcional não estiver instalada, verifique a parametrização do MR.
2.0 Desconecte a válvula.
3.0 Faça uma ponte entre os terminais do conector que é ligado na válvula.
4.0 Se a falha mudou para 1 70 06, troque a válvula, se o código não mudou,verifique
a ligação nos conectores X2 55/41 e X2 55/12.
1 71 12 - A temperatura do motor atingiu valores de acionamento do ventilador
de arrefecimento mas o sinal de rotação do motor do ventilador é zero.
1.0 Verifique circuito de ligação do ventilador de arrefecimento.
Eletricidade Veicular — Mercedez-Benz
Global Training. 85
1 72 06 - Curto circuito na ligação da válvula proporcional 4.
1.0 Se a válvula proporcional não estiver instalada, verifique a parametrização do MR.
2.0 Desconecte a válvula.
3.0 Se a falha mudou para 1 72 09, troque a válvula, se o código não mudou, verifique
a ligação nos conectores X2 55/43 e X2 55/12.
1 72 07 - Curto circuito com positivo no circuito da válvula proporcional 4.
1.0 Se a válvula proporcional não estiver instalada, verifique a parametrização do MR.
2.0 Desconecte a válvula.
3.0 Faça uma ponte entre os terminais do conector que é ligado na válvula.
4.0 Se a falha mudou para 1 72 06, troque a válvula, se o código não mudou, verifique
a ligação nos conectores X2 43/51 e X2 55/12.
1 72 09 - Circuito da ligação da válvula proporcional 4 aberto.
1.0 Se a válvula proporcional não estiver instalada, verifique a parametrização do MR.
2.0 Desconecte a válvula.
3.0 Faça uma ponte entre os terminais do conector que é ligado na válvula.
4.0 Se a falha mudou para 1 73 06, troque a válvula, se o código não mudou, verifique
a ligação nos conectores X2 43/51 e X2 55/12.
1 73 06 - Curto circuito na ligação da válvula proporcional 3.
1.0 Se a válvula proporcional não estiver instalada, verifique a parametrização do MR.
2.0 Desconecte a válvula.
3.0 Se a falha mudou para 1 73 09, troque a válvula, se o código não mudou, verifique
a ligação nos conectores X2 55/50 e X2 55/52.
1 73 07 - Curto circuito com positivo no circuito da válvula proporcional 3.
1.0 Se a válvula proporcional não estiver instalada, verifique a parametrização do MR.
2.0 Desconecte a válvula.
3.0 Faça uma ponte entre os terminais do conector que é ligado na válvula.
4.0 Se a falha mudou para 1 73 06, troque a válvula, se o código não mudou, verifique
a ligação nos conectores X2 43/50 e X2 55/52.
1 73 09 - Circuito da ligação da válvula proporcional 3 aberto.
1.0 Se a válvula proporcional não estiver instalada, verifique a parametrização do MR.
2.0 Desconecte a válvula.
3.0 Faça uma ponte entre os terminais do conector que é ligado na válvula.
4.0 Se a falha mudou para 1 70 06, troque a válvula, se o código não mudou, verifique
a ligação nos conectores X2 43/50 e X2 55/52.
Eletricidade Veicular — Mercedez-Benz
Global Training.
86
1 74 05 - Curto circuito na ligação da válvula proporcional 5.
1.0 Se a válvula proporcional não estiver instalada, verifique a parametrização do MR.
2.0 Desconecte a válvula.
3.0 Se a falha mudou para 1 74 08, troque a válvula, se o código não mudou, verifique
a ligação nos conectores X2 55/12 e X2 55/27.
1 74 08 - Curto circuito com positivo no circuito da válvula proporcional 5.
1.0 Se a válvula proporcional não estiver instalada, verifique a parametrização do MR.
2.0 Desconecte a válvula.
3.0 Faça uma ponte entre os terminais do conector que é ligado na válvula.
4.0 Se a falha mudou para 1 74 05, troque a válvula, se o código não mudou, verifique
a ligação nos conectores X2 55/12 e X2 55/27.
1 76 09 - Circuito da ligação da válvula proporcional 6 aberto.
1.0 Se a válvula proporcional não estiver instalada, verifique a parametrização do MR.
2.0 Desconecte a válvula.
3.0 Faça uma ponte entre os terminais do conector que é ligado na válvula.
4.0 Se a falha mudou, troque a válvula, se o código não mudou, verifique
a ligação nos conectores X2 55/40 e X2 55/12.
1 76 09 - Circuito da ligação da válvula proporcional 6 aberto.
1.0 Se a válvula proporcional não estiver instalada, verifique a parametrização do MR.
2.0 Desconecte a válvula.
3.0 Faça uma ponte entre os terminais do conector que é ligado na válvula.
4.0 Se a falha mudou, troque a válvula, se o código não mudou, verifique
a ligação nos conectores X2 55/40 e X2 55/12.
1 77 05 - Saída para banco de válvulas proporcionais 1 em curto com o positivo ou
cabo rompido.
1.0 Verifique a ligação no conector X2 55/12.
1 77 08 - Saída para banco de válvulas proporcionais 1 em curto com a massa.
1.0 Verifique a ligação no conector X2 55/12.
1 78 05 - Saída para banco de válvulas proporcionais 2 em curto com o positivo
ou cabo rompido.
1.0 Verifique a ligação no conector X2 55/52.
Eletricidade Veicular — Mercedez-Benz
Global Training. 87
1 78 08 - Saída para banco de válvulas proporcionais 2 em curto com a massa.
1.0 Verifique a ligação no conector X2 55/52.
1 80 05 - Falha no circuito de acionamento do relê de partida.
1.0 Verifique o relê de partida e o circuito de ligação. O relê de partida pode estar ligado
no conector X2 55/18 ou no conector X1 16/12.
1 80 08 - Falha no circuito de acionamento do relê de partida, curto com a massa.
1.0 Verifique o relê de partida e o circuito de ligação. O relê de partida pode estar ligado
no conector X2 55/18 ou no conector X1 16/12.
1 80 09 - Falha no circuito de acionamento do relê de partida, cabo rompido.
1.0 Verifique o relê de partida e o circuito de ligação. O relê de partida pode estar ligado
no conector X2 55/18 ou no conector X1 16/12.
1 80 33 - Falha no circuito de acionamento do relê de partida, contato colado.
1.0 Verifique o relê de partida e o circuito de ligação. O relê de partida pode estar ligado
no conector X2 55/18 ou no conector X1 16/12.
1 80 86 - Falha no circuito de acionamento do relê de partida, bobina está OK mas
contato não funciona.
1.0 Verifique o relê de partida e o circuito de ligação. O relê de partida pode estar ligado
no conector X2 55/18 ou no conector X1 16/12.
1 99 60 - Máxima quantidade de chaves transponder alcançado
1.0 Com o Star diagnose eliminar chaves reconhecidas.
1 99 61 - Excedido o número de tentativas de partida sem transponder.
1.0 ...
1 99 62 - O MR foi colocado para trabalhar com um FR cujo bloqueio de partida
estava ativado.
1.0 Trocar o FR e o MR de uma vez e envia-los à fábrica para desbloqueio.
Eletricidade Veicular — Mercedez-Benz
Global Training.
88
1 99 63 - Não está aparecendo o código transponder no KL 50, ou foi executado
reprogramação de bloqueio de partida em um veículo que não tem o “chip” na chave.
1.0 Se o veículo era equipado com transponder, verifique o “chip” da chave.
2.0 Verifique o circuito da bobina de leitura do código transponder.
3.0 Trocar o FR e o MR de uma vez e envia-los à fábrica para desbloqueio.
1 99 64 - Não está aparecendo o código transponder no KL 50, ou foi executado
reprogramação de bloqueio de partida em um veículo que não tem o “chip” na chave.
1.0 Se o veículo era equipado com transponder, verifique o “chip” da chave.
2.0 Verifique o circuito da bobina de leitura do código transponder.
3.0 Trocar o FR e o MR de uma vez e envia-los à fábrica para desbloqueio.
2 40 53 - Defeito na cópia dos valores para bloqueio de partida.
1.0 Troque o MR.
2 48 05 - Curto com a massa no lado negativo do banco 1 das unidades injetoras.
1.0 Verifique a ligação na ligação do conector X2 55/16.
2 48 06 - Curto com o positivo no lado negativo do banco 1 das unidades injetoras.
1.0 Verifique a ligação na ligação do conector X2 55/16.
2 49 05 - Curto com a massa no lado negativo do banco 1 das unidades injetoras.
1.0 Verifique a ligação na ligação do conector X2 55/09.
2 49 06 - Curto com o positivo no lado negativo do banco 1 das unidades injetoras.
1.0 Verifique a ligação na ligação do conector X2 55/09.
2 50 28 - Curto na saída da unidade injetora 1.
1.0 Troque a unidade injetora com outra.
2.0 Se o código trocar junto, troque a unidade.
3.0 Se o código não trocar, verifique a ligação ou troque o MR.
Eletricidade Veicular — Mercedez-Benz
Global Training. 89
Lista de parâmetros para o MR
Eletricidade Veicular — Mercedez-Benz
Global Training.
90
Eletricidade Veicular — Mercedez-Benz
Global Training. 91
Eletricidade Veicular
Sistema ADM
Eletricidade Veicular — Mercedez-Benz
Global Training.
92
Módulo ADM - Funcionamento
Situado na cabine do veículo(**), o módulo de comando ADM, tem as seguintes funções:
- ativar as lâmpadas de controle no painel de instrumentos;
- possibilitar a instalação de tomada de força no veículo;
- requisitar a partida ao módulo de comando do motor;
- verificar o engrenamento de alguma marcha no instante da partida;
- identificar a posição do pedal do acelerador;
- determinar a utilização de estratégias de controle de rotação, como a regulagem RQ ou RQV;
- limitar a velocidade máxima do veículo;
- ativar o freio motor e o TOP BRAKE;
- controlar os dados procedentes do módulo de comando do motor por intermédio da linha CAN;
Os sensores que informam o regime de operação do motor, enviam informações diretamente ao
PLD. Este, além de conter as características operacionais como: tipo de motor, número de cilindros,
mapas dos ângulos e pulsos de injeção, curvas características e outros, promove também
regulagem das unidades injetoras.
O PLD determina o instante e a duração da injeção, baseado nos sinais dos sensores e dados
recebidos do ADM.
Juntos o PLD e o ADM desenvolvem rotinas seguras de operação do motor e do veículo.
Vista dos conectores
(**) A localização do módulo ADM nos ônibus depende da carroceria
adm001.emf
Eletricidade Veicular — Mercedez-Benz
Global Training. 93
Pedal do acelerador
O pedal do acelerador está equipado com um sensor que indica a posição instantânea do pedal
solicitada pelo operador. O módulo ADM passa esta informação ao PLD. De posse desta informação,
este controla o torque do motor, priorizando segurança e o controle de emissões de poluentes.
Diagrama em bloco - PLD e ADM
diag_adm001.tif
diag_adm002.tif
Eletricidade Veicular — Mercedez-Benz
Global Training.
94
O pedal do acelerador possui um circuito interno que transforma sua posição física, definida pelo
operador , em sinal elétrico. Este sinal é um conjunto de pulsos de amplitude e frequência fixas e
de largura variada, que tem o nome de PWM (Pulse Width Modulation).
O módulo ADM, de acordo com a largura deste pulso e um conjunto de parâmetros internos
determina o torque solicitado pelo operador do veículo.
Sinal elétrico emitido pelo pedal do acelerador na posição de repouso
Sinal elétrico emitido pelo pedal do acelerador na posição de plena carga
diag_adm003.tif
diag_adm004.tif
Podemos observar nas ilustrações acima que quanto maior o torque solicitado pelo operador
do veículo, maior é a largura do pulso elétrico.
14,3 %
53,8 %
Eletricidade Veicular — Mercedez-Benz
Global Training. 95
Reconhecimento da faixa de trabalho do pedal do acelerador
Os valores dos limites da variação do sinal PWM variam de um pedal para outro, por isso é preciso
fazer com que o ADM identifique esses limites sempre que o mesmo for trocado.
O fato de desconectar e reconectar um pedal de limites já reconhecidos, não exige que se reconheça
novamente. O ADM não aceita qualquer valor de limites, por isso pode ser que haja problemas
para reconhecer um pedal avariado. Durante a reprogramação, o ADM aceita como faixa de marcha
lenta uma relação de 10% a 30% e de 40% a 90% para plena carga.
diag_adm005.tif
A largura do sinal PWM é lida em porcentagem, tomando como referência o ciclo de trabalho (P).
Este sinal tem uma largura que pode variar de 15% a 55% em relação ao ciclo (P), sendo para
marcha lenta aproximadamente 15% e para plena carga aproximadamente 55%.
Na ilustração acima temos um sinal com ciclo de 4,87 milisegundos (P) e uma largura de pulso (L)
de 0,69 milisegundos o que equivale a 14,3 %.
Eletricidade Veicular — Mercedez-Benz
Global Training.
96
Verificação do pedal do acelerador
Para diagnóstico de falhas no pedal do acelerador, em caso de suspeita de mau funcionamento,
levar em consideração as seguintes indicações:
Código de falhas: verificar se existe algum código de falhas armazenado que se relacione com o
problema;
Posição do pedal do acelerador: verifique o sinal enviado pelo pedal ao ADM através do
equipamento de diagnose. Deve ser indicada uma variação dentro dos limites esperados.
Caso não indique, verifique o chicote elétrico (conectores) e a tensão de alimentação no pedal do
acelerador.
Torque solicitado: verifique o valor de torque solicitado, através do equipamento de diagnose.
Deverá ser indicada uma variação de 0 ao torque máximo especificado para o motor. Caso não,
repita o procedimento de checagem citado acima.
Verificação do pedal com um voltímetro
Meça a tensão de alimentação dos dois circuitos do pedal, que é fornecida pelo ADM.
Esquema da ligação de um pedal do acelerador
PWM
PWM
ADM023.emf
Eletricidade Veicular — Mercedez-Benz
Global Training. 97
Tacômetro
O ADM aciona o indicador de rotações conforme o
sinal de rotação recebido do terminal do sensor de
rotação do motor, que está no volante. Caso exista
uma falha neste sensor, o ADM utilizara o sinal que
vem do alternador.
O sinal de rotação é um conjunto de pulsos cuja
frequência varia com a rotação do motor.
Além do acionamento do conta-giros, o ADM utiliza
a informação de rotação para controle do freio
motor e top break.
Verificação do tacômetro
Para diagnóstico de falhas no tacômetro, em caso de suspeita de mau funcionamento, levar em
consideração as seguintes indicações:
Código de falhas: Verificar com o equipamento de diagnose a existencia de algum código de
falhas no ADM referente ao problema;
Tensão de trabalho: Verificar com equipamento adequado a tensão fornecida pelo ADM ao
tacômetro.
ADM007.tif
ADM006.emf
Eletricidade Veicular — Mercedez-Benz
Global Training.
98
Verificação do indicador de pressão de óleo
É possível testar o indicador de pressão, do tipo manômetro, com o auxílio do Star Diagnosis,
simulando valores fixos no ADM e comparando com a indicação obtida.
Circuito de indicador de pressão com sensor eletrônico
Indicador de pressão
O ADM recebe esta informação do PLD
através da linha CAN. Este envia um sinal
para o painel de instrumentos que acende a
luz verde ou vermelha, dependendo da
pressão de óleo lubrificante.
Pode ser que seja aplicado um indicador de
pressão de ponteiro (manômetro). Para que o
correto funcionamento, é preciso
parametrizar o tipo do mesmo no ADM.
É possível consultar a pressão do óleo
lubrificante do motor através do equipamento
de diagnose.
ADM008.tif
ADM008.emf
Eletricidade Veicular — Mercedez-Benz
Global Training. 99
Circuito de indicador de pressão com sensor passivo
ADM008.emf
Eletricidade Veicular — Mercedez-Benz
Global Training.
100
Verificação do indicador de temperatura
Com o auxílio do Star Diagnosis, é possível simular valores fixos de temperatura e verificar o
acionamento da lâmpada indicadora correspondente.
Indicador de temperatura
O ADM recebe esta informação do PLD através
da linha CAN. Este envia um sinal para o painel
de instrumentos que acende a luz azul, verde
ou vermelha, dependendo da temperatura.
É possível consultar o valor de temperatura
utilizando equipamento de diagnose.
ADM009.tif
adm009.emf
Eletricidade Veicular — Mercedez-Benz
Global Training. 101
Lâmpada indicadora de falhas no ADM ou PLD
O módulo ADM é o responsável por acionar a lâmpada de aviso (PLD) em caso de eventuais falhas
com o módulo PLD ou ADM.
A lâmpada PLD de aviso (PLD) acende em casos de falhas de grau de criticidade 1 e 2.
ADM 010.tif
ADM010.emf
Eletricidade Veicular — Mercedez-Benz
Global Training.
102
Lâmpada indicadora de baixo nível de óleo lubrificante
(opcional para motores da série 900)
O módulo de comando do motor recebe o sinal do sensor de nível e de temperatura do óleo
lubrificante e define o nível correto. Esta informação é recebida pelo ADM via CAN que ativa a
lâmpada de advertência em caso de baixo nível de óleo.
O tipo de sensor e de cárter devem estar corretamente parametrizados no módulo de comando do
motor.
Com o equipamento de diagnose é possível consultar o nível de óleo lubrificante do motor. Se o
valor lido for negativo, o nível está acima do requerido.
PLD013.tif
ADM011.emf
Eletricidade Veicular — Mercedez-Benz
Global Training. 103
Bloqueio da partida do motor
Existem algumas condições em que o módulo ADM inibe a partida do motor, são elas:
- Marcha engrenada;
- Tampa do motor aberta (ônibus).
Para estas funções serem habilitadas, o módulo ADM deve ser corretamente parametrizado.
Bloqueio do pedal do acelerador
Existe a possibilidade de inibir o funcionamento do pedal do acelerador, basta aplicar uma tensão
elétrica no pino abaixo indicado:
ADM012.emf
ADM013.emf
Eletricidade Veicular — Mercedez-Benz
Global Training.
104
Limitador de velocidade - Tacógrafo
A velocidade máxima do veículo é determinada pelo ADM, para a execução desta tarefa ele compara
a velocidade real com o valor máximo de velocidade permitido para o veículo. Quando o valor
de velocidade máxima é ultrapassado, o ADM reduz o torque solicitado ao módulo de comando
do motor.
Importante : E necessário que o sinal de velocidade do tacógrafo esteja correto, portanto,
este equipamento deve estar devidamente ajustado.
ADM014.emf
Eletricidade Veicular — Mercedez-Benz
Global Training. 105
Freio motor
O freio motor e o top-brake podem ser acionados pelo ADM ou pelo PLD dependendo do tipo de
veículo, também pode ser configurado para funcionar com uma ou duas válvulas de acionamento,
toda a parametrização é feita com o Star Diagnosis.
Circuito do freio motor com uma válvula no ADM e outra no PLD
Circuito do freio motor com uma válvula
Circuito do freio motor com duas válvulas
ADM015.emf
ADM016.emf
ADM017.emf
Eletricidade Veicular — Mercedez-Benz
Global Training.
106
Transmissão automática
Em veículos equipados com transmissão automática, pode haver uma comunicação especial entre
o ADM e o módulo de controle do equipamento.
As informações são :
- posição do pedal do acelerador;
- torque atual do veículo;
- torque teórico.
Estas informações podem estar presentes nas saídas chamadas de IWA1 e IWA2, na forma
de sinal PWM. Isto elimina o uso de sensores de carga e permite uma redução de torque no
instante da mudança de marcha efetuada pela transmissão. Esta saída precisa ser parametrizada
no ADM com o Star Diagnosis.
ADM018.emf
Eletricidade Veicular — Mercedez-Benz
Global Training. 107
Ar Condicionado
O ADM executa um controle específico da rotação do motor quando a entrada de ar-condicionado
está ativa, e corretamente parametrizada.
Com a ajuda do Star Diagnosis, é possível determinar os seguintes parametros para o veículo
nesta função:
- rotação mínima;
- rotação máxima ;
- velocidade máxima;
- torque máximo;
- ativar ou desativar a entrada.
ADM019.emf
Eletricidade Veicular — Mercedez-Benz
Global Training.
108
ADR - Controle de rotação para serviços especiais
Quando se deseja fazer uma segunda regulagem do motor, pode se utilizar entradas digitais
parametrizáveis, disponíveis no ADM.
Normalmente elas são utilizadas quando o veículo está equipado com tomada de força.
Para que a entrada esteja ativa, é preciso acioná-la elétricamente e parametrizá-la corretamente.
Exemplo de uma aplicação
Vamos imaginar que um veículo possui uma bomba de água ligada na tomada de força. Esta
bomba deve trabalhar com uma rotação fixa de 1200 rpm (**) e a tomada de força suporta um
torque máximo de 100 Nm (***). Para isso utilizamos a entrada ADR0 (*), veja como ficaram
os limites na tabela acima e o circuito proposto abaixo.
O ideal é que o interruptor seja montado de tal forma que seja garantido que ele só feche quando
a tomada de força estiver acionada.
ADM020.emf
Eletricidade Veicular — Mercedez-Benz
Global Training. 109
Segundo exemplo de aplicação - com rotação variável
Um veículo equipado com guincho (tipo Munck) tem uma bomba hidráulica que precisa trabalhar
com uma rotação entre 1200 rpm e 2100 rpm e não há limite de torque. A rotação do motor deve
ser controlada do lado de fora do veículo. Neste caso vamos utilizar o acelerador por botôes,
ADR+ e ADR-.
Quando o botão ADR+ é acionado pode-se subir a rotação do motor sobe até o máximo
parametrizado para a entrada ADR0, quando botão ADR- é acionado pode-se baixar a rotação
do motor até o valor mínimo parametrizado para a entrada ADR0.
As entradas ADR+ e ADR- só funcionam com a entrada ADR0 ligada.
Circuito da instalação de uma tomada de força com acelerador externo por botão
ADM021.emf
Eletricidade Veicular — Mercedez-Benz
Global Training.
110
Saída de sinal para reles IWK
O módulo ADM fornece saídas comutáveis que funcionam de acordo com alguns parâmetros que
estão descritos a seguir:
- velocidade do veículo;
- torque do motor,
- rotação do motor;
- temperatura do líquido de arrefecimento.
No circuito abaixo temos um exemplo de aplicação desta função para um veículo 2423 equipado
com a caixa de mudanças ZF 9S-75.
Neste caso, o módulo de controle executa duas rotinas de segurança:
- Acima de 16 Km/h o módulo envia um sinal ao rele K73 que, através de um conjunto de válvulas,
aciona o bloqueio impedindo o operador de acoplar a primeira e segunda marcha do veículo;
- Acima de 35 Km/h o módulo envia um sinal ao rele K74 que, também através de um conjunto
de válvulas, aciona o bloqueio de redução do GP impedindo que o operador acople a caixa reduzida
(1°H), evitando reduções bruscas que poderiam danificar a caixa de transmissão.
ADM022.emf
Eletricidade Veicular — Mercedez-Benz
Global Training. 111
Parâmetros do ADM
Parâmetros são informações que permitem ao módulo adaptar as informações recebidas as
necessidades do veículo, por exemplo: estabelecer a velocidade máxima do veículo, a rotação de
marcha lenta, rotação máxima, etc.
Alguns parâmetros interferem no comportamento do motor, eles são definidos pela DaimlerChrysler
e não devem ser alterados, pois podem acasionar problemas de perda de potência, consumo de
combustível, emissão de poluentes e até danos internos ao motor.
Lista de parâmetros
1.0 Configuração do CAN
2.0 Configurações básicas de marcha do veículo
3.0 Limitações de validades gerais
4.0 Limitações comutáveis N°0
5.0 Limitações comutáveis N°1
6.0 Limitações para funcionamento com ar condicionado
7.0 Configurações de regulagem de rotações
8.0 Avaliação do sinal B7
9.0 IWA ( Saída de valores analógicos
10.0 Configurações do freio motor
11.0 Configurações do pedal do acelerador
12.0 Proteção para caixa de mudanças
13.0 Entradas analógicas
1.0 Conexão da linha CAN
1.0 Capacidade para trabalhar com um fio.
Sim - Ajuste padrão. Habilita a comunicação CAN mesmo com umas das linhas interrompida.
Não - Desabilita a comunicação CAN, por completo, quando umas das linhas está
com problemas.
2.0 Configuração básica de marcha do veículo
01. Freio motor
0 - Deve ser escolhida quando não há freio motor no veículo
1 - Deve ser escolhido quando existir Top Brake e freio motor acionados por uma única
válvula
2 - Somente freio motor acionado pelo ADM
3 - Somente top brake acionado pelo ADM
4 - Freio motor acionado por uma válvula e top brake por outra
Eletricidade Veicular — Mercedez-Benz
Global Training.
112
02. Retardador ativo
Com esta informação o ADM desliga o retardador nas condições de ABS modulando, pedal
do acelerador acionado ou tomada de força ligada. Para isto ativa-se um rele que deve ser
ligado na saída X1 15/4.
Sim - Habilita o ADM para trabalhar com retardador
Não - desabilita o ADM a trabalhar com o retardador
03. Transmissão automática ativa
Esta informação faz com que o ADM considere a entrada de Neutro e só permita a partida
quando haver sinal positivo, liberado por um interruptor, no terminal X2 18/9
Sim - existe interruptor de neutro.
Não - não existe interruptor de neutro.
04. Ativar ADR+/-
Faz com que o ADM considere a entrada de sinal do acelerador por interruptores ligados aos
terminais X2 18/6 e X2 18/18
Sim - considerar a entrada de sinal do acelerador por interruptores.
Não - não considerar a entrada de sinal do acelerador por interruptores.
05. Pedal do acelerador ativo
Habilita o funcionamento do pedal do acelerador com a tomada de força (ADR) acionada.
Sim - o pedal do acelerador comanda as rotações do motor.
Não - não há comando da rotação do motor pelo pedal do acelerador.
06. Acelerador manual ativo
Faz com que o ADM reconheça o sinal de um acelerador manual que pode ser instalado no
terminal X2 18/17.
07. Reconhecimento do acelerador manual
Informa ao ADM se o acelerador manual tem limites que devem ser reconhecidos ou se já
tem valores fixos para estes limites (10% a 90%), não necessitando de reconhecimento.
08. Configuração 12V/24V
Habilita o ADM para trabalhar com 12V ou 24V, levando em consideração os valores de
tensão e corrente permitidos nas entradas e saídas comutáveis.
3.0 Limitações de validades gerais
01. Máxima rotação com o veículo parado
Determina ao ADM qual deve ser a máxima rotação do motor enquanto não houver sinal de
velocidade.
02. Marcha lenta nominal
Determina ao ADM qual deve ser a marcha lenta do veículo (não alterar).
03. Valor máximo permitido para marcha lenta
Determina o valor máximo de marcha lenta, é prioritário com relação a outras limitações.
Por exemplo, uma ADR qualquer.
Eletricidade Veicular — Mercedez-Benz
Global Training. 113
04. Máxima rotação do motor
Determina ao ADM qual deve ser a máxima rotação do motor. Se este número for maior que
o valor gravado no PLD, ele será desconsiderado.
05. Velocidade máxima do veículo
Determina qual deve ser a velocidade máxima do veículo, este parâmetro só pode ser
modificado pela DaimlerChrysler.
06. Torque máximo do motor do veículo
Determina o valor máximo de torque do motor. Se este número for maior que o valor gravado
no PLD, ele será desconsiderado.
07. Seleção do regulador de rotação
0 - 5 tipos de reguladores
Faz com que o ADM solicite ao PLD um tipo de regulagem especifica da rotação do
motor. Estes tipos de reguladores (RQ, RQV, etc) estão configurados no do PLD.
08. Incremento da limitação de rotação
Determina com que velocidade o motor irá aumentar ou diminuir a rotação
09. Incremento da limitação de torque
Determina com que velocidade o motor irá gerar torque, determinando a suavidade
de funcionamento
4.0 Limitadores comutáveis N°0 (ADR 0)
Determina limites a serem levados em consideração quando existir sinal negativo no
terminal X2 18/7 devido ao acionamento de uma tomada de força.
5.0 Limitadores comutáveis N°1 (ADR 1)
Determina limites a serem levados em cosideração quando existir sinal positivo no
terminal X2 18/14 devido ao acionamento de uma tomada de força.
6.0 Limitadores comutáveis (Ar-condicionado)
Determina limites a serem levados em con sideração quando houver sinal positivo no
terminal X2 18/4 devido ao acionamento do ar-condicionado.
Para cada um dos itens 4.0, 5.0 e 6.0 citados acima, as seguintes limitações podem
ser programadas
01. Rotação mínima ADR
Estabelece a rotação mínima de trabalho que será usada quando a tomada de força
for aplicada. Esta rotação é comparada com a da marcha lenta nominal do motor e,
apenas a maior entre elas, será aplicada.
02. Rotação máxima ADR
Estabelece a rotação máxima de trabalho que será usada quando a tomada de força for
aplicada. Esta rotação é comparada com a máxima rotação do motor e, apenas a menor
entre elas, será aplicada.
Eletricidade Veicular — Mercedez-Benz
Global Training.
114
03. Velocidade máxima do veículo ADR
Estabelece a velocidade máxima com que o veículo poderá transitar com a tomada de força
acionada. Esta velocidade é comparada com a máxima velocidade do veículo (vide item 05)
e, apenas a menor entre elas, será aplicada.
04. Torque máximo do veículo
Estabelece o torque máximo que o motor poderá produzir com a tomada de força aplicada.
Este torque é comparado com a torque máximo do motor e, apenas o menor entre eles,
será aplicado.
05. Seleção do regulador de rotação 0 a 5
Faz com que seja solicitado ao PLD um tipo de regulador de rotação dentro de uma lista de
opções dentro do PLD. Para cada regulador da lista é feito um tipo de controle da rotação
assim como nos reguladores convencionais RQ, RQV e RSV.
7.0 Configuração das rotações do serviço
Determina ao ADM, quais as entradas que devem levadas em consideração.
01. Considerar a entrada ADR 0
SIM - O ADM considera válido o sinal de negativo no terminal X2 18/7 e aciona as
limitações programadas em ADR 0.
NÃO - Desconsiderar sinal
02. Condiderar a entrada ADR1
SIM - O ADM considera válido o sinal de positivo no terminal X2 18/14 e aciona as
limitações programadas em ADR 1.
NÃO - Desconsiderar sinal
03. Considerar a entrada ADR 2
SIM - O ADM considera válido o sinal de positivo no terminal X2 18/16. Não existem
limites programáveis para esta entrada.
NÃO - Desconsiderar sinal
04. Considerar o sinal de Neutro
SIM - A tomada de força será acionada somente quando a transmissão estiver
em Neutro.
NÃO - Desconsiderar sinal de neutro
05. Considerar a entrada de ar-condicionado
SIM - O ADM considera válido o sinal de positivo no terminal X2 18/4. e aciona as
limitações programadas.
NÃO - Desconsiderar sinal
06. Considerar condição de marcha lenta
SIM - A tomada de força so poderá ser ligada com o motor em marcha lenta.
NÃO - Desconsiderar condição de marcha lenta
Eletricidade Veicular — Mercedez-Benz
Global Training. 115
07. Considerar condição velocidade < 5km/h
SIM - A condição para que a tomada de força seja ligada é que o veículo esteja“parado”.
NÃO - A tomada de força pode ser acionada a qualquer velocidade.
08. Consider ADR+/-
SIM - O ADM considera válido o sinal de negativo nos terminais X2 18/7 (acelerar) e
X2 18/18 (desacelerar). Esta função só estará ativa se uma entrada ADR estiver
também ligada.
NÃO - Desconsiderar sinais.
09. Pedal do acelerador ativo
SIM - O pedal do acelerador está liberado para trabalhar com uma ADR ativa.
NÃO - O pedal do acelerador não funciona enquanto houver uma ADR ativa.
10. Acelerador manual ativo
SIM - Existe um acelerador manual ligado no terminal X2 18/17.
NÃO - Não existe acelerador manual
11. Ativar regulador de rotação
SIM - Ativa o regulador de rotação escolhido na parametrização de uma das ADRs
enquando esta estiver ativa.
NÃO - Regulador desligado
12. Valor de rotação onde se inicia o regulador escolhido em uma ADR
13. Tempo de estabilização do ADR+/-
Tempo necessário para o ADM entender que o acelerador ADR+/- deve funcionar por rampa
e não por degraus. Veja 07.14 e 07.15 abaixo.
14. Incremento de rotação nas entradas ADR+/-
Determina a variação da rotação a cada pulso nos interruptores ADR+/-, desde que estes
pulsos tenham duração menor que o tempo parametrizado no item anterior.
15. Variação do valor nominal ADR+/-
Determina qual a variação da rotação por minuto quando a entrada ADR+/- é acionada por
um tempo maior que o parâmetro 07.13.
Eletricidade Veicular — Mercedez-Benz
Global Training.
116
8.0. Avaliação do sinal B7
01. Entrada do sinal B7
Determina que tipo de sinal de velocidade está sendo utilizado pelo ADM.
0. Desligado
O ADM despreza a entrada sinal de velocidade no conector X2 18/1
01. Sinal B7
O sinal de velocidade que vem do tacógrafo e entra no terminal X2 18/1 do ADM,
traz amesma informação de duas maneiras:
PPM - Modulação por quantidade de pulsos
Uma quantidade de pulsos por quilometro rodado que depende das caracteristicas
do eixo traseiro, do sensor de velocidade, dos pneus e da transmissão. Para que
o equipamento que a recebe possa entende-la, é necessário fornecer estes dados.
PWM - Modulação por largura de pulso
Neste caso o que importa é a largura do pulso que já determina a velocidade do
veículo. No caso a largura do pulso foi modulada pelo tacógrafo que já tem o
ajuste em função do eixo traseiro, do sensor de velocidade, dos pneus e da
transmissão.
02. Gerador de pulsos HALL
Estabelece que o sinal vem de um sensor e não de um tacógrafo. Neste caso é preciso
ajustar corretamente os parâmetros 8.02 e 8.03.
02. Número de impulsos por quilometro rodado
Depende das caracteristicas do eixo traseiro, do sensor de velocidade, dos pneus e da
transmissão, é o mesmo W que estamos acostumados a calcular para o tacógrafo.
03. Relação da transmissão do eixo traseiro
Eletricidade Veicular — Mercedez-Benz
Global Training. 117
9.0 Saida do valor atual
01. Saída do valor atual IWA1
Determina que tipo de informação será transmitida por um sinal PWM que está
no terminal X3 12/11
02. Saída do valor atual IWA2
Determina que tipo de informação será transmitida por um sinal PWM que está no
terminal X1 15/10
Para as saídas IWA1 e IWA2 acima, pode-se estabelecer as seguintes parametrizações:
01. Nenhuma saída
02. Torque do pedal do acelerador 10% a 90%
Informa que haverá um sinal PWM de 10% quando o pedal do acelerador estiver em
repouso e de 90% quando estiver a plena carga. Este é o sinal do pedal do acelerador
já interpretado pelo ADM, é utilizado pela trasmissão automática no lugar do sensor
de carga.
03. Torque do pedal do acelerador
Informa que haverá um sinal PWM de 90% quando o pedal do acelerador estiver em
repouso e de 10% quando estiver a plena carga. Este é o sinal do pedal do acelerador
já interpretado pelo ADM, é utilizado pela transmissão automática no lugar do sensor
de carga.
04. Torque atual
Informa que na saída haverá um sinal PWM de 10% para um torque do motor de 0Nm
e 90% para torque máximo.
Eletricidade Veicular — Mercedez-Benz
Global Training.
118
10. Gerenciamento do freio motor
Determina como o freio motor deve ser gerenciado
01. Rotação de ativação do freio motor
Indica a rotação abaixo da qual o freio motor deixa de funcionar.
02. Tempo de bloqueio do acelerador após desligamento do freio motor.
Determina o tempo em que o acelerador ficará inoperante após o desligamento do freio
motor. Este parâmetro, juntamente com o pxóximo, permite o funcionamento suave do motor
quando do desligamento do freio-motor, evitando “trancos”.
03. Incremento do torque após o desligamento do freio motor
Determina um limite de crescimento do torque após o desligamento do freio motor. Este
parâmetro, juntamente com o anterior, faz com que não haja “trancos” na rotação do motor.
11. Pedal do acelerador
01. Reação do pedal na aceleração
02. Reação do pedal na desaceleração
Os itens 01 e 02 acima determinam a sensibilidade do pedal do acelerador. Exemplo:
Pode ser desejável uma reação mais suave, quando o veículo opera em terrenos
irregulares, ou uma reação mais rápida quando opera em estradas pavimentadas.
03. Ponto de comutação de marcha lenta
É uma pequena faixa de porcentagem do sinal PWM, a partir do batente de marcha-lenta,
que é aceita como posição de reposuso. Um ajuste incorreto deste parâmetro pode fazer
com que o pedal fique inoperante em algumas situações.
04. Ponto de comutação de plena carga
É uma pequena faixa de porcentagem do sinal PWM, abaixo do batente de plena carga, que
é aceita como posição de plena carga.
05. Ponto de comutação do top brake ligado
É a posição do pedal do acelerador, abaixo da qual o top-brake pode ser ligado.
Eletricidade Veicular — Mercedez-Benz
Global Training. 119
06. Ponto de comutação do top brake desligado
É a posição do pedal do acelerador acima da qual o top-brake será desligado.
07. Decremento do torque na partida
É um deslocamento da curva de resposta do pedal do acelerador para que o torque, solicitado
em função da posição do pedal do acelerador no momento da partida, seja aumentado.
É a mesma função conhecida nas bombas injetoras convencionais como “débito de partida”.
08. RQV posição do pedal abaixo
Determina uma posição do deslocamento do pedal do acelerador, onde ocorrá a transição
de regulagem RQ para RQV.
09. RQV posição do pedal acima
Determina uma posição do deslocamento do pedal do acelerador, onde ocorrá a transição
de regulagem RQV para RQ.
10. RQV constante grau P
Determina uma rotação do motor acima da qual ocorre a transição de regulagem RQ
para RQV.
CBC025.tif
CBC026.tif
Eletricidade Veicular — Mercedez-Benz
Global Training.
120
12. Proteção da caixa de mudanças
01. Proteção na primeira velocidade
Estabelece a velocidade limite do veículo até a qual o torque do motor deve ficar limitado.
02. Proteção na segunda velocidade
Estabelece a velocidade limite do veículo até a qual o torque do motor podrá crescer, desde
o limite anterior (item 01) até o limite máximo.
03. Redução de torque para proteção
É o torque máximo permitido até que o veículo atinja a velocidade parametrizada no
parâmetro 12.01.
04. Histerese
É o valor que determina uma redução da variação do torque quando o torque nominal está
próximo de 0 Nm.
06. dm/dt dentro do limite >0
É o valor que determina a máxima variação do torque durante a aceleração,dentro da faixa
determinada pelo parâmetro histerese.
07. dm/dt dentro do limite < 0
É o valor que determina a máxima variação permitida do torque durante a desaceleração,
dentro da faixa determinada pelo parâmetro histerese.
08. dm/dt fora dos limites
É um valor que determina a máxima variação permitida do torque durante a aceleração e
desaceleração fora da faixa determinada pelo parâmetro histerese.
Embora os parâmetrosa seguir (04, 06, 07 e 08) estejam dentro do submenu transmissão
automática, ele está diretamente ligado ao submenu 11 (pedal do acelerador).
CBC027.tif
Eletricidade Veicular — Mercedez-Benz
Global Training. 121
CBC028.tif
CBC029.tif
Eletricidade Veicular — Mercedez-Benz
Global Training.
122
13. Entrada analógica 1
Determina como será uma informação de entrada no terminal X3 12/4. É chamada entrada analógica
porque podemos ligar a ela um sensor que fornece uma tensão variável entre 0V e 24V. Esta entrada
foi desenvolvida para monitorar a obstrução do filtro de ar entretanto, ela não é utilizada.
01. Ativar entrada analógica
Determina a existencia ou não do sensor
02. Limite inferior da entrada analógica
Estabelece a mínima tensão enviada pelo sensor analógico
03. Limite superior da entrada analógica
Estabelece a máxima tensão enviada pelo sensor analógico
Embora estejam neste submenu, os parâmetros 04 e 05 (a seguir) não tem relação com a
entrada analógica.
04. Entrada DSF0
Determina que tipo de informação será aplicado no terminal X2 18/12 (sinal de positivo).
05. Entrada DSF1
Determina que tipo de informação será aplicado no terminal _______ ( sinal de positivo )
Estes parâmetros, 04 e 05, podem ter as seguintes configurações:
0 - Sem função
1 - Bloqueio do pedal do acelerador
É uma segunda entrada de bloqueio do pedal do acelerador
4 - ABS
Entrada de sinal de ABS modulando (ABS Knorr)
5 - Entrada de retardador ligado.
6 - Opções 1+5
14. Função INS pressão de óleo
Determina que tipo de indicador de pressão de óleo está aplicado no veículo.
0 - de 0 a 5 bar
1 - de 0 a 10 bar
15. Função INS temperatura do líquido de arrefecimento
Determina que tipo de indicador de temperatura está aplicado no veículo.
0 - de 0°C a 120°C
1 - não ligado
Eletricidade Veicular — Mercedez-Benz
Global Training. 123
17. Limites de ativação dos relés 3 e 4 (IWK3 e IWK4)
Determina qual será a informação que o ADM leva usará para ativar os relés ligados nas
saídas IWK3 e IWK4.
Para o acionamento das saídas IWK3 e IWK4 os seguintes critérios podem ser escolhidos:
01. Configuração IWK3 - X312/8
0 - Pedal em marcha lenta
1 - Torque atual
2 - Velocidade do veículo
3 - Rotação do motor
4 - Temperatura do líquido de arrefecimento
5 - Torque do pedal do acelerador
02. Torque de acionamento do IWK3
Estabelece o valor de torque real no qual será ligado o relé.
03. Histerese de torque do IWK3
Estabelece o valor de torque real no qual o relé será desligado. A histerese é o torque
parametrizado no item 02 menos o torque parametrizado neste item.
04. Velocidade de acionamento do IWK3
Estabelece a velocidade do veículo em que será ligado o relé.
05. Histerese de velocidade do IWK3
Estabelece a velocidade do veículo o em que o relé será desligado. A histerese é a diferença
entre a velocidade parametrizada no item 04 e a velocidade aqui estabelecida.
06. Rotação de acionamento do IWK3
Determina em qual rotação do motor será ativado o relé.
07. Histerese da rotação do IWK3
Estabelece a rotação do motor em que o relé será desligado. A histerese é a diferença entre
a rotação parametrizada no item 06 e a rotação aqui estabelecida.
08. Temperatura de acionamento do IWK3
Estabelece em qual temperatura do líquido de arrefecimento será ligado o relé.
09. Histerese da temperatura do IWK3
Estabelece a temperatura do motor em que o relé será desligado. A histerese é a diferença
entre a temperatura parametrizada no item 08 e a temperatura aqui estabelecida.
Eletricidade Veicular — Mercedez-Benz
Global Training.
124
10. Configuração IWK4 - X3 12/7
0 - Pedal em marcha lenta
1 - Torque atual
2 - Velocidade do veículo
3 - Rotação do motor
4 - Temperatura do líquido de arrefecimento
5 - Torque do pedal do acelerador
11. Torque de acionamento do IWK4
Estabelece o valor de torque real no qual será ligado o relé.
12. Histerese de torque do IWK4
Estabelece o valor de torque real no qual o relé será desligado. A histerese é a diferença
entre o torque parametrizado no item 11 e o torque aqui estabelecido.
13. Velocidade de acionamento do IWK4
Estabelece a velocidade do veículo em que será ligado o relé.
14. Histerese de velocidade do IWK4
Estabelece a velocidade do veículo o em que o relé será desligado. A histerese é a diferença
entre a velocidade parametrizada no item 13 e a velocidade aqui estabelecida.
15. Rotação de acionamento do IWK4
Determina em qual rotação do motor será ativado o relé.
16. Histerese da rotação do IWK4
Estabelece a rotação do motor em que o relé será desligado. A histerese é a diferença entre
a rotação parametrizada no item 15 e a rotação aqui estabelecida.
17. Temperatura de acionamento do IWK4
Estabelece em qual temperatura do líquido de arrefecimento será ligado o relé.
18. Histerese da temperatura do IWK4
Estabelece a temperatura do motor em que o relé será desligado. A histerese é a diferença
entre a temperatura parametrizada no item 17 e a temperatura aqui estabelecida.
Eletricidade Veicular — Mercedez-Benz
Global Training. 125
Tabelas das conexões do ADM
Eletricidade Veicular — Mercedez-Benz
Global Training.
126
Eletricidade Veicular — Mercedez-Benz
Global Training. 127
Eletricidade Veicular — Mercedez-Benz
Global Training.
128
Eletricidade Veicular
Sistema NR
Eletricidade Veicular — Mercedez-Benz
Global Training. 129
Disposição dos componentes do NR
CBC033.tif
Eletricidade Veicular — Mercedez-Benz
Global Training.
130
Suspensão eletropneumática ENR
Geral
A suspensão eletropneumática é um sistema composto de uma unidade de controle eltrônico,
sensores de nível, um grupo de válvulas de controle, interruptores de comando e lâmpadas de
aviso. Sua função é controlar a pressão dos balões da suspensão pneumática, de modo que o
veículo esteja em um nível desejado pelo motorista ou exigido pela situação de operação do
mesmo. O veículo pode operar em tres níveis conforme descrito abaixo.
Altura normal I
É a altura normal de operação, nesta regulagem o ônibus deve estar nivelado e a referência é a
altura entre a face superior do primeiro degrau da porta e o chão que deve ser de 420mm,
entretanto deve se levar em consideração o encarroçamento. Uma referência correta seria a
altura do chassis com relação ao eixo.
Altura normal II
É uma altura regulada para situações especiais onde é interessante que o ônibus seja um pouco
mais alto. O motorista pode ajustar esta altura acionando um interruptor no painel de
instrumentos. O ônibus só opera nestas condições em velocidades abaixo de 15 km/h. Se esta
velocidade for excedida automáticamente a regulagem volta para altura normal I.A altura normal
II pode ser ajustada até 100mm acima da altura normal I.
Alturas da Suspensão dos veículos O500
O500 M
Níveis
H1
Suporte do amortecedor até a parte
de baixo do prato superior
H2
Desde a face inferior da longarina até
a tangente superior do grampo "U"
Inferior
21
mm
50 counts
60
mm
50 counts
Normal
27
5mm
72 counts
120
mm
72 counts
Superior
34
5mm
138 counts
190
mm
138 counts
O500 U
Low Entry
Níveis
H1
Desde a face inferior da banheira até
a face superior do eixo dianteiro
H2
Desde a face inferior da longarina até
a tangente superior do grampo "U"
Inferior
17
mm
45 counts
60
mm
40 counts
Normal
13
mm
78 counts
120
mm
77 counts
Superior
73
mm
134
counts
190
mm
130
counts
Eletricidade Veicular — Mercedez-Benz
Global Training. 131
Localização da medida H1 do eixo dianteiro O500 LE
Localização da medida H2 do eixo dianteiro O500 LE e O 500M
Localização da medida H1 do eixo dianteiro O 500M
CBC032.tif
CBC030.tif
CBC031.tif
Eletricidade Veicular — Mercedez-Benz
Global Training.
132
Kneeling ( ajoelhamento )
Kneeling é uma expressão em ingles que significa ajoelhamento. É uma operação de abaixamento
de uma lateral, ou um dos eixos conforme definição de fábrica o qual facilita o embarque
e desembarque dos passageiros. O motorista pode acionar o kneeling por meio de um botão no
painel de instrumentos.
O ônibus só opera nestas condições em velocidades abaixo de 15 km/h. Se esta velocidade for
excedida automáticamente a regulagem volta para altura normal I.A de kneeling é normalmente
próximo a 60 mm abaixo da altura normal I.
Controle da suspensão
A unidade de controle atua nas válvulas de controle, comparando os valores atuais lidos nos
sensores de nível com os valores memorizados durante a montagem do ônibus, se o nível estiver
acima do normal, o ar é retirado dos balões, se o nível estiver acima do normal, o ar será pressurizado
dentro dos balões.
Diagnóse de falhas
A unidade checa constantemente os componentes conectados a ela, caso algum valor de grandeza
elétrica esteja fora do normal, e dependendo do caso a lâmpada de falha é acionada e o sistema
fica fora de operação. A falha armazenada pode ser lida pelos equipamentos HHT, HHT win do
StarDiagnose, pela maleta Wabco ou através de blink code. Obs! O blink code não le falhas atuais,
uma vez que neste caso a lâmpada fica acesa constantemente e não se apaga.
Falhas de plausibilidade
Pode haver casos em que pode ser memorizado uma falha de plausibilidade, isso ocorre quando
por exemplo é acionado uma válvula para pressurizar um balão e o sensor de nível não muda de
posição como era esperado.
Reprogramação ou calibração
É um processo que ocorre durante a produção e serve para gravar os valores lidos nos sensores para
nas condições Normal I, Normal II e Kneeling, este processo só precisa ser feito em caso de reposição
da unidade de controle ou de sensores.
A reprogramação pode ser feita com o HHT WIN do Star Diagnose, HHT ou mesmo com a maleta
de teste da WABCO.
A reprogramação é feita para que a unidade de controle reconheça os valores dos sensores para
cada nível de operação. Pode se fazer uma reprogramação automática ou inserir os dados
manualmente.
Alguns itens devem ser levados em consideração para a recalibração:
O sensor deve estar montado de tal forma que quando o veículo sobe a sua leitura
em counts deve subir também.
Os sensores devem estar ajustados de tal forma que a diferença de leitura entre eles
seja no máximo 3 counts.
Não deve haver falhas memorizadas.
Uma reprogramação manual, os valores em counts para cada posição sâo:
Eletricidade Veicular — Mercedez-Benz
Global Training. 133
Bloco de válvulas do NR
Conector B
Conector II
Conector I
Conector B
Conector
B 110
Esta válvula está fechada durante a operação de ajoelhamento
CBC015.emf
Eletricidade Veicular — Mercedez-Benz
Global Training.
134
Válvula de controle da suspensão
Quando a chave de contato está desligada, o ar entra pela conexão 1 e abastece as válvulas piloto.
Quando a chave de contato está ligada, o ar entra pela conexão 1 e abastece as válvulas piloto
e a válvula de controle geral abastece o canal de alimentação de todas as outras válvulas.
Bloco de válvulas
É um conjunto de válvulas 3/2 e 2/2 que controlam a entrada e saída de ar dos foles, de acordo
com os comandos da unidade de controle.
Contato ligado
Contato desligado
11 - entrada de ar
22 - saída para o fole traseiro direito
23 - saída para fole traseiro esquerdo
26 - saída para fole dianteiro direito
27 - saída para fole dianteiro esquerdo
11 - entrada de ar
22 - saída para o fole traseiro direito
23 - saída para fole traseiro esquerdo
26 - saída para fole dianteiro direito
27 - saída para fole dianteiro esquerdo
CBC034.tif
CBC035.tif
Eletricidade Veicular — Mercedez-Benz
Global Training. 135
Nesta situação as válvulas de controle dos foles direitos estão ligados com a atmosfera.
Quando o sistema está elevando o veículo, ou seja pressurizando as bolsas, a válvula de controle
geral e todas as válvulas de conexão com os foles estão abertas.
Pressurização das bolsas
Ajoelhamento
11 - entrada de ar
22 - saída para o fole traseiro direito
23 - saída para fole traseiro esquerdo
26 - saída para fole dianteiro direito
27 - saída para fole dianteiro esquerdo
11 - entrada de ar
22 - saída para o fole traseiro direito
23 - saída para fole traseiro esquerdo
26 - saída para fole dianteiro direito
27 - saída para fole dianteiro esquerdo
CBC036.tif
Todos os foles estão ligados com a atmosfera.
Despressurização
11 - entrada de ar
22 - saída para o fole traseiro direito
23 - saída para fole traseiro esquerdo
26 - saída para fole dianteiro direito
27 - saída para fole dianteiro esquerdo
CBC037.tif
CBC038.tif
Eletricidade Veicular — Mercedez-Benz
Global Training.
136
Sensores de nível
A construção básica do sensor é uma bobina eletromagnética dentro da qual se movimenta um
núcleo. O movimento deste núcleo é causado pela movimentação da haste do sensor. Quando o
núcleo varia, varia também as características magnéticas da bobina. Esta variação é medida por
um circuito eletrônico que está dentro da unidade de controle. A unidade eletrônica converte esta
variação em uma medida que não tem unidades, a qual é chamada de "counts".
P5 Tacógrafo
Fornece o sinal de velocidade para que a o sistema opere somente abaixo de 15km/h.
B110 Interruptor de pressão
Determina a pressão mínima para o trabalho da suspensão, se a pressão for menor que 7,5bar o sistema
deixa de operar.
B107 a B108 Sensores indutivos
Determinam o nivelamento transversal do veículo.
B109 Sensor indutivo
Junto com os sensores traseiros, determinam o nível longitudinal do veículo.
Troca do sensor
Remova o sensor e monte o novo exatamente como estava, observando sempre a posição
de montagem entre o sensor e sua haste. Não existe reparo para o sensor.
CBC016.emf
Eletricidade Veicular — Mercedez-Benz
Global Training. 137
S34 Interruptor de ajoelhamento
Serve para ajoelhar o veículo. Para que ele funcione o veículo sempre deve estar no nível normal de operação.
S44 Interruptor de nível normal
Serve para colocar o veículo no nível de operação normal.
S46 Interruptor de nível superior
Serve para elevar o veículo ao nível de operação mais alto. Para que ele funcione o veículo sempre deve
estar no nível normal de operação.
B14 Interruptor de luz de freio
Quando parametrizado, faz com que o sistema opere somente quando o freio de serviço esteja atuado.
Interruptores no painel de instrumentos.
CBC040.tif
CBC017.emf
Eletricidade Veicular — Mercedez-Benz
Global Training.
138
H59 Indicadora de desnível
Está acesa sempre que o veículo está fora do nível normal.
H60 Indicadora de falha
Esta acesa quando existe uma falha diagnosticável no sistema elétrico.
H61 Indicadora de ajoelhamento
Está acesa quando é alcançada a posição de ajoelhamento.
Luzes no painel de instrumentos
CBC041.tif
CBC018.emf
Eletricidade Veicular — Mercedez-Benz
Global Training. 139
Alimentação da unid/ade de controle do NR
Q2 Chave de contato
Q1 Chave de desligamento elétrico
S45 Interruptor de Blink Code
K2 Rele de Kl 15
M12 Motor de partida
J4 Tomada de diagnose
Acessar código de falha
Ligue a chave de contato, ligue o interruptor de blink code por alguns segudos e desligue-o.
Apagar o código de falha
Ligue o interruptor de blink code e em seguida ligue a chave de contato.
Leitura do código de falhas
Observe a duração das piscadas da lâmpada indicadora de falhas.
Uma piscada longa vale 10 e uma piscada curta vale 1. some todas as piscadas e e obterá o código.
Se a lâmpada de falha estiver acesa, o sistema deixa de operar neste caso se o veículo estiver
inclinado ou fora de um nível seguro para ser colocado em marcha, você deve faze-lo
manualmente conforme segue:
CBC019.tif
Eletricidade Veicular — Mercedez-Benz
Global Training.
140
Tabela de código de falhas
Códigos de falhas para a suspensão ENR
Piscas Causa Solução
1 Erro de parametrização Rever parâmetros
2 Erro de calibração da altura do veículo Reprogramar a altura
3 Falha na memória da unidade Trocar a unidade
4 Falha na memória da unidade Trocar a unidade
6 Avaliação do valor padrão do sensor de altura
10
Sensor dianteiro em curto com o positivo ou cabo
rompido
Meça a resistência entre os terminais 35/21 e 35/26,
deve ser de aproximadamente 120Ohm.
11
Sensor traseiro esquerdo em curto com o positivo
ou cabo rompido
Meça a resistência entre os terminais 35/21 e 35/25
deve ser de aproximadamente 120Ohm.
12
Sensor traseiro direito em curto com o positivo ou
cabo rompido
Meça a resistência entre os terminais 35/21 e 35/8
deve ser de aproximadamente 120Ohm.
14 Sensor dianteiro em curto com a massa
Meça a resistência entre os terminais 35/21 e 35/26,
deve ser de aproximadamente 120Ohm.
15 Sensor traseiro esquerdo em curto com a massa
Meça a resistência entre os terminais 35/21 e 35/25
deve ser de aproximadamente 120Ohm.
16 Sensor traseiro direito em curto com a massa
Meça a resistência entre os terminais 35/21 e 35/8
deve ser de aproximadamente 120Ohm.
40 Sensor de altura do eixo traseiro direito O sistema está tentando encher os balões mas não há
movimento nos sensores. verifique se não há
estrangulamento na tubulação ou se as válvulas não
tem um problema mecânico.
41 Sensor de altura do eixo traseiro esquerdo
42 Sensor de altura do eixo dianteiro
44 Sensor de altura do eixo traseiro direito O sistema está tentando esvaziar os balões mas não há
movimento nos sensores. verifique se não há
estrangulamento na tubulação ou se as válvulas não
tem um problema mecânico.
45 Sensor de altura do eixo traseiro esquerdo
46 Sensor de altura do eixo dianteiro
20
Curto com o positivo ou cabo rompido da válvula
de alimentação pneumática do bloco de válvula. Meça a resistência entre os terminais 35/21 e 35/15
deve ser de aproximadamente 80 Ohm
30 Curto com a massa.
22
Curto com o positivo ou cabo rompido da válvula
de controle do eixo traseiro direito. Meça a resistência entre os terminais 35/21 e 35/30
deve ser de aproximadamente 80 Ohm
32 Curto com a massa.
23
Curto com o positivo ou cabo rompido da válvula
de controle do eixo dianteiro esquerdo. Meça a resistência entre os terminais 35/21 e 35/13
deve ser de aproximadamente 80 Ohm
33 Curto com a massa.
24
Curto com o positivo ou cabo rompido da válvula
de controle do eixo dianteiro direito Meça a resistência entre os terminais 35/21 e 35/31
deve ser de aproximadamente 80 Ohm.
34 Curto com a massa.
Eletricidade Veicular — Mercedez-Benz
Global Training. 141
Circuito das válvulas de controle da suspensão
CBC020.emf
Eletricidade Veicular — Mercedez-Benz
Global Training.
142
Conectores do sistema ENR
CBC021.emf
Eletricidade Veicular — Mercedez-Benz
Global Training. 143
Sugestões para ajustar a suspensão do veículo manualmente em caso de falha no sistema
Desconecte o módulo de controle, ligue a chave de contato e faça pontes entre os terminais do
conector conforme indicado abaixo:
CBC022.emf
Eletricidade Veicular — Mercedez-Benz
Global Training.
144
Eletricidade Veicular
Caixas de Mudanças
Eletricidade Veicular — Mercedez-Benz
Global Training. 145
Caixas de mudanças
Os veículos CBC são equipados com transmissão automática de série para atender as novas
exigências de mercado. Vários são os motivos para a aplicação deste tipo de caixa:
• Segurança no transito por dar um maior conforto e exigir menos operações do motorista.
• Suavidade na operação.
Do ponto de vista econômico a transmissão automática exige um investimento inicial maior e em
contrapartida um investimento bem menor em termos de manutenção:
• Baixo consumo de freio pelo fato de que a transmissão automática incorpora um retardador
• Baixo consumo de combustível. ( se a aplicação da transmissão no veículo e a operação
for bem feita ).
• Menor desgaste mecânico dos demais agregados por causa da suavidade da operação e
ausência de sistema de embreagem.
CBC043.tif
Eletricidade Veicular — Mercedez-Benz
Global Training.
146
Conversor de torque
É uma espécie de turbina hidráulica que transfere o torque do motor para a caixa de mudança em
uma multiplicação que depende do estado de funcionamento do veículo, por exemplo se o veículo
está parado e o motorista deseja arrancar, o torque do motor é multiplicado algumas vezes,
se o veículo estiver em movimento constante, o conversor de torque perde a função e será eliminado
por um sistema de bloqueio que é chamado de “lockup” e a transmissão da força do motor para
a transmissão será feita diretamente.
1 - Bomba
2 - Turbina
3 - Coroa
4 - Eixo do estator
5 - Discos externos
6 - Discos internos
7 - Carcaça
8 - Roda livre
9 - Árvore primária
10 - Conjunto de discos - lockup
11 - Êmbolo
do motor
para a caixa
Torque na bomba
Torque na turbina
Torque na coroa
Tr
CBC044.tif
Arranque do veículo
Veículo em início
de movimento
Veículo em movimento
avançado
CBC045.tif
Eletricidade Veicular — Mercedez-Benz
Global Training. 147
Conjuntos plantetários
A caixa contém alguns planetários que possibilitam as várias relações de marcha e a inversão do
movimento para o caso da marcha a ré, um platenetério é composto de tres elementos distintos:
Engrenagem solar
Engrenagem anelar
Engrenagens planetárias
Para fazer a inversão de movimento ou alteração da relação, se opta por fixar um dos componentes
por meio de um sistema de embragem múltipla que normalmente é chamado de pacote de lamelas.
Bomba de óleo
É uma bomba de engrenagem acionada pelo motor responsável por gerar a pressão principal de
todo o circuito hidráulico e também de lubrificação, por isso durante o reboque do veículo tem que
se tomar o cuidado de remover o cardan para não movimetar peças internas a caixa sem lubrificação.
CBC013.tif
Anelar
Solar
Planetária
CBC046.tif
Eletricidade Veicular — Mercedez-Benz
Global Training.
148
Pacote de lamelas
É um pacote de lâminas de aço e material de fricção ( celulose comprensado ) dispostos
alternadamente. Quando o pacote não está aplicado, as lâminas de fibras giram livremente e as
lâminas de aço estão presas à carcaça do câmbio. Quando o pacote está aplicado, uma lâmina é
comprimida contra a outra de modo que não haja movimento relativo entre as duas.
Bloco de válvulas
É um circuito hidráulico integrado em um bloco de alumínio formado pelos canais de circulação e
válvulas de controle as quais podem ser acionadas mecanicamente ou eletrônicamente.
V á l v u l a
moduladora
de pressão.
A
C
WK
F
B
E
D
CBC015.tif
CBC047.tif
Eletricidade Veicular — Mercedez-Benz
Global Training. 149
Esquema elétrico do bloco de válvulas
Tabela para checagem dos componentes da caixa HP500
Componente Função
Terminais no conector
de 55 vias
Resistência nominal
Vávula M7 Embreagem A 37 x 3 61 a 74 Ohm
Vávula M6 Embreagem B 37 x 22 61 a 74 Ohm
Vávula M5 Embreagem C 37 x 4 61 a 74 Ohm
Vávula M4 Freio D 37 x 39 61 a 74 Ohm
Vávula M3 Freio E 37 x 42 61 a 74 Ohm
Vávula M2 Freio F 37 x 44 61 a 74 Ohm
Vávula M1 Freio G 37 x 45 61 a 74 Ohm
Válvula DR Moduladora de pressão 37 x 5 9 - 11 Ohm
Sensor indutivo
Sinal de velocidade de
entrada
37 x 43 1000 a 1350 Ohm
Sensor indutivo Sinal de velocidade de saída 37 x 14 1000 a 1350 Ohm
CBC013.emf
Eletricidade Veicular — Mercedez-Benz
Global Training.
150
Retardador ZF
É um componente hidráulico semelhante ao conversor de torque cuja função é inverter o fluxo de
torque fazendo com que este va do diferencial para a caixa. Nas caixas Voith, o próprio conversor
de torque assume a função de retardador. Retardador é uma palavra que significa o contrário
de acelerador.
CBC048.tif
Eletricidade Veicular — Mercedez-Benz
Global Training. 151
Funcionamento de um retardador
Na tubulação 7 existe uma pressão hidráulica fixa.
Na entrada de ar 1 está a pressão de controle do torque de frenagem que pode ser 1,2bar (primeiro
estágio) ou 3,0bar (segundo estágio).
O estator 5 é semelhante a um rotor de uma bomba hidráulica convencional, porém está fixo na
carcaça da transmissão.
O rotor 6 trabalha como uma bomba hidráulica e está ligado ao eixo de saída da trasmissão com
uma relação de redução que depende da marcha que está engrenada, desta forma durante a frenagem
as rodas movimentam o diferencial que movimenta o cardan que movimenta as engrenagens
da caixa que movimentam o rotor, assim existe um fluxo de energia cinética das rodas até o rotor
do retardador ( energia cinética é a energia dos corpos em movimento ).
As pás do rotor contém uma quantidade de óleo que depende da capacidade de frenagem regulada,
este óleo é arremessado contra as pás do estator 5, então podemos dizer que o óleo ganha a
energia cinética que estava no rotor. O óleo com energia cinética atinge o estator mas este está
impedido de se movimentar e por isso tem que converter esta energia em energia térmica. Assim a
energia cinética que estava nas rodas do veículo foram conduzidas até o estator do retardador e
convertida em energia térmica, é um processo muito parecido como freio de serviço convencional
onde a energia cinética da roda é aplicada a lona ou pastilha como estas não se movimentam a
energia é convertida em energia térmica que vai para o tambor e depois para atmosfera.
Controle do torque de frenagem
De uma forma geral, o controle do torque de frenagem é feito através da variação da quantida
de óleo que está nas pás do rotor, o que é feito por um circuito eletropneumático.
Pode haver pequenas variações entre transmissões; a ZF aplica uma peça ( grelha ) entre o rotor e o
estator que faz com que o estator tenha uma geometria variável, assim quando não está havendo
frenagem, o óleo circulante por motivos de lubrificação é desviado para a tubulação de retorno e
não exerce nenhum tipo de frenagem, durante a frenagem a grelha gira o dreno é fechado e o óleo
é direncionado para o estator, a Voith aplica um sistema onde apenas o volume do óleo é controlada,
quando o retardor é interno à caixa, o próprio conversor de torque é utilizado como retardador.
1 –Conexão para entrada do ar de comando
2 –Dispositivo regulador da pressão hidráulica
3 –Espirais
4 –Tubulação de óleo para o trocador
5 –Estator
6 –Rotor
7 –Tubo de óleo procedente do trocador de calor
CBC049.tif
Eletricidade Veicular — Mercedez-Benz
Global Training.
152
CBC001.emf
O retardador está fora de operação por opção do motorista.
Interruptor S31 do painel desligado
Eletricidade Veicular — Mercedez-Benz
Global Training. 153
CBC002.emf
O motorista ligou o retardador mas o ADM impede que ele funcione, pois o acelerador não está na
posição de repouso.
Retardador impedido de funcionar pelo ADM
Eletricidade Veicular — Mercedez-Benz
Global Training.
154
O motorista ligou o retardador mas o ABS impede que ele funcione ligando o rele K63.
ABS modulando retardador não funciona
CBC003.emf
Eletricidade Veicular — Mercedez-Benz
Global Training. 155
A unidade de controle da transmissão acionou o rele K70 porque está aplicada a primeira ou
segunda marcha. Isso acontece porque nestas condições frenagem é muito grande devido a redução
das marchas.
Transmissão em primeira ou segunda marcha
CBC006.emf
Eletricidade Veicular — Mercedez-Benz
Global Training.
156
O interuptor da luz de freio é ligado, aciona o rele K67 que desliga a válvula V40, assim uma
pressão de frenagem de 3 bar é aplicada no retardador
Segundo estágio do retardador ( interruptor de luz de freio ligado )
CBC005.emf
Eletricidade Veicular — Mercedez-Benz
Global Training. 157
O interruptor de temperatura liga o rele K68 que por sua vez liga a válvula redutora de pressão,
nestas condições o retardador opera no máximo em primeiro estágio.
Temperatura da trasmissão acima de 130°C
CBC007.emf
Eletricidade Veicular — Mercedez-Benz
Global Training.
158
Esquema elétrico do retardador
H26 Luz indicadora de retardador acionado
Acende sempre que o retardador estiver ligado
H38 Luz de aviso superaquecimento da transmissão
Acende sempre que a temperatura estiver acima de 120°C
K49 Rele de desligamento do retardador ( ADM )
Desliga o retardador quando recebe um sinal do ADM.
K63 Rele de desligamento do retardador ( ABS )
Desliga o retardador quando o ABS está modulando
K67 Rele de desligamento da válvula de redução de pressão
Aciona o segundo estágio quando o freio de serviço é acionado
K70 Rele de desligamento do segundo estágio do retardador
Está acionado sempre que a transmissão estiver em primeira ou segunda marcha
K68 Rele de desligamento do segundo estágio do retardador
Está acionado sempre que a temperatura da transmissão estiver acima de 120°C
S31 Tecla no painel
Serve para desligar o retardador em pistas escorregadias
V1 Válvula de controle do retardador
É acionada pela unidade de controle da transmissão
V40 Válvula de redução do torque de frenagem do retardador
Reduz a pressão pneumática de acionamento do retardador de 3,0bares para 1,2bar
CBC009.emf
Eletricidade Veicular — Mercedez-Benz
Global Training. 159
Esquema elétrico da alimentação da unidade de controle da transmissão e tomada
de diagnose
X3 e X4
Conectores de interfaceamento da instalação ZF com o veículo Mercedes Benz.
X25
Tomada de tres vias para diagnose com equipamento ZF.
CBC008.emf
Eletricidade Veicular — Mercedez-Benz
Global Training.
160
Esquema elétrico da seletora de marchas ZF
X3 e X4
Conectores de interfaceamento da instalação ZF com o veículo Mercedes Benz.
K 36
Rele de bolqueio da partida em situações onde uma marcha esteja engrenada.
K 69
Rele de luzes de marcha a ré.
CBC010.emf
Eletricidade Veicular — Mercedez-Benz
Global Training. 161
Desenhos dos conectores dos chicotes elétricos da transmissão automática ZF
CBC011.emf
Eletricidade Veicular — Mercedez-Benz
Global Training.
162
Trocador de calor
É um radiador normalmente do tipo água e óleo sendo que líquido de arrefecimento utilizado é o
mesmo do motor.
Ponto de mudança de marchas
Durante o projeto do veículo, são definidos os pontos de mudança de marcha, para quando se está
subindo e para quando se está baixando de marcha, uma vez definidos os pontos, a caixa de mudança
determinará o momento de troca de marchas o que pode ser feito hidraulicamente ou mecânicamente.
As duas informações mais importantes para determinar que ocorra a mudança de marcha, são a
velocidade do veículo e a posição do pedal do acelerador.
Velocidade do veículo
A medida que a velocidade do veículo aumenta as marchas vão sendo trocadas automáticamente,
a informação de velocidade quase sempre é gerada pela própria caixa de mudanças o que também
pode ser feito mecânicamente o eletrônicamente.
Posição do pedal do acelerador
A posição do pedal do acelerador influi na velocidade em que ocorre a mudança da marcha, ou seja:
quanto mais acionado o pedal do acelerador, mais tarde ocorrerá a mudança.
A posição do pedal do acelerador é informada pelo sensor de carga ou pelo módulo de controle do
veículo quando este está equipado com motores eletrônicos.
CBC006.tif
Eletricidade Veicular — Mercedez-Benz
Global Training. 163
Tempo de mudança de marchas
Toda mudança de marcha leva um tempo para acontecer da mesma forma como ocorre em uma
mudança de marcha em uma caixa mecânica. O tempo de mudança é muito importante pois influi
na suavidade da marcha do veículo e na vida das lamelas de fricção internas a caixa. O tempo de
mudança de marcha também é determinado com a velocidade e a posição do pedal do acelerador.
Manutenção preventiva
Inspeção periódica:
Antes de fazer a inspeção na caixa de mudança, limpe a bem, depois verifique:
• Nível do óleo
• Parafusos soltos
• Vazamento de óleo
• Interferências com articulações e sistemas mecânicos móveis
• Vazamento de ar comprimido
• Tubulações de ar ou de óleo danificadas ou dobradas
• Cabos elétricos danificados ou em atrito com outros componentes
• Conexões elétricas frouxas, sujas ou danificadas
• Juntas universais do cardan
• Regulagem do sensor de carga quando houver
O nível do óleo é muito importante para o funcionamento do conversor de torque, retardador e
pacotes de lamelas, alem disso o óleo lubrifica e refrigera a transmissão. Baixo nível de óleo pode
prejudicar o funcionamento e a lubrificação, nível de óleo muito alto pode criar bolhas de ar,
vazamento e retardo no tempo de troca de marcha, muitas vezes danificando a caixa.
CBC008.tif
Eletricidade Veicular — Mercedez-Benz
Global Training.
164
Tipos de óleo
Verifique sempre o tipo de óleo determinado no manual de lubrificantes da Mercedes Benz. O óleo
da transmissão automática não é um óleo lubrificante comum.
Como verificar o nível de óleo
• Colocar o veículo em nível
• Aplicar o freio de mão
• Colocar a seletora em "N"
• Limpar muito bem o tubo onde está a vareta de medição para que não caia sugeira dentro
da transmissão
• Medir o nível do óleo a frio que deve estar um pouco acima do normal quente
• Arrancar o motor e mante-lo em marcha lenta até que o óleo se aqueça
• Medir o nível do óleo, meça sempre duas vezes para aumentar a precisão, caso as duas
leituras não sejam consistentes, veifique respiros, orifícios de ventilação e
tubo de abastecimento.
Troca do óleo
Verifique a ficha de manutenção do veículo para intervalos de troca
• Colocar o veículo em nível
• Aplicar o freio de mão
• Colocar a seletora em "N"
• Drenar o óleo em temperatura de operação
• Verifique sempre o óleo drenado quanto a contaminação por particulas sólidas
• Substitua sempre o filtro, aneis de vedação ou juntas se for o caso
Reboque do veículo
Sempre que for necessário rebocar o veículo com o motor parado, desligue o cardan do veículopois
neste caso a bomba de óleo da trasnmissão não estará funcionando o que afetará a lubrificação
das partes em movimento.
Eletricidade Veicular — Mercedez-Benz
Global Training. 165
Para ler os códigos de falhas
Ligue a chave de ignição. Acione uma tecla da seletora de marchas.
Faça uma ponte entre os terminais 1 e 9 da tomada de diagnose por aproximadamente 2s.
Observe as piscadas da tecla acionada:
Lâmpada não se apaga, significa que não existe falhas.
Lâmpada pisca duas vezes, significa que o código vai ser transmitido.
Piscadas longas, significam 10.Piscadas curtas, significam 1.
Para apagar as falhas
Desligue a chave de ignição.
Faça uma ponte entre os terminais 1 e 9 da tomada de diagnose.
Ligue a chave de ignição.
Teste de Stall (simulação de funcionamento do trem de força com carga)
Este deve ser aplicado quando todas as possibilidades de se diagnosticar a causa de baixo
desempenho de um veículo já foram aplicadas. Serve para determinar se o problema está na
transmissão ou no motor.
1.0 Aqueça o óleo da transmissão até atingir a temperatura normal
2.0 Afaste as pessoas e objetos do veículo
3.0 Aplique o freio de mão
4.0 Selecione a tecla D da seletora de marchas
5.0 Aplique o freio de serviços, acione o acelerador até o máximo de uma vez e o mantenha
acionado atá a rotação do motor parar de subir.
Obs! Esta operação não deve durar mais que 30 segundos ou até que a temperatura
do motor atinja o ponto máximo permitido 90°C
6.0 Anote a rotação de estabilização
Rotação menor significa problema no motor
Rotação maior significa problema na transmissão
7.0 Selecione a tecla N e mantenha a rotação em 1500rpm por pelo menos dois minutos
entre cada teste para refrigerar o motor o trem de força
A rotação de Stall é de 150rpm acima da rotação de torque máximo do motor.
Para os veículos O500 com ZF HP 500 é de 1800rpm.
Eletricidade Veicular — Mercedez-Benz
Global Training.
166
Cod Causa Sugestão para reparação
11 Sem indicação de drive
12
Tempo de mudança de primeira para segunda
muito longo
13
Tempo de mudança de segunda para terceira
muito lonfgo
14
Tempo de mudança de terceira para quarta
muito longo
15
Tempo de mudança de quarta para quinta
muito longo
16
Tempo de mudança de quinta para sexta
muito longo
23 Defeito no emissor de carga
25 Defeito no sensor de saída
27 Defeito no sensor da turbina
31 Curto circuito na eletroválvula G
32 Curto circuito na eletroválvula F
33 Curto circuito na eletroválvula E
34 Curto circuito na eletroválvula D
35 Curto circuito na eletroválvula C
36 Curto circuito na eletroválvula B
37 Curto circuito na eletroválvula A
38 Curto circuito na eletroválvula WK
39 Curto circuito na eletroválvula Ret
40 Curto circuito no sinal do freio motor
41
Curto circuito na válvula de redução do
retarder
42 Curto circuito no sinal de velocidade
43 Curto circuito na válvula da tomada de força
44
Curto circuito na saída de bloqueio de
aceleração
45
Curto circuito no sinal de velocidade
46
Curto circuito no sinal de indicação de falha
Tabela de código de falhas para ZF HP 500/590/600
Eletricidade Veicular — Mercedez-Benz
Global Training. 167
Tabela de código de falhas para ZF HP 500/590/600 ( continuação )
Cod Causa Sugestão para reparação
51 Circuito da válvula G aberto
52 Circuito da válvula F aberto
53 Circuito da válvula E aberto
54 Circuito da válvula D aberto
55 Circuito da válvula C aberto
56 Circuito da válvula B aberto
57 Circuito da válvula A aberto
58 Circuito da válvula WK aberto
59 Circuito da válvula do retarder aberto
60 Circuito de saída do freio motor aberto
61
Circuito da válvula de redução do retarder
aberto
62 Circuito do sinal V1 aberto
63 Circuito da válvula da tomada de força aberta
64
Circuito da saída do sinal de bloqueio
da aceleração aberto
65 Entrada de sinal de velocidade aberta
66 Circuito do indicador de falha aberto
71 Má regulagem do sensor de carga
73 Falhano seletor de marchas
75 Falha na alimentação
77
Resistência da eletroválvula D1 fora
do esperado
79
Te n s ã o d o e m i s s o r d e c a r g a f o r a
do especificado
Eletricidade Veicular — Mercedez-Benz
Global Training.
168
Primeira marcha
CBC051.tif
Eletricidade Veicular — Mercedez-Benz
Global Training. 169
Segunda marcha
CBC052.tif
Eletricidade Veicular — Mercedez-Benz
Global Training.
170
Terceira marcha
CBC053.tif
Eletricidade Veicular — Mercedez-Benz
Global Training. 171
Quarta marcha
CBC124.tif
Eletricidade Veicular — Mercedez-Benz
Global Training.
172
Marcha a ré
Eletricidade Veicular — Mercedez-Benz
Global Training. 173
Eletricidade Veicular
EASY SHIFT - Sistema eletro-pneumático de mudança de marchas
Eletricidade Veicular — Mercedez-Benz
Global Training.
174
EASY SHIFT - Sistema eletro-pneumático de mudança de marchas
O que é o sistema Easy Shift ?
Easy shift é um sistema de mudança de marchas onde não existe mais ligação mecânica entre a
alavanca de mudanças e o trambulador. Neste sistema existe uma alavanca de mudanças elétrica
onde seis interruptores comandam válvulas que, pelo acionamento pneumático de dois pistões,
realizam a mudança de marchas.
Quais são as vantagens do sistema?
• Engates de marchas mais suaves com menos necessidade de esforços, dando mais conforto
e segurança ao condutor.
• Facilidade para encarroçamento por não haver varão da caixa de mudanças.
• A montagem não depende da posição do motor.
• O sistema protege a caixa de mudanças contra bruscas reduções de marchas.
Quais são as funções que o sistema tem?
• Engate de marchas
• Bloqueio do engate da 1ª e 2ª marcha com o veículo acima de 35 Km/h.
• Bloqueio do engate da 3ª e 4ª marcha com o veículo acima de 60 Km/h.
• Liberação do curso total da alavanca apenas quando a marcha é engatada.
Eletricidade Veicular — Mercedez-Benz
Global Training. 175
Lista de reposição de peças
CBC042.tif
Eletricidade Veicular — Mercedez-Benz
Global Training.
176
Alavanca seletora de marchas ( S 29 )
A alavanca seletora de marchas é formada por um conjunto de interruptores (S1, S2, S3, S4, S5,
S8) cuja combinação vai informar à unidade de válvulas qual é a marcha solicitada pelo motorista.
Cada marcha aciona sempre dois interruptores. Cada interruptor aciona uma ou duas válvulas.
Possui também um conjunto de três válvulas eletropneumáticas (Y11, Y12, Y14) que bloqueiam o
movimento da alavanca de seleção quando a marcha escolhida não é adequada e desbloqueiam
o curso total da alavanca quando a marcha é engatada.
A válvula Y12 bloqueia e controla o desbloqueio da alavanca no sentido de engate de marcha,
quando a marcha está completamente engrenada, o interruptor B41 envia um sinal ao módulo
U10 que por sua vez aciona a válvula Y12, eliminando o bloqueio.
Se o veículo estiver acima de 60km/h, o módulo U10 envia um sinal a válvula Y14, bloqueando a
seleção das marchas 3ª e 4ª.
Se o veículo estiver acima de 35km/h, o módulo U10 envia um sinal a válvula Y11, bloqueando a
seleção das marchas 1ª e 2ª.
Diagnose da válvula
O primeiro passo a ser feito é medir as resistências das válvulas conforme tabela abaixo,
observando para que a alavanca seletora (S29) esteja conectada e o módulo eletrônico U 10
esteja desconectado. A leitura deve ser feita com o ohmímetro no conector do módulo eletrônico.
Componentes e diagnóstico de falhas
Tabela de resistências para as válvulas da alavanca seletora de marchas
Terminais do conector
módulo U10
Denominação Resistência
18 - 15 Y11 - Válvula de bloqueio da 1ª e 2ª marcha 100 Ohms
18 - 32 Y14 - Válvula de bloqueio da 3ª e 4ª marcha 100 Ohms
18 - 14 Y12 - Válvula de desbloqueio do curso total da alavanca 100 Ohms
Eletricidade Veicular — Mercedez-Benz
Global Training. 177
Tabela de verificação das válvulas da seletora de marchas
Ponte entre os terminais do
conector do Módulo U10
Observação
6 - 14
Acionamento de Y12: desbloqueio do curso total da alavanca.
Antes de fazer a ponte o curso total da alavanca no sentido de
engarte de marcha deve estar bolqueado, ao fazer a ponte o bolqueio
deve desaparecer.
6 - 32
Acionamento de Y14: Bloqueio da 3ª e 4ª marcha.
Coloque a alavanca em sexta marcha e faça a ponte, se tudo estiver
correto o movimento da alavanca deve ser bloqueado enquanto
houver a ponte.
6 - 15
Acionamento de Y11: Bloqueio da 1ª e 2ª marcha.
Coloque a alavanca em quarta marcha e faça a ponte, se tudo
estiver correto o movimento da alavanca deve ser bloqueado
enquanto houver a ponte.
Verificação das tensões na alavanca de mudanças
Faça a verificação no conector do módulo de controle eletrônico U10, a chave de contato deverá
estar ligada e o conector do módulo desconectado. Para melhor compreensão, acompanhe as
medições com o esquema correspondente a marcha indicada. Veja a tabela abaixo:
Tabela de tensões x marcha engrenada no Módulo eletrônico
Marcha engrenada Tensão entre os terminais
1 (18x11) (18x28)
Medir as tensões com
um multímetro nos
terminais do módulo
eletrônico de controle.
2 (18x11) (18x10)
3 (18x28) (18x29) (18x20)
4 (18x20) (18x29) (18x10)
5 (18x28) (18x29)
6 (18x10) (18x29)
Ré (18x10) (18x20)
Caso os valores de resistência sejam diferentes dos valores especificados, verifique a instalação
elétrica, caso os valores estejam corretos faça uma verificação de atuação das válvulas como
segue:
O veículo deverá estar abastecido de ar comprimido, a chave de contato ligada e feito pontes nos
terminais do conector do módulo, conforme tabela abaixo.
Eletricidade Veicular — Mercedez-Benz
Global Training.
178
Figuras ilustrativas da alavanca seletora de marchas
Abaixo podemos analisar o conjunto de interruptores e bloqueios que compoem a alavanca seletora
de marchas.
1 2 3
7
4 5 6
1- Bloqueio do 2° estágio
2- Posição de 3ª e 4ª marcha
3- Bloqueio 1ª, 2ªe 3ª, 4ª
4- Bloqueio do 2° estágio - Y12
5- Bloqueio 3ª, 4ª
6- Bloqueio 1ª, 2ª - Y11
7- Entrada de ar
CBC099.tif CBC100.tif
CBC 102.tif
CBC 101.tif
Eletricidade Veicular — Mercedez-Benz
Global Training. 179
Tabela de verificação dinâmica da central de válvulas (U11)
Ponte entre os terminais Circuito onde deverá aparecer pressão pneumática
6 - 24 P15
6 - 20 P22
6 - 29 P16
6 - 11 P18
6 - 28 P20
6 - 10 P21
Tabela de resistências para as válvulas da central de válvulas (U11)
Terminais do conector
módulo U10
Denominação Resistência
18 - 24 Y8 - Válvula principal 45 Ohms
18 - 20 Y5 - Válvula de seleção da 3ª e 4ª marcha e marcha-a-ré 45 Ohms
18 - 29 Y4 - Válvula de seleção da 3ª, 4ª, 5ª, e 6ª marcha 45 Ohms
18 - 11 Y3 - Válvula de seleção da 1ª e 2ª marcha e marcha-a-ré 45 Ohms
18 - 28 Y2 - Válvula de engate de marchas ímpares 45 Ohms
18 - 10 Y1 - Válvula de engate de marchas pares 45 Ohms
Teste dinâmico da Central de válvulas (U 11)
Caso os valores de resistência das válvulas estejam conforme esperado, faça um teste dinâmico,
acionando as válvulas através de pontes nos terminais do módulo de controle U10 conforme tabela:
Central de válvulas (U 11)
A central de válvulas é composta por um conjunto de válvulas e um circuito pneumático cuja
função é acionar os cilindros de seleção e de engate.
Diagnose da central de válvulas
O primeiro passo é verificar a resistência ohmica das válvulas, meça a resistência no conector do
módulo eletrônico U10, com a chave de ignição desligada e o módulo desconectado.
Eletricidade Veicular — Mercedez-Benz
Global Training.
180
Figuras ilustrativas da central de válvulas
1- Descarga de ar
2- Conector elétrico
3- Y4 - Seleção 3/4 e 5/6
4- Y3 - Seleção 1/2 e ré
5- Y2 - Marchas ímpares
6- Y5 - Seleção 3/4 e ré
7- Y8 - Liberação de ar
8- Y1 - Marchas pares
1
2
3 4 5 6
8
7
Anotações:
CBC103.tif
CBC104.tif
Eletricidade Veicular — Mercedez-Benz
Global Training. 181
Módulo temporizador de pressão de alimentação ( U 13 )
É um módulo eletrônico que temporiza a aplicação de ar nos cilindros de engate e seleção, a
finalidade desta temporização é evitar que o garfo fique pressionando as luvas deslizantes e por
consequência apareça um desgaste nos anéis sincronizadores. O tempo de aplicação é de 4
segundos e é contado apartir do momento que são acionados os interruptores de embreagem
(B40) e de marcha engrenada (B41), após estes 4 segundos o módulo de temporização (U13),
retira o sinal elétrico da válvula (Y8) que está na Central de válvulas (U11).
Diagnose do módulo temporizador
Sempre que houver um problema com a alimentação de ar para a central de válvulas, é possível
que haja problemas com o módulo de controle da pressão, neste caso verifique o seguinte:
1.0 Tensão de alimentação da bateria para o módulo entre os terminais 1 e 3.
2.0 Sinal de embreagem acionada entre os terminais 1 e 5.
3.0 Sinal de marcha engrenada entre os terminais 1 e 2.
4.0 Após aplicar os sinais de embreagem e marcha engrenada, deverá existir
um pulso de 4s de duração entre os terminais 1 e 7.
Sensor de velocidade G12.
Fornece um sinal elétrico para o módulo eletrônico U12, que corresponde a velocidade do veículo.
Para que o sensor funcione ele precisa receber uma tensão de alimentação de 10V que vem do
módulo U12.
Diagnose do sensor de velocidade G12.
Uma falha neste sensor fará com que o módulo de controle deixe de executar a tarefa de bloqueio
de mudanças de risco.
Para verifica-lo faça o seguinte:
1.0 Meça a tensão de alimentação entre os termiais 2 e 4 do sensor que deve
ser de 10V.
2.0 Remova o sensor e gire vagarosamente e verifique se a tensão entre os
terminais 3 e 4 alterna entre 0V e 10V.
Módulo amplificador de sinal (U12)
Este módulo tem a função de amplificar o sinal de velocidade proveniente do sensor de velocidade
(G12) e fornecer uma tensão de alimentação de 10V para este mesmo sensor.
Diagnose do módulo amplificador de sinal (U12)
Uma falha neste módulo fará com que o módulo de comando U 10 não execute mais a tarefa de
bloquear as mudanças de marchas em situação de risco, neste caso faça os seguintes testes:
1.0 Verifique se o módulo U12 está recebendo tensão de alimentação da bateria
entre seus terminais 8 e 4.
2.0 Verifique se o módulo U12 está enviando tensão de alimentação de 10V
para o sensor de velocidade entre os terminais 2 e 3 do próprio módulo U12.
3.0 Remova o sensor G12, gire o seu eixo vagarosamente e verifique se a tensão
entre os terminais 8 e 5 do módulo U12 muda de 0V para 10V alternadamente.
Eletricidade Veicular — Mercedez-Benz
Global Training.
182
Sensor do pedal da embreagem (B40).
Localiza-se junto ao pedal da embreagem. Tem a função de indicar ao módulo temporizador (U13)
quando o pedal foi acionado, para que o temporizador possa acionar Y8 (Válvula Principal) a
liberar o ar.
Diagnose do sensor do pedal da embreagem (B40)
Uma falha neste sensor fará com que o ar não seja liberado e nenhuma marcha seja engatada.
O sensor é acionado por uma placa de metal presa no pedal. Esta distância deve ser ajustada para
que o sensor seja acionado apenas quando a embreagem estiver completamente desacoplada.
No conector do módulo U13 realize os seguintes testes em caso de averias:
1 - Verifique se há tensão de alimentação de 24 V entre os terminais 3 e 1.
2 - Verifique se há tensão de 24 V entre os terminais 5 e 1 quando o pedal
é completamente acionado.
Ajuste do sensor
Para obter um acionamento exato e um funcionamento perfeito do sensor devem ser efetuados
os seguintes ajustes:
• O ponto de acionamento é obtido por um ajuste preciso da chapa fixada no pedal da embreagem.
• A chapa deve cobrir o sensor completamente durante sua atuação.
• A distância do sensor à chapa deve ficar entre 2 e 4 mm.
O ajuste é feito atravéz do movimento giratório do sensor, que está rosqueado em duas porcas.
Alcançando a posição correta, deve-se travar as porcas de maneira a impedir que a vibração do
veículo as solte e modifique a posição ajustada.
Sensor do pedal da embreagem
CBC105.tif
CBC106.tif
Eletricidade Veicular — Mercedez-Benz
Global Training. 183
Sensor de rotação da entrada da caixa de mudanças G 10.
Este sensor fornece um sinal senoidal ao módulo de controle U10, que corresponde a rotação do
eixo intermediário do câmbio, caso o motorista tente fazer uma redução errada, a rotação medida
pelo sensor aumenta. No terminal 14 do Módulo U10, se pode conectar um alarme sonoro para
avisar da tentativa de engate de marcha errada. Esta função não está sendo utilizada.
Diagnose do sensor de rotação G10.
Quando isso ocorrer, faça o seguinte:
1.0 Meça a resistência do sensor entre os terminais 9 e 17 do módulo de controle
U10 que deve ser de aproximadamente 1600 Ohm.
2.0 Com o motor em marcha lenta, meça a tensão entre os terminais 9 e 17 do
módulo de controle U10 que deve ser aproximadamente 1,5VAC, quando
acionar a embreagem a tensão deve ir .
Principais problemas encontrados
Conector da caixa de válvulas
A oxidação e quebra de contatos neste conector é o problema mais comum. É recomendável virar
sua abertura para baixo para reduzir a chance de entrada de água. Não devem ser utilizados produtos
como WD40, pois os mesmos corroem os contatos. Usar apenas limpa contato. Quando aparecer
uma falha este é um dos primeiros lugares de verificação.
Interruptores de neutro e marcha engatada sem arruela
Interruptores de neutro e marcha engatada sem arruela
Interruptores de neutro e marcha engatada sem arruela
Interruptores de neutro e marcha engatada sem arruela
Interruptores de neutro e marcha engatada sem arruela
Estes possuem uma arruela de posicionamento. Sem ela o interruptor trabalha na altura errada,
podendo ficar sempre acionado, ou nunca acionar. Lembre-se é possível enroscar o interruptor
sem a arruela, mas isto não deve ser feito.
Alavanca seletora de marchas com graxa
Alavanca seletora de marchas com graxa
Alavanca seletora de marchas com graxa
Alavanca seletora de marchas com graxa
Alavanca seletora de marchas com graxa
A alavanca não deve receber nenhum tipo de lubrificação. Sua movimentação é suave,
não necessita de graxa nem de óleo. Estes produtos, com acúmulo de poeira, fariam seu curso
ficar mais rígido. Aqui também não deve ser utilizado WD40.
Eletricidade Veicular — Mercedez-Benz
Global Training.
184
Figuras Complementares - Sistema Easy Shift
Módulo Interruptor de pressão
(conector U10)
Módulo eletrônico EST-11
Módulo Amplificador de sinal
(Conector U9)
Interruptor de neutro
Sensor de rotação de saída
Interruptor de marcha engatada
CBC112.tif
CBC111.tif
CBC109.tif
CBC108.tif
CBC110.tif
CBC107.tif
Eletricidade Veicular — Mercedez-Benz
Global Training. 185
Esquema elétrico ( chave de contato ligada )
easy012.emf
Eletricidade Veicular — Mercedez-Benz
Global Training.
186
Esquema elétrico ( embreagem acionada )
easy013.emf
Eletricidade Veicular — Mercedez-Benz
Global Training. 187
Esquema elétrico ( primeira marcha )
easy014.emf
Eletricidade Veicular — Mercedez-Benz
Global Training.
188
Esquema elétrico ( temporização da embreagem )
easy015.emf
Eletricidade Veicular — Mercedez-Benz
Global Training. 189
Esquema elétrico ( segunda marcha )
easy016.emf
Eletricidade Veicular — Mercedez-Benz
Global Training.
190
Esquema elétrico ( terceira marcha)
easy018.emf
Eletricidade Veicular — Mercedez-Benz
Global Training. 191
Esquema elétrico ( quarta marcha)
easy019.emf
Eletricidade Veicular — Mercedez-Benz
Global Training.
192
Esquema elétrico ( quinta marcha)
easy020.emf
Eletricidade Veicular — Mercedez-Benz
Global Training. 193
Esquema elétrico ( sexta marcha)
easy021.emf
Eletricidade Veicular — Mercedez-Benz
Global Training.
194
Esquema elétrico ( quarta marcha)
CBC022.emf
Mercedes Benz- eletricidade-veicular-completo-04-11-04

Mercedes Benz- eletricidade-veicular-completo-04-11-04

  • 1.
    Eletricidade Veicular = = = = = = Abertura deportas PLD ADM NR Caixa automática Easy shift
  • 2.
    Eletricidade Veicular —Mercedez-Benz Global Training. 1 Índice Sistema abertura de portas Sistema de abertura de portas ........................................................................................ 9 Interruptor do Sistema de Segurança ..................................................................... 10 Interruptores e Válvulas do Chassi.......................................................................... 11 Interruptores e Válvulas a instalados pelo encarroçador ....................................... 12 Representação eletropneumática do sistema de abertura de portas .......................... 13 Esquema elétrico do bloqueio de abertura de portas e do movimento do veículo (parcial) ........................................................................... 14 Esquema elétrico do bloqueio de abertura de portas e do movimento do veículo (continuação) ................................................................. 15 Abertura de portas bloqueada pelo ADM (veículo em movimento) .............................. 16 Esquema elétrico com destaque do bloqueio de abertura de portas estando o veículo em movimento ......................................................................................... 17 Bloqueio do movimento do veículo (porta aberta) ........................................................ 18 Esquema elétrico do bloqueio do movimento do veículo com destaque para o bloqueio pelos interruptores de fim de curso das portas .......................... 19 Bloqueio da abertura das portas, sem aplicação do freio de serviço ou freio de estacionamento ...........................................................................................20 Destaque do bloqueio de fechamento das portas sem a aplicação dos freios e bloqueio do acelerador ......................................................................................... 21 Bloqueio da parada do motor sem a aplicação do freio de estacionamento (chave de contato desligada) o operador está tentando parar o motor .....................22 Bloqueio da parada do motor sem a aplicação do freio estacionamento (chave de contato ligada) ...................................................................23 Esquema elétrico da alimentação, bloqueio da parada do motor .......................... 24 Esquema elétrico do aviso de bloqueio do movimento do veículo e de acionamento das luzes de freio ..........................................................................25 Esquema elétrico com destaque para o bloqueio do movimento do veículo .........26 Esquema elétrico com destaque para o bloqueio da abertura das portas estando o veículo em movimento ............................................................................27 Esquema elétrico com destaque para o interruptor de emergência .....................28 Esquema elétrico com destaque para a tecla de emergência do painel ................29 Sistema PLD Conceito ......................................................................................................................... 31 Inovações tecnológicas ................................................................................................. 31 Modulo de gerenciamento do motor - MR .................................................................... 31 Módulo de controle do motor MR - construção e funcionamento ..............................32
  • 3.
    Eletricidade Veicular —Mercedez-Benz Global Training. 2 Módulo virgem ..........................................................................................................32 Módulo com jogo de parâmetros básicos ..............................................................32 Módulo completo (Com Flags) .................................................................................32 Módulo instalado no veículo (KL 30) .......................................................................33 Módulo instalado no veículo (KL 30 + KL 15) Chave de contato ligada .................33 Instante da partida (KL 30 + KL 15 + KL 50) ..........................................................33 Esquema de funcionamento do MR.........................................................................33 Vista dos conectores do módulo ............................................................................34 Localização dos êmbolos (durante a partida) .........................................................35 Localização dos êmbolos (após a partida)..............................................................36 Funcionamento com falha no sensor de comando ................................................36 Funcionamento com falha no sensor do volante ...................................................37 Determinação do início e tempo de injeção ...........................................................37 Temperatura do líquido de arrefecimento do motor ...............................................38 Temperatura e pressão do ar de sobrealimentação ...............................................38 Rotação e posição do motor ...................................................................................38 Proteção do turbo....................................................................................................38 Pressão do óleo .......................................................................................................39 Temperatura do líquido de arrefecimento................................................................39 Funções de proteção do motor .....................................................................................39 Redução de torque ...................................................................................................40 Redução de Potência ...............................................................................................40 Baixo nível de óleo ................................................................................................... 41 Testes de funcionamento do motor ..............................................................................42 Teste de compressão ...............................................................................................42 Desvio de rotação em marcha lenta ........................................................................42 Desligamento dos cilindros .....................................................................................43 Tempo para o atracamento da unidade injetora .....................................................43 Teste de polaridade nos sensores de RPM (volante) e sincronismo (comando de válvulas).........................................................................43 Sensores do motor ........................................................................................................44 Sensor de temperatura do líquido de arrefecimento ..............................................44 Sensor de temperatura e pressão do ar de admissão ...........................................45 Sensor de temperatura do combustível ..................................................................46 Sensor de pressão e temperatura do óleo do motor ............................................. 47 Sensores indutivos de RPM (volante) e de sincronismo (comando) ......................48 Sensor de indutivo do volante .................................................................................48 Sensor de indutivo do comando .............................................................................49 Curva de resposta dos sensores de pressão - Ar de admissão e óleo lubrificante........................................................................................................50 Curva de resposta dos sensores de temperaturas do motor ................................ 51 Sistema de injeção PLD .................................................................................................52 Unidade Injetora ............................................................................................................52
  • 4.
    Eletricidade Veicular —Mercedez-Benz Global Training. 3 Circulação do combustível no cabeçote da unidade injetora ................................53 Representação esquemática do funcionamento das unidades injetoras ..............54 Impacto e tempo de reação.....................................................................................56 Identificação do impacto .........................................................................................56 Regulagem do volume de injeção .............................................................................57 Ângulo de injeção .....................................................................................................57 Processo de injeção ................................................................................................58 Circuito de combustível motor série 900 ......................................................................59 Circuito de combustível motor série 450 ......................................................................60 Circuito de combustível motor série 450 aplicado no 1938 S .................................... 61 Valores reais para MR (PLD) ...........................................................................................62 Valores binários para MR (PLD) .....................................................................................64 Códigos de falhas para MR (PLD) ..................................................................................70 Lista de parâmetros para o MR .....................................................................................89 Sistema ADM Módulo ADM - Funcionamento ......................................................................................92 Vista dos conectores ...............................................................................................92 Diagrama em bloco - PLD e ADM .............................................................................93 Pedal do acelerador .................................................................................................93 Reconhecimento da faixa de trabalho do pedal do acelerador .............................95 Tacômetro .......................................................................................................................97 Indicador de pressão .....................................................................................................98 Verificação do indicador de pressão de óleo ..........................................................98 Indicador de temperatura ............................................................................................ 100 Verificação do indicador de temperatura .............................................................. 100 Lâmpada indicadora de falhas no ADM ou PLD .......................................................... 101 Lâmpada indicadora de baixo nível de óleo lubrificante ............................................. 102 Bloqueio da partida do motor ...................................................................................... 103 Bloqueio do pedal do acelerador ................................................................................. 103 Limitador de velocidade - Tacógrafo ............................................................................ 104 Freio motor ................................................................................................................... 105 Transmissão automática .............................................................................................. 106 Ar Condicionado .......................................................................................................... 107 ADR - Controle de rotação para serviços especiais.................................................... 108 Exemplo de uma aplicação........................................................................................... 108 Saída de sinal para reles IWK....................................................................................... 110 Parâmetros do ADM ......................................................................................................111 Tabelas das conexões do ADM.................................................................................... 125
  • 5.
    Eletricidade Veicular —Mercedez-Benz Global Training. 4 Sistema NR Disposição dos componentes do NR .......................................................................... 129 Suspensão eletropneumática ENR .................................................................. 130 Geral.................................................................................................................. 130 Altura normal I .................................................................................................. 130 Altura normal II................................................................................................. 130 Localização da medida H1 do eixo dianteiro O500 LE ................................... 131 Localização da medida H1 do eixo dianteiro O 500M.................................... 131 Localização da medida H2 do eixo dianteiro O500 LE e O 500M ................. 131 Kneeling ( ajoelhamento ) ................................................................................ 132 Controle da suspensão.................................................................................... 132 Diagnóse de falhas ........................................................................................... 132 Falhas de plausibilidade ................................................................................... 132 Reprogramação ou calibração ......................................................................... 132 Bloco de válvulas do NR ......................................................................................... 133 Válvula de controle da suspensão ......................................................................... 134 Bloco de válvulas .............................................................................................. 134 Contato desligado............................................................................................ 134 Contato ligado ................................................................................................. 134 Pressurização das bolsas ................................................................................ 135 Ajoelhamento ................................................................................................... 135 Despressurização ............................................................................................. 135 Sensores de nível ............................................................................................. 136 Troca do sensor ............................................................................................... 136 Interruptores no painel de instrumentos.............................................................. 137 Luzes no painel de instrumentos........................................................................... 138 Alimentação da unid/ade de controle do NR ....................................................... 139 Circuito das válvulas de controle da suspensão ................................................... 141 Conectores do sistema ENR.................................................................................. 142 Sugestões para ajustar a suspensão do veículo manualmente em caso de falha no sistema .............................................................................................................. 143 Caixas de Mudanças Caixas de mudanças .................................................................................................... 145 Conversor de torque .............................................................................................. 146 Conjuntos plantetários .......................................................................................... 147 Bomba de óleo ....................................................................................................... 147 Pacote de lamelas .................................................................................................. 148 Bloco de válvulas .................................................................................................... 148 Esquema elétrico do bloco de válvulas.................................................................. 149 Retardador ZF............................................................................................................... 150 Interruptor S31 do painel desligado...................................................................... 152 Retardador impedido de funcionar pelo ADM ....................................................... 153
  • 6.
    Eletricidade Veicular —Mercedez-Benz Global Training. 5 ABS modulando retardador não funciona ............................................................. 154 Transmissão em primeira ou segunda marcha ...................................................... 155 Segundo estágio do retardador ( interruptor de luz de freio ligado )................... 156 Temperatura da trasmissão acima de 130°C ........................................................ 157 Esquema elétrico do retardador ............................................................................ 158 Esquema elétrico da alimentação da unidade de controle da transmissão e tomada de diagnose ......................................................................................... 159 Esquema elétrico da seletora de marchas ZF ....................................................... 160 Desenhos dos conectores dos chicotes elétricos da transmissão automática ZF ........................................................................................................ 161 Tempo de mudança de marchas ............................................................................ 163 Manutenção preventiva................................................................................................ 163 Tipos de óleo.......................................................................................................... 164 Como verificar o nível de óleo.......................................................................... 164 Troca do óleo ................................................................................................... 164 Reboque do veículo .......................................................................................... 164 Teste de Stall (simulação de funcionamento do trem de força com carga) ......... 165 Para ler os códigos de falhas................................................................................. 165 Para apagar as falhas ............................................................................................. 165 Tabela de código de falhas para ZF HP 500/590/600 ........................................ 166 Primeira marcha ..................................................................................................... 168 Segunda marcha..................................................................................................... 169 Terceira marcha ...................................................................................................... 170 Quarta marcha........................................................................................................ 171 Marcha a ré ............................................................................................................ 172 EASY SHIFT - Sistema eletro-pneumático de mudança de marchas EASY SHIFT - Sistema eletro-pneumático de mudança de marchas .......................... 174 O que é o sistema Easy Shift ? .................................................................................... 174 Quais são as vantagens do sistema?........................................................................... 174 Quais são as funções que o sistema tem? .................................................................. 174 Lista de reposição de peças ........................................................................................ 175 Componentes e diagnóstico de falhas.................................................................. 176 Alavanca seletora de marchas ( S 29 ) .................................................................. 176 Diagnose da válvula ................................................................................................ 176 Verificação das tensões na alavanca de mudanças .............................................. 177 Figuras ilustrativas da alavanca seletora de marchas ..................................... 178 Central de válvulas (U 11) ............................................................................................. 179 Diagnose da central de válvulas ............................................................................. 179 Teste dinâmico da Central de válvulas (U 11) .................................................. 179 Figuras ilustrativas da central de válvulas ....................................................... 180 Módulo temporizador de pressão de alimentação ( U 13 )......................................... 181 Diagnose do módulo temporizador ....................................................................... 181
  • 7.
    Eletricidade Veicular —Mercedez-Benz Global Training. 6 Módulo amplificador de sinal (U12) ............................................................................. 181 Diagnose do módulo amplificador de sinal (U12) .................................................. 181 Sensor de velocidade G12. .......................................................................................... 181 Diagnose do sensor de velocidade G12. ............................................................... 181 Sensor do pedal da embreagem (B40). ....................................................................... 182 Diagnose do sensor do pedal da embreagem (B40) ............................................. 182 Ajuste do sensor .............................................................................................. 182 Sensor de rotação da entrada da caixa de mudanças G 10....................................... 183 Diagnose do sensor de rotação G10..................................................................... 183 Principais problemas encontrados........................................................................ 183 Conector da caixa de válvulas ............................................................................... 183 Figuras Complementares - Sistema Easy Shift ............................................................ 184 Esquema elétrico ( chave de contato ligada ) ............................................................. 185 Esquema elétrico ( embreagem acionada ).................................................................. 186 Esquema elétrico ( primeira marcha ) .......................................................................... 187 Esquema elétrico ( temporização da embreagem ) ..................................................... 188 Esquema elétrico ( segunda marcha ) ......................................................................... 189 Esquema elétrico ( terceira marcha) ............................................................................ 190 Esquema elétrico ( quarta marcha) .............................................................................. 191 Esquema elétrico ( quinta marcha) .............................................................................. 192 Esquema elétrico ( sexta marcha)................................................................................ 193 Esquema elétrico ( quarta marcha) .............................................................................. 194
  • 8.
    Eletricidade Veicular —Mercedez-Benz Global Training. 7
  • 9.
    Eletricidade Veicular —Mercedez-Benz Global Training. 8 Eletricidade Veicular Sistema abertura de portas
  • 10.
    Eletricidade Veicular —Mercedez-Benz Global Training. 9 Sistema de abertura de proteção da operação das portas Para atender as legislações de algumas cidades do Brasil quanto a proteção dos passageiros os sistema de portas deve garantir o seguinte: 1.0 - Bloqueio da abertura das portas com o veículo em movimento 2.0 - Bloqueio do movimento do veículo com uma ou mais portas abertas. Uma proteção adicional é oferecida segundo os seguintes itens: 1.0 - Estando o veículo parado e as portas abertas, só é possível fecha-las, atuando no freio de serviço ou o freio de estacionamento, isto evita que o operador utilize a abertura das portas como maneira de freiar o veículo e não utililizando os freios convencionais. 2.0 - O bloqueio de movimento do veículo é feito aplicando uma pressão de frenagem de 3,5bar no circuito de freio de serviço. 3.0 - As luzes de freio e indicadora no painel estarão acesas, sempre que o bloqueio de movimento do veículo estiver acionado. 4.0 - Para evitar que o sistema seja usado como freio de estacionamento, não é possível desligar o motor, sem aplicar o freio de estacionamento, se ocorrer uma tentativa de desligar o motor, um alarme sonoro é disparado. Sistema de abertura de portas
  • 11.
    Eletricidade Veicular —Mercedez-Benz Global Training. 10 Interruptor do Sistema de Segurança Caso o sistema apresente alguma falha, o mesmo poderá ser desativado através do interruptor vermelho no painel de instrumentos(Chave de segurança). Deverá ser rompido o lacre, basculada a tampa e puxado o botão. Lembramos que tal procedimento deverá somente deverá ser efetuado com o freio de estacionamento acionado. Quando o sistema de portas for desligado, o freio de serviço será desaplicado, podendo o veículo ser colocado em movimento. Após o lacre ser rompido, o mesmo deverá ser recolocado IMEDIATAMENTE !!! Chave de Segurança caso o sistema apresente falha. Romper o lacre, bascular a tampa e puxar o botão somente com o freio de estacionamento acionado. Após o lacre rompido, o memos deverá ser recolocado imediatamente CBC113.tif CBC114.tif CBC115.tif
  • 12.
    Eletricidade Veicular —Mercedez-Benz Global Training. 11 Interruptores e Válvulas do Chassi (Informações Complementares) O sistema de portas no chassi O 500, possui interruptores e válvulas que estão descritas resumidamente para que as mesmas possam ser identificadas e para que não haja dúvidas quanto ao teste final do sistema, após o encarroçamento. B56Interruptorauxiliardofreiodeestacionamentopara o Sistema de Portas, localizado atrás do Eixo Traseiro Interruptor e Válvula Magnética do acionamento do freio de serviço para o Sistema de Portas Localizado à frente do Eixo Traseiro V19 - Válv.Magn.Acionamento Freio de Serviço (M24) B38 - Inter.Luz Piloto Acionam.Freio de Serviço (M27) B57 Interruptor auxiliar do freio de serviço para o Sistema de Portas, localizado na dianteira do Chassi V19 B 38 CBC117.tif CBC118.tif CBC119.tif CBC120.tif
  • 13.
    Eletricidade Veicular —Mercedez-Benz Global Training. 12 Interruptores e Válvulas a instalados pelo encarroçador (Informações Complementares) Estas figura mostram os interruptores e as válvulas instaladas conforme sugestões da DCB, pode haver variações de posição e tipo de peças conforme o encarroçamento. V24Duasválvulasinstaladasnaslinhasdeentradadocilindro defechamentodasportasparaimpediraaberturadasportas. B58Interruptordepressãoinstaladonalinha defechamentodasportas, este interruptor se fecha quando o condutor tenta abrir a porta. B59 Interruptor de fim de curso das portas, ele se abre somentequandoaportaestácompletamentefechada. CBC121.tif CBC122.tif CBC123.tif
  • 14.
    Eletricidade Veicular —Mercedez-Benz Global Training. 13 B56 – Interruptor de freio de serviço Fecha contato quando o freio de serviço não está aplicado. B57–Interruptor de freio de estacionamento Fecha contato quando o freio de estacionamento não está aplicado. B65 – Interruptor de pressão na linha de fechamento das portas Fecha sempre que a porta está sendo aberta B58 – Interruptor de fim de curso das portas Está fechado sempre que a porta não está completamente fechada K9 – Rele de bloqueio de abertura de portas Bloqueia a abertura das portas quando o veículo está em movimento K57 – Rele de inibidor do bloqueio do veículo Impede que o bloqueio do veículo seja acionado estando o veículo em movimento O desenho acima é uma representação eletropneumática do sistema de abertura de portas, para facilitar a interpretação, foram omitidas informações que estão nos esquemas elétricos nas páginas seguintes. Representação eletropneumática do sistema de abertura de portas K64 – Rele de bloqueio do acelerador Envia um sinal positivo ao ADM para o bloqueio do acelerador K81 – Rele de emergência do sistema Quando acionado pelo interruptor de emergência, elimina a alimentação elétrica do sistema V19 – Válvula de bloqueio do movimento do veículo Aplica pressão no circuito de freio de serviço, sempre que a porta não está totalmente fechada V24 – Válvula de bloqueio de abertura das portas Impedem a entrada e saída de ar dos cilindros das portas 1 – Linha de pressão principal 8,0bar 21 – Linha de pressão do freio de serviço 22–Linhadepressãodofreiodeestacionamento CBC023.emf
  • 15.
    Eletricidade Veicular —Mercedez-Benz Global Training. 14 Esquema elétrico do bloqueio de abertura de portas e do movimento do veículo (parcial) B56 - Interruptor de freio de serviço Fecha contato quando o freio de serviço não está aplicado. B57 - Interruptor de freio de estacionamento Fecha contato quando o freio de estacionamento não está aplicado. Fecha sempre que a porta está sendo aberta B58 - Interruptor de pressão da linha de fechamento da porta dianteira B65 - Interruptor de pressão da linha de fechamento da porta traseira B66 - Interruptor de pressão da linha de fechamento da porta central Estão fechados sempre que não houver pressão de ar na linha de fechamento das portas B59 - Interruptor de fim de curso da abertura da porta dianteira B67 - Interruptor de fim de curso da abertura da porta traseira B68 - Interruptor de fim de curso da abertura da porta central Estão fechados sempre que as portas não estão completamente fechadas K9 - Rele de bloqueio de abertura de portas Bloqueia a abertura das portas quando o veículo está em movimento K57 - Rele de inibidor do bloqueio do veículo Impede que o bloqueio do veículo seja acionado estando o veículo em movimento K64 - Rele de bloqueio do acelerador Envia um sinal positivo ao ADM para o bloqueio do acelerador K81 - Rele de emergência do sistema Quando acionado pelo interruptor de emergência, elimina a alimentação elétrica do sistema V19 - Válvula de bloqueio do movimento do veículo Aplica pressão no circuito de freio de serviço, sempre que a porta não está totalmente fechada V24 - Válvula de bloqueio de abertura da porta dianteira V28 - Válvula de bloqueio de abertura da porta traseira V29 - Válvula de bloqueio de abertura da porta central Impedem a entrada e saída de ar dos cilindros das portas CBC036.emf
  • 16.
    Eletricidade Veicular —Mercedez-Benz Global Training. 15 B56 - Interruptor de freio de serviço Fecha contato quando o freio de serviço não está aplicado. B57 - Interruptor de freio de estacionamento Fecha contato quando o freio de estacionamento não está aplicado. Fecha sempre que a porta está sendo aberta B58 - Interruptor de pressão da linha de fechamento da porta dianteira B65 - Interruptor de pressão da linha de fechamento da porta traseira B66 - Interruptor de pressão da linha de fechamento da porta central Estão fechados sempre que não houver pressão de ar na linha de fechamento das portas B59 - Interruptor de fim de curso da abertura da porta dianteira B67 - Interruptor de fim de curso da abertura da porta traseira B68 - Interruptor de fim de curso da abertura da porta central Estão fechados sempre que as portas não estão completamente fechadas K9 - Rele de bloqueio de abertura de portas Bloqueia a abertura das portas quando o veículo está em movimento Esquema elétrico do bloqueio de abertura de portas e do movimento do veículo (continuação) K57 - Rele de inibidor do bloqueio do veículo Impede que o bloqueio do veículo seja acionado estando o veículo em movimento K64 - Rele de bloqueio do acelerador Envia um sinal positivo ao ADM para o bloqueio do acelerador K81 - Rele de emergência do sistema Quando acionado pelo interruptor de emergência, elimina a alimentação elétrica do sistema V19 - Válvula de bloqueio do movimento do veículo Aplica pressão no circuito de freio de serviço, sempre que a porta não está totalmente fechada V24 - Válvula de bloqueio de abertura da porta dianteira V28 - Válvula de bloqueio de abertura da porta traseira V29 - Válvula de bloqueio de abertura da porta central Impedem a entrada e saída de ar dos cilindros das portas CBC049.emf
  • 17.
    Eletricidade Veicular —Mercedez-Benz Global Training. 16 Abertura de portas bloqueada pelo ADM (veículo em movimento) Quando o veículo está em movimento, o ADM envia um comando elétrico ao rele K9 que por sua vez ativa as válvulas de bloqueio V24. As válvulas de bloqueio V24 impedem a entrada de ar no cilindro de abertura de portas. CBC045.emf
  • 18.
    Eletricidade Veicular —Mercedez-Benz Global Training. 17 Esquema elétrico com destaque do bloqueio de abertura de portas estando o veículo em movimento CBC012.emf
  • 19.
    Eletricidade Veicular —Mercedez-Benz Global Training. 18 Bloqueio do movimento do veículo (porta aberta) Quando as portas não estão completamente fechadas, os interruptores de fim de curso se fecham enviando um comando até a válvula de bloqueio de marcha V19. A válvula V19 libera pressão de ar de 8bar para a válvula de redução de pressão que a reduz para 3,5bar e a envia à válvula bi direcional de 3vias e ao circuito de freio de serviço. CBC025.emf
  • 20.
    Eletricidade Veicular —Mercedez-Benz Global Training. 19 Esquema elétrico do bloqueio do movimento do veículo com destaque para o bloqueio pelos interruptores de fim de curso das portas CBC041.emf
  • 21.
    Eletricidade Veicular —Mercedez-Benz Global Training. 20 Bloqueio da abertura das portas, sem aplicação do freio de serviço ou freio de estacionamento O movimento do veículo continua bloqueado pelo interruptor de fim de curso da porta B59, o freio de estacionamento não está aplicado pois o interruptor B56 está fechado, o freio de serviço também não está aplicado pois o interruptor B56 também está fechado, não há pressurização na linha de fechamento da porta por isso B65 também está fechado, desta forma é formado um circuito para o acionamento das válvulas de bloqueio de abertura de porta V24. Para que seja possível fechar as portas, é necessário aplicar o freio de estacionamento ou o freio de serviço. Ao mesmo tempo, o rele K64 é acionado e envia um sinal positivo ao ADM, o que faz com que o pedal do acelerador fique inoperante. CBC046.emf
  • 22.
    Eletricidade Veicular —Mercedez-Benz Global Training. 21 Destaque do bloqueio de fechamento das portas sem a aplicação dos freios e bloqueio do acelerador CBC044.emf
  • 23.
    Eletricidade Veicular —Mercedez-Benz Global Training. 22 Se o movimento do veículo estiver bloqueado pelo sistema de portas, não há como desligar o motor pois embora a chave de contato seja desligada, a tensão no KL15 é mantida pelo rele K82 que por sua vez é comandado pelo interruptor de freio de estacionamento B57. Neste caso o alarme sonoro T6 é acionado Bloqueio da parada do motor sem a aplicação do freio de estacionamento (chave de contato desligada) o operador está tentando parar o motor CBC034.emf
  • 24.
    Eletricidade Veicular —Mercedez-Benz Global Training. 23 Bloqueio da parada do motor sem a aplicação do freio estacionamento (chave de contato ligada) CBC033.emf
  • 25.
    Eletricidade Veicular —Mercedez-Benz Global Training. 24 Esquema elétrico da alimentação, bloqueio da parada do motor CBC038.emf
  • 26.
    Eletricidade Veicular —Mercedez-Benz Global Training. 25 Esquema elétrico do aviso de bloqueio do movimento do veículo e de acionamento das luzes de freio CBC047.emf
  • 27.
    Eletricidade Veicular —Mercedez-Benz Global Training. 26 Esquema elétrico com destaque para o bloqueio do movimento do veículo CBC041.emf
  • 28.
    Eletricidade Veicular —Mercedez-Benz Global Training. 27 Esquema elétrico com destaque para o bloqueio da abertura das portas estando o veículo em movimento CBC012.emf
  • 29.
    Eletricidade Veicular —Mercedez-Benz Global Training. 28 Esquema elétrico com destaque para o interruptor de emergência A tecla de emergência do painel de instrumento aciona o rele K81 que corta toda a alimentação do sistema que fica inoperante. Nesta situação não há funções de bloqueio e proteção para o veículo. CBC048.emf
  • 30.
    Eletricidade Veicular —Mercedez-Benz Global Training. 29 Esquema elétrico com destaque para a tecla de emergência do painel CBC042.emf
  • 31.
    Eletricidade Veicular —Mercedez-Benz Global Training. 30 Eletricidade Veicular Sistema PLD
  • 32.
    Eletricidade Veicular —Mercedez-Benz Global Training. 31 Conceito Visando atender as recentes leis de preservação ambiental, e ainda, conservando o alto desempenho e dirigibilidade, características dos seus veículos, a Mercedes-Benz apresenta a nova série de motores com gerenciamento eletrônico. Todo o controle da alimentação de combustível é atribuído ao sistema de gerenciamento eletrônico, que proporciona uma melhor combustão, com redução significativa da emissão de poluentes. Além desta inovação, os motores foram projetados para apresentar maior durabilidade e redução do consumo de combustível. Com uma mecânica simples, está liderando esta nova tendência mundial, aliando os benefícios da nova tecnologia de controle de injeção, com a redução dos custos de manutenção. Para que esses novos limites sejam alcançados, foram necessárias modificações mecânicas, e a implantação de um sistema com gerenciamento eletrônico, para controle do regime de funcionamento do motor. Inovações tecnológicas A maior novidade implementada nos motores eletrônicos é o sistema de injeção de combustível com gerenciamento eletrônico. Este mecanismo é conhecido como sistema BOMBA -TUBO -BICO, devido à sua disposição construtiva. Esta configuração consiste de uma unidade injetora por cilindro, interligada ao bicoinjetor através de uma pequena tubulação de alta pressão. Na unidade injetora estão alojados o elemento injetor, as câmaras de pressão e descarga de combustível, a válvula de controle de vazão e seu eletroímã de acionamento. Estes componentes são responsáveis pela elevação de pressão e controle do volume de injeção. O tubo de alta pressão conduz o combustível ao bico e este o distribui, de forma atomizada, na câmara de combustão. Bico Injetor Unidade Injetora Êmbolo PLD 019.tif Tubo Comando de válvulas Modulo de gerenciamento do motor - MR
  • 33.
    Eletricidade Veicular —Mercedez-Benz Global Training. 32 Módulo de controle do motor MR - construção e funcionamento Módulo virgem É um módulo eletrônico com funções semelhantes as de um microcomputador, ele possui processador, memória e programa. Sua parte eletrônica é o que chamamos de hardware, na sua memória foram gravados um programa e um conjunto de parâmetros fixos. Parâmetros fixos são informações que são comuns a todos os tipos de motores eletrônicos, elas são colocadas dentro do módulo pelo fabricante Temic. Módulo com jogo de parâmetros básicos É um módulo virgem que já recebeu um conjunto de parâmetros básicos, agora ele já está apto a trabalhar com um motor, pois conhece suas características. Parâmetros básicos são informações que determinam um tipo de motor (OM 904 LA, OM 906 LA ou OM 457 LA...) eles são colocados dentro do módulo pela area de fabricação de motores durante testes na produção. Módulo completo (Com Flags) Este módulo já recebeu toda a parametrização, agora ele está apto a desempenhar todas as funções pois conhece as características do motor e os acessórios nele instalados. Flags são informações que indicam ao PLD qual o tipo de acessório instalado no motor, (ventilador, válvula do top-brake, tipo de motor de partida...), elas são colocadas dentro do módulo pela area de fabricação motores ou pelo pessoal de serviço. PLD 009.tif
  • 34.
    Eletricidade Veicular —Mercedez-Benz Global Training. 33 Módulo instalado no veículo (KL 30) Mantem todas as características do motor e memoriza eventuais códigos de falhas. Módulo instalado no veículo (KL 30 + KL 15) Chave de contato ligada Inicia-se um processo de comunicação com outros modulos e leitura dos sensores, caso exista alguma falha já pode haver a comunicação desta falha. Instante da partida (KL 30 + KL 15 + KL 50) O PLD verifica se não existe um aviso de bloqueio de partida, caso não exista, ele calcula e aplica um débito de partida de acordo com a temperatura do motor. Para fazer esta tarefa, o PLD precisa ler a temperatura do motor, acionar o motor de partida e localizar os êmbolos. Esquema de funcionamento do MR PLP001.emf
  • 35.
    Eletricidade Veicular —Mercedez-Benz Global Training. 34 PLD007.tif Vista dos conectores do módulo
  • 36.
    Eletricidade Veicular —Mercedez-Benz Global Training. 35 Neste estágio de funcionamento, o PLD já sabe qual será o ângulo de início de injeção. Suponhamos que ele tenha determinado um início de injeção a 15° antes do PMS, neste caso o PLD precisa saber quanto tempo o êmbolo Nº 1 demora para se deslocar de 55° até 15° antes do PMS um deslocamento de 40°. Para cálculo do tempo, o módulo capta a informação de rotação do motor proviniente do sensor de rotação localizado na árvore de manivelas. A informação de velocidade do êmbolo é gerada pela passagem de 36 orifícios localizados no volante do motor. Localização dos êmbolos (durante a partida) Quando o motor começa a girar, é gerado um pulso elétrico no sensor que está no eixo do comando, o PLD interpreta este pulso como sendo um sinal de que o pistão Nº1 está a 55° antes do PMS no tempo de compressão. O módulo PLD está apto a variar o ponto de injeção de 35° antes do PMS até 5° após o PMS. PLD002.emf PLD003.emf
  • 37.
    Eletricidade Veicular —Mercedez-Benz Global Training. 36 Localização dos êmbolos (após a partida) Depois que o PLD reconhece a posição dos êmbolos e o tempo de compressão, ele passa utilizar somente o sinal gerado pelo sensor que está no volante do motor. Neste sensor além do sinal de rotação é gerado um sinal que indica que o pistão está a 65º antes do PMS tanto no tempo de compressão como no tempo de escapamento, entretanto o último sinal é desprezado. Funcionamento com falha no sensor de comando Caso o sensor do comando de válvulas não esteja funcionando, não há como o PLD identificar o tempo de compressão. Neste caso haverá um sinal elétrico nas unidades injetoras tanto no tempo de compressão como no tempo de escapamento. PLD 005.emf PLD004.emf PLD005.emf
  • 38.
    Eletricidade Veicular —Mercedez-Benz Global Training. 37 Determinação do início e tempo de injeção O início e tempo de injeção determina o trabalho a ser realizado pelo motor, o PLD necessita de várias informações para calcular estes valores. Estas informações do regime de funcionamento do motor são fornecidas pelo módulo de adaptação do veículo (ADM), pelos parâmetros gravados no PLD e pelos sensores distribuídos no motor. Funcionamento com falha no sensor do volante Caso o sensor do volante não esteja funcionando, o PLD passa a trabalhar somente com o sensor do comando de válvulas, neste caso pode haver perda de potência do motor. O sinal de rotação é gerado por 12 orifícios que passam na frente do sensor a cada volta do eixo do comando. PLD 006.emf PLD006.emf PLD007.emf
  • 39.
    Eletricidade Veicular —Mercedez-Benz Global Training. 38 Temperatura do líquido de arrefecimento do motor Informação utilizada pelo módulo de comando para determinar o débito de partida, início de injeção, cálculo do torque nominal, rotinas de proteção contra o superaquecimento. Um exemplo de débito errado de combustível, é de quando o motor está frio e é injetado uma quantidade de combustível maior do que o necessário, devido as baixas temperaturas de trabalho do motor, esse combustível não é totalmente queimado, expelindo fumaça branca pelo escapamento. Temperatura e pressão do ar de sobrealimentação Informação utilizada pelo módulo de comando para determinar a densidade do ar admitido pelo motor. Quando o ar está frio e pressurizado, ele está mais denso e portanto contém mais oxigênio, esta informação é muito importante, pois existe uma proporção correta de oxigênio versus combustível que quando não é respeitada, pode gerar problemas de perda de potência, fumaça e até mesmo desgaste prematuro do motor. Rotação e posição do motor O módulo de comando necessita destas informações para determinar a rotação do motor e a posição dos êmbolos, permitindo assim o sequenciamento da injeção de combustível nos cilindros. O início de injeção e a quantidade de combustível a ser injetado em função da rotação do motor, estão relacionados com o tempo disponível para queima de combustível e consequentemente com a potência do motor. Proteção do turbo O módulo de comando protege o turbo diminuindo a potência máxima do motor em caso do veículo estar trabalhando em uma condição onde a pressão atmosférica é baixa. Para isso, ele utiliza a informação de pressão atmosférica gerada internamente por um sensor e um jogo de parâmetros que indicam qual o turbo instalado no motor. Por isso na troca de um turbo ou de um módulo de comando, deve se cuidar para que os dois sejam compatíveis, caso não, é preciso trocar os parâmetros do módulo em um procedimento chamado “Download”, só é possível fazê-lo com o Star Diagnosis.
  • 40.
    Eletricidade Veicular —Mercedez-Benz Global Training. 39 Pressão do óleo Com relação a pressão do óleo do motor, a proteção oferecida é um aviso (sonoro e luminoso) quando a pressão está abaixo de 0,5 bar. A pressão real do óleo pode ser monitorada constantemente através de lâmpadas, ou indicador por ponteiro, no painel de instrumentos. Caso a temperatura de trabalho do motor exceda seu limite, o módulo de comando avisa ao condutor por meio de avisos sonoros e visuais, além de executar uma rotina de proteção do motor, diminuindo seu torque e potência. Esta rotina é ativada assim que a temperatura supera 105°C. Funções de proteção do motor Temperatura do líquido de arrefecimento PLD008.emf PLD009.emf
  • 41.
    Eletricidade Veicular —Mercedez-Benz Global Training. 40 PLD 100.tif Gráficos representativos de potência e torque em função da temperatura Redução de torque Redução de Potência PLD 004.tif
  • 42.
    Eletricidade Veicular —Mercedez-Benz Global Training. 41 Baixo nível de óleo O módulo de comando alerta ao condutor quando o nível de óleo está abaixo de um valor especificado. Para o seu cálculo são utilizadas informações do sensor de nível e temperatura do óleo lubrificante. Com o sensor de temperatura o módulo é capaz de reconhecer a variação do nível do óleo causado pela temperatura, corrigindo-o. A leitura do sinal é feita de forma cíclica pelo módulo, para que não seja gerada uma informação errada quando o veículo estiver em movimento. Esta função depende da correta parametrização do tipo de sensor e do tipo de cárter que devem ser feitas no módulo. PLD010.emf
  • 43.
    Eletricidade Veicular —Mercedez-Benz Global Training. 42 Testes de funcionamento do motor O módulo de comando pode auxiliar o mecânico ou eletricista a resolver eventuais falhas de funcionamento com alguns testes que estão disponíveis através do equipamento de diagnose. Teste de compressão Durante a rotina de teste o módulo de comando lê a velocidade de cada um dos êmbolos e aquele que obtiver a menor velocidade é o que tem a melhor compressão (designado como100%). Então relaciona-se este com os valores obtidos pelos demais. Uma variação de até 25% entre o melhor e o pior cilindro é aceitável. Qualquer eventualidade que afete a velocidade dos êmbolos pode ser detectada com este teste: êmbolo engripado, válvula do “Top-brake” travada aberta, anéis alinhados, anéis quebrados, cilindro desgastado, etc. Desvio de rotação em marcha lenta Na execução desta rotina é vigiada a contribuição de cada cilindro para a rotação (velocidade) de marcha-lenta do motor. Desvios de velocidade entre cilindros são compensadas pelo módulo eletrônico. Com isto elimina-se o desbalanceamento gerado pelos diferentes rendimentos de queima de combustível entre cilindros. Através do equipamento de diagnóstico pode-se ler o desvio de velocidade (em percentagem) de cada êmbolo em relação ao valor ideal. Valores positivos siginificam que a velocidade do êmbolo está abaixo do valor prescrito, caso os valores sejam negativos temos velocidades acima do mesmo. Para amenizar este efeito de desbalanceamento, o módulo corrige a quantidade de combustível a ser injetado em cada cilindro de forma que todos eles executem exatamente o mesmo trabalho. Desvios maiores que 5% podem gerar códigos de falhas. Estes valores podem sofrer influência de problemas que afetam o funcionamento do cilindro como, por exemplo: problemas elétricos na unidade injetora, problemas de compressão no cilindro, problemas com bico injetor, etc. Figurailustrandootempodedeslocamentoangulardovolante durante duas voltas, note que o cilindro 2 é o que possui o maiortempodedeslocamentoangulare,consequentemente, é o que apresentará o maior desvio. PLD011.emf
  • 44.
    Eletricidade Veicular —Mercedez-Benz Global Training. 43 Desligamento dos cilindros Deve ser usada como meio auxiliar na detecção de problemas mecânicos do motor decorrentes do sistema de injeção ou do mau funcionamento de partes mecânicas móveis (êmbolos, anéis, etc.). Nesta função é realizado o desligamento individual dos cilindros, o módulo de comando corta o sinal elétrico da unidade injetora selecionada. Tempo para o atracamento da unidade injetora O tempo para o atracamento, é o tempo gasto pela válvula de controle de fluxo da unidade injetora feche, por completo, a saída do combustível para o retorno, iniciando a injeção de combustível na câmara de combustão. Este teste é realizado para verificar se as unidades injetoras (válvulas) estão trabalhando perfeitamente. Caso o tempo de atracamento em alguma unidade seja superior a 1,6 milisegundos, existe uma avaria na mesma. Teste de polaridade nos sensores de RPM (volante) e sincronismo (comando de válvulas) O objetivo desta função é detectar erros de polaridade nos sensores do volante e comando de válvulas. Este é necessário após reparações nos fios destes sensores ou nos casos de: - motor com dificulade de partida - redução de potência em regimes de plena carga. Representação gráfica de inversão de polaridade PLD 101.tif No gráfico ao lado podemos observar o resultado da inversão dos sinais (polaridade) dos sensores do comando de válvulas e do volante. X – Erro de informação de sincronismo quando o sensor tem seus terminais invertidos. Aproximadamente 0,6 milisegundos de atraso (em marcha-lenta) equivale a 3 graus no volante do motor.
  • 45.
    Eletricidade Veicular —Mercedez-Benz Global Training. 44 Sensor de temperatura do líquido de arrefecimento Sensores do motor Esquema elétrico Dentro do sensor está montado um termistor cujo a resistência elétrica varia de acordo com a temperatura. No caso deste sensor, quanto maior a temperatura de trabalho, menor é o valor da resistência, por isso este sensor é denominado NTC (Termistor de Coeficiente Negativo). Localizado na região de maior temperatura do motor, próximo à válvula termostática, tem a função de indicar ao módulo PLD, a temperatura do líquido de arrefecimento. Com esta informação o PLD habilita várias rotinas especiais: - Regulagem do débito de partida, - Início de injeção, - Cálculo do torque nominal e proteção con- tra o superaquecimento. PLD 105.tif PLD012.emf
  • 46.
    Eletricidade Veicular —Mercedez-Benz Global Training. 45 Sensor de temperatura e pressão do ar de admissão Encapsulados em um único componente, são responsáveis por transformar as variações de pressão e temperatura no coletor de admissão, após o turboalimentador, em variação de tensão. Estes sinais elétricos enviados pelos sensores, são captados pelo módulo de comando, permitindo determinar a densidade do ar no coletor de admissão. Sabendo a densidade do ar admitida pelo motor, o módulo de comando consegue determinar a quantidade de combustível ideal para uma queima estequiométrica. O sensor de pressão é um sensor eletrônico que tem como base de funcionamento um componente piezoelétrico, ou seja, é um circuito eletrônico que utiliza um sinal elétrico gerado por um cristal que gera uma tensão elétrica conforme a pressão a que está submetido. O circuito eletrônico necessita de uma tensão de alimentação de 5V a qual é fornecida pelo módulo eletrônico e gera uma tensão elétrica que pode variar de 0,5V a 4,5V conforme a pressão que está sendo medida. O sensor de temperatura é um termistor do tipo NTC (Termistor de Coeficiente Negativo) que varia sua resistencia em função da temperatura de trabalho, funciona como o sensor de temperatura de combustível visto anteriormente. B72 - Sensor de temperatura e pressão do ar de admissão PLD016.emf PLD015.emf
  • 47.
    Eletricidade Veicular —Mercedez-Benz Global Training. 46 Sensor de temperatura do combustível Tem o mesmo principio de funcionamento do sensor de temperatura do líquido de arrefecimento do motor. Nos motores eletrônicos o combustível, ao passar pelas galerias internas do bloco do motor antes de ser admitido nas unidades injetoras, sofre variações significativas de temperatura. Estas variações alteram sua densidade e, consequentemente, o volume injetado pelas unidades injetoras. O módulo reconhece esta variação de temperatura através do sensor de temperatura do combustível e modifica o tempo de injeção para atender o volume correto a ser injetado. PLD012.tif Esquema elétrico PLD017.emf
  • 48.
    Eletricidade Veicular —Mercedez-Benz Global Training. 47 Sensor de pressão e temperatura do óleo do motor O sensor de temperatura e de pressão do óleo do motor estão montados juntamente em um único sensor. Este tem o mesmo principio de funcionamento do sensor de pressão e temperatura do ar de admissão. O módulo de comando utiliza a informação de temperatura do óleo lubrificante para corrigir o valor de nível de óleo. A Informação de pressão do óleo do motor, é transmitida ao ADM para efeito de alarme sonoro e indicadores no painel de instrumentos. O alarme sonoro deverá soar sempre que a pressão esti- ver abaixo de 0,5 bar estando o motor em funcionamento, entretanto, a pressão normal indicada em marcha lenta é próxima a 2,0 bar e em rotação máxima deve ser de aproximadamente 5,0 bar. Sensor de temperatura OM 904 LA/OM 906 LA Sensor de temperatura OM 457 LA Versão antiga Sensor de pressão OM 904 LA/OM 906 LA Sensor de pressão OM 457 LA PLD020.emf PLD016.emf PLD019.emf PLD021.emf
  • 49.
    Eletricidade Veicular —Mercedez-Benz Global Training. 48 Sensores indutivos de RPM (volante) e de sincronismo (comando) Este sensor é composto de uma bobina enrolada num pequeno imã. Naturalmente ao redor deste sensor existe um campo magnético. Este campo magnético pode ser representado por linhas que cortam o núcleo do sensor e o ar que está ao redor dele. O ar é um mau condutor, por isso, o campo magnético formado tem pouca densidade. Se aproximarmos a este sensor um pedaço de ferro, que é um bom condutor de campo magnético, haverá um adensamento do campo. Sempre que houver uma variação na densidade do campo magnético, surgirá uma tensão elétrica alternada nos terminais do sensor. A amplitude da tensão elétrica gerada depende da intensidade e da velocidade da variação da densidade do campo magnético. Sensor de indutivo do volante No volante do motor estão posicionados 37 orifícios. Destes, 36 são dispostos de 10 em 10 graus. O sensor é alojado de forma perpendicular ao volante. Quando os orifícios passam pelo elemento sensor, é gerado um pulso de tensão. A frequência desses pulsos determina a rotação do motor. O orifício auxiliar permite ao módulo identificar a posição do êmbolo do primeiro cilindro. 1 - Fios de ligação 2 - Corpo do sensor 3 - Bucha elástica de fixação 4 - Núcleo 5 - Núcleo 6 - Bobina 7 - Furo ou rasgo A - Folga de ajuste. Encoste o sensor estando o motor parado. A distância será ajustada automáticamente. PLD021.tif PLD104.tif Sinal de posição Sinal de rotação
  • 50.
    Eletricidade Veicular —Mercedez-Benz Global Training. 49 Sensor de indutivo do comando Na engrenagem do comando de válvulas estão também posicionados 13 orifícios, sendo 12 distribuídos de 30 em 30 graus. O módulo de comando, com a informação obtida destes dois sensores - do volante do motor e do comando de válvulas, identifica a posição de todos os êmbolos, permitindo que a injeção seja sequenciada nos cilindros. O módulo de comando está apto a variar o ponto de injeção de 35° antes do PMS até 5° após o PMS, garantindo o melhor rendimento térmico possível. Esquema elétrico PLD 106.tif G17 - Sensor de rotação e posição localizado no volante do motor G18 - Sensor de rotação e posição localizado no comando de válvulas do motor
  • 51.
    Eletricidade Veicular —Mercedez-Benz Global Training. 50 Curva de resposta dos sensores de pressão - Ar de admissão e óleo lubrificante PLD 112.tif
  • 52.
    Eletricidade Veicular —Mercedez-Benz Global Training. 51 Curva de resposta dos sensores de temperaturas do motor PLD 001.tif
  • 53.
    Eletricidade Veicular —Mercedez-Benz Global Training. 52 Sistema de injeção PLD Unidade Injetora Nos motores de injeção mecânica, existe uma bomba injetora comum a todos os cilindros. Esta tem a finalidade de dosar e pressurizar o combustível aos bicos injetores. Todo este processo de dosagem e pressurização do combustível é feito através de mecanismos internos a bomba, que por se tratar de controles mecânicos não se obtem tanta precisão no processo. No sistema de injeção PLD (Bomba-Tubo-Bico) existe uma unidade injetora, controlada eletricamente, para cada cilindro . Essas unidades tem por finalidade succionar o combustível proveniente de uma galeria em comum para todas, pressurizá-lo, e no momento ideal, definido pelo módulo de comando PLD, enviá-lo sob pressão aos bicos injetores para que seja realizado o processo de combustão. Neste caso a dosagem do combustível é feita por intermédio de controles eletrônicos, o que fornece mais precisão no processo se comparado com um motor de injeção mecânica. Nos motores com injeção mecânica, a bomba injetora é tocada por uma engrenagem em contato com o comando de válvulas, nos motores com sistema de injeção PLD as unidades injetoras continuam sendo acionadas pelo comando de válvulas, porém por ressaltos no mesmo. 1 - Débito de alivio 2 - Débito de retorno de combustível 3 - Placa de cobertura 4 - Batente da válvula 5 - Mola da válvula 6 - Apoio da mola da válvula 7 - Placa intermediária 8 - Eletroimã da bomba 9 - Placa do induzido 10 - Filtro de combustível 11 - Prato da mola PLD 107.jpg 12 - Válvula 13 - Carcaça da bomba 14 - Elemento da bomba 15 - Bucha 16 - Deslizante 17 - Mola do impulsor de roletes 18 - Prato da mola 19 - Impulsor de roletes 20 - Canal de óleo 21 - Rolete 22 - Pino impulsor do rolete
  • 54.
    Eletricidade Veicular —Mercedez-Benz Global Training. 53 Circulação do combustível no cabeçote da unidade injetora As peças móveis no cabeçote da unidade injetora (elemento da bomba, corpo da válvula) são lubrificadas através do combustível do mesmo modo que nas bombas injetoras. A parte inferior da bomba está localizada no circuito do óleo no bloco do motor. No caso de danos da junta de vedação inferior (indicada pela seta) podem ocorrer danos no motor devido à diluição do óleo lubrificante do motor causada pela contaminação de combustível. 1 - Canal de retorno no bloco do motor 2 - Canal de retorno no cabeçote da bomba 3 - Cabeçote da bomba 4 - Tubulação de injeção 5 - Eletroimã 6 - Filtro de combustível 7 - Válvula 8 - Placa do induzido no corpo da válvula 9 - Canal de alimentação no cabeçote da bomba 10 - Entrada (ilustração otimizada; a afluência está localizada no lado oposto) 11 - Câmara de alta pressão 12 - Elemento da bomba 13 - Circuito de óleo no bloco do motor PLD 108.tif
  • 55.
    Eletricidade Veicular —Mercedez-Benz Global Training. 54 Representação esquemática do funcionamento das unidades injetoras 1 - Curso de admissão No curso de admissão, o elemento da bomba (10) se desloca para baixo, permitindo a entrada de combustível previamente pressurizado. 2 - Curso prévio No curso prévio o elemento da bomba (10) se desloca para cima. Como não há sinal elétrico para o fechamento da válvula (6), o combustível flui para a linha de retorno. 1 - Ressalto do comando de válvulas 2 - Canal de retorno 3 - Canal de alimentação 4 - Porta injetor com injetor 5 - Tubulação de injeção 6 - Válvula 7 - Eletroimã 8 - Câmara de alta pressão 9 - Elemento da bomba 10 - Rolete da unidade injetora 1 1 1 1 1 2 2 2 2 2 injetora001.tif injetora002.tif 1 2 3 4 5 6 7 8 9 10
  • 56.
    Eletricidade Veicular —Mercedez-Benz Global Training. 55 3 - Curso de injeção Neste instante o módulo comanda o fechamento da válvula (6) forçando o combustível que está sendo bombeado a abrir a agulha do brico injetor, iniciando assim a injeção. 4 - Curso residual Com o fim do sinal elétrico que comanda a válvula (6) a mesma se abre e despressurizando a linha de alta pressão e permitindo que o combustível não aproveitado para a injeção flua para a linha de retorno. 3 3 3 3 3 4 4 4 4 4 injetora003.tif injetora004.tif
  • 57.
    Eletricidade Veicular —Mercedez-Benz Global Training. 56 Impacto e tempo de reação Quando é ativada a válvula eletromagnética na unidade injetora, transcorre um tempo até que a válvula vede na superfície cônica de fechamento (2) (A) vencendo a força da mola (1). Esse tempo é chamado de tempo de atracamento. O tempo de atracamento depende da temperatura. Normalmente oscila entre 1 ms e 1,2 ms. Com o motor frio, é possível um tempo de reação maior na fase de partida. Identificação do impacto Na ativação do eletroimã da unidade injetora, a corrente (1) aumenta até aproximadamente 16 A devido ao campo magnético. Ao diminuir a separação entre a placa de ancoragem e o núcleo do eletroimã, a corrente diminuirá até 10 A. Desta forma, o circuito detector na unidade de controle identifica que a válvula está fechada (inicia o processo de injeção). 1 - Percurso da corrente na unidade injetora 2 - Início de fechamento injetora005.tif PLP110.tif
  • 58.
    Eletricidade Veicular —Mercedez-Benz Global Training. 57 Regulagem do volume de injeção Nos motores anteriores, o volume de injeção era regulado na bomba injetora através de um preciso e complexo mecanismo. No caso de falhas deste mecanismo, por exemplo no caso de falta de potência, eram necessários métodos e aparelhos de testes para executar os trabalhos de diagnóstico e regulagens. No PLD, a unidade injetora determina somente a margem limite na qual pode-se efetuar a regulagem eletrônica. A margem máxima de regulagem é determinada pelo curso do ressalto da unidade injetora (aproximadamente 65,5°) e a margem máxima do fluxo através do volume impelido no cilindro de alta pressão. Ângulo de injeção O ângulo no qual se deslocou a árvore de manivelas, com o motor em funcionamento, desde o início (S=identificação do fechamento) até o final de um curso de injeção (a válvula abre), é o ângulo de injeção (A). A árvore do comando de válvulas gira somente a metade do ângulo de injeção da árvore de manivelas. Com a ajuda do ângulo de injeção (amplitude de impulso), a unidade de controle PLD determina a duração da injeção e, portanto, o volume de injeção. No esquema 1, o início elétrico de injeção acontece com a identificação do fechamento (S) 5° APMS. Com um ângulo de injeção de 10° da árvore de manivelas, o curso de alimentação finaliza-se depois do PMS (esquema 2). PLP033.tif
  • 59.
    Eletricidade Veicular —Mercedez-Benz Global Training. 58 Esquema 1 - Depois do tempo de reação (D), a válvula fica fechada (F, início da injeção). ao girar a engrenagem da árvore de manivelas para o PMS, o elemento da bomba move-se para cima e a pressão do combustível na câmara de alta pressão aumenta até a pressão de abertura (aprox. 250 bar - indicado pela seta). Nesta fase, a agulha do injetor se eleva. Processo de injeção Posições de alimentação A - Curso prévio B - Curso de alimentação C - Curso residual D - Tempo de reação E - Amplitude de impulso F - Início da injeção G - Início real da injeção Organogramas 1 - Ordem de injeção do processador principal na ativação da válvula magnética (escala final da potência) 2 - Curso da corrente no eletroimã 3 - Identificação do fechamento 4 - Movimento do corpo da válvula 5 - Pressão de injeção no injetor 6 - Elevação da agulha no injetor 7 - Sinal do número de rotações (registro da modificação do ângulo) Nota: O diagrama está representado de forma simplificada. PLD 111.tif
  • 60.
    Eletricidade Veicular —Mercedez-Benz Global Training. 59 Circuito de combustível motor série 900 comb003.tif
  • 61.
    Eletricidade Veicular —Mercedez-Benz Global Training. 60 Circuito de combustível motor série 450 comb002.tif
  • 62.
    Eletricidade Veicular —Mercedez-Benz Global Training. 61 Circuito de combustível motor série 450 aplicado no 1938 S comb001.tif
  • 63.
    Eletricidade Veicular —Mercedez-Benz Global Training. 62 Valores reais para MR (PLD)
  • 64.
    Eletricidade Veicular —Mercedez-Benz Global Training. 63
  • 65.
    Eletricidade Veicular —Mercedez-Benz Global Training. 64 Valores binários para MR (PLD)
  • 66.
    Eletricidade Veicular —Mercedez-Benz Global Training. 65
  • 67.
    Eletricidade Veicular —Mercedez-Benz Global Training. 66
  • 68.
    Eletricidade Veicular —Mercedez-Benz Global Training. 67
  • 69.
    Eletricidade Veicular —Mercedez-Benz Global Training. 68
  • 70.
    Eletricidade Veicular —Mercedez-Benz Global Training. 69
  • 71.
    Eletricidade Veicular —Mercedez-Benz Global Training. 70 Códigos de falhas para MR (PLD) 0 10 15 - Valor de medição do sensor de temperatura do óleo está acima da faixa de medição. 1.0 Desconecte o sensor e faça uma ponte entre os terminais do chicote. Se a falha mudar para 01016, troque o sensor se a falha não mudar verifique o chicote elétrico quanto a cabo rompido. 0 10 16 - Valor de medição do sensor de temperatura do óleo está abaixo da faixa de medição. 1.0 Desconecte o sensor. Se a falha mudar para 01015, troque o sensor, se a falha não mudar, verifique o chicote elétrico quando a curto circuito. 0 13 15 - Valor de medição do sensor de pressão atmosférica acima da faixa de medição. 1.0 Troque o MR 0 13 16 - Valor de medição do sensor de pressão atmosférica abaixo da faixa de medição. 1.0 Troque o MR 0 18 74 - Variação da pressão do turbo é muito grande 1.0 Verifique o sistema de regulagem Waste gate. 2.0 Comprove a plausibilidade dos sensores de temperatura lendo os valores reais MW13, MW14, Mw16 e MW17. 3.0 Comprove a plausibilidade dos sensores de pressão lendo os valores reais MW18 e W19. 0 20 20 - Pressão do óleo muito baixa 1.0 Verifique a pressão do óleo lendo o valor real MW 20, caso a pressão esteja muito próximo de 0,5bar, cheque o sensor e o sistema de lubrificação. 0 20 26 - Pressão do óleo muito alta Sugestões para solução 1.0 Verifique a pressão do óleo lendo o valor real MW 20, caso a pressão esteja muito acima de 5,0bar, cheque o sensor e o sistema de lubrificação.
  • 72.
    Eletricidade Veicular —Mercedez-Benz Global Training. 71 0 21 22 - Temperatura do líquido de arrefecimento muito alta 1.0 Comprove a plausibilidade dos sensores de temperatura lendo os valores reais MW13, MW14, Mw16 e MW17. 2.0 Verifique acionamento do segundo estágio do ventilador. 3.0 Verifiquei sistema de arrefecimento. 0 25 09 - Curto circuito no sensor de nível de óleo. 1.0 Desconecte o senso 2.0 Se a falha mudou para 025 15 troque o sensor 3.0 Se a falha não mudou para 02515, verifique o chicote elétrico 0 25 15 - Valor de medição do sensor de nível de óleo muito alto. 1.0 Desconecte o sensor 2.0 Faça uma ponte entre os terminais do chicote que liga no sensor 3.0 Se a falha mudou para 025 09 troque o sensor 4.0 Se a falha não mudou para 02509, verifique o chicote elétrico quanto a cabo rompido. 0 25 16 - Valor de medição do sensor de nível de óleo muito baixo. 1.0 Desconecte o sensor 2.0 Se a falha mudou para 025 15 troque o sensor 3.0 Se a falha não mudou para 02515, verifique o chicote elétrico quanto a curto entre cabos ou com o bloco do motor. 0 25 17 - Valor de medição do sensor de nível de óleo muito alto. 1.0 Desconecte o sensor 2.0 Faça uma ponte entre os terminais do chicote que liga no sensor 3.0 Se a falha mudou para 025 09 troque o sensor 4.0 Se a falha não mudou para 02509, verifique o chicote elétrico quanto a cabo rompido. 0 40 24 - Falha interna de comunicação entre processadores principal e de emergência. 1.0 Troque o MR 0 40 37 - MR não é capaz de reconhecer a seqüência de ignição dos cilindros. 1.0 Troque o MR 0 40 38 - Falha interna no circuito de acionamento do motor de partida. 1.0 Troque o MR
  • 73.
    Eletricidade Veicular —Mercedez-Benz Global Training. 72 0 40 47 - Falha interna na leitura de parâmetros. 1.0 Troque o MR 0 40 48 - Falha interna a seqüência de ignição dos cilindros não coincide com o tipo de motor. 1.0 Troque o MR 0 40 50 - Falha interna, o hardware do MR não é reconhecido pelo software. 1.0 Troque o MR 0 40 51 - Falha interna, erro de parametrização. 1.0 Troque o MR 0 40 56 - Falha interna, o MR não é capaz de acionar o motor de partida. 1.0 Troque o MR 0 65 06 - Falha no sistema de separador de óleo. 1.0 Não aplicado, troque MR 0 65 64 - Falha no sistema de separador de óleo. 1.0 Não aplicado, troque MR 0 75 42 - Tensão da bateria muito alta, ( acima de 30V para sistemas 24V ou acima de 16V para sistemas de 12V) por um tempo maior que 5 segundos. 1.0 Verifique regulador de tensão 2.0 Verifique ligações de equipamentos de 12V entre as duas baterias. 0 75 43 - Tensão da bateria muito baixa, ( acima de 22V para sistemas 24V ou acima de 10V para sistemas de 12V) por um tempo maior que 5 segundos. 1.0 Verifique regulador de tensão 2.0 Verifique os cabos de ligação desde o borne positivo da bateria até a entrada do MR. 3.0 Compare a tensão medida com o multímetro na entrada do MR e o valor lido em valor MW21, se o valor lido pelo MR, troque o MR.
  • 74.
    Eletricidade Veicular —Mercedez-Benz Global Training. 73 0 90 44 - Ajuste do desvio de rotação em marcha lenta do cilindro 1 esteve no limite por um tempo maior que 5s. 1.0 Verifique a tubulação de alta pressão de combustível para o cilindro 1 2.0 Verifique o bico injetor do cilindro 1 3.0 Verifique a unidade injetora do cilindro 1 0 90 45 - Compensação individual de torque do cilindro 1 esteve no limite por um tempo maior que 5s. 1.0 Verifique a tubulação de alta pressão de combustível para o cilindro 1 2.0 Verifique o bico injetor do cilindro 1 3.0 Verifique a unidade injetora do cilindro 1 0 91 44 - Ajuste do desvio de rotação em marcha lenta do cilindro 2 esteve no limite por um tempo maior que 5s. 1.0 Verifique a tubulação de alta pressão de combustível para o cilindro 2 2.0 Verifique o bico injetor do cilindro 2 3.0 Verifique a unidade injetora do cilindro 2 0 91 45 - Compensação individual de torque do cilindro 2 esteve no limite por um tempo maior que 5s. 1.0 Verifique a tubulação de alta pressão de combustível para o cilindro 2 2.0 Verifique o bico injetor do cilindro 2 3.0 Verifique a unidade injetora do cilindro 2 0 92 44 - Ajuste do desvio de rotação em marcha lenta do cilindro 3 esteve no limite por um tempo maior que 5s. 1.0 Verifique a tubulação de alta pressão de combustível para o cilindro 3 2.0 Verifique o bico injetor do cilindro 3 3.0 Verifique a unidade injetora do cilindro 3 0 92 45 Compensação individual de torque do cilindro 1 esteve no limite por um tempo maior que 5s. 1.0 Verifique a tubulação de alta pressão de combustível para o cilindro 3 2.0 Verifique o bico injetor do cilindro 3 3.0 Verifique a unidade injetora do cilindro 3
  • 75.
    Eletricidade Veicular —Mercedez-Benz Global Training. 74 0 93 44 - Ajuste do desvio de rotação em marcha lenta do cilindro 4 esteve no limite por um tempo maior que 5s. 1.0 Verifique a tubulação de alta pressão de combustível para o cilindro 4 2.0 Verifique o bico injetor do cilindro 4 3.0 Verifique a unidade injetora do cilindro 4 0 9345 - Compensação individual de torque do cilindro 4 esteve no limite por um tempo maior que 5s. 1.0 Verifique a tubulação de alta pressão de combustível para o cilindro 4 2.0 Verifique o bico injetor do cilindro 4 3.0 Verifique a unidade injetora do cilindro 4 0 94 44 - Ajuste do desvio de rotação em marcha lenta do cilindro 5 esteve no limite por um tempo maior que 5s. 1.0 Verifique a tubulação de alta pressão de combustível para o cilindro 5 2.0 Verifique o bico injetor do cilindro 5 3.0 Verifique a unidade injetora do cilindro 5 0 94 45 - Compensação individual de torque do cilindro 5 esteve no limite por um tempo maior que 5s. 1.0 Verifique a tubulação de alta pressão de combustível para o cilindro 5 2.0 Verifique o bico injetor do cilindro 5 3.0 Verifique a unidade injetora do cilindro 5 0 95 44 - Ajuste do desvio de rotação em marcha lenta do cilindro 6 esteve no limite por um tempo maior que 5s. Sugestões para solução 1.0 Verifique a tubulação de alta pressão de combustível para o cilindro 6 2.0 Verifique o bico injetor do cilindro 6 3.0 Verifique a unidade injetora do cilindro 6 0 95 45 - Compensação individual de torque do cilindro 6 esteve no limite por um tempo maior que 5s. 1.0 Verifique a tubulação de alta pressão de combustível para o cilindro 6 2.0 Verifique o bico injetor do cilindro 6 3.0 Verifique a unidade injetora do cilindro 6
  • 76.
    Eletricidade Veicular —Mercedez-Benz Global Training. 75 0 96 44 - Ajuste do desvio de rotação em marcha lenta do cilindro 7 esteve no limite por um tempo maior que 5s. 1.0 Verifique a tubulação de alta pressão de combustível para o cilindro 7 2.0 Verifique o bico injetor do cilindro 7 3.0 Verifique a unidade injetora do cilindro 7 0 96 45 - Compensação individual de torque do cilindro 7 esteve no limite por um tempo maior que 5s. 1.0 Verifique a tubulação de alta pressão de combustível para o cilindro 7 2.0 Verifique o bico injetor do cilindro 7 3.0 Verifique a unidade injetora do cilindro 7 0 97 44 - Ajuste do desvio de rotação em marcha lenta do cilindro 8 esteve no limite por um tempo maior que 5s. 1.0 Verifique a tubulação de alta pressão de combustível para o cilindro 8 2.0 Verifique o bico injetor do cilindro 8 3.0 Verifique a unidade injetora do cilindro 8 0 97 45 - Compensação individual de torque do cilindro 8 esteve no limite por um tempo maior que 5s. 1.0 Verifique a tubulação de alta pressão de combustível para o cilindro 8 2.0 Verifique o bico injetor do cilindro 8 3.0 Verifique a unidade injetora do cilindro 8 0 98 46 - Impossível fazer a compensação individual de cilindros. 1.0 Troque o MR. 1 01 00 - Só existe comunicação na linha L do CAN de baixa velocidade que vai do MR até o FR. 1.0 Procure por curto circuito a massa ou cabo rompido. 1 01 01 - Só existe comunicação na linha H do CAN de baixa velocidade que vai do MR até o FR. 1.0 Procure por curto circuito a massa ou cabo rompido. 1 01 02 - Informações implausíveis na linha CAN de baixa velocidade que vai do MR até o FR. 1.0 Apague os códigos do FR.
  • 77.
    Eletricidade Veicular —Mercedez-Benz Global Training. 76 1 01 04 - Impossível comunicação na linha CAN de baixa velocidade que vai do MR até o FR. 1.0 Verifique alimentação KL15 do FR com FR BW01 Bits 10. 2.0 Verifique as conexões da linha CAN que vão desde o MR até o FR. 1 01 49 - Tipo de ventilador de arrefecimento do motor parametrizado de forma errada no FR. 1.0 Corrija o parâmetro 73 do FR que deve ser coerente com o parâmetro 17 do MR. 1 03 08 - Sinal do sensor de comando muito baixo. 1.0 Troque o sensor do eixo de comando com o do volante do motor. 2.0 Se o código de falha mudou para 10408, troque o sensor se o código de falha permaneceu o mesmo, verifique as ligações do sensor. 1 03 09 - Sinal do sensor de comando muito alto. 1.0 Troque o sensor do eixo de comando com o do volante do motor. 2.0 Se o código de falha mudou para 10409, troque o sensor se o código de falha permaneceu o mesmo, verifique as ligações do sensor. 1 03 10 - Picos do sinal do sensor de comando muito baixos. 1.0 Remova o sensor e limpe possíveis limalhas ou pedaços de metais. 2.0 Verifique se os furos da engrenagem do eixo de comando não estão danificados 3.0 Troque o sensor do eixo de comando com o do volante do motor. 4.0 Se o código de falha mudou para 10410, troque o sensor se o código de falha permaneceu o mesmo, verifique as ligações do sensor. 1 03 11 - Sinal do sensor do comando não está coerente com o sinal do volante, não existe uma sincronização esperada entre a posição dos dois eixos. 1.0 Remova o sensor e limpe possíveis limalhas ou pedaços de metais. 2.0 Verifique se os furos da engrenagem do eixo de comando não estão danificados. 3.0 Verifique se a bucha de fixação do sensor está em boas condições, na dúvida troque-a. 4.0 Troque o sensor do eixo de comando com o do volante do motor. 5.0 Se o código de falha mudou para 10411, troque o sensor se o código de falha permaneceu o mesmo, verifique as ligações do sensor. 1 03 12 - Não existe sinal na entrada do sensor do eixo de comando. 1.0 Troque o sensor do eixo de comando com o do volante do motor. 2.0 Se o código de falha mudou para 10412, troque o sensor se o código de falha permaneceu o mesmo, verifique as ligações do sensor.
  • 78.
    Eletricidade Veicular —Mercedez-Benz Global Training. 77 1 03 13 - Polaridade do sensor do eixo de comando invertida. 1.0 Se foram feitos reparos na ligação do sensor, inverta a posição dos cabos do sensor. 1 04 08 - Sinal do sensor de comando muito baixo. 1.0 Troque o sensor do eixo de comando com o do volante do motor. 2.0 Se o código de falha mudou para 10308, troque o sensor se o código de falha permaneceu o mesmo, verifique as ligações do sensor. 1 04 09 - Sinal do sensor de comando muito alto. 1.0 Troque o sensor do eixo de comando com o do volante do motor. 2.0 Se o código de falha mudou para 10309, troque o sensor se o código de falha permaneceu o mesmo, verifique as ligações do sensor. 1 04 10 - Picos do sinal do sensor de comando muito baixos. 1.0 Remova o sensor e limpe possíveis limalhas ou pedaços de metais. 2.0 Verifique se os furos da engrenagem do eixo de comando não estão danificados 3.0 Troque o sensor do eixo de comando com o do volante do motor. 4.0 Se o código de falha mudou para 10310, troque o sensor se o código de falha permaneceu o mesmo, verifique as ligações do sensor. 1 04 11 - Sinal do sensor do comando não está coerente com o sinal do volante, não existe uma sincronização esperada entre a posição dos dois eixos. 1.0 Remova o sensor e limpe possíveis limalhas ou pedaços de metais. 2.0 Verifique se os furos da engrenagem do eixo de comando não estão danificados. 3.0 Verifique se a bucha de fixação do sensor está em boas condições, na dúvida troque-a. 4.0 Troque o sensor do eixo de comando com o do volante do motor. 5.0 Se o código de falha mudou para 10311, troque o sensor se o código de falha permaneceu o mesmo, verifique as ligações do sensor. 1 04 12 - Não existe sinal na entrada do sensor do eixo de comando. 1.0 Troque o sensor do eixo de comando com o do volante do motor. 2.0 Se o código de falha mudou para 10312, troque o sensor se o código de falha permaneceu o mesmo, verifique as ligações do sensor. 1 04 13 - Polaridade do sensor do eixo de comando invertida. 1.0 Se foram feitos reparos na ligação do sensor, inverta a posição dos cabos do sensor.
  • 79.
    Eletricidade Veicular —Mercedez-Benz Global Training. 78 1 05 30 - Motor atingiu uma rotação muito alta, nestas condições o alarme sonoro do painel de instrumentos deve ter tocado alertando o motorista do risco para o motor, o topbrake é automaticamente acionado. 1.0 Orientar o motorista quanto ao risco para o motor em caso de sobrerotação. 1 11 15 - Valor medido no sensor de temperatura do combustível é muito alto. 1.0 Remova o sensor. 2.0 Faça uma ponte entre os terminais do sensor. 3.0 Se o código mudar para 1 11 16 troque o sensor se não mudar procure por cabo rompido na ligação do sensor. 1 11 16 - Valor medido no sensor de temperatura do combustível é muito baixo. 1.0 Remova o sensor. 2.0 Se o código mudar para 1 11 15 troque o sensor se não mudar procure por cabos em curto na ligação do sensor. 1 12 15 - Valor medido no sensor de temperatura do ar de admissão é muito alto. 1.0 Remova o sensor. 2.0 Faça uma ponte entre os terminais do sensor. 3.0 Se o código mudar para 1 12 16 troque o sensor se não mudar procure por cabo rompido na ligação do sensor. 1 12 16 - Valor medido no sensor de temperatura do ar de admissão é muito baixo. 1.0 Remova o sensor. 2.0 Se o código mudar para 1 12 15 troque o sensor se não mudar procure por cabos em curto na ligação do sensor. 1 14 15 - Valor medido no sensor de pressão do ar de admissão é muito alto. 1.0 Remova o sensor. 2.0 Faça uma ponte entre os terminais 1 e 4 do conector do sensor. 3.0 Se o código mudar para 1 14 16 troque o sensor se não mudar procure por cabo rompido na ligação do sensor. 1 14 16 - Valor medido no sensor de pressão do ar de admissão é muito baixo. 1.0 Remova o sensor. 2.0 Se o código mudar para 1 14 15 troque o sensor se não mudar procure por cabos em curto na ligação do sensor.
  • 80.
    Eletricidade Veicular —Mercedez-Benz Global Training. 79 1 14 17 - Valor medido no sensor de pressão do ar de admissão não é plausível, o valor está muito diferente do valor lido no sensor de pressão atmosférica que está dentro do MR. 1.0 Compare os valores MW18 e MW19 no MR, em nível com o mar o valor deve ser bem próximo de 1000mbar, e a medida que a altura aumenta, a pressão diminui, a 600m acima do nível do mar a pressão é próxima de 900mbar. 2.0 Se o valor MW19 estiver muito fora do esperado, troque o MR. 3.0 Se o valor MW18 estiver muito fora do esperado, verifique o sensor e sua ligação. 1 15 15 - Valor medido no sensor de temperatura do liquido de arrefecimento é muito alto. 1.0 Remova o sensor. 2.0 Faça uma ponte entre os terminais do concector do sensor. 3.0 Se o código mudar para 1 15 16 troque o sensor se não mudar procure por cabo rompido na ligação do sensor. 1 15 16 - Valor medido no sensor de temperatura do combustível é muito baixo. 1.0 Remova o sensor. 2.0 Se o código mudar para 1 15 15 troque o sensor se não mudar procure por cabos em curto na ligação do sensor. 1 16 15 - Valor medido no sensor de pressão do óleo do motor é muito alto. 1.0 Remova o sensor. 2.0 Faça uma ponte entre os terminais 1 e 4 do conector do sensor. 3.0 Se o código mudar para 1 16 16 troque o sensor se não mudar procure por cabo rompido na ligação do sensor. 1 16 16 - Valor medido no sensor de pressão do óleo do motor é muito baixo. 1.0 Remova o sensor. 2.0 Se o código mudar para 1 16 15 troque o sensor se não mudar procure por cabos em curto na ligação do sensor. 1 16 17 - Valor medido no sensor de pressão do óleo do motor é muito diferente do valor esperado. 1.0 Veja o valor MW20 no MR, um motor em boas condições apresenta pressão de aproximadamente 1500 mbar em marcha lenta e 5000 mbar em máxima rotação. 2.0 Se o valor MW20 estiver um pouco acima do esperado, verifique a válvula reguladora de pressão do óleo. 3.0 Se o valor MW20 estiver um apresentar dígitos iguais, ex: 99999, verifique o sensor e sua ligação.
  • 81.
    Eletricidade Veicular —Mercedez-Benz Global Training. 80 1 18 18 - Valor medido no sensor de pressão do ar de admissão é muito diferente do valor esperado. O MR determina um valor esperado de pressão com base nas informações de rotação e torque do motor. 1.0 Verifique tubulações, resfriador de ar e turbo. 2.0 Verifique o sensor de pressão do ar de admissão. 1 18 20 - Valor medido no sensor de pressão do ar de admissão é muito alto. O MR determina um valor esperado de pressão com base nas informações de rotação e torque do motor. 1.0 Verifique wastegate ( sistema mecânico de ajuste da pressão do turbo ). 2.0 Verifique o sensor de pressão do ar de admissão. 1 18 74 - Valor medido no sensor de pressão do ar de admissão é muito diferente do valor esperado. O MR determina um valor esperado de pressão com base nas informações de rotação e torque do motor. 1.0 Verifique wastegate ( sistema mecânico de ajuste da pressão do turbo ). 2.0 Verifique o sensor de pressão do ar de admissão. 1 18 75 - Valor medido no sensor de pressão do ar de admissão não é alcançado. O MR determina um valor esperado de pressão com base nas informações de rotação e torque do motor. 1.0 Verifique wastegate ( sistema mecânico de ajuste da pressão do turbo ). 2.0 Verifique o sensor de pressão do ar de admissão. 1 18 76 - Valor de frenagem com turbo brake está muito baixo. 1.0 Verifique controles mecânicos e elétricos do turbo brake. 1 19 17 - Valor da pressão do combustível fora do valor esperado. 1.0 Ainda não temos este sensor montado nos nossos veículos. 1 22 19 - KL15 presente no MR e não no FR por um tempo maior que 2 segundos, isso pode gerar conflitos de início de comunicação via CAN de baixa velocidade. 1.0 Verifique toda a fiação. 2.0 Apague o código de falha.
  • 82.
    Eletricidade Veicular —Mercedez-Benz Global Training. 81 1 23 19 - KL50 presente no MR e não no FR por um tempo maior que 2 segundos, isso pode gerar conflitos de comunicação com relação a partida do motor. 1.0 Verifique toda a instalação do KL 50 inclusive os reles. 1 40 34 - Falha interna no MR no circuito de acionamento da válvula proporcional 1. 1.0 Troque o MR. 1 40 35 - Falha interna no MR no circuito de acionamento do banco 2 de válvula proporcional . 1.0 Troque o MR. 1 40 36 - Falha interna no MR no circuito de acionamento da válvula proporcional 5. 1.0 Troque o MR. 1 40 38, 1 40 39 - Falha interna no MR no circuito de acionamento do relê do motor de partida. 1.0 Troque o MR. 1 40 41 - Falha interna no MR no circuito de acionamento da da válvula proporcional. 1.0 Troque o MR. 1 40 49 - Falha de parametrização do MR. 1.0 Troque o MR. 1 40 54 - Falha geral na leitura dos dados do CAN. 1.0 Troque o MR. 1 50 26 - Tempo de atracamento da unidade injetora do cilindro 1 indefinido. 1.0 Se aparecer o mesmo problema para outras unidades, verifique a tensão da bateria, verifique o circuito de combustível quanto vazamento, filtro obstruido etç. 2.0 Troque a unidade injetora com outra, se o código de falha mudar, troque a unidade injetora.
  • 83.
    Eletricidade Veicular —Mercedez-Benz Global Training. 82 1 51 26 - Tempo de atracamento da unidade injetora do cilindro 2 indefinido. 1.0 Se aparecer o mesmo problema para outras unidades, verifique a tensão da bateria, verifique o circuito de combustível quanto vazamento, filtro obstruido etç. 2.0 Troque a unidade injetora com outra, se o código de falha mudar, troque a unidade injetora. 1 52 26 - Tempo de atracamento da unidade injetora do cilindro 3 indefinido. 1.0 Se aparecer o mesmo problema para outras unidades, verifique a tensão da bateria, verifique o circuito de combustível quanto vazamento, filtro obstruido etç. 2.0 Troque a unidade injetora com outra, se o código de falha mudar, troque a unidade injetora. 1 53 26 - Tempo de atracamento da unidade injetora do cilindro 4 indefinido. 1.0 Se aparecer o mesmo problema para outras unidades, verifique a tensão da bateria, verifique o circuito de combustível quanto vazamento, filtro obstruido etç. 2.0 Troque a unidade injetora com outra, se o código de falha mudar, troque a unidade injetora. 1 54 26 - Tempo de atracamento da unidade injetora do cilindro 5 indefinido. 1.0 Se aparecer o mesmo problema para outras unidades, verifique a tensão da bateria, verifique o circuito de combustível quanto vazamento, filtro obstruido etç. 2.0 Troque a unidade injetora com outra, se o código de falha mudar, troque a unidade injetora. 1 55 26 - Tempo de atracamento da unidade injetora do cilindro 6 indefinido. 1.0 Se aparecer o mesmo problema para outras unidades, verifique a tensão da bateria, verifique o circuito de combustível quanto vazamento, filtro obstruido etç. 2.0 Troque a unidade injetora com outra, se o código de falha mudar, troque a unidade injetora. 1 56 26 - Tempo de atracamento da unidade injetora do cilindro 7 indefinido. 1.0 Se aparecer o mesmo problema para outras unidades, verifique a tensão da bateria, verifique o circuito de combustível quanto vazamento, filtro obstruido etç. 2.0 Troque a unidade injetora com outra, se o código de falha mudar, troque a unidade injetora. 1 57 26 - Tempo de atracamento da unidade injetora do cilindro 8 indefinido. 1.0 Se aparecer o mesmo problema para outras unidades, verifique a tensão da bateria, verifique o circuito de combustível quanto vazamento, filtro obstruido etç. 2.0 Troque a unidade injetora com outra, se o código de falha mudar, troque a unidade injetora.
  • 84.
    Eletricidade Veicular —Mercedez-Benz Global Training. 83 1 50 27 - Defeito elétrico na unidade injetora do cilindro 1. 1.0 Se aparecer o mesmo problema para outras unidades, verifique a tensão da bateria. 2.0 Troque a unidade injetora com outra, se o código de falha mudar, troque a unidade injetora. 1 51 27 - Defeito elétrico na unidade injetora do cilindro 2. 1.0 Se aparecer o mesmo problema para outras unidades, verifique a tensão da bateria. 2.0 Troque a unidade injetora com outra, se o código de falha mudar, troque a unidade injetora. 1 52 27 - Defeito elétrico na unidade injetora do cilindro 3. 1.0 Se aparecer o mesmo problema para outras unidades, verifique a tensão da bateria. 2.0 Troque a unidade injetora com outra, se o código de falha mudar, troque a unidade injetora. 1 54 27 - Defeito elétrico na unidade injetora do cilindro 5. 1.0 Se aparecer o mesmo problema para outras unidades, verifique a tensão da bateria. 2.0 Troque a unidade injetora com outra, se o código de falha mudar, troque a unidade injetora. 1 55 27 - Defeito elétrico na unidade injetora do cilindro 6. 1.0 Se aparecer o mesmo problema para outras unidades, verifique a tensão da bateria. 2.0 Troque a unidade injetora com outra, se o código de falha mudar, troque a unidade injetora. 1 56 27 - Defeito elétrico na unidade injetora do cilindro 7. 1.0 Se aparecer o mesmo problema para outras unidades, verifique a tensão da bateria. 2.0 Troque a unidade injetora com outra, se o código de falha mudar, troque a unidade injetora. 1 57 27 - Defeito elétrico na unidade injetora do cilindro 8. 1.0 Se aparecer o mesmo problema para outras unidades, verifique a tensão da bateria. 2.0 Troque a unidade injetora com outra, se o código de falha mudar, ttroque a unidade injetora. 1 70 06 - Curto circuito na ligação da válvula proporcional 1. 1.0 Se a válvula proporcional não estiver instalada, verifique a parametrização do MR. 2.0 Desconecte a válvula. 3.0 Se a falha mudou para 1 70 09, troque a válvula, se o código não mudou, verifique a ligação nos conectores X2 55/51 e X2 55/12.
  • 85.
    Eletricidade Veicular —Mercedez-Benz Global Training. 84 1 70 07 - Curto circuito com positivo no circuito da válvula proporcional 1. 1.0 Se a válvula proporcional não estiver instalada, verifique a parametrização do MR. 2.0 Desconecte a válvula. 3.0 Faça uma ponte entre os terminais do conector que é ligado na válvula. 4.0 Se a falha mudou para 1 70 06, troque a válvula, se o código não mudou, verifique a ligação nos conectores X2 55/51 e X2 55/12. 1 70 09 - Circuito da ligação da válvula proporcional 1 aberto. 1.0 Se a válvula proporcional não estiver instalada, verifique a parametrização do MR. 2.0 Desconecte a válvula. 3.0 Faça uma ponte entre os terminais do conector que é ligado na válvula. 4.0 Se a falha mudou para 1 70 06, troque a válvula, se o código não mudou, verifique a ligação nos conectores X2 55/51 e X2 55/12. 1 71 06 - Curto circuito na ligação da válvula proporcional 3. 1.0 Se a válvula proporcional não estiver instalada, verifique a parametrização do MR. 2.0 Desconecte a válvula. 3.0 Se a falha mudou para 1 71 09, troque a válvula, se o código não mudou, verifique a ligação nos conectores X2 55/41 e X2 55/12. 1 71 07 - Curto circuito com positivo no circuito da válvula proporcional 3. 1.0 Se a válvula proporcional não estiver instalada, verifique a parametrização do MR. 2.0 Desconecte a válvula. 3.0 Faça uma ponte entre os terminais do conector que é ligado na válvula. 4.0 Se a falha mudou para 1 70 06, troque a válvula, se o código não mudou, vverifique a ligação nos conectores X2 55/41 e X2 55/12. 1 71 09 - Circuito da ligação da válvula proporcional 3 aberto. 1.0 Se a válvula proporcional não estiver instalada, verifique a parametrização do MR. 2.0 Desconecte a válvula. 3.0 Faça uma ponte entre os terminais do conector que é ligado na válvula. 4.0 Se a falha mudou para 1 70 06, troque a válvula, se o código não mudou,verifique a ligação nos conectores X2 55/41 e X2 55/12. 1 71 12 - A temperatura do motor atingiu valores de acionamento do ventilador de arrefecimento mas o sinal de rotação do motor do ventilador é zero. 1.0 Verifique circuito de ligação do ventilador de arrefecimento.
  • 86.
    Eletricidade Veicular —Mercedez-Benz Global Training. 85 1 72 06 - Curto circuito na ligação da válvula proporcional 4. 1.0 Se a válvula proporcional não estiver instalada, verifique a parametrização do MR. 2.0 Desconecte a válvula. 3.0 Se a falha mudou para 1 72 09, troque a válvula, se o código não mudou, verifique a ligação nos conectores X2 55/43 e X2 55/12. 1 72 07 - Curto circuito com positivo no circuito da válvula proporcional 4. 1.0 Se a válvula proporcional não estiver instalada, verifique a parametrização do MR. 2.0 Desconecte a válvula. 3.0 Faça uma ponte entre os terminais do conector que é ligado na válvula. 4.0 Se a falha mudou para 1 72 06, troque a válvula, se o código não mudou, verifique a ligação nos conectores X2 43/51 e X2 55/12. 1 72 09 - Circuito da ligação da válvula proporcional 4 aberto. 1.0 Se a válvula proporcional não estiver instalada, verifique a parametrização do MR. 2.0 Desconecte a válvula. 3.0 Faça uma ponte entre os terminais do conector que é ligado na válvula. 4.0 Se a falha mudou para 1 73 06, troque a válvula, se o código não mudou, verifique a ligação nos conectores X2 43/51 e X2 55/12. 1 73 06 - Curto circuito na ligação da válvula proporcional 3. 1.0 Se a válvula proporcional não estiver instalada, verifique a parametrização do MR. 2.0 Desconecte a válvula. 3.0 Se a falha mudou para 1 73 09, troque a válvula, se o código não mudou, verifique a ligação nos conectores X2 55/50 e X2 55/52. 1 73 07 - Curto circuito com positivo no circuito da válvula proporcional 3. 1.0 Se a válvula proporcional não estiver instalada, verifique a parametrização do MR. 2.0 Desconecte a válvula. 3.0 Faça uma ponte entre os terminais do conector que é ligado na válvula. 4.0 Se a falha mudou para 1 73 06, troque a válvula, se o código não mudou, verifique a ligação nos conectores X2 43/50 e X2 55/52. 1 73 09 - Circuito da ligação da válvula proporcional 3 aberto. 1.0 Se a válvula proporcional não estiver instalada, verifique a parametrização do MR. 2.0 Desconecte a válvula. 3.0 Faça uma ponte entre os terminais do conector que é ligado na válvula. 4.0 Se a falha mudou para 1 70 06, troque a válvula, se o código não mudou, verifique a ligação nos conectores X2 43/50 e X2 55/52.
  • 87.
    Eletricidade Veicular —Mercedez-Benz Global Training. 86 1 74 05 - Curto circuito na ligação da válvula proporcional 5. 1.0 Se a válvula proporcional não estiver instalada, verifique a parametrização do MR. 2.0 Desconecte a válvula. 3.0 Se a falha mudou para 1 74 08, troque a válvula, se o código não mudou, verifique a ligação nos conectores X2 55/12 e X2 55/27. 1 74 08 - Curto circuito com positivo no circuito da válvula proporcional 5. 1.0 Se a válvula proporcional não estiver instalada, verifique a parametrização do MR. 2.0 Desconecte a válvula. 3.0 Faça uma ponte entre os terminais do conector que é ligado na válvula. 4.0 Se a falha mudou para 1 74 05, troque a válvula, se o código não mudou, verifique a ligação nos conectores X2 55/12 e X2 55/27. 1 76 09 - Circuito da ligação da válvula proporcional 6 aberto. 1.0 Se a válvula proporcional não estiver instalada, verifique a parametrização do MR. 2.0 Desconecte a válvula. 3.0 Faça uma ponte entre os terminais do conector que é ligado na válvula. 4.0 Se a falha mudou, troque a válvula, se o código não mudou, verifique a ligação nos conectores X2 55/40 e X2 55/12. 1 76 09 - Circuito da ligação da válvula proporcional 6 aberto. 1.0 Se a válvula proporcional não estiver instalada, verifique a parametrização do MR. 2.0 Desconecte a válvula. 3.0 Faça uma ponte entre os terminais do conector que é ligado na válvula. 4.0 Se a falha mudou, troque a válvula, se o código não mudou, verifique a ligação nos conectores X2 55/40 e X2 55/12. 1 77 05 - Saída para banco de válvulas proporcionais 1 em curto com o positivo ou cabo rompido. 1.0 Verifique a ligação no conector X2 55/12. 1 77 08 - Saída para banco de válvulas proporcionais 1 em curto com a massa. 1.0 Verifique a ligação no conector X2 55/12. 1 78 05 - Saída para banco de válvulas proporcionais 2 em curto com o positivo ou cabo rompido. 1.0 Verifique a ligação no conector X2 55/52.
  • 88.
    Eletricidade Veicular —Mercedez-Benz Global Training. 87 1 78 08 - Saída para banco de válvulas proporcionais 2 em curto com a massa. 1.0 Verifique a ligação no conector X2 55/52. 1 80 05 - Falha no circuito de acionamento do relê de partida. 1.0 Verifique o relê de partida e o circuito de ligação. O relê de partida pode estar ligado no conector X2 55/18 ou no conector X1 16/12. 1 80 08 - Falha no circuito de acionamento do relê de partida, curto com a massa. 1.0 Verifique o relê de partida e o circuito de ligação. O relê de partida pode estar ligado no conector X2 55/18 ou no conector X1 16/12. 1 80 09 - Falha no circuito de acionamento do relê de partida, cabo rompido. 1.0 Verifique o relê de partida e o circuito de ligação. O relê de partida pode estar ligado no conector X2 55/18 ou no conector X1 16/12. 1 80 33 - Falha no circuito de acionamento do relê de partida, contato colado. 1.0 Verifique o relê de partida e o circuito de ligação. O relê de partida pode estar ligado no conector X2 55/18 ou no conector X1 16/12. 1 80 86 - Falha no circuito de acionamento do relê de partida, bobina está OK mas contato não funciona. 1.0 Verifique o relê de partida e o circuito de ligação. O relê de partida pode estar ligado no conector X2 55/18 ou no conector X1 16/12. 1 99 60 - Máxima quantidade de chaves transponder alcançado 1.0 Com o Star diagnose eliminar chaves reconhecidas. 1 99 61 - Excedido o número de tentativas de partida sem transponder. 1.0 ... 1 99 62 - O MR foi colocado para trabalhar com um FR cujo bloqueio de partida estava ativado. 1.0 Trocar o FR e o MR de uma vez e envia-los à fábrica para desbloqueio.
  • 89.
    Eletricidade Veicular —Mercedez-Benz Global Training. 88 1 99 63 - Não está aparecendo o código transponder no KL 50, ou foi executado reprogramação de bloqueio de partida em um veículo que não tem o “chip” na chave. 1.0 Se o veículo era equipado com transponder, verifique o “chip” da chave. 2.0 Verifique o circuito da bobina de leitura do código transponder. 3.0 Trocar o FR e o MR de uma vez e envia-los à fábrica para desbloqueio. 1 99 64 - Não está aparecendo o código transponder no KL 50, ou foi executado reprogramação de bloqueio de partida em um veículo que não tem o “chip” na chave. 1.0 Se o veículo era equipado com transponder, verifique o “chip” da chave. 2.0 Verifique o circuito da bobina de leitura do código transponder. 3.0 Trocar o FR e o MR de uma vez e envia-los à fábrica para desbloqueio. 2 40 53 - Defeito na cópia dos valores para bloqueio de partida. 1.0 Troque o MR. 2 48 05 - Curto com a massa no lado negativo do banco 1 das unidades injetoras. 1.0 Verifique a ligação na ligação do conector X2 55/16. 2 48 06 - Curto com o positivo no lado negativo do banco 1 das unidades injetoras. 1.0 Verifique a ligação na ligação do conector X2 55/16. 2 49 05 - Curto com a massa no lado negativo do banco 1 das unidades injetoras. 1.0 Verifique a ligação na ligação do conector X2 55/09. 2 49 06 - Curto com o positivo no lado negativo do banco 1 das unidades injetoras. 1.0 Verifique a ligação na ligação do conector X2 55/09. 2 50 28 - Curto na saída da unidade injetora 1. 1.0 Troque a unidade injetora com outra. 2.0 Se o código trocar junto, troque a unidade. 3.0 Se o código não trocar, verifique a ligação ou troque o MR.
  • 90.
    Eletricidade Veicular —Mercedez-Benz Global Training. 89 Lista de parâmetros para o MR
  • 91.
    Eletricidade Veicular —Mercedez-Benz Global Training. 90
  • 92.
    Eletricidade Veicular —Mercedez-Benz Global Training. 91 Eletricidade Veicular Sistema ADM
  • 93.
    Eletricidade Veicular —Mercedez-Benz Global Training. 92 Módulo ADM - Funcionamento Situado na cabine do veículo(**), o módulo de comando ADM, tem as seguintes funções: - ativar as lâmpadas de controle no painel de instrumentos; - possibilitar a instalação de tomada de força no veículo; - requisitar a partida ao módulo de comando do motor; - verificar o engrenamento de alguma marcha no instante da partida; - identificar a posição do pedal do acelerador; - determinar a utilização de estratégias de controle de rotação, como a regulagem RQ ou RQV; - limitar a velocidade máxima do veículo; - ativar o freio motor e o TOP BRAKE; - controlar os dados procedentes do módulo de comando do motor por intermédio da linha CAN; Os sensores que informam o regime de operação do motor, enviam informações diretamente ao PLD. Este, além de conter as características operacionais como: tipo de motor, número de cilindros, mapas dos ângulos e pulsos de injeção, curvas características e outros, promove também regulagem das unidades injetoras. O PLD determina o instante e a duração da injeção, baseado nos sinais dos sensores e dados recebidos do ADM. Juntos o PLD e o ADM desenvolvem rotinas seguras de operação do motor e do veículo. Vista dos conectores (**) A localização do módulo ADM nos ônibus depende da carroceria adm001.emf
  • 94.
    Eletricidade Veicular —Mercedez-Benz Global Training. 93 Pedal do acelerador O pedal do acelerador está equipado com um sensor que indica a posição instantânea do pedal solicitada pelo operador. O módulo ADM passa esta informação ao PLD. De posse desta informação, este controla o torque do motor, priorizando segurança e o controle de emissões de poluentes. Diagrama em bloco - PLD e ADM diag_adm001.tif diag_adm002.tif
  • 95.
    Eletricidade Veicular —Mercedez-Benz Global Training. 94 O pedal do acelerador possui um circuito interno que transforma sua posição física, definida pelo operador , em sinal elétrico. Este sinal é um conjunto de pulsos de amplitude e frequência fixas e de largura variada, que tem o nome de PWM (Pulse Width Modulation). O módulo ADM, de acordo com a largura deste pulso e um conjunto de parâmetros internos determina o torque solicitado pelo operador do veículo. Sinal elétrico emitido pelo pedal do acelerador na posição de repouso Sinal elétrico emitido pelo pedal do acelerador na posição de plena carga diag_adm003.tif diag_adm004.tif Podemos observar nas ilustrações acima que quanto maior o torque solicitado pelo operador do veículo, maior é a largura do pulso elétrico. 14,3 % 53,8 %
  • 96.
    Eletricidade Veicular —Mercedez-Benz Global Training. 95 Reconhecimento da faixa de trabalho do pedal do acelerador Os valores dos limites da variação do sinal PWM variam de um pedal para outro, por isso é preciso fazer com que o ADM identifique esses limites sempre que o mesmo for trocado. O fato de desconectar e reconectar um pedal de limites já reconhecidos, não exige que se reconheça novamente. O ADM não aceita qualquer valor de limites, por isso pode ser que haja problemas para reconhecer um pedal avariado. Durante a reprogramação, o ADM aceita como faixa de marcha lenta uma relação de 10% a 30% e de 40% a 90% para plena carga. diag_adm005.tif A largura do sinal PWM é lida em porcentagem, tomando como referência o ciclo de trabalho (P). Este sinal tem uma largura que pode variar de 15% a 55% em relação ao ciclo (P), sendo para marcha lenta aproximadamente 15% e para plena carga aproximadamente 55%. Na ilustração acima temos um sinal com ciclo de 4,87 milisegundos (P) e uma largura de pulso (L) de 0,69 milisegundos o que equivale a 14,3 %.
  • 97.
    Eletricidade Veicular —Mercedez-Benz Global Training. 96 Verificação do pedal do acelerador Para diagnóstico de falhas no pedal do acelerador, em caso de suspeita de mau funcionamento, levar em consideração as seguintes indicações: Código de falhas: verificar se existe algum código de falhas armazenado que se relacione com o problema; Posição do pedal do acelerador: verifique o sinal enviado pelo pedal ao ADM através do equipamento de diagnose. Deve ser indicada uma variação dentro dos limites esperados. Caso não indique, verifique o chicote elétrico (conectores) e a tensão de alimentação no pedal do acelerador. Torque solicitado: verifique o valor de torque solicitado, através do equipamento de diagnose. Deverá ser indicada uma variação de 0 ao torque máximo especificado para o motor. Caso não, repita o procedimento de checagem citado acima. Verificação do pedal com um voltímetro Meça a tensão de alimentação dos dois circuitos do pedal, que é fornecida pelo ADM. Esquema da ligação de um pedal do acelerador PWM PWM ADM023.emf
  • 98.
    Eletricidade Veicular —Mercedez-Benz Global Training. 97 Tacômetro O ADM aciona o indicador de rotações conforme o sinal de rotação recebido do terminal do sensor de rotação do motor, que está no volante. Caso exista uma falha neste sensor, o ADM utilizara o sinal que vem do alternador. O sinal de rotação é um conjunto de pulsos cuja frequência varia com a rotação do motor. Além do acionamento do conta-giros, o ADM utiliza a informação de rotação para controle do freio motor e top break. Verificação do tacômetro Para diagnóstico de falhas no tacômetro, em caso de suspeita de mau funcionamento, levar em consideração as seguintes indicações: Código de falhas: Verificar com o equipamento de diagnose a existencia de algum código de falhas no ADM referente ao problema; Tensão de trabalho: Verificar com equipamento adequado a tensão fornecida pelo ADM ao tacômetro. ADM007.tif ADM006.emf
  • 99.
    Eletricidade Veicular —Mercedez-Benz Global Training. 98 Verificação do indicador de pressão de óleo É possível testar o indicador de pressão, do tipo manômetro, com o auxílio do Star Diagnosis, simulando valores fixos no ADM e comparando com a indicação obtida. Circuito de indicador de pressão com sensor eletrônico Indicador de pressão O ADM recebe esta informação do PLD através da linha CAN. Este envia um sinal para o painel de instrumentos que acende a luz verde ou vermelha, dependendo da pressão de óleo lubrificante. Pode ser que seja aplicado um indicador de pressão de ponteiro (manômetro). Para que o correto funcionamento, é preciso parametrizar o tipo do mesmo no ADM. É possível consultar a pressão do óleo lubrificante do motor através do equipamento de diagnose. ADM008.tif ADM008.emf
  • 100.
    Eletricidade Veicular —Mercedez-Benz Global Training. 99 Circuito de indicador de pressão com sensor passivo ADM008.emf
  • 101.
    Eletricidade Veicular —Mercedez-Benz Global Training. 100 Verificação do indicador de temperatura Com o auxílio do Star Diagnosis, é possível simular valores fixos de temperatura e verificar o acionamento da lâmpada indicadora correspondente. Indicador de temperatura O ADM recebe esta informação do PLD através da linha CAN. Este envia um sinal para o painel de instrumentos que acende a luz azul, verde ou vermelha, dependendo da temperatura. É possível consultar o valor de temperatura utilizando equipamento de diagnose. ADM009.tif adm009.emf
  • 102.
    Eletricidade Veicular —Mercedez-Benz Global Training. 101 Lâmpada indicadora de falhas no ADM ou PLD O módulo ADM é o responsável por acionar a lâmpada de aviso (PLD) em caso de eventuais falhas com o módulo PLD ou ADM. A lâmpada PLD de aviso (PLD) acende em casos de falhas de grau de criticidade 1 e 2. ADM 010.tif ADM010.emf
  • 103.
    Eletricidade Veicular —Mercedez-Benz Global Training. 102 Lâmpada indicadora de baixo nível de óleo lubrificante (opcional para motores da série 900) O módulo de comando do motor recebe o sinal do sensor de nível e de temperatura do óleo lubrificante e define o nível correto. Esta informação é recebida pelo ADM via CAN que ativa a lâmpada de advertência em caso de baixo nível de óleo. O tipo de sensor e de cárter devem estar corretamente parametrizados no módulo de comando do motor. Com o equipamento de diagnose é possível consultar o nível de óleo lubrificante do motor. Se o valor lido for negativo, o nível está acima do requerido. PLD013.tif ADM011.emf
  • 104.
    Eletricidade Veicular —Mercedez-Benz Global Training. 103 Bloqueio da partida do motor Existem algumas condições em que o módulo ADM inibe a partida do motor, são elas: - Marcha engrenada; - Tampa do motor aberta (ônibus). Para estas funções serem habilitadas, o módulo ADM deve ser corretamente parametrizado. Bloqueio do pedal do acelerador Existe a possibilidade de inibir o funcionamento do pedal do acelerador, basta aplicar uma tensão elétrica no pino abaixo indicado: ADM012.emf ADM013.emf
  • 105.
    Eletricidade Veicular —Mercedez-Benz Global Training. 104 Limitador de velocidade - Tacógrafo A velocidade máxima do veículo é determinada pelo ADM, para a execução desta tarefa ele compara a velocidade real com o valor máximo de velocidade permitido para o veículo. Quando o valor de velocidade máxima é ultrapassado, o ADM reduz o torque solicitado ao módulo de comando do motor. Importante : E necessário que o sinal de velocidade do tacógrafo esteja correto, portanto, este equipamento deve estar devidamente ajustado. ADM014.emf
  • 106.
    Eletricidade Veicular —Mercedez-Benz Global Training. 105 Freio motor O freio motor e o top-brake podem ser acionados pelo ADM ou pelo PLD dependendo do tipo de veículo, também pode ser configurado para funcionar com uma ou duas válvulas de acionamento, toda a parametrização é feita com o Star Diagnosis. Circuito do freio motor com uma válvula no ADM e outra no PLD Circuito do freio motor com uma válvula Circuito do freio motor com duas válvulas ADM015.emf ADM016.emf ADM017.emf
  • 107.
    Eletricidade Veicular —Mercedez-Benz Global Training. 106 Transmissão automática Em veículos equipados com transmissão automática, pode haver uma comunicação especial entre o ADM e o módulo de controle do equipamento. As informações são : - posição do pedal do acelerador; - torque atual do veículo; - torque teórico. Estas informações podem estar presentes nas saídas chamadas de IWA1 e IWA2, na forma de sinal PWM. Isto elimina o uso de sensores de carga e permite uma redução de torque no instante da mudança de marcha efetuada pela transmissão. Esta saída precisa ser parametrizada no ADM com o Star Diagnosis. ADM018.emf
  • 108.
    Eletricidade Veicular —Mercedez-Benz Global Training. 107 Ar Condicionado O ADM executa um controle específico da rotação do motor quando a entrada de ar-condicionado está ativa, e corretamente parametrizada. Com a ajuda do Star Diagnosis, é possível determinar os seguintes parametros para o veículo nesta função: - rotação mínima; - rotação máxima ; - velocidade máxima; - torque máximo; - ativar ou desativar a entrada. ADM019.emf
  • 109.
    Eletricidade Veicular —Mercedez-Benz Global Training. 108 ADR - Controle de rotação para serviços especiais Quando se deseja fazer uma segunda regulagem do motor, pode se utilizar entradas digitais parametrizáveis, disponíveis no ADM. Normalmente elas são utilizadas quando o veículo está equipado com tomada de força. Para que a entrada esteja ativa, é preciso acioná-la elétricamente e parametrizá-la corretamente. Exemplo de uma aplicação Vamos imaginar que um veículo possui uma bomba de água ligada na tomada de força. Esta bomba deve trabalhar com uma rotação fixa de 1200 rpm (**) e a tomada de força suporta um torque máximo de 100 Nm (***). Para isso utilizamos a entrada ADR0 (*), veja como ficaram os limites na tabela acima e o circuito proposto abaixo. O ideal é que o interruptor seja montado de tal forma que seja garantido que ele só feche quando a tomada de força estiver acionada. ADM020.emf
  • 110.
    Eletricidade Veicular —Mercedez-Benz Global Training. 109 Segundo exemplo de aplicação - com rotação variável Um veículo equipado com guincho (tipo Munck) tem uma bomba hidráulica que precisa trabalhar com uma rotação entre 1200 rpm e 2100 rpm e não há limite de torque. A rotação do motor deve ser controlada do lado de fora do veículo. Neste caso vamos utilizar o acelerador por botôes, ADR+ e ADR-. Quando o botão ADR+ é acionado pode-se subir a rotação do motor sobe até o máximo parametrizado para a entrada ADR0, quando botão ADR- é acionado pode-se baixar a rotação do motor até o valor mínimo parametrizado para a entrada ADR0. As entradas ADR+ e ADR- só funcionam com a entrada ADR0 ligada. Circuito da instalação de uma tomada de força com acelerador externo por botão ADM021.emf
  • 111.
    Eletricidade Veicular —Mercedez-Benz Global Training. 110 Saída de sinal para reles IWK O módulo ADM fornece saídas comutáveis que funcionam de acordo com alguns parâmetros que estão descritos a seguir: - velocidade do veículo; - torque do motor, - rotação do motor; - temperatura do líquido de arrefecimento. No circuito abaixo temos um exemplo de aplicação desta função para um veículo 2423 equipado com a caixa de mudanças ZF 9S-75. Neste caso, o módulo de controle executa duas rotinas de segurança: - Acima de 16 Km/h o módulo envia um sinal ao rele K73 que, através de um conjunto de válvulas, aciona o bloqueio impedindo o operador de acoplar a primeira e segunda marcha do veículo; - Acima de 35 Km/h o módulo envia um sinal ao rele K74 que, também através de um conjunto de válvulas, aciona o bloqueio de redução do GP impedindo que o operador acople a caixa reduzida (1°H), evitando reduções bruscas que poderiam danificar a caixa de transmissão. ADM022.emf
  • 112.
    Eletricidade Veicular —Mercedez-Benz Global Training. 111 Parâmetros do ADM Parâmetros são informações que permitem ao módulo adaptar as informações recebidas as necessidades do veículo, por exemplo: estabelecer a velocidade máxima do veículo, a rotação de marcha lenta, rotação máxima, etc. Alguns parâmetros interferem no comportamento do motor, eles são definidos pela DaimlerChrysler e não devem ser alterados, pois podem acasionar problemas de perda de potência, consumo de combustível, emissão de poluentes e até danos internos ao motor. Lista de parâmetros 1.0 Configuração do CAN 2.0 Configurações básicas de marcha do veículo 3.0 Limitações de validades gerais 4.0 Limitações comutáveis N°0 5.0 Limitações comutáveis N°1 6.0 Limitações para funcionamento com ar condicionado 7.0 Configurações de regulagem de rotações 8.0 Avaliação do sinal B7 9.0 IWA ( Saída de valores analógicos 10.0 Configurações do freio motor 11.0 Configurações do pedal do acelerador 12.0 Proteção para caixa de mudanças 13.0 Entradas analógicas 1.0 Conexão da linha CAN 1.0 Capacidade para trabalhar com um fio. Sim - Ajuste padrão. Habilita a comunicação CAN mesmo com umas das linhas interrompida. Não - Desabilita a comunicação CAN, por completo, quando umas das linhas está com problemas. 2.0 Configuração básica de marcha do veículo 01. Freio motor 0 - Deve ser escolhida quando não há freio motor no veículo 1 - Deve ser escolhido quando existir Top Brake e freio motor acionados por uma única válvula 2 - Somente freio motor acionado pelo ADM 3 - Somente top brake acionado pelo ADM 4 - Freio motor acionado por uma válvula e top brake por outra
  • 113.
    Eletricidade Veicular —Mercedez-Benz Global Training. 112 02. Retardador ativo Com esta informação o ADM desliga o retardador nas condições de ABS modulando, pedal do acelerador acionado ou tomada de força ligada. Para isto ativa-se um rele que deve ser ligado na saída X1 15/4. Sim - Habilita o ADM para trabalhar com retardador Não - desabilita o ADM a trabalhar com o retardador 03. Transmissão automática ativa Esta informação faz com que o ADM considere a entrada de Neutro e só permita a partida quando haver sinal positivo, liberado por um interruptor, no terminal X2 18/9 Sim - existe interruptor de neutro. Não - não existe interruptor de neutro. 04. Ativar ADR+/- Faz com que o ADM considere a entrada de sinal do acelerador por interruptores ligados aos terminais X2 18/6 e X2 18/18 Sim - considerar a entrada de sinal do acelerador por interruptores. Não - não considerar a entrada de sinal do acelerador por interruptores. 05. Pedal do acelerador ativo Habilita o funcionamento do pedal do acelerador com a tomada de força (ADR) acionada. Sim - o pedal do acelerador comanda as rotações do motor. Não - não há comando da rotação do motor pelo pedal do acelerador. 06. Acelerador manual ativo Faz com que o ADM reconheça o sinal de um acelerador manual que pode ser instalado no terminal X2 18/17. 07. Reconhecimento do acelerador manual Informa ao ADM se o acelerador manual tem limites que devem ser reconhecidos ou se já tem valores fixos para estes limites (10% a 90%), não necessitando de reconhecimento. 08. Configuração 12V/24V Habilita o ADM para trabalhar com 12V ou 24V, levando em consideração os valores de tensão e corrente permitidos nas entradas e saídas comutáveis. 3.0 Limitações de validades gerais 01. Máxima rotação com o veículo parado Determina ao ADM qual deve ser a máxima rotação do motor enquanto não houver sinal de velocidade. 02. Marcha lenta nominal Determina ao ADM qual deve ser a marcha lenta do veículo (não alterar). 03. Valor máximo permitido para marcha lenta Determina o valor máximo de marcha lenta, é prioritário com relação a outras limitações. Por exemplo, uma ADR qualquer.
  • 114.
    Eletricidade Veicular —Mercedez-Benz Global Training. 113 04. Máxima rotação do motor Determina ao ADM qual deve ser a máxima rotação do motor. Se este número for maior que o valor gravado no PLD, ele será desconsiderado. 05. Velocidade máxima do veículo Determina qual deve ser a velocidade máxima do veículo, este parâmetro só pode ser modificado pela DaimlerChrysler. 06. Torque máximo do motor do veículo Determina o valor máximo de torque do motor. Se este número for maior que o valor gravado no PLD, ele será desconsiderado. 07. Seleção do regulador de rotação 0 - 5 tipos de reguladores Faz com que o ADM solicite ao PLD um tipo de regulagem especifica da rotação do motor. Estes tipos de reguladores (RQ, RQV, etc) estão configurados no do PLD. 08. Incremento da limitação de rotação Determina com que velocidade o motor irá aumentar ou diminuir a rotação 09. Incremento da limitação de torque Determina com que velocidade o motor irá gerar torque, determinando a suavidade de funcionamento 4.0 Limitadores comutáveis N°0 (ADR 0) Determina limites a serem levados em consideração quando existir sinal negativo no terminal X2 18/7 devido ao acionamento de uma tomada de força. 5.0 Limitadores comutáveis N°1 (ADR 1) Determina limites a serem levados em cosideração quando existir sinal positivo no terminal X2 18/14 devido ao acionamento de uma tomada de força. 6.0 Limitadores comutáveis (Ar-condicionado) Determina limites a serem levados em con sideração quando houver sinal positivo no terminal X2 18/4 devido ao acionamento do ar-condicionado. Para cada um dos itens 4.0, 5.0 e 6.0 citados acima, as seguintes limitações podem ser programadas 01. Rotação mínima ADR Estabelece a rotação mínima de trabalho que será usada quando a tomada de força for aplicada. Esta rotação é comparada com a da marcha lenta nominal do motor e, apenas a maior entre elas, será aplicada. 02. Rotação máxima ADR Estabelece a rotação máxima de trabalho que será usada quando a tomada de força for aplicada. Esta rotação é comparada com a máxima rotação do motor e, apenas a menor entre elas, será aplicada.
  • 115.
    Eletricidade Veicular —Mercedez-Benz Global Training. 114 03. Velocidade máxima do veículo ADR Estabelece a velocidade máxima com que o veículo poderá transitar com a tomada de força acionada. Esta velocidade é comparada com a máxima velocidade do veículo (vide item 05) e, apenas a menor entre elas, será aplicada. 04. Torque máximo do veículo Estabelece o torque máximo que o motor poderá produzir com a tomada de força aplicada. Este torque é comparado com a torque máximo do motor e, apenas o menor entre eles, será aplicado. 05. Seleção do regulador de rotação 0 a 5 Faz com que seja solicitado ao PLD um tipo de regulador de rotação dentro de uma lista de opções dentro do PLD. Para cada regulador da lista é feito um tipo de controle da rotação assim como nos reguladores convencionais RQ, RQV e RSV. 7.0 Configuração das rotações do serviço Determina ao ADM, quais as entradas que devem levadas em consideração. 01. Considerar a entrada ADR 0 SIM - O ADM considera válido o sinal de negativo no terminal X2 18/7 e aciona as limitações programadas em ADR 0. NÃO - Desconsiderar sinal 02. Condiderar a entrada ADR1 SIM - O ADM considera válido o sinal de positivo no terminal X2 18/14 e aciona as limitações programadas em ADR 1. NÃO - Desconsiderar sinal 03. Considerar a entrada ADR 2 SIM - O ADM considera válido o sinal de positivo no terminal X2 18/16. Não existem limites programáveis para esta entrada. NÃO - Desconsiderar sinal 04. Considerar o sinal de Neutro SIM - A tomada de força será acionada somente quando a transmissão estiver em Neutro. NÃO - Desconsiderar sinal de neutro 05. Considerar a entrada de ar-condicionado SIM - O ADM considera válido o sinal de positivo no terminal X2 18/4. e aciona as limitações programadas. NÃO - Desconsiderar sinal 06. Considerar condição de marcha lenta SIM - A tomada de força so poderá ser ligada com o motor em marcha lenta. NÃO - Desconsiderar condição de marcha lenta
  • 116.
    Eletricidade Veicular —Mercedez-Benz Global Training. 115 07. Considerar condição velocidade < 5km/h SIM - A condição para que a tomada de força seja ligada é que o veículo esteja“parado”. NÃO - A tomada de força pode ser acionada a qualquer velocidade. 08. Consider ADR+/- SIM - O ADM considera válido o sinal de negativo nos terminais X2 18/7 (acelerar) e X2 18/18 (desacelerar). Esta função só estará ativa se uma entrada ADR estiver também ligada. NÃO - Desconsiderar sinais. 09. Pedal do acelerador ativo SIM - O pedal do acelerador está liberado para trabalhar com uma ADR ativa. NÃO - O pedal do acelerador não funciona enquanto houver uma ADR ativa. 10. Acelerador manual ativo SIM - Existe um acelerador manual ligado no terminal X2 18/17. NÃO - Não existe acelerador manual 11. Ativar regulador de rotação SIM - Ativa o regulador de rotação escolhido na parametrização de uma das ADRs enquando esta estiver ativa. NÃO - Regulador desligado 12. Valor de rotação onde se inicia o regulador escolhido em uma ADR 13. Tempo de estabilização do ADR+/- Tempo necessário para o ADM entender que o acelerador ADR+/- deve funcionar por rampa e não por degraus. Veja 07.14 e 07.15 abaixo. 14. Incremento de rotação nas entradas ADR+/- Determina a variação da rotação a cada pulso nos interruptores ADR+/-, desde que estes pulsos tenham duração menor que o tempo parametrizado no item anterior. 15. Variação do valor nominal ADR+/- Determina qual a variação da rotação por minuto quando a entrada ADR+/- é acionada por um tempo maior que o parâmetro 07.13.
  • 117.
    Eletricidade Veicular —Mercedez-Benz Global Training. 116 8.0. Avaliação do sinal B7 01. Entrada do sinal B7 Determina que tipo de sinal de velocidade está sendo utilizado pelo ADM. 0. Desligado O ADM despreza a entrada sinal de velocidade no conector X2 18/1 01. Sinal B7 O sinal de velocidade que vem do tacógrafo e entra no terminal X2 18/1 do ADM, traz amesma informação de duas maneiras: PPM - Modulação por quantidade de pulsos Uma quantidade de pulsos por quilometro rodado que depende das caracteristicas do eixo traseiro, do sensor de velocidade, dos pneus e da transmissão. Para que o equipamento que a recebe possa entende-la, é necessário fornecer estes dados. PWM - Modulação por largura de pulso Neste caso o que importa é a largura do pulso que já determina a velocidade do veículo. No caso a largura do pulso foi modulada pelo tacógrafo que já tem o ajuste em função do eixo traseiro, do sensor de velocidade, dos pneus e da transmissão. 02. Gerador de pulsos HALL Estabelece que o sinal vem de um sensor e não de um tacógrafo. Neste caso é preciso ajustar corretamente os parâmetros 8.02 e 8.03. 02. Número de impulsos por quilometro rodado Depende das caracteristicas do eixo traseiro, do sensor de velocidade, dos pneus e da transmissão, é o mesmo W que estamos acostumados a calcular para o tacógrafo. 03. Relação da transmissão do eixo traseiro
  • 118.
    Eletricidade Veicular —Mercedez-Benz Global Training. 117 9.0 Saida do valor atual 01. Saída do valor atual IWA1 Determina que tipo de informação será transmitida por um sinal PWM que está no terminal X3 12/11 02. Saída do valor atual IWA2 Determina que tipo de informação será transmitida por um sinal PWM que está no terminal X1 15/10 Para as saídas IWA1 e IWA2 acima, pode-se estabelecer as seguintes parametrizações: 01. Nenhuma saída 02. Torque do pedal do acelerador 10% a 90% Informa que haverá um sinal PWM de 10% quando o pedal do acelerador estiver em repouso e de 90% quando estiver a plena carga. Este é o sinal do pedal do acelerador já interpretado pelo ADM, é utilizado pela trasmissão automática no lugar do sensor de carga. 03. Torque do pedal do acelerador Informa que haverá um sinal PWM de 90% quando o pedal do acelerador estiver em repouso e de 10% quando estiver a plena carga. Este é o sinal do pedal do acelerador já interpretado pelo ADM, é utilizado pela transmissão automática no lugar do sensor de carga. 04. Torque atual Informa que na saída haverá um sinal PWM de 10% para um torque do motor de 0Nm e 90% para torque máximo.
  • 119.
    Eletricidade Veicular —Mercedez-Benz Global Training. 118 10. Gerenciamento do freio motor Determina como o freio motor deve ser gerenciado 01. Rotação de ativação do freio motor Indica a rotação abaixo da qual o freio motor deixa de funcionar. 02. Tempo de bloqueio do acelerador após desligamento do freio motor. Determina o tempo em que o acelerador ficará inoperante após o desligamento do freio motor. Este parâmetro, juntamente com o pxóximo, permite o funcionamento suave do motor quando do desligamento do freio-motor, evitando “trancos”. 03. Incremento do torque após o desligamento do freio motor Determina um limite de crescimento do torque após o desligamento do freio motor. Este parâmetro, juntamente com o anterior, faz com que não haja “trancos” na rotação do motor. 11. Pedal do acelerador 01. Reação do pedal na aceleração 02. Reação do pedal na desaceleração Os itens 01 e 02 acima determinam a sensibilidade do pedal do acelerador. Exemplo: Pode ser desejável uma reação mais suave, quando o veículo opera em terrenos irregulares, ou uma reação mais rápida quando opera em estradas pavimentadas. 03. Ponto de comutação de marcha lenta É uma pequena faixa de porcentagem do sinal PWM, a partir do batente de marcha-lenta, que é aceita como posição de reposuso. Um ajuste incorreto deste parâmetro pode fazer com que o pedal fique inoperante em algumas situações. 04. Ponto de comutação de plena carga É uma pequena faixa de porcentagem do sinal PWM, abaixo do batente de plena carga, que é aceita como posição de plena carga. 05. Ponto de comutação do top brake ligado É a posição do pedal do acelerador, abaixo da qual o top-brake pode ser ligado.
  • 120.
    Eletricidade Veicular —Mercedez-Benz Global Training. 119 06. Ponto de comutação do top brake desligado É a posição do pedal do acelerador acima da qual o top-brake será desligado. 07. Decremento do torque na partida É um deslocamento da curva de resposta do pedal do acelerador para que o torque, solicitado em função da posição do pedal do acelerador no momento da partida, seja aumentado. É a mesma função conhecida nas bombas injetoras convencionais como “débito de partida”. 08. RQV posição do pedal abaixo Determina uma posição do deslocamento do pedal do acelerador, onde ocorrá a transição de regulagem RQ para RQV. 09. RQV posição do pedal acima Determina uma posição do deslocamento do pedal do acelerador, onde ocorrá a transição de regulagem RQV para RQ. 10. RQV constante grau P Determina uma rotação do motor acima da qual ocorre a transição de regulagem RQ para RQV. CBC025.tif CBC026.tif
  • 121.
    Eletricidade Veicular —Mercedez-Benz Global Training. 120 12. Proteção da caixa de mudanças 01. Proteção na primeira velocidade Estabelece a velocidade limite do veículo até a qual o torque do motor deve ficar limitado. 02. Proteção na segunda velocidade Estabelece a velocidade limite do veículo até a qual o torque do motor podrá crescer, desde o limite anterior (item 01) até o limite máximo. 03. Redução de torque para proteção É o torque máximo permitido até que o veículo atinja a velocidade parametrizada no parâmetro 12.01. 04. Histerese É o valor que determina uma redução da variação do torque quando o torque nominal está próximo de 0 Nm. 06. dm/dt dentro do limite >0 É o valor que determina a máxima variação do torque durante a aceleração,dentro da faixa determinada pelo parâmetro histerese. 07. dm/dt dentro do limite < 0 É o valor que determina a máxima variação permitida do torque durante a desaceleração, dentro da faixa determinada pelo parâmetro histerese. 08. dm/dt fora dos limites É um valor que determina a máxima variação permitida do torque durante a aceleração e desaceleração fora da faixa determinada pelo parâmetro histerese. Embora os parâmetrosa seguir (04, 06, 07 e 08) estejam dentro do submenu transmissão automática, ele está diretamente ligado ao submenu 11 (pedal do acelerador). CBC027.tif
  • 122.
    Eletricidade Veicular —Mercedez-Benz Global Training. 121 CBC028.tif CBC029.tif
  • 123.
    Eletricidade Veicular —Mercedez-Benz Global Training. 122 13. Entrada analógica 1 Determina como será uma informação de entrada no terminal X3 12/4. É chamada entrada analógica porque podemos ligar a ela um sensor que fornece uma tensão variável entre 0V e 24V. Esta entrada foi desenvolvida para monitorar a obstrução do filtro de ar entretanto, ela não é utilizada. 01. Ativar entrada analógica Determina a existencia ou não do sensor 02. Limite inferior da entrada analógica Estabelece a mínima tensão enviada pelo sensor analógico 03. Limite superior da entrada analógica Estabelece a máxima tensão enviada pelo sensor analógico Embora estejam neste submenu, os parâmetros 04 e 05 (a seguir) não tem relação com a entrada analógica. 04. Entrada DSF0 Determina que tipo de informação será aplicado no terminal X2 18/12 (sinal de positivo). 05. Entrada DSF1 Determina que tipo de informação será aplicado no terminal _______ ( sinal de positivo ) Estes parâmetros, 04 e 05, podem ter as seguintes configurações: 0 - Sem função 1 - Bloqueio do pedal do acelerador É uma segunda entrada de bloqueio do pedal do acelerador 4 - ABS Entrada de sinal de ABS modulando (ABS Knorr) 5 - Entrada de retardador ligado. 6 - Opções 1+5 14. Função INS pressão de óleo Determina que tipo de indicador de pressão de óleo está aplicado no veículo. 0 - de 0 a 5 bar 1 - de 0 a 10 bar 15. Função INS temperatura do líquido de arrefecimento Determina que tipo de indicador de temperatura está aplicado no veículo. 0 - de 0°C a 120°C 1 - não ligado
  • 124.
    Eletricidade Veicular —Mercedez-Benz Global Training. 123 17. Limites de ativação dos relés 3 e 4 (IWK3 e IWK4) Determina qual será a informação que o ADM leva usará para ativar os relés ligados nas saídas IWK3 e IWK4. Para o acionamento das saídas IWK3 e IWK4 os seguintes critérios podem ser escolhidos: 01. Configuração IWK3 - X312/8 0 - Pedal em marcha lenta 1 - Torque atual 2 - Velocidade do veículo 3 - Rotação do motor 4 - Temperatura do líquido de arrefecimento 5 - Torque do pedal do acelerador 02. Torque de acionamento do IWK3 Estabelece o valor de torque real no qual será ligado o relé. 03. Histerese de torque do IWK3 Estabelece o valor de torque real no qual o relé será desligado. A histerese é o torque parametrizado no item 02 menos o torque parametrizado neste item. 04. Velocidade de acionamento do IWK3 Estabelece a velocidade do veículo em que será ligado o relé. 05. Histerese de velocidade do IWK3 Estabelece a velocidade do veículo o em que o relé será desligado. A histerese é a diferença entre a velocidade parametrizada no item 04 e a velocidade aqui estabelecida. 06. Rotação de acionamento do IWK3 Determina em qual rotação do motor será ativado o relé. 07. Histerese da rotação do IWK3 Estabelece a rotação do motor em que o relé será desligado. A histerese é a diferença entre a rotação parametrizada no item 06 e a rotação aqui estabelecida. 08. Temperatura de acionamento do IWK3 Estabelece em qual temperatura do líquido de arrefecimento será ligado o relé. 09. Histerese da temperatura do IWK3 Estabelece a temperatura do motor em que o relé será desligado. A histerese é a diferença entre a temperatura parametrizada no item 08 e a temperatura aqui estabelecida.
  • 125.
    Eletricidade Veicular —Mercedez-Benz Global Training. 124 10. Configuração IWK4 - X3 12/7 0 - Pedal em marcha lenta 1 - Torque atual 2 - Velocidade do veículo 3 - Rotação do motor 4 - Temperatura do líquido de arrefecimento 5 - Torque do pedal do acelerador 11. Torque de acionamento do IWK4 Estabelece o valor de torque real no qual será ligado o relé. 12. Histerese de torque do IWK4 Estabelece o valor de torque real no qual o relé será desligado. A histerese é a diferença entre o torque parametrizado no item 11 e o torque aqui estabelecido. 13. Velocidade de acionamento do IWK4 Estabelece a velocidade do veículo em que será ligado o relé. 14. Histerese de velocidade do IWK4 Estabelece a velocidade do veículo o em que o relé será desligado. A histerese é a diferença entre a velocidade parametrizada no item 13 e a velocidade aqui estabelecida. 15. Rotação de acionamento do IWK4 Determina em qual rotação do motor será ativado o relé. 16. Histerese da rotação do IWK4 Estabelece a rotação do motor em que o relé será desligado. A histerese é a diferença entre a rotação parametrizada no item 15 e a rotação aqui estabelecida. 17. Temperatura de acionamento do IWK4 Estabelece em qual temperatura do líquido de arrefecimento será ligado o relé. 18. Histerese da temperatura do IWK4 Estabelece a temperatura do motor em que o relé será desligado. A histerese é a diferença entre a temperatura parametrizada no item 17 e a temperatura aqui estabelecida.
  • 126.
    Eletricidade Veicular —Mercedez-Benz Global Training. 125 Tabelas das conexões do ADM
  • 127.
    Eletricidade Veicular —Mercedez-Benz Global Training. 126
  • 128.
    Eletricidade Veicular —Mercedez-Benz Global Training. 127
  • 129.
    Eletricidade Veicular —Mercedez-Benz Global Training. 128 Eletricidade Veicular Sistema NR
  • 130.
    Eletricidade Veicular —Mercedez-Benz Global Training. 129 Disposição dos componentes do NR CBC033.tif
  • 131.
    Eletricidade Veicular —Mercedez-Benz Global Training. 130 Suspensão eletropneumática ENR Geral A suspensão eletropneumática é um sistema composto de uma unidade de controle eltrônico, sensores de nível, um grupo de válvulas de controle, interruptores de comando e lâmpadas de aviso. Sua função é controlar a pressão dos balões da suspensão pneumática, de modo que o veículo esteja em um nível desejado pelo motorista ou exigido pela situação de operação do mesmo. O veículo pode operar em tres níveis conforme descrito abaixo. Altura normal I É a altura normal de operação, nesta regulagem o ônibus deve estar nivelado e a referência é a altura entre a face superior do primeiro degrau da porta e o chão que deve ser de 420mm, entretanto deve se levar em consideração o encarroçamento. Uma referência correta seria a altura do chassis com relação ao eixo. Altura normal II É uma altura regulada para situações especiais onde é interessante que o ônibus seja um pouco mais alto. O motorista pode ajustar esta altura acionando um interruptor no painel de instrumentos. O ônibus só opera nestas condições em velocidades abaixo de 15 km/h. Se esta velocidade for excedida automáticamente a regulagem volta para altura normal I.A altura normal II pode ser ajustada até 100mm acima da altura normal I. Alturas da Suspensão dos veículos O500 O500 M Níveis H1 Suporte do amortecedor até a parte de baixo do prato superior H2 Desde a face inferior da longarina até a tangente superior do grampo "U" Inferior 21 mm 50 counts 60 mm 50 counts Normal 27 5mm 72 counts 120 mm 72 counts Superior 34 5mm 138 counts 190 mm 138 counts O500 U Low Entry Níveis H1 Desde a face inferior da banheira até a face superior do eixo dianteiro H2 Desde a face inferior da longarina até a tangente superior do grampo "U" Inferior 17 mm 45 counts 60 mm 40 counts Normal 13 mm 78 counts 120 mm 77 counts Superior 73 mm 134 counts 190 mm 130 counts
  • 132.
    Eletricidade Veicular —Mercedez-Benz Global Training. 131 Localização da medida H1 do eixo dianteiro O500 LE Localização da medida H2 do eixo dianteiro O500 LE e O 500M Localização da medida H1 do eixo dianteiro O 500M CBC032.tif CBC030.tif CBC031.tif
  • 133.
    Eletricidade Veicular —Mercedez-Benz Global Training. 132 Kneeling ( ajoelhamento ) Kneeling é uma expressão em ingles que significa ajoelhamento. É uma operação de abaixamento de uma lateral, ou um dos eixos conforme definição de fábrica o qual facilita o embarque e desembarque dos passageiros. O motorista pode acionar o kneeling por meio de um botão no painel de instrumentos. O ônibus só opera nestas condições em velocidades abaixo de 15 km/h. Se esta velocidade for excedida automáticamente a regulagem volta para altura normal I.A de kneeling é normalmente próximo a 60 mm abaixo da altura normal I. Controle da suspensão A unidade de controle atua nas válvulas de controle, comparando os valores atuais lidos nos sensores de nível com os valores memorizados durante a montagem do ônibus, se o nível estiver acima do normal, o ar é retirado dos balões, se o nível estiver acima do normal, o ar será pressurizado dentro dos balões. Diagnóse de falhas A unidade checa constantemente os componentes conectados a ela, caso algum valor de grandeza elétrica esteja fora do normal, e dependendo do caso a lâmpada de falha é acionada e o sistema fica fora de operação. A falha armazenada pode ser lida pelos equipamentos HHT, HHT win do StarDiagnose, pela maleta Wabco ou através de blink code. Obs! O blink code não le falhas atuais, uma vez que neste caso a lâmpada fica acesa constantemente e não se apaga. Falhas de plausibilidade Pode haver casos em que pode ser memorizado uma falha de plausibilidade, isso ocorre quando por exemplo é acionado uma válvula para pressurizar um balão e o sensor de nível não muda de posição como era esperado. Reprogramação ou calibração É um processo que ocorre durante a produção e serve para gravar os valores lidos nos sensores para nas condições Normal I, Normal II e Kneeling, este processo só precisa ser feito em caso de reposição da unidade de controle ou de sensores. A reprogramação pode ser feita com o HHT WIN do Star Diagnose, HHT ou mesmo com a maleta de teste da WABCO. A reprogramação é feita para que a unidade de controle reconheça os valores dos sensores para cada nível de operação. Pode se fazer uma reprogramação automática ou inserir os dados manualmente. Alguns itens devem ser levados em consideração para a recalibração: O sensor deve estar montado de tal forma que quando o veículo sobe a sua leitura em counts deve subir também. Os sensores devem estar ajustados de tal forma que a diferença de leitura entre eles seja no máximo 3 counts. Não deve haver falhas memorizadas. Uma reprogramação manual, os valores em counts para cada posição sâo:
  • 134.
    Eletricidade Veicular —Mercedez-Benz Global Training. 133 Bloco de válvulas do NR Conector B Conector II Conector I Conector B Conector B 110 Esta válvula está fechada durante a operação de ajoelhamento CBC015.emf
  • 135.
    Eletricidade Veicular —Mercedez-Benz Global Training. 134 Válvula de controle da suspensão Quando a chave de contato está desligada, o ar entra pela conexão 1 e abastece as válvulas piloto. Quando a chave de contato está ligada, o ar entra pela conexão 1 e abastece as válvulas piloto e a válvula de controle geral abastece o canal de alimentação de todas as outras válvulas. Bloco de válvulas É um conjunto de válvulas 3/2 e 2/2 que controlam a entrada e saída de ar dos foles, de acordo com os comandos da unidade de controle. Contato ligado Contato desligado 11 - entrada de ar 22 - saída para o fole traseiro direito 23 - saída para fole traseiro esquerdo 26 - saída para fole dianteiro direito 27 - saída para fole dianteiro esquerdo 11 - entrada de ar 22 - saída para o fole traseiro direito 23 - saída para fole traseiro esquerdo 26 - saída para fole dianteiro direito 27 - saída para fole dianteiro esquerdo CBC034.tif CBC035.tif
  • 136.
    Eletricidade Veicular —Mercedez-Benz Global Training. 135 Nesta situação as válvulas de controle dos foles direitos estão ligados com a atmosfera. Quando o sistema está elevando o veículo, ou seja pressurizando as bolsas, a válvula de controle geral e todas as válvulas de conexão com os foles estão abertas. Pressurização das bolsas Ajoelhamento 11 - entrada de ar 22 - saída para o fole traseiro direito 23 - saída para fole traseiro esquerdo 26 - saída para fole dianteiro direito 27 - saída para fole dianteiro esquerdo 11 - entrada de ar 22 - saída para o fole traseiro direito 23 - saída para fole traseiro esquerdo 26 - saída para fole dianteiro direito 27 - saída para fole dianteiro esquerdo CBC036.tif Todos os foles estão ligados com a atmosfera. Despressurização 11 - entrada de ar 22 - saída para o fole traseiro direito 23 - saída para fole traseiro esquerdo 26 - saída para fole dianteiro direito 27 - saída para fole dianteiro esquerdo CBC037.tif CBC038.tif
  • 137.
    Eletricidade Veicular —Mercedez-Benz Global Training. 136 Sensores de nível A construção básica do sensor é uma bobina eletromagnética dentro da qual se movimenta um núcleo. O movimento deste núcleo é causado pela movimentação da haste do sensor. Quando o núcleo varia, varia também as características magnéticas da bobina. Esta variação é medida por um circuito eletrônico que está dentro da unidade de controle. A unidade eletrônica converte esta variação em uma medida que não tem unidades, a qual é chamada de "counts". P5 Tacógrafo Fornece o sinal de velocidade para que a o sistema opere somente abaixo de 15km/h. B110 Interruptor de pressão Determina a pressão mínima para o trabalho da suspensão, se a pressão for menor que 7,5bar o sistema deixa de operar. B107 a B108 Sensores indutivos Determinam o nivelamento transversal do veículo. B109 Sensor indutivo Junto com os sensores traseiros, determinam o nível longitudinal do veículo. Troca do sensor Remova o sensor e monte o novo exatamente como estava, observando sempre a posição de montagem entre o sensor e sua haste. Não existe reparo para o sensor. CBC016.emf
  • 138.
    Eletricidade Veicular —Mercedez-Benz Global Training. 137 S34 Interruptor de ajoelhamento Serve para ajoelhar o veículo. Para que ele funcione o veículo sempre deve estar no nível normal de operação. S44 Interruptor de nível normal Serve para colocar o veículo no nível de operação normal. S46 Interruptor de nível superior Serve para elevar o veículo ao nível de operação mais alto. Para que ele funcione o veículo sempre deve estar no nível normal de operação. B14 Interruptor de luz de freio Quando parametrizado, faz com que o sistema opere somente quando o freio de serviço esteja atuado. Interruptores no painel de instrumentos. CBC040.tif CBC017.emf
  • 139.
    Eletricidade Veicular —Mercedez-Benz Global Training. 138 H59 Indicadora de desnível Está acesa sempre que o veículo está fora do nível normal. H60 Indicadora de falha Esta acesa quando existe uma falha diagnosticável no sistema elétrico. H61 Indicadora de ajoelhamento Está acesa quando é alcançada a posição de ajoelhamento. Luzes no painel de instrumentos CBC041.tif CBC018.emf
  • 140.
    Eletricidade Veicular —Mercedez-Benz Global Training. 139 Alimentação da unid/ade de controle do NR Q2 Chave de contato Q1 Chave de desligamento elétrico S45 Interruptor de Blink Code K2 Rele de Kl 15 M12 Motor de partida J4 Tomada de diagnose Acessar código de falha Ligue a chave de contato, ligue o interruptor de blink code por alguns segudos e desligue-o. Apagar o código de falha Ligue o interruptor de blink code e em seguida ligue a chave de contato. Leitura do código de falhas Observe a duração das piscadas da lâmpada indicadora de falhas. Uma piscada longa vale 10 e uma piscada curta vale 1. some todas as piscadas e e obterá o código. Se a lâmpada de falha estiver acesa, o sistema deixa de operar neste caso se o veículo estiver inclinado ou fora de um nível seguro para ser colocado em marcha, você deve faze-lo manualmente conforme segue: CBC019.tif
  • 141.
    Eletricidade Veicular —Mercedez-Benz Global Training. 140 Tabela de código de falhas Códigos de falhas para a suspensão ENR Piscas Causa Solução 1 Erro de parametrização Rever parâmetros 2 Erro de calibração da altura do veículo Reprogramar a altura 3 Falha na memória da unidade Trocar a unidade 4 Falha na memória da unidade Trocar a unidade 6 Avaliação do valor padrão do sensor de altura 10 Sensor dianteiro em curto com o positivo ou cabo rompido Meça a resistência entre os terminais 35/21 e 35/26, deve ser de aproximadamente 120Ohm. 11 Sensor traseiro esquerdo em curto com o positivo ou cabo rompido Meça a resistência entre os terminais 35/21 e 35/25 deve ser de aproximadamente 120Ohm. 12 Sensor traseiro direito em curto com o positivo ou cabo rompido Meça a resistência entre os terminais 35/21 e 35/8 deve ser de aproximadamente 120Ohm. 14 Sensor dianteiro em curto com a massa Meça a resistência entre os terminais 35/21 e 35/26, deve ser de aproximadamente 120Ohm. 15 Sensor traseiro esquerdo em curto com a massa Meça a resistência entre os terminais 35/21 e 35/25 deve ser de aproximadamente 120Ohm. 16 Sensor traseiro direito em curto com a massa Meça a resistência entre os terminais 35/21 e 35/8 deve ser de aproximadamente 120Ohm. 40 Sensor de altura do eixo traseiro direito O sistema está tentando encher os balões mas não há movimento nos sensores. verifique se não há estrangulamento na tubulação ou se as válvulas não tem um problema mecânico. 41 Sensor de altura do eixo traseiro esquerdo 42 Sensor de altura do eixo dianteiro 44 Sensor de altura do eixo traseiro direito O sistema está tentando esvaziar os balões mas não há movimento nos sensores. verifique se não há estrangulamento na tubulação ou se as válvulas não tem um problema mecânico. 45 Sensor de altura do eixo traseiro esquerdo 46 Sensor de altura do eixo dianteiro 20 Curto com o positivo ou cabo rompido da válvula de alimentação pneumática do bloco de válvula. Meça a resistência entre os terminais 35/21 e 35/15 deve ser de aproximadamente 80 Ohm 30 Curto com a massa. 22 Curto com o positivo ou cabo rompido da válvula de controle do eixo traseiro direito. Meça a resistência entre os terminais 35/21 e 35/30 deve ser de aproximadamente 80 Ohm 32 Curto com a massa. 23 Curto com o positivo ou cabo rompido da válvula de controle do eixo dianteiro esquerdo. Meça a resistência entre os terminais 35/21 e 35/13 deve ser de aproximadamente 80 Ohm 33 Curto com a massa. 24 Curto com o positivo ou cabo rompido da válvula de controle do eixo dianteiro direito Meça a resistência entre os terminais 35/21 e 35/31 deve ser de aproximadamente 80 Ohm. 34 Curto com a massa.
  • 142.
    Eletricidade Veicular —Mercedez-Benz Global Training. 141 Circuito das válvulas de controle da suspensão CBC020.emf
  • 143.
    Eletricidade Veicular —Mercedez-Benz Global Training. 142 Conectores do sistema ENR CBC021.emf
  • 144.
    Eletricidade Veicular —Mercedez-Benz Global Training. 143 Sugestões para ajustar a suspensão do veículo manualmente em caso de falha no sistema Desconecte o módulo de controle, ligue a chave de contato e faça pontes entre os terminais do conector conforme indicado abaixo: CBC022.emf
  • 145.
    Eletricidade Veicular —Mercedez-Benz Global Training. 144 Eletricidade Veicular Caixas de Mudanças
  • 146.
    Eletricidade Veicular —Mercedez-Benz Global Training. 145 Caixas de mudanças Os veículos CBC são equipados com transmissão automática de série para atender as novas exigências de mercado. Vários são os motivos para a aplicação deste tipo de caixa: • Segurança no transito por dar um maior conforto e exigir menos operações do motorista. • Suavidade na operação. Do ponto de vista econômico a transmissão automática exige um investimento inicial maior e em contrapartida um investimento bem menor em termos de manutenção: • Baixo consumo de freio pelo fato de que a transmissão automática incorpora um retardador • Baixo consumo de combustível. ( se a aplicação da transmissão no veículo e a operação for bem feita ). • Menor desgaste mecânico dos demais agregados por causa da suavidade da operação e ausência de sistema de embreagem. CBC043.tif
  • 147.
    Eletricidade Veicular —Mercedez-Benz Global Training. 146 Conversor de torque É uma espécie de turbina hidráulica que transfere o torque do motor para a caixa de mudança em uma multiplicação que depende do estado de funcionamento do veículo, por exemplo se o veículo está parado e o motorista deseja arrancar, o torque do motor é multiplicado algumas vezes, se o veículo estiver em movimento constante, o conversor de torque perde a função e será eliminado por um sistema de bloqueio que é chamado de “lockup” e a transmissão da força do motor para a transmissão será feita diretamente. 1 - Bomba 2 - Turbina 3 - Coroa 4 - Eixo do estator 5 - Discos externos 6 - Discos internos 7 - Carcaça 8 - Roda livre 9 - Árvore primária 10 - Conjunto de discos - lockup 11 - Êmbolo do motor para a caixa Torque na bomba Torque na turbina Torque na coroa Tr CBC044.tif Arranque do veículo Veículo em início de movimento Veículo em movimento avançado CBC045.tif
  • 148.
    Eletricidade Veicular —Mercedez-Benz Global Training. 147 Conjuntos plantetários A caixa contém alguns planetários que possibilitam as várias relações de marcha e a inversão do movimento para o caso da marcha a ré, um platenetério é composto de tres elementos distintos: Engrenagem solar Engrenagem anelar Engrenagens planetárias Para fazer a inversão de movimento ou alteração da relação, se opta por fixar um dos componentes por meio de um sistema de embragem múltipla que normalmente é chamado de pacote de lamelas. Bomba de óleo É uma bomba de engrenagem acionada pelo motor responsável por gerar a pressão principal de todo o circuito hidráulico e também de lubrificação, por isso durante o reboque do veículo tem que se tomar o cuidado de remover o cardan para não movimetar peças internas a caixa sem lubrificação. CBC013.tif Anelar Solar Planetária CBC046.tif
  • 149.
    Eletricidade Veicular —Mercedez-Benz Global Training. 148 Pacote de lamelas É um pacote de lâminas de aço e material de fricção ( celulose comprensado ) dispostos alternadamente. Quando o pacote não está aplicado, as lâminas de fibras giram livremente e as lâminas de aço estão presas à carcaça do câmbio. Quando o pacote está aplicado, uma lâmina é comprimida contra a outra de modo que não haja movimento relativo entre as duas. Bloco de válvulas É um circuito hidráulico integrado em um bloco de alumínio formado pelos canais de circulação e válvulas de controle as quais podem ser acionadas mecanicamente ou eletrônicamente. V á l v u l a moduladora de pressão. A C WK F B E D CBC015.tif CBC047.tif
  • 150.
    Eletricidade Veicular —Mercedez-Benz Global Training. 149 Esquema elétrico do bloco de válvulas Tabela para checagem dos componentes da caixa HP500 Componente Função Terminais no conector de 55 vias Resistência nominal Vávula M7 Embreagem A 37 x 3 61 a 74 Ohm Vávula M6 Embreagem B 37 x 22 61 a 74 Ohm Vávula M5 Embreagem C 37 x 4 61 a 74 Ohm Vávula M4 Freio D 37 x 39 61 a 74 Ohm Vávula M3 Freio E 37 x 42 61 a 74 Ohm Vávula M2 Freio F 37 x 44 61 a 74 Ohm Vávula M1 Freio G 37 x 45 61 a 74 Ohm Válvula DR Moduladora de pressão 37 x 5 9 - 11 Ohm Sensor indutivo Sinal de velocidade de entrada 37 x 43 1000 a 1350 Ohm Sensor indutivo Sinal de velocidade de saída 37 x 14 1000 a 1350 Ohm CBC013.emf
  • 151.
    Eletricidade Veicular —Mercedez-Benz Global Training. 150 Retardador ZF É um componente hidráulico semelhante ao conversor de torque cuja função é inverter o fluxo de torque fazendo com que este va do diferencial para a caixa. Nas caixas Voith, o próprio conversor de torque assume a função de retardador. Retardador é uma palavra que significa o contrário de acelerador. CBC048.tif
  • 152.
    Eletricidade Veicular —Mercedez-Benz Global Training. 151 Funcionamento de um retardador Na tubulação 7 existe uma pressão hidráulica fixa. Na entrada de ar 1 está a pressão de controle do torque de frenagem que pode ser 1,2bar (primeiro estágio) ou 3,0bar (segundo estágio). O estator 5 é semelhante a um rotor de uma bomba hidráulica convencional, porém está fixo na carcaça da transmissão. O rotor 6 trabalha como uma bomba hidráulica e está ligado ao eixo de saída da trasmissão com uma relação de redução que depende da marcha que está engrenada, desta forma durante a frenagem as rodas movimentam o diferencial que movimenta o cardan que movimenta as engrenagens da caixa que movimentam o rotor, assim existe um fluxo de energia cinética das rodas até o rotor do retardador ( energia cinética é a energia dos corpos em movimento ). As pás do rotor contém uma quantidade de óleo que depende da capacidade de frenagem regulada, este óleo é arremessado contra as pás do estator 5, então podemos dizer que o óleo ganha a energia cinética que estava no rotor. O óleo com energia cinética atinge o estator mas este está impedido de se movimentar e por isso tem que converter esta energia em energia térmica. Assim a energia cinética que estava nas rodas do veículo foram conduzidas até o estator do retardador e convertida em energia térmica, é um processo muito parecido como freio de serviço convencional onde a energia cinética da roda é aplicada a lona ou pastilha como estas não se movimentam a energia é convertida em energia térmica que vai para o tambor e depois para atmosfera. Controle do torque de frenagem De uma forma geral, o controle do torque de frenagem é feito através da variação da quantida de óleo que está nas pás do rotor, o que é feito por um circuito eletropneumático. Pode haver pequenas variações entre transmissões; a ZF aplica uma peça ( grelha ) entre o rotor e o estator que faz com que o estator tenha uma geometria variável, assim quando não está havendo frenagem, o óleo circulante por motivos de lubrificação é desviado para a tubulação de retorno e não exerce nenhum tipo de frenagem, durante a frenagem a grelha gira o dreno é fechado e o óleo é direncionado para o estator, a Voith aplica um sistema onde apenas o volume do óleo é controlada, quando o retardor é interno à caixa, o próprio conversor de torque é utilizado como retardador. 1 –Conexão para entrada do ar de comando 2 –Dispositivo regulador da pressão hidráulica 3 –Espirais 4 –Tubulação de óleo para o trocador 5 –Estator 6 –Rotor 7 –Tubo de óleo procedente do trocador de calor CBC049.tif
  • 153.
    Eletricidade Veicular —Mercedez-Benz Global Training. 152 CBC001.emf O retardador está fora de operação por opção do motorista. Interruptor S31 do painel desligado
  • 154.
    Eletricidade Veicular —Mercedez-Benz Global Training. 153 CBC002.emf O motorista ligou o retardador mas o ADM impede que ele funcione, pois o acelerador não está na posição de repouso. Retardador impedido de funcionar pelo ADM
  • 155.
    Eletricidade Veicular —Mercedez-Benz Global Training. 154 O motorista ligou o retardador mas o ABS impede que ele funcione ligando o rele K63. ABS modulando retardador não funciona CBC003.emf
  • 156.
    Eletricidade Veicular —Mercedez-Benz Global Training. 155 A unidade de controle da transmissão acionou o rele K70 porque está aplicada a primeira ou segunda marcha. Isso acontece porque nestas condições frenagem é muito grande devido a redução das marchas. Transmissão em primeira ou segunda marcha CBC006.emf
  • 157.
    Eletricidade Veicular —Mercedez-Benz Global Training. 156 O interuptor da luz de freio é ligado, aciona o rele K67 que desliga a válvula V40, assim uma pressão de frenagem de 3 bar é aplicada no retardador Segundo estágio do retardador ( interruptor de luz de freio ligado ) CBC005.emf
  • 158.
    Eletricidade Veicular —Mercedez-Benz Global Training. 157 O interruptor de temperatura liga o rele K68 que por sua vez liga a válvula redutora de pressão, nestas condições o retardador opera no máximo em primeiro estágio. Temperatura da trasmissão acima de 130°C CBC007.emf
  • 159.
    Eletricidade Veicular —Mercedez-Benz Global Training. 158 Esquema elétrico do retardador H26 Luz indicadora de retardador acionado Acende sempre que o retardador estiver ligado H38 Luz de aviso superaquecimento da transmissão Acende sempre que a temperatura estiver acima de 120°C K49 Rele de desligamento do retardador ( ADM ) Desliga o retardador quando recebe um sinal do ADM. K63 Rele de desligamento do retardador ( ABS ) Desliga o retardador quando o ABS está modulando K67 Rele de desligamento da válvula de redução de pressão Aciona o segundo estágio quando o freio de serviço é acionado K70 Rele de desligamento do segundo estágio do retardador Está acionado sempre que a transmissão estiver em primeira ou segunda marcha K68 Rele de desligamento do segundo estágio do retardador Está acionado sempre que a temperatura da transmissão estiver acima de 120°C S31 Tecla no painel Serve para desligar o retardador em pistas escorregadias V1 Válvula de controle do retardador É acionada pela unidade de controle da transmissão V40 Válvula de redução do torque de frenagem do retardador Reduz a pressão pneumática de acionamento do retardador de 3,0bares para 1,2bar CBC009.emf
  • 160.
    Eletricidade Veicular —Mercedez-Benz Global Training. 159 Esquema elétrico da alimentação da unidade de controle da transmissão e tomada de diagnose X3 e X4 Conectores de interfaceamento da instalação ZF com o veículo Mercedes Benz. X25 Tomada de tres vias para diagnose com equipamento ZF. CBC008.emf
  • 161.
    Eletricidade Veicular —Mercedez-Benz Global Training. 160 Esquema elétrico da seletora de marchas ZF X3 e X4 Conectores de interfaceamento da instalação ZF com o veículo Mercedes Benz. K 36 Rele de bolqueio da partida em situações onde uma marcha esteja engrenada. K 69 Rele de luzes de marcha a ré. CBC010.emf
  • 162.
    Eletricidade Veicular —Mercedez-Benz Global Training. 161 Desenhos dos conectores dos chicotes elétricos da transmissão automática ZF CBC011.emf
  • 163.
    Eletricidade Veicular —Mercedez-Benz Global Training. 162 Trocador de calor É um radiador normalmente do tipo água e óleo sendo que líquido de arrefecimento utilizado é o mesmo do motor. Ponto de mudança de marchas Durante o projeto do veículo, são definidos os pontos de mudança de marcha, para quando se está subindo e para quando se está baixando de marcha, uma vez definidos os pontos, a caixa de mudança determinará o momento de troca de marchas o que pode ser feito hidraulicamente ou mecânicamente. As duas informações mais importantes para determinar que ocorra a mudança de marcha, são a velocidade do veículo e a posição do pedal do acelerador. Velocidade do veículo A medida que a velocidade do veículo aumenta as marchas vão sendo trocadas automáticamente, a informação de velocidade quase sempre é gerada pela própria caixa de mudanças o que também pode ser feito mecânicamente o eletrônicamente. Posição do pedal do acelerador A posição do pedal do acelerador influi na velocidade em que ocorre a mudança da marcha, ou seja: quanto mais acionado o pedal do acelerador, mais tarde ocorrerá a mudança. A posição do pedal do acelerador é informada pelo sensor de carga ou pelo módulo de controle do veículo quando este está equipado com motores eletrônicos. CBC006.tif
  • 164.
    Eletricidade Veicular —Mercedez-Benz Global Training. 163 Tempo de mudança de marchas Toda mudança de marcha leva um tempo para acontecer da mesma forma como ocorre em uma mudança de marcha em uma caixa mecânica. O tempo de mudança é muito importante pois influi na suavidade da marcha do veículo e na vida das lamelas de fricção internas a caixa. O tempo de mudança de marcha também é determinado com a velocidade e a posição do pedal do acelerador. Manutenção preventiva Inspeção periódica: Antes de fazer a inspeção na caixa de mudança, limpe a bem, depois verifique: • Nível do óleo • Parafusos soltos • Vazamento de óleo • Interferências com articulações e sistemas mecânicos móveis • Vazamento de ar comprimido • Tubulações de ar ou de óleo danificadas ou dobradas • Cabos elétricos danificados ou em atrito com outros componentes • Conexões elétricas frouxas, sujas ou danificadas • Juntas universais do cardan • Regulagem do sensor de carga quando houver O nível do óleo é muito importante para o funcionamento do conversor de torque, retardador e pacotes de lamelas, alem disso o óleo lubrifica e refrigera a transmissão. Baixo nível de óleo pode prejudicar o funcionamento e a lubrificação, nível de óleo muito alto pode criar bolhas de ar, vazamento e retardo no tempo de troca de marcha, muitas vezes danificando a caixa. CBC008.tif
  • 165.
    Eletricidade Veicular —Mercedez-Benz Global Training. 164 Tipos de óleo Verifique sempre o tipo de óleo determinado no manual de lubrificantes da Mercedes Benz. O óleo da transmissão automática não é um óleo lubrificante comum. Como verificar o nível de óleo • Colocar o veículo em nível • Aplicar o freio de mão • Colocar a seletora em "N" • Limpar muito bem o tubo onde está a vareta de medição para que não caia sugeira dentro da transmissão • Medir o nível do óleo a frio que deve estar um pouco acima do normal quente • Arrancar o motor e mante-lo em marcha lenta até que o óleo se aqueça • Medir o nível do óleo, meça sempre duas vezes para aumentar a precisão, caso as duas leituras não sejam consistentes, veifique respiros, orifícios de ventilação e tubo de abastecimento. Troca do óleo Verifique a ficha de manutenção do veículo para intervalos de troca • Colocar o veículo em nível • Aplicar o freio de mão • Colocar a seletora em "N" • Drenar o óleo em temperatura de operação • Verifique sempre o óleo drenado quanto a contaminação por particulas sólidas • Substitua sempre o filtro, aneis de vedação ou juntas se for o caso Reboque do veículo Sempre que for necessário rebocar o veículo com o motor parado, desligue o cardan do veículopois neste caso a bomba de óleo da trasnmissão não estará funcionando o que afetará a lubrificação das partes em movimento.
  • 166.
    Eletricidade Veicular —Mercedez-Benz Global Training. 165 Para ler os códigos de falhas Ligue a chave de ignição. Acione uma tecla da seletora de marchas. Faça uma ponte entre os terminais 1 e 9 da tomada de diagnose por aproximadamente 2s. Observe as piscadas da tecla acionada: Lâmpada não se apaga, significa que não existe falhas. Lâmpada pisca duas vezes, significa que o código vai ser transmitido. Piscadas longas, significam 10.Piscadas curtas, significam 1. Para apagar as falhas Desligue a chave de ignição. Faça uma ponte entre os terminais 1 e 9 da tomada de diagnose. Ligue a chave de ignição. Teste de Stall (simulação de funcionamento do trem de força com carga) Este deve ser aplicado quando todas as possibilidades de se diagnosticar a causa de baixo desempenho de um veículo já foram aplicadas. Serve para determinar se o problema está na transmissão ou no motor. 1.0 Aqueça o óleo da transmissão até atingir a temperatura normal 2.0 Afaste as pessoas e objetos do veículo 3.0 Aplique o freio de mão 4.0 Selecione a tecla D da seletora de marchas 5.0 Aplique o freio de serviços, acione o acelerador até o máximo de uma vez e o mantenha acionado atá a rotação do motor parar de subir. Obs! Esta operação não deve durar mais que 30 segundos ou até que a temperatura do motor atinja o ponto máximo permitido 90°C 6.0 Anote a rotação de estabilização Rotação menor significa problema no motor Rotação maior significa problema na transmissão 7.0 Selecione a tecla N e mantenha a rotação em 1500rpm por pelo menos dois minutos entre cada teste para refrigerar o motor o trem de força A rotação de Stall é de 150rpm acima da rotação de torque máximo do motor. Para os veículos O500 com ZF HP 500 é de 1800rpm.
  • 167.
    Eletricidade Veicular —Mercedez-Benz Global Training. 166 Cod Causa Sugestão para reparação 11 Sem indicação de drive 12 Tempo de mudança de primeira para segunda muito longo 13 Tempo de mudança de segunda para terceira muito lonfgo 14 Tempo de mudança de terceira para quarta muito longo 15 Tempo de mudança de quarta para quinta muito longo 16 Tempo de mudança de quinta para sexta muito longo 23 Defeito no emissor de carga 25 Defeito no sensor de saída 27 Defeito no sensor da turbina 31 Curto circuito na eletroválvula G 32 Curto circuito na eletroválvula F 33 Curto circuito na eletroválvula E 34 Curto circuito na eletroválvula D 35 Curto circuito na eletroválvula C 36 Curto circuito na eletroválvula B 37 Curto circuito na eletroválvula A 38 Curto circuito na eletroválvula WK 39 Curto circuito na eletroválvula Ret 40 Curto circuito no sinal do freio motor 41 Curto circuito na válvula de redução do retarder 42 Curto circuito no sinal de velocidade 43 Curto circuito na válvula da tomada de força 44 Curto circuito na saída de bloqueio de aceleração 45 Curto circuito no sinal de velocidade 46 Curto circuito no sinal de indicação de falha Tabela de código de falhas para ZF HP 500/590/600
  • 168.
    Eletricidade Veicular —Mercedez-Benz Global Training. 167 Tabela de código de falhas para ZF HP 500/590/600 ( continuação ) Cod Causa Sugestão para reparação 51 Circuito da válvula G aberto 52 Circuito da válvula F aberto 53 Circuito da válvula E aberto 54 Circuito da válvula D aberto 55 Circuito da válvula C aberto 56 Circuito da válvula B aberto 57 Circuito da válvula A aberto 58 Circuito da válvula WK aberto 59 Circuito da válvula do retarder aberto 60 Circuito de saída do freio motor aberto 61 Circuito da válvula de redução do retarder aberto 62 Circuito do sinal V1 aberto 63 Circuito da válvula da tomada de força aberta 64 Circuito da saída do sinal de bloqueio da aceleração aberto 65 Entrada de sinal de velocidade aberta 66 Circuito do indicador de falha aberto 71 Má regulagem do sensor de carga 73 Falhano seletor de marchas 75 Falha na alimentação 77 Resistência da eletroválvula D1 fora do esperado 79 Te n s ã o d o e m i s s o r d e c a r g a f o r a do especificado
  • 169.
    Eletricidade Veicular —Mercedez-Benz Global Training. 168 Primeira marcha CBC051.tif
  • 170.
    Eletricidade Veicular —Mercedez-Benz Global Training. 169 Segunda marcha CBC052.tif
  • 171.
    Eletricidade Veicular —Mercedez-Benz Global Training. 170 Terceira marcha CBC053.tif
  • 172.
    Eletricidade Veicular —Mercedez-Benz Global Training. 171 Quarta marcha CBC124.tif
  • 173.
    Eletricidade Veicular —Mercedez-Benz Global Training. 172 Marcha a ré
  • 174.
    Eletricidade Veicular —Mercedez-Benz Global Training. 173 Eletricidade Veicular EASY SHIFT - Sistema eletro-pneumático de mudança de marchas
  • 175.
    Eletricidade Veicular —Mercedez-Benz Global Training. 174 EASY SHIFT - Sistema eletro-pneumático de mudança de marchas O que é o sistema Easy Shift ? Easy shift é um sistema de mudança de marchas onde não existe mais ligação mecânica entre a alavanca de mudanças e o trambulador. Neste sistema existe uma alavanca de mudanças elétrica onde seis interruptores comandam válvulas que, pelo acionamento pneumático de dois pistões, realizam a mudança de marchas. Quais são as vantagens do sistema? • Engates de marchas mais suaves com menos necessidade de esforços, dando mais conforto e segurança ao condutor. • Facilidade para encarroçamento por não haver varão da caixa de mudanças. • A montagem não depende da posição do motor. • O sistema protege a caixa de mudanças contra bruscas reduções de marchas. Quais são as funções que o sistema tem? • Engate de marchas • Bloqueio do engate da 1ª e 2ª marcha com o veículo acima de 35 Km/h. • Bloqueio do engate da 3ª e 4ª marcha com o veículo acima de 60 Km/h. • Liberação do curso total da alavanca apenas quando a marcha é engatada.
  • 176.
    Eletricidade Veicular —Mercedez-Benz Global Training. 175 Lista de reposição de peças CBC042.tif
  • 177.
    Eletricidade Veicular —Mercedez-Benz Global Training. 176 Alavanca seletora de marchas ( S 29 ) A alavanca seletora de marchas é formada por um conjunto de interruptores (S1, S2, S3, S4, S5, S8) cuja combinação vai informar à unidade de válvulas qual é a marcha solicitada pelo motorista. Cada marcha aciona sempre dois interruptores. Cada interruptor aciona uma ou duas válvulas. Possui também um conjunto de três válvulas eletropneumáticas (Y11, Y12, Y14) que bloqueiam o movimento da alavanca de seleção quando a marcha escolhida não é adequada e desbloqueiam o curso total da alavanca quando a marcha é engatada. A válvula Y12 bloqueia e controla o desbloqueio da alavanca no sentido de engate de marcha, quando a marcha está completamente engrenada, o interruptor B41 envia um sinal ao módulo U10 que por sua vez aciona a válvula Y12, eliminando o bloqueio. Se o veículo estiver acima de 60km/h, o módulo U10 envia um sinal a válvula Y14, bloqueando a seleção das marchas 3ª e 4ª. Se o veículo estiver acima de 35km/h, o módulo U10 envia um sinal a válvula Y11, bloqueando a seleção das marchas 1ª e 2ª. Diagnose da válvula O primeiro passo a ser feito é medir as resistências das válvulas conforme tabela abaixo, observando para que a alavanca seletora (S29) esteja conectada e o módulo eletrônico U 10 esteja desconectado. A leitura deve ser feita com o ohmímetro no conector do módulo eletrônico. Componentes e diagnóstico de falhas Tabela de resistências para as válvulas da alavanca seletora de marchas Terminais do conector módulo U10 Denominação Resistência 18 - 15 Y11 - Válvula de bloqueio da 1ª e 2ª marcha 100 Ohms 18 - 32 Y14 - Válvula de bloqueio da 3ª e 4ª marcha 100 Ohms 18 - 14 Y12 - Válvula de desbloqueio do curso total da alavanca 100 Ohms
  • 178.
    Eletricidade Veicular —Mercedez-Benz Global Training. 177 Tabela de verificação das válvulas da seletora de marchas Ponte entre os terminais do conector do Módulo U10 Observação 6 - 14 Acionamento de Y12: desbloqueio do curso total da alavanca. Antes de fazer a ponte o curso total da alavanca no sentido de engarte de marcha deve estar bolqueado, ao fazer a ponte o bolqueio deve desaparecer. 6 - 32 Acionamento de Y14: Bloqueio da 3ª e 4ª marcha. Coloque a alavanca em sexta marcha e faça a ponte, se tudo estiver correto o movimento da alavanca deve ser bloqueado enquanto houver a ponte. 6 - 15 Acionamento de Y11: Bloqueio da 1ª e 2ª marcha. Coloque a alavanca em quarta marcha e faça a ponte, se tudo estiver correto o movimento da alavanca deve ser bloqueado enquanto houver a ponte. Verificação das tensões na alavanca de mudanças Faça a verificação no conector do módulo de controle eletrônico U10, a chave de contato deverá estar ligada e o conector do módulo desconectado. Para melhor compreensão, acompanhe as medições com o esquema correspondente a marcha indicada. Veja a tabela abaixo: Tabela de tensões x marcha engrenada no Módulo eletrônico Marcha engrenada Tensão entre os terminais 1 (18x11) (18x28) Medir as tensões com um multímetro nos terminais do módulo eletrônico de controle. 2 (18x11) (18x10) 3 (18x28) (18x29) (18x20) 4 (18x20) (18x29) (18x10) 5 (18x28) (18x29) 6 (18x10) (18x29) Ré (18x10) (18x20) Caso os valores de resistência sejam diferentes dos valores especificados, verifique a instalação elétrica, caso os valores estejam corretos faça uma verificação de atuação das válvulas como segue: O veículo deverá estar abastecido de ar comprimido, a chave de contato ligada e feito pontes nos terminais do conector do módulo, conforme tabela abaixo.
  • 179.
    Eletricidade Veicular —Mercedez-Benz Global Training. 178 Figuras ilustrativas da alavanca seletora de marchas Abaixo podemos analisar o conjunto de interruptores e bloqueios que compoem a alavanca seletora de marchas. 1 2 3 7 4 5 6 1- Bloqueio do 2° estágio 2- Posição de 3ª e 4ª marcha 3- Bloqueio 1ª, 2ªe 3ª, 4ª 4- Bloqueio do 2° estágio - Y12 5- Bloqueio 3ª, 4ª 6- Bloqueio 1ª, 2ª - Y11 7- Entrada de ar CBC099.tif CBC100.tif CBC 102.tif CBC 101.tif
  • 180.
    Eletricidade Veicular —Mercedez-Benz Global Training. 179 Tabela de verificação dinâmica da central de válvulas (U11) Ponte entre os terminais Circuito onde deverá aparecer pressão pneumática 6 - 24 P15 6 - 20 P22 6 - 29 P16 6 - 11 P18 6 - 28 P20 6 - 10 P21 Tabela de resistências para as válvulas da central de válvulas (U11) Terminais do conector módulo U10 Denominação Resistência 18 - 24 Y8 - Válvula principal 45 Ohms 18 - 20 Y5 - Válvula de seleção da 3ª e 4ª marcha e marcha-a-ré 45 Ohms 18 - 29 Y4 - Válvula de seleção da 3ª, 4ª, 5ª, e 6ª marcha 45 Ohms 18 - 11 Y3 - Válvula de seleção da 1ª e 2ª marcha e marcha-a-ré 45 Ohms 18 - 28 Y2 - Válvula de engate de marchas ímpares 45 Ohms 18 - 10 Y1 - Válvula de engate de marchas pares 45 Ohms Teste dinâmico da Central de válvulas (U 11) Caso os valores de resistência das válvulas estejam conforme esperado, faça um teste dinâmico, acionando as válvulas através de pontes nos terminais do módulo de controle U10 conforme tabela: Central de válvulas (U 11) A central de válvulas é composta por um conjunto de válvulas e um circuito pneumático cuja função é acionar os cilindros de seleção e de engate. Diagnose da central de válvulas O primeiro passo é verificar a resistência ohmica das válvulas, meça a resistência no conector do módulo eletrônico U10, com a chave de ignição desligada e o módulo desconectado.
  • 181.
    Eletricidade Veicular —Mercedez-Benz Global Training. 180 Figuras ilustrativas da central de válvulas 1- Descarga de ar 2- Conector elétrico 3- Y4 - Seleção 3/4 e 5/6 4- Y3 - Seleção 1/2 e ré 5- Y2 - Marchas ímpares 6- Y5 - Seleção 3/4 e ré 7- Y8 - Liberação de ar 8- Y1 - Marchas pares 1 2 3 4 5 6 8 7 Anotações: CBC103.tif CBC104.tif
  • 182.
    Eletricidade Veicular —Mercedez-Benz Global Training. 181 Módulo temporizador de pressão de alimentação ( U 13 ) É um módulo eletrônico que temporiza a aplicação de ar nos cilindros de engate e seleção, a finalidade desta temporização é evitar que o garfo fique pressionando as luvas deslizantes e por consequência apareça um desgaste nos anéis sincronizadores. O tempo de aplicação é de 4 segundos e é contado apartir do momento que são acionados os interruptores de embreagem (B40) e de marcha engrenada (B41), após estes 4 segundos o módulo de temporização (U13), retira o sinal elétrico da válvula (Y8) que está na Central de válvulas (U11). Diagnose do módulo temporizador Sempre que houver um problema com a alimentação de ar para a central de válvulas, é possível que haja problemas com o módulo de controle da pressão, neste caso verifique o seguinte: 1.0 Tensão de alimentação da bateria para o módulo entre os terminais 1 e 3. 2.0 Sinal de embreagem acionada entre os terminais 1 e 5. 3.0 Sinal de marcha engrenada entre os terminais 1 e 2. 4.0 Após aplicar os sinais de embreagem e marcha engrenada, deverá existir um pulso de 4s de duração entre os terminais 1 e 7. Sensor de velocidade G12. Fornece um sinal elétrico para o módulo eletrônico U12, que corresponde a velocidade do veículo. Para que o sensor funcione ele precisa receber uma tensão de alimentação de 10V que vem do módulo U12. Diagnose do sensor de velocidade G12. Uma falha neste sensor fará com que o módulo de controle deixe de executar a tarefa de bloqueio de mudanças de risco. Para verifica-lo faça o seguinte: 1.0 Meça a tensão de alimentação entre os termiais 2 e 4 do sensor que deve ser de 10V. 2.0 Remova o sensor e gire vagarosamente e verifique se a tensão entre os terminais 3 e 4 alterna entre 0V e 10V. Módulo amplificador de sinal (U12) Este módulo tem a função de amplificar o sinal de velocidade proveniente do sensor de velocidade (G12) e fornecer uma tensão de alimentação de 10V para este mesmo sensor. Diagnose do módulo amplificador de sinal (U12) Uma falha neste módulo fará com que o módulo de comando U 10 não execute mais a tarefa de bloquear as mudanças de marchas em situação de risco, neste caso faça os seguintes testes: 1.0 Verifique se o módulo U12 está recebendo tensão de alimentação da bateria entre seus terminais 8 e 4. 2.0 Verifique se o módulo U12 está enviando tensão de alimentação de 10V para o sensor de velocidade entre os terminais 2 e 3 do próprio módulo U12. 3.0 Remova o sensor G12, gire o seu eixo vagarosamente e verifique se a tensão entre os terminais 8 e 5 do módulo U12 muda de 0V para 10V alternadamente.
  • 183.
    Eletricidade Veicular —Mercedez-Benz Global Training. 182 Sensor do pedal da embreagem (B40). Localiza-se junto ao pedal da embreagem. Tem a função de indicar ao módulo temporizador (U13) quando o pedal foi acionado, para que o temporizador possa acionar Y8 (Válvula Principal) a liberar o ar. Diagnose do sensor do pedal da embreagem (B40) Uma falha neste sensor fará com que o ar não seja liberado e nenhuma marcha seja engatada. O sensor é acionado por uma placa de metal presa no pedal. Esta distância deve ser ajustada para que o sensor seja acionado apenas quando a embreagem estiver completamente desacoplada. No conector do módulo U13 realize os seguintes testes em caso de averias: 1 - Verifique se há tensão de alimentação de 24 V entre os terminais 3 e 1. 2 - Verifique se há tensão de 24 V entre os terminais 5 e 1 quando o pedal é completamente acionado. Ajuste do sensor Para obter um acionamento exato e um funcionamento perfeito do sensor devem ser efetuados os seguintes ajustes: • O ponto de acionamento é obtido por um ajuste preciso da chapa fixada no pedal da embreagem. • A chapa deve cobrir o sensor completamente durante sua atuação. • A distância do sensor à chapa deve ficar entre 2 e 4 mm. O ajuste é feito atravéz do movimento giratório do sensor, que está rosqueado em duas porcas. Alcançando a posição correta, deve-se travar as porcas de maneira a impedir que a vibração do veículo as solte e modifique a posição ajustada. Sensor do pedal da embreagem CBC105.tif CBC106.tif
  • 184.
    Eletricidade Veicular —Mercedez-Benz Global Training. 183 Sensor de rotação da entrada da caixa de mudanças G 10. Este sensor fornece um sinal senoidal ao módulo de controle U10, que corresponde a rotação do eixo intermediário do câmbio, caso o motorista tente fazer uma redução errada, a rotação medida pelo sensor aumenta. No terminal 14 do Módulo U10, se pode conectar um alarme sonoro para avisar da tentativa de engate de marcha errada. Esta função não está sendo utilizada. Diagnose do sensor de rotação G10. Quando isso ocorrer, faça o seguinte: 1.0 Meça a resistência do sensor entre os terminais 9 e 17 do módulo de controle U10 que deve ser de aproximadamente 1600 Ohm. 2.0 Com o motor em marcha lenta, meça a tensão entre os terminais 9 e 17 do módulo de controle U10 que deve ser aproximadamente 1,5VAC, quando acionar a embreagem a tensão deve ir . Principais problemas encontrados Conector da caixa de válvulas A oxidação e quebra de contatos neste conector é o problema mais comum. É recomendável virar sua abertura para baixo para reduzir a chance de entrada de água. Não devem ser utilizados produtos como WD40, pois os mesmos corroem os contatos. Usar apenas limpa contato. Quando aparecer uma falha este é um dos primeiros lugares de verificação. Interruptores de neutro e marcha engatada sem arruela Interruptores de neutro e marcha engatada sem arruela Interruptores de neutro e marcha engatada sem arruela Interruptores de neutro e marcha engatada sem arruela Interruptores de neutro e marcha engatada sem arruela Estes possuem uma arruela de posicionamento. Sem ela o interruptor trabalha na altura errada, podendo ficar sempre acionado, ou nunca acionar. Lembre-se é possível enroscar o interruptor sem a arruela, mas isto não deve ser feito. Alavanca seletora de marchas com graxa Alavanca seletora de marchas com graxa Alavanca seletora de marchas com graxa Alavanca seletora de marchas com graxa Alavanca seletora de marchas com graxa A alavanca não deve receber nenhum tipo de lubrificação. Sua movimentação é suave, não necessita de graxa nem de óleo. Estes produtos, com acúmulo de poeira, fariam seu curso ficar mais rígido. Aqui também não deve ser utilizado WD40.
  • 185.
    Eletricidade Veicular —Mercedez-Benz Global Training. 184 Figuras Complementares - Sistema Easy Shift Módulo Interruptor de pressão (conector U10) Módulo eletrônico EST-11 Módulo Amplificador de sinal (Conector U9) Interruptor de neutro Sensor de rotação de saída Interruptor de marcha engatada CBC112.tif CBC111.tif CBC109.tif CBC108.tif CBC110.tif CBC107.tif
  • 186.
    Eletricidade Veicular —Mercedez-Benz Global Training. 185 Esquema elétrico ( chave de contato ligada ) easy012.emf
  • 187.
    Eletricidade Veicular —Mercedez-Benz Global Training. 186 Esquema elétrico ( embreagem acionada ) easy013.emf
  • 188.
    Eletricidade Veicular —Mercedez-Benz Global Training. 187 Esquema elétrico ( primeira marcha ) easy014.emf
  • 189.
    Eletricidade Veicular —Mercedez-Benz Global Training. 188 Esquema elétrico ( temporização da embreagem ) easy015.emf
  • 190.
    Eletricidade Veicular —Mercedez-Benz Global Training. 189 Esquema elétrico ( segunda marcha ) easy016.emf
  • 191.
    Eletricidade Veicular —Mercedez-Benz Global Training. 190 Esquema elétrico ( terceira marcha) easy018.emf
  • 192.
    Eletricidade Veicular —Mercedez-Benz Global Training. 191 Esquema elétrico ( quarta marcha) easy019.emf
  • 193.
    Eletricidade Veicular —Mercedez-Benz Global Training. 192 Esquema elétrico ( quinta marcha) easy020.emf
  • 194.
    Eletricidade Veicular —Mercedez-Benz Global Training. 193 Esquema elétrico ( sexta marcha) easy021.emf
  • 195.
    Eletricidade Veicular —Mercedez-Benz Global Training. 194 Esquema elétrico ( quarta marcha) CBC022.emf