10.CARCAÇA DO MOTOR/ÁRVORE DE
MANIVELAS/TRANSMISSÃO
INFORMAÇÕES DE SERVIÇO 10-1
DIAGNOSE DE DEFEITOS 10-3
SEPARAÇÃO DA CARCAÇA DO MOTOR 10-4
DESMONTAGEM DA TRANSMISSÃO 10-6
REMOÇÃO DA ÁRVORE DE MANIVELAS 10-8
SUBSTITUIÇÃO DOS ROLAMENTOS DA
CARCAÇA DO MOTOR 10-9
INSTALAÇÃO DA ÁRVORE DE
MANIVELAS 10-13
MONTAGEM DA TRANSMISSÃO 10-14
MONTAGEM DA CARCAÇA DO MOTOR 10-16
INFORMAÇÕES DE SERVIÇO
GERAL
• Este capítulo apresenta os procedimentos de separação da carcaça do motor para os serviços na árvore de manivelas,
transmissão e mecanismo de partida.
• A carcaça do motor deve ser separada para efetuar os serviços da árvore de manivelas e transmissão.
• O motor deve ser removido do chassi para efetuar esses serviços.
• Os seguintes componentes devem ser removidos antes da separação da carcaça do motor.
– Alternador (capítulo 14)
– Embreagem/mecanismo de partida/seletor de marchas (capítulo 9)
– Cabeçote/cilindro/pistão (capítulo 7)
– Motor (capítulo 6)
10-1
CR125R
10
10-0
CARCAÇA DO MOTOR/ÁRVORE DE MANIVELAS/TRANSMISSÃO CR125R
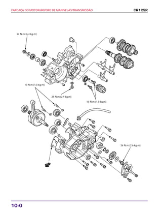
NOVO
64 N.m (6,4 kg.m)
10 N.m (1,0 kg.m)
10 N.m (1,0 kg.m)
29 N.m (2,9 kg.m)
26 N.m (2,6 kg.m)
CARCAÇA DO MOTOR/ÁRVORE DE MANIVELAS/TRANSMISSÃO
10-2
CR125R
Item Padrão Limite de Uso
Árvore de Folga lateral 0,4 – 0,8 0,9
manivelas Folga radial 0,010 – 0,022 0,032
Empenamento — 0,05
Transmissão D.I. da engrenagem M4, M5 23,020 – 23,041 23,06
C1 20,020 – 20,041 20,06
C2, C3 25,020 – 25,041 25,06
D.E. da bucha M4, M5 22,979 – 23,000 22,95
C1 19,979 – 20,000 19,95
C2, C3 24,979 – 25,000 24,95
D.I. da bucha M5 20,000 – 20,021 20,04
C1 17,000 – 17,018 17,03
C2, C3 22,000 – 22,021 22,04
Folga entre a engrenagem M4, C1, C2, C3 0,020 – 0,062 0,11
e a bucha M5 0,040 – 0,082 0,12
D.E. da árvore primária M5 19,959 – 19,980 19,94
D.E. da árvore secundária Bucha C1 16,983 – 16,994 16,97
Bucha C2, C3 21,959 – 21,980 21,94
Engrenagem intermediária 16,983 – 16,994 16,97
de partida
Folga entre a bucha e a árvore M5, C2, C3 0,020 – 0,062 0,10
C1 0,006 – 0,035 0,06
Garfo seletor, eixo Espessura da garra do garfo 4,93 – 5,00 4,8
do garfo seletor D.I. do garfo 11,035– 11,056 11,065
D.E. do eixo do garfo 10,983 – 10,994 10,973
ESPECIFICAÇÕES Unidade: mm
CARCAÇA DO MOTOR/ÁRVORE DE MANIVELAS/TRANSMISSÃO
10-3
VALORES DE TORQUE
Parafuso da engrenagem motora primária 64 N.m (6,4 kg.m)
Parafuso da placa de fixação do rolamento da árvore secundária 10 N.m (1,0 kg.m) Aplique trava química na rosca
Parafuso da placa de fixação do rolamento do tambor seletor 10 N.m (1,0 kg.m) Aplique trava química na rosca
Parafuso do pinhão de transmissão 26 N.m (2,6 kg.m)
FERRAMENTAS
Extrator universal de rolamentos 07631-0010000
Fixador da engrenagem 07724-0010200
Fixador universal 07725-0030000
Acessório, 37 x 40 mm 07746-0010200
Acessório, 42 x 47 mm 07746-0010300
Acessório, 52 x 55 mm 07746-0010400
Guia, 17 mm 07746-0040400
Guia, 20 mm 07746-0040500
Guia, 25 mm 07746-0040600
Guia, 28 mm 07746-0041100
Instalador 07749-0010000
Extrator de rolamentos, 17 mm 07936-3710300
– Contrapeso do extrator 07741-0010201 ou 07936-3710200 ou 07936-371020A
– Cabo do extrator 07936-3710100
Extrator da carcaça do motor 07937-4300000 ou 07937-4300000
Utilize juntamente com parafusos 6 x 100 mm e
arruelas largas.
Conjunto de ferramentas para montagem 07965-1660102 ou 07965-1660101 ou 07965-1660100
da carcaça do motor
– Cabo da ferramenta de montagem 07965-1660200
– Espaçador de montagem 07965-1660302 ou 07965-1660301 ou 07965-1660302
ou 07965-166030A
Adaptador roscado 07965-KA30000
DIAGNOSE DE DEFEITOS
Ruído excessivo Dificuldade na mudança de marcha
• Rolamento do mancal da árvore de manivelas desgastado • Funcionamento inadequado da embreagem
• Rolamento(s) da transmissão desgastado(s) • Viscosidade do óleo da transmissão incorreta
• Rolamento(s) da árvore de manivelas desgastado(s) • Ajuste incorreto da embreagem
• Garfo seletor empenado
As marchas escapam • Eixo do garfo seletor empenado
• Ressaltos e ranhuras da engrenagem desgastados • Garra do garfo seletor empenada
• Eixo do garfo seletor empenado • Ranhuras do excêntrico do tambor seletor danificado
• Batente do tambor seletor desgastado ou empenado • Eixo de mudança de marchas empenado
• Garfos seletores desgastados ou empenados
• Mola de retorno do seletor de marchas quebrada Vibração no motor
• Empenamento excessivo da árvore de manivelas
CR125R
CARCAÇA DO MOTOR/ÁRVORE DE MANIVELAS/TRANSMISSÃO
10-4
SEPARAÇÃO DA CARCAÇA DO MOTOR
NOTA
Remova o protetor do pinhão de transmissão retirando os
dois parafusos.
Consulte as informações de serviço (pág. 10-1) quanto aos
componentes que devem ser removidos antes da
separação da carcaça do motor.
PARAFUSOS
PROTETOR DO PINHÃO
DE TRANSMISSÃO
Instale provisoriamente a guia da carcaça da embreagem, o
rolamento de agulhas e a carcaça da embreagem na árvore
primária.
Insira o fixador da engrenagem entre as engrenagens motora
primária e movida.
Remova o parafuso da engrenagem motora primária e, em
seguida, retire a arruela e a engrenagem.
Ferramenta:
Fixador da engrenagem 07724-0010100
Inspecione a engrenagem motora primária quanto a
desgaste ou danos.
PARAFUSO ENGRENAGEM MOTORA
PRIMÁRIA
CARCAÇA DA FIXADOR DA
EMBREAGEM ENGRENAGEM
Remova a carcaça da embreagem, o rolamento de agulhas e
a guia da carcaça da embreagem.
Remova o espaçador da árvore de manivelas.
ESPAÇADOR
Solte o parafuso do pinhão de transmissão enquanto o fixa
com a ferramenta especial, conforme mostrado.
Ferramenta:
Fixador universal 07725-0030000
Remova a arruela cônica e o pinhão de transmissão.
FIXADOR UNIVERSAL
PARAFUSO ARRUELA
CR125R
CARCAÇA DO MOTOR/ÁRVORE DE MANIVELAS/TRANSMISSÃO
10-5
Remova o espaçador da árvore secundária e o anel de
vedação.
ESPAÇADOR ANEL DE VEDAÇÃO
Instale o extrator da carcaça juntamente com parafusos
6 x 100 mm e arruelas larga na carcaça esquerda do motor e
separe as duas metades da carcaça.
NOTA
a
Ferramentas:
Extrator da carcaça do motor 07937-4300001 ou
07937-4300000
juntamente com
parafusos 6 x 100 mm e
arruelas larga
Remova a junta e os pinos-guia.
Não force as duas metades da carcaça do motor com uma
chave de fenda.
Separe as metades direita e esquerda batendo várias
vezes com um martelo macio em diversos pontos da
carcaça.
PARAFUSOS 6 X 100 mm/ ARRUELAS LARGAS
EXTRATOR DA CARCAÇA DO MOTOR
PINOS-GUIA
JUNTAS
Solte os parafusos da carcaça do motor em ordem cruzada,
em 2 ou 3 etapas.
Remova os dez parafusos da carcaça do motor e o tubo de
respiro.
PARAFUSOS TUBO DE RESPIRO
CR125R
CARCAÇA DO MOTOR/ÁRVORE DE MANIVELAS/TRANSMISSÃO
10-6
DESMONTAGEM DA TRANSMISSÃO
DESMONTAGEM
Separe as duas metades da carcaça do motor (pág. 10-4).
Remova os eixos dos garfos seletores e os garfos.
Remova o tambor seletor.
TAMBOR SELETOR GARFOS SELETORES
EIXOS DOS GARFOS SELETORES
INSPEÇÃO
ENGRENAGEM
Inspecione os ressaltos, bases dos ressaltos e dentes quanto
a desgaste excessivo ou danos.
Meça o D.I. de cada engrenagem.
BUCHA
Inspecione as buchas quanto a danos ou desgaste excessivo.
Meça o D.E. de cada bucha.
Meça o D.I. de cada bucha.
M5 20,04 mm
Limite de Uso C1 17,03 mm
C2, C3 22,04 mm
M4, M5 22,95 mm
Limite de Uso C1 19,95 mm
C2, C3 24,95 mm
M4, M5 23,06 mm
Limite de Uso C1 20,06 mm
C2, C3 25,06 mm
Remova os conjuntos das árvores primária e secundária
como um conjunto.
NOTA
Desmonte as árvores primária e secundária.
• Mantenhas os componentes removidos em ordem
(engrenagens, buchas, arruelas e anéis elásticos)
prendendo-os numa ferramenta ou num pedaço de arame.
• Não expanda as extremidades do anel elástico; expanda
o anel e puxe-o utilizando a engrenagem localizada atrás
dele
CONJUNTO DAS ÁRVORES
PRIMÁRIA E SECUNDÁRIA
CR125R
CARCAÇA DO MOTOR/ÁRVORE DE MANIVELAS/TRANSMISSÃO
10-7
ÁRVORE PRIMÁRIA/ÁRVORE SECUNDÁRIA
Inspecione as ranhuras e superfícies deslizantes quanto a
danos ou desgaste excessivo.
Meça o D.E. das árvores primária e secundária na área das
engrenagens e de deslizamento das buchas.
GARFO SELETOR
Inspecione o garfo seletor quanto a desgaste anormal ou
deformações.
Meça o D.I. do garfo seletor e a espessura de sua garra.
Limite de Uso
D.I. 11,065 mm
Espessura da garra 4,8 mm
Árvore primária M5 19,94 mm
Árvore secundária Bucha C1 16,97 mm
Limite de Bucha C2 21,94 mm
Uso Bucha C3 21,94 mm
Engrenagem intermediária de 16,97 mm
partida
C2 C3 C1
M5
EIXO DO GARFO SELETOR
Inspecione os eixos dos garfos seletores quanto a desgaste
anormal ou deformações.
Meça o D.E. dos eixos.
Limite de Uso 10,973 mm
TAMBOR SELETOR
Inspecione o tambor seletor quanto a riscos, escoriações ou
evidências de lubrificação inadequada.
Inspecione as ranhuras do tambor seletor quanto a desgaste
anormal ou danos.
TAMBOR SELETOR
CR125R
ENGRENAGEM
INTERMEDIÁRIA
CARCAÇA DO MOTOR/ÁRVORE DE MANIVELAS/TRANSMISSÃO
10-8
ROLAMENTO DA TRANSMISSÃO
Gire a pista interna de cada rolamento com o dedo. Os
rolamentos devem girar suavemente e sem ruído. Verifique
também se a pista externa do rolamento se encaixa
firmemente na carcaça do motor.
Substitua os rolamentos caso suas pistas não girem
suavemente e sem ruídos, ou se houver folga no encaixe na
carcaça do motor (pág. 10-7).
INSPEÇÃO
Coloque a árvore de manivelas sobre blocos em “V” ou
suporte adequado.
Posicione o relógio comparador sobre o mancal principal.
Gire a árvore duas voltas e faça a leitura do empenamento.
Limite de Uso 0,05 mm
REMOÇÃO DA ÁRVORE DE MANIVELAS
REMOÇÃO
a
Separe a carcaça do motor (pág. 10-4).
Remova a transmissão (pág. 10-6).
Remova a árvore de manivelas da carcaça direita do motor,
utilizando uma prensa hidráulica conforme mostrado.
Se o rolamento da árvore de manivelas for removido
juntamente com a árvore, retire-o utilizando o extrator de
rolamentos. Descarte o rolamento.
Ferramenta:
Extrator universal de rolamentos 07631-0010000
Durante a remoção, instalação e inspeção da árvore de
manivelas, tome cuidado para não danificar ou riscar o
braço de manivela.
ÁRVORE DE MANIVELAS
CR125R
EXTRATOR UNIVERSAL DE ROLAMENTOS
8 mm
36 mm 19 mm
CARCAÇA DO MOTOR/ÁRVORE DE MANIVELAS/TRANSMISSÃO
10-9
Meça a folga axial/radial do colo da biela.
Limite de Uso 0,032 mm
SUBSTITUIÇÃO DOS ROLAMENTOS DA CARCAÇA DO MOTOR
LOCALIZAÇÃO DO ROLAMENTO/RETENTOR DE ÓLEO DA CARCAÇA DO MOTOR
Meça a folga lateral do colo da biela.
Limite de Uso 0,9 mm
CÁLIBRE DE LÂMINAS
CR125R
RETENTOR DE ÓLEO DA
ÁRVORE DE MANIVELAS LADO DIREITO DA CARCAÇA:
ROLAMENTOS DA
ÁRVORE DE MANIVELAS
RETENTOR DE ÓLEO DA
ÁRVORE DE MANIVELAS
RETENTOR DE
ÓLEO DO EIXO
SELETOR
LADO ESQUERDO DA CARCAÇA:
RETENTOR DE
ÓLEO DA ÁRVORE
SECUNDÁRIA
RETENTOR DE ÓLEO DA
ALAVANCA DA
EMBREAGEM ROLAMENTO DE
AGULHAS DA
ALAVANCA DA
EMBREAGEM
ROLAMENTOS DA
ÁRVORE PRIMÁRIA
ROLAMENTOS DA
ÁRVORE SECUNDÁRIA
ROLAMENTOS DO
TAMBOR SELETOR
TRAVA
CARCAÇA DO MOTOR/ÁRVORE DE MANIVELAS/TRANSMISSÃO
10-10
ROLAMENTO DA ÁRVORE DE MANIVELAS
Remova os retentores de óleo e os rolamentos da árvore de
manivelas das duas metades da carcaça do motor.
RETENTORES DE ÓLEO
ROLAMENTOS DA TRANSMISSÃO
CARCAÇA ESQUERDA DO MOTOR
Remova o retentor de óleo da árvore secundária.
RETENTOR DE ÓLEO
Remova os parafusos e as placas de fixação do rolamento da
árvore secundária.
Remova os rolamentos da árvore secundária e do tambor
seletor.
ROLAMENTO
PARAFUSOS/PLACAS DE FIXAÇÃO
NOTA
Instale novos rolamentos nas duas metades da carcaça do
motor, utilizando as ferramentas especiais conforme
mostrado.
Ferramentas:
Instalador 07749-0010000
Acessório, 52 x 55 mm 07746-0010400
Guia, 28 mm 07746-0041100
Instale os rolamentos em esquadro.
ACESSÓRIO/GUIA
INSTALADOR
CR125R
CARCAÇA DO MOTOR/ÁRVORE DE MANIVELAS/TRANSMISSÃO
10-11
Remova o rolamento da árvore primária utilizando as
ferramentas especiais, conforme mostrado.
Ferramentas:
Extrator de rolamentos, 17 mm 07936-3710300
– Cabo do extrator 07936-3710100
– Contrapeso do extrator 07741-0010201 ou
07936-3710200 ou
07936-371020A
EXTRATOR DE ROLAMENTOS
ROLAMENTO DA ÁRVORE PRIMÁRIA
ROLAMENTO DO TAMBOR SELETOR
ROLAMENTO DA ROLAMENTO DA
ÁRVORE SECUNDÁRIA ÁRVORE PRIMÁRIA
Limpe e aplique trava química nos parafusos das placas de
fixação do rolamento da árvore secundária e aperte os
parafusos com as placas.
TORQUE: 10 N.m (1,0 kg.m)
ROLAMENTO
PARAFUSOS/PLACAS DE FIXAÇÃO
NOTA
Instale os novos rolamentos na carcaça esquerda do motor,
utilizando as ferramentas especiais.
Ferramentas:
Rolamento do tambor seletor:
Instalador 07749-0010000
Acessório, 37 x 40 mm 07746-0010200
Rolamento da árvore primária:
Instalador 07749-0010000
Acessório, 37 x 40 mm 07746-0010200
Guia, 17 mm (Somente 98) 07746-0040400
Rolamento da árvore secundária:
Instalador 07749-0010000
Acessório, 42 x 47 mm 07746-0010300
Guia, 20 mm 07746-0040500
Instale os novos rolamentos em esquadro.
ACESSÓRIO/GUIA
INSTALADOR
CR125R
TRAVA
CARCAÇA DO MOTOR/ÁRVORE DE MANIVELAS/TRANSMISSÃO
10-12
Aplique graxa nos lábios do retentor de óleo da árvore
secundária.
Instale o retentor de óleo da árvore secundária na
profundidade especificada da carcaça do motor, conforme
mostrado.
RETENTOR DE ÓLEO
NOTA
Instale os novos rolamentos na carcaça direita do motor,
utilizando as ferramentas especiais.
Ferramentas:
Rolamento do tambor seletor:
Instalador 07749-0010000
Acessório, 37 x 40 mm 07746-0010200
Guia, 25 mm 07746-0040600
Rolamento da árvore primária:
Instalador 07749-0010000
Acessório, 52 x 55 mm 07746-0010400
Guia, 20 mm 07746-0040500
Rolamento da árvore secundária:
Instalador 07749-0010000
Acessório, 37 x 40 mm 07746-0010200
Guia, 17 mm 07746-0040400
Instale os novos rolamentos em esquadro.
ACESSÓRIO/GUIA
INSTALADOR
ROLAMENTO DO TAMBOR SELETOR
ROLAMENTO DA ROLAMENTO DA
ÁRVORE PRIMÁRIA ÁRVORE SECUNDÁRIA
CARCAÇA DIREITA DO MOTOR
Remova os rolamentos das árvores primária e secundária.
Remova os parafusos das placas de fixação do rolamento do
tambor seletor e as placas de fixação.
Remova o rolamento do tambor seletor.
PARAFUSOS/PLACAS DE FIXAÇÃO
ROLAMENTO
CR125R
GRAXA
CARCAÇA DO MOTOR/ÁRVORE DE MANIVELAS/TRANSMISSÃO
10-13
Limpe e aplique trava química nos parafusos das placas de
fixação do tambor seletor e aperte os parafusos com as
placas de fixação.
TORQUE: 10 N.m (1,0 kg.m)
PARAFUSOS/PLACAS DE FIXAÇÃO
ROLAMENTO
Instale o adaptador roscado na árvore de manivelas.
Ferramenta:
Adaptador roscado 07965-KA30000
ADAPTADOR ROSCADO
Instale a árvore de manivelas na carcaça direita do motor
utilizando as ferramentas especiais.
Ferramentas:
Conjunto de ferramentas para
montagem da carcaça do motor 07965-1660100 ou
07965-1660101 ou
07965-1660102
– Cabo da ferramenta de montagem 07965-1660200
– Espaçador de montagem 07965-1660300 ou
07965-1660301 ou
0765-1660302
CONJUNTO DE FERRAMENTAS PARA
MONTAGEM DA CARCAÇA DO MOTOR
INSTALAÇÃO DA ÁRVORE DE MANIVELAS
Limpe ambas as superfícies de contato da carcaça do motor
antes da montagem e inspecione-as quanto a danos ou
desgaste.
NOTA
• Caso haja pequenas irregularidades ou aspereza nas
superfícies de contato da carcaça do motor, lixe-as com
uma pedra de afiar.
• Após a limpeza, lubrifique os rolamentos da árvore de
manivelas com o óleo para motor 2 tempos recomendado.
CARCAÇA DO MOTOR
CR125R
TRAVA
CARCAÇA DO MOTOR/ÁRVORE DE MANIVELAS/TRANSMISSÃO
10-14
MONTAGEM DA TRANSMISSÃO
NOTA
Limpe todas as peças com solvente.
Monte todas as peças em suas posições originais.
• Inspecione a engrenagem quanto a movimento ou rotação livre na árvore.
• Instale as arruelas e os anéis elásticos com a borda chanfrada virada para o lado da carga de encosto.
• Não reutilize anéis elásticos desgastados que podem facilmente girar nas ranhuras.
• Verifique se os anéis elásticos estão assentados nas ranhuras. Alinhe suas extremidades com as ranhuras do estriado.
ÁRVORE PRIMÁRIA
CR125R
ÁRVORE SECUNDÁRIA
M2 (15D)
BUCHA M4 ANEL ELÁSTICO
ANEL
ELÁSTICO
BUCHA M5 ÁRVORE PRIMÁRIA
ÁRVORE SECUNDÁRIA
M4 (21D) M3 (19D) M5 (23D) M1 (14D)
M2 (15D)
C3 (30D)
C2 (28D)
C2 (28D)
C4 (28D)
C4 (28D) C3 (30D) C5 (26D) C1 (33D)
C5 (26D) C1 (33D)BUCHA C1BUCHA C3
BUCHA C2
M4 (21D) M3 (19D) M5 (23D)
M1 (14D)
ARRUELA
ESTRIADA
ARRUELA
ESTRIADA
ARRUELA
ESTRIADA
CARCAÇA DO MOTOR/ÁRVORE DE MANIVELAS/TRANSMISSÃO
10-15
Aplique óleo para transmissão nas seguintes peças:
– Árvore primária
– Árvore secundária
– Todas as engrenagens
– Rolamento da árvore primária
– Rolamento da árvore secundária
– Rolamento do tambor seletor
ÁRVORE SECUNDÁRIA
ÁRVORE PRIMÁRIA
Instale os garfos seletores nas ranhuras da engrenagem do
seletor de marchas.
NOTA
• Cada garfo seletor apresenta uma marca de identificação:
“R” é para o garfo direito, “L” para o esquerdo e “C” para
o central.
• Posicione as marcas dos garfos seletores como se segue:
– Marcas direita e esquerda virada para a carcaça
esquerda do motor
– Marca central virada para a carcaça direita do motor
MARCAS DE IDENTIFICAÇÃO
Aplique óleo para transmissão nas seguintes peças:
– Ranhuras-guia do tambor seletor
– Garras dos garfos seletores e pinos-guia
– Superfícies deslizantes dos garfos seletores
– Eixos dos garfos seletores
Instale os garfos seletores nas ranhuras da engrenagem do
seletor de marchas.
Instale o tambor seletor alinhando os pinos-guia dos garfos
seletores com as ranhuras-guia do tambor.
Deslize os eixos dos garfos seletores através dos garfos e
para dentro da carcaça do motor.
TAMBOR SELETOR GARFOS SELETORES
EIXOS DOS GARFOS SELETORES
Acople as engrenagens das árvores primária e secundária e
coloque o conjunto da transmissão na carcaça direita do
motor.
CONJUNTO DAS ÁRVORES
PRIMÁRIA/SECUNDÁRIA
CR125R
CARCAÇA DO MOTOR/ÁRVORE DE MANIVELAS/TRANSMISSÃO
10-16
MONTAGEM DA CARCAÇA DO MOTOR
NOTA
Instale os pinos-guia, uma nova junta e um novo anel de
vedação.
Instale o tubo de respiro na carcaça esquerda do motor.
Antes da montagem, lubrifique os rolamentos da
transmissão com óleo para transmissão novo.
PINOS-GUIA
JUNTAS
Posicione a carcaça esquerda na direita utilizando o conjunto
de montagem da carcaça do motor.
Ferramentas:
Conjunto de ferramentas para
montagem da carcaça do motor 07965-1660100 ou
07965-1660101 ou
07965-1660102
– Cabo da ferramenta de montagem 07965-1660200
– Espaçador de montagem 07965-1660300 ou
07965-1660301 ou
07965-1660302
Aplique graxa na cavidade existente entre os lábios dos
retentores de óleo.
Instale os retentores de óleo na carcaça do motor utilizando a
ferramenta de montagem da carcaça do motor, conforme
mostrado.
Ferramentas:
Conjunto de ferramentas para
montagem da carcaça do motor 07965-1660100 ou
07965-1660101 ou
07965-1660102
– Cabo da ferramenta de montagem 07965-1660200
– Espaçador de montagem 07965-1660300 ou
07965-1660301 ou
0765-1660302
Aperte os parafusos da carcaça do motor em ordem cruzada,
em 2 ou 3 etapas.
Remova cuidadosamente a junta remanescente na superfície
da base do cilindro.
a
Verifique se a árvore de manivelas gira suavemente.
. Não deixe os resíduos de junta caírem na carcaça do
motor.
. Não danifique a superfície da base do cilindro.
PARAFUSOS
CONJUNTO DE FERRAMENTAS PARA
MONTAGEM DA CARCAÇA DO MOTOR
CR125R
RETENTOR DE ÓLEO
ESQUERDO DA ÁRVORE
DE MANIVELAS
RETENTOR DE ÓLEO
DIREITO DA ÁRVORE DE
MANIVELAS
GRAXA
GRAXA
NOVA
CARCAÇA DO MOTOR/ÁRVORE DE MANIVELAS/TRANSMISSÃO
10-17
Aplique graxa no anel de vedação e no interior do espaçador
da árvore secundária.
Instale o anel de vedação e o espaçador na árvore
secundária.
ESPAÇADOR
ANEL DE VEDAÇÃO
Instale a arruela cônica com a marca “OUT SIDE” virada para
fora.
Fixe o pinhão com o fixador universal. Em seguida, instale e
aperte o parafuso do pinhão no torque especificado.
Ferramenta:
Fixador universal 07725-0030000
TORQUE: 26 N.m (2,6 kg.m)
MARCA “OUT SIDE”
ARRUELA FIXADOR UNIVERSAL
Instale o protetor do pinhão de transmissão e aperte os
parafusos.
PARAFUSOS
PROTETOR DO PINHÃO
DE TRANSMISSÃO
Instale o pinhão de transmissão na árvore secundária,
conforme descrito abaixo.
a
Instale o pinhão de transmissão com seu lado plano
virado para fora.
CR125R
LADO PLANO
ARRUELA
PARAFUSO
PINHÃO DE
TRANSMISSÃO
GRAXA
CARCAÇA DO MOTOR/ÁRVORE DE MANIVELAS/TRANSMISSÃO
10-18
Instale o espaçador na árvore de manivelas.
ESPAÇADOR
Instale provisoriamente a guia da carcaça da embreagem, o
rolamento de agulhas e carcaça da embreagem.
Instale o fixador da engrenagem entre as engrenagens
motora primária e movida.
Ferramenta:
Fixador da engrenagem 07724-0010200
Instale e aperte o parafuso da engrenagem motora primária
no torque especificado.
TORQUE: 64 N.m (6,4 kg.m)
FIXADOR DA ENGRENAGEM
CARCAÇA DA EMBREAGEM
Instale as peças remanescentes na ordem inversa da
remoção.
NOTA
Ligue o motor e verifique se há vazamentos através do
orifício de inspeção.
Consulte as Informações de Serviço (pág. 10-1) quanto à
instalação das peças removidas para a realização dos
serviços da carcaça do motor/transmissão.
ORIFÍCIO DE INSPEÇÃO
Instale a engrenagem motora primária, o parafuso e a
arruela.
PARAFUSO ARRUELA
ENGRENAGEM
MOTORA PRIMÁRIA
CR125R
CARCAÇA DO MOTOR/ÁRVORE DE MANIVELAS/TRANSMISSÃO
10-19
CR125R
NOTAS
COMO USAR ESTE MANUAL
Este manual descreve os procedimentos de
serviço para a CR125R.
Siga as recomendações da Tabela de
Manutenção (página 3-3) para garantir condições
perfeitas de funcionamento.
Os Capítulos 1 e 3 aplicam-se à toda motocicleta.
O Capítulo 2 apresenta os procedimentos de
remoção/instalação de componentes que podem
ser necessários para efetuar os serviços descritos
nos capítulos subseqüentes.
Os Capítulos 4 a 15 apresentam as peças da
motocicleta, agrupadas de acordo com sua
localização.
Localize o capítulo desejado nesta página. Em
seguida, consulte o índice apresentado na
primeira página do capítulo selecionado.
A maioria dos capítulos começa com uma
ilustração do sistema ou conjunto, informações
de serviço e diagnose de defeitos.
As páginas subseqüentes apresentam os
procedimentos detalhados.
Se a causa do problema for desconhecida,
consulte o Capítulo 16, "Diagnose de Defeitos".
MOTO HONDA DA AMAZÔNIA LTDA.
Departamento de Serviços Pós-Venda
Setor de Publicações Técnicas
TODAS AS INFORMAÇÕES, ILUSTRAÇÕES,
PROCEDIMENTOS E ESPECIFICAÇÕES
APRESENTADAS NESTA PUBLICAÇÃO SÃO
BASEADAS NAS INFORMAÇÕES MAIS
RECENTES DISPONÍVEIS SOBRE O PRODUTO
NO MOMENTO DA APROVAÇÃO DA
IMPRESSÃO.
A MOTO HONDA DA AMAZÔNIA LTDA. SE
RESERVA O DIREITO DE ALTERAR AS
CARACTERÍSTICAS DA MOTOCICLETA A
QUALQUER MOMENTO E SEM PRÉVIO AVISO,
NÃO INCORRENDO, ASSIM, EM OBRIGAÇÕES
DE QUALQUER ESPÉCIE. NENHUMA PARTE
DESTA PUBLICAÇÃO PODE SER
REPRODUZIDA SEM AVISO PRÉVIO. ESTE
MANUAL FOI ELABORADO PARA PESSOAS
QUE TENHAM CONHECIMENTOS BÁSICOS
SOBRE A MANUTENÇÃO DAS
MOTOCICLETAS, SCOTTERS ou ATVS HONDA.
ÍNDICE GERAL
INFORMAÇÕES GERAIS
CHASSI/CARENAGEM/
SISTEMA DE ESCAPAMENTO
MANUTENÇÃO
SISTEMA DE COMBUSTÍVEL
SISTEMA DE ARREFECIMENTO
REMOÇÃO/INSTALAÇÃO DO MOTOR
CABEÇOTE/CILINDRO/PISTÃO
H.P.P. (ORIFÍCIO SUPLEMENTAR
HONDA)
EMBREAGEM/MECANISMO DE
PARTIDA/ SELETOR DE MARCHAS
CARCAÇA DO MOTOR/ÁRVORE DE
MANIVELAS/TRANSMISSÃO
RODA DIANTEIRA/SUSPENSÃO/
SISTEMA DE DIREÇÃO
RODA TRASEIRA/SUSPENSÃO
FREIO HIDRÁULICO
SISTEMA DE IGNIÇÃO/ALTERNADOR
DIAGRAMA ELÉTRICO
DIAGNOSE DE DEFEITOS
SISTEMA
ELÉTRICO
CHASSIMOTORETRANSMISSÃO
1
2
3
4
5
6
7
8
9
10
11
12
13
14
15
16

Manual de serviço cr125 99 manivela

  • 1.
    10.CARCAÇA DO MOTOR/ÁRVOREDE MANIVELAS/TRANSMISSÃO INFORMAÇÕES DE SERVIÇO 10-1 DIAGNOSE DE DEFEITOS 10-3 SEPARAÇÃO DA CARCAÇA DO MOTOR 10-4 DESMONTAGEM DA TRANSMISSÃO 10-6 REMOÇÃO DA ÁRVORE DE MANIVELAS 10-8 SUBSTITUIÇÃO DOS ROLAMENTOS DA CARCAÇA DO MOTOR 10-9 INSTALAÇÃO DA ÁRVORE DE MANIVELAS 10-13 MONTAGEM DA TRANSMISSÃO 10-14 MONTAGEM DA CARCAÇA DO MOTOR 10-16 INFORMAÇÕES DE SERVIÇO GERAL • Este capítulo apresenta os procedimentos de separação da carcaça do motor para os serviços na árvore de manivelas, transmissão e mecanismo de partida. • A carcaça do motor deve ser separada para efetuar os serviços da árvore de manivelas e transmissão. • O motor deve ser removido do chassi para efetuar esses serviços. • Os seguintes componentes devem ser removidos antes da separação da carcaça do motor. – Alternador (capítulo 14) – Embreagem/mecanismo de partida/seletor de marchas (capítulo 9) – Cabeçote/cilindro/pistão (capítulo 7) – Motor (capítulo 6) 10-1 CR125R 10
  • 2.
    10-0 CARCAÇA DO MOTOR/ÁRVOREDE MANIVELAS/TRANSMISSÃO CR125R NOVO 64 N.m (6,4 kg.m) 10 N.m (1,0 kg.m) 10 N.m (1,0 kg.m) 29 N.m (2,9 kg.m) 26 N.m (2,6 kg.m)
  • 3.
    CARCAÇA DO MOTOR/ÁRVOREDE MANIVELAS/TRANSMISSÃO 10-2 CR125R Item Padrão Limite de Uso Árvore de Folga lateral 0,4 – 0,8 0,9 manivelas Folga radial 0,010 – 0,022 0,032 Empenamento — 0,05 Transmissão D.I. da engrenagem M4, M5 23,020 – 23,041 23,06 C1 20,020 – 20,041 20,06 C2, C3 25,020 – 25,041 25,06 D.E. da bucha M4, M5 22,979 – 23,000 22,95 C1 19,979 – 20,000 19,95 C2, C3 24,979 – 25,000 24,95 D.I. da bucha M5 20,000 – 20,021 20,04 C1 17,000 – 17,018 17,03 C2, C3 22,000 – 22,021 22,04 Folga entre a engrenagem M4, C1, C2, C3 0,020 – 0,062 0,11 e a bucha M5 0,040 – 0,082 0,12 D.E. da árvore primária M5 19,959 – 19,980 19,94 D.E. da árvore secundária Bucha C1 16,983 – 16,994 16,97 Bucha C2, C3 21,959 – 21,980 21,94 Engrenagem intermediária 16,983 – 16,994 16,97 de partida Folga entre a bucha e a árvore M5, C2, C3 0,020 – 0,062 0,10 C1 0,006 – 0,035 0,06 Garfo seletor, eixo Espessura da garra do garfo 4,93 – 5,00 4,8 do garfo seletor D.I. do garfo 11,035– 11,056 11,065 D.E. do eixo do garfo 10,983 – 10,994 10,973 ESPECIFICAÇÕES Unidade: mm
  • 4.
    CARCAÇA DO MOTOR/ÁRVOREDE MANIVELAS/TRANSMISSÃO 10-3 VALORES DE TORQUE Parafuso da engrenagem motora primária 64 N.m (6,4 kg.m) Parafuso da placa de fixação do rolamento da árvore secundária 10 N.m (1,0 kg.m) Aplique trava química na rosca Parafuso da placa de fixação do rolamento do tambor seletor 10 N.m (1,0 kg.m) Aplique trava química na rosca Parafuso do pinhão de transmissão 26 N.m (2,6 kg.m) FERRAMENTAS Extrator universal de rolamentos 07631-0010000 Fixador da engrenagem 07724-0010200 Fixador universal 07725-0030000 Acessório, 37 x 40 mm 07746-0010200 Acessório, 42 x 47 mm 07746-0010300 Acessório, 52 x 55 mm 07746-0010400 Guia, 17 mm 07746-0040400 Guia, 20 mm 07746-0040500 Guia, 25 mm 07746-0040600 Guia, 28 mm 07746-0041100 Instalador 07749-0010000 Extrator de rolamentos, 17 mm 07936-3710300 – Contrapeso do extrator 07741-0010201 ou 07936-3710200 ou 07936-371020A – Cabo do extrator 07936-3710100 Extrator da carcaça do motor 07937-4300000 ou 07937-4300000 Utilize juntamente com parafusos 6 x 100 mm e arruelas largas. Conjunto de ferramentas para montagem 07965-1660102 ou 07965-1660101 ou 07965-1660100 da carcaça do motor – Cabo da ferramenta de montagem 07965-1660200 – Espaçador de montagem 07965-1660302 ou 07965-1660301 ou 07965-1660302 ou 07965-166030A Adaptador roscado 07965-KA30000 DIAGNOSE DE DEFEITOS Ruído excessivo Dificuldade na mudança de marcha • Rolamento do mancal da árvore de manivelas desgastado • Funcionamento inadequado da embreagem • Rolamento(s) da transmissão desgastado(s) • Viscosidade do óleo da transmissão incorreta • Rolamento(s) da árvore de manivelas desgastado(s) • Ajuste incorreto da embreagem • Garfo seletor empenado As marchas escapam • Eixo do garfo seletor empenado • Ressaltos e ranhuras da engrenagem desgastados • Garra do garfo seletor empenada • Eixo do garfo seletor empenado • Ranhuras do excêntrico do tambor seletor danificado • Batente do tambor seletor desgastado ou empenado • Eixo de mudança de marchas empenado • Garfos seletores desgastados ou empenados • Mola de retorno do seletor de marchas quebrada Vibração no motor • Empenamento excessivo da árvore de manivelas CR125R
  • 5.
    CARCAÇA DO MOTOR/ÁRVOREDE MANIVELAS/TRANSMISSÃO 10-4 SEPARAÇÃO DA CARCAÇA DO MOTOR NOTA Remova o protetor do pinhão de transmissão retirando os dois parafusos. Consulte as informações de serviço (pág. 10-1) quanto aos componentes que devem ser removidos antes da separação da carcaça do motor. PARAFUSOS PROTETOR DO PINHÃO DE TRANSMISSÃO Instale provisoriamente a guia da carcaça da embreagem, o rolamento de agulhas e a carcaça da embreagem na árvore primária. Insira o fixador da engrenagem entre as engrenagens motora primária e movida. Remova o parafuso da engrenagem motora primária e, em seguida, retire a arruela e a engrenagem. Ferramenta: Fixador da engrenagem 07724-0010100 Inspecione a engrenagem motora primária quanto a desgaste ou danos. PARAFUSO ENGRENAGEM MOTORA PRIMÁRIA CARCAÇA DA FIXADOR DA EMBREAGEM ENGRENAGEM Remova a carcaça da embreagem, o rolamento de agulhas e a guia da carcaça da embreagem. Remova o espaçador da árvore de manivelas. ESPAÇADOR Solte o parafuso do pinhão de transmissão enquanto o fixa com a ferramenta especial, conforme mostrado. Ferramenta: Fixador universal 07725-0030000 Remova a arruela cônica e o pinhão de transmissão. FIXADOR UNIVERSAL PARAFUSO ARRUELA CR125R
  • 6.
    CARCAÇA DO MOTOR/ÁRVOREDE MANIVELAS/TRANSMISSÃO 10-5 Remova o espaçador da árvore secundária e o anel de vedação. ESPAÇADOR ANEL DE VEDAÇÃO Instale o extrator da carcaça juntamente com parafusos 6 x 100 mm e arruelas larga na carcaça esquerda do motor e separe as duas metades da carcaça. NOTA a Ferramentas: Extrator da carcaça do motor 07937-4300001 ou 07937-4300000 juntamente com parafusos 6 x 100 mm e arruelas larga Remova a junta e os pinos-guia. Não force as duas metades da carcaça do motor com uma chave de fenda. Separe as metades direita e esquerda batendo várias vezes com um martelo macio em diversos pontos da carcaça. PARAFUSOS 6 X 100 mm/ ARRUELAS LARGAS EXTRATOR DA CARCAÇA DO MOTOR PINOS-GUIA JUNTAS Solte os parafusos da carcaça do motor em ordem cruzada, em 2 ou 3 etapas. Remova os dez parafusos da carcaça do motor e o tubo de respiro. PARAFUSOS TUBO DE RESPIRO CR125R
  • 7.
    CARCAÇA DO MOTOR/ÁRVOREDE MANIVELAS/TRANSMISSÃO 10-6 DESMONTAGEM DA TRANSMISSÃO DESMONTAGEM Separe as duas metades da carcaça do motor (pág. 10-4). Remova os eixos dos garfos seletores e os garfos. Remova o tambor seletor. TAMBOR SELETOR GARFOS SELETORES EIXOS DOS GARFOS SELETORES INSPEÇÃO ENGRENAGEM Inspecione os ressaltos, bases dos ressaltos e dentes quanto a desgaste excessivo ou danos. Meça o D.I. de cada engrenagem. BUCHA Inspecione as buchas quanto a danos ou desgaste excessivo. Meça o D.E. de cada bucha. Meça o D.I. de cada bucha. M5 20,04 mm Limite de Uso C1 17,03 mm C2, C3 22,04 mm M4, M5 22,95 mm Limite de Uso C1 19,95 mm C2, C3 24,95 mm M4, M5 23,06 mm Limite de Uso C1 20,06 mm C2, C3 25,06 mm Remova os conjuntos das árvores primária e secundária como um conjunto. NOTA Desmonte as árvores primária e secundária. • Mantenhas os componentes removidos em ordem (engrenagens, buchas, arruelas e anéis elásticos) prendendo-os numa ferramenta ou num pedaço de arame. • Não expanda as extremidades do anel elástico; expanda o anel e puxe-o utilizando a engrenagem localizada atrás dele CONJUNTO DAS ÁRVORES PRIMÁRIA E SECUNDÁRIA CR125R
  • 8.
    CARCAÇA DO MOTOR/ÁRVOREDE MANIVELAS/TRANSMISSÃO 10-7 ÁRVORE PRIMÁRIA/ÁRVORE SECUNDÁRIA Inspecione as ranhuras e superfícies deslizantes quanto a danos ou desgaste excessivo. Meça o D.E. das árvores primária e secundária na área das engrenagens e de deslizamento das buchas. GARFO SELETOR Inspecione o garfo seletor quanto a desgaste anormal ou deformações. Meça o D.I. do garfo seletor e a espessura de sua garra. Limite de Uso D.I. 11,065 mm Espessura da garra 4,8 mm Árvore primária M5 19,94 mm Árvore secundária Bucha C1 16,97 mm Limite de Bucha C2 21,94 mm Uso Bucha C3 21,94 mm Engrenagem intermediária de 16,97 mm partida C2 C3 C1 M5 EIXO DO GARFO SELETOR Inspecione os eixos dos garfos seletores quanto a desgaste anormal ou deformações. Meça o D.E. dos eixos. Limite de Uso 10,973 mm TAMBOR SELETOR Inspecione o tambor seletor quanto a riscos, escoriações ou evidências de lubrificação inadequada. Inspecione as ranhuras do tambor seletor quanto a desgaste anormal ou danos. TAMBOR SELETOR CR125R ENGRENAGEM INTERMEDIÁRIA
  • 9.
    CARCAÇA DO MOTOR/ÁRVOREDE MANIVELAS/TRANSMISSÃO 10-8 ROLAMENTO DA TRANSMISSÃO Gire a pista interna de cada rolamento com o dedo. Os rolamentos devem girar suavemente e sem ruído. Verifique também se a pista externa do rolamento se encaixa firmemente na carcaça do motor. Substitua os rolamentos caso suas pistas não girem suavemente e sem ruídos, ou se houver folga no encaixe na carcaça do motor (pág. 10-7). INSPEÇÃO Coloque a árvore de manivelas sobre blocos em “V” ou suporte adequado. Posicione o relógio comparador sobre o mancal principal. Gire a árvore duas voltas e faça a leitura do empenamento. Limite de Uso 0,05 mm REMOÇÃO DA ÁRVORE DE MANIVELAS REMOÇÃO a Separe a carcaça do motor (pág. 10-4). Remova a transmissão (pág. 10-6). Remova a árvore de manivelas da carcaça direita do motor, utilizando uma prensa hidráulica conforme mostrado. Se o rolamento da árvore de manivelas for removido juntamente com a árvore, retire-o utilizando o extrator de rolamentos. Descarte o rolamento. Ferramenta: Extrator universal de rolamentos 07631-0010000 Durante a remoção, instalação e inspeção da árvore de manivelas, tome cuidado para não danificar ou riscar o braço de manivela. ÁRVORE DE MANIVELAS CR125R EXTRATOR UNIVERSAL DE ROLAMENTOS 8 mm 36 mm 19 mm
  • 10.
    CARCAÇA DO MOTOR/ÁRVOREDE MANIVELAS/TRANSMISSÃO 10-9 Meça a folga axial/radial do colo da biela. Limite de Uso 0,032 mm SUBSTITUIÇÃO DOS ROLAMENTOS DA CARCAÇA DO MOTOR LOCALIZAÇÃO DO ROLAMENTO/RETENTOR DE ÓLEO DA CARCAÇA DO MOTOR Meça a folga lateral do colo da biela. Limite de Uso 0,9 mm CÁLIBRE DE LÂMINAS CR125R RETENTOR DE ÓLEO DA ÁRVORE DE MANIVELAS LADO DIREITO DA CARCAÇA: ROLAMENTOS DA ÁRVORE DE MANIVELAS RETENTOR DE ÓLEO DA ÁRVORE DE MANIVELAS RETENTOR DE ÓLEO DO EIXO SELETOR LADO ESQUERDO DA CARCAÇA: RETENTOR DE ÓLEO DA ÁRVORE SECUNDÁRIA RETENTOR DE ÓLEO DA ALAVANCA DA EMBREAGEM ROLAMENTO DE AGULHAS DA ALAVANCA DA EMBREAGEM ROLAMENTOS DA ÁRVORE PRIMÁRIA ROLAMENTOS DA ÁRVORE SECUNDÁRIA ROLAMENTOS DO TAMBOR SELETOR TRAVA
  • 11.
    CARCAÇA DO MOTOR/ÁRVOREDE MANIVELAS/TRANSMISSÃO 10-10 ROLAMENTO DA ÁRVORE DE MANIVELAS Remova os retentores de óleo e os rolamentos da árvore de manivelas das duas metades da carcaça do motor. RETENTORES DE ÓLEO ROLAMENTOS DA TRANSMISSÃO CARCAÇA ESQUERDA DO MOTOR Remova o retentor de óleo da árvore secundária. RETENTOR DE ÓLEO Remova os parafusos e as placas de fixação do rolamento da árvore secundária. Remova os rolamentos da árvore secundária e do tambor seletor. ROLAMENTO PARAFUSOS/PLACAS DE FIXAÇÃO NOTA Instale novos rolamentos nas duas metades da carcaça do motor, utilizando as ferramentas especiais conforme mostrado. Ferramentas: Instalador 07749-0010000 Acessório, 52 x 55 mm 07746-0010400 Guia, 28 mm 07746-0041100 Instale os rolamentos em esquadro. ACESSÓRIO/GUIA INSTALADOR CR125R
  • 12.
    CARCAÇA DO MOTOR/ÁRVOREDE MANIVELAS/TRANSMISSÃO 10-11 Remova o rolamento da árvore primária utilizando as ferramentas especiais, conforme mostrado. Ferramentas: Extrator de rolamentos, 17 mm 07936-3710300 – Cabo do extrator 07936-3710100 – Contrapeso do extrator 07741-0010201 ou 07936-3710200 ou 07936-371020A EXTRATOR DE ROLAMENTOS ROLAMENTO DA ÁRVORE PRIMÁRIA ROLAMENTO DO TAMBOR SELETOR ROLAMENTO DA ROLAMENTO DA ÁRVORE SECUNDÁRIA ÁRVORE PRIMÁRIA Limpe e aplique trava química nos parafusos das placas de fixação do rolamento da árvore secundária e aperte os parafusos com as placas. TORQUE: 10 N.m (1,0 kg.m) ROLAMENTO PARAFUSOS/PLACAS DE FIXAÇÃO NOTA Instale os novos rolamentos na carcaça esquerda do motor, utilizando as ferramentas especiais. Ferramentas: Rolamento do tambor seletor: Instalador 07749-0010000 Acessório, 37 x 40 mm 07746-0010200 Rolamento da árvore primária: Instalador 07749-0010000 Acessório, 37 x 40 mm 07746-0010200 Guia, 17 mm (Somente 98) 07746-0040400 Rolamento da árvore secundária: Instalador 07749-0010000 Acessório, 42 x 47 mm 07746-0010300 Guia, 20 mm 07746-0040500 Instale os novos rolamentos em esquadro. ACESSÓRIO/GUIA INSTALADOR CR125R TRAVA
  • 13.
    CARCAÇA DO MOTOR/ÁRVOREDE MANIVELAS/TRANSMISSÃO 10-12 Aplique graxa nos lábios do retentor de óleo da árvore secundária. Instale o retentor de óleo da árvore secundária na profundidade especificada da carcaça do motor, conforme mostrado. RETENTOR DE ÓLEO NOTA Instale os novos rolamentos na carcaça direita do motor, utilizando as ferramentas especiais. Ferramentas: Rolamento do tambor seletor: Instalador 07749-0010000 Acessório, 37 x 40 mm 07746-0010200 Guia, 25 mm 07746-0040600 Rolamento da árvore primária: Instalador 07749-0010000 Acessório, 52 x 55 mm 07746-0010400 Guia, 20 mm 07746-0040500 Rolamento da árvore secundária: Instalador 07749-0010000 Acessório, 37 x 40 mm 07746-0010200 Guia, 17 mm 07746-0040400 Instale os novos rolamentos em esquadro. ACESSÓRIO/GUIA INSTALADOR ROLAMENTO DO TAMBOR SELETOR ROLAMENTO DA ROLAMENTO DA ÁRVORE PRIMÁRIA ÁRVORE SECUNDÁRIA CARCAÇA DIREITA DO MOTOR Remova os rolamentos das árvores primária e secundária. Remova os parafusos das placas de fixação do rolamento do tambor seletor e as placas de fixação. Remova o rolamento do tambor seletor. PARAFUSOS/PLACAS DE FIXAÇÃO ROLAMENTO CR125R GRAXA
  • 14.
    CARCAÇA DO MOTOR/ÁRVOREDE MANIVELAS/TRANSMISSÃO 10-13 Limpe e aplique trava química nos parafusos das placas de fixação do tambor seletor e aperte os parafusos com as placas de fixação. TORQUE: 10 N.m (1,0 kg.m) PARAFUSOS/PLACAS DE FIXAÇÃO ROLAMENTO Instale o adaptador roscado na árvore de manivelas. Ferramenta: Adaptador roscado 07965-KA30000 ADAPTADOR ROSCADO Instale a árvore de manivelas na carcaça direita do motor utilizando as ferramentas especiais. Ferramentas: Conjunto de ferramentas para montagem da carcaça do motor 07965-1660100 ou 07965-1660101 ou 07965-1660102 – Cabo da ferramenta de montagem 07965-1660200 – Espaçador de montagem 07965-1660300 ou 07965-1660301 ou 0765-1660302 CONJUNTO DE FERRAMENTAS PARA MONTAGEM DA CARCAÇA DO MOTOR INSTALAÇÃO DA ÁRVORE DE MANIVELAS Limpe ambas as superfícies de contato da carcaça do motor antes da montagem e inspecione-as quanto a danos ou desgaste. NOTA • Caso haja pequenas irregularidades ou aspereza nas superfícies de contato da carcaça do motor, lixe-as com uma pedra de afiar. • Após a limpeza, lubrifique os rolamentos da árvore de manivelas com o óleo para motor 2 tempos recomendado. CARCAÇA DO MOTOR CR125R TRAVA
  • 15.
    CARCAÇA DO MOTOR/ÁRVOREDE MANIVELAS/TRANSMISSÃO 10-14 MONTAGEM DA TRANSMISSÃO NOTA Limpe todas as peças com solvente. Monte todas as peças em suas posições originais. • Inspecione a engrenagem quanto a movimento ou rotação livre na árvore. • Instale as arruelas e os anéis elásticos com a borda chanfrada virada para o lado da carga de encosto. • Não reutilize anéis elásticos desgastados que podem facilmente girar nas ranhuras. • Verifique se os anéis elásticos estão assentados nas ranhuras. Alinhe suas extremidades com as ranhuras do estriado. ÁRVORE PRIMÁRIA CR125R ÁRVORE SECUNDÁRIA M2 (15D) BUCHA M4 ANEL ELÁSTICO ANEL ELÁSTICO BUCHA M5 ÁRVORE PRIMÁRIA ÁRVORE SECUNDÁRIA M4 (21D) M3 (19D) M5 (23D) M1 (14D) M2 (15D) C3 (30D) C2 (28D) C2 (28D) C4 (28D) C4 (28D) C3 (30D) C5 (26D) C1 (33D) C5 (26D) C1 (33D)BUCHA C1BUCHA C3 BUCHA C2 M4 (21D) M3 (19D) M5 (23D) M1 (14D) ARRUELA ESTRIADA ARRUELA ESTRIADA ARRUELA ESTRIADA
  • 16.
    CARCAÇA DO MOTOR/ÁRVOREDE MANIVELAS/TRANSMISSÃO 10-15 Aplique óleo para transmissão nas seguintes peças: – Árvore primária – Árvore secundária – Todas as engrenagens – Rolamento da árvore primária – Rolamento da árvore secundária – Rolamento do tambor seletor ÁRVORE SECUNDÁRIA ÁRVORE PRIMÁRIA Instale os garfos seletores nas ranhuras da engrenagem do seletor de marchas. NOTA • Cada garfo seletor apresenta uma marca de identificação: “R” é para o garfo direito, “L” para o esquerdo e “C” para o central. • Posicione as marcas dos garfos seletores como se segue: – Marcas direita e esquerda virada para a carcaça esquerda do motor – Marca central virada para a carcaça direita do motor MARCAS DE IDENTIFICAÇÃO Aplique óleo para transmissão nas seguintes peças: – Ranhuras-guia do tambor seletor – Garras dos garfos seletores e pinos-guia – Superfícies deslizantes dos garfos seletores – Eixos dos garfos seletores Instale os garfos seletores nas ranhuras da engrenagem do seletor de marchas. Instale o tambor seletor alinhando os pinos-guia dos garfos seletores com as ranhuras-guia do tambor. Deslize os eixos dos garfos seletores através dos garfos e para dentro da carcaça do motor. TAMBOR SELETOR GARFOS SELETORES EIXOS DOS GARFOS SELETORES Acople as engrenagens das árvores primária e secundária e coloque o conjunto da transmissão na carcaça direita do motor. CONJUNTO DAS ÁRVORES PRIMÁRIA/SECUNDÁRIA CR125R
  • 17.
    CARCAÇA DO MOTOR/ÁRVOREDE MANIVELAS/TRANSMISSÃO 10-16 MONTAGEM DA CARCAÇA DO MOTOR NOTA Instale os pinos-guia, uma nova junta e um novo anel de vedação. Instale o tubo de respiro na carcaça esquerda do motor. Antes da montagem, lubrifique os rolamentos da transmissão com óleo para transmissão novo. PINOS-GUIA JUNTAS Posicione a carcaça esquerda na direita utilizando o conjunto de montagem da carcaça do motor. Ferramentas: Conjunto de ferramentas para montagem da carcaça do motor 07965-1660100 ou 07965-1660101 ou 07965-1660102 – Cabo da ferramenta de montagem 07965-1660200 – Espaçador de montagem 07965-1660300 ou 07965-1660301 ou 07965-1660302 Aplique graxa na cavidade existente entre os lábios dos retentores de óleo. Instale os retentores de óleo na carcaça do motor utilizando a ferramenta de montagem da carcaça do motor, conforme mostrado. Ferramentas: Conjunto de ferramentas para montagem da carcaça do motor 07965-1660100 ou 07965-1660101 ou 07965-1660102 – Cabo da ferramenta de montagem 07965-1660200 – Espaçador de montagem 07965-1660300 ou 07965-1660301 ou 0765-1660302 Aperte os parafusos da carcaça do motor em ordem cruzada, em 2 ou 3 etapas. Remova cuidadosamente a junta remanescente na superfície da base do cilindro. a Verifique se a árvore de manivelas gira suavemente. . Não deixe os resíduos de junta caírem na carcaça do motor. . Não danifique a superfície da base do cilindro. PARAFUSOS CONJUNTO DE FERRAMENTAS PARA MONTAGEM DA CARCAÇA DO MOTOR CR125R RETENTOR DE ÓLEO ESQUERDO DA ÁRVORE DE MANIVELAS RETENTOR DE ÓLEO DIREITO DA ÁRVORE DE MANIVELAS GRAXA GRAXA NOVA
  • 18.
    CARCAÇA DO MOTOR/ÁRVOREDE MANIVELAS/TRANSMISSÃO 10-17 Aplique graxa no anel de vedação e no interior do espaçador da árvore secundária. Instale o anel de vedação e o espaçador na árvore secundária. ESPAÇADOR ANEL DE VEDAÇÃO Instale a arruela cônica com a marca “OUT SIDE” virada para fora. Fixe o pinhão com o fixador universal. Em seguida, instale e aperte o parafuso do pinhão no torque especificado. Ferramenta: Fixador universal 07725-0030000 TORQUE: 26 N.m (2,6 kg.m) MARCA “OUT SIDE” ARRUELA FIXADOR UNIVERSAL Instale o protetor do pinhão de transmissão e aperte os parafusos. PARAFUSOS PROTETOR DO PINHÃO DE TRANSMISSÃO Instale o pinhão de transmissão na árvore secundária, conforme descrito abaixo. a Instale o pinhão de transmissão com seu lado plano virado para fora. CR125R LADO PLANO ARRUELA PARAFUSO PINHÃO DE TRANSMISSÃO GRAXA
  • 19.
    CARCAÇA DO MOTOR/ÁRVOREDE MANIVELAS/TRANSMISSÃO 10-18 Instale o espaçador na árvore de manivelas. ESPAÇADOR Instale provisoriamente a guia da carcaça da embreagem, o rolamento de agulhas e carcaça da embreagem. Instale o fixador da engrenagem entre as engrenagens motora primária e movida. Ferramenta: Fixador da engrenagem 07724-0010200 Instale e aperte o parafuso da engrenagem motora primária no torque especificado. TORQUE: 64 N.m (6,4 kg.m) FIXADOR DA ENGRENAGEM CARCAÇA DA EMBREAGEM Instale as peças remanescentes na ordem inversa da remoção. NOTA Ligue o motor e verifique se há vazamentos através do orifício de inspeção. Consulte as Informações de Serviço (pág. 10-1) quanto à instalação das peças removidas para a realização dos serviços da carcaça do motor/transmissão. ORIFÍCIO DE INSPEÇÃO Instale a engrenagem motora primária, o parafuso e a arruela. PARAFUSO ARRUELA ENGRENAGEM MOTORA PRIMÁRIA CR125R
  • 20.
    CARCAÇA DO MOTOR/ÁRVOREDE MANIVELAS/TRANSMISSÃO 10-19 CR125R NOTAS
  • 21.
    COMO USAR ESTEMANUAL Este manual descreve os procedimentos de serviço para a CR125R. Siga as recomendações da Tabela de Manutenção (página 3-3) para garantir condições perfeitas de funcionamento. Os Capítulos 1 e 3 aplicam-se à toda motocicleta. O Capítulo 2 apresenta os procedimentos de remoção/instalação de componentes que podem ser necessários para efetuar os serviços descritos nos capítulos subseqüentes. Os Capítulos 4 a 15 apresentam as peças da motocicleta, agrupadas de acordo com sua localização. Localize o capítulo desejado nesta página. Em seguida, consulte o índice apresentado na primeira página do capítulo selecionado. A maioria dos capítulos começa com uma ilustração do sistema ou conjunto, informações de serviço e diagnose de defeitos. As páginas subseqüentes apresentam os procedimentos detalhados. Se a causa do problema for desconhecida, consulte o Capítulo 16, "Diagnose de Defeitos". MOTO HONDA DA AMAZÔNIA LTDA. Departamento de Serviços Pós-Venda Setor de Publicações Técnicas TODAS AS INFORMAÇÕES, ILUSTRAÇÕES, PROCEDIMENTOS E ESPECIFICAÇÕES APRESENTADAS NESTA PUBLICAÇÃO SÃO BASEADAS NAS INFORMAÇÕES MAIS RECENTES DISPONÍVEIS SOBRE O PRODUTO NO MOMENTO DA APROVAÇÃO DA IMPRESSÃO. A MOTO HONDA DA AMAZÔNIA LTDA. SE RESERVA O DIREITO DE ALTERAR AS CARACTERÍSTICAS DA MOTOCICLETA A QUALQUER MOMENTO E SEM PRÉVIO AVISO, NÃO INCORRENDO, ASSIM, EM OBRIGAÇÕES DE QUALQUER ESPÉCIE. NENHUMA PARTE DESTA PUBLICAÇÃO PODE SER REPRODUZIDA SEM AVISO PRÉVIO. ESTE MANUAL FOI ELABORADO PARA PESSOAS QUE TENHAM CONHECIMENTOS BÁSICOS SOBRE A MANUTENÇÃO DAS MOTOCICLETAS, SCOTTERS ou ATVS HONDA. ÍNDICE GERAL INFORMAÇÕES GERAIS CHASSI/CARENAGEM/ SISTEMA DE ESCAPAMENTO MANUTENÇÃO SISTEMA DE COMBUSTÍVEL SISTEMA DE ARREFECIMENTO REMOÇÃO/INSTALAÇÃO DO MOTOR CABEÇOTE/CILINDRO/PISTÃO H.P.P. (ORIFÍCIO SUPLEMENTAR HONDA) EMBREAGEM/MECANISMO DE PARTIDA/ SELETOR DE MARCHAS CARCAÇA DO MOTOR/ÁRVORE DE MANIVELAS/TRANSMISSÃO RODA DIANTEIRA/SUSPENSÃO/ SISTEMA DE DIREÇÃO RODA TRASEIRA/SUSPENSÃO FREIO HIDRÁULICO SISTEMA DE IGNIÇÃO/ALTERNADOR DIAGRAMA ELÉTRICO DIAGNOSE DE DEFEITOS SISTEMA ELÉTRICO CHASSIMOTORETRANSMISSÃO 1 2 3 4 5 6 7 8 9 10 11 12 13 14 15 16