Prominp – Unicamp – 2007
Disciplina: Robótica; Professor: João Maurício Rosário.
Aluno: Jim Silva Naturesa e Ronie Von Oliveira.
Terceira lista de exercícios.
1) Fazer o grafcet do acionamento de um motor CC.
Variáveis:
Entrada:
X0 – Início;
X1 – Sentido Horário (SH);
X2 – Sentido Anti-Horário (SAH);
Saída:
Y0 – Sentido horário;
Y1 – Sentido Anti-Horário;
Y2 – Lâmpada vermelha (motor parado);
Y3 – Lâmpada verde (motor rodando) sentido horário;
Y4 – Lâmpada verde (motor rodando) sentido anti-horário.
O grafcet está indicado na figura 1.
Figura 1 – Grafcet do exercício 1.
1
2) Fazer o grafcet e programa em Ladder do acionamento de um motor CC.
Problema (situações):
2.1) Motor + Parada + Motor AH (Sentido Anti-Horário);
2.2) Motor H (Sentido Horário);
2.3) Motor AH;
2.4) Motor H + Parada + Motor AH – 5 vezes.
3) Idem anterior com um botão X5 de Reset e volta ao início.
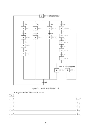
O grafcet do segundo em conjunto com o terceiro exercício está mostrado na figura 2.
As variáveis são:
Entradas:
X1 – Motor H + Parada + Motor AH;
X2 – H;
X3 – AH;
X4 - Motor H + Parada + Motor AH – 5 vezes;
X5 – Botão Reset
Saídas:
Y1 – Sentido Horário (H);
Y2 – Sentido Anti-Horário (AH);
Variáveis de controle:
T1 – Temporizador 1;
T2 – Temporizador 2;
T3 – Temporizador 3;
CONT – Contador.
2
Figura 2 – Grafcet do exercício 2 e 3.
O diagrama Ladder está indicado abaixo.
3
4
4) Idem ao exercício 2 mas utilizando um cilindro.
Problema (situações):
4.1) Cilindro Avança + Pára + Recua;
4.2) Fazer 5 vezes o movimento;
4.3) Aperta X5 o motor pára (botão de RESET).
5
As variáveis são:
Entrada:
X1 – Cilindro avança + Parada + Cilindro recua;
X2 - Cilindro avança + Parada + Cilindro recua – 5 vezes;
X3 – Botão Reset;
Saídas:
Y1 – Avança cilindro;
Y2 – Recua cilindro;
Variáveis de controle:
T1 – Temporizador;
CONT – Contador.
O grafcet está indicado na figura 3.
Figura 3 – Grafcet do exercício 4
O diagrama Ladder está indicado a seguir.
6
7
5) Automatizar o sistema abaixo (figura 4).
Figura 4 – Sistema robotizado.
As variáveis são:
Esteira 1
X2 – SP1 (Sensor de Posição);
X3 – SP2;
Y0 – MSH – Motor no Sentido Horário.
Esteira 2
X4 – SP3 (Sensor de Posição);
X5- SP4;
Y1 – MSAH - Motor no Sentido Anti-Horário.
8
Robô 1 – R1
Tarefas Y2 Y3
Posição inicial 0 0
Posição esteira 1 0 1
Posição Buffer 1 1 1
Posição esteira 2 1 0
Robô 2 – R2
Tarefas Y4 Y5
Posição inicial 0 0
Posição esteira 1 0 1
Posição Buffer 2 1 1
Posição esteira 2 1 0
X6 – Confirma R1 (Robô 1);
X7 – Confirma R2 (Robô 2).
A figura 5 apresenta o grafcet do sistema robotizado.
9
Figura 5 – Grafcet do exercício 5.
O diagrama Ladder está indicado a seguir.
10
11
Referências
Centinkunt, S. Mechatronics. Jonh Wiley & Sons. 2007.
Rosário, J. Princípios de Mecatrônica. Editora Pearson. 2005.
Silveira, P. & Santos, W. Automação e Controle Discreto. Editora Érica. 2004.
12

Lista 3 - Robótica (Jim & Ronie)

  • 1.
    Prominp – Unicamp– 2007 Disciplina: Robótica; Professor: João Maurício Rosário. Aluno: Jim Silva Naturesa e Ronie Von Oliveira. Terceira lista de exercícios. 1) Fazer o grafcet do acionamento de um motor CC. Variáveis: Entrada: X0 – Início; X1 – Sentido Horário (SH); X2 – Sentido Anti-Horário (SAH); Saída: Y0 – Sentido horário; Y1 – Sentido Anti-Horário; Y2 – Lâmpada vermelha (motor parado); Y3 – Lâmpada verde (motor rodando) sentido horário; Y4 – Lâmpada verde (motor rodando) sentido anti-horário. O grafcet está indicado na figura 1. Figura 1 – Grafcet do exercício 1. 1
  • 2.
    2) Fazer ografcet e programa em Ladder do acionamento de um motor CC. Problema (situações): 2.1) Motor + Parada + Motor AH (Sentido Anti-Horário); 2.2) Motor H (Sentido Horário); 2.3) Motor AH; 2.4) Motor H + Parada + Motor AH – 5 vezes. 3) Idem anterior com um botão X5 de Reset e volta ao início. O grafcet do segundo em conjunto com o terceiro exercício está mostrado na figura 2. As variáveis são: Entradas: X1 – Motor H + Parada + Motor AH; X2 – H; X3 – AH; X4 - Motor H + Parada + Motor AH – 5 vezes; X5 – Botão Reset Saídas: Y1 – Sentido Horário (H); Y2 – Sentido Anti-Horário (AH); Variáveis de controle: T1 – Temporizador 1; T2 – Temporizador 2; T3 – Temporizador 3; CONT – Contador. 2
  • 3.
    Figura 2 –Grafcet do exercício 2 e 3. O diagrama Ladder está indicado abaixo. 3
  • 4.
  • 5.
    4) Idem aoexercício 2 mas utilizando um cilindro. Problema (situações): 4.1) Cilindro Avança + Pára + Recua; 4.2) Fazer 5 vezes o movimento; 4.3) Aperta X5 o motor pára (botão de RESET). 5
  • 6.
    As variáveis são: Entrada: X1– Cilindro avança + Parada + Cilindro recua; X2 - Cilindro avança + Parada + Cilindro recua – 5 vezes; X3 – Botão Reset; Saídas: Y1 – Avança cilindro; Y2 – Recua cilindro; Variáveis de controle: T1 – Temporizador; CONT – Contador. O grafcet está indicado na figura 3. Figura 3 – Grafcet do exercício 4 O diagrama Ladder está indicado a seguir. 6
  • 7.
  • 8.
    5) Automatizar osistema abaixo (figura 4). Figura 4 – Sistema robotizado. As variáveis são: Esteira 1 X2 – SP1 (Sensor de Posição); X3 – SP2; Y0 – MSH – Motor no Sentido Horário. Esteira 2 X4 – SP3 (Sensor de Posição); X5- SP4; Y1 – MSAH - Motor no Sentido Anti-Horário. 8
  • 9.
    Robô 1 –R1 Tarefas Y2 Y3 Posição inicial 0 0 Posição esteira 1 0 1 Posição Buffer 1 1 1 Posição esteira 2 1 0 Robô 2 – R2 Tarefas Y4 Y5 Posição inicial 0 0 Posição esteira 1 0 1 Posição Buffer 2 1 1 Posição esteira 2 1 0 X6 – Confirma R1 (Robô 1); X7 – Confirma R2 (Robô 2). A figura 5 apresenta o grafcet do sistema robotizado. 9
  • 10.
    Figura 5 –Grafcet do exercício 5. O diagrama Ladder está indicado a seguir. 10
  • 11.
  • 12.
    Referências Centinkunt, S. Mechatronics.Jonh Wiley & Sons. 2007. Rosário, J. Princípios de Mecatrônica. Editora Pearson. 2005. Silveira, P. & Santos, W. Automação e Controle Discreto. Editora Érica. 2004. 12