DESENHO ARQUITETÔNICO
NORMAS DAABNT
NORMAS DAABNT
NBR 6492/94 – Representação de projetos de arquitetura;
NBR 8196/99 – Emprego de escalas;
NBR 8403/84 – Aplicações de linhas – tipos e larguras;
NBR 10068/87 – Folha de desenho – leiaute e dimensões;
Padronizar as dimensões das folhas e definir seu lay-out
com suas respectivas margens e legenda.
NBR 13142/99 – Dobramento e cópia;
4
NBR 10647 – DESENHO TÉCNICO – NORMA GERAL - Definir os termos empregados
em desenho técnico;
NBR 10582 – APRESENTAÇÃO DA FOLHA PARA DESENHO TÉCNICO - Distribuição
do espaço da folha de desenho,definindo a área para texto, desenho etc..;
NBR 8402 – EXECUÇÃO DE CARACTERES PARA ESCRITA EM DESENHOS TÉCNICOS;
NBR 5671/77 – Participação profissional nos serviços e obras de engenharia e
arquitetura;
NBR 5679/77 – Elaboração de projetos de obras de engenharia e arquitetura;
NBR 9077/01 – Saídas de emergências em edifícios;
NBR 9050/04 – Acessibilidade para portadores de deficiências;
5
NBR 10067 – PRINCÍPIOS GERAIS DE REPRESENTAÇÃO EM DESENHO
TÉCNICO;
NBR 12298– REPRESENTAÇÃO DE ÁREA DE CORTE POR MEIO DE HACHURAS
EM DESENHO TÉCNICO;
NBR 10126– COTAGEM EM DESENHO TÉCNICO;
NBR 6409– NORMALIZA A EXECUÇÃO DOS DESENHOS DE ELETRÔNICA;
NBR 7191– OBRAS DE CONCRETO SIMPLES OU ARMADO.
NORMAS DAABNT
7
DESENHOS UTILIZADOS NA REPRESENTAÇÃO
DOS PROJETOS ARQUITETÔNICOS DE
EDIFICAÇÕES
Planta de situação;
Planta de locação e coberta;
Planta baixa;
Cortes longitudinais e transversais;
Fachadas;
Desenhos de detalhes.
PLANTA DE SITUAÇÃO
PLANTA DE LOCAÇÃO E COBERTA
PLANTA BAIXA
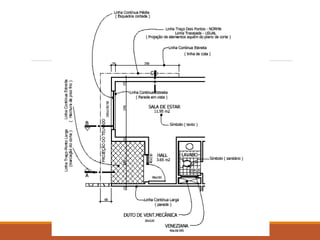
Plantas baixas são cortes em cada pavimento através de planos
horizontais imaginários situados em um altura entre a verga da porta e o
peitoril da janela de altura que varia entre 1,20m, 1,50m, 1,80m);
A planta baixa deve conter:
Demarcação das paredes;
Projeção dos beirais;
Posição e dimensões das esquadrias;
Representação das louças sanitárias;
Representação dos quadriculados representativos de “pisos frios”;
Representação dos textos e cotas;
PLANTA BAIXA
PLANTA BAIXA
CORTES
CORTES
CORTES
CORTES
16
FACHADAS
17
FACHADAS
18
FACHADAS
19
FACHADAS
20
FACHADAS
21
TIPOS E ESPESSURA DE LINHA EMPREGADOS
Estreita, média, larga, tracejada, traço-dois pontos, ...
Transmitem informações sobre os elementos que estão
representando;
Linhas largas: elementos estruturais ou de alvenaria cortados pelo
plano de corte;
Linhas médias: elementos leves cortados pelo plano de corte;
Linhas estreitas: arestas e contornos aparentes, não cortados pelo
plano de corte;
COTAS E REFERENCIAS DE NÍVEL
COTAGEM DE ESQUADRIAS
REFERENCIAS DE NÍVEL
ESCALAS
O escalímetro é um instrumento de desenho técnico utilizado
para desenhar objetos em escala ou facilitar a leitura das
medidas de desenhos representados em escala. Podem ser
planos ou triangulares, como o apresentado na figura.
O escalímetro, escala ou régua triangular, é dividido em três
faces, cada qual com duas escalas distintas. Pode-se, nesse
caso, através da utilização de múltiplos ou submúltiplos dessas
seis escalas, extrair um grande número de outras escalas.
O escalímetro convencional utilizado na engenharia e na
arquitetura é aquele que possui as seguintes escalas 1:20; 1:25;
1:50; 1:75; 1:100; 1:125.
Cada unidade marcada nas escalas do escalímetro
correspondem a um metro. Isto significa que aquela dada medida
corresponde ao tamanho de um metro na escala adotada.
ESCALAS UTILIZADAS NO DESENHO ARQUITETÔNICO
As escalas de redução recomendadas pela NBR
6492 para a representação de projetos de arquitetura
são:
1:2; 1:5; 1:10; 1:20; 1:25; 1:50; 1:75; 1:100; 1:200;
1:250; 1:500.
ESCALAS USUALMENTE ADOTADAS
FOLHAS PARA REPRESENTAÇÃO DE
DESENHOS DE ARQUITETURA
Dimensões
As normas em vigor, editadas pela ABNT adotam a seqüência “A” de
folhas, partindo da folha A0 com área de aproximadamente 1,0m2.
Dimensões das folhas:
Folha Largura (mm) Altura (mm)
A0 841X1189
A1 594X841
A2 420X594
A3 297X420
A4 210X297
FOLHAS PARA REPRESENTAÇÃO DE
DESENHOS DE ARQUITETURA
Configuração da folha
Carimbo, Selo ou legenda
Em um projeto de arquitetura ou engenharia,
faz-se necessário a identificação de alguns
elementos, tais como: tipo de projeto,
endereço, autor do projeto, responsável
técnico, tipo de escala utilizada, área do lote,
área de construção, número da prancha,
espaço reservado para aprovação da
prefeitura e pelo conselho regional de
Arquitetuta – CAU, entre outros.
Numeração das pranchas
Junto com o número da prancha usualmente se informa o total de
pranchas do projeto – ex.: 2/9 significa: prancha 2 de um total de 9
pranchas.
Usualmente inicia-se a numeração pela prancha que contém a
planta de situação e a de localização. Esta seria a prancha 1/x
(onde “x” é o número total de pranchas do projeto em questão).
A(s) prancha(s) seguinte(s) será(ao) a(s) que contém a(s) planta(s)
baixa(s). Se houver mais de uma planta baixa, a numeração mais
baixa corresponderá a prancha que contém as plantas dos
pavimentos mais baixos. Após as plantas baixas são numeradas as
pranchas que contém o(s) corte(s) e, por último, a(s) fachada(s).
GLOSSÁRIO

Desenho arquitetônico

  • 1.
  • 2.
  • 3.
    NORMAS DAABNT NBR 6492/94– Representação de projetos de arquitetura; NBR 8196/99 – Emprego de escalas; NBR 8403/84 – Aplicações de linhas – tipos e larguras; NBR 10068/87 – Folha de desenho – leiaute e dimensões; Padronizar as dimensões das folhas e definir seu lay-out com suas respectivas margens e legenda. NBR 13142/99 – Dobramento e cópia;
  • 4.
    4 NBR 10647 –DESENHO TÉCNICO – NORMA GERAL - Definir os termos empregados em desenho técnico; NBR 10582 – APRESENTAÇÃO DA FOLHA PARA DESENHO TÉCNICO - Distribuição do espaço da folha de desenho,definindo a área para texto, desenho etc..; NBR 8402 – EXECUÇÃO DE CARACTERES PARA ESCRITA EM DESENHOS TÉCNICOS; NBR 5671/77 – Participação profissional nos serviços e obras de engenharia e arquitetura; NBR 5679/77 – Elaboração de projetos de obras de engenharia e arquitetura; NBR 9077/01 – Saídas de emergências em edifícios; NBR 9050/04 – Acessibilidade para portadores de deficiências;
  • 5.
    5 NBR 10067 –PRINCÍPIOS GERAIS DE REPRESENTAÇÃO EM DESENHO TÉCNICO; NBR 12298– REPRESENTAÇÃO DE ÁREA DE CORTE POR MEIO DE HACHURAS EM DESENHO TÉCNICO; NBR 10126– COTAGEM EM DESENHO TÉCNICO; NBR 6409– NORMALIZA A EXECUÇÃO DOS DESENHOS DE ELETRÔNICA; NBR 7191– OBRAS DE CONCRETO SIMPLES OU ARMADO.
  • 6.
  • 7.
    7 DESENHOS UTILIZADOS NAREPRESENTAÇÃO DOS PROJETOS ARQUITETÔNICOS DE EDIFICAÇÕES Planta de situação; Planta de locação e coberta; Planta baixa; Cortes longitudinais e transversais; Fachadas; Desenhos de detalhes.
  • 8.
  • 9.
  • 10.
    PLANTA BAIXA Plantas baixassão cortes em cada pavimento através de planos horizontais imaginários situados em um altura entre a verga da porta e o peitoril da janela de altura que varia entre 1,20m, 1,50m, 1,80m); A planta baixa deve conter: Demarcação das paredes; Projeção dos beirais; Posição e dimensões das esquadrias; Representação das louças sanitárias; Representação dos quadriculados representativos de “pisos frios”; Representação dos textos e cotas;
  • 11.
  • 12.
  • 13.
  • 14.
  • 15.
  • 16.
  • 17.
  • 18.
  • 19.
  • 20.
  • 21.
  • 22.
    TIPOS E ESPESSURADE LINHA EMPREGADOS Estreita, média, larga, tracejada, traço-dois pontos, ... Transmitem informações sobre os elementos que estão representando; Linhas largas: elementos estruturais ou de alvenaria cortados pelo plano de corte; Linhas médias: elementos leves cortados pelo plano de corte; Linhas estreitas: arestas e contornos aparentes, não cortados pelo plano de corte;
  • 27.
  • 28.
  • 29.
  • 30.
    ESCALAS O escalímetro éum instrumento de desenho técnico utilizado para desenhar objetos em escala ou facilitar a leitura das medidas de desenhos representados em escala. Podem ser planos ou triangulares, como o apresentado na figura. O escalímetro, escala ou régua triangular, é dividido em três faces, cada qual com duas escalas distintas. Pode-se, nesse caso, através da utilização de múltiplos ou submúltiplos dessas seis escalas, extrair um grande número de outras escalas. O escalímetro convencional utilizado na engenharia e na arquitetura é aquele que possui as seguintes escalas 1:20; 1:25; 1:50; 1:75; 1:100; 1:125. Cada unidade marcada nas escalas do escalímetro correspondem a um metro. Isto significa que aquela dada medida corresponde ao tamanho de um metro na escala adotada.
  • 31.
    ESCALAS UTILIZADAS NODESENHO ARQUITETÔNICO As escalas de redução recomendadas pela NBR 6492 para a representação de projetos de arquitetura são: 1:2; 1:5; 1:10; 1:20; 1:25; 1:50; 1:75; 1:100; 1:200; 1:250; 1:500.
  • 32.
  • 34.
    FOLHAS PARA REPRESENTAÇÃODE DESENHOS DE ARQUITETURA Dimensões As normas em vigor, editadas pela ABNT adotam a seqüência “A” de folhas, partindo da folha A0 com área de aproximadamente 1,0m2. Dimensões das folhas: Folha Largura (mm) Altura (mm) A0 841X1189 A1 594X841 A2 420X594 A3 297X420 A4 210X297
  • 35.
    FOLHAS PARA REPRESENTAÇÃODE DESENHOS DE ARQUITETURA
  • 40.
  • 41.
    Carimbo, Selo oulegenda Em um projeto de arquitetura ou engenharia, faz-se necessário a identificação de alguns elementos, tais como: tipo de projeto, endereço, autor do projeto, responsável técnico, tipo de escala utilizada, área do lote, área de construção, número da prancha, espaço reservado para aprovação da prefeitura e pelo conselho regional de Arquitetuta – CAU, entre outros.
  • 42.
    Numeração das pranchas Juntocom o número da prancha usualmente se informa o total de pranchas do projeto – ex.: 2/9 significa: prancha 2 de um total de 9 pranchas. Usualmente inicia-se a numeração pela prancha que contém a planta de situação e a de localização. Esta seria a prancha 1/x (onde “x” é o número total de pranchas do projeto em questão). A(s) prancha(s) seguinte(s) será(ao) a(s) que contém a(s) planta(s) baixa(s). Se houver mais de uma planta baixa, a numeração mais baixa corresponderá a prancha que contém as plantas dos pavimentos mais baixos. Após as plantas baixas são numeradas as pranchas que contém o(s) corte(s) e, por último, a(s) fachada(s).
  • 43.