A R C I P B. 0 9 _ 1 2 R I C A R D O A N T U N E S E X AV I E R
                              PEREIRA.




         R E L ATÓ R IO D E
            C O N TRO L O
           I N D U STR I A L
TRABALHOS EXPRIMENTA IS COM ADC0809




           ATEC- ACADEMIA DE FORMAÇÃO
                    19-12-2012
INTRUDUÇÃO




    O trabalho experimental seguinte para a disciplina de Controlo industrial , é um
trabalho experimental que envolve o circuito integrado ADC0809 , que é um
conversor analógico digital de 8bits , ou seja , tem 256 patamares. Através de uma
formula :




    Concluindo então que a resolução teórica do ADC é de 19,6mv por cada
patamar. Este trabalho serve para posteriormente, ligar em vez de um
potenciómetro, usar um sensor de temperatura e interpretar o valor analógico e
transportar esse valor para um valor digital, para ser possível a visualização da
temperatura em dois displays de 7 segmentos.




                                   OBJETIVOS




       Aprender o funcionamento de um ADC

       Melhorar os conhecimentos da montagem Astável com 555.

       Aprender a converter um sinal analógico em digital




                                         2
I N S T R U M E N TA Ç Ã O E M AT E R I AL N E C E S S Á R I O




1xADC0809

1x555

8xLEDS

8xResistências de 330Ω

1xCondensador cerâmico de 33pf

1xResistência de 13kΩ

1xResistência de 27kΩ

1xBreadboard

1xMultimetro

1xOsciloscópio




                     E S Q U E M A S E X P R I M E N TAI S




                   Ilustração 1- Esquema de ligação do ADC



                                       3
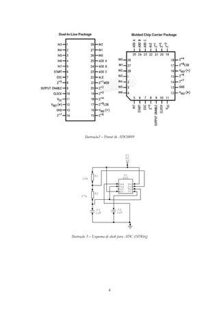
Ilustração2 – Pinout do ADC0809



                                    V1
                                    5V
                                    +V




              R1                    U1
      13k                          555

                              Gnd    Vcc
                              Trg    Dis
                              Out    Thr
                              Rst    Ctl
              R2
      27k



                C1            C2
               1uF           1uF




Ilustração 3 – Esquema de clock para ADC (185Khz)




                       4
P R O C E D I M E N TO




1. Usando o circuito integrado ADC 0809 efectue a montagem que faça a
   conversão AD de um canal analógico de entrada, seleccione por exemplo o
   canal de entrada 0 (ln0), colocando a 0 os bits de selecção ADDA, ADDB e
   ADDC. Use um timer 555 como relógio externo do ADC0809, f= 640kHz.
   Aplique uma tensão contínua variável entre 0 e 5 á entrada do ADC
   (potenciómetro 10kΩ) como indicado no esquema, e observe o estado das
   saídas que estão ligadas a leds, registe o valor de Vin para cada uma das
   combinações binárias, em que apenas 1 dos 8 bits de saída está num nível
   logico 1. A partir dos resultados obtidos estime o valor de conversão do ADC.
   Ligue o enable a 0 ou a 1 e verifique o que acontece.




                                       5
A N Á L I S E E I N T R E P E R TA Ç Ã O D O S VA L O R E S O B T I D O S




    O circuito recebe os valores analógicos no LN0, através do potenciómetro de
10kΩ que lá está colocado. No interior do ADC0809 , esse valor é convertido para
digital , colocando as saídas de A1 até A8 um valor correspondente em binário ao
valor lido analógico. No pin 10 do ADC , é colocada então a nossa frequência de
clock. Dimensiona-mos a nossa frequência para ser de 185khz (usando os
componentes que tinha-mos), essa frequência advém do circuito temporizador
Astável 555. No pino ALE e OE , ambos foram colocados no estado High (1 = 5v). O
pino OE é o nosso enable. O enable se colocado a 0 , o circuito não funciona e com
o enable a 1 o circuito volta então ao normal funcionamento. Rodando então o
potenciómetro fomos obtendo valores digitais e registando alguns deles para
confirmação nesta tabela:



Combinaçao                                             Tensaonecessaria
ooooooo•                                               30 mV
oooooo•o                                               50 mV
oooooo••                                               80 mV
ooooo•oo                                               100 mV
ooooo•o•                                               110 mV
ooooo••o                                               130 mV
ooooo•••                                               155 mV
oooo•ooo                                               173 mV
oooo•oo•                                               190 mV
oooo•o••                                               214 mV
oooo••oo                                               233 mV
oooo••o•                                               254 mV
oooo•••o                                               265 mV
oooo••••                                               295 mV

        Ilustração 4 – Tabela de valores (combinação de A8 a A1, ponto preto significa led aceso)



   A tabela confirma então que cada patamar tem aproximadamente, um aumento
de 19,6mv, na prática é sempre registada uma pequena alteração, porque o
potenciómetro não permitia uma leitura perfeita dos valores.

   Foram também confirmados os valores com o potenciómetro a 0v (Leds todos
apagados) e o potenciómetro com 5v (todos os leds acesos), correspondente ao
número 256 decimal.




                                                   6
C ON C L U S Ã O




   Podemos então concluir que o ADC0809 é um circuito bastante viável como
conversor de analógico para digital, pois tem um tempo de resposta bastante rápido,
que pode ser definido por um clock até um máximo de 640khz.

    Concluímos também que o circuito astável 555 é um circuito que funciona muito
bem como gerador de sinal de clock, porque permite uma gama muito alta de
frequências, apenas variando duas resistências e um condensador.

    Foi necessário colocar um condensador electrolítico na alimentação da fonte ,
para estabilizar o sinal de clock do 555. O sinal sem o condensador ficava todo
distorcido foi um dos pequenos problemas que surgiu, mas foi resolvido.

    E para finalizar, podemos dizer que é o primeiro trabalho prático que decorreu na
perfeição, sem um único problema, todos os componentes funcionaram
correctamente.




                                          7

Controlo Industrial - ADC

  • 1.
    A R CI P B. 0 9 _ 1 2 R I C A R D O A N T U N E S E X AV I E R PEREIRA. R E L ATÓ R IO D E C O N TRO L O I N D U STR I A L TRABALHOS EXPRIMENTA IS COM ADC0809 ATEC- ACADEMIA DE FORMAÇÃO 19-12-2012
  • 2.
    INTRUDUÇÃO O trabalho experimental seguinte para a disciplina de Controlo industrial , é um trabalho experimental que envolve o circuito integrado ADC0809 , que é um conversor analógico digital de 8bits , ou seja , tem 256 patamares. Através de uma formula : Concluindo então que a resolução teórica do ADC é de 19,6mv por cada patamar. Este trabalho serve para posteriormente, ligar em vez de um potenciómetro, usar um sensor de temperatura e interpretar o valor analógico e transportar esse valor para um valor digital, para ser possível a visualização da temperatura em dois displays de 7 segmentos. OBJETIVOS Aprender o funcionamento de um ADC Melhorar os conhecimentos da montagem Astável com 555. Aprender a converter um sinal analógico em digital 2
  • 3.
    I N ST R U M E N TA Ç Ã O E M AT E R I AL N E C E S S Á R I O 1xADC0809 1x555 8xLEDS 8xResistências de 330Ω 1xCondensador cerâmico de 33pf 1xResistência de 13kΩ 1xResistência de 27kΩ 1xBreadboard 1xMultimetro 1xOsciloscópio E S Q U E M A S E X P R I M E N TAI S Ilustração 1- Esquema de ligação do ADC 3
  • 4.
    Ilustração2 – Pinoutdo ADC0809 V1 5V +V R1 U1 13k 555 Gnd Vcc Trg Dis Out Thr Rst Ctl R2 27k C1 C2 1uF 1uF Ilustração 3 – Esquema de clock para ADC (185Khz) 4
  • 5.
    P R OC E D I M E N TO 1. Usando o circuito integrado ADC 0809 efectue a montagem que faça a conversão AD de um canal analógico de entrada, seleccione por exemplo o canal de entrada 0 (ln0), colocando a 0 os bits de selecção ADDA, ADDB e ADDC. Use um timer 555 como relógio externo do ADC0809, f= 640kHz. Aplique uma tensão contínua variável entre 0 e 5 á entrada do ADC (potenciómetro 10kΩ) como indicado no esquema, e observe o estado das saídas que estão ligadas a leds, registe o valor de Vin para cada uma das combinações binárias, em que apenas 1 dos 8 bits de saída está num nível logico 1. A partir dos resultados obtidos estime o valor de conversão do ADC. Ligue o enable a 0 ou a 1 e verifique o que acontece. 5
  • 6.
    A N ÁL I S E E I N T R E P E R TA Ç Ã O D O S VA L O R E S O B T I D O S O circuito recebe os valores analógicos no LN0, através do potenciómetro de 10kΩ que lá está colocado. No interior do ADC0809 , esse valor é convertido para digital , colocando as saídas de A1 até A8 um valor correspondente em binário ao valor lido analógico. No pin 10 do ADC , é colocada então a nossa frequência de clock. Dimensiona-mos a nossa frequência para ser de 185khz (usando os componentes que tinha-mos), essa frequência advém do circuito temporizador Astável 555. No pino ALE e OE , ambos foram colocados no estado High (1 = 5v). O pino OE é o nosso enable. O enable se colocado a 0 , o circuito não funciona e com o enable a 1 o circuito volta então ao normal funcionamento. Rodando então o potenciómetro fomos obtendo valores digitais e registando alguns deles para confirmação nesta tabela: Combinaçao Tensaonecessaria ooooooo• 30 mV oooooo•o 50 mV oooooo•• 80 mV ooooo•oo 100 mV ooooo•o• 110 mV ooooo••o 130 mV ooooo••• 155 mV oooo•ooo 173 mV oooo•oo• 190 mV oooo•o•• 214 mV oooo••oo 233 mV oooo••o• 254 mV oooo•••o 265 mV oooo•••• 295 mV Ilustração 4 – Tabela de valores (combinação de A8 a A1, ponto preto significa led aceso) A tabela confirma então que cada patamar tem aproximadamente, um aumento de 19,6mv, na prática é sempre registada uma pequena alteração, porque o potenciómetro não permitia uma leitura perfeita dos valores. Foram também confirmados os valores com o potenciómetro a 0v (Leds todos apagados) e o potenciómetro com 5v (todos os leds acesos), correspondente ao número 256 decimal. 6
  • 7.
    C ON CL U S Ã O Podemos então concluir que o ADC0809 é um circuito bastante viável como conversor de analógico para digital, pois tem um tempo de resposta bastante rápido, que pode ser definido por um clock até um máximo de 640khz. Concluímos também que o circuito astável 555 é um circuito que funciona muito bem como gerador de sinal de clock, porque permite uma gama muito alta de frequências, apenas variando duas resistências e um condensador. Foi necessário colocar um condensador electrolítico na alimentação da fonte , para estabilizar o sinal de clock do 555. O sinal sem o condensador ficava todo distorcido foi um dos pequenos problemas que surgiu, mas foi resolvido. E para finalizar, podemos dizer que é o primeiro trabalho prático que decorreu na perfeição, sem um único problema, todos os componentes funcionaram correctamente. 7