Circuitos com Componentes Discretos (2005) 1
EPUSP — PCS 2011/2305/2355 — Laboratório Digital
RESUMO
Nesta experiência são apresentados circuitos com componentes da família TTL e que apresentam
características especiais. Tais circuitos, na maioria dos casos, são de simples implementação e grande
utilidade, e cujo comportamento nem sempre pode ser deduzido de forma imediata. São apresentados
também circuitos envolvendo portas lógicas e componentes discretos, tais como resistores, capacitores,
cristais e diodos, que implementam osciladores, circuitos “limpa ao ligar”, pulsos em bordas de sinais,
etc.
1. PARTE TEÓRICA
Embora os projetos de circuitos digitais sejam caracterizados pelo uso de componentes sob a forma de
circuitos integrados, algumas vezes o projetista recorre a componentes discretos para a implementação
de determinados circuitos. Componentes como resistores, capacitores, cristais, diodos e transistores,
quando utilizados com circuitos integrados digitais, permitem a obtenção de circuitos muitas vezes
simples e de grande utilidade.
Os circuitos mais comuns com as características mencionadas são: atrasadores, osciladores, circuitos
“limpa ao ligar”, de debouncing, etc. Em alguns desses circuitos, a escolha dos valores dos componentes
discretos obedece a critérios práticos, nem sempre existindo uma fórmula precisa de cálculo.
O princípio de funcionamento dos principais circuitos mencionados é descrito nos itens a seguir.
1.1. Circuitos Atrasadores
1.1.1. Atrasador de Uma Borda
O circuito da figura 1.1 permite a obtenção de um sinal atrasado no ponto C, em relação ao ponto B. O
atraso depende dos valores R1 e C1, que devem ser dimensionados de forma a se manterem os níveis
lógicos no ponto C, e também de forma a não provocar atraso incompatível com o período ou a largura
dos pulsos no ponto B.
GERADOR
DE
PULSOS
A B C D
C1
R1
Figura 1.1 - Circuito Atrasador de Uma Borda.
1.1.2. Atrasador de Duas Bordas
O circuito da figura 1.2 permite a obtenção de um sinal atrasado no ponto C, em relação ao ponto B,
sendo que esse atraso não é igual para a borda de subida e de descida do pulso.
O atraso, que é maior na borda de subida, depende dos valores de R2 e C2, que devem ser
dimensionados segundo as mesmas recomendações do item anterior.
CIRCUITOS COM COMPONENTES DISCRETOS
D.T. e J.R.B./2001 (revisão)
E.T.M./2003 (revisão da parte experimental)
E.T.M./2004 (revisão)
E.T.M./2005 (revisão)
Circuitos com Componentes Discretos (2005) 2
EPUSP — PCS 2011/2305/2355 — Laboratório Digital
GERADOR
DE
PULSOS
A B C D
C2
R2
Figura 1.2 - Circuito Atrasador de Duas Bordas.
1.1.3. Uso de Circuitos Atrasadores para a Geração de Pulsos
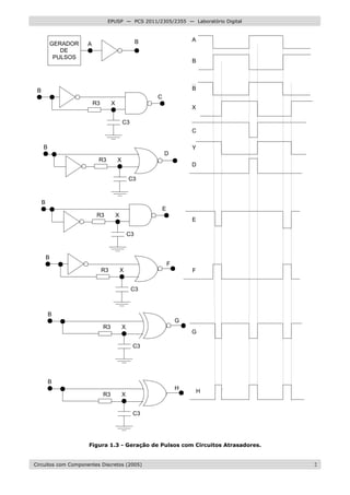
O circuito atrasador apresentado no item anterior pode ser utilizado para a geração de pulsos estreitos a
cada transição do sinal de entrada, conforme apresentado na figura 1.3 (próxima página).
Observando-se a figura, tem-se pulsos nos seguintes pontos, em relação ao ponto C:
• pontos C e D: pulsos na borda de descida;
• pontos E e F: pulsos na borda de subida;
• pontos G e H: pulsos nas bordas de descida e subida.
1.3. Osciladores
1.3.1. Osciladores de Saída TTL
É possível a elaboração de osciladores com saída TTL de maneira simples e a baixo custo, como mostra a
figura 1.4. A freqüência obtida com esse tipo de circuito varia na faixa de 10 KHz a 5 MHz. Com os
valores sugeridos na tabela da figura 1.4, obtém-se formas de onda com 60% de nível 1 e 40% de nível
0. Na figura 1.4 tem-se uma implementação com portas inversoras, enquanto na figura 1.5 são utilizadas
portas NE, com sinal de liberação do sinal de relógio.
A B C
D
E
100 C
RELÓGIO
RELÓGIO
330
C Freqüência
200 pF 5 MHz
1600 pF 1 MHz
0,018 µF 100 KHz
0,18 µF 10 KHz
Figura 1.4 - Oscilador com RC.
Circuitos com Componentes Discretos (2005) 3
EPUSP — PCS 2011/2305/2355 — Laboratório Digital
GERADOR
DE
PULSOS
A B
C3
R3
B
C
X
A
B
C3
R3
B
E
X
C3
R3
B
D
X
C3
R3
B
F
X
C3
R3
B
G
X
C3
R3
B
H
X
X
B
C
Y
D
E
F
G
H
Figura 1.3 - Geração de Pulsos com Circuitos Atrasadores.
Circuitos com Componentes Discretos (2005) 4
EPUSP — PCS 2011/2305/2355 — Laboratório Digital
100 C
RELÓGIO
LIBERA
330
Figura 1.5 - Oscilador com RC e Bloqueio
1.3.2. Oscilador de Relaxação
Uma alternativa de simples implementação envolve o uso de portas com a característica schmitt trigger,
apresentada na figura 1.6. Usualmente utilizam-se resistores na faixa de 220 Ω a 1 kΩ e capacitores na
faixa de 2,2 nF a 22 µF, obtendo-se freqüências de até alguns MHz.
R5
RELÓGIO
C5
7413
Figura 1.6 - Oscilador de Relaxação.
Os circuitos integrados do tipo schmitt trigger apresentam um comportamento de um TTL comum. Sua
identificação é representada pelo símbolo colocado dentro do símbolo convencional das portas lógicas.
Uma porta inversora lógica TTL comum, quando recebe em sua entrada um sinal que varia lentamente
com o tempo (por exemplo, um sinal senoidal), fornecerá em sua saída uma forma de onda ligeiramente
mais “quadrada” que a entrada, devido aos limiares de chaveamento. Entretanto, o inversor pode
permanecer em sua região de incerteza por um tempo considerável, podendo o sinal de saída não
apresentar um sinal conveniente para muitas aplicações (por exemplo, clocks de flip-flops).
O circuito com característica schmitt trigger apresenta dois níveis de limiar para reconhecimento dos
níveis 0 e 1 (figura 1.7). Os níveis de entrada que ficam entre os dois limiares de histerese não causam
mudanças na saída. O dispositivo “quadra” as bordas de transição que aparecem em suas entradas,
melhorando (ou seja, diminuindo) os tempos de subida e queda de um sinal que varia lentamente de
estado.
Circuitos com Componentes Discretos (2005) 5
EPUSP — PCS 2011/2305/2355 — Laboratório Digital
7413
REGIÃO DE
HISTERESE
E
S
E
S
Figura 1.7 - Inversor “Schmitt Trigger”.
1.3.3. Oscilador a Cristal
Quando são necessárias alta estabilidade ou freqüências elevadas, mesmo com variações na temperatura
e tensão de alimentação dos circuitos integrados, utilizam-se cristais de quartzo, que podem ser cortados
para oscilar a uma freqüência específica, com grande precisão. Existem diversas opções para a
implementação de um oscilador a cristal, sendo uma delas apresentada na figura 1.8.
Neste circuito as portas trabalham na região linear, devendo o resistor ser ajustado para cada circuito
integrado; seu valor típico é de 1,5 KΩ. Quanto ao capacitor C, deve ser colocado quando a freqüência do
cristal é baixa, ou quando o circuito não oscila. Seu valor é determinado experimentalmente.
R R
C
CRISTAL
RELÓGIO
OPCIONAL
Figura 1.8 - Oscilador a Cristal.
2.4 Circuito “Limpa ao Ligar”
Ao aplicar-se, inicialmente, a alimentação a um circuito digital, os flip-flops e as memórias voláteis
podem assumir qualquer estado. A menos que uma preparação seja feita para iniciação, o circuito pode
não se comportar como esperado. Em todo circuito digital seqüencial é necessário estabelecer uma
condição inicial em todos os flip-flops, contadores e registradores, para se evitar estados não desejados.
Manualmente, pode-se estabelecer a situação inicial do circuito, através de um botão (reset) que permite
a presença de um pulso para limpar ou impor nível 1 em tais elementos. Entretanto, é de interesse que a
condição inicial seja imposta automaticamente, sempre que o circuito for energizado.
Basicamente, o princípio utilizado é o de carga em um capacitor, com uma constante de tempo
conveniente (figura 1.9). A figura 1.10 apresenta uma implementação típica do circuito “limpa ao ligar”.
Os circuitos integrados começam a funcionar quando a alimentação se estabiliza. Enquanto isso, o
capacitor está sendo carregado, de forma que na entrada do inversor esteja presente um nível lógico
interpretado como zero. Dessa maneira, tem-se que o sinal LAL apresenta nível um. Quando a tensão no
Circuitos com Componentes Discretos (2005) 6
EPUSP — PCS 2011/2305/2355 — Laboratório Digital
ponto A atingir o valor interpretado como nível um, a saída do inversor irá para nível zero, assim
permanecendo durante toda a operação.
A largura do pulso do sinal LAL pode ser controlada através de uma escolha conveniente dos valores dos
componentes R e C. Tipicamente, seus valores são de 1 KΩ e de 1 µF, respectivamente. A função do
diodo é permitir que o capacitor se descarregue pela fonte e não pelos circuitos integrados, quando a
fonte é desenergizada.
FONTE DE
ALIMENTAÇÃO
CIRCUITOS
DIGITAIS
AC
R6
C6
LAL
ALIMENTAÇÃO
ESTÁVEL
FONTE
LIGADA
FIM DA
INICIAÇÃO
Figura 1.9 – “Limpa ao Ligar” Automático.
C
R D
LAL
+5V
FONTE
ALIMENTAÇÃO
ESTÁVEL
X
Y
LAL
X - NÍVEL INTERPRETADO COMO ZERO
Y - NÍVEL INTERPRETADO COMO UM
A
A
Figura 1.10 - Exemplo de Circuito “Limpa ao Ligar”.
Circuitos com Componentes Discretos (2005) 7
EPUSP — PCS 2011/2305/2355 — Laboratório Digital
1.5 Circuitos de Interface com Contatos Mecânicos
A utilização de chaves e botões como entrada de circuitos digitais pode ocasionar uma série de
problemas. Os contatos metálicos existentes em tais elementos provocam diversas transições a cada
acionamento, podendo o sinal oriundo variar entre os níveis lógicos até a estabilização. Esse fenômeno é
reconhecido como contact bounce, e o ruído ocasionado pela abertura ou fechamento de contatos pode
durar desde alguns microsegundos, até alguns milisegundos, dependendo da qualidade do contato.
1.5.1. Chave de Duas Posições
Chaves ou botões de um pólo e duas posições podem ter o bounce associado removido, como mostra a
figura 1.11. Com um flip-flop do tipo SR e resistores de pull-up, o bounce associado ao acionamento e
desacionamento da chave não se propaga para a saída do flip-flop.
P
NF
NA
P
NF
NA
CHAVE BOTÃO
R
R
SINAL LIMPO
SINAL LIMPO
NF
NA
a) Circuito de Debounce de Chaves e Botões de Um Pólo, Duas Posições.
NA
NF
SINAL LIMPO
POSICIONAMENTO
DA CHAVE
RETORNO DA
CHAVE
b) Formas de Onda do Circuito.
Figura 1.11 - “Debounce” de Chaves e Botões
Circuitos com Componentes Discretos (2005) 8
EPUSP — PCS 2011/2305/2355 — Laboratório Digital
1.5.2. Chaves de Uma Posição
As chaves de apenas um pólo e uma posição apresentam bounce tanto no acionamento, como no
desacionamento, como mostra a figura 1.12. Isso torna a “limpeza” do sinal um pouco mais complexa.
+5V
S
180
A
PERÍODO DE
RUÍDO PERÍODO DE
RUÍDO
FECHAMENTO
DE S
ABERTURA
DE S
Figura 1.12 - “Bounce” de Uma Chave de Uma Posição.
No caso de botões que geram um pulso durante o acionamento, tem-se os circuitos apresentados na
figura 1.13. No caso de chaves, pode-se utilizar o circuito da figura 1.14.
R1
C1
A B
R2
R1
A
B
R2
C1R1 = 2 Mohms
R2 = 100 ohms
C1 = 10 nf
Figura 1.13 - Circuitos Geradores de Pulso.
B
R1
R2
C
R1 = 100 ohms
R2 = 10Kohms
C = 0,47uF
Figura 1.14 - Circuito de “Debounce” de Chaves de Um Pólo, Uma Posição.
Circuitos com Componentes Discretos (2005) 9
EPUSP — PCS 2011/2305/2355 — Laboratório Digital
2. PARTE EXPERIMENTAL
2.1. Circuitos Atrasadores e Geradores de Pulso
a) Implementar o circuito da figura 1.1, com um dos seguintes valores de R1 e C1:
R1 C1
220 Ω 10 nF
220 Ω 3,9 µF
1 kΩ 10 nF
1 kΩ 3,9 µF
Ajustar convenientemente a freqüência do gerador de pulsos e observar o atraso entre os pontos A e
D. Registrar as forma de ondas de todos os pontos. Justificar o funcionamento do circuito e os
resultados obtidos.
b) Idem, para o circuito da figura 1.2, com um dos seguintes valores de R2 e C2:
R2 C2
220 Ω 10 nF
220 Ω 3,9 µF
2,2 kΩ 10 nF
c) Idem, para os circuitos da figura 1.3, escolhendo um par de valores da tabela do item b, para R3 e C3.
d) Implementar o circuito da figura 1.4. Registrar as formas de onda e medir a largura dos pulsos.
Justificar o funcionamento do circuito e os resultados obtidos.
2.2. Osciladores
a) Implementar o circuito da figura 1.6, com os seguintes valores para R5 e C5:
R5 C5
1 kΩ 470 pF
1 kΩ 10 nF
330 Ω 22 nF
Registrar as formas de onda obtidas. Medir o valor do período e da largura dos pulsos. Explicar o
funcionamento do circuito através da curva de histerese que se encontra nos manuais de circuitos
integrados TTL.
b) Implementar o circuito da figura 1.8 com um cristal de freqüência nominal entre 2 MHz e 10 MHz,
inicialmente sem montar o capacitor. Verificar a forma de onda de saída. Se não oscilar, colocar o
capacitor, escolhendo um valor conveniente. Medir o valor do período e da largura dos pulsos.
2.3. Circuito “Limpa ao Ligar”
a) Projetar e implementar um contador binário módulo 16, com entrada assíncrona, com clock sensível à
borda de subida, e com entrada clear assíncrono, usando flip-flops. Ligar as saídas do contador em um
dos displays, e o clock a uma das chaves. Com o sinal clear não atuando, ligar e desligar a alimentação
do circuito, registrando, a cada vez, o valor do display. Justifique o ocorrido.
b) Montar o circuito “limpa ao ligar” da figura 1.10, ligando sua saída à entrada clear do contador do item
anterior. Repetir o teste efetuado nesse item, comparando os resultados. Justifique.
2.4. Utilização de Chaves
a) Utilizando o circuito contador do item 2.3.a, fornecer a entrada do sinal de clock através de uma
chave. Anotar, para cada acionamento da chave, o valor do display. Justifique o ocorrido.
b) Em relação à montagem do item anterior, acrescentar o circuito de debounce da figura 1.14, repetindo
os procedimentos de teste. Utilizar os seguintes valores: R1 = 100 Ω, R2 = 10 KΩ e C = 3,9 µF.
Compare e justifique os resultados obtidos.
Circuitos com Componentes Discretos (2005) 10
EPUSP — PCS 2011/2305/2355 — Laboratório Digital
3. BIBLIOGRAFIA
• FREGNI, Edson e SARAIVA, Antonio M. Engenharia do Projeto Lógico Digital: Conceitos e Prática.
Editora Edgard Blücher Ltda, 1995.
• WAKERLY, John F. Digital Design: Principles & Practices. 3rd edition, Prentice Hall, 2000.
• Signetics. TTL Logic Data Manual. 1982.
• Fairchild Optoelectronics, Manuais de fabricantes. Palo Alto – CA.
4. MATERIAL DISPONÍVEL
• Circuitos Integrados TTL:
- 7400, 7402, 7404, 7413, 7474, 7486.
• Componentes Discretos Disponíveis:
- Resistores: 100 Ω, 330Ω, 1 KΩ, 10 KΩ
- Capacitores: 470 pF, 10 nF, 22 nF, 3,9 µF
- Diodos: BAX10 ou 1N914 ou 1N4148
- Cristais: de 2 a 10 MHz
5. EQUIPAMENTOS NECESSÁRIOS
• 1 painel de montagens experimentais.
• 1 fonte de alimentação fixa, 5V ± 5%, 4A.
• 1 osciloscópio digital.
• 1 multímetro digital.
• 1 gerador de pulsos.

Discretos

  • 1.
    Circuitos com ComponentesDiscretos (2005) 1 EPUSP — PCS 2011/2305/2355 — Laboratório Digital RESUMO Nesta experiência são apresentados circuitos com componentes da família TTL e que apresentam características especiais. Tais circuitos, na maioria dos casos, são de simples implementação e grande utilidade, e cujo comportamento nem sempre pode ser deduzido de forma imediata. São apresentados também circuitos envolvendo portas lógicas e componentes discretos, tais como resistores, capacitores, cristais e diodos, que implementam osciladores, circuitos “limpa ao ligar”, pulsos em bordas de sinais, etc. 1. PARTE TEÓRICA Embora os projetos de circuitos digitais sejam caracterizados pelo uso de componentes sob a forma de circuitos integrados, algumas vezes o projetista recorre a componentes discretos para a implementação de determinados circuitos. Componentes como resistores, capacitores, cristais, diodos e transistores, quando utilizados com circuitos integrados digitais, permitem a obtenção de circuitos muitas vezes simples e de grande utilidade. Os circuitos mais comuns com as características mencionadas são: atrasadores, osciladores, circuitos “limpa ao ligar”, de debouncing, etc. Em alguns desses circuitos, a escolha dos valores dos componentes discretos obedece a critérios práticos, nem sempre existindo uma fórmula precisa de cálculo. O princípio de funcionamento dos principais circuitos mencionados é descrito nos itens a seguir. 1.1. Circuitos Atrasadores 1.1.1. Atrasador de Uma Borda O circuito da figura 1.1 permite a obtenção de um sinal atrasado no ponto C, em relação ao ponto B. O atraso depende dos valores R1 e C1, que devem ser dimensionados de forma a se manterem os níveis lógicos no ponto C, e também de forma a não provocar atraso incompatível com o período ou a largura dos pulsos no ponto B. GERADOR DE PULSOS A B C D C1 R1 Figura 1.1 - Circuito Atrasador de Uma Borda. 1.1.2. Atrasador de Duas Bordas O circuito da figura 1.2 permite a obtenção de um sinal atrasado no ponto C, em relação ao ponto B, sendo que esse atraso não é igual para a borda de subida e de descida do pulso. O atraso, que é maior na borda de subida, depende dos valores de R2 e C2, que devem ser dimensionados segundo as mesmas recomendações do item anterior. CIRCUITOS COM COMPONENTES DISCRETOS D.T. e J.R.B./2001 (revisão) E.T.M./2003 (revisão da parte experimental) E.T.M./2004 (revisão) E.T.M./2005 (revisão)
  • 2.
    Circuitos com ComponentesDiscretos (2005) 2 EPUSP — PCS 2011/2305/2355 — Laboratório Digital GERADOR DE PULSOS A B C D C2 R2 Figura 1.2 - Circuito Atrasador de Duas Bordas. 1.1.3. Uso de Circuitos Atrasadores para a Geração de Pulsos O circuito atrasador apresentado no item anterior pode ser utilizado para a geração de pulsos estreitos a cada transição do sinal de entrada, conforme apresentado na figura 1.3 (próxima página). Observando-se a figura, tem-se pulsos nos seguintes pontos, em relação ao ponto C: • pontos C e D: pulsos na borda de descida; • pontos E e F: pulsos na borda de subida; • pontos G e H: pulsos nas bordas de descida e subida. 1.3. Osciladores 1.3.1. Osciladores de Saída TTL É possível a elaboração de osciladores com saída TTL de maneira simples e a baixo custo, como mostra a figura 1.4. A freqüência obtida com esse tipo de circuito varia na faixa de 10 KHz a 5 MHz. Com os valores sugeridos na tabela da figura 1.4, obtém-se formas de onda com 60% de nível 1 e 40% de nível 0. Na figura 1.4 tem-se uma implementação com portas inversoras, enquanto na figura 1.5 são utilizadas portas NE, com sinal de liberação do sinal de relógio. A B C D E 100 C RELÓGIO RELÓGIO 330 C Freqüência 200 pF 5 MHz 1600 pF 1 MHz 0,018 µF 100 KHz 0,18 µF 10 KHz Figura 1.4 - Oscilador com RC.
  • 3.
    Circuitos com ComponentesDiscretos (2005) 3 EPUSP — PCS 2011/2305/2355 — Laboratório Digital GERADOR DE PULSOS A B C3 R3 B C X A B C3 R3 B E X C3 R3 B D X C3 R3 B F X C3 R3 B G X C3 R3 B H X X B C Y D E F G H Figura 1.3 - Geração de Pulsos com Circuitos Atrasadores.
  • 4.
    Circuitos com ComponentesDiscretos (2005) 4 EPUSP — PCS 2011/2305/2355 — Laboratório Digital 100 C RELÓGIO LIBERA 330 Figura 1.5 - Oscilador com RC e Bloqueio 1.3.2. Oscilador de Relaxação Uma alternativa de simples implementação envolve o uso de portas com a característica schmitt trigger, apresentada na figura 1.6. Usualmente utilizam-se resistores na faixa de 220 Ω a 1 kΩ e capacitores na faixa de 2,2 nF a 22 µF, obtendo-se freqüências de até alguns MHz. R5 RELÓGIO C5 7413 Figura 1.6 - Oscilador de Relaxação. Os circuitos integrados do tipo schmitt trigger apresentam um comportamento de um TTL comum. Sua identificação é representada pelo símbolo colocado dentro do símbolo convencional das portas lógicas. Uma porta inversora lógica TTL comum, quando recebe em sua entrada um sinal que varia lentamente com o tempo (por exemplo, um sinal senoidal), fornecerá em sua saída uma forma de onda ligeiramente mais “quadrada” que a entrada, devido aos limiares de chaveamento. Entretanto, o inversor pode permanecer em sua região de incerteza por um tempo considerável, podendo o sinal de saída não apresentar um sinal conveniente para muitas aplicações (por exemplo, clocks de flip-flops). O circuito com característica schmitt trigger apresenta dois níveis de limiar para reconhecimento dos níveis 0 e 1 (figura 1.7). Os níveis de entrada que ficam entre os dois limiares de histerese não causam mudanças na saída. O dispositivo “quadra” as bordas de transição que aparecem em suas entradas, melhorando (ou seja, diminuindo) os tempos de subida e queda de um sinal que varia lentamente de estado.
  • 5.
    Circuitos com ComponentesDiscretos (2005) 5 EPUSP — PCS 2011/2305/2355 — Laboratório Digital 7413 REGIÃO DE HISTERESE E S E S Figura 1.7 - Inversor “Schmitt Trigger”. 1.3.3. Oscilador a Cristal Quando são necessárias alta estabilidade ou freqüências elevadas, mesmo com variações na temperatura e tensão de alimentação dos circuitos integrados, utilizam-se cristais de quartzo, que podem ser cortados para oscilar a uma freqüência específica, com grande precisão. Existem diversas opções para a implementação de um oscilador a cristal, sendo uma delas apresentada na figura 1.8. Neste circuito as portas trabalham na região linear, devendo o resistor ser ajustado para cada circuito integrado; seu valor típico é de 1,5 KΩ. Quanto ao capacitor C, deve ser colocado quando a freqüência do cristal é baixa, ou quando o circuito não oscila. Seu valor é determinado experimentalmente. R R C CRISTAL RELÓGIO OPCIONAL Figura 1.8 - Oscilador a Cristal. 2.4 Circuito “Limpa ao Ligar” Ao aplicar-se, inicialmente, a alimentação a um circuito digital, os flip-flops e as memórias voláteis podem assumir qualquer estado. A menos que uma preparação seja feita para iniciação, o circuito pode não se comportar como esperado. Em todo circuito digital seqüencial é necessário estabelecer uma condição inicial em todos os flip-flops, contadores e registradores, para se evitar estados não desejados. Manualmente, pode-se estabelecer a situação inicial do circuito, através de um botão (reset) que permite a presença de um pulso para limpar ou impor nível 1 em tais elementos. Entretanto, é de interesse que a condição inicial seja imposta automaticamente, sempre que o circuito for energizado. Basicamente, o princípio utilizado é o de carga em um capacitor, com uma constante de tempo conveniente (figura 1.9). A figura 1.10 apresenta uma implementação típica do circuito “limpa ao ligar”. Os circuitos integrados começam a funcionar quando a alimentação se estabiliza. Enquanto isso, o capacitor está sendo carregado, de forma que na entrada do inversor esteja presente um nível lógico interpretado como zero. Dessa maneira, tem-se que o sinal LAL apresenta nível um. Quando a tensão no
  • 6.
    Circuitos com ComponentesDiscretos (2005) 6 EPUSP — PCS 2011/2305/2355 — Laboratório Digital ponto A atingir o valor interpretado como nível um, a saída do inversor irá para nível zero, assim permanecendo durante toda a operação. A largura do pulso do sinal LAL pode ser controlada através de uma escolha conveniente dos valores dos componentes R e C. Tipicamente, seus valores são de 1 KΩ e de 1 µF, respectivamente. A função do diodo é permitir que o capacitor se descarregue pela fonte e não pelos circuitos integrados, quando a fonte é desenergizada. FONTE DE ALIMENTAÇÃO CIRCUITOS DIGITAIS AC R6 C6 LAL ALIMENTAÇÃO ESTÁVEL FONTE LIGADA FIM DA INICIAÇÃO Figura 1.9 – “Limpa ao Ligar” Automático. C R D LAL +5V FONTE ALIMENTAÇÃO ESTÁVEL X Y LAL X - NÍVEL INTERPRETADO COMO ZERO Y - NÍVEL INTERPRETADO COMO UM A A Figura 1.10 - Exemplo de Circuito “Limpa ao Ligar”.
  • 7.
    Circuitos com ComponentesDiscretos (2005) 7 EPUSP — PCS 2011/2305/2355 — Laboratório Digital 1.5 Circuitos de Interface com Contatos Mecânicos A utilização de chaves e botões como entrada de circuitos digitais pode ocasionar uma série de problemas. Os contatos metálicos existentes em tais elementos provocam diversas transições a cada acionamento, podendo o sinal oriundo variar entre os níveis lógicos até a estabilização. Esse fenômeno é reconhecido como contact bounce, e o ruído ocasionado pela abertura ou fechamento de contatos pode durar desde alguns microsegundos, até alguns milisegundos, dependendo da qualidade do contato. 1.5.1. Chave de Duas Posições Chaves ou botões de um pólo e duas posições podem ter o bounce associado removido, como mostra a figura 1.11. Com um flip-flop do tipo SR e resistores de pull-up, o bounce associado ao acionamento e desacionamento da chave não se propaga para a saída do flip-flop. P NF NA P NF NA CHAVE BOTÃO R R SINAL LIMPO SINAL LIMPO NF NA a) Circuito de Debounce de Chaves e Botões de Um Pólo, Duas Posições. NA NF SINAL LIMPO POSICIONAMENTO DA CHAVE RETORNO DA CHAVE b) Formas de Onda do Circuito. Figura 1.11 - “Debounce” de Chaves e Botões
  • 8.
    Circuitos com ComponentesDiscretos (2005) 8 EPUSP — PCS 2011/2305/2355 — Laboratório Digital 1.5.2. Chaves de Uma Posição As chaves de apenas um pólo e uma posição apresentam bounce tanto no acionamento, como no desacionamento, como mostra a figura 1.12. Isso torna a “limpeza” do sinal um pouco mais complexa. +5V S 180 A PERÍODO DE RUÍDO PERÍODO DE RUÍDO FECHAMENTO DE S ABERTURA DE S Figura 1.12 - “Bounce” de Uma Chave de Uma Posição. No caso de botões que geram um pulso durante o acionamento, tem-se os circuitos apresentados na figura 1.13. No caso de chaves, pode-se utilizar o circuito da figura 1.14. R1 C1 A B R2 R1 A B R2 C1R1 = 2 Mohms R2 = 100 ohms C1 = 10 nf Figura 1.13 - Circuitos Geradores de Pulso. B R1 R2 C R1 = 100 ohms R2 = 10Kohms C = 0,47uF Figura 1.14 - Circuito de “Debounce” de Chaves de Um Pólo, Uma Posição.
  • 9.
    Circuitos com ComponentesDiscretos (2005) 9 EPUSP — PCS 2011/2305/2355 — Laboratório Digital 2. PARTE EXPERIMENTAL 2.1. Circuitos Atrasadores e Geradores de Pulso a) Implementar o circuito da figura 1.1, com um dos seguintes valores de R1 e C1: R1 C1 220 Ω 10 nF 220 Ω 3,9 µF 1 kΩ 10 nF 1 kΩ 3,9 µF Ajustar convenientemente a freqüência do gerador de pulsos e observar o atraso entre os pontos A e D. Registrar as forma de ondas de todos os pontos. Justificar o funcionamento do circuito e os resultados obtidos. b) Idem, para o circuito da figura 1.2, com um dos seguintes valores de R2 e C2: R2 C2 220 Ω 10 nF 220 Ω 3,9 µF 2,2 kΩ 10 nF c) Idem, para os circuitos da figura 1.3, escolhendo um par de valores da tabela do item b, para R3 e C3. d) Implementar o circuito da figura 1.4. Registrar as formas de onda e medir a largura dos pulsos. Justificar o funcionamento do circuito e os resultados obtidos. 2.2. Osciladores a) Implementar o circuito da figura 1.6, com os seguintes valores para R5 e C5: R5 C5 1 kΩ 470 pF 1 kΩ 10 nF 330 Ω 22 nF Registrar as formas de onda obtidas. Medir o valor do período e da largura dos pulsos. Explicar o funcionamento do circuito através da curva de histerese que se encontra nos manuais de circuitos integrados TTL. b) Implementar o circuito da figura 1.8 com um cristal de freqüência nominal entre 2 MHz e 10 MHz, inicialmente sem montar o capacitor. Verificar a forma de onda de saída. Se não oscilar, colocar o capacitor, escolhendo um valor conveniente. Medir o valor do período e da largura dos pulsos. 2.3. Circuito “Limpa ao Ligar” a) Projetar e implementar um contador binário módulo 16, com entrada assíncrona, com clock sensível à borda de subida, e com entrada clear assíncrono, usando flip-flops. Ligar as saídas do contador em um dos displays, e o clock a uma das chaves. Com o sinal clear não atuando, ligar e desligar a alimentação do circuito, registrando, a cada vez, o valor do display. Justifique o ocorrido. b) Montar o circuito “limpa ao ligar” da figura 1.10, ligando sua saída à entrada clear do contador do item anterior. Repetir o teste efetuado nesse item, comparando os resultados. Justifique. 2.4. Utilização de Chaves a) Utilizando o circuito contador do item 2.3.a, fornecer a entrada do sinal de clock através de uma chave. Anotar, para cada acionamento da chave, o valor do display. Justifique o ocorrido. b) Em relação à montagem do item anterior, acrescentar o circuito de debounce da figura 1.14, repetindo os procedimentos de teste. Utilizar os seguintes valores: R1 = 100 Ω, R2 = 10 KΩ e C = 3,9 µF. Compare e justifique os resultados obtidos.
  • 10.
    Circuitos com ComponentesDiscretos (2005) 10 EPUSP — PCS 2011/2305/2355 — Laboratório Digital 3. BIBLIOGRAFIA • FREGNI, Edson e SARAIVA, Antonio M. Engenharia do Projeto Lógico Digital: Conceitos e Prática. Editora Edgard Blücher Ltda, 1995. • WAKERLY, John F. Digital Design: Principles & Practices. 3rd edition, Prentice Hall, 2000. • Signetics. TTL Logic Data Manual. 1982. • Fairchild Optoelectronics, Manuais de fabricantes. Palo Alto – CA. 4. MATERIAL DISPONÍVEL • Circuitos Integrados TTL: - 7400, 7402, 7404, 7413, 7474, 7486. • Componentes Discretos Disponíveis: - Resistores: 100 Ω, 330Ω, 1 KΩ, 10 KΩ - Capacitores: 470 pF, 10 nF, 22 nF, 3,9 µF - Diodos: BAX10 ou 1N914 ou 1N4148 - Cristais: de 2 a 10 MHz 5. EQUIPAMENTOS NECESSÁRIOS • 1 painel de montagens experimentais. • 1 fonte de alimentação fixa, 5V ± 5%, 4A. • 1 osciloscópio digital. • 1 multímetro digital. • 1 gerador de pulsos.