MANUAL DE COMANDOS
INDUSTRIAIS
F N 220Vca ~ 60Hz
~220Vca
F N
L N I1 I2 I3 I4 I5 I6 I7 I8
Q1 Q2 Q3 Q4
1 2 1 2 1 2 1 2
Q1 Q2 Q3 Q4
U V W
L1 L2 LI1 LI2 LI3 LI4 +24SC SB SA
PO PA PB +10 AI1 COM AIC AI2 LO LO+
123456
STOP
MO 17:52
1234 Z?
Z1 Z2
Q1 Q2 Q3 Q4
Programa Param Simula RUN STOP
CENTRO FEDERAL DE EDUCAÇÃO TECNOLÓGICA DO CEARÁ
Raimundo César Gênova de Castro
SUMÁRIO:
1) Apresentação do laboratório de Comandos Industriais;
2) Símbolos gráficos de eletricidade/eletrônica;
3) Apresentação, identificação e teste dos materiais e equipamentos;
4) Esquemas de ligação, Identificação e testes de motores elétricos;
5) Comandos Elétricos Industriais convencionais;
6) Acionamento de motores através de Chaves estáticas tipo Soft-Starter;
7) Acionamento de motores com velocidade e freqüência variável através do Inversor de Freqüência;
8) Comando e controle através de módulo lógico programável em automação predial e industrial;
9) Aplicação integrada do módulo lógico programável com o inversor de freqüência;
10) Aplicação do Motofreio monodisco;
11) Aplicação do Motordrive;
12) Aplicação do Moto-redutor;
13) Questionários;
14)Terminologia atualizada incluindo a eletrônica de potência;
15) Esquemas e projetos complementares.
Manual de Comandos Industriais
TODOS OS DIREITOS RESERVADOS – É proibida a reprodução total ou
parcial desta publicação, de qualquer forma ou por qualquer meio, sem prévia
autorização, por escrito, do autor.
O Código Penal Brasileiro determina no artigo 184, penas contra a violação do
direito autoral, “DOS CRIMES CONTRA A PROPRIEDADE INTELECTUAL”.
10ª Edição Ano:2004
Castro, Raimundo César Gênova.
Manual de Comandos Industriais / Raimundo César Gênova de Castro
Fortaleza-CE: Centro Federal de Educação Tecnológica – CEFET-CE, Out. 2004.
1. Comandos Industriais I. Título
VALORIZE SUA FORMAÇÃO PROFISSIONAL,
SEU FUTURO, SUA CONSCIÊNCIA.
EDUCANDO PARA A VIDA.
Prof. Gênova
CENTRO FEDERAL DE EDUCAÇÃO TECNOLÓGICA DO CEARÁ – CEFET-CE
CURSO DE ELETROTÉCNICA
MANUAL DE COMANDOS INDUSTRIAIS
ÍNDICE
Prof. Gênova
S U M Á R I O
ASSUNTO PÁGINA
PRÁTICA - 01
Apresentação dos materiais, equipamentos e símbolos gráficos empregados em circuitos de comandos
industriais.
1. Objetivos.................................................................................................................................................. 1
2. Comentários Teóricos.............................................................................................................................. 1
2.1. Contatores............................................................................................................................................. 1
2.2. Relé bimetálico de sobrecarga.............................................................................................................. 4
2.3. Botões de comando.............................................................................................................................. 6
2.4. Lâmpada de sinalização........................................................................................................................ 8
2.5. Fusível NH............................................................................................................................................. 9
2.6. Fusível diazed....................................................................................................................................... 11
2.7. Chave seccionadora e comutadora rotativa tipo PACCO..................................................................... 12
2.8. Relé de tempo....................................................................................................................................... 14
2.9. Chaves bóias......................................................................................................................................... 15
2.10. Relé fotoelétrico.................................................................................................................................. 16
2.11. Relé falta de fase................................................................................................................................ 17
2.13. Inversor de freqüência......................................................................................................................... 18
3. Procedimento da prática.......................................................................................................................... 19
4. Verifique os seus conhecimentos............................................................................................................. 20
PRÁTICA – 02
Teste dos materiais e equipamentos empregados nos circuitos de comando e força industrial
1. Objetivos.................................................................................................................................................. 22
2. Comentários Teóricos.............................................................................................................................. 22
3. Material Empregado................................................................................................................................. 23
4. Procedimento da Prática.......................................................................................................................... 23
4.1. Teste do contator.................................................................................................................................. 23
4.2. Teste do relé bimetálico de sobrecarga................................................................................................ 24
4.3. Teste dos fusíveis NH e Diazed............................................................................................................ 24
4.4. Teste dos botões de comando.............................................................................................................. 24
4.5. Teste dos sinalizadores luminosos....................................................................................................... 25
4.6. Teste do relé de tempo......................................................................................................................... 25
4.7. Teste das chaves bóias......................................................................................................................... 25
4.8. Teste do relé fotoelétrico....................................................................................................................... 25
4.9. Teste da chave seccionadora rotativa PACCO..................................................................................... 26
4.10. Teste da chave soft-starter.................................................................................................................. 26
4.11. Teste do Inversor de Freqüência........................................................................................................ 26
5. Verifique os seus conhecimentos............................................................................................................. 26
PRÁTICA – 03
Apresentação, identificação e ligação de chaves rotativas manuais com acionamento por alavanca
1. Objetivos.................................................................................................................................................. 28
2. Comentários teóricos............................................................................................................................... 28
3. Material empregado................................................................................................................................. 30
4. Procedimento da prática.......................................................................................................................... 31
4.1. Chave reversora manual....................................................................................................................... 31
4.2. Chave estrela-triângulo manual............................................................................................................ 33
5. Verifique os seus conhecimentos............................................................................................................. 36
PRÁTICA – 04
Identificação dos terminais dos enrolamentos de motores de indução trifásico, com 6 pontas
1. Objetivo.................................................................................................................................................... 37
2. Comentários teóricos............................................................................................................................... 37
3. Material empregado................................................................................................................................. 39
4. Procedimento da prática.......................................................................................................................... 39
4.1. Procedimento para verificação da continuidade das bobinas............................................................... 39
4.2. Procedimento para identificação dos terminais dos enrolamentos....................................................... 40
4.3. Teste de ligação do motor..................................................................................................................... 43
5. Verifique os seus conhecimentos............................................................................................................. 44
PRÁTICA – 05
Comando para partida direta de MIT com acionamento remoto através de botoeiras e automático
através de chaves bóias e relé fotoelétrico:
1. Objetivos.................................................................................................................................................. 45
2. Comentários Teóricos.............................................................................................................................. 45
3. Material empregado................................................................................................................................. 46
4. Procedimento da prática.......................................................................................................................... 46
4.1. Diagrama de comando.......................................................................................................................... 46
CENTRO FEDERAL DE EDUCAÇÃO TECNOLÓGICA DO CEARÁ – CEFET-CE
CURSO DE ELETROTÉCNICA
MANUAL DE COMANDOS INDUSTRIAIS
ÍNDICE
Prof. Gênova
ASSUNTO PÁGINA
4.2. Diagrama de força................................................................................................................................. 48
5. Verifique os seus conhecimentos............................................................................................................. 49
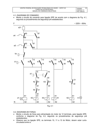
PRÁTICA – 06
Comando para acionamento do motor monofásico de fase dividida, com partida à capacitor:
1. Objetivos.................................................................................................................................................. 50
2. Comentários Teóricos.............................................................................................................................. 50
3. Material Empregado................................................................................................................................. 52
4. Procedimento da Prática.......................................................................................................................... 52
4.1. Diagrama de comando.......................................................................................................................... 52
4.2. Diagrama de força................................................................................................................................. 54
5. Verifique os seus conhecimentos............................................................................................................. 55
PRÁTICA – 07
Comando para partida direta de MIT, com reversão no sentido de rotação e acionamento remoto
através de botoeiras e chaves fim de curso:
1. Objetivos.................................................................................................................................................. 56
2. Comentários teóricos............................................................................................................................... 56
3. Material empregado................................................................................................................................. 57
4. Procedimento da prática.......................................................................................................................... 57
4.1. Diagrama de comando.......................................................................................................................... 57
4.2. Diagrama de força................................................................................................................................. 59
5. Verifique os seus conhecimentos............................................................................................................. 59
PRÁTICA – 08
Acionamento do motor de indução monofásico de fase dividida, com partida à capacitor, com reversão
no sentido de rotação:
1. Objetivo.................................................................................................................................................... 61
2. Comentários teóricos............................................................................................................................... 61
3. Material empregado................................................................................................................................. 62
4. Procedimento da prática.......................................................................................................................... 62
4.1. Comando por chave reversora............................................................................................................. 62
4.2. Comando remoto por botoeiras e contatores....................................................................................... 63
4.2.a) Diagrama de comando....................................................................................................................... 63
4.2.b) Diagrama de força.............................................................................................................................. 64
5. Verifique os seus conhecimentos............................................................................................................. 64
PRÁTICA – 09
Comando automático para a partida de vários motores trifásicos em ligação seqüencial:
1. Objetivo.................................................................................................................................................... 66
2. Comentários teóricos............................................................................................................................... 66
3. Material empregado................................................................................................................................. 67
4. Procedimento da prática.......................................................................................................................... 67
4.1. Diagrama de comando.......................................................................................................................... 67
4.2. Diagrama de força................................................................................................................................. 68
5. Verifique os seus conhecimentos............................................................................................................. 68
PRÁTICA – 10
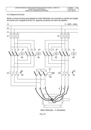
Comando automático para acionamento de motor de polos comutáveis para 2 velocidades:
1. Objetivo.................................................................................................................................................... 70
2. Comentários teóricos............................................................................................................................... 70
3. Material empregado................................................................................................................................. 71
4. Procedimento da prática.......................................................................................................................... 72
4.1. Diagrama de comando.......................................................................................................................... 72
4.2. Diagrama de força................................................................................................................................. 73
5. Verifique os seus conhecimentos............................................................................................................. 74
PRÁTICA – 11
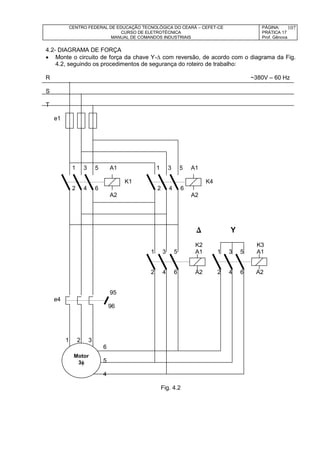
Comando automático para partida Y- de MIT:
1. Objetivos.................................................................................................................................................. 75
2. Comentários Teóricos.............................................................................................................................. 75
2.1. Utilização da chave Y-........................................................................................................................ 75
2.2. Diagrama de ligação............................................................................................................................. 76
2.3. Vantagens e desvantagens da chave Y-............................................................................................ 76
2.4. Chave Y- de transição fechada........................................................................................................... 77
3. Material empregado................................................................................................................................. 78
4. Procedimento da prática.......................................................................................................................... 78
4.1. Diagrama de comando.......................................................................................................................... 78
4.2. Diagrama de força................................................................................................................................. 79
5. Verifique os seus conhecimentos............................................................................................................. 80
CENTRO FEDERAL DE EDUCAÇÃO TECNOLÓGICA DO CEARÁ – CEFET-CE
CURSO DE ELETROTÉCNICA
MANUAL DE COMANDOS INDUSTRIAIS
ÍNDICE
Prof. Gênova
ASSUNTO PÁGINA
PRÁTICA – 12
Aplicação do quadro eletromecânico SIMELETRO USB 630 SIEMENS com simulador de defeitos para
os circuitos de partida direta, reversora e estrela-triângulo:
1. Objetivos.................................................................................................................................................. 81
2. Comentários Teóricos.............................................................................................................................. 81
3. Procedimento da Prática.......................................................................................................................... 85
4. Verifique os seus conhecimentos............................................................................................................. 86
5. Diagrama geral de comando do quadro................................................................................................... 87
6. Diagrama geral de força do quadro.......................................................................................................... 88
PRÁTICA – 13
Comando automático para partida de MIT com tensão reduzida, através de chave compensadora à
seco:
1. Objetivos.................................................................................................................................................. 89
2. Comentários teóricos............................................................................................................................... 89
3. Material empregado................................................................................................................................. 90
4. Procedimento da prática.......................................................................................................................... 90
4.1. Diagrama de comando.......................................................................................................................... 90
4.2. Diagrama de força................................................................................................................................. 91
5. Verifique os seus conhecimentos............................................................................................................. 92
PRÁTICA – 14
Comando automático para partida de MIT com tensão reduzida, através de chave série-paralela estrela:
1. Objetivo.................................................................................................................................................... 93
2. Comentários teóricos............................................................................................................................... 93
3. Material empregado................................................................................................................................. 94
4. Procedimento da prática.......................................................................................................................... 94
4.1. Comando por chave reversora.............................................................................................................. 95
4.2. Comando remoto por botoeiras e contatores........................................................................................ 95
5. Verifique os seus conhecimentos............................................................................................................. 96
PRÁTICA – 15
Comando automático para a partida de MIT através de chave microprocessada soft-starter
1. Objetivo.................................................................................................................................................... 97
2. Comentários teóricos............................................................................................................................... 97
3. Material empregado................................................................................................................................. 99
4. Procedimento da prática.......................................................................................................................... 100
4.1. Circuito de comando e força................................................................................................................. 100
5. Verifique os seus conhecimentos............................................................................................................. 101
PRÁTICA – 16
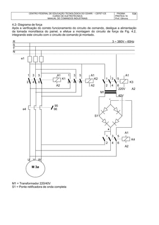
Comando automático para partida direta de MIT, com reversão e circuito de freio eletromagnético:
1. Objetivo.................................................................................................................................................... 102
2. Comentários teóricos............................................................................................................................... 102
3. Material empregado................................................................................................................................. 103
4. Procedimento da prática.......................................................................................................................... 103
4.1. Diagrama de comando.......................................................................................................................... 103
4.2. Diagrama de força................................................................................................................................. 104
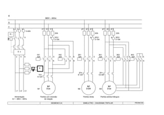
PRÁTICA – 17
Comando automático para partida Y- de MIT, com reversão no sentido de rotação:
1. Objetivos.................................................................................................................................................. 105
2. Comentários Teóricos.............................................................................................................................. 105
3. Material empregado................................................................................................................................. 106
4. Procedimento da prática.......................................................................................................................... 106
4.1. Diagrama de comando.......................................................................................................................... 106
4.2. Diagrama de força................................................................................................................................. 107
5. Verifique os seus conhecimentos............................................................................................................. 108
PRÁTICA – 18
Comando automático para acionamento do motor de polos comutáveis para 2 velocidades (ligação
dahlander), com reversão no sentido de rotação:
1. Objetivos.................................................................................................................................................. 109
2. Comentários Teóricos.............................................................................................................................. 109
3. Material empregado................................................................................................................................. 109
4. Procedimento da prática.......................................................................................................................... 110
4.1. Diagrama de comando.......................................................................................................................... 111
4.2. Diagrama de força................................................................................................................................. 112
PRÁTICA – 19
Comando automático para partida de MIT com tensão reduzida, através de chave compensadora à
seco e inversão de rotação:
1. Objetivos.................................................................................................................................................. 113
CENTRO FEDERAL DE EDUCAÇÃO TECNOLÓGICA DO CEARÁ – CEFET-CE
CURSO DE ELETROTÉCNICA
MANUAL DE COMANDOS INDUSTRIAIS
ÍNDICE
Prof. Gênova
ASSUNTO PÁGINA
2. Comentários teóricos............................................................................................................................... 113
3. Material empregado................................................................................................................................. 113
4. Procedimento da prática.......................................................................................................................... 114
4.1. Diagrama de comando.......................................................................................................................... 114
4.2. Diagrama de força................................................................................................................................. 115
PRÁTICA – 20
Comando automático para partida de MIT com acionamento por botoeira e controle de proteção contra
falta de fase:
1. Objetivo.................................................................................................................................................... 116
2. Comentários teóricos............................................................................................................................... 116
3. Material empregado................................................................................................................................. 116
4. Procedimento da prática.......................................................................................................................... 117
4.1. Diagrama de comando.......................................................................................................................... 117
4.2. Diagrama de força................................................................................................................................. 118
PRÁTICA – 21
Inversores de freqüência para acionamentos de máquinas de corrente alternada – CA:
1. Objetivo.................................................................................................................................................... 119
2. Comentários Teóricos.............................................................................................................................. 119
 Diagrama de blocos dos conversores................................................................................................... 119
 Conversores Não controlável e controlável e métodos de controle...................................................... 120
 Equação de tensão da máquina........................................................................................................... 120
 Inversor de freqüência e vantagens do acionamento eletrônico........................................................... 121
 Desenho esquemático do Inversor de freqüência................................................................................. 122
 Construção da forma de onda trifásica na saída do inversor................................................................ 123
 Modulação PWM senoidal.................................................................................................................... 124
3. Material Empregado................................................................................................................................. 125
4. Procedimento da Prática.......................................................................................................................... 125
4.1 Inversor de freqüência Altivar 08............................................................................................................ 125
4.2 Inversor de freqüência Altivar 18............................................................................................................ 129
4.3 Ligação do inversor com componentes associados............................................................................... 134
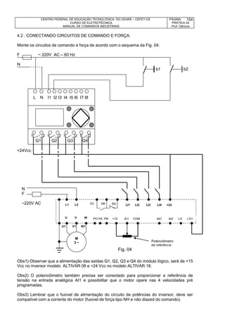
PRÁTICA – 22
Comando através da aplicação do módulo lógico programável:
1. Objetivo.................................................................................................................................................... 135
2. Comentários Teóricos.............................................................................................................................. 135
2.1 Modelo Easy........................................................................................................................................... 136
2.2 Modelo Zelio........................................................................................................................................... 140
3. Material Empregado................................................................................................................................. 144
4. Procedimento da Prática.......................................................................................................................... 145
PRÁTICA – 23
Acionamento e parada do motofreio trifásico monodisco
1. Objetivo.................................................................................................................................................... 146
2. Comentários Teóricos.............................................................................................................................. 146
3. Material Empregado................................................................................................................................. 149
4. Procedimento da Prática.......................................................................................................................... 149
4.1. Circuito de comando............................................................................................................................. 149
4.1.1 Frenagem Lenta.................................................................................................................................. 149
4.1.2 Frenagem média................................................................................................................................. 150
4.1.3 Frenagem rápida................................................................................................................................. 150
4.2 Circuito de Força.................................................................................................................................... 150
PRÁTICA – 24
Aplicação integrada do modulo lógico com o inversor de freqüência
1. Objetivo.................................................................................................................................................... 151
2. Comentários Teóricos.............................................................................................................................. 151
3. Material Empregado................................................................................................................................. 152
4. Procedimento da Prática.......................................................................................................................... 152
4.1. Programação no Módulo Lógico........................................................................................................... 153
4.2. Conectando Circuitos de Força............................................................................................................. 154
ANEXO – 1 : TERMINOLOGIA:
Definição de termos técnicos materiais, equipamentos e dispositivos de comando. proteção e manobra de BT:
1. Objetivo................................................................................................................................................... 155
2. Terminologia............................................................................................................................................. 155
ANEXO – 2: LITERATURA TÉCNICA PARA CONSULTA:
Bibliografia.................................................................................................................................................... 164
CENTRO FEDERAL DE EDUCAÇÃO TECNOLÓGICA DO CEARÁ – CEFET-CE
CURSO DE ELETROTÉCNICA - MANUAL DE COMANDOS INDUSTRIAIS
P-00 PÁGINA:
Prof. Gênova
1
PRÁTICA - 00
ASSUNTO: APRESENTAÇÃO DA DISCIPLINA DE COMANDOS INDUSTRIAIS
1. OBJETIVOS
Apresentar o conteúdo programático, a carga horária prevista, o ambiente do laboratório com suas
peculiaridades, as recomendações de segurança contra contatos acidentais, os sistemas de alimentação,
proteção e manobra dos quadros de distribuição e didáticos, o sistema de avaliação e a bibliografia
adotada e recomendada para consulta e fundamentação teórica.
2. COMENTÁRIOS GERAIS
A disciplina de comandos industriais é constituída por uma seqüência de práticas de laboratório, incluindo
essa apresentação, cujos assuntos precedem uma fundamentação teórica para que o professor faça a
introdução do assunto a ser ministrado. Essa fundamentação teórica é de importância significativa para o
sucesso da relação ensino-aprendizagem, e para que o período disponível da aula tenha um rendimento
otimizado, é fundamental que o aluno seja o mais proativo possível, ou seja, deve ler com antecedência o
conteúdo da prática a ser trabalhada, trabalhar em equipe, manter a vigilância em alerta para que o
próprio aluno ou seus companheiros, não venham a levar choques elétricos.Observar se os disjuntores
estão ligados ou desligados e se as partes vivas estão sob tensão, se os diversos componentes estão
alimentados na tensão nominal adequada, participando ativamente desse momento. Caso surjam
dúvidas, chame o professor para que ele possa esclarecer o assunto. Se o professor estiver ocupado
momentaneamente atendendo outra equipe, tenha paciência e espere a sua vez, mas nunca tome uma
atitude precipitada, pois um erro de montagem pode levar a prejuízos incalculáveis e riscos de defeitos
ou mesmo a provocar choques elétricos. O CEFET é uma instituição de ensino pública que como toda
instituição do gênero, tem suas carências de recursos orçamentários, mas se você fizer a sua parte com
responsabilidade, com certeza o material de consumo servirá para que outros alunos também possam
usufruir dessa tecnologia sem restrições.
Lembre-se que um dos objetivos e prescrições fundamentais da disciplina é proporcionar ao aluno, a
aprendizagem com segurança e responsabilidade, mantendo a integridade física das pessoas e bens.
É muito comum que num grupo de pessoas haja diversidade de conhecimento, algumas já possuem
conhecimento básico ou dominam o assunto e outras que nunca o viram, portanto não dê uma de querer
resolver as coisas sozinho, pois além de você estar prejudicando a relação ensino-aprendizagem, dando
uma de egoísta (a princípio até os outros vão achar bom pois não vão ter que fazer muito esforço nessa
equipe para ver as coisas funcionarem), você poderá inibir a vontade de seu companheiro e prejudicar o
aprendizado. A eletricidade e a eletrônica de potência estão cada vez mais presente no nosso dia a dia, e
para que tudo possa fluir da melhor maneira possível durante a aula prática, e que os circuitos
proporcionem o comando e o controle com total segurança, dê chance ao tempo, pergunte, indague,
questione, ajude os seus companheiros, pois o professor na sala de aula além de educador é um
facilitador, não hesite em perguntar, pois ele terá o maior prazer em poder te ajudar, trocar idéias para
que o conhecimento e o aprendizado realmente atinjam o objetivo maior, que é a sua satisfação pessoal
em ter aprendido mais um item para a sua vida profissional. Mesmo que você já tenha conhecimento do
assunto, sempre surgem novas tecnologias no mercado que poderão enriquecer ou reciclar o seu
conhecimento. Nunca é demais quando existe vontade de aprender.
Caso a duração da aula não dê tempo para você concluir a tarefa, não se desespere, pois o assunto
poderá ser repetido em uma aula extra ou mesmo na aula seguinte.
3. LAY OUT DA SALA DO LABORATÓRIO
O laboratório de comandos industriais é um ambiente com dimensões adequadas para que os alunos
possam desenvolver as montagens de circuitos com conforto e segurança. É importante que as equipes
de trabalho não ultrapasse de 3 a 4 alunos por quadro. O ideal seria uma equipe de 3 alunos, mas nem
sempre é possível trabalhar com essa formação devido o n° de alunos matriculados na disciplina.
O Laboratório possui 6 (seis) bancadas de trabalho que devem ser usadas para testes dos componentes,
dos motores e de chaves manuais, além de local ideal para consulta de esquemas, diagramas, material
didático e anotações complementares que deverão ser passadas pelo professor sobre o assunto
ministrado. O laboratório dispõe ainda de 6 (seis) quadros metálicos autosuportados em cavaletes de
ferro, com 4 motores para aplicação nas práticas. Os quadro didáticas são fabricadas em chapa de aço
pintados na cor cinza nos quais estão disponíveis 2 portas que poderão ser abertas para que o aluno
trabalhe adequadamente na montagem dos circuitos. Na parte frontal de uma das portas, estão instalados
sinaleiros verde e vermelho, botões de comando, chave seletora e botão com chave de segurança, que
serão utilizados respectivamente para sinalização, acionamento ou desativação dos circuitos de
alimentação dos motores. Veja a planta baixa do laboratório na Fig. 01.
CENTRO FEDERAL DE EDUCAÇÃO TECNOLÓGICA DO CEARÁ – CEFET-CE
CURSO DE ELETROTÉCNICA - MANUAL DE COMANDOS INDUSTRIAIS
P-00 PÁGINA:
Prof. Gênova
2
Fig. 01-Planta baixa representando o lay-out da sala do laboratório de comandos industriais.
 Disjuntor tripolar BT (01)  Relé falta de fase (01)
 Disjuntor monopolar BT (01)  Módulo lógico programável (01)
 Contatores (04)  Chave Softstarter (01)
 Relés de sobrecarga (03)  Inversor de freqüência (01)
 Fusíveis Diazed (02)  Chave fim de curso (02) *
 Fusíveis NH (03)  Chave bóia nível superior (01) *
 Relé de tempo (01)  Chave bóia nível inferior (01) *
(*) (Material móvel disponível no armário de aço)
Nas prateleiras dos cavaletes, cujos quadros se encontram suportados na parte superior, estão
disponíveis diversos motores de indução para aplicação nas montagens, conforme relação a seguir:
 1 moto redutor com motor trifásico 220/380V (1680/45 rpm), de 0,37 KW (0,5cv).
 1 motor monofásico com partida à capacitor 110/220V de 1/3 cv.
 1 motor trifásico MIT 380/660V de 0,5 cv.
 1 motor trifásico Dahlander 380V – 900/1800 rpm de 0,37 KW (0,5CV).
 1 Motordriver de 2cv.
 1 moto freio WEG 220/380V de 0,75 cv.
Para cada quadro didático corresponde uma bancada disposta frontalmente, contendo uma prateleira na
parte inferior para guarda de materiais tais como transformadores, autotranformadores, motores e demais
peças. Como fonte de alimentação, existe uma caixa de poliester de sobrepor contendo um disjuntor
tripolar, um disjuntor monopolar, uma tomada trifásica e uma monofásica.
CENTRO FEDERAL DE EDUCAÇÃO TECNOLÓGICA DO CEARÁ – CEFET-CE
CURSO DE ELETROTÉCNICA - MANUAL DE COMANDOS INDUSTRIAIS
P-00 PÁGINA:
Prof. Gênova
3
FOTOS DO LABORATÓRIO DE COMANDOS INDUSTRIAIS
Foto 01 – Vista frontal do quadro didático Foto 02- Vista interna do quadro didático aberto
metálico fechado, autosustentado no cavalete. com os componentes montados na bandeja.
Foto 03 – Vista geral do laboratório com as
bancadas dispostos no ambiente do laboratório
Foto 04 – Detalhe dos MITs sobre as prateleiras
Para o acionamento ou desativação da
iluminação e ventilação do laboratório, estão
disponíveis logo na entrada da sala, um
interruptor de 3 seções e um de 1 seção que
comandam, respectivamente, as luminárias e
os ventiladores de teto.
Para as interligações elétricas entre os
diversos componentes instalados na bandeja
interior do quadro didático, estarão
disponíveis fios flexíveis com capa isolada
com terminações do tipo plugue banana, em
quantidade suficiente e tamanhos diversos.
Nos armários de aço estão acondicionados
componentes de reposição, ferramentas,
fusíveis reserva, chaves bóias, chaves fim de
curso, caixas com botoeiras, teste série
dentre outros materiais que poderão ser
utilizados durante as práticas.
CENTRO FEDERAL DE EDUCAÇÃO TECNOLÓGICA DO CEARÁ – CEFET-CE
CURSO DE ELETROTÉCNICA - MANUAL DE COMANDOS INDUSTRIAIS
P-00 PÁGINA:
Prof. Gênova
4
Foto 05 – Quadro modulado USB 630 - SIMELETRO
4. PROCEDIMENTO DA PRÁTICA
A prática 00 é uma aula de apresentação para você conhecer o conteúdo programático, a carga horária, a
bibliografia e se familiarizar com o ambiente do laboratório, principalmente para que o seu trabalho neste
tema possa se desenvolver com tranqüilidade e máxima segurança:
4.1. Faça uma vistoria nos itens relacionados e a medida que houver conformidade coloque um visto :
( ) Quadro de distribuição (QDG) com disjuntor tripolar;
( ) Quadro de distribuição de luz (QDL) com disjuntores monopolares;
( ) Tomadas de corrente de sobrepor com 4 pinos - 16 A – 380V CEMAR;
( ) Plugues para uso industrial, cor vermelho, IP44, 4 Pinos (3F+1N), 16 A, 380V – CEMAR;
( ) Quadros didático metálico de 1000X800X250mm, fabricação ELMETA, cor cinza, com 2 postas e
equipado com bandeja na cor laranja para fixação dos componentes;
( ) Quadro didático metálico de 630X1200X250mm modulado, USB 630 SIEMENS, cor cinza, com 4
módulos e 4 portas;
( ) Bancadas com tampão de madeira e forro de borracha, com prateleira para guarda de componentes e
caixa termoplástica com 1 disjuntor 3, 1 disjuntor 1, 1 TUE 3 e 1 TUG 1;
( ) Armários de aço com prateleiras e 2 portas, para guarda de materiais, componentes, ferramentas de
trabalho, material didático, manuais, catálogos e transparências.
( ) Mesa com tampão de madeira para sustentação do Quadro USB 630 – SIMELETRO.
( ) Iluminação do laboratório formada de calhas tipo chanfradas para fluorescentes de 40 W.
( ) Ventilação artificial da sala, contendo ventiladores de teto.
( ) Ventilação natural através de janelas basculantes, com articulação com pinos da vertical.
( ) Tomadas de corrente monofásicas de 220V, 10 A.
( ) Interruptores para comando da iluminação fluorescente e ventilação.
( ) Fio flexível isolado e terminais com plugues tipo banana.
4.2. Procedimentos e recomendações de segurança:
Faça a leitura dos itens relacionados abaixo sobre procedimentos e recomendações de segurança e
assinale com um visto () se você compreendeu perfeitamente, caso contrário chame o professor.
 ( ) Durante os testes e montagens das práticas você vai se deparar com partes vivas condutoras que
não estarão protegidas contra contatos acidentais, existindo risco de choque elétrico;
 ( ) A alimentação CA do quadro e bancada de trabalho são de 220V e 380V, portanto todo o cuidado e
atenção devem ser redobrados, pois apesar de ser de BT, o risco de choque está presente;
 ( ) Cada quadro didático é dotado de 1 disjuntor geral tripolar e de 1 disjuntor monopolar que promovem
a proteção contra os curtos circuitos e as sobrecargas. A posição da alavanca para baixo indica disjuntor
desligado e circuito desenergizado;
 ( ) O Laboratório dispõe de um disjuntor geral instalado no QDG embutido na parede, localizado próximo
da porta de acesso da sala, que ao ser desativado, corta a alimentação de todos os quadros e bancadas
de trabalho;
 ( ) Por outro lado para alimentar as tomadas monofásicas e trifásicas da bancada de trabalho, basta
verificar se o disjuntor geral da sala está ligado e acionar para cima as alavancas dos disjuntores (1Ø ou
3Ø) da bancada,;
 ( ) Para alimentação do quadro didático é necessário inicialmente conectar o plugue de 4 pinos na
tomada de 4 polos e posteriormente acionar as alavancas dos disjuntores 1 e 3 para cima;
 ( ) Nas situações de emergência, havendo contatos acidentais com as partes vivas energizadas, o aluno
ou professor que estiver mais próximo do disjuntor geral da sala, deverá proceder a sua imediata
desativação, acionando a alavanca para baixo, desligando a alimentação elétrica dos quadros e bancadas,
de maneira a eliminar, no menor tempo possível, a situação de risco ou de choque elétrico. Se for
necessário deve-se aplicar à vítima, os primeiros socorros;
 ( ) O disjuntor geral de cada quadro didático só deve ser ligado pelo tempo necessário para a realização
dos testes dos materiais ou para acionamento dos circuitos, uma vez que todas as montagens devem ser
realizadas com o quadro sem tensão. Tão logo concluída a montagem e conferida as ligações, o quadro
deve ser energizado para comprovação do funcionamento do circuito. Após essa comprovação o disjuntor
geral deve ser desativado acionando a alavanca para baixo;
 ( ) Nos casos de montagens utilizando o módulo lógico programável e/ou o Inversor de freqüência, o
quadro deverá permanecer energizado quando da elaboração do desenho do circuito no display do módulo
lógico ou para parametrização do inversor. Na montagem da parte convencional do circuito deve-se
proceder como no item anterior, ou seja, com o quadro desligado.
 ( ) Recomenda-se que as montagens sejam sempre desenvolvidas em equipe pois garante-se uma
melhor performance além de propiciar uma supervisão mútua nas ações, e, conseqüentemente, obter um
ganho na segurança contra acidentes. Lembre-se que o trabalho preventivo é a chave do sucesso para
um trabalho seguro e sem acidentes.
CENTRO FEDERAL DE EDUCAÇÃO TECNOLÓGICA DO CEARÁ – CEFET-CE
CURSO DE ELETROTÉCNICA - MANUAL DE COMANDOS INDUSTRIAIS
P-01 PÁGINA
Prof. Gênova
5
PRATICA 01
APRESENTAÇÃO DOS MATERIAIS, EQUIPAMENTOS E SIMBOLOS GRÁFICOS EMPREGADOS EM
CIRUITOS DE COMANDOS INDUSTRIAIS.
1 .OBJETIVO
Familiarizar os usuários com os diversos materiais e equipamentos utilizados em circuitos de
comando industrial e identificar a simbologia padronizada.
2. COMENTÁRIOS
2.1- Contatores:
Função: Comando, seccionamento e controle dos circuitos alimentadores de motores, iluminação,
capacitores e outras cargas. (Fig. 2.1 a)
As principais características destes dispositivos são as seguintes: elevada durabilidade; elevado número
de manobras; possibilita comando à distância e automatismo de circuitos junto com outros componentes.
Genericamente o contator pode ser conceituado da seguinte forma:
É um dispositivo composto por um conjunto de contatos móveis, adaptados a um eixo móvel ou âncora,
mantido em sua posição de repouso mecanicamente através de molas. Abaixo deste eixo esta localizada
a bobina magnética com seu respectivo núcleo de chapas de ferro laminada. Os contatos que compõem o
conjunto, recebem a denominação de contatos principais ou de força, que são responsáveis pelo
estabelecimento de tensão nos terminais da carga (motor, barramento de quadro, iluminação, capacitor,
etc.), ou seja, as pastilhas destes contatos são atravessadas pela corrente do circuito para alimentação da
carga. Os contatos para circuitos principais são identificados por números com um único dígito conforme
a seguinte numeração de 1 a 6 (1-2; 3-4; 5-6), significando que para cada terminal marcado com um
número ímpar, corresponde outro terminal marcado com um número par imediatamente subsequente, ou
ainda por letras e índice numérico (L1-T1; L2-T2; L3-T3), considerando que as referências dos contatos 1;
3; 5 ou L1; L2; L3 devem ser conectados no lado da fonte (lado da rede de alimentação) e os contatos 2;
4; 6 ou T1; T2; T3, devem ser conectados no lado da carga (ex. motor).
Um contator principal possui ainda contatos auxiliares, que tem a função de estabelecer a alimentação da
bobina do contator (selo), sinalização, alarme e intertravamentos. Portanto os contatos auxiliares são
constituídos de pastilhas que são atravessados por correntes de pequenas intensidades, solicitadas pela
bobinas magnéticas dos contatores, relés, pela lâmpada de sinalização, ou pela bobina de alarmes e
sirenes.
Existem também os contatores auxiliares, que diferentes dos contatores principais só possuem contatos
auxiliares, com pastilhas de menor capacidade de condução de corrente e são empregados nos circuitos
de comando, sinalização e intertravamentos, normalmente auxiliando circuitos mais complexos e que
possuam outros contatores.
Um contator principal, deve possuir 3 (três) contatos de força, e um ou mais contatos auxiliares. Os
contatos de força são contatos normalmente abertos (NA), e os contatos auxiliares podem ser
normalmente aberto (NA) ou normalmente fechado (NF). Os contatos auxiliares são identificados por
números com dois dígitos, sendo o 1 ordinal e o 2 funcional, onde os números compostos por dois
algarismos com terminação 1 e 2, são contatos normalmente fechados (NF) (Ex. 21-22; 31-32;...). Já os
contatos auxiliares representados com números de dois dígitos terminados com 3 e 4, são contatos
normalmente abertos (NA) (Ex. 13-14; 43-44 ...). Entende-se por contato normalmente aberto (NA),
aqueles que, enquanto a bobina do contator estiver desenergizada, os mesmos estarão abertos
(seccionados) pela ação da mola. No instante em que se estabelece tensão na bobina, a força magnética
desta, vence a força mecânica da mola, fazendo com que os contatos que estavam abertos, fechem.
Cessando a ação da força magnética, a mola retorna a sua posição normal, fazendo com que os contatos
voltem a abrir. Processo semelhante é realizado de modo inverso, nos contatos NF.
Fig. 2.1a
Formatados: Marcadores e numeração
CENTRO FEDERAL DE EDUCAÇÃO TECNOLÓGICA DO CEARÁ – CEFET-CE
CURSO DE ELETROTÉCNICA - MANUAL DE COMANDOS INDUSTRIAIS
P-01 PÁGINA
Prof. Gênova
6
Simbologia : Os elementos de um contator tem as seguintes representações gráficas e utilizam letras
características e números para referencia-los e facilitar o entendimento no contexto do diagrama elétrico:
 C1 ou K1 = A letra representa o contator, e o índice significa o número referencial entre os diversos
contatores do circuito.
 C1 ou K1 = Contator 1 (um); C2 ou K2 = Contator 2 (dois); C3 ou K3 = Contator 3 (três) e assim
sucessivamente para quantos contatores forem empregados no circuito.
 A1 e A2 = Representam os terminais da bobina do contator.
A1
K1 K1 1 3 5
ou Bobina do contator 1 ou Contatos principais ou
C1 C1 de força, pertencente ao
A2 2 4 6 contator 1
K1 13 K1 13 K1 13 Contato auxiliar normalmente aberto
ou ou ou (NA), pertencente ao contator 1
C1 14 C1 14 C1 14 (fechador)
K1 31 K1 31 K1 31 Contato auxiliar normalmente fechado
ou ou ou (NF) pertencente ao contator 1
C1 32 C1 32 C1 32 (abridor)
Vista em corte transversal, de um contator:
CONTATO MÓVEL (NA)
TERMINAL DE LIGAÇÃO
CONTATO FIXO (NA)
MOLA DE RETORNO
NÚCLEO DE FERRO MAGNÉTICO MÓVEL
(CHAPAS LAMINADAS)
BOBINA ELETROMAGNÉTICA
TERMINAIS DA BOBINA (A1-A2)
NÚCLEO DE FERRO MAGNÉTICO FIXO
(CHAPAS LAMINADAS)
Fig.2.1b
Alguns fabricantes projetam contatores de forma a
possibilitar o encaixe de um conjunto de contatos
auxiliares extras, denominado de bloco aditivo de
contatos, cuja função é adicionar contatos
auxiliares a um contator, possibilitando expandir
outros elementos no circuito de comando, tais
como para a alimentação da bobinas de outros
contatores ou relés, sinalização ou
intertravamentos. Vide fig.2.1b.
CENTRO FEDERAL DE EDUCAÇÃO TECNOLÓGICA DO CEARÁ – CEFET-CE
CURSO DE ELETROTÉCNICA - MANUAL DE COMANDOS INDUSTRIAIS
P-01 PÁGINA
Prof. Gênova
7
2.2- 2.2- Relé Bimetálico de Sobrecarga:
Função: Efetua a proteção do motor contra sobrecargas.
Os relés bimetálicos são dispositivos de proteção contra defeitos provenientes da carga, sendo
conhecidos também como relé térmico, pois são normalmente compostos por elementos térmicos de
contato, ou seja, existe uma lâmina composta por dois metais justapostos na qual é enrolada algumas
espiras de fio tipo filamento de níquel-cromo, cuja função é produzir um super aquecimento, após a
intensidade de corrente atingir um valor superior ao da corrente de regulagem, que agindo na lâmina
bimetálica provoca o seu deslocamento, e consequentemente, a interrupção do circuito através de um
contato auxiliar.
O elemento bimetálico comanda um eixo mecânico que é acoplado ao elemento seletor de corrente, cujo
dial de regulagem propicia o ajuste para a corrente desejada, de acordo com o motor ou carga a ser
instalada, uma vez que cada relé é fornecido com uma faixa de valores de ajuste.
Como foi citado em parágrafo anterior os relés possuem contatos auxiliares, sendo que alguns são
fornecidos apenas com um contato normalmente fechado (NF), enquanto outros possuem dois contatos
auxiliares, sendo um NF e um NA. Semelhante aos contatores, estes contatos são identificados através
de letras e números compostos por dois dígitos. O contato normalmente fechado (NF) é identificado pelos
números 96 e 97, enquanto que o normalmente aberto (NA) recebe a identificação pelos números 97 e
98. Os relés podem ser representados simbolicamente por uma das seguintes letras: e ou F.
Outras características construtivas do relé térmico, é que em alguns modelos ele pode ser fornecido com
botão para escolha de rearme manual (com retenção) ou automático (sem retenção), botão teste do
contato NF (95-96), além de lingueta sinalizadora para indicar visualmente quando ocorre uma
sobrecarga. Em alguns fabricantes é comum também que o relé possua na sua parte superior, um ponto
de fácil acesso para a conexão do terminal A2 da bobina do contator, fazendo dessa maneira uma
transferência de localização do A2 uma vez que quando o relé é acoplado ao contator (2;4;6), fica difícil se
acessar a bobina. Esta transferência é feita eletricamente através de jamper (fio).
O contato normalmente fechado é responsável pela interrupção do circuito de comando, ou seja, ele é
conectado em série com o comando. Quando a corrente de carga ultrapassar o seu valor de regulagem, o
elemento térmico atua, fazendo com que o contato NF abra, por conseguinte desenergizando o circuito de
comando. O tempo de disparo do relé depende de sua curva característica do próprio motor.
FATOR DE SERVIÇO: É o fator que aplicado à potência nominal do motor, indica a sobrecarga
permissível que pode ser aplicada continuamente ao motor, sob condições específicas.
Ex. se o Fs = 1,15, nessa situação o motor suporta continuamente 15% de sobrecarga acima de sua
potência nominal.
Observe que se trata de uma capacidade de sobrecarga contínua, ou seja, uma reserva de potência que
dá ao motor uma capacidade de suportar melhor o funcionamento em condições desfavoráveis.
Caso o motor solicite uma corrente superior aquela para qual se ajustou o relé, este acréscimo de
corrente fará com que o elemento térmico atue, interrompendo o circuito de comando.
O contato normalmente aberto (NA/97-98) pode ser utilizado para sinalização visual, indicando para o
operador que a chave de acionamento do motor desligou através do relé.
Simbologia: Os elementos de um relé bimetálico têm as seguintes representações gráficas e utilizam
letras características e números para referencia-los e facilitar o entendimento no contexto do diagrama
elétrico:
Fig. 2.2a
O relé bimetálico utiliza o
conceito físico da justaposição
longitudinal de dois metais com
coeficientes de dilatação
diferentes, e quando ocorre a
sobrecarga estes metais irão se
dilatar e produzir um
encurvamento do par bimetálico,
cujo trabalho mecânico irá atuar
em um contato auxiliar
normalmente fechado,
interrompendo dessa maneira a
continuidade de alimentação da
bobina do contator.
Formatados: Marcadores e numeração
CENTRO FEDERAL DE EDUCAÇÃO TECNOLÓGICA DO CEARÁ – CEFET-CE
CURSO DE ELETROTÉCNICA - MANUAL DE COMANDOS INDUSTRIAIS
P-01 PÁGINA
Prof. Gênova
8
Elemento térmico Contato auxiliar Contato auxiliar
no circuito de força: normalmente fechado (NF) normalmente aberto (NA)
2 4 6 95 97
e4 e4 e4
96 98
2.3- 2.3- Botões de comando:
Função: Acionamento ou desativação do circuito de comando, através de impulso manual do botão
pulsante.
Botão de comando é a designação dada a dispositivos de comando que são acionados ao pulsarmos o
botão ou manopla, retornando a sua posição inicial imediatamente após cessar o impulso mecânico.
Existem botões com elementos de contato individual normalmente aberto (NA) ou normalmente fechado
(NF), e botão de comando duplo ou conjugado, contendo contatos simultâneos tanto NA como NF.
O botão NF é utilizado para desligar ou desativar o circuito, devendo ter a indicação “0” em marcação frontal
do botão opaco. Deve-se empregar como padrão a cor vermelha para o botão desliga (NF).
O botão NA deve ter a indicação “ I “ em marcação frontal do botão opaco, e é utilizado para ligar ou
estabelecer o circuito, podendo ser nas cores amarela, preta, verde, branca ou transparente. Vide Fig.2.3 a.
Quando se utilizam os botões de comando agrupados em caixas de material isolante do tipo termoplástico
ou similar, ou em caixas metálicas, pode-se denominar o conjunto de “botoeira de comando”. Vide fig.2.3b.
Fig. 2.3 a
Botoeira liga (I) / desliga (O) Botoeira com furação Botoeira com furação
em caixa termoplástica centralizada sem plaqueta descentralizada na tampa
com plaqueta
Existem ainda diversos tipos e modelos de botões de comando, que variam de fabricante para fabricante,
e que tem a sua aplicação específica conforme a exigência e complexidade do circuito, conforme dados e
figuras a seguir apresentados:
Botão de comando e sinalização: Botão transparente, com elemento(s) de contato(s) e soquete para
lâmpada, de tal forma que se obtenha, assim como num sinalizador luminoso, uma indicação óptica dada
por uma lâmpada embutida no mesmo. Vide fig.2.3c.
Botão de comando com chave de segurança: Botão com elementos de contato e chave de segurança,
com bloqueio e retirada da chave nas duas posições. Vide fig.2.3d.
Botão de comando cogumelo: Botão com elemento de contato normalmente fechado (NF) e na cor
vermelha, que devido a sua forma construtiva e anatômica de um cogumelo, é utilizado para facilitar o seu
acionamento para desativação do circuito. Este modelo de botão pode também ser fornecido com trava,
onde o giratório do cogumelo é usado para desbloqueio. Existe ainda a opção deste botão contendo
elementos de contato NF e NA (botão duplo). Vide fig.2.3e.
Fig.2.3c
Fig.2.3d
Fig.2.3b
Formatados: Marcadores e numeração
CENTRO FEDERAL DE EDUCAÇÃO TECNOLÓGICA DO CEARÁ – CEFET-CE
CURSO DE ELETROTÉCNICA - MANUAL DE COMANDOS INDUSTRIAIS
P-01 PÁGINA
Prof. Gênova
9
Botão de comando cogumelo com trava e chave de segurança: Botão com elemento de contato
normalmente fechado (NF) e na cor vermelha, contendo trava e chave de segurança para desbloqueio, e
chave retirável nas duas posições. Vide fig.2.3f.
Comutador de comando com manopla: Comutador de comando com elemento(s) de contato(s) NA ou NF,
com ou sem retorno da manopla de acionamento. Este comutador pode ser fornecido também com chave
de segurança retirável. Vide fig.2.3g.
Comutador de comando por chave de posição: As chaves de posição fim de curso, são empregadas para
o controle e comando de portões automáticos, pontes rolantes, guindastes, tornos, elevadores de carga,
elevadores prediais, elevacar dentre outras aplicações. O acionamento pode ser do tipo pino, rolete
superior, rolete lateral, haste ajustável com rolete, que dependendo da aplicação e as características do
sentido do movimento, se horizontal, se vertical, pode ser adequadamente escolhido. Possuem elementos
de contato NA/NF em câmaras fechadas, e tipos de acionamento em pino simples, pino reforçado, pino
com rolete metálico, rolete superior, rolete lateral, rolete de posições múltiplas, haste flexível, alavanca
ajustável com rolete e haste rígida. Vide figuras 2.3h (I, II e III);
(I) (II) (III)
Fig.2.3h
Botão de comando de pedal: Botão com elementos de contato NA e/ou NF, cujo acionamento é realizado
pela impulsão do pedal através do pé do operador. Vide fig.2.3i e a simbologia:
Fig.2.3i
Simbologia: Os elementos de um botão de comando tem as seguintes representações gráficas e utilizam
letras características e números para referencia-los e facilitar o entendimento no contexto do diagrama
elétrico:
Botão de comando NF Botão de comando NA Botão de comando duplo
(vermelho) (verde ou outra cor) NA/NF(conjugado)
bo bo b1 b1 b22
ou 1 ou 1 ou 3 ou 3 ou 3 1
So So S1 S1 S22
2 2 4 4 4 2
Botão de comando por pé (botão de pedal):
Fig.2.3e Fig.2.3f
Fig.2.3g
CENTRO FEDERAL DE EDUCAÇÃO TECNOLÓGICA DO CEARÁ – CEFET-CE
CURSO DE ELETROTÉCNICA - MANUAL DE COMANDOS INDUSTRIAIS
P-01 PÁGINA
Prof. Gênova
10
Ex. NA/NF
3 1
b23
4 2
2.4- 2.4- Lâmpada de Sinalização:
Função: Efetuar a sinalização visual do estado de um circuito, proporcionada por uma indicação
óptica dada por uma lâmpada incandescente ou neon, montada em um conjunto denominado de sinaleiro.
Vide fig.2.4.
Fig.2.4
O sinaleiro ou sinalizador com a lente na cor vermelha e a lâmpada acesa, indica que o circuito esta
estabelecido e a carga em operação. Já o sinalizador com a lente na cor verde e a lâmpada acesa, indica
que o circuito esta desativado e a carga fora de operação. Num quadro de comando e manobra é mais
usual só utilizar o sinalizador com lente vermelha, o que traz economia de componentes e redução de
consumo de energia, apesar da pequena potência do sinalizador luminoso.
As lâmpadas de sinalização são montadas em suportes denominados de “armação de sinalização ou
sinaleiro”, e utilizam normalmente soquetes de encaixe para base da lâmpada do tipo baioneta, podendo
as mesmas ser incandescentes ou de Néon, para tensões de 110 ou 220 VCA. Quando a lâmpada de
sinalização é instalada diretamente em paralelo com a bobina do contator, é recomendado usar lâmpada
neon, tendo em vista que quando do desligamento do contator, podem surgir sobretensões que reduzem
a vida útil da lâmpada caso seja incandescente. No caso de optar por usar lâmpadas incandescentes para
a sinalização, recomenda-se que a alimentação seja feita através de um contato auxiliar.
Quando a sinalização luminosa é feita num quadro de uso ao tempo, é recomendado usar lâmpadas
incandescentes tendo em vista que durante o dia devido a presença da luz solar no ambiente aberto, a
sinalização néon pode ficar imperceptível visualmente, o que torna a sinalização sem efeito.
A potência destas lâmpadas é de baixa intensidade, variando entre 1,2 a 2,6 W.
As lentes dos sinalizadores podem ser fornecidos nas cores vermelho, verde, amarelo, incolor
(translúcido) e azul. Em quadros de instalação ao tempo é recomendado que sejam usadas lentes de
vidro, pois as lentes de plástico ou acrílico se tornam opacas e quebradiças devido a forte incidência dos
raios ultravioletas.
Simbologia: Os elementos de uma lâmpada de sinalização tem a seguinte representação gráfica e utiliza
letra característica e número para referencia-lo e facilitar o entendimento no diagrama elétrico:
Lâmpada de sinalização vermelha Lâmpada de sinalização verde
h1 VM h2 VD
2.5- 2.5-Fusível NH :
Função: Efetuar a proteção contra curto-circuito, sobretudo de sistemas elétricos industriais onde
estão presentes correntes nominais elevadas e com níveis de curto-circuito de elevada intensidade. O
fusível NH tem a característica construtiva de possuir alta capacidade de interrupção ( 100 kA) chegando
a casos na ordem de 120 kA até 500 VCA, portanto sendo mais adequado para resistir os esforços
eletromecânicos da corrente de curto-circuito. Vide fig.2.5 a
Formatados: Marcadores e numeração
Formatados: Marcadores e numeração
CENTRO FEDERAL DE EDUCAÇÃO TECNOLÓGICA DO CEARÁ – CEFET-CE
CURSO DE ELETROTÉCNICA - MANUAL DE COMANDOS INDUSTRIAIS
P-01 PÁGINA
Prof. Gênova
11
Os fusíveis NH são elementos limitadores de corrente, onde a fusão do seu elo dá-se pelos efeitos
térmicos da corrente. O fusível NH apresenta na sua curva característica, uma faixa de sobrecarga onde
ocorre o desligamento com retardo, isto é, um tempo de atuação tão longo que é possível ligar um motor
com sua corrente de partida, sem que se funda o seu elo fusível (veja a curva característica de tempo X
corrente do fusível NH). Estes fusíveis em construção especial aplicam-se também a outras funções,
como por exemplo, para a proteção de tiristores, em dispositivos eletrônicos e de acionamento
microprocessados, que nesta situação tem uma característica ultra-rápido. Além disto os fusíveis NH
possuem alta capacidade de interrupção, que significa poder interromper com segurança, correntes de
curto circuito na ordem de grandeza de até 100 KA.
As seguranças NH reúnem as características de fusível retardado, para correntes de sobrecarga, e de
fusível rápido para correntes de curto-circuito.
O fusível NH completo, incluindo acessório, é composto de base, corpo (fusível) e punho, fig. 2.5b, e são
fornecidos em diversos tamanhos conforme normas brasileira, americana e alemã - NBR, IEC, VDE e
DIN: Tamanho 00; 1; 2; 3 e 4.
Tamanho FUSÍVEL NH - Corrente nominal (A)
00 6 10 16 20 25 32 40 50 63 80 100 125 160
1 40 50 63 80 100 125 160 200 224 250
2 224 250 315 355 400
3 400 500 630
4 800 1000 1250
Fonte: SIEMENS
Fig. 2.5b
São fabricados para correntes nominais na faixa de 6 até 1250 A, conforme tabela de valores
normalizados, discriminados por tamanho, visto na tabela anterior.
O punho saca fusível só pode ser utilizado para retirada dos fusíveis NH com o circuito em vazio (circuito
sem carga ou desativado), podendo, no entanto, os mesmos estarem submetidos a tensão uma vez que o
punho é fabricado com material isolante que proporciona proteção adequada para o operador. Vide
fig.2.5c.
Simbologia: Os elementos de um fusível NH tem a seguinte representação gráfica e utiliza letra
característica e número para referenciá-la e facilitar o entendimento no contexto do diagrama elétrico:
Fig.2.5a
Fig.2.5c
Corpo do
Fusível NH
Base NH
O fusível NH pode ser traduzido do alemão com a seguinte
interpretação: N é originado da palavra Niederspannung, que significa
Baixa tensão, sendo H originado de Hochleistung, que signigfica Alta
Capacidade.
Dispositivo de manobra destinado a interromper a corrente do circuito
pela fusão do seu elo fusível, sendo o mesmo envolto em areia para
propiciar a extinção do arco elétrico.
CENTRO FEDERAL DE EDUCAÇÃO TECNOLÓGICA DO CEARÁ – CEFET-CE
CURSO DE ELETROTÉCNICA - MANUAL DE COMANDOS INDUSTRIAIS
P-01 PÁGINA
Prof. Gênova
12
Fusível NH instalado na sua base, para proteção do circuito de força:
R S T
e1 e2 e3
ou
F1 F2 F3
2.6- Fusível Diazed:
Função: Efetuar a proteção dos circuitos parciais contra curto-circuito.
Os fusíveis diazed são elementos limitadores de corrente, para aplicação geral mas que devem ser
usados preferencialmente na proteção dos condutores da instalação, circuitos de iluminação, circuitos de
comando e em circuitos de força de motores de pequeno e médio porte . Vide fig.2.6 a
Possuem também a característica de ação retardada, para cargas com pico de corrente, ou atuação
rápida no caso de curto-circuito.
O conjunto de segurança diazed compõe-se dos seguintes elementos: Vide fig.2.6b.
 Tampa : É a peça na qual o fusível é encaixado, permitindo colocar e retirar o mesmo da base,
mesmo com a instalação sob tensão.
 Fusível: É a peça principal do conjunto, constituído de um corpo cerâmico, dentro do qual esta
montado o elo fusível e cujo espaço esta preenchido com areia especial de quartzo, que tem a função
de extinguir o arco voltaico em caso de fusão do elo. Para facilitar a identificação do fusível é
padronizado um código de cores para a espoleta, que corresponde aos valores padronizados das
correntes nominais dos fusíveis, corforme norma DIN e tabela a seguir apresentada:
Tamanho /
Rosca
Corrente
Nominal
(A)
Código de cor
D II / E27 2 Rosa
4 Marrom
6 Verde
10 Vermelho
16 Cinza
20 Azul
25 Amarelo
D III / E33 35 Preto
50 Branco
63 Cobre
O indicador se desprende em caso de queima (fusão do elo fusível), se apresentando visível para o
operador através do visor de inspeção da tampa.
 Anel de Proteção: É a peça em formato de anel, constituída de material isolante, normalmente de
cerâmica, que protege a rosca metálica da base aberta, evitando assim choques acidentais quando da
troca dos fusíveis. São fornecidos nos tamanhos referentes as roscas E27 e E33.
 Parafuso de ajuste: Construídos em diversos tamanhos em conformidade com a amperagem dos
fusíveis. São instalados na base, através do acessório denominado chave para parafuso de ajuste, e
depois de encaixados não permitem a colocação de fusível de maior valor nominal do que o previsto.
O código de cores é semelhante ao empregado para as cores das espoletas, e também são fornecidos
em tamanhos compatíveis com a base de rosca E27 e E33.
Fig.2.6 a
CENTRO FEDERAL DE EDUCAÇÃO TECNOLÓGICA DO CEARÁ – CEFET-CE
CURSO DE ELETROTÉCNICA - MANUAL DE COMANDOS INDUSTRIAIS
P-01 PÁGINA
Prof. Gênova
13
 Base: É a peça unipolar que reúne todos os componentes do conjunto de segurança, sendo fornecida
nas roscas E27 e E33. A base pode ser fixada através de parafusos, ou propiciar uma fixação rápida
por engate em termoplástico ou chapa de aço, no trilho suporte.
Um alerta deve ser dado sobre a substituição de fusíveis do tipo D. O fusível diazed é um fusível de
aplicação geral e para circuitos de motores, sendo do tipo com resposta retardada, para evitar a queima
durante a corrente de partida. Existe outro tipo de fusível de aparência semelhante ao tipo D, mas com
resposta rápida, denominado de fusível silized, e é empregado para proteger circuitos eletrônicos, tais
como circuitos que contenham Softstarter e inversores de freqüência.
É comum presenciar máquinas que foram literalmente queimadas por que houve troca indevida pelo
pessoal da manutenção, de um silized por um diazed. Porisso muita atenção!
Fig.2.6b
Simbologia: Os elementos de um fusível diazed tem a seguinte representação gráfica e utiliza letra
característica e número para referencia-lo e facilitar o entendimento no contexto do diagrama elétrico:
Fusível diazed no circuito de comando: Fusível diazed no circuito de força:
R S T
e21 e1 e2 e3
ou ou
F21 F1 F2 F3
2.7- 2.7. Chave Seccionadora e comutadora rotativa tipo PACCO:
Função: Seccionamento e comutação de cargas nos circuitos de força, comando e instrumentos de
medição.
As chaves rotativas PACCO destinam-se a manobra (seccionamento e comutação) de cargas
alimentadas em CC e CA. Vide fig.2.7 a.
As chaves seccionadoras são comumente empregadas no circuito de força de motores, conjuntamente
com os fusíveis e contatores. Nesta situação a chave tripolar faz o seccionamento do ramal de
alimentação do motor, para eventuais manutenções de rotina em todo o trecho, proporcionando uma
maior segurança ao eletricista que irá trabalhar com o circuito desligado e sem riscos de choques
elétricos.
As chaves comutadoras são utilizadas tanto na ligação de amperímetro de painel, com transformador de
corrente, como em voltímetro de painel. A comutadora de amperímetro possibilita que seja empregado
Tampa
Fusível
Anel de
proteção
Parafuso
de ajuste
Base
Fig. 2.7 a
Formatados: Marcadores e numeração
CENTRO FEDERAL DE EDUCAÇÃO TECNOLÓGICA DO CEARÁ – CEFET-CE
CURSO DE ELETROTÉCNICA - MANUAL DE COMANDOS INDUSTRIAIS
P-01 PÁGINA
Prof. Gênova
14
um único amperímetro, de maneira que se pode monitorar em momentos distintos, as correntes de carga
nas três fases (R;S;T). No caso da comutadora de voltímetro, vide fig.2.7b, com um único voltímetro
consegue-se monitorar as tensões entre as fases ( RS-RT-ST) de maneira não simultânea.
camento da porta,ficando a manopla de acionamento fixa com a placa frontal quadrada, na parte externa
da porta. Já a chave fixada pela base, quando se efetua a abertura e fechamento da porta, o corpo da
chave permanece fixo dentro do quadro, só acompanhando o deslocamento da porta, a manopla e a
placa frontal quadrada instaladas no lado externo da chapa metálica.
Simbologia: Os elementos de uma chave seccionadora tipo PACCO, tem a seguinte representação
gráfica e utiliza letra característica e número para referencia-lo e facilitar o entendimento no contexto do
diagrama elétrico:
a) chave seccionadora:
P1 P2 P3
Q Q
1 2 3
b) chave comutadora de voltímetro:
R
T 0
1 2 3 4 0 RS
c) chave comutadora de amperímetro (utilizando 3 TC’s):
TC-L1 TC-L2 TC-L3
1 2 3
0
1 2 3
Q 3 1
2
2.8- 2.8- Relé de tempo
Função: Efetua a temporização de todos os processos que envolvem a operação e manobra de circuitos
auxiliares de comando, proteção, regulação e outros componentes dos circuitos.
Dispositivo de comando a distância, cujos contatos auxiliares comandam, perante certas grandezas
elétricas (corrente e tensão), outros dispositivos através de circuitos auxiliares, com retardamento pré-
V
S
LEITURA
V.LINHA
0 RS ST TR
POSIÇÃO 0 1-4 1-2 2-3
ST
TR
Comutadora de voltímetro
Fig.2.7b
A
As chaves comutadoras PACCO são fornecidas nas seguintes versões e
correntes nominais:
 Seccionador tripolar sob carga: (10; 16; 20; 25; 32; 40; 50; 63; 100;
125 e 250 A)
 Comutador para Voltímetro: (10 A)
 Comutador para amperímetro: ( 10 A)
As chaves seccionadoras e comutadoras, tem a opção de poderem ser
fixadas no topo ou na base. A fixação no topo é efetuada pelo lado
interno da chapa metálica da porta do quadro eletromecânico, e quando a
porta é aberta ou fechada, todo o corpo da chave acompanha o deslo-
Formatados: Marcadores e numeração
CENTRO FEDERAL DE EDUCAÇÃO TECNOLÓGICA DO CEARÁ – CEFET-CE
CURSO DE ELETROTÉCNICA - MANUAL DE COMANDOS INDUSTRIAIS
P-01 PÁGINA
Prof. Gênova
15
ajustado pelo elemento temporizado. O pré ajustamento do retardo do temporizador, é efetuado através
de dial montado na parte frontal do relé, cuja escala pode ser fornecida nas seguintes faixas de ajuste,
conforme o fabricante: 0,06 - 0,6 s ; 0,6 - 6 s ; 6 - 60 s ; 0,6 - 6 min ; 6 - 60 min., ou 0 - 5 s ; 0 - 15 s ; 0
- 30 s ; 0 - 60 s.
Uma das principais aplicações do relé temporizado eletrônico, é a sua utilização nos circuitos das chaves
estrela-triângulo automáticas, para garantir que o fechamento do contator triângulo só ocorra quando o
contator estrela já estiver aberto, e o respectivo arco voltaico extinto.
Os relés de tempo podem ser fornecidos com um comutador em ponto comum (15) com contato auxiliar
normalmente fechado (15-16) e outro normalmente aberto (15-18), ou com dois comutadores em pontos
comuns independentes (15) e (25), contendo um contato NF (15-16) e um contato NA (15-18), e no outro
comutador os contatos NF (25-26) e NA (25-28), conforme simbologia e os esquemas de ligação
apresentados a seguir:
Simbologia: Os elementos de um relé temporizado tem a seguinte representação gráfica e utiliza letra
característica e números para referencia-lo e identificar os seus contatos auxiliares, de maneira a facilitar
o entendimento no contexto do diagrama elétrico:
Bobina do relé Contato auxiliar NF/NA: Esquemas de ligação:
temporizado:
A1 15 A1 15 25
A1 16 18 d1 d2
d1 d1
d
15 15 A2 16 18 A2 16 18 26
A2
Relé temporizado com base tipo Plug-in:
São relés que apresentam grande versatilidade de instalação e manutenção, uma vez que apenas
as bases são afixadas no quadro e efetuadas todas as ligações. O relé é facilmente encaixado na base e
fixo por presilhas de nylon.
Simbologia: 6 1 4 Legenda dos terminais
1 – 8 : Contato NF (espera a temporização
d1 para abrir);
1– 2 : Contato NA (espera a temporização
7 8 2 3 5 para fechar);
3 – 4 : Contato NF (ao energizar a bobina, comuta para NA, e após a temporização retorna
ao estado inicial NF);
4 – 5 : Contato NA (logo ao energizar a bobina, comuta para NF e após a temporização
retorna ao estado inicial NA);
6 – 7 : Símbolo ~ que corresponde aos terminais de alimentação da bobina
2.9- Chaves Bóia:
Função: Acionamento ou desativação automática de circuitos alimentadores de conjuntos moto-
bombas através do controle do nível de líquidos, principalmente de água.
As chaves bóias são normalmente fornecidas em dois modelos específicos, ou seja: chave bóia de nível
inferior (NI), que é utilizada para controle de nível em cisternas e chave bóia de nível superior (NS), sendo
empregada para controle de nível em caixas d‘ águas. O comando para controle e alimentação de
conjunto moto-bomba, utilizado nos sistemas de abastecimento d’água em edificações, emprega
normalmente uma bóia NI e outra NS, conectadas em série entre si, e ligadas em paralelo com o botão
liga (NA) do circuito de comando, de forma que o automatismo do sistema opere conforme os níveis de
água da cisterna e caixa d’água. A chave bóia possui contato líquido de mercúrio, que dependendo da
28
Fig.2.8
CENTRO FEDERAL DE EDUCAÇÃO TECNOLÓGICA DO CEARÁ – CEFET-CE
CURSO DE ELETROTÉCNICA - MANUAL DE COMANDOS INDUSTRIAIS
P-01 PÁGINA
Prof. Gênova
16
posição da bóia dentro do reservatório, pode deixar fechado ou interrompido dois eletrodos de contato, de
maneira que o circuito de alimentação da bobina do contator seja energizado ou desativado, acionando ou
desligando o motor bomba.
Para o controle e acionamento de cargas de pequeno porte, como no caso de motores monofásicos
fracionados, pode-se utilizar as bóias alimentando diretamente o circuito de força, através do seu próprio
contato elétrico, sem necessidade de se empregar chave magnética. Nesta condição deve-se observar o
valor limite da capacidade de corrente da bóia (10 ou 15 A) em comparação com a corrente de carga.
Simbologia: Os elementos de uma chave bóia tem a seguinte representação gráfica e utiliza letra
característica e números para referencia-la, de maneira a facilitar o entendimento no contexto do
diagrama elétrico:
Chave bóia nível inferior (para cisterna): Chave bóia nível superior (para caixa d’água):
Q NI Q NS
2.10- Relé Fotoelétrico
Função: Comandar automaticamente circuitos de iluminação e outras cargas, através de um
elemento sensor de irradiação luminosa do tipo fotoresistor (célula fotoelétrica) ou fotosensor (elemento
de estado sólido).
Os relés fotoelétricos podem ser fornecidos com contatos auxiliares NA ou NF. O relé NF é empregado
para comando direto (individual) de luminária. Quando o dia amanhece e devido a incidência de
luminosidade solar na célula fotoelétrica, esta é sensibilizada fazendo com que o contato auxiliar abra
desligando a lâmpada da rua. Caso ocorra um defeito neste relé, como o contato já é normalmente
fechado, a lâmpada permanecerá acesa durante as 24 horas do dia, até que se providencie a substituição
do mesmo. O relé com contato normalmente aberto (NA), é empregado para o comando em grupo de IP
(padrão em desuso) ou comando da iluminação de praças, cuja célula fotoelétrica ou fotosensor ao
ser sensibilizada pela luminosidade natural do sol, fecha o seu contato auxiliar, alimentando dessa
maneira a bobina de uma chave magnética ou de um contator que possui contatos
normalmente fechados nos circuitos da carga, e que nesta ocasião abrirá esses contatos desenergizando
o fio controle responsável pela alimentação de diversas lâmpadas de uma mesma rua ou de um grupo de
luminárias. O problema da chave magnética é que no caso dos fusíveis de proteção dos circuitos de
carga chegarem a queimar, todo um trecho de rua a noite ficaria as escuras, contribuindo dessa forma
indiretamente com a perda de segurança.
O relé fotoelétrico possui retardo de operação evitando acionamentos falsos devido a iluminamentos
momentâneos de faróis de carro, foco de lanternas, fogos de artifício, relâmpagos e outros.
Relé fotoelétrico Base do relé fotoelétrico
Fig. 2.10
Características Técnicas:
Relé NA ou NF para 220V - 1.000 W / 1.800VA
Simbologia: Os elementos de um relé fotoelétrico tem a seguinte representação gráfica e utiliza letra
característica e números para referencia-lo, de maneira a facilitar o entendimento no contexto do
diagrama elétrico:
Elemento Sensor: Esquema de ligação:
A
CENTRO FEDERAL DE EDUCAÇÃO TECNOLÓGICA DO CEARÁ – CEFET-CE
CURSO DE ELETROTÉCNICA - MANUAL DE COMANDOS INDUSTRIAIS
P-01 PÁGINA
Prof. Gênova
17
4 2 3
5 1
B
C
Legenda
A – Fase 1 – Fotocélula
B - Neutro 2 - Resistor de Aquecimento
C - Carga 3 - Contato de Carga
4 - Resistor de Amortecimento
5 - Pára-Raios
2.11- Relé Falta de Fase:
Função: Efetua a proteção contra falta e desequilíbrio entre fases, nos circuitos de motores,
transformadores, barramentos trifásicos e outras cargas.
O relé falta de fase é conhecido também como relé de falta de tensão. As três fases da rede de
alimentação (fonte), serão monitoradas através do relé. Caso ocorra algum problema com uma das fases,
o equipamento será sensibilizado e atuará no circuito auxiliar de um contator, desativando a sua bobina
e salvando a carga por insuficiência de tensão de alimentação. No caso da falta de duas fases, o
equipamento é desativado automaticamente. Vide Fig. 2.11.
Relé falta de fase
Fig.2.11
Relé sem neutro Relé com neutro
R S T R S T
11 11
RFF RFF
12 14 N 12 14
2.12- Soft-starter:
Função: São chaves de partida estáticas microprocessadas, concebidas para propiciar a
partida/parada suave de motores de indução trifásicos, utilizando no circuito de potência, 2
tiristores em ligação anti-paralelo por polo.
A chave soft-starter aplica ao motor uma rampa de aceleração ou desaceleração, através do
controle da tensão aplicada, por intermédio de um microprocessador, que controla o ângulo de
disparo dos tiristores.
Características técnicas:
 Chave Soft-starter SSW-01 – WEG  Degraus de tensão: 50, 60, 70 ou 80% Un
 Tensão de alimentação:220/380V  Chaveamento de potência: 6 tiristores
 Freqüência: 50/60 Hz  Circuito de controle: por microprocessador
 Faixa de pedestal: 25 a 75% da Un  Funções e controle do usuário: ajustes são
 Rampa de aceleração: 0,5 a 60 s. feitos através de chaves tipo dip-switch
 Rampa de desaceleração: 1 a 120 s
Características Técnicas:
Relé falta de fase, com neutro ou sem neutro.
Tensões nominais: 110, 220 ou 380V
Consumo: de 1 a 3VA
Corrente nominal nos contatos: 5 A em 250V
Tempo de retorno dos contatos: entre 20 e 40ms
Dial de ajuste da sensibilidade ( + / - )
Simbologia : Os elementos de um relé falta de fase tem a seguinte
representação gráfica e utiliza letra característica e números para
referenciá-lo, de maneira a facilitar o entendimento no contexto do
diagrama elétrico:
Formatados: Marcadores e numeração
Formatados: Marcadores e numeração
CENTRO FEDERAL DE EDUCAÇÃO TECNOLÓGICA DO CEARÁ – CEFET-CE
CURSO DE ELETROTÉCNICA - MANUAL DE COMANDOS INDUSTRIAIS
P-01 PÁGINA
Prof. Gênova
18
 Chave Soft-starter LH4-NE – Telemecanique
 Tensão de alimentação: 220/250V
 Freqüência: 50/60 Hz
 Rampa de aceleração – tempo de aceleração em 5 faixas (A, B, C, D, E)
 Rampa de desaceleração – tempo de desaceleração em 5 faixas (A, B, C, D, E)
 Torque inicial – 5 faixas (A, B, C, D, E)
Simbologia:
3ɸ ~ R S T 3ɸ ~ R S T
2.13- Inversor de Freqüência:
Função: Acionamento de motor CA com velocidade e freqüência variável.
Os inversores de freqüência são destinados ao controle e variação de velocidade e freqüência de
motores CA. Variando-se a freqüência, varia-se consequentemente, a tensão aplicada ao motor,
possibilitando variar de forma contínua a rotação do motor desde zero até a velocidade máxima [U/f = k
(cte)]. Na prática o equipamento é um conversor, constituído na entrada de um retificador, que transmite
energia de uma fonte CA (monofásica) para uma carga CC, um circuito intermediário constituído de um
filtro, e na saída de um inversor, que transmite energia de uma fonte CC para uma carga CA trifásica.
Simbologia:
F N R S T
~ 1ɸ = ~ 3ɸ
2.14- Módulo lógico programável
Função: Executar tarefas de comando e controle através de circuito desenhado no display de
cristal líquido do equipamento, usado para sistemas industriais, comerciais e prediais, contendo funções
de temporizador, programador horário, contador analógico, relé auxiliar, entradas analógicas para
atuadores externos, saídas analógicas para output, relógio em tempo real e demais funções.
Características técnicas:
 Fabricante TELEMECANIQUE: Módulo lógico programável denominado de “Zélio” , referência SR
1B101FU, Un de 100 a 240V, 50/60 Hz, com alimentação monofásica.
 Fabricante Klockner Moeller: Relé de controle com timer denominado de “EASY”, referência 412 AC-
RC, Un de 115 a 240VB, 50/60 Hz, alimentação monofásica.
Simbologia: E S Letra característica: n
Input output
3. PROCEDIMENTO DA PRÁTICA
Relacione nesta planilha todo o material e equipamento disponível no laboratório de comandos industriais.
Indique a simbologia, a letra característica, a sua função e a especificação.
M
3ɸ
MLP
CENTRO FEDERAL DE EDUCAÇÃO TECNOLÓGICA DO CEARÁ – CEFET-CE
CURSO DE ELETROTÉCNICA - MANUAL DE COMANDOS INDUSTRIAIS
P-01 PÁGINA
Prof. Gênova
19
Componente Símbolo Letra Função Especificação
Contator
Bloco Aditivo
Relé Bimetálico
Botoeira NA
Botoeira NF
Botoeira NA/NF
Sinaleiro Verde
Sinaleiro Vermelho
Fusível NH
Fusível Diazed (DZ)
Chave PACCO
Relé de tempo
Chave bóia (NS)
Chave bóia (NI)
Relé fotoelétrico NF
Relé fotoelétrico NA
Relé falta fase
Chave soft-starter
Inversor freqüência
Módulo Lógico Prog.
4. VERIFIQUE OS SEUS CONHECIMENTOS
4.1- Considerando os diversos componentes empregados nos circuitos de comandos industriais, faça
a correlação entre o componente e a sua função operacional:
Item Componente N° Função operacional
01 Contator Proteção do MIT contra sobrecarga
02 Relé bimetálico Proteção contra curto circuito, geralmente no circuito de força
03 Botão de comando Proteção contra curto circuito , geralmente no comando
04 Chave soft-starter Temporizar a operação de outros componentes no circuito
05 Lâmpada de sinalização Relé de controle onde o circuito é desenhado no display (LCD)
06 Fusível NH Acionamento de motor CA com velocidade variável
07 Fusível Diazed Sinalização visual do estado operacional de um circuito
08 Inversor de freqüência Proteção contra desequilíbrio e falta de fase em cargas 3Φ
09 Chave Pacco Liga, desliga de ação momentânea através do impulso manual
10 Relé de tempo Partida suave de MIT através do chaveamento de tiristores
11 Relé falta de fase Comando, secionamento e controle dos circuitos
12 M. Lógico programável Seccionamento e comutação de cargas à vazio
CENTRO FEDERAL DE EDUCAÇÃO TECNOLÓGICA DO CEARÁ – CEFET-CE
CURSO DE ELETROTÉCNICA - MANUAL DE COMANDOS INDUSTRIAIS
P-01 PÁGINA
Prof. Gênova
20
4.2- Desenhe o diagrama esquemático de um contator que possua 3 (três) contatos principais e 4 (quatro)
contatos auxiliares, sendo 2NA e 2 NF.
Indique as referências de todos os contatos e terminais empregando letras e números correspondentes.
4.3- Faça a correlação das partes que compõem as seguranças fusíveis NH e Diazed, e preencha as
colunas correspondentes assinalando com X o item correlato:
Item Partes dos fusíveis Fusível Diazed Fusível NH
01 Fusível de encaixe calibrado
02 Punho saca fusível
03 Base para fusível tipo faca
04 Tampa
05 Base Rosca E27 ou E33
06 Parafuso de ajuste
07 Anel de proteção
08 Fusível de alta capacidade
4.4. Qual a diferença fundamental entre o fusível diazed e o silized?
4.5. Qual o risco que pode ocorrer no caso de uma troca indevida de um fusível silized por um diazed?
4.6. De acordo com a NBR 5410, a proteção contra sobrecarga do motor pode ser proporcionada
diretamente fazendo parte integrante do motor, ou através de dispositivo de proteção independente,
sensível à corrente absorvida pelo motor. Explique que proteções são essas e quando devem ser
empregadas.
4.7- Considerando os componentes mínimos adotados como critério de concepção do circuito terminal de
alimentação de um motor trifásico, faça o desenho do esquema de acordo com a sua função operacional.
Faça a interligação entre os dispositivos e cite suas respectivas denominações:
Função / dispositivo
Simbologia Denominação
Dispositivo de proteção do
circuito terminal
Dispositivo de seccionamento
Dispositivo de controle
Dispositivo de proteção do motor
Carga
CENTRO FEDERAL DE EDUCAÇÃO TECNOLÓGICA DO CEARÁ – CEFET-CE
CURSO DE ELETROTÉCNICA
MANUAL DE COMANDOS INDUSTRIAIS
PÁGINA:
PRÁTICA 02
Prof. Gênova
22
PRÁTICA - 02
ASSUNTO: TESTE DOS MATERIAIS E EQUIPAMENTOS EMPREGADOS NOS CIRCUITOS
DE COMANDO E FORÇA INDUSTRIAL.
1. OBJETIVOS
 Capacitar o aluno a executar testes e ensaios nos diversos componentes de circuitos de
comandos industriais e circuitos de força, que irá utilizar durante as montagens
eletromecânicas na Oficina de Prática Profissional.
 Empregar o teste série, multímetro, alicate volt-amperímetro e teste néon na aplicação
dos testes e ensaios dos componentes.
2. COMENTÁRIOS TEÓRICOS
Durante o período em que as aulas práticas se desenvolvem necessitamos contar com os
diversos materiais e componentes disponíveis nos armários da Oficina de Prática Profissional,
e para que isto seja possível é imprescindível que os mesmos estejam em condições
adequadas e satisfatórias de funcionamento, pois às vezes um pequeno e insignificante defeito
em algum dos componentes, é condição suficiente para impedir a operação parcial ou total de
todo o circuito, fazendo com que a montagem não atenda ao objetivo a que foi proposto.
Portanto torna-se condição necessária que além do aluno adquirir conhecimentos detalhados
de todos os componentes que irá manusear, essencialmente deverá também adquirir pleno
conhecimento de como executar os testes em cada um deles .
Como foi citado no objetivo, os testes serão efetuados com a utilização do teste série, teste
néon, e eventualmente do multímetro (analógico ou digital) e do alicate volt-amperímetro.
A realização do teste deve ser de forma ágil, precisa e segura, pois o maior tempo de duração
da prática deve ser despendido na sua montagem e na operação do circuito, portanto
recomenda-se que seja empregado o teste série (lâmpada incandescente) ou o teste de
continuidade sonora do multímetro, na grande maioria das aplicações que se necessite
verificar a continuidade da parte viva do componente, por ser de aplicação simples e
possibilitar a verificação visual ou sonora do estado comprobatório da peça.
Fig.2
Outro ponto importantíssimo de ser verificado, é sobre as condições das fontes de
alimentação tanto do painel que serão efetuadas as montagens, como a da bancada de
trabalho. Observe que o painel contém 01 (uma) tomada de corrente monofásica (220V-FN) e
uma tomada de corrente trifásica (380V-FF), enquanto na bancada tem disponível uma tomada
de corrente monofásica(220V-FN).
Antes de mais nada você só vai poder testar cada componente, cada peça se as fontes de
alimentação estiverem em perfeitas condições de funcionamento, ou seja, fornecer tensão de
fase (Fase-Neutro) de 220V e fornecer tensão de linha (Fase-Fase) de 380V (ou dentro dos
limites da faixa de queda de tensão admissível). Para isso o disjuntor geral da Oficina e o
disjuntor do Painel correspondente a sua bancada de trabalho, deverão estar ligados e o
neutro adequadamente interligado nas fontes monofásicas. A comprovação da fonte de
alimentação é feita com o uso do teste néon, para verificar o potencial fase e com o multímetro
na modalidade de voltímetro, em escala adequada, para verificação das grandezas de valores
de tensão. Durante o teste dos materiais se você detectar alguma coisa de anormal nos
mesmos, relacione todas as observações pertinentes, separe a peça defeituosa das demais e
informe ao professor.
CENTRO FEDERAL DE EDUCAÇÃO TECNOLÓGICA DO CEARÁ – CEFET-CE
CURSO DE ELETROTÉCNICA
MANUAL DE COMANDOS INDUSTRIAIS
PÁGINA:
PRÁTICA 02
Prof. Gênova
23
3. MATERIAL EMPREGADO
ITEM E S P E C I F I C A Ç Ã O QUANT UNID
01 Contator 3TB44 17-0 A -220V-60Hz-Siemens (2NA+2NF) 01 um
02 Contator 3TB42 12-0 A -220V-60Hz-Siemens (1NA+1NF) 01 um
03 Contator 3TB42 17-0 A -220V-60Hz-Siemens (2NA+2NF) 01 um
04 Contator 3TB40 10 0 A - 380v-60Hz-Siemens (1NA) 01 um
05 Contator 3TF44 22 0 A - 220V-60Hz-Siemens (2NA+2NF) 01 um
06 Contator LC1-D093 - 220V-60Hz-Telemecanique 01 um
07 Bloco Aditivo de contatos LA1-D-(1NA+1NF)-Telemecanique 01 um
08 Bloco Aditivo de contatos LA1-D-(2NA+2NF)- Telemecanique 01 um
09 Relê bimetálico de sobrecarga 3UA50(0,63-1 A)-Siemens 01 um
10 Relé bimetálico de sobrecarga 3UA50(2,5-4 A)-Siemens 01 um
11 Relé bimetálico de sobrecarga 3UA50(4-6,3 A)-Siemens 01 um
12 Relé bimetálico de sobrecarga 3UA43(4-5 A)-Siemens 01 um
13 Relé bimetálico de sobrecarga LR1-D093-Telemecanique 01 um
14 Relé de tempo 7PU06-220V-60Hz (0-60seg) - Siemens 01 um
15 Relé de tempo RYΔ-220V-60Hz (0-30seg) - Altronic 01 um
16 Fusível NH 3NA3 805 00 - 16 A - 500V - Siemens 03 um
17 Fusível diazed 5SB2 11/ 21 - 2/4 A - 500V - Siemens 01 um
18 Botão de comando NA/NF-3SB03 01 em cx blindada - Siemens 03 um
19 Dispositivo de sinalização 3SB01 04 com lâmpada 220V-VM/VD
em cx blindada- Siemens
02 um
20 Chave seccionadora rotativa PACCO 25 A - 500V 01 uma
21 Chave Bóia NI / NS - 10 A - 500V 02 uma
22 Relé Fotoelétrico RTF-220V Stieletrônica NA / NF 02 um
23 Relé Fotoelétrico FLNF - 220V- LINSA 01 um
24 Base para relé fotoelétrico universal - 3 fios 01 uma
25 Chave soft-starter 01 um
26 Inversor de frequência 01 Um
4. PROCEDIMENTOS DA PRÁTICA
A T E N Ç Ã O !
Durante a realização dos testes nos diversos componentes, existirão partes metálicas vivas
que não estão protegidas contra contatos acidentais, por isso levam risco de choques
elétricos. Portanto tenha o máximo de cuidado ao manusear o teste série, o multímetro ou o
teste néon, e cada peça a ser submetida a tensão elétrica. O trabalho é simples e para que
possa se desenvolver com segurança e tranqüilidade, exige por parte do aluno muita atenção
e concentração. CUIDADO! Você vai lidar com tensões na ordem de grandeza de 220 e
380VCA.
4.1- Teste do Contator:
Utilizando a fonte de alimentação (tomada de corrente monofásica) da bancada de
trabalho e o teste série, você deve verificar as seguintes partes que compõem o contator:
 Teste de continuidade da bobina:
Com as pontas de prova do teste série, faça contato com os terminais da bobina (A1-A2).
A lâmpada deverá acender com um brilho de menor intensidade fazendo vibrar a peça ou
mesmo fazendo com que a bobina eletromagnética atue operando o contator, com
comportamento semelhante a um eletroímã, o que vai depender da potência da lâmpada
incandescente do teste série, pois neste teste a lâmpada é ligada em série com a bobina as
quais ficam submetidas a tensão monofásica da rede que é de 220V. Lembre-se que por
norma a faixa de operação da bobina esta compreendida entre 0,85 a 1,10Un. (Para
U=220V , Ub=187V a Ub=242V).
CENTRO FEDERAL DE EDUCAÇÃO TECNOLÓGICA DO CEARÁ – CEFET-CE
CURSO DE ELETROTÉCNICA
MANUAL DE COMANDOS INDUSTRIAIS
PÁGINA:
PRÁTICA 02
Prof. Gênova
24
 Teste dos contatos principais e auxiliares:
Mantendo ainda o contator sem alimentação da bobina, coloque as pontas de prova do
teste série em cada par de terminal dos contatos, do lado da fonte e do lado da carga, tanto
para os contatos de força como para os auxiliares. Os contatos NA (por ex: 1-2, 3-4, 5-6 ou
13-14, 43-44,...) deverão indicar descontinuidade do circuito, por conseguinte a lâmpada
deve permanecer apagada, enquanto os contatos NF (por ex: 21-22, 31-32,...) ao serem
tocados com as pontas de prova do teste, deverão indicar continuidade e a lâmpada deverá
acender. Ao efetuar o teste de continuidade dos contatos, utilize o auxílio de uma chave de
fenda pequena ou mesmo uma caneta de plástico e pressione para baixo o botão de teste
do contator para simular o acoplamento do núcleo móvel com o núcleo fixo, dessa maneira
deverá haver uma inversão durante o teste de continuidade dos contatos NA e NF
respectivamente.
Para o contator da Telemecanique, encaixe adequadamente o bloco aditivo de contatos e
proceda de maneira semelhante aos outros contatores, para efetuar o teste do mesmo.
Repita o procedimento para os diversos modelos de contatores disponíveis na Oficina.
4.2- Teste do Relé Bimetálico de Sobrecarga:
 Com o teste série verifique a continuidade dos terminais de entrada e saída dos polos do
relé bimetálico (circuito de força). Para isso coloque uma ponta de prova em contato com
uma das haste de encaixe, situada no lado da fonte para o referencial relé, que corresponde
a entrada, e a outra ponta de prova coloque no terminal de saída do relé (2,4 ou 6), lado da
carga, correspondente ao mesmo polo que se colocou a 1a
ponta de prova. Se a lâmpada
acender é sinal que o elemento bimetálico e as suas conexões estão em condições
satisfatórias de operação. Repita o teste para os demais polos do relé. Lembramos que as
hastes de encaixe do relé são utilizadas para fazer o acoplamento da entrada do relé com a
saída do contator nos terminais 2-4-6 do circuito de força.
 Verifique também a continuidade dos contatos auxiliares NF(95-96) e NA(97-98).
 Proceda o teste nos diversos modelos de relés bimetálicos disponíveis na Oficina.
4.3- Teste dos Fusíveis NH e Diazed:
 Para facilitar a identificação da atuação dos fusíveis diazed, existe um indicador de cor na
parte superior do corpo do fusível, que se desprende em caso de queima. Devido a
expulsão deste indicador, a ocorrência da queima é sinalizada ficando visível através da
lente da tampa do fusível. A cor do indicador varia de acordo com o código de cores
referenciado com a amperagem do fusível.
Nos fusíveis NH a sinalização também é proporcionada por um indicador vermelho ou haste
metálica, que é bem visível e se localiza na frente da tampa superior. Quando ocorre a
fusão do elemento fusível este indicador salta para fora indicando visualmente que o fusível
atuou. Este indicador é conhecido também como espoleta.
Como é possível existir a falha dessa sinalização em ambos os fusíveis, uma vez que a
atuação do indicador é mecânica após a fusão do elemento fusível, e considerando que
podem existir fusíveis recondicionados em operação, indicamos a necessidade de efetuar a
comprovação da continuidade dos mesmos através do teste série ou do teste de
continuidade sonoro do multímetro. Observamos que para se realizar o teste dos fusíveis, é
de fundamental importância que os mesmos estejam seccionados do circuito e sem
potencial fase nos seus terminais. As peças que estiverem danificadas, devem ser
separadas das demais.
4.4- Teste dos botões de comando:
 Verifique o acionamento das botoeiras pulsando e soltando cada botão, que deve retornar
ao estado inicial pelo efeito da mola.
 Utilize o teste série ou o teste de continuidade sonoro do multímetro, para comprovar os
contatos NA e NF nos instantes de repouso e operação (botão pressionado). Lembre-se
que a botoeira possui botões conjugados, isto é, possuem os contatos NA/NF intertravados
num mesmo eixo mecânico.
CENTRO FEDERAL DE EDUCAÇÃO TECNOLÓGICA DO CEARÁ – CEFET-CE
CURSO DE ELETROTÉCNICA
MANUAL DE COMANDOS INDUSTRIAIS
PÁGINA:
PRÁTICA 02
Prof. Gênova
25
4.5- Teste dos sinalizadores luminosos:
 Os dispositivos de sinalização disponíveis na Oficina de Prática Profissional, estão
acondicionados em caixa blindada contendo um sinalizador com a lente na cor vermelha e
outro sinalizador com lente na cor verde, cujas alimentações são proporcionadas através de
3 (três) terminais, sendo um comum que corresponde ao neutro e outros dois relativos ao
potencial fase, um para cada lâmpada. Utilizando o teste série coloque as pontas de prova
em dois dos terminais de alimentação e verifique se houve a sinalização da lâmpada
correspondente. Proceda de maneira semelhante com a outra lâmpada. Caso a lâmpada de
sinalização não acenda, retire a lente rosqueável e verifique se a lâmpada esta alojada na
base, se a mesma esta mal encaixada, se esta queimada ou se existem fios soltos na
caixa. Caso seja constatado o defeito proceda a correção do dispositivo de sinalização.
4.6- Teste do Relé de tempo:
 Verifique o funcionamento do relé temporizado alimentando os terminais da bobina (A1-A2
ou 6-7, ... varia de fabricante para fabricante) através da fonte monofásica da bancada,
devendo regular previamente o dial de intervalo de tempo, para um determinado tempo
escolhido. Coloque as pontas de prova do teste série intercaladamente nos contatos
auxiliares NF e NA e observe se decorrido o tempo pré ajustado, o relé atuará ou não na
comutação dos contatos, através da indicação se a lâmpada apaga ou acende
respectivamente.
 Repita o teste para os diversos modelos disponíveis na Oficina.
4.7- Teste das chaves bóias:
 A chave bóia Nível inferior é empregada em reservatórios de líquidos localizados
geralmente abaixo do nível do solo, tipo cisterna. Tem os seus terminais de contato aberto
quando posicionada na vertical, o que corresponde ao reservatório contendo um nível
mínimo ou estando vazio. Quando o resevatório esta com um nível satisfatório ou mesmo
cheio, a bóia se posiciona na horizontal o que corresponde aos terminais de contato
fechado e dando continuidade.
A chave bóia Nível superior empregada em caixas d’água, tem um comportamento inverso
a do nível inferior, uma vez que na posição horizontal os seus contatos se apresentam
abertos e na posição vertical os contatos estão fechados.
Para se proceder o teste destas chaves basta colocar as pontas de prova do teste série nas
extremidades dos fios que saem da bóia, e que estão conectados aos terminais de contato
interno da mesma, e segurando-a com a mão proceder o movimento de mudança de
posição da horizontal para vertical e vice-versa, simulando desta maneira a alteração no
nível do líquido do reservatório. Caso haja correspondência entre o posicionamento da bóia
com a abertura e fechamento do contato respectivamente, verificamos que a mesma esta
em condições adequadas de operação. Caso contrário a bóia esta danificada.
4.8- Teste do Relé Fotoelétrico:
 Uma maneira de proceder o teste do relé fotoelétrico (NF) na Oficina de Prática, é alimentar
uma carga através de seu contato auxiliar e simular a presença da luz solar utilizando a
lâmpada incandescente do teste série. Desta maneira pode-se sensibilizar o fotoresistor
fazendo com que a carga seja energizada ou desligada.
 Escolha como carga a bobina de um contator (220V-60Hz). Proceda as interligações de
alimentação dos três fios da base do relé fotoelétrico da seguinte forma:
Com a alimentação da rede ainda desligada, faça a conexão do fio preto da base do relé
fotoelétrico com um dos terminais da base do fusível diazed de comando, que
corresponderá ao potencial fase da rede. O fio vermelho da base deve ser conectado a
carga, que corresponderá ao terminal A1 da bobina do contator. O fio branco da base do
relé deve ser interligado ao neutro da bobina do contator, terminal A2, e conectado ao
neutro da rede. Energize o circuito. O contator deverá operar imediatamente uma vez que
estamos utilizando um relé NF. Utilize o teste série e simule a incidência da luminosidade
solar sobre o fotoresistor. Passado alguns instantes o fotoelemento deve ser sensibilizado
CENTRO FEDERAL DE EDUCAÇÃO TECNOLÓGICA DO CEARÁ – CEFET-CE
CURSO DE ELETROTÉCNICA
MANUAL DE COMANDOS INDUSTRIAIS
PÁGINA:
PRÁTICA 02
Prof. Gênova
26
fazendo com que o contato auxiliar NF do relé fotoelétrico abra desenergizando a carga
(bobina do contator). Caso contrário o relé fotoelétrico se encontra defeituoso. Para se
efetuar o teste do relé fotoelétrico NA, proceda de maneira semelhante, observando-se que
a atuação do relé é de maneira inversa a do NF.
4.9- Teste da chave seccionadora rotativa PACCO:
 Com o teste série verifique a abertura e fechamento dos contatos entre os terminais dos
polos P1, P2 e P3, com os terminais 1, 2 e 3 respectivamente. Se chave é de duas
posições, verifique também a condição de abertura e fechamento entre os polos e os
contatos 4, 5 e 6. Para efetuar a mudança entre a posição aberta e fechada, rotacione a
manopla de acionamento entre as posições indicadas na placa 0-1-0-1-0, observando a
correta correlação entre a indicação da placa e a situação física do contato.
4.10-Teste da chave soft-starter:
 Para efetuar o teste da chave soft-starter, veja instrução específica.
4.11- Teste do Inversor de frequência:
 Para efetuar o teste do inversor de frequência, veja instruções específicas.
5. VERIFIQUE OS SEUS CONHECIMENTOS
Faça o que se pede:
5.1- Cite 5 (cinco) defeitos mais comuns de ocorrerem num contator.
5.2- Qual a faixa de tensão que uma bobina de um contator pode operar normalmente,
segundo as especificações do fabricante:
 contator com bobina de 220V:
 contator com bobina de 380V:
5.3- Alguns fabricantes empregaram uma alternativa tecnológica para aumentar o número de
contatos auxiliares disponíveis em um contator normal da linha de fabricação. Qual foi esta
alternativa ?
5.4- Quais os prováveis defeitos que poderiam ocorrer se fosse utilizado um contator para
alimentar uma carga maior do que a capacidade nominal do mesmo ?
5.5- Explique o significado das categorias de utilização para o uso de contatores:
AC1 , AC2 , AC3 , AC4.
5.6- Analise as alternativas a seguir relacionadas e assinale uma alternativa correta para cada
questão:
5.6.1- Os relés térmicos funcionam tendo como princípio:
a) A elevação da temperatura e dilatação dos metais no sentido longitudinal;
b) Pelo efeito térmico da corrente elétrica e coeficiente diferentes de dilatação
dos metais;
c) Sobreposição de metais diferentes e efeito joule provocado pela corrente
elétrica;
d) A soldagem de ferro e níquel e aquecimento pela corrente elétrica.
CENTRO FEDERAL DE EDUCAÇÃO TECNOLÓGICA DO CEARÁ – CEFET-CE
CURSO DE ELETROTÉCNICA
MANUAL DE COMANDOS INDUSTRIAIS
PÁGINA:
PRÁTICA 02
Prof. Gênova
27
5.6.2- A regulagem do relé térmico é feita :
a) Pela corrente nominal;
b) Pela corrente de carga;
c) Pela corrente de partida;
d) Pela pico de corrente.
5.6.3- Os relés térmicos possuem uma inércia natural que representa:
a) Desvantagem, pois prolonga a sobrecarga e exige o uso de fusíveis;
b) Vantagem, pois permite a corrente de partida e atua com ligeira sobrecarga;
c) Desvantagem, pois atrasa o disparo do relé nas sobrecargas;
d) Vantagem, pois o disparo do relé é feito com os picos de corrente.
5.6.4- Os fusíveis NH tem sua melhor aplicação:
a) Para corrente de carga acima de 30 A;
b) Cargas resistivas intermitentes;
c) Cargas com pico de corrente;
d) Cargas indutivas indistintamente.
5.6.5- Os fusíveis NH são classificados como do tipo:
a) de rosca Edson;
b) retardado;
c) rápido
d) de cartucho
5.6.6- Nas seguranças fusíveis a indicação da queima é feita pela:
a) espoleta;
b) cápsula;
c) disparador;
d) lâmpada de prova.
5.6.7- O parafuso de ajuste:
a) faz parte do fusível NH;
b) impede o uso de fusível DZ de maior capacidade;
c) permite bom contato entre a tampa e a base;
d) permite o ajuste do fusível NH entre a tampa e a base.
5.6.8- As cores das espoletas dos fusíveis DZ correspondem:
a) a tensão de isolação;
b) a corrente de curto-circuito;
c) as Normas da ABNT;
d) a corrente nominal.
ANOTAÇÕES
CENTRO FEDERAL DE EDUCAÇÃO TECNOLÓGICA DO CEARÁ – CEFET-CE
CURSO DE ELETROTÉCNICA
MANUAL DE COMANDOS INDUSTRIAIS
PÁGINA:
PRÁTICA 03
Prof. Gênova
28
PRÁTICA 03
ASSUNTO: APRESENTAÇÃO, IDENTIFICAÇÃO E LIGAÇÃO DE CHAVES ROTATIVAS
MANUAIS COM ACIONAMENTO POR ALAVANCA
1. OBJETIVOS
 Familiarizar o aluno com os diversos tipos de chaves manuais disponíveis no mercado.
 Adquirir conhecimento de como proceder a identificação dos terminais de ligação destas
chaves e efetuar a ligação e operação das mesmas no acionamento de motores.
2. COMENTÁRIOS TEÓRICOS
As chaves manuais são interruptores com acionamento manual por alavanca, apropriadas
para manobrar diversos tipos de carga, em particular para controlar motores elétricos.
Consistem de um mecanismo com cames acionados por um eixo comum, acoplado a uma
alavanca, sobre o qual são montados excêntricos, que pelo seu giro, movimentam os contatos
móveis, efetuando assim o fechamento ou a abertura dos contatos. O ângulo de manobra
entre cada posição de operação, é normalmente de 45°.
Conforme o número e disposição dos elementos de manobra, estas chaves tem sua aplicação
como simples chave liga-desliga, chave reversora (para mudança no sentido de rotação de
motor), chave comutadora estrela-triângulo (para partida de motor trifásico acima de 5cv até
10cv - NT001 COELCE), chave comutadora Y-Δ com reversão, chave comutadora série-
paralelo Y ou Δ (para partida de motor trifásico de 12 terminais), chave comutadora para
motor de duas velocidades - Dahlander, chave comutadora para motor de duas velocidades -
Dahlander com reversão.
Particularmente as chaves manuais tem sua maior aplicação no meio rural ou mesmo em
instalações de pequeno porte tipo pequenas oficinas, onde normalmente as instalações são
mais modestas e não se justifica um investimento maior com o dispositivo de comando.
No entanto a grande desvantagem da chave manual, e que até certo ponto explica o seu
desuso em instalações de maior porte, é que o tempo de comutação depende do operador,
sujeitando que quando do acionamento de motores, a mudança seja efetuada no momento
inadequado da partida. Este é o caso da chave Y-Δ, pois quando da passagem de Y para Δ se
o operador não tiver bastante experiência e sensibilidade, e o instante da mudança não for
bem definido, a comutação poderá ser efetuada em um tempo menor ou maior do que o
realmente necessário, o que implicaria num pico indesejável de corrente. Dessa maneira a
utilização da chave não proporcionaria nenhuma vantagem para a instalação. Outra
desvantagem desse tipo de chave que deve ser levada em consideração, é sobre a
recomendação de que a chave deve ser instalada fisicamente próximo ao motor que vai
comandar, não sendo indicada para comando à distância.
Se levar em consideração somente o custo do material em si, verifica-se facilmente a
vantagem da chave manual em relação ao comando automático, que na maioria das
aplicações envolve vários componentes.
Podemos também afirmar que de um modo geral a manutenção das chaves manuais é mais
simples do que os comandos automáticos.
De qualquer forma cabe ao Técnico projetista ou de manutenção optar entre a chave manual e
o comando automático a ser utilizado, que para isso deverá considerar vários aspectos, entre
os quais citamos: tipo da instalação, tipo de carga a ser acionada, normas da Concessionário
local, freqüência de operação, local e ambiente a ser instalada, além do aspecto econômico-
financeiro como um todo.
Chave reversora: A chave reversora manual efetua a inversão no sentido de rotação de motor
trifásico, através da troca de ligação de duas fases de alimentação do motor. Esta chave
tripolar também pode ser aplicada para reversão no sentido de rotação do motor monofásico,
onde a mudança no sentido de rotação se dá pela troca de ligação dos terminais 5 pelo 6, o
que corresponderá a mudança de polaridade no momento da partida do enrolamento principal
CENTRO FEDERAL DE EDUCAÇÃO TECNOLÓGICA DO CEARÁ – CEFET-CE
CURSO DE ELETROTÉCNICA
MANUAL DE COMANDOS INDUSTRIAIS
PÁGINA:
PRÁTICA 03
Prof. Gênova
29
em relação ao enrolamento secundário.
A inversão no sentido de rotação pode ser feita diretamente ou exige um estágio intermediário
de frenagem do motor, o que vai depender das características das massas em jogo, e
consequentemente, do tamanho da máquina e das condições da carga (partida em vazio, %
de carga, a plena carga).
A seguir é apresentado um exemplo de operação da chave reversora manual:
SENTIDO DE
ROTAÇÃO
FASES DE
ALIMENTAÇÃO
R S T S R T
TERMINAIS DO
MOTOR
1 2 3 1 2 3
R
S
T
0
1 2
1 2 3
M 3Ø
Chave Estrela-Triângulo: Chaves de partida Y-Δ destinam-se a partida de motores que pelo
seu tamanho e condições de carga, não podem ser ligados diretamente com a tensão da rede.
Nos casos normais o limite permitido sem chave de partida, é de 5cv. Para valores superiores
há necessidade de limitar a corrente de partida.
A chave Y-Δ propicia que os enrolamentos do motor sejam ligados no primeiro momento, em
estrela, durante o tempo necessário para o motor atingir a sua velocidade nominal ou próximo
dela. Uma vez estabelecidas as condições nominais, passa-se à ligação triângulo, que é a
ligação permanente em regime nominal.
Observamos que a chave Y-Δ só pode ser usada em motores que tenham a possibilidade de
ligação em dupla tensão, e a tensão de linha da rede deve coincidir com a tensão na ligação
triângulo do motor.
Na partida estrela-triângulo os enrolamentos do motor ficam ligados na fase de partida e na
fase de regime, conforme os diagramas de ligação apresentados a seguir:
PARA A DIREITA (HORÁRIO) PARA A ESQUERDA (ANTI-HORÁRIO)
M 3Ø
FIG. 2 a
Chave blindada com alavanca de
acionamento manual tipo reversora
FIG. 2 b
Diagrama esquemático da chave reversora
manual para partida direta de MIT
CENTRO FEDERAL DE EDUCAÇÃO TECNOLÓGICA DO CEARÁ – CEFET-CE
CURSO DE ELETROTÉCNICA
MANUAL DE COMANDOS INDUSTRIAIS
PÁGINA:
PRÁTICA 03
Prof. Gênova
30
a) Fase de partida do motor: b) Fase de regime:
Ligação Estrela Ligação triângulo
R S T R S T
1 2 3 1 2 3
4 5 6
4 5 6
Y Δ
FIG.2 c
Chave blindada com alavanca de acionamento tipo Y-Δ
Nesta prática o aluno vai trabalhar com as chaves manuais reversora e estrela-triângulo. A
chave série-paralelo poderá ser trabalhada como exercício opcional. A prática consiste em
fazer a identificação dos pontos de ligação de cada chave, com os condutores da rede (R,S,T)
e com os terminais do motor, pois no dia a dia é muito comum o técnico de manutenção se
deparar com chaves que perderam a numeração e identificação de referência, além de
também não dispor dos esquemas de ligação.
3. MATERIAL EMPREGADO
ITEM ESPECIFICAÇÃO QUANT. UNID.
01 Chave reversora manual, 30 A - 500V , Primelétrica 01 uma
02 Chave reversora manual, 30 A - 220V , Continental 01 uma
03 Chave estrela-triângulo manual, 30 A - 500V , Primelétrica 01 uma
04 Chave estrela-triângulo manual, 60 A - 500V , Primelétrica 01 uma
05 Chave estrela-triângulo manual, 30A-220V, Mar-Girius/Continental 01 uma
06 Chave estrela-triângulo manual, 40A 220V, Mar-Girius/Continental 01 uma
07 Chave série-paralela manual, 30A- 500v, Primelétrica 01 uma
08 Fusível NH 16A- SIEMENS 03 um
09 Plug tripolar com cordão flexível 01 um
10 Motor de indução trifásico - 380/660V 01 um
CENTRO FEDERAL DE EDUCAÇÃO TECNOLÓGICA DO CEARÁ – CEFET-CE
CURSO DE ELETROTÉCNICA
MANUAL DE COMANDOS INDUSTRIAIS
PÁGINA:
PRÁTICA 03
Prof. Gênova
31
4. PROCEDIMENTOS DA PRÁTICA
A T E N Ç Ã O !
Durante a identificação e ligação das chaves manuais, você vai se deparar com componentes
e partes metálicas condutoras que não estarão protegidos contra contatos acidentais. Tenha o
máximo de cuidado pois estarão presentes no circuito tensões de 220V e 380V. Não seja
precipitado. Qualquer dúvida solicite a presença do professor na sua bancada de trabalho.
4.1- Chave Reversora Manual:
A medida que for executando cada passo do procedimento, assinale com “X” o check-list:
Check
List
Procedimento
A Identificação dos pontos de ligação:
 Examine a chave reversora manual observando os seus contatos fixos e móveis,
os jampes de interligação e todos os detalhes.
 Acione a alavanca para a esquerda, para a direita e ponto zero e verifique a
correspondência da posição da alavanca com estas 3 posições.
 Observe que na posição zero os contatos referente aos 3 polos de um lado, estão
abertos (seccionados) em relação aos 3 contatos na posição central ou na outra
extremidade (depende do modelo da chave).
 Para facilitar a identificação utilize os desenhos representativos do corpo da
chave (vista de cima), fig.4a ou 4b.
 Nestes esquemas desenhe todas as ligações (jampes) que a chave dispõe, para
as 3 posições operacionais: ZERO, ESQUERA, DIREITA (3 desenhos).
 Observe que existem modelos de chaves que dispõem de alguns contatos na sua
lateral. Desenhe também estes contatos no esquema.
 Utilize o teste série para verificar os pontos da chave que estão dando
continuidade e os que estão seccionados, sempre dois a dois.
 Você deve desenhar no esquema do corpo da chave, todas as informações
obtidas pela visualização do teste de continuidade relativas ao fechamento ou
abertura de contatos. Lembre-se dos jampes existentes na chave e que podem
sinalizar um fechamento falso de contato.
 Inicie o teste com a chave na posição ZERO. Nesta posição todos os contatos
devem estar seccionados, portanto mantenha o primeiro esquema como esta.
 Acione a alavanca para a esquerda e proceda o teste de continuidade. Utilizando
o segundo desenho esquemático, marque com um traço os pontos de contatos
que fecharam;
 Retorne a alavanca para a posição zero;
 Acione a alavanca para a direita e proceda o teste de continuidade. Utilizando o
terceiro desenho, marque com um traço os pontos de contatos que fecharam.
 Com os esquemas preenchidos pelas informações do teste de continuidade,
batize os pontos de um lado da chave como sendo o lado da fonte (R,S,T), e o
outro lado com os números referenciais dos terminais de alimentação do motor
(ex. 1,2,3), que correspondem ao lado da carga. Coloque as referencias dos
polos da rede R,S,T e dos terminais do motor em todos os 3 esquemas.
 Observe que a chave na posição zero os terminais da rede estão seccionados
dos terminais do motor. Na posição para a direita a chave alimenta os terminais
do motor na seqüência de fases R,S,T, e quando a chave estiver comutada para
o lado esquerdo, os terminais do motor recebem a seqüência de fases S,T,R,
ocorrendo então a mudança no sentido de rotação do MIT.
CENTRO FEDERAL DE EDUCAÇÃO TECNOLÓGICA DO CEARÁ – CEFET-CE
CURSO DE ELETROTÉCNICA
MANUAL DE COMANDOS INDUSTRIAIS
PÁGINA:
PRÁTICA 03
Prof. Gênova
32
ZERO ESQUERDA DIREITA
Fig.4a: Chave Reversora (Modelo I)
ZERO ESQUERDA DIREITA
Fig. 4b: Chave Reversora (Modelo II)
Check
List
Procedimento
B Ligação da chave e acionamento do motor:
 Antes de iniciar a montagem certifique-se que o disjuntor geral do painel esta
desligado.
 Utilize o painel e faça a montagem do circuito apresentado no diagrama da fig.
2b, empregando a chave reversora que você acabou de identificar.
 Use um plug tripolar com cordão flexível para fazer a ligação entre os fusíveis NH
e a rede, que no painel corresponde a tomada de corrente trifásica.
 Verifique quais as tensões de placa do MIT que esta disponível e proceda o
fechamento das ligações. Se 220/380V,feche em Y. Se 380/660V, feche em Δ.
 Faça a interligação de 3 terminais do MIT (ex. 1,2,3) com um lado da chave.
 Concluída a montagem do circuito, chame o professor para conferir as ligações.
 Caso esteja tudo OK, ligue o disjuntor geral do painel e proceda o acionamento
da chave manual, acionando a alavanca primeiro para a direita. O motor deve
partir em um sentido de rotação.
 Acione a alavanca para a posição zero desligando o MIT. Aguarde que o mesmo
pare totalmente.
 Acione a alavanca para a esquerda e observe que o MIT deve girar no outro
sentido de rotação.
 Desligue o motor e o disjuntor geral do painel e desmonte o circuito.
CENTRO FEDERAL DE EDUCAÇÃO TECNOLÓGICA DO CEARÁ – CEFET-CE
CURSO DE ELETROTÉCNICA
MANUAL DE COMANDOS INDUSTRIAIS
PÁGINA:
PRÁTICA 03
Prof. Gênova
33
4.2. Chave Estrela-Triângulo manual:
Check
List
Procedimento
A Identificação dos pontos de ligação:
 Examine a chave Y-Δ manual observando os contatos fixos e móveis, os jampes
de interligação e os três pontos fechados entre si através também de jamper.
 Acione a alavanca para a posição Y até o final do cursor, retorne a alavanca ao
zero e passe para a posição Δ. Observe que na posição zero os contatos estão
abertos (seccionados).
 Para facilitar a identificação utilize os desenhos representativos do corpo da
chave (vista de cima), fig.4c ou 4d.
 Nestes esquemas desenhe todas as ligações (jampes) que a chave dispõe, para
as 3 posições operacionais: ZERO, Y e Δ (3 desenhos).
 Observe que existem modelos de chaves que dispõem de alguns contatos na sua
lateral. Desenhe também estes contatos no esquema.
 Utilize o teste série para verificar os pontos da chave que estão dando
continuidade e os que estão seccionados, sempre dois a dois.
 Você deve desenhar no esquema do corpo da chave, todas as informações
obtidas pela visualização do teste de continuidade relativas ao fechamento ou
abertura de contatos. Lembre-se dos jampes existentes na chave e que podem
sinalizar um fechamento falso de contato.
 Inicie o teste com a chave na posição ZERO. Nesta posição todos os contatos
devem estar seccionados, e o desenho deve apresentar os contatos abertos.
 Acione a alavanca até o fim do cursor para a posição estrela (Y) e segure firme
pois nesta posição a chave não fixa a alavanca, tendo em vista que a ligação Y é
momentânea, só para a fase de partida do motor. Proceda o teste de continuidade
e a medida que for sendo sinalizada pela lâmpada a existência de um contato
fechado, marque um traço no desenho esquemático correspondente (Posição Y).
 Após a indicação no esquema da chave dos contatos que deram continuidade
nesta posição, verifique quais os 3 contatos que estão fechando com os 3 pontos
curtocircuitados, que vem originalmente na chave. Estes 3 pontos devem
corresponder aos terminais do motor que serão ligados para fazerem o
fechamento da estrela. Batize estes 3 pontos como sendo, por exemplo, 4,5,6.
 Comute a alavanca para a posição triângulo (Δ).
 Utilize novamente o teste série para verificar os pontos da chave que estão dando
continuidade, agora na posição Δ. Utilize o terceiro desenho esquemático e
marque com um traço estes pontos de contatos que fecharam;
 Lembre-se que na posição Δ os 3 pontos da chave em curto-circuito, observados
quando da posição Y, devem estar seccionados dos terminais já batizados 4,5,6.
 Verifique então quais os pontos que fecharam com o 4, com o 5 e com o 6,
respectivamente, sempre dois a dois. Batize estes pontos, por exemplo, como
sendo 2,3,1, ou seja, 2-4, 3-5 e 1-6, que corresponde a ligação Δ.
 Complete a numeração dos terminais do motor (1,2,3,4,5,6) nos 3 desenhos
esquemáticos da chave. Falta definir os pontos de ligação da rede (R,S,T).
 O motor ao ser energizado através da chave, deve receber a alimentação da fase
R no terminal 1, a fase S no terminal 2 e a fase T no terminal 3, tanto na ligação Y
como na ligação Δ. Lembre-se que a chave na posição zero os terminais da rede
devem estar seccionados dos terminais do motor.
 Concluída a identificação dos pontos terminais da chave Y-Δ, confira nos
esquemas desenhados, as 3 posições operacionais: zero, Y, Δ.
CENTRO FEDERAL DE EDUCAÇÃO TECNOLÓGICA DO CEARÁ – CEFET-CE
CURSO DE ELETROTÉCNICA
MANUAL DE COMANDOS INDUSTRIAIS
PÁGINA:
PRÁTICA 03
Prof. Gênova
34
ZERO Y Δ
Chave Estrela-Triângulo (Modelo I)
Fig.4c
ZERO Y Δ
Chave Estrela-Triângulo (Modelo II)
Fig. 4d
CENTRO FEDERAL DE EDUCAÇÃO TECNOLÓGICA DO CEARÁ – CEFET-CE
CURSO DE ELETROTÉCNICA
MANUAL DE COMANDOS INDUSTRIAIS
PÁGINA:
PRÁTICA 03
Prof. Gênova
35
R S T
Fig. 4e
Check
List
Procedimento
B Ligação da chave Y-Δ e acionamento do motor
 Antes de iniciar a montagem certifique-se que o disjuntor geral do painel esta
desligado.
 Utilize o painel e faça a montagem do circuito apresentado no diagrama da fig.
4e, empregando a chave Y-Δ que você acabou de identificar.
 Use um plug tripolar com cordão flexível para fazer a ligação entre os fusíveis NH
e a rede, que no painel corresponde a tomada de corrente trifásica.
 Faça a interligação com fio flexível, entre os fusíveis NH e os terminais R,S,T da
chave.
 Faça a interligação dos 6 terminais do MIT (1,2,3,4,5,6) com os respectivos
terminais da chave Y-Δ.
 Concluída a montagem do circuito, chame o professor para conferir as ligações.
 Caso esteja tudo OK, ligue o disjuntor geral do painel e proceda o acionamento da
chave manual, acionando a alavanca primeiro para aposição Y por um período de
aproximadamente 10 seg. Observe que o motor deverá partir com tensão
reduzida.
 Caso contrário, desligue imediatamente a chave e revise as ligações
 Se a partida foi dentro da normalidade, utilize um voltímetro em escala adequada
e faça a medição da tensão em uma das bobinas do motor, verificando se a
tensão medida corresponde a 380V/√3 = 220V, que é a tensão aplicada ao motor
no momento da partida.
 Passado o período do regime de partida do motor, acione a alavanca fazendo a
comutação para Δ.
 Caso a comutação seja OK, comprove ainda com um voltímetro sobre os
terminais da mesma bobina, qual o valor de tensão na ligação Δ, que deve
corresponder a aproximadamente 380V.
 Caso contrário, desligue imediatamente a chave e reveja as ligações.
 Se as ligações transcorreram normalmente, retorne a alavanca para a posição
zero e desligue o MIT. Aguarde que o mesmo pare totalmente.
 Desligue o disjuntor geral do painel e desmonte o circuito.
Y
Δ
M
3Φ
CENTRO FEDERAL DE EDUCAÇÃO TECNOLÓGICA DO CEARÁ – CEFET-CE
CURSO DE ELETROTÉCNICA
MANUAL DE COMANDOS INDUSTRIAIS
PÁGINA:
PRÁTICA 03
Prof. Gênova
36
5. VERIFIQUE OS SEUS CONHECIMENTOS
5.1- Cite quais as vantagens da utilização das chaves manuais em relação ao comando
automático;
5.2- Cite quais as desvantagens da utilização das chaves manuais em relação ao comando
automático;
5.3- Qual o procedimento que se deve fazer para mudar o sentido de rotação de um motor
trifásico ?
5.4- Qual o principal objetivo da utilização da chave Y-Δ manual na partida de motor ?
5.5- Faça a representação esquemática das bobinas de um MIT com tensões de placa
220/380V e explique por que quando a tensão de linha for de 220V este motor pode ser
acionado com chave Y-Δ e quando a tensão de linha for de 380V a mesma não se
presta para tal ?
5.6- Qual a limitação do valor de potência nominal que a Concessionária local prescreve
para a utilização da chave Y-Δ manual na partida de motor ?
5.7- Quais as tensões de placa que um MIT deve ter para que o mesmo possa partir com
chave Y-Δ numa rede cuja tensão de linha é de 380V ?
5.8- Verifique se é possível um MIT que tenha as tensões de placa 220/380/440/760V ser
acionado com chave Y-Δ.
5.9- O que ocorreria se você ligasse um MIT com tensões de placa 220/380V, com uma
chave Y-Δ, numa rede cuja tensão de linha fosse de 380V ?
5.10- E na rede com tensão de linha de 440V, é possível acionar um MIT de 12 terminais
pelo método de partida Y-Δ ?
CENTRO FEDERAL DE EDUCAÇÃO TECNOLÓGICA DO CEARÁ – CEFET-CE
CURSO DE ELETROTÉCNICA
MANUAL DE COMANDOS INDUSTRIAIS
PÁGINA: 37
PRÁTICA 04
Prof. Gênova
PRÁTICA 04
ASSUNTO: IDENTIFICAÇÃO DA MARCAÇÃO DOS ENROLAMENTOS DE MOTORES
DE INDUÇÃO TRIFÁSICO, COM 6 TERMINAIS
1. OBJETIVO
Familiarizar o aluno com a aplicação de método prático para identificação do começo e fim
de cada enrolamento de fase, do motores de indução trifásico que disponha de 6 (seis)
terminais acessíveis externamente, e que tenham perdido a marcação característica.
2. COMENTÁRIOS TEÓRICOS
No dia a dia de uma oficina típica de recuperação de motores, na indústria de um modo
geral, ou mesmo em qualquer outro tipo de instalação elétrica onde o uso do motor elétrico
é um componente obrigatório, nos deparamos com os mais variados tipos e modelos de
motores existentes, dentre os quais verificamos com freqüência a falta dos terminais
marcados, e por vezes não possuem nem os dados de placa. A grande maioria destas
máquinas são motores de indução de 6 (seis) terminais, que devido a sua simplicidade
construtiva, robustez e baixo custo, se constituem nos motores de maior aplicação.
Normalmente as informações que um técnico ou instalador dispõe sobre o motor nestas
condições, podem ser resumidas nos seguintes itens:
 Tipo de motor: se é de indução, com rotor em gaiola, etc;
 Número de fases: se é monofásico ou trifásico ;
 Tensão de alimentação da instalação: se a tensão de linha é de 220V, 380V ou 440V;
 Número de terminais acessíveis: se dispõe de 6, 9 ou 12 terminais.
Para identificação dos terminais do motor, o técnico deve em primeiro lugar, determinar a
continuidade das bobinas, de maneira a definir o par de terminais de cada enrolamento.
Após o agrupamento de cada par de terminais, você deverá proceder as ligações do motor
de tal forma que ele funcione similarmente como um transformador, onde uma das bobinas
corresponderá ao primário e as outras duas bobinas ligadas em série, corresponderão ao
secundário. O passo seguinte é alimentar uma das bobinas (primário) com a fonte de
tensão/corrente monofásica da bancada de trabalho, e interligar as outras duas de maneira
que uma das pontas de cada enrolamento sejam ligadas entre si, e as outras duas pontas
interligadas com o soquete de uma lâmpada incandescente (veja diagrama esquemático no
item 4).
Dessa forma obtém-se a identificação do começo e fim ou fim e começo correspondentes
as duas bobinas que foram interligadas em série.
Durante os testes, caso a lâmpada não apresentar o filamento incandescente, é porque
foram ligados terminais das bobinas começo com começo e fim com fim, o que corresponde
ao surgimento de campos magnéticos contrários nas respectivas bobinas, daí o motivo da
lâmpada não “acender”.
Quando ocorrer esta situação deve-se inverter as ligações do secundário e repetir o teste
anterior.
Para identificar a bobina restante, que estava inicialmente funcionando como primário do
transformador, procede-se a permuta das ligações trazendo um dos enrolamentos já
identificados para ser o primário, enquanto esta bobina deve ser interligada com a outra
também já identificada, formando então o secundário.
Repete-se todos os passos anteriores até que se identifique o começo e fim da bobina
restante, e por conseguinte, possa concluir a identificação dos dois últimos terminais.
O motor de 6 (seis) terminais possui na placa de identificação, as bobinas representadas
com os números: 1 – 4, 2 – 5, 3 – 6, sendo considerado por convenção, começo de
bobina, os números 1, 2 e 3, enquanto fim de bobina corresponde aos números 4, 5 e 6.
Caso o motor não disponha da placa de identificação e seja necessário determinar o valor
da potência nominal, mesmo de forma aproximada, deve-se primeiro identificar os
terminais, depois efetuar a ligação do motor na rede e realizar a leitura instantânea de
CENTRO FEDERAL DE EDUCAÇÃO TECNOLÓGICA DO CEARÁ – CEFET-CE
CURSO DE ELETROTÉCNICA
MANUAL DE COMANDOS INDUSTRIAIS
PÁGINA: 38
PRÁTICA 04
Prof. Gênova
corrente, com o auxílio de um alicate volt-amperímetro. Estipulando valores médio para o fator
de potência (ex. FP = 0,93) e para o rendimento (ex.  = 0,88), chega-se facilmente ao valor da
potência nominal [P(cv) = (3. U.I. cos .  ) / 736 Observe que o motor esta funcionando em
vazio, então para que a leitura instantânea de corrente se aproxime da realidade, e o cálculo da
potência seja mais preciso, é necessário que haja a simulação das condições de funcionando
do motor com carga, e para isto basta você pegar um pedaço de madeira de dimensões
adequadas, segura-lo firmemente com as duas mãos e mantê-lo pressionado sobre o eixo do
motor. Dessa maneira pode-se ter uma idéia da magnitude do motor, em termos de potência
nominal.
A seguir é apresentado um quadro resumo indicando as tensões nominais múltiplas mais
comuns de serem encontradas comercialmente, para motores de 6 terminais, fig. 2.1, bem como
os respectivos diagramas de ligação, fig. 2.2.
TENSÃO DE SERVIÇO
(REDE)
ENROLAMENTOS
DISPONÍVEIS
TIPO DE LIGAÇÃO DAS
BOBINAS
220V 220 / 380V TRIÂNGULO 
380V 220 / 380V ESTRELA 
380V 380 / 660V TRIÂNGULO 
440V 440 / 760V TRIÂNGULO 
Fig. 2.1
TERMINAIS ACESSÍVEIS
DO MOTOR
LIGAÇÃO Y LIGAÇÃO 
1 2 3
4 5 6
R S T
1 2 3
4 5 6
R S T
1 2 3
4 5 6
Fig. 2.2
TENSÕES NOMINAIS MÚLTIPLAS MAIS COMUNS
DIAGRAMAS DE LIGAÇÕES
CENTRO FEDERAL DE EDUCAÇÃO TECNOLÓGICA DO CEARÁ – CEFET-CE
CURSO DE ELETROTÉCNICA
MANUAL DE COMANDOS INDUSTRIAIS
PÁGINA: 39
PRÁTICA 04
Prof. Gênova
3. MATERIAL EMPREGADO
ITEM ESPECIFICAÇÃO QUANT. UNID.
01 Teste série com lâmpada incandescente de 100 ou 150W 01 Um
02 Soquete de louça para lâmpada incandescente rosca E-27 01 Um
03 Motor de indução trifásico de 6 terminais sem marcação 01 Um
04 Plug unipolar macho tipo joto, com cordão flexível 02 Um
05 Plug tripolar com cordão flexível 01 Um
06 Fio esmaltado 22, para bobinagem 01 M
4. PROCEDIMENTO DA PRÁTICA
A T E N Ç Ã O !
CUIDADO! DURANTE A IDENTIFICAÇÃO DOS TERMINAIS DOS MOTORES DE INDUÇÃO
TRIFÁSICO, EXISTIRÃO PARTES CONDUTORAS QUE NÃO ESTARÃO PROTEGIDAS
CONTRA CONTATOS ACIDENTAIS. VOCÊ VAI LIDAR COM TENSÕES DE 220V E 380V.
ANTES DE INICIAR OS TESTES E APÓS CONCLUIDA A IDENTIFICAÇÃO, ANTES DE
ENERGIZAR O CIRCUITO PARA ALIMENTAÇÃO DO MOTOR, SOLICITE A PRESENÇA DO
PROFESSOR PARA CONFERIR AS LIGAÇÕES.
4.1- PROCEDIMENTOS PARA VERIFICAÇÃO DA CONTINUIDADE DAS BOBINAS E
DEFINIÇÃO DOS PARES DE TERMINAIS:
 Seguindo os procedimentos de segurança pré estabelecidos, faça a separação das
bobinas do motor através do teste visual de continuidade dos enrolamentos. Para isso
utilize o teste série disponível na sua bancada de trabalho, conforme o roteiro seguinte:
4.1.1- Alimente o teste série na tomada de corrente monofásica (220V) da bancada de
trabalho;
4.1.2- Coloque as duas pontas de prova em contato entre si, de maneira a verificar o seu
perfeito funcionamento;
4.1.3- Caso o teste esteja OK, a lâmpada incandescente deve acender com todo o seu brilho
normal (fig.4.1.3);
Fig. 4.1.3
4.1.4- Maneje o teste série de maneira que as pontas de prova toquem em 2 (dois) terminais
de bobinas escolhidos aleatoriamente (fig. 4.1.4);
Fig. 4.1.4
CENTRO FEDERAL DE EDUCAÇÃO TECNOLÓGICA DO CEARÁ – CEFET-CE
CURSO DE ELETROTÉCNICA
MANUAL DE COMANDOS INDUSTRIAIS
PÁGINA: 40
PRÁTICA 04
Prof. Gênova
4.1.5- Caso a lâmpada não acenda na 1a
tentativa, permaneça com uma das pontas de prova
fixa em um dos terminais de bobina, enquanto a outra ponta é permutada de um
terminal para outro até a lâmpada acender;
4.1.6- No instante que a lâmpada sinalizar significa que foi verificada a continuidade de uma
bobina, e consequentemente, determinado o par de terminais do enrolamento (fig.
4.1.6);
Fig. 4.1.6
4.1.7- Faça o agrupamento destes dois pares de terminais, tendo o cuidado de separá-los dos
demais, amarrando-os com um pedaço de fio esmaltado. Este detalhe é importante pois
evitará que você confunda os pares de terminais dos outros enrolamentos após ter
verificada a continuidade;
4.1.8- Repita os procedimentos anteriores até que se obtenha os pares de terminais das outras
duas bobinas;
4.1.9- Desligue o teste série da tomada de corrente monofásica.
4.2- PROCEDIMENTOS PARA IDENTIFICAÇÀO DA MARCAÇÃO DOS TERMINAIS DOS
ENROLAMENTOS DO MOTOR:
4.2.1- Neste procedimento você vai efetuar as conexões dos terminais do motor de maneira a
utiliza-lo similarmente como um transformador. Para isso interligue os terminais de duas
bobinas (ex. bobina B e bobina C) entre si e os terminais do soquete de louça de uma lâmpada
incandescente (L), e alimente a outra bobina (ex. bobina A) com 220V da fonte monofásica da
tomada de corrente, conforme fig. 4.2.1.
Fig. 4.2.1
4.2.2- Neste teste você vai determinar o começo e fim ou fim e começo das bobinas B e C.
Lembre-se que por convenção os dígitos 1, 2 e 3 são batizados como começo de enrolamento,
enquanto os dígitos 4, 5 e 6 são definidos como fim de enrolamento;
4.2.3- Caso a lâmpada de prova não acenda, significa que as bobinas B e C estão originando
campos magnéticos contrários, por conseguinte os enrolamento das bobinas estão ligados
começo com começo e fim com fim (fig. 4.2.3);
CENTRO FEDERAL DE EDUCAÇÃO TECNOLÓGICA DO CEARÁ – CEFET-CE
CURSO DE ELETROTÉCNICA
MANUAL DE COMANDOS INDUSTRIAIS
PÁGINA: 41
PRÁTICA 04
Prof. Gênova
Fig. 4.2.3
4.2.4- Neste caso inverta as ligações da bobina B com a bobina C, de acordo com a fig.4.2.4.
A lâmpada agora deve sinalizar com o filamento incandescente;
Fig. 4.2.4
4.2.5- Com os terminais das bobinas B e C definidos em começo e fim, batize-os com as
numerações convencionais, conforme exemplo da fig. 4.2.5;
Fig. 4.2.5
4.2.6- Para efetuar as marcações dos terminais dos enrolamentos já identificados, utilize
pedaços de fio esmaltado e enrole em volta do fio isolado do terminal, um número de voltas
que corresponda a numeração arbitrada da convenção:
 Terminal N 1 (início de bobina) - enrolar o fio esmaltado fazendo uma volta;
 Terminal N 2 (início de bobina) - enrolar o fio esmaltado fazendo duas voltas;
 Terminal N 3 (início de bobina) – enrolar o fio esmaltado fazendo três voltas;
 Terminal N 4 (fim de bobina) – enrolar o fio esmaltado fazendo quatro voltas;
 Terminal N 5 (fim de bobina) – enrolar o fio esmaltado fazendo cinco voltas;
 Terminal N  6 (fim de bobina) – enrolar o fio esmaltado fazendo seis voltas.
4.2.7- Para identificar os terminais da bobina A, desfaça todas as interligações entre as
bobinas B e C e os terminais do soquete de louça;
4.2.8- Permute a bobina A com uma das bobinas já identificadas (B ou C). Vamos considerar
que você escolheu para permutar a bobina A com a bobina B. As ligações devem ficar de
acordo com a fig. 4.2.8;
Ex. Bobina B C 1 Bobina C
F 4
C 3
F 6
CENTRO FEDERAL DE EDUCAÇÃO TECNOLÓGICA DO CEARÁ – CEFET-CE
CURSO DE ELETROTÉCNICA
MANUAL DE COMANDOS INDUSTRIAIS
PÁGINA: 42
PRÁTICA 04
Prof. Gênova
Fig. 4.2.8
4.2.9- Caso a lâmpada L não apresente o filamento incandescente, é porque foram interligados
terminais começo com começo e fim com fim, fig. 4.2.9;
Fig. 4.2.9
4.2.10- Inverta as ligações da bobina A com a bobina C, e repita o teste, que neste caso deve
apresentar a lâmpada com o filamento incandescente, fig. 4.2.10;
Fig. 4. 2.10
4.2.11- Como as bobinas B e C já foram anteriormente identificadas, seguindo o exemplo da
identificação, a bobina A terá consequentemente como numeração, os dígitos 2 e 5, fig. 4.2.11;
Fig. 4.2.11
B
A
Bobina A C 2
F 5
CENTRO FEDERAL DE EDUCAÇÃO TECNOLÓGICA DO CEARÁ – CEFET-CE
CURSO DE ELETROTÉCNICA
MANUAL DE COMANDOS INDUSTRIAIS
PÁGINA: 43
PRÁTICA 04
Prof. Gênova
4.3- TESTE DE LIGAÇÃO DO MOTOR:
Concluída a identificação dos terminais dos enrolamentos, você deve efetuar a ligação do
motor de maneira a comprovar a correta marcação. O motor deve ser ligado em estrela uma
vez que os motores de 6 terminais disponíveis na Oficina, possuem na sua grande maioria, as
tensões múltiplas de 220/380V, enquanto a rede de serviço possui tensão de linha de 380V.
 Efetue o fechamento da estrela nos terminais 4-5-6, enquanto os terminais 1-2-3 devem
ser alimentados através dos contatos da chave manual, fig. 4.3a
Fig. 4.3 a
 A chave manual deve ser alimentada através da rede trifásica, por meio da alimentação
derivando dos fusíveis NH e destes para a tomada de corrente tripolar, através de um plug
tripolar com cordão flexível, fig. 4.3b.
R S T
e1
~ 380V – 60Hz
Fig. 4.3b
Chave
reversora
tripolar
Motor
3 
CENTRO FEDERAL DE EDUCAÇÃO TECNOLÓGICA DO CEARÁ – CEFET-CE
CURSO DE ELETROTÉCNICA
MANUAL DE COMANDOS INDUSTRIAIS
PÁGINA: 44
PRÁTICA 04
Prof. Gênova
 O motor deve partir normalmente, com o barulho característico de funcionamento;
 Caso o motor não parta satisfatoriamente, e venha a produzir ruído diferente do normal,
inclusive com a carcaça esquentando rapidamente, desligue o disjuntor geral do painel ou
retorne a alavanca da chave manual para a posição zero;
 Proceda uma revisão completa de todas as conexões, e caso seja preciso, repita os testes
para identificação dos terminais.
5. VERIFIQUE OS SEUS CONHECIMENTOS
5.1- Desenhe o esquema de ligação de um motor de indução trifásico que disponha de 6
terminais acessíveis, e que possua as tensões de placa 380/660V, para ser alimentado
por uma rede cuja tensão de linha é de 380V.
5.2- Explique por que um MIT com tensões de placa 220/380V não deve ser ligado em
triângulo numa rede cuja tensão de linha seja de 380V.
5.3- Considerando o mesmo MIT da questão anterior, se a rede tivesse tensão de linha de
220V, como deveria ser ligado ?
5.4- Você esta procedendo a identificação dos terminais de um MIT de 6 pontas, pelo método
do teste série e lâmpada incandescente. Quando você esta fazendo a separação dos
pares de terminais, testando a continuidade de cada enrolamento, observa que dois pares
são facilmente agrupados, mas no 3o
par, a lâmpada do teste série não acende. O que
poderia estar ocorrendo ? Cite pelo menos 3 possibilidades;
5.5- Você esta fazendo a identificação de um MIT, com 6 terminais, que não possui placa de
identificação fixa na carcaça. Após a identificação dos terminais, o motor é ligado na rede
e funciona normalmente. Qual seria uma maneira de determinar o número de polos desse
MIT, sem no entanto, ser necessário abri-lo ?
5.6- Determine a potência nominal em CV, do motor que você realizou a identificação dos
terminais durante a prática. Descreva o procedimento.
ESPAÇO RESERVADO PARA ANOTAÇÕES
CENTRO FEDERAL DE EDUCAÇÃO TECNOLÓGICA DO CEARÁ – CEFET-CE
CURSO DE ELETROTÉCNICA
MANUAL DE COMANDOS INDUSTRIAIS
PÁGINA:
PRÁTICA 05
Prof. Gênova
45
PRÁTICA 05
ASSUNTO: COMANDO PARA PARTIDA DIRETA DE MOTOR DE INDUÇÁO TRIFÁSICO,
COM ACIONAMENTO REMOTO ATRAVÉS DE BOTOEIRAS, E AUTOMÁTICO
ATRAVÉS DE CHAVES BÓIAS E RELÉ FOTOELÉTRICO.
1. OBJETIVOS
 Conhecer as diretrizes gerais para partida direta de motor de indução trifásico a plena
tensão.
 Familiarizar o aluno com a montagem de circuitos de comando eletromagnético e de força,
utilizados na partida direta de motor trifásico.
2. COMENTÁRIOS TEÓRICOS
A partida direta de motor de indução trifásico, a plena tensão, é empregada nos casos em que
a corrente de partida atingir valores razoavelmente reduzidos, como no caso de motores
trifásicos que possuam pequenos valores de potência nominal (potência fracionada ou
potência inteira até 5cv) ou em situações que seja preciso se empregar todo o conjugado no
instante da partida, como exemplo de motores que necessitam partir com plena carga no eixo.
São situações antagônicas em termos de magnitude de valores de corrente, mas que de uma
maneira ou de outra, recebem plena tensão na alimentação das bobinas na fase de partida e
permanecem alimentados com esta tensão durante a fase de regime.
Para que haja uma escolha adequada do método que deve ser empregado na partida do
motor, é de fundamental importância comparar as grandezas de conjugado de partida do
motor, com o conjugado resistente da carga, sendo condição necessária que o primeiro seja
no mínimo igual ao segundo (C.motor  C.carga), de maneira que o motor possa partir
satisfatoriamente.
Na prática deve se utilizar no dimensionamento das potências de motores da categoria N
(MOTORES DE APLICAÇÃO GERAL), que acionam a maioria das cargas de aplicação geral,
motores que possuam características de conjugado nominal no mínimo superior a 30% do
conjugado resistente da carga a que ele vai acionar, de maneira a garantir uma certa folga que
contribua favoravelmente durante o período do regime de partida, propiciando que o conjugado
de partida do motor seja suficiente para acelerar a carga até a velocidade de regime .
Normalmente as Concessionárias Distribuidoras de Eletricidade, estabelecem que só é
permitido utilizar o método de partida a plena tensão, para motores trifásicos até 5 cv, quando
a unidade de consumo for alimentada diretamente através da rede pública de suprimento de
baixa tensão. Esta exigência se prende ao fato de que quando a corrente de partida atinge
valores razoavelmente elevados, podem surgir as seguintes consequências prejudiciais para o
sistema elétrico e econômicas, tais como:
 Elevada queda de tensão na rede, provocando interferência em outros equipamentos
instalados na rede pública, na própria instalação do consumidor e nas instalações de
terceiros que estejam alimentados pela mesma rede.
 A própria instalação deverá ser superdimensionada, condutores da rede aérea pública,
condutores da unidade consumidora e equipamentos de um modo geral, implicando
diretamente num custo mais elevado para todos os envolvidos.
Nas situações de motores com potência nominal acima de 5 cv, ou genericamente que
possuam potência elevada, deve-se analisar se na fase de partida eles podem afetar o
funcionamento de outras cargas da instalação, que neste caso exige uma solução adequada
como a aplicação do método de partida com tensão reduzida, ou mesmo prever a alimentação
do motor através de circuitos exclusivos e independentes, derivando diretamente do Quadro
Geral de Força (QGF), prever a alimentação através de transformadores exclusivos ou
mesmo a instalação ser suprida em Tensão Primária de Distribuição, onde os efeitos
prejudiciais dos elevados valores da corrente de partida, ficam limitados setorialmente na
própria instalação interna da unidade consumidora. Nesta situação deve-se programar a
CENTRO FEDERAL DE EDUCAÇÃO TECNOLÓGICA DO CEARÁ – CEFET-CE
CURSO DE ELETROTÉCNICA
MANUAL DE COMANDOS INDUSTRIAIS
PÁGINA:
PRÁTICA 05
Prof. Gênova
46
partida dos motores em relação as demais cargas, de maneira a minimizar os efeitos
prejudiciais à instalação.
Uma alternativa citada anteriormente, mas que resolveria o problema, seria o
dimensionamento adequado da instalação para esta situação (prever condutores com bitolas
compatíveis com o regime de partida da carga), tendo como desvantagem a elevação dos
custos.
Outra alternativa que se poderia adotar quando for preciso um conjugado de partida elevado,
mas com corrente de partida baixa, é a utilização de um motor de anéis.
O sistema de partida direta com acionamento remoto ou automático do motor de indução
trifásico, constitui-se de vários dispositivos, entre componentes de proteção do circuito
terminal, dispositivo de seccionamento, de controle e proteção do motor.
O comando pode ser feito à distância, acionado remotamente através de contator e botoeira,
interruptor de pedal, ou automaticamente através de dispositivos auxiliares tais como chaves
bóias (nível superior, nível inferior), pressostatos, termostatos, relé fotoelétrico, etc.
É muito comum encontrar também a possibilidade de acionamento e desativação remota do
motor tanto da porta externa do Quadro de Força, como através de uma caixa de botões
instalada próximo a máquina. Nesta situação os botões desliga (NF) deverão estar instalados
em série, enquanto os botões liga (NA), deverão estar interligados em paralelo.
3. MATERIAL EMPREGADO
ITEM E S P E C I F I C A Ç Ã O QUANT. UNID.
01 Contator 3TB/3TF...SIEMENS ou LC1...TELEMECANIQUE – 220V 01 Um
02 Relé bimetálico 3UA... SIEMENS ou LR...TELEMECANIQUE 01 Um
03 Fusível diazed 2 A, completo 01 Um
04 Botoeira NA 01 Uma
05 Botoeira NF 01 Uma
06 Lâmpada de sinalização VM – 220V 01 Uma
07 Lâmpada de sinalização VD – 220V 01 Uma
08 Chave bóia NS – 10A
01 Uma
09 Chave bóia NI – 10A
01 Uma
10 Relé fotoelétrico NF 01 Um
11 Chave Seccionadora tipo PACCO 01 Uma
12 Fusível NH 16 A , completo 03 Um
13 Pino tripolar com cordão flexível 01 Um
14 Motor de indução trifásico 220/380V 01 Um
A T E N Ç Ã O !
CUIDADO! DURANTE A MONTAGEM E OPERAÇÃO DESSA PRÁTICA, EXISTIRÃO
PARTES CONDUTORAS QUE NÃO ESTARÃO PROTEGIDAS CONTRA CONTATOS
ACIDENTAIS. VOCÊ VAI LIDAR COM TENSÕES DE 220V E 380V. AO CONCLUIR A
MONTAGEM, ANTES DE ENERGIZAR O CIRCUITO, SOLICITE A PRESENÇA DO
PROFESSOR PARA CONFERIR AS LIGAÇÕES.
4. PROCEDIMENTO DA PRÁTICA
4.1- Diagrama de Comando:
Monte o circuito de comando de acordo com o diagrama esquemático da fig. 4.1a ou 4.1b.
 Separe e confira todos os componentes a serem utilizados nesta montagem,
inclusive fios e cabinhos em quantidade adequada e os componentes a serem
empregados no circuito de força;
 Teste estes componentes;
 Após o teste dos componentes, desligue o disjuntor geral do painel ;
 Inicie a montagem no painel tendo o cuidado de só interligar a alimentação do
CENTRO FEDERAL DE EDUCAÇÃO TECNOLÓGICA DO CEARÁ – CEFET-CE
CURSO DE ELETROTÉCNICA
MANUAL DE COMANDOS INDUSTRIAIS
PÁGINA:
PRÁTICA 05
Prof. Gênova
47
 circuito de comando (Fase e Neutro), após concluído a montagem e conferida as
ligações.
a) Comando local ou a distância por botoeiras
F 220V – 60Hz
e21
e4 95
96
b0
b1 13 23
K1 K1
14 24
A1 h1
K1
N
A2
Fig.4.1a
b) Comando local ou à distância por botoeiras e automático por chaves bóias :
F 220V – 60Hz
e21
e4 95
96
S
b0 NS
13 23
b1 K1 K1
14 24
h1
K1 A1
NI
N A2
Fig. 4.1b
CENTRO FEDERAL DE EDUCAÇÃO TECNOLÓGICA DO CEARÁ – CEFET-CE
CURSO DE ELETROTÉCNICA
MANUAL DE COMANDOS INDUSTRIAIS
PÁGINA:
PRÁTICA 05
Prof. Gênova
48
4.2- Diagrama de Força:
Monte o circuito de força de acordo com o diagrama esquemático da Fig. 4.2.
Observe que o circuito de força é eletricamente independente do circuito de comando.
Portanto, após concluída a montagem e teste do comando, não desfaça as ligações deste
circuito, pois o mesmo servirá para controle da carga, após a montagem do circuito de força.
 Desligue o disjuntor geral do painel;
 Inicie a montagem do circuito de força fazendo as interligações no sentido fonte-
carga;
 Concluída a montagem e conferida as ligações da força, volte a alimentar e acionar
somente o circuito de comando, de maneira a checar se o comando ainda esta
funcionando normalmente. Para isso você deverá ligar o disjuntor geral e acionar o
botão liga. Se estiver tudo Ok, acione o botão desliga para o contator desativar;
 Coloque o plug tripolar na tomada trifásica;
 Com um teste néon, verifique se não esta faltando nenhuma fase na saída dos
fusíveis de força;
 Caso esteja tudo OK, acione o botão liga: o motor deverá partir imediatamente,
caso contrário desligue o disjuntor geral e chame o professor para verificar o que
ocorreu e buscar uma solução para que o circuito possa operar normalmente;
 Utilize um alicate volt-amperímetro em escala adequada, verifique e anote:
 Corrente de partida: _________________
 Corrente de regime (em vazio e em carga): ___________, ____________
 Tensão entre fases e tensão na bobina do motor: _________, _________
R 380V – 60Hz
S
T
e1
Q1
1 3 5 A1
K1
2 4 6
A2
e4 95
96
Fig. 4.2
 Concluída os ensaios, desligue o disjuntor geral do painel, retire o plug tripolar da tomada
trifásica de alimentação do circuito de força e os plugs da tomada monofásica de
alimentação do circuito de comando;
 Proceda a desmontagem dos circuitos e guarde ordenadamente nos seus devidos locais,
todos os componentes e ferramentas utilizados na prática.
M3Ø
CENTRO FEDERAL DE EDUCAÇÃO TECNOLÓGICA DO CEARÁ – CEFET-CE
CURSO DE ELETROTÉCNICA
MANUAL DE COMANDOS INDUSTRIAIS
PÁGINA:
PRÁTICA 05
Prof. Gênova
49
5 . VERIFIQUE OS SEUS CONHECIMENTOS
Faça o que se pede:
5.1- Desenhe o diagrama integrado do circuito para partida direta de MIT, com acionamento
local e a distância por botoeiras, empregando a simbologia normalizada;
5.2- Complete as lacunas de acordo com a simbologia e convenções empregadas em circuitos
de comandos:
a) Os botões de comando são identificados pelas letras ____ ou ____, sendo usada a
letra/índice (0) _____ ou _____ para o botão normalmente fechado (NF) e a letra/índice
(1) _____ ou _____ para o botão normalmente aberto (NA);
b) O botão fechador ou liga o circuito, é um botão com contato _____, enquanto o botão
abridor ou desliga o circuito, é um botão com contato _____;
c) As botoeiras são codificadas usando o código de cores, sendo a cor _________
correspondente ao botão liga, enquanto a cor ____________ corresponde ao desliga;
d) A sinalização luminosa de um painel de comando de motores, é utilizada para indicar
visualmente o estado ou sequência operacional do motor, sendo estabelecida a luz ou
lente de cor __________ para indicar o motor parado, e a luz ou lente de cor ___________
para indicar que o motor esta em funcionamento;
e) Os contatores são denominados na classificação geral, de contator _____________ e
contator _______________;
f) O contato de selo é um contato normalmente __________, podendo ser identificado como
exemplo, com os seguintes pares de dígitos: _____e_____, _____e_____, _____e_____ ;
g) Os relés térmicos e fusíveis são identificados pelas letras _____ou _____, sendo
empregada a letra/índice _____ ou _____ para relés, enquanto para fusíveis utilizam-se as
seguintes letras/índices: Fusível no circuito de comando: ______ ou ______.
Fusível no circuito de força: ______ ou ______.
5.3- Explique qual a vantagem e desvantagem da utilização da sinalização luminosa ligada em
paralelo diretamente com a bobina do contator, no circuito de partida direta de MIT;
5.4- Qual o significado dos dígitos que referenciam os contatos de um contator, impressos nas
peças e representados nos diagramas dos circuitos ?
5.5- Descreva de maneira sucinta, a seqüência operacional do circuito montado nesta prática;
5.6- Desenhe o diagrama de comando para partida direta de MIT, num local onde não se
dispõe do condutor neutro, mas somente das três fases.
CENTRO FEDERAL DE EDUCAÇÃO TECNOLÓGICA DO CEARÁ – CEFET-CE
CURSO DE ELETROTÉCNICA
MANUAL DE COMANDOS INDUSTRIAIS
PÁGINA:
PRÁTICA 06
Prof. Gênova
50
PRÁTICA 06
ASSUNTO: COMANDO PARA ACIONAMENTO DO MOTOR DE INDUÇÃO MONOFÁSICO DE
FASE DIVIDIDA, COM PARTIDA À CAPACITOR.
1. OBJETIVO
Efetuar o acionamento do motor de indução monofásico com partida à capacitor, utilizando
comando remoto por botoeiras e contator, e automático por chaves bóias.
2. COMENTÁRIOS TEÓRICOS
A utilização do motor de indução monofásico de pequena potência é bastante frequente na
maioria das instalações residenciais, comerciais e industriais onde a alimentação de energia
elétrica é proporcionada através de uma rede monofásica de corrente alternada, bem como em
todas as instalações bifásicas ou trifásicas onde normalmente há necessidade da aplicação de
motores de pequeno porte, que operando a partir de circuitos monofásicos, acionam várias
máquinas, tais como: bombas hidráulicas, compressores, máquinas de lavar de maior porte,
máquinas de costura, ventiladores, furadeiras, aspiradores, condicionadores de ar, unidades
refrigeradoras, e de um modo geral, quando se tratar do motor monofásico com partida a
capacitor (Fig.2.1), em toda instalação onde se requerem motores monofásicos que
desenvolvam torques de partida elevados.
Motor monofásico com partida à capacitor
Fig.2.1
A Concessionária de Energia Elétrica local, prescreve na Norma Técnica para Fornecimento
de Energia Elétrica em Tensão Secundária de Distribuição (NT-001), que para ligações
monofásicas atendidas através de fase e neutro em 220V, permite-se ligar motores
monofásicos com potência individual até 3 cv.
Para aplicações onde se necessita um motor de maior porte, é recomendado o uso de
máquinas polifásicas, que além de corresponderem a uma construção mais simples possuem
uma operação mais eficiente em comparação com os motores monofásicos, que normalmente
possuem rendimento e fator de potência muito baixos. Por este motivo que os motores de
indução monofásicos são fabricados para potência não superior a 1 cv, daí serem designados
de motor de potência fracionada.
O princípio de funcionamento do motor monofásico baseia-se no conceito da indução
eletromagnética originada através da alimentação do estator (indutor) com uma tensão
alternada. O campo magnético alternado monofásico existente no estator, induz uma tensão
no rotor (induzido). Como o rotor é equivalente a um condutor em curto circuito, a tensão
induzida faz “aparecer” uma corrente no rotor, que por sua vez estando variando em uma
massa metálica, produz também um campo magnético que irá reagir com o campo magnético
CENTRO FEDERAL DE EDUCAÇÃO TECNOLÓGICA DO CEARÁ – CEFET-CE
CURSO DE ELETROTÉCNICA
MANUAL DE COMANDOS INDUSTRIAIS
PÁGINA:
PRÁTICA 06
Prof. Gênova
51
do estator, só que de sentido oposto, de modo que não é produzida nenhuma componente útil
de torque e por conseguinte não produz nenhum conjugado de partida.
Para que haja torque líquido resultante não nulo, e o motor possa girar, é empregado
construtivamente dois enrolamentos no estator, o enrolamento principal ou efetivo e o
enrolamento auxiliar. O enrolamento principal é distribuído nas ranhuras, uniformemente
espaçados em volta do estator. O enrolamento auxiliar, ligado em paralelo com o principal, é
também distribuído uniformemente em volta do estator, mas que começa em ranhuras
defasadas de 90° elétricos do início do enrolamento efetivo. A corrente do enrolamento de
partida esta adiantada em relação a corrente do enrolamento principal, não necessariamente
de 90°, mas o suficiente para que haja defasamento no tempo, uma vez que devido a forma
construtiva de montagem deste enrolamento nas ranhuras, já existe um defasamento no
espaço. Portanto a finalidade essencial do enrolamento auxiliar, é produzir a rotação do rotor.
A fim de melhorar o torque de partida relativamente baixo no motor de fase dividida, adiciona-
se um capacitor ao enrolamento auxiliar, para produzir um defasamento próximo aos 90° entre
as correntes nos enrolamentos de partida e de funcionamento. Como o enrolamento auxiliar só
é necessário na fase de partida, uma vez que ao ser posto a girar num dado sentido, ele
permanece neste sentido devido ao torque líquido resultante, o enrolamento auxiliar é
desligado do circuito através da abertura de uma chave centrífuga, constituída de expansor e
platinado, permanecendo então o motor sendo alimentado somente pelo enrolamento efetivo.
Quando o motor é desligado, a chave centrífuga volta a fechar, deixando o enrolamento
auxiliar já conectado novamente em paralelo com o enrolamento principal e pré disposto para
uma nova partida do motor.
O enrolamento de partida possui menos espiras e é bobinado com fio de cobre de menor
diâmetro do que o principal, daí o enrolamento auxiliar possuir uma resistência elevada e uma
baixa reatância, inversamente ao enrolamento efetivo que possui uma baixa resistência (fio de
maior diâmetro) e uma elevada reatância, mais espiras, resultando no entanto numa
impedância mais baixa, e por conseguinte, uma maior corrente.
O capacitor de partida é do tipo eletrolítico que tem a característica de funcionamento somente
quando solicitado por tensão com polaridade estabelecida, tendo a sua montagem externa
sobre a carcaça do estator, cuja fixação é proporcionada por suportes que também tem a
finalidade de protege-lo mecanicamente.
A seguir são apresentados o esquema de funcionamento, relativo ao circuito equivalente do
motor monofásico, os tipos de ligação e o esquema de ligação para a tensão de rede de 220V:
ESQUEMA DE FUNCIONAMENTO TIPOS DE LIGAÇÕES
A) 110V
5 6
1 2 3 4
L1 (F) L2 (N)
B) 220V
5 6
1 3 2 4
L1 (F) L2 (N)
CENTRO FEDERAL DE EDUCAÇÃO TECNOLÓGICA DO CEARÁ – CEFET-CE
CURSO DE ELETROTÉCNICA
MANUAL DE COMANDOS INDUSTRIAIS
PÁGINA:
PRÁTICA 06
Prof. Gênova
52
ESQUEMA DE LIGAÇÃO DAS BOBINAS PARA TENSÃO DA REDE DE 220V
L1 (F) L2 (N)
3. MATERIAL EMPREGADO
ITEM ESPECIFICAÇÃO QUANT. UNID.
01 Contator 3TB/3TF...SIEMENS ou LC1...TELEMECANIQUE – 220V 01 Um
02 Relé bimetálico 3UA...SIEMENS ou LR...TELEMECANIQUE – 220V 01 Um
03 Fusível diazed 2 A, completo 01 Um
04 Botoeira NA 01 Uma
05 Botoeira NF 01 Uma
06 Lâmpada de sinalização VM – 220V 01 Uma
07 Chave bóia NS – 10 A 01 Uma
08 Chave bóia NI – 10 A 01 Uma
09 Fusível NH 16 A, completo 01 Um
10 Pino monopolar com cordão flexível para alimentação da fonte 04 Um
11 Motor de indução monofásico com partida à capacitor 01 Um
4. PROCEDIMENTO DA PRÁTICA
A T E N Ç Ã O !
DURANTE A MONTAGEM E OPERAÇÃO DESSA PRÁTICA, VOCÊ VAI SE DEPARAR COM
COMPONENTES E PARTES METÁLICAS CONDUTORAS QUE NÃO ESTARÃO PROTEGIDAS
CONTRA CONTATOS ACIDENTAIS. TENHA O MÁXIMO DE CUIDADO E ATENÇÃO POIS VOCÊ VAI
LIDAR COM TENSÃO DE 220V. NÃO SEJA PRECIPITADO. SURGINDO QUALQUER DÚVIDA E AO
CONCLUIR A MONTAGEM, ANTES DE ENERGIZAR O CIRCUITO, SOLICITE A PRESENÇA DO
PROFESSOR NA SUA BANCADA DE TRABALHO.
4.1- DIAGRAMA DE COMANDO:
 Monte o circuito de comando de acordo com o diagrama esquemático da Fig. 4.1a;
 Siga os procedimentos habituais do roteiro de montagem:
 Separe e confira todos os componentes a serem utilizados nesta montagem, inclusive
fios e cabinhos em quantidade adequada e os componentes a serem empregados no
circuito de força;
 Teste todos os componentes;
 Após o teste dos componentes, desligue o disjuntor geral do painel;
CENTRO FEDERAL DE EDUCAÇÃO TECNOLÓGICA DO CEARÁ – CEFET-CE
CURSO DE ELETROTÉCNICA
MANUAL DE COMANDOS INDUSTRIAIS
PÁGINA:
PRÁTICA 06
Prof. Gênova
53
 Inicie a montagem no painel tendo o cuidado de só interligar a alimentação do circuito
de comando (Fase e Neutro), após concluído a montagem e conferida as ligações.
a) Comando local ou a distância por botoeiras
e21
13 23
14 24
A1
A2
Fig. 4.1a
b) Comando automático por chaves bóias:
Modifique o circuito de comando da fig.4.1a e transforme-o no da fig.4.1b:
NS
13
14
A1
NI
N A2
Fig. 4.1b
F 220V – 60Hz
e.4
b.0
b.1
95
96
K1 K1
K1
h.1
N
F 220V – 60Hz
e.21
e.4 95
96
K1
K1
h.1
CENTRO FEDERAL DE EDUCAÇÃO TECNOLÓGICA DO CEARÁ – CEFET-CE
CURSO DE ELETROTÉCNICA
MANUAL DE COMANDOS INDUSTRIAIS
PÁGINA:
PRÁTICA 06
Prof. Gênova
54
4.2- Diagrama de Força:
Monte o circuito de força de acordo com o diagrama esquemático da Fig. 4.2.
Observe que o circuito de força é eletricamente independente do circuito de comando.
Portanto, após concluída a montagem e teste do comando, não desfaça as ligações deste
circuito, pois o mesmo servirá exatamente para controle de acionamento e desativação da
carga, após a montagem do circuito de força.
 Desligue o disjuntor geral do painel;
 Inicie a montagem do circuito de força fazendo as interligações no sentido fonte-carga;
F 220V – 60Hz
N
e1
1 3 5 K1 A1
2 4 6 A2
e4 95
96
Fig. 4.2
 Concluída a montagem e conferida as ligações da força, volte a alimentar e acionar
somente o circuito de comando, de maneira a checar se o comando ainda esta
funcionando normalmente. Para isso você deverá ligar o disjuntor geral e acionar o botão
liga. Se estiver tudo Ok, acione o botão desliga para o contator desativar;
 Coloque os plugs unipolares na tomada monofásica;
 Com um teste neon, verifique se não esta faltando fase na saída do fusível de força;
 Caso esteja tudo OK, acione o botão liga: o motor deverá partir imediatamente, caso
contrário desligue o disjuntor geral e chame o professor para verificar o que ocorreu e
buscar uma solução para que o circuito possa operar normalmente;
 Utilize um alicate volt-amperímetro em escala adequada, verifique e anote:
 Corrente de partida: __________
 Corrente de regime (em vazio e em carga): ________, _________
 Tensão entre fase e neutro e tensão na bobina do motor: _________, _________
TERMINAIS
1 e 5
TERMINAL
4
TERMINAIS
2, 3 e 6
CENTRO FEDERAL DE EDUCAÇÃO TECNOLÓGICA DO CEARÁ – CEFET-CE
CURSO DE ELETROTÉCNICA
MANUAL DE COMANDOS INDUSTRIAIS
PÁGINA:
PRÁTICA 06
Prof. Gênova
55
 Concluída os ensaios, desligue o disjuntor geral do painel, retire os plugs unipolares da
tomada monofásica de alimentação do circuito de força e os plugs da tomada monofásica
de alimentação do circuito de comando;
 Proceda a desmontagem dos circuitos e guarde ordenadamente nos seus devidos locais,
todos os componentes e ferramentas utilizados na prática.
5. VERIFIQUE OS SEUS CONHECIMENTOS
Faça o que se pede:
5.1- Explique por que o motor monofásico precisa do enrolamento auxiliar para partir ?
5.2- O motor monofásico de fase dividida podería partir sem a utilização do capacitor ?
Explique.
5.3- Qual a função do capacitor na partida do motor de indução monofásico ?
5.4- Quais os componentes do motor monofásico que são responsáveis para que o
enrolamento auxiliar seja conectado ou desconectado em paralelo com o enrolamento
efetivo ?
5.5- O que você entende por motor de potência fracionada ?
5.6- De acordo com a prescrição da Norma Técnica da Concessionária local, até que potência
individual em cv, permite-se ligar motor monofásico cuja instalação for atendida através de
tensão monofásica (fase-neutro) de 220V?
5.7- Explique por que não é viável a aplicação de motores monofásicos de médio e grande
porte.
5.8- Como o relé bimetálico de sobrecarga tripolar deve ser utilizado para proporcional a
proteção de cargas monofásicas, como no caso do motor de indução monofásico ?
5.9- Qual a diferença existente entre o circuito de comando para partida direta de MIT e o
circuito de comando para partida do motor monofásico, com acionamento por botoeiras ?
5.10- No circuito de comando automático do motor monofásico, com acionamento ou
desativação somente através de chaves bóias, qual o contato de selo do circuito ?
CENTRO FEDERAL DE EDUCAÇÃO TECNOLÓGICA DO CEARÁ – CEFET-CE
CURSO DE ELETROTÉCNICA
MANUAL DE COMANDOS INDUSTRIAIS
PÁGINA:
PRÁTICA 07
Prof. Gênova
56
PRÁTICA 07
ASSUNTO: COMANDO PARA PARTIDA DIRETA DE MOTOR DE INDUÇÃO TRIFÁSICO,
COM REVERSÃO NO SENTIDO DE ROTAÇÃO E ACIONAMENTO REMOTO
ATRAVÉS DE BOTOEIRAS E CHAVES FIM DE CURSO.
1. OBJETIVO
Familiarizar o aluno com a montagem de circuitos de comando e força, para partida direta do
motor de indução trifásico, com reversão no sentido de rotação, utilizando comando local ou a
distância através do acionamento de botoeiras e chaves fim de curso.
2. COMENTÁRIOS TEÓRICOS
A reversão no sentido de rotação de um motor de indução trifásico, é obtida com a troca da
alimentação de dois terminais do estator, alterando a sequência de fases e por conseguinte, a
direção de rotação do campo magnético girante. Dessa maneira o motor passa a girar em
sentido contrário ao original que tinha partido, como por exemplo: se o motor parte no sentido
horário, após a reversão ele passa a girar no sentido anti-horário.
Em termos de circuito de comando e força, ao adicionar um sistema de inversão de sentido de
rotação, no circuito utilizado para partida direta simples, obtemos a caracterização de um novo
sistema de acionamento e controle do MIT, denominado de “chave reversora”.
São acrescidos ao circuito, um contator principal e um botão de comando NA, que
proporcionarão a inversão no sentido de rotação do motor, através da inversão da sequência
de fases de alimentação das bobinas do mesmo.
Existem diversas variações de modelos do circuito de comando para reversão, no entanto
serão apresentadas nesta prática, três versões básicas: Comando para reversão lenta,
comando para reversão rápida e comando para reversão por chave fim de curso.
Reversão lenta ou indireta: Deve ser utilizada quando há necessidade de um intervalo de
tempo no momento da comutação, como é o caso de máquinas onde a inércia é muito grande
o que torna impraticável a reversão rápida, ou ainda em situações onde por qualquer motivo
seja necessário um determinado tempo na reversão.
Analisando o circuito da fig. 4.1, podemos observar que ao se iniciar o processo da reversão
com o acionamento de b0, teremos um intervalo de tempo momentâneo onde o circuito estará
desativado, caracterizando a partir daí a reversão em dois estágios:
1o
estágio: Desligamento do motor;
2o
estágio: Partida do motor com a rotação no sentido inverso.
Reversão Rápida: No circuito da fig. 4.2, não existe este estágio de desligamento do motor
para se processar a reversão, onde o processo de inversão é proporcionado simultaneamente
pela interdependência dos botões de comando conjugados b22 e b23. Estes botões fazem o
intertravamento mecânico entre os contatores K1 e K2.
Admitindo que o motor esteja em funcionamento, para se processar a reversão rápida do
sentido de rotação, basta acionar a botoeira b23, que desopera o contator K1 e ao mesmo
tempo energiza a bobina de K2, alimentando desta forma o motor com a sequência das fases
da rede invertida. O desligamento definitivo do circuito é proporcionado pela impulsão de b0.
Reversão por chave fim de curso: Em ambos os circuitos a reversão pode ser automatizada,
bastando utilizar componentes que tornam o processo automático, como é o caso de chaves
fim de curso, relé de tempo e outros, bastando inserir no circuito de comando, os respectivos
contatos dos dispositivos automáticos. No caso particular de controle e acionamento de
portões ,elevadores e pontes rolantes, a chave fim de curso tem uma aplicação muito
particular, sendo usada em conjunto com os botões de comando, conforme a fig. 4.3.
De uma maneira geral podemos citar como exemplos típicos da aplicação da reversão de
motores, o controle e acionamento de elevadores domésticos, elevadores de carga,
elevadores de coluna para autos, tornos, esteiras transportadoras, pontes rolantes, portões,
guinchos e guindastes, sistema de ventilação/exaustão e outros.
3. MATERIAL EMPREGADO
CENTRO FEDERAL DE EDUCAÇÃO TECNOLÓGICA DO CEARÁ – CEFET-CE
CURSO DE ELETROTÉCNICA
MANUAL DE COMANDOS INDUSTRIAIS
PÁGINA:
PRÁTICA 07
Prof. Gênova
57
ITEM E S P E C I F I C A Ç Ã O QUANT. UNID.
01 Contator 3TB/3TF...SIEMENS ou LC1...TELEMECANIQUE – 220V 02 Um
02 Relé bimetálico 3UA... SIEMENS ou LR...TELEMECANIQUE 01 Um
03 Fusível diazed 2 A, completo 01 Um
04 Botoeira NA 01 Uma
05 Botoeira NF 01 Uma
06 Botoeira conjugada NA/NF 02 Uma
07 Chave fim de curso 02 Uma
08 Lâmpada de sinalização VM – 220V 01 Uma
09 Lâmpada de sinalização VD – 220V 01 Um
10 Chave Seccionadora tipo PACCO 01 Uma
11 Fusível NH 16 A , completo 03 Um
12 Pino tripolar com cordão flexível 01 Um
13 Motor de indução trifásico 220/380V 01 Um
4. PROCEDIMENTO DA PRÁTICA
A T E N Ç Ã O !
CUIDADO! DURANTE A MONTAGEM E OPERAÇÃO DESSA PRÁTICA, EXISTIRÃO
PARTES CONDUTORAS QUE NÃO ESTARÃO PROTEGIDAS CONTRA CONTATOS
ACIDENTAIS. VOCÊ VAI LIDAR COM TENSÕES DE 220V E 380V. AO CONCLUIR A
MONTAGEM, ANTES DE ENERGIZAR O CIRCUITO, SOLICITE A PRESENÇA DO
PROFESSOR PARA CONFERIR AS LIGAÇÕES.
4.1- Diagrama de comando:
Monte o circuito de comando da fig. 4.1, de acordo com as determinações do roteiro de
trabalho.
a) Comando local ou à distância por botoeiras, para reversão lenta:
F 220V – 60HZ
e21
95
e4
96
b0
13 13 33 33
b1 K1 b2 K2 K1 K2
14 14 34 34
21 21
K2 K1 h1 h2
22 22
K1 K2
N
Fig.4.1
b) Comando local ou à distância por botoeiras, para reversão rápida:
F 220V – 60HZ
CENTRO FEDERAL DE EDUCAÇÃO TECNOLÓGICA DO CEARÁ – CEFET-CE
CURSO DE ELETROTÉCNICA
MANUAL DE COMANDOS INDUSTRIAIS
PÁGINA:
PRÁTICA 07
Prof. Gênova
58
e21
e4 95
96
b0
13
b23 b23 K2
14
b22 b22 23 23
K1 K2
13 C 24 24
K1
14
A
D 31
B 31 K1
K2 32
32
A1 A1 h1 h2
K1 K2
N A2 A2
Fig.4.2
c) Comando por chave fim de curso:
O diagrama de comando com acionamento por botoeiras e chave fim de curso, é idêntico ao
diagrama da fig. 4.2, bastando intercalar nos trechos AB e CD os contatos NF das chaves fim
de curso SC1 e SC2, respectivamente, conforme trecho representativo desenhado na fig. 4.3:
A C
SC1 SC2
B 31 D 31
K2 K1
32 32
K1 K2
N
Fig. 4.3
4.2- Diagrama de força
Monte o circuito de força de acordo com a Fig. 4.4:
R 3 ~ 380V – 60Hz
CENTRO FEDERAL DE EDUCAÇÃO TECNOLÓGICA DO CEARÁ – CEFET-CE
CURSO DE ELETROTÉCNICA
MANUAL DE COMANDOS INDUSTRIAIS
PÁGINA:
PRÁTICA 07
Prof. Gênova
59
S
T
e1
1 3 5 A1 1 3 5 A1
K1 K2
2 4 6 2 4 6
A2 A2
95
e4 96
5. VERIFIQUE OS SEUS CONHECIMENTOS
Faça o que se pede:
5.1- Assinale a alternativa correta:
5.1.1- O contator
a) É um dispositivo para uma elevada frequência de manobra;
b) Sempre possui câmara de extinção de arco;
c) Pode interromper sempre correntes de curto circuito;
d) É um dispositivo de sinalização.
5.1.2- As vibrações do eletroímã, em virtude das alternâncias de CA, são evitadas por:
a) Núcleo feito de chapas;
b) Molas de amortecimento;
c) Bobina de sombra;
d) Bobina com potência adequada.
5.1.3- Nos contatores
a) O eletroímã e os contatos e fecham simultaneamente;
b) Os contatos NA/NF se fecham e se abrem, respectivamente, simultaneamente;
c) A abertura é feita diretamente pelo desligamento do eletroímã;
d) O núcleo móvel se fecha com o núcleo fixo, simultaneamente com os contatos NF.
5.1.4- O contato que mantém o contator alimentado após o impulso da botoeira, é
denominado de contato:
a) Auxiliar c) Contato de selo
b) Contato de fechamento d) Contato de retenção
M 3ø
CENTRO FEDERAL DE EDUCAÇÃO TECNOLÓGICA DO CEARÁ – CEFET-CE
CURSO DE ELETROTÉCNICA
MANUAL DE COMANDOS INDUSTRIAIS
PÁGINA:
PRÁTICA 07
Prof. Gênova
60
5.1.5- Os contatores principais possuem:
a) Contatos principais e auxiliares de mesma capacidade
b) Elevada capacidade de manobra e geralmente câmara de extinção de arco;
c) Construção basicamente diferente dos contatores auxiliares
d) Relés de proteção acoplados em sua base.
5.2- Complete corretamente, no enfoque de intertravamento de contatores:
a) Os sistemas usados para impedir que dois ou mais elementos se liguem ao mesmo
tempo, denomina-se de______________________;
b) Estes sistemas podem ser de dois tipos, ou seja: _____________________ elétrico
e _____________________mecânico;
c) A ligação simultânea de dois contatores pode ser evitada tanto pelos seus próprios
contatos auxiliares, como pelo _______________________________;
d) Para maior garantia do comando, é costume usar tanto o ___________________
______________ como o ___________________ ___________________.
5.3- Analisando a sequência operacional do circuito de comando para reversão, complete os
espaços corretamente:
a) O circuito de K1 se estabelece quando pulsamos ________;
b) Entrando K2 em funcionamento, K1 é bloqueado pelo, contato de intertravamento
_________________;
c) Quando K1 estiver energizado e b23 for acionado, o circuito de K1 é interrompido
e assim permanece devido a abertura do contato denominado de _____________;
d) Quando K2 estiver funcionando, K1 tem seu circuito aberto nos três seguintes
pontos: ___________________, ____________________, _________________;
e) Descreva o que ocorrerá se o contato K2(13/14) não funcionar no fechamento.
5.4- Explique por que é impraticável a reversão rápida em máquinas cuja inércia é elevada ?
5.5- Quando queremos automatizar a reversão, aonde devemos instalar os contatos dos
dispositivos automáticos no circuito de comando ?
CENTRO FEDERAL DE EDUCAÇÃO TECNOLÓGICA DO CEARÁ – CEFET-CE
CURSO DE ELETROTÉCNICA
MANUAL DE COMANDOS INDUSTRIAIS
PÁGINA:
PRÁTICA 08
Prof. Gênova
61
PRÁTICA 08
ASSUNTO: ACIONAMENTO DE MOTOR DE INDUÇÃO MONOFÁSICO DE FASE DIVIDIDA,
COM PARTIDA À CAPACITOR, COM REVERSÃO NO SENTIDO DE ROTAÇÃO.
1. OBJETIVO
Efetuar o acionamento do motor de indução monofásico com reversão no sentido de rotação,
utilizando comando manual através de chave reversora tripolar com alavanca, e comando
remoto por botoeiras e contatores.
2. COMENTÁRIOS TEÓRICOS
Como foi visto em prática anterior, existem diversas aplicações práticas onde o motor
monofásico é largamente empregado, além de ser necessário em algumas situações, a
inversão no sentido de rotação do motor, como é o caso por exemplo, do acionamento e
controle de portões corrediços.
A reversão no sentido de rotação do motor trifásico é facilmente conseguida pela permuta da
alimentação de dois terminais do estator, o que não é possível com o motor monofásico. Para
que a inversão seja realizada, é necessário entender primeiramente o processo de partida do
motor monofásico. Construtivamente este motor é concebido de tal forma que o enrolamento
do estator é dividido em duas partes, ou seja, um enrolamento efetivo e outro auxiliar, que é
solicitado apenas na fase de partida do motor. O enrolamento auxiliar esta conectado
inicialmente em paralelo com o enrolamento principal, e esta distribuído uniformemente nas
ranhuras do estator de tal forma que existe um defasamento no espaço em relação ao efetivo,
fator essencial para que haja torque útil neste instante inicial e o motor possa partir. Para
melhorar as condições de partida, é adicionado um capacitor em série com o enrolamento
auxiliar, de maneira que seja produzido um defasamento próximo a 90° entre as correntes
desses enrolamentos, otimizando então as condições de torque útil na fase de partida.
Quando o motor começa a girar num determinado sentido, a chave centrífuga abre um contato
e desconecta o enrolamento auxiliar do circuito, permanecendo o motor alimentado somente
pelo enrolamento efetivo. A forma com que os enrolamentos principal e auxiliar são montados
no estator, faz com que exista uma polaridade entre os dois enrolamentos, que pode ser
aditiva ou subtrativa. O enrolamento auxiliar possui os dois terminais numerados com os
dígitos 5 e 6, daí para que na fase de partida a polaridade de um enrolamento em relação ao
outro, possa ser alterada, basta trocar as conexões destes dois terminais ligados em paralelo
com o efetivo, correspondendo a permuta do 5 pelo 6. Portanto o que a chave manual
reversora ou o comando remoto vai proporcionar ao motor, é a troca das conexões entre o
enrolamento efetivo e auxiliar, permutando os terminais 5 pelo 6, e com a mudança de
polaridade produzida, resultará na inversão do sentido de rotação.
É importante observar que para o motor monofásico, não é possível a reversão rápida, uma
vez que estando o motor ainda a girar, mesmo sem alimentação de tensão, a chave centrífuga
esta com seus terminais abertos deixando ainda o enrolamento auxiliar desconectado do
principal, e neste período se a chave reversora for acionada para o outro sentido de rotação,
alimentando o enrolamento principal novamente com tensão, o mesmo não sentirá mudança
de polaridade, daí o torque útil continuar no mesmo sentido e não haver inversão. Dessa
maneira para que a reversão ocorra, é necessário que haja a parada efetiva do motor.
É possível utilizar a chave reversora tripolar manual para efetuar a inversão no sentido de
rotação do motor monofásico, uma vez que esta chave possui dois pares de terminais que são
variáveis, enquanto outro par permanece com ligação repetida. Dessa forma basta conectar
os terminais 5 e 6 do motor, nos terminais variáveis da chave, procedendo as demais
conexões de acordo com a tensão de alimentação da rede. Observar que por questões de
segurança operacional, quando a chave estiver na posição zero (desligada), todos os
terminais do motor deverão estar desconectados do terminal fase da rede.
3. MATERIAL EMPREGADO
CENTRO FEDERAL DE EDUCAÇÃO TECNOLÓGICA DO CEARÁ – CEFET-CE
CURSO DE ELETROTÉCNICA
MANUAL DE COMANDOS INDUSTRIAIS
PÁGINA:
PRÁTICA 08
Prof. Gênova
62
ITEM ESPECIFICAÇÃO QUANT UNID
01 Chave Reversora manual 30 A, Primelétrica ou Continental 01 Uma
02 Contator 3TB/3TF...SIEMENS ou LC1...TELEMECANIQUE – 220V 01 Um
03 Relé bimetálico 3UA...SIEMENS ou LR...TELEMECANIQUE – 220V 01 Um
04 Fusível diazed 2 A, completo 01 Um
05 Botoeira NA 01 Uma
06 Botoeira NF 01 Uma
07 Lâmpada de sinalização VM – 220V 01 Uma
08 Fusível NH 16 A, completo 01 Um
09 Pino monopolar com cordão flexível para alimentação da fonte 04 Um
10 Motor de indução monofásico com partida à capacitor 01 Um
4. PROCEDIMENTO DA PRÁTICA
A T E N Ç Ã O !
DURANTE A MONTAGEM E OPERAÇÃO DESSA PRÁTICA, VOCÊ VAI SE DEPARAR COM
COMPONENTES E PARTES METÁLICAS CONDUTORAS QUE NÃO ESTARÃO
PROTEGIDAS CONTRA CONTATOS ACIDENTAIS. TENHA O MÁXIMO DE CUIDADO E
ATENÇÃO POIS VOCÊ VAI LIDAR COM TENSÃO DE 220V. NÃO SEJA PRECIPITADO.
SURGINDO QUALQUER DÚVIDA E AO CONCLUIR A MONTAGEM, ANTES DE
ENERGIZAR O CIRCUITO, SOLICITE A PRESENÇA DO PROFESSOR NA SUA BANCADA
DE TRABALHO.
4.1- COMANDO POR CHAVE REVERSORA MANUAL
a) Montagem da chave reversora manual:
 Faça a fixação da chave manual no painel didático da sua bancada de trabalho;
 Faça a interligação dos terminais do motor e fios de alimentação da rede nos terminais
da chave, de acordo com a fig. 4.1. Caso os terminais do motor sejam curtos, emende
fio flexível para facilitar as conexões.
ZERO DIR ESQ
ZERO DIR ESQ
(Fig. 4.1)
 Verifique a posição da alavanca de acionamento da chave, que deve estar na posição
zero (desligada);
 Coloque os plugs de alimentação da rede na tomada de corrente monofásica;
CENTRO FEDERAL DE EDUCAÇÃO TECNOLÓGICA DO CEARÁ – CEFET-CE
CURSO DE ELETROTÉCNICA
MANUAL DE COMANDOS INDUSTRIAIS
PÁGINA:
PRÁTICA 08
Prof. Gênova
63
 Acione o disjuntor geral do painel;
 Acione a alavanca da chave;
 Proceda a sequência operacional correspondente, de maneira que o motor gire para a
direita, pare, gire para a esquerda, pare.
 Desligue o disjuntor geral e desfaça todas as ligações;
4.2- COMANDO REMOTO POR BOTOEIRAS E CONTATORES
a) Diagrama de comando
 Efetue o teste de todos os componentes empregados na prática;
 Após o teste, desligue o disjuntor geral;
 Faça a montagem do circuito de comando de acordo com a Fig. 4.2a;
F 220V – 60Hz
e21
e4 95
96
b0
13 13 33 33
b1 K1 b2 K2 K1 K2
14 14 34 34
21 21
K2 K1 h1 h2
22 22
K1 K2
N
Fig.4.2a
 Concluída a montagem do comando, confira as ligações e ligue o disjuntor geral;
 Ligue o circuito e verifique o seu funcionamento;
 Caso esteja tudo ok, desligue o circuito e o disjuntor geral.
b) Diagrama de Força
 Na montagem do circuito de força do motor monofásico, para reversão no sentido de
rotação, é necessário que os terminais do motor fiquem disponíveis para possibilitar a
comutação de ligações, tendo em vista que a inversão é obtida pela permuta dos
terminais 5 pelo 6;
 Faça a montagem do circuito de força, de acordo com a Fig. 4.2b, observando que a
fonte de alimentação é a tomada de corrente monofásica;
F
220V – 60Hz
N
CENTRO FEDERAL DE EDUCAÇÃO TECNOLÓGICA DO CEARÁ – CEFET-CE
CURSO DE ELETROTÉCNICA
MANUAL DE COMANDOS INDUSTRIAIS
PÁGINA:
PRÁTICA 08
Prof. Gênova
64
e1
1 3 5 1 3 5
K1 K2
2 4 6 2 4 6
e4
4 1 2,3 5 6
Fig. 4.2b
 Após a montagem efetue a conferência das ligações;
 Se estiver tudo ok, ligue o disjuntor geral;
 Proceda o acionamento do circuito na sequência operacional:
 partida no 1o
sentido de rotação
 parada
 partida no 2o
sentido de rotação
 parada
 Desligue o disjuntor geral e desfaça as ligações dos circuitos;
 Guarde ordenadamente, todo o material usado na prática.
5. VERIFIQUE OS SEUS CONHECIMENTOS
Faça o que se pede:
5.1- Cite algumas aplicações do motor monofásico com reversão no sentido de rotação;
5.2- O que ocorreria numa nova partida do motor, se o capacitor de partida do motor de
indução monofásico fosse retirado ?
5.3- Explique por que não é possível utilizar reversão rápida com o motor monofásico.
CENTRO FEDERAL DE EDUCAÇÃO TECNOLÓGICA DO CEARÁ – CEFET-CE
CURSO DE ELETROTÉCNICA
MANUAL DE COMANDOS INDUSTRIAIS
PÁGINA:
PRÁTICA 08
Prof. Gênova
65
5.4- Quais as alterações que seriam necessárias se fazer no circuito de comando da fig. 4.2a,
para que a reversão fosse aplicada no controle do portão de uma garagem, com a
inclusão de chaves fim de curso ?
5.5- Cite quais as vantagens e desvantagens de utilizar a chave reversora tripolar manual para
o acionamento e desativação do motor monofásico;
5.6- Considerando ainda a chave reversora manual, qual a justificativa técnica que explica a
recomendação de que quando a chave estiver com a alavanca de acionamento na
posição zero, com o motor desligado, não deve ficar nenhum terminal do motor sob
tensão ?
5.7- Analisando o circuito de comando da fig. 4.2 a, responda:
a) O que ocorreria se o fio neutro de alimentação da bobina do contator K2 estivesse
desligado ?
b) Se o contato e4(95-96) abrisse durante o funcionamento do motor, o que o poderia
estar ocorrendo ?
c) Se a rede fosse de 110V, quais as modificações nas ligações que você deveria fazer
no circuito da fig. 4.2 b ?
CENTRO FEDERAL DE EDUCAÇÃO TECNOLÓGICA DO CEARÁ – CEFET-CE
CURSO DE ELETROTÉCNICA
MANUAL DE COMANDOS INDUSTRIAIS
PÁGINA:
PRÁTICA 09
Prof. Gênova
66
PRÁTICA 09
ASSUNTO: COMANDO AUTOMÁTICO PARA A PARTIDA DE VÁRIOS MOTORES
TRIFÁSIICOS EM LIGAÇÃO SEQUÊNCIAL
1.OBJETIVO
Familiarizar o aluno com a montagem de circuitos de comando eletromagnético e de força,
para partida de vários motores trifásicos em sucessão automática, como no caso de esteiras
transportadoras.
2.COMENTÁRIOS TEÓRICOS
Uma das aplicações do comando eletromagnético para ligação consecutiva de motores
trifásicos em sucessão automática, é o das esteiras transportadoras utilizadas para transporte
de materiais a granel (pós, líquidos, minérios, etc.) ou de materiais constituídos por unidades
isoladas (caixas, vasilhames, sacos, componentes mecânicos produzidos em série, etc.).
Podemos citar como exemplos de utilização dos transportadores de esteira, usinas de
beneficiamento de brita, fábrica de cimento, usina de alfalto, indústria de mineração, fábricas
de refrigerantes, usinas de beneficiamento de cereais e outros.
Para melhor compreender o objetivo dessa prática, faz-se necessário apresentar o
funcionamento das esteiras transportadoras, cujo processo veremos a seguir:
Funcionamento das esteiras transportadoras:
Considere os transportadores de esteiras que apresentamos no diagrama esquemático da
figura 2.1, que são acionados por três motores trifásicos M1, M2 e M3.
O sentido de condução do material a ser transportado, é dado por M3 - M2 - M1; por sua vez a
ligação dos motores deverá ser na sequência M1 – M2 – M3, o que corresponderá ao sentido
inverso do início do carregamento do material na esteira.
Se um dos motores falha, como por exemplo devido a uma sobrecarga, todos os motores
subsequentes serão desligados; é interrompido o fornecimento do material à esteira, enquanto
os motores ligados na sequência anterior ao motor que apresentou falha, continuam
funcionando, transportando o material até o total descarregamento das suas respectivas
esteiras.
Sentido de deslocamento
do material a ser transportado
M1
M2
Sentido de ligação
dos motores
M3
Fig. 2.1
Exemplo de ocorrências nas esteiras:
Ocorrência Consequência
M3 desliga M2 e M1 continuam funcionando
M1 desliga M2 e M3 são desligados
M2 desliga M3 é desligado e M1 continua funcionando
CENTRO FEDERAL DE EDUCAÇÃO TECNOLÓGICA DO CEARÁ – CEFET-CE
CURSO DE ELETROTÉCNICA
MANUAL DE COMANDOS INDUSTRIAIS
PÁGINA:
PRÁTICA 09
Prof. Gênova
67
3. MATERIAL EMPREGADO
ITEM E S P E C I F I C A Ç Ã O QUANT. UNID.
01 Contator 3TB/3TF...SIEMENS ou LC1...TELEMECANIQUE – 220V 03 Um
02 Relé bimetálico 3UA... SIEMENS ou LR...TELEMECANIQUE 03 Um
03 Fusível diazed 2 A, completo 01 Um
04 Botoeira NA 01 Uma
05 Botoeira NF 01 Uma
06 Lâmpada de sinalização VM – 220V 01 Uma
07 Lâmpada de sinalização VD – 220V 01 Uma
4. PROCEDIMENTOS DA PRÁTICA
A T E N Ç Ã O !
NA MONTAGEM DESSA PRÁTICA EXISTIRÃO PARTES CONDUTORAS QUE NÃO
ESTARÃO PROTEGIDAS CONTRA CONTATOS ACIDENTAIS. VOCÊ VAI LIDAR COM
TENSÕES DE 220/380V. TENHA O MÁXIMO DE CUIDADO, E ANTES DE ENERGIZAR
O CIRCUITO, SOLICITE A PRESENÇA DO PROFESSOR PARA CONFERIR AS LIGAÇÕES.
4.1- DIAGRAMA DE COMANDO
 Monte o circuito de comando de acordo com o diagrama da fig. 4.1, seguindo as
determinações do roteiro de trabalho:
F 220V – 60 Hz
e21
95
e4
96
b0 43 13
K1 K2
44 14
13
b1 K1
14 e5 95 e6 95
96 96
A1 A1 A1
K1 K2 K3
N A2 A2 A2
Fig. 4.1
Obs. Para simulação da sobrecarga, acione o botão vermelho do relé bimetálico, que
corresponderá a abertura do contato NF(95-96).
CENTRO FEDERAL DE EDUCAÇÃO TECNOLÓGICA DO CEARÁ – CEFET-CE
CURSO DE ELETROTÉCNICA
MANUAL DE COMANDOS INDUSTRIAIS
PÁGINA:
PRÁTICA 09
Prof. Gênova
68
4.2- DIAGRAMA DE FORÇA
 O circuito de força para alimentação dos motores, esta representado na fig. 4.2.
Durante esta prática não será necessário efetuar a sua montagem tendo em vista
que se trata de 3 (três) partidas diretas, semelhante a prática 5 deste manual.
R 380V – 60 Hz
S
T
e1 e2 e3
1 3 5 A1 1 3 5 A1 1 3 5 A1
K3
K1 K2
2 4 6 2 4 6 2 4 6
A2 A2 A2
e4 95 e5 95 e6 95
96 96 96
Fig. 4.2
5. VERIFIQUE OS SEUS CONHECIMENTOS
5.1- Descreva a sequência operacional do circuito de comando das esteiras transportadoras
desta prática;
5.2- Desenhe o diagrama multifilar integrado para acionamento das esteiras transportadoras e
alimentação dos motores M1, M2 e M3;
5.3- Cite algumas aplicações do uso de transportadores de esteiras;
5.4- Sobre defeitos em contatores, preencha as lacunas com a(s) causa(s) provável(eis) do
defeito(s);
a) Vibração do eletroímã: _____________________________________________________
___________________________________________________________________________
___________________________________________________________________________
b) Queima da bobina com tensão normal: __________________________________________
____________________________________________________________________________
M.1 M.2 M.3
CENTRO FEDERAL DE EDUCAÇÃO TECNOLÓGICA DO CEARÁ – CEFET-CE
CURSO DE ELETROTÉCNICA
MANUAL DE COMANDOS INDUSTRIAIS
PÁGINA:
PRÁTICA 09
Prof. Gênova
69
c) Funcionamento intermitente do eletroimã: ________________________________________
____________________________________________________________________________
____________________________________________________________________________
d) Sobreaquecimento dos contatos ou soldagem dos mesmos, com corrente nominal da carga:
____________________________________________________________________________
____________________________________________________________________________
e) Arco elétrico mais intenso em um dos contatos: ___________________________________
___________________________________________________________________________
5.5- Sobre as prováveis consequências de ocorrerem nos contatores, preencha as lacunas:
a) Contatores sem câmara de extinção de arco podem causar__________________________
____________________________________________________________________________
b) Material isolante carbonizado pode ocasionar _____________________________________
____________________________________________________________________________
c) A oxidação dos contatos pode ocasionar além do mau contato, o funcionamento _________
___________________________________________________________________________
d) O fechamento incorreto do eletroímã pode ocasionar _______________________________
____________________________________________________________________________
e) A montagem de contatores em locais onde há trepidação ocasiona ____________________
____________________________________________________________________________
5.6- Sobre o ricochete entre contatos e suas consequências, complete corretamente:
a) O ricochete é a abertura e fechamento dos contatos _______________________________
entre os contatos _____________________________________________________________
b) Quanto mais reduzido o ricochete, maior a _______________________ dos contatos;
c) Para reduzir o tempo de ricochete, três fatores são importantes:
1o
– Maior pressão das molas
2o
– Baixa velocidade de manobra
3o
- ____________________________________________
d) Quando um contator se fecha, a cada abertura do contato ocorre um arco elétrico que
vaporiza o metal das _______________________________________________________
5.7- Considerando o desenho esquemático das esteiras transportadoras, explique o que
ocorreria se houvesse uma sobrecarga no motor M1 e o relé bimetálico e4 não atuasse ?
Descreva uma explicação técnica para que este relé não atue.
CENTRO FEDERAL DE EDUCAÇÃO TECNOLÓGICA DO CEARÁ – CEFET-CE
CURSO DE ELETROTÉCNICA
MANUAL DE COMANDOS INDUSTRIAIS
PÁGINA:
PRÁTICA 10
Prof. Gênova
70
PRÁTICA 10
ASSUNTO: COMANDO AUTOMÁTICO PARA ACIONAMENTO DE MOTOR DE POLOS
COMUTÁVEIS PARA DUAS VELOCIDADES (LIGAÇÃO DAHLANDER)
1. OBJETIVO
Instruir o aluno com a montagem de circuitos de comando eletromagnético e de força,
utilizados para acionamento do motor dahlander de polos comutáveis, para duas
velocidades.
2. COMENTÁRIOS TEÓRICOS
O motor trifásico de polos comutáveis, denominado de motor “Dahlander”, é um motor de
indução que tem a característica construtiva de possibilitar a alteração da sua velocidade
através da variação no número de polos. O enrolamento do estator é construído de tal
forma que por simples mudança nas ligações das bobinas, o número de polos é modificado.
O motor Dahlander possui normalmente o rotor do tipo gaiola, tendo em vista que o
enrolamento com as barras curtocircuitadas sempre reage produzindo um campo de rotor
tendo um mesmo número de polos que o campo do estator. Ao contrário se o rotor fosse do
tipo enrolado, seriam introduzidas complicações adicionais para a comutação de polos,
tendo em vista que o enrolamento do rotor também precisaria ter suas ligações
modificadas, o que na prática não é tão fácil.
Na realização desta prática, no primeiro instante as bobinas do motor são ligadas de
maneira a produzir um campo de 4 (quatro) polos, correspondendo a operação do motor na
baixa velocidade (1800 rpm).
No segundo momento o circuito controlador efetua simultaneamente a inversão no sentido
de ligação das bobinas e a mudança nas ligações dos dois grupos de bobinas, passando
de ligação delta série (s) para estrela paralela (Yp), conforme diagrama de ligações do
item 2.2. Como resultado desta alteração obtém-se um campo de 2 polos, correspondendo
a operação do motor em alta velocidade (3.600 rpm).
Muitas aplicações de motores requerem mais de uma velocidade, ou mesmo uma faixa de
velocidade continuamente ajustáveis, o que normalmente o motor de indução tipo gaiola,
não se adapta fácil para tal. Quando são necessárias somente 2 (duas) ou 4 (quatro)
velocidades, uma boa solução é o emprego deste tipo de motor, como é o caso de
máquinas operatrizes específicas de panificação, elevadores, etc.
O motor Dahlander disponível na Oficina de prática, dispõe de duas velocidades sendo a
baixa correspondendo a 1800 rpm e a alta, 3600 rpm, o que em termos de potência,
significa dois valores distintos. Para cada uma destas potências deve-se prever no circuito
eletromagnético, relés de sobrecarga independentes e compatíveis com os respectivos
valores de corrente, de maneira que cada um possa ter o ajuste adequado para cada
situação.
A seguir é apresentado um quadro demonstrativo, indicando as informações do motor
Dahlander relativo a baixa e alta velocidade, e nos sub-itens 2.1 e 2.2 são apresentados a
placa de identificação e o diagrama de ligação:
VELOCIDADE NÚMERO TIPO DE LIGAÇÃO
DE R S T - DOS DOIS GRUPOS
(rpm) POLOS DE BOBINAS
BAIXA
1.800
4 1 2 3 6, 4, 5
ABERTOS
 SÉRIE
ALTA
3.600
2 6 4 5 1, 2, 3
JUNTOS
Y PARALELO
L I G A Ç Ã O
T E R M I N A I S
CENTRO FEDERAL DE EDUCAÇÃO TECNOLÓGICA DO CEARÁ – CEFET-CE
CURSO DE ELETROTÉCNICA
MANUAL DE COMANDOS INDUSTRIAIS
PÁGINA:
PRÁTICA 10
Prof. Gênova
71
2.1- PLACA DE IDENTIFICAÇÃO DO MOTOR DAHLANDER
a) Ligação em baixa rotação b) Ligação em alta rotação
1 2 3 1 2 3
6 4 5 6 4 5
R S T R S T
2.2- DIAGRAMA DE LIGAÇÃO
a) Ligação em baixa rotação
b) Ligação em alta rotação
3. MATERIAL EMPREGADO
ITEM E S P E C I F I C A Ç Ã O QUANT. UNID.
01 Contator 3TB/3TF...SIEMENS ou LC1...TELEMECANIQUE – 220V 03 Um
02 Relé bimetálico 3UA... SIEMENS ou LR...TELEMECANIQUE 02 Um
03 Fusível diazed 2 A, completo 01 Um
04 Botoeira NA/NF 02 Uma
05 Botoeira NF 01 Uma
06 Lâmpada de sinalização VM – 220V 01 Uma
07 Lâmpada de sinalização VD – 220V 01 Uma
08 Fusível NH 16 A – 500V, completo 03 Um
09 Pino tripolar com cordão flexível 01 Um
10 Motor Dahlander de 1800/3600 rpm , 380V 01 Um
CENTRO FEDERAL DE EDUCAÇÃO TECNOLÓGICA DO CEARÁ – CEFET-CE
CURSO DE ELETROTÉCNICA
MANUAL DE COMANDOS INDUSTRIAIS
PÁGINA:
PRÁTICA 10
Prof. Gênova
72
4. PROCEDIMENTO DA PRÁTICA
A T E N Ç Ã O !
NA MONTAGEM DESSA PRÁTICA EXISTIRÃO PARTES CONDUTORAS QUE NÃO
ESTARÃO PROTEGIDAS CONTRA CONTATOS ACIDENTAIS. VOCÊ VAI LIDAR COM
TENSÕES DE 220/380V. TENHA O MÁXIMO DE CUIDADO, E ANTES DE ENERGIZAR O
CIRCUITO, SOLICITE A PRESENÇA DO PROFESSOR PARA CONFERIR AS LIGAÇÕES.
4.1- Diagrama de comando:
Monte o circuito de comando de acordo com a fig. 4.1, seguindo os passos do roteiro de
trabalho:
F 220V – 60Hz
e21
95
e4
96
e5 95
96
bo
b22 b21
13 13
b21 b22
K1 K3
14 14
21 21
K2 K1
22 22
13
K3 21 K2
22 14
A1 A1 A1
K1 h1 K2 K3 h2
N A2 A2 A2
Fig. 4.1
CENTRO FEDERAL DE EDUCAÇÃO TECNOLÓGICA DO CEARÁ – CEFET-CE
CURSO DE ELETROTÉCNICA
MANUAL DE COMANDOS INDUSTRIAIS
PÁGINA:
PRÁTICA 10
Prof. Gênova
73
4.2- Diagrama de força:
Monte o circuito de força de acordo com o diagrama da fig. 4.2, seguindo os passos do roteiro
de trabalho.
R 3 ~ 380V – 60Hz
S
T
e1 e2
1 3 5 A1 1 3 5 A1 1 3 5 A1
K1 K2 K3
2 4 6 2 4 6 2 4 6
A2 A2 A2
95 95
e4 e5
96 96
1 2 3 6 4 5
Motor Dahlander – 2 velocidades
Fig. 4.2
CENTRO FEDERAL DE EDUCAÇÃO TECNOLÓGICA DO CEARÁ – CEFET-CE
CURSO DE ELETROTÉCNICA
MANUAL DE COMANDOS INDUSTRIAIS
PÁGINA:
PRÁTICA 10
Prof. Gênova
74
5. VERIFIQUE OS SEUS CONHECIMENTOS
5.1- Utilizando a simbologia normalizada, desenhe o diagrama integrado do circuito para
acionamento, controle e alimentação do motor Dahlander;
5.2- Complete corretamente:
a) Comandar um contator significa ________________ ou _________________ o circuito
da bobina do eletroímã;
b) O contator pode ser desligado automaticamente sem intervenção de um operador,
quando ocorre a queima do ________________, a atuação do __________________ ,
____________________ de alimentação da rede ou a falta de ___________________;
c) No comando e proteção de um motor por um contator, o circuito da bobina é mantido
energizado pelos seguintes elementos: botão ______, contato de ___________ e pelo
contato abridor do ______________________;
d) Nos circuitos de comando eletromagnético e de força, as proteções contra curto-circuito
e sobrecarga são proporcionados respectivamente, pelos seguintes elementos:
___________________, ____________________ e _______________________;
e) No comando automático para ligação de um motor Dahlander, os contatores _______,
________ e _________ estão intertravados entre si, através de seus contatos auxiliares
___________, ___________ e ___________, e tem a função de evitar um
___________________ no instante da comutação de baixa para alta velocidade, ou
vice-versa.
5.3- No circuito de comando do motor Dahlander, qual a necessidade de se utilizar o
intertravamento mecânico entre os botões de comando b21 e b22 ?
5.4- Por que não é utilizado um único relé bimetálico de sobrecarga nos circuitos de
comando e força do motor Dahlander para duas velocidades ?
5.5- Complemente a sequência operacional do circuito montado nesta prática:
 O operador impulsiona o botão b21 e energiza a bobina do contator K1(A1-A2),
alimentando o motor na baixa velocidade (terminais 1, 2, 3) através dos contatos de
força 1-2, 3-4 , 5-6 e ainda selando o circuito através do contato K1(13-14);
 Então o operador solta o botão b21, que volta a abrir o seu contato, ficando o circuito
estabelecido através de F, e21, e4(95-96), e5(95-96), bo, b22(NF), K1(13-14),
K2(21-22), K3(21-22), K1(A1-A2) e N;
 O operador impulsiona o botão bo desenergizando a bobina de K1(A1-A2), que por sua
vez abre o contato de selo K1(13-14) e seus contatos principais 1-2, 3-4, 5-6,
desligando o motor da baixa velocidade;
 O operador impulsiona o botão b22 energizando a bobina de K2 . . .
CENTRO FEDERAL DE EDUCAÇÃO TECNOLÓGICA DO CEARÁ – CEFET-CE
CURSO DE ELETROTÉCNICA
MANUAL DE COMANDOS INDUSTRIAIS
PÁGINA:
PRÁTICA 11
Prof. Gênova
75
CANCIONES
01. BI-POLAR BEAR
02. BLACK AGAIN
03. COMA
04. DAYS OF THE WEEK
05. DUMB LOVE
06. HELLO IT'S LATE
07. HOLLYWOOD BITCH
08. LONG WAY HOME
09. REGENERATION
10. SONG FOR SLEEPING
11. TOO COOL QUEENIE
12. TRANSMISSIONS FROM A LONELY ROOM
13. WONDERFUL
PRÁTICA 11
ASSUNTO: COMANDO AUTOMÁTICO PARA PARTIDA ESTRELA-TRIÂNGULO DE MOTOR
DE INDUÇÃO TRIFÁSICO.
1. OBJETIVO
Familiarizar o aluno com a montagem de circuitos eletromagnéticos, para partida Y -  de
motor de indução trifásico.
2. COMENTÁRIOS TEÓRICOS
A partida estrela-triângulo de motores assíncronos trifásicos é recomendada de ser
empregada nos seguintes casos:
2.1- Utilização da chave estrela –triângulo:
2.1.1- Quando não é necessário alto torque na partida, como por exemplo, quando o motor
parte em vazio (sem carga no eixo). Na partida estrela-triângulo, no momento da ligação
estrela, a tensão que a bobina fica submetida é igual a 1/3 da tensão de linha,
consequentemente, como o torque varia com o quadrado da tensão, a redução da tensão
aplicada na ligação estrela fará com que o torque fique reduzido a (1/3)² = 1/3 do seu
torque normal. Neste caso para o dimensionamento correto da categoria do motor a ser
aplicado, o torque reduzido deverá ser ainda maior que o torque resistente da carga,
nestas situações em que o motor parta com algum tipo de carga no eixo.
2.1.2- Quando o motor tiver 6 ou 12 terminais que permitam a ligação estrela-triângulo.
2.1.3- Quando a tensão de alimentação da rede coincidir com a tensão de placa do motor
na ligação triângulo ( - Y):
EX. Tensão de linha: 380V
Motor  / Y
380/660V
2.1.4- Quando a instalação for alimentada pela rede secundária de distribuição (baixa
tensão), a Concessionária de serviço público prescreve nas condições gerais de
fornecimento, que motores trifásicos com potência superior a 5 cv até 30 cv, deverão ser
equipados com dispositivos para redução da corrente de partida, podendo para tanto, ser
usada chave Y-, desde que em consonância com os itens 2.1, 2,2 e 2.3.
A seguir é apresentado um quadro resumo das tensões nominais múltiplas mais comuns,
que são possíveis de ligação do motor em estrela-triângulo, bem como os respectivos
diagramas de ligação:
CENTRO FEDERAL DE EDUCAÇÃO TECNOLÓGICA DO CEARÁ – CEFET-CE
CURSO DE ELETROTÉCNICA
MANUAL DE COMANDOS INDUSTRIAIS
PÁGINA:
PRÁTICA 11
Prof. Gênova
76
NÚMERO
DE
 Y  Y TERMINAIS
220 V 220 / 380V 6
380 V 380 / 660V 6
220 V 220 / 380 / 440 / 760V 12
440 V 220 / 380 / 440 760V 12
2.2- Diagramas de ligação:
2.2.1- Motor de 6 terminais (Rede 220V ou 380V)
R S T R S T
1 2 3 1 2 3
4 5 6
4 5 6
Y 
2.2.2- Motor de 12 terminais:
 Rede 220V (Ligação paralela)
R S T R S T
1 7 2 8 3 9 1 7 2 8 3 9
4 10 5 11 6 12 4 10 5 11 6 12
Y paralelo  paralelo
 Rede 440V (Ligação série)
R S T R S T
1 2 3 1 2 3
4 5 6 4 5 6
TENSÃO DE PLACA DO MOTOR
L I G A Ç Ã O
R E D E
TENSÃO DE LINHA
CENTRO FEDERAL DE EDUCAÇÃO TECNOLÓGICA DO CEARÁ – CEFET-CE
CURSO DE ELETROTÉCNICA
MANUAL DE COMANDOS INDUSTRIAIS
PÁGINA:
PRÁTICA 11
Prof. Gênova
77
7 8 9 7 8 9
10 11 12 10 11 12
Y série  série
2.3- Vantagens e desvantagens da utilização da chave Y-
2.3.1- Vantagens:
 A chave estrela-triângulo é muito utilizada pelo seu custo reduzido;
 Não tem limites quanto ao número de manobras;
 Os componentes eletromecânicos ocupam pouco espaço;
 A corrente de partida fica reduzida para aproximadamente 1/3.
2.3.2- Desvantagens:
 A chave só pode ser aplicada a motores cujos 6 ou 12 terminais sejam acessíveis;
 A tensão da rede deve coincidir com a tensão em triângulo do motor;
 Com a corrente de partida reduzida para aproximadamente 1/3 da corrente nominal, reduz-
se também o momento de partida para 1/3;
 Caso o motor não atinja pelo menos 90% de sua velocidade nominal, o pico de corrente na
comutação de estrela para triângulo será quase como se fosse uma partida direta, o que
torna prejudicial aos contatos dos contatores e não traz nenhuma vantagem para a rede
elétrica;
 Outro inconveniente, é que durante a comutação, um desligamento momentâneo do
estator da rede, pode levar a surtos transitórios de corrente muito intensos.
Durante a transição de Y para , o estator é desconectado da rede de alimentação por um
tempo que pode variar tipicamente de 01 a 0,3 s. Devido a corrente do rotor, que não se
extingue imediatamente, estabelece no entreferro um campo fixo em relação ao rotor, e
portanto, girante em relação ao estator, induzindo força eletromotriz nos terminais
estatóricos abertos. Devido ao escorregamento a f.e.m induzida nos terminais do estator
terá uma frequencia menor que a da rede. Quando a ligação triângulo for completada, a
f.e.m induzida estará defasada em relação a tensão da rede, podendo ir de uma oposição à
uma coincidência de fase (casos extremos). Dependendo da situação de cada fase, poder-
se-ão produzir picos de corrente e de conjugado muito altos. Para se ter uma idéia, há
registros de picos de conjugado motor de 20 vezes o conjugado nominal. Esta situação
leva, em alguns casos, a danos no equipamento acionado ou na luva de acoplamento
motor-máquina acionada.
 Uma alternativa para minimizar os problemas oriundos da reconexão quando da transição
de Y para , é o uso de chave estrela triângulo de transição fechada, porém é uma solução
muito mais dispendiosa e rara de se aplicar.
2.4- Chave estrela triângulo de transição fechada
Na transição fechada são utilizados resistores em paralelo ou em série com os
enrolamentos de fase do motor. A sequência operacional é descrita da seguinte forma,
conforme a Fig. 2.4:
 motor é ligado em estrela (a)
 Os resistores entram em paralelo com as fases e o motor continua sendo alimentado em
estrela (b)
 centro da estrela é aberto, colocando os resistores em série com os enrolamentos, ficando
o motor alimentado em triângulo (c)
 Os resistores são curto-circuitados, deixando o motor ligado em triângulo (d)
Dessa maneira o motor passa da ligação estrela para a ligação triângulo, sem que os
terminais do estator fiquem momentaneamente abertos.
CENTRO FEDERAL DE EDUCAÇÃO TECNOLÓGICA DO CEARÁ – CEFET-CE
CURSO DE ELETROTÉCNICA
MANUAL DE COMANDOS INDUSTRIAIS
PÁGINA:
PRÁTICA 11
Prof. Gênova
78
Fig. 2.4
3. MATERIAL EMPREGADO
ITEM E S P E C I F I C A Ç Ã O QUANT. UNID.
01 Contator 3TB/3TF...SIEMENS ou LC1...TELEMECANIQUE – 220V 03 Um
02 Relé bimetálico 3UA... SIEMENS ou LR...TELEMECANIQUE 01 Um
03 Relé de tempo, 0-30 s, 220V 01 Um
03 Fusível diazed 2 A, completo 01 Um
04 Botoeira NA/NF 02 Uma
06 Lâmpada de sinalização VM / VD – 220V 02 Uma
08 Fusível NH 16 A – 500V, completo 03 Um
09 Pino tripolar com cordão flexível 01 Um
10 Motor de indução trifásico 380/660V 01 Um
4. PROCEDIMENTO DA PRÁTICA
A T E N Ç Ã O !
NA MONTAGEM DESSA PRÁTICA EXISTIRÃO PARTES CONDUTORAS QUE NÃO
ESTARÃO PROTEGIDAS CONTRA CONTATOS ACIDENTAIS. VOCÊ VAI LIDAR COM
TENSÕES DE 220 E 380V. ANTES DE ENERGIZAR O CIRCUITO, CHAME O PROFESSOR
PARA CONFERIR AS LIGAÇÕES.
4.1- DIAGRAMA DE COMANDO
 Monte o circuito de comando da chave Y- de acordo com o diagrama da Fig. 4.1,
seguindo as determinações do roteiro de trabalho
F ~ 220V – 60Hz
e21
e4 95
96
bo
13
b1 K1
14
15 15 23 13
d1 k1 k3
16 18
24 14
21 21
K2 K3
22 22
A1 A1 A1 A1
d1 K3 K2 K1
N A2 A2 A2 A2
CENTRO FEDERAL DE EDUCAÇÃO TECNOLÓGICA DO CEARÁ – CEFET-CE
CURSO DE ELETROTÉCNICA
MANUAL DE COMANDOS INDUSTRIAIS
PÁGINA:
PRÁTICA 11
Prof. Gênova
79
Fig. 4.1
Obs: O relé de tempo d1 poderá ter seus contatos auxiliares designados com outros índices,
dependendo do tipo, modelo e fabricante.
4.2- DIAGRAMA DE FORÇA
 Monte o circuito de força da chave Y-, de acordo com o diagrama da Fig. 4.2, seguindo os
procedimentos de segurança do roteiro de trabalho:
R ~380V – 60 Hz
S
T
e1
 Y
1 3 5 A1 1 3 5 A1 1 3 5 A1
K1 K2 K3
2 4 6 2 4 6 2 4 6
A2 A2 A2
95
e4
96
1 2 3
6
5
4
Fig. 4.2
 Após a montagem efetue o acionamento do motor e verifique, com um voltímetro, a tensão
de alimentação da bobina na ligação Y e posteriormente, na ligação . Com a medição de
tensão, você pode comprovar se realmente a chave esta procedendo a comutação de
ligações corretamente. Lembre-se que a relação entre a tensão medida em  e a tensão
medida em Y deve ser de 1,732 = 3.
Motor
3 
CENTRO FEDERAL DE EDUCAÇÃO TECNOLÓGICA DO CEARÁ – CEFET-CE
CURSO DE ELETROTÉCNICA
MANUAL DE COMANDOS INDUSTRIAIS
PÁGINA:
PRÁTICA 11
Prof. Gênova
80
5. VERIFIQUE OS SEUS CONHECIMENTOS
5.1- Completa os espaços em branco corretamente:
a) A chave estrela-triângulo só pode ser usada em motores que possibilitem as ligações
____________________ e ______________________;
b) A chave estrela-triângulo só pode ser usada quando a tensão da rede coincidir com a
tensão do motor na ligação _______________________;
c) A transição para triângulo só deve ser feita quando o motor atingir __________ % da
rotação nominal;
5.2- Assinale a alternativa correta:
5.2.1- A chave estrela-triângulo tem por finalidade:
a) reduzir a tensão de partida;
b) limitar a corrente de partida;
c) reduzir a rotação do motor;
d) reduzir o torque do motor;
e) evitar queima do fusível.
5.2.2- Num motor de 12 terminais com tensões de placa 220/380/440/760V:
a) Pode-se usar a chave Y- para qualquer tensão de linha;
b) Pode-se usar a chave Y- para as tensões de linha 220 e 440V;
c) O uso da chave Y- só é possível se a tensão da linha for 220V;
d) A chave Y- só pode ser usada para as tensões de 380 e 760V;
e) A chave Y- só pode ser usada em motores de 6 terminais.
5.2.3- Quando a chave for ligada em estrela, os seis condutores de saída ficam ligados da
seguinte forma:
a) Seis condutores em paralelo, dois a dois;
b) Três condutores em curto-circuito e três ligados à rede;
c) Seis condutores em paralelo, três a três;
d) Três condutores para a entrada e três para a saída.
5.2.4- Quando a chave for ligada em triângulo, os seis condutores de saída ficam ligados da
seguinte forma:
a) Seis condutores ligados em paralelo, 2 a 2 e ligados à rede;
b) Seis condutores em paralelo três a três e ligados à rede;
c) Três condutores ligados à rede e três abertos;
d) Seis condutores ligados em série, 2 a 2 e ligados à rede.
5.3- Para as unidades de consumo atendidas em baixa tensão, é exigido através da
concessionária, que a partir de uma certa potência do motor trifásico, o instalador utilize
uma chave estrela-triângulo. Explique sucintamente qual o motivo desta exigência.
5.4- Descreva a sequência operacional do comando automático para partida de MIT com
chave Y-.
5.5- Qual a alternativa para minimizar os prováveis surgimentos de surtos de corrente e de
conjugado, quando da transição da ligação estrela para a triângulo ?
5.6- Faça o desenho do diagrama de comando para partida Y- de MIT, utilizando contatores
com bobinas de 380V e lâmpada de sinalização para 220V.
CENTRO FEDERAL DE EDUCAÇÃO TECNOLÓGICA DO CEARÁ – CEFET-CE
CURSO DE ELETROTÉCNICA
MANUAL DE COMANDOS INDUSTRIAIS
PÁGINA:
PRÁTICA 11
Prof. Gênova
81
CENTRO FEDERAL DE EDUCAÇÃO TECNOLÓGICA DO CEARÁ – CEFET-CE
CURSO DE ELETROTÉCNICA
MANUAL DE COMANDOS INDUSTRIAIS
PÁGINA:
PRÁTICA 12
Prof. Gênova
81
PRÁTICA 12
ASSUNTO: APLICAÇÃO DO QUADRO ELETROMECÂNICO SIMELETRO USB 630 –
SIEMENS COM SIMULADOR DE DEFEITOS PARA OS CIRCUITOS DE
PARTIDA DIRETA, REVERSORA E ESTRELA-TRIÂNGULO
1. OBJETIVO
Familiarizar o aluno com a prática de diagnosticar defeitos que ocorrem nos circuitos
eletromagnéticos, detectando, identificando e corrigindo os pontos ou trechos do circuito
que vem causando problemas na sequência normal de operação.
2. COMENTÁRIOS TEÓRICOS
O sistema SIMELETRO é constituído de quatro armários metálicos individualizados, que
após serem agrupados formam um quadro eletromecânico de comando completo,
contendo os circuitos para partida direta, reversora e estrela triângulo de motores trifásicos
com rotor em curto circuito.
Para a montagem deste quadro didático, foi empregado o sistema modulado USB630, que
normalmente é utilizado nas aplicações industriais, comerciais e prediais (Fig. 2.0).
Fig. 2.0
O SIMELETRO vem equipado com 25 micro interruptores de alavanca, de abertura e
fechamento, que ao serem acionados provocam a interrupção de um circuito ou curto
circuito entre dois fios, simulando dessa maneira, um defeito. Estas chaves estão
localizadas no armário da direita, cuja porta é provida de fechadura de maneira que
somente o instrutor tem acesso às mesmas.
O quadro SIMELETRO é constituído de 4 (quatro) módulos com 4 portas, respectivamente,
conforme Fig. 2.1 (vista frontal externa) e Fig. 2.2 (vista frontal interna).
A prática consiste nos procedimentos que o aluno vai ter que desenvolver para determinar,
através de testes de verificação, e sem saber qual das chaves foi acionada, o trecho ou
circuito onde se deu o defeito simulado.
Os testes e verificação podem ser realizados com o quadro energizado ou desenergizado,
valendo a observação de que para as pessoas menos experientes neste tipo de
diagnóstico, recomenda-se trabalhar com o quadro desligado, principalmente pelo aspecto
da segurança que nesta situação vai evitar riscos de choque elétricos quando estiver
manuseando as pontas de prova do teste série na parte interna do quadro. Por outro lado o
trabalho com o quadro energizado, é muito mais arriscado devido a existências de partes
vivas internas que trazem risco de choques elétricos, mas no aspecto de detecção de
defeitos, é muito mais rápido e eficiente, utilizando o teste neon ou mesmo o multímetro.
CENTRO FEDERAL DE EDUCAÇÃO TECNOLÓGICA DO CEARÁ – CEFET-CE
CURSO DE ELETROTÉCNICA
MANUAL DE COMANDOS INDUSTRIAIS
PÁGINA:
PRÁTICA 12
Prof. Gênova
82
SISTEMA USB 630 – SIEMENS
Simeletro – Vista frontal externa
Fig. 2.1
Simeletro – Vista frontal interna
Fig. 2.2
A seguir são apresentadas as sequências operacionais de funcionamento das 3 (três)
partidas em condições normais, não levando em conta o acionamento das chaves
simuladoras:
CENTRO FEDERAL DE EDUCAÇÃO TECNOLÓGICA DO CEARÁ – CEFET-CE
CURSO DE ELETROTÉCNICA
MANUAL DE COMANDOS INDUSTRIAIS
PÁGINA:
PRÁTICA 12
Prof. Gênova
83
2.1- Partida Direta
a) O operador pressiona o botão 2S1 (3-4) e o contator 2K1 fecha, se estabelecendo o
circuito através de L1, F11, 2F4(95-96), 2S0(1-2), 2S1(3-4), 2K1(a-b) e N.
b) Os contatos de 2K1 atuarão no circuito da seguinte forma:
b.1) 2K1(1-2, 3-4, 5-6) fecharão ligando as 3 fases ao motor, que então entra em
funcionamento;
b.2) 2K1(13-14) é o contato de selo e retém o 2K1 operado, após se soltar o botão pulsante
2S1 (3-4).
b.3) 2K1(23-24) acende a lâmpada 2H1, sinalizando que o motor esta ligado.
c) O contato 2F4 (95-96) do relé bimetálico será acionado em caso de sobrecarga, fazendo o
desligamento de todo o sistema.
d) O botão 2S0 (1-2) também desliga todo o sistema, a qualquer instante, através do
acionamento manual feito pelo operador. Este botão é utilizado para desligamento normal e
de emergência.
2.2- Partida direta com reversão no sentido de rotação
a) Vamos descrever a partida do motor para girar num sentido, por exemplo, no sentido
horário, que é feito pelo fechamento do contator 1K1. Esse caso também se aplica na
rotação anti-horária, com a diferença que o contator que deve entrar é o 1K2.
b) Pressionando-se o botão 1S1 é estabelecido o circuito para a bobina do contator 1K1,
através dos seguintes elementos: L1, F11, 1F4 (95-96), 1S0 (1-2), 1S2 (1-2), 1S1 (3-4), 1K2
(31-32), 1K1(a-b), N.
c) Os contatos do 1K1 atuarão no circuito da seguinte forma:
c.1) 1K1 (1-2, 3-4, 5-6) ao fecharem, ligam as 3 fases do motor, que então gira no sentido
horário.
c.2) 1K1 (13-14) é o contato de selo ou retenção que vai manter o circuito para a bobina do
contator, após o operador soltar o botão pulsante 1S1 (3-4).
c.3) 1K1 (31-32) – Com a abertura deste contato de intertravamento, fica garantido que o
contator 1K2 não irá operar ao mesmo tempo que 1K1. Isto é feito para evitar que seus
contatos principais curtocircuitem as 3 fases de alimentação do motor.
c.4) 1K1 (23-24): Acende a lâmpada de sinalização 1H1, mostrando que o motor esta
funcionando.
d) O botão 1S1 possui dois contatos:
d.1) 1S1 (3-4) fechador, é o contato que faz operar o contator 1K1.
d.2) 1S1 (1-2) abridor, é o contato que abre o circuito do contator 1K2, não permitindo que
este feche ou se mantenha fechado quando o contator 1K1 for acionado.
e) Função idêntica tem o botão 1S2, em relação ao contator 1K1.
Em resumo, a função dos contatos conjugados do 1S1 e 1S2 é:
Se os dois botões forem acionados ao mesmo tempo, sempre haverá um dentre os dois que
fechará primeiro, e bloqueará, com seu contato abridor (1-2), a operação do segundo
contator, evitando assim que as fases do circuito principal entrem em curto circuito.
Por outro lado se o motor estiver girando no sentido horário, portanto com o contator 1K1
fechado, e se deseje que ele passe a girar no sentido inverso, basta apertar 1S2.
O contato abridor 1S2 (1-2) interrompe o circuito da bobina do 1K1, desenergizando-o .
O contato 1K1 (31-32) volta a se fechar, propiciando condições para que o contator 1K2
possa operar. O motor agora deve girar no sentido horário.
Em caso de sobrecarga, teremos a atuação do relé térmico. Seu contato 1F4 (95-96) abre o
circuito de comando, interrompendo a alimentação do contator que esteja fechado,
desligando assim todo o sistema, mesmo durante a fase de partida do motor.
A função do botão 1S0 (1-2) também é a de desligar todo o sistema, a qualquer instante,
através do acionamento feito pelo operador. Portanto este botão é aplicado tanto para
desligamento normal como de emergência.
CENTRO FEDERAL DE EDUCAÇÃO TECNOLÓGICA DO CEARÁ – CEFET-CE
CURSO DE ELETROTÉCNICA
MANUAL DE COMANDOS INDUSTRIAIS
PÁGINA:
PRÁTICA 12
Prof. Gênova
84
2.3- Partida estrela triângulo
a) O operador comprime o botão 3S1 (3-4), fechando o circuito para o contator K3.
b) O circuito se estabelece através de L1, F11, 3F4 (95-96), 3So (1-2), 3S1 (3-4), 3K1 (31-32)
3K2 (31-32), 3K11 (15-16), 3K3 (a-b) e N.
c) Os contatos de K3 atuarão no circuito da seguinte forma:
c.1) 3K3 (1-2, 3-4, 5-6) fecham em curto circuito os terminais X, Y, Z das bobinas do motor, no
circuito principal.
c.2) 3K3 (13-14) é o contato de retenção ou de selo, que manterá o contator 3k3 acionado
após a abertura de 1S1 (3-4).
c.3) 3K3 (23-24) fecha o circuito para operação do contator 3K1.
c.4) 3K3 (31-32) abre impedindo que o contator 3K2 seja acionado ao mesmo tempo que 3K1.
Se estes dois contatores operarem ao mesmo tempo, haverá um curto circuito entre as
três fases da linha principal.
d) Como já foi dito no sub item c.3, 3K1 opera:
d.1) O circuito se estabelece através de L1, F11, 3F4 (95-96), 3So (1-2), 3K3 (23-24),
3K1 (a-b) e N.
d.2) 3K1 (1-2, 3-4, 5-6) fecham seus contatos ligando as 3 fases de alimentação da rede aos
terminais U, V, W do motor, que entra em funcionamento com as bobinas na configuração
estrela. Deve ser lembrado que o 3K3 fechou X, Y, Z em curto circuito.
d.3) 3K1 (31-32) abre, porém 3K3 se mantém operando através do contato de selo
3K3( 13-14).
d.4) 3K1 (23-24) fecha o circuito para o relé temporizador 3K11.
d.5) 3K1 (13-14) é o contato de selo que manterá o 3K1 operado após a abertura do contato
3K3 (23-24).
e) O relé de tempo recebe alimentação através de:
e.1) L1, F11, F4 (95-96), 3So (1-2), 3K1 (23-24), 3K2 (41-42), 3K11(a-b) e N.
e.2) Decorrido o tempo para o qual foi ajustado, o relé 3K11 abre seu contato 3K11 (15-16),
fazendo com que seja interrompido o circuito de 3K3. Este contator é desenergizado e
seus contatos atuarão no circuito.
f) O contator 3K3 é desenergizado
f.1) 3K3 (1-2, 3-4, 5-6) abrem o curto circuito dos 3 terminais de X, Y e Z das bobinas do
motor. Este fica sem alimentação de rede, pois neste momento somente 3K1 esta ligado.
f.2) 3K3 (23-24) abre o circuito do 3K1, porém este contator se manterá pelo contato de selo
3K1 (13-14).
f.3) 3K3 (13-14) abre sem nada acontecer, em virtude do contator 3K3 já estar desoperado.
f.4) 3K3 (31-32) fecha o circuito para o contator 3K2, que opera.
g) O contator 3K2 é energizado
g.1) 3K2 recebe alimentação através de L1, F11, 3F4 (95-96), 3So (1-2), 3K1 (13-14),
3K3 (31-32), 3K2 (a-b) e N.
g.2) 3K2 (1-2, 3-4, 5-6) ligam as fases da rede aos terminais X, Y, Z do motor. Este que havia
ficado momentaneamente sem alimentação, pela abertura de K3, apesar de continuar
girando, recebe tensão nas bobinas, agora na configuração triângulo.
g.3) 3K2 (31-32) abre, assegurando que o contator 3K3 não vai operar ao mesmo tempo que o
3K2. Se ambos operarem juntos haverá um curto circuito entre as 3 fases do circuito
principal.
g.4) 3K2 (41-42) abre o circuito do relé de tempo 3K11, fazendo-o desoperar.
g.5) 3K2 (13-14) acende a lâmpada 3H1, sinalizando que o motor saiu do estágio de partida
em estrela e esta funcionando em triângulo, na rotação de regime.
h) Função do relé térmico 3F4: abrir seu contato (95-96) no caso de ocorrer uma sobrecarga
por falta de uma das fases que alimenta o motor ou mesmo por uma sobrecarga de origem
diversa. Ao abrir 3F4 (95-96), interrompe o circuito de todo o comando de partida estrela
triângulo, desoperando o contator que estiver energizado em qualquer instante da partida.
i) O botão de comando vermelho 3S0 (1-2), tem a função de desligar o motor de forma normal
ou em emergência, desoperando todos os componentes semelhante a atuação de 3F4, com
a diferença que este será acionado por um operador.
CENTRO FEDERAL DE EDUCAÇÃO TECNOLÓGICA DO CEARÁ – CEFET-CE
CURSO DE ELETROTÉCNICA
MANUAL DE COMANDOS INDUSTRIAIS
PÁGINA:
PRÁTICA 12
Prof. Gênova
85
4. PROCEDIMENTOS DA PRÁTICA
A T E N Ç Ã O !
NA EXECUÇÃO DESSA PRÁTICA, É ESPERADO QUE O ALUNO TENHA ADQUIRIDO AO
LONGO DAS PRÁTICAS ANTERIORES, CONHECIMENTO SUFICIENTE E ESTEJA
SEGURO DOS PROCEDIMENTOS TEÓRICOS E PRÁTICOS DOS CIRCUITOS DE
COMANDO E FORÇA, PRINCIPALMENTE RELACIONADOS AOS CIRCUITOS PARA
PARTIDA DIRETA SIMPLES, PARTIDA DIRETA COM REVERSÃO E PARTIDA ESTRELA
TRIÂNGULO. C U I D A D O ! DURANTE OS TESTES DE VERIFICAÇÃO, VOCÊ ESTARÁ
SUJEITO A LIDAR COM PARTES ENERGIZADAS, COM TENSÕES NA ORDEM DE
GRANDEZA DE 220 E 380V, ORIGINÁRIAS DE PARTES VIVAS COMO BARRAMENTO,
CONEXÕES E LIGAÇÕES DOS DIVERSOS COMPONENTES INSTALADOS NA PARTE
INTERNA DO QUADRO, E QUE APRESENTAM RISCOS DE CONTATOS ACIDENTAIS.
4.1- DEMONSTRAÇÃO DE FUNCIONAMENTOM DO QUADRO EM CONDIÇÕES NORMAIS
 Inicialmente o professor deve fazer uma explanação sobre o quadro SIMELETRO,
indicando em cada compartimento (módulo) os diversos componentes instalados, tanto
na parte externa como na interna do quadro.
 Deve apresentar o diagrama de comando (Fig. 4.1), de maneira que possa ser
verificada a correspondência entre os símbolos e ligações representados no desenho,
com os diversos componentes instalados no quadro.
 Após o professor fazer a apresentação do sistema SIMELETRO/SIEMENS, efetuará a
alimentação trifásica do quadro através da extensão apropriada, ligando o plug tripolar
da extensão, numa tomada de corrente trifásica disponível na oficina. O neutro
também deverá ser interligado com o neutro disponível numa tomada de corrente
monofásica.
 Proceder o acionamento do disjuntor geral do quadro, de maneira a energizá-lo.
 Verifique se o voltímetro de painel instalado na porta do quadro, apresenta leitura de
tensão compatível com a tensão da rede. O quadro deve ser alimentado com tensões
de 220V (tensão de fase) e 380V (tensão de linha).
 Efetue o acionamento das botoeiras intercaladamente, referente aos circuitos de
comando para partida direta, partida direta com reversão e partida estrela triângulo.
 Observe a sinalização das lâmpadas do painel, indicando que os circuitos de comando
e força estão em operação normal.
 Abra as portas dos módulos 2 e 3 do quadro, e repita o acionamento das botoeiras, de
maneira que você possa observar a operação de fechamento e abertura dos contatores
dispostos na parte interna destes módulos. Observe a correlação existente entre os
botões de comando que são acionados e os respectivos contatores que são operados
e desativados.
4.2- ACIONAMENTO DOS INTERRUPTORES PARA SIMULAÇÃO DE DEFEITOS
 Após a apresentação do quadro em condições normais de operação, o professor vai
proceder o acionamento de chaves liga/desliga, que simularão defeitos nos circuitos de
comando instalados no quadro.
 Em seguida o aluno vai assumir a operação do quadro simulador, devendo proceder o
acionamento das botoeiras para cada circuito correspondente, de maneira que possa
observar o que esta funcionando normalmente e o que não esta.
 A partir desta operação inicial, o aluno já pode ter uma idéia do que poderá estar
ocorrendo, e então, direcionar o início dos testes e verificações, para determinados
pontos do circuito. É importante o aluno ter em mãos o diagrama do circuito de
comando para melhor dirigir o seu raciocínio e análise da ocorrência.
 Com a prática o aluno será capaz de prever até com certa facilidade e segurança, o
diagnóstico e localização do defeito.
CENTRO FEDERAL DE EDUCAÇÃO TECNOLÓGICA DO CEARÁ – CEFET-CE
CURSO DE ELETROTÉCNICA
MANUAL DE COMANDOS INDUSTRIAIS
PÁGINA:
PRÁTICA 12
Prof. Gênova
86
4.3- EXECUÇÃO DOS TESTES E VERIFICAÇÕES
 A verificação e testes no circuito de comando, deve ser realizado preferencialmente em
duplas de alunos, pois é um maneira mais segura de se trabalhar além de facilitar a
análise do circuito, quando colocado em discussão.
 Para a execução dos testes os alunos irão dispor de um teste série, de um teste neon e
de um multímetro.
 Inicialmente recomenda-se que os testes e verificações internas no quadro, sejam
realizados com o quadro desenergizado, inclusive com o neutro desconectado. Nesta
situação deve-se empregar o teste série e alimentá-lo através de uma tomada de
corrente monofásica instalada próxima ao quadro.
 Como já citado anteriormente, para auxiliar no diagnóstico e localização do defeito, os
alunos irão dispor do diagrama de comando do quadro, que deverá ser acompanhado
ponto a ponto, observando a correlação dos símbolos e numerações do desenho com
os diversos componentes instalados no quadro.
 Após a provável descoberta do defeito, o aluno deverá consultar o professor para
checar se realmente o seu parecer conclusivo esta correto, inclusive deve apresentar
os argumentos técnicos que justifique o seu diagnóstico.
5. VERIFIQUE OS SEUS CONHECIMENTOS
5.1- O sistema didático SIMELETRO utilizado nesta prática, emprega o quadro
eletromecânico da SIEMENS do tipo __________________.
5.2- Qual a função do SIMELETRO ?
5.3- Cite dois defeitos significativos que você diagnosticou nos circuitos:
 Para partida direta;
 Para partida direta com reversão;
 Para partida estrela triângulo.
5.4- Cite quais as vantagens e desvantagens de efetuar os testes e verificações com o quadro
desenergizado ou energizado.
5.5- Relacione e especifique todos os materiais e equipamentos que estão instalados no
quadro SIMELETRO.
5.6- Explique resumidamente, como é realizada a simulação de defeito no quadro de comando
SIMELETRO
F1
L1 F – N 220V – 60 HZ
95 95 95
1F4 2F4 3F4
96 96 96
1S0 1
1 1
2 2S0 3S0 13
2 2 3K2
14
23 23
1 1 3 13
1S2 1S1 1K1 1K2 3S1 3K3 23 23
2 2 24 24 4 14
3K3 3K1
3 13 31 13 24 24
3 13 3 13 2S1 2K1 3K1
1S1 1K1 1S2 1K2 4 14 32 3K1
4 14 4 14 23 14
2K1 31
24 3K2
32 31
31 41 3K3
1K2 31 15 3K2 32
32 1K1 3K11 42
32 1H1 1H2 2H1 16 3H1
a a a a a a a
1K1 1K2 2K1 3K3 3K11 3K1 3K2
N b b b b b b b
Motor 1 Motor 2 Motor 3
Partida direta com reversão Partida direta simples Partida Estrela-Triângulo
no sentido de rotação
S I M E L E T R O
PÁGINA 87
CIRCUITO DE COMANDO 1
R
380V – 60Hz
S
T
A A A 1F1 1F2 1F3 2F1 2F2 2F3 3F1 3F2 3F3
0-40A
20A 20A 20A
1 3 5 A 1P21 A 2P21 A 3P21
0-15A 0-15A 0-15A
1K1 1K2 2K1 3K1 3K2 3K3
2 4 6 32A 1 3 5 32A 1 3 5 32A 1 3 5 32A 1 3 5 32A 1 3 5 32A 1 3 5
2 4 6 2 4 6 2 4 6 2 4 6 2 4 6 2 4 6
2F4 3F4
1F4 8-12A 5,5-8A
8-12A
M1 M2 M3
L1 L2 L3
Alimentação Partida com reversão Partida direta Partida estrela-triângulo
3 ~ 380V – 60Hz de rotação
SIEMENS S.A SIMELETRO – DIAGRAMA TRIFILAR PÁGINA 88
U 
I 
V
3
3 cv
3
3 CV
3
3 cv
CENTRO FEDERAL DE EDUCAÇÃO TECNOLÓGICA DO CEARÁ – CEFET-CE
CURSO DE ELETROTÉCNICA
MANUAL DE COMANDOS INDUSTRIAIS
PÁGINA:
PRÁTICA 13
Prof. Gênova
89
PRÁTICA 13
ASSUNTO: COMANDO AUTOMÁTICO PARA PARTIDA DE MIT COM TENSÃO REDUZIDA,
ATRAVÉS DE CHAVE COMPENSADORA A SECO
1. OBJETIVO
Familiarizar o aluno com a montagem de circuitos de comando eletromagnético e de força,
para partida de motor trifásico com rotor em gaiola, utilizando a chave compensadora
automática na obtenção da tensão reduzida no instante do arranque.
2. COMENTÁRIOS TEÓRICOS
A chave compensadora é usada para reduzir a elevada corrente de partida de um motor com
rotor em gaiola, aliviando a rede elétrica instalada no local e evitando assim, uma excessiva
queda de tensão que poderia causar perturbações indesejáveis no funcionamento de outras
cargas instaladas nas proximidades.
A chave compensadora pode ser utilizada na partida de motores sob carga, onde faz-se
necessário um certo valor de torque no momento do arranque, ou mesmo quando o motor não
satisfaz as exigências analisadas para ser acionado através de chave estrela-triângulo, ou
seja, quando a tensão da rede coincide com a tensão de placa em estrela, ao invés de
coincidir com a de triângulo.
A tensão de partida do motor é reduzida através do autotransformador, que normalmente
possui taps nos valores de 50, 65, 80% da tensão nominal.
Esta tensão fornecida pelo tap do autotransformador, deve ser de tal forma que permita a
aceleração do conjunto motor-máquina até cerca de 80 a 90% de sua rotação nominal, dentro
de um tempo de partida admissível para o motor.
O relé de tempo deve ser ajustado adequadamente a um tempo suficiente para a partida, o
que evitará consequentemente, a formação de um pico indesejável de corrente, quando da
comutação para plena tensão.
Citamos como exemplo típicos da aplicação da chave compensadora, o caso de moínhos de
trigo, que após a falta de energia precisam retornar o funcionamento, onde existe o fato do
motor necessitar partir inevitavelmente com carga parcial (estima-se que com
aproximadamente metade da sua carga nominal) ou até com plena carga, quando do retorno
da energia. A compensadora é também utilizada para partida de motores de exaustores,
ventiladores com registro aberto, compressores, calandras, bombas, britadores, máquinas de
fabricação de tijolos, e outros.
2.1- Vantagens e desvantagens da chave compensadora automática:
2.1.1- Vantagens:
 No tap de 65% a corrente de linha é aproximadamente igual a da chave estrela-triângulo,
entretanto na passagem da tensão reduzida para plena tensão, o motor não é desligado e
o segundo pico de corrente é bem reduzido visto que o autotransformador por um curto
período se torna um reatância.
 É possível a variação do tap de 65 para 80 ou até 90% da tensão nominal da rede, a fim
de que o motor possa partir satisfatoriamente.
2.1.2- Desvantagens:
 A grande desvantagem é a limitação de sua frequência de manobras. Na chave
compensadora automática é sempre necessário saber a sua frequência de manobra para
determinar o autotransformador correspondente, compatível com esta característica.
 A chave compensadora é mais cara do que a chave estrela-triângulo, devido ao custo do
autotransformador;
 Devido as dimensões do autotransformador, a construção eletromecânica se torna
volumosa, exigindo quadros de maiores dimensões em relação aos outros tipos de partida,
o que tona o seu preço mais elevado.
CENTRO FEDERAL DE EDUCAÇÃO TECNOLÓGICA DO CEARÁ – CEFET-CE
CURSO DE ELETROTÉCNICA
MANUAL DE COMANDOS INDUSTRIAIS
PÁGINA:
PRÁTICA 13
Prof. Gênova
90
3. MATERIAL EMPREGADO
ITEM E S P E C I F I C A Ç Ã O QUANT. UNID.
01 Contator 3TB/3TF...SIEMENS ou LC1...TELEMECANIQUE – 220V 03 Um
02 Relé bimetálico 3UA... SIEMENS ou LR...TELEMECANIQUE 01 Um
03 Relé de tempo, 0-30 s, 220V 01 Um
03 Fusível diazed 2 A, completo 01 Um
04 Botoeira NA/NF 02 Uma
06 Lâmpada de sinalização VM / VD – 220V 02 Uma
08 Fusível NH 16 A – 500V, completo 03 Um
09 Pino tripolar com cordão flexível 01 Um
10 Motor de indução trifásico 220/380V 01 Um
11 Autotransformador com taps de 65 e 80% 01 um
4. PROCEDIMENTO DA PRÁTICA
A T E N Ç Ã O !
CUIDADO! NA MONTAGEM DESTA PRÁTICA, EXISTIRÃO PARTES CONDUTORAS QUE
NÃO ESTARÃO PROTEGIDAS CONTRA CONTATSO ACIDENTAIS. VOCÊ VAI LIDAR COM
TENSÕES DE 220 E 380V. ANTES DE ENERGIZAR O CIRCUITO, SOLICITE A PRESENÇA
DO PROFESSOR PARA CONFERIR AS LIGAÇÕES.
4.1- DIAGRAMA DE COMANDO:
 Monte o circuito de comando da chave compensadora de acordo com a Fig. 4.1, seguindo
os procedimentos de segurança pré estabelecidos.
F ~220V – 60Hz
e21
e4 95
96
bo
13 13 43
K2 K1 K2
b1 14 14 44
43
13 K1
15 15 K3 44
d1 14
16 18
31
21 21 K1
K1 K3 32
22 22 h1
A1 A1 A1 A1
d1 K3 K1 K2
N A2 A2 A2 A2
Fig. 4.1
CENTRO FEDERAL DE EDUCAÇÃO TECNOLÓGICA DO CEARÁ – CEFET-CE
CURSO DE ELETROTÉCNICA
MANUAL DE COMANDOS INDUSTRIAIS
PÁGINA:
PRÁTICA 13
Prof. Gênova
91
4.2- DIAGRAMA DE FORÇA:
 Monte o circuito de força da chave compensadora de acordo com a Fig. 4.2, seguindo os
procedimentos de segurança pré estabelecidos:
R ~380V – 60 Hz
S
T
e1
K3
1 3 5 A1 1 3 5 A1 1 3 5 A1
K1 K2
2 4 6 A2 2 4 6 A2 2 4 6 A2
u v w
u2 80% Auto
v2 65% transformador
w2
e4 95 N1 N2 N3
96
Fig. 4.2
 Após a montagem do circuito de força, efetue o acionamento do motor;
 Com um multímetro, meça a tensão em cima de um enrolamento do motor durante a fase
de partida (ex. entre os terminais 1 e 4);
 Com a tensão medida, determine qual o tap do autotransformador que esta sendo
utilizado, e para isso calcule a seguinte relação: tap (%) = Umedida / Unominal x 100.
4.3- DETERMINAÇÃO DO AJUSTE EM RELÉS DE TEMPO:
O relé de tempo deve ser ajustado para o tempo de partida que é o tempo necessário para
o motor atingir no mínimo 90% da rotação síncrona.
Teoricamente este tempo de ajuste é calculado em função do conjugado e inércia da
carga e do motor, conforme a seguinte expressão:
MOTOR
3 
Ta = 0,105 x RPM x (JM + JC) / (Cmed – CRmed)
CENTRO FEDERAL DE EDUCAÇÃO TECNOLÓGICA DO CEARÁ – CEFET-CE
CURSO DE ELETROTÉCNICA
MANUAL DE COMANDOS INDUSTRIAIS
PÁGINA:
PRÁTICA 13
Prof. Gênova
92
Onde Ta = tempo de aceleração (s), RPM = rotação nominal, JM = momento de inércia do
motor (kgm), JC = momento de inércia da carga (kgm), Cmed = conjugado médio de
aceleração do motor (N.m) , Crmed = conjugado médio de aceleração da carga (N.m)
Como nem sempre estas informações são disponibilizadas, indicamos como determinar na
prática este tempo:
 Através de um tacômetro, verifica-se quando o motor atinge 90% da rotação síncrona, que
corresponde ao instante ideal para a comutação para plena tensão. Caso não disponha de
um tacômetro, a partida pode ser monitorada com um alicate volt-amperímetro. Neste caso
o motor estará apto para comutar, quando a leitura de corrente atingir valores em torno da
nominal.
5. VERIFIQUE OS SEUS CONHECIMENTOS
5.1- Descreva resumidamente a sequência operacional do funcionamento do circuito para
partida de MIT com chave compensadora automática;
5.2- Analisando o circuito de comando desta prática, complete corretamente os espaços em
branco:
a) Quando pulsamos b1 os elementos energizados são: ______________________________
b) O contato K3(13-14) tem como função ________________________________________
_________________________________________________________________________
c) O contator K1 será energizado quando ocorrer o disparo de _______________, e o
repouso de _____________________.
d) O contator K1 após o disparo de d1 fica energizado por e4 (95-96), b0 (1-2),
____________________ e _______________________;
e) Se K2 não for energizado após a energização K3 e d1, é provável que o defeito esteja no
contato ___________________ ;
f) O que poderia ocorrer se fosse retirado do circuito de comando, os contatos K1(31-32) E
K2 (23-24) ?
5.3- Explique resumidamente, quando se deve empregar a chave compensadora na partida de
MIT;
5.4- Explique em que situações deve-se utilizar os taps de 65% e 80% do autotransformador,
no circuito da chave compensadora;
5.5- Considerando o 2o
momento da transição da chave compensadora, explique qual o
objetivo do contator K3 desfazer o fechamento da estrela do auto transformador, e o
contator K2 manter-se ainda em operação momentânea até a entrada de k1 ?
5.6- Explique por que em um MIT com tensões de placa 220/380V, podemos utilizar partida
com chave compensadora, já que a chave Y- não é adequada ?
5.7- Projete e desenhe os circuitos para partida de MIT com chave compensadora automática
e reversão no sentido de rotação.
CENTRO FEDERAL DE EDUCAÇÃO TECNOLÓGICA DO CEARÁ – CEFET-CE
CURSO DE ELETROTÉCNICA
MANUAL DE COMANDOS INDUSTRIAIS
PÁGINA:
PRÁTICA 14
Prof. Gênova
93
PRÁTICA 14
ASSUNTO: COMANDO AUTOMÁTICO PARA PARTIDA DE MIT COM TENSÃO REDUZIDA,
ATRAVÉS DE CHAVE SÉRIE-PARALELA.
1. OBJETIVO
Familiarizar o aluno com a montagem de circuitos de comando e força para partida de MIT
através da chave série paralelo estrela.
2. COMENTÁRIOS TEÓRICOS
A chave série-palalela constitui-se em uma outra alternativa usual para partida de motor
trifásico com tensão reduzida, sendo utilizada para motores que tenham a possibilidade de
ligação nas 4 (quatro) tensões, 220/380/440/760V, portanto, com 12 terminais acessíveis
ou no mínimo com 9 terminais.
A ligação série-paralela propicia a redução do pico de corrente na fase de partida, evitando
assim as perturbações na rede devido as quedas de tensões acentuadas. Esta redução de
corrente chega a 25% do seu valor correspondente a uma partida direta, sendo então
apropriada para cargas com partida necessariamente em vazio, pois o conjugado de partida
é reduzido a ¼ do seu valor para tensão nominal, que é o caso da partida com plena
tensão.
Durante a partida é empregada a configuração série até o motor atingir a sua rotação
nominal, a partir daí faz-se a comutação para a configuração paralela.
Esta chave pode ser fornecida em duas versões, ou seja, série-paralela estrela (SPE) ou
série-paralela triângulo (SPT).
a) Chave série-paralela estrela - SPE:
É própria para utilização em motores que possua a execução dos enrolamentos para
tensões múltiplas de 220/380/440/760V, ou excepcionalmente em 380/760V, exigindo que a
tensão da rede seja necessariamente de 380V (tensão de linha).
Na partida executa-se a ligação estrela série, Fig. 2.1, ficando cada enrolamento submetido
a 110V [(380V / 3)  2 = 110V].
Após concluída a fase de partida, o motor passa a ser ligado em estrela paralela, Fig. 2.2,
ficando agora, cada bobina alimentada com 220V [380V / 3 = 220V].
Fig. 2.1 Fig.2.2
Ligação estrela série, Ligação estrela paralelo,
com tensão de 380V com tensão de 380V
CENTRO FEDERAL DE EDUCAÇÃO TECNOLÓGICA DO CEARÁ – CEFET-CE
CURSO DE ELETROTÉCNICA
MANUAL DE COMANDOS INDUSTRIAIS
PÁGINA:
PRÁTICA 14
Prof. Gênova
94
b) Chave série-paralela triângulo - SPT:
Própria para utilização em motores que possua a execução dos enrolamentos em
220/380/440/760V, ou excepcionalmente em 220/440V, exigindo dessa forma que a tensão
da rede seja necessariamente de 220V (tensão de linha).
Na partida executa-se a ligação triângulo série, Fig. 2.3, ficando cada enrolamento
submetido a 110V [220V  2 = 110V].
Após concluída a fase de partida, o motor passa a ser ligado em triângulo paralelo, Fig.2.4,
onde cada bobina passa a receber a tensão nominal de 220V.
Fig. 2.3 Fig. 2.4
Ligação triângulo série Ligação triângulo paralelo
com tensão de 220V com tensão de 220V
3. MATERIAL EMPREGADO
ITEM E S P E C I F I C A Ç Ã O QUANT. UNID.
01 Contator 3TB/3TF...SIEMENS ou LC1...TELEMECANIQUE – 220V 04 Um
02 Relé bimetálico 3UA... SIEMENS ou LR...TELEMECANIQUE 02 Um
03 Relé de tempo, 0-30 s, 220V 01 Um
04 Fusível diazed 2 A, completo 01 Um
05 Botoeira NF 01 Uma
06 Botoeira NA 01 Uma
07 Lâmpada de sinalização VM – 220V 01 Uma
08 Fusível NH 16 A – 500V, completo 03 Um
09 Pino tripolar com cordão flexível 01 Um
10 Motor de indução trifásico 220/380/440/760V – 12 terminais 01 Um
4. PROCEDIMENTO DA PRÁTICA
A T E N Ç Ã O !
CUIDADO! NA MONTAGEM DESTA PRÁTICA, EXISTIRÃO PARTES CONDUTORAS QUE
NÃO ESTARÃO PROTEGIDAS CONTRA CONTATOS ACIDENTAIS. VOCÊ VAI LIDAR COM
TENSÕES DE 220 E 380V. ANTES DE ENERGIZAR O CIRCUITO, SOLICITE A PRESENÇA
DO PROFESSOR PARA CONFERIR AS LIGAÇÕES.
CENTRO FEDERAL DE EDUCAÇÃO TECNOLÓGICA DO CEARÁ – CEFET-CE
CURSO DE ELETROTÉCNICA
MANUAL DE COMANDOS INDUSTRIAIS
PÁGINA:
PRÁTICA 14
Prof. Gênova
95
4.1- DIAGRAMA DE COMANDO:
 Monte o circuito de comando para ligação SPE de acordo com o diagrama da Fig. 4.1,
seguindo os procedimentos de segurança pré estabelecidos:
F ~ 220V – 60Hz
e21
95 97
e4
96 98
95 97
e5
96 98
bo
13 13 43 43 13
b1 K3 K1 K3 K1 K4
14 14 44 44 14
15 15
d1
16 18
31
K2 21 K3 21 K3
32
22 22
K4 21
22
A1 A1 A1 A1 A1
d1 K3 K4 K1 K2 h1
N A2 A2 A2 A2 A2
Fig. 4.1
4.2. DIAGRAMA DE FORÇA:
 Monte o circuito de força para alimentação do motor de 12 terminais, para ligação SPE,
conforme o diagrama da Fig. 4.2, seguindo os procedimentos de segurança pré
estabelecidos;
 Observe que na ligação SPE, os terminais 10, 11 e 12 do Motor, devem estar curto-
circuitados entre si.
CENTRO FEDERAL DE EDUCAÇÃO TECNOLÓGICA DO CEARÁ – CEFET-CE
CURSO DE ELETROTÉCNICA
MANUAL DE COMANDOS INDUSTRIAIS
PÁGINA:
PRÁTICA 14
Prof. Gênova
96
R ~ 380v –60hZ
T
e1
1 3 5 K1 1 3 5 K4 1 3 5 K2
2 4 6 2 4 6 2 4 6
e4 95 e5 95
96 96
1 3 5 K3
2 4 6
6 5 4
3 7
2 8
1 9
10 11 12
Fig. 4.2
5. VERIFIQUE OS SEUS CONHECIMENTOS
5.1- Qual o objetivo da chave série-paralela ?
5.2- Descreva a sequência operacional da chave SPE;
5.3- Quando são utilizadas as chaves SPE e SPT ?
5.4- Considere que você dispõe de um motor de 15 cv, com 12 terminais, tensões de placa
220/380/440/760V, a ser acionado com carga em vazio. A tensão de linha da rede de
alimentação é de 380V. Escolha dentre os métodos de partida com tensão reduzida
disponíveis, dos tipos estrela-triângulo, compensadora e série-paralelo, qual o que se
adapta melhor para esta situação ? Explique a sua decisão.
5.5- Explique como você determinaria o tempo de ajuste do relé temporizado d1, utilizado no
circuito de comando para partida SPE .
5.6- Qual a função da lâmpada de sinalização h1 do circuito da Fig. 4.1 ?
S
M
3~
CENTRO FEDERAL DE EDUCAÇÃO TECNOLÓGICA DO CEARÁ – CEFET-CE
CURSO DE ELETROTÉCNICA
MANUAL DE COMANDOS INDUSTRIAIS
PÁGINA:
PRÁTICA 15
Prof. Gênova
97
PRÁTICA 15
ASSUNTO: COMANDO AUTOMÁTICO PARA PARTIDA DE MIT ATRAVÉS DE CHAVE
MOCROPROCESSADA DO TIPO SOFT STARTER
1. OBJETIVOS
 Conhecer os dispositivos de partida eletrônico denominado de chaves estáticas de
partida ou “soft-starters”.
 Familiarizar com a utilização do soft-starter na instalação de circuitos para partida de
Motor de indução trifásico.
2. COMENTÁRIOS TEÓRICOS
As tradicionais chaves de partida eletromecânicas, do tipo Y-, compensadora, série-
paralela e outras, podem ser substituídas pela última geração de chaves de partida de
estado sólido, denominadas de soft-starter, com característica inovadora de serem
microprocessadas.
O princípio peculiar de funcionamento da chave de estado sólido, é explicado pelo controle
do ajuste do ângulo de disparo de um par de tiristores em ligação anti-paralela, instalados
em cada fase de alimentação do estator (Fig. 2.1).
R S T e1 e4
5 6
3 4
1 2
96
A1 A2
95
K1
Fig. 2.1
Desta forma controla-se a tensão de alimentação do motor, aplicando-lhe uma rampa de
aceleração progressiva e suave, até o mesmo atingir a rotação nominal, e por conseguinte,
ficar alimentado a plena tensão.
As chaves eletrônicas tipo soft-starter disponíveis no mercado, são fornecidas com várias
opções de funções de controle, com pedestal de tensão ajustáveis entre outras, de maneira
a oferecer o máximo de flexibilidade ao usuário, que serão comentadas oportunamente.
O diagrama de blocos da Fig. 2.2 representa a partida do MIT através de dispositivo
eletrônico:
Tensão Tensão Conjugado
Corrente Corrente Velocidade
Fator de potência Fator de potência Aceleração
Potência elétrica Potência elétrica Potência mecânica
Harmônicas I Harmônicas I, V
Fig. 2.2
Motor
3 ~
Controle geral
do soft start
REDE
ELÉTRICA
TRIFÁSICA
SOFT
STARTER
MOTOR DE
INDUÇÃO
CARGA
MECÂNICA
CENTRO FEDERAL DE EDUCAÇÃO TECNOLÓGICA DO CEARÁ – CEFET-CE
CURSO DE ELETROTÉCNICA
MANUAL DE COMANDOS INDUSTRIAIS
PÁGINA:
PRÁTICA 15
Prof. Gênova
98
Na Fig. 2.2, entre a rede elétrica e o motor foi inserido um soft-starter que reduz o nível de
tensão visto nos terminais do motor, reduzindo dessa maneira a corrente do mesmo. Os
aspectos que diferenciam o soft-starter dos dispositivos eletromecânicos, são apresentados
a seguir:
 A tensão pode ser ajustada idealmente de forma contínua, entre 0 e 100% da tensão de
linha, proporcionando uma rampa de aceleração suave ao motor;
 A tensão e a corrente nos terminais do motor, apesar de reduzidos durante o processo
de partida, passam a apresentar um conteúdo harmônico.
 O conteúdo de harmônicas produzidas pela fonte chaveada de controle dos tiristores,
sempre acarreta algum tipo de impacto sobre os motores de indução e sobre a rede de
alimentação, podendo influenciar negativamente na qualidade de energia fornecida.
Para uma melhor compreensão do processo de chaveamento dos tiristores, iremos
descrever o seu funcionamento inserido no contexto do circuito:
 O tiristor é um dispositivo a estado sólido contendo 3 (três) terminais que pode conduzir
corrente do terminal ânodo para o terminal cátodo, após ter sido aplicado um sinal de
tensão no terminal do gatilho. O pulso no gatilho, como citado anteriormente, é
controlado pelo ângulo elétrico de disparo , que por convenção é medido a partir do
ângulo correspondente ao início da curva na forma de onda senoidal, correspondente a
tensão de linha, cujo valor avança na direção de deslocamento da onda de CA em
função do tempo.
 Desta forma utiliza-se o sistema de controle de um microprocessador, que controla de
forma bem definida, os tempos de disparo do gatilho de cada tiristor, passando para o
sentido de condução ou de corte, no sentido de bloqueio, vide Fig. 2.3, sendo que no
sentido de condução o sistema injeta nos terminais do motor pulsos de tensão que vão
evoluindo de valor a medida que a curva senoidal avança no tempo, até atingir o valor
da tensão plena de alimentação da carga.
A tensão resultante aplicada ao motor, tem a forma distorcida devido ao chaveamento
dos tiristores, de modo que as perdas do motor tendem a ser mais altas do que o
normal.
I
U
Sentido de Sentido de
bloqueio condução
Curva característica do tiristor
Fig. 2.3
Como vantagem do uso do soft-starter, verifica-se que:
 Diminui os esforços mecânicos (trancos) sobre a carga e o motor, evitando danos a
estes equipamentos;
 Diminui o impacto da partida do motor sobre a rede elétrica;
 Permite que um grande número de funções de controle sejam implementadas.
CENTRO FEDERAL DE EDUCAÇÃO TECNOLÓGICA DO CEARÁ – CEFET-CE
CURSO DE ELETROTÉCNICA
MANUAL DE COMANDOS INDUSTRIAIS
PÁGINA:
PRÁTICA 15
Prof. Gênova
99
Para o dimensionamento do soft-starter é considerado basicamente:
 A corrente que este deverá controlar, ou seja, uma característica vinculada a
corrente de partida do MIT;
 A duração da fase de partida, ou seja, uma característica vinculada a curva
característica da carga mecânica e a inércia total do sistema mecânico.
A seguir serão comentadas uma série de funções de controle agregadas aos controladores
de soft-starter disponíveis no mercado:
 Função soft-starter: O tempo de aceleração do motor pode ser controlado;
 Função de limitação de corrente: Função básica encontrada em quase todos os
controladores;
 Função partida de bombas hidráulicas: Minimiza o golpe de ariete existentes em
sistemas hidráulicos;
 Função soft-stop: Permite que o tempo de desaceleração do motor possa ser
controlado. Isto é feito reduzindo gradativamente a tensão do motor ao invés de um
desligamento repentino;
 Função energy-saver: O controle de tensão pode atuar de forma a tentar melhorar o
fator de potência, em condições de baixa carga mecânica. Quando esta função esta
ativa, o controlador observa o fator de potência do motor. Lentamente o controlador
reduz a tensão aplicada ao motor observando o fator de potência para verificar se este
aumenta. O processo continua até que o fator de potência se estabilize. De certa forma
o que se faz é reduzir as perdas de magnetização do motor, pois o nível de fluxo diminui
quando se reduz a tensão;
 Função kick-star: A tensão aplicada ao motor aumenta rapidamente durante os
instantes iniciais da partida, com a finalidade de produzir um conjugado elevado,
suficiente para vencer os atritos do sistema mecânico. Após este período inicial, o
controle de tensão volta a seguir a curva convencional de crescimento.
 Função braking: O disparo dos tiristores pode ser feira de forma assimétrica, aplicando
ao motor uma tensão trifásica desequilibrada. Este desequilíbrio de tensão pode ser
interpretado como se estivéssemos aplicando ao motor uma componente de sequência
negativa ou de sequência zero (corrente de falta). O resultado deste tipo de técnica de
disparo é fazer com que o motor atue como freio elétrico.
 Função slow-speed: O disparo dos tiristores pode ser feito usando técnicas do tipo de
controle de freqüência e de controle de fase. Neste caso, o resultado é que a tensão
vista pelo motor passa a ter uma freqüência que é submúltipla da freqüência da rede,
passando a girar com velocidade reduzida;
 Outras das funções de proteção do motor, tais como, falta de fase, relé térmico e
detecção de sobrecarga mecânica, podem ser incorporadas ao soft-start.
3. MATERIAL EMPREGADO
ITEM E S P E C I F I C A Ç Ã O QUANT. UNID.
01 Contator 3TB/3TF...SIEMENS ou LC1...TELEMECANIQUE – 220V 01 Um
02 Relé bimetálico 3UA... SIEMENS ou LR...TELEMECANIQUE 01 Um
03 Fusível diazed 2 A, completo 01 Um
04 Botoeira NF 01 Uma
05 Botoeira NA/NA conjugada 01 Uma
06 Lâmpada de sinalização VM – 220V 01 Uma
07 Fusível NH 16 A – 500V, completo 03 Um
08 Chave Soft-starter microprocessada tipo SSW-01- WEG 01 Um
09 Chave Soft-starter microprocessada tipo LH4-N2 - Telemecanique 01 Um
10 Pino tripolar com cordão flexível 01 Um
11 Motor de indução trifásico 220/380V – 6 terminais 01 Um
CENTRO FEDERAL DE EDUCAÇÃO TECNOLÓGICA DO CEARÁ – CEFET-CE
CURSO DE ELETROTÉCNICA
MANUAL DE COMANDOS INDUSTRIAIS
PÁGINA:
PRÁTICA 15
Prof. Gênova
100
4. PROCEDIMENTO DA PRÁTICA
A T E N Ç Ã O !
CUIDADO! NA MONTAGEM DESTA PRÁTICA, EXISTIRÃO PARTES CONDUTORAS QUE
NÃO ESTARÃO PROTEGIDAS CONTRA CONTATOS ACIDENTAIS. VOCÊ VAI LIDAR COM
TENSÕES DE 220 E 380V. ANTES DE ENERGIZAR O CIRCUITO, SOLICITE A PRESENÇA
DO PROFESSOR PARA CONFERIR AS LIGAÇÕES.
4.1- Montagem da chave Soft-starter SSW-01 da WEG:
A montagem dessa prática segue o MANUAL TÉCNICO da WEG SSW-01, relativo ao SOFT-
STARTER modelo SSW-01.9. Faz parte da prática o aluno conhecer as informações contidas
no manual relativas a introdução e aos seguintes itens:
 1- Especificações
 2- Dimensões e informações sobre as perdas de calor
 3- Instalação de montagem e funções de controle do usuário
 4- Colocação em funcionamento
 5- Localização dos ajustes do usuário
 6- Esquema das entradas
 7- Circuito aplicação das chaves SSW-01
 8- Tabela de fusíveis ultra-rápido e contatores recomendados.
4.1.1- CIRCUITO DE COMANDO E FORÇA PARA ACIONAMENTO ATRAVÉS DO
SOFT-STARTER (DIAGRAMA INTEGRADO)
 Monte o circuito integrado da Fig. 4.1
R ~ 380V ~ 60 Hz
S
T
N
e1 e21
1 3 5 A2 b0
2 4 6 K1
A1
95
e4 b1
96
L1 L2 L3 1 2 5 6
U V W 
Fig. 4.1
SSW-01
RL2
CHAVE SOFT-STARTER
Motor
3~
Motor
3 ~
CENTRO FEDERAL DE EDUCAÇÃO TECNOLÓGICA DO CEARÁ – CEFET-CE
CURSO DE ELETROTÉCNICA
MANUAL DE COMANDOS INDUSTRIAIS
PÁGINA:
PRÁTICA 15
Prof. Gênova
101
4.2. Montagem da chave Soft-starter LH4-N2 da Telemecanique:
A montagem da prática empregando o soft-starter da Telemecanique, deve seguir o esquema
da Fig. 4.2, que corresponde ao esquema do catálogo do fabricante.
~ 380V – 60 Hz
~ 220V
e21 e1
A1
1 3 5
K1
2 4 6
95 A2
e4 e4
96
b1 L1 L2 L3
04
b3
b22
b22
A1 05 T1
K1
A2
FIG. 4.2
Ajustes do soft starter:
 Tempo de aceleração: A, B, C, D, E = 1 a 5 seg.
 Conjugado de partida: A, B, C, D, E = 0,3 a 0,8 Cp
 Tempo de desaceleração: A, B, C, D, E = 0 a 5 seg.
5. VERIFIQUE OS SEUS CONHECIMENTOS
5.1- Explique o que é soft-starter;
5.2- Que tipo de ligação é feita com os tiristores ?
5.3- Quais as vantagens da utilização da chave de partida soft-starter ?
5.4- Quais as desvantagens do soft-starter ?
5.5- Qual a função do microprocessador no soft-starter ?
5.6- O que deve ser levado em consideração para o dimensionamento do soft-starter ?
5.7- No circuito integrado para acionamento do soft-starter, qual o contato de selo do circuito?
5.8- Explique como escolher o pedestal de tensão inicial adequado para partida do motor no
item 3.2.2 do manual técnico da chave SSW-01 da WEG.
5.9- Explique como é feita a rampa de desaceleração do motor no soft-starter.
5.10- O que limita o número de partidas por hora no soft-starter e qual a especificação do
regime de partida do SSW-01 ?
LH4-N2
M1
3 ~
R
S
T
N
T1 T2 T3
01
02
03
CENTRO FEDERAL DE EDUCAÇÃO TECNOLÓGICA DO CEARÁ – CEFET-CE
CURSO DE ELETROTÉCNICA
MANUAL DE COMANDOS INDUSTRIAIS
PÁGINA:
PRÁTICA 16
Prof. Gênova
102
PRÁTICA 16
ASSUNTO: COMANDO AUTOMÁTICO PARA PARTIDA DIRETA DE MIT, COM REVERSÃO
NO SENTIDO DE ROTAÇÃO E CIRCUITO DE FREIO ELETROMAGNÉTICO.
1. OBJETIVO
Familiarizar o aluno com a montagem de circuitos de comando e força usados nos
acionamentos com reversão, incluindo o circuito de freio eletromagnético.
2. COMENTÁRIOS TEÓRICOS
O freio eletromagnético tem sua larga aplicação nos circuitos de reversão de motores de
indução trifásico, uma vez que normalmente quando o motor atinge o regime pleno de
funcionamento, nesta ocasião o mesmo vem operando com praticamente toda a carga
aplicada ao seu eixo mecânico, e por conseguinte, se a reversão rápida fosse aplicada
bruscamente ao sistema, poderia danificar todo o conjunto motor-máquina. Nesta situação a
inércia que seria imposta pela contra-corrente, originada pela permuta de ligação de dois
condutores de fase do estator, poderia não ser atendida em face a magnitude da carga que
estaria sendo acionada através do seu eixo mecânico. Portanto, para que esta situação seja
evitada e possa resolver os problemas impostos por máquinas em que o próprio regime de
operação exige a reversão rápida, utiliza-se a frenagem dinâmica, a qual é propiciada
através de um circuito de freio eletromagnético que deve ser acoplado adequadamente aos
circuitos de comando e força da reversão automática convencional.
O princípio de funcionamento do freio dinâmico é fundamentado na aplicação de uma
corrente contínua de valor compatível com a corrente nominal de carga do motor, que ao
ser aplicada a dois terminais quaisquer do enrolamento do estator, irá produzir um campo
magnético fixo, idêntico ao que é normalmente produzido pela corrente alternada trifásica,
com exceção que não é um campo girante. Por conseguinte, se o motor de indução que
esteja girando com um certo valor de escorregamento, exemplificando, escorregamento de
(s) = 4%, e passar subitamente da alimentação CA para CC, o efeito produzido será a
redução da velocidade de sincronismo a zero, de modo que o motor passaria agora a girar
com um escorregamento negativo de 96%. Mas o conjugado desenvolvido com um
conjugado negativo de 96%, corresponde a valor igual e de sentido oposto ao conjugado
desenvolvido com um escorregamento positivo de 96%, desde que as correntes do estator
sejam as mesmas em ambas as situações de alimentação em corrente alternada e
contínua. Sendo assim obteríamos uma frenagem praticamente instantânea do motor, antes
que seja efetuada a reversão no sentido de rotação.
No circuito de freio eletromagnético a fonte de corrente contínua (CC) é obtida através de
um transformador abaixador (220/40V) e de uma ponte retificadora de onda completa,
constituída por 4 (quatro) diodos e 1 (um) capacitor eletrolítico.
O acionamento do freio pode ser efetuado através de um botão de comando NA (botão liga-
freio) intertravado com o botão desliga (NF) do motor (botão conjugado b21), ou através de
um botão de pedal que deve ser também intertravado com o botão b0. Ao acionar o botão
desliga, simultaneamente está se acionando o freio, por conseguinte, tão logo o motor para,
solta-se o freio e o circuito volta a ficar apto para uma nova partida, só que agora
revertendo-se o sentido de rotação através do botão b2.
Observe que a alimentação do estator do motor em corrente contínua, só é realizada
quando o motor deixa de ser alimentado em corrente alternada, daí a exigência dos pontos
de intertravamentos tanto mecânico como elétrico no circuito de comando.
A frenagem de motores é empregada nas mais variadas aplicações, principalmente na área
industrial onde são utilizados motores de maior porte. Citamos como exemplo a aplicação
em tornos mecânicos, pontes rolantes, pórticos, guindastes, elevadores e em todas as
utilizações cujo tempo para parar sem frenagem for demasiadamente grande em relação a
exigência da situação operacional específica, portanto, que exigisse uma parada
praticamente imediata do motor.
CENTRO FEDERAL DE EDUCAÇÃO TECNOLÓGICA DO CEARÁ – CEFET-CE
CURSO DE ELETROTÉCNICA
MANUAL DE COMANDOS INDUSTRIAIS
PÁGINA:
PRÁTICA 16
Prof. Gênova
103
3. MATERIAL EMPREGADO
ITEM E S P E C I F I C A Ç Ã O QUANT. UNID.
01 Contator 3TB/3TF...SIEMENS ou LC1...TELEMECANIQUE – 220V 04 Um
02 Relé bimetálico 3UA... SIEMENS ou LR...TELEMECANIQUE 01 Um
03 Transformador ULTRASOM ref. 159/2 A – 110/220/36V 01 Um
04 Capacitor eletrolítico 1000 F - SIEMENS 01 Um
05 Diodo SK3/08 - SEMIKRON 04 Um
06 Fusível diazed 2 A, completo 01 Um
07 Botoeira conjugada NA/NF 01 Uma
08 Botoeira NA 02 Uma
09 Lâmpada de sinalização VM – 220V 01 Uma
10 Fusível NH 16 A , 500V, completo 03 Um
11 Motor de indução trifásico 220/380V 01 Um
A T E N Ç Ã O !
CUIDADO! DURANTE A MONTAGEM E OPERAÇÃO DESSA PRÁTICA, EXISTIRÃO
PARTES CONDUTORAS QUE NÃO ESTARÃO PROTEGIDAS CONTRA CONTATOS
ACIDENTAIS. VOCÊ VAI LIDAR COM TENSÕES DE 220V E 380V. AO CONCLUIR A
MONTAGEM, ANTES DE ENERGIZAR O CIRCUITO, SOLICITE A PRESENÇA DO
PROFESSOR PARA CONFERIR AS LIGAÇÕES.
4. PROCEDIMENTO DA PRÁTICA
4.1- Diagrama de comando:
Monte o circuito de comando para reversão de rotação do MIT e freio eletromagnético,
conforme com a fig. 4.1, de acordo com os procedimentos de segurança pré estabelecidos.
Após a montagem efetue o teste do seu funcionamento.
F 220V ~ 60HZ
e21
e4 95
96
b21 Liga freio
21
K3
22 31
K1
13 13 32
b1 K1 b2 K2
14 14
31
21 21 K2
K2 K1 32
22 22
K1 h1 K2 h2 K3 K4 h3
N
Fig.4.1
CENTRO FEDERAL DE EDUCAÇÃO TECNOLÓGICA DO CEARÁ – CEFET-CE
CURSO DE ELETROTÉCNICA
MANUAL DE COMANDOS INDUSTRIAIS
PÁGINA:
PRÁTICA 16
Prof. Gênova
104
4.2- Diagrama de força
Após a verificação do correto funcionamento do circuito de comando, desligue a alimentação
da tomada monofásica do painel, e efetue a montagem do circuito de força da Fig. 4.2,
integrando este circuito com o circuito de comando já montado.
R 3 ~ 380V – 60Hz
S
T
N
e1
1 3 5 A1 1 3 5 A1 A1
K1 K2 1 3 5
2 4 6 2 4 6 K3
A2 A2 2 4 6
220V A2
M1
40V
-
95
e4 96
S1
+
A1
1 3 5
K4
2 4 6
A2
U V W
M1 = Transformador 220/40V
S1 = Ponte retificadora de onda completa
M 3ø
CENTRO FEDERAL DE EDUCAÇÃO TECNOLÓGICA DO CEARÁ – CEFET-CE
CURSO DE ELETROTÉCNICA
MANUAL DE COMANDOS INDUSTRIAIS
PÁGINA:
PRÁTICA 17
Prof. Gênova
105
PRÁTICA 17
ASSUNTO: COMANDO AUTOMÁTICO PARA PARTIDA ESTRELA-TRIÂNGULO DE MOTOR
DE INDUÇÃO TRIFÁSICO, COM REVERSÃO NO SENTIDO DE ROTAÇÃO
1. OBJETIVO
Familiarizar o aluno com a montagem de circuitos de comando eletromagnéticos e de
força, para acionamento de MIT usando a chave Y -  reversora.
2. COMENTÁRIOS TEÓRICOS
Durante a prática 7 tivemos a oportunidade de nos familiarizarmos com a montagem de
circuitos que proporcionam a reversão no sentido de rotação de um motor trifásico, onde
constatamos que para isso bastava trocar duas fases de alimentação das bobinas do
estator entre si, permanecendo uma fase fixa. Esta operação corresponde a inversão da
seqüência de fases nas bobinas do motor.
A partida estrela-triângulo automática montada na prática 11, utilizou 3 (três) contatores na
operacionalização do processo, onde no 1o
momento do acionamento, K3 tem a sua
bobina energizada fazendo o fechamento do centro da estrela nos terminais 4,5 e 6 do
MIT, e quase que simultaneamente, energiza a bobina de K1, que por sua vez alimenta os
terminais 1, 2 e 3 na seqüência R, S, e T, respectivamente, partindo o motor em Y.
No 2o
momento do processo de partida, o motor já deverá ter atingido em torno de 90% da
sua rotação nominal, então o contator K3 é desenergizado, desfazendo o fechamento do
centro da estrela, e logo em seguida, K2 é energizado fazendo agora o fechamento da
ligação delta do motor, conjuntamente com K1 que permaneceu ligado (1-6, 2-4, 3-5).
Para adicionar uma reversão neste processo basta acrescentar um 4o
contator (K4) em
paralelo com K1, que passaria a ser o responsável pela comutação da seqüência de fases
no circuito de foça do MIT, proporcionando desta maneira a inversão de rotação.
No circuito de comando deve-se ter a preocupação em garantir através de contatos de
intertravamentos, a impossibilidade de acionamento simultâneo dos contatores K1 e K4,
caso contrario pode ocorrer curto-circuito bifásico franco e a queima de 2 fusíveis de força.
A seguir é apresentada a seqüência operacional resumida desta prática:
 Ligação Y: K1 e K3 em operação (1o
sentido de rotação – Partida com tensão reduzida)
 Ligação : K1 e K2 em operação (1o
sentido de rotação – Regime a plena tensão)
 Desligamento e parada do motor.
 Ligação Y: K4 e K3 em operação (2o
sentido de rotação – Partida com tensão reduzida)
 Ligação : K4 e K2 em operação (2o
sentido de rotação – Regime a plena tensão)
Na figura 2.1 são representados os diagramas das bobinas do MIT nas ligações Y e , com
as correspondentes alterações na seqüência de fases de alimentação.
R S T R S T
1 2 3 1 2 3
4 5 6
4 5 6
Ligação Y Ligação 
FIG. 2..1
CENTRO FEDERAL DE EDUCAÇÃO TECNOLÓGICA DO CEARÁ – CEFET-CE
CURSO DE ELETROTÉCNICA
MANUAL DE COMANDOS INDUSTRIAIS
PÁGINA:
PRÁTICA 17
Prof. Gênova
106
3. MATERIAL EMPREGADO
ITEM E S P E C I F I C A Ç Ã O QUANT. UNID.
01 Contator 3TB/3TF...SIEMENS ou LC1...TELEMECANIQUE – 220V 04 Um
02 Relé bimetálico 3UA... SIEMENS ou LR...TELEMECANIQUE 01 Um
03 Relé de tempo, 0-30 s, 220V 01 Um
04 Botoeira NF 01 Uma
05 Botoeira NA/NF 02 Uma
06 Lâmpada de sinalização VM / VD – 220V 02 Uma
07 Fusível diazed 2 A, completo 01 Um
08 Fusível NH 16 A – 500V, completo 03 Um
4. PROCEDIMENTO DA PRÁTICA
A T E N Ç Ã O !
C U I D A D O ! NA MONTAGEM DESSA PRÁTICA EXISTIRÃO PARTES CONDUTORAS
QUE NÃO ESTARÃO PROTEGIDAS CONTRA CONTATOS ACIDENTAIS. VOCÊ VAI LIDAR
COM TENSÕES DE 220 E 380V. ANTES DE ENERGIZAR O CIRCUITO, CHAME O
PROFESSOR PARA CONFERIR AS LIGAÇÕES.
4.1- DIAGRAMA DE COMANDO
 Monte o circuito de comando da chave Y- com reversão, de acordo com o diagrama da
Fig. 4.1, seguindo as determinações do roteiro de trabalho
F ~ 220V – 60Hz
e21
e4 95
96
bo
13 13
b22 b23 K1 K4
14 14
K1
b23 b22
13
K2
d1 1 1 43 13 43 43 14
K1 K3 K4 K3
8 2 44 14 44 44
21 21
K2 K3 21 21
22 22 K4 K1 h1
22 22
A1 A1 A1 A1 A1
d1 K3 K2 K1 K4
N A2 A2 A2 A2 A2
Fig. 4.1
CENTRO FEDERAL DE EDUCAÇÃO TECNOLÓGICA DO CEARÁ – CEFET-CE
CURSO DE ELETROTÉCNICA
MANUAL DE COMANDOS INDUSTRIAIS
PÁGINA:
PRÁTICA 17
Prof. Gênova
107
4.2- DIAGRAMA DE FORÇA
 Monte o circuito de força da chave Y- com reversão, de acordo com o diagrama da Fig.
4.2, seguindo os procedimentos de segurança do roteiro de trabalho:
R ~380V – 60 Hz
S
T
e1
1 3 5 A1 1 3 5 A1
K1 K4
2 4 6 2 4 6
A2 A2
 Y
K2 K3
1 3 5 A1 1 3 5 A1
2 4 6 A2 2 4 6 A2
95
e4
96
1 2 3
6
5
4
Fig. 4.2
Motor
3
CENTRO FEDERAL DE EDUCAÇÃO TECNOLÓGICA DO CEARÁ – CEFET-CE
CURSO DE ELETROTÉCNICA
MANUAL DE COMANDOS INDUSTRIAIS
PÁGINA:
PRÁTICA 17
Prof. Gênova
108
5. VERIFIQUE OS SEUS CONHECIMENTOS
5.1- Descreva a seqüência operacional de comando automático montado nesta prática.
5.2- Cite alguns exemplos da aplicação do comando automático para partida estrela-triângulo
com reversão de MIT.
5.3- Sobre os contatos dos contatores assinale a alternativa correta:
5.3.1. Durante a manutenção de um contator comum, quando o técnico de manutenção for
efetuar a troca de contatos, deve-se trocar:
a) As pastilhas em mau estado;
b) Os contatos em mau estado;
c) O jogo de contatos e as molas;
d) Somente o jogo de contatos.
5.3.2. Geralmente nos contatores que possuem contatos simples:
a) Nunca é possível a montagem de contatos adicionais;
b) Regula-se apenas o entreferro e o eletroímã;
c) A simultaneidade de abertura dos contatos não tem importância;
d) A pressão da mola é regulada com dinamômetro conforme especificação.
5.3.3. A prata com 10% de cádmio é mais usada na composição das pastilhas dos
contatores porque:
a) Resiste a altas temperaturas de regime e é maleável;
b) Reconverte em prata tanto o vapor de prata como o óxido de prata;
c) Não oxida, por conseguinte propicia sempre um bom contato;
d) Resiste as altas temperaturas e possui uma maior dureza.
CENTRO FEDERAL DE EDUCAÇÃO TECNOLÓGICA DO CEARÁ – CEFET-CE
CURSO DE ELETROTÉCNICA
MANUAL DE COMANDOS INDUSTRIAIS
PÁGINA:
PRÁTICA 18
Prof. Gênova
109
PRÁTICA 18
ASSUNTO: COMANDO AUTOMÁTICO PARA ACIONAMENTO DE MOTOR DE POLOS
COMUTÁVEIS PARA DUAS VELOCIDADES (LIGAÇÃO DAHLANDER), COM
REVERSÃO NO SENTIDO DE ROTAÇÃO
1. OBJETIVO
Instruir o aluno com a montagem de circuitos de comando eletromagnético e de força,
utilizados para acionamento do motor dahlander de polos comutáveis, para duas
velocidades, e inversão no sentido de rotação.
2. COMENTÁRIOS TEÓRICOS
Como foi visto na prática 10, o motor Dahlander é um motor de indução que tem a
característica construtiva de possibilitar a alteração da sua velocidade através da variação do
número de polos. O enrolamento do estator é construído de tal forma que permite mudança nas
ligações das bobinas, sendo o número de polos modificado. Para acrescentar a inversão no
sentido de rotação, tanto na baixa como na alta velocidade, é necessário acrescentar no
circuito de controle, dois contatores que ligados em paralelo com K1 e K3, respectivamente,
possibilitam a mudança na seqüência de fases de alimentação do motor. O contator K2 que faz
o fechamento do centro da estrela, quando na ligação em alta rotação, deve ser compartilhado
de tal forma nesse circuito de maneira que possa operar tanto com o contator K3 (ex. sentido
horário) quanto com o K5 (sentido anti-horário). Faz-se também necessário a aplicação de
intertravamentos tanto mecânicos (botoeiras conjugadas) como elétricos (contatos NF dos
contatores) de forma a garantir o perfeito funcionamento dos circuitos sem causar curto-
circuitos ou comandos incompletos e descoordenados.
O acionamento do comando é proporcionado por botões e devem ser impulsionados na
seguinte lógica:
 Sentido horário:
 Baixa velocidade – b22 (liga) e bo (desliga);
 Alta velocidade – b24 (liga) e bo (desliga);
 Sentido anti-horário:
 Baixa velocidade – b23 (liga) e bo (desliga);
 Alta velocidade – b25 (liga) e bo (desliga).
A seguir é apresentado um quadro demonstrativo indicando as informações do motor
Dahlander relativos a baixa velocidade, alta velocidade e sequência de fases.
VELOCIDADE
(R.P.M)
N
POLOS
SEQUÊNCIA DE FASES TIPOS DE
LIGAÇÃO DOS
2 GRUPOS DE
BOBINAS
HORÁRIA ANTI-HORÁRIA
R S T T S R
T E R M I N A I S
BAIXA
1.800
2 1 2 3 1 2 3  SÉRIE
ALTA
3.600
4 6 4 5 6 4 5 Y PARALELO
2.1- PLACA DE IDENTIFICAÇÃO DO MOTOR DAHLANDER
Na fig. 2.1 são representados os diagramas das bobinas do motor na ligação triângulo série
(o motor já vem de fábrica com os enrolamentos fechados internamente na ligação ) que
corresponde a baixa velocidade (a), e na ligação paralela para a alta velocidade (b), com as
correspondentes alterações na sequência de fases de alimentação do motor, responsáveis
pela inversão no sentido de rotação.
CENTRO FEDERAL DE EDUCAÇÃO TECNOLÓGICA DO CEARÁ – CEFET-CE
CURSO DE ELETROTÉCNICA
MANUAL DE COMANDOS INDUSTRIAIS
PÁGINA:
PRÁTICA 18
Prof. Gênova
110
a) Ligação em baixa rotação b) Ligação em alta rotação
1 2 3 1 2 3
6 4 5 6 4 5
R S T R S T
2.2- DIAGRAMA DE LIGAÇÃO
a) Ligação em baixa rotação
b) Ligação em alta rotação
3. MATERIAL EMPREGADO
ITEM E S P E C I F I C A Ç Ã O QUANT. UNID.
01 Contator 3TB/3TF...SIEMENS ou LC1...TELEMECANIQUE – 220V 05 Um
02 Relé bimetálico 3UA... SIEMENS ou LR...TELEMECANIQUE 02 Um
03 Fusível diazed 2 A, completo 01 Um
04 Botoeira NA/NF 04 Uma
05 Botoeira NF 01 Uma
06 Lâmpada de sinalização VM – 220V 01 Uma
07 Lâmpada de sinalização VD – 220V 01 Uma
08 Fusível NH 16 A – 500V, completo 06 Um
09 Pino tripolar com cordão flexível 01 Um
10 Motor Dahlander de 1800/3600 rpm , 380V 01 Um
CENTRO FEDERAL DE EDUCAÇÃO TECNOLÓGICA DO CEARÁ – CEFET-CE
CURSO DE ELETROTÉCNICA
MANUAL DE COMANDOS INDUSTRIAIS
PÁGINA:
PRÁTICA 18
Prof. Gênova
111
4. PROCEDIMENTO DA PRÁTICA
A T E N Ç Ã O !
NA MONTAGEM DESSA PRÁTICA EXISTIRÃO PARTES CONDUTORAS QUE NÃO
ESTARÃO PROTEGIDAS CONTRA CONTATOS ACIDENTAIS. VOCÊ VAI LIDAR COM
TENSÕES DE 220/380V. TENHA O MÁXIMO DE CUIDADO, E ANTES DE ENERGIZAR O
CIRCUITO, SOLICITE A PRESENÇA DO PROFESSOR PARA CONFERIR AS LIGAÇÕES.
4.1- Diagrama de comando:
Monte o circuito de comando para acionamento do motor Dahlander com reversão, de acordo
com a fig. 4.1, seguindo os passos do roteiro de trabalho:
F 220V ~60 Hz
e21
95
e4
96
e5 95
96
bo
b24’ b22”
b25’ b23”
K2 21 31
22 K1 32
K3 21 31
22 K4 32
K5 21 13 13
22 b24 b25 K3 K5
14 14
b23’ b22’
K2
13 13 13 14
b22 K1 b23 “ K4 b25” b24”
14 14
31 31
21 21 K5 K3
K4 K1 32 32
22 22
A1 A1 A1 A1 A1
K1 K4 K2 K3 K5
N A2 A2 A2 A2 A2
FIG. 4.1
CENTRO FEDERAL DE EDUCAÇÃO TECNOLÓGICA DO CEARÁ – CEFET-CE
CURSO DE ELETROTÉCNICA
MANUAL DE COMANDOS INDUSTRIAIS
PÁGINA:
PRÁTICA 18
Prof. Gênova
112
4.2- Diagrama de força:
Monte o circuito de força para ligação do motor Dahlander com reversão no sentido de rotação,
de acordo com o diagrama da fig. 4.2, seguindo os passos do roteiro de trabalho.
R 3 ~ 380V – 60Hz
S
T
e1 e2
1 3 5 A1 1 3 5 A1 1 3 5 A1 1 3 5 A1
2 4 6 2 4 6 2 4 6 2 4 6
A2 A2 A2 A2
A1
95 1 3 5 95
e4 K2 e5
2 4 6 96 2 4 6 2 4 6 96
A2
1 2 3 6 4 5
Motor Dahlander – 2 velocidades
Fig. 4.2
K1 K4 K5 K3
CENTRO FEDERAL DE EDUCAÇÃO TECNOLÓGICA DO CEARÁ – CEFET-CE
CURSO DE ELETROTÉCNICA
MANUAL DE COMANDOS INDUSTRIAIS
PÁGINA:
PRÁTICA 19
Prof. Gênova
113
PRÁTICA 19
ASSUNTO: COMANDO AUTOMÁTICO PARA PARTIDA DE MIT COM TENSÃO REDUZIDA,
ATRAVÉS DE CHAVE COMPENSADORA A SECO E INVERSÃO DE ROTAÇÃO
1. OBJETIVO
Familiarizar o aluno com a montagem de circuitos de comando eletromagnético e de força,
para partida de motor trifásico com rotor em gaiola, utilizando a chave compensadora
automática na obtenção da tensão reduzida no instante do arranque, acrescentando a
inversão no sentido de rotação.
2. COMENTÁRIOS TEÓRICOS
Semelhante ao que foi estudado na prática 13 utilizando a chave compensadora com
comutação automática, iremos acrescentar a possibilidade de reversão no sentido de rotação
do motor tanto no regime de arranque como no regime de plena tensão. Desta forma teremos
a seguinte sequência de operação:
 O MIT parte com tensão reduzida através dos tapes do autotransformador, no sentido
horário. Passando o tempo de partida (até o motor atingir em torno de 90% da velocidade
nominal) o circuito de controle faz com que o circuito de força alimente agora o motor a
plena tensão, também no sentido horário.
 Para desligar o motor, aciona-se bo.
 Repete-se o processo de partida do MIT com a alimentação através da tensão reduzida
fornecida pelos tapes do autotransformador, só que neste momento com alteração na
sequência de fases o que vai propiciar a inversão de rotação (sentido anti-horário).
Passando o tempo de partida, o motor passa a ser alimentado a plena tensão, continuando
com a mesma alteração na sequência de fases da fase de arranque (sentido anti-horário).
 Para desativar o motor basta pressionar bo.
Deve ficar claro para o aluno que ao se iniciar o regime de partida do MIT, não se deve
proceder a inversão durante esta fase, pois a magnitude da contracorrente tornaria sem efeito
a função do autotransformador, o que não proporcionaria nenhuma vantagem para a
instalação. Deve-se portanto, concluir todo o processo até que o motor receba a plena tensão
da rede. Desta forma é necessário acionar bo para que o motor seja desativado e a partir de
então é que se pode proceder a inversão, reiniciando todo o processo, só que agora, com o
sentido de rotação contrário.
3. MATERIAL EMPREGADO
ITEM E S P E C I F I C A Ç Ã O QUANT. UNID.
01 Contator 3TB/3TF...SIEMENS ou LC1...TELEMECANIQUE – 220V 05 Um
02 Relé bimetálico 3UA... SIEMENS ou LR...TELEMECANIQUE 01 Um
03 Relé de tempo, 0-30 s, 220V 01 Um
04 Fusível diazed 2 A, completo 01 Um
05 Botoeira NA/NF 02 Uma
06 Botoeira NF 01 Uma
07 Lâmpada de sinalização VM / VD – 220V 02 Uma
08 Fusível NH 16 A – 500V, completo 03 Um
09 Pino tripolar com cordão flexível 01 Um
10 Motor de indução trifásico 220/380V 01 Um
11 Autotransformador com taps de 65 e 80% 01 um
CENTRO FEDERAL DE EDUCAÇÃO TECNOLÓGICA DO CEARÁ – CEFET-CE
CURSO DE ELETROTÉCNICA
MANUAL DE COMANDOS INDUSTRIAIS
PÁGINA:
PRÁTICA 19
Prof. Gênova
114
4. PROCEDIMENTO DA PRÁTICA
A T E N Ç Ã O !
CUIDADO! NA MONTAGEM DESTA PRÁTICA, EXISTIRÃO PARTES CONDUTORAS QUE
NÃO ESTARÃO PROTEGIDAS CONTRA CONTATSO ACIDENTAIS. VOCÊ VAI LIDAR COM
TENSÕES DE 220 E 380V. ANTES DE ENERGIZAR O CIRCUITO, SOLICITE A PRESENÇA
DO PROFESSOR PARA CONFERIR AS LIGAÇÕES.
4.1- DIAGRAMA DE COMANDO:
 Monte o circuito de comando da chave compensadora com reversão, de acordo com a Fig.
4.1, seguindo os procedimentos de segurança pré estabelecidos.
F ~220V – 60Hz
e21
e4 95
96
bo
13 13
b22 K4 b23 K5
14 14
13 13
b23 b22 1 1 K3 K2
d1 14 14
8 2
21 21 21 21 31
K5 K4 K1 K3 K1
22 22 22 22 32
A1 A1 A1 A1 A1 A1
d1 K4 K5 K3 K1 K2
N A2 A2 A2 A2 A2 A2
Fig. 4.1
CENTRO FEDERAL DE EDUCAÇÃO TECNOLÓGICA DO CEARÁ – CEFET-CE
CURSO DE ELETROTÉCNICA
MANUAL DE COMANDOS INDUSTRIAIS
PÁGINA:
PRÁTICA 19
Prof. Gênova
115
4.2- DIAGRAMA DE FORÇA:
 Monte o circuito de força da chave compensadora com reversão, de acordo com a Fig. 4.2,
seguindo os procedimentos de segurança pré estabelecidos:
~380V – 60 Hz
R
S
T
e1
1 3 5 A1 1 3 5 A1
K4 K5
2 4 6 A2 2 4 6 A2
A1 A1 A1
1 3 5 1 3 5 1 3 5
K1 K2 K3
2 4 6 A2 2 4 6 A2 2 4 6 A2
u v w
u1 80%
65%
v1 Auto
transformador
w1
95 N1 N2 N3
e4
96
FIG. 2.2
MOTOR
3 
CENTRO FEDERAL DE EDUCAÇÃO TECNOLÓGICA DO CEARÁ – CEFET-CE
CURSO DE ELETROTÉCNICA
MANUAL DE COMANDOS INDUSTRIAIS
PÁGINA:
PRÁTICA 20
Prof. Gênova
116
PRÁTICA 20
ASSUNTO: COMANDO PARA PARTIDA DIRETA DE MIT COM ACIONAMENTO REMOTO
ATRAVÉS DE BOTOEIRAS E PROTEÇÃO CONTRA FALTA DE FASE
1. OBJETIVO
 Familiarizar o aluno com a instalação do relé falta de fase em circuitos de comando e força
para proteção de motores trifásicos.
2. COMENTÁRIOS TEÓRICOS
O relé falta de fase aplicado na proteção de motores trifásicos e outras cargas contra falta e
desequilíbrio de fases, supervisiona redes trifásicas nas quais as fases estejam defasadas
entre si de 120 elétricos. O equipamento pode ser fornecido em 2 (duas) versões, com neutro
ou sem neutro na instalação, e detecta a falta de uma ou mais fases e do neutro, conforme
seja o modelo, efetuando dessa forma, o desligamento da alimentação da carga quando a falta
ocorre. O relé normalmente é fornecido com retardo de atuação de até 5 seg, de maneira a
evitar falsos eventos como no caso da partida de motor que provoca na rede quedas de tensão
acentuadas, e que poderiam levar a operação indevida do equipamento.
Na versão com neutro, além da ligação das fases R, S, T no aparelho, o neutro também deve
ser conectado. Já na versão sem neutro, basta a ligação das 3 (três) fases no relé.
O relé é dotado de um contato auxiliar reversor que ligado em série com a alimentação da
bobina de um contator, faz com que a chave magnética desopere quando da ocorrência de
uma falta de fase, desligando dessa forma o motor ou a carga.
Para a simulação da falta de fase, iremos utilizar disjuntores em caixa moldada do tipo Quick-
Leg, que serão intercalados entre os fusíveis NH e os contatos principais do contator, a serem
ligados em série e por polo no circuito de força, conforme diagrama da fig. 4.2.
A prática consiste em efetuar a montagem dos circuitos para acionamento de um MIT com
partida direta (comando e força), e simular a ocorrência da falta de uma fase, desligando o
disjuntor de apenas um polo, o que levará, após alguns segundos, o desarme do contator, e
consequentemente, o desligamento do motor.
O relé falta de fase vem dotado de um dial ( - / + ) que ajusta a sensibilidade de operação do
relé, retardando ou diminuindo o retardo do contato reversor, e seu ajuste vai depender das
condições do regime de partida da carga.
3. MATERIAL EMPREGADO
ITEM E S P E C I F I C A Ç Ã O QUANT. UNID.
01 Contator 3TB/3TF...SIEMENS ou LC1...TELEMECANIQUE – 220V 01 Um
02 Relé bimetálico 3UA... SIEMENS ou LR...TELEMECANIQUE 01 Um
03 Fusível diazed 2 A, completo 01 Um
04 Botoeira NA 01 Uma
05 Botoeira NF 01 Uma
06 Lâmpada de sinalização VM – 220V 01 Uma
07 Lâmpada de sinalização VD – 220V 01 Uma
08 Fusível NH 16 A , completo 03 Um
09 Disjuntor monopolar do tipo Quick-Leg, de 10 ou 15A 03 Um
10 Relé falta de fase 380V, sem neutro 01 Um
11 Pino tripolar com cordão flexível 01 Um
12 Motor de indução trifásico 220/380V 01 Um
CENTRO FEDERAL DE EDUCAÇÃO TECNOLÓGICA DO CEARÁ – CEFET-CE
CURSO DE ELETROTÉCNICA
MANUAL DE COMANDOS INDUSTRIAIS
PÁGINA:
PRÁTICA 20
Prof. Gênova
117
A T E N Ç Ã O !
CUIDADO ! DURANTE A MONTAGEM E OPERAÇÃO DESSA PRÁTICA, EXISTIRÃO
PARTES CONDUTORAS QUE NÃO ESTARÃO PROTEGIDAS CONTRA CONTATOS
ACIDENTAIS. VOCÊ VAI LIDAR COM TENSÕES DE 220V E 380V. AO CONCLUIR A
MONTAGEM, ANTES DE ENERGIZAR O CIRCUITO, SOLICITE A PRESENÇA DO
PROFESSOR PARA CONFERIR AS LIGAÇÕES.
4. PROCEDIMENTO DA PRÁTICA
4.1- Diagrama de Comando:
Monte o circuito de comando de acordo com o diagrama esquemático da fig. 4.1 seguindo os
procedimentos de segurança pré estabelecidos:
a) Comando local ou a distância por botoeiras
F 220V – 60Hz
e21
e4 95
96
b0
b1 13 23
K1 K1
14 24
RFF h1
A1
K1
N A2
Fig.4.1a
Obs: O contato auxiliar do relé RFF é um contato NA e tão logo o relé receba as tensões das
fases R, S T, ele comuta o contato auxiliar dando condições para a energização da bobina do
contator e consequentemente, da partida do motor.
Quando ocorre uma falta de fase, o relé que esta monitorando a presença de tensão no
circuito de força, a partir da saída dos fusíveis NH, reverte o seu contato auxiliar RFF do
estado operacional fechado para o estado operacional aberto, desenergizando dessa forma, a
bobina de K1, e por sua vez o próprio motor, evitando assim que o mesmo ficasse submetido a
sub-tensão, o que o levaria a queima de um ou dois enrolamentos do estator, dependendo da
ligação e da tensão de alimentação da rede.
CENTRO FEDERAL DE EDUCAÇÃO TECNOLÓGICA DO CEARÁ – CEFET-CE
CURSO DE ELETROTÉCNICA
MANUAL DE COMANDOS INDUSTRIAIS
PÁGINA:
PRÁTICA 20
Prof. Gênova
118
4.2- Diagrama de Força:
Monte o circuito de força de acordo com o diagrama esquemático da Fig. 4.2.
380V – 60Hz
R
S
T
e1
D   
1 3 5 A1
K1
2 4 6
A2
e4 95
96
Fig. 4.2
 Após a montagem do circuito de força, proceda o acionamento do MIT;
 Para simular a falta de fase, acione um dos disjuntores monopolar D;
 Após alguns segundos, o motor deverá parar;
 Religue o disjuntor acionado e repita a simulação separadamente com os demais polos
(fases).
M3Ø
Relé RFF
CENTRO FEDERAL DE EDUCAÇÃO TECNOLÓGICA DO CEARÁ – CEFET-CE
CURSO DE ELETROTÉCNICA
MANUAL DE COMANDOS INDUSTRIAIS
PÁGINA:
PRÁTICA 21
Prof. Gênova
119
PRÁTICA 21
ASSUNTO: INVERSORES DE FREQUÊNCIA PARA ACIONAMENTOS DE MÁQUINAS DE
CORRENTE ALTERNADA – CA COM VELOCIDADE VARIÁVEL
1. OBJETIVO
 Familiarizar o aluno com a instalação, parametrização e operação de inversor de
freqüência para acionamento de máquinas CA, com freqüência e velocidade variáveis.
 Apresentação teórica de eletrônica de potência, relativa aos conversores CA-CC, CC-CA.
2. COMENTÁRIOS TEÓRICOS
Num passado não muito distante, os motores CA eram considerados de difícil controle. Os
recursos convencionais existentes, como a comutação do número de polos, a ligação de
resistências inseridas no circuito, dentre outros, eram soluções aplicadas mas de resultados
discretos e limitados. Na verdade o problema estava na fonte de alimentação e não no motor,
propriamente dito. A variação da tensão e da freqüência de alimentação do motor, se tornou
viável graças a evolução da eletrônica de potência, que permite o controle da velocidade sem
perda da capacidade de torque.
Com a evolução dos dispositivos semicondutores de potência e da microeletrônica, permitiu-se
avançar na aplicação dos acionamentos CA.
Os principais dispositivos hoje disponíveis no mercado, fruto de constantes pesquisas
tecnológicas na área da eletrônica, são relacionados a seguir:
 GTO (Gate Turn-Off thyristor = Tiristor de desligamento pelo gatilho);
 BJT (Bipolar Junction Power Transistor = Transistor bipolar de junção);
 Mosfet de potência (Metal oxide semiconductor field effect transistors = Transistores de
efeito de campo de óxido de zinco);
 IGBT (Insulated Gate Bipolar Transistors = Transistores bipolar de porta isolada);
 SIT ( Static Induction Transistors = Transistores de indução estática);
 SITH ( Static Induction Thyristor = Tiristor de indução estática);
Cada um destes componentes possuem capacidade de potência e características de
condução e bloqueio (unidirecional, bidirecional, controlável, não controlável), bem como de
sinais de controle peculiares (contínuo, pulsante).
Os conversores são usados para transmitir energia de uma fonte CA para uma carga CC
(retificador), ou de uma fonte CC para uma carga CA (Inversor). A representação esquemática
dos conversores de forma abrangente, pode ser apresentada conforme o diagrama de blocos
da Fig. 1.
Retificador
Cicloconversor Chopper
Inversor
Fig. 1
Um exemplo típico de aplicação prática de conversores nos circuitos de potência, é o sistema
de energia elétrica de Itaipú, onde a geração é realizada em corrente alternada, a transmissão
em Corrente Contínua (LTCC), e a distribuição de energia a nível de consumidores, em
corrente alternada, proporcionada pela Inversão de freqüência no lado da carga. Vide Fig. 2.
CA CC
CCCA
CENTRO FEDERAL DE EDUCAÇÃO TECNOLÓGICA DO CEARÁ – CEFET-CE
CURSO DE ELETROTÉCNICA
MANUAL DE COMANDOS INDUSTRIAIS
PÁGINA:
PRÁTICA 21
Prof. Gênova
120
LTCC FURNAS
H2O G Retificador + + Inversor
U1 U2
_ _
Foz do Iguaçú São Roque
Fig. 2
Os conversores são classificados como Não Controlado e Controlado.
Conversores Não Controlado:
São conversores que não permitem variação nas grandezas de saída, sem que as grandezas
de entrada sejam variadas.
São compostos basicamente de diodos, portanto constituem-se em circuitos retificadores
usados para converter tensão alternada em tensão contínua constante. Qualquer variação no
valor médio da tensão contínua de saída, só pode ser obtida variando-se a tensão alternada
de entrada.
Conversores Controlável:
São conversores que permitem a variação das grandezas de saída mantendo-se constante as
grandezas de entrada. São exemplo de conversores controlados: Retificador controlado,
Chopper, Inversor auto-controlado, Inversor controlado pela rede, Regulador eletrônico de
tensão (Soft-start), Cicloconversores
Métodos de controle:
 Controle escalar
 Controle vetorial
A fundamentação teórica das máquinas CA se baseia em equações que descrevem o
comportamento do motor em regime permanente. O método de controle obtido com aplicação
das equações em regime permanente, são denominados de “controle escalar”
Em outras aplicações que é exigido um controle rápido e preciso do torque, como é o caso de
tração elétrica, o controle escalar não é adequado pois não considera o funcionamento da
máquina em regime transitório, daí a necessidade de utilizar as técnicas de "controle vetorial".
Detalhes sobre as técnicas de controle, devem ser vistos em eletrônica de potência.
Equação da tensão da máquina:
A Lei de Faraday descreve quantitativamente a indução de tensões por parte de um campo
magnético variável no tempo. Desta maneira, a tensão induzida na bobina do estator é dada
pela seguinte expressão:
U = .N..sen(t), mas ω = 2f
U = 2.f.N..sen(t), logo o seu valor eficaz será:
Uef. = (2 / 2). f.N. = [(2 / 2).N].. f =
k
Ao se variar a freqüência de alimentação do motor CA, varia-se a sua velocidade síncrona,
significando que todas as velocidades síncronas variam desde f = 0 até a máxima freqüência
do inversor. O comportamento do motor pela curva conjugado X velocidade, quando
3ɸ
~
CARGAS
Uef
f
então a relação tensão/freqüência será dada:
por:
k
CENTRO FEDERAL DE EDUCAÇÃO TECNOLÓGICA DO CEARÁ – CEFET-CE
CURSO DE ELETROTÉCNICA
MANUAL DE COMANDOS INDUSTRIAIS
PÁGINA:
PRÁTICA 21
Prof. Gênova
121
alimentado pela rede, permanece da mesma forma, entretanto com a curva deslocada
conforme seja a freqüência aplicada.
Teoricamente existem duas faixas de atuação: uma com o fluxo constante, até a freqüência
nominal, e outra, com o enfraquecimento de campo, correspondendo para freqüências acima
da nominal.
 Uef. / f = CTE (Fluxo constante)
 f > fn Uef. = CTE (Enfraquecimento de campo)
Na prática é necessário reduzir conjugado e potências admissíveis, de forma a compensar as
perdas devido a diminuição da ventilação, quando o motor funciona com velocidade abaixo da
nominal e tem sua refrigeração diminuída, ou devido as harmônicas que são produzidas na
saída do inversor. Portanto para aplicação do inversor, deve-se considerar uma limitação da
curva de torque X freqüência.
Inversor de freqüência:
De acordo com a equação de tensão da máquina, a velocidade de um motor trifásico é
determinada pela freqüência. Se esta varia, deve-se também variar a tensão para que o motor
trabalhe de forma otimizada.
O inversor de freqüência põe a disposição do motor um sistema trifásico de freqüência e
tensão variáveis, e isso se realiza através de um circuito intermediário e com a ajuda de um
retificador não controlável do lado da rede alternada e de um inversor no lado da carga.
No circuito de potência o retificador converte a tensão da rede em tensão contínua. Um
capacitor conectado no circuito intermediário, filtra a tensão CC e fornece a potência reativa
requerida pelo motor. O capacitor funciona como um filtro para limitar as sobretensões na
entrada do inversor.
O estágio inversor gera um sistema trifásico de tensão e freqüência variáveis, conforme o
circuito da Fig.3.
A forma de onda da tensão de saída do inversor para alimentação do motor trifásico (Figs. 4 e
5), é gerada a partir de um sistema de modulação da onda, podendo o comando das chaves
do inversor ser realizado pelos seguintes tipos de modulação:
 Onda quadrada;
 PWM senoidal;
 Deslocamento de fase
Na prática verifica-se que a comutação modulada por largura de pulsos (PWM) dos
transistores de potência, é bastante utilizada, pois produz um menor conteúdo harmônico na
tensão de carga, além de produzir no motor uma corrente aproximadamente senoidal, o que
em termos práticos se traduz em acionamentos suaves com baixos ruídos (Fig. 5)
Vantagens do acionamento eletrônico para motores:
 Partidas suaves (a corrente de partida é reduzida);
 Economia em componentes auxiliares como chaves, transformadores e outros;
 Aumento da vida útil de equipamentos rotativos: A vida útil do motor é em parte
determinada pelo número de partidas que o mesmo é submetido. Normalmente as altas
correntes de partida, acompanhadas de forças magnéticas envolvidas, causam altas
temperaturas, que aceleram o surgimento de defeitos. A ausência de trancos tende a
aumentar também a vida útil dos acoplamentos e dentes das engrenagens.
 Aumento da vida útil do motor: Com o motor operando abaixo da velocidade nominal, sua
vida útil aumenta. Abaixo da potência nominal, a temperatura diminui. Para se ter uma
idéia da magnitude desta influência, uma diminuição de 10% da temperatura, dobra a vida
útil do isolamento.
 Aumento da gama de velocidades disponíveis para o motor: Os acionamentos eletrônicos
podem fornecer velocidades acima de 60 Hz.
 Melhoria do fator de potência: Como na maioria dos acionamentos eletrônicos apresenta
na entrada uma ponte retificadora de diodos não controlada, o fator de potência visto pelo
sistema fica próximo da unidade.
CENTRO FEDERAL DE EDUCAÇÃO TECNOLÓGICA DO CEARÁ – CEFET-CE
CURSO DE ELETROTÉCNICA
MANUAL DE COMANDOS INDUSTRIAIS
PÁGINA:
PRÁTICA 21
Prof. Gênova
122
 Incorporação de várias funções adicionais(proteção contra curto circuito, falta de fase,
diagnóse,outras).
 Economia de energia: Em estudos desenvolvidos por órgãos de pesquisa e
desenvolvimento, CEPEL, UFRJ, dentre outros, em parceria com a indústria e fabricantes
do equipamento, pode-se constatar uma economia de energia na aplicação direta do
inversor de freqüência, em torno de 80% (PEE teórico) a 95% (PEE prático). A pesquisa foi
desenvolvida na indústria petroquímica (REDUC), onde pode-se verificar um tempo de
retorno do investimento em menos de 1 ano.
Onde o Percentual de Economia de Energia (PEE) é dado pela seguinte expressão:
Consumo sem acionamento – Consumo com acionamento
PEE = X 100
Consumo sem acionamento
Desenho esquemático do inversor de freqüência
A seguir é apresentado o arranjo do circuito de um inversor de freqüência trifásico para
acionamento de motores CA:
+ +
S1 D1 S3 D3 S5 D5
Ui = 220V
C Us
S4 D4 S6 D6 S2 D2
- -
R S T
a b c
ENTRADA CA – CC CIRCUITO CC – CA / SAÍDA
~ 220V Retificador Intermediário Inversor / 0 - 220V
( ~ / – ) ( – / ~)
Fig. 3
G
CENTRO FEDERAL DE EDUCAÇÃO TECNOLÓGICA DO CEARÁ – CEFET-CE
CURSO DE ELETROTÉCNICA
MANUAL DE COMANDOS INDUSTRIAIS
PÁGINA:
PRÁTICA 21
Prof. Gênova
123
Construção da forma de onda na saída do inversor de freqüência (Tensão de fase)
0° 60° 120° 180° 240° 300° 360°
Chaves
Fechadas:
S5 +++++++++ +++++++++ +++++++++
S6 - - - - - - - - - - - - - - - - - - - - - - - - - - -
S1 +++++++++ +++++++++ +++++++++
S2 - - - - - - - - - - - - - - - - - - - - - - - - - - -
S3 +++++++++ +++++++++ +++++++++
S4 - - - - - - - - - - - - - - - - - - - - - - - - - - -
Polarização
das fases
após o Us
fechamento
das chaves
+
R T
S
_
+
R
S T
_
+
R S
T
_
+
S
R T
_
+
S T
R
_
+
T
R S
_
Ua
Ub
Uc
Sequência
de comando
das chaves
Passo 1 Passo 2 Passo 3 Passo 4 Passo 5 Passo 6
S5,S6, S1 S6, S1, S2 S1, S2, S3 S2, S3, S4 S3, S4, S5 S4, S3, S6
MODULAÇÃO POR ONDA QUADRADA (Fig. 4)
Us/3
2 Us / 3
ωt
ωt
ωt
CENTRO FEDERAL DE EDUCAÇÃO TECNOLÓGICA DO CEARÁ – CEFET-CE
CURSO DE ELETROTÉCNICA
MANUAL DE COMANDOS INDUSTRIAIS
PÁGINA:
PRÁTICA 21
Prof. Gênova
124
Observe que a cada 60° ocorre uma comutação, e cada interruptor permanece fechado por
180°.
A modulação por onda quadrada apresenta as seguintes características:
 Simplicidade no circuito de controle
 Alta distorção na carga (conteúdo harmônico);
 As chaves são comandadas na mesma freqüência desejada na carga, que em geral é
baixa;
 Permite o controle apenas da freqüência aplicada a carga
Modulação por PWM senoidal:
Na modulação por PWM senoidal, são aplicados vários pulsos a cada meio ciclo da tensão de
saída. Estes pulsos tem largura variável e são controlados por uma senoidal de referência.
Também é gerada uma onda triangular de freqüência fixa, onde o tempo de condução e de
bloqueio das chaves, é obtido pela comparação entre a senóide de referência e a onda
triangular. Vide Fig. 5a. O resultado é que o valor médio instantâneo da tensão na carga se
aproxima de uma onda senoidal.
Onda triangular
Senóide de referência
t
t
t
b) Forma de onda na saída do Inversor de freqüência
(valor médio instantâneo da tensão na carga, que se aproxima de uma senoidal)
Fig. 5
a) Sinais envolvidos na geração do PWM senoidal
CENTRO FEDERAL DE EDUCAÇÃO TECNOLÓGICA DO CEARÁ – CEFET-CE
CURSO DE ELETROTÉCNICA
MANUAL DE COMANDOS INDUSTRIAIS
PÁGINA:
PRÁTICA 21
Prof. Gênova
125
A modulação por PWM senoidal apresenta as seguintes principais características:
 Menor conteúdo harmônico na tensão de carga;
 Freqüência de chaveamento elevada, fixada pela onda triangular;
 Possibilidade de controlar a freqüência e a amplitude de tensão de saída;
 Maior complexidade nos circuitos de comando.
Principais aplicações do inversor de freqüência:
O inversor de freqüência tem sua aplicação direta nos diversos segmentos industriais (químico e
petroquímico, plástico e borracha, papel e celulose, sucos e bebidas, açúcar e álcool, cimento e
mineração, alimentação e ração, têxtil, siderurgia e metalurgia, cerâmicos, vidros e refrigeração)
inclusive em aplicações que há necessidade de controlar variáveis do processo (nível, vazão,
pressão, temperatura, etc), e dentre as aplicações típicas podemos citar:
 Bombas e ventiladores para sistemas de aquecimento e ar condicionado;
 Bombas centrífugas em sistemas de abastecimento d’água;
 Bombas de circulação de água quente em sistemas de aquecimento;
 Transportadoras de correia e máquinas de produção em indústria manufatureira;
 Bombas, misturadores, agitadores e ventiladores na indústria química, petroquímica,
sucos, bebidas papel e celulose, alimentação e ração;
 Bombas, separadoras, secadoras, engarrafadoras, máquinas de embalagem,
centrifugadoras e correias transportadoras em indústria alimentícia;
 Prensas, tornos e fresas;
 Britadores;
 Pontes rolantes e outros.
Quando o inversor é aplicado no controle de variáveis do processo, geralmente nos inversores
disponíveis no mercado, é empregada uma função específica de controle automático
denominada função regulador PI/PID. Dessa forma deverá existir um sensor de medição de
variável do processo instalado no sistema, de maneira a possibilitar realimentar o inversor com
a informação captada e gerar a partir daí uma ação para variação da velocidade do motor.
Outras funções especiais podem ser incorporadas ao inversor, dependendo do tipo, modelo e
fabricante, podem ser disponibilizadas as funções de ciclo automático do processo, curva U/f
ajustável, Rampa S de aceleração e desaceleração (ao invés das rampas convencionais
lineares), Multi-speed (velocidades pré ajustadas), dentre outras.
Além da aplicação dos inversores para acionamento de máquinas, podemos citar como outras
aplicações, o aquecimento indutivo, no-break e fonte chaveada
3. MATERIAL EMPREGADO
ITEM E S P E C I F I C A Ç Ã O QUANT. UNID.
01 Inversor de freqüência ALTIVAR 08 Telemecanique-Schneider 01 Um
02 Inversor de freqüência ALTIVAR 18 Telemecanique-Schneider 01 Um
03 Fusível diazed 2 A, completo 01 Um
04 Fusível NH 16 A , completo 01 Um
05 Interruptor de 1 seção – PIAL 04 Um
06 Potenciômetro de 2,2 K 01 Um
07 Motor de indução trifásico 0,33 CV ou 0,5 CV - 220/380V 01 Um
A T E N Ç Ã O !
CUIDADO ! DURANTE A MONTAGEM E OPERAÇÃO DESSA PRÁTICA, EXISTIRÃO
PARTES CONDUTORAS QUE NÃO ESTARÃO PROTEGIDAS CONTRA CONTATOS
ACIDENTAIS. VOCÊ VAI LIDAR COM TENSÕES DE 220V. AO CONCLUIR A MONTAGEM,
ANTES DE ENERGIZAR O CIRCUITO, SOLICITE A PRESENÇA DO PROFESSOR PARA
CONFERIR AS LIGAÇÕES.
CENTRO FEDERAL DE EDUCAÇÃO TECNOLÓGICA DO CEARÁ – CEFET-CE
CURSO DE ELETROTÉCNICA
MANUAL DE COMANDOS INDUSTRIAIS
PÁGINA:
PRÁTICA 21
Prof. Gênova
126
4. PROCEDIMENTO DA PRÁTICA
4.1. Inversor de freqüência ALTIVAR 08:
Siga os procedimentos sequenciados para efetuar as ligações e fazer o acionamento de um
MIT de 0,33 CV disponível na prateleira do rack do quadro eletromecânico a ser trabalhado:
 Fazer as ligações de acordo com o esquema da Fig.6.
 Lembrar que o inversor é alimentado por tensão monofásica de 220/240V, e a saída
corresponde a tensão de linha de 220V (motor 220/380V, ligação delta);
 Utilizar um potenciômetro de referência de 2,2 K ou equivalente na entrada analógica,
e 4 interruptores de uma seção para simular os atuadores externos nas entradas
lógicas (os atuadores externos podem ser chaves fins de curso, chaves de nível,
fotocélulas, sensores de proximidade, relés e contatores auxiliares, chaves e botões
seletores, contatos de saída do módulo lógico programável, etc)
 Colocar sob tensão, mas ainda sem ordem de marcha;
 Utilizar os teclados tipo membrana para checar ou configurar a parametrização do
inversor no nível 1, que corresponde a configuração básica para funcionamento (bfr de
50 para 60Hz, HSP de 50 para 60Hz, etc):
Parâmetro Função Unid. Reg. de fábrica
 b f r Freqüência do motor = a freqüência da rede Hz 50
 A C C Tempo da rampa de aceleração linear S 3
 d E C Tempo da rampa de desaceleração linear S 3
 L S P Low speed = velocidade baixa (mínima) Hz 0
 H S P High speed = velocidade alta (máxima) Hz 50
 S P 2 2a
velocidade pré selecionada Hz 5
 S P 3 3a
velocidade pré selecionada Hz 25
 I t H Corrente de proteção térmica (nominal da placa do motor) A In
 L 2 A Acesso aos parâmetros do nível 2 n o
 Caso seja necessário fazer ajustes finos no inversor, acessar a parametrização do nível 2
(extensões de funcionalidades).
Fig. 6
L1 L2 LI1 LI2 LI3 LI4 +15
R1A R1C
M
3 ~
U V W
5V
+ -
COM AI1 +5 A0
F N
S1 S2 S3 S4
CENTRO FEDERAL DE EDUCAÇÃO TECNOLÓGICA DO CEARÁ – CEFET-CE
CURSO DE ELETROTÉCNICA
MANUAL DE COMANDOS INDUSTRIAIS
PÁGINA:
PRÁTICA 21
Prof. Gênova
127
4.1.1. Instruções para acionamento passo a passo:
Nesta simulação serão utilizados interruptores de 1 seção (S1, S2, S3, S4) que correspondem
aos atuadores externos nas entradas lógicas LI1, LI2, LI3 e LI4, e 1 (um) potenciômetro de
2,2 k, correspondente a entrada analógica AI1.
Com um multímetro, verifique a posição de cada interruptor marcando cada posição da tecla
com os símbolos correspondentes (aberto = 0, fechado = 1), isso irá facilitar a simulação de
operação das entradas lógicas e por conseguinte, do controle do motor.
Após a montagem do circuito e as ligações efetuadas, proceder de acordo com os passos a
seguir: para acionamento e controle do motor:
4.1.1.1. Acionamento do motor até a velocidade nominal, no sentido de rotação horária:
I. Colocar o inversor sob tensão:
 Ligar o disjuntor de alimentação;
 Observar no display, o aparecimento do parâmetro rdy (significa inversor pronto).
II. Para dar ordem de marcha:
 Fechar o interruptor LI1 = Acionar o motor para frente (sentido horário);
 Observar no display o incremento de freqüência até atingir o valor nominal (60Hz),
ou velocidade máxima pré ajustada.
III. Para parar o motor:
 Abrir o interruptor LI1 = desligar o motor;
 Observar no display o decremento da freqüência até zero;
4.1.1.2. Acionamento do motor até a velocidade nominal, no sentido de rotação anti-horária:
I. Para dar ordem de marcha:
 Fechar o interruptor LI2 = Acionar o motor para trás (sentido anti-horário);
 Observar no display o incremento de freqüência até atingir o valor nominal (60Hz),
ou velocidade máxima pré ajustada.
II. Para parar o motor:
 Abrir o interruptor LI2 = desligar o motor;
 Observar no display o decremento da freqüência até zero;
4.1.1.3. Para fazer o motor operar com as 4 (quatro) velocidades pré-ajustadas, deve-se
acionar os interruptores em combinação lógica (I / 0), de forma a obter as 4
velocidades pré selecionadas na parametrização:
 Possibilidade de obter 4 velocidades previamente selecionadas:
V1: L S P + referência em AI1 (LI3 = 0, LI4 = 0)
V2: S P 2 (LI3 = 1, LI4 = 0)
V3: S P 3 (LI3 = 0, LI4 = 1)
V4: H S P (LI3 = 1, LI4 = 1)
A) Para obter a 1a
velocidade pré-ajustada:
 Deixar os interruptores LI3 e LI4 abertos, que correspondem as posições lógicas
LI3 = 0 e LI4 =0;
 Girar o potenciômetro todo para a direita, de forma a obter a referência analógica
em AI1;
A.I) Para dar partida no motor:
 Fechar o interruptor LI1= acionar o motor para frente (sentido horário);
CENTRO FEDERAL DE EDUCAÇÃO TECNOLÓGICA DO CEARÁ – CEFET-CE
CURSO DE ELETROTÉCNICA
MANUAL DE COMANDOS INDUSTRIAIS
PÁGINA:
PRÁTICA 21
Prof. Gênova
128
 Observar no display o incremento de freqüência até atingir a 1a
velocidade pré
selecionada. Caso f1 = 0, V1 = 0, o motor permanecerá parado.
 O motor deverá permanecer girando na 1a
velocidade pré-ajustada;
A.II) Para parar o motor:
 Abrir o interruptor LI1= desligar o motor
 Observar no display o decremento da freqüência até zero;
B) Para obter a 2a
velocidade pré-ajustada:
 Deixar o interruptor LI3 fechado e LI4 aberto, que correspondem as posições
lógicas LI3 = 1 e LI4 =0;
B.I) Para dar partida no motor:
 Fechar o interruptor LI1 = acionar o motor para frente (sentido horário);
 Observar no display o incremento de freqüência até atingir a 2a
velocidade pré
selecionada;
 O motor deverá permanecer girando na 2a
velocidade pré-ajustada;
B.II) Para parar o motor:
 Abrir o interruptor LI1 = desligar o motor;
 Observar no display o decremento da freqüência até zero;
C) Para obter a 3a
velocidade pré-ajustada:
 Deixar o interruptor LI3 aberto e LI4 fechado, que correspondem as posições
lógicas LI3 = 0 e LI4 =1;
C.I) Para dar partida no motor:
 Fechar o interruptor LI1 = acionar o motor para frente (sentido horário);
 Observar no display o incremento de freqüência até atingir a 3a
velocidade pré
selecionada;
 O motor deverá permanecer girando na 3a
velocidade pré-ajustada;
C.II) Para parar o motor:
 Abrir o interruptor LI1 = desligar o motor;
 Observar no display o decremento da freqüência até zero;
D) Para obter a 4a
velocidade pré-ajustada,:
 Deixar os interruptores LI3 e LI4 fechados, que correspondem as posições lógicas
LI3 = 1 e LI4 =1;
D.I) Para dar partida ao motor:
 Fechar o interruptor LI1 = acionar o motor para frente (sentido horário);
 Observar no display o incremento de freqüência até atingir a 4a
velocidade pré
selecionada;
 O motor deverá permanecer girando na 4a
velocidade pré-ajustada;
D.II) Para parar o motor:
 Abrir o interruptor LI1 = desligar o motor;
 Observar no display o decremento da freqüência até zero;
Obs. Caso deseje que o motor gire no sentido anti-horário para as 4 velocidades pré-
ajustadas, é só acionar o interruptor LI2 ao invés do LI1, nas partidas e paradas.
4.1.1.4. Para acionamento do motor através da entrada analógica AI1:
 Gire o potenciômetro todo para a esquerda;
I. Para acionamento do motor com toda a gama de velocidade variável :
 Fechar o interruptor LI1 = pré ajustado para girar no sentido horário;
 Girar gradativamente o potenciômetro para a direita até atingir o final do cursor;
CENTRO FEDERAL DE EDUCAÇÃO TECNOLÓGICA DO CEARÁ – CEFET-CE
CURSO DE ELETROTÉCNICA
MANUAL DE COMANDOS INDUSTRIAIS
PÁGINA:
PRÁTICA 21
Prof. Gênova
129
 Observar através do display, o incremento de freqüência até atingir o valor máximo,
seguindo uma rampa de aceleração;
II. Para parar o motor:
 Girar gradativamente o potenciômetro para a esquerda até atingir o final do cursor;
 Observar através do display, o decremento da freqüência até atingir o valor nulo,
seguindo uma rampa de desaceleração até parar;
 Desligar o interruptor LI1.
Obs. Caso deseje que o motor gire no sentido anti-horário através do ajuste fino do
potenciômetro (rampa de aceleração e desaceleração), é só acionar o interruptor LI2 ao
invés do LI1.
4.2. Inversor de freqüência ALTIVAR 18:
Siga os procedimentos sequenciados para o acionamento de um MIT de 0,33 CV , disponível
na prateleira do rack do quadro eletromecânico a ser trabalhado.
 Fazer as ligações de acordo com a localização dos bornes no ALTIVAR 18 (Fig.7) e o
esquema da Fig. 8;
 Utilizar um potenciômetro de referência de 1 a 10 K, na entrada analógica, e 4
interruptores de uma seção para simular os atuadores nas entradas lógicas (digitais);
 Colocar sob tensão, mas ainda sem ordem de marcha;
 Utilizar os teclados tipo membrana para checar ou configurar a parametrização do
inversor no nível 1, que corresponde a configuração básica para funcionamento (bfr de
50 para 60Hz, HSP de 50 para 60Hz, etc):
Parâmetro Função Unid. Reg. fábrica
 B f r freqüência de base = a freqüência da rede; Hz 50
 A C C tempo da rampa de aceleração linear; s 3,0
 d E C tempo da rampa de desaceleração linear; s 3,0
 L S P velocidade baixa (mínima); Hz 0
 H S P velocidade alta (máxima); Hz 50
 F L G Ganho da malha de freqüência 33
 I t H Proteção térmica do motor A In
 J P F Supressão da velocidade crítica Hz 0
 I d C Corrente de frenagem por injeção de DC na parada A 0,7 In
 t d C Tempo de frenagem por injeção automática na parada s 0,5
 U F r Parâmetro que permite otimizar o conjugado em velocidade muito
baixa.
20
 S P 3 3a
velocidade pré-ajustada, Hz 5
 S P 4 4a
velocidade pré-ajustada Hz 25
 J O G Referência para funcionamento passo a passo Hz 10
 F d t Nível de freqüência associado à função nível de freqüência atingido
da saída L0
Hz 0
 r P G Ganho proporcional da função regulador PI 1
 r I G Ganho integral da função regulador PI 1/s 1
 F b S Coeficiente multiplicador da realimentação da função regulador PI 1
 L 2 A Acesso aos parâmetros do nível 2 n o
Obs. O motor a ser empregado com esse inversor, deve possui tensões de placa 220/380V.
Como a tensão de linha na saída do inversor é de 220V, fazer as ligações dos terminais do
motor na ligação delta.
CENTRO FEDERAL DE EDUCAÇÃO TECNOLÓGICA DO CEARÁ – CEFET-CE
CURSO DE ELETROTÉCNICA
MANUAL DE COMANDOS INDUSTRIAIS
PÁGINA:
PRÁTICA 21
Prof. Gênova
130
Fig. 7
I) Disposição dos Bornes de Controle:
SA SC SB +10 AI1 AI2 AIC COM LI1 LI2 LI3 LI4 +24 LO+ LO
II) Disposição dos Bornes de Potência:
L1 L2 E PO PA PB U V W E
Borne para ligação à terra
Bornes de saída para alimentação do motor
Bornes de saída para resistência de frenagem
Borne protegido – não utilizar (tensão DC)
Borne para ligação à terra
Borne para alimentação de potência (Neutro)
Borne para alimentação de potência (Fase)
1. Bornes de Controle
2. Bornes de Potência
Contatos NA/NF do
relé de segurança.
Comuta os contatos
com o inversor
energizado sem
defeito.
Saída lógica
para relé ou
CLP
Alimentação da
saída lógica
(+24V)
Alimentação
em +24V das
entradas e
saídas lógicas
Velocidades
pré-selecionadas
Comando
do sentido
direto
Comando
do sentido
reverso
Entradas lógicas Entradas lógicas
Comum das
entradas lógicas
e analógicas e
da saída lógica
Entradas analógicas
Referência
em tensão
Referência
em
corrente
Referência
de velocidade
em tensão
Alimentação em +10 V
para potenciômetro de
referência 1 a 10 k
CENTRO FEDERAL DE EDUCAÇÃO TECNOLÓGICA DO CEARÁ – CEFET-CE
CURSO DE ELETROTÉCNICA
MANUAL DE COMANDOS INDUSTRIAIS
PÁGINA:
PRÁTICA 21
Prof. Gênova
131
Esquema de ligações do ALTIVAR 18:
F N
U1 V1 W1
Obs. Na montagem dessa prática não serão utilizados o resistor de frenagem externo nem o
CLP (KA) para controle do inversor.
4.2.1. Instruções para acionamento passo a passo:
Nesta simulação serão utilizados interruptores de 1 seção para compor os atuadores nas
entradas lógicas LI1, LI2, LI3 e LI4, e 1 (um) potenciômetro de 1 a 10k, correspondente a
entrada analógica AI1.
Após a montagem do circuito e as ligações efetuadas, proceder de acordo com os passos a
seguir, para acionamento e controle do motor:
Inicialmente cheque os valores parametrizados de fábrica e se preciso for, faça as devidas
correções de parametrização na freqüência da rede (b f r) e na velocidade máxima do motor
(H S P) para 60 Hz, e considere os demais parâmetros com a regulagem original de fábrica.
Caso deseje ajustar H S P para > 60 Hz, modificar a regulagem de t f r no nível 2.
4.2.1.1. Acionamento do motor até a velocidade nominal, no sentido de rotação horária:
I. Colocar o inversor sob tensão:
 Ligar o disjuntor de alimentação;
 Observar no display, o aparecimento do parâmetro rdy (significa inversor pronto).
II. Para dar ordem de marcha:
 Fechar o interruptor LI1 = Acionar o motor para frente (sentido horário);
 Observar no display o incremento de freqüência até atingir o valor nominal (60Hz),
ou velocidade máxima pré ajustada.
III. Para parar o motor:
 Abrir o interruptor LI1 = desligar o motor;
 Observar no display o decremento da freqüência até zero;
4.2.1.2. Acionamento do motor até a velocidade nominal, no sentido de rotação anti-horária:
I. Para dar ordem de marcha:
 Fechar o interruptor LI2 = Acionar o motor para trás (sentido anti-horário);
KA
U V W
M
3 ~
L1 L2 LI1 LI2 LI3 LI4 +24SB SC SA
PO PA PB +10 AI1 COM AIC AI2 LO LO+
Fig. 8
Resistência
de frenagem
Potenciômetro
de referência
CENTRO FEDERAL DE EDUCAÇÃO TECNOLÓGICA DO CEARÁ – CEFET-CE
CURSO DE ELETROTÉCNICA
MANUAL DE COMANDOS INDUSTRIAIS
PÁGINA:
PRÁTICA 21
Prof. Gênova
132
 Observar no display o incremento de freqüência até atingir o valor nominal (60Hz),
ou velocidade máxima pré ajustada.
II. Para parar o motor:
 Abrir o interruptor LI2 = desligar o motor;
 Observar no display o decremento da freqüência até zero;
4.2.1.3. Para fazer o motor operar com 2(duas) ou 4 (quatro) velocidades pré-ajustadas,
deve-se configurar as entradas lógicas em PS2 ou PS4 no nível 2 de
parametrização.
 Possibilidade de obter 2 (duas) velocidades previamente selecionadas:
Configuração PS2:
V1: LI3 com contato aberto: referência = L S P + referência analógica; (LI3 = 0)
V2: LI3 com contato fechado: referência = H S P; (LI3 = 1)
 Possibilidade de obter 4 (quatro) velocidades previamente selecionadas:
Configuração PS4:
V1: LI3 e LI4 com contatos abertos: referência = L S P + referência analógica;
(LI3 = 0 e LI4 = 0);
V2: LI3 com contato fechado e LI4 aberto: referência = S P 3 (LI3 = 1 e LI4 = 0);
V3: LI3 com contato aberto e LI4 fechado: referência = S P 4 (LI3 = 0 e LI4 = 1);
V4: LI3 e LI4 com contatos fechados: referência = H S P (LI3 = 1, LI4 = 1)
Instruções Passo a passo:
Para obter as 2 (duas) velocidades pré-ajustadas na configuração PS2:
A) Para obter a 1a
velocidade pré-ajustada:
 Deixar o interruptor LI3 aberto, que corresponde a posição lógica LI3 = 0;
 Girar o potenciômetro todo para a direita, de forma a obter a referência analógica
em AI1;
A.I) Para dar partida no motor:
 Fechar o interruptor LI1= acionar o motor para frente (sentido horário);
 Observar no display o incremento de freqüência até atingir a 1a
velocidade pré
selecionada. Caso f1 = 0, V1 = 0, o motor permanecerá parado.
 motor deverá permanecer girando na 1a
velocidade pré-ajustada;
A.II) Para parar o motor:
 Abrir o interruptor LI1= desligar o motor
 Observar no display o decremento da freqüência até zero;
B) Para obter a 2a
velocidade pré-ajustada:
 Deixar o interruptor LI3 fechado , que corresponde a posição lógica LI3 = 1;
B.I) Para dar partida no motor:
 Fechar o interruptor LI1 = acionar o motor para frente (sentido horário);
 Observar no display o incremento de freqüência até atingir a velocidade pré
selecionada H S P;
 O motor deverá permanecer girando na 2a
velocidade pré-ajustada;
B.II) Para parar o motor:
 Abrir o interruptor LI1 = desligar o motor;
 Observar no display o decremento da freqüência até zero;
Obs. Caso deseje que o motor gire no sentido anti-horário para as 2 velocidades pré-
ajustadas, é só acionar o interruptor LI2 ao invés do LI1, nas partidas e paradas.
CENTRO FEDERAL DE EDUCAÇÃO TECNOLÓGICA DO CEARÁ – CEFET-CE
CURSO DE ELETROTÉCNICA
MANUAL DE COMANDOS INDUSTRIAIS
PÁGINA:
PRÁTICA 21
Prof. Gênova
133
Para obter as 4 (quatro) velocidades pré-ajustadas na configuração PS4:
C) Para obter a 1a
velocidade pré ajustada
 Deixar os interruptores LI3 e LI4 abertos, que correspondem as posições lógicas
LI3 = 0 e LI4 =0;
C.I) Para dar partida no motor:
 Fechar o interruptor LI1 = acionar o motor para frente (sentido horário);
 Observar no display o incremento de freqüência até atingir a 3a
velocidade pré
selecionada;
 O motor deverá permanecer girando na velocidade pré-ajustada;
C.II) Para parar o motor:
 Abrir o interruptor LI1 = desligar o motor;
 Observar no display o decremento da freqüência até zero;
D) Para obter a 2a
velocidade pré-ajustada,:
 Deixar o interruptor LI3 fechado e LI4 aberto, que correspondem as posições
lógicas LI3 = 1 e LI4 =0;
D.I) Para dar partida ao motor:
 Fechar o interruptor LI1 = acionar o motor para frente (sentido horário);
 Observar no display o incremento de freqüência até atingir a 4a
velocidade pré
selecionada;
 O motor deverá permanecer girando na 2a
velocidade pré-ajustada;
D.II) Para parar o motor:
 Abrir o interruptor LI1 = desligar o motor;
 Observar no display o decremento da freqüência até zero;
E) Para obter a 3a
velocidade pré-ajustada:
Deixar o interruptor LI3 aberto e LI4 fechado, que corresponde as posições lógicas LI3 = 0
e LI4 = 1).
E.I) Para dar partida ao motor:
 Fechar o interruptor LI1 = acionar o motor para frente (sentido horário);
 Observar no display o incremento de freqüência até atingir a 3a
velocidade pré
selecionada;
 O motor deverá permanecer girando na 3a
velocidade pré-ajustada;
E.II) Para parar o motor:
 Abrir o interruptor LI1 = desligar o motor;
 Observar no display o decremento da freqüência até zero;
F) Para obter a 4a
velocidade pré-ajustada:
Deixar os interruptores LI3 e LI4 fechados, que corresponde as posições lógicas LI3 = 1
e LI4 = 1).
F.I) Para dar partida ao motor:
 Fechar o interruptor LI1 = acionar o motor para frente (sentido horário);
 Observar no display o incremento de freqüência até atingir a 4a
velocidade pré
selecionada;
 O motor deverá permanecer girando na 4a
velocidade pré-ajustada;
F.II) Para parar o motor:
 Abrir o interruptor LI1 = desligar o motor;
 Observar no display o decremento da freqüência até zero;
CENTRO FEDERAL DE EDUCAÇÃO TECNOLÓGICA DO CEARÁ – CEFET-CE
CURSO DE ELETROTÉCNICA
MANUAL DE COMANDOS INDUSTRIAIS
PÁGINA:
PRÁTICA 21
Prof. Gênova
134
Obs. Caso deseje que o motor gire no sentido anti-horário para as 4 velocidades pré-
ajustadas, é só acionar o interruptor LI2 ao invés do LI1, nas partidas e paradas.
4.2.1.4. Para acionamento do motor através da entrada analógica AI1:
 Gire o potenciômetro todo para a esquerda;
I. Para acionamento do motor com toda a gama de velocidade variável :
 Fechar o interruptor LI1 = pré ajustado para girar no sentido horário;
 Girar gradativamente o potenciômetro para a direita até atingir o final do cursor;
 Observar através do display, o incremento de freqüência até atingir o valor máximo,
seguindo uma rampa de aceleração;
II. Para parar o motor:
 Girar gradativamente o potenciômetro para a esquerda até atingir o final do cursor;
 Observar através do display, o decremento da freqüência até atingir o valor nulo,
seguindo uma rampa de desaceleração até parar;
 Desligar o interruptor LI1.
Obs. Caso deseje que o motor gire no sentido anti-horário através do ajuste fino do
potenciômetro (rampa de aceleração e desaceleração), é só acionar o interruptor LI2 ao
invés do LI1.
4.3. Esquemas com componentes associados:
Para acionamento do inversor de frequência, através do controle e proteção do circuito
de comando, utilizando componentes associados, efetue a montagem, do diagrama da
fig. 9. (circuito integrado = comando + força)
F ~ 220v 60 Hz
N
e21
e1
1 3 5 13 A2 bo
K1
2 4 6 14 A1 b1
F N
U1 V1 W1
U V W
M
3 ~
L1 L2 LI1 LI2 LI3 LI4 +24SC SB SA
PO PA PB +10 AI1 COM AIC AI2 LO LO+
Fig. 9
Potenciômetro
de referência
CENTRO FEDERAL DE EDUCAÇÃO TECNOLÓGICA DO CEARÁ – CEFET-CE
CURSO DE ELETROTÉCNICA
MANUAL DE COMANDOS INDUSTRIAIS
PÁGINA:
PRÁTICA 23
Prof. Gênova
146
PRÁTICA 23
ASSUNTO: ACIONAMENTO E PARADA DE MOTOFREIO TRIFÁSICO MONODISCO
1. OBJETIVO
 Familiarizar o aluno com a ligação do motofreio trifásico monodisco, nos esquemas de
ligações para frenagem lenta, média e rápida.
2. COMENTÁRIOS TEÓRICOS
O Sistema motor-freio corresponde a um motor de indução trifásico convencional da linha de
motores normal do fabricante, acoplado a um freio monodisco constituído de um disco de
frenagem e pastilhas de metal sinterizado, formando uma unidade integrada compacta e
robusta.
O motor de indução é totalmente fechado, com ventilação externa e com grau de proteção
IP54 (Proteção completa contra acúmulo de poeira e toques acidentais e contra respingos de
todas as direções), de forma que as partículas proveniente do próprio desgaste natural das
pastilhas do disco de frenagem, não prejudicam o funcionamento normal do motor.
O freio é de construção robusta, com poucas partes móveis. A dupla face das pastilhas
aumenta a superfície de atrito que proporciona pequena pressão sobre as mesmas, com baixo
aquecimento e mínimo de desgastes. O freio é resfriado pelo próprio ventilador do motor, o
que torna o conjunto com melhor rendimento e maior durabilidade.
A bobina de acionamento do eletroimã é protegida com resina epoxi e funciona continuamente
com + / - 10% acima ou abaixo da tensão nominal, o que garante a sua operação mesmo com
pequenas quedas de tensão admissíveis da instalação. Sua alimentação é por corrente
contínua, obtida através de uma ponte retificadora composta de diodos de silício e varistores,
que suprimem picos indesejáveis de tensão e permitem um rápido desligamento da corrente. A
alimentação da bobina em corrente contínua proporciona maior rapidez e uniformidade de
operação do freio.
A alimentação da ponte retificadora é feita em CA, e pode ser obtida de fonte independente ou
dos terminais do motor, sendo fornecida para tensões 110, 220, 440 ou 575V, de acordo com
as características das tensões de placa do motor e da rede de alimentação.
O freio é dimensionado conforme as características do tamanho da carcaça do motor, que
segue a padronização da ABNT, e que está diretamente relacionado com a sua potência e o
número de polos. Ex. Motor de 6 polos, de 3/4 cv, é acoplado o mesmo freio do que o motor de
4 polos, de 1 cv , pois ambos possuem a carcaça do mesmo tamanho (ABNT 80).
Para maiores detalhes, consultar o catálogo do fabricante WEG.
2.1. Funcionamento do motofreio:
Inicialmente ao se deparar com o motor desligado (parado) o freio se encontra acionado, ou
seja, o eixo do motor está preso pela ação do disco de frenagem sobre a tampa do motor,
impulsionado por sua vez, pela intensa ação das molas de pressão. Ao acionar a chave
magnética para alimentação do motor, alimenta-se também o eletroimã do freio, que por sua
vez faz com que a armadura do eletroimã seja atraída contra a carcaça do mesmo, vencendo
a resistência das molas de pressão. As pastilhas ao ficarem livres deslocam-se axialmente em
seus alojamentos ficando afastadas das superfícies de atrito. Dessa forma cessa a ação de
frenagem, deixando o motor partir livremente.
Quando a chave é desligada para desativação do motor, o circuito também interrompe a
corrente da bobina do freio e o eletroimã para de operar. As molas de pressão empurram a
armadura na direção do disco de frenagem e este sobre a tampa do motor. As pastilhas que
estão alojadas no disco de frenagem, são comprimidas entre as duas superfícies de atrito, a
da armadura e a superfície da tampa, freiando o motor até a sua completa parada, repetindo-
se então a condição inicial.
2.2. Aplicações do motofreio:
O motofreio tem sua aplicação nos diversos segmentos de utilização de motores,
genericamente sempre que for exigida paradas rápidas por questão de segurança,
CENTRO FEDERAL DE EDUCAÇÃO TECNOLÓGICA DO CEARÁ – CEFET-CE
CURSO DE ELETROTÉCNICA
MANUAL DE COMANDOS INDUSTRIAIS
PÁGINA:
PRÁTICA 23
Prof. Gênova
147
posicionamento da máquina, e economia de tempo. São aplicados em máquinas-ferramentas,
teares, máquinas de embalagem, transportadores, máquinas de lavar e engarrafar, máquinas
de bobinar, dobradeiras, guindastes, pontes rolantes, elevadores, ajustes de rolos de
laminadores, máquinas gráficas dentre outras.
2.3. Instalação do motofreio:
O motofreio pode ser instalado em qualquer posição, desde que o freio não fique sujeito à
penetração excessiva de água, óleo, poeiras abrasivas, etc, devido a entrada de ar. Quando
montado na posição normal obedece o grau de proteção IP54 da ABNT.
2.4. Esquemas de ligação do motofreio:
O moto freio admite 3 esquemas básicos de ligação, proporcionando frenagem lenta, frenagem
média e frenagem rápida:
2.4.1. Frenagem lenta:
A alimentação da ponte retificadora da bobina do freio é proporcionada diretamente por 2
terminais de alimentação do motor, no circuito de força (circuito indutivo), desde que a tensão
de alimentação da ponte seja idêntica a tensão de linha (Fig. 1). Como no nosso caso
particular a bobina do eletroimã é de 220V, e a tensão de linha é de 380V, a ligação para
frenagem lenta é possível se um dos terminais de alimentação derivar do próprio neutro,
obtendo assim a tensão de serviço apropriada. Veja Fig. 2.
R S T
D = Ponte retificadora, R = Varistores, L = bobina do eletroimã,
K K = Contator.
D -
e4
D L
R R
+
FIG. 1
R S T N
K
D -
e4
~ 220V D L
R R
+
FIG. 2
M
3
M
3
CENTRO FEDERAL DE EDUCAÇÃO TECNOLÓGICA DO CEARÁ – CEFET-CE
CURSO DE ELETROTÉCNICA
MANUAL DE COMANDOS INDUSTRIAIS
PÁGINA:
PRÁTICA 23
Prof. Gênova
148
2.4.2. Frenagem média:
Na frenagem média intercala-se um contato auxiliar do contator que alimenta o próprio motor,
de forma que haja a interrupção da corrente de alimentação da ponte retificadora do circuito de
CA, garantindo que se ligue ou desligue o freio simultaneamente com o motor.
Nessa situação o circuito passa a ser menos indutivo o que garante que o freio seja acionado
num instante mais rápido do que a situação anterior.
R S T F N
D = Ponte retificadora, R = Varistores, L = Bobina do eletroimã,
K K = Contator, K1 = contato auxiliar do contator
K1
-
D
e4
D L
R R
+
FIG. 3
2.4.3. Frenagem rápida:
Intercala-se o contato para interrupção diretamente num dos fios de alimentação da bobina, no
circuito de CC. É necessário que este seja um contato auxiliar NA do próprio contator que
alimenta o motor. Os terminais da ponte devem ser alimentados através de uma fonte
independente (Rede monofásica de 220V), porém sempre com interrupção simultânea com a
alimentação do motor. Com alimentação independente é possível fazer eletricamente o
destravamento do freio, bastando acionar S1 e S2.
D = Ponte retificadora, R = Varistores, L = Bobina do eletroimã, K = contator,
K1 = Contato auxiliar do contator K, S1 = Interruptor para alimentar a ponte em CA.
S2 = Interruptor para fazer o destravamento do freio
R S T
-
K F N
K1 S2 S1
D
e4
D L
R R
+
FIG 4
M
3
M
3
CENTRO FEDERAL DE EDUCAÇÃO TECNOLÓGICA DO CEARÁ – CEFET-CE
CURSO DE ELETROTÉCNICA
MANUAL DE COMANDOS INDUSTRIAIS
PÁGINA:
PRÁTICA 23
Prof. Gênova
149
3. MATERIAL EMPREGADO
ITEM E S P E C I F I C A Ç Ã O QUANT. UNID.
01 Contator CW4 22E – 220V, WEG ou equivalente 01 Pç.
02 Relé bimetálico 3W27D 4-6,3 A, WEG, ou equivalente 01 Pç.
03 Fusível diazed 4 A, completo 01 Pç
04 Botão de comando ZBE-101, preto, Telemecanique 01 Pç
05 Botão de comando XB7 EA5, vermelho, Telemecanique 01 Pç.
06 Fusível NH 16 A , completo 03 Pç.
07 Disjuntor termomagnético unipolar 5SX1 10 A, 220V SIEMENS 01 Pç.
08 Disjuntor termomagnético tripolar K60, 25 A, 400V, Melin Gerin 01 Pç.
09 Pino tripolar com 4 Pinos, 16 A, 380V, CEMAR 01 Pç.
10 Motofreio monodisco 0,75CV, 220/380V, bobina freio = 220V, WEG 01 Pç.
A T E N Ç Ã O !
CUIDADO ! DURANTE A MONTAGEM E OPERAÇÃO DESSA PRÁTICA, EXISTEM PARTES
CONDUTORAS QUE NÃO ESTÃO PROTEGIDAS CONTRA CONTATOS ACIDENTAIS.
VOCÊ VAI LIDAR COM TENSÕES DE 220V E 380V. AO CONCLUIR A MONTAGEM, ANTES
DE ENERGIZAR O CIRCUITO, SOLICITE A PRESENÇA DO PROFESSOR PARA
CONFERIR AS LIGAÇÕES.
3. PROCEDIMENTO DA PRÁTICA
4.1. CIRCUITO DE COMANDO:
4.1.1. Frenagem lenta: Para frenagem lenta, monte o circuito convencional de comando para
partida direta simples de MIT, conforme a Fig. 5, e utilize a conexão do sistema de freio
indicado no esquema da Fig. 2 . As conexões do circuito em CC já estão feitas internamente
no próprio motor.
F ~ 220V – 60Hz
e21
e4 95
96
b0
b1 13 23
K1 K1
14 24
A1 h1
K1
N
A2
FIG. 5
Observe que o funcionamento ou desativação do sistema de freio é realizada simultaneamente
ao pressionar as botoeiras de partida (b1) ou parada (bo) do motor
CENTRO FEDERAL DE EDUCAÇÃO TECNOLÓGICA DO CEARÁ – CEFET-CE
CURSO DE ELETROTÉCNICA
MANUAL DE COMANDOS INDUSTRIAIS
PÁGINA:
PRÁTICA 23
Prof. Gênova
150
4.1.2. Frenagem média
Para frenagem média, aproveite a montagem anterior, e faça as modificações necessárias no
circuito de comando (Fig. 6), utilizando as conexões do sistema de freio indicado na Fig. 3.
As conexões do circuito em CC já estão feitas internamente no próprio motor.
F ~ 220V – 60Hz
e21
e4 95
96
b0
43
b21 13 K1
K1
14 44
A1
K1 h1
N
A2
FIG. 6
4.1.3. Frenagem rápida
Para a frenagem rápida não será possível montar o circuito da Fig. 4, tendo em vista que o
motofreio já se encontra com suas ligações do circuito de CC fechadas internamente.
Caso deseja efetuar essa montagem, será necessário desmontar a placa de bornes do motor,
desfazer as ligações do circuito de CC e reconectar conforme o esquema da Fig. 4.
4.2 CIRCUITO DE FORÇA
Monte o circuito de força de acordo com o tipo de frenagem a aplicar:
4.2.1. Frenagem lenta: Montar o circuito de força de acordo com a Fig. 2.
Observar durante a frenagem, o tempo despendido para parada completa do eixo do motor.
4.2.2. Frenagem média: Monte o circuito de força de acordo com a Fig.3.
Observar durante a frenagem, o tempo despendido para parada completa do eixo do motor,
fazendo uma comparação com o método anterior.
4.2.3. Frenagem rápida: Caso deseje verificar esta opção, proceder conforme o item 4.1.3.
Observar durante a frenagem, o tempo despendido para parada completa do eixo do motor,
fazendo uma comparação com os métodos anteriores.
Para qualquer situação e tipo de frenagem escolhida , lembrar que a alimentação da
ponte/bobina deve ser feita em 220V.
CENTRO FEDERAL DE EDUCAÇÃO TECNOLÓGICA DO CEARÁ – CEFET-CE
CURSO DE ELETROTÉCNICA
MANUAL DE COMANDOS INDUSTRIAIS
PÁGINA:
PRÁTICA 24
Prof. Gênova
151
PRÁTICA 24
ASSUNTO: APLICAÇÃO INTEGRADA DO MÓDULO LÓGICO PROGRAMÁVEL COM O
INVERSOR DE FREQUÊNCIA PARA ACIONAMENTO DE MOTOR
1. OBJETIVO
 Efetuar uma aplicação integrada do módulo lógico programável, como atuador externo nas
entradas lógicas do inversor de freqüência, para acionamento do motor de indução trifásico
através da função multi-speed (velocidades pré ajustadas), nos sentidos de rotação direto
e reverso.
2. COMENTÁRIOS TEÓRICOS
O inversor de freqüência dispõe de funções especiais que possibilitam a operação do motor de
indução trifásico em diversas velocidades pré programadas. Essas velocidades são
comandadas através da combinação lógica de 2 ou 3 entradas digitais (dependendo do
modelo e fabricante), além do sentido de rotação que também pode ser selecionado através
de outras 2 entradas digitais, conforme o diagrama da Fig. 01.
Aplicação para 4(quatro) velocidades pré ajustadas:
15/24Vdc
Fig. 01
Fazendo uma aplicação integrada com o módulo lógico programável, poderemos programar o
fechamento e abertura das chaves lógicas utilizando as 4 saídas do relé de controle (Q1, Q2,
Q3 e Q4). Dessa forma o módulo lógico será empregado como dispositivo atuador externo,
proporcionando a operação do motor nas 4 velocidades previamente selecionadas e
parametrizadas no inversor de frequência.
O início do processo pode ser disparado através do acionamento de um botão seletor, bem
como para reversão, similarmente como no sistema convencional de reversão.
INVERSOR
Ent. Log.1
Ent. Log.2
Ent. Log.3
Ent. Log.4
M
3 ~
Inversor
Sentido de
rotação
Velocidades
Direto Reverso Pré Ajustadas
Ent. Lógica 1 2 3 4
Freq./ veloc. Posição lógica do contato
f1 (n1) 1 0 0 0
f2 (n2) 1 0 1 0
f3 (n3) 1 0 0 1
f4 (n4) 1 0 1 1
f1 (n1) 0 1 0 0
f2 (n2) 0 1 1 0
f3 (n3) 0 1 0 1
f4 (n4) 0 1 1 1
Contato NA = 0, Contato NF = 1
CENTRO FEDERAL DE EDUCAÇÃO TECNOLÓGICA DO CEARÁ – CEFET-CE
CURSO DE ELETROTÉCNICA
MANUAL DE COMANDOS INDUSTRIAIS
PÁGINA:
PRÁTICA 24
Prof. Gênova
152
3. MATERIAL EMPREGADO
ITEM E S P E C I F I C A Ç Ã O QUANT. UNID.
01 Disjuntor termomagnético unipolar 5SX1 10 A, 220V SIEMENS 01 Pç.
02 Disjuntor termomagnético tripolar K60, 25 A, 400V, Melin Gerin 01 Pç.
03 Fusível diazed 4 A, completo 01 Um
04 Fusível NH 16 A , completo 01 Um
05 Botão de comando ZBE-101, preto, Telemecanique 02 Pç
06 Módulo lógico programável Easy 412 AC-RC Klocker Moeller 01 Pç.
07 Módulo lógico programável Zelio SR1 B101 FU Telemecanique 01 Pç.
08 Inversor de freqüência ALTIVAR 08 Telemecanique-Schneider 01 Um
09 Inversor de freqüência ALTIVAR 18 Telemecanique-Schneider 01 Um
10 Motor de indução trifásico 0,33 CV ou 0,5 CV – 220/380V 01 Um
A T E N Ç Ã O !
CUIDADO ! DURANTE A MONTAGEM E OPERAÇÃO DESSA PRÁTICA, EXISTEM PARTES
CONDUTORAS QUE NÃO ESTÃO PROTEGIDAS CONTRA CONTATOS ACIDENTAIS.
VOCÊ VAI LIDAR COM TENSÕES DE 220V. AO CONCLUIR A MONTAGEM, ANTES DE
ENERGIZAR O CIRCUITO, SOLICITE A PRESENÇA DO PROFESSOR PARA CONFERIR
AS LIGAÇÕES.
4. PROCEDIMENTO DA PRÁTICA
A prática consiste em programar o módulo lógico para que os contatos dos relés de saída (Q1.
Q2, Q3 e Q4) sejam os atuadores das entradas digitais do inversor de freqüência.
A saída Q1 comandará o acionamento do motor no sentido horário de rotação.
A saída Q2 comandará o acionamento do motor no sentido anti-horário de rotação
As saídas Q3 e Q4 comandarão o acionamento do motor nas seguintes 4 velocidades pré-
programadas:
 f1 (n1) = 5 Hz
 f2 (n2) = 25 Hz
 f3 (n3) = 40 Hz
 f4 (n4) = 60 Hz
A programação deverá contemplar o seguinte ciclo do processo:
Funcionamento no sentido horário:
 Ao pressionar uma botoeira b1, o motor deverá partir no sentido horário de rotação com a
1a
velocidade pré selecionada, devendo permanecer nessa velocidade por um período de 20
segundos;
 Decorridos os 20 segundos, o motor passa para a 2a
velocidade pré selecionada e
funciona por mais 20 segundos;
 Decorridos os 20 segundos o motor passa para a 3a
velocidade pré selecionada e funciona
por mais um período de 20 segundos;
 Decorrido os 20 segundos o motor passa para a 4a
velocidade pré selecionada e
permanece funcionando por 20 segundos quando é desligado automaticamente;
Obs.: Considerar rampa de aceleração de 3 segundos e de desaceleração de 5 segundos;
Funcionamento no sentido anti-horário:
 Ao pressionar uma botoeira b2, o motor deverá partir no sentido anti-horário de rotação
com a 1a
velocidade pré selecionada, devendo permanecer nessa velocidade por um período
de 20 segundos;
 Decorridos os 20 segundos, o motor passa para a 2a
velocidade pré selecionada e
funciona por mais 20 segundos;
CENTRO FEDERAL DE EDUCAÇÃO TECNOLÓGICA DO CEARÁ – CEFET-CE
CURSO DE ELETROTÉCNICA
MANUAL DE COMANDOS INDUSTRIAIS
PÁGINA:
PRÁTICA 24
Prof. Gênova
153
 Decorridos os 20 segundos o motor passa para a 3a
velocidade pré selecionada e funciona
por mais um período de 20 segundos;
 Decorrido os 20 segundos o motor passa para a 4a
velocidade pré selecionada e
permanece funcionando por 20 segundos quando é desligado automaticamente;
Obs.: Considerar rampa de aceleração de 3 segundos e de desaceleração de 5 segundos;
4.1. PROGRAMAÇÃO NO MÓDULO LÓGICO:
a) Proceda inicialmente as conexões para alimentação do módulo lógico programável, de
acordo com o diagrama da Fig. 02;
b) Ligue o disjuntor monofásico do circuito de comando para alimentar o módulo lógico;
F
~ 220V AC
N
Fig. 02
c) Com o módulo lógico alimentado, será visualizado o display de status;
d) Pressione a tecla OK para acessar o display de menu;
e) Utilizando as teclas direcionais, mova o cursor para a opção programação;
f) Pressione a tecla OK na opção programação;
g) A partir daí, utilizando a simbologia EASY ou ZELIO, pode-se desenhar diretamente no
display do equipamento, o circuito de comando requerido;
h) Desenho do circuito de comando (Fig. 03), modelo Easy:
Display do módulo lógico
programável
Fig. 03
L N I1 I2 I3 I4 I5 I6 I7 I8
1 2 1 2 1 2 1 2
Q1 Q2 Q3 Q4
I1----------Q2----[ Q1
Q1--T4--- ----[ M1
I2----------Q1----[ Q2
Q2--T5--- ----[ M2
M1----------------TT1 (20s)
M2---- ---TT2 (40s)
---TT3 (60s)
---TT4 (1min20s)
---TT5 (1min20s)
T1-----T2---------[ Q3
T3-------------
T2------------------[ Q4
Obs. Lembrar que caso seja
utilizado o módulo lógico da
Telemecanique, os contatos
NF são representados por
letras minúsculas (q2, t4, q1, t5
e t2), ao invés de
sobrebarradas.
CENTRO FEDERAL DE EDUCAÇÃO TECNOLÓGICA DO CEARÁ – CEFET-CE
CURSO DE ELETROTÉCNICA
MANUAL DE COMANDOS INDUSTRIAIS
PÁGINA:
PRÁTICA 24
Prof. Gênova
154
4.2 . CONECTANDO CIRCUITOS DE COMANDO E FORÇA:
Monte os circuitos de comando e força de acordo com o esquema da Fig. 04:
F ~ 220V AC – 60 Hz
N
b1 b2
+24Vcc
N
F
~220V AC
U1 V1 W1
Obs1) Observar que a alimentação das saídas Q1, Q2, Q3 e Q4 do módulo lógico, será de +15
Vcc no inversor modelo ALTIVAR 08 e +24 Vcc no modelo ALTIVAR 18.
Obs2) O potenciômetro também precisa ser conectado para proporcionar a referência de
tensão na entrada analógica AI1 e possibilitar que o motor opere nas 4 velocidades pré
programadas.
Obs3) Lembrar que o fusível de alimentação do circuito de potências do inversor, deve ser
compatível com a corrente do motor (fusível de força tipo NH e não diazed do comando).
L N I1 I2 I3 I4 I5 I6 I7 I8
1 2 1 2 1 2 1 2
Q1 Q2 Q3 Q4
U V W
M
3 ~
L1 L2 LI1 LI2 LI3 LI4 +24SC SB SA
PO PA PB +10 AI1 COM AIC AI2 LO LO+
Fig. 04
Potenciômetro
de referência
CENTRO FEDERAL DE EDUCAÇÃO TECNOLÓGICA DO CEARÁ - CEFET-CE
CURSO DE ELETROTÉCNICA
MANUAL DE COMANDOS INDUSTRIAIS
PÁGINA:
TERMINOLOGIA
Prof. Gênova
155
A N E X O 1
TERMINOLOGIA
ASSUNTO: DEFINIÇÃO DE TERMOS TÉCNICOS SOBRE MATERIAIS, EQUIPAMENTOS E
DISPOSITIVOS DE COMANDO, PROTEÇÃO E MANOBRA DE BAIXA TENSÃO.
1. OBJETIVO
Dar conhecimento ao aluno sobre a linguagem própria empregada na definição dos
materiais, equipamentos e dispositivos elétro-eletrônicos, utilizados em circuitos de baixa
tensão, abrangendo os principais termos técnicos adotados na área.
Na composição desta terminologia, foram consideradas e esclarecidas as definições dadas
pela Associação Brasileira de Normas Técnicas – ABNT, através de suas Normas
Brasileiras, e pelas Normas VDE (Verband Deustscher Elektrotechiker) que representa a
Associação de Normas Alemãs.
2. TERMINOLOGIA
ITEM TERMINOLOGIA
001
ACIONAMENTO COM FECHO: Tipo especial de acionamento para dispositivos de
comando. Em lugar de botão ou punho, o dispositivo possui um fecho de forma tal,
que só pode ser acionado mediante destravamento através de uma chave. Evita-se
assim, um acionamento que possa acarretar perigo.
002 ACIONAMENTO MANUAL: Componente mecânico de acionamento de um
equipamento. Ex. botão de comando, punho, alavanca.
003 ACIONAMENTO POR BOTÃO (ou tecla): Comando de um circuito através de um
dispositivo de comando por botão. Com este tipo de acionamento são dados
apenas impulsos de comando de curta duração.
004 ACIONAMENTO POR PUNHO: Acionamento manual no qual o elemento de
acionamento tem a forma de um punho.
005 AJUSTE DO ZERO: Ajuste feito em relés temporizados, que normalmente operam
com retarde e que assim passam a operar instantaneamente.
006 ANEL DE CURTO CIRCUITO: Anel metálico inserido na superfície de contato do
polo magnético de um contator, que fica sob a ação do campo proveniente de uma
corrente alternada para evitar os efeitos de variação de campo e,
consequentemente, da força de atração exercida sobre a armadura do ímã, assim
como para evitar ruídos mais intensos daí resultantes no equipamento. Uma vez
que a corrente alternada modifica a sua intensidade e o seu sentido continuamente,
o campo magnético também se inverte, oscilando entre zero e uma intensidade
máxima. Quando a corrente passa pelo ponto zero, cessa a força de sustentação
do ímã, de forma que o mesmo tende a afastar-se da superfície de contato do polo.
Entretanto, no anel de curto circuito, que também fica sob a ação desse campo
alternado, é induzida uma tensão que, consequentemente, gera uma corrente no
mesmo, dando origem a um novo campo magnético de sentido contrário ao campo
magnético gerado pela bobina. Este se compõe com o campo magnético principal,
de modo que sempre haverá um fluxo de sustentação, mantendo o contator
fechado, sem que apareçam vibrações e ruídos.
007 ARMADURA-SUPORTE DO ÍMÃ: Um eletroímã de contator, é composto por uma
bobina com núcleo de ferro e uma armadura de suporte móvel, feita na maioria dos
casos de chapas de aço-silício empilhadas, formando um núcleo móvel. Quando a
bobina esta energizada e excitada, esse núcleo é atraído pelo núcleo do eletroímã.
Aplicação: nos contatores, os contatos móveis são movidos pela armadura do ímã.
008 ATERRAMENTO: Conexão das partes condutivas de equipamentos elétricos não
pertencentes ao circuito auxiliar, com o condutor neutro.
CENTRO FEDERAL DE EDUCAÇÃO TECNOLÓGICA DO CEARÁ - CEFET-CE
CURSO DE ELETROTÉCNICA
MANUAL DE COMANDOS INDUSTRIAIS
PÁGINA:
TERMINOLOGIA
Prof. Gênova
156
ITEM TERMINOLOGIA
009 AUTOTRAVAMENTO: Tendo um relé de sobrecarga operado, resfriam-se as
lâminas bimetálicas, retornando à sua posição inicial, bem como o contato auxiliar
do relé (95-96). Desse modo o equipamento de comando principal religa o motor já
sobrecarregado. Para que isto não aconteça, inclui-se um dispositivo de
autotravamento ou de retenção, que é destravado manualmente. O autotravamento
do relé de sobrecorrente é importante em todos os circuitos de alimentação que
possuam elementos de acionamento permanente, como por exemplo: comando por
chaves bóias, por termostatos, presostatos, e todo dispositivo que proporciona o
automatismo do circuito.
010 BARRA DE CONTATO: Barramento de ligação de dispositivos de manobra
extraíveis. Esse barramento é instalado dentro do cubículo.
011 BOTÃO: Designação dada a dispositivos de comando, aos quais pertencem os
botões de comando de diversos tipos.
012 BOTÃO DE COMANDO FIM DE CURSO: Botão acionado mecanicamente, para
sinalização, comando e limitação de curso. É conhecido também como chave fim de
curso. O miolo da botoeira é que contém os contatos e os terminais do dispositivo
de fim de curso. O elemento de acionamento do fim de curso é fornecido nos
seguintes tipos: pino simples, pino reforçado, pino com rolete, rolete superior, rolete
lateral, haste flexível, haste rígida, alavanca ajustável.
013 BOTÃO SINALISADOR: Botoeira com botão transparente de tal forma que, assim
como num sinalizador luminoso, uma indicação óptica é dada por uma lâmpada
embutida no mesmo.
014 CÂMARA DE EXTINÇÃO: Compartimento de um dispositivo de manobra, que
envolve os contatos principais, destinado a assimilar e extinguir o arco elétrico, e
capaz de resistir as sobrepressões devida à formação do arco.
015 CAPACIDADE DE CARGA:
 Elétrica: Corrente de carga
 Mecânica: Vida útil mecânica
 Térmica: Temperatura limite, corrente nominal de curta duração.
 Dinâmica: Resistência dinâmica ao curto-circuito, corrente nominal de impulso.
016 CAPACIDADE DE INTERRUPÇÃO: a) Máxima corrente que um dispositivo de
manobra pode interromper sob condições definidas; b) Valor da corrente presumida
de interrupção que um disjuntor é capaz de interromper sob tensão nominal, nas
condições prescritas de emprego e de funcionamento.
017 CATEGORIA DE EMPREGO (Utilização): a) Classificação dos dispositivos de
comando de cargas (disjuntores, contatores) de acordo com as finalidades para as
quais são previstos e com os esforços aos quais são submetidos. São indicados
pele seguinte simbologia AC1, AC2, AC3, AC4 (em corrente alternada) e DC1, DC2,
DC3, DC4 e DC5 (em corrente contínua) conforme norma VDE 0660.
b) Conjunto de requisitos específicos, relacionados com as condições de
funcionamento de um dispositivo de manobra, escolhido de modo que represente
de maneira significativa, um conjunto de aplicações práticas, conforme ABNT-TB
19-15 05.045.
 AC-1 Utilização em manobras com carga ôhmica pura (cargas resistivas) ou
pouco indutivas.
 AC-2 Utilização em manobras de circuitos de motores com rotor bobinado, com
anéis coletores, freio por contra corrente, reversão.
 AC-3 Utilização em manobras de circuitos de motores com rotor em gaiola (em
curto circuito), desligamento em regime.
 AC-4 Utilização em manobras de circuitos de motores com rotor em gaiola,
serviço intermitente, pulsatório e reversão a plena marcha
018 CIRCUITO AUXILIAR: Circuito através do qual são acionados os dispositivos de
manobra.Além disso ele é usado para medição, comando, travamento e sinalização
CENTRO FEDERAL DE EDUCAÇÃO TECNOLÓGICA DO CEARÁ - CEFET-CE
CURSO DE ELETROTÉCNICA
MANUAL DE COMANDOS INDUSTRIAIS
PÁGINA:
TERMINOLOGIA
Prof. Gênova
157
ITEM TERMINOLOGIA
019 CIRCUITO DE COMANDO: Este circuito, para ligar e interromper dispositivos de
manobra, engloba a fonte de alimentação (tensão de comando), os contatos dos
dispositivos de comando, os acionamentos elétricos (bobina e mola) dos
dispositivos de manobra, assim como os elementos auxiliares de manobra.
020 CIRCUITO PRINCIPAL (DE FORÇA): Circuito formado das partes mais importantes
dos contatos principais e dos terminais. Tais partes são destinadas a conduzir a
corrente de operação.
021 CLASSES DE EQUIPAMENTOS: Classes que determinam a vida mecânica útil de
um equipamento. Segundo a VDE 0660, as classes são:
Classe de equipamento Durabilidade número de manobras
A1 10³ = 1.000
A3 3 X 10³ = 3.000
B1 10³ = 10.000
B3 3 X 10³ = 30.000
C1 10³ = 100.000
C3 3 X 10³ = 300.000
D1 10³ = 1.000.000
D3 3 X 10³ = 3.000.000
E1 10³ = 10.000.000
OBS: Por “número de manobras” entende-se um fechamento e uma abertura.
022 COLAMENTO: Fenômeno que pode ocorrer entre os contatos de um dispositivo de
manobra, num dos seguintes casos:
 Por correntes de curto-circuito, elevadas e inadmissíveis;
 Por pressão pequena demais entre contatos (quando a tensão de comando esta
abaixo da normal – subtensão);
 Por comandos incompletos (comandos consecutivos de liga/desliga, rápidos e
descontrolados).
Como consequência de um destes casos, pode ocorrer fusão da cobertura dos
contatos, e com isso, provocar a soldagem dos mesmos
023 COMANDO: Ação efetiva com a finalidade de influenciar ou modificar grandezas de
operação (resistência) em um circuito, incluindo ligação e interrupção, dependendo
do caso.
024 COMPENSAÇÃO DE TEMPERATURA: Processo destinado a compensar a
variação de temperatura ambiente, em particular nos relés térmicos. A temperatura
ambiente influi no tempo de disparo de relés ou disparadores de sobrecorrente.
Essa compensação é sempre necessária, quando a temperatura ambiente do
equipamento por proteger é diferente da temperatura ambiente do elemento de
proteção (relé ou disparador). A compensação é feita mediante uma lâmina
bimetálica suplementar.
025 COMUTADOR: Dispositivo de manobra auxiliar que tem, tanto na posição fechada
como na posição aberta de um dispositivo de manobra, uma posição fechada.
026 CONJUNTO MAGNÉTICO: Em dispositivos de manobra em baixa tensão, é o
conjunto formado pela armadura-suporte de ímã, pelo núcleo e pela bobina de
excitação. É o ímã completo que é utilizado para o acionamento de contatores ou
disparadores magnéticos. Existem conjuntos magnéticos de CA e CC.
027 CONTATO: Parte de um dispositivo de manobra através do qual um circuito é
ligado ou interrompido. Existem os contatos fixos e os móveis, e de acordo com a
utilização, contatos principais, contatos auxiliares, etc.
Normalmente os contatos principais são designados por números de um só dígito:
Ex: 1-2, 3-4, 5-6 (par de contatos). Já os contatos auxiliares são designados por
número de dois dígitos, onde o primeiro dígito representa a ordem sequencial do
contato, e o segundo representa se o contato é abridor (NF) ou fechador (NA): Ex.
13-14, 21-22, 31-32, 43-44.
CENTRO FEDERAL DE EDUCAÇÃO TECNOLÓGICA DO CEARÁ - CEFET-CE
CURSO DE ELETROTÉCNICA
MANUAL DE COMANDOS INDUSTRIAIS
PÁGINA:
TERMINOLOGIA
Prof. Gênova
158
ITEM TERMINOLOGIA
028 CONTATO ABRIDOR: Contato que abre, quando do estabelecimento, e que fecha,
quando da interrupção de um dispositivo de manobra. Em literatura antiga,
designado por “normalmente fechado” ou NF.
029 CONTATO AUXILIAR: a) Contato de chave auxiliar.
b) Contato inserido em um circuito auxiliar e operado mecanicamente pelo
disjuntor ou eletromagneticamente pela bobina de um contator.
030 CONTATO DE SELO: Contato fechador auxiliar, encontrado particularmente nos
contatores, que é comandado simultaneamente com os contatos fechadores
principais, e através do qual é selada a alimentação da bobina do contator. Este
contato é ligado em paralelo com o botão liga de comando do contator.
031 CONTATO EM PONTE: Contato móvel, que abre ou fecha simultaneamente dois
pontos de contato, como por exemplo, o contato móvel de um contator.
032 CONTATO FECHADOR OU NORMALMENTE ABERTO: Contato que fecha ,
quando do estabelecimento do equipamento, e que abre, quando da interrupção de
um dispositivo de manobra. Em literatura antiga, designado por contato
normalmente aberto (NA).
033 CONTATO FIXO: a) Parte de um elemento de contato, fixado ao dispositivo de
manobra. Sobre os contatos fixos são pressionados, os contatos móveis, quando da
ligação b) Peça de contato praticamente imóvel.
034 CONTATO PRINCIPAL: a) Contato no circuito principal de um dispositivo de
manobra. b) Contato inserido no circuito principal de um disjuntor, previsto para
conduzir, na posição fechada, a corrente desse circuito.
035 CONTATOR: Dispositivo de manobra mecânico, acionado eletromagneticamente,
construído para uma elevada frequência de operação e cujo arco é extinto no ar. O
contator é, de acordo com a carga, um dispositivo de comando de motor e pode ser
utilizado individualmente ou acoplados a relés de sobrecorrente, na proteção contra
sobrecargas. Há certos tipos de contatores com capacidade de estabelecer e
interromper correntes de curto-circuito. Basicamente existem contatores para
motores e contatores auxiliares.
036 CONTATOR COM REMANENTE: Contator com travamento magnético no qual é
aproveitada a força coercitiva do sistema magnético.
037 CONTATOS DE PRATA: Contatos cujas superfícies de contato são placas de
prata. Tais contatos têm a vantagem de não ficar deteriorados, como os de cobre,
por oxidação, nas operações em regime permanente.
038 CONTATOS MÓVEIS: Contatos movidos pelo acionamento ou pelo eixo de
comando do dispositivo de manobra, quando da operação.
039 CORRENTE DE CARGA: Corrente que pode circular continuamente por um
circuito, sem que ele sofra esforços térmicos ou dinâmicos (temperatura-limite)
acima dos permanentemente admissíveis.
040 CORRENTE DE CURTO-CIRCUITO: Designação genérica para a corrente passível
de ocorrer no local de instalação de um dispositivo de manobra, quando os
terminais estão curto-circuitados..
041 CORRENTE DE INTERRUPÇÃO: a) (corrente nominal de operação) Corrente que
pode ser interrompida por um dispositivo de manobra (disjuntor), em condições
normais de operação. Da amplitude dessa corrente depende, principalmente. A vida
útil dos contatos. b) Corrente no polo de um disjuntor no instante do início do arco,
durante uma operação de abertura.
042 CORRENTE DE PARTIDA: 1) Corrente que um motor consome, quando ligado
porém ainda em repouso (na partida ou na frenagem). Seu valor médio é cerca de 6
a 8 vezes a corrente nominal nos motores em gaiola. 2) É a corrente que uma
bobina de contator consome, por exemplo, em curto espaço de tempo, durante a
fase de ligação do contator. Nos equipamentos SIEMENS, o valor médio é de 10 a
20 vezes a corrente nominal (In), onde In é a corrente perante excitação de
sustentação.
CENTRO FEDERAL DE EDUCAÇÃO TECNOLÓGICA DO CEARÁ - CEFET-CE
CURSO DE ELETROTÉCNICA
MANUAL DE COMANDOS INDUSTRIAIS
PÁGINA:
TERMINOLOGIA
Prof. Gênova
159
ITEM TERMINOLOGIA
043 CORRENTE DE PICO: Máximo valor instantâneo de corrente, por exemplo, no ato
de ligação.
044 CURTO-CIRCUITO: a) Ligação praticamente sem resistência, de condutores sob
tensão, tensão esta que pode ser a de ensaio. Nestas condições, através de uma
resistência transitória desprezível, a corrente assume um valor muitas vezes maior
do que a corrente de operação; assim sendo, o equipamento e parte da instalação
poderão sofrer um esforço térmico (corrente suportável de curta duração) ou
eletrodinâmico (corrente nominal de impulso) excessivos. Três são os tipos de
curto-circuito: o trifásico entre três condutores de fase, o monofásico, entre dois
condutores de fase e o para a terra, entre um condutor de fase e a terra ou um
condutor aterrado (falta para a terra). b) Ligação intencional ou acidental entre dois
pontos de um sistema ou equipamento elétrico, ou de um componente, através de
uma impedância desprezível.
045 CURVA CARACTERÍSTICA DE DISPARO: Representação gráfica da relação entre
tempo de disparo-corrente, através da qual se pode determinar após quanto tempo
o disparador, o relé de disparo ou o fusível opera com uma determinada corrente.
As curvas características constam de catálogos, instruções de operação ou de
placas características, tendo como condição inicial a do elemento sensor à
temperatura ambiente (fria).
046 CURVA CARACTERÍSTICA TEMPO-CORRENTE: É a curva que indica em que
tempo, a uma determinada corrente, um relé ou um disparador de sobrecorrente ou
um fusível opera.
047 DIAGRAMA DE LIGAÇÃO DO EQUIPAMENTO: Diagrama que representa todas
as ligações e todos os elementos de contato de um equipamento ou combinações
de equipamentos. Ele esclarece sobre o tipo, a ligação e a forma de operação do
equipamento, porém não instrui sobre o seu dimensionamento.
048 DIAGRAMA FUNCIONAL: Representação individualizada dos circuitos principal e
auxiliar (circuito de comando), sem que seja considerada a disposição construtiva
dos contatos, visando somente a facilitar a representação funcional do circuito. O
desenho em conjunto do circuito principal e circuito auxiliar ou de comando, é
designado como diagrama integrado ou multifilar.
049 DISPOSITIVO DE COMANDO: Destina-se a comandar, direta ou indiretamente,
equipamentos de manobra e/ou de operação. De acordo com o caso, têm-se
dispositivos de comando para circuitos principais e para circuitos auxiliares.
050 DISPOSITIVO DE COMANDO E SINALIZAÇÃO: Dispositivo destinado a acionar à
distância um dispositivo de manobra, através de um comando de curta duração. A
lâmpada nele embutida sinaliza a posição de operação.
051 DSIPOSITIVO DE INTERRUPÇÃO DE EMERGÊNCIA: São chaves e botões de
comando de interrupção de emergência, podendo ter o botão do tipo cogumelo, de
maneira a facilitar numa emergência o seu acionamento.
052 DISPOSITIVO DE INTERTRAVAMENTO: Dispositivo que torna a operação de um
dispositivo de manobra dependente da posição ou da operação de outro ou outros
equipamentos.
053 DISTÂNCIA DE ESCOAMENTO: a) Caminho em que uma corrente pode percorrer,
sobre a superfície de um corpo isolante, em virtude da sujeira ou da umidade entre
duas partes condutivas sob tensão. b) Menor distância, medida sobre a superfície
externa de um isolante sólido, entre duas partes condutoras que apresentam
diferença de potencial entre si.
054 DURABILIDADE DO EQUIPAMENTO: A durabilidade do equipamento é dada, via
de regra, pela vida útil mecânica.
055 EIXO DE ACIONAMENTO: Parte de um dispositivo de manobra através da qual
são acionados os contatos. Ao eixo de manobra é acoplado o acionamento.
CENTRO FEDERAL DE EDUCAÇÃO TECNOLÓGICA DO CEARÁ - CEFET-CE
CURSO DE ELETROTÉCNICA
MANUAL DE COMANDOS INDUSTRIAIS
PÁGINA:
TERMINOLOGIA
Prof. Gênova
160
ITEM TERMINOLOGIA
056 ELEMENTO DE ACIONAMENTO: Em dispositivos de comando, é a parte montada
nos painéis e portas frontais de quadros, geralmente acionando direta ou
indiretamente esses dispositivos. Os elementos de acionamento são: botões, teclas,
manoplas, punhos, alavancas, chaves, botões sinalizadores, pino, rolete, etc.
057 ELEVAÇÃO DE TEMPERATURA: Aquecimento do equipamento acima da máxima
temperatura do ambiente admissível. Seu valor, somado à temperatura ambiente,
fornece a temperatura-limite.
058 ELO FUSÍVEL: Parte ativa de um fusível, de forma definida, constituída por ex. ,de
cobre e envolvida pelo corpo do fusível. Ele funde por sobrecarga ou por curto-
circuito, devido ao efeito térmico da corrente. O elo de um fusível com retardamento
tem duas características: é formado por uma espécie de ponte e por
estrangulamento nos extremos. A ponte funde-se em sobrecarga, e os
estrangulamentos, em curto-circuito.
059 FAIXA DE OPERAÇÃO: Faixa na qual a tensão de comando pode diferir da tensão
nominal de comando, sem que seja afetada a segurança de operação do dispositivo
de manobra (ex: contator). Segundo a norma VDE 0666, o contator deverá ligar
com segurança, com 085 a 1,1 vezes a tensão de comando.
060 FAIXA DE REGULAGEM: Faixa na qual pode ser ajustado o valor de disparo
desejado de um relé (ex: relé temporizado, relé de sobrecarga) ou de um disparador
(disparador de sonbretensão por ex.).
061 FALTA DE FASE: É quando uma das fases da rede de alimentação é interrompida.
Com isso, o enrolamento do motor pode queimar, se não for desligado (relé falta de
fase).
062 FORÇA COERCITIVA: É a força residual em materiais magnéticos e o esforço de
manter uma propriedade magnética adquirida por um material. Por isso os
eletroímãs tem um magnetismo remanente (remanência) no núcleo, depois de
desligada a bobina de magnetização.
063 FRENAGEM POR CONTRACORRENTE: a) Método se frenagem de motores
trifásicos, invertendo-se a polaridade de dois condutores, com o que o motor passa
a ter um momento de torção de sentido contrário. Interrompendo-se a
contracorrente no instante exato (com sensor de frenagem), evita-se que o motor
passe ao sentido de rotação inverso. b) Forma de frenagem regenerativa na qual é
invertida a corrente principal de uma máquina de corrente contínua. c) Frenagem
por inversão de fases: Forma de frenagem de um motor de indução, obtida
invertendo-se a sequência de fases de sua alimentação.
064 FREQUÊNCIA DE OPERAÇÃO: A frequência de operação indica quantas
manobras por unidade de tempo podem ser realizadas por um dispositivo.
065 FUSÍVEL NH: (Do alemão, onde N é de Niederspannung = baixa tensão, e H é de
Hochleistung = alta capacidade): Dispositivo de manobra destinado a interromper a
corrente do circuito pela fusão do seu elo fusível envolto em areia. A fusão do elo
dá-se pelos efeitos térmicos da corrente. O fusível NH tem na faixa de sobrecarga
uma característica de desligamento com retardo, isto é, um tempo de atuação tão
longo que é possível ligar um motor com sua corrente de partida, sem que se funda
o elemento fusível (vide curva tempo-corrente característica do fusível). Esses
fusíveis, em construção especial, adaptam-se também a outras funções, como por
exemplo, para proteção de tiristores (fusíveis ultra rápidos). Além disso, eles tem
alta capacidade de interrupção, significa dizer que podem interromper correntes de
curto-circuito até 100kA.
066 GRAU DE PROTEÇÃO: Grau que indica a proteção contra toques, penetração de
corpos estranhos e de líquidos, designado para determinado equipamento.
067 INTERTRAVAMENTO: Processo de ligação entre os contatos auxiliares de vários
dispositivos, pelo qual as posições de operação desses dispositivos são
dependentes umas das outras. Através do intertravamento evita-se a ligação de
certos dispositivos antes que outros permitam essa ligação.
CENTRO FEDERAL DE EDUCAÇÃO TECNOLÓGICA DO CEARÁ - CEFET-CE
CURSO DE ELETROTÉCNICA
MANUAL DE COMANDOS INDUSTRIAIS
PÁGINA:
TERMINOLOGIA
Prof. Gênova
161
ITEM TERMINOLOGIA
068 JAMPE: Tira de material condutor (geralmente cobre) para encaixe de fusíveis NH
ou diazed, em lugar dos mesmos. Nesta situação elimina-se a proteção calibrada
proporcionada pelos antigos fusíveis. O jampe também é utilizado em diversas
situações em circuitos elétricos, bypassando de um contato para outro, de maneira
a eliminar uma seccionadora, ou dando continuidade elétrica a uma rede que esteja
ancorada em suportes fixos.
069 LIGAÇÃO EM PARALELO: Tipo de ligação no qual dois ou mais dispositivos de
manobra, contatos ou condutores são ligados paralelamente no mesmo circuito.
070 LIGAÇÃO EM SÉRIE: Tipo de ligação no qual mais um dispositivo, componente ou
contato são ligados consecutivamente no mesmo circuito.
071 MANOBRA: Ligação e desligamento de um dispositivo.
072 MEIO EXTINTOR: Meio no qual o arco elétrico é levado à extinção. Para os nossos
equipamentos, existem os seguintes meios de extintores:
1. Ar (praticamente, para todos os equipamentos de manobra de baixa tensão);
2. Areia (Fusíveis NH e diazed);
3. Vácuo (contatos a vácuo);
4. Óleos, naturais ou sintéticos (geralmente na média e alta tensão)
073 NÚCLEO LAMINADO: É usado em núcleos magnéticos de corrente alternada, de
contatores e outros eletroímãs, para baixar as perdas no ferro. Os núcleos são
compostos de chapas sobrepostas, isoladas entre si (não são usados para corrente
contínua que emprega núcleos maciços).
074 NÚMERO DE POLOS: Número de elementos de um dispositivo de comando ou de
proteção (contatos, bimetais, etc).
075 PAINÉIS DE DISTRIBUIÇÃO TIPO CCM: Painéis que contém os Centros de
Controle de Motores. São conjunto de armários modulados, com gavetas ou “racks”.
076 PARTIDA LENTA: Quando um motor necessita de mais 5 Seg. desde a sua ligação
até alcançar a sua rotação nominal em função de suas condições de carga, fala-se
em partida lenta. Para a proteção de motores com partida lenta, são necessários
relés de sobrecorrente especiais e, melhor ainda, uma proteção de motor por
termistor.
077 PASSAGEM PELO PONTO ZERO: Em corrente alternada, a corrente e a tensão
mudam contínua e alternadamente de sentido e amplitude. No instante da mudança
de sentido, tanto corrente como tensão tronam-se iguais a zero. A este instante
chama-se passagem pelo ponto zero, situação que facilita a extinção do arco
elétrico.
078 PEÇA DE CONTATO: Uma das partes condutoras que formam um contato.
079 PRESSÃO DE CONTATO: Pressão com a qual duas partes condutivas (contatos)
se tocam. Quando a pressão de contato é muito pequena, a resistência transitória
torna-se muito alta, persistindo o perigo de que as temperaturas-limite admissíveis
sejam ultrapassadas.
080 PROTEÇÃO CONTRA CURTO-CIRCUITO: Limitação dos efeitos destrutivos das
correntes de curto-circuito através de elementos de proteção adequados, a saber:
1. Fusíveis NH ou diazed;
2. Disjuntores com disparadores eletromagnéticos de sobrecorrente sem
retardamento.
081 PROTEÇÃO DO MOTOR: Proteção contra os efeitos de sobrecarga e curto-circuito
sobre o motor, isto é, proteção da isolação do enrolamento contra aquecimentos e
esforços eletrodinâmicos inadmissíveis, através de:
1. Relés térmicos de sobrecorrente (no caso de comando por contatores);
2. Relés térmicos de sobrecorrente com e sem retardamento ou com retardamento
de curta duração (no caso de comando por disjuntores);
3. Proteção do motor por termistor (controle de temperatura do enrolamento por
termosensores);
4. Fusíveis de curto circuito (fusíveis NH ou diazed)
CENTRO FEDERAL DE EDUCAÇÃO TECNOLÓGICA DO CEARÁ - CEFET-CE
CURSO DE ELETROTÉCNICA
MANUAL DE COMANDOS INDUSTRIAIS
PÁGINA:
TERMINOLOGIA
Prof. Gênova
162
ITEM TERMINOLOGIA
082 POTÊNCIA DE RETENÇÃO: Potência permanente de alimentação da bobina de
um sistema eletromagnético (um contator por ex.,) destinado a fornecer o fluxo
magnético necessário para manter o núcleo móvel atraído pelo fixo. Distinguem-se
as potências de retenção no fechamento e potência de retenção em serviço normal.
083 RECOBRIMENTO DA PEÇA DE CONTATO: Cobertura, geralmente de metal nobre
(prata, liga de prata), utilizada em contatos de dispositivos de manobra.
084 REGIME INTERMITENTE: Regime no qual o dispositivo de manobra liga e
interrompe periodicamente, com tempo de carga e intervalo de repouso de
operação tão reduzidos, que suas partes condutivas não alcançam o equilíbrio
térmico, quer na fase de aquecimento, quer na de resfriamento. A identificação do
regime é feita pela indicação do tempo relativo de carga e da duração da série de
operações. Não confundir com regime de curta duração.
085 REGIME PERMANENTE: a) Regime no qual os contatos principais do dispositivo
de manobra ou a bobina de um disparador de tensão podem ficar fechados por
tempo indeterminado.
b) Regime de um sistema ou equipamento elétrico, ou de um componente, em que
as grandezas físicas que caracterizam seu funcionamento, tem valores estáveis.
086 RELÉ: Dispositivo de proteção e, eventualmente, de comando à distância, cujos
contatos auxiliares comandam, perante certas grandezas elétricas (corrente,
tensão), outros dispositivos através de circuitos auxiliares, eventualmente com
retardamento pré-ajustado (relé temporizado). Os relés podem ser dispositivos
individuais ou componentes de dispositivos de manobra.
087 RELÉ DE FALTA DE FASE: Dispositivo independente ou complementar acoplado a
um relé térmico de sobrecorrente com retardamento, que tem por finalidade o
desligamento de motores trifásicos, que venham por defeito operar com falta ou
desequilíbrio de fases. Quando o relé falta de fase for um componente
independente, o mesmo deve ser instalado no circuito terminal de alimentação do
motor trifásico.
088 RELÉ DE SOBRECORRENTE: Relé com desligamento retardado dependente de
corrente. É utilizado na proteção de equipamentos elétricos (motores) contra
sobrecarga. O relé opera de forma semelhante ao disparador de sobrecorrente,
sem atuar, entretanto, mecanicamente sobre o mecanismo de travamento do
dispositivo de manobra, mas sim, sobre um chave auxiliar do relé. Tal chave auxiliar
é que faz, eletricamente, a interrupção por comando à distância, do dispositivo de
manobra através de um circuito de comando. Os relés de sobrecorrente devem ser
protegidos por fusíveis contra danos provocados por curto-circuitos. Cada relé terá
o seu fusível apropriado, indicado pelo fabricante.
089 RELÉ TEMPORIZADO: Relé com uma escala de ajuste e que opera com
retardamento. Faz a temporização de operação ou comutação de componentes dos
circuitos.
090 RENDIMENTO: Relação entre o valor útil de uma grandeza fornecida por um
sistema ou equipamento elétrico, ou por um componente, e o valor total da mesma
grandeza por ele absorvida. Símbolo:  = ( V / Vt ) x 100 %
091 RESISTÊNCIA DE CONTATO: Relação entre a diferença de potencial existente
entre duas superfícies em contato, e a corrente que circula de uma para outra, não
havendo força eletromotriz entre elas.
092 RESISTÊNCIA DE ISOLAMENTO: Propriedade do material isolante que age no
sentido de evitar que este se torne, por si só, condutor em razão das correntes de
descarga.
093 RICOCHETE: Abertura resultante da repulsão entre contatos, no ato da ligação.
CENTRO FEDERAL DE EDUCAÇÃO TECNOLÓGICA DO CEARÁ - CEFET-CE
CURSO DE ELETROTÉCNICA
MANUAL DE COMANDOS INDUSTRIAIS
PÁGINA:
TERMINOLOGIA
Prof. Gênova
163
ITEM TERMINOLOGIA
094 SELETIVIDADE: Operação conjunta de dispositivos de proteção que atuam sobre
os de manobra ligados em série para a interrupção escalonada de correntes
anormais (por ex., de curto-circuito). O dispositivo de manobra deve interromper a
parte do circuito conectada imediatamente após ele próprio. Os demais dispositivos
de manobra devem permanecer ligados. A seletividade limita os efeitos de uma falta
a uma grandeza mínima em tempo e espaço.
095 SINALIZADOR LUMINOSO: Indicador ótico de uma condição de operação ou
controle de um comando, ao acender ou apagar de uma lâmpada.
096 SOBRECARGA TÉRMICA: Situação de elevação de temperatura devida a corrente
de carga que pode levar o material ao recozimento e a fusão.
097 TEMPO DE RICOCHETE: Intervalo de tempo entre o primeiro toque dos contatos
até a posição final de repouso, na fase de ligação. O tempo de ricochete é fator
decisivo na vida útil elétrica e na confiabilidade de um dispositivo de manobra.
098 TENSÃO DE COMANDO: É a tensão nos terminais de bobinas de contatores,
disparadores, relés de tempo, etc.
099 TENSÃO DE OPERAÇÃO: Tensão de alimentação da rede, entre os condutores de
um equipamento parte de uma instalação.
100 TENSÃO NOMINAL: Valor eficaz da tensão pelo qual um dispositivo de manobra é
designado e ao qual são referidos outros valores nominais.
101 TERMISTOR: Parte do dispositivo de proteção do motor, montado no enrolamento
do motor a proteger. O termistor modifica (aumenta) a sua resistividade com o
aumento da temperatura.
102 VELOCIDADE DE OPERAÇÃO: Velocidade dos contatos móveis na ligação ou no
desligamento.
103 VIDA ÚTIL: Tempo no qual um dispositivo de manobra deve operar
satisfatoriamente sob condições normais. Ela é dada em números de manobras.
Diferencia-se vida útil mecânica e elétrica.
104 VIDA ÚTIL MECÂNICA: Durabilidade quando operado em vazio.
CENTRO FEDERAL DE EDUCAÇÃO TECNOLÓGICA DO CEARÁ - CEFET-CE
CURSO DE ELETROTÉCNICA
MANUAL DE COMANDOS INDUSTRIAIS
PÁGINA:
TERMINOLOGIA
Prof. Gênova
164
A N E X O 2
BIBLIOGRAFIA
ITEM TÍTULO AUTOR EDITORA
01 Diagramas Elétricos de Comando e Proteção Papenkort, F. EDUSP
02 Equipamento Elétrico Industrial Schimidt, Walfredo Mestre Jou
03 Seleção e aplicação de motores elétricos Lobosco, Orlando Sílvio –
SIEMENS
Mc Graw-Hill
04 Manual de baixa tensão Schmelcher, Theodor –
SIEMENS
Nobel
05 Máquinas Elétricas e transformadores Kosow, Irving Lionel Editora Globo
06 Máquinas Elétricas Fitzgerald, A . E. Mc Graw-Hill
07 Manual de Automação por contatores Roldán, José Hermus
08 Manual de Chaves de Partida WEG ACIONAMENTOS WEG
09 Manual de Contatores e Relés de Sobrecarga WEG ACIONAMENTOS WEG
10 Manual de Motores Elétricos WEG MOTORES WEG
11 Projetos de Quadros de Baixa Tensão Dib, Wanderley Mauro –
SIEMENS
SIEMENS
12 Tecnologia dos Equipamentos Eletro-Industriais de
Comutação
Informativo Técnico
SIEMENS
SIEMENS
13 Esquemas de automatismos em electricidade e
electrônica
Vaz Emanuel Eduardo
Pires
Lopes da Silva
Editira
14 Motores Elétricos – Manutenção e Testes Almeida, Jason Emirick de Hermus
15 Manual do Instalador de Motores Elétricos Parés, José Maria Plátano Editora
16 Material Elétrico Industrial :
 Parte 1
a
: Botões de comando/ sinalização
 Parte 2: Chaves e seccionadores
 Parte 3: Fusíveis e seccionadores-fusíveis
 Parte 4: Contatores e relés
 Parte 7: Chaves de partida
SIEMENS SIEMENS
17 Informação Tecnológica - Eletricidade SENAI SENAI
18 Símbolos Gráficos de Eletricidade Informativo Técnico
SIEMENS
SIEMENS
19 Manual Técnico – Chave de partida SOFT STARTER
microprocessada
WEG AUTOMAÇÃO WEG
20 Catálogo da Stieletrônica – Relé fotoelétrico magnético,
Relé fotoelétrico térmico, Chave para comando em grupo.
Stieletônica Stieletrônica
21 Catálogo Relé fotoelétrico LINSA LINSA LINSA
22 Catálogo ACE: Chaves Pacco, Chaves fim de curso,
Seccionadoras e comutadoras
ACE ACE
23 Revista ELETRICIDADE MODERNA Aranda Editora Aranda Editora
24 Catálogo da ALTRONIC Altronic S/A Altronic S/A
25 Catálogos WEG: Contatores, relés de sobrecarga, chaves
fim de curso, fusíveis.
WEG ACIONAMENTOS WEG
26 Controle de velocidade de máquinas CA com tiristores. Hector Arango, Jõao
Roberto Cogo, Délvio
FUPAI
27 Catálogo SIMOVERT P inversores de freqüência da série
6SE21.
SIEMENS SIEMENS
28 Tecnologia: Acionamento de corrente alternada de
velocidade/freqüência variáveis
SIEMENS SIEMENS
29 Folheto de instruções da TELEMECANIQUE para
instalação, parametrização e operação do inversor de
freqüência ALTIVAR 08
TELEMECANIQUE TELEMECANI
QUE
30 Catálogo Inversor de Freqüência CFW-05 WEG WEG WEG
31 Catálogo LH4-N A partida suave Soft starter Groupe Schneider Schneider
32 Manual de operação Inversores de freqüência para
motores assíncronos – Altivar 18
Schneider Electric Telemecanique/
Schneider
33 Catálago Inversor de freqüência Altivar 18 Groupe Schneider Telemecanique
34 Guia de treinamento – EASY 412-AC-R Relé de controle Klocner Moeller Klocner Moeller
35 Módulo lógico programável ZELIO, manual de instruções Groupe Schneider Telemecanique
36 Catálago moto freio trifásico monodisco WEG WEG
37 Eletrônica de Potência - Circuitos, dispositivos e aplicações Muhammad H. Rashid Makron Books
38 Motor Drive – Folheto com dados técnicos WEG AUTOMAÇÃO WEG
39 Manual de instruções - Moto Redutores SEW SEW do Brasil SEW

Comandos elétricos industriais

  • 1.
    MANUAL DE COMANDOS INDUSTRIAIS FN 220Vca ~ 60Hz ~220Vca F N L N I1 I2 I3 I4 I5 I6 I7 I8 Q1 Q2 Q3 Q4 1 2 1 2 1 2 1 2 Q1 Q2 Q3 Q4 U V W L1 L2 LI1 LI2 LI3 LI4 +24SC SB SA PO PA PB +10 AI1 COM AIC AI2 LO LO+ 123456 STOP MO 17:52 1234 Z? Z1 Z2 Q1 Q2 Q3 Q4 Programa Param Simula RUN STOP CENTRO FEDERAL DE EDUCAÇÃO TECNOLÓGICA DO CEARÁ Raimundo César Gênova de Castro
  • 2.
    SUMÁRIO: 1) Apresentação dolaboratório de Comandos Industriais; 2) Símbolos gráficos de eletricidade/eletrônica; 3) Apresentação, identificação e teste dos materiais e equipamentos; 4) Esquemas de ligação, Identificação e testes de motores elétricos; 5) Comandos Elétricos Industriais convencionais; 6) Acionamento de motores através de Chaves estáticas tipo Soft-Starter; 7) Acionamento de motores com velocidade e freqüência variável através do Inversor de Freqüência; 8) Comando e controle através de módulo lógico programável em automação predial e industrial; 9) Aplicação integrada do módulo lógico programável com o inversor de freqüência; 10) Aplicação do Motofreio monodisco; 11) Aplicação do Motordrive; 12) Aplicação do Moto-redutor; 13) Questionários; 14)Terminologia atualizada incluindo a eletrônica de potência; 15) Esquemas e projetos complementares. Manual de Comandos Industriais TODOS OS DIREITOS RESERVADOS – É proibida a reprodução total ou parcial desta publicação, de qualquer forma ou por qualquer meio, sem prévia autorização, por escrito, do autor. O Código Penal Brasileiro determina no artigo 184, penas contra a violação do direito autoral, “DOS CRIMES CONTRA A PROPRIEDADE INTELECTUAL”. 10ª Edição Ano:2004 Castro, Raimundo César Gênova. Manual de Comandos Industriais / Raimundo César Gênova de Castro Fortaleza-CE: Centro Federal de Educação Tecnológica – CEFET-CE, Out. 2004. 1. Comandos Industriais I. Título VALORIZE SUA FORMAÇÃO PROFISSIONAL, SEU FUTURO, SUA CONSCIÊNCIA. EDUCANDO PARA A VIDA. Prof. Gênova
  • 3.
    CENTRO FEDERAL DEEDUCAÇÃO TECNOLÓGICA DO CEARÁ – CEFET-CE CURSO DE ELETROTÉCNICA MANUAL DE COMANDOS INDUSTRIAIS ÍNDICE Prof. Gênova S U M Á R I O ASSUNTO PÁGINA PRÁTICA - 01 Apresentação dos materiais, equipamentos e símbolos gráficos empregados em circuitos de comandos industriais. 1. Objetivos.................................................................................................................................................. 1 2. Comentários Teóricos.............................................................................................................................. 1 2.1. Contatores............................................................................................................................................. 1 2.2. Relé bimetálico de sobrecarga.............................................................................................................. 4 2.3. Botões de comando.............................................................................................................................. 6 2.4. Lâmpada de sinalização........................................................................................................................ 8 2.5. Fusível NH............................................................................................................................................. 9 2.6. Fusível diazed....................................................................................................................................... 11 2.7. Chave seccionadora e comutadora rotativa tipo PACCO..................................................................... 12 2.8. Relé de tempo....................................................................................................................................... 14 2.9. Chaves bóias......................................................................................................................................... 15 2.10. Relé fotoelétrico.................................................................................................................................. 16 2.11. Relé falta de fase................................................................................................................................ 17 2.13. Inversor de freqüência......................................................................................................................... 18 3. Procedimento da prática.......................................................................................................................... 19 4. Verifique os seus conhecimentos............................................................................................................. 20 PRÁTICA – 02 Teste dos materiais e equipamentos empregados nos circuitos de comando e força industrial 1. Objetivos.................................................................................................................................................. 22 2. Comentários Teóricos.............................................................................................................................. 22 3. Material Empregado................................................................................................................................. 23 4. Procedimento da Prática.......................................................................................................................... 23 4.1. Teste do contator.................................................................................................................................. 23 4.2. Teste do relé bimetálico de sobrecarga................................................................................................ 24 4.3. Teste dos fusíveis NH e Diazed............................................................................................................ 24 4.4. Teste dos botões de comando.............................................................................................................. 24 4.5. Teste dos sinalizadores luminosos....................................................................................................... 25 4.6. Teste do relé de tempo......................................................................................................................... 25 4.7. Teste das chaves bóias......................................................................................................................... 25 4.8. Teste do relé fotoelétrico....................................................................................................................... 25 4.9. Teste da chave seccionadora rotativa PACCO..................................................................................... 26 4.10. Teste da chave soft-starter.................................................................................................................. 26 4.11. Teste do Inversor de Freqüência........................................................................................................ 26 5. Verifique os seus conhecimentos............................................................................................................. 26 PRÁTICA – 03 Apresentação, identificação e ligação de chaves rotativas manuais com acionamento por alavanca 1. Objetivos.................................................................................................................................................. 28 2. Comentários teóricos............................................................................................................................... 28 3. Material empregado................................................................................................................................. 30 4. Procedimento da prática.......................................................................................................................... 31 4.1. Chave reversora manual....................................................................................................................... 31 4.2. Chave estrela-triângulo manual............................................................................................................ 33 5. Verifique os seus conhecimentos............................................................................................................. 36 PRÁTICA – 04 Identificação dos terminais dos enrolamentos de motores de indução trifásico, com 6 pontas 1. Objetivo.................................................................................................................................................... 37 2. Comentários teóricos............................................................................................................................... 37 3. Material empregado................................................................................................................................. 39 4. Procedimento da prática.......................................................................................................................... 39 4.1. Procedimento para verificação da continuidade das bobinas............................................................... 39 4.2. Procedimento para identificação dos terminais dos enrolamentos....................................................... 40 4.3. Teste de ligação do motor..................................................................................................................... 43 5. Verifique os seus conhecimentos............................................................................................................. 44 PRÁTICA – 05 Comando para partida direta de MIT com acionamento remoto através de botoeiras e automático através de chaves bóias e relé fotoelétrico: 1. Objetivos.................................................................................................................................................. 45 2. Comentários Teóricos.............................................................................................................................. 45 3. Material empregado................................................................................................................................. 46 4. Procedimento da prática.......................................................................................................................... 46 4.1. Diagrama de comando.......................................................................................................................... 46
  • 4.
    CENTRO FEDERAL DEEDUCAÇÃO TECNOLÓGICA DO CEARÁ – CEFET-CE CURSO DE ELETROTÉCNICA MANUAL DE COMANDOS INDUSTRIAIS ÍNDICE Prof. Gênova ASSUNTO PÁGINA 4.2. Diagrama de força................................................................................................................................. 48 5. Verifique os seus conhecimentos............................................................................................................. 49 PRÁTICA – 06 Comando para acionamento do motor monofásico de fase dividida, com partida à capacitor: 1. Objetivos.................................................................................................................................................. 50 2. Comentários Teóricos.............................................................................................................................. 50 3. Material Empregado................................................................................................................................. 52 4. Procedimento da Prática.......................................................................................................................... 52 4.1. Diagrama de comando.......................................................................................................................... 52 4.2. Diagrama de força................................................................................................................................. 54 5. Verifique os seus conhecimentos............................................................................................................. 55 PRÁTICA – 07 Comando para partida direta de MIT, com reversão no sentido de rotação e acionamento remoto através de botoeiras e chaves fim de curso: 1. Objetivos.................................................................................................................................................. 56 2. Comentários teóricos............................................................................................................................... 56 3. Material empregado................................................................................................................................. 57 4. Procedimento da prática.......................................................................................................................... 57 4.1. Diagrama de comando.......................................................................................................................... 57 4.2. Diagrama de força................................................................................................................................. 59 5. Verifique os seus conhecimentos............................................................................................................. 59 PRÁTICA – 08 Acionamento do motor de indução monofásico de fase dividida, com partida à capacitor, com reversão no sentido de rotação: 1. Objetivo.................................................................................................................................................... 61 2. Comentários teóricos............................................................................................................................... 61 3. Material empregado................................................................................................................................. 62 4. Procedimento da prática.......................................................................................................................... 62 4.1. Comando por chave reversora............................................................................................................. 62 4.2. Comando remoto por botoeiras e contatores....................................................................................... 63 4.2.a) Diagrama de comando....................................................................................................................... 63 4.2.b) Diagrama de força.............................................................................................................................. 64 5. Verifique os seus conhecimentos............................................................................................................. 64 PRÁTICA – 09 Comando automático para a partida de vários motores trifásicos em ligação seqüencial: 1. Objetivo.................................................................................................................................................... 66 2. Comentários teóricos............................................................................................................................... 66 3. Material empregado................................................................................................................................. 67 4. Procedimento da prática.......................................................................................................................... 67 4.1. Diagrama de comando.......................................................................................................................... 67 4.2. Diagrama de força................................................................................................................................. 68 5. Verifique os seus conhecimentos............................................................................................................. 68 PRÁTICA – 10 Comando automático para acionamento de motor de polos comutáveis para 2 velocidades: 1. Objetivo.................................................................................................................................................... 70 2. Comentários teóricos............................................................................................................................... 70 3. Material empregado................................................................................................................................. 71 4. Procedimento da prática.......................................................................................................................... 72 4.1. Diagrama de comando.......................................................................................................................... 72 4.2. Diagrama de força................................................................................................................................. 73 5. Verifique os seus conhecimentos............................................................................................................. 74 PRÁTICA – 11 Comando automático para partida Y- de MIT: 1. Objetivos.................................................................................................................................................. 75 2. Comentários Teóricos.............................................................................................................................. 75 2.1. Utilização da chave Y-........................................................................................................................ 75 2.2. Diagrama de ligação............................................................................................................................. 76 2.3. Vantagens e desvantagens da chave Y-............................................................................................ 76 2.4. Chave Y- de transição fechada........................................................................................................... 77 3. Material empregado................................................................................................................................. 78 4. Procedimento da prática.......................................................................................................................... 78 4.1. Diagrama de comando.......................................................................................................................... 78 4.2. Diagrama de força................................................................................................................................. 79 5. Verifique os seus conhecimentos............................................................................................................. 80
  • 5.
    CENTRO FEDERAL DEEDUCAÇÃO TECNOLÓGICA DO CEARÁ – CEFET-CE CURSO DE ELETROTÉCNICA MANUAL DE COMANDOS INDUSTRIAIS ÍNDICE Prof. Gênova ASSUNTO PÁGINA PRÁTICA – 12 Aplicação do quadro eletromecânico SIMELETRO USB 630 SIEMENS com simulador de defeitos para os circuitos de partida direta, reversora e estrela-triângulo: 1. Objetivos.................................................................................................................................................. 81 2. Comentários Teóricos.............................................................................................................................. 81 3. Procedimento da Prática.......................................................................................................................... 85 4. Verifique os seus conhecimentos............................................................................................................. 86 5. Diagrama geral de comando do quadro................................................................................................... 87 6. Diagrama geral de força do quadro.......................................................................................................... 88 PRÁTICA – 13 Comando automático para partida de MIT com tensão reduzida, através de chave compensadora à seco: 1. Objetivos.................................................................................................................................................. 89 2. Comentários teóricos............................................................................................................................... 89 3. Material empregado................................................................................................................................. 90 4. Procedimento da prática.......................................................................................................................... 90 4.1. Diagrama de comando.......................................................................................................................... 90 4.2. Diagrama de força................................................................................................................................. 91 5. Verifique os seus conhecimentos............................................................................................................. 92 PRÁTICA – 14 Comando automático para partida de MIT com tensão reduzida, através de chave série-paralela estrela: 1. Objetivo.................................................................................................................................................... 93 2. Comentários teóricos............................................................................................................................... 93 3. Material empregado................................................................................................................................. 94 4. Procedimento da prática.......................................................................................................................... 94 4.1. Comando por chave reversora.............................................................................................................. 95 4.2. Comando remoto por botoeiras e contatores........................................................................................ 95 5. Verifique os seus conhecimentos............................................................................................................. 96 PRÁTICA – 15 Comando automático para a partida de MIT através de chave microprocessada soft-starter 1. Objetivo.................................................................................................................................................... 97 2. Comentários teóricos............................................................................................................................... 97 3. Material empregado................................................................................................................................. 99 4. Procedimento da prática.......................................................................................................................... 100 4.1. Circuito de comando e força................................................................................................................. 100 5. Verifique os seus conhecimentos............................................................................................................. 101 PRÁTICA – 16 Comando automático para partida direta de MIT, com reversão e circuito de freio eletromagnético: 1. Objetivo.................................................................................................................................................... 102 2. Comentários teóricos............................................................................................................................... 102 3. Material empregado................................................................................................................................. 103 4. Procedimento da prática.......................................................................................................................... 103 4.1. Diagrama de comando.......................................................................................................................... 103 4.2. Diagrama de força................................................................................................................................. 104 PRÁTICA – 17 Comando automático para partida Y- de MIT, com reversão no sentido de rotação: 1. Objetivos.................................................................................................................................................. 105 2. Comentários Teóricos.............................................................................................................................. 105 3. Material empregado................................................................................................................................. 106 4. Procedimento da prática.......................................................................................................................... 106 4.1. Diagrama de comando.......................................................................................................................... 106 4.2. Diagrama de força................................................................................................................................. 107 5. Verifique os seus conhecimentos............................................................................................................. 108 PRÁTICA – 18 Comando automático para acionamento do motor de polos comutáveis para 2 velocidades (ligação dahlander), com reversão no sentido de rotação: 1. Objetivos.................................................................................................................................................. 109 2. Comentários Teóricos.............................................................................................................................. 109 3. Material empregado................................................................................................................................. 109 4. Procedimento da prática.......................................................................................................................... 110 4.1. Diagrama de comando.......................................................................................................................... 111 4.2. Diagrama de força................................................................................................................................. 112 PRÁTICA – 19 Comando automático para partida de MIT com tensão reduzida, através de chave compensadora à seco e inversão de rotação: 1. Objetivos.................................................................................................................................................. 113
  • 6.
    CENTRO FEDERAL DEEDUCAÇÃO TECNOLÓGICA DO CEARÁ – CEFET-CE CURSO DE ELETROTÉCNICA MANUAL DE COMANDOS INDUSTRIAIS ÍNDICE Prof. Gênova ASSUNTO PÁGINA 2. Comentários teóricos............................................................................................................................... 113 3. Material empregado................................................................................................................................. 113 4. Procedimento da prática.......................................................................................................................... 114 4.1. Diagrama de comando.......................................................................................................................... 114 4.2. Diagrama de força................................................................................................................................. 115 PRÁTICA – 20 Comando automático para partida de MIT com acionamento por botoeira e controle de proteção contra falta de fase: 1. Objetivo.................................................................................................................................................... 116 2. Comentários teóricos............................................................................................................................... 116 3. Material empregado................................................................................................................................. 116 4. Procedimento da prática.......................................................................................................................... 117 4.1. Diagrama de comando.......................................................................................................................... 117 4.2. Diagrama de força................................................................................................................................. 118 PRÁTICA – 21 Inversores de freqüência para acionamentos de máquinas de corrente alternada – CA: 1. Objetivo.................................................................................................................................................... 119 2. Comentários Teóricos.............................................................................................................................. 119  Diagrama de blocos dos conversores................................................................................................... 119  Conversores Não controlável e controlável e métodos de controle...................................................... 120  Equação de tensão da máquina........................................................................................................... 120  Inversor de freqüência e vantagens do acionamento eletrônico........................................................... 121  Desenho esquemático do Inversor de freqüência................................................................................. 122  Construção da forma de onda trifásica na saída do inversor................................................................ 123  Modulação PWM senoidal.................................................................................................................... 124 3. Material Empregado................................................................................................................................. 125 4. Procedimento da Prática.......................................................................................................................... 125 4.1 Inversor de freqüência Altivar 08............................................................................................................ 125 4.2 Inversor de freqüência Altivar 18............................................................................................................ 129 4.3 Ligação do inversor com componentes associados............................................................................... 134 PRÁTICA – 22 Comando através da aplicação do módulo lógico programável: 1. Objetivo.................................................................................................................................................... 135 2. Comentários Teóricos.............................................................................................................................. 135 2.1 Modelo Easy........................................................................................................................................... 136 2.2 Modelo Zelio........................................................................................................................................... 140 3. Material Empregado................................................................................................................................. 144 4. Procedimento da Prática.......................................................................................................................... 145 PRÁTICA – 23 Acionamento e parada do motofreio trifásico monodisco 1. Objetivo.................................................................................................................................................... 146 2. Comentários Teóricos.............................................................................................................................. 146 3. Material Empregado................................................................................................................................. 149 4. Procedimento da Prática.......................................................................................................................... 149 4.1. Circuito de comando............................................................................................................................. 149 4.1.1 Frenagem Lenta.................................................................................................................................. 149 4.1.2 Frenagem média................................................................................................................................. 150 4.1.3 Frenagem rápida................................................................................................................................. 150 4.2 Circuito de Força.................................................................................................................................... 150 PRÁTICA – 24 Aplicação integrada do modulo lógico com o inversor de freqüência 1. Objetivo.................................................................................................................................................... 151 2. Comentários Teóricos.............................................................................................................................. 151 3. Material Empregado................................................................................................................................. 152 4. Procedimento da Prática.......................................................................................................................... 152 4.1. Programação no Módulo Lógico........................................................................................................... 153 4.2. Conectando Circuitos de Força............................................................................................................. 154 ANEXO – 1 : TERMINOLOGIA: Definição de termos técnicos materiais, equipamentos e dispositivos de comando. proteção e manobra de BT: 1. Objetivo................................................................................................................................................... 155 2. Terminologia............................................................................................................................................. 155 ANEXO – 2: LITERATURA TÉCNICA PARA CONSULTA: Bibliografia.................................................................................................................................................... 164
  • 7.
    CENTRO FEDERAL DEEDUCAÇÃO TECNOLÓGICA DO CEARÁ – CEFET-CE CURSO DE ELETROTÉCNICA - MANUAL DE COMANDOS INDUSTRIAIS P-00 PÁGINA: Prof. Gênova 1 PRÁTICA - 00 ASSUNTO: APRESENTAÇÃO DA DISCIPLINA DE COMANDOS INDUSTRIAIS 1. OBJETIVOS Apresentar o conteúdo programático, a carga horária prevista, o ambiente do laboratório com suas peculiaridades, as recomendações de segurança contra contatos acidentais, os sistemas de alimentação, proteção e manobra dos quadros de distribuição e didáticos, o sistema de avaliação e a bibliografia adotada e recomendada para consulta e fundamentação teórica. 2. COMENTÁRIOS GERAIS A disciplina de comandos industriais é constituída por uma seqüência de práticas de laboratório, incluindo essa apresentação, cujos assuntos precedem uma fundamentação teórica para que o professor faça a introdução do assunto a ser ministrado. Essa fundamentação teórica é de importância significativa para o sucesso da relação ensino-aprendizagem, e para que o período disponível da aula tenha um rendimento otimizado, é fundamental que o aluno seja o mais proativo possível, ou seja, deve ler com antecedência o conteúdo da prática a ser trabalhada, trabalhar em equipe, manter a vigilância em alerta para que o próprio aluno ou seus companheiros, não venham a levar choques elétricos.Observar se os disjuntores estão ligados ou desligados e se as partes vivas estão sob tensão, se os diversos componentes estão alimentados na tensão nominal adequada, participando ativamente desse momento. Caso surjam dúvidas, chame o professor para que ele possa esclarecer o assunto. Se o professor estiver ocupado momentaneamente atendendo outra equipe, tenha paciência e espere a sua vez, mas nunca tome uma atitude precipitada, pois um erro de montagem pode levar a prejuízos incalculáveis e riscos de defeitos ou mesmo a provocar choques elétricos. O CEFET é uma instituição de ensino pública que como toda instituição do gênero, tem suas carências de recursos orçamentários, mas se você fizer a sua parte com responsabilidade, com certeza o material de consumo servirá para que outros alunos também possam usufruir dessa tecnologia sem restrições. Lembre-se que um dos objetivos e prescrições fundamentais da disciplina é proporcionar ao aluno, a aprendizagem com segurança e responsabilidade, mantendo a integridade física das pessoas e bens. É muito comum que num grupo de pessoas haja diversidade de conhecimento, algumas já possuem conhecimento básico ou dominam o assunto e outras que nunca o viram, portanto não dê uma de querer resolver as coisas sozinho, pois além de você estar prejudicando a relação ensino-aprendizagem, dando uma de egoísta (a princípio até os outros vão achar bom pois não vão ter que fazer muito esforço nessa equipe para ver as coisas funcionarem), você poderá inibir a vontade de seu companheiro e prejudicar o aprendizado. A eletricidade e a eletrônica de potência estão cada vez mais presente no nosso dia a dia, e para que tudo possa fluir da melhor maneira possível durante a aula prática, e que os circuitos proporcionem o comando e o controle com total segurança, dê chance ao tempo, pergunte, indague, questione, ajude os seus companheiros, pois o professor na sala de aula além de educador é um facilitador, não hesite em perguntar, pois ele terá o maior prazer em poder te ajudar, trocar idéias para que o conhecimento e o aprendizado realmente atinjam o objetivo maior, que é a sua satisfação pessoal em ter aprendido mais um item para a sua vida profissional. Mesmo que você já tenha conhecimento do assunto, sempre surgem novas tecnologias no mercado que poderão enriquecer ou reciclar o seu conhecimento. Nunca é demais quando existe vontade de aprender. Caso a duração da aula não dê tempo para você concluir a tarefa, não se desespere, pois o assunto poderá ser repetido em uma aula extra ou mesmo na aula seguinte. 3. LAY OUT DA SALA DO LABORATÓRIO O laboratório de comandos industriais é um ambiente com dimensões adequadas para que os alunos possam desenvolver as montagens de circuitos com conforto e segurança. É importante que as equipes de trabalho não ultrapasse de 3 a 4 alunos por quadro. O ideal seria uma equipe de 3 alunos, mas nem sempre é possível trabalhar com essa formação devido o n° de alunos matriculados na disciplina. O Laboratório possui 6 (seis) bancadas de trabalho que devem ser usadas para testes dos componentes, dos motores e de chaves manuais, além de local ideal para consulta de esquemas, diagramas, material didático e anotações complementares que deverão ser passadas pelo professor sobre o assunto ministrado. O laboratório dispõe ainda de 6 (seis) quadros metálicos autosuportados em cavaletes de ferro, com 4 motores para aplicação nas práticas. Os quadro didáticas são fabricadas em chapa de aço pintados na cor cinza nos quais estão disponíveis 2 portas que poderão ser abertas para que o aluno trabalhe adequadamente na montagem dos circuitos. Na parte frontal de uma das portas, estão instalados sinaleiros verde e vermelho, botões de comando, chave seletora e botão com chave de segurança, que serão utilizados respectivamente para sinalização, acionamento ou desativação dos circuitos de alimentação dos motores. Veja a planta baixa do laboratório na Fig. 01.
  • 8.
    CENTRO FEDERAL DEEDUCAÇÃO TECNOLÓGICA DO CEARÁ – CEFET-CE CURSO DE ELETROTÉCNICA - MANUAL DE COMANDOS INDUSTRIAIS P-00 PÁGINA: Prof. Gênova 2 Fig. 01-Planta baixa representando o lay-out da sala do laboratório de comandos industriais.  Disjuntor tripolar BT (01)  Relé falta de fase (01)  Disjuntor monopolar BT (01)  Módulo lógico programável (01)  Contatores (04)  Chave Softstarter (01)  Relés de sobrecarga (03)  Inversor de freqüência (01)  Fusíveis Diazed (02)  Chave fim de curso (02) *  Fusíveis NH (03)  Chave bóia nível superior (01) *  Relé de tempo (01)  Chave bóia nível inferior (01) * (*) (Material móvel disponível no armário de aço) Nas prateleiras dos cavaletes, cujos quadros se encontram suportados na parte superior, estão disponíveis diversos motores de indução para aplicação nas montagens, conforme relação a seguir:  1 moto redutor com motor trifásico 220/380V (1680/45 rpm), de 0,37 KW (0,5cv).  1 motor monofásico com partida à capacitor 110/220V de 1/3 cv.  1 motor trifásico MIT 380/660V de 0,5 cv.  1 motor trifásico Dahlander 380V – 900/1800 rpm de 0,37 KW (0,5CV).  1 Motordriver de 2cv.  1 moto freio WEG 220/380V de 0,75 cv. Para cada quadro didático corresponde uma bancada disposta frontalmente, contendo uma prateleira na parte inferior para guarda de materiais tais como transformadores, autotranformadores, motores e demais peças. Como fonte de alimentação, existe uma caixa de poliester de sobrepor contendo um disjuntor tripolar, um disjuntor monopolar, uma tomada trifásica e uma monofásica.
  • 9.
    CENTRO FEDERAL DEEDUCAÇÃO TECNOLÓGICA DO CEARÁ – CEFET-CE CURSO DE ELETROTÉCNICA - MANUAL DE COMANDOS INDUSTRIAIS P-00 PÁGINA: Prof. Gênova 3 FOTOS DO LABORATÓRIO DE COMANDOS INDUSTRIAIS Foto 01 – Vista frontal do quadro didático Foto 02- Vista interna do quadro didático aberto metálico fechado, autosustentado no cavalete. com os componentes montados na bandeja. Foto 03 – Vista geral do laboratório com as bancadas dispostos no ambiente do laboratório Foto 04 – Detalhe dos MITs sobre as prateleiras Para o acionamento ou desativação da iluminação e ventilação do laboratório, estão disponíveis logo na entrada da sala, um interruptor de 3 seções e um de 1 seção que comandam, respectivamente, as luminárias e os ventiladores de teto. Para as interligações elétricas entre os diversos componentes instalados na bandeja interior do quadro didático, estarão disponíveis fios flexíveis com capa isolada com terminações do tipo plugue banana, em quantidade suficiente e tamanhos diversos. Nos armários de aço estão acondicionados componentes de reposição, ferramentas, fusíveis reserva, chaves bóias, chaves fim de curso, caixas com botoeiras, teste série dentre outros materiais que poderão ser utilizados durante as práticas.
  • 10.
    CENTRO FEDERAL DEEDUCAÇÃO TECNOLÓGICA DO CEARÁ – CEFET-CE CURSO DE ELETROTÉCNICA - MANUAL DE COMANDOS INDUSTRIAIS P-00 PÁGINA: Prof. Gênova 4 Foto 05 – Quadro modulado USB 630 - SIMELETRO 4. PROCEDIMENTO DA PRÁTICA A prática 00 é uma aula de apresentação para você conhecer o conteúdo programático, a carga horária, a bibliografia e se familiarizar com o ambiente do laboratório, principalmente para que o seu trabalho neste tema possa se desenvolver com tranqüilidade e máxima segurança: 4.1. Faça uma vistoria nos itens relacionados e a medida que houver conformidade coloque um visto : ( ) Quadro de distribuição (QDG) com disjuntor tripolar; ( ) Quadro de distribuição de luz (QDL) com disjuntores monopolares; ( ) Tomadas de corrente de sobrepor com 4 pinos - 16 A – 380V CEMAR; ( ) Plugues para uso industrial, cor vermelho, IP44, 4 Pinos (3F+1N), 16 A, 380V – CEMAR; ( ) Quadros didático metálico de 1000X800X250mm, fabricação ELMETA, cor cinza, com 2 postas e equipado com bandeja na cor laranja para fixação dos componentes; ( ) Quadro didático metálico de 630X1200X250mm modulado, USB 630 SIEMENS, cor cinza, com 4 módulos e 4 portas; ( ) Bancadas com tampão de madeira e forro de borracha, com prateleira para guarda de componentes e caixa termoplástica com 1 disjuntor 3, 1 disjuntor 1, 1 TUE 3 e 1 TUG 1; ( ) Armários de aço com prateleiras e 2 portas, para guarda de materiais, componentes, ferramentas de trabalho, material didático, manuais, catálogos e transparências. ( ) Mesa com tampão de madeira para sustentação do Quadro USB 630 – SIMELETRO. ( ) Iluminação do laboratório formada de calhas tipo chanfradas para fluorescentes de 40 W. ( ) Ventilação artificial da sala, contendo ventiladores de teto. ( ) Ventilação natural através de janelas basculantes, com articulação com pinos da vertical. ( ) Tomadas de corrente monofásicas de 220V, 10 A. ( ) Interruptores para comando da iluminação fluorescente e ventilação. ( ) Fio flexível isolado e terminais com plugues tipo banana. 4.2. Procedimentos e recomendações de segurança: Faça a leitura dos itens relacionados abaixo sobre procedimentos e recomendações de segurança e assinale com um visto () se você compreendeu perfeitamente, caso contrário chame o professor.  ( ) Durante os testes e montagens das práticas você vai se deparar com partes vivas condutoras que não estarão protegidas contra contatos acidentais, existindo risco de choque elétrico;  ( ) A alimentação CA do quadro e bancada de trabalho são de 220V e 380V, portanto todo o cuidado e atenção devem ser redobrados, pois apesar de ser de BT, o risco de choque está presente;  ( ) Cada quadro didático é dotado de 1 disjuntor geral tripolar e de 1 disjuntor monopolar que promovem a proteção contra os curtos circuitos e as sobrecargas. A posição da alavanca para baixo indica disjuntor desligado e circuito desenergizado;  ( ) O Laboratório dispõe de um disjuntor geral instalado no QDG embutido na parede, localizado próximo da porta de acesso da sala, que ao ser desativado, corta a alimentação de todos os quadros e bancadas de trabalho;  ( ) Por outro lado para alimentar as tomadas monofásicas e trifásicas da bancada de trabalho, basta verificar se o disjuntor geral da sala está ligado e acionar para cima as alavancas dos disjuntores (1Ø ou 3Ø) da bancada,;  ( ) Para alimentação do quadro didático é necessário inicialmente conectar o plugue de 4 pinos na tomada de 4 polos e posteriormente acionar as alavancas dos disjuntores 1 e 3 para cima;  ( ) Nas situações de emergência, havendo contatos acidentais com as partes vivas energizadas, o aluno ou professor que estiver mais próximo do disjuntor geral da sala, deverá proceder a sua imediata desativação, acionando a alavanca para baixo, desligando a alimentação elétrica dos quadros e bancadas, de maneira a eliminar, no menor tempo possível, a situação de risco ou de choque elétrico. Se for necessário deve-se aplicar à vítima, os primeiros socorros;  ( ) O disjuntor geral de cada quadro didático só deve ser ligado pelo tempo necessário para a realização dos testes dos materiais ou para acionamento dos circuitos, uma vez que todas as montagens devem ser realizadas com o quadro sem tensão. Tão logo concluída a montagem e conferida as ligações, o quadro deve ser energizado para comprovação do funcionamento do circuito. Após essa comprovação o disjuntor geral deve ser desativado acionando a alavanca para baixo;  ( ) Nos casos de montagens utilizando o módulo lógico programável e/ou o Inversor de freqüência, o quadro deverá permanecer energizado quando da elaboração do desenho do circuito no display do módulo lógico ou para parametrização do inversor. Na montagem da parte convencional do circuito deve-se proceder como no item anterior, ou seja, com o quadro desligado.  ( ) Recomenda-se que as montagens sejam sempre desenvolvidas em equipe pois garante-se uma melhor performance além de propiciar uma supervisão mútua nas ações, e, conseqüentemente, obter um ganho na segurança contra acidentes. Lembre-se que o trabalho preventivo é a chave do sucesso para um trabalho seguro e sem acidentes.
  • 11.
    CENTRO FEDERAL DEEDUCAÇÃO TECNOLÓGICA DO CEARÁ – CEFET-CE CURSO DE ELETROTÉCNICA - MANUAL DE COMANDOS INDUSTRIAIS P-01 PÁGINA Prof. Gênova 5 PRATICA 01 APRESENTAÇÃO DOS MATERIAIS, EQUIPAMENTOS E SIMBOLOS GRÁFICOS EMPREGADOS EM CIRUITOS DE COMANDOS INDUSTRIAIS. 1 .OBJETIVO Familiarizar os usuários com os diversos materiais e equipamentos utilizados em circuitos de comando industrial e identificar a simbologia padronizada. 2. COMENTÁRIOS 2.1- Contatores: Função: Comando, seccionamento e controle dos circuitos alimentadores de motores, iluminação, capacitores e outras cargas. (Fig. 2.1 a) As principais características destes dispositivos são as seguintes: elevada durabilidade; elevado número de manobras; possibilita comando à distância e automatismo de circuitos junto com outros componentes. Genericamente o contator pode ser conceituado da seguinte forma: É um dispositivo composto por um conjunto de contatos móveis, adaptados a um eixo móvel ou âncora, mantido em sua posição de repouso mecanicamente através de molas. Abaixo deste eixo esta localizada a bobina magnética com seu respectivo núcleo de chapas de ferro laminada. Os contatos que compõem o conjunto, recebem a denominação de contatos principais ou de força, que são responsáveis pelo estabelecimento de tensão nos terminais da carga (motor, barramento de quadro, iluminação, capacitor, etc.), ou seja, as pastilhas destes contatos são atravessadas pela corrente do circuito para alimentação da carga. Os contatos para circuitos principais são identificados por números com um único dígito conforme a seguinte numeração de 1 a 6 (1-2; 3-4; 5-6), significando que para cada terminal marcado com um número ímpar, corresponde outro terminal marcado com um número par imediatamente subsequente, ou ainda por letras e índice numérico (L1-T1; L2-T2; L3-T3), considerando que as referências dos contatos 1; 3; 5 ou L1; L2; L3 devem ser conectados no lado da fonte (lado da rede de alimentação) e os contatos 2; 4; 6 ou T1; T2; T3, devem ser conectados no lado da carga (ex. motor). Um contator principal possui ainda contatos auxiliares, que tem a função de estabelecer a alimentação da bobina do contator (selo), sinalização, alarme e intertravamentos. Portanto os contatos auxiliares são constituídos de pastilhas que são atravessados por correntes de pequenas intensidades, solicitadas pela bobinas magnéticas dos contatores, relés, pela lâmpada de sinalização, ou pela bobina de alarmes e sirenes. Existem também os contatores auxiliares, que diferentes dos contatores principais só possuem contatos auxiliares, com pastilhas de menor capacidade de condução de corrente e são empregados nos circuitos de comando, sinalização e intertravamentos, normalmente auxiliando circuitos mais complexos e que possuam outros contatores. Um contator principal, deve possuir 3 (três) contatos de força, e um ou mais contatos auxiliares. Os contatos de força são contatos normalmente abertos (NA), e os contatos auxiliares podem ser normalmente aberto (NA) ou normalmente fechado (NF). Os contatos auxiliares são identificados por números com dois dígitos, sendo o 1 ordinal e o 2 funcional, onde os números compostos por dois algarismos com terminação 1 e 2, são contatos normalmente fechados (NF) (Ex. 21-22; 31-32;...). Já os contatos auxiliares representados com números de dois dígitos terminados com 3 e 4, são contatos normalmente abertos (NA) (Ex. 13-14; 43-44 ...). Entende-se por contato normalmente aberto (NA), aqueles que, enquanto a bobina do contator estiver desenergizada, os mesmos estarão abertos (seccionados) pela ação da mola. No instante em que se estabelece tensão na bobina, a força magnética desta, vence a força mecânica da mola, fazendo com que os contatos que estavam abertos, fechem. Cessando a ação da força magnética, a mola retorna a sua posição normal, fazendo com que os contatos voltem a abrir. Processo semelhante é realizado de modo inverso, nos contatos NF. Fig. 2.1a Formatados: Marcadores e numeração
  • 12.
    CENTRO FEDERAL DEEDUCAÇÃO TECNOLÓGICA DO CEARÁ – CEFET-CE CURSO DE ELETROTÉCNICA - MANUAL DE COMANDOS INDUSTRIAIS P-01 PÁGINA Prof. Gênova 6 Simbologia : Os elementos de um contator tem as seguintes representações gráficas e utilizam letras características e números para referencia-los e facilitar o entendimento no contexto do diagrama elétrico:  C1 ou K1 = A letra representa o contator, e o índice significa o número referencial entre os diversos contatores do circuito.  C1 ou K1 = Contator 1 (um); C2 ou K2 = Contator 2 (dois); C3 ou K3 = Contator 3 (três) e assim sucessivamente para quantos contatores forem empregados no circuito.  A1 e A2 = Representam os terminais da bobina do contator. A1 K1 K1 1 3 5 ou Bobina do contator 1 ou Contatos principais ou C1 C1 de força, pertencente ao A2 2 4 6 contator 1 K1 13 K1 13 K1 13 Contato auxiliar normalmente aberto ou ou ou (NA), pertencente ao contator 1 C1 14 C1 14 C1 14 (fechador) K1 31 K1 31 K1 31 Contato auxiliar normalmente fechado ou ou ou (NF) pertencente ao contator 1 C1 32 C1 32 C1 32 (abridor) Vista em corte transversal, de um contator: CONTATO MÓVEL (NA) TERMINAL DE LIGAÇÃO CONTATO FIXO (NA) MOLA DE RETORNO NÚCLEO DE FERRO MAGNÉTICO MÓVEL (CHAPAS LAMINADAS) BOBINA ELETROMAGNÉTICA TERMINAIS DA BOBINA (A1-A2) NÚCLEO DE FERRO MAGNÉTICO FIXO (CHAPAS LAMINADAS) Fig.2.1b Alguns fabricantes projetam contatores de forma a possibilitar o encaixe de um conjunto de contatos auxiliares extras, denominado de bloco aditivo de contatos, cuja função é adicionar contatos auxiliares a um contator, possibilitando expandir outros elementos no circuito de comando, tais como para a alimentação da bobinas de outros contatores ou relés, sinalização ou intertravamentos. Vide fig.2.1b.
  • 13.
    CENTRO FEDERAL DEEDUCAÇÃO TECNOLÓGICA DO CEARÁ – CEFET-CE CURSO DE ELETROTÉCNICA - MANUAL DE COMANDOS INDUSTRIAIS P-01 PÁGINA Prof. Gênova 7 2.2- 2.2- Relé Bimetálico de Sobrecarga: Função: Efetua a proteção do motor contra sobrecargas. Os relés bimetálicos são dispositivos de proteção contra defeitos provenientes da carga, sendo conhecidos também como relé térmico, pois são normalmente compostos por elementos térmicos de contato, ou seja, existe uma lâmina composta por dois metais justapostos na qual é enrolada algumas espiras de fio tipo filamento de níquel-cromo, cuja função é produzir um super aquecimento, após a intensidade de corrente atingir um valor superior ao da corrente de regulagem, que agindo na lâmina bimetálica provoca o seu deslocamento, e consequentemente, a interrupção do circuito através de um contato auxiliar. O elemento bimetálico comanda um eixo mecânico que é acoplado ao elemento seletor de corrente, cujo dial de regulagem propicia o ajuste para a corrente desejada, de acordo com o motor ou carga a ser instalada, uma vez que cada relé é fornecido com uma faixa de valores de ajuste. Como foi citado em parágrafo anterior os relés possuem contatos auxiliares, sendo que alguns são fornecidos apenas com um contato normalmente fechado (NF), enquanto outros possuem dois contatos auxiliares, sendo um NF e um NA. Semelhante aos contatores, estes contatos são identificados através de letras e números compostos por dois dígitos. O contato normalmente fechado (NF) é identificado pelos números 96 e 97, enquanto que o normalmente aberto (NA) recebe a identificação pelos números 97 e 98. Os relés podem ser representados simbolicamente por uma das seguintes letras: e ou F. Outras características construtivas do relé térmico, é que em alguns modelos ele pode ser fornecido com botão para escolha de rearme manual (com retenção) ou automático (sem retenção), botão teste do contato NF (95-96), além de lingueta sinalizadora para indicar visualmente quando ocorre uma sobrecarga. Em alguns fabricantes é comum também que o relé possua na sua parte superior, um ponto de fácil acesso para a conexão do terminal A2 da bobina do contator, fazendo dessa maneira uma transferência de localização do A2 uma vez que quando o relé é acoplado ao contator (2;4;6), fica difícil se acessar a bobina. Esta transferência é feita eletricamente através de jamper (fio). O contato normalmente fechado é responsável pela interrupção do circuito de comando, ou seja, ele é conectado em série com o comando. Quando a corrente de carga ultrapassar o seu valor de regulagem, o elemento térmico atua, fazendo com que o contato NF abra, por conseguinte desenergizando o circuito de comando. O tempo de disparo do relé depende de sua curva característica do próprio motor. FATOR DE SERVIÇO: É o fator que aplicado à potência nominal do motor, indica a sobrecarga permissível que pode ser aplicada continuamente ao motor, sob condições específicas. Ex. se o Fs = 1,15, nessa situação o motor suporta continuamente 15% de sobrecarga acima de sua potência nominal. Observe que se trata de uma capacidade de sobrecarga contínua, ou seja, uma reserva de potência que dá ao motor uma capacidade de suportar melhor o funcionamento em condições desfavoráveis. Caso o motor solicite uma corrente superior aquela para qual se ajustou o relé, este acréscimo de corrente fará com que o elemento térmico atue, interrompendo o circuito de comando. O contato normalmente aberto (NA/97-98) pode ser utilizado para sinalização visual, indicando para o operador que a chave de acionamento do motor desligou através do relé. Simbologia: Os elementos de um relé bimetálico têm as seguintes representações gráficas e utilizam letras características e números para referencia-los e facilitar o entendimento no contexto do diagrama elétrico: Fig. 2.2a O relé bimetálico utiliza o conceito físico da justaposição longitudinal de dois metais com coeficientes de dilatação diferentes, e quando ocorre a sobrecarga estes metais irão se dilatar e produzir um encurvamento do par bimetálico, cujo trabalho mecânico irá atuar em um contato auxiliar normalmente fechado, interrompendo dessa maneira a continuidade de alimentação da bobina do contator. Formatados: Marcadores e numeração
  • 14.
    CENTRO FEDERAL DEEDUCAÇÃO TECNOLÓGICA DO CEARÁ – CEFET-CE CURSO DE ELETROTÉCNICA - MANUAL DE COMANDOS INDUSTRIAIS P-01 PÁGINA Prof. Gênova 8 Elemento térmico Contato auxiliar Contato auxiliar no circuito de força: normalmente fechado (NF) normalmente aberto (NA) 2 4 6 95 97 e4 e4 e4 96 98 2.3- 2.3- Botões de comando: Função: Acionamento ou desativação do circuito de comando, através de impulso manual do botão pulsante. Botão de comando é a designação dada a dispositivos de comando que são acionados ao pulsarmos o botão ou manopla, retornando a sua posição inicial imediatamente após cessar o impulso mecânico. Existem botões com elementos de contato individual normalmente aberto (NA) ou normalmente fechado (NF), e botão de comando duplo ou conjugado, contendo contatos simultâneos tanto NA como NF. O botão NF é utilizado para desligar ou desativar o circuito, devendo ter a indicação “0” em marcação frontal do botão opaco. Deve-se empregar como padrão a cor vermelha para o botão desliga (NF). O botão NA deve ter a indicação “ I “ em marcação frontal do botão opaco, e é utilizado para ligar ou estabelecer o circuito, podendo ser nas cores amarela, preta, verde, branca ou transparente. Vide Fig.2.3 a. Quando se utilizam os botões de comando agrupados em caixas de material isolante do tipo termoplástico ou similar, ou em caixas metálicas, pode-se denominar o conjunto de “botoeira de comando”. Vide fig.2.3b. Fig. 2.3 a Botoeira liga (I) / desliga (O) Botoeira com furação Botoeira com furação em caixa termoplástica centralizada sem plaqueta descentralizada na tampa com plaqueta Existem ainda diversos tipos e modelos de botões de comando, que variam de fabricante para fabricante, e que tem a sua aplicação específica conforme a exigência e complexidade do circuito, conforme dados e figuras a seguir apresentados: Botão de comando e sinalização: Botão transparente, com elemento(s) de contato(s) e soquete para lâmpada, de tal forma que se obtenha, assim como num sinalizador luminoso, uma indicação óptica dada por uma lâmpada embutida no mesmo. Vide fig.2.3c. Botão de comando com chave de segurança: Botão com elementos de contato e chave de segurança, com bloqueio e retirada da chave nas duas posições. Vide fig.2.3d. Botão de comando cogumelo: Botão com elemento de contato normalmente fechado (NF) e na cor vermelha, que devido a sua forma construtiva e anatômica de um cogumelo, é utilizado para facilitar o seu acionamento para desativação do circuito. Este modelo de botão pode também ser fornecido com trava, onde o giratório do cogumelo é usado para desbloqueio. Existe ainda a opção deste botão contendo elementos de contato NF e NA (botão duplo). Vide fig.2.3e. Fig.2.3c Fig.2.3d Fig.2.3b Formatados: Marcadores e numeração
  • 15.
    CENTRO FEDERAL DEEDUCAÇÃO TECNOLÓGICA DO CEARÁ – CEFET-CE CURSO DE ELETROTÉCNICA - MANUAL DE COMANDOS INDUSTRIAIS P-01 PÁGINA Prof. Gênova 9 Botão de comando cogumelo com trava e chave de segurança: Botão com elemento de contato normalmente fechado (NF) e na cor vermelha, contendo trava e chave de segurança para desbloqueio, e chave retirável nas duas posições. Vide fig.2.3f. Comutador de comando com manopla: Comutador de comando com elemento(s) de contato(s) NA ou NF, com ou sem retorno da manopla de acionamento. Este comutador pode ser fornecido também com chave de segurança retirável. Vide fig.2.3g. Comutador de comando por chave de posição: As chaves de posição fim de curso, são empregadas para o controle e comando de portões automáticos, pontes rolantes, guindastes, tornos, elevadores de carga, elevadores prediais, elevacar dentre outras aplicações. O acionamento pode ser do tipo pino, rolete superior, rolete lateral, haste ajustável com rolete, que dependendo da aplicação e as características do sentido do movimento, se horizontal, se vertical, pode ser adequadamente escolhido. Possuem elementos de contato NA/NF em câmaras fechadas, e tipos de acionamento em pino simples, pino reforçado, pino com rolete metálico, rolete superior, rolete lateral, rolete de posições múltiplas, haste flexível, alavanca ajustável com rolete e haste rígida. Vide figuras 2.3h (I, II e III); (I) (II) (III) Fig.2.3h Botão de comando de pedal: Botão com elementos de contato NA e/ou NF, cujo acionamento é realizado pela impulsão do pedal através do pé do operador. Vide fig.2.3i e a simbologia: Fig.2.3i Simbologia: Os elementos de um botão de comando tem as seguintes representações gráficas e utilizam letras características e números para referencia-los e facilitar o entendimento no contexto do diagrama elétrico: Botão de comando NF Botão de comando NA Botão de comando duplo (vermelho) (verde ou outra cor) NA/NF(conjugado) bo bo b1 b1 b22 ou 1 ou 1 ou 3 ou 3 ou 3 1 So So S1 S1 S22 2 2 4 4 4 2 Botão de comando por pé (botão de pedal): Fig.2.3e Fig.2.3f Fig.2.3g
  • 16.
    CENTRO FEDERAL DEEDUCAÇÃO TECNOLÓGICA DO CEARÁ – CEFET-CE CURSO DE ELETROTÉCNICA - MANUAL DE COMANDOS INDUSTRIAIS P-01 PÁGINA Prof. Gênova 10 Ex. NA/NF 3 1 b23 4 2 2.4- 2.4- Lâmpada de Sinalização: Função: Efetuar a sinalização visual do estado de um circuito, proporcionada por uma indicação óptica dada por uma lâmpada incandescente ou neon, montada em um conjunto denominado de sinaleiro. Vide fig.2.4. Fig.2.4 O sinaleiro ou sinalizador com a lente na cor vermelha e a lâmpada acesa, indica que o circuito esta estabelecido e a carga em operação. Já o sinalizador com a lente na cor verde e a lâmpada acesa, indica que o circuito esta desativado e a carga fora de operação. Num quadro de comando e manobra é mais usual só utilizar o sinalizador com lente vermelha, o que traz economia de componentes e redução de consumo de energia, apesar da pequena potência do sinalizador luminoso. As lâmpadas de sinalização são montadas em suportes denominados de “armação de sinalização ou sinaleiro”, e utilizam normalmente soquetes de encaixe para base da lâmpada do tipo baioneta, podendo as mesmas ser incandescentes ou de Néon, para tensões de 110 ou 220 VCA. Quando a lâmpada de sinalização é instalada diretamente em paralelo com a bobina do contator, é recomendado usar lâmpada neon, tendo em vista que quando do desligamento do contator, podem surgir sobretensões que reduzem a vida útil da lâmpada caso seja incandescente. No caso de optar por usar lâmpadas incandescentes para a sinalização, recomenda-se que a alimentação seja feita através de um contato auxiliar. Quando a sinalização luminosa é feita num quadro de uso ao tempo, é recomendado usar lâmpadas incandescentes tendo em vista que durante o dia devido a presença da luz solar no ambiente aberto, a sinalização néon pode ficar imperceptível visualmente, o que torna a sinalização sem efeito. A potência destas lâmpadas é de baixa intensidade, variando entre 1,2 a 2,6 W. As lentes dos sinalizadores podem ser fornecidos nas cores vermelho, verde, amarelo, incolor (translúcido) e azul. Em quadros de instalação ao tempo é recomendado que sejam usadas lentes de vidro, pois as lentes de plástico ou acrílico se tornam opacas e quebradiças devido a forte incidência dos raios ultravioletas. Simbologia: Os elementos de uma lâmpada de sinalização tem a seguinte representação gráfica e utiliza letra característica e número para referencia-lo e facilitar o entendimento no diagrama elétrico: Lâmpada de sinalização vermelha Lâmpada de sinalização verde h1 VM h2 VD 2.5- 2.5-Fusível NH : Função: Efetuar a proteção contra curto-circuito, sobretudo de sistemas elétricos industriais onde estão presentes correntes nominais elevadas e com níveis de curto-circuito de elevada intensidade. O fusível NH tem a característica construtiva de possuir alta capacidade de interrupção ( 100 kA) chegando a casos na ordem de 120 kA até 500 VCA, portanto sendo mais adequado para resistir os esforços eletromecânicos da corrente de curto-circuito. Vide fig.2.5 a Formatados: Marcadores e numeração Formatados: Marcadores e numeração
  • 17.
    CENTRO FEDERAL DEEDUCAÇÃO TECNOLÓGICA DO CEARÁ – CEFET-CE CURSO DE ELETROTÉCNICA - MANUAL DE COMANDOS INDUSTRIAIS P-01 PÁGINA Prof. Gênova 11 Os fusíveis NH são elementos limitadores de corrente, onde a fusão do seu elo dá-se pelos efeitos térmicos da corrente. O fusível NH apresenta na sua curva característica, uma faixa de sobrecarga onde ocorre o desligamento com retardo, isto é, um tempo de atuação tão longo que é possível ligar um motor com sua corrente de partida, sem que se funda o seu elo fusível (veja a curva característica de tempo X corrente do fusível NH). Estes fusíveis em construção especial aplicam-se também a outras funções, como por exemplo, para a proteção de tiristores, em dispositivos eletrônicos e de acionamento microprocessados, que nesta situação tem uma característica ultra-rápido. Além disto os fusíveis NH possuem alta capacidade de interrupção, que significa poder interromper com segurança, correntes de curto circuito na ordem de grandeza de até 100 KA. As seguranças NH reúnem as características de fusível retardado, para correntes de sobrecarga, e de fusível rápido para correntes de curto-circuito. O fusível NH completo, incluindo acessório, é composto de base, corpo (fusível) e punho, fig. 2.5b, e são fornecidos em diversos tamanhos conforme normas brasileira, americana e alemã - NBR, IEC, VDE e DIN: Tamanho 00; 1; 2; 3 e 4. Tamanho FUSÍVEL NH - Corrente nominal (A) 00 6 10 16 20 25 32 40 50 63 80 100 125 160 1 40 50 63 80 100 125 160 200 224 250 2 224 250 315 355 400 3 400 500 630 4 800 1000 1250 Fonte: SIEMENS Fig. 2.5b São fabricados para correntes nominais na faixa de 6 até 1250 A, conforme tabela de valores normalizados, discriminados por tamanho, visto na tabela anterior. O punho saca fusível só pode ser utilizado para retirada dos fusíveis NH com o circuito em vazio (circuito sem carga ou desativado), podendo, no entanto, os mesmos estarem submetidos a tensão uma vez que o punho é fabricado com material isolante que proporciona proteção adequada para o operador. Vide fig.2.5c. Simbologia: Os elementos de um fusível NH tem a seguinte representação gráfica e utiliza letra característica e número para referenciá-la e facilitar o entendimento no contexto do diagrama elétrico: Fig.2.5a Fig.2.5c Corpo do Fusível NH Base NH O fusível NH pode ser traduzido do alemão com a seguinte interpretação: N é originado da palavra Niederspannung, que significa Baixa tensão, sendo H originado de Hochleistung, que signigfica Alta Capacidade. Dispositivo de manobra destinado a interromper a corrente do circuito pela fusão do seu elo fusível, sendo o mesmo envolto em areia para propiciar a extinção do arco elétrico.
  • 18.
    CENTRO FEDERAL DEEDUCAÇÃO TECNOLÓGICA DO CEARÁ – CEFET-CE CURSO DE ELETROTÉCNICA - MANUAL DE COMANDOS INDUSTRIAIS P-01 PÁGINA Prof. Gênova 12 Fusível NH instalado na sua base, para proteção do circuito de força: R S T e1 e2 e3 ou F1 F2 F3 2.6- Fusível Diazed: Função: Efetuar a proteção dos circuitos parciais contra curto-circuito. Os fusíveis diazed são elementos limitadores de corrente, para aplicação geral mas que devem ser usados preferencialmente na proteção dos condutores da instalação, circuitos de iluminação, circuitos de comando e em circuitos de força de motores de pequeno e médio porte . Vide fig.2.6 a Possuem também a característica de ação retardada, para cargas com pico de corrente, ou atuação rápida no caso de curto-circuito. O conjunto de segurança diazed compõe-se dos seguintes elementos: Vide fig.2.6b.  Tampa : É a peça na qual o fusível é encaixado, permitindo colocar e retirar o mesmo da base, mesmo com a instalação sob tensão.  Fusível: É a peça principal do conjunto, constituído de um corpo cerâmico, dentro do qual esta montado o elo fusível e cujo espaço esta preenchido com areia especial de quartzo, que tem a função de extinguir o arco voltaico em caso de fusão do elo. Para facilitar a identificação do fusível é padronizado um código de cores para a espoleta, que corresponde aos valores padronizados das correntes nominais dos fusíveis, corforme norma DIN e tabela a seguir apresentada: Tamanho / Rosca Corrente Nominal (A) Código de cor D II / E27 2 Rosa 4 Marrom 6 Verde 10 Vermelho 16 Cinza 20 Azul 25 Amarelo D III / E33 35 Preto 50 Branco 63 Cobre O indicador se desprende em caso de queima (fusão do elo fusível), se apresentando visível para o operador através do visor de inspeção da tampa.  Anel de Proteção: É a peça em formato de anel, constituída de material isolante, normalmente de cerâmica, que protege a rosca metálica da base aberta, evitando assim choques acidentais quando da troca dos fusíveis. São fornecidos nos tamanhos referentes as roscas E27 e E33.  Parafuso de ajuste: Construídos em diversos tamanhos em conformidade com a amperagem dos fusíveis. São instalados na base, através do acessório denominado chave para parafuso de ajuste, e depois de encaixados não permitem a colocação de fusível de maior valor nominal do que o previsto. O código de cores é semelhante ao empregado para as cores das espoletas, e também são fornecidos em tamanhos compatíveis com a base de rosca E27 e E33. Fig.2.6 a
  • 19.
    CENTRO FEDERAL DEEDUCAÇÃO TECNOLÓGICA DO CEARÁ – CEFET-CE CURSO DE ELETROTÉCNICA - MANUAL DE COMANDOS INDUSTRIAIS P-01 PÁGINA Prof. Gênova 13  Base: É a peça unipolar que reúne todos os componentes do conjunto de segurança, sendo fornecida nas roscas E27 e E33. A base pode ser fixada através de parafusos, ou propiciar uma fixação rápida por engate em termoplástico ou chapa de aço, no trilho suporte. Um alerta deve ser dado sobre a substituição de fusíveis do tipo D. O fusível diazed é um fusível de aplicação geral e para circuitos de motores, sendo do tipo com resposta retardada, para evitar a queima durante a corrente de partida. Existe outro tipo de fusível de aparência semelhante ao tipo D, mas com resposta rápida, denominado de fusível silized, e é empregado para proteger circuitos eletrônicos, tais como circuitos que contenham Softstarter e inversores de freqüência. É comum presenciar máquinas que foram literalmente queimadas por que houve troca indevida pelo pessoal da manutenção, de um silized por um diazed. Porisso muita atenção! Fig.2.6b Simbologia: Os elementos de um fusível diazed tem a seguinte representação gráfica e utiliza letra característica e número para referencia-lo e facilitar o entendimento no contexto do diagrama elétrico: Fusível diazed no circuito de comando: Fusível diazed no circuito de força: R S T e21 e1 e2 e3 ou ou F21 F1 F2 F3 2.7- 2.7. Chave Seccionadora e comutadora rotativa tipo PACCO: Função: Seccionamento e comutação de cargas nos circuitos de força, comando e instrumentos de medição. As chaves rotativas PACCO destinam-se a manobra (seccionamento e comutação) de cargas alimentadas em CC e CA. Vide fig.2.7 a. As chaves seccionadoras são comumente empregadas no circuito de força de motores, conjuntamente com os fusíveis e contatores. Nesta situação a chave tripolar faz o seccionamento do ramal de alimentação do motor, para eventuais manutenções de rotina em todo o trecho, proporcionando uma maior segurança ao eletricista que irá trabalhar com o circuito desligado e sem riscos de choques elétricos. As chaves comutadoras são utilizadas tanto na ligação de amperímetro de painel, com transformador de corrente, como em voltímetro de painel. A comutadora de amperímetro possibilita que seja empregado Tampa Fusível Anel de proteção Parafuso de ajuste Base Fig. 2.7 a Formatados: Marcadores e numeração
  • 20.
    CENTRO FEDERAL DEEDUCAÇÃO TECNOLÓGICA DO CEARÁ – CEFET-CE CURSO DE ELETROTÉCNICA - MANUAL DE COMANDOS INDUSTRIAIS P-01 PÁGINA Prof. Gênova 14 um único amperímetro, de maneira que se pode monitorar em momentos distintos, as correntes de carga nas três fases (R;S;T). No caso da comutadora de voltímetro, vide fig.2.7b, com um único voltímetro consegue-se monitorar as tensões entre as fases ( RS-RT-ST) de maneira não simultânea. camento da porta,ficando a manopla de acionamento fixa com a placa frontal quadrada, na parte externa da porta. Já a chave fixada pela base, quando se efetua a abertura e fechamento da porta, o corpo da chave permanece fixo dentro do quadro, só acompanhando o deslocamento da porta, a manopla e a placa frontal quadrada instaladas no lado externo da chapa metálica. Simbologia: Os elementos de uma chave seccionadora tipo PACCO, tem a seguinte representação gráfica e utiliza letra característica e número para referencia-lo e facilitar o entendimento no contexto do diagrama elétrico: a) chave seccionadora: P1 P2 P3 Q Q 1 2 3 b) chave comutadora de voltímetro: R T 0 1 2 3 4 0 RS c) chave comutadora de amperímetro (utilizando 3 TC’s): TC-L1 TC-L2 TC-L3 1 2 3 0 1 2 3 Q 3 1 2 2.8- 2.8- Relé de tempo Função: Efetua a temporização de todos os processos que envolvem a operação e manobra de circuitos auxiliares de comando, proteção, regulação e outros componentes dos circuitos. Dispositivo de comando a distância, cujos contatos auxiliares comandam, perante certas grandezas elétricas (corrente e tensão), outros dispositivos através de circuitos auxiliares, com retardamento pré- V S LEITURA V.LINHA 0 RS ST TR POSIÇÃO 0 1-4 1-2 2-3 ST TR Comutadora de voltímetro Fig.2.7b A As chaves comutadoras PACCO são fornecidas nas seguintes versões e correntes nominais:  Seccionador tripolar sob carga: (10; 16; 20; 25; 32; 40; 50; 63; 100; 125 e 250 A)  Comutador para Voltímetro: (10 A)  Comutador para amperímetro: ( 10 A) As chaves seccionadoras e comutadoras, tem a opção de poderem ser fixadas no topo ou na base. A fixação no topo é efetuada pelo lado interno da chapa metálica da porta do quadro eletromecânico, e quando a porta é aberta ou fechada, todo o corpo da chave acompanha o deslo- Formatados: Marcadores e numeração
  • 21.
    CENTRO FEDERAL DEEDUCAÇÃO TECNOLÓGICA DO CEARÁ – CEFET-CE CURSO DE ELETROTÉCNICA - MANUAL DE COMANDOS INDUSTRIAIS P-01 PÁGINA Prof. Gênova 15 ajustado pelo elemento temporizado. O pré ajustamento do retardo do temporizador, é efetuado através de dial montado na parte frontal do relé, cuja escala pode ser fornecida nas seguintes faixas de ajuste, conforme o fabricante: 0,06 - 0,6 s ; 0,6 - 6 s ; 6 - 60 s ; 0,6 - 6 min ; 6 - 60 min., ou 0 - 5 s ; 0 - 15 s ; 0 - 30 s ; 0 - 60 s. Uma das principais aplicações do relé temporizado eletrônico, é a sua utilização nos circuitos das chaves estrela-triângulo automáticas, para garantir que o fechamento do contator triângulo só ocorra quando o contator estrela já estiver aberto, e o respectivo arco voltaico extinto. Os relés de tempo podem ser fornecidos com um comutador em ponto comum (15) com contato auxiliar normalmente fechado (15-16) e outro normalmente aberto (15-18), ou com dois comutadores em pontos comuns independentes (15) e (25), contendo um contato NF (15-16) e um contato NA (15-18), e no outro comutador os contatos NF (25-26) e NA (25-28), conforme simbologia e os esquemas de ligação apresentados a seguir: Simbologia: Os elementos de um relé temporizado tem a seguinte representação gráfica e utiliza letra característica e números para referencia-lo e identificar os seus contatos auxiliares, de maneira a facilitar o entendimento no contexto do diagrama elétrico: Bobina do relé Contato auxiliar NF/NA: Esquemas de ligação: temporizado: A1 15 A1 15 25 A1 16 18 d1 d2 d1 d1 d 15 15 A2 16 18 A2 16 18 26 A2 Relé temporizado com base tipo Plug-in: São relés que apresentam grande versatilidade de instalação e manutenção, uma vez que apenas as bases são afixadas no quadro e efetuadas todas as ligações. O relé é facilmente encaixado na base e fixo por presilhas de nylon. Simbologia: 6 1 4 Legenda dos terminais 1 – 8 : Contato NF (espera a temporização d1 para abrir); 1– 2 : Contato NA (espera a temporização 7 8 2 3 5 para fechar); 3 – 4 : Contato NF (ao energizar a bobina, comuta para NA, e após a temporização retorna ao estado inicial NF); 4 – 5 : Contato NA (logo ao energizar a bobina, comuta para NF e após a temporização retorna ao estado inicial NA); 6 – 7 : Símbolo ~ que corresponde aos terminais de alimentação da bobina 2.9- Chaves Bóia: Função: Acionamento ou desativação automática de circuitos alimentadores de conjuntos moto- bombas através do controle do nível de líquidos, principalmente de água. As chaves bóias são normalmente fornecidas em dois modelos específicos, ou seja: chave bóia de nível inferior (NI), que é utilizada para controle de nível em cisternas e chave bóia de nível superior (NS), sendo empregada para controle de nível em caixas d‘ águas. O comando para controle e alimentação de conjunto moto-bomba, utilizado nos sistemas de abastecimento d’água em edificações, emprega normalmente uma bóia NI e outra NS, conectadas em série entre si, e ligadas em paralelo com o botão liga (NA) do circuito de comando, de forma que o automatismo do sistema opere conforme os níveis de água da cisterna e caixa d’água. A chave bóia possui contato líquido de mercúrio, que dependendo da 28 Fig.2.8
  • 22.
    CENTRO FEDERAL DEEDUCAÇÃO TECNOLÓGICA DO CEARÁ – CEFET-CE CURSO DE ELETROTÉCNICA - MANUAL DE COMANDOS INDUSTRIAIS P-01 PÁGINA Prof. Gênova 16 posição da bóia dentro do reservatório, pode deixar fechado ou interrompido dois eletrodos de contato, de maneira que o circuito de alimentação da bobina do contator seja energizado ou desativado, acionando ou desligando o motor bomba. Para o controle e acionamento de cargas de pequeno porte, como no caso de motores monofásicos fracionados, pode-se utilizar as bóias alimentando diretamente o circuito de força, através do seu próprio contato elétrico, sem necessidade de se empregar chave magnética. Nesta condição deve-se observar o valor limite da capacidade de corrente da bóia (10 ou 15 A) em comparação com a corrente de carga. Simbologia: Os elementos de uma chave bóia tem a seguinte representação gráfica e utiliza letra característica e números para referencia-la, de maneira a facilitar o entendimento no contexto do diagrama elétrico: Chave bóia nível inferior (para cisterna): Chave bóia nível superior (para caixa d’água): Q NI Q NS 2.10- Relé Fotoelétrico Função: Comandar automaticamente circuitos de iluminação e outras cargas, através de um elemento sensor de irradiação luminosa do tipo fotoresistor (célula fotoelétrica) ou fotosensor (elemento de estado sólido). Os relés fotoelétricos podem ser fornecidos com contatos auxiliares NA ou NF. O relé NF é empregado para comando direto (individual) de luminária. Quando o dia amanhece e devido a incidência de luminosidade solar na célula fotoelétrica, esta é sensibilizada fazendo com que o contato auxiliar abra desligando a lâmpada da rua. Caso ocorra um defeito neste relé, como o contato já é normalmente fechado, a lâmpada permanecerá acesa durante as 24 horas do dia, até que se providencie a substituição do mesmo. O relé com contato normalmente aberto (NA), é empregado para o comando em grupo de IP (padrão em desuso) ou comando da iluminação de praças, cuja célula fotoelétrica ou fotosensor ao ser sensibilizada pela luminosidade natural do sol, fecha o seu contato auxiliar, alimentando dessa maneira a bobina de uma chave magnética ou de um contator que possui contatos normalmente fechados nos circuitos da carga, e que nesta ocasião abrirá esses contatos desenergizando o fio controle responsável pela alimentação de diversas lâmpadas de uma mesma rua ou de um grupo de luminárias. O problema da chave magnética é que no caso dos fusíveis de proteção dos circuitos de carga chegarem a queimar, todo um trecho de rua a noite ficaria as escuras, contribuindo dessa forma indiretamente com a perda de segurança. O relé fotoelétrico possui retardo de operação evitando acionamentos falsos devido a iluminamentos momentâneos de faróis de carro, foco de lanternas, fogos de artifício, relâmpagos e outros. Relé fotoelétrico Base do relé fotoelétrico Fig. 2.10 Características Técnicas: Relé NA ou NF para 220V - 1.000 W / 1.800VA Simbologia: Os elementos de um relé fotoelétrico tem a seguinte representação gráfica e utiliza letra característica e números para referencia-lo, de maneira a facilitar o entendimento no contexto do diagrama elétrico: Elemento Sensor: Esquema de ligação: A
  • 23.
    CENTRO FEDERAL DEEDUCAÇÃO TECNOLÓGICA DO CEARÁ – CEFET-CE CURSO DE ELETROTÉCNICA - MANUAL DE COMANDOS INDUSTRIAIS P-01 PÁGINA Prof. Gênova 17 4 2 3 5 1 B C Legenda A – Fase 1 – Fotocélula B - Neutro 2 - Resistor de Aquecimento C - Carga 3 - Contato de Carga 4 - Resistor de Amortecimento 5 - Pára-Raios 2.11- Relé Falta de Fase: Função: Efetua a proteção contra falta e desequilíbrio entre fases, nos circuitos de motores, transformadores, barramentos trifásicos e outras cargas. O relé falta de fase é conhecido também como relé de falta de tensão. As três fases da rede de alimentação (fonte), serão monitoradas através do relé. Caso ocorra algum problema com uma das fases, o equipamento será sensibilizado e atuará no circuito auxiliar de um contator, desativando a sua bobina e salvando a carga por insuficiência de tensão de alimentação. No caso da falta de duas fases, o equipamento é desativado automaticamente. Vide Fig. 2.11. Relé falta de fase Fig.2.11 Relé sem neutro Relé com neutro R S T R S T 11 11 RFF RFF 12 14 N 12 14 2.12- Soft-starter: Função: São chaves de partida estáticas microprocessadas, concebidas para propiciar a partida/parada suave de motores de indução trifásicos, utilizando no circuito de potência, 2 tiristores em ligação anti-paralelo por polo. A chave soft-starter aplica ao motor uma rampa de aceleração ou desaceleração, através do controle da tensão aplicada, por intermédio de um microprocessador, que controla o ângulo de disparo dos tiristores. Características técnicas:  Chave Soft-starter SSW-01 – WEG  Degraus de tensão: 50, 60, 70 ou 80% Un  Tensão de alimentação:220/380V  Chaveamento de potência: 6 tiristores  Freqüência: 50/60 Hz  Circuito de controle: por microprocessador  Faixa de pedestal: 25 a 75% da Un  Funções e controle do usuário: ajustes são  Rampa de aceleração: 0,5 a 60 s. feitos através de chaves tipo dip-switch  Rampa de desaceleração: 1 a 120 s Características Técnicas: Relé falta de fase, com neutro ou sem neutro. Tensões nominais: 110, 220 ou 380V Consumo: de 1 a 3VA Corrente nominal nos contatos: 5 A em 250V Tempo de retorno dos contatos: entre 20 e 40ms Dial de ajuste da sensibilidade ( + / - ) Simbologia : Os elementos de um relé falta de fase tem a seguinte representação gráfica e utiliza letra característica e números para referenciá-lo, de maneira a facilitar o entendimento no contexto do diagrama elétrico: Formatados: Marcadores e numeração Formatados: Marcadores e numeração
  • 24.
    CENTRO FEDERAL DEEDUCAÇÃO TECNOLÓGICA DO CEARÁ – CEFET-CE CURSO DE ELETROTÉCNICA - MANUAL DE COMANDOS INDUSTRIAIS P-01 PÁGINA Prof. Gênova 18  Chave Soft-starter LH4-NE – Telemecanique  Tensão de alimentação: 220/250V  Freqüência: 50/60 Hz  Rampa de aceleração – tempo de aceleração em 5 faixas (A, B, C, D, E)  Rampa de desaceleração – tempo de desaceleração em 5 faixas (A, B, C, D, E)  Torque inicial – 5 faixas (A, B, C, D, E) Simbologia: 3ɸ ~ R S T 3ɸ ~ R S T 2.13- Inversor de Freqüência: Função: Acionamento de motor CA com velocidade e freqüência variável. Os inversores de freqüência são destinados ao controle e variação de velocidade e freqüência de motores CA. Variando-se a freqüência, varia-se consequentemente, a tensão aplicada ao motor, possibilitando variar de forma contínua a rotação do motor desde zero até a velocidade máxima [U/f = k (cte)]. Na prática o equipamento é um conversor, constituído na entrada de um retificador, que transmite energia de uma fonte CA (monofásica) para uma carga CC, um circuito intermediário constituído de um filtro, e na saída de um inversor, que transmite energia de uma fonte CC para uma carga CA trifásica. Simbologia: F N R S T ~ 1ɸ = ~ 3ɸ 2.14- Módulo lógico programável Função: Executar tarefas de comando e controle através de circuito desenhado no display de cristal líquido do equipamento, usado para sistemas industriais, comerciais e prediais, contendo funções de temporizador, programador horário, contador analógico, relé auxiliar, entradas analógicas para atuadores externos, saídas analógicas para output, relógio em tempo real e demais funções. Características técnicas:  Fabricante TELEMECANIQUE: Módulo lógico programável denominado de “Zélio” , referência SR 1B101FU, Un de 100 a 240V, 50/60 Hz, com alimentação monofásica.  Fabricante Klockner Moeller: Relé de controle com timer denominado de “EASY”, referência 412 AC- RC, Un de 115 a 240VB, 50/60 Hz, alimentação monofásica. Simbologia: E S Letra característica: n Input output 3. PROCEDIMENTO DA PRÁTICA Relacione nesta planilha todo o material e equipamento disponível no laboratório de comandos industriais. Indique a simbologia, a letra característica, a sua função e a especificação. M 3ɸ MLP
  • 25.
    CENTRO FEDERAL DEEDUCAÇÃO TECNOLÓGICA DO CEARÁ – CEFET-CE CURSO DE ELETROTÉCNICA - MANUAL DE COMANDOS INDUSTRIAIS P-01 PÁGINA Prof. Gênova 19 Componente Símbolo Letra Função Especificação Contator Bloco Aditivo Relé Bimetálico Botoeira NA Botoeira NF Botoeira NA/NF Sinaleiro Verde Sinaleiro Vermelho Fusível NH Fusível Diazed (DZ) Chave PACCO Relé de tempo Chave bóia (NS) Chave bóia (NI) Relé fotoelétrico NF Relé fotoelétrico NA Relé falta fase Chave soft-starter Inversor freqüência Módulo Lógico Prog. 4. VERIFIQUE OS SEUS CONHECIMENTOS 4.1- Considerando os diversos componentes empregados nos circuitos de comandos industriais, faça a correlação entre o componente e a sua função operacional: Item Componente N° Função operacional 01 Contator Proteção do MIT contra sobrecarga 02 Relé bimetálico Proteção contra curto circuito, geralmente no circuito de força 03 Botão de comando Proteção contra curto circuito , geralmente no comando 04 Chave soft-starter Temporizar a operação de outros componentes no circuito 05 Lâmpada de sinalização Relé de controle onde o circuito é desenhado no display (LCD) 06 Fusível NH Acionamento de motor CA com velocidade variável 07 Fusível Diazed Sinalização visual do estado operacional de um circuito 08 Inversor de freqüência Proteção contra desequilíbrio e falta de fase em cargas 3Φ 09 Chave Pacco Liga, desliga de ação momentânea através do impulso manual 10 Relé de tempo Partida suave de MIT através do chaveamento de tiristores 11 Relé falta de fase Comando, secionamento e controle dos circuitos 12 M. Lógico programável Seccionamento e comutação de cargas à vazio
  • 26.
    CENTRO FEDERAL DEEDUCAÇÃO TECNOLÓGICA DO CEARÁ – CEFET-CE CURSO DE ELETROTÉCNICA - MANUAL DE COMANDOS INDUSTRIAIS P-01 PÁGINA Prof. Gênova 20 4.2- Desenhe o diagrama esquemático de um contator que possua 3 (três) contatos principais e 4 (quatro) contatos auxiliares, sendo 2NA e 2 NF. Indique as referências de todos os contatos e terminais empregando letras e números correspondentes. 4.3- Faça a correlação das partes que compõem as seguranças fusíveis NH e Diazed, e preencha as colunas correspondentes assinalando com X o item correlato: Item Partes dos fusíveis Fusível Diazed Fusível NH 01 Fusível de encaixe calibrado 02 Punho saca fusível 03 Base para fusível tipo faca 04 Tampa 05 Base Rosca E27 ou E33 06 Parafuso de ajuste 07 Anel de proteção 08 Fusível de alta capacidade 4.4. Qual a diferença fundamental entre o fusível diazed e o silized? 4.5. Qual o risco que pode ocorrer no caso de uma troca indevida de um fusível silized por um diazed? 4.6. De acordo com a NBR 5410, a proteção contra sobrecarga do motor pode ser proporcionada diretamente fazendo parte integrante do motor, ou através de dispositivo de proteção independente, sensível à corrente absorvida pelo motor. Explique que proteções são essas e quando devem ser empregadas. 4.7- Considerando os componentes mínimos adotados como critério de concepção do circuito terminal de alimentação de um motor trifásico, faça o desenho do esquema de acordo com a sua função operacional. Faça a interligação entre os dispositivos e cite suas respectivas denominações: Função / dispositivo Simbologia Denominação Dispositivo de proteção do circuito terminal Dispositivo de seccionamento Dispositivo de controle Dispositivo de proteção do motor Carga
  • 27.
    CENTRO FEDERAL DEEDUCAÇÃO TECNOLÓGICA DO CEARÁ – CEFET-CE CURSO DE ELETROTÉCNICA MANUAL DE COMANDOS INDUSTRIAIS PÁGINA: PRÁTICA 02 Prof. Gênova 22 PRÁTICA - 02 ASSUNTO: TESTE DOS MATERIAIS E EQUIPAMENTOS EMPREGADOS NOS CIRCUITOS DE COMANDO E FORÇA INDUSTRIAL. 1. OBJETIVOS  Capacitar o aluno a executar testes e ensaios nos diversos componentes de circuitos de comandos industriais e circuitos de força, que irá utilizar durante as montagens eletromecânicas na Oficina de Prática Profissional.  Empregar o teste série, multímetro, alicate volt-amperímetro e teste néon na aplicação dos testes e ensaios dos componentes. 2. COMENTÁRIOS TEÓRICOS Durante o período em que as aulas práticas se desenvolvem necessitamos contar com os diversos materiais e componentes disponíveis nos armários da Oficina de Prática Profissional, e para que isto seja possível é imprescindível que os mesmos estejam em condições adequadas e satisfatórias de funcionamento, pois às vezes um pequeno e insignificante defeito em algum dos componentes, é condição suficiente para impedir a operação parcial ou total de todo o circuito, fazendo com que a montagem não atenda ao objetivo a que foi proposto. Portanto torna-se condição necessária que além do aluno adquirir conhecimentos detalhados de todos os componentes que irá manusear, essencialmente deverá também adquirir pleno conhecimento de como executar os testes em cada um deles . Como foi citado no objetivo, os testes serão efetuados com a utilização do teste série, teste néon, e eventualmente do multímetro (analógico ou digital) e do alicate volt-amperímetro. A realização do teste deve ser de forma ágil, precisa e segura, pois o maior tempo de duração da prática deve ser despendido na sua montagem e na operação do circuito, portanto recomenda-se que seja empregado o teste série (lâmpada incandescente) ou o teste de continuidade sonora do multímetro, na grande maioria das aplicações que se necessite verificar a continuidade da parte viva do componente, por ser de aplicação simples e possibilitar a verificação visual ou sonora do estado comprobatório da peça. Fig.2 Outro ponto importantíssimo de ser verificado, é sobre as condições das fontes de alimentação tanto do painel que serão efetuadas as montagens, como a da bancada de trabalho. Observe que o painel contém 01 (uma) tomada de corrente monofásica (220V-FN) e uma tomada de corrente trifásica (380V-FF), enquanto na bancada tem disponível uma tomada de corrente monofásica(220V-FN). Antes de mais nada você só vai poder testar cada componente, cada peça se as fontes de alimentação estiverem em perfeitas condições de funcionamento, ou seja, fornecer tensão de fase (Fase-Neutro) de 220V e fornecer tensão de linha (Fase-Fase) de 380V (ou dentro dos limites da faixa de queda de tensão admissível). Para isso o disjuntor geral da Oficina e o disjuntor do Painel correspondente a sua bancada de trabalho, deverão estar ligados e o neutro adequadamente interligado nas fontes monofásicas. A comprovação da fonte de alimentação é feita com o uso do teste néon, para verificar o potencial fase e com o multímetro na modalidade de voltímetro, em escala adequada, para verificação das grandezas de valores de tensão. Durante o teste dos materiais se você detectar alguma coisa de anormal nos mesmos, relacione todas as observações pertinentes, separe a peça defeituosa das demais e informe ao professor.
  • 28.
    CENTRO FEDERAL DEEDUCAÇÃO TECNOLÓGICA DO CEARÁ – CEFET-CE CURSO DE ELETROTÉCNICA MANUAL DE COMANDOS INDUSTRIAIS PÁGINA: PRÁTICA 02 Prof. Gênova 23 3. MATERIAL EMPREGADO ITEM E S P E C I F I C A Ç Ã O QUANT UNID 01 Contator 3TB44 17-0 A -220V-60Hz-Siemens (2NA+2NF) 01 um 02 Contator 3TB42 12-0 A -220V-60Hz-Siemens (1NA+1NF) 01 um 03 Contator 3TB42 17-0 A -220V-60Hz-Siemens (2NA+2NF) 01 um 04 Contator 3TB40 10 0 A - 380v-60Hz-Siemens (1NA) 01 um 05 Contator 3TF44 22 0 A - 220V-60Hz-Siemens (2NA+2NF) 01 um 06 Contator LC1-D093 - 220V-60Hz-Telemecanique 01 um 07 Bloco Aditivo de contatos LA1-D-(1NA+1NF)-Telemecanique 01 um 08 Bloco Aditivo de contatos LA1-D-(2NA+2NF)- Telemecanique 01 um 09 Relê bimetálico de sobrecarga 3UA50(0,63-1 A)-Siemens 01 um 10 Relé bimetálico de sobrecarga 3UA50(2,5-4 A)-Siemens 01 um 11 Relé bimetálico de sobrecarga 3UA50(4-6,3 A)-Siemens 01 um 12 Relé bimetálico de sobrecarga 3UA43(4-5 A)-Siemens 01 um 13 Relé bimetálico de sobrecarga LR1-D093-Telemecanique 01 um 14 Relé de tempo 7PU06-220V-60Hz (0-60seg) - Siemens 01 um 15 Relé de tempo RYΔ-220V-60Hz (0-30seg) - Altronic 01 um 16 Fusível NH 3NA3 805 00 - 16 A - 500V - Siemens 03 um 17 Fusível diazed 5SB2 11/ 21 - 2/4 A - 500V - Siemens 01 um 18 Botão de comando NA/NF-3SB03 01 em cx blindada - Siemens 03 um 19 Dispositivo de sinalização 3SB01 04 com lâmpada 220V-VM/VD em cx blindada- Siemens 02 um 20 Chave seccionadora rotativa PACCO 25 A - 500V 01 uma 21 Chave Bóia NI / NS - 10 A - 500V 02 uma 22 Relé Fotoelétrico RTF-220V Stieletrônica NA / NF 02 um 23 Relé Fotoelétrico FLNF - 220V- LINSA 01 um 24 Base para relé fotoelétrico universal - 3 fios 01 uma 25 Chave soft-starter 01 um 26 Inversor de frequência 01 Um 4. PROCEDIMENTOS DA PRÁTICA A T E N Ç Ã O ! Durante a realização dos testes nos diversos componentes, existirão partes metálicas vivas que não estão protegidas contra contatos acidentais, por isso levam risco de choques elétricos. Portanto tenha o máximo de cuidado ao manusear o teste série, o multímetro ou o teste néon, e cada peça a ser submetida a tensão elétrica. O trabalho é simples e para que possa se desenvolver com segurança e tranqüilidade, exige por parte do aluno muita atenção e concentração. CUIDADO! Você vai lidar com tensões na ordem de grandeza de 220 e 380VCA. 4.1- Teste do Contator: Utilizando a fonte de alimentação (tomada de corrente monofásica) da bancada de trabalho e o teste série, você deve verificar as seguintes partes que compõem o contator:  Teste de continuidade da bobina: Com as pontas de prova do teste série, faça contato com os terminais da bobina (A1-A2). A lâmpada deverá acender com um brilho de menor intensidade fazendo vibrar a peça ou mesmo fazendo com que a bobina eletromagnética atue operando o contator, com comportamento semelhante a um eletroímã, o que vai depender da potência da lâmpada incandescente do teste série, pois neste teste a lâmpada é ligada em série com a bobina as quais ficam submetidas a tensão monofásica da rede que é de 220V. Lembre-se que por norma a faixa de operação da bobina esta compreendida entre 0,85 a 1,10Un. (Para U=220V , Ub=187V a Ub=242V).
  • 29.
    CENTRO FEDERAL DEEDUCAÇÃO TECNOLÓGICA DO CEARÁ – CEFET-CE CURSO DE ELETROTÉCNICA MANUAL DE COMANDOS INDUSTRIAIS PÁGINA: PRÁTICA 02 Prof. Gênova 24  Teste dos contatos principais e auxiliares: Mantendo ainda o contator sem alimentação da bobina, coloque as pontas de prova do teste série em cada par de terminal dos contatos, do lado da fonte e do lado da carga, tanto para os contatos de força como para os auxiliares. Os contatos NA (por ex: 1-2, 3-4, 5-6 ou 13-14, 43-44,...) deverão indicar descontinuidade do circuito, por conseguinte a lâmpada deve permanecer apagada, enquanto os contatos NF (por ex: 21-22, 31-32,...) ao serem tocados com as pontas de prova do teste, deverão indicar continuidade e a lâmpada deverá acender. Ao efetuar o teste de continuidade dos contatos, utilize o auxílio de uma chave de fenda pequena ou mesmo uma caneta de plástico e pressione para baixo o botão de teste do contator para simular o acoplamento do núcleo móvel com o núcleo fixo, dessa maneira deverá haver uma inversão durante o teste de continuidade dos contatos NA e NF respectivamente. Para o contator da Telemecanique, encaixe adequadamente o bloco aditivo de contatos e proceda de maneira semelhante aos outros contatores, para efetuar o teste do mesmo. Repita o procedimento para os diversos modelos de contatores disponíveis na Oficina. 4.2- Teste do Relé Bimetálico de Sobrecarga:  Com o teste série verifique a continuidade dos terminais de entrada e saída dos polos do relé bimetálico (circuito de força). Para isso coloque uma ponta de prova em contato com uma das haste de encaixe, situada no lado da fonte para o referencial relé, que corresponde a entrada, e a outra ponta de prova coloque no terminal de saída do relé (2,4 ou 6), lado da carga, correspondente ao mesmo polo que se colocou a 1a ponta de prova. Se a lâmpada acender é sinal que o elemento bimetálico e as suas conexões estão em condições satisfatórias de operação. Repita o teste para os demais polos do relé. Lembramos que as hastes de encaixe do relé são utilizadas para fazer o acoplamento da entrada do relé com a saída do contator nos terminais 2-4-6 do circuito de força.  Verifique também a continuidade dos contatos auxiliares NF(95-96) e NA(97-98).  Proceda o teste nos diversos modelos de relés bimetálicos disponíveis na Oficina. 4.3- Teste dos Fusíveis NH e Diazed:  Para facilitar a identificação da atuação dos fusíveis diazed, existe um indicador de cor na parte superior do corpo do fusível, que se desprende em caso de queima. Devido a expulsão deste indicador, a ocorrência da queima é sinalizada ficando visível através da lente da tampa do fusível. A cor do indicador varia de acordo com o código de cores referenciado com a amperagem do fusível. Nos fusíveis NH a sinalização também é proporcionada por um indicador vermelho ou haste metálica, que é bem visível e se localiza na frente da tampa superior. Quando ocorre a fusão do elemento fusível este indicador salta para fora indicando visualmente que o fusível atuou. Este indicador é conhecido também como espoleta. Como é possível existir a falha dessa sinalização em ambos os fusíveis, uma vez que a atuação do indicador é mecânica após a fusão do elemento fusível, e considerando que podem existir fusíveis recondicionados em operação, indicamos a necessidade de efetuar a comprovação da continuidade dos mesmos através do teste série ou do teste de continuidade sonoro do multímetro. Observamos que para se realizar o teste dos fusíveis, é de fundamental importância que os mesmos estejam seccionados do circuito e sem potencial fase nos seus terminais. As peças que estiverem danificadas, devem ser separadas das demais. 4.4- Teste dos botões de comando:  Verifique o acionamento das botoeiras pulsando e soltando cada botão, que deve retornar ao estado inicial pelo efeito da mola.  Utilize o teste série ou o teste de continuidade sonoro do multímetro, para comprovar os contatos NA e NF nos instantes de repouso e operação (botão pressionado). Lembre-se que a botoeira possui botões conjugados, isto é, possuem os contatos NA/NF intertravados num mesmo eixo mecânico.
  • 30.
    CENTRO FEDERAL DEEDUCAÇÃO TECNOLÓGICA DO CEARÁ – CEFET-CE CURSO DE ELETROTÉCNICA MANUAL DE COMANDOS INDUSTRIAIS PÁGINA: PRÁTICA 02 Prof. Gênova 25 4.5- Teste dos sinalizadores luminosos:  Os dispositivos de sinalização disponíveis na Oficina de Prática Profissional, estão acondicionados em caixa blindada contendo um sinalizador com a lente na cor vermelha e outro sinalizador com lente na cor verde, cujas alimentações são proporcionadas através de 3 (três) terminais, sendo um comum que corresponde ao neutro e outros dois relativos ao potencial fase, um para cada lâmpada. Utilizando o teste série coloque as pontas de prova em dois dos terminais de alimentação e verifique se houve a sinalização da lâmpada correspondente. Proceda de maneira semelhante com a outra lâmpada. Caso a lâmpada de sinalização não acenda, retire a lente rosqueável e verifique se a lâmpada esta alojada na base, se a mesma esta mal encaixada, se esta queimada ou se existem fios soltos na caixa. Caso seja constatado o defeito proceda a correção do dispositivo de sinalização. 4.6- Teste do Relé de tempo:  Verifique o funcionamento do relé temporizado alimentando os terminais da bobina (A1-A2 ou 6-7, ... varia de fabricante para fabricante) através da fonte monofásica da bancada, devendo regular previamente o dial de intervalo de tempo, para um determinado tempo escolhido. Coloque as pontas de prova do teste série intercaladamente nos contatos auxiliares NF e NA e observe se decorrido o tempo pré ajustado, o relé atuará ou não na comutação dos contatos, através da indicação se a lâmpada apaga ou acende respectivamente.  Repita o teste para os diversos modelos disponíveis na Oficina. 4.7- Teste das chaves bóias:  A chave bóia Nível inferior é empregada em reservatórios de líquidos localizados geralmente abaixo do nível do solo, tipo cisterna. Tem os seus terminais de contato aberto quando posicionada na vertical, o que corresponde ao reservatório contendo um nível mínimo ou estando vazio. Quando o resevatório esta com um nível satisfatório ou mesmo cheio, a bóia se posiciona na horizontal o que corresponde aos terminais de contato fechado e dando continuidade. A chave bóia Nível superior empregada em caixas d’água, tem um comportamento inverso a do nível inferior, uma vez que na posição horizontal os seus contatos se apresentam abertos e na posição vertical os contatos estão fechados. Para se proceder o teste destas chaves basta colocar as pontas de prova do teste série nas extremidades dos fios que saem da bóia, e que estão conectados aos terminais de contato interno da mesma, e segurando-a com a mão proceder o movimento de mudança de posição da horizontal para vertical e vice-versa, simulando desta maneira a alteração no nível do líquido do reservatório. Caso haja correspondência entre o posicionamento da bóia com a abertura e fechamento do contato respectivamente, verificamos que a mesma esta em condições adequadas de operação. Caso contrário a bóia esta danificada. 4.8- Teste do Relé Fotoelétrico:  Uma maneira de proceder o teste do relé fotoelétrico (NF) na Oficina de Prática, é alimentar uma carga através de seu contato auxiliar e simular a presença da luz solar utilizando a lâmpada incandescente do teste série. Desta maneira pode-se sensibilizar o fotoresistor fazendo com que a carga seja energizada ou desligada.  Escolha como carga a bobina de um contator (220V-60Hz). Proceda as interligações de alimentação dos três fios da base do relé fotoelétrico da seguinte forma: Com a alimentação da rede ainda desligada, faça a conexão do fio preto da base do relé fotoelétrico com um dos terminais da base do fusível diazed de comando, que corresponderá ao potencial fase da rede. O fio vermelho da base deve ser conectado a carga, que corresponderá ao terminal A1 da bobina do contator. O fio branco da base do relé deve ser interligado ao neutro da bobina do contator, terminal A2, e conectado ao neutro da rede. Energize o circuito. O contator deverá operar imediatamente uma vez que estamos utilizando um relé NF. Utilize o teste série e simule a incidência da luminosidade solar sobre o fotoresistor. Passado alguns instantes o fotoelemento deve ser sensibilizado
  • 31.
    CENTRO FEDERAL DEEDUCAÇÃO TECNOLÓGICA DO CEARÁ – CEFET-CE CURSO DE ELETROTÉCNICA MANUAL DE COMANDOS INDUSTRIAIS PÁGINA: PRÁTICA 02 Prof. Gênova 26 fazendo com que o contato auxiliar NF do relé fotoelétrico abra desenergizando a carga (bobina do contator). Caso contrário o relé fotoelétrico se encontra defeituoso. Para se efetuar o teste do relé fotoelétrico NA, proceda de maneira semelhante, observando-se que a atuação do relé é de maneira inversa a do NF. 4.9- Teste da chave seccionadora rotativa PACCO:  Com o teste série verifique a abertura e fechamento dos contatos entre os terminais dos polos P1, P2 e P3, com os terminais 1, 2 e 3 respectivamente. Se chave é de duas posições, verifique também a condição de abertura e fechamento entre os polos e os contatos 4, 5 e 6. Para efetuar a mudança entre a posição aberta e fechada, rotacione a manopla de acionamento entre as posições indicadas na placa 0-1-0-1-0, observando a correta correlação entre a indicação da placa e a situação física do contato. 4.10-Teste da chave soft-starter:  Para efetuar o teste da chave soft-starter, veja instrução específica. 4.11- Teste do Inversor de frequência:  Para efetuar o teste do inversor de frequência, veja instruções específicas. 5. VERIFIQUE OS SEUS CONHECIMENTOS Faça o que se pede: 5.1- Cite 5 (cinco) defeitos mais comuns de ocorrerem num contator. 5.2- Qual a faixa de tensão que uma bobina de um contator pode operar normalmente, segundo as especificações do fabricante:  contator com bobina de 220V:  contator com bobina de 380V: 5.3- Alguns fabricantes empregaram uma alternativa tecnológica para aumentar o número de contatos auxiliares disponíveis em um contator normal da linha de fabricação. Qual foi esta alternativa ? 5.4- Quais os prováveis defeitos que poderiam ocorrer se fosse utilizado um contator para alimentar uma carga maior do que a capacidade nominal do mesmo ? 5.5- Explique o significado das categorias de utilização para o uso de contatores: AC1 , AC2 , AC3 , AC4. 5.6- Analise as alternativas a seguir relacionadas e assinale uma alternativa correta para cada questão: 5.6.1- Os relés térmicos funcionam tendo como princípio: a) A elevação da temperatura e dilatação dos metais no sentido longitudinal; b) Pelo efeito térmico da corrente elétrica e coeficiente diferentes de dilatação dos metais; c) Sobreposição de metais diferentes e efeito joule provocado pela corrente elétrica; d) A soldagem de ferro e níquel e aquecimento pela corrente elétrica.
  • 32.
    CENTRO FEDERAL DEEDUCAÇÃO TECNOLÓGICA DO CEARÁ – CEFET-CE CURSO DE ELETROTÉCNICA MANUAL DE COMANDOS INDUSTRIAIS PÁGINA: PRÁTICA 02 Prof. Gênova 27 5.6.2- A regulagem do relé térmico é feita : a) Pela corrente nominal; b) Pela corrente de carga; c) Pela corrente de partida; d) Pela pico de corrente. 5.6.3- Os relés térmicos possuem uma inércia natural que representa: a) Desvantagem, pois prolonga a sobrecarga e exige o uso de fusíveis; b) Vantagem, pois permite a corrente de partida e atua com ligeira sobrecarga; c) Desvantagem, pois atrasa o disparo do relé nas sobrecargas; d) Vantagem, pois o disparo do relé é feito com os picos de corrente. 5.6.4- Os fusíveis NH tem sua melhor aplicação: a) Para corrente de carga acima de 30 A; b) Cargas resistivas intermitentes; c) Cargas com pico de corrente; d) Cargas indutivas indistintamente. 5.6.5- Os fusíveis NH são classificados como do tipo: a) de rosca Edson; b) retardado; c) rápido d) de cartucho 5.6.6- Nas seguranças fusíveis a indicação da queima é feita pela: a) espoleta; b) cápsula; c) disparador; d) lâmpada de prova. 5.6.7- O parafuso de ajuste: a) faz parte do fusível NH; b) impede o uso de fusível DZ de maior capacidade; c) permite bom contato entre a tampa e a base; d) permite o ajuste do fusível NH entre a tampa e a base. 5.6.8- As cores das espoletas dos fusíveis DZ correspondem: a) a tensão de isolação; b) a corrente de curto-circuito; c) as Normas da ABNT; d) a corrente nominal. ANOTAÇÕES
  • 33.
    CENTRO FEDERAL DEEDUCAÇÃO TECNOLÓGICA DO CEARÁ – CEFET-CE CURSO DE ELETROTÉCNICA MANUAL DE COMANDOS INDUSTRIAIS PÁGINA: PRÁTICA 03 Prof. Gênova 28 PRÁTICA 03 ASSUNTO: APRESENTAÇÃO, IDENTIFICAÇÃO E LIGAÇÃO DE CHAVES ROTATIVAS MANUAIS COM ACIONAMENTO POR ALAVANCA 1. OBJETIVOS  Familiarizar o aluno com os diversos tipos de chaves manuais disponíveis no mercado.  Adquirir conhecimento de como proceder a identificação dos terminais de ligação destas chaves e efetuar a ligação e operação das mesmas no acionamento de motores. 2. COMENTÁRIOS TEÓRICOS As chaves manuais são interruptores com acionamento manual por alavanca, apropriadas para manobrar diversos tipos de carga, em particular para controlar motores elétricos. Consistem de um mecanismo com cames acionados por um eixo comum, acoplado a uma alavanca, sobre o qual são montados excêntricos, que pelo seu giro, movimentam os contatos móveis, efetuando assim o fechamento ou a abertura dos contatos. O ângulo de manobra entre cada posição de operação, é normalmente de 45°. Conforme o número e disposição dos elementos de manobra, estas chaves tem sua aplicação como simples chave liga-desliga, chave reversora (para mudança no sentido de rotação de motor), chave comutadora estrela-triângulo (para partida de motor trifásico acima de 5cv até 10cv - NT001 COELCE), chave comutadora Y-Δ com reversão, chave comutadora série- paralelo Y ou Δ (para partida de motor trifásico de 12 terminais), chave comutadora para motor de duas velocidades - Dahlander, chave comutadora para motor de duas velocidades - Dahlander com reversão. Particularmente as chaves manuais tem sua maior aplicação no meio rural ou mesmo em instalações de pequeno porte tipo pequenas oficinas, onde normalmente as instalações são mais modestas e não se justifica um investimento maior com o dispositivo de comando. No entanto a grande desvantagem da chave manual, e que até certo ponto explica o seu desuso em instalações de maior porte, é que o tempo de comutação depende do operador, sujeitando que quando do acionamento de motores, a mudança seja efetuada no momento inadequado da partida. Este é o caso da chave Y-Δ, pois quando da passagem de Y para Δ se o operador não tiver bastante experiência e sensibilidade, e o instante da mudança não for bem definido, a comutação poderá ser efetuada em um tempo menor ou maior do que o realmente necessário, o que implicaria num pico indesejável de corrente. Dessa maneira a utilização da chave não proporcionaria nenhuma vantagem para a instalação. Outra desvantagem desse tipo de chave que deve ser levada em consideração, é sobre a recomendação de que a chave deve ser instalada fisicamente próximo ao motor que vai comandar, não sendo indicada para comando à distância. Se levar em consideração somente o custo do material em si, verifica-se facilmente a vantagem da chave manual em relação ao comando automático, que na maioria das aplicações envolve vários componentes. Podemos também afirmar que de um modo geral a manutenção das chaves manuais é mais simples do que os comandos automáticos. De qualquer forma cabe ao Técnico projetista ou de manutenção optar entre a chave manual e o comando automático a ser utilizado, que para isso deverá considerar vários aspectos, entre os quais citamos: tipo da instalação, tipo de carga a ser acionada, normas da Concessionário local, freqüência de operação, local e ambiente a ser instalada, além do aspecto econômico- financeiro como um todo. Chave reversora: A chave reversora manual efetua a inversão no sentido de rotação de motor trifásico, através da troca de ligação de duas fases de alimentação do motor. Esta chave tripolar também pode ser aplicada para reversão no sentido de rotação do motor monofásico, onde a mudança no sentido de rotação se dá pela troca de ligação dos terminais 5 pelo 6, o que corresponderá a mudança de polaridade no momento da partida do enrolamento principal
  • 34.
    CENTRO FEDERAL DEEDUCAÇÃO TECNOLÓGICA DO CEARÁ – CEFET-CE CURSO DE ELETROTÉCNICA MANUAL DE COMANDOS INDUSTRIAIS PÁGINA: PRÁTICA 03 Prof. Gênova 29 em relação ao enrolamento secundário. A inversão no sentido de rotação pode ser feita diretamente ou exige um estágio intermediário de frenagem do motor, o que vai depender das características das massas em jogo, e consequentemente, do tamanho da máquina e das condições da carga (partida em vazio, % de carga, a plena carga). A seguir é apresentado um exemplo de operação da chave reversora manual: SENTIDO DE ROTAÇÃO FASES DE ALIMENTAÇÃO R S T S R T TERMINAIS DO MOTOR 1 2 3 1 2 3 R S T 0 1 2 1 2 3 M 3Ø Chave Estrela-Triângulo: Chaves de partida Y-Δ destinam-se a partida de motores que pelo seu tamanho e condições de carga, não podem ser ligados diretamente com a tensão da rede. Nos casos normais o limite permitido sem chave de partida, é de 5cv. Para valores superiores há necessidade de limitar a corrente de partida. A chave Y-Δ propicia que os enrolamentos do motor sejam ligados no primeiro momento, em estrela, durante o tempo necessário para o motor atingir a sua velocidade nominal ou próximo dela. Uma vez estabelecidas as condições nominais, passa-se à ligação triângulo, que é a ligação permanente em regime nominal. Observamos que a chave Y-Δ só pode ser usada em motores que tenham a possibilidade de ligação em dupla tensão, e a tensão de linha da rede deve coincidir com a tensão na ligação triângulo do motor. Na partida estrela-triângulo os enrolamentos do motor ficam ligados na fase de partida e na fase de regime, conforme os diagramas de ligação apresentados a seguir: PARA A DIREITA (HORÁRIO) PARA A ESQUERDA (ANTI-HORÁRIO) M 3Ø FIG. 2 a Chave blindada com alavanca de acionamento manual tipo reversora FIG. 2 b Diagrama esquemático da chave reversora manual para partida direta de MIT
  • 35.
    CENTRO FEDERAL DEEDUCAÇÃO TECNOLÓGICA DO CEARÁ – CEFET-CE CURSO DE ELETROTÉCNICA MANUAL DE COMANDOS INDUSTRIAIS PÁGINA: PRÁTICA 03 Prof. Gênova 30 a) Fase de partida do motor: b) Fase de regime: Ligação Estrela Ligação triângulo R S T R S T 1 2 3 1 2 3 4 5 6 4 5 6 Y Δ FIG.2 c Chave blindada com alavanca de acionamento tipo Y-Δ Nesta prática o aluno vai trabalhar com as chaves manuais reversora e estrela-triângulo. A chave série-paralelo poderá ser trabalhada como exercício opcional. A prática consiste em fazer a identificação dos pontos de ligação de cada chave, com os condutores da rede (R,S,T) e com os terminais do motor, pois no dia a dia é muito comum o técnico de manutenção se deparar com chaves que perderam a numeração e identificação de referência, além de também não dispor dos esquemas de ligação. 3. MATERIAL EMPREGADO ITEM ESPECIFICAÇÃO QUANT. UNID. 01 Chave reversora manual, 30 A - 500V , Primelétrica 01 uma 02 Chave reversora manual, 30 A - 220V , Continental 01 uma 03 Chave estrela-triângulo manual, 30 A - 500V , Primelétrica 01 uma 04 Chave estrela-triângulo manual, 60 A - 500V , Primelétrica 01 uma 05 Chave estrela-triângulo manual, 30A-220V, Mar-Girius/Continental 01 uma 06 Chave estrela-triângulo manual, 40A 220V, Mar-Girius/Continental 01 uma 07 Chave série-paralela manual, 30A- 500v, Primelétrica 01 uma 08 Fusível NH 16A- SIEMENS 03 um 09 Plug tripolar com cordão flexível 01 um 10 Motor de indução trifásico - 380/660V 01 um
  • 36.
    CENTRO FEDERAL DEEDUCAÇÃO TECNOLÓGICA DO CEARÁ – CEFET-CE CURSO DE ELETROTÉCNICA MANUAL DE COMANDOS INDUSTRIAIS PÁGINA: PRÁTICA 03 Prof. Gênova 31 4. PROCEDIMENTOS DA PRÁTICA A T E N Ç Ã O ! Durante a identificação e ligação das chaves manuais, você vai se deparar com componentes e partes metálicas condutoras que não estarão protegidos contra contatos acidentais. Tenha o máximo de cuidado pois estarão presentes no circuito tensões de 220V e 380V. Não seja precipitado. Qualquer dúvida solicite a presença do professor na sua bancada de trabalho. 4.1- Chave Reversora Manual: A medida que for executando cada passo do procedimento, assinale com “X” o check-list: Check List Procedimento A Identificação dos pontos de ligação:  Examine a chave reversora manual observando os seus contatos fixos e móveis, os jampes de interligação e todos os detalhes.  Acione a alavanca para a esquerda, para a direita e ponto zero e verifique a correspondência da posição da alavanca com estas 3 posições.  Observe que na posição zero os contatos referente aos 3 polos de um lado, estão abertos (seccionados) em relação aos 3 contatos na posição central ou na outra extremidade (depende do modelo da chave).  Para facilitar a identificação utilize os desenhos representativos do corpo da chave (vista de cima), fig.4a ou 4b.  Nestes esquemas desenhe todas as ligações (jampes) que a chave dispõe, para as 3 posições operacionais: ZERO, ESQUERA, DIREITA (3 desenhos).  Observe que existem modelos de chaves que dispõem de alguns contatos na sua lateral. Desenhe também estes contatos no esquema.  Utilize o teste série para verificar os pontos da chave que estão dando continuidade e os que estão seccionados, sempre dois a dois.  Você deve desenhar no esquema do corpo da chave, todas as informações obtidas pela visualização do teste de continuidade relativas ao fechamento ou abertura de contatos. Lembre-se dos jampes existentes na chave e que podem sinalizar um fechamento falso de contato.  Inicie o teste com a chave na posição ZERO. Nesta posição todos os contatos devem estar seccionados, portanto mantenha o primeiro esquema como esta.  Acione a alavanca para a esquerda e proceda o teste de continuidade. Utilizando o segundo desenho esquemático, marque com um traço os pontos de contatos que fecharam;  Retorne a alavanca para a posição zero;  Acione a alavanca para a direita e proceda o teste de continuidade. Utilizando o terceiro desenho, marque com um traço os pontos de contatos que fecharam.  Com os esquemas preenchidos pelas informações do teste de continuidade, batize os pontos de um lado da chave como sendo o lado da fonte (R,S,T), e o outro lado com os números referenciais dos terminais de alimentação do motor (ex. 1,2,3), que correspondem ao lado da carga. Coloque as referencias dos polos da rede R,S,T e dos terminais do motor em todos os 3 esquemas.  Observe que a chave na posição zero os terminais da rede estão seccionados dos terminais do motor. Na posição para a direita a chave alimenta os terminais do motor na seqüência de fases R,S,T, e quando a chave estiver comutada para o lado esquerdo, os terminais do motor recebem a seqüência de fases S,T,R, ocorrendo então a mudança no sentido de rotação do MIT.
  • 37.
    CENTRO FEDERAL DEEDUCAÇÃO TECNOLÓGICA DO CEARÁ – CEFET-CE CURSO DE ELETROTÉCNICA MANUAL DE COMANDOS INDUSTRIAIS PÁGINA: PRÁTICA 03 Prof. Gênova 32 ZERO ESQUERDA DIREITA Fig.4a: Chave Reversora (Modelo I) ZERO ESQUERDA DIREITA Fig. 4b: Chave Reversora (Modelo II) Check List Procedimento B Ligação da chave e acionamento do motor:  Antes de iniciar a montagem certifique-se que o disjuntor geral do painel esta desligado.  Utilize o painel e faça a montagem do circuito apresentado no diagrama da fig. 2b, empregando a chave reversora que você acabou de identificar.  Use um plug tripolar com cordão flexível para fazer a ligação entre os fusíveis NH e a rede, que no painel corresponde a tomada de corrente trifásica.  Verifique quais as tensões de placa do MIT que esta disponível e proceda o fechamento das ligações. Se 220/380V,feche em Y. Se 380/660V, feche em Δ.  Faça a interligação de 3 terminais do MIT (ex. 1,2,3) com um lado da chave.  Concluída a montagem do circuito, chame o professor para conferir as ligações.  Caso esteja tudo OK, ligue o disjuntor geral do painel e proceda o acionamento da chave manual, acionando a alavanca primeiro para a direita. O motor deve partir em um sentido de rotação.  Acione a alavanca para a posição zero desligando o MIT. Aguarde que o mesmo pare totalmente.  Acione a alavanca para a esquerda e observe que o MIT deve girar no outro sentido de rotação.  Desligue o motor e o disjuntor geral do painel e desmonte o circuito.
  • 38.
    CENTRO FEDERAL DEEDUCAÇÃO TECNOLÓGICA DO CEARÁ – CEFET-CE CURSO DE ELETROTÉCNICA MANUAL DE COMANDOS INDUSTRIAIS PÁGINA: PRÁTICA 03 Prof. Gênova 33 4.2. Chave Estrela-Triângulo manual: Check List Procedimento A Identificação dos pontos de ligação:  Examine a chave Y-Δ manual observando os contatos fixos e móveis, os jampes de interligação e os três pontos fechados entre si através também de jamper.  Acione a alavanca para a posição Y até o final do cursor, retorne a alavanca ao zero e passe para a posição Δ. Observe que na posição zero os contatos estão abertos (seccionados).  Para facilitar a identificação utilize os desenhos representativos do corpo da chave (vista de cima), fig.4c ou 4d.  Nestes esquemas desenhe todas as ligações (jampes) que a chave dispõe, para as 3 posições operacionais: ZERO, Y e Δ (3 desenhos).  Observe que existem modelos de chaves que dispõem de alguns contatos na sua lateral. Desenhe também estes contatos no esquema.  Utilize o teste série para verificar os pontos da chave que estão dando continuidade e os que estão seccionados, sempre dois a dois.  Você deve desenhar no esquema do corpo da chave, todas as informações obtidas pela visualização do teste de continuidade relativas ao fechamento ou abertura de contatos. Lembre-se dos jampes existentes na chave e que podem sinalizar um fechamento falso de contato.  Inicie o teste com a chave na posição ZERO. Nesta posição todos os contatos devem estar seccionados, e o desenho deve apresentar os contatos abertos.  Acione a alavanca até o fim do cursor para a posição estrela (Y) e segure firme pois nesta posição a chave não fixa a alavanca, tendo em vista que a ligação Y é momentânea, só para a fase de partida do motor. Proceda o teste de continuidade e a medida que for sendo sinalizada pela lâmpada a existência de um contato fechado, marque um traço no desenho esquemático correspondente (Posição Y).  Após a indicação no esquema da chave dos contatos que deram continuidade nesta posição, verifique quais os 3 contatos que estão fechando com os 3 pontos curtocircuitados, que vem originalmente na chave. Estes 3 pontos devem corresponder aos terminais do motor que serão ligados para fazerem o fechamento da estrela. Batize estes 3 pontos como sendo, por exemplo, 4,5,6.  Comute a alavanca para a posição triângulo (Δ).  Utilize novamente o teste série para verificar os pontos da chave que estão dando continuidade, agora na posição Δ. Utilize o terceiro desenho esquemático e marque com um traço estes pontos de contatos que fecharam;  Lembre-se que na posição Δ os 3 pontos da chave em curto-circuito, observados quando da posição Y, devem estar seccionados dos terminais já batizados 4,5,6.  Verifique então quais os pontos que fecharam com o 4, com o 5 e com o 6, respectivamente, sempre dois a dois. Batize estes pontos, por exemplo, como sendo 2,3,1, ou seja, 2-4, 3-5 e 1-6, que corresponde a ligação Δ.  Complete a numeração dos terminais do motor (1,2,3,4,5,6) nos 3 desenhos esquemáticos da chave. Falta definir os pontos de ligação da rede (R,S,T).  O motor ao ser energizado através da chave, deve receber a alimentação da fase R no terminal 1, a fase S no terminal 2 e a fase T no terminal 3, tanto na ligação Y como na ligação Δ. Lembre-se que a chave na posição zero os terminais da rede devem estar seccionados dos terminais do motor.  Concluída a identificação dos pontos terminais da chave Y-Δ, confira nos esquemas desenhados, as 3 posições operacionais: zero, Y, Δ.
  • 39.
    CENTRO FEDERAL DEEDUCAÇÃO TECNOLÓGICA DO CEARÁ – CEFET-CE CURSO DE ELETROTÉCNICA MANUAL DE COMANDOS INDUSTRIAIS PÁGINA: PRÁTICA 03 Prof. Gênova 34 ZERO Y Δ Chave Estrela-Triângulo (Modelo I) Fig.4c ZERO Y Δ Chave Estrela-Triângulo (Modelo II) Fig. 4d
  • 40.
    CENTRO FEDERAL DEEDUCAÇÃO TECNOLÓGICA DO CEARÁ – CEFET-CE CURSO DE ELETROTÉCNICA MANUAL DE COMANDOS INDUSTRIAIS PÁGINA: PRÁTICA 03 Prof. Gênova 35 R S T Fig. 4e Check List Procedimento B Ligação da chave Y-Δ e acionamento do motor  Antes de iniciar a montagem certifique-se que o disjuntor geral do painel esta desligado.  Utilize o painel e faça a montagem do circuito apresentado no diagrama da fig. 4e, empregando a chave Y-Δ que você acabou de identificar.  Use um plug tripolar com cordão flexível para fazer a ligação entre os fusíveis NH e a rede, que no painel corresponde a tomada de corrente trifásica.  Faça a interligação com fio flexível, entre os fusíveis NH e os terminais R,S,T da chave.  Faça a interligação dos 6 terminais do MIT (1,2,3,4,5,6) com os respectivos terminais da chave Y-Δ.  Concluída a montagem do circuito, chame o professor para conferir as ligações.  Caso esteja tudo OK, ligue o disjuntor geral do painel e proceda o acionamento da chave manual, acionando a alavanca primeiro para aposição Y por um período de aproximadamente 10 seg. Observe que o motor deverá partir com tensão reduzida.  Caso contrário, desligue imediatamente a chave e revise as ligações  Se a partida foi dentro da normalidade, utilize um voltímetro em escala adequada e faça a medição da tensão em uma das bobinas do motor, verificando se a tensão medida corresponde a 380V/√3 = 220V, que é a tensão aplicada ao motor no momento da partida.  Passado o período do regime de partida do motor, acione a alavanca fazendo a comutação para Δ.  Caso a comutação seja OK, comprove ainda com um voltímetro sobre os terminais da mesma bobina, qual o valor de tensão na ligação Δ, que deve corresponder a aproximadamente 380V.  Caso contrário, desligue imediatamente a chave e reveja as ligações.  Se as ligações transcorreram normalmente, retorne a alavanca para a posição zero e desligue o MIT. Aguarde que o mesmo pare totalmente.  Desligue o disjuntor geral do painel e desmonte o circuito. Y Δ M 3Φ
  • 41.
    CENTRO FEDERAL DEEDUCAÇÃO TECNOLÓGICA DO CEARÁ – CEFET-CE CURSO DE ELETROTÉCNICA MANUAL DE COMANDOS INDUSTRIAIS PÁGINA: PRÁTICA 03 Prof. Gênova 36 5. VERIFIQUE OS SEUS CONHECIMENTOS 5.1- Cite quais as vantagens da utilização das chaves manuais em relação ao comando automático; 5.2- Cite quais as desvantagens da utilização das chaves manuais em relação ao comando automático; 5.3- Qual o procedimento que se deve fazer para mudar o sentido de rotação de um motor trifásico ? 5.4- Qual o principal objetivo da utilização da chave Y-Δ manual na partida de motor ? 5.5- Faça a representação esquemática das bobinas de um MIT com tensões de placa 220/380V e explique por que quando a tensão de linha for de 220V este motor pode ser acionado com chave Y-Δ e quando a tensão de linha for de 380V a mesma não se presta para tal ? 5.6- Qual a limitação do valor de potência nominal que a Concessionária local prescreve para a utilização da chave Y-Δ manual na partida de motor ? 5.7- Quais as tensões de placa que um MIT deve ter para que o mesmo possa partir com chave Y-Δ numa rede cuja tensão de linha é de 380V ? 5.8- Verifique se é possível um MIT que tenha as tensões de placa 220/380/440/760V ser acionado com chave Y-Δ. 5.9- O que ocorreria se você ligasse um MIT com tensões de placa 220/380V, com uma chave Y-Δ, numa rede cuja tensão de linha fosse de 380V ? 5.10- E na rede com tensão de linha de 440V, é possível acionar um MIT de 12 terminais pelo método de partida Y-Δ ?
  • 42.
    CENTRO FEDERAL DEEDUCAÇÃO TECNOLÓGICA DO CEARÁ – CEFET-CE CURSO DE ELETROTÉCNICA MANUAL DE COMANDOS INDUSTRIAIS PÁGINA: 37 PRÁTICA 04 Prof. Gênova PRÁTICA 04 ASSUNTO: IDENTIFICAÇÃO DA MARCAÇÃO DOS ENROLAMENTOS DE MOTORES DE INDUÇÃO TRIFÁSICO, COM 6 TERMINAIS 1. OBJETIVO Familiarizar o aluno com a aplicação de método prático para identificação do começo e fim de cada enrolamento de fase, do motores de indução trifásico que disponha de 6 (seis) terminais acessíveis externamente, e que tenham perdido a marcação característica. 2. COMENTÁRIOS TEÓRICOS No dia a dia de uma oficina típica de recuperação de motores, na indústria de um modo geral, ou mesmo em qualquer outro tipo de instalação elétrica onde o uso do motor elétrico é um componente obrigatório, nos deparamos com os mais variados tipos e modelos de motores existentes, dentre os quais verificamos com freqüência a falta dos terminais marcados, e por vezes não possuem nem os dados de placa. A grande maioria destas máquinas são motores de indução de 6 (seis) terminais, que devido a sua simplicidade construtiva, robustez e baixo custo, se constituem nos motores de maior aplicação. Normalmente as informações que um técnico ou instalador dispõe sobre o motor nestas condições, podem ser resumidas nos seguintes itens:  Tipo de motor: se é de indução, com rotor em gaiola, etc;  Número de fases: se é monofásico ou trifásico ;  Tensão de alimentação da instalação: se a tensão de linha é de 220V, 380V ou 440V;  Número de terminais acessíveis: se dispõe de 6, 9 ou 12 terminais. Para identificação dos terminais do motor, o técnico deve em primeiro lugar, determinar a continuidade das bobinas, de maneira a definir o par de terminais de cada enrolamento. Após o agrupamento de cada par de terminais, você deverá proceder as ligações do motor de tal forma que ele funcione similarmente como um transformador, onde uma das bobinas corresponderá ao primário e as outras duas bobinas ligadas em série, corresponderão ao secundário. O passo seguinte é alimentar uma das bobinas (primário) com a fonte de tensão/corrente monofásica da bancada de trabalho, e interligar as outras duas de maneira que uma das pontas de cada enrolamento sejam ligadas entre si, e as outras duas pontas interligadas com o soquete de uma lâmpada incandescente (veja diagrama esquemático no item 4). Dessa forma obtém-se a identificação do começo e fim ou fim e começo correspondentes as duas bobinas que foram interligadas em série. Durante os testes, caso a lâmpada não apresentar o filamento incandescente, é porque foram ligados terminais das bobinas começo com começo e fim com fim, o que corresponde ao surgimento de campos magnéticos contrários nas respectivas bobinas, daí o motivo da lâmpada não “acender”. Quando ocorrer esta situação deve-se inverter as ligações do secundário e repetir o teste anterior. Para identificar a bobina restante, que estava inicialmente funcionando como primário do transformador, procede-se a permuta das ligações trazendo um dos enrolamentos já identificados para ser o primário, enquanto esta bobina deve ser interligada com a outra também já identificada, formando então o secundário. Repete-se todos os passos anteriores até que se identifique o começo e fim da bobina restante, e por conseguinte, possa concluir a identificação dos dois últimos terminais. O motor de 6 (seis) terminais possui na placa de identificação, as bobinas representadas com os números: 1 – 4, 2 – 5, 3 – 6, sendo considerado por convenção, começo de bobina, os números 1, 2 e 3, enquanto fim de bobina corresponde aos números 4, 5 e 6. Caso o motor não disponha da placa de identificação e seja necessário determinar o valor da potência nominal, mesmo de forma aproximada, deve-se primeiro identificar os terminais, depois efetuar a ligação do motor na rede e realizar a leitura instantânea de
  • 43.
    CENTRO FEDERAL DEEDUCAÇÃO TECNOLÓGICA DO CEARÁ – CEFET-CE CURSO DE ELETROTÉCNICA MANUAL DE COMANDOS INDUSTRIAIS PÁGINA: 38 PRÁTICA 04 Prof. Gênova corrente, com o auxílio de um alicate volt-amperímetro. Estipulando valores médio para o fator de potência (ex. FP = 0,93) e para o rendimento (ex.  = 0,88), chega-se facilmente ao valor da potência nominal [P(cv) = (3. U.I. cos .  ) / 736 Observe que o motor esta funcionando em vazio, então para que a leitura instantânea de corrente se aproxime da realidade, e o cálculo da potência seja mais preciso, é necessário que haja a simulação das condições de funcionando do motor com carga, e para isto basta você pegar um pedaço de madeira de dimensões adequadas, segura-lo firmemente com as duas mãos e mantê-lo pressionado sobre o eixo do motor. Dessa maneira pode-se ter uma idéia da magnitude do motor, em termos de potência nominal. A seguir é apresentado um quadro resumo indicando as tensões nominais múltiplas mais comuns de serem encontradas comercialmente, para motores de 6 terminais, fig. 2.1, bem como os respectivos diagramas de ligação, fig. 2.2. TENSÃO DE SERVIÇO (REDE) ENROLAMENTOS DISPONÍVEIS TIPO DE LIGAÇÃO DAS BOBINAS 220V 220 / 380V TRIÂNGULO  380V 220 / 380V ESTRELA  380V 380 / 660V TRIÂNGULO  440V 440 / 760V TRIÂNGULO  Fig. 2.1 TERMINAIS ACESSÍVEIS DO MOTOR LIGAÇÃO Y LIGAÇÃO  1 2 3 4 5 6 R S T 1 2 3 4 5 6 R S T 1 2 3 4 5 6 Fig. 2.2 TENSÕES NOMINAIS MÚLTIPLAS MAIS COMUNS DIAGRAMAS DE LIGAÇÕES
  • 44.
    CENTRO FEDERAL DEEDUCAÇÃO TECNOLÓGICA DO CEARÁ – CEFET-CE CURSO DE ELETROTÉCNICA MANUAL DE COMANDOS INDUSTRIAIS PÁGINA: 39 PRÁTICA 04 Prof. Gênova 3. MATERIAL EMPREGADO ITEM ESPECIFICAÇÃO QUANT. UNID. 01 Teste série com lâmpada incandescente de 100 ou 150W 01 Um 02 Soquete de louça para lâmpada incandescente rosca E-27 01 Um 03 Motor de indução trifásico de 6 terminais sem marcação 01 Um 04 Plug unipolar macho tipo joto, com cordão flexível 02 Um 05 Plug tripolar com cordão flexível 01 Um 06 Fio esmaltado 22, para bobinagem 01 M 4. PROCEDIMENTO DA PRÁTICA A T E N Ç Ã O ! CUIDADO! DURANTE A IDENTIFICAÇÃO DOS TERMINAIS DOS MOTORES DE INDUÇÃO TRIFÁSICO, EXISTIRÃO PARTES CONDUTORAS QUE NÃO ESTARÃO PROTEGIDAS CONTRA CONTATOS ACIDENTAIS. VOCÊ VAI LIDAR COM TENSÕES DE 220V E 380V. ANTES DE INICIAR OS TESTES E APÓS CONCLUIDA A IDENTIFICAÇÃO, ANTES DE ENERGIZAR O CIRCUITO PARA ALIMENTAÇÃO DO MOTOR, SOLICITE A PRESENÇA DO PROFESSOR PARA CONFERIR AS LIGAÇÕES. 4.1- PROCEDIMENTOS PARA VERIFICAÇÃO DA CONTINUIDADE DAS BOBINAS E DEFINIÇÃO DOS PARES DE TERMINAIS:  Seguindo os procedimentos de segurança pré estabelecidos, faça a separação das bobinas do motor através do teste visual de continuidade dos enrolamentos. Para isso utilize o teste série disponível na sua bancada de trabalho, conforme o roteiro seguinte: 4.1.1- Alimente o teste série na tomada de corrente monofásica (220V) da bancada de trabalho; 4.1.2- Coloque as duas pontas de prova em contato entre si, de maneira a verificar o seu perfeito funcionamento; 4.1.3- Caso o teste esteja OK, a lâmpada incandescente deve acender com todo o seu brilho normal (fig.4.1.3); Fig. 4.1.3 4.1.4- Maneje o teste série de maneira que as pontas de prova toquem em 2 (dois) terminais de bobinas escolhidos aleatoriamente (fig. 4.1.4); Fig. 4.1.4
  • 45.
    CENTRO FEDERAL DEEDUCAÇÃO TECNOLÓGICA DO CEARÁ – CEFET-CE CURSO DE ELETROTÉCNICA MANUAL DE COMANDOS INDUSTRIAIS PÁGINA: 40 PRÁTICA 04 Prof. Gênova 4.1.5- Caso a lâmpada não acenda na 1a tentativa, permaneça com uma das pontas de prova fixa em um dos terminais de bobina, enquanto a outra ponta é permutada de um terminal para outro até a lâmpada acender; 4.1.6- No instante que a lâmpada sinalizar significa que foi verificada a continuidade de uma bobina, e consequentemente, determinado o par de terminais do enrolamento (fig. 4.1.6); Fig. 4.1.6 4.1.7- Faça o agrupamento destes dois pares de terminais, tendo o cuidado de separá-los dos demais, amarrando-os com um pedaço de fio esmaltado. Este detalhe é importante pois evitará que você confunda os pares de terminais dos outros enrolamentos após ter verificada a continuidade; 4.1.8- Repita os procedimentos anteriores até que se obtenha os pares de terminais das outras duas bobinas; 4.1.9- Desligue o teste série da tomada de corrente monofásica. 4.2- PROCEDIMENTOS PARA IDENTIFICAÇÀO DA MARCAÇÃO DOS TERMINAIS DOS ENROLAMENTOS DO MOTOR: 4.2.1- Neste procedimento você vai efetuar as conexões dos terminais do motor de maneira a utiliza-lo similarmente como um transformador. Para isso interligue os terminais de duas bobinas (ex. bobina B e bobina C) entre si e os terminais do soquete de louça de uma lâmpada incandescente (L), e alimente a outra bobina (ex. bobina A) com 220V da fonte monofásica da tomada de corrente, conforme fig. 4.2.1. Fig. 4.2.1 4.2.2- Neste teste você vai determinar o começo e fim ou fim e começo das bobinas B e C. Lembre-se que por convenção os dígitos 1, 2 e 3 são batizados como começo de enrolamento, enquanto os dígitos 4, 5 e 6 são definidos como fim de enrolamento; 4.2.3- Caso a lâmpada de prova não acenda, significa que as bobinas B e C estão originando campos magnéticos contrários, por conseguinte os enrolamento das bobinas estão ligados começo com começo e fim com fim (fig. 4.2.3);
  • 46.
    CENTRO FEDERAL DEEDUCAÇÃO TECNOLÓGICA DO CEARÁ – CEFET-CE CURSO DE ELETROTÉCNICA MANUAL DE COMANDOS INDUSTRIAIS PÁGINA: 41 PRÁTICA 04 Prof. Gênova Fig. 4.2.3 4.2.4- Neste caso inverta as ligações da bobina B com a bobina C, de acordo com a fig.4.2.4. A lâmpada agora deve sinalizar com o filamento incandescente; Fig. 4.2.4 4.2.5- Com os terminais das bobinas B e C definidos em começo e fim, batize-os com as numerações convencionais, conforme exemplo da fig. 4.2.5; Fig. 4.2.5 4.2.6- Para efetuar as marcações dos terminais dos enrolamentos já identificados, utilize pedaços de fio esmaltado e enrole em volta do fio isolado do terminal, um número de voltas que corresponda a numeração arbitrada da convenção:  Terminal N 1 (início de bobina) - enrolar o fio esmaltado fazendo uma volta;  Terminal N 2 (início de bobina) - enrolar o fio esmaltado fazendo duas voltas;  Terminal N 3 (início de bobina) – enrolar o fio esmaltado fazendo três voltas;  Terminal N 4 (fim de bobina) – enrolar o fio esmaltado fazendo quatro voltas;  Terminal N 5 (fim de bobina) – enrolar o fio esmaltado fazendo cinco voltas;  Terminal N  6 (fim de bobina) – enrolar o fio esmaltado fazendo seis voltas. 4.2.7- Para identificar os terminais da bobina A, desfaça todas as interligações entre as bobinas B e C e os terminais do soquete de louça; 4.2.8- Permute a bobina A com uma das bobinas já identificadas (B ou C). Vamos considerar que você escolheu para permutar a bobina A com a bobina B. As ligações devem ficar de acordo com a fig. 4.2.8; Ex. Bobina B C 1 Bobina C F 4 C 3 F 6
  • 47.
    CENTRO FEDERAL DEEDUCAÇÃO TECNOLÓGICA DO CEARÁ – CEFET-CE CURSO DE ELETROTÉCNICA MANUAL DE COMANDOS INDUSTRIAIS PÁGINA: 42 PRÁTICA 04 Prof. Gênova Fig. 4.2.8 4.2.9- Caso a lâmpada L não apresente o filamento incandescente, é porque foram interligados terminais começo com começo e fim com fim, fig. 4.2.9; Fig. 4.2.9 4.2.10- Inverta as ligações da bobina A com a bobina C, e repita o teste, que neste caso deve apresentar a lâmpada com o filamento incandescente, fig. 4.2.10; Fig. 4. 2.10 4.2.11- Como as bobinas B e C já foram anteriormente identificadas, seguindo o exemplo da identificação, a bobina A terá consequentemente como numeração, os dígitos 2 e 5, fig. 4.2.11; Fig. 4.2.11 B A Bobina A C 2 F 5
  • 48.
    CENTRO FEDERAL DEEDUCAÇÃO TECNOLÓGICA DO CEARÁ – CEFET-CE CURSO DE ELETROTÉCNICA MANUAL DE COMANDOS INDUSTRIAIS PÁGINA: 43 PRÁTICA 04 Prof. Gênova 4.3- TESTE DE LIGAÇÃO DO MOTOR: Concluída a identificação dos terminais dos enrolamentos, você deve efetuar a ligação do motor de maneira a comprovar a correta marcação. O motor deve ser ligado em estrela uma vez que os motores de 6 terminais disponíveis na Oficina, possuem na sua grande maioria, as tensões múltiplas de 220/380V, enquanto a rede de serviço possui tensão de linha de 380V.  Efetue o fechamento da estrela nos terminais 4-5-6, enquanto os terminais 1-2-3 devem ser alimentados através dos contatos da chave manual, fig. 4.3a Fig. 4.3 a  A chave manual deve ser alimentada através da rede trifásica, por meio da alimentação derivando dos fusíveis NH e destes para a tomada de corrente tripolar, através de um plug tripolar com cordão flexível, fig. 4.3b. R S T e1 ~ 380V – 60Hz Fig. 4.3b Chave reversora tripolar Motor 3 
  • 49.
    CENTRO FEDERAL DEEDUCAÇÃO TECNOLÓGICA DO CEARÁ – CEFET-CE CURSO DE ELETROTÉCNICA MANUAL DE COMANDOS INDUSTRIAIS PÁGINA: 44 PRÁTICA 04 Prof. Gênova  O motor deve partir normalmente, com o barulho característico de funcionamento;  Caso o motor não parta satisfatoriamente, e venha a produzir ruído diferente do normal, inclusive com a carcaça esquentando rapidamente, desligue o disjuntor geral do painel ou retorne a alavanca da chave manual para a posição zero;  Proceda uma revisão completa de todas as conexões, e caso seja preciso, repita os testes para identificação dos terminais. 5. VERIFIQUE OS SEUS CONHECIMENTOS 5.1- Desenhe o esquema de ligação de um motor de indução trifásico que disponha de 6 terminais acessíveis, e que possua as tensões de placa 380/660V, para ser alimentado por uma rede cuja tensão de linha é de 380V. 5.2- Explique por que um MIT com tensões de placa 220/380V não deve ser ligado em triângulo numa rede cuja tensão de linha seja de 380V. 5.3- Considerando o mesmo MIT da questão anterior, se a rede tivesse tensão de linha de 220V, como deveria ser ligado ? 5.4- Você esta procedendo a identificação dos terminais de um MIT de 6 pontas, pelo método do teste série e lâmpada incandescente. Quando você esta fazendo a separação dos pares de terminais, testando a continuidade de cada enrolamento, observa que dois pares são facilmente agrupados, mas no 3o par, a lâmpada do teste série não acende. O que poderia estar ocorrendo ? Cite pelo menos 3 possibilidades; 5.5- Você esta fazendo a identificação de um MIT, com 6 terminais, que não possui placa de identificação fixa na carcaça. Após a identificação dos terminais, o motor é ligado na rede e funciona normalmente. Qual seria uma maneira de determinar o número de polos desse MIT, sem no entanto, ser necessário abri-lo ? 5.6- Determine a potência nominal em CV, do motor que você realizou a identificação dos terminais durante a prática. Descreva o procedimento. ESPAÇO RESERVADO PARA ANOTAÇÕES
  • 50.
    CENTRO FEDERAL DEEDUCAÇÃO TECNOLÓGICA DO CEARÁ – CEFET-CE CURSO DE ELETROTÉCNICA MANUAL DE COMANDOS INDUSTRIAIS PÁGINA: PRÁTICA 05 Prof. Gênova 45 PRÁTICA 05 ASSUNTO: COMANDO PARA PARTIDA DIRETA DE MOTOR DE INDUÇÁO TRIFÁSICO, COM ACIONAMENTO REMOTO ATRAVÉS DE BOTOEIRAS, E AUTOMÁTICO ATRAVÉS DE CHAVES BÓIAS E RELÉ FOTOELÉTRICO. 1. OBJETIVOS  Conhecer as diretrizes gerais para partida direta de motor de indução trifásico a plena tensão.  Familiarizar o aluno com a montagem de circuitos de comando eletromagnético e de força, utilizados na partida direta de motor trifásico. 2. COMENTÁRIOS TEÓRICOS A partida direta de motor de indução trifásico, a plena tensão, é empregada nos casos em que a corrente de partida atingir valores razoavelmente reduzidos, como no caso de motores trifásicos que possuam pequenos valores de potência nominal (potência fracionada ou potência inteira até 5cv) ou em situações que seja preciso se empregar todo o conjugado no instante da partida, como exemplo de motores que necessitam partir com plena carga no eixo. São situações antagônicas em termos de magnitude de valores de corrente, mas que de uma maneira ou de outra, recebem plena tensão na alimentação das bobinas na fase de partida e permanecem alimentados com esta tensão durante a fase de regime. Para que haja uma escolha adequada do método que deve ser empregado na partida do motor, é de fundamental importância comparar as grandezas de conjugado de partida do motor, com o conjugado resistente da carga, sendo condição necessária que o primeiro seja no mínimo igual ao segundo (C.motor  C.carga), de maneira que o motor possa partir satisfatoriamente. Na prática deve se utilizar no dimensionamento das potências de motores da categoria N (MOTORES DE APLICAÇÃO GERAL), que acionam a maioria das cargas de aplicação geral, motores que possuam características de conjugado nominal no mínimo superior a 30% do conjugado resistente da carga a que ele vai acionar, de maneira a garantir uma certa folga que contribua favoravelmente durante o período do regime de partida, propiciando que o conjugado de partida do motor seja suficiente para acelerar a carga até a velocidade de regime . Normalmente as Concessionárias Distribuidoras de Eletricidade, estabelecem que só é permitido utilizar o método de partida a plena tensão, para motores trifásicos até 5 cv, quando a unidade de consumo for alimentada diretamente através da rede pública de suprimento de baixa tensão. Esta exigência se prende ao fato de que quando a corrente de partida atinge valores razoavelmente elevados, podem surgir as seguintes consequências prejudiciais para o sistema elétrico e econômicas, tais como:  Elevada queda de tensão na rede, provocando interferência em outros equipamentos instalados na rede pública, na própria instalação do consumidor e nas instalações de terceiros que estejam alimentados pela mesma rede.  A própria instalação deverá ser superdimensionada, condutores da rede aérea pública, condutores da unidade consumidora e equipamentos de um modo geral, implicando diretamente num custo mais elevado para todos os envolvidos. Nas situações de motores com potência nominal acima de 5 cv, ou genericamente que possuam potência elevada, deve-se analisar se na fase de partida eles podem afetar o funcionamento de outras cargas da instalação, que neste caso exige uma solução adequada como a aplicação do método de partida com tensão reduzida, ou mesmo prever a alimentação do motor através de circuitos exclusivos e independentes, derivando diretamente do Quadro Geral de Força (QGF), prever a alimentação através de transformadores exclusivos ou mesmo a instalação ser suprida em Tensão Primária de Distribuição, onde os efeitos prejudiciais dos elevados valores da corrente de partida, ficam limitados setorialmente na própria instalação interna da unidade consumidora. Nesta situação deve-se programar a
  • 51.
    CENTRO FEDERAL DEEDUCAÇÃO TECNOLÓGICA DO CEARÁ – CEFET-CE CURSO DE ELETROTÉCNICA MANUAL DE COMANDOS INDUSTRIAIS PÁGINA: PRÁTICA 05 Prof. Gênova 46 partida dos motores em relação as demais cargas, de maneira a minimizar os efeitos prejudiciais à instalação. Uma alternativa citada anteriormente, mas que resolveria o problema, seria o dimensionamento adequado da instalação para esta situação (prever condutores com bitolas compatíveis com o regime de partida da carga), tendo como desvantagem a elevação dos custos. Outra alternativa que se poderia adotar quando for preciso um conjugado de partida elevado, mas com corrente de partida baixa, é a utilização de um motor de anéis. O sistema de partida direta com acionamento remoto ou automático do motor de indução trifásico, constitui-se de vários dispositivos, entre componentes de proteção do circuito terminal, dispositivo de seccionamento, de controle e proteção do motor. O comando pode ser feito à distância, acionado remotamente através de contator e botoeira, interruptor de pedal, ou automaticamente através de dispositivos auxiliares tais como chaves bóias (nível superior, nível inferior), pressostatos, termostatos, relé fotoelétrico, etc. É muito comum encontrar também a possibilidade de acionamento e desativação remota do motor tanto da porta externa do Quadro de Força, como através de uma caixa de botões instalada próximo a máquina. Nesta situação os botões desliga (NF) deverão estar instalados em série, enquanto os botões liga (NA), deverão estar interligados em paralelo. 3. MATERIAL EMPREGADO ITEM E S P E C I F I C A Ç Ã O QUANT. UNID. 01 Contator 3TB/3TF...SIEMENS ou LC1...TELEMECANIQUE – 220V 01 Um 02 Relé bimetálico 3UA... SIEMENS ou LR...TELEMECANIQUE 01 Um 03 Fusível diazed 2 A, completo 01 Um 04 Botoeira NA 01 Uma 05 Botoeira NF 01 Uma 06 Lâmpada de sinalização VM – 220V 01 Uma 07 Lâmpada de sinalização VD – 220V 01 Uma 08 Chave bóia NS – 10A 01 Uma 09 Chave bóia NI – 10A 01 Uma 10 Relé fotoelétrico NF 01 Um 11 Chave Seccionadora tipo PACCO 01 Uma 12 Fusível NH 16 A , completo 03 Um 13 Pino tripolar com cordão flexível 01 Um 14 Motor de indução trifásico 220/380V 01 Um A T E N Ç Ã O ! CUIDADO! DURANTE A MONTAGEM E OPERAÇÃO DESSA PRÁTICA, EXISTIRÃO PARTES CONDUTORAS QUE NÃO ESTARÃO PROTEGIDAS CONTRA CONTATOS ACIDENTAIS. VOCÊ VAI LIDAR COM TENSÕES DE 220V E 380V. AO CONCLUIR A MONTAGEM, ANTES DE ENERGIZAR O CIRCUITO, SOLICITE A PRESENÇA DO PROFESSOR PARA CONFERIR AS LIGAÇÕES. 4. PROCEDIMENTO DA PRÁTICA 4.1- Diagrama de Comando: Monte o circuito de comando de acordo com o diagrama esquemático da fig. 4.1a ou 4.1b.  Separe e confira todos os componentes a serem utilizados nesta montagem, inclusive fios e cabinhos em quantidade adequada e os componentes a serem empregados no circuito de força;  Teste estes componentes;  Após o teste dos componentes, desligue o disjuntor geral do painel ;  Inicie a montagem no painel tendo o cuidado de só interligar a alimentação do
  • 52.
    CENTRO FEDERAL DEEDUCAÇÃO TECNOLÓGICA DO CEARÁ – CEFET-CE CURSO DE ELETROTÉCNICA MANUAL DE COMANDOS INDUSTRIAIS PÁGINA: PRÁTICA 05 Prof. Gênova 47  circuito de comando (Fase e Neutro), após concluído a montagem e conferida as ligações. a) Comando local ou a distância por botoeiras F 220V – 60Hz e21 e4 95 96 b0 b1 13 23 K1 K1 14 24 A1 h1 K1 N A2 Fig.4.1a b) Comando local ou à distância por botoeiras e automático por chaves bóias : F 220V – 60Hz e21 e4 95 96 S b0 NS 13 23 b1 K1 K1 14 24 h1 K1 A1 NI N A2 Fig. 4.1b
  • 53.
    CENTRO FEDERAL DEEDUCAÇÃO TECNOLÓGICA DO CEARÁ – CEFET-CE CURSO DE ELETROTÉCNICA MANUAL DE COMANDOS INDUSTRIAIS PÁGINA: PRÁTICA 05 Prof. Gênova 48 4.2- Diagrama de Força: Monte o circuito de força de acordo com o diagrama esquemático da Fig. 4.2. Observe que o circuito de força é eletricamente independente do circuito de comando. Portanto, após concluída a montagem e teste do comando, não desfaça as ligações deste circuito, pois o mesmo servirá para controle da carga, após a montagem do circuito de força.  Desligue o disjuntor geral do painel;  Inicie a montagem do circuito de força fazendo as interligações no sentido fonte- carga;  Concluída a montagem e conferida as ligações da força, volte a alimentar e acionar somente o circuito de comando, de maneira a checar se o comando ainda esta funcionando normalmente. Para isso você deverá ligar o disjuntor geral e acionar o botão liga. Se estiver tudo Ok, acione o botão desliga para o contator desativar;  Coloque o plug tripolar na tomada trifásica;  Com um teste néon, verifique se não esta faltando nenhuma fase na saída dos fusíveis de força;  Caso esteja tudo OK, acione o botão liga: o motor deverá partir imediatamente, caso contrário desligue o disjuntor geral e chame o professor para verificar o que ocorreu e buscar uma solução para que o circuito possa operar normalmente;  Utilize um alicate volt-amperímetro em escala adequada, verifique e anote:  Corrente de partida: _________________  Corrente de regime (em vazio e em carga): ___________, ____________  Tensão entre fases e tensão na bobina do motor: _________, _________ R 380V – 60Hz S T e1 Q1 1 3 5 A1 K1 2 4 6 A2 e4 95 96 Fig. 4.2  Concluída os ensaios, desligue o disjuntor geral do painel, retire o plug tripolar da tomada trifásica de alimentação do circuito de força e os plugs da tomada monofásica de alimentação do circuito de comando;  Proceda a desmontagem dos circuitos e guarde ordenadamente nos seus devidos locais, todos os componentes e ferramentas utilizados na prática. M3Ø
  • 54.
    CENTRO FEDERAL DEEDUCAÇÃO TECNOLÓGICA DO CEARÁ – CEFET-CE CURSO DE ELETROTÉCNICA MANUAL DE COMANDOS INDUSTRIAIS PÁGINA: PRÁTICA 05 Prof. Gênova 49 5 . VERIFIQUE OS SEUS CONHECIMENTOS Faça o que se pede: 5.1- Desenhe o diagrama integrado do circuito para partida direta de MIT, com acionamento local e a distância por botoeiras, empregando a simbologia normalizada; 5.2- Complete as lacunas de acordo com a simbologia e convenções empregadas em circuitos de comandos: a) Os botões de comando são identificados pelas letras ____ ou ____, sendo usada a letra/índice (0) _____ ou _____ para o botão normalmente fechado (NF) e a letra/índice (1) _____ ou _____ para o botão normalmente aberto (NA); b) O botão fechador ou liga o circuito, é um botão com contato _____, enquanto o botão abridor ou desliga o circuito, é um botão com contato _____; c) As botoeiras são codificadas usando o código de cores, sendo a cor _________ correspondente ao botão liga, enquanto a cor ____________ corresponde ao desliga; d) A sinalização luminosa de um painel de comando de motores, é utilizada para indicar visualmente o estado ou sequência operacional do motor, sendo estabelecida a luz ou lente de cor __________ para indicar o motor parado, e a luz ou lente de cor ___________ para indicar que o motor esta em funcionamento; e) Os contatores são denominados na classificação geral, de contator _____________ e contator _______________; f) O contato de selo é um contato normalmente __________, podendo ser identificado como exemplo, com os seguintes pares de dígitos: _____e_____, _____e_____, _____e_____ ; g) Os relés térmicos e fusíveis são identificados pelas letras _____ou _____, sendo empregada a letra/índice _____ ou _____ para relés, enquanto para fusíveis utilizam-se as seguintes letras/índices: Fusível no circuito de comando: ______ ou ______. Fusível no circuito de força: ______ ou ______. 5.3- Explique qual a vantagem e desvantagem da utilização da sinalização luminosa ligada em paralelo diretamente com a bobina do contator, no circuito de partida direta de MIT; 5.4- Qual o significado dos dígitos que referenciam os contatos de um contator, impressos nas peças e representados nos diagramas dos circuitos ? 5.5- Descreva de maneira sucinta, a seqüência operacional do circuito montado nesta prática; 5.6- Desenhe o diagrama de comando para partida direta de MIT, num local onde não se dispõe do condutor neutro, mas somente das três fases.
  • 55.
    CENTRO FEDERAL DEEDUCAÇÃO TECNOLÓGICA DO CEARÁ – CEFET-CE CURSO DE ELETROTÉCNICA MANUAL DE COMANDOS INDUSTRIAIS PÁGINA: PRÁTICA 06 Prof. Gênova 50 PRÁTICA 06 ASSUNTO: COMANDO PARA ACIONAMENTO DO MOTOR DE INDUÇÃO MONOFÁSICO DE FASE DIVIDIDA, COM PARTIDA À CAPACITOR. 1. OBJETIVO Efetuar o acionamento do motor de indução monofásico com partida à capacitor, utilizando comando remoto por botoeiras e contator, e automático por chaves bóias. 2. COMENTÁRIOS TEÓRICOS A utilização do motor de indução monofásico de pequena potência é bastante frequente na maioria das instalações residenciais, comerciais e industriais onde a alimentação de energia elétrica é proporcionada através de uma rede monofásica de corrente alternada, bem como em todas as instalações bifásicas ou trifásicas onde normalmente há necessidade da aplicação de motores de pequeno porte, que operando a partir de circuitos monofásicos, acionam várias máquinas, tais como: bombas hidráulicas, compressores, máquinas de lavar de maior porte, máquinas de costura, ventiladores, furadeiras, aspiradores, condicionadores de ar, unidades refrigeradoras, e de um modo geral, quando se tratar do motor monofásico com partida a capacitor (Fig.2.1), em toda instalação onde se requerem motores monofásicos que desenvolvam torques de partida elevados. Motor monofásico com partida à capacitor Fig.2.1 A Concessionária de Energia Elétrica local, prescreve na Norma Técnica para Fornecimento de Energia Elétrica em Tensão Secundária de Distribuição (NT-001), que para ligações monofásicas atendidas através de fase e neutro em 220V, permite-se ligar motores monofásicos com potência individual até 3 cv. Para aplicações onde se necessita um motor de maior porte, é recomendado o uso de máquinas polifásicas, que além de corresponderem a uma construção mais simples possuem uma operação mais eficiente em comparação com os motores monofásicos, que normalmente possuem rendimento e fator de potência muito baixos. Por este motivo que os motores de indução monofásicos são fabricados para potência não superior a 1 cv, daí serem designados de motor de potência fracionada. O princípio de funcionamento do motor monofásico baseia-se no conceito da indução eletromagnética originada através da alimentação do estator (indutor) com uma tensão alternada. O campo magnético alternado monofásico existente no estator, induz uma tensão no rotor (induzido). Como o rotor é equivalente a um condutor em curto circuito, a tensão induzida faz “aparecer” uma corrente no rotor, que por sua vez estando variando em uma massa metálica, produz também um campo magnético que irá reagir com o campo magnético
  • 56.
    CENTRO FEDERAL DEEDUCAÇÃO TECNOLÓGICA DO CEARÁ – CEFET-CE CURSO DE ELETROTÉCNICA MANUAL DE COMANDOS INDUSTRIAIS PÁGINA: PRÁTICA 06 Prof. Gênova 51 do estator, só que de sentido oposto, de modo que não é produzida nenhuma componente útil de torque e por conseguinte não produz nenhum conjugado de partida. Para que haja torque líquido resultante não nulo, e o motor possa girar, é empregado construtivamente dois enrolamentos no estator, o enrolamento principal ou efetivo e o enrolamento auxiliar. O enrolamento principal é distribuído nas ranhuras, uniformemente espaçados em volta do estator. O enrolamento auxiliar, ligado em paralelo com o principal, é também distribuído uniformemente em volta do estator, mas que começa em ranhuras defasadas de 90° elétricos do início do enrolamento efetivo. A corrente do enrolamento de partida esta adiantada em relação a corrente do enrolamento principal, não necessariamente de 90°, mas o suficiente para que haja defasamento no tempo, uma vez que devido a forma construtiva de montagem deste enrolamento nas ranhuras, já existe um defasamento no espaço. Portanto a finalidade essencial do enrolamento auxiliar, é produzir a rotação do rotor. A fim de melhorar o torque de partida relativamente baixo no motor de fase dividida, adiciona- se um capacitor ao enrolamento auxiliar, para produzir um defasamento próximo aos 90° entre as correntes nos enrolamentos de partida e de funcionamento. Como o enrolamento auxiliar só é necessário na fase de partida, uma vez que ao ser posto a girar num dado sentido, ele permanece neste sentido devido ao torque líquido resultante, o enrolamento auxiliar é desligado do circuito através da abertura de uma chave centrífuga, constituída de expansor e platinado, permanecendo então o motor sendo alimentado somente pelo enrolamento efetivo. Quando o motor é desligado, a chave centrífuga volta a fechar, deixando o enrolamento auxiliar já conectado novamente em paralelo com o enrolamento principal e pré disposto para uma nova partida do motor. O enrolamento de partida possui menos espiras e é bobinado com fio de cobre de menor diâmetro do que o principal, daí o enrolamento auxiliar possuir uma resistência elevada e uma baixa reatância, inversamente ao enrolamento efetivo que possui uma baixa resistência (fio de maior diâmetro) e uma elevada reatância, mais espiras, resultando no entanto numa impedância mais baixa, e por conseguinte, uma maior corrente. O capacitor de partida é do tipo eletrolítico que tem a característica de funcionamento somente quando solicitado por tensão com polaridade estabelecida, tendo a sua montagem externa sobre a carcaça do estator, cuja fixação é proporcionada por suportes que também tem a finalidade de protege-lo mecanicamente. A seguir são apresentados o esquema de funcionamento, relativo ao circuito equivalente do motor monofásico, os tipos de ligação e o esquema de ligação para a tensão de rede de 220V: ESQUEMA DE FUNCIONAMENTO TIPOS DE LIGAÇÕES A) 110V 5 6 1 2 3 4 L1 (F) L2 (N) B) 220V 5 6 1 3 2 4 L1 (F) L2 (N)
  • 57.
    CENTRO FEDERAL DEEDUCAÇÃO TECNOLÓGICA DO CEARÁ – CEFET-CE CURSO DE ELETROTÉCNICA MANUAL DE COMANDOS INDUSTRIAIS PÁGINA: PRÁTICA 06 Prof. Gênova 52 ESQUEMA DE LIGAÇÃO DAS BOBINAS PARA TENSÃO DA REDE DE 220V L1 (F) L2 (N) 3. MATERIAL EMPREGADO ITEM ESPECIFICAÇÃO QUANT. UNID. 01 Contator 3TB/3TF...SIEMENS ou LC1...TELEMECANIQUE – 220V 01 Um 02 Relé bimetálico 3UA...SIEMENS ou LR...TELEMECANIQUE – 220V 01 Um 03 Fusível diazed 2 A, completo 01 Um 04 Botoeira NA 01 Uma 05 Botoeira NF 01 Uma 06 Lâmpada de sinalização VM – 220V 01 Uma 07 Chave bóia NS – 10 A 01 Uma 08 Chave bóia NI – 10 A 01 Uma 09 Fusível NH 16 A, completo 01 Um 10 Pino monopolar com cordão flexível para alimentação da fonte 04 Um 11 Motor de indução monofásico com partida à capacitor 01 Um 4. PROCEDIMENTO DA PRÁTICA A T E N Ç Ã O ! DURANTE A MONTAGEM E OPERAÇÃO DESSA PRÁTICA, VOCÊ VAI SE DEPARAR COM COMPONENTES E PARTES METÁLICAS CONDUTORAS QUE NÃO ESTARÃO PROTEGIDAS CONTRA CONTATOS ACIDENTAIS. TENHA O MÁXIMO DE CUIDADO E ATENÇÃO POIS VOCÊ VAI LIDAR COM TENSÃO DE 220V. NÃO SEJA PRECIPITADO. SURGINDO QUALQUER DÚVIDA E AO CONCLUIR A MONTAGEM, ANTES DE ENERGIZAR O CIRCUITO, SOLICITE A PRESENÇA DO PROFESSOR NA SUA BANCADA DE TRABALHO. 4.1- DIAGRAMA DE COMANDO:  Monte o circuito de comando de acordo com o diagrama esquemático da Fig. 4.1a;  Siga os procedimentos habituais do roteiro de montagem:  Separe e confira todos os componentes a serem utilizados nesta montagem, inclusive fios e cabinhos em quantidade adequada e os componentes a serem empregados no circuito de força;  Teste todos os componentes;  Após o teste dos componentes, desligue o disjuntor geral do painel;
  • 58.
    CENTRO FEDERAL DEEDUCAÇÃO TECNOLÓGICA DO CEARÁ – CEFET-CE CURSO DE ELETROTÉCNICA MANUAL DE COMANDOS INDUSTRIAIS PÁGINA: PRÁTICA 06 Prof. Gênova 53  Inicie a montagem no painel tendo o cuidado de só interligar a alimentação do circuito de comando (Fase e Neutro), após concluído a montagem e conferida as ligações. a) Comando local ou a distância por botoeiras e21 13 23 14 24 A1 A2 Fig. 4.1a b) Comando automático por chaves bóias: Modifique o circuito de comando da fig.4.1a e transforme-o no da fig.4.1b: NS 13 14 A1 NI N A2 Fig. 4.1b F 220V – 60Hz e.4 b.0 b.1 95 96 K1 K1 K1 h.1 N F 220V – 60Hz e.21 e.4 95 96 K1 K1 h.1
  • 59.
    CENTRO FEDERAL DEEDUCAÇÃO TECNOLÓGICA DO CEARÁ – CEFET-CE CURSO DE ELETROTÉCNICA MANUAL DE COMANDOS INDUSTRIAIS PÁGINA: PRÁTICA 06 Prof. Gênova 54 4.2- Diagrama de Força: Monte o circuito de força de acordo com o diagrama esquemático da Fig. 4.2. Observe que o circuito de força é eletricamente independente do circuito de comando. Portanto, após concluída a montagem e teste do comando, não desfaça as ligações deste circuito, pois o mesmo servirá exatamente para controle de acionamento e desativação da carga, após a montagem do circuito de força.  Desligue o disjuntor geral do painel;  Inicie a montagem do circuito de força fazendo as interligações no sentido fonte-carga; F 220V – 60Hz N e1 1 3 5 K1 A1 2 4 6 A2 e4 95 96 Fig. 4.2  Concluída a montagem e conferida as ligações da força, volte a alimentar e acionar somente o circuito de comando, de maneira a checar se o comando ainda esta funcionando normalmente. Para isso você deverá ligar o disjuntor geral e acionar o botão liga. Se estiver tudo Ok, acione o botão desliga para o contator desativar;  Coloque os plugs unipolares na tomada monofásica;  Com um teste neon, verifique se não esta faltando fase na saída do fusível de força;  Caso esteja tudo OK, acione o botão liga: o motor deverá partir imediatamente, caso contrário desligue o disjuntor geral e chame o professor para verificar o que ocorreu e buscar uma solução para que o circuito possa operar normalmente;  Utilize um alicate volt-amperímetro em escala adequada, verifique e anote:  Corrente de partida: __________  Corrente de regime (em vazio e em carga): ________, _________  Tensão entre fase e neutro e tensão na bobina do motor: _________, _________ TERMINAIS 1 e 5 TERMINAL 4 TERMINAIS 2, 3 e 6
  • 60.
    CENTRO FEDERAL DEEDUCAÇÃO TECNOLÓGICA DO CEARÁ – CEFET-CE CURSO DE ELETROTÉCNICA MANUAL DE COMANDOS INDUSTRIAIS PÁGINA: PRÁTICA 06 Prof. Gênova 55  Concluída os ensaios, desligue o disjuntor geral do painel, retire os plugs unipolares da tomada monofásica de alimentação do circuito de força e os plugs da tomada monofásica de alimentação do circuito de comando;  Proceda a desmontagem dos circuitos e guarde ordenadamente nos seus devidos locais, todos os componentes e ferramentas utilizados na prática. 5. VERIFIQUE OS SEUS CONHECIMENTOS Faça o que se pede: 5.1- Explique por que o motor monofásico precisa do enrolamento auxiliar para partir ? 5.2- O motor monofásico de fase dividida podería partir sem a utilização do capacitor ? Explique. 5.3- Qual a função do capacitor na partida do motor de indução monofásico ? 5.4- Quais os componentes do motor monofásico que são responsáveis para que o enrolamento auxiliar seja conectado ou desconectado em paralelo com o enrolamento efetivo ? 5.5- O que você entende por motor de potência fracionada ? 5.6- De acordo com a prescrição da Norma Técnica da Concessionária local, até que potência individual em cv, permite-se ligar motor monofásico cuja instalação for atendida através de tensão monofásica (fase-neutro) de 220V? 5.7- Explique por que não é viável a aplicação de motores monofásicos de médio e grande porte. 5.8- Como o relé bimetálico de sobrecarga tripolar deve ser utilizado para proporcional a proteção de cargas monofásicas, como no caso do motor de indução monofásico ? 5.9- Qual a diferença existente entre o circuito de comando para partida direta de MIT e o circuito de comando para partida do motor monofásico, com acionamento por botoeiras ? 5.10- No circuito de comando automático do motor monofásico, com acionamento ou desativação somente através de chaves bóias, qual o contato de selo do circuito ?
  • 61.
    CENTRO FEDERAL DEEDUCAÇÃO TECNOLÓGICA DO CEARÁ – CEFET-CE CURSO DE ELETROTÉCNICA MANUAL DE COMANDOS INDUSTRIAIS PÁGINA: PRÁTICA 07 Prof. Gênova 56 PRÁTICA 07 ASSUNTO: COMANDO PARA PARTIDA DIRETA DE MOTOR DE INDUÇÃO TRIFÁSICO, COM REVERSÃO NO SENTIDO DE ROTAÇÃO E ACIONAMENTO REMOTO ATRAVÉS DE BOTOEIRAS E CHAVES FIM DE CURSO. 1. OBJETIVO Familiarizar o aluno com a montagem de circuitos de comando e força, para partida direta do motor de indução trifásico, com reversão no sentido de rotação, utilizando comando local ou a distância através do acionamento de botoeiras e chaves fim de curso. 2. COMENTÁRIOS TEÓRICOS A reversão no sentido de rotação de um motor de indução trifásico, é obtida com a troca da alimentação de dois terminais do estator, alterando a sequência de fases e por conseguinte, a direção de rotação do campo magnético girante. Dessa maneira o motor passa a girar em sentido contrário ao original que tinha partido, como por exemplo: se o motor parte no sentido horário, após a reversão ele passa a girar no sentido anti-horário. Em termos de circuito de comando e força, ao adicionar um sistema de inversão de sentido de rotação, no circuito utilizado para partida direta simples, obtemos a caracterização de um novo sistema de acionamento e controle do MIT, denominado de “chave reversora”. São acrescidos ao circuito, um contator principal e um botão de comando NA, que proporcionarão a inversão no sentido de rotação do motor, através da inversão da sequência de fases de alimentação das bobinas do mesmo. Existem diversas variações de modelos do circuito de comando para reversão, no entanto serão apresentadas nesta prática, três versões básicas: Comando para reversão lenta, comando para reversão rápida e comando para reversão por chave fim de curso. Reversão lenta ou indireta: Deve ser utilizada quando há necessidade de um intervalo de tempo no momento da comutação, como é o caso de máquinas onde a inércia é muito grande o que torna impraticável a reversão rápida, ou ainda em situações onde por qualquer motivo seja necessário um determinado tempo na reversão. Analisando o circuito da fig. 4.1, podemos observar que ao se iniciar o processo da reversão com o acionamento de b0, teremos um intervalo de tempo momentâneo onde o circuito estará desativado, caracterizando a partir daí a reversão em dois estágios: 1o estágio: Desligamento do motor; 2o estágio: Partida do motor com a rotação no sentido inverso. Reversão Rápida: No circuito da fig. 4.2, não existe este estágio de desligamento do motor para se processar a reversão, onde o processo de inversão é proporcionado simultaneamente pela interdependência dos botões de comando conjugados b22 e b23. Estes botões fazem o intertravamento mecânico entre os contatores K1 e K2. Admitindo que o motor esteja em funcionamento, para se processar a reversão rápida do sentido de rotação, basta acionar a botoeira b23, que desopera o contator K1 e ao mesmo tempo energiza a bobina de K2, alimentando desta forma o motor com a sequência das fases da rede invertida. O desligamento definitivo do circuito é proporcionado pela impulsão de b0. Reversão por chave fim de curso: Em ambos os circuitos a reversão pode ser automatizada, bastando utilizar componentes que tornam o processo automático, como é o caso de chaves fim de curso, relé de tempo e outros, bastando inserir no circuito de comando, os respectivos contatos dos dispositivos automáticos. No caso particular de controle e acionamento de portões ,elevadores e pontes rolantes, a chave fim de curso tem uma aplicação muito particular, sendo usada em conjunto com os botões de comando, conforme a fig. 4.3. De uma maneira geral podemos citar como exemplos típicos da aplicação da reversão de motores, o controle e acionamento de elevadores domésticos, elevadores de carga, elevadores de coluna para autos, tornos, esteiras transportadoras, pontes rolantes, portões, guinchos e guindastes, sistema de ventilação/exaustão e outros. 3. MATERIAL EMPREGADO
  • 62.
    CENTRO FEDERAL DEEDUCAÇÃO TECNOLÓGICA DO CEARÁ – CEFET-CE CURSO DE ELETROTÉCNICA MANUAL DE COMANDOS INDUSTRIAIS PÁGINA: PRÁTICA 07 Prof. Gênova 57 ITEM E S P E C I F I C A Ç Ã O QUANT. UNID. 01 Contator 3TB/3TF...SIEMENS ou LC1...TELEMECANIQUE – 220V 02 Um 02 Relé bimetálico 3UA... SIEMENS ou LR...TELEMECANIQUE 01 Um 03 Fusível diazed 2 A, completo 01 Um 04 Botoeira NA 01 Uma 05 Botoeira NF 01 Uma 06 Botoeira conjugada NA/NF 02 Uma 07 Chave fim de curso 02 Uma 08 Lâmpada de sinalização VM – 220V 01 Uma 09 Lâmpada de sinalização VD – 220V 01 Um 10 Chave Seccionadora tipo PACCO 01 Uma 11 Fusível NH 16 A , completo 03 Um 12 Pino tripolar com cordão flexível 01 Um 13 Motor de indução trifásico 220/380V 01 Um 4. PROCEDIMENTO DA PRÁTICA A T E N Ç Ã O ! CUIDADO! DURANTE A MONTAGEM E OPERAÇÃO DESSA PRÁTICA, EXISTIRÃO PARTES CONDUTORAS QUE NÃO ESTARÃO PROTEGIDAS CONTRA CONTATOS ACIDENTAIS. VOCÊ VAI LIDAR COM TENSÕES DE 220V E 380V. AO CONCLUIR A MONTAGEM, ANTES DE ENERGIZAR O CIRCUITO, SOLICITE A PRESENÇA DO PROFESSOR PARA CONFERIR AS LIGAÇÕES. 4.1- Diagrama de comando: Monte o circuito de comando da fig. 4.1, de acordo com as determinações do roteiro de trabalho. a) Comando local ou à distância por botoeiras, para reversão lenta: F 220V – 60HZ e21 95 e4 96 b0 13 13 33 33 b1 K1 b2 K2 K1 K2 14 14 34 34 21 21 K2 K1 h1 h2 22 22 K1 K2 N Fig.4.1 b) Comando local ou à distância por botoeiras, para reversão rápida: F 220V – 60HZ
  • 63.
    CENTRO FEDERAL DEEDUCAÇÃO TECNOLÓGICA DO CEARÁ – CEFET-CE CURSO DE ELETROTÉCNICA MANUAL DE COMANDOS INDUSTRIAIS PÁGINA: PRÁTICA 07 Prof. Gênova 58 e21 e4 95 96 b0 13 b23 b23 K2 14 b22 b22 23 23 K1 K2 13 C 24 24 K1 14 A D 31 B 31 K1 K2 32 32 A1 A1 h1 h2 K1 K2 N A2 A2 Fig.4.2 c) Comando por chave fim de curso: O diagrama de comando com acionamento por botoeiras e chave fim de curso, é idêntico ao diagrama da fig. 4.2, bastando intercalar nos trechos AB e CD os contatos NF das chaves fim de curso SC1 e SC2, respectivamente, conforme trecho representativo desenhado na fig. 4.3: A C SC1 SC2 B 31 D 31 K2 K1 32 32 K1 K2 N Fig. 4.3 4.2- Diagrama de força Monte o circuito de força de acordo com a Fig. 4.4: R 3 ~ 380V – 60Hz
  • 64.
    CENTRO FEDERAL DEEDUCAÇÃO TECNOLÓGICA DO CEARÁ – CEFET-CE CURSO DE ELETROTÉCNICA MANUAL DE COMANDOS INDUSTRIAIS PÁGINA: PRÁTICA 07 Prof. Gênova 59 S T e1 1 3 5 A1 1 3 5 A1 K1 K2 2 4 6 2 4 6 A2 A2 95 e4 96 5. VERIFIQUE OS SEUS CONHECIMENTOS Faça o que se pede: 5.1- Assinale a alternativa correta: 5.1.1- O contator a) É um dispositivo para uma elevada frequência de manobra; b) Sempre possui câmara de extinção de arco; c) Pode interromper sempre correntes de curto circuito; d) É um dispositivo de sinalização. 5.1.2- As vibrações do eletroímã, em virtude das alternâncias de CA, são evitadas por: a) Núcleo feito de chapas; b) Molas de amortecimento; c) Bobina de sombra; d) Bobina com potência adequada. 5.1.3- Nos contatores a) O eletroímã e os contatos e fecham simultaneamente; b) Os contatos NA/NF se fecham e se abrem, respectivamente, simultaneamente; c) A abertura é feita diretamente pelo desligamento do eletroímã; d) O núcleo móvel se fecha com o núcleo fixo, simultaneamente com os contatos NF. 5.1.4- O contato que mantém o contator alimentado após o impulso da botoeira, é denominado de contato: a) Auxiliar c) Contato de selo b) Contato de fechamento d) Contato de retenção M 3ø
  • 65.
    CENTRO FEDERAL DEEDUCAÇÃO TECNOLÓGICA DO CEARÁ – CEFET-CE CURSO DE ELETROTÉCNICA MANUAL DE COMANDOS INDUSTRIAIS PÁGINA: PRÁTICA 07 Prof. Gênova 60 5.1.5- Os contatores principais possuem: a) Contatos principais e auxiliares de mesma capacidade b) Elevada capacidade de manobra e geralmente câmara de extinção de arco; c) Construção basicamente diferente dos contatores auxiliares d) Relés de proteção acoplados em sua base. 5.2- Complete corretamente, no enfoque de intertravamento de contatores: a) Os sistemas usados para impedir que dois ou mais elementos se liguem ao mesmo tempo, denomina-se de______________________; b) Estes sistemas podem ser de dois tipos, ou seja: _____________________ elétrico e _____________________mecânico; c) A ligação simultânea de dois contatores pode ser evitada tanto pelos seus próprios contatos auxiliares, como pelo _______________________________; d) Para maior garantia do comando, é costume usar tanto o ___________________ ______________ como o ___________________ ___________________. 5.3- Analisando a sequência operacional do circuito de comando para reversão, complete os espaços corretamente: a) O circuito de K1 se estabelece quando pulsamos ________; b) Entrando K2 em funcionamento, K1 é bloqueado pelo, contato de intertravamento _________________; c) Quando K1 estiver energizado e b23 for acionado, o circuito de K1 é interrompido e assim permanece devido a abertura do contato denominado de _____________; d) Quando K2 estiver funcionando, K1 tem seu circuito aberto nos três seguintes pontos: ___________________, ____________________, _________________; e) Descreva o que ocorrerá se o contato K2(13/14) não funcionar no fechamento. 5.4- Explique por que é impraticável a reversão rápida em máquinas cuja inércia é elevada ? 5.5- Quando queremos automatizar a reversão, aonde devemos instalar os contatos dos dispositivos automáticos no circuito de comando ?
  • 66.
    CENTRO FEDERAL DEEDUCAÇÃO TECNOLÓGICA DO CEARÁ – CEFET-CE CURSO DE ELETROTÉCNICA MANUAL DE COMANDOS INDUSTRIAIS PÁGINA: PRÁTICA 08 Prof. Gênova 61 PRÁTICA 08 ASSUNTO: ACIONAMENTO DE MOTOR DE INDUÇÃO MONOFÁSICO DE FASE DIVIDIDA, COM PARTIDA À CAPACITOR, COM REVERSÃO NO SENTIDO DE ROTAÇÃO. 1. OBJETIVO Efetuar o acionamento do motor de indução monofásico com reversão no sentido de rotação, utilizando comando manual através de chave reversora tripolar com alavanca, e comando remoto por botoeiras e contatores. 2. COMENTÁRIOS TEÓRICOS Como foi visto em prática anterior, existem diversas aplicações práticas onde o motor monofásico é largamente empregado, além de ser necessário em algumas situações, a inversão no sentido de rotação do motor, como é o caso por exemplo, do acionamento e controle de portões corrediços. A reversão no sentido de rotação do motor trifásico é facilmente conseguida pela permuta da alimentação de dois terminais do estator, o que não é possível com o motor monofásico. Para que a inversão seja realizada, é necessário entender primeiramente o processo de partida do motor monofásico. Construtivamente este motor é concebido de tal forma que o enrolamento do estator é dividido em duas partes, ou seja, um enrolamento efetivo e outro auxiliar, que é solicitado apenas na fase de partida do motor. O enrolamento auxiliar esta conectado inicialmente em paralelo com o enrolamento principal, e esta distribuído uniformemente nas ranhuras do estator de tal forma que existe um defasamento no espaço em relação ao efetivo, fator essencial para que haja torque útil neste instante inicial e o motor possa partir. Para melhorar as condições de partida, é adicionado um capacitor em série com o enrolamento auxiliar, de maneira que seja produzido um defasamento próximo a 90° entre as correntes desses enrolamentos, otimizando então as condições de torque útil na fase de partida. Quando o motor começa a girar num determinado sentido, a chave centrífuga abre um contato e desconecta o enrolamento auxiliar do circuito, permanecendo o motor alimentado somente pelo enrolamento efetivo. A forma com que os enrolamentos principal e auxiliar são montados no estator, faz com que exista uma polaridade entre os dois enrolamentos, que pode ser aditiva ou subtrativa. O enrolamento auxiliar possui os dois terminais numerados com os dígitos 5 e 6, daí para que na fase de partida a polaridade de um enrolamento em relação ao outro, possa ser alterada, basta trocar as conexões destes dois terminais ligados em paralelo com o efetivo, correspondendo a permuta do 5 pelo 6. Portanto o que a chave manual reversora ou o comando remoto vai proporcionar ao motor, é a troca das conexões entre o enrolamento efetivo e auxiliar, permutando os terminais 5 pelo 6, e com a mudança de polaridade produzida, resultará na inversão do sentido de rotação. É importante observar que para o motor monofásico, não é possível a reversão rápida, uma vez que estando o motor ainda a girar, mesmo sem alimentação de tensão, a chave centrífuga esta com seus terminais abertos deixando ainda o enrolamento auxiliar desconectado do principal, e neste período se a chave reversora for acionada para o outro sentido de rotação, alimentando o enrolamento principal novamente com tensão, o mesmo não sentirá mudança de polaridade, daí o torque útil continuar no mesmo sentido e não haver inversão. Dessa maneira para que a reversão ocorra, é necessário que haja a parada efetiva do motor. É possível utilizar a chave reversora tripolar manual para efetuar a inversão no sentido de rotação do motor monofásico, uma vez que esta chave possui dois pares de terminais que são variáveis, enquanto outro par permanece com ligação repetida. Dessa forma basta conectar os terminais 5 e 6 do motor, nos terminais variáveis da chave, procedendo as demais conexões de acordo com a tensão de alimentação da rede. Observar que por questões de segurança operacional, quando a chave estiver na posição zero (desligada), todos os terminais do motor deverão estar desconectados do terminal fase da rede. 3. MATERIAL EMPREGADO
  • 67.
    CENTRO FEDERAL DEEDUCAÇÃO TECNOLÓGICA DO CEARÁ – CEFET-CE CURSO DE ELETROTÉCNICA MANUAL DE COMANDOS INDUSTRIAIS PÁGINA: PRÁTICA 08 Prof. Gênova 62 ITEM ESPECIFICAÇÃO QUANT UNID 01 Chave Reversora manual 30 A, Primelétrica ou Continental 01 Uma 02 Contator 3TB/3TF...SIEMENS ou LC1...TELEMECANIQUE – 220V 01 Um 03 Relé bimetálico 3UA...SIEMENS ou LR...TELEMECANIQUE – 220V 01 Um 04 Fusível diazed 2 A, completo 01 Um 05 Botoeira NA 01 Uma 06 Botoeira NF 01 Uma 07 Lâmpada de sinalização VM – 220V 01 Uma 08 Fusível NH 16 A, completo 01 Um 09 Pino monopolar com cordão flexível para alimentação da fonte 04 Um 10 Motor de indução monofásico com partida à capacitor 01 Um 4. PROCEDIMENTO DA PRÁTICA A T E N Ç Ã O ! DURANTE A MONTAGEM E OPERAÇÃO DESSA PRÁTICA, VOCÊ VAI SE DEPARAR COM COMPONENTES E PARTES METÁLICAS CONDUTORAS QUE NÃO ESTARÃO PROTEGIDAS CONTRA CONTATOS ACIDENTAIS. TENHA O MÁXIMO DE CUIDADO E ATENÇÃO POIS VOCÊ VAI LIDAR COM TENSÃO DE 220V. NÃO SEJA PRECIPITADO. SURGINDO QUALQUER DÚVIDA E AO CONCLUIR A MONTAGEM, ANTES DE ENERGIZAR O CIRCUITO, SOLICITE A PRESENÇA DO PROFESSOR NA SUA BANCADA DE TRABALHO. 4.1- COMANDO POR CHAVE REVERSORA MANUAL a) Montagem da chave reversora manual:  Faça a fixação da chave manual no painel didático da sua bancada de trabalho;  Faça a interligação dos terminais do motor e fios de alimentação da rede nos terminais da chave, de acordo com a fig. 4.1. Caso os terminais do motor sejam curtos, emende fio flexível para facilitar as conexões. ZERO DIR ESQ ZERO DIR ESQ (Fig. 4.1)  Verifique a posição da alavanca de acionamento da chave, que deve estar na posição zero (desligada);  Coloque os plugs de alimentação da rede na tomada de corrente monofásica;
  • 68.
    CENTRO FEDERAL DEEDUCAÇÃO TECNOLÓGICA DO CEARÁ – CEFET-CE CURSO DE ELETROTÉCNICA MANUAL DE COMANDOS INDUSTRIAIS PÁGINA: PRÁTICA 08 Prof. Gênova 63  Acione o disjuntor geral do painel;  Acione a alavanca da chave;  Proceda a sequência operacional correspondente, de maneira que o motor gire para a direita, pare, gire para a esquerda, pare.  Desligue o disjuntor geral e desfaça todas as ligações; 4.2- COMANDO REMOTO POR BOTOEIRAS E CONTATORES a) Diagrama de comando  Efetue o teste de todos os componentes empregados na prática;  Após o teste, desligue o disjuntor geral;  Faça a montagem do circuito de comando de acordo com a Fig. 4.2a; F 220V – 60Hz e21 e4 95 96 b0 13 13 33 33 b1 K1 b2 K2 K1 K2 14 14 34 34 21 21 K2 K1 h1 h2 22 22 K1 K2 N Fig.4.2a  Concluída a montagem do comando, confira as ligações e ligue o disjuntor geral;  Ligue o circuito e verifique o seu funcionamento;  Caso esteja tudo ok, desligue o circuito e o disjuntor geral. b) Diagrama de Força  Na montagem do circuito de força do motor monofásico, para reversão no sentido de rotação, é necessário que os terminais do motor fiquem disponíveis para possibilitar a comutação de ligações, tendo em vista que a inversão é obtida pela permuta dos terminais 5 pelo 6;  Faça a montagem do circuito de força, de acordo com a Fig. 4.2b, observando que a fonte de alimentação é a tomada de corrente monofásica; F 220V – 60Hz N
  • 69.
    CENTRO FEDERAL DEEDUCAÇÃO TECNOLÓGICA DO CEARÁ – CEFET-CE CURSO DE ELETROTÉCNICA MANUAL DE COMANDOS INDUSTRIAIS PÁGINA: PRÁTICA 08 Prof. Gênova 64 e1 1 3 5 1 3 5 K1 K2 2 4 6 2 4 6 e4 4 1 2,3 5 6 Fig. 4.2b  Após a montagem efetue a conferência das ligações;  Se estiver tudo ok, ligue o disjuntor geral;  Proceda o acionamento do circuito na sequência operacional:  partida no 1o sentido de rotação  parada  partida no 2o sentido de rotação  parada  Desligue o disjuntor geral e desfaça as ligações dos circuitos;  Guarde ordenadamente, todo o material usado na prática. 5. VERIFIQUE OS SEUS CONHECIMENTOS Faça o que se pede: 5.1- Cite algumas aplicações do motor monofásico com reversão no sentido de rotação; 5.2- O que ocorreria numa nova partida do motor, se o capacitor de partida do motor de indução monofásico fosse retirado ? 5.3- Explique por que não é possível utilizar reversão rápida com o motor monofásico.
  • 70.
    CENTRO FEDERAL DEEDUCAÇÃO TECNOLÓGICA DO CEARÁ – CEFET-CE CURSO DE ELETROTÉCNICA MANUAL DE COMANDOS INDUSTRIAIS PÁGINA: PRÁTICA 08 Prof. Gênova 65 5.4- Quais as alterações que seriam necessárias se fazer no circuito de comando da fig. 4.2a, para que a reversão fosse aplicada no controle do portão de uma garagem, com a inclusão de chaves fim de curso ? 5.5- Cite quais as vantagens e desvantagens de utilizar a chave reversora tripolar manual para o acionamento e desativação do motor monofásico; 5.6- Considerando ainda a chave reversora manual, qual a justificativa técnica que explica a recomendação de que quando a chave estiver com a alavanca de acionamento na posição zero, com o motor desligado, não deve ficar nenhum terminal do motor sob tensão ? 5.7- Analisando o circuito de comando da fig. 4.2 a, responda: a) O que ocorreria se o fio neutro de alimentação da bobina do contator K2 estivesse desligado ? b) Se o contato e4(95-96) abrisse durante o funcionamento do motor, o que o poderia estar ocorrendo ? c) Se a rede fosse de 110V, quais as modificações nas ligações que você deveria fazer no circuito da fig. 4.2 b ?
  • 71.
    CENTRO FEDERAL DEEDUCAÇÃO TECNOLÓGICA DO CEARÁ – CEFET-CE CURSO DE ELETROTÉCNICA MANUAL DE COMANDOS INDUSTRIAIS PÁGINA: PRÁTICA 09 Prof. Gênova 66 PRÁTICA 09 ASSUNTO: COMANDO AUTOMÁTICO PARA A PARTIDA DE VÁRIOS MOTORES TRIFÁSIICOS EM LIGAÇÃO SEQUÊNCIAL 1.OBJETIVO Familiarizar o aluno com a montagem de circuitos de comando eletromagnético e de força, para partida de vários motores trifásicos em sucessão automática, como no caso de esteiras transportadoras. 2.COMENTÁRIOS TEÓRICOS Uma das aplicações do comando eletromagnético para ligação consecutiva de motores trifásicos em sucessão automática, é o das esteiras transportadoras utilizadas para transporte de materiais a granel (pós, líquidos, minérios, etc.) ou de materiais constituídos por unidades isoladas (caixas, vasilhames, sacos, componentes mecânicos produzidos em série, etc.). Podemos citar como exemplos de utilização dos transportadores de esteira, usinas de beneficiamento de brita, fábrica de cimento, usina de alfalto, indústria de mineração, fábricas de refrigerantes, usinas de beneficiamento de cereais e outros. Para melhor compreender o objetivo dessa prática, faz-se necessário apresentar o funcionamento das esteiras transportadoras, cujo processo veremos a seguir: Funcionamento das esteiras transportadoras: Considere os transportadores de esteiras que apresentamos no diagrama esquemático da figura 2.1, que são acionados por três motores trifásicos M1, M2 e M3. O sentido de condução do material a ser transportado, é dado por M3 - M2 - M1; por sua vez a ligação dos motores deverá ser na sequência M1 – M2 – M3, o que corresponderá ao sentido inverso do início do carregamento do material na esteira. Se um dos motores falha, como por exemplo devido a uma sobrecarga, todos os motores subsequentes serão desligados; é interrompido o fornecimento do material à esteira, enquanto os motores ligados na sequência anterior ao motor que apresentou falha, continuam funcionando, transportando o material até o total descarregamento das suas respectivas esteiras. Sentido de deslocamento do material a ser transportado M1 M2 Sentido de ligação dos motores M3 Fig. 2.1 Exemplo de ocorrências nas esteiras: Ocorrência Consequência M3 desliga M2 e M1 continuam funcionando M1 desliga M2 e M3 são desligados M2 desliga M3 é desligado e M1 continua funcionando
  • 72.
    CENTRO FEDERAL DEEDUCAÇÃO TECNOLÓGICA DO CEARÁ – CEFET-CE CURSO DE ELETROTÉCNICA MANUAL DE COMANDOS INDUSTRIAIS PÁGINA: PRÁTICA 09 Prof. Gênova 67 3. MATERIAL EMPREGADO ITEM E S P E C I F I C A Ç Ã O QUANT. UNID. 01 Contator 3TB/3TF...SIEMENS ou LC1...TELEMECANIQUE – 220V 03 Um 02 Relé bimetálico 3UA... SIEMENS ou LR...TELEMECANIQUE 03 Um 03 Fusível diazed 2 A, completo 01 Um 04 Botoeira NA 01 Uma 05 Botoeira NF 01 Uma 06 Lâmpada de sinalização VM – 220V 01 Uma 07 Lâmpada de sinalização VD – 220V 01 Uma 4. PROCEDIMENTOS DA PRÁTICA A T E N Ç Ã O ! NA MONTAGEM DESSA PRÁTICA EXISTIRÃO PARTES CONDUTORAS QUE NÃO ESTARÃO PROTEGIDAS CONTRA CONTATOS ACIDENTAIS. VOCÊ VAI LIDAR COM TENSÕES DE 220/380V. TENHA O MÁXIMO DE CUIDADO, E ANTES DE ENERGIZAR O CIRCUITO, SOLICITE A PRESENÇA DO PROFESSOR PARA CONFERIR AS LIGAÇÕES. 4.1- DIAGRAMA DE COMANDO  Monte o circuito de comando de acordo com o diagrama da fig. 4.1, seguindo as determinações do roteiro de trabalho: F 220V – 60 Hz e21 95 e4 96 b0 43 13 K1 K2 44 14 13 b1 K1 14 e5 95 e6 95 96 96 A1 A1 A1 K1 K2 K3 N A2 A2 A2 Fig. 4.1 Obs. Para simulação da sobrecarga, acione o botão vermelho do relé bimetálico, que corresponderá a abertura do contato NF(95-96).
  • 73.
    CENTRO FEDERAL DEEDUCAÇÃO TECNOLÓGICA DO CEARÁ – CEFET-CE CURSO DE ELETROTÉCNICA MANUAL DE COMANDOS INDUSTRIAIS PÁGINA: PRÁTICA 09 Prof. Gênova 68 4.2- DIAGRAMA DE FORÇA  O circuito de força para alimentação dos motores, esta representado na fig. 4.2. Durante esta prática não será necessário efetuar a sua montagem tendo em vista que se trata de 3 (três) partidas diretas, semelhante a prática 5 deste manual. R 380V – 60 Hz S T e1 e2 e3 1 3 5 A1 1 3 5 A1 1 3 5 A1 K3 K1 K2 2 4 6 2 4 6 2 4 6 A2 A2 A2 e4 95 e5 95 e6 95 96 96 96 Fig. 4.2 5. VERIFIQUE OS SEUS CONHECIMENTOS 5.1- Descreva a sequência operacional do circuito de comando das esteiras transportadoras desta prática; 5.2- Desenhe o diagrama multifilar integrado para acionamento das esteiras transportadoras e alimentação dos motores M1, M2 e M3; 5.3- Cite algumas aplicações do uso de transportadores de esteiras; 5.4- Sobre defeitos em contatores, preencha as lacunas com a(s) causa(s) provável(eis) do defeito(s); a) Vibração do eletroímã: _____________________________________________________ ___________________________________________________________________________ ___________________________________________________________________________ b) Queima da bobina com tensão normal: __________________________________________ ____________________________________________________________________________ M.1 M.2 M.3
  • 74.
    CENTRO FEDERAL DEEDUCAÇÃO TECNOLÓGICA DO CEARÁ – CEFET-CE CURSO DE ELETROTÉCNICA MANUAL DE COMANDOS INDUSTRIAIS PÁGINA: PRÁTICA 09 Prof. Gênova 69 c) Funcionamento intermitente do eletroimã: ________________________________________ ____________________________________________________________________________ ____________________________________________________________________________ d) Sobreaquecimento dos contatos ou soldagem dos mesmos, com corrente nominal da carga: ____________________________________________________________________________ ____________________________________________________________________________ e) Arco elétrico mais intenso em um dos contatos: ___________________________________ ___________________________________________________________________________ 5.5- Sobre as prováveis consequências de ocorrerem nos contatores, preencha as lacunas: a) Contatores sem câmara de extinção de arco podem causar__________________________ ____________________________________________________________________________ b) Material isolante carbonizado pode ocasionar _____________________________________ ____________________________________________________________________________ c) A oxidação dos contatos pode ocasionar além do mau contato, o funcionamento _________ ___________________________________________________________________________ d) O fechamento incorreto do eletroímã pode ocasionar _______________________________ ____________________________________________________________________________ e) A montagem de contatores em locais onde há trepidação ocasiona ____________________ ____________________________________________________________________________ 5.6- Sobre o ricochete entre contatos e suas consequências, complete corretamente: a) O ricochete é a abertura e fechamento dos contatos _______________________________ entre os contatos _____________________________________________________________ b) Quanto mais reduzido o ricochete, maior a _______________________ dos contatos; c) Para reduzir o tempo de ricochete, três fatores são importantes: 1o – Maior pressão das molas 2o – Baixa velocidade de manobra 3o - ____________________________________________ d) Quando um contator se fecha, a cada abertura do contato ocorre um arco elétrico que vaporiza o metal das _______________________________________________________ 5.7- Considerando o desenho esquemático das esteiras transportadoras, explique o que ocorreria se houvesse uma sobrecarga no motor M1 e o relé bimetálico e4 não atuasse ? Descreva uma explicação técnica para que este relé não atue.
  • 75.
    CENTRO FEDERAL DEEDUCAÇÃO TECNOLÓGICA DO CEARÁ – CEFET-CE CURSO DE ELETROTÉCNICA MANUAL DE COMANDOS INDUSTRIAIS PÁGINA: PRÁTICA 10 Prof. Gênova 70 PRÁTICA 10 ASSUNTO: COMANDO AUTOMÁTICO PARA ACIONAMENTO DE MOTOR DE POLOS COMUTÁVEIS PARA DUAS VELOCIDADES (LIGAÇÃO DAHLANDER) 1. OBJETIVO Instruir o aluno com a montagem de circuitos de comando eletromagnético e de força, utilizados para acionamento do motor dahlander de polos comutáveis, para duas velocidades. 2. COMENTÁRIOS TEÓRICOS O motor trifásico de polos comutáveis, denominado de motor “Dahlander”, é um motor de indução que tem a característica construtiva de possibilitar a alteração da sua velocidade através da variação no número de polos. O enrolamento do estator é construído de tal forma que por simples mudança nas ligações das bobinas, o número de polos é modificado. O motor Dahlander possui normalmente o rotor do tipo gaiola, tendo em vista que o enrolamento com as barras curtocircuitadas sempre reage produzindo um campo de rotor tendo um mesmo número de polos que o campo do estator. Ao contrário se o rotor fosse do tipo enrolado, seriam introduzidas complicações adicionais para a comutação de polos, tendo em vista que o enrolamento do rotor também precisaria ter suas ligações modificadas, o que na prática não é tão fácil. Na realização desta prática, no primeiro instante as bobinas do motor são ligadas de maneira a produzir um campo de 4 (quatro) polos, correspondendo a operação do motor na baixa velocidade (1800 rpm). No segundo momento o circuito controlador efetua simultaneamente a inversão no sentido de ligação das bobinas e a mudança nas ligações dos dois grupos de bobinas, passando de ligação delta série (s) para estrela paralela (Yp), conforme diagrama de ligações do item 2.2. Como resultado desta alteração obtém-se um campo de 2 polos, correspondendo a operação do motor em alta velocidade (3.600 rpm). Muitas aplicações de motores requerem mais de uma velocidade, ou mesmo uma faixa de velocidade continuamente ajustáveis, o que normalmente o motor de indução tipo gaiola, não se adapta fácil para tal. Quando são necessárias somente 2 (duas) ou 4 (quatro) velocidades, uma boa solução é o emprego deste tipo de motor, como é o caso de máquinas operatrizes específicas de panificação, elevadores, etc. O motor Dahlander disponível na Oficina de prática, dispõe de duas velocidades sendo a baixa correspondendo a 1800 rpm e a alta, 3600 rpm, o que em termos de potência, significa dois valores distintos. Para cada uma destas potências deve-se prever no circuito eletromagnético, relés de sobrecarga independentes e compatíveis com os respectivos valores de corrente, de maneira que cada um possa ter o ajuste adequado para cada situação. A seguir é apresentado um quadro demonstrativo, indicando as informações do motor Dahlander relativo a baixa e alta velocidade, e nos sub-itens 2.1 e 2.2 são apresentados a placa de identificação e o diagrama de ligação: VELOCIDADE NÚMERO TIPO DE LIGAÇÃO DE R S T - DOS DOIS GRUPOS (rpm) POLOS DE BOBINAS BAIXA 1.800 4 1 2 3 6, 4, 5 ABERTOS  SÉRIE ALTA 3.600 2 6 4 5 1, 2, 3 JUNTOS Y PARALELO L I G A Ç Ã O T E R M I N A I S
  • 76.
    CENTRO FEDERAL DEEDUCAÇÃO TECNOLÓGICA DO CEARÁ – CEFET-CE CURSO DE ELETROTÉCNICA MANUAL DE COMANDOS INDUSTRIAIS PÁGINA: PRÁTICA 10 Prof. Gênova 71 2.1- PLACA DE IDENTIFICAÇÃO DO MOTOR DAHLANDER a) Ligação em baixa rotação b) Ligação em alta rotação 1 2 3 1 2 3 6 4 5 6 4 5 R S T R S T 2.2- DIAGRAMA DE LIGAÇÃO a) Ligação em baixa rotação b) Ligação em alta rotação 3. MATERIAL EMPREGADO ITEM E S P E C I F I C A Ç Ã O QUANT. UNID. 01 Contator 3TB/3TF...SIEMENS ou LC1...TELEMECANIQUE – 220V 03 Um 02 Relé bimetálico 3UA... SIEMENS ou LR...TELEMECANIQUE 02 Um 03 Fusível diazed 2 A, completo 01 Um 04 Botoeira NA/NF 02 Uma 05 Botoeira NF 01 Uma 06 Lâmpada de sinalização VM – 220V 01 Uma 07 Lâmpada de sinalização VD – 220V 01 Uma 08 Fusível NH 16 A – 500V, completo 03 Um 09 Pino tripolar com cordão flexível 01 Um 10 Motor Dahlander de 1800/3600 rpm , 380V 01 Um
  • 77.
    CENTRO FEDERAL DEEDUCAÇÃO TECNOLÓGICA DO CEARÁ – CEFET-CE CURSO DE ELETROTÉCNICA MANUAL DE COMANDOS INDUSTRIAIS PÁGINA: PRÁTICA 10 Prof. Gênova 72 4. PROCEDIMENTO DA PRÁTICA A T E N Ç Ã O ! NA MONTAGEM DESSA PRÁTICA EXISTIRÃO PARTES CONDUTORAS QUE NÃO ESTARÃO PROTEGIDAS CONTRA CONTATOS ACIDENTAIS. VOCÊ VAI LIDAR COM TENSÕES DE 220/380V. TENHA O MÁXIMO DE CUIDADO, E ANTES DE ENERGIZAR O CIRCUITO, SOLICITE A PRESENÇA DO PROFESSOR PARA CONFERIR AS LIGAÇÕES. 4.1- Diagrama de comando: Monte o circuito de comando de acordo com a fig. 4.1, seguindo os passos do roteiro de trabalho: F 220V – 60Hz e21 95 e4 96 e5 95 96 bo b22 b21 13 13 b21 b22 K1 K3 14 14 21 21 K2 K1 22 22 13 K3 21 K2 22 14 A1 A1 A1 K1 h1 K2 K3 h2 N A2 A2 A2 Fig. 4.1
  • 78.
    CENTRO FEDERAL DEEDUCAÇÃO TECNOLÓGICA DO CEARÁ – CEFET-CE CURSO DE ELETROTÉCNICA MANUAL DE COMANDOS INDUSTRIAIS PÁGINA: PRÁTICA 10 Prof. Gênova 73 4.2- Diagrama de força: Monte o circuito de força de acordo com o diagrama da fig. 4.2, seguindo os passos do roteiro de trabalho. R 3 ~ 380V – 60Hz S T e1 e2 1 3 5 A1 1 3 5 A1 1 3 5 A1 K1 K2 K3 2 4 6 2 4 6 2 4 6 A2 A2 A2 95 95 e4 e5 96 96 1 2 3 6 4 5 Motor Dahlander – 2 velocidades Fig. 4.2
  • 79.
    CENTRO FEDERAL DEEDUCAÇÃO TECNOLÓGICA DO CEARÁ – CEFET-CE CURSO DE ELETROTÉCNICA MANUAL DE COMANDOS INDUSTRIAIS PÁGINA: PRÁTICA 10 Prof. Gênova 74 5. VERIFIQUE OS SEUS CONHECIMENTOS 5.1- Utilizando a simbologia normalizada, desenhe o diagrama integrado do circuito para acionamento, controle e alimentação do motor Dahlander; 5.2- Complete corretamente: a) Comandar um contator significa ________________ ou _________________ o circuito da bobina do eletroímã; b) O contator pode ser desligado automaticamente sem intervenção de um operador, quando ocorre a queima do ________________, a atuação do __________________ , ____________________ de alimentação da rede ou a falta de ___________________; c) No comando e proteção de um motor por um contator, o circuito da bobina é mantido energizado pelos seguintes elementos: botão ______, contato de ___________ e pelo contato abridor do ______________________; d) Nos circuitos de comando eletromagnético e de força, as proteções contra curto-circuito e sobrecarga são proporcionados respectivamente, pelos seguintes elementos: ___________________, ____________________ e _______________________; e) No comando automático para ligação de um motor Dahlander, os contatores _______, ________ e _________ estão intertravados entre si, através de seus contatos auxiliares ___________, ___________ e ___________, e tem a função de evitar um ___________________ no instante da comutação de baixa para alta velocidade, ou vice-versa. 5.3- No circuito de comando do motor Dahlander, qual a necessidade de se utilizar o intertravamento mecânico entre os botões de comando b21 e b22 ? 5.4- Por que não é utilizado um único relé bimetálico de sobrecarga nos circuitos de comando e força do motor Dahlander para duas velocidades ? 5.5- Complemente a sequência operacional do circuito montado nesta prática:  O operador impulsiona o botão b21 e energiza a bobina do contator K1(A1-A2), alimentando o motor na baixa velocidade (terminais 1, 2, 3) através dos contatos de força 1-2, 3-4 , 5-6 e ainda selando o circuito através do contato K1(13-14);  Então o operador solta o botão b21, que volta a abrir o seu contato, ficando o circuito estabelecido através de F, e21, e4(95-96), e5(95-96), bo, b22(NF), K1(13-14), K2(21-22), K3(21-22), K1(A1-A2) e N;  O operador impulsiona o botão bo desenergizando a bobina de K1(A1-A2), que por sua vez abre o contato de selo K1(13-14) e seus contatos principais 1-2, 3-4, 5-6, desligando o motor da baixa velocidade;  O operador impulsiona o botão b22 energizando a bobina de K2 . . .
  • 80.
    CENTRO FEDERAL DEEDUCAÇÃO TECNOLÓGICA DO CEARÁ – CEFET-CE CURSO DE ELETROTÉCNICA MANUAL DE COMANDOS INDUSTRIAIS PÁGINA: PRÁTICA 11 Prof. Gênova 75 CANCIONES 01. BI-POLAR BEAR 02. BLACK AGAIN 03. COMA 04. DAYS OF THE WEEK 05. DUMB LOVE 06. HELLO IT'S LATE 07. HOLLYWOOD BITCH 08. LONG WAY HOME 09. REGENERATION 10. SONG FOR SLEEPING 11. TOO COOL QUEENIE 12. TRANSMISSIONS FROM A LONELY ROOM 13. WONDERFUL PRÁTICA 11 ASSUNTO: COMANDO AUTOMÁTICO PARA PARTIDA ESTRELA-TRIÂNGULO DE MOTOR DE INDUÇÃO TRIFÁSICO. 1. OBJETIVO Familiarizar o aluno com a montagem de circuitos eletromagnéticos, para partida Y -  de motor de indução trifásico. 2. COMENTÁRIOS TEÓRICOS A partida estrela-triângulo de motores assíncronos trifásicos é recomendada de ser empregada nos seguintes casos: 2.1- Utilização da chave estrela –triângulo: 2.1.1- Quando não é necessário alto torque na partida, como por exemplo, quando o motor parte em vazio (sem carga no eixo). Na partida estrela-triângulo, no momento da ligação estrela, a tensão que a bobina fica submetida é igual a 1/3 da tensão de linha, consequentemente, como o torque varia com o quadrado da tensão, a redução da tensão aplicada na ligação estrela fará com que o torque fique reduzido a (1/3)² = 1/3 do seu torque normal. Neste caso para o dimensionamento correto da categoria do motor a ser aplicado, o torque reduzido deverá ser ainda maior que o torque resistente da carga, nestas situações em que o motor parta com algum tipo de carga no eixo. 2.1.2- Quando o motor tiver 6 ou 12 terminais que permitam a ligação estrela-triângulo. 2.1.3- Quando a tensão de alimentação da rede coincidir com a tensão de placa do motor na ligação triângulo ( - Y): EX. Tensão de linha: 380V Motor  / Y 380/660V 2.1.4- Quando a instalação for alimentada pela rede secundária de distribuição (baixa tensão), a Concessionária de serviço público prescreve nas condições gerais de fornecimento, que motores trifásicos com potência superior a 5 cv até 30 cv, deverão ser equipados com dispositivos para redução da corrente de partida, podendo para tanto, ser usada chave Y-, desde que em consonância com os itens 2.1, 2,2 e 2.3. A seguir é apresentado um quadro resumo das tensões nominais múltiplas mais comuns, que são possíveis de ligação do motor em estrela-triângulo, bem como os respectivos diagramas de ligação:
  • 81.
    CENTRO FEDERAL DEEDUCAÇÃO TECNOLÓGICA DO CEARÁ – CEFET-CE CURSO DE ELETROTÉCNICA MANUAL DE COMANDOS INDUSTRIAIS PÁGINA: PRÁTICA 11 Prof. Gênova 76 NÚMERO DE  Y  Y TERMINAIS 220 V 220 / 380V 6 380 V 380 / 660V 6 220 V 220 / 380 / 440 / 760V 12 440 V 220 / 380 / 440 760V 12 2.2- Diagramas de ligação: 2.2.1- Motor de 6 terminais (Rede 220V ou 380V) R S T R S T 1 2 3 1 2 3 4 5 6 4 5 6 Y  2.2.2- Motor de 12 terminais:  Rede 220V (Ligação paralela) R S T R S T 1 7 2 8 3 9 1 7 2 8 3 9 4 10 5 11 6 12 4 10 5 11 6 12 Y paralelo  paralelo  Rede 440V (Ligação série) R S T R S T 1 2 3 1 2 3 4 5 6 4 5 6 TENSÃO DE PLACA DO MOTOR L I G A Ç Ã O R E D E TENSÃO DE LINHA
  • 82.
    CENTRO FEDERAL DEEDUCAÇÃO TECNOLÓGICA DO CEARÁ – CEFET-CE CURSO DE ELETROTÉCNICA MANUAL DE COMANDOS INDUSTRIAIS PÁGINA: PRÁTICA 11 Prof. Gênova 77 7 8 9 7 8 9 10 11 12 10 11 12 Y série  série 2.3- Vantagens e desvantagens da utilização da chave Y- 2.3.1- Vantagens:  A chave estrela-triângulo é muito utilizada pelo seu custo reduzido;  Não tem limites quanto ao número de manobras;  Os componentes eletromecânicos ocupam pouco espaço;  A corrente de partida fica reduzida para aproximadamente 1/3. 2.3.2- Desvantagens:  A chave só pode ser aplicada a motores cujos 6 ou 12 terminais sejam acessíveis;  A tensão da rede deve coincidir com a tensão em triângulo do motor;  Com a corrente de partida reduzida para aproximadamente 1/3 da corrente nominal, reduz- se também o momento de partida para 1/3;  Caso o motor não atinja pelo menos 90% de sua velocidade nominal, o pico de corrente na comutação de estrela para triângulo será quase como se fosse uma partida direta, o que torna prejudicial aos contatos dos contatores e não traz nenhuma vantagem para a rede elétrica;  Outro inconveniente, é que durante a comutação, um desligamento momentâneo do estator da rede, pode levar a surtos transitórios de corrente muito intensos. Durante a transição de Y para , o estator é desconectado da rede de alimentação por um tempo que pode variar tipicamente de 01 a 0,3 s. Devido a corrente do rotor, que não se extingue imediatamente, estabelece no entreferro um campo fixo em relação ao rotor, e portanto, girante em relação ao estator, induzindo força eletromotriz nos terminais estatóricos abertos. Devido ao escorregamento a f.e.m induzida nos terminais do estator terá uma frequencia menor que a da rede. Quando a ligação triângulo for completada, a f.e.m induzida estará defasada em relação a tensão da rede, podendo ir de uma oposição à uma coincidência de fase (casos extremos). Dependendo da situação de cada fase, poder- se-ão produzir picos de corrente e de conjugado muito altos. Para se ter uma idéia, há registros de picos de conjugado motor de 20 vezes o conjugado nominal. Esta situação leva, em alguns casos, a danos no equipamento acionado ou na luva de acoplamento motor-máquina acionada.  Uma alternativa para minimizar os problemas oriundos da reconexão quando da transição de Y para , é o uso de chave estrela triângulo de transição fechada, porém é uma solução muito mais dispendiosa e rara de se aplicar. 2.4- Chave estrela triângulo de transição fechada Na transição fechada são utilizados resistores em paralelo ou em série com os enrolamentos de fase do motor. A sequência operacional é descrita da seguinte forma, conforme a Fig. 2.4:  motor é ligado em estrela (a)  Os resistores entram em paralelo com as fases e o motor continua sendo alimentado em estrela (b)  centro da estrela é aberto, colocando os resistores em série com os enrolamentos, ficando o motor alimentado em triângulo (c)  Os resistores são curto-circuitados, deixando o motor ligado em triângulo (d) Dessa maneira o motor passa da ligação estrela para a ligação triângulo, sem que os terminais do estator fiquem momentaneamente abertos.
  • 83.
    CENTRO FEDERAL DEEDUCAÇÃO TECNOLÓGICA DO CEARÁ – CEFET-CE CURSO DE ELETROTÉCNICA MANUAL DE COMANDOS INDUSTRIAIS PÁGINA: PRÁTICA 11 Prof. Gênova 78 Fig. 2.4 3. MATERIAL EMPREGADO ITEM E S P E C I F I C A Ç Ã O QUANT. UNID. 01 Contator 3TB/3TF...SIEMENS ou LC1...TELEMECANIQUE – 220V 03 Um 02 Relé bimetálico 3UA... SIEMENS ou LR...TELEMECANIQUE 01 Um 03 Relé de tempo, 0-30 s, 220V 01 Um 03 Fusível diazed 2 A, completo 01 Um 04 Botoeira NA/NF 02 Uma 06 Lâmpada de sinalização VM / VD – 220V 02 Uma 08 Fusível NH 16 A – 500V, completo 03 Um 09 Pino tripolar com cordão flexível 01 Um 10 Motor de indução trifásico 380/660V 01 Um 4. PROCEDIMENTO DA PRÁTICA A T E N Ç Ã O ! NA MONTAGEM DESSA PRÁTICA EXISTIRÃO PARTES CONDUTORAS QUE NÃO ESTARÃO PROTEGIDAS CONTRA CONTATOS ACIDENTAIS. VOCÊ VAI LIDAR COM TENSÕES DE 220 E 380V. ANTES DE ENERGIZAR O CIRCUITO, CHAME O PROFESSOR PARA CONFERIR AS LIGAÇÕES. 4.1- DIAGRAMA DE COMANDO  Monte o circuito de comando da chave Y- de acordo com o diagrama da Fig. 4.1, seguindo as determinações do roteiro de trabalho F ~ 220V – 60Hz e21 e4 95 96 bo 13 b1 K1 14 15 15 23 13 d1 k1 k3 16 18 24 14 21 21 K2 K3 22 22 A1 A1 A1 A1 d1 K3 K2 K1 N A2 A2 A2 A2
  • 84.
    CENTRO FEDERAL DEEDUCAÇÃO TECNOLÓGICA DO CEARÁ – CEFET-CE CURSO DE ELETROTÉCNICA MANUAL DE COMANDOS INDUSTRIAIS PÁGINA: PRÁTICA 11 Prof. Gênova 79 Fig. 4.1 Obs: O relé de tempo d1 poderá ter seus contatos auxiliares designados com outros índices, dependendo do tipo, modelo e fabricante. 4.2- DIAGRAMA DE FORÇA  Monte o circuito de força da chave Y-, de acordo com o diagrama da Fig. 4.2, seguindo os procedimentos de segurança do roteiro de trabalho: R ~380V – 60 Hz S T e1  Y 1 3 5 A1 1 3 5 A1 1 3 5 A1 K1 K2 K3 2 4 6 2 4 6 2 4 6 A2 A2 A2 95 e4 96 1 2 3 6 5 4 Fig. 4.2  Após a montagem efetue o acionamento do motor e verifique, com um voltímetro, a tensão de alimentação da bobina na ligação Y e posteriormente, na ligação . Com a medição de tensão, você pode comprovar se realmente a chave esta procedendo a comutação de ligações corretamente. Lembre-se que a relação entre a tensão medida em  e a tensão medida em Y deve ser de 1,732 = 3. Motor 3 
  • 85.
    CENTRO FEDERAL DEEDUCAÇÃO TECNOLÓGICA DO CEARÁ – CEFET-CE CURSO DE ELETROTÉCNICA MANUAL DE COMANDOS INDUSTRIAIS PÁGINA: PRÁTICA 11 Prof. Gênova 80 5. VERIFIQUE OS SEUS CONHECIMENTOS 5.1- Completa os espaços em branco corretamente: a) A chave estrela-triângulo só pode ser usada em motores que possibilitem as ligações ____________________ e ______________________; b) A chave estrela-triângulo só pode ser usada quando a tensão da rede coincidir com a tensão do motor na ligação _______________________; c) A transição para triângulo só deve ser feita quando o motor atingir __________ % da rotação nominal; 5.2- Assinale a alternativa correta: 5.2.1- A chave estrela-triângulo tem por finalidade: a) reduzir a tensão de partida; b) limitar a corrente de partida; c) reduzir a rotação do motor; d) reduzir o torque do motor; e) evitar queima do fusível. 5.2.2- Num motor de 12 terminais com tensões de placa 220/380/440/760V: a) Pode-se usar a chave Y- para qualquer tensão de linha; b) Pode-se usar a chave Y- para as tensões de linha 220 e 440V; c) O uso da chave Y- só é possível se a tensão da linha for 220V; d) A chave Y- só pode ser usada para as tensões de 380 e 760V; e) A chave Y- só pode ser usada em motores de 6 terminais. 5.2.3- Quando a chave for ligada em estrela, os seis condutores de saída ficam ligados da seguinte forma: a) Seis condutores em paralelo, dois a dois; b) Três condutores em curto-circuito e três ligados à rede; c) Seis condutores em paralelo, três a três; d) Três condutores para a entrada e três para a saída. 5.2.4- Quando a chave for ligada em triângulo, os seis condutores de saída ficam ligados da seguinte forma: a) Seis condutores ligados em paralelo, 2 a 2 e ligados à rede; b) Seis condutores em paralelo três a três e ligados à rede; c) Três condutores ligados à rede e três abertos; d) Seis condutores ligados em série, 2 a 2 e ligados à rede. 5.3- Para as unidades de consumo atendidas em baixa tensão, é exigido através da concessionária, que a partir de uma certa potência do motor trifásico, o instalador utilize uma chave estrela-triângulo. Explique sucintamente qual o motivo desta exigência. 5.4- Descreva a sequência operacional do comando automático para partida de MIT com chave Y-. 5.5- Qual a alternativa para minimizar os prováveis surgimentos de surtos de corrente e de conjugado, quando da transição da ligação estrela para a triângulo ? 5.6- Faça o desenho do diagrama de comando para partida Y- de MIT, utilizando contatores com bobinas de 380V e lâmpada de sinalização para 220V.
  • 86.
    CENTRO FEDERAL DEEDUCAÇÃO TECNOLÓGICA DO CEARÁ – CEFET-CE CURSO DE ELETROTÉCNICA MANUAL DE COMANDOS INDUSTRIAIS PÁGINA: PRÁTICA 11 Prof. Gênova 81
  • 87.
    CENTRO FEDERAL DEEDUCAÇÃO TECNOLÓGICA DO CEARÁ – CEFET-CE CURSO DE ELETROTÉCNICA MANUAL DE COMANDOS INDUSTRIAIS PÁGINA: PRÁTICA 12 Prof. Gênova 81 PRÁTICA 12 ASSUNTO: APLICAÇÃO DO QUADRO ELETROMECÂNICO SIMELETRO USB 630 – SIEMENS COM SIMULADOR DE DEFEITOS PARA OS CIRCUITOS DE PARTIDA DIRETA, REVERSORA E ESTRELA-TRIÂNGULO 1. OBJETIVO Familiarizar o aluno com a prática de diagnosticar defeitos que ocorrem nos circuitos eletromagnéticos, detectando, identificando e corrigindo os pontos ou trechos do circuito que vem causando problemas na sequência normal de operação. 2. COMENTÁRIOS TEÓRICOS O sistema SIMELETRO é constituído de quatro armários metálicos individualizados, que após serem agrupados formam um quadro eletromecânico de comando completo, contendo os circuitos para partida direta, reversora e estrela triângulo de motores trifásicos com rotor em curto circuito. Para a montagem deste quadro didático, foi empregado o sistema modulado USB630, que normalmente é utilizado nas aplicações industriais, comerciais e prediais (Fig. 2.0). Fig. 2.0 O SIMELETRO vem equipado com 25 micro interruptores de alavanca, de abertura e fechamento, que ao serem acionados provocam a interrupção de um circuito ou curto circuito entre dois fios, simulando dessa maneira, um defeito. Estas chaves estão localizadas no armário da direita, cuja porta é provida de fechadura de maneira que somente o instrutor tem acesso às mesmas. O quadro SIMELETRO é constituído de 4 (quatro) módulos com 4 portas, respectivamente, conforme Fig. 2.1 (vista frontal externa) e Fig. 2.2 (vista frontal interna). A prática consiste nos procedimentos que o aluno vai ter que desenvolver para determinar, através de testes de verificação, e sem saber qual das chaves foi acionada, o trecho ou circuito onde se deu o defeito simulado. Os testes e verificação podem ser realizados com o quadro energizado ou desenergizado, valendo a observação de que para as pessoas menos experientes neste tipo de diagnóstico, recomenda-se trabalhar com o quadro desligado, principalmente pelo aspecto da segurança que nesta situação vai evitar riscos de choque elétricos quando estiver manuseando as pontas de prova do teste série na parte interna do quadro. Por outro lado o trabalho com o quadro energizado, é muito mais arriscado devido a existências de partes vivas internas que trazem risco de choques elétricos, mas no aspecto de detecção de defeitos, é muito mais rápido e eficiente, utilizando o teste neon ou mesmo o multímetro.
  • 88.
    CENTRO FEDERAL DEEDUCAÇÃO TECNOLÓGICA DO CEARÁ – CEFET-CE CURSO DE ELETROTÉCNICA MANUAL DE COMANDOS INDUSTRIAIS PÁGINA: PRÁTICA 12 Prof. Gênova 82 SISTEMA USB 630 – SIEMENS Simeletro – Vista frontal externa Fig. 2.1 Simeletro – Vista frontal interna Fig. 2.2 A seguir são apresentadas as sequências operacionais de funcionamento das 3 (três) partidas em condições normais, não levando em conta o acionamento das chaves simuladoras:
  • 89.
    CENTRO FEDERAL DEEDUCAÇÃO TECNOLÓGICA DO CEARÁ – CEFET-CE CURSO DE ELETROTÉCNICA MANUAL DE COMANDOS INDUSTRIAIS PÁGINA: PRÁTICA 12 Prof. Gênova 83 2.1- Partida Direta a) O operador pressiona o botão 2S1 (3-4) e o contator 2K1 fecha, se estabelecendo o circuito através de L1, F11, 2F4(95-96), 2S0(1-2), 2S1(3-4), 2K1(a-b) e N. b) Os contatos de 2K1 atuarão no circuito da seguinte forma: b.1) 2K1(1-2, 3-4, 5-6) fecharão ligando as 3 fases ao motor, que então entra em funcionamento; b.2) 2K1(13-14) é o contato de selo e retém o 2K1 operado, após se soltar o botão pulsante 2S1 (3-4). b.3) 2K1(23-24) acende a lâmpada 2H1, sinalizando que o motor esta ligado. c) O contato 2F4 (95-96) do relé bimetálico será acionado em caso de sobrecarga, fazendo o desligamento de todo o sistema. d) O botão 2S0 (1-2) também desliga todo o sistema, a qualquer instante, através do acionamento manual feito pelo operador. Este botão é utilizado para desligamento normal e de emergência. 2.2- Partida direta com reversão no sentido de rotação a) Vamos descrever a partida do motor para girar num sentido, por exemplo, no sentido horário, que é feito pelo fechamento do contator 1K1. Esse caso também se aplica na rotação anti-horária, com a diferença que o contator que deve entrar é o 1K2. b) Pressionando-se o botão 1S1 é estabelecido o circuito para a bobina do contator 1K1, através dos seguintes elementos: L1, F11, 1F4 (95-96), 1S0 (1-2), 1S2 (1-2), 1S1 (3-4), 1K2 (31-32), 1K1(a-b), N. c) Os contatos do 1K1 atuarão no circuito da seguinte forma: c.1) 1K1 (1-2, 3-4, 5-6) ao fecharem, ligam as 3 fases do motor, que então gira no sentido horário. c.2) 1K1 (13-14) é o contato de selo ou retenção que vai manter o circuito para a bobina do contator, após o operador soltar o botão pulsante 1S1 (3-4). c.3) 1K1 (31-32) – Com a abertura deste contato de intertravamento, fica garantido que o contator 1K2 não irá operar ao mesmo tempo que 1K1. Isto é feito para evitar que seus contatos principais curtocircuitem as 3 fases de alimentação do motor. c.4) 1K1 (23-24): Acende a lâmpada de sinalização 1H1, mostrando que o motor esta funcionando. d) O botão 1S1 possui dois contatos: d.1) 1S1 (3-4) fechador, é o contato que faz operar o contator 1K1. d.2) 1S1 (1-2) abridor, é o contato que abre o circuito do contator 1K2, não permitindo que este feche ou se mantenha fechado quando o contator 1K1 for acionado. e) Função idêntica tem o botão 1S2, em relação ao contator 1K1. Em resumo, a função dos contatos conjugados do 1S1 e 1S2 é: Se os dois botões forem acionados ao mesmo tempo, sempre haverá um dentre os dois que fechará primeiro, e bloqueará, com seu contato abridor (1-2), a operação do segundo contator, evitando assim que as fases do circuito principal entrem em curto circuito. Por outro lado se o motor estiver girando no sentido horário, portanto com o contator 1K1 fechado, e se deseje que ele passe a girar no sentido inverso, basta apertar 1S2. O contato abridor 1S2 (1-2) interrompe o circuito da bobina do 1K1, desenergizando-o . O contato 1K1 (31-32) volta a se fechar, propiciando condições para que o contator 1K2 possa operar. O motor agora deve girar no sentido horário. Em caso de sobrecarga, teremos a atuação do relé térmico. Seu contato 1F4 (95-96) abre o circuito de comando, interrompendo a alimentação do contator que esteja fechado, desligando assim todo o sistema, mesmo durante a fase de partida do motor. A função do botão 1S0 (1-2) também é a de desligar todo o sistema, a qualquer instante, através do acionamento feito pelo operador. Portanto este botão é aplicado tanto para desligamento normal como de emergência.
  • 90.
    CENTRO FEDERAL DEEDUCAÇÃO TECNOLÓGICA DO CEARÁ – CEFET-CE CURSO DE ELETROTÉCNICA MANUAL DE COMANDOS INDUSTRIAIS PÁGINA: PRÁTICA 12 Prof. Gênova 84 2.3- Partida estrela triângulo a) O operador comprime o botão 3S1 (3-4), fechando o circuito para o contator K3. b) O circuito se estabelece através de L1, F11, 3F4 (95-96), 3So (1-2), 3S1 (3-4), 3K1 (31-32) 3K2 (31-32), 3K11 (15-16), 3K3 (a-b) e N. c) Os contatos de K3 atuarão no circuito da seguinte forma: c.1) 3K3 (1-2, 3-4, 5-6) fecham em curto circuito os terminais X, Y, Z das bobinas do motor, no circuito principal. c.2) 3K3 (13-14) é o contato de retenção ou de selo, que manterá o contator 3k3 acionado após a abertura de 1S1 (3-4). c.3) 3K3 (23-24) fecha o circuito para operação do contator 3K1. c.4) 3K3 (31-32) abre impedindo que o contator 3K2 seja acionado ao mesmo tempo que 3K1. Se estes dois contatores operarem ao mesmo tempo, haverá um curto circuito entre as três fases da linha principal. d) Como já foi dito no sub item c.3, 3K1 opera: d.1) O circuito se estabelece através de L1, F11, 3F4 (95-96), 3So (1-2), 3K3 (23-24), 3K1 (a-b) e N. d.2) 3K1 (1-2, 3-4, 5-6) fecham seus contatos ligando as 3 fases de alimentação da rede aos terminais U, V, W do motor, que entra em funcionamento com as bobinas na configuração estrela. Deve ser lembrado que o 3K3 fechou X, Y, Z em curto circuito. d.3) 3K1 (31-32) abre, porém 3K3 se mantém operando através do contato de selo 3K3( 13-14). d.4) 3K1 (23-24) fecha o circuito para o relé temporizador 3K11. d.5) 3K1 (13-14) é o contato de selo que manterá o 3K1 operado após a abertura do contato 3K3 (23-24). e) O relé de tempo recebe alimentação através de: e.1) L1, F11, F4 (95-96), 3So (1-2), 3K1 (23-24), 3K2 (41-42), 3K11(a-b) e N. e.2) Decorrido o tempo para o qual foi ajustado, o relé 3K11 abre seu contato 3K11 (15-16), fazendo com que seja interrompido o circuito de 3K3. Este contator é desenergizado e seus contatos atuarão no circuito. f) O contator 3K3 é desenergizado f.1) 3K3 (1-2, 3-4, 5-6) abrem o curto circuito dos 3 terminais de X, Y e Z das bobinas do motor. Este fica sem alimentação de rede, pois neste momento somente 3K1 esta ligado. f.2) 3K3 (23-24) abre o circuito do 3K1, porém este contator se manterá pelo contato de selo 3K1 (13-14). f.3) 3K3 (13-14) abre sem nada acontecer, em virtude do contator 3K3 já estar desoperado. f.4) 3K3 (31-32) fecha o circuito para o contator 3K2, que opera. g) O contator 3K2 é energizado g.1) 3K2 recebe alimentação através de L1, F11, 3F4 (95-96), 3So (1-2), 3K1 (13-14), 3K3 (31-32), 3K2 (a-b) e N. g.2) 3K2 (1-2, 3-4, 5-6) ligam as fases da rede aos terminais X, Y, Z do motor. Este que havia ficado momentaneamente sem alimentação, pela abertura de K3, apesar de continuar girando, recebe tensão nas bobinas, agora na configuração triângulo. g.3) 3K2 (31-32) abre, assegurando que o contator 3K3 não vai operar ao mesmo tempo que o 3K2. Se ambos operarem juntos haverá um curto circuito entre as 3 fases do circuito principal. g.4) 3K2 (41-42) abre o circuito do relé de tempo 3K11, fazendo-o desoperar. g.5) 3K2 (13-14) acende a lâmpada 3H1, sinalizando que o motor saiu do estágio de partida em estrela e esta funcionando em triângulo, na rotação de regime. h) Função do relé térmico 3F4: abrir seu contato (95-96) no caso de ocorrer uma sobrecarga por falta de uma das fases que alimenta o motor ou mesmo por uma sobrecarga de origem diversa. Ao abrir 3F4 (95-96), interrompe o circuito de todo o comando de partida estrela triângulo, desoperando o contator que estiver energizado em qualquer instante da partida. i) O botão de comando vermelho 3S0 (1-2), tem a função de desligar o motor de forma normal ou em emergência, desoperando todos os componentes semelhante a atuação de 3F4, com a diferença que este será acionado por um operador.
  • 91.
    CENTRO FEDERAL DEEDUCAÇÃO TECNOLÓGICA DO CEARÁ – CEFET-CE CURSO DE ELETROTÉCNICA MANUAL DE COMANDOS INDUSTRIAIS PÁGINA: PRÁTICA 12 Prof. Gênova 85 4. PROCEDIMENTOS DA PRÁTICA A T E N Ç Ã O ! NA EXECUÇÃO DESSA PRÁTICA, É ESPERADO QUE O ALUNO TENHA ADQUIRIDO AO LONGO DAS PRÁTICAS ANTERIORES, CONHECIMENTO SUFICIENTE E ESTEJA SEGURO DOS PROCEDIMENTOS TEÓRICOS E PRÁTICOS DOS CIRCUITOS DE COMANDO E FORÇA, PRINCIPALMENTE RELACIONADOS AOS CIRCUITOS PARA PARTIDA DIRETA SIMPLES, PARTIDA DIRETA COM REVERSÃO E PARTIDA ESTRELA TRIÂNGULO. C U I D A D O ! DURANTE OS TESTES DE VERIFICAÇÃO, VOCÊ ESTARÁ SUJEITO A LIDAR COM PARTES ENERGIZADAS, COM TENSÕES NA ORDEM DE GRANDEZA DE 220 E 380V, ORIGINÁRIAS DE PARTES VIVAS COMO BARRAMENTO, CONEXÕES E LIGAÇÕES DOS DIVERSOS COMPONENTES INSTALADOS NA PARTE INTERNA DO QUADRO, E QUE APRESENTAM RISCOS DE CONTATOS ACIDENTAIS. 4.1- DEMONSTRAÇÃO DE FUNCIONAMENTOM DO QUADRO EM CONDIÇÕES NORMAIS  Inicialmente o professor deve fazer uma explanação sobre o quadro SIMELETRO, indicando em cada compartimento (módulo) os diversos componentes instalados, tanto na parte externa como na interna do quadro.  Deve apresentar o diagrama de comando (Fig. 4.1), de maneira que possa ser verificada a correspondência entre os símbolos e ligações representados no desenho, com os diversos componentes instalados no quadro.  Após o professor fazer a apresentação do sistema SIMELETRO/SIEMENS, efetuará a alimentação trifásica do quadro através da extensão apropriada, ligando o plug tripolar da extensão, numa tomada de corrente trifásica disponível na oficina. O neutro também deverá ser interligado com o neutro disponível numa tomada de corrente monofásica.  Proceder o acionamento do disjuntor geral do quadro, de maneira a energizá-lo.  Verifique se o voltímetro de painel instalado na porta do quadro, apresenta leitura de tensão compatível com a tensão da rede. O quadro deve ser alimentado com tensões de 220V (tensão de fase) e 380V (tensão de linha).  Efetue o acionamento das botoeiras intercaladamente, referente aos circuitos de comando para partida direta, partida direta com reversão e partida estrela triângulo.  Observe a sinalização das lâmpadas do painel, indicando que os circuitos de comando e força estão em operação normal.  Abra as portas dos módulos 2 e 3 do quadro, e repita o acionamento das botoeiras, de maneira que você possa observar a operação de fechamento e abertura dos contatores dispostos na parte interna destes módulos. Observe a correlação existente entre os botões de comando que são acionados e os respectivos contatores que são operados e desativados. 4.2- ACIONAMENTO DOS INTERRUPTORES PARA SIMULAÇÃO DE DEFEITOS  Após a apresentação do quadro em condições normais de operação, o professor vai proceder o acionamento de chaves liga/desliga, que simularão defeitos nos circuitos de comando instalados no quadro.  Em seguida o aluno vai assumir a operação do quadro simulador, devendo proceder o acionamento das botoeiras para cada circuito correspondente, de maneira que possa observar o que esta funcionando normalmente e o que não esta.  A partir desta operação inicial, o aluno já pode ter uma idéia do que poderá estar ocorrendo, e então, direcionar o início dos testes e verificações, para determinados pontos do circuito. É importante o aluno ter em mãos o diagrama do circuito de comando para melhor dirigir o seu raciocínio e análise da ocorrência.  Com a prática o aluno será capaz de prever até com certa facilidade e segurança, o diagnóstico e localização do defeito.
  • 92.
    CENTRO FEDERAL DEEDUCAÇÃO TECNOLÓGICA DO CEARÁ – CEFET-CE CURSO DE ELETROTÉCNICA MANUAL DE COMANDOS INDUSTRIAIS PÁGINA: PRÁTICA 12 Prof. Gênova 86 4.3- EXECUÇÃO DOS TESTES E VERIFICAÇÕES  A verificação e testes no circuito de comando, deve ser realizado preferencialmente em duplas de alunos, pois é um maneira mais segura de se trabalhar além de facilitar a análise do circuito, quando colocado em discussão.  Para a execução dos testes os alunos irão dispor de um teste série, de um teste neon e de um multímetro.  Inicialmente recomenda-se que os testes e verificações internas no quadro, sejam realizados com o quadro desenergizado, inclusive com o neutro desconectado. Nesta situação deve-se empregar o teste série e alimentá-lo através de uma tomada de corrente monofásica instalada próxima ao quadro.  Como já citado anteriormente, para auxiliar no diagnóstico e localização do defeito, os alunos irão dispor do diagrama de comando do quadro, que deverá ser acompanhado ponto a ponto, observando a correlação dos símbolos e numerações do desenho com os diversos componentes instalados no quadro.  Após a provável descoberta do defeito, o aluno deverá consultar o professor para checar se realmente o seu parecer conclusivo esta correto, inclusive deve apresentar os argumentos técnicos que justifique o seu diagnóstico. 5. VERIFIQUE OS SEUS CONHECIMENTOS 5.1- O sistema didático SIMELETRO utilizado nesta prática, emprega o quadro eletromecânico da SIEMENS do tipo __________________. 5.2- Qual a função do SIMELETRO ? 5.3- Cite dois defeitos significativos que você diagnosticou nos circuitos:  Para partida direta;  Para partida direta com reversão;  Para partida estrela triângulo. 5.4- Cite quais as vantagens e desvantagens de efetuar os testes e verificações com o quadro desenergizado ou energizado. 5.5- Relacione e especifique todos os materiais e equipamentos que estão instalados no quadro SIMELETRO. 5.6- Explique resumidamente, como é realizada a simulação de defeito no quadro de comando SIMELETRO
  • 93.
    F1 L1 F –N 220V – 60 HZ 95 95 95 1F4 2F4 3F4 96 96 96 1S0 1 1 1 2 2S0 3S0 13 2 2 3K2 14 23 23 1 1 3 13 1S2 1S1 1K1 1K2 3S1 3K3 23 23 2 2 24 24 4 14 3K3 3K1 3 13 31 13 24 24 3 13 3 13 2S1 2K1 3K1 1S1 1K1 1S2 1K2 4 14 32 3K1 4 14 4 14 23 14 2K1 31 24 3K2 32 31 31 41 3K3 1K2 31 15 3K2 32 32 1K1 3K11 42 32 1H1 1H2 2H1 16 3H1 a a a a a a a 1K1 1K2 2K1 3K3 3K11 3K1 3K2 N b b b b b b b Motor 1 Motor 2 Motor 3 Partida direta com reversão Partida direta simples Partida Estrela-Triângulo no sentido de rotação S I M E L E T R O PÁGINA 87 CIRCUITO DE COMANDO 1
  • 94.
    R 380V – 60Hz S T AA A 1F1 1F2 1F3 2F1 2F2 2F3 3F1 3F2 3F3 0-40A 20A 20A 20A 1 3 5 A 1P21 A 2P21 A 3P21 0-15A 0-15A 0-15A 1K1 1K2 2K1 3K1 3K2 3K3 2 4 6 32A 1 3 5 32A 1 3 5 32A 1 3 5 32A 1 3 5 32A 1 3 5 32A 1 3 5 2 4 6 2 4 6 2 4 6 2 4 6 2 4 6 2 4 6 2F4 3F4 1F4 8-12A 5,5-8A 8-12A M1 M2 M3 L1 L2 L3 Alimentação Partida com reversão Partida direta Partida estrela-triângulo 3 ~ 380V – 60Hz de rotação SIEMENS S.A SIMELETRO – DIAGRAMA TRIFILAR PÁGINA 88 U  I  V 3 3 cv 3 3 CV 3 3 cv
  • 95.
    CENTRO FEDERAL DEEDUCAÇÃO TECNOLÓGICA DO CEARÁ – CEFET-CE CURSO DE ELETROTÉCNICA MANUAL DE COMANDOS INDUSTRIAIS PÁGINA: PRÁTICA 13 Prof. Gênova 89 PRÁTICA 13 ASSUNTO: COMANDO AUTOMÁTICO PARA PARTIDA DE MIT COM TENSÃO REDUZIDA, ATRAVÉS DE CHAVE COMPENSADORA A SECO 1. OBJETIVO Familiarizar o aluno com a montagem de circuitos de comando eletromagnético e de força, para partida de motor trifásico com rotor em gaiola, utilizando a chave compensadora automática na obtenção da tensão reduzida no instante do arranque. 2. COMENTÁRIOS TEÓRICOS A chave compensadora é usada para reduzir a elevada corrente de partida de um motor com rotor em gaiola, aliviando a rede elétrica instalada no local e evitando assim, uma excessiva queda de tensão que poderia causar perturbações indesejáveis no funcionamento de outras cargas instaladas nas proximidades. A chave compensadora pode ser utilizada na partida de motores sob carga, onde faz-se necessário um certo valor de torque no momento do arranque, ou mesmo quando o motor não satisfaz as exigências analisadas para ser acionado através de chave estrela-triângulo, ou seja, quando a tensão da rede coincide com a tensão de placa em estrela, ao invés de coincidir com a de triângulo. A tensão de partida do motor é reduzida através do autotransformador, que normalmente possui taps nos valores de 50, 65, 80% da tensão nominal. Esta tensão fornecida pelo tap do autotransformador, deve ser de tal forma que permita a aceleração do conjunto motor-máquina até cerca de 80 a 90% de sua rotação nominal, dentro de um tempo de partida admissível para o motor. O relé de tempo deve ser ajustado adequadamente a um tempo suficiente para a partida, o que evitará consequentemente, a formação de um pico indesejável de corrente, quando da comutação para plena tensão. Citamos como exemplo típicos da aplicação da chave compensadora, o caso de moínhos de trigo, que após a falta de energia precisam retornar o funcionamento, onde existe o fato do motor necessitar partir inevitavelmente com carga parcial (estima-se que com aproximadamente metade da sua carga nominal) ou até com plena carga, quando do retorno da energia. A compensadora é também utilizada para partida de motores de exaustores, ventiladores com registro aberto, compressores, calandras, bombas, britadores, máquinas de fabricação de tijolos, e outros. 2.1- Vantagens e desvantagens da chave compensadora automática: 2.1.1- Vantagens:  No tap de 65% a corrente de linha é aproximadamente igual a da chave estrela-triângulo, entretanto na passagem da tensão reduzida para plena tensão, o motor não é desligado e o segundo pico de corrente é bem reduzido visto que o autotransformador por um curto período se torna um reatância.  É possível a variação do tap de 65 para 80 ou até 90% da tensão nominal da rede, a fim de que o motor possa partir satisfatoriamente. 2.1.2- Desvantagens:  A grande desvantagem é a limitação de sua frequência de manobras. Na chave compensadora automática é sempre necessário saber a sua frequência de manobra para determinar o autotransformador correspondente, compatível com esta característica.  A chave compensadora é mais cara do que a chave estrela-triângulo, devido ao custo do autotransformador;  Devido as dimensões do autotransformador, a construção eletromecânica se torna volumosa, exigindo quadros de maiores dimensões em relação aos outros tipos de partida, o que tona o seu preço mais elevado.
  • 96.
    CENTRO FEDERAL DEEDUCAÇÃO TECNOLÓGICA DO CEARÁ – CEFET-CE CURSO DE ELETROTÉCNICA MANUAL DE COMANDOS INDUSTRIAIS PÁGINA: PRÁTICA 13 Prof. Gênova 90 3. MATERIAL EMPREGADO ITEM E S P E C I F I C A Ç Ã O QUANT. UNID. 01 Contator 3TB/3TF...SIEMENS ou LC1...TELEMECANIQUE – 220V 03 Um 02 Relé bimetálico 3UA... SIEMENS ou LR...TELEMECANIQUE 01 Um 03 Relé de tempo, 0-30 s, 220V 01 Um 03 Fusível diazed 2 A, completo 01 Um 04 Botoeira NA/NF 02 Uma 06 Lâmpada de sinalização VM / VD – 220V 02 Uma 08 Fusível NH 16 A – 500V, completo 03 Um 09 Pino tripolar com cordão flexível 01 Um 10 Motor de indução trifásico 220/380V 01 Um 11 Autotransformador com taps de 65 e 80% 01 um 4. PROCEDIMENTO DA PRÁTICA A T E N Ç Ã O ! CUIDADO! NA MONTAGEM DESTA PRÁTICA, EXISTIRÃO PARTES CONDUTORAS QUE NÃO ESTARÃO PROTEGIDAS CONTRA CONTATSO ACIDENTAIS. VOCÊ VAI LIDAR COM TENSÕES DE 220 E 380V. ANTES DE ENERGIZAR O CIRCUITO, SOLICITE A PRESENÇA DO PROFESSOR PARA CONFERIR AS LIGAÇÕES. 4.1- DIAGRAMA DE COMANDO:  Monte o circuito de comando da chave compensadora de acordo com a Fig. 4.1, seguindo os procedimentos de segurança pré estabelecidos. F ~220V – 60Hz e21 e4 95 96 bo 13 13 43 K2 K1 K2 b1 14 14 44 43 13 K1 15 15 K3 44 d1 14 16 18 31 21 21 K1 K1 K3 32 22 22 h1 A1 A1 A1 A1 d1 K3 K1 K2 N A2 A2 A2 A2 Fig. 4.1
  • 97.
    CENTRO FEDERAL DEEDUCAÇÃO TECNOLÓGICA DO CEARÁ – CEFET-CE CURSO DE ELETROTÉCNICA MANUAL DE COMANDOS INDUSTRIAIS PÁGINA: PRÁTICA 13 Prof. Gênova 91 4.2- DIAGRAMA DE FORÇA:  Monte o circuito de força da chave compensadora de acordo com a Fig. 4.2, seguindo os procedimentos de segurança pré estabelecidos: R ~380V – 60 Hz S T e1 K3 1 3 5 A1 1 3 5 A1 1 3 5 A1 K1 K2 2 4 6 A2 2 4 6 A2 2 4 6 A2 u v w u2 80% Auto v2 65% transformador w2 e4 95 N1 N2 N3 96 Fig. 4.2  Após a montagem do circuito de força, efetue o acionamento do motor;  Com um multímetro, meça a tensão em cima de um enrolamento do motor durante a fase de partida (ex. entre os terminais 1 e 4);  Com a tensão medida, determine qual o tap do autotransformador que esta sendo utilizado, e para isso calcule a seguinte relação: tap (%) = Umedida / Unominal x 100. 4.3- DETERMINAÇÃO DO AJUSTE EM RELÉS DE TEMPO: O relé de tempo deve ser ajustado para o tempo de partida que é o tempo necessário para o motor atingir no mínimo 90% da rotação síncrona. Teoricamente este tempo de ajuste é calculado em função do conjugado e inércia da carga e do motor, conforme a seguinte expressão: MOTOR 3  Ta = 0,105 x RPM x (JM + JC) / (Cmed – CRmed)
  • 98.
    CENTRO FEDERAL DEEDUCAÇÃO TECNOLÓGICA DO CEARÁ – CEFET-CE CURSO DE ELETROTÉCNICA MANUAL DE COMANDOS INDUSTRIAIS PÁGINA: PRÁTICA 13 Prof. Gênova 92 Onde Ta = tempo de aceleração (s), RPM = rotação nominal, JM = momento de inércia do motor (kgm), JC = momento de inércia da carga (kgm), Cmed = conjugado médio de aceleração do motor (N.m) , Crmed = conjugado médio de aceleração da carga (N.m) Como nem sempre estas informações são disponibilizadas, indicamos como determinar na prática este tempo:  Através de um tacômetro, verifica-se quando o motor atinge 90% da rotação síncrona, que corresponde ao instante ideal para a comutação para plena tensão. Caso não disponha de um tacômetro, a partida pode ser monitorada com um alicate volt-amperímetro. Neste caso o motor estará apto para comutar, quando a leitura de corrente atingir valores em torno da nominal. 5. VERIFIQUE OS SEUS CONHECIMENTOS 5.1- Descreva resumidamente a sequência operacional do funcionamento do circuito para partida de MIT com chave compensadora automática; 5.2- Analisando o circuito de comando desta prática, complete corretamente os espaços em branco: a) Quando pulsamos b1 os elementos energizados são: ______________________________ b) O contato K3(13-14) tem como função ________________________________________ _________________________________________________________________________ c) O contator K1 será energizado quando ocorrer o disparo de _______________, e o repouso de _____________________. d) O contator K1 após o disparo de d1 fica energizado por e4 (95-96), b0 (1-2), ____________________ e _______________________; e) Se K2 não for energizado após a energização K3 e d1, é provável que o defeito esteja no contato ___________________ ; f) O que poderia ocorrer se fosse retirado do circuito de comando, os contatos K1(31-32) E K2 (23-24) ? 5.3- Explique resumidamente, quando se deve empregar a chave compensadora na partida de MIT; 5.4- Explique em que situações deve-se utilizar os taps de 65% e 80% do autotransformador, no circuito da chave compensadora; 5.5- Considerando o 2o momento da transição da chave compensadora, explique qual o objetivo do contator K3 desfazer o fechamento da estrela do auto transformador, e o contator K2 manter-se ainda em operação momentânea até a entrada de k1 ? 5.6- Explique por que em um MIT com tensões de placa 220/380V, podemos utilizar partida com chave compensadora, já que a chave Y- não é adequada ? 5.7- Projete e desenhe os circuitos para partida de MIT com chave compensadora automática e reversão no sentido de rotação.
  • 99.
    CENTRO FEDERAL DEEDUCAÇÃO TECNOLÓGICA DO CEARÁ – CEFET-CE CURSO DE ELETROTÉCNICA MANUAL DE COMANDOS INDUSTRIAIS PÁGINA: PRÁTICA 14 Prof. Gênova 93 PRÁTICA 14 ASSUNTO: COMANDO AUTOMÁTICO PARA PARTIDA DE MIT COM TENSÃO REDUZIDA, ATRAVÉS DE CHAVE SÉRIE-PARALELA. 1. OBJETIVO Familiarizar o aluno com a montagem de circuitos de comando e força para partida de MIT através da chave série paralelo estrela. 2. COMENTÁRIOS TEÓRICOS A chave série-palalela constitui-se em uma outra alternativa usual para partida de motor trifásico com tensão reduzida, sendo utilizada para motores que tenham a possibilidade de ligação nas 4 (quatro) tensões, 220/380/440/760V, portanto, com 12 terminais acessíveis ou no mínimo com 9 terminais. A ligação série-paralela propicia a redução do pico de corrente na fase de partida, evitando assim as perturbações na rede devido as quedas de tensões acentuadas. Esta redução de corrente chega a 25% do seu valor correspondente a uma partida direta, sendo então apropriada para cargas com partida necessariamente em vazio, pois o conjugado de partida é reduzido a ¼ do seu valor para tensão nominal, que é o caso da partida com plena tensão. Durante a partida é empregada a configuração série até o motor atingir a sua rotação nominal, a partir daí faz-se a comutação para a configuração paralela. Esta chave pode ser fornecida em duas versões, ou seja, série-paralela estrela (SPE) ou série-paralela triângulo (SPT). a) Chave série-paralela estrela - SPE: É própria para utilização em motores que possua a execução dos enrolamentos para tensões múltiplas de 220/380/440/760V, ou excepcionalmente em 380/760V, exigindo que a tensão da rede seja necessariamente de 380V (tensão de linha). Na partida executa-se a ligação estrela série, Fig. 2.1, ficando cada enrolamento submetido a 110V [(380V / 3)  2 = 110V]. Após concluída a fase de partida, o motor passa a ser ligado em estrela paralela, Fig. 2.2, ficando agora, cada bobina alimentada com 220V [380V / 3 = 220V]. Fig. 2.1 Fig.2.2 Ligação estrela série, Ligação estrela paralelo, com tensão de 380V com tensão de 380V
  • 100.
    CENTRO FEDERAL DEEDUCAÇÃO TECNOLÓGICA DO CEARÁ – CEFET-CE CURSO DE ELETROTÉCNICA MANUAL DE COMANDOS INDUSTRIAIS PÁGINA: PRÁTICA 14 Prof. Gênova 94 b) Chave série-paralela triângulo - SPT: Própria para utilização em motores que possua a execução dos enrolamentos em 220/380/440/760V, ou excepcionalmente em 220/440V, exigindo dessa forma que a tensão da rede seja necessariamente de 220V (tensão de linha). Na partida executa-se a ligação triângulo série, Fig. 2.3, ficando cada enrolamento submetido a 110V [220V  2 = 110V]. Após concluída a fase de partida, o motor passa a ser ligado em triângulo paralelo, Fig.2.4, onde cada bobina passa a receber a tensão nominal de 220V. Fig. 2.3 Fig. 2.4 Ligação triângulo série Ligação triângulo paralelo com tensão de 220V com tensão de 220V 3. MATERIAL EMPREGADO ITEM E S P E C I F I C A Ç Ã O QUANT. UNID. 01 Contator 3TB/3TF...SIEMENS ou LC1...TELEMECANIQUE – 220V 04 Um 02 Relé bimetálico 3UA... SIEMENS ou LR...TELEMECANIQUE 02 Um 03 Relé de tempo, 0-30 s, 220V 01 Um 04 Fusível diazed 2 A, completo 01 Um 05 Botoeira NF 01 Uma 06 Botoeira NA 01 Uma 07 Lâmpada de sinalização VM – 220V 01 Uma 08 Fusível NH 16 A – 500V, completo 03 Um 09 Pino tripolar com cordão flexível 01 Um 10 Motor de indução trifásico 220/380/440/760V – 12 terminais 01 Um 4. PROCEDIMENTO DA PRÁTICA A T E N Ç Ã O ! CUIDADO! NA MONTAGEM DESTA PRÁTICA, EXISTIRÃO PARTES CONDUTORAS QUE NÃO ESTARÃO PROTEGIDAS CONTRA CONTATOS ACIDENTAIS. VOCÊ VAI LIDAR COM TENSÕES DE 220 E 380V. ANTES DE ENERGIZAR O CIRCUITO, SOLICITE A PRESENÇA DO PROFESSOR PARA CONFERIR AS LIGAÇÕES.
  • 101.
    CENTRO FEDERAL DEEDUCAÇÃO TECNOLÓGICA DO CEARÁ – CEFET-CE CURSO DE ELETROTÉCNICA MANUAL DE COMANDOS INDUSTRIAIS PÁGINA: PRÁTICA 14 Prof. Gênova 95 4.1- DIAGRAMA DE COMANDO:  Monte o circuito de comando para ligação SPE de acordo com o diagrama da Fig. 4.1, seguindo os procedimentos de segurança pré estabelecidos: F ~ 220V – 60Hz e21 95 97 e4 96 98 95 97 e5 96 98 bo 13 13 43 43 13 b1 K3 K1 K3 K1 K4 14 14 44 44 14 15 15 d1 16 18 31 K2 21 K3 21 K3 32 22 22 K4 21 22 A1 A1 A1 A1 A1 d1 K3 K4 K1 K2 h1 N A2 A2 A2 A2 A2 Fig. 4.1 4.2. DIAGRAMA DE FORÇA:  Monte o circuito de força para alimentação do motor de 12 terminais, para ligação SPE, conforme o diagrama da Fig. 4.2, seguindo os procedimentos de segurança pré estabelecidos;  Observe que na ligação SPE, os terminais 10, 11 e 12 do Motor, devem estar curto- circuitados entre si.
  • 102.
    CENTRO FEDERAL DEEDUCAÇÃO TECNOLÓGICA DO CEARÁ – CEFET-CE CURSO DE ELETROTÉCNICA MANUAL DE COMANDOS INDUSTRIAIS PÁGINA: PRÁTICA 14 Prof. Gênova 96 R ~ 380v –60hZ T e1 1 3 5 K1 1 3 5 K4 1 3 5 K2 2 4 6 2 4 6 2 4 6 e4 95 e5 95 96 96 1 3 5 K3 2 4 6 6 5 4 3 7 2 8 1 9 10 11 12 Fig. 4.2 5. VERIFIQUE OS SEUS CONHECIMENTOS 5.1- Qual o objetivo da chave série-paralela ? 5.2- Descreva a sequência operacional da chave SPE; 5.3- Quando são utilizadas as chaves SPE e SPT ? 5.4- Considere que você dispõe de um motor de 15 cv, com 12 terminais, tensões de placa 220/380/440/760V, a ser acionado com carga em vazio. A tensão de linha da rede de alimentação é de 380V. Escolha dentre os métodos de partida com tensão reduzida disponíveis, dos tipos estrela-triângulo, compensadora e série-paralelo, qual o que se adapta melhor para esta situação ? Explique a sua decisão. 5.5- Explique como você determinaria o tempo de ajuste do relé temporizado d1, utilizado no circuito de comando para partida SPE . 5.6- Qual a função da lâmpada de sinalização h1 do circuito da Fig. 4.1 ? S M 3~
  • 103.
    CENTRO FEDERAL DEEDUCAÇÃO TECNOLÓGICA DO CEARÁ – CEFET-CE CURSO DE ELETROTÉCNICA MANUAL DE COMANDOS INDUSTRIAIS PÁGINA: PRÁTICA 15 Prof. Gênova 97 PRÁTICA 15 ASSUNTO: COMANDO AUTOMÁTICO PARA PARTIDA DE MIT ATRAVÉS DE CHAVE MOCROPROCESSADA DO TIPO SOFT STARTER 1. OBJETIVOS  Conhecer os dispositivos de partida eletrônico denominado de chaves estáticas de partida ou “soft-starters”.  Familiarizar com a utilização do soft-starter na instalação de circuitos para partida de Motor de indução trifásico. 2. COMENTÁRIOS TEÓRICOS As tradicionais chaves de partida eletromecânicas, do tipo Y-, compensadora, série- paralela e outras, podem ser substituídas pela última geração de chaves de partida de estado sólido, denominadas de soft-starter, com característica inovadora de serem microprocessadas. O princípio peculiar de funcionamento da chave de estado sólido, é explicado pelo controle do ajuste do ângulo de disparo de um par de tiristores em ligação anti-paralela, instalados em cada fase de alimentação do estator (Fig. 2.1). R S T e1 e4 5 6 3 4 1 2 96 A1 A2 95 K1 Fig. 2.1 Desta forma controla-se a tensão de alimentação do motor, aplicando-lhe uma rampa de aceleração progressiva e suave, até o mesmo atingir a rotação nominal, e por conseguinte, ficar alimentado a plena tensão. As chaves eletrônicas tipo soft-starter disponíveis no mercado, são fornecidas com várias opções de funções de controle, com pedestal de tensão ajustáveis entre outras, de maneira a oferecer o máximo de flexibilidade ao usuário, que serão comentadas oportunamente. O diagrama de blocos da Fig. 2.2 representa a partida do MIT através de dispositivo eletrônico: Tensão Tensão Conjugado Corrente Corrente Velocidade Fator de potência Fator de potência Aceleração Potência elétrica Potência elétrica Potência mecânica Harmônicas I Harmônicas I, V Fig. 2.2 Motor 3 ~ Controle geral do soft start REDE ELÉTRICA TRIFÁSICA SOFT STARTER MOTOR DE INDUÇÃO CARGA MECÂNICA
  • 104.
    CENTRO FEDERAL DEEDUCAÇÃO TECNOLÓGICA DO CEARÁ – CEFET-CE CURSO DE ELETROTÉCNICA MANUAL DE COMANDOS INDUSTRIAIS PÁGINA: PRÁTICA 15 Prof. Gênova 98 Na Fig. 2.2, entre a rede elétrica e o motor foi inserido um soft-starter que reduz o nível de tensão visto nos terminais do motor, reduzindo dessa maneira a corrente do mesmo. Os aspectos que diferenciam o soft-starter dos dispositivos eletromecânicos, são apresentados a seguir:  A tensão pode ser ajustada idealmente de forma contínua, entre 0 e 100% da tensão de linha, proporcionando uma rampa de aceleração suave ao motor;  A tensão e a corrente nos terminais do motor, apesar de reduzidos durante o processo de partida, passam a apresentar um conteúdo harmônico.  O conteúdo de harmônicas produzidas pela fonte chaveada de controle dos tiristores, sempre acarreta algum tipo de impacto sobre os motores de indução e sobre a rede de alimentação, podendo influenciar negativamente na qualidade de energia fornecida. Para uma melhor compreensão do processo de chaveamento dos tiristores, iremos descrever o seu funcionamento inserido no contexto do circuito:  O tiristor é um dispositivo a estado sólido contendo 3 (três) terminais que pode conduzir corrente do terminal ânodo para o terminal cátodo, após ter sido aplicado um sinal de tensão no terminal do gatilho. O pulso no gatilho, como citado anteriormente, é controlado pelo ângulo elétrico de disparo , que por convenção é medido a partir do ângulo correspondente ao início da curva na forma de onda senoidal, correspondente a tensão de linha, cujo valor avança na direção de deslocamento da onda de CA em função do tempo.  Desta forma utiliza-se o sistema de controle de um microprocessador, que controla de forma bem definida, os tempos de disparo do gatilho de cada tiristor, passando para o sentido de condução ou de corte, no sentido de bloqueio, vide Fig. 2.3, sendo que no sentido de condução o sistema injeta nos terminais do motor pulsos de tensão que vão evoluindo de valor a medida que a curva senoidal avança no tempo, até atingir o valor da tensão plena de alimentação da carga. A tensão resultante aplicada ao motor, tem a forma distorcida devido ao chaveamento dos tiristores, de modo que as perdas do motor tendem a ser mais altas do que o normal. I U Sentido de Sentido de bloqueio condução Curva característica do tiristor Fig. 2.3 Como vantagem do uso do soft-starter, verifica-se que:  Diminui os esforços mecânicos (trancos) sobre a carga e o motor, evitando danos a estes equipamentos;  Diminui o impacto da partida do motor sobre a rede elétrica;  Permite que um grande número de funções de controle sejam implementadas.
  • 105.
    CENTRO FEDERAL DEEDUCAÇÃO TECNOLÓGICA DO CEARÁ – CEFET-CE CURSO DE ELETROTÉCNICA MANUAL DE COMANDOS INDUSTRIAIS PÁGINA: PRÁTICA 15 Prof. Gênova 99 Para o dimensionamento do soft-starter é considerado basicamente:  A corrente que este deverá controlar, ou seja, uma característica vinculada a corrente de partida do MIT;  A duração da fase de partida, ou seja, uma característica vinculada a curva característica da carga mecânica e a inércia total do sistema mecânico. A seguir serão comentadas uma série de funções de controle agregadas aos controladores de soft-starter disponíveis no mercado:  Função soft-starter: O tempo de aceleração do motor pode ser controlado;  Função de limitação de corrente: Função básica encontrada em quase todos os controladores;  Função partida de bombas hidráulicas: Minimiza o golpe de ariete existentes em sistemas hidráulicos;  Função soft-stop: Permite que o tempo de desaceleração do motor possa ser controlado. Isto é feito reduzindo gradativamente a tensão do motor ao invés de um desligamento repentino;  Função energy-saver: O controle de tensão pode atuar de forma a tentar melhorar o fator de potência, em condições de baixa carga mecânica. Quando esta função esta ativa, o controlador observa o fator de potência do motor. Lentamente o controlador reduz a tensão aplicada ao motor observando o fator de potência para verificar se este aumenta. O processo continua até que o fator de potência se estabilize. De certa forma o que se faz é reduzir as perdas de magnetização do motor, pois o nível de fluxo diminui quando se reduz a tensão;  Função kick-star: A tensão aplicada ao motor aumenta rapidamente durante os instantes iniciais da partida, com a finalidade de produzir um conjugado elevado, suficiente para vencer os atritos do sistema mecânico. Após este período inicial, o controle de tensão volta a seguir a curva convencional de crescimento.  Função braking: O disparo dos tiristores pode ser feira de forma assimétrica, aplicando ao motor uma tensão trifásica desequilibrada. Este desequilíbrio de tensão pode ser interpretado como se estivéssemos aplicando ao motor uma componente de sequência negativa ou de sequência zero (corrente de falta). O resultado deste tipo de técnica de disparo é fazer com que o motor atue como freio elétrico.  Função slow-speed: O disparo dos tiristores pode ser feito usando técnicas do tipo de controle de freqüência e de controle de fase. Neste caso, o resultado é que a tensão vista pelo motor passa a ter uma freqüência que é submúltipla da freqüência da rede, passando a girar com velocidade reduzida;  Outras das funções de proteção do motor, tais como, falta de fase, relé térmico e detecção de sobrecarga mecânica, podem ser incorporadas ao soft-start. 3. MATERIAL EMPREGADO ITEM E S P E C I F I C A Ç Ã O QUANT. UNID. 01 Contator 3TB/3TF...SIEMENS ou LC1...TELEMECANIQUE – 220V 01 Um 02 Relé bimetálico 3UA... SIEMENS ou LR...TELEMECANIQUE 01 Um 03 Fusível diazed 2 A, completo 01 Um 04 Botoeira NF 01 Uma 05 Botoeira NA/NA conjugada 01 Uma 06 Lâmpada de sinalização VM – 220V 01 Uma 07 Fusível NH 16 A – 500V, completo 03 Um 08 Chave Soft-starter microprocessada tipo SSW-01- WEG 01 Um 09 Chave Soft-starter microprocessada tipo LH4-N2 - Telemecanique 01 Um 10 Pino tripolar com cordão flexível 01 Um 11 Motor de indução trifásico 220/380V – 6 terminais 01 Um
  • 106.
    CENTRO FEDERAL DEEDUCAÇÃO TECNOLÓGICA DO CEARÁ – CEFET-CE CURSO DE ELETROTÉCNICA MANUAL DE COMANDOS INDUSTRIAIS PÁGINA: PRÁTICA 15 Prof. Gênova 100 4. PROCEDIMENTO DA PRÁTICA A T E N Ç Ã O ! CUIDADO! NA MONTAGEM DESTA PRÁTICA, EXISTIRÃO PARTES CONDUTORAS QUE NÃO ESTARÃO PROTEGIDAS CONTRA CONTATOS ACIDENTAIS. VOCÊ VAI LIDAR COM TENSÕES DE 220 E 380V. ANTES DE ENERGIZAR O CIRCUITO, SOLICITE A PRESENÇA DO PROFESSOR PARA CONFERIR AS LIGAÇÕES. 4.1- Montagem da chave Soft-starter SSW-01 da WEG: A montagem dessa prática segue o MANUAL TÉCNICO da WEG SSW-01, relativo ao SOFT- STARTER modelo SSW-01.9. Faz parte da prática o aluno conhecer as informações contidas no manual relativas a introdução e aos seguintes itens:  1- Especificações  2- Dimensões e informações sobre as perdas de calor  3- Instalação de montagem e funções de controle do usuário  4- Colocação em funcionamento  5- Localização dos ajustes do usuário  6- Esquema das entradas  7- Circuito aplicação das chaves SSW-01  8- Tabela de fusíveis ultra-rápido e contatores recomendados. 4.1.1- CIRCUITO DE COMANDO E FORÇA PARA ACIONAMENTO ATRAVÉS DO SOFT-STARTER (DIAGRAMA INTEGRADO)  Monte o circuito integrado da Fig. 4.1 R ~ 380V ~ 60 Hz S T N e1 e21 1 3 5 A2 b0 2 4 6 K1 A1 95 e4 b1 96 L1 L2 L3 1 2 5 6 U V W  Fig. 4.1 SSW-01 RL2 CHAVE SOFT-STARTER Motor 3~ Motor 3 ~
  • 107.
    CENTRO FEDERAL DEEDUCAÇÃO TECNOLÓGICA DO CEARÁ – CEFET-CE CURSO DE ELETROTÉCNICA MANUAL DE COMANDOS INDUSTRIAIS PÁGINA: PRÁTICA 15 Prof. Gênova 101 4.2. Montagem da chave Soft-starter LH4-N2 da Telemecanique: A montagem da prática empregando o soft-starter da Telemecanique, deve seguir o esquema da Fig. 4.2, que corresponde ao esquema do catálogo do fabricante. ~ 380V – 60 Hz ~ 220V e21 e1 A1 1 3 5 K1 2 4 6 95 A2 e4 e4 96 b1 L1 L2 L3 04 b3 b22 b22 A1 05 T1 K1 A2 FIG. 4.2 Ajustes do soft starter:  Tempo de aceleração: A, B, C, D, E = 1 a 5 seg.  Conjugado de partida: A, B, C, D, E = 0,3 a 0,8 Cp  Tempo de desaceleração: A, B, C, D, E = 0 a 5 seg. 5. VERIFIQUE OS SEUS CONHECIMENTOS 5.1- Explique o que é soft-starter; 5.2- Que tipo de ligação é feita com os tiristores ? 5.3- Quais as vantagens da utilização da chave de partida soft-starter ? 5.4- Quais as desvantagens do soft-starter ? 5.5- Qual a função do microprocessador no soft-starter ? 5.6- O que deve ser levado em consideração para o dimensionamento do soft-starter ? 5.7- No circuito integrado para acionamento do soft-starter, qual o contato de selo do circuito? 5.8- Explique como escolher o pedestal de tensão inicial adequado para partida do motor no item 3.2.2 do manual técnico da chave SSW-01 da WEG. 5.9- Explique como é feita a rampa de desaceleração do motor no soft-starter. 5.10- O que limita o número de partidas por hora no soft-starter e qual a especificação do regime de partida do SSW-01 ? LH4-N2 M1 3 ~ R S T N T1 T2 T3 01 02 03
  • 108.
    CENTRO FEDERAL DEEDUCAÇÃO TECNOLÓGICA DO CEARÁ – CEFET-CE CURSO DE ELETROTÉCNICA MANUAL DE COMANDOS INDUSTRIAIS PÁGINA: PRÁTICA 16 Prof. Gênova 102 PRÁTICA 16 ASSUNTO: COMANDO AUTOMÁTICO PARA PARTIDA DIRETA DE MIT, COM REVERSÃO NO SENTIDO DE ROTAÇÃO E CIRCUITO DE FREIO ELETROMAGNÉTICO. 1. OBJETIVO Familiarizar o aluno com a montagem de circuitos de comando e força usados nos acionamentos com reversão, incluindo o circuito de freio eletromagnético. 2. COMENTÁRIOS TEÓRICOS O freio eletromagnético tem sua larga aplicação nos circuitos de reversão de motores de indução trifásico, uma vez que normalmente quando o motor atinge o regime pleno de funcionamento, nesta ocasião o mesmo vem operando com praticamente toda a carga aplicada ao seu eixo mecânico, e por conseguinte, se a reversão rápida fosse aplicada bruscamente ao sistema, poderia danificar todo o conjunto motor-máquina. Nesta situação a inércia que seria imposta pela contra-corrente, originada pela permuta de ligação de dois condutores de fase do estator, poderia não ser atendida em face a magnitude da carga que estaria sendo acionada através do seu eixo mecânico. Portanto, para que esta situação seja evitada e possa resolver os problemas impostos por máquinas em que o próprio regime de operação exige a reversão rápida, utiliza-se a frenagem dinâmica, a qual é propiciada através de um circuito de freio eletromagnético que deve ser acoplado adequadamente aos circuitos de comando e força da reversão automática convencional. O princípio de funcionamento do freio dinâmico é fundamentado na aplicação de uma corrente contínua de valor compatível com a corrente nominal de carga do motor, que ao ser aplicada a dois terminais quaisquer do enrolamento do estator, irá produzir um campo magnético fixo, idêntico ao que é normalmente produzido pela corrente alternada trifásica, com exceção que não é um campo girante. Por conseguinte, se o motor de indução que esteja girando com um certo valor de escorregamento, exemplificando, escorregamento de (s) = 4%, e passar subitamente da alimentação CA para CC, o efeito produzido será a redução da velocidade de sincronismo a zero, de modo que o motor passaria agora a girar com um escorregamento negativo de 96%. Mas o conjugado desenvolvido com um conjugado negativo de 96%, corresponde a valor igual e de sentido oposto ao conjugado desenvolvido com um escorregamento positivo de 96%, desde que as correntes do estator sejam as mesmas em ambas as situações de alimentação em corrente alternada e contínua. Sendo assim obteríamos uma frenagem praticamente instantânea do motor, antes que seja efetuada a reversão no sentido de rotação. No circuito de freio eletromagnético a fonte de corrente contínua (CC) é obtida através de um transformador abaixador (220/40V) e de uma ponte retificadora de onda completa, constituída por 4 (quatro) diodos e 1 (um) capacitor eletrolítico. O acionamento do freio pode ser efetuado através de um botão de comando NA (botão liga- freio) intertravado com o botão desliga (NF) do motor (botão conjugado b21), ou através de um botão de pedal que deve ser também intertravado com o botão b0. Ao acionar o botão desliga, simultaneamente está se acionando o freio, por conseguinte, tão logo o motor para, solta-se o freio e o circuito volta a ficar apto para uma nova partida, só que agora revertendo-se o sentido de rotação através do botão b2. Observe que a alimentação do estator do motor em corrente contínua, só é realizada quando o motor deixa de ser alimentado em corrente alternada, daí a exigência dos pontos de intertravamentos tanto mecânico como elétrico no circuito de comando. A frenagem de motores é empregada nas mais variadas aplicações, principalmente na área industrial onde são utilizados motores de maior porte. Citamos como exemplo a aplicação em tornos mecânicos, pontes rolantes, pórticos, guindastes, elevadores e em todas as utilizações cujo tempo para parar sem frenagem for demasiadamente grande em relação a exigência da situação operacional específica, portanto, que exigisse uma parada praticamente imediata do motor.
  • 109.
    CENTRO FEDERAL DEEDUCAÇÃO TECNOLÓGICA DO CEARÁ – CEFET-CE CURSO DE ELETROTÉCNICA MANUAL DE COMANDOS INDUSTRIAIS PÁGINA: PRÁTICA 16 Prof. Gênova 103 3. MATERIAL EMPREGADO ITEM E S P E C I F I C A Ç Ã O QUANT. UNID. 01 Contator 3TB/3TF...SIEMENS ou LC1...TELEMECANIQUE – 220V 04 Um 02 Relé bimetálico 3UA... SIEMENS ou LR...TELEMECANIQUE 01 Um 03 Transformador ULTRASOM ref. 159/2 A – 110/220/36V 01 Um 04 Capacitor eletrolítico 1000 F - SIEMENS 01 Um 05 Diodo SK3/08 - SEMIKRON 04 Um 06 Fusível diazed 2 A, completo 01 Um 07 Botoeira conjugada NA/NF 01 Uma 08 Botoeira NA 02 Uma 09 Lâmpada de sinalização VM – 220V 01 Uma 10 Fusível NH 16 A , 500V, completo 03 Um 11 Motor de indução trifásico 220/380V 01 Um A T E N Ç Ã O ! CUIDADO! DURANTE A MONTAGEM E OPERAÇÃO DESSA PRÁTICA, EXISTIRÃO PARTES CONDUTORAS QUE NÃO ESTARÃO PROTEGIDAS CONTRA CONTATOS ACIDENTAIS. VOCÊ VAI LIDAR COM TENSÕES DE 220V E 380V. AO CONCLUIR A MONTAGEM, ANTES DE ENERGIZAR O CIRCUITO, SOLICITE A PRESENÇA DO PROFESSOR PARA CONFERIR AS LIGAÇÕES. 4. PROCEDIMENTO DA PRÁTICA 4.1- Diagrama de comando: Monte o circuito de comando para reversão de rotação do MIT e freio eletromagnético, conforme com a fig. 4.1, de acordo com os procedimentos de segurança pré estabelecidos. Após a montagem efetue o teste do seu funcionamento. F 220V ~ 60HZ e21 e4 95 96 b21 Liga freio 21 K3 22 31 K1 13 13 32 b1 K1 b2 K2 14 14 31 21 21 K2 K2 K1 32 22 22 K1 h1 K2 h2 K3 K4 h3 N Fig.4.1
  • 110.
    CENTRO FEDERAL DEEDUCAÇÃO TECNOLÓGICA DO CEARÁ – CEFET-CE CURSO DE ELETROTÉCNICA MANUAL DE COMANDOS INDUSTRIAIS PÁGINA: PRÁTICA 16 Prof. Gênova 104 4.2- Diagrama de força Após a verificação do correto funcionamento do circuito de comando, desligue a alimentação da tomada monofásica do painel, e efetue a montagem do circuito de força da Fig. 4.2, integrando este circuito com o circuito de comando já montado. R 3 ~ 380V – 60Hz S T N e1 1 3 5 A1 1 3 5 A1 A1 K1 K2 1 3 5 2 4 6 2 4 6 K3 A2 A2 2 4 6 220V A2 M1 40V - 95 e4 96 S1 + A1 1 3 5 K4 2 4 6 A2 U V W M1 = Transformador 220/40V S1 = Ponte retificadora de onda completa M 3ø
  • 111.
    CENTRO FEDERAL DEEDUCAÇÃO TECNOLÓGICA DO CEARÁ – CEFET-CE CURSO DE ELETROTÉCNICA MANUAL DE COMANDOS INDUSTRIAIS PÁGINA: PRÁTICA 17 Prof. Gênova 105 PRÁTICA 17 ASSUNTO: COMANDO AUTOMÁTICO PARA PARTIDA ESTRELA-TRIÂNGULO DE MOTOR DE INDUÇÃO TRIFÁSICO, COM REVERSÃO NO SENTIDO DE ROTAÇÃO 1. OBJETIVO Familiarizar o aluno com a montagem de circuitos de comando eletromagnéticos e de força, para acionamento de MIT usando a chave Y -  reversora. 2. COMENTÁRIOS TEÓRICOS Durante a prática 7 tivemos a oportunidade de nos familiarizarmos com a montagem de circuitos que proporcionam a reversão no sentido de rotação de um motor trifásico, onde constatamos que para isso bastava trocar duas fases de alimentação das bobinas do estator entre si, permanecendo uma fase fixa. Esta operação corresponde a inversão da seqüência de fases nas bobinas do motor. A partida estrela-triângulo automática montada na prática 11, utilizou 3 (três) contatores na operacionalização do processo, onde no 1o momento do acionamento, K3 tem a sua bobina energizada fazendo o fechamento do centro da estrela nos terminais 4,5 e 6 do MIT, e quase que simultaneamente, energiza a bobina de K1, que por sua vez alimenta os terminais 1, 2 e 3 na seqüência R, S, e T, respectivamente, partindo o motor em Y. No 2o momento do processo de partida, o motor já deverá ter atingido em torno de 90% da sua rotação nominal, então o contator K3 é desenergizado, desfazendo o fechamento do centro da estrela, e logo em seguida, K2 é energizado fazendo agora o fechamento da ligação delta do motor, conjuntamente com K1 que permaneceu ligado (1-6, 2-4, 3-5). Para adicionar uma reversão neste processo basta acrescentar um 4o contator (K4) em paralelo com K1, que passaria a ser o responsável pela comutação da seqüência de fases no circuito de foça do MIT, proporcionando desta maneira a inversão de rotação. No circuito de comando deve-se ter a preocupação em garantir através de contatos de intertravamentos, a impossibilidade de acionamento simultâneo dos contatores K1 e K4, caso contrario pode ocorrer curto-circuito bifásico franco e a queima de 2 fusíveis de força. A seguir é apresentada a seqüência operacional resumida desta prática:  Ligação Y: K1 e K3 em operação (1o sentido de rotação – Partida com tensão reduzida)  Ligação : K1 e K2 em operação (1o sentido de rotação – Regime a plena tensão)  Desligamento e parada do motor.  Ligação Y: K4 e K3 em operação (2o sentido de rotação – Partida com tensão reduzida)  Ligação : K4 e K2 em operação (2o sentido de rotação – Regime a plena tensão) Na figura 2.1 são representados os diagramas das bobinas do MIT nas ligações Y e , com as correspondentes alterações na seqüência de fases de alimentação. R S T R S T 1 2 3 1 2 3 4 5 6 4 5 6 Ligação Y Ligação  FIG. 2..1
  • 112.
    CENTRO FEDERAL DEEDUCAÇÃO TECNOLÓGICA DO CEARÁ – CEFET-CE CURSO DE ELETROTÉCNICA MANUAL DE COMANDOS INDUSTRIAIS PÁGINA: PRÁTICA 17 Prof. Gênova 106 3. MATERIAL EMPREGADO ITEM E S P E C I F I C A Ç Ã O QUANT. UNID. 01 Contator 3TB/3TF...SIEMENS ou LC1...TELEMECANIQUE – 220V 04 Um 02 Relé bimetálico 3UA... SIEMENS ou LR...TELEMECANIQUE 01 Um 03 Relé de tempo, 0-30 s, 220V 01 Um 04 Botoeira NF 01 Uma 05 Botoeira NA/NF 02 Uma 06 Lâmpada de sinalização VM / VD – 220V 02 Uma 07 Fusível diazed 2 A, completo 01 Um 08 Fusível NH 16 A – 500V, completo 03 Um 4. PROCEDIMENTO DA PRÁTICA A T E N Ç Ã O ! C U I D A D O ! NA MONTAGEM DESSA PRÁTICA EXISTIRÃO PARTES CONDUTORAS QUE NÃO ESTARÃO PROTEGIDAS CONTRA CONTATOS ACIDENTAIS. VOCÊ VAI LIDAR COM TENSÕES DE 220 E 380V. ANTES DE ENERGIZAR O CIRCUITO, CHAME O PROFESSOR PARA CONFERIR AS LIGAÇÕES. 4.1- DIAGRAMA DE COMANDO  Monte o circuito de comando da chave Y- com reversão, de acordo com o diagrama da Fig. 4.1, seguindo as determinações do roteiro de trabalho F ~ 220V – 60Hz e21 e4 95 96 bo 13 13 b22 b23 K1 K4 14 14 K1 b23 b22 13 K2 d1 1 1 43 13 43 43 14 K1 K3 K4 K3 8 2 44 14 44 44 21 21 K2 K3 21 21 22 22 K4 K1 h1 22 22 A1 A1 A1 A1 A1 d1 K3 K2 K1 K4 N A2 A2 A2 A2 A2 Fig. 4.1
  • 113.
    CENTRO FEDERAL DEEDUCAÇÃO TECNOLÓGICA DO CEARÁ – CEFET-CE CURSO DE ELETROTÉCNICA MANUAL DE COMANDOS INDUSTRIAIS PÁGINA: PRÁTICA 17 Prof. Gênova 107 4.2- DIAGRAMA DE FORÇA  Monte o circuito de força da chave Y- com reversão, de acordo com o diagrama da Fig. 4.2, seguindo os procedimentos de segurança do roteiro de trabalho: R ~380V – 60 Hz S T e1 1 3 5 A1 1 3 5 A1 K1 K4 2 4 6 2 4 6 A2 A2  Y K2 K3 1 3 5 A1 1 3 5 A1 2 4 6 A2 2 4 6 A2 95 e4 96 1 2 3 6 5 4 Fig. 4.2 Motor 3
  • 114.
    CENTRO FEDERAL DEEDUCAÇÃO TECNOLÓGICA DO CEARÁ – CEFET-CE CURSO DE ELETROTÉCNICA MANUAL DE COMANDOS INDUSTRIAIS PÁGINA: PRÁTICA 17 Prof. Gênova 108 5. VERIFIQUE OS SEUS CONHECIMENTOS 5.1- Descreva a seqüência operacional de comando automático montado nesta prática. 5.2- Cite alguns exemplos da aplicação do comando automático para partida estrela-triângulo com reversão de MIT. 5.3- Sobre os contatos dos contatores assinale a alternativa correta: 5.3.1. Durante a manutenção de um contator comum, quando o técnico de manutenção for efetuar a troca de contatos, deve-se trocar: a) As pastilhas em mau estado; b) Os contatos em mau estado; c) O jogo de contatos e as molas; d) Somente o jogo de contatos. 5.3.2. Geralmente nos contatores que possuem contatos simples: a) Nunca é possível a montagem de contatos adicionais; b) Regula-se apenas o entreferro e o eletroímã; c) A simultaneidade de abertura dos contatos não tem importância; d) A pressão da mola é regulada com dinamômetro conforme especificação. 5.3.3. A prata com 10% de cádmio é mais usada na composição das pastilhas dos contatores porque: a) Resiste a altas temperaturas de regime e é maleável; b) Reconverte em prata tanto o vapor de prata como o óxido de prata; c) Não oxida, por conseguinte propicia sempre um bom contato; d) Resiste as altas temperaturas e possui uma maior dureza.
  • 115.
    CENTRO FEDERAL DEEDUCAÇÃO TECNOLÓGICA DO CEARÁ – CEFET-CE CURSO DE ELETROTÉCNICA MANUAL DE COMANDOS INDUSTRIAIS PÁGINA: PRÁTICA 18 Prof. Gênova 109 PRÁTICA 18 ASSUNTO: COMANDO AUTOMÁTICO PARA ACIONAMENTO DE MOTOR DE POLOS COMUTÁVEIS PARA DUAS VELOCIDADES (LIGAÇÃO DAHLANDER), COM REVERSÃO NO SENTIDO DE ROTAÇÃO 1. OBJETIVO Instruir o aluno com a montagem de circuitos de comando eletromagnético e de força, utilizados para acionamento do motor dahlander de polos comutáveis, para duas velocidades, e inversão no sentido de rotação. 2. COMENTÁRIOS TEÓRICOS Como foi visto na prática 10, o motor Dahlander é um motor de indução que tem a característica construtiva de possibilitar a alteração da sua velocidade através da variação do número de polos. O enrolamento do estator é construído de tal forma que permite mudança nas ligações das bobinas, sendo o número de polos modificado. Para acrescentar a inversão no sentido de rotação, tanto na baixa como na alta velocidade, é necessário acrescentar no circuito de controle, dois contatores que ligados em paralelo com K1 e K3, respectivamente, possibilitam a mudança na seqüência de fases de alimentação do motor. O contator K2 que faz o fechamento do centro da estrela, quando na ligação em alta rotação, deve ser compartilhado de tal forma nesse circuito de maneira que possa operar tanto com o contator K3 (ex. sentido horário) quanto com o K5 (sentido anti-horário). Faz-se também necessário a aplicação de intertravamentos tanto mecânicos (botoeiras conjugadas) como elétricos (contatos NF dos contatores) de forma a garantir o perfeito funcionamento dos circuitos sem causar curto- circuitos ou comandos incompletos e descoordenados. O acionamento do comando é proporcionado por botões e devem ser impulsionados na seguinte lógica:  Sentido horário:  Baixa velocidade – b22 (liga) e bo (desliga);  Alta velocidade – b24 (liga) e bo (desliga);  Sentido anti-horário:  Baixa velocidade – b23 (liga) e bo (desliga);  Alta velocidade – b25 (liga) e bo (desliga). A seguir é apresentado um quadro demonstrativo indicando as informações do motor Dahlander relativos a baixa velocidade, alta velocidade e sequência de fases. VELOCIDADE (R.P.M) N POLOS SEQUÊNCIA DE FASES TIPOS DE LIGAÇÃO DOS 2 GRUPOS DE BOBINAS HORÁRIA ANTI-HORÁRIA R S T T S R T E R M I N A I S BAIXA 1.800 2 1 2 3 1 2 3  SÉRIE ALTA 3.600 4 6 4 5 6 4 5 Y PARALELO 2.1- PLACA DE IDENTIFICAÇÃO DO MOTOR DAHLANDER Na fig. 2.1 são representados os diagramas das bobinas do motor na ligação triângulo série (o motor já vem de fábrica com os enrolamentos fechados internamente na ligação ) que corresponde a baixa velocidade (a), e na ligação paralela para a alta velocidade (b), com as correspondentes alterações na sequência de fases de alimentação do motor, responsáveis pela inversão no sentido de rotação.
  • 116.
    CENTRO FEDERAL DEEDUCAÇÃO TECNOLÓGICA DO CEARÁ – CEFET-CE CURSO DE ELETROTÉCNICA MANUAL DE COMANDOS INDUSTRIAIS PÁGINA: PRÁTICA 18 Prof. Gênova 110 a) Ligação em baixa rotação b) Ligação em alta rotação 1 2 3 1 2 3 6 4 5 6 4 5 R S T R S T 2.2- DIAGRAMA DE LIGAÇÃO a) Ligação em baixa rotação b) Ligação em alta rotação 3. MATERIAL EMPREGADO ITEM E S P E C I F I C A Ç Ã O QUANT. UNID. 01 Contator 3TB/3TF...SIEMENS ou LC1...TELEMECANIQUE – 220V 05 Um 02 Relé bimetálico 3UA... SIEMENS ou LR...TELEMECANIQUE 02 Um 03 Fusível diazed 2 A, completo 01 Um 04 Botoeira NA/NF 04 Uma 05 Botoeira NF 01 Uma 06 Lâmpada de sinalização VM – 220V 01 Uma 07 Lâmpada de sinalização VD – 220V 01 Uma 08 Fusível NH 16 A – 500V, completo 06 Um 09 Pino tripolar com cordão flexível 01 Um 10 Motor Dahlander de 1800/3600 rpm , 380V 01 Um
  • 117.
    CENTRO FEDERAL DEEDUCAÇÃO TECNOLÓGICA DO CEARÁ – CEFET-CE CURSO DE ELETROTÉCNICA MANUAL DE COMANDOS INDUSTRIAIS PÁGINA: PRÁTICA 18 Prof. Gênova 111 4. PROCEDIMENTO DA PRÁTICA A T E N Ç Ã O ! NA MONTAGEM DESSA PRÁTICA EXISTIRÃO PARTES CONDUTORAS QUE NÃO ESTARÃO PROTEGIDAS CONTRA CONTATOS ACIDENTAIS. VOCÊ VAI LIDAR COM TENSÕES DE 220/380V. TENHA O MÁXIMO DE CUIDADO, E ANTES DE ENERGIZAR O CIRCUITO, SOLICITE A PRESENÇA DO PROFESSOR PARA CONFERIR AS LIGAÇÕES. 4.1- Diagrama de comando: Monte o circuito de comando para acionamento do motor Dahlander com reversão, de acordo com a fig. 4.1, seguindo os passos do roteiro de trabalho: F 220V ~60 Hz e21 95 e4 96 e5 95 96 bo b24’ b22” b25’ b23” K2 21 31 22 K1 32 K3 21 31 22 K4 32 K5 21 13 13 22 b24 b25 K3 K5 14 14 b23’ b22’ K2 13 13 13 14 b22 K1 b23 “ K4 b25” b24” 14 14 31 31 21 21 K5 K3 K4 K1 32 32 22 22 A1 A1 A1 A1 A1 K1 K4 K2 K3 K5 N A2 A2 A2 A2 A2 FIG. 4.1
  • 118.
    CENTRO FEDERAL DEEDUCAÇÃO TECNOLÓGICA DO CEARÁ – CEFET-CE CURSO DE ELETROTÉCNICA MANUAL DE COMANDOS INDUSTRIAIS PÁGINA: PRÁTICA 18 Prof. Gênova 112 4.2- Diagrama de força: Monte o circuito de força para ligação do motor Dahlander com reversão no sentido de rotação, de acordo com o diagrama da fig. 4.2, seguindo os passos do roteiro de trabalho. R 3 ~ 380V – 60Hz S T e1 e2 1 3 5 A1 1 3 5 A1 1 3 5 A1 1 3 5 A1 2 4 6 2 4 6 2 4 6 2 4 6 A2 A2 A2 A2 A1 95 1 3 5 95 e4 K2 e5 2 4 6 96 2 4 6 2 4 6 96 A2 1 2 3 6 4 5 Motor Dahlander – 2 velocidades Fig. 4.2 K1 K4 K5 K3
  • 119.
    CENTRO FEDERAL DEEDUCAÇÃO TECNOLÓGICA DO CEARÁ – CEFET-CE CURSO DE ELETROTÉCNICA MANUAL DE COMANDOS INDUSTRIAIS PÁGINA: PRÁTICA 19 Prof. Gênova 113 PRÁTICA 19 ASSUNTO: COMANDO AUTOMÁTICO PARA PARTIDA DE MIT COM TENSÃO REDUZIDA, ATRAVÉS DE CHAVE COMPENSADORA A SECO E INVERSÃO DE ROTAÇÃO 1. OBJETIVO Familiarizar o aluno com a montagem de circuitos de comando eletromagnético e de força, para partida de motor trifásico com rotor em gaiola, utilizando a chave compensadora automática na obtenção da tensão reduzida no instante do arranque, acrescentando a inversão no sentido de rotação. 2. COMENTÁRIOS TEÓRICOS Semelhante ao que foi estudado na prática 13 utilizando a chave compensadora com comutação automática, iremos acrescentar a possibilidade de reversão no sentido de rotação do motor tanto no regime de arranque como no regime de plena tensão. Desta forma teremos a seguinte sequência de operação:  O MIT parte com tensão reduzida através dos tapes do autotransformador, no sentido horário. Passando o tempo de partida (até o motor atingir em torno de 90% da velocidade nominal) o circuito de controle faz com que o circuito de força alimente agora o motor a plena tensão, também no sentido horário.  Para desligar o motor, aciona-se bo.  Repete-se o processo de partida do MIT com a alimentação através da tensão reduzida fornecida pelos tapes do autotransformador, só que neste momento com alteração na sequência de fases o que vai propiciar a inversão de rotação (sentido anti-horário). Passando o tempo de partida, o motor passa a ser alimentado a plena tensão, continuando com a mesma alteração na sequência de fases da fase de arranque (sentido anti-horário).  Para desativar o motor basta pressionar bo. Deve ficar claro para o aluno que ao se iniciar o regime de partida do MIT, não se deve proceder a inversão durante esta fase, pois a magnitude da contracorrente tornaria sem efeito a função do autotransformador, o que não proporcionaria nenhuma vantagem para a instalação. Deve-se portanto, concluir todo o processo até que o motor receba a plena tensão da rede. Desta forma é necessário acionar bo para que o motor seja desativado e a partir de então é que se pode proceder a inversão, reiniciando todo o processo, só que agora, com o sentido de rotação contrário. 3. MATERIAL EMPREGADO ITEM E S P E C I F I C A Ç Ã O QUANT. UNID. 01 Contator 3TB/3TF...SIEMENS ou LC1...TELEMECANIQUE – 220V 05 Um 02 Relé bimetálico 3UA... SIEMENS ou LR...TELEMECANIQUE 01 Um 03 Relé de tempo, 0-30 s, 220V 01 Um 04 Fusível diazed 2 A, completo 01 Um 05 Botoeira NA/NF 02 Uma 06 Botoeira NF 01 Uma 07 Lâmpada de sinalização VM / VD – 220V 02 Uma 08 Fusível NH 16 A – 500V, completo 03 Um 09 Pino tripolar com cordão flexível 01 Um 10 Motor de indução trifásico 220/380V 01 Um 11 Autotransformador com taps de 65 e 80% 01 um
  • 120.
    CENTRO FEDERAL DEEDUCAÇÃO TECNOLÓGICA DO CEARÁ – CEFET-CE CURSO DE ELETROTÉCNICA MANUAL DE COMANDOS INDUSTRIAIS PÁGINA: PRÁTICA 19 Prof. Gênova 114 4. PROCEDIMENTO DA PRÁTICA A T E N Ç Ã O ! CUIDADO! NA MONTAGEM DESTA PRÁTICA, EXISTIRÃO PARTES CONDUTORAS QUE NÃO ESTARÃO PROTEGIDAS CONTRA CONTATSO ACIDENTAIS. VOCÊ VAI LIDAR COM TENSÕES DE 220 E 380V. ANTES DE ENERGIZAR O CIRCUITO, SOLICITE A PRESENÇA DO PROFESSOR PARA CONFERIR AS LIGAÇÕES. 4.1- DIAGRAMA DE COMANDO:  Monte o circuito de comando da chave compensadora com reversão, de acordo com a Fig. 4.1, seguindo os procedimentos de segurança pré estabelecidos. F ~220V – 60Hz e21 e4 95 96 bo 13 13 b22 K4 b23 K5 14 14 13 13 b23 b22 1 1 K3 K2 d1 14 14 8 2 21 21 21 21 31 K5 K4 K1 K3 K1 22 22 22 22 32 A1 A1 A1 A1 A1 A1 d1 K4 K5 K3 K1 K2 N A2 A2 A2 A2 A2 A2 Fig. 4.1
  • 121.
    CENTRO FEDERAL DEEDUCAÇÃO TECNOLÓGICA DO CEARÁ – CEFET-CE CURSO DE ELETROTÉCNICA MANUAL DE COMANDOS INDUSTRIAIS PÁGINA: PRÁTICA 19 Prof. Gênova 115 4.2- DIAGRAMA DE FORÇA:  Monte o circuito de força da chave compensadora com reversão, de acordo com a Fig. 4.2, seguindo os procedimentos de segurança pré estabelecidos: ~380V – 60 Hz R S T e1 1 3 5 A1 1 3 5 A1 K4 K5 2 4 6 A2 2 4 6 A2 A1 A1 A1 1 3 5 1 3 5 1 3 5 K1 K2 K3 2 4 6 A2 2 4 6 A2 2 4 6 A2 u v w u1 80% 65% v1 Auto transformador w1 95 N1 N2 N3 e4 96 FIG. 2.2 MOTOR 3 
  • 122.
    CENTRO FEDERAL DEEDUCAÇÃO TECNOLÓGICA DO CEARÁ – CEFET-CE CURSO DE ELETROTÉCNICA MANUAL DE COMANDOS INDUSTRIAIS PÁGINA: PRÁTICA 20 Prof. Gênova 116 PRÁTICA 20 ASSUNTO: COMANDO PARA PARTIDA DIRETA DE MIT COM ACIONAMENTO REMOTO ATRAVÉS DE BOTOEIRAS E PROTEÇÃO CONTRA FALTA DE FASE 1. OBJETIVO  Familiarizar o aluno com a instalação do relé falta de fase em circuitos de comando e força para proteção de motores trifásicos. 2. COMENTÁRIOS TEÓRICOS O relé falta de fase aplicado na proteção de motores trifásicos e outras cargas contra falta e desequilíbrio de fases, supervisiona redes trifásicas nas quais as fases estejam defasadas entre si de 120 elétricos. O equipamento pode ser fornecido em 2 (duas) versões, com neutro ou sem neutro na instalação, e detecta a falta de uma ou mais fases e do neutro, conforme seja o modelo, efetuando dessa forma, o desligamento da alimentação da carga quando a falta ocorre. O relé normalmente é fornecido com retardo de atuação de até 5 seg, de maneira a evitar falsos eventos como no caso da partida de motor que provoca na rede quedas de tensão acentuadas, e que poderiam levar a operação indevida do equipamento. Na versão com neutro, além da ligação das fases R, S, T no aparelho, o neutro também deve ser conectado. Já na versão sem neutro, basta a ligação das 3 (três) fases no relé. O relé é dotado de um contato auxiliar reversor que ligado em série com a alimentação da bobina de um contator, faz com que a chave magnética desopere quando da ocorrência de uma falta de fase, desligando dessa forma o motor ou a carga. Para a simulação da falta de fase, iremos utilizar disjuntores em caixa moldada do tipo Quick- Leg, que serão intercalados entre os fusíveis NH e os contatos principais do contator, a serem ligados em série e por polo no circuito de força, conforme diagrama da fig. 4.2. A prática consiste em efetuar a montagem dos circuitos para acionamento de um MIT com partida direta (comando e força), e simular a ocorrência da falta de uma fase, desligando o disjuntor de apenas um polo, o que levará, após alguns segundos, o desarme do contator, e consequentemente, o desligamento do motor. O relé falta de fase vem dotado de um dial ( - / + ) que ajusta a sensibilidade de operação do relé, retardando ou diminuindo o retardo do contato reversor, e seu ajuste vai depender das condições do regime de partida da carga. 3. MATERIAL EMPREGADO ITEM E S P E C I F I C A Ç Ã O QUANT. UNID. 01 Contator 3TB/3TF...SIEMENS ou LC1...TELEMECANIQUE – 220V 01 Um 02 Relé bimetálico 3UA... SIEMENS ou LR...TELEMECANIQUE 01 Um 03 Fusível diazed 2 A, completo 01 Um 04 Botoeira NA 01 Uma 05 Botoeira NF 01 Uma 06 Lâmpada de sinalização VM – 220V 01 Uma 07 Lâmpada de sinalização VD – 220V 01 Uma 08 Fusível NH 16 A , completo 03 Um 09 Disjuntor monopolar do tipo Quick-Leg, de 10 ou 15A 03 Um 10 Relé falta de fase 380V, sem neutro 01 Um 11 Pino tripolar com cordão flexível 01 Um 12 Motor de indução trifásico 220/380V 01 Um
  • 123.
    CENTRO FEDERAL DEEDUCAÇÃO TECNOLÓGICA DO CEARÁ – CEFET-CE CURSO DE ELETROTÉCNICA MANUAL DE COMANDOS INDUSTRIAIS PÁGINA: PRÁTICA 20 Prof. Gênova 117 A T E N Ç Ã O ! CUIDADO ! DURANTE A MONTAGEM E OPERAÇÃO DESSA PRÁTICA, EXISTIRÃO PARTES CONDUTORAS QUE NÃO ESTARÃO PROTEGIDAS CONTRA CONTATOS ACIDENTAIS. VOCÊ VAI LIDAR COM TENSÕES DE 220V E 380V. AO CONCLUIR A MONTAGEM, ANTES DE ENERGIZAR O CIRCUITO, SOLICITE A PRESENÇA DO PROFESSOR PARA CONFERIR AS LIGAÇÕES. 4. PROCEDIMENTO DA PRÁTICA 4.1- Diagrama de Comando: Monte o circuito de comando de acordo com o diagrama esquemático da fig. 4.1 seguindo os procedimentos de segurança pré estabelecidos: a) Comando local ou a distância por botoeiras F 220V – 60Hz e21 e4 95 96 b0 b1 13 23 K1 K1 14 24 RFF h1 A1 K1 N A2 Fig.4.1a Obs: O contato auxiliar do relé RFF é um contato NA e tão logo o relé receba as tensões das fases R, S T, ele comuta o contato auxiliar dando condições para a energização da bobina do contator e consequentemente, da partida do motor. Quando ocorre uma falta de fase, o relé que esta monitorando a presença de tensão no circuito de força, a partir da saída dos fusíveis NH, reverte o seu contato auxiliar RFF do estado operacional fechado para o estado operacional aberto, desenergizando dessa forma, a bobina de K1, e por sua vez o próprio motor, evitando assim que o mesmo ficasse submetido a sub-tensão, o que o levaria a queima de um ou dois enrolamentos do estator, dependendo da ligação e da tensão de alimentação da rede.
  • 124.
    CENTRO FEDERAL DEEDUCAÇÃO TECNOLÓGICA DO CEARÁ – CEFET-CE CURSO DE ELETROTÉCNICA MANUAL DE COMANDOS INDUSTRIAIS PÁGINA: PRÁTICA 20 Prof. Gênova 118 4.2- Diagrama de Força: Monte o circuito de força de acordo com o diagrama esquemático da Fig. 4.2. 380V – 60Hz R S T e1 D    1 3 5 A1 K1 2 4 6 A2 e4 95 96 Fig. 4.2  Após a montagem do circuito de força, proceda o acionamento do MIT;  Para simular a falta de fase, acione um dos disjuntores monopolar D;  Após alguns segundos, o motor deverá parar;  Religue o disjuntor acionado e repita a simulação separadamente com os demais polos (fases). M3Ø Relé RFF
  • 125.
    CENTRO FEDERAL DEEDUCAÇÃO TECNOLÓGICA DO CEARÁ – CEFET-CE CURSO DE ELETROTÉCNICA MANUAL DE COMANDOS INDUSTRIAIS PÁGINA: PRÁTICA 21 Prof. Gênova 119 PRÁTICA 21 ASSUNTO: INVERSORES DE FREQUÊNCIA PARA ACIONAMENTOS DE MÁQUINAS DE CORRENTE ALTERNADA – CA COM VELOCIDADE VARIÁVEL 1. OBJETIVO  Familiarizar o aluno com a instalação, parametrização e operação de inversor de freqüência para acionamento de máquinas CA, com freqüência e velocidade variáveis.  Apresentação teórica de eletrônica de potência, relativa aos conversores CA-CC, CC-CA. 2. COMENTÁRIOS TEÓRICOS Num passado não muito distante, os motores CA eram considerados de difícil controle. Os recursos convencionais existentes, como a comutação do número de polos, a ligação de resistências inseridas no circuito, dentre outros, eram soluções aplicadas mas de resultados discretos e limitados. Na verdade o problema estava na fonte de alimentação e não no motor, propriamente dito. A variação da tensão e da freqüência de alimentação do motor, se tornou viável graças a evolução da eletrônica de potência, que permite o controle da velocidade sem perda da capacidade de torque. Com a evolução dos dispositivos semicondutores de potência e da microeletrônica, permitiu-se avançar na aplicação dos acionamentos CA. Os principais dispositivos hoje disponíveis no mercado, fruto de constantes pesquisas tecnológicas na área da eletrônica, são relacionados a seguir:  GTO (Gate Turn-Off thyristor = Tiristor de desligamento pelo gatilho);  BJT (Bipolar Junction Power Transistor = Transistor bipolar de junção);  Mosfet de potência (Metal oxide semiconductor field effect transistors = Transistores de efeito de campo de óxido de zinco);  IGBT (Insulated Gate Bipolar Transistors = Transistores bipolar de porta isolada);  SIT ( Static Induction Transistors = Transistores de indução estática);  SITH ( Static Induction Thyristor = Tiristor de indução estática); Cada um destes componentes possuem capacidade de potência e características de condução e bloqueio (unidirecional, bidirecional, controlável, não controlável), bem como de sinais de controle peculiares (contínuo, pulsante). Os conversores são usados para transmitir energia de uma fonte CA para uma carga CC (retificador), ou de uma fonte CC para uma carga CA (Inversor). A representação esquemática dos conversores de forma abrangente, pode ser apresentada conforme o diagrama de blocos da Fig. 1. Retificador Cicloconversor Chopper Inversor Fig. 1 Um exemplo típico de aplicação prática de conversores nos circuitos de potência, é o sistema de energia elétrica de Itaipú, onde a geração é realizada em corrente alternada, a transmissão em Corrente Contínua (LTCC), e a distribuição de energia a nível de consumidores, em corrente alternada, proporcionada pela Inversão de freqüência no lado da carga. Vide Fig. 2. CA CC CCCA
  • 126.
    CENTRO FEDERAL DEEDUCAÇÃO TECNOLÓGICA DO CEARÁ – CEFET-CE CURSO DE ELETROTÉCNICA MANUAL DE COMANDOS INDUSTRIAIS PÁGINA: PRÁTICA 21 Prof. Gênova 120 LTCC FURNAS H2O G Retificador + + Inversor U1 U2 _ _ Foz do Iguaçú São Roque Fig. 2 Os conversores são classificados como Não Controlado e Controlado. Conversores Não Controlado: São conversores que não permitem variação nas grandezas de saída, sem que as grandezas de entrada sejam variadas. São compostos basicamente de diodos, portanto constituem-se em circuitos retificadores usados para converter tensão alternada em tensão contínua constante. Qualquer variação no valor médio da tensão contínua de saída, só pode ser obtida variando-se a tensão alternada de entrada. Conversores Controlável: São conversores que permitem a variação das grandezas de saída mantendo-se constante as grandezas de entrada. São exemplo de conversores controlados: Retificador controlado, Chopper, Inversor auto-controlado, Inversor controlado pela rede, Regulador eletrônico de tensão (Soft-start), Cicloconversores Métodos de controle:  Controle escalar  Controle vetorial A fundamentação teórica das máquinas CA se baseia em equações que descrevem o comportamento do motor em regime permanente. O método de controle obtido com aplicação das equações em regime permanente, são denominados de “controle escalar” Em outras aplicações que é exigido um controle rápido e preciso do torque, como é o caso de tração elétrica, o controle escalar não é adequado pois não considera o funcionamento da máquina em regime transitório, daí a necessidade de utilizar as técnicas de "controle vetorial". Detalhes sobre as técnicas de controle, devem ser vistos em eletrônica de potência. Equação da tensão da máquina: A Lei de Faraday descreve quantitativamente a indução de tensões por parte de um campo magnético variável no tempo. Desta maneira, a tensão induzida na bobina do estator é dada pela seguinte expressão: U = .N..sen(t), mas ω = 2f U = 2.f.N..sen(t), logo o seu valor eficaz será: Uef. = (2 / 2). f.N. = [(2 / 2).N].. f = k Ao se variar a freqüência de alimentação do motor CA, varia-se a sua velocidade síncrona, significando que todas as velocidades síncronas variam desde f = 0 até a máxima freqüência do inversor. O comportamento do motor pela curva conjugado X velocidade, quando 3ɸ ~ CARGAS Uef f então a relação tensão/freqüência será dada: por: k
  • 127.
    CENTRO FEDERAL DEEDUCAÇÃO TECNOLÓGICA DO CEARÁ – CEFET-CE CURSO DE ELETROTÉCNICA MANUAL DE COMANDOS INDUSTRIAIS PÁGINA: PRÁTICA 21 Prof. Gênova 121 alimentado pela rede, permanece da mesma forma, entretanto com a curva deslocada conforme seja a freqüência aplicada. Teoricamente existem duas faixas de atuação: uma com o fluxo constante, até a freqüência nominal, e outra, com o enfraquecimento de campo, correspondendo para freqüências acima da nominal.  Uef. / f = CTE (Fluxo constante)  f > fn Uef. = CTE (Enfraquecimento de campo) Na prática é necessário reduzir conjugado e potências admissíveis, de forma a compensar as perdas devido a diminuição da ventilação, quando o motor funciona com velocidade abaixo da nominal e tem sua refrigeração diminuída, ou devido as harmônicas que são produzidas na saída do inversor. Portanto para aplicação do inversor, deve-se considerar uma limitação da curva de torque X freqüência. Inversor de freqüência: De acordo com a equação de tensão da máquina, a velocidade de um motor trifásico é determinada pela freqüência. Se esta varia, deve-se também variar a tensão para que o motor trabalhe de forma otimizada. O inversor de freqüência põe a disposição do motor um sistema trifásico de freqüência e tensão variáveis, e isso se realiza através de um circuito intermediário e com a ajuda de um retificador não controlável do lado da rede alternada e de um inversor no lado da carga. No circuito de potência o retificador converte a tensão da rede em tensão contínua. Um capacitor conectado no circuito intermediário, filtra a tensão CC e fornece a potência reativa requerida pelo motor. O capacitor funciona como um filtro para limitar as sobretensões na entrada do inversor. O estágio inversor gera um sistema trifásico de tensão e freqüência variáveis, conforme o circuito da Fig.3. A forma de onda da tensão de saída do inversor para alimentação do motor trifásico (Figs. 4 e 5), é gerada a partir de um sistema de modulação da onda, podendo o comando das chaves do inversor ser realizado pelos seguintes tipos de modulação:  Onda quadrada;  PWM senoidal;  Deslocamento de fase Na prática verifica-se que a comutação modulada por largura de pulsos (PWM) dos transistores de potência, é bastante utilizada, pois produz um menor conteúdo harmônico na tensão de carga, além de produzir no motor uma corrente aproximadamente senoidal, o que em termos práticos se traduz em acionamentos suaves com baixos ruídos (Fig. 5) Vantagens do acionamento eletrônico para motores:  Partidas suaves (a corrente de partida é reduzida);  Economia em componentes auxiliares como chaves, transformadores e outros;  Aumento da vida útil de equipamentos rotativos: A vida útil do motor é em parte determinada pelo número de partidas que o mesmo é submetido. Normalmente as altas correntes de partida, acompanhadas de forças magnéticas envolvidas, causam altas temperaturas, que aceleram o surgimento de defeitos. A ausência de trancos tende a aumentar também a vida útil dos acoplamentos e dentes das engrenagens.  Aumento da vida útil do motor: Com o motor operando abaixo da velocidade nominal, sua vida útil aumenta. Abaixo da potência nominal, a temperatura diminui. Para se ter uma idéia da magnitude desta influência, uma diminuição de 10% da temperatura, dobra a vida útil do isolamento.  Aumento da gama de velocidades disponíveis para o motor: Os acionamentos eletrônicos podem fornecer velocidades acima de 60 Hz.  Melhoria do fator de potência: Como na maioria dos acionamentos eletrônicos apresenta na entrada uma ponte retificadora de diodos não controlada, o fator de potência visto pelo sistema fica próximo da unidade.
  • 128.
    CENTRO FEDERAL DEEDUCAÇÃO TECNOLÓGICA DO CEARÁ – CEFET-CE CURSO DE ELETROTÉCNICA MANUAL DE COMANDOS INDUSTRIAIS PÁGINA: PRÁTICA 21 Prof. Gênova 122  Incorporação de várias funções adicionais(proteção contra curto circuito, falta de fase, diagnóse,outras).  Economia de energia: Em estudos desenvolvidos por órgãos de pesquisa e desenvolvimento, CEPEL, UFRJ, dentre outros, em parceria com a indústria e fabricantes do equipamento, pode-se constatar uma economia de energia na aplicação direta do inversor de freqüência, em torno de 80% (PEE teórico) a 95% (PEE prático). A pesquisa foi desenvolvida na indústria petroquímica (REDUC), onde pode-se verificar um tempo de retorno do investimento em menos de 1 ano. Onde o Percentual de Economia de Energia (PEE) é dado pela seguinte expressão: Consumo sem acionamento – Consumo com acionamento PEE = X 100 Consumo sem acionamento Desenho esquemático do inversor de freqüência A seguir é apresentado o arranjo do circuito de um inversor de freqüência trifásico para acionamento de motores CA: + + S1 D1 S3 D3 S5 D5 Ui = 220V C Us S4 D4 S6 D6 S2 D2 - - R S T a b c ENTRADA CA – CC CIRCUITO CC – CA / SAÍDA ~ 220V Retificador Intermediário Inversor / 0 - 220V ( ~ / – ) ( – / ~) Fig. 3 G
  • 129.
    CENTRO FEDERAL DEEDUCAÇÃO TECNOLÓGICA DO CEARÁ – CEFET-CE CURSO DE ELETROTÉCNICA MANUAL DE COMANDOS INDUSTRIAIS PÁGINA: PRÁTICA 21 Prof. Gênova 123 Construção da forma de onda na saída do inversor de freqüência (Tensão de fase) 0° 60° 120° 180° 240° 300° 360° Chaves Fechadas: S5 +++++++++ +++++++++ +++++++++ S6 - - - - - - - - - - - - - - - - - - - - - - - - - - - S1 +++++++++ +++++++++ +++++++++ S2 - - - - - - - - - - - - - - - - - - - - - - - - - - - S3 +++++++++ +++++++++ +++++++++ S4 - - - - - - - - - - - - - - - - - - - - - - - - - - - Polarização das fases após o Us fechamento das chaves + R T S _ + R S T _ + R S T _ + S R T _ + S T R _ + T R S _ Ua Ub Uc Sequência de comando das chaves Passo 1 Passo 2 Passo 3 Passo 4 Passo 5 Passo 6 S5,S6, S1 S6, S1, S2 S1, S2, S3 S2, S3, S4 S3, S4, S5 S4, S3, S6 MODULAÇÃO POR ONDA QUADRADA (Fig. 4) Us/3 2 Us / 3 ωt ωt ωt
  • 130.
    CENTRO FEDERAL DEEDUCAÇÃO TECNOLÓGICA DO CEARÁ – CEFET-CE CURSO DE ELETROTÉCNICA MANUAL DE COMANDOS INDUSTRIAIS PÁGINA: PRÁTICA 21 Prof. Gênova 124 Observe que a cada 60° ocorre uma comutação, e cada interruptor permanece fechado por 180°. A modulação por onda quadrada apresenta as seguintes características:  Simplicidade no circuito de controle  Alta distorção na carga (conteúdo harmônico);  As chaves são comandadas na mesma freqüência desejada na carga, que em geral é baixa;  Permite o controle apenas da freqüência aplicada a carga Modulação por PWM senoidal: Na modulação por PWM senoidal, são aplicados vários pulsos a cada meio ciclo da tensão de saída. Estes pulsos tem largura variável e são controlados por uma senoidal de referência. Também é gerada uma onda triangular de freqüência fixa, onde o tempo de condução e de bloqueio das chaves, é obtido pela comparação entre a senóide de referência e a onda triangular. Vide Fig. 5a. O resultado é que o valor médio instantâneo da tensão na carga se aproxima de uma onda senoidal. Onda triangular Senóide de referência t t t b) Forma de onda na saída do Inversor de freqüência (valor médio instantâneo da tensão na carga, que se aproxima de uma senoidal) Fig. 5 a) Sinais envolvidos na geração do PWM senoidal
  • 131.
    CENTRO FEDERAL DEEDUCAÇÃO TECNOLÓGICA DO CEARÁ – CEFET-CE CURSO DE ELETROTÉCNICA MANUAL DE COMANDOS INDUSTRIAIS PÁGINA: PRÁTICA 21 Prof. Gênova 125 A modulação por PWM senoidal apresenta as seguintes principais características:  Menor conteúdo harmônico na tensão de carga;  Freqüência de chaveamento elevada, fixada pela onda triangular;  Possibilidade de controlar a freqüência e a amplitude de tensão de saída;  Maior complexidade nos circuitos de comando. Principais aplicações do inversor de freqüência: O inversor de freqüência tem sua aplicação direta nos diversos segmentos industriais (químico e petroquímico, plástico e borracha, papel e celulose, sucos e bebidas, açúcar e álcool, cimento e mineração, alimentação e ração, têxtil, siderurgia e metalurgia, cerâmicos, vidros e refrigeração) inclusive em aplicações que há necessidade de controlar variáveis do processo (nível, vazão, pressão, temperatura, etc), e dentre as aplicações típicas podemos citar:  Bombas e ventiladores para sistemas de aquecimento e ar condicionado;  Bombas centrífugas em sistemas de abastecimento d’água;  Bombas de circulação de água quente em sistemas de aquecimento;  Transportadoras de correia e máquinas de produção em indústria manufatureira;  Bombas, misturadores, agitadores e ventiladores na indústria química, petroquímica, sucos, bebidas papel e celulose, alimentação e ração;  Bombas, separadoras, secadoras, engarrafadoras, máquinas de embalagem, centrifugadoras e correias transportadoras em indústria alimentícia;  Prensas, tornos e fresas;  Britadores;  Pontes rolantes e outros. Quando o inversor é aplicado no controle de variáveis do processo, geralmente nos inversores disponíveis no mercado, é empregada uma função específica de controle automático denominada função regulador PI/PID. Dessa forma deverá existir um sensor de medição de variável do processo instalado no sistema, de maneira a possibilitar realimentar o inversor com a informação captada e gerar a partir daí uma ação para variação da velocidade do motor. Outras funções especiais podem ser incorporadas ao inversor, dependendo do tipo, modelo e fabricante, podem ser disponibilizadas as funções de ciclo automático do processo, curva U/f ajustável, Rampa S de aceleração e desaceleração (ao invés das rampas convencionais lineares), Multi-speed (velocidades pré ajustadas), dentre outras. Além da aplicação dos inversores para acionamento de máquinas, podemos citar como outras aplicações, o aquecimento indutivo, no-break e fonte chaveada 3. MATERIAL EMPREGADO ITEM E S P E C I F I C A Ç Ã O QUANT. UNID. 01 Inversor de freqüência ALTIVAR 08 Telemecanique-Schneider 01 Um 02 Inversor de freqüência ALTIVAR 18 Telemecanique-Schneider 01 Um 03 Fusível diazed 2 A, completo 01 Um 04 Fusível NH 16 A , completo 01 Um 05 Interruptor de 1 seção – PIAL 04 Um 06 Potenciômetro de 2,2 K 01 Um 07 Motor de indução trifásico 0,33 CV ou 0,5 CV - 220/380V 01 Um A T E N Ç Ã O ! CUIDADO ! DURANTE A MONTAGEM E OPERAÇÃO DESSA PRÁTICA, EXISTIRÃO PARTES CONDUTORAS QUE NÃO ESTARÃO PROTEGIDAS CONTRA CONTATOS ACIDENTAIS. VOCÊ VAI LIDAR COM TENSÕES DE 220V. AO CONCLUIR A MONTAGEM, ANTES DE ENERGIZAR O CIRCUITO, SOLICITE A PRESENÇA DO PROFESSOR PARA CONFERIR AS LIGAÇÕES.
  • 132.
    CENTRO FEDERAL DEEDUCAÇÃO TECNOLÓGICA DO CEARÁ – CEFET-CE CURSO DE ELETROTÉCNICA MANUAL DE COMANDOS INDUSTRIAIS PÁGINA: PRÁTICA 21 Prof. Gênova 126 4. PROCEDIMENTO DA PRÁTICA 4.1. Inversor de freqüência ALTIVAR 08: Siga os procedimentos sequenciados para efetuar as ligações e fazer o acionamento de um MIT de 0,33 CV disponível na prateleira do rack do quadro eletromecânico a ser trabalhado:  Fazer as ligações de acordo com o esquema da Fig.6.  Lembrar que o inversor é alimentado por tensão monofásica de 220/240V, e a saída corresponde a tensão de linha de 220V (motor 220/380V, ligação delta);  Utilizar um potenciômetro de referência de 2,2 K ou equivalente na entrada analógica, e 4 interruptores de uma seção para simular os atuadores externos nas entradas lógicas (os atuadores externos podem ser chaves fins de curso, chaves de nível, fotocélulas, sensores de proximidade, relés e contatores auxiliares, chaves e botões seletores, contatos de saída do módulo lógico programável, etc)  Colocar sob tensão, mas ainda sem ordem de marcha;  Utilizar os teclados tipo membrana para checar ou configurar a parametrização do inversor no nível 1, que corresponde a configuração básica para funcionamento (bfr de 50 para 60Hz, HSP de 50 para 60Hz, etc): Parâmetro Função Unid. Reg. de fábrica  b f r Freqüência do motor = a freqüência da rede Hz 50  A C C Tempo da rampa de aceleração linear S 3  d E C Tempo da rampa de desaceleração linear S 3  L S P Low speed = velocidade baixa (mínima) Hz 0  H S P High speed = velocidade alta (máxima) Hz 50  S P 2 2a velocidade pré selecionada Hz 5  S P 3 3a velocidade pré selecionada Hz 25  I t H Corrente de proteção térmica (nominal da placa do motor) A In  L 2 A Acesso aos parâmetros do nível 2 n o  Caso seja necessário fazer ajustes finos no inversor, acessar a parametrização do nível 2 (extensões de funcionalidades). Fig. 6 L1 L2 LI1 LI2 LI3 LI4 +15 R1A R1C M 3 ~ U V W 5V + - COM AI1 +5 A0 F N S1 S2 S3 S4
  • 133.
    CENTRO FEDERAL DEEDUCAÇÃO TECNOLÓGICA DO CEARÁ – CEFET-CE CURSO DE ELETROTÉCNICA MANUAL DE COMANDOS INDUSTRIAIS PÁGINA: PRÁTICA 21 Prof. Gênova 127 4.1.1. Instruções para acionamento passo a passo: Nesta simulação serão utilizados interruptores de 1 seção (S1, S2, S3, S4) que correspondem aos atuadores externos nas entradas lógicas LI1, LI2, LI3 e LI4, e 1 (um) potenciômetro de 2,2 k, correspondente a entrada analógica AI1. Com um multímetro, verifique a posição de cada interruptor marcando cada posição da tecla com os símbolos correspondentes (aberto = 0, fechado = 1), isso irá facilitar a simulação de operação das entradas lógicas e por conseguinte, do controle do motor. Após a montagem do circuito e as ligações efetuadas, proceder de acordo com os passos a seguir: para acionamento e controle do motor: 4.1.1.1. Acionamento do motor até a velocidade nominal, no sentido de rotação horária: I. Colocar o inversor sob tensão:  Ligar o disjuntor de alimentação;  Observar no display, o aparecimento do parâmetro rdy (significa inversor pronto). II. Para dar ordem de marcha:  Fechar o interruptor LI1 = Acionar o motor para frente (sentido horário);  Observar no display o incremento de freqüência até atingir o valor nominal (60Hz), ou velocidade máxima pré ajustada. III. Para parar o motor:  Abrir o interruptor LI1 = desligar o motor;  Observar no display o decremento da freqüência até zero; 4.1.1.2. Acionamento do motor até a velocidade nominal, no sentido de rotação anti-horária: I. Para dar ordem de marcha:  Fechar o interruptor LI2 = Acionar o motor para trás (sentido anti-horário);  Observar no display o incremento de freqüência até atingir o valor nominal (60Hz), ou velocidade máxima pré ajustada. II. Para parar o motor:  Abrir o interruptor LI2 = desligar o motor;  Observar no display o decremento da freqüência até zero; 4.1.1.3. Para fazer o motor operar com as 4 (quatro) velocidades pré-ajustadas, deve-se acionar os interruptores em combinação lógica (I / 0), de forma a obter as 4 velocidades pré selecionadas na parametrização:  Possibilidade de obter 4 velocidades previamente selecionadas: V1: L S P + referência em AI1 (LI3 = 0, LI4 = 0) V2: S P 2 (LI3 = 1, LI4 = 0) V3: S P 3 (LI3 = 0, LI4 = 1) V4: H S P (LI3 = 1, LI4 = 1) A) Para obter a 1a velocidade pré-ajustada:  Deixar os interruptores LI3 e LI4 abertos, que correspondem as posições lógicas LI3 = 0 e LI4 =0;  Girar o potenciômetro todo para a direita, de forma a obter a referência analógica em AI1; A.I) Para dar partida no motor:  Fechar o interruptor LI1= acionar o motor para frente (sentido horário);
  • 134.
    CENTRO FEDERAL DEEDUCAÇÃO TECNOLÓGICA DO CEARÁ – CEFET-CE CURSO DE ELETROTÉCNICA MANUAL DE COMANDOS INDUSTRIAIS PÁGINA: PRÁTICA 21 Prof. Gênova 128  Observar no display o incremento de freqüência até atingir a 1a velocidade pré selecionada. Caso f1 = 0, V1 = 0, o motor permanecerá parado.  O motor deverá permanecer girando na 1a velocidade pré-ajustada; A.II) Para parar o motor:  Abrir o interruptor LI1= desligar o motor  Observar no display o decremento da freqüência até zero; B) Para obter a 2a velocidade pré-ajustada:  Deixar o interruptor LI3 fechado e LI4 aberto, que correspondem as posições lógicas LI3 = 1 e LI4 =0; B.I) Para dar partida no motor:  Fechar o interruptor LI1 = acionar o motor para frente (sentido horário);  Observar no display o incremento de freqüência até atingir a 2a velocidade pré selecionada;  O motor deverá permanecer girando na 2a velocidade pré-ajustada; B.II) Para parar o motor:  Abrir o interruptor LI1 = desligar o motor;  Observar no display o decremento da freqüência até zero; C) Para obter a 3a velocidade pré-ajustada:  Deixar o interruptor LI3 aberto e LI4 fechado, que correspondem as posições lógicas LI3 = 0 e LI4 =1; C.I) Para dar partida no motor:  Fechar o interruptor LI1 = acionar o motor para frente (sentido horário);  Observar no display o incremento de freqüência até atingir a 3a velocidade pré selecionada;  O motor deverá permanecer girando na 3a velocidade pré-ajustada; C.II) Para parar o motor:  Abrir o interruptor LI1 = desligar o motor;  Observar no display o decremento da freqüência até zero; D) Para obter a 4a velocidade pré-ajustada,:  Deixar os interruptores LI3 e LI4 fechados, que correspondem as posições lógicas LI3 = 1 e LI4 =1; D.I) Para dar partida ao motor:  Fechar o interruptor LI1 = acionar o motor para frente (sentido horário);  Observar no display o incremento de freqüência até atingir a 4a velocidade pré selecionada;  O motor deverá permanecer girando na 4a velocidade pré-ajustada; D.II) Para parar o motor:  Abrir o interruptor LI1 = desligar o motor;  Observar no display o decremento da freqüência até zero; Obs. Caso deseje que o motor gire no sentido anti-horário para as 4 velocidades pré- ajustadas, é só acionar o interruptor LI2 ao invés do LI1, nas partidas e paradas. 4.1.1.4. Para acionamento do motor através da entrada analógica AI1:  Gire o potenciômetro todo para a esquerda; I. Para acionamento do motor com toda a gama de velocidade variável :  Fechar o interruptor LI1 = pré ajustado para girar no sentido horário;  Girar gradativamente o potenciômetro para a direita até atingir o final do cursor;
  • 135.
    CENTRO FEDERAL DEEDUCAÇÃO TECNOLÓGICA DO CEARÁ – CEFET-CE CURSO DE ELETROTÉCNICA MANUAL DE COMANDOS INDUSTRIAIS PÁGINA: PRÁTICA 21 Prof. Gênova 129  Observar através do display, o incremento de freqüência até atingir o valor máximo, seguindo uma rampa de aceleração; II. Para parar o motor:  Girar gradativamente o potenciômetro para a esquerda até atingir o final do cursor;  Observar através do display, o decremento da freqüência até atingir o valor nulo, seguindo uma rampa de desaceleração até parar;  Desligar o interruptor LI1. Obs. Caso deseje que o motor gire no sentido anti-horário através do ajuste fino do potenciômetro (rampa de aceleração e desaceleração), é só acionar o interruptor LI2 ao invés do LI1. 4.2. Inversor de freqüência ALTIVAR 18: Siga os procedimentos sequenciados para o acionamento de um MIT de 0,33 CV , disponível na prateleira do rack do quadro eletromecânico a ser trabalhado.  Fazer as ligações de acordo com a localização dos bornes no ALTIVAR 18 (Fig.7) e o esquema da Fig. 8;  Utilizar um potenciômetro de referência de 1 a 10 K, na entrada analógica, e 4 interruptores de uma seção para simular os atuadores nas entradas lógicas (digitais);  Colocar sob tensão, mas ainda sem ordem de marcha;  Utilizar os teclados tipo membrana para checar ou configurar a parametrização do inversor no nível 1, que corresponde a configuração básica para funcionamento (bfr de 50 para 60Hz, HSP de 50 para 60Hz, etc): Parâmetro Função Unid. Reg. fábrica  B f r freqüência de base = a freqüência da rede; Hz 50  A C C tempo da rampa de aceleração linear; s 3,0  d E C tempo da rampa de desaceleração linear; s 3,0  L S P velocidade baixa (mínima); Hz 0  H S P velocidade alta (máxima); Hz 50  F L G Ganho da malha de freqüência 33  I t H Proteção térmica do motor A In  J P F Supressão da velocidade crítica Hz 0  I d C Corrente de frenagem por injeção de DC na parada A 0,7 In  t d C Tempo de frenagem por injeção automática na parada s 0,5  U F r Parâmetro que permite otimizar o conjugado em velocidade muito baixa. 20  S P 3 3a velocidade pré-ajustada, Hz 5  S P 4 4a velocidade pré-ajustada Hz 25  J O G Referência para funcionamento passo a passo Hz 10  F d t Nível de freqüência associado à função nível de freqüência atingido da saída L0 Hz 0  r P G Ganho proporcional da função regulador PI 1  r I G Ganho integral da função regulador PI 1/s 1  F b S Coeficiente multiplicador da realimentação da função regulador PI 1  L 2 A Acesso aos parâmetros do nível 2 n o Obs. O motor a ser empregado com esse inversor, deve possui tensões de placa 220/380V. Como a tensão de linha na saída do inversor é de 220V, fazer as ligações dos terminais do motor na ligação delta.
  • 136.
    CENTRO FEDERAL DEEDUCAÇÃO TECNOLÓGICA DO CEARÁ – CEFET-CE CURSO DE ELETROTÉCNICA MANUAL DE COMANDOS INDUSTRIAIS PÁGINA: PRÁTICA 21 Prof. Gênova 130 Fig. 7 I) Disposição dos Bornes de Controle: SA SC SB +10 AI1 AI2 AIC COM LI1 LI2 LI3 LI4 +24 LO+ LO II) Disposição dos Bornes de Potência: L1 L2 E PO PA PB U V W E Borne para ligação à terra Bornes de saída para alimentação do motor Bornes de saída para resistência de frenagem Borne protegido – não utilizar (tensão DC) Borne para ligação à terra Borne para alimentação de potência (Neutro) Borne para alimentação de potência (Fase) 1. Bornes de Controle 2. Bornes de Potência Contatos NA/NF do relé de segurança. Comuta os contatos com o inversor energizado sem defeito. Saída lógica para relé ou CLP Alimentação da saída lógica (+24V) Alimentação em +24V das entradas e saídas lógicas Velocidades pré-selecionadas Comando do sentido direto Comando do sentido reverso Entradas lógicas Entradas lógicas Comum das entradas lógicas e analógicas e da saída lógica Entradas analógicas Referência em tensão Referência em corrente Referência de velocidade em tensão Alimentação em +10 V para potenciômetro de referência 1 a 10 k
  • 137.
    CENTRO FEDERAL DEEDUCAÇÃO TECNOLÓGICA DO CEARÁ – CEFET-CE CURSO DE ELETROTÉCNICA MANUAL DE COMANDOS INDUSTRIAIS PÁGINA: PRÁTICA 21 Prof. Gênova 131 Esquema de ligações do ALTIVAR 18: F N U1 V1 W1 Obs. Na montagem dessa prática não serão utilizados o resistor de frenagem externo nem o CLP (KA) para controle do inversor. 4.2.1. Instruções para acionamento passo a passo: Nesta simulação serão utilizados interruptores de 1 seção para compor os atuadores nas entradas lógicas LI1, LI2, LI3 e LI4, e 1 (um) potenciômetro de 1 a 10k, correspondente a entrada analógica AI1. Após a montagem do circuito e as ligações efetuadas, proceder de acordo com os passos a seguir, para acionamento e controle do motor: Inicialmente cheque os valores parametrizados de fábrica e se preciso for, faça as devidas correções de parametrização na freqüência da rede (b f r) e na velocidade máxima do motor (H S P) para 60 Hz, e considere os demais parâmetros com a regulagem original de fábrica. Caso deseje ajustar H S P para > 60 Hz, modificar a regulagem de t f r no nível 2. 4.2.1.1. Acionamento do motor até a velocidade nominal, no sentido de rotação horária: I. Colocar o inversor sob tensão:  Ligar o disjuntor de alimentação;  Observar no display, o aparecimento do parâmetro rdy (significa inversor pronto). II. Para dar ordem de marcha:  Fechar o interruptor LI1 = Acionar o motor para frente (sentido horário);  Observar no display o incremento de freqüência até atingir o valor nominal (60Hz), ou velocidade máxima pré ajustada. III. Para parar o motor:  Abrir o interruptor LI1 = desligar o motor;  Observar no display o decremento da freqüência até zero; 4.2.1.2. Acionamento do motor até a velocidade nominal, no sentido de rotação anti-horária: I. Para dar ordem de marcha:  Fechar o interruptor LI2 = Acionar o motor para trás (sentido anti-horário); KA U V W M 3 ~ L1 L2 LI1 LI2 LI3 LI4 +24SB SC SA PO PA PB +10 AI1 COM AIC AI2 LO LO+ Fig. 8 Resistência de frenagem Potenciômetro de referência
  • 138.
    CENTRO FEDERAL DEEDUCAÇÃO TECNOLÓGICA DO CEARÁ – CEFET-CE CURSO DE ELETROTÉCNICA MANUAL DE COMANDOS INDUSTRIAIS PÁGINA: PRÁTICA 21 Prof. Gênova 132  Observar no display o incremento de freqüência até atingir o valor nominal (60Hz), ou velocidade máxima pré ajustada. II. Para parar o motor:  Abrir o interruptor LI2 = desligar o motor;  Observar no display o decremento da freqüência até zero; 4.2.1.3. Para fazer o motor operar com 2(duas) ou 4 (quatro) velocidades pré-ajustadas, deve-se configurar as entradas lógicas em PS2 ou PS4 no nível 2 de parametrização.  Possibilidade de obter 2 (duas) velocidades previamente selecionadas: Configuração PS2: V1: LI3 com contato aberto: referência = L S P + referência analógica; (LI3 = 0) V2: LI3 com contato fechado: referência = H S P; (LI3 = 1)  Possibilidade de obter 4 (quatro) velocidades previamente selecionadas: Configuração PS4: V1: LI3 e LI4 com contatos abertos: referência = L S P + referência analógica; (LI3 = 0 e LI4 = 0); V2: LI3 com contato fechado e LI4 aberto: referência = S P 3 (LI3 = 1 e LI4 = 0); V3: LI3 com contato aberto e LI4 fechado: referência = S P 4 (LI3 = 0 e LI4 = 1); V4: LI3 e LI4 com contatos fechados: referência = H S P (LI3 = 1, LI4 = 1) Instruções Passo a passo: Para obter as 2 (duas) velocidades pré-ajustadas na configuração PS2: A) Para obter a 1a velocidade pré-ajustada:  Deixar o interruptor LI3 aberto, que corresponde a posição lógica LI3 = 0;  Girar o potenciômetro todo para a direita, de forma a obter a referência analógica em AI1; A.I) Para dar partida no motor:  Fechar o interruptor LI1= acionar o motor para frente (sentido horário);  Observar no display o incremento de freqüência até atingir a 1a velocidade pré selecionada. Caso f1 = 0, V1 = 0, o motor permanecerá parado.  motor deverá permanecer girando na 1a velocidade pré-ajustada; A.II) Para parar o motor:  Abrir o interruptor LI1= desligar o motor  Observar no display o decremento da freqüência até zero; B) Para obter a 2a velocidade pré-ajustada:  Deixar o interruptor LI3 fechado , que corresponde a posição lógica LI3 = 1; B.I) Para dar partida no motor:  Fechar o interruptor LI1 = acionar o motor para frente (sentido horário);  Observar no display o incremento de freqüência até atingir a velocidade pré selecionada H S P;  O motor deverá permanecer girando na 2a velocidade pré-ajustada; B.II) Para parar o motor:  Abrir o interruptor LI1 = desligar o motor;  Observar no display o decremento da freqüência até zero; Obs. Caso deseje que o motor gire no sentido anti-horário para as 2 velocidades pré- ajustadas, é só acionar o interruptor LI2 ao invés do LI1, nas partidas e paradas.
  • 139.
    CENTRO FEDERAL DEEDUCAÇÃO TECNOLÓGICA DO CEARÁ – CEFET-CE CURSO DE ELETROTÉCNICA MANUAL DE COMANDOS INDUSTRIAIS PÁGINA: PRÁTICA 21 Prof. Gênova 133 Para obter as 4 (quatro) velocidades pré-ajustadas na configuração PS4: C) Para obter a 1a velocidade pré ajustada  Deixar os interruptores LI3 e LI4 abertos, que correspondem as posições lógicas LI3 = 0 e LI4 =0; C.I) Para dar partida no motor:  Fechar o interruptor LI1 = acionar o motor para frente (sentido horário);  Observar no display o incremento de freqüência até atingir a 3a velocidade pré selecionada;  O motor deverá permanecer girando na velocidade pré-ajustada; C.II) Para parar o motor:  Abrir o interruptor LI1 = desligar o motor;  Observar no display o decremento da freqüência até zero; D) Para obter a 2a velocidade pré-ajustada,:  Deixar o interruptor LI3 fechado e LI4 aberto, que correspondem as posições lógicas LI3 = 1 e LI4 =0; D.I) Para dar partida ao motor:  Fechar o interruptor LI1 = acionar o motor para frente (sentido horário);  Observar no display o incremento de freqüência até atingir a 4a velocidade pré selecionada;  O motor deverá permanecer girando na 2a velocidade pré-ajustada; D.II) Para parar o motor:  Abrir o interruptor LI1 = desligar o motor;  Observar no display o decremento da freqüência até zero; E) Para obter a 3a velocidade pré-ajustada: Deixar o interruptor LI3 aberto e LI4 fechado, que corresponde as posições lógicas LI3 = 0 e LI4 = 1). E.I) Para dar partida ao motor:  Fechar o interruptor LI1 = acionar o motor para frente (sentido horário);  Observar no display o incremento de freqüência até atingir a 3a velocidade pré selecionada;  O motor deverá permanecer girando na 3a velocidade pré-ajustada; E.II) Para parar o motor:  Abrir o interruptor LI1 = desligar o motor;  Observar no display o decremento da freqüência até zero; F) Para obter a 4a velocidade pré-ajustada: Deixar os interruptores LI3 e LI4 fechados, que corresponde as posições lógicas LI3 = 1 e LI4 = 1). F.I) Para dar partida ao motor:  Fechar o interruptor LI1 = acionar o motor para frente (sentido horário);  Observar no display o incremento de freqüência até atingir a 4a velocidade pré selecionada;  O motor deverá permanecer girando na 4a velocidade pré-ajustada; F.II) Para parar o motor:  Abrir o interruptor LI1 = desligar o motor;  Observar no display o decremento da freqüência até zero;
  • 140.
    CENTRO FEDERAL DEEDUCAÇÃO TECNOLÓGICA DO CEARÁ – CEFET-CE CURSO DE ELETROTÉCNICA MANUAL DE COMANDOS INDUSTRIAIS PÁGINA: PRÁTICA 21 Prof. Gênova 134 Obs. Caso deseje que o motor gire no sentido anti-horário para as 4 velocidades pré- ajustadas, é só acionar o interruptor LI2 ao invés do LI1, nas partidas e paradas. 4.2.1.4. Para acionamento do motor através da entrada analógica AI1:  Gire o potenciômetro todo para a esquerda; I. Para acionamento do motor com toda a gama de velocidade variável :  Fechar o interruptor LI1 = pré ajustado para girar no sentido horário;  Girar gradativamente o potenciômetro para a direita até atingir o final do cursor;  Observar através do display, o incremento de freqüência até atingir o valor máximo, seguindo uma rampa de aceleração; II. Para parar o motor:  Girar gradativamente o potenciômetro para a esquerda até atingir o final do cursor;  Observar através do display, o decremento da freqüência até atingir o valor nulo, seguindo uma rampa de desaceleração até parar;  Desligar o interruptor LI1. Obs. Caso deseje que o motor gire no sentido anti-horário através do ajuste fino do potenciômetro (rampa de aceleração e desaceleração), é só acionar o interruptor LI2 ao invés do LI1. 4.3. Esquemas com componentes associados: Para acionamento do inversor de frequência, através do controle e proteção do circuito de comando, utilizando componentes associados, efetue a montagem, do diagrama da fig. 9. (circuito integrado = comando + força) F ~ 220v 60 Hz N e21 e1 1 3 5 13 A2 bo K1 2 4 6 14 A1 b1 F N U1 V1 W1 U V W M 3 ~ L1 L2 LI1 LI2 LI3 LI4 +24SC SB SA PO PA PB +10 AI1 COM AIC AI2 LO LO+ Fig. 9 Potenciômetro de referência
  • 141.
    CENTRO FEDERAL DEEDUCAÇÃO TECNOLÓGICA DO CEARÁ – CEFET-CE CURSO DE ELETROTÉCNICA MANUAL DE COMANDOS INDUSTRIAIS PÁGINA: PRÁTICA 23 Prof. Gênova 146 PRÁTICA 23 ASSUNTO: ACIONAMENTO E PARADA DE MOTOFREIO TRIFÁSICO MONODISCO 1. OBJETIVO  Familiarizar o aluno com a ligação do motofreio trifásico monodisco, nos esquemas de ligações para frenagem lenta, média e rápida. 2. COMENTÁRIOS TEÓRICOS O Sistema motor-freio corresponde a um motor de indução trifásico convencional da linha de motores normal do fabricante, acoplado a um freio monodisco constituído de um disco de frenagem e pastilhas de metal sinterizado, formando uma unidade integrada compacta e robusta. O motor de indução é totalmente fechado, com ventilação externa e com grau de proteção IP54 (Proteção completa contra acúmulo de poeira e toques acidentais e contra respingos de todas as direções), de forma que as partículas proveniente do próprio desgaste natural das pastilhas do disco de frenagem, não prejudicam o funcionamento normal do motor. O freio é de construção robusta, com poucas partes móveis. A dupla face das pastilhas aumenta a superfície de atrito que proporciona pequena pressão sobre as mesmas, com baixo aquecimento e mínimo de desgastes. O freio é resfriado pelo próprio ventilador do motor, o que torna o conjunto com melhor rendimento e maior durabilidade. A bobina de acionamento do eletroimã é protegida com resina epoxi e funciona continuamente com + / - 10% acima ou abaixo da tensão nominal, o que garante a sua operação mesmo com pequenas quedas de tensão admissíveis da instalação. Sua alimentação é por corrente contínua, obtida através de uma ponte retificadora composta de diodos de silício e varistores, que suprimem picos indesejáveis de tensão e permitem um rápido desligamento da corrente. A alimentação da bobina em corrente contínua proporciona maior rapidez e uniformidade de operação do freio. A alimentação da ponte retificadora é feita em CA, e pode ser obtida de fonte independente ou dos terminais do motor, sendo fornecida para tensões 110, 220, 440 ou 575V, de acordo com as características das tensões de placa do motor e da rede de alimentação. O freio é dimensionado conforme as características do tamanho da carcaça do motor, que segue a padronização da ABNT, e que está diretamente relacionado com a sua potência e o número de polos. Ex. Motor de 6 polos, de 3/4 cv, é acoplado o mesmo freio do que o motor de 4 polos, de 1 cv , pois ambos possuem a carcaça do mesmo tamanho (ABNT 80). Para maiores detalhes, consultar o catálogo do fabricante WEG. 2.1. Funcionamento do motofreio: Inicialmente ao se deparar com o motor desligado (parado) o freio se encontra acionado, ou seja, o eixo do motor está preso pela ação do disco de frenagem sobre a tampa do motor, impulsionado por sua vez, pela intensa ação das molas de pressão. Ao acionar a chave magnética para alimentação do motor, alimenta-se também o eletroimã do freio, que por sua vez faz com que a armadura do eletroimã seja atraída contra a carcaça do mesmo, vencendo a resistência das molas de pressão. As pastilhas ao ficarem livres deslocam-se axialmente em seus alojamentos ficando afastadas das superfícies de atrito. Dessa forma cessa a ação de frenagem, deixando o motor partir livremente. Quando a chave é desligada para desativação do motor, o circuito também interrompe a corrente da bobina do freio e o eletroimã para de operar. As molas de pressão empurram a armadura na direção do disco de frenagem e este sobre a tampa do motor. As pastilhas que estão alojadas no disco de frenagem, são comprimidas entre as duas superfícies de atrito, a da armadura e a superfície da tampa, freiando o motor até a sua completa parada, repetindo- se então a condição inicial. 2.2. Aplicações do motofreio: O motofreio tem sua aplicação nos diversos segmentos de utilização de motores, genericamente sempre que for exigida paradas rápidas por questão de segurança,
  • 142.
    CENTRO FEDERAL DEEDUCAÇÃO TECNOLÓGICA DO CEARÁ – CEFET-CE CURSO DE ELETROTÉCNICA MANUAL DE COMANDOS INDUSTRIAIS PÁGINA: PRÁTICA 23 Prof. Gênova 147 posicionamento da máquina, e economia de tempo. São aplicados em máquinas-ferramentas, teares, máquinas de embalagem, transportadores, máquinas de lavar e engarrafar, máquinas de bobinar, dobradeiras, guindastes, pontes rolantes, elevadores, ajustes de rolos de laminadores, máquinas gráficas dentre outras. 2.3. Instalação do motofreio: O motofreio pode ser instalado em qualquer posição, desde que o freio não fique sujeito à penetração excessiva de água, óleo, poeiras abrasivas, etc, devido a entrada de ar. Quando montado na posição normal obedece o grau de proteção IP54 da ABNT. 2.4. Esquemas de ligação do motofreio: O moto freio admite 3 esquemas básicos de ligação, proporcionando frenagem lenta, frenagem média e frenagem rápida: 2.4.1. Frenagem lenta: A alimentação da ponte retificadora da bobina do freio é proporcionada diretamente por 2 terminais de alimentação do motor, no circuito de força (circuito indutivo), desde que a tensão de alimentação da ponte seja idêntica a tensão de linha (Fig. 1). Como no nosso caso particular a bobina do eletroimã é de 220V, e a tensão de linha é de 380V, a ligação para frenagem lenta é possível se um dos terminais de alimentação derivar do próprio neutro, obtendo assim a tensão de serviço apropriada. Veja Fig. 2. R S T D = Ponte retificadora, R = Varistores, L = bobina do eletroimã, K K = Contator. D - e4 D L R R + FIG. 1 R S T N K D - e4 ~ 220V D L R R + FIG. 2 M 3 M 3
  • 143.
    CENTRO FEDERAL DEEDUCAÇÃO TECNOLÓGICA DO CEARÁ – CEFET-CE CURSO DE ELETROTÉCNICA MANUAL DE COMANDOS INDUSTRIAIS PÁGINA: PRÁTICA 23 Prof. Gênova 148 2.4.2. Frenagem média: Na frenagem média intercala-se um contato auxiliar do contator que alimenta o próprio motor, de forma que haja a interrupção da corrente de alimentação da ponte retificadora do circuito de CA, garantindo que se ligue ou desligue o freio simultaneamente com o motor. Nessa situação o circuito passa a ser menos indutivo o que garante que o freio seja acionado num instante mais rápido do que a situação anterior. R S T F N D = Ponte retificadora, R = Varistores, L = Bobina do eletroimã, K K = Contator, K1 = contato auxiliar do contator K1 - D e4 D L R R + FIG. 3 2.4.3. Frenagem rápida: Intercala-se o contato para interrupção diretamente num dos fios de alimentação da bobina, no circuito de CC. É necessário que este seja um contato auxiliar NA do próprio contator que alimenta o motor. Os terminais da ponte devem ser alimentados através de uma fonte independente (Rede monofásica de 220V), porém sempre com interrupção simultânea com a alimentação do motor. Com alimentação independente é possível fazer eletricamente o destravamento do freio, bastando acionar S1 e S2. D = Ponte retificadora, R = Varistores, L = Bobina do eletroimã, K = contator, K1 = Contato auxiliar do contator K, S1 = Interruptor para alimentar a ponte em CA. S2 = Interruptor para fazer o destravamento do freio R S T - K F N K1 S2 S1 D e4 D L R R + FIG 4 M 3 M 3
  • 144.
    CENTRO FEDERAL DEEDUCAÇÃO TECNOLÓGICA DO CEARÁ – CEFET-CE CURSO DE ELETROTÉCNICA MANUAL DE COMANDOS INDUSTRIAIS PÁGINA: PRÁTICA 23 Prof. Gênova 149 3. MATERIAL EMPREGADO ITEM E S P E C I F I C A Ç Ã O QUANT. UNID. 01 Contator CW4 22E – 220V, WEG ou equivalente 01 Pç. 02 Relé bimetálico 3W27D 4-6,3 A, WEG, ou equivalente 01 Pç. 03 Fusível diazed 4 A, completo 01 Pç 04 Botão de comando ZBE-101, preto, Telemecanique 01 Pç 05 Botão de comando XB7 EA5, vermelho, Telemecanique 01 Pç. 06 Fusível NH 16 A , completo 03 Pç. 07 Disjuntor termomagnético unipolar 5SX1 10 A, 220V SIEMENS 01 Pç. 08 Disjuntor termomagnético tripolar K60, 25 A, 400V, Melin Gerin 01 Pç. 09 Pino tripolar com 4 Pinos, 16 A, 380V, CEMAR 01 Pç. 10 Motofreio monodisco 0,75CV, 220/380V, bobina freio = 220V, WEG 01 Pç. A T E N Ç Ã O ! CUIDADO ! DURANTE A MONTAGEM E OPERAÇÃO DESSA PRÁTICA, EXISTEM PARTES CONDUTORAS QUE NÃO ESTÃO PROTEGIDAS CONTRA CONTATOS ACIDENTAIS. VOCÊ VAI LIDAR COM TENSÕES DE 220V E 380V. AO CONCLUIR A MONTAGEM, ANTES DE ENERGIZAR O CIRCUITO, SOLICITE A PRESENÇA DO PROFESSOR PARA CONFERIR AS LIGAÇÕES. 3. PROCEDIMENTO DA PRÁTICA 4.1. CIRCUITO DE COMANDO: 4.1.1. Frenagem lenta: Para frenagem lenta, monte o circuito convencional de comando para partida direta simples de MIT, conforme a Fig. 5, e utilize a conexão do sistema de freio indicado no esquema da Fig. 2 . As conexões do circuito em CC já estão feitas internamente no próprio motor. F ~ 220V – 60Hz e21 e4 95 96 b0 b1 13 23 K1 K1 14 24 A1 h1 K1 N A2 FIG. 5 Observe que o funcionamento ou desativação do sistema de freio é realizada simultaneamente ao pressionar as botoeiras de partida (b1) ou parada (bo) do motor
  • 145.
    CENTRO FEDERAL DEEDUCAÇÃO TECNOLÓGICA DO CEARÁ – CEFET-CE CURSO DE ELETROTÉCNICA MANUAL DE COMANDOS INDUSTRIAIS PÁGINA: PRÁTICA 23 Prof. Gênova 150 4.1.2. Frenagem média Para frenagem média, aproveite a montagem anterior, e faça as modificações necessárias no circuito de comando (Fig. 6), utilizando as conexões do sistema de freio indicado na Fig. 3. As conexões do circuito em CC já estão feitas internamente no próprio motor. F ~ 220V – 60Hz e21 e4 95 96 b0 43 b21 13 K1 K1 14 44 A1 K1 h1 N A2 FIG. 6 4.1.3. Frenagem rápida Para a frenagem rápida não será possível montar o circuito da Fig. 4, tendo em vista que o motofreio já se encontra com suas ligações do circuito de CC fechadas internamente. Caso deseja efetuar essa montagem, será necessário desmontar a placa de bornes do motor, desfazer as ligações do circuito de CC e reconectar conforme o esquema da Fig. 4. 4.2 CIRCUITO DE FORÇA Monte o circuito de força de acordo com o tipo de frenagem a aplicar: 4.2.1. Frenagem lenta: Montar o circuito de força de acordo com a Fig. 2. Observar durante a frenagem, o tempo despendido para parada completa do eixo do motor. 4.2.2. Frenagem média: Monte o circuito de força de acordo com a Fig.3. Observar durante a frenagem, o tempo despendido para parada completa do eixo do motor, fazendo uma comparação com o método anterior. 4.2.3. Frenagem rápida: Caso deseje verificar esta opção, proceder conforme o item 4.1.3. Observar durante a frenagem, o tempo despendido para parada completa do eixo do motor, fazendo uma comparação com os métodos anteriores. Para qualquer situação e tipo de frenagem escolhida , lembrar que a alimentação da ponte/bobina deve ser feita em 220V.
  • 146.
    CENTRO FEDERAL DEEDUCAÇÃO TECNOLÓGICA DO CEARÁ – CEFET-CE CURSO DE ELETROTÉCNICA MANUAL DE COMANDOS INDUSTRIAIS PÁGINA: PRÁTICA 24 Prof. Gênova 151 PRÁTICA 24 ASSUNTO: APLICAÇÃO INTEGRADA DO MÓDULO LÓGICO PROGRAMÁVEL COM O INVERSOR DE FREQUÊNCIA PARA ACIONAMENTO DE MOTOR 1. OBJETIVO  Efetuar uma aplicação integrada do módulo lógico programável, como atuador externo nas entradas lógicas do inversor de freqüência, para acionamento do motor de indução trifásico através da função multi-speed (velocidades pré ajustadas), nos sentidos de rotação direto e reverso. 2. COMENTÁRIOS TEÓRICOS O inversor de freqüência dispõe de funções especiais que possibilitam a operação do motor de indução trifásico em diversas velocidades pré programadas. Essas velocidades são comandadas através da combinação lógica de 2 ou 3 entradas digitais (dependendo do modelo e fabricante), além do sentido de rotação que também pode ser selecionado através de outras 2 entradas digitais, conforme o diagrama da Fig. 01. Aplicação para 4(quatro) velocidades pré ajustadas: 15/24Vdc Fig. 01 Fazendo uma aplicação integrada com o módulo lógico programável, poderemos programar o fechamento e abertura das chaves lógicas utilizando as 4 saídas do relé de controle (Q1, Q2, Q3 e Q4). Dessa forma o módulo lógico será empregado como dispositivo atuador externo, proporcionando a operação do motor nas 4 velocidades previamente selecionadas e parametrizadas no inversor de frequência. O início do processo pode ser disparado através do acionamento de um botão seletor, bem como para reversão, similarmente como no sistema convencional de reversão. INVERSOR Ent. Log.1 Ent. Log.2 Ent. Log.3 Ent. Log.4 M 3 ~ Inversor Sentido de rotação Velocidades Direto Reverso Pré Ajustadas Ent. Lógica 1 2 3 4 Freq./ veloc. Posição lógica do contato f1 (n1) 1 0 0 0 f2 (n2) 1 0 1 0 f3 (n3) 1 0 0 1 f4 (n4) 1 0 1 1 f1 (n1) 0 1 0 0 f2 (n2) 0 1 1 0 f3 (n3) 0 1 0 1 f4 (n4) 0 1 1 1 Contato NA = 0, Contato NF = 1
  • 147.
    CENTRO FEDERAL DEEDUCAÇÃO TECNOLÓGICA DO CEARÁ – CEFET-CE CURSO DE ELETROTÉCNICA MANUAL DE COMANDOS INDUSTRIAIS PÁGINA: PRÁTICA 24 Prof. Gênova 152 3. MATERIAL EMPREGADO ITEM E S P E C I F I C A Ç Ã O QUANT. UNID. 01 Disjuntor termomagnético unipolar 5SX1 10 A, 220V SIEMENS 01 Pç. 02 Disjuntor termomagnético tripolar K60, 25 A, 400V, Melin Gerin 01 Pç. 03 Fusível diazed 4 A, completo 01 Um 04 Fusível NH 16 A , completo 01 Um 05 Botão de comando ZBE-101, preto, Telemecanique 02 Pç 06 Módulo lógico programável Easy 412 AC-RC Klocker Moeller 01 Pç. 07 Módulo lógico programável Zelio SR1 B101 FU Telemecanique 01 Pç. 08 Inversor de freqüência ALTIVAR 08 Telemecanique-Schneider 01 Um 09 Inversor de freqüência ALTIVAR 18 Telemecanique-Schneider 01 Um 10 Motor de indução trifásico 0,33 CV ou 0,5 CV – 220/380V 01 Um A T E N Ç Ã O ! CUIDADO ! DURANTE A MONTAGEM E OPERAÇÃO DESSA PRÁTICA, EXISTEM PARTES CONDUTORAS QUE NÃO ESTÃO PROTEGIDAS CONTRA CONTATOS ACIDENTAIS. VOCÊ VAI LIDAR COM TENSÕES DE 220V. AO CONCLUIR A MONTAGEM, ANTES DE ENERGIZAR O CIRCUITO, SOLICITE A PRESENÇA DO PROFESSOR PARA CONFERIR AS LIGAÇÕES. 4. PROCEDIMENTO DA PRÁTICA A prática consiste em programar o módulo lógico para que os contatos dos relés de saída (Q1. Q2, Q3 e Q4) sejam os atuadores das entradas digitais do inversor de freqüência. A saída Q1 comandará o acionamento do motor no sentido horário de rotação. A saída Q2 comandará o acionamento do motor no sentido anti-horário de rotação As saídas Q3 e Q4 comandarão o acionamento do motor nas seguintes 4 velocidades pré- programadas:  f1 (n1) = 5 Hz  f2 (n2) = 25 Hz  f3 (n3) = 40 Hz  f4 (n4) = 60 Hz A programação deverá contemplar o seguinte ciclo do processo: Funcionamento no sentido horário:  Ao pressionar uma botoeira b1, o motor deverá partir no sentido horário de rotação com a 1a velocidade pré selecionada, devendo permanecer nessa velocidade por um período de 20 segundos;  Decorridos os 20 segundos, o motor passa para a 2a velocidade pré selecionada e funciona por mais 20 segundos;  Decorridos os 20 segundos o motor passa para a 3a velocidade pré selecionada e funciona por mais um período de 20 segundos;  Decorrido os 20 segundos o motor passa para a 4a velocidade pré selecionada e permanece funcionando por 20 segundos quando é desligado automaticamente; Obs.: Considerar rampa de aceleração de 3 segundos e de desaceleração de 5 segundos; Funcionamento no sentido anti-horário:  Ao pressionar uma botoeira b2, o motor deverá partir no sentido anti-horário de rotação com a 1a velocidade pré selecionada, devendo permanecer nessa velocidade por um período de 20 segundos;  Decorridos os 20 segundos, o motor passa para a 2a velocidade pré selecionada e funciona por mais 20 segundos;
  • 148.
    CENTRO FEDERAL DEEDUCAÇÃO TECNOLÓGICA DO CEARÁ – CEFET-CE CURSO DE ELETROTÉCNICA MANUAL DE COMANDOS INDUSTRIAIS PÁGINA: PRÁTICA 24 Prof. Gênova 153  Decorridos os 20 segundos o motor passa para a 3a velocidade pré selecionada e funciona por mais um período de 20 segundos;  Decorrido os 20 segundos o motor passa para a 4a velocidade pré selecionada e permanece funcionando por 20 segundos quando é desligado automaticamente; Obs.: Considerar rampa de aceleração de 3 segundos e de desaceleração de 5 segundos; 4.1. PROGRAMAÇÃO NO MÓDULO LÓGICO: a) Proceda inicialmente as conexões para alimentação do módulo lógico programável, de acordo com o diagrama da Fig. 02; b) Ligue o disjuntor monofásico do circuito de comando para alimentar o módulo lógico; F ~ 220V AC N Fig. 02 c) Com o módulo lógico alimentado, será visualizado o display de status; d) Pressione a tecla OK para acessar o display de menu; e) Utilizando as teclas direcionais, mova o cursor para a opção programação; f) Pressione a tecla OK na opção programação; g) A partir daí, utilizando a simbologia EASY ou ZELIO, pode-se desenhar diretamente no display do equipamento, o circuito de comando requerido; h) Desenho do circuito de comando (Fig. 03), modelo Easy: Display do módulo lógico programável Fig. 03 L N I1 I2 I3 I4 I5 I6 I7 I8 1 2 1 2 1 2 1 2 Q1 Q2 Q3 Q4 I1----------Q2----[ Q1 Q1--T4--- ----[ M1 I2----------Q1----[ Q2 Q2--T5--- ----[ M2 M1----------------TT1 (20s) M2---- ---TT2 (40s) ---TT3 (60s) ---TT4 (1min20s) ---TT5 (1min20s) T1-----T2---------[ Q3 T3------------- T2------------------[ Q4 Obs. Lembrar que caso seja utilizado o módulo lógico da Telemecanique, os contatos NF são representados por letras minúsculas (q2, t4, q1, t5 e t2), ao invés de sobrebarradas.
  • 149.
    CENTRO FEDERAL DEEDUCAÇÃO TECNOLÓGICA DO CEARÁ – CEFET-CE CURSO DE ELETROTÉCNICA MANUAL DE COMANDOS INDUSTRIAIS PÁGINA: PRÁTICA 24 Prof. Gênova 154 4.2 . CONECTANDO CIRCUITOS DE COMANDO E FORÇA: Monte os circuitos de comando e força de acordo com o esquema da Fig. 04: F ~ 220V AC – 60 Hz N b1 b2 +24Vcc N F ~220V AC U1 V1 W1 Obs1) Observar que a alimentação das saídas Q1, Q2, Q3 e Q4 do módulo lógico, será de +15 Vcc no inversor modelo ALTIVAR 08 e +24 Vcc no modelo ALTIVAR 18. Obs2) O potenciômetro também precisa ser conectado para proporcionar a referência de tensão na entrada analógica AI1 e possibilitar que o motor opere nas 4 velocidades pré programadas. Obs3) Lembrar que o fusível de alimentação do circuito de potências do inversor, deve ser compatível com a corrente do motor (fusível de força tipo NH e não diazed do comando). L N I1 I2 I3 I4 I5 I6 I7 I8 1 2 1 2 1 2 1 2 Q1 Q2 Q3 Q4 U V W M 3 ~ L1 L2 LI1 LI2 LI3 LI4 +24SC SB SA PO PA PB +10 AI1 COM AIC AI2 LO LO+ Fig. 04 Potenciômetro de referência
  • 150.
    CENTRO FEDERAL DEEDUCAÇÃO TECNOLÓGICA DO CEARÁ - CEFET-CE CURSO DE ELETROTÉCNICA MANUAL DE COMANDOS INDUSTRIAIS PÁGINA: TERMINOLOGIA Prof. Gênova 155 A N E X O 1 TERMINOLOGIA ASSUNTO: DEFINIÇÃO DE TERMOS TÉCNICOS SOBRE MATERIAIS, EQUIPAMENTOS E DISPOSITIVOS DE COMANDO, PROTEÇÃO E MANOBRA DE BAIXA TENSÃO. 1. OBJETIVO Dar conhecimento ao aluno sobre a linguagem própria empregada na definição dos materiais, equipamentos e dispositivos elétro-eletrônicos, utilizados em circuitos de baixa tensão, abrangendo os principais termos técnicos adotados na área. Na composição desta terminologia, foram consideradas e esclarecidas as definições dadas pela Associação Brasileira de Normas Técnicas – ABNT, através de suas Normas Brasileiras, e pelas Normas VDE (Verband Deustscher Elektrotechiker) que representa a Associação de Normas Alemãs. 2. TERMINOLOGIA ITEM TERMINOLOGIA 001 ACIONAMENTO COM FECHO: Tipo especial de acionamento para dispositivos de comando. Em lugar de botão ou punho, o dispositivo possui um fecho de forma tal, que só pode ser acionado mediante destravamento através de uma chave. Evita-se assim, um acionamento que possa acarretar perigo. 002 ACIONAMENTO MANUAL: Componente mecânico de acionamento de um equipamento. Ex. botão de comando, punho, alavanca. 003 ACIONAMENTO POR BOTÃO (ou tecla): Comando de um circuito através de um dispositivo de comando por botão. Com este tipo de acionamento são dados apenas impulsos de comando de curta duração. 004 ACIONAMENTO POR PUNHO: Acionamento manual no qual o elemento de acionamento tem a forma de um punho. 005 AJUSTE DO ZERO: Ajuste feito em relés temporizados, que normalmente operam com retarde e que assim passam a operar instantaneamente. 006 ANEL DE CURTO CIRCUITO: Anel metálico inserido na superfície de contato do polo magnético de um contator, que fica sob a ação do campo proveniente de uma corrente alternada para evitar os efeitos de variação de campo e, consequentemente, da força de atração exercida sobre a armadura do ímã, assim como para evitar ruídos mais intensos daí resultantes no equipamento. Uma vez que a corrente alternada modifica a sua intensidade e o seu sentido continuamente, o campo magnético também se inverte, oscilando entre zero e uma intensidade máxima. Quando a corrente passa pelo ponto zero, cessa a força de sustentação do ímã, de forma que o mesmo tende a afastar-se da superfície de contato do polo. Entretanto, no anel de curto circuito, que também fica sob a ação desse campo alternado, é induzida uma tensão que, consequentemente, gera uma corrente no mesmo, dando origem a um novo campo magnético de sentido contrário ao campo magnético gerado pela bobina. Este se compõe com o campo magnético principal, de modo que sempre haverá um fluxo de sustentação, mantendo o contator fechado, sem que apareçam vibrações e ruídos. 007 ARMADURA-SUPORTE DO ÍMÃ: Um eletroímã de contator, é composto por uma bobina com núcleo de ferro e uma armadura de suporte móvel, feita na maioria dos casos de chapas de aço-silício empilhadas, formando um núcleo móvel. Quando a bobina esta energizada e excitada, esse núcleo é atraído pelo núcleo do eletroímã. Aplicação: nos contatores, os contatos móveis são movidos pela armadura do ímã. 008 ATERRAMENTO: Conexão das partes condutivas de equipamentos elétricos não pertencentes ao circuito auxiliar, com o condutor neutro.
  • 151.
    CENTRO FEDERAL DEEDUCAÇÃO TECNOLÓGICA DO CEARÁ - CEFET-CE CURSO DE ELETROTÉCNICA MANUAL DE COMANDOS INDUSTRIAIS PÁGINA: TERMINOLOGIA Prof. Gênova 156 ITEM TERMINOLOGIA 009 AUTOTRAVAMENTO: Tendo um relé de sobrecarga operado, resfriam-se as lâminas bimetálicas, retornando à sua posição inicial, bem como o contato auxiliar do relé (95-96). Desse modo o equipamento de comando principal religa o motor já sobrecarregado. Para que isto não aconteça, inclui-se um dispositivo de autotravamento ou de retenção, que é destravado manualmente. O autotravamento do relé de sobrecorrente é importante em todos os circuitos de alimentação que possuam elementos de acionamento permanente, como por exemplo: comando por chaves bóias, por termostatos, presostatos, e todo dispositivo que proporciona o automatismo do circuito. 010 BARRA DE CONTATO: Barramento de ligação de dispositivos de manobra extraíveis. Esse barramento é instalado dentro do cubículo. 011 BOTÃO: Designação dada a dispositivos de comando, aos quais pertencem os botões de comando de diversos tipos. 012 BOTÃO DE COMANDO FIM DE CURSO: Botão acionado mecanicamente, para sinalização, comando e limitação de curso. É conhecido também como chave fim de curso. O miolo da botoeira é que contém os contatos e os terminais do dispositivo de fim de curso. O elemento de acionamento do fim de curso é fornecido nos seguintes tipos: pino simples, pino reforçado, pino com rolete, rolete superior, rolete lateral, haste flexível, haste rígida, alavanca ajustável. 013 BOTÃO SINALISADOR: Botoeira com botão transparente de tal forma que, assim como num sinalizador luminoso, uma indicação óptica é dada por uma lâmpada embutida no mesmo. 014 CÂMARA DE EXTINÇÃO: Compartimento de um dispositivo de manobra, que envolve os contatos principais, destinado a assimilar e extinguir o arco elétrico, e capaz de resistir as sobrepressões devida à formação do arco. 015 CAPACIDADE DE CARGA:  Elétrica: Corrente de carga  Mecânica: Vida útil mecânica  Térmica: Temperatura limite, corrente nominal de curta duração.  Dinâmica: Resistência dinâmica ao curto-circuito, corrente nominal de impulso. 016 CAPACIDADE DE INTERRUPÇÃO: a) Máxima corrente que um dispositivo de manobra pode interromper sob condições definidas; b) Valor da corrente presumida de interrupção que um disjuntor é capaz de interromper sob tensão nominal, nas condições prescritas de emprego e de funcionamento. 017 CATEGORIA DE EMPREGO (Utilização): a) Classificação dos dispositivos de comando de cargas (disjuntores, contatores) de acordo com as finalidades para as quais são previstos e com os esforços aos quais são submetidos. São indicados pele seguinte simbologia AC1, AC2, AC3, AC4 (em corrente alternada) e DC1, DC2, DC3, DC4 e DC5 (em corrente contínua) conforme norma VDE 0660. b) Conjunto de requisitos específicos, relacionados com as condições de funcionamento de um dispositivo de manobra, escolhido de modo que represente de maneira significativa, um conjunto de aplicações práticas, conforme ABNT-TB 19-15 05.045.  AC-1 Utilização em manobras com carga ôhmica pura (cargas resistivas) ou pouco indutivas.  AC-2 Utilização em manobras de circuitos de motores com rotor bobinado, com anéis coletores, freio por contra corrente, reversão.  AC-3 Utilização em manobras de circuitos de motores com rotor em gaiola (em curto circuito), desligamento em regime.  AC-4 Utilização em manobras de circuitos de motores com rotor em gaiola, serviço intermitente, pulsatório e reversão a plena marcha 018 CIRCUITO AUXILIAR: Circuito através do qual são acionados os dispositivos de manobra.Além disso ele é usado para medição, comando, travamento e sinalização
  • 152.
    CENTRO FEDERAL DEEDUCAÇÃO TECNOLÓGICA DO CEARÁ - CEFET-CE CURSO DE ELETROTÉCNICA MANUAL DE COMANDOS INDUSTRIAIS PÁGINA: TERMINOLOGIA Prof. Gênova 157 ITEM TERMINOLOGIA 019 CIRCUITO DE COMANDO: Este circuito, para ligar e interromper dispositivos de manobra, engloba a fonte de alimentação (tensão de comando), os contatos dos dispositivos de comando, os acionamentos elétricos (bobina e mola) dos dispositivos de manobra, assim como os elementos auxiliares de manobra. 020 CIRCUITO PRINCIPAL (DE FORÇA): Circuito formado das partes mais importantes dos contatos principais e dos terminais. Tais partes são destinadas a conduzir a corrente de operação. 021 CLASSES DE EQUIPAMENTOS: Classes que determinam a vida mecânica útil de um equipamento. Segundo a VDE 0660, as classes são: Classe de equipamento Durabilidade número de manobras A1 10³ = 1.000 A3 3 X 10³ = 3.000 B1 10³ = 10.000 B3 3 X 10³ = 30.000 C1 10³ = 100.000 C3 3 X 10³ = 300.000 D1 10³ = 1.000.000 D3 3 X 10³ = 3.000.000 E1 10³ = 10.000.000 OBS: Por “número de manobras” entende-se um fechamento e uma abertura. 022 COLAMENTO: Fenômeno que pode ocorrer entre os contatos de um dispositivo de manobra, num dos seguintes casos:  Por correntes de curto-circuito, elevadas e inadmissíveis;  Por pressão pequena demais entre contatos (quando a tensão de comando esta abaixo da normal – subtensão);  Por comandos incompletos (comandos consecutivos de liga/desliga, rápidos e descontrolados). Como consequência de um destes casos, pode ocorrer fusão da cobertura dos contatos, e com isso, provocar a soldagem dos mesmos 023 COMANDO: Ação efetiva com a finalidade de influenciar ou modificar grandezas de operação (resistência) em um circuito, incluindo ligação e interrupção, dependendo do caso. 024 COMPENSAÇÃO DE TEMPERATURA: Processo destinado a compensar a variação de temperatura ambiente, em particular nos relés térmicos. A temperatura ambiente influi no tempo de disparo de relés ou disparadores de sobrecorrente. Essa compensação é sempre necessária, quando a temperatura ambiente do equipamento por proteger é diferente da temperatura ambiente do elemento de proteção (relé ou disparador). A compensação é feita mediante uma lâmina bimetálica suplementar. 025 COMUTADOR: Dispositivo de manobra auxiliar que tem, tanto na posição fechada como na posição aberta de um dispositivo de manobra, uma posição fechada. 026 CONJUNTO MAGNÉTICO: Em dispositivos de manobra em baixa tensão, é o conjunto formado pela armadura-suporte de ímã, pelo núcleo e pela bobina de excitação. É o ímã completo que é utilizado para o acionamento de contatores ou disparadores magnéticos. Existem conjuntos magnéticos de CA e CC. 027 CONTATO: Parte de um dispositivo de manobra através do qual um circuito é ligado ou interrompido. Existem os contatos fixos e os móveis, e de acordo com a utilização, contatos principais, contatos auxiliares, etc. Normalmente os contatos principais são designados por números de um só dígito: Ex: 1-2, 3-4, 5-6 (par de contatos). Já os contatos auxiliares são designados por número de dois dígitos, onde o primeiro dígito representa a ordem sequencial do contato, e o segundo representa se o contato é abridor (NF) ou fechador (NA): Ex. 13-14, 21-22, 31-32, 43-44.
  • 153.
    CENTRO FEDERAL DEEDUCAÇÃO TECNOLÓGICA DO CEARÁ - CEFET-CE CURSO DE ELETROTÉCNICA MANUAL DE COMANDOS INDUSTRIAIS PÁGINA: TERMINOLOGIA Prof. Gênova 158 ITEM TERMINOLOGIA 028 CONTATO ABRIDOR: Contato que abre, quando do estabelecimento, e que fecha, quando da interrupção de um dispositivo de manobra. Em literatura antiga, designado por “normalmente fechado” ou NF. 029 CONTATO AUXILIAR: a) Contato de chave auxiliar. b) Contato inserido em um circuito auxiliar e operado mecanicamente pelo disjuntor ou eletromagneticamente pela bobina de um contator. 030 CONTATO DE SELO: Contato fechador auxiliar, encontrado particularmente nos contatores, que é comandado simultaneamente com os contatos fechadores principais, e através do qual é selada a alimentação da bobina do contator. Este contato é ligado em paralelo com o botão liga de comando do contator. 031 CONTATO EM PONTE: Contato móvel, que abre ou fecha simultaneamente dois pontos de contato, como por exemplo, o contato móvel de um contator. 032 CONTATO FECHADOR OU NORMALMENTE ABERTO: Contato que fecha , quando do estabelecimento do equipamento, e que abre, quando da interrupção de um dispositivo de manobra. Em literatura antiga, designado por contato normalmente aberto (NA). 033 CONTATO FIXO: a) Parte de um elemento de contato, fixado ao dispositivo de manobra. Sobre os contatos fixos são pressionados, os contatos móveis, quando da ligação b) Peça de contato praticamente imóvel. 034 CONTATO PRINCIPAL: a) Contato no circuito principal de um dispositivo de manobra. b) Contato inserido no circuito principal de um disjuntor, previsto para conduzir, na posição fechada, a corrente desse circuito. 035 CONTATOR: Dispositivo de manobra mecânico, acionado eletromagneticamente, construído para uma elevada frequência de operação e cujo arco é extinto no ar. O contator é, de acordo com a carga, um dispositivo de comando de motor e pode ser utilizado individualmente ou acoplados a relés de sobrecorrente, na proteção contra sobrecargas. Há certos tipos de contatores com capacidade de estabelecer e interromper correntes de curto-circuito. Basicamente existem contatores para motores e contatores auxiliares. 036 CONTATOR COM REMANENTE: Contator com travamento magnético no qual é aproveitada a força coercitiva do sistema magnético. 037 CONTATOS DE PRATA: Contatos cujas superfícies de contato são placas de prata. Tais contatos têm a vantagem de não ficar deteriorados, como os de cobre, por oxidação, nas operações em regime permanente. 038 CONTATOS MÓVEIS: Contatos movidos pelo acionamento ou pelo eixo de comando do dispositivo de manobra, quando da operação. 039 CORRENTE DE CARGA: Corrente que pode circular continuamente por um circuito, sem que ele sofra esforços térmicos ou dinâmicos (temperatura-limite) acima dos permanentemente admissíveis. 040 CORRENTE DE CURTO-CIRCUITO: Designação genérica para a corrente passível de ocorrer no local de instalação de um dispositivo de manobra, quando os terminais estão curto-circuitados.. 041 CORRENTE DE INTERRUPÇÃO: a) (corrente nominal de operação) Corrente que pode ser interrompida por um dispositivo de manobra (disjuntor), em condições normais de operação. Da amplitude dessa corrente depende, principalmente. A vida útil dos contatos. b) Corrente no polo de um disjuntor no instante do início do arco, durante uma operação de abertura. 042 CORRENTE DE PARTIDA: 1) Corrente que um motor consome, quando ligado porém ainda em repouso (na partida ou na frenagem). Seu valor médio é cerca de 6 a 8 vezes a corrente nominal nos motores em gaiola. 2) É a corrente que uma bobina de contator consome, por exemplo, em curto espaço de tempo, durante a fase de ligação do contator. Nos equipamentos SIEMENS, o valor médio é de 10 a 20 vezes a corrente nominal (In), onde In é a corrente perante excitação de sustentação.
  • 154.
    CENTRO FEDERAL DEEDUCAÇÃO TECNOLÓGICA DO CEARÁ - CEFET-CE CURSO DE ELETROTÉCNICA MANUAL DE COMANDOS INDUSTRIAIS PÁGINA: TERMINOLOGIA Prof. Gênova 159 ITEM TERMINOLOGIA 043 CORRENTE DE PICO: Máximo valor instantâneo de corrente, por exemplo, no ato de ligação. 044 CURTO-CIRCUITO: a) Ligação praticamente sem resistência, de condutores sob tensão, tensão esta que pode ser a de ensaio. Nestas condições, através de uma resistência transitória desprezível, a corrente assume um valor muitas vezes maior do que a corrente de operação; assim sendo, o equipamento e parte da instalação poderão sofrer um esforço térmico (corrente suportável de curta duração) ou eletrodinâmico (corrente nominal de impulso) excessivos. Três são os tipos de curto-circuito: o trifásico entre três condutores de fase, o monofásico, entre dois condutores de fase e o para a terra, entre um condutor de fase e a terra ou um condutor aterrado (falta para a terra). b) Ligação intencional ou acidental entre dois pontos de um sistema ou equipamento elétrico, ou de um componente, através de uma impedância desprezível. 045 CURVA CARACTERÍSTICA DE DISPARO: Representação gráfica da relação entre tempo de disparo-corrente, através da qual se pode determinar após quanto tempo o disparador, o relé de disparo ou o fusível opera com uma determinada corrente. As curvas características constam de catálogos, instruções de operação ou de placas características, tendo como condição inicial a do elemento sensor à temperatura ambiente (fria). 046 CURVA CARACTERÍSTICA TEMPO-CORRENTE: É a curva que indica em que tempo, a uma determinada corrente, um relé ou um disparador de sobrecorrente ou um fusível opera. 047 DIAGRAMA DE LIGAÇÃO DO EQUIPAMENTO: Diagrama que representa todas as ligações e todos os elementos de contato de um equipamento ou combinações de equipamentos. Ele esclarece sobre o tipo, a ligação e a forma de operação do equipamento, porém não instrui sobre o seu dimensionamento. 048 DIAGRAMA FUNCIONAL: Representação individualizada dos circuitos principal e auxiliar (circuito de comando), sem que seja considerada a disposição construtiva dos contatos, visando somente a facilitar a representação funcional do circuito. O desenho em conjunto do circuito principal e circuito auxiliar ou de comando, é designado como diagrama integrado ou multifilar. 049 DISPOSITIVO DE COMANDO: Destina-se a comandar, direta ou indiretamente, equipamentos de manobra e/ou de operação. De acordo com o caso, têm-se dispositivos de comando para circuitos principais e para circuitos auxiliares. 050 DISPOSITIVO DE COMANDO E SINALIZAÇÃO: Dispositivo destinado a acionar à distância um dispositivo de manobra, através de um comando de curta duração. A lâmpada nele embutida sinaliza a posição de operação. 051 DSIPOSITIVO DE INTERRUPÇÃO DE EMERGÊNCIA: São chaves e botões de comando de interrupção de emergência, podendo ter o botão do tipo cogumelo, de maneira a facilitar numa emergência o seu acionamento. 052 DISPOSITIVO DE INTERTRAVAMENTO: Dispositivo que torna a operação de um dispositivo de manobra dependente da posição ou da operação de outro ou outros equipamentos. 053 DISTÂNCIA DE ESCOAMENTO: a) Caminho em que uma corrente pode percorrer, sobre a superfície de um corpo isolante, em virtude da sujeira ou da umidade entre duas partes condutivas sob tensão. b) Menor distância, medida sobre a superfície externa de um isolante sólido, entre duas partes condutoras que apresentam diferença de potencial entre si. 054 DURABILIDADE DO EQUIPAMENTO: A durabilidade do equipamento é dada, via de regra, pela vida útil mecânica. 055 EIXO DE ACIONAMENTO: Parte de um dispositivo de manobra através da qual são acionados os contatos. Ao eixo de manobra é acoplado o acionamento.
  • 155.
    CENTRO FEDERAL DEEDUCAÇÃO TECNOLÓGICA DO CEARÁ - CEFET-CE CURSO DE ELETROTÉCNICA MANUAL DE COMANDOS INDUSTRIAIS PÁGINA: TERMINOLOGIA Prof. Gênova 160 ITEM TERMINOLOGIA 056 ELEMENTO DE ACIONAMENTO: Em dispositivos de comando, é a parte montada nos painéis e portas frontais de quadros, geralmente acionando direta ou indiretamente esses dispositivos. Os elementos de acionamento são: botões, teclas, manoplas, punhos, alavancas, chaves, botões sinalizadores, pino, rolete, etc. 057 ELEVAÇÃO DE TEMPERATURA: Aquecimento do equipamento acima da máxima temperatura do ambiente admissível. Seu valor, somado à temperatura ambiente, fornece a temperatura-limite. 058 ELO FUSÍVEL: Parte ativa de um fusível, de forma definida, constituída por ex. ,de cobre e envolvida pelo corpo do fusível. Ele funde por sobrecarga ou por curto- circuito, devido ao efeito térmico da corrente. O elo de um fusível com retardamento tem duas características: é formado por uma espécie de ponte e por estrangulamento nos extremos. A ponte funde-se em sobrecarga, e os estrangulamentos, em curto-circuito. 059 FAIXA DE OPERAÇÃO: Faixa na qual a tensão de comando pode diferir da tensão nominal de comando, sem que seja afetada a segurança de operação do dispositivo de manobra (ex: contator). Segundo a norma VDE 0666, o contator deverá ligar com segurança, com 085 a 1,1 vezes a tensão de comando. 060 FAIXA DE REGULAGEM: Faixa na qual pode ser ajustado o valor de disparo desejado de um relé (ex: relé temporizado, relé de sobrecarga) ou de um disparador (disparador de sonbretensão por ex.). 061 FALTA DE FASE: É quando uma das fases da rede de alimentação é interrompida. Com isso, o enrolamento do motor pode queimar, se não for desligado (relé falta de fase). 062 FORÇA COERCITIVA: É a força residual em materiais magnéticos e o esforço de manter uma propriedade magnética adquirida por um material. Por isso os eletroímãs tem um magnetismo remanente (remanência) no núcleo, depois de desligada a bobina de magnetização. 063 FRENAGEM POR CONTRACORRENTE: a) Método se frenagem de motores trifásicos, invertendo-se a polaridade de dois condutores, com o que o motor passa a ter um momento de torção de sentido contrário. Interrompendo-se a contracorrente no instante exato (com sensor de frenagem), evita-se que o motor passe ao sentido de rotação inverso. b) Forma de frenagem regenerativa na qual é invertida a corrente principal de uma máquina de corrente contínua. c) Frenagem por inversão de fases: Forma de frenagem de um motor de indução, obtida invertendo-se a sequência de fases de sua alimentação. 064 FREQUÊNCIA DE OPERAÇÃO: A frequência de operação indica quantas manobras por unidade de tempo podem ser realizadas por um dispositivo. 065 FUSÍVEL NH: (Do alemão, onde N é de Niederspannung = baixa tensão, e H é de Hochleistung = alta capacidade): Dispositivo de manobra destinado a interromper a corrente do circuito pela fusão do seu elo fusível envolto em areia. A fusão do elo dá-se pelos efeitos térmicos da corrente. O fusível NH tem na faixa de sobrecarga uma característica de desligamento com retardo, isto é, um tempo de atuação tão longo que é possível ligar um motor com sua corrente de partida, sem que se funda o elemento fusível (vide curva tempo-corrente característica do fusível). Esses fusíveis, em construção especial, adaptam-se também a outras funções, como por exemplo, para proteção de tiristores (fusíveis ultra rápidos). Além disso, eles tem alta capacidade de interrupção, significa dizer que podem interromper correntes de curto-circuito até 100kA. 066 GRAU DE PROTEÇÃO: Grau que indica a proteção contra toques, penetração de corpos estranhos e de líquidos, designado para determinado equipamento. 067 INTERTRAVAMENTO: Processo de ligação entre os contatos auxiliares de vários dispositivos, pelo qual as posições de operação desses dispositivos são dependentes umas das outras. Através do intertravamento evita-se a ligação de certos dispositivos antes que outros permitam essa ligação.
  • 156.
    CENTRO FEDERAL DEEDUCAÇÃO TECNOLÓGICA DO CEARÁ - CEFET-CE CURSO DE ELETROTÉCNICA MANUAL DE COMANDOS INDUSTRIAIS PÁGINA: TERMINOLOGIA Prof. Gênova 161 ITEM TERMINOLOGIA 068 JAMPE: Tira de material condutor (geralmente cobre) para encaixe de fusíveis NH ou diazed, em lugar dos mesmos. Nesta situação elimina-se a proteção calibrada proporcionada pelos antigos fusíveis. O jampe também é utilizado em diversas situações em circuitos elétricos, bypassando de um contato para outro, de maneira a eliminar uma seccionadora, ou dando continuidade elétrica a uma rede que esteja ancorada em suportes fixos. 069 LIGAÇÃO EM PARALELO: Tipo de ligação no qual dois ou mais dispositivos de manobra, contatos ou condutores são ligados paralelamente no mesmo circuito. 070 LIGAÇÃO EM SÉRIE: Tipo de ligação no qual mais um dispositivo, componente ou contato são ligados consecutivamente no mesmo circuito. 071 MANOBRA: Ligação e desligamento de um dispositivo. 072 MEIO EXTINTOR: Meio no qual o arco elétrico é levado à extinção. Para os nossos equipamentos, existem os seguintes meios de extintores: 1. Ar (praticamente, para todos os equipamentos de manobra de baixa tensão); 2. Areia (Fusíveis NH e diazed); 3. Vácuo (contatos a vácuo); 4. Óleos, naturais ou sintéticos (geralmente na média e alta tensão) 073 NÚCLEO LAMINADO: É usado em núcleos magnéticos de corrente alternada, de contatores e outros eletroímãs, para baixar as perdas no ferro. Os núcleos são compostos de chapas sobrepostas, isoladas entre si (não são usados para corrente contínua que emprega núcleos maciços). 074 NÚMERO DE POLOS: Número de elementos de um dispositivo de comando ou de proteção (contatos, bimetais, etc). 075 PAINÉIS DE DISTRIBUIÇÃO TIPO CCM: Painéis que contém os Centros de Controle de Motores. São conjunto de armários modulados, com gavetas ou “racks”. 076 PARTIDA LENTA: Quando um motor necessita de mais 5 Seg. desde a sua ligação até alcançar a sua rotação nominal em função de suas condições de carga, fala-se em partida lenta. Para a proteção de motores com partida lenta, são necessários relés de sobrecorrente especiais e, melhor ainda, uma proteção de motor por termistor. 077 PASSAGEM PELO PONTO ZERO: Em corrente alternada, a corrente e a tensão mudam contínua e alternadamente de sentido e amplitude. No instante da mudança de sentido, tanto corrente como tensão tronam-se iguais a zero. A este instante chama-se passagem pelo ponto zero, situação que facilita a extinção do arco elétrico. 078 PEÇA DE CONTATO: Uma das partes condutoras que formam um contato. 079 PRESSÃO DE CONTATO: Pressão com a qual duas partes condutivas (contatos) se tocam. Quando a pressão de contato é muito pequena, a resistência transitória torna-se muito alta, persistindo o perigo de que as temperaturas-limite admissíveis sejam ultrapassadas. 080 PROTEÇÃO CONTRA CURTO-CIRCUITO: Limitação dos efeitos destrutivos das correntes de curto-circuito através de elementos de proteção adequados, a saber: 1. Fusíveis NH ou diazed; 2. Disjuntores com disparadores eletromagnéticos de sobrecorrente sem retardamento. 081 PROTEÇÃO DO MOTOR: Proteção contra os efeitos de sobrecarga e curto-circuito sobre o motor, isto é, proteção da isolação do enrolamento contra aquecimentos e esforços eletrodinâmicos inadmissíveis, através de: 1. Relés térmicos de sobrecorrente (no caso de comando por contatores); 2. Relés térmicos de sobrecorrente com e sem retardamento ou com retardamento de curta duração (no caso de comando por disjuntores); 3. Proteção do motor por termistor (controle de temperatura do enrolamento por termosensores); 4. Fusíveis de curto circuito (fusíveis NH ou diazed)
  • 157.
    CENTRO FEDERAL DEEDUCAÇÃO TECNOLÓGICA DO CEARÁ - CEFET-CE CURSO DE ELETROTÉCNICA MANUAL DE COMANDOS INDUSTRIAIS PÁGINA: TERMINOLOGIA Prof. Gênova 162 ITEM TERMINOLOGIA 082 POTÊNCIA DE RETENÇÃO: Potência permanente de alimentação da bobina de um sistema eletromagnético (um contator por ex.,) destinado a fornecer o fluxo magnético necessário para manter o núcleo móvel atraído pelo fixo. Distinguem-se as potências de retenção no fechamento e potência de retenção em serviço normal. 083 RECOBRIMENTO DA PEÇA DE CONTATO: Cobertura, geralmente de metal nobre (prata, liga de prata), utilizada em contatos de dispositivos de manobra. 084 REGIME INTERMITENTE: Regime no qual o dispositivo de manobra liga e interrompe periodicamente, com tempo de carga e intervalo de repouso de operação tão reduzidos, que suas partes condutivas não alcançam o equilíbrio térmico, quer na fase de aquecimento, quer na de resfriamento. A identificação do regime é feita pela indicação do tempo relativo de carga e da duração da série de operações. Não confundir com regime de curta duração. 085 REGIME PERMANENTE: a) Regime no qual os contatos principais do dispositivo de manobra ou a bobina de um disparador de tensão podem ficar fechados por tempo indeterminado. b) Regime de um sistema ou equipamento elétrico, ou de um componente, em que as grandezas físicas que caracterizam seu funcionamento, tem valores estáveis. 086 RELÉ: Dispositivo de proteção e, eventualmente, de comando à distância, cujos contatos auxiliares comandam, perante certas grandezas elétricas (corrente, tensão), outros dispositivos através de circuitos auxiliares, eventualmente com retardamento pré-ajustado (relé temporizado). Os relés podem ser dispositivos individuais ou componentes de dispositivos de manobra. 087 RELÉ DE FALTA DE FASE: Dispositivo independente ou complementar acoplado a um relé térmico de sobrecorrente com retardamento, que tem por finalidade o desligamento de motores trifásicos, que venham por defeito operar com falta ou desequilíbrio de fases. Quando o relé falta de fase for um componente independente, o mesmo deve ser instalado no circuito terminal de alimentação do motor trifásico. 088 RELÉ DE SOBRECORRENTE: Relé com desligamento retardado dependente de corrente. É utilizado na proteção de equipamentos elétricos (motores) contra sobrecarga. O relé opera de forma semelhante ao disparador de sobrecorrente, sem atuar, entretanto, mecanicamente sobre o mecanismo de travamento do dispositivo de manobra, mas sim, sobre um chave auxiliar do relé. Tal chave auxiliar é que faz, eletricamente, a interrupção por comando à distância, do dispositivo de manobra através de um circuito de comando. Os relés de sobrecorrente devem ser protegidos por fusíveis contra danos provocados por curto-circuitos. Cada relé terá o seu fusível apropriado, indicado pelo fabricante. 089 RELÉ TEMPORIZADO: Relé com uma escala de ajuste e que opera com retardamento. Faz a temporização de operação ou comutação de componentes dos circuitos. 090 RENDIMENTO: Relação entre o valor útil de uma grandeza fornecida por um sistema ou equipamento elétrico, ou por um componente, e o valor total da mesma grandeza por ele absorvida. Símbolo:  = ( V / Vt ) x 100 % 091 RESISTÊNCIA DE CONTATO: Relação entre a diferença de potencial existente entre duas superfícies em contato, e a corrente que circula de uma para outra, não havendo força eletromotriz entre elas. 092 RESISTÊNCIA DE ISOLAMENTO: Propriedade do material isolante que age no sentido de evitar que este se torne, por si só, condutor em razão das correntes de descarga. 093 RICOCHETE: Abertura resultante da repulsão entre contatos, no ato da ligação.
  • 158.
    CENTRO FEDERAL DEEDUCAÇÃO TECNOLÓGICA DO CEARÁ - CEFET-CE CURSO DE ELETROTÉCNICA MANUAL DE COMANDOS INDUSTRIAIS PÁGINA: TERMINOLOGIA Prof. Gênova 163 ITEM TERMINOLOGIA 094 SELETIVIDADE: Operação conjunta de dispositivos de proteção que atuam sobre os de manobra ligados em série para a interrupção escalonada de correntes anormais (por ex., de curto-circuito). O dispositivo de manobra deve interromper a parte do circuito conectada imediatamente após ele próprio. Os demais dispositivos de manobra devem permanecer ligados. A seletividade limita os efeitos de uma falta a uma grandeza mínima em tempo e espaço. 095 SINALIZADOR LUMINOSO: Indicador ótico de uma condição de operação ou controle de um comando, ao acender ou apagar de uma lâmpada. 096 SOBRECARGA TÉRMICA: Situação de elevação de temperatura devida a corrente de carga que pode levar o material ao recozimento e a fusão. 097 TEMPO DE RICOCHETE: Intervalo de tempo entre o primeiro toque dos contatos até a posição final de repouso, na fase de ligação. O tempo de ricochete é fator decisivo na vida útil elétrica e na confiabilidade de um dispositivo de manobra. 098 TENSÃO DE COMANDO: É a tensão nos terminais de bobinas de contatores, disparadores, relés de tempo, etc. 099 TENSÃO DE OPERAÇÃO: Tensão de alimentação da rede, entre os condutores de um equipamento parte de uma instalação. 100 TENSÃO NOMINAL: Valor eficaz da tensão pelo qual um dispositivo de manobra é designado e ao qual são referidos outros valores nominais. 101 TERMISTOR: Parte do dispositivo de proteção do motor, montado no enrolamento do motor a proteger. O termistor modifica (aumenta) a sua resistividade com o aumento da temperatura. 102 VELOCIDADE DE OPERAÇÃO: Velocidade dos contatos móveis na ligação ou no desligamento. 103 VIDA ÚTIL: Tempo no qual um dispositivo de manobra deve operar satisfatoriamente sob condições normais. Ela é dada em números de manobras. Diferencia-se vida útil mecânica e elétrica. 104 VIDA ÚTIL MECÂNICA: Durabilidade quando operado em vazio.
  • 159.
    CENTRO FEDERAL DEEDUCAÇÃO TECNOLÓGICA DO CEARÁ - CEFET-CE CURSO DE ELETROTÉCNICA MANUAL DE COMANDOS INDUSTRIAIS PÁGINA: TERMINOLOGIA Prof. Gênova 164 A N E X O 2 BIBLIOGRAFIA ITEM TÍTULO AUTOR EDITORA 01 Diagramas Elétricos de Comando e Proteção Papenkort, F. EDUSP 02 Equipamento Elétrico Industrial Schimidt, Walfredo Mestre Jou 03 Seleção e aplicação de motores elétricos Lobosco, Orlando Sílvio – SIEMENS Mc Graw-Hill 04 Manual de baixa tensão Schmelcher, Theodor – SIEMENS Nobel 05 Máquinas Elétricas e transformadores Kosow, Irving Lionel Editora Globo 06 Máquinas Elétricas Fitzgerald, A . E. Mc Graw-Hill 07 Manual de Automação por contatores Roldán, José Hermus 08 Manual de Chaves de Partida WEG ACIONAMENTOS WEG 09 Manual de Contatores e Relés de Sobrecarga WEG ACIONAMENTOS WEG 10 Manual de Motores Elétricos WEG MOTORES WEG 11 Projetos de Quadros de Baixa Tensão Dib, Wanderley Mauro – SIEMENS SIEMENS 12 Tecnologia dos Equipamentos Eletro-Industriais de Comutação Informativo Técnico SIEMENS SIEMENS 13 Esquemas de automatismos em electricidade e electrônica Vaz Emanuel Eduardo Pires Lopes da Silva Editira 14 Motores Elétricos – Manutenção e Testes Almeida, Jason Emirick de Hermus 15 Manual do Instalador de Motores Elétricos Parés, José Maria Plátano Editora 16 Material Elétrico Industrial :  Parte 1 a : Botões de comando/ sinalização  Parte 2: Chaves e seccionadores  Parte 3: Fusíveis e seccionadores-fusíveis  Parte 4: Contatores e relés  Parte 7: Chaves de partida SIEMENS SIEMENS 17 Informação Tecnológica - Eletricidade SENAI SENAI 18 Símbolos Gráficos de Eletricidade Informativo Técnico SIEMENS SIEMENS 19 Manual Técnico – Chave de partida SOFT STARTER microprocessada WEG AUTOMAÇÃO WEG 20 Catálogo da Stieletrônica – Relé fotoelétrico magnético, Relé fotoelétrico térmico, Chave para comando em grupo. Stieletônica Stieletrônica 21 Catálogo Relé fotoelétrico LINSA LINSA LINSA 22 Catálogo ACE: Chaves Pacco, Chaves fim de curso, Seccionadoras e comutadoras ACE ACE 23 Revista ELETRICIDADE MODERNA Aranda Editora Aranda Editora 24 Catálogo da ALTRONIC Altronic S/A Altronic S/A 25 Catálogos WEG: Contatores, relés de sobrecarga, chaves fim de curso, fusíveis. WEG ACIONAMENTOS WEG 26 Controle de velocidade de máquinas CA com tiristores. Hector Arango, Jõao Roberto Cogo, Délvio FUPAI 27 Catálogo SIMOVERT P inversores de freqüência da série 6SE21. SIEMENS SIEMENS 28 Tecnologia: Acionamento de corrente alternada de velocidade/freqüência variáveis SIEMENS SIEMENS 29 Folheto de instruções da TELEMECANIQUE para instalação, parametrização e operação do inversor de freqüência ALTIVAR 08 TELEMECANIQUE TELEMECANI QUE 30 Catálogo Inversor de Freqüência CFW-05 WEG WEG WEG 31 Catálogo LH4-N A partida suave Soft starter Groupe Schneider Schneider 32 Manual de operação Inversores de freqüência para motores assíncronos – Altivar 18 Schneider Electric Telemecanique/ Schneider 33 Catálago Inversor de freqüência Altivar 18 Groupe Schneider Telemecanique 34 Guia de treinamento – EASY 412-AC-R Relé de controle Klocner Moeller Klocner Moeller 35 Módulo lógico programável ZELIO, manual de instruções Groupe Schneider Telemecanique 36 Catálago moto freio trifásico monodisco WEG WEG 37 Eletrônica de Potência - Circuitos, dispositivos e aplicações Muhammad H. Rashid Makron Books 38 Motor Drive – Folheto com dados técnicos WEG AUTOMAÇÃO WEG 39 Manual de instruções - Moto Redutores SEW SEW do Brasil SEW