ADEMILDO T. QUEIROZ JÚNIOR
ALEXANDRE HENRIQUE
ÁLVARO LIMA SILVA
EDUARDO PAIVA
LEONARDO BORGES DE PAIVA
ANÁLISE DE PROJETO E EXECUÇÃO DE UMA PONTE
VISITA TÉCNICA E DETALHAMENTO
GOIÂNIA
2016
Ademildo T. Queiroz Júnior – B2692G-7
Alexandre Henrique – B27959-1
Álvaro Lima Silva – B3086E-5
Eduardo Paiva – B34556-0
Leonardo Borges de Paiva – B5654A-0
Turmas: 8º / 9 º períodos, Matutino, Sala 128
ANÁLISE DE PROJETO E EXECUÇÃO DE UMA PONTE
VISITA TÉCNICA E DETALHAMENTO
Trabalho de Atividades Práticas
Supervisionadas ‘‘APS’’ para
complementação das atividades acadêmicas
de graduação em Engenharia Civil
apresentado à Universidade Paulista – UNIP.
Orientadora Prof. Msc. Dannilo Carvalho
GOIÂNIA
2016
Ademildo T. Queiroz Júnior – B2692G-7
Alexandre Henrique – B27959-1
Álvaro Lima Silva – B3086E-5
Eduardo Paiva – B34556-0
Leonardo Borges de Paiva – B5654A-0
Trabalho de Atividades Práticas
Supervisionadas ‘‘APS’’ para
complementação das atividades acadêmicas
de graduação em Engenharia Civil
apresentado à Universidade Paulista – UNIP.
Orientador Prof. Msc. Dannilo Carvalho
COMISSÃO EXAMINADORA
Prof. Msc. Dannilo Carvalho
Universidade Paulista – UNIP
Campus Goiânia-Flamboyant
GOIÂNIA, 15 de Maio de 2016.
RESUMO
Ponte é uma construção que permite interligar ao mesmo nível pontos não
acessíveis separados por rios, vales, ou outros obstáculos naturais ou artificiais.
As pontes são construídas para permitirem a passagem sobre o obstáculo a
transpor, de pessoas, automóveis, comboios, canalizações ou condutas de água
(aquedutos).
Quando é construída sobre um curso de água, o seu tabuleiro é frequentemente
situado a altura calculada de forma a possibilitar a passagem de embarcações
com segurança sob a sua estrutura. Quando construída sobre um meio seco
costuma-se chamar pontes de viaduto como uma forma de apelidar pontes em
meios urbanos. Do contrario não pode ser usado já que um viaduto é uma ponte
que visa não interromper o fluxo rodoviário ou ferroviário, mantendo a
continuidade da via de comunicação quando esta se depara e têm que transpor
um obstáculo natural constituído por depressão do terreno (estradas, ruas,
acidentes geográficos, etc.), cruzamentos e outros sem que este seja obstruído.
Viadutos são muito comuns em grandes metrópoles, onde o intenso tráfego de
veículos normalmente de grandes avenidas ou vias expressas não podem ser
ligeiramente interrompidos. Além de cidades que possuem muitos acidentes
geográficos, onde o viaduto serve para ligar dois pontos mais altos de uma
determinada região e relevo.
A palavra Ponte provém do Latim Pons que por sua vez descende do Etrusco
Pont, que significa "estrada". Em grego πόντος (Póntos), derive talvez da raiz
Pent que significa uma ação de caminhar.
Tipos de pontes:
As pontes podem ser classificadas pelo uso para o qual foram desenhadas, pelo
tipo de estrutura usado na sua concepção.
- Pelo uso
- Segundo a sua utilização as pontes podem ser classificados como:
- Pontes ferroviárias, para o tráfego de comboios.
- Pontes rodoviárias, para o tráfego de automóveis e também chamada de
viadutos nas áreas urbanas.
- Pontes pedonais, utilizadas exclusivamente por peões e também chamadas de
'passarelas'.
- Pontes oleodutos, para o transporte de produtos químicos ou de água.
ABSTRACT
Bridge is a construct that allows you to connect at the same level not accessible
points separated by rivers, valleys, or other natural or artificial obstacles.
Bridges are built to permit the passage of the obstacle to overcome, people, cars,
trains, pipelines and water pipes (aqueducts).
When built on a watercourse, its tray is often located calculated height in order
to allow the passage of vessels safely in its structure. When built on a dry
medium usually be called flyover bridges as a way of nicknaming bridges in
urban areas. The opposite can not be used as a viaduct is a bridge that is not
intended to stop the road or rail flow, maintaining the continuity of
communication via when it faces and have to overcome a natural barrier
consisting of the ground depression (roads, streets , landforms, etc.), crosses and
other without it being obstructed.
Viaducts are very common in large cities, where heavy vehicle traffic usually
expressed great avenues or roads may be slightly interrupted. In addition to
cities that have many landforms, where the viaduct is used to connect two
highest points of a given region and relief.
The word comes from the Latin Pons Bridge which in turn descended from
Etruscan Pont, which means "road". In πόντος Greek (points), derive maybe
Pent root meaning an action of walking.
Types of stopovers:
Bridges can be classified by use for which they were designed, the type of
structure used in its design.
- By use
- According to its use the bridges can be classified as:
- Railway bridges for the railway traffic
- Bridges for automobile traffic and also called overpasses in urban areas
- Pedestrian bridges, used exclusively by pedestrians and also called 'runways'
- Bridges pipelines for the transport of chemicals or water.
Sumário
I. INTRODUÇÃO.............................................................................................................................. 9
1 . Local da Visita Técnica..................................................................................................... 9
2 . Profissional Responsável ................................................................................................ 9
3 . Natureza da Visita Técnica .............................................................................................. 9
3.1. Coordenação de Curso.................................................................................................... 9
3.2. Curso realizador da visita................................................................................................ 9
3.3. Disciplina de Curso Geradora da Visita Técnica......................................................... 9
3.4. Professor de Disciplina que Indicou a Visita ................................................................ 9
3.5. Turma Realizadora da Visita .......................................................................................... 9
II. OBJETIVOS................................................................................................................................ 10
III. DESENVOLVIMENTO TEÓRICO ....................................................................................... 10
1 . Detalhes iniciais. .............................................................................................................. 10
1.1. Corte da sessão transversal da ponte. ....................................................................... 10
1.2. Descrição do edifício...................................................................................................... 11
1.3. Corte Esquemático......................................................................................................... 11
1.4. Análise do projeto........................................................................................................... 12
2 . Materiais ............................................................................................................................. 12
2.1. Concreto........................................................................................................................... 12
2.2. Módulo de Elasticidade.................................................................................................. 13
2.3. Aço de Armadura Passiva............................................................................................. 13
2.4. Aço de Armadura Ativa.................................................................................................. 13
3 . Parâmetro de Durabilidade............................................................................................ 13
3.1. Classe de agressividade ............................................................................................... 13
3.2. Cobrimentos gerais ........................................................................................................ 14
4 . Ações e Combinações .................................................................................................... 14
4.1. Carga vertical .................................................................................................................. 14
4.2. Desaprumo Global.......................................................................................................... 15
4.3. Empuxo ............................................................................................................................ 15
4.4. CARREGAMENTO MÓVEL (CARGAS ACIDENTAIS)............................................ 16
4.5. Carregamentos nos Pavimentos.................................................................................. 17
5 . Modelo Estrutural............................................................................................................. 17
5.1. Explicações...................................................................................................................... 17
5.2. Modelo Estrutural dos Pavimentos .............................................................................. 18
5.3. Modelo Estrutural Global............................................................................................... 18
5.4. Critérios de Projeto......................................................................................................... 19
5.5. Modelo ELU..................................................................................................................... 19
5.6. Modelo ELS..................................................................................................................... 20
6 . Consideração das Fundações ...................................................................................... 20
7 . ESFORÇOS DE CÁLCULO ............................................................................................. 20
8 . Memorial de Calculo de Lajes....................................................................................... 21
8.1. Tabuleiro .......................................................................................................................... 21
8.2. Longarinas....................................................................................................................... 22
8.3. Travessa .......................................................................................................................... 22
8.4. Tabuleiro .......................................................................................................................... 23
9 . Envoltório Esforços das Longarinas (Sem Protensão).......................................... 23
1 0 . Envoltório Esforços das Longarinas (Com Protensão) ..................................... 25
1 1 . Dimensionamento e Detalhamento de Vigas Pré Moldadas............................ 26
1 2 . Protensão ....................................................................................................................... 26
1 3 . Tensões........................................................................................................................... 26
1 4 . Armadura Passiva........................................................................................................ 27
1 5 . Fissuração...................................................................................................................... 27
1 6 . Cisalhamento................................................................................................................. 27
1 7 . Critérios Projetos – Gerenciados............................................................................. 27
17.1. Critérios gerais............................................................................................................ 27
17.2. Ações............................................................................................................................ 28
17.3. Ponderadores.............................................................................................................. 28
17.4. Análise estrutural........................................................................................................ 28
1 8 . Orçamento...................................................................................................................... 29
1 9 . Memorial de Calculo.................................................................................................... 35
2 0 . Projetos........................................................................................................................... 44
IV. FOTOS DA VISITA TÉCNICA ............................................................................................. 47
1.1. Pavimento; ..................................................................................................................... 47
 Serve para rolamento dos veículos..................................................................................... 47
1.2. Transversinas; .............................................................................................................. 48
 Combatem a torção................................................................................................................ 48
1.3. Longarinas;.................................................................................................................... 49
 Combate os momentos positivos, negativos e ainda os esforços cortantes,
proporcionados pelos carregamentos exercidos sobre ela..................................................... 49
1.4. Aba, Viga de fechamento;.......................................................................................... 50
 servem para segurar o aterro............................................................................................... 50
1.5. Guarda roda e proteção; ............................................................................................ 51
 Servem para em caso de acidente os veículos não caírem da ponte. .......................... 51
1.6. Foto de integrantes do grupo no local da visita, Álvaro Lima e
Ademildo Júnior. ...................................................................................................................... 52
V. CONCLUSÕES ........................................................................................................................... 53
VI. REFERÊNCIAS BIBLIOGRÁFICAS .................................................................................. 53
9
I. INTRODUÇÃO
1 . Local da Visita Técnica
Ponte da Rua das Mangueiras e Rua das Palmas sobre o Ribeirão
Santo Antônio, Aparecida de Goiânia – GO.
2 . Profissional Responsável
EVILYN PALMA – Engenheira Civil
3 . Natureza da Visita Técnica
3.1. Coordenação de Curso
UNIP – GOIÂNIA/GO – Departamento de Engenharia Civil
Reitoria: Prof. Florisberto Garcia dos Santos
Diretoria: Prof.ª Dra. Ana Karolina
3.2. Curso realizador da visita
Curso de Engenharia Civil da Universidade Paulista – Campus
Goiânia Flamboyant
3.3. Disciplina de Curso Geradora da Visita Técnica
Disciplina de Pontes e Grandes Estruturas e Atividades Práticas
Supervisionadas
3.4. Professor de Disciplina que Indicou a Visita
Prof. Msc. Dannilo Carvalho
3.5. Turma Realizadora da Visita
Turma do 9 ° período de Engenharia do turno matutino, sala 128.
10
II. OBJETIVOS
Observar os componentes que a constituem e o processo de
construção, geometria, materiais utilizados, trem-tipo utilizado, critério de
segurança adotado para a segurança à fadiga do aço de uma ponte,
registrando os elementos que constituem a construção da mesma, a partir
de uma visita técnica.
III. DESENVOLVIMENTO TEÓRICO
1 . Detalhes iniciais.
1.1. Corte da sessão transversal da ponte.
11
1.2. Descrição do edifício
O edifício 0474-PRE-BASITEC_ Ribeirão Santo Antônio é constituído por
5 pavimentes: 4 pavimentos auxiliares, para uma melhor discretização dos
esforços de empuxo (Aux_01 / Aux_02 / Aux_03 / Aux_04) e 1 pavimento
tabuleiro. A seguir é apresentado um quadro com detalhes de cada um
destes pavimentos.
A altura do edifício é de 8,5 m.
1.3. Corte Esquemático
Pavimentos Piso a Piso (m) Cota (m) Área (m2)
Tabuleiro 2.40 8.50 248.72
Aux 04 1.64 6.10 12.37
Aux 03 1.63 4.46 7.84
Aux 02 1.63 2.83 7.84
Aux 01 1.20 1.20 3.92
Fundação 0.00 0.00 0.00
TOTAL
— —
280.69
12
1.4. Análise do projeto
Na análise, dimensionamento e detalhamento dos elementos estruturais
deste edifício foram utilizadas as prescrições indicadas pelas seguintes
normas:
• NBR7187:2003 - Projeto e execução de pontes de concreto armado e
protendido;
• NBR6118:2007 - Projeto de estruturas de concreto - Procedimentos;
• NBR7188:1984 - Carga móvel em pronte rodoviária e passarela de
pedestres;
• NBR6120:1980 - Cargas para o cálculo de estruturas de edificações -
Procedimentos;
• NBR6123:1988 - Forças devidas ao vento em edificações -
Procedimentos;
• NBR8681:2003 - Ações e segurança nas estruturas – Procedimentos
2 . Materiais
2.1. Concreto
A seguir são apresentados os valores de fck, em MPa, utilizados para
cada um dos elementos estruturais, para cada um dos pavimentos:
Pavimento Lajes Vigas Fundações
Tabuleiro 40 40 40
Aux 04 40 40 40
Aux 03 40 40 40
Aux 02 40 40 40
Aux 01 40 40 40
Fundação 40 40 40
Piso Pavimento fck do pilar (MPa)
5 Tabuleiro 40
4 Aux 04 40
3 Aux 03 40
2 Aux 02 40
1 Aux 01 40
0 Fundação 40
13
2.2. Módulo de Elasticidade
O módulo de elasticidade, em tí/m2, utilizado para cada um dos concretos
utilizados é listado a seguir:
2.3. Aço de Armadura Passiva
Foram utilizadas as seguintes características para o aço estrutural utilizado
no projeto:
2.4. Aço de Armadura Ativa
Foram utilizadas as seguintes características para o aço estrutural utilizado
no projeto:
Tipo de barra Ecs(GPa) fpyk(MPa) fptk(MPa) Massa específica (kg/m3) nb
CP190-12,7 200 175 190 7.850 1.0
3 . Parâmetro de Durabilidade
3.1. Classe de agressividade
Para o dimensionamento e detalhamento dos elementos estruturais foi
considerada a seguinte Classe de Agressividade Ambiental no projeto: II -
Moderada, conforme definido pelo item 6 da NBR6118:2007.
Ecs Eci
C25 2380000 2800000
C40 2380000 2800000
Tipo de barra Ecs(GPa) fyk(MPa) Massa especifica(kg/m3) nb n1
CA-25 210 250 7.850 1.0 1,00
CASO 210 500 7.850 1,5 2,25
CASO 210 600 7.850 1.2 1,40
14
3.2. Cobrimentos gerais
A definição dos cobrimentos foi feita com base na Classe de Agressividade
Ambiental definida anteriormente e de acordo com o item 7.4.7 e seus
subitens.
A seguir são apresentados os valores de cobrimento utilizados para os
diversos elementos estruturais existentes no projeto:
Elemento Estrutural Cobrimento (cm)
Lajes convencionais (superior/ inferior) 2.5/2.5
Lajes protendidas (superior / inferior) 3.5/3.5
Vigas 3.0
Pilares 3.0
Fundações 5.0
4 . Ações e Combinações
4.1. Carga vertical
A seguir são apresentados as cargas médias utilizadas em cada um dos
pavimentos para o dimensionamento da estrutura.
A "carga média" de um pavimento é a razão entre as todas as cargas
verticais características {peso- próprio, permanentes ou acidentais) pela
área total estimada co pavimento.
Pavimento Peso Próprio (tf/m2) Permanente (tf/m2) Acidental (tf/m2)
Tabuleiro 14.41 6.07 6.43
Aux 04 14.25 0.00 0.00
Aux 03 0.00 0.00 0.00
Aux 02 0.00 0.00 0.00
Aux 01 0.00 0.00 0.00
Fundação 0.00 0.00 0.00
As cargas apresentadas foram obtidas do modelo dos pavimentos e não
apresentam o peso próprio dos pilares.
Na análise estrutural do edifício não foi considera a redução de sobrecarga
definida no item 2.2 1.6 da NBR 6120:1980.
15
4.2. Desaprumo Global
Ângulo (rad)... 1/300.0
Caso Ângulo (°)
15 90.0
16 270.0
17 0.0
16 180.0
4.3. Empuxo
Considerando a pressão do solo nos pilares.
Carga do empuxo no topo = 0.3 tf/m
Devido a diferença de altura entre os dois lados da ponte, temos dois tipos
de empuxo na base. Carga de empuxo na base 1 (Para um altura de 8.50
m) = 4.S0 tf/m Carga de empuxo na base 2 (Para um altura de 7.30 m) =
4.30 tf/m.
16
4.4. CARREGAMENTO MÓVEL (CARGAS
ACIDENTAIS)
O veiculo utilizado é o Trem -Tipo 45.
Veículo= 45/6= 7.5 tf
Considerando as rodas de 20x50 cm, temos:
Veículo= 7.5/(0.5*0.1)= 75tf/m²
Carregamento de multidão de 0.5 tf/m².
Hipóteses para as cargas móveis para carga de multidão, em todo tabuleiro:
Para carga devido:
TREM-TIPO (As distâncias são descritas em relação ao eixo do trem tipo):
 TREM TIPO na parte inferior esquerda da ponte a 1.70 m da
travessa;
 TREM TIPO no centro do lado esquerdo da ponte a 1.70 m da
travessa;
 TREM TIPO na parte superior esquerda da ponte a 1.70 m da
travessa;
 TREM TIPO na parte inferior central da ponte a 14.62 m da travessa;
 TREM TIPO no centro da ponte a 14.62 m da travessa:
 TREM TIPO na parte superior central da ponte a 14.62 m da
travessa;
 TREM TIPO na parte inferior direita da ponte a 1.70 m da travessa;
 TREM TIPO no centro do lado direito da ponte a 1.70 m da travessa;
 TREM TIPO na parte superior direita da ponte a 1.70 m da travessa.
17
4.5. Carregamentos nos Pavimentos
Outros carregamentos considerados nos modelos dos pavimentos são
apresentados a seguir:
Pavimento Temperatura Retração Protensão Dinâmica
Tabuleiro Não Não Sim Sim
Aux 04 Não Não Não Não
Aux 03 Não Não Não Não
Aux 02 Não Não Não Não
Aux 01 Não Não Não Não
Fundação Não Não Não Não
5 . Modelo Estrutural
5.1. Explicações
Na análise estrutural do edifício foi utilizado c 'Modelo 4' do sistema
CAD/TQS. Este modelo consiste em dois modelos de cálculo:
 Modelo de grelha para os pavimentos;
 Modelo de pórtico espacial para a analise global;
O edifício será modelado por um único pórtico espacial mais os modelos
dos pavimentos. O pórtico será composto apenas por barras que simulam as
vigas e pilares da estrutura com o efeito de diafragma rígido das lajes
devidamente incorporado ao modelo. Os efeitos oriundos das ações
verticais e horizontais nas vigas e pilares serão calculados com o pórtico
espacial.
Nas lajes, somente os efeitos gerados pelas ações verticais serão
calculados. Nos pavimentos simulados por grelha de lajes, os esforços
resultantes das barras de lajes sobre as vigas serão transferidas como cargas
para o pórtico espacial, ou seja, há uma 'certa' integração entre ambos os
modelos (pórtico e grelha). Para os demais tipos de modelos de pavimentos
as cargas das lajes serão transferidas para o pórtico por meio de quinhos de
carga.
Tratamento especial para vigas de transição e que suportam tirantes pode
ter sido considerado e são apontados no item 'Critérios de projeto'.
18
5.2. Modelo Estrutural dos Pavimentos
A análise do comportamento estrutural dos pavimentos foi realizada
através de modelos de grelha ou pórtico plano. Nestes modelos as lajes
foram integralmente consideradas, junto com as vigas e os apoios formados
pelos pilares existentes.
A seguir são apresentados o tipo de modelo estrutural utilizado em cada um
dos pavimentos:
Pavimento Descrição do Modelo Modelo Estrutural
Tabuleiro Modelo de lajes planas Pórtico (6 graus de liberdade)
Aux 04 Modelo de lajes planas Grelha (3 qraus de liberdade)
Aux 03 Modelo de lajes planas Grelha (3 graus de liberdade)
Aux 02 Modelo de lajes planas Grelha (3 graus de liberdade)
Aux 01 Modelo de lajes planas Grelha (3 graus de liberdade)
Fundação Modelo de lajes planas Grelha (3 graus de liberdade)
Para a avaliação das deformações dos pavimentos em serviço, também
foram realizadas análises considerando a não-linearidade física, onde
através de incrementos de carga, as inércias reais das seções são estimadas
considerando as armaduras de projeto e a fissuração nos estádios I, II ou
III.
Os esforços obtidos dos modelos estruturais dos pavimentos foram
utilizados para o dimensionamento das lajes á flexão e cisalhamento.
5.3. Modelo Estrutural Global
No modelo de pórtico foram incluídos todos os elementos principais da
estrutura, ou seja, pilares e vigas, além da consideração do diafragma
rígido formado nos planos de cada pavimento (lajes). A rigidez a flexão
das lajes foi desprezada na análise de esforços horizontais (vento).
Os pórticos espaciais foram modelados com todos os pavimentos do
edifício, para a avaliação dos efeitos das ações horizontais e os efeitos de
redistribuição de esforços em toda a estrutura devido aos carregamentos
verticais.
19
As cargas verticais atuantes nas vigas e pilares do pórtico foram extraídas
de modelos de grelha de cada um dos pavimentos.
Foram utilizados dois modelos de pórtico espacial: um específico para
análises de Estado Limite Último - ELU e outro para o Estado Limite de
Serviço - ELS. As características de cada um destes modelos são
apresentadas a seguir.
5.4. Critérios de Projeto
A seguir são apresentadas algumas considerações de projeto utilizadas
para a análise estrutura do edifício em questão:
• Flexibilização das ligações viga/pilar: Sim;
• Modelo enrijecido para viga de transição: Sim
• Método para análise de 2a
. Ordem global: GamaZ
• Análise por efeito incrementai: Não
• Análise com interação fundação-estrutura: Não
5.5. Modelo ELU
O modelo ELU foi utilizado para obtenção dos esforços necessários para o
dimensionamento e detalhamento dos elementos estruturais.
Apenas no neste modelo foram utilizados os coeficientes de não linearidade
física conforme indicadas pelo item 15.7.3 da NBR6118:2007. A seguir são
apresentados estes valores:
Pilares 0.80
Vigas 0.40
Lajes 0.30
O módulo de elasticidade utilizado no modelo foi de secante, de acordo
com o fck do elemento estrutural (já apresentado anteriormente}.
20
5.6. Modelo ELS
O modelo ELS foi utilizado para análise de deslocamento do edifício.
Neste modelo a inércia utilizada para os elementos estruturais foi a bruta.
6 . Consideração das Fundações
Todas as fundações foram consideradas rigidamente conectadas á base.
7 . ESFORÇOS DE CÁLCULO
Os esforços obtidos na análise de pórtico foram utilizados para o
dimensionamento de vigas e pilares, onde um conjunto de combinações
conciliando cs esforços de cargas verticais e de desaprumo são agrupados
e ponderados segundo as prescrições das normas NBR8681:2003 e
NBR6118:2007.
No dimensionamento das armaduras das vigas é utilizada uma envoltória
de esforços solicitantes de todas as combinações pertencentes ao grupo
ELU1. Para o dimensionamento de armaduras dos pilares são utilizadas
todas as hipóteses de solicitações (combinações do grupo ELU2); neste
conjunto de combinações são aplicadas as reduções de sobrecarga previstas
na NBR 6120:2007, caso c projeto esteja utilizando este método.
21
8 . Memorial de Calculo de Lajes
8.1. Tabuleiro
Dados: Seção - h = 15 cm,
Composta por 13 vãos de 1,00m e dois balanços de 0,50 m cada, todos com
continuidade.
Carregamentos:
Permanente = 0.2 tf/m2
Acidental = 0.5 tf/m2
TREM TIPO 45
Esforços:
Momento positivo máximo = 1.5 tf.m
Momento negativo máximo = 1.4 tf.m
Dimensionamento:
Área de aço minina = 15*0.23 = 3.45 cm2
Área de aço positivo = 4.35 cmJ
Para facilitar a execução das lajes optamos pelo uso de telas. Assim foi
escolhida a Q503,pois atende a área de aço necessária.
Área de aço da Q503 = 5.03 cm2
nas duas direções.
22
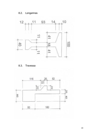
8.2. Longarinas
8.3. Travessa
23
8.4. Tabuleiro
9 . Envoltório Esforços das Longarinas (Sem Protensão)
Esforços com valores característicos Todas unidades em m, tf
24
25
1 0 . Envoltório Esforços das Longarinas (Com
Protensão)
26
1 1 . Dimensionamento e Detalhamento de Vigas Pré
Moldadas
 Número de peças do grupo: 20
 Comprimento da peça (m): 30
 Volume unitário/ total (m³): 12.9 / 257.9
 Peso unitário / Total (tf): 32.2 / 644.9
1 2 . Protensão
 Número de armaduras na peça: 18
 Força total na peça (tf): 254.2
 Peso de armadura na peça (kgf): 427.7
 Nivel de protensão: II – Limitada
1 3 . Tensões
27
1 4 . Armadura Passiva
Armadura SUPERIOR necessária / detalhada (cm²): 20.03 / 22.12
Armadura INFERIOR necessária/ detalhada (cm²): 31.22/ 34.36
1 5 . Fissuração
Abertura de fissura máxima / limite (mm): 00/ 20
1 6 . Cisalhamento
1 7 . Critérios Projetos – Gerenciados
A seguir são apresentados alguns dos critérios de projeto utilizados.
17.1. Critérios gerais
Norma em uso
a) NBR-6118-2003
Verificação de fck mínimo
a) Desativa
Verificação de cobrimentos mínimos
a) Desativa
Verificação de dimensões mínimas
a) Verifica segunda a ABNT NBR 6118:2003
28
17.2. Ações
 Separação de cargas permanentes e variáveis
a) Com separação
 Caso 1 agrupa outros casos
a) Casos de 2 a 4
 Consideração de peso-próprio de lajes
a) Sim
 Consideração de peso-próprio de vigas
a) Sim
 Carga estimada em viga de transição
a) Entre a carga estimada pelo pórtico e a definida pelo engenheiro, usar
o valor de maior modulo.
b) Permite cálculo c/ altura de alvenaria igual à zero
c) Não
17.3. Ponderadores
a) Ponderador do peso-próprio
(1) 1.4
b) Ponderador das demais ações permanentes (CV)
(1) 1.4
c) Ponderador das ações variáveis (CV)
(1) 1,4
17.4. Análise estrutural
a) Modelo de vigas e pilares, flexibilizado conforme critérios para viga
de transição.
b) Modelo adicional com vigas de transição enrijecidas.
29
1 8 . Orçamento
30
31
32
33
34
35
1 9 . Memorial de Calculo
Nesse item estão apresentados os critérios para o cálculo das
quantidades dos serviços necessários ã execução das obras. Alguns
serviços são estimados analiticamente e outros através de cálculos
específicos.
36
37
38
39
40
41
42
43
44
2 0 . Projetos
45
46
47
IV. FOTOS DA VISITA TÉCNICA
1.1. Pavimento;
 Serve para rolamento dos veículos.
48
1.2. Transversinas;
 Combatem a torção
49
1.3. Longarinas;
 Combate os momentos positivos, negativos e ainda os
esforços cortantes, proporcionados pelos
carregamentos exercidos sobre ela.
50
1.4. Aba, Viga de fechamento;
 servem para segurar o aterro.
51
1.5. Guarda roda e proteção;
 Servem para em caso de acidente os veículos não
caírem da ponte.
52
1.6. Foto de integrantes do grupo no local da visita,
Álvaro Lima e Ademildo Júnior.
53
V. CONCLUSÕES
O projeto de pontes de concreto armado exige um enorme trabalho. Porém
a análise de comportamento de estruturas se tornou muito mais clara em
aplicações a problemas reais como o dimensionamento de uma estrutura
real. A ajuda de softwares também auxilia na análise estrutural.
O desenvolvimento de um projeto estrutural possui uma complexidade
bastante elevada e de grande importância já que ele determina a segurança
da obra. Deve ser realizado com calma e bastante atenção em todas as
etapas do processo.
Na parte de softwares o campo de desenvolvimento é bem grande, portanto
busco como novas pesquisas de estudos para outros programas
computacionais, vidando uma maior precisão a aplicação dos cálculos e
análise comportamental das obras.
VI. REFERÊNCIAS BIBLIOGRÁFICAS
www.ctec.ufal.br/ees/disciplinas/ec2/PontePauSeco.pdf
www.abpe.org.br/trabalhos/trab_19.pdf
uenf.br/Uenf/Downloads/LECIV_1712_1250018821.pdf
www.uel.br/ctu/dtru/DISCIPLINAS/.../Ponte%20com%202%20Vigas%20
Abr07.pdf
200.129.241.80/ppgeea/sistema/dissertacoes/14.pdf
http://repositorio.uniceub.br/bitstream/235/6420/1/21159923.pdf

Aps 9 p finale

  • 1.
    ADEMILDO T. QUEIROZJÚNIOR ALEXANDRE HENRIQUE ÁLVARO LIMA SILVA EDUARDO PAIVA LEONARDO BORGES DE PAIVA ANÁLISE DE PROJETO E EXECUÇÃO DE UMA PONTE VISITA TÉCNICA E DETALHAMENTO GOIÂNIA 2016
  • 2.
    Ademildo T. QueirozJúnior – B2692G-7 Alexandre Henrique – B27959-1 Álvaro Lima Silva – B3086E-5 Eduardo Paiva – B34556-0 Leonardo Borges de Paiva – B5654A-0 Turmas: 8º / 9 º períodos, Matutino, Sala 128 ANÁLISE DE PROJETO E EXECUÇÃO DE UMA PONTE VISITA TÉCNICA E DETALHAMENTO Trabalho de Atividades Práticas Supervisionadas ‘‘APS’’ para complementação das atividades acadêmicas de graduação em Engenharia Civil apresentado à Universidade Paulista – UNIP. Orientadora Prof. Msc. Dannilo Carvalho GOIÂNIA 2016
  • 3.
    Ademildo T. QueirozJúnior – B2692G-7 Alexandre Henrique – B27959-1 Álvaro Lima Silva – B3086E-5 Eduardo Paiva – B34556-0 Leonardo Borges de Paiva – B5654A-0 Trabalho de Atividades Práticas Supervisionadas ‘‘APS’’ para complementação das atividades acadêmicas de graduação em Engenharia Civil apresentado à Universidade Paulista – UNIP. Orientador Prof. Msc. Dannilo Carvalho COMISSÃO EXAMINADORA Prof. Msc. Dannilo Carvalho Universidade Paulista – UNIP Campus Goiânia-Flamboyant GOIÂNIA, 15 de Maio de 2016.
  • 4.
    RESUMO Ponte é umaconstrução que permite interligar ao mesmo nível pontos não acessíveis separados por rios, vales, ou outros obstáculos naturais ou artificiais. As pontes são construídas para permitirem a passagem sobre o obstáculo a transpor, de pessoas, automóveis, comboios, canalizações ou condutas de água (aquedutos). Quando é construída sobre um curso de água, o seu tabuleiro é frequentemente situado a altura calculada de forma a possibilitar a passagem de embarcações com segurança sob a sua estrutura. Quando construída sobre um meio seco costuma-se chamar pontes de viaduto como uma forma de apelidar pontes em meios urbanos. Do contrario não pode ser usado já que um viaduto é uma ponte que visa não interromper o fluxo rodoviário ou ferroviário, mantendo a continuidade da via de comunicação quando esta se depara e têm que transpor um obstáculo natural constituído por depressão do terreno (estradas, ruas, acidentes geográficos, etc.), cruzamentos e outros sem que este seja obstruído. Viadutos são muito comuns em grandes metrópoles, onde o intenso tráfego de veículos normalmente de grandes avenidas ou vias expressas não podem ser ligeiramente interrompidos. Além de cidades que possuem muitos acidentes geográficos, onde o viaduto serve para ligar dois pontos mais altos de uma determinada região e relevo. A palavra Ponte provém do Latim Pons que por sua vez descende do Etrusco Pont, que significa "estrada". Em grego πόντος (Póntos), derive talvez da raiz Pent que significa uma ação de caminhar. Tipos de pontes: As pontes podem ser classificadas pelo uso para o qual foram desenhadas, pelo tipo de estrutura usado na sua concepção. - Pelo uso - Segundo a sua utilização as pontes podem ser classificados como: - Pontes ferroviárias, para o tráfego de comboios. - Pontes rodoviárias, para o tráfego de automóveis e também chamada de viadutos nas áreas urbanas. - Pontes pedonais, utilizadas exclusivamente por peões e também chamadas de 'passarelas'. - Pontes oleodutos, para o transporte de produtos químicos ou de água.
  • 5.
    ABSTRACT Bridge is aconstruct that allows you to connect at the same level not accessible points separated by rivers, valleys, or other natural or artificial obstacles. Bridges are built to permit the passage of the obstacle to overcome, people, cars, trains, pipelines and water pipes (aqueducts). When built on a watercourse, its tray is often located calculated height in order to allow the passage of vessels safely in its structure. When built on a dry medium usually be called flyover bridges as a way of nicknaming bridges in urban areas. The opposite can not be used as a viaduct is a bridge that is not intended to stop the road or rail flow, maintaining the continuity of communication via when it faces and have to overcome a natural barrier consisting of the ground depression (roads, streets , landforms, etc.), crosses and other without it being obstructed. Viaducts are very common in large cities, where heavy vehicle traffic usually expressed great avenues or roads may be slightly interrupted. In addition to cities that have many landforms, where the viaduct is used to connect two highest points of a given region and relief. The word comes from the Latin Pons Bridge which in turn descended from Etruscan Pont, which means "road". In πόντος Greek (points), derive maybe Pent root meaning an action of walking. Types of stopovers: Bridges can be classified by use for which they were designed, the type of structure used in its design. - By use - According to its use the bridges can be classified as: - Railway bridges for the railway traffic - Bridges for automobile traffic and also called overpasses in urban areas - Pedestrian bridges, used exclusively by pedestrians and also called 'runways' - Bridges pipelines for the transport of chemicals or water.
  • 6.
    Sumário I. INTRODUÇÃO.............................................................................................................................. 9 1. Local da Visita Técnica..................................................................................................... 9 2 . Profissional Responsável ................................................................................................ 9 3 . Natureza da Visita Técnica .............................................................................................. 9 3.1. Coordenação de Curso.................................................................................................... 9 3.2. Curso realizador da visita................................................................................................ 9 3.3. Disciplina de Curso Geradora da Visita Técnica......................................................... 9 3.4. Professor de Disciplina que Indicou a Visita ................................................................ 9 3.5. Turma Realizadora da Visita .......................................................................................... 9 II. OBJETIVOS................................................................................................................................ 10 III. DESENVOLVIMENTO TEÓRICO ....................................................................................... 10 1 . Detalhes iniciais. .............................................................................................................. 10 1.1. Corte da sessão transversal da ponte. ....................................................................... 10 1.2. Descrição do edifício...................................................................................................... 11 1.3. Corte Esquemático......................................................................................................... 11 1.4. Análise do projeto........................................................................................................... 12 2 . Materiais ............................................................................................................................. 12 2.1. Concreto........................................................................................................................... 12 2.2. Módulo de Elasticidade.................................................................................................. 13 2.3. Aço de Armadura Passiva............................................................................................. 13 2.4. Aço de Armadura Ativa.................................................................................................. 13 3 . Parâmetro de Durabilidade............................................................................................ 13 3.1. Classe de agressividade ............................................................................................... 13 3.2. Cobrimentos gerais ........................................................................................................ 14 4 . Ações e Combinações .................................................................................................... 14 4.1. Carga vertical .................................................................................................................. 14 4.2. Desaprumo Global.......................................................................................................... 15 4.3. Empuxo ............................................................................................................................ 15 4.4. CARREGAMENTO MÓVEL (CARGAS ACIDENTAIS)............................................ 16 4.5. Carregamentos nos Pavimentos.................................................................................. 17 5 . Modelo Estrutural............................................................................................................. 17 5.1. Explicações...................................................................................................................... 17 5.2. Modelo Estrutural dos Pavimentos .............................................................................. 18 5.3. Modelo Estrutural Global............................................................................................... 18
  • 7.
    5.4. Critérios deProjeto......................................................................................................... 19 5.5. Modelo ELU..................................................................................................................... 19 5.6. Modelo ELS..................................................................................................................... 20 6 . Consideração das Fundações ...................................................................................... 20 7 . ESFORÇOS DE CÁLCULO ............................................................................................. 20 8 . Memorial de Calculo de Lajes....................................................................................... 21 8.1. Tabuleiro .......................................................................................................................... 21 8.2. Longarinas....................................................................................................................... 22 8.3. Travessa .......................................................................................................................... 22 8.4. Tabuleiro .......................................................................................................................... 23 9 . Envoltório Esforços das Longarinas (Sem Protensão).......................................... 23 1 0 . Envoltório Esforços das Longarinas (Com Protensão) ..................................... 25 1 1 . Dimensionamento e Detalhamento de Vigas Pré Moldadas............................ 26 1 2 . Protensão ....................................................................................................................... 26 1 3 . Tensões........................................................................................................................... 26 1 4 . Armadura Passiva........................................................................................................ 27 1 5 . Fissuração...................................................................................................................... 27 1 6 . Cisalhamento................................................................................................................. 27 1 7 . Critérios Projetos – Gerenciados............................................................................. 27 17.1. Critérios gerais............................................................................................................ 27 17.2. Ações............................................................................................................................ 28 17.3. Ponderadores.............................................................................................................. 28 17.4. Análise estrutural........................................................................................................ 28 1 8 . Orçamento...................................................................................................................... 29 1 9 . Memorial de Calculo.................................................................................................... 35 2 0 . Projetos........................................................................................................................... 44 IV. FOTOS DA VISITA TÉCNICA ............................................................................................. 47 1.1. Pavimento; ..................................................................................................................... 47  Serve para rolamento dos veículos..................................................................................... 47 1.2. Transversinas; .............................................................................................................. 48  Combatem a torção................................................................................................................ 48 1.3. Longarinas;.................................................................................................................... 49  Combate os momentos positivos, negativos e ainda os esforços cortantes, proporcionados pelos carregamentos exercidos sobre ela..................................................... 49 1.4. Aba, Viga de fechamento;.......................................................................................... 50
  • 8.
     servem parasegurar o aterro............................................................................................... 50 1.5. Guarda roda e proteção; ............................................................................................ 51  Servem para em caso de acidente os veículos não caírem da ponte. .......................... 51 1.6. Foto de integrantes do grupo no local da visita, Álvaro Lima e Ademildo Júnior. ...................................................................................................................... 52 V. CONCLUSÕES ........................................................................................................................... 53 VI. REFERÊNCIAS BIBLIOGRÁFICAS .................................................................................. 53
  • 9.
    9 I. INTRODUÇÃO 1 .Local da Visita Técnica Ponte da Rua das Mangueiras e Rua das Palmas sobre o Ribeirão Santo Antônio, Aparecida de Goiânia – GO. 2 . Profissional Responsável EVILYN PALMA – Engenheira Civil 3 . Natureza da Visita Técnica 3.1. Coordenação de Curso UNIP – GOIÂNIA/GO – Departamento de Engenharia Civil Reitoria: Prof. Florisberto Garcia dos Santos Diretoria: Prof.ª Dra. Ana Karolina 3.2. Curso realizador da visita Curso de Engenharia Civil da Universidade Paulista – Campus Goiânia Flamboyant 3.3. Disciplina de Curso Geradora da Visita Técnica Disciplina de Pontes e Grandes Estruturas e Atividades Práticas Supervisionadas 3.4. Professor de Disciplina que Indicou a Visita Prof. Msc. Dannilo Carvalho 3.5. Turma Realizadora da Visita Turma do 9 ° período de Engenharia do turno matutino, sala 128.
  • 10.
    10 II. OBJETIVOS Observar oscomponentes que a constituem e o processo de construção, geometria, materiais utilizados, trem-tipo utilizado, critério de segurança adotado para a segurança à fadiga do aço de uma ponte, registrando os elementos que constituem a construção da mesma, a partir de uma visita técnica. III. DESENVOLVIMENTO TEÓRICO 1 . Detalhes iniciais. 1.1. Corte da sessão transversal da ponte.
  • 11.
    11 1.2. Descrição doedifício O edifício 0474-PRE-BASITEC_ Ribeirão Santo Antônio é constituído por 5 pavimentes: 4 pavimentos auxiliares, para uma melhor discretização dos esforços de empuxo (Aux_01 / Aux_02 / Aux_03 / Aux_04) e 1 pavimento tabuleiro. A seguir é apresentado um quadro com detalhes de cada um destes pavimentos. A altura do edifício é de 8,5 m. 1.3. Corte Esquemático Pavimentos Piso a Piso (m) Cota (m) Área (m2) Tabuleiro 2.40 8.50 248.72 Aux 04 1.64 6.10 12.37 Aux 03 1.63 4.46 7.84 Aux 02 1.63 2.83 7.84 Aux 01 1.20 1.20 3.92 Fundação 0.00 0.00 0.00 TOTAL — — 280.69
  • 12.
    12 1.4. Análise doprojeto Na análise, dimensionamento e detalhamento dos elementos estruturais deste edifício foram utilizadas as prescrições indicadas pelas seguintes normas: • NBR7187:2003 - Projeto e execução de pontes de concreto armado e protendido; • NBR6118:2007 - Projeto de estruturas de concreto - Procedimentos; • NBR7188:1984 - Carga móvel em pronte rodoviária e passarela de pedestres; • NBR6120:1980 - Cargas para o cálculo de estruturas de edificações - Procedimentos; • NBR6123:1988 - Forças devidas ao vento em edificações - Procedimentos; • NBR8681:2003 - Ações e segurança nas estruturas – Procedimentos 2 . Materiais 2.1. Concreto A seguir são apresentados os valores de fck, em MPa, utilizados para cada um dos elementos estruturais, para cada um dos pavimentos: Pavimento Lajes Vigas Fundações Tabuleiro 40 40 40 Aux 04 40 40 40 Aux 03 40 40 40 Aux 02 40 40 40 Aux 01 40 40 40 Fundação 40 40 40 Piso Pavimento fck do pilar (MPa) 5 Tabuleiro 40 4 Aux 04 40 3 Aux 03 40 2 Aux 02 40 1 Aux 01 40 0 Fundação 40
  • 13.
    13 2.2. Módulo deElasticidade O módulo de elasticidade, em tí/m2, utilizado para cada um dos concretos utilizados é listado a seguir: 2.3. Aço de Armadura Passiva Foram utilizadas as seguintes características para o aço estrutural utilizado no projeto: 2.4. Aço de Armadura Ativa Foram utilizadas as seguintes características para o aço estrutural utilizado no projeto: Tipo de barra Ecs(GPa) fpyk(MPa) fptk(MPa) Massa específica (kg/m3) nb CP190-12,7 200 175 190 7.850 1.0 3 . Parâmetro de Durabilidade 3.1. Classe de agressividade Para o dimensionamento e detalhamento dos elementos estruturais foi considerada a seguinte Classe de Agressividade Ambiental no projeto: II - Moderada, conforme definido pelo item 6 da NBR6118:2007. Ecs Eci C25 2380000 2800000 C40 2380000 2800000 Tipo de barra Ecs(GPa) fyk(MPa) Massa especifica(kg/m3) nb n1 CA-25 210 250 7.850 1.0 1,00 CASO 210 500 7.850 1,5 2,25 CASO 210 600 7.850 1.2 1,40
  • 14.
    14 3.2. Cobrimentos gerais Adefinição dos cobrimentos foi feita com base na Classe de Agressividade Ambiental definida anteriormente e de acordo com o item 7.4.7 e seus subitens. A seguir são apresentados os valores de cobrimento utilizados para os diversos elementos estruturais existentes no projeto: Elemento Estrutural Cobrimento (cm) Lajes convencionais (superior/ inferior) 2.5/2.5 Lajes protendidas (superior / inferior) 3.5/3.5 Vigas 3.0 Pilares 3.0 Fundações 5.0 4 . Ações e Combinações 4.1. Carga vertical A seguir são apresentados as cargas médias utilizadas em cada um dos pavimentos para o dimensionamento da estrutura. A "carga média" de um pavimento é a razão entre as todas as cargas verticais características {peso- próprio, permanentes ou acidentais) pela área total estimada co pavimento. Pavimento Peso Próprio (tf/m2) Permanente (tf/m2) Acidental (tf/m2) Tabuleiro 14.41 6.07 6.43 Aux 04 14.25 0.00 0.00 Aux 03 0.00 0.00 0.00 Aux 02 0.00 0.00 0.00 Aux 01 0.00 0.00 0.00 Fundação 0.00 0.00 0.00 As cargas apresentadas foram obtidas do modelo dos pavimentos e não apresentam o peso próprio dos pilares. Na análise estrutural do edifício não foi considera a redução de sobrecarga definida no item 2.2 1.6 da NBR 6120:1980.
  • 15.
    15 4.2. Desaprumo Global Ângulo(rad)... 1/300.0 Caso Ângulo (°) 15 90.0 16 270.0 17 0.0 16 180.0 4.3. Empuxo Considerando a pressão do solo nos pilares. Carga do empuxo no topo = 0.3 tf/m Devido a diferença de altura entre os dois lados da ponte, temos dois tipos de empuxo na base. Carga de empuxo na base 1 (Para um altura de 8.50 m) = 4.S0 tf/m Carga de empuxo na base 2 (Para um altura de 7.30 m) = 4.30 tf/m.
  • 16.
    16 4.4. CARREGAMENTO MÓVEL(CARGAS ACIDENTAIS) O veiculo utilizado é o Trem -Tipo 45. Veículo= 45/6= 7.5 tf Considerando as rodas de 20x50 cm, temos: Veículo= 7.5/(0.5*0.1)= 75tf/m² Carregamento de multidão de 0.5 tf/m². Hipóteses para as cargas móveis para carga de multidão, em todo tabuleiro: Para carga devido: TREM-TIPO (As distâncias são descritas em relação ao eixo do trem tipo):  TREM TIPO na parte inferior esquerda da ponte a 1.70 m da travessa;  TREM TIPO no centro do lado esquerdo da ponte a 1.70 m da travessa;  TREM TIPO na parte superior esquerda da ponte a 1.70 m da travessa;  TREM TIPO na parte inferior central da ponte a 14.62 m da travessa;  TREM TIPO no centro da ponte a 14.62 m da travessa:  TREM TIPO na parte superior central da ponte a 14.62 m da travessa;  TREM TIPO na parte inferior direita da ponte a 1.70 m da travessa;  TREM TIPO no centro do lado direito da ponte a 1.70 m da travessa;  TREM TIPO na parte superior direita da ponte a 1.70 m da travessa.
  • 17.
    17 4.5. Carregamentos nosPavimentos Outros carregamentos considerados nos modelos dos pavimentos são apresentados a seguir: Pavimento Temperatura Retração Protensão Dinâmica Tabuleiro Não Não Sim Sim Aux 04 Não Não Não Não Aux 03 Não Não Não Não Aux 02 Não Não Não Não Aux 01 Não Não Não Não Fundação Não Não Não Não 5 . Modelo Estrutural 5.1. Explicações Na análise estrutural do edifício foi utilizado c 'Modelo 4' do sistema CAD/TQS. Este modelo consiste em dois modelos de cálculo:  Modelo de grelha para os pavimentos;  Modelo de pórtico espacial para a analise global; O edifício será modelado por um único pórtico espacial mais os modelos dos pavimentos. O pórtico será composto apenas por barras que simulam as vigas e pilares da estrutura com o efeito de diafragma rígido das lajes devidamente incorporado ao modelo. Os efeitos oriundos das ações verticais e horizontais nas vigas e pilares serão calculados com o pórtico espacial. Nas lajes, somente os efeitos gerados pelas ações verticais serão calculados. Nos pavimentos simulados por grelha de lajes, os esforços resultantes das barras de lajes sobre as vigas serão transferidas como cargas para o pórtico espacial, ou seja, há uma 'certa' integração entre ambos os modelos (pórtico e grelha). Para os demais tipos de modelos de pavimentos as cargas das lajes serão transferidas para o pórtico por meio de quinhos de carga. Tratamento especial para vigas de transição e que suportam tirantes pode ter sido considerado e são apontados no item 'Critérios de projeto'.
  • 18.
    18 5.2. Modelo Estruturaldos Pavimentos A análise do comportamento estrutural dos pavimentos foi realizada através de modelos de grelha ou pórtico plano. Nestes modelos as lajes foram integralmente consideradas, junto com as vigas e os apoios formados pelos pilares existentes. A seguir são apresentados o tipo de modelo estrutural utilizado em cada um dos pavimentos: Pavimento Descrição do Modelo Modelo Estrutural Tabuleiro Modelo de lajes planas Pórtico (6 graus de liberdade) Aux 04 Modelo de lajes planas Grelha (3 qraus de liberdade) Aux 03 Modelo de lajes planas Grelha (3 graus de liberdade) Aux 02 Modelo de lajes planas Grelha (3 graus de liberdade) Aux 01 Modelo de lajes planas Grelha (3 graus de liberdade) Fundação Modelo de lajes planas Grelha (3 graus de liberdade) Para a avaliação das deformações dos pavimentos em serviço, também foram realizadas análises considerando a não-linearidade física, onde através de incrementos de carga, as inércias reais das seções são estimadas considerando as armaduras de projeto e a fissuração nos estádios I, II ou III. Os esforços obtidos dos modelos estruturais dos pavimentos foram utilizados para o dimensionamento das lajes á flexão e cisalhamento. 5.3. Modelo Estrutural Global No modelo de pórtico foram incluídos todos os elementos principais da estrutura, ou seja, pilares e vigas, além da consideração do diafragma rígido formado nos planos de cada pavimento (lajes). A rigidez a flexão das lajes foi desprezada na análise de esforços horizontais (vento). Os pórticos espaciais foram modelados com todos os pavimentos do edifício, para a avaliação dos efeitos das ações horizontais e os efeitos de redistribuição de esforços em toda a estrutura devido aos carregamentos verticais.
  • 19.
    19 As cargas verticaisatuantes nas vigas e pilares do pórtico foram extraídas de modelos de grelha de cada um dos pavimentos. Foram utilizados dois modelos de pórtico espacial: um específico para análises de Estado Limite Último - ELU e outro para o Estado Limite de Serviço - ELS. As características de cada um destes modelos são apresentadas a seguir. 5.4. Critérios de Projeto A seguir são apresentadas algumas considerações de projeto utilizadas para a análise estrutura do edifício em questão: • Flexibilização das ligações viga/pilar: Sim; • Modelo enrijecido para viga de transição: Sim • Método para análise de 2a . Ordem global: GamaZ • Análise por efeito incrementai: Não • Análise com interação fundação-estrutura: Não 5.5. Modelo ELU O modelo ELU foi utilizado para obtenção dos esforços necessários para o dimensionamento e detalhamento dos elementos estruturais. Apenas no neste modelo foram utilizados os coeficientes de não linearidade física conforme indicadas pelo item 15.7.3 da NBR6118:2007. A seguir são apresentados estes valores: Pilares 0.80 Vigas 0.40 Lajes 0.30 O módulo de elasticidade utilizado no modelo foi de secante, de acordo com o fck do elemento estrutural (já apresentado anteriormente}.
  • 20.
    20 5.6. Modelo ELS Omodelo ELS foi utilizado para análise de deslocamento do edifício. Neste modelo a inércia utilizada para os elementos estruturais foi a bruta. 6 . Consideração das Fundações Todas as fundações foram consideradas rigidamente conectadas á base. 7 . ESFORÇOS DE CÁLCULO Os esforços obtidos na análise de pórtico foram utilizados para o dimensionamento de vigas e pilares, onde um conjunto de combinações conciliando cs esforços de cargas verticais e de desaprumo são agrupados e ponderados segundo as prescrições das normas NBR8681:2003 e NBR6118:2007. No dimensionamento das armaduras das vigas é utilizada uma envoltória de esforços solicitantes de todas as combinações pertencentes ao grupo ELU1. Para o dimensionamento de armaduras dos pilares são utilizadas todas as hipóteses de solicitações (combinações do grupo ELU2); neste conjunto de combinações são aplicadas as reduções de sobrecarga previstas na NBR 6120:2007, caso c projeto esteja utilizando este método.
  • 21.
    21 8 . Memorialde Calculo de Lajes 8.1. Tabuleiro Dados: Seção - h = 15 cm, Composta por 13 vãos de 1,00m e dois balanços de 0,50 m cada, todos com continuidade. Carregamentos: Permanente = 0.2 tf/m2 Acidental = 0.5 tf/m2 TREM TIPO 45 Esforços: Momento positivo máximo = 1.5 tf.m Momento negativo máximo = 1.4 tf.m Dimensionamento: Área de aço minina = 15*0.23 = 3.45 cm2 Área de aço positivo = 4.35 cmJ Para facilitar a execução das lajes optamos pelo uso de telas. Assim foi escolhida a Q503,pois atende a área de aço necessária. Área de aço da Q503 = 5.03 cm2 nas duas direções.
  • 22.
  • 23.
    23 8.4. Tabuleiro 9 .Envoltório Esforços das Longarinas (Sem Protensão) Esforços com valores característicos Todas unidades em m, tf
  • 24.
  • 25.
    25 1 0 .Envoltório Esforços das Longarinas (Com Protensão)
  • 26.
    26 1 1 .Dimensionamento e Detalhamento de Vigas Pré Moldadas  Número de peças do grupo: 20  Comprimento da peça (m): 30  Volume unitário/ total (m³): 12.9 / 257.9  Peso unitário / Total (tf): 32.2 / 644.9 1 2 . Protensão  Número de armaduras na peça: 18  Força total na peça (tf): 254.2  Peso de armadura na peça (kgf): 427.7  Nivel de protensão: II – Limitada 1 3 . Tensões
  • 27.
    27 1 4 .Armadura Passiva Armadura SUPERIOR necessária / detalhada (cm²): 20.03 / 22.12 Armadura INFERIOR necessária/ detalhada (cm²): 31.22/ 34.36 1 5 . Fissuração Abertura de fissura máxima / limite (mm): 00/ 20 1 6 . Cisalhamento 1 7 . Critérios Projetos – Gerenciados A seguir são apresentados alguns dos critérios de projeto utilizados. 17.1. Critérios gerais Norma em uso a) NBR-6118-2003 Verificação de fck mínimo a) Desativa Verificação de cobrimentos mínimos a) Desativa Verificação de dimensões mínimas a) Verifica segunda a ABNT NBR 6118:2003
  • 28.
    28 17.2. Ações  Separaçãode cargas permanentes e variáveis a) Com separação  Caso 1 agrupa outros casos a) Casos de 2 a 4  Consideração de peso-próprio de lajes a) Sim  Consideração de peso-próprio de vigas a) Sim  Carga estimada em viga de transição a) Entre a carga estimada pelo pórtico e a definida pelo engenheiro, usar o valor de maior modulo. b) Permite cálculo c/ altura de alvenaria igual à zero c) Não 17.3. Ponderadores a) Ponderador do peso-próprio (1) 1.4 b) Ponderador das demais ações permanentes (CV) (1) 1.4 c) Ponderador das ações variáveis (CV) (1) 1,4 17.4. Análise estrutural a) Modelo de vigas e pilares, flexibilizado conforme critérios para viga de transição. b) Modelo adicional com vigas de transição enrijecidas.
  • 29.
    29 1 8 .Orçamento
  • 30.
  • 31.
  • 32.
  • 33.
  • 34.
  • 35.
    35 1 9 .Memorial de Calculo Nesse item estão apresentados os critérios para o cálculo das quantidades dos serviços necessários ã execução das obras. Alguns serviços são estimados analiticamente e outros através de cálculos específicos.
  • 36.
  • 37.
  • 38.
  • 39.
  • 40.
  • 41.
  • 42.
  • 43.
  • 44.
    44 2 0 .Projetos
  • 45.
  • 46.
  • 47.
    47 IV. FOTOS DAVISITA TÉCNICA 1.1. Pavimento;  Serve para rolamento dos veículos.
  • 48.
  • 49.
    49 1.3. Longarinas;  Combateos momentos positivos, negativos e ainda os esforços cortantes, proporcionados pelos carregamentos exercidos sobre ela.
  • 50.
    50 1.4. Aba, Vigade fechamento;  servem para segurar o aterro.
  • 51.
    51 1.5. Guarda rodae proteção;  Servem para em caso de acidente os veículos não caírem da ponte.
  • 52.
    52 1.6. Foto deintegrantes do grupo no local da visita, Álvaro Lima e Ademildo Júnior.
  • 53.
    53 V. CONCLUSÕES O projetode pontes de concreto armado exige um enorme trabalho. Porém a análise de comportamento de estruturas se tornou muito mais clara em aplicações a problemas reais como o dimensionamento de uma estrutura real. A ajuda de softwares também auxilia na análise estrutural. O desenvolvimento de um projeto estrutural possui uma complexidade bastante elevada e de grande importância já que ele determina a segurança da obra. Deve ser realizado com calma e bastante atenção em todas as etapas do processo. Na parte de softwares o campo de desenvolvimento é bem grande, portanto busco como novas pesquisas de estudos para outros programas computacionais, vidando uma maior precisão a aplicação dos cálculos e análise comportamental das obras. VI. REFERÊNCIAS BIBLIOGRÁFICAS www.ctec.ufal.br/ees/disciplinas/ec2/PontePauSeco.pdf www.abpe.org.br/trabalhos/trab_19.pdf uenf.br/Uenf/Downloads/LECIV_1712_1250018821.pdf www.uel.br/ctu/dtru/DISCIPLINAS/.../Ponte%20com%202%20Vigas%20 Abr07.pdf 200.129.241.80/ppgeea/sistema/dissertacoes/14.pdf http://repositorio.uniceub.br/bitstream/235/6420/1/21159923.pdf