GE Fanuc Automation
Computer Numerical Control Products
Curso de Manutenção – Básico
Série i
Acionamento ALPHA
1 – Linha de CNC GE Fanuc .................................................................... 3
2 – Servo Digital........................................................................................ 11
3 – Sistema de Memórias e BACKUP ..................................................... 16
4 – PMC ..................................................................................................... 22
5 – LADDER .............................................................................................. 49
6 – LADDER SB7 ...................................................................................... 55
7 – BACKUP e RESTORE do LADDER ................................................... 67
Índice
8 – Parâmetros do CNC ........................................................................... 75
9 – Sistema de referenciamento .............................................................. 85
10 – Usinagem CNC .................................................................................. 97
11 – Ferramentas para a manutenção .................................................... 115
12 – Ferramentas de servo ...................................................................... 129
13 – Alarmes e diagnósticos de servo ................................................... 140
14 – Acionamentos .................................................................................. 148
15 – Spindle .............................................................................................. 162
Rev.18-08-06 CURSO DE MANUTENÇÃO BÁSICO_________________________________________________________________________________________________________
- 3 -
2
4
3
3
4
4
5
6
24
Eixos Simultâneos
2Power Mate i-D
Especial
8Power Mate i-H
3Série 0i Mate
Intermediário
4Série 0i
9Série 21i
20Série 18i
16Série 18i-MB5
Avançada
20Série 16i
Complexa40Série 30i
Nível de
Aplicação
Número de EixosCNC
Linha CNC GE Fanuc
15
16
18
20
21
0
Processamento
Número de eixos
Recursos de usinagem
CLP (PMC)
Power Mate = Aplicações especias , sem recursos de usinagens.
30
31
32
Rev.18-08-06 CURSO DE MANUTENÇÃO BÁSICO_________________________________________________________________________________________________________
- 4 -
M = Miling (Centro de Usinagem) = 0-M , 18-M, 210i-M
T = Turnig (Torno) = 16-T, 0i-T, 16-T
G = Grinding (Retífica) = 0-G , 16-G, 18-G
P = Punching (Puncionadeira) = 0-P , 18-P, 16-P
L = LASER (Corte) = 18-L, 16-L
0 - TC = C , versão software básico
18-TC
21-MA
21i-MB
15i-MA
Máquina :
Versão :
Open CNC :
150 / 150i, 160 / 160i, 180 / 180i, 210 / 210i = CNC + PC = Open CNC
Antigos = MMC-I, MMC-II, MMC-III, MMC-IV
X2
‚
Z2 Z1
X1
DUAL PATH : (dois canais)
FS0-TT = Dois Tornos ,FS18-MM = Duas Fresadoras
Rev.18-08-06 CURSO DE MANUTENÇÃO BÁSICO_________________________________________________________________________________________________________
- 5 -
Antigos Série i
CNC
Vídeo
CNC
+
Vídeo
Exemplos :
Rev.18-08-06 CURSO DE MANUTENÇÃO BÁSICO_________________________________________________________________________________________________________
- 6 -
Versão LCD
Versão STAND-ALONE
Rev.18-08-06 CURSO DE MANUTENÇÃO BÁSICO_________________________________________________________________________________________________________
- 7 -
SOFTKEY :
7 softkeys
12 softkeys
Painel do Operador
Rev.18-08-06 CURSO DE MANUTENÇÃO BÁSICO_________________________________________________________________________________________________________
- 8 -
POWER MATE :
Rev.18-08-06 CURSO DE MANUTENÇÃO BÁSICO_________________________________________________________________________________________________________
- 9 -
Rev.18-08-06 CURSO DE MANUTENÇÃO BÁSICO_________________________________________________________________________________________________________
- 10 -
2 - Servo Digital
Rev.18-08-06 CURSO DE MANUTENÇÃO BÁSICO_________________________________________________________________________________________________________
- 11 -
CNC
M
E
P#1
X100
X110
X120
Sistema Digital
Comunicação
Digital
Comunicação
serial de dados
CNC
Servo
M
Acionamto
Corrente I=T
E
Acionamento :
Potência
Posição
Usinagem
G00 X200 Y200 ;
G01 G91 Z20 ;
X-10 ;
Y-10 ;
CNC :
Interpolação
Malha de posição
Malha de Velocidade
Malha de Corrente
Aceleração
Controle de
Servos
Potência
Encoder
COP10B
COP10AJF1
Potência
Encoder
COP10B
COP10AJF1
Potência
Encoder
COP10B
COP10AJF1
COP10BCOP10A
JF101
JF102
JF103
JF104
Régua
Acionamentos de Servos
Eixo X Eixo Y Eixo Z
CNC
FSSB
Fanuc
Serial
Servo
Bus
Rev.18-08-06 CURSO DE MANUTENÇÃO BÁSICO_________________________________________________________________________________________________________
- 12 -
SDU
Scale
X-Axis
Y-Axis
Z-Axis
SVM
SVM
FSSB
- PWM cmd
- Encoder fb
- Current fb
- Amplifier alarms
NC-program
G00 X200 Y200 ;
G01 G91 Z20 ;
X-10 ;
Y-10 ;
Interpolation
Programmed
Path
X
Y
Z
DSP1
CNC Servo
Cartão de Controle dos Servos
Rev.18-08-06 CURSO DE MANUTENÇÃO BÁSICO_________________________________________________________________________________________________________
- 13 -
A
A
B
B
Z
ZPotência
Encoder
COP10B
COP10AJF1
Controle de
Servos
CNC
Bateria
Encoder Absoluto = Incremental + Bateria
Acionamento
Rev.18-08-06 CURSO DE MANUTENÇÃO BÁSICO_________________________________________________________________________________________________________
- 14 -
Rev.18-08-06 CURSO DE MANUTENÇÃO BÁSICO_________________________________________________________________________________________________________
- 15 -
3 - Sistema de Memórias
e
BACK-UP
Rev.18-08-06 CURSO DE MANUTENÇÃO BÁSICO_________________________________________________________________________________________________________
- 16 -
EIXOS
Controle de
periféirco
Spindle Serial
Spindle Analógico
Entradas rápidas
Interface PCMCIA
I/O LinkLCD
FSSB
Acionamento dos servos
FROM / SRAM
Bateria 3V LITHIUM
Calendário
Fonte
5V
3,3V
+/- 12V
+/- 15V
Alimentação
24VCC
RS-232
DISPLAY
CPU
PMCDRAM
Barramento de Dados
FROM
DRAM
SRAM
Sistema Operacional
Sevo ROM
LADDER
Telas Personalizadas
Ciclos de Usinagem Personalizados
Programas C ANSI
Aplicativos FANUC
Parâmetros de LADDER
Programas de Usinagem e Subrotinas
Parâmetros do CNC
Corretores de Ferramentas
Compensação de passo do fuso
Memória de trabalhoCPU
Estrutura da Memória
Barramentodedados
DRAM = RAM Dinâmica
FROM = FLASH ROM
SRAM = STATIC RAM
Rev.18-08-06 CURSO DE MANUTENÇÃO BÁSICO_________________________________________________________________________________________________________
- 17 -
SYSTEM [SYSTEM]+
PAGE
Avança/Retorna
página
PAGE
Rev.18-08-06 CURSO DE MANUTENÇÃO BÁSICO_________________________________________________________________________________________________________
- 18 -
PAGE
Avança/Retorna
página
PAGE
PAGE
Avança/Retorna
página
PAGE
Rev.18-08-06 CURSO DE MANUTENÇÃO BÁSICO_________________________________________________________________________________________________________
- 19 -
* PCMCIA
RS-232C
CNC
FROM
DRAM
SRAM
Sistema Operacional
Sevo ROM
LADDER
Telas Personalizadas
Cilcos de Usinagem Personalizados
Programas C ANSI
Aplicativos FANUC
Parâmetros de LADDER
Programas de Usinagem e Subrotinas
Parâmetros do CNC
Corretores de Ferramentas
Compensação de passo do fuso
Memória de trabalhoCPU
Barramentodedados
* PCMCIA Personal Computer Memory Card International Association
Rev.18-08-06 CURSO DE MANUTENÇÃO BÁSICO_________________________________________________________________________________________________________
- 20 -
Cartão PCMCIA
Rev.18-08-06 CURSO DE MANUTENÇÃO BÁSICO_________________________________________________________________________________________________________
- 21 -
4 - PMC
Rev.18-08-06 CURSO DE MANUTENÇÃO BÁSICO_________________________________________________________________________________________________________
- 22 -
PMC = Program Machine Control
Também chamado de CLP (PLC), o PMC controla
todas as funções da máquina, como por exemplo
válvulas,sensores,alarmes,movimentos,etc.
Neste capítulo vamos estudar como isto é
controlado no GE Fanuc.
Rev.18-08-06 CURSO DE MANUTENÇÃO BÁSICO_________________________________________________________________________________________________________
- 23 -
Rev.18-08-06 CURSO DE MANUTENÇÃO BÁSICO_________________________________________________________________________________________________________
- 24 -
[ PMC ] [ PMCDGN ]SYSTEM
Tipo do PMC
Rev.18-08-06 CURSO DE MANUTENÇÃO BÁSICO_________________________________________________________________________________________________________
- 25 -
Rede I/O-Link CNC
JD1A
JD44A
Série i-B
Painel do Operador
Entradas / Saídas
Entradas / Saídas
JD1B
JD1A
JD1B
JD1A
JD1B
JD1AJD1A JD1B
Cabo I/O Link
24VCC
24VCC
24VCC
- Módulos de entras/saídas
Rev.18-08-06 CURSO DE MANUTENÇÃO BÁSICO_________________________________________________________________________________________________________
- 26 -
- Painel de Operador
Rev.18-08-06 CURSO DE MANUTENÇÃO BÁSICO_________________________________________________________________________________________________________
- 27 -
Entradas = X
Saídas = Y Teclas = X
LED’s = Y
Entradas = X
Saídas = Y
Endereços X e Y
Rev.18-08-06 CURSO DE MANUTENÇÃO BÁSICO_________________________________________________________________________________________________________
- 28 -
A
B
C
D
E
1 2 3 4 5 6 7 8 9 10 11
GRUPO
BASE
Mapeamento das Teclas / LED’s
m , n= Início do endereço
A
B
C
D
E
1 2 3 4 5 6 7 8 9 10 11
Exemplo : A1 = Xm+4.0 / Yn.0
m = 10, n=7
X14.0 e Y7.0
Rev.18-08-06 CURSO DE MANUTENÇÃO BÁSICO_________________________________________________________________________________________________________
- 29 -
[ PMC ]SYSTEM
PMCLAD
Mostra o LADDER
PMCDGN
Chama telas de diagnósticos
PMCPRM
Chama tela de parâmetros do
LADDER
[ PMC ] [ PMCDGN ] [ STATUS ]SYSTEM
PAGE
PAGE
Rev.18-08-06 CURSO DE MANUTENÇÃO BÁSICO_________________________________________________________________________________________________________
- 30 -
PMC em execução
Endereços
Símbolo
Pesquisa
BITS
[ SEARCH ]Buscar uma entrada : Digitar => X
[ SEARCH ]Buscar uma saída : Digitar => Y
[ SEARCH ]Digitar => X1
[ SEARCH ]Digitar => Y2
SISTEM [ PMC ] [ PMCDGN ] [ STATUS ]
[ SEARCH ]Digitar => X ou X1
[ SEARCH ]Digitar => Y ou Y7
Resumo Verificar o estado de uma entrada/saída.
Rev.18-08-06 CURSO DE MANUTENÇÃO BÁSICO_________________________________________________________________________________________________________
- 31 -
Este registros são utilizados para auxiliar o programação do PMC
Rev.18-08-06 CURSO DE MANUTENÇÃO BÁSICO_________________________________________________________________________________________________________
- 32 -
R9091.0 = Sempre 0
R9091.1 = Sempre 1
R9091.5 = CLOCK 200ms
R9091.6 = CLOCK 1 seg.
Através do “A”, o PMC mostra alarmes ou aviso para o
operador.
Rev.18-08-06 CURSO DE MANUTENÇÃO BÁSICO_________________________________________________________________________________________________________
- 33 -
X0.1
LADDER
X0.0 A0.0
A0.0
Rev.18-08-06 CURSO DE MANUTENÇÃO BÁSICO_________________________________________________________________________________________________________
- 34 -
A0.0 = [1001 EMERGENCIA EXTERNA]
A0.1 = [1002 DISJUNTOR MOTOR HIDRAULICO]
A0.2 = [1040 NIVEL DE OLEO BAIXO]
A0.3 = [2001 PORTA ABERTA]
A0.4 = [2004 FIM DE CICLO DE LUBRIFICACAO]
Compila
Transmite
1000 - 1999 = Alarmes
2000 - 2999 = Avisos
Programa FLADDER
Rev.18-08-06 CURSO DE MANUTENÇÃO BÁSICO_________________________________________________________________________________________________________
- 35 -
Procedimento para alarmes (1000-1999,2000-2999) :
1 – Buscar na tela de diagnóstico do LADDER, qual “A” está ligado (1).
SYSTEM => [PMC] => [PMCDGN] => [STATUS] , A => [SEARCH]
2 – No LADDER , buscar a bobina do endereço A ativo.
SYSTEM => [PMC] => [PMCLAD] => [SEARCH] => A**.* => [W.SRCH]
O K é utilizado para habilitar ou não uma seqüência lógica.
Através da tela KEEP RELAY , nós podemos trocar o estado lógico de cada K.
SUB10
JMP
0000
ACT
SUB10
JMP
0000
ACT
SUB30
JMPE
SUB30
JMPE
K0.0
K0.0
Eexemplo:
Lubrificação tipo A
Eexemplo:
Lubrificação tipo B
Rev.18-08-06 CURSO DE MANUTENÇÃO BÁSICO_________________________________________________________________________________________________________
- 36 -
[ PMC ] [ PMCPRM ]SYSTEM [ KEEPRL ]
PAGE
PAGE
Rev.18-08-06 CURSO DE MANUTENÇÃO BÁSICO_________________________________________________________________________________________________________
- 37 -
Para alterar um K :
1 - Modo de operação MDI.
“WRONG MODE”
2 - PWE=1
“WRITE PROTECT”
[ PMC ] [ PMCPRM ]SYSTEM [ KEEPRL ]
Para alterar o valor de qualquer parâmetro ou dados do
LADDER, é necessário habilitar o PWE.
O PWE (Parameter Write Enable), é uma chave de software que
bloqueia ou não a escrita de parâmetros no CNC.
PWE = 0 , bloqueia escrita de parâmetros CNC e LADDER.
PWE = 1 , habilita a escrita nos parâmetros no CNC e LADDER.
Quando habilitamos o PWE=1, o CNC mostrará o ALARME :
“100 PARAMETER WRITE ENABLE”
Este alarme permanecerá até o PWE = 0.
Rev.18-08-06 CURSO DE MANUTENÇÃO BÁSICO_________________________________________________________________________________________________________
- 38 -
OFFSET
SETTING [SETING]
Até mostrar a tela “SETTING (HANDY)”
1 - Colocar o CNC em modo “MDI”
2 - Mover o cursor até
“Parameter write”
3 - Digitar “1”
4 - Pressionar a tecla “INPUT”
O CNC mostrará Alarme :
100 PARAMETER WRITE ENABLE
Tela HANDY PWE
Modo de
operação
Tela SETING
Rev.18-08-06 CURSO DE MANUTENÇÃO BÁSICO_________________________________________________________________________________________________________
- 39 -
SUB....
NOME Parâmetro
Endereço 1
Endereço 2
Endereço 3
Endereço 4
1
2
3
4
Saída
Instruções
1,2,3,4
Condições para o funcionamento da instrução
Parâmetro
Indica a quantidade de bytes e definições de constantes
Endereço 1 à 4
Informa os endereços para que a instrução irá atuar
Saída
Resultado ou erro da istrução
Podemos utilizar tempos pré-programados no LADDER, através
de instruções de TIMER (SUB3)
LADDER
SUB3
TMR
01
Y0.1X0.0
ACT
Número do TMR
Entrada X0.0
Saída Y0.1
T
Rev.18-08-06 CURSO DE MANUTENÇÃO BÁSICO_________________________________________________________________________________________________________
- 40 -
[ PMC ] [ PMCPRM ]SYSTEM [ TIMER ]
TIMER NO. 1 ATÉ 8 = 1572.8 seg. (48mseg.) E 9 ATÉ 40 = 262.1 seg. (8mseg.)
PAGE
PAGE
TIMER NO. 1 ATÉ 8 = 1572.8 seg. (48mseg.) e 9 ATÉ 40 = 262.1 seg. (8mseg.)
Ajuste somente para o SUB3
Número do
TMR
Referencia , não usa !
Valor do tempo
em milisegundos
Rev.18-08-06 CURSO DE MANUTENÇÃO BÁSICO_________________________________________________________________________________________________________
- 41 -
Os contadores podem ser utilizados no LADDER , conforme a
sua necessidade , respeitando o limite máximo conforme o tipo
de PMC.
SUB5
CTR
01
Y0.1
X0.0
CN0
X0.1
UPDOWN
X0.2
RST
X0.3
ACT
CN0 = Início da contagem
= 0, 0,1,2,3,4....n
= 1, 1,2,4,5,6 ...n
UPDOWN
=0 , contagem crescente
=1 , contagem decrescente
RST
= 0 , funcionamento normal
= 1 , RST a contagem real e a saída Y0.1 é desligada
ACT
Entrada contadora, conta na borda de subida.
SUB5
CTR
01
Y0.1
X0.0
CN0
X0.1
UPDOWN
X0.2
RST
X0.3
ACT
Rev.18-08-06 CURSO DE MANUTENÇÃO BÁSICO_________________________________________________________________________________________________________
- 42 -
[ PMC ] [ PMCPRM ]SYSTEM [ COUNTR ]
Ajuste somente para o SUB5
Número
do CTR
Apenas para
referencia , não usar !
Valor
programado
Valor
real
Valor máximo para contagem : 0 - 32767
Rev.18-08-06 CURSO DE MANUTENÇÃO BÁSICO_________________________________________________________________________________________________________
- 43 -
Podemos armazenar dados no CNC através da tabela da dados D.
Esta tabela esta protegida por bateria e está na SRAM.
D50 = 7
D51 = 5
D52 = 3
D53 = 1
D54 = 9
D55 = 6
D57 = 2
D58 = 8
Fuso
T20
1 2 3 4 5 6 7 8
T7 T5 T3 T1 T9 T6 T2 T8
MAGAZINE
Exemplo :
[ PMC ] [ PMCPRM ]SYSTEM [ DATA ] [ G.DATA ]
PAGE
PAGE
Rev.18-08-06 CURSO DE MANUTENÇÃO BÁSICO_________________________________________________________________________________________________________
- 44 -
GRUPO
Endereço D
Valor do D
Pesquisa DPesquisa GrupoPara editar um D :
1 – Modo de Op. MDI
2 – PWE = 1
3 – Chave de SEG.PRG
[ PMC ] [ PMCPRM ]SYSTEM [ DATA ]
PAGE
PAGE
Rev.18-08-06 CURSO DE MANUTENÇÃO BÁSICO_________________________________________________________________________________________________________
- 45 -
#0#1#2#3#4#5#6#7
Formato Binário
Proteção de dados
TYPE
0:1 Byte 1:2 Bytes 2:4Bytes
NO. OF DATA
Quantidade do grupo
NO.
Número do grupo
ADDRESS
Início do grupo
PARAMETER
Chama tela
dos D’s
Abre novo grupo
Ex. Abrir grupo 2
Digitar 2 e [G.CONT]
Pesquisa grupo
Inicializa (apaga todas as
configurações dos grupos)
D0
D1
D2
D3
D4
D5
GRUPO3
Início
Qtde = 6
GRUPO4
D110
D112
D114
D116
D118
Início
Qtde=5
D200
D204
D208
D212
D216
D220
D224
D228
GRUPO5
Início
Qtde=8
Rev.18-08-06 CURSO DE MANUTENÇÃO BÁSICO_________________________________________________________________________________________________________
- 46 -
CNC
PMC
Máquina
Sensores
Micros
Botões
Bóias
etc.
Reles
Contator
Válvulas
etc.
X
Y
G
F
Modo de operação
Start em AUTO
PAS/PAS
Chave Seg. PRG.
Etc.
Alarme
Operação
Referência
Etc.
Ação
Status
EIXOS
Controle de
periféirco
FROM / SRAM
Bateria 3V LITHIUM
Calendário
Fonte
5V
3,3V
+/- 12V
+/- 15V
DISPLAY
CPU PMC
Barramento de Dados
Estrutura interna
G
F
Rev.18-08-06 CURSO DE MANUTENÇÃO BÁSICO_________________________________________________________________________________________________________
- 47 -
7 6 5 4 3 2 1 0
G0
G1
Gn
7 6 5 4 3 2 1 0
F0
F1
Fn
PMC CPU
CPUPMC
Rev.18-08-06 CURSO DE MANUTENÇÃO BÁSICO_________________________________________________________________________________________________________
- 48 -
5 - LADDER
Rev.18-08-06 CURSO DE MANUTENÇÃO BÁSICO_________________________________________________________________________________________________________
- 49 -
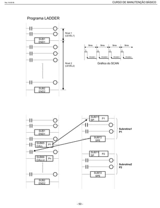
SUB1
END1
SUB2
END2
...............
Nível 1
(LEVEL1)
Nível 2
(LEVEL2)
8ms 8ms 8ms 8ms
1 1 1 1
Divisão1 Divisão2 Divisão3 Divisãon
Gráfico do SCAN
Programa LADDER
SUB1
END1
SUB2
END2
..........
SUB65
CALL
P1
SUB66
CALLU
Pn
SUB71
SP
SUB72
SPE
P1
SUB71
SP
SUB72
SPE
P2
Subrotina1
P1
Subrotina2
P2
Rev.18-08-06 CURSO DE MANUTENÇÃO BÁSICO_________________________________________________________________________________________________________
- 50 -
[ PMC ] [ PMCLAD ]SYSTEM
[<] [SEARCH] [ADRESS] [TRIGER] [WINDOW] [ ] [>]
[<] [ TOP ] [ BOTOM ] [SEARCH] [W-SRCH] [N-SRCH] [>]
[<] [ DUMP ] [ D-PARA ] [ ] [ ] [ ] [>]
[<] [F-SRCH] [ ] [ ] [ ] [ ] [>]
Rev.18-08-06 CURSO DE MANUTENÇÃO BÁSICO_________________________________________________________________________________________________________
- 51 -
[<] [DIVIDE] [CANCEL] [DELETE] [SELECT] [WIDTH] [>]
[DIVIDE ] = Divide o LADDER em várias janelas
[CANCEL] = Cancela todas as janelas
[DELETE] = Cancela janela ativa
[SELECT] = Seleciona janela
[ WIDTH ] = Ajuste do tamanho da janela
[EXPAND] = Aumenta janela
[ SHINK ] = “Encolhe” janela
Esta função é utilizada para capturar um sinal muito rápido ,
impossibilitando a visualização na tela de PMC STATUS.
ON ON ON
OFF OFF OFF OFF
T
Rev.18-08-06 CURSO DE MANUTENÇÃO BÁSICO_________________________________________________________________________________________________________
- 52 -
SYSTEM [ PMC ] [ PMCDGN ] [ TRACE ]
TRACE MODE :
0 = 1 Byte para analisar
1 = 2 Bytes separados
2 = 2 Bytes seguidos
ADRESS TYPE :
0 = Endereço PMC (X/Y)
1 = Endereço usado com “C”
ADRESS : Endereço X/Y
MASK DATA :
Máscara para filtrar o bit.
Ex: X0.3 => Bit 3 para análise.
76543210 => Bit’s
00001000 => Bit 3 =1
0 8 => 08 em HEX
MASK DATA = 08
T.DISP : Mostra tela TRACE
EXEC : Executa função
Rev.18-08-06 CURSO DE MANUTENÇÃO BÁSICO_________________________________________________________________________________________________________
- 53 -
[ T.DISP ]
Barra de
STATUS
PAGE
PAGE
Barra de
STATUS
Volta para tela de
configuração do
TRACE
RUN/STOP
TRACE
Qdte
de
vezes
PAGE
PAGE
Rev.18-08-06 CURSO DE MANUTENÇÃO BÁSICO_________________________________________________________________________________________________________
- 54 -
6 - PMC – SB7
Rev.18-08-06 CURSO DE MANUTENÇÃO BÁSICO_________________________________________________________________________________________________________
- 55 -
SYSTEM [PMC]
PMCLAD = Chama o programa LADDER
PMCDGN = Chama os diagnósticos do LADDER
PMCPRM = Chama os parâmetros do LADDER
I/O = BACKUP/RESTORE
[PMCLAD]
Rev.18-08-06 CURSO DE MANUTENÇÃO BÁSICO_________________________________________________________________________________________________________
- 56 -
COLLECT = Mostra linhas do LADDER selecionadas pelo usuário
GLOBAL = Mostra todas as linhas do LADDER
LEVEL 1 = Nível 1 do LADDER
LEVEL 2 = Nível 2 do LADDER
P............ = Subrotinas (Subprograma)
[ ZOOM ] = Entra no item selecionado pela barra se seleção
[SEACH ] = Procura subprogramas
[SETING] = Configuração dos itens,cor,etc.
Descrição dos itens :
Opção : GLOBAL [ ZOOM ]
SUB1
END1
SUB2
END2
......
SUB65
CALL
P1
SUB71
SP
SUB72
SPE
Pn
Subrotina
Pn
Nível 2
Nível 1
Rev.18-08-06 CURSO DE MANUTENÇÃO BÁSICO_________________________________________________________________________________________________________
- 57 -
[ LIST ] = Mostra a tela do diretório principal
[ SWITCH ] = Chama tela “COLLECTIVE MONITOR”
[SETING] = Configuração dos itens,cor,etc.
[ SEACH ] = Chama menu de pesquisa
[ TOPBTM ] = Vai para a primeira ou a última linha do LADDER
[ SEACH ] = Busca contatos,bobinas ou o item do cursor
[ W-SRCH ] = Busca somente a bobina de algum endereço
[ F-SRCH ] = Busca funções “SUB”
[ PICKUP ] = Marca a linha para ser incluida no “COLLECTIVE MONITOR”
[ PREV ] = Busca próximo
[ NEXT ] = Busca anterior
[ GLOBAL ] = Seleciona a busca como GLOBAL ou LOCAL.
Esta opção será mostrada quando estamos dentro de algum subprograma
Descrição dos itens :
Rev.18-08-06 CURSO DE MANUTENÇÃO BÁSICO_________________________________________________________________________________________________________
- 58 -
[ PICKUP ]
Opção : COLLECTIVE MONITOR [ ZOOM ]
Rev.18-08-06 CURSO DE MANUTENÇÃO BÁSICO_________________________________________________________________________________________________________
- 59 -
[ LIST ] = Mostra a tela do diretório principal
[ PICKUP ] = Inclui uma nova linha no “COLLECTIVE MONITOR”
[ JUMP ] = Chama a linha onde se encontra o cursor
[ SWITCH ] = Chama o LADDER. Será mostrado a última tela onde o cursor esta
posicionado antes de chamar o “COLLECTIVE MONITOR”
[ ERASE ] = Apaga linha
[ ERSALL ] = Apaga tudo
[SETING] = Configuração dos itens,cor,etc.
Descrição dos itens :
[ PMCDGN ]
Rev.18-08-06 CURSO DE MANUTENÇÃO BÁSICO_________________________________________________________________________________________________________
- 60 -
[ TITLE ] = Mostra tela contendo dados do programador,nome do cliente, SCAN do
LADDER , memória utilizada, etc.
[ STATUS ] = Mostra tela contendo diagnósticos dos endereços do LADDER
[ ALARM ] = Mostra tela de alarmes do PMC
[ TRACE ] = Chama ferramenta TRACE, captura de sinais rápidos
[ I/O CHK ] = Configuração da rede I/O
Descrição dos itens :
[ TITLE ]
Rev.18-08-06 CURSO DE MANUTENÇÃO BÁSICO_________________________________________________________________________________________________________
- 61 -
[ STATUS ]
[ ALARM ]
Rev.18-08-06 CURSO DE MANUTENÇÃO BÁSICO_________________________________________________________________________________________________________
- 62 -
[ I/OCHK ]
[ TRACE ]
Rev.18-08-06 CURSO DE MANUTENÇÃO BÁSICO_________________________________________________________________________________________________________
- 63 -
[ START ] = Inicializa o TRACE
[ STOP ] = Para a execução do TRACE
[ <<PREV ] = Deslocamento da amostragem para a esquerda
[ >>NEXT ] = Deslocamento da amostragem para a direita
[ MARK ] = Faz um ponto de referencia. Utilizado para medir um ou mais sinais
[ SETING ] = Chama a tela de configuração do TRACE
[ Z.IN ] = Faz um zoom. (diminui)
[ Z.OUT ] = Faz um zoom. (aumenta)
[ MV.UP ] = Move o curso para cima
[ MV.DNW ] = Move o curso para baixo
Descrição dos itens :
[ SETING ] , Página 1/2
Rev.18-08-06 CURSO DE MANUTENÇÃO BÁSICO_________________________________________________________________________________________________________
- 64 -
SAMPLING
MODE = TIME CYCLE / SIGNAL TRANSITION
Modo de start do TRACE
TIME CYCLE = Tempo
SIGNAL TRANSITION = Transição de algum sinal
RESOLUTION = 8 (8 à 1000mseg)
Resolução em mseg do sinal
TIME = 10 (1 à 786 seg)
Tempo da amostragem em seg
STOP CONDITION = NONE / BUFFER FULL / TRIGGER
Condição de parada do TRACE :
None = Sem paradada
BUFFER FULL = para até preencher o buffer (tempo)
TRIGGER = Sinal externo
Descrição dos itens :
TRIGGER
ADDRESS = Endereço do sinal de parada do TRACE
MODE = RISING EDGE / FALLING EDGE / BOTH EDGE
RISING EDGE = Borda de subida do sinal
FALLING EDGE = Borda de descida do sinal
BOTH EDGE = as duas bordas
POSITION = 10%
Posição da amostragem na tela , em %
SAMPLING CONDITION = TRIGGER / ANY CHANGE
Condição de start do TRACE
TRIGGER = Sinal externo
ANY CHANGE = Qualquer mudança do sinal
TRIGGER = Endereço externo
MODE = RISING EDGE / FALLING EDGE / BOTH EDGE / ON / OFF
RISING EDGE = Borda de subida do sinal
FALLING EDGE = Borda de descida do sinal
BOTH EDGE = as duas bordas
ON = Ligado
OFF = Desligado
Rev.18-08-06 CURSO DE MANUTENÇÃO BÁSICO_________________________________________________________________________________________________________
- 65 -
[ SETING ] , Página 2/2
[ DELETE ] = Apaga iten da lista
[ ADRESS] = Troca descrição para ENDEREÇO
[ MV.UP ] = Move endereço para cima
[ MV.DWN ] = Move endereço para baixo
[ DELALL ] = Apaga tudo
[ TRGON ] = Habilita amostragem para borda de subida
[ TRGOFF ] = Habilita amostragem para borda de descida
Descrição dos itens :
Rev.18-08-06 CURSO DE MANUTENÇÃO BÁSICO_________________________________________________________________________________________________________
- 66 -
7 - BACKUP / RESTORE
Rev.18-08-06 CURSO DE MANUTENÇÃO BÁSICO_________________________________________________________________________________________________________
- 67 -
PMC
1 – Parâmetros do PMC
(T/C/D/K)
2 – LADDER HEX.
Arquivo :
1 – LADDER.PAR
2 – LADDER.HEX
2
3
7
4
5
6
8
20
2
3
7
4
5
6
8
20
PC
Fêmea
CNC
Macho
25 pinos
2
3
5
7
8
1
4
6
2
3
7
4
5
6
8
20
PC
Fêmea
CNC
Macho
9 pinos
2
3
5
7
8
1
4
6
1
11
2
4
6
8
16
12
14
15
5
3
13
CNC
PCR-20
25 pinos
PC
Fêmea
9 pinos
Fanuc
Rev.18-08-06 CURSO DE MANUTENÇÃO BÁSICO_________________________________________________________________________________________________________
- 68 -
[ PMC ]SYSTEM [ I/O ] [ SPEED ]
[ PMC ]SYSTEM [ I/O ]
PMC não SB7 , verificar o K17.1= 1
Rev.18-08-06 CURSO DE MANUTENÇÃO BÁSICO_________________________________________________________________________________________________________
- 69 -
DEVICE = Dispositivo
FUNCTION = Função
DATA KIND = Tipo do dado
FILE NO. = Nome do arquivo
CHANNEL = Canal serial
Descrição dos itens :
DEVICE
M-CARD (Cartão PCMCIA)
F-ROM (Flash Eprom do CNC)
FDCAS (Fanuc CASSETE)
OTHERS (Outros)
FUNCTION
WRITE (Escrever)
READ (Ler)
COMPAR (Comparar)
DELETE (Apagar arquivos do cartão PCMCIA)
LIST (Mostrar o conteúdo do cartão PCMCIA)
FORMAT (Formatar o cartão PCMCIA)
DATA KIND
LADDER (Programa LADDER)
PARAM (Parâmetros do LADDER – T,C,K,D)
FILE NO. = Nome do arquivo
Digitar # antes para trocar o nome, Ex : #teste
CHANNEL
1,2
Rev.18-08-06 CURSO DE MANUTENÇÃO BÁSICO_________________________________________________________________________________________________________
- 70 -
LADDERPARAMDATA KIND
WRITEWRITEFUNCTION
OTHERSOTHERSDEVICE
1 OU 21 OU 2I/O CHANNEL
BACKUP DO
LADDER
BACKUP DOS
PARÂMETROS
DE LADDER
Função
Config.
BACKUP via RS-232
1 - Colocar o CNC em MODO EDIT
2 - Prepar o PC para receber os dados
3 - Precionar a softkey [ EXEC]
Verificar se o PMC está em ON LINE
SYSTEM [PMC] [MONIT] [ONLINE]
PMC- não SB7
N60000 P.... = Timers
N61000 P.... = Counters
N62000 P.... = KEEP RELAYs
N63000 P.... = Configuração dos grupos dos D’s
N64000 P.... = Valores dos D’s
PMC-SB7
N600000 P.... = Timers
N610000 P.... = Counters
N620000 P.... = KEEP RELAYs
N630000 P.... = Configuração dos grupos dos D’s
N640000 P.... = Valores dos D’s
Formato do arquivo PARÂMETROS DO LADDER (T/C/D/C)
Rev.18-08-06 CURSO DE MANUTENÇÃO BÁSICO_________________________________________________________________________________________________________
- 71 -
Formato do arquivo LADDER
O ARQUIVO É
RECONHECIDO
AUTOMATICAMENTE
DATA KIND
READFUNCTION
OTHERSDEVICE
1 OU 2I/O CHANNEL
RESTOREFunção
Config.
RESTORE via RS-232
1 - Colocar o CNC em MODO EDIT
2 - PWE = 1
3 - Liberar chave de proteção de dados
4 - Acionar emergência
5 - Precisonar a softkey [EXEC]
6 - Enviar dados atavés do PC
Rev.18-08-06 CURSO DE MANUTENÇÃO BÁSICO_________________________________________________________________________________________________________
- 72 -
No modo DOS , digitar os seguintes comandos:
c:cursomode com1 4800,n,8,2 <ENTER>
c:cursocopy LADDER.PAR com1 <ENTER>
ONDE :
MODE : configura o canal serial RS-232 do PC.
COPY : envia o arquivo LADDER.PAR para CNC.
LADDER.PAR : Arquivo de parâmetros de LADDER, este
nome vai depender do fabricante da máquina
--LADDERPARAMDATA KIND
-
LIST
M-CARD
Listar todos os
arquivos do
cartão
Digitar o número
do arquivo ou o
nome do mesmo
PMC-RA-LADPMC-RA.PARNO. OF FILE
READWRITEWRITEFUNCTION
M-CARDM-CARDM-CARDDEVICE
RESTOREBACKUP DO LADDERBACKUP DOS
PARÂMETROS DE
LADDER
Função
Config.
Resumo para BACKUP/RESTORE via CARTÃO PCMCIA
Rev.18-08-06 CURSO DE MANUTENÇÃO BÁSICO_________________________________________________________________________________________________________
- 73 -
[ I/O ]
File No. , digitar # e o nome do arquivo : Exemplo :
#PMC.LAD <INPUT>
Rev.18-08-06 CURSO DE MANUTENÇÃO BÁSICO_________________________________________________________________________________________________________
- 74 -
Rev.18-08-06 CURSO DE MANUTENÇÃO BÁSICO_________________________________________________________________________________________________________
- 75 -
Conceito :
Parâmetros servem para informar ao CNC , qual a configuração
da máquina, por exemplo :
- Quantidade de eixos
- Velocidade/aceleração/ganho/corrente
- Fim-de-curso
- Programação em mm ou polegada
- Ponto decimal ou não
- Vídeo colorido ou não
- Lingua : Português / Inglês / Espanhol / Italiano / Japonês
- etc...
0000 - SETTING (geral)
0100 - READER/PUNCHER INTERFACE (RS-232)
1000 - AXIS CONTROL / INCREMENTAL SYSTEM (eixo / medição)
1200 - COORDINATE SYSTEM (sistema de coordenadas)
1300 - STROKE LIMIT (fim-de-curso)
1400 - FEEDRATE (controle de avanço)
1600 - ACELERATION/DECELERATION (aceleração/desaceleração)
1800 - SERVO (servo/drive)
3000 - DI/DO (entradas/saídas)
3100 - CRT/MDI,EDIT (vídeo/teclado, edição)
3400 - PROGRAM (programa de usinagem)
3600 - PITCH ERROR COMP. (compens.passo de fuso)
3700 - SPINDLE CONTROL (eixo árvore)
5000 - TOOL OFFSET (corretores de ferramenta)
5100 - CANNED CYCLE (ciclos fixos para furação)
5200 - RIGID TAPING (macho/rosca)
5400 - SCALING/COORDINATE ROTATION (escala/rotação)
5500 – INDEX TABLE (mesa giratória)
Rev.18-08-06 CURSO DE MANUTENÇÃO BÁSICO_________________________________________________________________________________________________________
- 76 -
6000 – CUSTOM MACRO (program.parametrizada)
6200 – SKIP FUNCTION (medição em processo)
6300 – EXTERNAL DATA INPUT (entrada externa de dados)
6500 – GRAPHICS DISPLAY (vídeo gráfico)
6700 – RUN HOUR – PARTS COUNT (contador de peças)
6800 – TOOL LIFE MANEGEMENT (gerenciador de ferramentas)
6900 – POSITION SWITCH (janela de posição)
7100 – MANUAL HANDLE (manivela eletrônica)
7200 – SOFTWARE OPERATOR’S PANEL (painel operac. Soft.)
7300 – PROGRAM RESTART (reiniciar o programa de usinagem)
7500 – HIGH SPEED MACHINING (usinagem em alta velocidade)
7600 – POLYGON TURNING (usinagem de polígono)
8000 – AXIS CONTROL BY PMC (eixo controlado pelo LADDER)
8100 – TOOL-PATH (TT-SERIES) – (CNC duplo)
8200 – INCLINED AXIS CONTROL (eixo inclinado)
8300 – SIMPLE SYNCHRONOUS CONTROL (sincronismo de eixo)
9000 – MACRO EXECUTER (linguagem FANUC de programação)
9900 – Configuração do sistema interno do CNC
OP NQ GR 7 A 8 B 9 D
XC ZV FL 4 [ 5 ] 6SP
MI SK TJ 1 , 2 # 3 =
UH WV
EOB
E 0 * . /
POS PROG
OFFSET
SETTING CAN INPUT
SYSTEM MESSAGE CUSTOM ALTER INSERT DELET
PAGE
HELP
RESET
SHIFT
- +
PAGE
HELP
Rev.18-08-06 CURSO DE MANUTENÇÃO BÁSICO_________________________________________________________________________________________________________
- 77 -
[PARAM ]
PAGE PAGE
PARA TROCA DE
PAGINAS
SYSTEM [PARAM]
Rev.18-08-06 CURSO DE MANUTENÇÃO BÁSICO_________________________________________________________________________________________________________
- 78 -
Bit’s : (0 ou 1)
Bit’s : (por eixo , 0 ou 1)
DADO: (0 a +/- 99999999)
depende do parâmetro
Descrição
Parâmetros
Para buscar um parâmetro :
A) SYSTEM + [PARAM]
B) Digitar o número do parâmetro
C) [NO.SRH]
Rev.18-08-06 CURSO DE MANUTENÇÃO BÁSICO_________________________________________________________________________________________________________
- 79 -
Para alterar o valor de algum parâmetro :
A) Colocar o CNC em modo MDI
B) Habilitar o PWE = 1
C) Desbloquear a chave LIB.PRG.
D) SYSTEM + [PARAM]
E) Digitar o número do parâmetro
F) [NO.SRH]
G) Digitar o novo valor do parâmetro
H) Pressionar a tela INPUT
I ) Voltar o PWE=0
Não troca de tela quando houver um alarme :
Colocar o PAR. 3111#7(NPA) = 1
Rev.18-08-06 CURSO DE MANUTENÇÃO BÁSICO_________________________________________________________________________________________________________
- 80 -
RS-232
PC CNC
Conector
DB9
FS16/18/21 = JD5 e JD5A
SÉRIE i = JD36A e JD36B
I/O=3
JD36B
I/O = 4
I/O=2
PCMCIA
I/O=1
I/O=0
JD36A
Parâmetro 20
Parâmetro 20
OFFSET
SETTING Até mostrar a tela “SETTING (HANDY)”
Rev.18-08-06 CURSO DE MANUTENÇÃO BÁSICO_________________________________________________________________________________________________________
- 81 -
JD36BJD36A
P131#0P121#0P111#0P101#0STOP BIT
P133P123P113P103BAUDRATE
I/O=3I/O=2I/O=1I/O=0
I/O CHANNEL (Par.20)
Configuração serial :
BAUDRATE , e , 7 , STOP BIT
OBS :
Sempre usar paridade even(par) e 7 bits
STOP BIT :
Bit = 0 ou 1
RS232 = 1 ou 2
BAUD RATE :
10 = 4800
11 = 9600
12 = 19200
Procedimento :
A) Preparar o PC para receber dados
B) Colocar o CNC em modo EDIT
C) Pressionar SYSTEM [PARAM] [OPRT] [ ] [PUNCH]
D) [ALL] ou [NON-0]
E) [EXEC]
Após pressionar [EXEC], o CNC mostrará “OUTPUT”, em baixo
no lado direito do vídeo, isto indicará que os dados estão sendo
enviados pelo canal serial.
No caso do I/O=4, o nome do arquivo será :
CNCPARAM.DAT para todos os cnc’s.
OBS :
Verificar se o PMC está em ON LINE , SYSTEM [PMC] [MONIT] [ONLINE]
Rev.18-08-06 CURSO DE MANUTENÇÃO BÁSICO_________________________________________________________________________________________________________
- 82 -
Procedimento :
A) PWE=1
B) Liberar chave LIB.PRG
C) Colocar o CNC em modo EDIT
D) Pressionar SYSTEM [PARAM] [OPRT] [ ] [READ]
E) [EXEC]
F) Preparar o PC para enviar dados
Após pressionar [EXEC], o CNC mostrará “LSK”, em
baixo no lado direito do vídeo, isto indicará que o
CNC está eperando chegar os dados. Quando os
dados chegarem , o CNC mostrará “INPUT”.
N01024 A1 P 0 A2 P 0 A3 P 0 A4 P 0
N01031 P 0
N01201 P 00000001
N01202 P 00000000
N01203 P 00000000
N01220 A1 P 0 A2 P 0 A3 P 0 A4 P 0
N01221 A1 P-150 A2 P 0 A3 P-300 A4 P 0
N01222 A1 P-200 A2 P-200 A3 P 0 A4 P 0
N01223 A1 P-250 A2 P 0 A3 P-150 A4 P 0
N01224 A1 P-230 A2 P 0 A3 P-100 A4 P 0
N01225 A1 P 0 A2 P 0 A3 P 0 A4 P 0
N01226 A1 P 0 A2 P 0 A3 P 0 A4 P 0
N01240 A1 P 712827 A2 P 33227 A3 P 220300 A4 P 23346
N01241 A1 P 0 A2 P 0 A3 P 0 A4 P 0
N01242 A1 P 0 A2 P 0 A3 P 0 A4 P 0
N01243 A1 P 0 A2 P 0 A3 P 0 A4 P 0
N01244 A1 P 0 A2 P 0 A3 P 0 A4 P 0
N01250 A1 P-50000 A2 P-20000 A3 P-47000 A4 P 0
N01251 A1 P 0 A2 P 0 A3 P 0 A4 P 0
N01260 A1 P 0 A2 P 0 A3 P 0 A4 P 360000
Onde :
N... = Número do parâmetro
P... = Valor no parâmetro
A .. = Número do eixo
Rev.18-08-06 CURSO DE MANUTENÇÃO BÁSICO_________________________________________________________________________________________________________
- 83 -
Rev.18-08-06 CURSO DE MANUTENÇÃO BÁSICO_________________________________________________________________________________________________________
- 84 -
9 - Sistema de
referenciamento
Rev.18-08-06 CURSO DE MANUTENÇÃO BÁSICO_________________________________________________________________________________________________________
- 85 -
O CNC GE Fanuc possui três tipos de coordenadas :
- Relativa ( RELATIVE )
- Absoluta (ABSOLUTE)
- Máquina ( MACHINE )
Cada uma destas coordenadas possui uma função , que irá
ajudar o operador na usinagem de peças.
POS [ALL]
Rev.18-08-06 CURSO DE MANUTENÇÃO BÁSICO_________________________________________________________________________________________________________
- 86 -
Z
X
Referencia
Z = 0,000mm
X = 0,000mm
Micro
Referencia
Rápido
24Vcc 24Vcc
0v
Eixo
Micro Ref.
Encoder
mm
mm
mm
MACHINE= 0.000
Uma volta
X9.0 .....X9.7 P3003.5 (DEC)
=0, Micro NF
=1, Micro NA
P1006.5 (ZMI)
=0, Não inverte sentido
=1, Inverte sentido
P1420 (mm/min)
P1425 (mm/min)
......................................
Rev.18-08-06 CURSO DE MANUTENÇÃO BÁSICO_________________________________________________________________________________________________________
- 87 -
Pulsos de referencia
Fuso de esferas
A
A
B
B
Z
Z
Rev.18-08-06 CURSO DE MANUTENÇÃO BÁSICO_________________________________________________________________________________________________________
- 88 -
Pulsos de referencia do encoder
REFERENCE COUNTER
PAR. 1821
10 mm 10 mm 10 mm
5 mm 5 mm 5 mm 5 mm 5 mm 5 mm 5 mm
Fuso de esferas = Passo 5 mm
Pulsos de referencia do encoder
Fuso de esferas = Passo 5 mm
REFERENCE COUNTER
PAR. 1821
10 mm 10 mm 10 mm
5 mm 5 mm 5 mm 5 mm 5 mm 5 mm 5 mm
GRID SHIFT PAR.1850
Rev.18-08-06 CURSO DE MANUTENÇÃO BÁSICO_________________________________________________________________________________________________________
- 89 -
Encoder Incremental + Bateria = Encoder Absoluto
Bateria
Acionamento
Rev.18-08-06 CURSO DE MANUTENÇÃO BÁSICO_________________________________________________________________________________________________________
- 90 -
Parâmetro 1815.5 (APC)
0 = Não usa encoder absoluto
1 = Usa encoder absoluto
Parâmetro 1815.4 (APZ)
0 = Encoder absoluto não referenciado
1 = Encoder absoluto referenciado
ALARME : 300
300 APC ALARM : X AXIS NEED ZRN
Rev.18-08-06 CURSO DE MANUTENÇÃO BÁSICO_________________________________________________________________________________________________________
- 91 -
1 – APC =1
2 – Desligar e ligar a máquina (CNC + ACIONAMENTO)
3 – Mover em JOG até a posição de referencia
4 – APZ = 1
5 – RST (Tecla), para limpar o alarme 300.
Rev.18-08-06 CURSO DE MANUTENÇÃO BÁSICO_________________________________________________________________________________________________________
- 92 -
Machine = 0.000
Absolute = 100.000
Relative = **********
100.000 mm Z+Z-
REFZ
Z+Z-
Curso de Trabalho
P1320P1321
REFZ
Rev.18-08-06 CURSO DE MANUTENÇÃO BÁSICO_________________________________________________________________________________________________________
- 93 -
BY-PASS
X+
X-
Z+
Z-
Emergência
Emergência
+24Vcc
0V
R0
Acionamento
R0
CNC
R0
ALARME : 401
Rev.18-08-06 CURSO DE MANUTENÇÃO BÁSICO_________________________________________________________________________________________________________
- 94 -
Rev.18-08-06 CURSO DE MANUTENÇÃO BÁSICO_________________________________________________________________________________________________________
- 95 -
O P
P CAN
CAN
+
+
ou
Ao ligar o CNC com as duas
teclar pressionadas , o fim-de-
curso de software é anulado.
Cancelar o fim-de-curso de software
Z+Z- REFZ
Machine= - 50.000
Z+Z- REFZ
Machine= - 50.000
Rev.18-08-06 CURSO DE MANUTENÇÃO BÁSICO_________________________________________________________________________________________________________
- 96 -
10 - Usinagem CNC
Rev.18-08-06 CURSO DE MANUTENÇÃO BÁSICO_________________________________________________________________________________________________________
- 97 -
O0001;
.....................;
.....................;
.....................;
M30;
Nome do programa (0000 a 9999)
Linhas de programa
Fim do programa
N.... G.... X.... F.... M.... S..... T..... ;
Funções auxiliares
Avanço (mm/min ou mm/rot)
Eixo : X,Y,Z......
Funções preparatória “G”
Número da linha
Linha de programa :
EOB
Programa :
O0000 ... O9999 (Oxxxxxxxx , 8 digitos)
Letra O e não 0(Zero) !
O0001;
...........;
...........;
...........;
...........;
M30;
%
Exemplo :
Programa 1
Linha do programa
Fim do Programa
Rev.18-08-06 CURSO DE MANUTENÇÃO BÁSICO_________________________________________________________________________________________________________
- 98 -
EDIT PROG [DIR]
Memória utilizada
Programas de
usinagem
armazendados na
memória (Bateria)
Modo de Operação
Programa atual Número da Linha
Comentários
(até 31 caracteres)
Rev.18-08-06 CURSO DE MANUTENÇÃO BÁSICO_________________________________________________________________________________________________________
- 99 -
X
Z
Z
X
A
B
X = 0.000
Z = 0.000
X = -20.000
Z = -20.000
CX = -20.000
Z = -50.000
O0001;
N10G0X-20.Z-20.;
N20G1Z-50.F50.;
N30M30;
Ponto B
Ponto C
Procedimento :
A) Modo EDIT
B) Chave LIB.PRG. Habilitada
C) Pressionar tecla PROG
D) Digitar : O1
E) Pressionar tecla INSERT
Neste momento o CNC irá abrir um novo programa O0001,
e o mesmo poderá ser complementado.
OBS : Para editar um programa de usinagem, o CNC não poderá
apresentar nenhum tipo de ALARME !
Rev.18-08-06 CURSO DE MANUTENÇÃO BÁSICO_________________________________________________________________________________________________________
- 100 -
ALM
Alarme no CNC
- Digitar o novo programa
Exemplo : O1
- Pressionar a tecla <INSERT>
Rev.18-08-06 CURSO DE MANUTENÇÃO BÁSICO_________________________________________________________________________________________________________
- 101 -
Programa O1 já exixte !
Alarme , programa já existe !!!!
ALM
Para cancelar , pressione <RST>
Rev.18-08-06 CURSO DE MANUTENÇÃO BÁSICO_________________________________________________________________________________________________________
- 102 -
WRITE PROTECT
Aviso :
Programa protegido
através da chave
“Proteção de dados”
Proteção de dados :
Para cancelar , pressione <RST>
Editor do programa de usingem
Rev.18-08-06 CURSO DE MANUTENÇÃO BÁSICO_________________________________________________________________________________________________________
- 103 -
Procedimento :
A) Digitar ;
B) Pressionar tecla INSERT
C) Digitar N10G0X-20.Z-20.;
D) Pressionar tecla INSERT
E) Repetir os itens B,C
N10G0X-20.Z-20.;
Procedimento :
A) Colocar o CNC em modo AUTO
B) Pressionar a tecla PROG
C) Verificar se o cursor está no início do programa
D) Pressionar botão/tecla START
OBS : Para executar um programa de usinagem, o CNC não poderá
apresentar nenhum ALARME !
Rev.18-08-06 CURSO DE MANUTENÇÃO BÁSICO_________________________________________________________________________________________________________
- 104 -
POS
POSIÇÃO :
ABSOLUTO
[ABS]
POS
POSIÇÃO :
RELATIVO
[REL]
Rev.18-08-06 CURSO DE MANUTENÇÃO BÁSICO_________________________________________________________________________________________________________
- 105 -
POS [ALL]
MACROS são usadas para fazer os cálculos /
movimentos da peça á ser usinada.
Vantagens :
- Podemos repeti-la quantas vezes for necessário
- Bloqueio da edição e visualização
- Qualquer programa pode chamar a MACRO
Rev.18-08-06 CURSO DE MANUTENÇÃO BÁSICO_________________________________________________________________________________________________________
- 106 -
CHAMADA DO SUBPROGRAMA (M98)
M98 P xxx aaaa ;
Onde :
xxxx = número de vezes que o subprograma deverá ser chamado
repetidamente, se for omitido , o subprograma é chamado apenas uma vez.
aaaa = número do subprograma
O0001;
...;
...;
M98P1000;
...;
...;
M30;
%
Exemplo :
O1000;
...;
...;
...;
...;
...;
M99;
%
PROGRAMA PRINCIPAL SUBPROGRAMA
Quando o programa principal chama um subprograma, esta
operação é considerada como chamada de subprogramas do
nível um. Os subprogramas podem ser incluídos, ao todo, em
quatro níveis, como seguidamente ilustrado.
Várias chamadas :
O0001;
...;
...;
M98P1000;
...;
...;
M30;
%
O1000;
...;
...;
M98P2000;
...;
...;
M99;
%
PROGRAMA
PRINCIPAL SUBPROGRAMA
O2000;
...;
...;
M98P3000;
...;
...;
M99;
%
SUBPROGRAMA
O3000;
...;
...;
M98P4000;
...;
...;
M99;
%
SUBPROGRAMA
O4000;
...;
...;
M98P5000;
...;
...;
M99;
%
SUBPROGRAMA
Inclusão de nível
um
Inclusão de nível
dois
Inclusão de nível
três
Inclusão de nível
quatro
Rev.18-08-06 CURSO DE MANUTENÇÃO BÁSICO_________________________________________________________________________________________________________
- 107 -
X
Z
Z
X
A
B
X = 0.000
Z = 0.000
X = -20.000
Z = -20.000
CX = -20.000
Z = -50.000
O0001;
N10G0X-20.Z-20.;
N20G1Z-50.F50.;
N25M98P9000;
N30M30;
O9000;
N10G1X0.Z0.F10;
N20M99;
Bloqueio das MACROS :
Através do P3202#4 = 1, podemos bloquear a MACRO para
não edita-la e também para bloquear a sua visualização na
tela.
Este recurso pode ser importante quando a rotina possuir
cálculo complexos ou movimentos perigosos na máquina.
OBS : Para fazer o back-up/Restore, verifique este parâmetro, pois se o
mesmo estiver =1, as MACROS (9000 a 9999) não serão enviadas pelo
canal serial ou cartão de memória PCMCIA.
Rev.18-08-06 CURSO DE MANUTENÇÃO BÁSICO_________________________________________________________________________________________________________
- 108 -
Funções auxiliares são usadas para controlar algum
periférico , como por exemplo:
- Abrir/Fechar porta proteção
- Ligar/Desl. Refrigerante de corte
- Chamar alguma ferramenta no magazine (torre)
- Ligar eixo árvore horário/anti-horário
- Definir a velocidade do eixo árvore
- Etc.
São três tipos de funções :
M = Miscelâneas
S = Rotação eixo árvore
T = Ferramenta
M00 = Para execução do programa
M01 = Para opcional
M03 = Liga eixo árvore horário
M04 = Liga eixo árvore anti-horário
M05 = Desliga eixo árvore
M06 = Troca ferramenta (magazine)
M07 = Refrigeração
M08 = Liga refrigeração
M09 = Desliga refrigeração
M30 = Para a execução e volta para a linha inicial
Rev.18-08-06 CURSO DE MANUTENÇÃO BÁSICO_________________________________________________________________________________________________________
- 109 -
S
Ex. N10 S3000 ;
3000 rpm
T
Ex. N10 T0102;
01 = Número da ferramenta
02 = Corretor da ferramenta (comprimento)
X
Z
Z
X
A
B
X = 0.000
Z = 0.000
X = -20.000
Z = -20.000
CX = -20.000
Z = -50.000O0001;
N10G0X-20.Z-20.;
N15M08;
N20G1Z-50.F50.;
N25M98P9000;
N27M09
N30M30;
O9000;
N10G0X0.Z0.;
N20M99;
Rev.18-08-06 CURSO DE MANUTENÇÃO BÁSICO_________________________________________________________________________________________________________
- 110 -
FIN = Esperando o LADDER finalizar a função M/S/T
LADDER
O0001;
N10G0X20.Z20.;
N15M08;
N20G1Z50.F25.;
N25M98P9000;
N27M09
N30M30;
USINAGEMVálvula
solenóide
Y0.0
X0.0
Sensor
Reservatório
Bomba
Rev.18-08-06 CURSO DE MANUTENÇÃO BÁSICO_________________________________________________________________________________________________________
- 111 -
O0001;
N10G0X20.Z20.;
N15M08;
N20G1Z50.F25.;
N25M98P9000;
N27M09
N30M30;
USINAGEM
MF
F7.0
F10=00001000
PMC
G4.3
FIN
MF
FIN
Libera Usinagem
F10 = 00000000
F11 = 00000000
F12 = 00000000
Valor do M
F10F11F12F13
7 6 5 4 3 2 1 0 7 6 5 4 3 2 1 0 7 6 5 4 3 2 1 0 7 6 5 4 3 2 1 0
Bit 0Bit 32
M12800000000.......10000000
M0400000000.......00000100
M0300000000.......00000011
M0200000000.......00000010
M0100000000.......00000001
Valor do M programadoValor Binário do M
F13,F12,F11,F10
F13 = 00000000
Rev.18-08-06 CURSO DE MANUTENÇÃO BÁSICO_________________________________________________________________________________________________________
- 112 -
SUB25
DECB
MF
F7.0
0001
F10
00000008
R10
Y0.0R10.0 R10.1
Y0.0
G4.3
FIN
R10.0
R10.1
X0.0
X0.0
Codificação da função M
F10 = 00001000
R10 = 00000001
Liga/Desliga Solenóide
R10.0 = 1
Espera sensor na entrada X0.0
Procedimento :
A) Configurar o canal serial do CNC e do PC
B) Desbloquear MACROS (P3202#4) = 0
C) Colocar CNC em modo EDIT
D) Pressionar tecla PROG
E) Pressionar softkey [OPRT]
F) Digitar O-9999
G) Pressionar [PUNCH]
H) Preparar o PC para receber dados
I ) Pressionar [EXEC]
Rev.18-08-06 CURSO DE MANUTENÇÃO BÁSICO_________________________________________________________________________________________________________
- 113 -
Procedimento :
A) Configurar o canal serial do CNC e do PC
B) Desbloquear MACROS (P3202#4) = 0
C) Colocar CNC em modo EDIT
D) Habilitar chave SEG.PRG.
E) Pressionar tecla PROG
F) Pressionar softkey [OPRT]
G) Pressionar [READ]
H) Pressionar [EXEC]
I ) Preparar o PC para transmitir dados
Rev.18-08-06 CURSO DE MANUTENÇÃO BÁSICO_________________________________________________________________________________________________________
- 114 -
11 - Ferramentas para
manutenção
Rev.18-08-06 CURSO DE MANUTENÇÃO BÁSICO_________________________________________________________________________________________________________
- 115 -
- Salvar todo o conteúdo da memória SRAM.
- Todo conteúdo SRAM em um arquivo FDB.
- Operação BACKUP / RESTORE aproximadamente 10seg.
FROM
DRAM
SRAM
CPUPCMCIA
SRAM.FDB
- Parâmetros de - LADDER(T/C/D/K)
- Parâmetros do CNC
- Programa de usinagem
- Corretores de ferramenta
- Custom Macro
- Compensação passo fuso
SYSTEM [ ] [M-CARD][ALL IO]
P3116#0 (MDP) = 1
I/O CHANNEL = 4
Modo EDIT
[OPRT]
Rev.18-08-06 CURSO DE MANUTENÇÃO BÁSICO_________________________________________________________________________________________________________
- 116 -
Apaga arquivos do cartão PCMCIADELETE
Carrega dados do cartão para a SRAMLOAD
Salva dados da SRAM para o cartão PCMCIASAVE
Formata Cartão PCMCIAFORMAT
Arquivo selecionado
Para selecionar outro
arquivo, utilizar as
telcas
Quantidade de
arquivos
Avisos
Dados do Cartão PCMCIAMemória do CNC (SRAM)
Rev.18-08-06 CURSO DE MANUTENÇÃO BÁSICO_________________________________________________________________________________________________________
- 117 -
Nome dos arquivos SRAM :
Linha de STATUS de OPERAÇÃO e EXECUÇÃO
Rev.18-08-06 CURSO DE MANUTENÇÃO BÁSICO_________________________________________________________________________________________________________
- 118 -
Modo operção:
MDI : Manual Data Input
MEM : AUTO , Automático
RMT : AUTO, via comunicação REMOTA
EDIT : Edição
HND : Manivela eletrônica
JOG : Manual
TJOG : TEACH JOG
THND : TEACH manivela
INC : Incremantal
REF : Referencia
STATUS automático:
* * * : RST, ou quando não está em execução
STOP : Parada , ou quando executa uma linha
HOLD : FEED HOLD (LADDER)
STRT : Inicio de ciclo
Movimento do eixo:
* * * : RST, ou quando não está em execução
MTN : Movimento de algum eixo
DWL : G4 no programa (tempo)
Função auxiliar:
FIN : Função auxiliar M/S/T ALARME:
ALM : ALARME no CNC/LADDER
BAT : Alarme de bateria
-EMG- : Emergência externa
G4 P5000; => Tempo 5s , 5000 = milisegundos
G4 X5.; => Tempo 5s , 5 = segundos
Tempo na usinagem :
Rev.18-08-06 CURSO DE MANUTENÇÃO BÁSICO_________________________________________________________________________________________________________
- 119 -
SYSTEM [DGNOS]
PAGE PAGE
Avança/Retorna
página
Sinais, RST/EMG/RRW estão ativosWAITING FOR RESET.ESP.RRW.OFF014
Chave de correção de avanço em 0% (fechada)JOG FEEDRATE OVERRIDE 0%013
Busca de programa externamenteEXTERNAL PROGRAM NUMBER SEARCH015
Esperando travar/destravar mesa giratória (G38.7/G38.6)WAITING FOR (UM)CLAMP012
Os dados estão sendo recebidos pelo canal serial RS-232READING011
Os dados estão sendo enviados pelo canal serial RS-232PUNCHING010
Esperando o eixo árvore atingir a velocidade programadaSPINDLE SPEED ARRIVAL CHECK006
INTERLOCK ligado (LADDER / Fisicamente)INTERLOCK/START-LOCK005
Chave de correção de avanço em 0% (fechada)FEEDRATE OVERRIDE 0%004
Esperando chegar na posição programadaIN-POSITION003
G4P..... / G4 X......, em execuçãoDWELL002
Eixo em movimento em AUTOMOTION001
Esperando M/S/T LADDERWAITING FOR FIN SIGNAL000
DescriçãoCNCNO.
Rev.18-08-06 CURSO DE MANUTENÇÃO BÁSICO_________________________________________________________________________________________________________
- 120 -
G9.0 (PN1)
G9.1 (PN2)
G9.2 (PN4)
G9.3 (PN8)
G9.4 (PN16)
External Program number search
O10 , G9 = 10, 00001010
Ver próxima tabelaSTOP MOTION OR DWELL025
Usado com leitora de fita perfuradaCHARACTER NUMBER TH DATA030
Usado com leitora de fita perfuradaTH DATA031
Ocorre quando : -EMG-,ERS,RST,RRW = 1RESET ON024
Ocorre quando : -EMG- (emergência externa = 0 )EMERGENCY STOP ON023
Sinal RRW (G8.6) está ligadoRESET e REWIND ON022
Tecla RST está acionada (teclado MDI do CNC)RESET BUTTON ON021
Ocorre quando ocorre um alarme de servo / emergênciaCUT SPEED UP/DOWN020
DescriçãoCNCNO.
Rev.18-08-06 CURSO DE MANUTENÇÃO BÁSICO_________________________________________________________________________________________________________
- 121 -
1
1
1
0
0
1
1
1
0
0
0
0
1
1
0
1
1
0
1
1
0
1
0
0
1
0
0
0
0
1
1
0
0
0
0
0
0
0
0
0
0
0
STOP MOTION OR DWELL025
RESET ON024
EMERGENCY STOP ON023
RESET e REWIND ON022
RESET BUTTON ON021
CUT SPEED UP/DOWN020
Emergência externa
ERS está ligado (LADDER)
Tecla RST está acionada (MDI)
RRW está ligado (LADDER)
Alarme de servo
Trocou de modo de operação ou FEED HOLD
Função PAS/PAS está ligada
Parada do programa em AUTOMÁTICO
MESSAGE [ALARM]
Rev.18-08-06 CURSO DE MANUTENÇÃO BÁSICO_________________________________________________________________________________________________________
- 122 -
MESSAGE [HISTRY]
PAGE PAGE
Avança/Retorna
página
Para apagar a lista :
P3110#2=0
[(OPRT)]
[CLEAR]
0....255,5000...5455 = Operação / Programa de Usinagem
300...309 = Encoder com Bateria (Absoluto)
360...387 = Comunicação Serial do encoder
401...468 = Acionamento / Motor
500...515 = Fim-de-curso
600...607 = Acionamento
700 = Alta temperatura no CNC
701 = Falha no ventilador do CNC
704 = Erro de velocidade no SPINDLE (Flutuação RPM)
749...784 = Acionamento / Motor Spindle
900...976 = Alarme de Sistema (Fanuc)
1000...1999 = Alarmes do PMC (Fabricante)
2000...2999 = Avisos do PMC (Fabricante)
3000...3999 = Alarmes da usinagem (Fabricante / Processo)
Rev.18-08-06 CURSO DE MANUTENÇÃO BÁSICO_________________________________________________________________________________________________________
- 123 -
Através deste recurso , o CNC armazena todas as operações
realizadas pelo operador , como por exemplo :
- Quando o CNC foi ligado
- Quando o CNC foi desligado
- Data e hora do alarme
- Telas que o operador entrou
- Dados que o operador alterou
- Etc.
Parâmetros :
Par. 3106#4 = 1, (OPH) mostra a tela do histórico
SYSTEM [OPEHIS]
PAGE
Avança/Retorna
página
PAGE
[OPRT]
Busca página
Rev.18-08-06 CURSO DE MANUTENÇÃO BÁSICO_________________________________________________________________________________________________________
- 124 -
02/04/26
09:33:39
02/04/26
09:33:39
[SFL] [SF4] [SF3] [SF2][SF1] [SF0] [SFR]
<SYTEM>
09:33:39
<INPUT> <DELET>
[SFL] [SF9] [SF8] [SF7][SF6] [SF5] [SF4] [SF3] [SF2][SF1] [SF0] [SFR]
O sistema coloca a hora automaticamente.
Par. 3122 = Tempo em min.
Data e Hora quando o CNC foi desligado
Data e Hora quando o CNC foi Ligado
SOFTKEYS
Tecla MDI
[SG-SEL]
Rev.18-08-06 CURSO DE MANUTENÇÃO BÁSICO_________________________________________________________________________________________________________
- 125 -
PAGEPAGE
Move para posição desejada
X / Y / G / F
Ex. G7 <INPUT>
Move para o bit desejado
[ON:1] , Habilita bit
[OFF:0] , Desabilita bit
[ALLDEL] , apagada tudo
[DELETE] , apaga linha
Salvar Histórico de Operações
[ READ ] = Leitura do arquivo do Histórico de Operações
[ PUNCH] = Escrita do arquivo do Histórico de Operações
Rev.18-08-06 CURSO DE MANUTENÇÃO BÁSICO_________________________________________________________________________________________________________
- 126 -
%
T0COPERATION HISTORY
T50P1H90
T50P1H95
T53P0E0D00000000
T53P0E1D000000
T53P1E0D20051121
T53P1E1D101040
T52P0N100
T52P4
T53P0E0D20051121
T53P0E1D101040
T52P6
T52P10N5136
T53P0E0D20051121
T53P0E1D101040
T50P0H95
T50P0HEB
T50P0H39
Formato do arquivo de Histórico de Operações
Rev.18-08-06 CURSO DE MANUTENÇÃO BÁSICO_________________________________________________________________________________________________________
- 127 -
Rev.18-08-06 CURSO DE MANUTENÇÃO BÁSICO_________________________________________________________________________________________________________
- 128 -
12 - Ferramentas
de
Servos
Rev.18-08-06 CURSO DE MANUTENÇÃO BÁSICO_________________________________________________________________________________________________________
- 129 -
Configuração mecânica
Sistema mecânico :
1 - Modelo do servo
2 - Passo
3 - Relação mecânica entre o servo e o fuso
4 - Sistema de medição (Régua ou encoder do servo)
5 - Ajustes
SYSTEM [ ] [SV-PRM]
Parâmetro relacionado :
P3111#0 = 1
mostra tela SERVO SET
Rev.18-08-06 CURSO DE MANUTENÇÃO BÁSICO_________________________________________________________________________________________________________
- 130 -
1) INITIAL SET BIT
2) MOTOR ID NO.
Com estes dois parâmetros o CNC faz a carga automática de parâmetros do motor.
Procedimento :
- INITIAL SET BIT = 00000000 , manualmente
- MOTOR ID NO. = ver tabela de motores
- Desligar a máquina
- Liga a máquina
- O CNC faz a carga automática dos parâmetros conforme o tipo do motor ,
especificado no MOTOR ID NO.
- INITIAL SET BIT = 00001010
Rev.18-08-06 CURSO DE MANUTENÇÃO BÁSICO_________________________________________________________________________________________________________
- 131 -
SERVO ROM
(FROM)
Motor 1
P2000...
P2001..
P2002..
............
P2999
Motor n
P2000...
P2001..
P2002..
............
P2999
Motor 2
P2000...
P2001..
P2002..
............
P2999
Parâmetros do
CNC
(SRAM)
P0
P1
P2
...
...
P2000
...
...
...
...
...
P2999
...
...
...
P...
P...
Pn
INITIAL SET BIT =
00000000
Carga automática
dos parâmetros do
servo
INITIAL SET BIT =
00001010
3) AMR
4) CRM
5,6) FEED GEAR N/M
Estes parâmetros são utilizados para configuração da relaçãomecânica.
n passo
N passo(mm) x 1000 x n
M 1000000
=
Rev.18-08-06 CURSO DE MANUTENÇÃO BÁSICO_________________________________________________________________________________________________________
- 132 -
Exemplo :
Relação motor fuso (n) = ½
Passo do fuso = 10 mm
( 10 x 1000 x 0.5 ) 5000 5
1000000 1000000 1000
0.005
1
200
= = = =
N
M
=
CMR = Multiplicador no caso de relação mecânica muito alta.
CMR = 2 = x1
AMR = Utilizada antigamente no sistema analógico. (não usar)
7) DIRECTION SET :
Sentido +
Motor Horário
DIRECTION SET = 111
Sentido +
Motor Anti-Horário
DIRECTION SET = -111
Rev.18-08-06 CURSO DE MANUTENÇÃO BÁSICO_________________________________________________________________________________________________________
- 133 -
8) VELOCITY PULSE NO :
Sempre 8192 , definição FANUC
9) POSITION PULSE NO :
Sempre 12500 , para sistema de medição através do encoder do servo
Para medição externa através de régua/encoder, calcular o número de
pulso (um) para 1 volta do motor
10) REFERENCE COUNTER :
Ajuste do ponto de referencia.
Configuração com régua
Régua
EXE
CNC
AQUADB
Multipilica ou divide
Rev.18-08-06 CURSO DE MANUTENÇÃO BÁSICO_________________________________________________________________________________________________________
- 134 -
1 volta no motor = ???? Na régua
Dados do sistema :
Passo = 10mm (10000 um)
Relação mecânica = ½
Resolução régua + EXE = 1um
Resultado :
1 volta no motor = 5000um = 5000um na régua
Parâmetros :
1 volta no motor = ??? régua12500Position Pulse
1
1
Passo x 1000 x n
1000000
N/M
10P1815.1 (OPT)
Medição pela réguaMedição pelo motorParâmetro
Rev.18-08-06 CURSO DE MANUTENÇÃO BÁSICO_________________________________________________________________________________________________________
- 135 -
SYSTEM [ ] [SV-PRM] [SV-TUN]
POS [ ]
Parâmetro :
3111#5=1(OPM)
1=Mostra tela
3151 = (número do eixo)
3152 = (número do eixo)
3153 = (número do eixo)
[ MONI]
Rev.18-08-06 CURSO DE MANUTENÇÃO BÁSICO_________________________________________________________________________________________________________
- 136 -
Para auxiliar a manutenção no CNC GE Fanuc dispomos do
osciloscópio de dois canais o qual podemos analisar :
-Corrente dos servomotores
- Erro de arraste
- RPM atual dos servomotores
- RPM eixo árvore
- Entradas/Saídas
- Etc.
Parâmetros :
Par. 3112#0 = 1, (SGD) , mostra a tela do osciloscópio
OBS : Desligar e ligar o CNC
SYSTEM [W.DGNS]
PAGE
Avança/Retorna
PAGE
[W.PRM ] Tela de parâmetros OSC.
[W.GRPH] Tela do OSC.
[W.MEM ] Tela configuração MEM.
Rev.18-08-06 CURSO DE MANUTENÇÃO BÁSICO_________________________________________________________________________________________________________
- 137 -
Opções :
GRP CONDITION
0 : START (Liga a análise via softkey no CNC)
1 : STARTING&TRG (Liga a análise via LADDER , borda de subida)
2 : STARTING&TRG (Liga a análise via LADDER externa , borda de descida)
SAMPLING TIME
Define o período em ms, o qual definirá a amostragem do sinal. (10 á 32760)
TRIGGER
Define o sinal do LADDER para iniciar a amostragem. Ex. G7.2
Medidor de carga no eixo árvore11n
Velocidade atual do eixo árvore10n
ON/OFF de um sinal de maquina especificado no “SIGNAL ADDRESS”99
Composição de velocidade, 1o. 2o. 3o. Servo90
Dados simulação térmica7n
Corrente , comando6n
Velocidade (RPM) do servo5n
Erro de arraste no servo (2ms)3n
Torque (Corrente)2n
Pulso do encoder1n
Erro de arraste no servo (8ms)0n
Não mostra sinal00
DescriçãoDATA No.
UNIT: Especifica a unidade , conforme o valor do “DATA No.”
Rev.18-08-06 CURSO DE MANUTENÇÃO BÁSICO_________________________________________________________________________________________________________
- 138 -
[W.GRPH]
[START ] = Inicia a amostragem
[TIME ] = Desloca para direita
[TIME ] = Desloca para esquerda
[H-DOBL] = Aumenta a escala T
[H-HALF] = Diminui a escala T
[V-DOBL] = Aumenta amplitude
[V-HALF ] = Diminui a amplitude
[CH-1 ] = Desloca para o 0
[CH-1 ] = Desloca para o 0
[CH-2 ] = Desloca para o 0
[CH-2 ] = Desloca para o 0
Rev.18-08-06 CURSO DE MANUTENÇÃO BÁSICO_________________________________________________________________________________________________________
- 139 -
13 - Alarmes e
Diagnósticos
Servos
Rev.18-08-06 CURSO DE MANUTENÇÃO BÁSICO_________________________________________________________________________________________________________
- 140 -
As informações detalhadas sobre o alarme servo são exibidas na tela de diagnóstico
(nº 200 e 204) da seguinte forma:
#7 (OVL) : Está sendo gerado um alarme de sobrecarga.(Ver DGN 201)
#6 (LV) : Está sendo gerado um alarme de baixa voltagem no amplificador servo.
#5 (OVC) : Está sendo gerado um alarme de corrente excessiva no servo digital.
#4 (HCA) : Está sendo gerado um alarme de corrente anormal no amplificador servo.
#3 (HVA) : Está sendo gerado um alarme de sobretensão no amplificador servo.
#2 (DCA) : Está sendo gerado um alarme do circuito de descarga regenerativo no
amplificador servo.
#1 (FBA) : Está sendo gerado um alarme de desconexão.
#0 (OFA) : Está sendo gerado um alarme de estouro no servo digital.
DGN
200
HVA
#3
DCA
#2
FBA
#1
OFAHCAOVCLVOVL
#0#4#5#6#7
Rev.18-08-06 CURSO DE MANUTENÇÃO BÁSICO_________________________________________________________________________________________________________
- 141 -
DGN
201
#3 #2 #1
EXPALD
#0#4#5#6#7
#7 (ALD)
= 0 : Sobreaquecimento do motor
= 1 : Sobreaquecimento do amplificador
#6 (CSA) : Ocorreu um alarme da soma de verificação.
#5 (BLA) : Ocorreu um alarme de bateria baixa.
#4 (PHA) : Ocorreu um alarme de problemas com dados de fase.
#3 (PCA) : Ocorreu um alarme de problemas com contagem de velocidade.
#2 (BZA) : Ocorreu um alarme de bateria zero.
#1 (CKA) : Ocorreu um alarme de relógio.
#0 (SPH) : Ocorreu um alarme de problemas com dados de fase de software.
DGN
202
PCA
#3
BZA
#2
CKA
#1
SPHPHABLACSA
#0#4#5#6#7
Rev.18-08-06 CURSO DE MANUTENÇÃO BÁSICO_________________________________________________________________________________________________________
- 142 -
#7 (DTE) : Ocorreu um erro de dados.
#6 (CRC) : Ocorreu um erro de dados CRC.
#5 (STB) : Ocorreu um erro de bit de parada.
#4 (PRM) : Ocorreu um alarme de erro de parâmetro. Neste caso, é igualmente
transmitido um alarme de erro de parâmetros servo (nº. 417).
DGN
203
#3 #2 #1
PRMSTBCRCDTE
#0#4#5#6#7
Quando FBA (DGN 200#1) for igual a 1 o alarme de servo nº 416 está sendo gerado:
Encoder desconectador via SOFTWARE00
Sistema de medição externa desconectado (HARDWARE)11
Encoder do servo desconectado (HARDAWARE)01
DetalheEXP
DGN 201 #4
ALD
DGN 201#7
Rev.18-08-06 CURSO DE MANUTENÇÃO BÁSICO_________________________________________________________________________________________________________
- 143 -
U V W UL VL WL UMVM WM UL VL WL UMVM WM UN VN WN
Simples Duplo Triplo
SVM = Servo Module (Acionamento)
Exemplo :
SVM1 -12 = Acionamento de 12 Amperes
SVM2 -12/20 = Acionamento 12 Amperes (L) , 20 Amperes (M)
SVM3 -12/20/40 = Acionamento 12 Amperes (L), 20 Amperes (M), 40 Amperes (N)
SVM1 SVM2 SVM3
Rev.18-08-06 CURSO DE MANUTENÇÃO BÁSICO_________________________________________________________________________________________________________
- 144 -
Rev.18-08-06 CURSO DE MANUTENÇÃO BÁSICO_________________________________________________________________________________________________________
- 145 -
Rev.18-08-06 CURSO DE MANUTENÇÃO BÁSICO_________________________________________________________________________________________________________
- 146 -
Rodapé do vídeoSTATUS Operação/Execução14
<MESSAGE> [HISTRY]P3110#2Histórico de Alarmes10
<MESSAGE>Tela de ALARME / MENSAGEM11
<PROG> [CHECK]Modo AutomáticoTela PROG CHECK12
<HELP>Tecla HELP13
<SYSTEM> [ ] [SV-PRM] [SV-TUN]P3111#0=1Telas de verificação do servo09
<SYSTEM> [ ] [SV-PRM]P3111#0=1Telas de configuração do servo08
<SYSTEM> [SYSTEM]Telas de configuração do CNC07
<SYSTEM> [DGNOS]Tela de diagnóstico06
<SYSTEM> [W-DGNOS]P3112.0=1Osciloscópio05
P3111#5=1
P3106.4=1
K17.0
Sinais muito rápido
X/Y/R/D/K/T/C/G/F
Observação
<POS> [ ] [MONI]Tela de carga nos Servos/Spindle15
<SYSTEM> [OPEHIS]Histórico de Operações04
<SYSTEM> [PMC] [PMCLAD]LADDER03
<SYSTEM> [PMC] [PMCDGN] [TRACE]Função TRACE02
<SYSTEM> [PMC] [PMCDGN] [STATUS]Tela status PMC01
TeclasDescriçãoItem
Rev.18-08-06 CURSO DE MANUTENÇÃO BÁSICO_________________________________________________________________________________________________________
- 147 -
14 - Acionamentos
Rev.18-08-06 CURSO DE MANUTENÇÃO BÁSICO_________________________________________________________________________________________________________
- 148 -
Eixos auxiliares
BETA
BETA i
BETA I/O LINK
BETA
Eixos principais
ALPHA
ALPHA i
ALPHA
Nível de
Aplicação
SérieAcionamento
Linha de Acionamentos & Servos
Acionamentos
Rev.18-08-06 CURSO DE MANUTENÇÃO BÁSICO_________________________________________________________________________________________________________
- 149 -
AC
Power
Control
Power
Supply
Cap
Rectifier
Transistor Bridge
Regen
Control
Regen Resistor
Alarms
Encoder Battery
Pack
Transistor Driver
Circuit
Conceito:
CNC
Aliemtação
Eletrônica
230VAC, 1
Servo Motor
400VAC, 3
CNC
CXA2A
CX1A
CX3
TB2
L1 L2 L3 G
TB1
PSM
CXA
2A
CXA
2B
JYA2
JYA4
TB1
SPM
JA
7A
JA
7B
CXA
2A
CXA
2B
TB1
SVM
COP
10B
COP
10A
JF1
CXA
2A
CXA
2B
TB1
SVM
COP
10B
COP
10A
JF1
JF2
CNC
Spindle Motor
Power Fb
Servo Motor
Power Fb
Scale
SDU
Rev.18-08-06 CURSO DE MANUTENÇÃO BÁSICO_________________________________________________________________________________________________________
- 150 -
24Vdc
400VAC, 3
Servo Motor
CNC
CXA
19A
CXA
19B
CX30
TB2
SVM
CZ7
JF1
COP
10B
COP
10A
400VAC, 3
CXA
19A
CXA
19B
CX30
TB2
SVM
Servo Motor
CZ7
JF1
COP
10B
COP
10A
ESP
Reference:
• B-65162EN/03 Servo Amplifier alpha series Descriptions Manual
POWER SUPPLY - PSM
CXA2A
CX1BCX1A
JX1B
CX4CX3
GND
TB2
L1 L2 L3 G
TB1
200VAC, 1
SPM / SVM
(DC-link)
- Check-pin board
- SPM / SVM (*2)
(Alarm, MCOFF, CRDY)
SPMi / SVMi
(MIFB, 24V, BATT, ESP)
MCC
Circuit
Breaker 2
Circuit
Breaker 1
AC
Reactor
ESP
200VAC
- DB Module (*1)
- SPM / SVM (*2)
Nota:
(*1) CX1B: Usado para módulo DB no caso do SVM1-360 , SVM1-180HV ou SVM1-360HV .
(*2) CX1B e JX1B: Usado para conectar o SPM / SVM para o PSM .
Rev.18-08-06 CURSO DE MANUTENÇÃO BÁSICO_________________________________________________________________________________________________________
- 151 -
FSSB FSSB
ESP, Alarm,
24V, Battery
DC-Link DC-Link
ESP, Alarm,
24V, Battery
Motor
Feedback
• SVM + Dynamic Brake Module (DBM)
200Vac 200Vac
Rev.18-08-06 CURSO DE MANUTENÇÃO BÁSICO_________________________________________________________________________________________________________
- 152 -
SPM
Rev.18-08-06 CURSO DE MANUTENÇÃO BÁSICO_________________________________________________________________________________________________________
- 153 -
Configuração :
Fonte de Alimentação PSM:
Rev.18-08-06 CURSO DE MANUTENÇÃO BÁSICO_________________________________________________________________________________________________________
- 154 -
Módulo de Servo SVM:
Módulo de SPINDLE SPM:
Rev.18-08-06 CURSO DE MANUTENÇÃO BÁSICO_________________________________________________________________________________________________________
- 155 -
Alimentação 220VAC:
Emergência externa CX3 / CX4 :
Rev.18-08-06 CURSO DE MANUTENÇÃO BÁSICO_________________________________________________________________________________________________________
- 156 -
Barramento 300VDC:
Alimentação 220VA SPINDLE :
Emergência SVM/SPM CX2B :
Rev.18-08-06 CURSO DE MANUTENÇÃO BÁSICO_________________________________________________________________________________________________________
- 157 -
Cabo de controle JX1A / JX1B :
Cabo de potência :
Rev.18-08-06 CURSO DE MANUTENÇÃO BÁSICO_________________________________________________________________________________________________________
- 158 -
Cabo de potência :
Cabo de potência :
Rev.18-08-06 CURSO DE MANUTENÇÃO BÁSICO_________________________________________________________________________________________________________
- 159 -
Cabo de potência :
Cabo do encoder :
Rev.18-08-06 CURSO DE MANUTENÇÃO BÁSICO_________________________________________________________________________________________________________
- 160 -
Cabo do encoder :
Rev.18-08-06 CURSO DE MANUTENÇÃO BÁSICO_________________________________________________________________________________________________________
- 161 -
15 - SPINDLE
Rev.18-08-06 CURSO DE MANUTENÇÃO BÁSICO_________________________________________________________________________________________________________
- 162 -
Conceito
Encoder
H.R.M. Pulse Coder
Sensor Mz
Sensor M
Sensor no MOTOR (para velocidade e posição)
One-rotation Switch
Position Coder S
H.R. Position Coder
Position Coder
BZ Sensor, CZ Sensor
Sensor no SPINDLE (para posição)
Rev.18-08-06 CURSO DE MANUTENÇÃO BÁSICO_________________________________________________________________________________________________________
- 163 -
Controle do SPINDLE
• Lógica de controle dentro do SPM
• Parâmetros do SPM fica no CNC
• Ao ligar o CNC os parâmetros são transferidos para o SPM
CNC
JA41
Pos
control Vel
control
Cur
control
Motor
Cur fb
Vel fb
SPM
JY4A JY2A
Pos fb
Motor
Encoder
Spindle
Sensor
Pos fb Power
JA7B
Carga Automática dos parâmetros
Procedimento :
Par. 3701#1(ISI) = 0 , Habilita Spindle FANUC / 1=Desabilita
Par. 4133 = Modelo do motor SPINDLE
Par. 4019#7 = 1 Carga automática do spindle (0 carga OK)
Desligar e ligar o CNC e o SPINDLE
Se o parâmetro 4019#7=0, significa que o procedimento de carga automática dos parâmetros
ocorreu perfeitamente.
Rev.18-08-06 CURSO DE MANUTENÇÃO BÁSICO_________________________________________________________________________________________________________
- 164 -
Configuração SPINDLE (T):
Par. 3706#6 e #7 = Polaridade (sentido de giro)
Par. 3735 = Máxima velocidade spindle
Par. 3730 = OFFSET analógica
Par. 3731 = Ganho analógica
Par. 3732 = Velocidade Spindle na orientação quando G29#5 = 1 (SOR)
Par. 3740 = Tempo SAR (mseg)
Par. 3708#0 = 0 não verifica SAR / 1=Verifica (G29#4)
Par. 3741 = Máxima velocidade na GAMA I (G28#1 e G28#2)
Par. 3742 = Máxima velocidade na GAMA II (G28#1 e G28#2)
Par. 3743 = Máxima velocidade na GAMA III (G28#1 e G28#2)
Par. 3744 = Máxima velocidade na GAMA IV (G28#1 e G28#2)
Par. 4030 = Aceleração / desaceleração soft start , 4006#2 =1 , multiplica x 10 rmp/seg
G71.4 = 1 Habilita soft/start no spindle
- Emergência
G71.1 = *ESPP em 0 , Display fica [--] piscando
G70.7 = MDRY
G29.6 = *SSTP , spindle Stop
- Comando
G70.5 = SFRA (Spindle Horário), display fica [00]
G70.4 = SRVA (Spindle Anti-Horário), display fica [00]
G30 = Spindle override
Sinais G/F
Rev.18-08-06 CURSO DE MANUTENÇÃO BÁSICO_________________________________________________________________________________________________________
- 165 -
Configuração Encoder SPINDLE (T):
4001#2 = 1, Habilita encoder externo
4000#0 = 0, encoder no mesmo sentido do spindle / 1 = invertido
Configuração Parada orientada SPINDLE (T):
4015#0 = 1, Habilita parada orientada / 0 = desabilita (não zera)
4038 = RPM para orientação (valor 0 , o spindle usa um valor padrão)
4031 = Posição de para na orientação (4095 = 360 Graus)
4077 = Corrigir parada = 360 graus = 4095, poder ser negativo (-4095 a 4095)
M19 liga G70.6 no ladder (ORCMA)
O F45.7 (ORARA) indica posição OK
Configuração Parada Orientada Incremental SPINDLE (T):
3702#2 = 1, Habilita parada incremental
4328 = Multiplicador da parada incremental
NO PMC
G72.5(INCMDA) = 1, Habilita parada incremental
G78 + G79 (0…3) = 4095 = 360Graus
Telas SPINDLE :
Par. 3111#1 = 1, para habilitar a tela de configuração do spindle
SYSTEM [ SP-PRN ]
Rev.18-08-06 CURSO DE MANUTENÇÃO BÁSICO_________________________________________________________________________________________________________
- 166 -

100365079 curso-manutencao-basico

  • 1.
    GE Fanuc Automation ComputerNumerical Control Products Curso de Manutenção – Básico Série i Acionamento ALPHA
  • 2.
    1 – Linhade CNC GE Fanuc .................................................................... 3 2 – Servo Digital........................................................................................ 11 3 – Sistema de Memórias e BACKUP ..................................................... 16 4 – PMC ..................................................................................................... 22 5 – LADDER .............................................................................................. 49 6 – LADDER SB7 ...................................................................................... 55 7 – BACKUP e RESTORE do LADDER ................................................... 67 Índice 8 – Parâmetros do CNC ........................................................................... 75 9 – Sistema de referenciamento .............................................................. 85 10 – Usinagem CNC .................................................................................. 97 11 – Ferramentas para a manutenção .................................................... 115 12 – Ferramentas de servo ...................................................................... 129 13 – Alarmes e diagnósticos de servo ................................................... 140 14 – Acionamentos .................................................................................. 148 15 – Spindle .............................................................................................. 162
  • 3.
    Rev.18-08-06 CURSO DEMANUTENÇÃO BÁSICO_________________________________________________________________________________________________________ - 3 -
  • 4.
    2 4 3 3 4 4 5 6 24 Eixos Simultâneos 2Power Matei-D Especial 8Power Mate i-H 3Série 0i Mate Intermediário 4Série 0i 9Série 21i 20Série 18i 16Série 18i-MB5 Avançada 20Série 16i Complexa40Série 30i Nível de Aplicação Número de EixosCNC Linha CNC GE Fanuc 15 16 18 20 21 0 Processamento Número de eixos Recursos de usinagem CLP (PMC) Power Mate = Aplicações especias , sem recursos de usinagens. 30 31 32 Rev.18-08-06 CURSO DE MANUTENÇÃO BÁSICO_________________________________________________________________________________________________________ - 4 -
  • 5.
    M = Miling(Centro de Usinagem) = 0-M , 18-M, 210i-M T = Turnig (Torno) = 16-T, 0i-T, 16-T G = Grinding (Retífica) = 0-G , 16-G, 18-G P = Punching (Puncionadeira) = 0-P , 18-P, 16-P L = LASER (Corte) = 18-L, 16-L 0 - TC = C , versão software básico 18-TC 21-MA 21i-MB 15i-MA Máquina : Versão : Open CNC : 150 / 150i, 160 / 160i, 180 / 180i, 210 / 210i = CNC + PC = Open CNC Antigos = MMC-I, MMC-II, MMC-III, MMC-IV X2 ‚ Z2 Z1 X1 DUAL PATH : (dois canais) FS0-TT = Dois Tornos ,FS18-MM = Duas Fresadoras Rev.18-08-06 CURSO DE MANUTENÇÃO BÁSICO_________________________________________________________________________________________________________ - 5 -
  • 6.
    Antigos Série i CNC Vídeo CNC + Vídeo Exemplos: Rev.18-08-06 CURSO DE MANUTENÇÃO BÁSICO_________________________________________________________________________________________________________ - 6 -
  • 7.
    Versão LCD Versão STAND-ALONE Rev.18-08-06CURSO DE MANUTENÇÃO BÁSICO_________________________________________________________________________________________________________ - 7 -
  • 8.
    SOFTKEY : 7 softkeys 12softkeys Painel do Operador Rev.18-08-06 CURSO DE MANUTENÇÃO BÁSICO_________________________________________________________________________________________________________ - 8 -
  • 9.
    POWER MATE : Rev.18-08-06CURSO DE MANUTENÇÃO BÁSICO_________________________________________________________________________________________________________ - 9 -
  • 10.
    Rev.18-08-06 CURSO DEMANUTENÇÃO BÁSICO_________________________________________________________________________________________________________ - 10 -
  • 11.
    2 - ServoDigital Rev.18-08-06 CURSO DE MANUTENÇÃO BÁSICO_________________________________________________________________________________________________________ - 11 -
  • 12.
    CNC M E P#1 X100 X110 X120 Sistema Digital Comunicação Digital Comunicação serial dedados CNC Servo M Acionamto Corrente I=T E Acionamento : Potência Posição Usinagem G00 X200 Y200 ; G01 G91 Z20 ; X-10 ; Y-10 ; CNC : Interpolação Malha de posição Malha de Velocidade Malha de Corrente Aceleração Controle de Servos Potência Encoder COP10B COP10AJF1 Potência Encoder COP10B COP10AJF1 Potência Encoder COP10B COP10AJF1 COP10BCOP10A JF101 JF102 JF103 JF104 Régua Acionamentos de Servos Eixo X Eixo Y Eixo Z CNC FSSB Fanuc Serial Servo Bus Rev.18-08-06 CURSO DE MANUTENÇÃO BÁSICO_________________________________________________________________________________________________________ - 12 -
  • 13.
    SDU Scale X-Axis Y-Axis Z-Axis SVM SVM FSSB - PWM cmd -Encoder fb - Current fb - Amplifier alarms NC-program G00 X200 Y200 ; G01 G91 Z20 ; X-10 ; Y-10 ; Interpolation Programmed Path X Y Z DSP1 CNC Servo Cartão de Controle dos Servos Rev.18-08-06 CURSO DE MANUTENÇÃO BÁSICO_________________________________________________________________________________________________________ - 13 -
  • 14.
    A A B B Z ZPotência Encoder COP10B COP10AJF1 Controle de Servos CNC Bateria Encoder Absoluto= Incremental + Bateria Acionamento Rev.18-08-06 CURSO DE MANUTENÇÃO BÁSICO_________________________________________________________________________________________________________ - 14 -
  • 15.
    Rev.18-08-06 CURSO DEMANUTENÇÃO BÁSICO_________________________________________________________________________________________________________ - 15 -
  • 16.
    3 - Sistemade Memórias e BACK-UP Rev.18-08-06 CURSO DE MANUTENÇÃO BÁSICO_________________________________________________________________________________________________________ - 16 -
  • 17.
    EIXOS Controle de periféirco Spindle Serial SpindleAnalógico Entradas rápidas Interface PCMCIA I/O LinkLCD FSSB Acionamento dos servos FROM / SRAM Bateria 3V LITHIUM Calendário Fonte 5V 3,3V +/- 12V +/- 15V Alimentação 24VCC RS-232 DISPLAY CPU PMCDRAM Barramento de Dados FROM DRAM SRAM Sistema Operacional Sevo ROM LADDER Telas Personalizadas Ciclos de Usinagem Personalizados Programas C ANSI Aplicativos FANUC Parâmetros de LADDER Programas de Usinagem e Subrotinas Parâmetros do CNC Corretores de Ferramentas Compensação de passo do fuso Memória de trabalhoCPU Estrutura da Memória Barramentodedados DRAM = RAM Dinâmica FROM = FLASH ROM SRAM = STATIC RAM Rev.18-08-06 CURSO DE MANUTENÇÃO BÁSICO_________________________________________________________________________________________________________ - 17 -
  • 18.
    SYSTEM [SYSTEM]+ PAGE Avança/Retorna página PAGE Rev.18-08-06 CURSODE MANUTENÇÃO BÁSICO_________________________________________________________________________________________________________ - 18 -
  • 19.
    PAGE Avança/Retorna página PAGE PAGE Avança/Retorna página PAGE Rev.18-08-06 CURSO DEMANUTENÇÃO BÁSICO_________________________________________________________________________________________________________ - 19 -
  • 20.
    * PCMCIA RS-232C CNC FROM DRAM SRAM Sistema Operacional SevoROM LADDER Telas Personalizadas Cilcos de Usinagem Personalizados Programas C ANSI Aplicativos FANUC Parâmetros de LADDER Programas de Usinagem e Subrotinas Parâmetros do CNC Corretores de Ferramentas Compensação de passo do fuso Memória de trabalhoCPU Barramentodedados * PCMCIA Personal Computer Memory Card International Association Rev.18-08-06 CURSO DE MANUTENÇÃO BÁSICO_________________________________________________________________________________________________________ - 20 -
  • 21.
    Cartão PCMCIA Rev.18-08-06 CURSODE MANUTENÇÃO BÁSICO_________________________________________________________________________________________________________ - 21 -
  • 22.
    4 - PMC Rev.18-08-06CURSO DE MANUTENÇÃO BÁSICO_________________________________________________________________________________________________________ - 22 -
  • 23.
    PMC = ProgramMachine Control Também chamado de CLP (PLC), o PMC controla todas as funções da máquina, como por exemplo válvulas,sensores,alarmes,movimentos,etc. Neste capítulo vamos estudar como isto é controlado no GE Fanuc. Rev.18-08-06 CURSO DE MANUTENÇÃO BÁSICO_________________________________________________________________________________________________________ - 23 -
  • 24.
    Rev.18-08-06 CURSO DEMANUTENÇÃO BÁSICO_________________________________________________________________________________________________________ - 24 -
  • 25.
    [ PMC ][ PMCDGN ]SYSTEM Tipo do PMC Rev.18-08-06 CURSO DE MANUTENÇÃO BÁSICO_________________________________________________________________________________________________________ - 25 -
  • 26.
    Rede I/O-Link CNC JD1A JD44A Sériei-B Painel do Operador Entradas / Saídas Entradas / Saídas JD1B JD1A JD1B JD1A JD1B JD1AJD1A JD1B Cabo I/O Link 24VCC 24VCC 24VCC - Módulos de entras/saídas Rev.18-08-06 CURSO DE MANUTENÇÃO BÁSICO_________________________________________________________________________________________________________ - 26 -
  • 27.
    - Painel deOperador Rev.18-08-06 CURSO DE MANUTENÇÃO BÁSICO_________________________________________________________________________________________________________ - 27 -
  • 28.
    Entradas = X Saídas= Y Teclas = X LED’s = Y Entradas = X Saídas = Y Endereços X e Y Rev.18-08-06 CURSO DE MANUTENÇÃO BÁSICO_________________________________________________________________________________________________________ - 28 -
  • 29.
    A B C D E 1 2 34 5 6 7 8 9 10 11 GRUPO BASE Mapeamento das Teclas / LED’s m , n= Início do endereço A B C D E 1 2 3 4 5 6 7 8 9 10 11 Exemplo : A1 = Xm+4.0 / Yn.0 m = 10, n=7 X14.0 e Y7.0 Rev.18-08-06 CURSO DE MANUTENÇÃO BÁSICO_________________________________________________________________________________________________________ - 29 -
  • 30.
    [ PMC ]SYSTEM PMCLAD Mostrao LADDER PMCDGN Chama telas de diagnósticos PMCPRM Chama tela de parâmetros do LADDER [ PMC ] [ PMCDGN ] [ STATUS ]SYSTEM PAGE PAGE Rev.18-08-06 CURSO DE MANUTENÇÃO BÁSICO_________________________________________________________________________________________________________ - 30 -
  • 31.
    PMC em execução Endereços Símbolo Pesquisa BITS [SEARCH ]Buscar uma entrada : Digitar => X [ SEARCH ]Buscar uma saída : Digitar => Y [ SEARCH ]Digitar => X1 [ SEARCH ]Digitar => Y2 SISTEM [ PMC ] [ PMCDGN ] [ STATUS ] [ SEARCH ]Digitar => X ou X1 [ SEARCH ]Digitar => Y ou Y7 Resumo Verificar o estado de uma entrada/saída. Rev.18-08-06 CURSO DE MANUTENÇÃO BÁSICO_________________________________________________________________________________________________________ - 31 -
  • 32.
    Este registros sãoutilizados para auxiliar o programação do PMC Rev.18-08-06 CURSO DE MANUTENÇÃO BÁSICO_________________________________________________________________________________________________________ - 32 -
  • 33.
    R9091.0 = Sempre0 R9091.1 = Sempre 1 R9091.5 = CLOCK 200ms R9091.6 = CLOCK 1 seg. Através do “A”, o PMC mostra alarmes ou aviso para o operador. Rev.18-08-06 CURSO DE MANUTENÇÃO BÁSICO_________________________________________________________________________________________________________ - 33 -
  • 34.
    X0.1 LADDER X0.0 A0.0 A0.0 Rev.18-08-06 CURSODE MANUTENÇÃO BÁSICO_________________________________________________________________________________________________________ - 34 -
  • 35.
    A0.0 = [1001EMERGENCIA EXTERNA] A0.1 = [1002 DISJUNTOR MOTOR HIDRAULICO] A0.2 = [1040 NIVEL DE OLEO BAIXO] A0.3 = [2001 PORTA ABERTA] A0.4 = [2004 FIM DE CICLO DE LUBRIFICACAO] Compila Transmite 1000 - 1999 = Alarmes 2000 - 2999 = Avisos Programa FLADDER Rev.18-08-06 CURSO DE MANUTENÇÃO BÁSICO_________________________________________________________________________________________________________ - 35 -
  • 36.
    Procedimento para alarmes(1000-1999,2000-2999) : 1 – Buscar na tela de diagnóstico do LADDER, qual “A” está ligado (1). SYSTEM => [PMC] => [PMCDGN] => [STATUS] , A => [SEARCH] 2 – No LADDER , buscar a bobina do endereço A ativo. SYSTEM => [PMC] => [PMCLAD] => [SEARCH] => A**.* => [W.SRCH] O K é utilizado para habilitar ou não uma seqüência lógica. Através da tela KEEP RELAY , nós podemos trocar o estado lógico de cada K. SUB10 JMP 0000 ACT SUB10 JMP 0000 ACT SUB30 JMPE SUB30 JMPE K0.0 K0.0 Eexemplo: Lubrificação tipo A Eexemplo: Lubrificação tipo B Rev.18-08-06 CURSO DE MANUTENÇÃO BÁSICO_________________________________________________________________________________________________________ - 36 -
  • 37.
    [ PMC ][ PMCPRM ]SYSTEM [ KEEPRL ] PAGE PAGE Rev.18-08-06 CURSO DE MANUTENÇÃO BÁSICO_________________________________________________________________________________________________________ - 37 -
  • 38.
    Para alterar umK : 1 - Modo de operação MDI. “WRONG MODE” 2 - PWE=1 “WRITE PROTECT” [ PMC ] [ PMCPRM ]SYSTEM [ KEEPRL ] Para alterar o valor de qualquer parâmetro ou dados do LADDER, é necessário habilitar o PWE. O PWE (Parameter Write Enable), é uma chave de software que bloqueia ou não a escrita de parâmetros no CNC. PWE = 0 , bloqueia escrita de parâmetros CNC e LADDER. PWE = 1 , habilita a escrita nos parâmetros no CNC e LADDER. Quando habilitamos o PWE=1, o CNC mostrará o ALARME : “100 PARAMETER WRITE ENABLE” Este alarme permanecerá até o PWE = 0. Rev.18-08-06 CURSO DE MANUTENÇÃO BÁSICO_________________________________________________________________________________________________________ - 38 -
  • 39.
    OFFSET SETTING [SETING] Até mostrara tela “SETTING (HANDY)” 1 - Colocar o CNC em modo “MDI” 2 - Mover o cursor até “Parameter write” 3 - Digitar “1” 4 - Pressionar a tecla “INPUT” O CNC mostrará Alarme : 100 PARAMETER WRITE ENABLE Tela HANDY PWE Modo de operação Tela SETING Rev.18-08-06 CURSO DE MANUTENÇÃO BÁSICO_________________________________________________________________________________________________________ - 39 -
  • 40.
    SUB.... NOME Parâmetro Endereço 1 Endereço2 Endereço 3 Endereço 4 1 2 3 4 Saída Instruções 1,2,3,4 Condições para o funcionamento da instrução Parâmetro Indica a quantidade de bytes e definições de constantes Endereço 1 à 4 Informa os endereços para que a instrução irá atuar Saída Resultado ou erro da istrução Podemos utilizar tempos pré-programados no LADDER, através de instruções de TIMER (SUB3) LADDER SUB3 TMR 01 Y0.1X0.0 ACT Número do TMR Entrada X0.0 Saída Y0.1 T Rev.18-08-06 CURSO DE MANUTENÇÃO BÁSICO_________________________________________________________________________________________________________ - 40 -
  • 41.
    [ PMC ][ PMCPRM ]SYSTEM [ TIMER ] TIMER NO. 1 ATÉ 8 = 1572.8 seg. (48mseg.) E 9 ATÉ 40 = 262.1 seg. (8mseg.) PAGE PAGE TIMER NO. 1 ATÉ 8 = 1572.8 seg. (48mseg.) e 9 ATÉ 40 = 262.1 seg. (8mseg.) Ajuste somente para o SUB3 Número do TMR Referencia , não usa ! Valor do tempo em milisegundos Rev.18-08-06 CURSO DE MANUTENÇÃO BÁSICO_________________________________________________________________________________________________________ - 41 -
  • 42.
    Os contadores podemser utilizados no LADDER , conforme a sua necessidade , respeitando o limite máximo conforme o tipo de PMC. SUB5 CTR 01 Y0.1 X0.0 CN0 X0.1 UPDOWN X0.2 RST X0.3 ACT CN0 = Início da contagem = 0, 0,1,2,3,4....n = 1, 1,2,4,5,6 ...n UPDOWN =0 , contagem crescente =1 , contagem decrescente RST = 0 , funcionamento normal = 1 , RST a contagem real e a saída Y0.1 é desligada ACT Entrada contadora, conta na borda de subida. SUB5 CTR 01 Y0.1 X0.0 CN0 X0.1 UPDOWN X0.2 RST X0.3 ACT Rev.18-08-06 CURSO DE MANUTENÇÃO BÁSICO_________________________________________________________________________________________________________ - 42 -
  • 43.
    [ PMC ][ PMCPRM ]SYSTEM [ COUNTR ] Ajuste somente para o SUB5 Número do CTR Apenas para referencia , não usar ! Valor programado Valor real Valor máximo para contagem : 0 - 32767 Rev.18-08-06 CURSO DE MANUTENÇÃO BÁSICO_________________________________________________________________________________________________________ - 43 -
  • 44.
    Podemos armazenar dadosno CNC através da tabela da dados D. Esta tabela esta protegida por bateria e está na SRAM. D50 = 7 D51 = 5 D52 = 3 D53 = 1 D54 = 9 D55 = 6 D57 = 2 D58 = 8 Fuso T20 1 2 3 4 5 6 7 8 T7 T5 T3 T1 T9 T6 T2 T8 MAGAZINE Exemplo : [ PMC ] [ PMCPRM ]SYSTEM [ DATA ] [ G.DATA ] PAGE PAGE Rev.18-08-06 CURSO DE MANUTENÇÃO BÁSICO_________________________________________________________________________________________________________ - 44 -
  • 45.
    GRUPO Endereço D Valor doD Pesquisa DPesquisa GrupoPara editar um D : 1 – Modo de Op. MDI 2 – PWE = 1 3 – Chave de SEG.PRG [ PMC ] [ PMCPRM ]SYSTEM [ DATA ] PAGE PAGE Rev.18-08-06 CURSO DE MANUTENÇÃO BÁSICO_________________________________________________________________________________________________________ - 45 -
  • 46.
    #0#1#2#3#4#5#6#7 Formato Binário Proteção dedados TYPE 0:1 Byte 1:2 Bytes 2:4Bytes NO. OF DATA Quantidade do grupo NO. Número do grupo ADDRESS Início do grupo PARAMETER Chama tela dos D’s Abre novo grupo Ex. Abrir grupo 2 Digitar 2 e [G.CONT] Pesquisa grupo Inicializa (apaga todas as configurações dos grupos) D0 D1 D2 D3 D4 D5 GRUPO3 Início Qtde = 6 GRUPO4 D110 D112 D114 D116 D118 Início Qtde=5 D200 D204 D208 D212 D216 D220 D224 D228 GRUPO5 Início Qtde=8 Rev.18-08-06 CURSO DE MANUTENÇÃO BÁSICO_________________________________________________________________________________________________________ - 46 -
  • 47.
    CNC PMC Máquina Sensores Micros Botões Bóias etc. Reles Contator Válvulas etc. X Y G F Modo de operação Startem AUTO PAS/PAS Chave Seg. PRG. Etc. Alarme Operação Referência Etc. Ação Status EIXOS Controle de periféirco FROM / SRAM Bateria 3V LITHIUM Calendário Fonte 5V 3,3V +/- 12V +/- 15V DISPLAY CPU PMC Barramento de Dados Estrutura interna G F Rev.18-08-06 CURSO DE MANUTENÇÃO BÁSICO_________________________________________________________________________________________________________ - 47 -
  • 48.
    7 6 54 3 2 1 0 G0 G1 Gn 7 6 5 4 3 2 1 0 F0 F1 Fn PMC CPU CPUPMC Rev.18-08-06 CURSO DE MANUTENÇÃO BÁSICO_________________________________________________________________________________________________________ - 48 -
  • 49.
    5 - LADDER Rev.18-08-06CURSO DE MANUTENÇÃO BÁSICO_________________________________________________________________________________________________________ - 49 -
  • 50.
    SUB1 END1 SUB2 END2 ............... Nível 1 (LEVEL1) Nível 2 (LEVEL2) 8ms8ms 8ms 8ms 1 1 1 1 Divisão1 Divisão2 Divisão3 Divisãon Gráfico do SCAN Programa LADDER SUB1 END1 SUB2 END2 .......... SUB65 CALL P1 SUB66 CALLU Pn SUB71 SP SUB72 SPE P1 SUB71 SP SUB72 SPE P2 Subrotina1 P1 Subrotina2 P2 Rev.18-08-06 CURSO DE MANUTENÇÃO BÁSICO_________________________________________________________________________________________________________ - 50 -
  • 51.
    [ PMC ][ PMCLAD ]SYSTEM [<] [SEARCH] [ADRESS] [TRIGER] [WINDOW] [ ] [>] [<] [ TOP ] [ BOTOM ] [SEARCH] [W-SRCH] [N-SRCH] [>] [<] [ DUMP ] [ D-PARA ] [ ] [ ] [ ] [>] [<] [F-SRCH] [ ] [ ] [ ] [ ] [>] Rev.18-08-06 CURSO DE MANUTENÇÃO BÁSICO_________________________________________________________________________________________________________ - 51 -
  • 52.
    [<] [DIVIDE] [CANCEL][DELETE] [SELECT] [WIDTH] [>] [DIVIDE ] = Divide o LADDER em várias janelas [CANCEL] = Cancela todas as janelas [DELETE] = Cancela janela ativa [SELECT] = Seleciona janela [ WIDTH ] = Ajuste do tamanho da janela [EXPAND] = Aumenta janela [ SHINK ] = “Encolhe” janela Esta função é utilizada para capturar um sinal muito rápido , impossibilitando a visualização na tela de PMC STATUS. ON ON ON OFF OFF OFF OFF T Rev.18-08-06 CURSO DE MANUTENÇÃO BÁSICO_________________________________________________________________________________________________________ - 52 -
  • 53.
    SYSTEM [ PMC] [ PMCDGN ] [ TRACE ] TRACE MODE : 0 = 1 Byte para analisar 1 = 2 Bytes separados 2 = 2 Bytes seguidos ADRESS TYPE : 0 = Endereço PMC (X/Y) 1 = Endereço usado com “C” ADRESS : Endereço X/Y MASK DATA : Máscara para filtrar o bit. Ex: X0.3 => Bit 3 para análise. 76543210 => Bit’s 00001000 => Bit 3 =1 0 8 => 08 em HEX MASK DATA = 08 T.DISP : Mostra tela TRACE EXEC : Executa função Rev.18-08-06 CURSO DE MANUTENÇÃO BÁSICO_________________________________________________________________________________________________________ - 53 -
  • 54.
    [ T.DISP ] Barrade STATUS PAGE PAGE Barra de STATUS Volta para tela de configuração do TRACE RUN/STOP TRACE Qdte de vezes PAGE PAGE Rev.18-08-06 CURSO DE MANUTENÇÃO BÁSICO_________________________________________________________________________________________________________ - 54 -
  • 55.
    6 - PMC– SB7 Rev.18-08-06 CURSO DE MANUTENÇÃO BÁSICO_________________________________________________________________________________________________________ - 55 -
  • 56.
    SYSTEM [PMC] PMCLAD =Chama o programa LADDER PMCDGN = Chama os diagnósticos do LADDER PMCPRM = Chama os parâmetros do LADDER I/O = BACKUP/RESTORE [PMCLAD] Rev.18-08-06 CURSO DE MANUTENÇÃO BÁSICO_________________________________________________________________________________________________________ - 56 -
  • 57.
    COLLECT = Mostralinhas do LADDER selecionadas pelo usuário GLOBAL = Mostra todas as linhas do LADDER LEVEL 1 = Nível 1 do LADDER LEVEL 2 = Nível 2 do LADDER P............ = Subrotinas (Subprograma) [ ZOOM ] = Entra no item selecionado pela barra se seleção [SEACH ] = Procura subprogramas [SETING] = Configuração dos itens,cor,etc. Descrição dos itens : Opção : GLOBAL [ ZOOM ] SUB1 END1 SUB2 END2 ...... SUB65 CALL P1 SUB71 SP SUB72 SPE Pn Subrotina Pn Nível 2 Nível 1 Rev.18-08-06 CURSO DE MANUTENÇÃO BÁSICO_________________________________________________________________________________________________________ - 57 -
  • 58.
    [ LIST ]= Mostra a tela do diretório principal [ SWITCH ] = Chama tela “COLLECTIVE MONITOR” [SETING] = Configuração dos itens,cor,etc. [ SEACH ] = Chama menu de pesquisa [ TOPBTM ] = Vai para a primeira ou a última linha do LADDER [ SEACH ] = Busca contatos,bobinas ou o item do cursor [ W-SRCH ] = Busca somente a bobina de algum endereço [ F-SRCH ] = Busca funções “SUB” [ PICKUP ] = Marca a linha para ser incluida no “COLLECTIVE MONITOR” [ PREV ] = Busca próximo [ NEXT ] = Busca anterior [ GLOBAL ] = Seleciona a busca como GLOBAL ou LOCAL. Esta opção será mostrada quando estamos dentro de algum subprograma Descrição dos itens : Rev.18-08-06 CURSO DE MANUTENÇÃO BÁSICO_________________________________________________________________________________________________________ - 58 -
  • 59.
    [ PICKUP ] Opção: COLLECTIVE MONITOR [ ZOOM ] Rev.18-08-06 CURSO DE MANUTENÇÃO BÁSICO_________________________________________________________________________________________________________ - 59 -
  • 60.
    [ LIST ]= Mostra a tela do diretório principal [ PICKUP ] = Inclui uma nova linha no “COLLECTIVE MONITOR” [ JUMP ] = Chama a linha onde se encontra o cursor [ SWITCH ] = Chama o LADDER. Será mostrado a última tela onde o cursor esta posicionado antes de chamar o “COLLECTIVE MONITOR” [ ERASE ] = Apaga linha [ ERSALL ] = Apaga tudo [SETING] = Configuração dos itens,cor,etc. Descrição dos itens : [ PMCDGN ] Rev.18-08-06 CURSO DE MANUTENÇÃO BÁSICO_________________________________________________________________________________________________________ - 60 -
  • 61.
    [ TITLE ]= Mostra tela contendo dados do programador,nome do cliente, SCAN do LADDER , memória utilizada, etc. [ STATUS ] = Mostra tela contendo diagnósticos dos endereços do LADDER [ ALARM ] = Mostra tela de alarmes do PMC [ TRACE ] = Chama ferramenta TRACE, captura de sinais rápidos [ I/O CHK ] = Configuração da rede I/O Descrição dos itens : [ TITLE ] Rev.18-08-06 CURSO DE MANUTENÇÃO BÁSICO_________________________________________________________________________________________________________ - 61 -
  • 62.
    [ STATUS ] [ALARM ] Rev.18-08-06 CURSO DE MANUTENÇÃO BÁSICO_________________________________________________________________________________________________________ - 62 -
  • 63.
    [ I/OCHK ] [TRACE ] Rev.18-08-06 CURSO DE MANUTENÇÃO BÁSICO_________________________________________________________________________________________________________ - 63 -
  • 64.
    [ START ]= Inicializa o TRACE [ STOP ] = Para a execução do TRACE [ <<PREV ] = Deslocamento da amostragem para a esquerda [ >>NEXT ] = Deslocamento da amostragem para a direita [ MARK ] = Faz um ponto de referencia. Utilizado para medir um ou mais sinais [ SETING ] = Chama a tela de configuração do TRACE [ Z.IN ] = Faz um zoom. (diminui) [ Z.OUT ] = Faz um zoom. (aumenta) [ MV.UP ] = Move o curso para cima [ MV.DNW ] = Move o curso para baixo Descrição dos itens : [ SETING ] , Página 1/2 Rev.18-08-06 CURSO DE MANUTENÇÃO BÁSICO_________________________________________________________________________________________________________ - 64 -
  • 65.
    SAMPLING MODE = TIMECYCLE / SIGNAL TRANSITION Modo de start do TRACE TIME CYCLE = Tempo SIGNAL TRANSITION = Transição de algum sinal RESOLUTION = 8 (8 à 1000mseg) Resolução em mseg do sinal TIME = 10 (1 à 786 seg) Tempo da amostragem em seg STOP CONDITION = NONE / BUFFER FULL / TRIGGER Condição de parada do TRACE : None = Sem paradada BUFFER FULL = para até preencher o buffer (tempo) TRIGGER = Sinal externo Descrição dos itens : TRIGGER ADDRESS = Endereço do sinal de parada do TRACE MODE = RISING EDGE / FALLING EDGE / BOTH EDGE RISING EDGE = Borda de subida do sinal FALLING EDGE = Borda de descida do sinal BOTH EDGE = as duas bordas POSITION = 10% Posição da amostragem na tela , em % SAMPLING CONDITION = TRIGGER / ANY CHANGE Condição de start do TRACE TRIGGER = Sinal externo ANY CHANGE = Qualquer mudança do sinal TRIGGER = Endereço externo MODE = RISING EDGE / FALLING EDGE / BOTH EDGE / ON / OFF RISING EDGE = Borda de subida do sinal FALLING EDGE = Borda de descida do sinal BOTH EDGE = as duas bordas ON = Ligado OFF = Desligado Rev.18-08-06 CURSO DE MANUTENÇÃO BÁSICO_________________________________________________________________________________________________________ - 65 -
  • 66.
    [ SETING ], Página 2/2 [ DELETE ] = Apaga iten da lista [ ADRESS] = Troca descrição para ENDEREÇO [ MV.UP ] = Move endereço para cima [ MV.DWN ] = Move endereço para baixo [ DELALL ] = Apaga tudo [ TRGON ] = Habilita amostragem para borda de subida [ TRGOFF ] = Habilita amostragem para borda de descida Descrição dos itens : Rev.18-08-06 CURSO DE MANUTENÇÃO BÁSICO_________________________________________________________________________________________________________ - 66 -
  • 67.
    7 - BACKUP/ RESTORE Rev.18-08-06 CURSO DE MANUTENÇÃO BÁSICO_________________________________________________________________________________________________________ - 67 -
  • 68.
    PMC 1 – Parâmetrosdo PMC (T/C/D/K) 2 – LADDER HEX. Arquivo : 1 – LADDER.PAR 2 – LADDER.HEX 2 3 7 4 5 6 8 20 2 3 7 4 5 6 8 20 PC Fêmea CNC Macho 25 pinos 2 3 5 7 8 1 4 6 2 3 7 4 5 6 8 20 PC Fêmea CNC Macho 9 pinos 2 3 5 7 8 1 4 6 1 11 2 4 6 8 16 12 14 15 5 3 13 CNC PCR-20 25 pinos PC Fêmea 9 pinos Fanuc Rev.18-08-06 CURSO DE MANUTENÇÃO BÁSICO_________________________________________________________________________________________________________ - 68 -
  • 69.
    [ PMC ]SYSTEM[ I/O ] [ SPEED ] [ PMC ]SYSTEM [ I/O ] PMC não SB7 , verificar o K17.1= 1 Rev.18-08-06 CURSO DE MANUTENÇÃO BÁSICO_________________________________________________________________________________________________________ - 69 -
  • 70.
    DEVICE = Dispositivo FUNCTION= Função DATA KIND = Tipo do dado FILE NO. = Nome do arquivo CHANNEL = Canal serial Descrição dos itens : DEVICE M-CARD (Cartão PCMCIA) F-ROM (Flash Eprom do CNC) FDCAS (Fanuc CASSETE) OTHERS (Outros) FUNCTION WRITE (Escrever) READ (Ler) COMPAR (Comparar) DELETE (Apagar arquivos do cartão PCMCIA) LIST (Mostrar o conteúdo do cartão PCMCIA) FORMAT (Formatar o cartão PCMCIA) DATA KIND LADDER (Programa LADDER) PARAM (Parâmetros do LADDER – T,C,K,D) FILE NO. = Nome do arquivo Digitar # antes para trocar o nome, Ex : #teste CHANNEL 1,2 Rev.18-08-06 CURSO DE MANUTENÇÃO BÁSICO_________________________________________________________________________________________________________ - 70 -
  • 71.
    LADDERPARAMDATA KIND WRITEWRITEFUNCTION OTHERSOTHERSDEVICE 1 OU21 OU 2I/O CHANNEL BACKUP DO LADDER BACKUP DOS PARÂMETROS DE LADDER Função Config. BACKUP via RS-232 1 - Colocar o CNC em MODO EDIT 2 - Prepar o PC para receber os dados 3 - Precionar a softkey [ EXEC] Verificar se o PMC está em ON LINE SYSTEM [PMC] [MONIT] [ONLINE] PMC- não SB7 N60000 P.... = Timers N61000 P.... = Counters N62000 P.... = KEEP RELAYs N63000 P.... = Configuração dos grupos dos D’s N64000 P.... = Valores dos D’s PMC-SB7 N600000 P.... = Timers N610000 P.... = Counters N620000 P.... = KEEP RELAYs N630000 P.... = Configuração dos grupos dos D’s N640000 P.... = Valores dos D’s Formato do arquivo PARÂMETROS DO LADDER (T/C/D/C) Rev.18-08-06 CURSO DE MANUTENÇÃO BÁSICO_________________________________________________________________________________________________________ - 71 -
  • 72.
    Formato do arquivoLADDER O ARQUIVO É RECONHECIDO AUTOMATICAMENTE DATA KIND READFUNCTION OTHERSDEVICE 1 OU 2I/O CHANNEL RESTOREFunção Config. RESTORE via RS-232 1 - Colocar o CNC em MODO EDIT 2 - PWE = 1 3 - Liberar chave de proteção de dados 4 - Acionar emergência 5 - Precisonar a softkey [EXEC] 6 - Enviar dados atavés do PC Rev.18-08-06 CURSO DE MANUTENÇÃO BÁSICO_________________________________________________________________________________________________________ - 72 -
  • 73.
    No modo DOS, digitar os seguintes comandos: c:cursomode com1 4800,n,8,2 <ENTER> c:cursocopy LADDER.PAR com1 <ENTER> ONDE : MODE : configura o canal serial RS-232 do PC. COPY : envia o arquivo LADDER.PAR para CNC. LADDER.PAR : Arquivo de parâmetros de LADDER, este nome vai depender do fabricante da máquina --LADDERPARAMDATA KIND - LIST M-CARD Listar todos os arquivos do cartão Digitar o número do arquivo ou o nome do mesmo PMC-RA-LADPMC-RA.PARNO. OF FILE READWRITEWRITEFUNCTION M-CARDM-CARDM-CARDDEVICE RESTOREBACKUP DO LADDERBACKUP DOS PARÂMETROS DE LADDER Função Config. Resumo para BACKUP/RESTORE via CARTÃO PCMCIA Rev.18-08-06 CURSO DE MANUTENÇÃO BÁSICO_________________________________________________________________________________________________________ - 73 -
  • 74.
    [ I/O ] FileNo. , digitar # e o nome do arquivo : Exemplo : #PMC.LAD <INPUT> Rev.18-08-06 CURSO DE MANUTENÇÃO BÁSICO_________________________________________________________________________________________________________ - 74 -
  • 75.
    Rev.18-08-06 CURSO DEMANUTENÇÃO BÁSICO_________________________________________________________________________________________________________ - 75 -
  • 76.
    Conceito : Parâmetros servempara informar ao CNC , qual a configuração da máquina, por exemplo : - Quantidade de eixos - Velocidade/aceleração/ganho/corrente - Fim-de-curso - Programação em mm ou polegada - Ponto decimal ou não - Vídeo colorido ou não - Lingua : Português / Inglês / Espanhol / Italiano / Japonês - etc... 0000 - SETTING (geral) 0100 - READER/PUNCHER INTERFACE (RS-232) 1000 - AXIS CONTROL / INCREMENTAL SYSTEM (eixo / medição) 1200 - COORDINATE SYSTEM (sistema de coordenadas) 1300 - STROKE LIMIT (fim-de-curso) 1400 - FEEDRATE (controle de avanço) 1600 - ACELERATION/DECELERATION (aceleração/desaceleração) 1800 - SERVO (servo/drive) 3000 - DI/DO (entradas/saídas) 3100 - CRT/MDI,EDIT (vídeo/teclado, edição) 3400 - PROGRAM (programa de usinagem) 3600 - PITCH ERROR COMP. (compens.passo de fuso) 3700 - SPINDLE CONTROL (eixo árvore) 5000 - TOOL OFFSET (corretores de ferramenta) 5100 - CANNED CYCLE (ciclos fixos para furação) 5200 - RIGID TAPING (macho/rosca) 5400 - SCALING/COORDINATE ROTATION (escala/rotação) 5500 – INDEX TABLE (mesa giratória) Rev.18-08-06 CURSO DE MANUTENÇÃO BÁSICO_________________________________________________________________________________________________________ - 76 -
  • 77.
    6000 – CUSTOMMACRO (program.parametrizada) 6200 – SKIP FUNCTION (medição em processo) 6300 – EXTERNAL DATA INPUT (entrada externa de dados) 6500 – GRAPHICS DISPLAY (vídeo gráfico) 6700 – RUN HOUR – PARTS COUNT (contador de peças) 6800 – TOOL LIFE MANEGEMENT (gerenciador de ferramentas) 6900 – POSITION SWITCH (janela de posição) 7100 – MANUAL HANDLE (manivela eletrônica) 7200 – SOFTWARE OPERATOR’S PANEL (painel operac. Soft.) 7300 – PROGRAM RESTART (reiniciar o programa de usinagem) 7500 – HIGH SPEED MACHINING (usinagem em alta velocidade) 7600 – POLYGON TURNING (usinagem de polígono) 8000 – AXIS CONTROL BY PMC (eixo controlado pelo LADDER) 8100 – TOOL-PATH (TT-SERIES) – (CNC duplo) 8200 – INCLINED AXIS CONTROL (eixo inclinado) 8300 – SIMPLE SYNCHRONOUS CONTROL (sincronismo de eixo) 9000 – MACRO EXECUTER (linguagem FANUC de programação) 9900 – Configuração do sistema interno do CNC OP NQ GR 7 A 8 B 9 D XC ZV FL 4 [ 5 ] 6SP MI SK TJ 1 , 2 # 3 = UH WV EOB E 0 * . / POS PROG OFFSET SETTING CAN INPUT SYSTEM MESSAGE CUSTOM ALTER INSERT DELET PAGE HELP RESET SHIFT - + PAGE HELP Rev.18-08-06 CURSO DE MANUTENÇÃO BÁSICO_________________________________________________________________________________________________________ - 77 -
  • 78.
    [PARAM ] PAGE PAGE PARATROCA DE PAGINAS SYSTEM [PARAM] Rev.18-08-06 CURSO DE MANUTENÇÃO BÁSICO_________________________________________________________________________________________________________ - 78 -
  • 79.
    Bit’s : (0ou 1) Bit’s : (por eixo , 0 ou 1) DADO: (0 a +/- 99999999) depende do parâmetro Descrição Parâmetros Para buscar um parâmetro : A) SYSTEM + [PARAM] B) Digitar o número do parâmetro C) [NO.SRH] Rev.18-08-06 CURSO DE MANUTENÇÃO BÁSICO_________________________________________________________________________________________________________ - 79 -
  • 80.
    Para alterar ovalor de algum parâmetro : A) Colocar o CNC em modo MDI B) Habilitar o PWE = 1 C) Desbloquear a chave LIB.PRG. D) SYSTEM + [PARAM] E) Digitar o número do parâmetro F) [NO.SRH] G) Digitar o novo valor do parâmetro H) Pressionar a tela INPUT I ) Voltar o PWE=0 Não troca de tela quando houver um alarme : Colocar o PAR. 3111#7(NPA) = 1 Rev.18-08-06 CURSO DE MANUTENÇÃO BÁSICO_________________________________________________________________________________________________________ - 80 -
  • 81.
    RS-232 PC CNC Conector DB9 FS16/18/21 =JD5 e JD5A SÉRIE i = JD36A e JD36B I/O=3 JD36B I/O = 4 I/O=2 PCMCIA I/O=1 I/O=0 JD36A Parâmetro 20 Parâmetro 20 OFFSET SETTING Até mostrar a tela “SETTING (HANDY)” Rev.18-08-06 CURSO DE MANUTENÇÃO BÁSICO_________________________________________________________________________________________________________ - 81 -
  • 82.
    JD36BJD36A P131#0P121#0P111#0P101#0STOP BIT P133P123P113P103BAUDRATE I/O=3I/O=2I/O=1I/O=0 I/O CHANNEL(Par.20) Configuração serial : BAUDRATE , e , 7 , STOP BIT OBS : Sempre usar paridade even(par) e 7 bits STOP BIT : Bit = 0 ou 1 RS232 = 1 ou 2 BAUD RATE : 10 = 4800 11 = 9600 12 = 19200 Procedimento : A) Preparar o PC para receber dados B) Colocar o CNC em modo EDIT C) Pressionar SYSTEM [PARAM] [OPRT] [ ] [PUNCH] D) [ALL] ou [NON-0] E) [EXEC] Após pressionar [EXEC], o CNC mostrará “OUTPUT”, em baixo no lado direito do vídeo, isto indicará que os dados estão sendo enviados pelo canal serial. No caso do I/O=4, o nome do arquivo será : CNCPARAM.DAT para todos os cnc’s. OBS : Verificar se o PMC está em ON LINE , SYSTEM [PMC] [MONIT] [ONLINE] Rev.18-08-06 CURSO DE MANUTENÇÃO BÁSICO_________________________________________________________________________________________________________ - 82 -
  • 83.
    Procedimento : A) PWE=1 B)Liberar chave LIB.PRG C) Colocar o CNC em modo EDIT D) Pressionar SYSTEM [PARAM] [OPRT] [ ] [READ] E) [EXEC] F) Preparar o PC para enviar dados Após pressionar [EXEC], o CNC mostrará “LSK”, em baixo no lado direito do vídeo, isto indicará que o CNC está eperando chegar os dados. Quando os dados chegarem , o CNC mostrará “INPUT”. N01024 A1 P 0 A2 P 0 A3 P 0 A4 P 0 N01031 P 0 N01201 P 00000001 N01202 P 00000000 N01203 P 00000000 N01220 A1 P 0 A2 P 0 A3 P 0 A4 P 0 N01221 A1 P-150 A2 P 0 A3 P-300 A4 P 0 N01222 A1 P-200 A2 P-200 A3 P 0 A4 P 0 N01223 A1 P-250 A2 P 0 A3 P-150 A4 P 0 N01224 A1 P-230 A2 P 0 A3 P-100 A4 P 0 N01225 A1 P 0 A2 P 0 A3 P 0 A4 P 0 N01226 A1 P 0 A2 P 0 A3 P 0 A4 P 0 N01240 A1 P 712827 A2 P 33227 A3 P 220300 A4 P 23346 N01241 A1 P 0 A2 P 0 A3 P 0 A4 P 0 N01242 A1 P 0 A2 P 0 A3 P 0 A4 P 0 N01243 A1 P 0 A2 P 0 A3 P 0 A4 P 0 N01244 A1 P 0 A2 P 0 A3 P 0 A4 P 0 N01250 A1 P-50000 A2 P-20000 A3 P-47000 A4 P 0 N01251 A1 P 0 A2 P 0 A3 P 0 A4 P 0 N01260 A1 P 0 A2 P 0 A3 P 0 A4 P 360000 Onde : N... = Número do parâmetro P... = Valor no parâmetro A .. = Número do eixo Rev.18-08-06 CURSO DE MANUTENÇÃO BÁSICO_________________________________________________________________________________________________________ - 83 -
  • 84.
    Rev.18-08-06 CURSO DEMANUTENÇÃO BÁSICO_________________________________________________________________________________________________________ - 84 -
  • 85.
    9 - Sistemade referenciamento Rev.18-08-06 CURSO DE MANUTENÇÃO BÁSICO_________________________________________________________________________________________________________ - 85 -
  • 86.
    O CNC GEFanuc possui três tipos de coordenadas : - Relativa ( RELATIVE ) - Absoluta (ABSOLUTE) - Máquina ( MACHINE ) Cada uma destas coordenadas possui uma função , que irá ajudar o operador na usinagem de peças. POS [ALL] Rev.18-08-06 CURSO DE MANUTENÇÃO BÁSICO_________________________________________________________________________________________________________ - 86 -
  • 87.
    Z X Referencia Z = 0,000mm X= 0,000mm Micro Referencia Rápido 24Vcc 24Vcc 0v Eixo Micro Ref. Encoder mm mm mm MACHINE= 0.000 Uma volta X9.0 .....X9.7 P3003.5 (DEC) =0, Micro NF =1, Micro NA P1006.5 (ZMI) =0, Não inverte sentido =1, Inverte sentido P1420 (mm/min) P1425 (mm/min) ...................................... Rev.18-08-06 CURSO DE MANUTENÇÃO BÁSICO_________________________________________________________________________________________________________ - 87 -
  • 88.
    Pulsos de referencia Fusode esferas A A B B Z Z Rev.18-08-06 CURSO DE MANUTENÇÃO BÁSICO_________________________________________________________________________________________________________ - 88 -
  • 89.
    Pulsos de referenciado encoder REFERENCE COUNTER PAR. 1821 10 mm 10 mm 10 mm 5 mm 5 mm 5 mm 5 mm 5 mm 5 mm 5 mm Fuso de esferas = Passo 5 mm Pulsos de referencia do encoder Fuso de esferas = Passo 5 mm REFERENCE COUNTER PAR. 1821 10 mm 10 mm 10 mm 5 mm 5 mm 5 mm 5 mm 5 mm 5 mm 5 mm GRID SHIFT PAR.1850 Rev.18-08-06 CURSO DE MANUTENÇÃO BÁSICO_________________________________________________________________________________________________________ - 89 -
  • 90.
    Encoder Incremental +Bateria = Encoder Absoluto Bateria Acionamento Rev.18-08-06 CURSO DE MANUTENÇÃO BÁSICO_________________________________________________________________________________________________________ - 90 -
  • 91.
    Parâmetro 1815.5 (APC) 0= Não usa encoder absoluto 1 = Usa encoder absoluto Parâmetro 1815.4 (APZ) 0 = Encoder absoluto não referenciado 1 = Encoder absoluto referenciado ALARME : 300 300 APC ALARM : X AXIS NEED ZRN Rev.18-08-06 CURSO DE MANUTENÇÃO BÁSICO_________________________________________________________________________________________________________ - 91 -
  • 92.
    1 – APC=1 2 – Desligar e ligar a máquina (CNC + ACIONAMENTO) 3 – Mover em JOG até a posição de referencia 4 – APZ = 1 5 – RST (Tecla), para limpar o alarme 300. Rev.18-08-06 CURSO DE MANUTENÇÃO BÁSICO_________________________________________________________________________________________________________ - 92 -
  • 93.
    Machine = 0.000 Absolute= 100.000 Relative = ********** 100.000 mm Z+Z- REFZ Z+Z- Curso de Trabalho P1320P1321 REFZ Rev.18-08-06 CURSO DE MANUTENÇÃO BÁSICO_________________________________________________________________________________________________________ - 93 -
  • 94.
    BY-PASS X+ X- Z+ Z- Emergência Emergência +24Vcc 0V R0 Acionamento R0 CNC R0 ALARME : 401 Rev.18-08-06CURSO DE MANUTENÇÃO BÁSICO_________________________________________________________________________________________________________ - 94 -
  • 95.
    Rev.18-08-06 CURSO DEMANUTENÇÃO BÁSICO_________________________________________________________________________________________________________ - 95 -
  • 96.
    O P P CAN CAN + + ou Aoligar o CNC com as duas teclar pressionadas , o fim-de- curso de software é anulado. Cancelar o fim-de-curso de software Z+Z- REFZ Machine= - 50.000 Z+Z- REFZ Machine= - 50.000 Rev.18-08-06 CURSO DE MANUTENÇÃO BÁSICO_________________________________________________________________________________________________________ - 96 -
  • 97.
    10 - UsinagemCNC Rev.18-08-06 CURSO DE MANUTENÇÃO BÁSICO_________________________________________________________________________________________________________ - 97 -
  • 98.
    O0001; .....................; .....................; .....................; M30; Nome do programa(0000 a 9999) Linhas de programa Fim do programa N.... G.... X.... F.... M.... S..... T..... ; Funções auxiliares Avanço (mm/min ou mm/rot) Eixo : X,Y,Z...... Funções preparatória “G” Número da linha Linha de programa : EOB Programa : O0000 ... O9999 (Oxxxxxxxx , 8 digitos) Letra O e não 0(Zero) ! O0001; ...........; ...........; ...........; ...........; M30; % Exemplo : Programa 1 Linha do programa Fim do Programa Rev.18-08-06 CURSO DE MANUTENÇÃO BÁSICO_________________________________________________________________________________________________________ - 98 -
  • 99.
    EDIT PROG [DIR] Memóriautilizada Programas de usinagem armazendados na memória (Bateria) Modo de Operação Programa atual Número da Linha Comentários (até 31 caracteres) Rev.18-08-06 CURSO DE MANUTENÇÃO BÁSICO_________________________________________________________________________________________________________ - 99 -
  • 100.
    X Z Z X A B X = 0.000 Z= 0.000 X = -20.000 Z = -20.000 CX = -20.000 Z = -50.000 O0001; N10G0X-20.Z-20.; N20G1Z-50.F50.; N30M30; Ponto B Ponto C Procedimento : A) Modo EDIT B) Chave LIB.PRG. Habilitada C) Pressionar tecla PROG D) Digitar : O1 E) Pressionar tecla INSERT Neste momento o CNC irá abrir um novo programa O0001, e o mesmo poderá ser complementado. OBS : Para editar um programa de usinagem, o CNC não poderá apresentar nenhum tipo de ALARME ! Rev.18-08-06 CURSO DE MANUTENÇÃO BÁSICO_________________________________________________________________________________________________________ - 100 -
  • 101.
    ALM Alarme no CNC -Digitar o novo programa Exemplo : O1 - Pressionar a tecla <INSERT> Rev.18-08-06 CURSO DE MANUTENÇÃO BÁSICO_________________________________________________________________________________________________________ - 101 -
  • 102.
    Programa O1 jáexixte ! Alarme , programa já existe !!!! ALM Para cancelar , pressione <RST> Rev.18-08-06 CURSO DE MANUTENÇÃO BÁSICO_________________________________________________________________________________________________________ - 102 -
  • 103.
    WRITE PROTECT Aviso : Programaprotegido através da chave “Proteção de dados” Proteção de dados : Para cancelar , pressione <RST> Editor do programa de usingem Rev.18-08-06 CURSO DE MANUTENÇÃO BÁSICO_________________________________________________________________________________________________________ - 103 -
  • 104.
    Procedimento : A) Digitar; B) Pressionar tecla INSERT C) Digitar N10G0X-20.Z-20.; D) Pressionar tecla INSERT E) Repetir os itens B,C N10G0X-20.Z-20.; Procedimento : A) Colocar o CNC em modo AUTO B) Pressionar a tecla PROG C) Verificar se o cursor está no início do programa D) Pressionar botão/tecla START OBS : Para executar um programa de usinagem, o CNC não poderá apresentar nenhum ALARME ! Rev.18-08-06 CURSO DE MANUTENÇÃO BÁSICO_________________________________________________________________________________________________________ - 104 -
  • 105.
    POS POSIÇÃO : ABSOLUTO [ABS] POS POSIÇÃO : RELATIVO [REL] Rev.18-08-06CURSO DE MANUTENÇÃO BÁSICO_________________________________________________________________________________________________________ - 105 -
  • 106.
    POS [ALL] MACROS sãousadas para fazer os cálculos / movimentos da peça á ser usinada. Vantagens : - Podemos repeti-la quantas vezes for necessário - Bloqueio da edição e visualização - Qualquer programa pode chamar a MACRO Rev.18-08-06 CURSO DE MANUTENÇÃO BÁSICO_________________________________________________________________________________________________________ - 106 -
  • 107.
    CHAMADA DO SUBPROGRAMA(M98) M98 P xxx aaaa ; Onde : xxxx = número de vezes que o subprograma deverá ser chamado repetidamente, se for omitido , o subprograma é chamado apenas uma vez. aaaa = número do subprograma O0001; ...; ...; M98P1000; ...; ...; M30; % Exemplo : O1000; ...; ...; ...; ...; ...; M99; % PROGRAMA PRINCIPAL SUBPROGRAMA Quando o programa principal chama um subprograma, esta operação é considerada como chamada de subprogramas do nível um. Os subprogramas podem ser incluídos, ao todo, em quatro níveis, como seguidamente ilustrado. Várias chamadas : O0001; ...; ...; M98P1000; ...; ...; M30; % O1000; ...; ...; M98P2000; ...; ...; M99; % PROGRAMA PRINCIPAL SUBPROGRAMA O2000; ...; ...; M98P3000; ...; ...; M99; % SUBPROGRAMA O3000; ...; ...; M98P4000; ...; ...; M99; % SUBPROGRAMA O4000; ...; ...; M98P5000; ...; ...; M99; % SUBPROGRAMA Inclusão de nível um Inclusão de nível dois Inclusão de nível três Inclusão de nível quatro Rev.18-08-06 CURSO DE MANUTENÇÃO BÁSICO_________________________________________________________________________________________________________ - 107 -
  • 108.
    X Z Z X A B X = 0.000 Z= 0.000 X = -20.000 Z = -20.000 CX = -20.000 Z = -50.000 O0001; N10G0X-20.Z-20.; N20G1Z-50.F50.; N25M98P9000; N30M30; O9000; N10G1X0.Z0.F10; N20M99; Bloqueio das MACROS : Através do P3202#4 = 1, podemos bloquear a MACRO para não edita-la e também para bloquear a sua visualização na tela. Este recurso pode ser importante quando a rotina possuir cálculo complexos ou movimentos perigosos na máquina. OBS : Para fazer o back-up/Restore, verifique este parâmetro, pois se o mesmo estiver =1, as MACROS (9000 a 9999) não serão enviadas pelo canal serial ou cartão de memória PCMCIA. Rev.18-08-06 CURSO DE MANUTENÇÃO BÁSICO_________________________________________________________________________________________________________ - 108 -
  • 109.
    Funções auxiliares sãousadas para controlar algum periférico , como por exemplo: - Abrir/Fechar porta proteção - Ligar/Desl. Refrigerante de corte - Chamar alguma ferramenta no magazine (torre) - Ligar eixo árvore horário/anti-horário - Definir a velocidade do eixo árvore - Etc. São três tipos de funções : M = Miscelâneas S = Rotação eixo árvore T = Ferramenta M00 = Para execução do programa M01 = Para opcional M03 = Liga eixo árvore horário M04 = Liga eixo árvore anti-horário M05 = Desliga eixo árvore M06 = Troca ferramenta (magazine) M07 = Refrigeração M08 = Liga refrigeração M09 = Desliga refrigeração M30 = Para a execução e volta para a linha inicial Rev.18-08-06 CURSO DE MANUTENÇÃO BÁSICO_________________________________________________________________________________________________________ - 109 -
  • 110.
    S Ex. N10 S3000; 3000 rpm T Ex. N10 T0102; 01 = Número da ferramenta 02 = Corretor da ferramenta (comprimento) X Z Z X A B X = 0.000 Z = 0.000 X = -20.000 Z = -20.000 CX = -20.000 Z = -50.000O0001; N10G0X-20.Z-20.; N15M08; N20G1Z-50.F50.; N25M98P9000; N27M09 N30M30; O9000; N10G0X0.Z0.; N20M99; Rev.18-08-06 CURSO DE MANUTENÇÃO BÁSICO_________________________________________________________________________________________________________ - 110 -
  • 111.
    FIN = Esperandoo LADDER finalizar a função M/S/T LADDER O0001; N10G0X20.Z20.; N15M08; N20G1Z50.F25.; N25M98P9000; N27M09 N30M30; USINAGEMVálvula solenóide Y0.0 X0.0 Sensor Reservatório Bomba Rev.18-08-06 CURSO DE MANUTENÇÃO BÁSICO_________________________________________________________________________________________________________ - 111 -
  • 112.
    O0001; N10G0X20.Z20.; N15M08; N20G1Z50.F25.; N25M98P9000; N27M09 N30M30; USINAGEM MF F7.0 F10=00001000 PMC G4.3 FIN MF FIN Libera Usinagem F10 =00000000 F11 = 00000000 F12 = 00000000 Valor do M F10F11F12F13 7 6 5 4 3 2 1 0 7 6 5 4 3 2 1 0 7 6 5 4 3 2 1 0 7 6 5 4 3 2 1 0 Bit 0Bit 32 M12800000000.......10000000 M0400000000.......00000100 M0300000000.......00000011 M0200000000.......00000010 M0100000000.......00000001 Valor do M programadoValor Binário do M F13,F12,F11,F10 F13 = 00000000 Rev.18-08-06 CURSO DE MANUTENÇÃO BÁSICO_________________________________________________________________________________________________________ - 112 -
  • 113.
    SUB25 DECB MF F7.0 0001 F10 00000008 R10 Y0.0R10.0 R10.1 Y0.0 G4.3 FIN R10.0 R10.1 X0.0 X0.0 Codificação dafunção M F10 = 00001000 R10 = 00000001 Liga/Desliga Solenóide R10.0 = 1 Espera sensor na entrada X0.0 Procedimento : A) Configurar o canal serial do CNC e do PC B) Desbloquear MACROS (P3202#4) = 0 C) Colocar CNC em modo EDIT D) Pressionar tecla PROG E) Pressionar softkey [OPRT] F) Digitar O-9999 G) Pressionar [PUNCH] H) Preparar o PC para receber dados I ) Pressionar [EXEC] Rev.18-08-06 CURSO DE MANUTENÇÃO BÁSICO_________________________________________________________________________________________________________ - 113 -
  • 114.
    Procedimento : A) Configuraro canal serial do CNC e do PC B) Desbloquear MACROS (P3202#4) = 0 C) Colocar CNC em modo EDIT D) Habilitar chave SEG.PRG. E) Pressionar tecla PROG F) Pressionar softkey [OPRT] G) Pressionar [READ] H) Pressionar [EXEC] I ) Preparar o PC para transmitir dados Rev.18-08-06 CURSO DE MANUTENÇÃO BÁSICO_________________________________________________________________________________________________________ - 114 -
  • 115.
    11 - Ferramentaspara manutenção Rev.18-08-06 CURSO DE MANUTENÇÃO BÁSICO_________________________________________________________________________________________________________ - 115 -
  • 116.
    - Salvar todoo conteúdo da memória SRAM. - Todo conteúdo SRAM em um arquivo FDB. - Operação BACKUP / RESTORE aproximadamente 10seg. FROM DRAM SRAM CPUPCMCIA SRAM.FDB - Parâmetros de - LADDER(T/C/D/K) - Parâmetros do CNC - Programa de usinagem - Corretores de ferramenta - Custom Macro - Compensação passo fuso SYSTEM [ ] [M-CARD][ALL IO] P3116#0 (MDP) = 1 I/O CHANNEL = 4 Modo EDIT [OPRT] Rev.18-08-06 CURSO DE MANUTENÇÃO BÁSICO_________________________________________________________________________________________________________ - 116 -
  • 117.
    Apaga arquivos docartão PCMCIADELETE Carrega dados do cartão para a SRAMLOAD Salva dados da SRAM para o cartão PCMCIASAVE Formata Cartão PCMCIAFORMAT Arquivo selecionado Para selecionar outro arquivo, utilizar as telcas Quantidade de arquivos Avisos Dados do Cartão PCMCIAMemória do CNC (SRAM) Rev.18-08-06 CURSO DE MANUTENÇÃO BÁSICO_________________________________________________________________________________________________________ - 117 -
  • 118.
    Nome dos arquivosSRAM : Linha de STATUS de OPERAÇÃO e EXECUÇÃO Rev.18-08-06 CURSO DE MANUTENÇÃO BÁSICO_________________________________________________________________________________________________________ - 118 -
  • 119.
    Modo operção: MDI :Manual Data Input MEM : AUTO , Automático RMT : AUTO, via comunicação REMOTA EDIT : Edição HND : Manivela eletrônica JOG : Manual TJOG : TEACH JOG THND : TEACH manivela INC : Incremantal REF : Referencia STATUS automático: * * * : RST, ou quando não está em execução STOP : Parada , ou quando executa uma linha HOLD : FEED HOLD (LADDER) STRT : Inicio de ciclo Movimento do eixo: * * * : RST, ou quando não está em execução MTN : Movimento de algum eixo DWL : G4 no programa (tempo) Função auxiliar: FIN : Função auxiliar M/S/T ALARME: ALM : ALARME no CNC/LADDER BAT : Alarme de bateria -EMG- : Emergência externa G4 P5000; => Tempo 5s , 5000 = milisegundos G4 X5.; => Tempo 5s , 5 = segundos Tempo na usinagem : Rev.18-08-06 CURSO DE MANUTENÇÃO BÁSICO_________________________________________________________________________________________________________ - 119 -
  • 120.
    SYSTEM [DGNOS] PAGE PAGE Avança/Retorna página Sinais,RST/EMG/RRW estão ativosWAITING FOR RESET.ESP.RRW.OFF014 Chave de correção de avanço em 0% (fechada)JOG FEEDRATE OVERRIDE 0%013 Busca de programa externamenteEXTERNAL PROGRAM NUMBER SEARCH015 Esperando travar/destravar mesa giratória (G38.7/G38.6)WAITING FOR (UM)CLAMP012 Os dados estão sendo recebidos pelo canal serial RS-232READING011 Os dados estão sendo enviados pelo canal serial RS-232PUNCHING010 Esperando o eixo árvore atingir a velocidade programadaSPINDLE SPEED ARRIVAL CHECK006 INTERLOCK ligado (LADDER / Fisicamente)INTERLOCK/START-LOCK005 Chave de correção de avanço em 0% (fechada)FEEDRATE OVERRIDE 0%004 Esperando chegar na posição programadaIN-POSITION003 G4P..... / G4 X......, em execuçãoDWELL002 Eixo em movimento em AUTOMOTION001 Esperando M/S/T LADDERWAITING FOR FIN SIGNAL000 DescriçãoCNCNO. Rev.18-08-06 CURSO DE MANUTENÇÃO BÁSICO_________________________________________________________________________________________________________ - 120 -
  • 121.
    G9.0 (PN1) G9.1 (PN2) G9.2(PN4) G9.3 (PN8) G9.4 (PN16) External Program number search O10 , G9 = 10, 00001010 Ver próxima tabelaSTOP MOTION OR DWELL025 Usado com leitora de fita perfuradaCHARACTER NUMBER TH DATA030 Usado com leitora de fita perfuradaTH DATA031 Ocorre quando : -EMG-,ERS,RST,RRW = 1RESET ON024 Ocorre quando : -EMG- (emergência externa = 0 )EMERGENCY STOP ON023 Sinal RRW (G8.6) está ligadoRESET e REWIND ON022 Tecla RST está acionada (teclado MDI do CNC)RESET BUTTON ON021 Ocorre quando ocorre um alarme de servo / emergênciaCUT SPEED UP/DOWN020 DescriçãoCNCNO. Rev.18-08-06 CURSO DE MANUTENÇÃO BÁSICO_________________________________________________________________________________________________________ - 121 -
  • 122.
    1 1 1 0 0 1 1 1 0 0 0 0 1 1 0 1 1 0 1 1 0 1 0 0 1 0 0 0 0 1 1 0 0 0 0 0 0 0 0 0 0 0 STOP MOTION ORDWELL025 RESET ON024 EMERGENCY STOP ON023 RESET e REWIND ON022 RESET BUTTON ON021 CUT SPEED UP/DOWN020 Emergência externa ERS está ligado (LADDER) Tecla RST está acionada (MDI) RRW está ligado (LADDER) Alarme de servo Trocou de modo de operação ou FEED HOLD Função PAS/PAS está ligada Parada do programa em AUTOMÁTICO MESSAGE [ALARM] Rev.18-08-06 CURSO DE MANUTENÇÃO BÁSICO_________________________________________________________________________________________________________ - 122 -
  • 123.
    MESSAGE [HISTRY] PAGE PAGE Avança/Retorna página Paraapagar a lista : P3110#2=0 [(OPRT)] [CLEAR] 0....255,5000...5455 = Operação / Programa de Usinagem 300...309 = Encoder com Bateria (Absoluto) 360...387 = Comunicação Serial do encoder 401...468 = Acionamento / Motor 500...515 = Fim-de-curso 600...607 = Acionamento 700 = Alta temperatura no CNC 701 = Falha no ventilador do CNC 704 = Erro de velocidade no SPINDLE (Flutuação RPM) 749...784 = Acionamento / Motor Spindle 900...976 = Alarme de Sistema (Fanuc) 1000...1999 = Alarmes do PMC (Fabricante) 2000...2999 = Avisos do PMC (Fabricante) 3000...3999 = Alarmes da usinagem (Fabricante / Processo) Rev.18-08-06 CURSO DE MANUTENÇÃO BÁSICO_________________________________________________________________________________________________________ - 123 -
  • 124.
    Através deste recurso, o CNC armazena todas as operações realizadas pelo operador , como por exemplo : - Quando o CNC foi ligado - Quando o CNC foi desligado - Data e hora do alarme - Telas que o operador entrou - Dados que o operador alterou - Etc. Parâmetros : Par. 3106#4 = 1, (OPH) mostra a tela do histórico SYSTEM [OPEHIS] PAGE Avança/Retorna página PAGE [OPRT] Busca página Rev.18-08-06 CURSO DE MANUTENÇÃO BÁSICO_________________________________________________________________________________________________________ - 124 -
  • 125.
    02/04/26 09:33:39 02/04/26 09:33:39 [SFL] [SF4] [SF3][SF2][SF1] [SF0] [SFR] <SYTEM> 09:33:39 <INPUT> <DELET> [SFL] [SF9] [SF8] [SF7][SF6] [SF5] [SF4] [SF3] [SF2][SF1] [SF0] [SFR] O sistema coloca a hora automaticamente. Par. 3122 = Tempo em min. Data e Hora quando o CNC foi desligado Data e Hora quando o CNC foi Ligado SOFTKEYS Tecla MDI [SG-SEL] Rev.18-08-06 CURSO DE MANUTENÇÃO BÁSICO_________________________________________________________________________________________________________ - 125 -
  • 126.
    PAGEPAGE Move para posiçãodesejada X / Y / G / F Ex. G7 <INPUT> Move para o bit desejado [ON:1] , Habilita bit [OFF:0] , Desabilita bit [ALLDEL] , apagada tudo [DELETE] , apaga linha Salvar Histórico de Operações [ READ ] = Leitura do arquivo do Histórico de Operações [ PUNCH] = Escrita do arquivo do Histórico de Operações Rev.18-08-06 CURSO DE MANUTENÇÃO BÁSICO_________________________________________________________________________________________________________ - 126 -
  • 127.
    % T0COPERATION HISTORY T50P1H90 T50P1H95 T53P0E0D00000000 T53P0E1D000000 T53P1E0D20051121 T53P1E1D101040 T52P0N100 T52P4 T53P0E0D20051121 T53P0E1D101040 T52P6 T52P10N5136 T53P0E0D20051121 T53P0E1D101040 T50P0H95 T50P0HEB T50P0H39 Formato doarquivo de Histórico de Operações Rev.18-08-06 CURSO DE MANUTENÇÃO BÁSICO_________________________________________________________________________________________________________ - 127 -
  • 128.
    Rev.18-08-06 CURSO DEMANUTENÇÃO BÁSICO_________________________________________________________________________________________________________ - 128 -
  • 129.
    12 - Ferramentas de Servos Rev.18-08-06CURSO DE MANUTENÇÃO BÁSICO_________________________________________________________________________________________________________ - 129 -
  • 130.
    Configuração mecânica Sistema mecânico: 1 - Modelo do servo 2 - Passo 3 - Relação mecânica entre o servo e o fuso 4 - Sistema de medição (Régua ou encoder do servo) 5 - Ajustes SYSTEM [ ] [SV-PRM] Parâmetro relacionado : P3111#0 = 1 mostra tela SERVO SET Rev.18-08-06 CURSO DE MANUTENÇÃO BÁSICO_________________________________________________________________________________________________________ - 130 -
  • 131.
    1) INITIAL SETBIT 2) MOTOR ID NO. Com estes dois parâmetros o CNC faz a carga automática de parâmetros do motor. Procedimento : - INITIAL SET BIT = 00000000 , manualmente - MOTOR ID NO. = ver tabela de motores - Desligar a máquina - Liga a máquina - O CNC faz a carga automática dos parâmetros conforme o tipo do motor , especificado no MOTOR ID NO. - INITIAL SET BIT = 00001010 Rev.18-08-06 CURSO DE MANUTENÇÃO BÁSICO_________________________________________________________________________________________________________ - 131 -
  • 132.
    SERVO ROM (FROM) Motor 1 P2000... P2001.. P2002.. ............ P2999 Motorn P2000... P2001.. P2002.. ............ P2999 Motor 2 P2000... P2001.. P2002.. ............ P2999 Parâmetros do CNC (SRAM) P0 P1 P2 ... ... P2000 ... ... ... ... ... P2999 ... ... ... P... P... Pn INITIAL SET BIT = 00000000 Carga automática dos parâmetros do servo INITIAL SET BIT = 00001010 3) AMR 4) CRM 5,6) FEED GEAR N/M Estes parâmetros são utilizados para configuração da relaçãomecânica. n passo N passo(mm) x 1000 x n M 1000000 = Rev.18-08-06 CURSO DE MANUTENÇÃO BÁSICO_________________________________________________________________________________________________________ - 132 -
  • 133.
    Exemplo : Relação motorfuso (n) = ½ Passo do fuso = 10 mm ( 10 x 1000 x 0.5 ) 5000 5 1000000 1000000 1000 0.005 1 200 = = = = N M = CMR = Multiplicador no caso de relação mecânica muito alta. CMR = 2 = x1 AMR = Utilizada antigamente no sistema analógico. (não usar) 7) DIRECTION SET : Sentido + Motor Horário DIRECTION SET = 111 Sentido + Motor Anti-Horário DIRECTION SET = -111 Rev.18-08-06 CURSO DE MANUTENÇÃO BÁSICO_________________________________________________________________________________________________________ - 133 -
  • 134.
    8) VELOCITY PULSENO : Sempre 8192 , definição FANUC 9) POSITION PULSE NO : Sempre 12500 , para sistema de medição através do encoder do servo Para medição externa através de régua/encoder, calcular o número de pulso (um) para 1 volta do motor 10) REFERENCE COUNTER : Ajuste do ponto de referencia. Configuração com régua Régua EXE CNC AQUADB Multipilica ou divide Rev.18-08-06 CURSO DE MANUTENÇÃO BÁSICO_________________________________________________________________________________________________________ - 134 -
  • 135.
    1 volta nomotor = ???? Na régua Dados do sistema : Passo = 10mm (10000 um) Relação mecânica = ½ Resolução régua + EXE = 1um Resultado : 1 volta no motor = 5000um = 5000um na régua Parâmetros : 1 volta no motor = ??? régua12500Position Pulse 1 1 Passo x 1000 x n 1000000 N/M 10P1815.1 (OPT) Medição pela réguaMedição pelo motorParâmetro Rev.18-08-06 CURSO DE MANUTENÇÃO BÁSICO_________________________________________________________________________________________________________ - 135 -
  • 136.
    SYSTEM [ ][SV-PRM] [SV-TUN] POS [ ] Parâmetro : 3111#5=1(OPM) 1=Mostra tela 3151 = (número do eixo) 3152 = (número do eixo) 3153 = (número do eixo) [ MONI] Rev.18-08-06 CURSO DE MANUTENÇÃO BÁSICO_________________________________________________________________________________________________________ - 136 -
  • 137.
    Para auxiliar amanutenção no CNC GE Fanuc dispomos do osciloscópio de dois canais o qual podemos analisar : -Corrente dos servomotores - Erro de arraste - RPM atual dos servomotores - RPM eixo árvore - Entradas/Saídas - Etc. Parâmetros : Par. 3112#0 = 1, (SGD) , mostra a tela do osciloscópio OBS : Desligar e ligar o CNC SYSTEM [W.DGNS] PAGE Avança/Retorna PAGE [W.PRM ] Tela de parâmetros OSC. [W.GRPH] Tela do OSC. [W.MEM ] Tela configuração MEM. Rev.18-08-06 CURSO DE MANUTENÇÃO BÁSICO_________________________________________________________________________________________________________ - 137 -
  • 138.
    Opções : GRP CONDITION 0: START (Liga a análise via softkey no CNC) 1 : STARTING&TRG (Liga a análise via LADDER , borda de subida) 2 : STARTING&TRG (Liga a análise via LADDER externa , borda de descida) SAMPLING TIME Define o período em ms, o qual definirá a amostragem do sinal. (10 á 32760) TRIGGER Define o sinal do LADDER para iniciar a amostragem. Ex. G7.2 Medidor de carga no eixo árvore11n Velocidade atual do eixo árvore10n ON/OFF de um sinal de maquina especificado no “SIGNAL ADDRESS”99 Composição de velocidade, 1o. 2o. 3o. Servo90 Dados simulação térmica7n Corrente , comando6n Velocidade (RPM) do servo5n Erro de arraste no servo (2ms)3n Torque (Corrente)2n Pulso do encoder1n Erro de arraste no servo (8ms)0n Não mostra sinal00 DescriçãoDATA No. UNIT: Especifica a unidade , conforme o valor do “DATA No.” Rev.18-08-06 CURSO DE MANUTENÇÃO BÁSICO_________________________________________________________________________________________________________ - 138 -
  • 139.
    [W.GRPH] [START ] =Inicia a amostragem [TIME ] = Desloca para direita [TIME ] = Desloca para esquerda [H-DOBL] = Aumenta a escala T [H-HALF] = Diminui a escala T [V-DOBL] = Aumenta amplitude [V-HALF ] = Diminui a amplitude [CH-1 ] = Desloca para o 0 [CH-1 ] = Desloca para o 0 [CH-2 ] = Desloca para o 0 [CH-2 ] = Desloca para o 0 Rev.18-08-06 CURSO DE MANUTENÇÃO BÁSICO_________________________________________________________________________________________________________ - 139 -
  • 140.
    13 - Alarmese Diagnósticos Servos Rev.18-08-06 CURSO DE MANUTENÇÃO BÁSICO_________________________________________________________________________________________________________ - 140 -
  • 141.
    As informações detalhadassobre o alarme servo são exibidas na tela de diagnóstico (nº 200 e 204) da seguinte forma: #7 (OVL) : Está sendo gerado um alarme de sobrecarga.(Ver DGN 201) #6 (LV) : Está sendo gerado um alarme de baixa voltagem no amplificador servo. #5 (OVC) : Está sendo gerado um alarme de corrente excessiva no servo digital. #4 (HCA) : Está sendo gerado um alarme de corrente anormal no amplificador servo. #3 (HVA) : Está sendo gerado um alarme de sobretensão no amplificador servo. #2 (DCA) : Está sendo gerado um alarme do circuito de descarga regenerativo no amplificador servo. #1 (FBA) : Está sendo gerado um alarme de desconexão. #0 (OFA) : Está sendo gerado um alarme de estouro no servo digital. DGN 200 HVA #3 DCA #2 FBA #1 OFAHCAOVCLVOVL #0#4#5#6#7 Rev.18-08-06 CURSO DE MANUTENÇÃO BÁSICO_________________________________________________________________________________________________________ - 141 -
  • 142.
    DGN 201 #3 #2 #1 EXPALD #0#4#5#6#7 #7(ALD) = 0 : Sobreaquecimento do motor = 1 : Sobreaquecimento do amplificador #6 (CSA) : Ocorreu um alarme da soma de verificação. #5 (BLA) : Ocorreu um alarme de bateria baixa. #4 (PHA) : Ocorreu um alarme de problemas com dados de fase. #3 (PCA) : Ocorreu um alarme de problemas com contagem de velocidade. #2 (BZA) : Ocorreu um alarme de bateria zero. #1 (CKA) : Ocorreu um alarme de relógio. #0 (SPH) : Ocorreu um alarme de problemas com dados de fase de software. DGN 202 PCA #3 BZA #2 CKA #1 SPHPHABLACSA #0#4#5#6#7 Rev.18-08-06 CURSO DE MANUTENÇÃO BÁSICO_________________________________________________________________________________________________________ - 142 -
  • 143.
    #7 (DTE) :Ocorreu um erro de dados. #6 (CRC) : Ocorreu um erro de dados CRC. #5 (STB) : Ocorreu um erro de bit de parada. #4 (PRM) : Ocorreu um alarme de erro de parâmetro. Neste caso, é igualmente transmitido um alarme de erro de parâmetros servo (nº. 417). DGN 203 #3 #2 #1 PRMSTBCRCDTE #0#4#5#6#7 Quando FBA (DGN 200#1) for igual a 1 o alarme de servo nº 416 está sendo gerado: Encoder desconectador via SOFTWARE00 Sistema de medição externa desconectado (HARDWARE)11 Encoder do servo desconectado (HARDAWARE)01 DetalheEXP DGN 201 #4 ALD DGN 201#7 Rev.18-08-06 CURSO DE MANUTENÇÃO BÁSICO_________________________________________________________________________________________________________ - 143 -
  • 144.
    U V WUL VL WL UMVM WM UL VL WL UMVM WM UN VN WN Simples Duplo Triplo SVM = Servo Module (Acionamento) Exemplo : SVM1 -12 = Acionamento de 12 Amperes SVM2 -12/20 = Acionamento 12 Amperes (L) , 20 Amperes (M) SVM3 -12/20/40 = Acionamento 12 Amperes (L), 20 Amperes (M), 40 Amperes (N) SVM1 SVM2 SVM3 Rev.18-08-06 CURSO DE MANUTENÇÃO BÁSICO_________________________________________________________________________________________________________ - 144 -
  • 145.
    Rev.18-08-06 CURSO DEMANUTENÇÃO BÁSICO_________________________________________________________________________________________________________ - 145 -
  • 146.
    Rev.18-08-06 CURSO DEMANUTENÇÃO BÁSICO_________________________________________________________________________________________________________ - 146 -
  • 147.
    Rodapé do vídeoSTATUSOperação/Execução14 <MESSAGE> [HISTRY]P3110#2Histórico de Alarmes10 <MESSAGE>Tela de ALARME / MENSAGEM11 <PROG> [CHECK]Modo AutomáticoTela PROG CHECK12 <HELP>Tecla HELP13 <SYSTEM> [ ] [SV-PRM] [SV-TUN]P3111#0=1Telas de verificação do servo09 <SYSTEM> [ ] [SV-PRM]P3111#0=1Telas de configuração do servo08 <SYSTEM> [SYSTEM]Telas de configuração do CNC07 <SYSTEM> [DGNOS]Tela de diagnóstico06 <SYSTEM> [W-DGNOS]P3112.0=1Osciloscópio05 P3111#5=1 P3106.4=1 K17.0 Sinais muito rápido X/Y/R/D/K/T/C/G/F Observação <POS> [ ] [MONI]Tela de carga nos Servos/Spindle15 <SYSTEM> [OPEHIS]Histórico de Operações04 <SYSTEM> [PMC] [PMCLAD]LADDER03 <SYSTEM> [PMC] [PMCDGN] [TRACE]Função TRACE02 <SYSTEM> [PMC] [PMCDGN] [STATUS]Tela status PMC01 TeclasDescriçãoItem Rev.18-08-06 CURSO DE MANUTENÇÃO BÁSICO_________________________________________________________________________________________________________ - 147 -
  • 148.
    14 - Acionamentos Rev.18-08-06CURSO DE MANUTENÇÃO BÁSICO_________________________________________________________________________________________________________ - 148 -
  • 149.
    Eixos auxiliares BETA BETA i BETAI/O LINK BETA Eixos principais ALPHA ALPHA i ALPHA Nível de Aplicação SérieAcionamento Linha de Acionamentos & Servos Acionamentos Rev.18-08-06 CURSO DE MANUTENÇÃO BÁSICO_________________________________________________________________________________________________________ - 149 -
  • 150.
    AC Power Control Power Supply Cap Rectifier Transistor Bridge Regen Control Regen Resistor Alarms EncoderBattery Pack Transistor Driver Circuit Conceito: CNC Aliemtação Eletrônica 230VAC, 1 Servo Motor 400VAC, 3 CNC CXA2A CX1A CX3 TB2 L1 L2 L3 G TB1 PSM CXA 2A CXA 2B JYA2 JYA4 TB1 SPM JA 7A JA 7B CXA 2A CXA 2B TB1 SVM COP 10B COP 10A JF1 CXA 2A CXA 2B TB1 SVM COP 10B COP 10A JF1 JF2 CNC Spindle Motor Power Fb Servo Motor Power Fb Scale SDU Rev.18-08-06 CURSO DE MANUTENÇÃO BÁSICO_________________________________________________________________________________________________________ - 150 -
  • 151.
    24Vdc 400VAC, 3 Servo Motor CNC CXA 19A CXA 19B CX30 TB2 SVM CZ7 JF1 COP 10B COP 10A 400VAC,3 CXA 19A CXA 19B CX30 TB2 SVM Servo Motor CZ7 JF1 COP 10B COP 10A ESP Reference: • B-65162EN/03 Servo Amplifier alpha series Descriptions Manual POWER SUPPLY - PSM CXA2A CX1BCX1A JX1B CX4CX3 GND TB2 L1 L2 L3 G TB1 200VAC, 1 SPM / SVM (DC-link) - Check-pin board - SPM / SVM (*2) (Alarm, MCOFF, CRDY) SPMi / SVMi (MIFB, 24V, BATT, ESP) MCC Circuit Breaker 2 Circuit Breaker 1 AC Reactor ESP 200VAC - DB Module (*1) - SPM / SVM (*2) Nota: (*1) CX1B: Usado para módulo DB no caso do SVM1-360 , SVM1-180HV ou SVM1-360HV . (*2) CX1B e JX1B: Usado para conectar o SPM / SVM para o PSM . Rev.18-08-06 CURSO DE MANUTENÇÃO BÁSICO_________________________________________________________________________________________________________ - 151 -
  • 152.
    FSSB FSSB ESP, Alarm, 24V,Battery DC-Link DC-Link ESP, Alarm, 24V, Battery Motor Feedback • SVM + Dynamic Brake Module (DBM) 200Vac 200Vac Rev.18-08-06 CURSO DE MANUTENÇÃO BÁSICO_________________________________________________________________________________________________________ - 152 -
  • 153.
    SPM Rev.18-08-06 CURSO DEMANUTENÇÃO BÁSICO_________________________________________________________________________________________________________ - 153 -
  • 154.
    Configuração : Fonte deAlimentação PSM: Rev.18-08-06 CURSO DE MANUTENÇÃO BÁSICO_________________________________________________________________________________________________________ - 154 -
  • 155.
    Módulo de ServoSVM: Módulo de SPINDLE SPM: Rev.18-08-06 CURSO DE MANUTENÇÃO BÁSICO_________________________________________________________________________________________________________ - 155 -
  • 156.
    Alimentação 220VAC: Emergência externaCX3 / CX4 : Rev.18-08-06 CURSO DE MANUTENÇÃO BÁSICO_________________________________________________________________________________________________________ - 156 -
  • 157.
    Barramento 300VDC: Alimentação 220VASPINDLE : Emergência SVM/SPM CX2B : Rev.18-08-06 CURSO DE MANUTENÇÃO BÁSICO_________________________________________________________________________________________________________ - 157 -
  • 158.
    Cabo de controleJX1A / JX1B : Cabo de potência : Rev.18-08-06 CURSO DE MANUTENÇÃO BÁSICO_________________________________________________________________________________________________________ - 158 -
  • 159.
    Cabo de potência: Cabo de potência : Rev.18-08-06 CURSO DE MANUTENÇÃO BÁSICO_________________________________________________________________________________________________________ - 159 -
  • 160.
    Cabo de potência: Cabo do encoder : Rev.18-08-06 CURSO DE MANUTENÇÃO BÁSICO_________________________________________________________________________________________________________ - 160 -
  • 161.
    Cabo do encoder: Rev.18-08-06 CURSO DE MANUTENÇÃO BÁSICO_________________________________________________________________________________________________________ - 161 -
  • 162.
    15 - SPINDLE Rev.18-08-06CURSO DE MANUTENÇÃO BÁSICO_________________________________________________________________________________________________________ - 162 -
  • 163.
    Conceito Encoder H.R.M. Pulse Coder SensorMz Sensor M Sensor no MOTOR (para velocidade e posição) One-rotation Switch Position Coder S H.R. Position Coder Position Coder BZ Sensor, CZ Sensor Sensor no SPINDLE (para posição) Rev.18-08-06 CURSO DE MANUTENÇÃO BÁSICO_________________________________________________________________________________________________________ - 163 -
  • 164.
    Controle do SPINDLE •Lógica de controle dentro do SPM • Parâmetros do SPM fica no CNC • Ao ligar o CNC os parâmetros são transferidos para o SPM CNC JA41 Pos control Vel control Cur control Motor Cur fb Vel fb SPM JY4A JY2A Pos fb Motor Encoder Spindle Sensor Pos fb Power JA7B Carga Automática dos parâmetros Procedimento : Par. 3701#1(ISI) = 0 , Habilita Spindle FANUC / 1=Desabilita Par. 4133 = Modelo do motor SPINDLE Par. 4019#7 = 1 Carga automática do spindle (0 carga OK) Desligar e ligar o CNC e o SPINDLE Se o parâmetro 4019#7=0, significa que o procedimento de carga automática dos parâmetros ocorreu perfeitamente. Rev.18-08-06 CURSO DE MANUTENÇÃO BÁSICO_________________________________________________________________________________________________________ - 164 -
  • 165.
    Configuração SPINDLE (T): Par.3706#6 e #7 = Polaridade (sentido de giro) Par. 3735 = Máxima velocidade spindle Par. 3730 = OFFSET analógica Par. 3731 = Ganho analógica Par. 3732 = Velocidade Spindle na orientação quando G29#5 = 1 (SOR) Par. 3740 = Tempo SAR (mseg) Par. 3708#0 = 0 não verifica SAR / 1=Verifica (G29#4) Par. 3741 = Máxima velocidade na GAMA I (G28#1 e G28#2) Par. 3742 = Máxima velocidade na GAMA II (G28#1 e G28#2) Par. 3743 = Máxima velocidade na GAMA III (G28#1 e G28#2) Par. 3744 = Máxima velocidade na GAMA IV (G28#1 e G28#2) Par. 4030 = Aceleração / desaceleração soft start , 4006#2 =1 , multiplica x 10 rmp/seg G71.4 = 1 Habilita soft/start no spindle - Emergência G71.1 = *ESPP em 0 , Display fica [--] piscando G70.7 = MDRY G29.6 = *SSTP , spindle Stop - Comando G70.5 = SFRA (Spindle Horário), display fica [00] G70.4 = SRVA (Spindle Anti-Horário), display fica [00] G30 = Spindle override Sinais G/F Rev.18-08-06 CURSO DE MANUTENÇÃO BÁSICO_________________________________________________________________________________________________________ - 165 -
  • 166.
    Configuração Encoder SPINDLE(T): 4001#2 = 1, Habilita encoder externo 4000#0 = 0, encoder no mesmo sentido do spindle / 1 = invertido Configuração Parada orientada SPINDLE (T): 4015#0 = 1, Habilita parada orientada / 0 = desabilita (não zera) 4038 = RPM para orientação (valor 0 , o spindle usa um valor padrão) 4031 = Posição de para na orientação (4095 = 360 Graus) 4077 = Corrigir parada = 360 graus = 4095, poder ser negativo (-4095 a 4095) M19 liga G70.6 no ladder (ORCMA) O F45.7 (ORARA) indica posição OK Configuração Parada Orientada Incremental SPINDLE (T): 3702#2 = 1, Habilita parada incremental 4328 = Multiplicador da parada incremental NO PMC G72.5(INCMDA) = 1, Habilita parada incremental G78 + G79 (0…3) = 4095 = 360Graus Telas SPINDLE : Par. 3111#1 = 1, para habilitar a tela de configuração do spindle SYSTEM [ SP-PRN ] Rev.18-08-06 CURSO DE MANUTENÇÃO BÁSICO_________________________________________________________________________________________________________ - 166 -