Importante resolver
exercícios
2.7 – 2.8 – 2.9 - 2.12 – livro
professor Brunetti e ...
2.7
Resolução
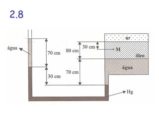
2.8
Resolução
kPa,
,
,p
kPa,p
,
,0pp
kPa,p
,
ppp
kPa
m
N
p
p,,
pefetivaEscala
p,,,,p
abs
abs
abs
M
M
óleoarM
ar
atmarar
ar
ar
atm
aróleoOHHgOHatm
19137
1000
136000740
5536
5536
1000
8500300
3430
64134
1000
136000740
34
3434000
8500800136000300
0
800700300700
2
22
=
×
+=
=∴
×
+=γ×+=
=∴
×
+=+=
==∴
=×−×
=⇒
=γ×−γ×−γ×+γ×+
2.9
Resolução
2.11
Resolução
2.12
y
a
α
al
Resolução
mm
,sen,
,sena
a
sen
,
D
d
y
dD
y
ay101-
:efetivaEscala
payp
3-
atmar
5
0800051180001094410
511
10944
44
08000800010000
80008000
2
2
222
≈
=××+××+−
×=⇒=α
×=⎟
⎠
⎞
⎜
⎝
⎛
×=⇒
π
×=
π
×
=++××
=×+×+
−
−
l
ll
l
l
lll
o
o
2.13
Resolução
2.14
9.92
cm
Resolução
kPa,Pap
pp,,)a
mi
miarinicial
22525200
10000200136000200
==∴
==×−×
9.92
cm 0.5 cm
x
x
20-x20-2x
b)
cmx
x,
5
1050
=∴
=×
kPa12,05Pap
pp,,
mf
mfarfinal
==∴
==×−×
12050
100001550136000100
Resolução (cont.)
Ct
)t(
),,()(
)(
,)(
T
Vp
T
Vp
f
f
f
ff
i
ii
o
44
273
50929101000012050
100273
9291010000025200
≅
+
−××+
=
+
××+
=
2.15
Resolução
2.16
Resolução
3
2
2
162
60273
100032
20273
295032
100032136000662010000
100000100001
9503213600066205000
5000
1360000250100001600
m,V
)(
V
)(T
Vp
T
Vp
m
N
,p
m
N
ppc)
0,5mz0z10000-5000)b
kPa,p
Pap
p,,)a
f
f
f
ff
i
ii
gás
gásgás
gás
gás
gás
fabs
ff
abs
=∴
+
×
=
+
×
⇒=
=×+=
=∴=×−
=∴=×
=×+=
=∴
=×+×+
2.17
Resolução
2.18
Resolução
32
2
1
1
2
222
2
111
311217
1830
4
50
1830
50
2
505010
2
10511
7854
4
50
40000
197550395030
59817
4
50
50000
m
kg
,
,
,
9,8
3950
c)
m,L
L,
,,
N,FFFGFb)
descecorpooFGFComo
N
,
ApF
N,GsenG
N,
,
ApF)a
t2
t2
t
≅
×
×π
=ρ
≅∴
××π×
−
×==∴+=+
⇒>+
≅
×π
×=×=
=×==
≅
×π
×=×=
−
µµ
o
2.19
Resolução
2.20
Resolução
kPa,,ppp)c
kPa,,pkPa,p
0,08
p)
0,16
(10000
,)
0,08
(10000)b
N,F
),,(,
,
F)a
agásm
gásgás
2
gás
2
2
B
BabsB
15010140
959100140140
4
1020
4
81501001020
4
8150
080160050
0010
5
10
8000
10
4
4
3
−=−−=−=
=+−=⇒−=
×π
×+×−
×π
×
+=+×−
×π
×
=∴
+××π×××=
−
−
µ
−
µ
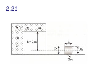
2.21
Resolução

Resolução do capítulo 2 brunetti